M30 Gas/LPG GLOBAL Parts Manual Gas LPG
M30-Gas-LP-Parts-Manual-SN-000000-007999
2016-07-11
: Sweepscrub M30 Gas-Lpg Parts Manual M30_Gas-LPG_parts_manual 139 file product_file
Open the PDF directly: View PDF
.
Page Count: 390 [warning: Documents this large are best viewed by clicking the View PDF Link!]
- M30 Gas/LPG GLOBAL Parts Manual
- GENERAL RECOMMENDED MAINTENANCE
- STANDARD PARTS
- Fig. 1 - Brushes, Replacement, Scrub Head
- Fig. 2 - Brushes, Replacement, Side Brush
- Fig. 3 - Main Frame Group
- Fig. 4 - Operator Station
- Fig. 5 - Operator Station Insulation Group
- Fig. 6 - Instrument Panel Group
- Fig. 7 - Seat Group
- Fig. 8 - Steering Group
- Fig. 9 - Front Cover Group
- Fig. 10 - Engine Cover Group
- Fig. 11 - GM Engine and Mount Group (000000- 003999)
- Fig. 12 - GM Engine EFI Group, Gasoline (000000- 001320)
- Fig. 13 - GM Engine EFI Group, Gasoline (001321- 003999)
- Fig. 14 - GM Engine EFI Group, LPG (000000- 003999)
- Fig. 15 - GM Engine Vaporizer Group, LPG (000000- 001320)
- Fig. 16 - GM Engine Vaporizer Group, LPG (001321- 003999)
- Fig. 17 - GM Engine Air Cleaner Group, Gasoline (000000- 003999)
- Fig. 18 - GM Engine Air Cleaner Group, LPG (000000- 003999)
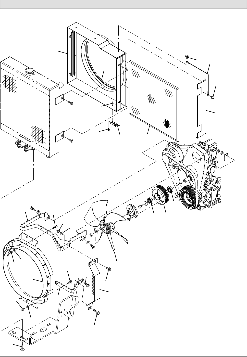
- Fig. 19 - GM Engine Alternator and Fan Group (000000- 003999)
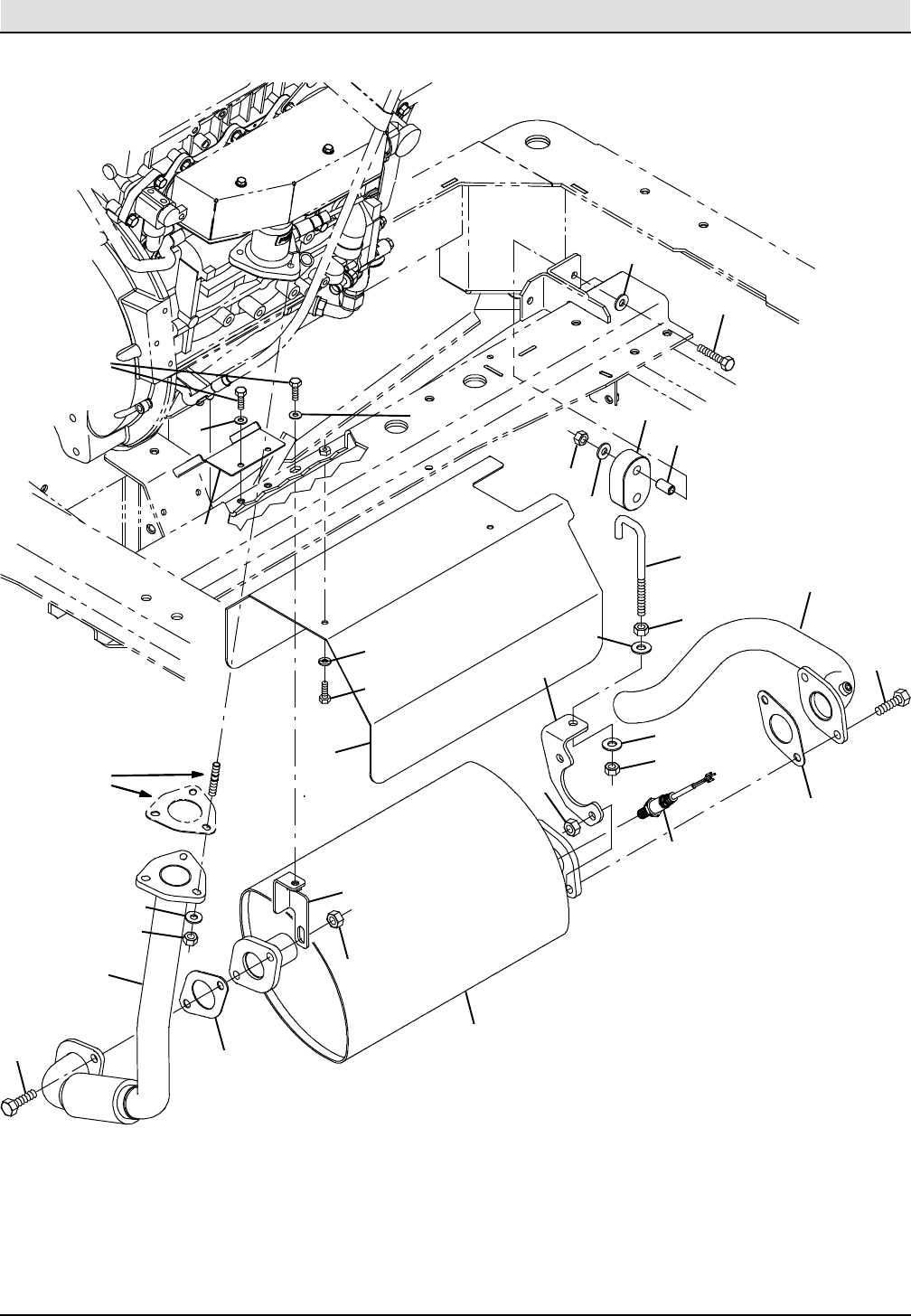
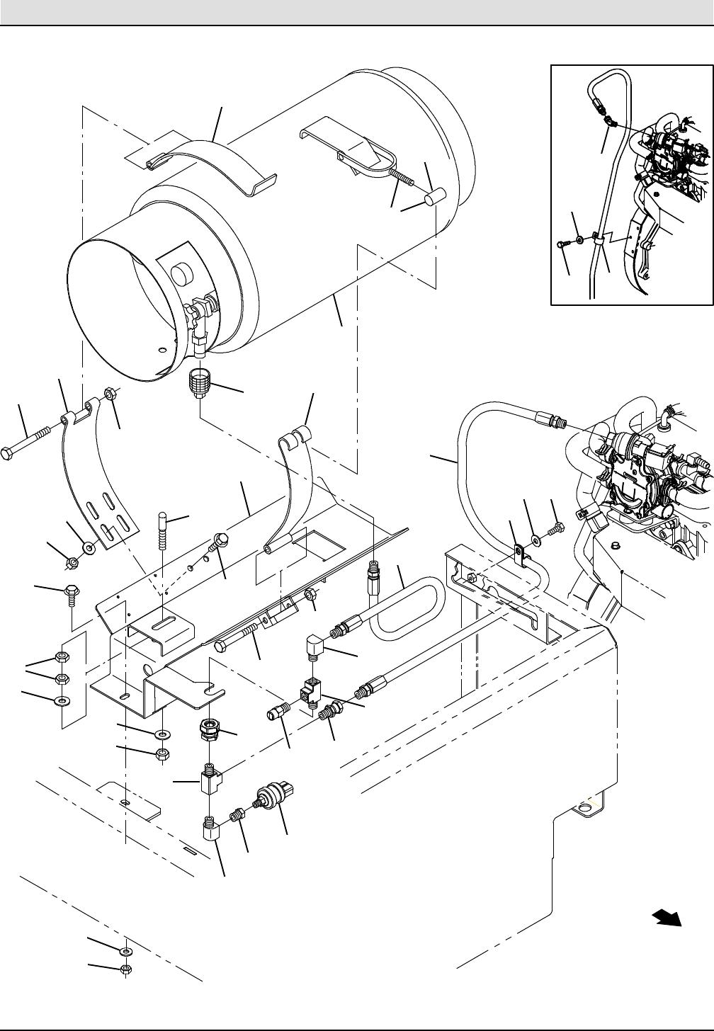
- Fig. 20 - GM Engine Muffler Group (000000- 003999)
- Fig. 21 - GM Engine Radiator and Mount Group (000000- 001249)
- Fig. 22 - GM Engine Radiator and Mount Group (001250- 003999)
- Fig. 23 - GM Engine Radiator Hose Group (000000- 003999)
- Fig. 24 - Mitsubishi Engine and Mount Group, Gas (004000- )
- Fig. 25 - Mitsubishi Engine and Mount Group, LPG (004000- )
- Fig. 26 - Mitsubishi Engine EFI Group, Gasoline (004000- )
- Fig. 27 - Mitsubishi Engine EFI Group, LPG (004000- )
- Fig. 28 - Mitsubishi Engine Air Cleaner Group, Gasoline (004000- )
- Fig. 29 - Mitsubishi Engine Air Cleaner Group, LPG (004000- )
- Fig. 30 - Mitsubishi Engine Alternator and Fan Group (004000- )
- Fig. 31 - Mitsubishi Engine Muffler Group (004000- )
- Fig. 32 - Mitsubishi Engine Radiator and Mount Group (004000- )
- Fig. 33 - Mitsubishi Engine Radiator Hose Group (004000- )
- Fig. 34 - Engine Fuel Tank Group, Gasoline
- Fig. 35 - Engine Fuel Tank Group, LPG
- Fig. 36 - Battery and Electrical Group
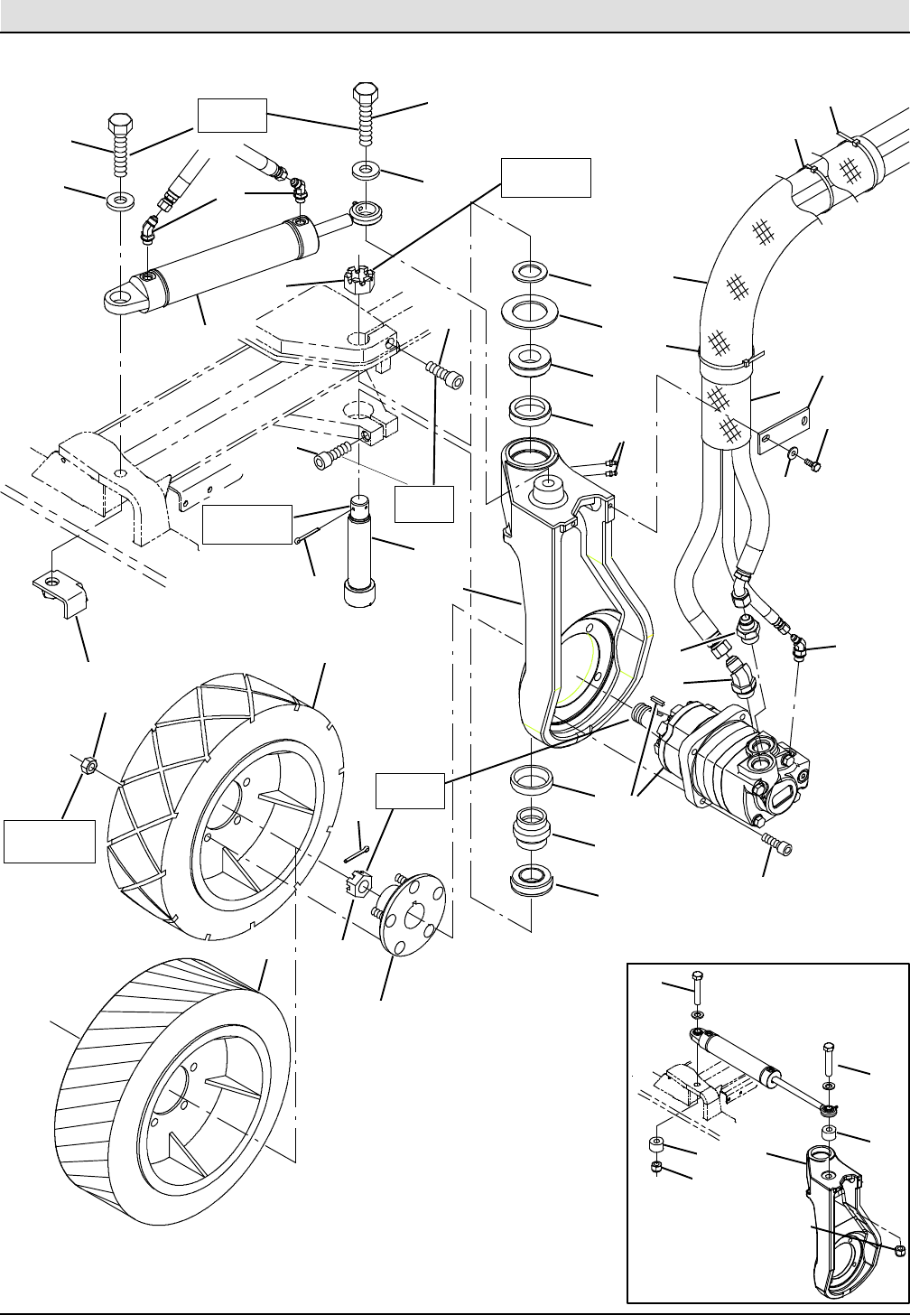
- Fig. 37 - Wheel Group, Front Drive
- Fig. 38 - Wheel and Brake Group
- Fig. 39 - Brake Pedal Linkage Group
- Fig. 40 - Directional Pedal Group
- Fig. 41 - Hydraulic Pump Linkage Group
- Fig. 42 - Hopper Lift Arms Group
- Fig. 43 - Hopper and Debris Screen Group
- Fig. 44 - Hopper Cover and Dust Filter Group
- Fig. 45 - Hopper Bumper Group
- Fig. 46 - Hopper Dump Door Group
- Fig. 47 - Brush Drive Group, Left Side
- Fig. 48 - Brush Drive Group, Right Side
- Fig. 49 - Brush Head Lift Group
- Fig. 50 - Brush Head Skirt Group
- Fig. 51 - Squeegee Lift Group, Rear
- Fig. 52 - Squeegee Group, Rear
- Fig. 53 - Squeegee Linkage Group, Rear
- Fig. 54 - Squeegee Group, Right Side
- Fig. 55 - Squeegee Lift Group, Right Side
- Fig. 56 - Squeegee Group, Left Side
- Fig. 57 - Squeegee Lift Group, Left Side
- Fig. 58 - Solution Tank Group
- Fig. 59 - Solution Tank Drain Group
- Fig. 60 - Solution Control Group
- Fig. 61 - Recovery Tank Group
- Fig. 62 - Recovery Tank Drain Group
- Fig. 63 - Vacuum Fan Group, Scrubbing (000000- 004454)
- Fig. 64 - Vacuum Fan Group, Scrubbing (004455- )
- Fig. 65 - Vacuum Fan Group, Sweeping
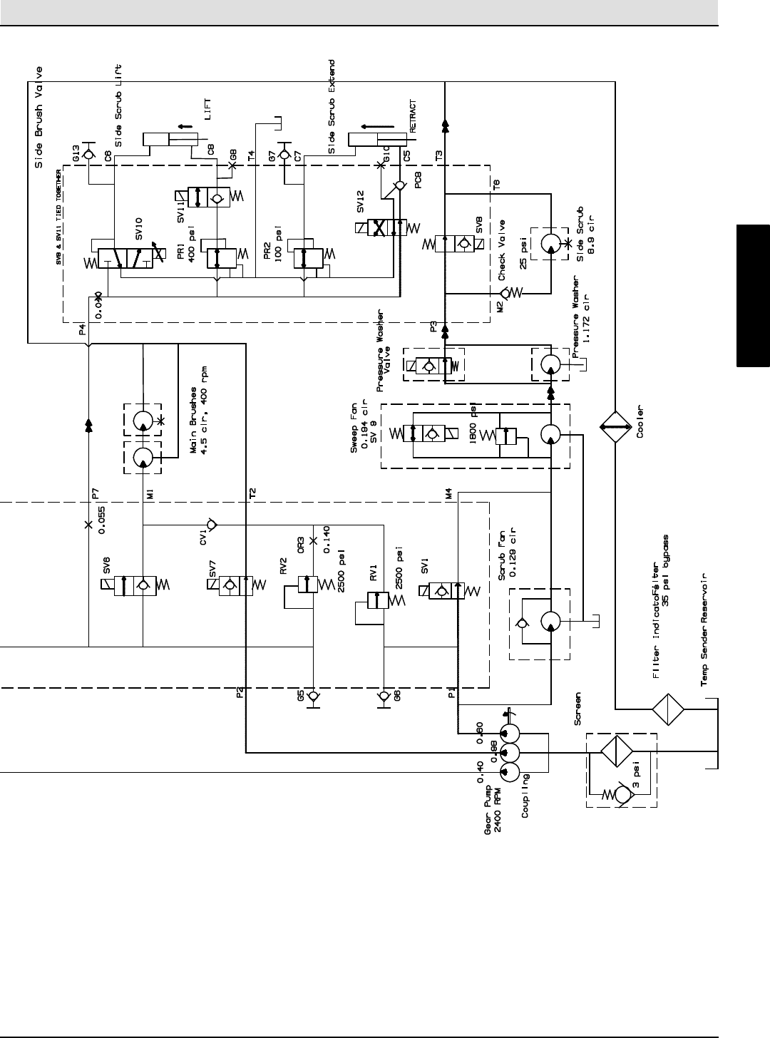
- Fig. 66 - Hydraulic Schematic (000000- 001462)
- Fig. 67 - Hydraulic Schematic (001463- )
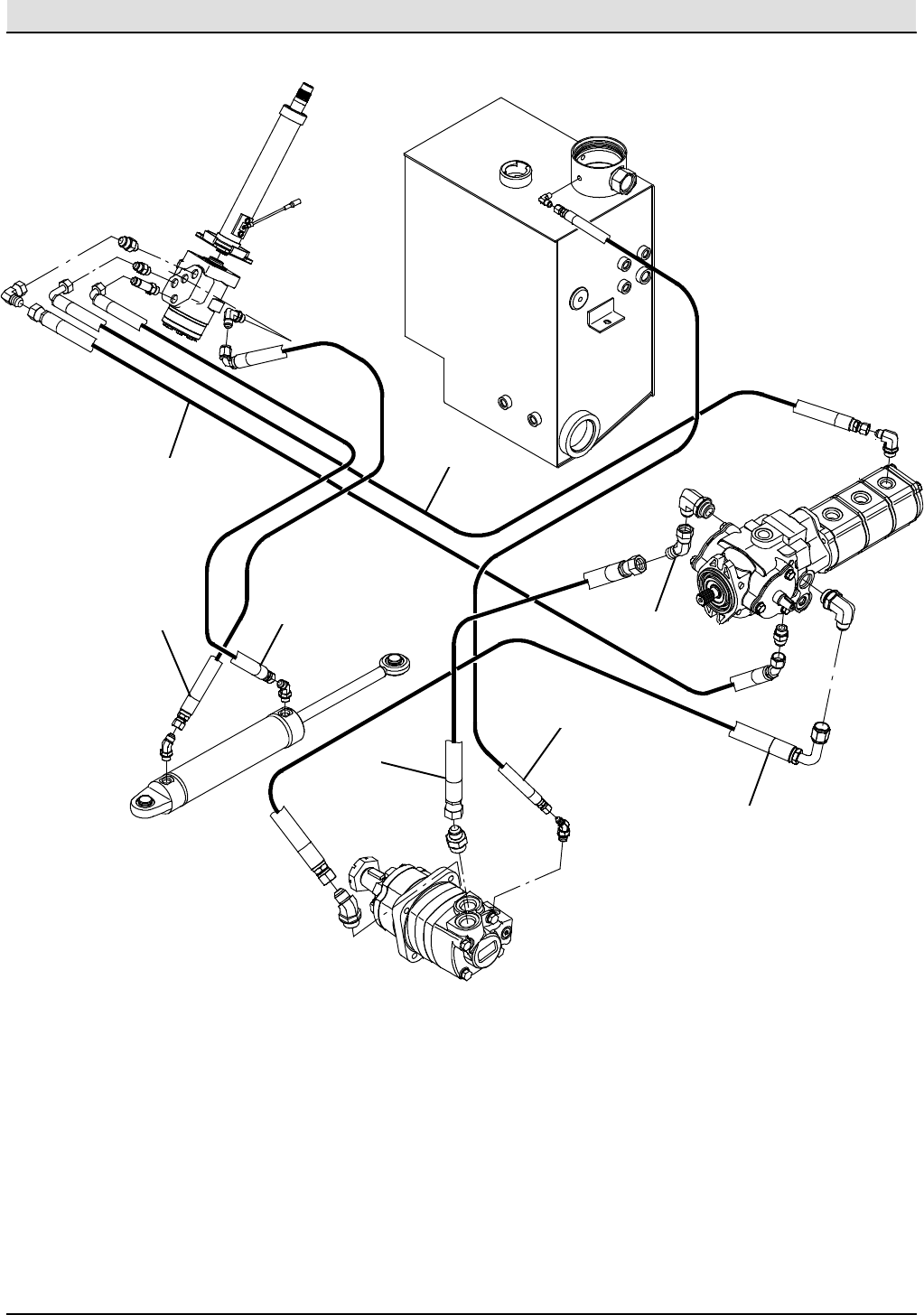
- Fig. 68 - Hydraulic Hose Group, Steering and Propel
- Fig. 69 - Hydraulic Hose Group, Pump and Vacuum Fan (000000- 004454)
- Fig. 70 - Hydraulic Hose Group, Pump and Vacuum Fan (004455- )
- Fig. 71 - Hydraulic Hose Group, Brush and Hopper
- Fig. 72 - Hydraulic Hose Group, Squeegee Lift
- Fig. 73 - Hydraulic Pumps Group
- Fig. 74 - Hydraulic Cooler and Tubes Group
- Fig. 75 - Hydraulic Reservoir Group
- Fig. 76 - Hydraulic Valve Group
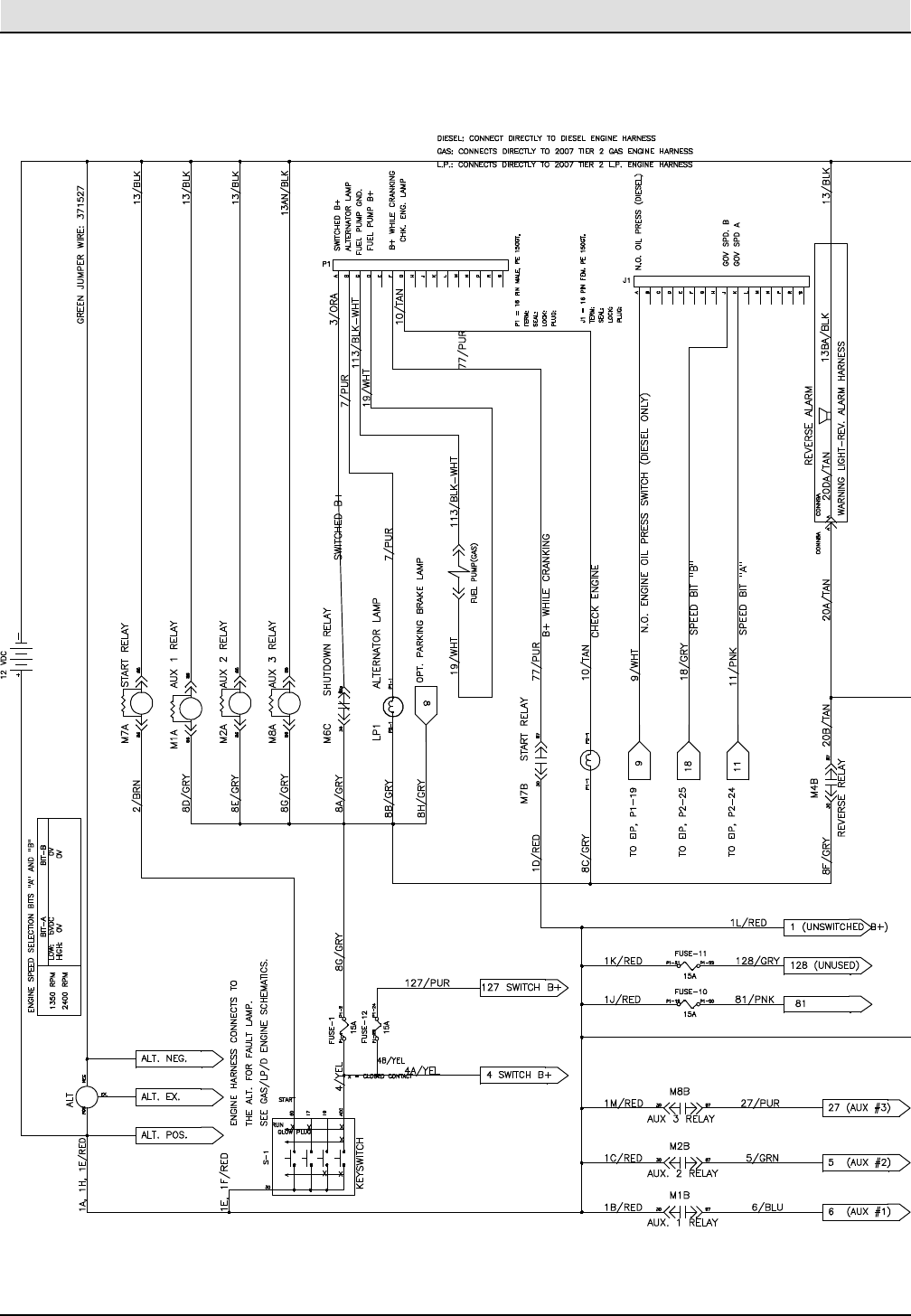
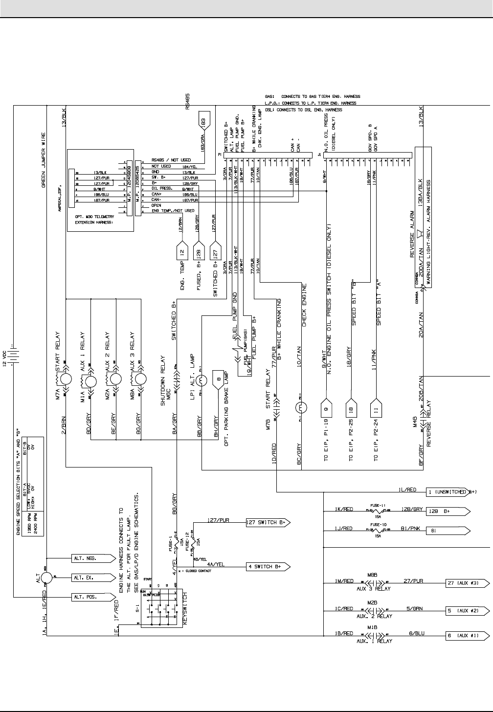
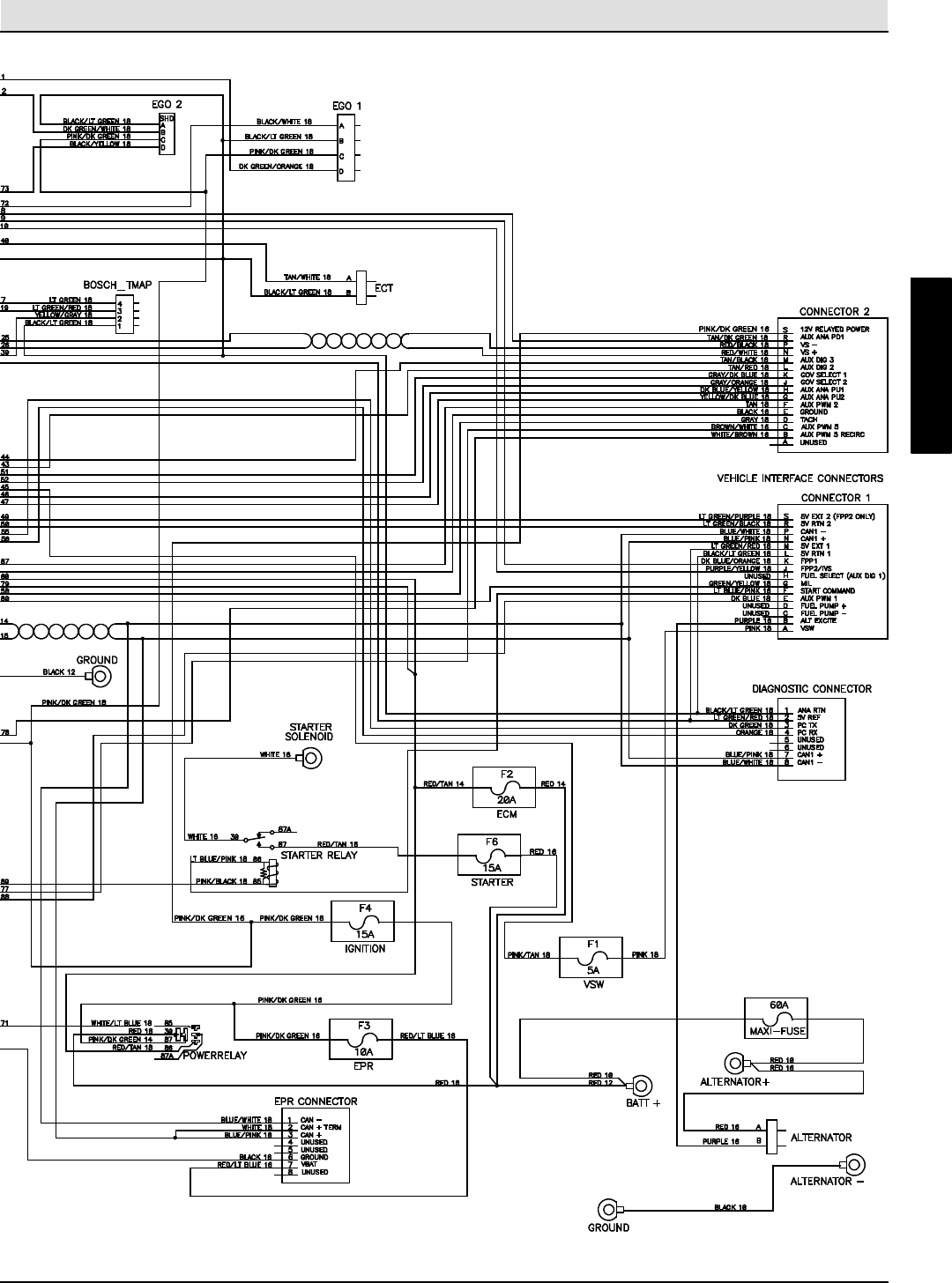
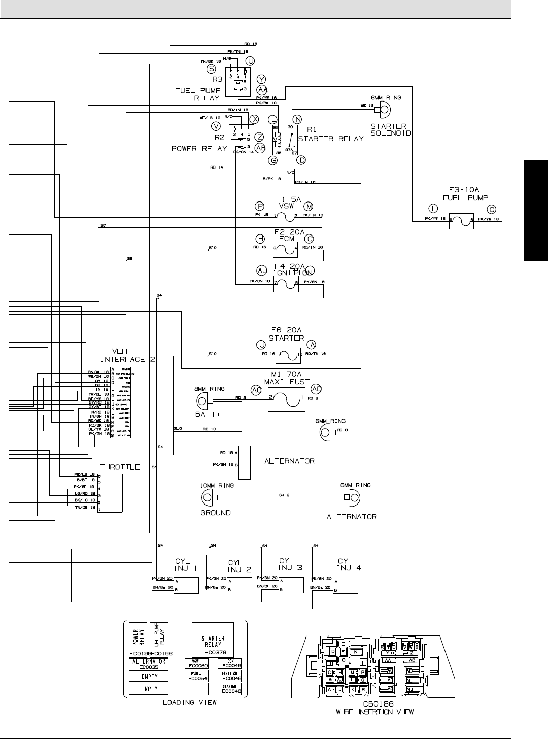
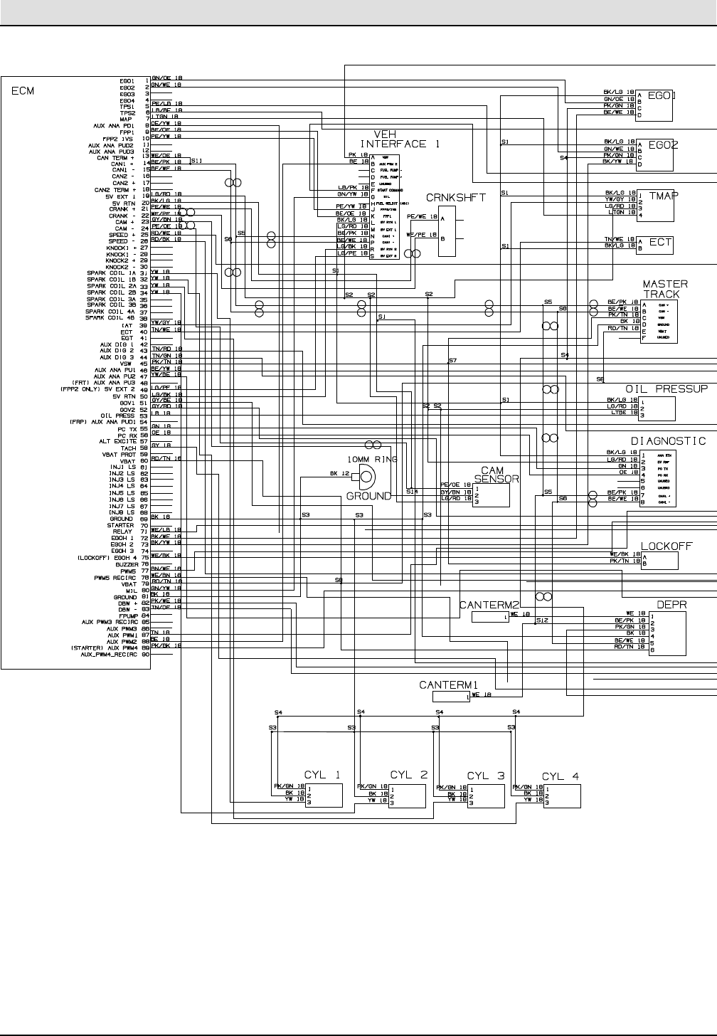
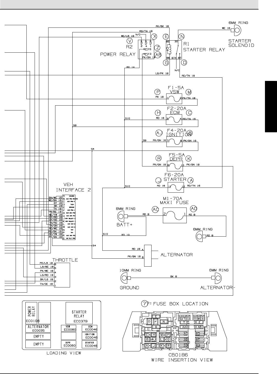
- Fig. 77 - GM Electrical Schematic (000000- 001544)
- Fig. 78 - GM Electrical Schematic (001545- 003999)
- Fig. 79 - GM Electrical Schematic, Gasoline Engine Harness (000000- 001320)
- Fig. 80 - GM Electrical Schematic, Gas Engine Harness (001321- 003999)
- Fig. 81 - GM Electrical Schematic, LPG Engine Harness (000000- 001320)
- Fig. 82 - GM Electrical Schematic, LPG Engine Harness (001321- 003999)
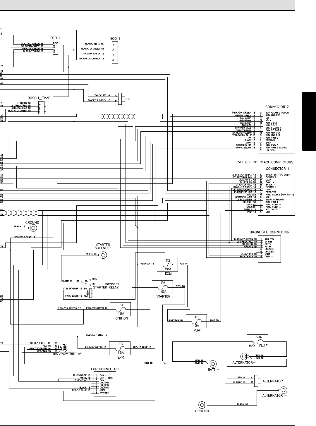
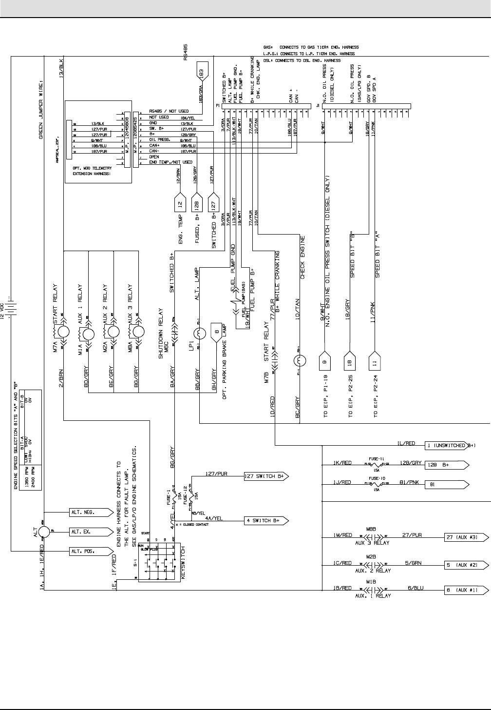
- Fig. 83 - Mitsubishi Electrical Schematic (004000- )
- Fig. 84 - Mitsubishi Electrical Schematic, Gas Engine Harness (004000- )
- Fig. 85 - Mitsubishi Electrical Schematic, LPG Engine Harness (004000- )
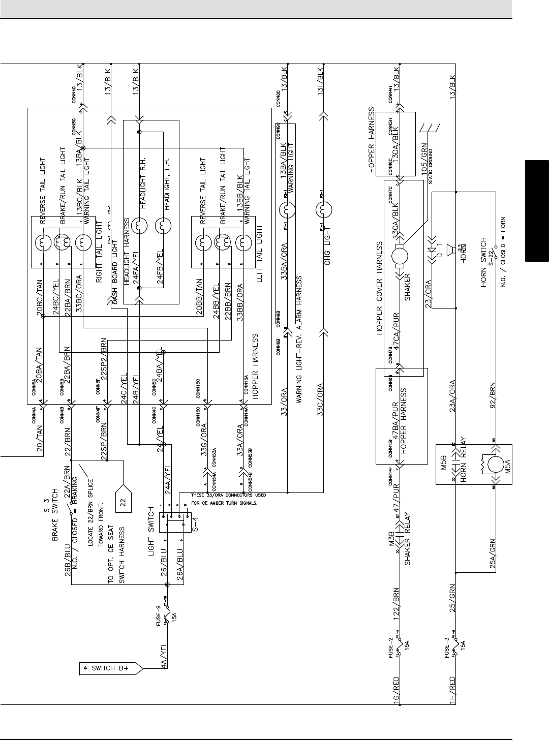
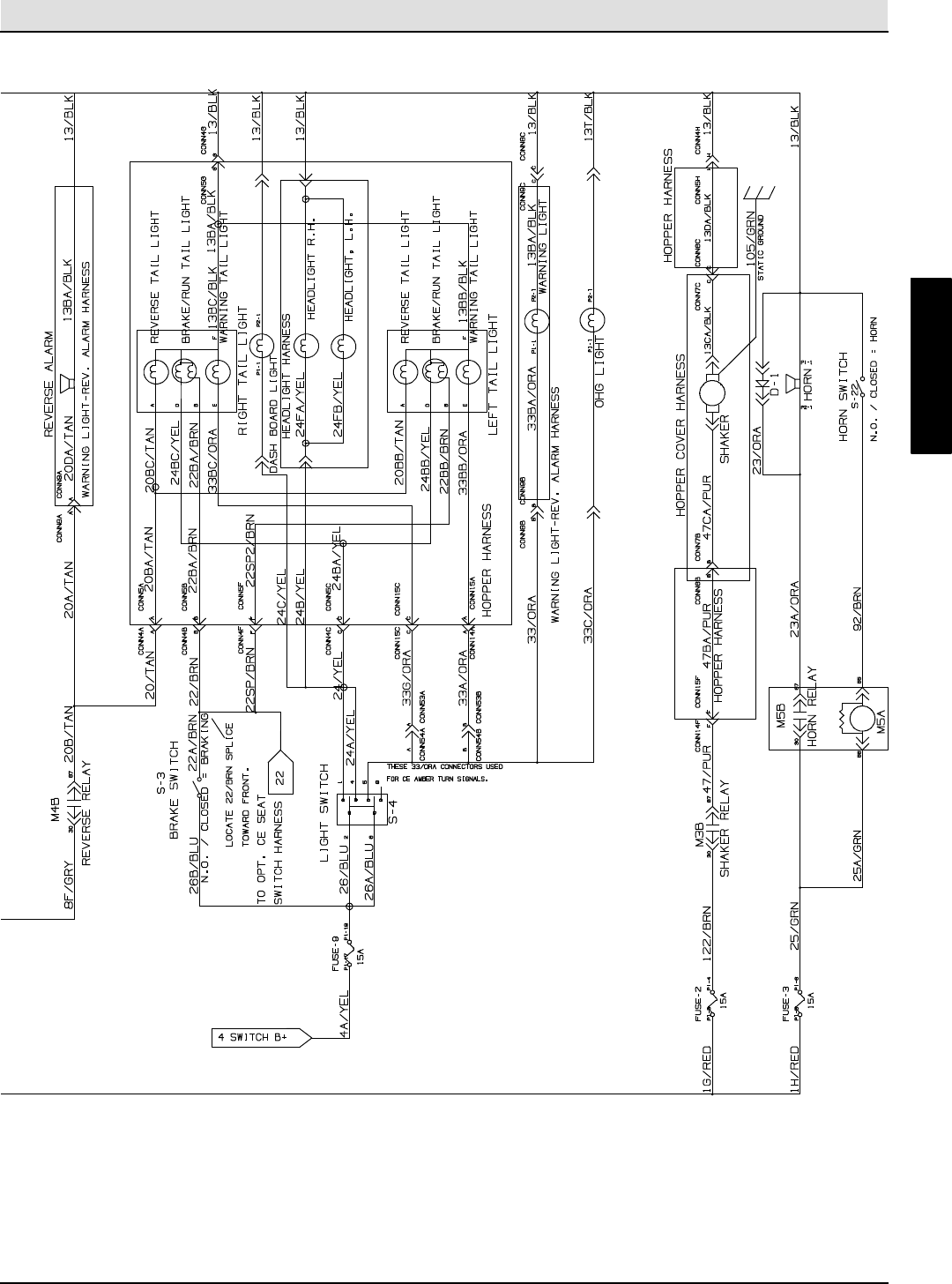
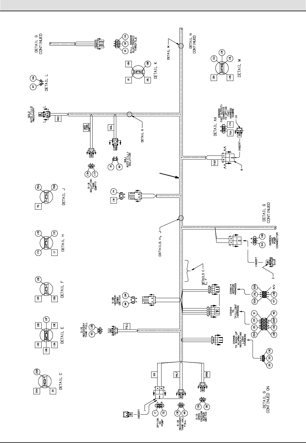
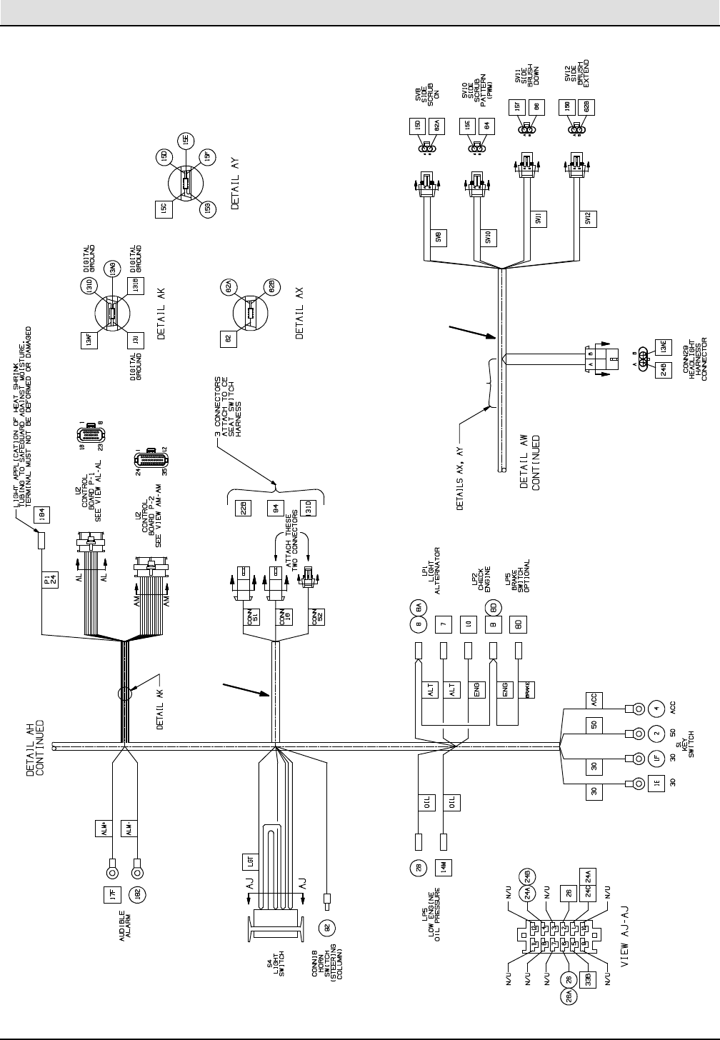
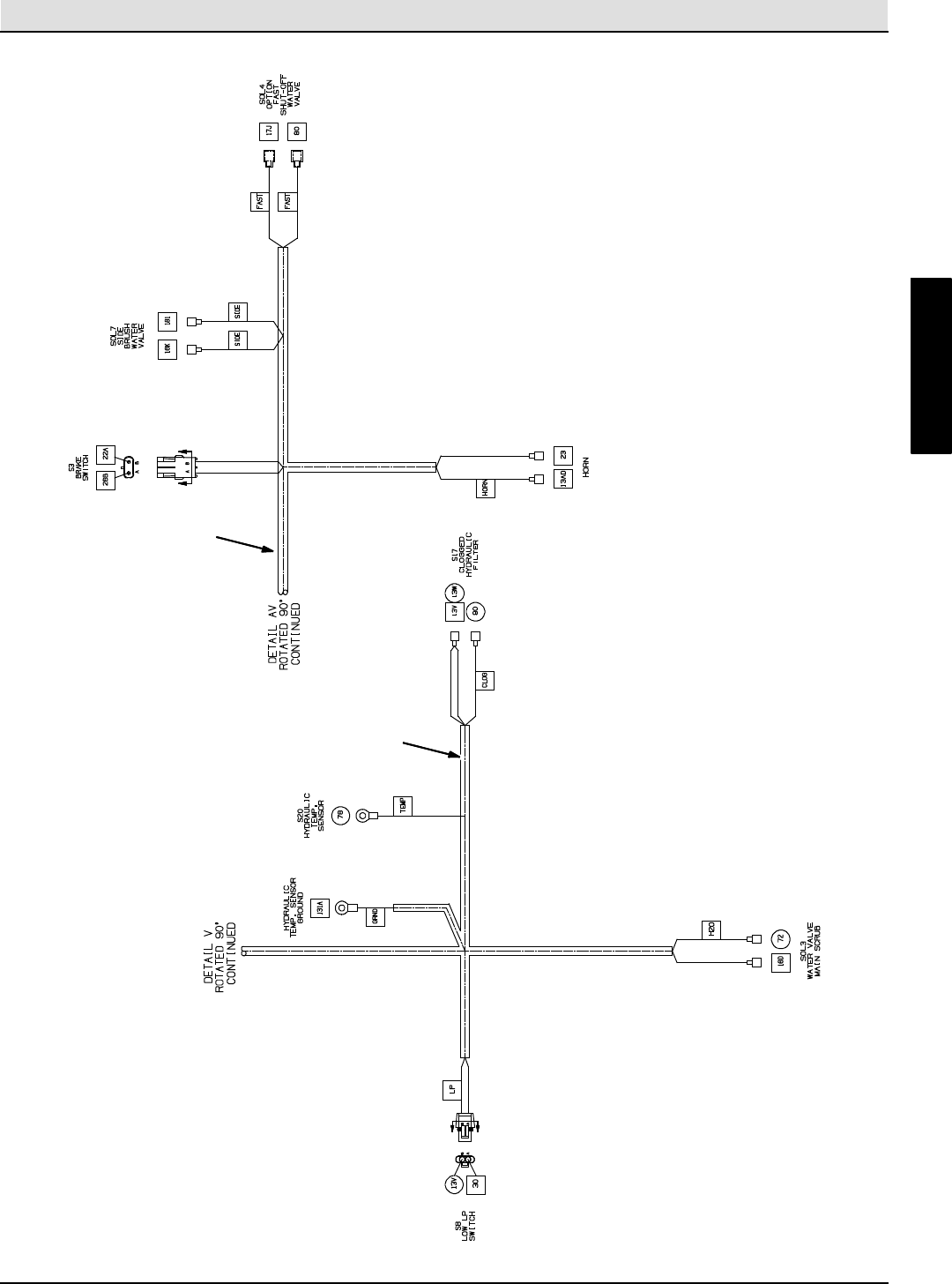
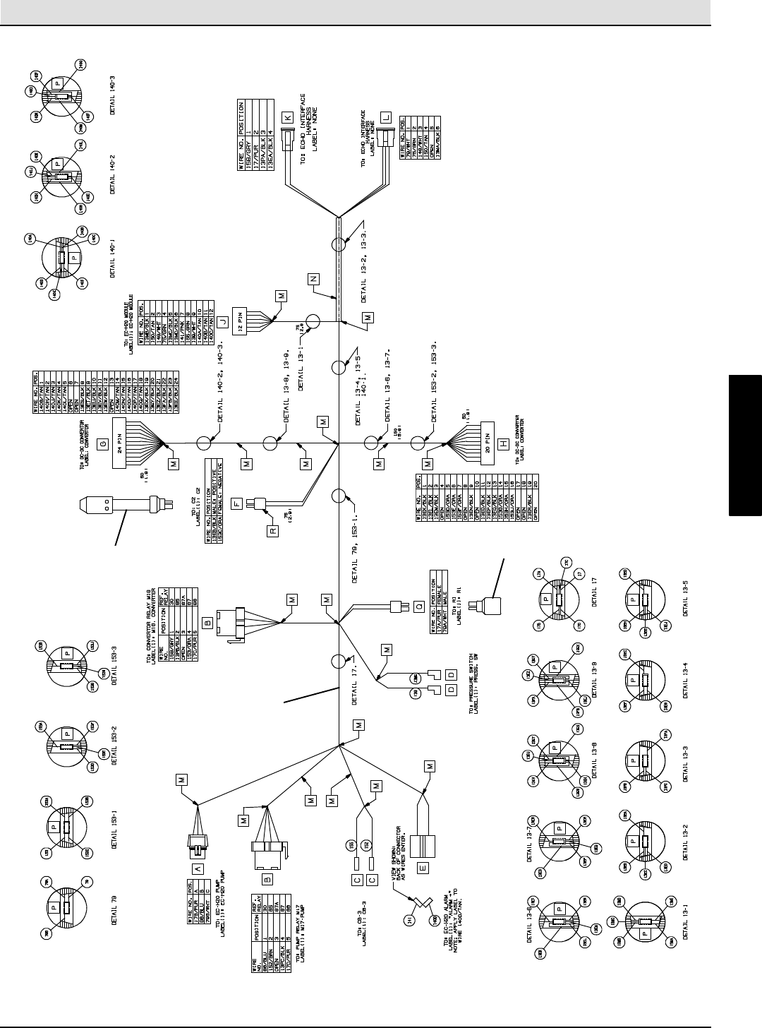
- Fig. 86 - Electrical Wire Harness Group, Main
- Fig. 87 - Electrical Wire Harness Group, Headlight
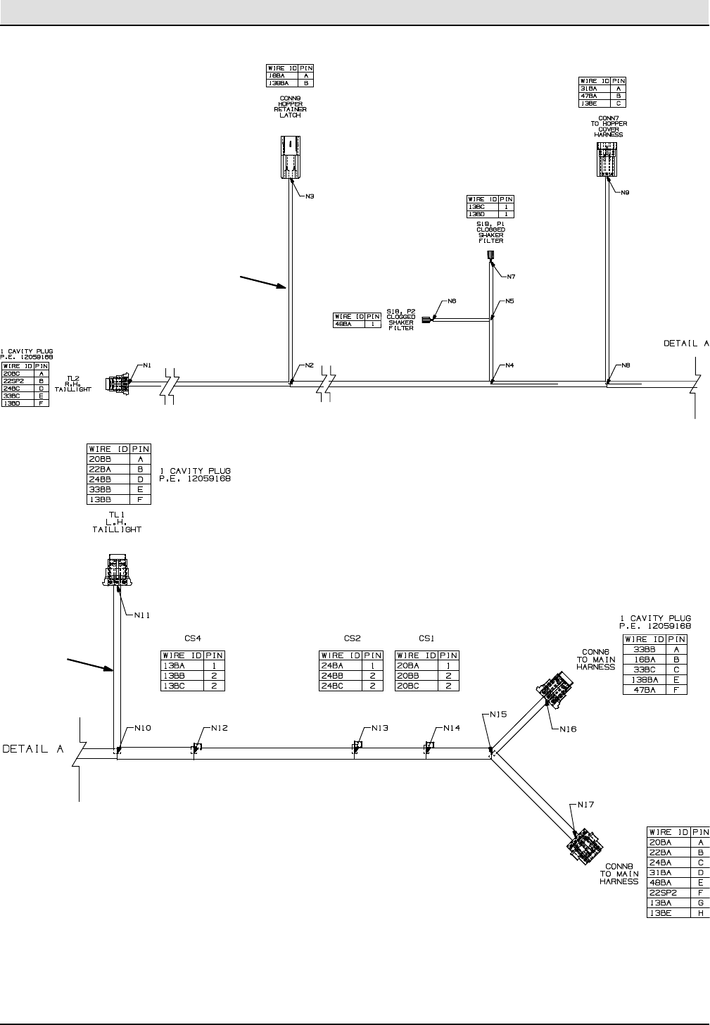
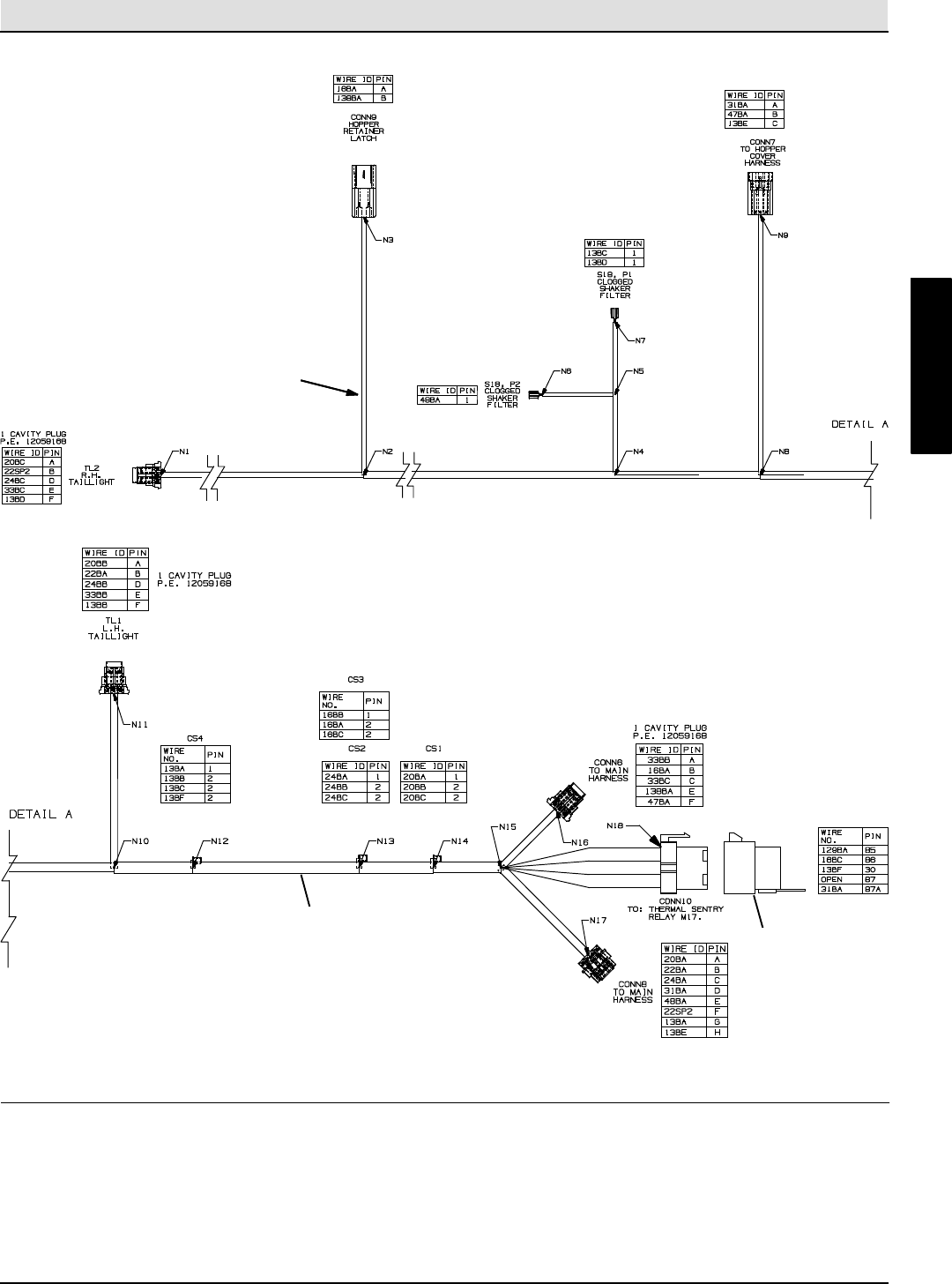
- Fig. 88 - Electrical Wire Harness Group, Hopper
- Fig. 89 - Electrical Wire Harness Group, Hopper Cover
- Fig. 90 - Electrical Wire Harnesses Group, Gasoline/LPG Engine
- Fig. 91 - Label Group
- OPTIONS
- Fig. 1 - ES Pump Group
- Fig. 2 - ES Tanks Group
- Fig. 3 - Side Brush Motor Group (000000- 001278)
- Fig. 4 - Side Brush Motor Group (001279- )
- Fig. 5 - Side Brush Lift Group
- Fig. 6 - Side Brush Solution Control Group
- Fig. 7 - Side Brush Hydraulic Valve Group
- Fig. 8 - Side Brush Hydraulic Hose Group
- Fig. 9 - FaST Pumps and Detergent Group
- Fig. 10 - FaST Solution Supply Group
- Fig. 11 - FaST Solution Supply Group, Side Brush
- Fig. 12 - FaST Wire Harness Group
- Fig. 13 - ec-H20 Solution Pump Group
- Fig. 14 - ec-H20 Solution Pump Supply Group
- Fig. 15 - ec-H20 Solution Supply Group
- Fig. 16 - ec-H20 Solution Supply Group with Side Brush
- Fig. 17 - ec-H20 Wire Harnesses Group
- Fig. 18 - Backup Alarm Kit
- Fig. 19 - Light Kit, Flashing
- Fig. 20 - Light Kit, Strobe
- Fig. 21 - Light Kit, Flashing Overhead Guard
- Fig. 22 - Light Kit, Strobe Overhead Guard
- Fig. 23 - Overhead Guard Kit
- Fig. 24 - Telemetry Group
- Fig. 25 - Vacuum Wand Kit
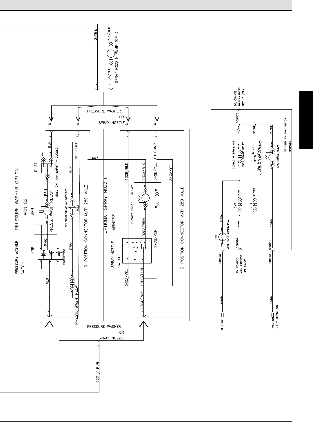
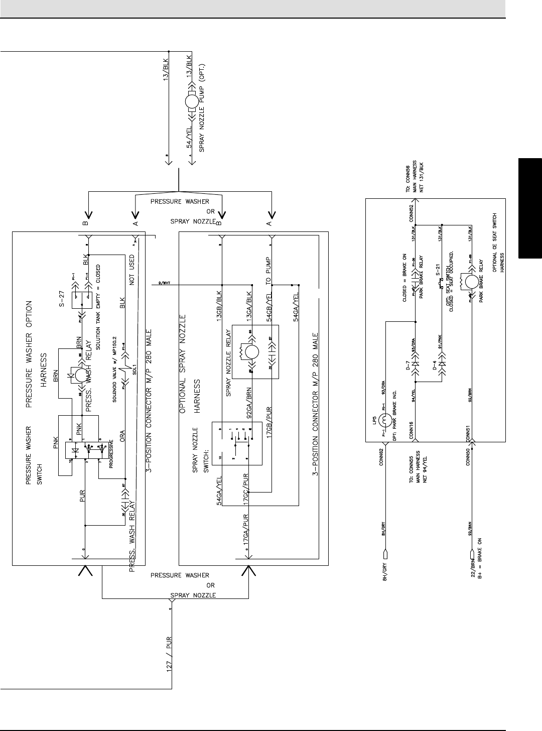
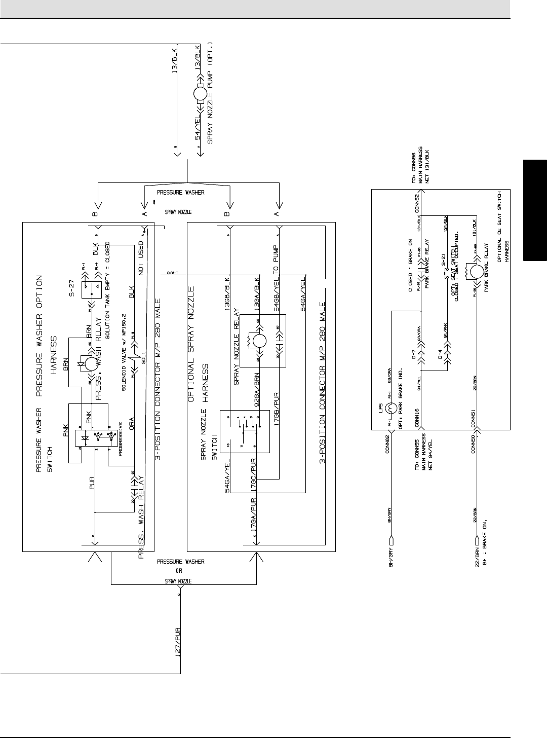
- Fig. 26 - Spray Nozzle Kit
- Fig. 27 - Pressure Washer Mount Group
- Fig. 28 - Pressure Washer Solution Group
- Fig. 29 - Pressure Washer Hydraulic Hoses Group (000000- 003999)
- Fig. 30 - Pressure Washer Hydraulic Hoses Group (004000- )
- Fig. 31 - Transport Kit
- Fig. 32 - Squeegee Guard Kit
- Fig. 33 - Engine Radiator Screen Kit (001250- 003999)
- Fig. 34 - Fire Extinguisher Kit
- Fig. 35 - Documentation Group
- BREAKDOWNS
- Fig. 1 - Extended Scrub Pump Breakdown, 1021210
- Fig. 2 - Hydraulic Motor Breakdown, 379609
- Fig. 3 - Hydraulic Pump Breakdown, 1024251
- Fig. 4 - Hydraulic Gear Pump Breakdown, 1034448
- Fig. 5 - Hydraulic Motor Breakdown, 71729
- Fig. 6 - Hydraulic Motor Breakdown, 1029379
- Fig. 7 - Hydraulic Steering Valve Breakdown, 1024260
- Fig. 8 - Hydraulic Valve Breakdown, 1038566
- Fig. 9 - Hydraulic Valve Breakdown, 1072995
- Fig. 10 - Hydraulic Valve Breakdown, 1037805
- Fig. 11 - Hydraulic Valve Breakdown, 1072997
- Fig. 12 - Hydraulic Motor Breakdown, 53485
- Fig. 13 - Metering Solution Pump Breakdown, 73260
- Fig. 14 - Water Pump Breakdown, 1026743
- Fig. 15 - Water Pump Motor Breakdown, 1038855
- Fig. 16 - ec-H20 Module Assembly Breakdown, 9007882
- Fig. 17 - Seat Breakdown, 1072456
- Fig. 18 - FaST Injector Assembly Breakdown, 9008868
- GM 1.6L ENGINE BREAKDOWN
- MITSUBISHI ENGINE BREAKDOWN
- Fig. 1 - Cylinder Block Group
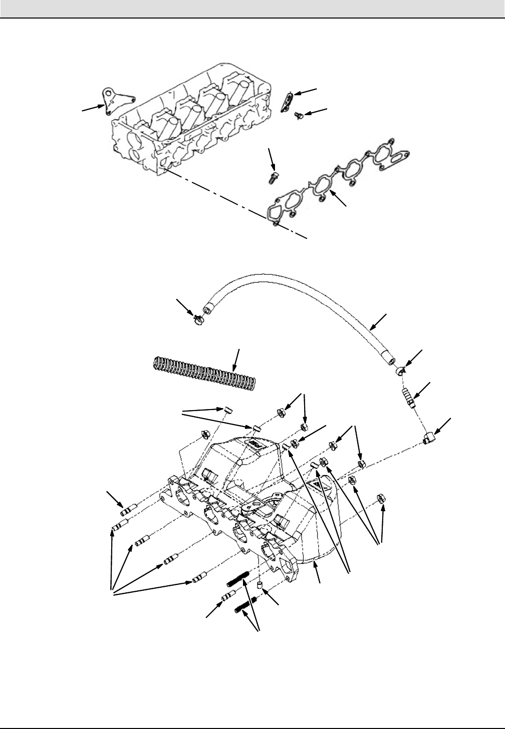
- Fig. 2 - Rocker Cover Group
- Fig. 3 - Cylinder Head Group
- Fig. 4 - Front Cover and Oil Pan Group
- Fig. 5 - Camshaft and Valve Group
- Fig. 6 - Piston and Crankshaft Group
- Fig. 7 - Balancer Group
- Fig. 8 - Oil Pump and Pressure Switch Group
- Fig. 9 - Water Pump Group
- Fig. 10 - Intake Manifold Gasket Group
- Fig. 11 - Exhaust Manifold Gasket Group
- Fig. 12 - Fan Tensioner and Pump Mount Group
- Fig. 13 - Flywheel Group
- Fig. 14 - Ignition Coil and Spark Plug Group
- Fig. 15 - Starter / Alternator Group
- Fig. 16 - Remote Oil Filter Group
- Fig. 17 - Coolant Group
- Fig. 18 - DSR Coolant Group, LPG Engine
- Fig. 19 - Electrical Group
- Fig. 20 - Fuel Rail Group, Gasoline Engine
- Fig. 21 - Throttle Body Group, Gasoline Engine
- Fig. 22 - Throttle Body Group, LPG Engine
- Fig. 23 - Vaporizer Group, LPG Engine
- Fig. 24 - Electronic Pressure Regulator (EPR) Group, LPG Engine
- CROSS REFERENCE

M30
*9003946*
9003946
Rev. 16 (5-2016)
Global
(Gas/LPG)
Scrubber- Sweeper
Parts Manual
R
The Safe Scrubbing AlternativeR
ESRExtended Scrub System
TennantTrueRParts
HygenicRFully Cleanable Tanks
FloorSmartRIntegrated Cleaning System
IRISRa Tennant Technology
For the latest Parts manuals and other
language Operator manuals, visit:
www.tennantco.com/manuals

Ref Part No. Serial Number Description Qty.
1 82681 (000000- ) Bracket Wldt, Lpg Mount 1
o2 63810 (000000- ) Latch Assy, Lpg Tank Mtg, W/Nut 4
Y3 51839 (000000- ) Nut Adjustable, Lpg Tank Mtg 2
4 49263 (000000- ) Tie, Cable 3
5 82556 (000000- 001039) Bracket, Vaporizer 1
6 54930 (000000- ) Vaporizer, LPG 1
B
C
D
A
HOW TO ORDER PARTS - See diagram above
Only use TENNANT Company supplied or equivalent parts. Parts and supplies may be ordered online,
by phone, by fax or by mail.
Follow the steps below to ensure prompt delivery.
1. (A) Identify the machine model.
2. (B) Identify the machine serial number from the data plate.
3. (C) Ensure the proper serial number is used from
the parts list.
4. Identify the part number and quantity.
Do not order by page or reference numbers.
5. Provide your name, company name, customer ID number,
billing and shipping address, phone number and
purchase order number.
6. Provide detail shipping instructions.
(D) o- Identifies an assembly
Y- Identifies parts included in assembly
EN
Please fill out at time of installation for
future reference.
Model No. -
Serial No. -
Machine Options -
Sales Rep. -
Sales Rep. phone no. -
Customer ID Number -
Installation Date -
Tennant Compan
y
PO Box 1452
Minneapolis, MN 55440
Phone: (800) 553- 8033 or
(763) 513- 2850
www.tennantco.com
Tennant N.
V
.
Industrielaan 6 5405 AB
P.O. Box 6 5400 AA Uden -
The Netherlands
europe@tennantco.com
www.tennantco.com
www.tennant.co.jp
Thermo- Sentry, Touch- N- Go, 1- STEP, Clean- Wedge, Variable Drain Valve, EasyOpen, Grip- N- Go, MaxPro@, Dura- Track, SmartRelease,
InstantAccess, Duramer, FaST- PAK, ES, FloorSmart and ErgoSpace are trademarks of Tennant Company.
Specifications and parts are subject to change without notice.
Copyright E2008 - 2016 TENNANT Company, Printed in U.S.A.

КАК ДА ПОРЪЧВАМЕ ЧАСТИ -Вижте схемата по-горе
Използвайте само части,доставени от TENNANT или техни еквиваленти.Частите и доставките могат да се поръчат онлайн,
по телефон,факс или по пощата.
Следвайте долупосочените стъпки,за да си осигурите бърза и точна доставка.
1. (A) Посочете модела на машината.
2. (B) Посочете серийния номер на машината от табелката с техническите данни.
3. (C) Уверете се,че сте използвали точния сериен номер от списъка с части.
4. Посочва номера на частта и количеството.Не поръчвайте части
според страницата или референтните номера.
5. Посочете своето име,наименованието на фирмата,клиентския
номер,адреса за получаване на сметката и доставката,тел.номер и номера на поръчката.
6. Посочете подробни инструкции за доставката.
(D) o-посочва начин на монтаж
Y-посочва частите,включени в монтажа
BG
Моля,попълнете по време на монтажа за бъдеща справка.
Модел Э -
Сериен Э -
Опции на машината -
Търговски представител -
Те л .Энатърг.представител -
Клиентски Э -
Дата на монтаж -
CN
o
Y
OBJEDNÁVÁNÍ DÍLŮ- Viz schéma výše.
Pou ívejte pouze díly dodané společností TENNANT Company nebo jim odpovídající. Díly a materiál lze objednat online,
telefonem, faxem nebo poštou.
Aby bylo zajištěno rychlé dodání, postupujte podle krokůuvedených ní e.
1. (A) Zjistěte model stroje.
2. (B) Zjistěte sériové číslo stroje z výrobního štítku.
3. (C) Pou ijte správné sériové číslo ze seznamu dílů.
4. Určete číslo a mno ství dílů.
Neobjednávejte podle stran nebo referenčních čísel.
5. Uveďte jméno, název společnosti, číslo ID zákazníka, fakturační a
dodací adresu, telefonní číslo a číslo objednávky.
6. Uveďte podrobné pokyny pro dodání.
(D) o-označuje sestavu
Y-označujedílyvsestavě
CZ
Vyplňte během sestavování pro budoucí potřebu.
Číslo modelu -
Sériové číslo -
Doplňky zařízení -
Obchodní zástupce -
Tel. č. obchodního zástupce -
Číslo ID zákazníka -
Datum instalace -
BESTELLEN VON ERSATZTEILEN - Siehe oben stehendes Diagramm.
Verwenden Sie nur von TENNANT gelieferte oder gleichwertige Ersatzteile. Ersatz- und Verschleißteile können online, telefonisch, per Fax oder per E- Mail bestellt werden.
Befolgen Sie für eine umgehende Lieferung die folgenden Schritte.
1. (A) Geben Sie das Modell der Maschine an.
2. (B) Geben Sie die Seriennummer der Maschine an (auf dem Datenaufkleber).
3. (C) Achten Sie darauf, dass die richtigen Seriennummer aus der Ersatzteilliste verwendet wird.
4. Geben Sie die Ersatzteilnummer und die Menge an.
Bestellen Sie nicht nach Seitenzahl oder Referenznummern.
5. Geben Sie Ihren Namen, den Firmennamen, die Kundennummer,
die Rechnungs- und Lieferadresse, die Telefonnummer und die Einkaufsauftragsnummer an.
6. Erteilen Sie genaue Versandanweisungen.
(D) o- steht für eine Einheit
Y- steht für Einzelteile einer Einheit
DE
Bitte bei der Inbetriebnahme als Referenzangabe ausfüllen.
Modellnr. -
Seriennr. -
Maschinenoptionen -
Verkäufer -
Telefonnummer des Verkäufers -
Kundennummer -
Installationsdatum -

BESTILLING AF RESERVEDELE - Se ovenstående tabel.
Brug kun reservedele, der er fremstillet af TENNANT, eller dele af tilsvarende kvalitet. Reservedele og tilbehør kan bestilles online, pr. telefon, pr. fax eller pr. brev.
Følg nedenstående trin for at sikre hurtig levering.
1. (A) Identificér maskinmodellen.
2. (B) Identificér maskinens serienummer på datamærkaten.
3. (C) Kontrollér, at det rigtige serienummer bruges i reservedelslisten.
4. Identificér reservedelsnummeret og antallet. Bestil ikke efter side- eller referencenumre.
5. Angiv dit navn, firmanavn, kunde- id- nummer, faktureringsadresse
og leveringsadresse, telefonnummer og indkøbsordrenummer.
6. Angiv detaljerede instruktioner til forsendelse.
(D) o- identificerer en enhed
Y- identificerer reservedele i en enhed
DK
Udfyld venligst på installationstidspunktet til fremtidig brug.
Modelnr. -
Serienr. -
Maskinekstraudstyr -
Salgskonsulent. -
Salgskonsulentens tlf. -
Kunde- id- nr. -
Installationsdato -
KUIDAS VARUOSI TELLIDA – vaadake alltoodud joonist
Kasutage ainult TENNANT Company poolt tarnitud või samaväärseid varuosi. Varuosi ja tarvikuid saab tellida Interneti, telefoni, faksi või posti teel.
Kiire kohaletoimetamise tagamiseks järgige alltoodud juhiseid.
1. (A) Märkige masina mudel.
2. (B) Märkige andmesildil olev masina seerianumber.
3. (C) Veenduge, et olete valinud varuosade loendist õige seerianumbri.
4. Märkige varuosa number ja kogus.
Ärge tellige lehekülje- või viitenumbri alusel.
5. Märkige oma nimi, ettevõtte nimi, kliendinumber, arveldus- ja saatmisaadress,
telefoninumber ja ostutellimuse number.
6. Lisage täpsed saatmisjuhised.
(D) -tähistabkomplekti
Y- tähistab komplektis olevaid osii
EE
Palun täitke paigaldamise ajal edaspidiseks viitamiseks.
Mudeli number -
Seerianumber -
Masina lisavarustus -
Müügiesindus -
Müügiesinduse telefoninumber -
Kliendinumber -
Paigaldamise kuupäev -
CÓMO SOLICITAR PIEZAS - Consulte el diagrama anterior.
Utilice sólo las piezas suministradas por TENNANT Company o piezas equivalentes. Puede solicitar las piezas a través de internet,
por teléfono, por fax o por correo.
Siga los siguientes pasos para que la entrega sea rápida.
1. (A) Indique el modelo de máquina.
2. (B) Indique el número de serie de la etiqueta de datos.
3. (C) Asegúrese de que indica el número de serie correcto de la lista de piezas.
4. Indique la cantidad y el número de la pieza.
No realice el pedidoindicando el número de página o el de referencia.
5. Incluya su nombre, el nombre de la empresa, el ID de cliente,
las direcciones de envío y facturación, el número de teléfono y el número del pedido de compra.
6. Facilite instrucciones de envío.
(D) o- identifica un conjunto
Y- identifica piezas de un conjunto
ES
Rellene estos datos cuando realice la instalación para utilizarlos
como referencia en el futuro.
Nº modelo -
Nº serie -
Opciones de la máquina -
Vendedor -
Nº teléfono vendedor -
Nº cliente -
Fechadeinstalación-
KUINKA VARAOSIA TILATAAN - katso kuvaa yllä.
Käytä ainoastaan TENNANTIN toimittamia tai niitä vastaavia varaosia. Voit tilata varaosia ja tarvikkeita internetistä,
puhelimitse, faksilla tai sähköpostilla.
Noudata seuraavia ohjeita täsmällisen toimituksen varmistamiseksi.
1. (A) Katso koneen malli.
2. (B) IKatso koneen sarjanumero sen tunnustarrasta.
3. (C) Varmista, että osaluettelosta, että käytät oikeaa sarjanumeroa.
4. Katso osanumero ja kappalemäärä. Älä tilaa ilmoittamalla sivu- tai viitenumeroita.
5. Ilmoita nimesi, yrityksesi nimi, asiakasnumero, laskutus- ja
toimitusosoite, puhelinnumero ja ostotilauksen numero.
6. Ilmoita yksityiskohtaiset toimitusosoitteet.
(D) o- tarkoittaa kokoonpanoa
Y- tarkoittaa kokoonpanoon sisältyviä osia
FI
Ole hyvä ja täytä ottaessasi koneen käyttöön
myöhempiä tarpeita varten.
Mallinumero -
Sarjanumero -
Koneen lisävarusteet -
Myyntiedustaja -
Myyntiedustajan puhelinnumero -
Asiakasnumero -
Asennuspäivä -

COMMENT COMMANDER DES PIÈCES DÉTACHÉES - Voir le schéma ci- dessus.
Utilisez uniquement des pièces fournies par la société TENNANT ou équivalentes. Les pièces et fournitures peuvent être commandées en ligne, par téléphone, fax, oupar
courrier.
Suivez les étapes ci- dessous pour assurer une livraison rapide.
1. (A) Identifiez le modèle de la machine.
2. (B) Identifiez le numéro de série de la machine, à partir de l’étiquette signalétique.
3. (C) Assurez- vous que le numéro de série correct est utilisé à partir de la liste de pièces détachées.
4. Identifiez le numéro de pièce et la quantité. Ne commandez pas par page ou numéros de référence.
5. Fournissez votre nom, le nom de votre société, votre numéro d’identification de client, l’adresse
de facturation et d’expédition, le numéro de téléphone et le numéro du bon de commande.
6. Fournissez des instructions d’expédition détaillées.
(D) o- identifie un assemblage
Y- identifie les pièces composant l’assemblage
FR
A remplir au moment de l’installation à titre de référence.
Nº du modèle -
Nº de série -
Options de la machine -
Agent commercial -
Nº tél. de l’agent commercial -
Numéro d’identification client -
Date d’installation -
ÚÔÌÓÌÒ ÓflÔfl··„ÈÁflÒflÎÚflÈÈflËÚÁ˘ΠJ ‡ÝK ס¹ˇ×˙ÞğŠÐ˙ł¹ˇýýˇ.
ı¹ž³Ðý−×−и³½š ýşÞ−ˇÞ½ˇÝݡð½Ðð˙ס¹š₣şýšÞˇˇ×ş½žÞ qbkk^kq `çãé~åó ¸ Ð³−ŠĆÞˇýˇKÚˇˇÞ½ˇÝݡð½Ðð˙ðˇÐˇÞˇÝć³Ðýˇý×−¹−ĆÞÞˇ×ˇ¹ˇłłšÝ¦−ĆÞ çåäáåÉI
½žÝš¾ğÞÐð˙Iýš¾ˇþ¸½ˇ₣¼Š¹−ýÐð˙K
flð−Ý−¼¦¸³½š ½ˇ×ˇ¹ˇð˙½ğُýˇ½ˇłÐˇÞˇšþˇ³¾ˇÝ˝³š½š ½žÞ ˚łðˇÐ¹ž ˇ×−³½−ݸ ½−¼²K
1. (A) ‡¹š˝½š ½−ý−Þ½˚Ý−ýž₣ˇÞ¸ýˇ½−²K
2. (B) ‡¹š˝½š ½−Þˇ¹Ð¦ýş³šÐ¹˙²½−¼ýž₣ˇÞ¸ýˇ½−²ˇ×ş½žÞ š½Ðð˚½ˇ³½−Ð₣š˝ğÞK
3. (C) ‡šŁˇÐğ¦š˝½š ş½Ð ₣¹ž³Ðý−×−К˝½ˇÐ−³ğ³½ş²ˇ¹Ð¦ýş²³šÐ¹˙²ˇ×ş
½−Þðˇ½˙Ý−ł− ˇÞ½ˇÝݡð½ÐðćÞK
4. ‡¹š˝½š ðğŠÐðşˇÞ½ˇÝݡð½Ðð−Ć ðˇÐ×−³ş½ž½ˇK
ÍžÞ ×ˇ¹ˇłł˚ÝÞš½š Ł˙³šÐ ³šÝ˝Šˇ²¸ˇ¹Ð¦ýćÞˇÞˇ¾−¹˙²K
5. ‚ć³½š ½−şÞ−ýˇ³ˇ²I şÞ−ýˇš½ˇÐ¹š˝ˇ²I fa EðğŠÐðşFךÝ˙½žI ŠÐšĆ¦¼Þ³ž ½Ðý−Ýşłž³ž²
ðˇÐˇ×−³½−ݸ²I ˇ¹Ð¦ýş½žÝš¾ćÞ−¼ðˇÐˇ¹Ð¦ýşšÞ½−ݸ² ×¹−ý¸¦šÐˇ²K
6. ‚ć³½š Ýš×½−ýš¹š˝²×Ýž¹−¾−¹˝š² ˇ×−³½−ݸ²K
(D) o-¼×−ŠžÝćޚР¼×−³Ć³½žýˇ
Y-¼×−ŠžÝćޚР½ˇý˚¹ž ×−¼×š¹ÐݡýŁ˙Þ−Þ½ˇÐ³½−
¼×−³Ć³½žýˇ
GR
Óˇ¹ˇðˇÝ−Ćýš ³¼ý×Ýž¹ć³½š ðˇ½˙½žÞ 㹎½ž² šłðˇ½˙³½ˇ³ž² łÐˇ
ýšÝÝ−Þ½Ðð¸ ˇÞˇ¾−¹˙K
fl¹K Í−Þ½˚Ý−¼-
fl¹K ³šÐ¹˙²-
„×ÐÝ−ł˚²Íž₣ˇÞ¸ýˇ½−²-
„ð×K ×ğݸ³šğÞ-
ÚžÝK šð×¹−³ć×−¼×ğݸ³šğÞ-
fl¹Ð¦ýş²×šÝ˙½ž -
Âýš¹−ýžÞ˝ˇ šłðˇ½˙³½ˇ³ž² -
HOGYAN RENDELJÜNK ALKATRÉSZEKET - Lásd: fenti diagramm.
Kizárólag TENNANT vagy azzal egyenértékűcserealkatrészeket használjon. Az alkatrészeket és anyagokat meg lehet rendelni az Interneten keresztül, vagy telefonon, faxon és
e-mailben.
A pontos szállítás érdekében kövesse az alábbi lépéseket.
1. (A) Adja meg a gép típusát.
2. (B) Az adatcímke alapján adja meg a gép gyártási számát.
3. (C) Ügyeljen arra, hogy a megfelelőgyártási számot válassza ki az alkatrészlistáról.
4. Adja meg a rendelési számot és a mennyiséget. A rendeléshez ne az oldalszámot vagy a
hivatkozási számot használja.
5. Adja meg a nevét, a cége nevét, az ügyfélazonosító számát,
a számlázási és szállítási címét, a telefonszámát és a rendelési számot.
6. Adjon részletes szállítási utasításokat.
(D) o-a jel csomagra utal
Y-a jel a csomagban található alkatrészekre utal
HU
A későbbi visszakeresések érdekében kérjük,
hogy a rovatokat az elsőüzembehelyezéskor töltse ki.
Típusszám -
Gyártási szám. -
A gép felszereltsége -
Kereskedelmi képviselő-
Kereskedelmi képviselőtelefonszáma -
Ügyfél azonosító száma -
Üzembehelyezés dátuma -
COME ORDINARE LE PARTI - Vedere schema precedente.
Utilizzare solo ricambi forniti da TENNANT o equivalenti. Ricambi e forniture possono essere ordinati online, per telefono, via fax o per posta elettronica.
Per ottenere una consegna rapida, seguire i passaggi indicati di seguito.
1. (A) Identificare il modello della macchina.
2. (B) Identificare il numero di serie della macchina dall’etichetta dei dati.
3. (C) Utilizzare il numero di serie corretto presente nell’elenco delle parti di ricambio.
4. Identificare numero di parte e quantità. Non ordinare per numero di pagina o di riferimento.
5. Fornire nome del contatto, nome della società, numero di ID cliente, indirizzo di fatturazione e
di spedizione, numero di telefono e numero di ordine di acquisto.
6. Fornire istruzioni dettagliate per la spedizione.
(D) o- identifica un gruppo
Y- identifica parti comprese in un gruppo
IT
Compilare il modulo al momento dell’installazione
per poterlo consultare in futuro in caso di necessità.
N. Modello -
N. Serie -
Opzioni della macchina -
Venditore -
Tel. venditore -
Numero ID cliente -
Data di installazione -

JP
o
Y
KAIP UŽSISAKYTI DALIS - žr. diagramà viršuje
Naudokite tik ”Tennant” kompanijos tiekiamas arba lygiavertes joms dalis. Dalis galite užsisakyti internetu, telefonu, faksu bei elektroniniu paštu.
Kad užsakymas būtųgreitai įvykdytas, laikykitėsišvardytųtaisyklių.
1. (A) Nurodykite mašinos modelį.
2. (B) Norodykite mašinos serijos numerį,kurįrasite ant duomenųžymės.
3. (C) Įsitikinkite, kad nurodomas tikslus serijos numeris iš daliųsàrašo.
4. Nurodykite dalies numerįir reikiamà kiekį.
Neužsakinėkite pagal puslapius ar nuorodos numerius.
5. Nurodykite savo vardà, kompanijos pavadinimà, kliento ID numerį,
sàskaitos išrašymo ir vežimo adresà, telefono numerįir
pirkimoužsakymonumerį.
6. Nurodykite išsamias gabenimo instrukcijas.
(D) -žymisistemà
Y- nurodo sistemos dalis
LT
Prašome užpildyti montavimo metu,
siekiant gauti informacijà ateityje.
Modelio nr. -
Serijos nr. -
Mašinos parinktys -
Prekybos atstovas -
Komivojažieriaus tel. nr. -
Pirkėjo ID numeris -
Sumontavimo data -
KĀPASŪTĪT REZERVES DETAĻAS - Skat. diagrammu iepriekš
izmantojiet tikai TENNANT Company piegādātāsvaitāmlīdzvērtīgas rezerves detaļas. Daļas un piegādi var pasūtīt internetā,patālruni, pa faksu vai pastu.
Lai nodrošinātu savlaicīgu piegādi, sekojiet zemākaprakstītajiem soļiem.
1. (A) Nosakiet mašīnas modeli.
2. (B) Nosakiet mašīnas sērijas numuru uz tehnisko datu uzlīmes.
3. (C) Pārliecinieties, ka tiek uzrakstīts attiecīgais sērijas numurs no detaļu saraksta.
4. Nosakiet detaļas numuru un skaitu.
Veicot pasūtījumus neatsaucieties uz lappušu vai norādes numuriem.
5. Uzrakstiet savu vārdu, uzņēmuma nosaukumi, klienta identitātes numuru, adresi rēķina
piesūtīšanai un piegādei un pirkuma pasūtījuma numuru.
6. Sniedziet detalizētu informāciju par piegādi.
(D) -nosakaierīci i
Y-nosakadetaļas, kas ir komplektāar ierīci
LV
Veicot uzstādīšanu, lūdzam pierakstīst attiecīgo informāciju
izmantošanai turpmāk.
ModeļaNr.-
Sērijas Nr. -
Iekārtas papildaprīkojums-
Pārdošanas pārst. -
Pārdošanas pārst. tālr. Nr. -
Klienta identitātes numuru-
Uzstādīšanas datums-
HOE ONDERDELEN TE BESTELLEN - Zie schema hierboven.
Gebruik alleen onderdelen die door TENNANT Company zijn geleverd of soortgelijke onderdelen. Onderdelen en voorraden kunnen online, per telefoon, fax of schriftelijk besteld
worden.
Volg de stappen hieronder om een juiste levering te garanderen.
1. (A) Bepaal het machinemodel.
2. (B) Lees het serienummer van de machine af van het gegevenslabel.
3. (C) Zorg dat het juiste serienummer wordt gebruikt uit de onderdelenlijst.
4. Bepaal het artikelnummer en het aantal. Bestel niet aan de hand van pagina’s of referentienummers.
5. Geef uw naam, bedrijfsnaam, klantnummer, factuur- en leveringsadres,
telefoonnummer en bestelnummer op.
6. Geef gedetailleerde leveringsinstructies op.
(D) o- geeft een eenheid aan
Y- geeft de onderdelen van de eenheid aan
NL
Vul tijdens installatie de onderstaande gegevens in voor eventueel
toekomstig gebruik.
Modelnr. -
Serienr. -
Machine- opties -
Verkoopvert. -
Telnr. verkoopvert. -
Klantnummer -
Installatiedatum -

HVORDAN BESTILLE DELER - Se diagram over.
Bruk kun deler levert av TENNANT Company eller ekvivalente deler. Deler og forsyninger kan bestilles online, per telefon, per faks
eller per post.
Følg trinnene under for å sikre rask levering.
1. (A) Angi maskinmodellen.
2. (B) Angi maskinens serienummer fra typeskiltet.
3. (C) Forsikre deg om at korrekt serienummer brukes fra delelisten.
4. Angi delenummer og antall. Bestill ikke ut fra side- eller referansenumre.
5. Angi ditt navn, firmanavn, kunde- ID- nummer, fakturerings- og
forsendelsesadresse, telefonnummer og innkjøpsordrenummer.
6. Angi detaljerte forsendelsesinstruksjoner.
(D) o- angir en delegruppe
Y- angir deler inkludert i en delegruppe
NO
Fyll ut ved installasjonstidspunkt for fremtidig bruk.
Modellnr. -
Serienr.. -
Maskinens tillegg -
Salgsrep. -
Salgsrep. telefonnr. -
Kunde- ID- nummer -
Installasjonsdato -
JAK ZAMAWIAĆCZĘŒCI - patrz schemat powyżej.
Należyużywaćwyłącznie części dostarczanych przez firmęTENNANT Company lub równoważnych. Częściidostawymogąbyćzamawiane online, przez telefon, faksem lub
pocztą.
Aby zapewnićszybkądostawę,należyprzestrzegaćnastępujących wskazówek.
1. (A) Określićmodel maszyny.
2. (B) Określićnumer seryjny maszyny znajdujący sięna tabliczce znamionowej.
3. (C) Odszukaćten numer seryjny w wykazie części.
4. Określićnumer części i ilość. Nie zamawiaćna podstawie numeru strony lub liczby porządkowej
wykazu.
5. Podaćswoje nazwisko, nazwęfirmy, numer identyfikacyjny klienta, adres dostawy i
dostarczenia rachunku, numer telefonu i numer zamówienia zakupu.
6. Podaćdokładne instrukcje dotyczące dostawy.
(D) o-oznacza zespół
Y-oznacza część wzespole
PL
Prosimy wpisaćdatęinstalacji do póŸniejszego wykorzystania.
Nr modelu-
Nr seryjny -
Opcje maszyny -
Przedst. sprzedaży-
Nr tel. przedst. sprzed. -
Nr ident. klienta -
Data instalacji -
COMO ENCOMENDAR PEÇAS - Consulte o diagrama acima.
Utilize apenas peças fornecidas pela TENNANT Company ou equivalentes. As peças e consumíveis podem ser encomendados online,
por telefone, fax ou correio.
Siga os passos abaixo para garantir uma entrega rápida.
1. (A) Identifique o modelo da máquina.
2. (B) Identifique o número de série da máquina que se encontra na etiqueta de dados.
3. (C) Certifique- se de que usa o número de série correcto da lista de peças.
4. Identifique o número de produto e a quantidade. Não encomende através de números de
página ou de referência.
5. Forneça o seu nome, o nome da empresa, o número de ID do cliente,
os endereços de facturação e entrega, o número de telefone e
o número da nota de encomenda.
6. Forneça instruções de entrega detalhadas.
(D) o- identifica uma unidade
Y- identifica peças incluídas numa unidade
PT
G
Preenchanaalturadainstalaçãoparafuturareferência.
Modelo nº -
Nº de série -
Opções da máquina -
Vendedor -
Telefone do vendedor -
Número de ID do cliente -
Data de instalação -
КАК ЗАКАЗАТЬ ЗАПЧАСТИ -См.схему ниже.
Используйте только запчасти,поставляемые компанией TENNANT или их аналоги.Запасные части и расходные материалы можно заказать в режиме онлайн,
телефоном,факсом или электронной почтой.
Для своевременной доставки следуйте описанным ниже инструкциям.
1. (A) Укажите модель машины.
2. (B) Укажите серийный номер машины,обозначенный на табличке технических данных.
3. (C) Удостоверьтесь,что надлежащий серийный номер перечислен в списке запчастей.
4. Укажите номер детали и нужное количество.Не используйте номера страниц или ссылок.
5. Укажите свое имя,название компании,идентификационный номер
покупателя,расчетный адрес и адрес доставки,телефонный номер
и номер заказа на покупку.
6. Укажите подробные сведения о доставке.
(D) o-означает узел
Y-обозначает деталь узла
RU
Во время установки заполните,пожалуйста,эти сведения для
того,чтобы ссылаться в дальнейшем.
Модель Э -
Серийный Э -
Опции машины -
Торговый представитель -
Телефон торгового представителя -
Идент.номер покупателя -
Дата установки -

BESTÄLLNING AV RESERVDELAR - Se ovanstående schema.
Använd endast delar från Tennant Company eller likvärdiga. Delar och material kan beställas online, telefoniskt, per fax eller post.
Följ nedanstående steg för en snabb leverans.
1. (A) Identifiera maskinens modell.
2. (B) Identifiera maskinens serienummer på typskylten.
3. (C) Kontrollera att rätt serienummer används från dellistan.
4. Identifiera artikelnumret och mängden. Beställ inte med hjälp av sido- eller referensnummer.
5. Uppge ditt namn, företagets namn, kundens ID- nummer, faktura- och leveransadress,
telefonnummer och ordernumret vid inköp.
6. Ge detaljerade transportanvisningar.
(D) o- identifierar en modul
Y- identifierar delar som ingår i en modul
SE
Fyll i vid installation och spar för framtida bruk.
Modellnr. -
Serienr. -
Tilvalsutrustning -
Försäljare -
Försäljarens tel.nr. -
Kundnummer -
Installationsdatum -
POSTUP PRI OBJEDNÁVANÍ ČASTÍ - Pozri vyššie uvedený diagram.
Vyu ívajte výhradne dielce dodané spoločnos ou TENNANT, alebo ich ekvivalenty. Dielce a polo ky je mo né objedna online,
telefonicky, faxom, alebo poštou.
Na zabezpečenie promptného doručenia sa riaďte nasledovnými krokmi.
1. (A) Identifikujte model stroja.
2. (B) Z etikety s údajmi identifikujte sériové číslo stroja.
3. (C) Ubezpečte sa, e ste zadali správne sériové číslo zo zoznamu dielcov.
4. Identifikujte číslo dielu a mno stvo. Neobjednávajte pomocou čísel strán, alebo referenčných čísel.
5. ZadajteVašemeno,menospoločnosti, ID číslo zákazníka, fakturačnú a
prepravnú adresu, telefónne číslo a objednávacie číslo dielu.
6. Uveďte podrobné prepravné pokyny.
(D) o-identifikuje sadu
Y-identifikuje časti sady
SK
Vyplňte prosím pri inštalácii pre prípad potreby v budúcnosti.
č.modelu-
Sériové č.-
Zvláštne príslušenstvo stroja -
Obchodné zastúpenie -
Obch. zastúpenie tel. č.-
ID č. zákazníka -
Dátum inštalácie -
NAROČANJE NADOMESTNIH DELOV - glejte zgornjo sliko.
Uporabljajte samo originalne nadomestne dele Tennant ali enakovredne dele. Dele in potrošni material lahko naročite prek spleta,
po telefonu, faksu ali pošti.
Za zagotovitev čimbolj hitre dostave sledite spodnjim navodilom.
1. (A) Ugotovite model stroja.
2. (B) Na ploščici s podatki poiščite serijsko številko stroja.
3. (C) Poskrbite, da na seznamu nadomestnih delov poiščete pravilno serijsko številko.
4. Poiščite številko dela in potrebno količino. Pri naročilih ne navajajte strani ali referenčne številke.
5. Navedite svoje ime, ime podjetja, ID številko stranke, naslova za dostavo
in izdajo računa, telefonsko številkoin številko naročila.
6. Navedite podrobna navodila za dostavo.
(D) o-označuje sklop
Y-označujedelesklopa
SL
Prosimo, da ob vgradnji izpolnite te podatke, da vam bodo v
prihodnje na voljo.
Št. modela -
Serijska številka -
Dodatna oprema stroja -
Prodajni predstavnik -
Telefonska št. prodajnega predstavnika -
Številka stranke -
Datum vgradnje -
PARÇALARIN SÝPARÝÞ EDÝLMESÝ - Yukarýdaki þemaya bakýn.
Yalnýzca TENNANT Company'den saðlanan veya eþdeðerde parçalar kullanýn. Parça veya sarf malzemeleri çevrimiçi olarak,
telefonla, faksla veya postayla sipariþ edilebilir.
Zamanýnda teslimatý saðlamak için aþaðýdaki adýmlarý izleyin.
1. (A) Makine modelini belirtin.
2. (B) Veri etiketinden makine seri numarasýný belirtin.
3. (C) Parça listesinden uygun seri numarasýnýn kullanýldýðýndan emin olun.
4. Parça numarasýný ve miktarýný belirtin. Sayfa veya referans numaralarýný kullanarak sipariþ vermeyin.
5. Adýnýzý, þirketinizin adýný, müþteri kimlik numaranýzý, faturalama ve sevkýyat adreslerini,
telefon numarasýný ve satýn alma sipariþi numarasýný belirtin.
6. Ayrýntýlý sevkýyat talimatlarýný belirtin.
(D) o-bir tertibatý belirtir
Y-tertibattaki parçalarý belirtir
TR
Ýleri tarihlerde baþvurmak için lütfen kurulum sýrasýnda doldurun.
Model No. -
Seri No. -
Makine Seçenekleri -
Satýþ Temsilcisi -
Satýþ Temsilcisi telefon no. -
Müþteri Kimlik Numarasý -
Kurulum Tarihi -

GENERAL RECOMMENDED MAINTENANCE
1-1
M30 Gas/LPG 9003946 (5- 2016)
General Recommended Maintenance Items
Ref. Part No. Serial Number Description Qty.
o9002553 (000000- 003999 )Maint Kit, 400hr, Gas [M20/T20/M30] 1
Y372575 (000000- 003999 ) Sparkplug [Gm ] 4
Y369746 (000000- 003999 ) Element, Fltr, Air [Dn] 1
Y372440 (000000- 003999 ) Filter, Fuel [Gm 1.6l/3.0l] 1
o9002554 (000000- 001320 ) Maint Kit, 400hr, Lpg [M20/T20/M30] 1
Y372575 (000000- 001320 )Sparkplug [Gm ] 4
Y369746 (000000- 001320 ) Element, Fltr, Air [Dn] 1
Y372615 (000000- 001320 ) Filter Kit, Fuelock, Lpg 1
o9007382 (001321- 003999 ) Maint Kit, 400hr [M20/T20/M30 Lpg 2010] 1
Y372575 (001321- 003999 ) Sparkplug [Gm, 1pick=1plug] 4
Y369746 (001321- 003999 )Element, Fltr, Air [Dn] 1
Y9007380 (001321- 003999 ) Filter Kit, Fuelock, Lpg 1
o9002555 (000000- 003999 ) Maint Kit, 800hr, Gas [M20/T20/M30] 1
Y31613 (000000- 003999 ) Strainer, Hyd, 025gpm 100mesh 03psi 1
Y25122 (000000- 003999 ) Cap, Breather, Hyd, 2.4 Ds 1
Y1021579 (000000- 003999 )Filter Assy, Hyd, 10mic 1
Y372440 (000000- 003999 ) Filter, Fuel [Gm 1.6l/3.0l] 1
o9002613 (000000- 001320 ) Maint Kit, 800hr, Lpg [M20/T20/M30] 1
Y31613 (000000- 001320 ) Strainer, Hyd, 025gpm 100mesh 03psi 1
Y25122 (000000- 001320 ) Cap, Breather, Hyd, 2.4 Ds 1
Y1021579 (000000- 001320 )Filter Assy, Hyd, 10mic 1
Y372615 (000000- 001320 ) Filter Kit, Fuelock, Lpg 1
o9007381 (001321- 003999 ) Maint Kit, 800hr [M20/T20/M30 Lpg 2010] 1
Y31613 (001321- 003999 ) Strainer, Hyd, 025gpm 100mesh 03psi 1
Y25122 (001321- 003999 ) Cap, Breather, Hyd, 2.4 Ds 1
Y1021579 (001321- 003999 )Filter Assy, Hyd, 10mic 1
Y9007380 (001321- 003999 ) Filter Kit, Fuelock, Lpg 1
371972 (000000- 003999 ) Element, Fltr, Oil, Eng, Spin- On (GM) 1
393982 (004000- ) Element, Fltr, Oil, Spin- On (Mits) 1
1048295AM (000000- ) Filter, Panl, Syn, 4.2 X 20.0 X 30.0 1
1027290 (000000- )Filter, Soltn, 20mesh, Pm12 3.1d 02.6l 1
87866 (000000- ) Key, Ignition [Set Of 2] 1
372603 (000000- 003999 ) Wire Set, Sparkplug [Set Of 4, 1.6l] 1
20833 (000000- ) Wheel, 03.0d 1.38w 0.50b 2
372571 (000000- ) Belt, Ribbed, 39.0l 1
1024586 (000000- )Side Door Inner Skirt 2
1019295 (000000- ) Side Door Outer Skirt 2
1033269 (000000- ) Front Tabbed Skirt 1
1033549 (000000- ) Rear Skirt 1
1033548 (000000- ) Rear Recirculation Flap 1
9010622 (004000- 004582 )Plug, Spark 4
9014160 (004583- ) Plug, Spark 4

GENERAL RECOMMENDED MAINTENANCE
M30 Gas/LPG 9003946 (5- 2015)
1-2
General Recommended Maintenance Items
Ref. Part No. Serial Number Description Qty.
1035067 (000000- )Linard Front Squeegee - Std. 1
1035052 (000000- ) Linatex Rear Squeegee - Std. 1
83874 (000000- ) Linatex Rear Squeegee End Gasket 2
1031011 (000000- ) Linatex Side Squeegee 2
1025005 (000000- 001278 ) Linatex Side Brush Squeegee 1
1046980 (001279- 004481 )Blade, Sqge, Side Brush, Linatex 1
1073414 (004482- ) Blade, Sqge, Side Brush, Linatex 1
1047238 (001279- 004481 ) Blade, Sqge, Side Brush, Linatex 1
1073415 (004482- ) Blade, Sqge, Side Brush, Linatex 1
1038681 (000000- ) Urethane Front Squeegee 1
1038680 (000000- )Urethane Rear Squeegee 1
1031823 (000000- ) Urethane Side Squeegee 2
1027716 (000000- 001278 ) Urethane Side Brush Squeegee 1
1059091 (001279- 004481 ) Blade, Sqge, Side Brush, Urethane 1
1073413 (004482- ) Blade, Sqge, Side Brush, Urethane 1
1059092 (001279- 004481 )Blade, Sqge, Side Brush, Urethane 1
1073416 (004482- ) Blade, Sqge, Side Brush, Urethane 1
16411 (000000- ) Paint, Airdry, Off- White, 12oz (Not Europe) 1
16412 (000000- ) Paint, Airdry, Teal, 12oz, Solid (Not Europe) 1
377540 (000000- ) Paint, Airdry, Blk, 12oz (Not Europe) 1
377538 (000000- )Paint, Airdry, Gray, 12oz [Enamel] (Not Europe) 1
377537 (000000- ) Paint, Airdry, Iron Gray,12oz[Pwdr Coat] (Not Europe) 1
1057710 (000000- ) Oil, Hyd [El, Iso 100, 01gal] 1
1057711 (000000- ) Oil, Hyd [El, Iso 100, 05gal] 1
1069019 (000000- ) Oil, Hyd [El, Iso 68, 01gal] 1
1069020 (000000- )Oil, Hyd [El, Iso 68, 05gal] 1
1057707 (000000- ) Oil, Hyd [El, Iso 32, 01gal] 1
1057708 (000000- ) Oil, Hyd [El, Iso 32, 05gal] 1
99321 (000000- ) Oil, Hydraulic 68 [20l] (CE ONLY) 1

STANDARD PARTS
2-1
M30 Gas/LPG 9003946 (10- 2015)
SECTION 2
Contents Page
Fig. 1 - Brushes, Replacement, Scrub Head 2-3
Fig. 2 - Brushes, Replacement, Side Brush 2-4
Fig. 3 - Main Frame Group 2-6..............
Fig. 4 - Operator Station 2-8.................
Fig. 5 - Operator Station Insulation Group 2-10
Fig. 6 - Instrument Panel Group 2-12.........
Fig. 7 - Seat Group 2-14....................
Fig. 8 - Steering Group 2-16.................
Fig. 9 - Front Cover Group 2-18..............
Fig. 10 - Engine Cover Group 2-20............
GM Engine Page
Fig. 11 - GM Engine and Mount Group
(000000- 003999) 2-22.............
Fig. 12 - GM Engine EFI Group, Gasoline
(000000- 001320) 2-24.............
Fig. 13 - GM Engine EFI Group, Gasoline
(001321- 003999) 2-26.............
Fig. 14 - GM Engine EFI Group, LPG
(000000- 003999) 2-28.............
Fig. 15 - GM Engine Vaporizer Group,
LPG (000000- 001320) 2-30........
Fig. 16 - GM Engine Vaporizer Group,
LPG (001321- 003999) 2-32........
Fig. 17 - GM Engine Air Cleaner Group,
Gasoline (000000- 003999) 2-34.....
Fig. 18 - GM Engine Air Cleaner Group,
LPG (000000- 003999) 2-36........
Fig. 19 - GM Engine Alternator and
Fan Group (000000- 003999) 2-38...
Fig. 20 - GM Engine Muffler Group
(000000- 003999) 2-40.............
Fig. 21 - GM Engine Radiator and
Mount Group (000000- 001249) 2-42.
Fig. 22 - GM Engine Radiator and
Mount Group (001250- 003999) 2-44.
Fig. 23 - GM Engine Radiator Hose
Group (000000- 003999) 2-46.......
Mitsubishi Engine Page
Fig. 24 - Mitsubishi Engine and Mount
Group, Gas (004000- ) 2-48..
Fig. 25 - Mitsubishi Engine and Mount
Group, LPG (004000- ) 2-50..
Fig. 26 - Mitsubishi Engine EFI Group,
Gasoline (004000- ) 2-52.....
Fig. 27 - Mitsubishi Engine EFI Group,
LPG (004000- ) 2-54.........
Fig. 28 - Mitsubishi Engine Air Cleaner
Group, Gasoline (004000- ) 2-56
Fig. 29 - Mitsubishi Engine Air Cleaner
Group, LPG (004000- ) 2-58...
Mitsubishi Engine Page
Fig. 30 - Mitsubishi Engine Alternator
and Fan Group (004000- ) 2-60
Fig. 31 - Mitsubishi Engine Muffler Group
(004000- ) 2-62..............
Fig. 32 - Mitsubishi Engine Radiator and
Mount Group (004000- ) 2-64..
Fig. 33 - Mitsubishi Engine Radiator Hose
Group (004000- ) 2-66........
Contents Page
Fig. 34 - Engine Fuel Tank Group, Gasoline 2-68
Fig. 35 - Engine Fuel Tank Group, LPG 2-70...
Fig. 36 - Battery and Electrical Group 2-72.....
Fig. 37 - Wheel Group, Front Drive 2-74.......
Fig. 38 - Wheel and Brake Group 2-76........
Fig. 39 - Brake Pedal Linkage Group 2-78.....
Fig. 40 - Directional Pedal Group 2-80.........
Fig. 41 - Hydraulic Pump Linkage Group 2-82..
Fig. 42 - Hopper Lift Arms Group 2-84.........
Fig. 43 - Hopper and Debris Screen Group 2-86
Fig. 44 - Hopper Cover and Dust Filter
Group 2-88.......................
Fig. 45 - Hopper Bumper Group 2-90..........
Fig. 46 - Hopper Dump Door Group 2-92......
Fig. 47 - Brush Drive Group, Left Side 2-94....
Fig. 48 - Brush Drive Group, Right Side 2-96...
Fig. 49 - Brush Head Lift Group 2-98..........
Fig. 50 - Brush Head Skirt Group 2-100........
Fig. 51 - Squeegee Lift Group, Rear 2-102.....
Fig. 52 - Squeegee Group, Rear 2-104........
Fig. 53 - Squeegee Linkage Group, Rear 2-106.
Fig. 54 - Squeegee Group, Right Side 2-108...
Fig. 55 - Squeegee Lift Group, Right Side 2-110
Fig. 56 - Squeegee Group, Left Side 2-112.....
Fig. 57 - Squeegee Lift Group, Left Side 2-114.
Fig. 58 - Solution Tank Group 2-116...........
Fig. 59 - Solution Tank Drain Group 2-120.....
Fig. 60 - Solution Control Group 2-122........
Fig. 61 - Recovery Tank Group 2-124.........
Fig. 62 - Recovery Tank Drain Group 2-126....
Fig. 63 - Vacuum Fan Group, Scrubbing
(000000- 004454) 2-128............
Fig. 64 - Vacuum Fan Group, Scrubbing
(004455- ) 2-130.............
Fig. 65 - Vacuum Fan Group, Sweeping 2-132..
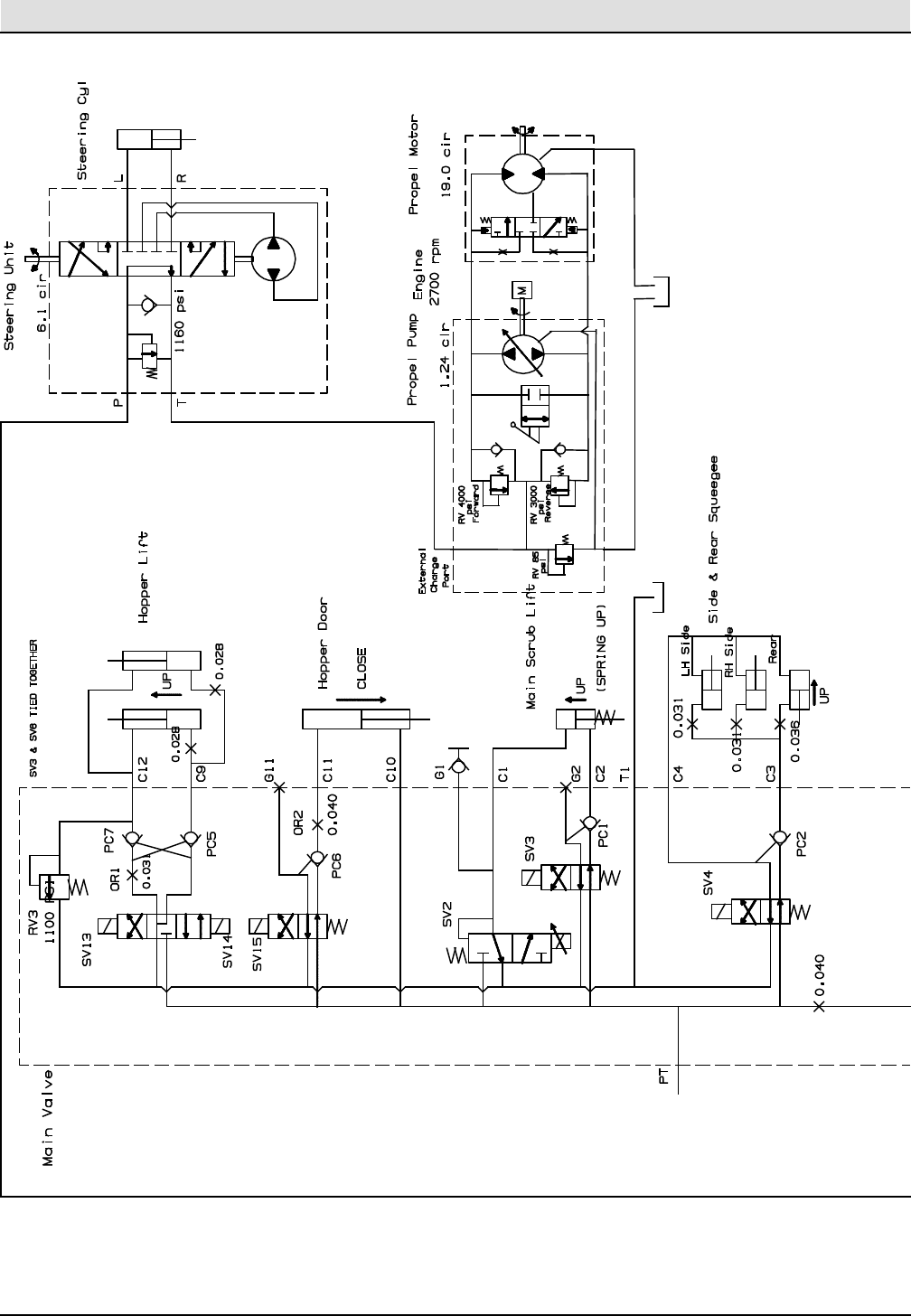
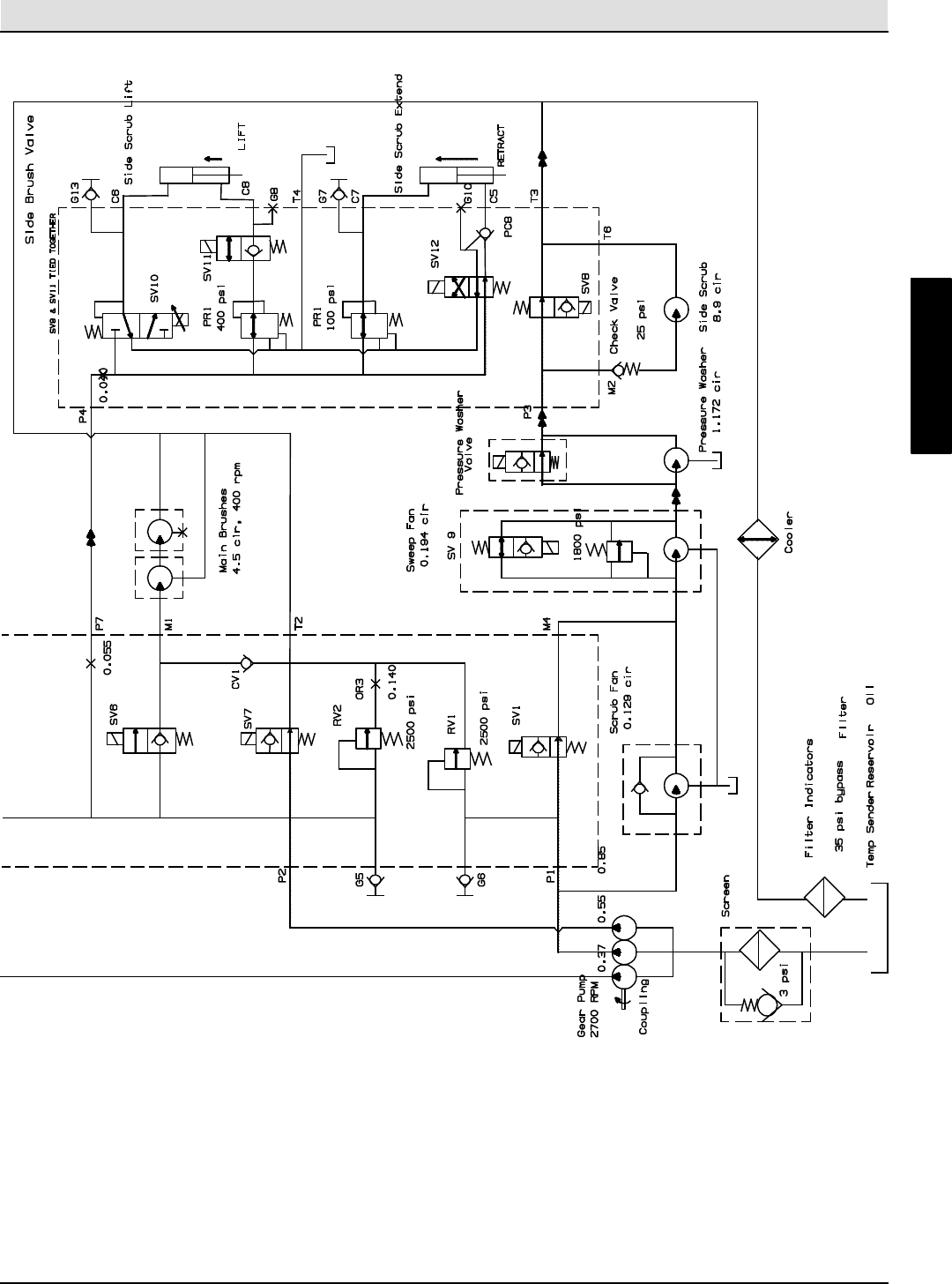
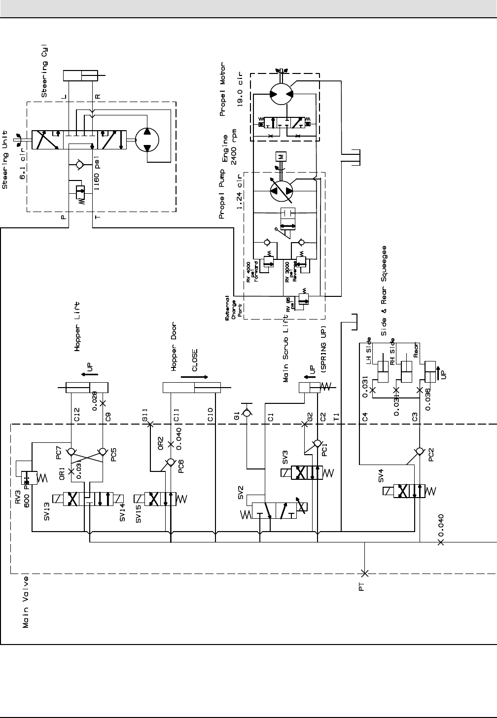
Fig. 66 - Hydraulic Schematic
(000000- 001462) 2-134............
Fig. 67 - Hydraulic Schematic
(001463- ) 2-136.............
Fig. 68 - Hydraulic Hose Group,
Steering and Propel 2-138..........
Fig. 69 - Hydraulic Hose Group, Pump and
Vacuum Fan (000000- 004454) 2-140
Fig. 70 - Hydraulic Hose Group, Pump and
Vacuum Fan (004455- ) 2-142.

STANDARD PARTS
M30 Gas/LPG 9003946 (10- 2015)
2-2
Contents Page
Fig. 71 - Hydraulic Hose Group, Brush
and Hopper 2-144.................
Fig. 72 - Hydraulic Hose Group,
Squeegee Lift 2-146...............
Fig. 73 - Hydraulic Pumps Group 2-148........
Fig. 74 - Hydraulic Cooler and Tubes
Group 2-150......................
Fig. 75 - Hydraulic Reservoir Group 2-152.....
Fig. 76 - Hydraulic Valve Group 2-154.........
GM Engine Page
Fig. 77 - GM Electrical Schematic
(000000- 001544) 2-156............
Fig. 78 - GM Electrical Schematic
(001545- 003999) 2-164............
Fig. 79 - GM Electrical Schematic,
Gasoline Engine Harness
(000000- 001320) 2-172............
Fig. 80 - GM Electrical Schematic, Gas
Engine Harness
(001321- 003999) 2-174............
Fig. 81 - GM Electrical Schematic, LPG
Engine Harness
(000000- 001320) 2-176............
Fig. 82 - GM Electrical Schematic, LPG
Engine Harness
(001321- 003999) 2-178............
Mitsubishi Engine Page
Fig. 83 - Mitsubishi Electrical Schematic
(004000- ) 2-180.............
Fig. 84 - Mitsubishi Electrical Schematic,
Gas Engine Harness
(004000- ) 2-188.............
Fig. 85 - Mitsubishi Electrical Schematic,
LPG Engine Harness
(004000- ) 2-190.............
Contents Page
Fig. 86 - Electrical Wire Harness Group,
Main 2-192.......................
Fig. 87 - Electrical Wire Harness Group,
Headlight 2-199...................
Fig. 88 - Electrical Wire Harness Group,
Hopper 2-200.....................
Fig. 89 - Electrical Wire Harness Group,
Hopper Cover 2-202...............
Fig. 90 - Electrical Wire Harness Group,
Gasoline/LPG Engine 2-204.........
Fig. 91 - Label Group 2-206..................

STANDARD PARTS
2-3
M30 Gas/LPG 9003946 (5- 2016)
Fig. 1 - Brushes, Replacement, Scrub Head
1
2
354408 - M30
Ref. Part No. Serial Number Description Qty.
11033375 (000000- )Brush, Sweep / Scrub, 48L, 24 Sr, Polypropylene 2
1 1033372 (000000- ) Brush, Sweep / Scrub, 48L, 24 Sr,Super Abrasive 2
1 1033246 (000000- ) Brush, Sweep / Scrub, 48L, 24 Sr, Polyester 2
1 1033374 (000000- ) Brush, Sweep / Scrub, 48L, 24 Sr, Heavy Duty Polypropy-
lene 2
2 1038430 (000000- ) Brush, Sweep / Scrub, 48L, Wndw, Polypropylene 2
21059641 (000000- )Brush, Sweep / Scrub, 48L, Wndw, Super Abrasive 2

STANDARD PARTS
M30 Gas/LPG 9003946 (10- 2015)
2-4
Fig. 2 - Brushes, Replacement, Side Brush
5
6
7
8
9
10
6
7
99
9
8
3
SCRUBBING
SIDE BRUSH
1
2
4
SWEEPING
SIDE BRUSH
Previous Brush Parts

STANDARD PARTS
2-5
M30 Gas/LPG 9003946 (10- 2015)
354584
Fig. 2 - Brushes, Replacement, Side Brush
Ref. Part No. Serial Number Description Qty.
o11220235 (000000- )Brush Assy, Disk, Scb, 16.0d, Nylon 1
Y2 9014662 (000000- ) Brush Kit, Hub Assy, Drive, Ci [Hdpe In] 1
o1 1220236 (000000- ) Brush Assy, Disk, Scb, 16.0d, Heavy Duty Polypropylene 1
Y2 9014662 (000000- ) Brush Kit, Hub Assy, Drive, Ci [Hdpe In] 1
o1 1221543 (000000- ) Brush Assy, Disk, Scb, 16.0d, Super Abrasive 1
Y29014662 (000000- )Brush Kit, Hub Assy, Drive, Ci [Hdpe In] 1
o3 1220185 (000000- ) Brush Assy, Disk, Swp, 24.0d, Polypropylene 1
Y4 9014666 (000000- ) Brush Kit, Hub Assy, Drive, Ci [Uhmw] 1
Previous Brush Parts
5 1017368 (000000- ) Hub, Drive, Brush, Disk, 3hole 5.8bc 1
614838 (000000- )Spring, Wir, 0.16d, Brush Retaining 1
7 24299 (000000- ) Bracket, Retainer, Spring 1
8 01684 (000000- ) Washer, Flat, 0.27b 0.69d .05, Ss 1
9 32746 (000000- ) Screw, Pan, Phl, M6 X 1.00 X 35, Ss 3
10 15539 (000000- ) Hub, Drive, Brush, Disk, 3hole 5.8bc[6t] 1
1042500 (000000- )Brush Assy, Disk, Scrub, 16.0 D, Heavy Duty Polypropy-
lene (Replaced by 1220236) 1
1042504 (000000- ) Brush Assy, Disk, Scrub, 16.0 D, Super Abrasive (Replaced
by 1221543) 1
1042499 (000000- ) Brush Assy, Disk, Scrub, 16.0D, Nylon (Replaced by
1220235) 1
1027688 (000000- ) Brush Assy, Disk, Sweep, 24.oD, Polypropylene (Replaced
by 1220185) 1

STANDARD PARTS
M30 Gas/LPG 9003946 (5- 2016)
2-6
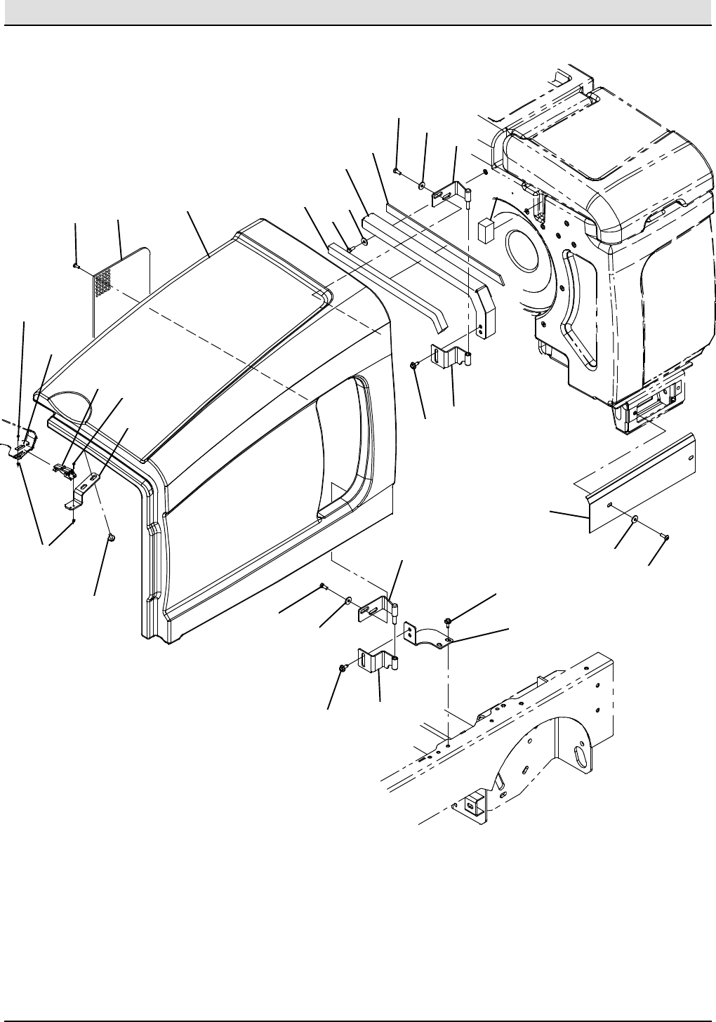
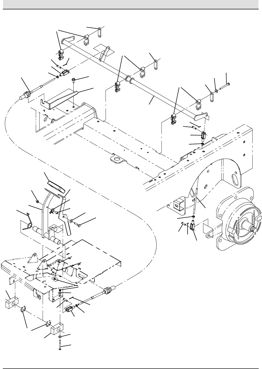
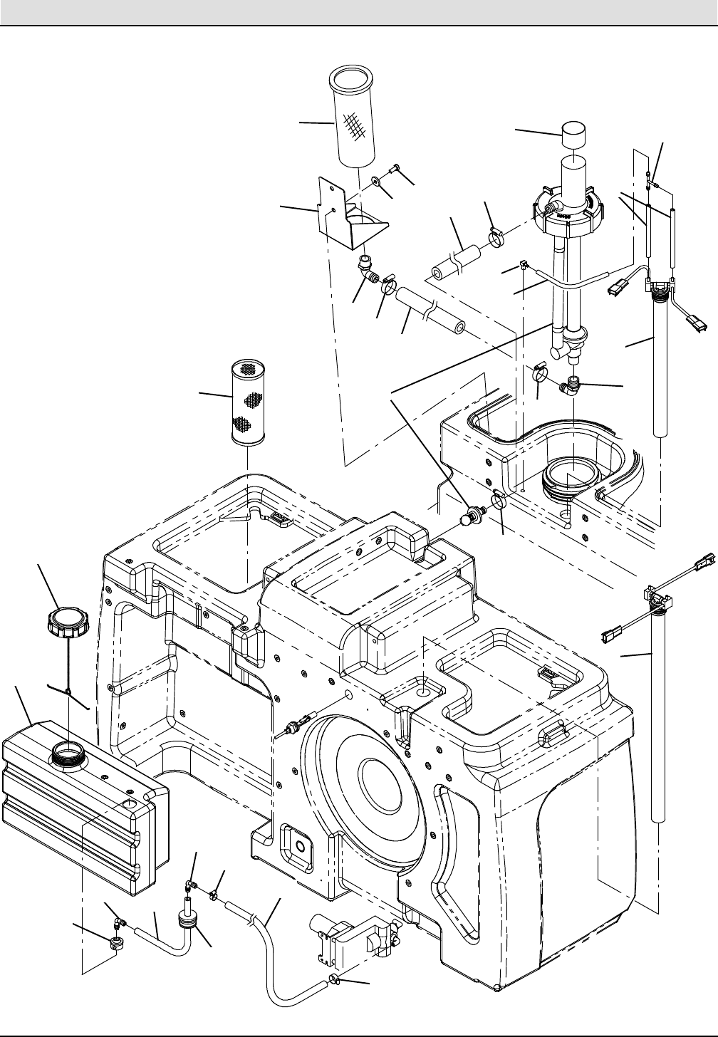
Fig. 3 - Main Frame Group
1
2
22
23
5
6
7
8
7
8
9
10
11
12
13
14
14
15
16
17 18
19
10
21
12
24
25
2
25
23
24
22
26
27
26
27
28
3
4
20

STANDARD PARTS
2-7
M30 Gas/LPG 9003946 (5- 2016)
354600
Fig. 3 - Main Frame Group
Ref. Part No. Serial Number Description Qty.
19003987 (000000- )Frame Wldt, Main, Replmt [M30] 1
2 1060130 (000000- ) Wheel, 06.0D 2.00W 1.19B, Gray Rbr 6
3 9006334 (000000- 001248 ) Pin Kit, Wheel, Ci [M20/T20/M30] 2
4 761490 (000000- 001248 ) Pin, Cotter, hair, Dbl 2
5 9003988 (000000- ) Tower Wldt, Lift, Rh, Replmt [M30] 1
59004991 (000000- )Tower Wldt, Lift, Rh, Replmt, TJ (Japan Only) 1
5 9004992 (000000- ) Tower Wldt, Lift, Rh, Replmt, CE (CE Only) 1
6 9003989 (000000- ) Tower Wldt, Lift, Lh, Replmt [M30] 1
6 9004989 (000000- ) Tower Wldt, Lift, Lh, Replmt, TJ (Japan Only) 1
6 9004990 (000000- ) Tower Wldt, Lift, Lh, Replmt, Ce (CE Only) 1
739283 (000000- )Screw, Hex, M10 X 1.50 X 25, 8.8 10
8 32492 (000000- ) Washer, Flat, 0.38, Std 10
9 1032174 (000000- ) Channel, Upper, Tower, Lift 1
10 1037346 (000000- ) Screw, Hex, M8 X 1.25 X 25, 9.8, Sems 5
11 58819 (000000- ) Tread, Non- Skid, 03.0w 11.6l 1
12 1019251 (000000- )Pin Wldt, Pivot, Hppr 2
13 361339 (000000- ) Screw, Hex, M6 X 1.00 X 16, Fmg 4
14 1024648 (000000- ) Block, Centering 2
15 09164 (000000- ) Screw, Pan, Phl, M6 X 1.00 X 20, 4.8 4
16 1027916 (000000- ) Panel Wldt, Filler 1
17 12317 (000000- )Screw, Hex, M10 X 1.50 X 30, Ss 4
18 01686 (000000- ) Washer, Flat, 0.44b 1.00d .08, Ss 4
19 363458 (000000- ) Tread, Non- Skid, 01.9w 08.0l 1
o20 1019225 (000000- 001486 ) Headlight, 12vdc, 27watt, 2.1a, Oval (Rpl by 1060942) 2
Y1031826 (000000- 001486 ) Lamp, 12vdc [Speaker] 1
Y1031827 (000000- 001486 )Receptacle, Lamp [Speaker] 1
21 53466 (000000- ) Clamp, Cable, Stl, 1.50d X 1.00w, 1hole 1
22 23146 (001249- ) Pin, Roll, .187d X 1.62l, .187/.192 2
23 1053838 (001249- ) Pin, 30mmd X 215mml 2
24 1062566 (001249- ) Washer, Flat, 1.26B 1.88D .13, Stl, Pl 2
25 34411 (001249- )Pin, Cotter, Hair, 1.00d .178 Wir 2
o26 1060942 (001487- ) Headlight, 12Vdc, Oval, Halogen 2
Y27 9007513 (001487- ) Lamp, Halogen [Speaker] 1
28 1210807 (000000- ) Wire, Tie [W/.25” Fir Tree Clip] 1

STANDARD PARTS
M30 Gas/LPG 9003946 (12- 2012)
2-8
Fig. 4 - Operator Station
1
2
3
4
5
6
7
8
9
10
11
12
13 14
15
16
17
18
19
19
20
21
22 23
24
25
26
27
9
7
8
9
30
28
29
16
31
32
33
34
20
11
19
35

STANDARD PARTS
2-9
M30 Gas/LPG 9003946 (12- 2012)
354601 - G/LP
Fig. 4 - Operator Station
Ref. Part No. Serial Number Description Qty.
19002409 (000000- )Panel Wldt, Gas, Replmt 1
1 9002380 (000000- ) Panel Wldt, Gas, Replmt [W/Fast] 1
1 9002381 (000000- ) Panel Wldt, Gas, W/ Es, Replmt 1
1 9003422 (000000- ) Panel Wldt, Gas, Replmt, Tj 1
1 9003425 (000000- ) Panel Wldt, Gas, Replmt, Tj[W/Fast] 1
19003428 (000000- )Panel Wldt, Gas, Replmt, Tj, W/ Es 1
1 9003431 (000000- ) Panel Wldt, Lpg, Replmt 1
1 9003432 (000000- ) Panel Wldt, Lpg, Replmt [W/Fast] 1
1 9003433 (000000- ) Panel Wldt, Lpg, W/ Es, Replmt 1
1 9003423 (000000- ) Panel Wldt, Lpg, Replmt, Tj 1
19003426 (000000- )Panel Wldt, Lpg, Replmt, Tj[W/Fast] 1
1 9003429 (000000- ) Panel Wldt, Lpg, Replmt, Tj, W/ Es 1
1 9003434 (000000- ) Panel Wldt, Lpg, Replmt, Ce 1
1 9003435 (000000- ) Panel Wldt, Lpg, Replmt, Ce[W/FaST] 1
1 9003436 (000000- ) Panel Wldt, Lpg, Replmt, Ce, W/ Es 1
239283 (000000- )Screw, Hex, M10 X 1.50 X 25, 8.8 1
3 04414 (000000- ) Washer, Flat, 0.53b 1.88d .12, Stl, Pl 1
4 1047295 (000000- ) Seal, Foam, 0.50 1
5 82727 (000000- ) Plug, Hole, Rnd, 0.88h .03- .12, Blk Nyl 1
6 01493 (000000- ) Plug, Hole, Rnd, 1.00h .03- .12, Blk Nyl 1
71030017 (000000- )Plug, Hole, Rnd, 2.50h .03- .25, Blk Nyl 2
8 16931 (000000- ) Screw, Hex, M8 X 1.25 X 20, 8.8 6
9 1017218 (000000- ) Washer, Flat, 0.32b 1.00d .12, Ss 9
10 07791 (000000- ) Nut, Hex, Flng, M8 X 1.25 1
11 58819 (000000- ) Tread, Non- Skid, 03.0w 11.6l 2
12 1034762 (000000- )Panel, Adj 1
13 1047188 (000000- ) Seal, Foam, 1.18 1
14 9004492 (000000- ) Light Assy, Panel, Side 1
15 53466 (000000- ) Clamp, Cable, Stl, 1.50d X 1.00w, 1hole 5
16 1037346 (000000- ) Screw, Hex, M8 X 1.25 X 25, 9.8, Sems 6
17 1021834 (000000- )Panel, Access, Door 1
18 1027218 (000000- ) Mat, Floor 1
19 1031665 (000000- ) Screw, Pan, M8 X 1.25 X 25, Blk 7
20 39349 (000000- ) Washer, Flat, 0.31, Sae 5
21 1022699 (000000- ) Panel, Access, Floor 1
22 363976 (000000- )Screw, Hex, M8 X 1.25 X 60, 8.8, Fl 1
23 39311 (000000- ) Nut, Hex, Std, M8 X 1.25 1
24 1035997 (000000- ) Bracket Wldt, Mtg, Tank 1
25 09740 (000000- ) Screw, Hex, M8 X 1.25 X 20, Ss 3
26 1033975 (000000- ) Bracket, Mtg 1
27 32491 (000000- )Washer, Flat, 0.31, Std 2
28 1027267 (000000- ) Mat, Floor 1
29 1020904 (000000- ) Seal, Panl, Instmt 1
30 1020168 (000000- ) Molding, Afmkt, Trim, Pvc, .08 .11, 01ft 1
31 1047169 (000000- ) Bracket, Mtg, Insulation 1
32 06942 (000000- )Screw, Hex, M6 X 1.00 X 16, 8.8 2
33 32490 (000000- ) Washer, Flat, 0.25, Std 2
34 08708 (000000- ) Nut, Hex, Lock, M6 X 1.00, Nl 2
35 1071868 (004000- ) Bracket Wldt, Mtg, Hose [M30] 1

STANDARD PARTS
M30 Gas/LPG 9003946 (12- 2012)
2-10
Fig. 5 - Operator Station Insulation Group
1
2
3
4
5
6
7
8

STANDARD PARTS
2-11
M30 Gas/LPG 9003946 (1- 08)
354602
Fig. 5 - Operator Station Insulation Group
Ref. Part No. Serial Number Description Qty.
11034769 (000000- )Insulation, Flame- Retardant, 0.75- 0.88 1
2 1034765 (000000- ) Insulation, Flame- Retardant, 0.75- 0.88 1
3 1040841 (000000- ) Insulation, Flame- Retardant, 0.75- 0.88 1
4 1023464 (000000- ) Insulation, Flame- Retardant, 0.75- 0.88 1
5 1034764 (000000- ) Insulation, Flame- Retardant, 0.75- 0.88 1
61034766 (000000- )Insulation, Flame- Retardant, 0.75- 0.88 1
7 1034768 (000000- ) Insulation, Flame- Retardant, 0.75- 0.88 1
8 1023569 (000000- ) Insulation, Flame- Retardant, 0.75- 0.88 1

STANDARD PARTS
M30 Gas/LPG 9003946 (5- 2016)
2-12
Fig. 6 - Instrument Panel Group
25
1
2
3
4
5
6
7
8
910
11
12
13
14 15
16
17
18
22
19
20
21 24
23
26
9
27

STANDARD PARTS
2-13
M30 Gas/LPG 9003946 (5- 2016)
354410 - G/LP, M20, M30
Fig. 6 - Instrument Panel Group
Ref. Part No. Serial Number Description Qty.
o19003453 (000000- )Panel Kit, Instmt, Repair [M20/M30] 1
Y2 9002435 (000000- ) Label Kit, Panel, Replmt [M20/M30] 1
o1 9007912 (000000- ) Panel, Kit, Instmt Replmt [M20/M30 ec- H20] 1
Y2 9007913 (000000- ) Label Kit, Panel, Replmt [M20/M30 ec- H20] 1
3 16968 (000000- ) Nut, Hex, Lock, #08- 32, Nl 4
41028769 (000000- )Flap, Battery 1
5 1028772 (000000- ) Bar, Flat, Ss 0.06, 00.50 X 10.00l, 2sl 1
6 1029362 (000000- ) Washer, Shld, Nyl [8- 32] 4
7 361071 (000000- ) Plate, Mtg, Light 1
8 361073 (000000- ) Seal, Rbr, Clsd, 0.13, Instmt Panl 1
9361075 (000000- )Light, Panl, 14vdc, 1.1 X 1.0 3
10 08712 (000000- ) Nut, Hex, Lock, M6 X 1.00, Nl, Ss 2
11 73736 (000000- ) Washer, Flat, 1.15b 1.75d .08, Stl 1
12 382516 (000000- ) Boot, .63id .29l .90w 1
o13 87536 (000000- ) Switch, Ignition [Ku] 1
Y87866 (000000- )Key, Ignition [Set Of 2] 1
14 383165 (000000- ) Boot, Switch, Ignition 1
15 49266 (000000- ) Tie, Cable, Nyl, 07.3l .19w 1.8 Max D 2
16 392171 (000000- ) Switch, Rocker, Dpdt, On / Off / On 1
17 398501 (000000- ) Plug, Hole, Rt, Rocker Switch, .87 X 1.7 1
18 398508 (000000- )Switch,Rocker,Dpdt,Mom/Off/Mom 2
19 56992 (000000- ) Plug, Hole, Rnd, 0.50h .03- .12, Blk Nyl 1
20 223599 (000000- ) Cup Holder, Rwk 1
21 1040467 (000000- ) Screw, Hex, M6 X 1.0 X 20, 9.8, Sems 3
22 1024287 (000000- ) Label, Switch, Rocker [M20/M30] 1
23 9004880 (000000- )Panel, Instmt, Rh, Gas, Replmt 1
23 9002391 (000000- ) Panel, Instmt, Rh, Lpg, Replmt 1
23 9002392 (000000- ) Panel, Instmt, Rh, Lpg, Replmt, Ce / Tj 1
24 1031665 (000000- ) Screw, Pan, M8 X 1.25 X 25, Blk 4
25 361075 (000000- 001138 ) Light, Panl, 14vdc, , 1.1 X 1.0 1
26 1041822 (000000- )Light, Led, .312D, 2 Volt [Tri- Color] (ec- H20 only) 1
27 1075003 (000000- ) Keychain, Rectangle, Parts & Service 1

STANDARD PARTS
M30 Gas/LPG 9003946 (5- 2016)
2-14
Fig. 7 - Seat Group
19
20
1
2
3
4
5
6
7
8
9
10
11
12
13
14
15
16
17
18
22
23 24
25 26
27
28
29
31
32
33
34
35
36
37
38
39
40
41
42
43
44
47
46
45
21
32
18
31 33
32
18
14
30
37
39

STANDARD PARTS
2-15
M30 Gas/LPG 9003946 (5- 2015)
354603
Fig. 7 - Seat Group
Ref. Part No. Serial Number Description Qty.
11034767 (000000- )Insulation, Flame- Retardant, 0.75- 0.88 1
2 1019228 (000000- ) Plate Wldt, Seat 1
3 1025736 (000000- ) Latch 1
4 06933 (000000- ) Screw, Pan, Phl, M5 X 0.80 X 16, 4.8 2
5 19066 (000000- ) Washer, Flat, 10 2
606549 (000000- )Nut, Hex, Lock, M5 X 0.80, Nl 2
7 49800 (000000- ) Latch 1
8 02850 (000000- ) Nut, Hex, Lock, M4 X 0.70, Nl 4
9 06928 (000000- ) Screw, Pan, Phl, M4 X 0.70 X 20, 4.8 4
10 19064 (000000- ) Washer, Flat, 06 2
11 1023499 (000000- )Insulation, Flame- Retardant, 1.0 1
12 223080 (000000- ) Arm Wldt, Safety, Sppt, Seat, .38d 06.5d 1
13 06944 (000000- ) Screw, Hex, M6 X 1.00 X 25, 8.8 1
14 32483 (000000- ) Washer, Flat, 0.25, Sae 4
15 08708 (000000- ) Nut, Hex, Lock, M6 X 1.00, Nl 1
16 21851 (000000- )Spacer, Plstc, Nyl 1
17 1020341 (000000- ) Screw, Hex, M8 X 1.25 X 20, Ss, Sems 3
18 1017218 (000000- ) Washer, Flat, 0.32b 1.00d .12, Ss 9
o19 1022105 (000000- 004257 ) Seat, Suspension, W/1 Arm And Belt 1
Y1066893 (000000- 004257 ) Seatbelt, Retractable [Deluxe Seat] 1
Y1048955 (000000- 004257 )Switch, Seat, No [Delta 6440- 04] 1
Y20 1072815 (000000- 004257 ) Armrest, Rh 1
21 32983 (000000- ) Nut, Hex, Lock, .31- 18, Nl (NA ONLY) 4
21 01760 (000000- ) Nut, Hex, Lock, .31- 18, Nl, Thin (CE ONLY) 4
22 364749 (000000- ) Washer, Flat, 0.41b 1.25d .12, Pye 1
23 32492 (000000- )Washer, Flat, 0.38, Std 2
24 08085 (000000- ) Pin, Cotter, Hair, 0.31d .058 Wir 1
25 1036220 (000000- ) Cover, Lower, Rh 1
26 1031665 (000000- ) Screw, Pan, M8 X 1.25 X 25, Blk 2
27 39349 (000000- ) Washer, Flat, 0.31, Sae 2
28 1033230 (000000- )Shroud, Rh 1
29 1026825 (000000- ) Bracket, Latch, Shrd, Seat 1
30 09200 (000000- ) Screw, Pan, Phl, M5 X 0.80 X 12, Ss 2
31 1024464 (000000- ) Hinge Wldt, Shrd, Rh 2
32 16931 (000000- ) Screw, Hex, M8 X 1.25 X 20, 8.8 8
33 1024425 (000000- )Hinge Wldt, Shrd, Rh 2
34 1036345 (000000- ) Grill, Lh 1
35 222267 (000000- ) Screw, Pan, Phl, 06- 20 X 0.50, Fmg/Ab 6
36 1039705 (000000- ) Bracket, Sppt, Seat 1
37 01760 (001299- ) Nut, Hex, Lock, .31- 18, Nl, Thin 2
38 1036832 (000000- )Bracket, Mtg, Hinge, Rh 1
39 58494 (001299- ) Stud, Ball, .39d .31- 16, Gasspring 2
40 368391 (001299- ) Gasspring, 180lb, 03.0strk 1
41 1031206 (001299- ) Seal, Afmkt, Bulb, 90, 0.50D, 02 Ft 1
42 1047132 (000000- ) Insulation, Acstc, 1.0, 21.8 X 12.5 Adh 1
43 10632- 8 (001139- )Grommet, Rbr, 0.75id, F/1.3h, .12 Matl (CE ONLY) 1
44 76888 (001139- ) Plug, Hole, Rnd, 1.25h .03- .12, Blk Nyl (NA ONLY) 1
45 32491 (000000- ) Washer, Flat, 0.31, Std 4
46 1072456 (004258- ) Seat (See Breakdowns) 1
47 1051052 (004258- )Spacer, Rnd, .38b .88d .38l (CE ONLY) 4

STANDARD PARTS
M30 Gas/LPG 9003946 (8- 2013)
2-16
Fig. 8 - Steering Group
1
2
3
4
5
6
7
8
9
10
11
12
13
14
15
16
17
18
18
19
19
19
20
20
21
22
22
23
23
24 25
26
27
28
29
30
31

STANDARD PARTS
2-17
M30 Gas/LPG 9003946 (8- 2013)
354412
Fig. 8 - Steering Group
Ref. Part No. Serial Number Description Qty.
156820 (000000- )Fitting, Hyd, E90, Jm06/Om06 1
2 59577 (000000- ) Fitting, Hyd, Str, Jm06/Om06, Long 1
3 56835 (000000- ) Fitting, Hyd, Str, Jm08/Om06 1
4 56690 (000000- ) Fitting, Hyd, Str, Jm06/Om06 1
5 17980 (000000- ) Fitting, Hyd, E90, Jf08/Jm08 1
61024260 (000000- )Steer- Control, Hyd05, 06.1 2030 (See Breakdowns) 1
o7 1021265 (000000- ) Column, Steering, 09.9L 0.86D 36Tooth 1
Y8 388153 (000000- ) Contact Kit, W/ Brush [En] 4
o9 73027 (000000- ) Bracket Wldt, Steering, Tilt 1
Y10 01681 (000000- ) Screw, Soc, .25- 20 X 0.75, Al 4
11 70622 (000000- )Boot, Bellows, 3.1l 4.4w 2.8h 1hole, Neo 1
12 70623 (000000- ) Retainer, Boot, Steering Column 1
13 72970 (000000- ) Rivet, Plstc, .250d X 0.90 4
14 1058996 (000000- ) Wheel, Steering, 14.3d 0.81b 36tooth 1
15 1024478 (000000- ) Button, Cntrl, Horn 1
16 56185 (000000- )Nut, Hex, Jam, M20 X 1.5 1
17 1024695 (000000- ) Bracket Wldt, Tilt, Rh 1
18 70709 (000000- ) Bearing, Flng, 2hole, 0.50b 2
19 1040467 (000000- ) Screw, Hex, M6 X 1.0 X 20, 9.8, Sems 8
20 32483 (000000- ) Washer, Flat, 0.25, Sae 4
21 1023926 (000000- )Pin, Locking, Steering, Tilt 1
22 47585 (000000- ) Bearing, Flng, 2hole, 0.50b [Nyl] 2
23 08708 (000000- ) Nut, Hex, Lock, M6 X 1.00, Nl 4
24 70717 (000000- ) Ring, Retaining, Ext, 0.50d, Hd 1
25 22290 (000000- ) Spring, Cmpr, 0.72od .06wir 02.3l 1
26 32486 (000000- )Washer, Flat, 0.50, Sae 1
27 04706 (000000- ) Knob, Tee, 2.5 X 1.0 1.1l 0.38- 16, Plstc 1
28 75968 (000000- ) Insulation, Acstc, Rnd, 0.8, 02.5d 0.5h 1
29 1031665 (000000- ) Screw, Pan, M8 X 1.25 X 25, Blk 2
30 32491 (000000- ) Washer, Flat, 0.31, Std 2
31 06960 (000000- )Screw, Hex, M10 X 1.5 X 16, 8.8 4

STANDARD PARTS
M30 Gas/LPG 9003946 (11- 09)
2-18
Fig. 9 - Front Cover Group
1
2
3
4
5
5
6
6
7
7
8
97
10
3
4
11
12 13 13
14
14
15
16
17
18

STANDARD PARTS
2-19
M30 Gas/LPG 9003946 (11- 09)
354604
Fig. 9 - Front Cover Group
Ref. Part No. Serial Number Description Qty.
11034844 (000000- )Shroud, Front 1
2 1008916 (000000- ) Bracket Wldt, Latch 1
3 06942 (000000- ) Screw, Hex, M6 X 1.00 X 16, 8.8 3
4 32490 (000000- ) Washer, Flat, 0.25, Std 2
5 71941 (000000- ) Hinge, .38pin .12 3.5w 06.5l, 6/0.38sl 2
632491 (000000- )Washer, Flat, 0.31, Std 8
7 16931 (000000- ) Screw, Hex, M8 X 1.25 X 20, 8.8 12
8 1037717 (000000- 001249 ) Grill Wldt, Front 1
9 1017218 (000000- ) Washer, Flat, 0.32b 1.00d .12, Ss 4
10 74352 (000000- ) Cable, Glv .09d 042.0l .38eye /.38eye 1
11 08708 (000000- )Nut, Hex, Lock, M6 X 1.00, Nl 1
12 06988 (000000- ) Screw, Hex, M16 X 2.00 X 90, 8.8 1
13 07782 (000000- ) Nut, Hex, Std, M16 X 2.00 2
14 15331 (000000- ) Washer, Flat, 0.62, Sae 2
15 1046245 (000000- ) Seal, Shroud, Front 1
16 1037971 (000000- )Strip, Mtg, Seal 1
17 1046090 (001250- ) Grill Wldt, Front 1
18 1031557 (000000- 001249 ) Seal, Afmkt, Bulb, Str, 1.0D F/11Ga 08Ft 1

STANDARD PARTS
M30 Gas/LPG 9003946 (6- 09)
2-20
Fig. 10 - Engine Cover Group
1
2
3
4
5
2
3
4
5
6
7
7
8
9
10
11
12
12
13
14
15
16
3
4
17
18
19
20
7
21
22

STANDARD PARTS
2-21
M30 Gas/LPG 9003946 (6- 09)
354605
Fig. 10 - Engine Cover Group
Ref. Part No. Serial Number Description Qty.
11033912 (000000- )Shroud, Eng 1
2 1036249 (000000- ) Hinge Wldt, Lh, Pin 2
3 1017218 (000000- ) Washer, Flat, 0.32b 1.00d .12, Ss 6
4 16931 (000000- ) Screw, Hex, M8 X 1.25 X 20, 8.8 6
5 1036227 (000000- ) Hinge Wldt, Lh, Tube 2
61040222 (000000- )Bracket, Mtg, Hinge, Lh 1
7 1037346 (000000- ) Screw, Hex, M8 X 1.25 X 25, 9.8, Sems 6
8 1020186 (000000- ) Bracket, Latch, Cover 1
9 1020341 (000000- ) Screw, Hex, M8 X 1.25 X 20, Ss, Sems 2
10 384418 (000000- ) Latch, Door [Southco 91- 562- 07] 1
11 384419 (000000- )Bracket, Latch, Keeper 1
12 24265 (000000- ) Screw, Pan, Phl, M4 X 0.70 X 16, Ss 4
13 33932 (000000- ) Nut, Hex, Lock, M4 X 0.70, Nl, Ss 4
14 1036345 (000000- ) Grill, Lh 1
15 222267 (000000- ) Screw, Pan, Phl, 06- 20 X 0.50, Fmg/Ab 6
16 1040187 (000000- )Channel, Mtg, Seal, Shrd, Lh 1
17 1047191 (000000- ) Channel, Mtg, Seal, Shrd, Lh 1
18 1037340 (000000- ) Cover, Lower, Lh 1
19 1031665 (000000- ) Screw, Pan, M8 X 1.25 X 25, Blk 2
20 39349 (000000- ) Washer, Flat, 0.31, Sae 2
21 1047295 (000000- )Seal, Foam, 0.50 1
22 1047192 (000000- ) Seal, Foam, 1.18 1

STANDARD PARTS
M30 Gas/LPG 9003946 (12- 2012)
2-22
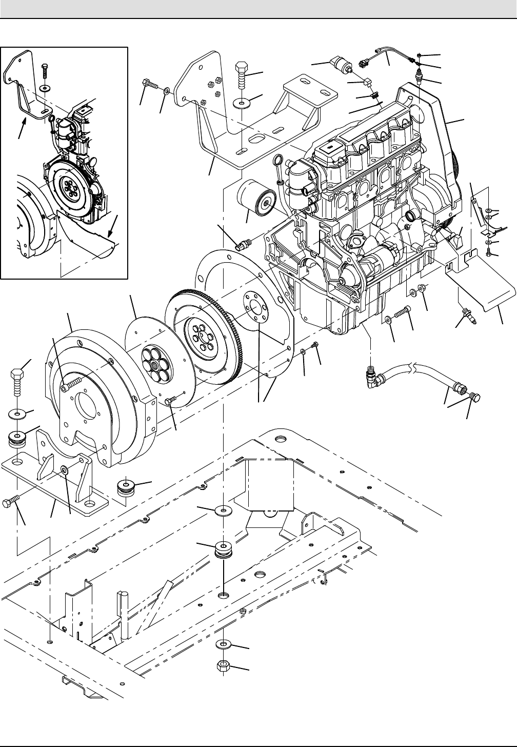
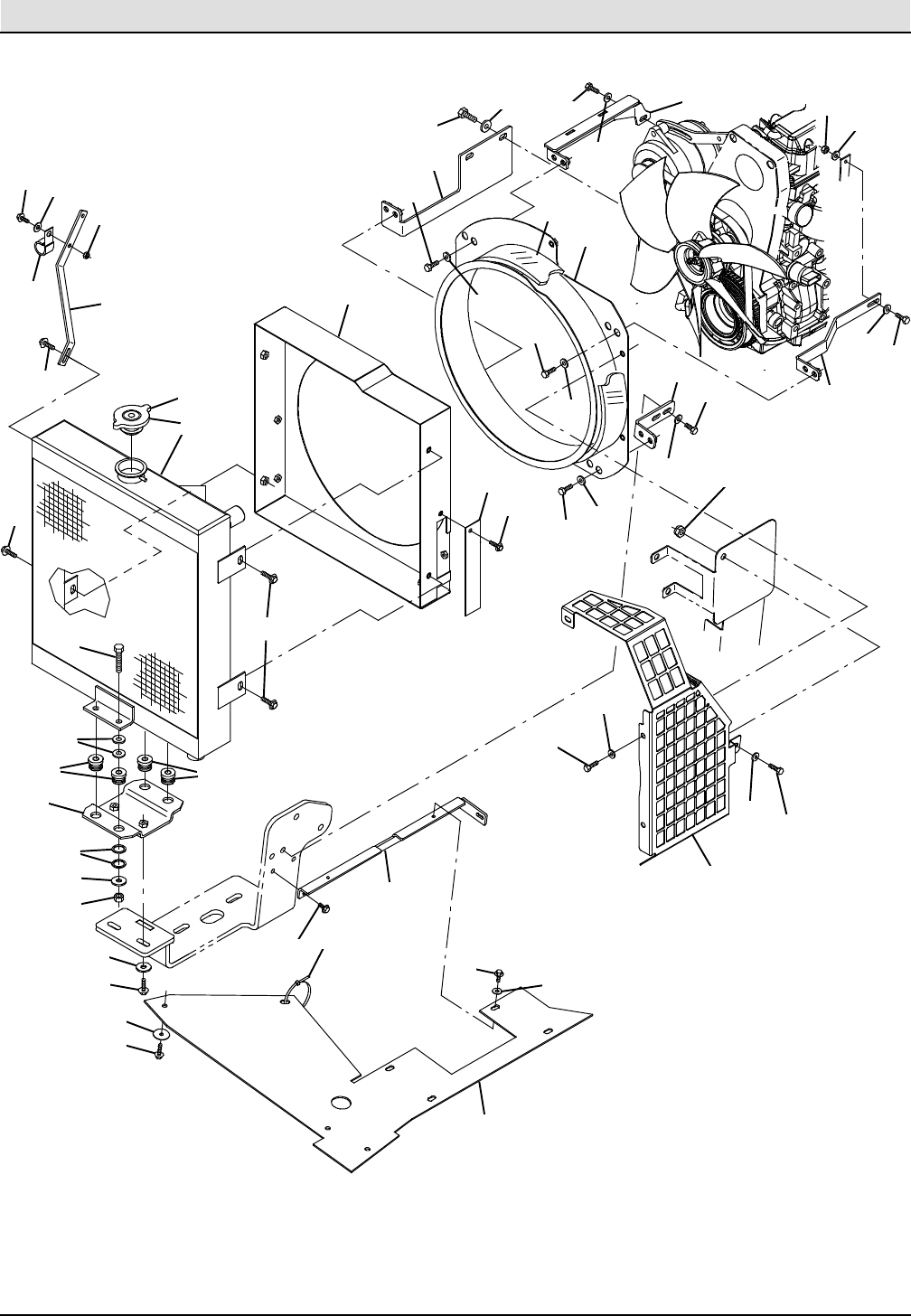
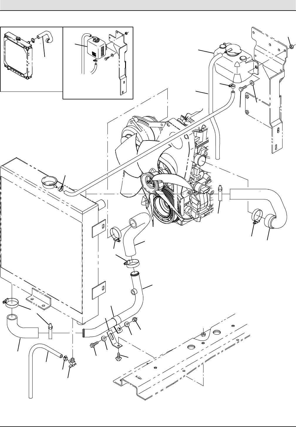
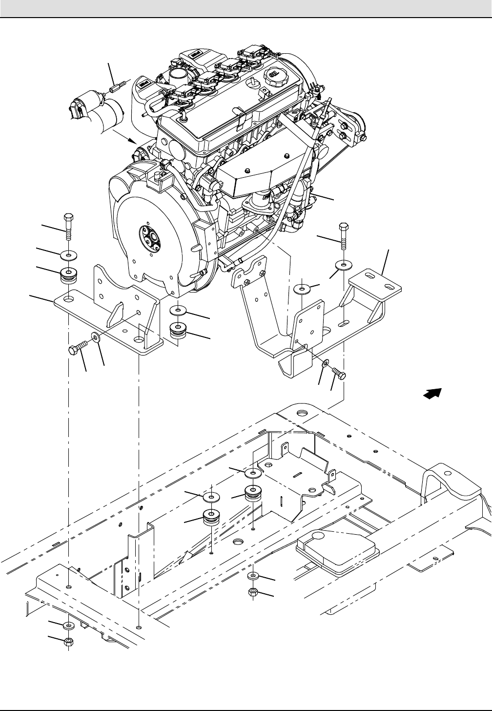
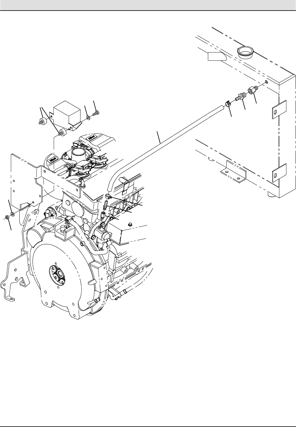
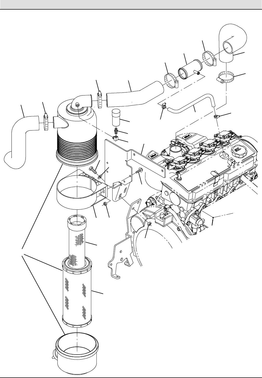
Fig. 11 - GM Engine and Mount Group (000000- 003999)
10
23
1
27
15 16 18
19
24 25
31
32
33
35
36
5
6
37
17
38
27
28
40
41
41
42
8
9
11
12
13
14
20 21
22
26
27
28 3
4
39
26
26
28
29
30
34

STANDARD PARTS
2-23
M30 Gas/LPG 9003946 (10- 2015)
354631
Fig. 11 - GM Engine and Mount Group (000000- 003999)
Ref. Part No. Serial Number Description Qty.
o1372862 (000000- 003999 )Engine, Block, Long [Gm1.6l] (See Engine Breakdown) 1
Y2 371972 (000000- 003999 ) Element, Fltr, Oil, Eng, Spin- On 1
o3 9006634 (000000- 003999 ) Hose, Drain, Engine Oil 1
Y4 9006635 (000000- 003999 ) Fitting, Plug 1
5 24976 (000000- 003999 ) Fitting, Brs, E45, Pf02/Pm02 1
61055106 (000000- 003999 )Switch, Press, 0006psi Dpdt 1
7 372002 (000000- 003999 ) Sensor, Position, Cshft 1
8 371866 (000000- 003999 ) Coupling, Drive, 13t 1
9 9008395 (000000- 003999 ) Screw, Hex, M07- 1.00 X 20.0, 8.8 6
10 371868 (000000- 001320 ) Plate Kit, Repair (Replaced by 9006895) 1
11 19315 (000000- 003999 )Screw, Hex, .25- 20 X 0.50, G5 4
12 32490 (000000- 003999 ) Washer, Flat, 0.25, Std 4
13 371869 (000000- 003999 ) Housing, Pump 1
14 371870 (000000- 003999 ) Screw, Soc, M12 X 1.75 X 55, 10.9 4
15 10832 (000000- 003999 ) Screw, Soc, .38- 16 X 1.50, Al 2
16 371996 (000000- 001320 ) Switch, Indicator, Oil Press 1
16 9008197 (001321- 003999 ) Switch, Indicator, Oil Press [2010] 1
17 385029 (000000- 003999 ) Gasket, Plug, Relief Valve,Oil Press 1
18 372556 (000000- 003999 ) Shield, Starter [1.6l] 1
19 372953 (000000- 003999 ) Sensor, Temp, Coolant 1
20 1023288 (000000- 003999 )Bracket Wldt, Mtg, Eng, Back, Gas/Lpg 1
21 39810 (000000- 003999 ) Screw, Hex, .50- 13 X 1.25, G5 4
22 32486 (000000- 003999 ) Washer, Flat, 0.50, Sae 4
23 1043187 (000000- 001249 ) Bracket Wldt, Mtg, Eng 1
24 39283 (000000- 003999 ) Screw, Hex, M10 X 1.50 X 25, 8.8 2
25 32485 (000000- 003999 )Washer, Flat, 0.38, Sae 2
26 51176 (000000- 003999 ) Isolator, Vib, .50d 4
27 06972 (000000- 003999 ) Screw, Hex, M12 X 1.75 X 60, 8.8 4
28 04414 (000000- 003999 ) Washer, Flat, 0.53b 1.88d .12, Stl, Pl 6
29 32493 (000000- 003999 ) Washer, Flat, 0.50, Std 2
30 08711 (000000- 003999 )Nut, Hex, Lock, M12 X 1.75, Nl 2
31 1042028 (000000- 003999 ) Sensor, Temp, Water [Rework For 1.6gm] 1
32 50335 (000000- 003999 ) Nut, Hex, Std, M5 X 0.80, 8 1
33 1038203 (000000- 003999 ) Harness, Temp, Eng, Switch [M30] 1
34 68106 (000000- 003999 ) Terminal, Tab, .25 .19h .84l 1
35 41361 (000000- 003999 )Nut, Hex, Std, M8 X 1.25, Brs 1
36 1031439 (000000- 003999 ) Fitting, Pipe, Bshg, M18 X 1.5 1
37 371877 (000000- 003999 ) Washer, Flat, 0.38, Hardened 2
38 1046022 (001250- 003999 ) Bracket Wldt, Mtg, Eng 1
39 9006895 (001321- 003999 ) Plate, Kit, Repair 1
40 1056566 (001283- 003999 )Plate, Guard, Belt [Gm 1.6l] 1
41 32490 (001283- 003999 ) Washer, Flat, 0.25, Std 3
42 06943 (001283- 003999 ) Screw, Hex, M6 X 1.00 X 20, 8.8 1

STANDARD PARTS
M30 Gas/LPG 9003946 (11- 09)
2-24
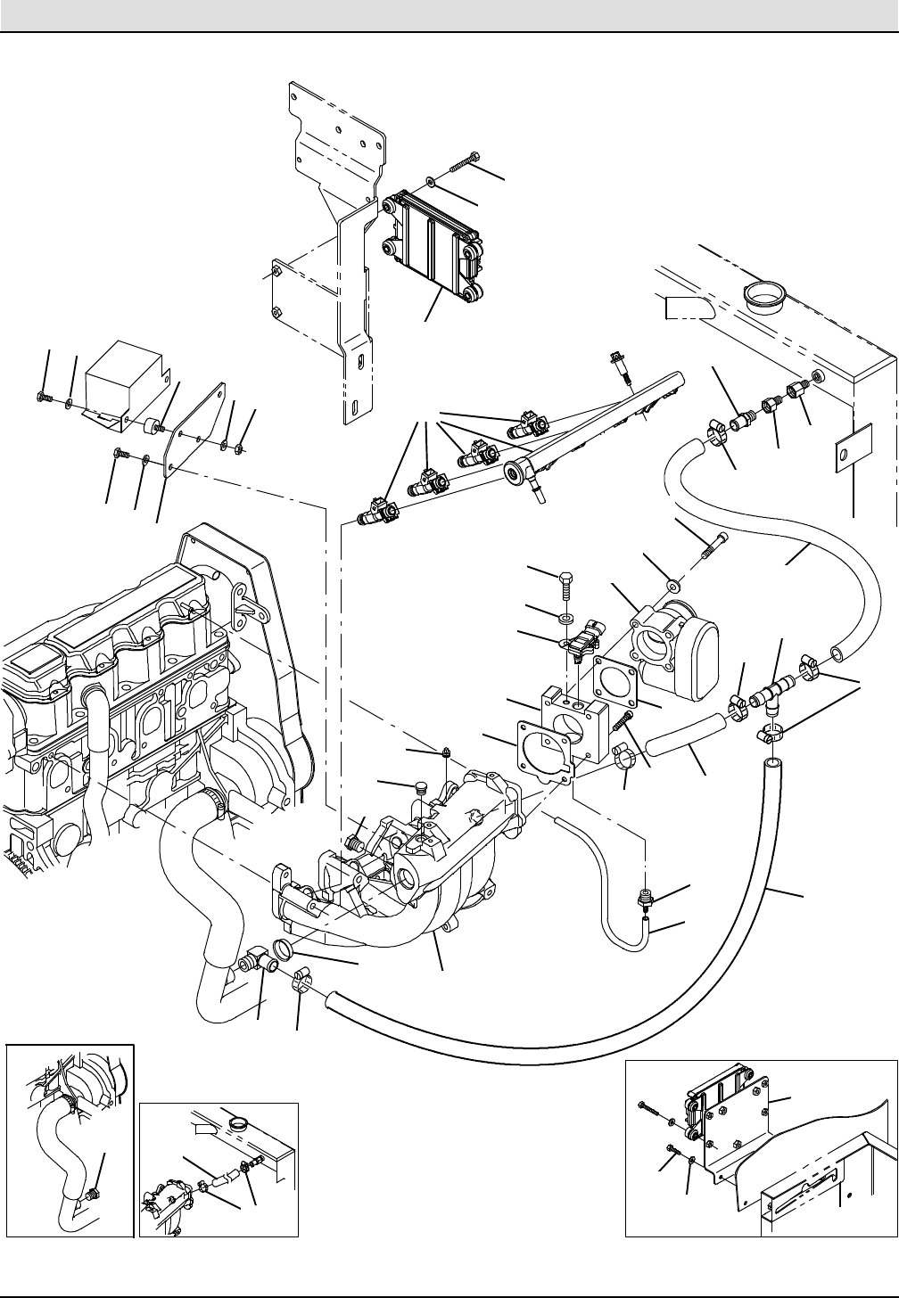
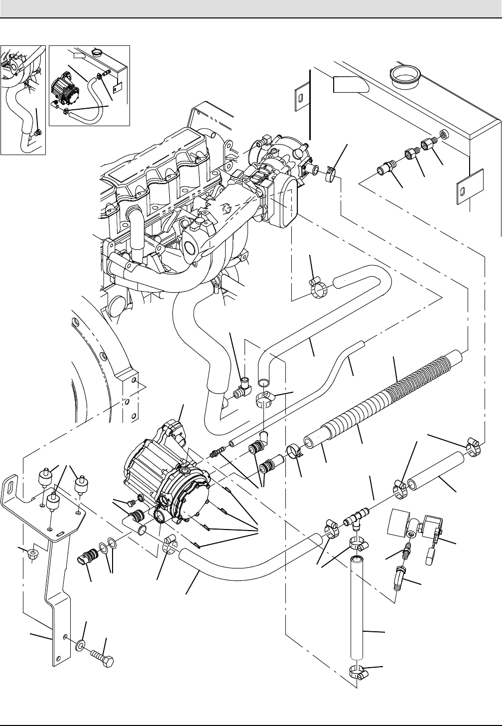
Fig. 12 - GM Engine EFI Group, Gasoline (000000- 001320)
1
2
34
34
45
6
7
8
9
10
11
12
13
14
4
15
16
17
18
19
4
20
21
22
23
24
24
25
26
25
27 28
29
28
29
30
31
32 4
33
34
24
35

STANDARD PARTS
2-25
M30 Gas/LPG 9003946 (10- 2015)
354632
Fig. 12 - GM Engine EFI Group, Gasoline (000000- 001320)
Ref. Part No. Serial Number Description Qty.
11031312 (000000- 001320 )Plate, Mtg, Relay 1
2 372470 (000000- 001320 ) Isolator, Box, Relay 2
3 19315 (000000- 001320 ) Screw, Hex, .25- 20 X 0.50, G5 4
4 32490 (000000- 001320 ) Washer, Flat, 0.25, Std 13
5 19312 (000000- 001320 ) Nut, Hex, Std, .25- 20 2
6372547 (000000- 001320 )Manifold, Intake [1.6l] 1
7 372549 (000000- 001320 ) Plug, Manifold, Intake 1
8 384995 (000000- 001320 ) Fitting, Plug, M16, Intake Manifold 1
9 372550 (000000- 001320 ) Plug, Port, Sensor [Map] 1
10 372548 (000000- 001320 ) Plug, .12npt, Ss 1
o9003390 (000000- 001320 )Gasket Kit, Repair, Gas [Gm1.6l 2007] 1
Y11 372544 (000000- 001320 ) Gasket, Manifold, Intake 1
Y12 372545 (000000- 001320 ) Gasket, Body, Throttle [1.6l] 1
13 372493 (000000- 001320 ) Sensor [T Map] 1
14 19317 (000000- 001320 ) Screw, Hex, .25- 20 X 0.75, G5 1
15 06532 (000000- 001320 )Screw, Soc, M6 X 1.00 X 25, 12.9 4
16 372534 (000000- 001320 ) Adapter, Intake, Throttle Body 1
17 384974 (000000- 001320 ) Housing, Throttle, 40mm [Bosch] 1
18 32483 (000000- 001320 ) Washer, Flat, 0.25, Sae 2
19 07255 (000000- 001320 ) Screw, Soc, M6 X 1.00 X 45, 12.9 4
20 384992 (000000- 001320 )Rail, Injector, Fuel, Plstc 1
21 06942 (000000- 001320 ) Screw, Hex, M6 X 1.00 X 16, 8.8 2
22 372543 (000000- 001320 ) Fitting, Vacuum [M16- 15- 6h] 1
23 384972 (000000- 001320 ) Hose, Vacuum, 0.22id X 15.0l 1
24 63810 (000000- 001320 ) Clamp, Hose, Wormdrive, 0.56- 1.06d, .56w 4
25 1022364 (000000- 001320 )Hose, Heater 1
26 83578 (000000- 001320 ) Tube, Bleed, Air, .62od 2.2l .12npt, Alm 1
27 1015930 (000000- 001320 ) Fitting, Brs, Str, Pf04/Pm02 1
28 150516 (000000- 001320 ) Fitting, Brs, Str, Bm06/Pm05 2
29 54333 (000000- 001320 ) Clamp, Hose, Wormdrive, 0.31- 0.88d, .31w 2
30 1043481 (000000- 001320 )Hose, Heater, 0.38id 1
31 1040405 (000000- 001320 ) Module, Ecu, Gas [Gm1.6l 2700 Rpm] 1
32 06946 (000000- 001320 ) Screw, Hex, M6 X 1.00 X 35, 8.8 4
33 51839 (000000- 001320 ) Fitting, Brs, E90, Em10/Pm06 1
34 1015547 (000000- 001320 ) Fitting, Adapter, Orifice, Pf06/Pm06 1
35 1029082 (000000- 001320 )Bracket, Mtg, Ecu [M20/T20 2007] 1

STANDARD PARTS
M30 Gas/LPG 9003946 (12- 2012)
2-26
Fig. 13 - GM Engine EFI Group, Gasoline (001321- 003999)
1
2
34
34
5
6
7
8
9
10 11 12
13
14
4
15
16
17
19
4
20
22
23
34
25
26
24
4
28
29
4
31 27
18
21
30
32
33
34
34
36
34
35
34
37
37

STANDARD PARTS
2-27
M30 Gas/LPG 9003946 (10- 2015)
354416
Fig. 13 - GM Engine EFI Group, Gasoline (001321- 003999)
Ref. Part No. Serial Number Description Qty.
11031312 (001321- 003999 )Plate, Mtg, Relay 1
2 372470 (001321- 003999 ) Isolator, Box, Relay 2
3 19315 (001321- 003999 ) Screw, Hex, .25- 20 X 0.50, G5 4
4 32490 (001321- 003999 ) Washer, Flat, 0.25, Std 13
5 19312 (001321- 003999 ) Nut, Hex, Std, .25- 20 2
6372547 (001321- 003999 )Manifold, Intake [1.6l] 1
7 372549 (001321- 003999 ) Plug, Manifold, Intake 1
8 384995 (001321- 003999 ) Fitting, Plug, M16, Intake Manifold 1
9 372550 (001321- 003999 ) Plug, Port, Sensor [Map] 1
10 372548 (001321- 003999 ) Plug, .12npt, Ss 1
o9003390 (001321- 003999 )Gasket Kit, Repair, Gas [Gm1.6l 2007] 1
Y11 372544 (001321- 003999 ) Gasket, Manifold, Intake 1
Y12 372545 (001321- 003999 ) Gasket, Body, Throttle [1.6l] 1
13 372493 (001321- 003999 ) Sensor [T Map] 1
14 19317 (001321- 003999 ) Screw, Hex, .25- 20 X 0.75, G5 1
15 06532 (001321- 003999 )Screw, Soc, M6 X 1.00 X 25, 12.9 4
16 9006619 (001321- 003999 ) Adapter 1
17 384974 (001321- 003999 ) Housing, Throttle, 40mm [Bosch] 1
18 32483 (001321- 001361 ) Washer, Flat, 0.25, Sae 2
19 07255 (001321- 003999 ) Screw, Soc, M6 X 1.00 X 45, 12.9 4
20 384992 (001321- 003999 )Rail, Injector, Fuel, Plstc 1
21 06942 (001321- 001361 ) Screw, Hex, M6 X 1.00 X 16, 8.8 2
22 372543 (001321- 003999 ) Fitting, Vacuum [M16- 15- 6h] 1
23 384972 (001321- 003999 ) Hose, Vacuum, 0.22id X 15.0l 1
24 63810 (001321- 001424 ) Clamp, Hose, Wormdrive, 0.56- 1.06d, .56w 2
25 61869 (001321- 001424 )Hose, Heater, 0.62id, 024.0l 1
26 1042772 (001321- 003999 ) Fitting, Brs, Str, Pf06/Pm04 1
27 27767 (001321- 003999 ) Fitting, Brs, Str, Em10/Pm06 1
28 762282 (001321- 001424 ) Fitting, Hyd, Plug, Pm06 1
29 06946 (001321- 003999 ) Screw, Hex, M6 X 1.00 X 35, 8.8 4
30 1029082 (001321- 001361 )Bracket, Mtg, Ecu [M20/T20 2007] 1
31 1056420 (001321- 003999 ) Module, Ecu,Gas[GM1.6L 2010 2700RPM] 1
32 1015547 (001321- 003999 ) Fitting, Adapter, Orifice, Pf06/Pm06 1
33 1062116 (001425- 003999 ) Fitting, Plstc, Tee, Bm10/Bm10/Bm10 1
34 63810 (001425- 003999 ) Clamp, Hose, Wormdrive, 0.56- 1.06d, .56w 7
35 51839 (001425- 003999 )Fitting, Brs, E90, Em10/Pm06 1
36 1016560 (001425- 003999 ) Hose, Afmkt, Rbr, Heater, 0.62id, 02ft 1
37 1015897 (003269- 003999 ) Hose, Radiator, Mold, .75Id X .62Id (Cut in two) 1

STANDARD PARTS
M30 Gas/LPG 9003946 (12- 2012)
2-28
Fig. 14 - GM Engine EFI Group, LPG (000000- 003999)
29
28
26
23
1
2
34
3
4
45
6
7
8
9
10
11
12
13
14
4
15
16
17
17
17
17
18
19
20
21
22
24
25
27 4
30
31 32
33

STANDARD PARTS
2-29
M30 Gas/LPG 9003946 (5- 2016)
354633
Fig. 14 - GM Engine EFI Group, LPG (000000- 003999)
Ref. Part No. Serial Number Description Qty.
11031312 (000000- 003999 )Plate, Mtg, Relay 1
2 372470 (000000- 003999 ) Isolator, Box, Relay 2
3 19315 (000000- 003999 ) Screw, Hex, .25- 20 X 0.50, G5 4
4 32490 (000000- 003999 ) Washer, Flat, 0.25, Std 9
5 19312 (000000- 003999 ) Nut, Hex, Std, .25- 20 2
6372547 (000000- 003999 )Manifold, Intake [1.6l] 1
7 372549 (000000- 003999 ) Plug, Manifold, Intake 1
8 372579 (000000- 003999 ) Plug, Hole, Injector 4
9 384995 (000000- 003999 ) Fitting, Plug, M16, Intake Manifold 1
10 372550 (000000- 003999 ) Plug, Port, Sensor [Map] 1
11 372548 (000000- 003999 )Plug, .12npt, Ss 1
12 372534 (000000- 001320 ) Adapter, Intake, Throttle Body 1
12 9006619 (001321- 003999 ) Adapter 1
13 372493 (000000- 003999 ) Sensor [T Map] 1
14 19317 (000000- 003999 ) Screw, Hex, .25- 20 X 0.75, G5 1
15 06532 (000000- 003999 )Screw, Soc, M6 X 1.00 X 25, 12.9 4
16 384974 (000000- 003999 ) Housing, Throttle, 40mm [Bosch] 1
17 9003391 (000000- 003999 ) Gasket Kit, Repair, Lpg [Gm1.6l 2007] 1
18 372543 (000000- 003999 ) Fitting, Vacuum [M16- 15- 6h] 1
19 384972 (000000- 003999 ) Hose, Vacuum, 0.22id X 15.0l 1
20 384996 (000000- 003999 )Adapter, Valve, 400mm [Bosch] 1
21 09037 (000000- 003999 ) Screw, Soc, M8 X 1.25 X 70, 12.9 4
22 384991 (000000- 003999 ) Bolt, Soc Head, M5 X 80 X 35 4
23 384980 (000000- 001320 ) Mixer, W/70deg Ftg 1
24 372510 (000000- 003999 ) Fitting, E90 1
25 1040406 (000000- 001320 )Module, Ecu, Lpg [GM1.6L 2700 RPM] 1
25 1056233 (001321- 003999 ) Module, Ecu,Lpg[GM1.6L 2010] 1
26 1029082 (000000- 001361 ) Bracket, Mtg, Ecu 1
27 06946 (000000- 003999 ) Screw, Hex, M6 X 1.00 X 35, 8.8 4
28 06942 (000000- 001361 ) Screw, Hex, M6 X 1.00 X 16, 8.8 2
29 32483 (000000- 001361 )Washer, Flat, 0.25, Sae 2
o30 9006618 (001321- 003999 ) Mixer , Lpg 1
Y9010634 (003123- 003999 ) Repair Kit, Mixer 1
31 9007424 (001321- 003999 ) Stud, M05- 0.8 4
32 9007423 (001321- 003999 ) Nut, Flng, M05- 0.8 4
33 1055170 (001321- 003999 )Fitting, Fuel [Mixer E100Lp 2010] 1

STANDARD PARTS
M30 Gas/LPG 9003946 (11- 09)
2-30
Fig. 15 - GM Engine Vaporizer Group, LPG (000000- 001320)
1
2
3
4
5
6
7
7
7
8
9
10
11
12
13
14
15
16
17
18
19 10
20
21
22
23
24
10
25
26
27
28
29
26
30
10
31
31
23

STANDARD PARTS
2-31
M30 Gas/LPG 9003946 (11- 09)
354639
Fig. 15 - GM Engine Vaporizer Group, LPG (000000- 001320)
Ref. Part No. Serial Number Description Qty.
1384970 (000000- 001320 )Clamp, Hose, Spring, 0.75d 1
2 384983 (000000- 001320 ) Hose [Mixer To Epr] 1
3 384971 (000000- 001320 ) Cover, Hose 1
4 384979 (000000- 001320 ) Clamp, Hose, Spring, 0.62d 1
5 384973 (000000- 001320 ) Hose, Supply, Gas, .25id 1
6384977 (000000- 001320 )Regulator [Ep] 1
7 384978 (000000- 001320 ) Fitting Kit [Epr] 1
8 372539 (000000- 001320 ) Clamp, Hose, 1.0 1
9 384984 (000000- 001320 ) Hose [Epr To Manifold] 1
10 63810 (000000- 001320 ) Clamp, Hose, Wormdrive, 0.56- 1.06d, .56w 5
11 11442- 1 (000000- 001320 )Fitting, Hyd, E90, Spcl 1
12 372529 (000000- 001320 ) Fitting, Nipple, .25mal 1
o13 384975 (000000- 001320 ) Valve, Lock Off 1
Y372615 (000000- 001320 ) Filter Kit, Fuelock, Lpg 1
14 384986 (000000- 001320 ) Isolator [Epr] 3
15 07791 (000000- 001320 )Nut, Hex, Flng, M8 X 1.25 3
16 1028343 (000000- 001320 ) Bracket Wldt, Mtg, Regulator, Lpg 1
17 371770 (000000- 001320 ) Screw 2
18 371877 (000000- 001320 ) Washer, Flat, 0.38, Hardened 2
19 83578 (000000- 001320 ) Tube, Bleed, Air, .62od 2.2l .12npt, Alm 1
20 1015930 (000000- 001320 )Fitting, Brs, Str, Pf04/Pm02 1
21 1041151 (000000- 001320 ) Seal, Org, Sensor, Temp [Epr] 2
22 1041152 (000000- 001320 ) Sensor, Temp [Epr] 1
23 150516 (000000- 001320 ) Fitting, Brs, Str, Bm06/Pm05 2
24 27048 (000000- 001320 ) Fitting, Brs, E90, Pf04/Pm04 1
25 1043481 (000000- 001320 )Hose, Heater, 0.38id 1
26 54333 (000000- 001320 ) Clamp, Hose, Wormdrive, 0.31- 0.88d, .31w 2
27 67767 (000000- 001320 ) Clamp, Cable, Stl, 0.69d X 0.62w, 1hole 1
28 06942 (000000- 001320 ) Screw, Hex, M6 X 1.00 X 16, 8.8 1
29 32490 (000000- 001320 ) Washer, Flat, 0.25, Std 1
30 51839 (000000- 001320 )Fitting, Brs, E90, Em10/Pm06 1
31 372528 (000000- 001320 ) Hose, Mold, .62 To .75 (Cut in 2) 1

STANDARD PARTS
M30 Gas/LPG 9003946 (12- 2012)
2-32
Fig. 16 - GM Engine Vaporizer Group, LPG (001321- 003999)
25
30
30
30
27
28
26
1
2
3
4
5
6
7
7
7
8
9
11
12
13
14
15
16
17
18
19
20
21
22
23
10
24
28
28
29
28
28

STANDARD PARTS
2-33
M30 Gas/LPG 9003946 (12- 2014)
354639
Fig. 16 - GM Engine Vaporizer Group, LPG (001321- 003999)
Ref. Part No. Serial Number Description Qty.
1384970 (001321- 003999 )Clamp, Hose, Spring, 0.75d 1
2 9007552 (001321- 003999 ) Hose, Fuel [Mixer To Epr, 22.5”L] 1
3 384971 (001321- 003999 ) Cover, Hose 1
4 384979 (001321- 003999 ) Clamp, Hose, Spring, 0.62d 1
5 384973 (001321- 003999 ) Hose, Supply, Gas, .25id 1
6384977 (001321- 003999 )Regulator [Ep] 1
7 384978 (001321- 003999 ) Fitting Kit [Epr] 1
8 372539 (001321- 003999 ) Clamp, Hose, 1.0 1
9 384984 (001321- 003999 ) Hose [Epr To Manifold] 1
10 63810 (001321- 001424 ) Clamp, Hose, Wormdrive, 0.56- 1.06d, .56w 3
11 11442- 1 (001321- 003999 )Fitting, Hyd, E90, Spcl 1
12 372529 (001321- 003999 ) Fitting, Nipple, .25mal 1
o13 9006620 (001321- 003999 ) Valve, Lock Off [Gm 1.6L 2010] 1
Y9007380 (001321- 003999 ) Filter Kit, Fuelock, Lpg 1
14 384986 (001321- 003999 ) Isolator [Epr] 3
15 07791 (001321- 003999 )Nut, Hex, Flng, M8 X 1.25 3
16 1056300 (001321- 003999 ) Bracket Wldt, Mtg, Reg, Lpg[Gm 2010] 1
17 371770 (001321- 003999 ) Screw 2
18 371877 (001321- 003999 ) Washer, Flat, 0.38, Hardened 2
19 1041151 (001321- 003999 ) Seal, Org, Sensor, Temp [Epr] 2
20 1041152 (001321- 003999 )Sensor, Temp [Epr] 1
21 1042772 (001321- 003999 ) Fitting, Brs, Str, Pf06/Pm04 2
22 27767 (001321- 003999 ) Fitting, Brs, Str, Em10/Pm06 1
23 13048 (001321- 001424 ) Hose, Heater, 0.62id, 038.0l 1
24 762282 (001321- 001424 ) Fitting, Hyd, Plug, Pm06 1
25 9007553 (001321- 003999 )Spring, 3/4 X 16 [Gm1.6L 2010 Lpg] 1
26 1015547 (001321- 003999 ) Fitting, Adapter, Orifice, Pf06/Pm06 1
27 1062116 (001425- 003999 ) Fitting, Plstc, Tee, Bm10/Bm10/Bm10 1
28 63810 (001425- 003999 ) Clamp, Hose, Wormdrive, 0.56- 1.06d, .56w 7
29 51839 (001425- 003999 ) Fitting, Brs, E90, Em10/Pm06 1
30 1016560 (001425- 003999 )Hose, Afmkt, Rbr, Heater, 0.62id, 02ft 1

STANDARD PARTS
M30 Gas/LPG 9003946 (12- 2012)
2-34
Fig. 17 - GM Engine Air Cleaner Group, Gasoline (000000- 003999)
21
2
3
5
6
7
8
8
8
9
10
11
12
13
14
15
16
8
8
18
19
20
4
17
1

STANDARD PARTS
2-35
M30 Gas/LPG 9003946 (12- 2012)
354629
Fig. 17 - GM Engine Air Cleaner Group, Gasoline (000000- 003999)
Ref. Part No. Serial Number Description Qty.
11033676 (000000- 001320 )Bracket, Mtg, Fltr, Air 1
2 39277 (000000- 003999 ) Screw, Hex, M8 X 1.25 X 25, 8.8 2
3 32491 (000000- 003999 ) Washer, Flat, 0.31, Std 2
4 11984 (000000- 003999 ) Fitting, Pipe, E90, Pf02/Pm02 (CE Only) 1
5 1035780 (000000- 003999 ) Hose, Intake, Mold, 2.0id [Epdm] 1
61011780 (000000- 003999 )Tube Wldt, Tee 1
7 1032323 (000000- 003999 ) Hose, Vent, E90, 0.62id[Gm1.6l 2007] 1
8 14432 (000000- 003999 ) Clamp, Hose, Wormdrive, 1.81- 2.75d, .50w 5
9 1011899 (000000- 003999 ) Clamp, Hose, Spring Stl, 0.86d X 0.38w 1
o10 369745 (000000- 003999 ) Filter Assy, Air 1
Y11 369746 (000000- 003999 )Element, Fltr, Air [Dn] 1
12 1036892 (000000- 003999 ) Screw, Hex, M6 X 1.00 X 25, 9.8 Sems 2
13 08708 (000000- 003999 ) Nut, Hex, Lock, M6 X 1.00, Nl 2
14 371854 (000000- 003999 ) Clamp, Spring, 1.50 1
15 1020949 (000000- 003999 ) Hose, Intake, Mold, 2.00id [Epdm] 1
16 1031609 (000000- 003999 )Hose, Intake, Mold, 2.0id, Gas 1
17 03026 (000000- 003999 ) Indicator, Service, Fltr, Air [20h20 Dn] (CE Only) 1
18 369747 (000000- 003999 ) Clamp, Mtg, Fltr, Air 1
19 398279 (000000- 003999 ) Element, Fltr, Air, Safety (Option) 1
20 51560- 5 (000000- 003999 ) Fitting, Brs, Str, Pm02, Service (CE Only) 1
21 1056355 (001321- 003999 )Bracket, Mtg, Fltr, Air, Ecu 1

STANDARD PARTS
M30 Gas/LPG 9003946 (11- 09)
2-36
Fig. 18 - GM Engine Air Cleaner Group, LPG (000000- 003999)
21
2
3
5
6
7
8
8
9
8
10
11
12
13
14
15
16
88
18
19
20
4
17
1

STANDARD PARTS
2-37
M30 Gas/LPG 9003946 (11- 09)
354630
Fig. 18 - GM Engine Air Cleaner Group, LPG (000000- 003999)
Ref. Part No. Serial Number Description Qty.
11033676 (000000- 001320 )Bracket, Mtg, Fltr, Air 1
2 39277 (000000- ) Screw, Hex, M8 X 1.25 X 25, 8.8 2
3 32491 (000000- ) Washer, Flat, 0.31, Std 2
4 11984 (000000- ) Fitting, Pipe, E90, Pf02/Pm02 (CE Only) 1
5 1035780 (000000- ) Hose, Intake, Mold, 2.0id [Epdm] 1
61011780 (000000- )Tube Wldt, Tee 1
7 1032323 (000000- ) Hose, Vent, E90, 0.62id[Gm1.6l 2007] 1
8 14432 (000000- ) Clamp, Hose, Wormdrive, 1.81- 2.75d, .50w 5
9 1011899 (000000- ) Clamp, Hose, Spring Stl, 0.86d X 0.38w 1
o10 369745 (000000- ) Filter Assy, Air 1
Y11 369746 (000000- )Element, Fltr, Air [Dn] 1
12 1036892 (000000- ) Screw, Hex, M6 X 1.00 X 25, 9.8 Sems 2
13 08708 (000000- ) Nut, Hex, Lock, M6 X 1.00, Nl 2
14 371854 (000000- ) Clamp, Spring, 1.50 1
15 1020949 (000000- ) Hose, Intake, Mold, 2.00id [Epdm] 1
16 1031553 (000000- 001320 )Hose, Intake, Mold, 2.0id, Lpg 1
16 1054558 (001321- ) Hose, Intake, Mold, 2.0id, Lpg [Gm 2010] 1
17 03026 (000000- ) Indicator, Service, Fltr, Air [20h20 Dn] (CE Only) 1
18 369747 (000000- ) Clamp, Mtg, Fltr, Air 1
19 398279 (000000- ) Element, Fltr, Air, Safety (Option) 1
20 51560- 5 (000000- )Fitting, Brs, Str, Pm02, Service (CE Only) 1
21 1056355 (001321- ) Bracket, Mtg, Fltr, Air, Ecu 1

STANDARD PARTS
M30 Gas/LPG 9003946 (12- 2012)
2-38
Fig. 19 - GM Engine Alternator and Fan Group (000000- 003999)
1
20
40
3
43
4
5
6
7
8
9
10
12
13
14
15
18
19
41
21
22
23
24
25
25
26 28
27
29 30
2
11
16
17
31
32
33
34
35
35
36
37
37
38
39
23

STANDARD PARTS
2-39
M30 Gas/LPG 9003946 (5- 2016)
354636
Fig. 19 - GM Engine Alternator and Fan Group (000000-003999)
Ref. Part No. Serial Number Description Qty.
19007088 (000000- 001320 )Sheave Assy Kit, Repair 1
2 1035530 (000000- 003999 ) Spacer, Fan, Taper [2007] 1
3 16931 (000000- 003999 ) Screw, Hex, M8 X 1.25 X 20, 8.8 4
4 371865 (000000- 003999 ) Washer, Flat, 0.31, Hardened 7
5 31525 (000000- 003999 ) Wire, 10ga 16.0l Blk .25ring /.38ring 1
6371871 (000000- 003999 )Bracket, Anchor, Strap, Alternator 1
7 371872 (000000- 003999 ) Strap, Adj, Alternator 1
8 1033644 (000000- 003999 ) Belt, Ribbed, 38.5l 1
9 372557 (000000- 003999 ) Spacer, Strap, Adj, Alternator 1
10 39311 (000000- 003999 ) Nut, Hex, Std, M8 X 1.25 1
11 1046237 (000000- 003999 )Fan, Cooling, 16.0d, 6 Blade 1
12 39785 (000000- 003999 ) Screw, Hex, .31- 18 X 4.50, G5 1
13 76958 (000000- 003999 ) Screw, Hex, .31- 18 X 1.75, G5 1
14 06961 (000000- 003999 ) Screw, Hex, M10 X 1.50 X 20, 8.8 2
15 32983 (000000- 003999 ) Nut, Hex, Lock, .31- 18, Nl 1
16 48996 (000000- 003999 )Screw, Flt, Soc, .38- 16 X 0.75, Al 3
17 08709 (000000- 003999 ) Nut, Hex, Lock, M8 X 1.25, Nl 1
18 393209 (000000- 003999 ) Alternator, 12vdc 075a [Multi Grv] 1
19 363976 (000000- 003999 ) Screw, Hex, M8 X 1.25 X 60, 8.8, Fl 1
20 9006917 (000000- 001320 ) Bracket Kit, Alternator, Repair 1
21 42011 (000000- 003999 )Screw, Hex, 10- 24 X 0.50, Ss 1
22 19066 (000000- 003999 ) Washer, Flat, 10 1
23 32485 (000000- 003999 ) Washer, Flat, 0.38, Sae 4
24 19313 (000000- 003999 ) Nut, Hex, Std, .31- 18 1
25 39349 (000000- 003999 ) Washer, Flat, 0.31, Sae 2
26 384442 (000000- 003999 )Stud, M10 X 1.50 [35] 1
27 32988 (000000- 003999 ) Washer, Lock, Int, 0.38 1
28 41142 (000000- 003999 ) Washer, Lock, Int- Ext, 0.38 1
29 32485 (000000- 003999 ) Washer, Flat, 0.38, Sae 1
30 32716 (000000- 003999 ) Nut, Hex, Jam, M10 X 1.5, Ss 1
31 32491 (000000- 003999 )Washer, Flat, 0.31, Std 1
32 00960 (000000- 003999 ) Key, Sq, 0.12 X 0.12, 0.50l 1
33 1055381 (001321- 003999 ) Plate Wldt, Fan, Hub [Gm 1.6l] 1
34 1055425 (001321- 003999 ) Sheave, Mach [Gm1.6l] 1
35 1055377 (001321- 003999 ) Bearing, Ball, 20mm B 42mm D 12mm W 2
36 1014563 (001321- 003999 )Washer, Flat, 0.40b 1.12d .12, Ss 1
37 21195 (001321- 003999 ) Screw, Hex, .38- 16 X 0.75, G5 2
38 39349 (001321- 003999 ) Washer, Flat, 0.31, Sae 2
39 32485 (001321- 003999 ) Washer, Flat, 0.38, Sae 1
40 371865 (000000- 001320 ) Washer, Flat, 0.31, Hardened 2
41 1008640 (001321- 003999 )Bracket Wldt, Alternator, Lower [Gm1.6l] 1

STANDARD PARTS
M30 Gas/LPG 9003946 (8- 2013)
2-40
Fig. 20 - GM Engine Muffler Group (000000- 003999)
1
2
3
4
5
6
7
30
27
12
12
13
14 13
15
16
17
18
19
7
7
18
19
20
21
22
23
23
24
25
8
9
10
11
28
29
26

STANDARD PARTS
2-41
M30 Gas/LPG 9003946 (12- 2014)
354637
Fig. 20 - GM Engine Muffler Group (000000- 003999)
Ref. Part No. Serial Number Description Qty.
11028994 (000000- 003999 )Channel, Shield, Muffler [M20/T20 2007] 1
2 08716 (000000- 003999 ) Screw, Hex, M6 X 1.00 X 20, Ss 2
3 32483 (000000- 003999 ) Washer, Flat, 0.25, Sae 2
4 371861 (000000- 003999 ) Gasket, Flng, Pipe, Exhaust 1
5 9012597 (000000- 003999 ) Pipe Kit, Exhaust, Replmt [M20.T20, M30] 1
6384442 (000000- 003999 )Stud, M10 X 1.50 [35] 2
7 08166 (000000- 003999 ) Nut, Hex, Stover, M10 X 1.50 6
8 9003832 (000000- 003999 ) Shield, Heat, Gas/Lpg, Replmt 1
8 9004983 (000000- 003999 ) Shield, Heat, Gas/Lpg, Replmt, TJ (Japan Only) 1
8 9004986 (000000- 003999 ) Shield, Heat, Gas/Lpg, Replmt, CE (CE Only) 1
924012 (000000- 003999 )Clamp, Muffler, 1.62d 1
10 06961 (000000- 003999 ) Screw, Hex, M10 X 1.50 X 20, 8.8 2
11 32485 (000000- 003999 ) Washer, Flat, 0.38, Sae 2
12 1011216 (000000- 003999 ) Gasket, Exhaust, .07, 1.63id, 2/3.4bc 2
13 39284 (000000- 003999 ) Screw, Hex, M10 X 1.50 X 35, 8.8 4
14 1028136 (000000- 001320 )Muffler, Catalytic [Gm 1.6l 2007] 1
14 1056241 (001321- 003999 ) Muffler, Catalytic [Gm 1.6l 2010] 1
15 1043660 (000000- 003999 ) Tube, Exhaust, Flng, 1.5d 1
16 1028929 (000000- 003999 ) Bracket, Mtg, Muffler 1
17 1013117 (000000- 003999 ) Rod, Hanger, Isolator 1
18 32492 (000000- 003999 )Washer, Flat, 0.38, Std 2
19 25014 (000000- 003999 ) Nut, Hex, Std, .38- 16 2
20 1013031 (000000- 003999 ) Isolator, Rbr 1
21 222496 (000000- 003999 ) Sleeve, P/M, 0.31b 0.50d 0.9l [430ss] 1
22 222505 (000000- 003999 ) Screw, Hex, M8 X 1.25 X 45, Ss 1
23 01685 (000000- 003999 )Washer, Flat, 0.38b 0.88d .08, Ss 2
24 08713 (000000- 003999 ) Nut, Hex, Lock, M8 X 1.25, Nl, Ss 1
25 1028558 (000000- 003999 ) Sensor, Exhaust, Tailpipe 1
26 1028559 (000000- 001320 ) Sensor, Oxygen [Gm 1.6L/3.0L 2007] 1
27 371860 (000000- 003999 ) Fitting, Pipe, Plug, Metric, M18,Soc 1
28 32491 (000000- 003999 )Washer, Flat, 0.31, Std 2
29 41187 (000000- 003999 ) Washer, Flat, Belleville, .38 2
30 1028559 (000000- 001320 ) Sensor, Oxygen [Gm 1.6L/3.0L 2007] 1
30 1028558 (001321- 003999 ) Sensor, Exhaust, Tailpipe 1

STANDARD PARTS
M30 Gas/LPG 9003946 (6- 09)
2-42
Fig. 21 - GM Engine Radiator and Mount Group (000000- 001249)
41
42
43
44
43
42
45
12
3
4
5
6
7
8
9
10 11
12
13
14
15
15
16
34
17
18
19
20
4
4
4
21
22
23
24
4
18
25
26
27
28 29
30
28 29
31
32
33
34
15 35
36 15
15
37
36
38
40
39

STANDARD PARTS
2-43
M30 Gas/LPG 9003946 (6- 09)
354638
Fig. 21 - GM Engine Radiator and Mount Group (000000- 001249)
Ref. Part No. Serial Number Description Qty.
11041291 (000000- 001249 )Radiator, Alm 1
2 1045764 (000000- 001249 ) Cap, Radiator, 14psi [Stant Ao- 2516] 1
3 39277 (000000- 001249 ) Screw, Hex, M8 X 1.25 X 25, 8.8 4
4 32491 (000000- 001249 ) Washer, Flat, 0.31, Std 15
5 54274 (000000- 001249 ) Isolator, Vib, Bshg, 1.1d 0.6l .4b 0.78h 2
609832 (000000- 001249 )Washer, Flat, 0.81b 1.06d .06, Stl 4
7 1014563 (000000- 001249 ) Washer, Flat, 0.40b 1.12d .12, Ss 2
8 32486 (000000- 001249 ) Washer, Flat, 0.50, Sae 2
9 41430 (000000- 001249 ) Nut, Hex, Lock, M10 X 1.5, Nl 2
10 1035976 (000000- 001249 ) Bracket, Sppt, Radiator, Upper 1
11 1043897 (000000- 001249 ) Bracket, Skirt, Rbr 1
12 1043940 (000000- 001249 ) Skirt, Debris, Radiator 1
13 15678 (000000- 001249 ) Screw, Hex, M6X1.00X16, Ss 4
14 41178 (000000- 001249 ) Washer, Flat, 0.25, Fendr 3
15 1036892 (000000- 001249 ) Screw, Hex, M6 X 1.00 X 25, 9.8 Sems 14
16 1045415 (000000- 001249 )Bracket, Fan, Lh 1
17 1045447 (000000- 001249 ) Bracket, Fan, Upper, Lh 1
18 16931 (000000- 001249 ) Screw, Hex, M8 X 1.25 X 20, 8.8 9
19 39277 (000000- 001249 ) Screw, Hex, M8 X 1.25 X 25, 8.8 1
20 08709 (000000- 001249 ) Nut, Hex, Lock, M8 X 1.25, Nl 1
21 1045419 (000000- 001249 )Bracket, Fan, Rh 1
22 06961 (000000- 001249 ) Screw, Hex, M10 X 1.50 X 20, 8.8 2
23 32492 (000000- 001249 ) Washer, Flat, 0.38, Std 2
24 1045530 (000000- 001249 ) Bracket Wldt, Mtg, Fan, Upper 1
25 1045432 (000000- 001249 ) Shroud Wldt, Fan, Venturi, 16.4d 1
26 1045599 (000000- 001249 )Bracket, Mtg, Radiator 1
27 30407 (000000- 001249 ) Clip, Keeper, Open 1
28 06942 (000000- 001249 ) Screw, Hex, M6 X 1.00 X 16, 8.8 3
29 32490 (000000- 001249 ) Washer, Flat, 0.25, Std 3
30 08708 (000000- 001249 ) Nut, Hex, Lock, M6 X 1.00, Nl 1
31 49800 (000000- 001249 )Latch 1
32 06927 (000000- 001249 ) Screw, Pan, Phl, M4 X 0.70 X 16, 4.8 2
33 19064 (000000- 001249 ) Washer, Flat, 06 2
34 02850 (000000- 001249 ) Nut, Hex, Lock, M4 X 0.70, Nl 2
35 9004326 (000000- 001249 ) Shroud Wldt, Fan, Gas/Lp, Replmt 1
35 9004987 (000000- 001249 )Shroud Wldt, Fan, Gas/Lp, Replmt, TJ (Japan Only) 1
35 9004988 (000000- 001249 ) Shroud Wldt, Fan, Gas/Lp, Replmt, Ce (CE Only) 1
36 1031625 (000000- 001249 ) Seal, Afmkt, Bulb, Str, .50d F/11ga 03ft 1
37 1045433 (000000- 001249 ) Bracket, Cover 1
38 1044920 (000000- 001249 ) Insulation, Acstc, 0.05, 52.8 X 2.13 1
39 08708 (000000- 001249 )Nut, Hex, Lock, M6 X 1.00, Nl 2
40 1045443 (000000- 001249 ) Bracket, Mtg, Latch 1
41 1046495 (000000- 001249 ) Guard, Fan, Lpg, Ce (CE Only) 1
42 16735 (000000- 001249 ) Screw, Hex, M8 X 1.25 X 16, 8.8 (CE Only) 4
43 32491 (000000- 001249 ) Washer, Flat, 0.31, Std (CE Only) 4
44 08709 (000000- 001249 )Nut, Hex, Lock, M8 X 1.25, Nl (CE Only) 1
45 01684 (000000- 001249 ) Washer, Flat, 0.27B 0.69D .05, Ss 1

STANDARD PARTS
M30 Gas/LPG 9003946 (12- 2012)
2-44
Fig. 22 - GM Engine Radiator and Mount Group (001250- 003999)
1
2
3
4
5
6
3
3
7
8
9
10 10
11
12
13
35
15
37
15
15
14
16
18
19
20
22
12
23
24
25
27
28 29
39
31
32
33
34
35
15
15
35
15
15
35
14
36
21
17
38
26
30
40
41
42
41
42
43

STANDARD PARTS
2-45
M30 Gas/LPG 9003946 (12- 2012)
354638
Fig. 22 - GM Engine Radiator and Mount Group (001250- 003999)
Ref. Part No. Serial Number Description Qty.
o11045940 (001250- 003999 )Radiator, W/ Hyd Cooler [Side X Side] 1
Y2 1057504 (001250- 003999 ) Cap, Radiator, 16 Psi 1
3 1037346 (001250- 003999 ) Screw, Hex, M8 X 1.25 X 25, 9.8, Sems 4
4 9006811 (001250- 003999 ) Shrd Wldt,Fan,G/Lp, Replmt [M20/M30/T20] 1
4 9006812 (001250- 003999 ) Shrd Wldt,Fan,G/Lp, Replmt [CE] (CE Only) 1
49006813 (001250- 003999 )Shrd Wldt,Fan,G/Lp, Replmt [TJ] (Japan Only) 1
5 1045433 (001250- 003999 ) Bracket, Cover 1
6 1036892 (001250- 003999 ) Screw, Hex, M6 X 1.00 X 25, 9.8 Sems 2
7 1046962 (001250- 003999 ) Bracket, Mtg, Radiator 1
8 06962 (001250- 003999 ) Screw, Hex, M10 X 1.50 X 45, 8.8 4
932492 (001250- 003999 )Washer, Flat, 0.38, Std 8
10 54274 (001250- 003999 ) Isolator, Vib, Bshg, 1.1d 0.6l .4b 0.78h 4
11 09832 (001250- 003999 ) Washer, Flat, 0.81b 1.06d .06, Stl 8
12 1014563 (001250- 003999 ) Washer, Flat, 0.40b 1.12d .12, Ss 6
13 41430 (001250- 003999 ) Nut, Hex, Lock, M10 X 1.5, Nl 4
14 39277 (001250- 003999 )Screw, Hex, M8 X 1.25 X 25, 8.8 3
15 32491 (001250- 003999 ) Washer, Flat, 0.31, Std 12
16 1043897 (001250- 003999 ) Bracket, Skirt, Rbr 1
17 1040467 (001250- 003999 ) Screw, Hex, M6 X 1.00 X 20, 9.8, Sems 2
18 32490 (001250- 003999 ) Washer, Flat, 0.25, Std 1
19 1049887 (001250- 003999 )Skirt, Debris, Radiator 1
20 361339 (001250- 003999 ) Screw, Hex, M6 X 1.00 X 16, Fmg 2
21 01684 (001250- 003999 ) Washer, Flat, 0.27b 0.69d .05, Ss 2
22 41178 (001250- 003999 ) Washer, Flat, 0.25, Fendr 3
23 1036892 (001250- 003999 ) Screw, Hex, M6 X 1.00 X 25, 9.8 Sems 3
24 49266 (001250- 003999 )Tie, Cable, Nyl, 07.3l .19w 1.8 Max D 1
25 1049355 (001250- 003999 ) Bracket, Mtg, Radiator 1
26 06942 (001250- 003999 ) Screw, Hex, M6 X 1.00 X 16, 8.8 2
27 30407 (001250- 003999 ) Clip, Keeper, Open 1
28 08708 (001250- 003999 ) Nut, Hex, Lock, M6 X 1.00, Nl 1
29 1046039 (001250- 003999 )Shroud Wldt, Fan, 16.25d [Side X Side] 1
30 1044920 (001250- 003999 ) Insulation, Acstc, 0.05, 52.8X21.13 1
31 1045419 (001250- 003999 ) Bracket, Fan, Rh 1
32 1045530 (001250- 003999 ) Bracket Wldt, Mtg, Fan, Upper 1
33 1045415 (001250- 003999 ) Bracket, Fan, Lh 1
34 1045447 (001250- 003999 )Bracket, Fan, Upper, Lh 1
35 16931 (001250- 003999 ) Screw, Hex, M8 X 1.25 X 20, 8.8 9
36 39283 (001250- 003999 ) Screw, Hex, M10 X 1.50 X 25, 8.8 2
37 32492 (001250- 003999 ) Washer, Flat, 0.38, Std 2
38 08165 (001250- 003999 ) Nut, Hex, Stover, M8 X 1.25 1
39 1037355 (001250- 003999 )Screw, Hex, M8 X 1.25 X 35, 9.8, Sems 2
40 1046495 (001250- 003999 ) Guard, Fan, Lpg, Ce (CE Only) 1
41 16735 (001250- 003999 ) Screw, Hex, M8 X 1.25 X 16, 8.8 (CE Only) 4
42 32491 (001250- 003999 ) Washer, Flat, 0.31, Std (CE Only) 4
43 08709 (001250- 003999 )Nut, Hex, Lock, M8 X 1.25, Nl (CE Only) 1

STANDARD PARTS
M30 Gas/LPG 9003946 (12- 2012)
2-46
Fig. 23 - GM Engine Radiator Hose Group (000000- 003999)
(000000- 001249)
1
1
2
3
4
3
3
5
6
7
8
9
20
11
9
21
13
14 15
15 16
18
17
19
12
9
10

STANDARD PARTS
2-47
M30 Gas/LPG 9003946 (5- 2016)
354717
Fig. 23 - GM Engine Radiator Hose Group (000000- 003999)
Ref. Part No. Serial Number Description Qty.
11014747 (000000- 003999 )Hose, Coolant, Mold, 1.125id To 1.50id 1
2 22297 (000000- 003999 ) Clamp, Hose, Wormdrive, 1.56- 2.50d, .50w 1
3 79381 (000000- 003999 ) Clamp, Hose, Wormdrive, 1.25- 2.00D, .50W 5
4 1007482 (000000- 003999 ) Hose, Rbr, E90, 1.25id 1.25id 1
5 1043322 (000000- 003999 ) Tube, Coolant, 1.3d, Lower 1
61019265 (000000- 003999 )Hose, Radiator, Lower, Mold 1
7 51305 (000000- 003999 ) Fitting, Draincock, E90, .25npt 1
8 73471 (000000- 003999 ) Hose, Pvc, Clr, 0.38id 0.56od 022.0l 1
9 43844 (000000- 003999 ) Clamp, Hose, Wormdrive, 0.25- 0.62d, .31w 3
10 1023853 (000000- 001320 ) Tank, Coolant, 03.30w 4.7hi 04.7l,1liter 1
11 1015041 (000000- 001320 )Hose, Afmkt, Coolant Recvy, 05ft 1
11 87738 (001321- 003999 ) Hose, Fuel, 0.18id, 29.0l 1
12 16931 (000000- 003999 ) Screw, Hex, M8 X 1.25 X 20, 8.8 2
13 58366 (000000- 003999 ) Clamp, Cable, Stl, 1.25d X 1.00w, 1hole 1
14 09010 (000000- 003999 ) Screw, Hex, M8 X 1.25 X 25, Ss 1
15 01685 (000000- 003999 )Washer, Flat, 0.38b 0.88d .08, Ss 2
16 08713 (000000- 003999 ) Nut, Hex, Lock, M8 X 1.25, Nl, Ss 1
17 1035214 (000000- 003999 ) Bracket, Tube, Coolant 1
18 1037346 (000000- 003999 ) Screw, Hex, M8 X 1.25 X 25, 9.8, Sems 1
19 32491 (000000- 003999 ) Washer, Flat, 0.31, Std 2
20 1054382 (001321- 003999 )Tank, Coolant, 03.6w 04.1hi 05.5l,1liter 1
21 08709 (000000- 003999 ) Nut, Hex, Lock, M8 X 1.25, Nl 2

STANDARD PARTS
M30 Gas/LPG 9003946 (6- 2014)
2-48
Fig. 24 - Mitsubishi Engine and Mount Group, Gas (004000- )
FRONT
1
2
34
5
6
7
8
9
10
11
12
7
8
9
9
10
11
7
9
9
7
13

STANDARD PARTS
2-49
M30 Gas/LPG 9003946 (10- 2015)
356291
Fig. 24 - Mitsubishi Engine and Mount Group, Gas (004000- )
Ref. Part No. Serial Number Description Qty.
o11071155 (004000- 004582 )Engine, Gas [Mitsubishi] (See Engine Breakdown) 1
Y393982 (004000- ) Element, Fltr, Oil, Spin- On (Mits) 1
o1 9014202 (004583- ) Engine, Block, Long [Mits 12mm] (See Engine Breakdown) 1
Y393982 (004000- ) Element, Fltr, Oil, Spin- On (Mits) 1
2 1070756 (004000- ) Bracket Wldt, Mtg, Eng, Rear [Mit 2013] 1
306968 (004000- )Screw, Hex, M12 X 1.75 X 35, 8.8 4
4 32486 (004000- ) Washer, Flat, 0.50 Sae 4
5 07299 (004000- ) Screw, Hex, M10 X 1.25 X 25, 8.8 6
6 32485 (004000- ) Washer, Flat, 0.38 Sae 6
7 51176 (004000- ) Isolator, Vib, .50d 4
806972 (004000- )Screw, Hex, M12 X 1.75 X 60, 8.8 4
9 04414 (004000- ) Washer, Flat, 0.53b 1.88d .12, Stl, Pl 4
10 32493 (004000- ) Washer, Flat, 0.50 Std 3
11 08711 (004000- ) Nut, Hex, Lock, M12 X 1.75,Nl 3
12 1070751 (004000- ) Bracket Wldt, Mtg, Engine [Mit 2013] 1
13 1072669 (004000- )Stand- Off, Hex, M8 X M8, Metal 1

STANDARD PARTS
M30 Gas/LPG 9003946 (6- 2014)
2-50
Fig. 25 - Mitsubishi Engine and Mount Group, LPG (004000- )
FRONT
1
2
34
5
6
7
8
9
10
11
12
7
8
9
9
10
11
7
9
9
7
13

STANDARD PARTS
2-51
M30 Gas/LPG 9003946 (10- 2015)
356292
Fig. 25 - Mitsubishi Engine and Mount Group, LPG (004000- )
Ref. Part No. Serial Number Description Qty.
o11070348 (004000- 004582 )Engine, LPG [Mitsubishi] (See Engine Breakdown) 1
Y393982 (004000- ) Element, Fltr, Oil, Spin- On (Mits) 1
o1 9014202 (004583- ) Engine, Block, Long [Mits 12mm] (See Engine Breakdown) 1
Y393982 (004000- ) Element, Fltr, Oil, Spin- On (Mits) 1
2 1070756 (004000- ) Bracket Wldt, Mtg, Eng, Rear [Mit 2013] 1
306968 (004000- )Screw, Hex, M12 X 1.75 X 35, 8.8 4
4 32486 (004000- ) Washer, Flat, 0.50 Sae 4
5 07299 (004000- ) Screw, Hex, M10 X 1.25 X 25, 8.8 6
6 32485 (004000- ) Washer, Flat, 0.38 Sae 6
7 51176 (004000- ) Isolator, Vib, .50d 4
806972 (004000- )Screw, Hex, M12 X 1.75 X 60, 8.8 4
9 04414 (004000- ) Washer, Flat, 0.53b 1.88d .12, Stl, Pl 4
10 32493 (004000- ) Washer, Flat, 0.50 Std 3
11 08711 (004000- ) Nut, Hex, Lock, M12 X 1.75,Nl 3
12 1070751 (004000- ) Bracket Wldt, Mtg, Engine [Mit 2013] 1
13 1072669 (004000- )Stand- Off, Hex, M8 X M8, Metal 1

STANDARD PARTS
M30 Gas/LPG 9003946 (8- 2013)
2-52
Fig. 26 - Mitsubishi Engine EFI Group, Gasoline (004000- )
12
3
4
5
6
7
89
10
3
7

STANDARD PARTS
2-53
M30 Gas/LPG 9003946 (8- 2013)
356293
Fig. 26 - Mitsubishi Engine EFI Group, Gasoline (004000- )
Ref. Part No. Serial Number Description Qty.
1372470 (004000- )Isolator, Box, Relay 2
2 19315 (004000- ) Screw, Hex, .25- 20 X 0.50, G5 2
3 32490 (004000- ) Washer, Flat, 0.25, Std 4
4 19312 (004000- ) Nut, Hex, Std, .25- 20 2
5 1071440 (004000- ) Fitting, Brs, Str, Pf06/Pm04 1
636159 (004000- )Fitting, Brs, Str, Bm06/Pm06 1
7 1072559 (004000- ) Clamp, Hose, Spring Stl, 0.58d X 0.31w 2
8 1071502 (004000- ) Fitting, Brs, Str, Pf02/Pm02 [Bspt] 1
9 1055552 (004000- ) Fitting, Brs, Str, Bm06/Pm02 1
10 1072408 (004000- )Hose, Afmkt, Rbr, Heater, 0.38id, 03ft 1

STANDARD PARTS
M30 Gas/LPG 9003946 (8- 2013)
2-54
Fig. 27 - Mitsubishi Engine EFI Group, LPG (004000- )
1
2
3
4
5
6
7
8
9
3
7

STANDARD PARTS
2-55
M30 Gas/LPG 9003946 (8- 2013)
356294
Fig. 27 - Mitsubishi Engine EFI Group, LPG (004000- )
Ref. Part No. Serial Number Description Qty.
1372470 (004000- )Isolator, Box, Relay 2
2 19315 (004000- ) Screw, Hex, .25- 20 X 0.50, G5 2
3 32490 (004000- ) Washer, Flat, 0.25, Std 4
4 19312 (004000- ) Nut, Hex, Std, .25- 20 2
5 1071440 (004000- ) Fitting, Brs, Str, Pf06/Pm04 1
636159 (004000- )Fitting, Brs, Str, Bm06/Pm06 1
7 1072559 (004000- ) Clamp, Hose, Spring Stl, 0.58d X 0.31w 2
8 1015815 (004000- ) Fitting, Brs, E90, Bm06/Pm04 1
9 1072408 (004000- ) Hose, Afmkt, Rbr, Heater, 0.38id, 03ft 1

STANDARD PARTS
M30 Gas/LPG 9003946 (8- 2013)
2-56
Fig. 28 - Mitsubishi Engine Air Cleaner Group, Gasoline (004000- )
1
2
3
4
5
6
7
8
9
10
11
12
13
14
15
16
9
8
8
8
8
17
18
19
20

STANDARD PARTS
2-57
M30 Gas/LPG 9003946 (12- 2012)
356343 - M30
Fig. 28 - Mitsubishi Engine Air Cleaner Group, Gasoline (004000- )
Ref. Part No. Serial Number Description Qty.
11070822 (004000- )Bracket, Mtg, Fltr, Air [Mit 2013] 1
2 39277 (004000- ) Screw, Hex, M8 X 1.25 X 25, 8.8 2
3 32491 (004000- ) Washer, Flat, 0.31, Std 2
4 398279 (004000- ) Element, Fltr, Air, Safety (OPTION) 1
5 1070788 (004000- ) Hose, Intake, Mold [Epdm Mit 2013] 1
61070833 (004000- )Tube Wldt, Tee [Mit 2013] 1
7 381391 (004000- ) Hose, Drain,Overflow,Radiator[1pick=1ft] 1
8 14432 (004000- ) Clamp, Hose, Wormdrive, 1.81- 2.75d, .50w 5
9 54333 (004000- ) Clamp, Hose, Wormdrive, 0.31- 0.88d, .31w 2
o10 369745 (004000- ) Filter Assy, Air 1
Y11 369746 (004000- )Element, Fltr, Air [Dn] 1
12 1036892 (004000- ) Screw, Hex, M6 X 1.00 X 25, 9.8 Sems 2
13 08708 (004000- ) Nut, Hex, Lock, M6 X 1.00, Nl 2
14 1020949 (004000- ) Hose, Intake, Mold, 2.00id [Epdm] 1
15 1071404 (004000- ) Hose, Intake, Mold, Gas [Epdm Mit 2013] 1
16 369747 (004000- )Clamp, Mtg, Fltr, Air 1
17 08709 (004000- ) Nut, Hex, Lock, M8 X 1.25, Nl 2
18 11984 (004000- ) Fitting, Pipe, E90, Pf02/Pm02 (CE Only) 1
19 03026 (004000- ) Indicator, Service, Fltr, Air [20h20 Dn] (CE Only) 1
20 51560- 5 (004000- )Fitting, Brs, Str, Pm02, Service (CE Only) 1

STANDARD PARTS
M30 Gas/LPG 9003946 (8- 2013)
2-58
Fig. 29 - Mitsubishi Engine Air Cleaner Group, LPG (004000- )
1
2
3
4
5
6
7
8
9
10
11
12
13
14
15
16
9
8
8
8
8
17
19
20
18
21

STANDARD PARTS
2-59
M30 Gas/LPG 9003946 (12- 2012)
356344 - M30
Fig. 29 - Mitsubishi Engine Air Cleaner Group, LPG (004000- )
Ref. Part No. Serial Number Description Qty.
11070822 (004000- )Bracket, Mtg, Fltr, Air [Mit 2013] 1
2 39277 (004000- ) Screw, Hex, M8 X 1.25 X 25, 8.8 2
3 32491 (004000- ) Washer, Flat, 0.31, Std 2
4 398279 (004000- ) Element, Fltr, Air, Safety (OPTION) 1
5 1070788 (004000- ) Hose, Intake, Mold [Epdm Mit 2013] 1
61070833 (004000- )Tube Wldt, Tee [Mit 2013] 1
7 381391 (004000- ) Hose, Drain,Overflow,Radiator[1pick=1ft] 1
8 14432 (004000- ) Clamp, Hose, Wormdrive, 1.81- 2.75d, .50w 5
9 54333 (004000- ) Clamp, Hose, Wormdrive, 0.31- 0.88d, .31w 2
o10 369745 (004000- ) Filter Assy, Air 1
Y11 369746 (004000- )Element, Fltr, Air [Dn] 1
12 1036892 (004000- ) Screw, Hex, M6 X 1.00 X 25, 9.8 Sems 2
13 08708 (004000- ) Nut, Hex, Lock, M6 X 1.00, Nl 2
14 1020949 (004000- ) Hose, Intake, Mold, 2.00id [Epdm] 1
15 1070787 (004000- ) Hose, Intake, Mold, Lpg [Epdm Mit2013] 1
16 369747 (004000- )Clamp, Mtg, Fltr, Air 1
17 08709 (004000- ) Nut, Hex, Lock, M8 X 1.25, Nl 2
18 11984 (004000- ) Fitting, Pipe, E90, Pf02/Pm02 (CE ONLY) 1
19 03026 (004000- ) Indicator, Service, Fltr, Air [20h20 Dn] (CE ONLY) 1
20 51560- 5 (004000- ) Fitting, Brs, Str, Pm02, Service (CE ONLY) 1
21 69234 (004000- )Clamp, Cable, Stl, 1.00d X 0.75w, 1hole 1

STANDARD PARTS
M30 Gas/LPG 9003946 (12- 2012)
2-60
Fig. 30 - Mitsubishi Engine Alternator and Fan Group (004000- )
30
1
2
3
4
5
6
7
8
9
10
11
12
13
14 15
16
17
18
19
20
21
23
22
25
26
27
28
29
24
21
5
5
5
24

STANDARD PARTS
2-61
M30 Gas/LPG 9003946 (6- 2014)
356297
Fig. 30 - Mitsubishi Engine Alternator and Fan Group (004000- )
Ref. Part No. Serial Number Description Qty.
11071727 (004000- )Guard, Fan, Side 1
2 1070890 (004000- ) Arm Wldt, Alternator [Mit 2013] 1
3 16931 (004000- ) Screw, Hex, M8 X 1.25 X 20, 8.8 1
4 04375 (004000- ) Screw, Hex, M8 X 1.25 X 40, 8.8, Fl 1
5 32491 (004000- ) Washer, Flat, 0.31, Std 7
641186 (004000- )Washer, Flat, Belleville, .31 1
7 1071144 (004000- ) Belt, Ribbed, Fan, 42.13l 1
8 1071145 (004000- ) Belt, Ribbed, Alternator, 41.5l 1
9 1070764 (004000- ) Bracket Wldt, Alternator [Mit13] 1
10 39277 (004000- ) Screw, Hex, M8 X 1.25 X 25, 8.8 3
11 49883 (004000- )Screw, Hex, M8 X 1.25 X 120, 8.8, Fl 1
12 1070619 (004000- ) Bracket, Mtg, Alternator [Mit 2013] 1
13 1071107 (004000- ) Block, Spacer 1
14 76570 (004000- ) Screw, Hex, M8 X 1.25 X 30, 8.8 2
15 39349 (004000- ) Washer, Flat, 0.31, Sae 2
16 1071108 (004000- )Spacer, Pump, Water 1
17 07790 (004000- ) Nut, Hex, Flng, M6 X 1.00 4
18 1071110 (004000- ) Spacer, Crankfshaft 1
19 1073529 (004000- ) Plate Wldt, Shaft, Fan [Shaft Extended] 1
20 1070426 (004000- ) Sheave, Mach [Mit 2615rpm Fan] 1
21 1055377 (004000- )Bearing, Ball, 20mm B 42mm D 12mm W 2
22 1017218 (004000- ) Washer, Flat, 0.32b 1.00d .12, Ss 1
23 16735 (004000- ) Screw, Hex, M8 X 1.25 X 16, 8.8 1
24 08709 (004000- ) Nut, Hex, Lock, M8 X 1.25, Nl 2
25 39281 (004000- ) Screw, Hex, M8 X 1.25 X 90, 8.8 3
26 1070431 (004000- )Spacer, Fan, Taper [Mit 2013] 1
27 1031566 (004000- ) Fan, Cooling, 14.1d, 6 Blade, 0.5b Taper 1
28 48998 (004000- ) Screw, Flt, Soc, .38- 16 X 1.00, Al 3
29 00960 (004000- ) Key, Sq, 0.12 X 0.12, 0.50l 1
30 1072421 (004000- )Plate, Shield, Dust 1

STANDARD PARTS
M30 Gas/LPG 9003946 (6- 2014)
2-62
Fig. 31 - Mitsubishi Engine Muffler Group (004000- )
1
2
3
45
6
7
8
9
10
11
12
13 14
15
16
17
18
19
20
21
22
23
24
25
18
87
5
13
14
3
See Engine
Breakdown

STANDARD PARTS
2-63
M30 Gas/LPG 9003946 (12- 2014)
356298
Fig. 31 - Mitsubishi Engine Muffler Group (004000- )
Ref. Part No. Serial Number Description Qty.
11028994 (004000- )Channel, Shield, Muffler [M20/T20 2007] 1
2 08716 (004000- ) Screw, Hex, M6 X 1.0 X 20, Ss 2
3 32483 (004000- ) Washer, Flat, 0.25, Sae 4
4 9013159 (004000- ) Pipe Kit, Exhaust, Replmt [Mako Mitsu] 1
5 08166 (004000- ) Nut, Hex, M10 X 1.50 [Stover] 4
61028558 (004000- )Sensor, Exhaust, Tailpipe 1
7 1011216 (004000- ) Gasket, Exhaust, 2hole, 3.4bc 2
8 39284 (004000- ) Screw, Hex, M10 X 1.5 X 35, 8.8 4
9 1071376 (004000- ) Muffler, Catalytic [Mit 2.0l 2013] 1
10 1028753 (004000- ) Tube, Exhaust, Flng, 1.5d [M20/T20 2007] 1
11 1028929 (004000- )Bracket, Mtg, Muffler [M20/T20 2007] 1
12 1013117 (004000- ) Rod, Hanger, Isolator 1
13 32492 (004000- ) Washer, Flat, 0.38, Std 2
14 25014 (004000- ) Nut, Hex, Std, .38- 16 2
15 1013031 (004000- ) Isolator, Rbr 1
16 222496 (004000- )Sleeve, P/M, 0.31b 0.50d 0.9l [430ss] 1
17 222505 (004000- ) Screw, Hex, M8 X 1.25 X 45, Ss 1
18 01685 (004000- ) Washer, Flat, 0.38b 0.88d .08, Ss 2
19 08713 (004000- ) Nut, Hex, Lock, M8 X 1.25, Nl, Ss 1
20 1071418 (004000- ) Shield, Tray, Drip [Mit 2013] 1
21 06943 (004000- )Screw, Hex, M6 X 1.00 X 20, 8.8 3
22 32490 (004000- ) Washer, Flat, 0.25, Std 1
23 1071113 (004000- ) Bracket, Muffler 1
24 08165 (004000- ) Nut, Hex, Stover, M8 3
25 39349 (004000- )Washer, Flat, 0.31, Sae 3

STANDARD PARTS
M30 Gas/LPG 9003946 (5- 2015)
2-64
Fig. 32 - Mitsubishi Engine Radiator and Mount Group (004000- )
2
3
4
5
6
7
8
9
10
11
12 13
14
15
16
17
19
20
21
22
23
24
25
26
27
28
29
31
32
14
14
15
15
15
32 12
18
30
30
22
3
3
3
30
19
20
10
30
1

STANDARD PARTS
2-65
M30 Gas/LPG 9003946 (12- 2012)
356299
Fig. 32 - Mitsubishi Engine Radiator and Mount Group (004000- )
Ref. Part No. Serial Number Description Qty.
o11045940 (004000- )Radiator, W/ Hyd Cooler [Side X Side] 1
Y2 1045764 (004000- ) Cap, Radiator, 14Psi [Stant] 1
3 1037346 (004000- ) Screw, Hex, M8 X 1.25 X 25, 9.8, Sems 4
4 9010096 (004000- ) Shrd Wldt,Fan,G/Lp, Replmt [M20/M30/T20] 1
4 9010097 (004000- ) Shrd Wldt,Fan,G/Lp, Replmt [TJ] (Japan Only) 1
51070955 (004000- )Plate, Door, Clean- Out [Mit2013] 1
6 1036892 (004000- ) Screw, Hex, M6 X 1.00 X 25, 9.8 Sems 3
7 1046962 (004000- ) Bracket, Mtg, Radiator 1
8 06962 (004000- ) Screw, Hex, M10 X 1.50 X 45, 8.8 4
9 32492 (004000- ) Washer, Flat, 0.38, Std 8
10 54274 (004000- )Isolator, Vib, Bshg, 1.1d 0.6l .4b 0.78h 4
11 09832 (004000- ) Washer, Flat, 0.81b 1.06d .06, Stl 8
12 1014563 (004000- ) Washer, Flat, 0.40b 1.12d .12, Ss 4
13 41430 (004000- ) Nut, Hex, Lock, M10 X 1.5, Nl 4
14 39277 (004000- ) Screw, Hex, M8 X 1.25 X 25, 8.8 8
15 32491 (004000- )Washer, Flat, 0.31, Std 11
16 32490 (004000- ) Washer, Flat, 0.25, Std 2
17 1071785 (004000- ) Skirt, Eng Fan, Gas / Lp 1
18 1037355 (004000- ) Screw, Hex, M8 X 1.25 X 35, 9.8, Sems 2
19 41178 (004000- ) Washer, Flat, 0.25, Fendr 7
20 1036892 (004000- )Screw, Hex, M6 X 1.00 X 25, 9.8 Sems 7
21 1019968 (004000- ) Bracket, Mtg, Radiator 1
22 1040467 (004000- ) Screw, Hex, M6 X 1.00 X 20, 9.8, Sems 2
23 30407 (004000- ) Clip, Keeper, Open 1
24 08708 (004000- ) Nut, Hex, Lock, M6 X 1.00, Nl 1
25 1054428 (004000- )Shroud, Fan 1
26 1070434 (004000- ) Bracket, Shrd, Fan, Upper, Sppt, G/Lpg 1
27 1070860 (004000- ) Bracket, Shrd, Fan, Lower, Sppt, G/Lpg 1
28 07790 (004000- ) Nut, Hex, Flng, M6 X 1.00 1
29 1048166 (004000- ) Seal, Afmkt, Bulb, Str, 0.58d 08ft 1
30 1015205 (004000- )Seal, Afmkt, Ure, Adh, 0.38, 0.38w 02ft 4
31 57569 (004000- ) Molding, Trim, Pvc, .08- .11 06.8l 1
32 08709 (004000- ) Nut, Hex, Lock, M8 X 1.25, Nl 4

STANDARD PARTS
M30 Gas/LPG 9003946 (12- 2012)
2-66
Fig. 33 - Mitsubishi Engine Radiator Hose Group (004000- )
1
2
3
4
5
6
7
8
9
10
11
12
13
14
15
3
3
3
9
9

STANDARD PARTS
2-67
M30 Gas/LPG 9003946 (12- 2012)
356300
Fig. 33 - Mitsubishi Engine Radiator Hose Group (004000- )
Ref. Part No. Serial Number Description Qty.
11070732 (004000- )Hose, Coolant, Mold, 1.25id To 1.62id 1
2 22297 (004000- ) Clamp, Hose, Wormdrive, 1.56- 2.50d, .50w 1
3 79381 (004000- ) Clamp, Hose, Wormdrive, 1.25- 2.00d, .50w 5
4 1007482 (004000- ) Hose, Rbr, E90, 1.25id 1.25id 04.2 03.1 1
5 1071099 (004000- ) Tube, Coolant, 1.3d, Lower [Mit 2013] 1
69010904 (004000- )Hose Kit, Coolant, Replmt [Mitsubishi} 1
7 51305 (004000- ) Fitting, Draincock, E90, .25npt 1
8 73471 (004000- ) Hose, Pvc, Clr, 0.38id 0.56od 022.0l 1
9 43844 (004000- ) Clamp, Hose, Wormdrive, 0.25- 0.62d, .31w 3
10 87738 (004000- ) Hose, Fuel, 0.18id, 29.0l 1
11 08709 (004000- )Nut, Hex, Lock, M8 X 1.25, Nl 2
12 16931 (004000- ) Screw, Hex, M8 X 1.25 X 20, 8.8 2
13 32491 (004000- ) Washer, Flat, 0.31, Std 2
14 1054382 (004000- ) Tank, Coolant, 03.6w 04.1hi 05.5l,1liter 1
15 1014843 (004000- )Hose, Afmkt, Coolant Recvy, 05ft 1

STANDARD PARTS
M30 Gas/LPG 9003946 (12- 2012)
2-68
Fig. 34 - Engine Fuel Tank Group, Gasoline
1
3
4
5
6
7
8
9
8
10
11
12
13
14
15
19
17
18
19
19
19
16
20
21
22
23
24
25
26
22
23
21
27
28 29
30
35
32
33
33
34
2
9
10
20
31

STANDARD PARTS
2-69
M30 Gas/LPG 9003946 (8- 2013)
354634 - M30
Fig. 34 - Engine Fuel Tank Group, Gasoline
Ref. Part No. Serial Number Description Qty.
11035796 (000000- )Tray Wldt, Fuel 1
2 62595- 15 (000000- ) Molding, Trim, Pvc, .08- .11 13.2l 1
o3 9003610 (000000- ) Tank, Fuel, 11.2gal, Gas, Replmt [2007] 1
Y4 1033897 (000000- ) Gasket, Sender, Fuel 1
Y5 1033901 (000000- ) Send- Unit, Fuel [2007] 1
Y61032812 (000000- )Cap, Fuel, Tank 1
Y7 48126 (000000- ) Fitting, Pipe, Plug, Pm02, Sq Head 1
8 1025229 (000000- ) Strap, Tank, Gas 2
9 1037354 (000000- ) Screw, Hex, M8 X 1.25 X 30, 9.8, Sems 3
10 08709 (000000- ) Nut, Hex, Lock, M8 X 1.25, Nl 3
11 32483 (000000- )Washer, Flat, 0.25, Sae 2
12 32981 (000000- ) Nut, Hex, Lock, .25- 20, Nl 2
13 1023482 (000000- ) Hose, Fuel, 0.50id, 21.0l 1
14 54333 (000000- ) Clamp, Hose, Wormdrive, 0.31- 0.88d, .31w 1
15 1011107 (000000- ) Pump, Fuel, Hi Press [Gm 1.6l/3.0l] 1
16 1013086 (000000- )Connector, Fuel, Qf 1
17 1034676 (000000- ) Fuelline, .31d Str/Str,Plstc 1
18 1033746 (000000- ) Hose, Fuel, 0.31id [Evap Emission 07] 2
19 43844 (000000- ) Clamp, Hose, Wormdrive, 0.25- 0.62d, .31w 4
20 9000355 (000000- ) Fitting, Brs, E90, Em05/Pm04 2
21 1011895 (000000- )Clamp, Cable, Stl, 2.00d X 0.75w, 1hole 2
22 16931 (000000- ) Screw, Hex, M8 X 1.25 X 20, 8.8 2
23 32491 (000000- ) Washer, Flat, 0.31, Std 2
24 08709 (000000- ) Nut, Hex, Lock, M8 X 1.25, Nl 1
25 1012248 (000000- ) Fuelline, .31d Str/Str, Plstc 1
26 372440 (000000- )Filter, Fuel [Gm 1.6l/3.0l] 1
27 06949 (000000- ) Screw, Hex, M6 X 1.00 X 50, 8.8 2
28 32483 (000000- ) Washer, Flat, 0.25, Sae 2
29 08708 (000000- ) Nut, Hex, Lock, M6 X 1.00, Nl 2
30 1019939 (000000- ) Connector, Fuel, E90, Qf 1
31 1036967 (000000- 003999 )Fuelline, .31d Str/Str,Plstc 1
32 1028924 (000000- ) Manifold, Gas, Relief, Valve 1
33 1029293 (000000- ) Fitting, Fuel, Str, 0.56- 18 [07 Eng] 2
34 1029295 (000000- ) Fitting, Fuel, Str, 0.38- 24 [07 Eng] 1
35 1071388 (004000- )Fuelline, .31d Str/Str, Plstc [Mit 2013] 1

STANDARD PARTS
M30 Gas/LPG 9003946 (5- 2015)
2-70
Fig. 35 - Engine Fuel Tank Group, LPG
FRONT
1
2
3
4
5
6
7
8
9
8
10
11
12
13
14
15
16
18
29
19
20
21
22
23
24
25
22
24
28
3
4
17
33
34
35
36
26
27
30
32
31

STANDARD PARTS
2-71
M30 Gas/LPG 9003946 (5- 2015)
354635 - M30
Fig. 35 - Engine Fuel Tank Group, LPG
Ref. Part No. Serial Number Description Qty.
11035677 (000000- )Tray Wldt, Lpg 1
2 1037354 (000000- ) Screw, Hex, M8 X 1.25 X 30, 9.8, Sems 2
3 32491 (000000- ) Washer, Flat, 0.31, Std 4
4 08709 (000000- ) Nut, Hex, Lock, M8 X 1.25, Nl 4
5 23156 (000000- ) Switch, Press, 0070psi Spst Nc 12vdc 08a 1
624928- 1 (000000- )Tank, Lpg, 33lb, W/ Gauge [Empty, Liq] 1
7 1024934 (000000- ) Pin, Locating, Lpg 1
8 32492 (000000- ) Washer, Flat, 0.38, Std 2
9 41430 (000000- ) Nut, Hex, Lock, M10 X 1.5, Nl 1
10 32716 (000000- ) Nut, Hex, Jam, M10 X 1.5, Ss 2
11 58589 (000000- )Strap, Mtg, Tank, Lpg 1
12 1037346 (000000- ) Screw, Hex, M8 X 1.25 X 25, 9.8, Sems 2
13 57297 (000000- ) Strap, Mtg, Tank, Lpg, Hinge 1
14 35710 (000000- ) Screw, Hex, .38- 16 X 3.75, G5 1
15 59156 (000000- ) Nut, Hex, Lock, .38- 16, Nl, Ss 1
16 58590 (000000- )Strap, Mtg, Tank, Lpg 1
o17 53400- 1 (000000- ) Latch Assy, Mtg, Tank, Lpg, W/Nut 1
Y18 53400- 4 (000000- ) Nut, Adj, Mtg, Tank, Lpg 1
19 36643 (000000- ) Nut, Hex, Lock, .38- 16, Nl, Thin 1
20 26496 (000000- ) Fitting, Brs, Qdc, Pf04, Lpg Fem 1
21 22308- 6 (000000- )Hose, Lpg, Med05, Pm04str/Sm04str, 014.0 1
22 150709 (000000- ) Fitting, Brs, Tee, Pf04/Pf04/Pm04, Run 2
23 78122 (000000- ) Fitting, Brs, Str, Pf04/Pf04, Bh 1
24 27048 (000000- ) Fitting, Brs, E90, Pf04/Pm04 2
25 24047 (000000- ) Valve, Lpg, Press Relief [Rego] 1
26 19760 (000000- )Hose, Lpg, Med05, Pm04str/Sm04str, 055.0 1
27 392645 (000000- 004559 ) Fitting, Pipe, E45, Spcl 1
28 17414 (000000- ) Fitting, Hyd, Str, Pf02/Pm04 1
29 35707 (000000- ) Screw, Hex, .38- 16 X 3.00, G5 1
30 69234 (004000- 004559 ) Clamp, Cable, Stl, 1.00d X 0.75w, 1hole 1
31 09740 (004000- 004559 ) Screw, Hex, M8 X 1.25 X 20, Ss 1
32 32491 (004000- 004559 ) Washer, Flat, 0.31, Std 1
33 11442- 23 (004560 ) Fitting, Pipe, Str, Pm04/Sf04 1
34 67767 (004560- ) Clamp, Cable, Stl, 0.69d X 0.62w, 1hole 1
35 06942 (004560- ) Screw, Hex, M6 X 1.00 X 16, 8.8 1
36 32483 (004560- )Washer, Flat, 0.25, Sae 1

STANDARD PARTS
M30 Gas/LPG 9003946 (5- 2015)
2-72
Fig. 36 - Battery and Electrical Group
FRONT
1
2
3
4
5
6
7
8
9
10
11
12
13
14
15 16
17
18
17
17
17
2
2
2
3
8
2
3

STANDARD PARTS
2-73
M30 Gas/LPG 9003946 (12- 2012)
354606, G/LP
Fig. 36 - Battery and Electrical Group
Ref. Part No. Serial Number Description Qty.
1369704 (000000- )Horn, 12vdc, Dba [Wolo] 1
2 1037346 (000000- ) Screw, Hex, M8 X 1.25 X 25, 9.8, Sems 5
3 08709 (000000- ) Nut, Hex, Lock, M8 X 1.25, Nl 1
4 19066 (000000- ) Washer, Flat, 10 4
5 57804 (000000- ) Relay, 12vdc, 040a, Spdt No 8
61024274 (000000- ) Cover, Fuse, Block 1
7 1026576 (000000- ) Gasket, .13, 07.68w 09.45l, Adh [Poron] 1
8 06549 (000000- ) Nut, Hex, Lock, M5 X 0.80, Nl 8
9 1021290 (000000- ) Alarm, Warning [Sonalert, St628] 1
10 33671 (000000- ) Strap, Rbr, Tie- Down, 19.0l, 2/ Hook 1
11 54333 (000000- )Clamp, Hose, Wormdrive, 0.31- 0.88d, .31w 1
12 20778 (000000- ) Hose, Pvc, Clr, 0.50id 0.69od 030.0l 1
13 60295 (000000- 003999 ) Cable, Battery, 02ga 60.0l Blk .41ring 1
13 1071481 (004000- ) Cable, Battery, 2ga, 62l, Blk 1
14 68869 (000000- 003999 ) Cable, Battery, 02ga 48.0l Red .41ring 1
14 1071482 (004000- )Cable, Battery, 2ga, 60l, Red 1
15 222290 (000000- ) Diode, Ele, Plug 1
16 762514 (000000- ) Fuse, Blade, 15a, 32vdc 14
17 53466 (000000- ) Clamp, Cable, Stl, 1.50d X 1.00w, 1hole 4
18 08709 (000000- ) Nut, Hex, Lock, M8 X 1.25, Nl 2
19 10137 (000000- )Battery, Wet, 12vdc 0475cca 1

STANDARD PARTS
M30 Gas/LPG 9003946 (12- 2014)
2-74
Fig. 37 - Wheel Group, Front Drive
22
22
28
24
21
1
24
34
23 20
7
3
4
5
8
9
34
23
19 17
14
15
12
17
16
13
11
18
25
26
27
2
6
5
11
10
31
32
30
29
33
35
37
36
37
12
2
34- 40Nm
(25- 35 Ft lbs)
34- 40Nm
(25- 35 Ft lbs)
120- 150 Nm
(90- 110 ft lb)
115Nm
(85 Ftlbs)
325Nm
(240 Ft lbs)
510 Nm
(375 Ft lbs)

STANDARD PARTS
2-75
M30 Gas/LPG 9003946 (12- 2014)
354607- M30
Fig. 37 - Wheel Group, Front Drive
Ref. Part No. Serial Number Description Qty.
19008248 (000000- 001653 )Housing Kit, Drive, Front, Replmt 1
2 51338 (000000- ) Bearing, Cup, 2.56d 0.55w 2
3 47801 (000000- ) Fitting, Grease, Str Pm04 .63l 2
4 374560 (000000- ) Seal, Drive, Rear, Grease Cav 1
5 379609 (000000- ) Motor, Hyd, Gear, Int 19.0 Bi- Dir 3000 (See Breakdowns) 1
642223 (000000- )Fitting, Hyd, Str, Jm10/Om12 1
7 393215 (000000- ) Fitting, Hyd, E45, Jm04/Om06 1
8 1024249 (000000- ) Fitting, Hyd, E45, Jm10/Om12 1
9 19583 (000000- ) Screw, Soc, .50- 13 X 1.50, Al 4
o10 54087 (000000- ) Hub Assy, Wheel, 5 Bolt 4.50bc Taper B 1
Y32126 (000000- )Stud, Wheel, .50- 20 X 1.50l, 0.370th 5
11 08180 (000000- ) Pin, Cotter, .125 X 2.00 2
12 51339 (000000- ) Bearing, Cone, 1.38b 0.71w 2
13 374563 (000000- ) Washer, Flat, 2.16b 3.50d .16, Felt 1
14 54051 (000000- ) Washer, Flat, 1.39b 2.12d .13, Stl 1
15 73281 (000000- )Bolt, Shld, 1.37d X 5.13l,1.1- 18 Drilled 1
16 54052 (000000- ) Nut, Hex, Sltd, 1.12- 18 1
17 72926 (000000- ) Screw, Soc, M16 X 2.0 X 50, 12.9 2
18 24339 (000000- ) Nut, Wheel, .50- 20 X 60 Angle 5
19 1017903 (000000- 004454 ) Cylinder, Hyd, 2.0b,15.2l,09.00strk,3000 1
19 1034270 (004455- )Cylinder, Hyd, 2.0b,15.2l,09.00strk,3000 1
20 47522 (000000- ) Fitting, Hyd, E45, Jm06/Om06 2
21 71340 (000000- 001653 ) Tube, Rnd, 1.75d 0.77b 01.1l, Stl, Pntd 1
22 71341 (000000- 001653 ) Screw, Hex, .75- 10 X 4.00, 5 2
23 39350 (000000- 004454 ) Washer, Flat, 0.75 Sae 2
23 1073487 (004455- )Washer, Flat, .781b 1.63od .16, Stl, Blk 2
24 32987 (000000- 001653 ) Nut, Hex, Lock, .75- 10, Nl 2
25 58842 (000000- ) Bar, Flat, Stl 0.19, 01.50 X 04.1l 1
26 16931 (000000- ) Screw, Hex, M8 X 1.25 X 20, 8.8 2
27 32491 (000000- ) Washer, Flat, 0.31, Std 2
28 1034806 (000000- )Tube, 0.77id 1.75od 00.7l, Stl, Pntd 1
29 57315 (000000- ) Sleeve, Nyl, #37 05.0l 2
30 49266 (000000- ) Tie, Cable, Nyl, 07.3l .19w 1.8 Max D 1
31 1059343 (000000- ) Tire, Drive, Scrbr, Non- Skid, 18.0X6.0 1
32 1061973 (000000- ) Tire, Drive, Scrbr, Pu, Grey, 18.0X6.0
(Optional Polyurethane) 1
33 1071061 (001654- )Housing, Sppt, Front Wheel 1
34 77345 (001654- ) Screw, Hex, .75- 10 X 3.25, G5 2
35 1060521 (001654- ) Bracket, Mtg, Sppt 1
36 82832 (004000- ) Sleeve, Nyl, 2.38id 25.0l 1
37 49266 (004000- )Tie, Cable, Nyl, 07.3l .19w 1.8 Max D 2

STANDARD PARTS
M30 Gas/LPG 9003946 (10- 10)
2-76
Fig. 38 - Wheel and Brake Group
12
13
1
2
3
5
5
6
7
8
9
10 11
11
4

STANDARD PARTS
2-77
M30 Gas/LPG 9003946 (6- 11)
354608
Fig. 38 - Wheel and Brake Group
Ref. Part No. Serial Number Description Qty.
o154577 (000000- )Brake Assy, Drum, Mech, 07.9d [6600]] 2
Y66211 (000000- ) Shoe Set, Brake [1 Set=1pkg=2 Shoes] 2
Yo66213 (000000- ) Brake Kit, Repair 1
YY 70161 (000000- ) Shaft 1
Y70158 (000000- ) Spring 2
o21059544 (000000- )Tire Assy, Solid, 18.0 X 5.0, Idler (Standard) 2
Y3 51338 (000000- ) Bearing, Cup, 2.56d 0.55w 2
o2 1059344 (000000- ) Tire Assy, Solid, 18.0 X 5.0,Hi Traction (Option) 2
Y3 51338 (000000- ) Bearing, Cup, 2.56d 0.55w 2
o2 1059545 (000000- ) Tire Assy, Solid, 18.0X5.0, Non- Marking (Option) 2
Y351338 (000000- )Bearing, Cup, 2.56d 0.55w 2
4 08711 (000000- ) Nut, Hex, Lock, M12 X 1.75, Nl 12
5 51339 (000000- ) Bearing, Cone, 1.38b 0.71w 4
6 14242 (000000- ) Nut, Hex, Sltd, 1.00- 20 2
7 08202 (000000- ) Pin, Cotter, .125 X 1.75 2
832969 (000000- )Washer, Flat, 1.00, Sae 2
9 54390 (000000- ) Cap, Hub, Dust, 2.57d 0.77l 2
10 06969 (000000- ) Screw, Hex, M12 X 1.75 X 40, 8.8 12
11 32486 (000000- ) Washer, Flat, 0.50, Sae 24
o12 1062102 (000000- ) Tire, Idler, Scrbr, Pu, Grey, 18.0X5.0 (Polyurethane) 2
Y13 51338 (000000- )Bearing, Cup, 2.56d 0.55w 2

STANDARD PARTS
M30 Gas/LPG 9003946 (1- 08)
2-78
Fig. 39 - Brake Pedal Linkage Group
12
3
4
5
6
12
7
8
910
11
12
9
9
10
10
13 5
4
114
15
16
17
18
19
20
12
21
22
23
24
25
25
26
27
28
27
114
5
4
29
30
31

STANDARD PARTS
2-79
M30 Gas/LPG 9003946 (1- 08)
354609
Fig. 39 - Brake Pedal Linkage Group
Ref. Part No. Serial Number Description Qty.
169582 (000000- )Pin, Clevis, 0.31d X 1.00l 6
2 08170 (000000- ) Pin, Cotter, .062 X 0.50 4
3 1034409 (000000- ) Rod, Thrd, 2 End, .31- 24 7.0l, Pl 2
4 58311 (000000- ) Clevis, Adj, 0.31pin, 0.31- 24 4
5 20170 (000000- ) Nut, Hex, Jam, .31- 24 4
6381910 (000000- )Nut, Hex, Jam, .31- 24, Lh 2
7 1037933 (000000- ) Clevis, Adj, 0.31pin, 0.31- 24, Lh 2
8 1033812 (000000- ) Shaft Wldt, Brake 1
9 381502 (000000- ) Bearing, Split, 1.00b 6
10 382224 (000000- ) Plate, Sppt 3
11 39279 (000000- )Screw, Hex, M8 X 1.25 X 70, 8.8 6
12 32491 (000000- ) Washer, Flat, 0.31, Std 7
13 1034454 (000000- ) Cable, Push / Pull, 068.0l 1
14 08179 (000000- ) Pin, Cotter, .094 X 1.00 2
15 1022736 (000000- ) Bracket, Mtg, Cable 1
16 1037346 (000000- )Screw, Hex, M8 X 1.25 X 25, 9.8, Sems 2
17 06942 (000000- ) Screw, Hex, M6 X 1.00 X 16, 8.8 2
18 71367 (000000- ) Spring, Wir, 0.08d, Parking Brake 1
19 08709 (000000- ) Nut, Hex, Lock, M8 X 1.25, Nl 1
20 06955 (000000- ) Screw, Hex, M8 X 1.25 X 35, 8.8 1
21 59009 (000000- )Spring, Tors, 0.75id .06wir 02.8coil 1
22 1022243 (000000- ) Shaft Wldt, Pedal, Brake 1
23 51109 (000000- ) Pad, Pedal, Brake, 3.96l 2.36w 0.75 1
24 23788 (000000- ) Ring, Retaining, Ext, 0.98d, [E- Ring] 2
25 86751 (000000- ) Bearing, Pillowblock, 1.02b [Solid Pye] 2
26 06548 (000000- )Screw, Hex, M6 X 1.00 X 60, 8.8 4
27 32490 (000000- ) Washer, Flat, 0.25, Std 8
28 08708 (000000- ) Nut, Hex, Lock, M6 X 1.00, Nl 6
29 54607 (000000- ) Spring, Tors, 1.13id .12wir 2.3coil, Rh 2
30 1025487 (000000- ) Pedal, Brake, Lock 1
31 46563 (000000- )Bushing, Sleeve, 0.37b 0.50d 0.50l, Oib 1

STANDARD PARTS
M30 Gas/LPG 9003946 (12- 2012)
2-80
Fig. 40 - Directional Pedal Group
1
2
34
5
6
7
8
9
10
11
12
13
14
7
13
13
10 9
14
8
13

STANDARD PARTS
2-81
M30 Gas/LPG 9003946 (12- 2012)
354429
Fig. 40 - Directional Pedal Group
Ref. Part No. Serial Number Description Qty.
11025140 (000000- )Pedal, Propel 1
2 58819 (000000- ) Tread, Non- Skid, 03.0w 11.6l 1
3 59668 (000000- ) Pin, Clevis, 0.50 D X 4.50l 1
4 08182 (000000- ) Pin, Cotter, .125 X 1.00 1
5 67767 (000000- ) Clamp, Cable, Stl, 0.69d X 0.62w, 1h 2
6361339 (000000- )Screw, Hex, M6 X 1.0 X 16, Fmg 2
7 1022345 (000000- ) Cable, Push / Pull, 098.0l .25- 28/.25- 28 1
8 68866 (000000- ) Rod- End, .25- 28rh Fem 0.25b [Teflon] 2
9 01714 (000000- ) Nut, Hex, Std, .25- 28 2
10 65441 (000000- ) Tube, 00.38d 00.26b 00.3l Stl Plt 2
11 41399 (000000- )Screw, Hex, .25- 20 X 2.25, Ss 1
12 42180 (000000- ) Screw, Hex, .25- 20 X 1.75, Ss 1
13 32490 (000000- ) Washer, Flat, 0.25 Std 4
14 41169 (000000- ) Nut, Hex, Lock, .25- 20, Nl, Ss 2

STANDARD PARTS
M30 Gas/LPG 9003946 (12- 2012)
2-82
Fig. 41 - Hydraulic Pump Linkage Group
33
34
1
2
3
45
6
7
8
9
10
11
12
13
14
15
16
17
18
19
20
21
22
23
24
25
26
27
28
29
30
31
32
35
36
37
38
39
40
41
38
18
13
4
8
7
14
15
1
1
2

STANDARD PARTS
2-83
M30 Gas/LPG 9003946 (12- 2012)
356301- G/LP
Fig. 41 - Hydraulic Pump Linkage Group
Ref. Part No. Serial Number Description Qty.
141169 (000000- )Nut, Hex, Lock, .25- 20, Nl, Ss 3
2 63234 (000000- ) Tube, 00.50d 00.38b 00.6l Stl 2
3 42467 (000000- ) Screw, Hex, .38- 16 X 2.00, Ss 1
4 32492 (000000- ) Washer, Flat, 0.38 Std 2
5 36643 (000000- ) Nut, Hex, Lock, .38- 16, Nl, Thin 1
621197 (000000- )Screw, Hex, .38- 16 X 1.00, 5 2
7 11842 (000000- ) Spring, Extn, 0.75od X 0.12wir, 4.3l 2
8 48079 (000000- ) Bolt, Eye, .25- 20 X 1.40 X .25 Eye 1
9 53947 (000000- ) Cam, Centering, Pintle 1
10 54655 (000000- ) Cam, Centering, Pintle 1
11 74440 (000000- )Screw, Hex, M8 X 1.25 X 40, Ss, Nl 1
12 39349 (000000- ) Washer, Flat, 0.31 Sae 1
13 53953 (000000- ) Arm, Cntrl, Pintle, Centering 2
14 54205 (000000- ) Bumper, Rbr, 0.5d 0.16t M5 X 08 2
15 50335 (000000- ) Nut, Hex, Std, M5 X 0.8, 8 4
16 1027233 (000000- ) Arm, Pintle 1
17 83879 (000000- ) Screw, Hex, .31- 24 X 0.75, Nl 1
18 41186 (000000- ) Washer, Belleville, .31 3
19 1027313 (000000- ) Bracket Wldt, Propel, Pintle 1
20 84170 (000000- ) Bracket, Retainer, Safety 1
21 16213 (000000- )Bolt, Shld, .31d X 1.00, .25- 20 1
22 73411 (000000- ) Shock Absorber, 2.3 Strk 1
23 39278 (000000- ) Screw, Hex, M8 X 1.25 X 50, 8.8 1
24 08709 (000000- ) Nut, Hex, Lock, M8 X 1.25, Nl 1
25 1022787 (000000- ) Arm [Positioning] 2
26 09252 (000000- )Screw, Hex, M5 X 0.8 X 20, 8.8 2
27 01683 (000000- ) Washer, Flat, #10 Ss 2
28 1022779 (000000- ) Sensor, Spd / Dir, 6- 30vdc 1
29 09198 (000000- ) Screw, Pan, M4 X 0.7 X 35, Ss 2
30 33932 (000000- ) Nut, Hex, Lock, M4 X 0.7, Nl, Ss 2
31 46559 (000000- )Screw, Hex, .38- 16 X 1.25, Nl 2
32 32485 (000000- ) Washer, Flat, 0.38 Sae 4
33 1022140 (000000- 005999 ) Bracket, Propel, Gas/Lpg 1
34 1022798 (000000- 005999 ) Bracket, Mtg, Cyl 1
35 41187 (000000- ) Washer, Flat, Belleville, .38 2
36 1032399 (000000- )Strap, Sppt 1
37 09010 (000000- ) Screw, Hex, M8 X 1.25 X 25, Ss 2
38 08713 (000000- ) Nut, Hex, Lock, M8 X 1.25, Nl, Ss 2
39 32490 (000000- ) Washer, Flat, 0.25 Std 1
40 1070798 (006000- ) Bracket, Propel, G/Lpg [Mit 2013] 1
41 1070819 (006000- )Angle, Mtg 1

STANDARD PARTS
M30 Gas/LPG 9003946 (9- 08)
2-84
Fig. 42 - Hopper Lift Arms Group
1
2
2
3
4
1
2
2
3
4
5
6
7
7
8
8
9
10
11
911
12
15
16
18
19
19
20
21
22
23
24
25 26
27
7
8
78
910
11
12
13
13
14
28
29
30
17
31
32
33
13
13
14

STANDARD PARTS
2-85
M30 Gas/LPG 9003946 (6- 09)
354610
Fig. 42 - Hopper Lift Arms Group
Ref. Part No. Serial Number Description Qty.
142120- 1 (000000- )Bearing, Self Align, 1.25b 2.00d 2
2 59542 (000000- ) Ring, Retaining, Int, 2.00d 4
3 07259 (000000- ) Fitting, Grease, Str Pm04 .47l 2
4 364587 (000000- ) Bushing, Sleeve, 0.88b 1.00d 0.75l, Bnz 3
5 1040818 (000000- ) Tube Wldt, Arm, Safety 1
61040820 (000000- )Rod Wldt, Arm, Safety 1
7 1018227 (000000- ) Pin, Clevis, 0.88d X 2.25l 4
8 02942 (000000- ) Pin, Cotter, Hair, 0.62d .120 Wir 4
9 1018226 (000000- ) Pin, 0.87d 01.8l, 1/M6 X 1.0, 1cham,Stl 3
10 72897 (000000- ) Plate, Pin, Clevis, Upper 3
11 06942 (000000- )Screw, Hex, M6 X 1.00 X 16, 8.8 6
12 1029646 (000000- ) Cylinder, Hyd, 2.0B 24.1L 15.00Strk 3000 2
13 77097 (000000- ) Fitting, Hyd, E90, Jm04/Om04 4
14 1025904 (000000- ) Fitting, Hyd, Rst, Jf04/Jm04, .028 2
15 1034227 (000000- ) Plate, Bellcrank, Hppr, Lock 1
16 1036271 (000000- )Plate, Bellcrank 1
17 1037827 (000000- ) Bushing, Flng, 0.87b 1.25d 0.38l 1
18 87816 (000000- ) Spring, Extn, 0.75od 0.09wir 02.5l 1
19 41305 (000000- ) Pin, Clevis, 0.37d X 0.75l 2
20 06965 (000000- ) Screw, Hex, M10 X 1.50 X 80, 8.8 1
21 08714 (000000- )Nut, Hex, Lock, M10 X 1.5, Nl, Ss 1
22 1014563 (000000- ) Washer, Flat, 0.40b 1.12d .12, Ss 1
23 41187 (000000- ) Washer, Flat, Belleville, .38 1
24 23211 (000000- ) Switch, Snap, 15a No, Rlr 1
25 09252 (000000- ) Screw, Hex, M5 X 0.80 X 20, 8.8 2
26 19066 (000000- )Washer, Flat, 10 2
27 07789 (000000- ) Nut, Hex, Flng, M5 X 0.80 2
28 1018240 (000000- ) Bracket, Mtg, Switch 1
29 361339 (000000- ) Screw, Hex, M6 X 1.00 X 16, Fmg 2
30 32483 (000000- ) Washer, Flat, 0.25, Sae 2
31 1018266 (000000- )Pin, Arm, Safety 1
32 09206 (000000- ) Screw, Hex, M4 X 0.70 X 12, 8.8 1
33 02850 (000000- ) Nut, Hex, Lock, M4 X 0.70, Nl 1

STANDARD PARTS
M30 Gas/LPG 9003946 (1- 08)
2-86
Fig. 43 - Hopper and Debris Screen Group
1
2
2
3
4
5
6
7
8
9
7
8
8
10
11
12

STANDARD PARTS
2-87
M30 Gas/LPG 9003946 (1- 08)
354611
Fig. 43 - Hopper and Debris Screen Group
Ref. Part No. Serial Number Description Qty.
11036419 (000000- )Hopper, Debris [M30] 1
2 1018272 (000000- ) Bar, Mtg, Hppr 2
3 763042 (000000- ) Washer, Flat, Belleville, M10 6
4 08714 (000000- ) Nut, Hex, Lock, M10 X 1.5, Nl, Ss 6
5 1039163 (000000- ) Screen Wldt, Hppr 1
61044323 (000000- )Spring, Flat, Retainer, Angled Screen 1
7 222268 (000000- ) Washer, Flat, 0.38b 1.25d .12, Neo 2
8 1017218 (000000- ) Washer, Flat, 0.32b 1.00d .12, Ss 3
9 08713 (000000- ) Nut, Hex, Lock, M8 X 1.25, Nl, Ss 2
10 09010 (000000- ) Screw, Hex, M8 X 1.25 X 25, Ss 1
11 1039215 (000000- )Angle, Retainer 1
12 1018239 (000000- ) Hose Assy, W/1cuff, 1.0d 009l 1.0/ 1

STANDARD PARTS
M30 Gas/LPG 9003946 (1- 08)
2-88
Fig. 44 - Hopper Cover and Dust Filter Group
1
3
2
132
4
5
6
7
8
9
10
12
11
10
13
14
15
16
17
18
19
20
21
22
23
24
25
26
27
28
27
28

STANDARD PARTS
2-89
M30 Gas/LPG 9003946 (6- 11)
354612
Fig. 44 - Hopper Cover and Dust Filter Group
Ref. Part No. Serial Number Description Qty.
11046427 (000000- )Bracket, Latch, Cover, Hppr 2
2 09744 (000000- ) Screw, Hex, M6 X 1.00 X 12, Ss 4
3 01684 (000000- ) Washer, Flat, 0.27b 0.69d .05, Ss 4
4 1036611 (000000- 001544 ) Switch, Temp [160f] 1
4 1056298 (001545- ) Switch, Temp, Sealed, Nc 1
506922 (000000- )Screw, Pan, Phl, M3 X 0.50 X 20, 4.8 2
6 19064 (000000- ) Washer, Flat, 06 2
7 32975 (000000- ) Washer, Lock, Int, 06 2
8 01754 (000000- ) Nut, Hex, Std, M3 X 0.50, 8 2
9 763116 (000000- ) Tie, Cable, Nyl, 15.3l . W 4.5 Max D 1
10 1018207 (000000- )Bar, Mtg, Hppr Cover 2
11 09291 (000000- ) Screw, Hex, M10 X 1.50 X 20, Ss 2
12 1014563 (000000- ) Washer, Flat, 0.40b 1.12d .12, Ss 2
13 1041006 (000000- ) Cover, Hppr 1
14 1037235 (000000- ) Shaker Wldt 1
15 06963 (000000- )Screw, Hex, M10 X 1.50 X 60, 8.8 2
16 39312 (000000- ) Nut, Hex, Std, M10 X 1.50 2
17 1037671 (000000- ) Strap, Mtg, Motor, .12 4.00w 1
18 09740 (000000- ) Screw, Hex, M8 X 1.25 X 20, Ss 4
19 01685 (000000- ) Washer, Flat, 0.38b 0.88d .08, Ss 4
20 36658 (000000- )Strip, Rbr, 0.06 04.00w 05.0l [Neo/60] 1
21 36661 (000000- ) Strip, Rbr, 0.06 01.00w 04.0l 1
22 1041920 (000000- 001515 ) Motor, Ele [12vdc, Shaker] 1
22 1059542 (001516- ) Motor, Ele, 12Vdc, Shakr 1
23 1049242 (000000- 001515 ) Weight, Eccentric 1
23 1053320 (001516- )Weight, Eccentric 1
24 20634 (000000- ) Screw, Set, Soc, 10- 24 X 0.25, Nl 2
25 1048295AM (000000- ) Filter, Panl, Syn, 4.2 X 20.0 X 30.0 1
26 1037947 (000000- ) Tray, Perma- Filter 1
27 360824 (000000- ) Latch 2
28 09200 (000000- )Screw, Pan, Phl, M5 X 0.80 X 12, Ss 4

STANDARD PARTS
M30 Gas/LPG 9003946 (4- 10)
2-90
Fig. 45 - Hopper Bumper Group
6
5
1
1
2
3
3
4
4
20
21
910
13
14
15
16
17
18
17
18
19
22
23
21
20
22
23
24
8
7
12
11

STANDARD PARTS
2-91
M30 Gas/LPG 9003946 (10- 10)
354613
Fig. 45 - Hopper Bumper Group
Ref. Part No. Serial Number Description Qty.
110632- 13 (000000- )Grommet, Rbr, 1.50id, F/1.8h, .19 Matl 2
2 50646 (000000- ) Molding, Trim, Pvc, .18- .31 07.5l 1
3 1018293 (000000- ) Cap, Arm, Lift 2
4 1021047 (000000- ) Wheel, 06.0d 2.00w 1.19b, Gray Rbr 6
5 9006334 (000000- 001248 ) Pin Kit, Wheel, Ci [M20/T20/M30] 2
608171 (000000- 001248 )Pin, Cotter, .156 X 2.00 2
7 39924 (000000- 001419 ) Switch, Press, 0008psi Spdt 1
8 10632- 4 (000000- 001419 ) Grommet, Rbr, 0.62id, F/0.9h, .06 Matl 1
9 12323 (000000- ) Screw, Pan, Phl, M4 X 0.70 X 20, Ss 2
10 02938 (000000- ) Washer, Lock, Int, 08, Ss 2
11 40607 (000000- 001419 )Fitting, Brs, Str, Bm03/Pm02 1
12 82739 (000000- 001419 ) Fitting, Brs, Breather [02mp] 1
13 1031575 (000000- ) Hose, Afmkt, Vacuum, 0.16id, 03ft 1
14 32183 (000000- ) Fitting, Brs, E90, Bm03/Pm02 1
15 1036240 (000000- ) Tube, Vacuum 1
16 1037346 (000000- )Screw, Hex, M8 X 1.25 X 25, 9.8, Sems 2
17 1018208 (000000- ) Taillight, 12vdc 2
18 06928 (000000- ) Screw, Pan, Phl, M4 X 0.70 X 20, 4.8 4
19 1045529 (000000- ) Hopper Wldt, Lift [M30] 1
20 1053838 (001249- ) Pin, 30mmd X 215mml 2
21 23146 (001249- )Pin, Roll, .187d X 1.62l, .187/.192 2
22 1062566 (001249- ) Washer, flat, 1.26B 1.88D .13, Stl, Pl 2
23 34411 (001249- ) Pin, Cotter, Hair, 1.00d .178 Wir 2
24 1052885 (001420- ) Switch, Press, Adj [4- 16 In Wtr] 1

STANDARD PARTS
M30 Gas/LPG 9003946 (11- 09)
2-92
Fig. 46 - Hopper Dump Door Group
1
2
3
4
4
3
5
6
78
9
10
11
12
13
14 15
15
15
15
16
17
18
19
20
20
21
22
22
21
22
23
24
25
25
26
27
28
29 30
30
15
15
30
14
22

STANDARD PARTS
2-93
M30 Gas/LPG 9003946 (11- 09)
354614
Fig. 46 - Hopper Dump Door Group
Ref. Part No. Serial Number Description Qty.
11038115 (000000- )Cylinder, Hyd, 1.5B 07.8L 02.75Strk 2500 1
2 77097 (000000- ) Fitting, Hyd, E90, Jm04/Om04 2
3 17461 (000000- ) Pin, Clevis, 0.37d X 1.75l 2
4 08179 (000000- ) Pin, Cotter, .094 X 1.00 2
5 1037843 (000000- ) Plate, Bottom, Hppr 1
6222268 (000000- )Washer, Flat, 0.38b 1.25d .12, Neo 4
7 1017218 (000000- ) Washer, Flat, 0.32b 1.00d .12, Ss 4
8 08713 (000000- ) Nut, Hex, Lock, M8 X 1.25, Nl, Ss 4
9 1034694 (000000- ) Bracket, Lip, Hppr 1
10 09010 (000000- ) Screw, Hex, M8 X 1.25 X 25, Ss 4
11 01685 (000000- )Washer, Flat, 0.38b 0.88d .08, Ss 4
12 1034700 (000000- ) Strap, Door, Dump 1
13 1034701 (000000- ) Seal, Door, Dump 1
14 08712 (000000- ) Nut, Hex, Lock, M6 X 1.00, Nl, Ss 9
15 01684 (000000- ) Washer, Flat, 0.27b 0.69d .05, Ss 14
16 1034686 (000000- )Plate, Retainer 1
17 1038126 (000000- ) Gasket, Door, Dump 1
18 1038123 (000000- ) Bracket Wldt, Pivot, Hppr Door, Lh 1
19 1038134 (000000- ) Bracket Wldt, Pivot, Hppr, Rh 1
20 367313 (000000- ) Bushing, Flng, 1.00b 1.13d 0.50l 2
21 09291 (000000- )Screw, Hex, M10 X 1.50 X 20, Ss 3
22 1014563 (000000- ) Washer, Flat, 0.40b 1.12d .12, Ss 11
23 08714 (000000- ) Nut, Hex, Lock, M10 X 1.5, Nl, Ss 4
24 1038121 (000000- ) Door Wldt, Hppr [M30] 1
25 07259 (000000- ) Fitting, Grease, Str Pm04 .47l 2
26 1044993 (000000- )Bracket, Cover, Hopper 1
27 1018253 (000000- ) Bracket, Cover 1
28 12317 (000000- ) Screw, Hex, M10 X 1.50 X 30, Ss 4
29 379791 (000000- ) Bolt, Carriage, M06 X 1.0 X 30 5
30 08716 (000000- ) Screw, Hex, M6 X 1.0 X 20, Ss 9

STANDARD PARTS
M30 Gas/LPG 9003946 (5- 2016)
2-94
Fig. 47 - Brush Drive Group, Left Side
18
23
25
16
17
19
20
21
22
24
20 22
1
2
3
4
11 6
7
8
10
5
12
13
14
15
9
28
27
26
29
30
31
32
34
35
33
37
92
36
38
38
32
30
39
FRONT

STANDARD PARTS
2-95
M30 Gas/LPG 9003946 (5- 2016)
354615
Fig. 47 - Brush Drive Group, Left Side
Ref. Part No. Serial Number Description Qty.
11021019 (000000- )Housing Wldt, Brush, Drive 1
2 15675 (000000- ) Screw, Hex, M8 X 1.25 X 16, Ss 4
3 1034243 (000000- ) Tube, Hyd, 08 Jf08/Jf08 1
4 71729 (000000- 001966 ) Motor, Hyd, Gear, Int 04.5 Bi- Dir 1500 (See Breakdowns) 1
o4 1068811 (001967- ) Motor, Hyd, Gear, Int 04.5 Bi- Dir 1500 1
Y539527 (000000- )Nut, Hex, Sltd, .75- 16 1
6 44868 (000000- ) Fitting, Hyd, E90, Jm08/Om08 2
7 55586 (000000- ) Fitting, Hyd, Str, Jm04/Om04 1
8 1026080 (000000- ) Clamp, Hyd, 0.50d 1
9 32491 (000000- ) Washer, Flat, 0.31, Std 4
10 1029964 (000000- )Door Wldt, Brush 1
11 01762 (000000- ) Screw, Hex, .38- 16 X 0.75, Nl 4
12 08175 (000000- ) Pin, Cotter, .125 X 1.25 1
13 87631 (000000- 001966 ) Plug Wldt, Drive, Brush, Sweep 1
13 1057643 (001967- ) Plug Wldt, Drive, Brush, Sweep 1
14 65695 (000000- )Latch 1
15 1026352 (000000- ) Pawl, Str 1
16 70563 (000000- 001964 ) Screw, Hex, M8 X 1.25 X 130, 8.8 1
17 08713 (000000- 001964 ) Nut, Hex, Lock, M8 X 1.25, Nl, Ss 11
o9006398 (000000- 001964 ) Idler Assy, Brush, Replmt [M20/T20, M30] 1
Y18 25686 (000000- 001964 )Plug Wldt, Drive, Brush 1
Y19 1038258 (000000- 001964 ) Door Wldt, Brush, Idler 1
Y20 13534 (000000- 001964 ) Bearing, Ball, 0.98b 2.05d 0.59w 2
Y21 56078 (000000- 001964 ) Shaft, Brush, Idler 1
Y22 09005 (000000- 001964 ) Ring, Retaining, Ext, 1.00d, Basic 2
Y23 00927 (000000- 001964 )Key, Sq, 0.25 X 0.25, 1.25l 1
Y24 12295 (000000- 001964 ) Nut, Hex, Sltd, M20 X 2.5, 8
Y25 08175 (000000- 001964 ) Pin, Cotter, .125 X 1.25
26 1054682 (001965- ) Bracket, Retainer, Lh 1
27 1054575 (001965- ) Bracket, Sppt 1
o9012832 (001965- )Idler Door Kit, Replmt [M20/T20/M30] (CE ONLY) 1
Y28 1054857 (001965- ) Door Wldt, Brush, Idler 1
Y29 25686 (001965- ) Plug Wldt, Drive, Brush 1
Y30 13534 (001965- ) Bearing, Ball, 0.98b 2.05d 0.59w 2
Y31 56078 (001965- ) Shaft, Brush, Idler 1
Y32 09005 (001965- )Ring, Retaining, Ext, 1.00d, Basic 2
Y33 00927 (001965- ) Key, Sq, 0.25 X 0.25, 1.25l 1
Y34 12295 (001965- ) Nut, Hex, Sltd, M20 X 2.5, 8
Y35 08175 (001965- ) Pin, Cotter, .125 X 1.25
36 09010 (001965- ) Screw, Hex, M8 X 1.25 X 25, Ss 2
37 09740 (001965- ) Screw, Hex, M8 X 1.25 X 20, Ss 1
38 32491 (001965- ) Washer, Flat, 0.31, Std 4
39 1074807 (001965- ) Cap, Vinyl, 57mmid X 23mml 1

STANDARD PARTS
M30 Gas/LPG 9003946 (5- 2016)
2-96
Fig. 48 - Brush Drive Group, Right Side
7
17
18
16
9
19
20
20
22
22
21
23
24
1
23
4
11
6
25
8
32
33
5
12
13
14
15
10
31
34
34
36 36
35
37
38
26
27
28
6
2
3
29
30
41
39
40
41
42
FRONT

STANDARD PARTS
2-97
M30 Gas/LPG 9003946 (5- 2016)
354616
Fig. 48 - Brush Drive Group, Right Side
Ref. Part No. Serial Number Description Qty.
11021019 (000000- )Housing Wldt, Brush, Drive 1
2 15675 (000000- ) Screw, Hex, M8 X 1.25 X 16, Ss 4
3 32491 (000000- ) Washer, Flat, 0.31, Std 4
4 71729 (000000- 001966 ) Motor, Hyd, Gear, Int 04.5 Bi- Dir 1500 (See Breakdowns) 1
o4 1068811 (001967- ) Motor, Hyd, Gear, Int 04.5 Bi- Dir 1500 1
Y539527 (000000- )Nut, Hex, Sltd, .75- 16 1
6 44868 (000000- ) Fitting, Hyd, E90, Jm08/Om08 2
7 9006384 (000000- 001220 ) Tube Kit, Hyd, Case Drain [M30] 1
8 1026080 (000000- ) Clamp, Hyd, 0.50d 1
9 08713 (000000- ) Nut, Hex, Lock, M8 X 1.25, Nl, Ss 1
10 1029964 (000000- )Door Wldt, Brush 1
11 01762 (000000- ) Screw, Hex, .38- 16 X 0.75, Nl 4
12 08175 (000000- ) Pin, Cotter, .125 X 1.25 1
13 87631 (000000- 001966 ) Plug Wldt, Drive, Brush, Sweep 1
13 1057643 (001967- ) Plug Wldt, Drive, Brush, Sweep 1
14 65695 (000000- )Latch 1
15 1026352 (000000- ) Pawl, Str 1
16 70563 (000000- 001964 ) Screw, Hex, M8 X 1.25 X 130, 8.8 1
o9006398 (000000- 001964 ) Idler Assy, Brush, Replmt [M20/T20, M30] 1
Y17 25686 (000000- 001964 ) Plug Wldt, Drive, Brush 1
Y18 00927 (000000- 001964 )Key, Sq, 0.25 X 0.25, 1.25l 1
Y19 1038258 (000000- 001964 ) Door Wldt, Brush, Idler 1
Y20 13534 (000000- 001964 ) Bearing, Ball, 0.98b 2.05d 0.59w 2
Y21 56078 (000000- 001964 ) Shaft, Brush, Idler 1
Y22 09005 (000000- 001964 ) Ring, Retaining, Ext, 1.00d, Basic 2
Y23 12295 (000000- 001964 )Nut, Hex, Sltd, M20 X 2.5, 8 1
Y24 08175 (000000- 001964 ) Pin, Cotter, .125 X 1.25 1
25 1055153 (001221- Tube, Hyd, Brush Return, W/ Cd [M30] 1
26 39210 (001221- Fitting, Hyd, E90, Jf04/Jm04 1
27 55586 (001221- Fitting, Hyd, Str, Jm04/Om04 1
28 49266 (001221- Tie, Cable, Nyl, 07.3l .19w 1.8 Max D 2
29 1054610 (001965- ) Bracket, Retainer, Rh 1
30 1054575 (001965- ) Bracket, Sppt 1
o9012832 (001965- ) Idler Door Kit, Replmt [M20/T20/M30] (CE ONLY) 1
Y31 1054857 (001965- ) Door Wldt, Brush, Idler 1
Y32 25686 (001965- )Plug Wldt, Drive, Brush 1
Y33 00927 (001965- ) Key, Sq, 0.25 X 0.25, 1.25l 1
Y34 13534 (001965- ) Bearing, Ball, 0.98b 2.05d 0.59w 2
Y35 56078 (001965- ) Shaft, Brush, Idler 1
Y36 09005 (001965- ) Ring, Retaining, Ext, 1.00d, Basic 2
Y37 12295 (001965- )Nut, Hex, Sltd, M20 X 2.5, 8 1
Y38 08175 (001965- ) Pin, Cotter, .125 X 1.25 1
39 09010 (001965- ) Screw, Hex, M8 X 1.25 X 25, Ss 2
40 09740 (001965- ) Screw, Hex, M8 X 1.25 X 20, Ss 1
41 32491 (001965- ) Washer, Flat, 0.31, Std 3
42 1074807 (001965- )Cap, Vinyl, 57mmid X 23mml 1

STANDARD PARTS
M30 Gas/LPG 9003946 (5- 2016)
2-98
Fig. 49 - Brush Head Lift Group
1
FRONT
2
3
4
5
6
7
8
9
10
11
12
13
14
15
16
17
18
19
20
21
22
23
24
25
26
27
28
29
30
32
31
35
34
36
4
5
6
9
10
23
14
13
14
9
10
10
7
15
2
3
20
22
16
17
18
19
34
34
34
36
35
33

STANDARD PARTS
2-99
M30 Gas/LPG 9003946 (5- 2016)
354617
Fig. 49 - Brush Head Lift Group
Ref. Part No. Serial Number Description Qty.
11033248 (000000- 001964 )Housing Wldt, Swp, Scb 1
2 67555 (000000- ) Rod- End, 0.50- 20rh Fem 0.50b 2
3 1014705 (000000- ) Rod, Thrd, 2 End, .50- 20 04.9l, Rh / Lh 2
4 48985 (000000- ) Nut, Hex, Jam, .50- 20 2
5 71369 (000000- ) Nut, Hex, Jam, .50- 20, Lh 2
6382099 (000000- )Rod- End, 0.50- 20lh Fem 0.50- 20stud 2
7 51824 (000000- ) Nut, Hex, Lock, .50- 20, Nl, Thin 2
8 1033258 (000000- ) Tube Wldt, Torque 1
9 42120 (000000- ) Bearing, Self Align, 0.75b 1.25d 4
10 07259 (000000- ) Fitting, Grease, Str Pm04 .47l 4
11 06969 (000000- )Screw, Hex, M12 X 1.75 X 40, 8.8 1
12 06972 (000000- ) Screw, Hex, M12 X 1.75 X 60, 8.8 1
13 41619 (000000- ) Washer, Flat, 0.56b 1.38d .11, Ss 2
14 1025100 (000000- ) Sleeve, P/M, 0.47b 0.75d 0.5l [430ss] 3
15 09741 (000000- ) Nut, Hex, Lock, M12 X 1.75, Nl, Ss 2
16 04733- 12 (000000- )Pin, Clevis, 0.75d X 2.00l 2
17 08236 (000000- ) Pin, Cotter, .156 X 1.25 2
18 223198 (000000- ) Screw, Hex, M5 X 0.80 X 10, Fmg 2
19 39811 (000000- ) Screw, Hex, .50- 13 X 1.50, G5 2
20 36644 (000000- ) Nut, Hex, Lock, .50- 13, Nl, Thin 2
21 1038137 (000000- )Cylinder, Hyd, 1.5b 07.8l 02.80strk 2500 1
22 77098 (000000- ) Fitting, Hyd, E90, Jm06/Om04 2
23 17461 (000000- ) Pin, Clevis, 0.37d X 1.75l 2
24 86866 (000000- ) Pin, Cotter, Hair, 0.38d .072 Wir 1
25 08179 (000000- ) Pin, Cotter, .094 X 1.00 1
26 1042686 (000000- )Spring, Extn, 2.00od 0.25wir 07.5l 1
27 1027810 (000000- ) Bracket, Mtg, Spring 1
28 763090 (000000- ) Screw, Hex, M8 X 1.25 X 60, Fl 1
29 32491 (000000- ) Washer, Flat, 0.31, Std 1
30 1052342 (001965- ) Bracket Wldt, Brush Wrap, Lh 1
31 1069562 (001965- )Plate Wldt, Wrap, Brush 1
32 1052124 (001965- ) Bracket Wldt, Brush Wrap Mtg, Rh 1
33 09740 (001965- 004469 ) Screw, Hex, M8 X 1.25 X 20, Ss 10
34 32491 (001965- ) Washer, Flat, 0.31, Std 20
35 08713 (001965- ) Nut, Hex, Lock, M8 X 1.25, Nl, Ss 10
36 223470 (004470- ) Screw, Btn, M8 X 1.25 X 25, Ss 10

STANDARD PARTS
M30 Gas/LPG 9003946 (8- 2013)
2-100
Fig. 50 - Brush Head Skirt Group
1
2
34
5
5
6
6
7
8
9
10
11
12
12
10
13
14
15
10
16 10
16
10
16
17
12
18
19
20
21
17
12
22
23
22
24
25
26
7
16
17
25
26 7

STANDARD PARTS
2-101
M30 Gas/LPG 9003946 (8- 2013)
354618 - M30
Fig. 50 - Brush Head Skirt Group
Ref. Part No. Serial Number Description Qty.
11033267 (000000- )Plate, Skirt, Front 1
2 1033269 (000000- ) Skirt, Neo, .06, 12.00w 53.50l, 10/ Hole 1
3 1033573 (000000- ) Retainer, Skirt, Front 1
4 1033265 (000000- ) Skirt, Neo, .06, 08.40w 58.50l, 12/ Hole 1
5 1022003 (000000- ) Retainer, Skirt, .12, 0.8w X 09.1l, Gray 2
676099 (000000- )Screw, Hex, M8 X 1.25 X 25, Fmg 8
7 361339 (000000- ) Screw, Hex, M6 X 1.00 X 16, Fmg 10
8 01684 (000000- ) Washer, Flat, 0.27b 0.69d .05, Ss 6
9 09740 (000000- ) Screw, Hex, M8 X 1.25 X 20, Ss 4
10 01685 (000000- ) Washer, Flat, 0.38b 0.88d .08, Ss 10
11 71579 (000000- )Strap, Static, W/Grommet, .19 1.1w 25.0l 1
12 41141 (000000- ) Washer, Lock, Int- Ext, 0.31 4
13 08713 (000000- ) Nut, Hex, Lock, M8 X 1.25, Nl, Ss 1
14 33401 (000000- ) Screw, Hex, M8 X 1.25 X 50, Fl, Ss 1
15 1033538 (000000- ) Bracket Wldt, Flap, Recirculation 1
16 09010 (000000- ) Screw, Hex, M8 X 1.25 X 25, Ss 8
17 32491 (000000- ) Washer, Flat, 0.31, Std 9
18 1033548 (000000- ) Skirt, Rbr, .37, 04.50w 48.00l, 06/ Hole 1
19 1033549 (000000- ) Skirt, Neo, .06, 06.38w 48.00l, 06/ Hole 1
20 1033550 (000000- ) Strip, Flap, Recirculation 1
21 09011 (000000- ) Screw, Hex, M8 X 1.25 X 30, Ss 5
22 1034328 (000000- ) Skirt, Neo, .13, 08.25w 13.98l, 02/ Hole 2
23 1039620 (000000- ) Retainer, Skirt, .12, Rh 1
24 1039622 (000000- ) Retainer, Skirt, .12, Lh 1
25 1039623 (000000- ) Skirt, Neo, .06, 03.35w 12.90l, 04/ Hole 2
26 41178 (000000- )Washer, Flat, 0.25, Fendr 4

STANDARD PARTS
M30 Gas/LPG 9003946 (1- 08)
2-102
Fig. 51 - Squeegee Lift Group, Rear
1
2
3
45
6
6
78
8
8
8
8
9
9
10
11
12
13
14
15
15
16
16
16
16
17
18
19
20
21
22
23
8
8
24
19 20
23
8
11
8
24
8
25
26
26
27
28
29
30
31
8
24
32
11
824
27 26
25
28
26
31
30
29
11
11
24

STANDARD PARTS
2-103
M30 Gas/LPG 9003946 (1- 08)
354619
Fig. 51 - Squeegee Lift Group, Rear
Ref. Part No. Serial Number Description Qty.
11021609 (000000- )Plate Wldt, Lift, Sqge 1
2 41187 (000000- ) Washer, Flat, Belleville, .38 4
3 12317 (000000- ) Screw, Hex, M10 X 1.50 X 30, Ss 4
4 1025680 (000000- ) Bellcrank, Lift, Sqge 1
5 367313 (000000- ) Bushing, Flng, 1.00b 1.13d 0.50l 2
629584 (000000- )Pin, Clevis, 0.37d X 2.00l 2
7 23524- 1 (000000- ) Ring, Retaining, Ext, 0.38d, [Selflock] 1
8 01685 (000000- ) Washer, Flat, 0.38b 0.88d .08, Ss 19
9 08179 (000000- ) Pin, Cotter, .094 X 1.00 2
10 04414 (000000- ) Washer, Flat, 0.53b 1.88d .12, Stl, Pl 1
11 09741 (000000- )Nut, Hex, Lock, M12 X 1.75, Nl, Ss 9
12 1038137 (000000- ) Cylinder, Hyd, 1.5b 07.8l 02.80strk 2500 1
13 77097 (000000- ) Fitting, Hyd, E90, Jm04/Om04 2
14 1023779 (000000- ) Chain, Str, 4/0, 08 Link 1
15 1026007 (000000- ) Link Assy, Rod- End, M12 4
16 41619 (000000- )Washer, Flat, 0.56b 1.38d .11, Ss 8
17 46785- 1 (000000- ) Spring, Extn, 0.88od 0.14wir 09.0l 2
18 386847 (000000- ) Bolt, Eye, M10 X 1.50 X 064mm, 07.10 Eye 2
19 01686 (000000- ) Washer, Flat, 0.44b 1.00d .08, Ss 2
20 08714 (000000- ) Nut, Hex, Lock, M10 X 1.5, Nl, Ss 2
21 1022372 (000000- )Angle, Rh 1
22 1022442 (000000- ) Angle, Lh 1
23 09011 (000000- ) Screw, Hex, M8 X 1.25 X 30, Ss 4
24 08713 (000000- ) Nut, Hex, Lock, M8 X 1.25, Nl, Ss 8
25 71204 (000000- ) Spring, Flat, .08, 4.50w X 07.0l 2
26 1024648 (000000- )Block, Centering 4
27 367770 (000000- ) Screw, Pan, Phl, M6 X 1.00 X 16, Ss 4
28 08712 (000000- ) Nut, Hex, Lock, M6 X 1.00, Nl, Ss 4
29 1024641 (000000- ) Spacer, Pad, Rbr 4
30 1024703 (000000- ) Retainer, Spring 2
31 09023 (000000- )Screw, Hex, M8 X 1.25 X 35, Fl, Ss 4
32 06957 (000000- ) Screw, Hex, M8 X 1.25 X 60, 8.8 1

STANDARD PARTS
M30 Gas/LPG 9003946 (1- 08)
2-104
Fig. 52 - Squeegee Group, Rear
1
2
3
45
6
5
6
7
8
9
10
10
11
12
13
14
15
16
17
18
19
19
19
19
20
21
22
23
24
25
21
22
23
24
25
13
20
19
14 19
17
19
15
19
16
18
26
27

STANDARD PARTS
2-105
M30 Gas/LPG 9003946 (9- 08)
354620
Fig. 52 - Squeegee Group, Rear
Ref. Part No. Serial Number Description Qty.
11021511 (000000- )Hose, Vacuum, 3.00id X 019.0l, 1cuff 1
2 43555 (000000- ) Clamp, Hose, Wormdrive, 2.50- 3.50d, .50w 1
o9004496 (000000- Squeegee Kit, Rear, Replmt [M30] 1
Y3 1034862 (000000- ) Squeegee Wldt, Rear 1
Y4 1035143 (000000- ) Clamp Wldt, Front 1
Y521603 (000000- )Pin, Grvd, 0.43d 01.8l [303ss] 4
Y6 24555 (000000- ) Ring, Retaining, Ext, 0.38d, [E- Ring] 4
Y7 386298 (000000- ) Pin Wldt, Front 1
Y8 21601 (000000- ) Cam 1
Y9 1035145 (000000- ) Clamp Wldt, Rear 1
Y10 03495 (000000- )Strip, Non Slip, 0.50w 06.0l 4
Y11 21606 (000000- ) Bar Wldt, Retainer, Sqge, Rear 1
Y12 21602 (000000- ) Cam, Rear 1
Y13 83874 (000000- ) Gasket, Sqge 2
Y14 386264 (000000- ) Bumper, Sqge 2
Y15 363162 (000000- )Wheel, 04.0d 0.89w 0.64b 2
Y16 363301 (000000- ) Sleeve, P/M, 0.34b 0.63d 1.2l, Bnz 2
Y17 80395 (000000- ) Sleeve, P/M, 0.31b 0.50d 0.7l [430ss] 2
Y18 364441 (000000- ) Screw, Hex, M8 X 1.25 X 110, Ss 2
Y19 01685 (000000- ) Washer, Flat, 0.38b 0.88d .08, Ss 8
Y20 08713 (000000- )Nut, Hex, Lock, M8 X 1.25, Nl, Ss 2
21 370100 (000000- ) Knob, Star, 2.80d 4ear 1.1l .31- 18, Pyp 2
22 04414 (000000- ) Washer, Flat, 0.53b 1.88d .12, Stl, Pl 2
23 387433 (000000- ) Ring, Mtg, Sqge, .50l 2
24 387500 (000000- ) Spring, Cmpr, 0.90od .04wir 02.0l 2
25 387237 (000000- )Stud, .31- 18 2.75l M8 X 1.25, Ss 2
26 1035067 (000000- ) Blade, Sqge, .38 3.50W 058.0L [Linard] 1
26 1038681 (000000- ) Blade, Sqge, .38 3.50W 058.7L, Ure (Option) 1
27 1035052 (000000- ) Blade, Sqge, .38 4.00W 063.0L, Linatex 1
27 1038680 (000000- )Blade, Sqge, .38 4.00W 063.2L, Ure (Option) 1

STANDARD PARTS
M30 Gas/LPG 9003946 (1- 08)
2-106
Fig. 53 - Squeegee Linkage Group, Rear
1
2
3
4 5
6
7
8
9
10
10
11
12
2
3
4 5
6
7
8
9
10
10
11
12
13
14
19
14 15
16
17
18
20
13
14
15
14
16
18
19
20
17
15 14 21
22
22
21 14
15
14
23
23
14 24
25
26
27
28

STANDARD PARTS
2-107
M30 Gas/LPG 9003946 (8- 2012)
354621
Fig. 53 - Squeegee Linkage Group, Rear
Ref. Part No. Serial Number Description Qty.
11034812 (000000- )Crossmember Wldt 1
2 1021404 (000000- ) Bracket Wldt, Mtg, Caster 2
3 20833 (000000- ) Wheel, 03.0d 1.38w 0.50b 2
4 81952 (000000- ) Screw, Hex, .50- 13 X 3.00, 18- 8, Ss 2
5 02931 (000000- ) Nut, Hex, Lock, .50- 13, Nl, Ss 2
607259 (000000- )Fitting, Grease, Str Pm04 .47l 2
7 33373 (000000- ) Ring, Retaining, Ext, 0.62d, Hd 2
8 63468 (000000- ) Washer, Flat, 0.69b 1.19d .06, Stl, Pl 2
9 64425 (000000- ) Washer, Thrust, 0.61b 1.25d .06, Fgl 2
10 07449 (000000- ) Bushing, Sleeve, 0.62b 0.72d 0.50l, Fgl 4
11 1069385 (000000- )Caster, Pivot 2
12 80950 (000000- ) Bushing, Flng, 0.32b 0.50d 0.24l, Bnz 4
13 39281 (000000- ) Screw, Hex, M8 X 1.25 X 90, 8.8 2
14 01685 (000000- ) Washer, Flat, 0.38b 0.88d .08, Ss 8
15 08713 (000000- ) Nut, Hex, Lock, M8 X 1.25, Nl, Ss 4
16 1021546 (000000- )Knob Assy, Star, 1.12d 3ear M10 2
17 1021497 (000000- ) Pin, 0.63d 01.8l, 1/M10h, 2cham 2
18 1035727 (000000- ) Stop, Rotation 2
19 32485 (000000- ) Washer, Flat, 0.38, Sae 2
20 24555 (000000- ) Ring, Retaining, Ext, 0.38d, [E- Ring] 2
21 80409 (000000- )Sleeve, P/M, 0.34b 0.63d 0.6l, Bnz 2
22 25735 (000000- ) Bushing, Flng, 0.63b 0.75d 0.38l 2
23 222505 (000000- ) Screw, Hex, M8 X 1.25 X 45, Ss 2
24 1023476 (000000- ) Bracket Wldt, Mtg, Sqge 1
25 65180 (000000- ) Spring, Dsl, 1.00od 0.50id 1.70l 1
26 1025601 (000000- )Bolt, Carriage, M10 X 1.50 X 70 1
27 1014563 (000000- ) Washer, Flat, 0.40b 1.12d .12, Ss 1
28 08714 (000000- ) Nut, Hex, Lock, M10 X 1.5, Nl, Ss 1

STANDARD PARTS
M30 Gas/LPG 9003946 (1- 08)
2-108
Fig. 54 - Squeegee Group, Right Side
1
2
3
4
5
6
7
8
9
8
9
10
10
11
12
13
14 15
16
17
18
19
7

STANDARD PARTS
2-109
M30 Gas/LPG 9003946 (8- 2012)
354442
Fig. 54 - Squeegee Group, Right Side
Ref. Part No. Serial Number Description Qty.
11029132 (000000- )Frame Wldt, Sqge, Rh 1
2 1029128 (000000- ) Retainer, Sqge, Rh Side 1
3 384418 (000000- ) Latch, Door [Southco 91- 562- 07] 1
4 49697 (000000- ) Screw, Pan, Phl, M4 X 0.70 X 10, Ss 2
5 33932 (000000- ) Nut, Hex, Lock, M4 X 0.70, Nl, Ss 2
61031011 (000000- )Blade, Sqge, .38 3.55w 038.3l, Linatex 1
6 1031823 (000000- ) Blade, Sqge, .38 3.55w 038.3l, Ure (Option) 1
7 25735 (000000- ) Bushing, Flng, 0.63b 0.75d 0.38l 2
8 64425 (000000- ) Washer, Thrust, 0.61b 1.25d .06, Fgl 2
9 1022846 (000000- ) Nut, T, M10 X 1.50 X 15.80od X 13.0l 2
10 09081 (000000- )Screw, Flt, Soc, M10 X 1.50 X 25, 10.9 2
11 1024584 (000000- ) Bracket, Mtg, Skirt, Brush Door 1
12 1024651 (000000- ) Bracket, Mtg, Skirt, Door 1
13 1024586 (000000- ) Skirt, Neo, .06, 06.85w 27.95l, 08/ Hole 1
14 1019295 (000000- ) Skirt, Neo, .18, 10.37w 27.95l, 12/ H&S 1
15 1025151 (000000- )Bracket, Mtg, Skirt, Brush Door 1
16 222463 (000000- ) Screw, Flt, Soc, M8 X 1.25 X 20, Al, Blk 6
17 393135 (000000- ) Screw, Btn, M8 X 1.25 X 20, Blk 4
18 08713 (000000- ) Nut, Hex, Lock, M8 X 1.25, Nl, Ss 4
19 07791 (000000- )Nut, Hex, Flng, M8 X 1.25 2

STANDARD PARTS
M30 Gas/LPG 9003946 (6- 2014)
2-110
Fig. 55 - Squeegee Lift Group, Right Side
1
2
3465
8
9
10
11
12
11
12
13
13
14
16
17
18
19
17 20
21
817
22 15
22
6
24
624
22
20
21
25
24
26
28
29 30
31
32
33
34
30
23
727
22 15
22
15

STANDARD PARTS
2-111
M30 Gas/LPG 9003946 (6- 2014)
354443
Fig. 55 - Squeegee Lift Group, Right Side
Ref. Part No. Serial Number Description Qty.
11038137 (000000- )Cylinder, Hyd, 1.5b 07.8l 02.80strk 2500 1
2 77097 (000000- ) Fitting, Hyd, E90, Jm04/Om04 1
3 1028635 (000000- ) Fitting, Hyd, Rst, Spcl 1
4 1022825 (000000- ) Bracket, Mtg, Cyl 1
5 08716 (000000- ) Screw, Hex, M6 X 1.00 X 20, Ss 1
601685 (000000- )Washer, Flat, 0.31, Ss 3
7 1039348 (000000- ) Sleeve, 0.49b 0.68d 1.2l [304ss] 1
8 1020548 (000000- ) Arm, Sqge, Side, Rh 2
9 17461 (000000- ) Pin, Clevis, 0.37D X 1.75L 1
10 08182 (000000- ) Pin, Cotter, .125 X 1.00 1
11 87816 (000000- )Spring, Extn, 0.75od X 0.09wir, 2.5l 2
12 386088 (000000- ) Bolt, Eye, M08 X 1.25 X 070mm, 05.50 Eye 2
13 07786 (000000- ) Nut, Hex, Std, M8 X 1.25, Ss 4
14 1023306 (000000- ) Arm Wldt, Sqge, Lift, Rh 1
15 71607 (000000- ) Bushing, Sleeve, 0.63b 0.72d 0.38l 3
16 81784 (000000- )Cable, Glv .13d 015.8l .50eye /.50eye 1
17 360801 (000000- ) Sleeve, 0.31b 0.50d 0.3l, Ss 3
18 39308 (000000- ) Screw, Soc, M8 X 1.25 X 25, 12.9 1
19 41445 (000000- ) Screw, Soc, M8 X 1.25 X 35, 12.9 1
20 39349 (000000- ) Washer, Flat, 0.31 Sae 2
21 08709 (000000- )Nut, Hex, Lock, M8 X 1.25, Nl 2
22 64425 (000000- ) Washer, Thrust, 0.61b 1.25d .06, Fgl 5
23 41187 (000000- ) Washer, Flat, Belleville, .38 3
24 09740 (000000- ) Screw, Hex, M8 X 1.25 X 20, Ss 5
25 1019031 (000000- ) Door Wldt, Brush, Rh 1
26 09028 (000000- )Screw, Hex, M10 X 1.5 X 25, Ss 3
27 36328 (000000- ) Washer, Flat, Belleville, .50 1
28 59194 (000000- ) Latch, Hook 1
29 09007 (000000- ) Screw, Hex, M6 X 1.0 X 25, Ss 2
30 41185 (000000- ) Washer, Flat, Belleville, .25 5
31 379870 (000000- )Screw, Hex, M12 X 1.75 X 55, Ss 1
32 07788 (000000- ) Nut, Hex, Std, M12 X 1.75, Ss 1
33 41619 (000000- ) Washer, Flat, 0.56b 1.38d .11, Ss 1
34 1024576 (000000- ) Hinge, .50pin .19 4.0w 06.0l 3/0.44sl 1

STANDARD PARTS
M30 Gas/LPG 9003946 (1- 08)
2-112
Fig. 56 - Squeegee Group, Left Side
10
10
11
12
13
14
15
16
17
18
19
1
2
34
5
6
7
7
8
9

STANDARD PARTS
2-113
M30 Gas/LPG 9003946 (5- 2016)
354444
Fig. 56 - Squeegee Group, Left Side
Ref. Part No. Serial Number Description Qty.
11028972 (000000- )Frame Wldt, Sqge, Lh 1
2 1028979 (000000- ) Retainer, Sqge, Lh Side 1
3 384418 (000000- ) Latch, Door [Southco 91- 562- 07] 1
4 49697 (000000- ) Screw, Pan, Phl, M4 X 0.70 X 10, Ss 2
5 33932 (000000- ) Nut, Hex, Lock, M4 X 0.70, Nl, Ss 2
61031011 (000000- )Blade, Sqge, .38 3.55w 038.3l, Linatex 1
6 1031823 (000000- ) Blade, Sqge, .38 3.55w 038.3l, Ure (Option) 1
7 25735 (000000- ) Bushing, Flng, 0.63b 0.75d 0.38l 2
8 64425 (000000- ) Washer, Thrust, 0.61b 1.25d .06, Fgl 2
9 1022846 (000000- ) Nut, T, M10 X 1.50 X 15.80od X 13.0l 2
10 09081 (000000- )Screw, Flt, Soc, M10 X 1.50 X 25, 10.9 2
11 1024584 (000000- ) Bracket, Mtg, Skirt, Brush Door 1
12 1024651 (000000- ) Bracket, Mtg, Skirt, Door 1
13 1024586 (000000- ) Skirt, Neo, .06, 06.85w 27.95l, 08/ Hole 1
14 1019295 (000000- ) Skirt, Neo, .18, 10.37w 27.95l, 12/ H&S 1
15 1025151 (000000- )Bracket, Mtg, Skirt, Brush Door 1
16 222463 (000000- ) Screw, Flt, Soc, M8 X 1.25 X 20, Al, Blk 6
17 393135 (000000- ) Screw, Btn, M8 X 1.25 X 20, Blk 4
18 08713 (000000- ) Nut, Hex, Lock, M8 X 1.25, Nl, Ss 4
19 07791 (000000- )Nut, Hex, Flng, M8 X 1.25 2

STANDARD PARTS
M30 Gas/LPG 9003946 (6- 2014)
2-114
Fig. 57 - Squeegee Lift Group, Left Side
1
2
3
4
56
8
9
10
11
12
13 14
15
13
14
15
16
6
17
18
16
611 18
11
19
17
20
21
22
11
18
11
20 23
24
20
23
24
16 25
27
28
29 30
31
32
33
34
26
7
30

STANDARD PARTS
2-115
M30 Gas/LPG 9003946 (6- 2014)
354445
Fig. 57 - Squeegee Lift Group, Left Side
Ref. Part No. Serial Number Description Qty.
11038137 (000000- )Cylinder, Hyd, 1.5b 07.8l 02.80strk 2500 1
2 77097 (000000- ) Fitting, Hyd, E90, Jm04/Om04 1
3 1028635 (000000- ) Fitting, Hyd, Rst, Spcl 1
4 1022825 (000000- ) Bracket, Mtg, Cyl 1
5 08716 (000000- ) Screw, Hex, M6 X 1.00 X 20, Ss 1
601685 (000000- )Washer, Flat, 0.31, Ss 3
7 1039348 (000000- ) Sleeve, 0.49b 0.68d 1.2l [304ss] 1
8 1022978 (000000- ) Arm Wldt, Lift, Sqge, Lh 1
9 17461 (000000- ) Pin, Clevis, 0.37D X 1.75L 1
10 08182 (000000- ) Pin, Cotter, .125 X 1.00 1
11 64425 (000000- )Washer, Thrust, 0.61b 1.25d .06, Fgl 5
12 41187 (000000- ) Washer, Flat, Belleville, .38 3
13 87816 (000000- ) Spring, Extn, 0.75od X 0.09wir, 2.5l 2
14 386088 (000000- ) Bolt, Eye, M08 X 1.25 X 070mm, 05.50 Eye 2
15 07786 (000000- ) Nut, Hex, Std, M8 X 1.25, Ss 4
16 09740 (000000- ) Screw, Hex, M8 X 1.25 X 20, Ss 5
17 1023307 (000000- ) Arm, Sqge, Side, Lh 2
18 71607 (000000- ) Bushing, Sleeve, 0.63b 0.72d 0.38l 3
19 81784 (000000- ) Cable, Glv .13d 015.8l .50eye /.50eye 1
20 360801 (000000- ) Sleeve, 0.31b 0.50d 0.3l, Ss 3
21 39308 (000000- )Screw, Soc, M8 X 1.25 X 25, 12.9 1
22 41445 (000000- ) Screw, Soc, M8 X 1.25 X 35, 12.9 1
23 39349 (000000- ) Washer, Flat, 0.31 Sae 2
24 08709 (000000- ) Nut, Hex, Lock, M8 X 1.25, Nl 2
25 09028 (000000- ) Screw, Hex, M10 X 1.5 X 25, Ss 3
26 36328 (000000- )Washer, Flat, Belleville, .50 1
27 1023314 (000000- ) Door Wldt, Brush, Lh 1
28 59195 (000000- ) Latch, Hook 1
29 09007 (000000- ) Screw, Hex, M6 X 1.0 X 25, Ss 2
30 41185 (000000- ) Washer, Flat, Belleville, .25 5
31 379870 (000000- )Screw, Hex, M12 X 1.75 X 55, Ss 1
32 07788 (000000- ) Nut, Hex, Std, M12 X 1.75, Ss 1
33 41619 (000000- ) Washer, Flat, 0.56b 1.38d .11, Ss 1
34 1024576 (000000- ) Hinge, .50pin .19 4.0w 06.0l 3/0.44sl 1

STANDARD PARTS
M30 Gas/LPG 9003946 (10- 10)
2-116
Fig. 58 - Solution Tank Group
1
2
3
4
5
6
7
8
8
9
11
18
12
13
14
15
16
16
17
28
33
20
21
20
22
23
24
25
28
26
27
29
30
30
21
31
32
10
19

STANDARD PARTS
2-117
M30 Gas/LPG 9003946 (10- 10)
354622
Fig. 58 - Solution Tank Group
Ref. Part No. Serial Number Description Qty.
11033927 (000000- )Tank, Soltn [M30] 1
o2 9003992 (000000- ) Cover Kit, Tank, Soltn, Rh, Replmt 1
Y3 1030617 (000000- ) Latch, Cover 1
Y4 1039757 (000000- ) Plate, Mtg, Latch 1
Y5 19320 (002798- ) Screw, Pan, Phl, 06- 32 X 0.38, G1 2
Y61040465 (000000- )Seal, Bulb, Str, .50hi .50w 058.0l, Adh 1
Y7 1029748 (000000- ) Bracket, Keeper, Latch 1
Y8 382320 (000000- ) Screw, Pan, Phl, 12- 16 X 0.50, F/ Plstc 4
Y9 1037495 (000000- ) Bar, Rnd, Plstc, 0.31d 17.0l 1
Y10 19309 (000000- ) Nut, Hex, Std, 06- 32 2
o29003995 (000000- )Cover Kit, Tank, Soltn, Rh, Replmt, (Ce & JP) 1
Y3 1030617 (000000- ) Latch, Cover 1
Y4 1039757 (000000- ) Plate, Mtg, Latch 1
Y5 19320 (002798- ) Screw, Pan, Phl, 06- 32 X 0.38, G1 2
Y6 1040465 (000000- ) Seal, Bulb, Str, .50hi .50w 058.0l, Adh 1
Y71029748 (000000- )Bracket, Keeper, Latch 1
Y8 382320 (000000- ) Screw, Pan, Phl, 12- 16 X 0.50, F/ Plstc 4
Y9 1037495 (000000- ) Bar, Rnd, Plstc, 0.31d 17.0l 1
Y10 19309 (000000- ) Nut, Hex, Std, 06- 32 2
o11 9003994 (000000- ) Cover Kit, Tank, Soltn, Lh, Replmt 1
Y12 1039757 (000000- )Plate, Mtg, Latch 1
Y13 19320 (002798- ) Screw, Pan, Phl, 06- 32 X 0.38, G1 2
Y14 1040465 (000000- ) Seal, Bulb, Str, .50hi .50w 058.0l, Adh 1
Y15 1029748 (000000- ) Bracket, Keeper, Latch 1
Y16 382320 (000000- ) Screw, Pan, Phl, 12- 16 X 0.50, F/ Plstc 4
Y17 1037495 (000000- )Bar, Rnd, Plstc, 0.31d 17.0l 1
Y18 1030617 (000000- ) Latch, Cover 1
Y19 19309 (000000- ) Nut, Hex, Std, 06- 32 2
o10 9003996 (000000- ) Cover Kit, Tank, Soltn, Lh, Replmt, (Ce & JP) 1
Y11 1030617 (000000- ) Latch, Cover 1
Y12 1039757 (000000- )Plate, Mtg, Latch 1
Y13 19320 (002798- ) Screw, Pan, Phl, 06- 32 X 0.38, G1 2
Y14 1040465 (000000- ) Seal, Bulb, Str, .50hi .50w 058.0l, Adh 1
Y15 1029748 (000000- ) Bracket, Keeper, Latch 1
Y16 382320 (000000- ) Screw, Pan, Phl, 12- 16 X 0.50, F/ Plstc 4
Y17 1037495 (000000- )Bar, Rnd, Plstc, 0.31d 17.0l 1
Y18 1030617 (000000- ) Latch, Cover 1
Y19 19309 (000000- ) Nut, Hex, Std, 06- 32 2
20 1041477 (000000- ) Bracket, Mtg, Tank, Soltn 2
21 09740 (000000- ) Screw, Hex, M8 X 1.25 X 20, Ss 8
22 1034255 (000000- )Bracket, Sppt, Tank, Cntr 1
23 1037346 (000000- ) Screw, Hex, M8 X 1.25 X 25, 9.8, Sems 3
24 377349 (000000- ) Fitting, Plstc, Pf12/Pf12, Bh 1
25 69785 (000000- ) Fitting, Plstc, E90, Pf12/Pm12 1
26 390994 (000000- ) Plug, Hole, Soltn Tank, Blk Pyu 1
27 385685 (000000- )Sensor, Level, Liq, 14vdc 01a .62- 11 1
28 1020209 (000000- ) Angle, Sppt, Tank, Rear 2
29 1027290 (000000- ) Filter, Soltn, 20mesh, Pm12 3.1d 02.6l 1
Continued

STANDARD PARTS
M30 Gas/LPG 9003946 (10- 10)
2-118
Fig. 58 - Solution Tank Group
Ref. Part No. Serial Number Description Qty.
30 1017218 (000000- )Washer, Flat, 0.32B 1.00D .12, Ss 8
31 1017101 (000000- ) Plate, Label, Soltn Tank (ec- H20 only) 2
32 360973 (000000- ) Screw, Pan, 12- 16 X 0.50, F/ Plstc (ec- H20 only) 4
33 1020341 (000000- ) Screw, Hex, M8 X 1.25 X 20, Ss, Sems 4

STANDARD PARTS
2-119
M30 Gas/LPG 9003946 (10- 10)

STANDARD PARTS
M30 Gas/LPG 9003946 (5- 08)
2-120
Fig. 59 - Solution Tank Drain Group
1
2
3
4
5
6
676
6
7
8
9
10
11
12
13
14
15 16
17
18
19
20 21
22
23
24
25
26
6
18
27
28
29
30
30
31
32
33
28
34
35 36

STANDARD PARTS
2-121
M30 Gas/LPG 9003946 (5- 08)
354623
Fig. 59 - Solution Tank Drain Group
Ref. Part No. Serial Number Description Qty.
19003793 (000000- )Tube Kit, Tank, Soltn, Replmt 1
2 23498 (000000- ) Clamp, Hose, Wormdrive, 3.56- 4.50d, .50w 1
3 1042003 (000000- ) Mount Wldt, Valve, Pinch, Rh 1
4 39277 (000000- ) Screw, Hex, M8 X 1.25 X 25, 8.8 1
5 222516 (000000- ) Sleeve, P/M, 0.31b 0.50d 0.3l [430ss] 1
632491 (000000- )Washer, Flat, 0.31, Std 5
7 08713 (000000- ) Nut, Hex, Lock, M8 X 1.25, Nl, Ss 3
8 1024599 (000000- ) Bushing, Eccentric, Adj 1
9 1026051 (000000- ) Washer, Flat, 0.79b 1.18d .06, Nyl 1
10 74090 (000000- ) Bushing, Sleeve, 0.75b 0.88d 0.25l 1
11 79506 (000000- ) Screw, Flt, Soc, M8 X 1.25 X 30, Ss 1
12 1028701 (000000- ) Washer, Thrust, 0.34b 1.50d .06 1
13 15648 (000000- ) Bushing, Flng, 0.50b 0.59d 0.38l 1
14 1028691 (000000- ) Roller, Brg 1
15 1028690 (000000- ) Tube, 0.32id 0.50od 00.4l, Ss 1
16 1017218 (000000- )Washer, Flat, 0.32b 1.00d .12, Ss 1
17 1024535 (000000- ) Arm, Pinch 1
18 06955 (000000- ) Screw, Hex, M8 X 1.25 X 35, 8.8 2
19 80395 (000000- ) Sleeve, P/M, 0.31b 0.50d 0.7l [430ss] 1
20 76570 (000000- ) Screw, Hex, M8 X 1.25 X 30, 8.8 1
21 41186 (000000- )Washer, Flat, Belleville, .31 1
22 1026727 (000000- ) Handle, Valve, Pinch, Rh 1
23 1023502 (000000- ) Grip, Handle 1
24 09740 (000000- ) Screw, Hex, M8 X 1.25 X 20, Ss 4
25 1017218 (000000- ) Washer, Flat, 0.32b 1.00d .12, Ss 4
26 1022137 (000000- )Plug, Hose, Pyu 1
27 1025480 (000000- ) Bracket, Retaining, Hose 1
28 15675 (000000- ) Screw, Hex, M8 X 1.25 X 16, Ss 2
29 1041953 (000000- ) Tube, 2.90Id 3.00OD 02.4L, Ss 2
30 43555 (000000- ) Clamp, Hose, Wormdrive, 2.50- 3.50d, .50w 2
31 1024558 (000000- )Strap, Retaining, Hose 1
32 39349 (000000- ) Washer, Flat, 0.31, Sae 1
33 1019424 (000000- ) Hose, Drain, 3.00id X 48.0l 1
34 1043214 (000000- ) Bracket, Retain, Hose 1
35 17284 (000000- ) Screw, Btn, M8 X 1.25 X 16, Ss 1
36 01685 (000000- )Washer, Flat, 0.38B 0.88D .08, Ss 1

STANDARD PARTS
M30 Gas/LPG 9003946 (10- 2015)
2-122
Fig. 60 - Solution Control Group
FRONT 1
2
3
4
5
6
7
8
9
10
11
11
2
2
2
10
10
10
9
10
12
13
14

STANDARD PARTS
2-123
M30 Gas/LPG 9003946 (10- 2015)
354624
Fig. 60 - Solution Control Group
Ref. Part No. Serial Number Description Qty.
11038116 (000000- )Tube, Distribution, Water, 45.0l 1
2 50544 (000000- ) Clamp, Cable, Ss, 1.12d X 0.38w, 1hole 4
3 09200 (000000- ) Screw, Pan, Phl, M5 X 0.80 X 12, Ss 4
4 09739 (000000- ) Nut, Hex, Lock, M5 X 0.80, Nl, Ss 4
5 1067700 (000000- ) Valve Assy, Water, Solenoid , 12vdc 1
608716 (000000- ) Screw, Hex, M6 X 1.00 X 20, Ss 2
7 01684 (000000- ) Washer, Flat, 0.27b 0.69d .05, Ss 2
8 08712 (000000- ) Nut, Hex, Lock, M6 X 1.00, Nl, Ss 2
9 1015045 (000000- 004690 ) Hose, Afmkt, Pvc, Brd, 0.75id, 08ft, Clr 1
9 1015032 (004691- ) Hose, Afmkt, Pvc, Brd, 0.62id, 08ft, Clr 1
10 63810 (000000- )Clamp, Hose, Wormdrive, 0.56- 1.06d, .56w 5
11 79273- 2 (000000- 004690 ) Fitting, Plstc, Str, Bm12/Pm12 2
11 365095 (004691- ) Fitting, Plstc, Str, Bm10/Pm12 2
12 365164 (004691- ) Fitting, Plstc, Str, Bm10/Bm10 1
13 63810 (004691- ) Clamp, Hose, Wormdrive, 0.56- 1.06d, .56w 1
14 1015033 (004691- )Hose, Afmkt, Pvc, Brd, 0.62id, 01ft, Clr 1

STANDARD PARTS
M30 Gas/LPG 9003946 (10- 2015)
2-124
Fig. 61 - Recovery Tank Group
1
2
3
4
5
6
7
8
9
10
11
12
13
14
15
16
17
19
18
20
21
22
23
24
25
26
27
28
29
30
31
32
33
34
35
36
37
38
39
40
41
42
4
4
16
17
4
4
4
4
4
4
10

STANDARD PARTS
2-125
M30 Gas/LPG 9003946 (10- 2015)
354625
Fig. 61 - Recovery Tank Group
Ref. Part No. Serial Number Description Qty.
11033928 (000000- )Tank, Recvy 1
2 1034869 (000000- ) Cover, Tank, Recvy 1
3 1035039 (000000- ) Plate, Tank, Bottom 1
4 1020341 (000000- ) Screw, Hex, M8 X 1.25 X 20, Ss, Sems 25
5 1038941 (000000- ) Bracket, Sppt, Tank, Rh 1
61038927 (000000- )Bracket, Sppt, Tank, Lh 1
7 1034436 (000000- ) Bracket, Mtg, Lh, Tank, Recvy 1
8 1034444 (000000- ) Bracket Wldt, Mtg, Rh 1
9 09010 (000000- ) Screw, Hex, M8 X 1.25 X 25, Ss 4
10 32491 (000000- ) Washer, Flat, 0.31, Std 8
11 08713 (000000- )Nut, Hex, Lock, M8 X 1.25, Nl, Ss 4
12 1037085 (000000- ) Gasket, Cover, Recvy Tank 1
13 1031610 (000000- ) Hose Assy, Sqge 1
14 1021920 (000000- ) Gasket, Ure, .16, 3.23id 3.63od 1
15 1021090 (000000- ) Plate, Sppt, Tank 1
16 1039072 (000000- )Bracket, Sppt, Cover, Tank, Recvy 2
17 1039049 (000000- ) Bracket, Mtg, Cover, Recvy Tank 2
o9003313 (000000- ) Plug Kit, Drain, Recvy, Ci 1
Y18 1028328 (000000- ) Tube Wldt, Plug, Drain 1
Y19 1022370 (000000- ) Plug, Drain, Expandable, 4.75- 6.00 1
Y20 1072885 (000000- )Tube Assy, Plug, Drain 1
Y21 1028522 (000000- ) Washer, Flat, 0.78b 1.75d .18, Ss 1
Y22 1028173 (000000- ) Pin, Lift, Drain 1
Y23 360801 (000000- ) Sleeve, 0.31b 0.50d 0.3l, Ss 2
Y24 1028211 (000000- ) Handle Wldt, Drain 1
Y25 08712 (000000- )Nut, Hex, Lock, M6 X 1.00, Nl, Ss 1
Y26 1035044 (000000- ) Seal, Shaft, Drain Plug 1
Y27 58979 (000000- ) Screw, Hex, M6 X 1.00 X 55, Fl, Ss 1
28 1025620 (000000- ) Plate, Mtg, Prop Rod 1
29 1025619 (000000- ) Bracket, Mtg, Prop Rod 1
30 1046798 (000000- )Screw, Hex, .25- 10 X 0.75, Fmg/A, Ss 4
31 01684 (000000- ) Washer, Flat, 0.27b 0.69d .05, Ss 1
32 54615 (000000- ) Arm Wldt, Safety, Sppt, Seat, .38d 10.1l 1
33 08712 (000000- ) Nut, Hex, Lock, M6 X 1.00, Nl, Ss 1
34 08716 (000000- ) Screw, Hex, M6 X 1.00 X 20, Ss 1
35 1026014 (000000- )Screen, Vacuum 1
36 382320 (000000- ) Screw, Pan, Phl, 12- 16 X 0.50, F/ Plstc 2
o37 24358 (000000- ) Cap Assy, Tank, Drain 1
Y38 1031699 (000000- ) Gasket, .19, 4.05id 5.29od [Buna] 1
39 86636 (000000- ) Cover, Tank 1
40 1072878 (000000- )Switch Assy, Press, 13.0, 17.5l Tube 1
41 32183 (000000- ) Fitting, Brs, E90, Bm03/Pm02 1
42 1031572 (000000- ) Hose, Afmkt, Vacuum, 0.16id, 01ft 1

STANDARD PARTS
M30 Gas/LPG 9003946 (5- 08)
2-126
Fig. 62 - Recovery Tank Drain Group
35
36
37
1
2
3
4
5
6
6
67
6
8
9
10
11
12
13 14
15
16
7
17
18
19
20
21
22
23
24
25
26
27
28
28
29
30
31
32
18
6
33
34

STANDARD PARTS
2-127
M30 Gas/LPG 9003946 (5- 08)
354626
Fig. 62 - Recovery Tank Drain Group
Ref. Part No. Serial Number Description Qty.
19003794 (000000- )Tube Kit, Tank, Recvy, Replmt 1
2 23498 (000000- ) Clamp, Hose, Wormdrive, 3.56- 4.50d, .50w 1
3 1042010 (000000- ) Mount Wldt, Valve, Pinch, Lh 1
4 39277 (000000- ) Screw, Hex, M8 X 1.25 X 25, 8.8 1
5 222516 (000000- ) Sleeve, P/M, 0.31b 0.50d 0.3l [430ss] 1
632491 (000000- )Washer, Flat, 0.31, Std 5
7 08713 (000000- ) Nut, Hex, Lock, M8 X 1.25, Nl, Ss 3
8 1024599 (000000- ) Bushing, Eccentric, Adj 1
9 1026051 (000000- ) Washer, Flat, 0.79b 1.18d .06, Nyl 1
10 74090 (000000- ) Bushing, Sleeve, 0.75b 0.88d 0.25l 1
11 79506 (000000- ) Screw, Flt, Soc, M8 X 1.25 X 30, Ss 1
12 1028701 (000000- ) Washer, Thrust, 0.34b 1.50d .06 1
13 15648 (000000- ) Bushing, Flng, 0.50b 0.59d 0.38l 1
14 1028691 (000000- ) Roller, Brg 1
15 1028690 (000000- ) Tube, 0.32id 0.50od 00.4l, Ss 1
16 1017218 (000000- )Washer, Flat, 0.32b 1.00d .12, Ss 1
17 1024535 (000000- ) Arm, Pinch 1
18 06955 (000000- ) Screw, Hex, M8 X 1.25 X 35, 8.8 2
19 80395 (000000- ) Sleeve, P/M, 0.31b 0.50d 0.7l [430ss] 1
20 76570 (000000- ) Screw, Hex, M8 X 1.25 X 30, 8.8 1
21 41186 (000000- )Washer, Flat, Belleville, .31 1
22 1027039 (000000- ) Handle, Valve, Pinch, Lh 1
23 1023502 (000000- ) Grip, Handle 1
24 09740 (000000- ) Screw, Hex, M8 X 1.25 X 20, Ss 4
25 1017218 (000000- ) Washer, Flat, 0.32b 1.00d .12, Ss 4
26 1022137 (000000- )Plug, Hose, Pyu 2
27 1025480 (000000- ) Bracket, Retaining, Hose 1
28 15675 (000000- ) Screw, Hex, M8 X 1.25 X 16, Ss 2
29 1041953 (000000- ) Tube, 2.90Id 3.00OD 02.4L, Ss 1
30 43555 (000000- ) Clamp, Hose, Wormdrive, 2.50- 3.50d, .50w 2
31 1024558 (000000- )Strap, Retaining, Hose 1
32 39349 (000000- ) Washer, Flat, 0.31, Sae 1
33 1019424 (000000- ) Hose, Drain, 3.00id X 48.0l 1
34 1031309 (000000- ) Tube, Acrylic, Clr, 3.25id 3.50od 01.0l 1
35 1043214 (000000- ) Bracket, Retain, Hose 1
36 17284 (000000- ) Screw, Btn, M8 X 1.25 X 16, Ss 1
37 01685 (000000- ) Washer, Flat, 0.38B 0.88D .08, Ss 1

STANDARD PARTS
M30 Gas/LPG 9003946 (12- 2014)
2-128
Fig. 63 - Vacuum Fan Group, Scrubbing (000000- 004454)
1
2
3
45
6
78
9
10
11
12
13
14
15
16
17
18
19
20
21
22
21
22
21
23
28
24
25 26
22
27

STANDARD PARTS
2-129
M30 Gas/LPG 9003946 (12- 2014)
354627 - M30
Fig. 63 - Vacuum Fan Group, Scrubbing (000000- 004453)
Ref. Part No. Serial Number Description Qty.
o9003455 (000000- 004453 )Fan Kit, Scrub, Replmt [M20&T20] 1
Yo1 9002684 (000000- 004453 ) Housing Assy, Vacfan, Scrbr 1
YY 2 1025888 (000000- 004453 ) Insulation, Flame- Retardant, 0.50 1
YY 3 1025887 (000000- 004453 ) Insulation, Flame- Retardant, 0.75- 0.88 1
YY 4 1025872 (000000- 004453 ) Insulation, Flame- Retardant, 0.75- 0.88 1
Y503922 (000000- 004453 )Impeller, 9.5d, 18 Bl 1
Y6 57189 (000000- 004453 ) Housing Wldt, Vacfan, Front [528] 1
Y7 75456- 3 (000000- 004453 ) Shim, Washer, 0.88d 0.51b .020 3
Y8 75456- 4 (000000- 004453 ) Shim, Washer, 0.88d 0.51b .060 3
Y9 54275A (000000- 004453 ) Bracket, Mtg, Motor 1
Y10 54274 (000000- 004453 )Isolator, Vib, Bshg, 1.1d 0.6l .4b 0.78h 4
Yo11 9003461 (000000- 004453 ) Motor Kit, Replmt 1
YY 00954 (000000- 004453 ) Key, Sq, 0.12 X 0.12, 1.00l 1
YY 74233 (000000- 004453 ) Seal Kit, Motor, Hyd, Gear [Barns] 1
YY 12 41130 (000000- 004453 ) Nut, Low Crown, .50- 20 1
YY 13 54861 (000000- 004453 )Screw, Flt, Soc, .38- 16 X 1.50, Al 4
YY 14 1014563 (000000- 004453 ) Washer, Flat, 0.40b 1.12d .12, Ss 4
YY 15 36643 (000000- 004453 ) Nut, Hex, Lock, .38- 16, Nl, Thin 4
YY 16 39534 (000000- 004453 ) Screw, Flt, Soc, .25- 20 X 1.00, Al 4
YY 17 32981 (000000- 004453 ) Nut, Hex, Lock, .25- 20, Nl 4
YY 18 49933 (000000- 004453 )Fitting, Hyd, Tee, Jm08/Jm08/Om08, Br 1
YY 19 42226 (000000- 004453 ) Fitting, Hyd, E45, Jm08/Om08 1
YY 20 392609 (000000- 004453 ) Fitting, Hyd, E45, Jm06/Om04 1
Y21 1020320 (000000- 004453 ) Angle, Sppt, Fan 3
Y22 1020341 (000000- 004453 ) Screw, Hex, M8 X 1.25 X 20, Ss, Sems 10
23 1022377 (000000- 004453 )Hose, Flex, 4.00d, 24.0l 1
24 79380 (000000- 004453 ) Clamp, Hose, Wormdrive, 3.75- 4.62d, .62w 1
25 1023754 (000000- 004453 ) Plate Wldt, Hose, Vacuum 1
26 1024853 (000000- 004453 ) Gasket, Plt, Hose, Vacuum 1
27 1037346 (000000- 004453 ) Screw, Hex, M8 X 1.25 X 25, 9.8, Sems 3
28 23498 (000000- 004453 )Clamp, Hose, Wormdrive, 3.56- 4.50D, .50W 1

STANDARD PARTS
M30 Gas/LPG 9003946 (12- 2014)
2-130
Fig. 64 - Vacuum Fan Group, Scrubbing (004455- )
1
2
3
4
5
6
7
8
9
10
11
12
13
13
15
16
17
18
8
20
21
23
24
25
22
16
3
14
13 3
16
17
19

STANDARD PARTS
2-131
M30 Gas/LPG 9003946 (12- 2014)
356557 - M30
Fig. 64 - Vacuum Fan Group, Scrubbing (004455- )
Ref. Part No. Serial Number Description Qty.
11068611 (004455- )Plate Wldt, Mtg, Fan 1
2 1062033 (004455- ) Impeller, 11.81d X 0.500b 1
3 54274 (004455- ) Isolator, Vib, Bshg, 1.1d 0.6l .4b 0.78h 3
4 1071253 (004455- ) Motor, Hyd, Gear, Ext 0.17 Lh 3000 1
5 07788 (004455- ) Nut, Hex, Std, M12 X 1.75, Ss 1
609010 (004455- ) Screw, Hex, M8 X 1.25 X 25, Ss 4
7 01685 (004455- ) Washer, Flat, 0.38b 0.88d .08, Ss 7
8 08713 (004455- ) Nut, Hex, Lock, M8 X 1.25, Nl, Ss 4
9 76315 (004455- ) Fitting, Hyd, Tee, Jf08/Jm08/Jm08, Br 1
10 47513 (004455- ) Fitting, Hyd, E45, Jm08/Om10 1
11 77098 (004455- )Fitting, Hyd, E90, Jm06/Om04 1
12 56692 (004455- ) Fitting, Hyd, Str, Jm08/Om10 1
13 1068644 (004455- ) Angle, Sppt, Fan 3
14 70157 (004455- ) Clamp, Cable, Ss, 2.50d X 1.00w, 1hole 1
15 39277 (004455- ) Screw, Hex, M8 X 1.25 X 25, 8.8 3
16 1017218 (004455- )Washer, Flat, 0.32b 1.00d .12, Ss 10
17 09740 (004455- ) Screw, Hex, M8 X 1.25 X 20, Ss 7
18 1059100 (004455- ) Housing, Fan, Radial Discharge, Sq Inlet 1
19 1074415 (004455- ) Gasket, 1.50, 03.75w, 03.75l, Adh 1
20 1023754 (004455- ) Plate Wldt, Hose, Vacuum 1
21 1074414 (004455- )Gasket, 2.00, 10.00w, 13.00l, Adh 1
22 09011 (004455- ) Screw, Hex, M8 X 1.25 X 30, Ss 2
23 09023 (004455- ) Screw, Hex, M8 X 1.25 X 35, Fl, Ss 1
24 1068613 (004455- ) Gasket, Foam, .50, 14.76id 16.54od, Adh 1
25 36328 (004455- )Washer, Flat, Belleville, .50 1

STANDARD PARTS
M30 Gas/LPG 9003946 (12- 2014)
2-132
Fig. 65 - Vacuum Fan Group, Sweeping
16
19
1
2
3
4
5
6
7
8
9
10
11
12
13
14 15
33
17
18
34
20
23
24
25
26
28
22
29
24
24
31
32
21
10
32
13
12
32
32
32
15
30
28
27
10

STANDARD PARTS
2-133
M30 Gas/LPG 9003946 (12- 2014)
354628 - M30
Fig. 65 - Vacuum Fan Group, Sweeping
Ref. Part No. Serial Number Description Qty.
o19002683 (000000- )Housing Assy, Vacfan, Swpr 1
Y2 59967 (000000- ) Seal, Ure, 0.38, 0.75w 13.2l Adh 1
Y3 59735 (000000- ) Seal, Ure, 0.38, 0.75w 33.0l Adh 1
4 1018216 (000000- ) Plate, Inlet 1
5 34323 (000000- ) Screw, Hex, .25- 20 X 0.75, Nl 4
641178 (000000- )Washer, Flat, 0.25, Fendr 4
7 74454 (000000- ) Impeller, 9.00d X 1.40w X 0.376b 1
8 31241 (000000- ) Nut, Hex, Lock, .31- 24, Nl, Thin 1
9 32485 (000000- ) Washer, Flat, 0.38, Sae 1
10 59649 (000000- ) Isolator, Vib, Bshg, 1.1d 0.6l .4b 0.78h 3
11 1037993 (000000- )Bar, Isolator, Vacfan 1
12 39285 (000000- ) Screw, Hex, M10 X 1.50 X 40, 8.8 3
13 41430 (000000- ) Nut, Hex, Lock, M10 X 1.5, Nl 3
14 54275A (000000- ) Bracket, Mtg, Motor 1
15 54274 (000000- ) Isolator, Vib, Bshg, 1.1d 0.6l .4b 0.78h 4
16 53485 (000000- 004454 )Motor, Hyd, Gear, Ext 0.19 Rh 3000 (See Breakdowns) 1
17 39534 (000000- ) Screw, Flt, Soc, .25- 20 X 1.00, Al 4
18 32981 (000000- ) Nut, Hex, Lock, .25- 20, Nl 4
19 50960 (000000- 004454 ) Fitting, Hyd, Str, Jm06/Om04 1
20 42215 (000000- ) Fitting, Hyd, Tee, Jf06/Jm06/Jm06, Run 1
21 44868 (000000- )Fitting, Hyd, E90, Jm08/Om08 1
22 44869 (000000- ) Fitting, Hyd, Str, Jm08/Om08 1
23 1025756 (000000- ) Muffler, Vacfan, 4.0id 1
24 23498 (000000- ) Clamp, Hose, Wormdrive, 3.56- 4.50d, .50w 3
25 1025841 (000000- ) Duct, Vacfan, Casting 1
26 1018209 (000000- )Gasket, Neo, 1.25, 04.45w 06.42l, Adh 1
27 1035260 (000000- ) Channel, Inlet 1
28 1037346 (000000- ) Screw, Hex, M8 X 1.25 X 25, 9.8, Sems 5
29 1035703 (000000- ) Hose, Flex, Vacuum, 03.5d, 040.0l 1
30 32483 (004455- ) Washer, Flat, 0.25, Sae 4
31 36643 (000000- )Nut, Hex, Lock, .38- 16, Nl, Thin 4
32 1014563 (000000- ) Washer, Flat, 0.40b 1.12d .12, Ss 10
33 1071240 (004455- ) Motor, Hyd, Gear, Ext 0.17 Lh 3000 1
34 77098 (004455- ) Fitting, Hyd, E90, Jm06/Om04 1

STANDARD PARTS
M30 Gas/LPG 9003946 (1- 12)
2-134
Fig. 66 - Hydraulic Schematic (000000-001462)
1
2
354453, 1034888 - M30

STANDARD PARTS
2-135
M30 Gas/LPG 9003946 (1- 12)
Fig. 66 - Hydraulic Schematic (000000- 001462)
1
2
354453, 1034888 - M30

STANDARD PARTS
M30 Gas/LPG 9003946 (1- 12)
2-136
Fig. 67 - Hydraulic Schematic (001463- )
1
2
354453, 1034888 - M30

STANDARD PARTS
2-137
M30 Gas/LPG 9003946 (1- 12)
Fig. 67 - Hydraulic Schematic (001463- )
1
2
354453, 1034888 - M30

STANDARD PARTS
M30 Gas/LPG 9003946 (1- 08)
2-138
Fig. 68 - Hydraulic Hose Group, Steering and Propel
Steer
Cylinder Wheel Drive
Motor
Propel Pump
Aux Pump
Reservoir
Steering
Valve
Out
In
RL
12
3
34
5
6
7

STANDARD PARTS
2-139
M30 Gas/LPG 9003946 (1- 08)
354645
Fig. 68 - Hydraulic Hose Group, Steering and Propel
Ref. Part No. Serial Number Description Qty.
11023609 (000000- )Hose, Hyd, Tc08, Jf08e45/Jf08str, 096.0 1
2 1023608 (000000- ) Hose, Hyd, Tc06, Jf06e90/Jf06str, 104.0 1
3 396221 (000000- ) Hose, Hyd, Tc06, Jf06e90/Jf06str, 040.0 2
4 54017 (000000- ) Fitting, Hyd, E45, Jf10/Jm10 1
5 1023488 (000000- ) Hose, Hyd, Spcl, Jf10e90/Jf10str, 063.0 1
61030404 (000000- )Hose, Hyd,Med04, Jf04str/Jf04str, 066.0 1
7 1038569 (000000- ) Hose, Hyd, Spcl, Jf10str/Jf10str, 56.5 1

STANDARD PARTS
M30 Gas/LPG 9003946 (12- 2014)
2-140
Fig. 69 - Hydraulic Hose Group, Pump and Vacuum Fan (000000- 004454)
5
13
12
11
Reservoir
Vac Fan
Motor
(Sweep)
Vac Fan
Motor
(Scrub)
M4
T1
T2
Aux
Pump
Propel
Pump
Cooler
1
2
3
4
4
17
6
7
8
9
10
15
16
14
P1
P2
Scrub and Sweep
Valve

STANDARD PARTS
2-141
M30 Gas/LPG 9003946 (12- 2014)
354646 - M30, G/LP
Fig. 69 - Hydraulic Hose Group, Pump and Vacuum Fan (000000- 004454)
Ref. Part No. Serial Number Description Qty.
171741 (000000- 004454 )Hose, Hyd, Tc08, Jf08e90/Jf08str, 046.0 1
2 16431 (000000- 004454 ) Hose, Hyd, Med06, Jf06str/Jf06str, 022.0 1
3 1036945 (000000- 004454 ) Hose, Hyd, Tc08, Jf08str/Jf08str, 031.0 1
4 1040216 (000000- 004454 ) Hose, Hyd, Tc08, Jf08e90/Jf08str, 029.0 2
5 1026645 (000000- 001462 ) Hose, Hyd, Tc08, Jf08e45/Jf08str, 026.0 1
616431 (000000- 004454 )Hose, Hyd, Med06, Jf06str/Jf06str, 022.0 1
7 34395 (000000- 004454 ) Hose, Hyd, Med08, Jf08str/Jf08str, 025.0 1
8 34351 (000000- 004454 ) Hose, Hyd, Suc20, Jf20str/Jf20e90, 032.0 1
9 71556 (000000- 004454 ) Hose, Hyd, Med06, Jf06str/Jf06str, 042.0 1
10 1025547 (000000- 004454 ) Hose, Hyd, Med10, Jf10Str/Jf10Str, 041.0 1
11 1040664 (000000- 001249 )Hose, Hyd, Med12, Jf12e90/Jf12str, 048.0 1
12 1036817 (000000- 001249 ) Hose, Hyd, Med12, Jf12e90/Jf12str, 056.0 1
13 1023606 (000000- 001462 ) Hose, Hyd, Tc08, Jf08str/Jf08str, 021.0 1
14 1050436 (001250- 004454 ) Hose, Hyd, Med12, Jf12E90/Jf12Str, 029.0 1
15 1028145 (001250- 004454 ) Hose, Hyd, Med12, Jf12Str/Jf12Str, 066.0 1
16 1026645 (001463- 004454 )Hose, Hyd, Tc08, Jf08E45/Jf08Str, 026.0 1
17 1023606 (001463- 004454 ) Hose, Hyd, Tc08, Jf08Str/Jf08Str, 021.0 1

STANDARD PARTS
M30 Gas/LPG 9003946 (12- 2014)
2-142
Fig. 70 - Hydraulic Hose Group, Pump and Vacuum Fan (004455- )
Reservoir
M4
T1
T2
Aux
Pump
Propel
Pump
Cooler
Vac Fan
Motor
(Scrub)
Vac Fan
Motor
(Sweep)
Scrub and Sweep
Valve
P1
P2
1
2
3
4
5
6
7
8
9
10
11
12
2

STANDARD PARTS
2-143
M30 Gas/LPG 9003946 (12- 2014)
356560 - M30
Fig. 70 - Hydraulic Hose Group, Pump and Vacuum Fan (004455- )
Ref. Part No. Serial Number Description Qty.
171741 (004455- )Hose, Hyd, Tc08, Jf08e90/Jf08str, 046.0 1
2 16431 (004455- ) Hose, Hyd, Med06, Jf06str/Jf06str, 022.0 2
3 1036945 (004455- ) Hose, Hyd, Tc08, Jf08str/Jf08str, 031.0 1
4 1040216 (004455- ) Hose, Hyd, Tc08, Jf08e90/Jf08str, 029.0 2
5 34395 (004455- ) Hose, Hyd, Med08, Jf08str/Jf08str, 025.0 1
634351 (004455- )Hose, Hyd, Suc20, Jf20str/Jf20e90, 032.0 1
7 71556 (004455- ) Hose, Hyd, Med06, Jf06str/Jf06str, 042.0 1
8 1025547 (004455- ) Hose, Hyd, Med10, Jf10Str/Jf10Str, 041.0 1
9 1050436 (004455- ) Hose, Hyd, Med12, Jf12E90/Jf12Str, 029.0 1
10 1028145 (004455- ) Hose, Hyd, Med12, Jf12Str/Jf12Str, 066.0 1
11 1026645 (004455- )Hose, Hyd, Tc08, Jf08E45/Jf08Str, 026.0 1
12 1023606 (004455- ) Hose, Hyd, Tc08, Jf08Str/Jf08Str, 021.0 1

STANDARD PARTS
M30 Gas/LPG 9003946 (12- 2014)
2-144
Fig. 71 - Hydraulic Hose Group, Brush and Hopper
RH Hopper Lift
Cylinder
Scrub and Sweep Valve
Main Brush
Motor
(Rear)
Brush LIft
Cylinder
M1
C1
C2
C9
C12
C10
Hopper Dump
Door Cylinder C11
LH Hopper Lift
Cylinder
Main Brush
Motor
(Front)
1
2
3
45
6
7
8
9
10
11
12

STANDARD PARTS
2-145
M30 Gas/LPG 9003946 (12- 2014)
354647
Fig. 71 - Hydraulic Hose Group, Brush and Hopper
Ref. Part No. Serial Number Description Qty.
11040628 (000000- )Hose, Hyd, Tc04, Jf04str/Jf04str, 96.0 2
2 1040629 (000000- ) Hose, Hyd, Tc04, Jf04str/Jf04str, 58.0 2
3 1036939 (000000- ) Hose, Hyd, Tc06, Jf06str/Jf06str, 054.0 1
4 1040764 (000000- ) Hose, Hyd, Spcl, Jf04str/Jf04str, 144.0 1
5 1040763 (000000- ) Hose, Hyd, Spcl, Jf04str/Jf04str, 140.0 1
61024764 (000000- )Hose, Hyd, Tc08, Jf08str/Jf08str, 048.0 1
7 1023769 (000000- ) Hose, Hyd, Tc06, Jf06str/Jf06e45, 056.0 1
8 57946 (000000- ) Hose, Hyd, Med04, Jf04e90/Jf04str, 016.0 1
9 1025544 (000000- ) Hose, Hyd, Tc08, Jf08e90/Jf08str, 013.0 1
10 364978 (000000- 004420 ) Hose, Hyd, Med08, Jf08e45/Jf08str, 029.0 1
10 1041391 (004421- )Hose, Hyd, Tc08, Jf08e45/Jf08str, 018.0 1
11 387281 (001221- ) Hose, Hyd, Tc04, Jf04e90/Jf04str, 020.0 1
12 07797 (004421- ) Fitting, Hyd, E45, Jf08/Jm08 1

STANDARD PARTS
M30 Gas/LPG 9003946 (1- 08)
2-146
Fig. 72 - Hydraulic Hose Group, Squeegee Lift
Scrub Valve Rear Squeegee
Lift Cylinder
Right Side
Squeegee
Lift Cylinder
Left Side
Squeegee
Lift Cylinder
C4 C3
1
2
3
4
4
5
5

STANDARD PARTS
2-147
M30 Gas/LPG 9003946 (1- 08)
354648
Fig. 72 - Hydraulic Hose Group, Squeegee Lift
Ref. Part No. Serial Number Description Qty.
11036956 (000000- )Hose, Hyd, Spcl, Jf04str/Jf04str, 133.0 1
2 1036955 (000000- ) Hose, Hyd, Spcl, Jf04str/Jf06str, 136.0 1
3 1030709 (000000- ) Hose, Hyd, Tc04, Jf04str/Jf04e45, 035.0 2
4 1045759 (000000- ) Hose, Hyd, Tc04, Jf04Str/Qm06, 028.0 2
51036899 (000000- )Hose, Hyd, Tc04, Jf04e45/Qm06, 024.0 2

STANDARD PARTS
M30 Gas/LPG 9003946 (10- 10)
2-148
Fig. 73 - Hydraulic Pumps Group
1
2
3
4
4
5
67
8
9
9
11
10

STANDARD PARTS
2-149
M30 Gas/LPG 9003946 (8- 2013)
354454
Fig. 73 - Hydraulic Pumps Group
Ref. Part No. Serial Number Description Qty.
11024251 (000000- )Pump, Hyd, Piston, Var, 1.24 4000, Cw (See Breakdowns) 1
2 44868 (000000- ) Fitting, Hyd, E90, Jm08/Om08 1
3 44869 (000000- ) Fitting, Hyd, Str, Jm08/Om08 1
4 53076 (000000- ) Fitting, Hyd, E90, Jm10/Om12 2
5 21198 (000000- ) Screw, Hex, .38- 16 X 1.25, G5 2
632485 (000000- )Washer, Flat, 0.38, Sae 2
7 1034448 (000000- 001462 ) Pump, Hyd, Gear, Ext, 3, 00.85 2500, CW
(See Breakdowns)
(Replaced by 9007143)
1
7 9007143 (001463- 003999 ) Pump kit, Mtg, Aux, Ci [M20 & T20] 1
7 9007142 (004000- ) Pump kit, Mtg, Aux, Ci [M20 & T20] 1
8 65145- 1 (000000- ) Seal, Org, .069 X 03.06id 1
947513 (000000- )Fitting, Hyd, E45, Jm08/Om10 1
10 67811 (000000- ) Fitting, Hyd, Str, Jm20/Om16 1
11 47512 (000000- ) Fitting, Hyd, E90, Jm06/Om08 1

STANDARD PARTS
M30 Gas/LPG 9003946 (12- 2014)
2-150
Fig. 74 - Hydraulic Cooler and Tubes Group
20
7
2
3
4
5
5
6
67
8
9
11
12
10
1
22
23
27
21
13
14
15
16
17
18
19
25
24
26
28
16
17

STANDARD PARTS
2-151
M30 Gas/LPG 9003946 (12- 2014)
354644
Fig. 74 - Hydraulic Cooler and Tubes Group
Ref. Part No. Serial Number Description Qty.
113698 (000000- 001249 )Cooler, Hyd, 25gpm 325btu Of12 13x12x2 1
2 46481 (000000- 001249 ) Fitting, Hyd, E90, Jm12/Om12 1
3 62471 (000000- 001249 ) Fitting, Hyd, E90, Jm12/Om12, Long 1
4 1033290 (000000- 001249 ) Bracket Wldt, Cooler, Hyd Fluid 1
5 1040318 (000000- 001249 ) Pad, Tank, Hyd [W/Psa] 4
61037346 (000000- 001249 )Screw, Hex, M8 X 1.25 X 25, 9.8, Sems 5
7 08709 (000000- 001249 ) Nut, Hex, Lock, M8 X 1.25, Nl 6
8 1037354 (000000- 001249 ) Screw, Hex, M8 X 1.25 X 30, 9.8, Sems 2
9 32491 (000000- 001249 ) Washer, Flat, 0.31, Std 2
10 1031632 (000000- 001249 ) Seal, Afmkt, Bulb, Str, .50D F/11Ga 08Ft 1
11 69234 (000000- 001249 )Clamp, Cable, Stl, 1.00d X 0.75w, 1hole 1
12 07791 (000000- 001249 ) Nut, Hex, Flng, M8 X 1.25 1
13 60090 (000000- ) Fitting, Hyd, Cap, Jf08 1
14 1042126 (000000- ) Tube, Hyd, 06, Sqge Lift 1
15 1042096 (000000- ) Tube, Hyd, 06, Sqge Lift 1
16 1043166 (000000- )Clamp, Tube, 0.37d 0.37d, 2 Hole 2
17 222159 (000000- ) Screw, Hex, M6 X 1.00 X 25, Fmg 2
18 1028823 (000000- ) Tube, Hyd, Rear Sqge [M20] 2
19 35904 (000000- ) Nut, Ftg, Hyd, 0.56- 18 2
20 1036959 (000000- 003999 ) Tube, Hyd, Main Return 1
21 53466 (000000- )Clamp, Cable, Stl, 1.50d X 1.00w, 1hole 2
22 1037346 (000000- ) Screw, Hex, M8 X 1.25 X 25, 9.8, Sems 1
23 1037354 (000000- ) Screw, Hex, M8 X 1.25 X 30, 9.8, Sems 1
24 46481 (001250- ) Fitting, Hyd, E90, Jm12/Om12 1
25 62471 (001250- ) Fitting, Hyd, E90, Jm12/Om12, Long 1
26 47752 (000000- )Fitting, Hyd, Str, Jf06/Jm04 1
27 1071173 (004000- ) Tube, Hyd, Main Return [G/Lp Mit2013] 1
28 17980 (004000- ) Fitting, Hyd, E90, Jf08/Jm08 1

STANDARD PARTS
M30 Gas/LPG 9003946 (12- 2014)
2-152
Fig. 75 - Hydraulic Reservoir Group
1
3
2
4
5
6
7
7
5
8
9
10
11
12
13
14
15
16
18
17 8

STANDARD PARTS
2-153
M30 Gas/LPG 9003946 (12- 2014)
354641
Fig. 75 - Hydraulic Reservoir Group
Ref. Part No. Serial Number Description Qty.
o19002398 (000000- )Reservoir, Hyd, 10.0gal, Replmt 1
Y2 65215 (000000- ) Gauge, Sensing, Level 1
Y3 25122 (000000- ) Cap, Breather, Hyd, 2.4 Ds 1
3 1018289 (000000- ) Cap, Breather, Hyd w/Chain (CE Only) 1
4 56690 (000000- ) Fitting, Hyd, Str, Jm06/Om06 2
546482 (000000- )Fitting, Hyd, Plug, Om06 3
6 42226 (000000- ) Fitting, Hyd, E45, Jm08/Om08 1
7 1040318 (000000- ) Pad, Tank, Hyd [W/Psa] 2
8 1037354 (000000- ) Screw, Hex, M8 X 1.25 X 30, 9.8, Sems 2
9 1034878 (000000- ) Insulation, Thermal, Hyd Blanket 1
10 1023545 (000000- )Fitting, Hyd, E45, Jm12/Om16 1
11 31613 (000000- ) Strainer, Hyd, 025gpm 100mesh 03psi 1
12 71726 (000000- ) Fitting, Hyd, E45, Jm20/Om20 1
13 1021579 (000000- ) Filter Assy, Hyd, 10mic 1
14 55455 (000000- ) Fitting, Hyd, E90, Jm04/Pm02 1
15 58592 (000000- )Send- Unit, Water, Temp,04npt[113oh/195d] 1
16 40362 (000000- ) Fitting, Hyd, Plug, Om10 1
17 1025132 (000000- ) Indicator, Press, 60psi (NA Only) 1
18 1025133 (000000- ) Switch, Press, Hyd, 18- 24Psi, Spst, No (CE Only) 1

STANDARD PARTS
M30 Gas/LPG 9003946 (8- 2013)
2-154
Fig. 76 - Hydraulic Valve Group
M4
C9
C12
PT
G6
M1
C1
C2
C4
C3
PT
P2
P1
T1
C11
C10
T2
P7
G5
RV3
2
3
3
6
15
16
15
16
20
20
24
4
4
5
7
8
11
12
10
22
21
23
13
9
19
14
17
18
17
1

STANDARD PARTS
2-155
M30 Gas/LPG 9003946 (8- 2013)
354642
Fig. 76 - Hydraulic Valve Group
Ref. Part No. Serial Number Description Qty.
11038566 (000000- 004113 )Valve, Hyd, Solenoid, 12vdc (See Breakdowns) 1
2 1040339 (000000- ) Bracket, Mtg, Valve, Hyd 1
3 09740 (000000- ) Screw, Hex, M8 X 1.25 X 20, Ss 7
4 395974 (000000- ) Fitting, Hyd, E90, Om04/Qm04 2
5 9000990 (000000- ) Fitting, Hyd, Str, Om04/Pf04 1
61037336 (000000- 001395 )Sensor, Hyd, 3000 Psi (Replaced by 9007155) 1
7 42226 (000000- ) Fitting, Hyd, E45, Jm08/Om08 1
8 69173 (000000- ) Fitting, Hyd, E90, Jm08/Om08, Long 1
9 1040876 (000000- ) Fitting, Hyd, Str, Jm10/Om10, Long 1
10 49933 (000000- ) Fitting, Hyd, Tee, Jm08/Jm08/Om08, Br 1
11 56820 (000000- )Fitting, Hyd, E90, Jm06/Om06 1
12 71727 (000000- ) Fitting, Hyd, E90, Jm06/Om06, Long 1
13 69173 (000000- ) Fitting, Hyd, E90, Jm08/Om08, Long 1
14 77097 (000000- ) Fitting, Hyd, E90, Jm04/Om04 2
15 34390 (000000- ) Fitting, Hyd, Tee, Jm04/Jm04/Om04, Run 2
16 39210 (000000- )Fitting, Hyd, E90, Jf04/Jm04 2
17 55586 (000000- ) Fitting, Hyd, Str, Jm04/Om04 2
18 59577 (000000- ) Fitting, Hyd, Str, Jm06/Om06, Long 1
19 46482 (000000- ) Fitting, Hyd, Plug, Om06 1
20 1017218 (000000- ) Washer, Flat, 0.32B 1.00D .12, Ss 1
o21 1043459 (000000- )Valve, Relief, 1100 Psi 1
Y22 373647 (000000- ) Seal Kit, Cartridge 1
23 33812 (001396- ) Fitting, Hyd, Plug, Om04 1
24 1072995 (004114- ) Valve, Cntrl, Hyd, Solenoid, 12vdc 10gpm (See Break-
downs) 1

STANDARD PARTS
M30 Gas/LPG 9003946 (12- 2014)
2-156
Fig. 77 - GM Electrical Schematic (000000- 001544)
1
2
3
1033626 - 354727

STANDARD PARTS
2-157
M30 Gas/LPG 9003946 (12- 2014)
Fig. 77 - GM Electrical Schematic (000000-001544)
1
2
3
1033626 - 354727

STANDARD PARTS
M30 Gas/LPG 9003946 (12- 2014)
2-158
Fig. 77 - GM Electrical Schematic (000000-001544)
1
2
1033626 - 354727

STANDARD PARTS
2-159
M30 Gas/LPG 9003946 (12- 2014)
Fig. 77 - GM Electrical Schematic (000000-001544)
1
2
1033626 - 354727

STANDARD PARTS
M30 Gas/LPG 9003946 (12- 2014)
2-160
Fig. 77 - GM Electrical Schematic (000000-001544)
1
2
1033626 - 354727

STANDARD PARTS
2-161
M30 Gas/LPG 9003946 (12- 2014)
Fig. 77 - GM Electrical Schematic (000000-001544)
1
2
1033626 - 354727

STANDARD PARTS
M30 Gas/LPG 9003946 (12- 2014)
2-162
Fig. 77 - GM Electrical Schematic (000000-001544)
1033626 - 354727

STANDARD PARTS
2-163
M30 Gas/LPG 9003946 (4- 10)

STANDARD PARTS
M30 Gas/LPG 9003946 (12- 2014)
2-164
Fig. 78 - GM Electrical Schematic (001545- 003999)
1
2
3
1033626 - 354727

STANDARD PARTS
2-165
M30 Gas/LPG 9003946 (12- 2014)
Fig. 78 - GM Electrical Schematic (001545-003999)
1
2
3
1033626 - 354727

STANDARD PARTS
M30 Gas/LPG 9003946 (12- 2014)
2-166
Fig. 78 - GM Electrical Schematic (001545-003999)
1
2
1033626 - 354727

STANDARD PARTS
2-167
M30 Gas/LPG 9003946 (12- 2014)
Fig. 78 - GM Electrical Schematic (001545-003999)
1
2
1033626 - 354727

STANDARD PARTS
M30 Gas/LPG 9003946 (12- 2014)
2-168
Fig. 78 - GM Electrical Schematic (001545-003999)
1
2
1033626 - 354727

STANDARD PARTS
2-169
M30 Gas/LPG 9003946 (12- 2014)
Fig. 78 - GM Electrical Schematic (001545-003999)
1
2
1033626 - 354727

STANDARD PARTS
M30 Gas/LPG 9003946 (12- 2014)
2-170
Fig. 78 - GM Electrical Schematic (001545-003999)
1033626 - 354727

STANDARD PARTS
2-171
M30 Gas/LPG 9003946 (4- 10)

STANDARD PARTS
M30 Gas/LPG 9003946 (12- 2012)
2-172
Fig. 79 - GM Electrical Schematic, Gasoline Engine Harness (000000-001320)
384997 - 354495

STANDARD PARTS
2-173
M30 Gas/LPG 9003946 (12- 2012)
Fig. 79 - GM Electrical Schematic, Gasoline Engine Harness (000000- 001320)
384997 - 354496

STANDARD PARTS
M30 Gas/LPG 9003946 (12- 2012)
2-174
Fig. 80 - GM Electrical Schematic, Gas Engine Harness (001321- 003999)
384997 - 354495

STANDARD PARTS
2-175
M30 Gas/LPG 9003946 (12- 2012)
Fig. 80 - GM Electrical Schematic, Gas Engine Harness (001321-003999)
384997 - 354496

STANDARD PARTS
M30 Gas/LPG 9003946 (12- 2012)
2-176
Fig. 81 - GM Electrical Schematic, LPG Engine Harness (000000-001320)
384990 - 354498

STANDARD PARTS
2-177
M30 Gas/LPG 9003946 (12- 2012)
Fig. 81 - GM Electrical Schematic, LPG Engine Harness (000000-001320)
384990 - 354498

STANDARD PARTS
M30 Gas/LPG 9003946 (12- 2012)
2-178
Fig. 82 - GM Electrical Schematic, LPG Engine Harness (001321-003999)
384990 - 354498

STANDARD PARTS
2-179
M30 Gas/LPG 9003946 (12- 2012)
Fig. 82 - GM Electrical Schematic, LPG Engine Harness (001321-003999)
384990 - 354498

STANDARD PARTS
M30 Gas/LPG 9003946 (12- 2014)
2-180
Fig. 83 - Mitsubishi Electrical Schematic (004000- )
1
2
3
1033626 - 354727

STANDARD PARTS
2-181
M30 Gas/LPG 9003946 (12- 2014)
Fig. 83 - Mitsubishi Electrical Schematic (004000- )
1
2
3
1033626 - 354727

STANDARD PARTS
M30 Gas/LPG 9003946 (12- 2014)
2-182
Fig. 83 - Mitsubishi Electrical Schematic (004000- ) 1
2
1033626 - 354727

STANDARD PARTS
2-183
M30 Gas/LPG 9003946 (12- 2014)
Fig. 83 - Mitsubishi Electrical Schematic (004000- )
1
2
1033626 - 354727

STANDARD PARTS
M30 Gas/LPG 9003946 (12- 2014)
2-184
Fig. 83 - Mitsubishi Electrical Schematic (004000- )
1
2
1033626 - 354727

STANDARD PARTS
2-185
M30 Gas/LPG 9003946 (12- 2014)
Fig. 83 - Mitsubishi Electrical Schematic (004000- )
1
2
1033626 - 354727

STANDARD PARTS
M30 Gas/LPG 9003946 (8- 2013)
2-186
Fig. 83 - Mitsubishi Electrical Schematic (004000- )
1033626 - 354727

STANDARD PARTS
2-187
M30 Gas/LPG 9003946 (NIL)

STANDARD PARTS
M30 Gas/LPG 9003946 (12- 2012)
2-188
Fig. 84 - Mitsubishi Electrical Schematic, Gas Engine Harness (004000- )
1071653- 356303

STANDARD PARTS
2-189
M30 Gas/LPG 9003946 (12- 2012)
Fig. 84 - Mitsubishi Electrical Schematic, Gas Engine Harness (004000- )
1071653- 356303

STANDARD PARTS
M30 Gas/LPG 9003946 (12- 2012)
2-190
Fig. 85 - Mitsubishi Electrical Schematic, LPG Engine Harness (004000- )
1071654- 356304

STANDARD PARTS
2-191
M30 Gas/LPG 9003946 (12- 2012)
Fig. 85 - Mitsubishi Electrical Schematic, LPG Engine Harness (004000- )
1071654- 356304

STANDARD PARTS
M30 Gas/LPG 9003946 (12- 2012)
2-192
Fig. 86 - Electrical Wire Harness Group, Main
1
1033623 - 354716

STANDARD PARTS
2-193
M30 Gas/LPG 9003946 (12- 2014)
Fig. 86 - Electrical Wire Harness Group, Main
1
1033623 - 354716

STANDARD PARTS
M30 Gas/LPG 9003946 (12- 2014)
2-194
Fig. 86 - Electrical Wire Harness Group, Main
1
1
2
1033623 - 354716

STANDARD PARTS
2-195
M30 Gas/LPG 9003946 (12- 2014)
Fig. 86 - Electrical Wire Harness Group, Main
1
1033623 - 354716

STANDARD PARTS
M30 Gas/LPG 9003946 (12- 2014)
2-196
Fig. 86 - Electrical Wire Harness Group, Main
1
1
1033623 - 354716

STANDARD PARTS
2-197
M30 Gas/LPG 9003946 (12- 2012)
Fig. 86 - Electrical Wire Harness Group, Main
1
1
1033623 - 354716

STANDARD PARTS
M30 Gas/LPG 9003946 (12- 2014)
2-198
Fig. 86 - Electrical Wire Harness Group, Main
1033623 - 354716
Ref. Part No. Serial Number Description Qty.
11071895 (000000- )Harness, Main [M30] 1
2 1058988 (000000- ) Resistor, Ele, Plug [2.5K , 1W] 1

STANDARD PARTS
2-199
M30 Gas/LPG 9003946 (12- 2014)
Fig. 87 - Electrical Wire Harness Group, Headlight
1
354716
Ref. Part No. Serial Number Description Qty.
11024141 (000000- )Harness, Headlight 1

STANDARD PARTS
M30 Gas/LPG 9003946 (6- 11)
2-200
Fig. 88 - Electrical Wire Harness Group, Hopper
1
1

STANDARD PARTS
2-201
M30 Gas/LPG 9003946 (1- 12)
Fig. 88 - Electrical Wire Harness Group, Hopper
2
23
356253 - M20, M30
Ref. Part No. Serial Number Description Qty.
11033624 (000000- 001544 )Harness, Hppr [M20/M30] 1
2 1064371 (001545- ) Harness, Hppr [M20/M30] 1
3 56186 (001545- ) Relay, 12vdc, 040a, Spdt No 1

STANDARD PARTS
M30 Gas/LPG 9003946 (6- 11)
2-202
Fig. 89 - Electrical Wire Harness Group, Hopper Cover
1

STANDARD PARTS
2-203
M30 Gas/LPG 9003946 (6- 11)
Fig. 89 - Electrical Wire Harness Group, Hopper Cover
2
354389- 354459
Ref. Part No. Serial Number Description Qty.
11019950 (000000- 001544 )Harness, Hppr, Cover [M20] 1
2 1064370 (001545- ) Harness, Hppr, Cover [M20] 1

STANDARD PARTS
M30 Gas/LPG 9003946 (6- 11)
2-204
Fig. 90 - Electrical Wire Harnesses Group, Gasoline/LPG Engine
1, 8
2, 9
3, 10
4, 11
5, 12
6, 13
FUEL
PUMP
RELAY
POWER
RELAY
STARTER
RELAY
EMPTY
EMPTY
ALT
60 AMP
520
15 15
10 15
VSW ECM
FUEL PUMP IGNITION
EPR STARTER
7, 14

STANDARD PARTS
2-205
M30 Gas/LPG 9003946 (12- 2012)
354716
Fig. 90 - Electrical Wire Harnesses Group, Gasoline/LPG Engine
Ref. Part No. Serial Number Description Qty.
o384997 (000000- 001320 )Harness, Wire, Eng, Gas [Gm 1.6l] 1
Y1 394916 (000000- 001320 ) Relay, 12vdc, 020a, Spdt [Mini] 1
Y2 57804 (000000- 001320 ) Relay, 12vdc, 040a, Spdt No 1
Y3 372237 (000000- 001320 ) Fuse, 20a [Min- 20] 1
Y4 372235 (000000- 001320 ) Fuse, 05a [Min- 5] 1
Y5372236 (000000- 001320 )Fuse, 15a [Min- 15] 3
Y6 384999 (000000- 001320 ) Fuse, 10a 1
Y7 384998 (000000- 001320 ) Fuse, 60a 1
o1063457 (001321- 003999 Harness, Wire, Eng, Gas [GM 1.6L 10] 1
Y1 394916 (001321- 003999 ) Relay, 12vdc, 020a, Spdt [Mini] 1
Y257804 (001321- 003999 )Relay, 12vdc, 040a, Spdt No 1
Y3 372237 (001321- 003999 ) Fuse, 20a [Min- 20] 1
Y4 372235 (001321- 003999 ) Fuse, 05a [Min- 5] 1
Y5 372236 (001321- 003999 ) Fuse, 15a [Min- 15] 3
Y6 384999 (001321- 003999 ) Fuse, 10a 1
Y7384998 (001321- 003999 )Fuse, 60a 1
o384990 (000000- 001320 Harness, Wire, Eng, Lpg [Gm 1.6l] 1
Y8 394916 (000000- 001320 ) Relay, 12vdc, 020a, Spdt [Mini] 1
Y9 57804 (000000- 001320 ) Relay, 12vdc, 040a, Spdt No 1
Y10 372237 (000000- 001320 ) Fuse, 20a [Min- 20] 1
Y11 372235 (000000- 001320 )Fuse, 05a [Min- 5] 1
Y12 372236 (000000- 001320 ) Fuse, 15a [Min- 15] 1
Y13 384999 (000000- 001320 ) Fuse, 10a 3
Y14 384998 (000000- 001320 ) Fuse, 60a 1
o1063456 (001321- 003999 Harness, Wire, Eng, Lpg [GM 1.6L 10] 1
Y8394916 (001321- 003999 )Relay, 12vdc, 020a, Spdt [Mini] 1
Y9 57804 (001321- 003999 ) Relay, 12vdc, 040a, Spdt No 1
Y10 372237 (001321- 003999 ) Fuse, 20a [Min- 20] 1
Y11 372235 (001321- 003999 ) Fuse, 05a [Min- 5] 1
Y12 372236 (001321- 003999 ) Fuse, 15a [Min- 15] 1
Y13 384999 (001321- 003999 )Fuse, 10a 3
Y14 384998 (001321- 003999 ) Fuse, 60a 1
1071653 (004000- ) Harness, Wire, Eng, Gas [ Mit, 2.0L] 1
1071654 (004000- ) Harness, Wire, Eng, Lpg [ Mit, 2.0L] 1

STANDARD PARTS
M30 Gas/LPG 9003946 (6- 11)
2-206
Fig. 91 - Label Group
2
1
5
3
4
12
13

STANDARD PARTS
2-207
M30 Gas/LPG 9003946 (6- 11)
Fig. 91 - Label Group
9
10
6
8
7
11

STANDARD PARTS
M30 Gas/LPG 9003946 (6- 11)
2-208
Fig. 91 - Label Group
Ref. Part No. Serial Number Description Qty.
177221 (000000- )Label Set, Info/Hzrd, Swpr / Scrbr 1
2 1017141 (000000- ) Label Set, Hi Temp 1
3 1065343 (000000- ) Label, Logo, 05.75L 2Color [ES] 3
4 1065342 (000000- ) Label, Logo, 07.95L 2Color [FaST] 3
5 1050003 (000000- ) Label [User, Attention, ec- H2O] 2
61031017 (000000- )Label Set, Brush Indicator & Removal 1
7 1020434 (000000- ) Label, Caution [Apply Parking Brake] 1
8 1025101 (000000- ) Label, Caution [Apply Parking Brake] (CE & Japan Only) 1
9 1032450 (000000- ) Label Set, Info/Hzrd, Swpr / Scrbr, Tj (Japan Only) 1
10 1032418 (000000- ) Label Set, Info/Hzrd, Swpr / Scrbr (CE Only) 1
11 1064663 (000000- )Label, Model, 2Color [M30] 1
12 1062813 (000000- ) Label, Logo, 12.3L 4Color [ec- H2O] 1
13 1064440 (000000- ) Label, Logo, 16.9L 4Color [ec- H2O] 1
374224 (0000- ) Tape, Warning, Rh, Blk/Yel [33Mtr] (CE Only) 1
C460919 (0000- )Tape, Warning, Left, Blk/Yel [33Mtr] (CE Only) 1

OPTIONS
3-1
M30 Gas/LPG 9003946 (5- 2016)
SECTION 3
Contents Page
Fig. 1 - ES Pump Group 3-2....................
Fig. 2 - ES Tanks Group 3-4....................
Fig. 3 - Side Brush Motor Group
(000000- 001278) 3-6..................
Fig. 4 - Side Brush Motor Group
(001279- ) 3-8...................
Fig. 5 - Side Brush Lift Group 3-10...............
Fig. 6 - Side Brush Solution Control Group 3-12...
Fig. 7 - Side Brush Hydraulic Valve Group 3-14....
Fig. 8 - Side Brush Hydraulic Hose Group 3-16....
Fig. 9 - FaST Pumps and Detergent Group 3-18...
Fig. 10 - FaST Solution Supply Group 3-20........
Fig. 11 - FaST Solution Supply Group,
Side Brush 3-22.......................
Fig. 12 - FaST Wire Harness Group 3-24..........
Fig. 13 - ec- H20 Solution Pump Group 3-26.......
Fig. 14 - ec- H20 Solution Pump Supply Group 3-28.
Fig. 15 - ec- H20 Solution Supply Group 3-30......
Fig. 16 - ec- H20 Solution Supply Group
with Side Brush 3-32...................
Fig. 17 - ec- H20 Wire Harnesses Group 3-34......
Fig. 18 - Backup Alarm Kit 3-37..................
Fig. 19 - Light Kit, Flashing 3-38..................
Fig. 20 - Light Kit, Strobe 3-40...................
Fig. 21 - Light Kit, Flashing Overhead Guard 3-42..
Fig. 22 - Light Kit, Strobe Overhead Guard 3-43....
Fig. 23 - Overhead Guard Kit 3-44................
Fig. 24 - Telemetry Group 3-46...................
Fig. 25 - Vacuum Wand Kit 3-48..................
Fig. 26 - Spray Nozzle Kit 3-50...................
Fig. 27 - Pressure Washer Mount Group 3-52......
Fig. 28 - Pressure Washer Solution Group 3-54.....
Fig. 29 - Pressure Washer Hydraulic
Hoses Group (000000- 003999) 3-56.....
Fig. 30 - Pressure Washer Hydraulic
Hoses Group (004000- ) 3-58.....
Fig. 31 - Transport Kit 3-60......................
Fig. 32 - Squeegee Guard Kit 3-62................
Fig. 33 - Engine Radiator Screen Kit
(001250- 003999) 3-64.................
Fig. 34 - Fire Extinguisher Kit 3-66................
Fig. 35 - Documentation Group 3-67..............

OPTIONS
3-2 M30 Gas/LPG 9003946 (10- 2015)
Fig. 1 - ES Pump Group
1
2
3
4
5
6
7
8
7
10
11
12 13 14
15
16
17
18 19
20
21
22
23
24
25
26
27
28
6
8
9
23
8
10
8
12
13
8

OPTIONS
3-3
M30 Gas/LPG 9003946 (10- 2015)
354652
Fig. 1 - ES Pump Group
Ref. Part No. Serial Number Description Qty.
124544 (000000- )Fitting, Plstc, Str, Pm12/Pm12 1.60l 1
2 42133A (000000- ) Fitting, Plstc, Tee, Pf12/Pf12/Pf12 1
3 79484 (000000- ) Fitting, Plstc, E90, Bm06/Pm12, Nyl 1
4 69785 (000000- ) Fitting, Plstc, E90, Pf12/Pm12 1
5 79273- 2 (000000- 004690 ) Fitting, Plstc, Str, Bm12/Pm12 1
5365095 (004691- )Fitting, Plstc, Str, Bm10/Pm12 1
6 14877 (000000- ) Fitting, Plstc, E90, Bm12/Pm12 2
7 1006410 (000000- ) Hose, Afmkt, Pvc, Brd, 0.75id, 03ft, Clr 2
8 63810 (000000- ) Clamp, Hose, Wormdrive, 0.56- 1.06d, .56w 6
9 1015045 (000000- ) Hose, Afmkt, Pvc, Brd, 0.75id, 08ft, Clr 1
10 63244- 2 (000000- )Fitting, Plstc, E90, Bm12/Pm08 2
11 79497 (000000- ) Fitting, Plstc, Tee, Pf08/Pf08/Pf08 1
12 86508 (000000- ) Fitting, Plstc, Str, Pm08/Pm08 2
13 73433 (000000- ) Valve, Water, Solenoid, 12vdc Pf08/Pf08 2
14 78398 (000000- ) Fitting, Plstc, Str, Bm12/Pm08, Nyl 1
15 1016837 (000000- )Bracket, Mtg, Valve 1
16 222158 (000000- ) Screw, Hex, M6 X 1.00 X 10, Fmg 2
17 73260 (000000- ) Pump, Detgt, 14vdc, 150ml/Min 20psi 1
18 24265 (000000- ) Screw, Pan, Phl, M4 X 0.70 X 16, Ss 2
19 01683 (000000- ) Washer, Flat, 10, Ss 2
20 33932 (000000- )Nut, Hex, Lock, M4 X 0.70, Nl, Ss 2
21 1033792 (000000- ) Plate, Hsng [FaST] 1
22 1006400 (000000- ) Hose, Afmkt, Pvc, Clr, 0.38id, 03ft 1
23 43844 (000000- ) Clamp, Hose, Wormdrive, 0.25- 0.62d, .31w 2
24 76099 (000000- ) Screw, Hex, M8 X 1.25 X 25, Fmg 1
o25 375322 (000000- )Fitting Kit, Hose, Garden 1
Y26 01316 (000000- ) Washer, Flat, 0.66b 1.00d .12, Rbr 1
27 24105 (000000- ) Fitting, Brs, Qdc, Bm12/Qf08 1
28 33295 (000000- ) Fitting, Brs, Qdc, Pf08 [Parker Bh3f] 1

OPTIONS
3-4 M30 Gas/LPG 9003946 (1- 08)
Fig. 2 - ES Tanks Group
2
3
45
5
6
7
8
9
9
10 11
12
13
14
15
15
16
17
18
19
20
21
22
23
23
24
25
26
26
1

OPTIONS
3-5
M30 Gas/LPG 9003946 (10- 2015)
354653
Fig. 2 - ES Tanks Group
Ref. Part No. Serial Number Description Qty.
11021210 (000000- )Pump Assy, Column, Es (See Breakdowns) 1
2 1028697 (000000- ) Sleeve, Rbr, 3.50b 3.58d 1.8l 1
3 14877 (000000- ) Fitting, Plstc, E90, Bm12/Pm12 1
4 1015033 (000000- ) Hose, Afmkt, Pvc, Brd 0.62id 01ft 1
5 63810 (000000- ) Clamp, Hose, Wormdrive, 0.56- 1.06d, .56w 2
6386652 (000000- )Strainer, Soltn, 20mesh, Cyl, 3.5d 09.5l 1
7 24543 (000000- ) Fitting, Plstc, E90, Bm12/Pf12 1
8 1015048 (000000- ) Hose, Afmkt, Pvc, Brd, 0.75id, 01ft, Clr 1
9 11399 (000000- ) Clamp, Hose, Wormdrive, 0.81- 1.50d, .50w 2
10 1019636 (000000- ) Bracket, Mtg, Strainer 1
11 09740 (000000- ) Screw, Hex, M8 X 1.25 X 20, Ss 2
12 1017218 (000000- ) Washer, Flat, 0.32b 1.00d .12, Ss 1
13 1072882 (000000- ) Switch Assy, Press, Dbl, 17.5l 1
14 32183 (000000- ) Fitting, Brs, E90, Bm03/Pm02 1
15 1031572 (000000- ) Hose, Afmkt, Vacuum, 0.16id, 01ft 3
16 59886 (000000- )Fitting, Plstc, Tee, Bm03/Bm03/Bm03 1
17 1039019 (000000- ) Filter, Soltn, 020mesh, Pm12 3.2d 08.0l 1
18 1072883 (000000- ) Switch Assy, Press, Dbl, 26.2l 1
19 1022229 (000000- ) Tank, Detgt, Trimmed 1
20 1011885 (000000- ) Cap, Tank 1
21 1006400 (000000- )Hose, Afmkt, Pvc, Brd, 0.38id, 03ft, Clr 1
22 20944 (000000- ) Grommet, Pye, 0.37id, F/1.5h, .13 Matl 1
23 20951 (000000- ) Fitting, Plstc, E90, Bm06/Bm06 2
24 20952 (000000- ) Screen, Pump 1
25 1014930 (000000- ) Hose, Afmkt, Pvc, Clr, 0.38id, 08ft 1
26 43844 (000000- )Clamp, Hose, Wormdrive, 0.25- 0.62d, .31w 2

OPTIONS
3-6 M30 Gas/LPG 9003946 (11- 09)
Fig. 3 - Side Brush Motor Group (000000- 001278)
1
2
3
4
5
6
7
8
9
10
11
12
12
13
14
15
16
17
18
17
16
17
19
20
21 22 23
24
13
12

OPTIONS
3-7
M30 Gas/LPG 9003946 (11- 09)
354654
Fig. 3 - Side Brush Motor Group (000000-001278)
Ref. Part No. Serial Number Description Qty.
11021794 (000000- 001278 )Bracket Wldt, Mtg, Side Brush 1
2 1029379 (000000- 001278 ) Motor, Hyd, Gear, Int 08.9 Bi- Dir 2500 (See Breakdowns) 1
3 56821 (000000- 001278 ) Fitting, Hyd, E90, Jm08/Om10 2
4 01762 (000000- 001278 ) Screw, Hex, .38- 16 X 0.75, Nl 4
5 32492 (000000- 001278 ) Washer, Flat, 0.38, Std 4
6377359 (000000- 001278 )Hub, Drive, Brush, Disk, 1.00b [6t] 1
7 25611 (000000- 001278 ) Spacer, Hub, Keyed 1
8 19191 (000000- 001278 ) Spacer 1
9 25046 (000000- 001278 ) Screw, Hex, .25- 20 X 1.00, G5 1
10 1022135 (000000- 001278 ) Bracket, Mtg, Sqge 1
11 09010 (000000- 001278 ) Screw, Hex, M8 X 1.25 X 25, Ss 4
12 01685 (000000- 001278 ) Washer, Flat, 0.38b 0.88d .08, Ss 8
13 08713 (000000- 001278 ) Nut, Hex, Lock, M8 X 1.25, Nl, Ss 4
14 1022188 (000000- 001278 ) Bar, Retainer 1
15 1022111 (000000- 001278 ) Frame Wldt, Sqge, Side Brush 1
16 1022302 (000000- 001278 )Nut, T, M8 X 1.25 X 14.50od X 9.5l 2
17 64425 (000000- 001278 ) Washer, Thrust, 0.61b 1.25d .06, Fgl 4
18 223470 (000000- 001278 ) Screw, Btn, M8 X 1.25 X 25, Ss 2
19 1022260 (000000- 001278 ) Bumper Wldt, Brush, Side 1
20 369359 (000000- 001278 ) Pin, Hitch, .375d X 3.12l, Pl 3
21 46800 (000000- 001278 )Pin, Clevis, 0.31d X 0.75l 1
22 08179 (000000- 001278 ) Pin, Cotter, .094 X 1.00 1
23 86759 (000000- 001278 ) Retainer, Sqge 1
24 1025005 (000000- 001278 ) Squeegee Assy, Sba, Linatex 1
24 1027716 (000000- 001278 )Squeegee Assy, Sba, Ure 1

OPTIONS
3-8 M30 Gas/LPG 9003946 (8- 2013)
Fig. 4 - Side Brush Motor Group (001279- )
1
2
3
4
5
6
8
9
10
11
12
13 14
14
15
16
17
18
19
7

OPTIONS
3-9
M30 Gas/LPG 9003946 (5- 2015)
354463
Fig. 4 - Side Brush Motor Group (001279- )
Ref. Part No. Serial Number Description Qty.
11047002 (001279- )Bracket Wldt, Mtg, Side Brush Fixed 1
2 1029379 (001279- 001966 ) Motor, Hyd, Gear, Int 08.9 Bi- Dir 2500 (See Breakdowns) 1
o2 1068812 (001967- ) Motor, Hyd, Gear, Int 08.9 Bi- Dir 2500 1
Y22615 (001967- ) Seal Kit, Motor [Cl] 1
3 56821 (001279- ) Fitting, Hyd, E90, Jm08/Om10 2
401762 (001279- )Screw, Hex, .38- 16 X 0.75, Nl 4
5 32492 (001279- ) Washer, Flat, 0.38 Std 4
6 1042968 (001279- ) Hub, Drive, Brush, Disk, 1.00b [6t] 1
7 25611 (001279- 001966 ) Spacer, Hub, Keyed 1
8 19191 (001279- ) Spacer 1
925046 (001279- )Screw, Hex, .25- 20 X 1.00, 5 1
10 21601 (001279- ) Cam, Front 1
11 386298 (001279- ) Pin Wldt, Front 1
12 21603 (001279- ) Pin, Grvd, 0.43d 01.8l [303ss] 1
13 24555 (001279- ) Ring, Retaining, Ext, 0.38d, [E- Ring] 1
14 369359 (001279- )Pin, Hitch, .375d X 3.12l, Pl 2
15 1046995 (001279- 004481 ) Spacer, Sqge, Side Brush, Rbr 1
15 1073414 (004482- ) Spacer, Sqge, Side Brush, Rbr 1
16 1046980 (001279- 004481 ) Blade, Sqge, Side Brush, Linatex 1
16 1073412 (004482- ) Blade, Sqge, Side Brush, Linatex 1
16 1059091 (001279- 004481 )Blade, Sqge, Side Brush, Urethane 1
16 1073413 (004482- ) Blade, Sqge, Side Brush, Urethane 1
17 1047238 (001279- 004481 ) Blade, Sqge, Side Brush, Linatex 1
17 1073415 (004482- ) Blade, Sqge, Side Brush, Linatex 1
17 1059092 (001279- 004481 ) Blade, Sqge, Side Brush, Urethane 1
17 1073416 (004482- )Blade, Sqge, Side Brush, Urethane 1
18 1047060 (001279- 004481 ) Plate Wldt, Retainer, Sqge 1
18 1073411 (004482- ) Plate Wldt, Retainer, Sqge 1
19 1046976 (001279- 004481 ) Bumper Wldt, Brush, Side 1
19 1073409 (004482- )Bumper Wldt, Brush, Side 1

OPTIONS
3-10 M30 Gas/LPG 9003946 (9- 08)
Fig. 5 - Side Brush Lift Group
1
2
3
4
4
6
7
7
8
9
10
10
10
10
11
12
13
15
14
16
12
12
11
13
12
15
16
17
18
19
19
19 20
21 22
23
24
25
22
26
22
5
14
26
22
2
27

OPTIONS
3-11
M30 Gas/LPG 9003946 (9- 08)
354655
Fig. 5 - Side Brush Lift Group
Ref. Part No. Serial Number Description Qty.
11021439 (000000- )Pivot Wldt, Brush, Side 1
2 71868 (000000- ) Bushing, Sleeve, 1.00b 1.13d 1.50l, Fgl 2
3 1021473 (000000- ) Channel Wldt, Pivot 1
4 09010 (000000- ) Screw, Hex, M8 X 1.25 X 25, Ss 6
5 41346 (000000- ) Screw, Hex, M12 X 1.75 X 30, 8.8 1
61021617 (000000- )Pin Wldt 1
7 71869 (000000- ) Washer, Thrust, 1.00b 1.75d 0.13, Fbr 2
8 32486 (000000- ) Washer, Flat, 0.50, Sae 1
9 48985 (000000- ) Nut, Hex, Jam, .50- 20 1
o10 63175- 1 (000000- ) Arm, Link 4
Y11 63233 (000000- )Bushing, Sleeve, 0.50b 0.59d 0.50l, Bnz 2
12 59633 (000000- ) Bearing, Thrust, 0.53b 1.00d 0.03w 16
13 1027926 (000000- ) Sleeve, P/M, 0.37b 0.50d 0.6l [430ss] 8
14 36845 (000000- ) Screw, Hex, .38- 16 X 1.50, Ss 8
15 01685 (000000- ) Washer, Flat, 0.38b 0.88d .08, Ss 8
16 59156 (000000- )Nut, Hex, Lock, .38- 16, Nl, Ss 8
17 1038137 (000000- ) Cylinder, Hyd, 1.5b 07.8l 02.80strk 2500 1
18 1038115 (000000- ) Cylinder, Hyd, 1.5b 07.8l 02.75strk 2500 1
19 77097 (000000- ) Fitting, Hyd, E90, Jm04/Om04 3
20 77098 (000000- ) Fitting, Hyd, E90, Jm06/Om04 1
21 29558 (000000- )Pin, Clevis, 0.37d X 1.50l 1
22 08179 (000000- ) Pin, Cotter, .094 X 1.00 4
23 1021564 (000000- ) Adapter, Rod- End, Side Brush 1
24 71874 (000000- ) Rod- End, 0.50- 20rh Mal 0.50b 1
25 29557 (000000- ) Pin, Clevis, 0.37d X 1.31l 1
26 17461 (000000- )Pin, Clevis, 0.37d X 1.75l 2
27 32491 (000000- ) Washer, Flat, 0.31, Std 2

OPTIONS
3-12 M30 Gas/LPG 9003946 (10- 2015)
Fig. 6 - Side Brush Solution Control Group
15 5
FRONT
2
3
4
9
10
11
12
13
14
1
6
7
17
16
18
19
20
10
10
10
9
7
8

OPTIONS
3-13
M30 Gas/LPG 9003946 (10- 2015)
354656
Fig. 6 - Side Brush Solution Control Group
Ref. Part No. Serial Number Description Qty.
11060130 (000000- )Wheel, 06.0d 2.00w 1.19b, Gray Rbr 2
2 1022106 (000000- ) Valve Assy, Water, Solenoid, 12vdc 1
3 09738 (000000- ) Screw, Hex, M5 X 0.80 X 12, Ss 2
4 09739 (000000- ) Nut, Hex, Lock, M5 X 0.80, Nl, Ss 2
5 761490 (000000- 001248 ) Pin, Cotter, Hair, Dbl 1
650178 (000000- )Hose, Pvc, Clr, 0.50id 0.69od 026.0l 1
7 54333 (000000- ) Clamp, Hose, Wormdrive, 0.31- 0.88d, .31w 2
8 393255 (000000- 004690 ) Fitting, Plstc, Tee, Bm12/Bm12/Bm12 1
9 1015045 (000000- 004690 ) Hose, Afmkt, Pvc, Brd, 0.75id, 08ft, Clr 1
9 1015032 (004691- ) Hose, Afmkt, Pvc, Brd, 0.62id, 08ft, Clr 1
10 63810 (000000- )Clamp, Hose, Wormdrive, 0.56- 1.06d, .56w 4
11 82839 (000000- ) Tread, Non- Skid, 02.2w 11.5l 1
12 1022318 (000000- ) Guard Wldt, Brush, Side 1
13 12317 (000000- ) Screw, Hex, M10 X 1.50 X 30, Ss 4
14 01686 (000000- ) Washer, Flat, 0.44b 1.00d .08, Ss 4
15 9006334 (000000- 001248 )Pin Kit, Wheel, Ci [M20/T20/M30] 1
16 1053838 (001249- ) Pin, 30mmd X 215mml 1
17 23146 (001249- ) Pin, Roll, .187d X 1.62l, .187/.192 1
18 47719 (001249- ) Washer, Flat, 1.26b 1.88d .13, Stl 1
19 34411 (001249- ) Pin, Cotter, Hair, 1.00d .178 Wir 1
20 1062116 (004691- )Fitting, Plstc, Tee, Bm10/Bm10/Bm10 1

OPTIONS
3-14 M30 Gas/LPG 9003946 (8- 2013)
Fig. 7 - Side Brush Hydraulic Valve Group
P3
G13
C8
M2
T4
C5 C7
T6
T3
C6
G7
G7
P4
23
32
2
4
3
5
6
7
11
12
13
14
15
16
17
18
19
20
21
8
9
10
22
2
1

OPTIONS
3-15
M30 Gas/LPG 9003946 (8- 2013)
354657
Fig. 7 - Side Brush Hydraulic Valve Group
Ref. Part No. Serial Number Description Qty.
11037805 (000000- 004114 )Valve, Cntrl, Hyd, Solenoid, 03/16gpm (See Breakdowns) 1
2 56690 (000000- ) Fitting, Hyd, Str, Jm06/Om06 3
3 55685 (000000- ) Fitting, Hyd, Str, Jm04/Om06 2
4 34359 (000000- ) Fitting, Hyd, E45, Jm04/Om04 1
5 44868 (000000- ) Fitting, Hyd, E90, Jm08/Om08 1
6395973 (000000- )Fitting, Hyd, Str, Om04/Qm04 1
7 1026119 (000000- ) Valve, Hyd, Check, 5000psi Jm08/Om08 1
8 55586 (000000- 001181 ) Fitting, Hyd, Str, Jm04/Om04 1
9 39210 (000000- 001181 ) Fitting, Hyd, E90, Jf04/Jm04 1
10 396476 (000000- 001181 ) Fitting, Hyd, Str, Jf04/Qm04 1
11 44869 (000000- )Fitting, Hyd, Str, Jm08/Om08 1
12 42226 (000000- ) Fitting, Hyd, E45, Jm08/Om08 1
13 47504 (000000- ) Fitting, Hyd, E90, Jf06/Jm06 1
14 1037011 (000000- ) Hose, Hyd, Tc08, Jf08str/Jf08e90, 012.0 1
15 1045272 (000000- ) Bracket, Valve, Sba [M20 AND T20] 1
16 364441 (000000- ) Screw, Hex, M8 X 1.25 X 110, Ss 2
17 08709 (000000- ) Nut, Hex, Lock, M8 X 1.25, Nl 2
18 09010 (000000- ) Screw, Hex, M8 X 1.25 X 25, Ss 2
19 32491 (000000- ) Washer, Flat, 0.31, Std 2
20 08713 (000000- ) Nut, Hex, Lock, M8 X 1.25, Nl, Ss 2
21 60090 (000000- )Fitting, Hyd, Cap, Jf08 1
22 395974 (001182- ) Fitting, Hyd, E90, Om04/Qm04 1
23 1072997 (004115- ) Valve, Cntrl, Hyd, Solenoid, 03/16gpm (See Breakdowns) 1

OPTIONS
3-16 M30 Gas/LPG 9003946 (1- 08)
Fig. 8 - Side Brush Hydraulic Hose Group
C8
C6
M2
T6
P3
C7
P4
T4
C5
P7
1
2
3
10
5
6
7
8
9
4
Vac Fan Motor
Sweep
Reservoir
Side Brush
Motor Side Brush
Pivot cylinder
Side Brush
Lift cylinder

OPTIONS
3-17
M30 Gas/LPG 9003946 (8- 2013)
354658
Fig. 8 - Side Brush Hydraulic Hose Group
Ref. Part No. Serial Number Description Qty.
1361047 (000000- )Hose, Hyd, Med06, Jf06e90l/Jf06str,038.0 1
2 1025990 (000000- ) Hose, Hyd, Tc04, Jf04str/Jf04str, 039.0 1
3 1036901 (000000- ) Hose, Hyd, Tc04, Jf04str/Jf04str, 044.0 1
4 56690 (000000- ) Fitting, Hyd, Str, Jm06/Om06 1
5 1036904 (000000- ) Hose, Hyd, Tc06, Jf06str/Jf06str, 028.0 1
61036903 (000000- )Hose, Hyd, Tc04, Jf04str/Jf04str, 025.0 1
7 377236 (000000- 003999 ) Hose, Hyd, Tc06, Jf06str/Jf06str, 062.0 1
7 1041389 (004000- ) Hose, Hyd, Tc06, Jf06str/Jf06str, 086.0 1
8 1036902 (000000- ) Hose, Hyd, Tc08, Jf08str/Jf08str, 039.0 2
9 1036907 (000000- 003999 ) Hose, Hyd, Tc08, Jf08str/Jf08str, 060.0 1
91036946 (004000- )Hose, Hyd, Tc08, Jf08str/Jf08str, 084.0 1
10 47522 (000000- ) Fitting, Hyd, E45, Jm06/Om06 1

OPTIONS
3-18 M30 Gas/LPG 9003946 (8- 2013)
Fig. 9 - FaST Pumps and Detergent Group
1
2
3
4
5
6
7
8
10
9
11
12 13
14
15 16
17
18
19
20
21
22
23
24
25
26 27
28
28
28
28
29
30
31
32
33
34
35
36
31
16
5
37
31
31
38
39
40
41
31
42
31

OPTIONS
3-19
M30 Gas/LPG 9003946 (5- 2016)
354721
Fig. 9 - FaST Pumps and Detergent Group
Ref. Part No. Serial Number Description Qty.
11036801 (000000- )Pump, Soltn, 13.7vdc, 65psi [FaST Ii+] 1
2 1039356 (000000- ) Bracket, Retainer, Pump 1
3 1039357 (000000- ) Bracket, Retainer, Pump 1
4 15678 (000000- ) Screw, Hex, M6 X 1.00 X 16, Ss 2
5 1020341 (000000- ) Screw, Hex, M8 X 1.25 X 20, Ss, Sems 7
61033791 (000000- ) Bracket, Mtg [FaST] 1
7 76099 (000000- ) Screw, Hex, M8 X 1.25 X 25, Fmg 2
8 1005435 (000000- ) Fitting, Plstc, Pipe, Cap, Pf04 1
9 1002898 (000000- ) Fitting, Plstc, Str, Bm04, Cplg, Fem 1
10 1002899 (000000- ) Fitting, Plstc, Str, Pm04, Cplg, Mal 1
11 1018098 (000000- )Valve, Water, Solenoid, 12vdc 6.0mm Pf04 1
12 09200 (000000- ) Screw, Pan, Phl, M5 X 0.80 X 12, Ss 2
13 01683 (000000- ) Washer, Flat, 10, Ss 2
14 150540 (000000- ) Fitting, Plstc, Str, Bm06/Pm04 1
15 150709 (000000- ) Fitting, Brs, Tee, Pm04/Pf04/Pf04, Run 1
16 57248 (000000- )Fitting, Plstc, E90, Bm06/Pm04, Nyl 2
17 1033957 (000000- ) Bracket, Mtg [FaST] 1
18 9008868 (000000- ) FaST Kit, Injector [M20/T20/M30 FaST III] (See
Breakdown) 2
19 56186 (000000- ) Relay, 12vdc, 040a, Spdt No 1
20 361339 (000000- ) Screw, Hex, M6 X 1.00 X 16, Fmg 1
21 1035794 (000000- )Valve, Check, 0005psi Bm06/Bm08 2
22 150713 (000000- ) Fitting, Plstc, Tee, Bm04/Bm04/Bm04 1
23 1006415 (000000- ) Hose, Afmkt, Pvc, Clr, 0.25id, 03ft 1
24 1006416 (000000- ) Hose, Afmkt, Pvc, Clr, 0.38id, 03ft 1
25 1024237 (000000- ) Hose, Afmkt, Pvc, Wir, 0.50id, 03ft, Clr 1
26 1014929 (000000- )Hose, Afmkt, Pvc, Clr, 0.38id, 01ft 1
27 1010668 (000000- ) Fitting, Plstc, Y, Bm08/Bm08/Bm08, Nyl 1
28 43844 (000000- ) Clamp, Hose, Wormdrive, 0.25- 0.62d, .31w 6
29 1037262 (000000- ) Plate, Mtg [FaST] 1
30 1006400 (000000- ) Hose, Afmkt, Pvc, Brd, 0.38id, 03ft, Clr 1
31 54333 (000000- )Clamp, Hose, Wormdrive, 0.31- 0.88d, .31w 4
32 1011412 (000000- ) Hose, Afmkt, Pvc, Brd, 0.50id, 08ft, Clr 1
33 14877 (000000- 004690 ) Fitting, Plstc, E90, Bm12/Pm12 1
33 73468 (004691- ) Fitting, Plstc, E90, Bm10/Pm12 1
34 42133A (000000- ) Fitting, Plstc, Tee, Pf12/Pf12/Pf12 1
35 24544 (000000- )Fitting, Plstc, Str, Pm12/Pm12 1.60l 1
36 79273- 1 (000000- ) Fitting, Plstc, Str, Bm08/Pm12 1
37 1017022 (000000- ) Detergent, Pkg, 2 Liter, Sgl [665] 2
37 1034126 (000000- ) Detergent, Pkg, 2 Liter, Sgl [965, Tco] 2
38 1005302 (000000- ) Filter, In- Line, Pf06/Pf06 080Mesh 02.6L 1
39 150538 (000000- )Fitting, Plstc, Str, Bm06/Pm06 2
40 01684 (000000- ) Washer, Flat, 0.27B 0.69D .05, Ss 2
41 1049254 (000000- ) Fitting, Nyl, Qdc, E90, Bm08/ Qm10 1
42 1049259 (000000- ) Fitting, Nyl, Qdc, E90, Bm06/ Qm10 1

OPTIONS
3-20 M30 Gas/LPG 9003946 (10- 2015)
Fig. 10 - FaST Solution Supply Group
FRONT
1
2
3
4
5
1
1
3
3
3
5
3
3

OPTIONS
3-21
M30 Gas/LPG 9003946 (10- 2015)
354722
Fig. 10 - FaST Solution Supply Group
Ref. Part No. Serial Number Description Qty.
11015045 (000000- 004690 )Hose, Afmkt, Pvc, Brd, 0.75id, 08ft, Clr 1
1 1015032 (004691- ) Hose, Afmkt, Pvc, Brd, 0.62id, 08ft, Clr 1
2 385644 (000000- 004690 ) Fitting, Plstc, Tee, Bm08/Bm12/Bm12, Br 1
2 1015486 (004691- ) Fitting, Plstc, Tee, Bm08/Bm10/Bm10, Br 1
3 63810 (000000- ) Clamp, Hose, Wormdrive, 0.56- 1.06d, .56w 6
41011412 (000000- )Hose, Afmkt, Pvc, Brd, 0.50id, 08ft, Clr 1
5 54333 (000000- ) Clamp, Hose, Wormdrive, 0.31- 0.88d, .31w 2

OPTIONS
3-22 M30 Gas/LPG 9003946 (10- 2015)
Fig. 11 - FaST Solution Supply Group, Side Brush
FRONT
1
2
4
5
6
7
8
9
3
2
2
1
2
3
2
2
2
2
7
2

OPTIONS
3-23
M30 Gas/LPG 9003946 (10- 2015)
354723
Fig. 11 - FaST Solution Supply Group, Side Brush
Ref. Part No. Serial Number Description Qty.
11010668 (000000- )Fitting, Plstc, Y, Bm08/Bm08/Bm08, Nyl 2
2 54333 (000000- ) Clamp, Hose, Wormdrive, 0.31- 0.88d, .31w 10
3 1015067 (000000- ) Hose, Afmkt, Pvc, Clr, 0.50id, 08ft 1
4 1037825 (000000- ) Valve, Solenoid, 12vdc, Water Flow 1
5 24196 (000000- ) Screw, Pan, Phl, M5 X 0.80 X 20, Ss 2
663810 (000000- )Clamp, Hose, Wormdrive, 0.56- 1.06d, .56w 1
7 1011412 (000000- ) Hose, Afmkt, Pvc, Brd, 0.50id, 08ft, Clr 1
8 763116 (000000- ) Tie, Cable, Nyl, 15.3l . W 4.5 Max D 1
9 31543 (000000- ) Hose, Heater, E90, 0.62id, 24.0 4.0 1

OPTIONS
3-24 M30 Gas/LPG 9003946 (8- 2013)
Fig. 12 - FaST Wire Harness Group
1

OPTIONS
3-25
M30 Gas/LPG 9003946 (8- 2013)
354724
Fig. 12 - FaST Wire Harness Group
Ref. Part No. Serial Number Description Qty.
11037809 (000000- )Harness, Wire [FaST Gen 2] 1

OPTIONS
3-26 M30 Gas/LPG 9003946 (6- 2014)
Fig. 13 - ec-H20 Solution Pump Group
16
15
25
26
1
2
34
5
6
7
8
9
10
11
12
13
14
34 32
17
7
8
18
18
19
20
7
8
21
22
23
24
37
38
27
28
29
28
29
3
33
31
35 36
30
35
35

OPTIONS
3-27
M30 Gas/LPG 9003946 (6- 2014)
356033
Fig. 13 - ec- H20 Solution Pump Group
Ref. Part No. Serial Number Description Qty.
11060624 (000000- )Pump, Soltn, Ele, 13.7vdc,12/28psi 1
2 09252 (000000- ) Screw, Hex, M5 X 0.80 X 20, 8.8 4
3 19066 (000000- ) Washer, Flat, 10 8
4 06549 (000000- ) Nut, Hex, Lock, M5 X 0.80, Nl 4
5 1060273 (000000- ) Plate, Mtg, Pump 1
61059677 (000000- )Strip, Rbr, 0.06 03.54w 03.5l [Neo/60] 1
7 09744 (000000- ) Screw, Hex, M6 X 1.00 X 12, Ss 6
8 01684 (000000- ) Washer, Flat, 0.27b 0.69d .05, Ss 6
9 9007882 (000000- ) Module Kit, Replmt [Ec- H20] (See Breakdowns) 1
10 1040467 (000000- ) Screw, Hex, M6 X 1.00 X 20, 9.8, Sems 4
11 1060292 (000000- ) Plate Wldt, Mtg 1
12 09740 (000000- ) Screw, Hex, M8 X 1.25 X 20, Ss 2
13 1017218 (000000- ) Washer, Flat, 0.32b 1.00d .12, Ss 2
14 1060185 (000000- ) Cover Wldt, Power Supply 1
15 01684 (000000- xxxxxx ) Washer, Flat, 0.27b 0.69d .05, Ss 4
16 07805 (000000- xxxxxx ) Screw, Hex, M6 X 1.00 X 35, Ss 4
17 1060291 (000000- ) Plate, Inspection 1
18 1020168 (000000- ) Molding, Afmkt, Trim, Pvc, .08 .11, 01Ft 1
19 10632- 4 (000000- ) Grommet, Rbr, 0.62id, F/0.9h, .06 Matl 1
20 1060719 (000000- ) Cover, Trimmed 1
21 1058963 (000000- )Converter, Ele, 12- 36 Vdc 1
22 09206 (000000- ) Screw, Hex, M4 X 0.70 X 12, 8.8 4
23 19065 (000000- ) Washer, Flat, 08 4
24 1052726 (000000- ) Alarm, 9- 48vdc, 95 Db(A) [Ec- H20] 1
25 1053078 (000000- 001645 ) Circuitbreaker, 2.0a, Resetable 1
26 1046173 (000000- 001645 )Boot, Circuitbreaker 1
27 1044393 (000000- ) Switch, Rocker, Spst, Mom 1
28 56186 (000000- ) Relay, 12vdc, 040a, Spdt No 2
29 223198 (000000- ) Screw, Hex, M5 X 0.80 X 10, Fmg 2
30 33932 (000000- ) Nut, Hex, Lock, M4 X 0.70, Nl, Ss 3
31 1062804 (xxxxxx- ) Bolt, Carriage, M06 X 1.00 X 40, 4.6 4
32 41359 (xxxxxx- ) Nut, Hex, Std, M6 X 1.00, 8 4
33 32982 (xxxxxx- ) Washer, Lock, Int, 0.25 4
34 32483 (xxxxxx- ) Washer, Flat, 0.25, Sae 4
35 1029057 (000000- ) Clip, Grip, Finger, 0.88- 1.25d 3
36 12323 (000000- )Screw, Pan, Phl, M4 X 0.70 X 20, Ss 3
37 1064183 (001646- ) Circuitbreaker, 02.0a, Resetable 1
38 1064191 (001646- ) Boot, Circuitbreaker 1

OPTIONS
3-28 M30 Gas/LPG 9003946 (5- 2015)
Fig. 14 - ec-H20 Solution Pump Supply Group
FRONT
1
2
3
4
5
6
7
9
10
11
12
13
14
15
16
17
18
19
20
21
22
23
24
25
26
27
28
29
30
31
32
33
34
35 36
37
38
39
5
4
4
4
6
20
5
4
4
20
34
32 30
420
5
4
40
41
42
43
44
8
8
4

OPTIONS
3-29
M30 Gas/LPG 9003946 (10- 2015)
356045
Fig. 14 - ec- H20 Solution Pump Supply Group
Ref. Part No. Serial Number Description Qty.
124544 (000000- )Fitting, Plstc, Str, Pm12/Pm12 1.60l 1
2 42133A (000000- ) Fitting, Plstc, Tee, Pf12/Pf12/Pf12 1
3 79273- 1 (000000- ) Fitting, Plstc, Str, Bm08/Pm12 1
4 54333 (000000- ) Clamp, Hose, Wormdrive, 0.31- 0.88d, .31w 9
5 1011412 (000000- ) Hose, Afmkt, Pvc, Brd, 0.50id, 08ft, Clr 1
664778 (000000- )Fitting, Plstc, E90, Bm08/Pm06 2
7 1005302 (000000- ) Filter, In- Line, Pf06/Pf06 080mesh 02.6l 1
8 763116 (000000- ) Tie, Cable, Nyl, 15.3l . W 4.5 Max D 4
9 1017415 (000000- ) Insert, Cplg, Qm, Bm08 1
10 1017413 (000000- ) Housing, Cplg, Qf / Pm08 1
11 63987- 1 (000000- )Fitting, Plstc, E90, Bm08/Bm08 1
12 1049254 (000000- ) Fitting, Nyl, Qdc, E90, Bm08/ Qm10 1
13 1059372 (000000- ) Fitting, Plstc, Str, Pf06/Qm10, Pvc 1
14 1005219 (000000- ) Fitting, Plstc, Str, Pm04/Pm06, Nyl 1
15 1060596 (000000- ) Manifold, Water 1
16 24698 (000000- )Fitting, Brs, Str, Pf02/Pm06 1
17 1017386 (000000- ) Valve, Vent, Air, Float Type 1
18 1058935 (000000- ) Switch, Press, 50 Psi, Pm02 1
19 1060693 (000000- ) Valve, Check, 0005psi Pm04/Bm06 1
20 43844 (000000- ) Clamp, Hose, Wormdrive, 0.25- 0.62d, .31w 4
21 1059391 (000000- )Fitting, Plstc, E90, Bm05/Bm05, Nyl 1
22 1052336 (000000- ) Hose, Afmkt, PVC, Brd, 0.31Id, 03Ft, Clr 2
23 1052017 (000000- ) Fitting, Plstc, Str, Bm05/Pm04 1
24 1071280 (000000- ) Fitting Assy, Qdc, Pf04 1
25 65581 (000000- ) Fitting, Plstc, E90, Bm08/Pm04 1
o26 9014281 (000000- )ec- H2O Kit, Flush, Replmt[M20, M30&T20] 1
Y27 72968 (000000- ) Rivet, Plstc, .250d X 0.90 2
Y28 1017415 (000000- ) Insert, Cplg, Qm, Bm08 1
Y29 630164 (000000- ) Fitting, Plstc, Str, Bm04/Bm08 1
Y30 1006415 (000000- ) Hose, Afmkt, Pvc, Clr, 0.25id, 03ft 2
Y31 50901 (000000- )Fitting, Plstc, Str, Bm04/Pm04 1
Y32 54333 (000000- ) Clamp, Hose, Wormdrive, 0.31- 0.88d, .31w 2
Y33 1011403 (000000- ) Hose, Afmkt, Pvc, Brd, 0.50id, 01ft, Clr 1
Y34 43844 (000000- ) Clamp, Hose, Wormdrive, 0.25- 0.62d, .31w 2
Y35 1071280 (000000- ) Fitting Assy, Qdc, Pf04 1
Y36 48790 (000000- )Pouch 1
37 14877 (000000- 004690 ) Fitting, Plstc, E90, Bm12/Pm12 1
37 73468 (004691- ) Fitting, Plstc, E90, Bm10/Pm12 1
38 49266 (000000- ) Tie, Cable, Nyl, 07.3l .19w 1.8 Max D 1
39 1062403 (000000- ) Fitting, Brs, Snubber, Pm02/Pf02 1
40 1060290 (000000- )Plate, Sppt 1
41 09740 (000000- ) Screw, Hex, M8 X 1.25 X 20, Ss 2
42 1017218 (000000- ) Washer, Flat, 0.32b 1.00d .12, Ss 2
43 1060845 (000000- ) Insulation, Acstc, Rear 1
44 1060386 (000000- )Insulation, Acstc, Adh 1

OPTIONS
3-30 M30 Gas/LPG 9003946 (10- 2015)
Fig. 15 - ec-H20 Solution Supply Group
FRONT
3
5
3
2
4
1
3
3
1
3
2
5

OPTIONS
3-31
M30 Gas/LPG 9003946 (10- 2015)
356043
Fig. 15 - ec- H20 Solution Supply Group
Ref. Part No. Serial Number Description Qty.
163810 (000000- )Clamp, Hose, Wormdrive, 0.56- 1.06d, .56w 2
2 1011837 (000000- ) Hose, Afmkt, Pvc, Brd, 0.50id, 12ft, Clr 1
3 54333 (000000- ) Clamp, Hose, Wormdrive, 0.31- 0.88d, .31w 5
4 385644 (000000- 004690 ) Fitting, Plstc, Tee, Bm08/Bm12/Bm12, Br 1
4 1015486 (004691- ) Fitting, Plstc, Tee, Bm08/Bm10/Bm10, Br 1
51015045 (000000- 004690 )Hose, Afmkt, Pvc, Brd, 0.75id, 08ft, Clr 1
5 1015032 (004691- ) Hose, Afmkt, Pvc, Brd, 0.62id, 08ft, Clr 1

OPTIONS
3-32 M30 Gas/LPG 9003946 (10- 2015)
Fig. 16 - ec-H20 Solution Supply Group with Side Brush
FRONT
FRONT
1
11
3
5
12
7
13
7
11
12
12
1
12
11
12
12
2
11
12
2
2
2
2
12
12
12
9
9
12
12
12
14
14
4
4
10
6
11
11
12
8

OPTIONS
3-33
M30 Gas/LPG 9003946 (10- 2015)
356044
Fig. 16 - ec- H20 Solution Supply Group with Side Brush
Ref. Part No. Serial Number Description Qty.
11010668 (000000- )Fitting, Plstc, Y, Bm08/Bm08/Bm08, Nyl 1
2 63810 (000000- ) Clamp, Hose, Wormdrive, 0.56- 1.06d, .56w 4
3 1037825 (000000- ) Valve Assy, Water, Solenoid, 12vdc 1
4 31543 (000000- ) Hose, Heater, E90, 0.62id, 24.0 4.0 1
5 24196 (000000- ) Screw, Pan, Phl, M5 X 0.80 X 20, Ss 2
6385644 (000000- 004690 )Fitting, Plstc, Tee, Bm08/Bm12/Bm12, Br 1
6 1015486 (004691- ) Fitting, Plstc, Tee, Bm08/Bm10/Bm10, Br 1
7 1010614 (000000- ) Valve, Check, 2gpm .5psi Bm08/Bm08 2
8 1061045 (000000- ) Plug, Restrictor 1
9 222375 (000000- ) Fitting, Plstc, Str, Bm06/Bm08 2
10 1014974 (000000- )Hose, Afmkt, Pvc, Brd, 0.38id, 02ft, Clr 1
11 1011412 (000000- ) Hose, Afmkt, Pvc, Brd, 0.50id, 08ft, Clr 1
12 54333 (000000- ) Clamp, Hose, Wormdrive, 0.31- 0.88d, .31w 18
13 763115 (000000- ) Tie, Cable, 6.0l, 1.25d Max 1
14 1015026 (004691- )Hose, Afmkt, Pvc, Brd, 0.62id, 03ft, Clr 1

OPTIONS
3-34 M30 Gas/LPG 9003946 (12- 2014)
Fig. 17 - ec- H20 Wire Harnesses Group
1

OPTIONS
3-35
M30 Gas/LPG 9003946 (12- 2012)
Fig. 17 - ec-H20 Wire Harnesses Group
2
3
4

OPTIONS
3-36 M30 Gas/LPG 9003946 (12- 2012)
356038
Fig. 17 - ec-H20 Wire Harnesses Group
Ref. Part No. Serial Number Description Qty.
11071947 (000000- )Harness, Wire [Ec- H2o, Mako, 2.0l & Dsl] 1
2 1060871 (000000- ) Harness, Wire [Ec- H2o] 1
3 1060880 (000000- ) Resistor, Ele, Plug [430 , 2w] 1
4 1060881 (000000- ) Capacitor, Plug [4700uf, 25v] 1

OPTIONS
3-37
M30 Gas/LPG 9003946 (8- 2013)
Fig. 18 - Backup Alarm Kit
1
2
3
4
5
6
7
8
354473
Ref. Part No. Serial Number Description Qty.
o9001321 (000000- )Alarm Kit, Backup, Ci [M20/T20/M30] 1
Y1 9007131 (000000- ) Alarm Assy, Backup, 12/48Vdc 1
Y2 24196 (000000- ) Screw, Pan, Phl, M5 X 0.80 X 20, Ss 2
Y3 19066 (000000- ) Washer, Flat, 10 2
Y4 09739 (000000- ) Nut, Hex, Lock, M5 X 0.80, Nl, Ss 2
Y51019445 (000000- )Bracket, Sppt, Strobe Light 1
Y6 09740 (000000- ) Screw, Hex, M8 X 1.25 X 20, Ss 4
Y7 1017218 (000000- ) Washer, Flat, 0.32b 1.00d .12, Ss 4
Y8 1019971 (000000- ) Harness, Warning / Backup [M20 & T20] 1

OPTIONS
3-38 M30 Gas/LPG 9003946 (1- 08)
Fig. 19 - Light Kit, Flashing
1
2
3
4
5
678
9
9
3
3
4

OPTIONS
3-39
M30 Gas/LPG 9003946 (8- 2013)
354475
Fig. 19 - Light Kit, Flashing
Ref. Part No. Serial Number Description Qty.
o9001327 (000000- )Light Kit, Flsh, Ci [M20 / T20 / M30] 1
Yo1 1017248 (000000- ) Light, Flsh, Amb, 12- 48vdc 1
YY 9000879 (000000- ) Lens, Amb, F/ Strobe / Flasher 1
YY 9000846 (000000- ) Lamp, Bulb, Flsh 1
Y55272 (000000- ) Terminal, Bullet, Mal, .157d, 12ga 2
Y224196 (000000- )Screw, Pan, Phl, M5 X 0.80 X 20, Ss 2
Y3 19066 (000000- ) Washer, Flat, 10 2
Y4 09739 (000000- ) Nut, Hex, Lock, M5 X 0.80, Nl, Ss 2
Y5 1019445 (000000- ) Bracket, Sppt, Strobe Light 1
Y6 09740 (000000- ) Screw, Hex, M8 X 1.25 X 20, Ss 4
Y71017218 (000000- )Washer, Flat, 0.32b 1.00d .12, Ss 4
Y8 1019971 (000000- ) Harness, Warning / Backup [M20 & T20] 1
Y9 46236 (000000- ) Clamp, Cable, Stl, 0.25d X 0.56w, 1hole 2
Y1027800 (000000- ) Lens, Blu, F/ Strobe / Flasher 1
Y1027798 (000000- )Lens, Red, F/ Strobe / Flasher 1

OPTIONS
3-40 M30 Gas/LPG 9003946 (8- 2013)
Fig. 20 - Light Kit, Strobe
1
2
3
4
5
678
9
9
3
3
4

OPTIONS
3-41
M30 Gas/LPG 9003946 (8- 2013)
354475
Fig. 20 - Light Kit, Strobe
Ref. Part No. Serial Number Description Qty.
o9001331 (000000- )Light Kit, Strobe, Ci [M20 / T20 / M30] 1
Yo1 1017250 (000000- ) Light, Strobe, Amb, 12- 48vdc 1
YY 9000879 (000000- ) Lens, Amb, F/ Strobe / Flasher 1
YY 9000845 (000000- ) Lamp, Bulb, Strobe 1
Y55272 (000000- ) Terminal, Bullet, Mal, .157d, 12ga 2
Y224196 (000000- )Screw, Pan, Phl, M5 X 0.80 X 20, Ss 2
Y3 19066 (000000- ) Washer, Flat, 10 2
Y4 09739 (000000- ) Nut, Hex, Lock, M5 X 0.80, Nl, Ss 2
Y5 1019445 (000000- ) Bracket, Sppt, Strobe Light 1
Y6 09740 (000000- ) Screw, Hex, M8 X 1.25 X 20, Ss 4
Y71017218 (000000- )Washer, Flat, 0.32b 1.00d .12, Ss 4
Y8 1019971 (000000- ) Harness, Warning / Backup [M20 & T20] 1
Y9 46236 (000000- ) Clamp, Cable, Stl, 0.25d X 0.56w, 1hole 2
Y1027800 (000000- ) Lens, Blu, F/ Strobe / Flasher 1
Y1027798 (000000- )Lens, Red, F/ Strobe / Flasher 1

OPTIONS
3-42 M30 Gas/LPG 9003946 (8- 2013)
Fig. 21 - Light Kit, Flashing Overhead Guard
1
2
3
4
5
6
7
6
6
7
8
354477
Ref. Part No. Serial Number Description Qty.
o9001718 (000000- )Light Kit, Flsh, W/Ohg, Ci[M20/T20/M30] 1
Yo1 1017248 (000000- ) Light, Flsh, Amb, 12- 48vdc 1
YY 9000879 (000000- ) Lens, Amb, F/ Strobe / Flasher 1
YY 9000846 (000000- ) Lamp, Bulb, Flsh 1
Y55272 (000000- ) Terminal, Bullet, Mal, .157d, 12ga 2
Y224196 (000000- )Screw, Pan, Phl, M5 X 0.80 X 20, Ss 2
Y3 19066 (000000- ) Washer, Flat, 10 2
Y4 09739 (000000- ) Nut, Hex, Lock, M5 X 0.80, Nl, Ss 2
Y5 1019647 (000000- ) Harness, Warning / Ohg [M20] 1
Y6 10632- 17 (000000- ) Grommet, Rbr, 0.50id, F/0.8h, .12 Matl 4
Y7763115 (000000- )Tie, Cable, 6.0l, 1.25d Max 4
Y8 49266 (000000- ) Tie, Cable, Nyl, 07.3l .19w 1.8 Max D 2
Y1027800 (000000- ) Lens, Blu, F/ Strobe / Flasher 1
Y1027798 (000000- ) Lens, Red, F/ Strobe / Flasher 1

OPTIONS
3-43
M30 Gas/LPG 9003946 (8- 2013)
Fig. 22 - Light Kit, Strobe Overhead Guard
1
2
3
4
5
6
7
6
6
7
8
354477
Ref. Part No. Serial Number Description Qty.
o9001717 (000000- )Light Kit, Strobe, W/ Ohg, Ci[M20/T20/M30] 1
Yo1 1017250 (000000- ) Light, Strobe, Amb, 12- 48vdc 1
YY 9000879 (000000- ) Lens, Amb, F/ Strobe / Flasher 1
YY 9000845 (000000- ) Lamp, Bulb, Strobe 1
Y55272 (000000- ) Terminal, Bullet, Mal, .157d, 12ga 2
Y224196 (000000- )Screw, Pan, Phl, M5 X 0.80 X 20, Ss 2
Y3 19066 (000000- ) Washer, Flat, 10 2
Y4 09739 (000000- ) Nut, Hex, Lock, M5 X 0.80, Nl, Ss 2
Y5 1019647 (000000- ) Harness, Warning / Ohg [M20] 1
Y6 10632- 17 (000000- ) Grommet, Rbr, 0.50id, F/0.8h, .12 Matl 4
Y7763115 (000000- )Tie, Cable, 6.0l, 1.25d Max 4
Y8 49266 (000000- ) Tie, Cable, Nyl, 07.3l .19w 1.8 Max D 2
Y1027800 (000000- ) Lens, Blu, F/ Strobe / Flasher 1
Y1027798 (000000- ) Lens, Red, F/ Strobe / Flasher 1

OPTIONS
3-44 M30 Gas/LPG 9003946 (12- 2014)
Fig. 23 - Overhead Guard Kit
1
2
3
45
6
7
8
9
10
11
4
11
4
5
5
4
45
56
4
11
12
13
13

OPTIONS
3-45
M30 Gas/LPG 9003946 (12- 2014)
354478
Fig. 23 - Overhead Guard Kit
Ref. Part No. Serial Number Description Qty.
o9001314 (000000- )Ohg Kit, Ci [M20 And T20] 1
Y1 1022276 (000000- ) Guard Wldt, Top, Ohg 1
Y2 1069241 (000000- ) Tube Wldt, Leg, Ohg, Lh, Pntd 1
Y3 1069253 (000000- ) Tube Wldt, Leg, Ohg, Rh, Pntd 1
Y4 03192 (000000- ) Screw, Hex, M10 X 1.5 X 30, 8.8 12
Y532492 (000000- )Washer, Flat, 0.38 Std 17
Y6 41430 (000000- ) Nut, Hex, Lock, M10 X 1.5, Nl 8
Y7 1023879 (000000- ) Bracket, Mtg, Mirror, Rearview 1
Y8 1050295 (000000- ) Mirror, Convex, 0.50D 1
Y9 32491 (000000- ) Washer, Flat, 0.31, Std 1
Y10 19313 (000000- )Nut, Hex, Std, .31- 18 1
Y11 1014563 (000000- ) Washer, Flat, 0.40b 1.12d .12, Ss 3
12 1032830 (000000- 004475 ) Insulation 1
13 1032831 (000000- 004475 ) Insulation 2

OPTIONS
3-46 M30 Gas/LPG 9003946 (12- 2014)
Fig. 24 - Telemetry Group
1
2
3
4
5
6
7
8
9
10
11
12
13
14
15
16
17
18
11

OPTIONS
3-47
M30 Gas/LPG 9003946 (12- 2014)
356267
Fig. 24 - Telemetry Group
Ref. Part No. Serial Number Description Qty.
19010085 (000000- )Control Box Assy Kit, Replmt, Telem[Usa] 1
1 9010086 (000000- ) Control Box Assy Kit, Replmt, Telem[Can] 1
2 1069761 (000000- ) Insulation, Flame- Retardant, 0.75- 0.88 1
3 1069755 (000000- ) Panel, Access, Door 1
4 763147 (000000- ) Screw, Btn, M6 X 1.0 X 20, 10.9, Blk 4
532483 (000000- )Washer, Flat, 0.25, Sae 4
6 08708 (000000- ) Nut, Hex, Lock, M6 X 1.00, Nl 4
7 1069662 (000000- ) Harness, Extn, Telem [M30] 1
8 1070324 (000000- ) Antenna, Telem, 110 In [Gprs] 1
9 140916 (000000- ) Clamp, Cable, Nyl, 0.62d, Nat 2
10 24199 (000000- ) Screw, Hex, M5 X 0.80 X 16, Ss 2
11 01683 (000000- ) Washer, Flat, 10, Ss 4
12 06549 (000000- ) Nut, Hex, Lock, M5 X 0.80, Nl 2
13 1070402 (000000- ) Angle, Mtg, Antenna, Telem 1
14 1040467 (000000- ) Screw, Hex, M6 X 1.00 X 20, 9.8, Sems 2
15 01684 (000000- )Washer, Flat, 0.27b 0.69d .05, Ss 2
16 08712 (000000- ) Nut, Hex, Lock, M6 X 1.00, Nl, Ss 2
17 10632- 12 (000000- ) Grommet, Rbr, 0.38id, F/0.5h, .12 Matl 1
18 1069580 (000000- ) Label, Machine, Telem [Fcc, Usa, 2g/3g] 1

OPTIONS
3-48 M30 Gas/LPG 9003946 (1- 08)
Fig. 25 - Vacuum Wand Kit
1
2
3
4
5
6
7
8
9
10

OPTIONS
3-49
M30 Gas/LPG 9003946 (1- 08)
354659
Fig. 25 - Vacuum Wand Kit
Ref. Part No. Serial Number Description Qty.
o9004071 (000000- )Wand Kit, Vacuum, Sqge, Ci [M30] 1
Y1 65580 (000000- ) Bag, Power 1
Y2 72968 (000000- ) Rivet, Plstc, .250d X 0.90 4
Y3 63448 (000000- ) Tube, Wand, Vacuum, Metal 1
Y4 69657 (000000- ) Hose Assy, W/2cuff, 1.5d 084l [Vacwand] 1
Y569659 (000000- )Plunger 1
Y6 55845 (000000- ) Screw, Hex, M5 X 0.80 X 16, Fmg 2
Y7 63430 (000000- ) Shoe, Plstc, Sqge, 14.0 1
Y8 63451 (000000- ) Nozzle, Wand, Plstc, 14.0l 1
Y9 67004 (000000- ) Clip, Grip, Finger, 1.00- 1.88d White,Vyl 2
Y10 19064 (000000- )Washer, Flat, 06 6

OPTIONS
3-50 M30 Gas/LPG 9003946 (10- 2015)
Fig. 26 - Spray Nozzle Kit
FRONT
1
2
3
4
5
33
12
7
33
19
31
14
15
16
7
8
9
10
11
18
30
21
22
23
24
25 26 27
28
29
6
20
13
7
17
32
6
3
34

OPTIONS
3-51
M30 Gas/LPG 9003946 (10- 2015)
354480
Fig. 26 - Spray Nozzle Kit
Ref. Part No. Serial Number Description Qty.
o9004031 (000000- )Nozzle Kit, Spray, Ci [M30] 1
Y1 1026743 (000000- ) Pump, Diaphragm (See Breakdowns) 1
Y2 1027007 (000000- ) Plate, Mtg, Pump 1
Y3 06939 (000000- ) Screw, Pan, Phl, M5 X 0.80 X 45, 4.8 4
Y4 19066 (000000- ) Washer, Flat, 10 4
Y506549 (000000- )Nut, Hex, Lock, M5 X 0.80, Nl 2
Y6 1011412 (000000- ) Hose, Afmkt, Pvc, Brd, 0.50Id, 08Ft, Clr 1
Y7 63810 (000000- ) Clamp, Hose, Wormdrive, 0.56- 1.06d, .56w 4
Y8 1019250 (000000- ) Hose, Water, Coil, 0.38id 0.56od 1
Y9 769785 (000000- ) Nozzle, Spray, Gun 1
Y10 1027976 (000000- )Fitting, Brs, Str, Pf06/Pm12 1
Y11 1027237 (000000- ) Bracket, Mtg, Spray Handle 1
Y12 1015486 (004691- ) Fitting, Plstc, Tee, Bm08/Bm10/Bm10, Br 1
Y13 1018499 (000000- ) Fitting, Plstc, E90, Bm08/Pf08s, Swivel 1
Y14 398500 (000000- ) Switch, Rocker, Dpdt, On / None / On 1
Y15 1029790 (000000- )Bracket, Mtg, Spray Wand [FaST, Conv] 1
Y16 09740 (000000- ) Screw, Hex, M8 X 1.25 X 20, Ss 2
Y17 1017218 (000000- ) Washer, Flat, 0.32b 1.00d .12, Ss 2
Y18 1027978 (000000- ) Fitting, Brs, Str, Pf06/Pf06 Bh 1
Y19 64778 (000000- ) Fitting, Plstc, E90, Bm08/Pm06 1
Y20 1029055 (000000- )Wand, Clean- Out 1
Y21 1029057 (000000- ) Clip, Grip, Finger, .875- 1.25 2
Y22 20394 (000000- ) Screw, Hex, 10- 16 X 0.62, Fmg/Ab, Pl 2
Y23 01683 (000000- ) Washer, Flat, 10, Ss 4
Y24 375321 (000000- ) Fitting, Brs, Str, Pm08/Garden Hose 1
Y25 01316 (000000- )Washer, Flat, 0.66b 1.00d .12, Rbr 1
Y26 1029153 (000000- ) Fitting, Brs, Spcl [Garden Hose] 1
Y27 1029155 (000000- ) Coupling, Nozzle, Spray 1
Y28 1029156 (000000- ) Nozzle 1
Y29 1029399 (000000- ) Valve, Shutoff 1
Y30 1021881 (000000- ) Harness, Spray, Nozzle 1
Y31 56186 (000000- ) Relay, 12vdc, 040a, Spdt No 1
Y32 1018495 (000000- ) Fitting, Plstc, Str, Bm08/Pf08s, Swivel 1
Y33 54333 (000000- ) Clamp, Hose, Wormdrive, 0.31- 0.88d, .31w 2
34 385644 (000000- 004690 )Fitting, Plstc, Tee, Bm08/Bm12/Bm12, Br 1

OPTIONS
3-52 M30 Gas/LPG 9003946 (1- 08)
Fig. 27 - Pressure Washer Mount Group
1
2
3
2
3
4
5
67
8
9
9
9
10
11
12
13
14
15
16
17

OPTIONS
3-53
M30 Gas/LPG 9003946 (1- 08)
354672
Fig. 27 - Pressure Washer Mount Group
Ref. Part No. Serial Number Description Qty.
11039056 (000000- )Hose, Rbr, 25ft 1
2 1042051 (000000- ) Fitting, Ss, Qdc, Fem 2
3 1042772 (000000- ) Fitting, Brs, Str, Pf06/Pm04 2
4 1039042 (000000- ) Handle, Gun, Trigger 1
5 1039044 (000000- ) Wand, Str, Ss, 28l 1
61044428 (000000- )Fitting, Brs, Str, Pm04/Pm06 [Hp] 1
7 1042191 (000000- ) Fitting, Ss, Qdc, Mal 1
8 1041935 (000000- ) Nozzle, Spray [Pressure Washer] 1
9 67004 (000000- ) Clip, Grip, Finger, 1.00- 1.88d White,Vyl 3
10 20394 (000000- ) Screw, Hex, 10- 16 X 0.62, Fmg/Ab, Pl 3
11 01683 (000000- )Washer, Flat, 10, Ss 12
12 56186 (000000- ) Relay, 12vdc, 040a, Spdt No 1
13 1040899 (000000- ) Switch, Rocker, Prgrsv 1
14 1040898 (000000- ) Harness, Press Wash [M30] 1
15 49266 (000000- ) Tie, Cable, Nyl, 07.3l .19w 1.8 Max D 5
16 65580 (000000- )Bag, Power 1
17 72968 (000000- ) Rivet, Plstc, .250D X 0.90 2

OPTIONS
3-54 M30 Gas/LPG 9003946 (1- 08)
Fig. 28 - Pressure Washer Solution Group
1
2
3
4
4
5
6
7
8
9
10
11
12
13
14
15
16 17
16
18
19
20
21
22
23
24
25
24
27
27
27
27
27
27
28
29
30
31
32
33
26

OPTIONS
3-55
M30 Gas/LPG 9003946 (1- 08)
354673
Fig. 28 - Pressure Washer Solution Group
Ref. Part No. Serial Number Description Qty.
11037634 (000000- )Bracket, Mtg, Motor 1
2 1038855 (000000- ) Pump, Hyd, Press Washer (See Breakdowns) 1
3 09010 (000000- ) Screw, Hex, M8 X 1.25 X 25, Ss 3
4 01685 (000000- ) Washer, Flat, 0.38b 0.88d .08, Ss 7
5 15675 (000000- ) Screw, Hex, M8 X 1.25 X 16, Ss 4
61039046 (000000- )Valve, Needle 1
7 1042859 (000000- ) Fitting, Brs, Str, Bm12/Pm08 1
8 1042579 (000000- ) Fitting, Brs, E90, Pf08/Pm06 1
9 1044429 (000000- ) Fitting, Brs, Str, Pm06/Pm08 [Hp] 1
10 1044428 (000000- ) Fitting, Brs, Str, Pm04/Pm06 [Hp] 1
11 1042191 (000000- )Fitting, Ss, Qdc, Mal 1
12 45142 (000000- ) Bolt, U, .25- 20 X 2.00, 1.10id 2
13 07515 (000000- ) Washer, Lock, Int, 0.25, Ss 4
14 1040709 (000000- ) Bracket, Mtg, Needle 1
15 1037346 (000000- ) Screw, Hex, M8 X 1.25 X 25, 9.8, Sems 2
16 377334 (000000- )Fitting, Brs, Str, Bm12/Pm12 2
17 1039037 (000000- ) Filter, Y, Inline, .75 1
18 1039348 (000000- ) Sleeve, 0.49b 0.68d 1.2l [304ss] 1
19 53466 (000000- ) Clamp, Cable, Stl, 1.50d X 1.00w, 1hole 1
20 32731 (000000- ) Screw, Hex, M10 X 1.50 X 50, Ss 1
21 01686 (000000- )Washer, Flat, 0.44b 1.00d .08, Ss 1
22 1044429 (000000- ) Fitting, Brs, Str, Pm06/Pm08 [Hp] 1
23 48697 (000000- ) Fitting, Brs, E90, Em12/Pm08 1
24 1045034 (000000- ) Hose, Afmkt, Pvc, Wir, 0.75id, 08ft, Clr 1
25 1045045 (000000- ) Hose, Afmkt, Pvc, Wir, 0.75id, 02ft, Clr 1
26 1041952 (000000- )Label Set, Info/Hzrd, Press Wash 1
27 63810 (000000- ) Clamp, Hose, Wormdrive, 0.56- 1.06d, .56w 6
28 1041351 (000000- ) Fitting, Brs, E90, Bm12/Pm12 2
29 377349 (000000- ) Fitting, Plstc, Pf12/Pf12, Bh 1
30 385685 (000000- ) Sensor, Level, Liq, 14vdc 01a .62- 11 1
31 1019285 (000000- )Bracket, Protector, Float Switch 1
32 1027290 (000000- ) Filter, Soltn, 20mesh, Pm12 3.1d 02.6l 1
33 1041391 (000000- ) Hose, Hyd, Tc08, Jf08E45/JF08Str, 18.0 1

OPTIONS
3-56 M30 Gas/LPG 9003946 (12- 2012)
Fig. 29 - Pressure Washer Hydraulic Hoses Group (000000- 003999)
Vac Fan
Motor
(Sweep)
P3
1
2
3
456
6
7
8
9
10
11
11
12
13
14 15
With Side Brush
With Out Side Brush

OPTIONS
3-57
M30 Gas/LPG 9003946 (12- 2012)
354674
Fig. 29 - Pressure Washer Hydraulic Hoses Group (000000- 003999)
Ref. Part No. Serial Number Description Qty.
11038571 (000000- 003999 )Valve, Hyd, Press Washer 1
2 1040512 (000000- 003999 ) Bracket, Mtg 1
3 06948 (000000- 003999 ) Screw, Hex, M6 X 1.00 X 60, 8.8 2
4 08708 (000000- 003999 ) Nut, Hex, Lock, M6 X 1.00, Nl 2
5 32483 (000000- 003999 ) Washer, Flat, 0.25, Sae 2
640755 (000000- 003999 )Fitting, Hyd, Tee, Jm08/Jm08/Om08, Run 2
7 71741 (000000- 003999 ) Hose, Hyd, Tc08, Jf08e90/Jf08str, 046.0 1
8 1040216 (000000- 003999 ) Hose, Hyd, Tc08, Jf08e90/Jf08str, 029.0 1
9 381858 (000000- 003999 ) Hose, Hyd, Tc08, Jf08e90/Jf08str, 024.0 1
10 1040630 (000000- 003999 ) Hose, Hyd, Med04, Jf04e90/Jf04str, 022.0 1
11 42227 (000000- 003999 )Fitting, Hyd, Str, Jm08/Om12 2
12 55685 (000000- 003999 ) Fitting, Hyd, Str, Jm04/Om06 1
13 47638 (000000- 003999 ) Fitting, Hyd, E90, Jm04/Om06 1
14 1036902 (000000- 003999 ) Hose, Hyd, Tc08, Jf08str/Jf08str, 039.0 1
15 361037 (000000- 003999 )Hose, Hyd, Tc08, Jf08str/Jf08str, 027.0 1

OPTIONS
3-58 M30 Gas/LPG 9003946 (12- 2012)
Fig. 30 - Pressure Washer Hydraulic Hoses Group (004000- )
Vac Fan
Motor
(Sweep)
P3
1
16
3
456
6
7
8
9
10
11 12
13
2
With Side
Brush
With Out
Side Brush
11
14
15

OPTIONS
3-59
M30 Gas/LPG 9003946 (12- 2012)
354674
Fig. 30 - Pressure Washer Hydraulic Hoses Group (004000- )
Ref. Part No. Serial Number Description Qty.
11038571 (004000- )Valve, Hyd, Press Washer 1
2 1071852 (004000- ) Bracket, Mtg 1
3 06948 (004000- ) Screw, Hex, M6 X 1.00 X 60, 8.8 2
4 08708 (004000- ) Nut, Hex, Lock, M6 X 1.00, Nl 2
5 32483 (004000- ) Washer, Flat, 0.25, Sae 2
640755 (004000- )Fitting, Hyd, Tee, Jm08/Jm08/Om08, Run 2
7 365007 (004000- ) Hose, Hyd, Tc08, Jf08str/Jf08str, 072.0 1
8 396209 (004000- ) Hose, Hyd, Tc08, Jf08e90/Jf08str, 054.0 1
9 1039753 (004000- ) Hose, Hyd, Tc08, Jf08e90/Jf08str, 042.0 1
10 1040630 (004000- ) Hose, Hyd, Med04, Jf04e90/Jf04str, 022.0 1
11 42227 (004000- )Fitting, Hyd, Str, Jm08/Om12 2
12 55685 (004000- ) Fitting, Hyd, Str, Jm04/Om06 1
13 47638 (004000- ) Fitting, Hyd, E90, Jm04/Om06 1
14 1037072 (004000- ) Hose, Hyd, Tc08, Jf08str/Jf08str, 052.0 1
15 1036902 (004000- ) Hose, Hyd, Tc08, Jf08str/Jf08str, 039.0 1
16 1037354 (004000- )Screw, Hex, M8 X 1.25 X 30, 9.8, Sems 2

OPTIONS
3-60 M30 Gas/LPG 9003946 (5- 2016)
Fig. 31 - Transport Kit
FRONT
1
3
4
5
4
5
726
8
9
10
6
2
1
3
4
5
4
5

OPTIONS
3-61
M30 Gas/LPG 9003946 (5- 2016)
354481
Fig. 31 - Transport Kit
Ref. Part No. Serial Number Description Qty.
o9014867 (000000- )Transport Kit, Ci [M20/M30} 1
Y1 1040800 (000000- ) Bracket, Latch, Cover 2
Y2 1020526 (000000- ) Bracket, Retaining, Hose 2
Y3 1032896 (000000- ) Plate, Hook, Latch, [M20] 2
Y4 09744 (000000- ) Screw, Hex, M6 X 1.00 X 12, Ss 8
Y501684 (000000- )Washer, Flat, 0.27b 0.69d .05, Ss 8
Y6 360824 (000000- ) Latch 2
Y7 09200 (000000- ) Screw, Pan, Phl, M5 X 0.80 X 12, Ss 4
Y8 09739 (000000- ) Nut, Hex, Lock, M5 X 0.80, Nl, Ss 4
Y9 393135 (000000- ) Screw, Btn, M8 X 1.25 X 20, Blk 2
Y10 32491 (000000- )Washer, Flat, 0.31, Std 2

OPTIONS
3-62 M30 Gas/LPG 9003946 (5- 2016)
Fig. 32 - Squeegee Guard Kit
1
1
2
2
3
4
3
4
5
4
4
6
6
4
4
7
7
8
9
10
11
12
12
14
13
4
15
15
FRONT

OPTIONS
3-63
M30 Gas/LPG 9003946 (5- 2016)
354650
Fig. 32 - Squeegee Guard Kit
Ref. Part No. Serial Number Description Qty.
o9004029 (000000- )Guard Kit, Sqge, Ci [M30] 1
Y1 1027560 (000000- ) Bracket Wldt, Guard, Sqge 2
Y2 1024977 (000000- ) Bumper, Ure, 1.50d 1.25l 2
Y3 21196 (000000- ) Screw, Hex, .38- 16 X 0.88, G5 2
Y4 32492 (000000- ) Washer, Flat, 0.38, Std 10
Y51056191 (000000- )Guard Wldt, Sqge, Pntd [M30] 1
Y6 06965 (000000- ) Screw, Hex, M10 X 1.50 X 80, 8.8 2
Y7 41430 (000000- ) Nut, Hex, Lock, M10 X 1.5, Nl 2
Y8 369359 (000000- ) Pin, Hitch, .375d X 3.12l, Pl 1
Y9 57702 (000000- ) Cable, Glv .06d 012.0l .26eye /.26eye 1
Y10 09738 (000000- ) Screw, Hex, M5 X 0.80 X 12, Ss 1
Y11 01683 (000000- ) Washer, Flat, 10, Ss 1
Y12 1045444 (000000- ) Guard Wldt, Sqge 2
Y13 32486 (000000- ) Washer, Flat, 0.50, Sae 2
Y14 368176 (000000- ) Screw, Hex, M10 X 1.50 X 35, 10.9 4
Y15 39284 (000000- )Screw, Hex, M10 X 1.50 X 35, 8.8 4

OPTIONS
3-64 M30 Gas/LPG 9003946 (8- 2013)
Fig. 33 - Engine Radiator Screen Kit (001250- 003999)
1
2
3
4
5
6
7
8
910
11
12
13
14
15
16
17
18
19
20
21
22
14
22
15
17
16 23
23
24

OPTIONS
3-65
M30 Gas/LPG 9003946 (8- 2013)
356399 - CE
Fig. 33 - Engine Radiator Screen Kit (001250- 003999)
Ref. Part No. Serial Number Description Qty.
o9010988 (001250- 003999 )Rad Screen Kit, Replmt [M/T20,M30 G/Lp] 1
Y1 1071041 (001250- 003999 ) Bracket Wldt, Radiator, Fan, Gas/Lpg 1
Y2 1071033 (001250- 003999 ) Frame Wldt, Screen, Rad 1
Y3 1071047 (001250- 003999 ) Plate, Cover, Screen 1
Y4 1054428 (001250- 003999 ) Shroud, Fan 1
Y51031566 (001250- 003999 )Fan, Cooling, 14.1d, 6 Blade, 0.5b Taper 1
Y6 1072505 (001250- 003999 ) Sheave, Mach [Gm1.6l 2615rpm Fan] 1
Y7 1051534 (001250- 003999 ) Concept, Latch 1
Y8 1058777 (001250- 003999 ) Bracket, Shrd, Fan, Upper, Sppt, Gas/Lpg 1
Y9 1058753 (001250- 003999 ) Bracket, Shrd, Fan, Lower, Gas/Lpg 1
Y10 1064443 (001250- 003999 )Bracket, Shrd, Radiator, Gas/Lpg, Ce 1
Y11 1020234 (001250- 003999 ) Screw, Hex, M4 X 0.70 X 10, Ss 2
Y12 02850 (001250- 003999 ) Nut, Hex, Lock, M4 X 0.70, Nl 2
Y13 57702 (001250- 003999 ) Cable, Glv .06d 012.0l .26eye /.26eye 1
Y14 361339 (001250- 003999 ) Screw, Hex, M6 X 1.00 X 16, Fmg 2
Y15 32483 (001250- 003999 )Washer, Flat, 0.25, Sae 6
Y16 1036892 (001250- 003999 ) Screw, Hex, M6 X 1.00 X 25, 9.8, Sems 4
Y17 08708 (001250- 003999 ) Nut, Hex, Lock, M6 X 1.00, Nl 4
Y18 1037346 (001250- 003999 ) Screw, Hex, M8 X 1.25 X 25, 9.8, Sems 2
Y19 32491 (001250- 003999 ) Washer, Flat, 0.31, Std 2
Y20 08709 (001250- 003999 )Nut, Hex, Lock, M8 X 1.25, Nl 2
Y21 1037354 (001250- 003999 ) Screw, Hex, M8 X 1.25 X 30, 9.8, Sems 3
Y22 1037355 (001250- 003999 ) Screw, Hex, M8 X 1.25 X 35, 9.8, Sems 1
Y23 1055377 (001250- 003999 ) Bearing, Ball, 20mm B 42mm D 12mm W 2
Y24 1048166 (001250- 003999 )Seal, Afmkt, Bulb, Str, 0.58d 08ft 1

OPTIONS
3-66 M30 Gas/LPG 9003946 (1- 08)
Fig. 34 - Fire Extinguisher Kit
1
2
354484
Ref. Part No. Serial Number Description Qty.
9001316 (000000- )Extinguisher Kit, Fire, Ci [M20/T20/M30] 1
1 25312 (000000- ) Extinguisher, Fire, 2.5 Lb Dry 1
2 382320 (000000- ) Screw, Pan, Phl, 12- 16 X 0.50, F/ Plstc 2

OPTIONS
3-67
M30 Gas/LPG 9003946 (12- 2014)
Fig. 35 - Documentation Group
Ref. Part No. Serial Number Description Qty.
9003943 (000000- )Manual, Oprtr [M30 Gas/Lpg En] 1
9003944 (000000- ) Manual, Oprtr [M30 Gas/Lpg Es] 1
9003945 (000000- ) Manual, Oprtr [M30 Gas/Lpg Fr] 1
9003946 (000000- ) Manual, Parts [M30 Gas/Lpg En] 1
9003947 (000000- ) Manual, Service [M30 En] 1
1042640 (000000- )Media, Dvd, Oprtr [W/ Checklist M30] 1
9003926 (000000- ) Manual, Eng, Cd- Rom [Tier II,Gm1.6L] 1
9004702 (000000- ) Manual, Oprtr [M30 Gas/Lpg, Pt, Br] 1
9004676 (000000- ) Manual, Oprtr [M30 Gas/Lpg, Jp] 1
9004677 (000000- ) Manual, Oprtr [M30 Gas/Lpg, Cn] 1
9004678 (000000- )Manual, Oprtr [M30 Gas/Lpg, Cz, Ce] 1
9004679 (000000- ) Manual, Oprtr [M30 Gas/Lpg, De, Ce] 1
9004680 (000000- ) Manual, Oprtr [M30 Gas/Lpg, Dk, Ce] 1
9004681 (000000- ) Manual, Oprtr [M30 Gas/Lpg, En, Ce] 1
9004682 (000000- ) Manual, Oprtr [M30 Gas/Lpg, Es, Ce] 1
9004683 (000000- )Manual, Oprtr [M30 Gas/Lpg, Fi, Ce] 1
9004684 (000000- ) Manual, Oprtr [M30 Gas/Lpg, Fr, Ce] 1
9004685 (000000- ) Manual, Oprtr [M30 Gas/Lpg, Gr, Ce] 1
9004686 (000000- ) Manual, Oprtr [M30 Gas/Lpg, Hu, Ce] 1
9004687 (000000- ) Manual, Oprtr [M30 Gas/Lpg, It, Ce] 1
9004688 (000000- )Manual, Oprtr [M30 Gas/Lpg, Nl, Ce] 1
9004689 (000000- ) Manual, Oprtr [M30 Gas/Lpg, No, Ce] 1
9004690 (000000- ) Manual, Oprtr [M30 Gas/Lpg, Pl, Ce] 1
9004691 (000000- ) Manual, Oprtr [M30 Gas/Lpg, Pt, Ce] 1
9004692 (000000- ) Manual, Oprtr [M30 Gas/Lpg, Ru, Ce] 1
9004693 (000000- )Manual, Oprtr [M30 Gas/Lpg, Se, Ce] 1
9004694 (000000- ) Manual, Oprtr [M30 Gas/Lpg, Tr, Ce] 1
9004695 (000000- ) Manual, Oprtr [M30 Gas/Lpg, Ee, Ce] 1
9004696 (000000- ) Manual, Oprtr [M30 Gas/Lpg, Lv, Ce] 1
9004697 (000000- ) Manual, Oprtr [M30 Gas/Lpg, Lt, Ce] 1
9004698 (000000- )Manual, Oprtr [M30 Gas/Lpg, Sk, Ce] 1
9004699 (000000- ) Manual, Oprtr [M30 Gas/Lpg, Si, Ce] 1
9004700 (000000- ) Manual, Oprtr [M30 Gas/Lpg, Bg, Ce] 1
9004701 (000000- ) Manual, Oprtr [M30 Gas/Lpg, Ro, Ce] 1
9011428 (000000- ) Manual, Oprtr [M30 Gas/Lpg, Hr] 1
9006257 (000000- )Media, Cd- Rom, Training [ec- H2O Tennant] 1
9010635 (000000- ) Manual, Service, Cd- Rom [Mit2.0l] 1
To view, print, order, download the latest Parts manual, other language
Operator manuals, and Use and Care Guides (wall charts), visit:
www.tennantco.com/manual

OPTIONS
3-68 M30 Gas/LPG 9003946 (1- 08)

BREAKDOWNS
4-1
M30 Gas/LPG 9003946 (6- 2014)
SECTION 4
Contents Page
Fig. 1 - Extended Scrub Pump Breakdown,
1021210 4-2..........................
Fig. 2 - Hydraulic Motor Breakdown, 379609 4-4...
Fig. 3 - Hydraulic Pump Breakdown, 1024251 4-6.
Fig. 4 - Hydraulic Gear Pump Breakdown,
1034448 4-8..........................
Fig. 5 - Hydraulic Motor Breakdown, 71729 4-10...
Fig. 6 - Hydraulic Motor Breakdown, 1029379 4-11
Fig. 7 - Hydraulic Steering Valve Breakdown,
1024260 4-12.........................
Fig. 8 - Hydraulic Valve Breakdown, 1038566 4-14.
Fig. 9 - Hydraulic Valve Breakdown, 1072995 4-16.
Fig. 10 - Hydraulic Valve Breakdown, 1037805 4-18.
Fig. 11 - Hydraulic Valve Breakdown, 1072997 4-20.
Fig. 12 - Hydraulic Motor Breakdown, 53485 4-22...
Fig. 13 - Metering Solution Pump
Breakdown, 73260 4-23................
Fig. 14 - Water Pump Breakdown, 1026743 4-24...
Fig. 15 - Water Pump Motor
Breakdown, 1038855 4-25..............
Fig. 16 - ec- H20 Module Assembly
Breakdown, 9007882 4-26..............
Fig. 17 - Seat Breakdown, 1072456 4-28..........
Fig. 18 - FaST Injector Assembly
Breakdown, 9008868 4-30..............

BREAKDOWNS
4-2 M30 Gas/LPG 9003946 (1- 08)
Fig. 1 - Extended Scrub Pump Breakdown, 1021210
2
3
4
5
6
7
8
9
10
1
11
12
13
14
15
16
17

BREAKDOWNS
4-3
M30 Gas/LPG 9003946 (1- 08)
354377 - ALL
Fig. 1 - Extended Scrub Pump Breakdown, 1021210
Ref. Part No. Serial Number Description Qty.
o1021210 (000000- )Pump Assy, Column, Es 1
Yo1 9002708 (000000- ) Motor, Ele, 12vdc, Pump, Water 1
YY 78829 (000000- ) Kit, Brush, Motor, Ele 1
Yo2 24358 (000000- ) Cap Assy, Tank, Drain 1
YY 3 1031699 (000000- ) Gasket, 4.05id 5.29od .19 [Buna] 1
Y478833 (000000- )Tube, Vinyl, Pump, Water 1
Y5 78398 (000000- ) Fitting, Plstc, Str, Bm12/Pm08, Nyl 1
Y6 78843 (000000- ) Housing Kit, Pump, Water 1
Y7 78836 (000000- ) Column, Pump, Water 1
Y8 9002709 (000000- ) Shaft, Pump, Water 1
Y978838 (000000- )Fitting, E, Gr 1
Y10 78839 (000000- ) Fitting, Plstc, E90, Pf Bm [Es Pump] 1
Yo11 78842 (000000- ) Kit, Valve, Check, Pump, Water 1
YY 12 78840 (000000- ) Valve, Check, Pump, Water 1
YY 13 73342 (000000- ) Gasket, .25 1.88d 1.0id [Poron] 1
YY 14 78841 (000000- )Flapper, Valve, Pump, Water 1
Y15 78830 (000000- ) Washer, Rbr 1
Y16 22790 (000000- ) Insert, Cap, Mount, Es Pump 1
Y17 23285 (000000- ) Sleeve, Pump, Water 1

BREAKDOWNS
4-4 M30 Gas/LPG 9003946 (1- 08)
Fig. 2 - Hydraulic Motor Breakdown, 379609
1
2
34
5
6
7
8
9
10
11
12
13
14
22
23
25
24
25
25
25
24
25
24
24
24
26
16
15
16 21 18
19
20 18 21 17
20

BREAKDOWNS
4-5
M30 Gas/LPG 9003946 (1- 08)
350628- 09670
Fig. 2 - Hydraulic Motor Breakdown, 379609
Ref. Part No. Serial Number Description Qty.
o379609 (000000- )Motor, Hyd, Gear, [Int], 19.0 X 3000 1
Y1 74165 (000000- ) Shaft, Motor, Hyd 1
Y2 74166 (000000- ) Housing, Brg, Motor, Hyd 1
Y3 74167 (000000- ) Retainer, Motor, Hyd 1
Y4 74168 (000000- ) Screw, Cap, Motor, Hyd 8
Y537616 (000000- )Drive, Motor, Hyd 1
Y6 37756 (000000- ) Geroler, Motor, Hyd 1
Y7 74122 (000000- ) Plate, Valve, Motor, Hyd 1
Y8 52405 (000000- ) Valve, Motor, Hyd 1
Y9 74123 (000000- ) Valve, Motor, Hyd 1
Y10 34178 (000000- )Spring, Motor, Hyd 2
Y11 38968 (000000- ) Ring, Motor, Hyd 1
Y12 74125 (000000- ) Bolt, Motor, Hyd 3
Y13 38255 (000000- ) Bolt, Motor, Hyd 1
Y14 373297 (000000- ) Housing, Valve 1
Y15 373298 (000000- )Plug 1
Y16 373260 (000000- ) Plug, Pump, Hyd, Gear 2
Y17 373299 (000000- ) Plug 1
Y18 373291 (000000- ) Spring 2
Y19 373217 (000000- ) Piston, Pump, Hyd, Gear 1
Y20 373226 (000000- )Poppet, Pump, Hyd, Gear 2
Y21 373236 (000000- ) Sleeve, Dashpo, Pump, Hyd, Gear 2
Y22 45622 (000000- ) Nut, Motor, Hyd 1
Y23 45623 (000000- ) Key, Motor, Hyd 1
Y24 79828 (000000- ) Kit, Seal, Motor, Hyd 1
Y25 33580 (000000- )Kit, Seal, Motor, Hyd 1
26 79729 (000000- ) Instr, Repair, Motor, Hyd, Gear 1

BREAKDOWNS
4-6 M30 Gas/LPG 9003946 (1- 08)
Fig. 3 - Hydraulic Pump Breakdown, 1024251
20
25
29
15
5
16
7
10
11
12
13
27
24
14
28
25
13
21
29
2
29
22
20
12
16
17
3
18
8
31
29
23
19
29
4
29
29
30
1
12
12
13
12
9
29
26
10
8
6
29

BREAKDOWNS
4-7
M30 Gas/LPG 9003946 (1- 08)
ALL
Fig. 3 - Hydraulic Pump Breakdown, 1024251
Ref. Part No. Serial Number Description Qty.
o1024251 (000000- )Pump, Hyd, Piston, Var, 1.24 4000, Cw 1
Y1 373681 (000000- ) Shaft, Pump 1
Y2 373427 (000000- ) Cover, End 1
Y3 373389 (000000- ) Housing 1
Y4 02706 (000000- ) Pump Kit, Hyd, Rotating [Cessna] 1
Y5373493 (000000- )Plate, Cam 1
Y6 70096 (000000- ) Washer, Flat, Pump, Hyd 1
Y7 55926 (000000- ) Ring, Retaining, Pump, Hyd 1
Y8 373434 (000000- ) Ring, Retaining 2
Y9 74225 (000000- ) Bearing, Thrust, Pump, Hyd 1
Y10 74226 (000000- )Race,Brg,Pump,Hyd 2
Y11 373327 (000000- ) Insert, Plt, Cam, Pump, Hyd 1
Y12 373391 (000000- ) Washer, Pump, Hyd [En] 6
Y13 373346 (000000- ) Screw, Cap 6
Y14 373494 (000000- ) Valve, Relief, 4000 Psi 1
Y15 373678 (000000- )Valve, Relief, 3000 Psi 1
Y16 373317 (000000- ) Bearing, Cone, Pump, Hyd 2
Y17 373393 (000000- ) Plate, Cover 1
Y18 373394 (000000- ) Plate, Cover 1
Y19 70100 (000000- ) Pin, Dowel, Pump, Hyd 2
Y20 373347 (000000- )Screw, Cap 2
Y21 373348 (000000- ) Screw, Cap 2
Y22 74237 (000000- ) Key, Shaft, Pump, Hyd 1
Y23 373679 (000000- ) Coupler, Pump 1
Y24 373680 (000000- ) Ring, Lock 1
Y25 373395 (000000- )Bearing, Cup 2
Y26 74180 (000000- ) Plate, Valve, Pump, Hyd 1
Y27 13907 (000000- ) Fitting, Hyd, Plug, Om08 1
Y28 373413 (000000- ) Actuator, Valve, By- Pass [En] 1
Y29 373398 (000000- ) Seal Kit, Pump, Hyd 1
Y30 373402 (000000- )Shim Kit 1
31 373429 (000000- ) Instr, Repair, Pump 1

BREAKDOWNS
4-8 M30 Gas/LPG 9003946 (1- 08)
Fig. 4 - Hydraulic Gear Pump Breakdown, 1034448
1
2
2
1
3
3
4
5
6
7
7
7
7
7
7
7
7
7
7
7
7

BREAKDOWNS
4-9
M30 Gas/LPG 9003946 (1- 08)
354712
Fig. 4 - Hydraulic Gear Pump Breakdown, 1034448
Ref. Part No. Serial Number Description Qty.
o1034448 (000000- )Pump, Hyd, Gear, Ext, 3, 00.85 2500, Cw 1
Y1 21936 (000000- ) Pin, Dowel [Bn] 4
Y2 21937 (000000- ) Pin, Dowel [Bn] 4
Y3 21938 (000000- ) Plate, Distance, Pump, Hyd 2
Y4 21939 (000000- ) Cover, End, Hyd Pump 1
Y59004473 (000000- )Bolt, M10x1.5 4
Y6 21942 (000000- ) Flange Kit 1
Y7 21946 (000000- ) Seal Kit, Pump, Hyd 1

BREAKDOWNS
4-10 M30 Gas/LPG 9003946 (6- 2014)
Fig. 5 - Hydraulic Motor Breakdown, 71729
1
2
3
4
5
6
7
8
9
10
11
12
13
14
15
16
16
16
17
09606- 09670 - ALL
Ref. Part No. Serial Number Description Qty.
o71729 (000000- )Motor, Hyd Gear In 4.5 B 1500 1
Y1 37555 (000000- ) Screw 4
Y2 31354 (000000- ) Flange Mounting 1
Y3 16695 (000000- ) Race Thrust 1
Y4 45628 (000000- ) Thrust Bearing 1
Y531375 (000000- )Shaft, Output 1
Y6 74100 (000000- ) Housingl 1
Y7 31379 (000000- ) Drive 1
Y8 74094 (000000- ) Spacer Plate 1
Y9 31383 (000000- ) Gerotor Set 1
Y10 74095 (000000- )End Cap 1
Y11 65241 (000000- ) Cap Screw 5
Y12 74098 (000000- ) Plug #4 1
Y13 74099 (000000- ) Plug #10 2
Y14 00500- 15 (000000- ) Key- Wdruff 0.25 1.00 1
Y15 39527 (000000- )Nut- Hxslot .75- 16 Pltd 1
Y16 61490 (000000- ) Seal Replmt Kit 1
Y17 74250 (000000- ) Instr. Repair Info, Motor 1

BREAKDOWNS
4-11
M30 Gas/LPG 9003946 (1- 08)
Fig. 6 - Hydraulic Motor Breakdown, 1029379
1
2
3
4
5
6
7
8
9
10
11
12
13
13
13
13
13
14
10859- 09670 - ALL
Ref. Part No. Serial Number Description Qty.
o1029379 (000000- )Motor, Hyd, Gear, Int 08.9 Bi- Dir 2500 1
Y1 37555 (000000- ) Screw, Motor, Hyd [En] 4
Y2 31354 (000000- ) Flange, Motor, Hyd [En] 1
Y3 16695 (000000- ) Ace, Thrust, Motor, Hyd [En] 1
Y4 45628 (000000- ) Bearing, Thrust 1
Y528854 (000000- )Shaft, Output, Motor, Hyd [En] 1
Y6 74100 (000000- ) Housing, Motor, Hyd [En] 1
Y7 21955 (000000- ) Drive [Cl] 1
Y8 74094 (000000- ) Plate, Spacer, Motor, Hyd [En] 1
Y9 21956 (000000- ) Gerotor Set [Cl] 1
Y10 65230 (000000- )EndCap,Motor,Hyd[En] 1
Y11 21958 (000000- ) Cap Screw Cl 5
Y12 00500- 15 (000000- ) Key, Woodruff, 0.25 1.00 [Asa#0808] 1
Y13 61490 (000000- ) Seal Kit, Motor [Cl] 1
Y14 74250 (000000- )Instr, Motor, Hyd, Repair [En] 1

BREAKDOWNS
4-12 M30 Gas/LPG 9003946 (9- 99)
Fig. 7 - Hydraulic Steering Valve Breakdown, 1024260
12
1
2
3
4
5
6
Not Sold
9
10
11
11
Separately
11
11
7
8
Not Sold
Separately
Not Sold
Separately
Not Sold
Separately
Not Sold
Separately

BREAKDOWNS
4-13
M30 Gas/LPG 9003946 (9- 99)
Fig. 7 - Hydraulic Steering Valve Breakdown, 1024260
Ref. Part No. Serial Number Description Qty.
o1024260 (000000- )Steer- Control, Hyd05, 06.1 2030 1
Y1 74183 (000000- ) Screw, Valve, Steering 7
Y2 74185 (000000- ) Cap, End, Valve, Steering 1
Y3 74193 (000000- ) Spacer, Valve, Steering 1
Y4 74222 (000000- ) Plate, Wear, Steering Valve 1
Y574232 (000000- )Pin, Valve, Steering 1
Y6 21935 (000000- ) Bearing Kit [Cl] 1
Y7 21933 (000000- ) Plug Assy [Cl] 1
Y8 21934 (000000- ) Valve Assy, Relief [Cl] 1
Y9 74243 (000000- ) Ring, Retainer, Steering Valve 1
Y10 74196 (000000- )Spring Kit, Scu [Cl] 1
Y11 74244 (000000- ) Seal Kit, Steering [Cl] 1
Y12 74245 (000000- ) Instr, Valve, Steering, Repair 1

BREAKDOWNS
4-14 M30 Gas/LPG 9003946 (10- 2015)
Fig. 8 - Hydraulic Valve Breakdown, 1038566
PC1
PC2
PC5
PC6
C4
G1
G2
G10
G6
CV1
OR1
G5
C11
SV6
SV7
OR4
P7
SV3
SV4
RV2
SV1
SV2
1
2
3
4
5
7
7
5
55
5
5
5
5
34
34
9
10
9
10
11
9
10
9
10
12
14
12
14
15
17
18
20
21
23
21
23
21
23
24
26
28
27
9
10
29
29
29
29
29
30
29
30
30
31
25
22
16
22
13
13
19
32
33
RV1 27
28
8
6
6
66
8
6
6
6
SV14B
SV15
SV13A

BREAKDOWNS
4-15
M30 Gas/LPG 9003946 (8- 2013)
354643
Fig. 8 - Hydraulic Valve Breakdown, 1038566
Ref. Part No. Serial Number Description Qty.
o1038566 (000000- )Valve, Hyd, Solenoid, 12vdc 1
Y1 373665 (000000- ) Plug, Orifice, Valve, Hyd, .046 1
Y2 373633 (000000- ) Plug, Orifice, Valve, Hyd, .040 1
Y3 9004475 (000000- ) Plug Orifice, Valve, Hyd, .140 1
Y4 373660 (000000- ) Plug, Orifice, Valve, Hyd, .030 1
Yo574098 (000000- )Fitting, Hyd, Plug, Om04 9
YY 6 77003 (000000- ) Seal, Org, .072 X 00.35id #04 1
Yo7 13904 (000000- ) Fitting, Plug, Org, #6, Valve [Cec] 2
YY 8 77005 (000000- ) Seal, Org, .078 X 00.47id #06 1
Yo9 373656 (000000- ) Valve, Check 5
YY 10 373647 (000000- )Seal Kit, Cartridge 1
Y11 373688 (000000- ) Spool, Pilot, Dual, Hyd 1
Yo12 373663 (000000- ) Valve, Stem, No 2
YY 13 373670 (000000- ) Nut, Solenoid 1
YY 14 373671 (000000- ) Seal Kit, Cartridge 1
Yo15 373667 (000000- )Stem, Valve, Hyd 1
YY 16 373648 (000000- ) Nut, Coil, F/#8 1
YY 17 373671 (000000- ) Seal Kit, Cartridge 1
Yo18 373664 (000000- ) Cartridge, Psi Cntrl, Valve, Hyd 1
YY 19 373673 (000000- ) Nut, Solenoid 1
YY 20 373672 (000000- )Seal Kit, Cartridge 1
Yo21 373657 (000000- ) Stem, Valve, Hyd [4w2p] 3
YY 22 373648 (000000- ) Nut, Coil, F/#8 1
YY 23 373647 (000000- ) Seal Kit, Cartridge 1
Yo24 373637 (000000- ) Valve, Cntrl, Solenoid 1
YY 25 373684 (000000- )Nut, Coil, Nyl Patch 2
YY 26 373671 (000000- ) Seal Kit, Cartridge 1
Yo27 373666 (000000- ) Valve, Relief 2
YY 28 373647 (000000- ) Seal Kit, Cartridge 1
Y29 373640 (000000- ) Solenoid, #8, 12vdc 6
Y30 373642 (000000- )Solenoid, #10, 12vdc 3
Y31 373639 (000000- ) Spacer, Coil, #8 1
Yo32 373668 (000000- ) Valve, Check 1
YY 33 373671 (000000- ) Seal Kit, Cartridge 1
Y34 373658 (000000- )Spool, Pilot, Hyd 3

BREAKDOWNS
4-16 M30 Gas/LPG 9003946 (10- 2015)
Fig. 9 - Hydraulic Valve Breakdown, 1072995
RV2
SV4
SV6
SV1
G5
PC7
PC1
PC2
PC5
CV1
OR1
G6
RV1
SV2
SV7
SV14B
PC6
OR4
G11
C4
G2
G1
C11
SV15
1
2
3
4
56
78
9
10
12
14
17
15
18
19
20
21
22
24
28
29
25
27
30
31
32
16
33
34
13
56
5
6
5
6
5
6
35
9
10
11
10
5
6
10
9
35
10
5
6
9
10
7
8
56
28
29
31
30
30
30
23
26
30
23
23
22
22
24
31
13
12
14
24
SV3
SV13A

BREAKDOWNS
4-17
M30 Gas/LPG 9003946 (6- 2014)
356401 - M20
Fig. 9 - Hydraulic Valve Breakdown, 1072995
Ref. Part No. Serial Number Description Qty.
o1072995 (000000- )Valve, Cntrl, Hyd, Solenoid, 12vdc 10gpm 1
Y1 373665 (000000- ) Plug, Orifice, Valve, Hyd, .046 1
Y2 373633 (000000- ) Plug, Orifice, Valve, Hyd, .040 1
Y3 9004475 (000000- ) Plug Orifice, Valve, Hyd, .140 1
Y4 373660 (000000- ) Plug, Orifice, Valve, Hyd, .030 1
Yo574098 (000000- )Fitting, Hyd, Plug, Om04 9
YY 6 77003 (000000- ) Seal, Org, .072 X 00.35id #04 1
Yo7 13904 (000000- ) Fitting, Plug, Org, #6, Valve [Cec] 2
YY 8 77005 (000000- ) Seal, Org, .078 X 00.47id #06 1
Yo9 373656 (000000- ) Valve, Check 5
YY 10 373647 (000000- )Seal Kit, Cartridge 1
Y11 373688 (000000- ) Spool, Pilot, Dual, Hyd 1
Yo12 373663 (000000- ) Valve, Stem, No 2
YY 13 373670 (000000- ) Nut, Solenoid 1
YY 14 373671 (000000- ) Seal Kit, Cartridge 1
Yo15 373667 (000000- )Stem, Valve, Hyd 1
YY 16 373648 (000000- ) Nut, Coil, F/#8 1
YY 17 373671 (000000- ) Seal Kit, Cartridge 1
Yo18 9011347 (000000- ) Valve Assy [Proportional] 1
YY 19 9011343 (000000- ) Seal Kit, Valve [Ehpr98] 1
YY 20 9011345 (000000- )Screw, Mtg [Ehpr98] 2
YY 21 9011346 (000000- ) Harness, Jumper [Deutsch To Mpack] 1
Yo22 373657 (000000- ) Stem, Valve, Hyd [4w2p] 3
YY 23 373648 (000000- ) Nut, Coil, F/#8 1
YY 24 373647 (000000- ) Seal Kit, Cartridge 1
Yo25 373637 (000000- )Valve, Cntrl, Solenoid 1
YY 26 373684 (000000- ) Nut, Coil, Nyl Patch 2
YY 27 373671 (000000- ) Seal Kit, Cartridge 1
Yo28 373666 (000000- ) Valve, Relief 2
YY 29 373647 (000000- ) Seal Kit, Cartridge 1
Y30 373640 (000000- )Solenoid, #8, 12vdc 5
Y31 373642 (000000- ) Solenoid, #10, 12vdc 3
Y32 373639 (000000- ) Spacer, Coil, #8 1
Yo33 373668 (000000- ) Valve, Check 1
YY 34 373671 (000000- ) Seal Kit, Cartridge 1
Y35 373658 (000000- )Spool, Pilot, Hyd 3

BREAKDOWNS
4-18 M30 Gas/LPG 9003946 (8- 2013)
Fig. 10 - Hydraulic Valve Breakdown, 1037805
SV10
SV11
PR1
PR2
SV12
SV8
G10
PC8
OR3
1
2
3
4
5
6
7
8
9
11
12
14
14
14
15
16
17
18
20 21
10
19
13
22
23
24

BREAKDOWNS
4-19
M30 Gas/LPG 9003946 (6- 2014)
354581 - ALL
Fig. 10 - Hydraulic Valve Breakdown, 1037805
Ref. Part No. Serial Number Description Qty.
o1037805 (000000- )Valve, Cntrl, Hyd, Solenoid, 03/16gpm 1
Y1 373633 (000000- ) Plug, Orifice, Valve, Hyd, .040 1
Yo2 13904 (000000- ) Fitting, Plug, Org, #6, Valve [Cec] 1
YY 3 77005 (000000- ) Seal, Org, .078 X 00.47id 06 1
Yo4 373656 (000000- ) Valve, Check 1
YY 5373647 (000000- )Seal Kit, Cartridge 1
Yo6 373661 (000000- ) Valve, Relief 1
YY 7 373647 (000000- ) Seal Kit, Cartridge 1
Yo8 373662 (000000- ) Stem, Valve, Hyd 1
YY 9 373647 (000000- ) Seal Kit, Cartridge 1
YY 10 373648 (000000- )Nut, Coil, Nyl Patch 1
Yo11 373657 (000000- ) Stem, Valve, Hyd [4w2p] 1
YY 12 373647 (000000- ) Seal Kit, Cartridge 1
YY 13 373648 (000000- ) Nut, Coil, F/#8 1
Y14 373640 (000000- ) Solenoid, #8, 12vdc 3
Y15 373658 (000000- )Spool, Pilot, Hyd 1
Y16 373642 (000000- ) Solenoid, #10, 12vdc 1
Yo17 373663 (000000- ) Valve, Stem, No 1
YY 18 373646 (000000- ) Seal Kit, Cartridge 1
YY 19 373670 (000000- ) Nut, Solenoid 1
Yo20 373664 (000000- )Cartridge, Psi Cntrl, Valve, Hyd 1
YY 21 373672 (000000- ) Seal Kit, Cartridge 1
YY 22 373673 (000000- ) Nut, Solenoid 1
Yo23 373683 (000000- ) Valve, Relief 1
YY 24 373647 (000000- )Seal Kit, Cartridge 1

BREAKDOWNS
4-20 M30 Gas/LPG 9003946 (6- 2014)
Fig. 11 - Hydraulic Valve Breakdown, 1072997
SV10
PC8
OR3
G10
G8
SV8
SV11
SV12
PR1
PR2
1
2
3
4
5
6
7
8
9
10
11
12
13
14
15
16
20
21
22
23
14
17
18
19
24
25
26
27
5

BREAKDOWNS
4-21
M30 Gas/LPG 9003946 (6- 2014)
356403 - ALL
Fig. 11 - Hydraulic Valve Breakdown, 1072997
Ref. Part No. Serial Number Description Qty.
o1072997 (000000- )Valve, Cntrl, Hyd, Solenoid, 03/16gpm 1
Y1 373633 (000000- ) Plug, Orifice, Valve, Hyd, .040 1
Yo2 13904 (000000- ) Fitting, Plug, Org, #6, Valve [Cec] 1
YY 3 77005 (000000- ) Seal, Org, .078 X 00.47id 06 1
Yo4 373656 (000000- ) Valve, Check 1
YY 5373647 (000000- )Seal Kit, Cartridge 1
Yo6 373661 (000000- ) Valve, Relief 2
YY 7 373647 (000000- ) Seal Kit, Cartridge 1
Yo8 373662 (000000- ) Stem, Valve, Hyd 1
YY 9 373648 (000000- ) Nut, Coil, Nyl Patch 1
YY 10 373647 (000000- )Seal Kit, Cartridge 1
Yo11 373657 (000000- ) Stem, Valve, Hyd [4w2p] 1
YY 12 373648 (000000- ) Nut, Coil, F/#8 1
YY 13 373647 (000000- ) Seal Kit, Cartridge 1
Y14 373640 (000000- ) Solenoid, #8, 12vdc 3
Y15 373658 (000000- )Spool, Pilot, Hyd 1
Y16 373642 (000000- ) Solenoid, #10, 12vdc 1
Yo17 373663 (000000- ) Valve, Stem, No 1
YY 18 373670 (000000- ) Nut, Solenoid 1
YY 19 373646 (000000- ) Seal Kit, Cartridge 1
Yo20 9011347 (000000- )Valve Assy [Proportional] 1
YY 21 9011343 (000000- ) Seal Kit, Valve [Ehpr98] 1
YY 22 9011345 (000000- ) Screw, Mtg [Ehpr98] 2
YY 23 9011346 (000000- ) Harness, Jumper [Deutsch To Mpack] 1
Yo24 13904 (000000- ) Fitting, Plug, Org, #6, Valve [Cec] 1
YY 25 77005 (000000- )Seal, Org, .078 X 00.47id 06 1
Yo26 373683 (000000- ) Valve, Relief 1
YY 27 373647 (000000- ) Seal Kit, Cartridge 1

BREAKDOWNS
4-22 M30 Gas/LPG 9003946 (1- 08)
Fig. 12 - Hydraulic Motor Breakdown, 53485
1
3
2
4
4
4
5
6
07490 - 09670
Ref. Part No. Serial Number Description Qty.
o53485 (000000- )Motor, Hyd, Gear, Ext 0.19 Rh 3000 1
Y74233 (000000- ) Kit, Seal, Motor, Hyd, Gear[Barns] 1
Y1 00966 (000000- ) Key, Sq, 0.12 X 0.12, 0.75l 1
Yo2 54095 (000000- ) Valve, Hyd Cartridge 10no/- 0 1
YY 3 59378 (000000- ) Valve Stem, N.O.Valve, Hyd 1
YY 448813 (000000- )Kit, Seal, Valve, Hyd [Cec] 1
YY 5 35493 (000000- ) Solenoid, 12v, Valve, Hyd [Cec] 1
6 IB3614 (000000- ) Instr, Seal Kit, Motor 1

BREAKDOWNS
4-23
M30 Gas/LPG 9003946 (1- 08)
Fig. 13 - Metering Solution Pump Breakdown, 73260
Motor
Bracket
00112 - ALL
Ref. Part No. Serial Number Description Qty.
o73260 (000000- )Pump, Detgt, 14vdc, 150ml/Min 20psi 1
Y1 63923 (000000- ) Tubing Connctr.Kit, Gorman Pmp 1
Y2 21659 (000000- ) Valve Kit, Poppet, Gorman Rupp 1
Y3 21657 (000000- ) Kit, Bellows, Pump, Detgt 1
Y4 78875 (000000- ) Motor, Ele, Gear, 14vdc, Pump, Detgt 1
Y502430 (000000- )Crank Kit, Pump, F/79323, Replmt 1

BREAKDOWNS
4-24 M30 Gas/LPG 9003946 (1- 08)
Fig. 14 - Water Pump Breakdown, 1026743
3
4
2
4
5
6
7
8
1
9
10
07490 - 09670
Ref. Part No. Serial Number Description Qty.
o1026743 (000000- )Pump, Diaphragm 1
Y1 1031802 (000000- ) Complete Pump Kit, Pump, Repair, 1
Y2 1031803 (000000- ) Hsg & Switch Kit, Pump, Repair, 1
Y3 1031796 (000000- ) Switch Kit, Pump, Repair, 1
Y4 1031797 (000000- ) Chech Valve Kit, Pump, Repair, 1
Y51031798 (000000- )Upper Hsg Kit, Pump, Repair, 1
Y6 1031799 (000000- ) Bypass Valve Kit, Pump, Repair, 1
Y7 1031800 (000000- ) Diaphragm Kit, Pump, Repair, 1
Y8 1031801 (000000- ) Motor Kit, Pump, Repair, 1
Y9 78950 (000000- ) Connector, Fem, 02cav, Mp280 Sealed 1
Y10 78952 (000000- )Lock, Secondary, 2cav, Mp280 Sealed 1
Y78951 (000000- ) Terminal, Fem, Mp280, Sealed, 18- 16ga 2
Y10917 (000000- ) Seal, Wire, 14/16ga [Wp / Mp280 Sealed] 2

BREAKDOWNS
4-25
M30 Gas/LPG 9003946 (5- 2015)
Fig. 15 - Water Pump Motor Breakdown, 1038855
4
4
1
2
34
5
4
6
354649
Ref. Part No. Serial Number Description Qty.
o1038855 (000000- )Pump, Hyd, Press Washer 1
Y1 9004290 (000000- ) Valve Kit 1
Y2 9004291 (000000- ) Piston Kit 1
Y3 9004288 (000000- ) Seal Kit [Buna] 1
Y3 9004272 (000000- ) Seal Kit [Vitron] 1
Y49004289 (000000- )Seal Kit, Oil 1
Y5 9004292 (000000- ) Ring Kit, Sppt 1
Y6 9014260 (000000- ) Pop Valve 1

BREAKDOWNS
4-26 M30 Gas/LPG 9003946 (4- 10)
Fig. 16 - ec-H20 Module Assembly Breakdown, 9007882
1
2
3
24
2
5
2
1
2
6
7
8
9
10
11
12
11
13
11
12
15
16
17
18
16
17
18
16
17
18
16
17
18
19
20
21
14
19

BREAKDOWNS
4-27
M30 Gas/LPG 9003946 (4- 10)
356035
Fig. 16 - ec- H20 Module Assembly Breakdown, 9007882
Ref. Part No. Serial Number Description Qty.
o9007882 (000000- )Module Kit, Replmt [Ec- H20] 1
Y1 1014974 (000000- ) Hose, Afmkt, Pvc, Brd, 0.38id, 02ft, Clr 2
Y2 607775 (000000- ) Clamp, Hose, Wir, .63 - .66, Blk 5
Y3 1060517 (000000- ) Fitting, Plstc, Tee, Bm06/Pm02/Bm06 1
Y4 1014971 (000000- ) Hose, Afmkt, Pvc, Brd, 0.38id, 01ft, Clr 1
Y520951 (000000- )Fitting, Plstc, E90, Bm06/Bm06 1
Y6 150540 (000000- ) Fitting, Plstc, Str, Bm06/Pm04 1
Y7 1005435 (000000- ) Fitting, Plstc, Pipe, Cap, Pf04 1
Y8 1038159 (000000- ) Electrode, Cylindrical 1
Y9 44961 (000000- ) Tie, Cable, Nyl, 14.5l .30w 4.0 Max D 1
Y10 1060695 (000000- )Fitting, Plstc, Str, Pm02/Bm05 1
Y11 1053464 (000000- ) Clamp, Hose, Wir, .52 - .56, Yel 3
Y12 1052336 (000000- ) Hose, Afmkt, PVC, Brd, 0.31Id, 03Ft, Clr 1
Y13 1057637 (000000- ) Electrode, 5 Plate, High Flow 1
Y14 9007883 (000000- ) Controller Kit, Replmt [Ec- H20] 1
Y15 1016354 (000000- )Clamp, Cable, Ss, 0.50d X 0.50w [Insul] 2
Y16 32509 (000000- ) Screw, Hex, M4 X 0.70 X 50, Ss 4
Y17 41579 (000000- ) Washer, Flat, 08, Ss 4
Y18 02938 (000000- ) Washer, Lock, Int, 08, Ss 4
Y19 1018155 (000000- ) Screw, Pan, Phl, M5 X 0.80 X 16, Tcut,Ss 8
Y20 1037032 (000000- )Housing, Bottom 1
Y21 1054776 (000000- ) Grommet, Blind 1

BREAKDOWNS
4-28 M30 Gas/LPG 9003946 (6- 2014)
Fig. 17 - Seat Breakdown, 1072456
1
2
3
4
5
6
7
8
9

BREAKDOWNS
4-29
M30 Gas/LPG 9003946 (6- 2014)
356526
Fig. 17 - Seat Breakdown, 1072456
Ref. Part No. Serial Number Description Qty.
o1072456 (000000- )Seat 1
Y1 9012585 (000000- ) Track Assy, Slide 1
Y2 9012587 (000000- ) Bellows, Seat 1
Y3 9012589 (000000- ) Knobs, Adjmt, Weight 1
Y4 9012590 (000000- ) Seatbelt 1
Y59012591 (000000- )Switch, Seat 1
Y6 9012592 (000000- ) Armrest 1
Y7 9012593 (000000- ) Pad, Armrest 1
Y8 9012594 (000000- ) Cover, Cushion 1
Y99012595 (000000- ) Cover, Backrest 1

BREAKDOWNS
4-30 M30 Gas/LPG 9003946 (8- 2013)
Fig. 18 - FaST Injector Assembly Breakdown, 9008868
1
1
1
2
3
45
6
7
8
2
2
3
3
356271
Ref. Part No. Serial Number Description Qty.
o9008868 (000000- )FaST Kit, Injector [M20/T20/m30 FaST III} 1
Yo1 9008757 (000000- ) FaST Kit, Ci [inj Rebld, M30/M20 III] 1
YY 2 9008848 (000000- ) FaST Kit, Seal, injector, Ci [FaST III] 1
YY 3 9003009 (000000- ) FaST Kit, Ci, Injector Filters[FaST Ii+] 1
YY 4 1059878 (000000- ) Plate Assy, Orifice, 0.0105Id, Green 1
YY 51042710 (000000- )Plug, Orifice, 0.060, Ss [FaST Ii+] 1
YY 6 1059234 (000000- ) Insert, :Lrg [Venturi, FaST III] 1
YY 7 1030444 (000000- ) Valve, Check, 0002psi [FaST Ii+] 1
YY 8 1030441 (000000- ) Valve, Check, 0005psi [FaST Ii+] 1

GM 1.6L ENGINE BREAKDOWN
5-1
M30 Gas/LPG 9003946 (1- 08)
SECTION 5
Contents Page
Fig. 1 - Cylinder Head and Valves Group 5-2...
Fig. 2 - Crankshaft and Pistion Group 5-4......
Fig. 3 - Oil and Water Pump Group 5-6........
Fig. 4 - Oil Pan and Filter Group 5-8..........
Fig. 5 - Manifold Group 5-9..................
Fig. 6 - Camshaft Group 5-10................
Fig. 7 - Ignition Group 5-12..................

GM 1.6L ENGINE BREAKDOWN
5-2 M30 Gas/LPG 9003946 (12- 2012)
Fig. 1 - Cylinder Head and Valves Group
2
34
5
7
8
910
1
11
12
13
14
15
16
17 18
19
20
21
22
24
23
27
28
29
25
26
30
6

GM 1.6L ENGINE BREAKDOWN
5-3
M30 Gas/LPG 9003946 (4- 10)
G, LP
Fig. 1 - Cylinder Head and Valves Group
Ref. Part No. Description Qty.
1372574 )Cap, Filler, Oil, W/ Org 1
2 372573 Seal, Org, Cap 1
3 372007 Cover, Hsng, Camshaft 1
4 371990 Bolt, Camshaft Cover 8
5 372008 Gasket, Cover, Hsng, Camshaft 1
69003345 Seal, Seat, Valve 8
7 372018 Housing, Camshaft 1
8 372019 Tube [Pcv] 1
9 372030 Arm, Rocker, Valve 8
10 372031 Seat, Spring, Valve, 0.333 8
11 372033 Key, Valve Stem 16
12 372034 Cap, Spring, Valve 4
13 372035 Screw, Adj, Valve, Hyd 8
14 372036 Spring, Valve 8
15 372037 Seat, Rotator, Valve 4
16 372032 Seat, Spring, Valve 4
17 372038 Valve, Exhaust 4
18 372039 Valve, Intake 1
19 372022 Gasket, Head, Cyl 1
20 372023 Head, Cyl 1
21 372024 Seat, Valve, Exhaust, [+0.2mm] 4
21 372025 Seat, Valve, Exhaust, Std 4
21 372026 Seat, Valve, Exhaust, [+0.4mm] 4
21 372027 Seat, Valve, Intake, Std 4
21 372028 Seat, Valve, Intake, [+0.2mm] 4
21 372029 Seat, Valve, Intake, [+0.4mm] 4
22 371999 Pin, Lock, Cyl Head, 14mm X 17mm 2
23 372048 Bolt, Hsng, Thermostat 2
24 372047 Thermostat, W/ Hsng And Seal 1
25 371957 Bolt, Tube [Pvc], M6 X 1 X 15 2
26 371958 Gasket, Tube [Pcv] 1
27 371954 Clamp, Hose, 1.75 [Pcv] 2
28 371955 Hose [Pcv] 1
29 371956 Tube [Pcv] 1
30 372882 Bolt, Head. Cyl 10

GM 1.6L ENGINE BREAKDOWN
5-4 M30 Gas/LPG 9003946 (12- 2014)
Fig. 2 - Crankshaft and Pistion Group
Not Sold
Seperately
2
3
4
5
7
8
9
10
1
11
12
13
14
15
16
17
18
19
20
6
21
6
22

GM 1.6L ENGINE BREAKDOWN
5-5
M30 Gas/LPG 9003946 (12- 2014)
G, LP
Fig. 2 - Crankshaft and Piston Group
Ref. Part No. Description Qty.
o1371932 )Piston, W/ Pin, Std 1
Y2 371931 )Ring Kit, Piston, Std 78.95- 79.02mm 4
3 371934 )Rod, Connecting, M08 X 45 4
4 371935 )Bolt, Connecting Rod 8
5 371933 )Bearing Kit, Rod, Connecting, Std 1
6371966 )Bearing Kit, Cshft, 1.995- 2.001mm (Brown Blue) 4
6 371967 )Bearing Kit, Cshft, 2.120- 2.126mm 4
6 371968 )Bearing Kit, Cshft, 2.114- 2.120mm 4
6 371969 )Bearing Kit, Cshft, 1.989- 1.995mm (Brown) 4
7 371970 )Bearing Kit, Cshft, 1.989- 1.995mm (Green Blue) 4
7371971 )Bearing Kit, Cshft, 1.995- 2.001mm (Green) 4
8 371946 )Bolt, M10 X 1.50 X 75mm 10
9 384961 Bolt, Pulley, Cshft 1
10 371937 )Washer, Sheave, Cshft 1
11 371936 )Sheave, Cshft 1
12 371945 )Seal, Oil, Cshft 1
o13 371979 )Flywheel 1
Y371977 )Gear, Ring, Starter 1
14 371976 )Bolt, Flywheel 6
15 371978 )Pin, Lock, Transmission 2
16 371942 )Plug, Hole, Coolant, Eng Block 6
17 371999 )Pin, Lock, Cyl Head, 14mm X 17mm 2
18 384963 Starter, 12vdc [Delco] (Mar. 2006 and Newer) 1
19 384964 Bolt, M08 X 1.25 X 25mm 1
20 371964 )Stud, Starter, M08 X 1.25 1
21 371944 )Block, Short, Eng, W/ Piston & Ring 1
22 371965 )Crankshaft 1

GM 1.6L ENGINE BREAKDOWN
5-6 M30 Gas/LPG 9003946 (5- 08)
Fig. 3 - Oil and Water Pump Group
View B
2
3
45
67
8
9
10
1
11
12
13
14
15
16
17
18
19 20
21
23 24
25
26
27
28
29
22

GM 1.6L ENGINE BREAKDOWN
5-7
M30 Gas/LPG 9003946 (10- 10)
G, LP
Fig. 3 - Oil and Water Pump Group
Ref. Part No. Description Qty.
o1372572 )Pump, Oil 1
Y2 371947 )Bolt,Cover,OilPump,M6X14 5
Y3 371948 )Cover, Pump, Oil 1
Y4 371949 )Gear, Ring, Drive, Oil Pump 1
Y5 371950 )Gear,Drive,OilPump 1
Y6371998 )Gasket, Plug, Relief Valve,Oil Press 1
Y7 371994 )Plug, Bore, Valve, Relief, Oil Press 1
Y8 371993 )Spring, Valve, Relief, Oil Press 1
9 371997 )Valve, Relief, Oil Press 1
10 372005 )Seal,Org,OilPump 1
11 371951 )Seal, Org, Hsng, Oil Pump 1
12 371952 )Plug, Hsng, Oil Pump 1
13 371984 )Gasket, Pump, Oil 1
14 371987 )Seal,Org,PressSwitch/DrainPlug 1
15 371996 ¢)Switch, Indicator, Oil Press 1
15 9008197 £)Switch, Indicator, Oil Press [2010] 1
16 371983 )Pin, Ring, Lock, Hsng, Water Pump 2
17 371986 )Bolt, Pump, Oil 6
18 372567 )Seal, Org, Water Pump 1
19 371981 )Pump, Water [Gm] 1
20 371980 )Bolt, Cover, Water Pump 3
21 372001 )Screen, Oil Pump, W/ Suc Pipe 1
22 371991 )Bolt, Bracket,Screen,Oil Pump,M6x1x1 1
23 372000 ¡Bracket, Screen, Oil Pump 1
23 384966 ©Bracket, Screen, Oil Pump 1
24 371990 Bolt, Oil Pump Screen/Camshaft Cover 2
25 371988 )Seal, Ring, Pipe, Suc, Oil Pump 1
26 372002 )Sensor, Position, Cshft 1
27 384968 )Bolt, Bracket, Sensor,Cshft Position 1
28 372003 )Bracket, Sensor, Position, Cshft 1
29 372004 )Bolt, Sensor, Position, Cshft 3
¡Serial Number (000000- xxxxxx)
©Serial Number (xxxxxx- )
¢Tennant Serial number (000000- 001320)
£Tennant Serial number (001321- )

GM 1.6L ENGINE BREAKDOWN
5-8 M30 Gas/LPG 9003946 (6- 2014)
Fig. 4 - Oil Pan and Filter Group
2
3
4
5
6
7
8
9
10
1
11
12
13
G, LP
Ref. Part No. Description Qty.
o1371960 )Pan, Oil, W/ Baffle / Plug / Seal 1
Y2 371987 )Seal,Org,PressSwitch/DrainPlug 1
Y3 371992 )Plug, Drain, Oil Pan, M14 X 1.5 X 12 1
4 384962 Bolt, Pan, Oil 15
5 371959 )Gasket, Pan, Oil 1
6371972 )Element, Fltr, Oil, Eng, Spin- On (GM) 1
7 371973 )Fitting, Fltr, Oil 1
o8 372560 )Dipstick, Oil 1
Y9 371995 )Seal, Org, Cap, Fltr, Oil 1
10 371940 )Tube, Ds 1
11 371941 )Sealant, Tube, Ds 1
12 371975 )Valve, By- Pass, Oil Fltr 1
13 371943 )Plug, Hole, Core, Eng Block 1

GM 1.6L ENGINE BREAKDOWN
5-9
M30 Gas/LPG 9003946 (1- 08)
Fig. 5 - Manifold Group
2
3
4
5
6
8
7
1
81
8
G, LP
Ref. Part No. Description Qty.
1372021 )Stud, Manifold, M8 X 96 4
2 372049 Nut, Manifold, Exhaust, M8 X 1.25 8
3 372050 Manifold, Exhaust 1
4 372051 Gasket, Manifold, Exhaust 1
5 372052 Shield, Manifold, Exhaust 1
6372053 Gasket, Manifold, Intake 1
7 372066 Bolt, Shield, Manifold, Exhaust 5
8 372020 Stud, Manifold, M8 X 28 13

GM 1.6L ENGINE BREAKDOWN
5-10 M30 Gas/LPG 9003946 (5- 08)
Fig. 6 - Camshaft Group
2
3
4
5
6
7
8
18
10
1
11
20
13
14
15
16 17
9
19
12

GM 1.6L ENGINE BREAKDOWN
5-11
M30 Gas/LPG 9003946 (8- 2012)
G, LP
Fig. 6 - Camshaft Group
Ref. Part No. Description Qty.
1372009 )Ball, Camshaft 1
2 372010 Retainer, Camshaft 1
3 372011 Bolt, Retainer, Camshaft, M6 X 1 X 16 2
4 372012 Camshaft 1
5 372013 Seal, Org, Bolt, Cover, Camshaft Hsng 1
6372014 Cover, Hsng, Camshaft 1
7 372015 Bolt, Cover, Camshaft, M6 X 1 X 22 3
8 372016 Seal, Org, Bolt, Cover, Camshaft Hsng 1
9 9004674 Pulley, Tension, Belt, Timing 1
10 372040 Sprocket, Camshaft 1
11 372017 Washer, Sprkt, Camshaft 1
12 372041 Bolt, Sprocket, Camshaft, M10x1.25x60 1
13 1057029 Belt, Timing 1
14 372043 Cover, Belt, Timing, Upper Front 1
15 371961 Bolt, Eng Cover, M6 X 1 X 13 6
16 372046 Bolt, Tensioner, Timing Belt,M8x1.25x48 1
17 372044 Cover, Belt, Timing, Lower Front 1
18 372616 Housing, Camshaft 1
19 388552 Sprocket, Crankshaft 1
20 9004675 Bolt, Tensioner [GM] 1

GM 1.6L ENGINE BREAKDOWN
5-12 M30 Gas/LPG 9003946 (12- 2012)
Fig. 7 - Ignition Group
2
3
4
5
6
7
8
1
2
G, LP
Ref. Part No. Description Qty.
1372603 )Wire Set, Sparkplug [1.6l] 1
2 372055 Retainer, Sparkplug, 2 Way 2
3 372056 Retainer, Sparkplug, 3 Way 1
4 372057 Bracket, Retaining, Wire, Sparkplug 1
5 372058 Bracket, Retaining, Wire, Sparkplug 1
6372059 Bracket, Retaining, Wire, Sparkplug 1
7 372060 Coil, Ignition 1
8 372575 Sparkplug 4

MITSUBISHI ENGINE BREAKDOWN
6-1
M30 Gas/LPG 9003946 (8- 2013)
SECTION 6
Contents Page
Fig. 1 - Cylinder Block Group 6-2............
Fig. 2 - Rocker Cover Group 6-4.............
Fig. 3 - Cylinder Head Group 6-5.............
Fig. 4 - Front Cover and Oil Pan Group 6-6....
Fig. 5 - Camshaft and Valve Group 6-8.......
Fig. 6 - Piston and Crankshaft Group 6-10.....
Fig. 7 - Balancer Group 6-11................
Fig. 8 - Oil Pump and Pressure
Switch Group 6-12.................
Fig. 9 - Water Pump Group 6-13.............
Fig. 10 - Intake Manifold Gasket Group 6-14...
Fig. 11 - Exhaust Manifold Gasket Group 6-16..
Fig. 12 - Fan Tensioner and Pump
Mount Group 6-17.................
Fig. 13 - Flywheel Group 6-18................
Fig. 14 - Ignition Coil and Spark
Plug Group 6-19..................
Fig. 15 - Starter / Alternator Group 6-20.......
Fig. 16 - Remote Oil Filter Group 6-21.........
Fig. 17 - Coolant Group 6-22.................
Fig. 18 - DSR Coolant Group, LPG Engine 6-23
Fig. 19 - Electrical Group 6-24................
Fig. 20 - Fuel Rail Group, Gasoline Engine 6-26
Fig. 21 - Throttle Body Group,
Gasoline Engine 6-27..............
Fig. 22 - Throttle Body Group, LPG Engine 6-28
Fig. 23 - Vaporizer Group, LPG Engine 6-29...
Fig. 24 - Electronic Pressure Regulator
(EPR) Group, LPG Engine 6-30.....

MITSUBISHI ENGINE BREAKDOWN
6-2 M30 Gas/LPG 9003946 (12- 2012)
Fig. 1 - Cylinder Block Group
2
3
4
5
6
7
89
10
1
11
12
1314
15
16
20
21
18 19
22
23
30
24
25 26
27 28 29
17
6
6
16

MITSUBISHI ENGINE BREAKDOWN
6-3
M30 Gas/LPG 9003946 (12- 2012)
Fig. 1 - Cylinder Block Group
Ref. Part No. Description Qty.
o19010419 )Block Assy, Cylinder 1
Y2 9010420 Plug, Taper 2
Y3 9010421 Plug, Taper 1
Y4 9010422 Plug 1
Y5 9010423 Plug, Taper 1
Y69010424 Cap, Seal 7
Y7 9010425 Cap, Seal 2
Y8 9010426 Pin, Dowel 2
Y9 9010427 Bushing, Knock 2
Y10 9010428 Bolt, Cap, Bearing 2
Y11 9010429 Bolt, Cap, Bearing 7
Y12 9010430 Bolt, Cap, Bearing 1
Y13 9010431 Bushing 2
Y14 9010432 Bearing, Std, Balancer 1
Y14 9010433 Bearing, Oversize [1.0] 1
Y15 9010434 Bearing, Std, Balancer 1
Y15 9010435 Bearing, Oversize [1.0] 1
Y16 9010436 Bushing, Knock 2
Y17 9010458 Bearing, Shaft, Std, Balancer 1
Y17 9010459 Bearing, Shaft, Balancer [ Ovrsz] 1
o18 9010439 Dipstick Assy, Guage 1
Y19 9010440 Dipstick, Guage, Guide 1
Yo20 9010437 Dipstick, Rod, Guage 1
YY 21 9010438 O- Ring 1
22 9010441 Bolt, Flange 1
23 9010442 O- Ring 1
24 9010444 Bolt, Flange 5
25 9010445 Seal, Case, Oil, Rear 1
26 9010446 Seal, Oil 1
27 9010447 Bearing, Cshft [Green Std 1,2,4,5] 4
27 9010448 Bearing, Cshft [Yellow Std 1,2,4,5] 4
27 9010449 Bearing, Cshft[No Color Std 1,2,4,5] 4
27 9010450 Bearing, Cshft [ Lan Std 1,2,4,5] 4
27 9010451 Bearing, Cshft [ Red Std 1,2,4,5] 4
28 9010452 Bearing, Cshft [ Green Std 3] 1
28 9010453 Bearing, Cshft [ Yellow Std 3] 1
28 9010454 Bearing, Cshft [ No Color Std 3] 1
28 9010455 Bearing, Cshft [ Lan Std 3] 1
28 9010456 Bearing, Cshft [ Black Std 3] 1
29 9010457 Bearing, Thrust, Cshft 1
30 9010443 Drain, Water, Joint 1

MITSUBISHI ENGINE BREAKDOWN
6-4 M30 Gas/LPG 9003946 (12- 2012)
Fig. 2 - Rocker Cover Group
2
3
4
5
6
7
1
Ref. Part No. Description Qty.
19010460 )Valve, Pcv 1
2 9010461 Valve, Gasket, Pcv 1
3 9010462 Bolt, Rocker, Cover 6
4 9010463 Gasket, Oil, Filler, Cap 1
5 9010464 Cap, Oil, Filler 1
69010465 Gasket, Cover, Rocker 1
7 9010466 Cover Assy, Rocker 1

MITSUBISHI ENGINE BREAKDOWN
6-5
M30 Gas/LPG 9003946 (5- 2015)
Fig. 3 - Cylinder Head Group
6
3
4
7
5
2
910
1
11
12
13
14
8
3
2
FRONT
Ref. Part No. Description Qty.
o19010467 ¡)Head Assy, Cylinder 1
Y2 9010473 Stud 2
Y3 9010469 Seal, Cap 2
Y4 9010470 Stud 3
Y5 9010431 Bushing 2
o19014162 ©)Head Kit, Cyl [Mitsubishi 2015 12mm] 1
Y2 9010473 Stud 2
Y3 9010469 Seal, Cap 2
Y4 9010470 Stud 3
Y5 9010431 Bushing 2
69010468 Gasket, Cylinder, Head 1
7 9010471 Seal, Cam Shaft, Front 1
8 9010441 Bolt, Flange 2
9 9010480 Thurst, Case 1
10 9010481 Screw 2
11 9010482 O- Ring 1
12 9010484 Cylinder Assy, Head, Bolt 10
13 9010483 Gasket 1
14 9010485 Cover 1
¡Serial Number (004000- 004582)
©Serial Number (004583- )

MITSUBISHI ENGINE BREAKDOWN
6-6 M30 Gas/LPG 9003946 (8- 2013)
Fig. 4 - Front Cover and Oil Pan Group
2
3
5
8
9
10
1
11
12
20
23
17
6
4
7
13
18
11
19
21
22
24
16 14 15

MITSUBISHI ENGINE BREAKDOWN
6-7
M30 Gas/LPG 9003946 (8- 2013)
Fig. 4 - Front Cover and Oil Pan Group
Ref. Part No. Description Qty.
o19010487 )Pan, Oil 1
Y2 9010488 Gasket, Plug, Drain, Oil 1
Y3 9010489 Plug, Oil, Drain 1
4 9010490 Bolt, Flange 17
5 9010491 Bolt, Flange 2
69010492 Washer, Bolt 2
7 9010493 Screen, Oil 1
8 9010494 Nut, Strainer 1
9 9010495 Washer, Strainer 1
10 9010496 Gasket, Screen 1
11 9010497 Bolt, Flange 8
12 9010498 Cover Assy, Front, Upper [T- Belt] 1
13 9010502 Bracket Assy, Coil, Ignition 1
14 9010311 )Hose, Drain, Oil [Mit 20/24m] 1
15 9010312 Plug, Flare, 37deg [Mit] 1
16 9010313 Fitting, 37deg [Mit] 1
17 9010503 Bolt, Flange 3
18 9010504 Bolt, Flange 1
19 9010505 Bolt, Flange 1
20 9010506 Bolt 2
21 9010507 )Bolt 2
22 9010508 Cover, Lower, Front [T- Belt] 1
23 9010511 Cover, Rear [T- Belt] 1
24 9010512 Plug, Rubber 1

MITSUBISHI ENGINE BREAKDOWN
6-8 M30 Gas/LPG 9003946 (8- 2013)
Fig. 5 - Camshaft and Valve Group
2
3
4
5
6
7
8
9
10
1
11
13
14
15
16
17
18
19
20
21 22
23 24
26
27
28
29
30
7
8
9
10
11
13
31
32
33
34
35
36
37
38 39
40
41
42
43 44
44
43
12
25

MITSUBISHI ENGINE BREAKDOWN
6-9
M30 Gas/LPG 9003946 (8- 2013)
Fig. 5 - Camshaft and Valve Group
Ref. Part No. Description Qty.
o19010530 )Camshaft Assy 1
Y2 9010535 Pin, Dowel 1
3 9010532 Shaft, Spring, Rocker 4
4 9010533 Arm Assy, Rocker [B] 4
5 9010534 Arm Assy, Rocker [A] 4
69010531 Shaft, Arm , Rocker 1
7 9010536 Adjuster Assy, Lash 16
8 9010537 Valve, Spring, Lock 32
9 9010538 Valve, Spring, Retainer 16
10 9010539 Valve, Spring 16
11 9010540 Valve, Seal, Stem 16
12 9010253 Bolt, M8- 1.25 X 70 Hxhd [Mit] 1
13 9010541 Valve, Spring, Seat 16
14 9010542 Valve, Inlet 8
15 9010543 Valve, Exhaust 8
16 9010544 Shaft, Arm, Rocker 1
17 9010545 Bolt, Flange 13
18 9010546 Shaft, Cap, Rocker 13
19 9010547 Arm Assy, Rocker [C] 4
o20 9010548 Bracket, Pulley, Tensioner 1
Y21 9010549 Bolt, Washer 1
Y22 9010550 Bolt, Washer 1
Y23 9010551 Washer 1
Y24 9010552 Pulley, Idler 1
25 9010254 Bolt, M8- 1.25 X 55 Fi Hd [Mit] 1
26 9010554 Bolt, Seal 1
27 9010555 Bolt, Washer 1
28 9010556 Pulley, Tensioner 1
29 9010557 Bolt, Washer 1
30 9010550 Bolt, Washer 1
31 9010559 Belt, Timing 1
32 9010560 Sprocket, Camshaft 1
33 9010561 Bolt, Flange 1
o34 9010562 Sprocket Assy, Cshft 1
Y35 9010563 Pin, Spring 1
36 9010564 Tensioner 1
37 9010565 Bolt, Flange 2
38 9010491 Bolt, Flange 2
39 9010567 Bracket, Indicator, Timing 1
40 9010568 Sprocket, Pump, Oil 1
41 9010569 Nut 1
42 9010250 )Cover, Timing, Gear [Mit 2.0/2.4l] 1
43 9010251 Bolt, M8- 1.25 X 65 Hxhd [Mit] 2
44 9010252 Washer, Lock, M8 [Mit] 3

MITSUBISHI ENGINE BREAKDOWN
6-10 M30 Gas/LPG 9003946 (12- 2012)
Fig. 6 - Piston and Crankshaft Group
2
3
4
5
7
8
9
10
1
11
12
6
13
13
Ref. Part No. Description Qty.
19010513 )Crankshaft Assy 1
2 9010514 Key 1
3 9010515 Washer, Special 1
4 9010516 Pulley Assy, Damper, Torsional 1
5 9010517 Bolt, Washer 4
69010518 Bolt, Sprocket, Cshft 1
7 9010519 Pin, Dowel 1
o8 9010520 Rod Assy, Connecting 4
Y9 9010521 Nut 8
Y10 9010522 Bearing, Rod, Connect [Yellow Std] 4
Y10 9010523 Bearing, Rod, Connect [No Color Std] 4
Y10 9010524 Bearing, Rod, Connect [ Lan Std] 4
Y11 9010525 Bolt, Connecting 8
12 9010526 Piston, Pin [Std A] 4
12 9010527 Piston, Pin [Std B] 4
12 9010528 Piston, Pin [Std C] 4
13 9010529 Piston Set, Ring 1

MITSUBISHI ENGINE BREAKDOWN
6-11
M30 Gas/LPG 9003946 (12- 2012)
Fig. 7 - Balancer Group
2
3
4
5
6
78
9
10
1
11
Ref. Part No. Description Qty.
19010570 )Bolt, Belt, Balancer, Train 1
2 9010571 Tensioner, Timing, Belt 1
3 9010572 Flange, Sprocket, Cshft 1
4 9010600 Bolt, Flange 1
5 9010574 Washer, Belt, Balancer, Train 1
69010575 Belt, Timing 1
7 9010576 Sprocket, Shaft, Balancer 1
8 9010577 Spacer, Belt, Balancer, Train 1
9 9010578 Shaft, Right, Balancer 1
10 9010579 Shaft, Left, Balancer 1
11 9010580 Sprocket, Cshft 1

MITSUBISHI ENGINE BREAKDOWN
6-12 M30 Gas/LPG 9003946 (12- 2014)
Fig. 8 - Oil Pump and Pressure Switch Group
20
2
3
4
5
6
7
8
9
10
1
11
12
13
14 15
16 17 18
19
16
17
12
13
Ref. Part No. Description Qty.
o19010582 )Pump, Oil 1
Y2 9010592 Pump, Gear, Drive, Oil 1
Y3 9010585 Seal, Oil 1
Y4 9010586 Seal, Oil 1
Y5 9010587 Plug, Tapper 1
Y69010426 Pin, Dowel 2
Y7 9010589 Screw 1
Y8 9010590 Bolt, Flange 4
Y9 9010591 Pump, Gear, Oil 1
Y10 9010601 Seal, Oil 1
11 9010593 Gasket, Case, Front 1
12 9010594 Bolt, Washer 3
13 9010595 Bolt, Washer 1
14 9010596 Plug, Cap 1
15 9010597 O- Ring 1
16 9010598 Bolt, Flange 1
17 9010599 Bolt, Flange 1
18 9010600 Bolt, Flange 1
19 9010583 Bolt, Flange 1
20 9010259 )Sender, Oil, Press [Mit] (3 Prong) 1

MITSUBISHI ENGINE BREAKDOWN
6-13
M30 Gas/LPG 9003946 (6- 2014)
Fig. 9 - Water Pump Group
2
3
4
56
8
9
1
7
Ref. Part No. Description Qty.
19010602 )Pump, Water 1
2 9010603 Gasket, Pump, Water 1
3 9010604 Bolt, Flange 1
4 9010503 Bolt, Flange 1
5 9010606 Bolt, Flange 2
69010607 Bolt, Flange 1
7 9010612 Pulley, Pump, Water 1
8 9010609 Nut, Flange 4
9 9010610 Washer, Spring 4

MITSUBISHI ENGINE BREAKDOWN
6-14 M30 Gas/LPG 9003946 (12- 2012)
Fig. 10 - Intake Manifold Gasket Group
2
3
4
5
6
7
8
9
10
1
11
14
15
16
17
18
13
12
7
12
9
10
5

MITSUBISHI ENGINE BREAKDOWN
6-15
M30 Gas/LPG 9003946 (12- 2012)
Fig. 10 - Intake Manifold Gasket Group
Ref. Part No. Description Qty.
19010382 )Fitting, 1/8 Mpt X 3/8 Hb [Mit] 1
2 9010281 Loom, Convoluted, Split 5/8 [Mit] 17”
3 385001 Hose, Fuel, .38d, Rbr[16”L] 20”
4 9010383 Elbow, 1/8m X 1/8f, 90 [Mit] 1
5 9010282 Clamp, 3/8id [Mit Olive Green] 2
69010283 Plug, 1/8 Npt, Brs, Skt Hd [Mit] 1
7 9010284 Plug, Injector [Mit] 4
8 9010285 Manifold, Intake [Mit 20/24m Tilt] 1
9 9010286 Nut, M8- 1.25 [Mit] 2
10 385015 Nut, Flng, M8 7
11 9010287 Stud, M8- 1.25 X 50 Full Thrd [Mit] 2
12 9010288 Stud, M8- 1.25 X 35 [Mit Double End] 2
13 9010384 Stud, M8- 1.25 X 30 [Mit Double End] 4
14 9010613 )Gasket, Manifold, Intake 1
15 9010606 Bolt, Flange 2
16 9010615 Bolt, Manifold, Inlet 1
17 9010617 Hanger, Engine 1
18 9010618 Hanger, Engine 1

MITSUBISHI ENGINE BREAKDOWN
6-16 M30 Gas/LPG 9003946 (12- 2012)
Fig. 11 - Exhaust Manifold Gasket Group
2
3
4
5
6
7
8
9
10
1
2
2
3
Ref. Part No. Description Qty.
19010296 )Gasket, Manifold, Exh [Mit] 1
2 9010297 Stud, M8- 1.25 X 40 [Mit] 7
3 372020 Stud, Manifold, Intake, M8 X 28 3
4 9010298 Manifold, Exhaust [Mit 2.0/2.4l] 1
5 9010302 Shield, Heat, Lower [Mit 20/24m] 1
69010303 Shield, Heat, Upper [Mit 20/24m] 1
7 385015 Nut, Flng, M8 10
8 9010262 Bolt, M6- 1.0 X 10 Fl Hd [Mit] 5
9 9010239 Nut, M10- 1.25 Flg [Mit] 2
10 9010619 )Gasket, Manifold, Exhaust 1

MITSUBISHI ENGINE BREAKDOWN
6-17
M30 Gas/LPG 9003946 (12- 2012)
Fig. 12 - Fan Tensioner and Pump Mount Group
2
3
4
5
6
7
8
9
10
1
11
12
13
15
14
Ref. Part No. Description Qty.
1371562 )Ring, Retaining 1
2 9010222 Plate, Tensioner, Adj [Mit 2.0/2.4l] 1
3 9010223 Bar, Tensioner, Mtg [Mit 2.0/2.4l] 1
4 9010224 Pulley, Tensioner, Assy[Mit2.0/2.4l] 1
5 9010225 Bracket, Tensioner, [Mit 2.0/2.4l] 1
69010226 Bolt, 3/8- 16 X 1 1/4 Hxhd [Mit] 2
7 371509 Washer, Lock, 0.38 2
8 9010227 Washer, Flat 3/8, Sae 3
9 9010228 Bolt, 3/8- 16 X 4.5 [Mit] 1
10 9010229 Bolt, M8- 1.25 X 25 [Mit] 4
11 9010230 Bolt, M8- 1.25 X 20 Fl Hd [Mit] 2
12 9010231 Bolt, M8- 1.25 X 25 Soc Hd [Mit] 1
13 9010623 )Bracket, Pump, Mtg 1
14 9010624 Bolt, Washer 1
15 9010625 Bolt, Washer 2

MITSUBISHI ENGINE BREAKDOWN
6-18 M30 Gas/LPG 9003946 (12- 2012)
Fig. 13 - Flywheel Group
2
3
4
5
6
7
8
9
10
1
11
12
13
4
12
13
Ref. Part No. Description Qty.
19010232 )Bolt, M8- 1.25 X 15, Hx Hd [Mit] 6
2 9010233 Flywheel, Flatface [Mit 20/24m] 1
3 9010234 Coupling, Flywheel [Mit20/24m] 1
4 9010235 Pin, Flywheel [Mit 20/20m] 3
5 9010236 Bolt, Flywheel [Mit 20/24m] 7
69010359 )Bolt, M12- 1.75 X 25, Hex Hd [Mit] 2
7 9010237 Cover, Dust [Mit 2.0l] 1
8 9010238 Housing, Flywheel [Mit 2.0l] 1
9 9010360 Washer, Lock, M12 [Mit] 2
10 9010239 Nut, M10- 1.25 Flg [Mit] 1
11 9010240 Bolt, M6- 1.0 X 20 Fl Hd [Mit] 2
12 9010241 Bolt, M10- 1.25 X 30 Soc Hd [Mit] 4
13 9010242 Bolt, M10- 1.25 X 45 Soc Hd [Mit] 2

MITSUBISHI ENGINE BREAKDOWN
6-19
M30 Gas/LPG 9003946 (5- 2015)
Fig. 14 - Ignition Coil and Spark Plug Group
2
4
5
3
1
6
Ref. Part No. Description Qty.
19010243 )Bracket, Coil [Mit 2.0/2.4l] 1
2 9010244 Coil, Ignition [Mit 2.0/2.4l] 4
3 385015 Nut, Flng, M8 2
4 9010240 Bolt, M6- 1.0 X 20 Fl Hd [Mit] 4
5 9010622 ¡)Plug, Spark [Torch K6rf- 11 14mm] 4
59014160 ©)Plug, Spark [Mitsubishi 2015 12mm] 4
6 9010479 )Seal, Oil 4
¡Serial Number (004000- 004582)
©Serial Number (004583- )

MITSUBISHI ENGINE BREAKDOWN
6-20 M30 Gas/LPG 9003946 (12- 2012)
Fig. 15 - Starter / Alternator Group
2
1
3
4
Ref. Part No. Description Qty.
19010245 )Bolt, M10- 1.50 X 30 [Mit] 2
2 9010246 Starter, Motor [Mit 2.0/2.4l] 1
3 9010217 Alternator, 7si [Mit Df Sur- Belt] 1
4 9010219 Spacer, Alternator [Mit 2.0/2.4l] 1

MITSUBISHI ENGINE BREAKDOWN
6-21
M30 Gas/LPG 9003946 (10- 2015)
Fig. 16 - Remote Oil Filter Group
2
3
4
56
7
8
9
10
1
11 12
13
14
15
16
17
12
3
Ref. Part No. Description Qty.
1393982 )Element, Fltr, Oil, Spin- On (Mits) 1
2 371503 Mount, Fltr, Remote 1
3 9010371 Fitting, Str, 10- 10 Orb, 37fi [Mit] 4
4 9010372 Plug, 3/8npt X 5/16, Brs [Mit] 1
5 9010373 Adapter, Filter, Oil, Remote [Mit] 1
69010374 Bracket, Filter, Oil, Remote [Mit] 1
7 9010375 Hose, 90x90,Filter, Oil, Remote[Mit] 1
8 9010376 Hose, 90xstr,Flter, Oil, Remote[Mit] 1
9 9010628 Elbow 1
10 9010629 Elbow 1
11 9010377 Gasket, Oil, Adapter [Mit 2.0/2.4] 1
12 385015 Nut, Flng, M8 3
13 9010253 Bolt, M8- 1.25 X 70 Hxhd [Mit] 1
14 9010630 Washer 2
15 9010229 Bolt, M8- 1.25 X 25 [Mit] 3
16 9010380 Washer, Lock, M8 [Mit] 1
17 9010631 Bolt 2

MITSUBISHI ENGINE BREAKDOWN
6-22 M30 Gas/LPG 9003946 (12- 2014)
Fig. 17 - Coolant Group
1
2
3
4
5
6
7
8
9
10
11
12
13
5
9
13
356302
Ref. Part No. Description Qty.
19010289 )O- Ring [Mit 208 Buna- N] 1
2 9010290 Housing, T- Stat, 2 Holes [Mit] 1
3 9010291 Tube, Water, Line [Mit] 1
4 385011 Fitting, E90 1
5 384979 Clamp, Hose, Spring, 0.62d 2
69010632 Gasket, Outlet 1
7 9010294 Outlet, Water, W/Plug [Mit 2.0/2.4l] 1
8 385015 Nut, Flng, M8 2
9 9010295 Cap, Rubber, 5/8id [Mit 2.0/2.4l] 2
10 9010905 Thermostat Kit, Coolant, Replmt [Mitsub] 1
11 9010215 Housing, Thermostat 1
12 9010910 Tube, Pump, Water 1
13 9013530 Seal, Tube, Water [Mit 2.0l] 2

MITSUBISHI ENGINE BREAKDOWN
6-23
M30 Gas/LPG 9003946 (12- 2012)
Fig. 18 - DSR Coolant Group, LPG Engine
2
3
4
5
6
7
1
Ref. Part No. Description Qty.
19010305 )Bolt, M8- 1.25 X 12 [Mit] 1
2 9010289 O- Ring [Mit 208 Buna- N] 1
3 9010306 Tube, Cooling, Line [Mit] 1
4 9010307 Gasket, Water Supply [Mit 2.0/2.4l] 1
5 9010308 Fitting, 1/2 Mpt X 5/8bh 90deg [Mit] 1
69010309 Plate, Water, Outlet [Mit Bypass] 1
7 9010310 Bolt, M8- 1.25 X 25 Flg Hd [Mit] 2

MITSUBISHI ENGINE BREAKDOWN
6-24 M30 Gas/LPG 9003946 (12- 2014)
Fig. 19 - Electrical Group
2
3
4
5
6
9
10
1
12
13
14
15
16
17
18
19
7
8
6
4
17
20
21
21
11
11

MITSUBISHI ENGINE BREAKDOWN
6-25
M30 Gas/LPG 9003946 (12- 2014)
Fig. 19 - Electrical Group
Ref. Part No. Description Qty.
19010255 )Washer, Star, M10 [Mit] 1
2 9010256 Bolt, M6- 1.0 X 12 Fl Hd Pl [Mit] 2
3 372492 Sensor, Spd, Timing Wheel [3.0l] 1
4 9008805 Isolator 2
5 1028558 Sensor, Exhaust, Tailpipe 1
69010257 Clamp, 1/4 Hole [Mit #20] 2
7 1071397 Module, Ecu, Gas [Mit 2.0l 2013] 1
7 1071398 Module, Ecu, Lpg [Mit 2.0l 2013] 1
8 372493 Sensor [Tmap] 1
9 372891 Sensor, Temp, Coolant 1
10 9010258 Clamp, 0.75d [Mit] 1
11 9010249 Bolt, M6- 1.0 X 30 Fl Hd [Mit] 4
12 9010260 Sensor, Camshaft [Mit] 1
13 9010261 Cam, Sensor, Wheel [Mit 2.0/2.4l] 1
14 1071653 Harness, Wire, Eng, Gas [Mit, 2.0l] 1
14 1071654 Harness, Wire, Eng, Lpg [Mit, 2.Ol] 1
15 9010262 Bolt, M6- 1.0 X 10 Fl Hd [Mit] 3
16 9010263 Bolt, M6- 1.0 X 16 Fl Hd [Mit] 3
17 9010264 Nut, M6- 1.0 Flange [Mit] 4
18 9010366 Stud, M10- 1.25 X 50, Full Thrd [Mit] 1
19 9010367 Nut, M10- 1.25, Hx Flg [Mit] 1
20 9010247 )Plate, Mtg, Ecu [Mit 2.0/2.4l] 1
21 9010248 Bolt, M10- 1.25 X 20 Hxhd [Mit] 3

MITSUBISHI ENGINE BREAKDOWN
6-26 M30 Gas/LPG 9003946 (8- 2013)
Fig. 20 - Fuel Rail Group, Gasoline Engine
2
1
2
Ref. Part No. Description Qty.
19010306 )Tube, Cooling, Line [Mit] 1
2 9010327 Bolt, M8- 1.25 X 16, Soc Hd [Mit] 2

MITSUBISHI ENGINE BREAKDOWN
6-27
M30 Gas/LPG 9003946 (8- 2013)
Fig. 21 - Throttle Body Group, Gasoline Engine
2
1
3
4
Ref. Part No. Description Qty.
19010266 )Actuator [Mit , Bosch] 1
2 9010268 Gasket, Throttle [Mit 40mm] 1
3 9010330 Washer, 1/4 Flat [Mit] 4
4 9010331 Bolt, M6- 1.0 X 45, Skt Hd [Mit] 4

MITSUBISHI ENGINE BREAKDOWN
6-28 M30 Gas/LPG 9003946 (12- 2014)
Fig. 22 - Throttle Body Group, LPG Engine
2
3
4
5
6
7
8
1
Ref. Part No. Description Qty.
19010266 )Actuator [Mit , Bosch] 1
2 1037311 Seal, Org, Lpg, Mixer 1
3 9006619 Adapter 1
4 9010267 Spacer, Ring, Throttle [Mit 40mm] 1
5 9010268 Gasket, Throttle [Mit 40mm] 1
69010269 Bolt, M6- 1.0 X 25 Soc Hd [Mit] 4
7 9010270 Washer, Lock, M6 [Mit] 4
8 9010271 Bolt, M6- 1.0 X 85 Soc Hd [Mit] 4

MITSUBISHI ENGINE BREAKDOWN
6-29
M30 Gas/LPG 9003946 (10- 2015)
Fig. 23 - Vaporizer Group, LPG Engine
2
3
4
5
67
8
9
10
1
11
12
13
14
15
3
3
3
3
3
6
17
18
16
Ref. Part No. Description Qty.
19010272 )Hose Assy, Upper, Tap [Mit] 1
2 9008805 Isolator 3
3 384979 Clamp, Hose, Spring, 0.62d 6
4 9008804 Plate, Mtg [Epr] 1
5 9010273 Fitting, 1/2 X 5/8 Hose,Plastic[Mit] 2
69010274 Clamp, Tension [Mit #29] 2
o7 9008193 Regulator 1
Y9010626 Repair Kit, Vaporizer 1
8 9010275 Bracket, Vaporizer [Mit 20/24m Tilt] 1
9 9010276 Hose, Fuel, Molded [Mit 20/24m] 1
10 9010277 Hose, Coolant, Molded [Mit 20/24m] 1
11 9010278 Hose, Coolant, Molded [Mit 20/24m] 1
12 9010279 Hose, Coolant, Molded [Mit 20/24m] 1
13 9010262 Bolt, M6- 1.0 X 10 Fl Hd [Mit] 3
14 9010280 Bolt, M8- 1.25 X 16 Fl Hd [Mit] 2
15 9010264 Nut, M6- 1.0 Flange [Mit] 1
o16 9006620 Lock- Off, 12v, Lpg [Mit] 1
Y17 9007380 Filter Kit, Fuelock, Lpg 1
18 9010317 Fitting, 1/4mpt X 1/4mpt, 90deg[Mit] 1

MITSUBISHI ENGINE BREAKDOWN
6-30 M30 Gas/LPG 9003946 (6- 2014)
Fig. 24 - Electronic Pressure Regulator (EPR) Group, LPG Engine
2
3
4
5
6
7
1
1
5
Ref. Part No. Description Qty.
19010314 )Plug, 1/8npt, Brs [Mit] 2
2 9008806 Regulator, Press, Electronic [Epr] 1
3 9008807 Fitting, Barb, 3/4” [Epr] 1
o4 9006618 Mixer , Lpg 1
Y9010634 Repair Kit, Mixer 1
59008808 Screw, Soc, M4 X 0.70 X 16 4
6 9007424 Stud, M05- 0.8 4
7 9007423 Nut, Flng, M05- 0.8 4

CROSS REFERENCE
7-1
M30 Gas/LPG 9003946 (5- 2016)
SECTION 7
CONTENTS PAGE
PART NUMBER TO PAGE NUMBER CROSS REFERENCE LIST 7-2......................................
PART DESCRIPTION TO PAGE NUMBER CROSS REFERENCE LIST 7-16...............................

CROSS REFERENCE
M30 Gas/LPG 9003946 (5- 2016)
7-2
PART NUMBER TO PAGE NUMBER CROSS REFERENCE LIST
Part Page
Number Number
C460919 2-208......
IB3614 4-22........
00500- 15 4-10, 4-11......
00927 2-95, 2-97........
00954 2-129........
00960 2-39, 2-61........
00966 4-22........
01316 3-3, 3-51........
01493 2-9........
01681 2-17........
01683 2-83, 3-3, 3-19, 3-47,........
3-51, 3-53, 3-63
01684 2-5, 2-43, 2-45, 2-89,........
2-93, 2-101, 2-123,
2-125, 3-19, 3-27,
3-47, 3-61
01685 2-41, 2-47, 2-63, 2-89,........
2-93, 2-101, 2-103,
2-105, 2-107, 2-111,
2-115, 2-121, 2-127,
2-131, 3-7, 3-11, 3-55
01686 2-7, 2-103, 3-13, 3-55........
01714 2-81........
01754 2-89........
01760 2-15........
01762 2-95, 2-97, 3-7, 3-9........
02430 4-23........
02706 4-7........
02850 2-15, 2-43, 2-85, 3-65........
02931 2-107........
02938 2-91, 4-27........
02942 2-85........
03026 2-35, 2-37, 2-57, 2-59........
03192 3-45........
03495 2-105........
03922 2-129........
04375 2-61........
04414 2-9, 2-23, 2-49, 2-51,........
2-103, 2-105
04706 2-17........
04733- 12 2-99......
06532 2-25, 2-27, 2-29........
06548 2-79........
06549 2-15, 2-73, 3-27, 3-47,........
3-51
06922 2-89........
06927 2-43........
06928 2-15, 2-91........
06933 2-15........
06939 3-51........
06942 2-9, 2-19, 2-25, 2-27,........
2-29, 2-31, 2-43, 2-45,
2-71, 2-79, 2-85
06943 2-23, 2-63........
06944 2-15........
06946 2-25, 2-27, 2-29........
06948 3-57, 3-59........
06949 2-69........
Part Page
Number Number
06955 2-79, 2-121, 2-127........
06957 2-103........
06960 2-17........
06961 2-39, 2-41, 2-43........
06962 2-45, 2-65........
06963 2-89........
06965 2-85, 3-63........
06968 2-49, 2-51........
06969 2-77, 2-99........
06972 2-23, 2-49, 2-51, 2-99........
06988 2-19........
07255 2-25, 2-27........
07259 2-85, 2-93, 2-99,........
2-107
07299 2-49, 2-51........
07449 2-107........
07515 3-55........
07782 2-19........
07786 2-111, 2-115........
07788 2-111, 2-115, 2-131........
07789 2-85........
07790 2-61, 2-65........
07791 2-9, 2-31, 2-33, 2-109,........
2-113, 2-151
07797 2-145........
07805 3-27........
08085 2-15........
08165 2-45, 2-63........
08166 2-41, 2-63........
08170 2-79........
08171 2-91........
08175 2-95, 2-97........
08179 2-79, 2-93, 2-99,........
2-103, 3-7, 3-11
08180 2-75........
08182 2-81, 2-111, 2-115........
08202 2-77........
08236 2-99........
08708 2-9, 2-15, 2-17, 2-19,........
2-35, 2-37, 2-43, 2-45,
2-57, 2-59, 2-65, 2-69,
2-79, 3-47, 3-57, 3-59,
3-65
08709 2-39, 2-43, 2-45, 2-47,........
2-57, 2-59, 2-61, 2-65,
2-67, 2-69, 2-71, 2-73,
2-79, 2-83, 2-111,
2-115, 2-151, 3-15,
3-65
08711 2-23, 2-49, 2-51, 2-77.........
08712 2-13, 2-93, 2-103,........
2-123, 2-125, 3-47
08713 2-41, 2-47, 2-63, 2-83,........
2-87, 2-93, 2-95, 2-97,
2-99, 2-101, 2-103,
2-105, 2-107, 2-109,
2-113, 2-121, 2-125,
2-127, 2-131, 3-7, 3-15
Part Page
Number Number
08714 2-85, 2-87, 2-93,........
2-103, 2-107
08716 2-41, 2-63, 2-93,........
2-111, 2-115, 2-123,
2-125
09005 2-95, 2-97........
09007 2-111, 2-115........
09010 2-47, 2-83, 2-87, 2-93,........
2-95, 2-97, 2-101,
2-125, 2-131, 3-7, 3-11,
3-15, 3-55
09011 2-101, 2-103, 2-131.........
09023 2-103, 2-131........
09028 2-111, 2-115........
09037 2-29........
09081 2-109, 2-113........
09164 2-7........
09198 2-83........
09200 2-15, 2-89, 2-123,........
3-19, 3-61
09206 2-85, 3-27........
09252 2-83, 2-85, 3-27........
09291 2-89, 2-93........
09738 3-13, 3-63........
09739 2-123, 3-13, 3-37,........
3-39, 3-41, 3-42, 3-43,
3-61
09740 2-9, 2-71, 2-89, 2-95,........
2-97, 2-99, 2-101,
2-111, 2-115, 2-117,
2-121, 2-127, 2-131,
2-155, 3-5, 3-27, 3-29,
3-37, 3-39, 3-41, 3-51
09741 2-99, 2-103........
09744 2-89, 3-27, 3-61........
09832 2-43, 2-45, 2-65........
1002898 3-19.......
1002899 3-19.......
1005219 3-29.......
1005302 3-19, 3-29.......
1005435 3-19, 4-27.......
1006400 3-3, 3-5, 3-19.......
1006410 3-3.......
1006415 3-19, 3-29.......
1006416 3-19.......
1007482 2-47, 2-67.......
1008640 2-39.......
1008916 2-19.......
1010614 3-33.......
1010668 3-19, 3-23, 3-33.......
1011107 2-69.......
1011216 2-41, 2-63.......
1011403 3-29.......
1011412 3-19, 3-21, 3-23, 3-29,.......
3-33, 3-51
1011780 2-35, 2-37.......
1011837 3-31.......
1011885 3-5.......

CROSS REFERENCE
7-3
M30 Gas/LPG 9003946 (5- 2016)
Part Page
Number Number
1011895 2-69.......
1011899 2-35, 2-37.......
1012248 2-69.......
1013031 2-41, 2-63.......
1013086 2-69.......
1013117 2-41, 2-63.......
10137 2-73........
1014563 2-39, 2-43, 2-45, 2-65,.......
2-85, 2-89, 2-93,
2-107, 2-129, 2-133,
3-45
1014705 2-99.......
1014747 2-47.......
1014843 2-67.......
1014929 3-19.......
1014930 3-5.......
1014971 4-27.......
1014974 3-33, 4-27.......
1015026 3-33.......
1015032 2-123, 3-13, 3-21,.......
3-31
1015033 2-123, 3-5.......
1015041 2-47.......
1015045 2-123, 3-3, 3-13, 3-21,.......
3-31
1015048 3-5.......
1015067 3-23.......
1015205 2-65.......
1015486 3-21, 3-31, 3-33, 3-51.......
1015547 2-25, 2-27, 2-33.......
1015815 2-55.......
1015897 2-27.......
1015930 2-25, 2-31.......
1016354 4-27.......
1016560 2-27, 2-33.......
1016837 3-3.......
1017022 3-19.......
1017101 2-118.......
1017141 2-208.......
1017218 2-9, 2-15, 2-19, 2-21,.......
2-61, 2-87, 2-93, 2-118,
2-121, 2-127, 2-131,
2-155, 3-5, 3-27, 3-29,
3-37, 3-39, 3-41, 3-51
1017248 3-39, 3-42.......
1017250 3-41, 3-43.......
1017368 2-5.......
1017386 3-29.......
1017413 3-29.......
1017415 3-29.......
1017903 2-75.......
1018098 3-19.......
1018155 4-27.......
1018207 2-89.......
1018208 2-91.......
1018209 2-133.......
1018216 2-133.......
1018226 2-85.......
1018227 2-85.......
1018239 2-87.......
Part Page
Number Number
1018240 2-85.......
1018253 2-93.......
1018266 2-85.......
1018272 2-87.......
1018289 2-153.......
1018293 2-91.......
1018495 3-51.......
1018499 3-51.......
1019031 2-111.......
1019225 2-7.......
1019228 2-15.......
1019250 3-51.......
1019251 2-7.......
1019265 2-47.......
1019285 3-55.......
1019295 1-1, 2-109, 2-113.......
1019424 2-121, 2-127.......
1019445 3-37, 3-39, 3-41.......
1019636 3-5.......
1019647 3-42, 3-43.......
1019939 2-69.......
1019950 2-203.......
1019968 2-65.......
1019971 3-37, 3-39, 3-41.......
1020168 2-9, 3-27.......
1020186 2-21.......
1020209 2-117.......
1020234 3-65.......
1020320 2-129.......
1020341 2-15, 2-21, 2-118,.......
2-125, 2-129, 3-19
1020434 2-208.......
1020526 3-61.......
1020548 2-111.......
1020904 2-9.......
1020949 2-35, 2-37, 2-57, 2-59.......
1021019 2-95, 2-97.......
1021047 2-91.......
1021090 2-125.......
1021210 3-5, 4-3.......
1021265 2-17.......
1021290 2-73.......
1021404 2-107.......
1021439 3-11.......
1021473 3-11.......
1021497 2-107.......
1021511 2-105.......
1021546 2-107.......
1021564 3-11.......
1021579 1-1, 2-153.......
1021609 2-103.......
1021617 3-11.......
1021794 3-7.......
1021834 2-9.......
1021881 3-51.......
1021920 2-125.......
1022003 2-101.......
1022105 2-15.......
1022106 3-13.......
1022111 3-7.......
Part Page
Number Number
1022135 3-7.......
1022137 2-121, 2-127.......
1022140 2-83.......
1022188 3-7.......
1022229 3-5.......
1022243 2-79.......
1022260 3-7.......
1022276 3-45.......
1022302 3-7.......
1022318 3-13.......
1022345 2-81.......
1022364 2-25.......
1022370 2-125.......
1022372 2-103.......
1022377 2-129.......
1022442 2-103.......
1022699 2-9.......
1022736 2-79.......
1022779 2-83.......
1022787 2-83.......
1022798 2-83.......
1022825 2-111, 2-115.......
1022846 2-109, 2-113.......
1022978 2-115.......
1023288 2-23.......
1023306 2-111.......
1023307 2-115.......
1023314 2-115.......
1023464 2-11.......
1023476 2-107.......
1023482 2-69.......
1023488 2-139.......
1023499 2-15.......
1023502 2-121, 2-127.......
1023545 2-153.......
1023569 2-11.......
1023606 2-141, 2-143.......
1023608 2-139.......
1023609 2-139.......
1023754 2-129, 2-131.......
1023769 2-145.......
1023779 2-103.......
1023853 2-47.......
1023879 3-45.......
1023926 2-17.......
1024141 2-199.......
1024237 3-19.......
1024249 2-75.......
1024251 2-149, 4-7.......
1024260 2-17, 4-13.......
1024274 2-73
.......
1024287 2-13.......
1024425 2-15.......
1024464 2-15.......
1024478 2-17.......
1024535 2-121, 2-127.......
1024558 2-121, 2-127.......
1024576 2-111, 2-115.......
1024584 2-109, 2-113.......
1024586 1-1, 2-109, 2-113.......

CROSS REFERENCE
M30 Gas/LPG 9003946 (5- 2016)
7-4
Part Page
Number Number
1024599 2-121, 2-127.......
1024641 2-103.......
1024648 2-7, 2-103.......
1024651 2-109, 2-113.......
1024695 2-17.......
1024703 2-103.......
1024764 2-145.......
1024853 2-129.......
1024934 2-71.......
1024977 3-63.......
1025005 1-2, 3-7.......
1025100 2-99.......
1025101 2-208.......
1025132 2-153.......
1025133 2-153.......
1025140 2-81.......
1025151 2-109, 2-113.......
1025229 2-69.......
1025480 2-121, 2-127.......
1025487 2-79.......
1025544 2-145.......
1025547 2-141, 2-143.......
1025601 2-107.......
1025619 2-125.......
1025620 2-125.......
1025680 2-103.......
1025736 2-15.......
1025756 2-133.......
1025841 2-133.......
1025872 2-129.......
1025887 2-129.......
1025888 2-129.......
1025904 2-85.......
1025990 3-17.......
1026007 2-103.......
1026014 2-125.......
1026051 2-121, 2-127.......
1026080 2-95, 2-97.......
1026119 3-15.......
1026352 2-95, 2-97.......
1026576 2-73.......
1026645 2-141, 2-143.......
1026727 2-121.......
1026743 3-51, 4-24.......
1026825 2-15.......
1027007 3-51.......
1027039 2-127.......
1027218 2-9.......
1027233 2-83.......
1027237 3-51.......
1027267 2-9
.......
1027290 1-1, 2-117, 3-55.......
1027313 2-83.......
1027560 3-63.......
1027688 2-5.......
1027716 1-2, 3-7.......
1027798 3-39, 3-41, 3-42, 3-43.......
1027800 3-39, 3-41, 3-42, 3-43.......
1027810 2-99.......
1027916 2-7.......
Part Page
Number Number
1027926 3-11.......
1027976 3-51.......
1027978 3-51.......
1028136 2-41.......
1028145 2-141, 2-143.......
1028173 2-125.......
1028211 2-125.......
1028328 2-125.......
1028343 2-31.......
1028522 2-125.......
1028558 2-41, 2-63, 6-25.......
1028559 2-41.......
1028635 2-111, 2-115.......
1028690 2-121, 2-127.......
1028691 2-121, 2-127.......
1028697 3-5.......
1028701 2-121, 2-127.......
1028753 2-63.......
1028769 2-13.......
1028772 2-13.......
1028823 2-151.......
1028924 2-69.......
1028929 2-41, 2-63.......
1028972 2-113.......
1028979 2-113.......
1028994 2-41, 2-63.......
1029055 3-51.......
1029057 3-27, 3-51.......
1029082 2-25, 2-27, 2-29.......
1029128 2-109.......
1029132 2-109.......
1029153 3-51.......
1029155 3-51.......
1029156 3-51.......
1029293 2-69.......
1029295 2-69.......
1029362 2-13.......
1029379 3-7, 3-9, 4-11.......
1029399 3-51.......
1029646 2-85.......
1029748 2-117.......
1029790 3-51.......
1029964 2-95, 2-97.......
1030017 2-9.......
1030404 2-139.......
1030441 4-30.......
1030444 4-30.......
1030617 2-117.......
1030709 2-147.......
1031011 1-2, 2-109, 2-113.......
1031017 2-208
.......
1031206 2-15.......
1031309 2-127.......
1031312 2-25, 2-27, 2-29.......
1031439 2-23.......
1031553 2-37.......
1031557 2-19.......
1031566 2-61, 3-65.......
1031572 2-125, 3-5.......
1031575 2-91.......
Part Page
Number Number
1031609 2-35.......
1031610 2-125.......
1031625 2-43.......
1031632 2-151.......
1031665 2-9, 2-13, 2-15, 2-17,.......
2-21
1031699 2-125, 4-3.......
1031796 4-24.......
1031797 4-24.......
1031798 4-24.......
1031799 4-24.......
1031800 4-24.......
1031801 4-24.......
1031802 4-24.......
1031803 4-24.......
1031823 1-2, 2-109, 2-113.......
1031826 2-7.......
1031827 2-7.......
1032174 2-7.......
1032323 2-35, 2-37.......
1032399 2-83.......
1032418 2-208.......
1032450 2-208.......
1032812 2-69.......
1032830 3-45.......
1032831 3-45.......
1032896 3-61.......
1033230 2-15.......
1033246 2-3.......
1033248 2-99.......
1033258 2-99.......
1033265 2-101.......
1033267 2-101.......
1033269 1-1, 2-101.......
1033290 2-151.......
1033372 2-3.......
1033374 2-3.......
1033375 2-3.......
1033538 2-101.......
1033548 1-1, 2-101.......
1033549 1-1, 2-101.......
1033550 2-101.......
1033573 2-101.......
1033624 2-201.......
1033644 2-39.......
1033676 2-35, 2-37.......
1033746 2-69.......
1033791 3-19.......
1033792 3-3.......
1033812 2-79.......
1033897 2-69.......
1033901 2-69.......
1033912 2-21.......
1033927 2-117.......
1033928 2-125.......
1033957 3-19.......
1033975 2-9.......
1034126 3-19.......
1034227 2-85.......
1034243 2-95.......

CROSS REFERENCE
7-5
M30 Gas/LPG 9003946 (5- 2016)
Part Page
Number Number
1034255 2-117.......
1034270 2-75.......
1034328 2-101.......
1034409 2-79.......
1034436 2-125.......
1034444 2-125.......
1034448 2-149, 4-9.......
1034454 2-79.......
1034676 2-69.......
1034686 2-93.......
1034694 2-93.......
1034700 2-93.......
1034701 2-93.......
1034762 2-9.......
1034764 2-11.......
1034765 2-11.......
1034766 2-11.......
1034767 2-15.......
1034768 2-11.......
1034769 2-11.......
1034806 2-75.......
1034812 2-107.......
1034844 2-19.......
1034862 2-105.......
1034869 2-125.......
1034878 2-153.......
1035039 2-125.......
1035044 2-125.......
1035052 1-2, 2-105.......
1035067 1-2, 2-105.......
1035143 2-105.......
1035145 2-105.......
1035214 2-47.......
1035260 2-133.......
1035530 2-39.......
1035677 2-71.......
1035703 2-133.......
1035727 2-107.......
1035780 2-35, 2-37.......
1035794 3-19.......
1035796 2-69.......
1035976 2-43.......
1035997 2-9.......
1036220 2-15.......
1036227 2-21.......
1036240 2-91.......
1036249 2-21.......
1036271 2-85.......
1036345 2-15, 2-21.......
1036419 2-87.......
1036611 2-89
.......
1036801 3-19.......
1036817 2-141.......
1036832 2-15.......
1036892 2-35, 2-37, 2-43, 2-45,.......
2-57, 2-59, 2-65, 3-65
1036899 2-147.......
1036901 3-17.......
1036902 3-17, 3-57, 3-59.......
1036903 3-17.......
Part Page
Number Number
1036904 3-17.......
1036907 3-17.......
1036939 2-145.......
1036945 2-141, 2-143.......
1036946 3-17.......
1036955 2-147.......
1036956 2-147.......
1036959 2-151.......
1036967 2-69.......
1037011 3-15.......
1037032 4-27.......
1037072 3-59.......
1037085 2-125.......
1037235 2-89.......
1037262 3-19.......
1037311 6-28.......
1037336 2-155.......
1037340 2-21.......
1037346 2-7, 2-9, 2-21, 2-45,.......
2-47, 2-65, 2-71, 2-73,
2-79, 2-91, 2-117,
2-129, 2-133, 2-151,
3-55, 3-65
1037354 2-69, 2-71, 2-151,.......
2-153, 3-59, 3-65
1037355 2-45, 2-65, 3-65.......
1037495 2-117.......
1037634 3-55.......
1037671 2-89.......
1037717 2-19.......
1037805 3-15, 4-19.......
1037809 3-25.......
1037825 3-23, 3-33.......
1037827 2-85.......
1037843 2-93.......
1037933 2-79.......
1037947 2-89.......
1037971 2-19.......
1037993 2-133.......
1038115 2-93, 3-11.......
1038116 2-123.......
1038121 2-93.......
1038123 2-93.......
1038126 2-93.......
1038134 2-93.......
1038137 2-99, 2-103, 2-111,.......
2-115, 3-11
1038159 4-27.......
1038203 2-23.......
1038258 2-95, 2-97.......
1038430 2-3.......
1038566 2-155, 4-15.......
1038569 2-139.......
1038571 3-57, 3-59.......
1038680 1-2, 2-105.......
1038681 1-2, 2-105.......
1038855 3-55, 4-25.......
1038927 2-125.......
1038941 2-125.......
1039019 3-5.......
Part Page
Number Number
1039037 3-55.......
1039042 3-53.......
1039044 3-53.......
1039046 3-55.......
1039049 2-125.......
1039056 3-53.......
1039072 2-125.......
1039163 2-87.......
1039215 2-87.......
1039348 2-111, 2-115, 3-55.......
1039356 3-19.......
1039357 3-19.......
1039620 2-101.......
1039622 2-101.......
1039623 2-101.......
1039705 2-15.......
1039753 3-59.......
1039757 2-117.......
1040187 2-21.......
1040216 2-141, 2-143, 3-57.......
1040222 2-21.......
1040318 2-151, 2-153.......
1040339 2-155.......
1040405 2-25.......
1040406 2-29.......
1040465 2-117.......
1040467 2-13, 2-17, 2-45, 2-65,.......
3-27, 3-47
1040512 3-57.......
1040628 2-145.......
1040629 2-145.......
1040630 3-57, 3-59.......
1040664 2-141.......
1040709 3-55.......
1040763 2-145.......
1040764 2-145.......
1040800 3-61.......
1040818 2-85.......
1040820 2-85.......
1040841 2-11.......
1040876 2-155.......
1040898 3-53.......
1040899 3-53.......
1041006 2-89.......
1041151 2-31, 2-33.......
1041152 2-31, 2-33.......
1041291 2-43.......
1041351 3-55.......
1041389 3-17.......
1041391 2-145, 3-55.......
1041477 2-117.......
1041822 2-13.......
1041920 2-89.......
1041935 3-53.......
1041952 3-55.......
1041953 2-121, 2-127.......
1042003 2-121.......
1042010 2-127.......
1042028 2-23.......
1042051 3-53.......

CROSS REFERENCE
M30 Gas/LPG 9003946 (5- 2016)
7-6
Part Page
Number Number
1042096 2-151.......
1042126 2-151.......
1042191 3-53, 3-55.......
1042499 2-5.......
1042500 2-5.......
1042504 2-5.......
1042579 3-55.......
1042640 3-67.......
1042686 2-99.......
1042710 4-30.......
1042772 2-27, 2-33, 3-53.......
1042859 3-55.......
1042968 3-9.......
1043166 2-151.......
1043187 2-23.......
1043214 2-121, 2-127.......
1043322 2-47.......
1043459 2-155.......
1043481 2-25, 2-31.......
1043660 2-41.......
1043897 2-43, 2-45.......
1043940 2-43.......
1044323 2-87.......
1044393 3-27.......
1044428 3-53, 3-55.......
1044429 3-55.......
1044920 2-43, 2-45.......
1044993 2-93.......
1045034 3-55.......
1045045 3-55.......
1045272 3-15.......
1045415 2-43, 2-45.......
1045419 2-43, 2-45.......
1045432 2-43.......
1045433 2-43, 2-45.......
1045443 2-43.......
1045444 3-63.......
1045447 2-43, 2-45.......
1045529 2-91.......
1045530 2-43, 2-45.......
1045599 2-43.......
1045759 2-147.......
1045764 2-43, 2-65.......
1045940 2-45, 2-65.......
1046022 2-23.......
1046039 2-45.......
1046090 2-19.......
1046173 3-27.......
1046237 2-39.......
1046245 2-19.......
1046427 2-89
.......
1046495 2-43, 2-45.......
1046798 2-125.......
1046962 2-45, 2-65.......
1046976 3-9.......
1046980 1-2, 3-9.......
1046995 3-9.......
1047002 3-9.......
1047060 3-9.......
1047132 2-15.......
Part Page
Number Number
1047169 2-9.......
1047188 2-9.......
1047191 2-21.......
1047192 2-21.......
1047238 1-2, 3-9.......
1047295 2-9, 2-21.......
1048166 2-65, 3-65.......
1048295AM 1-1, 2-89....
1048955 2-15.......
1049242 2-89.......
1049254 3-19, 3-29.......
1049259 3-19.......
1049355 2-45.......
1049887 2-45.......
1050003 2-208.......
1050295 3-45.......
1050436 2-141, 2-143.......
1051052 2-15.......
1051534 3-65.......
1052017 3-29.......
1052124 2-99.......
1052336 3-29, 4-27.......
1052342 2-99.......
1052726 3-27.......
1052885 2-91.......
1053078 3-27.......
1053320 2-89.......
1053464 4-27.......
1053838 2-7, 2-91, 3-13.......
1054382 2-47, 2-67.......
1054428 2-65, 3-65.......
1054558 2-37.......
1054575 2-95, 2-97.......
1054610 2-97.......
1054682 2-95.......
1054776 4-27.......
1054857 2-95, 2-97.......
1055106 2-23.......
1055153 2-97.......
1055170 2-29.......
1055377 2-39, 2-61, 3-65.......
1055381 2-39.......
1055425 2-39.......
1055552 2-53.......
1056191 3-63.......
1056233 2-29.......
1056241 2-41.......
1056298 2-89.......
1056300 2-33.......
1056355 2-35, 2-37.......
1056420 2-27
.......
1056566 2-23.......
1057029 5-11.......
1057504 2-45.......
1057637 4-27.......
1057643 2-95, 2-97.......
1057707 1-2.......
1057708 1-2.......
1057710 1-2.......
1057711 1-2.......
Part Page
Number Number
1058753 3-65.......
1058777 3-65.......
1058935 3-29.......
1058963 3-27.......
1058988 2-198.......
1058996 2-17.......
1059091 1-2, 3-9.......
1059092 1-2, 3-9.......
1059100 2-131.......
1059234 4-30.......
1059343 2-75.......
1059344 2-77.......
1059372 3-29.......
1059391 3-29.......
1059542 2-89.......
1059544 2-77.......
1059545 2-77.......
1059641 2-3.......
1059677 3-27.......
1059878 4-30.......
1060130 2-7, 3-13.......
1060185 3-27.......
1060273 3-27.......
1060290 3-29.......
1060291 3-27.......
1060292 3-27.......
1060386 3-29.......
1060517 4-27.......
1060521 2-75.......
1060596 3-29.......
1060624 3-27.......
1060693 3-29.......
1060695 4-27.......
1060719 3-27.......
1060845 3-29.......
1060871 3-36.......
1060880 3-36.......
1060881 3-36.......
1060942 2-7.......
1061045 3-33.......
1061973 2-75.......
1062033 2-131.......
1062102 2-77.......
1062116 2-27, 2-33, 3-13.......
1062403 3-29.......
1062566 2-7, 2-91.......
1062804 3-27.......
1062813 2-208.......
10632- 12 3-47......
10632- 13 2-91......
10632- 17 3-42, 3-43
......
10632- 4 2-91, 3-27.......
10632- 8 2-15.......
1063456 2-205.......
1063457 2-205.......
1064183 3-27.......
1064191 3-27.......
1064370 2-203.......
1064371 2-201.......
1064440 2-208.......

CROSS REFERENCE
7-7
M30 Gas/LPG 9003946 (5- 2016)
Part Page
Number Number
1064443 3-65.......
1064663 2-208.......
1065342 2-208.......
1065343 2-208.......
1066893 2-15.......
1067700 2-123.......
1068611 2-131.......
1068613 2-131.......
1068644 2-131.......
1068811 2-95, 2-97.......
1068812 3-9.......
1069019 1-2.......
1069020 1-2.......
1069241 3-45.......
1069253 3-45.......
1069385 2-107.......
1069562 2-99.......
1069580 3-47.......
1069662 3-47.......
1069755 3-47.......
1069761 3-47.......
1070324 3-47.......
1070348 2-51.......
1070402 3-47.......
1070426 2-61.......
1070431 2-61.......
1070434 2-65.......
1070619 2-61.......
1070732 2-67.......
1070751 2-49, 2-51.......
1070756 2-49, 2-51.......
1070764 2-61.......
1070787 2-59.......
1070788 2-57, 2-59.......
1070798 2-83.......
1070819 2-83.......
1070822 2-57, 2-59.......
1070833 2-57, 2-59.......
1070860 2-65.......
1070890 2-61.......
1070955 2-65.......
1071033 3-65.......
1071041 3-65.......
1071047 3-65.......
1071061 2-75.......
1071099 2-67.......
1071107 2-61.......
1071108 2-61.......
1071110 2-61.......
1071113 2-63.......
1071144 2-61
.......
1071145 2-61.......
1071155 2-49.......
1071173 2-151.......
1071240 2-133.......
1071253 2-131.......
1071280 3-29.......
1071376 2-63.......
1071388 2-69.......
1071397 6-25.......
Part Page
Number Number
1071398 6-25.......
1071404 2-57.......
1071418 2-63.......
1071440 2-53, 2-55.......
1071481 2-73.......
1071482 2-73.......
1071502 2-53.......
1071653 2-205, 6-25.......
1071654 2-205, 6-25.......
1071727 2-61.......
1071785 2-65.......
1071852 3-59.......
1071868 2-9.......
1071895 2-198.......
1071947 3-36.......
1072408 2-53, 2-55.......
1072421 2-61.......
1072456 2-15, 4-29.......
1072505 3-65.......
1072559 2-53, 2-55.......
1072669 2-49, 2-51.......
1072815 2-15.......
1072878 2-125.......
1072882 3-5.......
1072883 3-5.......
1072885 2-125.......
1072995 2-155, 4-17.......
1072997 3-15, 4-21.......
1073409 3-9.......
1073411 3-9.......
1073412 3-9.......
1073413 1-2, 3-9.......
1073414 1-2, 3-9.......
1073415 1-2, 3-9.......
1073416 1-2, 3-9.......
1073487 2-75.......
1073529 2-61.......
1074414 2-131.......
1074415 2-131.......
1074807 2-95, 2-97.......
1075003 2-13.......
10832 2-23........
10917 4-24........
11399 3-5.........
11442- 1 2-31, 2-33.......
11442- 23 2-71......
11842 2-83.........
11984 2-35, 2-37, 2-57, 2-59.........
1210807 2-7.......
1220185 2-5.......
1220235 2-5
.......
1220236 2-5.......
1221543 2-5.......
12295 2-95, 2-97........
12317 2-7, 2-93, 2-103, 3-13........
12323 2-91, 3-27........
13048 2-33........
13534 2-95, 2-97........
13698 2-151........
13904 4-15, 4-17, 4-19, 4-21........
Part Page
Number Number
13907 4-7........
140916 3-47........
14242 2-77........
14432 2-35, 2-37, 2-57, 2-59........
14838 2-5........
14877 3-3, 3-5, 3-19, 3-29........
150516 2-25, 2-31........
150538 3-19........
150540 3-19, 4-27........
150709 2-71, 3-19........
150713 3-19........
15331 2-19........
15539 2-5........
15648 2-121, 2-127........
15675 2-95, 2-97, 2-121,........
2-127, 3-55
15678 2-43, 3-19........
16213 2-83........
16411 1-2.........
16412 1-2........
16431 2-141, 2-143........
16695 4-10, 4-11........
16735 2-43, 2-45, 2-61........
16931 2-9, 2-15, 2-19, 2-21,........
2-39, 2-43, 2-45, 2-47,
2-61, 2-67, 2-69, 2-75
16968 2-13........
17284 2-121, 2-127........
17414 2-71........
17461 2-93, 2-99, 2-111,........
2-115, 3-11
17980 2-17, 2-151........
19064 2-15, 2-43, 2-89, 3-49........
19065 3-27........
19066 2-15, 2-39, 2-73, 2-85,........
3-27, 3-37, 3-39, 3-41,
3-42, 3-43, 3-51
19191 3-7, 3-9........
19309 2-117........
19312 2-25, 2-27, 2-29, 2-53,........
2-55
19313 2-39, 3-45........
19315 2-23, 2-25, 2-27, 2-29,........
2-53, 2-55
19317 2-25, 2-27, 2-29........
19320 2-117........
19583 2-75........
19760 2-71........
20170 2-79........
20394 3-51, 3-53........
20634 2-89........
20778 2-73........
20833 1-1, 2-107........
20944 3-5........
20951 3-5, 4-27........
20952 3-5........
21195 2-39.........
21196 3-63.........
21197 2-83.........
21198 2-149.........

CROSS REFERENCE
M30 Gas/LPG 9003946 (5- 2016)
7-8
Part Page
Number Number
21601 2-105, 3-9........
21602 2-105........
21603 2-105, 3-9........
21606 2-105........
21657 4-23........
21659 4-23........
21851 2-15........
21933 4-13........
21934 4-13........
21935 4-13........
21936 4-9........
21937 4-9........
21938 4-9........
21939 4-9........
21942 4-9........
21946 4-9........
21955 4-11........
21956 4-11........
21958 4-11........
222158 3-3........
222159 2-151........
222267 2-15, 2-21........
222268 2-87, 2-93........
222290 2-73........
222375 3-33........
222463 2-109, 2-113........
222496 2-41, 2-63........
222505 2-41, 2-63, 2-107........
222516 2-121, 2-127........
22290 2-17........
22297 2-47, 2-67........
22308- 6 2-71.......
223080 2-15........
223198 2-99, 3-27........
223470 2-99, 3-7........
223599 2-13........
22615 3-9........
22790 4-3........
23146 2-7, 2-91, 3-13........
23156 2-71........
23211 2-85.........
23285 4-3........
23498 2-121, 2-127, 2-129,........
2-133
23524- 1 2-103.......
23788 2-79........
24012 2-41........
24047 2-71........
24105 3-3........
24196 3-23, 3-33, 3-37, 3-39,........
3-41, 3-42, 3-43
24199 3-47
........
24265 2-21, 3-3........
24299 2-5........
24339 2-75........
24358 2-125, 4-3........
24543 3-5........
24544 3-3, 3-19, 3-29........
24555 2-105, 2-107, 3-9........
24698 3-29........
Part Page
Number Number
24928- 1 2-71.......
24976 2-23........
25014 2-41, 2-63........
25046 3-7, 3-9........
25122 1-1, 2-153........
25312 3-66........
25611 3-7, 3-9.........
25686 2-95, 2-97........
25735 2-107, 2-109, 2-113........
26496 2-71........
27048 2-31, 2-71........
27767 2-27, 2-33........
28854 4-11........
29557 3-11........
29558 3-11........
29584 2-103........
30407 2-43, 2-45, 2-65........
31241 2-133........
31354 4-10, 4-11........
31375 4-10........
31379 4-10........
31383 4-10........
31525 2-39........
31543 3-23, 3-33........
31613 1-1, 2-153........
32126 2-75........
32183 2-91, 2-125, 3-5........
32483 2-15, 2-17, 2-25, 2-27,........
2-29, 2-41, 2-63, 2-69,
2-71, 2-85, 2-133,
3-27, 3-47, 3-57, 3-59,
3-65
32485 2-23, 2-39, 2-41, 2-49,........
2-51, 2-83, 2-107,
2-133, 2-149
32486 2-17, 2-23, 2-43, 2-49,........
2-51, 2-77, 3-11, 3-63
32490 2-9, 2-19, 2-23, 2-25,........
2-27, 2-29, 2-31, 2-43,
2-45, 2-53, 2-55, 2-63,
2-65, 2-79, 2-81, 2-83
32491 2-9, 2-15, 2-17, 2-19,........
2-35, 2-37, 2-39, 2-41,
2-43, 2-45, 2-47, 2-57,
2-59, 2-61, 2-65, 2-67,
2-69, 2-71, 2-75, 2-79,
2-95, 2-97, 2-99,
2-101, 2-121, 2-125,
2-127, 2-151, 3-11,
3-15, 3-45, 3-61, 3-65
32492 2-7, 2-15, 2-41, 2-43,........
2-45, 2-63, 2-65, 2-71,
2-83, 3-7, 3-9, 3-45,
3-63
32493 2-23, 2-49, 2-51........
32509 4-27........
32716 2-39, 2-71........
32731 3-55........
32746 2-5........
32969 2-77........
Part Page
Number Number
32975 2-89........
32981 2-69, 2-129, 2-133........
32982 3-27........
32983 2-15, 2-39........
32987 2-75........
32988 2-39........
33295 3-3........
33373 2-107........
33401 2-101........
33580 4-5........
33671 2-73........
33812 2-155........
33932 2-21, 2-83, 2-109,........
2-113, 3-3, 3-27
34178 4-5........
34323 2-133........
34351 2-141, 2-143........
34359 3-15........
34390 2-155........
34395 2-141, 2-143........
34411 2-7, 2-91, 3-13.........
35493 4-22........
35707 2-71........
35710 2-71........
35904 2-151........
360801 2-111, 2-115, 2-125........
360824 2-89, 3-61........
360973 2-118........
361037 3-57........
361047 3-17........
361071 2-13........
361073 2-13........
361075 2-13........
361339 2-7, 2-45, 2-81, 2-85,........
2-101, 3-19, 3-65
36159 2-53, 2-55........
363162 2-105........
36328 2-111, 2-115, 2-131........
363301 2-105........
363458 2-7........
363976 2-9, 2-39........
364441 2-105, 3-15........
364587 2-85........
364749 2-15........
364978 2-145........
365007 3-59........
365095 2-123, 3-3........
365164 2-123........
36643 2-71, 2-83, 2-129,........
2-133
36644 2-99........
36658 2-89........
36661 2-89........
367313 2-93, 2-103........
367770 2-103........
368176 3-63........
368391 2-15........
36845 3-11........
369359 3-7, 3-9, 3-63........
369704 2-73........

CROSS REFERENCE
7-9
M30 Gas/LPG 9003946 (5- 2016)
Part Page
Number Number
369745 2-35, 2-37, 2-57, 2-59........
369746 1-1, 2-35, 2-37, 2-57,........
2-59
369747 2-35, 2-37, 2-57, 2-59........
370100 2-105........
371503 6-21........
371509 6-17........
371562 6-17........
371770 2-31, 2-33........
371854 2-35, 2-37........
371860 2-41........
371861 2-41........
371865 2-39........
371866 2-23........
371868 2-23........
371869 2-23........
371870 2-23........
371871 2-39........
371872 2-39........
371877 2-23, 2-31, 2-33........
371931 5-5........
371932 5-5........
371933 5-5........
371934 5-5........
371935 5-5........
371936 5-5........
371937 5-5........
371940 5-8........
371941 5-8........
371942 5-5........
371943 5-8........
371944 5-5........
371945 5-5........
371946 5-5........
371947 5-7........
371948 5-7........
371949 5-7........
371950 5-7........
371951 5-7........
371952 5-7........
371954 5-3........
371955 5-3........
371956 5-3........
371957 5-3........
371958 5-3........
371959 5-8........
371960 5-8........
371961 5-11........
371964 5-5........
371965 5-5........
371966 5-5........
371967 5-5........
371968 5-5........
371969 5-5........
371970 5-5........
371971 5-5........
371972 1-1, 2-23, 5-8........
371973 5-8........
371975 5-8........
371976 5-5........
Part Page
Number Number
371977 5-5........
371978 5-5........
371979 5-5........
371980 5-7........
371981 5-7........
371983 5-7........
371984 5-7........
371986 5-7........
371987 5-7, 5-8........
371988 5-7........
371990 5-3, 5-7........
371991 5-7........
371992 5-8........
371993 5-7........
371994 5-7........
371995 5-8........
371996 2-23, 5-7........
371997 5-7........
371998 5-7........
371999 5-3, 5-5........
372000 5-7........
372001 5-7........
372002 2-23, 5-7........
372003 5-7........
372004 5-7........
372005 5-7........
372007 5-3........
372008 5-3........
372009 5-11........
372010 5-11........
372011 5-11........
372012 5-11........
372013 5-11........
372014 5-11........
372015 5-11........
372016 5-11........
372017 5-11........
372018 5-3........
372019 5-3........
372020 5-9, 6-16........
372021 5-9........
372022 5-3........
372023 5-3........
372024 5-3........
372025 5-3........
372026 5-3........
372027 5-3........
372028 5-3........
372029 5-3........
372030 5-3........
372031 5-3
........
372032 5-3........
372033 5-3........
372034 5-3........
372035 5-3........
372036 5-3........
372037 5-3........
372038 5-3........
372039 5-3........
372040 5-11........
Part Page
Number Number
372041 5-11........
372043 5-11........
372044 5-11........
372046 5-11........
372047 5-3........
372048 5-3........
372049 5-9........
372050 5-9........
372051 5-9........
372052 5-9........
372053 5-9........
372055 5-12........
372056 5-12........
372057 5-12........
372058 5-12........
372059 5-12........
372060 5-12........
372066 5-9........
372235 2-205........
372236 2-205........
372237 2-205........
372440 1-1, 2-69........
372470 2-25, 2-27, 2-29, 2-53,........
2-55
372492 6-25........
372493 2-25, 2-27, 2-29, 6-25........
372510 2-29........
372528 2-31........
372529 2-31, 2-33........
372534 2-25, 2-29........
372539 2-31, 2-33........
372543 2-25, 2-27, 2-29........
372544 2-25, 2-27........
372545 2-25, 2-27........
372547 2-25, 2-27, 2-29........
372548 2-25, 2-27, 2-29........
372549 2-25, 2-27, 2-29........
372550 2-25, 2-27, 2-29........
372556 2-23........
372557 2-39........
372560 5-8........
372567 5-7........
372571 1-1........
372572 5-7........
372573 5-3........
372574 5-3........
372575 1-1, 5-12........
372579 2-29........
372603 1-1, 5-12........
372615 1-1, 2-31........
372616 5-11........
372862 2-23........
372882 5-3........
372891 6-25........
372953 2-23........
373217 4-5........
373226 4-5........
373236 4-5........
373260 4-5........
373291 4-5........

CROSS REFERENCE
M30 Gas/LPG 9003946 (5- 2016)
7-10
Part Page
Number Number
373297 4-5........
373298 4-5........
373299 4-5........
373317 4-7........
373327 4-7........
373346 4-7........
373347 4-7........
373348 4-7........
373389 4-7........
373391 4-7........
373393 4-7........
373394 4-7........
373395 4-7........
373398 4-7........
373402 4-7........
373413 4-7........
373427 4-7........
373429 4-7........
373434 4-7........
373493 4-7........
373494 4-7........
373633 4-15, 4-17, 4-19, 4-21........
373637 4-15, 4-17........
373639 4-15, 4-17........
373640 4-15, 4-17, 4-19, 4-21........
373642 4-15, 4-17, 4-19, 4-21........
373646 4-19, 4-21........
373647 2-155, 4-15, 4-17,........
4-19, 4-21
373648 4-15, 4-17, 4-19, 4-21........
373656 4-15, 4-17, 4-19, 4-21........
373657 4-15, 4-17, 4-19, 4-21........
373658 4-15, 4-17, 4-19, 4-21........
373660 4-15, 4-17........
373661 4-19, 4-21........
373662 4-19, 4-21........
373663 4-15, 4-17, 4-19, 4-21........
373664 4-15, 4-19........
373665 4-15, 4-17........
373666 4-15, 4-17........
373667 4-15, 4-17........
373668 4-15, 4-17........
373670 4-15, 4-17, 4-19, 4-21........
373671 4-15, 4-17........
373672 4-15, 4-19........
373673 4-15, 4-19........
373678 4-7........
373679 4-7........
373680 4-7........
373681 4-7........
373683 4-19, 4-21........
373684 4-15, 4-17........
373688 4-15, 4-17........
374224 2-208........
374560 2-75........
374563 2-75........
375321 3-51........
375322 3-3........
37555 4-10, 4-11........
37616 4-5........
Part Page
Number Number
377236 3-17........
377334 3-55........
377349 2-117, 3-55........
377359 3-7........
377537 1-2........
377538 1-2........
377540 1-2........
37756 4-5........
379609 2-75, 4-5........
379791 2-93........
379870 2-111, 2-115........
381391 2-57, 2-59........
381502 2-79........
381858 3-57........
381910 2-79........
382099 2-99........
382224 2-79........
382320 2-117, 2-125, 3-66........
382516 2-13........
38255 4-5........
383165 2-13........
384418 2-21, 2-109, 2-113........
384419 2-21........
384442 2-39, 2-41........
384961 5-5........
384962 5-8........
384963 5-5........
384964 5-5........
384966 5-7........
384968 5-7........
384970 2-31, 2-33........
384971 2-31, 2-33........
384972 2-25, 2-27, 2-29........
384973 2-31, 2-33........
384974 2-25, 2-27, 2-29........
384975 2-31........
384977 2-31, 2-33........
384978 2-31, 2-33........
384979 2-31, 2-33, 6-22, 6-29........
384980 2-29........
384983 2-31........
384984 2-31, 2-33........
384986 2-31, 2-33........
384990 2-205........
384991 2-29........
384992 2-25, 2-27........
384995 2-25, 2-27, 2-29........
384996 2-29........
384997 2-205........
384998 2-205........
384999 2-205
........
385001 6-15........
385011 6-22........
385015 6-15, 6-16, 6-19, 6-21,........
6-22
385029 2-23........
385644 3-21, 3-31, 3-33, 3-51........
385685 2-117, 3-55........
386088 2-111, 2-115........
386264 2-105........
Part Page
Number Number
386298 2-105, 3-9........
386652 3-5........
386847 2-103........
387237 2-105........
387281 2-145........
387433 2-105........
387500 2-105........
388153 2-17........
388552 5-11........
38968 4-5........
390994 2-117........
39210 2-97, 2-155, 3-15........
392171 2-13........
392609 2-129........
392645 2-71........
39277 2-35, 2-37, 2-43, 2-45,........
2-57, 2-59, 2-61, 2-65,
2-121, 2-127, 2-131
39278 2-83........
39279 2-79........
39281 2-61, 2-107........
39283 2-7, 2-9, 2-23, 2-45........
39284 2-41, 2-63, 3-63........
39285 2-133........
39308 2-111, 2-115........
39311 2-9, 2-39.........
39312 2-89........
393135 2-109, 2-113, 3-61........
393209 2-39........
393215 2-75........
393255 3-13........
39349 2-9, 2-15, 2-21, 2-39,........
2-61, 2-63, 2-83, 2-111,
2-115, 2-121, 2-127
39350 2-75........
393982 1-1, 2-49, 2-51........
394916 2-205........
39527 2-95, 2-97, 4-10........
39534 2-129, 2-133........
395973 3-15........
395974 2-155, 3-15........
396209 3-59........
396221 2-139........
396476 3-15........
39785 2-39........
39810 2-23........
39811 2-99.........
398279 2-35, 2-37, 2-57, 2-59........
398500 3-51........
398501 2-13........
398508 2-13........
39924 2-91........
40362 2-153........
40607 2-91........
40755 3-57, 3-59........
41130 2-129.........
41141 2-101.........
41142 2-39.........
41169 2-81, 2-83.........

CROSS REFERENCE
7-11
M30 Gas/LPG 9003946 (5- 2016)
Part Page
Number Number
41178 2-43, 2-45, 2-65,.........
2-101, 2-133
41185 2-111, 2-115.........
41186 2-61, 2-83, 2-121,.........
2-127
41187 2-41, 2-83, 2-85,.........
2-103, 2-111, 2-115
41305 2-85........
41346 3-11........
41359 3-27........
41361 2-23........
41399 2-81........
41430 2-43, 2-45, 2-65, 2-71,........
2-133, 3-45, 3-63
41445 2-111, 2-115........
41579 4-27........
41619 2-99, 2-103, 2-111,........
2-115
42011 2-39.........
42120 2-99........
42120- 1 2-85.......
42133A 3-3, 3-19, 3-29.......
42180 2-81........
42215 2-133........
42223 2-75........
42226 2-129, 2-153, 2-155,........
3-15
42227 3-57, 3-59........
42467 2-83........
43555 2-105, 2-121, 2-127........
43844 2-47, 2-67, 2-69, 3-3,........
3-5, 3-19, 3-29
44868 2-95, 2-97, 2-133,........
2-149, 3-15
44869 2-133, 2-149, 3-15........
44961 4-27........
45142 3-55........
45622 4-5........
45623 4-5........
45628 4-10, 4-11........
46236 3-39, 3-41........
46481 2-151........
46482 2-153, 2-155........
46559 2-83........
46563 2-79........
46785- 1 2-103.......
46800 3-7........
47504 3-15........
47512 2-149........
47513 2-131, 2-149........
47522 2-75, 3-17........
47585 2-17........
47638 3-57, 3-59........
47719 3-13........
47752 2-151
........
47801 2-75........
48079 2-83........
48126 2-69........
48697 3-55........
48790 3-29........
Part Page
Number Number
48813 4-22........
48985 2-99, 3-11........
48996 2-39........
48998 2-61........
49266 2-13, 2-45, 2-75, 2-97,........
3-29, 3-42, 3-43, 3-53
49697 2-109, 2-113........
49800 2-15, 2-43........
49883 2-61........
49933 2-129, 2-155........
50178 3-13........
50335 2-23, 2-83........
50544 2-123........
50646 2-91........
50901 3-29........
50960 2-133........
51109 2-79.........
51176 2-23, 2-49, 2-51.........
51305 2-47, 2-67........
51338 2-75, 2-77........
51339 2-75, 2-77........
51560- 5 2-35, 2-37, 2-57, 2-59.......
51824 2-99........
51839 2-25, 2-27, 2-31, 2-33........
52405 4-5........
53076 2-149........
53400- 1 2-71.......
53400- 4 2-71.......
53466 2-7, 2-9, 2-73, 2-151,........
3-55
53485 2-133, 4-22........
53947 2-83........
53953 2-83........
54017 2-139........
54051 2-75........
54052 2-75........
54087 2-75........
54095 4-22........
54205 2-83........
54274 2-43, 2-45, 2-65,........
2-129, 2-131, 2-133
54275A 2-129, 2-133.......
54333 2-25, 2-31, 2-57, 2-59,........
2-69, 2-73, 3-13, 3-19,
3-21, 3-23, 3-29, 3-31,
3-33, 3-51
54390 2-77........
54577 2-77........
54607 2-79........
54615 2-125........
54655 2-83........
54861 2-129........
55272 3-39, 3-41, 3-42, 3-43........
55455 2-153........
55586 2-95, 2-97, 2-155,........
3-15
55685 3-15, 3-57, 3-59........
55845 3-49........
55926 4-7........
56078 2-95, 2-97........
Part Page
Number Number
56185 2-17........
56186 2-201, 3-19, 3-27,........
3-51, 3-53
56690 2-17, 2-153, 3-15,........
3-17
56692 2-131........
56820 2-17, 2-155........
56821 3-7, 3-9........
56835 2-17........
56992 2-13........
57189 2-129........
57248 3-19........
57297 2-71........
57315 2-75........
57569 2-65........
57702 3-63, 3-65........
57804 2-73, 2-205........
57946 2-145........
58311 2-79.........
58366 2-47........
58494 2-15........
58589 2-71........
58590 2-71........
58592 2-153........
58819 2-7, 2-9, 2-81........
58842 2-75........
58979 2-125........
59009 2-79........
59156 2-71, 3-11........
59194 2-111........
59195 2-115........
59378 4-22........
59542 2-85........
59577 2-17, 2-155........
59633 3-11........
59649 2-133........
59668 2-81........
59735 2-133........
59886 3-5........
59967 2-133........
60090 2-151, 3-15........
60295 2-73........
607775 4-27........
61490 4-10, 4-11........
61869 2-27........
62471 2-151........
62595- 15 2-69......
630164 3-29........
63175- 1 3-11.......
63233 3-11........
63234 2-83........
63244- 2 3-3
.......
63430 3-49........
63448 3-49........
63451 3-49........
63468 2-107........
63810 2-25, 2-27, 2-31, 2-33,........
2-123, 3-3, 3-5, 3-13,
3-21, 3-23, 3-31, 3-33,
3-51, 3-55

CROSS REFERENCE
M30 Gas/LPG 9003946 (5- 2016)
7-12
Part Page
Number Number
63923 4-23........
63987- 1 3-29.......
64425 2-107, 2-109, 2-111,........
2-113, 2-115, 3-7
64778 3-29, 3-51........
65145- 1 2-149.......
65180 2-107........
65215 2-153........
65230 4-11........
65241 4-10........
65441 2-81........
65580 3-49, 3-53........
65581 3-29........
65695 2-95, 2-97........
66211 2-77.........
66213 2-77........
67004 3-49, 3-53........
67555 2-99........
67767 2-31, 2-71, 2-81........
67811 2-149.........
68106 2-23........
68866 2-81........
68869 2-73........
69173 2-155........
69234 2-59, 2-71, 2-151........
69582 2-79........
69657 3-49........
69659 3-49........
69785 2-117, 3-3........
70096 4-7........
70100 4-7........
70157 2-131........
70158 2-77........
70161 2-77........
70563 2-95, 2-97........
70622 2-17........
70623 2-17........
70709 2-17........
70717 2-17........
71204 2-103........
71340 2-75........
71341 2-75........
71367 2-79........
71369 2-99........
71556 2-141, 2-143........
71579 2-101........
71607 2-111, 2-115........
71726 2-153........
71727 2-155........
71729 2-95, 2-97, 4-10........
71741 2-141, 2-143, 3-57........
71868 3-11........
71869 3-11........
71874 3-11........
71941 2-19........
72897 2-85........
72926 2-75........
72968 3-29, 3-49, 3-53........
72970 2-17........
73027 2-17........
Part Page
Number Number
73260 3-3, 4-23........
73281 2-75........
73342 4-3........
73411 2-83.........
73433 3-3........
73468 3-19, 3-29........
73471 2-47, 2-67........
73736 2-13........
74090 2-121, 2-127........
74094 4-10, 4-11........
74095 4-10........
74098 4-10, 4-15, 4-17........
74099 4-10........
74100 4-10, 4-11........
74122 4-5........
74123 4-5........
74125 4-5........
74165 4-5........
74166 4-5........
74167 4-5........
74168 4-5........
74180 4-7........
74183 4-13........
74185 4-13........
74193 4-13........
74196 4-13........
74222 4-13........
74225 4-7........
74226 4-7........
74232 4-13........
74233 2-129, 4-22........
74237 4-7........
74243 4-13........
74244 4-13........
74245 4-13........
74250 4-10, 4-11........
74352 2-19........
74440 2-83........
74454 2-133........
75456- 3 2-129.......
75456- 4 2-129.......
75968 2-17........
76099 2-101, 3-3, 3-19........
761490 2-7, 3-13........
762282 2-27, 2-33........
762514 2-73........
763042 2-87........
763090 2-99........
763115 3-33, 3-42, 3-43........
763116 2-89, 3-23, 3-29........
763147 3-47
........
76315 2-131........
76570 2-61, 2-121, 2-127........
76888 2-15........
76958 2-39........
769785 3-51........
77003 4-15, 4-17........
77005 4-15, 4-17, 4-19, 4-21........
Part Page
Number Number
77097 2-85, 2-93, 2-103,........
2-111, 2-115, 2-155,
3-11
77098 2-99, 2-131, 2-133,........
3-11
77221 2-208........
77345 2-75........
78122 2-71........
78398 3-3, 4-3........
78829 4-3........
78830 4-3........
78833 4-3........
78836 4-3........
78838 4-3........
78839 4-3........
78840 4-3........
78841 4-3........
78842 4-3........
78843 4-3........
78875 4-23........
78950 4-24........
78951 4-24........
78952 4-24........
79273- 1 3-19, 3-29.......
79273- 2 2-123, 3-3.......
79380 2-129........
79381 2-47, 2-67........
79484 3-3........
79497 3-3........
79506 2-121, 2-127........
79729 4-5........
79828 4-5........
80395 2-105, 2-121, 2-127........
80409 2-107........
80950 2-107........
81784 2-111, 2-115........
81952 2-107........
82727 2-9........
82739 2-91........
82832 2-75........
82839 3-13........
83578 2-25, 2-31........
83874 1-2, 2-105........
83879 2-83........
84170 2-83........
86508 3-3........
86636 2-125........
86751 2-79........
86759 3-7........
86866 2-99........
87536 2-13........
87631 2-95, 2-97........
87738 2-47, 2-67
........
87816 2-85, 2-111, 2-115........
87866 1-1, 2-13........
9000355 2-69.......
9000845 3-41, 3-43.......
9000846 3-39, 3-42.......
9000879 3-39, 3-41, 3-42, 3-43.......
9000990 2-155.......

CROSS REFERENCE
7-13
M30 Gas/LPG 9003946 (5- 2016)
Part Page
Number Number
9001314 3-45.......
9001316 3-66.......
9001321 3-37.......
9001327 3-39.......
9001331 3-41.......
9001717 3-43.......
9001718 3-42.......
9002380 2-9.......
9002381 2-9.......
9002391 2-13.......
9002392 2-13.......
9002398 2-153.......
9002409 2-9.......
9002435 2-13.......
9002553 1-1.......
9002554 1-1.......
9002555 1-1.......
9002613 1-1.......
9002683 2-133.......
9002684 2-129.......
9002708 4-3.......
9002709 4-3.......
9003009 4-30.......
9003313 2-125.......
9003345 5-3.......
9003390 2-25, 2-27.......
9003391 2-29.......
9003422 2-9.......
9003423 2-9.......
9003425 2-9.......
9003426 2-9.......
9003428 2-9.......
9003429 2-9.......
9003431 2-9.......
9003432 2-9.......
9003433 2-9.......
9003434 2-9.......
9003435 2-9.......
9003436 2-9.......
9003453 2-13.......
9003455 2-129.......
9003461 2-129.......
9003610 2-69.......
9003793 2-121.......
9003794 2-127.......
9003832 2-41.......
9003926 3-67.......
9003943 3-67.......
9003944 3-67.......
9003945 3-67.......
9003946 3-67
.......
9003947 3-67.......
9003987 2-7.......
9003988 2-7.......
9003989 2-7.......
9003992 2-117.......
9003994 2-117.......
9003995 2-117.......
9003996 2-117.......
9004029 3-63.......
Part Page
Number Number
9004031 3-51.......
9004071 3-49.......
9004272 4-25.......
9004288 4-25.......
9004289 4-25.......
9004290 4-25.......
9004291 4-25.......
9004292 4-25.......
9004326 2-43.......
9004473 4-9.......
9004475 4-15, 4-17.......
9004492 2-9.......
9004496 2-105.......
9004674 5-11.......
9004675 5-11.......
9004676 3-67.......
9004677 3-67.......
9004678 3-67.......
9004679 3-67.......
9004680 3-67.......
9004681 3-67.......
9004682 3-67.......
9004683 3-67.......
9004684 3-67.......
9004685 3-67.......
9004686 3-67.......
9004687 3-67.......
9004688 3-67.......
9004689 3-67.......
9004690 3-67.......
9004691 3-67.......
9004692 3-67.......
9004693 3-67.......
9004694 3-67.......
9004695 3-67.......
9004696 3-67.......
9004697 3-67.......
9004698 3-67.......
9004699 3-67.......
9004700 3-67.......
9004701 3-67.......
9004702 3-67.......
9004880 2-13.......
9004983 2-41.......
9004986 2-41.......
9004987 2-43.......
9004988 2-43.......
9004989 2-7.......
9004990 2-7.......
9004991 2-7.......
9004992 2-7
.......
9006257 3-67.......
9006334 2-7, 2-91, 3-13.......
9006384 2-97.......
9006398 2-95, 2-97.......
9006618 2-29, 6-30.......
9006619 2-27, 2-29, 6-28.......
9006620 2-33, 6-29.......
9006634 2-23.......
9006635 2-23.......
Part Page
Number Number
9006811 2-45.......
9006812 2-45.......
9006813 2-45.......
9006895 2-23.......
9006917 2-39.......
9007088 2-39.......
9007131 3-37.......
9007142 2-149.......
9007143 2-149.......
9007380 1-1, 2-33, 6-29.......
9007381 1-1.......
9007382 1-1.......
9007423 2-29, 6-30.......
9007424 2-29, 6-30.......
9007513 2-7.......
9007552 2-33.......
9007553 2-33.......
9007882 3-27, 4-27.......
9007883 4-27.......
9007912 2-13.......
9007913 2-13.......
9008193 6-29.......
9008197 2-23, 5-7.......
9008248 2-75.......
9008395 2-23.......
9008757 4-30.......
9008804 6-29.......
9008805 6-25, 6-29.......
9008806 6-30.......
9008807 6-30.......
9008808 6-30.......
9008848 4-30.......
9008868 3-19, 4-30.......
9010085 3-47.......
9010086 3-47.......
9010096 2-65.......
9010097 2-65.......
9010215 6-22.......
9010217 6-20.......
9010219 6-20.......
9010222 6-17.......
9010223 6-17.......
9010224 6-17.......
9010225 6-17.......
9010226 6-17.......
9010227 6-17.......
9010228 6-17.......
9010229 6-17, 6-21.......
9010230 6-17.......
9010231 6-17.......
9010232 6-18
.......
9010233 6-18.......
9010234 6-18.......
9010235 6-18.......
9010236 6-18.......
9010237 6-18.......
9010238 6-18.......
9010239 6-16, 6-18.......
9010240 6-18, 6-19.......
9010241 6-18.......

CROSS REFERENCE
M30 Gas/LPG 9003946 (5- 2016)
7-14
Part Page
Number Number
9010242 6-18.......
9010243 6-19.......
9010244 6-19.......
9010245 6-20.......
9010246 6-20.......
9010247 6-25.......
9010248 6-25.......
9010249 6-25.......
9010250 6-9.......
9010251 6-9.......
9010252 6-9.......
9010253 6-9, 6-21.......
9010254 6-9.......
9010255 6-25.......
9010256 6-25.......
9010257 6-25.......
9010258 6-25.......
9010260 6-25.......
9010261 6-25.......
9010262 6-16, 6-25, 6-29.......
9010263 6-25.......
9010264 6-25, 6-29.......
9010266 6-27, 6-28.......
9010267 6-28.......
9010268 6-27, 6-28.......
9010269 6-28.......
9010270 6-28.......
9010271 6-28.......
9010272 6-29.......
9010273 6-29.......
9010274 6-29.......
9010275 6-29.......
9010276 6-29.......
9010277 6-29.......
9010278 6-29.......
9010279 6-29.......
9010280 6-29.......
9010281 6-15.......
9010282 6-15.......
9010283 6-15.......
9010284 6-15.......
9010285 6-15.......
9010286 6-15.......
9010287 6-15.......
9010288 6-15.......
9010289 6-22, 6-23.......
9010290 6-22.......
9010291 6-22.......
9010293 6-22.......
9010294 6-22.......
9010295 6-22
.......
9010296 6-16.......
9010297 6-16.......
9010298 6-16.......
9010302 6-16.......
9010303 6-16.......
9010305 6-23.......
9010306 6-23, 6-26.......
9010307 6-23.......
9010308 6-23.......
Part Page
Number Number
9010309 6-23.......
9010310 6-23.......
9010311 6-7.......
9010312 6-7.......
9010313 6-7.......
9010314 6-30.......
9010317 6-29.......
9010327 6-26.......
9010330 6-27.......
9010331 6-27.......
9010359 6-18.......
9010360 6-18.......
9010366 6-25.......
9010367 6-25.......
9010371 6-21.......
9010372 6-21.......
9010373 6-21.......
9010374 6-21.......
9010375 6-21.......
9010376 6-21.......
9010377 6-21.......
9010380 6-21.......
9010382 6-15.......
9010383 6-15.......
9010384 6-15.......
9010419 6-3.......
9010420 6-3.......
9010421 6-3.......
9010422 6-3.......
9010423 6-3.......
9010424 6-3.......
9010425 6-3.......
9010426 6-3, 6-12.......
9010427 6-3.......
9010428 6-3.......
9010429 6-3.......
9010430 6-3.......
9010431 6-3, 6-5.......
9010432 6-3.......
9010433 6-3.......
9010434 6-3.......
9010435 6-3.......
9010436 6-3.......
9010437 6-3.......
9010438 6-3.......
9010439 6-3.......
9010440 6-3.......
9010441 6-3, 6-5.......
9010442 6-3.......
9010443 6-3.......
9010444 6-3
.......
9010445 6-3.......
9010446 6-3.......
9010447 6-3.......
9010448 6-3.......
9010449 6-3.......
9010450 6-3.......
9010451 6-3.......
9010452 6-3.......
9010453 6-3.......
Part Page
Number Number
9010454 6-3.......
9010455 6-3.......
9010456 6-3.......
9010457 6-3.......
9010458 6-3.......
9010459 6-3.......
9010460 6-4.......
9010461 6-4.......
9010462 6-4.......
9010463 6-4.......
9010464 6-4.......
9010465 6-4.......
9010466 6-4.......
9010467 6-5.......
9010468 6-5.......
9010469 6-5.......
9010470 6-5.......
9010471 6-5.......
9010473 6-5.......
9010480 6-5.......
9010481 6-5.......
9010482 6-5.......
9010483 6-5.......
9010484 6-5.......
9010485 6-5.......
9010487 6-7.......
9010488 6-7.......
9010489 6-7.......
9010490 6-7.......
9010491 6-7, 6-9.......
9010492 6-7.......
9010493 6-7.......
9010494 6-7.......
9010495 6-7.......
9010496 6-7.......
9010497 6-7.......
9010498 6-7.......
9010502 6-7.......
9010503 6-7, 6-13.......
9010504 6-7.......
9010505 6-7.......
9010506 6-7.......
9010507 6-7.......
9010508 6-7.......
9010511 6-7.......
9010512 6-7.......
9010513 6-10.......
9010514 6-10.......
9010515 6-10.......
9010516 6-10.......
9010517 6-10
.......
9010518 6-10.......
9010519 6-10.......
9010520 6-10.......
9010521 6-10.......
9010522 6-10.......
9010523 6-10.......
9010524 6-10.......
9010525 6-10.......
9010526 6-10.......

CROSS REFERENCE
7-15
M30 Gas/LPG 9003946 (5- 2016)
Part Page
Number Number
9010527 6-10.......
9010528 6-10.......
9010529 6-10.......
9010530 6-9.......
9010531 6-9.......
9010532 6-9.......
9010533 6-9.......
9010534 6-9.......
9010535 6-9.......
9010536 6-9.......
9010537 6-9.......
9010538 6-9.......
9010539 6-9.......
9010540 6-9.......
9010541 6-9.......
9010542 6-9.......
9010543 6-9.......
9010544 6-9.......
9010545 6-9.......
9010546 6-9.......
9010547 6-9.......
9010548 6-9.......
9010549 6-9.......
9010550 6-9.......
9010551 6-9.......
9010552 6-9.......
9010554 6-9.......
9010555 6-9.......
9010556 6-9.......
9010557 6-9.......
9010559 6-9.......
9010560 6-9.......
9010561 6-9.......
9010562 6-9.......
9010563 6-9.......
9010564 6-9.......
9010565 6-9.......
9010567 6-9.......
9010568 6-9.......
9010569 6-9.......
9010570 6-11.......
9010571 6-11.......
9010572 6-11.......
9010574 6-11.......
9010575 6-11.......
9010576 6-11.......
9010577 6-11.......
9010578 6-11.......
9010579 6-11.......
9010580 6-11.......
9010581 6-12
.......
9010582 6-12.......
9010583 6-12.......
9010585 6-12.......
9010586 6-12.......
9010587 6-12.......
9010589 6-12.......
9010590 6-12.......
9010591 6-12.......
9010592 6-12.......
Part Page
Number Number
9010593 6-12.......
9010594 6-12.......
9010595 6-12.......
9010596 6-12.......
9010597 6-12.......
9010598 6-12.......
9010599 6-12.......
9010600 6-11, 6-12.......
9010601 6-12.......
9010602 6-13.......
9010603 6-13.......
9010604 6-13.......
9010606 6-13, 6-15.......
9010607 6-13.......
9010609 6-13.......
9010610 6-13.......
9010612 6-13.......
9010613 6-15.......
9010615 6-15.......
9010617 6-15.......
9010618 6-15.......
9010619 6-16.......
9010622 1-1, 6-19.......
9010623 6-17.......
9010624 6-17.......
9010625 6-17.......
9010626 6-29.......
9010627 6-21.......
9010628 6-21.......
9010629 6-21.......
9010630 6-21.......
9010631 6-21.......
9010634 2-29, 6-30.......
9010635 3-67.......
9010904 2-67.......
9010905 6-22.......
9010910 6-22.......
9010988 3-65.......
9011343 4-17, 4-21.......
9011345 4-17, 4-21.......
9011346 4-17, 4-21.......
9011347 4-17, 4-21.......
9011428 3-67.......
9012585 4-29.......
9012587 4-29.......
9012589 4-29.......
9012590 4-29.......
9012591 4-29.......
9012592 4-29.......
9012593 4-29.......
9012594 4-29
.......
9012595 4-29.......
9012597 2-41.......
9012832 2-95, 2-97.......
9013159 2-63.......
9014160, 6-19
9014202 2-49, 2-51.......
9014260 4-25.......
9014281 3-29.......
9014662 2-5.......
Part Page
Number Number
9014666 2-5.......
9014867 3-61.......
99321 1-2........

CROSS REFERENCE
M30 Gas/LPG 9003946 (5- 2016)
7-16
PART DESCRIPTION TO PAGE NUMBER CROSS REFERENCE LIST
A
Ace, Thrust, Motor, Hyd [En], 4-11
Actuator [Mit , Bosch], 6-27, 6-28
Actuator, Valve, By-Pass [En], 4-7
Adapter, 6-28
Adapter , 2-27, 2-29
Adapter, Filter, Oil, Remote [Mit], 6-21
Adapter, Intake, Throttle Body, 2-25, 2-29
Adapter, Rod- End, Side Brush, 3-11
Adapter, Valve, 400mm [Bosch], 2-29
Adjuster Assy, Lash, 6-9
Alarm Assy, Backup, 12/48Vdc, 3-37
Alarm Kit, Backup, Ci [M20/T20/M30], 3-37
Alarm, 9- 48vdc, 95 Db(A) [Ec- H20], 3-27
Alarm, Warning [Sonalert, St628], 2-73
Alternator, 12vdc 075a [Multi Grv], 2-39
Alternator, 7si [Mit Df Sur-Belt], 6-20
Angle, Lh, 2-103
Angle, Mtg, 2-83
Angle, Mtg, Antenna, Telem, 3-47
Angle, Retainer, 2-87
Angle, Rh, 2-103
Angle, Sppt, Fan, 2-129, 2-131
Angle, Sppt, Tank, Rear, 2-117
Antenna, Telem, 110 In [Gprs], 3-47
Arm [Positioning], 2-83
Arm Assy, Rocker [A], 6-9
Arm Assy, Rocker [B], 6-9
Arm Assy, Rocker [C], 6-9
Arm Wldt, Alternator [Mit 2013], 2-61
Arm Wldt, Lift, Sqge, Lh, 2-115
Arm Wldt, Safety, Sppt, Seat, .38d 06.5d,
2-15
Arm Wldt, Safety, Sppt, Seat, .38d 10.1l,
2-125
Arm Wldt, Sqge, Lift, Rh, 2-111
Arm, Cntrl, Pintle, Centering, 2-83
Arm, Link, 3-11
Arm, Pinch, 2-121, 2-127
Arm, Pintle, 2-83
Arm, Rocker, Valve, 5-3
Arm, Sqge, Side, Lh, 2-115
Arm, Sqge, Side, Rh, 2-111
Armrest, 4-29
Armrest, Rh, 2-15
B
Bag, Power, 3-49, 3-53
Ball, Camshaft, 5-11
Bar Wldt, Retainer, Sqge, Rear, 2-105
Bar, Flat, Ss 0.06, 00.50 X 10.00l, 2sl,
2-13
Bar, Flat, Stl 0.19, 01.50 X 04.1l, 2-75
Bar, Isolator, Vacfan, 2-133
Bar, Mtg, Hppr, 2-87
Bar, Mtg, Hppr Cover, 2-89
Bar, Retainer, 3-7
Bar, Rnd, Plstc, 0.31d 17.0l, 2-117
Bar, Tensioner, Mtg [Mit 2.0/2.4l], 6-17
Battery, Wet, 12vdc 0475cca, 2-73
Bearing Kit [Cl], 4-13
Bearing Kit, Cshft, 1.989- 1.995mm
(Brown), 5-5
Bearing Kit, Cshft, 1.989- 1.995mm (Green
Blue), 5-5
Bearing Kit, Cshft, 1.995- 2.001mm (Brown
Blue), 5-5
Bearing Kit, Cshft, 1.995- 2.001mm
(Green), 5-5
Bearing Kit, Cshft, 2.114- 2.120mm, 5-5
Bearing Kit, Cshft, 2.120- 2.126mm, 5-5
Bearing Kit, Rod, Connecting, Std, 5-5
Bearing, Ball, 0.98b 2.05d 0.59w, 2-95,
2-97
Bearing, Ball, 20mm B 42mm D 12mm W,
2-39, 2-61, 3-65
Bearing, Cone, 1.38b 0.71w, 2-75, 2-77
Bearing, Cone, Pump, Hyd, 4-7
Bearing, Cshft [ Black Std 3], 6-3
Bearing, Cshft [ Green Std 3], 6-3
Bearing, Cshft [ Lan Std 1,2,4,5], 6-3
Bearing, Cshft [ Lan Std 3], 6-3
Bearing, Cshft [ No Color Std 3], 6-3
Bearing, Cshft [ Red Std 1,2,4,5], 6-3
Bearing, Cshft [ Yellow Std 3], 6-3
Bearing, Cshft [Green Std 1,2,4,5], 6-3
Bearing, Cshft [Yellow Std 1,2,4,5], 6-3
Bearing, Cshft[No Color Std 1,2,4,5], 6-3
Bearing, Cup, 4-7
Bearing, Cup, 2.56d 0.55w, 2-75, 2-77
Bearing, Flng, 2hole, 0.50b, 2-17
Bearing, Flng, 2hole, 0.50b [Nyl], 2-17
Bearing, Oversize [1.0], 6-3
Bearing, Pillowblock, 1.02b [Solid Pye],
2-79
Bearing, Rod, Connect [ Lan Std], 6-10
Bearing, Rod, Connect [No Color Std],
6-10
Bearing, Rod, Connect [Yellow Std], 6-10
Bearing, Self Align, 0.75b 1.25d, 2-99
Bearing, Self Align, 1.25b 2.00d, 2-85
Bearing, Shaft, Balancer [ Ovrsz], 6-3
Bearing, Shaft, Std, Balancer, 6-3
Bearing, Split, 1.00b, 2-79
Bearing, Std, Balancer, 6-3
Bearing, Thrust, 4-11
Bearing, Thrust, 0.53b 1.00d 0.03w, 3-11
Bearing, Thrust, Cshft, 6-3
Bearing, Thrust, Pump, Hyd, 4-7
Bellcrank, Lift, Sqge, 2-103
Bellows,Seat,4-29
Belt, Ribbed, 38.5l, 2-39
Belt, Ribbed, 39.0l, 1-1
Belt, Ribbed, Alternator, 41.5l, 2-61
Belt, Ribbed, Fan, 42.13l, 2-61
Belt,Timing,5-11,6-9,6-11
Blade, Sqge, .38 3.50W 058.0L [Linard],
2-105
Blade, Sqge, .38 3.50W 058.7L, Ure
(Option), 2-105
Blade, Sqge, .38 3.55w 038.3l, Linatex,
2-109, 2-113
Blade, Sqge, .38 3.55w 038.3l, Ure
(Option), 2-109, 2-113
Blade, Sqge, .38 4.00W 063.0L, Linatex,
2-105
Blade, Sqge, .38 4.00W 063.2L, Ure
(Option), 2-105
Blade, Sqge, Side Brush, Linatex, 1-2, 3-9
Blade, Sqge, Side Brush, Urethane, 1-2,
3-9
Block Assy, Cylinder, 6-3
Block, Centering, 2-7, 2-103
Block, Short, Eng, W/ Piston & Ring, 5-5
Block, Spacer, 2-61
Bolt,6-7,6-21
Bolt, 3/8- 16 X 1 1/4 Hxhd [Mit], 6-17
Bolt, 3/8- 16 X 4.5 [Mit], 6-17
Bolt, Belt, Balancer, Train, 6-11
Bolt, Bracket, Sensor,Cshft Position, 5-7
Bolt, Bracket,Screen,Oil Pump,M6x1x1,
5-7
Bolt, Camshaft Cover, 5-3
Bolt, Cap, Bearing, 6-3
Bolt, Carriage, M06 X 1.0 X 30, 2-93
Bolt, Carriage, M06 X 1.00 X 40, 4.6, 3-27
Bolt, Carriage, M10 X 1.50 X 70, 2-107
Bolt, Connecting, 6-10
Bolt, Connecting Rod, 5-5
Bolt, Cover, Camshaft, M6 X 1 X 22, 5-11
Bolt, Cover, Oil Pump, M6 X 14, 5-7
Bolt, Cover, Water Pump, 5-7
Bolt, Eng Cover, M6 X 1 X 13, 5-11
Bolt, Eye, .25- 20 X 1.40 X .25 Eye, 2-83
Bolt, Eye, M08 X 1.25 X 070mm, 05.50
Eye, 2-111, 2-115
Bolt, Eye, M10 X 1.50 X 064mm, 07.10
Eye, 2-103
Bolt, Flange, 6-3, 6-5, 6-7, 6-9, 6-11, 6-12,
6-13, 6-15
Bolt, Flywheel, 5-5
Bolt, Flywheel [Mit 20/24m], 6-18
Bolt, Head. Cyl, 5-3
Bolt, Hsng, Thermostat, 5-3
Bolt, M08 X 1.25 X 25mm, 5-5
Bolt, M10 X 1.50 X 75mm, 5-5
Bolt, M10- 1.25 X 20 Hxhd [Mit], 6-25
Bolt, M10- 1.25 X 30 Soc Hd [Mit], 6-18
Bolt, M10- 1.25 X 45 Soc Hd [Mit], 6-18
Bolt, M10- 1.50 X 30 [Mit], 6-20
Bolt, M10x1.5, 4-9
Bolt, M12-1.75 X 25, Hex Hd [Mit], 6-18
Bolt, M6- 1.0 X 10 Fl Hd [Mit], 6-16, 6-25,
6-29
Bolt, M6- 1.0 X 12 Fl Hd Pl [Mit], 6-25
Bolt, M6- 1.0 X 16 Fl Hd [Mit], 6-25
Bolt, M6- 1.0 X 20 Fl Hd [Mit], 6-18, 6-19
Bolt, M6- 1.0 X 25 Soc Hd [Mit], 6-28
Bolt, M6- 1.0 X 30 Fl Hd [Mit], 6-25
Bolt, M6-1.0 X 45, Skt Hd [Mit], 6-27
Bolt, M6- 1.0 X 85 Soc Hd [Mit], 6-28

CROSS REFERENCE
7-17
M30 Gas/LPG 9003946 (5- 2016)
Bolt, M8- 1.25 X 12 [Mit], 6-23
Bolt, M8-1.25 X 15, Hx Hd [Mit], 6-18
Bolt, M8- 1.25 X 16 Fl Hd [Mit], 6-29
Bolt, M8-1.25 X 16, Soc Hd [Mit], 6-26
Bolt, M8- 1.25 X 20 Fl Hd [Mit], 6-17
Bolt, M8-1.25 X 25 [Mit], 6-17, 6-21
Bolt, M8- 1.25 X 25 Flg Hd [Mit], 6-23
Bolt, M8- 1.25 X 25 Soc Hd [Mit], 6-17
Bolt, M8- 1.25 X 55 Fi Hd [Mit], 6-9
Bolt, M8- 1.25 X 65 Hxhd [Mit], 6-9
Bolt, M8- 1.25 X 70 Hxhd [Mit], 6-9, 6-21
Bolt, Manifold, Inlet, 6-15
Bolt,Motor,Hyd,4-5
Bolt, Oil Pump Screen/Camshaft Cover,
5-7
Bolt, Pan, Oil, 5-8
Bolt, Pulley, Cshft, 5-5
Bolt, Pump, Oil, 5-7
Bolt, Retainer, Camshaft, M6 X 1 X 16,
5-11
Bolt, Rocker, Cover, 6-4
Bolt,Seal,6-9
Bolt, Sensor, Position, Cshft, 5-7
Bolt, Shield, Manifold, Exhaust, 5-9
Bolt, Shld, .31d X 1.00, .25- 20, 2-83
Bolt, Shld, 1.37d X 5.13l,1.1- 18 Drilled,
2-75
Bolt, Soc Head, M5 X 80 X 35, 2-29
Bolt, Sprocket, Camshaft, M10x1.25x60,
5-11
Bolt, Sprocket, Cshft, 6-10
Bolt, Tensioner [GM], 5-11
Bolt, Tensioner, Timing Belt,M8x1.25x48,
5-11
Bolt, Tube [Pvc], M6 X 1 X 15, 5-3
Bolt, U, .25- 20 X 2.00, 1.10id, 3-55
Bolt, Washer, 6-9, 6-10, 6-12, 6-17
Boot, .63id .29l .90w, 2-13
Boot, Bellows, 3.1l 4.4w 2.8h 1hole, Neo,
2-17
Boot, Circuitbreaker, 3-27
Boot, Switch, Ignition, 2-13
Bracket Assy, Coil, Ignition, 6-7
Bracket Kit, Alternator, Repair, 2-39
Bracket Wldt, Alternator [Mit13], 2-61
Bracket Wldt, Alternator, Lower [Gm1.6l],
2-39
Bracket Wldt, Brush Wrap Mtg, Rh, 2-99
Bracket Wldt, Brush Wrap, Lh, 2-99
Bracket Wldt, Cooler, Hyd Fluid, 2-151
Bracket Wldt, Flap, Recirculation, 2-101
Bracket Wldt, Guard, Sqge, 3-63
Bracket Wldt, Latch, 2-19
Bracket Wldt, Mtg, Caster, 2-107
Bracket Wldt, Mtg, Eng, 2-23
Bracket Wldt, Mtg, Eng, Back, Gas/Lpg,
2-23
Bracket Wldt, Mtg, Eng, Rear [Mit 2013],
2-49, 2-51
Bracket Wldt, Mtg, Engine [Mit 2013],
2-49, 2-51
Bracket Wldt, Mtg, Fan, Upper, 2-43, 2-45
Bracket Wldt, Mtg, Hose [M30], 2-9
Bracket Wldt, Mtg, Reg, Lpg[Gm 2010],
2-33
Bracket Wldt, Mtg, Regulator, Lpg, 2-31
Bracket Wldt, Mtg, Rh, 2-125
Bracket Wldt, Mtg, Side Brush, 3-7
Bracket Wldt, Mtg, Side Brush Fixed, 3-9
Bracket Wldt, Mtg, Sqge, 2-107
Bracket Wldt, Mtg, Tank, 2-9
Bracket Wldt, Pivot, Hppr Door, Lh, 2-93
Bracket Wldt, Pivot, Hppr, Rh, 2-93
Bracket Wldt, Propel, Pintle, 2-83
Bracket Wldt, Radiator, Fan, Gas/Lpg,
3-65
Bracket Wldt, Steering, Tilt, 2-17
Bracket Wldt, Tilt, Rh, 2-17
Bracket, Anchor, Strap, Alternator, 2-39
Bracket, Coil [Mit 2.0/2.4l], 6-19
Bracket, Cover, 2-43, 2-45, 2-93
Bracket, Cover, Hopper, 2-93
Bracket, Fan, Lh, 2-43, 2-45
Bracket, Fan, Rh, 2-43, 2-45
Bracket, Fan, Upper, Lh, 2-43, 2-45
Bracket, Filter, Oil, Remote [Mit], 6-21
Bracket, Indicator, Timing, 6-9
Bracket, Keeper, Latch, 2-117
Bracket, Latch, Cover, 2-21, 3-61
Bracket, Latch, Cover, Hppr, 2-89
Bracket, Latch, Keeper, 2-21
Bracket, Latch, Shrd, Seat, 2-15
Bracket, Lip, Hppr, 2-93
Bracket, Mtg, 2-9, 3-57, 3-59
Bracket, Mtg [FaST], 3-19
Bracket, Mtg, Alternator [Mit 2013], 2-61
Bracket, Mtg, Cable, 2-79
Bracket, Mtg, Cover, Recvy Tank, 2-125
Bracket, Mtg, Cyl, 2-83, 2-111, 2-115
Bracket, Mtg, Ecu, 2-29
Bracket, Mtg, Ecu [M20/T20 2007], 2-25,
2-27
Bracket, Mtg, Fltr, Air, 2-35, 2-37
Bracket, Mtg, Fltr, Air [Mit 2013], 2-57,
2-59
Bracket, Mtg, Fltr, Air, Ecu, 2-35, 2-37
Bracket, Mtg, Hinge, Lh, 2-21
Bracket, Mtg, Hinge, Rh, 2-15
Bracket, Mtg, Insulation, 2-9
Bracket, Mtg, Latch, 2-43
Bracket, Mtg, Lh, Tank, Recvy, 2-125
Bracket, Mtg, Mirror, Rearview, 3-45
Bracket, Mtg, Motor, 2-129, 2-133, 3-55
Bracket, Mtg, Muffler, 2-41
Bracket, Mtg, Muffler [M20/T20 2007], 2-63
Bracket, Mtg, Needle, 3-55
Bracket, Mtg, Prop Rod, 2-125
Bracket, Mtg, Radiator, 2-43, 2-45, 2-65
Bracket, Mtg, Skirt, Brush Door, 2-109,
2-113
Bracket, Mtg, Skirt, Door, 2-109, 2-113
Bracket, Mtg, Sppt, 2-75
Bracket, Mtg, Spray Handle, 3-51
Bracket, Mtg, Spray Wand [FaST, Conv],
3-51
Bracket, Mtg, Spring, 2-99
Bracket, Mtg, Sqge, 3-7
Bracket, Mtg, Strainer, 3-5
Bracket, Mtg, Switch, 2-85
Bracket, Mtg, Tank, Soltn, 2-117
Bracket, Mtg, Valve, 3-3
Bracket, Mtg, Valve, Hyd, 2-155
Bracket, Muffler, 2-63
Bracket, Propel, G/Lpg [Mit 2013], 2-83
Bracket, Propel, Gas/Lpg, 2-83
Bracket, Protector, Float Switch, 3-55
Bracket, Pulley, Tensioner, 6-9
Bracket, Pump, Mtg, 6-17
Bracket, Retain, Hose, 2-121, 2-127
Bracket, Retainer, Lh, 2-95
Bracket, Retainer, Pump, 3-19
Bracket, Retainer, Rh, 2-97
Bracket, Retainer, Safety, 2-83
Bracket, Retainer, Spring, 2-5
Bracket, Retaining, Hose, 2-121, 2-127,
3-61
Bracket, Retaining, Wire, Sparkplug, 5-12
Bracket, Screen, Oil Pump, 5-7
Bracket, Sensor, Position, Cshft, 5-7
Bracket, Shrd, Fan, Lower, Gas/Lpg, 3-65
Bracket, Shrd, Fan, Lower, Sppt, G/Lpg,
2-65
Bracket, Shrd, Fan, Upper, Sppt, G/Lpg,
2-65
Bracket, Shrd, Fan, Upper, Sppt, Gas/Lpg,
3-65
Bracket, Shrd, Radiator, Gas/Lpg, Ce, 3-65
Bracket, Skirt, Rbr, 2-43, 2-45
Bracket, Sppt, 2-95, 2-97
Bracket, Sppt, Cover, Tank, Recvy, 2-125
Bracket, Sppt, Radiator, Upper, 2-43
Bracket, Sppt, Seat, 2-15
Bracket, Sppt, Strobe Light, 3-37, 3-39,
3-41
Bracket, Sppt, Tank, Cntr, 2-117
Bracket, Sppt, Tank, Lh, 2-125
Bracket, Sppt, Tank, Rh, 2-125
Bracket, Tensioner, [Mit 2.0/2.4l], 6-17
Bracket, Tube, Coolant, 2-47
Bracket, Valve, Sba [M20 AND T20], 3-15
Bracket, Vaporizer [Mit 20/24m Tilt], 6-29
Brake Assy, Drum, Mech, 07.9d [6600]],
2-77
Brake Kit, Repair, 2-77
Brush Assy, Disk, Scb, 16.0d, Heavy Duty
Polypropylene, 2-5
Brush Assy, Disk, Scb, 16.0d, Nylon, 2-5
Brush Assy, Disk, Scb, 16.0d, Super
Abrasive, 2-5
Brush Assy, Disk, Scrub, 16.0 D, Heavy
Duty Polypropylene (Replaced by
1220236), 2-5
Brush Assy, Disk, Scrub, 16.0 D, Super
Abrasive (Replaced by 1221543), 2-5
Brush Assy, Disk, Scrub, 16.0D, Nylon
(Replaced by 1220235), 2-5
Brush Assy, Disk, Sweep, 24.oD,
Polypropylene (Replaced by
1220185), 2-5

CROSS REFERENCE
M30 Gas/LPG 9003946 (5- 2016)
7-18
Brush Assy, Disk, Swp, 24.0d,
Polypropylene, 2-5
Brush Kit, Hub Assy, Drive, Ci [Hdpe In],
2-5
BrushKit,HubAssy,Drive,Ci[Uhmw],2-5
Brush, Sweep / Scrub, 48L, 24 Sr, Heavy
Duty Polypropylene, 2-3
Brush, Sweep / Scrub, 48L, 24 Sr,
Polyester, 2-3
Brush, Sweep / Scrub, 48L, 24 Sr,
Polypropylene, 2-3
Brush, Sweep / Scrub, 48L, 24 Sr,Super
Abrasive, 2-3
Brush, Sweep / Scrub, 48L, Wndw, Super
Abrasive, 2-3
Brush, Sweep / Scrub, 48L, Wndw,
Polypropylene, 2-3
Bumper Wldt, Brush, Side, 3-7, 3-9
Bumper, Rbr, 0.5d 0.16t M5 X 08, 2-83
Bumper, Sqge, 2-105
Bumper, Ure, 1.50d 1.25l, 3-63
Bushing, 6-3, 6-5
Bushing, Eccentric, Adj, 2-121, 2-127
Bushing, Flng, 0.32b 0.50d 0.24l, Bnz,
2-107
Bushing, Flng, 0.50b 0.59d 0.38l, 2-121,
2-127
Bushing, Flng, 0.63b 0.75d 0.38l, 2-107,
2-109, 2-113
Bushing, Flng, 0.87b 1.25d 0.38l, 2-85
Bushing, Flng, 1.00b 1.13d 0.50l, 2-93,
2-103
Bushing, Knock, 6-3
Bushing, Sleeve, 0.37b 0.50d 0.50l, Oib,
2-79
Bushing, Sleeve, 0.50b 0.59d 0.50l, Bnz,
3-11
Bushing, Sleeve, 0.62b 0.72d 0.50l, Fgl,
2-107
Bushing, Sleeve, 0.63b 0.72d 0.38l, 2-111,
2-115
Bushing, Sleeve, 0.75b 0.88d 0.25l, 2-121,
2-127
Bushing, Sleeve, 0.88b 1.00d 0.75l, Bnz,
2-85
Bushing, Sleeve, 1.00b 1.13d 1.50l, Fgl,
3-11
Button, Cntrl, Horn, 2-17
Bypass Valve Kit, Pump, Repair,, 4-24
C
Cable, Battery, 02ga 48.0l Red .41ring,
2-73
Cable, Battery, 02ga 60.0l Blk .41ring, 2-73
Cable, Battery, 2ga, 60l, Red, 2-73
Cable, Battery, 2ga, 62l, Blk, 2-73
Cable, Glv .06d 012.0l .26eye /.26eye,
3-63, 3-65
Cable, Glv .09d 042.0l .38eye /.38eye,
2-19
Cable, Glv .13d 015.8l .50eye /.50eye,
2-111, 2-115
Cable, Push / Pull, 068.0l, 2-79
Cable, Push / Pull, 098.0l .25- 28/.25- 28,
2-81
Cam, 2-105
Cam, Centering, Pintle, 2-83
Cam, Front, 3-9
Cam, Rear, 2-105
Cam, Sensor, Wheel [Mit 2.0/2.4l], 6-25
Camshaft, 5-11
CamshaftAssy,6-9
Cap Assy, Tank, Drain, 2-125, 4-3
Cap Screw, 4-10
Cap Screw Cl, 4-11
Cap, Arm, Lift, 2-91
Cap, Breather, Hyd w/Chain (CE Only),
2-153
Cap, Breather, Hyd, 2.4 Ds, 1-1, 2-153
Cap, End, Valve, Steering, 4-13
Cap, Filler, Oil, W/ Org, 5-3
Cap, Fuel, Tank, 2-69
Cap, Hub, Dust, 2.57d 0.77l, 2-77
Cap, Oil, Filler, 6-4
Cap, Radiator, 14psi [Stant Ao-2516], 2-43
Cap, Radiator, 14Psi [Stant], 2-65
Cap, Radiator, 16 Psi, 2-45
Cap, Rubber, 5/8id [Mit 2.0/2.4l], 6-22
Cap, Seal, 6-3
Cap, Spring, Valve, 5-3
Cap, Tank, 3-5
Cap, Vinyl, 57mmid X 23mml, 2-95, 2-97
Capacitor, Plug [4700uf, 25v], 3-36
Cartridge, Psi Cntrl, Valve, Hyd, 4-15, 4-19
Caster, Pivot, 2-107
Chain, Str, 4/0, 08 Link, 2-103
Channel Wldt, Pivot, 3-11
Channel, Inlet, 2-133
Channel, Mtg, Seal, Shrd, Lh, 2-21
Channel, Shield, Muffler [M20/T20 2007],
2-41, 2-63
Channel, Upper, Tower, Lift, 2-7
Chech Valve Kit, Pump, Repair,, 4-24
Circuitbreaker, 02.0a, Resetable, 3-27
Circuitbreaker, 2.0a, Resetable, 3-27
Clamp Wldt, Front, 2-105
Clamp Wldt, Rear, 2-105
Clamp, 0.75d [Mit], 6-25
Clamp, 1/4 Hole [Mit #20], 6-25
Clamp, 3/8id [Mit Olive Green], 6-15
Clamp, Cable, Nyl, 0.62d, Nat, 3-47
Clamp, Cable, Ss, 0.50d X 0.50w [Insul],
4-27
Clamp, Cable, Ss, 1.12d X 0.38w, 1hole,
2-123
Clamp, Cable, Ss, 2.50d X 1.00w, 1hole,
2-131
Clamp, Cable, Stl, 0.25d X 0.56w, 1hole,
3-39, 3-41
Clamp, Cable, Stl, 0.69d X 0.62w, 1h, 2-81
Clamp, Cable, Stl, 0.69d X 0.62w, 1hole,
2-31, 2-71
Clamp, Cable, Stl, 1.00d X 0.75w, 1hole,
2-59, 2-71, 2-151
Clamp, Cable, Stl, 1.25d X 1.00w, 1hole,
2-47
Clamp, Cable, Stl, 1.50d X 1.00w, 1hole,
2-7, 2-9, 2-73, 2-151, 3-55
Clamp, Cable, Stl, 2.00d X 0.75w, 1hole,
2-69
Clamp, Hose, 1.0, 2-31, 2-33
Clamp, Hose, 1.75 [Pcv], 5-3
Clamp, Hose, Spring Stl, 0.58d X 0.31w,
2-53, 2-55
Clamp, Hose, Spring Stl, 0.86d X 0.38w,
2-35, 2-37
Clamp, Hose, Spring, 0.62d, 2-31, 2-33,
6-22, 6-29
Clamp, Hose, Spring, 0.75d, 2-31, 2-33
Clamp, Hose, Wir, .52 - .56, Yel, 4-27
Clamp, Hose, Wir, .63 - .66, Blk, 4-27
Clamp, Hose, Wormdrive, 0.25- 0.62d,
.31w, 2-47, 2-67, 2-69, 3-3, 3-5, 3-19,
3-29
Clamp, Hose, Wormdrive, 0.31- 0.88d,
.31w, 2-25, 2-31, 2-57, 2-59, 2-69,
2-73, 3-13, 3-19, 3-21, 3-23, 3-29,
3-31, 3-33, 3-51
Clamp, Hose, Wormdrive, 0.56- 1.06d,
.56w, 2-25, 2-27, 2-31, 2-33, 2-123,
3-3, 3-5, 3-13, 3-21, 3-23, 3-31, 3-33,
3-51, 3-55
Clamp, Hose, Wormdrive, 0.81- 1.50d,
.50w, 3-5
Clamp, Hose, Wormdrive, 1.25- 2.00d,
.50w, 2-47, 2-67
Clamp, Hose, Wormdrive, 1.56- 2.50d,
.50w, 2-47, 2-67
Clamp, Hose, Wormdrive, 1.81- 2.75d,
.50w, 2-35, 2-37, 2-57, 2-59
Clamp, Hose, Wormdrive, 2.50- 3.50d,
.50w, 2-105, 2-121, 2-127
Clamp, Hose, Wormdrive, 3.56- 4.50d,
.50w, 2-121, 2-127, 2-129, 2-133
Clamp, Hose, Wormdrive, 3.75- 4.62d,
.62w, 2-129
Clamp, Hyd, 0.50d, 2-95, 2-97
Clamp, Mtg, Fltr, Air, 2-35, 2-37, 2-57, 2-59
Clamp, Muffler, 1.62d, 2-41
Clamp, Spring, 1.50, 2-35, 2-37
Clamp, Tension [Mit #29], 6-29
Clamp, Tube, 0.37d 0.37d, 2 Hole, 2-151
Clevis, Adj, 0.31pin, 0.31-24, 2-79
Clevis, Adj, 0.31pin, 0.31-24, Lh, 2-79
Clip, Grip, Finger, .875- 1.25, 3-51
Clip, Grip, Finger, 0.88- 1.25d, 3-27
Clip, Grip, Finger, 1.00-1.88d White,Vyl,
3-49, 3-53
Clip, Keeper, Open, 2-43, 2-45, 2-65
Coil, Ignition, 5-12
Coil, Ignition [Mit 2.0/2.4l], 6-19
Column, Pump, Water, 4-3
Column, Steering, 09.9L 0.86D 36Tooth,
2-17
Complete Pump Kit, Pump, Repair,, 4-24
Concept, Latch, 3-65

CROSS REFERENCE
7-19
M30 Gas/LPG 9003946 (5- 2016)
Connector, Fem, 02cav, Mp280 Sealed,
4-24
Connector, Fuel, E90, Qf, 2-69
Connector, Fuel, Qf, 2-69
ContactKit,W/Brush[En],2-17
Control Box Assy Kit, Replmt, Telem[Can],
3-47
Control Box Assy Kit, Replmt, Telem[Usa],
3-47
Controller Kit, Replmt [Ec-H20], 4-27
Converter, Ele, 12- 36 Vdc, 3-27
Cooler, Hyd, 25gpm 325btu Of12 13x12x2,
2-151
Coupler, Pump, 4-7
Coupling, Drive, 13t, 2-23
Coupling, Flywheel [Mit20/24m], 6-18
Coupling, Nozzle, Spray, 3-51
Cover, 6-5
Cover Assy, Front, Upper [T-Belt], 6-7
Cover Assy, Rocker, 6-4
Cover Kit, Tank, Soltn, Lh, Replmt, 2-117
Cover Kit, Tank, Soltn, Lh, Replmt, (Ce &
JP), 2-117
Cover Kit, Tank, Soltn, Rh, Replmt, 2-117
Cover Kit, Tank, Soltn, Rh, Replmt, (Ce &
JP), 2-117
Cover Wldt, Power Supply, 3-27
Cover, Backrest, 4-29
Cover, Belt, Timing, Lower Front, 5-11
Cover, Belt, Timing, Upper Front, 5-11
Cover, Cushion, 4-29
Cover, Dust [Mit 2.0l], 6-18
Cover, End, 4-7
Cover, End, Hyd Pump, 4-9
Cover, Fuse, Block, 2-73
Cover, Hose, 2-31, 2-33
Cover, Hppr, 2-89
Cover, Hsng, Camshaft, 5-3, 5-11
Cover, Lower, Front [T- Belt], 6-7
Cover, Lower, Lh, 2-21
Cover, Lower, Rh, 2-15
Cover, Pump, Oil, 5-7
Cover, Rear [T- Belt], 6-7
Cover, Tank, 2-125
Cover, Tank, Recvy, 2-125
Cover, Timing, Gear [Mit 2.0/2.4l], 6-9
Cover, Trimmed, 3-27
Crank Kit, Pump, F/79323, Replmt, 4-23
Crankshaft, 5-5
Crankshaft Assy, 6-10
Crossmember Wldt, 2-107
Cup Holder, Rwk, 2-13
Cylinder Assy, Head, Bolt, 6-5
Cylinder, Hyd, 1.5B 07.8L 02.75Strk 2500,
2-93
Cylinder, Hyd, 1.5b 07.8l 02.75strk 2500,
3-11
Cylinder, Hyd, 1.5b 07.8l 02.80strk 2500,
2-99, 2-103, 2-111, 2-115, 3-11
Cylinder, Hyd, 2.0B 24.1L 15.00Strk 3000,
2-85
Cylinder, Hyd, 2.0b,15.2l,09.00strk,3000,
2-75
D
Detergent, Pkg, 2 Liter, Sgl [665], 3-19
Detergent, Pkg, 2 Liter, Sgl [965, Tco],
3-19
Diaphragm Kit, Pump, Repair,, 4-24
Diode, Ele, Plug, 2-73
Dipstick Assy, Guage, 6-3
Dipstick, Guage, Guide, 6-3
Dipstick, Oil, 5-8
Dipstick, Rod, Guage, 6-3
Door Wldt, Brush, 2-95, 2-97
Door Wldt, Brush, Idler, 2-95, 2-97
Door Wldt, Brush, Lh, 2-115
Door Wldt, Brush, Rh, 2-111
Door Wldt, Hppr [M30], 2-93
Drain, Water, Joint, 6-3
Drive, 4-10
Drive [Cl], 4-11
Drive, Motor, Hyd, 4-5
Duct, Vacfan, Casting, 2-133
E
ec- H2O Kit, Flush, Replmt[M20,
M30&T20], 3-29
Elbow, 6-21
Elbow, 1/8m X 1/8f, 90 [Mit], 6-15
Electrode, 5 Plate, High Flow, 4-27
Electrode, Cylindrical, 4-27
Element, Fltr, Air [Dn], 1-1, 2-35, 2-37,
2-57, 2-59
Element, Fltr, Air, Safety (OPTION), 2-35,
2-37, 2-57, 2-59
Element, Fltr, Oil, Eng, Spin- On, 2-23, 5-8
Element, Fltr, Oil, Eng, Spin-On (GM), 1-1
Element, Fltr, Oil, Spin-On (Mits), 1-1,
2-49, 2-51
End Cap, 4-10
End Cap, Motor, Hyd [En], 4-11
Engine, Block, Long [Gm1.6l] (See Engine
Breakdown), 2-23
Engine, Block, Long [Mits 12mm] (See
Engine Breakdown), 2-49, 2-51
Engine, Gas [Mitsubishi] (See Engine
Breakdown), 2-49
Engine, LPG [Mitsubishi] (See Engine
Breakdown), 2-51
Extinguisher Kit, Fire, Ci [M20/T20/M30],
3-66
Extinguisher, Fire, 2.5 Lb Dry, 3-66
F
Fan Kit, Scrub, Replmt [M20&T20], 2-129
Fan, Cooling, 14.1d, 6 Blade, 0.5b Taper,
2-61, 3-65
Fan, Cooling, 16.0d, 6 Blade, 2-39
FaST Kit, Ci [inj Rebld, M30/M20 III], 4-30
FaST Kit, Ci, Injector Filters[FaST Ii+],
4-30
FaST Kit, Injector [M20/T20/M30 FaST III]
(See Breakdown), 3-19
FaST Kit, Injector [M20/T20/m30 FaST III},
4-30
FaST Kit, Seal, injector, Ci [FaST III], 4-30
Filter Assy, Air, 2-35, 2-37, 2-57, 2-59
FilterAssy,Hyd,10mic,1-1,2-153
Filter Kit, Fuelock, Lpg, 1-1, 2-31, 2-33,
6-29
Filter, Fuel [Gm 1.6l/3.0l], 1-1, 2-69
Filter, In-Line, Pf06/Pf06 080mesh 02.6l,
3-19, 3-29
Filter, Oil (Mits), 6-21
Filter, Panl, Syn, 4.2 X 20.0 X 30.0, 1-1,
2-89
Filter, Soltn, 020mesh, Pm12 3.2d 08.0l,
3-5
Filter, Soltn, 20mesh, Pm12 3.1d 02.6l,
1-1, 2-117, 3-55
Filter, Y, Inline, .75, 3-55
Fitting Assy, Qdc, Pf04, 3-29
Fitting Kit [Epr], 2-31, 2-33
Fitting Kit, Hose, Garden, 3-3
Fitting, 1/2 Mpt X 5/8bh 90deg [Mit], 6-23
Fitting, 1/2 X 5/8 Hose,Plastic[Mit], 6-29
Fitting, 1/4mpt X 1/4mpt, 90deg[Mit], 6-29
Fitting, 1/8 Mpt X 3/8 Hb [Mit], 6-15
Fitting, 37deg [Mit], 6-7
Fitting, Adapter, Orifice, Pf06/Pm06, 2-25,
2-27, 2-33
Fitting, Barb, 3/4” [Epr], 6-30
Fitting, Brs, Breather [02mp], 2-91
Fitting, Brs, E45, Pf02/Pm02, 2-23
Fitting, Brs, E90, Bm03/Pm02, 2-91,
2-125, 3-5
Fitting, Brs, E90, Bm06/Pm04, 2-55
Fitting, Brs, E90, Bm12/Pm12, 3-55
Fitting, Brs, E90, Em05/Pm04, 2-69
Fitting, Brs, E90, Em10/Pm06, 2-25, 2-27,
2-31, 2-33
Fitting, Brs, E90, Em12/Pm08, 3-55
Fitting, Brs, E90, Pf04/Pm04, 2-31, 2-71
Fitting, Brs, E90, Pf08/Pm06, 3-55
Fitting, Brs, Qdc, Bm12/Qf08, 3-3
Fitting, Brs, Qdc, Pf04, Lpg Fem, 2-71
Fitting, Brs, Qdc, Pf08 [Parker Bh3f], 3-3
Fitting, Brs, Snubber, Pm02/Pf02, 3-29
Fitting, Brs, Spcl [Garden Hose], 3-51
Fitting, Brs, Str, Bm03/Pm02, 2-91
Fitting, Brs, Str, Bm06/Pm02, 2-53
Fitting, Brs, Str, Bm06/Pm05, 2-25, 2-31
Fitting, Brs, Str, Bm06/Pm06, 2-53, 2-55
Fitting, Brs, Str, Bm12/Pm08, 3-55
Fitting, Brs, Str, Bm12/Pm12, 3-55
Fitting, Brs, Str, Em10/Pm06, 2-27, 2-33
Fitting, Brs, Str, Pf02/Pm02 [Bspt], 2-53
Fitting, Brs, Str, Pf02/Pm06, 3-29
Fitting, Brs, Str, Pf04/Pf04, Bh, 2-71
Fitting, Brs, Str, Pf04/Pm02, 2-25, 2-31
Fitting, Brs, Str, Pf06/Pf06 Bh, 3-51
Fitting, Brs, Str, Pf06/Pm04, 2-27, 2-33,
2-53, 2-55, 3-53
Fitting, Brs, Str, Pf06/Pm12, 3-51
Fitting, Brs, Str, Pm02, Service (CE
ONLY), 2-35, 2-37, 2-57, 2-59

CROSS REFERENCE
M30 Gas/LPG 9003946 (5- 2016)
7-20
Fitting, Brs, Str, Pm04/Pm06 [Hp], 3-53,
3-55
Fitting, Brs, Str, Pm06/Pm08 [Hp], 3-55
Fitting, Brs, Str, Pm08/Garden Hose, 3-51
Fitting, Brs, Tee, Pf04/Pf04/Pm04, Run,
2-71
Fitting, Brs, Tee, Pm04/Pf04/Pf04, Run,
3-19
Fitting, Draincock, E90, .25npt, 2-47, 2-67
Fitting, E, Gr, 4-3
Fitting, E90, 2-29, 6-22
Fitting, Fltr, Oil, 5-8
Fitting, Fuel [Mixer E100Lp 2010], 2-29
Fitting, Fuel, Str, 0.38- 24 [07 Eng], 2-69
Fitting, Fuel, Str, 0.56- 18 [07 Eng], 2-69
Fitting, Grease, Str Pm04 .47l, 2-85, 2-93,
2-99, 2-107
Fitting, Grease, Str Pm04 .63l, 2-75
Fitting, Hyd, Cap, Jf08, 2-151, 3-15
Fitting, Hyd, E45, Jf08/Jm08, 2-145
Fitting, Hyd, E45, Jf10/Jm10, 2-139
Fitting, Hyd, E45, Jm04/Om04, 3-15
Fitting, Hyd, E45, Jm04/Om06, 2-75
Fitting, Hyd, E45, Jm06/Om04, 2-129
Fitting, Hyd, E45, Jm06/Om06, 2-75, 3-17
Fitting, Hyd, E45, Jm08/Om08, 2-129,
2-153, 2-155, 3-15
Fitting, Hyd, E45, Jm08/Om10, 2-131,
2-149
Fitting, Hyd, E45, Jm10/Om12, 2-75
Fitting, Hyd, E45, Jm12/Om16, 2-153
Fitting, Hyd, E45, Jm20/Om20, 2-153
Fitting, Hyd, E90, Jf04/Jm04, 2-97, 2-155,
3-15
Fitting, Hyd, E90, Jf06/Jm06, 3-15
Fitting, Hyd, E90, Jf08/Jm08, 2-17, 2-151
Fitting, Hyd, E90, Jm04/Om04, 2-85, 2-93,
2-103, 2-111, 2-115, 2-155, 3-11
Fitting, Hyd, E90, Jm04/Om06, 3-57, 3-59
Fitting, Hyd, E90, Jm04/Pm02, 2-153
Fitting, Hyd, E90, Jm06/Om04, 2-99,
2-131, 2-133, 3-11
Fitting, Hyd, E90, Jm06/Om06, 2-17, 2-155
Fitting, Hyd, E90, Jm06/Om06, Long,
2-155
Fitting, Hyd, E90, Jm06/Om08, 2-149
Fitting, Hyd, E90, Jm08/Om08, 2-95, 2-97,
2-133, 2-149, 3-15
Fitting, Hyd, E90, Jm08/Om08, Long,
2-155
Fitting, Hyd, E90, Jm08/Om10, 3-7, 3-9
Fitting, Hyd, E90, Jm10/Om12, 2-149
Fitting, Hyd, E90, Jm12/Om12, 2-151
Fitting, Hyd, E90, Jm12/Om12, Long,
2-151
Fitting, Hyd, E90, Om04/Qm04, 2-155,
3-15
Fitting, Hyd, E90, Spcl, 2-31, 2-33
Fitting, Hyd, Plug, Om04, 2-155, 4-15,
4-17
Fitting, Hyd, Plug, Om06, 2-153, 2-155
Fitting, Hyd, Plug, Om08, 4-7
Fitting, Hyd, Plug, Om10, 2-153
Fitting, Hyd, Plug, Pm06, 2-27, 2-33
Fitting, Hyd, Rst, Jf04/Jm04, .028, 2-85
Fitting, Hyd, Rst, Spcl, 2-111, 2-115
Fitting, Hyd, Str, Jf04/Qm04, 3-15
Fitting, Hyd, Str, Jf06/Jm04, 2-151
Fitting, Hyd, Str, Jm04/Om04, 2-95, 2-97,
2-155, 3-15
Fitting, Hyd, Str, Jm04/Om06, 3-15, 3-57,
3-59
Fitting, Hyd, Str, Jm06/Om04, 2-133
Fitting, Hyd, Str, Jm06/Om06, 2-17, 2-153,
3-15, 3-17
Fitting, Hyd, Str, Jm06/Om06, Long, 2-17,
2-155
Fitting, Hyd, Str, Jm08/Om06, 2-17
Fitting, Hyd, Str, Jm08/Om08, 2-133,
2-149, 3-15
Fitting, Hyd, Str, Jm08/Om10, 2-131
Fitting, Hyd, Str, Jm08/Om12, 3-57, 3-59
Fitting, Hyd, Str, Jm10/Om10, Long, 2-155
Fitting, Hyd, Str, Jm10/Om12, 2-75
Fitting, Hyd, Str, Jm20/Om16, 2-149
Fitting, Hyd, Str, Om04/Pf04, 2-155
Fitting, Hyd, Str, Om04/Qm04, 3-15
Fitting, Hyd, Str, Pf02/Pm04, 2-71
Fitting, Hyd, Tee, Jf06/Jm06/Jm06, Run,
2-133
Fitting, Hyd, Tee, Jf08/Jm08/Jm08, Br,
2-131
Fitting, Hyd, Tee, Jm04/Jm04/Om04, Run,
2-155
Fitting, Hyd, Tee, Jm08/Jm08/Om08, Br,
2-129, 2-155
Fitting, Hyd, Tee, Jm08/Jm08/Om08, Run,
3-57, 3-59
Fitting, Nipple, .25mal, 2-31, 2-33
Fitting, Nyl, Qdc, E90, Bm06/ Qm10, 3-19
Fitting, Nyl, Qdc, E90, Bm08/ Qm10, 3-19,
3-29
Fitting, Pipe, Bshg, M18 X 1.5, 2-23
Fitting, Pipe, E45, Spcl, 2-71
Fitting, Pipe, E90, Pf02/Pm02 (CE ONLY),
2-35, 2-37, 2-57, 2-59
Fitting, Pipe, Plug, Metric, M18,Soc, 2-41
Fitting, Pipe, Plug, Pm02, Sq Head, 2-69
Fitting, Pipe, Str, Pm04/Sf04, 2-71
Fitting, Plstc, E90, Bm05/Bm05, Nyl, 3-29
Fitting, Plstc, E90, Bm06/Bm06, 3-5, 4-27
Fitting, Plstc, E90, Bm06/Pm04, Nyl, 3-19
Fitting, Plstc, E90, Bm06/Pm12, Nyl, 3-3
Fitting, Plstc, E90, Bm08/Bm08, 3-29
Fitting, Plstc, E90, Bm08/Pf08s, Swivel,
3-51
Fitting, Plstc, E90, Bm08/Pm04, 3-29
Fitting, Plstc, E90, Bm08/Pm06, 3-29, 3-51
Fitting, Plstc, E90, Bm10/Pm12, 3-19, 3-29
Fitting, Plstc, E90, Bm12/Pf12, 3-5
Fitting, Plstc, E90, Bm12/Pm08, 3-3
Fitting, Plstc, E90, Bm12/Pm12, 3-3, 3-5,
3-19, 3-29
Fitting, Plstc, E90, Pf Bm [Es Pump], 4-3
Fitting, Plstc, E90, Pf12/Pm12, 2-117, 3-3
Fitting, Plstc, Pf12/Pf12, Bh, 2-117, 3-55
Fitting, Plstc, Pipe, Cap, Pf04, 3-19, 4-27
Fitting, Plstc, Str, Bm04, Cplg, Fem, 3-19
Fitting, Plstc, Str, Bm04/Bm08, 3-29
Fitting, Plstc, Str, Bm04/Pm04, 3-29
Fitting, Plstc, Str, Bm05/Pm04, 3-29
Fitting, Plstc, Str, Bm06/Bm08, 3-33
Fitting, Plstc, Str, Bm06/Pm04, 3-19, 4-27
Fitting, Plstc, Str, Bm06/Pm06, 3-19
Fitting, Plstc, Str, Bm08/Pf08s, Swivel,
3-51
Fitting, Plstc, Str, Bm08/Pm12, 3-19, 3-29
Fitting, Plstc, Str, Bm10/Bm10, 2-123
Fitting, Plstc, Str, Bm10/Pm12, 2-123, 3-3
Fitting, Plstc, Str, Bm12/Pm08, Nyl, 3-3,
4-3
Fitting, Plstc, Str, Bm12/Pm12, 2-123, 3-3
Fitting, Plstc, Str, Pf06/Qm10, Pvc, 3-29
Fitting, Plstc, Str, Pm02/Bm05, 4-27
Fitting, Plstc, Str, Pm04, Cplg, Mal, 3-19
Fitting, Plstc, Str, Pm04/Pm06, Nyl, 3-29
Fitting, Plstc, Str, Pm08/Pm08, 3-3
Fitting, Plstc, Str, Pm12/Pm12 1.60l, 3-3,
3-19, 3-29
Fitting, Plstc, Tee, Bm03/Bm03/Bm03, 3-5
Fitting, Plstc, Tee, Bm04/Bm04/Bm04,
3-19
Fitting, Plstc, Tee, Bm06/Pm02/Bm06,
4-27
Fitting, Plstc, Tee, Bm08/Bm10/Bm10, Br,
3-21, 3-31, 3-33, 3-51
Fitting, Plstc, Tee, Bm08/Bm12/Bm12, Br,
3-21, 3-31, 3-33, 3-51
Fitting, Plstc, Tee, Bm10/Bm10/Bm10,
2-27, 2-33, 3-13
Fitting, Plstc, Tee, Bm12/Bm12/Bm12,
3-13
Fitting, Plstc, Tee, Pf08/Pf08/Pf08, 3-3
Fitting, Plstc, Tee, Pf12/Pf12/Pf12, 3-3,
3-19, 3-29
Fitting, Plstc, Y, Bm08/Bm08/Bm08, Nyl,
3-19, 3-23, 3-33
Fitting, Plug, 2-23
Fitting, Plug, M16, Intake Manifold, 2-25,
2-27, 2-29
Fitting, Plug, Org, #6, Valve [Cec], 4-15,
4-17, 4-19, 4-21
Fitting, Ss, Qdc, Fem, 3-53
Fitting, Ss, Qdc, Mal, 3-53, 3-55
Fitting, Str, 10- 10 Orb, 37fi [Mit], 6-21
Fitting, Vacuum [M16-15- 6h], 2-25, 2-27,
2-29
Flange Kit, 4-9
Flange Mounting, 4-10
Flange, Motor, Hyd [En], 4-11
Flange, Sprocket, Cshft, 6-11
Flap, Battery, 2-13
Flapper, Valve, Pump, Water, 4-3
Flywheel, 5-5
Flywheel, Flatface [Mit 20/24m], 6-18
Frame Wldt, Main, Replmt [M30], 2-7
Frame Wldt, Screen, Rad, 3-65
Frame Wldt, Sqge, Lh, 2-113
Frame Wldt, Sqge, Rh, 2-109

CROSS REFERENCE
7-21
M30 Gas/LPG 9003946 (5- 2016)
Frame Wldt, Sqge, Side Brush, 3-7
Front Tabbed Skirt, 1-1
Fuelline, .31d Str/Str, Plstc, 2-69
Fuelline, .31d Str/Str, Plstc [Mit 2013], 2-69
Fuelline, .31d Str/Str,Plstc, 2-69
Fuse, 05a [Min- 5], 2-205
Fuse, 10a, 2-205
Fuse, 15a [Min- 15], 2-205
Fuse, 20a [Min- 20], 2-205
Fuse, 60a, 2-205
Fuse, Blade, 15a, 32vdc, 2-73
G
Gasket, 6-5
Gasket Kit, Repair, Gas [Gm1.6l 2007],
2-25, 2-27
Gasket Kit, Repair, Lpg [Gm1.6l 2007],
2-29
Gasket, .13, 07.68w 09.45l, Adh [Poron],
2-73
Gasket, .19, 4.05id 5.29od [Buna], 2-125
Gasket, .25 1.88d 1.0id [Poron], 4-3
Gasket, 1.50, 03.75w, 03.75l, Adh, 2-131
Gasket, 2.00, 10.00w, 13.00l, Adh, 2-131
Gasket, 4.05id 5.29od .19 [Buna], 4-3
Gasket, Body, Throttle [1.6l], 2-25, 2-27
Gasket, Case, Front, 6-12
Gasket, Cover, Hsng, Camshaft, 5-3
Gasket, Cover, Recvy Tank, 2-125
Gasket, Cover, Rocker, 6-4
Gasket, Cylinder, Head, 6-5
Gasket, Door, Dump, 2-93
Gasket, Exhaust, .07, 1.63id, 2/3.4bc, 2-41
Gasket, Exhaust, 2hole, 3.4bc, 2-63
Gasket, Flng, Pipe, Exhaust, 2-41
Gasket, Foam, .50, 14.76id 16.54od, Adh,
2-131
Gasket, Head, Cyl, 5-3
Gasket, Manifold, Exh [Mit], 6-16
Gasket, Manifold, Exhaust, 5-9, 6-16
Gasket, Manifold, Intake, 2-25, 2-27, 5-9,
6-15
Gasket, Neo, 1.25, 04.45w 06.42l, Adh,
2-133
Gasket, Oil, Adapter [Mit 2.0/2.4], 6-21
Gasket, Oil, Filler, Cap, 6-4
Gasket, Pan, Oil, 5-8
Gasket, Plt, Hose, Vacuum, 2-129
Gasket, Plug, Drain, Oil, 6-7
Gasket, Plug, Relief Valve,Oil Press, 2-23,
5-7
Gasket, Pump, Oil, 5-7
Gasket, Pump, Water, 6-13
Gasket, Screen, 6-7
Gasket, Sender, Fuel, 2-69
Gasket, Sqge, 2-105
Gasket, Throttle [Mit 40mm], 6-27, 6-28
Gasket, Tube [Pcv], 5-3
Gasket, Ure, .16, 3.23id 3.63od, 2-125
Gasket, Water [Mit 2.0/2.4l], 6-22
Gasket, Water Supply [Mit 2.0/2.4l], 6-23
Gasspring, 180lb, 03.0strk, 2-15
Gauge, Sensing, Level, 2-153
Gear,Drive,OilPump,5-7
Gear, Ring, Drive, Oil Pump, 5-7
Gear, Ring, Starter, 5-5
Geroler, Motor, Hyd, 4-5
Gerotor Set, 4-10
Gerotor Set [Cl], 4-11
Grill Wldt, Front, 2-19
Grill, Lh, 2-15, 2-21
Grip, Handle, 2-121, 2-127
Grommet, Blind, 4-27
Grommet, Pye, 0.37id, F/1.5h, .13 Matl,
3-5
Grommet, Rbr, 0.38id, F/0.5h, .12 Matl,
3-47
Grommet, Rbr, 0.50id, F/0.8h, .12 Matl,
3-42, 3-43
Grommet, Rbr, 0.62id, F/0.9h, .06 Matl,
2-91, 3-27
Grommet, Rbr, 0.75id, F/1.3h, .12 Matl
(CE ONLY), 2-15
Grommet, Rbr, 1.50id, F/1.8h, .19 Matl,
2-91
Guard Kit, Sqge, Ci [M30], 3-63
Guard Wldt, Brush, Side, 3-13
Guard Wldt, Sqge, 3-63
Guard Wldt, Sqge, Pntd [M30], 3-63
Guard Wldt, Top, Ohg, 3-45
Guard, Fan, Lpg, Ce (CE Only), 2-43, 2-45
Guard, Fan, Side, 2-61
H
Handle Wldt, Drain, 2-125
Handle, Gun, Trigger, 3-53
Handle, Valve, Pinch, Lh, 2-127
Handle, Valve, Pinch, Rh, 2-121
Hanger, Engine, 6-15
Harness, Extn, Telem [M30], 3-47
Harness, Headlight, 2-199
Harness, Hppr [M20/M30], 2-201
Harness, Hppr, Cover [M20], 2-203
Harness, Jumper [Deutsch To Mpack],
4-17, 4-21
Harness, Main [M30], 2-198
Harness, Press Wash [M30], 3-53
Harness, Spray, Nozzle, 3-51
Harness, Temp, Eng, Switch [M30], 2-23
Harness, Warning / Backup [M20 & T20],
3-37, 3-39, 3-41
Harness, Warning / Ohg [M20], 3-42, 3-43
Harness, Wire [Ec- H2o, Mako, 2.0l & Dsl],
3-36
Harness, Wire [Ec- H2o], 3-36
Harness, Wire [FaST Gen 2], 3-25
Harness, Wire, Eng, Gas [ Mit, 2.0L],
2-205
Harness, Wire, Eng, Gas [GM 1.6L 10],
2-205
Harness, Wire, Eng, Gas [Gm 1.6l], 2-205
Harness,Wire,Eng,Gas[Mit,2.0l],6-25
Harness, Wire, Eng, Lpg [ Mit, 2.0L], 2-205
Harness, Wire, Eng, Lpg [GM 1.6L 10],
2-205
Harness, Wire, Eng, Lpg [Gm 1.6l], 2-205
Harness, Wire, Eng, Lpg [Mit, 2.Ol], 6-25
Head Assy, Cylinder, 6-5
Head, Cyl, 5-3
Headlight, 12vdc, 27watt, 2.1a, Oval (Rpl
by 1060942), 2-7
Headlight, 12Vdc, Oval, Halogen, 2-7
Hinge Wldt, Lh, Pin, 2-21
Hinge Wldt, Lh, Tube, 2-21
Hinge Wldt, Shrd, Rh, 2-15
Hinge, .38pin .12 3.5w 06.5l, 6/0.38sl, 2-19
Hinge, .50pin .19 4.0w 06.0l 3/0.44sl,
2-111, 2-115
Hopper Wldt, Lift [M30], 2-91
Hopper, Debris [M30], 2-87
Horn, 12vdc, Dba [Wolo], 2-73
Hose [Epr To Manifold], 2-31, 2-33
Hose [Mixer To Epr], 2-31
Hose [Pcv], 5-3
Hose Assy, Sqge, 2-125
Hose Assy, Upper, Tap [Mit], 6-29
Hose Assy, W/1cuff, 1.0d 009l 1.0/, 2-87
Hose Assy, W/2cuff, 1.5d 084l [Vacwand],
3-49
Hose Kit, Coolant, Replmt [Mitsubishi},
2-67
Hose, 90x90,Filter, Oil, Remote[Mit], 6-21
Hose, 90xstr,Flter, Oil, Remote[Mit], 6-21
Hose, Afmkt, Coolant Recvy, 05ft, 2-47,
2-67
Hose, Afmkt, Pvc, Brd 0.62id 01ft, 3-5
Hose, Afmkt, PVC, Brd, 0.31Id, 03Ft, Clr,
3-29, 4-27
Hose, Afmkt, Pvc, Brd, 0.38id, 01ft, Clr,
4-27
Hose, Afmkt, Pvc, Brd, 0.38id, 02ft, Clr,
3-33, 4-27
Hose, Afmkt, Pvc, Brd, 0.38id, 03ft, Clr,
3-5, 3-19
Hose, Afmkt, Pvc, Brd, 0.50id, 01ft, Clr,
3-29
Hose, Afmkt, Pvc, Brd, 0.50Id, 08Ft, Clr,
3-19, 3-21, 3-23, 3-29, 3-33, 3-51
Hose, Afmkt, Pvc, Brd, 0.50id, 12ft, Clr,
3-31
Hose, Afmkt, Pvc, Brd, 0.62id, 01ft, Clr,
2-123
Hose, Afmkt, Pvc, Brd, 0.62id, 03ft, Clr,
3-33
Hose, Afmkt, Pvc, Brd, 0.62id, 08ft, Clr,
2-123, 3-13, 3-21, 3-31
Hose, Afmkt, Pvc, Brd, 0.75id, 01ft, Clr,
3-5
Hose, Afmkt, Pvc, Brd, 0.75id, 03ft, Clr,
3-3
Hose, Afmkt, Pvc, Brd, 0.75id, 08ft, Clr,
2-123, 3-3, 3-13, 3-21, 3-31
Hose, Afmkt, Pvc, Clr, 0.25id, 03ft, 3-19,
3-29
Hose, Afmkt, Pvc, Clr, 0.38id, 01ft, 3-19

CROSS REFERENCE
M30 Gas/LPG 9003946 (5- 2016)
7-22
Hose, Afmkt, Pvc, Clr, 0.38id, 03ft, 3-3,
3-19
Hose, Afmkt, Pvc, Clr, 0.38id, 08ft, 3-5
Hose, Afmkt, Pvc, Clr, 0.50id, 08ft, 3-23
Hose, Afmkt, Pvc, Wir, 0.50id, 03ft, Clr,
3-19
Hose, Afmkt, Pvc, Wir, 0.75id, 02ft, Clr,
3-55
Hose, Afmkt, Pvc, Wir, 0.75id, 08ft, Clr,
3-55
Hose, Afmkt, Rbr, Heater, 0.38id, 03ft,
2-53, 2-55
Hose, Afmkt, Rbr, Heater, 0.62id, 02ft,
2-27, 2-33
Hose, Afmkt, Vacuum, 0.16id, 01ft, 2-125,
3-5
Hose, Afmkt, Vacuum, 0.16id, 03ft, 2-91
Hose, Coolant, Mold, 1.25id To 1.62id,
2-47, 2-67
Hose, Coolant, Molded [Mit 20/24m], 6-29
Hose, Drain, 3.00id X 48.0l, 2-121, 2-127
Hose, Drain, Engine Oil, 2-23
Hose, Drain, Oil [Mit 20/24m], 6-7
Hose, Drain,Overflow,Radiator[1pick=1ft],
2-57, 2-59
Hose, Flex, 4.00d, 24.0l, 2-129
Hose, Flex, Vacuum, 03.5d, 040.0l, 2-133
Hose, Fuel [Mixer To Epr, 22.5”L], 2-33
Hose, Fuel, 0.31id [Evap Emission 07],
2-69
Hose, Fuel, .38d, Rbr[16”L], 6-15
Hose, Fuel, 0.18id, 29.0l, 2-47, 2-67
Hose, Fuel, 0.50id, 21.0l, 2-69
Hose, Fuel, Molded [Mit 20/24m], 6-29
Hose, Heater, 2-25
Hose, Heater, 0.38id, 2-25, 2-31
Hose, Heater, 0.62id, 024.0l, 2-27
Hose, Heater, 0.62id, 038.0l, 2-33
Hose, Heater, E90, 0.62id, 24.0 4.0, 3-23,
3-33
Hose, Hyd, Med04, Jf04e90/Jf04str, 016.0,
2-145
Hose, Hyd, Med04, Jf04e90/Jf04str, 022.0,
3-57, 3-59
Hose, Hyd, Med06, Jf06e90l/Jf06str,038.0,
3-17
Hose, Hyd, Med06, Jf06str/Jf06str, 022.0,
2-141, 2-143
Hose, Hyd, Med06, Jf06str/Jf06str, 042.0,
2-141, 2-143
Hose, Hyd, Med08, Jf08e45/Jf08str, 029.0,
2-145
Hose, Hyd, Med08, Jf08str/Jf08str, 025.0,
2-141, 2-143
Hose, Hyd, Med10, Jf10Str/Jf10Str, 041.0,
2-141, 2-143
Hose, Hyd, Med12, Jf12E90/Jf12Str,
029.0, 2-141, 2-143
Hose, Hyd, Med12, Jf12e90/Jf12str, 048.0,
2-141
Hose, Hyd, Med12, Jf12e90/Jf12str, 056.0,
2-141
Hose, Hyd, Med12, Jf12Str/Jf12Str, 066.0,
2-141, 2-143
Hose, Hyd, Spcl, Jf04str/Jf04str, 133.0,
2-147
Hose, Hyd, Spcl, Jf04str/Jf04str, 140.0,
2-145
Hose, Hyd, Spcl, Jf04str/Jf04str, 144.0,
2-145
Hose, Hyd, Spcl, Jf04str/Jf06str, 136.0,
2-147
Hose, Hyd, Spcl, Jf10e90/Jf10str, 063.0,
2-139
Hose, Hyd, Spcl, Jf10str/Jf10str, 56.5,
2-139
Hose, Hyd, Suc20, Jf20str/Jf20e90, 032.0,
2-141, 2-143
Hose, Hyd, Tc04, Jf04e45/Qm06, 024.0,
2-147
Hose, Hyd, Tc04, Jf04e90/Jf04str, 020.0,
2-145
Hose, Hyd, Tc04, Jf04str/Jf04e45, 035.0,
2-147
Hose, Hyd, Tc04, Jf04str/Jf04str, 025.0,
3-17
Hose, Hyd, Tc04, Jf04str/Jf04str, 039.0,
3-17
Hose, Hyd, Tc04, Jf04str/Jf04str, 044.0,
3-17
Hose, Hyd, Tc04, Jf04str/Jf04str, 58.0,
2-145
Hose, Hyd, Tc04, Jf04str/Jf04str, 96.0,
2-145
Hose, Hyd, Tc04, Jf04Str/Qm06, 028.0,
2-147
Hose, Hyd, Tc06, Jf06e90/Jf06str, 040.0,
2-139
Hose, Hyd, Tc06, Jf06e90/Jf06str, 104.0,
2-139
Hose, Hyd, Tc06, Jf06str/Jf06e45, 056.0,
2-145
Hose, Hyd, Tc06, Jf06str/Jf06str, 028.0,
3-17
Hose, Hyd, Tc06, Jf06str/Jf06str, 054.0,
2-145
Hose, Hyd, Tc06, Jf06str/Jf06str, 062.0,
3-17
Hose, Hyd, Tc06, Jf06str/Jf06str, 086.0,
3-17
Hose, Hyd, Tc08, Jf08e45/Jf08str, 018.0,
2-145
Hose, Hyd, Tc08, Jf08E45/Jf08Str, 026.0,
2-141, 2-143
Hose, Hyd, Tc08, Jf08e45/Jf08str, 096.0,
2-139
Hose, Hyd, Tc08, Jf08E45/JF08Str, 18.0,
3-55
Hose, Hyd, Tc08, Jf08e90/Jf08str, 013.0,
2-145
Hose, Hyd, Tc08, Jf08e90/Jf08str, 024.0,
3-57
Hose, Hyd, Tc08, Jf08e90/Jf08str, 029.0,
2-141, 2-143, 3-57
Hose, Hyd, Tc08, Jf08e90/Jf08str, 042.0,
3-59
Hose, Hyd, Tc08, Jf08e90/Jf08str, 046.0,
2-141, 2-143, 3-57
Hose, Hyd, Tc08, Jf08e90/Jf08str, 054.0,
3-59
Hose, Hyd, Tc08, Jf08str/Jf08e90, 012.0,
3-15
Hose, Hyd, Tc08, Jf08Str/Jf08Str, 021.0,
2-141, 2-143
Hose, Hyd, Tc08, Jf08str/Jf08str, 027.0,
3-57
Hose, Hyd, Tc08, Jf08str/Jf08str, 031.0,
2-141, 2-143
Hose, Hyd, Tc08, Jf08str/Jf08str, 039.0,
3-17, 3-57, 3-59
Hose, Hyd, Tc08, Jf08str/Jf08str, 048.0,
2-145
Hose, Hyd, Tc08, Jf08str/Jf08str, 052.0,
3-59
Hose, Hyd, Tc08, Jf08str/Jf08str, 060.0,
3-17
Hose, Hyd, Tc08, Jf08str/Jf08str, 072.0,
3-59
Hose, Hyd, Tc08, Jf08str/Jf08str, 084.0,
3-17
Hose, Hyd,Med04, Jf04str/Jf04str, 066.0,
2-139
Hose, Intake, Mold [Epdm Mit 2013], 2-57,
2-59
Hose, Intake, Mold, 2.00id [Epdm], 2-35,
2-37, 2-57, 2-59
Hose, Intake, Mold, 2.0id [Epdm], 2-35,
2-37
Hose, Intake, Mold, 2.0id, Gas, 2-35
Hose, Intake, Mold, 2.0id, Lpg, 2-37
Hose, Intake, Mold, 2.0id, Lpg [Gm 2010],
2-37
Hose, Intake, Mold, Gas [Epdm Mit 2013],
2-57
Hose, Intake, Mold, Lpg [Epdm Mit2013],
2-59
Hose, Lpg, Med05, Pm04str/Sm04str,
014.0, 2-71
Hose, Lpg, Med05, Pm04str/Sm04str,
055.0, 2-71
Hose, Mold, .62 To .75 (Cut in 2), 2-31
Hose, Pvc, Clr, 0.38id 0.56od 022.0l, 2-47,
2-67
Hose, Pvc, Clr, 0.50id 0.69od 026.0l, 3-13
Hose, Pvc, Clr, 0.50id 0.69od 030.0l, 2-73
Hose, Radiator, Lower, Mold, 2-47
Hose, Radiator, Mold, .75Id X .62Id (Cut in
two), 2-27
Hose, Rbr, 25ft, 3-53
Hose, Rbr, E90, 1.25id 1.25id 04.2 03.1,
2-47, 2-67
Hose, Supply, Gas, .25id, 2-31, 2-33
Hose, Vacuum, 0.22id X 15.0l, 2-25, 2-27,
2-29
Hose, Vacuum, 3.00id X 019.0l, 1cuff,
2-105

CROSS REFERENCE
7-23
M30 Gas/LPG 9003946 (5- 2016)
Hose, Vent, E90, 0.62id[Gm1.6l 2007],
2-35, 2-37
Hose, Water, Coil, 0.38id 0.56od, 3-51
Housing, 4-7
Housing Assy, Vacfan, Scrbr, 2-129
Housing Assy, Vacfan, Swpr, 2-133
Housing Kit, Drive, Front, Replmt, 2-75
Housing Kit, Pump, Water, 4-3
Housing Wldt, Brush, Drive, 2-95, 2-97
Housing Wldt, Swp, Scb, 2-99
Housing Wldt, Vacfan, Front [528], 2-129
Housing, Bottom, 4-27
Housing, Brg, Motor, Hyd, 4-5
Housing, Camshaft, 5-3, 5-11
Housing, Cplg, Qf / Pm08, 3-29
Housing, Fan, Radial Discharge, Sq Inlet,
2-131
Housing, Flywheel [Mit 2.0l], 6-18
Housing, Motor, Hyd [En], 4-11
Housing, Pump, 2-23
Housing, Sppt, Front Wheel, 2-75
Housing, T- Stat, 2 Holes [Mit], 6-22
Housing, Thermostat, 6-22
Housing, Throttle, 40mm [Bosch], 2-25,
2-27, 2-29
Housing, Valve, 4-5
Housingl, 4-10
Hsg & Switch Kit, Pump, Repair,, 4-24
Hub Assy, Wheel, 5 Bolt 4.50bc Taper B,
2-75
Hub, Drive, Brush, Disk, 1.00b [6t], 3-7,
3-9
Hub, Drive, Brush, Disk, 3hole 5.8bc, 2-5
Hub, Drive, Brush, Disk, 3hole 5.8bc[6t],
2-5
I
Idler Assy, Brush, Replmt [M20/T20, M30],
2-95, 2-97
Idler Door Kit, Replmt [M20/T20/M30] (CE
ONLY), 2-95, 2-97
Impeller, 11.81d X 0.500b, 2-131
Impeller, 9.00d X 1.40w X 0.376b, 2-133
Impeller, 9.5d, 18 Bl, 2-129
Indicator, Press, 60psi (NA Only), 2-153
Indicator, Service, Fltr, Air [20h20 Dn] (CE
ONLY), 2-35, 2-37, 2-57, 2-59
Insert, :Lrg [Venturi, FaST III], 4-30
Insert, Cap, Mount, Es Pump, 4-3
Insert, Cplg, Qm, Bm08, 3-29
Insert, Plt, Cam, Pump, Hyd, 4-7
Instr, Motor, Hyd, Repair [En], 4-11
Instr, Repair, Motor, Hyd, Gear, 4-5
Instr, Repair, Pump, 4-7
Instr, Seal Kit, Motor, 4-22
Instr, Valve, Steering, Repair, 4-13
Instr. Repair Info, Motor, 4-10
Insulation, 3-45
Insulation, Acstc, 0.05, 52.8 X 2.13, 2-43
Insulation, Acstc, 0.05, 52.8X21.13, 2-45
Insulation, Acstc, 1.0, 21.8 X 12.5 Adh,
2-15
Insulation, Acstc, Adh, 3-29
Insulation, Acstc, Rear, 3-29
Insulation, Acstc, Rnd, 0.8, 02.5d 0.5h,
2-17
Insulation, Flame- Retardant, 0.50, 2-129
Insulation, Flame- Retardant, 0.75- 0.88,
2-11, 2-15, 2-129, 3-47
Insulation, Flame- Retardant, 1.0, 2-15
Insulation, Thermal, Hyd Blanket, 2-153
Isolator, 6-25, 6-29
Isolator [Epr], 2-31, 2-33
Isolator, Box, Relay, 2-25, 2-27, 2-29, 2-53,
2-55
Isolator, Rbr, 2-41, 2-63
Isolator, Vib, .50d, 2-23, 2-49, 2-51
Isolator, Vib, Bshg, 1.1d 0.6l .4b 0.78h,
2-43, 2-45, 2-65, 2-129, 2-131, 2-133
K
Key, 6-10
Key- Wdruff 0.25 1.00, 4-10
Key, Ignition [Set Of 2], 1-1, 2-13
Key, Motor, Hyd, 4-5
Key, Shaft, Pump, Hyd, 4-7
Key, Sq, 0.12 X 0.12, 0.50l, 2-39, 2-61
Key, Sq, 0.12 X 0.12, 0.75l, 4-22
Key, Sq, 0.12 X 0.12, 1.00l, 2-129
Key, Sq, 0.25 X 0.25, 1.25l, 2-95, 2-97
Key, Valve Stem, 5-3
Key, Woodruff, 0.25 1.00 [Asa#0808], 4-11
Keychain, Rectangle, Parts & Service,
2-13
Kit, Bellows, Pump, Detgt, 4-23
Kit, Brush, Motor, Ele, 4-3
Kit, Seal, Motor, Hyd, 4-5
Kit, Seal, Motor, Hyd, Gear[Barns], 4-22
Kit, Seal, Valve, Hyd [Cec], 4-22
Kit, Valve, Check, Pump, Water, 4-3
Knob Assy, Star, 1.12d 3ear M10, 2-107
Knob, Star, 2.80d 4ear 1.1l .31- 18, Pyp,
2-105
Knob, Tee, 2.5 X 1.0 1.1l 0.38- 16, Plstc,
2-17
Knobs, Adjmt, Weight, 4-29
L
Label [User, Attention, ec- H2O], 2-208
Label Kit, Panel, Replmt [M20/M30
ec- H20], 2-13
Label Kit, Panel, Replmt [M20/M30], 2-13
Label Set, Brush Indicator & Removal,
2-208
Label Set, Hi Temp, 2-208
Label Set, Info/Hzrd, Press Wash, 3-55
Label Set, Info/Hzrd, Swpr / Scrbr, 2-208
Label Set, Info/Hzrd, Swpr / Scrbr (CE
Only), 2-208
Label Set, Info/Hzrd, Swpr / Scrbr, Tj
(Japan Only), 2-208
Label, Caution [Apply Parking Brake],
2-208
Label, Caution [Apply Parking Brake] (CE
& Japan Only), 2-208
Label, Logo, 05.75L 2Color [ES], 2-208
Label, Logo, 07.95L 2Color [FaST], 2-208
Label, Logo, 12.3L 4Color [ec- H2O], 2-208
Label, Logo, 16.9L 4Color [ec- H2O], 2-208
Label, Machine, Telem [Fcc, Usa, 2g/3g],
3-47
Label, Model, 2Color [M30], 2-208
Label, Switch, Rocker [M20/M30], 2-13
Lamp, 12vdc [Speaker], 2-7
Lamp, Bulb, Flsh, 3-39, 3-42
Lamp, Bulb, Strobe, 3-41, 3-43
Lamp, Halogen [Speaker], 2-7
Latch, 2-15, 2-43, 2-89, 2-95, 2-97, 3-61
Latch Assy, Mtg, Tank, Lpg, W/Nut, 2-71
Latch, Cover, 2-117
Latch, Door [Southco 91- 562- 07], 2-21,
2-109, 2-113
Latch, Hook, 2-111, 2-115
Lens, Amb, F/ Strobe / Flasher, 3-39, 3-41,
3-42, 3-43
Lens, Blu, F/ Strobe / Flasher, 3-39, 3-41,
3-42, 3-43
Lens, Red, F/ Strobe / Flasher, 3-39, 3-41,
3-42, 3-43
Light Assy, Panel, Side, 2-9
Light Kit, Flsh, Ci [M20 / T20 / M30], 3-39
Light Kit, Flsh, W/Ohg, Ci[M20/T20/M30],
3-42
Light Kit, Strobe, Ci [M20 / T20 / M30],
3-41
Light Kit, Strobe, W/ Ohg,
Ci[M20/T20/M30], 3-43
Light, Flsh, Amb, 12- 48vdc, 3-39, 3-42
Light, Led, .312D, 2 Volt [Tri- Color]
(ec- H20 only), 2-13
Light, Panl, 14vdc, , 1.1 X 1.0, 2-13
Light, Panl, 14vdc, 1.1 X 1.0, 2-13
Light, Strobe, Amb, 12- 48vdc, 3-41, 3-43
Linard Front Squeegee - Std., 1-2
Linatex Rear Squeegee - Std., 1-2
Linatex Rear Squeegee End Gasket, 1-2
Linatex Side Brush Squeegee, 1-2
Linatex Side Squeegee, 1-2
Link Assy, Rod- End, M12, 2-103
Lock- Off, 12v, Lpg [Mit], 6-29
Lock, Secondary, 2cav, Mp280 Sealed,
4-24
Loom, Convoluted, Split 5/8 [Mit], 6-15
M
Maint Kit, 400hr [M20/T20/M30 Lpg 2010],
1-1
Maint Kit, 400hr, Gas [M20/T20/M30], 1-1
Maint Kit, 400hr, Lpg [M20/T20/M30], 1-1
Maint Kit, 800hr [M20/T20/M30 Lpg 2010],
1-1
Maint Kit, 800hr, Gas [M20/T20/M30], 1-1
Maint Kit, 800hr, Lpg [M20/T20/M30], 1-1

CROSS REFERENCE
M30 Gas/LPG 9003946 (5- 2016)
7-24
Manifold, Exhaust, 5-9
Manifold, Exhaust [Mit 2.0/2.4l], 6-16
Manifold, Gas, Relief, Valve, 2-69
Manifold, Intake [1.6l], 2-25, 2-27, 2-29
Manifold, Intake [Mit 20/24m Tilt], 6-15
Manifold, Water, 3-29
Manual, Eng, Cd-Rom [Tier II,Gm1.6L],
3-67
Manual, Oprtr [M30 Gas/Lpg En], 3-67
Manual, Oprtr [M30 Gas/Lpg Es], 3-67
Manual, Oprtr [M30 Gas/Lpg Fr], 3-67
Manual, Oprtr [M30 Gas/Lpg, Bg, Ce],
3-67
Manual, Oprtr [M30 Gas/Lpg, Cn], 3-67
Manual, Oprtr [M30 Gas/Lpg, Cz, Ce],
3-67
Manual, Oprtr [M30 Gas/Lpg, De, Ce],
3-67
Manual, Oprtr [M30 Gas/Lpg, Dk, Ce],
3-67
Manual, Oprtr [M30 Gas/Lpg, Ee, Ce],
3-67
Manual, Oprtr [M30 Gas/Lpg, En, Ce],
3-67
Manual, Oprtr [M30 Gas/Lpg, Es, Ce], 3-67
Manual, Oprtr [M30 Gas/Lpg, Fi, Ce], 3-67
Manual, Oprtr [M30 Gas/Lpg, Fr, Ce], 3-67
Manual, Oprtr [M30 Gas/Lpg, Gr, Ce], 3-67
Manual, Oprtr [M30 Gas/Lpg, Hr], 3-67
Manual, Oprtr [M30 Gas/Lpg, Hu, Ce],
3-67
Manual, Oprtr [M30 Gas/Lpg, It, Ce], 3-67
Manual, Oprtr [M30 Gas/Lpg, Jp], 3-67
Manual, Oprtr [M30 Gas/Lpg, Lt, Ce], 3-67
Manual, Oprtr [M30 Gas/Lpg, Lv, Ce], 3-67
Manual, Oprtr [M30 Gas/Lpg, Nl, Ce], 3-67
Manual, Oprtr [M30 Gas/Lpg, No, Ce],
3-67
Manual, Oprtr [M30 Gas/Lpg, Pl, Ce], 3-67
Manual, Oprtr [M30 Gas/Lpg, Pt, Br], 3-67
Manual, Oprtr [M30 Gas/Lpg, Pt, Ce], 3-67
Manual, Oprtr [M30 Gas/Lpg, Ro, Ce],
3-67
Manual, Oprtr [M30 Gas/Lpg, Ru, Ce],
3-67
Manual, Oprtr [M30 Gas/Lpg, Se, Ce],
3-67
Manual, Oprtr [M30 Gas/Lpg, Si, Ce], 3-67
Manual, Oprtr [M30 Gas/Lpg, Sk, Ce], 3-67
Manual, Oprtr [M30 Gas/Lpg, Tr, Ce], 3-67
Manual, Parts [M30 Gas/Lpg En], 3-67
Manual, Service [M30 En], 3-67
Manual, Service, Cd- Rom [Mit2.0l], 3-67
Mat, Floor, 2-9
Media, Cd- Rom, Training [ec- H2O
Tennant], 3-67
Media, Dvd, Oprtr [W/ Checklist M30],
3-67
Mirror, Convex, 0.50D, 3-45
Mixer , Lpg, 2-29
Mixer [E100lp], 6-30
Mixer, W/70deg Ftg, 2-29
Module Kit, Replmt [Ec-H20], 4-27
Module Kit, Replmt [Ec-H20] (See
Breakdowns), 3-27
Module, Ecu, Gas [Gm1.6l 2700 Rpm],
2-25
Module, Ecu, Gas [Mit 2.0l 2013], 6-25
Module, Ecu, Lpg [GM1.6L 2700 RPM],
2-29
Module, Ecu, Lpg [Mit 2.0l 2013], 6-25
Module, Ecu,Gas[GM1.6L 2010
2700RPM], 2-27
Module, Ecu,Lpg[GM1.6L 2010], 2-29
Molding, Afmkt, Trim, Pvc, .08 .11, 01Ft,
2-9, 3-27
Molding, Trim, Pvc, .08- .11 06.8l, 2-65
Molding, Trim, Pvc, .08- .11 13.2l, 2-69
Molding, Trim, Pvc, .18- .31 07.5l, 2-91
Motor Kit, Pump, Repair,, 4-24
Motor Kit, Replmt, 2-129
Motor, Ele [12vdc, Shaker], 2-89
Motor, Ele, 12vdc, Pump, Water, 4-3
Motor, Ele, 12Vdc, Shakr, 2-89
Motor, Ele, Gear, 14vdc, Pump, Detgt,
4-23
Motor, Hyd Gear In 4.5 B 1500, 4-10
Motor, Hyd, Gear, [Int], 19.0 X 3000, 4-5
Motor, Hyd, Gear, Ext 0.17 Lh 3000, 2-131,
2-133
Motor, Hyd, Gear, Ext 0.19 Rh 3000, 4-22
Motor, Hyd, Gear, Ext 0.19 Rh 3000 (See
Breakdowns), 2-133
Motor, Hyd, Gear, Int 04.5 Bi- Dir 1500,
2-95, 2-97
Motor, Hyd, Gear, Int 04.5 Bi- Dir 1500
(See Breakdowns), 2-95, 2-97
Motor, Hyd, Gear, Int 08.9 Bi- Dir 2500,
3-9, 4-11
Motor, Hyd, Gear, Int 08.9 Bi- Dir 2500
(See Breakdowns), 3-7, 3-9
Motor, Hyd, Gear, Int 19.0 Bi- Dir 3000
(See Breakdowns), 2-75
Mount Wldt, Valve, Pinch, Lh, 2-127
Mount Wldt, Valve, Pinch, Rh, 2-121
Mount, Fltr, Remote, 6-21
Muffler, Catalytic [Gm 1.6l 2007], 2-41
Muffler, Catalytic [Gm 1.6l 2010], 2-41
Muffler, Catalytic [Mit 2.0l 2013], 2-63
Muffler, Vacfan, 4.0id, 2-133
N
Nozzle, 3-51
Nozzle Kit, Spray, Ci [M30], 3-51
Nozzle, Spray [Pressure Washer], 3-53
Nozzle, Spray, Gun, 3-51
Nozzle, Wand, Plstc, 14.0l, 3-49
Nut, 6-9, 6-10
Nut- Hxslot .75- 16 Pltd, 4-10
Nut, Adj, Mtg, Tank, Lpg, 2-71
Nut, Coil, F/#8, 4-15, 4-17, 4-19, 4-21
Nut, Coil, Nyl Patch, 4-15, 4-17, 4-19, 4-21
Nut, Flange, 6-13
Nut, Flng, M05- 0.8, 2-29, 6-30
Nut, Flng, M8, 6-15, 6-16, 6-19, 6-21, 6-22
Nut, Ftg, Hyd, 0.56- 18, 2-151
Nut, Hex, Flng, M5 X 0.80, 2-85
Nut, Hex, Flng, M6 X 1.00, 2-61, 2-65
Nut, Hex, Flng, M8 X 1.25, 2-9, 2-31, 2-33,
2-109, 2-113, 2-151
Nut, Hex, Jam, .31- 24, 2-79
Nut, Hex, Jam, .31- 24, Lh, 2-79
Nut, Hex, Jam, .50- 20, 2-99, 3-11
Nut, Hex, Jam, .50- 20, Lh, 2-99
Nut, Hex, Jam, M10 X 1.5, Ss, 2-39, 2-71
Nut, Hex, Jam, M20 X 1.5, 2-17
Nut, Hex, Lock, .25- 20, Nl, 2-69, 2-129,
2-133
Nut, Hex, Lock, .25- 20, Nl, Ss, 2-81, 2-83
Nut, Hex, Lock, .31-18, Nl, 2-39
Nut, Hex, Lock, .31- 18, Nl (NA ONLY),
2-15
Nut, Hex, Lock, .31- 18, Nl, Thin, 2-15
Nut, Hex, Lock, .31-18, Nl, Thin (CE
ONLY), 2-15
Nut, Hex, Lock, .31- 24, Nl, Thin, 2-133
Nut, Hex, Lock, .38- 16, Nl, Ss, 2-71, 3-11
Nut, Hex, Lock, .38- 16, Nl, Thin, 2-71,
2-83, 2-129, 2-133
Nut, Hex, Lock, .50- 13, Nl, Ss, 2-107
Nut, Hex, Lock, .50- 13, Nl, Thin, 2-99
Nut, Hex, Lock, .50- 20, Nl, Thin, 2-99
Nut, Hex, Lock, .75-10, Nl, 2-75
Nut, Hex, Lock, #08-32, Nl, 2-13
Nut, Hex, Lock, M10 X 1.5, Nl, 2-43, 2-45,
2-65, 2-71, 2-133, 3-45, 3-63
Nut, Hex, Lock, M10 X 1.5, Nl, Ss, 2-85,
2-87, 2-93, 2-103, 2-107
Nut, Hex, Lock, M12 X 1.75, Nl, 2-23, 2-77
Nut, Hex, Lock, M12 X 1.75, Nl, Ss, 2-99,
2-103
Nut, Hex, Lock, M12 X 1.75,Nl, 2-49, 2-51
Nut, Hex, Lock, M4 X 0.7, Nl, Ss, 2-83
Nut, Hex, Lock, M4 X 0.70, Nl, 2-15, 2-43,
2-85, 3-65
Nut, Hex, Lock, M4 X 0.70, Nl, Ss, 2-21,
2-109, 2-113, 3-3, 3-27
Nut, Hex, Lock, M5 X 0.80, Nl, 2-15, 2-73,
3-27, 3-47, 3-51
Nut, Hex, Lock, M5 X 0.80, Nl, Ss, 2-123,
3-13, 3-37, 3-39, 3-41, 3-42, 3-43,
3-61
Nut, Hex, Lock, M6 X 1.00, Nl, 2-9, 2-15,
2-17, 2-19, 2-35, 2-37, 2-43, 2-45,
2-57, 2-59, 2-65, 2-69, 2-79, 3-47,
3-57, 3-59, 3-65
Nut, Hex, Lock, M6 X 1.00, Nl, Ss, 2-13,
2-93, 2-103, 2-123, 2-125, 3-47
Nut, Hex, Lock, M8 X 1.25, Nl, 2-39, 2-43,
2-47, 2-57, 2-59, 2-61, 2-65, 2-67,
2-69, 2-71, 2-73, 2-79, 2-83, 2-111,
2-115, 2-151, 3-15, 3-65
Nut, Hex, Lock, M8 X 1.25, Nl (CE Only),
2-43, 2-45

CROSS REFERENCE
7-25
M30 Gas/LPG 9003946 (5- 2016)
Nut, Hex, Lock, M8 X 1.25, Nl, Ss, 2-41,
2-47, 2-63, 2-83, 2-87, 2-93, 2-95,
2-97, 2-99, 2-101, 2-103, 2-105,
2-107, 2-109, 2-113, 2-121, 2-125,
2-127, 2-131, 3-7, 3-15
Nut, Hex, M10 X 1.50 [Stover], 2-63
Nut, Hex, Sltd, .75- 16, 2-95, 2-97
Nut, Hex, Sltd, 1.00- 20, 2-77
Nut, Hex, Sltd, 1.12- 18, 2-75
Nut, Hex, Sltd, M20 X 2.5, 8, 2-95, 2-97
Nut, Hex, Std, .25- 20, 2-25, 2-27, 2-29,
2-53, 2-55
Nut, Hex, Std, .25- 28, 2-81
Nut, Hex, Std, .31- 18, 2-39, 3-45
Nut, Hex, Std, .38- 16, 2-41, 2-63
Nut, Hex, Std, 06- 32, 2-117
Nut, Hex, Std, M10 X 1.50, 2-89
Nut, Hex, Std, M12 X 1.75, Ss, 2-111,
2-115, 2-131
Nut, Hex, Std, M16 X 2.00, 2-19
Nut, Hex, Std, M3 X 0.50, 8, 2-89
Nut, Hex, Std, M5 X 0.8, 8, 2-83
Nut, Hex, Std, M5 X 0.80, 8, 2-23
Nut, Hex, Std, M6 X 1.00, 8, 3-27
Nut, Hex, Std, M8 X 1.25, 2-9, 2-39
Nut, Hex, Std, M8 X 1.25, Brs, 2-23
Nut, Hex, Std, M8 X 1.25, Ss, 2-111, 2-115
Nut, Hex, Stover, M10 X 1.50, 2-41
Nut, Hex, Stover, M8, 2-63
Nut, Hex, Stover, M8 X 1.25, 2-45
Nut, Low Crown, .50-20, 2-129
Nut, M10-1.25 Flg [Mit], 6-16, 6-18
Nut, M10-1.25, Hx Flg [Mit], 6-25
Nut, M6-1.0 Flange [Mit], 6-25, 6-29
Nut, M8- 1.25 [Mit], 6-15
Nut, Manifold, Exhaust, M8 X 1.25, 5-9
Nut, Motor, Hyd, 4-5
Nut, Solenoid, 4-15, 4-17, 4-19, 4-21
Nut, Strainer, 6-7
Nut, T, M10 X 1.50 X 15.80od X 13.0l,
2-109, 2-113
Nut, T, M8 X 1.25 X 14.50od X 9.5l, 3-7
Nut, Wheel, .50- 20 X 60 Angle, 2-75
O
O- Ring, 6-3, 6-5, 6-12
O- Ring [Mit 208 Buna- N], 6-22, 6-23
Ohg Kit, Ci [M20 And T20], 3-45
Oil, Hyd [El, Iso 100, 01gal], 1-2
Oil, Hyd [El, Iso 100, 05gal], 1-2
Oil, Hyd [El, Iso 32, 01gal], 1-2
Oil, Hyd [El, Iso 32, 05gal], 1-2
Oil, Hyd [El, Iso 68, 01gal], 1-2
Oil, Hyd [El, Iso 68, 05gal], 1-2
Oil, Hydraulic 68 [20l] (CE ONLY), 1-2
Outlet, Water, W/Plug [Mit 2.0/2.4l], 6-22
P
Pad, Armrest, 4-29
Pad, Pedal, Brake, 3.96l 2.36w 0.75, 2-79
Pad, Tank, Hyd [W/Psa], 2-151, 2-153
Paint, Airdry, Blk, 12oz (Not Europe), 1-2
Paint, Airdry, Gray, 12oz [Enamel] (Not
Europe), 1-2
Paint, Airdry, Iron Gray,12oz[Pwdr Coat]
(Not Europe), 1-2
Paint, Airdry, Off- White, 12oz (Not
Europe), 1-2
Paint, Airdry, Teal, 12oz, Solid (Not
Europe), 1-2
Pan, Oil, 6-7
Pan, Oil, W/ Baffle / Plug / Seal, 5-8
Panel Kit, Instmt, Repair [M20/M30], 2-13
Panel Wldt, Filler, 2-7
Panel Wldt, Gas, Replmt, 2-9
Panel Wldt, Gas, Replmt [W/Fast], 2-9
Panel Wldt, Gas, Replmt, Tj, 2-9
Panel Wldt, Gas, Replmt, Tj, W/ Es, 2-9
Panel Wldt, Gas, Replmt, Tj[W/Fast], 2-9
Panel Wldt, Gas, W/ Es, Replmt, 2-9
Panel Wldt, Lpg, Replmt, 2-9
Panel Wldt, Lpg, Replmt [W/Fast], 2-9
Panel Wldt, Lpg, Replmt, Ce, 2-9
Panel Wldt, Lpg, Replmt, Ce, W/ Es, 2-9
Panel Wldt, Lpg, Replmt, Ce[W/FaST], 2-9
Panel Wldt, Lpg, Replmt, Tj, 2-9
Panel Wldt, Lpg, Replmt, Tj, W/ Es, 2-9
Panel Wldt, Lpg, Replmt, Tj[W/Fast], 2-9
Panel Wldt, Lpg, W/ Es, Replmt, 2-9
Panel, Access, Door, 2-9, 3-47
Panel, Access, Floor, 2-9
Panel, Adj, 2-9
Panel, Instmt, Rh, Gas, Replmt, 2-13
Panel, Instmt, Rh, Lpg, Replmt, 2-13
Panel, Instmt, Rh, Lpg, Replmt, Ce / Tj,
2-13
Panel, Kit, Instmt Replmt [M20/M30
ec- H20], 2-13
Pawl, Str, 2-95, 2-97
Pedal, Brake, Lock, 2-79
Pedal, Propel, 2-81
Pin Kit, Wheel, Ci [M20/T20/M30], 2-7,
2-91, 3-13
Pin Wldt, 3-11
Pin Wldt, Front, 2-105, 3-9
Pin Wldt, Pivot, Hppr, 2-7
Pin, 0.63d 01.8l, 1/M10h, 2cham, 2-107
Pin, 0.87d 01.8l, 1/M6 X 1.0, 1cham,Stl,
2-85
Pin, 30mmd X 215mml, 2-7, 2-91, 3-13
Pin, Arm, Safety, 2-85
Pin, Clevis, 0.31d X 0.75l, 3-7
Pin, Clevis, 0.31d X 1.00l, 2-79
Pin, Clevis, 0.37d X 0.75l, 2-85
Pin, Clevis, 0.37d X 1.31l, 3-11
Pin, Clevis, 0.37d X 1.50l, 3-11
Pin, Clevis, 0.37d X 1.75l, 2-93, 2-99,
2-111, 2-115, 3-11
Pin, Clevis, 0.37d X 2.00l, 2-103
Pin, Clevis, 0.50 D X 4.50l, 2-81
Pin, Clevis, 0.75d X 2.00l, 2-99
Pin, Clevis, 0.88d X 2.25l, 2-85
Pin, Cotter, .062 X 0.50, 2-79
Pin, Cotter, .094 X 1.00, 2-79, 2-93, 2-99,
2-103, 3-7, 3-11
Pin, Cotter, .125 X 1.00, 2-81, 2-111, 2-115
Pin, Cotter, .125 X 1.25, 2-95, 2-97
Pin, Cotter, .125 X 1.75, 2-77
Pin, Cotter, .125 X 2.00, 2-75
Pin, Cotter, .156 X 1.25, 2-99
Pin, Cotter, .156 X 2.00, 2-91
Pin, Cotter, Hair, 0.31d .058 Wir, 2-15
Pin, Cotter, Hair, 0.38d .072 Wir, 2-99
Pin, Cotter, Hair, 0.62d .120 Wir, 2-85
Pin, Cotter, Hair, 1.00d .178 Wir, 2-7, 2-91,
3-13
Pin,Cotter,Hair,Dbl,2-7,3-13
Pin, Dowel, 6-3, 6-9, 6-10, 6-12
Pin, Dowel [Bn], 4-9
Pin, Dowel, Pump, Hyd, 4-7
Pin, Flywheel [Mit 20/20m], 6-18
Pin, Grvd, 0.43d 01.8l [303ss], 2-105, 3-9
Pin, Hitch, .375d X 3.12l, Pl, 3-7, 3-9, 3-63
Pin, Lift, Drain, 2-125
Pin, Locating, Lpg, 2-71
Pin, Lock, Cyl Head, 14mm X 17mm, 5-3,
5-5
Pin, Lock, Transmission, 5-5
Pin, Locking, Steering, Tilt, 2-17
Pin, Ring, Lock, Hsng, Water Pump, 5-7
Pin, Roll, .187d X 1.62l, .187/.192, 2-7,
2-91, 3-13
Pin, Spring, 6-9
Pin, Valve, Steering, 4-13
Pipe Kit, Exhaust, Replmt [M20.T20, M30],
2-41
Pipe Kit, Exhaust, Replmt [Mako Mitsu],
2-63
Piston Kit, 4-25
Piston Set, Ring, 6-10
Piston, Pin [Std A], 6-10
Piston, Pin [Std B], 6-10
Piston, Pin [Std C], 6-10
Piston, Pump, Hyd, Gear, 4-5
Piston, W/ Pin, Std, 5-5
Pivot Wldt, Brush, Side, 3-11
Plate Assy, Orifice, 0.0105Id, Green, 4-30
Plate Kit, Repair (Replaced by 9006895),
2-23
Plate Wldt, Fan, Hub [Gm 1.6l], 2-39
Plate Wldt, Hose, Vacuum, 2-129, 2-131
Plate Wldt, Lift, Sqge, 2-103
Plate Wldt, Mtg, 3-27
Plate Wldt, Mtg, Fan, 2-131
Plate Wldt, Retainer, Sqge, 3-9
Plate Wldt, Seat, 2-15
Plate Wldt, Shaft, Fan [Shaft Extended],
2-61
Plate Wldt, Wrap, Brush, 2-99
Plate, Bellcrank, 2-85
Plate, Bellcrank, Hppr, Lock, 2-85
Plate, Bottom, Hppr, 2-93
Plate, Cam, 4-7
Plate, Cover, 4-7
Plate, Cover, Screen, 3-65
Plate, Distance, Pump, Hyd, 4-9

CROSS REFERENCE
M30 Gas/LPG 9003946 (5- 2016)
7-26
Plate, Door, Clean- Out [Mit2013], 2-65
Plate, Guard, Belt [Gm 1.6l], 2-23
Plate, Hook, Latch, [M20], 3-61
Plate, Hsng [FaST], 3-3
Plate, Inlet, 2-133
Plate, Inspection, 3-27
Plate, Kit, Repair, 2-23
Plate, Label, Soltn Tank (ec- H20 only),
2-118
Plate, Mtg [Epr], 6-29
Plate, Mtg [FaST], 3-19
Plate, Mtg, Ecu [Mit 2.0/2.4l], 6-25
Plate, Mtg, Latch, 2-117
Plate, Mtg, Light, 2-13
Plate, Mtg, Prop Rod, 2-125
Plate, Mtg, Pump, 3-27, 3-51
Plate, Mtg, Relay, 2-25, 2-27, 2-29
Plate, Pin, Clevis, Upper, 2-85
Plate, Retainer, 2-93
Plate, Shield, Dust, 2-61
Plate, Skirt, Front, 2-101
Plate, Spacer, Motor, Hyd [En], 4-11
Plate, Sppt, 2-79, 3-29
Plate, Sppt, Tank, 2-125
Plate, Tank, Bottom, 2-125
Plate, Tensioner, Adj [Mit 2.0/2.4l], 6-17
Plate, Valve, Motor, Hyd, 4-5
Plate, Valve, Pump, Hyd, 4-7
Plate, Water, Outlet [Mit Bypass], 6-23
Plate, Wear, Steering Valve, 4-13
Plug, 4-5, 6-3
Plug #10, 4-10
Plug #4, 4-10
Plug Assy [Cl], 4-13
Plug Kit, Drain, Recvy, Ci, 2-125
Plug Orifice, Valve, Hyd, .140, 4-15, 4-17
Plug Wldt, Drive, Brush, 2-95, 2-97
Plug Wldt, Drive, Brush, Sweep, 2-95, 2-97
Plug, .12npt, Ss, 2-25, 2-27, 2-29
Plug, 1/8 Npt, Brs, Skt Hd [Mit], 6-15
Plug, 1/8npt, Brs [Mit], 6-30
Plug, 3/8npt X 5/16, Brs [Mit], 6-21
Plug, Bore, Valve, Relief, Oil Press, 5-7
Plug, Cap, 6-12
Plug, Drain, Expandable, 4.75- 6.00, 2-125
Plug, Drain, Oil Pan, M14 X 1.5 X 12, 5-8
Plug, Flare, 37deg [Mit], 6-7
Plug, Hole, Coolant, Eng Block, 5-5
Plug, Hole, Core, Eng Block, 5-8
Plug, Hole, Injector, 2-29
Plug, Hole, Rnd, 0.50h .03- .12, Blk Nyl,
2-13
Plug, Hole, Rnd, 0.88h .03- .12, Blk Nyl,
2-9
Plug, Hole, Rnd, 1.00h .03- .12, Blk Nyl,
2-9
Plug, Hole, Rnd, 1.25h .03- .12, Blk Nyl
(NA ONLY), 2-15
Plug, Hole, Rnd, 2.50h .03- .25, Blk Nyl,
2-9
Plug, Hole, Rt, Rocker Switch, .87 X 1.7,
2-13
Plug, Hole, Soltn Tank, Blk Pyu, 2-117
Plug, Hose, Pyu, 2-121, 2-127
Plug, Hsng, Oil Pump, 5-7
Plug, Injector [Mit], 6-15
Plug, Manifold, Intake, 2-25, 2-27, 2-29
Plug, Oil, Drain, 6-7
Plug, Orifice, 0.060, Ss [FaST Ii+], 4-30
Plug, Orifice, Valve, Hyd, .030, 4-15, 4-17
Plug, Orifice, Valve, Hyd, .040, 4-15, 4-17,
4-19, 4-21
Plug, Orifice, Valve, Hyd, .046, 4-15, 4-17
Plug, Port, Sensor [Map], 2-25, 2-27, 2-29
Plug, Pump, Hyd, Gear, 4-5
Plug, Restrictor, 3-33
Plug, Rubber, 6-7
Plug, Spark, 1-1, 6-19
Plug, Spark [Mitsubishi 2015 12mm], 6-19
Plug, Taper, 6-3
Plug, Tapper, 6-12
Plunger, 3-49
Pop Valve, 4-25
Poppet, Pump, Hyd, Gear, 4-5
Pouch, 3-29
Pulley Assy, Damper, Torsional, 6-10
Pulley, Idler, 6-9
Pulley, Pump, Water, 6-13
Pulley, Tension, Belt, Timing, 5-11
Pulley, Tensioner, 6-9
Pulley, Tensioner, Assy[Mit2.0/2.4l], 6-17
Pump Assy, Column, Es, 4-3
Pump Assy, Column, Es (See
Breakdowns), 3-5
Pump Kit, Hyd, Rotating [Cessna], 4-7
Pump kit, Mtg, Aux, Ci [M20 & T20], 2-149
Pump, Diaphragm, 4-24
Pump, Detgt, 14vdc, 150ml/Min 20psi, 3-3,
4-23
Pump, Diaphragm (See Breakdowns), 3-51
Pump, Fuel, Hi Press [Gm 1.6l/3.0l], 2-69
Pump, Gear, Drive, Oil, 6-12
Pump, Gear, Oil, 6-12
Pump, Hyd, Gear, Ext, 3, 00.85 2500, Cw,
4-9
Pump, Hyd, Gear, Ext, 3, 00.85 2500, CW
(See Breakdowns)
(Replaced by 9007143), 2-149
Pump, Hyd, Piston, Var, 1.24 4000, Cw,
4-7
Pump, Hyd, Piston, Var, 1.24 4000, Cw
(See Breakdowns), 2-149
Pump,Hyd,PressWasher,4-25
Pump, Hyd, Press Washer (See
Breakdowns), 3-55
Pump, Oil, 5-7, 6-12
Pump, Soltn, 13.7vdc, 65psi [FaST Ii+],
3-19
Pump, Soltn, Ele, 13.7vdc,12/28psi, 3-27
Pump, Water, 6-13
Pump, Water [Gm], 5-7
R
Race Thrust, 4-10
Race, Brg, Pump, Hyd, 4-7
Rad Screen Kit, Replmt [M/T20,M30
G/Lp], 3-65
Radiator, Alm, 2-43
Radiator, W/ Hyd Cooler [Side X Side],
2-45, 2-65
Rail, Injector, Fuel, Plstc, 2-25, 2-27
Rear Recirculation Flap, 1-1
Rear Skirt, 1-1
Receptacle, Lamp [Speaker], 2-7
Regulator , 6-29
Regulator [Ep], 2-31, 2-33
Regulator, Press, Electronic [Epr], 6-30
Relay, 12vdc, 020a, Spdt [Mini], 2-205
Relay, 12vdc, 040a, Spdt No, 2-73, 2-201,
2-205, 3-19, 3-27, 3-51, 3-53
Repair Kit, Mixer, 2-29, 6-30
Repair Kit, Vaporizer, 6-29
Reservoir, Hyd, 10.0gal, Replmt, 2-153
Resistor, Ele, Plug [2.5K , 1W], 2-198
Resistor,Ele,Plug[430,2w],3-36
Retainer, Boot, Steering Column, 2-17
Retainer, Camshaft, 5-11
Retainer, Motor, Hyd, 4-5
Retainer, Skirt, .12, 0.8w X 09.1l, Gray,
2-101
Retainer, Skirt, .12, Lh, 2-101
Retainer, Skirt, .12, Rh, 2-101
Retainer, Skirt, Front, 2-101
Retainer, Sparkplug, 2 Way, 5-12
Retainer, Sparkplug, 3 Way, 5-12
Retainer, Spring, 2-103
Retainer, Sqge, 3-7
Retainer, Sqge, Lh Side, 2-113
Retainer, Sqge, Rh Side, 2-109
Ring Kit, Piston, Std 78.95- 79.02mm, 5-5
Ring Kit, Sppt, 4-25
Ring, Lock, 4-7
Ring, Motor, Hyd, 4-5
Ring, Mtg, Sqge, .50l, 2-105
Ring, Retainer, Steering Valve, 4-13
Ring, Retaining, 4-7, 6-17
Ring, Retaining, Ext, 0.38d, [E- Ring],
2-105, 2-107, 3-9
Ring, Retaining, Ext, 0.38d, [Selflock],
2-103
Ring, Retaining, Ext, 0.50d, Hd, 2-17
Ring, Retaining, Ext, 0.62d, Hd, 2-107
Ring, Retaining, Ext, 0.98d, [E- Ring], 2-79
Ring, Retaining, Ext, 1.00d, Basic, 2-95,
2-97
Ring, Retaining, Int, 2.00d, 2-85
Ring, Retaining, Pump, Hyd, 4-7
Rivet, Plstc, .250D X 0.90, 2-17, 3-29,
3-49, 3-53
Rod Assy, Connecting, 6-10
Rod Wldt, Arm, Safety, 2-85
Rod- End, .25- 28rh Fem 0.25b [Teflon],
2-81
Rod- End, 0.50- 20lh Fem 0.50- 20stud,
2-99
Rod- End, 0.50- 20rh Fem 0.50b, 2-99
Rod- End, 0.50- 20rh Mal 0.50b, 3-11
Rod, Connecting, M08 X 45, 5-5

CROSS REFERENCE
7-27
M30 Gas/LPG 9003946 (5- 2016)
Rod, Hanger, Isolator, 2-41, 2-63
Rod, Thrd, 2 End, .31- 24 7.0l, Pl, 2-79
Rod, Thrd, 2 End, .50- 20 04.9l, Rh / Lh,
2-99
Roller, Brg, 2-121, 2-127
S
Screen Wldt, Hppr, 2-87
Screen, Oil, 6-7
Screen, Oil Pump, W/ Suc Pipe, 5-7
Screen, Pump, 3-5
Screen, Vacuum, 2-125
Screw, 2-31, 2-33, 4-10, 6-5, 6-12
Screw, Adj, Valve, Hyd, 5-3
Screw, Btn, M6 X 1.0 X 20, 10.9, Blk, 3-47
Screw, Btn, M8 X 1.25 X 16, Ss, 2-121,
2-127
Screw, Btn, M8 X 1.25 X 20, Blk, 2-109,
2-113, 3-61
Screw, Btn, M8 X 1.25 X 25, Ss, 2-99, 3-7
Screw, Cap, 4-7
Screw, Cap, Motor, Hyd, 4-5
Screw, Flt, Soc, .25-20 X 1.00, Al, 2-129,
2-133
Screw, Flt, Soc, .38- 16 X 0.75, Al, 2-39
Screw, Flt, Soc, .38- 16 X 1.00, Al, 2-61
Screw, Flt, Soc, .38-16 X 1.50, Al, 2-129
Screw, Flt, Soc, M10 X 1.50 X 25, 10.9,
2-109, 2-113
Screw, Flt, Soc, M8 X 1.25 X 20, Al, Blk,
2-109, 2-113
Screw, Flt, Soc, M8 X 1.25 X 30, Ss,
2-121, 2-127
Screw, Hex, .25- 10 X 0.75, Fmg/A, Ss,
2-125
Screw, Hex, .25- 20 X 0.50, G5, 2-23,
2-25, 2-27, 2-29, 2-53, 2-55
Screw, Hex, .25- 20 X 0.75, G5, 2-25,
2-27, 2-29
Screw, Hex, .25- 20 X 0.75, Nl, 2-133
Screw, Hex, .25- 20 X 1.00, 5, 3-9
Screw, Hex, .25- 20 X 1.00, G5, 3-7
Screw, Hex, .25- 20 X 1.75, Ss, 2-81
Screw, Hex, .25- 20 X 2.25, Ss, 2-81
Screw, Hex, .31- 18 X 1.75, G5, 2-39
Screw, Hex, .31- 18 X 4.50, G5, 2-39
Screw, Hex, .31- 24 X 0.75, Nl, 2-83
Screw, Hex, .38- 16 X 0.75, G5, 2-39
Screw, Hex, .38- 16 X 0.75, Nl, 2-95, 2-97,
3-7, 3-9
Screw, Hex, .38- 16 X 0.88, G5, 3-63
Screw, Hex, .38- 16 X 1.00, 5, 2-83
Screw, Hex, .38- 16 X 1.25, G5, 2-149
Screw, Hex, .38- 16 X 1.25, Nl, 2-83
Screw, Hex, .38- 16 X 1.50, Ss, 3-11
Screw, Hex, .38- 16 X 2.00, Ss, 2-83
Screw, Hex, .38- 16 X 3.00, G5, 2-71
Screw, Hex, .38- 16 X 3.75, G5, 2-71
Screw, Hex, .50- 13 X 1.25, G5, 2-23
Screw, Hex, .50- 13 X 1.50, G5, 2-99
Screw, Hex, .50- 13 X 3.00, 18- 8, Ss,
2-107
Screw, Hex, .75- 10 X 3.25, G5, 2-75
Screw, Hex, .75- 10 X 4.00, 5, 2-75
Screw, Hex, 10- 16 X 0.62, Fmg/Ab, Pl,
3-51, 3-53
Screw, Hex, 10- 24 X 0.50, Ss, 2-39
Screw, Hex, M07- 1.00 X 20.0, 8.8, 2-23
Screw, Hex, M10 X 1.25 X 25, 8.8, 2-49,
2-51
Screw, Hex, M10 X 1.5 X 16, 8.8, 2-17
Screw, Hex, M10 X 1.5 X 25, Ss, 2-111,
2-115
Screw, Hex, M10 X 1.5 X 30, 8.8, 3-45
Screw, Hex, M10 X 1.5 X 35, 8.8, 2-63
Screw, Hex, M10 X 1.50 X 20, 8.8, 2-39,
2-41, 2-43
Screw, Hex, M10 X 1.50 X 20, Ss, 2-89,
2-93
Screw, Hex, M10 X 1.50 X 25, 8.8, 2-7,
2-9, 2-23, 2-45
Screw, Hex, M10 X 1.50 X 30, Ss, 2-7,
2-93, 2-103, 3-13
Screw, Hex, M10 X 1.50 X 35, 10.9, 3-63
Screw, Hex, M10 X 1.50 X 35, 8.8, 2-41,
3-63
Screw, Hex, M10 X 1.50 X 40, 8.8, 2-133
Screw, Hex, M10 X 1.50 X 45, 8.8, 2-45,
2-65
Screw, Hex, M10 X 1.50 X 50, Ss, 3-55
Screw, Hex, M10 X 1.50 X 60, 8.8, 2-89
Screw, Hex, M10 X 1.50 X 80, 8.8, 2-85,
3-63
Screw, Hex, M12 X 1.75 X 30, 8.8, 3-11
Screw, Hex, M12 X 1.75 X 35, 8.8, 2-49,
2-51
Screw, Hex, M12 X 1.75 X 40, 8.8, 2-77,
2-99
Screw, Hex, M12 X 1.75 X 55, Ss, 2-111,
2-115
Screw, Hex, M12 X 1.75 X 60, 8.8, 2-23,
2-49, 2-51, 2-99
Screw, Hex, M16 X 2.00 X 90, 8.8, 2-19
Screw, Hex, M4 X 0.70 X 10, Ss, 3-65
Screw, Hex, M4 X 0.70 X 12, 8.8, 2-85,
3-27
Screw, Hex, M4 X 0.70 X 50, Ss, 4-27
Screw, Hex, M5 X 0.8 X 20, 8.8, 2-83
Screw, Hex, M5 X 0.80 X 10, Fmg, 2-99,
3-27
Screw, Hex, M5 X 0.80 X 12, Ss, 3-13,
3-63
Screw, Hex, M5 X 0.80 X 16, Fmg, 3-49
Screw, Hex, M5 X 0.80 X 16, Ss, 3-47
Screw, Hex, M5 X 0.80 X 20, 8.8, 2-85,
3-27
Screw, Hex, M6 X 1.0 X 16, Fmg, 2-81
Screw, Hex, M6 X 1.0 X 20, 9.8, Sems,
2-13, 2-17
Screw, Hex, M6 X 1.0 X 20, Ss, 2-63, 2-93
Screw, Hex, M6 X 1.0 X 25, Ss, 2-111,
2-115
Screw, Hex, M6 X 1.00 X 10, Fmg, 3-3
Screw, Hex, M6 X 1.00 X 12, Ss, 2-89,
3-27, 3-61
Screw, Hex, M6 X 1.00 X 16, 8.8, 2-9,
2-19, 2-25, 2-27, 2-29, 2-31, 2-43,
2-45, 2-71, 2-79, 2-85
Screw, Hex, M6 X 1.00 X 16, Fmg, 2-7,
2-45, 2-85, 2-101, 3-19, 3-65
Screw, Hex, M6 X 1.00 X 16, Ss, 3-19
Screw, Hex, M6 X 1.00 X 20, 8.8, 2-23,
2-63
Screw, Hex, M6 X 1.00 X 20, 9.8, Sems,
2-45, 2-65, 3-27, 3-47
Screw, Hex, M6 X 1.00 X 20, Ss, 2-41,
2-111, 2-115, 2-123, 2-125
Screw, Hex, M6 X 1.00 X 25, 8.8, 2-15
Screw, Hex, M6 X 1.00 X 25, 9.8 Sems,
2-35, 2-37, 2-43, 2-45, 2-57, 2-59,
2-65
Screw, Hex, M6 X 1.00 X 25, 9.8, Sems,
3-65
Screw, Hex, M6 X 1.00 X 25, Fmg, 2-151
Screw, Hex, M6 X 1.00 X 35, 8.8, 2-25,
2-27, 2-29
Screw, Hex, M6 X 1.00 X 35, Ss, 3-27
Screw, Hex, M6 X 1.00 X 50, 8.8, 2-69
Screw, Hex, M6 X 1.00 X 55, Fl, Ss, 2-125
Screw, Hex, M6 X 1.00 X 60, 8.8, 2-79,
3-57, 3-59
Screw, Hex, M6X1.00X16, Ss, 2-43
Screw, Hex, M8 X 1.25 X 110, Ss, 2-105,
3-15
Screw, Hex, M8 X 1.25 X 120, 8.8, Fl, 2-61
Screw, Hex, M8 X 1.25 X 130, 8.8, 2-95,
2-97
Screw, Hex, M8 X 1.25 X 16, 8.8, 2-61
Screw, Hex, M8 X 1.25 X 16, 8.8 (CE
Only), 2-43, 2-45
Screw, Hex, M8 X 1.25 X 16, Ss, 2-95,
2-97, 2-121, 2-127, 3-55
Screw, Hex, M8 X 1.25 X 20, 8.8, 2-9,
2-15, 2-19, 2-21, 2-39, 2-43, 2-45,
2-47, 2-61, 2-67, 2-69, 2-75
Screw, Hex, M8 X 1.25 X 20, Ss, 2-9, 2-71,
2-89, 2-95, 2-97, 2-99, 2-101, 2-111,
2-115, 2-117, 2-121, 2-127, 2-131,
2-155, 3-5, 3-27, 3-29, 3-37, 3-39,
3-41, 3-51
Screw, Hex, M8 X 1.25 X 20, Ss, Sems,
2-15, 2-21, 2-118, 2-125, 2-129, 3-19
Screw, Hex, M8 X 1.25 X 25, 8.8, 2-35,
2-37, 2-43, 2-45, 2-57, 2-59, 2-61,
2-65, 2-121, 2-127, 2-131
Screw, Hex, M8 X 1.25 X 25, 9.8, Sems,
2-7, 2-9, 2-21, 2-45, 2-47, 2-65, 2-71,
2-73, 2-79, 2-91, 2-117, 2-129, 2-133,
2-151, 3-55, 3-65
Screw, Hex, M8 X 1.25 X 25, Fmg, 2-101,
3-3, 3-19
Screw, Hex, M8 X 1.25 X 25, Ss, 2-47,
2-83, 2-87, 2-93, 2-95, 2-97, 2-101,
2-125, 2-131, 3-7, 3-11, 3-15, 3-55
Screw, Hex, M8 X 1.25 X 30, 8.8, 2-61,
2-121, 2-127
Screw, Hex, M8 X 1.25 X 30, 9.8, Sems,
2-69, 2-71, 2-151, 2-153, 3-59, 3-65

CROSS REFERENCE
M30 Gas/LPG 9003946 (5- 2016)
7-28
Screw, Hex, M8 X 1.25 X 30, Ss, 2-101,
2-103, 2-131
Screw, Hex, M8 X 1.25 X 35, 8.8, 2-79,
2-121, 2-127
Screw, Hex, M8 X 1.25 X 35, 9.8, Sems,
2-45, 2-65, 3-65
Screw, Hex, M8 X 1.25 X 35, Fl, Ss, 2-103,
2-131
Screw, Hex, M8 X 1.25 X 40, 8.8, Fl, 2-61
Screw, Hex, M8 X 1.25 X 40, Ss, Nl, 2-83
Screw, Hex, M8 X 1.25 X 45, Ss, 2-41,
2-63, 2-107
Screw, Hex, M8 X 1.25 X 50, 8.8, 2-83
Screw, Hex, M8 X 1.25 X 50, Fl, Ss, 2-101
Screw, Hex, M8 X 1.25 X 60, 8.8, 2-103
Screw, Hex, M8 X 1.25 X 60, 8.8, Fl, 2-9,
2-39
Screw, Hex, M8 X 1.25 X 60, Fl, 2-99
Screw, Hex, M8 X 1.25 X 70, 8.8, 2-79
Screw, Hex, M8 X 1.25 X 90, 8.8, 2-61,
2-107
Screw, Motor, Hyd [En], 4-11
Screw, Mtg [Ehpr98], 4-17, 4-21
Screw, Pan, 12- 16 X 0.50, F/ Plstc
(ec- H20 only), 2-118
Screw, Pan, M4 X 0.7 X 35, Ss, 2-83
Screw, Pan, M8 X 1.25 X 25, Blk, 2-9,
2-13, 2-15, 2-17, 2-21
Screw, Pan, Phl, 06- 20 X 0.50, Fmg/Ab,
2-15, 2-21
Screw, Pan, Phl, 06- 32 X 0.38, G1, 2-117
Screw, Pan, Phl, 12- 16 X 0.50, F/ Plstc,
2-117, 2-125, 3-66
Screw, Pan, Phl, M3 X 0.50 X 20, 4.8, 2-89
Screw, Pan, Phl, M4 X 0.70 X 10, Ss,
2-109, 2-113
Screw, Pan, Phl, M4 X 0.70 X 16, 4.8, 2-43
Screw, Pan, Phl, M4 X 0.70 X 16, Ss,
2-21, 3-3
Screw, Pan, Phl, M4 X 0.70 X 20, 4.8,
2-15, 2-91
Screw, Pan, Phl, M4 X 0.70 X 20, Ss,
2-91, 3-27
Screw, Pan, Phl, M5 X 0.80 X 12, Ss,
2-15, 2-89, 2-123, 3-19, 3-61
Screw, Pan, Phl, M5 X 0.80 X 16, 4.8, 2-15
Screw, Pan, Phl, M5 X 0.80 X 16, Tcut,Ss,
4-27
Screw, Pan, Phl, M5 X 0.80 X 20, Ss,
3-23, 3-33, 3-37, 3-39, 3-41, 3-42,
3-43
Screw, Pan, Phl, M5 X 0.80 X 45, 4.8, 3-51
Screw, Pan, Phl, M6 X 1.00 X 16, Ss,
2-103
Screw, Pan, Phl, M6 X 1.00 X 20, 4.8, 2-7
Screw, Pan, Phl, M6 X 1.00 X 35, Ss, 2-5
Screw, Set, Soc, 10- 24 X 0.25, Nl, 2-89
Screw, Soc, .25- 20 X 0.75, Al, 2-17
Screw, Soc, .38- 16 X 1.50, Al, 2-23
Screw, Soc, .50- 13 X 1.50, Al, 2-75
Screw, Soc, M12 X 1.75 X 55, 10.9, 2-23
Screw, Soc, M16 X 2.0 X 50, 12.9, 2-75
Screw, Soc, M4 X 0.70 X 16, 6-30
Screw, Soc, M6 X 1.00 X 25, 12.9, 2-25,
2-27, 2-29
Screw, Soc, M6 X 1.00 X 45, 12.9, 2-25,
2-27
Screw, Soc, M8 X 1.25 X 25, 12.9, 2-111,
2-115
Screw, Soc, M8 X 1.25 X 35, 12.9, 2-111,
2-115
Screw, Soc, M8 X 1.25 X 70, 12.9, 2-29
Screw, Valve, Steering, 4-13
Seal Kit [Buna], 4-25
Seal Kit [Vitron], 4-25
Seal Kit, Cartridge, 2-155, 4-15, 4-17,
4-19, 4-21
Seal Kit, Motor [Cl], 3-9, 4-11
Seal Kit, Motor, Hyd, Gear [Barns], 2-129
Seal Kit, Oil, 4-25
SealKit,Pump,Hyd,4-7,4-9
Seal Kit, Steering [Cl], 4-13
Seal Kit, Valve [Ehpr98], 4-17, 4-21
Seal Replmt Kit, 4-10
Seal, Afmkt, Bulb, 90, 0.50D, 02 Ft, 2-15
Seal, Afmkt, Bulb, Str, .50d F/11ga 03ft,
2-43
Seal, Afmkt, Bulb, Str, .50D F/11Ga 08Ft,
2-151
Seal, Afmkt, Bulb, Str, 0.58d 08ft, 2-65,
3-65
Seal, Afmkt, Bulb, Str, 1.0D F/11Ga 08Ft,
2-19
Seal, Afmkt, Ure, Adh, 0.38, 0.38w 02ft,
2-65
Seal, Bulb, Str, .50hi .50w 058.0l, Adh,
2-117
Seal, Cam Shaft, Front, 6-5
Seal, Cap, 6-5
Seal, Case, Oil, Rear, 6-3
Seal, Door, Dump, 2-93
Seal, Drive, Rear, Grease Cav, 2-75
Seal, Foam, 0.50, 2-9, 2-21
Seal, Foam, 1.18, 2-9, 2-21
Seal, Oil, 6-3, 6-12
Seal, Oil, Cshft, 5-5
Seal, Org, .069 X 03.06id, 2-149
Seal, Org, .072 X 00.35id #04, 4-15, 4-17
Seal, Org, .078 X 00.47id #06, 4-15, 4-17
Seal, Org, .078 X 00.47id 06, 4-19, 4-21
Seal, Org, Bolt, Cover, Camshaft Hsng,
5-11
Seal, Org, Cap, 5-3
Seal, Org, Cap, Fltr, Oil, 5-8
Seal, Org, Hsng, Oil Pump, 5-7
Seal, Org, Lpg, Mixer, 6-28
Seal,Org,OilPump,5-7
Seal, Org, Press Switch / Drain Plug, 5-7,
5-8
Seal, Org, Sensor, Temp [Epr], 2-31, 2-33
Seal, Org, Water Pump, 5-7
Seal, Panl, Instmt, 2-9
Seal, Rbr, Clsd, 0.13, Instmt Panl, 2-13
Seal, Ring, Pipe, Suc, Oil Pump, 5-7
Seal, Seat, Valve, 5-3
Seal, Shaft, Drain Plug, 2-125
Seal, Shroud, Front, 2-19
Seal, Ure, 0.38, 0.75w 13.2l Adh, 2-133
Seal, Ure, 0.38, 0.75w 33.0l Adh, 2-133
Seal, Wire, 14/16ga [Wp / Mp280 Sealed],
4-24
Sealant, Tube, Ds, 5-8
Seat, 4-29
Seat (See Breakdowns), 2-15
Seat, Rotator, Valve, 5-3
Seat, Spring, Valve, 5-3
Seat, Spring, Valve, 0.333, 5-3
Seat, Suspension, W/1 Arm And Belt, 2-15
Seat, Valve, Exhaust, [+0.2mm], 5-3
Seat, Valve, Exhaust, [+0.4mm], 5-3
Seat, Valve, Exhaust, Std, 5-3
Seat, Valve, Intake, [+0.2mm], 5-3
Seat, Valve, Intake, [+0.4mm], 5-3
Seat, Valve, Intake, Std, 5-3
Seatbelt, 4-29
Seatbelt, Retractable [Deluxe Seat], 2-15
Send- Unit, Fuel [2007], 2-69
Send- Unit, Water,
Temp,04npt[113oh/195d], 2-153
Sensor [T Map], 2-25, 2-27, 2-29
Sensor [Tmap], 6-25
Sensor, Camshaft [Mit], 6-25
Sensor, Exhaust, Tailpipe, 2-41, 2-63, 6-25
Sensor, Hyd, 3000 Psi (Replaced by
9007155), 2-155
Sensor, Level, Liq, 14vdc 01a .62-11,
2-117, 3-55
Sensor, Oxygen [Gm 1.6L/3.0L 2007], 2-41
Sensor, Position, Cshft, 2-23, 5-7
Sensor, Spd / Dir, 6- 30vdc, 2-83
Sensor, Spd, Timing Wheel [3.0l], 6-25
Sensor, Temp [Epr], 2-31, 2-33
Sensor, Temp, Coolant, 2-23, 6-25
Sensor, Temp, Water [Rework For 1.6gm],
2-23
Shaft, 2-77
Shaft Wldt, Brake, 2-79
Shaft Wldt, Pedal, Brake, 2-79
Shaft, Arm , Rocker, 6-9
Shaft, Arm, Rocker, 6-9
Shaft, Brush, Idler, 2-95, 2-97
Shaft, Cap, Rocker, 6-9
Shaft, Left, Balancer, 6-11
Shaft, Motor, Hyd, 4-5
Shaft, Output, 4-10
Shaft, Output, Motor, Hyd [En], 4-11
Shaft, Pump, 4-7
Shaft, Pump, Water, 4-3
Shaft, Right, Balancer, 6-11
Shaft, Spring, Rocker, 6-9
Shaker Wldt, 2-89
Sheave Assy Kit, Repair, 2-39
Sheave, Cshft, 5-5
Sheave, Mach [Gm1.6l 2615rpm Fan],
3-65
Sheave, Mach [Gm1.6l], 2-39
Sheave, Mach [Mit 2615rpm Fan], 2-61
Shield, Heat, Gas/Lpg, Replmt, 2-41

CROSS REFERENCE
7-29
M30 Gas/LPG 9003946 (5- 2016)
Shield, Heat, Gas/Lpg, Replmt, CE (CE
Only), 2-41
Shield, Heat, Gas/Lpg, Replmt, TJ (Japan
Only), 2-41
Shield, Heat, Lower [Mit 20/24m], 6-16
Shield, Heat, Upper [Mit 20/24m], 6-16
Shield, Manifold, Exhaust, 5-9
Shield, Starter [1.6l], 2-23
Shield, Tray, Drip [Mit 2013], 2-63
Shim Kit, 4-7
Shim, Washer, 0.88d 0.51b .020, 2-129
Shim, Washer, 0.88d 0.51b .060, 2-129
Shock Absorber, 2.3 Strk, 2-83
Shoe Set, Brake [1 Set=1pkg=2 Shoes],
2-77
Shoe, Plstc, Sqge, 14.0, 3-49
Shrd Wldt,Fan,G/Lp, Replmt [CE] (CE
Only), 2-45
Shrd Wldt,Fan,G/Lp, Replmt
[M20/M30/T20], 2-45, 2-65
Shrd Wldt,Fan,G/Lp, Replmt [TJ] (Japan
Only), 2-45, 2-65
Shroud Wldt, Fan, 16.25d [Side X Side],
2-45
Shroud Wldt, Fan, Gas/Lp, Replmt, 2-43
Shroud Wldt, Fan, Gas/Lp, Replmt, Ce
(CE Only), 2-43
Shroud Wldt, Fan, Gas/Lp, Replmt, TJ
(Japan Only), 2-43
Shroud Wldt, Fan, Venturi, 16.4d, 2-43
Shroud, Eng, 2-21
Shroud, Fan, 2-65, 3-65
Shroud, Front, 2-19
Shroud, Rh, 2-15
Side Door Inner Skirt, 1-1
Side Door Outer Skirt, 1-1
Skirt, Debris, Radiator, 2-43, 2-45
Skirt, Eng Fan, Gas / Lp, 2-65
Skirt, Neo, .06, 03.35w 12.90l, 04/ Hole,
2-101
Skirt, Neo, .06, 06.38w 48.00l, 06/ Hole,
2-101
Skirt, Neo, .06, 06.85w 27.95l, 08/ Hole,
2-109, 2-113
Skirt, Neo, .06, 08.40w 58.50l, 12/ Hole,
2-101
Skirt, Neo, .06, 12.00w 53.50l, 10/ Hole,
2-101
Skirt, Neo, .13, 08.25w 13.98l, 02/ Hole,
2-101
Skirt, Neo, .18, 10.37w 27.95l, 12/ H&S,
2-109, 2-113
Skirt, Rbr, .37, 04.50w 48.00l, 06/ Hole,
2-101
Sleeve, 0.31b 0.50d 0.3l, Ss, 2-111, 2-115,
2-125
Sleeve, 0.49b 0.68d 1.2l [304ss], 2-111,
2-115, 3-55
Sleeve, Dashpo, Pump, Hyd, Gear, 4-5
Sleeve, Nyl, #37 05.0l, 2-75
Sleeve, Nyl, 2.38id 25.0l, 2-75
Sleeve, P/M, 0.31b 0.50d 0.3l [430ss],
2-121, 2-127
Sleeve, P/M, 0.31b 0.50d 0.7l [430ss],
2-105, 2-121, 2-127
Sleeve, P/M, 0.31b 0.50d 0.9l [430ss],
2-41, 2-63
Sleeve, P/M, 0.34b 0.63d 0.6l, Bnz, 2-107
Sleeve, P/M, 0.34b 0.63d 1.2l, Bnz, 2-105
Sleeve, P/M, 0.37b 0.50d 0.6l [430ss],
3-11
Sleeve, P/M, 0.47b 0.75d 0.5l [430ss],
2-99
Sleeve, Pump, Water, 4-3
Sleeve, Rbr, 3.50b 3.58d 1.8l, 3-5
Solenoid, #10, 12vdc, 4-15, 4-17, 4-19,
4-21
Solenoid, #8, 12vdc, 4-15, 4-17, 4-19, 4-21
Solenoid, 12v, Valve, Hyd [Cec], 4-22
Spacer, 3-7, 3-9
Spacer Plate, 4-10
Spacer, Alternator [Mit 2.0/2.4l], 6-20
Spacer, Belt, Balancer, Train, 6-11
Spacer, Coil, #8, 4-15, 4-17
Spacer, Crankfshaft, 2-61
Spacer, Fan, Taper [2007], 2-39
Spacer, Fan, Taper [Mit 2013], 2-61
Spacer, Hub, Keyed, 3-7, 3-9
Spacer, Pad, Rbr, 2-103
Spacer,Plstc,Nyl,2-15
Spacer, Pump, Water, 2-61
Spacer, Ring, Throttle [Mit 40mm], 6-28
Spacer, Rnd, .38b .88d .38l (CE ONLY),
2-15
Spacer, Sqge, Side Brush, Rbr, 3-9
Spacer, Strap, Adj, Alternator, 2-39
Spacer, Valve, Steering, 4-13
Sparkplug, 5-12
Sparkplug [Gm ], 1-1
Sparkplug [Gm, 1pick=1plug], 1-1
Spool, Pilot, Dual, Hyd, 4-15, 4-17
Spool, Pilot, Hyd, 4-15, 4-17, 4-19, 4-21
Spring, 2-77, 4-5
Spring Kit, Scu [Cl], 4-13
Spring, 3/4 X 16 [Gm1.6L 2010 Lpg], 2-33
Spring, Cmpr, 0.72od .06wir 02.3l, 2-17
Spring, Cmpr, 0.90od .04wir 02.0l, 2-105
Spring, Dsl, 1.00od 0.50id 1.70l, 2-107
Spring, Extn, 0.75od X 0.09wir, 2.5l,
2-111, 2-115
Spring, Extn, 0.75od X 0.12wir, 4.3l, 2-83
Spring, Extn, 0.75od 0.09wir 02.5l, 2-85
Spring, Extn, 0.88od 0.14wir 09.0l, 2-103
Spring, Extn, 2.00od 0.25wir 07.5l, 2-99
Spring, Flat, .08, 4.50w X 07.0l, 2-103
Spring, Flat, Retainer, Angled Screen, 2-87
Spring, Motor, Hyd, 4-5
Spring, Tors, 0.75id .06wir 02.8coil, 2-79
Spring, Tors, 1.13id .12wir 2.3coil, Rh,
2-79
Spring, Valve, 5-3
Spring, Valve, Relief, Oil Press, 5-7
Spring, Wir, 0.08d, Parking Brake, 2-79
Spring, Wir, 0.16d, Brush Retaining, 2-5
Sprocket Assy, Cshft, 6-9
Sprocket, Camshaft, 5-11, 6-9
Sprocket, Crankshaft, 5-11
Sprocket, Cshft, 6-11
Sprocket, Pump, Oil, 6-9
Sprocket, Shaft, Balancer, 6-11
Squeegee Assy, Sba, Linatex, 3-7
Squeegee Assy, Sba, Ure, 3-7
Squeegee Kit, Rear, Replmt [M30], 2-105
Squeegee Wldt, Rear, 2-105
Stand- Off, Hex, M8 X M8, Metal, 2-49,
2-51
Starter, 12vdc [Delco] (Mar. 2006 and
Newer), 5-5
Starter, Motor [Mit 2.0/2.4l], 6-20
Steer- Control, Hyd05, 06.1 2030, 4-13
Steer- Control, Hyd05, 06.1 2030 (See
Breakdowns), 2-17
Stem, Valve, Hyd, 4-15, 4-17, 4-19, 4-21
Stem, Valve, Hyd [4w2p], 4-15, 4-17, 4-19,
4-21
Stop, Rotation, 2-107
Strainer, Hyd, 025gpm 100mesh 03psi,
1-1, 2-153
Strainer, Soltn, 20mesh, Cyl, 3.5d 09.5l,
3-5
Strap, Adj, Alternator, 2-39
Strap, Door, Dump, 2-93
Strap, Mtg, Motor, .12 4.00w, 2-89
Strap, Mtg, Tank, Lpg, 2-71
Strap, Mtg, Tank, Lpg, Hinge, 2-71
Strap, Rbr, Tie- Down, 19.0l, 2/ Hook, 2-73
Strap, Retaining, Hose, 2-121, 2-127
Strap, Sppt, 2-83
Strap, Static, W/Grommet, .19 1.1w 25.0l,
2-101
Strap, Tank, Gas, 2-69
Strip, Flap, Recirculation, 2-101
Strip, Mtg, Seal, 2-19
Strip, Non Slip, 0.50w 06.0l, 2-105
Strip, Rbr, 0.06 01.00w 04.0l, 2-89
Strip, Rbr, 0.06 03.54w 03.5l [Neo/60],
3-27
Strip, Rbr, 0.06 04.00w 05.0l [Neo/60],
2-89
Stud, 6-5
Stud, .31- 18 2.75l M8 X 1.25, Ss, 2-105
Stud, Ball, .39d .31- 16, Gasspring, 2-15
Stud, M05- 0.8, 2-29, 6-30
Stud, M10 X 1.50 [35], 2-39, 2-41
Stud, M10- 1.25 X 50, Full Thrd [Mit], 6-25
Stud, M8- 1.25 X 30 [Mit Double End],
6-15
Stud, M8- 1.25 X 35 [Mit Double End],
6-15
Stud, M8- 1.25 X 40 [Mit], 6-16
Stud, M8- 1.25 X 50 Full Thrd [Mit], 6-15
Stud, Manifold, Intake, M8 X 28, 6-16
Stud, Manifold, M8 X 28, 5-9
Stud, Manifold, M8 X 96, 5-9
Stud, Starter, M08 X 1.25, 5-5
Stud, Wheel, .50- 20 X 1.50l, 0.370th, 2-75
Switch Assy, Press, 13.0, 17.5l Tube,
2-125
Switch Assy, Press, Dbl, 17.5l, 3-5

CROSS REFERENCE
M30 Gas/LPG 9003946 (5- 2016)
7-30
Switch Assy, Press, Dbl, 26.2l, 3-5
Switch Kit, Pump, Repair,, 4-24
Switch, Ignition [Ku], 2-13
Switch, Indicator, Oil Press, 2-23, 5-7
Switch, Indicator, Oil Press [2010], 2-23,
5-7
Switch, Press, 0006psi Dpdt, 2-23
Switch, Press, 0008psi Spdt, 2-91
Switch, Press, 0070psi Spst Nc 12vdc 08a,
2-71
Switch, Press, 50 Psi, Pm02, 3-29
Switch, Press, Adj [4- 16 In Wtr], 2-91
Switch, Press, Hyd, 18-24Psi, Spst, No
(CE Only), 2-153
Switch, Pressure, Oil, 6-12
Switch,Rocker,Dpdt,Mom/Off/Mom,
2-13
Switch, Rocker, Dpdt, On / None / On,
3-51
Switch, Rocker, Dpdt, On / Off / On, 2-13
Switch, Rocker, Prgrsv, 3-53
Switch, Rocker, Spst, Mom, 3-27
Switch,Seat,4-29
Switch, Seat, No [Delta 6440- 04], 2-15
Switch, Snap, 15a No, Rlr, 2-85
Switch, Temp [160f], 2-89
Switch, Temp, Sealed, Nc, 2-89
T
Taillight, 12vdc, 2-91
Tank, Coolant, 03.30w 4.7hi 04.7l,1liter,
2-47
Tank, Coolant, 03.6W 04.1HI 05.5L,1Liter,
2-47, 2-67
Tank, Detgt, Trimmed, 3-5
Tank, Fuel, 11.2gal, Gas, Replmt [2007],
2-69
Tank, Lpg, 33lb, W/ Gauge [Empty, Liq],
2-71
Tank, Recvy, 2-125
Tank, Soltn [M30], 2-117
Tape, Warning, Left, Blk/Yel [33Mtr] (CE
Only), 2-208
Tape, Warning, Rh, Blk/Yel [33Mtr] (CE
Only), 2-208
Tensioner, 6-9
Tensioner, Timing, Belt, 6-11
Terminal, Bullet, Mal, .157d, 12ga, 3-39,
3-41, 3-42, 3-43
Terminal, Fem, Mp280, Sealed, 18- 16ga,
4-24
Terminal, Tab, .25 .19h .84l, 2-23
Thermostat Kit, Coolant, Replmt [Mitsub],
6-22
Thermostat, W/ Hsng And Seal, 5-3
Thrust Bearing, 4-10
Thurst, Case, 6-5
Tie, Cable, 6.0l, 1.25d Max, 3-33, 3-42,
3-43
Tie, Cable, Nyl, 07.3l .19w 1.8 Max D,
2-13, 2-45, 2-75, 2-97, 3-29, 3-42,
3-43, 3-53
Tie, Cable, Nyl, 14.5l .30w 4.0 Max D,
4-27
Tie, Cable, Nyl, 15.3l . W 4.5 Max D,
2-89, 3-23, 3-29
Tire Assy, Solid, 18.0 X 5.0, Idler
(Standard), 2-77
Tire Assy, Solid, 18.0 X 5.0,Hi Traction
(Option), 2-77
Tire Assy, Solid, 18.0X5.0, Non-Marking
(Option), 2-77
Tire, Drive, Scrbr, Non- Skid, 18.0X6.0,
2-75
Tire, Drive, Scrbr, Pu, Grey, 18.0X6.0
(Optional Polyurethane), 2-75
Tire, Idler, Scrbr, Pu, Grey, 18.0X5.0
(Polyurethane), 2-77
Tower Wldt, Lift, Lh, Replmt [M30], 2-7
Tower Wldt, Lift, Lh, Replmt, Ce (CE
Only), 2-7
Tower Wldt, Lift, Lh, Replmt, TJ (Japan
Only), 2-7
Tower Wldt, Lift, Rh, Replmt [M30], 2-7
Tower Wldt, Lift, Rh, Replmt, CE (CE
Only), 2-7
Tower Wldt, Lift, Rh, Replmt, TJ (Japan
Only), 2-7
Track Assy, Slide, 4-29
Transport Kit, Ci [M20/M30}, 3-61
Tray Wldt, Fuel, 2-69
Tray Wldt, Lpg, 2-71
Tray, Perma- Filter, 2-89
Tread, Non- Skid, 01.9w 08.0l, 2-7
Tread, Non- Skid, 02.2w 11.5l, 3-13
Tread, Non- Skid, 03.0w 11.6l, 2-7, 2-9,
2-81
Tube [Pcv], 5-3
Tube Assy, Plug, Drain, 2-125
Tube Kit, Hyd, Case Drain [M30], 2-97
Tube Kit, Tank, Recvy, Replmt, 2-127
Tube Kit, Tank, Soltn, Replmt, 2-121
Tube Wldt, Arm, Safety, 2-85
Tube Wldt, Leg, Ohg, Lh, Pntd, 3-45
Tube Wldt, Leg, Ohg, Rh, Pntd, 3-45
Tube Wldt, Plug, Drain, 2-125
Tube Wldt, Tee, 2-35, 2-37
Tube Wldt, Tee [Mit 2013], 2-57, 2-59
Tube Wldt, Torque, 2-99
Tube, 0.32id 0.50od 00.4l, Ss, 2-121,
2-127
Tube, 0.77id 1.75od 00.7l, Stl, Pntd, 2-75
Tube, 00.38d 00.26b 00.3l Stl Plt,
2-81
Tube, 00.50d 00.38b 00.6l Stl, 2-83
Tube, 2.90Id 3.00OD 02.4L, Ss, 2-121,
2-127
Tube, Acrylic, Clr, 3.25id 3.50od 01.0l,
2-127
Tube, Bleed, Air, .62od 2.2l .12npt, Alm,
2-25, 2-31
Tube, Coolant, 1.3d, Lower, 2-47
Tube, Coolant, 1.3d, Lower [Mit 2013],
2-67
Tube, Cooling, Line [Mit], 6-23, 6-26
Tube, Distribution, Water, 45.0l, 2-123
Tube, Ds, 5-8
Tube, Exhaust, Flng, 1.5d, 2-41
Tube, Exhaust, Flng, 1.5d [M20/T20 2007],
2-63
Tube, Hyd, 06, Sqge Lift, 2-151
Tube, Hyd, 08 Jf08/Jf08, 2-95
Tube, Hyd, Brush Return, W/ Cd [M30],
2-97
Tube, Hyd, Main Return, 2-151
Tube, Hyd, Main Return [G/Lp Mit2013],
2-151
Tube, Hyd, Rear Sqge [M20], 2-151
Tube, Pump, Water, 6-22
Tube, Rnd, 1.75d 0.77b 01.1l, Stl, Pntd,
2-75
Tube, Vacuum, 2-91
Tube, Vinyl, Pump, Water, 4-3
Tube, Wand, Vacuum, Metal, 3-49
Tube, Water, Line [Mit], 6-22
Tubing Connctr.Kit, Gorman Pmp, 4-23
U
Upper Hsg Kit, Pump, Repair,, 4-24
Urethane Front Squeegee, 1-2
Urethane Rear Squeegee, 1-2
Urethane Side Brush Squeegee, 1-2
Urethane Side Squeegee, 1-2
V
Valve Assy [Proportional], 4-17, 4-21
Valve Assy, Relief [Cl], 4-13
Valve Assy, Water, Solenoid , 12vdc, 2-123
Valve Assy, Water, Solenoid, 12vdc, 3-13,
3-33
Valve Kit, 4-25
Valve Kit, Poppet, Gorman Rupp, 4-23
Valve Stem, N.O.Valve, Hyd, 4-22
Valve, By- Pass, Oil Fltr, 5-8
Valve, Check, 4-15, 4-17, 4-19, 4-21
Valve, Check, 0002psi [FaST Ii+], 4-30
Valve, Check, 0005psi [FaST Ii+], 4-30
Valve, Check, 0005psi Bm06/Bm08, 3-19
Valve, Check, 0005psi Pm04/Bm06, 3-29
Valve, Check, 2gpm .5psi Bm08/Bm08,
3-33
Valve, Check, Pump, Water, 4-3
Valve, Cntrl, Hyd, Solenoid, 03/16gpm,
4-19, 4-21
Valve, Cntrl, Hyd, Solenoid, 03/16gpm
(See Breakdowns), 3-15
Valve, Cntrl, Hyd, Solenoid, 12vdc 10gpm,
4-17
Valve, Cntrl, Hyd, Solenoid, 12vdc 10gpm
(See Breakdowns), 2-155
Valve, Cntrl, Solenoid, 4-15, 4-17
Valve, Exhaust, 5-3, 6-9
Valve, Gasket, Pcv, 6-4
Valve, Hyd Cartridge 10no/- 0, 4-22

CROSS REFERENCE
7-31
M30 Gas/LPG 9003946 (5- 2016)
Valve, Hyd, Check, 5000psi Jm08/Om08,
3-15
Valve, Hyd, Press Washer, 3-57, 3-59
Valve, Hyd, Solenoid, 12vdc, 4-15
Valve, Hyd, Solenoid, 12vdc (See
Breakdowns), 2-155
Valve, Inlet, 6-9
Valve, Intake, 5-3
Valve, Lock Off, 2-31
Valve, Lock Off [Gm 1.6L 2010], 2-33
Valve, Lpg, Press Relief [Rego], 2-71
Valve, Motor, Hyd, 4-5
Valve, Needle, 3-55
Valve, Pcv, 6-4
Valve, Relief, 4-15, 4-17, 4-19, 4-21
Valve, Relief, 1100 Psi, 2-155
Valve, Relief, 3000 Psi, 4-7
Valve, Relief, 4000 Psi, 4-7
Valve, Relief, Oil Press, 5-7
Valve, Seal, Stem, 6-9
Valve, Shutoff, 3-51
Valve, Solenoid, 12vdc, Water Flow, 3-23
Valve, Spring, 6-9
Valve, Spring, Lock, 6-9
Valve, Spring, Retainer, 6-9
Valve, Spring, Seat, 6-9
Valve, Stem, No, 4-15, 4-17, 4-19, 4-21
Valve, Vent, Air, Float Type, 3-29
Valve, Water, Solenoid, 12vdc 6.0mm
Pf04, 3-19
Valve, Water, Solenoid, 12vdc Pf08/Pf08,
3-3
W
Wand Kit, Vacuum, Sqge, Ci [M30], 3-49
Wand, Clean- Out, 3-51
Wand, Str, Ss, 28l, 3-53
Washer,6-9,6-21
Washer, 1/4 Flat [Mit], 6-27
Washer, Belleville, .31, 2-83
Washer, Belt, Balancer, Train, 6-11
Washer, Bolt, 6-7
Washer, Flat 3/8, Sae, 6-17
Washer, Flat, .781b 1.63od .16, Stl, Blk,
2-75
Washer, Flat, #10 Ss, 2-83
Washer, Flat, 0.25 Std, 2-81, 2-83
Washer, Flat, 0.25, Fendr, 2-43, 2-45,
2-65, 2-101, 2-133
Washer, Flat, 0.25, Sae, 2-15, 2-17, 2-25,
2-27, 2-29, 2-41, 2-63, 2-69, 2-71,
2-85, 2-133, 3-27, 3-47, 3-57, 3-59,
3-65
Washer, Flat, 0.25, Std, 2-9, 2-19, 2-23,
2-25, 2-27, 2-29, 2-31, 2-43, 2-45,
2-53, 2-55, 2-63, 2-65, 2-79
Washer, Flat, 0.27b 0.69d .05, Ss, 2-5,
2-43, 2-45, 2-89, 2-93, 2-101, 2-123,
2-125, 3-19, 3-27, 3-47, 3-61
Washer, Flat, 0.31 Sae, 2-83, 2-111, 2-115
Washer, Flat, 0.31, Hardened, 2-39
Washer, Flat, 0.31, Sae, 2-9, 2-15, 2-21,
2-39, 2-61, 2-63, 2-121, 2-127
Washer, Flat, 0.31, Ss, 2-111, 2-115
Washer, Flat, 0.31, Std, 2-9, 2-15, 2-17,
2-19, 2-35, 2-37, 2-39, 2-41, 2-43,
2-45, 2-47, 2-57, 2-59, 2-61, 2-65,
2-67, 2-69, 2-71, 2-75, 2-79, 2-95,
2-97, 2-99, 2-101, 2-121, 2-125,
2-127, 2-151, 3-11, 3-15, 3-45, 3-61,
3-65
Washer, Flat, 0.31, Std (CE Only), 2-43,
2-45
Washer, Flat, 0.32b 1.00d .12, Ss, 2-9,
2-15, 2-19, 2-21, 2-61, 2-87, 2-93,
2-118, 2-121, 2-127, 2-131, 2-155,
3-5, 3-27, 3-29, 3-37, 3-39, 3-41, 3-51
Washer, Flat, 0.38 Sae, 2-49, 2-51, 2-83
Washer, Flat, 0.38 Std, 2-83, 3-9, 3-45
Washer, Flat, 0.38, Hardened, 2-23, 2-31,
2-33
Washer, Flat, 0.38, Sae, 2-23, 2-39, 2-41,
2-107, 2-133, 2-149
Washer, Flat, 0.38, Std, 2-7, 2-15, 2-41,
2-43, 2-45, 2-63, 2-65, 2-71, 3-7, 3-63
Washer, Flat, 0.38b 0.88d .08, Ss, 2-41,
2-47, 2-63, 2-89, 2-93, 2-101, 2-103,
2-105, 2-107, 2-121, 2-127, 2-131,
3-7, 3-11, 3-55
Washer, Flat, 0.38b 1.25d .12, Neo, 2-87,
2-93
Washer, Flat, 0.40b 1.12d .12, Ss, 2-39,
2-43, 2-45, 2-65, 2-85, 2-89, 2-93,
2-107, 2-129, 2-133, 3-45
Washer, Flat, 0.41b 1.25d .12, Pye, 2-15
Washer, Flat, 0.44b 1.00d .08, Ss, 2-7,
2-103, 3-13, 3-55
Washer, Flat, 0.50 Sae, 2-49, 2-51
Washer, Flat, 0.50 Std, 2-49, 2-51
Washer, Flat, 0.50, Sae, 2-17, 2-23, 2-43,
2-77, 3-11, 3-63
Washer, Flat, 0.50, Std, 2-23
Washer, Flat, 0.53b 1.88d .12, Stl, Pl, 2-9,
2-23, 2-49, 2-51, 2-103, 2-105
Washer, Flat, 0.56b 1.38d .11, Ss, 2-99,
2-103, 2-111, 2-115
Washer, Flat, 0.62, Sae, 2-19
Washer, Flat, 0.66b 1.00d .12, Rbr, 3-3,
3-51
Washer, Flat, 0.69b 1.19d .06, Stl, Pl,
2-107
Washer, Flat, 0.75 Sae, 2-75
Washer, Flat, 0.78b 1.75d .18, Ss, 2-125
Washer, Flat, 0.79b 1.18d .06, Nyl, 2-121,
2-127
Washer, Flat, 0.81b 1.06d .06, Stl, 2-43,
2-45, 2-65
Washer, Flat, 06, 2-15, 2-43, 2-89, 3-49
Washer, Flat, 08, 3-27
Washer, Flat, 08, Ss, 4-27
Washer, Flat, 1.00, Sae, 2-77
Washer, Flat, 1.15b 1.75d .08, Stl, 2-13
Washer, Flat, 1.26b 1.88d .13, Stl, 3-13
Washer, flat, 1.26B 1.88D .13, Stl, Pl, 2-7,
2-91
Washer, Flat, 1.39b 2.12d .13, Stl, 2-75
Washer, Flat, 10, 2-15, 2-39, 2-73, 2-85,
3-27, 3-37, 3-39, 3-41, 3-42, 3-43,
3-51
Washer, Flat, 10, Ss, 3-3, 3-19, 3-47, 3-51,
3-53, 3-63
Washer, Flat, 2.16b 3.50d .16, Felt, 2-75
Washer, Flat, Belleville, .25, 2-111, 2-115
Washer, Flat, Belleville, .31, 2-61, 2-121,
2-127
Washer, Flat, Belleville, .38, 2-41, 2-83,
2-85, 2-103, 2-111, 2-115
Washer, Flat, Belleville, .50, 2-111, 2-115,
2-131
Washer, Flat, Belleville, M10, 2-87
Washer,Flat,Pump,Hyd,4-7
Washer, Lock, 0.38, 6-17
Washer, Lock, Int- Ext, 0.31, 2-101
Washer, Lock, Int- Ext, 0.38, 2-39
Washer, Lock, Int, 0.25, 3-27
Washer, Lock, Int, 0.25, Ss, 3-55
Washer, Lock, Int, 0.38, 2-39
Washer, Lock, Int, 06, 2-89
Washer, Lock, Int, 08, Ss, 2-91, 4-27
Washer, Lock, M12 [Mit], 6-18
Washer, Lock, M6 [Mit], 6-28
Washer, Lock, M8 [Mit], 6-9, 6-21
Washer, Pump, Hyd [En], 4-7
Washer, Rbr, 4-3
Washer, Sheave, Cshft, 5-5
Washer, Shld, Nyl [8- 32], 2-13
Washer, Special, 6-10
Washer, Spring, 6-13
Washer, Sprkt, Camshaft, 5-11
Washer, Star, M10 [Mit], 6-25
Washer, Strainer, 6-7
Washer, Thrust, 0.34b 1.50d .06, 2-121,
2-127
Washer, Thrust, 0.61b 1.25d .06, Fgl,
2-111, 2-115
Washer, Thrust, 0.61b 1.25d .06, Fgl,
2-107, 2-109, 2-113, 3-7
Washer, Thrust, 1.00b 1.75d 0.13, Fbr,
3-11
Weight, Eccentric, 2-89
Wheel, 03.0d 1.38w 0.50b, 1-1, 2-107
Wheel, 04.0d 0.89w 0.64b, 2-105
Wheel, 06.0d 2.00w 1.19b, Gray Rbr, 2-7,
2-91, 3-13
Wheel, Steering, 14.3d 0.81b 36tooth,
2-17
Wire Set, Sparkplug [1.6l], 5-12
WireSet,Sparkplug[SetOf4,1.6l],1-1
Wire, 10ga 16.0l Blk .25ring /.38ring, 2-39
Wire, Tie [W/.25” Fir Tree Clip], 2-7

CROSS REFERENCE
M30 Gas/LPG 9003946 (5- 2016)
7-32