985808, Ambass JR .p65 Minuteman Ambassador Carpet Extractor Parts And Operator Manual
AmbassadorJunior
2016-11-23
: Sweepscrub Minuteman-Ambassador-Jr-Carpet-Extractor-Parts-And-Operator-Manual minuteman-ambassador-jr-carpet-extractor-parts-and-operator-manual 1426 file product_file
Open the PDF directly: View PDF
.
Page Count: 12

Model: C45014-01Ambassador
Junior
115V
Revised 6/02
OPERATION SERVICE PARTS CARE
1
FOR COMMERCIAL USE ONLY
IMPORTANT SAFETY INSTRUCTIONS
When using an electrical appliance, basic precautions should always be followed, including the
following:
READ ALL INSTRUCTIONS BEFORE USING
WARNING - To reduce the risk of fire, electric shock, or injury:
• Do not leave appliance when plugged in. Unplug from outlet when not in use and
before servicing.
WARNING
To reduce the risk of electrical shock, do not expose to rain. Store indoors.
• Do not allow to be used as a toy. Close attention is necessary when used by or near
children.
• Use only as described in this manual. Use only manufacturer’s recommended
attachments.
• Do not use with damaged cord or plug. If appliance is not working as it
should, has been dropped, damaged, left outdoors, or dropped into water,
return it to a service center.
• Do not pull or carry by cord, use cord as a handle, close a door on cord, or
pull cord around sharp edges or corners. Do not run appliance over cord.
Keep cord away from heated surfaces.
• Do not unplug by pulling on cord. To unplug, grasp the plug, not the cord.
• Do not handle plug or appliance with wet hands.
• Do not put any object into openings. Do not use with any opening blocked;
keep free of dust, lint, hair, and anything that may reduce air flow.
• Keep hair, loose clothing, fingers, and all parts of body away from openings
and moving parts.
• Do not pick up anything that is burning or smoking, such as cigarettes,
matches, or hot ashes.
• Do not use without dust-bag and/or filters in place.
• Turn off all controls before unplugging.
• Use extra care when cleaning on stairs.
• Do not use to pick up flammable or combustible liquids such as gasoline or
use in areas where they may be present.
• Connect to a properly grounded outlet only. See grounding instructions.
SAVE THESE INSTRUCTIONS

2
INSPECTION
Carefully unpack and inspect your machine for shipping damage. Each unit is tested and
thoroughly inspected before shipment, and any damage is the responsibility of the delivery
carrier who should be notified immediately.
ELECTRICAL
This machine is designed to operate on a standard 15 amp. 115 volt, 60 hz, AC circuit. Voltages
below 105 volts AC or above 125 volts AC could cause serious damage to the motor.
WARNING
Electric motors can cause explosions when operated near explosive materials or vapors.
Do not operate this machine near flammable materials such as solvents, thinners, fuels,
grain dust, etc.
GROUNDING INSTRUCTIONS
This appliance must be grounded. If it should malfunction or breakdown, grounding provides
a path of least resistance for electric current to reduce the risk of electric shock. This appliance
is equipped with a cord having an equipment-grounding conductor and grounding plug. The plug
must be plugged into an appropriate outlet that is properly installed and grounded in accordance
with all local codes and ordinances.
DANGER
Improper connection of the equipment-grounding conductor can result in a risk of electric shock.
Check with a qualified electrician or service person if you are in doubt as to whether the outlet is
properly grounded. Do not modify the plug provided with the appliance — if it will not fit the
outlet, have a proper outlet installed by a qualified electrician.
This appliance is for use on a nominal 120-volt circuit and has a grounding plug that looks like
the plug illustrated in sketch A below. Make sure that the appliance is connected to an outlet
having the same configuration as the plug. No adapter should be used with this appliance.
3
USER MAINTENANCE INSTRUCTIONS
All service and repair should be performed by qualified vacuum service representative
or electrician. No user serviceable components are employed in the electrical vacuum
lid head assembly. No lubrication of the motor is required.
DAILY MAINTENANCE
1. Solution tank should be emptied after each use. Flush pumping system with
2 or 3 gallons of clean hot water.
2. Check and clean vacuum inlet filter (page 7, item 116) and solution inlet strainer
(page 7, item 40) daily.
3. Removable recovery tank, page 7, item 8, should be rinsed clean daily.
4. Spray jets should be checked for correct spray pattern and cleaned if plugged
(page 7, item 123). Spray jets are quick release 1/4 turn type. By twisting item 121
1/4 turn counter clockwise, jets can be removed for cleaning. Do not clean out spray
tips with pins or wire, this may cause damage to the jet spray pattern and cause streaking.
5. Protect equipment from freezing. Severe pumping system damage can occur if allowed
to freeze.
6. Inspect vacuum hoses for tight connections. Check electrical cable for abrasion or cuts
in jacket. Cord should be replaced if worn or damaged.
MONTHLY/BI-MONTHLY MAINTENANCE
The Ambassador Solution Pump System should be purged twice monthly to remove alkaline
residue build-up. The system should be flushed twice, once with the jets installed and once
with jets removed. To flush system out, use 1 quart of white vinegar to two gallons of clean
hot water, followed by a clear 2 gallon rinse. Clean spray jets if required.
CORD STORAGE
While not in use storage can be accomplished by winding cord around rear of machine.
Cord hooks are provided.
• Do not use with damaged cord or plug. If appliance is not working as it should, has
been dropped, damaged, left outdoors, or dropped into water, return to service center.
• Do not pull or carry by cord, use cord as handle, close a door on cord, or pull cord around
sharp edges or corners. Do not run appliance over cord. Keep cord away from heated
surfaces.
• Do not unplug by pulling cord. To unplug, grasp the plug, not the cord.
• Do not handle plug or appliance with wet hands.
This equipment should be stored indoors and not exposed to rain.
4
OPERATING INSTRUCTIONS
FILLING THE AMBASSADOR
Remove clear solution cover lid from front of machine, page 7, item 50. Fill solution tank with
desired amount of warm water and add liquid cleaning chemical, Minuteman Extraction
Shampoo order #902163. (See instructions on container for proper dilutions.) DO NOT USE
powdered cleaning chemicals. Powders are unlikely to dissolve thoroughly, resulting in clogging
the inline solution strainer. This can reduce or stop solution flow to the pump and spray jets.
Carpet should be thoroughly vacuumed and obstacles relocated before beginning the cleaning
cycle. Heavy traffic lane areas should be pre-treated or spotted with Minuteman Pre-Treat
order #902183 for best results.
TO BEGIN CLEANING:
1. Always work away from the cord.
2. Machine operates by pulling backwards over carpet.
3. Vacuum Lid Assembly (page 7) should be properly seated on Recovery Tank (item 8) for
proper vacuum recover. See figure 3 for hose hookup.
4. See page 5, Control Panel Switch Identifications:
Normal Cleaning Mode
1. Turn on vacuum switch (1).
2. Turn on brush switch (2).
3. Turn on pump switch to continuous (3).
4. Adjust brush pressure (figure 2) at rear of machine, until brush pressure gauge reads
in green zone.
5. Solution pump should be turned off to the center switch position, page 5 (4), 6"
before the end of each cleaning pass.
During the cleaning cycle, care should be taken not to allow foam to build up in the recovery
tank. If this should happen, the machine should be turned off. Defoamer order #910543 should
be added to the recovery tank only, never into the solution tank. Foam should not be allowed to
enter vacuum filter screen.
The recovery waste water level can be viewed from the operator’s position of the machine
through the visible recovery dome. When waste water is within 2" of the top of the recovery
tank, the tank should be emptied. (NOTE : Never tilt machine completely back with recovery
tank in place. Always remove tank and set to the side before tilting complete machine.)
Recovery tank can be emptied by lifting visible recovery dome and lifting out tank by front
handle. A handle gripping area is provided in the front bottom of the recovery tank to tilt and
pour the waste water out.
AUXILIARY TOOL HOOK UP
1. Remove grey hose fitting from clear recovery dome and install auxiliary hose assembly cuff
to grey fitting by passing through rear of machine. Hook up solution hose to auxiliary out
coupler at rear of machine.
2. Turn vacuum switch to on.
3. Turn pump auxiliary switch to on (page 5, item 6). All other switches should be off.

5
OPERATOR VIEW OF CONTROL PANELS
1. Vacuum switch
2. Brush switch
3. Pump spray switch, continuous operation position. Pump supplies solution to spray bar
for cleaning in large open areas.
4. Center position is “off”.
5. Momentary position is for intermittent spray for cleaning in smaller more confined areas.
When released, switch will return to center off position.
6. Pump auxiliary when using separated floor tool or upholstery tool, switch must be
switched to on position. See figure 2 for solution hose hook up - aux. out.
7. Brush pressure adjustment gauge.
See figure 2 for brush adjustment knob location. Adjustments past the green zone on
gauge will shorten brush and brush drive motor life.

6
1. Waste Water Recovery Hose
(Grey hose cuff to grey fitting)
2. Recovery Waste Water Diffuser
3. Vac Hose White Cuff
(White hose cuff to white fitting)
4. Vac Filter Screen

7
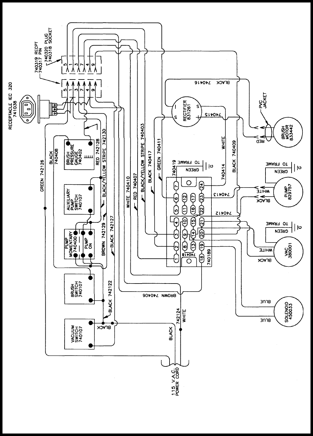
8
PARTS LIST
ITEM PART NO. QTY. DESCRIPTION
71 No Longer Used
72 No Longer Used
73 712101 19 SCR-MC HWSR 10-24 x .375 SS
74 711594 11 WSR-Flat .56 x .88 x .02 NI
75 711713 3 Retaining Ring - E Ext. .50
76 711717 2 Retaining Ring - E Ext. .37
77 711808 2 Cotter Pin - Hair No. 13
78 833443 1 HTD Flanged Pulley
79 711427 2 Nut-Flanged Wizz 10-32
80 715385 1 Decal “Minuteman”
81 715132 1 Decal Diecut SC17
82 715133 1 Decal Brush Adjustment Ambassador
83 380001 1 Vac Motor 2 Stage 115V
84 809754 3 Switch Rocker
85 740189 1 Terminal Block
86 831261 1 Rectifier
87 740400 1 Momentary Switch
88 740402 1 Gauge Pressure
89 450068 1 Bearing, Flange Mounted
90 833906 1 1/4 Street Brass
91 762257 1 Nut, Adjusting RH Zinc
92 No Longer Used
93 762384 2 Bushing SS .277 x .375 x .37
94 900008 2 Wheel 8 In.
95 828370 1 BH2-60 Female Coupler
96 828952 2 3/8 Barb x 1/4 MPT
97 828970 4 WSR Neop 1.87 x 2.4 x .125
98 828971 2 Nut 1 1/2 Pipe Thread
99 828995 1 Gasket Neop 2.5 x 6 x .62
100 829044 2 Bearing
101 829052 2 Flanged Bushing
102 829129 2 Hose Clamp Micro-Seal
103 829619 1 Hex Head Pipe Plug 1/4 BR
104 450052 1 Brush Shaft Amb. Jr
105 450121 1 Brush Core Amb. Jr
106 829757 1 Pump 50 PSI 115V
107 829758 2 Bearing Block
108 829823 2 Pulley HTD Flanged 30T
109 830448 1 Deflector
110 No Longer Used
111 831212 2 Flange Bearing
112 833442 1 Motor Brush 1/8 HP 115V
113 No Longer Used
114 831429 1 Brush Repl (2 per Set)
115 831610 2 Brush Shield
116 831621 1 Suction Line Strainer
117 450081 2 WSR-SS
118 452029 1 Knob 5/16-18
119 No Longer Used
120 833140 3 Body Inlet Connector
121 833141 3 Cap
122 833142 3 Gasket, Cap
123 450122 3 Unijet Spray Tip 6503
124 711523 1 WSR-Wave
125 450082 1 Adapter 1.5 x 1.5
126 833473 1 Hose Barb 1/4 FPT x 3/8 Barb
127 833325 3 Hose Barb Elbow
128 No Longer Used
129 711506 2 WSR-Flat 5/16 ST PL
130 No Longer Used
131 833214 1 Knob 3-Sided
132 711420 2 Nut-Hex Jam 5/16-18 ST PL
133 832326 1 O Ring
134 710130 2 SCR-MC 8-32 x 1/2
135 711104 2 SCR-ST-A 10 x .50
136 829114 1 Adapter BR 3/8 FPT x 1/4 FPT
137 711544 2 WSR-Helical .1/4
138 741038 1 Receptacle
139 410-4419AA 2 Pop Rivet
140 715340 1 Decal
ITEM PART NO. QTY. DESCRIPTION
1 150004 1 Strain Relief
2 169125 2 Filter
3 250038 1 Retainer, Bag Clip
4 380028 2 Carbon Brush Replacement
5 381020 1 Grey Cord Set 16-3 50’
6 381052 1 Clamp Plastic 3/8 ID
7 450102 1 Recovery Dome Amb Jr
8 450101 1 Recovery Tank Amb Jr
9 450100MCH 1 Solution Tank Amb Jr Mch
10 450104 1 Vacuum Air Manifold
11 450109 1 L Bracket Back
12 450106 1 Mainframe Weldment
13 450012 1 Cord Strain Relief
14 450113 1 Brush Bracket Weldment Jr
15 450019 1 Adj. Rod Brush
16 452010 1 Flexible Cable Assembly
17 450112 2 Hinge
18 450022 1 Belt
19 450116 1 Spray Tube Assy 3 Jet Comp
20 450117 1 Spray Tube
21 450119 1 Male Branch T 1/4 Brass
22 450026 1 Belt Guard
23 450110 1 Front Squeegee Plate
24 450118 1 Front Plate Gasket
25 450030 1 Wheel Well Plate - RH
26 450031 1 Wheel Well Plate – LH
27 450111 1 Axle Rear Amb Jr
28 740245 1 Water Solenoid 115V
29 450034 2 Clevis Pin
30 830708 1 Bushing BR 3/8 MPT x 1/4 FPT
31 450036 1 Cover Top
32 450083 1 Insert Fitting
33 828981 1 Brass Nipple 1/4
34 450040 1 Elbow PLT 3/8 MPT x 3/8 Barb
35 450065 1 Quick Disconnect Bracket
36 450043 1 Dashboard
37 450044 1 Molded Rec Dome Gasket
38 450120PTD 1 Handle Recovery Tank Amb
39 450064 1 Lower Rear Panel
40 130118 1 Solution Strainer
41 450063 1 Rear Panel Assy Amb Jr
42 450050 2 Heyco Bushing Liquid Tight
43 No Longer Used
44 450053 1 Vac Hose Assy. White
45 450090 1 Vac Recovery Hose Clear
46 450055 2 Hose Spraybar C/L 9"
47 450056 1 Hose Nylobraid C/L 21”
48 450057 1 Solution Hose C/L 20-1/2”
49 450059 1 Brass Bulkhead Fitting
50 450066 1 Solution Tank Cover
51 450062 1 Cord Nylon
52 No Longer Used
53 450074PLT 1 Motor Shroud Zinc Plated
54 500033 2 Locking Screw
55 700287 1 Grommet
56 712565 2 SCR-MC 1/4-20 x .50 ST PL
57 712560 8 SCR-MCH 1/4-20 x .50 SS NYL
58 710180 6 SCR-MC 1/4-20 x .75 ST PL
59 710207 3 SCR-MC 6-32 x .87 ST PL
60 805042 1 Gasket
61 710528 8 SCR-MC 8-32 x .37 BR
62 711124 15 SCR-ST-B 10 x .37 NI
63 711126 4 SCR-ST-B 10 x .75
64 711202 2 BLT-HH 1/4-20 x .50 ST PL
65 711301 3 Nut-Hex 6-32 ST PL
66 711400 2 Nut-Pipe Lock 1/2
67 711503 4 WSR-Flat No. 10
68 711552 3 WSR-Internal Lock #8
69 711553 7 WSR-Internal Lock No. 10
70 711554 14 WSR-Internal Lock 1/4 ID

9

10
A
B
C
828924 Hose Assembly
831255 Scrub Wand
390070 Stair & Upholstery Tool
Part No. Description

World Headquarters Minuteman Canada, Inc.
Minuteman International, Inc. 2210 Drew Road
111 South Rohlwing Road Mississauga, Ontario
Addison, Illinois 60101 L5S 1B1
(630) 627-6900 (905) 673-3222 985808
FAX (630) 627-1130 FAX (905) 673-5161 Printed in U.S.A.
LIMITED WARRANTY
Minuteman International, Inc. warrants to the original purchaser/user that this product is free from defects in workmanship and
materials under normal use and service for a period of three years from date of purchase. In addition, Minuteman International, Inc.
will, at its option, honor labor warranty claims for the first 12 months from date of sale, provided such claims are submitted through
and approved by factory authorized repair stations. Minuteman International, Inc. will, at its option, repair or replace without charge,
except for transportation costs, parts that fail under normal use and service when operated and maintained in accordance with the
applicable operation and instruction manuals.
This warranty does not apply to normal wear, or to items whose life is dependent on their use and care, such as belts, cords,
switches, hoses, rubber parts, electrical motor components or adjustments. Parts not manufactured by Minuteman International,
Inc. such as engines, batteries, battery chargers, hydraulic pumps, and tires are covered by and subject to the warranties and/or
guarantees of their manufacturers. Please contact Minuteman International, Inc. for procedures in warranty claims against these
manufacturers.
Special warning to purchaser — Use of replacement filters and/or prefilters not manufactured by Minuteman International, Inc. or
its designated licensees, will void all warranties expressed or implied.
A potential health hazard exists without exact original equipment replacement.
All warranteed items become the sole property of Minuteman International, Inc. or its original manufacturer, whichever the case may
be.
Minuteman International, Inc. disclaims any implied warranty, including the warranty of merchantability and the warranty of fitness for
a particular purpose. Minuteman International, Inc. assumes no responsibility for any special, incidental or consequential damages.
This limited warranty is applicable only in the U.S.A. and Canada, and is extended only to the original user/purchaser of this product.
Customers outside the U.S.A. and Canada should contact their local distributor for export warranty policies. Minuteman International,
Inc. is not responsible for costs or repairs performed by persons other than those specifically authorized by Minuteman International,
Inc. This warranty does not apply to damage from transportation, alterations by unauthorized persons, misuse or abuse of the
equipment, use of non-compatible chemicals, or damage to property, or loss of income due to malfunctions of the product.
If a difficulty develops with this machine, you should contact the dealer from whom it was purchased.
This warranty gives you specific legal rights, and you may have other rights which vary from state to state. Some states do not
allow the exclusion or limitation of special, incidental or consequential damages, or limitations on how long an implied warranty
lasts, so the above exclusions and limitations may not apply to you.