988746 PM E30ECO TD Disc Floor Scrubber REV STAR 0214_01 Minuteman E30 Eco Walk Behind Parts Manual
2016-12-01
: Sweepscrub Minuteman-E30-Eco-Walk-Behind-Floor-Scrubber-Parts-Manual minuteman-e30-eco-walk-behind-floor-scrubber-parts-manual 1535 file product_file
Open the PDF directly: View PDF
.
Page Count: 32
- Table of Contents
- Chassis Assembly I
- Chassis Assembly II
- Chassis Assembly III
- Chassis Assembly III
- Water Feed System Subassembly
- Chassis Assembly III
- Lift Pedal Subassembly
- Chassis Assembly III
- Brush Pressure Adjustment Subassembly
- Squeegee Connection Subassembly I
- Chassis Assembly III
- Chassis Assembly III
- Squeegee Connection Subassembly II
- Battery Tray Assembly
- Solution Tank Assembly
- Recovery Tank Assembly
- Vacuum Motor Assembly
- Squeegee Lift Handle Assembly
- Squeegee Assembly I
- Squeegee Assembly II
- Control Panel Assembly
- Console Subassembly
- Control Panel Assembly
- Electrical Assembly I
- Retainer Subassembly
- Electrical Assembly II
- Battery Charger Assembly
- Solution Control Assembly
- Machine Labels
- Disc Scrub Deck Assembly I
- Disc Scrub Deck Assembly II
- Disc Scrub Deck Assembly III
- Minuteman Warranty
- Minuteman Warranty - Continued

Parts Manual
E30ECO Walk-Behind Scrubber

Parts Manual - E30ECO Walk Behind Scrubber
• Stop on level surface.
• Disconnect the power to the machine by pulling the red Battery Connector located under the recovery tank
near the batteries.
• Avoid moving parts. Do not wear loose jackets, shirts, or sleeves when working on machine.
• Avoid contact with battery acid. Battery acid can cause burns. When working on or around batteries, wear
protective clothing and safety glasses. Remove metal jewelry. Do not lay tools or metal objects on top of
batteries.
• Do not clean machine with a pressure washer.
• Authorized personnel must perform repairs and maintenance. Use Minuteman supplied replacement parts.
For Safety When Servicing or Maintaining Machine

Parts Manual - E30ECO Walk Behind Scrubber
Table of Contents
Chassis Assembly I .............................................................................................................................. 1
Chassis Assembly II ............................................................................................................................. 2
Chassis Assembly III ............................................................................................................................ 5
Chassis Assembly III ............................................................................................................................ 6
Water Feed System Subassembly .................................................................................................. 6
Chassis Assembly III ............................................................................................................................ 7
Lift Pedal Subassembly ................................................................................................................... 7
Chassis Assembly III ............................................................................................................................ 7
Brush Pressure Adjustment Subassembly ...................................................................................... 7
Squeegee Connection Subassembly I ............................................................................................ 8
Chassis Assembly III ............................................................................................................................ 8
Chassis Assembly III ............................................................................................................................ 9
Squeegee Connection Subassembly II ........................................................................................... 9
Battery Tray Assembly ........................................................................................................................ 10
Solution Tank Assembly ...................................................................................................................... 11
Recovery Tank Assembly.................................................................................................................... 12
Vacuum Motor Assembly .................................................................................................................... 13
Squeegee Lift Handle Assembly ......................................................................................................... 14
Squeegee Assembly I ......................................................................................................................... 15
Squeegee Assembly II ........................................................................................................................ 16
Control Panel Assembly ..................................................................................................................... 17
Console Subassembly................................................................................................................... 18
Control Panel Assembly ..................................................................................................................... 18
Electrical Assembly I........................................................................................................................... 19
Retainer Subassembly .................................................................................................................. 20
Electrical Assembly II.......................................................................................................................... 21
Battery Charger Assembly .................................................................................................................. 22
Solution Control Assembly.................................................................................................................. 23
Machine Labels .................................................................................................................................. 24
Disc Scrub Deck Assembly I............................................................................................................... 25
Disc Scrub Deck Assembly II.............................................................................................................. 26
Disc Scrub Deck Assembly III............................................................................................................. 27
Minuteman Warranty .......................................................................................................................... 28
Minuteman Warranty - Continued ....................................................................................................... 29

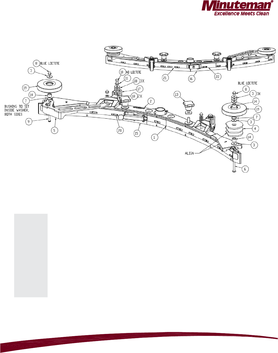
Page 1
Parts Manual - E30ECO Walk Behind Scrubber
Chassis Assembly I
Bill of Material - 97098859-1 (99706111BT10)
Item Spare part number Mat. No. Qty. Description Notes
1 01078440 90513367 1 Grommet
2 03007640 96116405 1 Chassis
3 00053750 12310041 7 Washer
4 00053080 11038197 14 Hexagon screw
5 01077760 90503160 1 Retainer
6 00042900 12332029 3 Washer
7 00053100 11038247 3 Hexagon screw
8 01077700 90473158 1 Bushing
9 00051510 12040051 2 Hexagon nut
10 01077820 90513243 1 Bushing
11 01072520 11177179 1 Lens flange screw
12 01077740 90495268 1 Sheet metal
13 00047990 12515086 10 Disk wheel
14 00053020 11038098 2 Hexagon screw
15 01077780 90508391 1 Bushing
16 01078460 96114327 1 Sheet metal until approx.. June 2007
17 00053730 12310033 4 Washer
18 00051520 12040044 2 Hexagon nut
19 00022180 11039088 2 Hex.bolt
20 00553740 12310132 2 Washer
21 01078470 90513359 1 Retainer until approx. June 2007
22 00975510 90306002 1 Micro switch
23 01074840 90471483 1 Thread base plate
24 00053010 11038072 2 Hex.bolt
25 01143190 17526070 2 Cable clip
26 01079680 96117387 1 Sheet metal from approx. July 2007
27 01170010 90528787 1 Retainer from approx. July 2007
28 01006820 11177128 2 Lens flange screw
29 00042900 12332029 2 Washer
30 01078450 12160024 2 Nut

Page 2
Parts Manual - E30ECO Walk Behind Scrubber
Chassis Assembly II
Bill of Material - 97098859-2 (99706111BT20)
Item Spare part number Mat. No. Qty. Description Notes
1 01031540 15592058 2 Protection cap
2 00051490 12040077 2 Hexagon nut
3 00053770 12310066 2 Washer
4 00959310 11717022 8 Hex.bolt
5 01078010 90510116 2 Hub
8 00053750 12310041 8 Washer
9 00053110 11038254 2 Hexagon screw
10 01078020 90481664 4 Block
11 00053260 11038296 4 Hex.bolt
12 01078030 96111869 1 Lever
13 00553580 13280136 2 Cotter pin
14 00053770 12310066 4 Washer
15 01077510 14895478 4 Slide bearing bush
16 01078040 13328851 2 Bolt
17 00053140 11032273 4 Hex.bolt
18 01078480 90512062 2 Bearing AMER
19 01079400 90531609 1 Traction drive ITEM HAS SUBASSEMBLIES
20 90523309 Wheels ITEM HAS SUBASSEMBLIES
21 00008980 97057814 1 Block incl. Items10,11,22: Please order kit, it’s neccessary to exchange all 4 blocks
22 00042900 12332029 4 Washer

Page 3
Parts Manual - E30ECO Walk Behind Scrubber
Chassis Assembly II
Traction Drive Motor Subassembly
Bill of Material - 01079400 (99706111BT21)
Item Spare part number Mat. No. Qty. Description
1 01077430 01077430 2 Washer
2 01077420 01077420 3 Gasket
3 01077410 01077410 2 Fitting key
4 01077390 01077390 1 Gear box with shaft
5 01170790 01170790 1 Motor
6 01077360 01077360 1 Covering
7 01077350 01077350 4 Carbon brush
8 01077400 01077400 2 Bushing
9 01077380 01077380 4 Nut

Page 4
Parts Manual - E30ECO Walk Behind Scrubber
Bill of Material - 90523309 (99706111BT22)
Item Spare part number Mat. No. Description
1 00127160 90053000 Cap
2 00059490 12640082 Thrust washer
3 00153700 12335170 Adjusting washer
4 00959310 11717022 Hex.bolt
5 00621690 96057013 Rim
6 00770190 90180084 Tire
7 00053730 12310033 Washer
8 00051520 12040044 Hexagon nut
9 00621710 90251869 Rim
10 00046430 12336012 Adjusting washer
11 00136510 12334058 Supporting ring
12 00320810 90006727 Hose
14 00411670 90275082 Tyre
15 00621690 96057013 Rim
16 00621710 90251869 Rim
17 00051520 12040044 Hexagon nut
18 00053730 12310033 Washer
Chassis Assembly II
Wheel Subassembly

Page 5
Parts Manual - E30ECO Walk Behind Scrubber
Chassis Assembly III
Bill of Material - 99706111BT30
Item Spare part number Mat. No. Qty. Description Note
1 01015350 17533159 2 Hose clamp
2 99706111BT31 1 Water feed system DO NOT ORDER, ITEM HAS SUBASSEMBLIES
3 00042900 12332029 1 Washer
4 00053080 11038197 2 Hexagon screw
5 00053730 12310033 2 Washer
6 00053010 11038072 2 Hex.bolt
7 00042900 12332029 2 Washer
8 99706111BT32 1 Lifting pedal DO NOT ORDER, ITEM HAS SUBASSEMBLIES
9 99706111BT33 1 Brush pression adjustment DO NOT ORDER, ITEM HAS SUBASSEMBLIES
10 01077790 90509027 1 Pipe
11 00053790 12310082 1 Washer
12 01077800 90509522 1 Bushing
13 01078140 11225620 1 Countersunk screw
14 01078150 90523333 1 Tension spring
15 00735690 11518180 1 Eye bolt
16 00053350 12022059 1 Hexagon nut
17 01077830 90513573 1 Pivot
18 00051510 12040051 1 Hexagon nut
19 03008100 1 Squeegee connection DO NOT ORDER, ITEM HAS SUBASSEMBLIES
20 01077840 90515131 2 Steering roller
21 00053750 12310041 2 Washer
22 01077980 96112370 1 Linkage E26
23 01170560 96115456 1 Linkage E28, 30, 33, 33XL
24 01170620 96117510 1 Linkage Phoenix 28, 30

Page 6
Parts Manual - E30ECO Walk Behind Scrubber
Water Feed System Subassembly
Bill of Material - 97090161 (99706111BT31)
Item Spare part number Mat. No. Qty. Description Notes
1 00200170 25842055 560mm PVC hose
2 01015350 17533159 6 Hose clamp
3 00976140 90310665 1 Screwing in connecting piece
4 01071000 90435595 1 Electrovalve
5 XXXXXXXX 90513896 1 Retainer
6 00053710 12310017 4 Washer
7 00058580 11038965 2 Hex.bolt
8 00020020 90174970 3 Angle socket
9 00200170 25842055 540mm PVC hose
10 00200170 25842055 280mm PVC hose
11 00956340 90521576 1 Ball valve
12 XXXXXXXX 90507344 1 Sheet metal
13 00053790 12310082 1 Washer
14 01077630 90517657 1 Screw
15 00200170 25842055 340mm PVC hose
16 01077170 90522640 1 Water filter
17 01079170 01079170 1 filter cartridge cpl. with o-ring
18 01076500 01076500 1 Screw cap
19 00133830 12040028 2 Hex. Nut
20 01078510 96115035 1 Sheet metal
Chassis Assembly III

Page 7
Parts Manual - E30ECO Walk Behind Scrubber
Bill of Material - 97093181 (99706111BT32)
Item Spare part number Mat. No. Qty. Description
1 01170020 96117361 1 Lifting pedal
2 00053760 12310058 2 Washer
3 01077930 96111877 1 Rod
4 00551410 13280110 1 Cotter pin
5 00053360 12022067 1 Hexagon nut
6 00925430 16055063 1 Fork yoke
7 00925420 13390042 1 Bolt
8 01078240 90510017 2 Washer
9 01078560 90518580 1 Decal
Lift Pedal Subassembly
Brush Pressure Adjustment Subassembly
Bill of Material - 97094791 (99706111BT33)
Item Spare part number Mat. No. Qty. Description
1 00151440 16055089 1 Fork yoke
2 00151400 13390059 1 Bolt
3 01078500 96111505 1 Sheet metal
4 00053360 12022067 1 Hexagon nut
5 00046520 12332037 1 Washer
6 01031550 11039716 1 Hexagon screw
7 01077770 90504242 1 Tension spring
8 00706170 11518016 1 Eye bolt
9 00053350 12022059 1 Hexagon nut
Chassis Assembly III
Chassis Assembly III

Page 8
Parts Manual - E30ECO Walk Behind Scrubber
Squeegee Connection Subassembly I
Bill of Material - 03008100BT10 Squeegee Connection
Item Spare part number Mat. No. Qty. Description
1 01130940 11620564 1 Cup head square neck bolt
2 01170040 90521790 1 Sheet metal
3 01077510 14895478 2 Slide bearing bush
4 01171550 90547886 1 Bushing
5 01171330 14895197 2 Slide bearing bush
6 01171360 90546847 1 Shaft
7 00101550 12310264 3 Washer
8 01171290 96119938 1 Round part
9 01171540 90547381 3 Threaded bolt
10 01171300 96120985 1 Sheet metal
11 00042900 12332029 1 Washer
12 00101540 12040259 4 Hexagon nut
13 01071740 11039609 2 Hex.bolt
14 01130470 14895361 2 Slide bearing bush
15 00161240 25582024 60mm Edge protection
16 01171370 90547399 2 Excentric
Chassis Assembly III

Page 9
Parts Manual - E30ECO Walk Behind Scrubber
Squeegee Connection Subassembly II
Bill of Material - 03008100BT20 Squeegee connection (from appr. 15. Apr. 2008)
Item Spare part number Mat. No. Qty. Description
1 00101540 12040259 2 Hexagon nut
2 00101550 12310264 2 Washer
3 01171330 14895197 2 Slide bearing bush
4 01171540 90547381 3 Threaded bolt
5 01171280 90543521 1 Draft link
6 01171310 96120993 1 Sheet metal
7 00051520 12040044 1 Hexagon nut
8 00053730 12310033 2 Washer
9 01078120 90503251 1 Hose support
10 00053020 11038098 1 Hexagon screw
Chassis Assembly III

Page 10
Parts Manual - E30ECO Walk Behind Scrubber
Bill of Material - 99706131BT40
Item Spare part number Mat. No. Qty. Description
1 03007960 96117643 1 Battery Tray
Battery Tray Assembly

Page 11
Parts Manual - E30ECO Walk Behind Scrubber
Solution Tank Assembly
Bill of Material - 97100143-1 (99706111BT50)
Item Spare part number Mat. No. Qty. Description
1 01078100 96114061 1 Fresh water cap
2 01078110 90496910 2 Hinge
3 00042900 12332029 4 Washer
4 00053080 11038197 4 Hexagon screw
5 01072520 11177179 4 Lens flange screw
6 01078120 90503251 1 Hose support
7 01077910 96109541 1 Hose
8 01161690 17533290 1 Clamp
9 00020020 90174970 1 Angle socket
10 00057720 15286149 1 O-ring oil resistant
11 01170700 96117734 1 Fresh water tank
12 01077960 97090096 1 Foul water hose
13 01077860 90517574 1 Hook
14 00751160 17533043 1 Hose clamp
15 00721090 25583022 710mm Edge protection
16 01079300 15282072 1 O-Ring
17 00906100 11175395 2 Fillister-head screw
18 00906110 90304528 1 Cover
19 01170060 17264888 1 Decal FOUL WATER

Page 12
Parts Manual - E30ECO Walk Behind Scrubber
Recovery Tank Assembly
Bill of Material - 97100143-2 (99706111BT60)
Item Spare part number Mat. No. Qty. Description
1 01077990 97092951 1 Cover
2 00136910 11126166 4 Cylinder head screw
3 00053730 12310033 4 Washer
4 01071770 25510512 1 Sealing profile
5 01078160 11709151 4 Screw
6 01078250 97093843 1 Filter unit
7 01079410 96117726 1 Hopper
8 00042900 12332029 4 Washer
9 00053080 11038197 4 Hexagon screw
10 01077920 96111349 1 Suction hose
11 01078120 90503251 1 Hose support
12 01072520 11177179 2 Lens flange screw

Page 13
Parts Manual - E30ECO Walk Behind Scrubber
Vacuum Motor Assembly
Bill of Material - 97092811 (99706111BT70)
Item Spare part number Mat. No. Qty. Description
1 01079740 90523945 1 Insulation mat
2 01077900 90519737 1 Hose
3 00732130 17533027 1 Hose clamp
4 01078180 90503657 1 Connection
5 00051520 12040044 3 Hexagon nut
6 00053730 12310033 8 Washer
7 01079350 97096200 1 Suction motor
8 01074610 01074610 4 Carbon brush
9 01078190 90518457 3 Buffer
10 00025260 11038056 3 Hexagon screw
14 00121150 90114810 1 Cable tie
15 00967760 90156688 4 Cable tie
16 00042900 12332029 3 Washer
17 00053080 11038197 3 Hexagon screw
18 00104500 11038064 2 Hexagon screw
19 01079750 90519653 1 Cover
20 01079730 90519745 1 Insulation mat
21 03007810 96114301 1 Sheet metal

Page 14
Parts Manual - E30ECO Walk Behind Scrubber
Squeegee Lift Handle Assembly
Bill of Material - 97102479 (99706111BT80)
Item Spare part number Mat. No. Qty. Description
1 00705560 17143025 1 Handle
2 01079160 96117825 1 Lever
3 00051520 12040044 1 Hexagon nut
4 00135120 12332011 1 Washer
5 01071440 14895288 2 Plain bearing bush
6 01079710 96110804 1 Support plate
7 01079720 96110705 1 Shaft with cam
8 01074840 90471483 1 Thread base plate
9 00975510 90306002 1 Micro switch
10 00747400 12332110 2 Washer
11 00022180 11039088 2 Hex.bolt
12 00009000 97092340 1 Lifting suction unit
13 01072520 11177179 4 Lens flange screw

Page 15
Parts Manual - E30ECO Walk Behind Scrubber
Squeegee Assembly I
Bill of Material - 172539
Item Mat. No. Qty. Description
1 172437 1 PLATE, BOTTOM 38" SQG, SS
2 670093 2 SPRING-COMP .502 X .6 X 1 ZINC
3 711504 5 WSR-FLT 1/4 SS
4 712591 4 NUT, ACORN 1/4-20 SS
5 712593 2 BLT-CARR 1/4-20 X .875 SS
6 712594 2 BLT-CARR 1/4-20 X 1.75 SS
7 717029 2 NUT-HEX M8 X 1.25 SS DIN 934
8 11039328 2 BLT-HH M10x1.5 X 25 SS DIN 933
9 90523044 1 CASTING, SQG BODY 38" (950mm)

Page 16
Parts Manual - E30ECO Walk Behind Scrubber
Squeegee Assembly II
Bill of Material - 281338
Item Mat. No. Qty. Description
1 172448 1 STRAP W/ LATCH, FRONT LEFT, 38" SQG
2 172539 1 38" SQG BASE ASSY (See Sub Assembly)
3 173080 6 WSR-FLT .266 X .875 X .07 SS
4 281211 3 WSR-SNUBBING
5 281242 1 DEFLECTOR BRACKET - REAR SQUEEGEE
6 710592 1 SCR-MC BHCS, 1/4-20 X 2.25 SS
7 712591 2 NUT, ACORN 1/4-20 SS
8 712592 1 SCR-MC BHCS, 1/4-20 X 2.25 SS
9 717030 2 BLT-HH M8X1.25 X 20MM SS
10 12310264 2 WSR-FLT M8.4 X 16 X 1.6 A2 SS 140HV DIN
11 12515094 2 WSR-CONICAL SERRATED TOOTH M10.6 X 26 X
12 17133026 2 STAR HANDLE, M10, BLACK
13 90199019 3 BUSHING, 10 X 16 X 10.8MM ZINC
14 90493560 1 SQUEEGEE BLADE, FRONT
15 90494139 1 SQUEEGEE BLADE, REAR
16 90513094 2 FIXED CASTOR
17 90531112 10 WASHER-FLAT 8.3 x 22 x 1.00mm STAINLESS
18 90548397 2 ROLLER - PLASTIC, 100mm DIA. (4")
19 96125828 1 FRONT RIGHT TENSION BAND
20 96125844 1 REAR LEFT TENSION BAND
21 96125851 1 REAR RIGHT TENSION BAND W/ LATCH

Page 17
Parts Manual - E30ECO Walk Behind Scrubber
Control Panel Assembly
Bill of Material - 97099477 (99706111BT120)
Item Spare part number Mat. No. Qty. Description Notes
1 01074320 11177187 4 Lens flange screw
2 01079760 90494501 1 Handle bar
3 97093801 Console cpl. DO NOT ORDER, ITEM HAS SUBASSEMBLIES
4 01079770 96117585 1 Sheet metal
5 01072520 11177179 4 Lens flange screw
6 00874720 12310272 4 Washer
7 00961490 11709011 4 Self tapping screw
8 01079950 97096069 1 Bail system
9 00051510 12040051 2 Hexagon nut

Page 18
Parts Manual - E30ECO Walk Behind Scrubber
Console Subassembly
Bill of Material - 97093801 (99706111BT120-1)
Item Spare part number Mat. No. Qty. Description
1 01078920 97057152 1 Console
2 01078930 90511130 1 Ribbon cable
3 01078860 11702123 4 Screw
4 01078940 90499492 1 Console
5 01078950 90518150 1 Cable key switch
6 00021710 90323437 1 Key switch
7 00745890 00745890 1 Set (2pc.) key
Control Panel Assembly

Page 19
Parts Manual - E30ECO Walk Behind Scrubber
Electrical Assembly I
Bill of Material - 97098990-1 (99706111BT130)
Item Spare part number Mat. No. Qty. Description Notes
1 01072520 11177179 5 Lens flange screw
2 01078570 90509803 1 Sheet metal
3 00161240 25582024 1 Edge protection
4 97099006 1 Retainer cpl. DO NOT ORDER, ITEM HAS SUBASSEMBLIES
5 00153200 12347027 1 Washer
6 00051520 12040044 1 Hexagon nut
7 01079690 15595259 1 Cable sleeve
8 01078580 90511338 1 Sheet metal
9 01082530 11177161 3 Lens flange screw
10 01073420 17521048 1 Clamp
11 01078590 90529165 1 Clamping plate
12 01078260 90499377 2 Bushing
13 00042900 12332029 2 Washer
14 00053110 11038254 2 Hexagon screw
15 01078270 96114996 1 Covering
16 01073850 11412046 1 Tapping screw
17 00857150 12518080 1 Lock washer

Page 20
Parts Manual - E30ECO Walk Behind Scrubber
Bill of Material - 97099006 (99706111BT130-1)
Item Spare part number Mat. No. Qty. Description
1 00967760 90156688 4 Cable tie
2 00121150 90114810 8 Cable tie
3 01077880 90517699 1 Webbing
4 00053730 12310033 2 Washer
5 00053010 11038072 2 Hex.bolt
6 01078640 96117668 1 Retainer
7 00721090 25583022 120mm Edge protection
8 00051340 12040036 2 Hexagon nut
9 00053720 12310025 4 Washer
10 00054410 11038049 2 Hex.bolt
11 00707360 90331026 1 Solenoid
12 00131610 15592033 4 Lens cap
13 01079690 15595259 1 Bushing
14 01078240 90510017 4 Washer
15 00747210 15592041 2 Lens cap
16 00051520 12040044 1 Hexagon nut
17 00135120 12332011 1 Washer
18 01171100 97057764 1 Controller HIGH 8-fet BAIL-KUD
19 00972420 00972420 Strip fuse
20 00902440 00902440 Strip fuse
21 00733630 19731082 Fuse
22 00972430 00972430 Fuse
23 00721090 25583022 30mm Edge protection
24 01074240 90463746 2 Cap
Retainer Subassembly
Electrical Assembly I

Page 21
Parts Manual - E30ECO Walk Behind Scrubber
Electrical Assembly II
Bill of Material - 97098990-2 (99706111BT14)
Item Spare part number Mat. No. Qty. Description
1 01078600 90518119 1 Covering
2 01072520 11177179 7 Lens flange screw
3 01078610 90511346 1 Sheet metal
4 01078280 90465774 1 Bag
5 00555520 12332052 3 Washer
6 01078290 13165196 3 Blind rivet
7 03006850 97094247 1 Wiring harness W1
8 03007770 97094254 1 Wiring harness
9 03007800 97099089 1 Wiring harness
10 03007790 97099063 1 Wiring harness
11 03006880 97095624 1 Wiring harness W11
12 03006890 97094387 1 Set of cables
13 03006900 97095657 1 Set of cables battery
14 01078620 90512146 1 Sheet metal
15 00053730 12310033 2 Washer
16 00051520 12040044 2 Hexagon nut
17 00535110 11038817 2 Hex.bolt
18 00121150 90114810 12 Cable tie
19 00967760 90156688 18 Cable tie
20 01078630 90511320 1 Sheet metal
21 03007780 97099048 1 Cable loom

Page 22
Parts Manual - E30ECO Walk Behind Scrubber
Bill of Material - 97099436 (99706111BT160)
Item Spare part number Mat. No. Qty. Description
1 01079380 90532987 1 Power cable
2 01017640 11177060 2 Lens flange screw
3 01074240 90463746 2 Cap
4 01079360 90533266 1 Covering
5 01079370 96117197 1 On-board charger
6 01077870 90517665 1 Tension band
7 01078320 90512575 3 Hose
8 00121150 90114810 8 Cable tie
9 00967760 90156688 1 Cable tie
10 03006770 97094304 1 Wire harness W6
11 03006840 97094346 1 Wiring harness W8
12 01079390 90533258 1 Cable retainer
Battery Charger Assembly

Page 23
Parts Manual - E30ECO Walk Behind Scrubber
Solution Control Assembly
Bill of Material - 97092597 (99706111BT180)
Item Spare part number Mat. No. Qty. Description
1 01078370 90502436 1 Lever
2 01072520 11177179 2 Lens flange screw
3 01078380 90502444 1 Sheet metal
4 01078390 90502618 1 Shaft
5 01078400 90502428 1 Connecting piece

Page 24
Parts Manual - E30ECO Walk Behind Scrubber
Machine Labels
Bill of Material - 99706111BT190
Item Spare part number Mat. No. Qty. Description
1 01077440 17267212 1 Decal DETAILS
2 01077450 17267220 1 Decal 4,5bar
3 715916 715916 2 Decal E30ECO
4 03007820 17201145 1 Decal MINUTEMAN
5 03008420 17212194 1 Type plate MINUTEMAN USA

Page 25
Parts Manual - E30ECO Walk Behind Scrubber
Disc Scrub Deck Assembly I
Bill of Material - 9970621BT170 (303200)
Item Spare part number Mat. No. Qty. Description
1 01077180 90507476 2 Motor
2 01077230 01077230 2 Fitting key
3 01077240 01077240 1 Set (4pc.) Carbon brush
4 03008030 90500588 1 Housing
5 00512400 90324369 2 Carrier
6 00879170 90209537 2 Washer
7 00053090 11038213 2 Hexagon screw
8 99759600 99759600 2 Drive plate USA 380
9 00101550 12310264 4 Washer
10 00053110 11038254 8 Hexagon screw
11 01077750 90500216 2 Sheet metal
12 01078330 90500265 2 Spray tube
13 00180190 25842014 540mm Hose
14 00901310 90275157 1 T-reducer muff
15 01078070 90524174 4 Protection cap
16 01077250 01077250 1 Spring
17 01077210 01077210 1 Gear
18 01077220 01077220 1 Circlip
19 00681500 90364365 1 Center-lock, lower part
20 00961490 11709011 6 Self tapping screw
21 00681490 90364373 1 Center-lock,upper part

Page 26
Parts Manual - E30ECO Walk Behind Scrubber
Disc Scrub Deck Assembly II
Bill of Material - 99706215BT180
Item Spare part number Mat. No. Qty. Description
1 00053310 11038346 2 Hexagon screw
2 00053760 12310058 2 Washer
3 01078000 96112388 2 Ejector
4 01078350 90500232 2 Bellow
5 01078340 90500208 2 Compression spring
6 01078360 14895437 2 Slide bearing bush
7 00046280 12640033 2 Thrust washer
8 00712300 17528548 2180 mm Tension band
9 00901390 17528555 1 Tension band lock
10 01079960 90539792 1 Sealing strip
11 00051500 12040069 3 Hexagon nut
12 01170190 90501107 1 Deflector roller
13 01170180 90500638 1 Retainer
14 01077570 90507831 1 Screw

Page 27
Parts Manual - E30ECO Walk Behind Scrubber
Disc Scrub Deck Assembly III
Bill of Material - 99706215BT190
Item Spare part number Mat. No. Qty. Description
1 90539255 90539255 2 Threaded Rod M8
2 00042900 12332029 2 Washer
3 00051500 12040069 2 Hexagon nut
4 96118674 96118674 8 Weight
7 01078040 13328851 2 Bolt
8 00553580 13280136 2 Cotter pin
9 00053770 12310066 4 Washer
10 01077510 14895478 8 Slide bearing bush
11 01170570 96115555 1 Rocker
12 01073530 17220013 1 Transparency
13 00121150 90114810 3 Cable tie
14 00967760 90156688 2 Cable tie
15 01170200 90501123 1 Retainer
16 00053310 11038346 2 Hexagon screw
17 00053760 12310058 2 Washer
18 12040051 12040051 2 Nut - Nyloc M8

Page 28
Parts Manual - E30ECO Walk Behind Scrubber
Minuteman Warranty
