988759 Parts Catalog Max Ride 20 Rev A Minuteman Rider Floor Scrubber Manual
2016-11-28
: Sweepscrub Minuteman-Max-Ride-20-Rider-Floor-Scrubber-Parts-Manual minuteman-max-ride-20-rider-floor-scrubber-parts-manual 1479 file product_file
Open the PDF directly: View PDF
.
Page Count: 40

Parts Manual
Max Ride 20 Floor Scrubber
Disc Brush Drive

Page 2
Max Ride 20 Scrubber
PREFACE
Thank you for your purchase of the new industry standard for scrubbers. Minuteman International
takes great pride in off ering the most dependable, reliable and best value in industrial power
sweepers and sweeper / scrubbers. We set the standard.
Our Customer Service Department would like to hear from you. If you see any errors, omissions
or something that needs clarifi cation in this Parts Catalog please let us know. We are working hard
towards continually improving our processes to bring you the best you deserve. Please copy the form
below, fi ll out and comment on how you found our catalog.
Thank you!
The Minuteman International Team
Name: ______________________________________________________________________
Title: ______________________________________________________________________
Company Name: _____________________________________________________________
Address: ____________________________________________________________________
Country: ____________________________________________________________________
Type of equipment or model number: ______________________________________________
Comments: __________________________________________________________________
____________________________________________________________________________
____________________________________________________________________________
____________________________________________________________________________
Please return to:
Customer Service Manager
Minuteman International, Inc.
14N845 U.S. Route 20
Pingree Grove, Illinois 60140 USA
Phone: (800) 323-9420
Email: tech@minutemanintl.com

• Stop on level surface.
• Disconnect the power to the machine by pulling the red Battery Connector located under the recovery tank near the batteries.
• Avoid moving parts. Do not wear loose jackets, shirts, or sleeves when working on machine.
• Avoid contact with battery acid. Battery acid can cause burns. When working on or around batteries, wear protective clothing and
safety glasses. Remove metal jewelry. Do not lay tools or metal objects on top of batteries.
• Do not clean machine with a pressure washer.
• Authorized personnel must perform repairs and maintenance. Use Minuteman supplied replacement parts.
For Safety When Servicing or Maintaining Machine
Max Ride 20 Scrubber
Page 3
Model Max Ride 20
Models: MR20DQP, MR20DQPG, MR20DQPINT, MR20DQPT,
MR20DSQP, MR20DSQPG, MR20DSQPINT, MR20DSQPT
Technical Specifi cations
Model MAX Ride 20
Scrub Head Type
Scrub Path
^ŽůƵƟŽŶĂƉĂĐŝƚy
ZĞĐŽǀĞƌLJĂƉĂĐŝƚLJ
Max Speed
DĂdžWƌŽĚƵĐƟǀŝƚLJ
ĐƚƵĂůWƌŽĚƵĐƟǀŝƚLJ
Brush Pressure
Brush Speed
Brush Motor
Vacuum Motor
sĂĐƵƵŵŝƌŇŽǁ
sĂĐƵƵŵtĂƚĞƌůŝŌ
^ŽƵŶĚWƌĞƐƐƵƌĞ
tĂƚĞƌ&ůŽǁ
Disc
20 in (53 cm)
18 gal (68L)
18 gal (68L)
3.1 mph (5 kh)
Ϯϳ͕ϮϬϬƐƋ͘ŌͬŚƌ;ϮϱϮϳƐƋŵͬŚƌͿ
ϮϮ͕ϬϭϱƐƋ͘Ōͬ͘Śƌ;ϮϬϰϱƐƋŵͬŚƌͿ
&ůŽĂƟŶŐͲ>ŽĐŬĞĚͲ
175Ͳϰ0ϬZWD
ϰϬϬͬϲϬϬǁĂƩ
ϱϱϬǁĂƩƐ
ϲϵĐĨŵ;ϯϮ͘ϰ>ͬƐĞĐͿ
68” H2O (1717 mm H2O)
ϲϴĚďĂ
͘ϰϱŐƉŵ;ϭ͘ϳ>ͬŵŝŶͿ
DŝŶ͘dƵƌŶͲƌŽƵŶĚŝƐůĞtŝĚƚŚ 50.5” (1283 mm)
DĂdžŝŵƵŵZĂŵƉůŝŵďŝŶŐ
^ƋƵĞĞŐĞĞtŝĚƚŚ
DĂĐŚŝŶĞsŽůƚĂŐĞ
WŽǁĞƌ^ŽƵƌĐĞ
ĂƩĞƌLJŚĂƌŐĞƌ
DĂdžŝŵƵŵZƵŶdŝŵĞ
Ϯ%
25” (635mm)
Ϯϰs
ĂƩĞƌLJ;ϮͿϭϮsϭϬϬͬϭϰϬŚ
KŶŽĂƌĚ
ϯͲϯ͘ϱŚƌƐ͘
ŝŵĞŶƐŝŽŶƐtͬ^ƋƵĞĞŐĞĞ ϰϳ͘ϱ͟>yϮϱ͘ϱ͟tyϰϱ͟,;ϭϮϬϲŵŵy
ϲϰϴŵŵyϭϭϰϯŵŵͿ
tĞŝŐŚƚtŝƚŚŽƵƚĂƩĞƌŝĞƐ ϯϰϮůďƐ;ϭϱϱŬŐͿEŽ^ŽůƵƟŽŶ
tĞŝŐŚƚtŝƚŚĂƩĞƌŝĞƐ ϲϵϭůďƐ;ϯϭϯŬŐͿ&Ƶůů^ŽůƵƟŽŶĂŶĚϭϰϬ,
ďĂƩĞƌLJƉĂĐŬ
Approvals EŽŶĞ
/WWƌŽƚĞĐƟŽŶůĂƐƐ /Wyϰ

Max Ride 20 Scrubber
Page 4
Table of Contents
Technical Specifi cations ................................................................................................................... 3
Frame Group (Pg 1 of 2) .................................................................................................................. 6
Frame Group (Pg 2 of 2) .................................................................................................................. 7
Wheel Group .................................................................................................................................. 10
Tower Group ................................................................................................................................... 12
Tank Group (Pg 1 of 3) ................................................................................................................... 14
Tank Group (Pg 2 of 3) ................................................................................................................... 16
Tank Group (Pg 3 of 3) ................................................................................................................... 18
Steering Column Group.................................................................................................................. 20
Scrub Head Group ......................................................................................................................... 22
Scrub Head Lift Group.................................................................................................................... 24
Squeegee Group ............................................................................................................................ 26
Squeegee Lift Group ...................................................................................................................... 28
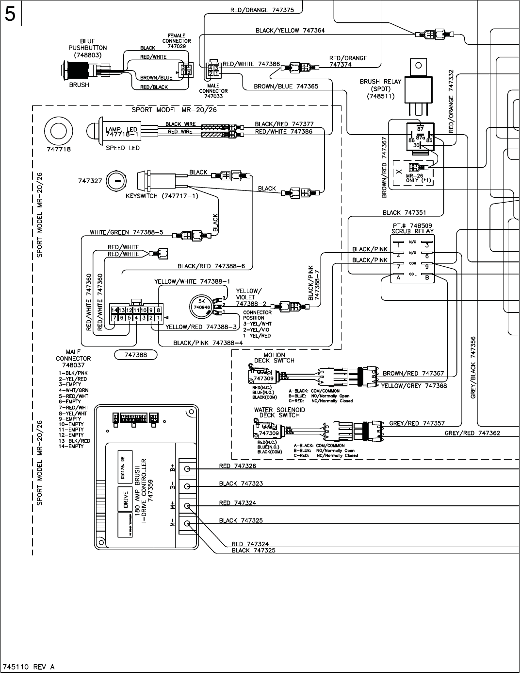
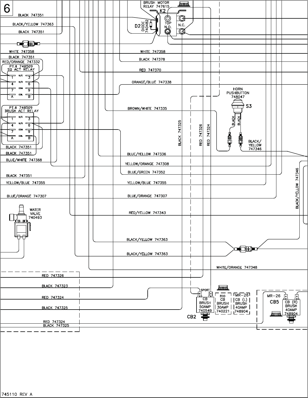
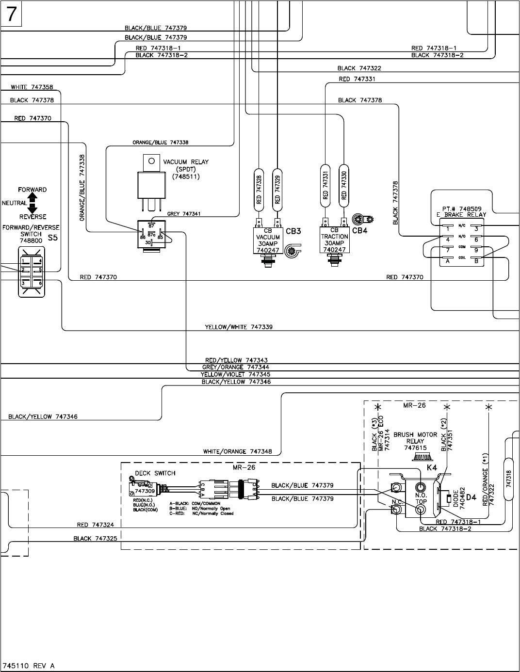
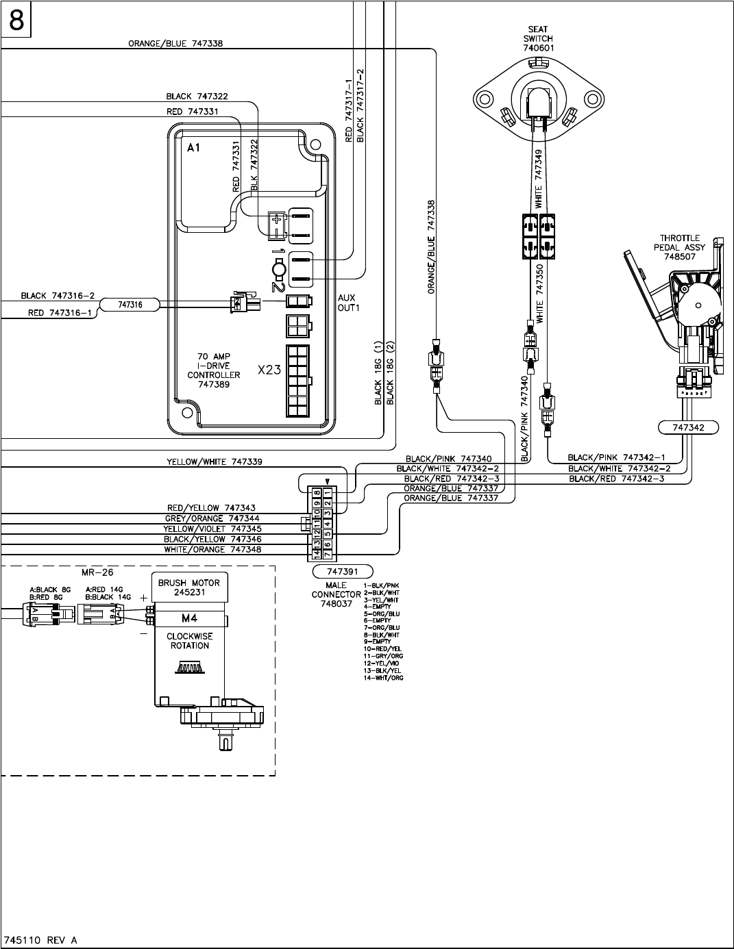
Wiring Diagrams ............................................................................................................................. 30
Warranty ......................................................................................................................................... 38
Page 5
Notes

Page 6
Max Ride 20 Scrubber
Frame Group (Pg 1 of 2)

Page 7
Max Ride 20 Scrubber
Frame Group (Pg 2 of 2)

Page 8
Max Ride 20 Scrubber
Frame Group BOM (Pg 1 of 2)
BILL OF MATERIAL - 245496
ITEM PART # QTY DESCRIPTION ITEM PART # QTY DESCRIPTION
1 172469 1 HOSE, NYLON 1/2 X 4.5 IN 31 245810 1 CAM - PLATE, LIMIT SWITCH, SCRUB-
DECK
2 172520-2 1 PAD DRIVER, 20" 32 281088 1 FTG-ELBOW 90 ST 3/8 MPT x 3/8 FPT
BRASS
3 245204 1 BATTERY BAR 33 283690 1 ASSY, BREATHER CAP W LANYARD
4 245210 1 BOX-BATTERY-MAX 20 34 320265 1 FTG-ADAPTER 3/8 MPT X 3/8 HB
BRASS
5 245213 1 RETAINER-BATTERY BAR 35 342445 1 FTG-GARDEN ST 1/2 HB PP
6 245220 1 WHEEL DRIVE GROUP 20" & 26" 36 383337 2 FTG-ELBOW 90 3/8 MPT X 1/2 HB PP
7 245304 1 BLOCK, SLIDE 37 383347 7 CLAMP-CRIMP 1/2 HOSE
8 245338 2 SCR-FHSCS 5/16-18 X 5/8 SS 38 430231 1 HOSE, 1/2 ID X 45", CLEAR
9 245416 1 BALL BEARING 35MM X 62MM OD X
14MM W
39 450076 1 CLAMP-HOSE 5/8 (.590-.791) SS
10 245419 2 ROLLER, BUMPER, 2.5 DIA. 40 600125 1 CATCH, PARKING BRAKE
11 245450 1 HOSE-VAC, CLEAR 1.50"ID X 43
LONG
41 600933 6 NUT-NYLOC M6-1.00 SS
12 245461 2 WHEEL - ASSY, IDLER, 254 x 80 W/
BRGS
42 600950 2 WASHER-FLAT M12 ZP
13 245470 1 SCRUB HEAD GROUP 20 43 620027 2 PIN-CLEVIS 1/2 X 4.50 ZP
14 245475 1 WELDMENT,FLOOR PLATE RISER
20"
44 710204 2 SCR-PHMS 6-32 X .50 ZP
15 245488 1 SCRUB HEAD LIFT GROUP 20 45 710353 4 SCR-PHMS 10-32 X .37 ZP
16 245589 1 MOUNT, SOLUTION VALVE 46 710493 2 SCR-RHMS 4-40 X .75 ZP
17 245590 1 MOUNT, HAND VALVE 47 710495 2 SCR-PHMS 4-40 X 1.25 ZP
18 245592 1 SPACER, BEARING 48 710998 4 SCR-THMS 1/4-20 X 2.50 SS
19 245667 1 MOUNT, SCRUB HEAD RH 20" 49 711210 1 SCR-HH 1/4-20 X 1.25 ZP GR 5 FULL
THRD
20 245668 1 MOUNT, SCRUB HEAD LH 20" 50 711227 2 SCR-HH 5/16-18 X .62 ZP GR 5
21 245670 1 WELDMENT, FRAME, 20" 51 711371 2 NUT-NYLOC 6-32 ZP
22 245780 1 VALVE- BALL 1/2 FPT X 1/2 HB 52 711373 2 NUT-NYLOC 1/4-20 ZP
23 245781 1 FILTER - 1/2 MPT X 1/2 HB 53 711387 4 NUT-JAM 1/4-20 ZP NYLOC
24 245783 1 FTG-ELBOW STREET 90 1/2
MPTX1/2FPT BLKPP
54 711428 4 NUT-HEX 4-40 ZP
25 245784 1 PLATE - MTG - BALL VALVE AND
FILTER
55 711504 5 WASHER-FLAT 1/4 SS
26 245793 1 PLATE, LIMIT SW MNT, @ PEDAL 56 711505 2 WASHER-FLAT 1/4 ZP
27 245796 1 TREAD, ANTI-SKID, RISER 20" 57 711516 2 WASHER-FLAT 5/16 X 1.25 X .05 ZP
28 245797 1 TREAD, ANTI-SKID, FRAME 20" 58 711545 2 WASHER-LOCK 5/16 SPLIT ZP
29 245806 3 BUSHING-FLG, .50 x .62 x .31 LG
OILITE
59 711553 4 WASHER-INT TOOTH LOCK #10 ZP
30 245809 1 BRACKET - MTG, LIMIT SWITCH,
SCRUBDECK
60 712326 2 WASHER-INT LOCK #4 SS

Page 9
Max Ride 20 Scrubber
Frame Group BOM (Pg 2 of 2)
BILL OF MATERIAL - 245496
ITEM PART # QTY DESCRIPTION ITEM PART # QTY DESCRIPTION
61 712569 3 SCR-THMS 1/4-20 X 1.50 SS 78 833374 2 PIN-HAIRPIN COTTER 3/8
62 712758 3 WASHER-LOCK 1/4 SPLIT SS 79 3300535 1 CLAMP-HOSE 1.00 NOM
63 713002 2 SCR-HH 1/4-20 X .75 ZP 5 80 3301158 2 CLAMP-CABLE 11/16" DIA
64 730878 4 SCR-HH M10-1.50 X 30 SS 81 3302193 1 CLAMP-HOSE 1.25 NOM
65 730934 8 SCR-HH M6-1.00 X 16 SS FULL THRD 82 3303302 1 FTG-REDUCER 3/8 FPT X 1/4 MPT
66 730971 1 TUBING, .50 ID X 18.5 IN 83 3305667 1 BEARING-MAIN BROOM
67 731544 1 TUBING, .50 ID X 22 IN 84 3400117 1 PIN-CLEVIS 3/8 x 1.125 ZP
68 740159 1 CONNECTOR-SB175 RED HOUSING 85 3400125 1 RING-RUE 3/8
69 740164-1 1 CBL ASSY- BATT. JMPR, 4G RED 12" 86 3401028 3 NUT-JAM 3/8-16 ZP NYLOC
70 740167 1 BATT. CABLE, RED 4AWG SB175 87 12040044 3 NUT-NYLOC M6 X 1.0 ZP CLASS 6
71 740168 1 BATT. CABLE, BLACK 4AWG SB175 88 12040069 4 NUT-NYLOC M10 X 1.5 ZD CLASS 6
72 740493 1 VALVE-WATER 24VDC 89 12310033 3 WASHER-FLAT M6.4 X 12 X 1.6 ZP
73 740827-1 1 ACTUATOR - 40MM STROKE- 750 N
FORCE TERM
90 12310058 4 WASHER-FLAT M10.5 X 20 X 2 ZP
74 747603-2 2 SWITCH ASY, MICRO ROLLER W/
PACK/CONDUIT
91 90502428 1 SHAFT CONNECTOR
75 747604 1 SWITCH, MICRO .96" ROLLER ARM 92 90521576 1 BALL VALVE
76 748200 1 HORN / BACK UP ALARM, 9-48VDC 93 712099PLT 3 BLT-SHLDR 1/2 X 1/2 LG X 3/8-16
77 748507 1 PEDAL ASSY, THROTTLE, FLOOR
MTG 25°, IEC
BATTERY OPTIONS
MODEL PART NO. DESCRIPTION
MR20DQPG, MR20DSQPG 956158 BATTERY 12V 140AH OVERDRIVE 12AGM
MR20DQPT, MR20DSQPT 956753 BATTERY WET 12V 130AH TROJAN
MR20DQP, MR20DQPINT 956712 BATTERY, 12V 115 AH WET
MR20DSQP, MR20DSQPINT 956140 BATTERY, 12V 140AH WET
SPORT VERSIONS ONLY
ITEM PART NO. QTY DESCRIPTION ITEM PART NO. QTY DESCRIPTION
A 245212 1 COVER, REAR 20" E 11038064 1 BLT-HH M6 X 1.0 X 12 STL ZD 8.8
B 245222 1 LATCH-RUBBER F 11177060 2 SC-BHCS W/ FLANGE M6 X 1.0 X 16
304SS
C 731006 1 SCR-HH M6-1.00 X 25 ZP CLASS 8.8 G 12310033 1 WASHER-FLAT M6.4 X 12 X 1.6 ZP
D 3300526 2 BUMPER-RUBBER 1/4 ID X 1/8 THK

Page 10
Max Ride 20 Scrubber
Wheel Group

Page 11
Max Ride 20 Scrubber
Wheel Group BOM
BILL OF MATERIAL - 245220
ITEM PART NO. QTY DESCRIPTION NOTES
1 66-138-A 2 BEARING
2 245087 1 SPROCKET, ROLLER CHAIN 35FB13 - 5/8"BORE SHOWN IN TOWER GROUP 245502
3 245184 1 GEAR-MOTOR, TRACTION, 24VDC 700W, ASI
4 245273 1 WASHER, END-OF-SHAFT, 3/8 FL HD
5 245416 1 BALL BEARING 35MM X 62MM OD X 14MM W SHOWN IN FRAME GROUP 245496
6 245445-1 1 CHAIN - ROLLER #35 - 23 LINKS
7 245446-1 1 CHAIN - ROLLER #40 - 31 LINKS
8 245562 1 NUT, COUPLING, 1/4-20 X 7/8 ZINC
9 245564 1 WELDMENT, STEERING RING
10 245579 1 DISC, STEERING PLT
11 245592 1 SPACER, BEARING SHOWN IN FRAME GROUP 245496
12 245594 2 SPACER, BEARING
13 245595 1 WELDMENT, FORK
14 245760 1 SHAFT, TRACTION WHEEL
15 245785 1 SPROCKET - CHAIN, 40B19 MINIMUM BORE
16 245786 1 SPROCKET - CHAIN, 40B18 3/4" BORE
17 245787 1 SLEEVE, SPACER, .755 ID 1.25 OD .321 LG
18 245788 1 SLEEVE, SPACER, .755 ID 1.25 OD .216 LG
19 245790 1 COVER - CHAIN, TRACTION
20 245811 1 KEY-6mm X 6mm X .75
21 245813 1 KEY-3/16 X 3/16 X 7/16
22 245815 1 KEY-STEPPED, 3/16 X 6MM X 1.0"
23 600912 6 SCR-SHCS M6-1.00 X 16 ZP
24 710353 4 SCR-PHMS 10-32 X .37 ZP
25 710826 7 SCR-SHCS 1/4-20 X 1.00 SS
26 710857 4 SCR-SHCS 5/16-24 X 1.00 BLL OX
27 711006 2 SCR-SET 1/4-20 X .62 BLK OX CP
28 711417 1 NUT-NYLOC M10 x 1.25 ZP
29 711421 7 WASHER-LOCK 1/4 SPLIT, HIGH-COLLAR, SS
30 711504 6 WASHER-FLAT 1/4 SS
31 711506 4 WASHER-FLAT 5/16 X .688 ZP
32 711515 1 WASHER-FLAT 3/8 X .812 X .0625 ZP
33 712519 1 SCR-FHSCS 3/8-24 X 1.00 ZP
34 712758 6 WASHER-LOCK 1/4 SPLIT SS
35 713532 1 COLLAR, CLAMP 2-PIECE, 11/16 B x 1/2" W
36 833292 2 CHAIN MASTER LINK #35
37 833629 1 CHAIN MASTER LINK #40
38 3305667 1 BEARING-MAIN BROOM SHOWN IN FRAME GROUP 245496
39 3400420 4 NUT-NYLOC 5/16-24 ZP
40 90538117 1 WHEEL, 200 X 45 X 19 ID, URETHANE
41 340742MCH 4 FLANGE MACHINED

Page 12
Max Ride 20 Scrubber
Tower Group

Page 13
Max Ride 20 Scrubber
Tower Group BOM
BILL OF MATERIAL - 245502
ITEM PART NO. QTY DESCRIPTION
1 66-138-A 1 BEARING
2 245085 1 BEARING, SPHERICAL 5/8"ID X 1.187"OD
3 245087 1 SPROCKET, ROLLER CHAIN 35FB13 - 5/8"BORE
4 245099 1 SHAFT, STEERING WHEEL MTG
5 245101 1 SHAFT, STEERING LOWER, PINION SPROCKET
6 245102 1 SHAFT, STEERING, MID - FLOATING
7 245199 1 BUSHING-FLG, .75 x .88, x .50 LG OILITE
8 245550 1 WELDMENT, TOWER
9 245580 1 WELDMENT, TENSIONER
10 245583 2 SPACER, .266 B, .313 OD, .313 T
11 245584 1 RETAINING RING, INT, 1.188 ZP
12 245813 1 KEY-3/16 X 3/16 X 7/16
13 245814 4 KEY-3/16 X 3/16 X 5/8
14 383098 2 JOINT-UNIVERSAL 3/4"
15 711203 1 SCR-HH 1/4-20 X .62 ZP TAP
16 711229 2 SCR-HH 5/16-18 X .87 ZP GR 5
17 711231 2 SCR-HH 5/16-18 X 1.25 ZP GR 5 FULL THREA
18 711319 4 NUT-HEX 5/16-18 ZP
19 711489 1 SCR-SET 1/4-20 x 1.25 DOG POINT BLACK
20 711505 2 WASHER-FLAT 1/4 ZP
21 711506 6 WASHER-FLAT 5/16 X .688 ZP
22 711519 1 WASHER-FLAT 1/4 X 1.00 X .06 ZP
23 711545 4 WASHER-LOCK 5/16 SPLIT ZP
24 712758 1 WASHER-LOCK 1/4 SPLIT SS
25 713003 2 SCR-HH 1/4-20 X 1.00 ZP GR 5
26 717024 3 SCR-HH M8-1.25 X 20 ZP GRADE 8.8
27 809148 4 RET RING-E TYPE .75
28 832554 1 BUSHING-FLG .7505 X 1.437 X .625 BRNZ
29 3400012 1 FTG-GREASE 3/16
30 12040051 3 NUT-NYLOC M8 X 1.25 ZP CLASS 8
31 340742MCH 2 FLANGE MACHINED

Page 14
Max Ride 20 Scrubber
Tank Group (Pg 1 of 3)

Page 15
Max Ride 20 Scrubber
Tank Group BOM (Pg 1 of 3)
BILL OF MATERIAL - 245487
ITEM PART NO. QTY DESCRIPTION
1 245002 1 LID W/ SEAT, TANK, ER20-V
2 245444 1 SEAT-CUSHIONED, SEWN SEAT & BACK
3 245766 2 SKIRT-DRIP, LID, END PIECE
4 245767 1 SKIRT-DRIP, LID,CENTER 20"
5 245817 2 SPACER, .39 ID X .75 OD X .25 T, PVC
6 711491 2 NUT-TEE, PROPELL INSERT 1/4-20 X 5/16 ZP
7 712153 2 SCR-FHSCS 1/4-20 X 1.00 SS
8 712764 19 WASHER-FLAT #10 SS
9 740601 1 SWITCH, SEAT, BOLT MOUNT
10 3401449 11 SCR-HI/LO 10 X .75 SS PAN HD
11 25510512 1 GASKET, RUBBER BLADE, PRESS IN

Page 16
Max Ride 20 Scrubber
Tank Group (Pg 2 of 3)

Page 17
Max Ride 20 Scrubber
Tank Group BOM (Pg 2 of 3)
BILL OF MATERIAL - 245487
ITEM PART NO. QTY DESCRIPTION
1 950-4-S 2 BACK UP PLATE 1/8" STEEL
2 245001 1 TANK, SOLUTION & RECOVERY ER20-V
3 245234 1 ASSY, VACUUM & HOUSING
4 245422 1 HINGE, STEEL, 11.38" LONG PAINTED
5 245453 2 PLATE - INSERT, INTERCONNECT
6 245456 2 PLATE - BASE, INTERCONNECT
7 245663 3 WELDMENT, VAC MOTOR PILLAR
8 342440 1 FTG-TEE 3/4 MPT X 1/2 HB NYLON
9 710130 4 SCR-THMS 8-32 X .62 SS
10 711246 6 SCR-HH 3/8-16 X .87 ZP GR 5
11 711515 6 WASHER-FLAT 3/8 X .812 X .0625 ZP
12 711546 6 WASHER-LOCK 3/8 SPLIT ZP
13 712536 10 SCR-THMS 10-24 X .62 SS
14 712560 9 SCR-THMS 1/4-20 X .50 SS W/NYLON PATCH
15 712667 3 NUT-NYLOC 1/4-20 SS
16 712764 19 WASHER-FLAT #10 SS
17 713002 3 SCR-HH 1/4-20 X .75 ZP 5
18 715977 2 DECAL, MAIN OVAL MAX-RIDE 20, ER V-20
19 747349 1 WIRE ASSY, SEAT SWITCH
20 747350 1 WIRE ASSY, SEAT SW CONN
21 827666 2 RIVET-POP 1/8 DOME HD, BLK ALUM BODY
22 3400089 3 WASHER-FLAT 1/4 ZP
23 3400383 3 WASHER-CONICAL SPRING 1/4
24 3401449 11 SCR-HI/LO 10 X .75 SS PAN HD
25 97118731 1 FILTER UNIT, SCREENED FLOAT

Page 18
Max Ride 20 Scrubber
Tank Group (Pg 3 of 3)
)25(&2
)2563257

Page 19
Max Ride 20 Scrubber
Tank Group BOM (Pg 3 of 3)
BILL OF MATERIAL - 245487
ITEM PART NO. QTY DESCRIPTION
1 172065 1 CLIP, FOR 1/2" ID HOSE
2 172159 1 FILTER, FILL PORT, ES1720
3 241049 1 MUFFLER-VAC MOTOR, SCV 24/26
4 245452 1 HOSE-DRAIN W/CAP 1.50"ID, 30.5"L
5 245660 1 BRACKET - MTG, REAR COVER LATCH & ELEC
6 245794 1 HOLDER - CORD, W/ SOFT CAPS, BATT CHARGR
7 245902 1 BRACKET, BREAKER MOUNT 20"
8 260579 1 CLIP-TOOL 1.5 INCH HOSE
9 710530 2 SCR-FHMS 8-32 X .50 BRASS
10 711163 2 SCR-HI/LO 10 X .50 BLACK ZINC PAN HD
11 711502 6 WASHER-FLAT #8 ZP
12 340742MCH 2 FLANGE MACHINED
13 712540 12 SCR-THMS 10-24 X .37 SS
14 712770 6 WASHER-INT TOOTH LOCK #10 SS
15 715534 1 DECAL, BRUSH MOTOR, MAX RIDE 20
16 715535 1 DECAL, VACUUM-DRIVE MOTOR-POWER
17 740188-3 1 SWITCH, TOGGLE W/FEM PACK
18 742748 4 CIRCUIT BREAKER-BOOT
19 747609 1 CIRCUIT BREAKER-4.0AMP PUSH BUTTON
20 747614 1 INDICATOR, BATTERY CHARGE STATUS (E1720)
21 747689 1 STRAIN RELIEF CABLE DIA. .181-.312 #3210
22 748515 1 ASSY, ELECTRICAL PANEL, 20/26
23 3044112 1 CLAMP-HOSE, SS, 2.50 MAX WORM
24 3303255 1 CLAMP-HOSE 1.75 DIA NOMINAL
25 245906 1COVER, ELEC BOX, ECO 20"
245905 COVER, ELEC BOX, SPORT 20"
26 715533 1 DECAL, 2 POSITION SWITCH, BRUSH MOTOR (SPORT ONLY)
27 740247 3 CIRCUIT BREAKER-30AMP PUSH BUTTON
28 740549 1 CIRCUIT BREAKER-50AMP PUSH BUTTON (SPORT ONLY)
29 747717 1 KEYSWITCH ASSY, 2 POS, ON/OFF (SPORT ONLY)

Page 20
Max Ride 20 Scrubber
Steering Column Group

Page 21
Max Ride 20 Scrubber
Steering Column Group BOM
BILL OF MATERIAL - 245472
ITEM PART NO. QTY DESCRIPTION
1 368-816 1 NUT-NYLOC HALF 1/2-20 ZP
2 241224 1 BOOT - STEERING SHAFT, SCV 2426
3 245003 1 CONSOLE, STEERING ER2026-V
4 245028 1 PANEL-CONTROL, LH FWD-REV SLCTR ASSY
5 245156 1 PANEL-FRONT, STEERING CONSOLE, ER20/26-V
6 245345 1 STEERING WHEEL- 12.75"
7 245447 1 PLATE, WATER FLOW LEVER
8 245448-1 1 ROD, WATER FLOW LEVER, FINISHED
9 245688 1 PANEL, CENTER, KEY SWITCH & C.B.
10 245801 1 PANEL-CONTROL RH, FUNCTION SELECT, SPORT
11 245802 1 SPACER, PVC, KEY SWITCH, .188 THK
12 383277 1 KEY-WOODRUFF 3/16 X .750
13 710203 2 SCR-PHMS 6-32 X .37 ZP
14 711160 2 SCR-HI/LO 10 X .625 BLACK ZINC
15 711371 2 NUT-NYLOC 6-32 ZP
16 711505 2 WASHER-FLAT 1/4 ZP
17 711510 1 WASHER-FLAT 1/2 X 1.37 X .10 ZP
18 711544 2 WASHER-LOCK 1/4 SPLIT ZP
19 711923 2 RIVET-POP 3/16
20 712540 17 SCR-THMS 10-24 X .37 SS
21 713002 2 SCR-HH 1/4-20 X .75 ZP 5
22 715762 1 DECAL-FWD-REV SELECTOR MAX RIDE
23 715764 1 DECAL-WATER FLOW
24 715777 1 DECAL, CENTER PANEL, KEY SWITCH-C.B.
25 747011 1 GAUGE-BATTERY TRUCHARGE PGDT 36VDC
26 747387 1 KEYSWITCH ASSY, SWITCH+WIRES MR
27 748012 1 CIRCUIT BREAKER- 100A
28 748047 1 SWITCH, PUSH BUTTON (HORN SCV 36V)
29 748508 1 TOGGLE BOOT, FULL, OPEN THROAT, RED
30 748800 1 SWITCH-TOGGLE G SERIES NYL SPDT ON/ON
31 748803 1 SWITCH, PUSH BUTTON, BLUE LED
32 748804 1 SWITCH, PUSH BUTTON, ORANGE LED
33 90502436 1 LEVER, SOLUTION CONTROL
34 715775 1DECAL-FUNCTION SELECTOR MAX RIDE (ECO)
715776 DECAL, FUNCTION SELECTOR, (SPORT)
35 747718 1 LAMP ASSY, LED AMBER, 24V (SPORT ONLY)
747718-2 1CLIP, TINNERMAN (SPORT ONLY)

Page 22
Max Ride 20 Scrubber
Scrub Head Group

Page 23
Max Ride 20 Scrubber
Scrub Head Group BOM
BILL OF MATERIAL - 245470
ITEM PART NO. QTY DESCRIPTION
1 000712 1 LOCTITE-243 50ML BLUE
2 172510 1 HUB ASSEMBLY, DISC DECK
3 245042 1 BUSHING-FLG, 1.0 x 1.25 x 1.0"LG OILITE
4 245105 1 WELDMENT,SCRUBDECK, 20"
5 245107 1 SHAFT - STUB, RT-ANGLE DRIVE, DISC BRUSH
6 245300 1 COVER, SCRUB HEAD 20"
7 245312 1 RING, PIVOT
8 245468 1 RET RING-EXT .687 BLK OXIDE
9 245811 1 KEY-6mm X 6mm X .75
10 245812 1 KEY-6mm X 6mm X 2.625
11 283153 1 HOSE 3/8" ID X 16.5"
12 452037 1 CLAMP-CRIMP 170R SS
13 710154 2 SCR-THMS 10-32 X .625 SS
14 711421 4 WASHER-LOCK 1/4 SPLIT, HIGH-COLLAR, SS
15 711505 4 WASHER-FLAT 1/4 ZP
16 711687 3 WASHER-FLAT, 2.50 OD X 1.28 ID X .095 ZP
17 711855 1 WASHER-FENDER 3/8 X 1.12 X .10 ZP HARD
18 713002 4 SCR-HH 1/4-20 X .75 ZP 5
19 717025 1 WASHER-FLAT 13/16 X 1.25 X .08 ZP
20 3402054 4 SCR-SHCS M6-1.0 X 12 ZP
21 11717203 1 BLT-HH FLG M8X1.25X20 PRECOTE, ZD 10.9
22 90311663 1 FITTING, WATER NOZZLE W/ MOUNT HOLES
23 245808 1GEAR - MOTOR, BRUSH, 24VDC 400W, AMER (ECO)
245231 GEAR-MOTOR, BRUSH, 24VDC 600W, AMER (SPORT)

Page 24
Max Ride 20 Scrubber
Scrub Head Lift Group

Page 25
Max Ride 20 Scrubber
Scrub Head Lift Group BOM
BILL OF MATERIAL - 245488
ITEM PART NO. QTY DESCRIPTION NOTES
1 245105 1 WELDMENT,SCRUBDECK, 20" SHOWN IN SCRUB HEAD GROUP 245470
2 245138 1 WELDMENT, DECK ADJ LINK 20"
3 245281 1 WELDMENT, SCRUBHEAD ARM 20
4 245298 1 LINK, CABLE
5 245314 1 CABLE- SCRUB DECK MR20
6 245538 1 W/D, FRAME, ACT MNT PART OF ITEM 245670 IN FRAME GROUP 245496
7 245540 2 W/D, FRAME, PULLEY MNT 2 PART OF ITEM 245670 IN FRAME GROUP 245496
8 245679 2 W/D, FRAME, PULLEY MNT 5 PART OF ITEM 245670 IN FRAME GROUP 245496
9 711246 1 SCR-HH 3/8-16 X .87 ZP GR 5
10 711515 1 WASHER-FLAT 3/8 X .812 X .0625 ZP
11 711569 2 WASHER-FLAT .390 X .880 X .062 NYL
12 712265 1 CLEVIS-YOKE, 1/2-20 WITH .375 PIN
13 712665 2 NUT-HEX 1/4-20 SS
14 712683 1 NUT-NYLOC 5/16-18 SS
15 712758 1 WASHER-LOCK 1/4 SPLIT SS
16 740822-1 1 ACTUATOR ASSYW/ PK-100MM STROKE 750N CE
17 881002 6 PIN-CLEVIS 5/16 X 1.00 ZINC
18 3300368 2 PULLEY-PLASTIC 2" x .25" GROOVE
19 3300376 1 STUD-BALL GAS SPR 5/16-18 THRD .391DIA.
20 3400117 3 PIN-CLEVIS 3/8 x 1.125 ZP
21 3400125 9 RING-RUE 3/8
22 3400449 1 NUT-JAM 1/2-20 ZP
23 3401028 3 NUT-JAM 3/8-16 ZP NYLOC
24 712099PLT 2 BLT-SHOULDER 1/2 X 1/2 LG X 3/8-16

Page 26
Max Ride 20 Scrubber
Squeegee Group

Page 27
Max Ride 20 Scrubber
Squeegee Group BOM
BILL OF MATERIAL - 245490
ITEM PART NO. QTY DESCRIPTION
1 210118 2 KNOB-3 SIDED 5/16 NYLOC
2 245315 1 WELDMENT, SQUEEGEE 20"
3 245324 1 WELDMENT, OUTER BAND 20
4 245328 1 WELDMENT, INNER STRAP 20
5 245331 1 MOUNT, LATCH
6 245332 2 SCR-THUMB 1/4-20 x 1.25 SS
7 245333-1 1 SQUEEGEE BLADE, 20" OUTER, PRIMOTHANE
8 245334-1 1 SQUEEGEE BLADE, 20" INNER, PRIMOTHANE
9 245339 1 ROLLER- SQUEEGEE
10 245563 1 CASTER
11 600114 1 SPACER, .328 B .498 OD .500 ,SS
12 711389 2 NUT-WING 1/4-20 ZP
13 711391 3 NUT-JAM 3/8-16 ZP
14 711855 1 WASHER-FENDER 3/8 X 1.12 X .10 ZP HARD
15 730526 2 WASHER-FENDER M8 X 24 SS
16 730652 1 LATCH, UNDER CENTER
17 731293 2 RIVET-BLIND 5/32 .187 GRIP SS
18 770536 1 SCR-BHSCS M8-1.25 X 30 SS
19 3401572 1 SCR-BHSCS 3/8-16 X 1.75 ZP
20 12040259 1 NUT-NYLOC M8 X 1.25 SS

Page 28
Max Ride 20 Scrubber
Squeegee Lift Group

Page 29
Max Ride 20 Scrubber
Squeegee Lift Group BOM
BILL OF MATERIAL - 245489
ITEM PART NO. QTY DESCRIPTION
1 245301 1 WELDMENT, SLIDER
2 245305 1 WELDMENT, SQUEEGEE MOUNT 20"
3 245309 1 SPACER, NYLON, .344 B .500 OD .813 T
4 245310 2 WASHER, NYLON, .510 B 1.00 OD .062 T
5 245311 1 LINK, SQUEEGEE PIVOT 20"
6 245313 1 CABLE-SQUEEGEE MR20"
7 245563 1 CASTER
8 711391 3 NUT-JAM 3/8-16 ZP
9 711688 1 NUT-JAM 1/4-20 NYLOC SS
10 711855 1 WASHER-FENDER 3/8 X 1.12 X .10 ZP HARD
11 730526 3 WASHER-FENDER M8 X 24 SS
12 730873 4 SPACER, .406 B .498 OD .325 T
13 730958 4 SCR-HH M10-1.50 X 25 SS FULL THREAD
14 881002 6 PIN-CLEVIS 5/16 X 1.00 ZINC (NOT SHOWN)
15 3300368 2 PULLEY-PLASTIC 2" x .25" GROOVE
16 3335273 1 SPACER-.32 OD X .499 OD X .31 LG
17 3400117 1 PIN-CLEVIS 3/8 x 1.125 ZP
18 3400125 7 RING-RUE 3/8 (NOT SHOWN)
19 3401572 1 SCR-BHSCS 3/8-16 X 1.75 ZP
20 12040069 4 NUT-NYLOC M10 X 1.5 ZD CLASS 6
21 12040259 1 NUT-NYLOC M8 X 1.25 SS

Page 30
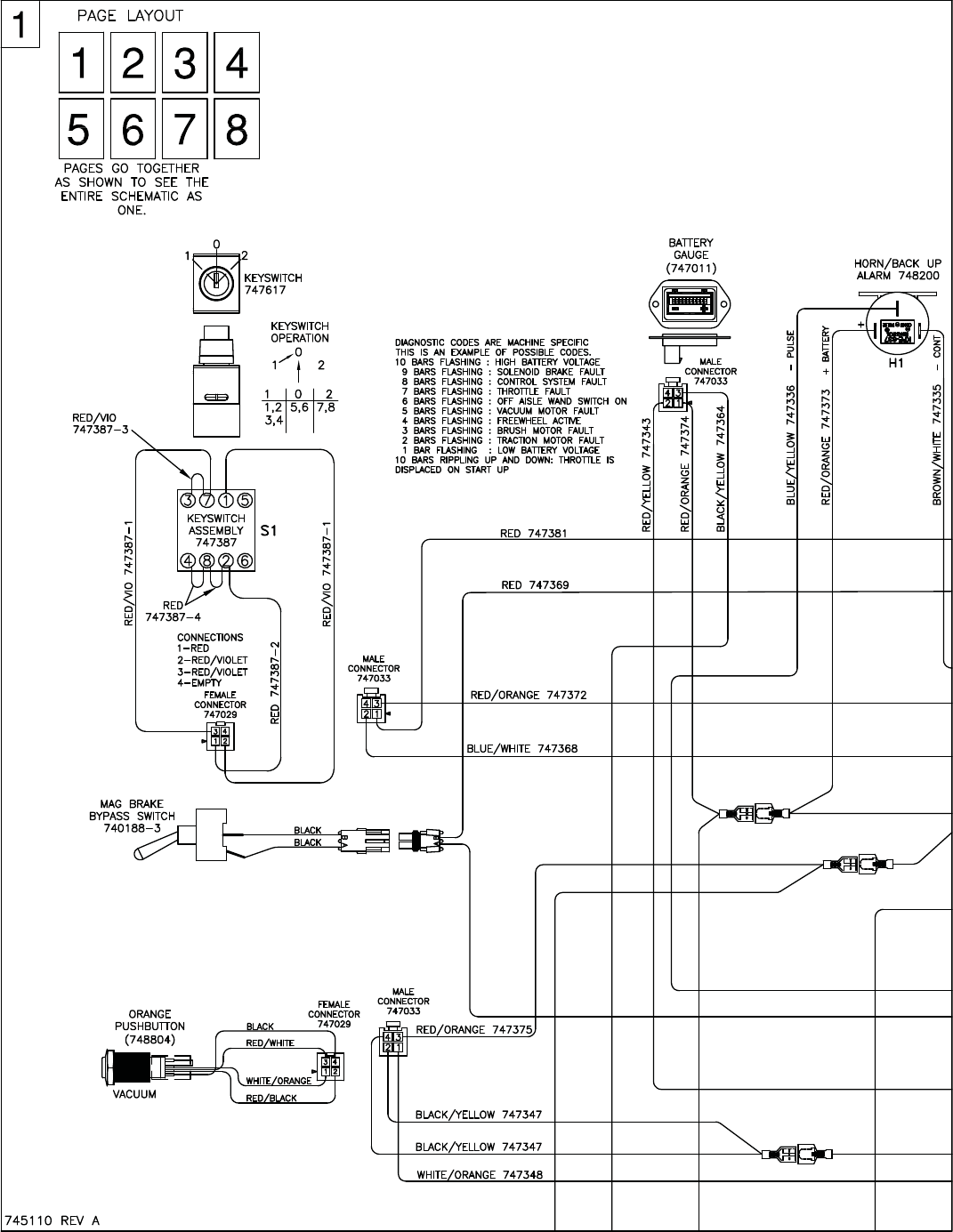
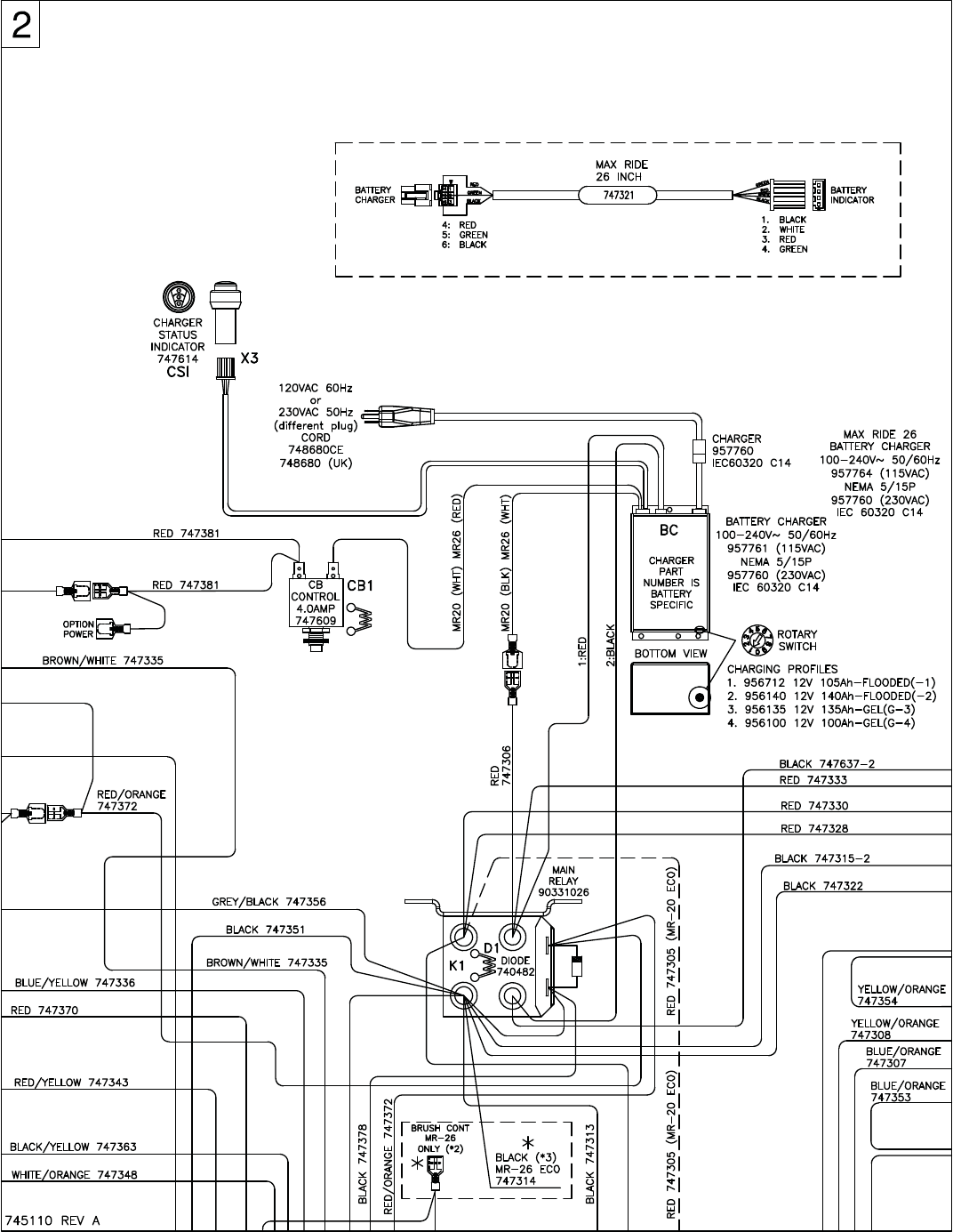
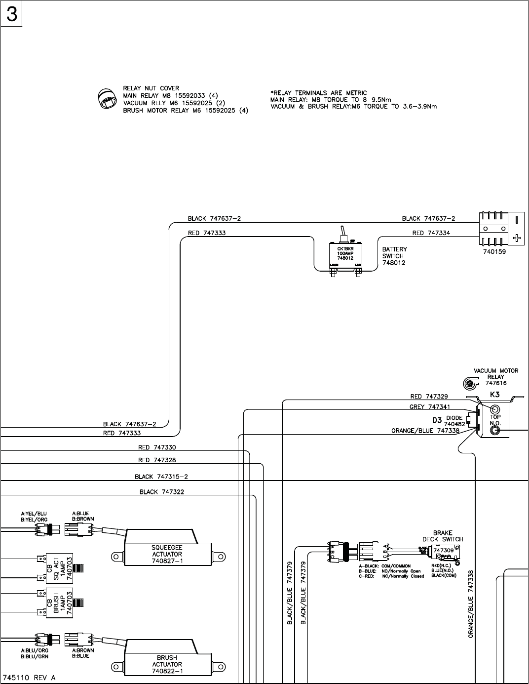
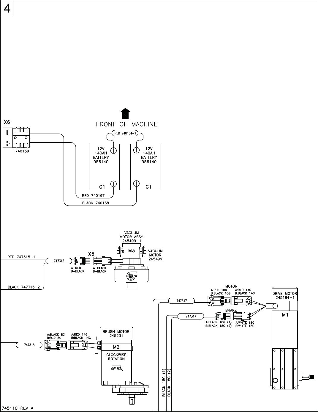
Wiring Diagrams

Page 31

Page 32

Page 33

Page 34

Page 35

Page 36

Page 37

1865RXWH3LQJUHH*URYH,/86$
3KRQHZZZPLQXWHPDQLQWOFRP
$0HPEHURIWKH+DNR*URXS
0LQXWHPDQ,QWHUQDWLRQDO0DGH6LPSOH&RPPHUFLDO/LPLWHG:DUUDQW\
5(9,6,212
())(&7,9(
0LQXWHPDQ,QWHUQDWLRQDO,QFZDUUDQWVWRWKHRULJLQDOSXUFKDVHUXVHUWKDWWKHSURGXFWLVIUHHIURP
GHIHFWVLQZRUNPDQVKLSDQGPDWHULDOVXQGHUQRUPDOXVH0LQXWHPDQZLOODWLWV RSWLRQUHSDLURU
UHSODFH ZLWKRXW FKDUJH SDUWV WKDW IDLO XQGHU QRUPDO XVH DQG VHUYLFH ZKHQ RSHUDWHG DQG
PDLQWDLQHG LQ DFFRUGDQFH ZLWK WKH DSSOLFDEOH RSHUDWLRQ DQG LQVWUXFWLRQ PDQXDOV $OO ZDUUDQW\
FODLPVPXVWEHVXEPLWWHGWKURXJKDQGDSSURYHGE\IDFWRU\DXWKRUL]HGUHSDLUVWDWLRQV
7KLVZDUUDQW\GRHVQRWDSSO\WRQRUPDOZHDURUWRLWHPVZKRVHOLIHLVGHSHQGHQWRQWKHLUXVHDQG
FDUH VXFK DV EHOWV FRUGV VZLWFKHV KRVHV UXEEHU SDUWV HOHFWULFDO PRWRU FRPSRQHQWV RU
DGMXVWPHQWV 3DUWV PDQXIDFWXUHG E\ 0LQXWHPDQ DUH FRYHUHG E\ DQG VXEMHFW WR WKH ZDUUDQWLHV
DQGRUJXDUDQWHHVRIWKHLUPDQXIDFWXUHUV3OHDVHFRQWDFW0LQXWHPDQIRUSURFHGXUHVLQZDUUDQW\
FODLPVDJDLQVWWKHVHPDQXIDFWXUHUV
6SHFLDO ZDUQLQJWRSXUFKDVHU8VHRIUHSODFHPHQWILOWHUVDQGRUSUHILOWHUVQRWPDQXIDFWXUHG
E\ 0LQXWHPDQ RU LWV GHVLJQDWHG OLFHQVHHV ZLOO YRLG DOO ZDUUDQWLHV H[SUHVVHG RU LPSOLHG $
SRWHQWLDOKHDOWKKD]DUGH[LVWVZLWKRXWRULJLQDOHTXLSPHQWUHSODFHPHQW
$OO ZDUUDQWHG LWHPV EHFRPH WKH VROH SURSHUW\ RI 0LQXWHPDQ RU LWV RULJLQDO PDQXIDFWXUHU
ZKLFKHYHUWKHFDVHPD\EH
0LQXWHPDQ GLVFODLPV DQ\ LPSOLHG ZDUUDQW\ LQFOXGLQJ WKH ZDUUDQW\ RI PHUFKDQWDELOLW\ DQG WKH
ZDUUDQW\RIILWQHVVIRUDSDUWLFXODUSXUSRVH0LQXWHPDQDVVXPHVQRUHVSRQVLELOLW\IRUDQ\VSHFLDO
LQFLGHQWDORUFRQVHTXHQWLDOGDPDJHV
7KLV OLPLWHG ZDUUDQW\ LV DSSOLFDEOH RQO\ LQ WKH 86$ DQG &DQDGD DQG LV H[WHQGHG RQO\ WR WKH
RULJLQDOXVHUSXUFKDVHURIWKLVSURGXFW&XVWRPHUVRXWVLGHWKH86$DQG&DQDGDVKRXOGFRQWDFW
WKHLU ORFDO GLVWULEXWRU IRU H[SRUW ZDUUDQW\ SROLFLHV 0LQXWHPDQ LV QRW UHVSRQVLEOH IRU FRVWV RU
UHSDLUV SHUIRUPHG E\ SHUVRQV RWKHU WKDQ WKRVH VSHFLILFDOO\ DXWKRUL]HG E\ 0LQXWHPDQ 7KLV
ZDUUDQW\ GRHV QRW DSSO\ WR GDPDJH IURP WUDQVSRUWDWLRQ DOWHUDWLRQV E\ XQDXWKRUL]HG SHUVRQV
PLVXVHRUDEXVHRIWKHHTXLSPHQWXVHRIQRQFRPSDWLEOHFKHPLFDOVRUGDPDJHWRSURSHUW\RU
ORVVRILQFRPHGXHWRPDOIXQFWLRQVRIWKHSURGXFW
,I D GLIILFXOW\ GHYHORSV ZLWK WKLV PDFKLQH \RX VKRXOG FRQWDFW WKH GHDOHU IURP ZKRP LW ZDV
SXUFKDVHG
7KLVZDUUDQW\JLYHV\RXVSHFLILFOHJDOULJKWVDQG\RXPD\KDYHRWKHUULJKWVZKLFKYDU\IURPVWDWH
WR VWDWH 6RPH VWDWHV GR QRW DOORZ WKH H[FOXVLRQ RU OLPLWDWLRQ RI VSHFLDO LQFLGHQWDO RU
FRQVHTXHQWLDO GDPDJHV RU OLPLWDWLRQV RQ KRZ ORQJ DQ LPSOLHG ZDUUDQW\ ODVWV VR WKH DERYH
H[FOXVLRQVDQGOLPLWDWLRQVPD\QRWDSSO\WR\RX
Page 38
Warranty

1865RXWH3LQJUHH*URYH,/86$
3KRQHZZZPLQXWHPDQLQWOFRP
$0HPEHURIWKH+DNR*URXS
0RGHO 3DUWV /DER
U
3RO\ 7UDYHO
&RUG(OHFWULF*URXS \UV
\UV \UV GD\V
%DWWHU\2SHUDWHG*URXS \UV \UV \UV GD\V
([FHSWLRQV««
0RGHO 3DUWV /DER
U
3RO\ 7UDYHO
3RUW$6FUXEDOOPRGHOV \U PRQWKV \UV GD\V
$6%ORZHU \U \U
3KHQRP'XDO0RWRU8SULJKW9DFXXPV \UV \UV
([SORVLRQ3URRI9DFXXP \U \U
3URSDQH%XUQLVKHU \U \U GD\V
7UDYHOKRXUVPD[
6WDQGDORQH%DWWHU\
&KDUJHUV 2QH\HDU
5HSODFHPHQW3DUWV 1LQHW\GD\V
%DWWHULHV PRQWKVIXOOUHSODFHPHQWPRQWKVSURUDWH
3RO\SURS\OHQH
3ODVWLF7DQNV \UZDUUDQW\QRDGGLWLRQDOODERU
Page 39

14N845 U.S. Route 20, Pingree Grove, IL 60140 USA
Phone (800) 323-9420 - www.minutemanintl.com
A Member of the Hako Group
“Excellence Meets Clean”
Minuteman is a Full Line Manufacturer of Sweepers and Scrubbers,
for Industrial Facilities.
Max Ride 20 Scrubber #988759 Rev A 11/16