COVER Minuteman Prowler Rs50 Rider Floor Sweeper Parts Manual
2018-04-25
: Sweepscrub Minuteman-Prowler-Rs50-Rider-Floor-Sweeper-Parts-Manual minuteman-prowler-rs50-rider-floor-sweeper-parts-manual 2660 file product_file
Open the PDF directly: View PDF
.
Page Count: 32

P.O. Box 1227 175 Anderson Street
Aberdeen, NC 28315-1227 USA
(910) 944 – 2105 FAX: (910) 944-7409
PROWLER
Parts Manual
MODEL RS 50

30/10/2003
________________________________________________________________________________________________
Minuteman ®Powerboss ®
LISTA RICAMBI CONSIGLIATI PER MOTORE BRIGGS & S. 133232-7 5 HP I/C
RECOMMENDED SPARE PARTS LIST FOR MOTOR BRIGGS & S. 133232-7 5 HP I/C
ERSATZTEILE DES MOTORS BRIGGS & S. 133232-7 5 HP I/C
LISTE PIECES DE RECHANGE CONSEILLEES MOTEUR BRIGGS & S. 133232-7 5 HP I/C
LISTA PIEZAS DE RECAMBIO ACONSEJADAS MOTOR BRIGGS & S. 133232-7 5 HP I/C
Codice N°
Part. No.
Code Nr.
Quantità
Quantity
Anzahl
Descrizione
Description
Bezeichnung Description Descripcion
590001 1Filtro aria Air filter Luftfilter Filtre à air en papier Filtro aire en papel
590002 1Prefiltro aria Air prefilter Luftprefilter Pre-filtre air Pre-filtro aire
590005 1Candela IPLM Spark plug IPLM Zündkerze IPLM Bougie IPLM Bujía IPLM
590062 1Bobina Spool Spule Bobine Bobina
590047 1Guarnizioni testa Head washer Kopf Dichtung Garniture de la tête Guarnicción de la
cabeza
590063 1Guarnizione testa Head washer Kopf Dichtung Garniture de la tête Guarnicción de la
cabeza
590048 1Guarnizione
coperchio valvole Valves lid washer Dichtung des
Ventildeckel
Garniture du
couvercle de la
soupape
Guarnicciòn de la
tapa de la valvúla
590064 1Set guarnizioni Washers kit Dichtungen Satz Jeu garnitures Juego guarnicciones
590065 1Serie segmenti std. Standard segment
series
Segmentreihe Serie de segments
standard
Serie de segmentos
estandar
590051 1Maniglia
avviamento
Start knob Anlassengriff Starter Estarter
590052 1Fune avviamento Start rope Anlassenseil Cable demarrage Hilo arranque
590066 1Valvola di scarico Exhaust valve Dichtung Abfluss Soupape decharge Valvula descarga
590067 1Valvola di
aspirazione
Vacuum valve Saugungventil Soupape aspiration Valvula aspiración
590056 1Membrana
carburatore
Carburettor
membrane
Vergasermembrane Membrane
carburateur
Membrana
carburador
590055 1Tappo serbatoio Tank cork Tank Pröpfen Bouchon reservoir Tapon tanque
590068 1Kit pignone Pinion kit Ritzel Satz Kit pinon Kit piñon
590069 1Ingranaggio
pignone
Pinion gear Ritzel Getriebe Engranage pinon Engranaje piñon
590070 1Motorino
avviamento
Starting motor Starmotor Moteur de
demarrage
Motor de arranque
590071 1Alternatore Alternator Generator Alternateur Alternador
590072 1Molla
autoaccelleratore
Accelerator spring Beschleunigung
Feder
Ressort accelerateur Resorte acelerador

30/10/2003
________________________________________________________________________________________________
Minuteman ®Powerboss ®
LISTA RICAMBI CONSIGLIATI PER MOTORE BRIGGS & S. 123437-0119-E1 6.5 HP INTEK PRO 206
RECOMMENDED SPARE PARTS LIST FOR MOTOR BRIGGS & S. 123437-0119-E1 6.5 HP INTEK PRO 206
ERSATZTEILE DES MOTORS BRIGGS & S. 123437-0119-E1 6.5 HP INTEK PRO 206
LISTE PIECES DE RECHANGE CONSEILLEES MOTEUR BRIGGS & S. INTEK PRO 206
LISTA PIEZAS DE RECAMBIO ACONSEJADAS MOTOR BRIGGS & S. 123437-0119-E1 6.5 HP INTEK PRO 206
Codice N°
Part. No.
Code Nr.
Quantità
Quantity
Anzahl
Descrizione
Description
Bezeichnung Description Descripcion
590043 1Candela RC 12 7C Spark plug RC 12 7C Zündkerze RC 12 7C Bougie RC 12 7C Bujía RC 12 7C
590069 1Ingranaggio pignone Pinion gear Ritzel Getriebe Engranage pinon Engranaje piñon
590096 1Filtro aria Air filter Luftfilter Filtre à air en papier Filtro aire en papel
590097 1Prefiltro aria Air prefilter Luftprefilter Pre-filtre air Pre-filtro aire
590098 1Filtro benzina Fuel filter Benzinfilter Filtre à essence Filtro gasolina
590099 1Bobina Spool Spule Bobine Bobina
590100 1Kit guarnizioni
carburatore
Carburettor washers
kit
Vergaser
Dichtungensatz
Jeu garnitures
carburateur
Kit guarnicciones
carburador
590101 1Kit guarnizioni
valvole
Valve washer kit Dichtungsventil Satz Jeu garnitures
soupapes
Kit guarnicciones
valvulas
590102 1Kit guarnizioni
completa
Washer kit Dichtung Satz Jeu garnitures
complet
Kit guarnicciones
completo
590103 1Serie segmenti STD Standard segment
series
Segmentreihe Serie de segments
standard
Serie de segmentos
estandar
590104 1Valvola di scarico Exhaust valve Abfluss Ventil Soupape decharge Valvula descarga
590105 1Valvola di
aspirazione
Vacuum valve Saugungventil Soupape aspiration Valvula aspiración
590106 1Tappo serbatoio Tank cork Tank Pröpfen Bouchon reservoir Tapon tanque
590107 1Motorino di
avviamento
Starting motor Starmotor Moteur de
demarrage
Motor de arranque
590108 1Kit pignone Pinion kit Ritzel Satz Kit pinon Kit piñon
590109 1Alternatore 3 Amp. Alternator Generator Alternateur Alternador

RS 50
LISTE RICAMBI CONSIGLIATI
RECOMMENDED SPARE PARTS LIST - EMPFOHLENE ERSATZTEILE LISTE
LISTE DE PIECES RECOMMANDÉES - LISTA DE PIEZAS ACONSEJADAS
LISTA A (MATERIALI DI CONSUMO)
LIST A (WEARABLE MATERIAL) - LISTE A (ABNUTZUNGSMATERIAL)
LISTE A (MATERIELLES DE CONSOMMATION) - LISTA A (MATERIALES DE CONSUMO)
Codice N°
Part. No.
Code Nr.
Quantità
Quantity
Anzahl
BS H E
Descrizione
Description
Bezeichnung Description Descripcion
350002 1 1 1 Gomma parapolvere Dust rubber Dichtstreifen Gomme du flap Goma flap
360003 5 5 5 Guarnizione filtro Washer Dichtung Guarniture Guarnicciòn
520005 5 5 5 Filtro polvere Filter Filter Filtre Filtro
520026 1 1 1 Spazzola laterale Side brush Seitenbesen Brosse lateral Cepillo lateral
520027 1 1 1 Spazzola centrale Main brush Hauptbuerste Brosse centrale Cepillo central
LISTA B (MATERIALI PER INTERVENTI ORDINARI)
LIST B (MATERIAL FOR ORDINARY MAINTENANCE)
LISTE B (MATERIAL FÜR ORDENTLICHE WARTUNG)
LISTE B (MATERIELLES POUR OPERATIONS ORDINAIRES)
LISTA B (MATERIALES PARA OPERACIONES ORDINARIAS)
Codice N°
Part. No.
Code Nr.
Quantità
Quantity
Anzahl
BS H E
Descrizione
Description
Bezeichnung Description Descripcion
130093 1 1 1 Albero Shaft Welle Arbre Arbol
250024 1 1 1 Pignone Pinion Ritzel Pignon Corona
260007 1 1 1 Supporto Support Halter Support Soporte
260008 1 1 1 Puleggia Pulley Scheibe Poulie Polea
320003 1 1 1 Flangia Flange Halterung Support Soporte
330029 1 1 1 Copripedale Pedal-cover Pedaldeckel Couvre pédale Cubri-pedal
330037 1 1 1 Cuffia Dust-casing Schutkappe Protection poussiere Proteccion polvo
360004 1 1 1 Guarnizione Washer Dichtung Guarniture Guarnicciòn
360059 1 1 1 Guarnizione Washer Dichtung Guarniture Guarnicciòn
410004 2 2 2 Cuscinetto Bearing Lager Roulement Cojinete
410005 5 5 5 Cuscinetto Bearing Lager Roulement Cojinete
410006 2 2 2 Cuscinetto Bearing Lager Roulement Cojinete
410009 1 1 1 Cuscinetto Bearing Lager Roulement Cojinete
410013 1 1 1 Cuscinetto Bearing Lager Roulement Cojinete
410019 2 2 2 Cuscinetto Bearing Lager Roulement Cojinete
430011 1 1 1 Cinghia Belt Riemen Courroie Correa
430026 1 1 1 Cinghia Belt Riemen Courroie Correa
430027 1 1 1 Cinghia Belt Riemen Courroie Correa
430028 1 - - Cinghia Belt Riemen Courroie Correa
430029 1 1 2 Cinghia Belt Riemen Courroie Correa
440013 2 2 2 Ruota Wheel Rad Roue Rueda
440019 2 2 2 Anello in gomma Rubber ring Gummiring Bague en gomme Anillo goma
450002 1 1 1 Ruota completa Front wheel unit Vornerad, Gruppe Roue complète Rueda completa
460010 1 1 1 Giunto Joint Kettenverbindung Joint Articulacion
460016 1 1 1 Catena Chain Kette Chaine Cadena
490006 RR R Kit gomme
parapolvere Rubber flaps set Dichtstreifen-set Set gommes des flap Grupo gomas
flap-polvo
490044 1 1 1 Regolatore Regulator Regulator Regulateur Regulador
490065 11 1 Interruttore completo
di chiave
Switch with key Shalter mit schlussel Interrupter avec clef Interruptor con clavo
530009 1 1 1 Riduttore DX Reducer DX Schneckengetr. DX Reducteur DX Reductor DX
530011 1 1 1 Riduttore SX Reducer SX Schneckengetr. SX Reducteur SX Reductor SX
560002 1 - - Manettino Handle Handhebel Manette Manopola
560012 11 1 Blocco freno Parking brake lock Festellbremse
Blockierungshebel
Bloc du frein Bloc de freno
560014 1 1 1 Leva spazzola lat. Sx Lh side brush lever Handhebel, Links Levier brosse
laterale gauche
Palanca cepillo
lateral izquierdo

Codice N°
Part. No.
Code Nr.
Quantità
Quantity
Anzahl
BS H E
Descrizione
Description
Bezeichnung Description Descripcion
560015 1 1 1 Leva spazzola lat.
Dx
Rh side brush lever Handhebel, Rechts Levier brosse
laterale droite
Palanca cepillo
lateral derecho
560016 - 1 - Manettino Handle Handhebel Manette Manopola
560017 - 1 - Manettino Handle Handhebel Manette Manopola
560031 1 - - Pomello start Start knob Start knopf Pommeau start Tirador start
560040 1 - - Pomello start Start knob Start knopf Pommeau start Tirador start
560041 1 - - Manettino Handle Handhebel Manette Manopola
570030 1 1 1 Filo Thread Draht Fil Hilo
570034 1 1 1 Guaina Sheath Umhuellung Gaine Vaina
570035 1 1 1 Guaina Sheath Umhuellung Gaine Vaina
570036 1 1 1 Guaina Sheath Umhuellung Gaine Vaina
570037 1 1 1 Guaina Sheath Umhuellung Gaine Vaina
570038 1 1 1 Filo Thread Draht Fil Hilo
580002 1 1 1 Chiusura a leva Lever closing Exenterverschluss Levier fermeture Palanca cierre
580003 1 1 1 Riscontro chiusura Counterpart lever
closing
Verschlusshaken Contre-fermeture
levier
Contro-cierre
palanca
580029 2 2 2 Forcella Fork Gabelkopf Fourche Horquilla
580030 1 1 1 Cavo trasmissione Transmission cable Kraftuebertragung Cable de
transmission
Cable de
transmission
580043 2 2 2 Arresto ruota Stop wheel Stop Rad Arret roue Arresto rueda
580055 2 2 2 Manopola Plate handle Handgriff Poignee plate Manopla
580056 1 1 1 Forcella Fork Gabelkopf Fourche Horquilla
580057 11 1 Testa a snodo Articulation head Geleng Kopf Tete à rotule Cabeza a
articulacion
640012 2 1 2 Fusibile 16A Fuse Sicherung Fusible Fusible
640037 - - 1 Connettore fisso Steel connector Fest Stecker Connecteur fixe Connector fijo
640038 - - 1 Connettore mobile Mobile connector Beweglicher Stecker Connecteur mobile Connector movil
640040 - - 1 Fusibile 100 A Fuse 100 A Sicherung 100 A Fusible 100 A Fusible 100 A
640075 2 1 2 Porta fusibile Fuse-box Sicherungshalter Porte-fusible Lleva-fusible
640096 - - 4 Carboncino per
motore 610015
Carbon for motor
610015
Kohle fuer motor
610015
Brosse pour moteur
610015
Cepino por motor
electrico 610015
650021 - - 1 Segnalatore di
batteria scarica
Battery charge
indicator
Entlademelder Signaleur de batterie
déchargée
Vigìa de bater’a
descargada
650033 1 - - Regolatore tensione Regulator Regulator Regulateur Regulador
660005 2 2 2 Pulsante Push button Drucktaste Bouton Boton
660008 1 - - Teleruttore Electromagnetic switch Unterbrecher Intérrupteur Teleruptor
660010 - - 1 Teleruttore Electromagnetic
switch
Unterbrecher Intérrupteur Teleruptor
660011 - 1 - Microteleruttore Microswitch Relais Relais Teleruptor
660012 1 1 - Microteleruttore Microswitch Relais Relais Teleruptor
660018 1 1 1 Coppia chiavi Couple of keys Paar Von
Schluesseln
Pair de clefs Par de claves
660020 1 1 1 Commutatore senza
chiave
Switch without key Schalter Ohne
Schluessel
Commutateur sans
clef
Commutador sin
clave
660028 1 1 1 Microinterruttore Microswitch Relais Relais Teleruptor
660043 1 - - Teleruttore Electromagnetic
switch
Unterbrecher Intérrupteur Teleruptor
670027 1 1 1 Lampeggiante
multitensione
Multi voltage flashing
light
Mehrspannung
warnlight
Girophare
multivoltage
Faro giratorio
multivoltaje
740021 1 1 1 Anello seeger Ring Sicherungsring Bague Anillo
790016 1 1 1 Ingranaggio ridutt.dx Reduction gear R. Reduictions R. Reducteur D. Reduccion D.
790018 1 1 1 Ingranaggio ridutt.sx Reduction gear R. Reduictions R. Reducteur D. Reduccion D.
900204 1 1 1 Tendicatena
completo Chain tensioner Kettespanner Tende-courroie Tendecorrea
LISTA C (MATERIALI PER INTERVENTI STRAORDINARI)
LIST C (MATERIAL FOR EXTRAORDINARY MAINTENANCE)
LISTE C (MATERIAL FÜR AUßERORDENTLICHE WARTUNG)
LISTE C (MATERIELLES POUR OPERATIONS EXTRAORDINAIRES)
LISTA C (MATERIALES PARA OPERACIONES EXTRAORDINARIAS)
Codice N°
Part. No.
Code Nr.
Quantità
Quantity
Anzahl
BS H E
Descrizione
Description
Bezeichnung Description Descripcion
610015 - - 1 Motore elettrico Electric engine Elektromotor Moteur electric Motor electrico

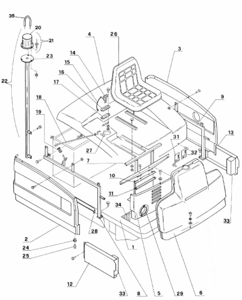
DIAGRAM 1 RS 50 12/15/2003
_____________________________________________________________________________________________________
Minuteman ®Powerboss ®

DIAGRAM 1 RS 50 12/15/2003
_____________________________________________________________________________________________________
Minuteman ®Powerboss ®
Ref. N° Part. N° Description Briggs &
Stratton
Qty
Electric
Qty
11000338 Chassis 1 1
21000872 Hood Panel RH - 1
21000871 Hood Panel RH 1 -
31000874 Hood Panel LH - 1
31000873 Hood Panel LH 1 -
41000645 Upper Hood 1 1
51000646 Front Hood Panel 1 1
61000877 Front Hood 1 1
71001425 Hood Support 1 1
81000251 RH Support 1 1
91000252 LH Support 1 1
10 1000250 Support Plate 1 1
11 1000089 Plate 1 1
12 1000228 RH Lower Panel 1 1
13 1000227 LH Lower Panel 1 1
14 1001391 Safety Key 1 1
15 1001010 Wire Rope 1 1
16 1000103 Plate - Safety Key 1 1
17 1000724 Spacer - Safety Key 1 1
18 1000259 Hood Rod 1 1
19 1000957 Spring 1 1
20 1001763 Flashing Light Housing R R
21 1001764 Multi Voltage Flashing Light 1 1
22 1001341 Flashing Light Kit R R
23 1000254 Supporting Rod 1 1
24 1000703 Rubber Ring 9 9
25 1000469 Lock Pin 9 9
26 1001029 Driver's Seat 1 1
27 1000884 Decal 1 1
28 1000881 Adhesive Strip 1 1
29 1000904 Adhesive Strip 1 1
31 1000885 Decal - Flap 1 1
32 1000886 Decal - Main Broom 1 1
33 1000721 Adhesive Strip 2 2
34 1000723 Carpet 1 1
35 1001170 Bulb Xenon R R

DIAGRAM 2 RS 50 12/12/2003
____________________________________________________________________________________________
Minuteman ®Powerboss ®

DIAGRAM 2 RS 50 12/12/2003
____________________________________________________________________________________________
Minuteman ®Powerboss ®
Ref.N° Part.N° Description Briggs &
Stratton Qty
Electric
Qty
11001231 Key 1 1
21000602 Pulley 1 1
31001241 Hydrostatic drive 1 1
41000466 Bush 2 2
51000540 Drive adjust. Control 1 1
61000963 Spring 1 1
71001215 Ring 2 2
81000467 Adjustment rod 1 1
91001054 Articulation head 1 1
10 1000560 Pinion 1 1
11 1001036 Fork 2 2
12 1000229 Lever 1 1
13 1000862 Chain tensioner 1 1
14 1000702 Lid for steering wheel 1 1
15 1001056 Bush 2 2
16 1000465 Spacer 2 2
17 1000085 Plate 1 1
18 1000342 Support 1 1
19 1000341 Chain tensioner 1 1
20 1000964 Spring 1 1
21 1001202 Ring 1 1
22 1000864 Chain 1 1
23 1000860 Joint 1 1
24 1000232 Lever 1 1
25 1001196 Disc 1 1
26 1001055 Plate handle 1 1
27 1001426 Adhesive 2 2
28 1000685 Dust-casing 1 1
29 1000876
Regulator Up to serial n° Up to serial n°
503566072 1 1
30 1001030 Hinge Up to serial n° Up to serial n° 503566072 1 1
31 1000224 Pedal 1 1
32 1000680 Plate handle 1 1
33 1001038 Plate 2 2
34 1001037 Transmission cable 1 1
35 1000769 Rubber hose 1 1
36 1000608 Cover 1 1
37 1001057 Plug 1 1
38 1000792 Steel ring 1 1
39 1000790 Bearing 1 1
40 1000791 Washer 1 1
41 1000981 Rh side brush lever 1 1
42 1000701 Steering wheel 1 1
43 1001225 Key 1 1
44 1000704 Protection for steering column 1 1
45 1000522 Shaft 1 1
46 1000800 Bearing 1 1
47 1000980 Lh side brush lever 1 1
48 1000094 Lever support 1 1
50 1000539 Steering column 1 1

DIAGRAM 2 RS 50 12/12/2003
____________________________________________________________________________________________
Minuteman ®Powerboss ®
Ref.N° Part.N° Description Briggs &
Stratton Qty
Electric
Qty
51 1001209 Ring 1 1
52 1000789 Bearing 1 1
53 1001217 Ring 1 1
54 1000857 Joint 1 1
55 1000856 Chain 1 1
56 1001763 Key 1 1
57 1000565 Pinion 1 1
58 1000097 Protection 1 1
59 1000794 Bearing 1 1
60 1000559 Wheel hub and crown 1 1
61 1000225 Fork 1 1
62 1000462 Pivot 1 1
63 1001185 Nut 2 2
64 1000408 Spacer 2 2
65 1000850 Front wheel unit 1 1
66 1001343 Rubber ring R R
67 1001427 Anti - slip profile 20x48 4 4
68 1001550 Ring 1 1
69 1001578 Accumulator From serial n°503567072 1 1
70 1001584 Copper washer From serial n°503567072 1 1
71 1001602 Support From serial n°503567072 1 1
72 1001608 Hose From serial n°503567072 1 1
73 1001614 Nipples From serial n°503567072 1 1
74 1001619 Chain tensioner 1 1
75 1001793
Hydraulic accumulator replacement kit Up to
serial n° 503566072 R R

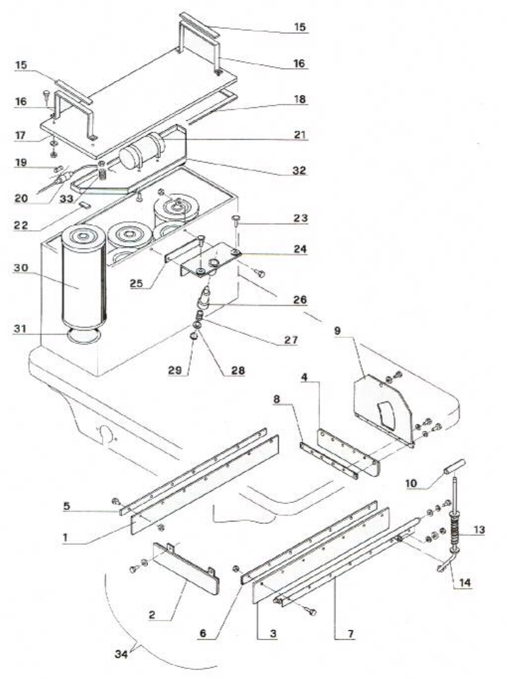
DIAGRAM 3 RS 50 12/12/2003
___________________________________________________________________________________________
Minuteman ®Powerboss ®

DIAGRAM 3 RS 50 12/12/2003
___________________________________________________________________________________________
Minuteman ®Powerboss ®
Ref. N° Part. N° Description Briggs &
Stratton Qty
Electric
Qty
11000712 Dust rubber 1 1
21000728 Dust rubber 1 1
31000726 Dust rubber 1 1
41000715 Dust rubber 1 1
51000017 Bar 1 1
61000091 Bar 1 1
71000350 Shaft 1 1
81000018 Bar 1 1
91000024 Panel 1 1
10 1000497 Plate handle 1 1
13 1000945 Spring 1 1
14 1000231 Flap-lift bar 1 1
15 1000772 Sponge R R
16 1000095 Handle 2 2
17 1000234 Cover 1 1
18 1000770 Washer 1 1
19 1001092 Fuse 1 1
20 1001117 Fuse-box 1 1
21 1001076 Filter shaker 12v 1 -
21 1001077 Filter shaker 24v - 1
22 1000743 Sponge 5 5
23 1000665 Rubber plug 2 2
24 1001400 Support 1 1
25 1000117 Spacer 1 1
26 1000478 Spring piston 1 1
27 1000969 Spring 1 1
28 1000477 Washer 1 1
29 1001218 Ring 1 1
30 1000915 Filter 5 5
31 1000732 Washer 5 5
32 1001373 Plate 1 1
33 1001417 Spring 3 3
34 1000867 Rubber flaps set R R

DIAGRAM 4 RS 50 12/15/2003
___________________________________________________________________________________________
Minuteman ®Powerboss ®

DIAGRAM 4 RS 50 12/15/2003
___________________________________________________________________________________________
Minuteman ®Powerboss ®
Ref.N° Part.N° Description
Briggs & Stratton
Qty
Electric
Qty
11000922 Main brush 1 1
21000573 Pulley 1 1
31000572 Support 1 1
41000400 Spacer 1 1
51000024 Brush flange 1 1
61000948 Spring 1 1
71000538 Lever 1 1
81001199 Washer 1 1
91000962 Spring 1 1
10 1001053 Fork 1 1
11 1000226 Plate 1 1
12 1000306 Plate 1 1
13 1000288 Plate 1 1
14 1000606 Pvc bush 1 1
15 1000485 Locking bush 1 1
16 1001772 Key 1 1
17 1000399 Shaft 1 1
18 1000286 Shaft 1 1
19 1000396 Support 1 1
20 1000951 Spring 1 1
21 1000340 Belt tensioner 1 1
23 1000590 Pulley 1 1
24 1000816 Belt 1 1
25 1000344 Support 1 1
27 1000523 Pulley 1 1
29 1000800 Bearing 2 2
30 1001205 Key 1 1
31 1000785 Bearing 2 2
32 1001768 Washer 1 1
33 1001208 Ring 1 1
34 1001768 Washer 1 1
35 1001208 Washer 2 2
36 1001202 Ring 1 1
37 1000786 Bearing 3 3
38 1001201 Ring 1 1
39 1001198 Washer 1 1
40 1000497 Handle R R
41 1000398 Spacer 1 1
42 1001796 Shaft 1 1
43 1001794 Spacer 1 1
44 1001772 Key 1 1
45 1001795 Spacer 1 1
46 1001798 Washer 1 1
47 1001308 Screw M10x20 1 1
48 1001797 Shaft replacement kit Up to serial n°3506 1 1

DIAGRAM 5 RS 50 12/12/2003
___________________________________________________________________________________________
Minuteman ® Powerboss ®

DIAGRAM 5 RS 50 12/12/2003
___________________________________________________________________________________________
Minuteman ® Powerboss ®
Ref.N° Part.N° Description
Briggs &
Stratton
Qty
Electric
Qty
11001015 Counterpart lever closing 1 1
21001014 Lever closing 1 1
31000733 Washer 1 1
41000366 Container handle 1 1
51001394 Rubbish box 1 1
61000844 Wheel 2 2
71001044 Stop wheel 2 2
81000709 Washer 1 1
91000611 Housing 1 1
10 1000349 Lever 1 1
11 1000941 Spring 1 1
12 1000084 Plate 1 1
13 1001801 Lever 2 2
14 1000239 Support 1 1
15 1000118 Support 1 1
16 1001755 Hourmeter 1* 1*
17 1000607 Washer 1 1
18 1000537 Pivot 1 1
19 1000941 Spring 1 1
20 1000471 Bush 1 1
21 1001196 Washer 1 1
22 1001055 Plate handle 1 1
23 1000710 Washer 1 1
24 1000402 Cover 1 1
28 1000661 Vacuum fan 1 1
30 1000786 Bearing 2 2
33 1001803 Support 1 1
34 1001802 Fairlead for sheath 1 1
35 1001393 Safety switch 1 1
35 1001392 Switch with key 1 1
36 1000261 Container handle 2 2
37 1000643 Reduction refuse container R R
38 1000498 Belt 1 1
39 1001094 Microswitch 1 1
40 1001377 Hourmeter kit 1 1
41 1001804 Pulley 1 1
42 1001805 Spacer 1 1
43 1001806 Shaft 1 1
44 1001374 Screw M8x16 1 1
45 1001422 Washer 1 1
46 1001799 Pulley replacement kit Up to serial n°3327 1 1
47 1001800 Refuse box with handle R R

DIAGRAM 6 RS 50 12/12/2003
_____________________________________________________________________________________________________
Minuteman ®Powerboss ®

DIAGRAM 6 RS 50 12/12/2003
_____________________________________________________________________________________________________
Minuteman ®Powerboss ®
Ref. N° Part. N° Description
Briggs &
Stratton
Qty
Electric
Qty
11000339 Pivot 1 1
21000461 Bushing 2 2
31000561 Satellite gearing 2 2
41000562 Planetary gearing 2 2
51000787 Bearing 2 2
61000519 Gear hausing, left 2 2
71000875 Differential gear 1 1
81000563 Rh shaft 1 1
91001009 Thread 1 1
10 1001005 Sheath 1 1
11 1001006 Sheath 1 1
12 1001004 Clamp 2 2
13 1000966 Spring 2 2
14 1000808 Support 2 2
15 1000564 Lh shaft 1 1
16 1000348 Flange 1 1
17 1000347 Flange 1 1
18 1001052 Clamps 2 2
19 1000496 Flange 2 2
20 1000488 Wheel rim 2 2
21 1001343 Rubber ring 2 2
22 1000575 Free wheel hub 2 2
23 1001186 Nut 2 2
24 1001225 Key 2 2
25 1000520 Axle shaft 2 2
26 1001216 Ring 4 4
27 1000801 Bearing 2 2
29 1000979 Parking brake lock 1 1
30 1001178 Screw 1 1
31 1000678 Pedal-cover 1 1
32 1000765 Rubber 1 1
33 1000088 Support 1 1
34 1000346 Brake pedal 1 1
35 1000087 Pedal locking 1 1
36 1000468 Spacer 1 1
37 1000086 Cylinder 1 1
38 1000233 Cable tensioner 1 1
39 1000604 Pulley 1 1

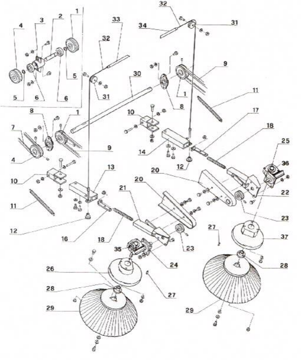
DIAGRAM 7 RS 50 12/15/2003
_____________________________________________________________________________________________________
Minuteman ®Powerboss ®

DIAGRAM 7 RS 50 12/15/2003
_____________________________________________________________________________________________________
Minuteman ®Powerboss ®
Ref. N° Part. N° Description
Briggs &
Stratton
Qty
Electric
Qty
11000583 Pulley 1 1
21000524 Shaft 1 1
31000345 Support 1 1
41000582 Pulley 1 1
51001204 Ring 2 2
61000787 Bearing 2 2
71000816 Belt 1 1
81000807 Bearing 2* 2*
91001658 Belt 1 1
10 1000243 Support 1 1
11 1000965 Spring 1 1
12 1000470 Adjuster 1 1
13 1000241 Right support 1 1
14 1000242 Left support 1* 1*
16 1000246 Support 1 1
17 1000247 Support 1* 1*
18 1000967 Spring 1 1
20 1000647 Protection 1 1
21 1000244 Right support 1 1
22 1000245 Left support 1* 1*
23 1000579 Pulley 1 1
24 1000928 Reducer DX 1 1
25 1000929 Reducer SX 1* 1*
26 1000629 Protection side-brush right 1 1
27 1001774 Key 1 1
28 1000653 Flange 1 1
29 1000921 Side brush 1 1
30 1000525 Shaft 1* 1*
31 1000604 Pulley 1 1
32 1001367 Thread 1 1
33 1001008 Sheath 1 1
34 1001007 Sheath 1* 1*
35 1001779 Reduction gear R. 1 1
36 1001780 Reduction gear R. 1* 1*
37 1001428 Protection side-brush left 1* 1*

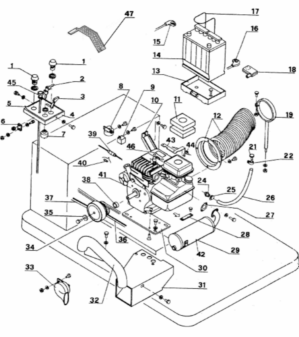
DIAGRAM 8 RS 50 12/15/2003
___________________________________________________________________________________________
Minuteman ®Powerboss ®

DIAGRAM 8 RS 50 12/15/2003
___________________________________________________________________________________________
Minuteman ®Powerboss ®
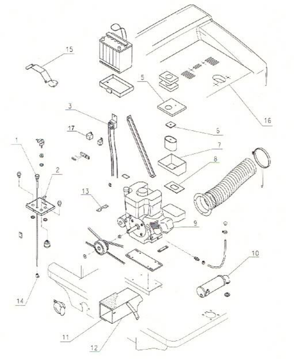
Ref. N° Part. N° Description
Briggs &
Stratton
Qty
Electric
Qty
11001760 Push button 2-
21001761 Couple of keys 1-
31000971 Handle up to serial n° 3294 1-
41001429 Instruments panel from serial n° 2174 1-
51001430 Adhesive from serial n° 2174 1-
61000766 Plate 1-
71001762 Switch without key 1-
81001146 Electromagnetic switch 1-
91001149 Microswitch 1-
10 1000090 Support 1-
11 1000722 Sponge 2-
12 1000781 Vacuum hose tube 1-
13 1000187 Batteries case 1-
14 1001080 Battery 1-
15 1001087 Battery wiring + 1-
16 1001088 Battery wiring - 1-
17 1000696 Rubber ring 1-
18 1001613 Clamp cover 1-
19 1000230 Support 1-
21 1000665 Rubber plug 1-
22 1001113 Clamp 1-
24 1000390 Nipples 1-
25 1001016 Clamp 1-
26 1000768 Oil drain 1-
27 1000934 Washer 1-
28 1000096 Plate 1-
29 1000937 Silencer 1-
30 1000092 Plate 1-
31 1000235 Air conveyor 1-
32 1000371 Air conveyor 1-
33 1001097 Horn 12v 1-
34 1000870 Centrifugal pulley 1-
35 1000464 Washer 1-
36 1000832 Belt 1-
37 1000831 Belt 1-
38 1000463 Spacer 1-
39 1001117 Fuse-box 1-
40 1001092 Fuse 1-
41 1001409 1150 B&S 5Hp engine Up to serial n° 3294 1-
42 1001431 Catalytic silencer Up to serial n° 3294 R-
43 1001408
Sheathing support From serial n° 2174 Up to serial
n° 3294 1-
44 1001411
Sheath locking From serial n° 2174 Up to serial n°
3294 1-
45 1001407 Start knob From serial n° 2174 Up to serial n° 3294 1-
46 1001443 Adhesive 1-
47 1000266 Protection 1-

DIAGRAM 8 A RS 50 12/15/2003
___________________________________________________________________________________________
Minuteman ®Powerboss ®

DIAGRAM 8 A RS 50 12/15/2003
___________________________________________________________________________________________
Minuteman ®Powerboss ®
From serial n° 3295
Ref. N° Part. N° Description Briggs &
Stratton
Qty
Electric
Qty
11001444 Start knob 1 -
21001445 Handle 1 -
31001446 Regulator 1 -
51001448 Cover 1 -
61001449 Thickness 2 -
71001450 Filter box 1 -
81001453 Washer 1 -
91001468 Engine 1150 B&S Intek pro 206 6.5Hp 1 -
10 1001455 Silencer 1 -
11 1001456 Sound absorbing panel 1 -
12 1001457 Air conveyor 1 -
13 1001458 Bar 1 -
14 1000988 Clamp 1 -
15 1001460 Protection 1 -
16 1001459 Upper hood 1 -
17 1001447 Electromagnetic switch 1 -

DIAGRAM 10 RS 50 12/15/2003
___________________________________________________________________________________________
Minuteman ®Powerboss ®

DIAGRAM 10 RS 50 12/15/2003
___________________________________________________________________________________________
Minuteman ®Powerboss ®
Ref. N° Part. N° Description
Briggs &
Stratton
Qty
Electric
Qty
11001756 Battery charge indicator - 1
21001761 Couple of keys - 1
31001145 Push button - 2
41000906 Adhesive - 1
51000766 Plate - 1
61000238 Instruments panel - 1
71001762 Switch without key - 1
81000240 Air conveyor - 1
91001220 Key - 1
10 1001078 Electric engine - 1
11 1000832 Belt - 1
12 1001101 Horn - 1
13 1000603 Pulley - 1
14 1000832 Belt - 1
15 1000343 Plate - 1
16 1000628 Cover - 1
17 1001112 Fuse 100 A - 1
18 1001092 Fuse 16 A - 1
19 1001117 Fuse-box - 1
20 1001147 Electromagnetic switch - 1
21 1000072 Spacer - 1
22 1000757 Bakelite base - 1
23 1000421 Spacer - 2
24 1000070 Plate - 1
25 1000071 Spacer - 1
26 1000762 Bakelite base - 1
27 1000432 Spacer - 1
28 1001189 Washer - 1
29 1001669 Connector - Anderson 175 Side Broom - 1
29 640038 Mobile connector (EUROPEAN NORMS) - 1
30 1001730 Connector - Anderson 175 Side Broom - 1
30 640037 Steel connector (EUROPEAN NORMS) - 1
31 1000093 Batteries Case - 1
32 1000248 Bracket - 1*
33 1001363 Carbon brush - 4
34 1001389 Connector Handle - 1

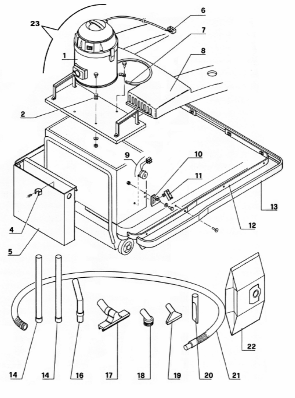
DIAGRAM 11 RS 50 12/15/2003
___________________________________________________________________________________________
Minuteman ®Powerboss ®

DIAGRAM 11 RS 50 12/15/2003
___________________________________________________________________________________________
Minuteman ®Powerboss ®
Ref N° Part N° Description
Briggs &
Stratton
Qty
Electric
Qty
11001079 Vacuum cleaner 24v - 1*
21000088 Support - 4*
41000774 Vacuum hose support - 1*
51000122 Container for accessories - 1*
61001134 Clamps - 1*
71000775 Washer - 1*
81000648 Hood - 1*
91001126 Acoustic signal 12v-24v 1* 1*
10 1000098 Support 1* 1*
11 1001142 Block plate 1* 1*
12 1000271 Bumper 2* 2*
13 1000659 Pvc bumper 1* 1*
14 1001058 Chrome hose - 2*
16 1001059 Chrome "u" hose - 1*
17 1001060 Sucker - 1*
18 1001061 Pvc brush - 1*
19 1001062 Flat sucker - 1*
20 1001063 Flat lance - 1*
21 1001064 Flexible hose - 1*
22 1000923 Paper filter - 1*
23 1001368 Vacuum cleaner kit - 1*

DIAGRAM 12 RS 50 15/12/2003
_____________________________________________________________________________________________________________________________
____________________________________________________________________________________________
Minuteman ®Powerboss ®
SOUNDPROOF VERSION (FROM SERIAL N° 2855)
POS. Part.N° Description Briggs &
Stratton Qty
Electric
Qty
11001432 Complete inside panel - 1
21001433 Complete above panel - 1
31001125 Clamp - 1
41001434 Label - 1
51001435 Complete outside panel - 1
61001436 Complete oil level control panel - 1
71001437 Label - 1

DIAGRAM 13 RS 50 15/12/2003
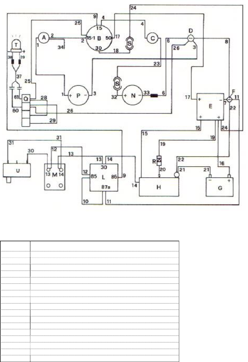
Minuteman ®Powerboss ®
RS50 “BRIGGS & STRATTON”
WIRING DIAGRAM
AHorn push button
BSwitch
CFilter-shaker push button
DNegative pole
EElectromagnetic switch
FNegative pole
GBattery 12V- 45A
HEngine Briggs & S.
LMicroswitch
MSafety switch *
NElectric filter shaker
PHorn
QClamp
RDiode 3A
SFuse 16A
TIntermittent lamp
UMicroswitch
*OPTIONAL

DIAGRAM 13 A RS 50 15/12/2003
Minuteman ®Powerboss ®
RS50 “BRIGGS & STRATTON INTEK PRO 206”
From serial n° 3295
WIRING DIAGRAM
1Controls board
2Chassis
AHorn push button
BSwitch
CFilter-shaker push button
DNegative pole
EElectromagnetic switch
FNegative pole
GBattery 12V-45A
HEngine Briggs & S.
LMicroswitch
MSafety switch
NElectric filter shaker
PHorn
QClamp
RDiode original
SFuse 16A
TMulti voltage flashing light
UMicroswitch
VGovernor
ZTurning off
AA Starting motor
AB Alternator’s outlet

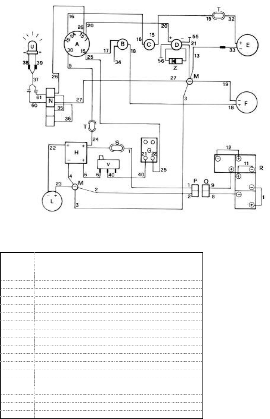
DIAGRAM 15 RS 50 15/12/2003
Minuteman ® Powerboss ®
RS 50 E
WIRING DIAGRAM
ASwitch
BHorn push button
CFilter shaker push button
DDry charge battery indicator 24V
EElectric filter shaker
FHorn
GSafety switch *
HElectomagnetic switch 100A
LElectric engine 24V
MNegative pole
NClamps
PSteel connector
QMobile connector
RBattery 24V
SFuse 100A
TFuse 16A
UIntermittent lamp
VMicroswitch
ZDiode 3A
*OPTIONAL