Nilfisk Advance Adgressor Ride On Floor Scrubber Service Manual
2019-01-18
: Sweepscrub Nilfisk-Advance-Adgressor-Ride-On-Floor-Scrubber-Service-Manual nilfisk-advance-adgressor-ride-on-floor-scrubber-service-manual 2855 file product_file
Open the PDF directly: View PDF
.
Page Count: 82

10/04 revised 10/06 FORM NO. 56043097
SERVICE MANUAL
Adgressor™
BR 850S, 850CS, 950S, 950CS
BR 1050S, 1050CS
Advance MODELS 56314661(2820D), 56314662(3220D), 56314663(2820C), 56314664(3220C)
56314826(3520D), 56314827(3820D), 56314828(3520C), 56314829(3820C)
Nilfi sk MODELS 56314674(850S), 56314675(850CS), 56314830(950S), 56314831(1050S),
56314832(950CS), 56314833(1050CS)

2 - FORM NO. 56043097 / Adgressor™ / BR 850S, 850CS, 950S, 950CS, 1050S, 1050CS
TABLE OF CONTENTS
GENERAL INFORMATION ...................................................................................................................................................2
SAFETY INSTRUCTIONS ....................................................................................................................................................3
SPECIFICATIONS & MAINTENANCE ...............................................................................................................................4-6
PM CHECKLIST ................................................................................................................................................................7-8
KNOW YOUR MACHINE .................................................................................................................................................9-15
STEERING SYSTEM .....................................................................................................................................................16-17
STEERING COLUMN ASSEMBLY SHROUD REMOVAL ................................................................................................16
STEERING CHAIN REMOVAL AND TENSIONING .........................................................................................................17
WHEEL DRIVE SYSTEM ...............................................................................................................................................18-27
GENERAL FUNCTIONAL OVERVIEW .............................................................................................................................18
DRIVE MOTOR SYSTEM CONTROLLER FUNCTION OVERVIEW ...............................................................................18
WHEEL DRIVE TROUBLESHOOTING GUIDE ................................................................................................................21
STEERING SPINDLE & WHEEL DRIVE MOTOR ASSEMBLY REMOVAL ......................................................................22
DRIVE TIRE REMOVAL ....................................................................................................................................................22
BRAKE ADJUSTMENT .....................................................................................................................................................24
DRIVE WHEEL BRAKE STRAP REPLACEMENT ...........................................................................................................25
WHEEL DRIVE MOTOR CARBON BRUSH INSPECTION ..............................................................................................25
POTENTIOMETER REMOVAL & TESTING .....................................................................................................................26
POTENTIOMETER INSTALLATION & ADJUSTMENT .....................................................................................................27
DRIVE PEDAL NEUTRAL ADJUSTMENT ........................................................................................................................27
SCRUB BRUSH SYSTEM .............................................................................................................................................28-35
FUNCTIONAL OVERVIEW ...............................................................................................................................................28
SCRUB BRUSH SYSTEM TROUBLESHOOTING ...........................................................................................................29
SCRUB BRUSH DECK REMOVAL (DISC & CYLINDRICAL) ..........................................................................................30
SCRUB BRUSH MOTOR ASSEMBLY REMOVAL (DISC) ...............................................................................................31
SCRUB BRUSH GEARBOX REMOVAL AND OUTPUT SHAFT REPLACEMENT (DISC) ..............................................31
SCRUB BRUSH SIDE SKIRT REPLACEMENT (DISC) ...................................................................................................32
SIDE SKIRT HEIGHT ADJUSTMENT (DISC) ...................................................................................................................32
SCRUB BRUSH FRONT/REAR SKIRT REPLACEMENT (DISC) ....................................................................................32
BRUSH DECK ACTUATOR REMOVAL (DISC & CYLINDRICAL) ....................................................................................33
SCRUB BRUSH MOTOR REMOVAL (CYLINDRICAL) ....................................................................................................34
SCRUB BRUSH BELT REPLACEMENT (CYLINDRICAL) ...............................................................................................34
SCRUB BRUSH SYSTEM MAINTENANCE .....................................................................................................................34
SCRUB BRUSH REMOVAL AND INSTALLATION (CYLINDRICAL) ................................................................................35
SIDE SKIRT MAINTENANCE & ADJUSTMENT (CYLINDRICAL) ...................................................................................35
CORRECT SCRUB MOTOR WIRING CONNECTIONS ..................................................................................................36
CORRECT BRUSH ROTATION DIRECTIONS ................................................................................................................37
SOLUTION SYSTEM .....................................................................................................................................................38-41
FUNCTIONAL OVERVIEW ...............................................................................................................................................38
SOLUTION SOLENOID CIRCUIT OVERVIEW ................................................................................................................39
TROUBLESHOOTING GUIDE .........................................................................................................................................40
SOLUTION SYSTEM MAINTENANCE .............................................................................................................................40
SOLUTION SOLENOID REMOVAL ..................................................................................................................................40
SOLENOID VALVE DISASSEMBLY AND CLEANING .....................................................................................................41
RECOVERY SYSTEM ...................................................................................................................................................42-45
FUNCTIONAL OVERVIEW ...............................................................................................................................................42
VACUUM MOTOR CIRCUIT OVERVIEW ........................................................................................................................43
TROUBLESHOOTING GUIDE .........................................................................................................................................44
VACUUM / RECOVERY SYSTEM SERVICE MAINTENANCE CHECKLIST ...................................................................44
MAINTENANCE OF VACUUM FILTER AND FLOAT CAGE .............................................................................................44
RECOVERY TANK REMOVAL .........................................................................................................................................45
VACUUM MOTOR REMOVAL ..........................................................................................................................................45
SQUEEGEE SYSTEM ...................................................................................................................................................46-48
SQUEEGEE SYSTEM LIFT MOTOR OVERVIEW ...........................................................................................................46
TROUBLESHOOTING ......................................................................................................................................................46
SQUEEGEE LIFT ACTUATOR MOTOR REMOVAL .........................................................................................................47
SQUEEGEE LIFT CABLE REPLACEMENT .....................................................................................................................47
SQUEEGEE MAINTENANCE ...........................................................................................................................................48
SQUEEGEE ADJUSTMENT .............................................................................................................................................48
revised 10/06

FORM NO. 56043097 / Adgressor™ / BR 850S, 850CS, 950S, 950CS, 1050S, 1050CS - 1
ELECTRICAL SYSTEM .................................................................................................................................................49-84
BATTERIES / CHARGERS SPECIFICATIONS ................................................................................................................49
INSTALL THE BATTERIES ...............................................................................................................................................49
DESCRIPTION OF THE BATTERY LOW VOLTAGE CUTOUT FEATURE ......................................................................50
DESCRIPTION OF THE BATTERY CONDITION INDICATOR ........................................................................................50
CHARGING THE BATTERIES ..........................................................................................................................................50
BATTERY MAINTENANCE ...............................................................................................................................................51
BATTERY TESTING .........................................................................................................................................................51
ACTUATOR DRIVE NUT ADJUSTMENT ....................................................................................................................52-53
CURTIS SPEED CONTROL ........................................................................................................................................54-57
MAIN CONTROL BOARD FUNCTIONAL OVERVIEW .....................................................................................................58
MAIN CONTROL BOARD TROUBLESHOOTING GUIDE ...............................................................................................58
MAIN CONTROLLER ERROR CODES .......................................................................................................................58-59
MAIN CONTROLLER SERVICE TEST MODE ............................................................................................................60-63
MAIN CONTROL BOARD SPECIAL PROGRAM OPTIONS .......................................................................................64-71
ELECTRICAL COMPONENT LOCATION (before Serial Number chart) ..........................................................................73
WIRING DIAGRAM (before Serial Number chart) ............................................................................................................74
WIRING SCHEMATIC (before Serial Number chart) ........................................................................................................75
WIRING DIAGRAM (after Serial Number chart) ...............................................................................................................76
WIRING SCHEMATIC (after Serial Number chart) ...........................................................................................................77
ELECTRICAL COMPONENT LOCATION (after Serial Number chart) .............................................................................78
Note: All references to right, left, front, or rear in this manual are as seen from the operator’s stand-point.
TABLE OF CONTENTS
revised 10/06

2 - FORM NO. 56043097 / Adgressor™ / BR 850S, 850CS, 950S, 950CS, 1050S, 1050CS
INTRODUCTION
This manual will help you get the most from your Nilfi sk-Advance Rider Scrubber. Read it thoroughly before servicing the machine.
Note: Bold numbers in parentheses indicate an item illustrated on pages 9-10.
This product is intended for commercial use only.
PARTS AND SERVICE
Repairs, when required, should be performed by your Authorized Nilfi sk-Advance Service Center, who employs factory trained service personnel,
and maintains an inventory of Nilfi sk-Advance original replacement parts and accessories.
Call the NILFISK-ADVANCE DEALER named below for repair parts or service. Please specify the Model and Serial Number when discussing your
machine.
(Dealer, affi x service sticker here.)
NAME PLATE
The Model Number and Serial Number of your machine are shown on the Nameplate on the machine. This information is needed when ordering
repair parts for the machine. Use the space below to note the Model Number and Serial Number of your machine for future reference.
MODEL NUMBER
SERIAL NUMBER
TRANSPORTING THE MACHINE
CAUTION!
Before transporting the machine on an open truck or trailer, make sure that . . .
• The machine is tied down securely - see tie-down locations (25).
• All access doors and covers are secured (tape and strap as necessary).
• The machine parking brake is set.
TOWING
CAUTION!
If the machine must be towed or pushed, make sure the Key Switch (Main Power) (J) is in the OFF position and do not move the
machine faster than a normal walking pace (2-3 mph, 3-5kph) and for short distances only.
OTHER MANUALS AVAILABLE
The following manuals are available from the Nilfi sk-Advance Literature Service Department, for your Rider Scrubber:
• Parts List - Form Number 56042446
• Operation Manual - Form Number 56041568 (Danish, Norwegian, Swedish, Finnish)
56041569 (German, French, Dutch, Russian)
56041570 (Spanish, Portuguese, Italian, Greek)
56041581 (Estonian, Latvian, Lithuanian, Slovenian)
56041582 (Slovakian, Czech, Polish, Hungarian)
56041583 (English, Spanish)
• Curtis Programmer Manual Number 56043101
GENERAL INFORMATION

FORM NO. 56043097 / Adgressor™ / BR 850S, 850CS, 950S, 950CS, 1050S, 1050CS - 3
CAUTIONS AND WARNINGS
SYMBOLS
Nilfi sk-Advance uses the symbols below to signal potentially dangerous conditions. Always read this information carefully and take the
necessary steps to protect personnel and property.
DANGER!
Is used to warn of immediate hazards that will cause severe personal injury or death.
WARNING!
Is used to call attention to a situation that could cause severe personal injury.
CAUTION!
Is used to call attention to a situation that could cause minor personal injury or damage to the machine or other property.
GENERAL SAFETY INSTRUCTIONS
Specifi c Cautions and Warnings are included to warn you of potential danger of machine damage or bodily harm.
WARNING!
• This machine shall be used only by properly trained and authorized persons.
• While on ramps or inclines, avoid sudden stops when loaded. Avoid abrupt sharp turns. Use low speed down hills. Clean only
while ascending (driving up) the ramp.
• Keep sparks, fl ame and smoking materials away from batteries. Explosive gases are vented during normal operation.
• Charging the batteries produces highly explosive hydrogen gas. Charge batteries only in well-ventilated areas, away from open
fl ame. Do not smoke while charging the batteries.
• Remove all jewelry when working near electrical components.
• Turn the key switch off (O) and disconnect the batteries before servicing electrical components.
• Never work under a machine without safety blocks or stands to support the machine.
• Do not dispense fl ammable cleaning agents, operate the machine on or near these agents, or operate in areas where fl ammable
liquids exist.
• Do not clean this machine with a pressure washer.
CAUTION!
• This machine is not approved for use on public paths or roads.
• This machine is not suitable for picking up hazardous dust.
• Do not use scarifi er discs and grinding stones. Nilfi sk-Advance will not be held responsible for any damage to fl oor surfaces
caused by scarifi ers or grinding stones (can also cause damage to the brush drive system).
• When operating this machine, ensure that third parties, particularly children, are not endangered.
• Before performing any service function carefully read all instructions pertaining to that function.
• Do not leave the machine unattended without fi rst turning the key switch off (O), removing the key and applying the parking
brake.
• Turn the key switch off (O) before changing the brushes, and before opening any access panels.
• Take precautions to prevent hair, jewelry, or loose clothing from becoming caught in moving parts.
• Use caution when moving this machine in below freezing temperature conditions. Any water in the solution or recovery tanks or
in the hose lines could freeze, causing damage to valves and fi ttings. Flush with windshield washer fl uid.
• The batteries must be removed from the machine before the machine is scrapped. The disposal of the batteries should be safely
done in accordance with your local environmental regulations.
SAVE THESE INSTRUCTIONS

4 - FORM NO. 56043097 / Adgressor™ / BR 850S, 850CS, 950S, 950CS, 1050S, 1050CS
General Specifi cations common to All Models
Machine Length 61 in. (155cm)
Machine Height 54in. (137.5cm)
Machine Chassis Width 32 in. (82cm)
Solution Tank Capacity 42 gal. (157l.)
Recovery Tank Capacity 42 gal. (157l.)
Sound pressure level
as per IEC 60704-1 (at operator) 68 dB(A)
Vibrations at the Hand Controls (ISO 5349-1) 1.12 m/s2
Vibrations at the Seat (EN 1032) 0.35 m/s2
Transport Speed (Fwd. Maximum) 4.5 mph (7.3 kphm)
Transport Speed (Rev. Maximum) 3.15 mph (5.1 kphm)
Grade Ability (Transport) 20%/ 11.5 deg.
Grade Ability (Working –Scrubbing) 8%/ 4.6 deg.
Wheel Drive Motor 1.5 hp, 1100 watt
Vacuum Motor (3 stage) .75 hp, 560 watt
Vacuum Water Lift for one motor (Sealed) 68 in.
(Open Hole Adapter 1”) 18 in.
Vacuum Water Lift for two motors (Sealed) 78 in.
(Open Hole Adapter 1”) 25 in.
Power Source (Batteries) (6) 6 volt @ 20 hour rate
Battery Weight (305 amp) STD 90 lbs. (198kg)
Battery Weight (395 amp) Opt. 121 lbs. (266kg)
Battery Compartment Size (approx.)
Height (Max.) 16.5 in. (42cm)
Width (Max.) 22.25 in. (56.5cm)
Length (Max.) 25.25 in. (64.1cm)
Battery Chargers – see Electrical System Battery Section
SPECIFICATIONS
TOP VIEW
Chassis
Width
Squeegee
Width
RIGHT SIDE VIEW
Height
Length
revised 6/05

FORM NO. 56043097 / Adgressor™ / BR 850S, 850CS, 950S, 950CS, 1050S, 1050CS - 5
Specifi cations common to deck size
Model designation: (28”)=Adgressor 2820 D/C (32”)=Adgressor 3220 D/C, BR 850S/CS
(35”)=Adgressor 3520 D/C, BR 950S/CS (38”)=Adgressor 3820 D/C, BR 1050S/CS
28” 32” 35” 38”
Machine Width with Squeegee (English) 32.6 in. “B” 36.6 in. “C” 42.1 in. “D” 45.1 in. “E”
Metric 83.6cm “B” 93cm “C” 107cm “D” 115cm “E”
Scrub Brush Size (qty of 2 for 28” and 32”)(qty of 3 for 35” and 38”)
(Disc)
Diameter 14.25 in. (36cm) 16 in. (40.6cm) NA NA
(Cylindrical)
Diameter 5.75 in. (14.6cm) 5.75 in. (14.6cm) 5.75 in. (14.6cm) 5.75 in. (14.6cm)
Length 27 in. (68cm) 31 in. (79cm) 34 in. (86cm) 37 in. (94cm)
Scrub Brush Motor (Disc) (1) 1.5 HP 1100 watts (1) 1.5 HP 1100 watts (3) .6 HP 448 watts (3) .6 HP 448 watts
(Cylindrical) All Cylindrical Models use (2) .75 HP 560 watts
Scrub Brush Speed (Disc) 250 RPM 250 RPM 250 RPM 250 RPM
(Cylindrical) 900 RPM 900 RPM 900 RPM 900 RPM
Minimum Aisle Turn Width 63 in. (160cm) 63 in. (160cm) 63 in. (160cm) 63 in. (160cm)
Machine Net Weight* (English) 657 lbs. 657 lbs. 657 lbs. 657 lbs.
Metric 298 kg 298kg 298 kg 298 kg
Machine Gross Weight** (English) 1553 lbs. 1553lbs. 1553 lbs. 1553 lbs.
Metric 705 kg 705kg 705 kg 705 kg
Cleaning Width (scrubbing path) (English) 28 in. 32 in. 35 in. 38in.
Metric 71cm 81cm 89cm 97cm
Coverage Rate Per Hour (4 MPH) (English) 49,280 ft2 56,320 ft2 61,600 ft2 66,880 ft2
Metric 4578m2 5232m2 5722m2 6213m2
Coverage Rate Per Hour (2.5 MPH) (English) 30,800 ft2 35,200 ft2 38,500 ft2 41,800 ft2
Metric 2861m2 3270m2 3576m2 3883m2
*Net Weight: Standard machine without options, empty solution and recovery tanks, without removable scrub brushes and no batteries installed.
**Gross Weight: Standard machine without options, full solution tank and empty recovery tank, with removable scrub brushes and 305 AH
batteries.
***Listings for watts are maximum values.
SPECIFICATIONS

6 - FORM NO. 56043097 / Adgressor™ / BR 850S, 850CS, 950S, 950CS, 1050S, 1050CS
MAINTENANCE SCHEDULE
Maintenance intervals given are for average operating conditions. Machines used in severe operational environments may require service more
often.
MAINTENANCE ITEM Daily Weekly Monthly Yearly
Charge Batteries •
Check/Clean Tanks & Hoses •
Check/Clean/Rotate the Brushes/Pads •
Check/Clean/Adjust the Squeegee • •
Check/Clean Vacuum Shut-Off Float •
Check/Clean the vacuum motor foam fi lter(s) •
Clean Hopper on Cylindrical System •
Check Each Battery Cell(s) Water Level •
Inspect Scrub Housing Skirts •
Inspect and clean Solution Filter •
Check Foot/ Parking Brake For Wear & Adjustment •
Clean Solution Trough on Cylindrical System •
Lubrication - Grease Fittings •
* Check Carbon Brushes •
Note: See the individual machine system sections for maintenance information.
* Have Nilfi sk-Advance:
Check vacuum motor carbon brushes (Qty 2) once a year or after 300 operating hours.
Check brush motor carbon brushes (Qty 4) once a year or after 500 operating hours.
Note if the vacuum or brush motor brushes are 9.5mm (3/8 inches) or shorter, replace them.
Check wheel drive motor carbon brushes every 500 operating hours. The original length of each brush is 20mm (25/32 inches). Replace when
shorter than 9.5 mm (3/8 inches) to obtain the same motor effi ciency as a new brush.
WARNING!
Turn the key switch off, set the parking brake and disconnect the battery before servicing the machine.
LUBRICATING THE MACHINE
Once a month, pump a small amount of grease into each grease fi tting on the machine until grease seeps out around the bearings.
Grease fi tting locations are:
• Squeegee Wheel Axle (qty 2)
• Steering Wheel Shaft Universal joint
Once a month, apply light machine oil to lubricate the:
• Steering Chain
• General Pivot Points for the Squeegee, Brush Linkage and Side Skirts
• Squeegee mount angle adjustment knob threads
BATTERIES AND CHARGERS
Attention: See the electrical system manual section for battery installation and charger system requirements.
WHEEL DRIVE MOTOR GREASE SPECIFICATION
If drive motor gear housing grease replacement is needed when repair services are performed (Example inspection shows grease contamination).
Clean gear sets and housing and re-pack. Use a multi-purpose, high melting point Lithium based grease, containing additives to provide anti-
oxidant, anti-corrosion and good lubricity properties. Use a total quantity of 4.9-5.6 oz. (140-160g) of grease to service gear case.
The grease to be used must have excellent mechanical stability, water resistance and high load carrying capacity. The MR 158 grease is particularly
recommended for automotive applications including wheel-bearing lubrication. Available NLGI consistency 3.
Average Drop Penetration ASTM Worked
Grade Point °C (mm / 10) at 25 °C Base
MR 158 Grease 180 220 / 250 Lithium*

FORM NO. 56043097 / Adgressor™ / BR 850S, 850CS, 950S, 950CS, 1050S, 1050CS - 7
Copyright 2004 Nilfisk-Advance. Page 1 of 2 10/21/2004
Advance Adgressor 2820, 3220, 3520, 3820, D/C Models
Nilfisk BR 850, 950, 1050, S/CS Models
Disc and Cylindrical
PM Checklist
Defect Codes
Customer A needs adjustment
Bbinding
Address C dirty or contaminated
D damaged, bent or torn
City St Zip L leaks
M missing
Model Serial Hours W worn out
Ref OPERATIONAL INSPECTION ITEMS OK Defect Codes
(circle)
Does
Not
Work
1 Steering A B
2 Drive Pedal Operation (check for Fwd/Rev Drive & any neutral creep) A B D
3 Seat Safety Switch A D
4 Brakes (Service & Parking) A B W
5 Drive System Performance (reference SVR Manual for Curtis drive programmer speed
changes) noisy sluggish
6 Scrub System (Raise/Lower and auto scrubbing functions) A B
7 Scrub Brush Pressure Settings (see SVR Manual programming, 3 different modes) A B
8 Squeegee System (Raise/Lower and auto lift in reverse function) A B
9 Vacuum Performance (sealed water lift 68" and 1- inch open hole adapter 18 inches) C L W
10 Solution Control (On/Off and flow volume Min/Max) A B L
11 Emergency Battery Disconnect Control Lever B D
12 Right Side broom Sweep System Accessory (cylindrical only) A B D
13 Tilt Steering Mechanism and Seat A B D
14 Optional Accessories (headlight, safety beacon, etc.) D
15 Main Control Board Special Program Options (check all applicable program settings,
reference SVR Manual 56043097); Example, Fault Recall Mode, Etc. Program as needed
16 Battery Charger Operation D
Ref VISUAL INSPECTION ITEMS Comments OK Defect Codes
(circle)
Does
Not
Work
17 Scrub Brushes, check for wear and rotate A B D W
18 Scrub Brush Motor(s) and disc machine gearboxes Carbon Brushes B L W
19 Scrub Brush Drive Belt, wear (cylindrical only) A D W
20 Scrub Brush Deck Actuator Motor A B D W
21 Brush Drive Plate Retainer Clips (disc) D M
22 Scrub Deck Skirts A B W
23 Solution Solenoid Valve C L
24 Solution Flow Control Valve and Linkage A B D W
25 Solution Tank, Delivery Hoses & Filter Clean Filter Screen C L
26 Vacuum Motor Carbon Brushes Wear Limit 3/8” W
27 Vacuum Motor Gaskets and Filters L W
28 Vacuum Float Ball & Cage Assembly Clean Float C M
29 Recovery Tank Cover Gasket C D L
30 Recovery Tank Drain Hose & Cap Flush C L
31 Squeegee Pick-Up Tool & Hose Back flush C L

8 - FORM NO. 56043097 / Adgressor™ / BR 850S, 850CS, 950S, 950CS, 1050S, 1050CS
Copyright 2004 Nilfisk-Advance. Page 2 of 2 10/21/2004
Ref VISUAL INSPECTION ITEMS (continued) Comments OK Defect Codes
(circle)
Does
Not
Work
32 Squeegee Blades (clean & rotate) A C D W
33 Squeegee Mount Wheel (lubricate) 1 Grease Zert A C W
34 Squeegee Lift Actuator Motor & Cable A B D
35 Battery Pack Condition (clean & water) Load Test C W
36 Front Drive Wheel Motor Carbon Brushes C W
37 Front Drive Tire (rim fastener torque) Tread Wear W
38 Brake Band Lining Wear Adjust Free Play A B W
39 Drive Pedal Linkage (neutral return) Torsion Spring A B
40 Steering Chain (lubricate & tension) 1/4” Deflection A B C
41 Steering Column (knob & plunger spring) also Universal Joint Grease A D
42 Rear Wheels W
43 Sweep Debris Tray (cylindrical only) C
NOTE: For additional service information see service manual form number 56043097 and
operators manual form numbers 56041581-56041583 & 56041568-56041570.
Defect Codes A needs adjustment C dirty or contaminated M missing
B binding D damaged, bent or torn W worn out
L leaks
WORK COMPLETED BY: ACKNOWLEDGED BY:
Service Technician Signature Date Customer Signature Date

FORM NO. 56043097 / Adgressor™ / BR 850S, 850CS, 950S, 950CS, 1050S, 1050CS - 9
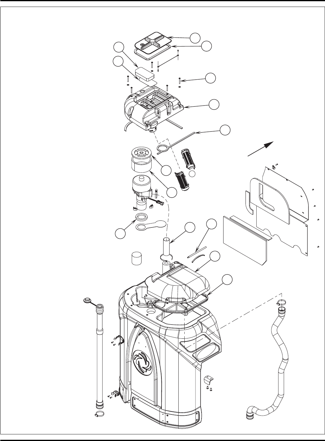
1 Recovery Tank Cover
2 Solution Tank Fill Cover
3 Operator’s Seat
4 Solution Tank Drain Hose
5 Steering Wheel Tilt Adjust Knob
6 Brake Pedal / Parking Brake
7 Solution Flow Control Lever
8 Drive Pedal, Directional/Speed
9 Hopper (cylindrical models only)
10 Drive and Steer Wheel
11 Wheel Drive Circuit Breaker
12 Control Circuit Circuit Breaker
13 Emergency Stop Switch / Battery
Disconnect Lever
14 Scrub Deck
15 Rear Wheel
16 Battery Compartment (under seat)
17 Recovery Tank Shutoff Float
KNOW YOUR MACHINE
18 Vacuum Motor Filter Housing
19 Squeegee Assembly
20 Solution Filter
21 Recovery Tank Drain Hose
22 Machine Battery Connector
23 Control Panel
24 Squeegee Tilt Adjust Knob
25 Operator Seat Adjustment Lever
26 Smart Solutions™ / ECO Solution™
27 Tie Down Locations (3)
1
2
3
4
5
6
7
810
11
12
13
14
15
16
17
18
19
20
21
22
23
24
9
25
26
26
ON
OFF
27
27

10 - FORM NO. 56043097 / Adgressor™ / BR 850S, 850CS, 950S, 950CS, 1050S, 1050CS
A Scrub OFF Indicator
B Scrub OFF Switch
C Scrub Pressure Decrease Indicator
D Scrub Pressure Decrease Switch
E Scrub Pressure Increase Indicator
F Scrub Pressure Increase Switch
G Scrub Pressure / Hourmeter Display
H Wand Switch Indicator
I Wand Switch
J Key Switch
K Battery Condition Indicator
L Speed Select Switch
M Speed Select Indicator
N Horn Switch
O Vacuum Switch
P Vacuum System Indicator
Q Solution System Indicator
R Solution Switch
CONTROL PANEL
ABCDEF
G
H
I
J
K
LM
NO
PQ
R

FORM NO. 56043097 / Adgressor™ / BR 850S, 850CS, 950S, 950CS, 1050S, 1050CS - 11
FUNCTIONAL DESCRIPTION OF CONTROL BUTTONS:
The controls on the Adgressor – BR850s and BR850CS were designed with one touch operation in mind. For single pass scrubbing the user can
simply depress one switch and all systems on the machine will be ready to go.
For most single-pass scrubbing operations, the operator should only need to use the top three switches on the control panel. These are the Scrub
System Off, Scrub Pressure Decrease, and Scrub Pressure Increase switches.
The scrub system switches can be programmed to operate three different ways. The fi rst method of operation described below is the factory default
setting. See the programming section for details.
Pressure Increase / Decrease Mode (Factory Default)
Scrub Off Switch (B) – Pressing this switch when the unit is in a scrub mode will cause the following to occur:
• The scrub brushes will turn off and the scrub deck will raise to the up position
• The solution fl ow will be stopped
• The fi rst time that this switch is pressed, the vacuum/squeegee system will NOT be turned off. This is so that any remaining water may be
picked up without having to turn the vacuum back on. If this switch is pressed a second time (pressed after the scrub system has been turned
off) the squeegee will raise and the vacuum will shut of after a 10 second delay.
• The travel speed limit will return to the transport speed setting
• The scrub off indicator will be green if the scrub system is off and ready to be activated. The indicator will be off if the scrub system has been
activated. If the scrub system has been turned off and the scrub deck is not up yet, or if the scrub deck is up and there is no weight on the seat,
the indicator will be red. If there is a fault in the scrub system this indicator will fl ash red.
Scrub Pressure Decrease Switch (D) – If the scrub system is off, pressing this switch will cause the following to occur:
• The scrub system will be enabled with the scrub pressure set to the last used setting and the scrub deck will be lowered
• The vacuum system will be enabled and the squeegee will be lowered
• The solution system will be enabled
• The travel speed will be limited to the scrub speed setting
• As soon as the throttle is moved from the neutral position the scrub brushes will start turning and the vacuum will turn on. If the direction is
forward the solution fl ow will start. If the direction is reverse, the squeegee will raise and the solution fl ow will be stopped.
• The scrub pressure decrease indicator will be green if the scrub system is on and the pressure is set at 1 or 2. The indicator will be off if the
scrub system is off or if the scrub pressure is set to maximum. The indicator will be yellow if the scrub system has been enabled but the throttle
is in neutral.
Scrub Pressure Increase Switch (F) – If the scrub system is off, pressing this switch will cause the following to occur:
• The scrub system will be enabled with the scrub pressure set to the last used setting and the scrub deck will be lowered
• The vacuum system will be enabled and the squeegee will be lowered
• The solution system will be enabled
• The travel speed will be limited to the scrub speed setting
• As soon as the throttle is moved from the neutral position the scrub brushes will start turning and the vacuum will turn on. If the direction is
forward the solution fl ow will start. If the direction is reverse, the squeegee will raise and the solution fl ow will be stopped.
• The scrub pressure increase indicator will be green if the scrub system is on and the pressure is set at 2 or 3. The indicator will be off if the
scrub system is off or if the scrub pressure is set to minimum. The indicator will be yellow if the scrub system has been enabled but the throttle
is in neutral.
KNOW YOUR MACHINE

12 - FORM NO. 56043097 / Adgressor™ / BR 850S, 850CS, 950S, 950CS, 1050S, 1050CS
Fixed Pressure Mode
Scrub System Off Switch - Pressing this switch when the scrub system is active will cause the following to occur:
• The scrub brushes will turn off and the scrub deck will raise to the up position
• The solution fl ow will be stopped
• The fi rst time that this switch is pressed, the vacuum/squeegee system will NOT be turned off. This is so that any remaining water may be
picked up without having to turn the vacuum back on. If this switch is pressed a second time (pressed after the scrub system has been turned
off) the squeegee will raise and the vacuum will shut of after a 10 second delay.
• The travel speed limit will return to the transport speed setting
• The scrub off indicator will be green if the scrub system is off and ready to be activated. The indicator will be off if the scrub system has been
activated. If the scrub system has been turned off and the scrub deck is not up yet, or if the scrub deck is up and there is no weight on the seat,
the indicator will be red. If there is a fault in the scrub system this indicator will fl ash red.
Light Scrub Pressure Select Switch – If the scrub system is off, pressing this switch will cause the following to occur:
• The scrub system will be enabled with the scrub pressure set to the light setting and the scrub deck will be lowered
• The vacuum system will be enabled and the squeegee will be lowered
• The solution system will be enabled
• The travel speed will be limited to the scrub speed setting
• As soon as the throttle is moved from the neutral position the scrub brushes will start turning and the vacuum will turn on. If the direction is
forward the solution fl ow will start. If the direction is reverse, the squeegee will raise and the solution fl ow will be stopped.
• The light scrub pressure indicator will be green if the scrub system is on and the light pressure has been selected. The indicator will be off if the
scrub system is off. The indicator will be yellow if the scrub system has been enabled at the light pressure setting but the throttle is in neutral.
If the heavy scrub pressure setting is selected, pressing this switch will select the light scrub pressure. If the light scrub pressure is already selected,
pressing this switch will have no effect.
Heavy Scrub Pressure Select Switch – If the scrub system is off, pressing this switch will cause the following to occur:
• The scrub system will be enabled with the scrub pressure set to the heavy setting and the scrub deck will be lowered
• The vacuum system will be enabled and the squeegee will be lowered
• The solution system will be enabled
• The travel speed will be limited to the scrub speed setting
• As soon as the throttle is moved from the neutral position the scrub brushes will start turning and the vacuum will turn on. If the direction is
forward the solution fl ow will start. If the direction is reverse, the squeegee will raise and the solution fl ow will be stopped.
• The heavy scrub pressure indicator will be green if the scrub system is on and the heavy pressure has been selected. The indicator will be off
if the scrub system is off. The indicator will be yellow if the scrub system has been enabled at the heavy pressure setting but the throttle is in
neutral.
If the light scrub pressure setting is selected, pressing this switch will select the heavy scrub pressure. If the heavy scrub pressure is already
selected, pressing this switch will have no effect.
Light / Heavy Scrub Mode
Scrub System Off Switch - Pressing this switch when the scrub system is active will cause the following to occur:
• The scrub brushes will turn off and the scrub deck will raise to the up position
• The solution fl ow will be stopped
• The fi rst time that this switch is pressed, the vacuum/squeegee system will NOT be turned off. This is so that any remaining water may be
picked up without having to turn the vacuum back on. If this switch is pressed a second time (pressed after the scrub system has been turned
off) the squeegee will raise and the vacuum will shut of after a 10 second delay.
• The travel speed limit will return to the transport speed setting
• The scrub off indicator will be green if the scrub system is off and ready to be activated. The indicator will be off if the scrub system has been
activated. If the scrub system has been turned off and the scrub deck is not up yet, or if the scrub deck is up and there is no weight on the seat,
the indicator will be red. If there is a fault in the scrub system this indicator will fl ash red.
Light Scrub Pressure Select Switch – If the scrub system is off, pressing this switch will cause the following to occur:
• The scrub system will be enabled with the scrub pressure set to the last used light pressure setting and the scrub deck will be lowered
• The vacuum system will be enabled and the squeegee will be lowered
• The solution system will be enabled
• The travel speed will be limited to the scrub speed setting
• As soon as the throttle is moved from the neutral position the scrub brushes will start turning and the vacuum will turn on. If the direction is
forward the solution fl ow will start. If the direction is reverse, the squeegee will raise and the solution fl ow will be stopped.
• The light scrub pressure indicator will be green if the scrub system is on and the light pressure has been selected. The indicator will be off if the
scrub system is off. The indicator will be yellow if the scrub system has been enabled at the light pressure setting but the throttle is in neutral.
KNOW YOUR MACHINE

FORM NO. 56043097 / Adgressor™ / BR 850S, 850CS, 950S, 950CS, 1050S, 1050CS - 13
If the heavy scrub pressure is active, pressing this switch will cause the pressure to return to the last used light scrub pressure setting. If the light
scrub pressure is already selected when this switch is pressed, the scrub pressure will increase up to the maximum limit programmed for the light
scrub pressure. The pressure will then roll-over to the minimum setting of 1.
Heavy Scrub Pressure Select Switch – If the scrub system is off, pressing this switch will cause the following to occur:
• The scrub system will be enabled with the scrub pressure set to the last used heavy pressure setting and the scrub deck will be lowered
• The vacuum system will be enabled and the squeegee will be lowered
• The solution system will be enabled
• The travel speed will be limited to the scrub speed setting
• As soon as the throttle is moved from the neutral position the scrub brushes will start turning and the vacuum will turn on. If the direction is
forward the solution fl ow will start. If the direction is reverse, the squeegee will raise and the solution fl ow will be stopped.
• The heavy scrub pressure indicator will be green if the scrub system is on and the heavy pressure has been selected. The indicator will be off
if the scrub system is off. The indicator will be yellow if the scrub system has been enabled at the heavy pressure setting but the throttle is in
neutral.
If the light scrub pressure is active, pressing this switch will cause the pressure to return to the last used heavy scrub pressure setting. If the heavy
scrub pressure is already selected when this switch is pressed, the scrub pressure will increase up to the maximum limit programmed for the heavy
scrub pressure. The pressure will then roll-over to the minimum value programmed for the heavy scrub mode.
Wand Switch (I) – This switch is used when an external scrub wand is used. Pressing this switch will turn the vacuum on continuously without
regard to the throttle position. It will also enable the optional solution pump. If the scrub system was on it will be turned off. This includes turning off
the scrub brushes and raising the scrub deck, turning the solution fl ow off (to the scrub deck) and raising the squeegee. NOTE: automatic shutoff
of the vacuum motor when the recovery tank is full is disabled when the wand is enabled. The fl oat in the recovery tank will still prevent water from
entering the vacuum motor, but the motor will not shut off.
Key Switch (J) – Main power switch
Speed Select Switch (L) – This switch will allow the operator to select the transport speed limit while the scrub system is enabled thereby allowing
scrubbing at a higher rate of speed. This option can be disabled if desired. See the programming section for details.
The transport and scrub speed limits can be programmed using a Curtis handheld programmer. Refer to the Curtis Speed Control manual section
for details.
Horn Switch (N) – This switch will sound the horn as long as the switch is held.
The horn also functions as an automatic back-up alarm when the throttle is moved to the reverse position. The volume of the back-up alarm
is programmable. It can also be programmed to provide an annunciation feature that will sound whenever the machine is in motion. See the
programming section for details.
Vacuum Switch (O) – This switch is used to turn the vacuum system on or off. When the vacuum is on the squeegee will lower (unless the machine
is in reverse) and when the vacuum is off the squeegee will raise. Pressing this switch will alternate between on and off. The vacuum will only turn
on when the throttle is moved from the neutral position. It will remain on for 10 seconds after the throttle returns to neutral.
The vacuum also has an automatic shutoff feature that will turn the vacuum and scrub systems off if the recovery tank becomes full. This feature can
be disabled if desired. See the programming section for details.
Solution Switch (R) - This switch is used to turn the solution system on or off. Pressing this switch when the scrub system has been activated will
alternate between on and off. The solution fl ow will only turn on when the throttle is moved from the neutral position in the forward direction. The
solution fl ow will turn off if the throttle returns to neutral or is moved to reverse.
Pressing this switch when the scrub system is off will momentarily turn the solution fl ow on to allow pre-wetting of the scrub brushes.
KNOW YOUR MACHINE

14 - FORM NO. 56043097 / Adgressor™ / BR 850S, 850CS, 950S, 950CS, 1050S, 1050CS
DESCRIPTION OF INDICATORS ON THE CONTROL PANEL:
In general, the following guidelines apply to the control panel indicators:
A steady red indicator means that the function is inhibited for some reason. For example, if the scrub system is off and the operator is not on the seat, the scrub
system indicator will be red indicating that the system cannot be turned on until the operator is on the seat.
A fl ashing red or yellow indicator means that a fault has occurred in the particular system. An example of this would be an over-current fault.
A yellow indicator means that the particular function has been enabled but is not currently on. For example, if a scrub mode is selected and the throttle is in neutral,
the scrub system, vacuum, and solution indicators will all be yellow indicating that the systems are enabled and ready to turn on when the throttle is moved to forward
or reverse.
A green indicator means that the particular system is on.
A fl ashing green indicator means that the particular system is in a delayed-off condition. An example of this is when a scrub mode is selected and the throttle goes
from forward or reverse to neutral. When this happens the vacuum indicator will fl ash green indicating that the vacuum is still on but that it will be turning off after
the delay period.
Scrub Off Indicator (A):
• This indicator will be green if the scrub system is off and ready to be activated.
• This indicator will be red if the scrub system has been turned off and the scrub deck is not up yet, or if the scrub deck is up and there is no weight on the
seat.
• This indicator will fl ash red if there is a fault in the scrub system.
• This indicator will be off if the scrub system has been activated.
Scrub Pressure Decrease Indicator (C):
• This indicator will be yellow if the scrub system is enabled but the drive pedal is at neutral and the current scrub pressure is at 2 or more.
• This indicator will be green if the scrub system has been turned on, the current scrub pressure is at 2 or more and the machine is moving in either direction.
• This indicator will be off if the scrub system has been turned OFF or the scrub pressure is set at 1.
Scrub Pressure Increase Indicator (E):
• This indicator will be yellow if the scrub system is enabled but the drive pedal is at neutral and the current scrub pressure is at 8 or less.
• This indicator will be green if the scrub system has been turned on, the current scrub pressure is at 8 or less and the machine is moving in either direction.
• This indicator will be off if the scrub system has been turned OFF or the scrub pressure is set at 9.
Scrub Pressure/Hourmeter Display (G):
The single character display on the control panel is primarily used as a display for the scrub pressure. This display is also used to display the machine hours and
any control system fault codes.
If any of the systems on the machine are on or if the throttle is not in neutral, the display will indicate the scrub pressure setting (1-9). If the scrub system is off the
display will indicate 0.
Upon power-up or if the machine has been idle for at least ten seconds with all systems turned off, the display will indicate the machine hours. The format for the
display of the hours is as follows:
Example 123.4 hours
• The display will indicate 1 followed by a short blank period
• The display will indicate 2 followed by a short blank period
• The display will indicate 3 followed by a short blank period
• The display will indicate _ followed by a short blank period, this is used as a decimal point to indicate tenths of hours
• The display will indicate 4 (tenths) followed by a long blank period
• The display sequence will repeat
Wand Switch Indicator (H):
• This indicator will be green if the Wand Switch has been turned ON.
• This indicator will be off if the Wand Switch has been turned OFF.
Speed Selector Indicator (M):
• This indicator will be green if a scrub mode has been selected and the faster scrub speed has been selected.
• This indicator will be off if the Speed Select Switch has been turned OFF.
Vacuum System Indicator (P):
• This indicator will be green if the vacuum is on.
• This indicator will fl ash green if the vacuum is in the 10 second delayed-off condition.
• This indicator will be yellow if the vacuum is enabled but the drive pedal is in neutral.
• This indicator will fl ash yellow if there is a vacuum system fault.
• This indicator will be off if the vacuum is disabled and turned off.
Solution System Indicator (Q):
• This indicator will be green if the solution is on.
• This indicator will be yellow if the solution is enabled but the drive pedal is in neutral.
• This indicator will fl ash yellow if there is a solution system fault.
• This indicator will be off if the solution is disabled and turned off.
KNOW YOUR MACHINE

FORM NO. 56043097 / Adgressor™ / BR 850S, 850CS, 950S, 950CS, 1050S, 1050CS - 15
DESCRIPTION OF THE BATTERY CONDITION INDICATORS
The battery condition indicator (J) consists of three lights, a green (G), a yellow (Y), and a red (R). The voltage indication will change based on the
cutoff level (standard or alternate) selected in the control unit. The battery voltage ranges for the various indications are listed below:
Standard Alternate
Green 34.00+ 34.50+
Green & Yellow 33.00-33.99 34.00-34.49
Yellow 32.00-32.99 33.50-33.99
Yellow & Red 31.50-31.99 33.00-33.49
Red 31.00-31.49 32.50-32.99
Flashing Red/Cutoff <31.00 <32.50
NOTE: Refer to service manual for selection of alternate cut-off level. Once the low voltage cutout level has been reached (fl ashing red indicator)
the batteries must be FULLY recharged to reset the battery condition indicator. The scrub system will not function until the indicator has been
reset.
DESCRIPTION OF HOURMETER / STATUS DISPLAY
The single character display in the upper right corner of the control panel is primarily used as a display for the hourmeter function. This display is
also used to display the following information depending upon which mode the control is in:
• Error codes*
• Brush pressure adjustment setting for the scrub mode*
• Display of control system default parameters*
• Recovery tank FULL indicator*
* NOTE: Reference (in the Electrical System manual section) the Main Control Board Troubleshooting Guide and the Control Board Special
Program Options sections. These sections will explain the machine error code descriptions and scrub system controller default parameter
changes.
KNOW YOUR MACHINE

16 - FORM NO. 56043097 / Adgressor™ / BR 850S, 850CS, 950S, 950CS, 1050S, 1050CS
STEERING SYSTEM
STEERING COLUMN ASSEMBLY SHROUD REMOVAL
Upper Column
1 See Figure 1. Remove the center Wheel Adapter (A) from the steering wheel. Pry it off using a fl at bladed screwdriver.
2 Remove the steering shaft retainer Hex Nut (B) (use a 3/4” socket wrench) and the two Washers (C & D). Next pull straight back on the steering
wheel to remove it from the metal Wheel Adapter (E).
3 Pull off the keyed metal wheel adapter from the steering shaft by using a two-jaw gear puller. With the wheel adapter off the loose Plastic Trim
Cup (F) can now be removed.
4 Remove the (4) Screws (G) securing the Column Shroud (H) and pull it off from the Column Base (I).
Lower Column
1 Tilt the steering wheel column as far back (close to the seat) as possible.
2 Remove the tilt column release Knob (J) (threaded) from its shaft.
3 Remove the (4) Screws (K) securing the Lower Shroud (L) and next pull the shroud far enough away from the column base to clear the tilt
release shaft through the shroud opening. Note: This will take some effort in prying the fl exible plastic shroud around the movable tilt shaft.
4 Grip the shroud and pull up to completely release it from the steering column base and the foot brake assembly.
FIGURE 1
FRONT
J
B
D
K
G
CE
F
A
I
L
H
View from back
side of panel (I)
Remove plug
to access/grease
universal joint

FORM NO. 56043097 / Adgressor™ / BR 850S, 850CS, 950S, 950CS, 1050S, 1050CS - 17
STEERING SYSTEM
STEERING CHAIN REMOVAL AND TENSIONING
1 Turn the master key switch off and separate the battery pack emergency disconnect (13).
2 See Figure 2. From underneath the front of the machine loosen the (4) (M) Screws and push the lower steering column to the rear of the
machine. This is done to separate the Chain (N) from the Steer Sprocket (O). Service Note: Use a 5/8” socket with 3” extension to loosen
screws and also correctly position the large hole in the Steer Plate (P) in order to access the far back left screw.
3 Remove both Master Links (Q) that secure the chain to the Steer Plate (P) then remove the chain from the chassis.
4 Reassemble parts in reverse order and adjust chain tension so that there is about 3/16”-1/4” (4.7 – 6.4mm) total defl ection with moderate
pressure applied at the Mid-point (R) (as shown). Service Tip Note: Use a pry bar or shims between the chassis and steer column to help
secure the tension adjustment when tightening the (4) steering column mounting screws.
Maintenance
1 Inspect the chain for looseness and binding, re-tension the chain to 3/16”-1/4” (4.7 – 6.4mm) defl ection by following the above adjustment
instructions.
2 Keep all of the steer chain links oiled to prevent excessive wear and binding.
FIGURE 2
R
FRONT
View from under
the machine
M
O
N
Q
P

18 - FORM NO. 56043097 / Adgressor™ / BR 850S, 850CS, 950S, 950CS, 1050S, 1050CS
WHEEL DRIVE SYSTEM
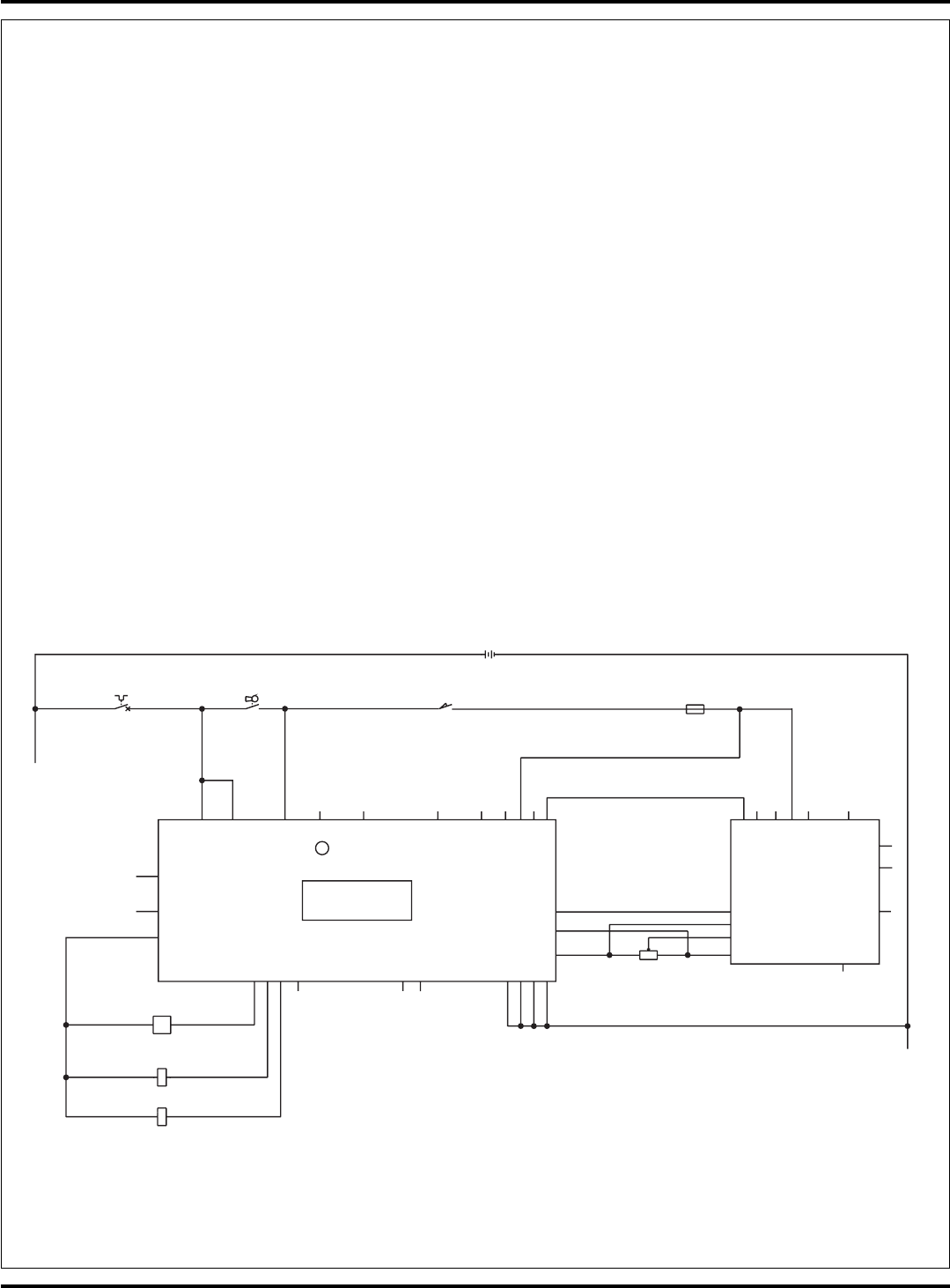
GENERAL FUNCTIONAL OVERVIEW
See Figures 1 & 2. An 1100-watt 1.5 HP (permanent magnet) 36V motor/gear transmission combination wheel (M3) unit is used to propel all
machines. A Curtis model 1237 PMC solid state speed controller (A1) regulates (outputs) the variable speed Fwd/Rev wheel drive motor functions.
The controller unit is located to the left of the operator seat, behind the electrical access panel. The potentiometer R1 mounted to the operator’s foot
pedal, inputs to the (A1) controller the machine operator’s desired speed and directional demands.
DRIVE MOTOR SYSTEM CONTROLLER FUNCTION OVERVIEW
See Figure 2. To make the A1 speed controllers internal control circuits operational (power it up) the two switches S1 (key) and S2 (seat) must be
closed. This circuit inputs a positive (+) 36V to the A1 speed controls pin terminal #15 (*KSI). The F2 circuit breaker 70 Amp supplies the positive
high current (load) circuit input to the B+ controller terminal (Blu/Orn wire). The black wire from the negative (-) battery standoff supplies the battery
ground input to the B- terminal for both the control and load circuits.
See Figure 3. Depressing the foot pedal in either Fwd or Rev will move the 5K Ohm (R1) potentiometer shaft off its centered balanced (neutral)
setting of approximately 2500 Ohms. With this pot shaft movement the pot’s resistance value changes which generates a variable voltage signal
(0-5 volts). These control board voltage input signals are what energizes the Fwd & Rev directional relays, which selects the motor polarity and what
also manages switches the battery voltage On and Off (**PWM) that varies the motor speed.
*KSI: Key Switch Input
**PWM: Pulse Width Modulation, also called “chopping” is a technique that switches battery voltage to the motor ON and OFF very quickly, thereby
controlling the speed of the motor.
DRIVE MODE SELECTION OPERATION OVERVIEW
The A1 speed Controller allows operation in two distinct modes: mode 1 (M1) & mode 2 (M2).
Mode 1 (M1) is the transport speed range and is automatically selected when the scrub system is OFF (deck up). This allows maximum variable
vehicle speed operation.
Mode 2 (M2) is the reduced slower scrub speed range and is automatically selected when the scrub mode is ON (deck down).
The operator can over-ride the reduced M2 scrub speed by pressing the dash panel Speed Select Switch (L). This allows the operator to scrub at
the higher M1 transport speed. Note the Indicator Light (M) will be green when the faster transport speed is selected.
THE SPEED SELECTOR CIRCUIT INPUT
The main controller E1 will output a 30-31 volt (approximately) battery positive (B+) signal from the speed limit terminal J4-2 (Brn/Wht wire). This
positive signal connection delivers the required A1 speed control input to pin #11. The controller is now in scrub speed (mode 2) and the speed
control mode select is switched ON. Pressing the dash panel Speed Select Switch (L) its Indicator Light (M) turns ON. This action leaves the
speed control input (pin #11) fl oating and actively switches it Off, 0 volts (pulling it to B-) changing the output to the transport speed (mode 1).
Note: The maximum machine drive wheel speed setting for the two drive modes 1 & 2 can be changed by using the Curtis handheld programmer.
Reference the Curtis programmer instructions found in the electrical system manual section to change speed settings from their original factory
specifi cations.

FORM NO. 56043097 / Adgressor™ / BR 850S, 850CS, 950S, 950CS, 1050S, 1050CS - 19
WHEEL DRIVE SYSTEM
S1
E1
A1
F2
M3
R1
S2
12
S2
SW, SEAT
21
F2
CIRCUIT BREAKER, 70 AMP
M3
MOTOR
WHEEL DRIVE
M
S1
SW
SPST KEY
F3
CIRCUIT BREAKER, 10 AMP
F4
FUSE, 1 A.
R1
POT. 5K OHM
1
2
3
BLK
RED
RED BRN/YEL
BRN/YEL
BRN
GRA
VIO
YEL/BLK
RED/GRN
BLU/BLK
RED/BLK
BRN/BLK
WHT/YEL
BRN/WHT
BLK
BLK
BRN
ORN
ORN
ORN/BLU
ORN
VIO
YEL
YEL
B+ 1
B+ 2
KEY SW.
SEAT SW.
POT. LO
POT. HIGH
FORWARD
FOR./REV.
PIN 3 -- POT. LO
PIN 1 -- POT. HI
PIN 2 -- POT. WIPER
PIN 16 - PROG2 DRIVER
PIN 8 -- MAIN
B-
A2
M-
PI N 11 -- MULTIMODE
ACC
SOLUTION
VACUUM
BRUSH
B- 1
B- 2
B- 3
B- 4
A1
SPEED CONTROLLER
INTERFACE
THERMISTOR
I -- VAC
I -- BRUSH
E1
CONTROL BOARD
HORN -
HORN +
SPEED MODE CONTROL
J4-8
J2-5
J3-5
J3-6
J4-12
J4-6
J4-2
J2-1
J2-2
J2-3
J2-8
J4-7
J4-1
J2-7
J2-6
J2-10
J3-1
J3-4
J3-3
J3-2
J4-11
J4-10
J4-4
J4-9
J4-3
PIN 15 -- KSI
STATUS J4-5
J2-9 PIN 4 -- SPEED LIMIT
SPEED LIMIT
Amps = 37
12
12 12
+-
B+ BLU/ORN
BLU/ORN
YEL/GRN
MAIN CONTACTOR
K3
PIN 7 - PROG 1 DRIVER
PIN 14 - POWER ENABLE
K3
CONTACT N.O.
12
+-
FIGURE 1
FIGURE 2

20 - FORM NO. 56043097 / Adgressor™ / BR 850S, 850CS, 950S, 950CS, 1050S, 1050CS
WHEEL DRIVE SYSTEM
SPEED
LIMIT
Used (10 pins)
Not Used (6 pins)
PROGRAM 2
DRIVER
POWER
ENABLE
KSI
MULTI
MODE
POT LOW POT HIGH
A1
POT
WIPER
PROGRAM 1
DRIVER
MAIN
M
-
A
2
B
+B
-
87
6
54
3
21
16 15
14
13 12
11
10 9
R1 Voltage Values
0 – 2.5V Reverse
2.5 – 5V Forward
FIGURE 4
This drawing shows additional controller input circuit detail. The R1 pot is shown in the neutral position. Resistance is measured between pot low
and pot wiper.
FIGURE 3
R1
5K Ohms
E1
Main Control
Board (Partial)
WHT/YEL
YEL
VIO
View: Non-stem end
Speed Limit
Pot. LO
Pot. HI
J2-9
J4-9
J4-3
YEL
YEL
GRA
HI LO
WIPER
A1 Speed Control
Pin Connection
FRONT
VIO
8765
43
2
1
16 15 14 13
12
11
10 9
VIO
WHT/YEL
YEL
VIO

FORM NO. 56043097 / Adgressor™ / BR 850S, 850CS, 950S, 950CS, 1050S, 1050CS - 21
WHEEL DRIVE SYSTEM
Low Current A1 Speed Control Pin Key Detail
Pin # Wire Color Controller Pin Description & Function
1 Vio Throttle Pot R1 pot high input
2 Gra Throttle Pot R1 pot wiper input
3 Yel Throttle Pot R1 pot low input
4 Wht/Yel Speed limit pot input Tied to Pot High
5 – Open not used
6 – Open not used
7 Red/Blk Program #1 Auxiliary Driver: Battery (-) output to the main controller (E1) to turn on (activate) all auto
scrub functions. Pin #7 will read approximately 36 volts when the foot-pedal is in Fwd or Rev.
8 Yel/Grn Main Contactor Output.
9 – Open not used
10 – Open not used
11 Brn/Wht Mode Select 1: Drive motor scrub speed input from the (E1)
12 – Open not used
13 – Open not used
14 Orn/Blu Status Fault: Speed controller fault output to main control panel fault indicator light (accessory wand)
15 Orn KSI (key switch input): Battery (+) powers up controller logic circuits
16 Blu/Blk
Program #2 Auxiliary Driver: Battery (+) output to the main controller (E1) that controls the entire
auto reverse machine functions. How the program #2 functions, is when the foot-pedal is placed in
Rev, Pin #16’s voltage signal to E1 is lost (0 volts). This lost open circuit signal is what tells the E1
controller to turn on the back-up alarm (H1), turn off the solution solenoid valve (L1) and raise the
squeegee tool (changes polarity to the Lift motor M2).
WHEEL DRIVE TROUBLESHOOTING GUIDE
Problem Possible Cause
• Wheel drive motor will not run in
forward and reverse. • Batteries need charging (low battery voltage, recharge batteries)
• Wheel Drive Motor Circuit Breaker (F2) tripped
(reset 70A circuit breaker)
• Control Circuit Circuit Breaker (F3 & F4) tripped
(reset circuit breaker)
• Parking Brake (6) set (release parking brake)
• Emergency Stop Switch (13) tripped (reconnect battery to reset)
• Safety Switch (S2) in seat not closed (check seat switch)
• Defective Wheel Drive Motor (replace motor) *
• Defective Throttle Potentiometer (R1) (replace) *
• Wheel drive in one direction only, loss of either
forward or reverse. • Test the Fwd & Rev (R1) wiring outputs (pins 1, 2 & 3) at the
speed control for an open. Repair wiring or replace the R1 pot.
• Controller can’t change electrical polarity to wheel motor
replace the (A1) speed control.
• Hourmeter/status display shows an error
03 fault code. • Speed controller has sensed an operation error code fault.
(see the Status LED Fault Codes (Table 1) in the Electrical
System)
* = See Curtis Speed Control Troubleshooting Section.

22 - FORM NO. 56043097 / Adgressor™ / BR 850S, 850CS, 950S, 950CS, 1050S, 1050CS
WHEEL DRIVE SYSTEM
FRONT
Yel/Blk
Wire
Red/Grn
Wire
Radius
Radius
STEERING SPINDLE AND WHEEL DRIVE MOTOR ASSEMBLY REMOVAL
WARNING!
Turn the main key switch (J) to the off position and disconnect the battery pack by pushing in the emergency disconnect lever (13).
Next block both rear wheels so machine can’t roll.
1 See Figure 5. Remove the brake foot pedal (A) secured by the (2) screws (D) that fasten the pedal mount bracket to the chassis allowing
access to the spindle retainer nut.
2 Pull out the brake rod (E) and use a 1-7/16” socket to remove the large spindle nut (F) from its shaft.
3 From underneath the front of the machine remove the (4) (G) screws and push the lower steering column to the rear of the machine. This
is done to separate the chain (H) from the steer sprocket (I). Service Note: Use a 5/8” socket with 3” extension to remove screws and also
correctly position the large hole in the steer plate (J) in order to access the far back left screw.
4 On the right side of the drive motor remove the motor wiring cover and observe the (2) wires (red/green & yellow/black) attached to the motor
terminal connections for reassembling (shown in Figure 4.5). Then remove the wires using a 13mm wrench.
5 Remove the (1) socket head cap screw (use a 3mm hex wrench) that retains the motor wiring harness P-clamp, then pull wiring to the rear of
the machine.
WARNING!
Never work under machine without safety stands or blocking to support the machine.
6 Safely jack up or lift the front of the machine to a height of approximately 16 inches (41 cm) to remove the wheel motor spindle assembly. Place
wood blocking under both front frame legs to support machine when removing the wheel /spindle assembly. Service Note: Be careful not to
damage the threads and bearing surfaces when guiding the spindle shaft down through the frame opening.
7 Inspect bearings and shaft seal and replace as needed.
8 To remove the steer spindle weldment (K) you must remove the steer plate (J) (with splash fender) held by (4) (L) fl at head socket screws (use
a 5mm hex wrench) then separate the brake return spring and lay these removed parts to the side. Next remove the (4) item (M) fl at head
socket screws (55mm length) then fi nish removing the spindle weldment.
9 See the “Drive Tire Removal” section for further disassembly steps.
10 Re-assemble in reverse order and tighten the spindle shaft nut (F) to 20ft/lbs (27 Nm) to eliminate any bearing play.
DRIVE TIRE REMOVAL
1 Follow the steps 1-8 in the “Steer Spindle and Wheel Drive Motor Assembly Removal” section.
2 See Figure 5. Remove the socket head cap screw (O) (use a 6mm hex key wrench) that fastens the right side brake lever to the support mount
(N). Then separate the brake lever from the support mount.
3 Carefully separate (tap off) the motor end bell housing (P) from the main motor case. Service Tip: To remove the housing use a brass drift or
piece of hard wood and strike the end bell edge evenly at points 120 degrees apart to slowly work it from the motor bearing.
4 Using a 5mm hex key wrench remove the (8) socket cap screws (Q) that secure the drive tire (R) to the motor drive hub and complete the tire
removal.
5 Install a new drive tire and tighten (torque) the (8) socket cap screws (Q) to 12 Ft/Lbs (16.2 N/M). Service Tip: Apply a small amount of Loctite
242 to all the cap screws to prevent the fasteners from backing out.
6 Re-assemble in reverse order following all the steps outlined in the steer spindle and drive motor removal section.
FIGURE 4.5

FORM NO. 56043097 / Adgressor™ / BR 850S, 850CS, 950S, 950CS, 1050S, 1050CS - 23
WHEEL DRIVE SYSTEM
FIGURE 5 A
FRONT
D
FG
E
L
J
K
IH
N
O
Q
P
M
R

24 - FORM NO. 56043097 / Adgressor™ / BR 850S, 850CS, 950S, 950CS, 1050S, 1050CS
WHEEL DRIVE SYSTEM
BRAKE ADJUSTMENT
1 See Figure 6. Adjust the (E) brake rod’s length to eliminate any foot pedal free play (space between the pedal and rod end) when the pedal is
at rest (not being engaged).
2 The rod length can be changed by loosening the jam nut (S) and threading the adjustment screw (T) In or Out.
3 To access the brake rod remove the front pedal mounting hardware items (B & C), then swing (pivot) the pedal backwards out of the way.
4 Use a 3/8” wrench and 1/8” hex key wrench to both loosen and tighten the rods adjustable hardware.
5 Note: Also check the brake bands brake lining for wear when excessive pedal travel can not be eliminated through adjustments. Service by
replacing worn brake band and readjust and test for proper brake operation.
FIGURE 6
FRONT
E
S
T
No Gap
T
S
E
B
C
Pivot

FORM NO. 56043097 / Adgressor™ / BR 850S, 850CS, 950S, 950CS, 1050S, 1050CS - 25
WHEEL DRIVE SYSTEM
DRIVE WHEEL BRAKE STRAP REPLACEMENT
WARNING!
Turn the key switch to the off position and then disconnect the battery pack by activating the emergency stop switch/battery disconnect
lever (13).
1 See Figure 7. Remove from the brake band (U) the front lower outside retainer ring (V) (external type). Service Tip: Use retaining pliers (tip
size .038 inches/1 mm) to prevent damage when removing all retainer rings. Then drive out the pin (W) from the brake band end.
2 Remove the socket head cap screw (X) (use a 6mm hex key wrench) that fastens the left side brake lever to the support mount (Y). Next
separate the brake lever from the mount bracket and pull it down to access the back retaining ring and remove it at this time.
3 Remove the second mount pin then carefully expand the brake band enough to clear the drive wheel brake drum and remove from the
machine.
4 To install the brake band follow the above steps in reverse order. See the “Brake Adjustment” section in this manual and adjust the brake pedal
free play and test the brake system for proper operation.
CAUTION!
Test-drive the machine and check for positive brake pedal and parking brake functions.
WHEEL DRIVE MOTOR CARBON BRUSH INSPECTION (500 HOURS)
• See Figure 7. There are (6) carbon brush assemblies, (4) of them are located equally spaced on the outside diameter of motor end bell cover.
Remove the inspection caps (Z) by carefully twisting the cap a 1/8 of a turn counterclockwise. The other (2) brushes are located behind the
motor wiring terminal cover (AA). Remove the black cover and terminal mounting hardware. Note: The (4) motor commutator brushes are
secured with two slotted screws.
• A new carbon brush measures 20mm (.780 inches) in length. Replace the brushes when worn to a length less than 9.5mm (.375 inches).
FIGURE 7
FRONT
V
U
W
X
Y
Z
AA
O
N

26 - FORM NO. 56043097 / Adgressor™ / BR 850S, 850CS, 950S, 950CS, 1050S, 1050CS
WHEEL DRIVE SYSTEM
POTENTIOMETER REMOVAL AND TESTING
WARNING!
Disconnect the machine’s battery pack connector (13) before servicing.
Potentiometer Removal
1 See Figure 8. Remove the (5) Screws (AB) securing the drive pedal mount assembly to the chassis then carefully lift the pedal assembly up
and lay it on its side.
2 Observe the (3) wires connected to the Drive Pedal Potentiometer (pot) (AC) and also the single GRN/YEL throttle ground wire (AD), note the
proper wire colors and their terminal connections for re-assembly. Then disconnect wiring and remove the pedal mount assembly from the
machine.
3 Remove the Link Rod (AE) from the Pedal (AF). Note: Be careful not to lose the link rod mounting hardware items (AG).
4 Loosen the Nut (AH) and Screw (AI) at the drive pedal Throttle Lever (AJ). Then pry the lever off from the end of the item (AC) potentiometer
shaft. Next remove the pot from the Mount Housing (AK).
Testing the Potentiometer
Note: The pot doesn’t have to be removed from the housing to test.
1 Test the potentiometer using an Ohmmeter (the pot specifi cation is 5K Ohms).
2 Connect the meter leads to each of the outside connections on the potentiometer. The meter should read approximately 5000 Ohms (plus or
minus 500 Ohms).
3 Next, move one of the test leads to the middle connection and turn the stem in both directions. The range of the readings should be approximately
0-5000 Ohms or 5000-0 Ohms increasing and decreasing through its full range.
4 If you do not get these readings replace the potentiometer. FIGURE 8
AF
FRONT
AE
AB
AH
AI
AJ
AD
AC
AG
Vio
Gra Yel Grn/Yel
Violet Gray Yellow
AK
AN
AM
AL

FORM NO. 56043097 / Adgressor™ / BR 850S, 850CS, 950S, 950CS, 1050S, 1050CS - 27
WHEEL DRIVE SYSTEM
Right Side View Front View
A
B
POTENTIOMETER INSTALLATION AND ADJUSTMENT
WARNING!
The adjustment of the potentiometer is to set the drive pedal for a neutral drive motor operation. If the pot is not adjusted properly, the machine will
creep in either FWD or REV.
1 See Figure 8. Install the pot into the Mount Housing (AK) and tighten the attachment nut.
2 Connect loosely together both the Link Rod (AE) to the Pedal (AF), and the Throttle Lever (AJ) to the potentiometer input shaft. Then tighten
only the Link Rod (AE) pedal mounting Hardware (AG). Note: Check the movement of the Foot Pedal (AF) it must move freely in both Fwd and
Rev.
3 See Figure 8 inset. Attach test leads from a volt/ohm meter (set meter on 0x100 scale) to the YEL and VIO wire connection points on the
potentiometer to check it’s total resistance (example 4800 Ohms).
4 Next connect the ohmmeter test leads to the GRA and VIO potentiometer connection points. Then using a small screwdriver, turn the shaft end
on the pot to half the total resistance previously measured. Example: 4800 Ohms divided by 2 = 2400 Ohms. Then without turning the shaft,
tighten the Screw (AI) and Nut (AH) to secure the setting at the Throttle Lever (AJ).
5 Follow steps 1-2 in reverse order (see Potentiometer Removal steps) to fi nish the installation. Then test-drive the machine for proper speed
and FWD/REV directional control.
DRIVE PEDAL NEUTRAL ADJUSTMENT & PEDAL REPLACEMENT
If the drive pedal has been removed or replaced, the neutral position for the pedal will have to be set. Follow the steps below to accomplish this.
WARNING!
Disconnect the machine’s battery pack connector (13) before servicing.
• Note: See Figures 8 & 9. Before making any adjustments, inspect the Torsion Spring (AL) for defects and the correct positions of both spring
ends (repair or replace).
To Adjust Pedal Spring
1 Loosen the Screw (AM) & Nut (AN), the screw with bushing is positioned between both Fwd & Rev torsion spring ends. Its placement controls
the needed pre-load pressure to eliminate excessive pedal free-play and a balanced spring rate to return the pedal to a centered (neutral)
position.
2 Push the screw back into the pedal frame slot to increase spring tension and eliminate pedal free play. Then tighten the screw & nut being
careful not to pull on the linkage connection to the pot shaft and disturb (move) its neutral setting.
To Replace Pedal or Spring
3 Position the torsion spring ends (A & B) as shown. This is with the bushing and screw not installed.
4 Place the bushing inside the pedal channel pilot it into position using a scratch awl or a pin punch.
5 Then pivot (press) the pedal and insert the screw from the opposite side pushing the guide tool out.
6 Use a screwdriver to tap and pry the bushing back in the pedal slot to increase spring tension.
7 Work the bushing back & forth on both sides of the pedal to obtain equal spacing. Then tighten the screw and nut.
8 A correctly adjusted drive pedal will have minimal amount of free-play when selecting a drive direction.
9 Reconnect the batteries and test the machine to make sure it does not “creep” forward or reverse when the pedal returns to neutral.
10 Service Tip: Also confi rm the Hourmeter/Status Display (G) is free of the error code 03 (drive system fault). If error 03 is shown the throttle is
not set properly for the potentiometer and or drive pedal neutral position. Check both again and readjust.
FIGURE 9

28 - FORM NO. 56043097 / Adgressor™ / BR 850S, 850CS, 950S, 950CS, 1050S, 1050CS
SCRUB BRUSH SYSTEM
FUNCTIONAL OVERVIEW
• Disc Brush System Overview
See Figure 2. The machines Adgressor 2820D-3220D and BR 850S- use the disc type scrub system. A single 1, 1-1/2HP 36V DC permanent
magnet motor is connected at both ends with (2) 90-degree gearboxes that drive the two disc (rotary) brushes. The 3520D – 3820D models use the
disc type scrub system also but with (3) .6HP 36V horizontally mounted DC permanent magnet motor gearbox assemblies.
• Cylindrical Brush System Overview
See Figure 6. The machines Adgressor 2820C, 3220C, 3520C, 3820C and BR 850CS use two cylindrical brushes that counter rotate to sweep up
light debris and scrub at the same time. Each scrub brush is powered on opposing ends by individual 3/4 HP permanent magnet motors attached
to separate poly-V belt/pulley drives.
• General Brush Overview
On all models the scrub deck platform is raised & lowered automatically by a vertically mounted electric lift actuator motor (M1). The operation
of the machine’s scrub functions are activated when the operator selects (presses) either the scrub pressure increase or decrease (mode) panel
buttons. The scrub pad or brush pressure ranges (light & heavy) are independently programmable allowing the operator the choice to vary the
scrubbing effort (pressure) while operating the machine. Note: See the Main Control Board Special Program Options section in this manual for
more detailed operation and instructions to change scrub pressure settings.
See Figure 1. The machine’s main scrub system input and output operating functions are regulated (managed) by the combined membrane switch
display panel and main control board E1. The major scrub system functions are…
• Scrub Brush Motor Run Function
To turn On (energize) the K1 brush motor solenoid either the scrub pressure increase or decrease button (location E1 panel) must be pressed and
the (foot activated) drive pedal moved off its neutral position triggering an output from the R1 directional throttle potentiometer. These two-operator
functions deliver the required E1 control board and A1 speed control circuit inputs.
Detailed Explanation of the scrub motor function
A closed E1 membrane panel switch input (either decrease or increase) enables the E1 microprocessor automatic functions for the brush lift, brush
solenoid, solution solenoid, vacuum solenoid and squeegee lift. The next step is the movement of the foot pedal for the needed R1 throttle output
to the A1 speed controller, which causes either FWD or REV motor action. At the moment of R1 throttle input the A1 controller closes an internal
coil driver and outputs a NEG. 36V signal from pin #7 (wire color Red/Blk) to the E1 J4-10 connection. This input signal causes the controller to
output a NEG. 36V signal from J2 pin #1 (wire Wht/Red) that energizes the K1 brush motor solenoid coil pulling in the high current contactor making
the brush motor(s) turn on (run).
• Scrub Brush Actuator Lift Motor Function
The control board outputs activate (raise and lower) the scrub-deck for installing, removing and controlling the scrub brushes’ selected current load.
The negative (-) brush motor wire is specially designed so that it has a known (specifi ed) resistance value. As brush motor current passes through
the negative wire that is, in effect, a low value resistor, a small voltage is measured across it which is proportional to the motor current. This current
measurement circuit (shunt) is made up of two small diameter sense wires (J4-12 Yel/Vio & J4-8 Blk) and are the inputs used by the control board
to calculate the exact current level of the scrub brush motor(s). Any temperature change to the large (Neg.) motor wire affects its resistance so
the circuit temperature is sensed by a thermistor (*) built into the control board. This allows the controller to provide a level of error correction for
the temperature resistance changes. When the controller senses a current draw out of the desired range it automatically turns on the M1 actuator
motor to raise or lower the scrub deck. This process is on-going in maintaining the operator’s selected scrub motor current load (PA #) to sustain
the desired brush working pressure.
• Low Voltage Cut-Out Function
The purpose of the low voltage cutout function is to help prolong battery life. The main control board E1 is programmed to monitor the machine’s
battery pack voltage to prevent over discharging of the batteries. The brush motors, brush lift actuator and solution solenoid valve will turn OFF
automatically and cease to function when the batteries are discharged to the selected cutout level. The cutout level is adjustable between two
settings. The standard battery type (wet cell) is 31.5 volts (1.75 volts per cell) and maintenance free battery (gel) is 33 volts (1.83 volts per cell).
Note: See the Electrical System for instruction in selecting (setting) the two different thresholds.
* Thermistor: A special semiconductor resistor whose resistance value varies with temperature.
Note: See the “Know Your Machine” section in this manual for a complete explanation for all scrub system operational modes.

FORM NO. 56043097 / Adgressor™ / BR 850S, 850CS, 950S, 950CS, 1050S, 1050CS - 29
SCRUB BRUSH SYSTEM
M7
MOTOR, BRUSH
M
K1
CONTACT N.O.
K2
S2
M8
M
K1
CONTACTOR , BRUSH
M1
BRUSH LIFT
ACTUATOR
Amps = 3
M
F2
To Wheel Drive Motor
L1
12
S1
F3 F4
R1
POT. 5K OHM
1
2
3
RED BLK
RED
RED BRN/YEL
BRN/YEL
BRN
RED/WHT
ORN/BLK
GRA
VIO
BLU/BLK
RED/BLK
BRN/BLK
WHT/YEL
WHT/BRN
WHT/BRN
BRN/WHT
WHT/RED
WHT/RED
BLK
RED
BLK
YEL/VIO
BLK
BLU
BLU
YEL/VIO
BLK
BRN/WHT
BRN
ORN
ORN
ORN/BLU
ORN
VIO
YEL
YEL
B+ 1
B+ 2
KEY SW.
SEAT SW.
POT. LO
POT. HIGH
FORWARD
FOR./REV.
PIN 3 -- POT. LO
PIN 1 -- POT. HI
PIN 2 -- POT. WIPER
PIN 16 - PROG2 DRIVER
PIN 8 -- MAIN
B-
A2
M-
PIN 11 -- MULTIMODE
ACC
BRUSH
B- 1
B- 2
B- 3
B- 4
A1
SPEED CONTROLLER
INTERFACE
THERMISTOR
I -- BRUSH
E1
CONTROL BOARD
SPEED MODE CONTROL
J4-8
J2-5
J3-5
J3-6
J4-12
J4-2
J2-1
J2-8
J2-7
J2-6
J2-10
J3-1
J3-4
J4-11
J4-10
J4-4
J4-9
J4-3
PIN 15 -- KSI
STATUS J4-5
J2-9 PIN 4 -- SPEED LIMIT
SPEED LIMIT
MOTOR, BRUSH
Amps = .33
12
-+
-+
B+ BLU/ORN
BLU/ORN
YEL/GRN
MAIN CONTACTOR
K3
PIN 7 - PROG 1 DRIVER
PIN 14 - POWER ENABLE
K3
BLK
BLK
BLU
M
M10
MOTOR, BRUSH
RED
NOTE: M8 IS USED ON CYLINDERICAL
AND 35" & 38" DISK DECKS ONLY
-+
M7 IS USED ON ALL MODELS
35" & 38" DISK DECK POLARITY OF M8
M8
M
BLU
BLK
MOTOR, BRUSH
-+
NOTE: M10 IS USED ON CYLINDERICAL
AND 35" & 38" DISK DECKS ONLY
SCRUB BRUSH SYSTEM TROUBLESHOOTING
On all models (disc & cylindrical) the scrub system’s major electrical components are monitored by the main controller (E1) to detect any system
function failures (error codes). The system components covered are the brush motor(s) (M7 & M8), brush solenoid (K1) and brush lift actuator motor
(M1). Detected error codes from the main controller are displayed on the hour meter LED display (G) as they occur. Note: Reference the Main
Control Board Troubleshooting Guide in the Electrical System of this manual for specifi c fault descriptions and service repair actions.
FIGURE 1

30 - FORM NO. 56043097 / Adgressor™ / BR 850S, 850CS, 950S, 950CS, 1050S, 1050CS
SCRUB BRUSH SYSTEM
A
FRONT
B
D
Swing Actuator forward
Slide deck assembly out from
under right side of machine.
Disk deck assembly shown, same basic procedure for cylindrical models.
C
E
E
Set stop bolt so that brush
hubs are approximately 1"
above the floor (disc).
SCRUB BRUSH DECK REMOVAL (DISC & CYLINDRICAL)
1 Remove both deck side skirt assemblies. NOTE: This step is optional, you may fi nd deck removal easier with the skirts removed.
2 Lower the scrub deck with brushes (pads) installed. ATTENTION: Don’t turn the key switch off until after disconnecting the battery pack by
pushing in (activating) the Emergency Disconnect (13). This procedure is done to prevent the scrub deck from automatically raising when the
key is turned off.
3 See Figure 2. Separate the solution system water line (quick disconnect fi ttings), located on top of the scrub deck. Grip the bottom movable
Sleeve (A) on the quick disconnect fi tting assembly and pull on the top Fitting (B) to separate the hoses.
4 Unplug the brush motor wiring harness (C) (under left side of machine).
5 Remove the lower Hitch Pin (D) that secures the brush deck lift actuator to the scrub deck.
6 Remove the two (E) Hitch Pins that attach the scrub deck to the machine chassis linkage arm weldment.
7 From the right side of the machine swing the lower actuator housing forward to clear the deck mount bracket. Then pull the deck out from under
the machine to complete the removal. Service Note: It is important that the actuator motor is not run while it is disconnected from the deck or
chassis mounts. This precaution will prevent the actuator drive nut from being misadjusted (moved out of its set specifi cation).
8 To install a scrub deck follow the above steps in reverse order.
FIGURE 2

FORM NO. 56043097 / Adgressor™ / BR 850S, 850CS, 950S, 950CS, 1050S, 1050CS - 31
SCRUB BRUSH SYSTEM
FRONT
Right
Left
FRONT
M
L
K
J
I
H
N
O
G
F
P
R
Q
S
T
U
SCRUB BRUSH MOTOR ASSEMBLY REMOVAL (DISC)
Service Note: The items listed; shaft dust covers, keys, output shafts, shaft mounting hardware and gear-box mounting brackets, must be salvaged
(saved) and reused when replacing the complete motor and gear-box assembly. As shown in Figure 3.
1 Follow steps 1-7 of the Scrub Brush Deck Removal (Disc & Cylindrical) section.
2 See Figure 3. Remove the scrub brushes from the Brush Holders (F).
3 Remove the (3) Screws (G) from each thermoid disc (fl exible coupler) (H) and remove the Brush Holders (F) from both (I) Hubs. Note: Use a
13mm socket wrench to remove Screws (G).
4 Remove all (8) hardware items (J & K) that secure the gear case Mount Brackets (L) to the scrub deck plate. Then remove the complete Motor
Assembly (M) from the scrub deck by pulling it straight up.
5 Remove the (8) hex Screws (P) that secure the Mounting Brackets (L) to the gearboxes and separate. FIGURE 3
6 Remove the (8) (Q) Screws (use a 5mm hex wrench)
that hold in place the Dust Covers (R). Next remove
the shaft retainer hardware items (S & T). Then tap
out the Output Shaft (U) using a brass shaft to help
prevent any possible damage.
7 Re-assemble in reverse order and test for proper
operation. Note: The proper motor installation
position is where the two motor wires face the front
and left side on the scrub deck platform.
SCRUB BRUSH GEARBOX REMOVAL
AND OUTPUT SHAFT REPLACEMENT
(DISC)
1 Follow steps 1-7 of the Scrub Brush Deck Removal
(Disc & Cylindrical) section and steps 2-6 of the Scrub
Brush Motor Removal (Disc) section.
2 See Figure 3. Remove the hardware items (N & O)
that secure the Hub (I) to the Output Shaft (U) then
pull the hub from the shaft and save the key. Note:
Skip this step if shaft does not need to be replaced.
3 Remove the (4) socket head cap screws (use a
5mm hex wrench) securing the gearbox that needs
replacement.
4 Re-assemble in reverse order and test for proper
operation. Service Tip: Apply a small amount of
grease or “Never Seize” to the gearbox output shafts
when reinstalling the drive Hub(s) (I).
Note: The gearbox output shafts rotate the brush holders
in the opposite direction of other Nilfi sk-Advance automatic
scrubbers (see below).

32 - FORM NO. 56043097 / Adgressor™ / BR 850S, 850CS, 950S, 950CS, 1050S, 1050CS
SCRUB BRUSH SYSTEM
FRONT
W
Z
W
Z
Y
X
V
X
X
V
V
SCRUB BRUSH SIDE SKIRT REPLACEMENT (DISC)
1 See Figure 4. Loosen the (4) side skirt Retainer Knobs (V) (2 per side) and pull the Skirt Assemblies (W) off from the scrub deck.
2 Remove all the hardware that holds the blade and retainer to the skirt housing.
3 Each of the (2) blades has 2 working edges. Reinstall the blades to the skirt housing so a clean, undamaged edge points inside towards the
scrub brushes. Replace the blades as a set if they are nicked, torn or worn beyond their ability to be adjusted.
4 Reinstall the skirt housing assemblies onto the machine and adjust the blade for proper contact to the fl oor when the brush deck is placed in
the scrub position.
SIDE SKIRT HEIGHT ADJUSTMENT (DISC)
1 See Figure 4. The side skirt housing knob retainer screw studs have leveling Adjuster Collars (X), that are to be raised or lowered to compensate
for blade wear.
2 To adjust, remove the Skirt Assemblies (W) from the Scrub Deck (Y) to access the Adjuster Collars (X). Adjustment Tip: The skirts Retainer
Knobs (V) can be loosened with skirts left on and the Adjuster Collars (X) rotated by reaching under the skirt housing.
3 Turn the Adjuster Collars (X) (Up or Down) to where the blades just fold over enough when scrubbing that all the waste water is contained inside
the skirting. Note: Make small adjustments to obtain good blade wiping. Do not lower the blades too much to where they fold over excessively
and cause unneeded blade wear.
SCRUB BRUSH DECK FRONT/REAR SKIRT REPLACEMENT (DISC)
1 Replace with new blades when they are nicked, torn or worn beyond their ability to contain brush wastewater within the skirting.
2 See Figure 4. A quantity of 16 or 18 Panel Fasteners (Z) must be removed to allow the skirt material to be replaced. Method A: The easiest
method to access the fasteners is to remove the scrub deck. Method B: Place the scrub deck in the Up position, then remove both the left and
right side skirt assemblies from the machine.
3 Cut the panel fastener heads off using a chisel or pry the heads out from the deck mounting holes using a large screwdriver or thin piece of
metal. Note: The panel fasteners are not designed to be reused.
4 Install the new skirts with new panel fasteners tap them into the mounting holes with a soft-faced hammer.
FIGURE 4

FORM NO. 56043097 / Adgressor™ / BR 850S, 850CS, 950S, 950CS, 1050S, 1050CS - 33
SCRUB BRUSH SYSTEM
BRUSH DECK ACTUATOR REMOVAL (DISC & CYLINDRICAL)
1 Lower the scrub deck with the scrub brushes installed. Don’t turn the key switch off until disconnecting the battery pack by using the emergency
disconnect lever (13). This procedure is done to prevent the scrub deck from automatically raising when the key is turned off.
2 See Figure 5. From underneath the machine remove the clevis Mount Pin (AA) that secures the lower actuator housing to the scrub deck
mount bracket.
3 Disconnect the brush lift motor wire harness at the motor.
4 Remove the top actuator (inspection) Cover (AB) held with (3) screws. Cover location operator’s compartment below front of seat.
5 Remove the Hairpin (AC) then slide the upper Mount Pin (AD) out from the chassis mount bracket.
6 Remove the complete actuator lift motor assembly from underneath the machine. Note: Do not turn or reposition the drive nut on the actuator
shaft, mark if needed.
7 Important: After removing the actuator motor and before replacing a new motor or drive nut the IN & OUT limit switches must be set (or
checked) to their correct dimensional specifi cations (see the electrical section for the Actuator Drive Nut Adjustment instructions).
8 To disassemble the Drive Nut (AE) from the actuator shaft, remove the (2) Screws (AF) and separate both Retainers (AG & AH) from the Spring
Housing (AI).
9 Remove the (4) spring housing retainer Screws (AJ) and slide the spring housing and (long) Compression Spring (AK) from the actuator shaft.
Next spin the drive nut off the shaft and save the top (short) Compression Spring (AL). Note: See the Actuator Drive Nut Adjustment section in
this manual to properly install a new drive nut.
10 After adjusting the drive nut follow steps 1-9 in reverse order to re-install the scrub deck lift motor in the machine.
Service Tip: Wrap a small amount of tape around the spring housing to prevent it from spinning out of adjustment.
Service Tip: Shown in the Electrical System is the actuator power cord adapter PN 56407502 and instructions for use. This tool can be used to
help position (raise or lower) the drive nut housing for ease in the actuator mounting pin installations. An additional method to control the output to
the pad/brush lift actuator for installation and removal is to read the instructions in the Service Test Mode section for the special output control of the
Scrub Pressure Increase Switch (F) (See Electrical System for steps to enter the Service Test Mode).
FIGURE 5
FRONT
AA
AB
AD
AC
AE
AF
AG
AH
AI
AJ
AK
AL

34 - FORM NO. 56043097 / Adgressor™ / BR 850S, 850CS, 950S, 950CS, 1050S, 1050CS
SCRUB BRUSH SYSTEM
AR
FRONT
AQ
AN
AM
AO
AP
AQ
AN
AO
AP
AM
CCW*
CCW*
FIGURE 6
SCRUB BRUSH MOTOR(S) REMOVAL (CYLINDRICAL)
1 See Figure 6. Remove the Hairpin (AM) from both the scrub deck skirt assemblies and swing them open.
2 Next remove the Belt Guards (AN) (4 screws per side). With an operator in the driver’s seat with the key switch ON and the increase scrub function selected
press the drive pedal to start the scrub brushes and observe which brush motor needs to be removed.
WARNING!
Disconnect the battery pack by
activating the emergency stop switch/
battery disconnect lever (13) before
servicing.
3 Next loosen the scrub brush belt
tension Hex screw in the center
of the Belt Idler (AO) (using a 5/8”
wrench).
4 See Figure 8. Remove the wiring
at both the Pos. & Neg. brush
motor terminal studs and note the
correct wiring connections (for
reinstallation). Then remove the (3)
Screws (AP) and lift the motor out
from the scrub deck.
5 Reassemble in reverse order and
adjust the belt tension to 1/2-9/16
inches (13-14 mm) as shown in
Figure 7. Note: Install motors with
wires pointing to the rear towards
the plastic motor wiring standoffs.
* Rotation from shaft end.
SCRUB BRUSH BELT REPLACEMENT (CYLINDRICAL)
WARNING!
Disconnect the battery pack by activating the emergency stop switch/battery disconnect lever (13) before servicing.
1 See Figure 6. Remove Hairpin (AM) and swing open the scrub deck skirt assembly (right or left side) and remove the belt guard(s) (AN) (4 screws each).
2 Important Service Tip: The left and right side drive belts are not the same lengths they must be ordered individually (P.N. 56407465, left side & P.N. 56407466,
right side).
3 Loosen the scrub brush belt tension hardware on the Belt Idler Pulley (AO) (using a 5/8” wrench). Pull the idler wheel away from the backside of the belt and
roll the belt off both the motor and brush pulleys. Then inspect for wear and replace as needed.
4 Re-install the drive belt and tension the belt as shown in Figure 7. Then install the belt guard, reconnect the battery pack and test the scrub system for proper
operation.
SCRUB BRUSH SYSTEM MAINTENANCE
The scrubbing system must be serviced at regular intervals to maintain
good scrubbing performance. Follow the maintenance steps listed
below.
1 Rinse clean, built up debris from the debris hopper drain holes (daily).
2 Clean drain holes in the solution delivery trough on top of the scrub deck
(weekly).
3 Clean built up dirt from the inside of the scrub brush housing (weekly).
4 Remove any string wrapped around the scrub brush, drive hub and idler
hub (weekly).
5 Remove both the scrub brushes and rotate, turn end for end (weekly).
See Scrub Brush Removal and Installation (Cyl) section.
6 Inspect the scrub brush bristles for wear, the brushes should be replaced
when the bristle length is 1 inch (26 mm) or less (monthly).
FIGURE 7
1/2" to 9/16" (12-14mm)

FORM NO. 56043097 / Adgressor™ / BR 850S, 850CS, 950S, 950CS, 1050S, 1050CS - 35
SCRUB BRUSH SYSTEM
FRONT
Belt
Brush
Right MotorLeft Motor
Belt
+-
BLKBLUE
CCW Rotation
from shaft end CCW Rotation
from shaft end
SCRUB BRUSH REMOVAL AND INSTALLATION (CYLINDRICAL) FIGURE 8
1 Make sure the key switch is off and
disconnect the battery pack before
servicing.
2 To access the brushes, swing open both
the side skirt assemblies. See Figure
6. Note: The skirts are held in place by
Hairpins (AM) on each side, remove the
pins and swing the skirt assemblies out of
the way.
3 Loosen the black knobs (one on each
side) that secure the removable bearing
idler support Plate (AQ) to the brush
housing, then pull the plates down and out
to remove. Grip the scrub brush then pull
and slide it out from the housing end.
4 To install the brush slide it into the housing,
lift slightly, push and turn until it seats into
the drive end assembly.
5 Re-install the idler end plate assemblies,
close the skirt assemblies and secure with
the hairpins.
SIDE SKIRT MAINTENANCE & ADJUSTMENT (CYLINDRICAL)
General Overview: The side skirts function is to channel the wastewater to the rear pick-up squeegee, helping contain the water within the machine’s
cleaning path. During normal use the blades will wear in time. The operator will notice a small amount of water leaking out underneath the side
skirts. The skirt height adjustment is automatic on this system using spring tension and movable linkage arms to control the blade pressure. The
side skirt assemblies must move up and down freely for proper operation.
To replace the scrub system side skirts…
• See Figure 6. Remove the (2) Hairpins (AM) and swing the skirt assemblies open. Remove the (AR) Screws and nuts then remove the skirts
and replace.
To adjust the scrub system side skirts…
Note: The side skirt blade assemblies have two minor adjustments, they are the individual front collar height and the rear blade pressure spring.
See Figure 9. The Stop Collar (AS) is installed on the pivot hinge bolt to help control the front skirt mount bracket’s travel when the scrub deck is
lowered. It limits the front of the blade from folding (curling) under when scrubbing. Thus allowing the blade to hold its shape better, reduce blade
damage and wear.
A limited amount of adjustment for general blade wear and squeegee wiping performance can be made by reinstalling the spring attachment Screw
(AT) into a different mount hole (A, B or C). This change will increase or decrease the spring force (pressure) pulling down on the rear edge of the
skirt blade. Position “C” creates maximum down pressure on the blade and position “A” is minimum pressure.
FIGURE 9
1/4"
(6.3mm)
AS
AT
ABC

36 - FORM NO. 56043097 / Adgressor™ / BR 850S, 850CS, 950S, 950CS, 1050S, 1050CS
SCRUB BRUSH SYSTEM
CORRECT SCRUB MOTOR WIRING CONNECTIONS
FIGURE 10
revised 10/06

FORM NO. 56043097 / Adgressor™ / BR 850S, 850CS, 950S, 950CS, 1050S, 1050CS - 37
SCRUB BRUSH SYSTEM
CORRECT BRUSH ROTATION DIRECTIONS
FIGURE 11
revised 10/06

38 - FORM NO. 56043097 / Adgressor™ / BR 850S, 850CS, 950S, 950CS, 1050S, 1050CS
SOLUTION SYSTEM
FIGURE 1
FUNCTIONAL OVERVIEW
See Figure 1. The plastic (polyethylene) molded main body structure fulfi lls three (design) functional uses. They are the platform for the operator’s
seat, mount cavity for the electrical panel and as the storage tank for the machine’s scrubbing solution. The solution tank fi ll capacity is 42 gallons
(157L). Plumbed into the fl ow control valve hose outlet is a serviceable solution fi lter to keep debris from entering the solenoid valve. Also fi tted to
the fl ow control valve is a short fl exible drain hose to empty the tank for system maintenance.
The solution system uses (2) valves to stop, start and regulate the amount of solution dispensed onto the fl oor. Located underneath the right side of
the solution tank two feet back from the front is mounted the electrical solution solenoid valve L1. Its function is to stop and start the solution fl ow to
the scrub brushes. Located on the operator’s steering column support is the solution lever (tee handle). The lever and connected cable move the
fl ow control valve arm that regulates solution fl ow to meet a specifi c operator’s scrub application.
See Figure 2. The electrical circuit that turns on (energizes) the solenoid coil L1 is activated through the E1 control panels switch buttons (touch
pad). Note: See the Know Your Machine section in this manual for a detailed explanation of the complete solution operation modes.
During normal machine scrubbing the solution system’s Auto Mode is selected and works in conjunction with the (A1) wheel drive speed controller
and the foot pedal (throttle). This input activates the scrub system’s outputs to turn on & off the (L1) solenoid valve. The solution fl ows to the scrub
brushes any time the manual fl ow control valve is open, the scrub deck is lowered and the drive pedal is pushed into the forward position. Note:
When the solution on/off button is turned off, no fl ow can occur regardless of the manual fl ow control being on, drive pedal activated and the scrub
deck down.
FRONT
Electrical Solenoid
Valve (L1)
Flow Control Valve (C)
Solution Lever
Solution Tank
B
A
Smart Solutions
Valve

FORM NO. 56043097 / Adgressor™ / BR 850S, 850CS, 950S, 950CS, 1050S, 1050CS - 39
SOLUTION SYSTEM
SOLUTION SOLENOID CIRCUIT OVERVIEW
Auto Mode
+ Positive battery circuit inputs and outputs
Inputs:
• A Solenoid circuit control coil (+) voltage input to control board E1 connector J2 pin #’s 6 & 7 (wire colors Brn/Yel).
• A closed S1 key switch supplies (+) input voltage to the E1 terminal J2 pin #10 (wire Brn). This powers up (turns on) the control board’s
processing logic functions.
• A closed S2 operator safety seat switch enables allows the starting of the entire automatic machine scrubbing system functions. Its E1 terminal
connection is J4 pin #11 (wire Orn).
Outputs:
• A control board E1 battery (+) voltage output from the solenoid accessory terminal connection J2 pin #8 Wht/Brn wire.
- Negative battery circuit inputs and outputs
Inputs:
• A main (-) battery ground input for the control board E1 terminal J4 pin#8 BLK wire. This supports the operation of the boards processing logic
functions.
• Battery ground supply input for all the (control boards) negative output coil circuits. Its E1 terminal connection is J2 pin #5 (wire Blk).
Outputs:
• A battery ground output from the E1 control board terminal connector J2 pin #3 wire Vio/Blk. This controlled output turns on and off the L1
solenoid coil that stops and starts the solution fl ow through the valve body. This occurs every time the throttle is moved off its neutral setting
into forward.
FIGURE 2
L1
Valve, Solenoid
S2
Sw, Seat
2
1
BT1
Battery, 36 Vdc
S1
Sw, Spst
Key
F3 F4
RED BLK
RED BRN/YEL
BRN/YEL
BRN
WHT/BRN
WHT/BRN VIO/BLK BLK
BRN
ORN
ORN ORN
B+ 1
B+ 2
KEY SW.
SEAT SW.
ACC
SOLUTION
A1
Speed Controller
Interface
E1
Control Board
PIN15 -- KSI
R1
POT. 5K OHM
1
2
3
GRA
VIO
BLU/BLK
WHT/YEL
VIO
YEL
YEL
POT. LOW
POT. HI
FORWARD
PIN 3 -- POT. LO
PIN 1 -- POT. HI
PIN 2 -- POT. WIPER
PIN 16 - PROG 2
B- 1
B- 2
J4-8
J2-5
J4-4
J4-9
J4-3
J2-9 PIN 4 -- SPEED LIMIT
SPEED LIMIT
J2-7
J2-6
J2-10
J2-3
J2-8
J4-11

40 - FORM NO. 56043097 / Adgressor™ / BR 850S, 850CS, 950S, 950CS, 1050S, 1050CS
SOLUTION SYSTEM
TROUBLESHOOTING GUIDE
Problem Possible Cause
Inadequate or no solution fl ow No solution in the tank
Main solution fl ow control valve lever is in the off position
Clogged solution fi lter, valves, hoses & solution delivery trough (cyl.)
Defective solution solenoid valve (L1)
Solution system fault in the main controller E1*
*Reference the Main Control Board Troubleshooting Guide in the Electrical System of this manual for further information.
SOLUTION SYSTEM MAINTENANCE
• Solution Tank: See Figure 1. Weekly empty the solution tank; remove the solution Drain Hose (A) from its storage area (located underneath the
left side brush skirt frame). Direct the hose to a designated “Disposal Site” and fl ush the tank with clean water.
• Solution Filter: Remove and clean the inline Solution Filter (B). To access the fi lter housing for removal, work underneath the middle front of
the solution tank (see molded “FILTERØ” callout). No tools are needed to remove the fi lter (hand tighten only). Service Tip: The manual solution
control lever must be placed in the full OFF position. This prevents loss of solution when servicing the fi lter strainer with a partial or full tank.
• Solution Delivery Trough: Note on the cylindrical scrub deck clean the holes in the delivery trough to assure even distribution of solution.
SOLUTION SOLENOID REMOVAL
1 Drain the solution tank or put the Flow Control Valve (C) in the closed position to prevent solution loss.
2 See Figure 3. Locate the solenoid valve, it’s on the right side of the machine under the solution tank. Unplug the L1 solenoid valve wire
assembly connection from the machine harness.
3 Loosen both the inlet and outlet Hose Clamps (D) and (E) that secure the hoses to the valve body.
4 Separate (pry) the solution outlet hose (F) off from its valve body barbed fi tting.
5 Remove the two Hex Screws (G) that secure the valve to the solution tank. Then pull the valve body towards the rear separating it from the
solution inlet Hose (H), completing the part removal.

FORM NO. 56043097 / Adgressor™ / BR 850S, 850CS, 950S, 950CS, 1050S, 1050CS - 41
SOLUTION SYSTEM
FRONT
L
SOLENOID VALVE DISASSEMBLY AND CLEANING
1 Remove the solenoid valve. See the Solenoid Valve Removal section for instructions.
2 See Figure 3. Remove the (4) (I) Screws and disassemble the valve (be careful not to lose any internal parts).
3 Thoroughly wash dirt from block (J) and diaphragm (K).
4 After reassembling, test the solenoid valve for proper operation.
DISC MACHINE SOLUTION PLUMBING DETAIL
• Top of Hose (L) uses a .109” diameter hole in the center. This prevents unbalanced solution fl ow.
FIGURE 3
FIGURE 4
FRONT
E
H
G
Assembly
K
J
I
D
F

42 - FORM NO. 56043097 / Adgressor™ / BR 850S, 850CS, 950S, 950CS, 1050S, 1050CS
RECOVERY SYSTEM
FIGURE 1
FUNCTIONAL OVERVIEW
Vacuum / Recovery System General
Dirt and water are lifted off the fl oor into the recovery tank by airfl ow, created by a 3-Stage 36V vacuum motor. The wastewater and air enter the
vacuum system at the squeegee tool, through small openings (notches) located in the front squeegee blade. The small openings are the entrance
points for the water and air, and help speed up the airfl ow producing the suction to lift the wastewater off of the fl oor. The air and wastewater move
through the squeegee hose at high speed until it reaches the recovery tank. There the air slows down because of the increased volume (large
size) of tank. With the decreased air speed the heavier water falls to the bottom of the recovery tank. Then at the same time the airfl ow continues
through the tank, shutoff fl oat, vacuum motor and is exhausted out of the vacuum exhaust hose. No wastewater ever actually moves through the
vacuum motor, just working air.
The vacuum system uses a shutoff fl oat to prevent the tank from being overfi lled and stops any water from being sucked into the vacuum motor.
The Adgressors / BR 850S & 850SC are equipped with a feature that will automatically shut off the vacuum and scrub systems and display “FULL”
on the hourmeter/status display if the recovery tank becomes fi lled.
Recovery
Tank Cover
FRONT
Cover Gasket
Drain Hose
Squeegee
Squeegee Hose
Recovery Tank
Float Cage
& Ball
Vacuum Motor

FORM NO. 56043097 / Adgressor™ / BR 850S, 850CS, 950S, 950CS, 1050S, 1050CS - 43
RECOVERY SYSTEM
VACUUM MOTOR CIRCUIT OVERVIEW
Auto Mode (See Figure 2)
+ Positive battery circuit inputs and outputs
Inputs:
• A Solenoid circuit control coil (+) voltage input to control board E1 connector J2 pin #’s 6 & 7 (wire colors Brn/Yel). Note: This input voltage
supplies all the machine’s accessory and solenoid coil circuits (solution, vacuum, brush, headlight, warning beacon etc.).
• A closed S1 key switch supplies (+) input voltage to the E1 terminal J2 pin #10 (wire Brn). This powers up (turns on) the control board’s
processing logic functions.
• A closed S2 operator safety seat switch enables the starting of the entire automatic machine scrubbing system functions. Its E1 terminal
connection is J4 pin #11 (wire Orn).
Outputs:
• A control board E1 battery (+) voltage output from the solenoid accessory terminal connection J2 pin #8 Wht/Brn wire completes the positive
voltage to the vacuum solenoid coil.
- Negative battery circuit inputs and outputs
Inputs:
• A main (-) battery ground input for the control board E1 terminal J4 pin #8 wire Blk. This supports the operation of the board’s processing logic
functions with the above mentioned S1 (+) key switch input.
• A battery ground input for all the (E1 boards) negative solenoid coil output circuits. Its E1 terminal connection is J2 pin #5 (wire Blk).
Outputs:
• A battery ground output from the E1 control board terminal connector J2 pin #2 wire Gra/Blk. This control board output completes the K2
vacuum solenoid coil circuit (Pos. & Neg.) and pulls in the vacuum solenoid load contact K2 making the vacuum motor(s) M5 & M6 run. This
occurs every time the throttle is moved off its neutral setting and the vacuum switch is on. Note: When the throttle is returned to neutral the
vacuum will remain on for 10 seconds and the indicator light will fl ash green.
FIGURE 2
M5
Motor, Vac
M
K2
Vacuum Solenoid Coil
S2
Sw, Seat
2
1
BT1
Battery, 36 Vdc
M6
Motor, Vac
M
S1
Sw, Spst
Key
F3 F4
K2
Contact N.o.
RED BLK
RED BRN/YEL
BRN/YEL
BRN
WHT/BRN
WHT/BRN GRA/BLK
BLK
WHT
WHT
RED
BRN/RED
BLK
BLK
BRN/RED
BRN
ORN
ORN ORN
B+ 1
B+ 2
KEY SW.
SEAT SW.
B-
ACC
VACUUM
A1
Speed Controller
Interface
Thermistor
I -- VAC
E1
Control Board
OPTIONAL
PIN15 -- KSI
J2-7
J2-6
J2-10
J4-11
J2-8
BLK
J4-8
J2-5
B-1
B-2
J2-2
+-
+-
J4-6

44 - FORM NO. 56043097 / Adgressor™ / BR 850S, 850CS, 950S, 950CS, 1050S, 1050CS
RECOVERY SYSTEM
TROUBLESHOOTING GUIDE
If water fl ows around the ends of the squeegee tool, instead of being pulled into the tool, the vacuum system is not working properly. When a vacuum
system performs poorly, it is usually because of one of the following problems:
Vacuum Leak(s) – Air fl owing into the vacuum system past a bad gasket or leaky hose, damaged tank, or a leaky drain valve. A vacuum leak below
the water line will create turbulence in the recovery tank, causing water to enter the vacuum motor.
Restriction(s) – Anything that blocks the fl ow of air through the system. Restrictions may also be caused by built-up debris in the squeegee tool,
vacuum hoses, fl oat cage or wherever the airfl ow is forced to make a sharp turn.
Both leaks and restrictions decrease the quantity of air fl owing through the squeegee tool. The air that does go through the squeegee tool moves
slower, so it has less pick-up power.
Vacuum Electrical Components – The vacuum systems major electrical components are monitored by the main controller to detect any system
function failures (error codes). The system components covered are the vacuum motor and vacuum solenoid. Detected error codes from the
main controller are displayed on the hour meter LED display as they occur. Note: Reference the Main Control Board Troubleshooting Guide in the
Electrical System of this manual for specifi c fault descriptions and service repair actions.
VACUUM / RECOVERY SYSTEM SERVICE MAINTENANCE CHECKLIST
Whenever there is a vacuum problem, it’s best to check over the entire system. Use the checklist below as a guide, to thoroughly check the vacuum
system.
Clean built-up dirt from the inside of the squeegee tool.
Replace the squeegee blades if they are nicked or torn.
Inspect the hose between the squeegee tool and the recovery tank, rinse any built-up dirt from the hose. Replace the hose if it is kinked
or damaged.
Inspect and make sure the gaskets on the recovery tank covers are sealing and not damaged.
Inspect and clean the vacuum motor fl oat cage and vacuum fi lter.
Make sure that the recovery tank drain valve seals airtight.
MAINTENANCE OF VACUUM FILTER AND FLOAT CAGE
See Figure 3. To inspect and clean the vacuum motor foam fi lter just lift open the tethered Vac Duct Cover (A). Remove the fi lter by pulling it out
from the housing opening. Clean the fi lter by vacuum or washing it out in warm water. Note: The fi lter must be completely dry before reinstalling.
To inspect the vacuum shut off fl oat just open the right rear recovery tank cover to access the fl oat cage assembly (back center in recovery tank).
The cage openings must be kept free of any debris that can restrict maximum airfl ow. To keep it clean, wipe off with a rag regularly or remove and
fl ush with water. The cage is a two piece design and can be snapped apart to separate. Note: Another method of accessing the cage fl oat for
servicing is to remove the (6) (B) Screws and remove the vacuum duct housing (C) from the recovery tank top opening.

FORM NO. 56043097 / Adgressor™ / BR 850S, 850CS, 950S, 950CS, 1050S, 1050CS - 45
RECOVERY SYSTEM
FRONT
E
B
C
I
L
F
K
J
HM
D*
G
A
N
RECOVERY TANK REMOVAL
1 Drain the recovery tank using the recovery tank
drain hose.
2 Disconnect the squeegee hose from the
squeegee tool and remove the tool from its
mount.
3 See Figure 3. Open the hinged recovery tank
Cover (D) and grip the top inside edge of the
tank then pull straight up to separate it from
the solution tank/seat platform. Then guide
the tank off the rear of the machine to the
fl oor. Important Service Note: Support the
bottom of the tank on its left corner to prevent
crushing of the squeegee hose. Don’t pull the
tank immediately away from the machine the
vacuum motor wiring harness located on the
lower left front corner must be disconnected to
complete the separation.
VACUUM MOTOR(S) REMOVAL
1 See Figure 3. Remove the vacuum duct Cover
(C) that is secured to the recovery tank by a qty
of (6) Screws (B).
2 Separate the wiring harness from each motor
and lift motor(s) out from their mounting cavity.
3 Inspect all the vacuum/recovery system
Gaskets, (items E, F, G & H) also clean the
vacuum motor(s) Foam Filters (I, J & K),
Screens (L) and Exhaust Hoses (M).
4 Inspect the carbon motor brushes, if less than
3/8” (10mm) in length replace.
* Service Note: The hinged Tank Cover (D) can easily
be separated from the vacuum Duct Cover (C)
by removing the slotted Pin (N) (by using a fl at
bladed screwdriver).
FIGURE 3

46 - FORM NO. 56043097 / Adgressor™ / BR 850S, 850CS, 950S, 950CS, 1050S, 1050CS
SQUEEGEE SYSTEM
SQUEEGEE SYSTEM LIFT MOTOR OVERVIEW
See Figure 2. The squeegee pickup tool is raised and lowered by a 36V actuator motor assembly mounted horizontally in the center rear of the
chassis underneath the recovery tank. The main control board assembly E1 regulates (manages) the machine’s squeegee tool system input and
output operating functions. See the Know Your Machine section in this manual for a detailed description of vacuum/squeegee operation modes.
OPERATIONAL OVERVIEW OF THE SQUEEGEE LIFT MOTOR REVERSE FUNCTION
During normal machine scrubbing the squeegee operates in the auto mode. To prevent squeegee blade damage and excessive wear the squeegee
tool is automatically lifted from the fl oor any time the machine is operated in reverse. See Figure 1. To get the squeegee tool to lift in reverse the
drive pedal must be moved off its neutral or forward position, which opens the normal closed (36V pos. +) control voltage from the A1 speed control
output pin #16 (Blu/Blk). This sensed loss of the (pos.) pin#16 control voltage signal creates the required E1 board input to the J4 connector pin#4
(Blu/Blk) wire). This then activates an internal relay circuit that outputs the correct voltage polarity for the M2 squeegee lift motor to run a specifi ed
time (output from J3 connector pins #2 & # 3). This raises the squeegee off the fl oor to the back up position, which is half of the normal distance
observed when in the machine scrub off mode. Moving the drive pedal back to the neutral/forward position closes the A1 throttle forward output and
the E1 control board gains its (+) signal. The J3 connector output reverses the polarity and lowers the tool back onto the fl oor.
* Programming Note: The Squeegee raise in reverse time period is adjustable. See the instruction in the Electrical Special Programming manual
section to change the distance the squeegee will raise in reverse.
TROUBLESHOOTING
Squeegee Lift Motor Operation
Problem Possible Cause
• Lift Motor runs in both directions • Threads in the moveable lift
but does not raise or lower the motor assembly drive tube are
squeegee tool assembly damaged (stripped)
• Lift cable damaged (stretched or broken)
• Lift motor does not run and the • Lift Motor Electrical system failure*
hourmeter/Status display shows
an error fault code (05, 19, or 20)
*Reference the main control board troubleshooting guide in the Electrical System of this manual for specifi c fault descriptions & service repair
actions.
FIGURE 1
M2
SQUEEGEE LIFT
ACTUATOR
M
S2
SW, SEAT
21
BT1
BATTERY, 36 Vdc
F1
S1
SW
SPST KEY
F3 F4
R1
POT. 5K OHM
1
2
3
RED
RED BLK
RED BRN/YEL
BRN/YEL
BRN
BLK/YEL
WHT/GRN
GRA
VIO
BLU/BLK
WHT/YEL
BLK
BLK
BRN
ORN
ORN ORN
VIO
YEL
YEL
B+ 1
B+ 2
KEY SW.
SEAT SW.
POT. LOW
POT. HIGH
FORWARD
PIN 3 -- POT. LO
PIN 1 -- POT. HI
PIN 2 -- POT. WIPER
PIN 16 - PROG 2
DRIVER
B+
B-
A2
M-
PIN 11 -- MULTIMODE
B- 1
B- 2
B- 3
B- 4
A1
SPEED CONTROLLER
INTERFACE
THERMISTOR
E1
CONTROL BOARD
SPEED LIMIT
J4-8
J2-5
J3-5
J3-6
J2-7
J2-6
J2-10
J3-3
J3-2
J4-11
J4-4
J4-9
J4-3
PIN15 -- KSI
J2-9 PIN 4 -- SPEED LIMIT
SPEED LIMIT
21
+
2121
+
21

FORM NO. 56043097 / Adgressor™ / BR 850S, 850CS, 950S, 950CS, 1050S, 1050CS - 47
SQUEEGEE SYSTEM
SQUEEGEE LIFT ACTUATOR MOTOR REMOVAL
1 Lower the squeegee tool to the fl oor and then disconnect the battery pack by pushing in the emergency disconnect lever (13). This procedure
is done to prevent the squeegee mount from automatically raising when the key is turned off.
2 Drain the recovery tank using the recovery tank drain hose.
3 Disconnect the squeegee hose from the squeegee tool and remove the tool from its mount.
4 Open the hinged recovery tank cover and grip the top inside edge of the tank then pull straight up to separate it from the solution tank/seat
platform. Then guide the tank off the rear of the machine to the fl oor. Important Service Note: Support the bottom of the tank on its left corner
to prevent crushing of the squeegee hose. Don’t pull the tank immediately away from the machine the vacuum motor wiring harness located
on the lower left front corner must be disconnected to complete the separation.
5 See Figure 2. From the back of the machine remove the Retainer Ring (A) securing the lift cable Pin (B) and separate the pin and cable from
the motor drive tube housing and chassis mounts. Note: Don’t lose the two plastic cable spacers positioned in motor drive tube.
6 Locate the wire tie that attaches the motor wiring to the chassis and then disconnect the motor harness.
7 From underneath the machine remove the Hairpin (C) securing the lift motor Pin (D) and disassemble the motor from the chassis mount. Then
pull the motor forward to remove it completely from the machine.
Note: New replacement lift actuator motors do not come with the lift nut pre-adjusted.
Important: After removing the actuator motor and before replacing a new motor or drive nut the IN & OUT limit switches must be set (or checked)
to their correct specifi cations (see the Electrical System for the Actuator Drive Nut Adjustment instructions).
8 After setting the correct actuator lift nut dimensions follow steps 1-7 in reverse order to re-install.
SQUEEGEE LIFT CABLE REPLACEMENT
1 Follow steps (1-5) in “Squeegee
Lift Actuator Motor Removal”
above. Note: The motor does
not need to be dismounted from
the frame.
2 Remove the lower squeegee
cable hair pin (E) and mounting
pin (F) to allow complete removal
of lift cable.
3 Reassemble in reverse order
and test for proper raise and
lower functions.
FIGURE 2
D
FRONT
AB
C
E
F

48 - FORM NO. 56043097 / Adgressor™ / BR 850S, 850CS, 950S, 950CS, 1050S, 1050CS
SQUEEGEE SYSTEM
G
FRONT
H
H
I
I
J
K
Grease
fittings
SQUEEGEE MAINTENANCE
If the squeegee leaves narrow streaks or water, the blades may be dirty or damaged. Remove the squeegee, rinse it under warm water and inspect
the blades. Reverse or replace the blades if they are cut, torn, wavy or worn.
To Reverse or Replace the Rear Squeegee Wiping Blade...
1 See Figure 3. Raise the squeegee tool off the fl oor, then unsnap the Center Latch (G) on the squeegee tool.
2 Remove the Tension Straps (H).
3 Slip the rear blade off the alignment pins.
4 The squeegee blade has 4 working edges. Turn the blade so a clean, undamaged edge points toward the front of the machine. Replace the blade if all 4 edges
are nicked, torn or worn to a large radius.
5 Install the blade, following the steps in reverse order and adjust the squeegee tilt.
To Reverse or Replace the Front Squeegee Blade...
1 Raise the squeegee tool off the fl oor, then loosen the (2) Thumb Nuts (I) on top of the squeegee and remove the squeegee tool from the mount.
2 Remove both rear Tension Straps fi rst.
3 Remove all the wing nuts that hold the front blade in place, then remove tension strap and blade.
4 The squeegee blade has 4 working edges. Turn the blade so a clean, undamaged edge points toward the front of the machine. Replace the blade if all 4 edges
are nicked, torn or worn to a large radius.
5 Install the blade, following the steps in reverse order and adjust the squeegee tilt.
SQUEEGEE ADJUSTMENT
There is just one squeegee tool adjustment possible, angle.
Adjusting the Squeegee Angle
Adjust the squeegee angle whenever a blade is reversed or replaced, or if the squeegee is not wiping the fl oor dry.
FIGURE 3
1 Park the machine on a fl at, even surface and lower the squeegee. Then drive the
machine forward enough to have the squeegee blades fold over to the rear.
2 Loosen the Lock Wing Nut (J) (hand tightened). This secures the squeegee
mount angle from easily vibrating out of adjustment.
3 Turn the Adjustment Knob (K) to tilt the tool forward or backwards,
until the rear squeegee wiping blade touches the fl oor evenly
across its entire width.
4 Re-tighten by hand the Lock Wing Nut (J).

FORM NO. 56043097 / Adgressor™ / BR 850S, 850CS, 950S, 950CS, 1050S, 1050CS - 49
ELECTRICAL SYSTEM
BATTERY SPECIFICATIONS
- Use a combination of multiple 2-volt cell units (wired in series) to construct a 36 Volt DC battery pack system.
- Nilfi sk-Advance recommended battery pack capacity is a 305 or 395 AH @ 20 Hour Rate deep cycle battery system (six 6V-batteries). Note: The battery pack must
fi t the battery compartment size listed in Specifi cations.
BATTERY CHARGER SPECIFICATIONS
- Use a 36 Volt DC output charger matching the DC battery pack voltage and the input AC line voltage supply being used.
- Always when selecting a battery charger follow the recommendation of the battery supplier to match the proper charger DC output amperage to the amp/hour rating
batteries being installed. This will prevent the battery pack from being over or under charged.
- The recommended 305 AH battery should be matched to a 36V, 20 or 25 Amp charger.
- The recommended 395 AH battery should be matched to a 36V, 36 Amp charger.
INSTALL THE BATTERIES
WARNING!
Use extreme caution when working with batteries. Sulfuric acid in batteries can cause severe injury if allowed to contact the skin or
eyes. Explosive hydrogen gas is vented from inside the batteries through openings in the battery caps. This gas can be ignited by
any electrical arc, spark or fl ame.
When Servicing Batteries...
• Remove all jewelry.
• Do not smoke.
• Wear chemical goggles, rubber gloves and a protective apron.
• Work in a well-ventilated area.
• Do not allow tools to touch more than one battery terminal at a time.
CAUTION!
Electrical components in this machine can be severely damaged if the batteries are not installed and connected properly. Batteries
should be installed by Nilfi sk-Advance or by a qualifi ed electrician.
1 Remove the batteries from their shipping crate and carefully inspect them
for cracks or other damage. If damage is evident, contact the carrier that
delivered them or the battery manufacturer to fi le a damage claim.
2 Turn the Master Key Switch (J) OFF (O) and remove the key.
3 To access the battery compartment tip the operator’s seat forward and set the
prop rod. Remove the battery cables from inside the battery compartment.
4 Your machine comes from the factory with enough battery cables to install six
(6 volt), 305 - 395 Amp hour batteries. Using two people and an appropriate
lifting strap, carefully lift* the batteries into the compartment tray exactly as
shown on machine decal (Figure 1).
5 The terminals on the battery cables are marked “+” for positive and “-“ for
negative. Install the battery cables as shown, with the terminals marked
“+” on the positive battery terminals and the terminals marked “-“ on the
negative terminals. Position the cables so the battery caps can be easily
removed for battery service.
6 Carefully tighten the nut in each battery terminal until the terminal will not
turn on the battery post. Then tighten the nut half an additional turn. Do not
over-tighten the terminals, or they will be very diffi cult to remove for future
service.
7 Coat the terminals and posts with spray-on battery terminal coating (available
at most auto parts stores).
8 Put one of the black rubber boots over each of the terminals and retain with
supplied tie straps.
9 Connect the battery pack connector to the Machine Battery Connector (22)
and close the operator’s seat platform.
*Note: Removal of the recovery tank can make battery installation easier.
FIGURE 1

50 - FORM NO. 56043097 / Adgressor™ / BR 850S, 850CS, 950S, 950CS, 1050S, 1050CS
ELECTRICAL SYSTEM
DESCRIPTION OF THE BATTERY LOW VOLTAGE CUTOUT FEATURE
All models discussed in this manual are equipped with a low voltage cutout feature to prevent over-discharging of the batteries. When a machine’s
battery pack voltage falls below specifi cally defi ned thresholds (voltage settings) the scrub system is automatically shut down. The cutout level is
adjustable. The standard lead acid battery (wet cell) setting is 1.72V per cell and alternate maintenance free battery (gel cell) setting is 1.81V per
cell. The standard setting is factory selected and should be used unless the battery manufacturer specifi es the higher cutout voltage.
Special Service Note: On all machines (36V) a minimum recharge voltage of 2.09 volts per cell must be reached to allow the scrub brush and
solution system to (reset) function again. The 36V-battery pack must increase to a 37.6-volt minimum.
DESCRIPTION OF THE BATTERY CONDITION INDICATORS
The Battery Condition Indicator (K) will give an indication of the state of charge of the batteries. The battery condition indicator will retain the
state-of-charge even if the key has been turned off. The state-of-charge indication is reset to full charge when the batteries have been recharged.
It is also possible to choose between two different low voltage thresholds depending on whether maintenance free or standard batteries are being
used (have qualifi ed service engineer perform this selection*). NOTE: The following percentages are based on useable battery capacity not
total battery capacity. Therefore, 100% discharge = 80% of total battery capacity for standard wet cell batteries or 70% of total battery capacity for
maintenance free batteries.
Explanation of Battery Indicator Lights and Voltage Ranges
36 volt
% of
Battery Indicator Discharge Standard Alternate
Green Full to 50% 34.0+ 34.5+
Green & Yellow 50% to 75% 33.0-34.0 34.0-34.5
Yellow 75% to 90% 32.0-33.0 33.5-34.0
Yellow & Red 90% to 95% 31.5-32.0 33.0-33.5
Red 95% to 99% 31.0-31.5 32.5-33.0
Flashing Red/Cutoff 100% <31.0 <32.5
*Important Note: See the Main Control Board Special Program Options manual section (located in the Electrical System) and follow the instructions
for changing the low voltage cutout threshold.
CHARGING THE BATTERIES
Charge the machine’s battery pack each time the machine is used, or when the Battery Condition Indicator (K) is showing red fl ashing indicator
lights. Note: The machine also uses a special low voltage cutout that inhibits the scrub system see in this manual section the Description of the
Battery Low Voltage Cutout Feature.
To Charge the Batteries...
1 Depress the Battery Disconnect (13).
2 Open the Battery Compartment Cover (16) to provide proper ventilation.
3 Push the connector from the charger into the Battery Connector (22).
4 Follow the instructions on the battery charger.
5 Check the fl uid level in all battery cells after charging the batteries. Add distilled water, if necessary, to bring the fl uid level up to the bottom of
the fi ller tubes.
WARNING!
Do not fi ll the batteries before charging. Only charge batteries in a well-ventilated area. Do not smoke while servicing the batteries.

FORM NO. 56043097 / Adgressor™ / BR 850S, 850CS, 950S, 950CS, 1050S, 1050CS - 51
ELECTRICAL SYSTEM
BATTERY MAINTENANCE
Proper maintenance of electric vehicle batteries can greatly extend their life. Well-maintained batteries may last up to 3 years, but failure after 1 year
is common if maintenance has been poor.
There are 3 simple rules for good battery maintenance:
• Maintain Proper Electrolyte Level (Weekly) - Use distilled water in batteries whenever possible. If batteries are discharged, add just enough
water to cover the plates in each cell. If batteries are fully charged, fi ll each cell to the bottom of the fi ller tube. Do not over-fi ll the batteries!
Do not add acid to batteries!
• Keep the Batteries Charged (Weekly) - Batteries should be charged each time that a machine is used for more than 1 hour. Machine
operators should open the battery compartment cover for charging, to avoid a concentrated build-up of hydrogen gas. Operators should follow
the instructions provided with their specifi c battery charger, to determine how long the batteries should be charged. Even when a machine is
stored, the batteries should be charged once a month to prevent the batteries from “sulfating”. Almost all battery caps are vented, so there’s
no need to loosen or remove them for charging.
• Keep the Batteries Clean (Monthly) - Use a damp cloth to wipe dirt from the top of the batteries. Battery terminals must be clean and tight.
If the tops of the batteries are wet after charging, the batteries have probably been over-fi lled or over-charged. Note: If there is acid on the
batteries, wash the tops of the batteries with a solution of baking soda and water (2) tablespoons of baking soda to 1 quart of water.
BATTERY TESTING
A battery problem is usually recognized by the machine operator, as a decrease in the machine’s running time. This condition is usually caused by
one or more “dead cells” in the battery system that is, one or more cells that is putting out less voltage than the other cells.
Note: Always charge batteries before testing.
There are 2 ways to fi nd a dead cell:
• Use a hydrometer to check the specifi c gravity (or “state of charge”) of the fl uid in each cell. A dead cell is one that reads 50 points (or more)
lower than the other cells.
• Use a volt meter to check the voltage of each battery with the scrub and drive motors running. The battery with the dead cell will read 1 or 2
volts lower than the other batteries in the system.
If the batteries in the machine are more than 1 year old, it’s usually best to replace the whole set, rather than replacing just one battery.
The chart below shows the approximate “percent charged” of an electric vehicle battery at various specifi c gravity values, corrected to 80°F
(26.7°C).
APPROXIMATE STATE OF CHARGE
1.265 Initial
Charged Full Charge
100% 1.265
75% 1.225
50% 1.190
25% 1.155
Discharged 1.120

52 - FORM NO. 56043097 / Adgressor™ / BR 850S, 850CS, 950S, 950CS, 1050S, 1050CS
ELECTRICAL SYSTEM
ACTUATOR DRIVE NUT ADJUSTMENT
This manual section explains the steps for adjusting the drive nut (housing assembly) setting for the machine’s two actuator motors. Reference the
chart below to fi nd the IN & OUT dimensional specifi cation for the specifi c actuator motor needing adjustment.
Part # Actuator Motor Drive Nut Housing Assy IN Drive Nut Housing Assy OUT
56393303 Scrub Brush Lift (disc & cyl.) 3/8” (9mm)* 3-5/8” (92mm)*
56397230 Squeegee Lift 3/32” (2mm)* 3-3/8” (86mm)*
*The “Drive Nut Housing Assy IN/OUT Position” dimensions are measured when completely assembled. Reference points are the gear box step to the edge of the
Steel Tube (A) as shown in Figure 3, or the edge of the plastic Spring Housing Assembly as shown in Figure 4.
**Flush even to end of step.
General Instructions for All Actuator Motors
1 See Figure 2. This shows the special actuator
power cord adapter (PN 56407502) that is needed
to connect the machine’s battery pack and actuator
motor for setting the drive nut limit settings.
2 Open the machine battery compartment and
disconnect the battery connector. The battery pack
is needed to power the lift actuator motor to properly
set the IN & OUT limit switches.
3 Connect the actuator motor to be tested to the
power cord adapter end. Then connect the alligator
clips from the cord adapter (red clip to the positive
and black to negative) to battery connector or
battery posts. The rocker switch is used to change
the motor rotation in setting the correct drive nut
dimension.
Instructions for Squeegee Lift Actuator Drive Nut Adjustment
1 See Figure 3. Hold onto the Actuator Drive Nut (A) and press the rocker switch to run the drive motor and retract the nut towards the motor
housing (it’s IN limit).
2 Measure the position of the drive nut on the actuator shaft. Manually turn the steel tube to the IN position as shown in the chart.
3 Hold the drive nut then press the adapter cord rocker switch to run the drive motor to the OUT position (wait until the motor stops).
4 Measure the position of the drive nut on the shaft and compare the measurement with the OUT position shown in the chart.
5 When the measurement doesn’t match the dimension shown in the chart it is necessary to remove the Adjuster Cover (B) and adjust the Out
position.
6 To increase the travel of the drive nut, turn the adjuster clockwise. To decrease the travel of the nut, turn the adjuster counter clockwise.
NOTE: Use a 1/2” (13 mm) socket to turn the adjuster. Each click of the adjuster will change the nut travel 1/16 inch (1.6 mm).
7 After each adjustment, hold the drive nut, run the actuator IN & OUT and check both dimensions. After checking that the drive nut limits are
set correctly then replace the adjuster cover. Service Tip Note: Use the above power cord adapter to help position the drive nut (in or out) for
ease in actuator motor installations.
FIGURE 2
FIGURE 3
3/32"
(2mm)
A
3-3/8"
(86mm)
B
IN OUT

FORM NO. 56043097 / Adgressor™ / BR 850S, 850CS, 950S, 950CS, 1050S, 1050CS - 53
ELECTRICAL SYSTEM
Instructions for Scrub Brush Lift Actuator Drive Nut Adjustment
1 See Figures 4 and 5. On a new scrub
lift actuator motor remove (spin-off)
the Drive Nut (C) and install the
short compression Spring (D) onto
the actuator (lead screw) shaft fi rst.
Next reinstall the plastic drive nut as
shown (with the nut pin pocket away
from the motor).
2 Follow steps 1-7 in the section
labeled Instructions for Squeegee
Lift Actuator Drive Nut Adjustment
(reference previous page).
3 After adjusting the actuator drive
nut (dimensions) follow step 10 (in
the Brush Deck Actuator Removal
manual section) to reassemble.
Service Tip: See Figure 5. Note the
correct orientation of the Spring
Housing (E) when installing the
complete motor assembly and also
run the spring housing assembly
to the OUT (extended) position for
machine installation.
FIGURE 4
FIGURE 5
OUT
3-5/8" (92mm)
IN
Spring Housing
Assembly
FRONT
C
E
Pin Pocket
D

54 - FORM NO. 56043097 / Adgressor™ / BR 850S, 850CS, 950S, 950CS, 1050S, 1050CS
ELECTRICAL SYSTEM
F
G
CURTIS CONTROLLER DIAGNOSTICS
Diagnostics Method A: Uses the machine’s control panel hourmeter display and wand switch indicator.
FUNCTION OF THE SPEED CONTROLLER STATUS LIGHT AND DISPLAY
The Curtis 1237 speed control will output a fault code if there is a problem associated with the speed control and wheel drive system. See Figure
6. If a speed control fault occurs, the Hourmeter/Status display (F) will indicate “E 03”. When the E03 is being displayed and detects a fault the
Green Indicator (G) normally the accessory wand indicator light will fl ash a special error code sequence until the fault is corrected. See “Table 1”
for a description of the fault indications. Service Note: Instructions on how to read the error code status light. Example, OO O = two light fl ashes,
a short pause, one light fl ash, a long pause and the code will be repeated. This indicates a fault code 2,1.
Diagnostics Method B: Uses the optional handheld Curtis programmer.
PROGRAMMER DIAGNOSTICS
With a programmer, diagnostics and troubleshooting is more direct than with the LED alone. The programmer presents complete diagnostic
information in plain language, no codes to decipher. Faults are displayed in the Diagnostic Menu, and the status of the controller inputs/outputs is
displayed in the Test Menu.
The following 4-step process is generally used for diagnosing and troubleshooting an inoperative vehicle: (1) visually inspect the vehicle for obvious
problems; (2) diagnose the problem, using the programmer; (3) test the circuitry with the programmer: and (4) correct the problem. Repeat the last
three steps as necessary until the vehicle is operational.
Example: A vehicle that does not operate in “forward” is brought in for repair.
1 Examine the vehicle and its wiring for any obvious problems, such as broken wires or loose connections.
2 Connect the programmer, put it in diagnostic mode, and read the displayed fault information. In this example, the display shows “No Faults Present”, indicating
that the controller has not detected anything out of the norm.
3 Put the programmer in test mode, and observe the status of inputs and outputs in the forward direction. In this example, the display shows that the forward
input did not activate when “forward” was selected, which means the problem is either in the electronic throttle or the throttle wiring.
4 Check or replace the electronic throttle and wiring and repeat the test. If the programmer shows the forward switch closing and the vehicle now drives normally,
the problem has been corrected.
Refer to the Status Fault Codes (Table 1) for suggestions covering a wide range of possible faults.
DIAGNOSTIC HISTORY
The handheld programmer can be used to access the controller’s diagnostic history fi le. Connect the programmer, press the MORE INFO key, and
then while continuing to hold the MORE INFO key, press the DIAGNOSTICS key. The programmer will read out all the faults that the controller has
experienced since the last time the diagnostic history fi le was cleared. The faults may be intermittent faults, faults caused by loose wires, or faults
caused by operator errors. Faults such as HPD or over temperature may be caused by operator habits or by overloading.
After a problem has been diagnosed and corrected, clearing the diagnostic history fi le is advisable. This allows the controller to accumulate a new
fi le of faults. By checking the new diagnostic history fi le at a later date, you can readily determine whether the problem was indeed completely
fi xed.
To clear the diagnostic history fi le, go to the Special Program Menu (by pressing and holding the MORE INFO key, and then pressing the PROGRAM
key), scroll through the menu until “Clear Diagnostic History” is the top line in the display, and then press MORE INFO again. The programmer will
prompt you to acknowledge or cancel.
See the CURTIS PROGRAMMER MANUAL 56043101 for more detail on programmer operation.
FIGURE 6

FORM NO. 56043097 / Adgressor™ / BR 850S, 850CS, 950S, 950CS, 1050S, 1050CS - 55
ELECTRICAL SYSTEM
STATUS LED FAULT CODES (TABLE 1)
LED STATUS LIGHT EXPLANATION POSSIBLE CAUSE
CODE DISPLAY
Output fault 1. Short in motor or in motor wiring.
1,1 O O 2. Controller failure.
Overcurrent fault 1. Short in motor or in motor wiring.
2. Controller failure.
EEPROM fault 1. EEPROM failure or fault.
Main contactor fault 1. Main contactor welded.
2. Main contactor driver fault.
3. Main contactor coil fault.
1,2 O OO Precharge fault 1. Internal controller fault.
2. Low battery voltage.
Motor voltage fault 1. Motor voltage does not correspond to throttle
request.
2. M1 or M2 output shorted to B- or B+.
3. Internal motor short.
4. Controller failure.
2,2 OO OO HPD fault 1. Improper sequence of KSI, power enable, and
throttle inputs.
2. Misadjusted throttle pot.
2,3 OO OOO HPD fault present for > 5 sec. 1. Misadjusted throttle.
2. Broken throttle pot.
3. Broken throttle mechanism.
2,4 OO OOOO Speed limit pot fault 1. Speed limit pot wiper wire broken.
2. Broken speed limit pot.
3,3 OOO OOO Throttle fault 1. Throttle input wire open.
2. Throttle input wire shorted to B- or B+.
3. Throttle pot defective.
4. Wrong throttle type selected.
4,1 OOOO O Low battery voltage 1. Battery voltage <16 volts (24V models).
2. Corroded or loose battery terminal.
3. Loose controller terminal.
4,2 OOOO OO Overvoltage 1. Battery voltage >36 volts (24V models).
2. Vehicle operating with charger attached.
4,3 OOOO OOO Over / Under-temp. cutback 1. Temperature >95°C (203°F) or<-25°C (-13°F).
2. Excessive load on vehicle.
3. Improper mounting of controller.
4. Operation in extreme environments.
*NOTE: A KSI (key switch input) system problem is a specifi c HPD (high pedal disable) type operational fault, caused by the operator activating
the Fwd/Rev drive pedal before turning on the main key switch or activating the throttle before sitting on the seat. This can be cleared by returning
the operator’s drive pedal to neutral and cycling the key switch OFF and ON.

56 - FORM NO. 56043097 / Adgressor™ / BR 850S, 850CS, 950S, 950CS, 1050S, 1050CS
ELECTRICAL SYSTEM
INSTALLATION CHECKOUT FOR THE CURTIS SPEED CONTROLLER
SAFETY!
The 1237 controller is inherently a high power device. When working around any battery powered vehicle, proper safety precautions
should be taken. These include, but are not limited to: proper training, wearing eye protection, avoiding loose clothing and jewelry, and
using insulated wrenches.
After installing a controller and before operating the vehicle, carefully complete the following checkout procedure. If you fi nd a problem during the
checkout, refer to the DIAGNOSTICS section of this chapter for further information.
The installation checkout can be conducted with or without the handheld programmer. The checkout procedure is easier with a programmer
otherwise observe the Status LED for codes (located on operator panel wand indicator light). The part number of the handheld programmer is
56409441. NOTE: If you have a programmer with a serial number before 2100 you will need to update your programmer. A free upgrade kit is
available, order part number 56409822. Also a different quad 4 pin programmer cable (PN 56409823) is needed to link the programmer to the
controller plug-in port.
WARNING!
Put the vehicle up on blocks to get the drive wheel off the ground before beginning these tests.
Turn the key switch off and make sure that the seat switch is open, and the throttle is in neutral.
Do not stand, or allow anyone else to stand, directly in front of or behind the vehicle during the tests.
1 Remove electrical panel to access controller then observe LED status light on touch pad operator panel wand indicator light. If a programmer
is available, connect it to the programmer plug-in port.
2 Sit on the seat and turn the key switch on. The programmer should “power up” with an initial display. If neither happens, check for continuity
in the key switch circuit and controller ground.
3 If you are using a programmer, put it into the diagnostic mode by pressing the DIAGNOSTICS key. The display should indicate “No Faults
Found”. Note: Before pressing the diagnostics key, wait until model # screen appears, if the throttle is activated prior to this screen appearing
the controller will shut down.
• If there is a problem, the LED will fl ash a diagnostic code and the programmer will display a diagnostic message. If you are conducting the
checkout without a programmer, look up the LED diagnostic code in the DIAGNOSTICS section of this chapter (Table 1).
• When the problem has been corrected, it may be necessary to cycle the key or seat switch to clear the fault code.
4 While sitting on the seat, operate the throttle. The motor should begin to turn in the selected direction. If it does not, verify the wiring to the
controller, and the motor. The motor should run proportionally faster with increasing throttle. If not, refer to the DIAGNOSTICS section of this
chapter (Table 1).
5 If you are using a programmer, put it into the test mode by pressing the TEST key. Scroll down to observe the status of the forward, reverse
and brake switch. Cycle each switch in turn, observing the programmer. Each input should show the correct state on the programmer.
6 Take the vehicle off the blocks and drive it in an open area. It should have smooth acceleration and good top speed.

FORM NO. 56043097 / Adgressor™ / BR 850S, 850CS, 950S, 950CS, 1050S, 1050CS - 57
ELECTRICAL SYSTEM
PROGRAMMING VEHICLE SPEED CHANGES
The maximum high-speed M1 (transport) and maximum low speed M2 (scrub) can be changed electronically, using the handheld programmer. To
change a parameter using the programmer, press the PROGRAM key, and scroll down the Program Menu until the desired parameter is the top line
of the display. Press the appropriate CHANGE VALUE key (“up” or “down”) until the desired number is reached. The parameter is now set at the
desired value. All programming occurs in real time. In other words, the parameters can be changed while the vehicle is in operation.
The upper and lower limits of parameters are set at the factory. Some parameters have dependencies on other parameters. When the programmer
is being used to adjust a parameter and a limit is reached, the display will stop changing. To see why the display has stopped changing, press the
MORE INFO key. If the limit is related to another parameter, that information will be displayed; changing the value of the related parameter may
allow the original parameter to be adjusted further. Otherwise, the display simply says “Max Limit” or “Min Limit.”
MAINTENANCE
There are no user-serviceable parts inside the Curtis PMC 1237 controller. No attempt should be made to open the controller. Opening the
controller may damage it and will void the warranty.
However, it is recommended that the controller exterior be cleaned periodically, and if a handheld programmer is available, this periodic cleaning
provides a good opportunity to check the controller’s diagnostic history fi le.
HANDHELD PROGRAMMER USE
Optional Curtis handheld programmer allows you to program, test and diagnose Curtis controllers. Use of a handheld programmer is described
more fully in the CURTIS PROGRAMMER MANUAL 56043101.

58 - FORM NO. 56043097 / Adgressor™ / BR 850S, 850CS, 950S, 950CS, 1050S, 1050CS
ELECTRICAL SYSTEM
Error Code Fault Description Troubleshooting Action
E03 Drive system fault 1. Check for a tripped drive motor circuit breaker (70 amp).
Investigate reason for possible mechanical over load. Examples:
sticking brakes, parking brake not released, prolonged ramp
climbing. 2. Observe the green fl ashing wand indicator light
(location operator panel) then see Curtis drive motor controller
section to further troubleshoot the drive system (Table 1).
E04 Scrub deck lift actuator overload
normal current load 1 - 2.5 Amps
max. current load 6 Amps
max. current no load 1.4 Amps
1. Check for binding or frozen brush lift linkage and excessive
weight on brush deck. 2. Check for short circuit* in brush motor
and wiring. Repair or replace.
E05 Squeegee lift actuator overload
normal current load 1 - 1.5 Amps
max. current load 6 Amps
max. current no load 1.4 Amps
1. Check for binding or frozen squeegee lift linkage and
excessive weight on squeegee. 2. Check for short circuit* in
wiring or actuator motor. Repair or replace.
E06 Scrub motor overload
Note: See Table #2 Scrub Pressure for detail
load current values for the different PA#s.
1. Check for binding in rotation of brushes or improper brush
lift actuator operation. 2. Check the negative supply cable
at the brush motor for a wiring problem or improper
modifi cations and also the small YEL/VIO current sense wire.
3. Check to see that the proper brush programming type is
selected*** (disc or cyl). 4. Check for short circuit* in brush
motor or wiring. 5. Inspect gearbox for failure (disc). Repair
or replace. 6. Check excessive belt tension and idler bearing
(cyl.).
FUNCTIONAL OVERVIEW OF MAIN CONTROL BOARD
The primary function of the main control board E1 is to position the scrubbing brush(s) with respect to the fl oor surface using a lift actuator motor
to maintain the correct brush pressure and current draw of the brush motor(s). When either the decrease or increase scrub pressure switch is
depressed this will lower the scrub deck to the operating position and by activating the foot pedal start the brush motor. The controller is continuously
monitoring the current to the brush motor and when it senses a current draw out of the desired range it automatically raises or lowers the brush deck
by turning on the brush actuator motor. This process is repeated until the brush motor is shut off. The controller also manages the other supportive
systems such as the squeegee lift, solution on/off, and vacuum motor. Note: See the Know Your Machine system in this manual for a complete
explanation of the machine’s operation.
The secondary function of the main control is to detect any system failures and display an error code on the hour meter display or store it in the main
control board’s recall memory mode. The error code(s) are used to help the serviceperson determine the fault and to quickly guide in repairing a
specifi c system malfunction. Note: See the Troubleshooting Guide for further information.
An additional special feature of the main control board is to change program settings for a set of specifi c machine functions. See the Main Control
Board Special Program Options section in this manual for further information.
TROUBLESHOOTING GUIDE
Any error codes detected by main control board will be displayed on the hour meter LED display as they occur. If more than one-error exists the
display will sequence through the error codes at one-second intervals. The error display will show on the hour meter as the letter E followed by a
two-digit code. EX: E03 would be a drive system fault. When troubleshooting any “Fault Description” noted with a double asterisk (**) follow
the instructions for temporarily disabling the control boards special fault detection program. See the Main Control Board Special Program
Options section in this manual.
MAIN CONTROLLER ERROR CODES
*** See the Main Control Board Special Program Options section to activate the Brush Type Selection function.

FORM NO. 56043097 / Adgressor™ / BR 850S, 850CS, 950S, 950CS, 1050S, 1050CS - 59
ELECTRICAL SYSTEM
Error Code Fault Description Troubleshooting Action
E07 Vacuum motor overload 1. Check for debris in vac motor. 2. Worn carbon brushes.
Normal current load 17-19 Amps 3. Defective motor bearings. 4. Check for short circuit* in
(1 motor). Normal current load vac motor or wiring. Repair or replace.
34-38 Amps (2 motors)
E08 Solution solenoid overload 1. Check for a wiring problem. 2. Check coil resistance (spec. is
125 Ohms + or – 15%). Replace solution solenoid if lower than 105
Ohms.
E17 Scrub deck lift actuator circuit open (**) 1. Check for disconnected actuator wiring, open in wiring or defective actuator
motor. Repair or replace. 2. Check controller output voltage should be 36V if
0V controller failure (replace).
E18 Scrub deck lift actuator short 1. Check for binding or frozen brush lift linkage and excessive weight
on brush deck. 2. Check for short circuit* in brush lift motor and wiring.
Repair or replace.
E19 Squeegee lift actuator circuit open (**) 1. Check for disconnected actuator wiring, open in wiring or defective actuator
motor, Repair or replace. 2. Check controller output voltage should be 36V if
0V controller failure (replace).
E20 Squeegee lift actuator short Check for binding or frozen squeegee lift linkage and excessive
weight on squeegee. 2. Check for short circuit* in wiring or actuator
motor. Repair or replace.
E21 Scrub motor circuit open (**) 1. Check for open in brush motor wiring or defective motor. 2.
Brush solenoid coil resistance Check the negative supply cable at the brush motor for a wiring
120 Ohms +/- 10% problem or improper modifi cations (this is a special cable and must
be replaced with the original OEM). 3. Replace defective brush motor
contactor. 4. Check if brushes are installed.
E22 Scrub motor short Same as E06.
E23 Vacuum motor circuit open (**) 1. Check for disconnected vacuum motor wiring, open in
Vac solenoid coil resistance wiring, defective vacuum motor and vac contactor failure.
120 Ohms +/- 10% Repair or replace. 2. Check controller output voltage should be 36V if
0V controller failure (replace).
E24 Vacuum motor short Same as E07
E25 Solution solenoid circuit open (**) 1. Check for disconnected solenoid wiring plug, open in wiring or defective
solenoid. Repair or replace. 2. Check controller output voltage should be 36V
if 0V controller failure (replace).
E26 Coil / solution solenoid short 1. Check for a short circuit* in wiring or solenoid coil. Repair or
replace.
E27 No accessory / wiring 1. Loss of battery (pos.) output to all system contactors (brush,
solution solenoid and vacuum) and system accessories (headlight,
warning beacon, solution pump). 2. Check controller accessory
terminal output (J2-8 Wht/Brn wire) voltage should be 36V if 0V
controller failure (replace).
*Short Circuit defi nition:
• A short circuit is a parallel path of very low resistance, often caused accidentally.
• With low resistance there is an excessive amount of current.
• The excessive current will either melt the wires or open a fusible link.
MAIN CONTROLLER ERROR CODES (CONTINUED)

60 - FORM NO. 56043097 / Adgressor™ / BR 850S, 850CS, 950S, 950CS, 1050S, 1050CS
ELECTRICAL SYSTEM
SERVICE TEST MODE:
The purpose of the service test mode program is to assist the service repairperson with numerous quick short-cut troubleshooting procedures.
These test instructions allow for the separate control of each individual electrical system component independent of the normal machine operator
inputs.
To enter the service test mode perform the following steps:
1 Turn the main power on/off key switch to the off position.
2 Press and hold the Wand Switch (I).
3 While holding the wand switch turn the main power on/off key switch to the on position.
4 Continue to hold the wand switch until the status display indicates “t” for test mode.
5 Release the wand switch.
6 The function of each switch and indicator is described in the following pages.
7 To exit this mode turn the main power on/off key switch to the off position.
CONTROL PANEL
A Scrub OFF Indicator
B Scrub OFF Switch
C Scrub Pressure Decrease Indicator
D Scrub Pressure Decrease Switch
E Scrub Pressure Increase Indicator
F Scrub Pressure Increase Switch
G Scrub Pressure / Hourmeter Display
H Wand Switch Indicator
I Wand Switch
J Key Switch
K Battery Condition Red Indicator
L Speed Select Switch
M Speed Select Indicator
N Horn Switch
O Vacuum Switch
P Vacuum System Indicator
Q Solution System Indicator
R Solution Switch
S Battery Condition Yellow Indicator
T Battery Condition Green Indicator
ABCDEF
G
H
I
J
K
LM
NO
PQ
R
ST

FORM NO. 56043097 / Adgressor™ / BR 850S, 850CS, 950S, 950CS, 1050S, 1050CS - 61
ELECTRICAL SYSTEM
Input Indicators:
See Figure 5 for button locations. Note: the seat switch must be closed for any of the following three indicators to be lit.
Battery status red indicator (K):
Speed control forward signal. This indicator will be lit if the forward signal from the speed control is active.
Battery status yellow indicator (S):
Speed control forward/reverse signal. This indicator will be lit if the forward/reverse signal from the speed control is active.
Battery status green indicator (T):
Speed control status signal. This indicator will be lit if the status signal from the speed control is active. If a speed control fault exists, this indicator
will fl ash the fault code from the speed control. Refer to the speed control section for details on these codes.
Status Display (G):
If no over-current faults are present, the status display will show the battery voltage. This display is accurate to within +/- 0.15 volts. Therefore, the
voltage displayed may not correlate precisely to a high-accuracy, calibrated voltmeter.
• An example of how 36.0 volts would be displayed is as follows:
• The display will show “3” followed by a brief blank period
• The display will show “6” followed by a brief blank period
• The display will show “_” followed by a brief blank period (serves as decimal point)
• The display will show “0” followed by a long blank period
• The above sequence will repeat
If over-current faults are present, the status display will indicate the error codes.
Output Controls:
See Figure 5. The control panel switches are used to control various output functions of the main control unit. Below is a list of each switch and the
function it controls. Following the list is a detailed description of each function.
Scrub off switch (B): Controls brush motor(s).
Scrub pressure decrease switch (D): Controls scrub deck lift actuator.
Scrub pressure increase switch (F): Controls squeegee lift actuator.
Vacuum switch (O): Controls vacuum motor(s).
Solution switch (R): Controls solution solenoid.
Horn switch (N): Used to jog actuators.
Speed select switch (L): Selects the various speed control speed limits.
Wand switch (I): If this switch is pressed the wand indicator will illuminate.
Scrub System Off Switch (B):
This switch is used to toggle the state of the brush motor. Pressing and releasing this switch will alternately turn the brush motor on and off. The
indicator provides the following status information:
Off - Brush motor output is off and there is no brush motor current sensed.
Steady Green - Brush motor output is on and there is normal brush motor current sensed.
Brief On Green Flash – Brush motor output is off and brush motor current is being sensed (abnormal condition).
Brief Off Green Flash – Brush motor output is on and brush motor current is not being sensed (abnormal condition).
Flashing Red – Brush motor overload has occurred.
SERVICE TEST MODE (CONTINUED)

62 - FORM NO. 56043097 / Adgressor™ / BR 850S, 850CS, 950S, 950CS, 1050S, 1050CS
ELECTRICAL SYSTEM
Scrub ON/Pressure Decrease Switch (D):
This switch is used to control the output to the scrub deck lift actuator. Pressing and releasing this switch will cycle the actuator output through 4
states. These are:
1 - output off, direction = up
2 - output on, direction = down
3 - output off, direction = down
4 - output on, direction = up
When the output is in state 1, the actuator output is turned off. The scrub pressure decrease indicator should be off. If the indicator is fl ashing green,
this indicates that the control is sensing current fl ow through the actuator (shorted output driver, control error). If the scrub pressure decrease switch
was the last switch pressed, it is possible to momentarily activate the actuator output using the horn switch. This can be used to jog the actuator to
allow precise positioning of the actuator. NOTE: the actuator can only move in this situation if it is not at its up limit.
When the output is in state 2, the actuator output is turned on. The scrub pressure decrease indicator should be green or fl ashing green. The
indicator will be a steady green if the control senses current fl ow through the actuator. It will fl ash green if no actuator current fl ow is sensed (actuator
at limit, open circuit, open output driver). The horn switch has no effect in this state.
When the output is in state 3, the actuator output is turned off. The scrub pressure decrease indicator should be off. If the indicator is fl ashing green,
this indicates that the control is sensing current fl ow through the actuator (shorted output driver, control error). If the scrub pressure decrease switch
was the last switch pressed, it is possible to momentarily activate the actuator output using the horn switch. This can be used to jog the actuator to
allow precise positioning of the actuator. NOTE: the actuator can only move in this situation if it is not at its down limit.
When the output is in state 4, the actuator output is turned on. The scrub pressure decrease indicator should be green or fl ashing green. The
indicator will be a steady green if the control senses current fl ow through the actuator. It will fl ash green if no actuator current fl ow is sensed (actuator
at limit, open circuit, open output driver). The horn switch has no effect in this state.
Scrub ON/Pressure Increase Switch (F):
This switch is used to control the output to the squeegee lift actuator. Pressing and releasing this switch will cycle the actuator output through 4
states. These are:
1 - output off, direction = up
2 - output on, direction = down
3 - output off, direction = down
4 - output on, direction = up
When the output is in state 1, the actuator output is turned off. The scrub pressure increase indicator should be off. If the indicator is fl ashing green,
this indicates that the control is sensing current fl ow through the actuator (shorted output driver, control error). If the scrub pressure increase switch
was the last switch pressed, it is possible to momentarily activate the actuator output using the horn switch. This can be used to jog the actuator to
allow precise positioning of the actuator. NOTE: the actuator can only move in this situation if it is not at its up limit.
When the output is in state 2, the actuator output is turned on. The scrub pressure increase indicator should be green or fl ashing green. The
indicator will be a steady green if the control senses current fl ow through the actuator. It will fl ash green if no actuator current fl ow is sensed (actuator
at limit, open circuit, open output driver). The horn switch has no effect in this state.
When the output is in state 3, the actuator output is turned off. The scrub pressure increase indicator should be off. If the indicator is fl ashing green,
this indicates that the control is sensing current fl ow through the actuator (shorted output driver, control error). If the scrub pressure increase switch
was the last switch pressed, it is possible to momentarily activate the actuator output using the horn switch. This can be used to jog the actuator to
allow precise positioning of the actuator. NOTE: the actuator can only move in this situation if it is not at its down limit.
When the output is in state 4, the actuator output is turned on. The scrub pressure increase indicator should be green or fl ashing green. The
indicator will be a steady green if the control senses current fl ow through the actuator. It will fl ash green if no actuator current fl ow is sensed (actuator
at limit, open circuit, open output driver). The horn switch has no effect in this state.
Vacuum Switch (O):
This switch is used to toggle the state of the vacuum motor. Pressing and releasing this switch will alternately turn the vacuum motor on and off.
The indicator (P) provides the following status information:
Off - Vacuum motor output is off and there is no vacuum motor current sensed.
Steady Green - Vacuum output is on and there is normal vacuum motor current sensed.
Brief On Green Flash - Vacuum motor output is off and vacuum motor current is being sensed (abnormal condition).
Brief Off Green Flash - Vacuum motor output is on and vacuum motor current is not being sensed (abnormal condition).
Flashing Red – Vacuum motor overload has occurred.
SERVICE TEST MODE (CONTINUED)

FORM NO. 56043097 / Adgressor™ / BR 850S, 850CS, 950S, 950CS, 1050S, 1050CS - 63
ELECTRICAL SYSTEM
Solution Switch (R):
This switch is used to toggle the state of the solution solenoid. Pressing and releasing this switch will alternately turn the solution solenoid on and
off. The indicator (Q) provides the following status information:
Off - Solenoid output is off.
Green - Solenoid output is on.
Flashing Red – Solution solenoid / contactor coil overload has occurred.
Horn Switch (N):
This switch is used to momentarily activate either the scrub deck lift actuator or the squeegee lift actuator. See the descriptions above for more
details.
Fast / Slow Switch (L):
This switch is used to toggle the state of the multimode output to the speed control. This is used to select which speed limit the speed control uses.
Pressing and releasing this switch will alternately turn the multimode output on and off. The indicator (M) provides the following status information:
Steady Green – Speed control mode 1 is selected (transport speed).
Brief Off Green Flash – Speed control mode 2 is selected (scrub speed).
Wand Switch (I):
This switch does not control any output functions. Pressing this switch will illuminate the wand indicator.
SERVICE TEST MODE (CONTINUED)

64 - FORM NO. 56043097 / Adgressor™ / BR 850S, 850CS, 950S, 950CS, 1050S, 1050CS
ELECTRICAL SYSTEM
MAIN CONTROL BOARD SPECIAL PROGRAM OPTIONS
Displaying the Control Unit Revision Level:
If it is desired to view the revision level of the control unit perform the following steps:
1 Turn the main power key switch to the off position.
2 Press and hold the scrub system off switch and the speed select switch.
3 While holding both switches turn the main power key switch to the on position.
4 Continue to hold both switches until the speed select indicator is fl ashing.
5 Release both switches.
6 The status display will now indicate the revision level of the control unit. The displayed value will be a letter from A to Z.
7 To exit this mode, turn the main power key switch to the off position.
Selection of Low Voltage Cutout Threshold:
FACTORY DEFAULT: S (STANDARD)
The Adgressor – BR 850S and BR 850CS are equipped with a low voltage cutout feature to prevent over-discharging the batteries. This feature
will automatically shut down the scrub system when the battery voltage falls to the selected threshold. The cutout level is adjustable. The standard
setting is 31 volts (1.72 volts per cell) and the alternate setting is 32.5 volts (1.81 volts per cell). Select the proper cutout level based on the battery
manufacturer’s specifi cations. It is important to note that some maintenance free batteries (including some gelled electrolyte cells) are capable of
being safely discharged down to 1.72 volts per cell. To select between the two cutout levels:
1 Turn the main power key switch to the off position.
2 Press and hold the scrub system off switch.
3 While holding the scrub system off switch turn the main power key switch to the on position.
4 Continue to hold the scrub system off switch until the scrub off indicator turns green.
5 Release the scrub off switch.
6 The status display will now show “S” or “A”. Pressing and releasing the scrub off switch will now select between the two options. For the
standard cutout level, select “S”. For the alternate cutout level, select “A”.
7 To save the new setting, turn the main power key switch to the off position.
8 The new setting will be saved and will remain in effect until it is changed again.

FORM NO. 56043097 / Adgressor™ / BR 850S, 850CS, 950S, 950CS, 1050S, 1050CS - 65
ELECTRICAL SYSTEM
Selection of Scrub Switch Operation and Scrub Pressure Limits:
FACTORY DEFAULT: MODE = 3 (PRESSURE INCREASE/DECREASE MODE), LIMIT = 3 (MAXIMUM)
The scrub system switches on the Adgressor/BR 850S and 850CS can be programmed to operate a number of different ways. The operation of the
scrub mode switches is described in the user manual. Following is a description of how to program the control for each mode of operation:
Operation mode 0: Two fi xed pressure settings.
Operation mode 1: Adjustable pressure, increase/decrease mode, nine pressure settings (Advenger mode).
Operation mode 2: Adjustable pressure, light/heavy pressure modes, nine pressure settings.
Operation mode 3: Adjustable pressure, increase/decrease mode, three pressure settings, full pressure range.
Operation mode 4: Adjustable pressure, increase/decrease mode, three pressure settings, low pressure range.
Operation mode 5: Adjustable pressure, increase/decrease mode, three pressure settings, high pressure range.
See the chart below for the equivalent pressure settings for modes 3, 4, and 5.
Adgressor Pressure Settings
Equivalent Pressure Settings (1-9)
Displayed Pressure Program Option 3 Program Option 4 Program Option 5
Setting (Full Range) (Light Range) (Heavy Range)
1213
2546
3979
NOTE: There are three control panel switches associated with the scrub system. The left-most switch is the scrub system off switch. The center
switch is mainly referred to as the scrub pressure decrease switch. Depending on the scrub switch operating mode, this switch may also be referred
to as the light scrub pressure select switch. The right-most switch is mainly referred to as the scrub pressure increase switch. Depending on the
scrub switch operating mode, this switch may also be referred to as the heavy scrub pressure select switch.
Pressure Increase / Decrease Mode with 3 Pressure Settings (Factory Default)
1 Turn the main power key switch to the off position.
2 Press and hold the scrub pressure decrease switch.
3 While holding the pressure decrease switch turn the main power key switch to the on position.
4 Continue to hold the pressure decrease switch until the scrub pressure decrease indicator is green.
5 Release the pressure decrease switch.
6 Pressing and releasing the scrub pressure decrease switch will now select between 0, 1, 2, 3, 4, or 5. Set the mode to 3, 4, or 5 depending
on the range of pressure desired (see above).
7 Press the scrub system off switch to save this setting.
8 The status display will now show “d” to indicate that the procedure is done.
9 The new setting will be saved and will remain in effect until it is changed again.
Pressure Increase / Decrease Mode with 9 Pressure Settings (Advenger Mode)
1 Turn the main power key switch to the off position.
2 Press and hold the scrub pressure decrease switch.
3 While holding the pressure decrease switch turn the main power key switch to the on position.
4 Continue to hold the pressure decrease switch until the scrub pressure decrease indicator is green.
5 Release the pressure decrease switch.
6 Pressing and releasing the scrub pressure decrease switch will now select between 0, 1, 2, 3, 4, or 5. Set the mode to 1.
7 Press the scrub system off switch to save this setting.
8 The status display will now show a number from 1 to 3. This represents the maximum scrub pressure that the operator will be able to select.
Use the pressure decrease switch to set the desired pressure limit.
9 Press the scrub system off switch to save this setting.
10 The status display will now show “d” to indicate that the procedure is done.
11 The new setting will be saved and will remain in effect until it is changed again.
SPECIAL PROGRAM OPTIONS (CONTINUED)

66 - FORM NO. 56043097 / Adgressor™ / BR 850S, 850CS, 950S, 950CS, 1050S, 1050CS
ELECTRICAL SYSTEM
Fixed Pressure Mode
1 Turn the main power key switch to the off position.
2 Press and hold the scrub pressure decrease switch.
3 While holding the pressure decrease switch turn the main power key switch to the on position.
4 Continue to hold the pressure decrease switch until the scrub pressure decrease indicator is green.
5 Release the pressure decrease switch.
6 Pressing and releasing the scrub pressure decrease switch will now select between 0, 1, 2, 3, 4, or 5. Set the mode to 0.
7 Press the scrub system off switch to save this setting.
8 The status display will now show a number from 1 to 5. This represents the scrub pressure that the operator will be able to select using the light
scrub pressure select switch. Use the pressure decrease switch to set the desired pressure.
9 Press the scrub system off switch to save this setting.
10 The status display will now show a number from (1 + the setting from step 8) to 9. This represents the scrub pressure that the operator will be
able to select using the heavy scrub pressure select switch. The scrub pressure increase indicator will now be illuminated. Use the pressure
increase switch to set the desired pressure.
11 Press the scrub system off switch to save this setting.
12 The status display will now show “d” to indicate that the procedure is done.
13 The new setting will be saved and will remain in effect until it is changed again.
Light / Heavy Scrub Mode
1 Turn the main power key switch to the off position.
2 Press and hold the scrub pressure decrease switch.
3 While holding the pressure decrease switch turn the main power key switch to the on position.
4 Continue to hold the pressure decrease switch until the scrub pressure decrease indicator is green.
5 Release the pressure decrease switch.
6 Pressing and releasing the scrub pressure decrease switch will now select between 0, 1, 2, 3, 4, or 5. Set the mode to 2.
7 Press the scrub system off switch to save this setting.
8 The status display will now show a number from 1 to 5. This represents the maximum scrub pressure that the operator will be able to select
using the light scrub pressure select switch. Use the pressure decrease switch to set the desired pressure.
9 Press the scrub system off switch to save this setting.
10 The status display will now show a number from (1 + the setting from step 8) to 9. This represents the maximum scrub pressure that the
operator will be able to select using the heavy scrub pressure select switch. The scrub pressure increase indicator will now be illuminated. Use
the pressure increase switch to set the desired pressure.
11 Press the scrub system off switch to save this setting.
12 The status display will now show “d” to indicate that the procedure is done.
13 The new setting will be saved and will remain in effect until it is changed again.
SPECIAL PROGRAM OPTIONS (CONTINUED)
* Values given are approximate.
1 2 3 4 5 6 7 8 9
2820D
3220D / BR850S
(Disc) 1-1/2 HP
2820C / 3220C
BR850CS
3520C / 3820C
(All Cyl.) (2) 3/4 HP
PA#
SCRUB PRESSURE (PA#) & CURRENT LOAD (AMPS) SPECIFICATIONS (TABLE 2)
15.0 17.5 20.0 22.5 25.0 27.5 30.0 32.5 35.0
15.0 17.5 20.0 22.5 25.0 27.5 30.0 32.5 35.0
19 22 25 28 31 34 37 40 43
3520D / 3820D
(Disc) (3) .6 HP

FORM NO. 56043097 / Adgressor™ / BR 850S, 850CS, 950S, 950CS, 1050S, 1050CS - 67
ELECTRICAL SYSTEM
Restoring the scrub modes and pressures to factory default settings:
FACTORY DEFAULT: MODE = 3 (PRESSURE INCREASE/DECREASE MODE), LIMIT = 3 (MAXIMUM)
If it is desired to restore the scrub switch operating mode and pressure limit to the default setting, perform the following steps:
1 Turn the main power key switch to the off position.
2 Press and hold the scrub pressure increase switch.
3 While holding the pressure increase switch turn the main power key switch to the on position.
4 Continue to hold the pressure increase switch until the scrub pressure increase indicator is green.
5 Release the pressure increase switch. The status display will now indicate “d” for done
6 The scrub switch operating mode and pressure limits have now been restored.
7 Turn the main power key switch to the off position.
Turning the Automatic Vacuum Shutoff Option On or Off:
FACTORY DEFAULT: ON
The Adgressor/BR 850S and 850CS are equipped with a feature that will automatically shut off the vacuum and scrub systems and display “FULL” on
the status display if the recovery tank becomes fi lled. If problems are encountered with the vacuum automatic shutoff feature, such as the vacuum
shutting off even if the recovery tank is not full, this feature can be turned off (see also, vacuum auto-shutoff threshold adjustment). To turn this
feature on or off perform the following steps:
1 Turn the main power key switch to the off position.
2 Press and hold the vacuum switch.
3 While holding the vacuum switch turn the main power key switch to the on position.
4 Continue to hold the vacuum switch until the vacuum indicator is green.
5 Release the vacuum switch. The status display will now indicate “E” or “d”.
6 Pressing and releasing the vacuum switch will now select between “E” for enabled or “d” for disabled. Enabled means that the automatic shutoff
feature is turned on, disabled means that the automatic shutoff feature is turned off.
7 To save the new setting, turn the main power key switch to the off position.
8 The new setting will be saved and will remain in effect until it is changed again.
Vacuum Automatic Shut-off Threshold Adjustment:
FACTORY DEFAULT: 4
The sensitivity of the automatic vacuum shut-off feature can be adjusted if necessary. This adjustment sets the amount of change required in the
vacuum power consumption to cause the control unit to indicate a full recovery tank condition. The setting is adjustable from 0 to 9. 0 is the minimum
sensitivity, 9 is the maximum sensitivity. If the unit falsely indicates a tank full condition, try setting this parameter to a lower value. If the control unit
fails to shut the vacuum system off when the recovery tank fl oat ball plugs the vacuum inlet, try setting this parameter to a higher value. To adjust
the vacuum shut-off sensitivity perform the following steps:
1 Turn the main power key switch to the off position.
2 Press and hold the scrub pressure decrease and the solution switch.
3 While holding both switches turn the main power key switch to the on position.
4 Continue to hold both switches until the solution indicator is fl ashing yellow.
5 Release both switches. The status display will now indicate a number from 0 to 9 depending on the threshold setting.
6 Pressing and releasing the solution switch will now select the threshold level. The level will increment from 0 to 9. 0 = minimum sensitivity, 9 =
maximum sensitivity.
7 To save the new setting turn the main power key switch to the off position.
8 The new setting will be saved and will remain in effect until it is changed again.
SPECIAL PROGRAM OPTIONS (CONTINUED)

68 - FORM NO. 56043097 / Adgressor™ / BR 850S, 850CS, 950S, 950CS, 1050S, 1050CS
ELECTRICAL SYSTEM
Recall Of Stored Error Codes:
Whenever an electrical system fault is detected by the main control unit, one or more error codes are displayed and stored by the control unit. If it
is desired, the error code (if any) from the previous operation of the machine can be recalled for troubleshooting purposes. To recall the last stored
error codes perform the following steps:
1 Turn the main power key switch to the off position.
2 Press and hold the solution switch.
3 While holding the solution switch, turn the main power key switch to the on position.
4 Continue to hold the solution switch until the solution indicator is green.
5 Release the solution switch.
6 If there were previously no error codes stored, the display will now show “-”. Go to step 11.
7 If error codes were stored, the display will now show the stored code(s) and the scrub system off indicator will now be red. An example of how
two codes, 6 and 18, would be displayed is as follows:
• The display will show “E” followed by a brief blank period
• The display will show “0” followed by a brief blank period
• The display will show “6” followed by a slightly longer blank period
• The display will show “E” followed by a brief blank period
• The display will show “1” followed by a brief blank period
• The display will show “8” followed by a long blank period
• The above sequence will repeat
8 To pause the display, press and hold the solution switch.
9 To clear the stored codes press and release the scrub system off switch. The display will now show “-“. Go to step 11.
10 If it is desired to save the codes, go to step 11.
11 To exit the error code recall mode, turn the main power key switch to the off position.
Turning Fault Detection On or Off:
FACTORY DEFAULT: ON
Normally, the main control unit will perform checks of the electrical system during operation. If a fault occurs in a particular system that system
(and possibly others) will be shut down. This can make troubleshooting the system diffi cult. This option will allow service personnel to disable
some of the fault detection checks to facilitate troubleshooting. This will not disable the over-current protection on any of the systems. To turn the
fault checking on or off:
1 Turn the main power key switch to the off position.
2 Press and hold the scrub system off switch and the solution switch.
3 While holding both switches turn the main power key switch to the on position.
4 Continue to hold both switches until the solution indicator is yellow.
5 Release both switches. The status display will now indicate “E” or “d”.
6 Pressing and releasing the solution switch will now select between “E” for enabled or “d” for disabled. Enabled means that the fault checking
is turned on, disabled means that the fault checking is turned off.
7 To save the new setting turn the main power key switch to the off position.
8 The new setting will be saved and will remain in effect until it is changed again.
SPECIAL PROGRAM OPTIONS (CONTINUED)

FORM NO. 56043097 / Adgressor™ / BR 850S, 850CS, 950S, 950CS, 1050S, 1050CS - 69
ELECTRICAL SYSTEM
Turning the High Speed Scrub Option On or Off:
FACTORY DEFAULT: ON
The control system on the Adgressor/BR 850S and 850CS are programmed to limit the maximum speed while scrubbing to a value less than that
allowed for driving when not scrubbing. The speed select switch on the control panel will override this speed limit feature and allow scrubbing at
maximum speed. If it is desired to prevent scrubbing at this faster speed the speed select feature can be turned off. To turn this feature on or off
perform the following steps:
1 Turn the main power key switch to the off position.
2 Press and hold the speed select switch.
3 While holding the speed select switch turn the main power key switch to the on position.
4 Continue to hold the speed select switch until the speed select indicator is green.
5 Release the speed select switch. The status display will now indicate “E” or “d”.
6 Pressing and releasing the speed select switch will now select between “E” for enabled or “d” for disabled. Enabled means that the high speed
scrub feature is turned on, disabled means that the high speed scrub feature is turned off.
7 To save the new setting turn the main power key switch to the off position.
8 The new setting will be saved and will remain in effect until it is changed again.
Scrub Deck Motor Type Selection:
FACTORY DEFAULT: MODE = S (SCRUBBER), SIZE: 8 IF 28” OR 32” DISC OR ANY CYLINDRICAL DECK, “L” IF 35” OR 38” DECK.
The Adgressor/BR 850S and 850CS can be equipped with numerous scrub deck options. This function confi gures the control unit current settings
for each of the scrub deck types. Improper setting of the motor type may result in motor damage due to overloading. To select the proper scrub
deck motor type:
1 Turn the main power key switch to the off position.
2 Press and hold the scrub system off and scrub pressure increase switches.
3 While holding both switches turn the main power key switch to the on position.
4 Continue to hold both switches until the scrub pressure increase indicator is yellow.
5 Release both switches. The status display will now indicate “S” or “E”.
6 Pressing and releasing the scrub pressure increase switch will now select between “S” for scrubber and “E” for extractor. Make sure that
“S” is displayed.
7 Press the scrub system off switch to save this setting.
8 The status display will now display “4”, “6”, “8” or “L”. Pressing the scrub pressure increase switch will now select between the four settings.
Select “8” if the machine is equipped with a 28” or 32” disc-type scrub deck or any size cylindrical scrub deck. Select “L” if the deck is equipped
with a 35” or 38” disc-type scrub deck.
CAUTION!
Improperly setting this parameter can result in serious damage to the machine. If this is set for motors not installed on the machine, the
motors may be overloaded which can cause overheating and permanent damage to the motors. It could also create a fi re hazard.
SPECIAL PROGRAM OPTIONS (CONTINUED)

70 - FORM NO. 56043097 / Adgressor™ / BR 850S, 850CS, 950S, 950CS, 1050S, 1050CS
ELECTRICAL SYSTEM
Single or Dual Vacuum Motor Selection:
FACTORY DEFAULT: 1 (SINGLE VACUUM MOTOR)
The Adgressor/BR 850S and 850CS comes with a standard single vacuum motor. A dual vacuum motor option is available. The control unit must
be programmed for the number of vacuum motors installed to provide the proper overload protection. To program the control for the number of
vacuum motors perform the following steps:
1 Turn the main power key switch to the off position.
2 Press and hold the scrub system off and vacuum switches.
3 While holding both switches turn the main power key switch to the on position.
4 Continue to hold both switches until the vacuum indicator is yellow.
5 Release both switches. The status display will now indicate “1” or “2”.
6 Pressing and releasing the vacuum switch will now select between “1” for a single vacuum motor or “2” for dual vacuum motors.
7 To save the new setting turn the main power key switch to the off position.
8 The new setting will be saved and will remain in effect until it is changed again.
Control Unit Sleep Delay Period:
FACTORY DEFAULT: 1 (10 MINUTES)
If the Adgressor/BR 850S and 850CS are left in an idle state for a period determined by the sleep delay setting the control unit will automatically raise
the scrub deck, raise the squeegee, and turn off any accessories. This is to conserve battery power. The sleep period is adjustable from 10 to 90
minutes in 10 minute increments. It can also be turned off. To change the sleep delay period perform the following steps:
1 Turn the main power key switch to the off position.
2 Press and hold the scrub system off and the wand switch.
3 While holding both switches turn the main power key switch to the on position.
4 Continue to hold both switches until the wand indicator is fl ashing.
5 Release both switches. The status display will now indicate a number from 0 to 9 depending on the current sleep delay period.
6 Pressing and releasing the wand switch will now select the delay period. The level will increment from 0 to 9; 0 = off (sleep disabled), 1 = 10
minutes, 2 = 20 minutes, ... up to 9 = 90 minutes.
7 To save the new setting turn the main power key switch to the off position.
8 The new setting will be saved and will remain in effect until it is changed again.
Squeegee Raise-In-Reverse Time Period Adjustment:
FACTORY DEFAULT: 5 (2.0 SECONDS)
When backing up with the recovery system active, the control unit will automatically raise the squeegee just enough to prevent dragging on the fl oor.
The time that the squeegee is raised is adjustable from 1 to 4.8 seconds in .2 second increments. To adjust the distance the squeegee is raised in
reverse perform the following steps:
1 Turn the main power key switch to the off position.
2 Press and hold the scrub pressure decrease and the vacuum switch.
3 While holding both switches turn the main power key switch to the on position.
4 Continue to hold both switches until the vacuum indicator is fl ashing yellow.
5 Release both switches. The status display will now indicate a number from 0 to 19 depending on the current time period. NOTE: If the decimal
point is not illuminated the display is indicating 0 – 9. If the decimal point is illuminated the display is indicating 10 – 19.
6 Pressing and releasing the vacuum switch will now select the time period. The level will increment from 0 to 19. 0 = 1 second, 1 = 1.2 seconds,
2 = 1.4 seconds, ... up to 19 = 4.8 seconds.
7 To save the new setting, turn the main power key switch to the off position.
8 The new setting will be saved and will remain in effect until it is changed again.
SPECIAL PROGRAM OPTIONS (CONTINUED)

FORM NO. 56043097 / Adgressor™ / BR 850S, 850CS, 950S, 950CS, 1050S, 1050CS - 71
ELECTRICAL SYSTEM
Back-up Alarm Volume Control:
FACTORY DEFAULT: 0 (OFF)
The Adgressor/BR 850S and BR850CS are equipped with an audible warning device which functions as a horn, a back-up alarm, and a forward
annunciator. The volume of the back-up alarm can be adjusted to one of ten settings. 1 is the minimum setting and 9 is the maximum setting, 0 is
off. To change the back-up alarm volume perform the following steps:
1 Turn the main power key switch to the off position.
2 Press and hold the horn switch.
3 While holding the horn switch turn the main power key switch to the on position.
4 Continue to hold the horn switch until the red battery status indicator is lit and the status display shows a number from 0 to 9 depending on the
current volume setting.
5 Release the horn switch.
6 Pressing and releasing the horn switch will now select the volume level. The level will increment from 0 to 9, 9 being the loudest. To hear the
back-up alarm volume select the reverse direction by pressing lightly on the throttle.
7 To save the new setting turn the main power key switch to the off position.
8 The new setting will be saved and will remain in effect until it is changed again.
Forward Annunciator Volume Control:
FACTORY DEFAULT: 0 (OFF)
The Adgressor/BR 850S and 850CS are equipped with an audible warning device which functions as a horn, a back-up alarm, and a forward
annunciator. The volume of the forward annunciator can be adjusted to one of ten settings. 1 is the minimum setting and 9 is the maximum setting,
0 is off. To change the forward annunciator volume perform the following steps:
1 Turn the main power key switch to the off position.
2 Press and hold the scrub system off and the horn switch.
3 While holding both switches turn the main power key switch to the on position.
4 Continue to hold both switches until the green battery status indicator is lit and the status display shows a number from 0 to 9 depending on the
current volume setting.
5 Release the horn switch.
6 Pressing and releasing the horn switch will now select the volume level. The level will increment from 0 to 9, 9 being the loudest. To hear the
forward annunciator volume select the forward direction by pressing lightly on the throttle.
7 To save the new setting, turn the main power key switch to the off position.
8 The new setting will be saved and will remain in effect until it is changed again.
SPECIAL PROGRAM OPTIONS (CONTINUED)

72 - FORM NO. 56043097 / Adgressor™ / BR 850S, 850CS, 950S, 950CS, 1050S, 1050CS
ELECTRICAL SYSTEM
Drive Motor Breakdown

FORM NO. 56043097 / Adgressor™ / BR 850S, 850CS, 950S, 950CS, 1050S, 1050CS - 73
M7
M8
M2
M5 H3
M6
S1 E1
K1
K3
A1
F3
F2
H2
M3
F1 H1
R1
M4
L1
M1
S2
K2
COMPONENT LOCATION
ELECTRICAL SYSTEM
Item Description
A1 Controller, Speed
E1 Control Panel Assembly
F1 Fuse 150 Amp
F2 Circuit Breaker, 70 Amp (Wheel Drive)
F3 Circuit Breaker, 10 Amp (Control Circuit)
H1 Horn / Backup Alarm
H2 Headlight (Optional)
H3 Strobe Light (Optional)
K1 Contactor, Brush Motor
K2 Contactor, Vacuum Motor
K3 Contactor, Speed Controller
L1 Solenoid Valve
M1 Lift Actuator, Brush
M2 Lift Actuator, Squeegee
M3 Motor, Drive Wheel
M4 Motor, Pump (Optional)
M5 Motor, Vacuum
M6 Motor, Vacuum (Optional)
M7 Motor, Gearbox Assembly (Disc) or
Motor, Brush (Cyl)
M8 Motor, Brush (Cylindrical only)
R1 Potentiometer, 5K
S1 Switch, Key
S2 Switch, Seat
For Machines before Serial Number Chart
SERIAL NUMBER CHART
1863250 - BR 850
1863255 - BR 950
1863260 - BR 1050 and all Adgressor models
revised 9/05

74 - FORM NO. 56043097 / Adgressor™ / BR 850S, 850CS, 950S, 950CS, 1050S, 1050CS
ELECTRICAL SYSTEM
Item Description
A1 CONTROLLER
BT1 BATTERY
E1 CONTROL PANEL ASSEMBLY
F1 FUSE, 150 AMP
F2 CIRCUIT BREAKER, 70 AMP (WHEEL DRIVE)
F3 CIRCUIT BREAKER, 10 AMP (CONTROL CIRCUIT)
F4 FUSE, 1 AMP
F5 CIRCUIT BREAKER, 5 AMP (SIDE BROOM / OPTIONAL)
H1 HORN / BACKUP ALARM
H2 HEADLIGHT (OPTIONAL)
H3 STROBE LIGHT (OPTIONAL)
K1 CONTACTOR, BRUSH MOTOR
K2 CONTACTOR, VAC MOTOR
K3 CONTACTOR, WHEEL DRIVE
L1 SOLENOID VALVE
M1 LIFT ACTUATOR, BRUSH
M2 LIFT ACTUATOR, SQUEEGEE
M3 MOTOR, DRIVE WHEEL
M4 MOTOR, PUMP (OPTIONAL)
M5 MOTOR, VACUUM 36VDC
M6 MOTOR, VACUUM 36VDC
M7 MOTOR, GEARBOX ASSY (DISC) OR
MOTOR, BRUSH 36VDC (CYLINDRICAL)
M8 MOTOR, BRUSH 36VDC (CYLINDRICAL)
M9 MOTOR, SIDE BROOM (OPTIONAL)
M10 MOTOR, GEARBOX ASSY (35" & 38" DISC)
R1 POTENTIOMETER, 5K
S1 SWITCH, KEY
S2 SWITCH, SEAT
S3 SWITCH, PUMP
S4 SWITCH, HEADLIGHT
S5 SWITCH, SIDE BROOM
Wiring diagram for Machines built before this Serial Number Chart
1863250 – BR 850
1863255 – BR 950
1863260 – BR 1050 and all Adgressor models
WIRING DIAGRAM / SCHEMATIC FOR
Adgressor™ / BR 850S, 850CS, 950S, 950CS, 1050S, 1050CS
(before Serial Number Chart)
12
M7
MOTOR, BRUSH
M
K1
CONTACT N.O.
M9
MOTOR, SIDE BROOM
M
M2
SQUEEGEE LIFT
ACTUATOR
M
M5
MOTOR, VAC
M
K2
CONTACTOR, VACUUM
S5
SW, SIDE BROOM
S2
SW, SEAT
21
M8
M
BT1
BATTERY, 36 Vdc
K1
CONTACTOR , BRUSH
H3
LAMP, FLASHING
M1
BRUSH LIFT
ACTUATOR
Amps = 3
M
F2
CIRCUIT BREAKER, 70 AMP
M3
MOTOR
WHEEL DRIVE
M
H2
LAMP, HEAD
12
F5
FUSE, 5 AMP
M6
MOTOR, VAC
M
M4
PUMP, ACCESSORY
M
L1
VALVE, SOLENOID
12
F1
FUSE, 150 A.
S3
S1
SW
SPST KEY
F3
CIRCUIT BREAKER, 10 AMP
H1
HORN-BACKUP ALARM
12
F4
FUSE, 1 A.
R1
POT. 5K OHM
1
2
3
S4
K2
CONTACT N.O.
RED
RED BLK
RED
RED BRN/YEL
BRN/YEL
BRN
RED/WHT
ORN/BLK
BLK/YEL
WHT/GRN
GRA
VIO
YEL/BLK
RED/GRN
BLU/BLK
RED/BLK
BRN/BLK
WHT/YEL
ORN/RED
GRN/BLK
WHT/BRN
WHT/BRN VIO/BLK
WHT/BRN
WHT/BRN
GRA/BLK
BRN/WHT
BLK
WHT/BRN
WHT/BRN
WHT/BRN BLK
BLK
WHT/RED
WHT/RED
BLK
RED
WHT
WHT
RED
BLK
BRN/RED
RED RED
YEL/VIO
BLK
BLU
BLK
BLK
BLU
BLK
BLU
YEL/VIO
BRN/RED
BLK
BRN/WHT
BRN
ORN
ORN
ORN/BLU
ORN
VIO
YEL
YEL
B+ 1
B+ 2
KEY SW.
SEAT SW.
POT. LO
POT. HIGH
FORWARD
FOR./REV.
PIN 3 -- POT. LO
PIN 1 -- POT. HI
PIN 2 -- POT. WIPER
PIN 16 - PROG2 DRIVER
PIN 8 -- MAIN
B-
A2
M-
PIN 11 -- MULTIMODE
ACC
SOLUTION
VACUUM
BRUSH
OPTIONAL
NOTE: PRESSURE SWITCH ON
PART OF PUMP ASSEMBLY
NOTE: SWITCH IS PART OF
LAMP ASSEMBLY
B- 1
B- 2
B- 3
B- 4
A1
SPEED CONTROLLER
INTERFACE
THERMISTOR
I -- VAC
I -- BRUSH
E1
CONTROL BOARD
OPTIONAL
1 AWG
8 AWG
16 AWG
16 AWG
10 AWG
8 AWG
16 AWG
18 AWG
18 AWG
16 AWG
22 AWG
HORN -
HORN +
OPTIONAL -- ON CYLINDRICAL MACHINE ONLY
SPEED MODE CONTROL
J4-8
J2-5
J3-5
J3-6
J4-12
J4-6
J4-2
J2-1
J2-2
J2-3
J2-8
J4-7
J4-1
J2-7
J2-6
J2-10
J3-1
J3-4
J3-3
J3-2
J4-11
J4-10
J4-4
J4-9
J4-3
PIN 15 -- KSI
STATUS J4-5
J2-9 PIN 4 -- SPEED LIMIT
SPEED LIMIT
MOTOR, BRUSH
Amps = 2
Amps = .1
Amps = .31
Amps = .33
Amps = .33
Amps = 37
Amps = 3
Amps = 1.67
Amps = .3
Amps = 18
Amps = 18
Amps = 8.8
12
12 +-
12
12
12
12
12 +-
12
+-
12
12 12 +-
-+
-+
12
12
B+ BLU/ORN
8AWG
BLU/ORN
YEL/GRN
MAIN CONTACTOR
K3
PIN 7 - PROG 1 DRIVER
PIN 14 - POWER ENABLE
AWG
16
AWG
16
K3
CONTACT N.O.
12
BLK
BLK
BLU
M
M10
MOTOR, BRUSH
RED
NOTE: M10 IS USED
ON 35" & 38" DISK
DECKS ONLY
NOTE: M8 IS USED ON CYLINDERICAL
AND 35" & 38" DISK DECKS ONLY
TVS ASSY.
-+
M7 IS USED ON ALL MODELS
35" & 38" DISK DECK POLARITY OF M8
M8
M
BLU
BLK
MOTOR, BRUSH
-+
revised 9/05

FORM NO. 56043097 / Adgressor™ / BR 850S, 850CS, 950S, 950CS, 1050S, 1050CS - 75
X25
X23
X6
S2
SW, SEAT
2
1
X34
X29
SP3
X39
X14
X4
M6
MOTOR, VACUUM
M
F2
CIRCUIT
BREAKER
70 AMP
S5
SW, SIDE BROOM
X41
X42
X18
F4
FUSE, 1 A.
K2
CONTACTOR,
VACUUM
X10
X31
H1
HORN
12
X40
X11
1
2
3
4
5
6
7
8
9
10
11
12
13
14
15
16
X12
S3
M7
MOTOR,
BRUSH
M
A1
SPEED CONTROLLER
1
16
1
4
P2
P1
PROGRAMMER
2
3
POT HIGH
POT WIPER
KSI
POT LOW
PUSH
PROG. 1 DRIVER
MAIN
HORN
EMERGENCY REV.
MUL SWITCH
FWD
DIR. SWITCH
POWER ENABLE
PROG. 2 DRIVER
SPEED LIMIT
X26
CHASSIS BONDING
X8 L1
VALVE
SOLENOID
12
M2
SQUEEGEE LIFT ACTUATOR
M
X32
R1
POT.
5K OHM
1
2
3
X13
H3
LAMP, FLASHING
K1
CONTACTOR,
BRUSH
X15
M1
BRUSH LIFT ACTUATOR
M
F1
FUSE, 150 A.
X16
SP2
M9
MOTOR,
SIDE BROOM
M
M4
PUMP
M
THROTTLE
GROUND
X5
X24
X1
J2
1
2
3
4
5
6
8
9
10
7
BT1
BATTERY, 36 Vdc
F3
S4
SW SPST
M8
MOTOR, BRUSH
M
X33
X22
X21
M3
MOTOR
WHEEL DRIVE
M
J3
1
2
3
4
5
6
X44
X20
X28
M5
MOTOR, VACUUM
M
X45
X27
H2
LAMP, HEAD
12
J4
1
2
3
4
5
6
8
9
10
11
12
7
X9
S1
SW, SPST KEY
SP4
X30
PANEL BONDING
X7
X2
F5
FUSE, 5 AMP
RED 1-2
BRN/YEL 16-4
BLK 1-2
BRN 18-1 BRN 18-1
RED/WHT 16-1
RED 8-2
RED 14-3
WHT/RED 18-2
BRN/YEL 16-1
RED 1-1
RED 16-1
RED 14-3
YEL 20-2 YEL 20-2
RED 16-1
BLK 8-1
RED 8-1 BLU/ORN 8-1
RED 14-1
BRN/RED 18-1 BRN/RED 18-1
RED/BLK 20-1 RED/BLK 20-1
RED 8-1
WHT 12-2
WHT/BRN 16-1
WHT 12-3
BRN/WHT 20-1
BRN/YEL 16-2
WHT/BRN 16-2
GRA/BLK 18-1
BLK 14-3
BLK 18-3
ORN 16-1
VIO/BLK 18-1 VIO/BLK 18-1
GRA/BLK 18-1 GRA/BLK 18-1
BLK 18-1
BLK 18-4
RED 1-2
ORN/RED 20-1 ORN/RED 20-1
WHT 12-4
ORN/RED 20-1
YEL/BLK 8-1
BRN/YEL 16-1
WHT 12-1
BRN 18-1
BLK 8-2
GRN/BLK 20-1 GRN/BLK 20-1
GRN/BLK 20-1
WHT/BRN 16-2
YEL/BLK 8-1
BLK 16-2 BLK 16-2
BRN/YEL 16-3
BRN/BLK 8-1
BLK/YEL 16-1
BRN/YEL 16-4 BRN/YEL 16-4
RED 8-3
RED 14-2
RED 14-2
RED 14-1
BLK 16-1 BLK 16-1
BLK 1-1
BLK 14-3
WHT/RED 18-2 WHT/RED 18-2
BRN 16-1
RED 8-2
YEL 20-2
BLK 14-1
RED 8-3
WHT/GRN 16-1
BLK 16-3 BLK 16-3
BRN 16-1
GRA 20-1
BLK 18-3
BLK 10-2
BLK 16-2
BLK 16-3
BLK 16-1
BLK 8-2
WHT/BRN 16-1 WHT/BRN 16-1
BLK 14-2
VIO 20-1
GRA 20-1
BLK 14-2
YEL 20-1
VIO 20-2
BLU 14-1
BLK 18-2
BRN/WHT 20-1 BRN/WHT 20-1
BLU 14-1
VIO/BLK 18-1
GRN/YEL 16-1
GRN/YEL 16-3
GRN/YEL 16-1
RED/GRN 8-1
RED/GRN 8-1
WHT/BRN 16-9
WHT/BRN 16-8
BLK 18-2
YEL/VIO 18-1
WHT/BRN 16-8
WHT/BRN 16-3
WHT/BRN 16-6
WHT/BRN 16-3
WHT/BRN 16-6
WHT/BRN 16-4
WHT/BRN 16-5
WHT/BRN 16-5
GRN/YEL 16-2
BLU 8-1
BLK 10-4
BLU 10-1
BLK 10-4
BLK 12-2
BLK 12-3
BLK 12-4
BLK 12-1
BRN/YEL 16-3 BRN/YEL 16-3
BRN/RED 18-1
BLK 8-1
BLK 10-2
BLK 18-4
WHT/BRN 16-9
WHT 12-2
BLK 12-2
WHT 12-1
BLK 12-1
BLK 18-1
WHT/BRN 16-4
WHT 12-3
BLK 12-3
WHT 12-4
BLK 12-4
ORN 20-2 ORN 20-2
YEL/VIO 18-1 YEL/VIO 18-1
VIO 20-2
VIO 20-2
WHT/YEL 16-1
ORN/BLU 20-1
BLU/BLK 20-1 BLU/BLK 20-1
RED/BLK 20-1
ORN/BLU 20-1
ORN/BLU 20-1
YEL 20-1
BLK 16-4 BLK 16-4
RED/WHT 16-1 RED/WHT 16-1
BLK 16-4
WHT/GRN 16-1 WHT/GRN 16-1
BLK/YEL 16-1 BLK/YEL 16-1
WHT/YEL 16-1 WHT/YEL 16-1
ORN 20-1
ORN/BLK 16-1 ORN/BLK 16-1
ORN/BLK 16-1
ORN 20-1
ORN 20-2
ORN 16-1
VIO 20-1
BLK 1-2
YEL/GRN 16-1
Note:
Switch Is Part Of Lamp Assembly
Note:
M6 Is Optional
Note: Pressure Switch On Part Of Pump Assembly
BLK
Note: M4 Is Optional
BLK
CONTROL BOARD
E1
+
-
Note: M7 Is Used On All Models
ABCDEFABCDE
ABCDEF
ABCDEF
1
2
21
-
+-
+
-
+
-+
A
A
B
B
1
2
1
2
2
A
A
B
B
B
B
A
A
-
+
B
B
A
A
B
B
A
A
B
B
A
A
B
B
A
A
B
B
A
A
B
B
A
A
12
1
2
+-
12
12
12+-
2
1
3
4
2
1
3
4
2
1
12
12
12
-
+
12
12
12
1
2
4
3
23
1
2
1
2
12
2
1
12
-+
-+
M- B- A2B+
CIRCUIT BREAKER
10 AMP
1
2GRN/YEL 16-3
X55
CONTROL BOARD BONDING
Note:
H3 Is Optional
22
2
1
SP5
RED 10-1
BLU 10-2
BLU 10-1
BLU 8-1
K3
BLU/ORN 16-1
YEL/GRN 16-1
BRN/BLK 8-1
BLU/ORN 8-1
2
1
3
4
CONTACTOR,
MAIN
F
BLK 10-6
2
1
BLK 10-5
X21
X20 B
B
A
A
TVS ASSY.
X49
X51
BLK 10-5
BLU 10-2
A
A
B
BX50
X52
RED 10-1
BLK 10-6
A
A
B
B
Note: M8 Is Used On 35", 38" Disk Decks
And All Cylindrical Decks.
M
-+
M10
MOTOR, BRUSH
Note: M10 Is Used On 35" & 38" Disk Decks Only
Note: Terminals X53, X54 Are Used On Only
Cylinderical Decks
35" And 38" Deck Polarity Of M8
M7
MOTOR, BRUSH
M-
+M
-+
M8
MOTOR, BRUSH
Cylinderical Deck Polarity Of M8
X44
X45
BLU 10-1
BLK 10-4
A
A
B
B
123
1
2
3
X54
X53
BLU/BLK 20-1
INHIBIT
GRN/YEL 16-2
BLK 14-1
4
Note: Optional - On Cylindrical Machine Only
X48
X47
X43
X46
X36
X37 B
B
A
A
SCHEMATIC FOR ADGRESSOR™ / BR 850S, 850CS, 950S, 950CS, 1050S, 1050CS (before Serial Number Chart) ELECTRICAL SYSTEM
revised 9/05

76 - FORM NO. 56043097 / Adgressor™ / BR 850S, 850CS, 950S, 950CS, 1050S, 1050CS
ELECTRICAL SYSTEM
Item Description
A1 CONTROLLER
BT1 BATTERY
E1 CONTROL PANEL ASSEMBLY
E2 CONTROL ASSEMBLY (AXP/EDS)
F1 FUSE, 150 AMP
F2 CIRCUIT BREAKER, 10 AMP (CONTROL CIRCUIT)
F3 CIRCUIT BREAKER, 70 AMP (WHEEL DRIVE)
F4 FUSE, 1 AMP
F5 CIRCUIT BREAKER, 5 AMP (SIDE BROOM / OPTIONAL)
H1 HORN / BACKUP ALARM
H2 HEADLIGHT (OPTIONAL)
H3 STROBE LIGHT (OPTIONAL)
K1 CONTACTOR, BRUSH MOTOR
K2 CONTACTOR, VAC MOTOR
K3 CONTACTOR, WHEEL DRIVE
L1 SOLENOID VALVE
M1 LIFT ACTUATOR, BRUSH
M2 LIFT ACTUATOR, SQUEEGEE
M3 MOTOR, DRIVE WHEEL
M4 MOTOR, PUMP (OPTIONAL)
M5 MOTOR, VACUUM 36VDC
M6 MOTOR, VACUUM 36VDC
M7 MOTOR, GEARBOX ASSY (DISC) OR
MOTOR, BRUSH 36VDC (CYLINDRICAL)
M8 MOTOR, BRUSH 36VDC (CYLINDRICAL)
M9 MOTOR, SIDE BROOM (OPTIONAL)
M10 MOTOR, BRUSH
M11 PUMP, SOLUTION
M12 PUMP, CHEMICAL (AXP/EDS)
R1 POTENTIOMETER, 5K
S1 SWITCH, KEY
S2 SWITCH, SEAT
S3 SWITCH, PUMP
S4 SWITCH, HEADLIGHT
S5 SWITCH, SIDE BROOM
S6 SWITCH, PUMP (PART OF M11)
Wiring diagram for Machines built after this Serial Number Chart
1863250 – BR 850
1863255 – BR 950
1863260 – BR 1050 and all Adgressor models
WIRING DIAGRAM / SCHEMATIC FOR
Adgressor™ / BR 850S, 850CS, 950S, 950CS, 1050S, 1050CS
(after Serial Number Chart)
revised 5/06
S4
F2
CIRCUIT BREAKER, 10 AMP
H1
HORN
BACKUP ALARM
K1
CONTACT N.O.
M7
MOTOR, BRUSH
M
M12
PUMP, CHEMICAL
M
K1
CONTACTOR , BRUSH
M10
MOTOR, BRUSH
M
F3
CIRCUIT BREAKER, 70 AMP
M4
PUMP, ACCESSORY
M
F1
FUSE, 150 A.
BT1
BATTERY, 36 Vdc
S2
SW, SEAT
M1
BRUSH
LIFT ACTUATOR
M
S5
SW, SIDE BROOM
K2
CONTACTOR, VACUUM
K3
MAIN CONTACTOR
R1
POT. 5K OHM
M3
MOTOR, WHEEL DRIVE
M
M6
MOTOR, VAC
M
S3
S6
M2
SQUEEGEE
LIFT ACTUATOR
M
M8
MOTOR, BRUSH
M
S1
SW, SPST KEY
L1
VALVE, SOLENOID
K2
CONTACT N.O.
D2
ZENER TVS
M11
PUMP, SOLUTION
M
F5
FUSE, 5 A.
F4
FUSE, 1 A.
M9
MOTOR, SIDE BROOM
M
H2
LAMP, HEAD
M5
MOTOR, VAC
M
H3
LAMP, FLASHING
K3
CONTACT N.O.
D1
ZENER TVS
M8
MOTOR, BRUSH
M
12
12
12
12 -+
-+
-+
12
-+
12 +-
21
-+
12
1
2
3
-+
1
2
12
12
-+
-+
12
12
12
-+
12
12
-
+
12
1
2
12
12
+-
RED
RED
BLK
RED
RED
BRN
RED/WHT
ORN/BLK
BLK/YEL
WHT/GRN
GRA
VIO
YEL/BLK
RED/GRN
WHT/YELGRN/BLK
BRN/WHT
WHT/BRN
WHT/BRN
BLK
BLK
RED
WHT
WHT
RED
BRN/RED
BRN/RED
RED RED
YEL/VIO
BLU
BLU
BLU
BRN/WHT
ORN
ORN
BRN
ORN/BLU
YEL
ORN
VIO
BLK
BLK
BLK
BLK
BRN/BLK
BLU/ORN
BLK
BLU RED
BLU/BLK
BLU/ORN
BLK
BLU
YEL/VIO
BLK
WHT/BRN
WHT/BRN
BLK
BLK/WHT
BLU/YEL
BLK
WHT/BRN
WHT/BRN
GRA/BLK
WHT/RED
WHT/BRN
VIO/BLK
VIO/BLK
VIO/BLK
WHT/BRN
RED/WHT
BLU/GRA
BLK
WHT/BRN
WHT/BRN
RED/BLK
YEL/GRN
BLK
ORN/RED
YEL
BRN/YEL
BRN/YEL
B+ 1
B+ 2
KEY SW.
SEAT SW.
POT. LO
POT. HI
FORWARD
FOR./REV.
PIN 3 -- POT. LO
PIN 1 -- POT. HI
PIN 2 -- POT. WIPER
B+
B-
A2
M-
PIN 11-MULTIMODE
ACC
SOLUTION
VACUUM
BRUSH
OPTIONAL
B- 1
B- 2
B- 3
B- 4
A1
SPEED CONTROLLER
INTERFACE
THERMISTOR
I -- VAC
I -- BRUSH
E1
CONTROL BOARD
OPTIONAL
22 AWG
HORN -
HORN +
OPTIONAL -- ON CYLINDRICAL MACHINE ONLY
SPEED MODE
CONTROL
J4-8
J2-5
J3-5
J3-6
J4-12
J4-6
J4-2
J2-8
J4-7
J4-1
J2-7
J2-6
J2-10
J3-1
J3-4
J3-3
J3-2
J4-11
J4-10
J4-4
J4-9
J4-3
STATUS J4-5
J2-9
PIN 4 -- SPEED LIMIT
SPEED LIMIT
REFERENCE: WIRING DIAGRAM 56314967 56015807-REV. C
PIN15-KSI
PIN 7-PROG 1 DRIVER
PIN 8-MAIN
NOTE:
M8 IS USED ON
CYLINDERICAL
AND 35" & 38"
DECK ONLY
NOTE:
M10 IS USED ON
35" & 38" DECK ONLY
PIN16-PROG 2 DRIVER
PIN14-POWER ENABLE
CYLINDRICAL DECK POLARITY OF M8
J2-2
J2-1
J2-3
J1-1
J1-2
J1-3
J1-4 J1-6
J1-7
J1-8
J1-9
J1-10
E2
CHEMICAL
SYSTEM

FORM NO. 56043097 / Adgressor™ / BR 850S, 850CS, 950S, 950CS, 1050S, 1050CS - 77
SCHEMATIC FOR ADGRESSOR™ / BR 850S, 850CS, 950S, 950CS, 1050S, 1050CS (after Serial Number Chart) ELECTRICAL SYSTEM
X25
X23
X6
S2
SW, SEAT
2
1
X34
X29
SP3
X39
X14
X4
M6
MOTOR, VACUUM
M
F3
CIRCUIT
BREAKER
70 AMP
S5
SW, SIDE BROOM
X41
X42
X18
F4
FUSE, 1 A.
K2
CONTACTOR,
VACUUM
X10
X31
H1
HORN
12
X40
X11
1
2
3
4
5
6
7
8
9
10
11
12
13
14
15
16
X12
S6
M7
MOTOR,
BRUSH
M
A1
SPEED CONTROLLER
1
16
1
4
P2
P1
PROGRAMMER
2
3
POT HIGH
POT WIPER
KSI
POT LOW
PUSH
PROG. 1 DRIVER
MAIN
HORN
EMERGENCY REV.
MUL SWITCH
FWD
DIR. SWITCH
POWER ENABLE
PROG. 2 DRIVER
SPEED LIMIT
X26
CHASSIS BONDING
X8 L1
VALVE
SOLENOID
12
M2
SQUEEGEE LIFT ACTUATOR
M
X32
R1
POT.
5K OHM
1
2
3
X13
H3
LAMP, FLASHING
K1
CONTACTOR,
BRUSH
X15
M1
BRUSH LIFT ACTUATOR
M
F1
FUSE, 150 A.
X16
SP2
M9
MOTOR,
SIDE BROOM
M
M11
PUMP, SOLUTION
OPTIONAL
M
THROTTLE
GROUND
X5
X24
X1
J2
1
2
3
4
5
6
8
9
10
7
BT1
BATTERY, 36 Vdc
F2
S4
SW SPST
M8
MOTOR, BRUSH
M
X33
X22
X55
M3
MOTOR
WHEEL DRIVE
M
J3
1
2
3
4
5
6
X44
X56
X28
M5
MOTOR, VACUUM
M
X45
X27
H2
LAMP, HEAD
12
J4
1
2
3
4
5
6
8
9
10
11
12
7
X9
S1
SW, SPST KEY
SP4
X30
PANEL BONDING
X7
X2
F5
FUSE, 5 AMP
RED 1-2
BRN/YEL 16-4
BLK 1-2
BRN 18-1 BRN 18-1
RED/WHT 16-1
RED 8-2
RED 14-3
WHT/RED 18-2
BRN/YEL 16-1
RED 1-1
RED 16-1
RED 14-3
YEL 20-2 YEL 20-2
RED 16-1
BLK 8-1
RED 8-1 BLU/ORN 8-1
RED 14-1
BRN/RED 18-1 BRN/RED 18-1
RED/BLK 20-1 RED/BLK 20-1
RED 8-1
WHT 12-2
WHT/BRN 16-1
WHT 12-3
BRN/WHT 20-1
BRN/YEL 16-2
WHT/BRN 16-2
GRA/BLK 18-1
BLK 14-3
BLK 18-3
ORN 16-1
VIO/BLK 18-1 VIO/BLK 18-1
GRA/BLK 18-1 GRA/BLK 18-1
BLK 18-1
BLK 18-4
RED 1-2
ORN/RED 20-1 ORN/RED 20-1
WHT 12-4
ORN/RED 20-1
YEL/BLK 8-1
BRN/YEL 16-1
WHT 12-1
BRN 18-1
BLK 8-2
GRN/BLK 20-1 GRN/BLK 20-1
GRN/BLK 20-1
WHT/BRN 16-2
YEL/BLK 8-1
BLK 16-2 BLK 16-2
BRN/YEL 16-3
BRN/BLK 8-1
BLK/YEL 16-1
BRN/YEL 16-4 BRN/YEL 16-4
RED 8-3
RED 14-2
RED 14-2
RED 14-1
BLK 16-1 BLK 16-1
BLK 1-1
BLK 14-3
WHT/RED 18-2 WHT/RED 18-2
BRN 16-1
RED 8-2
YEL 20-2
BLK 14-1
RED 8-3
WHT/GRN 16-1
BLK 16-3 BLK 16-3
BRN 16-1
GRA 20-1
BLK 18-3
BLK 10-2
BLK 16-2
BLK 16-3
BLK 16-1
BLK 8-2
WHT/BRN 16-1 WHT/BRN 16-1
BLK 14-2
VIO 20-1
GRA 20-1
BLK 14-2
YEL 20-1
VIO 20-2
BLU 14-1
BLK 18-2
BRN/WHT 20-1 BRN/WHT 20-1
BLU 14-1
VIO/BLK 18-1
GRN/YEL 16-1
GRN/YEL 16-3
GRN/YEL 16-1
RED/GRN 8-1
RED/GRN 8-1
WHT/BRN 16-9
WHT/BRN 16-8
BLK/WHT 18-1
YEL/VIO 18-1
WHT/BRN 16-8
WHT/BRN 16-3
WHT/BRN 16-6
WHT/BRN 16-3
WHT/BRN 16-6
WHT/BRN 16-4
BLU/YEL 18-1
WHT/BRN 16-5
GRN/YEL 16-2
BLU 8-1
BLK 10-4
BLU 10-1
BLK 10-4
BLK 12-2
BLK 12-3
BLK 12-4
BLK 12-1
BRN/YEL 16-3 BRN/YEL 16-3
BRN/RED 18-1
BLK 8-1
BLK 10-2
BLK 18-4
WHT/BRN 16-9
WHT 12-2
BLK 12-2
WHT 12-1
BLK 12-1
BLK 18-1
WHT/BRN 16-4
WHT 12-3
BLK 12-3
WHT 12-4
BLK 12-4
ORN 20-2 ORN 20-2
YEL/VIO 18-1 YEL/VIO 18-1
VIO 20-2
VIO 20-2
WHT/YEL 16-1
ORN/BLU 20-1
BLU/BLK 20-1 BLU/BLK 20-1
RED/BLK 20-1
ORN/BLU 20-1
ORN/BLU 20-1
YEL 20-1
BLK 16-4 BLK 16-4
RED/WHT 16-1 RED/WHT 16-1
BLK 16-4
WHT/GRN 16-1 WHT/GRN 16-1
BLK/YEL 16-1 BLK/YEL 16-1
WHT/YEL 16-1 WHT/YEL 16-1
ORN 20-1
ORN/BLK 16-1 ORN/BLK 16-1
ORN/BLK 16-1
ORN 20-1
ORN 20-2
ORN 16-1
VIO 20-1
BLK 1-2
YEL/GRN 16-1
Note:
Switch Is Part Of Lamp Assembly
Note:
M6 Is Optional
BLK
BLK
CONTROL BOARD
E1
+
-
Note: M7 Is Used On All Models
ABCDEFABCDE
ABCDEF
ABCDEF
1
2
21
-
+-
+
-
+
-+
A
A
B
B
1
2
1
2
2
A
A
B
B
B
B
A
A
-
+
B
B
A
A
B
B
A
A
B
B
A
A
B
B
A
A
B
B
A
A
B
B
A
A
12
1
2
+-
12
12
12+-
2
1
3
4
2
1
3
4
2
1
12
12
12
-
+
12
12
12
1
2
4
3
23
1
2
1
2
12
2
1
12
-+
-+
M- B- A2B+
CIRCUIT BREAKER
10 AMP
1
2GRN/YEL 16-3
X64
CONTROL BOARD BONDING
Note:
H3 Is Optional
22
2
1
SP5
RED 10-1
BLU 10-2
BLU 10-1
BLU 8-1
K3
BLU/ORN 16-1
YEL/GRN 16-1
BRN/BLK 8-1
BLU/ORN 8-1
2
1
3
4
CONTACTOR,
MAIN
F
BLK 10-6
2
1
BLK 10-5
X57
X58 B
B
A
A
D2
ZENER TVS
X49
X51
BLK 10-5
BLU 10-2
A
A
B
BX50
X52
RED 10-1
BLK 10-6
A
A
B
B
Note: M8 Is Used On 35", 38" Disk Decks
And All Cylindrical Decks.
M
-+
M10
MOTOR, BRUSH
Note: M10 Is Used On 35" & 38" Disk Decks Only
Note: Terminals X53, X54 Are Used On Only
Cylinderical Decks
35" And 38" Deck Polarity Of M8
M7
MOTOR, BRUSH
M-
+M
-+
M8
MOTOR, BRUSH
Cylinderical Deck Polarity Of M8
X44
X45
BLU 10-1
BLK 10-4
A
A
B
B
123
1
2
3
X54
X53
BLU/BLK 20-1
INHIBIT
GRN/YEL 16-2
BLK 14-1
4
Note: Optional - On Cylindrical Machine Only
X48
X47
X43
X46
X36
X37 B
B
A
A
WHT/BRN 18-1
BLK 18-5
WHT/BRN 16-5
BLK 18-2
X35
X38
X21
X20
M4
PUMP, ACCESSORY
OPTIONAL
M-
+
S3
12
AB
AB
AB
AB
D1
ZENER TVS
SP6
VIO/BLK 18-1
VIO/BLK 18-2
VIO/BLK 18-3
12
2
WHT/BRN 18-1
BLK 18-5
VIO/BLK 18-3
BLK/WHT 18-1
BLU/YEL 18-1
X60
X59
BLK 18-6
WHT/BRN 18-2
B
B
A
A
C
C
D
D
E
E
F
F
1
2GRN/YEL 18-1
X62
CHASSIS BONDING
CHEMICAL INJECTION
SYSTEM OPTION
Note: When Chemical Injection Is Used, Discard
X60 And Plug X61 Into X59.
X63
1
2GRN/YEL 18-1
CHASSIS BONDING
X61
M12
PUMP, CHEMICAL
M
+-
RED/WHT 18-1
BLU/GRA 18-1
BLK/WHT 18-2
BLK 18-9
BLU/YEL 18-2
WHT/BRN 18-5
VIO/BLK 18-4
WHT/ORN 18-4
RED/WHT 18-1
WHT/BRN 18-4
BLK 18-8
BLU/GRA 18-1
WHT/BRN 18-5
WHT/BRN 18-4
WHT/BRN 18-3
BLK 18-8
BLK 18-9
BLK 18-7
BLU/YEL 18-2
BLK/WHT 18-2
WHT/ORN 18-4
VIO/BLK 18-4
BLK 18-7
WHT/BRN 18-3
BA
CDEF
J5
SP7
SP8
1
2
2
1
2
2
1
2
3
4
5
6
8
9
10
7
revised 9/05

78 - FORM NO. 56043097 / Adgressor™ / BR 850S, 850CS, 950S, 950CS, 1050S, 1050CS
Item Description
A1 Controller, Speed
E1 Control Panel Assembly
F1 Fuse 150 Amp
F2 Circuit Breaker, 10 Amp
F3 Circuit Breaker, 70 Amp
H1 Horn / Backup Alarm
H2 Headlight (Optional)
H3 Strobe Light (Optional)
K1 Contactor, Brush Motor
K2 Contactor, Vacuum Motor
K3 Contactor, Speed Controller
L1 Solenoid Valve
M1 Lift Actuator, Brush
M2 Lift Actuator, Squeegee
M3 Motor, Drive Wheel
M4 Motor, Pump (Optional)
M5 Motor, Vacuum
M6 Motor, Vacuum (Optional)
M7 Motor, Gearbox Assy (Disc) or
Motor, Brush (Cyl)
M8 Motor, Gearbox Assy (Disc) or
Motor, Brush (Cyl)
M10 Motor, Gearbox Assy (Disc only)
M11 Pump, Solution (AXP/EDS)
M12 Pump, Chemical (AXP/EDS)
R1 Potentiometer, 5K
S1 Switch, Key
S2 Switch, Seat
M7
M8
M2
M5 H3
M6
S1 E1
K1
K3
A1
F2
F3
H2
M3
F1 H1
R1
M11
L1
M1
S2
K2
E2
M12
M7
M7
M8 M10
M4
COMPONENT LOCATION
ELECTRICAL SYSTEM
revised 5/06
For Machines after Serial Number Chart
SERIAL NUMBER CHART
1863250 - BR 850
1863255 - BR 950
1863260 - BR 1050 and all Adgressor models
