56042422 Nilfisk Advance Cmax 34st Walk Behind Floor Scrubber Parts Manual
2018-04-24
: Sweepscrub Nilfisk-Advance-Cmax-34St-Walk-Behind-Floor-Scrubber-Parts-Manual nilfisk-advance-cmax-34st-walk-behind-floor-scrubber-parts-manual 2659 file product_file
Open the PDF directly: View PDF
.
Page Count: 48

2/02 revised 8/05 FORM NO. 56042422
BOOK E SECTION 11.9.1
I-MAX™ 28C, 32C
CMAX™ 34ST
BA 750C
PARTS LIST
Advance MODELS 56397400(28C), 56397401(32C)
56397403(34ST)
Nilfisk MODEL 56397402

11
11
1
FORM NO. 56042422
I-MAXI-MAX
I-MAXI-MAX
I-MAX™™
™™
™ 28C, 32C / CMAX 28C, 32C / CMAX
28C, 32C / CMAX 28C, 32C / CMAX
28C, 32C / CMAX™™
™™
™ 34ST / BA 750C 34ST / BA 750C
34ST / BA 750C 34ST / BA 750C
34ST / BA 750C
02-2
11.9.111.9.1
11.9.111.9.1
11.9.1
EE
EE
E
BOOK EBOOK E
BOOK EBOOK E
BOOK E
TT
TT
TABLE OF CONTENTSABLE OF CONTENTS
ABLE OF CONTENTSABLE OF CONTENTS
ABLE OF CONTENTS
WHEN ORDERING PWHEN ORDERING P
WHEN ORDERING PWHEN ORDERING P
WHEN ORDERING PARTSARTS
ARTSARTS
ARTS
* Use the 8 digit numbers from the “Ref. No.” columns in this parts list.
* Specify the model and serial number of the machine.
* Use the space below to record the model and serial number for future reference.
Model Serial No.
DESCRIPTIONDESCRIPTION
DESCRIPTIONDESCRIPTION
DESCRIPTION PLANPLAN
PLANPLAN
PLAN
CHASSIS SYSTEMCHASSIS SYSTEM
CHASSIS SYSTEMCHASSIS SYSTEM
CHASSIS SYSTEM ......................................................................................................................
......................................................................................................................
........................................................... E-11.9.1-3E-11.9.1-3
E-11.9.1-3E-11.9.1-3
E-11.9.1-3
CONTROL / ELECTRICAL SYSTEM-1CONTROL / ELECTRICAL SYSTEM-1
CONTROL / ELECTRICAL SYSTEM-1CONTROL / ELECTRICAL SYSTEM-1
CONTROL / ELECTRICAL SYSTEM-1 ..............................................................
..............................................................
............................... E-11.9.1-5E-11.9.1-5
E-11.9.1-5E-11.9.1-5
E-11.9.1-5
CONTROL / ELECTRICAL SYSTEM-2CONTROL / ELECTRICAL SYSTEM-2
CONTROL / ELECTRICAL SYSTEM-2CONTROL / ELECTRICAL SYSTEM-2
CONTROL / ELECTRICAL SYSTEM-2 ..............................................................
..............................................................
............................... E-11.9.1-7E-11.9.1-7
E-11.9.1-7E-11.9.1-7
E-11.9.1-7
HANDLE PHANDLE P
HANDLE PHANDLE P
HANDLE PADDLE ASSEMBLADDLE ASSEMBL
ADDLE ASSEMBLADDLE ASSEMBL
ADDLE ASSEMBLYY
YY
Y..................................................................................
..................................................................................
......................................... E-11.9.1-9E-11.9.1-9
E-11.9.1-9E-11.9.1-9
E-11.9.1-9
DECAL SYSTEMDECAL SYSTEM
DECAL SYSTEMDECAL SYSTEM
DECAL SYSTEM ..........................................................................................................................
..........................................................................................................................
............................................................. E-11.9.1-11E-11.9.1-11
E-11.9.1-11E-11.9.1-11
E-11.9.1-11
RECOVERY SYSTEMRECOVERY SYSTEM
RECOVERY SYSTEMRECOVERY SYSTEM
RECOVERY SYSTEM..............................................................................................................
..............................................................................................................
....................................................... E-11.9.1-13E-11.9.1-13
E-11.9.1-13E-11.9.1-13
E-11.9.1-13
SCRUB SYSTEM-CYLINDRICALSCRUB SYSTEM-CYLINDRICAL
SCRUB SYSTEM-CYLINDRICALSCRUB SYSTEM-CYLINDRICAL
SCRUB SYSTEM-CYLINDRICAL ........................................................................
........................................................................
.................................... E-11.9.1-15E-11.9.1-15
E-11.9.1-15E-11.9.1-15
E-11.9.1-15
SCRUB SYSTEM-DISKSCRUB SYSTEM-DISK
SCRUB SYSTEM-DISKSCRUB SYSTEM-DISK
SCRUB SYSTEM-DISK ......................................................................................................
......................................................................................................
................................................... E-11.9.1-17E-11.9.1-17
E-11.9.1-17E-11.9.1-17
E-11.9.1-17
SCRUB SYSTEM SKIRTS-DISKSCRUB SYSTEM SKIRTS-DISK
SCRUB SYSTEM SKIRTS-DISKSCRUB SYSTEM SKIRTS-DISK
SCRUB SYSTEM SKIRTS-DISK ..........................................................................
..........................................................................
..................................... E-11.9.1-19E-11.9.1-19
E-11.9.1-19E-11.9.1-19
E-11.9.1-19
SOLUTION SYSTEMSOLUTION SYSTEM
SOLUTION SYSTEMSOLUTION SYSTEM
SOLUTION SYSTEM ..............................................................................................................
..............................................................................................................
....................................................... E-11.9.1-21E-11.9.1-21
E-11.9.1-21E-11.9.1-21
E-11.9.1-21
SQUEEGEE SYSTEMSQUEEGEE SYSTEM
SQUEEGEE SYSTEMSQUEEGEE SYSTEM
SQUEEGEE SYSTEM ............................................................................................................
............................................................................................................
...................................................... E-11.9.1-23E-11.9.1-23
E-11.9.1-23E-11.9.1-23
E-11.9.1-23
SQUEEGEE ASSEMBLSQUEEGEE ASSEMBL
SQUEEGEE ASSEMBLSQUEEGEE ASSEMBL
SQUEEGEE ASSEMBLYY
YY
Y-I-MAX 28C / BA 750C-I-MAX 28C / BA 750C
-I-MAX 28C / BA 750C-I-MAX 28C / BA 750C
-I-MAX 28C / BA 750C ..........................
..........................
............. E-11.9.1-25E-11.9.1-25
E-11.9.1-25E-11.9.1-25
E-11.9.1-25
SQUEEGEE ASSEMBLSQUEEGEE ASSEMBL
SQUEEGEE ASSEMBLSQUEEGEE ASSEMBL
SQUEEGEE ASSEMBLYY
YY
Y-I-MAX 32C / CMAX 34ST-I-MAX 32C / CMAX 34ST
-I-MAX 32C / CMAX 34ST-I-MAX 32C / CMAX 34ST
-I-MAX 32C / CMAX 34ST ..............
..............
....... E-11.9.1-27E-11.9.1-27
E-11.9.1-27E-11.9.1-27
E-11.9.1-27
SCHEMASCHEMA
SCHEMASCHEMA
SCHEMATICTIC
TICTIC
TIC ......................................................................................................................................
......................................................................................................................................
................................................................... E-11.9.1-29E-11.9.1-29
E-11.9.1-29E-11.9.1-29
E-11.9.1-29
PP
PP
PARKING BRAKE KITARKING BRAKE KIT
ARKING BRAKE KITARKING BRAKE KIT
ARKING BRAKE KIT ..........................................................................................................
..........................................................................................................
..................................................... E-11.9.1-31E-11.9.1-31
E-11.9.1-31E-11.9.1-31
E-11.9.1-31
INDUSTRIAL BUMPER KIT - CYLINDRICALINDUSTRIAL BUMPER KIT - CYLINDRICAL
INDUSTRIAL BUMPER KIT - CYLINDRICALINDUSTRIAL BUMPER KIT - CYLINDRICAL
INDUSTRIAL BUMPER KIT - CYLINDRICAL ..................................
..................................
................. E-11.9.1-33E-11.9.1-33
E-11.9.1-33E-11.9.1-33
E-11.9.1-33
BRUSH CLICK-OFF KITBRUSH CLICK-OFF KIT
BRUSH CLICK-OFF KITBRUSH CLICK-OFF KIT
BRUSH CLICK-OFF KIT ....................................................................................................
....................................................................................................
.................................................. E-11.9.1-35E-11.9.1-35
E-11.9.1-35E-11.9.1-35
E-11.9.1-35
INDUSTRIAL BUMPER KIT - CMAXINDUSTRIAL BUMPER KIT - CMAX
INDUSTRIAL BUMPER KIT - CMAXINDUSTRIAL BUMPER KIT - CMAX
INDUSTRIAL BUMPER KIT - CMAX™™
™™
™ 34ST 34ST
34ST 34ST
34ST ....................................
....................................
.................. E-11.9.1-37E-11.9.1-37
E-11.9.1-37E-11.9.1-37
E-11.9.1-37
BRUSH / DISC SELECTOR GUIDE (DISC)BRUSH / DISC SELECTOR GUIDE (DISC)
BRUSH / DISC SELECTOR GUIDE (DISC)BRUSH / DISC SELECTOR GUIDE (DISC)
BRUSH / DISC SELECTOR GUIDE (DISC) ..........................................
..........................................
..................... E-11.9.1-38E-11.9.1-38
E-11.9.1-38E-11.9.1-38
E-11.9.1-38
BRUSH SELECTOR GUIDE (CYLINDRICAL)BRUSH SELECTOR GUIDE (CYLINDRICAL)
BRUSH SELECTOR GUIDE (CYLINDRICAL)BRUSH SELECTOR GUIDE (CYLINDRICAL)
BRUSH SELECTOR GUIDE (CYLINDRICAL) ....................................
....................................
.................. E-11.9.1-39E-11.9.1-39
E-11.9.1-39E-11.9.1-39
E-11.9.1-39
02-4

FORM NO. 56042422
I-MAXI-MAX
I-MAXI-MAX
I-MAX™™
™™
™ 28C, 32C / CMAX 28C, 32C / CMAX
28C, 32C / CMAX 28C, 32C / CMAX
28C, 32C / CMAX™™
™™
™ 34ST / BA 750C 34ST / BA 750C
34ST / BA 750C 34ST / BA 750C
34ST / BA 750C
02-2
22
22
2
11.9.111.9.1
11.9.111.9.1
11.9.1
EE
EE
E
BOOK EBOOK E
BOOK EBOOK E
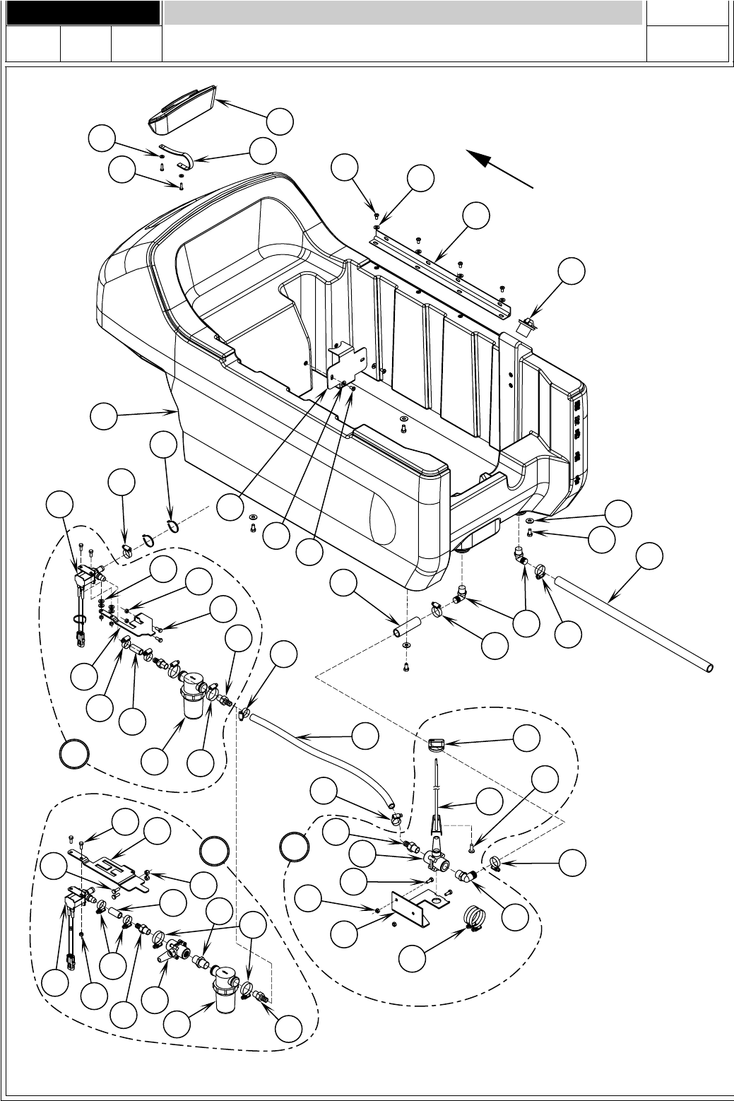
BOOK E CHASSIS SYSTEMCHASSIS SYSTEM
CHASSIS SYSTEMCHASSIS SYSTEM
CHASSIS SYSTEM
3
FRONT 6
4
5
2
31
36
34
32
20
15
30
35
14
21
2
13
12 33
8
7
37 17
110
24
27
9
29
19
25
16
11
22
23
13
14
28
18
26
40
39
38
02-8

33
33
3
FORM NO. 56042422
I-MAXI-MAX
I-MAXI-MAX
I-MAX™™
™™
™ 28C, 32C / CMAX 28C, 32C / CMAX
28C, 32C / CMAX 28C, 32C / CMAX
28C, 32C / CMAX™™
™™
™ 34ST / BA 750C 34ST / BA 750C
34ST / BA 750C 34ST / BA 750C
34ST / BA 750C
02-2
11.9.111.9.1
11.9.111.9.1
11.9.1
EE
EE
E
BOOK EBOOK E
BOOK EBOOK E
BOOK E
CHASSIS SYSTEMCHASSIS SYSTEM
CHASSIS SYSTEMCHASSIS SYSTEM
CHASSIS SYSTEM
ItemItem
ItemItem
Item Ref. No.Ref. No.
Ref. No.Ref. No.
Ref. No. QtyQty
QtyQty
Qty DescriptionDescription
DescriptionDescription
Description
1 56001841 2 Scr, Soc Set Loc 1/4-20 x .25
2 56001939 10 Wsh, Flt SAE 5/16
3 56002063 4 Wsh, Flt SAE 3/8
4 56002133 2 Scr, Soc Hd 3/8-16 x 2.00
5 56002201 2 Scr, Soc Hd 5/16-18 x 1.50
6 56002316 2 Scr, Soc Hd 3/8-16 x 1.50
7 56002667 1 Scr, Hex Hd 5/16-18 x .75
8 56003613 2 Scr, Pan Phil 5/16-18 x 2.00
9 56002883 3 Scr, Hex Hd SS 1/4-20 x 1.00
10 56003073 6 Scr, Hex Hd Loc 5/16-18 x 1.00
11 56003125 1 Scr, Hex Thd To Hd SS 1/4-20 x 1.50
12 56003003 4 Scr, Pan Phil 5/16-18 x .62
13 56003179 12 Scr, Hex Thd To Hd M8-1.25 x 20mm
14 56003389 12 Nut, Hex Nyl Loc M8-1.25
15 56009042 2 Scr, Pan Phil Thd Form 10-24 x .62
16 56009087 1 Nut, Hex Jam 1/4-20
17 56009214 1 Wsh, Flt .406 x .750 x .090
18 56479430 2 Bearing, Ball
19 56009289 1 Nut, U Multi-Thread 1/4-20
20 56026111 1 Term. Block, 4 Term. 50 Amp
21 56055658 2 Caster, Swivel
22 56212175 1 Motor, 36VDC 1/2HP
* 56026857 4 Carbon Brush
23 56396039 2 Clamp, Axle
24 56396022 1 Sprocket
25 56396267 1 Bracket, Tension-Traction Drive
26 56396276 1 Chain, #40
27 56396350 1 Wheel, 10.00 x 4.00
28 56396351 1 Axle
29 56397085 3 Bushing
30 56397184 2 Plate, Jumper
31 56397221 1 Cover, Front
32 56397281 1 Skirt, LH
33 56397282 1 Skirt, RH
34 56397501 1 Upper Chassis Weld’t.
35 56397522 2 Spacer, Phenolic
36 56397548 1 Box, Batteries
37 56741122 1 Sprocket
38 56386407 2 Clip, Conduit
39 56900756 2 Clip, Conduit
40 56002701 4 Nut, Hex Nyl Loc 5/16-18
** 56396302 1 Kit, Parking Brake (All Models)(All Models)
(All Models)(All Models)
(All Models)
** 56396308 1 Kit, Industrial Bumper (I-MAX 28C, 32C)(I-MAX 28C, 32C)
(I-MAX 28C, 32C)(I-MAX 28C, 32C)
(I-MAX 28C, 32C)
** 56396318 1 Kit, Brush Click-Off 36V (All Models)(All Models)
(All Models)(All Models)
(All Models)
** 56396322 1 Kit, Industrial Bumper (CMAX 34ST)(CMAX 34ST)
(CMAX 34ST)(CMAX 34ST)
(CMAX 34ST)
* = Not Shown
** = Optional
02-8

FORM NO. 56042422
I-MAXI-MAX
I-MAXI-MAX
I-MAX™™
™™
™ 28C, 32C / CMAX 28C, 32C / CMAX
28C, 32C / CMAX 28C, 32C / CMAX
28C, 32C / CMAX™™
™™
™ 34ST / BA 750C 34ST / BA 750C
34ST / BA 750C 34ST / BA 750C
34ST / BA 750C
02-2
44
44
4
11.9.111.9.1
11.9.111.9.1
11.9.1
EE
EE
E
BOOK EBOOK E
BOOK EBOOK E
BOOK E CONTROL / ELECTRICAL SYSTEM-1CONTROL / ELECTRICAL SYSTEM-1
CONTROL / ELECTRICAL SYSTEM-1CONTROL / ELECTRICAL SYSTEM-1
CONTROL / ELECTRICAL SYSTEM-1
14
FRONT
45
57
32
60
72
25
52
51
61
36
17 4
58
54
76
37
65
55
20
12
39
38
71
6
53
26
77
78
02-4

55
55
5
FORM NO. 56042422
I-MAXI-MAX
I-MAXI-MAX
I-MAX™™
™™
™ 28C, 32C / CMAX 28C, 32C / CMAX
28C, 32C / CMAX 28C, 32C / CMAX
28C, 32C / CMAX™™
™™
™ 34ST / BA 750C 34ST / BA 750C
34ST / BA 750C 34ST / BA 750C
34ST / BA 750C
02-2
11.9.111.9.1
11.9.111.9.1
11.9.1
EE
EE
E
BOOK EBOOK E
BOOK EBOOK E
BOOK E
CONTROL / ELECTRICAL SYSTEM-1CONTROL / ELECTRICAL SYSTEM-1
CONTROL / ELECTRICAL SYSTEM-1CONTROL / ELECTRICAL SYSTEM-1
CONTROL / ELECTRICAL SYSTEM-1
ItemItem
ItemItem
Item Ref. No.Ref. No.
Ref. No.Ref. No.
Ref. No. QtyQty
QtyQty
Qty DescriptionDescription
DescriptionDescription
Description
4 56001967 4 Scr, Hex Hd 1/4-20 x 1.75
6 56002124 2 Scr, Pan Phil 10-24 x .62
12 56002768 2 Nut, Hex Nyl Loc 10-24
14 56002831 4 Scr, Pan Phil Blk 10-24 x .50
17 56002859 4 Wsh, Flt SAE SS 1/4
20 56003197 2 Scr, Pan Phil Plastite 6-18 x .62
25 56009055 4 Scr, Pan Phil 8-32 x .19
26 56009069 4 Scr, Pan Phil Loc 1/4-20 x .50
32 56393325 1 Bracket, Keylock
* 56393415 A/R Replacement Key
36 56418199 2 Grommet
37 56456802 1 Barb, 90 Elbow 11/16 x 3/4NPT
38 56459367 1 Boot, Reset Button
39 56459369 1 Boot, Reset Button
45 56056596 1 Knob
51 56396149 1 Grommet
52 56396151 1 Gasket
53 56396199 1 Clamp, Plastic
54 56396204 1 Hose, PVC 1/4 x 3/8 x 48
55 56396252 1 Clip, Spring
57 56396297 1 Display Panel Assy
58 56396298 1 Paddle, Handle Assy
60 56396305 1 Switch, SPST Toggle (Main)(Main)
(Main)(Main)
(Main)
61 56397123 1 Potentiometer, 25K
65 56397504 1 Weld’t, Panel Rear TSBUS2002-830TSBUS2002-830
TSBUS2002-830TSBUS2002-830
TSBUS2002-830
71 56397515 1 Cover, Rear
72 56397516 1 Control PCB Assy TSBUS2004-870TSBUS2004-870
TSBUS2004-870TSBUS2004-870
TSBUS2004-870
76 56900041 1 Plug, Cap
77 56396331 1 Wear Strip
78 56009036 4 Scr, Pan Phil Thd Form 8-32 x .25
* = Not Shown
04-8

FORM NO. 56042422
I-MAXI-MAX
I-MAXI-MAX
I-MAX™™
™™
™ 28C, 32C / CMAX 28C, 32C / CMAX
28C, 32C / CMAX 28C, 32C / CMAX
28C, 32C / CMAX™™
™™
™ 34ST / BA 750C 34ST / BA 750C
34ST / BA 750C 34ST / BA 750C
34ST / BA 750C
02-2
66
66
6
11.9.111.9.1
11.9.111.9.1
11.9.1
EE
EE
E
BOOK EBOOK E
BOOK EBOOK E
BOOK E CONTROL / ELECTRICAL SYSTEM-2CONTROL / ELECTRICAL SYSTEM-2
CONTROL / ELECTRICAL SYSTEM-2CONTROL / ELECTRICAL SYSTEM-2
CONTROL / ELECTRICAL SYSTEM-2
03-4
FRONT
15
7
67
68
1
62
2
5
64
48
28 66
46 50
13 43
33
56
8
40 27
34
18
29
9
31
44
42
11
41
22
30
47
11
10
70
21
16 3
19
24
73
63
23
74 75
79

77
77
7
FORM NO. 56042422
I-MAXI-MAX
I-MAXI-MAX
I-MAX™™
™™
™ 28C, 32C / CMAX 28C, 32C / CMAX
28C, 32C / CMAX 28C, 32C / CMAX
28C, 32C / CMAX™™
™™
™ 34ST / BA 750C 34ST / BA 750C
34ST / BA 750C 34ST / BA 750C
34ST / BA 750C
02-2
11.9.111.9.1
11.9.111.9.1
11.9.1
EE
EE
E
BOOK EBOOK E
BOOK EBOOK E
BOOK E
CONTROL / ELECTRICAL SYSTEM-2CONTROL / ELECTRICAL SYSTEM-2
CONTROL / ELECTRICAL SYSTEM-2CONTROL / ELECTRICAL SYSTEM-2
CONTROL / ELECTRICAL SYSTEM-2
ItemItem
ItemItem
Item Ref. No.Ref. No.
Ref. No.Ref. No.
Ref. No. QtyQty
QtyQty
Qty DescriptionDescription
DescriptionDescription
Description
1 56001833 2 Scr, Hex Hd 1/4-20 x 1.50
2 56001836 8 Scr, Hex Hd 1/4-20 x .62
3 56001939 2 Wsh, Flt SAE 5/16
5 56002098 10 Wsh, Flt SAE 1/4
7 56002145 4 Scr, Pan Phil 1/4-20 x .50
8 56002462 7 Scr, Pan Phil 1/4-20 x .38
9 56002561 3 Nut, Hex W/SHPRF 1/4-20
10 56002619 1 Scr, Soc Shd .31 x 1.25 x 1/4-20
11 56002708 3 Nut, Hex Nyl Loc 1/4-20
13 56002825 1 Scr, Pan Phil 1/4-20 x 1.25
15 56002840 3 Nut, Hex Nyl Loc-Thin 1/4-20
16 56002851 3 Nut, Hex Nyl Loc-Thin SS 5/16-18
18 56002956 2 Scr, Hex Hd Loc 5/16-18 x .75
19 56002962 1 Scr, Soc Shd .38 x .62 x 5/16-18
21 56003257 2 Ring, Ret Ext
22 56003335 1 Scr, Hex Loc SS 5/16-18 x .88
23 56003405 1 Nut, Hex Nyl Loc SS M8-1.25
24 56003464 1 Scr, Hex Hd SS M8-1.25 x 60mm
27 56009203 3 Stud, 1/4-20
28 56250414 2 Bearing, Flange
29 56262531 1 Grommet
30 56364527 1 Knob
31 56387328 1 Circuit Breaker, 5 Amp (Controls)(Controls)
(Controls)(Controls)
(Controls)
33 56395450 Contactor, 36V (Brush Motor)(Brush Motor)
(Brush Motor)(Brush Motor)
(Brush Motor)
34 56412089 1 Fuse, 150 Amp
40 56469858 3 Electrical Mount
41 56477613 1 Tie, Cable
42 56478523 1 Tie, Cable
43 56009034 2 Scr, Pan Phil Thd Form 8-32 x .88
44 56026198 1 Circuit Breaker, 30 Amp (Wheel Drive)(Wheel Drive)
(Wheel Drive)(Wheel Drive)
(Wheel Drive)
46 56057428 2 Spacer, Aluminum
47 56212035 1 Lift Lever Weld’t.
48 56212190 3 Clip, Conduit
50 56393721 1 Control, DC Curtis
56 56395450 1 Contactor, 36V (V(V
(V(V
(Vac Motor)ac Motor)
ac Motor)ac Motor)
ac Motor)
62 56397189 1 Spacer
63 56397286 2 Spacer
64 56397291 2 Bracket
66 56397506 1 Weld’t, Electrical Panel
67 56398000 1 Connector Assy TSBUS2003-841TSBUS2003-841
TSBUS2003-841TSBUS2003-841
TSBUS2003-841 (Connects to Batteries)(Connects to Batteries)
(Connects to Batteries)(Connects to Batteries)
(Connects to Batteries)
68 56397509 1 Connector Assy (Connects to Machine)(Connects to Machine)
(Connects to Machine)(Connects to Machine)
(Connects to Machine)
70 56397513 1 Weld’t, Lift Shaft
73 56397532 1 Link, Squeegee Lift
74 56396324 1 Flap, Rubber
75 56212241 4 Clip, Panel
79 56323560 1 Plug, Cap
* 56456460 4 Cable Assy 4 x 12 (Battery Interconnect)(Battery Interconnect)
(Battery Interconnect)(Battery Interconnect)
(Battery Interconnect)
* 56416445 1 Cable Assy 4 AWG (Battery Interconnect)(Battery Interconnect)
(Battery Interconnect)(Battery Interconnect)
(Battery Interconnect)
* 56396304 1 Cable Assy 6 AWG
* 56372673 12 Boot, Battery Post
* 56478246 13 Tie, Cable
* 56396283 1 Harness, Main TSBUS2004-870TSBUS2004-870
TSBUS2004-870TSBUS2004-870
TSBUS2004-870
* = Not Shown
04-8

FORM NO. 56042422
I-MAXI-MAX
I-MAXI-MAX
I-MAX™™
™™
™ 28C, 32C / CMAX 28C, 32C / CMAX
28C, 32C / CMAX 28C, 32C / CMAX
28C, 32C / CMAX™™
™™
™ 34ST / BA 750C 34ST / BA 750C
34ST / BA 750C 34ST / BA 750C
34ST / BA 750C
02-2
88
88
8
11.9.111.9.1
11.9.111.9.1
11.9.1
EE
EE
E
BOOK EBOOK E
BOOK EBOOK E
BOOK E HANDLE PHANDLE P
HANDLE PHANDLE P
HANDLE PADDLE ASSEMBLADDLE ASSEMBL
ADDLE ASSEMBLADDLE ASSEMBL
ADDLE ASSEMBLYY
YY
Y
12
FRONT
16
19
9
18
14
20
11 15
3
7
5
6
8
10
4
21
2
1
13
17

99
99
9
FORM NO. 56042422
I-MAXI-MAX
I-MAXI-MAX
I-MAX™™
™™
™ 28C, 32C / CMAX 28C, 32C / CMAX
28C, 32C / CMAX 28C, 32C / CMAX
28C, 32C / CMAX™™
™™
™ 34ST / BA 750C 34ST / BA 750C
34ST / BA 750C 34ST / BA 750C
34ST / BA 750C
02-2
11.9.111.9.1
11.9.111.9.1
11.9.1
EE
EE
E
BOOK EBOOK E
BOOK EBOOK E
BOOK E
HANDLE PHANDLE P
HANDLE PHANDLE P
HANDLE PADDLE ASSEMBLADDLE ASSEMBL
ADDLE ASSEMBLADDLE ASSEMBL
ADDLE ASSEMBLYY
YY
Y
ItemItem
ItemItem
Item Ref. No.Ref. No.
Ref. No.Ref. No.
Ref. No. QtyQty
QtyQty
Qty DescriptionDescription
DescriptionDescription
Description
56396298 1 Paddle, Handle Assembly (#1-21)(#1-21)
(#1-21)(#1-21)
(#1-21)
1 56002006 2 Wsh, Flt SAE #6
2 56003197 6 Scr, Pan Phil Plastite 6-18 x .62
3 56003199 4 Scr, Pan Phil Plastite 8-15 x 1.50
4 56003354 1 Scr, Pan Phil M4 x 12
5 56003527 1 Scr, Pan Phil Plastite 1/4-10 x 2.00
6 56009030 1 Scr, Pan Phil Thd Form 10-24 x .38
7 56009096 1 Wsh, Flt .193 x .875 x .060
8 56220507 1 Clamp, P
9 56325654 2 Spring, Compression
10 56478246 1 Tie, Cable
11 56009287 1 Scr, Pan Phil Type B 8 x 2.00
12 56396299 1 Harness, Handle
13 56397015 1 Cam Controller
14 56397029 1 Potentiometer, 5K
15 56397030 1 Paddle, Front Molded
16 56397031 1 Paddle, Back Molded
17 56397034 1 Weldment, Handle
18 56397109 1 Sleeve
19 56397170 3 Washer, Plastic
20 56397171 2 Clamp
21 56397172 1 Potentiometer Fork

FORM NO. 56042422
I-MAXI-MAX
I-MAXI-MAX
I-MAX™™
™™
™ 28C, 32C / CMAX 28C, 32C / CMAX
28C, 32C / CMAX 28C, 32C / CMAX
28C, 32C / CMAX™™
™™
™ 34ST / BA 750C 34ST / BA 750C
34ST / BA 750C 34ST / BA 750C
34ST / BA 750C
02-2
1010
1010
10
11.9.111.9.1
11.9.111.9.1
11.9.1
EE
EE
E
BOOK EBOOK E
BOOK EBOOK E
BOOK E DECAL SYSTEMDECAL SYSTEM
DECAL SYSTEMDECAL SYSTEM
DECAL SYSTEM
FRONT
1
2
2
2
2
3
4
5
6
7
4
04-3

1111
1111
11
FORM NO. 56042422
I-MAXI-MAX
I-MAXI-MAX
I-MAX™™
™™
™ 28C, 32C / CMAX 28C, 32C / CMAX
28C, 32C / CMAX 28C, 32C / CMAX
28C, 32C / CMAX™™
™™
™ 34ST / BA 750C 34ST / BA 750C
34ST / BA 750C 34ST / BA 750C
34ST / BA 750C
02-2
11.9.111.9.1
11.9.111.9.1
11.9.1
EE
EE
E
BOOK EBOOK E
BOOK EBOOK E
BOOK E
DECAL SYSTEMDECAL SYSTEM
DECAL SYSTEMDECAL SYSTEM
DECAL SYSTEM
ItemItem
ItemItem
Item Ref. No.Ref. No.
Ref. No.Ref. No.
Ref. No. QtyQty
QtyQty
Qty DescriptionDescription
DescriptionDescription
Description
1 56014601 1 Decal, Caution
2 56015370 4 Decal, Tie Down
3 56015048 1 Decal, Electrical Schematic
4 56015053 2 Decal, I-MAX 28C
56015054 2 Decal, I-MAX 32C
56015055 2 Decal, BA750C
56016683 2 Decal, CMAX 34ST
5 56015061 1 Decal, Circuit Breaker
6 56016413 1 Decal, Battery Wiring
7 56016680 1 Decal, Smart Solutions (CMAX 34ST only)(CMAX 34ST only)
(CMAX 34ST only)(CMAX 34ST only)
(CMAX 34ST only)
04-3

FORM NO. 56042422
I-MAXI-MAX
I-MAXI-MAX
I-MAX™™
™™
™ 28C, 32C / CMAX 28C, 32C / CMAX
28C, 32C / CMAX 28C, 32C / CMAX
28C, 32C / CMAX™™
™™
™ 34ST / BA 750C 34ST / BA 750C
34ST / BA 750C 34ST / BA 750C
34ST / BA 750C
02-2
1212
1212
12
11.9.111.9.1
11.9.111.9.1
11.9.1
EE
EE
E
BOOK EBOOK E
BOOK EBOOK E
BOOK E RECOVERY SYSTEMRECOVERY SYSTEM
RECOVERY SYSTEMRECOVERY SYSTEM
RECOVERY SYSTEM
FRONT
29
8
9
33
732
5
24
11
13
12
31
26 3
22
19
16
25
23
35
36
4
2
21
30 28
34
15
1
17
14
10 6
18
15
27
20

1313
1313
13
FORM NO. 56042422
I-MAXI-MAX
I-MAXI-MAX
I-MAX™™
™™
™ 28C, 32C / CMAX 28C, 32C / CMAX
28C, 32C / CMAX 28C, 32C / CMAX
28C, 32C / CMAX™™
™™
™ 34ST / BA 750C 34ST / BA 750C
34ST / BA 750C 34ST / BA 750C
34ST / BA 750C
02-2
11.9.111.9.1
11.9.111.9.1
11.9.1
EE
EE
E
BOOK EBOOK E
BOOK EBOOK E
BOOK E
RECOVERY SYSTEMRECOVERY SYSTEM
RECOVERY SYSTEMRECOVERY SYSTEM
RECOVERY SYSTEM
ItemItem
ItemItem
Item Ref. No.Ref. No.
Ref. No.Ref. No.
Ref. No. QtyQty
QtyQty
Qty DescriptionDescription
DescriptionDescription
Description
1 56001993 1 Scr, Pan Phil 10-24 X .50
2 56002098 3 Wsh, Flt Sae 1/4
3 56002145 7 Scr, Pan Phil 1/4-20 X .50
4 56002768 3 Nut, Hex Nyl Loc 10-24
5 56002859 6 Wsh, Flt Sae SS 1/4
6 56002905 4 Scr, Pan Phil SS 1/4-20 X 1.50
7 56003067 2 Scr, Pan Phil SS 1/4-20 X 1.00
8 56003293 1 Rivot, Pop A/S .125 x .38/.50
9 56009098 2 Wsh, Flt SS .125 x .500 x .036
10 56302141 1 Vac Motor Duct
11 56302165 1 Gasket
12 56324497 2 Cage, Float
13 56391690 1 Ball, Float
14 56391807 1 Foam, Acoustical
15 56440213 2 Clamp, Hose SAE #32
16 56456797 1 Clamp, Hose SAE #36
17 56477613 1 Tie, Cable
18 56486112 2 Clamp, P
19 56003537 3 Scr, Soc Shd .25 x .38 x 10-24
20 56003642 1 Rivot, Pop .500 x .625
21 56057504 1 Bracket, Steel
22 56057505 1 Bar
23 56057508 1 Bar, Steel
24 56302142 1 Float Duct
25 56396031 1 Drain Hose
26 56396225 1 Tank, Recovery (Advance)(Advance)
(Advance)(Advance)
(Advance)
56397534 1 Tank, Recovery (Nilfisk)(Nilfisk)
(Nilfisk)(Nilfisk)
(Nilfisk)
27 56396287 1 Vac Hose
28 56397040 1 Vacuum Exhaust Hose
29 56397045 1 Lid
30 56397095 2 Clamp, Hose
31 56397096 2 Spacer Bolt
32 56397151 1 Gasket
33 56397167 1 Strap, Retaining
34 56397228 1 Motor, Vac 36VDC
* 56212223 1 Carbon Brush Set
35 56397303 1 Spacer, Vac Motor
36 56397307 1 Gasket, Vac
* = Not Shown

FORM NO. 56042422
I-MAX™ 28C, 32C / CMAX™ 34ST / BA 750C
02-2
1411.9.1E
BOOK E SCRUB SYSTEM-CYLINDRICAL
05-8
9
FRONT
6
23
27
2
28
39 43
50
42
45
19
44
9
40
47
49
26
62
53
58
3
10
57
16 48
520
46
51
59
1
12
4
36
37
31
4
17
33
67
54
55
56
21 52
14
63
29
38
13
7
32 8
30
35
34
18
41
64
11
24
68
37
69
70
71
72
73
74
76
52
83
78
79
80
81
82
65
77
75
25
13
22
22
15

15
FORM NO. 56042422
I-MAX™ 28C, 32C / CMAX™ 34ST / BA 750C
02-2
11.9.1E
BOOK ESCRUB SYSTEM-CYLINDRICAL
ItemItem
ItemItem
Item Ref. No.Ref. No.
Ref. No.Ref. No.
Ref. No. QtyQty
QtyQty
Qty DescriptionDescription
DescriptionDescription
Description
1 56001861 2 Scr, Hex Hd 1/4-20 x .38
2 56001873 1 Scr, Hex Hd 3/8-16 x 2.50
3 56001879 8 Wsh, Flt SAE 1/2
4 56002063 4 Wsh, Flt SAE 3/8
5 56002561 2 Nut, Hex W/SHPRF 1/4-20
6 56002841 1 Nut, Hex Nyl Loc-Thin 3/8-16
7 56002086 4 Scr, Soc Set Loc 5/16-18 x .25
8 56002948 6 Scr, Hex Hd Loc 1/4-20 x .75
9 56003262 4 Ring, Ret Ext Type E .38 dia.
10 56003312 4 Nut, Hex Nyl Loc M12-1.75
11 56003403 2 Nut, Hex Nyl Loc M6-1.00
12 56003406 2 Nut, Hex Nyl Loc M10-1.50
13 56003426 8 Nut, Hex Nyl Loc SS M6-1.00
14 56003431 2 Scr, Hex Hd SS M6-1.00 x 16mm
15 56003438 4 Nut, Hex Nyl Loc SS M10-1.50
16 56003439 4 Scr, Hex Hd SS M10-1.50 x 30mm
17 56003491 2 Scr, Hex M10-1.50 x 40mm
18 56003492 2 Scr, Hex M6-1.00 x 95mm
19 56009019 2 Scr, Hex Thd Form 1/4-20 x .38
20 56009020 2 Stud
21 56009040 4 Scr, Flt Phil Thd Form 10-24 x .38
22 56009062 10 Scr, Pan Phil Thd Form 1/4-20 x .50
23 56104760 1 Pin
24 56219932 2 Clamp, Hose SAE #6
25 56262549 1 Tee, Barb
26 56370878 4 Bearing, Sleeve
27 56392454 1 Yoke, Actuator
28 56393303 1 Actuator, Motor TSBUS2004-870TSBUS2004-870
TSBUS2004-870TSBUS2004-870
TSBUS2004-870
* 56393790 2 Limit Switch
* 56470433 1 Carbon Brush Kit
* 56388520 1 Plastic Nut
29 56407391 2 Blade
30 56407431 2 Motor, 36VDC, .75HP
56417489 1 Armature
56407490 1 Bearing (2 required per motor)
56407492 1 Brush Cap Assembly
56407493 4 Brush Assembly
56407494 4 Brush Cover Cap
31 56407432 2 Idler, Belt
32 56407433 2 Sheave, Poly-V
33 56407434 1 Guard, Right Belt
34 56407435 1 Guard, Left Belt
35 56407465 1 Belt, Poly-V 180J6
36 56407466 1 Belt, Poly-V 190J6
37 56407559 2 Drive End Assy (#68-75)(#68-75)
(#68-75)(#68-75)
(#68-75)
TSBUS2002-821 TSBUS2002-821
TSBUS2002-821 TSBUS2002-821
TSBUS2002-821
38 56412046 2 Brush, Polypropylene 28”
56407475 2 Brush, Polypropylene 32”
39 56412071 1 Compression Spring
40 56412088 1 Pin
41 56412176 2 Bushing
42 56412262 1 Housing, Spring TSBUS2002-811TSBUS2002-811
TSBUS2002-811TSBUS2002-811
TSBUS2002-811
43 56420018 1 Compression Spring
44 56420019 1 Nut Retainer
45 56420020 1 Nut Retainer
ItemItem
ItemItem
Item Ref. No.Ref. No.
Ref. No.Ref. No.
Ref. No. QtyQty
QtyQty
Qty DescriptionDescription
DescriptionDescription
Description
46 56469858 2 Standoff, Insulated
47 56003637 4 Scr, Hex M12-1.75 x 40mm
48 56250694 4 Bearing, Sleeve
49 56396196 4 Bushing
50 56396268 1 Spring Housing Guide
51 56397410 1 Housing Weld’t. 28”
56397425 1 Housing Weld’t. 32”
52 56397444 2 Idler End Assy (#76-83) TSBUS2002-821(#76-83) TSBUS2002-821
(#76-83) TSBUS2002-821(#76-83) TSBUS2002-821
(#76-83) TSBUS2002-821
53 56397412 2 Arm
54 56397413 2 Skirt Plate Weld’t.
55 56397414 2 Blade
56 56397415 2 Strap
57 56397430 4 Bushing, Offset
58 56397431 1 Arm Weld’t, Right
59 56397432 1 Arm Weld’t, Left
60 56397439 1 Cable Assy, WHT 8 x 18 (Not Shown)
61 56397440 1 Cable Assy, BLK 8 x 18 (Not Shown)
62 56397442 1 Hopper Weld’t. 28”
56397443 1 Hopper Weld’t. 32”
63 56410214 2 Strap
64 56412459 2 Wheel
65 56397599 1 Hose PVC Clear
66 Intentionally Omitted
67 56003603 8 Scr, Pan Phil Thd Form 1/4-20 x .38
Drive End Assembly - NOTE #1Drive End Assembly - NOTE #1
Drive End Assembly - NOTE #1Drive End Assembly - NOTE #1
Drive End Assembly - NOTE #1
68 56002119 2 Scr, Soc Set Loc 1/4-20 x .50 TSBUS2002-821 TSBUS2002-821
TSBUS2002-821 TSBUS2002-821
TSBUS2002-821
69 56003237 1 Key, Sq .19 x .62 TSBUS2002-821 TSBUS2002-821
TSBUS2002-821 TSBUS2002-821
TSBUS2002-821
70 56106070 2 Bearing, Ball TSBUS2002-821 TSBUS2002-821
TSBUS2002-821 TSBUS2002-821
TSBUS2002-821
71 56407389 1 Spacer TSBUS2002-821 TSBUS2002-821
TSBUS2002-821 TSBUS2002-821
TSBUS2002-821
72 56314405 1 Bearing Plate TSBUS2002-821 TSBUS2002-821
TSBUS2002-821 TSBUS2002-821
TSBUS2002-821
73 56407442 1 Sheave, Poly-V TSBUS2002-821 TSBUS2002-821
TSBUS2002-821 TSBUS2002-821
TSBUS2002-821
74 56407557 1 Spindle TSBUS2002-821 TSBUS2002-821
TSBUS2002-821 TSBUS2002-821
TSBUS2002-821
75 56407558 1 Washer, Bearing TSBUS2002-821 TSBUS2002-821
TSBUS2002-821 TSBUS2002-821
TSBUS2002-821
Idler End Assembly - NOTE #2Idler End Assembly - NOTE #2
Idler End Assembly - NOTE #2Idler End Assembly - NOTE #2
Idler End Assembly - NOTE #2
76 56009040 2 Scr, Flt Phil Thd Form 10-24 x.38 TSBUS2002-821 TSBUS2002-821
TSBUS2002-821 TSBUS2002-821
TSBUS2002-821
77 56106070 1 Bearing, Ball TSBUS2002-821 TSBUS2002-821
TSBUS2002-821 TSBUS2002-821
TSBUS2002-821
78 56407303 1 Knob TSBUS2002-821 TSBUS2002-821
TSBUS2002-821 TSBUS2002-821
TSBUS2002-821
79 56407551 1 Hub TSBUS2002-821 TSBUS2002-821
TSBUS2002-821 TSBUS2002-821
TSBUS2002-821
80 56397414 1 Blade TSBUS2002-821 TSBUS2002-821
TSBUS2002-821 TSBUS2002-821
TSBUS2002-821
81 56397415 1 Strap TSBUS2002-821 TSBUS2002-821
TSBUS2002-821 TSBUS2002-821
TSBUS2002-821
82 56315447 1 Idler Bearing Plate TSBUS2002-821 TSBUS2002-821
TSBUS2002-821 TSBUS2002-821
TSBUS2002-821
83 56407558 1 Washer, Bearing TSBUS2002-821 TSBUS2002-821
TSBUS2002-821 TSBUS2002-821
TSBUS2002-821
** 56412191 2 Cyl. Brush Soft Nylon 28”
** 56412192 2 Cyl. Brush Hard Nylon 28”
** 56412193 2 Cyl. Brush 180 Grit 28”
** 56412194 2 Cyl. Brush 80 Grit 28”
** 56412195 2 Cyl. Brush 46 Grit 28”
** 56407473 2 Brush, Soft Nylon 32"
** 56407474 2 Brush, Hard Nylon 32"
** 56407476 2 Brush, 180 Grit 32"
** 56407477 2 Brush, 80 Grit 32"
** 56407478 2 Brush, 46 Grit 32"
* = Not Shown
** = Not Included (Optional)
NOTE #1:NOTE #1:
NOTE #1:NOTE #1:
NOTE #1: All quantities are for one assembly, there are two of these assemblies on the machine.
NOTE #2:NOTE #2:
NOTE #2:NOTE #2:
NOTE #2: All quantities are for one assembly, there are two of these assemblies on the machine.
05-8

FORM NO. 56042422
I-MAXI-MAX
I-MAXI-MAX
I-MAX™™
™™
™ 28C, 32C / CMAX 28C, 32C / CMAX
28C, 32C / CMAX 28C, 32C / CMAX
28C, 32C / CMAX™™
™™
™ 34ST / BA 750C 34ST / BA 750C
34ST / BA 750C 34ST / BA 750C
34ST / BA 750C
02-2
1616
1616
16
11.9.111.9.1
11.9.111.9.1
11.9.1
EE
EE
E
BOOK EBOOK E
BOOK EBOOK E
BOOK E SCRUB SYSTEM-DISKSCRUB SYSTEM-DISK
SCRUB SYSTEM-DISKSCRUB SYSTEM-DISK
SCRUB SYSTEM-DISK
02-8
FRONT
36
15
39
4
130
3
17
18
20 21
11
19
34
12
22
25 2
33 16
29 8
14
27
24
26 50
38
6
7
32
5
10 31
28
9
13
48
35
23
49
37
43
44
46
42 47
45
40
41
32
31
51

1717
1717
17
FORM NO. 56042422
I-MAXI-MAX
I-MAXI-MAX
I-MAX™™
™™
™ 28C, 32C / CMAX 28C, 32C / CMAX
28C, 32C / CMAX 28C, 32C / CMAX
28C, 32C / CMAX™™
™™
™ 34ST / BA 750C 34ST / BA 750C
34ST / BA 750C 34ST / BA 750C
34ST / BA 750C
02-2
11.9.111.9.1
11.9.111.9.1
11.9.1
EE
EE
E
BOOK EBOOK E
BOOK EBOOK E
BOOK E
ItemItem
ItemItem
Item Ref. No.Ref. No.
Ref. No.Ref. No.
Ref. No. QtyQty
QtyQty
Qty DescriptionDescription
DescriptionDescription
Description
1 56001873 1 Scr, Hex Hd 3/8-16 x 2.50
2 56001879 16 Wsh, Flt SAE 1/2
3 56002684 1 Scr, Hex Hd 3/8-16 x 1.75
4 56002841 2 Nut, Hex Nyl Loc-Thin 3/8-16
5 56002938 6 Wsh, Flt SAE SS 5/16
6 56002947 8 Scr, Hex Hd Loc 3/8-16 x 1.00
7 56003244 2 Key, Sq .25 x .94
8 56003312 8 Nut, Hex Nyl Loc M12-1.75
9 56003335 2 Scr, Hex Loc SS 5/16-18 x .88
10 56003477 6 Scr, Hex Loc SS M8-1.00 x 25mm
11 56009019 2 Scr, Hex Thd From 1/4-20 x .38
12 56009062 4 Scr, Pan Phil Thd Form 1/4-20 x .50
13 56009107 2 Wsh, Flt SS .378 x 1.00 x .120
14 56009242 2 Wsh, Flt .406 x 1.50 x .125
15 56355488 2 Clamp, Hose SAE #96
16 56370878 8 Bearing, Sleeve
17 56393303 1 Actuator, Motor TSBUS2004-870TSBUS2004-870
TSBUS2004-870TSBUS2004-870
TSBUS2004-870
* 56393790 2 Limit Switch
* 56470433 1 Carbon Brush Kit
* 56388520 1 Plastic Nut
18 56412071 1 Compression Spring
19 56412262 1 Housing, Spring TSBUS2002-811TSBUS2002-811
TSBUS2002-811TSBUS2002-811
TSBUS2002-811
20 56420018 1 Compression Spring
21 56420019 1 Nut Retainer
22 56420020 1 Nut Retainer
23 56478246 6 Tie, Cable
24 56003120 2 Pin, Cotter Hair .0915 x .375
25 56003637 8 Scr, Hex M12-1.75 x 40mm
26 56035078 1 Weld’t, Brush Head
27 56056474 1 Shaft, Steel
28 56172099 1 Hose, PVC Clear
29 56396045 4 Arm
30 56396066 1 Yoke, Actuator
ItemItem
ItemItem
Item Ref. No.Ref. No.
Ref. No.Ref. No.
Ref. No. QtyQty
QtyQty
Qty DescriptionDescription
DescriptionDescription
Description
31 56396080 1 Lug, Counter-Clockwise (#40-47)(#40-47)
(#40-47)(#40-47)
(#40-47)
32 56396081 1 Lug, Clockwise (#40-47)(#40-47)
(#40-47)(#40-47)
(#40-47)
33 56396196 8 Bushing
34 56396268 1 Spring Housing Guide
35 56314031 2 Hub, Drive
36 56397112 2 Shroud, Motor
37 56397300 1 Tee, Barb
38 56397301 2 Hose, PVC
39 56635645 2 Motor, 36VDC, 75HP
* 56397090 1 Bearing B.E.
* 56397135 1 Bearing F.E.
* 56397048 1 Brush Board Assy, W/Springs & Brushes
* 56397138 4 Brush Spring
* 56039276 4 Brush Assy
Lug Assemblies - NOTE #1Lug Assemblies - NOTE #1
Lug Assemblies - NOTE #1Lug Assemblies - NOTE #1
Lug Assemblies - NOTE #1
40 56002938 3 Wsh, Flt SAE SS 5/16
41 56003405 3 Nut, Hex Nyl Loc SS M8-1.25
42 56003436 3 Scr, Hex Hd SS M8-1.25 x 25mm
43 56009030 1 Scr, Pan Phil Thd Form 10-24 x .38
44 56009096 1 Wsh, Flt .193 x .875 x .060
45 56407053 2 Thermoid Disk
46 56397081 1 Spring Retainer
47 56314030 1 Brush Holder
48 56328064 2 Clamp, P
49 56003001 2 Scr, Pan Phil SS 8-32 x .62
50 56002808 2 Nut, Hex Nyl Loc 8-32
51 56373686 2 Spring, Compression
(insert springs into hose item #28)(insert springs into hose item #28)
(insert springs into hose item #28)(insert springs into hose item #28)
(insert springs into hose item #28)
** 56505780 2 Pad Holder
** 56505781 2 MagnaGrit Brush
** 56505782 2 DynaGrit Brush
** 56505783 2 AgLite Grit Brush
** 56505784 2 Prolene Brush
** 56505785 2 ProLite Brush
** 56505786 2 Union Mix Brush
** 56505787 2 MidGrit Brush
** 56505788 2 MidLite Brush
** 56182058 2 Lock Collar, Snap
** 56393567 2 Lock Collar, Thrd
* = Not Shown
** = Not Included (optional)
NOTE #1:NOTE #1:
NOTE #1:NOTE #1:
NOTE #1: All quantities are for one assembly, there are two lug assemblies on the machine.
SCRUB SYSTEM-DISKSCRUB SYSTEM-DISK
SCRUB SYSTEM-DISKSCRUB SYSTEM-DISK
SCRUB SYSTEM-DISK
04-8

FORM NO. 56042422
I-MAXI-MAX
I-MAXI-MAX
I-MAX™™
™™
™ 28C, 32C / CMAX 28C, 32C / CMAX
28C, 32C / CMAX 28C, 32C / CMAX
28C, 32C / CMAX™™
™™
™ 34ST / BA 750C 34ST / BA 750C
34ST / BA 750C 34ST / BA 750C
34ST / BA 750C
02-2
1818
1818
18
11.9.111.9.1
11.9.111.9.1
11.9.1
EE
EE
E
BOOK EBOOK E
BOOK EBOOK E
BOOK E SCRUB SYSTEM SKIRTS-DISKSCRUB SYSTEM SKIRTS-DISK
SCRUB SYSTEM SKIRTS-DISKSCRUB SYSTEM SKIRTS-DISK
SCRUB SYSTEM SKIRTS-DISK
1
2
5
3
4
4
6
7
89
10
11
12
13
14
3
FRONT

1919
1919
19
FORM NO. 56042422
I-MAXI-MAX
I-MAXI-MAX
I-MAX™™
™™
™ 28C, 32C / CMAX 28C, 32C / CMAX
28C, 32C / CMAX 28C, 32C / CMAX
28C, 32C / CMAX™™
™™
™ 34ST / BA 750C 34ST / BA 750C
34ST / BA 750C 34ST / BA 750C
34ST / BA 750C
02-2
11.9.111.9.1
11.9.111.9.1
11.9.1
EE
EE
E
BOOK EBOOK E
BOOK EBOOK E
BOOK E
SCRUB SYSTEM SKIRTS-DISKSCRUB SYSTEM SKIRTS-DISK
SCRUB SYSTEM SKIRTS-DISKSCRUB SYSTEM SKIRTS-DISK
SCRUB SYSTEM SKIRTS-DISK
ItemItem
ItemItem
Item Ref. No.Ref. No.
Ref. No.Ref. No.
Ref. No. QtyQty
QtyQty
Qty DescriptionDescription
DescriptionDescription
Description
56397510 1 Assembly, Brush Guard Left (#1-8)(#1-8)
(#1-8)(#1-8)
(#1-8)
56397511 1 Assembly, Brush Guard Right (#3, 4, 9-14)(#3, 4, 9-14)
(#3, 4, 9-14)(#3, 4, 9-14)
(#3, 4, 9-14)
1 56002816 2 Scr, Flt Phil 6-32 x .50
2 56002907 2 Nut, Hex Nyl Loc SS 6-32
3 56003426 9 Nut, Hex Nyl Loc SS M6-1.00
4 56003431 9 Scr, Hex Hd SS M6-1.00 x 16mm
5 56471194 1 Latch Assembly
6 56397019 1 Blade, Left
7 56397055 1 Channel, Left
8 56397531 1 Weld’t, Brush Cover Left
9 56397536 1 Weld’t, Brush Cover Right
10 56002625 1 Scr, Soc Shd .38 x 1.50 x 5/16-18
11 56228102 1 Wheel
12 56002826 1 Nut, Hex Nyl Loc-Thin 5/16-18
13 56397044 1 Channel, Right
14 56397014 1 Blade, Right

FORM NO. 56042422
I-MAXI-MAX
I-MAXI-MAX
I-MAX™™
™™
™ 28C, 32C / CMAX 28C, 32C / CMAX
28C, 32C / CMAX 28C, 32C / CMAX
28C, 32C / CMAX™™
™™
™ 34ST / BA 750C 34ST / BA 750C
34ST / BA 750C 34ST / BA 750C
34ST / BA 750C
02-2
2020
2020
20
11.9.111.9.1
11.9.111.9.1
11.9.1
EE
EE
E
BOOK EBOOK E
BOOK EBOOK E
BOOK E SOLUTION SYSTEMSOLUTION SYSTEM
SOLUTION SYSTEMSOLUTION SYSTEM
SOLUTION SYSTEM
04-3
FRONT
16
17
6
532
13
14
18
19
2
3
4
1
15
8
10
22
7
11
9
7
7
8
8
33
34
35
40
37
38
39
36
41
42
21
20
23
24
25
26
27
28
29
30
31
32
43
52
54
48
47
46
44
53
50
49
45
56
55
51
56

2121
2121
21
FORM NO. 56042422
I-MAXI-MAX
I-MAXI-MAX
I-MAX™™
™™
™ 28C, 32C / CMAX 28C, 32C / CMAX
28C, 32C / CMAX 28C, 32C / CMAX
28C, 32C / CMAX™™
™™
™ 34ST / BA 750C 34ST / BA 750C
34ST / BA 750C 34ST / BA 750C
34ST / BA 750C
02-2
11.9.111.9.1
11.9.111.9.1
11.9.1
EE
EE
E
BOOK EBOOK E
BOOK EBOOK E
BOOK E
SOLUTION SYSTEMSOLUTION SYSTEM
SOLUTION SYSTEMSOLUTION SYSTEM
SOLUTION SYSTEM
ItemItem
ItemItem
Item Ref. No.Ref. No.
Ref. No.Ref. No.
Ref. No. QtyQty
QtyQty
Qty DescriptionDescription
DescriptionDescription
Description
1 56002035 4 Scr, Hex Hd 5/16-18 x .62
2 56002098 6 Wsh, Flt SAE 1/4
3 56002145 6 Scr, Pan Phil 1/4-20 x .50
4 56002220 4 Wsh, Flt STD 5/16
5 56009005 2 Scr, Pan Phil SS Type B 10-16 x .75
6 56009205 2 Wsh, Flt SS #10
7 56219932 3 Clamp, Hose SAE #6
8 56244969 3 Clamp, Hose SAE #12
9 56324249 1 Hose, Spiral .50 NOTE 1NOTE 1
NOTE 1NOTE 1
NOTE 1
56172099 1 Hose, Clear .500 x 18" NOTE 2NOTE 2
NOTE 2NOTE 2
NOTE 2
10 56456802 2 Barb, 90 Elbow 11/16 x 3/4NPT
11 56478246 3 Tie, Cable
12 56051836 1 Hook (Not Shown)
13 56056291 1 Hinge
14 56057852 1 Plug, Expansion
15 56261265 1 Hose, .75 Clear PVC, 25.00
16 56397021 1 Lid, Solution
17 56397167 1 Strap, Retaining
18 56397220 1 Tank, Solution
19 56397287 1 Bracket
20 56397524 1 Water Valve Assy (#23-32)(#23-32)
(#23-32)(#23-32)
(#23-32)
21 56397533 1 Assy, Filter 36V (#33-42) TSBUS2003-835 NOTE 1(#33-42) TSBUS2003-835 NOTE 1
(#33-42) TSBUS2003-835 NOTE 1(#33-42) TSBUS2003-835 NOTE 1
(#33-42) TSBUS2003-835 NOTE 1
56397214 1 Assy, Filter 36V (#33-42) TSBUS2003-835 NOTE 1(#33-42) TSBUS2003-835 NOTE 1
(#33-42) TSBUS2003-835 NOTE 1(#33-42) TSBUS2003-835 NOTE 1
(#33-42) TSBUS2003-835 NOTE 1
22 56397540 1 Hose, .75
Water Valve AssemblyWater Valve Assembly
Water Valve AssemblyWater Valve Assembly
Water Valve Assembly
23 56003119 1 Scr, Pan Phil SS 1/4-20 x .50
24 56003174 2 Scr, Hex Thd To Hd M6-1.00 x 16mm
25 56003403 2 Nut, Hex Nyl Loc M6-1.00
26 56244985 1 Barb, 90 Elbow 3/4 x 1/2NPT
27 56329145 2 Clamp, Hose SAE #24
28 56412184 1 Barb, Adapter 1/2 x 1/2NPT
29 56057830 1 Valve, Ball
30 56396201 1 Knob
31 56396310 1 Flow Valve Weld’t.
32 56397526 1 Bracket, Valve
Filter AssemblyFilter Assembly
Filter AssemblyFilter Assembly
Filter Assembly
33 56002098 4 Wsh, Flt SAE 1/4
34 56003174 4 Scr, Hex Thd To Hd M6-1.00 x 16mm
35 56003403 4 Nut, Hex Nyl Loc M6-1.00
36 56131601 2 Clamp, Hose SAE #16
37 56219932 2 Clamp, Hose SAE #6
38 56260905 1 Strainer TSBUS2003-835TSBUS2003-835
TSBUS2003-835TSBUS2003-835
TSBUS2003-835
56412173 1 Solution Filter TSBUS2003-835TSBUS2003-835
TSBUS2003-835TSBUS2003-835
TSBUS2003-835
39 56396068 1 Filter Bracket
40 56397145 2 Barb, Hose Female TSBUS2003-835TSBUS2003-835
TSBUS2003-835TSBUS2003-835
TSBUS2003-835
56412184 2 Barb, Adapter 1/2 x 1/2NPT TSBUS2003-835TSBUS2003-835
TSBUS2003-835TSBUS2003-835
TSBUS2003-835
41 56397215 1 Solenoid Valve Assy, 36V
42 56396330 1 Hose, PVC Clear TSBUS2003-835TSBUS2003-835
TSBUS2003-835TSBUS2003-835
TSBUS2003-835
56397217 1 Hose, PVC Clear TSBUS2003-835TSBUS2003-835
TSBUS2003-835TSBUS2003-835
TSBUS2003-835
04-3
ItemItem
ItemItem
Item Ref. No.Ref. No.
Ref. No.Ref. No.
Ref. No. QtyQty
QtyQty
Qty DescriptionDescription
DescriptionDescription
Description
43 56397496 1 Assembly, Filter (#44-56) NOTE 2(#44-56) NOTE 2
(#44-56) NOTE 2(#44-56) NOTE 2
(#44-56) NOTE 2
44 56003403 2 Nut, Hex Nyl Loc M6-1.00
45 56412173 1 Solution Filter
46 56002155 2 Scr, Hex Hd 1/4-20 x .75
47 56002708 2 Nut, Hex Nyl Loc 1/4-20
48 56003174 2 Scr Hex Thd To Hd M6-1.0 x 16mm
49 56131601 2 Clamp, Hose SAE #16
50 56219932 2 Clamp, Hose SAE #6
51 56396508 1 Valve, Solution
52 56397215 1 Solenoid Valve Assy. 36V
53 56397217 1 Hose, PVC Clear
54 56397495 1 Bracket, Filter
55 56412182 1 Nipple, Hex 3/4-14
56 56412184 2 Barb, Adapter 1/2 x 1/2 NPT
NOTE 1:NOTE 1:
NOTE 1:NOTE 1:
NOTE 1: Used on all cylindrical models and CMAX 34ST before SN 1735134.
NOTE 2:NOTE 2:
NOTE 2:NOTE 2:
NOTE 2: Only used on CMAX 34ST after SN 1735133.

FORM NO. 56042422
I-MAXI-MAX
I-MAXI-MAX
I-MAX™™
™™
™ 28C, 32C / CMAX 28C, 32C / CMAX
28C, 32C / CMAX 28C, 32C / CMAX
28C, 32C / CMAX™™
™™
™ 34ST / BA 750C 34ST / BA 750C
34ST / BA 750C 34ST / BA 750C
34ST / BA 750C
02-2
2222
2222
22
11.9.111.9.1
11.9.111.9.1
11.9.1
EE
EE
E
BOOK EBOOK E
BOOK EBOOK E
BOOK E SQUEEGEE SYSTEMSQUEEGEE SYSTEM
SQUEEGEE SYSTEMSQUEEGEE SYSTEM
SQUEEGEE SYSTEM
FRONT
15
8
11
14
7
1
5
2
4
10 9
612
3
13
2
17
16
02-4

2323
2323
23
FORM NO. 56042422
I-MAXI-MAX
I-MAXI-MAX
I-MAX™™
™™
™ 28C, 32C / CMAX 28C, 32C / CMAX
28C, 32C / CMAX 28C, 32C / CMAX
28C, 32C / CMAX™™
™™
™ 34ST / BA 750C 34ST / BA 750C
34ST / BA 750C 34ST / BA 750C
34ST / BA 750C
02-2
11.9.111.9.1
11.9.111.9.1
11.9.1
EE
EE
E
BOOK EBOOK E
BOOK EBOOK E
BOOK E
SQUEEGEE SYSTEMSQUEEGEE SYSTEM
SQUEEGEE SYSTEMSQUEEGEE SYSTEM
SQUEEGEE SYSTEM
ItemItem
ItemItem
Item Ref. No.Ref. No.
Ref. No.Ref. No.
Ref. No. QtyQty
QtyQty
Qty DescriptionDescription
DescriptionDescription
Description
1 56002708 1 Nut, Hex Nyl Loc 1/4-20
2 56002852 2 Nut, Hex Nyl Loc-Thin SS 3/8-16
3 56002855 2 Nut, Hex Nyl Loc-Thin SS 5/8-11
4 56002903 1 Scr, Hex Hd SS 3/8-16 x 2.75
5 56002910 1 Wsh, Flt SAE SS 3/8
6 56009220 1 Bolt, Eye 1/4-20 x 1.38
7 56367389 4 Bearing, Sleeve
8 56003120 2 Pin, Cotter Hair .0915 x .375
9 56035163 1 Adjustment Knob Assy
10 56051136 1 Spring, Ext.
11 56056371 1 Shaft .375 x 14.62
12 56056585 1 Compression Spring
13 56396076 1 Squeegee Bar Weld’t.
14 56396085 1 Squeegee Pivot Weld’t.
15 56397093 1 Squeegee Lift Weld’t.
16 56391281 1 Squeegee Assy (BA 750C)(BA 750C)
(BA 750C)(BA 750C)
(BA 750C)
56396132 1 Squeegee Assy (I-MAX 28C)(I-MAX 28C)
(I-MAX 28C)(I-MAX 28C)
(I-MAX 28C)
56397227 1 Squeegee Assy (I-MAX 32C)(I-MAX 32C)
(I-MAX 32C)(I-MAX 32C)
(I-MAX 32C)
56397349 1 Squeegee Assy (CMAX 34ST)(CMAX 34ST)
(CMAX 34ST)(CMAX 34ST)
(CMAX 34ST)
17 56397356 1 Mounting Plate Weld’t.

FORM NO. 56042422
I-MAXI-MAX
I-MAXI-MAX
I-MAX™™
™™
™ 28C, 32C / CMAX 28C, 32C / CMAX
28C, 32C / CMAX 28C, 32C / CMAX
28C, 32C / CMAX™™
™™
™ 34ST / BA 750C 34ST / BA 750C
34ST / BA 750C 34ST / BA 750C
34ST / BA 750C
02-2
2424
2424
24
11.9.111.9.1
11.9.111.9.1
11.9.1
EE
EE
E
BOOK EBOOK E
BOOK EBOOK E
BOOK E SQUEEGEE ASSEMBLSQUEEGEE ASSEMBL
SQUEEGEE ASSEMBLSQUEEGEE ASSEMBL
SQUEEGEE ASSEMBLYY
YY
Y-I-MAX 28C / BA 750C-I-MAX 28C / BA 750C
-I-MAX 28C / BA 750C-I-MAX 28C / BA 750C
-I-MAX 28C / BA 750C
1
FRONT
2
2
3
4
4
5
6
7
8
9
10
11
12
13
14
15 16
17
17
18
18
04-3

2525
2525
25
FORM NO. 56042422
I-MAXI-MAX
I-MAXI-MAX
I-MAX™™
™™
™ 28C, 32C / CMAX 28C, 32C / CMAX
28C, 32C / CMAX 28C, 32C / CMAX
28C, 32C / CMAX™™
™™
™ 34ST / BA 750C 34ST / BA 750C
34ST / BA 750C 34ST / BA 750C
34ST / BA 750C
02-2
11.9.111.9.1
11.9.111.9.1
11.9.1
EE
EE
E
BOOK EBOOK E
BOOK EBOOK E
BOOK E
SQUEEGEE ASSEMBLSQUEEGEE ASSEMBL
SQUEEGEE ASSEMBLSQUEEGEE ASSEMBL
SQUEEGEE ASSEMBLYY
YY
Y-I-MAX 28C / BA 750C-I-MAX 28C / BA 750C
-I-MAX 28C / BA 750C-I-MAX 28C / BA 750C
-I-MAX 28C / BA 750C
ItemItem
ItemItem
Item Ref. No.Ref. No.
Ref. No.Ref. No.
Ref. No. QtyQty
QtyQty
Qty DescriptionDescription
DescriptionDescription
Description
56391281 1 Squeegee Assy (BA 750C)(BA 750C)
(BA 750C)(BA 750C)
(BA 750C)
56396132 1 Squeegee Assy (I-MAX 28C)(I-MAX 28C)
(I-MAX 28C)(I-MAX 28C)
(I-MAX 28C)
1 56002807 4 Scr, Hex Hd SS 1/4-20 x .75
2 56002850 12 Nut, Hex Nyl Loc-Thin SS 1/4-20
3 56002859 2 Wsh, Flt SAE SS 1/4
4 56002901 4 Scr, Hex Hd SS 1/4-20 x 1.50
5 56002909 2 Scr, Pan Phil SS 6-32 x .38
6 56002964 2 Nut, Hex Nyl Loc-Thin SS 6-32
7 56009048 2 Nut, Wing Loc 1/4-20
8 56324350 2 Wheel
9 56324499 2 Wheel 3.00
10 56370711 2 Nut, Thumb
11 56391286 1 Strap, Rear Right
12 56391288 1 Strap, Rear Left
13 56391290 1 Strap, Front
14 56391292 1 Tool Weldment
15 56409656 2 Bracket, Wheel
16 56471194 1 Latch
17 56471220 4 Bushing, .25 x .37 x 1.00
18 56391340 1 Blade Kit (BA 750C)(BA 750C)
(BA 750C)(BA 750C)
(BA 750C)
56396172 1 Blade Kit (I-MAX 28C)(I-MAX 28C)
(I-MAX 28C)(I-MAX 28C)
(I-MAX 28C)
** 56391340 1 Blade Kit (Gum Rubber)(Gum Rubber)
(Gum Rubber)(Gum Rubber)
(Gum Rubber)
** 56391342 1 Oil Resistant Blade Kit (Neoprene)(Neoprene)
(Neoprene)(Neoprene)
(Neoprene)
** 56396172 1 Blade Kit (Linatex)(Linatex)
(Linatex)(Linatex)
(Linatex)
** 56397325 1 Blade, Front-Tile Gum
** 56397326 1 Blade, Front-Tile Linatex
** = Optional
04-3

FORM NO. 56042422
I-MAXI-MAX
I-MAXI-MAX
I-MAX™™
™™
™ 28C, 32C / CMAX 28C, 32C / CMAX
28C, 32C / CMAX 28C, 32C / CMAX
28C, 32C / CMAX™™
™™
™ 34ST / BA 750C 34ST / BA 750C
34ST / BA 750C 34ST / BA 750C
34ST / BA 750C
02-2
2626
2626
26
11.9.111.9.1
11.9.111.9.1
11.9.1
EE
EE
E
BOOK EBOOK E
BOOK EBOOK E
BOOK E SQUEEGEE ASSEMBLSQUEEGEE ASSEMBL
SQUEEGEE ASSEMBLSQUEEGEE ASSEMBL
SQUEEGEE ASSEMBLYY
YY
Y-I-MAX 32C / CMAX 34ST-I-MAX 32C / CMAX 34ST
-I-MAX 32C / CMAX 34ST-I-MAX 32C / CMAX 34ST
-I-MAX 32C / CMAX 34ST
FRONT
2
14
17
4
3
12
9
1
16
10 19
4
2
812
17
715
11
13
6
5
04-3

2727
2727
27
FORM NO. 56042422
I-MAXI-MAX
I-MAXI-MAX
I-MAX™™
™™
™ 28C, 32C / CMAX 28C, 32C / CMAX
28C, 32C / CMAX 28C, 32C / CMAX
28C, 32C / CMAX™™
™™
™ 34ST / BA 750C 34ST / BA 750C
34ST / BA 750C 34ST / BA 750C
34ST / BA 750C
02-2
11.9.111.9.1
11.9.111.9.1
11.9.1
EE
EE
E
BOOK EBOOK E
BOOK EBOOK E
BOOK E
SQUEEGEE ASSEMBLSQUEEGEE ASSEMBL
SQUEEGEE ASSEMBLSQUEEGEE ASSEMBL
SQUEEGEE ASSEMBLYY
YY
Y-I-MAX 32C / CMAX 34ST-I-MAX 32C / CMAX 34ST
-I-MAX 32C / CMAX 34ST-I-MAX 32C / CMAX 34ST
-I-MAX 32C / CMAX 34ST
ItemItem
ItemItem
Item Ref. No.Ref. No.
Ref. No.Ref. No.
Ref. No. QtyQty
QtyQty
Qty DescriptionDescription
DescriptionDescription
Description
56397227 1 Squeegee Assy (I-MAX 32C)(I-MAX 32C)
(I-MAX 32C)(I-MAX 32C)
(I-MAX 32C)
56397349 1 Squeegee Assy (CMAX 34ST)(CMAX 34ST)
(CMAX 34ST)(CMAX 34ST)
(CMAX 34ST)
1 56002807 4 Scr, Hex Hd SS 1/4-20 x .75
2 56002850 14 Nut, Hex Nyl Loc-Thin SS 1/4-20
3 56002859 2 Wsh, Flt SAE SS 1/4
4 56002901 4 Scr, Hex Hd SS 1/4-20 x 1.50
5 56002909 2 Scr, Pan Phil SS 6-32 x .38
6 56002964 2 Nut, Hex Nyl Loc-Thin SS 6-32
7 56009048 2 Nut, Wing Loc 1/4-20
8 56324350 2 Wheel
9 56324499 2 Wheel 3.00
10 56370711 2 Nut, Thumb
11 56471194 1 Latch Assembly
12 56471220 4 Bushing .25 x .37 x 1.0
13 56397353 1 Strap, Rear
14 56397354 1 Strap, Front
15 56397355 1 Strap, Rear
16 56397359 1 Squeegee Tool Weldment
17 56397094 1 Blade Kit (CMAX 34ST)(CMAX 34ST)
(CMAX 34ST)(CMAX 34ST)
(CMAX 34ST)
56397106 1 Blade Kit (I-MAX 32C)(I-MAX 32C)
(I-MAX 32C)(I-MAX 32C)
(I-MAX 32C)
18 Intentionally Omitted
19 56409656 2 Bracket, Wheel
** 56397094 1 Blade Kit (Gum Rubber)(Gum Rubber)
(Gum Rubber)(Gum Rubber)
(Gum Rubber)
** 56397106 1 Blade Kit (Linatex)(Linatex)
(Linatex)(Linatex)
(Linatex)
** 56397595 1 Blade Kit (Oil Resistant)(Oil Resistant)
(Oil Resistant)(Oil Resistant)
(Oil Resistant)
** 56397147 1 Blade, Front-Tile Gum
** 56397148 1 Blade, Front-Tile Linatex
** = Optional
04-3

FORM NO. 56042422
I-MAXI-MAX
I-MAXI-MAX
I-MAX™™
™™
™ 28C, 32C / CMAX 28C, 32C / CMAX
28C, 32C / CMAX 28C, 32C / CMAX
28C, 32C / CMAX™™
™™
™ 34ST / BA 750C 34ST / BA 750C
34ST / BA 750C 34ST / BA 750C
34ST / BA 750C
02-2
2828
2828
28
11.9.111.9.1
11.9.111.9.1
11.9.1
EE
EE
E
BOOK EBOOK E
BOOK EBOOK E
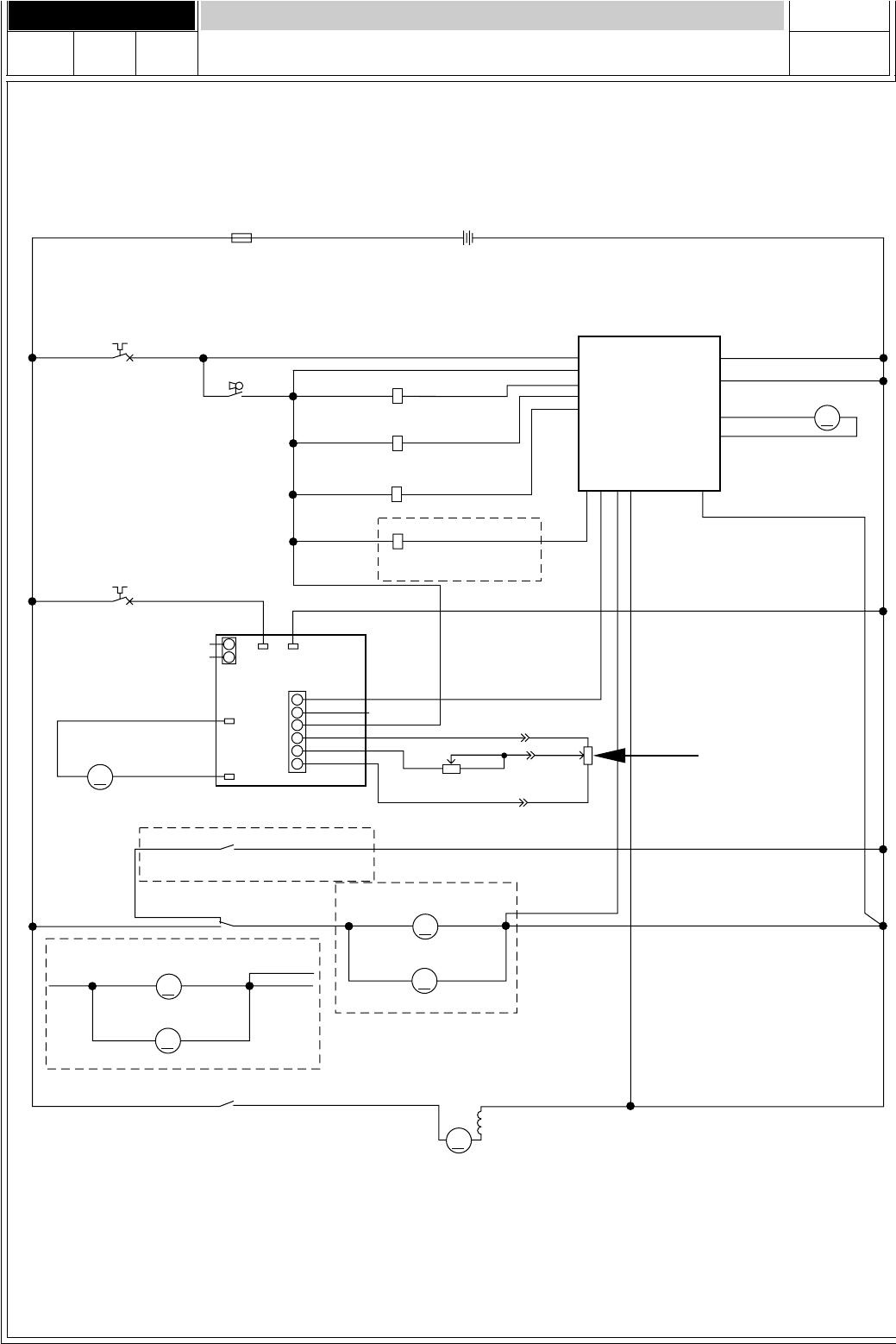
BOOK E WIRING DIAGRAMWIRING DIAGRAM
WIRING DIAGRAMWIRING DIAGRAM
WIRING DIAGRAM
RED
FUSE, 150A
F1
12RED BT1
+-
BATTERY
24VDC OR 36VDC
BLK
BLK
A1
CONTROL BOARD
RED GRN
F2
12
CIRCUIT BREAKER
5 AMP
S3
SWITCH
SPST KEY
GRN
BLK/WHT
4
13
B-2
B-3
M5
M
VIO/YEL
WHT/GRN
MOTOR
BRUSH ACTUATOR
14 B+2
1B+1
BRN
5 BRUSH CONTACTOR
VIO/BLK
BRN K1
COIL. BRUSH MOTOR CONTACTOR
6 VACUUM CONTACTOR
7 SOLUTION
BRN K2 BLK/YEL
COIL. VAC MOTOR CONTACTOR
BRN L1
12RED/GRN
COIL. SOLUTION SOLENOID
K3
BRN ORN/BLK
RELAY, BRUSH REMOVE
OPTIONAL
11
12
BRUSH ACTUATOR-2
BRUSH ACTUATOR-1
REMOVE RELAY
FOR/REV
BRUSH MOTOR
VAC MOTOR
B-1
GRA/BLK
2
9
8
3
10
GRA/BLK
BLK
RED F3
12
CIRCUIT BREAKER
30 AMP
WHT/YEL
BRN
YEL
YEL
ORN
ORN
BLK
BLK
WHT/GRA
WHT/GRA
BLK
M3
M
M2
M
MOTOR, RIGHT BRUSH
MOTOR, LEFT BRUSH
POLARITY FOR DISC BRUSHES
+-
+
-
12
M4
M
MOTOR, VAC
BLU
RED K2
R1
POT. 5K OHM THROTTLE
POLARITY FOR CYLINDRICAL BRUSHES
+
-
+
-
M3
M
M2
M
MOTOR, RIGHT BRUSH
MOTOR, LEFT BRUSH
WHT/GRA
BLK
WHT
WHT
RED K1
K3
BLU/WHT
CONTACT, BRUSH REMOVE
OPTIONAL
A2
1208 SPEED CONTROLLER
M1
M
MOTOR, WHEEL DRIVE
+
-
BRN/BLK
YEL/RED
B-
(T2)
B+
(T1)
B+
B-
P2
(T3)
M1
(T4)
M2
+ WHEN
FORWARD
P1
1
2
1
2
3
4
5
6
OUTPUT
OUTPUT
KEYSWITCH
REVERSE
WIPER
FORWARD
+
-
VIO
BRN/WHT GRN/YEL
1
3
2
POT. 25K OHM SPEED LIMIT
1
2
2
31
RED/BLK
GRA
R2

2929
2929
29
FORM NO. 56042422
I-MAXI-MAX
I-MAXI-MAX
I-MAX™™
™™
™ 28C, 32C / CMAX 28C, 32C / CMAX
28C, 32C / CMAX 28C, 32C / CMAX
28C, 32C / CMAX™™
™™
™ 34ST / BA 750C 34ST / BA 750C
34ST / BA 750C 34ST / BA 750C
34ST / BA 750C
02-2
11.9.111.9.1
11.9.111.9.1
11.9.1
EE
EE
E
BOOK EBOOK E
BOOK EBOOK E
BOOK E
WIRING DIAGRAMWIRING DIAGRAM
WIRING DIAGRAMWIRING DIAGRAM
WIRING DIAGRAM
ItemItem
ItemItem
Item Ref. No.Ref. No.
Ref. No.Ref. No.
Ref. No. QtyQty
QtyQty
Qty DescriptionDescription
DescriptionDescription
Description
A1 56397516 1 Control PCB Assy TSBUS2004-870TSBUS2004-870
TSBUS2004-870TSBUS2004-870
TSBUS2004-870
A2 56393721 1 Control, DC Curtis
BT1 N/A A/R Batteries
F1 56412089 1 Fuse, 150A
F2 56387328 1 Circuit Breaker, 5A (Controls)(Controls)
(Controls)(Controls)
(Controls)
F3 56026198 1 Circuit Breaker, 30A (Wheel Drive)(Wheel Drive)
(Wheel Drive)(Wheel Drive)
(Wheel Drive)
K1 56395450 1 Contactor (Brush Motor)(Brush Motor)
(Brush Motor)(Brush Motor)
(Brush Motor)
56397250 1 Contactor (Replaces K1 for Brush Remove Option)(Replaces K1 for Brush Remove Option)
(Replaces K1 for Brush Remove Option)(Replaces K1 for Brush Remove Option)
(Replaces K1 for Brush Remove Option)
K2 56395450 1 Contactor (Vac Motor)(Vac Motor)
(Vac Motor)(Vac Motor)
(Vac Motor)
K3 56396280 1 Relay (Brush Remove/Optional)(Brush Remove/Optional)
(Brush Remove/Optional)(Brush Remove/Optional)
(Brush Remove/Optional)
L1 56397215 1 Solution Solenoid Valve Assy
M1 56212175 1 Motor, 36VDC 1/2HP (Wheel Drive)(Wheel Drive)
(Wheel Drive)(Wheel Drive)
(Wheel Drive)
* 56026857 4 Carbon Brush
M2 56407431 2 Motor, 36VDC, .75HP (Left Brush / Cylindrical)(Left Brush / Cylindrical)
(Left Brush / Cylindrical)(Left Brush / Cylindrical)
(Left Brush / Cylindrical)
56417489 1 Armature
56407490 1 Bearing (2 required per motor)
56407492 1 Brush Cap Assembly
56407493 4 Brush Assembly
56407494 4 Brush Cover Cap
56635645 2 Motor, 36VDC, 75HP (Left Brush / Disk)(Left Brush / Disk)
(Left Brush / Disk)(Left Brush / Disk)
(Left Brush / Disk)
* 56397090 1 Bearing B.E.
* 56397135 1 Bearing F.E.
* 56397048 1 Brush Board Assy, W/Springs & Brushes
* 56397138 4 Brush Spring
* 56039276 4 Brush Assy
M3 56407431 2 Motor, 36VDC, .75HP (Right Brush / Cylindrical)
(Right Brush / Cylindrical)
(Right Brush / Cylindrical)(Right Brush / Cylindrical)
(Right Brush / Cylindrical)
56417489 1 Armature
56407490 1 Bearing (2 required per motor)
56407492 1 Brush Cap Assembly
56407493 4 Brush Assembly
56407494 4 Brush Cover Cap
56635645 2 Motor, 36VDC, 75HP (Right Brush / Disk)(Right Brush / Disk)
(Right Brush / Disk)(Right Brush / Disk)
(Right Brush / Disk)
* 56397090 1 Bearing B.E.
* 56397135 1 Bearing F.E.
* 56397048 1 Brush Board Assy, W/Springs & Brushes
* 56397138 4 Brush Spring
* 56039276 4 Brush Assy
M4 56397228 1 Motor, Vac 36VDC
* 56212223 1 Carbon Brush Set
M5 56393303 1 Actuator, Motor (Brush Lift) TSBUS2004-870(Brush Lift) TSBUS2004-870
(Brush Lift) TSBUS2004-870(Brush Lift) TSBUS2004-870
(Brush Lift) TSBUS2004-870
* 56393790 2 Limit Switch
* 56470433 1 Carbon Brush Kit
* 56388520 1 Plastic Nut
R1 56397029 1 Potentiometer, 5K (Throttle)(Throttle)
(Throttle)(Throttle)
(Throttle)
R2 56397123 1 Potentiometer, 25K (Speed Limit)(Speed Limit)
(Speed Limit)(Speed Limit)
(Speed Limit)
S3 56396305 1 Switch, SPST Toggle (Main Power)(Main Power)
(Main Power)(Main Power)
(Main Power)
* 56396283 1 Harness, Main TSBUS2004-870TSBUS2004-870
TSBUS2004-870TSBUS2004-870
TSBUS2004-870
* 56396299 1 Harness, Handle
* 56456460 4 Cable Assy 4 x 12 (Battery Interconnect)(Battery Interconnect)
(Battery Interconnect)(Battery Interconnect)
(Battery Interconnect)
* 56416445 1 Cable Assy 4 AWG (Battery Interconnect)(Battery Interconnect)
(Battery Interconnect)(Battery Interconnect)
(Battery Interconnect)
* 56396304 1 Cable Assy 6 AWG
* 56398000 1 Connector Assy TSBUS2003-841TSBUS2003-841
TSBUS2003-841TSBUS2003-841
TSBUS2003-841 (Connects to Batteries)(Connects to Batteries)
(Connects to Batteries)(Connects to Batteries)
(Connects to Batteries)
* 56397509 1 Connector Assy (Connects to Machine)(Connects to Machine)
(Connects to Machine)(Connects to Machine)
(Connects to Machine)
* = Not Shown
04-8

FORM NO. 56042422
I-MAXI-MAX
I-MAXI-MAX
I-MAX™™
™™
™ 28C, 32C / CMAX 28C, 32C / CMAX
28C, 32C / CMAX 28C, 32C / CMAX
28C, 32C / CMAX™™
™™
™ 34ST / BA 750C 34ST / BA 750C
34ST / BA 750C 34ST / BA 750C
34ST / BA 750C
02-2
3030
3030
30
11.9.111.9.1
11.9.111.9.1
11.9.1
EE
EE
E
BOOK EBOOK E
BOOK EBOOK E
BOOK E
7
4
3
2
5
1
6
10
11
11
9
8
FRONT
02-4
PP
PP
PARKING BRAKE KITARKING BRAKE KIT
ARKING BRAKE KITARKING BRAKE KIT
ARKING BRAKE KIT

3131
3131
31
FORM NO. 56042422
I-MAXI-MAX
I-MAXI-MAX
I-MAX™™
™™
™ 28C, 32C / CMAX 28C, 32C / CMAX
28C, 32C / CMAX 28C, 32C / CMAX
28C, 32C / CMAX™™
™™
™ 34ST / BA 750C 34ST / BA 750C
34ST / BA 750C 34ST / BA 750C
34ST / BA 750C
02-2
11.9.111.9.1
11.9.111.9.1
11.9.1
EE
EE
E
BOOK EBOOK E
BOOK EBOOK E
BOOK E
ItemItem
ItemItem
Item Ref. No.Ref. No.
Ref. No.Ref. No.
Ref. No. QtyQty
QtyQty
Qty DescriptionDescription
DescriptionDescription
Description
56396302 1 Kit, Parking Brake
1 56321559 1 Grommet
2 56002503 1 Scr, Hex Hd 10-24 x .50
3 56003358 1 Scr, Hex M6-1.00 x 25mm
4 56003403 1 Nut, Hex Nyl Loc M6-1.00
5 56002768 1 Nut, Hex Nyl Loc 10-24
6 56056323 1 Cable, Brake Assembly
7 56056245 1 Brake, Mechanical Caliper
8 56001841 2 Scr, Soc Set Loc 1/4-20 x .25
9 56396326 1 Sprocket Weldment
10 56396329 1 Plate, Brake Align
11 56396328 2 Plate, Brake Mount
* 56040763 1 Instruction Sheet
* = Not Shown
02-4
PP
PP
PARKING BRAKE KITARKING BRAKE KIT
ARKING BRAKE KITARKING BRAKE KIT
ARKING BRAKE KIT

FORM NO. 56042422
I-MAXI-MAX
I-MAXI-MAX
I-MAX™™
™™
™ 28C, 32C / CMAX 28C, 32C / CMAX
28C, 32C / CMAX 28C, 32C / CMAX
28C, 32C / CMAX™™
™™
™ 34ST / BA 750C 34ST / BA 750C
34ST / BA 750C 34ST / BA 750C
34ST / BA 750C
02-2
3232
3232
32
11.9.111.9.1
11.9.111.9.1
11.9.1
EE
EE
E
BOOK EBOOK E
BOOK EBOOK E
BOOK E
1
FRONT
2
3
4
5
6
7
02-4
INDUSTRIAL BUMPER KIT - CYLINDRICALINDUSTRIAL BUMPER KIT - CYLINDRICAL
INDUSTRIAL BUMPER KIT - CYLINDRICALINDUSTRIAL BUMPER KIT - CYLINDRICAL
INDUSTRIAL BUMPER KIT - CYLINDRICAL

3333
3333
33
FORM NO. 56042422
I-MAXI-MAX
I-MAXI-MAX
I-MAX™™
™™
™ 28C, 32C / CMAX 28C, 32C / CMAX
28C, 32C / CMAX 28C, 32C / CMAX
28C, 32C / CMAX™™
™™
™ 34ST / BA 750C 34ST / BA 750C
34ST / BA 750C 34ST / BA 750C
34ST / BA 750C
02-2
11.9.111.9.1
11.9.111.9.1
11.9.1
EE
EE
E
BOOK EBOOK E
BOOK EBOOK E
BOOK E
ItemItem
ItemItem
Item Ref. No.Ref. No.
Ref. No.Ref. No.
Ref. No. QtyQty
QtyQty
Qty DescriptionDescription
DescriptionDescription
Description
56396308 1 Kit, Industrial Bumper
1 56002134 6 Scr, Soc Hd 3/8-16 x 2.25
2 56397435 1 Assembly, Industrial Bumper (#3-7)(#3-7)
(#3-7)(#3-7)
(#3-7)
3 56003264 2 Ring, Ret Ext Type E .50 Dia
4 56009097 2 Nut, Push Cap 1/2
5 56392102 8 Roller
6 56392809 2 Rod
7 56397436 1 Industrial Bumper Weldment
* 56040765 1 Instruction Sheet
* = Not Shown
02-4
INDUSTRIAL BUMPER KIT - CYLINDRICALINDUSTRIAL BUMPER KIT - CYLINDRICAL
INDUSTRIAL BUMPER KIT - CYLINDRICALINDUSTRIAL BUMPER KIT - CYLINDRICAL
INDUSTRIAL BUMPER KIT - CYLINDRICAL

FORM NO. 56042422
I-MAXI-MAX
I-MAXI-MAX
I-MAX™™
™™
™ 28C, 32C / CMAX 28C, 32C / CMAX
28C, 32C / CMAX 28C, 32C / CMAX
28C, 32C / CMAX™™
™™
™ 34ST / BA 750C 34ST / BA 750C
34ST / BA 750C 34ST / BA 750C
34ST / BA 750C
02-2
3434
3434
34
11.9.111.9.1
11.9.111.9.1
11.9.1
EE
EE
E
BOOK EBOOK E
BOOK EBOOK E
BOOK E
3
1
2
02-4
BRUSH CLICK-OFF KITBRUSH CLICK-OFF KIT
BRUSH CLICK-OFF KITBRUSH CLICK-OFF KIT
BRUSH CLICK-OFF KIT

3535
3535
35
FORM NO. 56042422
I-MAXI-MAX
I-MAXI-MAX
I-MAX™™
™™
™ 28C, 32C / CMAX 28C, 32C / CMAX
28C, 32C / CMAX 28C, 32C / CMAX
28C, 32C / CMAX™™
™™
™ 34ST / BA 750C 34ST / BA 750C
34ST / BA 750C 34ST / BA 750C
34ST / BA 750C
02-2
11.9.111.9.1
11.9.111.9.1
11.9.1
EE
EE
E
BOOK EBOOK E
BOOK EBOOK E
BOOK E
ItemItem
ItemItem
Item Ref. No.Ref. No.
Ref. No.Ref. No.
Ref. No. QtyQty
QtyQty
Qty DescriptionDescription
DescriptionDescription
Description
56396318 1 Kit, Brush Click-Off
1 56002539 2 Scr, Pan Phil Thd Form 6-32 x .31
2 56397250 1 Solenoid, 36V SPDT
3 56396280 1 Relay, 36V SPST
* 56040766 1 Instruction Sheet
* = Not Shown
02-4
BRUSH CLICK-OFF KITBRUSH CLICK-OFF KIT
BRUSH CLICK-OFF KITBRUSH CLICK-OFF KIT
BRUSH CLICK-OFF KIT

FORM NO. 56042422
I-MAXI-MAX
I-MAXI-MAX
I-MAX™™
™™
™ 28C, 32C / CMAX 28C, 32C / CMAX
28C, 32C / CMAX 28C, 32C / CMAX
28C, 32C / CMAX™™
™™
™ 34ST / BA 750C 34ST / BA 750C
34ST / BA 750C 34ST / BA 750C
34ST / BA 750C
02-2
3636
3636
36
11.9.111.9.1
11.9.111.9.1
11.9.1
EE
EE
E
BOOK EBOOK E
BOOK EBOOK E
BOOK E
1
FRONT
2
3
4
5
6
7
02-4
INDUSTRIAL BUMPER KIT - CMAXINDUSTRIAL BUMPER KIT - CMAX
INDUSTRIAL BUMPER KIT - CMAXINDUSTRIAL BUMPER KIT - CMAX
INDUSTRIAL BUMPER KIT - CMAX™™
™™
™ 34ST 34ST
34ST 34ST
34ST

3737
3737
37
FORM NO. 56042422
I-MAXI-MAX
I-MAXI-MAX
I-MAX™™
™™
™ 28C, 32C / CMAX 28C, 32C / CMAX
28C, 32C / CMAX 28C, 32C / CMAX
28C, 32C / CMAX™™
™™
™ 34ST / BA 750C 34ST / BA 750C
34ST / BA 750C 34ST / BA 750C
34ST / BA 750C
02-2
11.9.111.9.1
11.9.111.9.1
11.9.1
EE
EE
E
BOOK EBOOK E
BOOK EBOOK E
BOOK E
ItemItem
ItemItem
Item Ref. No.Ref. No.
Ref. No.Ref. No.
Ref. No. QtyQty
QtyQty
Qty DescriptionDescription
DescriptionDescription
Description
56396322 1 Kit, Industrial Bumper
1 56002134 6 Scr, Soc Hd 3/8-16 x 2.25
2 56397239 1 Assembly, Industrial Bumper (#3-7)(#3-7)
(#3-7)(#3-7)
(#3-7)
3 56003264 2 Ring, Ret Ext Type E .50 Dia
4 56009097 2 Nut, Push Cap 1/2
5 56392102 8 Roller
6 56392809 2 Rod
7 56397245 1 Industrial Bumper Weldment
* 56040767 1 Instruction Sheet
* = Not Shown
02-4
INDUSTRIAL BUMPER KIT - CMAXINDUSTRIAL BUMPER KIT - CMAX
INDUSTRIAL BUMPER KIT - CMAXINDUSTRIAL BUMPER KIT - CMAX
INDUSTRIAL BUMPER KIT - CMAX™™
™™
™ 34ST 34ST
34ST 34ST
34ST

FORM NO. 56042422
I-MAXI-MAX
I-MAXI-MAX
I-MAX™™
™™
™ 28C, 32C / CMAX 28C, 32C / CMAX
28C, 32C / CMAX 28C, 32C / CMAX
28C, 32C / CMAX™™
™™
™ 34ST / BA 750C 34ST / BA 750C
34ST / BA 750C 34ST / BA 750C
34ST / BA 750C
02-2
3838
3838
38
11.9.111.9.1
11.9.111.9.1
11.9.1
EE
EE
E
BOOK EBOOK E
BOOK EBOOK E
BOOK E
We manufacture brushes and pad holders that will give you the best possible performance between ma-
chine and floor. Following are descriptions of the materials and their applications.
Union Mix:Union Mix:
Union Mix:Union Mix:
Union Mix: Medium grade natural fibers for polishing finished floors with standard-speed equipment.
Recommended for use in place of white pads.
ProLite:ProLite:
ProLite:ProLite:
ProLite: Bristles are made from light-duty polypropylene for general scrubbing when you do not want
to scratch or remove finish from the floor. Recommended for use in place of red pads.
Prolene:Prolene:
Prolene:Prolene:
Prolene: Polypropylene material for medium-duty scrubbing on concrete, terrazzo and vinyl floor tile.
Recommended for use in place of green or blue pads.
Magna Grit:Magna Grit:
Magna Grit:Magna Grit:
Magna Grit: For extreme heavy-duty scrubbing or stripping of floors. This brush has extra large diameter
silicon carbide grit impregnated synthetic bristles. Recommended for use in place of black
pads.
Dyna Grit:Dyna Grit:
Dyna Grit:Dyna Grit:
Dyna Grit: For aggresive, heavy-duty scrubbing or stripping of floors. Recommended for use in place of
brown pads.
MidLite Grit:MidLite Grit:
MidLite Grit:MidLite Grit:
MidLite Grit: For general purpose scrubbing of sealed or unsealed concrete, stone, terrazzo, quarry tile
and other resilient hard floor surfaces. Recommended for use in place of green or blue
pads.
MidGrit:MidGrit:
MidGrit:MidGrit:
MidGrit: For general purpose scrubbing when you need a lighter action for sealed or unsealed con-
crete, stone, terrazzo, quarry tile and other resilient hard floor surfaces. Recommended for
use in place of green or blue pads.
AgLite Grit:AgLite Grit:
AgLite Grit:AgLite Grit:
AgLite Grit: For light scrubbing when used wet; buffing or polishing when used dry on urethane coated,
sealed concrete or other resilient hard surface floors. Recommended for use in place of red
or white pads.
Short TShort T
Short TShort T
Short Trimrim
rimrim
rim
Pad Holder:Pad Holder:
Pad Holder:Pad Holder:
Pad Holder: Made with a structural foam block and center ring for correct pad centering. It has a "shower
feed" design for getting solution to the floor.
Ref. No.:Ref. No.:
Ref. No.:Ref. No.:
Ref. No.: CMAX 34ST BCMAX 34ST B
CMAX 34ST BCMAX 34ST B
CMAX 34ST BRUSHESRUSHES
RUSHESRUSHES
RUSHES
56505780 - Pad Holder
56505781 - Magna Grit
56505782 - Dyna Grit
56505783 - AgLite Grit
56505784 - Prolene
56505785 - ProLite
56505786 - Union Mix
56505787 - Mid Grit
56505788 - MidLite Grit
BRUSH / DISC SELECTOR GUIDE (DISC)BRUSH / DISC SELECTOR GUIDE (DISC)
BRUSH / DISC SELECTOR GUIDE (DISC)BRUSH / DISC SELECTOR GUIDE (DISC)
BRUSH / DISC SELECTOR GUIDE (DISC)

3939
3939
39
FORM NO. 56042422
I-MAXI-MAX
I-MAXI-MAX
I-MAX™™
™™
™ 28C, 32C / CMAX 28C, 32C / CMAX
28C, 32C / CMAX 28C, 32C / CMAX
28C, 32C / CMAX™™
™™
™ 34ST / BA 750C 34ST / BA 750C
34ST / BA 750C 34ST / BA 750C
34ST / BA 750C
02-2
11.9.111.9.1
11.9.111.9.1
11.9.1
EE
EE
E
BOOK EBOOK E
BOOK EBOOK E
BOOK E
Ref. No.:Ref. No.:
Ref. No.:Ref. No.:
Ref. No.: 28” B28” B
28” B28” B
28” BRUSHESRUSHES
RUSHESRUSHES
RUSHES
56412046 - Polypropylene
56412191 - Soft Nylon
56412192 - Hard Nylon
56412193 - 180 Grit
56412194 - 80 Grit
56412195 - 46 Grit
Ref. No.:Ref. No.:
Ref. No.:Ref. No.:
Ref. No.: 32” BRUSHES32” BRUSHES
32” BRUSHES32” BRUSHES
32” BRUSHES
56407473 - Soft Nylon
56407474 - Hard Nylon
56407475 - Polypropylene
56407476 - 180 Grit
56407477 - 80 Grit
56407478 - 46 Grit
We manufacture brushes and pad holders that will give you the best possible performance between ma-
chine and floor. Following are descriptions of the materials and their applications.
46 Grit Brush: Most aggressive grit brush. Used primarily to clean heavy buildup on concrete
floors in factories, or for heavy stripping of finish.
80 Grit Brush: Medium aggressive grit brush. Good all-around brush for medium to heavy buildup
removal. Can also be used for general stripping operations.
180 Grit Brush: Least aggressive grit brush. Used for daily cleaning of hard-finished floors.
Polypropylene Brush: Standard equipment brush. Low cost, yet effective in cleaning many common floor
surfaces.
Stiff Nylon Brush: Cleaning action similar to polypropylene. More durable and wear-resistant than
polypropylene.
Soft Nylon Brush: Least aggressive brush available. Used on soft-finish floors where a more aggres-
sive brush would leave scratch marks, or in applications requiring very light clean-
ing.
BRUSH SELECTOR GUIDE (CYLINDRICAL)BRUSH SELECTOR GUIDE (CYLINDRICAL)
BRUSH SELECTOR GUIDE (CYLINDRICAL)BRUSH SELECTOR GUIDE (CYLINDRICAL)
BRUSH SELECTOR GUIDE (CYLINDRICAL)

Austria (Sales Sub)
Nilfi sk-Advance GmbH Phone: +43
Voralberger Allee 46 1616 58 30 22
A-1230 Wien Fax: +43
info@nilfi sk-advance.at 1616 58 30 40
www.nilfi sk-advance.at
Belgium (Sales Sub)
Nilfi sk-Advance NV/SA Phone: +32
Doornveld Sphere Business Park (0)2467 60 50
Industrie Asse 3, No. 11 Fax: +32
B-1731 Zellik-Asse (0)2463 44 16
www.nilfi sk-advance.be
Czech Republic (Sales Sub)
Nilfi sk-Advance s.r.o. Phone: +420
Lysinská 44/1863 2 44 09 09 12
143 00 Praha - Modrany +420
Czech Republic 2 44 09 09 21 4
Fax: +420
2 44 40 23 93
Denmark
Nilfi sk-Advance A/S Phone: +45
Sognevej 25 43 23 81 00
DK-2605 Brøndby Fax: +45
mail@nilfi sk-advance.dk 43 43 77 00
www.nilfi sk-advance.com
Denmark (Prod. Sub)
Gerni A/S Phone: +45
Myntevej 2 89 12 22 00
DK-8900 Randers Fax: +45
www.gerni.com 86 43 14 81
Denmark (Sales Sub)
Nilfi sk-Advance Nordic A/S Phone: +45
Sognevej 25A 43 23 40 50
Postbox 344 Fax: +45
DK-2605 Brøndby 43 23 40 60
kundeservice@nilfi sk-advance.dk
www.nilfi sk-advance.dk
France (Sales Sub)
Nilfi sk-Advance S.A. Phone: +33
27 avenue de la Baltique 1695 98 700
Villebon sur Yvette Fax: +33
P.B. 246 1695 98 701
F-91944 Courtaboeuf Cedex
info@nilfi sk-advance.fr
www.nilfi sk-advance.fr
Germany (Sales Sub)
Nilfi sk-Advance AG Phone: +49
Siemensstrasse 25-27 4101 3990
Postfach 1361 Fax: +49
D-25462 Rellingen 4101 39 91 91
info@nilfi sk-advancede
www.nilfi sk-advance.de
Greece (Sales Sub)
Nilfi sk-Advance A.E. Tel.: +30
8, Thoukididou Str. 210 963 3443
Argioupoli Fax: +30
Gr - 164 52 Athens 210 965 0975
Greece
Holland (Sales Sub)
Nilfi sk-Advance B.V. Phone: +31
Camerastraat 9 (2e verdieping) 36 546 07 00
1322 BB Almere Fax: +31
Postbus 60112 36 523 51 48
1320 AC Almere
www.nilfi sk-advance.nl
Ireland (Sales Sub)
Nilfi sk-Advance Limited Phone: +35
28 Sandyford Offi ce Park 3 12 94 38 38
Sandyford, Dublin 18 Fax: +35
Ireland 3 12 94 38 45
Italy (Prod & Sales Sub)
CFM SpA Phone: +39
Nilfi sk-Advance Div. Guardamiglio 0377 /414021
Localita Novella III /45 1124
I-26862 Guardamiglio (Mi) Fax: +39
0377 51 443
Italy (Prod & Sales Sub)
CFM S.p.A. Phone: +39
Via Porrettana 1991 059 973 0000
I-41059 Zocca (Modena) Fax: +39
cfm@cfm.it 059 973 0099
Norway (Sales Sub)
Nilfi sk-Advance AS Phone: +47
Ulvenveien 89C 23 06 75 00
N-0581 Oslo Fax: +47
23 06 75 01
Poland (Sales Sub)
Nilfi sk-Advance Sp.Z.O.O. Phone: +48
05-800 Pruszków 22 738 37 50
ul. 3-go MAJA 8 Fax: +48
Poland 22 738 37 51
Portugal (Sales Sub)
Nilfi sk-Advance, Lda. Phone: +35
Sintra Business Park 121 911 2670
Zona Industrial Da Abrunheira Fax: +35
Edifi cio 1, 1o A 121 911 2679
P-2710-089 Sintra
Russia (Sales Sub)
Nilfi sk-Advance LLC Phone: 7
Vyatskaya str. 27, bld. 7 095 783 9602
127015 Moscow Fax: +7
Russia 095 783 9603
Spain (Sales Sub)
Nilfi sk-Advance S.A. Phone: +34
Torre D’Ara 93 741 2400
Passeig del Rengle, 5 Pl.10 Fax: +34
E-08302 Mataró (Barcelona) 93 757 8020
nilfi sk@nilfi sk-advance.es
Sweden (Sales Sub)
Nilfi sk -Advance A/S Phone: +46
Sjöbjörnsvägen 5 8555 94400
Box 44045 Fax: +46
S-100 73 Stockholm 8555 94430
info@nilfi sk-advance.se
www.nilfi sk-advance.se

Sweden (Prod.)
Nilfi sk-Advance A/S Phone: +46
Åmål Branch 5321 7500
Strömsbergsgatan Fax: +46
Box 127 5321 7595
S-662 23 Åmål
Switzerland (Sales Sub)
Nilfi sk-Advance AG Phone: +41
Ringsstrasse 19 71 92 38 444
Kirchberg/Industrie Stelzl Fax: +41
CH-9500 Wil 71 92 35 283
www.nilfi sk-advance.ch
UK (Sales Sub)
Nilfi sk-Advance Limited Phone: +44
Newmarket Road 1284 763163
Bury St. Edmunds Fax: +44
UK-Suffolk IP33 3SR 1284 750 562
USA (Prod.)
Nilfi sk-Advance Inc. Phone: +1 763
14600 21.st Avenue North 745 3500
Plymouth, MN 55447-3408 Fax: +1 763
www.mn.nilfi sk-advance.com 745 3718
USA (Sales Sub)
Nilfi sk-Advance America Inc. Phone: +1 610
300 Technology Drive 647 6420
Malvern, PA 19355 Fax: +1 610
www.pa.nilfi sk-advance.com 647 6427
Canada (Sales Sub)
Nilfi sk-Advance Canada Comp. Phone: + 1 905
396 Watline Avenue 712 3260
Mississauga, Ontario L4Z 1X2 Fax: +1 905
712 3255
Australia (Sales Sub)
Nilfi sk-Advance Pty. Ltd. Phone: +61(0)2
48 Egerton Street 9648 2700
Silverwater, NSW 2128 Fax: +61(0)2
Postal addresse: 9648 2711
PO Box 6046
Silverwater. NSW 1811
info@nilfi sk-advance.com.au
www.nilfi sk-advance.com.au
China (Shenzhen)
Nilfi sk-Advance (Shenzhen) Ltd Phone: +86 755
Blok 3, Unit 130, 1001 Honghua Road 8359 7937 el.
Int. Commercial & Trade Center 8359 7939-42
Fuitian Free Trade Zone Fax: +86 755
518038 Shenzhen 8359 1063
P.R. China
China (Suzhou)
Nilfi sk-Advance Professional Phone: +86 512
Cleaning Equipment (Suzhou) Co. Ltd. 8918 5656
306 Su Hong Zhong Road, Build. 2 Fax: +86 512
Suzhou Industrial Park 8918 5666
215021 Suzhou
P.R. China
Hong Kong (Sales Sub)
Nilfi sk-Advance Ltd. Phone: +852
2001 HK Worsted Mills Ind’l Bldg., 2427 5951
31-39 Wo Tong Tsui St. Fax: +852
Kwai Chung, Hong Kong 2487 5828
Japan (Sales Sub)
Nilfi sk-Advance Inc. Phone: +8145
3-17-40-101 Chigasaki Higashi 942 7741
Tsuzuki-ku, Yokohama 224-0033 Fax: +8145
Japan 942 6545
Malaysia (Sales Sub)
Nilfi sk-Advance Sdn Bhd Phone: +60 3
No. 21, Jalan SS 25/41 7956 8188
Mayang Industrial Park Fax: +60 3
47301 Petaling Jaya 7966 6828
Selangor, Malaysia
New Zealand (Sales Sub)
Nilfi sk-Advance Limited Phone: +64(0)9
Danish House 525 0092
6 Rockridge Avenue Fax: +64(0)9
Penrose 92-829 525 6440
Auckland1135
Postal addresse:
Private Bag 92 825
Auckland
New Zealand
Singapore (Sales Sub)
Nilfi sk-Advance Pte. Ltd. Phone: + 65
22,Woodlands Industrial Park E1 6 7599100
Singapore 757740 Fax: +65
sales@nilfi sk-advance.com.sg 7599133
Taiwan, ROC (Sales Sub)
Nilfi sk-Advance Ltd. Phone: +886
Taiwan Branch (H.K.) 2 2239 8812
1F, No. 193, Sec.2 Fax: +886
Xing Long Rd., Taipei 2 2239 8832
Taiwan, R.O.C.
Thailand (Sales Sub)
Nilfi sk-Advance Co. Ltd. Phone: +66 2
89 Soi Chokechai-Ruammitr 275-5630
Viphavadee-Rangsit Road Fax: +66 2
Ladyao, Jatuchak, Bangkok 10900 691-4079
Thailand

www.nilfisk-advance.com © 2005