Nilfisk Advance Sc2000 Parts Manual
Sc2000-Parts-Manual sc2000-parts-manual sc2000-parts-manual 2828 file product_file sweepscrub 3:
2018-05-16
: Sweepscrub Nilfisk-Advance-Sc2000-Parts-Manual nilfisk-advance-sc2000-parts-manual 2729 file product_file
Open the PDF directly: View PDF
.
Page Count: 44

SC2000
PARTS LIST
Model: 9087361020
01/2015 (1)
FORM NO. 9100000387

PARTS LIST
01/2015 SC2000 - 9100000387 1
TABLE OF CONTENTS
GENERAL VIEW ......................................................................................................................................................... 2
SOLUTION TANK ........................................................................................................................................................ 4
RECOVERY TANK ...................................................................................................................................................... 6
FOOTBOARD, COLUMN AND KEY HOUSING ......................................................................................................... 8
CHASSIS ................................................................................................................................................................... 10
MOTOR DRIVE ......................................................................................................................................................... 12
FRONT WHEEL SYSTEM ......................................................................................................................................... 14
STEERING COLUMN SYSTEM ................................................................................................................................ 16
STEERING WHEEL .................................................................................................................................................. 18
SOLUTION SYSTEM ................................................................................................................................................ 20
ACTUATORS ............................................................................................................................................................. 22
SQUEEGEE SYSTEM............................................................................................................................................... 24
BRUSH DECK ........................................................................................................................................................... 26
ELECTRICAL SYSTEM ............................................................................................................................................. 28
BATTERY CHARGER ............................................................................................................................................... 30
ECOFLEX SYSTEM .................................................................................................................................................. 32
ACCESSORIES......................................................................................................................................................... 34
WIRING DIAGRAM ................................................................................................................................................... 38
RECOMMENDED PARTS ......................................................................................................................................... 40
RECOMMENDED PARTS - ACCESSORIES/ OPTIONAL ....................................................................................... 41
WHEN ORDERING PARTS
– Use the part numbers from the “REF. NO.” columns in this parts list. If the “REF. NO.” column is
blank; look under the “KIT” column to identify which kit contains the part in question, then use the kit
callout, for example “K1”, to nd the “REF. NO.” for that kit.
– Specify the model and serial number of the machine.
– Use the space below to record the model and serial number for future reference.
Model Serial No.
* = Optional
#= Modied item No. or New item No.
[ ] = Not shown

PARTS LIST
2SC2000 - 9100000387 01/2015
GENERAL VIEW
5
4
2
6
1
3

PARTS LIST
01/2015 SC2000 - 9100000387 3
GENERAL VIEW
KIT ITEM REF. NO. QTY DESCRIPTION
1 1 RECOVERY ASSEMBLY ASSIEME
2 1 SOLUTION NILFISK ASSEMBLY
3 1 BODY MACHINE NILFISK ASSEMBLY
4 1 ACTUATOR FRONT ASSEMBLY
5 1 ACTUATOR REAR ASSEMBLY
6 1 SQUEEGEE ASSEMBLY

PARTS LIST
4SC2000 - 9100000387 01/2015
SOLUTION TANK
8
9
10
15 251416 3
13
1
7
11
4
12
6

PARTS LIST
01/2015 SC2000 - 9100000387 5
SOLUTION TANK
KIT ITEM REF. NO. QTY DESCRIPTION
1 9098329000 1 HINGES KIT
2 9100000803 1 VALVE ELBOW PKD
3 9100000574 1 FITTING STRAIGHT G1/2 D.20 KIT
4 1465355000 1 CAP SOLUTION TANK KIT
5* 9100001192 1 FILTER SOLUTION TANK PKD
6* 9100000952 1 FILLING HOSE
9100001072 1 INSTRUCTIONS INSTALL. KIT 9100000952
7 9100000771 1 FITTING 90. M 3/8-18 NPT HOSE D.19 PKD
8 9100001094 1 TANK SOLUTION 70 LT GREY PKD
9 9100001102 1 COVER BATTERY CHARGER PKD
10 9100001120 1 HARNESS TANK PKD
11 9100001128 1 HOSE FRESH WATER LEVEL PKD
12 9100001129 1 SUPPORT F SAFETY BAR PKD
13 9100001164 1 CLAMP HOSE D.40 BLACK KIT
14 9100001139 2 GASKET RUBBER D.21X33X2.5 BLACK PKD
15 9100001182 1 COVER FUNCTIONS CARD KIT
16 9100001150 1 PROTECTION RUBBER ADHESIVE F TANK PKD

PARTS LIST
6SC2000 - 9100000387 01/2015
4
28
32
35
30
34
29
27
31
33
5
24
8
2
1
6
19
207
13 26 25
15
11
10
9
16
21
12
3
17
18
22
23
14
RECOVERY TANK

PARTS LIST
01/2015 SC2000 - 9100000387 7
RECOVERY TANK
KIT ITEM REF. NO. QTY DESCRIPTION
19100000817 1 BALL FLOATING PKD
K1 2 1 CAGE FLOAT
3 9100001187 1 CLAMP 14/32-52 10 PCS SET
4 9100001130 1 CUSHION SEAT W. MICROSWITCH PKD
K1 5 2 SCREW M6X20 ISO7380 SS
K1 6 9100000928 1 GASKET FLOAT SUPPORT PKD
K1 7 2 NUT JAW M6X6 INOX SS
89100000818 1 CAGE FLOAT HALF 2 PCS SET
9 9100001091 1 TRAY DEBRISE PKD
10 9100001092 1 COVER TRAY DEBRISE PKD
11 9100001153 1 GASKET RUBBER L.1200MM PKD
12 909 6380 000 1 CLAMP KIT
13 9100001095 1 TANK RECOVERY 70 LT GREY PKD
14 9100001106 1 HOSE SUCTION BLACK PKD
15 9100001111 1 COVER RECOVERY TANK PKD
16 9100001113 1 HOSE DRAIN BLACK PKD
K2 17 1 BAR SAFETY F TANK
K2 18 1 PLATE F SAFETY BAR
19* 909 5065 000 1 FILTER ANTIFOAMING
K2 20 4 SCREW M6X12 ISO7380
21 9100001164 1 CLAMP HOSE D.40 BLACK KIT
22 9100001143 1 SOUNDPROOFING UPPER VACUUM MOT. PKD
23 9100001181 1 MOTOR VACUUM 24V 310W KIT
K1 24 2 WASHER 6X18X1.5 UNI6593 SS
25 9100001146 1 PLATE HARNESS PROTECTION PKD
26 9100001154 1 HOSE CORRUGATED BLACK D.6 L.150MM PKD
K3 27 1 MOTOR GASKET LOWER DOMEL
K3 28 1 FILTER
29 9100000822 1 SUPPORT INT. INSULATION VAC. MOTOR PKD
30 9100001116 1 HARNESS VACUUM MOTOR PKD
K3 31 1 GASKET F VACUUM UPPER COVER
K3 32 1 GASKET F VACUUM LOWER COVER
33 9100001142 1 SOUNDPROOFING VACUUM MOTOR PKD
34 9100001144 1 MOTOR VACUUM 24V 310W PKD
K3 35 1 RUBBER SEALING DOMEL UPPER
[K1] 9099767000 1 SUPPORT FLOAT KIT
[K2] 9100001165 1 BAR SAFETY F TANK KIT
[K3] 9100001166 1 GASKETS VACUUM MOTOR KIT

PARTS LIST
8SC2000 - 9100000387 01/2015
FOOTBOARD, COLUMN AND KEY HOUSING
1
2
4
5
3
7
6

PARTS LIST
01/2015 SC2000 - 9100000387 9
FOOTBOARD, COLUMN AND KEY HOUSING
KIT ITEM REF. NO. QTY DESCRIPTION
1* 9100000843 1 OPERATOR KEY
2* 9100000848 1 SUPERUSER KEY
3 9100001105 1 CARD ELECTRONIC KEY PKD
4 9100001127 1 HOUSING OPERATOR KEY PKD
5 9100001148 1 GASKET F OPERATOR KEY HOUSING PKD
6 9100001117 1 COLUMN STEERING GREY PKD
7 9100001097 1 FOOTBOARD GREY PKD

PARTS LIST
10 SC2000 - 9100000387 01/2015
CHASSIS
14
13
4
2
9
10
11
12
3
6
7
5
1
8

PARTS LIST
01/2015 SC2000 - 9100000387 11
CHASSIS
KIT ITEM REF. NO. QTY DESCRIPTION
K1 1 2 WASHER 10X30 UNI6593
K2 2 1 SCREW M12X16 UNI5739
K1 3 4 NUT SELF L. M10 UNI7473
K2 4 1 WASHER 12X48X3 UNI6593
5 9100001090 2 ROD EYE M10 PKD
K1 6 6 SPACER D.10.5X14X3MM
7 9100001096 1 SLEEVE SUCTION HOSE PKD
8 9100001108 1 SUPPORT SQUEEGEE PKD
K2 9 1 SPRING ZERO SETTING SQUEEGEE
10 9100001119 1 HARNESS MACHINE PKD
11 9100001121 1 HARNESS FOOTBOARD PKD
12 9100001183 1 MICROSWITCH KIT
13 9100001180 1 THROTTLE KIT
14 9100001140 1 THROTTLE ELECTRONIC PKD
[K1] 9100001167 1 HARDWARE SAFETY BAR KIT
[K2] 9100001168 1 SPRING ZERO SETTING SQUEEGEE KIT

PARTS LIST
12 SC2000 - 9100000387 01/2015
MOTOR DRIVE
2 4 1 3 7 468 5
9
1011 12 13

PARTS LIST
01/2015 SC2000 - 9100000387 13
MOTOR DRIVE
KIT ITEM REF. NO. QTY DESCRIPTION
K1 1 2 WASHER 8.5X32X2 SS
K1 2 2 CAP D.38.1
3 9100001162 1 WHEEL D.254X80 GREY-BLACK 2 PCS SET
K1 4 10 SCREW M8X20 UNI5739 SS
5 9100001190 1 WASHER M8 UNI6592 SS10 PCS SET
6 9100001185 1 RING D 20 UNI7435 10 PCS SET
7 9100001156 1 KEY JOINT 6X30 UNI6604A 10 PCS SET
89100001161 1 SPACER 20.5X25X4 10 PCS SET
9 9100001099 1 MOTOR DRIVE 400W 24V 125RPM PKD
10 9100001198 1 BAND METAL F ELECTRIC MOTOR FIXING KIT
11 9100001199 1 ELECTROMAGNETIC BRAKE PKD
12 9100001200 1 MOTOR ELECTRIC 400W 24V PKD
13 1464432000 1 CARBON BRUSHES KIT 4 PCS
[K1] 9100001169 1 HARDWARE WHEEL D.254X80 KIT

PARTS LIST
14 SC2000 - 9100000387 01/2015
FRONT WHEEL SYSTEM
9
7
5
8
6
1
3
4
2

PARTS LIST
01/2015 SC2000 - 9100000387 15
FRONT WHEEL SYSTEM
KIT ITEM REF. NO. QTY DESCRIPTION
1 145 4691 000 1 BEARING TAPER ROLLER 32006
2 9100001188 1 NUT RING M15X1 KMA2 LIGHT S. 10 PCS SET
3 909 5941 000 1 SUPPORT BALL BEARING
4 909 5942 000 1 BEARING TAPER ROLLER 32004X
5 9100001160 1 SCREW 10X16 M8 ISO7379 12.9 10 PCS SET
6 9100001112 1 CROWN STEERING PKD
7 9100001098 1 WHEEL D.200X76 GREY-BLACK PKD
8 9100001100 1 SUPPORT WHEEL PKD
9 9100001101 1 PIN WHEEL PKD

PARTS LIST
16 SC2000 - 9100000387 01/2015
3
12
10
2
11
4
6
1
14
8
16
7
5
13
17
9
15
STEERING COLUMN SYSTEM

PARTS LIST
01/2015 SC2000 - 9100000387 17
STEERING COLUMN SYSTEM
KIT ITEM REF. NO. QTY DESCRIPTION
K1 1 1 SCREW M5X50 UNI5931 5X50
K1 2 1 NUT SELF L. M5 UNI7474
3 9100001155 1 NUT RING M40X1.5 KMA8 10 PCS SET
K1 4 2 SPACER D.5X8X11.5
5 9100001184 1 RING D 17 UNI7435 10 PCS SET
K1 6 2 WASHER 5X15X1.5 UNI6593
7 1466146000 1 kEY 5X5X25 UNI6604A PKD
8 1466319000 1 JOINT UNIVERSAL D.17 PKD
9 9100001189 1 SCREW GRUB M5X10 UNI5929 10 PCS SET
10 9100001085 2 BEARING FLANGE IGLIDUR GFM-4044-14 PKD
11 9100001087 1 RING D.40 UNI7436 PKD
12 9099425000 1 TUBE STEERING KIT
13 9100001093 1 BEARING NEEDLE ROLLER NK 17/20 PKD
14 9100001107 1 SHAFT STEERING UPPER PKD
15 9100001109 1 SUPPORT STEERING COLUMN PKD
16 9100001110 1 SHAFT STEERING LOWER PKD
17 9100001125 1 PINION Z25 PKD
[K1] 9100001170 1 HARDWARE STEERING TUBE KIT

PARTS LIST
18 SC2000 - 9100000387 01/2015
STEERING WHEEL
13
11
10
6
2
8
3
1
7
4
9
12
14
15
5

PARTS LIST
01/2015 SC2000 - 9100000387 19
STEERING WHEEL
KIT ITEM REF. NO. QTY DESCRIPTION
K1 1 1 SCREW M6X20 UNI5931
2 9100001082 1 WHEEL STEERING D.320X281 PKD
3 9100001083 1 LEVER RIGHT PA YELLOW PKD
4 9100001084 1 LEVER LEFT PA BLACK PKD
5 9100001086 1 TUBE ADJUST.STEERING WHEEL PKD
6 9100001088 1 GASKET ROUND D.2MM PKD
7 9100001157 1 SPRING MOVING BOTTON 10 PCS SET
8 9100001158 1 SPRING TORSION FOR STEERING 10 PCS SET
9 9100001089 1 COVER LOWER PKD
10 9100001104 1 CARD ELECTRONIC DISPLAY PKD
11 9100001114 1 COVER STEERING WHEEL PKD
12 9100001115 1 CABLE DISPLAY CARD EXTENSION PKD
13 9100001123 1 DASHBOARD CONTROL PANEL PKD
K1 14 1 NUT HEX M6 UNI5721
K1 15 2 WASHER M6 UNI6592
[K1] 9100001171 1 HARDWARE STEERING WHEEL KIT

PARTS LIST
20 SC2000 - 9100000387 01/2015
SOLUTION SYSTEM
1
2
1
3
3
4

PARTS LIST
01/2015 SC2000 - 9100000387 21
SOLUTION SYSTEM
KIT ITEM REF. NO. QTY DESCRIPTION
1 9100000860 1 FILTER WATER PKD
2 9100000861 1 NET WATER FILTER REINFORCED PKD
3 9100001174 1 HOSES SOLUTION KIT
4 9100001159 1 CLAMP DOUBLE W. SPRING D.18 10 PCS SET

PARTS LIST
22 SC2000 - 9100000387 01/2015
ACTUATORS
12
1
7
11
10
4
9
2
8
13
6
4
5
2
3
1

PARTS LIST
01/2015 SC2000 - 9100000387 23
ACTUATORS
KIT ITEM REF. NO. QTY DESCRIPTION
K2 1 2 NUT.M8
K1 2 5 WASHER M6 UNI6592
K1 3 5 SCREW M6X12 UNI5931 SS
K2 4 2 SCREW M8X50 UNI5931 THREADED TOTALLY
5 9100001126 1 SUPPORT DECK ACTUATOR PKD
6 9100001131 1 ACTUATOR 24V DC STROKE 98MM PKD
K2 7 1 WASHER M8 UNI6592
K1 8 2 SCREW CYL HD 5X20 SELF L. PLASTOFAST
9 9100001103 1 SUPPORT SQUEEGEE ACTUATOR PKD
10 9100001133 1 ACTUATOR 24V DC STROKE 77.5MM PKD
K2 11 1PIN SQUEEGEE ACTUATOR
K2 12 1 PIN SPLIT 2X50 UNI8833
K1 13 1 SCREW M6X12 UNI5931
[K1] 9100001172 1 HARDWARE ACTUATOR SUPPORT KIT
[K2] 9100001173 1 HARDWARE ACTUATOR KIT

PARTS LIST
24 SC2000 - 9100000387 01/2015
16 11 8 22 15
12 4 714
11 13
10
17
20
1
21
9
5
3
6
19
2
18
SQUEEGEE SYSTEM

PARTS LIST
01/2015 SC2000 - 9100000387 25
SQUEEGEE SYSTEM
KIT ITEM REF. NO. QTY DESCRIPTION
K1 1 2 WASHER 6X18X1.5 UNI6593 SS
K1 2 1 NUT SELFLOCKING LOW M8 UNI7474 SS
K1 3 1 WASHER 8X24 UNI6592 SS
K1 4 6 WASHER 5X15X1.2 UNI6593 SS
5 9100000862 1 KNOB LOBES M8 FEMALE PKD
6 9100000747 1 SQUEEGEE 730MM/29 PRE-ASSEMBLED PKD
K1 7 3 SPACER 5.1X8X28.5 PLASTIC
8 9100000791 2 KNOB M8X30 THD STUD SS PKD
9 9097637000 1 SQUEEGEE FIXING KIT
10 9100000559 3 WHEEL D.51 GREY PKD
11* 9100000810 1 BLADE SQUEEGEE 740MM 29 GUM KIT
11* 9100000490 1 BLADE SQUEEGEE 730MM 29 PU KIT
11* 9100000060 1 BLADE SQUEEGEE 730MM 29 RED GUM KIT
K1 12 1 SCREW M5X50 UNI5737 SS
13 9100000864 1 STRAP ELASTIC F REAR SQUEEGEE BL. PKD
K1 14 3 NUT SELFLOCKING LOW M5 UNI7474 SS
K1 15 2 SCREW M5X45 UNI5737 SS
16 9100000865 1 STRAP FRONT SQUEEGEE BLADE PKD
17 9100000866 1 SUPPORT SQUEEGEE WHEEL PKD
K1 18 1 SCREW M8X50 HEX HD F/THD SS ISO4017
K1 19 1 NUT HEX M8 ISO4035 SS
K1 20 2 SCREW 5X35 SELF THD TAPPING AW20 BLACK
21 9100000867 1 GUIDE WHEEL 2 PCS SET
K1 22 2 NUT HEX M8 UNI5588 SS
[K1] 9100000748 1 HARDWARE SQUEEGEE KIT

PARTS LIST
26 SC2000 - 9100000387 01/2015
BRUSH DECK
32
27
26
1
29
21
18
22
41
5
24
36
25
20
23
3 4 8 1631
39
2
35
34
40
12
3
18
38
28
37
6
9
10
15
13
19
17
33
11
14
7
30

PARTS LIST
01/2015 SC2000 - 9100000387 27
BRUSH DECK
KIT ITEM REF. NO. QTY DESCRIPTION
1 9100000875 1 KEY 5X5X30 DIN6885 2 PCS SET
K1 2 1 SCREW M8X30 UNI5739
K2-3 3 7 NUT SELFLOCKING LOW M8 UNI7474 SS
K2 4 20 WASHER M8 UNI6592 SS
5 9100001191 1 VIBRATION-DAMPING M6 60SH PKD
K3 6 5 WASHER M6 UNI8842A SS
7 9100001186 1 SCREW M6X20 UNI5739 SS 10 PCS SET
K2 8 8 SCREW M8X25 UNI5739 SS
K3 9 4 SCREW M6X25 UNI5739 SS
K3 10 4 WASHER 6.6X24X2 UNI6593 SS
K3 11 3 WASHER 8.5X32X2 SS
K3 12 1 SCREW M8X16 UNI5739 SS
K3 13 1 WASHER NORD LOCK M6 DIN25201
K3 14 3 WASHER M8 UNI8842A SS
K3 15 1 SCREW M6X16 UNI5739 SS
K2 16 4 WASHER NORD LOCK M8
K3 17 1 SCREW 3.5X16 SELF THD PAN PHIL F PLASTIC
18 9100000797 1 HOSES BRUSH DECK KIT
K3 19 1 CLAMP 6.6X 7
20 9100000868 1 VIBRATION DAMPING M8 60SH 2 PCS SET
21 9100000869 1 COVER SOLUTION HOSE SUPPORT PKD
22 9100000870 1 SOLENOID VALVE 24V PKD
23 9100000871 1 HUB BRUSH PKD
24 9100000872 1 PLATE BRUSH DECK HOLDER PKD
25 9100000873 1 DECK BRUSH PKD
26 9100000874 1 REDUCTION GEARMOTOR 450W 24V PKD
27 9098376000 1 CARBON BRUSHES KIT 4 PCS
K3 28 2 SCREW PAN HD SELF 4x12 SS
29 9100001163 1 ARM BRUSH DECK LIFTING 4 PCS SET
K3 30 2 SCREW M8X20 UNI5739 SS
K2 31 8 BUSHING D.8.1X13X4.3
32 9100001132 1 HARNESS BRUSH MOTOR PKD
K3 33 1 SPACER D.6X12X8.5
K1 34 1 WASHER 15
K1 35 1 WASHER 8X24X2 FLAT ISO7093
K3 36 1 NUT SELF L. M6 UNI7474 SS
K3 37 4 WASHER 6X18X1.5 UNI6593 SS
K1 38 1 ROLLER BUMPER D.160 BLACK
K1 39 1 CAP. BLACK
K1 40 1 SPACER 9X15X13
K3 41 2 TIE CABLE 4.8X500 BLACK
[K1] 909 6887 000 1 ROLLER BUMPER KIT
[K2] 9100001175 1 HARDWARE BRUSH DECK LIFTING ARMS KIT
[K3] 9100001176 1 HARDWARE BRUSH DECK KIT

PARTS LIST
28 SC2000 - 9100000387 01/2015
ELECTRICAL SYSTEM
3
6
2
7
4
1
5
10
9
811

PARTS LIST
01/2015 SC2000 - 9100000387 29
ELECTRICAL SYSTEM
KIT ITEM REF. NO. QTY DESCRIPTION
K2 1 2 NUT SELF L. M5 UNI7474
K2 2 4 WASHER 5X15X1.5 UNI6593
K2 3 1 LEVER BATTERY CONNECTOR
49100001122 1 CONTROLLER MAIN MACHINE PKD
K2 5 1 SUPPORT F BATTERY CONNECTOR
K2 6 2 SPACER D.6X12X8.5
79100001141 1 HARNESS F ELECT. COMPONENTS BOX PKD
K1 8 2 PANEL INSULATING
99100000884 1 CONNECTOR RED 120A 2 PCS SET
10 9100001015 1 HARNESS BATTERY US PKD
K1 11 1 ISOLANT PANEL
[K1] 9100001177 1 PANELS INSULATING KIT
[K2] 9100001179 1 LEVER EMERGENCY KIT

PARTS LIST
30 SC2000 - 9100000387 01/2015
1
2
BATTERY CHARGER

PARTS LIST
01/2015 SC2000 - 9100000387 31
BATTERY CHARGER
KIT ITEM REF. NO. QTY DESCRIPTION
K1 1 9100000890 1 CABLE EXTENSION US PLUG L.2000MM PKD
K1 2 9100001145 1 CHARGER BATT. O/B 24V 13A 100-230V PKD

PARTS LIST
32 SC2000 - 9100000387 01/2015
ECOFLEX SYSTEM
8
4
2
3
1
8
5 6
7
10
9

PARTS LIST
01/2015 SC2000 - 9100000387 33
ECOFLEX SYSTEM
KIT ITEM REF. NO. QTY DESCRIPTION
1 9100001081 1 CHEMICAL TANK PKD
2 56104189 1 INSERT-DRY BRAKE
3 56315517 1 CAP
4 56315523 1 CAP DRY BREAK 1/8 BARB
5 9100000891 1 HOSE SILICONE D.4X7 L.300MM PKD
6 9100000892 1 PUMP CHEMICAL MIX PKD
79100001149 1 SENSOR WATER LEVEL PKD
8 9100001194 1 DECALS ADVANCE SC2000 ECOFLEX KIT
K1 9 9097023000 1 ADAPTER CHEMICAL TANK
K1 10 9097022000 1 SENSOR CHEMICAL MIX LEVEL
[K1]* 9098025000 1 ADAPTER CHEMICAL KIT

PARTS LIST
34 SC2000 - 9100000387 01/2015
ACCESSORIES
1
25
4
5
3
4
6
K4
K3
K2K1

PARTS LIST
01/2015 SC2000 - 9100000387 35
ACCESSORIES
KIT ITEM REF. NO. QTY DESCRIPTION
1 33023155 1 BEACON FLASHING PKD
K1* 9100000663 1 BEACON FLASHING KIT
9100000982 1 INSTRUCTIONS INSTALL. KIT 9100000663
2 9100000808 1 RUBBER SOLUTION CAP PKD
3 9100000894 1 ELBOW CURVED M/F PKD
4 9100000622 2 GASKET RUBBER D.11.5x19x5 BLACK PKD
5 9099675000 1 FITTING QUICK KIT
6 9100000897 1 VALVE WATER STOP PKD
K2* 9100000707 1 AUTOMATIC WATER FILLING KIT
9100000984 1 INSTRUCTIONS INSTALL. KIT 9100000707
K3* 9099826000 1 SPLASH GUARD 510MM 20 KIT
K4* 9100000784 1 USB PORT KIT
9100000983 1 INSTRUCTIONS INSTALL. KIT 9100000784

PARTS LIST
36 SC2000 - 9100000387 01/2015
ACCESSORIES
5
6
1
2
3
4

PARTS LIST
01/2015 SC2000 - 9100000387 37
ACCESSORIES
KIT ITEM REF. NO. QTY DESCRIPTION
1* L08837025 1 BRUSH DISC 530MM 21 PROLENE
1* L08837026 1 BRUSH DISC 530MM 21 PROLITE
1* L08837027 1 BRUSH DISC 530MM 21 UNION MIX
1* L08837028 1 BRUSH DISC 530MM 21 MIDLITE GRIT 180
1* L08837029 1 BRUSH DISC 530MM 21 MID GRIT 240
1* L08837065 1 BRUSH DISC 530MM 21 MAGNA GRIT 46
1* L08837066 1 BRUSH DISC 530MM 21 DYNA GRIT 80
1* L08837067 1 BRUSH DISC 530MM 21 AGLITE GRIT 500
2* L08837018 1 PAD HOLDER 530MM
3 L08603966 1 RING NYLON
4 56505195 1 PAD RETAINER
5* 9099671000 1 PAD HOLDER FLAT 20 508MM
6* 10001955 1 PAD 20 508MM ECO BLACK 5PCS
6* 10001956 1 PAD 20 508MM ECO BLUE 5PCS
6* 10001957 1 PAD 20 508MM ECO BROWN 5PCS
6* 10001958 1 PAD 20 508MM ECO GREEN 5PCS
6* 10001959 1 PAD 20 508MM ECO RED 5PCS
6* 10001960 1 PAD 20 508MM ECO WHITE 5PCS
6* 10002348 1 PAD 20 508MM ECO BRILLIANCE RED 2PCS
6* 10002349 1 PAD 20 508MM ECO BRILLIANCE BLUE 2PCS
6* 10002350 1 PAD 20 508MM ECO BRILL. YELLOW 2PCS
6* 10002351 1 PAD 20 508MM ECO BRILLIANCE GREEN 2PCS

PARTS LIST
38 SC2000 - 9100000387 01/2015
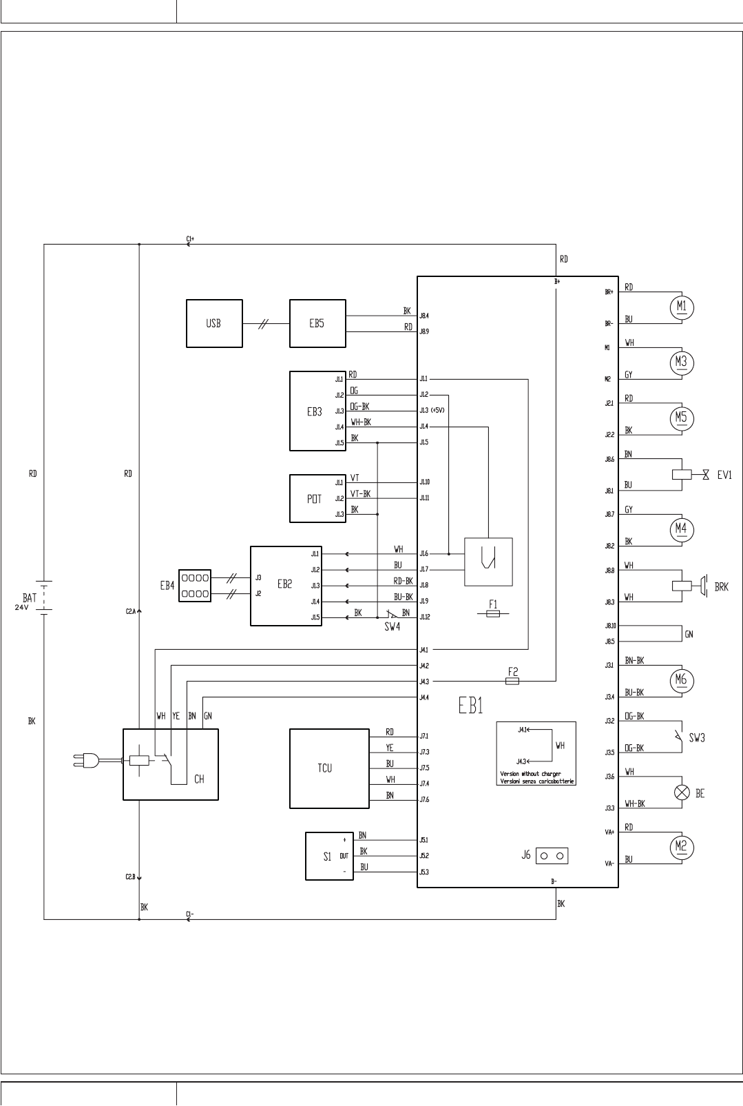
WIRING DIAGRAM

PARTS LIST
01/2015 SC2000 - 9100000387 39
WIRING DIAGRAM
KEY COLOUR COLORE
BK BLACK NERO
BU LIGHT BLUE AZZURRO
BN BROWN MARRONE
GN GREEN VERDE
GY GREY GRIGIO
OG ORANGE ARANCIONE
KEY COLOUR COLORE
PK PINK ROSA
RD RED ROSSO
VT VIOLET VIOLA
WH WHITE BIANCO
YE YELLOW GIALLO
KEY REF. NO. DESCRIPTION
BAT - 24 V BATTERIES
BE 9100000663 BEACON FLASHING KIT
BRK 9100001199 ELECTROMAGNETIC BRAKE PKD
C1 - BATTERY CONNECTOR
C2 -CHARGER BATT. CONNECTOR
CH 9100001145 CHARGER BATT. O/B 24V 13A 100-230V PKD
EB1 9100001122 CONTROLLER MAIN MACHINE PKD
EB2 9100001104 CARD ELECTRONIC DISPLAY PKD
EB3 9100001105 CARD ELECTRONIC KEY PKD
EB4 9100001123 DASHBOARD CONTROL PANEL PKD
EB5 - 5V POWER UNIT (OPTIONAL)
EV1 9100000870 SOLENOID VALVE 24V PKD
F1 9100000877 FUSE MIDIFUSE 100A PKD
F2 9100000878 FUSE BLADE 3A PKD
M1 9100000874 REDUCTION GEARMOTOR 450W 24V PKD
M2 9100001144 MOTOR VACUUM 24V 310W PKD
M3 9100001200 MOTOR ELECTRIC 400W 24V PKD
M4 9100000892 PUMP CHEMICAL MIX PKD
M5 9100001131 ACTUATOR 24V DC STROKE 98MM 16MM/S PKD
M6 9100001133 ACTUATOR 24V DC STROKE 77.5MM 16MM/S PKD
POT 9100001140 THROTTLE ELECTRONIC PKD
S1 9100001149 SENSOR WATER LEVEL PKD
SW3 9100001130 CUSHION SEAT W. MICROSWITCH PKD
SW4 9100001183 MICROSWITCH KIT
TCU - TRACKCLEAN™ (OPTIONAL)
USB 9100000784 USB PORT KIT

PARTS LIST
40 SC2000 - 9100000387 01/2015
REF. NO. QTY DESCRIPTION
NORMAL WEAR
9100001153 1 GASKET RUBBER L.1200MM PKD
9100000810 1 BLADE SQUEEGEE 740MM 29 GUM KIT
9100000490 1 BLADE SQUEEGEE 730MM 29 PU KIT
9100000060 1 BLADE SQUEEGEE 730MM 29 RED GUM KIT
L08837025 1 BRUSH DISC 530MM 21 PROLENE
ORDINARY MAINTENANCE
9100000803 1 VALVE ELBOW PKD
9100000574 1 FITTING STRAIGHT G1/2 D.20 KIT
1465355000 1 CAP SOLUTION TANK KIT
9100001192 1 FILTER SOLUTION TANK PKD
9100001128 1 HOSE FRESH WATER LEVEL PKD
9100001139 2 GASKET RUBBER D.21X33X2.5 BLACK PKD
9100000817 1 BALL FLOATING PKD
9097587000 1 CAGE FLOAT
9100000928 1 GASKET FLOAT SUPPORT PKD
9100001106 1 HOSE SUCTION BLACK PKD
9100001113 1 HOSE DRAIN BLACK PKD
9100001144 1 MOTOR VACUUM 24V 310W PKD
9100000843 1 OPERATOR KEY
9100000848 1 SUPERUSER KEY
1464432000 1 CARBON BRUSHES KIT 4 PCS
9100001098 1 WHEEL D.200X76 GREY-BLACK PKD
9100000860 1 FILTER WATER PKD
9100000861 1 NET WATER FILTER REINFORCED PKD
9100000862 1 KNOB LOBES M8 FEMALE PKD
9100000791 2 KNOB M8X30 THD STUD SS PKD
9100000559 3 WHEEL D.51 GREY PKD
9100000864 1 STRAP ELASTIC F REAR SQUEEGEE BLADE PKD
9100000865 1 STRAP FRONT SQUEEGEE BLADE PKD
9100000867 1 GUIDE WHEEL 2 PCS SET
9100000748 1HARDWARE SQUEEGEE KIT
9100000870 1SOLENOID VALVE 24V PKD
9100000871 1HUB BRUSH PKD
9098376000 1CARBON BRUSHES KIT 4 PCS
L08812204 1ROLLER BUMPER D.160 BLACK
9100000891 1HOSE SILICONE D.4X7 L.300MM PKD
9100000892 1PUMP CHEMICAL MIX PKD
EXTRA ORDINARY MAINTENANCE
9100001130 1 CUSHION SEAT W. MICROSWITCH PKD
9100001091 1TRAY DEBRISE PKD
9100001092 1COVER TRAY DEBRISE PKD
9100001105 1CARD ELECTRONIC KEY PKD
9100001180 1THROTTLE KIT
9100001168 1SPRING ZERO SETTING SQUEEGEE KIT
9100001162 1WHEEL D.254X80 GREY-BLACK 2 PCS SET
9100001200 1 MOTOR ELECTRIC DRIVE PKD
909 5941 000 1SUPPORT BALL BEARING
909 5942 000 1BEARING TAPER ROLLER 32004X
9100001160 1SCREW 10X16 M8 ISO7379 12.9 10 PCS SET
9100001101 1PIN WHEEL PKD
9100001189 1SCREW GRUB M5X10 UNI5929 10 PCS SET
9100001093 1BEARING NEEDLE ROLLER NK 17/20 PKD
9100001104 1CARD ELECTRONIC DISPLAY PKD
9100001123 1DASHBOARD CONTROL PANEL PKD
9100001174 1HOSES SOLUTION KIT
9100001131 1ACTUATOR 24V DC STROKE 98MM 16MM/S PKD
9100001133 1ACTUATOR 24V DC STROKE 77.5MM 16MM/S PKD
9100001173 1HARDWARE ACTUATOR KIT
9100000797 1HOSES BRUSH DECK KIT
9100000868 1VIBRATION DAMPING M8 60SH 2 PCS SET
RECOMMENDED PARTS

PARTS LIST
01/2015 SC2000 - 9100000387 41
REF. NO. QTY DESCRIPTION
9100000874 1REDUCTION GEARMOTOR 450W 24V PKD
909 6887 000 1ROLLER BUMPER KIT
9100001122 1CONTROLLER MAIN MACHINE PKD
9100000884 1CONNECTOR RED 120A 2 PCS SET
9100001179 1LEVER EMERGENCY KIT
9100001145 1CHARGER BATT. O/B 24V 13A 100-230V PKD
9100001081 1CHEMICAL TANK PKD
56104189 1INSERT-DRY BRAKE
56315517 1CAP
56315523 1CAP DRY BREAK 1/8 BARB
9100001149 1SENSOR WATER LEVEL PKD
56315523 1CAP DRY BREAK 1/8 BARB
9100000891 1HOSE SILICONE D.4X7 L.300MM PKD
9098025000 1ADAPTER CHEMICAL KIT
ACCESSORIES/OPTIONAL
9100001192 1 FILTER SOLUTION TANK PKD
909 5065 000 1 FILTER ANTIFOAMING
9100000843 1 OPERATOR KEY
9100000848 1 SUPERUSER KEY
9100000810 1 BLADE SQUEEGEE 740MM 29 GUM KIT
9100000490 1 BLADE SQUEEGEE 730MM 29 PU KIT
9100000060 1 BLADE SQUEEGEE 730MM 29 RED GUM KIT
9098025000 1 ADAPTER CHEMICAL KIT
9100000663 1 BEACON FLASHING KIT
9100000707 1 AUTOMATIC WATER FILLING KIT
9099826000 1 SPLASH GUARD 510MM 20 KIT
9100000784 1 USB PORT KIT
L08837025 1 BRUSH DISC 530MM 21 PROLENE
L08837026 1 BRUSH DISC 530MM 21 PROLITE
L08837027 1 BRUSH DISC 530MM 21 UNION MIX
L08837028 1 BRUSH DISC 530MM 21 MIDLITE GRIT 180
L08837029 1 BRUSH DISC 530MM 21 MID GRIT 240
L08837065 1 BRUSH DISC 530MM 21 MAGNA GRIT 46
L08837066 1 BRUSH DISC 530MM 21 DYNA GRIT 80
L08837067 1 BRUSH DISC 530MM 21 AGLITE GRIT 500
L08837018 1 PAD HOLDER 530MM
9099671000 1 PAD HOLDER FLAT 20 508MM
10001955 1 PAD 20 508MM ECO BLACK 5PCS
10001956 1 PAD 20 508MM ECO BLUE 5PCS
10001957 1 PAD 20 508MM ECO BROWN 5PCS
10001958 1 PAD 20 508MM ECO GREEN 5PCS
10001959 1 PAD 20 508MM ECO RED 5PCS
10001960 1 PAD 20 508MM ECO WHITE 5PCS
10002348 1 PAD 20 508MM ECO BRILLIANCE RED 2PCS
10002349 1 PAD 20 508MM ECO BRILLIANCE BLUE 2PCS
10002350 1 PAD 20 508MM ECO BRILL. YELLOW 2PCS
10002351 1 PAD 20 508MM ECO BRILLIANCE GREEN 2PCS
RECOMMENDED PARTS - ACCESSORIES/ OPTIONAL

14600 21st Avenue North
Plymouth, MN 55447-3408
www.advance-us.com
Phone: 800-989-2235
Fax: 800-989-6566
©2015 Nilfisk-Advance, Inc.
A Nilfisk-Advance Brand