Strive Rider Parts Manual 1032134 Rev05 Nobles
2013-10-04
: Sweepscrub Nobles Strive Rider Parts Manual Nobles_Strive_Rider_Parts_Manual 853 file product_file
Open the PDF directly: View PDF
.
Page Count: 77
- HOW TO ORDER PARTS
- STANDARD PARTS
- REPLACEMENT ROLLERS AND BRUSHES GROUP
- MAIN FRAME GROUP
- SEAT GROUP
- STEERING GROUP
- INSTRUMENT PANEL GROUP
- FRONT DRIVE WHEEL GROUP
- BRAKE PEDAL AND ACCELERATOR PEDAL GROUP (S/N SEPT2012- )
- BRAKE PEDAL AND ACCELERATOR PEDAL GROUP (S/N 10508137-AUG2012)
- BRAKE PEDAL AND ACCELERATOR PEDAL GROUP (S/N 00000000-10508136)
- RECOVERY TANK GROUP
- VACUUM FAN GROUP
- SOLUTION TANK GROUP
- TANKS DRAIN GROUP
- CIRCUIT BOARD GROUP
- ELECTRICAL GROUP
- VACUUM FLOOR TOOL GROUP
- SCRUB HEAD GROUP
- SCRUB HEAD GROUP -- CONT’D
- SCRUB HEAD LIFT GROUP
- VACUUM SHOE AND SOLUTION FLUSH LINE GROUP
- SOLUTION GROUP
- SOLUTION GROUP -- CONT’D
- BATTERY GROUP, 360Ah
- LABEL GROUP
- ELECTRICAL DIAGRAM
- ELECTRICAL WIRE HARNESS GROUP -- SECTION 1 OF 5
- ELECTRICAL WIRE HARNESS GROUP -- SECTION 2 OF 5
- ELECTRICAL WIRE HARNESS GROUP -- SECTION 3 OF 5 (S/N 10389602- )
- ELECTRICAL WIRE HARNESS GROUP -- SECTION 3 OF 5 (S/N 00000000-10389601)
- ELECTRICAL WIRE HARNESS GROUP -- SECTION 4 OF 5
- ELECTRICAL WIRE HARNESS GROUP -- SECTION 5 OF 5
- OPTIONS
- HYDROLINKR BATTERY WATERING SYSTEM KIT
- BATTERY CHARGER GROUP
- FLASHING LIGHT KIT
- BASKET KIT
- WAND GROUP, LOW PRESSURE 13 in / 330 mm
- WAND GROUP, LOW PRESSURE 16 in / 406 mm
- HAND TOOL, 5 in / 127 mm
- HAND TOOL, CREVICE 3 in / 76 mm
- HAND TOOL, UPHOLSTERY, LOW PRESSURE
- HOSES, SOLUTION AND VACUUM GROUP
- SPRAYER GROUP
- DOCUMENTATION GROUP
- BREAKDOWNS

1032134
Rev. 05 (03-2013)
*1032134*
®
DUAL TECHNOLOGY
RIDER CARPET CLEANER
®
www.nobles.com
PARTS MANUAL
STRIVE RIDER
HygenicRFully Cleanable Tanks
More than clean, it’s ReadySpace.R
R
To view, print or download
the latest manual, visit:
www.nobles.com/manuals

Ref Part No. Serial Number Description Qty.
1 82681 (000000--- )DBracket Wldt, Lpg Mount 1
o2 63810 (000000--- ) Latch Assy, Lpg Tank Mtg, W/Nut 4
Y3 51839 (000000--- ) Nut Adjustable, Lpg Tank Mtg 2
4 49263 (000000--- ) Tie, Cable 3
5 82556 (000000---001039) Bracket, Vaporizer 1
6 54930 (000000--- ) Vaporizer, LPG 1
C
B
A
E
D
HOW TO ORDER PARTS -- See diagram above
Only use TENNANT Company supplied or equivalent parts. Parts and supplies may be ordered online,
by phone, by fax or by mail.
Follow the steps below to ensure prompt delivery.
1. (A) Identify the machine model.
2. (B) Identify the machine serial number from the data label.
3. (C) Ensure the proper serial number is used from
the parts list.
4. Identify the part number and quantity.
Do not order by page or reference numbers.
5. Provide your name, company name, customer ID number,
billing and shipping address, phone number and
purchase order number.
6. Provide detail shipping instructions.
(D) -- identifies an assembly
Y-- identifies parts included in assembly
(E) D-- identifies a recommended stock item
Please fill out at time of installation for
future reference.
Model No. --
Serial No. --
Machine Options --
Sales Rep. --
Sales Rep. phone no. --
Customer ID Number --
Installation Date --
Tennant Company
PO Box 1452
Minneapolis, MN 55440
Phone: (800) 553--8033 or (763) 513--2850
www.nobles.com
FaST--PAK is a US registered and unregistered trademark of Tennant Company.
Specifications and parts are subject to change without notice.
Copyright E2006--2013 TENNANT Company, Printed in U.S.A.

TABLE OF CONTENTS
3
StriveRRider (03--2013)
STANDARD PARTS
REPLACEMENT BRUSH AND PAD
DRIVER GROUP 4.........................
REPLACEMENT ROLLERS AND BRUSHES
GROUP 5..................................
MAIN FRAME GROUP 6.......................
SEAT GROUP 8..............................
STEERING GROUP 10.........................
INSTRUMENT PANEL GROUP 12...............
FRONT DRIVE WHEEL GROUP 14..............
BRAKE PEDAL AND ACCELERATOR PEDAL
GROUP (S/N SEPT2012-- ) 16..........
BRAKE PEDAL AND ACCELERATOR PEDAL
GROUP (S/N 10508137--AUG2012) 18.........
BRAKE PEDAL AND ACCELERATOR PEDAL
GROUP (S/N 00000000--10508136) 20.........
RECOVERY TANK GROUP 22..................
VACUUM FAN GROUP 24......................
SOLUTION TANK GROUP 26...................
TANKS DRAIN GROUP 28......................
CIRCUIT BOARD GROUP 30...................
ELECTRICAL GROUP 32.......................
VACUUM FLOOR TOOL GROUP 34.............
SCRUB HEAD GROUP 36......................
SCRUB HEAD GROUP -- CONT’D 38............
SCRUB HEAD LIFT GROUP 40.................
VACUUM SHOE AND SOLUTION FLUSH LINE
GROUP 42..................................
SOLUTION GROUP 44.........................
SOLUTION GROUP -- CONT’D 46...............
BATTERY GROUP, 360 Ah 48...................
LABEL GROUP 50.............................
ELECTRICAL DIAGRAM 52.....................
ELECTRICAL WIRE HARNESS GROUP --
SECTION 1 OF 5 54.........................
ELECTRICAL WIRE HARNESS GROUP --
SECTION 2 OF 5 55.........................
ELECTRICAL WIRE HARNESS GROUP --
SECTION 3 OF 5 (S/N 10389602-- ) 56....
ELECTRICAL WIRE HARNESS GROUP --
SECTION 3 OF 5
(S/N 00000000--10389601) 57.................
ELECTRICAL WIRE HARNESS GROUP --
SECTION 4 OF 5 58.........................
ELECTRICAL WIRE HARNESS GROUP --
SECTION 5 OF 5 59.........................
OPTIONS
HYDROLINKRBATTERY WATERING
SYSTEM KIT 60.............................
BATTERY CHARGER GROUP 61................
FLASHING LIGHT KIT 62.......................
BASKET KIT 63...............................
WAND GROUP, LOW PRESSURE
13 in / 330 mm 64............................
WAND GROUP, LOW PRESSURE
16 in / 406 mm 66............................
HAND TOOL, 5 in / 127 mm 68..................
HAND TOOL, CREVICE 3 in / 76 mm 69..........
HAND TOOL, UPHOLSTERY, LOW
PRESSURE 70..............................
HOSES, SOLUTION AND VACUUM GROUP 71...
SPRAYER GROUP 72..........................
DOCUMENTATION GROUP 72..................
BREAKDOWNS
STEERING CONTROL BREAKDOWN,
1019724 73.................................
FRONT DRIVE WHEEL GEARBOX
BREAKDOWN, 9003021 74...................
PUMP BREAKDOWN, 1022343 76...............

TABLE OF CONTENTS
StriveRRider (09--2006)
4

STANDARD PARTS
StriveRRider (09--2006) 5
REPLACEMENT ROLLERS AND BRUSHES GROUP
1
2
Ref. Part No. Serial Number Description Qty.
11020798 (00000000-- )DRoller Assy, Soil Transfer, 700mm 2
2 1021342 (00000000-- )DBrush, Scb, 700mm, 10sr, Nyl, Spl 2
DRECOMMENDED STOCK ITEMS

STANDARD PARTS
StriveRRider (06--2011)
6
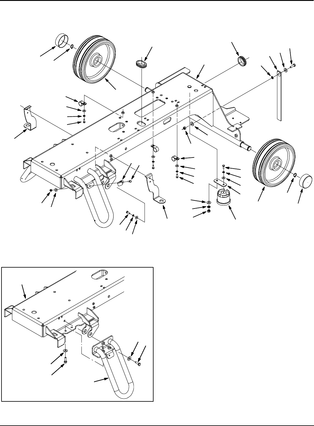
MAIN FRAME GROUP
1
2
3
44
5
7
22
68
3
2
1
12
11
10
9
6
14
13
11
16
10
9
11
16
10
9
17
9
10 11
11
20
21
15
6
13
619
5
19
6
18
9
16

STANDARD PARTS
StriveRRider (06--2011) 7
MAIN FRAME GROUP
Ref. Part No. Serial Number Description Qty.
11016957 (00000000-- )DCap, Vyl, 70mmid X 25mml 2
2 09005 (00000000-- ) Ring, Retaining, Ext, 1.00d, Basic 2
31038560 (00000000-- )DTire Assy, Solid, 250mmx80mm, 25mm Id 2
410632--13 (00000000-- )Grommet, Rbr, 1.50id, F/1.8h, .19 Matl 2
51054035 (10448499-- )Frame Wldt, Main [R14, T7 Cyl] 1
51023551 (00000000--10448498 )Frame, Wldt (Replaced By 1054035) 1
601685 (10448499-- )Washer, Flat, 0.31, Ss 3
601685 (00000000--10448498 )Washer, Flat, 0.31, Ss 9
71014318 (00000000-- )DStrap, Static, 10.3l [Afmkt] 1
809010 (00000000-- ) Screw, Hex, M8 X 1.25 X 25, Ss 1
908716 (00000000-- ) Screw, Hex, M6 X 1.0 X 20, Ss 9
10 07515 (00000000-- )Washer, Lock, Int, 0.25, Ss 8
11 01684 (00000000-- )Washer, Flat, 0.25, Ss 9
12 1018505 (00000000-- )DHorn, 12--48vdc 1
13 08713 (00000000-- )Nut, Hex, Lock, M8 X 1.25, Nl, Ss 2
14 43952 (00000000-- )Washer, Lock, Int, 0.31, Ss 1
15 1025354 (00000000-- )Plate, Mtg, Horn 1
16 40678--1 (00000000-- )Clamp, Cable, Stl, 0.88d X 0.62w, 1hole 4
17 1025383 (00000000-- ) Bracket, Jet, Spray, Lh 1
18 1025473 (00000000--10448498 )Stabilizer Wldt (Replaced By 1054035) 2
19 09740 (00000000--10448498 ) Screw, Hex, M8 X 1.25 X 20, Ss 6
20 08712 (00000000-- ) Nut, Hex, Lock, M6 X 1.00, Ss, Nl 1
21 1025389 (00000000-- ) Bracket, Jet, Spray, Rh 1
22 41141 (00000000-- ) Washer, Lock, Int--Ext, 0.31 1
DRECOMMENDED STOCK ITEMS

STANDARD PARTS
StriveRRider (03--2009)
8
SEAT GROUP
9
8
32
36
1
11
12
13
34
15
16
17
18
19
20
21
22
23
24
25
26
27
29 30
31
23
34
13
4
3
28 29
28 29
33
13
14
10
2
5
6
35 35

STANDARD PARTS
StriveRRider (03--2009) 9
SEAT GROUP
Ref. Part No. Serial Number Description Qty.
11015406 (00000000-- )Plate, Seat, W/ Label 1
21038062 (00000000--10382115 )Holder Kit, Cup, Assy [T7] 1
31038081 (10382116-- )Holder, Cup, Brkt, Blk, [T7] 1
41025867 (10382116-- )Holder, Cup, Blk [T7] 1
51016430 (00000000-- )Screw, Btn, M8 X 1.25 X 25, 10.9, Blk 2
61016435 (00000000-- )Washer, Flat, 0.38b 0.90d .08, Stl, Blk 2
7393135 (00000000-- ) Screw, Btn, M8 X 1.25 X 20, Blk 2
808713 (00000000-- )Nut, Hex, Lock, M8 X 1.25, Nl, Ss 2
901685 (00000000-- )Washer, Flat, 0.31, Ss 2
10 223078 (00000000--10400496 )DSwitch, Seat, No [Delta 6500] 1
11 1017053 (00000000-- )Rail, Adj, Slide, Seat, 11.5l 1
12 1017054 (00000000-- )Rail, Adj, Slide, Seat, 11.5l, W/ Latch 1
13 25537 (00000000-- )Screw, Pan, .31--18 X 0.75, G2 4
14 69461 (00000000--10400496 )Washer, Flat, 0.38b 0.88d .12, Stl, Pl 8
15 32491 (00000000-- )Washer, Flat, 0.31, Std 4
16 01760 (00000000-- )Nut, Hex, Lock, .31--18, Nl, Thin 4
17 46236 (00000000-- )Clamp, Cable, Stl, 0.25d X 0.56w, 1h 1
18 1016000 (00000000-- )Plate, Stop, Seat 1
19 1017699 (00000000-- )Sleeve, P/M, 0.31b 0.44d 0.6l [430ss] 1
20 10928 (00000000-- )Spring, Tors, 0.49id .05wir 05.0coil 1
21 1018151 (00000000-- )Washer, Flat, 0.44b 0.88d .06, Nyl 1
22 09023 (00000000-- )Screw, Hex, M8 X 1.25 X 35, Ss, Fl 1
23 01685 (00000000-- )Washer, Flat, 0.31, Ss 2
24 08713 (00000000-- )Nut, Hex, Lock, M8 X 1.25, Nl, Ss 1
25 391951 (00000000-- )DHarness, Seat [ T7/Ssr ] 1
26 1020170 (00000000-- )Molding, Afmkt, Trim, Pvc, .08 .11, 2ft 1
27 9002899 (00000000-- )Cover, Box, Battery, Afmkt [Strv Rdr] 1
28 09740 (00000000-- ) Screw, Hex, M8 X 1.25 X 20, Ss 2
29 1017218 (00000000-- )Washer, Flat, 0.32b 1.00d .12, Ss 3
30 08713 (00000000-- )Nut, Hex, Lock, M8 X 1.25, Nl, Ss 1
31 1023549 (00000000-- )Bracket, Fill [Fast Opng] 1
32 1048932 (10400497-- )DSeat, Std [Michigan, Model V--2505] 1
32 9005082 (00000000--10400496 )DSeat Kit, Std, Replmt 1
33 41141 (00000000-- ) Washer, Lock, Int--Ext, 0.31 1
34 69461 (10400497-- )Washer, Flat, 0.38b 0.88d .12, Stl, Pl 4
35 1051052 (10400497-- )DSpacer, Rnd, .38b .88d .38l 4
36 1048955 (10400497-- )DSwitch, Seat, No [Delta 6440--04] 1
DRECOMMENDED STOCK ITEMS

STANDARD PARTS
StriveRRider (09--2006)
10
STEERING GROUP
2
3
456
7
8
9
10
1
11
12
15
16
17
18
456
6
5
4
14
13

STANDARD PARTS
StriveRRider (03--2009) 11
STEERING GROUP
Ref. Part No. Serial Number Description Qty.
11018561 (00000000-- )Support Wldt, Steering 1
2 14529 (00000000-- ) Screw, Hex, M10 X 1.5 X 70, Ss 4
3 01686 (00000000-- ) Washer, Flat, 0.44b 1.00d .08, Ss 4
469234 (00000000-- )Clamp, Cable, Stl, 1.00d X 0.75w, 1h 3
532490 (00000000-- )Washer, Flat, 0.25, Std 3
608709 (00000000-- )Nut, Hex, Lock, M8 X 1.25, Nl 3
71040295 (00000000-- )Joint, U, 0.75id 1
846820 (00000000-- )Screw, Set, .31--18 X 0.38, Nl 4
9 00912 (00000000-- ) Key, Sq, 0.19 X 0.19, 1.00l 1
10 223065 (00000000-- ) Bearing, Flng, 2hole, 0.75b [Nyl] 1
11 09740 (00000000-- ) Screw, Hex, M8 X 1.25 X 20, Ss 2
12 1013164 (00000000-- ) Shaft, Steering, Wheel 1
13 1012002 (00000000-- )DWheel, Steering, 300mm 1
14 1019706 (00000000-- )DCap, Wheel, Steering 1
15 1014328 (00000000-- ) Key, Sq, 05mm X 05mm X 25mml 1
16 64154 (00000000-- )Washer, Flat, 0.53b 1.12d .11, Stl, Pl 1
17 08711 (00000000-- ) Nut, Hex, Lock, M12 X 1.75,Nl 1
18 1012437 (00000000-- ) Bellows, Shaft, Steering 1
DRECOMMENDED STOCK ITEMS

STANDARD PARTS
StriveRRider (09--2006)
12
INSTRUMENT PANEL GROUP
2
1
3
4
5
6
7
8
9
4
12 13
14
13
12
10
11

STANDARD PARTS
StriveRRider (03--2013) 13
INSTRUMENT PANEL GROUP
Ref. Part No. Serial Number Description Qty.
11017924 (00000000-- )Column, Steering, W/ Label [Nobles] 1
21014080 (00000000-- )Gasket, Panl, Instmt, Rh, .13, Foam, Adh 1
31046313 (10403819-- )DPanel, Instmt, Rh 1
39004968 (00000000--10403818 )DSwitch Kit, Key, [T7/Ssr/R14/Strv Rdr] 1
472969 (00000000-- )Rivet, Plstc, .181d X 0.720 10
51011402 (10403819-- )DSwitch, Key 1
Y61017696 (10403819-- )DKey Set, Replmt [F/ Keyswitch 1011402] 1
59004968 (00000000--10403818 )DSwitch Kit, Key, [T7/Ssr/R14/Strv Rdr] 1
Y6361144 (00000000--10403818 )DKey, Ignition [Set Of 2] (For Key Switch 1016789) 1
71014832 (00000000-- )DSwitch, Horn 1
81072040 (00000000-- )DSwitch, Rocker, Spst, Paddle 1
91011735 (00000000-- )DSwitch, Safety, Shutoff 1
10 1024154 (00000000-- )DPanel, Instmt, Lh [Tco] 1
11 1013939 (00000000-- )Gasket, Panl, Instmt, Lh, .13, Foam, Adh 1
12 01685 (00000000-- )Washer, Flat, 0.31, Ss 4
13 39277 (00000000-- )Screw, Hex, M8 X 1.25 X 25, 8.8 4
14 1016865 (00000000-- )DCable, Ribbon, 90.6l 1
ASSEMBLY
YINCLUDED IN ASSEMBLY
DRECOMMENDED STOCK ITEMS

STANDARD PARTS
StriveRRider (09--2006)
14
FRONT DRIVE WHEEL GROUP
11
3
2
6
8
10
1
75
4
9
8
9
12
13
14
15

STANDARD PARTS
StriveRRider (09--2006) 15
FRONT DRIVE WHEEL GROUP
Ref. Part No. Serial Number Description Qty.
11019724 (00000000-- )Steer--Control Assy, Wheel Drive 1
2 00912 (00000000-- ) Key, Sq, 0.19 X 0.19, 1.00l 1
3 09740 (00000000-- ) Screw, Hex, M8 X 1.25 X 20, Ss 4
4 01685 (00000000-- ) Washer, Flat, 0.31, Ss 4
5 1019224 (00000000-- ) Strap, Nyl 1
61015761 (00000000-- )Sleeve, Afmkt, Nyl, #13, 03ft 1
7 49263 (00000000-- ) Tie, Cable, Nyl, 11.4l .19w 3.0 Max D 2
8 40678--1 (00000000-- ) Clamp, Cable, Stl, 0.88d X 0.62w, 1hole 2
9 361339 (00000000-- ) Screw, Hex, M6 X 1.0 X 16, Fmg 2
10 19066 (00000000-- ) Washer, Flat, #10 2
11 9003021 (00000000-- )DGearbox Kit, Wheel, 250mm, W/Connector 1
Y12 78950 (00000000-- )DConnector, Fem, 2cav, Mp280 Sealed 1
Y13 78952 (00000000-- )DLock, Secondary, 2cav, Mp280 Sealed 1
Y14 25837 (00000000-- )DTerminal, Fem, Mp280, Sealed, 22--20ga 2
Y15 25830 (00000000-- )DSeal, Wire, 14ga [Wp / Mp280 Sealed] 2
ASSEMBLY
YINCLUDED IN ASSEMBLY
DRECOMMENDED STOCK ITEMS

STANDARD PARTS
StriveRRider (03--2013)
16
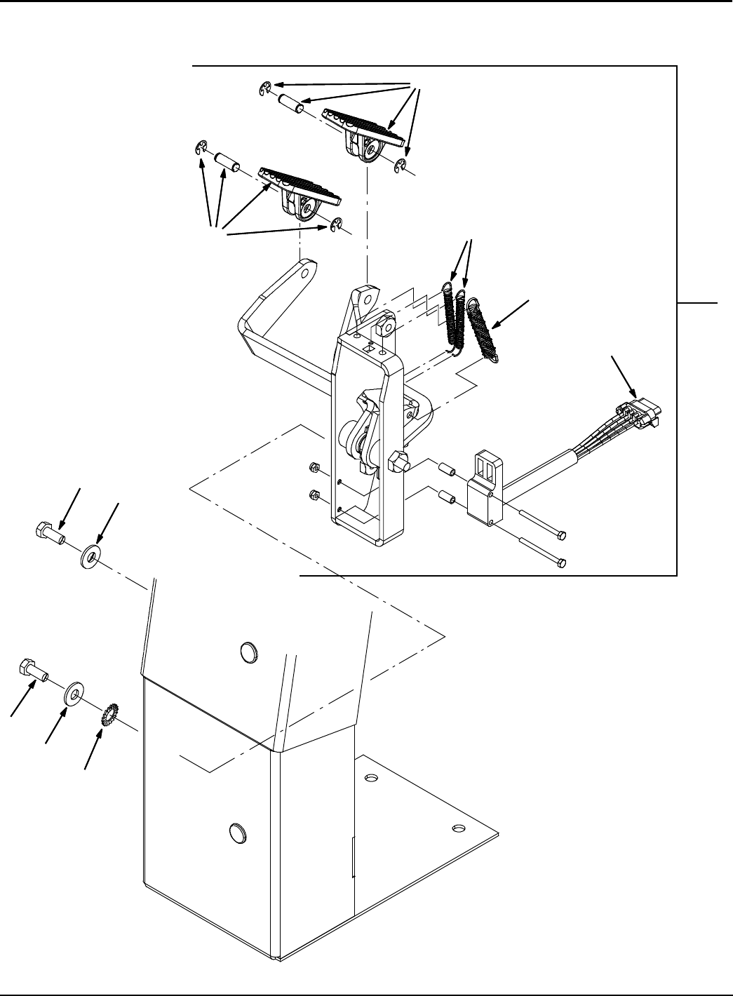
BRAKE PEDAL AND ACCELERATOR PEDAL GROUP (S/N SEPT2012-- )
1
2
54
3
6
7
8
6
7
5

STANDARD PARTS
StriveRRider (03--2013) 17
BRAKE PEDAL AND ACCELERATOR PEDAL GROUP (S/N SEPT2012-- )
Ref. Part No. Serial Number Description Qty.
11072477 (SEPT2012-- )Pedal Assy, Accelerator, Brake 1
Y21058687 (10508137-- )DVr, Sensor, Position [Hall] 1
Y31031716 (10508137-- )Spring, Extn, 0.50od 0.07wir 03.0l 1
Y41061049 (10508137-- )Vr, Spring, Extn, 0.35od 0.05wir 02.8l 2
Y51072478 (SEPT2012-- )Vr, Pedal, Foot, W/ Tread 2
609740 (00000000-- ) Screw, Hex, M8 X 1.25 X 20, Ss 2
701685 (00000000-- )Washer, Flat, 0.38b 0.88d .08, Ss 2
841141 (00000000-- ) Washer, Lock, Int--Ext, 0.31 1
ASSEMBLY
YINCLUDED IN ASSEMBLY
DRECOMMENDED STOCK ITEMS

STANDARD PARTS
StriveRRider (03--2013)
18
BRAKE PEDAL AND ACCELERATOR PEDAL GROUP (S/N 10508137--AUG2012)
1
9
2
34
5
8
8
9
10
6
7

STANDARD PARTS
StriveRRider (03--2013) 19
BRAKE PEDAL AND ACCELERATOR PEDAL GROUP (S/N 10508137--AUG2012)
Ref. Part No. Serial Number Description Qty.
11051837 (10508137--AUG2012 )Pedal Assy, Accelerator, Brake 1
Y21058687 (10508137-- )DVr, Sensor, Position [Hall] 1
Y31014548 (10508137--AUG2012 )Vr, Pedal, Brake, W/ Tread 1
Y41051836 (10508137--AUG2012 )Vr, Pedal, Propel, W/ Tread 1
Y51061049 (10508137-- )Vr, Spring, Extn, 0.35od 0.05wir 02.8l 2
Y61031716 (10508137-- )Spring, Extn, 0.50od 0.07wir 03.0l 1
Y71064665 (10508137--AUG2012 )Vr, Spring, Tors, 0.55id .05wir 04.0coil 1
809740 (00000000-- ) Screw, Hex, M8 X 1.25 X 20, Ss 2
901685 (00000000-- )Washer, Flat, 0.38b 0.88d .08, Ss 2
10 41141 (00000000-- ) Washer, Lock, Int--Ext, 0.31 1
ASSEMBLY
YINCLUDED IN ASSEMBLY
DRECOMMENDED STOCK ITEMS

STANDARD PARTS
StriveRRider (06--2011)
20
BRAKE PEDAL AND ACCELERATOR PEDAL GROUP (S/N 00000000--10508136)
23
4
5
7
8
9
10
1
11
12
13
14
15
16
17
18
20
21
22
23
23
19
10
9
11
12
5
8
7
6
5
24

STANDARD PARTS
StriveRRider (06--2011) 21
BRAKE PEDAL AND ACCELERATOR PEDAL GROUP (S/N 00000000--10508136)
Ref. Part No. Serial Number Description Qty.
11011970 (00000000--10508136 )Frame Wldt, Pedal (Replaced By 1051837) 1
209740 (00000000-- ) Screw, Hex, M8 X 1.25 X 20, Ss 2
301685 (00000000-- )Washer, Flat, 0.31, Ss 2
41019766 (00000000-- ) Arm Wldt, Brake 1
515648 (00000000-- )Bushing, Flng, 0.50b 0.59d 0.38l 4
61011955 (00000000-- )Plate, Brake 1
724199 (00000000-- ) Screw, Hex, M5 X 0.8 X 16, Ss 2
807514 (00000000--10508136 )Washer, Lock, Int, #10, Ss 2
91014548 (00000000--10508136 )Pedal, Rest, Foot 2
10 1014582 (00000000-- )Nut, T, M8 X 1.25 X 11.90od X 6.2l 2
11 1014668 (00000000--10508136 )Bushing, Sleeve, 8mmb 12mmd 6mml 2
12 09010 (00000000-- ) Screw, Hex, M8 X 1.25 X 25, Ss 2
13 1013898 (00000000--10508136 )Arm Wldt, Accelerator 1
14 1011951 (00000000-- )Plate, Accelerator 1
15 1011865 (00000000-- )Pivot, Tube 1
16 1011880 (00000000-- )Bearing, Thrust 1
17 06958 (00000000-- )Screw, Hex, M8 X 1.25 X 80, 8.8 1
18 1011562 (00000000--10508136 )DSensor, Position [Hall] (Replaced By 1058687) 1
19 1011957 (00000000-- )Tube, Rnd, 0.32d 0.17b 00.6l, Ss, P/M 2
20 32509 (00000000-- ) Screw, Hex, M4 X 0.7 X 50, Ss 2
21 33932 (00000000-- )Nut, Hex, Lock, M4 X 0.70, Nl, Ss 2
22 1031716 (00000000--10508136 )Spring, Extn, 0.50od X 0.07wir, 3.0l 2
23 20536--2 (00000000--10508136 )Washer, Flat, 0.47b 1.19d .03, Nyl 1
24 41141 (00000000-- ) Washer, Lock, Int--Ext, 0.31 1
DRECOMMENDED STOCK ITEMS

STANDARD PARTS
StriveRRider (06--2011)
22
RECOVERY TANK GROUP
3
45
6
7
8
9
1
12
13
14
15
16
17
18
19
20
21
22
23
24
25
26
27
28
29
30
31
32
33
34
35
36 37
38
19
20
18
18
18
17
16
12
13
6
7
37
33
41
5
41
3
4
2
6
7
67
6
7
10
8
9
10
11
40
39
40
39
6
7
10
6
7

STANDARD PARTS
StriveRRider (06--2011) 23
RECOVERY TANK GROUP
Ref. Part No. Serial Number Description Qty.
19002904 (00000000-- )Tank, Recvy, W/ Label, Afmkt [Strve Rdr] 1
2 9002909 (00000000-- ) Cover, Tank, Recvy, Afmkt [Strive Rider] 1
3222529 (00000000-- )Hinge, Leaf 2
4222463 (00000000-- ) Screw, Flt, M8 X 1.25 X 20, Blk 2
51012055 (00000000-- )Hinge Wldt, Cover 2
609740 (00000000-- ) Screw, Hex, M8 X 1.25 X 20, Ss 12
71017218 (00000000-- )Washer, Flat, 0.32b 1.00d .12, Ss 12
81018304 (10346364-- )Hinge, 10mm Pin, Crs, Blk [T7] 2
9393135 (10346364-- ) Screw, Btn, M8 X 1.25 X 20, Blk 4
10 1016435 (00000000-- )Washer, Flat, 0.38b 0.90d .08, Stl, Blk 4
11 1016430 (00000000--10346363 )Screw, Btn, M8 X 1.25 X 25, 10.9, Blk 4
12 82829 (00000000-- )Clamp, Cable, Stl, 0.63d X 0.75w, 1h 4
13 15675 (00000000-- ) Screw, Hex, M8 X 1.25 X 16, Ss 4
14 1016855 (00000000-- )Plate Wldt, Seal, Tank 1
15 1020301 (00000000-- )DSeal, Afmkt, Bulb, Clsd Cell, Adh, 08ft 1
16 1016871 (00000000-- )Tube, Pvc, 0.63d 0.35b 02.0l 2
17 397255 (00000000-- )Spring, Cmpr, 0.9od .080wir 02.0l 2
18 605385 (00000000-- )Washer, Flat, 0.69b 1.50d .05, Ss 4
19 1017218 (00000000-- )Washer, Flat, 0.32b 1.00d .12, Ss 2
20 1014163 (00000000-- )Screw, Hex, M8 X 1.25 X 60, Fl, Ss 2
21 1017705 (00000000-- )DPad, Rbr 1
22 1011752 (00000000--10346363 )Hinge Wldt, Tank 1
23 1011753 (00000000--10346363 )Hinge Wldt, Tank 1
24 1017670 (00000000-- )Angle, Sppt, Tank 1
25 1025647 (00000000-- )Bracket Wldt, Tank, Sppt 1
26 1037821 (00000000-- )DFilter, Panl, Dust, 2.3 X 04.5 X 06.4 1
27 1016392 (00000000-- )Gasket, 05.31 X 03.74 X .50, Ure, Adh 1
28 1025587 (00000000-- )DHose, Vacuum, 1.5d X 32l, 2--Short Cuff 1
29 1001992 (00000000-- )DClip, Grip, Hose, 1.75id, Blk Ny 2
30 607006 (00000000-- ) Screw, Trs, M4 X 0.70 X 12, Phl, Pl 4
31 385685 (00000000-- )DSensor, Level, Liq, 14vdc 01a .62--11 1
32 1011853 (00000000-- )Arm, Tank, Retaining 1
33 222516 (00000000-- )Sleeve, P/M, 0.31b 0.50d 0.3l [430ss] 2
34 1016430 (00000000-- )Screw, Btn, M8 X 1.25 X 25, 10.9, Blk 2
35 1016435 (00000000-- )Washer, Flat, 0.38b 0.90d .08, Stl, Blk 1
36 09010 (00000000-- ) Screw, Hex, M8 X 1.25 X 25, Ss 1
37 01685 (00000000-- )Washer, Flat, 0.31, Ss 2
38 08713 (00000000-- )Nut, Hex, Lock, M8 X 1.25, Nl, Ss 1
39 1017590 (00000000--10346363 )Plate, Hinge 2
40 1011536 (00000000--10346363 )Hinge, Tank 2
41 1020341 (00000000-- )Screw, Hex, M8 X 1.25 X 20, Ss, Sems 4
DRECOMMENDED STOCK ITEMS

STANDARD PARTS
StriveRRider (03--2009)
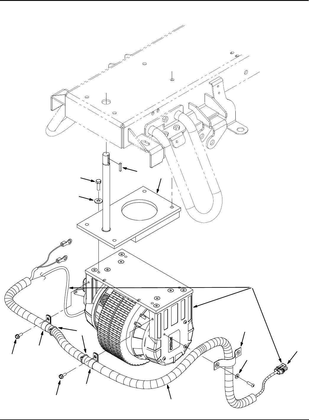
24
VACUUM FAN GROUP
1
2
3
4
5
6
78
9
10
12
13
14
3
3
16
15
2
17
18
19
20
21
22
23
24
23
26
27
3
14
28
11
25
28

STANDARD PARTS
StriveRRider (03--2009) 25
VACUUM FAN GROUP
Ref. Part No. Serial Number Description Qty.
11013432 (00000000-- )DFan, Vacuum, 5.7d 3stage 024vdc [Bpp] 2
Y1 372883 (00000000-- )DVr, Brush Kit, Motor, Ele 2
Y1 398511 (00000000-- )DVr, Housing 2
2 41169 (00000000-- ) Nut, Hex, Lock, .25--20, Nl, Ss 5
3 01684 (00000000-- ) Washer, Flat, 0.25, Ss 11
41024100 (00000000-- )Bracket Wldt, Mtg, Fan 1
5 19066 (00000000-- ) Washer, Flat, #10 8
6 1015506 (00000000-- ) Screw, Pan, M5 X 16 8
7 1011140 (00000000-- )DSeal, Fan 2
8 1000409 (00000000-- ) Mount, Stud / Plate 4
91027532 (00000000-- )Plate, Wldt, Fan 1
10 9002910 (00000000-- )DSeal, Bulb, Str, 0.5h 0.5w 2.014m, Afmkt 1
11 1024230 (00000000-- )DHose, Vacuum, Wir, 1.50id X 024.0l, Clr 1
12 1020341 (00000000-- )Screw, Hex, M8 X 1.25 X 20, Ss, Sems 4
13 140195 (00000000-- )Screw, Trs, .25--20 X 0.50, Phl, Ss, Sems 4
14 07790 (00000000-- )Nut, Hex, Flng, M6 X 1.00 4
15 1026322 (00000000-- )Bracket, Mtg, Stop 1
16 1007108 (00000000-- )Nut, Hex, Lock, M6 X 1.00, Kep, Ext 2
17 140053 (00000000-- )Washer, Flat, 0.28b 0.88d .12, Ss 1
18 140154 (00000000-- )Sleeve, P/M, 0.25b 0.38d 0.3l, Pl 1
19 1026270 (00000000-- )Bracket, Arm, Prop 1
20 578579 (00000000-- )Spacer, 0.25b 0.88d 0.50l 1
21 1026986 (00000000-- )Screw, Trs, .25--20 X 3.00, Phl, Ss 1
22 80491 (00000000-- )Sleeve, P/M, 0.25b 0.38d 0.2l [430ss] 1
23 1034731 (00000000-- )Screw, Hex, M6 X 1.00 X 16, Ss, Sems 3
24 1034731 (00000000-- )Screw, Hex, M6 X 1.00 X 16, Ss, Sems 3
25 1024233 (00000000-- )DHose, Vacuum, Wir, 1.50id X 012.3l, Clr 1
26 1025538 (00000000-- )DGasket, Adapter 1
27 1024787 (00000000-- ) Adapter, Hose 1
28 79381 (00000000-- )Clamp, Hose, Wormdrive, 1.25--2.00d, .50w 4
ASSEMBLY
YINCLUDED IN ASSEMBLY
DRECOMMENDED STOCK ITEMS

STANDARD PARTS
StriveRRider (03--2009)
26
SOLUTION TANK GROUP
1
2
3
4
5
6
7
89
10 11
2
3
4
5
6
12
13 14 15 16 17 18
19 20 21
22
23
24
25
26
16
18
527
5
27
35
27
5
27
5
30
28
31
32
33
29
34
3
29
34
3
30
31
16
18
17
36 37
29 36
37
36
37
36
37

STANDARD PARTS
StriveRRider (03--2009) 27
SOLUTION TANK GROUP
Ref. Part No. Serial Number Description Qty.
11017374 (00000000-- )Cover, Tank, Soltn [Ssr] 1
2 1020534 (00000000-- ) Plate, Cover, Tab [Ssr] 2
3 1021677 (00000000-- ) Rivet, Blind, .154d X 0.55 X .38d, Ss 10
4 01685 (00000000-- ) Washer, Flat, 0.31, Ss 4
5 09740 (00000000-- ) Screw, Hex, M8 X 1.25 X 20, Ss 4
61020535 (00000000-- )Catch, Cover [Ssr] 1
7 1011885 (00000000-- )DCap, Tank 4
8 1016430 (00000000-- ) Screw, Btn, M8 X 1.25 X 25, 10.9, Blk 1
9 1016435 (00000000-- ) Washer, Flat, 0.38b 0.90d .08, Stl, Blk 1
10 222516 (00000000-- ) Sleeve, P/M, 0.31b 0.50d 0.3l [430ss] 1
11 1011852 (00000000-- )Arm, Tank, Retaining 1
12 82829 (00000000-- ) Clamp, Cable, Stl, 0.63d X 0.75w, 1hole 2
13 15675 (00000000-- ) Screw, Hex, M8 X 1.25 X 16, Ss 2
14 06922 (00000000-- ) Screw, Pan, M3 X 0.50 X 20, 4.8 2
15 1024246 (00000000-- ) Bracket, Hose, Vacuum 1
16 01684 (00000000-- )Washer, Flat, 0.25, Ss 5
17 07515 (00000000-- ) Washer, Lock, Int, 0.25, Ss 3
18 608322 (00000000-- ) Screw, Trs, M6 X 1.00 X 16, Phl, Ss 5
19 9002907 (00000000-- )DSwitch Kit, Afmkt [Gator] 1
20 601359 (00000000-- ) Plate, Backing, Switch 1
21 579211 (00000000-- ) Nut, Hex, Lock, M3 X 0.50, Ss 2
22 140287 (00000000-- )Screw, Pan, M4 X 0.7 X 16, Phl, Ss 1
23 1030368 (00000000-- )Clip, Adj, Tool Clip, 1 To 1.78 Dia. 1
24 630452 (00000000-- )Spacer, Plstc, 4.3b 8.0d 5.0l, Ny Blk 1
25 9002906 (00000000-- )Tank, Soltn W/ Label, Afmkt [Strve Rdr] 1
26 1027562 (00000000-- ) Bracket, Hose, Qdc 1
27 1017218 (00000000-- )Washer, Flat, 0.32b 1.00d .12, Ss 4
28 1014072 (00000000-- )Bracket, Mtg, Tank 1
29 9002919 (00000000-- )Hose, Pvc, Clr, 0.62id 0.88od, 36l 1
30 49800 (00000000-- )DLatch 2
31 607006 (00000000-- ) Screw, Trs, M4 X 0.70 X 12, Phl, Pl 4
32 1020727 (00000000-- )DSeal, Afmkt, Bulb, Clsd Cell, Adh, 08ft 2
33 1020719 (00000000-- )DSeal, Afmkt, Bulb, Clsd Cell, Adh, 08ft 5
34 140026 (00000000-- )Washer, Flat, #06, Sae Pl 4
35 385685 (00000000-- )DSensor, Level, Liq, 14vdc 01a .62--11 1
36 41440 (00000000-- )Fitting, Plstc, Str, Bm10/Pm08 4
37 54333 (00000000-- ) Clamp, Hose, Wormdrive, 0.31--0.88d, .31w 4
DRECOMMENDED STOCK ITEMS

STANDARD PARTS
StriveRRider (09--2006)
28
TANKS DRAIN GROUP
2
10
11
1
12
5
11 12
3
4
68
9
7

STANDARD PARTS
StriveRRider (09--2006) 29
TANKS DRAIN GROUP
Ref. Part No. Serial Number Description Qty.
11014274 (00000000-- )DHoseAssy,Drain,1.5dX27.8l,Blk,2id 1
Y2 1008639 (00000000-- )DCap, Drain Assy 1
YY 3 1019563 (00000000-- )DStrap, Cap, Drain 1
YY 4 1008637 (00000000-- )DSeal, Org, 1.48id 1.76od 1
5 14432 (00000000-- ) Clamp, Hose, Wormdrive, 1.81--2.75d, .50w 1
61014268 (00000000-- )DHoseAssy,Drain,1.5dX27.0l,Blk 1
Y7 1008639 (00000000-- )DCap, Drain Assy 1
YY 8 1019563 (00000000-- )DStrap, Cap, Drain 1
YY 9 1008637 (00000000-- )DSeal, Org, 1.48id 1.76od 1
10 11531 (00000000-- ) Clamp, Hose, Wormdrive, 1.06--2.00d, .56w 1
11 222793 (00000000-- )DClip, Hanger, Hose, .38d Hole, Ss 2
12 15675 (00000000-- ) Screw, Hex, M8 X 1.25 X 16, Ss 2
ASSEMBLY
YINCLUDED IN ASSEMBLY
DRECOMMENDED STOCK ITEMS

STANDARD PARTS
StriveRRider (03--2009)
30
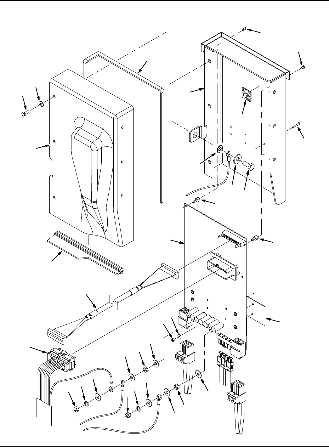
CIRCUIT BOARD GROUP
5
6
13
3
4
16
17
18
20
1
14
15
12
10
11
22
6
5
8
8
7
7
9
8
8
7
8
8
9
7
2
21
19

STANDARD PARTS
StriveRRider (06--2011) 31
CIRCUIT BOARD GROUP
Ref. Part No. Serial Number Description Qty.
19006883 (00000000-- )DController Kit, Replmt, Ci [R14] 1
Y27964 (00000000-- )DStrap, Static Ground, Disposable 1
Y21016816 (00000000-- )DPad, Thermal, Heat Sink 1
Y31019218 (00000000-- )Washer, Flat, 0.14b 0.31d .03, Nyl 4
Y4579211 (00000000-- ) Nut, Hex, Lock, M3 X 0.50, Ss 4
Y51016825 (00000000-- )Support, Circuitboard 2
Y63701.6 (00000000-- )Screw, Pan, #06--32 X 0.38, Phl Ss Shtmtl 2
Y707785 (00000000-- )Nut, Hex, Std, M6 X 1.00, A2, Ss 4
Y801684 (00000000-- )Washer, Flat, 0.25, Ss 6
Y932982 (00000000-- )Washer, Lock, Int, 0.25 2
Y10 55248 (00000000-- )Mount, Cable Tie 1
Y11 1017754 (00000000-- )Panel Wldt, Cntrl 1
Y12 1017880 (00000000-- )DSeal, Strip, Adh 1
Y13 06922 (00000000-- )Screw, Pan, M3 X 0.50 X 20, 4.8 4
14 09740 (00000000-- ) Screw, Hex, M8 X 1.25 X 20, Ss 1
15 01685 (00000000-- )Washer, Flat, 0.31, Ss 1
16 1017812 (00000000-- )Cover, Panl, Ele 1
17 76426 (00000000-- )Washer, Sealing, 0.28b 0.75d Ss, Neo 6
18 24199 (00000000-- ) Screw, Hex, M5 X 0.8 X 16, Ss 6
19 1044984 (00000000-- )Harness, Main [R14] 1
20 1019083 (00000000-- )DSeal, Cut 1
21 41141 (00000000-- ) Washer, Lock, Int--Ext, 0.31 1
22 1016865 (00000000-- )DCable, Ribbon, 90.6l 1
ASSEMBLY
YINCLUDED IN ASSEMBLY
DRECOMMENDED STOCK ITEMS

STANDARD PARTS
StriveRRider (12--2006)
32
ELECTRICAL GROUP
1456
7
8
10
11
12
14
13
15
16
16
15
17
18
19
17
19
18
20
19
21
22
25
23
24
23
29
19
24
19
19
18
26
18
26
30
31
32
34
33
31
32
19
19
19
28
27
28
27
37
36
35
6
3
2
35
9

STANDARD PARTS
StriveRRider (06--2011) 33
ELECTRICAL GROUP
Ref. Part No. Serial Number Description Qty.
1391915 (00000000-- )DHarness, Chrgr [T7] 1
2 75939 (00000000-- ) Nut, Hex, Lock, #06--32, Nl 2
319064 (00000000-- )Washer, Flat, #06 2
4383722 (00000000-- )DCircuitbreaker, 15.0a 1
5383720 (00000000-- )DCircuitbreaker, 05.0a 1
609146 (00000000-- )Screw, Pan, M3 X 0.50 X 12, 4.8 4
7377433 (00000000-- )DGauge, Hourmeter, 12--60vdc, Analog [10k] 1
8222683 (00000000-- )DGasket, Hourmeter 1
91035394 (00000000-- )Washer, Flat, 0.17b 0.38d .04, Ss 2
10 579211 (00000000-- ) Nut, Hex, Lock, M3 X 0.50, Ss 2
11 54345 (00000000-- )Grommet, Rbr, 1.62id, F/1.9h, .13 Matl 1
12 222290 (00000000-- )DDiode, Ele, Plug 2
13 1021531 (00000000-- )Support Wldt, Actuator 1
14 25005 (00000000-- )Screw, Pan, #06--32 X 1.00, G1 2
15 09740 (00000000-- ) Screw, Hex, M8 X 1.25 X 20, Ss 5
16 1017218 (00000000-- )Washer, Flat, 0.32b 1.00d .12, Ss 5
17 58670 (00000000-- )Screw, Hex, .25--20 X 0.50, Nl 2
18 32982 (00000000-- )Washer, Lock, Int, 0.25 4
19 32490 (00000000-- )Washer, Flat, 0.25, Std 11
20 08713 (00000000-- )Nut, Hex, Lock, M8 X 1.25, Nl, Ss 1
21 69234 (00000000-- )Clamp, Cable, Stl, 1.00d X 0.75w, 1hole 1
22 1020168 (00000000-- )DMolding, Afmkt, Trim, Pvc, .08 .11, 01ft 1
23 76062 (00000000-- )DStand--Off, Wir, M6, Insulator, Panel 2
24 1017807 (00000000-- )Rod, Thrd, Full, .25--20 01.0l 2
25 391916 (00000000-- )DHarness, Power [T7] 1
26 32520 (00000000-- )Nut, Hex, Jam, .25--20 2
27 20170 (00000000-- )Nut, Hex, Jam, .31--24 2
28 32984 (00000000-- )Washer, Lock, Int, 0.31 2
29 86379 (00000000-- )DFuse, 100a 125volt 0.88 X 3.2l 1
30 02424 (00000000-- )DRelay, 24vdc, 100a, No [White] 1
31 01684 (00000000-- )Washer, Flat, 0.25, Ss 2
32 08712 (00000000-- ) Nut, Hex, Lock, M6 X 1.00, Ss, Nl 2
33 07514 (00000000-- )Washer, Lock, Int, #10, Ss 2
34 01689 (00000000-- )Nut, Hex, Std, #10--32, Ss 2
35 579211 (00000000-- ) Nut, Hex, Lock, M3 X 0.50, Ss 2
36 601359 (00000000-- )Plate, Backing, Switch 1
37 600437 (00000000-- )DSwitch, Snap, 16a, Rlr 1
DRECOMMENDED STOCK ITEMS

STANDARD PARTS
StriveRRider (03--2009)
34
VACUUM FLOOR TOOL GROUP
1
23
3
4
3
7
6
8
5
2
2
9
10
11
12
13
12
12
2
14
15
16
17
18
19
17
18
20
19
20
17
18
17
18
16
15
14
14
14
2
2
21
10
11
22
23

STANDARD PARTS
StriveRRider (03--2009) 35
VACUUM FLOOR TOOL GROUP
Ref. Part No. Serial Number Description Qty.
11009268 (00000000-- )DActuator, 12vdc, 40mm Strk [750n] 1
2 86866 (00000000-- ) Pin, Cotter, Hair, 0.38d .072 Wir 6
3 94877 (00000000-- ) Pin, Clevis, 10mmd X 050mml 3
451534 (00000000-- )Pin, Clevis, 0.50d X 2.00l 1
51043939 (10419189-- )Link Assy, Bellcrank, W/ Spring Relief 1
Y61043604 (10419189-- )Link, Floor Tool 1
Y71030114 (00000000-- )Screw, Shld, 10mmd X 40mml 1
Y808713 (00000000-- )Nut, Hex, Lock, M8 X 1.25, Nl, Ss 1
91023886 (00000000-- )Wldt, Frame, Split Lopro Floor Tool 1
10 230363 (00000000-- )Spacer, 0.33b 0.62d 0.16l, Pl 4
11 1015989 (00000000-- )Pin, Hitch, .312d X 2.00l 4
12 1026472 (00000000-- )DHose, Vacuum, 1.50id X 012.2l, Blk 3
13 1024285 (00000000-- )Fitting, Hose, 1.51d [Wye] 1
14 1025892 (00000000-- )Spring, Cmpr, 24.64mm X 2.16w X 50.80l 4
15 1022912 (00000000-- )Plate, Cover, Carpet Tool [Lo--Pro] 2
16 1025430 (00000000-- )DGasket, Cover, Floor Tool 2
17 1029957 (00000000-- )Pin, Roll, .133d X 1.38l, Ss 4
18 1027993 (00000000-- )Clip, Cover, Vacuum 4
19 1025564 (00000000-- )Tool, Floor, Lo--Profile Machined 2
20 1025455 (00000000-- )Pin, Dowel, 08mmd 4
21 601471 (00000000-- )Pin, Clevis, 0.50d X 2.50l 2
22 44961 (00000000-- )Tie, Cable, Nyl, 14.5l .30w 4.0 Max D 2
23 1043939 (00000000--10419188 )Link Assy, Bellcrank, W/ Spring Relief 1
ASSEMBLY
YINCLUDED IN ASSEMBLY
DRECOMMENDED STOCK ITEMS

STANDARD PARTS
StriveRRider (06--2011)
36
SCRUB HEAD GROUP
2
3
1
1
4
5
6
3
2
6
5
4
11
12
14
7
15
16
17
18
8
8
5
28
29
19
20
21
22
20
21
22
23
26
26
27
23
19
8
7
12
11
15
16
17
18
30
24
25
14
9
10
13
13

STANDARD PARTS
StriveRRider (03--2013) 37
SCRUB HEAD GROUP
Ref. Part No. Serial Number Description Qty.
11068557 (10583279-- )DMotor Kit, Ele, 24vdc 0270rpm 0.50hp 2
Y11066574 (10583279-- )DVr, Brush Kit, Motor 2
21070307 (10583279-- )Bolt, Hex, M8--1.25 X 220mm, Pln Gr8.8 2
11023355 (00000000--10583278 )DMotor, Ele, 24vdc 0.50hp 0270rpm 20.0a
(Replaced By 1068557)
2
Y11034117 (00000000--10583278 )DBrush, Carbon, Motor, Ele 2
21019942 (00000000--10583278 )Screw, Hex, M8 X 1.25 X 210, 8.8 2
3 08713 (00000000-- ) Nut, Hex, Lock, M8 X 1.25, Nl, Ss 2
4 1024008 (00000000-- ) Bracket, Lift, Motor Mount 2
5 07786 (00000000-- ) Nut, Hex, Std, M8 X 1.25, Ss 3
6 578717 (00000000-- ) Screw, Hex, M8 X 1.25 X 50, Ss 2
71021224 (00000000-- )Bracket, Mounting, Spray Nozzle 2
8 08712 (00000000-- ) Nut, Hex, Lock, M6 X 1.00, Ss, Nl 5
9 01684 (00000000-- ) Washer, Flat, 0.25, Ss 1
10 41141 (00000000-- ) Washer, Lock, Int--Ext, 0.31 1
11 140301 (00000000-- ) Clamp, Hose, Ear, 0.62d 2
12 150419 (00000000-- )Fitting, Brs, E90, Bm06/Pm04 [Taped] 2
13 1033039 (00000000-- )DGasket, Motor, Brush, W/ Hdpe 2
14 78122 (00000000-- )DFitting, Brs, Str, Pf04/Pf04, Bh 2
15 575281000 (00000000-- )DFitting, Spray, Body [Quick--Jet] 2
16 575276000 (00000000-- )DFitting, Gasket [Quick--Jet] 2
17 575283000 (00000000-- )DFitting, Brs, Tip [11002, T--Jet] 2
18 575282000 (00000000-- )DFitting, Cap [Q--Jet] 2
19 1021642 (00000000-- ) Shroud, Splash 2
20 33932 (00000000-- ) Nut, Hex, Lock, M4 X 0.70, Nl, Ss 4
21 1006086 (00000000-- ) Latch [Over--Center] 2
22 1017780 (00000000-- )Clip, Hanger, Hose, .17d, 2hole 2
23 1034731 (00000000-- )Screw, Hex, M6 X 1.00 X 16, Ss, Sems 4
24 01686 (00000000-- )Washer, Flat, 0.44b 1.00d .08, Ss 2
25 09291 (00000000-- )Screw, Hex, M10 X 1.5 X 20, Ss 2
26 579237 (00000000-- )Screw, Pan, M4 X 0.7 X 12, Phl, Ss 4
27 1020783 (00000000-- )Housing Wldt 1
28 140027 (00000000-- )Washer, Flat, 0.35b 0.75d .04, Ss 1
29 222505 (00000000-- ) Screw, Hex, M8 X 1.25 X 45, Ss 1
30 1024184 (00000000-- ) Bracket, Lift [Manual Head Leveling] 1
ASSEMBLY
YINCLUDED IN ASSEMBLY
DRECOMMENDED STOCK ITEMS

STANDARD PARTS
StriveRRider (03--2009)
38
SCRUB HEAD GROUP -- CONT’D
12
3
4
6
2
3
4
5
8
7
9
10
7
16
11 12
13
14 15
17
18 19
20
21 22
23 25
24
26 27
28
15
14
13
12
11
3
2
4
1
3
2
4
5
6
8
9
10
7
16
17
18
19
20
21
22
23
24
25
26
27
28
7
29
30
8
20
19
18
7
7
10
9

STANDARD PARTS
StriveRRider (06--2011) 39
SCRUB HEAD GROUP -- CONT’D
Ref. Part No. Serial Number Description Qty.
1377500 (00000000-- )DBelt, Synchronous, 05mm 500l[05p,Plychn] 2
2 222818 (00000000-- ) Screw, Set, #08--32 X 0.25, Nl 8
3 1022407 (00000000-- ) Sprocket, Timing, 34tooth 4
4 00912 (00000000-- ) Key, Sq, 0.19 X 0.19, 1.00l 4
5 00911 (00000000-- ) Key, Sq, 0.19 X 0.19, 0.75l 2
61023435 (00000000-- )Shaft, Drive 2
7 41360 (00000000-- )DBearing, Ball, 0.59b 1.26d 0.35w[2seal] 4
8 08712 (00000000-- ) Nut, Hex, Lock, M6 X 1.00, Ss, Nl 8
9 1001792 (00000000-- ) Housing, Brg 2
10 1002077 (00000000-- ) Tube, 0.59id 0.81od 00.5l 2
11 367770 (00000000-- )Screw, Pan, M6 X 1.0 X 16, Ss 4
12 140000 (00000000-- ) Washer, Flat, 0.28b 0.62d .04, Ss 8
13 1022557 (00000000-- ) Cover, Belt 2
14 1008675 (00000000-- )DGasket, Edge, Foam, 24.00l [Fr] 2
15 1002078 (00000000-- )Spacer, 0.50hex X 1.25l, M6 Thread Thru 4
16 1037864 (10423748-- )Guard, Thread 2
17 1037873 (10423748-- )Plug, Drive, Brush, Casting 2
18 140027 (00000000-- )Washer, Flat, 0.35b 0.75d .04, Ss 2
19 43952 (00000000-- )Washer, Lock, Int, 0.31, Ss 2
20 15675 (00000000-- ) Screw, Hex, M8 X 1.25 X 16, Ss 2
21 01516 (00000000-- )Ring, Retaining, Ext, 0.59d, Basic 2
22 1057629 (00000000-- )Plug, Idler, Brush [Sgl Brg] 2
23 222177 (00000000-- )Shaft, Plug, Idler 2
24 222184 (00000000-- )Pin, Roll, .094d X 0.25l, .094/.097 2
25 1024808 (00000000-- )Door, Rlr 2
26 32485 (00000000-- )Washer, Flat, 0.38, Sae 2
27 140022 (00000000-- )Washer, Int, .38, Ss 2
28 140276 (00000000-- )Screw, Hex, M10 X 1.5 X 16, Ss 2
29 363503 (00000000--10423747 )Screw, Pan, M6 X 1.0 X 12, Ss 8
30 9006405 (00000000--10423747 )R14 Drive Plug And Thread Guard 2
DRECOMMENDED STOCK ITEMS

STANDARD PARTS
StriveRRider (06--2011)
40
SCRUB HEAD LIFT GROUP
1
2
3
76
54
9
8
7
10
4
4
10
13
4
6
5
14
8
15
11
9
16
9
16
16
9
17
17
12
FRONT

STANDARD PARTS
StriveRRider (06--2011) 41
SCRUB HEAD LIFT GROUP
Ref. Part No. Serial Number Description Qty.
186866 (00000000-- )Pin, Cotter, Hair, 0.38d .072 Wir 1
21009356 (00000000-- )Pin, Clevis, 10mmd X 040mml 1
31056622 (00000000-- )DActuator, 24vdc, 04.5strk, 0600lb 1
41013281 (00000000-- )Sleeve, P/M, 0.41b 0.73d 1.3l [430 Ss] 4
51013278 (00000000-- )Plate, Arm, Cntr, Lift, Scb Head 2
6363087 (00000000-- )Bushing, Flng, 0.44b 1.25d 0.25l 2
7 08714 (00000000-- ) Nut, Hex, Lock, M10 X 1.5, Nl, Ss 2
8 57048 (00000000-- ) Washer, Flat, 0.53b 2.13d .11, Stl, Pl 2
9 02942 (00000000-- ) Pin, Cotter, Hair, 0.62d .120 Wir 6
10 01686 (00000000-- ) Washer, Flat, 0.44b 1.00d .08, Ss 2
11 1010401 (00000000-- )Pin, Clevis, 16mmd X 150mml 1
12 1015413 (00000000-- ) Spring, Lift, Head, Scb 1
13 09746 (00000000-- ) Screw, Hex, M10 X 1.5 X 90, Ss 1
14 05631 (00000000-- ) Screw, Hex, M10 X 1.5 X 100, Ss 1
15 1013356 (00000000-- ) Pin, Clevis, 12mmd X 090mml 1
16 222210 (00000000-- )Pin, Clevis, 0.62d X 2.12l 4
17 222027 (00000000-- ) Arm, Lift, Head [5700] 2
DRECOMMENDED STOCK ITEMS

STANDARD PARTS
StriveRRider (12--2006)
42
VACUUM SHOE AND SOLUTION FLUSH LINE GROUP
1
2
3
8
4
5
6
7
10
13
14
9
9
8
7
65
4
11
10
12
11
15
16
17
18
19
20
21
20
22
20
19
18
16 17
13
12
14
810
7
65
4
11
9
11
10
8
4
5
6
7
21
23
24
25
26
25
24
26
27
28
29
30
31
32
32 32
33
33
34 31
30 29
28
33
32 35
21
36

STANDARD PARTS
StriveRRider (12--2006) 43
VACUUM SHOE AND SOLUTION FLUSH LINE GROUP
Ref. Part No. Serial Number Description Qty.
11024248 (00000000-- )DHose, Vacuum, 1.50id X 029.0l, 2cuff[Rs] 1
2 1025842 (00000000-- ) Fitting, Pvc, Y, 1.50 Vacuum Hose] 1
31025779 (00000000-- )DHose, Vacuum, 1.50id X 017.0l, 2cuff 1
449697 (00000000-- )Screw, Pan, M4 X 0.7 X 10, Ss 4
51017044 (00000000-- )Retainer, Latch 4
61017855 (00000000-- )Key, Timing, Latch 4
71017840 (00000000-- )Latch, Retaining, Nozzle 4
8 1027993 (00000000-- ) Clip, Cover, Vacuum 4
9 49609 (00000000-- ) Screw, Soc, M8 X 1.25 X 16, 12.9 4
10 1029957 (00000000-- ) Pin, Roll, .133d X 1.38l, Ss 4
11 1017871 (00000000-- )Spring, Cmpr, 0.2od .020wir 00.8l 4
12 1023890 (00000000-- ) Tool, Vacuum, Str Rlr [Finish Mach’D] 2
13 1023800 (00000000-- ) Cover, Tool, Str Roll Vacuum 700mm 2
14 1021110 (00000000-- )DGasket, Cover, Str Roll Vacuum Tool 2
15 9002902 (00000000-- ) Hose Assy, Lh, Afmkt [Gator] 1
Y16 1017902 (00000000-- )DSeal, Org, .070 X 00.24id, 75d [Viton] 2
Y17 1017841 (00000000-- )DFitting, Brs, Tip, Spcl [2505 H1/8vv] 2
Y18 150407 (00000000-- ) Fitting, Brs, E90, Pf02/Pm02 [Street] 2
Y19 150520 (00000000-- ) Fitting, Brs, Str, Bm04/Pf02 2
Y20 140325 (00000000-- ) Clamp, Hose, Ear, 0.50d, Ss 6
Y21 9002916 (00000000-- )Hose, Pvc, Gray, 0.25id 0.5od, 3l (160204) 1
Y22 150713 (00000000-- ) Fitting, Plstc, Tee, Bm04/Bm04/Bm04 1
Y23 1017317 (00000000-- ) Fitting, Plstc, Str, Bm04, Cplg, Mal 1
24 1002898 (00000000-- ) Fitting, Plstc, Str, Bm04, Cplg, Fem 2
25 140325 (00000000-- ) Clamp, Hose, Ear, 0.50d, Ss 2
26 9002916 (00000000-- )Hose, Pvc, Gray, 0.25id 0.5od, 3l (160204) 1
27 9002901 (00000000-- ) Hose Assy, Rh, Afmkt [Gator] 1
Y28 1017902 (00000000-- )DSeal, Org, .070 X 00.24id, 75d [Viton] 2
Y29 1017841 (00000000-- ) Fitting, Brs, Tip, Spcl [2505 H1/8vv] 2
Y30 150407 (00000000-- ) Fitting, Brs, E90, Pf02/Pm02 [Street] 2
Y31 150520 (00000000-- )Fitting, Brs, Str, Bm04/Pf02 2
Y32 140325 (00000000-- ) Clamp, Hose, Ear, 0.50d, Ss 6
Y33 9002916 (00000000-- ) Hose, Pvc, Gray, 0.25id 0.5od, 3l (160204) 1
Y34 150713 (00000000-- )DFitting, Plstc, Tee, Bm04/Bm04/Bm04 1
Y35 1017317 (00000000-- )Fitting, Plstc, Str, Bm04, Cplg, Mal 1
36 11531 (00000000-- )Clamp, Hose, Wormdrive, 1.06--2.00d, .56w 1
ASSEMBLY
YINCLUDED IN ASSEMBLY
DRECOMMENDED STOCK ITEMS

STANDARD PARTS
StriveRRider (06--2011)
44
SOLUTION GROUP
1
6
7
15
10
38 37 16 37
38
10
9
5
10
35
10
34
30
30
24
25
26
27
29
28
8
14
37
32
31
2
3
10
11
10
12
11
10 13
10
11
20
19
17
10
18
22
21
23
18
10
10
4
33 37
36
38 37

STANDARD PARTS
StriveRRider (06--2011) 45
SOLUTION GROUP
Ref. Part No. Serial Number Description Qty.
11022343 (00000000-- )DPump, Water, 24vdc, 2.0gpm 250psi (See Breakdowns) 1
2578186000 (00000000-- )Washer,Flat,M4,Pl 4
333932 (00000000-- )Nut, Hex, Lock, M4 X 0.70, Nl, Ss 4
41024596 (00000000-- )Bracket, Mount, Manifold / Pump 1
5140751 (00000000-- )Screw, Hex, #10--32 X 0.50, Pl 2
609740 (00000000-- ) Screw, Hex, M8 X 1.25 X 20, Ss 2
743952 (00000000-- )Washer, Lock, Int, 0.31, Ss 2
801685 (00000000-- )Washer, Flat, 0.31, Ss 2
961118 (00000000-- )Fitting, Plstc, Str, Bm06/Pm06, Nyl 1
10 54333 (00000000-- )Clamp, Hose, Wormdrive, 0.31--0.88d, .31w 13
11 9002921 (00000000-- )Hose, Pve, Wir, 0.38id 0.62 Od, Clr, 36l (611261) 1
12 1017255 (00000000-- )Fitting, Plstc, Y, Bm06/Bm06/Bm06, Nyl 1
13 210044 (00000000-- )DValve, Check, 0001psi Bm06/Bm06 1
14 150016 (00000000-- )Fitting, Brs, Str, Bm06/Pf02, Spcl 1
15 150511 (00000000-- )Fitting, Brs, Str, Bm06/Pf04 1
16 160310 (00000000-- )Fitting, Plstc, Tee, Bm06/Bm06/Bm06 1
17 150516 (00000000-- )Fitting, Brs, Str, Bm06/Pm05 2
18 9002920 (00000000-- )Hose, Pvc, Brd, 0.38id 0.62 Od, 36l (160207) 1
19 140058 (00000000-- )Washer, Flat, 0.54b 0.88d .06, Ss [Wand] 4
20 150933 (00000000-- )Fitting, Brs, Qdc, Pm04 [Ser60] 1
21 150709 (00000000-- )Fitting, Brs, Tee, Pm04/Pf04/Pf04, Run 1
22 210211 (00000000-- )DValve, Water, Relief, Press, 050--450psi 1
23 1005564 (00000000-- )Fitting, Plstc, E90, Bm06/Pm02, Nyl 1
24 1007428 (00000000-- )DFilter, Screen, 080 Mesh, Ss Bowl, Pf06 1
Y25 180632 (00000000-- )DFilter, Screen, In--Line Strainer 1
26 1017532 (00000000-- )Fitting, Plstc, E90, Bm08/Pm06 1
27 607776 (00000000-- )Clamp, Hose, Wir, .73 -- .77, Silver 2
28 1006924 (00000000-- )DFilter,Soltn,W/E90Ftg 1
29 9002922 (00000000-- )Hose, Pvc, Clr, 0.50id 0.75od, 36l 1
30 605056 (00000000-- )Bracket, Mtg, Fltr 2
31 140011 (00000000-- )Washer, Flat, 0.21b 0.45d .03, Ss 2
32 09739 (00000000-- )Nut, Hex, Lock, M5 X 0.80, Nl, Ss 2
33 1013823 (00000000-- )DPlug, Pipe, Ss 1/8npt W/ Hole 1
34 64743 (00000000-- )Fitting, Plstc, Str, Bm08/Pm06 1
35 9002995 (00000000-- )Hose, Pvc, Wir, 0.50id 0.750d, 36l Clr 1
36 20951 (00000000-- )Fitting, Plstc, E90, Bm06/Bm06 1
37 140301 (00000000-- )Clamp, Hose, Ear, 0.62d 5
38 613482 (00000000-- )Hose, Pvc, Brd, 0.38id 0.62od 12.0l,Gray (160207) 1
ASSEMBLY
YINCLUDED IN ASSEMBLY
DRECOMMENDED STOCK ITEMS

STANDARD PARTS
StriveRRider (09--2006)
46
SOLUTION GROUP -- CONT’D
21
3
4
5
6
20
7
6
5
20 8
7
10
11
12
13
14
9
9
10
11
15
12
22
21
9
9
7
20
7
16
7
20
10
11
15
12
21
22
7
7
17
18
18
19
20
19
5
6
10
11
12
13
14

STANDARD PARTS
StriveRRider (09--2006) 47
SOLUTION GROUP -- CONT’D
Ref. Part No. Serial Number Description Qty.
11023693 (00000000-- )DValve, Solenoid 24v, 3 Station 1
Y2 1034116 (00000000-- ) Block, Manifold Afmkt 1
Y3 1034114 (00000000-- )DValve, Solenoid Series 3, 24v, Afmkt 1
YY 3 1034115 (00000000-- )DSeal, Org, Solenoid, Series 3, Afmkt 1
Y4 1034112 (00000000-- )DValve, Solenoid Series 6, 24v, Afmkt 2
YY 41034113 (00000000-- )DSeal, Org, Solenoid, Series 6, Afmkt 2
5 150516 (00000000-- ) Fitting, Brs, Str, Bm06/Pm05 3
6 54333 (00000000-- ) Clamp, Hose, Wormdrive, 0.31--0.88d, .31w 4
7 9002920 (00000000-- ) Hose, Pvc, Brd, 0.38id 0.62 Od, 36l 1
8 1017255 (00000000-- ) Fitting, Plstc, Y, Bm06/Bm06/Bm06, Nyl 1
9150419 (00000000-- )Fitting, Brs, E90, Bm06/Pm04 [Taped] 4
10 78122 (00000000-- ) Fitting, Brs, Str, Pf04/Pf04, Bh 4
11 575281000 (00000000-- )DFitting, Spray, Body [Quick--Jet] 4
12 575276000 (00000000-- )DFitting, Gasket [Quick--Jet] 4
13 575283000 (00000000-- )DFitting, Brs, Tip [11002, T--Jet] 2
14 575282000 (00000000-- )DFitting, Cap [Q--Jet] 2
15 575603 (00000000-- )DFilter, Screen, 024 Mesh, Check Valve 2
16 160310 (00000000-- ) Fitting, Plstc, Tee, Bm06/Bm06/Bm06 1
17 1014441 (00000000-- ) Fitting, Plstc, Tee, Bm04/Bm04/Bm06, Br 1
18 9002916 (00000000-- ) Hose, Pvc, Gray, 0.25id 0.5od, 3l 1
19 140325 (00000000-- )Clamp, Hose, Ear, 0.50d, Ss 2
20 140301 (00000000-- ) Clamp, Hose, Ear, 0.62d 8
21 1022378 (00000000-- )DFitting, Brs, Tip [11006e, Unijet] 2
22 1022715 (00000000-- )DCap, White [Quick--Jet] 2
ASSEMBLY
YINCLUDED IN ASSEMBLY
DRECOMMENDED STOCK ITEMS

STANDARD PARTS
StriveRRider (03--2013)
48
BATTERY GROUP, 360Ah
2
8
6
7
1
9
11
12
13
5
5
10
14
3
4
3
4
15

STANDARD PARTS
StriveRRider (03--2013) 49
BATTERY GROUP, 360Ah
Ref. Part No. Serial Number Description Qty.
11070587 (00000000-- )DBattery, Wet, 06vdc, 0360ah, W/ Carton 4
2 1015039 (00000000-- ) Bracket, Battery 1
315675 (00000000-- ) Screw, Hex, M8 X 1.25 X 16, Ss 4
41017218 (00000000-- )Washer, Flat, 0.32b 1.00d .12, Ss 4
5223356 (00000000-- )Cable, 04ga 12.0l Blk .34ring /.34ring 3
6611221 (00000000-- )DBoot, Terminal, Battery, 25.4mm, Blk 8
787435 (00000000-- )Nut, Hex, Flexlock, .31--18 8
8222682 (00000000-- )DStrap, Poly, Webbing 1.0 X 100.0 1
91010771 (00000000-- )Angle, Sppt, Battery 1
10 397907 (00000000-- )Cable, 04ga 30.0l Red .34ring / [Pp120] 1
11 397908 (00000000-- )Cable, 04ga 08.0l Red .34ring / [Pp120] 1
12 223364 (00000000-- )Cable, 04ga 18.0l Blk .34ring /.34ring 1
13 1020105 (00000000-- )Sleeve, Afmkt, Nyl, #13, 01ft 1
14 49263 (00000000-- )Tie, Cable, Nyl, 11.4l .19w 3.0 Max D 4
15 1025155 (00000000-- )DTray, Battery, 605x370x25 1
DRECOMMENDED STOCK ITEMS

STANDARD PARTS
StriveRRider (03--2009)
50
LABEL GROUP
2
1
1
1
1
1
1
3
3
5
4
Ref. Part No. Serial Number Description Qty.
11015167 (00000000-- )Label Set, Info/Hzrd 1
21025755 (00000000-- )Label, Model, Side [Strive Rider] 2
31034637 (00000000-- )Label, Front, 3.50 [Nobles Icon] 2
41026686 (00000000-- )Label, Battery, Diagram 335 Ah 1
51034927 (00000000-- )Label, Logo, 5.718l [Readyspace] 1

STANDARD PARTS
StriveRRider (03--2009) 51

STANDARD PARTS
StriveRRider (09--2006)
52
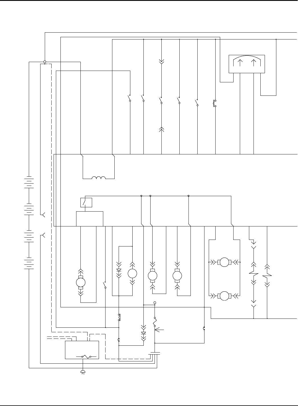
ELECTRICAL DIAGRAM
1035160
MTR3
REAR BRUSH MOTOR
P1--A P1--B
MTR1A
P1--1 P1--2
SOL1
RS SOLENOID VALVE
P1--1 P2--1
6VDC
+----
CONN29
B
6VDC
+----
SW1
CHARGER INTERLOCK
P1--1 P2--1
A
6VDC
+----
S1
EMERGENCY
P1--1 P2--1
MTR4
VAC 1 MOTOR
P1--A
P1--B
CONN1
A
CONN8A
A
SW3
SW SPST --MOM
P1--1 P2--1
6VDC
+----
MTR1B
P1--B P1--A
S2
HORN SW PUSHBUTTON
P1--1 P2--1
SW2
SEAT SWITCH
P1--1 P2--1
CONN10B
B
U1
PROPEL1
J10--2
PROPEL2
J10--1
FLYBACK PATH
J6--13
+24VDC POWER
J11
MAIN CONT
J6--5
FRONT BRUSH +
J8--1
FRONT BRUSH --
J8--2
VAC A
J9--1
VAC B
J9--2
REAR BRUSH --
J8--3
REAR BRUSH +
J8--4
BRAKE OUTPUT
J6--27
WATER SOL
J6--4
PWR GND J7
SIGNAL RETURN J6--35
INTERLOCK J6--18
SOL LOW J6--8
REC FULL J6--20
THROTTLE SIG J6--34
HOSE SWITCH
SEAT J6--7
HORN SW J6--10
BRAKE INPUT J6--33
LOGIC PWR SUPPLY
J6--24
1AMPLOWD
J6--17
If J6--6 is input
remove Q6
and populate R88
If J6--33 or J6--34
is less than 0.5 Volts,
propel is disabled.
If unused apply 24 Volts
SW8
HOSE SWITCH
P1--1 P2--1
CB2
CRKT BRKR 15A
P2--1P1--1
SW4
SW SPST --MOM
P1--A P1--B
FUSE 100A
MTR9
VAC 2 MOTOR
P1--A
P1--B
CONN11B
B
STANDOFF2
U2
GILL SENSOR
FWD
P1--B
REV
P1--C
PWR
P1--A
GND
P1--D
FUSE
D1 P1--M
P1--F +--
CB1
CRKT BRKR 5A
P2--1P1--1
MTR2
FRONT BRUSH MOTOR
P1--AP1--B
M1A
P6--1
P5--1
M1B
P1--1
P2--1
P3--1 P4--1
P5--1
SW5
SW SPST KEYSWITCH
P1--1 P2--1
D2
P1--M
P1--F
+--
27F/GRN 32D/ORA
42F/BRN
4/YEL
42E/BRN
4B/YEL
1A/RED
1C/RED
1B/RED
30/TAN
3/ORA
28/GRY
42D/BRN
10/TAN
14C/YEL
32/BRN
27/PUR
25/RED
5A/GRN
42G/BRN
6A/BLU
6/BLU
14/YEL
8/GRY
5B/GRN
26/BLU
7/PUR
42C/BRN
5/GRN
14H/YEL
29/WHT
13A/BLK
16/BLU
31/PNK
42A/BRN
9/WHT
24/BLK
2/BRN
13D/BLK
12/BRN12A/BRN
13E/BLK
50/RED
14B/YEL
14A/YEL
BLU
BLK
15/GRN
47/PUR 42B/BRN
BLACK
50A/RED
1.2 AMPS
120 AMP
30 AMP
10 AMP
30 AMP
40 AMP
DIRECT
CONNECTION
FUSE TO
CONTACTOR
(+)STUDONBOARD
(--) STUD ON BOARD
+
ON--BOARD
CHARGER
OPTION
SW1 NOT USED FOR
ON BOARD CHARGER OPTION
TO SW1 CHARGER INTERLOCK
1/RED 13/BLK
13C/BLK
13B/BLK
STANDOFF1
CHARGER
PLUG NOT USED WITH
ON--BOARD CHARGER
PLUG
J6--11
ON--BOARD
RELAY
PROPEL MOTOR
CONTACTOR
PARKING BRAKE
F1

STANDARD PARTS
StriveRRider (06--2011) 53
ELECTRICAL DIAGRAM
1035160
LEGEND
CB1 = CIRCUIT BREAKER 5A
CB2 = CIRCUIT BREAKER 15A
D1 = DIODE
D2 = DIODE
F1 = FUSE 100A
F2 = FUSE 7.5A
H1 = HOUR METER
LP1 = FLASHING LAMP
LS1 = HORN
M1A = CONTACTOR
MTR1A = PROPEL MOTOR
MTR1B = PARKING BRAKE
MTR2 = FRONT BRUSH MOTOR
MTR3 = REAR BRUSH MOTOR
MTR4 = VACUUM MOTOR 1
MTR5 = EXTRACTOR MOTOR (PM)
MTR6 = ACTUATOR MOTOR (PM)
MTR7 = SOLUTION PUMP
MTR9 = VACUUM MOTOR 2
S1 = EMERGENCY SWITCH
S2 = HORNSWITCHPUSHBTN
SOL1 = RS SOLENOID VALVE
SOL2 = EXTR SOLENOID VALVE
SOL3 = FLUSH SOLENOID VALVE
SW1 = CHRGR INTRLCK SWITCH
SW2 = SEAT SWITCH
SW3 = SOL REC FULL FLOAT SWITCH
SW4 = SOL LOW FLOAT SWITCH
SW5 = KEY SWITCH
SW6 = DIRECTIONAL SWITCH
SW7 = LIGHT SWITCH
U1 = CONTROL BOARD
U2 = GILL SENSOR
= TOUCH PANEL
LS1
HORN
P1--1 P2--1
C
MTR5
ACTUATOR MOTOR
P1--AP1--B
SEAT SWITCH
C
H1
HOUR METER
+
P1--1
-- P2--1
MTR7
SOLUTION PUMP
P1--A P1--B
SW6
SW SPDT -- 768529
P2--1
P1--1
P3--1
ON
ON
OFF
EXTRACT A
J6--12
EXTRACT B
J6--9
HEAD A
J6--23
HEAD B
J6--21
HOUR METER
J6--14
FAST/PWM 1
J6--25
REV J6--22
+5vdc P6--1
SW4 P6--2
SW3 P6--3
SW5 P6--4
SW2 P6--5
SW6 P6--6
SW1 P6--7
SW7 P6--8
LED8 P6-- 9
OPEN P6-- 10
OPEN P6-- 11
LED16 P6-- 12
LED6 P6-- 13
LED15 P6-- 14
LED5 P6-- 15
LED14 P6-- 16
LED4 P6-- 17
LED13 P6-- 18
LED3 P6-- 19
LED12 P6-- 20
LED2 P6-- 21
LED11 P6--22
LED1 P6-- 23
LED10 P6-- 24
GND P6--25
LED9 P6-- 26
OPEN P6-- 27
LED17 P6-- 28
OPEN P6-- 29
LED18 P6-- 30
OPEN P6-- 31
OPEN P6-- 32
OPEN P6-- 33
OPEN P6-- 34
HORN
J6--15
AUX
J6--26
FLUSH SOL
J6--6
EXTRACT SOL.
J6--19
F2
FUSE 7.5A
SOL3
FLUSH SOLENOID VALVE
P1--1 P2--1
LP1
FLASHING LAMP
P1--1 P2--1
MTR6
EXTRACTOR MOTOR
P1--A P1--B
SW7
LIGHT
P2--1P1--1
SOL2
EXTRACT SOLENOID VALVE
P1--1 P2--1
17/PUR
23/ORA
35/GRN
19/WHT
46/BLU
14F/YEL
51/PNK
21/PNK
20/TAN
42/BRN
22/BRN
18/GRY
45B/GRN
45E/GRN
45A/GRN
13SS/BLK13S/BLK
14J/YEL
14K/YEL
14E/YEL 33/ORA
14D/YEL
13B/BLK
45/GRN
14G/YEL 48/GRY
ALTERNATE BRAKE SIGNALCHOICE
*NO CONNECTION*
LOW VOLTAGE
NO CONNECTION
1.6 FLA MAX
10 FLA MAX
TOUCH
PANEL
WIRE COLOR CODE
1. 1/RED and 13/BLK will remain as before.
2. All other wires will have a specific wire
color based on the one’s digit of the
wire number as follows:
x1=PNK (except 1/RED)
x2=BRN
x3=ORA (except 13/BLK)
x4=YEL
x5=GRN
x6=BLU
x7=PUR
x8=GRY
x9=WHT
x0=TAN
ESD GROUNDS TO FRAME

STANDARD PARTS
StriveRRider (03--2009)
54
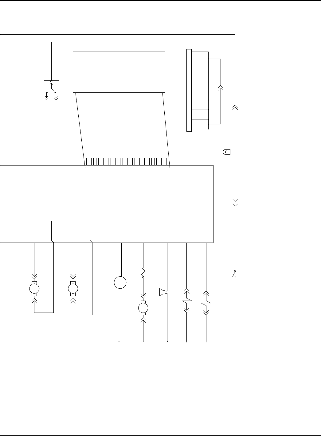
ELECTRICAL WIRE HARNESS GROUP -- SECTION 1 OF 5
C
SWS
KEY
SWITCH
S1
HORN
BUTTON
SW6
FORWARD/
REVERSE
SWITCH
S1
E--STOP
SWITCH
3A
KEYKEY
4
30
A
A
A
A
A
A
A
42C 42
35
42A 42
HORN
HORN
4A4
5
MOVEMOVE STOPSTOP
5B
45A
ESD
ESD
SS
24 25
14A 15
POWER
WHEEL BRAKE CONNECTOR
OUTPUT
BA
O
N
DCBA
J2
GILL
SENSOR
J
14A
14
14H
14F
14E
14C
14B
14G
WIRE TIE TO
MAIN TRUNK WIRE TIE TO
MAIN TRUNK
42C
42G
42B
42D
42E
42F
J
P10
21
25 24
PROPEL
MOTOR
DETAIL A--A
42A 14
31
32
DETAIL B--B
G
1

STANDARD PARTS
StriveRRider (06--2011) 55
ELECTRICAL WIRE HARNESS GROUP -- SECTION 2 OF 5
5
5A
6
6A
DI
MAIN
CONTACTOR
1B
1A
50A
D2
CIRCUIT
BREAKER
MTR6
BRUSH HEAD
ACTUATOR
20
19
B
A
ESD
SW1
CHARGER
INTERLOCK
SWITCH
45B C
26 A
4B A
13B C
NEGATIVE
STAND--OFF
GRD COM NO ESD ACT D2 D1
F2
7.5A
B
A
B
APUMP
MOTO
R
FUSE
7.5 AMP
CB2CB1
(+)(--)(+)
H1M1M1
A2
A14C
14C
A1A
A4A
4B
A 14D
A21
E5A
E6A
C1B
C2
C 50A
CB #2
15 AMP
CB #1
5AMP
H1
HOUR
METER
M1B
MAIN
COIL
M1A
MAIN
CONTACTOR
POSITIVE
STAND--OFF
TO SEAT
WIRE HARNESS
BAC
BAC
27 42E 13S
DETAIL B--B
ROTATED 90 DEG
CONTINUED
X
X
O
YL
M
U
1
2
3

STANDARD PARTS
StriveRRider (06--2011)
56
ELECTRICAL WIRE HARNESS GROUP -- SECTION 3 OF 5 (S/N 10389602-- )
U1
13E
CONTROL
BOARD
VAC
MOTOR
13D
12A
12
BRUSH
MOTOR
2
1
P9
P8
4
3
2
1
10
9
8
7
35
23
12
1
13
24 CONTROL
BOARD
P
R
G
DETAIL A--A
ROTATED 90 DEG
CONTINUED DETAIL C--C
1
K
K
45 C
304
ESD
ESD
CONTROL
BOARD
NEGATIVE
STAND--OFF
B
42D
140
NEGATIVE
STAND--OFF
SOCKET
NO.
WIRE
NO.
SOCKET
NO.
WIRE
NO.
SOCKET
NO.
WIRE
NO.
1PLUG CAVITY 13 14B 24 3
2PLUG CAVITY 14 21 25 22
3PLUG CAVITY 15 23 26 PLUG CAVITY
416 16 PLUG CAVITY 27 15
5 6 17 5B 28 PLUG CAVITY
646 18 26 29 PLUG CAVITY
727 19 51 30 PLUG CAVITY
829 20 28 31 PLUG CAVITY
918 21 20 32 PLUG CAVITY
10 30 22 35 33 32
11 47 23 19 34 31
12 17 -- -- 35 PLUG CAVITY
Ref. Part No. Serial Number Description Qty.
11044984 (10389602-- )DHarness, Main [R14] 1
Y21016039 (00000000-- )DFuse, Blade, 007.5a, 32vdc 1
Y3222290 (00000000-- )DDiode, Ele, Plug 2
ASSEMBLY
YINCLUDED IN ASSEMBLY
DRECOMMENDED STOCK ITEMS

STANDARD PARTS
StriveRRider (06--2011) 57
ELECTRICAL WIRE HARNESS GROUP -- SECTION 3 OF 5 (S/N 00000000--10389601)
U1
13E
CONTROL
BOARD
VAC
MOTOR
13D
12A
12
BRUSH
MOTOR
2
1
P9
P8
4
3
2
1
10
9
8
7
35
23
12
1
13
24 CONTROL
BOARD
ESD
C 45 ESD
SOCKET
NO. SOCKET
NO. SOCKET
NO.
WIRE
NO. WIRE
NO. WIRE
NO.
1
2
3
4
5
6
7
8
9
10
11
12
PLUG CAVITY
PLUG CAVITY
PLUG CAVITY
16
6
46
27
29
18
30
47
17
13
14
15
16
17
18
19
20
21
22
23
--
14B
21
23
PLUG CAVITY
5B
26
51
28
20
35
19
--
24
25
26
27
28
29
30
31
32
33
34
35
3
22
PLUG CAVITY
15
PLUG CAVITY
PLUG CAVITY
PLUG CAVITY
PLUG CAVITY
PLUG CAVITY
32
31
42D
P
R
G
DETAIL A--A
ROTATED 90 DEG
CONTINUED DETAIL C--C
1
Ref. Part No. Serial Number Description Qty.
11025451 (00000000--10389601 )DHarness, Main Rep.By 1044984 1
Y21016039 (00000000-- )DFuse, Blade, 007.5a, 32vdc 1
Y3222290 (00000000-- )DDiode, Ele, Plug 2
ASSEMBLY
YINCLUDED IN ASSEMBLY
DRECOMMENDED STOCK ITEMS

STANDARD PARTS
StriveRRider (03--2009)
58
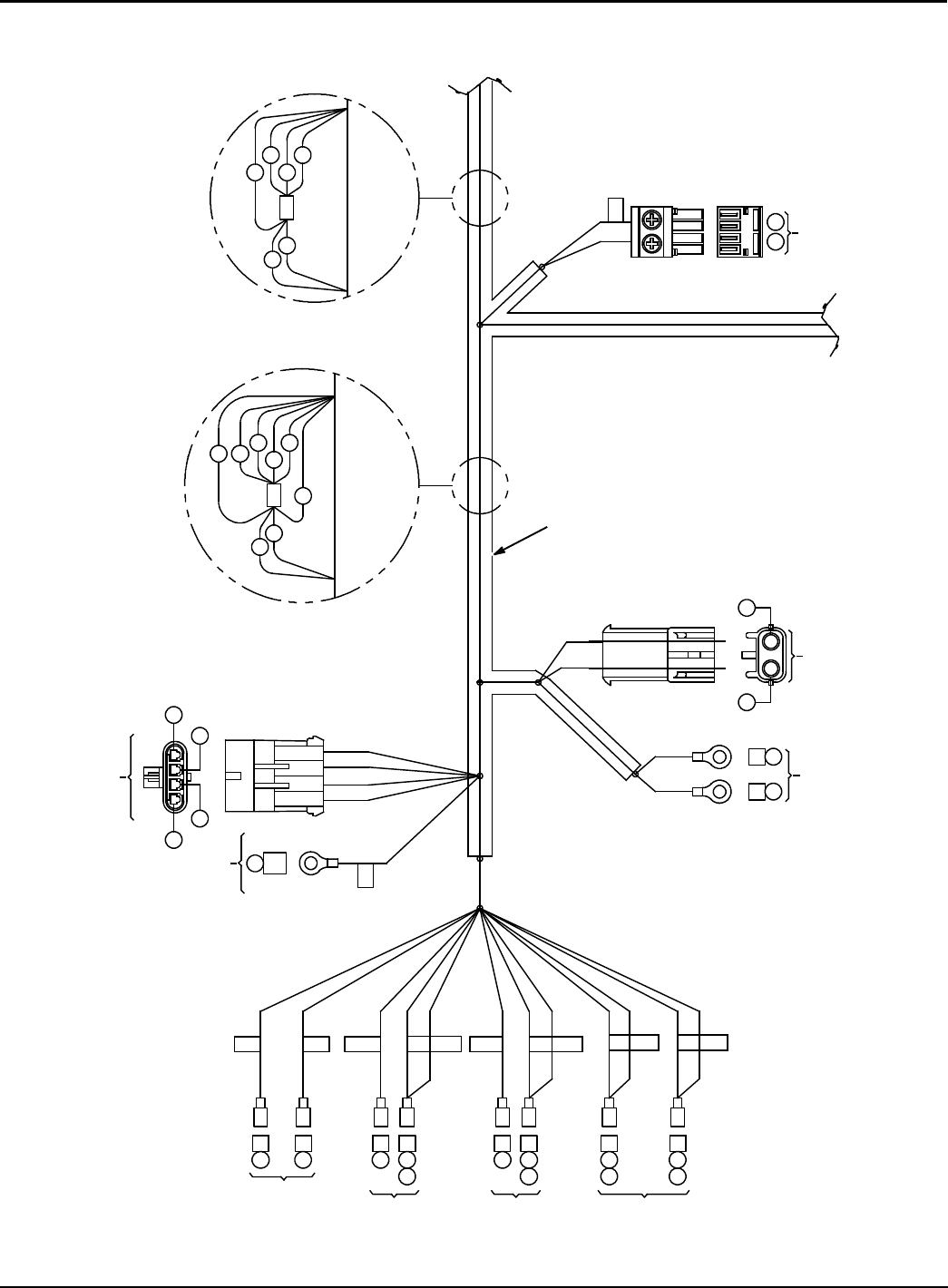
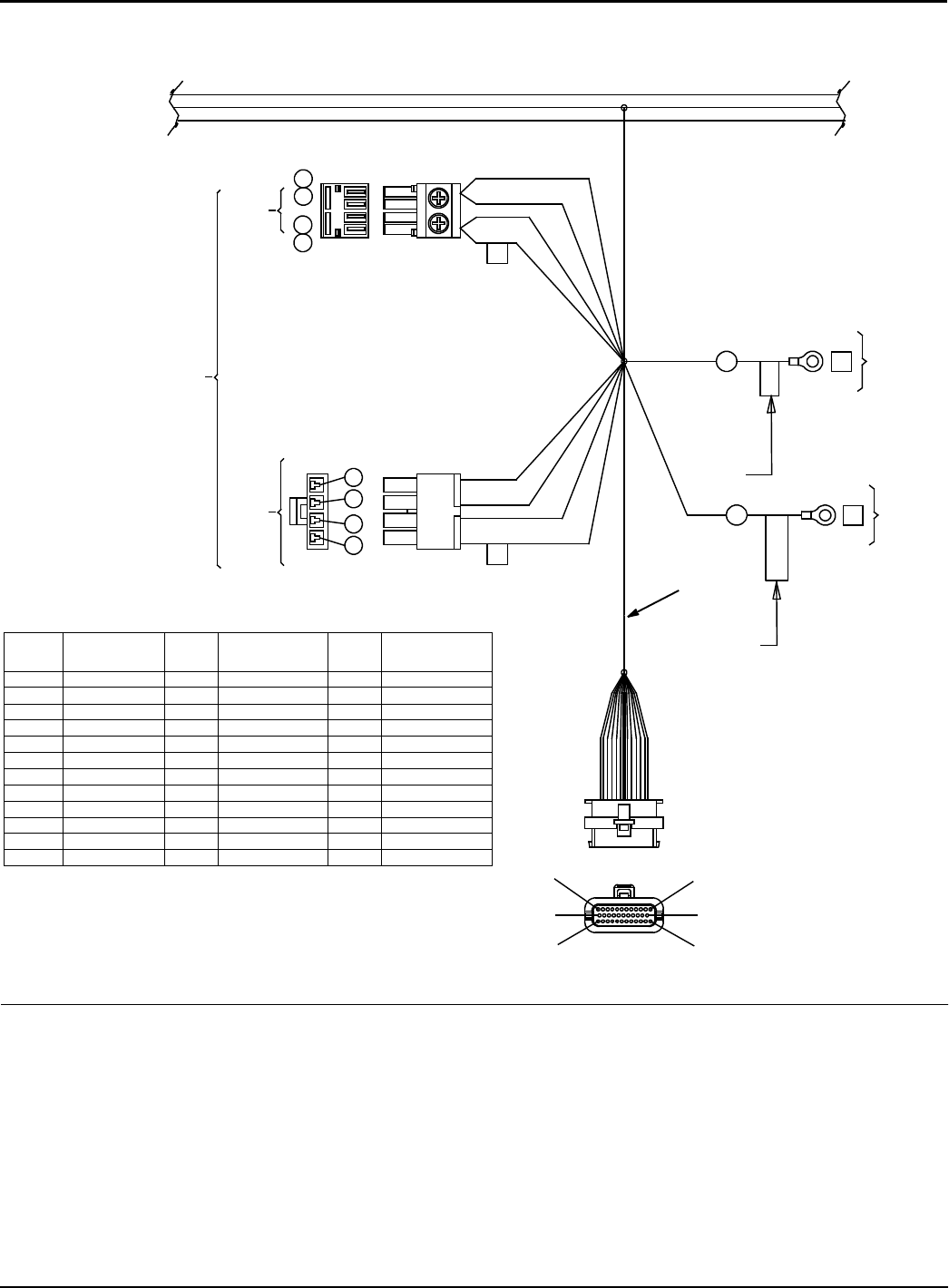
ELECTRICAL WIRE HARNESS GROUP -- SECTION 4 OF 5
DETAIL C--C
ROTATED 90 DEG
CONTINUED DETAIL D--D
MTR2
FRONT
BRUSH MOTOR
MTR3
REAR
BRUSH MOTOR
87
45E
ESD
ESD FRONT (+) REAR (--)
910
BA BA
BA BA
BA
BA
17 18
MTR5
EXTRACT
AC
T
U
AT
O
R
B
O
TT
1

STANDARD PARTS
StriveRRider (03--2009) 59
ELECTRICAL WIRE HARNESS GROUP -- SECTION 5 OF 5
13D
REVOLVING
LIGHT SWITCH
RECOVERY TANK
LIGHT REVOLVING
READY SPACE
WATER VALVE
SO
L
1
12
P3 P2
VAC1 VAC2
ESD
C
ESD
13S 45A 45 45E 45B
23A
14F
A
33 14E 33 13B 13E 12A
AB
AB
AB
AB
AB
28 42F
AB
HORN
EXTFLSHR/S
AB
AB
AA
47 42B
HOSE
SWITCH
S8
42G 29
SOLUTION TANK
LOW SWITCH PUMP
MOTOR
22 48
AB
AA
14H 14J 16 14J 14K 46 14K 51
FLUSH
WATER VALVE
SOL2
EXTRACTOR
SOLENOID
W
A
TER
V
AL
VE
SOL3
AB
AAAA
HORN
VO
V
TT
RECOVERY TANK
FULL SOLUTION
SWITCH
DETAIL D--D
ROTATED 90 DEG
CONTINUED
VACUUM
MOTOR 1
VACUUM
MOTOR 2
1

OPTIONS
StriveRRider (03--2013)
60
HYDROLINKRBATTERY WATERING SYSTEM KIT
1
2
3
3
4
5
Ref. Part No. Serial Number Description Qty.
9010300 (00000000-- )Pump Kit, Fill, Battery,24vdc,Ci[Trojan] 1
Y11058939 (00000000-- )Pump Kit, Fill, Battery 1
Y21070394 (00000000-- )Tube, Water, Battery, 24vdc [Trojan] 1
Y31204142 (00000000-- )Cap, Fill, Battery [Trojan] 4
Y41071084 (00000000-- )Label, Tag, Battery [Hydrolink Watering] 1
Y5130773 (00000000-- )Tie, Cable, Nyl, 11.0l, .14w, 3.0 Max. D 2
ASSEMBLY
YINCLUDED IN ASSEMBLY
*THIS KIT IS INTENDED FOR USE WITH TROJANRLEAD ACID BATTERIES ONLY.
HYDROLINKRIS A REGISTERED TRADEMARK OF TROJANRBATTERY COMPANY.

OPTIONS
StriveRRider (09--2006) 61
BATTERY CHARGER GROUP
1
Ref. Part No. Serial Number Description Qty.
1604282 (00000000-- )DCharger, 24vdc 30a Dual Vac 1ph 50/60hz 1
DRECOMMENDED STOCK ITEMS

OPTIONS
StriveRRider (09--2006)
62
FLASHING LIGHT KIT
2
3
4
5
6
7
8
9
10
1
11
Ref. Part No. Serial Number Description Qty.
9000581 (00000000-- )DLight Kit, Flsh, Ci [T7/Ssr] 1
Y1 1015170 (00000000-- )DLight Assy, Flsh, 24vdc 1
YY 1014564 (00000000-- )DLight, Strobe, 12--80vdc, 4watt 1
Y2 24196 (00000000-- ) Screw, Pan, M5 X 0.8 X 20, Ss 2
Y3 01683 (00000000-- ) Washer, Flat, #10, Ss 2
Y409739 (00000000-- )Nut, Hex, Lock, M5 X 0.80, Nl, Ss 2
Y5 1014527 (00000000-- ) Bracket Wldt, Light, Flsh 1
Y6 61913 (00000000-- ) Nut, Isolator, .25--20 Wall Th .031--.187 4
Y7 01699 (00000000-- ) Screw, Hex, .25--20 X 1.25, Ss 4
Y8 01684 (00000000-- ) Washer, Flat, 0.25, Ss 4
Y907515 (00000000-- )Washer, Lock, Int, 0.25, Ss 4
Y10 130717 (00000000-- )DSwitch, Rocker, Spst On--Off 1
Y11 130040 (00000000-- ) Tie, Cable, Nyl, 06.0l .12w 1
ASSEMBLY
YINCLUDED IN ASSEMBLY
DRECOMMENDED STOCK ITEMS

OPTIONS
StriveRRider (09--2006) 63
BASKET KIT
1
Ref. Part No. Serial Number Description Qty.
19001004 (00000000-- )DBasketKit,Ci 1
DRECOMMENDED STOCK ITEMS

OPTIONS
StriveRRider (08--2007)
64
WAND GROUP, LOW PRESSURE 13 in / 330 mm
61
2
7
3
5
8
10
11
9
15
12
13
16
4
17
18
19
17
20
21
22
23
24
25
26
14

OPTIONS
StriveRRider (03--2009) 65
WAND GROUP, LOW PRESSURE 13 in / 330 mm
Ref. Part No. Serial Number Description Qty.
600048 (00000000-- )DTool, Floor, 13.0w, 33cm [W/3 Nozzles] 1
Y1200403.BK (00000000-- )DTool, Pickup, Floor, 12w, Blk 1
Y2120846 (00000000-- ) Label, Low--Press Floor Tool 1
Y3200939 (00000000-- ) Plate, Tool, Floor, 13.00 [Shoe] 2
Y4200927 (00000000-- ) Grip, Hand, Adj, Complt 1
YY 501697 (00000000-- )Screw, Hex, .25--20 X 0.62, Ss 2
YY 6200912 (00000000-- )DGrip, Handle, Foam 1
YY 7140834 (00000000-- ) Screw, Flt, .25--20 X 0.62, Phl, Ss 2
Y8200809 (00000000-- ) Sleeve, Handle / Floor Tool 1
Y9200902 (00000000-- ) Handle, Valve [Imperial] 1
Y10 140605 (00000000-- )Pin, Handle [Imperial Eastman] 1
Y11 140520 (00000000-- )DNut, Push, .25id, Blk, Pl 2
Y12 150403 (00000000-- ) Fitting, Brs, E45, Pf04/Pm04 [Taped] 1
Y13 150913 (00000000-- ) Fitting, Brs, Qdc, Pf04 [Ser60] 1
Y14 150615 (00000000-- ) Fitting, Brs, Str, Pm04, Close, T 1
Y15 210150 (00000000-- )DValve, Water, Flow Cntrl, Pf04/Pf04 1
YY 16 190603 (00000000-- )DImperial Eastman Kit, Repair 1
Y17 160170 (00000000-- ) Hose Assy, Wand, 47.34l[Endtoend, 42059] 1
Y18 150606 (00000000-- ) Fitting, Brs, Str, Pm04/Pm04 X1.38l[Nip] 1
Y19 140058 (00000000-- ) Washer, Flat, 0.54b 0.88d .06, Ss [Wand] 1
Y700062 (00000000-- )Bar Assy, Spray, 12inch, W/O Tip[Flr Tl] 1
YY 20 150700 (00000000-- )DFitting, Brs, Cross, Pf04/Pf04/Pf04/Pf04 1
YY 21 150600 (00000000-- ) Fitting, Brs, Nipple, .25qm X 2.0[Taped] 2
YY 22 150401 (00000000-- ) Fitting, Brs, E90, Pf04/Pf04 2
YY 23 200993 (00000000-- ) Fitting, Brs, Pm04 [Spray Body] 3
Y24 200996 (00000000-- )DFilter, Screen, 100 Mesh, Check Valve 3
Y25 200964 (00000000-- )DFitting, Brs, Tip [11003, T--Jet] 3
Y26 200994 (00000000-- ) Cap, Nozzle, Spray [#8002] 3
ASSEMBLY
YINCLUDED IN ASSEMBLY
DRECOMMENDED STOCK ITEMS

OPTIONS
StriveRRider (08--2007)
66
WAND GROUP, LOW PRESSURE 16 in / 406 mm
61
2
7
3
5
8
10
11
9
15
12
13
16
4
17
18
19
17
20
22
23
24
25
26
27
14
21

OPTIONS
StriveRRider (03--2009) 67
WAND GROUP, LOW PRESSURE 16 in / 406 mm
Ref. Part No. Serial Number Description Qty.
200503 (00000000-- )DTool, Pickup, Floor, 16w [Lp Series 60] 1
Y1 200411.BK (00000000-- )DTool, Pickup, Floor, 16w, Blk 1
Y2 120846 (00000000-- ) Label, Low--Press Floor Tool 1
Y3 200956 (00000000-- ) Plate, Floor, 16.00, Ss [Shoe] 2
Y4200927 (00000000-- ) Grip, Hand, Adj, Complt 1
YY 501697 (00000000-- )Screw, Hex, .25--20 X 0.62, Ss 2
YY 6 200912 (00000000-- )DGrip, Handle, Foam 1
YY 7 140834 (00000000-- ) Screw, Flt, .25--20 X 0.62, Phl, Ss 2
Y8 200809 (00000000-- ) Sleeve, Handle / Floor Tool 1
Y9 200902 (00000000-- ) Handle, Valve [Imperial] 1
Y10 140605 (00000000-- )Pin, Handle [Imperial Eastman] 1
Y11 140520 (00000000-- )DNut, Push, .25id, Blk, Pl 2
Y12 150403 (00000000-- ) Fitting, Brs, E45, Pf04/Pm04 [Taped] 1
Y13 150913 (00000000-- ) Fitting, Brs, Qdc, Pf04 [Ser60] 1
Y14 150615 (00000000-- ) Fitting, Brs, Str, Pm04, Close, T 1
Y15 210150 (00000000-- )DValve, Water, Flow Cntrl, Pf04/Pf04 1
YY 16 190603 (00000000-- )DImperial Eastman Kit, Repair 1
Y17 160170 (00000000-- ) Hose Assy, Wand, 47.34l[Endtoend, 42059] 1
Y18 150606 (00000000-- ) Fitting, Brs, Str, Pm04/Pm04 X1.38l[Nip] 1
Y19 140058 (00000000-- ) Washer, Flat, 0.54b 0.88d .06, Ss [Wand] 1
Y700656 (00000000-- )Bar Assy, Spray, 16inch, W/O Tip 1
YY 20 150706 (00000000-- )DFitting, Brs, Tee, Pf04/Pf04/Pf04 1
YY 21 150709 (00000000-- ) Fitting, Brs, Tee, Pm04/Pf04/Pf04, Run 2
YY 22 150600 (00000000-- ) Fitting, Brs, Nipple, .25qm X 2.0[Taped] 2
YY 23 150401 (00000000-- ) Fitting, Brs, E90, Pf04/Pf04 2
Y24 200993 (00000000-- )Fitting, Brs, Pm04 [Spray Body] 4
Y25 200996 (00000000-- )DFilter, Screen, 100 Mesh, Check Valve 4
Y26 200964 (00000000-- )DFitting, Brs, Tip [11003, T--Jet] 4
Y27 200994 (00000000-- ) Cap, Nozzle, Spray [#8002] 4
ASSEMBLY
YINCLUDED IN ASSEMBLY
DRECOMMENDED STOCK ITEMS

OPTIONS
StriveRRider (09--2006)
68
HAND TOOL, 5 in / 127 mm
2
1
3
4
5
6
7
3
8
9
10
11
12
Ref. Part No. Serial Number Description Qty.
200505 (00000000-- )DTool, Hand, 127mm 5.0w 1
Y1 200431.BK (00000000-- )DTool, Hand, Blk 1
Y2 150913 (00000000-- ) Fitting, Brs, Qdc, Pf04 [Ser60] 1
Y3 150606 (00000000-- ) Fitting, Brs, Str, Pm04/Pm04 X1.38l[Nip] 2
Y4 200905 (00000000-- ) Lever [K--Valve W/ Pin] 1
Y5210210 (00000000-- )DValve, Water, Flow Cntrl, Pf04/Pf04 1
Y6 190600 (00000000-- )DK--Valve Kit, Repair 1
Y7 140609 (00000000-- ) Pin, Roll, .187d X 0.56l, Pl 1
Y8 150403 (00000000-- ) Fitting, Brs, E45, Pf04/Pm04 [Taped] 1
Y9 200992 (00000000-- ) Fitting, Brs, Str, Pf02, Swivel 1
Y10 200996 (00000000-- )DFilter, Screen, 100 Mesh, Check Valve 1
Y11 200965 (00000000-- )DFitting, Brs, Tip [8002, T--Jet] 1
Y12 200994 (00000000-- ) Cap, Nozzle, Spray [#8002] 1

OPTIONS
StriveRRider (09--2006) 69
HAND TOOL, CREVICE 3 in / 76 mm
1
23
4
5
6
7
Ref. Part No. Serial Number Description Qty.
200517 (00000000-- )DTool [Crevice Lp/Hp Series 60] 1
Y1 200436.BK (00000000-- ) Tool, Blk [Crevice] 1
Y2 200975 (00000000-- )DFitting, Brs, Jet [.125 V--Jet] 1
Y3 210014 (00000000-- )DValve, Water, Toggle, Pf02, W/ Nut 1
Y4 210020 (00000000-- ) Handle, Valve [Positioner] 1
Y5160106 (00000000-- )Hose, Soltn, Crevice Tool 1
Y6 150100 (00000000-- ) Fitting, Brs, Str, Pf02/Pm04 1
Y7 150913 (00000000-- ) Fitting, Brs, Qdc, Pf04 [Ser60] 1

OPTIONS
StriveRRider (09--2006)
70
HAND TOOL, UPHOLSTERY, LOW PRESSURE
1
3
2
54
8
6
7
10
13
12
9
14
11
Ref. Part No. Serial Number Description Qty.
200540 (00000000-- )DTool [Upholstery Lp Series 60] 1
Y1 200845 (00000000-- ) Cover, Tool [Upholstery] 1
Y2 200843 (00000000-- ) Gasket, Cover 1
Y3 190631 (00000000-- )DService Kit [Upholstery, Lp] 1
Y4 210226 (00000000-- )DValve, Water, Solenoid, 120vac Low Press 1
Y5200991 (00000000-- )DFitting, Ss, Jet, 1/8k--Jet 1
Y6 200838 (00000000-- ) Screw, #06--32 X 0.75 4
Y7 200840 (00000000-- ) Trigger Upholstery Tool 1
Y8 200844 (00000000-- )DHose, Vacuum [Upholstery Tool W/O Cuffs] 1
Y9 200837 (00000000-- )DHose [Hp Upholstery Tool] 1
Y10 200848 (00000000-- )Fitting, Brs [3 Pcs] 1
Y11 200842 (00000000-- ) Filter, In--Line, Complt 1
Y12 200841 (00000000-- ) Screen, Fltr, Inline 1
Y13 150606 (00000000-- ) Fitting, Brs, Str, Pm04/Pm04 X1.38l[Nip] 1
Y14 150913 (00000000-- )DFitting, Brs, Qdc, Pf04 [Ser60] 1
ASSEMBLY
YINCLUDED IN ASSEMBLY
DRECOMMENDED STOCK ITEMS

OPTIONS
StriveRRider (09--2006) 71
HOSES, SOLUTION AND VACUUM GROUP
1
2
4
4
3
5
6
7
Ref. Part No. Serial Number Description Qty.
1160185 (00000000-- )Hose, Soltn, .38id X 15ft [Series 60,Lp] 1
1 160186 (00000000-- ) Hose, Soltn, .38id X 25ft [Series 60,Lp] 1
1 160187 (00000000-- ) Hose, Soltn, .38id X 50ft [Series 60,Lp] 1
Y2 150913 (00000000-- )DFitting, Brs, Qdc, Pf04 [Ser60] 1
Y3 150933 (00000000-- ) Fitting, Brs, Qdc, Pm04 [Ser60] 1
Y4150615 (00000000-- )Fitting, Brs, Str, Pm04, Close, T 2
5 160400 (00000000-- ) Hose, Vacuum, 1.50id X 15ft 1
5 160401 (00000000-- ) Hose Kit, Vacuum, 1.50id X 25ft, 2cuff 1
5 160402 (00000000-- ) Hose, Vacuum, 1.50id X 50ft 1
Y6 160430 (00000000-- )DCuff, 1.5d Hose, 1.5id 2
7160451 (00000000-- )DConnector, Hose, Vacuum, 1.50 1
N/S 220040 (00000000-- )DBag, Hose, Accssry, 24x36[W/Draw String] 1
ASSEMBLY
YINCLUDED IN ASSEMBLY
DRECOMMENDED STOCK ITEMS

OPTIONS
StriveRRider (09--2006)
72
SPRAYER GROUP
1
Ref. Part No. Serial Number Description Qty.
1605848 (00000000-- )DSprayer 2gal Pumpup Hd 1
DOCUMENTATION GROUP
1
2
3
5
4
Ref. Part No. Serial Number Description Qty.
11032130 (00000000-- )DManual, Oprtr [Strive Rider, En] 1
1 1032132 (00000000-- )DManual, Oprtr [Strive Rider, Es] 1
1 1032133 (00000000-- )DManual, Oprtr [Strive Rider, Fr] 1
2 1032134 (00000000-- )DManual, Parts [Strive Rider] 1
3 1032139 (00000000-- )DManual, Service [Strive Rider] 1
41026713 (00000000-- )DManual, Cd--Rom, Training [Interactive] 1
5 1032135 (00000000-- )DInstr, Use & Care, En [Strive Rider] 1
DRECOMMENDED STOCK ITEMS

BREAKDOWNS
StriveRRider (06--2011) 73
STEERING CONTROL BREAKDOWN, 1019724
1
2
3
4
5
6
7
Ref. Part No. Serial Number Description Qty.
1019724 (00000000-- )DSteer--Control Assy, Wheel Drive 1
Y1 372874 (00000000-- )DVr, Bearing, Steering 1
Y2 372875 (00000000-- )DVr, Chain, Steering 1
Y3 372876 (00000000-- )DVr, Link, Master 1
Y4 372881 (00000000-- )DVr, Sprocket 1
Y51029229 (00000000-- )DShaft, Steering 1
Y61038313 (00000000-- )DPin, Roll, 06Mm X 28MmL 1
Y71043371 (00000000-- )DPulley, Tens [T7/R14 Steering Assy] 1
ASSEMBLY
YINCLUDED IN ASSEMBLY
DRECOMMENDED STOCK ITEMS

BREAKDOWNS
StriveRRider (03--2013)
74
FRONT DRIVE WHEEL GEARBOX BREAKDOWN, 9003021
23
7
24
13
812
9
6
2
5
4
10
22 311
14
20
19
21
15
16
17
18
1
25

BREAKDOWNS
StriveRRider (03--2013) 75
FRONT DRIVE WHEEL GEARBOX BREAKDOWN, 9003021
Ref. Part No. Serial Number Description Qty.
9003021 (00000000-- )DGearbox Kit, Wheel, 250mm, W/Connector 1
Y1 1034379 (00000000-- )DBrush Kit, Motor [Amer, 1pick=1bag] (1 Kit = 4 Brushes) 1
Y1 1034382 (00000000-- )DBrush Kit, Carbon 1
YY 2 1034411 (00000000-- )DBrush, Carbon 4
Y2 1034383 (00000000-- )DBrush Kit, Carbon Curve 1
YY 31034410 (00000000-- )DBrush, Carbon Curved 2
Y4 1029227 (00000000-- )DVr, Bearing, Ball, Brush Side 1
Y5 1034385 (00000000-- ) Ring, Brsh Holder, Afmkt 1
Y6391262 (00000000-- ) Brush Kit, Cover [Amer] 4
Y7 391263 (00000000-- ) Seal, Ring [Amer] 1
Y8391264 (00000000-- )Bearing, Gearbox Side [Amer] 1
Y9 391265 (00000000-- ) Bearing, Motor Side [Amer] 1
Y10 391467 (00000000-- ) Box, Ele, Connection 1
Y11 391468 (00000000-- ) Cover, Ele, Connection 11
Y12 1034384 (00000000-- ) Armature 1
Y13 1034386 (00000000-- )Screws, Wheel Mount, Afmkt 8
Y14 9001644 (00000000-- )DBrake Kit, Gearbox, W/ Connector 1
YY 15 78950 (00000000-- )DConnector, Fem, 02cav, Mp280 Sealed 2
YY 16 78952 (00000000-- )DLock, Secondary, 2cav, Mp280 Sealed 2
YY 17 25837 (00000000-- )DTerminal, Fem, Mp280, Sealed, 22--20ga 2
YY 18 25830 (00000000-- )DSeal, Wire, 14ga [Wp / Mp280 Sealed] 2
YY 19 372870 (00000000-- )DDisc, Brake 1
YY 20 372871 (00000000-- ) Adapter, Brake, Spl 1
Y21 372872 (00000000-- ) Sleeve, Rbr 1
Y22 372877 (00000000-- ) Guide, Brushholder, Slip Ring [Amer 1
Y23 372874 (00000000-- )DBearing, Steering 1
Y24 391259 (00000000-- )DTire, Solid, 250mm X 90mm Red (Standard) 1
Y25 130161 (00000000-- Plug, Hole, Rnd, 0.88d, Blk 1
ASSEMBLY
YINCLUDED IN ASSEMBLY
DRECOMMENDED STOCK ITEMS

BREAKDOWNS
StriveRRider (06--2011)
76
PUMP BREAKDOWN, 1022343
2
3
4
1
* Not Included with kit 9002988
Ref. Part No. Serial Number Description Qty.
1022343 (00000000-- )DPump, Water, 24vdc, 2.0gpm 250psi (Complete) 1
Y1034052 (00000000-- )DMotor, 24vdc, Pump, Replmt [R14] 1
Y11034050 (00000000-- )DHead, Pump, Replmt [R14] 1
YY 29002988 (00000000-- )DPlunger & Seal Kit, Replmt [R14] 1
YY 31034051 (00000000-- )DBearing, Cam, 100in Offset, Replmt [R14] 1
YY 49002989 (00000000-- )DValveKit,W/Org,Replmt[R14] 1
ASSEMBLY
YINCLUDED IN ASSEMBLY
DRECOMMENDED STOCK ITEMS

BREAKDOWNS
StriveRRider (03--2013) 77