9094818 Stallion 818 SC Illustrated Parts Book Nss 818sc Carpet Extractor Manual
Nss-Stallion-818Sc-Carpet-Extractor-Parts-Manual nss-stallion-818sc-carpet-extractor-parts-manual nss-stallion-818sc-carpet-extractor-parts-manual 1656 file product_file sweepscrub
2016-12-22
: Sweepscrub Nss-Stallion-818Sc-Carpet-Extractor-Parts-Manual nss-stallion-818sc-carpet-extractor-parts-manual 1655 file product_file
Open the PDF directly: View PDF
.
Page Count: 12

PARTS LIST
STALLION 818 SC

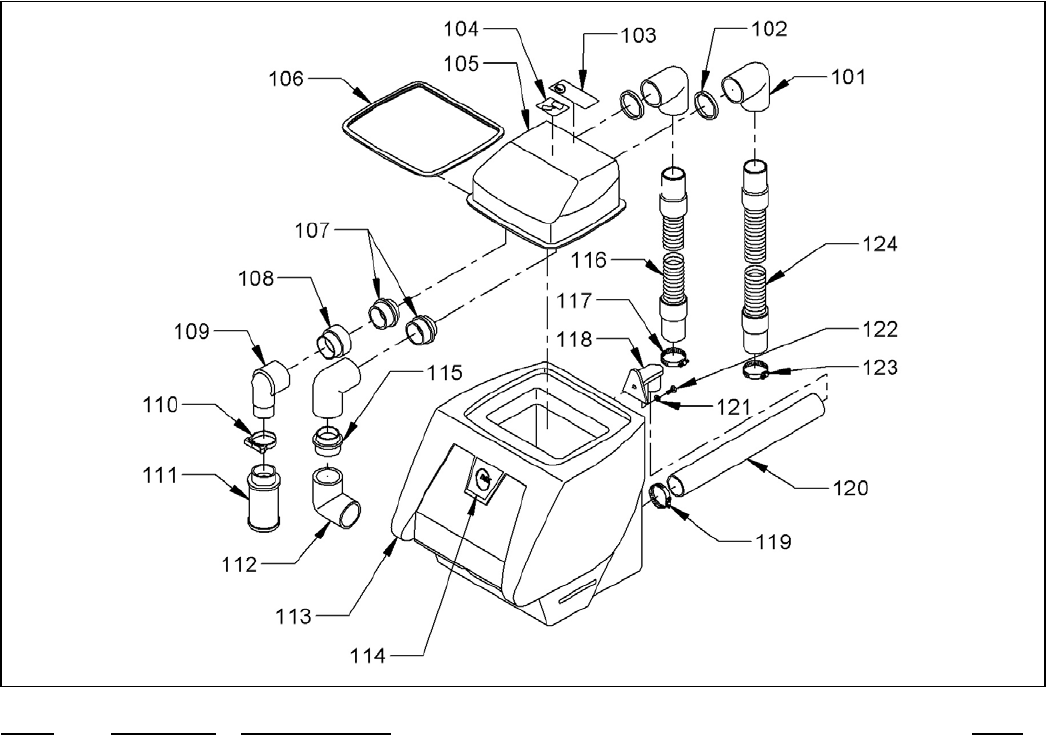
2
DOME ASSEMBLY
ITEM PART NO. DESCRIPTION QTY.
101 4898181 90° ELBOW 2
102 3890401 DRAIN VALVE GASKET 2
103 4898711 IDENTIFIER DECAL - STALLION 818 SC 1
104 4892781 DEFOAMER LABEL - STALLION LABEL KIT 1
105 4894351 DOME 1
106 4890121 DOME GASKET 1
107 4890911 ADAPTOR - 1 1/2 MPT X 1 1/2 MSL 2
108 4894571 1 1/2" MALE ADAPTER 1
109 4894802 90° HOSE BARB 1
110 4894081 CLAMP - HOSE - 1.593"- 1.812" 1
111 2391541 FLOAT SCREEN ASSEMBLY 1
112 4890891 ELBOW 1.5 FSL X 1.5 FT 1
113 4898809 RECOVERY TANK 1
114 4892691 NSS LOGO DECAL FRONT FACING 1
115 4890911 ADAPTOR - 1 1/2 MPT X 1 1/2 MSL 1
116 4894611 HOSE – VAC 1
117 4892671 HOSE CLAMP - 1 1/16" TO 2" 1
118 4890033 DRAIN HOSE PLUG 1
119 4892671 HOSE CLAMP - 1 1/16" TO 2" 1
120 4992611 DRAIN HOSE 15" 1
121 9120880 1/4 SPLIT LOCK WASHER - PACK OF 10 1
122 9121210 1/4-20 X 5/8 HEX BOLT - PACK OF 10 1
123 4892671 HOSE CLAMP - 1 1/16" TO 2" 1
124 4894651 HOSE - VAC NOZZLE 1

3
SWITCH BOX ASSEMBLY
ITEM PART NO. DESCRIPTION QTY
201 4892781 STALLION LABEL KIT 1
202 9121040 1/4-20 X 5/8 ROUND HEAD PHILLIPS MACHINE SCREW - PACK OF 5 1
203 9120970 1/4 EXTERNAL STAR LOCK WASHER - PACK OF 10 1
204 4890851 CABLE CLAMP,#COV-090 KMC 1
205 4890781 PUSH BUTTON SWITCH BOOT 1
206 4890761 MOMENTARY SWITCH 1
207 4892471 BUTTON SEAL - CIRCUIT BREAKER 1
208 4894701 SWITCH BOX 1
209 4895041 ROCKER SWITCH - INCLUDES BOOT 2
210 4890791 CIRCUIT BREAKER 2 AMP 120 VOLT 1
4891851 CIRCUIT BREAKER 1 AMP 240 VOLT 1
211 4894951 CIRCUIT BREAKER INSULATOR 1
212 0299661 STRAIN RELIEF CORD CLAMP 1
213 0891131 PLASTIC STRAIN RELIEF NUT 1
214 4892711 17" STUB CORD - INCLUDES: 1
215 5490171 FULLY INSULATED MALE TERMINAL - 14-16 GAGE 3
216 0299531 STRAIN RELIEF 1
217 4894691 JUMPER WIRE 1
218 4890821 STRAIN RELIEF 1
219 5490161 FULLY INSULATED FEMALE TERMINAL - 14-16 GAGE 6
220 9120970 1/4 EXTERNAL STAR LOCK WASHER - PACK OF 10 1
221 9121040 1/4-20 X 5/8 ROUND HEAD PHILLIPS MACHINE SCREW - PACK OF 5 1
222 4890851 CABLE CLAMP,#COV-090 KMC 1
223 3190571 STRAIN RELIEF-TYPE 530 1
224 4891121 POWER CORD - 50 FOOT WITH TWIST LOCK - 120 VOLT 1
4898721 POWER CORD - 50 FOOT WITH TWIST LOCK - 240 VOLT 1
0396301 TYPE I CORD (CHINA) 1
225 4894331 CORD - HANDLE TO BASE - INCLUDES: 1
226 2690571 1/4 INSULATED FEMALE SLIP ON 3
227 0298981 #10 RING TERMINAL 14-16 GA 1

4
RECOVERY / SOLUTION TANK ASSEMBLY
ITEM PART NO. DESCRIPTION QTY
301 4898809 RECOVERY TANK 1
302 4892691 NSS LOGO DECAL FRONT FACING 1
303 4894733 BRACKET - RECOVERY TANK HOLD DOWN 1
304 9120970 1/4 EXTERNAL STAR LOCK WASHER - PK OF 10 2
305 9121040 1/4-20 X 5/8 ROUND HEAD PHILLIPS MACHINE SCREW - PK OF 5 2
306 9997550 VELCRO HOOK 3”
9997560 VELCRO LOOP 3”
307 4890209 FILTER SCREEN ASSEMBLY - INCLUDES: 1
4891311 FILTER SCREEN BAG 1
307
A
4891321 BAG RING 1
308 4890011 SOLUTION TANK 1
309 9122465 .156 I.D. X .813 O.D. X .027/.030 THICK FLAT WASHER - PK OF 2 1
310 4890211 BUSHING - BRASS 1/4F- 3/8 M-NPT 1
311 4890191 FILTER 1
312 4894213 TANK HINGE 2
313 9121047 1/4 DIAMETER X 1 1/2 LONG SOC. HEAD SHDR BOLT
(
10-24
)
–
PK10 2
314 9120930 9/32 I.D. X 5/8 O.D. X .051/.080 THICK FLAT WASHER
(
1/4
)
- PK OF 10 2
315 9120880 1/4 SPLIT LOCK WASHER - PK OF 10 2
316 9121250 1/4-20 X 3/4 HEX BOLT - PK OF 10 2
317 4894461 RUBBER STOP 2
318 4894541 TANK SUPPORT STRAP 1
319 9121210 1/4-20 X 5/8 HEX BOLT - PK OF 10 1
320 9120880 1/4 SPLIT LOCK WASHER - PK OF 10 1
321 9120930 9/32 I.D. X 5/8 O.D. X .051/.080 THICK FLAT WASHER
(
1/4
)
- PK OF 10 1
322 9120930 9/32 I.D. X 5/8 O.D. X .051/.080 THICK FLAT WASHER
(
1/4
)
- PK OF 10 1
323 9120880 1/4 SPLIT LOCK WASHER - PK OF 10 2
324 9121270 1/4-20 X 1 HEX BOLT - PK OF 10 2
325 4894651 HOSE - VAC NOZZLE 2
326 4892671 HOSE CLAMP - 1 1/16" TO 2" 1
327 4894171 BASE ASSEMBLY 1
328 9120350 10-24 HEX NUT WITH NY-LOCK INSERT - PK OF 10 2
329 9121550 5/16 DIAMETER X 3/8 LONG SOCKET HEAD SHOULDER BOLT
(
1/4-20
)
2
330 4894671 CORD - BRUSH MOTOR - INCLUDES: 1
331 4891071 STRAIN RELIEF 1
332 4892781 STALLION LABEL KIT 1
333 4492791 BUSHING
–
PIVOT 1
334 4892681 HOSE RETAINING RING 1
335 9120970 1/4 EXTERNAL STAR LOCK WASHER - PK OF 10 1
336 9121270 1/4-20 X 1 HEX BOLT - PK OF 10 1
337 4890221 1/2" “O”RING 1
338 9122468 .562 I.D. X 1.25 O.D. X .072 THICK WASHER - PK OF 1 1
339 2795861 BRASS ELBOW - 45° X 1/4" NPT 1
340 4894611 HOSE
–
VAC1 1
341 4892741 NSS LOGO DECAL KIT 2.375 X 10 1
342 4894151 DRIP COVER 1
343 4890851 CABLE CLAMP
,
#COV-090 KMC 1
344 9121040 1/4-20 X 5/8 ROUND HEAD PHILLIPS MACHINE SCREW - PK OF 5 2
345 9120970 1/4 EXTERNAL STAR LOCK WASHER - PK OF 10 2

5
RECOVERY / SOLUTION TANK ASSEMBLY

6
FRAME ASSEMBLY
ITEM PART NO. DESCRIPTION QTY
401 Ă94171 BASE ASSEMBLY 1
402 4894591 PUMP - 80 PSI - 120 VOLT 1
4894881 PUMP - 80 PSI - 240 VOLT 1
403 4890211 BUSHING - BRASS 1/4F-3/8 M-NPT 2
404 4390611 STREET TEE 1/4"NPT 1
405 9120220 8-32 X 3/8 ROUND HEAD PHILLIPS MACHINE SCREW - PACK OF 10 1
406 9120180 #8 INTERNAL STAR LOCK WASHER - PACK OF 10 1
407 4894781 SOLENOID VALVE - 120 VOLT 1
4891271 SOLENOID VALVE - 240 VOLT 1
408 2795851 BRASS ELBOW - 90° X 1/4" NPT 2
409 4895011 HOSE - PUMP TO SPRAY BAR 1
410 3891941 1/4 HEX NIPPLE 1
411 4895021 HOSE - PUMP TO ACCESS 1
412 4892221 TAPPING PLATE 1
413 4895001 HOSE - TANK TO PUMP 1
414 2795851 BRASS ELBOW - 90° X 1/4" NPT 1
415 3590751 MALE CONNECTOR – QUICK 1
416 9122468 .562 I.D. X 1.25 O.D. X .072 THICK WASHER - PACK OF 1 3
417 0294341 TOP MOTOR SEAL 1
418 9120590 10-24 X 3/8 PAN HEAD PHILLIPS THREAD CUTTING SCREW - PACK OF 10 1
419 9120320 #10 SPLIT LOCK WASHER - PACK OF 10 1
420 4894981 WIRE - GREEN - GROUND TO MOTOR 2
421 4894551 HOSE - VAC MOTOR EXHAUST 1
422 4495441 HOSE CLAMP - 1 9/16" TO 2 1/2" DIAMETER 1
423 4894641 VAC MOTOR - 120 VOLT 1
4894751 VAC MOTOR - 240 VOLT 1
424 4892671 HOSE CLAMP - 1 1/16" TO 2" 1
425 4894611 HOSE – VAC 1
426 9121010 1/4-20 X 3/4 TRUSS HD PHIL M/S – 5 2
427 9120880 1/4 SPLIT LOCK WASHER - PACK OF 10 2
428 3290671 PUSH ON TERMINAL 2
429 4894293 VAC MOTOR BRACKET 1
430 4898591 VACUUM NOZZLE 18” 1
431 9121210 1/4-20 X 5/8 HEX BOLT - PACK OF 10 4
432 9120880 1/4 SPLIT LOCK WASHER - PACK OF 10 4
433 9120930 9/32 I.D. X 5/8 O.D. X .051/.080 THICK FLAT WASHER (1/4) - PACK OF 10 4
434 9121210 1/4-20 X 5/8 HEX BOLT - PACK OF 10 2
435 9120880 1/4 SPLIT LOCK WASHER - PACK OF 10 2
436 9120930 9/32 I.D. X 5/8 O.D. X .051/.080 THICK FLAT WASHER (1/4) - PACK OF 10 2
437 4892731 10" WHITE PLASTIC WHEEL 2
438 9120930 9/32 I.D. X 5/8 O.D. X .051/.080 THICK FLAT WASHER (1/4) - PACK OF 10 2
439 9120880 1/4 SPLIT LOCK WASHER - PACK OF 10 2
440 9121210 1/4-20 X 5/8 HEX BOLT - PACK OF 10 2
441 ----------- HUBCAP 2
442 9120360 10-24 HEX NUT WITH STAR LOCK WASHER - PACK OF 10 3
443 9120430 10-24 X 3/4 ROUND HEAD PHILLIPS MACHINE SCREW - PACK OF 10 1
444 9120430 10-24 X 3/4 ROUND HEAD PHILLIPS MACHINE SCREW - PACK OF 10 1
445 9120420 10-24 X 5/8 ROUND HEAD PHILLIPS MACHINE SCREW - PACK OF 10 1
446 9120270 8-32 X 7/8 ROUND HEAD PHILLIPS MACHINE SCREW - PACK OF 10 2
447 9120430 10-24 X 3/4 ROUND HEAD PHILLIPS MACHINE SCREW - PACK OF 10 1
448 9120360 10-24 HEX NUT WITH STAR LOCK WASHER - PACK OF 10 3
449 9997600 EDGE TRIM - FOR SPLASH SHIELD 16.9”
450 5294201 NYLON CABLE CLAMP 1
451 9120360 10-24 HEX NUT WITH STAR LOCK WASHER - PACK OF 10 2
452 4894771 RECTIFIER - 120 VOLT 1
5492741 RECTIFIER - 240 VOLT 1
453 9120360 10-24 HEX NUT WITH STAR LOCK WASHER - PACK OF 10 1
454 4894321 TERMINAL BLOCK 1
455 9120190 8-32 HEX NUT WITH STAR LOCK WASHER - PACK OF 10 2
456 9120450 10-24 X 1 ROUND HEAD PHILLIPS MACHINE SCREW - PACK OF 10 4
457 9120320 #10 SPLIT LOCK WASHER - PACK OF 10 4
458 9120370 7/32 I.D. X 1/2 O.D. X .032/.065 THICK FLAT WASHER (#10) - PACK OF 10 4

7
FRAME ASSEMBLY

8
BRUSH ASSEMBLY
ITEM PART NO. DESCRIPTION QTY
501 4898631 BRUSH HOUSING COVER 18” 1
502 9121250 1/4-20 X 3/4 HEX BOLT - PACK OF 10 2
503 9120880 1/4 SPLIT LOCK WASHER - PACK OF 10 2
504 9120930 9/32 I.D. X 5/8 O.D. X .051/.080 THICK FLAT WASHER (1/4) PACK OF 10 2
505 4894441 BRUSH LIFT GUIDE 2
506 4894103 BRUSH FOOT PEDAL 1
507 4892781 STALLION LABEL KIT 1
508 9121289 1/4 DIAMETER X 3/16 LONG SOCKET HEAD SHOULDER BOLT (10-24) - PACK 2
509 4894203 BRUSH LIFT ARM 2
510 9120320 #10 SPLIT LOCK WASHER - PACK OF 10 2
511 9120450 10-24 X 1 ROUND HEAD PHILLIPS MACHINE SCREW - PACK OF 10 2
512 4891971 BELT COVER – BRUSH HOUSING 1
513 9120207 3/16 I.D. X 1/2 O.D. EYELET - BRASS - PACK OF 2 2
514 9120585 10-24 X 1/5 OVAL HEAD PHILLIPS MACHINE SCREW - PACK OF 10 2
515 9120580 10-24 X 5/8 ROUND HEAD SLOT MACHINE SCREW - BRASS - PACK OF 10 4
516 9120385 10-24 X 3/8 RND HD PHIL MACHINE SCREW WITH SEALENT - PACK OF 2 2
517 9120320 #10 SPLIT LOCK WASHER - PACK OF 10 2
518 9120370 7/32 I.D. X 1/2 O.D. X .032/.065 THICK FLAT WASHER #10 - PACK OF 10 2
519 9120660 10-32 HEX NUT WITH NY-LOK INSERT - PACK OF 10 2
520 4894381 POLY-V BELT 1
521 9120410 10-24 X 1/2 ROUND HEAD PHILLIPS MACHINE SCREW - PACK OF 10 2
522 9120320 #10 SPLIT LOCK WASHER - PACK OF 10 2
523A 4898849 BRUSH ASSEMBLY – INCLUDES 523 TO 531 1
523 4890971 SHIELD 1
524 4898621 BRUSH AXLE 18” 1
525 4890961 BEARING – BRUSH 2
526 4894251 BRUSH PULLEY 1
527 9120670 10-32 X 5/8 FLAT HEAD PHILLIPS MACHINE SCREW - PACK OF 10 2
528 4898611 BRUSH 18” 1
529 4894371 BUSHING – BRUSH 1
530 4894281 BRUSH THREAD GUARD 1
531 3695051 SHAFT SEAL 1
532 8891080 3/16" X 5/16" NEOPRENE GASKET 15.6”
533 4898771 SPRAY TIP & BODY 8001.5 - INCLUDES: 3
533 4898781 SPRAY TIP ONLY 8001.5 3
534 4891291 SPRAY BODY ONLY 3
534 4892111 SPRAY BODY “O” RING - NOT SHOWN 3
535 4898641 SPRAY BAR 18” 1
536 4895011 HOSE - PUMP TO SPRAY BAR 1
537 2392151 1/4" PIPE PLUG – BRASS 2
538 8891100 1/2" X 1" GASKET MATERIAL 15.6”
539 9123005 1/8 X 5 1/2 WIRE TIE - PACK OF 5 1
540 0298981 #10 RING TERMINAL 14-16 GA 2
541 4991361 FULLY INSULATED FEMALE TERMINAL 18-22 GAGE 4
542 4991371 FULLY INSULATED MALE TERMINAL 18-22 GAGE 2
543 9120430 10-24 X 3/4 ROUND HEAD PHILLIPS MACHINE SCREW - PACK OF 10 2
544 4898601 BRUSH FRAME 18” 1
545 9120360 10-24 HEX NUT WITH STAR LOCK WASHER - PACK OF 10 3
546 0891131 PLASTIC STRAIN RELIEF NUT 1
547 8891130 1" X 1/8" NEOPRENE GASKET 12”
548 9120640 10-32 X 1/4 SET SCREW - CUP POINT - PACK OF 10 2
549 4894241 MOTOR PULLEY 1
550 4898651 MOTOR - BRUSH DRIVE - 120 VOLT - SEALED - INCLUDES: 1
4891261 MOTOR - BRUSH DRIVE - 240 VOLT - SEALED - INCLUDES: 1
551 0298981 #10 RING TERMINAL 14-16 GA 1
552 4890831 STRAIN RELIEF – INCLUDES: ITEM 546 1
553 4894671 CORD - BRUSH MOTOR 1

9
BRUSH ASSEMBLY

10
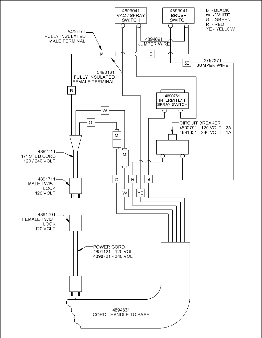
WIRING DIAGRAM - CONTROL HANDLE

11
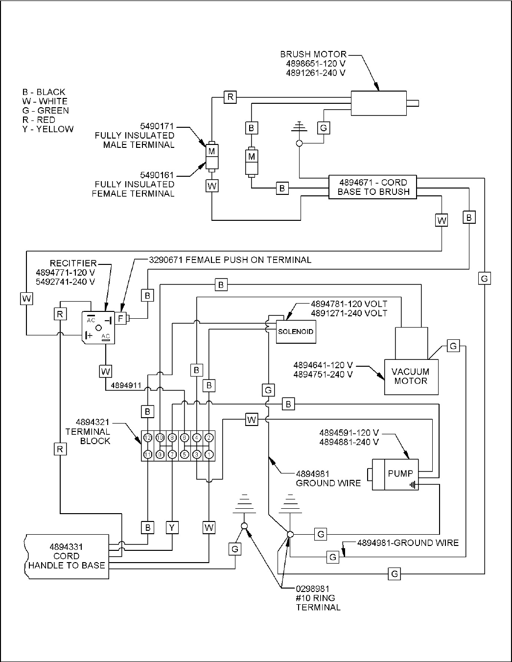
WIRING DIAGRAM - FRAME AND BRUSH HEAD

12
ACCESSORIES
PART NO. PART DESCRIPTION
3097849 14” SQUEEGEE WITH BRUSH
2598551 15’ VACUUM HOSE – CLEAR
2590361 1 1/2” HOSE CUFF - WAND END - USE WITH 2598551
2590371 1 3/4” HOSE CUFF - COUPLING END - USE WITH 2598551
4095461 15’ VACUUM HOSE – BLACK
2594251 25’ VACUUM HOSE
2599601 1 3/4” HOSE CUFF - COUPLING END - USE WITH 2594251
2599611 1 1/2” HOSE CUFF - WAND END - USE WITH 2594251
4098021 15’ SOLUTION HOSE - LOW PRESSURE - FEMALE / FEMALE QDC
3891581 15’ SOLUTION HOSE - LOW PRESSURE - MALE / MALE QDC
3890991 15’ SOLUTION HOSE - LOW PRESSURE - FEMALE / MALE QDC
4097111 QUICK CONNECT ADAPTOR - FEMALE / FEMALE
4093251 3 - JET WAND - 12” WIDTH
4097201 2 - JET WAND - 12” WIDTH
4097301 SINGLE JET - 30” LONG STAIR WAND - 9 3/4 WIDTH
4097401 6” STAIR TOOL
4096841 4” UPHOLSTERY TOOL
4096851 3 1/2” DETAIL TOOL
4096871 8” FLATTENED INTERNAL SPRAY CREVICE TOOL
4098101 12” SQUEEGEE WITH WAND
9094030 EXTRACTOR ACCESSORIES ILLUSTRATED PARTS BOOK
4891721 COIL HOSE WITH SPRAY GUN - LOW PRESSURE - FEMALE QDC
4892859 UPHOLSTERY KIT - INCLUDES:
4096841 4” UPHOLSTERY TOOL
2598551 15’ VACUUM HOSE – CLEAR
4098021 15’ SOLUTION HOSE - LOW PRESSURE - FEMALE / FEMALE
4892869 DETAIL 3 - JET WAND TOOL KIT - INCLUDES:
4093251 3 - JET WAND - 12” WIDTH
2598551 15’ VACUUM HOSE
4098021 15’ SOLUTION HOSE - LOW PRESSURE - FEMALE / FEMALE
4098089 15’ SOLUTION HOSE EXTENSION KIT - INCLUDES:
2598551 15’ VACUUM HOSE
3890991 15’ SOLUTION HOSE - LOW PRESSURE - FEMALE / MALE QDC
2291211 5” ALUMINUM CONNECTOR
NSS ® Enterprises, Inc.
3115 Frenchmens Road, Toledo, Ohio 43607
PHONE (419) 531-2121 FAX (419) 531-3761
STALLION 818 SC ORIG. 09-09 REV F 07-13 9094818
NSS ® Enterprises, Inc. European Distribution Centre
Unit II, Pinfold Trading Estate * 55 Nottingham Road
STAPLEFORD, NOTTINGHAM NG9 8AD ENGLAND U.K.
PHONE: (44) 0115 939 1568 * FAX: (44) 0115 949 0615
NSS Asia Limited Shanghai
501 LiYuan Road, Building A7, Suite 7112
Lu Wan District, Shanhai, China 6137125
PHONE: (021) 61371251 FAX: (021) 61371252