9092378 Wrangler 2016 Illustrated Parts Book Nss Walk Behind Floor Scrubber Manual
2016-12-20
: Sweepscrub Nss-Wrangler-2016-Walk-Behind-Floor-Scrubber-Parts-Manual nss-wrangler-2016-walk-behind-floor-scrubber-parts-manual 1569 file product_file
Open the PDF directly: View PDF
.
Page Count: 28

PARTS LIST
WRANGLER 2016 AE, AB, DB

2
BRUSH HEAD ASSEMBLY
ITEMPARTNO.DESCRIPTIONQTY
1012397081MOTORHOUSING1
1029120610#10‐24X5/8PANHEADPHILLIPSTHREADCUTTINGSCREW[PACKOF10]4
1032397991WATERSOLENOID24VOLT1
2397721WATERSOLENOID120VOLT(USEONAEMODELS)1
10491209101/4‐20HEXNUTWITHSTARLOCKWASHER[PACKOF10]2
1052393001GEARMOTOR,3/4HP,24VOLTDC1
2393011GEARMOTOR,3/4HP,120VOLTAC(USEONAEMODELS)1
10626905811/4SPADEMALETERMINAL12‐10AWGYELLOW2
10791225801/2‐13X2HEXBOLT[PACKOF1]2
108912245017/32I.D.X11/6O.D.X.074/.121THICKSAEFLATWASHER(1/2)[PK5]2
1092397213DECKSKIRT1
1102391941BALLJOINT2
11191224201/2SPLITLOCKWASHER[PACKOF5]2
11291227001/2‐20X1HEXBOLT[PACKOF2]2
1132391702SKIRTBAND1
1149120450#10‐24X1ROUNDHEADPHILLIPSMACHINESCREW[PACKOF10]1
1159120350#10‐24HEXNUTWITHNY‐LOKINSERT[PACKOF10]1
1162391121BUMPERGUARD1
1172393052CLUTCHCASTING1
118912198513/32I.D.X1O.D.X.12THICKSAEFLATWASHER[PACKOF1]1
11991215205/16SPLITLOCKWASHER[PACKOF10]1
12091216405/16‐18X3/4HEXBOLT[PACKOF5]1
121 ‐‐‐‐‐‐‐‐‐‐‐ SEEACCESSORIESPAGEFORPADSANDBRUSHES1
122289260120”STRUCTURALFOAMPADDRIVER‐INCLUDES:1
122A5990731 SPRINGCLIPPADHOLDERSET(WHITE)‐INCLUDES:1
122B9120506 #8X5/8PANHEADPHILLIPSSHEETMETALSCREW3
122A5990601LOCKRINGDEEP(BLUE)1
1232393061SPACER1
12491222203/8‐16X3/4HEXBOLT[PACKOF5]4
12591221003/8SPLITLOCKWASHER[PACKOF10]4
126912198013/32I.D.X1O.D.X.12THICKFLATWASHER(11GA)[PACKOF2]2
12791215605/16‐18X1/2HEXBOLT[PACKOF5]1
12891214105/16EXTERNALSTARLOCKWASHER[PACKOF10]1
1292392276AXLE,BUMPERWHEEL1
13027902813"BUMPERWHEEL1
131912139011/32I.D.X11/16O.D.X.051/.080THICKSAEFLATWASHER(5/16)[PK10]1
13291214105/16EXTERNALSTARLOCKWASHER[PACKOF10]1
13391215605/16‐18X1/2HEXBOLT[PACKOF5]1
13491212501/4‐20X3/4HEXHEADMACHINESCREW[PACKOF10]2
1352397741BRACKET,DRAINHOSECATCH1
13691209309/32I.D.X5/8O.D.FLATWASHER‐PACKOF102

3
BRUSH HEAD ASSEMBLY

4
AE, AB FRAME ASSEMBLY
ITEMPARTNO.DESCRIPTIONQTY
2017690551DRIVECASTINGSPACER 1
20291222203
/
8‐16X3
/
4HEXBOLT
[
PACKOF5
]
4
20391221003
/
8SPLITLOCKWASHER
[
PACKOF10
]
4
20491220003
/
8‐16HEXNUT
[
PACKOF10
]
4
2052397311AXLE1
2062398011FRAME1
2072393781WHEEL
,
8"WITHGROOVES 2
2393681BEARINGFORWHEEL2393781
(
2PERWHEEL
)
4
20891222203
/
8‐16X3
/
4HEXBOLT
[
PACKOF5
]
2
20991221003
/
8SPLITLOCKWASHER
[
PACKOF10
]
2
21091219807
/
16I.D.X1O.D.X.075
/
.080THICKSAEFLATWASHER
(
3
/
8
)
[
PACKOF2
]
2
2116491871ENDCOUPLINGROUNDBEADCHAIN 1
2129120510#10‐24X1
/
2TRUSSHEADPHILLIPSSCREW
[
PACKOF10
]
1
2136491860ROUNDBEADCHAIN
(
CUTTO6”
)
.5’
2149120360#10‐24HEXNUTWITHSTARLOCKWASHER
[
PACKOF10
]
1
2152398021CASTERMOUNTPLATE1
216912139011
/
32I.D.X11
/
16O.D.X.051
/
.080THICKFLATWASHER
(
5
/
16
)
[
PACKOF10
]
8
21791215205
/
16SPLITLOCKWASHER
[
PACKOF10
]
8
21891216805
/
16‐18X1HEXBOLT
[
PACKOF5
]
2
2192398031CASTER31
/
2WHEELSWIVELTOP‐ INCLUDES: 2
2398211WHEEL
,
31
/
2PERFORMARUBBER 1
22091216405
/
16‐18X3
/
4HEXBOLT
[
PACKOF5
]
6

5
DB FRAME ASSEMBLY
ITEMPARTNO.DESCRIPTIONQTY
3012397111TRANSAXLEBRACKET 2
30291222203
/
8‐16X3
/
4HEXBOLT
[
PACKOF5
]
4
30391221003
/
8SPLITLOCKWASHER
[
PACKOF10
]
4
30491220003
/
8‐16HEXNUT
[
PACKOF10
]
4
3052398011FRAME1
3069120510#10‐24X1
/
2TRUSSHEADPHILLIPSSCREW
[
PACKOF10
]
1
3079120360#10‐24HEXNUTWITHSTARLOCKWASHER
[
PACKOF10
]
1
3086491871ENDCOUPLINGROUNDBEADCHAIN 1
3096491860ROUNDBEADCHAIN
(
CUTTO6”
)
.5’
3102396351WHEEL‐DRIVE
,
8X2 2
31191219807
/
16I.D.X1O.D.X.075
/
.080THICKSAEFLATWASHER
(
3
/
8
)
[
PACKOF2
]
2
31291221003
/
8SPLITLOCKWASHER
[
PACKOF10
]
2
31391222203
/
8‐16X3
/
4HEXBOLT
[
PACKOF5
]
2
3142393901TRANSAXLE1
314A91208263
/
16SQUAREX11
/
4”LONGKEY
[
PACKOF2
]
2
2693181BRUSHKIT
(
SETOF4FORTRANSAXLEMOTOR
)
1
315912139011
/
32I.D.X11
/
16O.D.X.051
/
.080THICKFLATWASHER
(
5
/
16
)
[
PACKOF10
]
8
31691215205
/
16SPLITLOCKWASHER
[
PACKOF10
]
8
31791216805
/
16‐18X1HEXBOLT
[
PACKOF5
]
2
3182398031CASTER31
/
2WHEELSWIVELTOP–INCLUDES 2
2398211 WHEEL
,
31
/
2PERFORMARUBBER 1
31991216405
/
16‐18X3
/
4HEXBOLT
[
PACKOF5
]
6
3202398021CASTERMOUNTPLATE 1

6
SOLUTION TANK TO FRAME ASSEMBLY
ITEMPARTNO.DESCRIPTIONQTY
4017691891NSSLOGOLABEL‐3.5X20 1
402239395190°ELBOW
,
1
/
2M‐NPTX1
/
2BARB 1
40391225071
/
2‐13HEXNUTWITHNY‐LOKINSERT
[
PACKOF1
]
2
4042397303DECKLIFT1
4052398011FRAME1
4068791180VINYLHOSE1
/
2I.D.X3
/
4O.D.
(
111
/
2"LENGTH
)
.96’
4072495161FITTING1
/
4NPTX1
/
2BARBSTRAIGHT 1
408912139011
/
32I.D.X11
/
16O.D.X.051
/
.080THICKSAEFLATWASHER
(
5
/
16
)
[
PK10
]
2
40991215205
/
16SPLITLOCKWASHER
[
PACKOF10
]
4
41091215805
/
16‐18X3
/
4BUTTONHEADCAPSCREW
[
PACKOF5
]
4
4112397981VALVELEVERLARGEPIVOTHOLE 1
4122791281BUSHINGSPACER1
41391209001
/
4‐20HEXNUTWITHNY‐LOKINSERT
[
PACKOF10
]
2
414239328190°ELBOW
,
1
/
4NPTX1
/
4NPT 1
4153393551INLINECANISTERSTRAINER
(
INCLUDES
)
1
3393611 STRAINERELEMENT1
3394559 KIT
,
BOWL&GASKET
(
INCLUDES
)
1
3393621 GASKET1
3392731 BOWL1
4162495151FITTING
,
ELL1
/
2BARBX1
/
4NPT–NYLON 1
4178791180VINYLHOSE1
/
2I.D.X3
/
4O.D.
(
37”LENGTH
)
2.08’
4182397961MANUALSOLUTIONVALVE
,
STEELSTEM 1
41923979712016VALVEBRACKET1
4202391181GRIP
,
VALVELEVER1
4212397191HANDLESOLUTIONVALVE 1
42291225071
/
2‐13HEXNUTWITHNY‐LOKINSERT
[
PACKOF1
]
2
4232790751BUSHINGSPACER2
424912245017
/
32I.D.X11
/
16O.D.X.074
/
.121THICKSAEFLATWASHER
(
1
/
2
)
[
PK5
]
4
42591225501
/
2‐13X2HEXBOLT
[
PACKOF1
]
2
4263390661TUBBINGCONTROLVALVE 1
4278791070VINYLHOSE
,
3
/
8I.D.X1
/
2O.D.
(
30”LENGTH
)
2.5’
4282397551FITTING1
/
4NPTX3
/
8BARB 1
429239177190°HOSEBARB3
/
4I.D.X1
/
2NPTNYLON 1
43091212101
/
4‐20X5
/
8HEXBOLT
[
PACKOF10
]
4
43191208801
/
4SPLITLOCKWASHER
[
PACKOF10
]
4
43291209309
/
32I.D.X5
/
8O.D.X.051
/
.080THICKWASHER
(
1
/
4
)
[
PACKOF10
]
4
4332397611HINGEBRACKET2
4342393831LABEL
,
BATTERYCONNECTIONS 1
4352397541BAGRING1
4362397531SOLUTIONINLETFILTER 1
4379120205#8X1
/
2PANHEADPHILLIPSSHEETMETALSCREW
[
PACKOF3
]
2
4382397071SOLUTIONTANK1
4393394141OBCWARNINGLABEL1

7
SOLUTION TANK TO FRAME ASSEMBLY

8
BRUSH LIFT ASSEMBLY
ITEMPARTNO.DESCRIPTIONQTY
50191219603/8EXTERNALSTARLOCKWASHER[PACKOF10] 1
50291220303/8‐16X3/4BUTTONHEADSOCKETSCREW[PACKOF2] 1
5032694261CABLE1
504239177190°HOSEBARB3/4I.D.X1/2NPTNYLON 1
5052397291BRACKETDECKLIFTHANDLE 1
50691213835/16‐18X11/4SETSCREW[PACKOF1] 1
50791214105/16EXTERNALSTARLOCKWASHER[PACKOF10] 3
5082397331DECKLIFTHANDLEGRIP 1
5092397281HANDLEDECKLIFT1
51091216405/16‐18X3/4HEXBOLT[PACKOF5] 2
5112397303DECKLIFT1
51291222603/8‐16X1HEXBOLT[PACKOF2] 1
5138791030VINYLHOSE,3/4"I.D.X1"O.D.1/8THICK(38”LENGTH) 3.2’
5149120540#10‐24X1/2FLATHEADPHILLIPSMACHINESCREW[PACKOF10]1
5159120330#10EXTERNALSTARLOCKWASHER [PACKOF10] 1
5162397271UNIVERSALMOUNTINGSTRAP 1
5172397421SOLUTIONGAUGE1
51891221003/8SPLITLOCKWASHER[PACKOF10] 1
51991220303/8‐16X3/4BUTTONHEADSOCKETSCREW[PACKOF2] 1
52091211601/4‐20X3/8HEXBOLT[PACKOF10] 1
52191208801/4SPLITLOCKWASHER[PACKOF10] 1
52291209309/32I.D.X5/8O.D.X.051/.080THICKSAEFLATWASHER(1/4)[PKOF10]1
52391214405/16‐18WINGNUT[PACKOF2] 1
52491220103/8‐24HEXNUT[PACKOF5] 1
5252691811SHORTLIFTROD,BRUSH 1
5262691831HOUSING‐SPRING,RETAINER 1
5272691841SPRING,BRUSHPRESSURE 1
52891221403/8‐16HEXNUTWITHNY‐LOKINSERT[PACKOF5] 1
5292691821HOUSING‐SPRING,BRUSHLIFT 1
53091220003/8‐16HEXNUT[PACKOF10] 1
5312397581LIFTROD13”1
53291220103
/
8‐24HEXNUT
[
PACKOF5
]
1
53344905313
/
8”RODEND2
5342397061RECOVERYTANK1
5352391963CASTIRONWEIGHT
(
USEONAEMODELS
)
1
5369997550VELCROHOOK
(
USEONAEMODELS
)
1’
5379997560VELCROLOOP
(
USEONAEMODELS
)
1’
5382392761WARNINGTAG‐BATTERYTERMINAL 1
5393390361BATTERY
,
WET
,
6VOLT
,
235AMP
/
HOUR 4
6393651BATTERYWET
,
12VOLT
,
130 AMP
/
HOUR 2
2392731BATTERY
,
GEL12VOLT100AMP
/
HOUR 2
5406496031BATTERYBLOCK2
5412397071SOLUTIONTANK1

9
BRUSH LIFT ASSEMBLY

10
RECOVERY TANK ASSEMBLY
ITEMPARTNO.DESCRIPTIONQTY
6012397671CLIP
,
TIESTRAP1
6029120330#10EXTERNALSTARLOCKWASHER
[
PACKOF10
]
1
6039120510#10‐24X1
/
2TRUSSHEADPHILLIPSMACHINESCREW
[
PACKOF10
]
1
604912300011"LONGWIRETIE
[
PACKOF5
]
1
6057691261EXHAUSTMUFFLERTUBE 1
606912300011"LONGWIRETIE
[
PACKOF5
]
1
6072397691VACMOTORHOSEEXHAUST‐ 18”LONG 1
6084495441HOSECLAMP‐19
/
16TO21
/
2 1
6094495441HOSECLAMP‐19
/
16TO21
/
2 1
6107695341DRAINHOSE
,
RECOVERYTANK 1
6112397031LOWERHINGEBRACKET 2
6122393931CLEVISPIN
,
Ø
3
/
16”X13
/
4"LONG 2
61391215705
/
16‐18X1
/
2BUTTONSOCKETHEADCAPSCREW
[
PACKOF5
]
5
61491214105
/
16EXTERNALSTARLOCKWASHER
[
PACKOF10
]
5
6152397021UPPERHINGEBRACKET 2
6165490161FULLYINSULATEDFEMALETERMINAL14‐16AWG 2
6172395571MOTOR
,
VAC24VOLT‐ 3STAGE 1
2397571 CARBONBRUSHREPLACEMENT‐ 24VOLT 2
2391071MOTOR
,
VAC120VOLT‐ 2STAGE
(
USEONAEMODELS
)
1
2392581 CARBONBRUSHREPLACEMENT‐ 120VOLT 2
61891209001
/
4‐20HEXNUTWITHNY‐LOKINSERT
[
PACKOF10
]
3
61991209309
/
32I.D.X5
/
8O.D.X.051
/
.080THICKSAEFLATWASHER
(
1
/
4
)
[
PK10
]
3
6204690101VACMOTOR
/
FLOATGASKET 1
62191213631
/
4‐20X41
/
2FULLTHREADEDSTUD
[
PACKOF2
]
3
6222690591SQUEEGEEVACHOSEWITHCUFFS 1
6234892671HOSECLAMP‐11
/
16TO2 1
6242391541FLOATSCREENASSEMBLY 1
6258891100GASKETMATERIAL1
/
2"X1"
(
26”LENGTH
)
2.2’
6264894461RUBBERSTOP
(
USEDONAB
,
DBMODELS
)
1
62791210101
/
4‐20X3
/
4TRUSSHEADPHILLIPSMACHINESCREW
[
PACKOF5
]
1
6282397591VACFILTER1
6292397441VACPLATEGASKET1
6302393511IDENTIFIERLABEL‐WRANGLER2016DB 1
2393521IDENTIFIERLABEL‐WRANGLER2016AB 1
2393531IDENTIFIERLABEL‐WRANGLER2016AE 1
6312397411VACPLATE1
6325392401WARNING‐FIRELABEL 1
6339120330#10EXTERNALSTARLOCKWASHER
[
PACKOF10
]
7
6349120510#10‐24X1
/
2TRUSSHEADPHILLIPSMACHINESCREW
[
PACKOF10
]
7
6352690889RECOVERYTANKLIDANDGASKETASSEMBLY‐ INCLUDES: 1
635A2690881 RECOVERYTANKLIDASSEMBLY‐ INCLUDES: 1
635A12690921 BLACKRING
,
RECOVERYTANK 1
635A29120205 #8X1
/
2PANHEADPHILLIPSSHEETMETALSCREW
[
PACKOF3
]
1
635A32690931 LIDCHAIN1
635A42690911 LID–CLEAR1
635B2690891 RECOVERTANKLIDGASKET 1
6369120205#8X1
/
2PANHEADPHILLIPSSHEETMETALSCREW
[
PACKOF3
]
5
6379120450#10‐24X1ROUNDHEADPHILLIPSMACHINESCREW
[
PACKOF10
]
1
6389120360#10‐24HEXNUTWITHSTARLOCKWASHER
[
PACKOF10
]
1
6392397061RECOVERYTANK1

11
RECOVERY TANK ASSEMBLY

12
AE HANDLE ASSEMBLY
ITEMPARTNO.DESCRIPTIONQTY
7012397771PLUG
,
2”HOLE1
7029120205#8X1
/
2PANHEADPHILLIPSSHEETMETALSCREW
[
PACKOF3
]
8
7032397321DASHPLATE–LEFT1
70491214305
/
16‐18HEXNUTWITHNY‐LOKINSERT
[
PACKOF5
]
2
7052397731WIREDIAGRAMLABEL ‐ELECTRIC120VOLT 1
7062397783REARPANEL1
70791214305
/
16‐18THINHEXNUTWITHNY‐LOKINSERT
[
PACKOF5
]
1
708912139011
/
32I.D.X11
/
16O.D.X.051
/
.080THICKSAEFLATWASHER
(
5
/
16
)
[
PACKOF10
]
2
7092397141S
Q
UEEGEELIFTHANDLEBRACKET 1
71091216405
/
16‐18X3
/
4HEXBOLT
[
PACKOF5
]
1
71191219905
/
16‐18HEXJAMNUT
[
PACKOF10
]
1
7122397131S
Q
UEEGEELIFTHANDLE 1
7132397601GRIP
,
S
Q
UEEGEELIFTHANDLE 1
71491212101
/
4‐20X5
/
8HEXBOLT
[
PACKOF10
]
1
71591208801
/
4SPLITLOCKWASHER
[
PACKOF10
]
1
7164490561INSULATEDSTANDOFF 1
7179120690#10‐32HEXNUTWITHSTARLOCKWASHER
[
PACKOF10
]
1
7185492741RECTIFIER1
71991214305
/
16‐18HEXNUTWITHNY‐LOKINSERT
[
PACKOF5
]
2
7202397611HINGEBRACKET2
72191216005
/
16‐18X5
/
8HEXBOLT
[
PACKOF5
]
2
722499066175’POWERCORD
,
12‐3WITHTWISTLOCK 1
5592081 FEMALETWISTLOCK
[
REPLACEMENTPART
]
1
72391209309
/
32I.D.X5
/
8O.D.X.051
/
.080THICKSAEFLATWASHER
(
1
/
4
)
[
PACKOF10
]
1
72491209701
/
4EXTERNALSTARLOCKWASHER
[
PACKOF10
]
1
7259120430#10‐24X3
/
4ROUNDHEADPHILLIPSMACHINESCREW
[
PACKOF10
]
1
72691211701
/
4‐20X1
/
2HEXBOLT
[
PACKOF10
]
1
7272495301S
Q
UEEGEELIFTCABLE 1
7289120205#8X1
/
2PANHEADPHILLIPSSHEETMETALSCREW
[
PACKOF3
]
4
72991203707
/
32I.D.X1
/
2O.D.X.032
/
.065THICKSAEFLATWASHER
(
#10
)
[
PACKOF10
]
4
7302397381HANDLENET1
73191209101
/
4‐20HEXNUTWITHSTARLOCKWASHER
[
PACKOF10
]
2
73291209309
/
32I.D.X5
/
8O.D.X.051
/
.080THICKSAEFLATWASHER
(
1
/
4
)
[
PACKOF10
]
2
7332398191LABEL‐ MULTICOLORKIT 1
734912139011
/
32I.D.X11
/
16O.D.X.051
/
.080THICKSAEFLATWASHER
(
5
/
16
)
[
PACKOF10
]
2
73591215205
/
16SPLITLOCKWASHER
[
PACKOF10
]
2
73691217205
/
16‐18X11
/
4FULLTHREADEDHEXHEADBOLT
[
PACKOF2
]
2
7372391461PIVOTSPACER2
7382397651BRACKET
,
DECKHEIGHT 1
73991214705
/
16‐18X1FLATHEADPHILLIPSMACHINESCREW
[
PACKOF5
]
2
74091213705
/
16‐18X31
/
4HEXBOLT
[
PACKOF2
]
1
74191218855
/
16‐18X1SOCKETHEADCAPSCREW
[
PACKOF2
]
2
742912139011
/
32I.D.X11
/
16O.D.X.051
/
.080THICKSAEFLATWASHER
(
5
/
16
)
[
PACKOF10
]
3
7435095501CORDCLAMP1
7442397711STUBCORDWITHMALETWISTLOCK‐ 120V 1
7455091671STRAINRELIEF–METAL 1
7465390261STRAINRELIEFNUT1
7472397091HANDLE
,
ABANDAEMODELS 1
7483392901HANDLEGRIP2
7492397481DASHPLATERIGHTAEMODELS 1
7500693141RUBBERSWITCHBOOT 2
75106918511
/
2INTERNALSTARLOCKWASHER 2
7522792041SWITCH
,
TOGGLE
[
VAC&BRUSH
]
2
7532392201CIRCUITBREAKER‐120VOLT 2
7542397371HANDLESPACER1
7555092511BUTTON–PLUG1
7563393591STRAINERLOCATIONLABEL 1
7575092511HOLEPLUG1

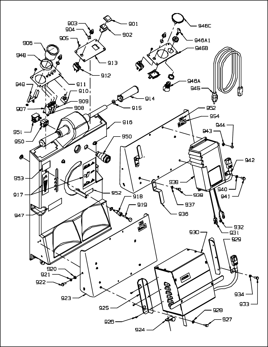
13
AE HANDLE ASSEMBLY

14
AB, DB REAR PANEL ASSEMBLY
ITEM PARTNO. DESCRIPTIONQTY.
8012397371HANDLESPACER1
8022397091HANDLE
,
ABANDAE1
2397171HANDLE
,
DB1
8032393711WIRELABELAB
(
12V130AHBATTERIES
)
1
2393801WIRELABELAB
(
6V235AHBATTERIES
)
1
2393811WIRELABELDB1
804912139011
/
32I.D.X11
/
16O.D.X.051
/
.080THICKSAEFLATWASHER
(
5
/
16
)
[
PACKOF10
]
2
80591215205
/
16SPLITLOCKWASHER
[
PACKOF10
]
2
80691217205
/
16‐18X11
/
4FULLTHREADEDHEXHEADBOLT
[
PACKOF2
]
2
80791209309
/
32I.D.X5
/
8O.D.X.051
/
.080THICKSAEFLATWASHER
(
1
/
4
)
[
PACKOF10
]
2
80891209101
/
4‐20HEXNUTWITHSTARLOCKWASHER
[
PACKOF10
]
2
8094894071CORDCLAMP
(
USEDHEREONABMODELSWITH1392191CHARGERONLY
)
1
810912139011
/
32I.D.X11
/
16O.D.X.051
/
.080THICKSAEFLATWASHER
(
5
/
16
)
[
PACKOF10
]
1
81191214305
/
16‐18THINHEXNUTWITHNY‐LOKINSERT
[
PACKOF5
]
1
8122694031STANDOFF
,
SPEEDCONTROLCOVER
(
USEDONDBONLY
)
2
8132694021COVER
,
SPEEDCONTROL
(
USEDONDBONLY
)
1
8149120020#6‐32HEXNUTWITHSTARLOCKWASHER
[
PACKOF10
]
(
USEDONDBONLY
)
2
8152490821SPEEDCONTROL
(
USEDON DBONLY
)
1
81691209101
/
4‐20HEXNUTWITHSTARLOCKWASHER
[
PACKOF10
]
4
81791209309
/
32I.D.X5
/
8O.D.X.051
/
.080THICKSAEFLATWASHER
(
1
/
4
)
[
PACKOF10
]
4
8182792241SILICONRECTIFIER
(
USEDONDBONLY
)
2
8192391351CONTACTOR
,
24VOLT 2
82091212101
/
4‐20X5
/
8HEXBOLT
[
PACKOF10
]
1
82191208801
/
4SPLITLOCKWASHER
[
PACKOF10
]
1
8224490561INSULATEDSTANDOFF 1
82391214305
/
16‐18HEXNUTWITHNY‐LOKINSERT
[
PACKOF5
]
2
8242397611HINGEBRACKET2
82591216005
/
16‐18X5
/
8HEXBOLT
[
PACKOF5
]
2
82691209701
/
4EXTERNALSTARLOCKWASHER
[
PACKOF10
]
1
82791211701
/
4‐20X1
/
2HEXBOLT
[
PACKOF10
]
1
82891212101
/
4‐20X5
/
8HEXBOLT
[
PACKOF10
]
4
8292495301YSQUEEGEELIFTCABLE25”
/
63.5cm 1
8302397601GRIP
,
SQUEEGEELIFTHANDLE 1
8312397131S
Q
UEEGEELIFTHANDLE 1
83291219903
/
8‐16HEXJAMNUT
[
PACKOF10
]
1
83391216405
/
16‐18X3
/
4HEXBOLT
[
PACKOF5
]
1
8342397141S
Q
UEEGEELIFTHANDLEBRACKET 1
835912139011
/
32I.D.X11
/
16O.D.X.051
/
.080THICKSAEFLATWASHER
(
5
/
16
)
[
PACKOF10
]
1
83691214305
/
16‐18HEXNUTWITHNY‐LOKINSERT
[
PACKOF5
]
2
8372397783REARPANEL1
8389120205#8X1
/
2PANHEADSHEETMETALSCREW
[
PACKOF3
]
1
83991203707
/
32I.D.X1
/
2O.D.X.032
/
.065THICKFLATWASHER
[
PACKOF10
]
1
840912139011
/
32I.D.X11
/
16O.D.X.051
/
.080THICKSAEFLATWASHER
(
5
/
16
)
[
PACKOF10
]
1
84191213705
/
16‐18X31
/
4HEXBOLT
[
PACKOF2
]
1
84291218855
/
16‐18X1SOCKETHEADCAPSCREW
[
PACKOF2
]
2
843912139011
/
32I.D.X11
/
16O.D.X.051
/
.080THICK SAEFLATWASHER
(
5
/
16
)
[
PACKOF10
]
2
8442397651BRACKET
,
DECKHEIGHT 1
84591214705
/
16‐18X1FLATHEADPHILLIPSMACHINESCREW
[
PACKOF5
]
2
8462391461BUSHING‐LIFTLEVER 2

15
AB, DB REAR PANEL ASSEMBLY

16
AB, DB HANDLE ASSEMBLY
ITEMPARTNO.DESCRIPTION QTY.
9014890781PUSHBUTTONSWITCHBOOT 1
9022690691MASTERSWITCHWITHREDCAP 1
9030693141RUBBERSWITCHBOOT2
90406918511
/
2INTERNALSTARLOCKWASHER 2
9059120205#8X1
/
2PANHEADPHILLIPS SHEETMETALSCREW
[
PACKOF3
]
8
9061392371BATTERYMETERW
/
LOWVOLTAGERELAY&HARDWARE 1
9072391361CIRCUITBREAKER30AMPWITHSCREWTERMINALS 1
9082490891CIRCUITBREAKER15AMP
(
USEDONDBONLY
)
1
9092393791CIRCUITBREAKER40AMPWITHSCREWTERMINALS 1
9104491101TOGGLESWITCH1
9112397321DASHPLATE
–
LEFT1
9122792041SWITCH
,
TOGGLEVAC1
9132397341DASHPLATE‐RIGHTWITHMASTERSWITCHCUTOUT 1
9143392901HANDLEGRIP2
91591219807
/
16I.D.X1O.D.X.075
/
.080 THICKSAEFLATWASHER
(
3
/
8
)
[
PACKOF2
]
2
9162397091HANDLE
,
ABANDAE1
2397171HANDLE
,
DB1
2393871HANDLE
,
DBANDE‐STOP 1
9172398191LABELKIT1
9184990321FUSEHOLDERWITHNUTANDWASHER 1
9196496451FAST‐ACTINGFUSE2AMP 1
92091209309
/
32I.D.X5
/
8O.D.X.051
/
.080THICKFLATWASHER
(
1
/
4
)
[
PACKOF10
]
4
92191208801
/
4SPLITLOCKWASHER
[
PACKOF10
]
4
92291212101
/
4‐20X5
/
8HEXBOLT
[
PACKOF10
]
4
9232398053OBCMOUNT1
9244890851CABLECLAMP1
9252695841BRACKET
,
MTG
,
DPCHARGER 2
9269120810#10X1
/
2PANHEADPHILLIPSSHEETMETALSCREW
[
PACKOF10
]
6
92791212101
/
4‐20X5
/
8HEXBOLT
[
PACKOF10
]
2
92891209701
/
4STARLOCKWASHER
[
PACKOF10
]
3
9293291111CORDCLAMP1
9302695851ONBOARDCHARGER24VOLT25AMPDP‐ INCLUDES: 1
2695861CORDWRAP1
93123981715
/
16RING22‐18AWGNYLONINSULATION 1
93223981811
/
4RING16‐14AWGNYLONINSULATION 1
93391211701
/
4‐20X1
/
2HEXBOLT
[
PACKOF10
]
2
93491208801
/
4SPLITLOCKWASHER
[
PACKOF10
]
1
9361390773DRAINHOSEBRACKET2
93791208801
/
4SPLITLOCKWASHER
[
PACKOF10
]
4
93891212101
/
4‐20X5
/
8HEXBOLT
[
PACKOF10
]
4
9391392191120VOLTONBOARDCHARGER24VOLT12AMP 1
94091208801
/
4SPLITLOCKWASHER
[
PACKOF10
]
1
94191212101
/
4‐20X5
/
8HEXBOLT
[
PACKOF10
]
1
9423291111CORDCLAMP1
9439120320#10SPLITLOCKWASHER
[
PACKOF10
]
4
9449120510#10‐24X1
/
2TRUSSHEADPHILLIPSMACHINESCREW
[
PACKOF10
]
4
9456495701120VOLTONBOARDCHARGERCORD 1
6495711240VOLTONBOARDCHARGERCORD WITHSHUKOPLUG 1
0396271240VOLTONBOARDCHARGERCORDWITHTYPEIPLUG
(
CHINA
)
1
9462398259KEYSWITCH
/
HOURMETERKIT
(
OPTIONAL
)
1
946A7692511 KEYSWITCH&KEY1
946A17692521 REPLACEMENTKEY1
6495571 WIREASSEMBLY‐KEYSWITCHADAPTOR
(
NOTSHOWN
)
1
946B2397351 DASHPLATE‐RIGHT
,
OPTIONALKEYSWITCHANDHOURMETER 1
946C2397361 HOURMETER1
2398121 HOURMETERLEADS35”
(
NOTSHOWN
)
1
9473393591STRAINERLOCATIONLABEL 1
9482393651BATTERYMETERBEZELRING 1
9492393661BATTERYMETERU‐BRACKET 1
9503393521E‐STOP
(
OPTIONAL
)
1
9517691301E‐STOPCONTACTBLOCK 1
9523394561MAXINCLINELABEL
(
DBMODELSONLY
)
1
9533394721FUSELABEL1
9542398291MAXCLIMBINGINCLINELABEL
(
DBMODELSONLY
)
1

17
AB, DB HANDLE ASSEMBLY

18
DB TWIST GRIP ASSEMBLY
ITEM PARTNO.DESCRIPTIONQTY.
10012397171HANDLE
,
WHEELDRIVE 1
10022397453COVER‐WHEELDRIVEHANDLE 1
10039120205#8X1
/
2PANHEADPHILLIPSSHEETMETALSCREW
[
PACKOF3
]
2
10042691931DRIVEGEAR
,
HANDLEBAR‐ INCLUDES: 1
1004A9120170 #8‐32X3
/
16SETSCREW‐ KNURLPOINTSTEEL
[
PACKOF5
]
2
10059122496RETAININGRING3
10063393841WASHER
,
AN1
/
2X.053‐.073 1
10076496091SPRINGTORSION.81I.D.X.067WIRE 1
10086496081BEARINGPLAINSLEEVE.5X.75X.75LONG 1
10092398061HANDLEBAR20161
10107690691NYLINER2
101191219807
/
16I.D.X1O.D.X.075
/
.080THICKSAEFLATWASHER
(
3
/
8
)
[
PK2
]
2
10123392901HANDLEGRIP2
10132397261HANDLEGRIPBASE2
10142398071TWISTGRIPBRACKET
,
LEFTSIDE 1
101591209101
/
4‐20HEXNUTWITHSTARLOCKWASHER
[
PACKOF10
]
1
101691211701
/
4‐20X1
/
2HEXBOLT
[
PACKOF10
]
1
10172694131POTENTIOMETER1
10182397231TWISTGRIPBRACKET
,
RIGHTSIDE 1
10192691941DRIVENGEAR
,
POTENTIOMETER‐ INCLUDES: 1
1019A9120170 #8‐32X3
/
16SETSCREW‐ KNURLPOINTSTEEL
[
PACKOF5
]
2
10209123210.891I.D.X1.5O.D.X.125THICKFLATWASHER
[
PACKOF1
]
2
102191208401
/
4‐20X3
/
16SETSCREW‐ KNURLPOINT
[
PACKOF2
]
2
10222397221RETAININGRING
,
7
/
8"SHAFT 2

19
STRAIGHT SQUEEGEE ASSEMBLY
ITEMPARTNO.DESCRIPTIONQTY.
11012398041SPACER1
/
2I.D.X1.188 1
11022391941BALLJOINT1
11032391461BUSHING
,
LIFTLEVER 1
110491226571
/
2‐13X3LOCKINGHEXBOLT
[
PACKOF1
]
1
110513911713
/
8FLANGENYLINER 2
11063695581HEIGHTADJUSTINGSPRING 1
110791223403
/
8‐16X2HEXBOLT
[
PACKOF2
]
1
110891210101
/
4‐20X3
/
4TRUSSHEADPHILLIPSMACHINESCREW
[
PACKOF5
]
2
110991209001
/
4‐20HEXNUTWITHNY‐LOKINSERT
[
PACKOF10
]
2
111091215205
/
16SPLITLOCKWASHER
[
PACKOF10
]
1
111191218405
/
16‐18X21
/
4FULLTHREADEDHEXBOLT
[
PACKOF1
]
1
11122692539STRAIGHTSQUEEGEEASSEMBLY‐ INCLUDES: 1
1112A9121760 5
/
16‐18X13
/
4HEXBOLT
[
PACKOF2
]
2
1112B3096741 WHEEL
,
BUMPER‐ SMALLGREY 2
1112C2793009 32"REPLACEMENTSQUEEGEEBLADES 2
1112D9121880 5
/
16‐18X3
/
4SOCKETHEADCAPSCREW
[
PACKOF2
]
2
1112E9121920 5
/
16‐18X11
/
2SOCKETHEADCAPSCREW
[
PACKOF2
]
2
1112F2692533 INNERCHANNEL 1
1112G9121450 5
/
16‐18HEXNUTWITHNY‐LOKINSERT
[
PACKOF5
]
2
1112H2692523 HOUSING‐NARROWMOUNTS
Q
UEEGEE 1
1112I2790281 3"BUMPERWHEEL 2
1112J9121390 11
/
32I.D.X11
/
16O.D.X.051
/
.080THICKSAEFLATWASHER
(
5
/
16
)
[
PACKOF10
]
2
1112K9121410 5
/
16EXTERNALSTARLOCKWASHER
[
PACKOF10
]
2
1112L9121560 5
/
16‐18X1
/
2HEXBOLT
[
PACKOF5
]
2
1112M3392971 T‐KNOB–SQUEEGEE 2
11132397151S
Q
UEEGEEMOUNTBRACKET 1
111491221403
/
8‐16HEXNUTWITHNY‐LOKINSERT
[
PACKOF5
]
1
11152495301YSQUEEGEELIFTCABLE25”
/
63.5cm 1
111691214455
/
16‐18WINGNUTWITHNY‐LOK
[
PACKOF2
]
1
11172397161SQUEEGEEPIVOTROD 1
111891226701
/
2‐20HEXJAMNUT
[
PACKOF5
]
1
111991225071
/
2‐13HEXNUTWITHNY‐LOKINSERT
[
PACKOF1
]
1

20
CURVED SQUEEGEE ASSEMBLY
ITEMPARTNO.DESCRIPTIONQTY.
2492499CURVEDSQUEEGEECOMPLETE‐ INCLUDES: 1
12012492551 REARSECURINGSTRAP 1
12029121720 5
/
16‐18X11
/
4FULLTHREADEDHEXHEADBOLT
[
PACKOF2
]
2
12032492561 HOOKEDEND2
12042695541 REARBLADE 1
12052492511 CENTERWEDGE 2
12062492521 FRONTBLADE 1
12079121210 1
/
4‐20X5
/
8HEXBOLT
[
PACKOF10
]
4
12089120880 1
/
4SPLITLOCKWASHER
[
PACKOF10
]
4
12099121560 5
/
16‐18X1
/
2HEXBOLT
[
PACKOF5
]
2
12109121410 5
/
16EXTERNALSTARLOCKWASHER
[
PACKOF10
]
2
12119121390 11
/
32IDX11
/
16ODX.051
/
.080THICKSAEFLATWASHER
(
5
/
16
)
[
PK10
]
2
12122790281 BUMPERWHEEL2
12132492503 MAINHOUSING 1
12149121520 5
/
16SPLITLOCKWASHER
[
PACKOF10
]
2
12159121720 5
/
16‐18X11
/
4FULLTHREADEDHEXHEADBOLT
[
PACKOF2
]
2
12169120930 9
/
32I.D.X5
/
8O.D.X.051
/
.080THICKSAEFLATWASHER
(
1
/
4
)
[
PACKOF10
]
4
12179120070 #6‐32X3
/
8ROUNDHEADPHILLIPSMACHINESCREW
[
PACKOF10
]
2
12189120030 #6SPLITLOCKWASHER
[
PACKOF10
]
2
12192492581 S
Q
UEEGEELEVEL1
12203392971 T‐KNOBSQUEEGEE2
12219121450 5
/
16‐18HEXNUTWITHNY‐LOKINSERT
[
PACKOF5
]
2
12222492571 DOLLYWHEELMOUNTINGBRACKET 2
12239121390 11
/
32I.D.X11
/
16O.D.X.051
/
.080THICKSAEFLATWASHER
(
5
/
16
)
[
PK10
]
2
12243096741 ROLLERWHEEL2
12259121390 11
/
32I.D.X11
/
16O.D.X.051
/
.080THICKSAEFLATWASHER
(
5
/
16
)
[
PK10
]
2
12269121760 5
/
16‐18X13
/
4HEXBOLT
[
PACKOF2
]
2
12279121280 1
/
4‐20X11
/
2HEXBOLT
[
PACKOF5
]
2
12289120880 1
/
4SPLITLOCKWASHER
[
PACKOF10
]
2
12299120930 9
/
32I.D.X5
/
8O.D.X.051
/
.080THICKSAEFLATWASHER
(
1
/
4
)
[
PACKOF10
]
2
12302492541 CENTERHOLDDOWN 1
12312492591 CENTERHOLDDOWNSPACER 2

21
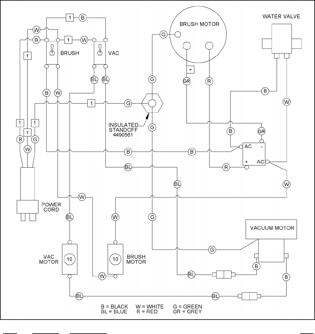
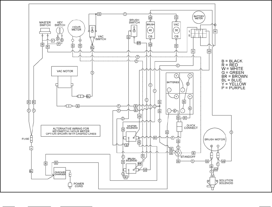
AE WIRING DIAGRAM
ITEMPARTNO.DESCRIPTIONQTY.
2397701WIRE HARNESS, ELECTRIC 1
12397711STUB CORD WIRE HARNESS 1
2792041TOGGLE SWITCH2
2393011BRUSH MOTOR1
2397721SOLUTION SOLENOID VALVE 120 VOLT 1
4490561INSULATED STANDOFF 1
5492741RECTIFIER1
2392201CIRCUIT BREAKER 2
2391071 VAC MOTOR 1
5490161 FULLY INSULATED FEMALE SPADE TERMINAL 14-16 AWG 2

22
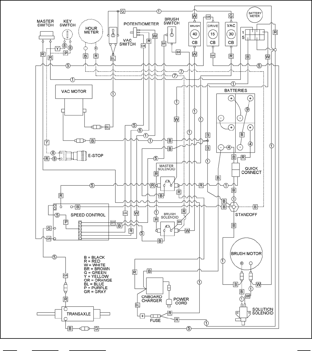
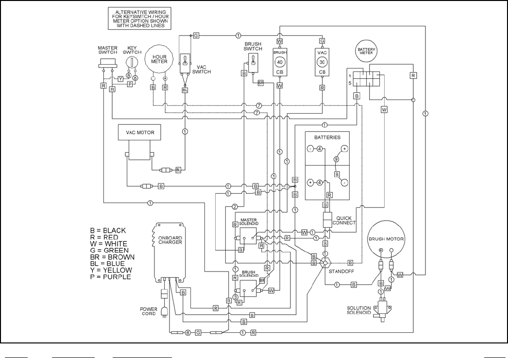
DB WIRING DIAGRAM 4 X 6VOLT 235AH BATTERIES
ITEMPARTNO.DESCRIPTIONQTY.
12398201MAINWIREHARNESS
(
OBC
)
1
42396141WIREASSEMBLY
,
TOPOSITIVE
/
NEGATIVEBATTERY 1
52398091DBWIREHARNESS
(
OBC
)
1
92391981BATTERYJUMPER3
/
8RING 3
82393861WIREHARNESS
,
KEYSWITCH&E‐STOP 1
6495571WIREASSEMBLYWITHKEYSWITCHADAPTOR 1
72398121HOURMETERLEADS35” 1

23
DB WIRING DIAGRAM 2 X 12VOLT 130AH BATTERIES
ITEMPARTNO.DESCRIPTIONQTY.
12398201MAINWIREHARNESS
(
OBC
)
1
42396141WIREASSEMBLY
,
TOPOSITIVE
/
NEGATIVEBATTERY 1
52398091DBWIREHARNESS
(
OBC
)
1
92391981BATTERYJUMPER3
/
8RING 1
82393861WIREHARNESS
,
KEYSWITCH&E‐STOP 1
6495571WIREASSEMBLYWITHKEYSWITCHADAPTOR 1
72398121HOURMETERLEADS35” 1

24
AB WIRING DIAGRAM 4 X 6VOLT 235AH BATTERIES
ITEMPARTNO.DESCRIPTIONQTY.
12398201MAIN WIRE HARNESS (OBC) 1
22398111WIRE 18 AWG, BLACK 30” 1/4 RING, 1/4 FEMALE SPADE 1
32398101WIRE 18 AWG RED, 4.5”, 5/16 RING , #10 SNAP RING 1
42396141WIRE ASSEMBLY, TO POSITIVE/NEGATIVE BATTERY 1
92391981BATTERY JUMPER 3/8 RING 3
2391351CONTACTOR, 24 VOLT 1
2393791CIRCUIT BREAKER, 40 AMP 1
1392371 BATTERY METER WITH LOW VOLTAGE RELAY 1
2392091 CHARGER PLUG ONLY, RED 24 VOLT 1
2393001 GEAR MOTOR, IMPERIAL, 3/4 HP 24V DC 1
2395571 MOTOR, VAC 24 VOLT 3 STAGE 1
2397991 WATER SOLENOID 24 VOLT 1
2391361 CIRCUIT BREAKER, 30 AMP, SCREW TERMINALS 1
2398259 KEY SWITCH / HOUR METER KIT (OPTIONAL) 1
2695851 ONBOARD CHARGER 24 VOLT 25 AMP DP 1
2690691 MASTER SWITCH 1
2792041 TOGGLE SWITCH, VAC 1
4490561 INSULATED STANDOFF 1
4491101 TOGGLE SWITCH, MOTOR 1
4990321 FUSE HOLDER WITH NUT AND WASHER 1
6495701 120 VOLT ONBOARD CHARGER CORD 1
6495711 240 VOLT ONBOARD CHARGER CORD WITH SHUKO PLUG 1
0396271 240 VOLT ONBOARD CHARGER CORD WITH TYPE I PLUG (CHINA) 1
6496451 FAST-ACTING FUSE 2 AMP 1

25
AB WIRING DIAGRAM 2 X 12VOLT 130AH BATTERIES
ITEMPARTNO.DESCRIPTIONQTY.
12398201MAINWIREHARNESS
(
OBC
)
1
22398111WIRE18AWG
,
BLACK30”1
/
4RING
,
1
/
4FEMALESPADE 1
32398101WIRE18AWGRED
,
4.5”
,
5
/
16RING
,
#10SNAPRING 1
42396141WIREASSEMBLY
,
TOPOSITIVE
/
NEGATIVEBATTERY 1
62393741WIRE18AWGGREEN
,
17”
,
1
/
4FEMALEQD
,
1
/
4MALEQD 1
92391981BATTERYJUMPER3
/
8RING 1
1392191120VOLTONBOARDCHARGER24VOLT12AMP 1
2391351CONTACTOR
,
24VOLT 1
2393791CIRCUITBREAKER
,
40AMP 1
1392371BATTERYMETERWITHLOWVOLTAGERELAY 1
2392091CHARGERPLUGONLY
,
RED24VOLT 1
2393001GEARMOTOR
,
IMPERIAL
,
3
/
4HP24VDC 1
2395571MOTOR
,
VAC24VOLT3STAGE 1
2397991WATERSOLENOID24VOLT 1
2391361CIRCUITBREAKER
,
30AMP
,
SCREWTERMINALS 1
23981715
/
16RING22‐18AWG NYLONINSULATION 1
23981811
/
4RING16‐14AWG NYLONINSULATION 1
2398259KEYSWITCH
/
HOURMETERKIT
(
OPTIONAL
)
1
2690691MASTERSWITCHWITHREDCAP 1
2792041TOGGLESWITCH
,
VAC 1
4490561INSULATEDSTANDOFF 1
4491101TOGGLESWITCH
,
MOTOR 1
4990321FUSEHOLDERWITHNUTANDWASHER 1
6495701120VOLTONBOARDCHARGERCORD 1
6495711240VOLTONBOARDCHARGERCORD WITHSHUKOPLUG 1
6496451FAST‐ACTINGFUSE2AMP 1

26
BRUSH GEAR MOTOR
ITEMPARTNO.DESCRIPTIONQTY.
2393001
COMPLETE MOTOR ASSEMBL
Y
1
1301
3391221
NEGATIVE LEAD
1
1302
3391201
1/4
‐
20 X 7 3/4 THRU BOLT
2
1303
9120600
#
10
‐
24 X1/2 PAN HEAD THREAD CUTTING SCREW [PACK OF 10]
2
1304
2393251
ARMATURE ASSEMBLY
‐
INCLUDES:
1
1304A
5092041
TOP END BEARING
1
1304B
3391191
ARMATURE
VENT FAN
1
1304C
3391131
BOTTOM END BEARING
1
1305
3391041
STATOR FRAME ASSEMBLY WITH MAGNETS
1
1306
3391181
GEAR BOX ASSEMBLY
–
INCLUDES
1
1306A
3391101
GEAR BOX
‐
HOUSING ONLY
1
1306B
3391171
SNAP RING
1
1306C
3391161
OIL SEAL, SMALL
1
1306D
3391151
END CAP
1
1306E
3391141
“
O
”
RING
1
1306F
3391131
BOTTOM BEARING, LARGE
1
1306G
3391121
GEAR SHAFT
‐
INCLUDES:
1
1306G1
2792681
1/4 X1/4 X 1 MOTOR KEY
1
1306H
3391111
TOP BEARING, SMALL
1
1307
3391091
OIL SEAL, LAR
GE
1
1308
2797591
HELICAL WASHER 113/32 X 1 7/8
‐
2WAVE SPRING WASHER
1
1309
————
#
10
‐
32 X1/2 PAN HEAD SLOTTED SCREW, BRASS
4
1310
————
TOP END BRACKET ASSEMBLY
‐
INCLUDES:
1
1310A
————
TOP END BRACKET ONLY
1
1310B
3391021
BRUSH BOARD ASSEMBL
Y
‐
INCLUDES:
1
1310B1
2797571
CARBON BRUSH SPRING
4
1310B2
3391081
CARBON BRUSH
4
1311
————
STRAIN RELIEF
2
1312
3391211
POSITIVE LEAD
1
1313
3391131
LARGE BEARING
1
2016ELECTRIC120VLISTEDBELOW[2307100]
2393011
COMPLETE MOTOR ASS
EMBLY 120 VOLT
1
1301
2393271
NEGATIVE LEAD
1
1302
3391201
1/4
‐
20 X 7 3/4 THRU BOLT
2
1303
9120600
#
10
‐
24 X1/2 PAN HEAD THREAD CUTTING SCREW [PACK OF 10]
2
1304
2393161
ARMATURE ASSEMBLY
‐
INCLUDES:
1
1304A
5092041
TOP END BEARING
1
1304B
3391191
ARMATURE VENT FAN
1
1304C
3391131
BOTTOM END BEARING
1
1305
2393151
STATOR FRAME ASSEMBLY WITH MAGNETS
1
1306
3391181
GEAR BOX ASSEMBLY
‐
INCLUDES:
1
1306A
3391101
GEAR BOX
‐
HOUSING ONLY
1
1306B
3391171
SNAP RING
1
1306C
3391161
OIL
SEAL, SMALL
1
1306D
3391151
END CAP
1
1306E
3391141
“
O
”
RING
1
1306F
3391131
BOTTOM BEARING, LARGE
1
1306G
3391121
GEAR SHAFT
‐
INCLUDES:
1
1306G1
2792681
1/4 X1/4 X 1 MOTOR KEY
1
1306H
3391111
TOP BEARING, SMALL
1
1307
3391091
OIL SEAL, LARGE
1
1308
2797591
HELICAL WASHER 113/32 X 1 7/8
‐
2WAVE SPRING WASHER
1
1309
————
#
10
‐
32 X1/2 PAN HEAD SLOTTED SCREW, BRASS
4
1310
2393181
TOP END BRACKET ASSEMBLY
‐
INCLUDES:
1
1310A
————
TOP END BRACKET ONLY
1
1310B
2393171
BR
USH BOARD ASSEMBLY
‐
INCLUDES:
1
1310B1
2797571
CARBON BRUSH SPRING
4
1310B2
2393241
CARBON BRUSH
4
1311
2393201
STRAIN RELIEF
2
1312
2393261
POSITIVE LEAD
1
1313
3391131
LARGE BEARING
1

27
BRUSH GEAR MOTOR

28
ACCESSORIES
CLUTCH PLATES
2893001Aluminum Clutch Plate, 4" Diameter, 3 Holes
2890981Plastic Clutch Plate, 4" Diameter 3 Holes
2890991Aluminum Clutch Plate, 5" Diameter, 6 Holes
2890101Plastic Clutch Plate, 5" Diameter, 6 Holes
2890971Plastic Clutch Plate, 5" Diameter, 6 Holes Brown Tru Fit
2890101Plastic Clutch Plate 5” Diameter, 6 Holes White Spin Off
PAD CUP
5990731Cream Pad Cup
20" PAD DRIVERS AND BRUSHES
289221120” Poly Back Tufted Pad Driver
289260120" Structural Foam Pad Driver
289203120” Wood Back Bassine Scrub Brush - general scrub
289220120” Poly Back Nylon Fill Scrub Brush - light to medium scrub
289265120” Poly Back Fill Scrub Brush with glide - carpet shampooing
289270120” Poly Brush, Shower Feed - Standard Carpet Scrub
2892711 20” Poly Back Nylon Grit Fill Scrub Brush - Heavy Concrete Scrub
2892901 20” Poly Black Scrub Grit Brush - Mild to Medium Scrub
BURNISHING (175 TO 3000 RPM) FLOOR PADS
799205120" NSS Lite Blue Polish / Burnish Pad
SCRUBBING (150 TO 300 RPM) FLOOR PADS
799204120" NSS UHS Clean Buff Pad
799203120" NSS Blue Scrub Pad
799202120" NSS Green Scrub Pad
STRIPPING (150 TO 300 RPM) FLOOR PADS
799200120" NSS Black Strip Pad
799201120" NSS Brown Strip Pad
799004120” NSS Green Ecostrip Pad
TWISTER PADS
799210120” Twister Green Pad
799212120” Twister Yellow Pad
799213120” Twister White Pad
799214120” Twister Red Pad
TOOL KIT
2392129Wrangler 20 Wet Pick Up Tool Kit -Includes:
22912115” Aluminum Connector
2391231Vacuum Hose
2391241Hose Strap
5790471 Lower Wand - 1-1/2”
5790481 Upper Wand - 1-1/2”
5797011 Tool - Squeegee With Wheels, 15”
9997550 Velcro Hook (1.583’)
9997560 Velcro Loop (.833’)
BATTERY & BATTERY ACCESSORIES
3390981 6V, 220 AH AGM Battery
6393651 12V, 130 AH Battery
3394161 Off Board Charger (40 amp) Adaptor
2698441 Dual Pro Charger Fan Refurbishment Kit
2698421 Dual Pro Charger Ring Terminal Refurbishment Kit
NSS® Enterprises, Inc.
3115 Frenchmens Road
Toledo, Ohio 43607
PHONE (419) 531-2121
FAX (419) 531-3761
mailus@nss.com
www.nss.com
9092378 WRANGLER 2016 REV W 02-16