9093330 Wrangler 2730 3330 DB OBC Illustrated Parts Book Nss Walk Behind Floor Scrubber Manual
2016-12-20
: Sweepscrub Nss-Wrangler-2730-3330-Walk-Behind-Floor-Scrubber-Parts-Manual nss-wrangler-2730-3330-walk-behind-floor-scrubber-parts-manual 1571 file product_file
Open the PDF directly: View PDF
.
Page Count: 28

PARTS LIST
WRANGLER 2730 DB & 3330 DB
ORIGINAL INSTRUCTIONS
WITHSIDEKICK
CHEMICAL
METERING
WITHOUTSIDEKICK
CHEMICALMETERING

2
RECOVERY TANK ASSEMBLY
ITEMPARTNO.DESCRIPTIONQTY
1013394411TOPPLATE1
102912050010‐24X3
/
8TRUSSHEADPHILLIPSSCREW‐ PACKOF10 8
1033392061GASKET‐TOPPLATE1
1043392041FILTER‐VACMOTORINTAKE 1
1053392081GASKET‐INLETVACTUBE 1
1063392071INLETVACTUBE1
10791208801
/
4SPLITLOCKWASHER‐ PACKOF10 4
10891211701
/
4‐20X1
/
2HEXBOLT‐ PACKOF10 4
1092690591S
Q
UEEGEEVACHOSEWITHCUFFS 1
1103393040GASKET‐.75"X1"‐CUTTO50INCHES 5’
1112391541FLOATSCREEN1
1122490561GASKET‐VACMOTOR 1
1133393361VACMOTORWITHMALEPLUG‐ INCLUDES: 1
113A2792571 CARBONBRUSH2
11491213631
/
4‐20X41
/
2LONGFULLTHREADEDSTUD‐ PACKOF2 3
11591209309
/
32I.D.X5
/
8O.D.X.051
/
.080THICKSAEFLATWASHER
(
1
/
4
)
‐PACKOF103
11691209001
/
4‐20HEXNUTWITHNY‐LOKINSERT‐ PACKOF10 3
1173393469MALEPLUGCONNECTORKIT
(
VACMOTOR
)
INCLUDES: 1
117A3393371 MALEPLUGCONNECTOR 1
117B3393381 MALETERMINAL1
117C3393321 CABLESEAL2
117D3393331 TERMINALLOCATOR 1
1182397671CLIP‐TIESTRAP2
1199120330#10EXTERNALSTARLOCKWASHER‐ PACKOF10 2
120912051010‐24X1
/
2TRUSSHEADPHILLIPSMACHINESCREW‐ PACKOF102
12191230001
/
8X11"WIRETIE‐PACKOF5 1
1223291111CORDCLAMP1
1234495441HOSECLAMP‐19
/
16"TO21
/
2"DIAMETER 1
1243392561VACEXHAUSTHOSE1
12591230001
/
8X11"WIRETIE‐PACKOF5 1
1267691261EXHAUSTMUFFLERTUBE 1
1272690961STRAP‐RECOVERYTANK 1
12891209309
/
32I.D.X5
/
8O.D.X.051
/
.080THICKSAEFLATWASHER
(
1
/
4
)
‐PACKOF101
12991209901
/
4‐20X3
/
8TRUSSHEADPHILLIPSMACHINESCREW‐ PACKOF51
1302696201DRAINHOSE
,
RECOVERYTANK 1
1314495441HOSECLAMP‐19
/
16"TO21
/
2"DIAMETER 1
13291211701
/
4‐20X1
/
2HEXBOLT‐ PACKOF10 13
13391208801
/
4SPLITLOCKWASHER‐ PACKOF10 13
13491209405
/
16I.D.X3
/
4O.D.X.051
/
.080THICKWROUGHTWASHER
(
1
/
4
)
‐PACKOF10 13
1352691071HINGE 1
1363392011RECOVERYTANK1
1373393731BATTERYWARNINGDECAL 1
138912036010‐24HEXNUTWITHSTARLOCKWASHER‐ PACKOF10 1
1392690889RECOVERYTANKLIDASSEMBLY‐ INCLUDES: 1
139A2690891 RECOVERYTANKLIDGASKET 1
139B2690881 RECOVERYTANKLIDASSEMBLY‐ ALSOINCLUDES: 1
139B19120205 #8X1
/
2PANHEADPHILLIPSSHEETMETALSCREW‐ PACKOF31
139B22690931 LIDCHAIN1
139B32690921 BLACKRING1
139B42690911 LIDCLEAR1
140912079010X5
/
8PANHEADPHILLIPSSHEETMETALSCREW‐ PACKOF105
141912046010‐24X11
/
4”ROUNDHEADPHILLIPSMACHINESCREW‐ PACKOF101
1423394391TOPPLATEDECAL1
1433393941AIRSILENCERCOVER1
1443394141OBCWARNINGDECAL1

3
RECOVERY TANK ASSEMBLY

4
ITEMPARTNO.DESCRIPTIONQTY
20191212101/4‐20X5/8HEXBOLT‐PACKOF10 5
20291208801/4SPLITLOCKWASHER‐ PACKOF10 5
20391209309/32I.D.X5/8O.D.X.051/.080THICKSAEFLATWASHER
(
1/4
)
‐ PACKOF105
2043392241BRUSHLIFTHANDLEMOUNT 1
2053394471DECAL‐WIRINGDIAGRAM‐ IDRIVE‐DP 1
205A3394501DECAL‐WIRINGDIAGRAM‐ SIDEKICK
(
OPTIONAL
)
1
2062395761CLAMP–TUBE1
20791208801/4SPLITLOCKWASHER‐ PACKOF10 1
20891211701/4‐20X1/2HEXBOLT‐PACKOF10 1
20991216805/16‐18X1”HEXBOLT‐PACKOF5 1
21091215205/16SPLITLOCKWASHER‐ PACKOF10 1
21191214003/8I.D.X7/8O.D.WROUGHTFLATWASHER
(
5/16
)
‐ PACKOF10 1
2128791030VINYLHOSE‐3/4"I.D.X1"O.D.X30”LONG 1
2133392251BRUSHACTUATORBRACKET 1
2146493061SIDEDECAL‐3.5X261
2152397271UNIVERSALMOUNTINGSTRAP 1
2169120330#10EXTERNALSTARLOCKWASHER‐ PACKOF10 1
217912054010‐24X1/2FLATHEADPHILLIPSMACHINESCREW‐ PACKOF10 1
2183392681SIGHTGAUGE1
2192392141HOSECLAMP‐11/16"TO11/4"DIAMETER 1
2202691731SOLUTIONTANKDRAINFITTING 2
2213392721FRAME1
2223390661TUBINGCONTROLVALVE 1
2238791070VINYLHOSE‐3/8"I.D.X1/2"O.D.X29”LONG 1
2242392481HOSECLAMP‐7/32"TO5/8"DIAMETER 1
2252490601FITTING‐ELBOW3/8BARBX1/4NPT‐ POLYBLACK 1
2263392761STRAIGHTFITTING,1/2”M‐NPTX1/2"HOSEBARB 1
2278791180VINYLTUBING‐1/2I.D.X3/4O.D.X8.5”LONG 1
2283392631FRONTCONCEALMENTFLAP 1
229912051010‐24X1/2TRUSSHEADPHILLIPSMACHINESCREW‐ PACKOF10 4
2303392641STRAP,FRONTCONCEALMENTFLAP 1
23191216405/16‐18X3/4HEXBOLT‐ PACKOF5 2
23291215205/16SPLITLOCKWASHER‐ PACKOF10 2
233912139011/32I.D.X11/16O.D.X.051/.080THICKSAEFLATWASHER
(
5/16
)
‐PACKOF102
2347690931NSSLOGODECAL1
2353392001SOLUTIONTANK1
2367691249FILTERSCREENASSEMBLY‐ INCLUDES: 1
236A7691231FILTERSCREENBAGFRAME 1
236B4891311FILTERSCREENBAG1
2373393911FRONTTANKTIEDOWNSTRAP 1
2382691071HINGE‐RECOVERYTANK 1
23991209405/16I.D.X3/4O.D.X.051/.080THICKWROUGHTWASHER
(
1/4
)
‐ PACKOF1013
24091208801/4SPLITLOCKWASHER‐ PACKOF10 13
24191211701/4‐20X1/2HEXBOLT‐PACKOF10 13
2429120205#8X1/2PANHEADPHILLIPSSHEETMETALSCREW‐ PACKOF3 2
2439120270#8‐32X7/8PANHEADMACHINESCREW 2
2443393931MACHINEWIREASSEMBLEY
(
INCLUDESANDERSONCONNECTOR
)
1
2469120200#8SPLITLOCKWASHER
(
FORBATTERYCONNECTOR
)
‐ PACKOF10 2
2476793651CLAMP‐SIDEKICKONLY1
2489120810#10X1/2PANHEADPHILLIPSSHEETMETALSCREW‐ PACKOF10–SIDEKICK1
2493394331SOLUTIONTANK‐SIDEKICKONLY 1
2503394221GASKET,BOTTLEHOLDER‐ SIDEKICKONLY 1
2513394211INSERT,BOTTLEHOLDER‐ SIDEKICKONLY 1
2529590171BOTTLE,F‐STYLE
(
OPTIONAL
)
‐ SIDEKICKONLY 1
2539590271CAP,BOTTLEWITHHOLE‐ SIDEKICKONLY 1
2549590281FITTING,BULKHEAD‐SIDEKICKONLY 1
2559590321TUBING,1/4”ODNYLON
(
121”LONG
)
‐ SIDEKICKONLY 1
2563394531CORDCLAMP2
2579590291SUCTIONSTRAINER
(
SIDEKICKONLY
)
1
25895903211/4ODNYLONTUBING‐CUTTOLENGTHASREQ’D
(
SIDEKICKONLY
)
1

5
SOLUTION TANK ASSEMBLY

6
FRAME AND DRIVE WHEEL ASSEMBLY
ITEMPARTNO.DESCRIPTIONQTY
30191212501
/
4‐20X3
/
4HEXBOLT‐ PACKOF10 4
30291208801
/
4SPLITLOCKWASHER‐ PACKOF10 4
30391209309
/
32I.D.X5
/
8O.D.X.051
/
.080THICKSAEFLATWASHER
(
1
/
4
)
‐PACKOF104
3043392721FRAME1
31091219807
/
16I.D.X1O.D.X.075
/
.080THICKSAEFLATWASHER
(
3
/
8
)
‐ PACKOF28
31191221003
/
8SPLITLOCKWASHER‐ PACKOF10 8
31291222203
/
8‐16X3
/
4HEXBOLT‐ PACKOF5 8
3133394571CASTER6X2‐MAROON–INCLUDES 2
313A3392601 MAROONCASTERWHEEL–ONLY 2
313B3393771 SOFTREDCASTERWHEEL–ONLY 2
31491212701
/
4‐20X1HEXBOLT‐PACKOF10 2
31591208801
/
4SPLITLOCKWASHER‐ PACKOF10 2
31691209309
/
32I.D.X5
/
8O.D.X.051
/
.080THICKSAEFLATWASHER
(
1
/
4
)
‐PACKOF102
3172490651SKIRTLATCH2
3182691771SKIRTLATCHPIN2
31926905811
/
4SPADEMALETERMINAL10‐12AWGYELLOW 2
32091213805
/
16‐18X3
/
8SETSCREW‐ KNURLPOINT‐ PACKOF2 2
321339203110"DRIVEWHEEL1
3223393121PILLOWBLOCKBEARING‐ INCLUDES: 2
322A9121365 1
/
4‐28X1
/
4SETSCREW‐ KNURLPOINT‐ PACKOF1 4
32391219807
/
16I.D.X1O.D.X.075
/
.080THICKSAEFLATWASHER
(
3
/
8
)
‐ PACKOF24
32491221003
/
8SPLITLOCKWASHER‐ PACKOF10 4
32591223003
/
8‐16X11
/
4HEXBOLT‐ PACKOF2 4
32665905211I.D.X1.5O.D.X.13THICKFLATWASHER‐ 10GAGE 8
3272694069#40ROLLERCHAIN‐57LINKS+MASTERLINK‐ INCLUDES: 1
327A2694081 #40ROLLERCHAIN‐ 57LINKS‐ NOMASTERLINK 1
327B2795211 MASTERLINK#40CHAIN
,
NICKELPLATED 1
3283392571DRIVEAXLE1
3292694051DRIVENSPROCKET34TEETH‐ INCLUDES: 1
329A9121380 5
/
16‐18X3
/
8SETSCREW‐ KNURLPOINT‐ PACKOF2 2
3302692271DRIVEWHEELSPACER1"I.D.X.6875 1
33191213171
/
4SQUAREX33
/
4LONGKEY‐ PACKOF2 1
33291213101
/
4S
Q
UAREX7
/
8LONGKEY‐ STEEL‐ PACKOF2 1
33691216405
/
16‐18X3
/
4HEXBOLT‐ PACKOF5 1
33791215205
/
16SPLITLOCKWASHER‐ PACKOF10 1
33891214003
/
8I.D.X7
/
8O.D.X.064
/
.104THICKWROUGHTWASHER
(
5
/
16
)
‐PACKOF10 1
3392695011DRIVESPROCKET
,
MOTORWITHSETSCREW‐ INCLUDES: 1
339A9120850 1
/
4‐20X5
/
16SETSCREW‐ KNURLPOINT‐ PACKOF2 2
3402790101DRIVEMOTOR36VOLT‐ INCLUDES: 1
340A2792681 1
/
4X1
/
4X1MOTORKEY 1
3413392491SKIRTSUPPORT2
34291215205
/
16SPLITLOCKWASHER‐ PACKOF10 4
34391216405
/
16‐18X3
/
4HEXBOLT‐ PACKOF5 4
3443394033FRAMECHANNEL2
34591216005
/
16‐18X5
/
8HEXBOLT‐ PACKOF5 2
34691215205
/
16SPLITLOCKWASHER‐ PACKOF10 2

7
FRAME AND DRIVE WHEEL ASSEMBLY

8
BRUSH DECK LIFT ASSEMBLY
ITEMPARTNO.DESCRIPTIONQTY
40191220203
/
8X3
/
8SOCKETHEADSHOULDERBOLT
(
5
/
16‐18
)
‐ PACKOF11
4023392141SQUEEGEELIFTCABLE1
4033392121SQUEEGEELIFTHANDLE 1
4043393001S
Q
UEEGEELIFTHANDLEGRIP 1
40591223403
/
8‐16X2HEXBOLT‐PACKOF2 1
40691221003
/
8SPLITLOCKWASHER‐ PACKOF10 2
40791219807
/
16I.D.X1O.D.X.075
/
.080THICKSAEFLATWASHER
(
3
/
8
)
‐ PACKOF22
40844905313
/
8”RODEND2
4093393631SPACER3
/
8SCREW1O.D.X.86 1
4102690981LIFTHANDLEGRIP1
4113393661BRUSHLIFTHANDLE1
4123393641LIFTROD2.75"1
4133392181SPRINGHOUSINGBRUSHLIFT 1
41491221403
/
8‐16HEXNUTWITHNYLOKINSERT‐ PACKOF5 1
4153393651LIFTROD151
/
2"1
4163393671SPRING4.5"1
4172691831SPRING‐HOUSINGRETAINER 1
41891220103
/
8‐24HEXNUT‐PACKOF5 1
41991221003
/
8SPLITLOCKWASHER‐ PACKOF10 1
4203393809BRUSHLIFTPIVOTARM 1
4213394011BRUSHLIFTPIVOTBRACKET 1
42291219503
/
8X15
/
8CLEVISPIN‐ STEEL‐ WITHRETAINER‐ PACKOF1 1
42391215205
/
16SPLITLOCKWASHER‐ PACKOF10 3
42491216405
/
16‐18X3
/
4HEXBOLT‐ PACKOF5 3
42591221173
/
8‐16X1BUTTONHEADCAPSCREW‐ PACKOF2 2
42691222203
/
8‐16X3
/
4HEXHEADBOLT‐ PACKOF5 1
42791221003
/
8SPLITLOCKWASHER‐ PACKOF10 1
42891219807
/
16I.D.X1O.D.X.075
/
.080THICKSAEFLATWASHER
(
3
/
8
)
‐ PACKOF21
429912051010‐24X1
/
2TRUSSHEADPHILLIPSMACHINESCREW‐ PACKOF101
4313393781LIFTROD1
4326491871ENDCOUPLING‐ROUNDBEADCHAIN 1
4339120330#10EXTERNALSTARLOCKWASHER‐ PACKOF10 1
4346491860ROUNDBEADCHAIN
(
CUTTO3”
)
1
43591226801
/
213HEXJAMNUT‐PACKOF5 2
4362391941BALLJOINT2
437912245017
/
32I.D.X11
/
16O.D.X.074
/
.121THICKSAEFLATWASHER
(
1
/
2
)
‐PACKOF5 2
43891224201
/
2SPLITLOCKWASHER‐ PACKOF5 2
43991225401
/
2‐13X11
/
4HEXBOLT‐ PACKOF1 2
44091221003
/
8SPLITLOCKWASHER‐ PACKOF10 2
44191222603
/
8‐16X1HEXBOLT‐PACKOF2 2
44291219807
/
16I.D.X1O.D.X.075
/
.080THICKSAEFLATWASHER
(
3
/
8
)
‐ PACKOF104
4433392211BRUSHDECKARM2
44491221003
/
8SPLITLOCKWASHER‐ PACKOF10 2
44591222603
/
8‐16X1HEXBOLT‐PACKOF2 2
4462691181PIVOTSPACER‐STABILIZERBAR 2
44791219807
/
16I.D.X1O.D.X.075
/
.080THICKSAEFLATWASHER
(
3
/
8
)
‐ PACKOF104
44891219503
/
8X15
/
8CLEVISPIN‐ STEEL‐ WITHRETAINER‐ PACKOF1 1
4493392233BRUSHDECK1
4502691181PIVOTSPACER‐STABILIZERBAR 2
4513392191BRUSHLIFTSHAFTFRONT 1
4522790751BUSHINGSPACER2
453912245017
/
32I.D.X11
/
16O.D.X.074
/
.121THICKSAEFLATWASHER
(
1
/
2
)
‐PACKOF5 2
45491224201
/
2SPLITLOCKWASHER‐ PACKOF5 2
45591225401
/
2‐13X11
/
4HEXBOLT‐ PACKOF1 2

9
BRUSH DECK LIFT ASSEMBLY
ITEMPARTNO.DESCRIPTIONQTY
4563392721FRAME1
45791214205
/
16‐18HEXNUT‐PACKOF10 3
4583392241BRUSHLIFTHANDLEMOUNT 1
45933934913
/
8X11
/
2CLEVISPIN 1
46091224709
/
16I.D.X13
/
8O.D.X.086
/
.132THICKWROUGHTWASHER
(
1
/
2
)
‐PACKOF2 1
4617690491#6HAIRCOTTERPIN 1
46291213905
/
16SAEFLATWASHER‐ PACKOF10 3

10
BRUSH MOTOR ASSEMBLY
ITEMPARTNO.DESCRIPTIONQTY
50187911801
/
2X3
/
4X26”LONGVINYLTUBING 1
87911801
/
2X3
/
4X17”LONGVINYLTUBING‐ SIDEKICKONLY 1
50291211701
/
4‐20X1
/
2HEXHEADMACHINESCREW‐ PACKOF5 2
50391208801
/
4SPLITLOCKWASHER‐ PACKOF10 2
5048791070VINYLHOSE‐3
/
8"I.D.X1
/
2"O.D.X9.5"LONG‐ WRANGLER27301
5048791070VINYLHOSE‐3
/
8"I.D.X1
/
2"O.D.X11"LONG‐ WRANGLER33301
5057691371TEE‐3
/
8”X3
/
8”X1
/
2” 1
50687911801
/
2X3
/
4X2”LONGVINYLTUBING 1
5077692621SOLUTIONSOLENOIDVALVE 1
50887910703
/
8"I.D.X1
/
2"O.D.X7.5”LONGVINYLHOSE 1
50991230051
/
8”X11"WIRETIE‐PACKOF10 2
5102699059RIGHTDRIVECASTINGASSEMBLY‐ INCLUDES: 1
510A2698072 DRIVECASTING1
510B9121680 5
/
16‐18X1HEXBOLT‐ PACKOF5 6
510C9121520 5
/
16SPLITLOCKWASHER‐ PACKOF10 6
510D2698052 DRIVEHUB1
510E2698061 RUBBERMOUNT1
510F2698081 DRIVELUG6
510G2791281 BUSHINGSPACER1
510H9122120 3
/
8I.D.X5
/
8O.D.X.031THICK1WAVESPRINGWASHER
(
3
/
8
)
‐PACKOF5 1
510I2790211 BRUSHPLATELATCH 1
510J9121390 11
/
32I.D.X11
/
16O.D.X.051
/
.080THICKSAEFLATWASHER
(
5
/
16
)
‐PACKOF10 2
510K9121090 1
/
4‐20X1
/
2TRUSSHEADPHILLIPSMACHINESCREW‐ PACKOF51
5112699069LEFTDRIVECASTINGASSEMBLY‐ INCLUDES: 1
511A2698072 DRIVECASTING1
511B9121680 5
/
16‐18X1HEXBOLT‐ PACKOF5 6
511C9120520 5
/
16SPLITLOCKWASHER‐ PACKOF10 6
511D2698052 DRIVEHUB1
511E2698061 RUBBERMOUNT1
511F2698081 DRIVELUG6
511G2791281 BUSHINGSPACER1
511H9122120 3
/
8I.D.X5
/
8O.D.X.031THICK1WAVESPRINGWASHER
(
3
/
8
)
‐PACKOF5 1
511I2790211 BRUSHPLATELATCH 1
511J9121390 11
/
32I.D.X11
/
16O.D.X.051
/
.080THICKSAEFLATWASHER
(
5
/
16
)
‐PACKOF10 2
511K9121090 1
/
4‐20X1
/
2TRUSSHEADPHILLIPSMACHINESCREW‐ PACKOF51
51291216805
/
16‐18X1HEXBOLT‐ PACKOF5 2
51391215205
/
16SPLITLOCKWASHER‐ PACKOF10 2
514912198513
/
32I.D.X1O.D.X.12THICKFLATWASHER
(
11GAGE
)
‐ PACKOF12
51591222203
/
8‐16X3
/
4HEXBOLT‐ PACKOF5 8
5163392233BRUSHDECK1
5172699179BRUSHGEARMOTORASSEMBLY‐ INCLUDES: 2
517A3390771BRUSHGEARMOTOR‐ INCLUDES: 2
517B2792681 1
/
4"X1
/
4"X1"MOTORKEY 2
N
/
S3391081 CARBONBRUSHASSEMBLY–3390771 2
517C2690471ANDERSONCONNECTOR–ONLY 2
N
/
S4490721CONTACTPINS‐ANDERSON‐ 10‐12AWG 4

11
BRUSH MOTOR ASSEMBLY

12
SOLUTION VALVE ASSEMBLY
ITEMPARTNO.DESCRIPTIONQTY
60191212101
/
4‐20X5
/
8HEXBOLT‐ PACKOF10 2
60291208801
/
4SPLITLOCKWASHER‐ PACKOF10 2
60387911801
/
2X3
/
4VINYLTUBING
(
26”LONG
)
1
6042495161FITTING‐1
/
2HOSEBARBX1
/
4MNPT 1
6053393551INLINECANISTERSTRAINER
(
INCLUDES
)
1
3393611 STRAINERELEMENT 1
3394559 KIT
,
BOWL&GASKET
(
INCLUDES
)
1
3393621 GASKET1
3392731 BOWL1
60638919411
/
4NPTHEXNIPPLE1
6072397961SOLUTIONVALVE1
6087691041VALVELEVER1
60991231401
/
4‐20X13
/
4X13
/
4”U”BOLT‐ PACKOF1 2
6103394041SOLUTIONVALVEMOUNT 1
61187911801
/
2X3
/
4VINYLTUBING
(
81
/
2”LONG
)
1
6122495161FITTING
,
1
/
2HOSEBARBX1
/
4MNPT 1
6137691051SOLUTIONLEVERANDCABLEASSEMBLY 1
61491209701
/
4EXTERNALSTARLOCKWASHER‐ PACKOF10 1
6157691061CONDUITCLAMP1
61691210901
/
4‐20X1
/
2TRUSSHEADPHILLIPSMACHINESCREW‐ PACKOF51
61791209101
/
4‐20HEXNUTWITHSTARLOCKWASHER‐ PACKOF10 4
6183393591STRAINERLOCATIONLABEL 1
6193392721FRAME 1
62087911801
/
2IDX3
/
4ODVINYLTUBING
(
17”LONG
)
‐ SIDEKICKONLY 1
6213394281FITTING
,
3
/
8FPTX1
/
2HOSE‐ SIDEKICKONLY 2
6223394251FLOWSENSORWITHCONNECTOR‐ SIDEKICKONLY‐ INCLUDES:1
3394291 CONNECTOR
,
FEMALE‐ SIDEKICKSENSOR 1
3394311 TERMINAL
,
FEMALE 3
62387911801
/
2IDX3
/
4ODVINYLTUBING
(
21
/
2”LONG
)
‐ SIDEKICKONLY 1
62487911801
/
2IDX3
/
4ODVINYLTUBING
(
2”LONG
)
‐ SIDEKICKONLY 1
6259590161FITTING
,
TEE1
/
2HOSEX1
/
4MPT‐ SIDEKICKONLY 1
62687911801
/
2IDX3
/
4ODVINYLTUBING
(
21
/
4”LONG
)
‐ SIDEKICKONLY 1
6279590221FITTING
,
JACO1
/
4NPTX1
/
4ODTUBE‐ SIDEKICKONLY 1
6289590321TUBING
,
1
/
4”ODNYLON
(
69”LONG
)
1

13
SOLUTION VALVE ASSEMBLY

14
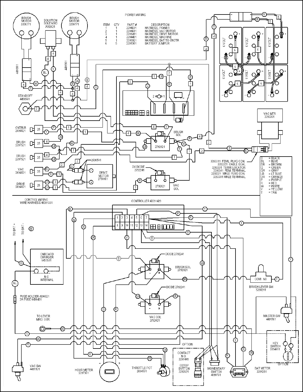
WIRING DIAGRAM

15
WIRING DIAGRAM - SIDEKICK OPTION

16
DRIVE MOTOR ASSEMBLY
ITEMPARTNO.DESCRIPTION QTY.
2790101DRIVEMOTORASSEMBLY36VOLT‐ INCLUDES: 1
701 ‐‐‐‐‐‐‐ PANHEADSCREW3
7022797721 TOPCOVER1
703 ‐‐‐‐‐‐‐ TOPENDBELLASSEMBLY 1
703A2797681 BRUSHBOARDASSEMBLY‐ INCLUDES: 1
703A12797571 BRUSHSPRING4
703A2 ‐‐‐‐‐‐‐ 10‐32X3
/
8BRASSPANHEADSCREW 4
703A32797691 CARBONBRUSHWITHLEADANDTERMINAL 4
7042797581 LEADASSEMBLY‐1WIREWITHTERMINALS 2
705 ‐‐‐‐‐‐‐ HEYCOSTRAINRELIEF 1
7062797651 STATORFRAMEASSEMBLYWITHMAGNETS 1
7079120600 10‐24X1
/
2SELFTAPPINGROUNDHEADSCREW‐ PACKOF103
7082797591 HELICALWASHER1
7092797661 ARMATUREASSEMBLY‐ INCLUDES: 1
709A5092041 BEARINGTOPEND‐ COMMUTATOREND 1
709B2792681 SHAFTKEY1
709C2790311 BEARING
,
BOTTOMEND
(
SHAFTEND
)
1
7102797711 BOTTOMENDBELL1
7112797731 SHAFTSEAL1
712 ‐‐‐‐‐‐‐ THRUBOLT2

17
BRUSH GEAR MOTOR ASSEMBLY
ITEMPARTNO.DESCRIPTION QTY.
3390771BRUSHGEARMOTORASSEMBLY‐ INCLUDES: 1
8013391221 NEGATIVELEAD1
8023391201 THRUBOLT1
/
4‐20X73
/
42
8039120600 10‐24X1
/
2PANHEADPHILLIPSTHREADCUTTINGSCREW‐PACKOF10 2
8043391031 ARMATUREASSEMBLY‐ INCLUDES: 1
804A5092041 TOPENDBEARING 1
804B3391191 ARMATUREVENTFAN 1
804C3391131 BOTTOMENDBEARING 1
8053391041 STATORFRAMEASSEMBLYWITHMAGNETS 1
806 ‐‐‐‐‐‐‐ 10‐32X1
/
2PANHEADSLOTTEDSCREW
,
BRASS 4
807 ‐‐‐‐‐‐‐ TOPENDBELLASSEMBLYINCLUDES: 1
‐‐‐‐‐‐‐ TOPENDBELLONLY 1
807A3391021 BRUSHBOARDASSEMBLY‐ INCLUDES: 1
807A13391081 CARBONBRUSH‐ 120VOLT 4
807A22797571 CARBONBRUSHSPRING 4
808 ‐‐‐‐‐‐‐ STRAINRELIEF2
8093391211 POSITIVELEAD1
8102797591 HELICALWASHER 1
8113391181 GEARBOXASSEMBLY‐ INCLUDES: 1
3391101 GEARBOX‐HOUSINGONLY 1
811A3391091 OILSEAL
,
LARGE 1
811B3391111 TOPBEARING
,
SMALL 1
811C3391121 GEARSHAFT1
811D2792681 MOTORKEY
,
1
/
4X1
/
4X1 1
811E3391131 BOTTOMBEARING
,
LARGE 1
811F3391141 “O”RING1
811G3391151 ENDCAP1
811H3391161 OILSEAL
,
SMALL 1
811I3391171 SNAPRING1

18
HANDLE BAR & COVER ASSEMBLY
ITEM PARTNO.DESCRIPTIONQTY.
9013394231HANDLECOVER1
3394201HANDLECOVER‐E‐STOP 1
9023393521ACTUATOR‐EMERGENCYSTOP‐ OPTIONALE‐STOP 1
9033391441CONTACTBLOCK
,
1N.O.‐ OPTIONALE‐STOP 1
9043393901HANDLEBAR1
9052691931DRIVEGEAR‐HANDLEBAR‐ INCLUDES: 1
905A9120170 8‐32X3
/
16SETSCREW‐ KNURLPOINT‐ STEEL‐ PACKOF5 2
90691208801
/
4SPLITLOCKWASHER‐ PACKOF10 1
90791212101
/
4‐20X5
/
8HEXBOLT‐ PACKOF10 1
9082694131POTENTIOMETER‐CURTISSPEEDCONTROL 1
9093393891COLLAR‐SHAFT1
/
2”I.D.‐ INCLUDEDSCLAMPINGSCREW 2
9103393141ADJUSTABLEBRACKET‐ TORSIONSPRING 1
91191209701
/
4EXTERNALSTARLOCKWASHER‐ PACKOF10 2
91291209901
/
4‐20X3
/
8TRUSSHEADPHILLIPSMACHINESCREW‐ PACKOF52
9132691941DRIVENGEAR‐POTENTIOMETER‐ INCLUDES: 1
913A9120170 8‐32X3
/
16SETSCREW‐ KNURLPOINT‐ STEEL‐ PACKOF5 2
9143393851BRACKET‐SPRINGSTOP 1
9156496091TORSIONSPRING‐.81I.D.X.067DIAMETERWIRE 1
9166496081BEARING‐PLAINSLEEVE.5X.75X.75LONG 1
91791227101
/
2‐20X13
/
4HEXBOLT‐ PACKOF1 2
91891224201
/
2SPLITLOCKWASHER‐ PACKOF5 2
9192691891HANDLEBARSPACER2
92023919411
/
2‐20FEMALERODEND‐ BALLJOINT 2
9212691871HANDLEGRIPBASE2
9223392901HANDLEGRIP2
92391202708‐32X7
/
8ROUNDHEADPHILLIPSMACHINESCREW‐ PACKOF102
9249120200#8SPLITLOCKWASHER‐ PACKOF10 2
9256496171COLLAR‐SHAFT1
/
2”I.D.‐ INCLUDEDSSETSCREW 1
92691209901
/
4‐20X3
/
8TRUSSHEADPHILLIPSMACHINESCREW‐ PACKOF54
9274890761MOMENTARYSWITCH 1
9284890781SWITCHBOOT1
92991232107
/
8IDX1‐1
/
2ODFLATWASHER‐ PACKOF1‐ OPTIONALE‐STOP1
9309590101KIT
,
SIDEKICKCHEMICALDISPENSOR–OPTIONAL 1
9590211 REPLACEMENTCONTROLBOARD 1
9590121 REPLACEMENTPUMPTOPHOUSING 1
9590131 REPLACEMENTPUMPBOTTOMHOUSING 1
9590311 REPLACEMENTSPINNERASSEMBLY
,
PUMP 1
9319590189KIT
,
SIDEKICKCONTROLCOVER–OPTIONAL 1
3394261 COVER
,
DILUTIONCONTROL 1
9590191 SCREW
,
TAMPERPROOF
,
#6X1
/
2”LONG 2
9590201 TOOL
,
TAMPERPROOFSCREW 1
9329590151SQUEEZETUBEWITHFITTINGS–OPTIONAL 1
9339590141SQUEEZETUBECOVER–OPTIONAL 1
9349590231SIDEKICKREADYLABEL 1

19
HANDLE BAR & COVER ASSEMBLY

20
ITEMPARTNO. DESCRIPTIONQTY.
10012397361HOURMETER1
10023394451CONTROLPLATE1
10033391351TRUCHARGEINDICATOR 1
10057692421TERMINALBOOT2
10063391313REARPANEL1
100791200154‐40HEXNUTWITHSTARLOCKWASHER‐ PACKOF10 2
10089120012#4‐40X3
/
8LGPANHEADPHILLIPSMACHINESCREW‐ PACKOF52
100991210001
/
4‐20X5
/
8TRUSSHEADPHILLIPSMACHINESCREW‐ PACKOF58
101091212101
/
4‐20X5
/
8HEXBOLT‐ PACKOF10 6
101191201106‐32X11
/
8PANHEADPHILLIPSMACHINESCREW‐ PACKOF102
10123391401DECALKIT‐REARPANELIDRIVE
(
INCLUDESMOSTDECALSONR.PANEL
)
1
10133392281HANDLELOCKPLATE2
101491209001
/
4‐20HEXNUTWITHNYLOKINSERT 6
10155390211SNAPSWITCH1
101691200206‐32HEXNUTWITHSTARLOCKWASHER‐ PACKOF10 2
101791211701
/
4‐20X1
/
2HEXBOLT‐ PACKOF10 1
101891208801
/
4SPLITLOCKWASHER‐ PACKOF10 1
10196495701120VOLTONBOARDCHARGERCORD 1
10196495711240VOLTONBOARDCHARGERCORD 1
10190396271240VOLTONBOARDCHARGERCORD
,
TYPEIPLUG
(
CHINA
)
1
102091208801
/
4SPLITLOCKWASHER‐ PACKOF10 1
102191211701
/
4‐20X1
/
2HEXBOLT‐ PACKOF10 3
10229120810#10x1
/
2PANHEADPHILLIPSSHEETMETALSCREW‐ PACKOF106
10232695841BRACKET
,
CHARGERMOUNTING 2
10243291111CORDCLAMP2
102591212701
/
4‐20X1HEXBOLT‐ PACKOF10 1
1026649753136VOLTONBOARDCHARGER25ADP‐ 100
/
115
/
23050
/
60HZINPUT‐INCLUDES: 1
2695861 CORDWRAP1
102791209001
/
4‐20HEXNUTWITHNYLOKINSERT‐ PACKOF10 1
10289120200#8LOCKWASHER2
10292395761CABLECLAMP
,
1”1
10312694121CIRCUITBREAKER25A 1
10323391429CONTROLLER
,
IDRIVE1
103391220253
/
8X1
/
2SOCKETHEADSHOULDERBOLT
(
5
/
16‐18
)
‐ PACKOF12
10344490561INSULATEDSTANDOFF 1
103591208801
/
4SPLITLOCKWASHER‐ PACKOF10 1
103691212101
/
4‐20X5
/
8HEXBOLT‐ PACKOF 10 1
10372694121CIRCUITBREAKER‐25AMP 2
10382391361CIRCUITBREAKER‐30AMP 2
10392792021CONTACTOR–SOLENOID 2
104091209001
/
4‐20HEXNUTWITHNYLOKINSERT‐ PACKOF10 4
104191209309
/
32I.D.X5
/
8O.D.X.051
/
.080THICKSAEFLATWASHER
(
1
/
4
)
‐PACKOF105
10424990321FUSEHOLDERWITHNUTANDWASHER 1
10439120285#8‐32X1‐1
/
8LGROUNDHEADPHILLIPSMACHSCREW‐ PKOF52
10446496451FAST‐ACTINGFUSE2AMP 1
1045912036010‐24HEXNUTWITHSTARLOCKWASHER‐ PACKOF10 2
10467691051SOLUTIONLEVERANDCABLEASSEMBLY 1
10474491101SWITCH–TOGGLE2
105006918511
/
2INTERNALSTARLOCKWASHER 2
10510693141RUBBERSWITCHBOOT 2
1052912042010‐24X5
/
8ROUNDHEADPHILLIPSMACHINESCREW‐ PACKOF102
105391212101
/
4‐20X5
/
8HEXBOLT‐ PACKOF10 4
105491209701
/
4STARLOCKWASHER‐ PACKOF10 3
10553393501IDENTIFIERDECAL‐WRANGLER2730 1
3393511IDENTIFIERDECAL‐WRANGLER3330 1
10563394541CONTROLPLATEDECAL
(
BOTHLABELS
)
1
10573394561MAXINCLINELABEL1
10583394721FUSELABEL1
10593394731MAXCLIMBINGLABEL‐ 13% 1

21
REAR PANEL ASSEMBLY

22
STRAIGHT SQUEEGEE ASSEMBLY
ITEM PARTNO.DESCRIPTIONQTY.
11013392131SQUEEGEEMOUNTBRACKET 1
110291225501
/
2‐13X11
/
2HEXBOLT‐ PACKOF1 2
11032391461BUSHING‐LIFTLEVER 2
110491215205
/
16SPLITLOCKWASHER‐ PACKOF10 4
110591216405
/
16‐18X3
/
4HEXBOLT‐ PACKOF5 4
11063392161SQUEEGEEPIVOTROD 2
110713911713
/
8FLANGENYLINER4
110891223403
/
8‐16X2HEXBOLT‐ PACKOF2 1
110991219503
/
8X15
/
8CLEVISPIN‐ STEEL‐ WITHRETAINER‐ PACKOF1 1
11103392151SQUEEGEEMOUNTBRACKET 1
11112690591S
Q
UEEGEEVACHOSEWITHCUFFS 1
11123392141SQUEEGEELIFTCABLE 1
111391215055
/
16X1
/
8
(
1
/
4‐20
)
SOCKETHEADSHOULDERBOLT‐ PACKOF11
111491221403
/
8‐16HEXNUTWITHNY‐LOKINSERT‐ PACKOF5 1
111591226701
/
2‐20HEXJAMNUT‐ PACKOF6 1
11162391941BALLJOINT2
111791224951
/
2‐13THINHEXNUTWITHNYLOKINSERT‐ PACKOF1 2
11182692539SQUEEGEEASSEMBLYNARROWMOUNT‐ WRANGLER2730‐ INCLUDES:1
2693539SQUEEGEEASSEMBLYNARROWMOUNT‐ WRANGLER3330‐ INCLUDES:1
1118A3392971 T‐KNOB–S
Q
UEEGEE 2
1118B9121720 5
/
16‐18X11
/
4FULLTHREADEDHEXBOLT 2
1118C9121450 5
/
16‐18HEXNUTWITHNY‐LOKINSERT 2
1118D3096741 WHEEL‐BUMPER‐SMALLGRAY 2
1118E9121560 5
/
16‐18X1
/
2HEXBOLT‐ PACKOF5 2
1118F9121410 5
/
16EXTERNALSTARLOCKWASHER‐ PACKOF10 2
1118G9121390 11
/
32I.D.X11
/
16O.D.X.051
/
.080THICKFLATWASHER
(
5
/
16
)
‐PACKOF10 2
1118H2790281 3”BUMPERWHEEL2
1118I2692523 HOUSINGNARROWMOUNTSQUEEGEE‐ WRANGLER2730 1
2693523 HOUSINGNARROWMOUNTS
Q
UEEGEE‐ WRANGLER3330 1
1118J2793009 32"REPLACEMENTSQUEEGEEBLADESSETOF2‐ WRANGLER27301
3394109 38"REPLACEMENTSQUEEGEEBLADESSETOF2‐ WRANGLER33301
1118K2692533 INNERCHANNEL‐WRANGLER2730 1
2693533 INNERCHANNEL‐WRANGLER3330 1
1118L9121910 5
/
16‐18X11
/
4SOCKETHEADCAPSCREW 2
1118M9121880 5
/
16‐18X3
/
4SOCKETHEADCAPSCREW 4

23
STRAIGHT SQUEEGEE ASSEMBLY

24
CURVED SQUEEGEE ASSEMBLY
ITEM PARTNO.DESCRIPTIONQTY.
3392979CURVEDSQUEEGEEASSEMBLYBIGWHEELS‐ INCLUDES: 1
12012693841 REARSECURINGSTRAP 1
12022695561 REARBLADE1
12032693811 CENTERWEDGE2
12042693821 FRONTBLADE1
12053392983 CURVEDSQUEEGEEHOUSING 1
12069121720 5
/
16‐18X11
/
4FULLTHREADEDHEXBOLT‐ PACKOF2 2
12072492561 HOOKEDEND2
12089121560 5
/
16‐18X1
/
2HEXBOLT‐ PACKOF5 2
12099121410 5
/
16EXTERNALSTARLOCKWASHER‐ PACKOF10 2
12109121390 11
/
32I.D.X11
/
16O.D.X.051
/
.080THICKFLATWASHER
(
5
/
16
)
‐PACKOF10 2
12113392991 SQUEEGEEBUMPERWHEEL‐ 6"O.D. 2
12129121210 1
/
4‐20X5
/
8HEXBOLT‐ PACKOF10 4
12139120880 1
/
4SPLITLOCKWASHER‐ PACKOF10 4
12149120930 9
/
32I.D.X5
/
8O.D.X.051
/
.080THICKFLATWASHER
(
1
/
4
)
‐ PACKOF104
12159121520 5
/
16SPLITLOCKWASHER‐ PACKOF10 2
12169121720 5
/
16‐18X11
/
4FULLTHREADEDHEXBOLT‐ PACKOF2 2
12179120070 6‐32X3
/
8ROUNDHEADPHILLIPSMACHINESCREW‐ PACKOF102
12189120030 #6SPLITLOCKWASHER‐ PACKOF10 2
12192492581 S
Q
UEEGEELEVEL1
12203392971 T‐KNOB–SQUEEGEE 2
12219121450 5
/
16‐18HEXNUTWITHNYLOKINSERT‐ PACK OF5 2
12222492571 DOLLYWHEELMOUNTINGBRACKET 2
12239121390 11
/
32I.D.X11
/
16O.D.X.051
/
.080THICKFLATWASHER
(
5
/
16
)
‐PACKOF10 2
12243096741 WHEEL
,
BUMPER‐SMALLGRAY 2
12259121390 11
/
32I.D.X11
/
16O.D.X.051
/
.080THICKFLATWASHER
(
5
/
16
)
‐PACKOF10 2
12269121760 5
/
16‐18X13
/
4HEXBOLT‐ PACKOF2 2
12279121280 1
/
4‐20X11
/
2HEXBOLT‐ PACKOF5 2
12289120880 1
/
4SPLITLOCKWASHER‐ PACKOF10 2
12299120930 9
/
32I.D.X5
/
8O.D.X.051
/
.080THICKFLATWASHER
(
1
/
4
)
‐ PACKOF102
12302492541 CENTERHOLDDOWN 1
12312492591 CENTERHOLDDOWNSPACER 2

25
SKIRT ASSEMBLY WRANGLER 2730 DB
ITEM PARTNO.DESCRIPTIONQTY.
13013392709LEFTSIDESKIRTASSEMBLY‐ INCLUDES: 1
1301A3392323 LEFTSIDESKIRT1
1301B3392331 LEFTWIPER1
1301C3392341 LEFTWIPERSTRAP 1
1301D9120500 10‐24X3
/
8TRUSSHEADPHILLIPSMACHINESCREW‐ PACKOF101
1301E9120540 10‐24X1
/
2FLATHEADPHILLIPSMACHINESCREW‐ PACKOF101
1301F3392541 CASTERMOUNTHINGEPIN 1
1301G9122496 RETAININGRING 2
1301H2691491 PIN‐SKIRT‐WITHHAIRPIN 1
1301I3392551 BUMPERWHEEL 1
13023392719RIGHTSIDESKIRTASSEMBLY‐ INCLUDES: 1
1302A3392353 RIGHTSIDESKIRT 1
1302B3392371 RIGHTWIPERSTRAP 1
1302C3392361 RIGHTWIPER1
1302D9120500 10‐24X3
/
8TRUSSHEADPHILLIPSMACHINESCREW‐ PACKOF101
1302E9120540 10‐24X1
/
2FLATHEADPHILLIPSMACHINESCREW‐ PACKOF101
1302F3392551 BUMPERWHEEL 1
1302G3392541 CASTERMOUNTHINGEPIN 1
1302H9122496 RETAININGRING 2
1302I2691491 PIN‐SKIRT‐WITHHAIRPIN 1
13033394033FRAMECHANNEL2
130491215205
/
16SPLITLOCKWASHER‐ PACKOF10 1
130591216005
/
16‐18X5
/
8HEXBOLT‐ PACKOF5 1
13067691921SPRINGCLIP–HOSE 1
13072391751POPRIVET1
/
8"X5
/
8" 2
13083392393BUMPER
/
SKIRTMOUNT 1

26
SKIRT ASSEMBLY WRANGLER 3330 DB
ITEM PARTNO.DESCRIPTIONQTY.
14013392739LEFTSIDESKIRTASSEMBLY‐ INCLUDES: 1
1401A3392423 LEFTSIDESKIRT1
1401B3392431 LEFTWIPER1
1401C3392441 LEFTWIPERSTRAP1
1401D9120500 10‐24X3
/
8TRUSSHEADPHILLIPSMACHINESCREW‐ PACKOF101
1401E9120540 10‐24X1
/
2FLATHEADPHILLIPSMACHINESCREW‐ PACKOF101
1401F3392541 CASTERMOUNTHINGEPIN 1
1401G9122496 RETAININGRING2
1401H2691491 PIN‐WITHHAIRPIN 1
1401I3392551 BUMPERWHEEL1
14023392749RIGHTSIDESKIRTASSEMBLY‐ INCLUDES: 1
1402A3392453 RIGHTSIDESKIRT1
1402B3392431 RIGHTWIPER1
1402C3392441 RIGHTWIPERSTRAP 1
1402D9120500 10‐24 X3
/
8TRUSSHEADPHILLIPSMACHINESCREW‐ PACKOF101
1402E9120540 10‐24X1
/
2FLATHEADPHILLIPSMACHINESCREW‐ PACKOF101
1402F3392551 BUMPERWHEEL1
1402G3392541 CASTERMOUNT
/
BUMPERWHEELPIN 1
1402H9122496 RETAININGRING2
1402I2691491 PIN‐SKIRT‐WITHHAIRPIN 1
14033394033FRAMECHANNEL2
140591216005
/
16‐18X5
/
8HEXBOLT‐ PACKOF5 1
140691215205
/
16SPLITLOCKWASHER‐ PACKOF10 1
14087691921SPRINGCLIP–HOSE1
14093394621WRANGLER33BUMPER
/
SKIRTMOUNT 1
14102391751POPRIVET1
/
8"X5
/
8" 2
14113392759LOWPROFILESKIRTASSEMBLY 1
1411A3392441 WIPERSTRAP‐RIGHTANDLEFTSIDE 1
1411B3392431 WIPER‐RIGHTANDLEFTSIDE 1
1411C3392483 RIGHTLOWPROFILESKIRT 1
1411D9120500 10‐24 X3
/
8TRUSSHEADPHILLIPSMACHINESCREW‐ PACKOF101
1411E9120550 10‐24X5
/
8FLATHEADPHILLIPSMACHINESCREW‐ PACKOF101
1411F3392471 BUMPER‐LOWPROFILESKIRT 1
1411G9120510 10‐24X1
/
2TRUSSHEADPHILLIPSMACHINESCREW‐ PACKOF101
1411H9120350 10‐24HEXNUTWITHNYLOKINSERT‐ PACKOF10 1
1411I2490311 AXLE‐BUMPERWHEEL 1
1411J9122496 RETAININGRING2
1411K2790281 3”BUMPERWHEEL1
1411L2691491 PIN‐SKIRT‐WITHHAIRPIN 1
14123392809HIGH‐ROLLERKITOPTION1PERSKIRT 1
1412A9122496 RETAININGRING2
1412B3392773 BRACKETROLLERPIN‐ 1PERSKIRT 1
1412C9121600 5
/
16‐18X5
/
8HEXBOLT‐ PACKOF5 1
1412D9121520 5
/
16SPLITLOCKWASHER‐ PACKOF10 1
1412E9121420 5
/
16‐18HEXNUT‐PACKOF10 1
1412F2691151 BUMPERWHEEL1
1412G3392651 BUMPERAXLE1

27
SKIRT ASSEMBLY WRANGLER 3330 DB

28
ACCESSORIES
BatteriesandBatteryAccessories
3390361235A.H.Batter
y
2691501350A.H.Batter
y
7691401430A.H.Batter
y
3390981235A.H.Batter
y
–AGM
3390991305A.H.Batter
y
‐ AGM
7692481Batter
y
FillS
y
stem‐ 350&430Am
p
2698441DualProChar
g
erFanRefurbishmentKit
2698421DualProChar
g
erRin
g
TerminalRefurbishmentKit
7692181LowWaterBatter
y
Alarm 3394161 OffBoardChar
g
er
(
40am
p)
Ada
p
tor
27961012Qt.BatteryFillContainer3394081OffBoardChargerAdaptor
PadCup
2795231S
p
litRetainerRin
g
PadCu
p
5990731SpringClipPadHolderSet
Wrangler2730
279289114”Pol
y
blockTuftPadDriver
279251114”Pol
y
blockN
y
lonBrush‐ Li
g
httomediumScrubbin
g
.
279252114”Pol
y
blockN
y
lonGrit‐FilledBrush‐ Heav
y
ConcreteScrubbin
g
.
279253114”Pol
y
blockWireBrush.
269448114”Pol
y
blockScrubGritBrush‐ MildtoMediumScrubbin
g
.
Wrangler3330
339089117”Pol
y
blockTuftPadDriver
339051117”Pol
y
blockN
y
lonBrush‐ Li
g
httoMediumScrubbin
g
.
339052117”Pol
y
blockN
y
lonGrit‐FilledBrush‐ Heav
y
Concrete Scrubbin
g
.
339053117”Pol
y
blockWireScrubBrush.
339090117”Pol
y
blockScrubGritBrush‐ MildtoMediumScrubbin
g
.
FloorPads
Forsoftfinishes:Usetoscrub
799145114”NSSLiteBluePolish
/
BurnishPad
799175117”NSSLiteBluePolish
/
BurnishPad
Forallfinishes:CharacteristicsofaBlue&Red
p
ad.Removescuffmarks
,
notfinish.
Useforlightcleaning&polishing.
799144114”NSSUHSCleanBuffPad
799174117”NSSUHSCleanBuffPad
Forallfinishes:Removesfinishcom
p
letel
y
.
799140114”NSSBlackStri
p
Pad
799170117”NSSBlackStri
p
Pad
799003117”NSSGreenEcostripPad
TwisterFloorPads
799081114”TwisterStarterKit 7990831 17”TwisterStarterKit
799148114”TwisterWhitePad 7991791 17”TwisterWhitePad
799147114”TwisterYellowPad 7991771 17”TwisterYellowPad
799146114”TwisterGreenPad 7991761 17”TwisterGreenPad
799104114”TwisterRedPad 7991801 17”TwisterRedPad
2392129WetPickUpToolKit
5790469Wand‐2Piece
2391231VacuumHose2392179 Brush Squeegee Kit
5797011SqueegeeTool 2290209 1.5” Steel Tube Handle
2291211AluminumConnector 2391231 Vacuum Hose
2391241HoseStra
p
3097849 Squeegee Tool w/ Brush
9997560VelcroLoo
p
2291211 Aluminum Connector
9997550VelcroHookNSS® Enterprises, Inc.
3115 Frenchmens Road, Toledo, Ohio 43607
PHONE (419) 531-2121 FAX (419) 531-3761
NSS Cleaning Equipment Systems (Shanghai) Co., Ltd.
Building 188, Lane 1421, East Zhuan Xin Road,
Min Hang District, Shanghai, China 201108
Phone: 021-61371251
WRANGLER 2730 DB & 3330 DB Orig. 07-04 Rev T 07-14 PART #9093330
PadDriver
ScrubBrush
Pad