71051A.pmd Pacesetter Parts Manual
2014-01-27
: Sweepscrub Pacesetter Parts Manual Pacesetter_Parts_Manual 1043 file product_file
Open the PDF directly: View PDF
.
Page Count: 6

7/05 revised 8/06 FORM NO. 71051A
PARTS LIST
Advance Models: 01282A (13); 01290A (17); 01370A (20);
01330A (17HD); 01410A (20HD);
01440A (20TS); 01460A (20SD)
Pacesetter™ 13, 17, 20
Pacesetter™ 17HD, 20HD
Pacesetter™ 20TS, 20SD
This parts list is for machines after serial number EA

FORM NO. 71051A
05--7
2TABLE OF CONTENTS
DESCRIPTION PAGE
Optional Accessories ............................................................................... 3
Assembly Drawing.................................................................................... 4
Assembly Parts List.................................................................................. 5
Wiring Diagram ......................................................................................... 5
WHEN ORDERING PARTS
* Use the 6 or 8 digit numbers from the “Part No.” columns in this parts list.
* Specify the model and serial number of the machine.
* Use the space below to record the model and serial number for future reference.
Model Serial No.

3
FORM NO. 71051A
05-7
OPTIONAL ACCESSORIES
Part No. Description
56172305 Splash Guard Assembly (17 Models)
56172313 Splash Guard Assembly (20 Models)
53853A Solution Tank Kit (All Models)
11022A Weight Kit (HD Models only)
56020194 Bassine Brush 13
56020196 Union Mix Brush 13
56020200 Steel Brush 13
56020223 Polypropylene Brush 13
56020309 Nylon Medium Grit Brush 13
56505910 Short-Trim Pad Holder 17 (w/pad centering device)
56505270 Level-Set Pad Holder 17
56505915 ProLite™ Brush 17
56505914 Prolene Brush 17
56505911 MagnaGrit™ 46 Brush 17
56505912 DynaGrit™ 80 Brush 17
56505918 MidLite Grit™ 180 Brush 17
56505917 MidGrit™ 240 Brush 17
56505913 AgLite™ 500 Brush 17
56505916 Union Mix Brush 17
56505539 Soft-Touch™ Shampoo Brush 17
56505920 Short-Trim Pad Holder 20 (w/pad centering device)
56505280 Level-Set Pad Holder 20
56505925 ProLite™ Brush 20
56505924 Prolene Brush 20
56505921 MagnaGrit™ 46 Brush 20
56505922 DynaGrit™ 80 Brush 20
56505928 MidLite Grit™ 180 Brush 20
56505927 MidGrit™ 240 Brush 20
56505923 AgLite™ 500 Brush 20
56505926 Union Mix Brush 20
56505540 Soft-Touch™ Shampoo Brush 20
56506006 NP-92 Clutch Plate-Nylon Replacement
56506007 NP-92 Clutch Plate-Zinc Replacement
56161750 Brown Stripping Pad, 17” (case of 5)
56161716 Blue Scrubbing Pad, 17” (case of 5)
56161738 Blue Scrubbing Pad, 20” (case of 5)
56161737 Red Buffer Pad, 20” (case of 5)
56505019 Pad Centering Unit (includes 56393567) (for use w/56505910 and 56505920)
56393567 “Big Mouth” Pad Retainer (for use w/56505910 and 56505920)
NOTE: Pad Holders and Brushes come complete with Industry Standard NP-92 Clutch Plate.
Pacesetter™ 13, 17, 20, 17HD, 20HD, 20TS, 20SD
OPTIONAL ACCESSORIES

FORM NO. 71051A
05--7
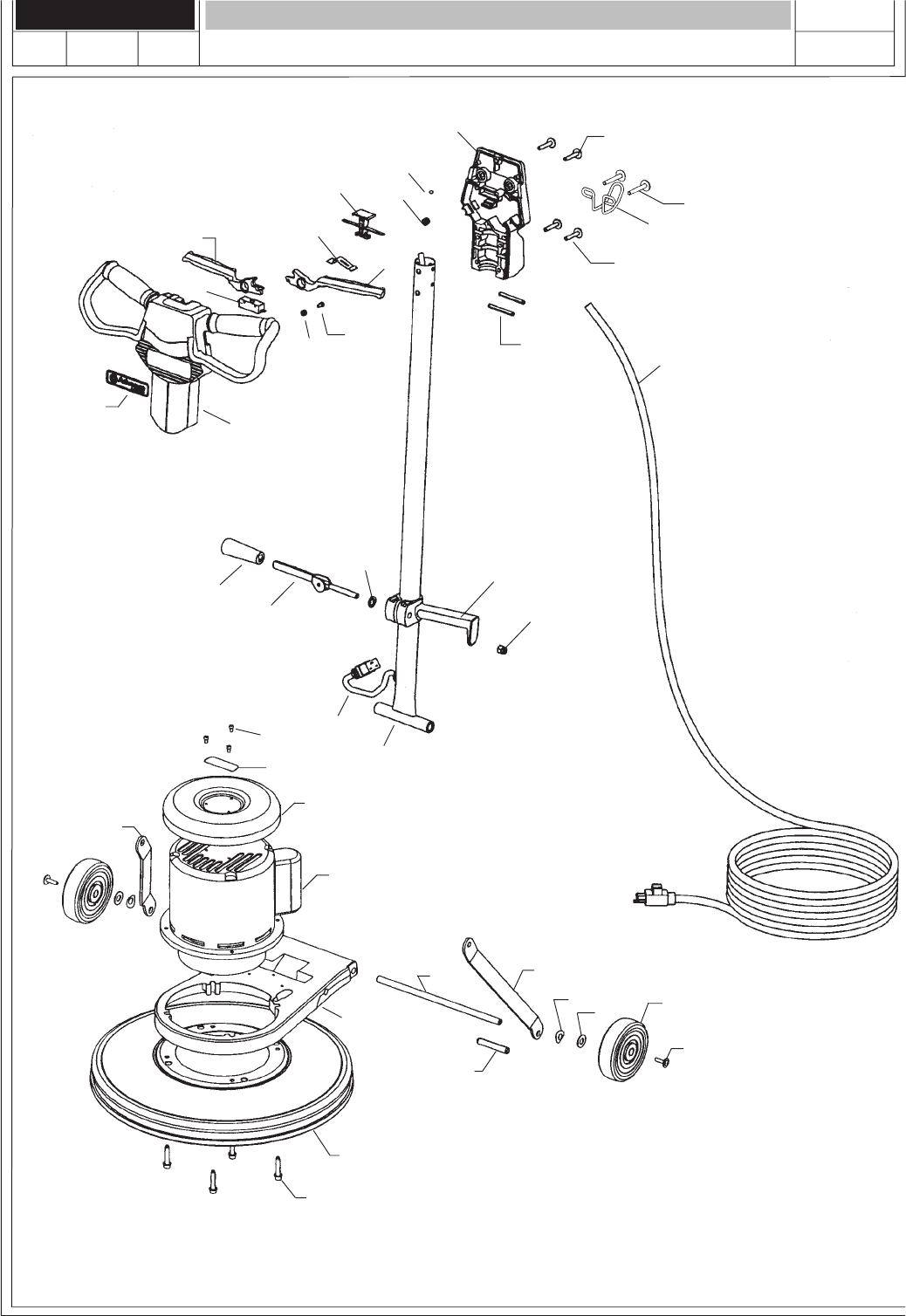
4ASSEMBLY DRAWING
11
12
2
14
16
17
13
18
15
2
2
56
2, 52, 5 5
2, 5
Pacesetter™ 13, 17, 20, 17HD, 20HD, 20TS, 20SD
10 9
7
7
2,7 7
2,7
1
2
2,4 2,4
4
8
44
42
2,4
32,4
2,4
4
2,4
06-6

5
FORM NO. 71051A
05-7 ASSEMBLY PARTS LIST & WIRING DIAGRAM
Ref. # Part No. Description Qty.
1 40760A Cord Power 1
2 11014A Hardware Kit 1
3 30644A Handle, Back 1
4 11016A Trigger Kit 1
5 11018A Wheel Kit 2
6 61740A Link Arm, Left 1
7 11019A Handle Clamp Kit 1
8 56201034 Switch, SPST 1
9 30643A Handle, Front 1
10 70975A Label, Handle Advance 1
11 61373A Handle Tube 1
12 40774A Cord, Interconnect 1
13 61741A Link Arm, Right 1
14 71169A Label, Pacesetter 13 1
70978A Label, Pacesetter 17 1
70979A Label, Pacesetter 17HD 1
70980A Label, Pacesetter 20 1
70981A Label, Pacesetter 20HD 1
70982A Label, Pacesetter 20TS 1
70983A Label, Pacesetter 20SD 1
15A 61844A Housing (13) 1
50972A Bumper (13) 1
15B 11006A Housing Assembly (17) 1
61715A Housing (17) 1
30381A Bumper (17) 1
15C 11007A Housing Assembly (20) 1
61714A Housing (20) 1
50784A Bumper (20) 1
16 61716A Cover, Drip
(13, 17, 20, 17HD, 20HD, 20SD)
1
61717A Cover, Drip (20TS) 1
Ref. # Part No. Description Qty.
17A 40761A Motor, (13, 17, 20) 1
40694A Start Capacitor (supplied with motor) 1
40695A Run Capacitor (supplied with motor) 1
53190A Start Switch (supplied with motor) 1
53645A Gearbox, (13, 17, 20) 1
69195A Coupling (supplied with gearbox) 1
17B 40763A Motor, (17HD, 20HD) 1
40694A Start Capacitor (supplied with motor) 1
53191A Run Capacitor (supplied with motor) 1
53190A Start Switch (supplied with motor) 1
53646A Gearbox, (17HD, 20HD) 1
69195A Coupling (supplied with gearbox) 1
17C 40764A Motor, (20TS) 1
51405A Brush (supplied with motor) 4
912287 Rectifier (supplied with motor) 1
46735A Speed Control (supplied with motor) 1
40851A Toggle Switch (supplied with motor) 1
53647A Gearbox, (20TS) 1
69195A Coupling (supplied with gearbox) 1
17D 40766A Motor, (20SD) 1
40694A Start Capacitor (supplied with motor) 1
53191A Run Capacitor (supplied with motor) 1
53190A Start Switch (supplied with motor) 1
53654A Gearbox, (20SD) 1
53850A Coupling (supplied with gearbox) 1
18 21088A Mainframe 1
NI 30758A Pad Driver (13) 1
NI 30638A Pad Driver (17) 1
NI 30639A Pad Driver (20) 1
Pacesetter™ 13, 17, 20, 17HD, 20HD, 20TS, 20SD
06-8
COMMON NORM
OPEN
Floor Machine Schematic
TS Motor Schematic All Models (except TS) Motor Schematic
