Pioneer Eclipse 450gp Concrete Grinder Polisher Operator Parts Manual
2017-01-11
: Sweepscrub Pioneer-Eclipse-450Gp-Concrete-Grinder-Polisher-Operator-Parts-Manual pioneer-eclipse-450gp-concrete-grinder-polisher-operator-parts-manual 1992 file product_file
Open the PDF directly: View PDF
.
Page Count: 60

Propane Hard Floor Machine
PE450GP
Operator’s Manual

NOTICE
Proper maintenance is necessary with all propane powered floor
machines. Following the scheduled maintenance procedures found in
your operation manual will provide many years of uninterrupted service.
In addition to the scheduled maintenance procedures listed it is
recommended to have your machine serviced by certified service personnel
every three months. This service should include an emissions check.
Instructions For Use
Failure to read and understand this manual before operating this machine or performing service
on this machine may result in injury to the operator or nearby personnel or result in damage to the
machine or nearby property. Each operator must be trained in the operation of this machine before
being allowed to use it. Contact Amano Pioneer Eclipse Customer Service at 1-800-367-3550 or
+1-336-372-8080 or an authorized Amano Pioneer Eclipse Distributor to inquire about training or to
request a replacement manual.

In this Operation Manual you will find three statements that you must read and observe to ensure
safe operation of this machine.
DANGER! indicates that the possibility of severe bodily injury or death can occur if DANGER!
statements are ignored. Read and observe all DANGER! statements included in the Operation
Manual and attached to the machine.
WARNING! indicates that the possibility of bodily injury to the operator and other people can occur
if WARNING! statements are ignored. Read and observe all WARNING! statements included in
the Operation Manual and attached to the machine.
CAUTION! indicates that the possibility of damage to the machine or other property can occur if
CAUTION! statements are ignored. Read and observe all CAUTION! statements included in the
Operation Manual and attached to the machine.
DANGER! For your safety, if you smell
propane:
1. Extinguish any open flame.
2. Open window.
3. Do not touch electrical switches.
4. Immediately call your propane supplier.
DANGER! Do not store or use gasoline or
other flammable vapors and liquids in the
vicinity of this or any other appliance.
Record This Important Information
Date of Purchase___________________________________________
Purchased From____________________________________________
Address_________________________________________________
City________________________ State______ Zip_______________
Phone________________________ Contact_____________________
Machine Model____________________________________________
Machine Serial Number______________________________________
Important Phone Numbers
Medical Emergency_________________________________________
Police____________________________________________________
Fire Department____________________________________________

Quick Reference Specifications..........................................6
Safety Precautions..............................................................7
Refueling and Storage of Fuel Cylinders............................9
Operator Responsibility.......................................................9
Canadian Safety Requirements........................................10
Test for Operator-Ear Sound Pressure Level.................11
Test for Hand Arm Vibration..............................................11
Machine Preparation.........................................................12
Unpacking the Machine............................................12
Filling the LP Cylinder................................................12
Installing the LP Cylinder...........................................12
Controls and Instruments..........................................13
Ignition Switch...........................................................14
Engine Throttle..........................................................14
Hour Meter / Tachometer............................................14
Safety Bail.................................................................14
Solution Control........................................................14
EcoSense Emission Monitioring...............................15
Deck Switch..............................................................15
Handle Pivot Knob...................................................15
Handle Adjustment / Position.....................................16
Head Change............................................................16
Fuse......................................................................17
Solution Tank............................................................17
How the Machine Works...................................................18
Pre-Operation Checklist....................................................18
LP Fuel Cylinder................................................................18
Installing the LP Fuel Cylinder..........................................18
Starting the Machine........................................................19
Idling and Stopping the Machine.....................................19
Work Site Transporting......................................................19
Operating the Machine......................................................20
Splash Skirt.......................................................................20
Adjusting Deck..................................................................21
Dust Collection Port...........................................................21
Machine Troubleshooting..................................................22
Maintenance...............................................................23
Scheduled Maintenance..........................................23
Oil Level Inspection..................................................24
Oil Change................................................................24
Oil Filter Replacement.............................................25
Spark Plug Inspection and Replacement.................25
Air Filter Inspection and Replacement....................26
Valve Clearance & Re-torque Heads........................26
Valve Seating............................................................26
Head Bolt Maintenance............................................26
Cooling Fin Maintenance..........................................26
Inspect Drivers / Pad Holders....................................26
Engine Dust Filter......................................................27
Inspect Fuel Hose and Connections.........................27
Belt Maintenance......................................................28
Belt Replacement.....................................................28
Shear Pin Replacement............................................29
Battery Maintenance.................................................29
Gearbox Maintenance..............................................30
Check Gearbox Oil Level..........................................30
Changing Gearbox Oil..............................................31
Gearbox Replacement..............................................32
Machine Storage......................................................32
Repacking the Machine............................................32
Loading the Machine for Transport..........................33
Transporting the Machine.........................................33
Machine Specifications.....................................................34
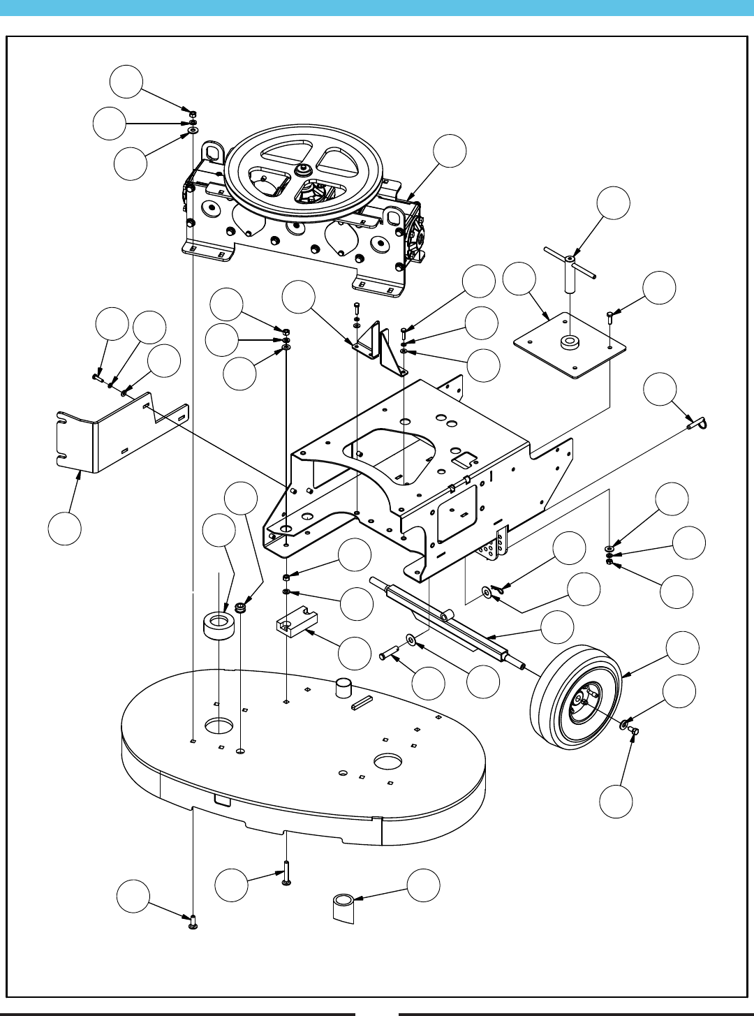
Parts Manual.....................................................................35
Electrical Schematic.................................................36
Connections..............................................................37
Engine Assembly......................................................38
Regulator & Handle Assembly...................................40
Bulkhead & Control Panel Assembly........................42
Frame Assembly.......................................................44
Gearbox Assembly...................................................46
Front Main Assembly................................................48
Rear Main Assembly.................................................50
Head Assembly.........................................................52
Diamond Selection List............................................54
Small Off Road Engine Certification Warranty.................55
Manufacturer’s Warranty...................................................56
Safety Awareness Form.....................................................57
5
Table of Contents

Capacities:
lEngine Oil:
- Filter not removed: 1.6qt. (1.5L)
- Filter removed: 1.8qt. (1.7L)
- Engine Oil Type: SAE30 with API Service Classification SH or SJ
lGearbox Oil (Each): 16 US oz (473ml)
- Gearbox Oil Type: AGMA 5EP
lSolution Tank: 9 US Gallons (34.1 L)
Routine Maintenance Parts:
l Engine Dust Filter: MP371300
l Engine Oil Filter: KA490657007
l Engine Primary Air Filter: KA110137048
l Spark Plug: KA920702112
l Battery: MP120800
l Drive Belt: MP439900
l Fuses: SS2570 (20A)
l LP Cylinder: MP105900 (Steel)
l Pad Holders / Brushes
- 17” Pad Holder: MP178800
-17” Mal-Grit Brush: MP178900
-17” Mal Grit Xtra: MP179100
l Splash Skirt: MP402700
Your Authorized Amano Pioneer Eclipse Distributor: _____________________________________
Authorized Amano Pioneer Eclipse Distributor Phone Number: _____________________________
Amano Pioneer Eclipse Phone Number: +1-336-372-8080
6
Quick Reference Specifications:

Safety Precautions
Anyone operating the machine should read the
following carefully and be informed of potentially
dangerous operating conditions. Operators should
be familiar with the location and use of all safety
devices on the machine. Do not use the machine
if it is not in proper operating condition, and report
any damage or operation faults immediately.
DANGER! Operate this machine in a well-ventilated
area. It is the responsibility of the machine operator,
machine owner, and the site manager to ensure that the
air exchange system where the machine is to be used is
in compliance with local building codes and is operating
properly. Failure to operate this machine in a well-
ventilated area could lead to sickness, injury, or death
from carbon monoxide (CO) exposure.
DANGER! This machine emits CO, which is colorless,
odorless, non-irritating gas. The first symptoms of CO
exposure include headache, drowsiness, dizziness,
and nausea. If you should experience any of these
symptoms while operating the machine, shut off the
machine and go outside to get fresh air. Have the
machine tested for CO emissions by a qualified service
technician before using it again.
DANGER! Prolonged or high exposure to CO may
result in vomiting, confusion, and collapse in addition
to loss of consciousness and muscle weakness. If
such symptoms occur, call 911 for emergency medical
attention. If you have experienced these symptoms,
DO NOT operate this machine or any other propane
machine again until cleared by a physician. Excessive
exposure to CO can result in death.
DANGER! Propane is a highly flammable fuel. If you
smell propane, shut off the machine immediately and
take it outside the building. DO NOT use the machine
again until a qualified service technician has corrected
the propane leak. DO NOT use or allow another person
to use an ignition source such as a cigarette lighter
near the propane machine. DO NOT smoke near the
propane machine. DO NOT vent a propane cylinder
inside a building. DO NOT store propane cylinders
inside a building.
DANGER! This machine has parts, including the pad
assemblies, that can cause severe injury if these parts
are contacted while they are moving. DO NOT allow
any part of the body or clothing to come in contact
with these parts while they are moving. DO NOT try
to change attachments while the machine is running.
DO NOT allow other people to come near the machine
while it is in operation. DO NOT allow the machine to
run unattended. DO NOT leave the machine in a place
where unauthorized or untrained personnel could use
the machine. DO NOT run the machine with the pad off
center, damaged or missing. DO NOT run machine with
unsecured guards and shields. DO NOT operate the
machine if the machine has loose parts.
DANGER! Federal law and California State law
prohibits the following acts or the causing thereof: (1)
the removal or rendering inoperative by any person
other than for purposes of maintenance, repair,
or replacement, of any device or element of design
incorporated into any new engine for the purpose
of emission control prior to its sale or delivery to the
ultimate purchaser or while it is in use, or (2) the use of
the engine after such device or element of design has
been removed or rendered inoperative by any person.
Among those acts presumed to constitute tampering are
the acts listed below: DO NOT tamper with the original
emission related part.
l Throttle body and internal parts
l Spark plugs
l Magneto or electronic ignition system
l Air cleaner elements
l Crankcase
l Cylinder heads
l Breather chamber and internal parts
l Intake pipe and tube
l Regulator
l Fuel lock-off
WARNING! Overfilled or liquid withdraw cylinders can
damage the fuel system and create a fire hazard. DO
NOT overfill the cylinder or use a liquid withdraw
cylinder on the machine. If the regulator freezes stop
the burnisher and take the cylinder outside. Inspect
cylinder, if a vapor withdraw cylinder, use gloves or
pliers to open bleeder valve and purge cylinder until
only vapor is escaping. If it is a liquid withdraw cylinder,
replace with a vapor withdraw cylinder. Both cylinders
are shown below.
7

WARNING! Modifications or alterations to this machine
can lead to personal injury or damage to the machine.
DO NOT make unauthorized modifications or alterations
to this machine. Amano Pioneer Eclipse assumes
no liabilities for injury or damage resulting from an
unauthorized modification or alteration to the machine.
Any unauthorized modification or alteration to this
machine voids all warranties.
WARNING! The muffler and the engine become hot
enough while the machine is in operation, and for a
long time after the machine is shut off, to cause severe
burns. DO NOT touch these parts of the machine until
they have cooled.
WARNING! Injury can occur to the eyes and body while
using the machine. Safety goggles, safety shoes, and
safety clothing are recommended while operating the
machine.
WARNING! Continuous exposure to high noise levels can
cause hearing loss. Hearing protection is recommended
while the machine is in operation.
WARNING! Machine vibration may cause tingling
or numbness in the fingers or hands. Gloves are
recommended to reduce machine vibration. If tingling or
numbness persists, shut off the machine. If the vibration
is caused by loose parts, adjust or tighten these parts
before using the machine again.
WARNING! DO NOT engage clutch to rotate brushes
unless they are in contact with floor. This can damage
the brushes and/or the deck.
WARNING! DO NOT operate machine on a dry floor, as
this may result in damage to the brush and/or the deck.
CAUTION! A dirty engine filter can cause overheating.
Check and replace following recommended maintenance
schedule.
CAUTION! Overheating can be caused by insufficient or
low oil. Check oil before each use, and fill or change as
needed.
CAUTION! Never over-fill engine with oil. Over-filling
could cause irreparable damage to the engine.
CAUTION! Overheating can be caused by dirty oil. Check
oil before each use and change regularly following
recommended maintenance schedule.
CAUTION! Do not engage starter for more than 5
seconds. Allow a 10 second cool-down period for
second failed start-up attempt.
CAUTION! Perform all recommended scheduled
maintenance. Regular maintenance of your propane
powered floor machine is necessary to keep it in safe
working condition.
CAUTION! DO NOT operate machine unless trained and
authorized. DO NOT operate machine unless you have
read and understand the operation manual. DO NOT
operate machine in flammable or explosive areas.
CAUTION! Before starting machine ensure all safety
devices are in place and functioning properly. Before
starting machine check for proper operation.
CAUTION! When using machine, go slowly on inclines or
slippery surfaces. Use care when operating machine in
reverse.
CAUTION! When servicing machine, stay clear of moving
parts. DO NOT wear loose clothing when working
on machine. Block machine wheels before raising or
jacking up machine. Use hoist stands that will support
the weight of the machine. Wear eye and ear protection
when using pressurized air or water. Disconnect
battery connections before servicing machine. Use only
replacement parts supplied by Amano Pioneer Eclipse
or a Amano Pioneer Eclipse Authorized Distributor or
Service Center.
CAUTION! When loading or unloading machine onto or
off a truck or trailer, turn machine OFF. Only use a truck
or trailer that will support the weight of the machine
to transport. DO NOT push the machine onto or off a
truck or trailer unless the load height is 15 in (380mm)
or less from the ground. Block machine wheels when
transporting. Tie the machine down securely to truck or
trailer when transporting.
CAUTION! DO NOT allow the machine to operate without
moving. It may damage the floor covering.
8

This machine is manufactured for
commercial use only.
This machine is designed and manufactured to
grind and polish hard oor surfaces. In addition, this
machine can be used in commercial oor stripping.
Amano Pioneer Eclipse does not recommend use of
the machine in any environment other than an indoor
environment. This machine is designed to grind and
polish most modern hard oors including concrete,
stone, marble, and terrazzo. It also can strip most
modern types of ooring including composition tile,
stone, marble, terrazzo, concrete, and resilient oor
covering. Even though NFPA 11.13.2.3 says....”the use
of oor maintenance machines in buildings frequented
by the public, including the times when such buildings
are occupied by the public, shall require the approval
of the authority having jurisdiction.” Amano Pioneer
Eclipse suggests usage when occupancy of a given
work area is minimal.
These machines should not be used
l In nursing homes, hospitals, day-care centers, etc.
that are occupied.
l By unqualified or untrained personnel.
l Unless properly maintained and adjusted.
l On areas with obstructions such as thresholds, floor
outlet boxes, etc.
l In areas where loose debris or other objects are
present.
l In rooms and areas without proper ventilation.
Operator Responsibility
The operator is responsible for performing the
recommended daily maintenance and checkups of
the machine to keep it in good working condition. The
operator must inform the service mechanic or supervisor
when recommended maintenance procedures are
required as described in the “MAINTENANCE” section
of this manual.
lRead this manual carefully before operating this
machine.
lFOR SAFETY: DO NOT operate machine before
reading and understanding the operation manual.
lCheck the machine for shipping damage.
Keep your machine regularly maintained by following
the maintenance information in this manual. Order parts
and supplies only from an Authorized Amano Pioneer
Eclipse Distributor. Use the parts illustration section of
your manual when ordering parts.
During and after operation, perform the recommended
daily and hourly procedures outlined in the Maintenance
Chart.
Refueling and Storage of Fuel Cylinders
This machine uses a 20lb (9.1kg) capacity aluminum or
steel cylinder, which meets the DOT 4E240 standards.
These cylinders are also listed by UL. In addition, the
steel cylinder meets European TPED specifications
and is CE compliant. Filling should be done ONLY
by a qualified propane dealer. FILL THROUGH THE
SERVICE VALVE ONLY. A properly filled cylinder should
not exceed 80% of the rated capapcity.
DO NOT attempt cylinder repair. Return the cylinder to
your propane dealer if repair is necessary. Please note
that DOT regulations prohibit shipping of cylinders after
the cylinder has been filled with propane. When not in
use, cylinders should always be stored outside in an
upright position in a secure, tamper-proof, steel mesh
storage cabinet. The cabinet may be located next to
the building, but with at least five feet (1.5 m) of space
between the cabinet and the nearest building opening
(door or window).
The cylinder to be used on this machine is a vapor
withdraw cylinder. A liquid withdraw cylinder is not
to be used with this machine. The use of a liquid
withdraw cylinder on a vapor withdraw system could
freeze the regulator and create a fire hazard. The
National Fire Protection Association (NFPA) Standard
for Storage and Handling of LP Gas is the appropriate
authority for safe propane use. A copy of this publication
is available through the National Fire Protection
Association (1-800-344-3555) or www.NFPA.org.
9

Canadian Safety Requirements
1. A sign indicating “NO SMOKING” shall be
permanently displayed at the storage area. The
sign shall be in accordance with the sign required in
Clause 10.12.3 of CAN/CGA-B149.2-M91, Propane
Installation Code.
2. When the cylinder is attached to the floor
maintenance machine for use, the operator shall not
leave the unit unattended except for short periods of
time such as rest stops, washroom, or meal stops.
3. The requirements of 1.10.1 (e) and (g) do not apply
in industrial buildings.
4. A floor maintenance machine shall only be used in
buildings:
a. Provided with continuous mechanical ventilation
that removes products of combustion to the
outdoors of not less that 300 CFM for each
10,000 BTU-hr or fraction thereof.
b. Provided with natural ventilation of not less
than 300 CFM for each 10,000 BTU-hr input
or fraction thereof, based on a maximum of
one-quarter-air exchange per hour for the net
building volume.
5. The owner of a floor maintenance machine shall
ensure that the operator has participated in a course
authorized by the manufacturer of the unit on the
safe handling of propane and the safe operation of
the machine.
6. The owner of a floor maintenance machine shall
ensure that the unit is maintained in accordance
with the manufacturer’s recommended maintenance
procedures in a safe operating condition and the
owner shall maintain a record of the maintenance for
a period of two years.
7. Before transporting a floor maintenance machine, the
cylinder shall be securely fastened with the system
valve closed, and the cylinder shall be located in a
well-ventilated space.
Exigences de sécurité pour le Canada
1. Un panneau indiquant “ INTERDICTION DE FUMER“
doit être affiché en permanence dans la zone de
stockage. Il doit être conforme au panneau exigé par
la Clause 10.12.3 du CAN/CGA-B149.2-M91, Code
installation propane.
2. Lorsque le cylindre est fixé à la machine d’entretien
des sols pour son utilisation, l’opérateur ne doit pas
laisser l’unité sans surveillance, sauf pour de courtes
périodes, notamment pour faire une pause, aller aux
toilettes ou au moment des repas.
3. Les conditions du 1.10.1 (e) et (g) ne s’appliquent
pas aux bâtiments industriels.
4. Une machine d’entretien des sols ne doit être utilisée
que dans les bâtiments suivants :
a. Équipés d’un système de ventilation mécanique
ininterrompu, capable d’évacuer les produits
de combustion vers l’extérieur, non inférieur à
300 CFM pour chaque 10 000 BTU/h ou une
fraction de ce dernier.
b. Équipés d’un système de ventilation naturel
non inférieur à 300 CFM pour chaque 10 000
BTU/h ou une fraction de ce dernier, basé sur
un maximum d’un quart d’air échangé par heure
pour le volume net du bâtiment.
5. Le propriétaire d’une machine d’entretien des sols
doit s’assurer que l’opérateur a participé à une
formation habilitée par le fabricant de l’unité, relative
à la manipulation sûre du propane et de la machine.
6. Le propriétaire d’une machine d’entretien des
sols doit s’assurer que l’unité bénéficie d’un
entretien conforme aux procédures de maintenance
recommandées par le fabricant dans des conditions
d’utilisation sûres. De plus, il doit tenir un registre de
la maintenance sur une période de deux ans.
7. Avant de transporter une machine d’entretien des
sols, le cylindre doit être fixé de manière sûre avec
le système de soupapes fermé. De plus, il doit se
trouver dans un espace bien ventilé.
10

Test for Operator-Ear Sound Pressure Level
Amano Pioneer Eclipse measures and rates the
operator-ear sound pressure level for hand-guided floor
treatment and floor cleaning machines for industrial use.
All tests are performed in accordance with European
Machinery Directive (2006/42/EC).
lOutdoor test area consists of a flat open space free
from effects of signboards, buildings or hillsides for at
least 15 m (50 ft) from the center of the test surface.
Indoor tests are conducted in a semi-anechoic or
sound deadening room.
lThe test surface is a single sheet of floor covering
at least 1 m (3.3 ft) wider and longer than the
equipment being tested. In order to not affect the
sound reading, the observer taking readings is at
least 2 m (6.6 ft.) from the equipment being tested, or
standing directly behind the operator.
lAll machines are tested while stationary and centered
on the test surface. With the traction drive in neutral
(where applicable) the test is conducted with the
machine at maximum engine or motor speed as
specified by the manufacturer.
lThe operator is located in the normal operating
position with the microphone or meter supported
independent of the machine, 1,68 m (66 in) above
the test surface, 25 cm (10 in) to the right and left
centerline of the operators position, and 20 cm (8 in)
to the rearmost point of the handle, with the handle in
the most forward position.
lThe sound level meter is observed for a minimum of
5 seconds or until a stabilized reading is obtained.
The maximum repeatable sound level observed
during the test at each microphone position is
recorded and documented.
Test for Hand-Arm Vibration at the Grip
Surface of Hand-Guided Machinery
Amano Pioneer Eclipse measures and rates the
vibration at the machine-hand contact surface of
hand-guided machines that are provided with handles
in accordance with European Machinery Directive
(2006/42/EC).
lThe test area consists of a flat open floor area that
allows the machine to be operated normally.
lThe transducer is mounted firmly at a point halfway
along the length of the handle where the handle
would normally be held.
lMachines are tested while stationary, with all
mechanisms necessary for the equipment to perform
its intended functions engaged and the traction drive
in neutral (if applicable). The machine will be tested
at maximum engine or motor speed as specified by
the manufacturer of the subject machine.
lThe measurements are recorded from the dominant
axis.
11

Unpacking the Machine
The machine is shipped boxed on a wooden pallet. To
unpack machine:
1. Cut and remove bands holding the box to the pallet.
2. Remove staples attaching the box to the platform at
the bottom edge of the box.
3. With two people, one at either end of the box, lift box
straight up and off machine.
4. Cut and remove bands securing the machine to the
pallet.
5. Remove all bracing.
6. Remove all weight plates, T-handle, and drivers from
pallet.
7. Check machine engine oil (See Maintenance
section).
NOTE: If machine was shipped by airfreight, add
engine oil.
8. If there are any weight plates on the front of the
machine, remove them from the weight bracket.
9. Place a ramp on or against the pallet to prevent the
machine from dropping off the pallet and causing
damage.
10. Rock the machine back by pushing down on one of
the foot pegs while pulling back on the handle.
11. Carefully back the machine off the pallet.
Filling the LP Cylinder
This machine uses the 20 lb (9.1 kg) capacity cylinder,
which meets the D.O.T. 4E240 standards. These
cylinders are also listed by UL. In addition, the steel
cylinder meets European TPED specifications and
is CE compliant. Filling should be done ONLY by a
qualified propane dealer. A properly filled cylinder
should not exceed 80% of the rated capacity. Do not
overfill the cylinder or use a liquid withdraw cylinder on
the machine. The use of a liquid withdraw cylinder on
a vapor withdraw system could freeze the regulator and
create a fire hazard.
Installing the LP Cylinder
Place the cylinder on the cylinder platform at the back
of the machine. Connect the fuel hose coupling to the
service valve by turning to the right (clockwise). HAND
TIGHTEN ONLY! Make sure coupling is not cross
threaded and check for leakage by noting any propane
odors immediately after cylinder is connected. Finally,
secure the tank to the machine using the adjustable
strap. Remove slack by pulling on the loose end and
securing with the Velcro.
TO REMOVE THE LP CYLINDER, reverse the above
procedure. Always connect or change cylinders in a
well-ventilated area.
12
Machine Preparation

Controls and Instruments
EcoSense
Light
Solution
Control
13
Hour Meter/
Tachometer
Handle
Pivot
Knob
Bail
Throttle
Engine
Throttle
Deck
Switch
Ignition
Switch
Machine Components

14
Ignition Switch
This machine features a key switch ignition.
Start: Turn the key all the way clockwise or START to
engage the engine starter motor. Once the engine
starts release the key.
NOTE: Always start this machine with the engine
throttle in the idle or “slow” position.
Run: This is the position of the key while the engine is
running.
Off: Turn the key to the “OFF” position to stop the
engine from running.
NOTE: For safety, always close the propane cylinder
valve to stop the engine and then turn the key switch
to the “OFF” position.
Engine Throttle
The engine throttle controls the engine speed. To
increase engine speed, move the hand lever forward.
For idle position, pull the lever back.
Hour Meter / Tachometer
The hour meter / tachometer records the number
of hours the machine has been powered ON. The
hour meter reading is used to mark recommended
maintenance intervals. It also displays the engine
speed. This meter displays hours when the machine
is turned OFF and engine speed when the machine is
turned ON.
Safety Bail
The safety bail must be pulled back in order for the
clutch to be engaged and the deck heads to rotate.
Engage: Press the top of the deck switch and pull
the safety bail back.
Disengage: Release the safety bail and press the
bottom of the deck switch.
Solution Control
The solution control cable controls the solution flow to
the floor.
Increase Flow: Pull the knob outward.
Decrease Flow: Pushe the knob inward.
Stop: Push the knob all the way in.
NOTE: Even if the ignition switch is in the “OFF”
position, solution can still be dispensed on the floor.
Take care to push the knob in when the machine is not
in use
Off Run
Start

EcoSense Emission Monitoring System
EcoSense is an emissions monitoring device that
monitors the exhaust emissions and will shut the engine
down if the emissions levels are too low or too high.
The monitor must receive a signal from the oxygen
sensor in order to function. If it did not have a minimum
reading requirement it would be possible to disconnect
the oxygen sensor and operate the unit, even if the
emissions were out of limits. In order for the unit to work
as designed it must be able to read both low and high
signals, with “not to exceed limits” of both.
The oxygen sensor must reach operating temperature
before it will start to send signals to the EcoSense
module. This time is set at one minute. A unit may shut
down at a cold start up after one minute because the
oxygen sensor did not reach required temperature to start
to send signals. If this happens, turn the key to the off
position several seconds to clear the EcoSense module
and restart the engine. Once the engine has started,
advance the throttle to full throttle position and start the
operation. With the engine at full throttle under load,
the signal from the oxygen sensor should be within the
normal operating ranges for safe operation.
If the engine’s air intake filter needs to be serviced, or an
over-filled cylinder has been installed by mistake, or there
is a problem with the fuel system that causes the oxygen
sensor’s signal to be out of range, EcoSense will shut
the unit down in four minutes. The unit can be re-started
after clearing the module by turning off the key switch. If
corrections have not been made to the unit, EcoSense
will continue to shut the unit down after the one minute
warm-up and/or four minute out of limit periods.
Engines tend to go to lean burn if allowed to idle for even
short periods. Even at high idle speeds most engines
will continue to lean downward. It is always best to
shut the engine off when it is not being used to do work.
Remember the engine is always creating emissions as
long as it is running.
The best manner to operate a unit equipped with
EcoSense is as follows.
1. With the throttle in the slow position, turn the key
switch to the start position, once the engine starts,
advance the throttle to full throttle “fast”.
2. When ready to stop operation, release clutch (if
equipped) and move throttle to the slow position. If
the unit will not be used within one minute, turn the
key switch to the off position. If the unit will not be
returned to service within a few minutes it is best
to turn the gas valve on the tank off first and let the
engine consume all fuel that is in lines. Once the
engine dies, turn the key switch to off position.
3. When ready to restart, open the gas valve on the
tank, put the throttle in slow position and turn key
switch to the start position. Once the engine has
started, move throttle to full position and return to
operation.
SAFRTM technology monitors the pressure between the
air filter and the carburetor. As the air filter becomes
dirty, this pressure decreases. With SAFRTM technology,
this change in pressure results in a reduction in fuel
delivered to the engine. The net result is a Steady Air
Fuel Ratio regardless of the air filter condition.
Deck Switch
The deck switch energizes the clutch, allowing the heads
to turn when the safety bail is engaged.
Engage: Press the top of the switch. The green light
is ON.
Disengage: Press the bottom of the switch. The
green light is OFF.
NOTE: The safety bail must be pulled back for the
clutch to engage.
Handle Pivot Knob
To move or adjust the operators handle, loosen the
handle pivot knobs on both side of the bulkhead. The
handle pivot knobs must be tightened before operating,
moving, or tilting the machine back to access the
drivers.
15

16
Handle Adjustment / Position
To adjust the operating position of the handle simply
loosen the two handle pivot knobs, slide the handle to
the desired position and tighten the two handle pivot
knobs.
1. To place the handle in the Head Change Position,
loosen the handle pivot knobs so the handle can
slide.
2. Pull the handle out until it stops.
3. Rotate handle towards the front of the machine until it
is vertical.
4. Push downward on the handle until it stops.
Head Change
1. Close the valve on the propane cylinder, allow the
engine to stop and turn the machine OFF.
2. Place three of the weight plates on each side of the
control panel. Use the two hooks located just below
the handle pivot knobs on each side.
3. Remove any of the remaining weight plates from the
front of the machine.
4. Place the handle in the head change position (see
Handle Adjustment / Position section).
5. Rock the machine back by pushing down on one of
the foot pegs while pulling back on the handle.
6. Gently allow the bottom side of the control panel to
rest on the oor.
7. Check the front of the machine to be sure it is stable
and not going to fall back to the oor.
8. If the grinding / polishing heads are being used and
pull each diamond disk off their respective holder.
NOTE: A at screwdriver may be required to pry off the
diamond disk.

9. If it is necessary to remove or replace the head,
each head can be removed by rotating the head
toward the center of the machine. Facing the heads
from the front of the machine, turn the head on the
right counter-clockwise with a quick motion and
pull the head towards you. Turn the head on the
left clockwise with a quick motion and pull the head
towards you.
CAUTION! Carefully inspect all head assemblies for
cracks or damage. Replace if necessary.
WARNING! A damaged head rotating at high speeds
may be an extreme hazard if it should come apart.
10. To install a head on the right side, facing the machine
from the front, align the three lugs with the three slots
and turn clockwise with a quick motion. Make sure
that the head assembly has properly snapped into
place before releasing.
11. To install a head assembly on the left side, facing the
machine from the front, align the three lugs with the
three slots and turn counter-clockwise with a quick
motion. Make sure that the head assembly has
properly snapped into place before releasing.
12. Verify that all three lugs of both head assemblies are
correctly installed. If all three lugs are not properly
installed, it is possible that the assembly could
come loose from the machine. This may also cause
damage to the machine and/or oor.
NOTE: In a grinding or polishing application it is very
important that all three lugs of each head are correct.
If a lug is out of place, the head could cause uneven
diamond wear and/or damage the oor.
13. This machine is compatible with pad drivers, brushes,
and other various type heads. Consult the “Machine
Options” section of this manual for more information.
Fuse
The machine’s electrical circuit is protected by a fuse,
which stops the flow of current in the event of a circuit
overload. Once a fuse blows, it must be replaced. If
the overload that caused the fuse to fail is still present,
the new fuse will fail and the problem must be corrected.
DO NOT bypass any fuse. The ignition fuse is located
on the under side of the bulkhead control panel.
Solution Tank
Filling the Solution Tank:
1. Push the machine to a level water lling station.
2. Turn the propane cylinder service valve clockwise to
close. When the engine has stopped, turn the ignition
switch to the “OFF” position.
3. Remove the solution tank lid.
4. Fill the solution tank with water. Capacity: 9 US Gal
(34.1L)
17

18
How the Machine Works
This machine is a propane hard floor machine. It has
two counter-rotating heads that are bevel gear driven via
a clutch and belt. The clutch is controlled by a switch on
the control panel and a safety bail on the handle. The
grinding / polishing heads are designed to accomodate a
variety of 3” diamond disks to grind and polish concrete,
marble, granite, terrazzo, or other stone floors. The
machine can also utilize brushes, pads, and numerous
coating removal heads. Any splash or dust generated is
controlled under the deck with a splash skirt.
Pre-Operation Checklist
lCheck the engine oil level. Add oil if needed. Refer
to Maintenance.
lInspect the engine dust filter and clean off any debris
or dust buildup. Refer to Maintenance.
lInspect the engine carburetor air filter. Clean or
replace if needed. A dirty air filter could lead to
elevated levels of carbon monoxide. Refer to
Maintenance.
lInspect the counter-rotating heads and their
attachments. Make sure there are no signs of
damage or loose parts. Refer to Maintenance.
WARNING! A DAMAGED ROTATING DISK (HEAD),
ROTATING AT HIGH SPEEDS MAY BE AN EXTREME
HAZARD IF IT SHOULD DISINTEGRATE OR
BECOME LOOSE FROM THE MACHINE.
lInspect the drive belt. Replace if necessary. Refer
to Maintenance.
lCheck the machine for leaks or loose fasteners.
LP Fuel Cylinder
This machine uses the 20 lb (9.1 kg) capacity cylinder,
which meets the D.O.T. 4E240 standards. These
cylinders are also listed by UL. In addition, the steel
cylinder meets European TPED specifications and
is CE compliant. Filling should be done ONLY by a
qualified propane dealer. A properly filled cylinder
should not exceed 80% of the rated capacity. Do not
overfill the cylinder or use a liquid withdraw cylinder on
the machine. The use of a liquid withdraw cylinder on
a vapor withdraw system could freeze the regulator and
create a fire hazard.
Installing the LP Cylinder
1. Before bringing a propane cylinder indoors, always
check it for over-filling.
CAUTION! Always connect or change cylinders in a
well ventilated area.
2. Place the tank on the machine and secure with the
retaining strap. Remove slack by pulling on the
loose end of the strap and secure back to strap.
Connect the fuel hose coupling to the service valve
by turning clockwise. “HAND TIGHTEN ONLY.”
Make sure coupling is not cross threaded and check
for leakage by noting any propane odors immediately
after cylinder is connected. (It is sometimes easier to
install if the connection to the service valve is made
before strapping the cylinder in place.)
CAUTION! Always open service valve slowly to allow
pressure to equalize in hoses. Opening quickly may
cause the flow check valve to engage, limiting fuel
flow.
3. To remove the cylinder, reverse procedure.
Liquid Level
Sight Gauge
Service
Valve
Bleeder
Valve
Pressure
Relief Valve
Only Use a Vapor Cylinder!

Starting the Machine
1. Check oil and fuel levels.
2. Check and clean engine dust filter.
CAUTION! Never run continuously for more than 1
hour without cleaning or changing engine dust filter.
3. Check carburetor air filter. Change if necessary.
(See “Scheduled Maintenance”)
4. Turn propane service valve counterclockwise to
open.
CAUTION! Always open service valve slowly to allow
pressure to equalize in hoses. Opening quickly may
cause the flow check valve to engage, limiting fuel
flow.
5. With the engine throttle lever in the idle position,
engage the starter by turning the ignition switch to
the starting position for approximately 5 seconds. If
the engine does not start, release the ignition switch
for 10 seconds, then try to start again in another 5
seconds.
6. After the engine has started, move the throttle
forward approximately halfway and allow the engine
to warm up for approximately 30 seconds.
WARNING! Catalytic mufflers require a few minutes
to warm up before effectively removing harmful
emissions. Make sure of proper ventilation during this
warm-up period!
Idling and Stopping the Machine
DANGER! Allowing the engine to idle excessively will
increase carbon monoxide emissions!
To stop the engine, close the service valve on the fuel
cylinder by turning it clockwise (the engine will stop
when the fuel in the lines is used up). Once the engine
stops, turn the ignition switch off.
Post Operation Checklist
lTurn off the LP cylinder service valve. When the fuel
is depleted and the engine stops, turn the key switch
OFF.
lRemove the heads from the machine and clean both
the heads and the machine.
lCheck under the machine for leaks and loose
fasteners.
Work Site Transporting
1. Close the valve on the propane cylinder, allow the
engine to stop and turn the machine OFF.
2. Place two of the weight plates on each side of the
control panel. Use the two hooks located just below
the handle pivot knobs on each side.
3. Place the handle in the head change position (see
Handle Adjustment / Position section).
4. Rock the machine back by pushing down on one of
the foot pegs while pulling back on the handle.
5. Push the machine around on the two rear wheels.
NOTE: Removing all the weights from the front of the
machine makes it easier to transport.
19

Operating the Machine
1. Inspect the area in which the machine is going to be
used. Remove any loose debris, objects, or standing
studs from the oor.
WARNING! If the counter-rotating heads come in
contact with loose objects or standing studs, they could
throw objects or diamond disks into other objects or
people.
2. Place appropriate heads on the machine and operate
according to the application.
3. Add or remove the weights to accommodate the
application.
CAUTION! Keep the machine moving when the heads
are rotating. Failure to do this may result in oor
damage.
CAUTION! When using this machine for dry grinding,
use a non-clogging auxiliary vacuum system.
NOTE: To not comply with any of the CAUTION!
statements could cause the engine to overheat and/or
damage the drive components.
4. When done operating, push the machine to the
desired location. Turn off the LP cylinder service
valve. When the fuel is depleted and the engine
stops, turn the key switch OFF.
5. Remove the LP cylinder and store properly. Refer to
Refueling and Storage of Fuel Cylinders.
Splash Skirt
1. The skirt should be removed after each use and
cleaned.
2. To remove the skirt, turn the machine off and place
the machine in the head change position.
3. The skirt can be removed by pulling it off of the deck.
4. To re-install the skirt, start in the back and stretch the
skirt over the perimeter of the deck.
5. When the bottom edge of the skirt is worn, the skirt
can be removed and ipped over to provide a new
wear edge.
6. When the machine is lowered back to the operating
position, push down on the top perimeter of the skirt
so it will conform to the oor.
NOTE: The skirt can be used for wet or dry
applications.
20

Adjusting Deck
NOTE: It is recommended to adjust the deck to be
parallel with the oor. Improper adjustment could result
in inefcient operation.
1. Place the machine on the oor where the work is
being performed.
2. Position a level on the oor beside the deck as
shown.
3. Now place the level on the deck, parallel to the
position it was on the oor.
4. Compare the bubble position of the level when it is on
the deck to that of the bubble position when it is on
the oor.
5. Using steps 6 through 8 to adjust the machine so that
the deck will be parallel to the oor.
6. Remove the two pins from the axle pivot holes.
7. Using the axle height adjustment “T” handle, adjust
the height of the axle to the desired position.
NOTE: Turn the “T” handle clockwise to raise the rear
of the machine and counter-clockwise to lower the rear
of the machine.
8. Replace the two axle pivot pins, placing one on each
side of the axle as close to the bottom of the axle as
possible. This will lock the axle in place.
NOTE: Locking the axle is done for the rst cut on
the oor in order to take off the high spots in the oor.
Once the high spots are gone, the operator should
unlock the axle by moving the pivot pins one hole away
from the axle on each side. This will allow the machine
to pivot and follow the light contours of the oor.
Dust Collection Port
1. The dust collection port located on the left side of the
machine can accommodate 1-1/2” and 2” diameter
hoses.
2. To connect a 1-1/2” diameter hose to the port, the
adapter must be removed. Leave the adapter for a 2”
diameter hose.
3. Use the strap and footman loop located on the side of
the control panel to retain a vacuum hose against the
machine during operation.
NOTE: Only use a non-clogging auxiliary vacuum for
dust control.
21

22
Problem Possible Cause Solution
Propane cylinder is not properly connected. Check connection and open service valve slowly.
Battery is weak. Charge battery or replace.
Oil level is to low. Check the oil level and add if needed.
Place the engine throttle in the idle "slow" position.
Check the regulator vacuum hose for breaks, pinched hose, or a bad connection.
Coil air gap out of adjustment. Adjust coil air gap (Check FX481V Service Manual). Contact an APEC Certified Technician.
Clutch is engaged Release safety bail and turn off the deck switch
Spark plug or head bolts loose. Retorque (Check FX481V Service Manual). Contact an APEC Certified Technician.
Head gasket blown or valves need adjusting Replace head gasket, adjust valves and replace if necessary (Check FX481V Service
Manual). Contact an APEC Certified Technician.
Propane cylinder is empty. Install properly filled cylinder.
Oil level is to low. Check the oil level and add if needed.
Propane cylinder is not properly connected. Check connection and open service valve slowly.
Main fuse is blown. Inspect fuse and if blown replace.
Place the engine throttle in the idle "slow" position.
Check the regulator vacuum hose for breaks, pinched hose, or a bad connection.
Head gasket blown or valves need adjusting Replace head gasket, adjust valves and replace if necessary (Check FX481V Service
Manual). Contact an APEC Certified Technician.
Wires broken or disconnected. Reconnect or replace wires. Contact an APEC Certified Technician.
Coil(s) defective. Replace coil(s) (Check FX481V Service Manual). Contact an APEC Certified Technician.
Spark plug gap is incorrect. Adjust gap to 0.025" (.64mm)
Spark plug defective. Replace spark plug.
Propane cylinder has air in it Properly purge cylinder.
Propane cylinder overfilled or liquid withdrawl. Install properly filled cylinder.
Fuel filter is clogged Replace fuel filter in the fuel lock-off.
Dirty air filter. Clean or replace the air filter element.
Governor out of adjustment or malfunctioning. Adjust governor and replace if necessary (Check FX481V Service Manual). Contact an
APEC Certified Technician.
Head gasket leaking. Replace head gasket (Check FX481V Service Manual). Contact an APEC Certified
Technician.
No compression. Worn piston ring(s) and/or cylinder head(s) require replacement (Check FX481V Service
Manual). Contact an APEC Certified Technician.
Fuel mixture is to lean. Check and adjust fuel mixture if necessary. Contact an APEC Certified Technician.
Throttle out of adjustment. Make sure throttle will go wide open.
Valves need adjusting or replacing. Adjust valves (Check FX481V Service Manual). Contact an APEC Certified Technician.
Smell or burned rubber Belt out of adjustment. Check the automatic tensioner
Loose fasteners. Check the engine, tensioner, spindle, and pad holder fasteners. Tighten any fasteners that
may be loose.
Heads not installed correctly. Remove head and install properly. Check for cracks or loose hardware. Replace if
necessary.
Propane cylinder is empty. Install properly filled cylinder.
Engine oil level is to low. Check the oil level and add if needed.
Dirty air filter. Clean air filter and replace if necessary.
Check close loop vacuum line.
Clean air filter and replace if necessary.
Check for any loose wiring or fuel line connections.
Service machine and check the fuel settings. Contact an APEC Certified Technician
Too much head pressure. Remove some or all of the head weights.
Operator is walking too slow. Operate at faster walking speed.
Inappropriate attachment for application. Change attachment.
Machine is not level. Adjust the deck to be parallel with the floor.
Loose Connection. Check all of the wiring for a bad connection or broken wire.
Deck Switch is not on. Press the deck switch and pull the safety bail back.
Clutch is bad. Replace clutch if necessary. Contact an APEC Certified Technician.
Head(s) are not rotating. Shear Pin has broke. Replace Shear Pin
Clutch will not engage
Engine stops running
EcoSense shut the machine down.
Insufficient vacuum.
Insufficient vacuum.
Engine is hard to start
Engine will not start
Engine lacks power
Machine is too aggressive
Machine vibrates
Machine Troubleshooting

23
Scheduled Maintenance
Operation Daily First 8 Hrs. Every 50
Hrs.
Every 100
Hrs.
Every 200
Hrs.
Every 300
Hrs.
Every 400
Hrs.
Every 500
Hrs.
Check & add engine oil -
Check for loose or lost fasteners -
Check for oil leakage -
Inspect fuel hose and connections -
Clean engine dust filter -
Inspect Head Asm; Brush; & Pad Driver -
Change engine oil --
Change engine oil filter --
Check & clean air cleaner -
Inspect battery and battery connections -
Replace air cleaner -
Inspect, clean, & re-gap spark plugs,
Replace if necessary -
Check & adjust valve clearance.*
Retorque heads.* -
Clean & lap valve seating surface.* -
Check engine emissions* -
Clean cooling fins -
Inspect drive belt -
Inspect gear box assembly -
Check gear box(s) oil level -
Change oil in gearboxes
Replace drive belt
Interval
* Check FS481V / FX481V Service Manual. Contact Amano Pioneer Eclipse Certified Technician.
As Required
First 500 hrs., Then every 2500 hrs.
Maintenance

24
Oil Level Inspection
1. Push machine to level surface.
2. Turn off LP cylinder and remove it.
3. Clean area around the oil gauge before removing it.
4. Remove the oil gauge and wipe it with a clean cloth.
5. The machine should be in an upright level position.
6. Insert the oil gauge into the tube, but do not tighten
the oil gauge.
7. Check the oil level. It should be between the “FULL”
and “ADD” marks on the oil gauge.
NOTE: If the oil level is near or below the "ADD"
mark, remove the oil gauge and add enough engine oil
to bring oil level to the "FULL" mark. (Use only SH or
SJ SAE30 Oil)
NOTE: If the oil level is too high, remove the excess
oil by loosening the oil drain valve.
CAUTION! Do not fill above the "FULL" mark. Excess
oil will cause a smoking condition and may cause the
engine to overheat.
Oil Change
1. Change the oil after the first 8 hours of operation and
every 50 hours thereafter.
2. Start and warm the engine so the oil will drain easily
and completely. Push machine to a level surface.
Stop the engine.
3. Turn off LP cylinder and remove it.
4. Locate the drain hose underneath the bulkhead
compartment. Remove the cap on the end of the oil
drain hose.
5. Place a suitable container under the end of the oil
drain hose.
WARNING! Be careful with hot oil being drained. It
may be hot enough to cause severe burns.
6. Slowly turn the valve counter-clockwise, until the oil
starts to drain.
NOTE: In order for the oil to drain, it may be necessary
to loosen the oil fill cap.
7. When the oil has finished draining, close the drain
valve and place cap back on the end of the valve.
8. Remove oil cap and add clean SH or SJ SAE 30 oil.
Use 1.6 U.S. qt. (1.5 L) when the filter is not changed
and 1.8 U.S. qt. (1.7 L) when filter is changed.
9. Screw in oil gauge. Reconnect the LP cylinder to the
fuel hose.
10. Run the engine at low idle for 2 minutes. Check for
leaks around the engine.
11. Stop the engine. Check the oil level (see Oil Level
Inspection section).

Oil Filter Replacement
1. Place a suitable container underneath the oil filter.
2. Using a strap wrench or oil filter wrench, remove the
oil filter. Turn the filter counter-clockwise to remove
it.
3. Apply a thin coat of new oil or grease to the oil filter
seal (-B-).
4. Install the new filter (-A-) (Part #: KA490657007) by
turning it clockwise.
5. Turn the filter until the seal contacts the mounting
surface (-C-) of the engine. Then, turn the filter “BY
HAND” 3/4 turn more.
6. Reconnect the LP cylinder to the fuel hose.
7. Run the engine at low idle for 2 minutes. Check for
leaks around the engine.
8. Stop the engine. Check the oil level (see Oil Level
Inspection section).
Spark Plug Inspection and Replacement
1. Turn off LP cylinder and remove it.
2. Pull spark plug cap off of spark plug.
3. Remove spark plug by turning counter-clockwise and
inspect it.
NOTE: If the plug is oily or has carbon build up on it,
clean the plug using a high flash-point solvent and a
wire brush or other suitable tool.
NOTE: If the spark plug electrodes are corroded or
damaged, or if the insulator is cracked, replace the
plug. Use Only Part #: KA920702112. DO NOT use
any other spark plug!
4. Measure the gap with a wire-type thickness gauge.
The correct gap is .025 in (.635 mm). If the gap is
incorrect, carefully bend the side electrode with a
suitable tool to obtain the correct gap.
A: Insulator
B: Center Electrode
C: Plug Gap
D: Side Electrode
25
PERIODIC MAINTENANCE 2-17
Periodic Maintenance Procedures
•Check the O-ring [A] on the oil filler cap for damage. Re-
place the oil filler cap assembly if O-ring is damaged.
When checking the oil level, do not turn oil filler cap on
threads.
NOTE
○Some increase in oil consumption may be expected
when a multi grade engine oil (10W-30/10W-40, 5W-20)
is used. Check the oil level more frequently than recom-
mended interval.
Oil Filter Replacement
•Drain the engine oil (see Engine Oil Change).
•Using a suitable tool [A], remove the oil filter [B].
○When unscrewing the oil filter, place a suitable container
beneath the oil drip tray to receive oil from the oil filter and
oil passages in the engine.
•Replace the oil filter [A] with a new one.
•Apply light film of engine oil to the seal [B].
•Install the oil filter.
Torque - Oil Filter: 11.8 N·m (1.2 kgf·m, 104 in·lb)
○Turn the filter until the seal contacts mounting surface [C]
of the engine. Then turn the filter BY HAND (S) 3/4 turn.
•Run the engine at slow idle speed 3 minutes.
○While running the engine, check for oil leaks around it.
•Stop the engine and check the oil level (see Engine Oil
Level Inspection).
Electrical System
Spark Plug Cleaning and Inspection
•Carefully pull the plug cap from the spark plug, and re-
move the spark plug.
If the plug is oily or has carbon built up on it, clean the
plug using a high flash-point solvent and a wire brush or
other suitable tools.
If the spark plug electrodes are corroded or damaged, or
if the insulator is cracked replace the plug with a new one.
Use the standard spark plug or its equivalent.
Insulator [A]
Center Electrode [B]
Plug Gap [C]
Side Electrode [D]
Spark Plug Gap Inspection
•Measure the gap with a wire-type thickness gauge.
If the gap is not correct, carefully bend the side electrode
with a suitable tool to obtain the correct gap.
Spark Plug Gap
Standard: 0.7 ∼0.8 mm (0.028 ∼0.031 in.)

26
Air Filter Inspection and Replacement
1. Push machine to a level surface.
2. Turn off LP Cylinder valve and remove from the
machine.
3. Locate the air cleaner housing at the front of the
machine.
4. Unhook the two retaining clamps and remove the cap
from the air cleaner body.
5. Remove the air cleaner element from the housing.
6. Inspect the air cleaner. If necessary, clean the
lter by lightly tapping and wipe seal ends with
a clean cloth. If the lter cannot be cleaned,
bent, or damaged, it must be replaced. (Part #:
KA110137048)
7. Check the intake hose for cracks or damage.
8. Slide the air cleaner element into place in the air
cleaner body.
9. Install the cap in the orientation shown and fasten the
two retaining clamps.
Valve Clearance & Re-torque Heads:
Refer to Kawasaki’s FS481V service manual.
Valve Seating:
Refer to Kawasaki’s FS481V service manual.
Head Bolt Maintenance
Refer to Kawasaki’s FS481V service manual.
Cooling Fin Maintenance
A. Remove blower housing and any other shrouds.
B. Clean the cooling fins as necessary using
compressed air or pressure washer.
C. Reinstall all housings and shrouds.
Inspect Drivers / Pad Holders
1. Push machine to level surface.
2. Turn off LP cylinder and remove it.
3. Place the machine in the Head Change position (See
Head Change section).
4. Inspect Head Assemblies/Brushes for loose bolts,
cracks, and wear. It is recommended that brushes
be replaced when bristles are worn to 1/2” (1.3cm)
length.
WARNING! A damaged driver, brush, or pad holder
rotating at a high rate of speed may be an extreme
hazard if it should come apart.

27
Engine Dust Filter
1. The engine dust filter should be cleaned each hour
and after each use by shaking out the dust and then
rinsing with mild detergent. The filter can also be
vacuumed with a wet-dry vacuum.
2. Squeeze out the excess water (Do Not Wring).
3. Allow the filter to air dry.
NOTE: Failure to maintain a clean engine filter will
cause the engine to overheat. Also, it may cause
the exhaust emissions to elevate to harmful levels. If
necessary, replace with (Part #: MP371300).
Inspect Fuel Hose and Connections
1. Push machine to level surface.
2. Turn off LP cylinder and remove it.
3. Inspect hoses for abrasions and other signs of wear.
Replace all worn or damaged hoses.
4. Check for gas leaks by spreading a soapy water
solution around all connections while the LP cylinder
is reconnected and the service valve is turned ON.
5. If a leak is detected, turn off the LP cylinder. If the
leak is in a hose, replace it. If the leak is at a fitting,
loosen and clean it. Apply pipe-sealing compound
and re-tighten it.
6. Recheck for leaks using a soapy water solution. If
leaks persist at fittings, replace them and recheck
with a soapy water solution once more.

Belt Maintenance
1. Push machine to a level surface.
2. Turn off LP Cylinder and remove it.
3. Remove all of the weights from the front of the
machine.
4. Remove the pulley cover from the machine. There
are two bolts on top in front of the engine. There are
two on the underside of the cover on the backside of
the gearboxes. There are two more on the underside
of the pulley cover in front of the gearboxes.
5. Place the machine in the head change position.
6. Rotate the head assemblies and inspect belt.
7. If cracks or excessive wear is present, the belt needs
to be replaced.
8. To check for proper tightness, push inward on the
belt. The belt should deect between 1/4” (0.6 cm)
and 1/2” (1.3 cm).
To Change Belt:
Part #: MP439900
1. Push machine to a level surface.
2. Turn off LP Cylinder and remove it.
3. Remove all of the weights from the front of the
machine.
4. Remove the pulley cover from the machine. There
are two bolts on top in front of the engine. There are
two on the underside of the cover on the backside of
the gearboxes. There are two more on the underside
of the pulley cover in front of the gearboxes. (See Belt
Maintenance)
5. Remove the frame access panel on the right side of
the machine.
6. Remove one of the clutch retainer brackets, allowing
the bottom of the clutch to turn.
7. Place the machine in the head change position.
8. Remove the belt by slipping it off the center gearbox
pulley. Turning the head assembly will make it easier
to remove belt from the pulley.
9. Lower the machine back to the oor in the operating
position.
10. Locate the clutch wiring harness and disconnect the
plug. Pull harness through engine mounting plate.
Cut the cable tie securing harness to frame.
11. Loosen bolt that fastens tensioner body to bracket.
This will allow the belt to be removed from the
tensioner.
12. Remove old belt from the machine.
13. With the belt removed, check the fasteners and
condition of all the drive components.
14. Install new belt, routing it around the clutch pulley,
tensioner pulley, and through front of frame.
15. Tighten tensioner bolt.
16. Using the large diameter pulley on the head
assembly, rotate the pulley until the belt snaps into
place.
17. Using the head assembly pulley, turn the drive
components. Check for any interference and proper
tightness.
18. Route clutch harness back through engine plate and
re-connect. Replace cable tie to secure harness to
frame.
19. Reattach the frame access panel and the pulley
cover.
CAUTION! DO NOT run the machine without covers
installed.
28

29
Shear Bolt Replacement
1. Push the machine to a level work surface.
2. Turn the LP Cylinder off and remove it from the
machine.
3. To replace a shear pin, place the machine in the head
change position (See Head Change section).
4. Determine which head drive assembly has a broken
shear pin by turning the head assemblies with your
hands.
5. Remove the cover plate on the front of the gearbox
support brackets to expose the shear coupling.
6. Remove any remaining pieces of the shear bolt that
failed.
7. Turn the head assembly until the holes in the gearbox
shaft align with the hole in the shear coupling.
8. Install a new shear bolt. (Part #: SA029400)
9. Replace cover plate.
Battery Maintenance
The battery supplied with this machine is a sealed,
absorbed glass mat (AGM), maintenance free type. It
never needs servicing. When battery replacement is
necessary (Part #: MP120800).
1. Push machine to level surface.
2. Turn off LP cylinder and remove it.
3. Disconnect the BLACK negative battery cable first.
Disconnect the RED positive battery cable last.
4. Remove the two bolts shown and then remove the
battery retaining bracket.
5. Lift out old battery and replace with new battery.
6. Secure battery with battery retaining bracket.
7. Connect the RED positive battery cable first.
Connect the BLACK negative battery cable last.
NOTE: Dispose of old battery in the proper manner.
Most auto parts stores accept used batteries for
recycling.
PROPOSITION 65 WARNING
lBattery posts, terminals, and related accessories
contain lead and lead compounds, chemicals
known to the State of California to cause cancer
and reproductive harm.
lBatteries also contain other chemicals known to
the State of California to cause cancer.
l Wash hands after handling.

Gearbox Maintenance
Check Gearbox Oil Level:
1. Push machine to level surface.
2. Turn off LP cylinder and remove it.
3. Level the machine by raising or lowering the axle with
the “T-Handle” adjustment over the axle.
4. Place a rag underneath the drain port of each
gearbox to prevent oil from leaking onto the machine.
5. Loosen the oil drain plugs from front of the gearboxes.
If oil starts to leak out, then the gearboxes do not
need oil. If the oil does not start to leak out, add oil
(AGMA 5EP Gear Oil or equivalent gear lubricant)
until the oil level is just below the bottom of the oil
drain hole.
6. Add thread sealant to the oil drain plug, install in
gearbox, and tighten.
Re-Lubrication: Service life and efciency of gears and
bearings will be affected by oxidation and contamination
of the lubricating oil. Improved performance will be
obtained by periodic re-lubrication in accordance with
the following recommendations.
After an initial break-in period of approximately 500
hours, the gear oil in each gearbox should be completely
drained and replaced. Under normal conditions,
once the break-in oil has been changed at 500
hours, the drive should be re-lubricated at intervals of
approximately 2500 hours of operation.
Changing Gearbox Oil / Changing Gearbox:
1. Push machine to a level surface.
2. Turn off LP cylinder and remove it.
3. Remove weight plates from the front of the machine.
4. Rock the machine back by pushing down on one of
the foot pegs while pulling back on the handle.
5. Remove the Skirt from the machine (see the Skirt
section).
6. Remove the pad holders, brushes, or head
assemblies from the drivers by rotating the heads
toward the center of the machine (see Head Change
section).
CAUTION! ENGINE AND EXHAUST COMPONENTS
MAY BE HOT. USE EXTREME CAUTION WHEN
WORKING NEAR THESE COMPONENTS.
7. Remove the left side cover plate by removing the (2)
1/4” bolts.
8. Remove the pulley cover by removing the (6) 1/4”
bolts
9. Remove the cap from the gearbox support spacer on
each head. Turn each head until the set screws align
with the access hole. Remove both of the two set
screws in each driver hub.
30

10. Remove the 1/4” bolt from the center of each driver
assembly. Remove the driver assembly from the
gearbox shaft. (Note: Slowly threading a 3/8”-16 X
4” Tap Bolt into the bottom of the driver assembly will
push the driver assembly off of the gearbox shaft).
11. Remove the drive belt from the gearbox pulley.
12. Remove the two 3/8” bolts that attach the gearbox
support brace to the gearbox assembly.
13. Remove the (8) bolts that attach the gearbox
assembly to the deck. (Note: Mark the gearbox
assembly so that it cannot be installed on the
machine backwards).
14. (Note: This step requires a hoist or the assistance of
another person.) Tilt the gearbox assembly toward
the front of the machine and lift off the deck.
Changing Gearbox Oil
1. Remove the oil plug from each gearbox (3).
2. Tilt the gearbox assembly over on its side so that the
oil can drain. (Note: Place a catch pan under the
assembly.)
3. After the oil has drained, turn the gearbox assembly
over on the other side so the ll ports are turned up.
4. Add 16oz. (473 ml) AGMA 5EP Gear Lubricant or
equivalent gear lubricant to each gearbox.
5. The oil level in each gear box should be just below
the bottom of the oil drain port when the gearbox
assembly is setting upright on a level surface.
WARNING! ALL GEARBOXES MUST BE FILLED
TO PROPER LEVEL WITH RECOMMENDED
LUBRICANT BEFORE OPERATION.
6. Install plug in each gearbox using a thread sealant
and properly tighten.
7. Dispose of used oil properly.
8. Check gearbox oil level every 100 hours and add oil if
needed.
31

32
Gearbox Replacement:
1. Remove the front gearbox mount plate from the
gearbox assembly by removing the twelve (12) bolts
from the front of the gearboxes.
2. Remove the shear pin from the coupling of the
gearbox being replaced.
3. Remove the remaining bolts that fasten the gearbox
to the rear mounting plate.
4. Remove the gearbox from the gearbox assembly.
5. Prior to installing the new gearbox, verify the oil
level by removing the oil drain plug. (Note: Refer to
Changing Gearbox Oil section for the proper oil level
and the recommended oil type.)
6. Attach the new gearbox to the gearbox assembly by
rst inserting the input shaft into the shear coupling
and then align the mounting holes with the rear
mounting plate. Start the bolts, but do not tighten.
7. Turn the gearbox pulley until the hole in the shear
pin coupling aligns with the hole in the gearbox shaft.
With the holes aligned insert the shear pin assembly,
but do not tighten.
8. When the gearbox is aligned with the center gearbox,
tighten the bolts retaining it to the rear mounting plate.
Then tighten the shear pin assembly to the shear
coupling.
9. Attach the front mounting plate to the gearbox
assembly using the twelve (12) bolts and tighten.
10. Turn the gearbox pulley to check for proper alignment
and verify the new gearbox is working properly.
NOTE: Use diagram to verify proper orientation of
gearbox asm.
11. Reverse steps 1-10 to reassemble the gearbox
assembly to the machine.
NOTE: When attaching the gearbox assembly to the
deck, make sure the gearboxes are seated properly
and centered on the gearbox support spacers.
NOTE: Apply Anti-Seize to the gearbox shafts prior to
installing the driver assemblies.
NOTE: Clean set screws and apply a medium strength
threadlocker prior to assembly.
Maintenance: Lash and end play should be checked
every time the drive is relubricated. If too much lash or
end play is felt, the drive should be inspected. Contact a
certied APEC technician.
Operating Temperature: During the initial break-in
period, the operating temperature of the unit should
not exceed 250°F (121°C). After break-in, the normal
operating temperature should not exceed 220°F
(104°C).
Machine Storage
Only authorized, trained personnel should have access
to propane cylinders and machines.
1. Remove propane fuel cylinder when not in use and
store it outside in a storage cage in accordance
with NFPA Handbook 58 CAN/CGAB149.2. Do not
release or bleed propane inside the building. Please
consult your local Fire Marshal to ensure that you are
in compliance with local fire codes.
2. Store machine away from objects that may fall and
damage it.
3. Never store machine or fuel cylinders near an open
flame or heat-producing device.
4. Make sure machine is cleaned properly before
storing.
5. Never store machine with cylinders installed, or store
spare cylinders in an enclosed van or trailer.
6. Store machine in a dry location, temperature not to
exceed 120°F (50°C).
Repacking the Machine
Refer to Unpacking and repack the machine using
original packing materials and container. Store
machine in a dry location, temperature not to exceed
120°F (50°C).

Loading the Machine
1. Turn the machine OFF.
2. Remove Skirt. See Removing & Installing Skirt
section.
3. Remove weight plates.
4. Hook the Transport handle to the bracket under the
deck.
5. With two people, one pushing the machine and one
pulling the machine with the transport handle, load the
machine onto the truck or trailer.
6. Secure the machine with ratchet straps.
Transporting the Machine
When transporting a propane powered floor machine
with the fuel cylinder installed, the cylinder should be
securely fastened with the service valve closed and
the machine should be secured in the vehicle. Any
propane fuel cylinders not installed should be securely
fastened to avoid movement and damage. Never store
machine with cylinder installed or store spare cylinders
in an enclosed van or trailer. It is a good practice
to check propane cylinders for overfilling before
transporting them. If overfilled, correct before loading
them in the vehicle by venting the excess propane
outside in a safe area using the bleeder valve.
33

34
Starting: 12VDC, 275 CCA, AGM Starter Battery
Battery: MP120800
Deck: Fabricated Steel Sheet Metal Construction with a Powder Coat Finish
Sound Level: < 89 dB(A)
Vibration: Less than 2.5 m/s2
Engine: Kawasaki FX481V, 603cc Air Cooled
Engine Speed: Idle - 1800-2000 rpm
High Idle - 3600 rpm
Engine Oil: SAE 30 w/ API Service SH or SJ
Engine Oil Capacity: Filter not removed - 1.6qt (1.5L)
Filter removed - 1.8qt (1.7L)
Engine Oil Filter: KA490657007
Engine Air Filter: KA110137048
Spark Plug: KA920702112
Spark Plug Gap: 0.025 in. (0.635 mm)
LP Cylinder Type: MP105900 - 20lb (9.1 kg) Vapor Withdraw
Deck Drive: Electric Clutch with B-Section Belt
Clutch: MP4787
Drive Belt: MP439900
Weight Plate: MG001000 - 17 lbs (7.7 kg) each
Fuse: SS2570 (20A)
Splash Skirt: MP402700
Machine Dimesions:
Pad Size: (2) x 17” (43.2 cm)
Driver Speed: 255 - 410 RPM
Width: 36” (91.4 cm)
Length (Max): 60.0” (152.4 cm)
Height (Max): 46.3” (117.6 cm)
Weight: 731 lbs (w/o cylinder) (332 kg)
Head Width: 33.5” (85.1 cm) Effective
Machine Specications

35
PE450GP
Propane Hard Floor Machine
Parts Manual
Notes:
________________________________________________
________________________________________________
________________________________________________
________________________________________________
________________________________________________
________________________________________________
________________________________________________
________________________________________________
________________________________________________
________________________________________________
________________________________________________
________________________________________________
________________________________________________
________________________________________________
________________________________________________
________________________________________________
________________________________________________
________________________________________________
________________________________________________
________________________________________________
________________________________________________
________________________________________________
________________________________________________

Electrical Schematic
36

Connections
37
Item Ref. No. Description Qty
A MP400900 HARNESS, WIRING, MAIN 1
B MP311500 WIRE, METER, HOUR 1
C MP373000 WIRE, SENSOR, OXYGEN 1
D MP2011 CABLE, BATTERY, POSITIVE 1
E MP2012 CABLE, BATTERY, NEGATIVE 1
Item Ref. No. Description Qty
F MP354900 WIRE, SOLENOID, BATTERY 1
G MP442500 CONTROLLER, CLUTCH, ASM. 1
H MP402300 MODULE, EMISSION, ASM. 1
J SS2570 FUSE, 20A 1

Engine Assembly
38
RF040400
120111
22
23
2
26
25
24
30
30
18 26 25 24
15
16
28
27
1
7
8
4
3
21
20
910
11 13
19 14
12
17
9
6
529

Item Ref. No. Description Qty
1KA110607016 GASKET, MUFFLER 2
2 NB8310 CLAMP, 3/4” 1
3 MP044800 ADAPTER, CONVERSION 1
4 MP028700 SWITCH, PRESSURE, DP 1
5 NB2460 HOSE, VACUUM, 5/32” 31”
6 NB2470 LINE, FUEL, 3/8” 23”
7KA461DA0800 WASHER, LOCK, 8MM 4
8KA922107027 NUT, HEX, M8 4
9 NB7282 CLAMP, HOSE 2
10 KA590717004 ADAPTER, DRAIN, OIL 1
11 MP072300 DRAIN, OIL 1
12 MP4787 CLUTCH, ASM. 1
13 MP4790 TUBING, RUBBER 2”
14 MP4805 SPACER, CLUTCH (BOTTOM) 1
15 MP466500 SENSOR, OXYGEN 1
Engine Assembly (continued)
39
Item Ref. No. Description Qty
16 MP365300 MUFFLER, VERTICAL 1
17 MP298000 SPACER, CLUTCH (TOP) 1
18 MP387601 BRACKET, MUFFLER 1
19 NB032300 BOLT, HEX, 7/16” X 2” 1
20 MP4515 TUBING, DRAIN, OIL 18”
21 NB1621 PLUG, RED 1
22 MP371300 FILTER, INTAKE, ENGINE 1
23 MP371200 CAGE, INTAKE, ENGINE 1
24 NB065000 BOLT, HEX, M8 X 16 2
25 NB6111 WASHER, LOCK, 5/16” 2
26 NB9267 WASHER, FLAT, 5/16” 2
27 NB9545 NUT, FLANGE, 1/4” 1
28 NB049300 SCREW, FLANGE, 1/4” X 1/2” 1
29 NB2460 HOSE, VACUUM, 5/32” 22”
30 KA920702112 PLUG, SPARK, NGK, BPR4ES 2

Regulator & Handle Assembly
40
RF040300
120111
9
10
11
3
8
1
56
7
6
10
13
12
4
32
31
29
33
38
30
28
34 35
36
34
40
41
TRANSPORT
HANDLE
LP REGULATOR
VALVE
ASSEMBLY
HANDLE
ASSEMBLY
17 19
20
26
22
24
25
18
15
16
23
22
21
39
42
27
2
14

Regulator & Handle Assembly (continued)
41
Item Ref. No. Description Qty
1 MP042000 BAIL, BLACK 1
2 MP038600 GRIP, HANDLE 1
3 MP042100 BLOCK, SLIDE, HANDLE 2
4 MP106500 CABLE, THROTTLE 1
5 NB9735 NUT, LOCK, #10 1
6 NB9645 WASHER, FLAT, #10 2
7 NB028300 BUSHING, CABLE 1
8 MP389101 HANDLE, BULKHEAD 1
9 MP400400 BLOCK, GUIDE, CABLE 1
10 NB4382 SCREW, #8 X 1/2” 5
11 MP045600 SLEEVE, STOP, HANDLE 2
12 MP049800 TUBE, VINYL, 1/4” ID 1”
13 NB049000 SCREW, 1/4” X 3/4” 1
14 MP400300 HANDLE, ASM. 1
15 MP416900 VALVE, TWO-WAY 1
16 MP164100 FITTING, 1/2” HB X 1/2” MNPT 1
17 MP146100 BRACKET, VALVE 1
18 NB030700 NUT, LOCK, #10 2
19 NB027500 SCREW, #10 X 1-1/2” 2
20 NB9735 NUT, LOCK, #10 1
21 NB039000 BUSHING, PIVOT 1
Item Ref. No. Description Qty
22 NB9645 WASHER, FLAT, #10 2
23 NB5350 SCREW, #10 X 1” 1
24 KA921707001 CLAMP 1
25 KA921502182 BOLT, M5 1
26 NIG5055 NUT, FLANG, 5MM 1
27 MP300800 VALVE, ASM. 1
28 MP317500 FUELOCK, 12V, ASM. 1
29 MP015100 FITTING, FUEL ADJUST 1
30 SA026300 REGULATOR, LP 1
31 MP017300 SCREW, ADJUST, FUEL 1
32 MP018900 FITTING, H.BARB, 1/8” NPT 1
33 NB005200 SCREW, SET, #10-24 X 5/16” 1
34 MP4330 FITTING, 49 X 6 2
35 MP4300 HOSE, LP FUEL, 18” 1
36 MP4500 COUPLER, REGO 1
37 MP372400 FITTING, ELBOW, 1/8” NPT 1
38 MP371100 FITTING, 1/4” X 3/16” HB 1
39 MP416300 REGULATOR, LP, ASM. 1
40 MP237400 GRIP, HANDLE 2
41 MG003500 HANDLE, TRANSPORT 1
42 MG003400 HANDLE, TRANSPORT, ASM. 1

Bulkhead & Control Panel Assembly
42
RF040200
102315
31
32
36
38
30
39
33
34 40
37
41 35
11
9
7
13
713
1
25
16
23
22 20
19
21
24
8
12
18
64
2
25
2
5
12 3
2
17
16
16
10
15
26
27
4
7
27
29
28
14

Bulkhead & Control Panel Assembly (continued)
43
Item Ref. No. Description Qty
1 NB009900 GROMMET, 11/16” 1
2 RV009500 LOOP, FOOTMAN 4
3 NB010400 SCREW, #10 X 5/8” 4
4 NB3275 NUT, LOCK, 1/4” 7
5 NB6514 GROMMET, 1-1/2” ID 2
6 MP039300 PLATE, LOCK, HANDLE 2
7 NB6110 WASHER, LOCK, 1/4” 9
8 MP120700 PAD, BATTERY 2
9 NB9735 NUT, LOCK, #10 2
10 MP295301 BRACKET, THROTTLE 1
11 MP402600 CABLE, THROTTLE 1
12 MP6600 FELT, BLACK (3) 8”
13 NB019100 BOLT, HEX, 1/4” X 3/4” 8
14 NB034100 SCREW, #10 X 1/2” 2
15 MP354500 DECAL, CAUTION 1
16 MP368100 STRAP, 2” X 23” 3
17 MP367600 SLIDE, STRAP, 2” 1
18 NB6530 BOLT, HEX, 1/4” X 1” 6
19 MP210400 TREAD, PEDAL 2
20 MP410701 PEDAL, FOOT 2
21 NB9267 WASHER, FLAT, 5/16” 4
Item Ref. No. Description Qty
22 NB6111 WASHER, LOCK, 5/16” 4
23 NB3260 NUT, HEX, 5/16” 4
24 NB6545 BOLT, HEX, 5/16” X 1” 4
25 NB008900 RIVET, 3/16” 4
26 NB064100 BOLT, HEX, 1/4” X 1-1/4” 1
27 NB3350 WASHER, FLAT, 1/4” 2
28 NB060900 WASHER, FLAT, M16 1
29 NB030500 WASHER, FENDER, 1/4” X 1” 1
30 MP290400 CABLE, CONTROL 1
31 MP280400 METER, HOUR / TACH 1
32 MP180000 SWITCH, ROCKER 1
33 MP409000 DECAL, DASH 1
34 IN1015 TRIM 4 FT
35 NB9735 NUT, LOCK, #10 2
36 NB027500 SCREW, #10 X 1-1/2” 2
37 NB008600 SPACER, .50” OD X .25” ID 2
38 MP408301 PANEL, CONTROL 1
39A MP199000 SWITCH, IGNITION 1
39B KC4834001 KEY (REPLACEMENT) 1
40 MP496400 DECAL, PANEL, CONTROL 1
41 MP402300 MODULE, EMISSION, ASM. 1

Frame Assembly
44
RF040100 052813
24
14
5
19
42
3
19
5
22
64
2
3
11
12 16
13
18
7
17
25
19
5
23
29
10 8
9
8
27
1
14
15
28
21
26
20

Frame Assembly (continued)
45
Item Ref. No. Description Qty
1 MP294300 WHEEL, 10” 2
2 NB6110 WASHER, LOCK, 1/4” 7
3 NB3350 WASHER, FLAT, 1/4” 7
4 NB6530 BOLT, HEX, 1/4” X 1” 7
5 MX1075 WASHER, LOCK, 3/8” 16
6 MP295501 BRACKET, RETAINER 2
7 NB6111 WASHER, LOCK, 5/16” 4
8 NB034600 WASHER, FLAT, 1/2” 2
9 NB8175 PIN, 3/32” 1
10 NB033800 PIN, CLEVIS, 1/2” X 2” 1
11 MP297600 ADJUST, AXLE, ASM. 1
12 MP281100 PLATE, HUB 1
13 NB035800 PIN, PULL, 3/8” X 1-1/2” 2
14 NB3450 WASHER, FLAT, 3/8” 10
15 NB6851 BOLT, HEX, 3/8” X 3/4” 2
Item Ref. No. Description Qty
16 NB6545 BOLT, HEX, 5/16” X 1” 4
17 NB3260 NUT, HEX, 5/16” 4
18 NB9267 WASHER, FLAT, 5/16” 4
19 NB046200 NUT, HEX, 3/8” 16
20 MP405401 BLOCK, SPACER, DECK 2
21 NB053600 BOLT, CARRIAGE, 3/8” X 2-1/2” 4
22 MX1080 WASHER, FLAT, 3/8” 4
23 NB6525 GROMMET, 1/2” ID 2
24 MP455400 GEARBOX, 34”, ASM. 1
25 MP401501 BRACKET, BRACE, DECK 1
26 NB5520 BOLT, CARRIAGE, 3/8” X 1-1/4” 8
27 MP406400 AXLE 1
28 MP401000 TUBE, VACUUM 1
29 MP403601 SPACER, SUPPORT, G.BOX 2

Gearbox Assembly
46
RF047900
052813
30
28
29
25
21 26
24
23
23
27
24
26
25
22
18
7
9
8
12
19 19
10 8
6
5
5
17
3
4
14
1
11
4
16 20
19
15
2
18
7
4
3
13

Gearbox Assembly (continued)
47
Item Ref. No. Description Qty
1 NB3265 NUT, LOCK, 5/16” 2
2 NB6042 BOLT, HEX, 3/8” X 1” 22
3 MX1075 WASHER, LOCK, 3/8” 24
4 NB9267 WASHER, FLAT, 5/16” 26
5 MP454600 GEARBOX, 1”, R. ANGLE 2
6 MP454700 GEARBOX, 1”, T-DRIVE 1
7 NB6110 WASHER, LOCK, 1/4” 5
8 MP371700 SPACER, 1.50” OD 2
9 NB006400 WASHER, FENDER, 1/4” 1
10 MP326400 KEY, 1/4” X 1-1/4” 1
11 MP250500 KEY, 1/4” X 3/4” 2
12 MP400200 PULLEY, 1” X 15.75” 1
13 MP455000 COUPLING, SHEAR, 5/16” 2
14 MP416400 PLATE, MOUNTING, G.BOX 2
15 MP405101 PLATE, COVER 2
Item Ref. No. Description Qty
16 NB068400 BOLT, HEX, 5/16” X 2-3/4” 2
17 NB6044 BOLT, HEX, 3/8” X 1-1/4” 2
18 NB6535 BOLT, HEX, 1/4” X 3/4” 5
19 NB2463 SCREW, SET, 5/16” 6
20 SA029400 BOLT, SHEAR, 5/16”, KIT 1
21 MP416600 BRACKET, WEIGHT 1
22 MP405201 SHEILD, HEAT 1
23 NB3350 WASHER, FLAT, 1/4” 3
24 NB6110 WASHER, LOCK, 1/4” 3
25 NB6530 BOLT, HEX, 1/4” X 1” 3
26 MX1045 NUT, HEX, 1/4” 3
27 MP402000 INSULATION, HEAT 1
28 NB3260 NUT, HEX, 5/16” 2
29 MP6600 FELT, BLACK (2) 2”
30 MP199900 MOUNT, VIBRATION, 5/16” 2

Front Main Assembly
48
RF040600 091012
15
11
24
23
22
21
19
20
3
2
4
44
43
22
23
24
29
8
7
6
9
17
16
5
23
24 4
32
50
23
24
30
24
23 50
7
10
31
42
45
24 23
50
41
27
26
25
33 34
1
40
39 37
35
36
23
38 46
48
24
23
50
50
8
7
6
28
47
34
14
13
10
23
38
12
7
18
49

Front Main Assembly (continued)
49
Item Ref. No. Description Qty
1 MP178800 PADHOLDER, 17” 2
2 NB6111 WASHER, LOCK, 5/16” 13
3 NB3260 NUT, HEX, 5/16” 10
4 NB8130 CLAMP, 3/4” 2
5 MP416800 PLATE, MOUNT, ENGINE 1
6 NB6042 BOLT, HEX, 3/8” X 1” 5
7 MX1075 WASHER, LOCK, 3/8” 12
8 NB046200 NUT, HEX, 3/8” 6
9 MP404101 BRACKET, REGULATOR 1
10 NB6044 BOLT, HEX, 3/8” X 1-1/4” 4
11 NB065800 PLUG, HOLE, 5/16” 1
12 NB067800 BOLT, HEX, 3/8” X 2-3/4” 1
13 MP441500 BRACKET, TENSIONER 1
14 MP442200 TENSIONER, 3” PULLEY, ASM. 1
15 MP416300 REGULATOR, ASM. 1
16 NB003200 BOLT, HEX, 1/4” X 5/8” 2
17 MX1115 WASHER, STAR, 1/4” 2
18 NB3450 WASHER, FLAT, 3/8” 3
19 MP120800 BATTERY, AGM 1
20 MP120700 PAD, BATTERY 1
21 MP295601 BRACKET, BATTERY 1
22 NB6530 BOLT, HEX, 1/4” X 1” 12
23 NB6110 WASHER, LOCK, 1/4” 30
24 NB3350 WASHER, FLAT, 1/4” 27
25 MP178000 TUBING, VINYL, 1/2” ID (2) 5”
Item Ref. No. Description Qty
26 MP165300 FITTING, ELBOW, 1/2” HB 2
27 MP165200 FITTING, TEE, 1/2” HB 1
28 MP439900 BELT, BP59 1
29 MP406500 BRACKET, WEIGHT, ASM. 1
30 MP405101 PLATE, COVER 1
31 MP404900 PANEL, ACCESS, w/ TUBE 1
32 MP296401 PANEL, ACCESS 1
33 MP402900 HOSE, 1-1/2” X 16” 1
34 NB033400 CLAMP, HOSE, 2” 2
35 MP408100 HUB, DRIVE, LEFT, ASM. 1
36 MP408200 HUB, DRIVE, RIGHT, ASM. 1
37 NB055700 SEAL, V-RING, 1-1/2” 2
38 NB056500 BOLT, HEX, 1/4” X 3” 2
39 MP7802 KEY, 1/4” X 1-1/2” 2
40 NB2463 SCREW, SET, 5/16” X 3/8” 4
41 MP402700 SKIRT, SPLASH, 34” 1
42 MG006400 ADAPTER, TUBE, VACUUM 1
43 MG001000 WEIGHT, FLAT (17 LBS) 8
44 NB046300 PIN, LYNCH, 1/4” X 1-3/4” 6
45 MP410801 PLATE, COVER, 24” 1
46 MP441600 PLATE, DRIVER, 17.5”, ASM. 2
47 MP406700 HOLDER, LIPPAGE, ASM. 12
48 NB066300 PLUG, 1/2” 2
49 MP442600 COVER, PULLEY 1
50 NB019100 BOLT, HEX, 1/4” X 3/4” 15

Rear Main Assembly
50
RF040700 102412
20
21
19
24
25
2
31
4
27
26
14
8
6
7
23
10
22
23
10
15
12
13
17 18 33
12
11
8
6
9
5
7
7
6
5
16
28
34
22
29
30
31
32

Rear Main Assembly (continued)
51
Item Ref. No. Description Qty
1 NB010100 BOLT, CARRIAGE, 3/8” X 2” 2
2 RV005100 KNOB, HANDLE 2
3 NB011400 WASHER, WAVE, 1” OD 2
4 MP400300 HANDLE, HD, ASM. 1
5 NB9267 WASHER, FLAT, 5/16” 7
6 NB6111 WASHER, LOCK, 5/16” 13
7 NB6545 BOLT, HEX, 5/16” X 1” 12
8 NB3260 NUT, HEX, 5/16” 10
9 MP287900 RING, FLIP, 3/8” 2
10 MX1075 WASHER, LOCK, 3/8” 12
11 NB6530 BOLT, HEX, 1/4” X 1” 12
12 NB6110 WASHER, LOCK, 1/4” 30
13 NB3350 WASHER, FLAT, 1/4” 27
14 MP296501 BRACKET, TANK 1
15 MG002100 SWITCH, CLUTCH 1
16 MP296601 BRACKET, SWITCH 1
17 NB040400 SCREW, #10 X 3/4” 2
Item Ref. No. Description Qty
18 MP098700 RETAINER, CLUTCH 1
19 MP281500 TANK, SOLUTION 1
20 MP152700 CAP, SCREW, 6” 1
21 MP152800 GASKET, CAP, 6” 1
22 NB6851 BOLT, HEX, 3/8” X 3/4” 2
23 NB3450 WASHER, FLAT, 3/8” 3
24 MP300800 VALVE, ASM. 1
25 MP178000 TUBING, VINYL, 1/2” ID 40”
26 MG001000 WEIGHT, FLAT (17 LBS) 8
27 NB046300 PIN, LYNCH, 1/4” 6
28 NB043300 CLAMP, HOSE, 1/2” 1
29 NB9625 SCREW, #4 X 3/4” 1
30 NB038900 SPACER, #4 1
31 NB007100 WASHER, FLAT, #6 1
32 NB007000 NUT, LOCK, #4 1
33 KA921502182 BOLT, 5MM 1
34 NIG5055 NUT, FLANGE, 5MM 1

Head Assembly
52
RF040900
090712
9
12
10
811
38
3
2
45
31
44
32
35
36
35
36
35
41
43
42
30
34
26
29
24
28
25
27
19
15
16
18
20
21
20
17
18
16 15
19
13
22
23
37
40
39
46
14
5
2
3
4
6
7

Head Assembly (continued)
53
Item Ref. No. Description Qty
1 MP441700 PLATE, DRIVER, 17.5” 1
2 NB3275 NUT, LOCK, 1/4” 3
3 MP197400 LUG, P74 3
4 MP287500 SPACER, 1” OD X 5/8” L 3
5 MP341000 MAGNET, 3/4” 12
6 NB039400 BOLT, HEX, 1/4” X 1-3/4” 3
7 MP441600 DRIVER, 17.5”, ASM. 2
8 MP309200 HOLDER, LIPPAGE 1
9 NB047800 PIN, ROLL, 3/16” 1
10 MP406201 PLATE, ADAPTER, HOLDER 1
11 NB066100 SCREW, CS, M8 X 20MM 1
12 NB066200 NUT, LOCK, M8 1
13 MP406700 HOLDER, LIPPAGE, ASM. 1
14 MP442000 DRIVER, w/ HOLDERS, ASM. 2
15 MX1075 WASHER, LOCK, 3/8” 6
16 NB3450 WASHER, FLAT, 3/8” 6
17 MP312000 PLATE, CLUTCH, RIGHT, ASM. 1
18 MP317700 COUPLING, FLEXI, TALL 1
19 NB024500 BOLT, HEX, 3/8” X 1-3/4” 6
20 MP407200 HUB, DRIVE, GRINDER 1
21 MP312100 PLATE, CLUTCH, LEFT, ASM. 1
22 MP408200 HUB, RIGHT, ASM. 1
23 MP408100 HUB, LEFT, ASM. 1
Item Ref. No. Description Qty
24 NB024100 PIN, HITCH 3
25 MP098700 RETAINER, CLUTCH 3
26 MP331100 PLATE, ATTACHMENT, HEAD 1
27 NB060500 SCREW, #10 X 1/2” 3
28 NB060600 SPACER, .200” ID X .437” OD 3
29 NB060700 SPACER, .218” ID X .625” OD 3
30 NB055700 SEAL, V-RING 6
31 NB9745 BOLT, HEX, 5/16” X 1-3/4” 6
32 NB026700 WASHER, LOCK, 5/16” 6
33 NB055800 O-RING, 1-7/8” OD X 1/8” TH 6
34 MG004500 DISC, FLEX, ASM. 6
35 NB017000 RING, RETAINING, 40MM 24
36 MP061300 BEARING, SEALED, 6203 12
37 NB055900 CAP, VINYL, 2” 6
38 NB057100 BOLT, HEX, 1/4” X 1-1/2” 3
39 NB6041 TIE, CABLE 6
40 MP029300 TAPE, FOIL, 2” 6
41 MP323000 SPRING, WAVE, 1.125” OD 6
42 NB061000 WASHER, FLAT, .880” ID 6
43 NB060900 WASHER, FLAT, M16 6
44 NB025100 WASHER, FLAT, 5/16” 6
45 MP404700 DRIVER, 17”, FREE SPIN 1
46 MP404600 DRIVER, 17”, FREE SPIN, ASM. 1

54
Diamond Selection List
Coating Removal
Initial Grind
Secondary Grind
Medium Polish
Fine Polish
Soft
Medium
Hard
Wet
Dry
DP401030 ●● ●●●●
20/30 Dove Tail Metal
DP501040 ●● ● ●●
30/40 Dove Tail Metal
DP320030 ●● ●●●● 30 Spiral Waffle Semi-Metal
DP320050 ●● ●●●● 50 Spiral Waffle Semi-Metal
DP320100 ●● ●●●● 100 Spiral Waffle Semi-Metal
DP330050 ●● ●● ● 50 8 - Segment Resin
DP330100 ●● ●● ● 100 8 - Segment Resin
DP330200 ●● ●● ● 200 8 - Segment Resin
DP330400 ●● ●● ● 400 8 - Segment Resin
DP330800 ●● ●● ● 800 8 - Segment Resin
DP331800 ●● ●● ●1800 8 - Segment Resin
DP333500 ●● ●● ●3500 8 - Segment Resin
DP340030 ●● ●●● 30 Spiral Waffle Semi-Metal
DP340050 ●● ●●● 50 Spiral Waffle Semi-Metal
DP340100 ●● ●●● 100 Spiral Waffle Semi-Metal
DP360050 ●● ●●● 50 8 - Segment Resin
DP360100 ●● ●●● 100 8 - Segment Resin
DP360200 ●● ●●● 200 8 - Segment Resin
DP360400 ●● ●●● 400 8 - Segment Resin
DP360800 ●● ●●● 800 8 - Segment Resin
DP361800 ●● ●●● 1800 8 - Segment Resin
DP363500 ●● ●●● 3500 8 - Segment Resin
DP390016 ●● ●●●● 400 5 - Segment Metal
DP390030 ●● ●●●● 800 10 - Segment Metal
DP390070 ●●● ●●●●1800 10 - Segment Metal
DP390120 ●●● ●●●●3500 10 - Segment Metal
MPDFUR3000
Part Number
Diamond Tool Accessory
High Density Foam Riser (Diamond Spacer) Use with 3" Diamond for extended life
Usage Concrete Type
Grit Configuration Bond

55
Emission Control Warranty Statement
Your Warranty Rights and Obligations
The California Air Resources Board and Amano Pioneer Eclipse
Corporation is pleased to explain the emissions control system’s
warranty on your 2016 small off-road engine. In California, new
equipment that use small off-road engines must be designed, built, and
equipped to meet the State’s stringent anti-smog standards. Amano
Pioneer Eclipse Corporation must warrant the emissions control system
on your small off-road engine for the period listed below provided there
has been no abuse, neglect or improper maintenance of your equipment.
Your emissions control system may include parts such as: carburetor’s
or fuel injection system, ignition system, catalytic converters, fuel tanks,
valves, filters, clamps, connectors, and other associated components.
Also, included may be hoses, belts, connectors, sensors, and other
emission-related assemblies. Where a warrantable condition exists,
Amano Pioneer Eclipse Corporation will repair your small off-road engine
at no cost to you including diagnosis, parts and labor.
Manufacturer’s Warranty Coverage
This emissions control system is warranted for two years. If any
emissions-related part on your equipment is defective, the part will be
repaired or replaced by Amano Pioneer Eclipse Corporation.
Owner’s Warranty Responsibilities
(a) As the small off-road engine owner, you are responsible for
performance of the required maintenance listed in your owner’s
manual. Amano Pioneer Eclipse Corporation recommends that you
retain all receipts covering maintenance on your small off-road engine,
but Amano Pioneer Eclipse Corporation cannot deny warranty solely
for the lack of receipts or your failure to ensure the performance of all
scheduled maintenance.
(b) As the small off-road engine owner, you should however be aware that
Amano Pioneer Eclipse Corporation may deny you warranty coverage
if your small off-road engine or a part has failed due to abuse, neglect,
or improper maintenance or unapproved modifications.
(c) You are responsible for presenting your small off-road engine to an
Amano Pioneer Eclipse Corporation distribution center or service
center as soon as the problem exists. The warranty repairs should be
completed in a reasonable amount of time, not to exceed 30 days. If
you have a question regarding your warranty coverage, you should
contact Amano Pioneer Eclipse Corporation at 1-800-367-3550.
Defects Warranty Requirements
(A) The warranty period begins on the date the engine or equipment is
delivered to an ultimate purchaser.
(B) General Emissions Warranty Coverage. Amano Pioneer Eclipse
Corporation as the manufacturer of each small off-road engine
or equipment must warrant to the ultimate purchaser and each
subsequent owner that the engine or equipment is:
(1) Designed, built, and equipped so as to conform with all
applicable regulations adopted by the Air Resources Board; and
(2) Free from defects in materials and workmanship that causes the
failure of a warranted part for a period of two years.
(C) The warranty on emissions-related parts will be interpreted as follows:
(1) Any warranted part that is not scheduled for replacement as
required maintenance in the written instructions required by
subsection (D) must be warranted for the warranty period defined
in Subsection (B2). If any such part fails during the period
of warranty coverage, it must be repaired or replaced by the
manufacturer according to Subsection (C4) below. Any such part
repaired or replaced under the warranty must be warranted for
the remaining warranty period.
(2) Any warranted part that is scheduled only for regular inspection
in the written instructions required by subsection (D) must be
warranted for the warranty period defined in Subsection (B2).
A statement in such written instructions to the effect of “repair
or replace as necessary” will not reduce the period of warranty
coverage. Any such part repaired or replaced under warranty
must be warranted for the remaining warranty period.
(3) Any warranted part that is scheduled for replacement as
replacement as required maintenance in the written instructions
required by subsection (D) must be warranted for the period
of time prior to the first scheduled replacement point for that
part. If the part fails prior to the first scheduled replacement, the
part must be repaired or replaced by the engine manufacturer
according to Subsection (C4) below. Any such part repaired or
replaced under warranty must be warranted for the remainder of
the period prior to the first scheduled replacement point for the
part.
(4) Repair or replacement of any warranted part under the warranty
must be performed at no charge to the owner at a warranty
station.
(5) Notwithstanding the provisions of Subsection (C4) above,
warranty services or Repairs must be provided at all
manufacturer distribution centers that are franchised to service
the subject engines.
(6) The owner must not be charged for diagnostic labor that leads
to the Determination that a warranted part is in fact defective,
provided that such diagnostic work is performed at a warranty
station.
(7) The manufacturer is liable for damages to other engine
components Proximately caused by a failure under warranty of
any warranted part.
(8) Throughout the emissions warranty period defined in Subsection
(B2), the manufacturer must maintain a supply of warranted parts
sufficient to meet the expected demand for such parts.
(9) Any replacement part may be used in the performance of any
warranty Maintenance or repairs and must be provided without
charge to the owner. Such use will not reduce the warranty
obligations of the manufacturer.
(10) Add-on or modified parts that are not exempted by the
Air Resources Board may not be used. The use of any
non-exempted add-on or modified parts will be grounds for
disallowing a warranty claim. The manufacturer will not be liable
to warrant failures of warranted parts caused by the use of a
non-exempted add-on or modified part.
(11) The manufacturer issuing the warranty shall provide any
documents that describe that manufacturer’s warrant procedures
or policies within five working days of request by the Air
Resources Board.
(D) Emission Warranty Parts List
(1) Fuel Metering System
(a) Carburetor, internal parts, and pressure regulator.
(b) Cold start enrichment system.
(2) Air Induction System
(a) Intake manifold.
(b) Air filter.
(3) Ignition System
(a) Spark Plugs.
(b) Magneto or electronic ignition system.
(c) Spark advance/retard system.
(4) Exhaust System
(a) Exhaust manifold.
(5) Miscellaneous Items Used in Above Systems
(a) Electronic Fuel Cut-off control.
(b) Vacuum, temperature, time sensitive valves, and switches.
(c) Hoses, belts, connectors, and assemblies.
Amano Pioneer Eclipse Corporation will furnish with each new engine
written instructions for the maintenance and use of the engine by the
owner.
Exception: This warranty does not apply to any machine models that do
not have a catalyst muffler.
Small Off-Road Engine Certification Warranty Form

TO QUALIFY FOR THIS WARRANTY
(1) Machine must be registered at the time of purchase on a form
provided by Amano Pioneer Eclipse Corporation. Your Amano
Pioneer Eclipse Distributor is responsible for the registration
of your machine. Please cooperate with your Distributor in
supplying necessary information on the card.
(2) The machine must have been purchased from Amano Pioneer
Eclipse Corporation or an authorized Amano Pioneer Eclipse
Distributor.
(3) This warranty extends to the original purchaser only and is not
transferable to subsequent owners.
TIME PERIODS
(1) Propane engine warranted by engine manufacturer for (2)
years.
(2) Battery warranted by battery manufacturer for (1) year.
(3) Valve train warranted by Amano Pioneer Eclipse for (1) year.
(4) ONE (1) YEAR WARRANTY - For the PE450GP.
Warranted to be free from defects in material and workmanship
for a period of one (1) year from the date of purchase by the
original owners. (See Exclusions)
EXCLUSIONS (Not Covered by Warranty)
(1) Parts that fail through normal wear by reason of their
characteristics (cords, pads, belts, wheels, pad holder, or other
consumable parts).
(2) This warranty does not extend to parts affected by misuse,
neglect, abuse or improper maintenance. All defective parts
must be returned to the distributor for credit.
THE OBLIGATION OF AMANO PIONEER ECLIPSE
CORPORATION
(1) The obligation of Amano Pioneer Eclipse under this warranty
is limited to repairing or replacing, at its option, any part which
is proven to be defective in material or workmanship under
normal use for the applicable period stated above.
(2) Warranty repairs will be made by your Amano Pioneer Eclipse
Distributor without charge for parts and labor. They will be
compensated with a warranty labor rate of $45.00 per hour, for
the first year of ownership.
(3) Parts repaired or replaced under this warranty are warranted
only during the balance of the original warranty period. All
defective parts replaced under these warranties become the
property of Amano Pioneer Eclipse.
WARRANTY SERVICE
To obtain warranty service, take your machine and proof of
purchase to any authorized Amano Pioneer Eclipse Distributor.
Amano Pioneer Eclipse will not reimburse expenses for service
calls or travel. For the Distributor in your area, call Amano Pioneer
Eclipse Customer Service Department at 800-367-3550 or 336-372-
8080. If you are dissatisfied with the service that you receive, call
or write Amano Pioneer Eclipse Customer Service Department for
further assistance.
INSTRUCTIONS AND CONDITIONS FOR WARRANTY
REIMBURSEMENT
l Order replacement part: Orders will be processed and charged,
as normal procedure.
l Call Amano Pioneer Eclipse for R/A number.
l You will need the Engine Serial Number, Machine Serial
Number, and the Machine Model Number.
l Parts must be returned, accompanied with the R/A number to
be eligible for warranty credit.
l All Warranty Parts will be shipped prepaid UPS Ground, any
other method will be at the recipients expense.
l Freight on any Warranty Part after 30 days must be paid for by
the Purchaser.
l Warranty labor rate is $45.00 per hour.
l Credit will be issued upon completion of the above steps, at the
above rates.
DISCLAIMER OF CONSEQUENTIAL
AMANO PIONEER ECLIPSE DISCLAIMS ANY RESPONSIBILITY
FOR LOSS OF USER TIME OF THE AMANO PIONEER ECLIPSE
MACHINE OR ANY OTHER INCIDENTAL OR CONSEQUENTIAL
DAMAGE EXCEPT AS STATED IN THE WARRANTY
APPLICABLE TO EACH MACHINE. EXCEPT AS STATED IN
SUCH WARRANTIES, THE COMPANY DOES NOT OTHERWISE
WARRANT ANY MACHINE AND NO WARRANTY, EXPRESS,
IMPLIED OR STATUTORY IS MADE BY THE COMPANY.
Copyright 2016 Amano Pioneer Eclipse Corporation
Limited Warranty
PE450GP
LT062200_G; 020816
56

SAFETY AWARENESS FORM FOR PROPANE MACHINES
The following must be completed before an employee may use a propane machine!
I have read the “Operators Manual” and understand it.
Name: Date:
(Print or Type)
Demonstrate to your instructor that you can do the following properly and safely:
How to prepare the propane machine for operation:
A. Install pads.......................................................................
B. Check oil..........................................................................
C. Adjust handle...................................................................
D. Check fuel cylinder for overfilling.....................................
E. Install fuel cylinder............................................................
F. Do you have a MSDS for propane?.................................
How to operate a propane machine:
A. Start and stop the engine.................................................
B. Emergency stop................................................................
C. Clean air filter....................................................................
Cautions:
A. Allow only qualified, trained personnel to operate the machine.
B. Use only D.O.T. approved fuel cylinders supplied by Amano Pioneer Eclipse.
C. Always store fuel cylinders outside in a proper enclosure.
D. Never vent a fuel cylinder inside.
E. Always wear a CO detector badge.
F. Never leave the machine running unattended.
G. Know what to do and whom to call in case of emergency.
When all items are checked off and this form is signed by an instructor or
supervisor, you may operate a propane machine.
Employee Signature: Date:
Instructor/Supervisor Signature: Date:

Amano Pioneer Eclipse Corporation
1 Eclipse Rd l PO Box 909
Sparta, North Carolina 28675 l USA
www.pioneereclipse.com
+1-336-372-8080
1-800-367-3550
Fax +1-336-372-2913
© 2016 Amano Pioneer Eclipse Corporation
LT062200
450GP_G
EC Machinery Directive 2006/42/EC,
EC Restriction of Hazardous Substances Directive (2011/65/EU)
Harmonized Standards Applied: EN 12100-1, EN12100-2