CleanStar_30 Pioneer Eclipse Cleanstar 30 Ride On Floor Scrubber Operator Parts Manual
2017-01-11
: Sweepscrub Pioneer-Eclipse-Cleanstar-30-Ride-On-Floor-Scrubber-Operator-Parts-Manual pioneer-eclipse-cleanstar-30-ride-on-floor-scrubber-operator-parts-manual 1984 file product_file
Open the PDF directly: View PDF
.
Page Count: 34

RIDE-ON AUTOMATIC SCRUBBER
FOR MODEL: CS3000M
Operator’s Manual
Failure to read and understand this manual
before operating this machine or performing service on
this machine may result in injury to the operator or
nearby personnel or result in damage to the machine
or nearby property. Each operator must be trained in
the operation of this machine before being allowed to
use it. Contact Amano Pioneer Eclipse Customer
Service at 1-800-367-3550 or 1-336-372-8080 or an
authorized Amano Pioneer Eclipse Distributor to
inquire about training or to request a replacement
manual.
La falta de leer y de entender este manual antes de
usar esta máquina o de realizar servicio en esta
máquina puede dar lugar a lesión al operador o al
personal próximo o a resultado en daño a la máquina
o propiedad próxima. Cada operador debe ser
entrenado en la operación de esta máquina antes de
ser permitido utilizarla. Ponerse en contacto con el
servicio de Amano Pioneer Eclipse 1-800-367-3550 o
1-336-372-8080 o un distribuidor autorizado por
Amano Pioneer Eclipse para investigar sobre el
entrenamiento o para solicitar un manual.
Manquer de lire et de comprendre ce manuel
d'utilisation avant l'utilisation de cette machine ou
avant faire de maintenance sur la machine peut être
résulter en blessure à l'opérateur ou au personnel
proche ou peut endommagé la machine ou la propriété
proche. Chaque utilisateur doit être entraîné dans
l'opération de cette polisseuse avant l'utilisation.
Veuillez contacter le service àpres-vente de Amano
Pioneer Eclipse à 1-800-367-3550 ou 1-336-372-8080
et/ou un distributeur de Amano Pioneer Eclipse pour
vous renseigner concernant l'entraînement ou pour
obtenir un autre manuel d'utilisation.

FOR YOUR SAFETY
Do not store or use gasoline or other flammable vapors and liquids in the vicinity of this or
any other appliance.
Record This Important Information
Date of Purchase
Purchased From
Address
City State Zip
Phone Contact
Machine Model
Machine Serial Number
Important Phone Numbers
Medical Emergency
Police
Fire Department
In this Operation Manual you will find three statements that you must read and observe to ensure safe
operation of the machine.
DANGER! indicates that the possibility of severe bodily injury or death can occur if DANGER! statements
are ignored. Read and observe all DANGER! statements included in the Operation Manual and attached to
the machine.
WARNING! indicates that the possibility of bodily injury to the operator and other people can occur if
WARNING! statements are ignored. Read and observe all WARNING! statements included in the Operation
Manual and attached to the machine.
CAUTION! indicates that the possibility of damage to the machine or other property can occur if CAUTION!
statements are ignored. Read and observe all CAUTION! statements included in the Operation Manual and
attached to the machine.

Welcome
Congratulations on purchasing the CleanStar 30M Ride-On Autoscrubber from Amano Pioneer
Eclipse.
Please read this manual carefully. It will acquaint you with the care, safe handling and operation of
the CleanStar 30M.
Contents
1
Machine Features.........................................................2
Machine Specifications......................................................2
Safety Precautions..........................................................3
Operator Responsibility....................................4 & 5
Operator Qualifications...........................................5
Safety and Warning Devices.................................5
Safety Systems......................................................5
Safety Diagnostic Signaling...................................5
Machine Preparation...........................................................6
Handling of Packed Machine.................................6
Storage...................................................................6
Unpacking the Machine.........................................6
Handling the Unpacked Machine..........................6
Battery Installation.................................................7
Identifying the Machine.........................................8
Machine Operation.............................................................9
Controls and Instruments......................................9
Symbols on the Dashboard.................................10
How the Machine Functions................................11
Preparing and Starting The Machine...................11
Choosing the Cleaner Solution............................11
Steering Column and Controls.............................12
Squeegee Adjustment..........................................13
Draining The Tanks..............................................13
Brush Replacement.............................................14
Squeegee Blade Replacement............................14
Maintenance......................................................................15
Periodical Maintenance........................................15
Battery Maintenance....................................15 & 16
Vacuum Motor Maintenance................................16
Tanks and Cover Group...........................................17 & 18
Frame Group............................................................19 & 20
Squeegee and Squeegee Lift Group........................21 & 22
Scrub Deck Group......................................23, 24, 25, & 26
Wiring Schematic........................................27, 28, 29, & 30
Warranty............................................................................31

Machine Features
zLarge capacity tanks require less frequent filling and emptying
zCompact, highly maneuverable design for ease of operation
zCleaning width 29.5” (75 cm)
z4 hour run-time, easy access batteries
zUser-friendly instrument panel
zVariable speed with dynamic braking
zMachine stops when accelerator is released
zPads/brushes stop automatically when accelerator is released
z4-position rear squeegee and 2-position front squeegee provide extended life
zHorn, backup alarm, and beacon light for safety
zCE approved
Machine Specifications
Scrubbing Rate: 48,000 ft2/hr (4460 m2/hr) Noise Level: < 70 dBA
Pads/Brushes: 2 x 15 in (2 x 38,5 cm) Vibration Level: Less than 2.5 m/s2
Scrubbing Width: 29.5 in (75 cm) Pad/Brush Motor: 700W, 32A, 24V
Squeegee Width: 37.4 in (95 cm) Traction Motor: 600W, 24V
Brush Pressure: 100 lbs (45 kg) Vacuum Motor: 550W, 24V
Solution Tank Capacity: 37.0 US gal (140 liter) Weight Without Batteries: 408 lb (185 kg)
Recovery Tank Capacity: 31.7 US gal (120 liter) Weight With 4 x 6 Volt Batteries: 798lb (326 kg)
Forward Speed: Up to 3.7 mph (6 km/hr) Length x Width (with side
skirts) x Height: 46 in x 30.3 in x 49.6 in
Reverse Speed: Up to 2.5 mph (4 km/hr) (117cm x 77cm x 126cm)
Power Source: Battery 6V (4)
Slope Capability: 10% maximum Voltage: 24V
Brush Lift Control: Mechanical
Front Wheel Diameter: 9.5” (240 mm)
Rear Wheel Diameter: 10” (254 mm)
2

Safety Precautions
Anyone operating the machine should read the
following carefully and be informed of potentially
dangerous operating conditions. Operators should be
familiar with the location and use of all safety devices
on the machine. Do not use the machine if it is not in
proper operating condition, and report any damage or
operation faults immediately.
DANGER! This machine has parts including the
pad/brush assemblies that can cause severe injury if
these parts are contacted while they are moving. Do
not allow any part of the body or clothing to come in
contact with these parts while they are moving. Do not
try to change the pads/brushes while the machine is
running. Do not allow other people to come near the
machine while it is in operation. Do not allow the
machine to run unattended. Do not leave the machine
in a place where unauthorized or untrained personnel
could use the machine. Do not run the machine with
the pads/brushes off center, damaged or missing. Do
not operate the machine if the machine has loose parts.
WARNING! Batteries emit hydrogen gas. Explosion or
fire can result. Keep sparks and open flame away.
Keep covers open when charging. Do not smoke
around batteries. Avoid skin contact with the acid
contained in the batteries. Never allow metal objects
to lay across battery tops.
WARNING! Inspect pad holders regularly. A fractured
pad holder may result in pad fragments causing injury.
WARNING! Use caution when operating the machine on
a ramp or incline. Do not turn the machine, or leave
it unattended, on a ramp or incline.
WARNING! Store machine inside. Keep the electrical
components of the machine dry. DO NOT PRESSURE
WASH MACHINE.
WARNING! Modifications or alterations to this machine
can lead to personal injury or damage to the machine.
Do not make unauthorized modifications or alterations
to this machine. Amano Pioneer Eclipse assumes no
liabilities for injury or damage resulting from an
unauthorized modification or alteration to the machine.
Any unauthorized modification or alteration to this
machine voids all warranties.
WARNING! The motor and motor controller become hot
while the machine is in operation, and for a long time
after the machine is shut off, to cause severe burns.
Do not touch these parts of the machine until they have
cooled.
WARNING! Injury can occur to the eyes and body while
using the machine. Safety goggles, safety shoes,
and safety clothing are recommended while operating
the machine.
WARNING! Machine vibration may cause tingling or
numbness in the fingers or hands. Gloves are
recommended to reduce machine vibration. If tingling
or numbness persists, shut off the machine. If the
vibration is caused by loose parts such as an off center
pad/brush, adjust or tighten these parts before using
the machine again.
CAUTION! Do not operate machine unless trained and
authorized. Do not operate machine unless you have
read and understand the operation manual. Do not
operate machine in flammable or explosive areas.
CAUTION! Before starting machine ensure all safety
devices are in place and functioning properly. Before
starting machine check for proper operation.
CAUTION! When using machine, go slowly on inclines or
slippery surfaces. Use care when operating machine in
reverse. Follow all manufacturers instructions on
chemical product containers when handling, mixing, or
using chemical products.
CAUTION! When servicing machine, stay clear of moving
parts. Do not wear loose clothing when working on
machine. Block machine wheels before raising or
jacking up machine. Use hoist stands that will support
the weight of the machine. Wear eye and ear
protection when using pressurized air. Disconnect
battery connections before servicing machine. Use
only replacement parts supplied by Amano Pioneer
Eclipse or an Amano Pioneer Eclipse Authorized
Distributor or Service Center.
CAUTION! When loading or unloading the machine for
transport use extreme caution! Use a solid ramp
rated for the machine weight and no greater than 10%
slope. Only use a truck or trailer that will support the
weight of the machine to transport. Block machine
wheels when transporting. Tie the machine down
securely to truck or trailer when transporting.
CAUTION! DANGER! Crushing can occur when the
scrub deck is lowered. To prevent this from occurring,
do not lower the scrub deck unless all potential hazards
are removed.
CAUTION! DANGER! Crushing can occur when
removing or re-installing the pad holder or brushes on
the scrub deck. Before removing the pad/brush
protection covers, the ignition key must be removed
from the key switch on the dash panel to avoid the
machine from accidentally starting.
3

CAUTION! DANGER! Crushing can occur when the
solution tank is raised for ventilation when charging the
batteries and/or to provide access to the battery
compartment for maintenance purposes. Once the
tank is raised there is no lock to prevent the tank from
being lowered. Therefore the operator or service
technician must be aware of his/her body parts while
inside the battery compartment. NEVER raise the
solution tank when it contains any fluid.
CAUTION! DANGER! Crushing and/or pinching can
occur when operating the pedals on each side of the
steering column. Use only your feet to operate the
pedals that raise/lower the scrub deck or apply the
brake.
CAUTION! DANGER! Turnover can occur when this
machine is used on grades that exceed the maximum
slope as specified in the operators manual.
CAUTION! DANGER! Turnover can occur when the
machine is used to clean broken surfaces or surfaces
with holes or deep depressions. DO NOT use the
machine on any surface that may compromise the
stability of the machine
CAUTION! DANGER! Explosion can occur while the
batteries are recharging because of hydrogen gas that
can spread. When recharging the batteries place the
machine under a well-ventilated area or under a
ventilation fan. Also keep machine away from any type
of heat source or corrosive substances while
recharging.
Amano Pioneer Eclipse is not responsible for accidents
that occur to people or things caused by the improper use
of this machine, e.g. using the machine on any surface
that can compromise its stability.
This machine is manufactured for
commercial use only.
This machine is designed and manufactured for indoor
use in scrubbing hard floor surfaces. Amano Pioneer
Eclipse does not recommend use of this machine in any
environment other than an indoor environment.
Amano Pioneer Eclipse battery powered floor machines
are designed and manufactured for commercial floor
maintenance only. This machine is designed to scrub
most modern types of floors including composition tile,
stone, marble, terrazzo, and resilient floor covering, and
some coated wood floors.
Improper Use of CleanStar 30M
Scrubber
zThis machine cannot be driven by unauthorized
personnel.
zThis machine cannot be used to clean sloped
surfaces with a grade over 5%.
zThis machine cannot exceed a reverse speed of
.6mph (1km/hr) when used to clean floors.
zThis machine cannot be used in an area that has
dangerous substances, flammable gas, flammable
liquid, or any type substance with an explosive nature
in close proximity.
zThis machine cannot use flammable and/or explosive
products to clean surfaces.
zThis machine cannot be used as a means of
transportation, for people and other means of
transport.
zDo not remove, modify, or tamper with the safety and
protection devices on this machine.
zBatteries must be charged in a well ventilated room.
zThe operator must always obey all of the safety rules
written in this manual.
zThe operator cannot use any equipment or other
device that can cause or prevent this machine from
working properly.
zThe components on this machine cannot be modified
without authorization from Amano Pioneer Eclipse or
an Authorized Distributor.
zThe operator cannot use acids that can damage this
machine.
zThis machine cannot be used as a tractor to tow or
push.
Operator Responsibility
The operator is responsible for performing the
recommended daily maintenance and checkups of the
machine to keep it in good working condition. The
operator must inform the service mechanic or supervisor
when recommended maintenance procedures are required
as proscribed in the MAINTENANCE section of this
manual.
Read this manual carefully before operating this machine.
4

FOR SAFETY: Do not operate machine before reading
and understanding the operation manual.
Check the machine for shipping damage.
Keep your machine regularly maintained by following the
maintenance information in this manual. We recommend
taking advantage of a service contract from your Amano
Pioneer Eclipse Authorized Distributor or Service Center.
Order parts and supplies only from an Authorized Amano
Pioneer Eclipse Distributor. Use the parts illustration
section of your manual when ordering parts.
During and after operation, perform the recommended
daily and hourly procedures outlined in the Maintenance
Chart.
Operator Qualifications
All operators should be trained before using the CleanStar
30M machine. All operators must carefully read this
manual and know all safety rules.
zA trained operator is responsible for the driving/control
of the machine, and the cleaning/maintenance of the
machine.
zA trained AmanoPioneer Eclipse technician is
responsible for installation, disinstallation , mechanical
parts maintenance, electrical parts maintenance,
dismantling, and demolition.
zAmano Pioneer Eclipse is not responsible for any
damage to people and/or things caused by the non-
observance of the instructions provided within this
manual.
Safety and Warning Devices
WARNING! It is absolutely forbidden to tamper or
disconnect safety and warning devices while the machine
is working.
Note: It is important to inspect all safety and warning
devices every six months. This inspection should
be performed by qualified personnel authorized by
Amano Pioneer Eclipse.
Pad/Brush Protection Covers
The CleanStar 30M can be equipped with either two
rotating nylon brushes or two pad holders. Each
pad/brush is covered with a fixed guard that prevents the
rotating parts from being exposed. The guards can only
be removed intentionally. The machine should not be
used without the guards in place.
Emergency Seat Switch
The machine is equipped with a switch under the
operators seat. Therefore the machine cannot be used
without the operator properly seated.
Warning Devices
The CleanStar 30M is equipped with several warning
devices:
zA flashing yellow beacon to signal bystanders
that the machine is in use.
zAn intermittent backup alarm to warn
bystanders that are in the proximity of the
machine when it is reversing.
zA horn to allow the operator to warn anyone
near the machine while it is in operation.
Safety Systems
The machine is equipped with the following safety
systems:
Battery/Charger Plug: The connector located on the
steering column can be used as means to shutdown the
machine in case of an emergency. This connector is used
to charge the batteries. Remove the connector, using the
handle, to disable the machine. Do not reconnect until all
problems have been corrected.
Emergency Switch: The machine is equipped with an
emergency button under the driver’s seat. The machine
cannot be used without the operator properly seated. The
machine will stop automatically if the operator forgets to
switch the machine off. The operator must sit on the
machine again, switch the machine off, wait for a few
seconds and start the machine again.
Float: Inside the recovery tank there is a float switch that
stops the suction of the machine if the tank is too full. To
start the machine again the operator has to empty the
recovery tank.
Safety Diagnostic Signaling
The electronic controller is equipped with a particular
system which shows the machine errors through quick
flashing of the diagnostic light placed on the dashboard.
The number of flashes represents one of the errors listed
below:
No. of
flashes
1
2
3
4
5
6
7
8
9
Controller programming error
Power control error
Description
Accelerator was engaged at the time of ignition
Motor not stopped at the time of ignition
Low Battery Voltage
High Battery Voltage
Potentiometer not at zero at the time of ignition
Accelerator interrupted
Temperature overload
5

Machine Preparation
Proper use of the CleanStar 30M
As soon as the machine arrives, please inspect the
exterior and all moving parts to verify that no damage has
occurred during transport. In case of missing or damaged
parts, contact the Manufacturer or Authorized Distributor
immediately.
Handling of Packed Machine
The machine is supplied packed on a pallet and enclosed
in a box made of plywood or cardboard. Please see the
“Features and Specifications” section for information on
weight and size. A black arrow shown on the illustration
represents the center of gravity for the package. The forks
of the lift truck or of the transpallet should be placed so
that the black arrow indicated on the packing is about in
the center of the forks. The palletized box should be
handled with extreme caution; avoid impacts or lifting it to
extreme heights without reason.
Do not stack the boxes.
Storage
The machine must be stored in an enclosed and dry place
if not immediately installed in order to keep every part
safe.
Relative humidity must be lower than 80% and the storage
temperature must be between 38° F and 100° F.
Unpacking the Machine
1. Cut and remove the black bands holding the box to the
pallet.
2. Remove the staples attaching the box to the platform at
the edge of the box.
3. With two people, one at either end of the box, lift the
box straight up and off the machine.
4. Remove all loose accessories from the top of the
machine.
5. Cut and remove all bands that affix the machine to the
pallet.
6. Push the machine off of the pallet using a wooden or
metallic ramp. Use extreme caution to prevent damage.
Handling the Unpacked Machine
zOnce the machine is unpacked, carefully inspect for
damage.
zWhen the machine is being transported, please
disconnect all of the battery cables, remove the
brushes or pad drivers, and squeegee.
zWhen the unit is being transported over a long distance
use the original packaging.
6

Battery Installation
1. In order to access the battery compartment, lift the
solution tank up. Do not lift the solution tank if it
contains any solution. Use CAUTION when working
under the raised solution tank.
2. Inspect the batteries carefully before installing. Make
sure there are no cracks in the cases.
3. Place the batteries in their compartment as shown in
the battery connection diagram.
4. For proper battery connections, contact surfaces
should be clean.
5. Apply a film of grease to terminal clamps or
connections.
6. Connect the batteries together as shown on the battery
connection diagram.
DANGER! Incorrect connections of batteries can cause
explosion and/or serious injury.
Note: Connections to (+) are RED; connections to (-) are
BLUE.
WARNING! Batteries emit hydrogen gas when
charging. Explosion or fire can result. Keep sparks
and open flame away when charging. Do not invert
polarities.
CAUTION! When handling and/or servicing the
batteries or battery cables, wear protective gloves and
goggles. Avoid contact with battery acid.
zWhen charging the batteries, raise the solution tank to
expose the battery compartment.
zInstall the battery charger in a ventilated and dry place,
far from heat sources and corrosive environments.
Make sure that the voltages are correct (see the data
plate located on the battery charger). Protect the mains
with a delayed switch or with a load fuse higher than
the maximum power consumption of the battery
charger. Observe the polarity of the battery socket
(cables are identified by symbols + red and - black).
zDisconnect the Anderson connector located on the
steering column using the handle on the upper side of
the connector.
zConnect the charger plug to the lower plug to charge
the batteries.
PROPOSITION 65 WARNING
Battery posts, terminals, and related accessories
contain lead and lead compounds, chemicals known
to the State of California to cause cancer and
reproductive harm. Wash hands after handling.
7
Solution Tank
Battery Compartment
Connect the
Battery
Charger to the
Lower Side of
the Anderson
Connector

Identifying the Machine
Note: A silver label has been place on the side of the
steering column. The label identifies the data
referring to the “CE” marking. This label should
never be removed.
8

Machine Operation
Controls and Instruments
Diagnostic
Light
Battery Charge Level
Indicator
Forward/
Reverse
Switch
Solution
Lever
Key Switch
Squeegee
Raise/
Lower and
Vacuum
Motor
On/Off
Lever
9

Symbols on the Dashboard
10
l
Horn
Battery Charge
Level
Reverse Gear
Scrub Brushes Off Scrub Brushes On
Diagnostic Light
Solution Flow

How the Machine Functions
Follow these instructions to begin operation:
1. Press the scrub brush motor pedal down and inward.
The inward motion will allow the pedal to move upward
and lower the scrub deck to the floor. This pedal is
located on the left side of the floor board. To
de-activate the scrub brush motors and raise the scrub
deck, press the pedal down and outward.
2. Pull the lever on the right side of the dashboard
inward to lower the squeegee and turn the vacuum
motor on.
3. Pull the solution control lever on the left side of the
dashboard inward. The solution flow is increased as
the lever is pulled farther in. The solution valve will
remain open until this lever is returned to the OFF
position
4. Be sure the forward/reverse switch is in the forward
position. When the accelerator lever is engaged the
scrub brushes will activate. When the accelerator lever
is released the scrub brushes will stop after a few
seconds. This is to prevent damage to the floor.
5. Do not leave the solution valve in the ON position .
The solution will continue to dispense until the solution
control lever is turned to the OFF position. It is not
turned ON and OFF with the scrub brushes.
Preparing and Starting the Machine
After charging, remove the Anderson connector of the
battery charger from the lower side of the machine
connector. Connect the plug of the machine to the battery
plug. Lower the solution tank back down using extreme
caution to avoid injury. With the solution tank lowered into
place the operator can now fill the solution tank with water
and the proper cleaning solution.
Choosing the Cleaner Solution
For a proper cleaning of the floor, it is important to choose
the appropriate cleaner solution. Your Amano Pioneer
Eclipse Authorized Distributor can recommend the
appropriate Amano Pioneer Eclipse cleaner for your
particular needs. It is recommended to use a low-foaming
detergent solution, or an anti-foaming additive, in order to
prevent damage to the vacuum motor.
CAUTION! Make sure the cleaner solution is suitable for
the surface. Amano Pioneer Eclipse is not responsible for
damages done by too aggressive cleaning solutions.
11
Solution Tank Fill Cap

12
Steering Column and Controls
1. Steering Pod: is used to turn the machine either left or right.
2. Acceleration Lever: This lever will propel the machine in either forward or reverse. The speed of the machine is
variable. The more the lever is pulled, the faster the unit will travel.
zThe scrub brushes will not activate until the acceleration lever is depressed. When the
machine stops, after a few seconds the scrub brushes will stop.
zThe machine will not travel in reverse with the squeegee in the down position.
zThe acceleration lever does not turn the solution ON and OFF. This must be manually turned
off by the operator.
3. Solution Control Lever: Turns the solution ON and OFF. It also controls the amount of solution being delivered to
the floor.
4. Squeegee Lever: This lever will lower the squeegee and also turn the vacuum motor on. This lever must be in the
raised position before traveling in reverse.
1. Steering Pod
2. Acceleration
Lever
3. Solution
Control
Lever
4. Squeegee
Lever
5. Service/Parking Brake: To apply the parking brake press pedal down. To release the parking brake, press pedal
down and move to the right. When machine is not in use, being serviced, maintained, or
being transported, make sure the parking brake is set.
6. Scrub Deck Raise/Lower Pedal: To raise the scrub deck, press the pedal down and to the left with your foot. This
will lock the deck in the upright position. To lower the scrub deck, press the pedal
down slightly, while pushing the pedal to the right all in one motion. Slowly lower
the scrub deck to the floor. When the scrub deck is lowered, the scrub brushes
will not engage until the machine is propelled in either forward or reverse.
5. Service/
Parking
Brake
6. Scrub Deck
Raise Lower
Pedal

Squeegee Adjustment
zThe squeegee must be adjusted to get a perfectly dry
floor. The machine is equipped with a parabolic shaped
squeegee. This type of squeegee performs very well in
collecting water from the floor to the suction hose, but
is particularly sensitive to the levelness to the floor.
zRemove the ignition key from the dashboard to avoid
the machine from being started.
zThe angle of the squeegee can be adjusted by turning
the knob indicated by (#3) in the detail. The ideal angle
of the rear squeegee blade is approximately 45º-60º to
floor.
zTo adjust the squeegee pressure, adjust the position of
the wheels. Raise them to increase the pressure or
lower to decrease. If the pressure is too high, the
rear blade will touch the floor with its side surface, and
not with its edge. If the pressure is too low, the edge
doesn’t work well and leaves water on the floor,
particularly on an uneven floor. See item (#1) in the
detail.
zTo remove the squeegee, this may be necessary to
pass through a door opening, loosen the knobs that retain
the squeegee to the machine. See item (#2).
Note: Drying may be affected if suction hose is not
properly working. In this case:
A. Thoroughly clean the suction hoses, inlets,
filters and the squeegee itself.
B. Check vacuum motor operation.
C. Confirm that all inspection openings of the
tank are closed.
1. Squeegee
Height
Regulation
Knob
2. Squeegee
Fastening
Knob
3. Squeegee
Inclination
Knob
Solution Tank
Drain Hose
Recovery
Tank
Clean-Out
Squeegee
Suction
Hose
Recovery
Tank
Discharge
Hose and
Valve
Draining The Tanks
The CleanStar 30 is equipped with two drain hoses. One
is for the solution tank on the left side of the back of the
machine. The other is for the recovery tank on the lower
left side of the back of the machine. At the end of the
scrubbing operation, drain excess solution from the
solution tank and dirty liquid from the recovery tank by
means of the hoses. Rinse both tanks after each use, and
thoroughly clean the tanks at least once a week. Check
and clean the rubber gasket located in the recovery tank
cap every week.
13

Brush Replacement
1. Remove the ignition key from the dashboard in
order to avoid the accidental start of the
machine.
2. Remove the side skirts by lifting upward and
out. The skirts are retained with a bolt and a
keyhole slot.
3. Remove the brushes by turning them until you
can see the pull pins. When the pins are
pulled the brushes can be removed.
4. Set the new brush up; place it under the
hexagonal support and press it upward.
5. After replacing the brushes, replace the side
skirts. Be sure they are fully installed before
operation.
Squeegee Blade Replacement
Squeegee blades must be replaced when their edges are
worn.
1. Remove the squeegee from the machine.
2. Loosen the latch and remove the straps that
retain the rear squeegee blade.
3. Replace the rear squeegee blade and re-install
the steel straps.
4. To change the front squeegee blade, remove
the knobs that hold the squeegee and strap.
5. Replace the front squeegee blade and
re-install the steel band.
Side Skirt
Pull Pin
Hexagonal Support
14

Maintenance
Periodical Maintenance
Periodical maintenance is very important. Only qualified personnel authorized by Amano Pioneer Eclipse should
perform each maintenance task and repair operation.
15
Operation Interval Operator
Clean the Recovery Tank Daily Operator
Clean the Vacuum Motor Filter Daily Operator
Clean the Squeegee Blades Weekly Operator
Clean the Squeegee Suction Hose Weekly Operator
Inspect the Squeegee Blades Every 15 Days Operator
Check the Water Level in the Batteries Every 15 Days Operator
Check the Recovery Tank Gasket Every Month Operator
Clean Solution Tank Every Month Operator
Check and Regulate the Braking System Every 3 Months Trained Technician
Check the Battery Cable Connections Weekly Operator
Check the Brushes of Each Motor Every Year Trained Technician
Check the Safety Devices Every 6 Months Trained Technician
Check the Electrical System Every 2 Years Trained Technician
Complete Check Up Every 5 Years Trained Technician
Battery Maintenance
Safety:
zKeep flames, sparks, or metal objects away from batteries.
zAlways wear protective clothing, gloves, and goggles when handling batteries.
zCheck that all terminals are properly tightened; terminals that are too tight or too loose could result in post
breakage, meltdown, or fire.
*These items must be performed with the proper tools and training. Contact a Amano Pioneer Eclipse factory certified
technician unless you have the proper equipment and mechanical proficiency.

Inspection and Cleaning:
zKeep batteries clean and dry from residue.
zCheck that all vent caps are tight.
zUse a solution of baking soda and water to clean if there is acid residue on batteries or corrosion on the terminals.
DO NOT ALLOW ANY BAKING SODA SOLUTION TO ENTER THE BATTERIES.
zTerminal protectors, protective spray, or petroleum jelly should be applied to terminals to reduce corrosion.
zReplace any worn or damaged wires.
Watering:
zAdd distilled water, never acid to cells.
zDO NOT OVERWATER!
zAlways keep battery caps on, except when adding water or taking hydrometer readings.
zIf the batteries are fully charged, add water to a level of 1/8” below bottom of fill well.
zIf the batteries are discharged, add water to a level just above the plates.
zAfter watering, replace and tighten all vent caps.
Storage:
zBatteries should be fully charged prior to and during storage.
zNever store discharged batteries.
zStore batteries in a cool, dry place.
zRecharge batteries before putting them back into service.
Charge Limits:
zIt is not necessary to charge the batteries if the hydrometry, after a work day, is not under 1.240 (28 Be).
zThe maximum suggested temperature is 113° F (45° C).
zIf the electrolyte temperature exceeds more than 50° F (10° C) above the outside temperature, the batteries can
be overcharged.
Vacuum Motor Maintenance
The vacuum motors must be checked and cleaned. The brushes should be checked every six months and replaced if
necessary.
To maintain the vacuum motor, follow these instructions:
After removing the key from the dashboard, remove the vacuum motor by unhooking the rubber straps and unplug the
connection plug. Remove the sponge filter under the motor so that it can be cleaned and replaced. Check the suction
fan from the hole located in the front part of the vacuum motor. By a visual check, the fan should appear undamaged
and well cleaned. To check the brushes, first remove the plastic cap, then unscrew the screws and remove the two
plastic brush supports. Once checked, the brushes can be easily remounted by reassembling all elements.
Connection Plug
16
Rubber Straps

17
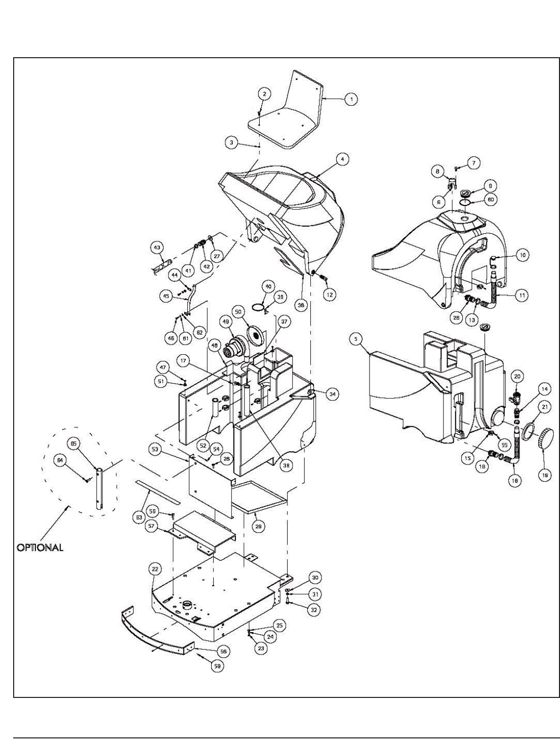
Tanks and Cover Group: CleanStar 30
020507

Ref. Part # Description Qty.
1 MI256 SEAT 1
2 VA671 SCREW 6
3 MI242 SEAT CLIP 1
4 SB188 SOLUTION TANK (WHITE) 1
5 SB187 RECOVERY TANK (WHITE) 1
6 PY758 24V 21W BULB 1
7 VA258 SCREW 3
8 PY757 24V 21W FLASHING LIGHT 1
9 TA034 SOLUTION TANK CAP 2
10 TA002 PLUG 1
11 TB284 PIPE 1
12 PE272 TANKS SUPPORT PIN 2
13 FS011 FLOAT, SUPPORT CLAMP 3
14 RC025 CONNECTOR 1
15 ML022 SPRING 5
16 RC189 PIPE FITTING 1
17 GL014 ELECTRIC FLOAT 1
18 TB281 PIPE 1
19 TA038 PLUG RECOVERY TANK 1
20 RB023 TANK VALVE 1
21 GR145 PLUG GASKET 1
22 TP135 MAIN FRAME 1
23 VE461 SCREW 4
24 RO455 LOCK WASHER 4
25 RO502 LOCK WASHER 4
26 RC188 CONNECTOR 1
27 GR140 GASKET 1
28 VS423 SCREW 3
29 SB190 BATTERIES TANK 1
30 RO502 LOCK WASHER 4
31 RO455 LOCK WASHER 4
32 VE462 SCREW 4
34 DT203 TANKS SPACER 2
36 HH006 EXTENSION PIPE 1
37 IS024 ACOUSTIC TREATMENT 1
38 IS023 ACOUSTIC TREATMENT 1
39 PY610 U BOLT 2
40 GI032 GASKET 2
41 FS012 CLAMP 10/16 1
42 RC184 UNION 1
43 TB285 BRUSHES SOLUTION PIPE 1
44 ST139 BELT SUPPORT BRACKET 2
45 CC019 BELT 1
46 VE422 SCREW 4
47 VA424 SCREW 3
48 ST140 SUCTION ENGINE SUPPORT 1
49 MO399 SUCTION MOTOR 1
50 GL019 SUCTION MOTOR GASKET 1
Ref. Part # Description Qty.
51 DT154 TANK SPACER 3
52 TB286 PIPE 1
53 LM530 SHEET 1
54 VA424 SCREW 4
55 VS421 SCREW 5
56 VB474 COUNTERSUNK SCREW 4
57 PA249 STAINLESS STEEL FOOT 1
58 BP290 FRONT BUMPER 1
59 VB478 SCREW 9
60 GR112 GASKET 2
61 RO453 LOCK WASHER 4
62 RO402 LOCK WASHER 4
63 BP330 ANTI-SLIP COVERING 2
64 VV412 SCREW 2
65 TB321 BATTERY CHARGER CABLES PIPE 1
18
Tanks and Cover Group: CleanStar 30
020507

19
Frame Group: CleanStar 30
020507

Ref. Part # Description Qty.
1 TG136 DASHBOARD STICKER 1
2 VA401 SCREW 2
3 CO240 DASHBOARD COVER 1
4 KIT609 FEED LEVER KIT 2
5 VS419 SCREW 4
6 CO175 COVER 2
7 LV297 DRIVE LEVER 2
8 VA264 SELF THREADING SCREW 2
9 VA401 SCREW 4
10 RO501 WASHER 2
11 DD401 NUT 2
12 VS428 SCREW 2
13 IN009 MICROSWITCH 2
14 IG023 PLASTIC GEAR 2
15 BO071 POTENTIOMETER BUSH 2
16 MV5008 BELLOWS 1
17 SU455 PLASTIC BASE 2
18 PY805 POTENTIOMETER 2
19 CO176 COVER 2
20 VA407 SCREW 2
21 DD452 SELF-LOCKING NUT 4
22 DD407 LOCK NUT 1
23 CH011 TONGUE 1
24 MN060 GRIP 2
25 MN076 HANDLEBAR 1
26 CO241 DASHBOARD LOCKUP 1
27 VS413 SCREW 2
28 VP071 KNOB D 10 2
29 LV359 SQUEEGEE UP LEVER 2
30 BN003 NYRELAN BUSH D19.05mm 1
31 AL108 STEERING WHEEL SHAFT 1
32 VB457 SCREW 1
33 VV467 SCREW 4
34 TG138 STICKER 1
35 LM524 SHEET 1
36 VB474 COUNTERSUNK SCREW 4
37 PE262 PIN 1
38 VS421 SCREW 6
39 CA206 FRONT CASE 1
40 VS410 SCREW 6
41 LM526 LOCKUP SHEET 1
42 TG139 HORN STICKER 1
43 VE464 SCREW 2
44 DD405 NUT 2
45 GN010 STEERING JOINT 1
46 DD267 SELF-LOCKING RING NUT 1
47 CS074 BEARING 2
48 FN029 LEFT BRAKING MASS 1
49 DD454 SELF-LOCKING NUT 1
51 VE462 SCREW 1
52 DT041 SPACER 1
Ref. Part # Description Qty.
53 PE261 PIN 2
54 RO455 LOCK WASHER 8
55 VB434 SCREW 8
56 FN028 RIGHT BRAKING MASS 1
57 SG019 SEEGER RING 2
58 CS041 BALL BEARING 4
59 RT164 IDLE REAR WHEEL 2
60 MO385 24V 700W DRIVING WHEEL 1
61 MV016 SPECIAL WASHER 2
62 RO455 LOCK WASHER 2
63 VE461 SCREW 2
64 MI077 PIN 2
65 SN008 JOINT 2
66 DD405 LOCK NUT 2
67 VG020 DOWEL 4
68 MI115 WIRE TERMINAL 2
69 ML150 SPRING L=45 2
70 RT170 RING IN RUBBER 1
71 ML125 SPRING 2
72 RT169 RING IN RUBBER 2
73 TG151 BRUSHES PLATE LIFTING STICKER 1
20
Frame Group: CleanStar 30
030607

21
Squeegee and Squeegee Lift Group: CleanStar 30
020507

Ref. Part # Description Qty.
1 VE462 SCREW 2
2 RO455 LOCK WASHER 2
3 RO502 LOCK WASHER 2
4 DD454 SELF LOCKING NUT 2
5 PE266 SQUEEGEE PIN 1
6 ML156 PRESSION SPRING SQUEEGEE 1
7 PT336 PRESSION PLATE SQUEEGEE 1
8 DD454 SELF LOCKING NUT 2
9 RO404 LOCK WASHER 2
10 VP077 KNOB 2
11 SU604 SQUEEGEE SUPPORT 1
12 RC044 PIPE FITTING 1
13 FS011 FLOAT, SUPPORT CLAMP 1
14 TB292 SQUEEGEE PIPE D, 40L 1
15 CP202 SPLIT PIN 2
16 PE267 SQUEEGEE PIN 1
17 PT335 PRESSION PLATE SQUEEGEE 1
18 ML157 PRESSION SPRING SQUEEGEE 1
19 PE180 SQUEEGEE REGULATION PIN 1
20 GH006 TILT ADJ. RING NUT 2
21 RT063 WHEEL 2
22 BO105 BUSHING 2
23 RO502 LOCK WASHER 2
24 VE467 HEXAGONAL SCREW 2
25 VP015 KNOB 7
26 LM565 SQUEEGEE LEFT REAR BAND 1
27 BP302 SQUEEGEE REAR BLADE 1
28 VP048 KNOB 2
29 MV016 SPECIAL WASHER 2
30 RO502 LOCK WASHER 2
31 VB450 SCREW 2
32 RO455 LOCK WASHER 2
33 RT056 SHOCKPROOF WHEEL 100x 2
34 BO109 BUSH 2
35 SQ065 ET/75 STAINLESS STEEL 1
36 BP301 SQUEEGEE FRONT BLADE 1
37 LM563 SQUEEGEE FRONT BAND 1
38 VE460 SCREW 1
39 RO455 LOCK WASHER 1
40 BN003 NYRELAN BUSH D19,05mm 2
41 SU560 SUPPORT 1
42 MI180 BELT TIE-ROD 2
43 MV016 SPECIAL WASHER 1
44 VE468 SCREW 2
45 RO502 LOCK WASHER 2
46 MI288 BELT TIE-ROD 1
47 ML096 SQUEEGEE PRESS. SPRING 2
48 BO105 BUSHING 2
49 VE461 SCREW 2
50 RO502 LOCK WASHER 2
51 LM615 SHEET 1
52 BO135 BUSH 2
Ref. Part # Description Qty.
53 DD454 SELF-LOCKING NUT 2
54 DD455 SELF-LOCKING NUT 1
55 RO314 LOCK WASHER 1
56 DD402 LOCK NUT 1
57 CC5000 FILTER COVER HOOK 1
58 VS405 SCREW 1
59 LM564 SQUEEGEE RIGHT REAR BAND 1
60 VE442 SCREW 2
61 RO454 LOCK WASHER 2
62 RO403 LOCK WASHER 2
63 SB165 SUCTION MOUTH 1
64 PE275 CENTRAL PIN 1
65 MI154 SCREWS STUD 1
66 VB474 COUNTERSUNK SCREW 2
67 DD404 LOCK NUT 1
68 SN003 JOINT 1
69 MI005 PIN W. SPRING 1
70 DD405 LOCK NUT 1
71 VG020 DOWEL 2
72 MI115 WIRE TERMINAL 1
73 KIT730 BLADES KIT 1
74 KIT732 SQUEEGEE COMPLETE 1
75 MI121 THREAD 7
76 VP058 KNOB 1
77 VE470 SCREW 2
22
Squeegee and Squeegee Lift Group: CleanStar 30
020507

23
Scrub Deck Group: CleanStar 30
020507

Ref. Part # Description Qty.
1 PT313 PLATE 1
2 VS411 SCREW 2
3 VS421 SCREW 2
4 LV357 LEVER 1
5 LV356 LIFTING LEVER 1
6 BO038 BR. GR. SUSP. LEV. BUSH 6
7 LV361 BRAKE LEVER 1
8 BO135 BUSH 1
9 PP036 WIRE PULLEY 1
10 PT290 CABLE FASTENING PLATE 1
11 RO455 LOCK WASHER 1
12 VE461 SCREW 1
13 MI263 RIGHT SHEATH 1
14 MI130 BRAKE WIRE REGULATOR 2
15 MI264 LEFT SHEATH 1
16 SG016 SEEGER 2
17 DD455 SELF-LOCKING NUT 4
18 VG023 DOWEL 2
19 DT193 SPACER 1
20 PE263 ECCENTRIC PIN 1
21 MI266 SQUEEGEE UP CABLE 1
22 VV439 SCREW 1
23 FS002 CLAMP 12/20 2
24 ST053 SUPPORT 1
25 VS414 SCREW 2
26 TB288 SOLUTION PIPE 1
27 RC002 UNION 2
28 RC073 UNION 2
29 RB007 SOLUTION VALVE 1
30 LV367 SOLUTION COCK LEVER 1
31 GH007 SOLUTION VALVE RING NUT 2
32 PE264 PIN 1
33 MI028 PIN 2
34 SN002 JOINT 2
35 DD404 LOCK NUT 2
36 TI173 TIE ROD 1
37 DD452 SELF LOCKING NUT 2
38 TB285 BRUSHES SOLUTION PIPE 1
39 VV472 COUNTERSUNK SCREW 4
40 MI267 BRAKE CABLE 1
41 VB432 SCREW 4
42 VB442 SCREW M10x30 UNI5931 1
43 DT194 SPACER 1
44 BN003 NYRELAN BUSH D19, 05mm 2
45 TB289 RIGHT SOLUTION PIPE 1
46 SU069 SUPPORT 4
47 AL107 SHAFT 1
48 CH011 TONGUE 2
49 RC005 T UNION 1
50 AL116 LEFT BRUSHES SHAFT 1
51 AL114 RATIOMOTORS SHAFT 1
52 CH5002 TONGUE 1
53 VG016 DOWEL 2
54 TB290 LEFT SOLUTION PIPE 1
55 MO282 BRUSH ENGINE 1
56 CH011 TONGUE 1
Ref. Part # Description Qty.
57 MP244 CHARCOAL 4
58 CI043 BELT 1
59 PP117 PULLEY 1
60 RC190 UNION 2
61 SG019 SEEGER RING 2
62 VB431 SCREW 2
63 RO453 LOCK WASHER 1
64 RO503 LOCK WASHER 1
65 VE422 SCREW 1
66 RD017 REDUCTION GEAR 2
67 DD455 SELF-LOCKING NUT 8
68 RO405 LOCK WASHER 8
69 VV467 SCREW 8
70 PP118 PULLEY 1
71 CH049 TONGUE 4
72 PE265 PULLEY 1
73 AL115 RIGHT BRUSHES SHAFT 1
74 CP202 SPLIT PIN 2
75 BO147 BUSH 4
76 VV467 SCREW 4
77 RO455 LOCK WASHER 2
78 CA240 SIDE BRUSHES CASE 2
79 BP288 BUMPER 2
80 LM556 BUMPER BAND 2
81 VE470 SCREW 2
82 RT063 WHEEL 2
83 BO105 BUSHING 2
84 DD405 LOCK NUT 4
85 VB474 COUNTERSUNK SCREW 4
86 RO502 LOCK WASHER 2
87 AL117 SHAFT 1
88 AL118 SHAFT 1
89 KIT264 HEX. NYLON BRUSH 15” 1
89 KIT264A HEX. STEEL BRUSH 15” 2
89 KIT264B HEX. “BROOM” BRUSH 15” 2
89 KIT264C TYNEX BRUSH 15” 2
89 KIT264Y HEX. NYLON-STEEL BRUSH 2
89 KIT265 PAD HOLDER ASSY. 15” 2
90 DD452 SELF-LOCKING NUT 4
91 SZ003 BRUSH, NYLON 2
91 SZ003A BRUSH, STEEL 2
91 SZ004B BRUSH, “BROOM” 2
91 SZ004C BRUSH, TYNEX 2
91 SZ004Y BRUSH, NYLON-STEEL 2
91 TS006 PAD HOLDERS 15” 2
92 GH008 BRUSH CONN. RING NUT 2
93 PE064 BRUSH CONNECTION PIN 2
94 SP002 TENSION PIN 2
95 ML042 SPRING 2
96 VS422 SCREW 6
97 FL004 HEX. BRUSH CONN. FLANGE 2
98 SU559 PLATE UP SUPPORT 1
99 LV271 BRUSH LEVER 4
100 RO502 LOCK WASHER 4
101 RO455 LOCK WASHER 2
102 VB430 SCREW 2
24
Scrub Deck Group: CleanStar 30
020507

Scrub Deck Group Continued: CleanStar 30
25
020507

Ref. Part # Description Qty.
103 PT314 PLATE 1
104 KIT161 HEX. BRUSH CONNECTION 2
105 VC402 SCREW 10
106 VB430 SCREW 4
107 RO455 LOCK WASHER 4
108 LM528 BRUSHES PLATE SHEET 1
109 MI265 SHEATH 1
110 VE492 SCREW 1
111 RO456 LOCK WASHER 1
112 VC409 SCREW 2
113 VG023 DOWEL 1
114 IN009 MICROSWITCH 1
115 VC435 SCREW 2
116 DD401 NUT 2
117 VS422 SCREW 2
118 DT0009 SPACER 2
119 IN020 MICROSWITCH AM 15039 1
120 DD452 SELF-LOCKING NUT 2
121 VE480 SCREW 1
122 RO456 LOCK WASHER 1
123 DT108 SPACER 1
124 DD406 LOCK NUT 1
125 MI275 REAR ANTI-SPLASH BLACK 1
126 LM566 REAR LISTEL 1
127 RO501 LOCK WASHER 4
128 VE440 SCREW 4
129 KIT737 BRUSH CASE KIT 1
130 SG103 SEGEER 1
131 SG016 SEGEER 1
132 BP328 ANTI-SLIP COVERING 1
133 BP329 ANTI-SLIP COVERING 1
134 FS002 CLAMP 12/22 2
135 RC185 UNION 2
136 RB015 SOLENOID VALVE 1
137 PT337 SOLENOID VALVE 1
138 RO403 LOCK WASHER 2
139 RO454 LOCK WASHER 2
140 VE442 SCREW 2
26
Scrub Deck Group Continued: CleanStar 30
020507

27
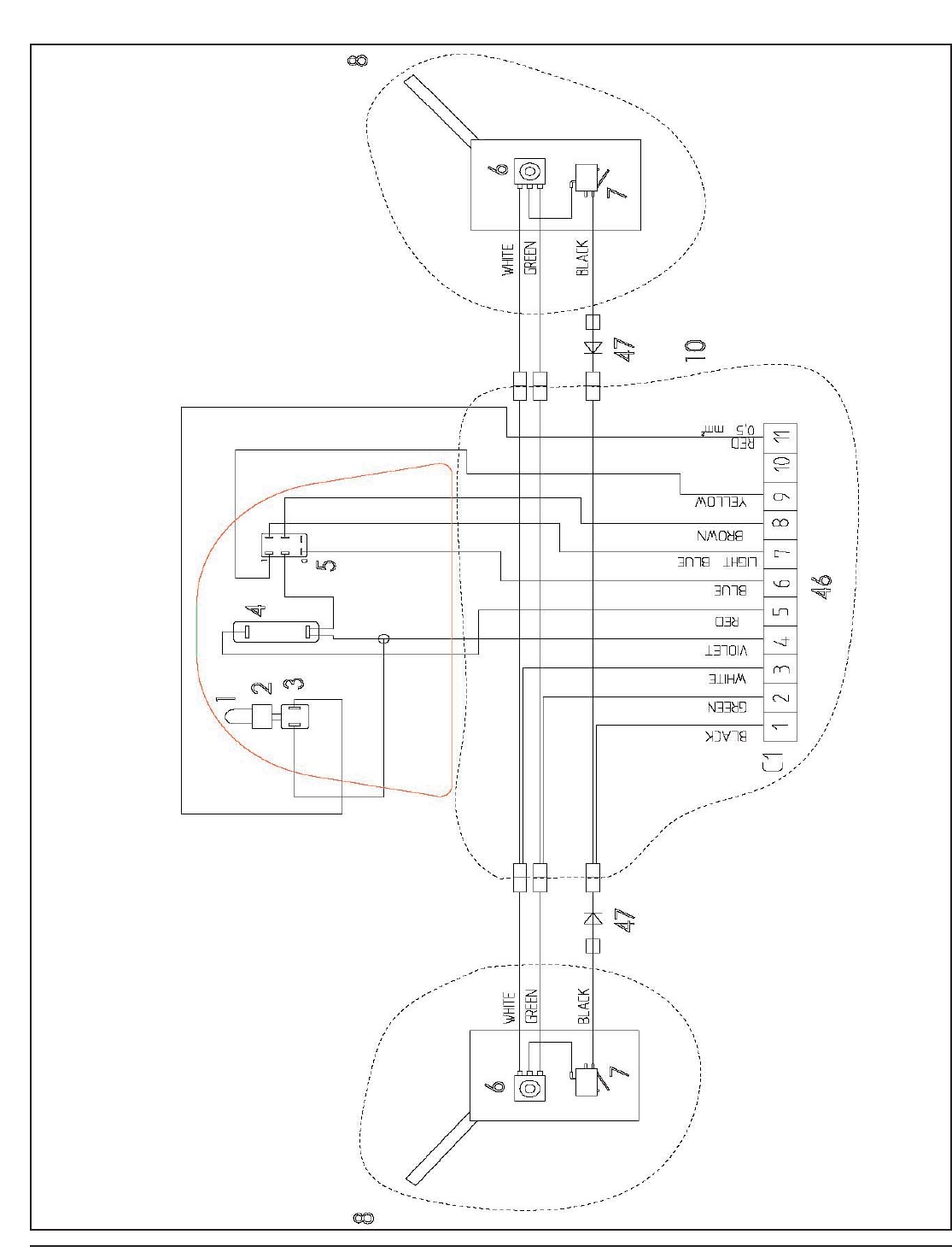
Wiring Schematic: CleanStar 30 Page 1 of 3
020507

28
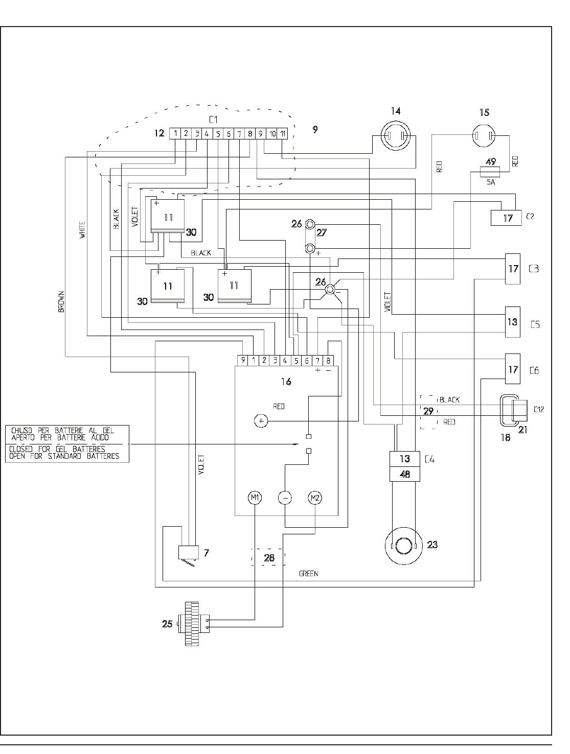
Wiring Schematic: CleanStar 30 Page 2 of 3
020507

29
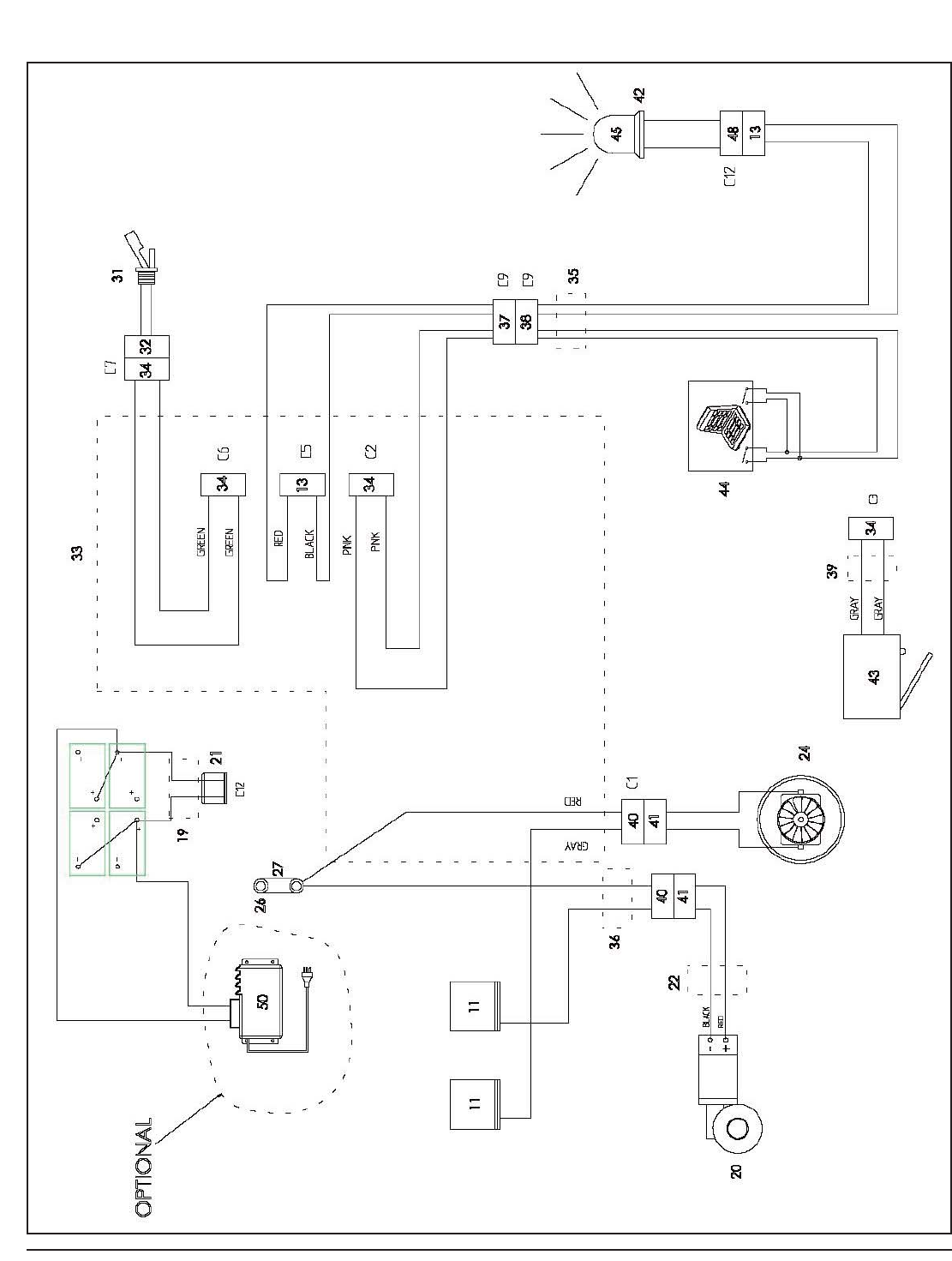
Wiring Schematic: CleanStar 30 Page 3 of 3
020507

Ref. Part # Description Qty.
1 LP030 RED LED 1
2 LP031 BULB SOCKET 1
3 PY710 2-WAY-CONNECTOR 1
4 PY197 AMPEROMETER 24V 1
5 IN063 6 PIN SNAP SWITCH 1
6 PY805 POTENTIOMETER 2
7 IN009 MICRO SWITCH 3
8 KIT609 FEED LEVER KIT 2
9 CW250 CABLE 1
10 CW251 DASHBOARD CABLE 1
11 SL020 RELAY 3
12 PY756 MALE 11-POLE CONNECTOR 1
13 PY711 2-WAY CONNECTOR 3
14 IN053 PRESS SWITCH 1
15 IN064 KEY SWITCH 1
16 PY779 CARD 1
17 PY300 2-POLE CONNECTOR 3
18 PY534 HANDLE 1
19 CW240 BATTERY CABLE 1
20 MO282 BRUSH ENGINE 1
21 PY533 PLUG 2
22 CW242 BRUSHES ENGINE CABLE 1
23 PY5180 REVERSE BUZZER 1
24 MO399 SUCTION MOTOR 1
25 MO385 24V 700W DRIVING WHEEL 1
26 PY263 TERMINAL BOARD SUPPORT 3
27 PY657 80A FUSE 1
28 CW238 DRIVING WHEEL CABLE 1
29 CW235 BATTERY CABLE 1
30 SL021 RELAY SUPPORT 3
31 GL014 ELECTRIC FLOAT 1
32 PY300 2-POLE CONNECTOR 1
33 CW237 SUCTION ENGINE CABLE 1
34 PY299 2-POLE CONNECTOR 4
35 CW239 FLASHING LIGHT CABLE 1
36 CW236 BRUSHES CABLE 1
37 PY698 CONNECTOR 1
38 PY699 CONNECTOR 1
39 CW241 BRUSHES SWITCH CABLE 1
40 KIT703 2-WAY CONNECTOR KIT 2
41 KIT710 2-WAY CONNECTOR KIT 2
42 PY757 24V 21W FLASHING LIGHT 1
43 IN020 MICROSWITCH AM 15039 1
44 PY808 SEAT MICROSWITCH 1
45 PY758 24V 21W BULB 1
46 PY755 FEMALE 11-POLE CONNECTOR 1
47 PY778 DIODE 2
48 PY710 2-WAY CONNECTOR 1
49 PY764 FUSE 1
50 MP278400 CHARGER, BATTERY, SCR, 24V, 25A 1
MP280600 CHARGER, BATTERY, SCR, 24V, 25A
EURO 230V 1
51 MP222600 BATTERY, 6V, DEEP CYCLE, LEAD ACID,
250A (NOT SHOWN) 4
30
Wiring Schematic: CleanStar 30
030607

Limited Warranty
CleanStar 30M - CS3000M
To Qualify for this warranty:
1) Machine must be registered at the time of purchase on a form provided by Amano Pioneer Eclipse Corporation.
Your Amano Pioneer Eclipse Distributor is responsible for the registration of your machine. Please cooperate with
your distributor in supplying necessary information on the card.
2) The machine must have been purchased from Amano Pioneer Eclipse or an authorized Amano Pioneer Eclipse
Distributor.
3) This warranty extends to the original purchaser only and is not transferable to subsequent owners.
TIME PERIODS
TEN (10) YEAR WARRANTY -- THE MOLDED BODY is warranted to be free from defects in material and
workmanship for a period of ten (10) years from the date of purchase by the original owners.
THREE (3) YEAR WARRANTY -- THE FRAME is warranted to be free from defects in material and workmanship for a
period of three (3) years from the date of purchase by the original owners.
TWO (2) YEAR WARRANTY -- ALL REMAINING COMPONENTS are warranted to be free from defects in material
and workmanship for a period of two (2) years from the date of purchase by the original owners. (See Exclusions.)
EXCLUSIONS (Not Covered by Warranty)
1) Parts that fail through normal wear by reason of their characteristics (pads, brushes, belts, bumpers, body
molding, seating, skirting, or other consumable parts).
2) This warranty does not extend to parts affected by misuse, neglect, abuse or improper maintenance. All defective
parts must be returned to the Distributor for credit.
3) Batteries warranted by battery manufacturer for one (1) year (Prorated).
THE OBLIGATION OF AMANO PIONEER ECLIPSE CORPORATION
1) The obligation of Amano Pioneer Eclipse under this warranty is limited to repairing or replacing, at its option, any
part which is proven to be defective in material or workmanship under normal use for the applicable period stated
above.
2) Warranty repairs will be made by your Amano Pioneer Eclipse Distributor without charge for parts and labor.
3) Parts repaired or replaced under this warranty are warranted only during the balance of the original warranty
period. All defective parts replaced under these warranties become the property of Amano Pioneer Eclipse.
WARRANTY SERVICE
To obtain warranty service, take your machine and proof of purchase to any authorized Amano Pioneer Eclipse
Distributor, preferably to the distributor from whom the machine was purchased. For the Distributor in your area,
call Amano Pioneer Eclipse Customer Service Department at 800-367-3550. If you are dissatisfied with the service
that you receive, call or write Amano Pioneer Eclipse Customer Service Department for further assistance.
DISCLAIMER OF CONSEQUENTIAL
AMANO PIONEER ECLIPSE DISCLAIMS ANY RESPONSIBILITY FOR LOSS OF USER TIME OF THE AMANO
PIONEER ECLIPSE MACHINE OF ANY OTHER INCIDENTAL OR CONSEQUENTIAL DAMAGE EXCEPT AS
STATED IN THE WARRANTY APPLICABLE TO EACH MACHINE. EXCEPT AS STATED IN SUCH
WARRANTIES, THE COMPANY DOES NOT OTHERWISE WARRANTY ANY MACHINE AND NO WARRANTY,
EXPRESS, IMPLIED OR STATUTORY IS MADE BY THE COMPANY.
Copyright 2007 Amano Pioneer Eclipse Corporation
31
LT047400-A; 03/06/07
