4100043 Powerboss Armadillo 6x Ride On Floor Sweeper Parts Manual
2017-01-16
: Sweepscrub Powerboss-Armadillo-6X-Ride-On-Floor-Sweeper-Parts-Manual powerboss-armadillo-6x-ride-on-floor-sweeper-parts-manual 2033 file product_file
Open the PDF directly: View PDF
.
Page Count: 112 [warning: Documents this large are best viewed by clicking the View PDF Link!]

Armadillo 6X and AM7D-III Gas, LP, Diesel PB#4100043 Rev. E 01/16
PowerBoss®, Copyright 2014
Page 1
Parts Catalog
Rider Sweeper
Armadillo 6X(Diesel, Gas, & LPG)
AM7D-III(Diesel)
PowerBoss®
A Member Of The Hako Group
PB#4100043 Rev. E 01/16

PowerBoss®, Copyright 2014
Armadillo 6X and AM7D-III Gas, LP, Diesel PB#4100043 Rev. E 01/16
Page 2
PREFACE
PREFACE
Thank you for your purchase of the now industry standard for sweepers. PowerBoss® takes great
pride in offering the most dependable, reliable and best value in industrial power sweepers and
sweeper/scrubbers. We set the standard.
Our Customer Service Department would like to hear from you. If you see any errors, omissions or
something that needs clarifi cation in this Parts Catalog, please let us know. We are working hard
towards continually improving our processes to bring you the best you deserve. Please copy the
form below, fi ll out and comment on how you found our catalog.
Thank you.
The PowerBoss Team
Name______________________________________________________________________
Title: ______________________________________________________________________
Company Name: _____________________________________________________________
Address: ____________________________________________________________________
Country: ____________________________________________________________________
Type of equipment or model number: ______________________________________________
Comments: __________________________________________________________________
____________________________________________________________________________
____________________________________________________________________________
____________________________________________________________________________
Please return to:
Customer Service Manager
PowerBoss®, Minuteman International, Inc.
14N845 U.S. Route 20
Pingree Grove, Illinois 60140 USA
Phone: (800) 323-9420
Email: tech@powerboss.com

Armadillo 6X and AM7D-III Gas, LP, Diesel PB#4100043 Rev. E 01/16
PowerBoss®, Copyright 2014
Page 3
This is the Parts Catalog for the PowerBoss® Armadillo 6X and PowerBoss® AM7D-III machines.
This Catalog covers the standard Armadillo 6X & AM7D-III variations beginning, October 2014.
We believe this machine will provide excellent service for many years. Best results will be obtained if:
• The machine is operated with reasonable care.
• The machine is maintained regularly per the maintenance schedule provided in the User Manual.
• The machine is maintained with PowerBoss® supplied or equivalent parts.
All right side and left side references to the machine (except for engine) are determined by facing
the direction of forward travel. The front of the engine or engine fan faces the rear of the machine.
Some hardware considered to be common or locally available has been omitted from the parts sec-
tion to make this manual clear. Be sure to use equivalent hardware when replacement becomes
necessary.
The Model and Serial Number of your machine is shown on the I.D. name plate. This information is
needed when contacting Technical Support or when ordering parts. The I.D. plate is mounted on the
console of the machine left of the operator. Adjacent the main broom adjustment access door.
Example I.D Plate:
Parts may be ordered by phone,fax or email from any PowerBoss® parts and service center. Before
ordering parts or supplies, be sure to have your machine model number and serial number handy.
For your convenience Fill out the data block below for future reference.
MACHINE DATA
Fill out at installation
Serial Number: ___________________________________
Engine Serial Number: ____________________________
Sales Rep.: ______________________________________
Date of Install: ___________________________________
All information contained in this catalog is current at the time of printing.
Minuteman International, Inc. reserves the right to make changes at any time without notice.
PowerBoss®, Minuteman International, Inc., Copyright 2014, Printed in USA
PREFACE

PowerBoss®, Copyright 2014
Armadillo 6X and AM7D-III Gas, LP, Diesel PB#4100043 Rev. E 01/16
Page 4
TECHNICAL SPECIFICATIONS
TECHNICAL SPECIFICATIONS
Model/Model No.: Armadillo 6X: SW6XKDSL (Diesel), SW6XKGAS (Gas), SW6XKLPG (LPG)
AM7D-III (Diesel)
SWEEPING SYSTEM
Sweep path . . . . . . . . . . . . . . . . 53 inch (135 cm)
Main broom . . . . . . . . . . . . . . . . 36 inch (91 cm)
Side broom . . . . . . . . . . . . . . . . 24 inch (61 cm)
Hopper type. . . . . . . . . . . . . . . . high dump
Hopper volume . . . . . . . . . . . . . 10 cu ft (.28m2)
Hopper load capacity. . . . . . . . . 650 lbs (295 kg)
Dust control . . . . . . . . . . . . . . . . 92 sq ft (8.6 m2)
High dump . . . . . . . . . . . . . . . . 60 inch (152 cm)
RTR (rotary trash relocation). . . yes
DIMENSIONS & WEIGHT
Length . . . . . . . . . . . . . . . . . . . . 79 inches (200 cm)
Width . . . . . . . . . . . . . . . . . . . . . 53 inch (135 cm)
Height . . . . . . . . . . . . . . . . . . . . 53 inch (135 cm)
Height w/ overhead guard . . . . 79.5 inch (202 cm)
Weight . . . . . . . . . . . . . . . . . . . 2547 lbs (1155 kg)
Minimum U-turn. . . . . . . . . . . . . 82 inch (208 cm)

Armadillo 6X and AM7D-III Gas, LP, Diesel PB#4100043 Rev. E 01/16
PowerBoss®, Copyright 2014
Page 5
TABLE OF CONTENTS
TABLE OF CONTENTS
PREFACE. . . . . . . . . . . . . . . . . . . . . . . . . . . . . . . . . . . . . . . . . . . . . . . . . . . . . . . . . . . . . . . . . . . . . . . . . . . 2
TECHNICAL SPECIFICATIONS . . . . . . . . . . . . . . . . . . . . . . . . . . . . . . . . . . . . . . . . . . . . . . . . . . . . . . . . 4
DIMENSIONS & WEIGHT . . . . . . . . . . . . . . . . . . . . . . . . . . . . . . . . . . . . . . . . . . . . . . . . . . . . . . . . . . . . 4
SWEEPING SYSTEM . . . . . . . . . . . . . . . . . . . . . . . . . . . . . . . . . . . . . . . . . . . . . . . . . . . . . . . . . . . . . . . 4
NOTES . . . . . . . . . . . . . . . . . . . . . . . . . . . . . . . . . . . . . . . . . . . . . . . . . . . . . . . . . . . . . . . . . . . . . . . . . . . . . 7
PARTS BREAKDOWN . . . . . . . . . . . . . . . . . . . . . . . . . . . . . . . . . . . . . . . . . . . . . . . . . . . . . . . . . . . . . . . . 8
FRAME . . . . . . . . . . . . . . . . . . . . . . . . . . . . . . . . . . . . . . . . . . . . . . . . . . . . . . . . . . . . . . . . . . . . . . . . . . 8
ELECTRICAL PLATE . . . . . . . . . . . . . . . . . . . . . . . . . . . . . . . . . . . . . . . . . . . . . . . . . . . . . . . . . . . . . . 10
INSTRUMENT PANEL. . . . . . . . . . . . . . . . . . . . . . . . . . . . . . . . . . . . . . . . . . . . . . . . . . . . . . . . . . . . . . 12
AXLE, BRAKES AND WHEEL ASSEMBLY. . . . . . . . . . . . . . . . . . . . . . . . . . . . . . . . . . . . . . . . . . . . . . 14
3318673 FRONT AXLE ASSEMBLY . . . . . . . . . . . . . . . . . . . . . . . . . . . . . . . . . . . . . . . . . . . . . . . . . . .16
BATTERY . . . . . . . . . . . . . . . . . . . . . . . . . . . . . . . . . . . . . . . . . . . . . . . . . . . . . . . . . . . . . . . . . . . . . . . 18
MAIN BROOM DOOR . . . . . . . . . . . . . . . . . . . . . . . . . . . . . . . . . . . . . . . . . . . . . . . . . . . . . . . . . . . . . . 20
ENGINE COVER. . . . . . . . . . . . . . . . . . . . . . . . . . . . . . . . . . . . . . . . . . . . . . . . . . . . . . . . . . . . . . . . . . 22
DIRECTION CONTROL ASSEMBLY. . . . . . . . . . . . . . . . . . . . . . . . . . . . . . . . . . . . . . . . . . . . . . . . . . . 24
BUMPER . . . . . . . . . . . . . . . . . . . . . . . . . . . . . . . . . . . . . . . . . . . . . . . . . . . . . . . . . . . . . . . . . . . . . . . . 26
HOPPER . . . . . . . . . . . . . . . . . . . . . . . . . . . . . . . . . . . . . . . . . . . . . . . . . . . . . . . . . . . . . . . . . . . . . . . . 28
HOPPER HOOD AND LID ASSEMBLIES . . . . . . . . . . . . . . . . . . . . . . . . . . . . . . . . . . . . . . . . . . . . . . . 30
CONTROL VALVE . . . . . . . . . . . . . . . . . . . . . . . . . . . . . . . . . . . . . . . . . . . . . . . . . . . . . . . . . . . . . . . . . 32
HYDRAULIC MANIFOLD ASSEMBLY . . . . . . . . . . . . . . . . . . . . . . . . . . . . . . . . . . . . . . . . . . . . . . . . . 34
HYDRAULIC MANIFOLD . . . . . . . . . . . . . . . . . . . . . . . . . . . . . . . . . . . . . . . . . . . . . . . . . . . . . . . . . . . 36
HYDRAULIC RESERVOIR . . . . . . . . . . . . . . . . . . . . . . . . . . . . . . . . . . . . . . . . . . . . . . . . . . . . . . . . . . 38
IMPELLER . . . . . . . . . . . . . . . . . . . . . . . . . . . . . . . . . . . . . . . . . . . . . . . . . . . . . . . . . . . . . . . . . . . . . . . 40
GASKET MOUNT . . . . . . . . . . . . . . . . . . . . . . . . . . . . . . . . . . . . . . . . . . . . . . . . . . . . . . . . . . . . . . . . . 42
LIFT ARM PART 1 . . . . . . . . . . . . . . . . . . . . . . . . . . . . . . . . . . . . . . . . . . . . . . . . . . . . . . . . . . . . . . . . . 44
LIFT ARM PART 2 . . . . . . . . . . . . . . . . . . . . . . . . . . . . . . . . . . . . . . . . . . . . . . . . . . . . . . . . . . . . . . . . . 48
MAIN BROOM ASSEMBLY . . . . . . . . . . . . . . . . . . . . . . . . . . . . . . . . . . . . . . . . . . . . . . . . . . . . . . . . . . 50
SIDE BROOM ASSEMBLY . . . . . . . . . . . . . . . . . . . . . . . . . . . . . . . . . . . . . . . . . . . . . . . . . . . . . . . . . . 54
SIDE BROOM ACTUATOR . . . . . . . . . . . . . . . . . . . . . . . . . . . . . . . . . . . . . . . . . . . . . . . . . . . . . . . . . . 56
STEERING ASSEMBLY . . . . . . . . . . . . . . . . . . . . . . . . . . . . . . . . . . . . . . . . . . . . . . . . . . . . . . . . . . . . 58
TILT STEERING ASSEMBLY . . . . . . . . . . . . . . . . . . . . . . . . . . . . . . . . . . . . . . . . . . . . . . . . . . . . . . . . 60

PowerBoss®, Copyright 2014
Armadillo 6X and AM7D-III Gas, LP, Diesel PB#4100043 Rev. E 01/16
Page 6
TABLE OF CONTENTS
FUEL TANK - GAS AND DIESEL . . . . . . . . . . . . . . . . . . . . . . . . . . . . . . . . . . . . . . . . . . . . . . . . . . . . . 62
RADIATOR COMPONENTS - 661141/DSL - 661187/LP_GAS - PAGE 1 . . . . . . . . . . . . . . . . . . . . . . . 64
RADIATOR COMPONENTS - 661141/DSL - 661187/LP_GAS - PAGE 2 . . . . . . . . . . . . . . . . . . . . . . . 65
RADIATOR COMPONENTS - 661141/DSL - 661187/LP_GAS - PAGE 3 . . . . . . . . . . . . . . . . . . . . . . . 66
RADIATOR COMPONENTS - 661141/DSL - 661187/LP_GAS - PAGE 4 . . . . . . . . . . . . . . . . . . . . . . . 67
ENGINE PARTS BREAKDOWN . . . . . . . . . . . . . . . . . . . . . . . . . . . . . . . . . . . . . . . . . . . . . . . . . . . . . . . 68
ENGINE KUBOTA D902 DIESEL & DF752 LP/GAS - MOUNTING AND PUMPS. . . . . . . . . . . . . . . . 68
ENGINE KUBOTA D902 DIESEL & DF752 LP/GAS - AIR CLEANER & EXHAUST . . . . . . . . . . . . . . 70
ENGINE KUBOTA D902 DIESEL & DF752 LP/GAS - ALTERNATOR, WATER PUMP, & FAN . . . . . . 72
ENGINE KUBOTA D902 DIESEL & DF752 LP/GAS - STARTER, & EXHAUST MANIFOLD . . . . . . . 74
ENGINE KUBOTA D902 DIESEL & DF752 LP/GAS - BLOCK AND FREEZE PLUGS . . . . . . . . . . . . 76
ENGINE KUBOTA D902 DIESEL & DF752 LP/GAS - CYLINDER HEAD AND VALVES . . . . . . . . . . . 78
ENGINE KUBOTA D902 DIESEL & DF752 LP/GAS - MAIN BEARING CASE . . . . . . . . . . . . . . . . . . 80
ENGINE KUBOTA D902 DIESEL & DF752 LP/GAS - CAMSHAFT, IDLE & OIL PUMP . . . . . . . . . . . 82
ENGINE KUBOTA D902 DIESEL & DF752 LP/GAS - PISTON AND CRANKSHAFT . . . . . . . . . . . . . 84
ENGINE KUBOTA DF752 LP/GAS - DISTRIBUTOR AND SPARK PLUG. . . . . . . . . . . . . . . . . . . . . . 86
ENGINE KUBOTA DF752 LP/GAS - CARBURETOR AND GOVERNOR . . . . . . . . . . . . . . . . . . . . . . 88
ENGINE KUBOTA D902 LP/GAS - FUEL SYSTEM . . . . . . . . . . . . . . . . . . . . . . . . . . . . . . . . . . . . . . . 90
ENGINE WG750 GAS - MOUNTINGS . . . . . . . . . . . . . . . . . . . . . . . . . . . . . . . . . . . . . . . . . . . . . . . . . 92
ENGINE WG750 GAS - RADIATOR AND EXHAUST SYSTEM . . . . . . . . . . . . . . . . . . . . . . . . . . . . . . 94
ENGINE WG750 GAS - COMPONENTS . . . . . . . . . . . . . . . . . . . . . . . . . . . . . . . . . . . . . . . . . . . . . . . 96
DECAL LAYOUT . . . . . . . . . . . . . . . . . . . . . . . . . . . . . . . . . . . . . . . . . . . . . . . . . . . . . . . . . . . . . . . . . 100
BROOM PARTS BREAKDOWN . . . . . . . . . . . . . . . . . . . . . . . . . . . . . . . . . . . . . . . . . . . . . . . . . . . . . . 102
MAIN AND SIDE BROOMS. . . . . . . . . . . . . . . . . . . . . . . . . . . . . . . . . . . . . . . . . . . . . . . . . . . . . . . . . 102
OPTIONS . . . . . . . . . . . . . . . . . . . . . . . . . . . . . . . . . . . . . . . . . . . . . . . . . . . . . . . . . . . . . . . . . . . . . . . . . 104
OPTIONAL LEFT SIDE BROOM ASSEMBLY. . . . . . . . . . . . . . . . . . . . . . . . . . . . . . . . . . . . . . . . . . . 104
OPTIONAL LEFT SIDE BROOM. . . . . . . . . . . . . . . . . . . . . . . . . . . . . . . . . . . . . . . . . . . . . . . . . . . . . 106
ELECTRONIC SCHEMATIC 3338222 (REV. A) . . . . . . . . . . . . . . . . . . . . . . . . . . . . . . . . . . . . . . . . . . 108
HYDRAULIC SCHEMATIC 3338146 (REV. E). . . . . . . . . . . . . . . . . . . . . . . . . . . . . . . . . . . . . . . . . . . . 109
WARRANTY. . . . . . . . . . . . . . . . . . . . . . . . . . . . . . . . . . . . . . . . . . . . . . . . . . . . . . . . . . . . . . . . . . . . . . . 110
NOTES . . . . . . . . . . . . . . . . . . . . . . . . . . . . . . . . . . . . . . . . . . . . . . . . . . . . . . . . . . . . . . . . . . . . . . . . . . . 111

Armadillo 6X and AM7D-III Gas, LP, Diesel PB#4100043 Rev. E 01/16
PowerBoss®, Copyright 2014
Page 7
NOTES
NOTES

PowerBoss®, Copyright 2014
Armadillo 6X and AM7D-III Gas, LP, Diesel PB#4100043 Rev. E 01/16
Page 8
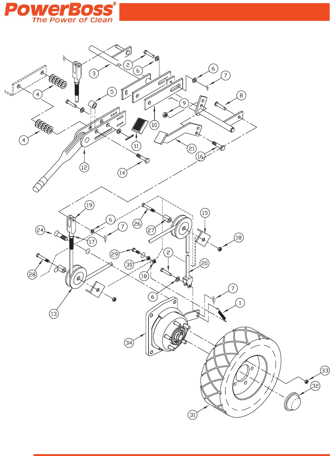
PARTS BREAKDOWN
FRAME
PARTS BREAKDOWN

Armadillo 6X and AM7D-III Gas, LP, Diesel PB#4100043 Rev. E 01/16
PowerBoss®, Copyright 2014
Page 9
PARTS BREAKDOWN
FRAME
ITEM PART NO. QTY DESCRIPTION
1 3338082M 1 WELD—FRAME
4 3311123 1 SEAL—FRAME FRONT
5 3311417 1 BAR—RETAINER FRONT SEAL PLTD
6 3400444 13 SCR-FHSCS 3/8-16 X 1.00 ZP
7 3311413 2 SEAL—HOPPER SIDE
8 3311414 2 BAR—SEAL RETAINER PLTD
9 3322186 16 INSERT—3/8-16 UNC
10 3307658 1 CHAIN—GROUNDING ARMA
11 3400028 1 SCR-HH 3/8-16 X 1.50 ZP GR 5
13 3400087 2 WASHER-FLAT 3/8 ZP
14 3318572 1 FLAP—BROOM CHAMBER
15 3318571 1 ANGLE—REAR FLAP
16 3318573 1 FLAP—BROOM CHAMBER
17 3318574 1 RETAINER—REAR FLAP
20 3300379 1 HORN-12V STANDARD AUTOMOTIVE
21 3400273 1 WASHER-INT LOCK 5/16 ZP
22 3400035 1 SCREW-HEX,5/16-18X1.00 ZP
23 748961 1 RELAY, DPDT 12VDC 35A
24 711502 4 WASHER-FLAT #8 ZP
25 661127 1 PLATE, ELECTRICAL COMP - 6X
26 710330 2 SCR-PHMS 8-32 X .62 ZP
27 711372 2 NUT-NYLOC 8-32 ZP
30 3400384 1 WASHER-CONICAL SPRING 5/16
31 711379 1 NUT-FLANGED WIZZ 5/16-18 ZP
32 3338196 1 FUSE PANEL PLATE
33 3322599 1 FUSE BLOCK-ATO FUSE
34 3322601 5 FUSE-15 AMP AUTOMOTIVE PUSH IN
35 3401660 4 SCREW-SHCS 10-24X1.00 ALLOY ZP
36 3400399 4 NUT-HEX NYLON LOCK #10-24 SS
37 3343740 1 TIE DOWN-UNIVERSAL, REAR
38 711250 2 SCR-HH 3/8-16 X 1.25 ZP GR 5
39 711380 2 NUT-NYLOC 3/8-16 ZP

PowerBoss®, Copyright 2014
Armadillo 6X and AM7D-III Gas, LP, Diesel PB#4100043 Rev. E 01/16
Page 10
PARTS BREAKDOWN
ELECTRICAL PLATE

Armadillo 6X and AM7D-III Gas, LP, Diesel PB#4100043 Rev. E 01/16
PowerBoss®, Copyright 2014
Page 11
PARTS BREAKDOWN
ELECTRICAL PLATE
ITEM PART NO. MOUNTING
HARDWARE
QTY DESCRIPTION
1 740972 1 RELAY-12V 75A AUTOMOTIVE
710330 2 SCR-PHMS 8-32 X .62 ZP
711502 4 WASHER-FLAT #8 ZP
711372 2 NUT-NYLOC 8-32 ZP
2 1 GROUND STUD (PART OF ITEM #4)
711564 1 WASHER-EXT LOCK 1/4 ZP
3400089 1 WASHER-FLAT 1/4 ZP
711373 1 NUT-NYLOC 1/4-20 ZP
3 3322599 1 FUSE BLOCK-ATO FUSE
710362 2 SCR-RHMS 10-32 X 1.25 ZP
3400172 2 NUT-JAM 10-32 ZP NYLOC
711502 2 WASHER-FLAT #8 ZP
4 661127 1 PLATE, ELECTRICAL COMP - 6X
5 747042 1 CIRCUIT BREAKER, 20 AMP
710330 2 SCR-PHMS 8-32 X .62 ZP
711502 4 WASHER-FLAT #8 ZP
711372 2 NUT-NYLOC 8-32 ZP
748963 1 CIRCUIT BREAKER BOOT (NOT SHOWN)
6
3400149 2 SCR-HH 1/4-20 X 1.50 ZP GR 5 PART THRD
3400089 2 WASHER-FLAT 1/4 ZP
3303552 2 SLEEVE-HAND BRAKE ZP
3400089 2 WASHER-FLAT 1/4 ZP
711373 2 NUT-NYLOC 1/4-20 ZP
7 731236 2 STANDOFF, PANEL, 1/4-20 X 2.38 LG ZINC
711202 2 SCR-HH 1/4-20 X .50 ZP
3400089 2 WASHER-FLAT 1/4 ZP
711563 2 NUT-WING 1/4-20 NYLON
8 748961 1 RELAY, DPDT 12VDC 35A
710330 2 SCR-PHMS 8-32 X .62 ZP
711502 4 WASHER-FLAT #8 ZP
711372 2 NUT-NYLOC 8-32 ZP

PowerBoss®, Copyright 2014
Armadillo 6X and AM7D-III Gas, LP, Diesel PB#4100043 Rev. E 01/16
Page 12
PARTS BREAKDOWN
INSTRUMENT PANEL

Armadillo 6X and AM7D-III Gas, LP, Diesel PB#4100043 Rev. E 01/16
PowerBoss®, Copyright 2014
Page 13
PARTS BREAKDOWN
INSTRUMENT PANEL
ITEM PART NO. QTY DESCRIPTION
1 3300441 1 HORN SWITCH
2 3342905 2 INDICATOR LIGHT RED - TRASH RELOCATOR
3 3311993 2 SWITCH - ROCKER PANEL
4 3336094 1 GAUGE - HOURMETER DIGITAL, 8-32VDC
5 3315914 1 GAUGE PANEL - STEWART WARNER 4GC
7 3318514 3 SWITCH - SPDT ROCKER
8 661088 1 DECAL, DASHBOARD, 6X
10 3335708 3 SEAL-PANEL
12 3026924 1 CIRCUIT BREAKER - 45AMP
13 3313077 1 CABLE-CHOKE SW/62 GAS & LP
3321179 1 CABLE-THROTTLE AM7D-II
14 3401666 4 SCR-FHSCS #10-32 X 1.00 ALLOY ZP

PowerBoss®, Copyright 2014
Armadillo 6X and AM7D-III Gas, LP, Diesel PB#4100043 Rev. E 01/16
Page 14
PARTS BREAKDOWN
AXLE, BRAKES AND WHEEL ASSEMBLY
3344070 FRONT AXLE
ASSEMBLY

Armadillo 6X and AM7D-III Gas, LP, Diesel PB#4100043 Rev. E 01/16
PowerBoss®, Copyright 2014
Page 15
PARTS BREAKDOWN
AXLE, BRAKES AND WHEEL ASSEMBLY
ITEM PART NO. QTY DESCRIPTION
1 3301517 1 SPRING - EXT BRAKE LEVER
2 3400118 3 PIN - CLEVIS 5/16 X .88
3 661040 1 BRAKE BAR, AM7D
4 3400087 10 WASHER - FLAT 3/8 STANDARD ZP
5 3307241 2 SPACER-HAND BRAKE, ZP SW/A
6 3400088 3 WASHER - FLAT 5/16
7 3400125 5 RING - RUE 3/8
8 3400185 2 PIN - CLEVIS 5/16 X 1.25
9 3400390 2 NUT-FLANGE WIZZ 5/16-18 ZP
10 3311102 2 BAR - PARKING BRAKE
11 3300413 1 PAD - RUBBER BRAKE PEDAL
12 3303169 1 HAND BRAKE - PURCHASED
13 3304760 4 PULLEY - CABLE HYDRAULIC BRAKE
14 3400339 2 SCR-HH 3/8-16 X 2.25 SS PARTIAL THREAD
15 3306460 4 RETAINER - CABLE HYDRAULIC BRAKES
16 3400035 2 SCR - HEX 5/16-18 X 1.00 ZP
17 3400069 2 NUT - HEX 5/16-24 ZP
18 711380 4 NUT-NYLOC 3/8-16 ZP
19 3307642 2 CLEVIS 5/16 PLTD SW/A
20 3313211 2 CABLE - BRAKE
21 661052 1 WD - ASSY, BRAKE PEDAL, 6X
24 3400011 8 SCR - SOC FLT 5/8-11 X 1.00
26 3400028 1 SCR-HEX,3/8-16X1.50 ZP
27 3300431 2 BUSHING-.499 ID X .594 OD X 1/4 L
28 3400997 1 SCR-FLT,3/8-16X1.5
29 711250 2 SCR-HH 3/8-16 X 1.25 ZP GR 5
30 3400068 2 NUT-HEX 3/8-16 ZP
31 3318597 2 WHEEL - 5.00 X 8 X 18” MOLDED
32 3300369 2 DUST CAP
33 3300411 10 NUT - WHEEL LUG
34 3344070 2 FRONT AXLE/BRAKE ASSEMBLY

PowerBoss®, Copyright 2014
Armadillo 6X and AM7D-III Gas, LP, Diesel PB#4100043 Rev. E 01/16
Page 16
PARTS BREAKDOWN
3318673 FRONT AXLE ASSEMBLY

Armadillo 6X and AM7D-III Gas, LP, Diesel PB#4100043 Rev. E 01/16
PowerBoss®, Copyright 2014
Page 17
PARTS BREAKDOWN
3344070 FRONT AXLE ASSEMBLY
ITEM PART NO. QTY DESCRIPTION
1 3300484 3 RETAINING RING EXT 0.87
2 3300523 2 SHOE - BRAKE
3 3300876 1 SPACER - AXLE FRONT
4 3301510 1 ASSY- HUB FRONT WHEEL
5 3301518 2 SPRING - COMP BRAKE SHOE
6 3301519 2 SPRING - EXT BRAKE SHOE
7 3344048 1 PLATE - BRAKE DUST COVER ZP
8 3344068 2 TUBE - STANDOFF .18ID X .31 OD X .563 LG
9 3344072P 1 PLATE-WD FRONT AXLE/BRAKES, AM7D
10 3344075 1 WELD ASSEMBLY - LEVER BRAKE SS
11 3344143 1 TRIM - PUSH ON W/ FLAP SEAL 12 GA
12 3400060 2 SCREW, PRH MC #8-32 X 3.00 18-8 SS
13 3400082 4 NUT - HEX #8-32 ES ZP
14 3400096 4 WASHER - FLAT #8 ZP
15 3400120 1 PIN - COTTER 5/32 DIAX2.00 LG, ZP
16 3401561 1 BEARING - FLANGE 7/8 ID X 3/4 L
17 3401568 2 SCREW - HH 1/2-13 X .625 FULL THRD, GR 5 ZP

PowerBoss®, Copyright 2014
Armadillo 6X and AM7D-III Gas, LP, Diesel PB#4100043 Rev. E 01/16
Page 18
PARTS BREAKDOWN
BATTERY

Armadillo 6X and AM7D-III Gas, LP, Diesel PB#4100043 Rev. E 01/16
PowerBoss®, Copyright 2014
Page 19
PARTS BREAKDOWN
BATTERY
ITEM PART NO. QTY DESCRIPTION
1 3339406 1 BATTERY - 12VDC
2 3337859 1 MOUNT - BATTERY TRAY
3 3301076 1 HOLD DOWN - BATTERY 2-PIECE
4 3400085 2 NUT - WING 1/4-20 ZP
5 3307634 1 ASSEMBLY - BATTERY CABLE ARMA NEG
6 3307633 1 ASSEMBLY - BATTERY CABLE ARMA POS
7 3301079 2 ROD - BATTERY TIE-DOWN PLTD
8 3305398 2 CLAMP-HYD HOSE, PLATED
9 3400385 2 WASHER - CONICAL SPRING 3/8
10 711250 2 SCR-HH 3/8-16 X 1.25 ZP GR 5
11 3400089 2 WASHER - FLAT 1/4 STANDARD ZP
12 3341162 1 TRAY PAD - BATTERY

PowerBoss®, Copyright 2014
Armadillo 6X and AM7D-III Gas, LP, Diesel PB#4100043 Rev. E 01/16
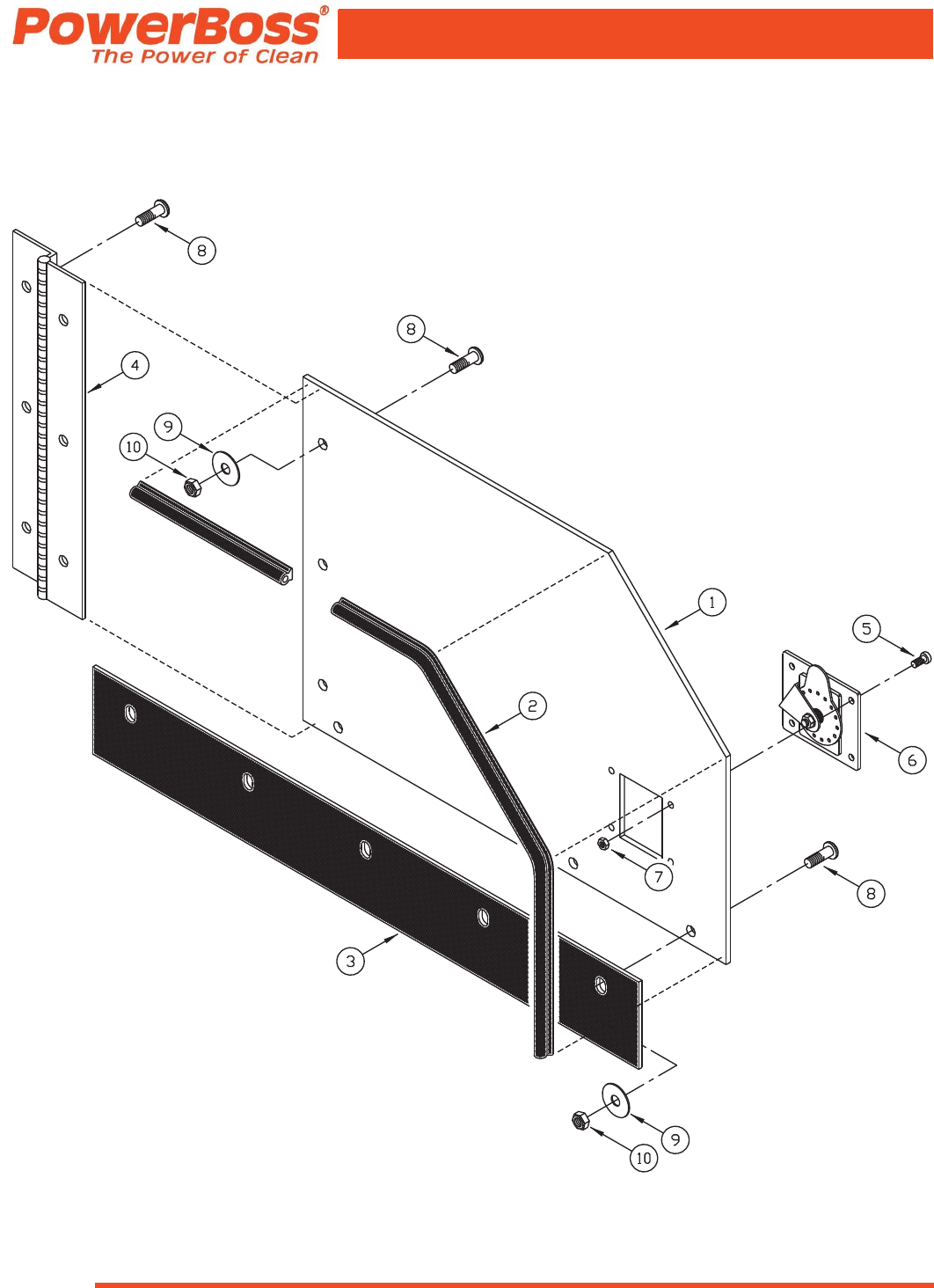
Page 20
PARTS BREAKDOWN
MAIN BROOM DOOR

Armadillo 6X and AM7D-III Gas, LP, Diesel PB#4100043 Rev. E 01/16
PowerBoss®, Copyright 2014
Page 21
PARTS BREAKDOWN
MAIN BROOM DOOR
ITEM PART NO. QTY DESCRIPTION
* 3318568 1 ASSY- BROOM DOOR R/H
* 3318728 1 ASSY- BROOM DOOR L/H
1 3318567P 1 DOOR—MAIN BROOM
2 3318739 2.3 FT. WEATHERSTRIPPING—RUBBER SPONGE
3 3318582 1 FLAP—BROOM DOOR
4 3318694 1 HINGE—.125 X 3.0 X 11.12 LONG
5 3400048 4 SCR—SOC #10-32 X 0.75 ZP
6 3318595 1 LATCH—”T” HANDLE
7 3400172 4 NUT—HEX JAM #10-32 ES ZP
8 730717 8 SCR-BHSCS 3/8-16 X 1.00 SS
9 3400092 8 WASHER—FENDER 3/8 ZP
10 3400392 8 NUT—FLANGE LOCK 3/8-16

PowerBoss®, Copyright 2014
Armadillo 6X and AM7D-III Gas, LP, Diesel PB#4100043 Rev. E 01/16
Page 22
PARTS BREAKDOWN
ENGINE COVER

Armadillo 6X and AM7D-III Gas, LP, Diesel PB#4100043 Rev. E 01/16
PowerBoss®, Copyright 2014
Page 23
PARTS BREAKDOWN
ENGINE COVER
ITEM PART NO. QTY DESCRIPTION
1 3337680P 1 WELD - SEAT CLIP
2 3311371 1 PULL—REAR CLIP
3 3302472 6 MOUNT—WIRE TIE LOW PROFILE
4 3300526 2 BUMPER-RUBBER 1/4 ID X 1/8 THK
5 3400172 10 NUT-JAM 10-32 ZP NYLOC
6 3311373 2 LIGHT—REAR TAIL RED
7 730717 1 SCR-BHSCS 3/8-16 X 1.00 SS
8 711380 1 NUT-NYLOC 3/8-16 ZP
9 3400087 1 WASHER-FLAT 3/8 ZP
10 3500198 5.5 FT. SEAL—TRIM CAB
11 3400484 8 RIVET—AVDEL 3/16 X .602
12 620219 1 SEAT STD W SEAT BELT RECEIVERS
13 3400088 4 WASHER—5/16 FENDER
14 711374 4 NUT-NYLOC 5/16-18 ZP
15 600265 2 LATCH, T-HANDLE & KEEPER
18 3302472 6 MOUNT-WIRE TIE LOW PROFILE
19 3318693 1 CABLE, ENGINE CLIP
20 620239 1 ARM-REST
21 3338311 1 HARNESS, TAIL-LIGHTS 7AMD
22 3337979 2 HINGE - 4" LG X 1/4 PIN
28 3337690P 1 WELD - ENGINE COVER
29 3400044 4 SCR-HEX,#10-32X0.75 ZP

PowerBoss®, Copyright 2014
Armadillo 6X and AM7D-III Gas, LP, Diesel PB#4100043 Rev. E 01/16
Page 24
PARTS BREAKDOWN
DIRECTION CONTROL ASSEMBLY

Armadillo 6X and AM7D-III Gas, LP, Diesel PB#4100043 Rev. E 01/16
PowerBoss®, Copyright 2014
Page 25
PARTS BREAKDOWN
DIRECTION CONTROL ASSEMBLY
ITEM PART NO. QTY DESCRIPTION
1 3337974 1 ASSY- FLOOR PAN UPPER
2 730988 1 PAD, FLOOR
4 3300737 1 WELD—PEDAL FWD / REV PNTD
5 3300544 1 PAD—FOOT PEDAL
6 3400114 1 PIN—CLEVIS 3/8 X 4.00 ZP
7 3300414 2 BUSHING—PLASTIC MN BRM
8 3400125 1 PIN—COTER 3/8 RUE-RING
9 3400087 1 WASHER-FLAT 3/8 STANDARD ZP
10 711247 2 NUT-HEX 3/8-24 ES ZP
11 3301085 4 SPACER-FRONT BUMPER PLTD
12 3400075 4 NUT-HEX JAM 3/8-24 ZP
13 3307223 1 MNT—BUSHING DIR CONT
14 3307220 1 BEARING—DIR CONTROL
15 3338013 1 WELD—DIR TORQUE TUBE
16 3307220 1 BEARING—DIR CONTROL
17 3307223 1 MNT—BUSHING DIR CONT
18 3336017 1 ROD-SHORT DIRECTIONAL ZP
19 3336697 1 ROD FWD/REV - DIR CONTROL PEDAL
20 3309734 1 FLOOR MAT—SMALL
21 3400035 2 SCREW-HEX,5/16-18X1.00 ZP
22 3400278 2 WASHER-FENDER 3/8 ZP
23 3400480 2 NUT-HEX 10-24
24 3337913P 1 FLOOR BOARD - LOWER
25 600265 2 LATCH, T-HANDLE & KEEPER
26 3400044 4 SCR-HEX,#10-32X0.75 ZP
27 3400172 4 NUT-HEX JAM #10-32 ES ZP
28 3308762 2 ROD END-FEMALE 3/8-24
29 711380 2 NUT-NYLOC 3/8-16 ZP

PowerBoss®, Copyright 2014
Armadillo 6X and AM7D-III Gas, LP, Diesel PB#4100043 Rev. E 01/16
Page 26
PARTS BREAKDOWN
BUMPER

Armadillo 6X and AM7D-III Gas, LP, Diesel PB#4100043 Rev. E 01/16
PowerBoss®, Copyright 2014
Page 27
PARTS BREAKDOWN
BUMPER
ITEM PART NO. QTY DESCRIPTION
1 3318577P 1 WELD—FRONT BUMPER
2 3316871 4 BUMPER—RUBBER
3 3322186 4 INSERT—3/8-16 UNC
4 711250 4 SCR-HH 3/8-16 X 1.25 ZP GR 5
5 3316981 4 RETAINER—BUMPER BOLT ARMA
7 3315839 2 HEADLIGHT—FLUSH MOUNT HALOGEN
8 3311374 8 SCR—HEX 1/4-14 X 3/4 SELF TAP
9 3338313 1 WIRE HARNESS, HEADLIGHTS, 7AMD
10 3400385 4 WASHER-CONICAL SPRING 3/8
11 3311564 1 GROMMET—1/2 ID RUBBER

PowerBoss®, Copyright 2014
Armadillo 6X and AM7D-III Gas, LP, Diesel PB#4100043 Rev. E 01/16
Page 28
PARTS BREAKDOWN
HOPPER

Armadillo 6X and AM7D-III Gas, LP, Diesel PB#4100043 Rev. E 01/16
PowerBoss®, Copyright 2014
Page 29
PARTS BREAKDOWN
HOPPER
ITEM PART NO. QTY DESCRIPTION
1 3318609M 1 WELD - HOPPER
2 3334166 1 FILTER-POLYESTER HOP 62IC 62E 555030X15
5 748149-1 1 ASSY, SHAKER MOTOR W/CONNECTOR
6 3300904 1 MOUNT - NEOPRENE SHAKER MOTOR
7 711374 2 NUT-NYLOC 5/16-18 ZP
8 750073 1 BRACKET SHAKER MOTOR
9 3400501 2 SCR - HEX 3/8-16 X 4.00 ZP
10 3400278 2 WASHER-FENDER 3/8 X 1.25 ZP
11 3307850 2 ISOLATOR - HOPPER FILTER
12 661009 1 MOUNT-SHAKER MOTOR, AM7D
13 70-516-16 2 BLT-CARR 5/16-18 X 1 ZP
14 3305006 1 SPRING - GAS
15 3400070 1 NUT - HEX 5/16-18 ZP
16 3338312 1 WIRE HARNESS, HOPPER, 7AMD
17 3311237 4 FLAP - HOPPER LIP
18 710986 8 SCR-BHSCS 3/8-16 X 1.00 ZP
19 3311238 1 ANGLE - HOPPER FLAP RETAINER
20 3400784 3 MOUNT - CABLE TIE
21 3301665 1 GROMMET - Z - 2056
22 3322186 12 INSERT 3/8-16 UNC
23 3300376 1 STUD - BALL GAS SPRING
24 3400102 1 WASHER - LOCK 5/16 SPLIT ZP

PowerBoss®, Copyright 2014
Armadillo 6X and AM7D-III Gas, LP, Diesel PB#4100043 Rev. E 01/16
Page 30
PARTS BREAKDOWN
HOPPER HOOD AND LID ASSEMBLIES

Armadillo 6X and AM7D-III Gas, LP, Diesel PB#4100043 Rev. E 01/16
PowerBoss®, Copyright 2014
Page 31
PARTS BREAKDOWN
HOPPER HOOD AND LID ASSEMBLIES
ITEM PART NO. QTY DESCRIPTION
1 661049 1 HOOD, HOPPER, AM7D/6X
2 3337930 2 LATCH ASSEMBLY
3 3318739 7.0 FT. WEATHER STRIPPING—RUBBER SPONGE
5 3300376 1 STUD—BALL GAS SPRING
6 3400102 1 WASHER—LOCK 5/16 SPLIT ZP
7 3400070 1 NUT—HEX 5/16-18 ZP
8 3400052 2 SCR—HSS 5/16 DIA X .25 ZP
9 711228 2 SCR-HH 5/16-18 X .75 ZP GR 5
10 3400035 4 SCR—HEX 5/16-18 X 1.00 ZP
11 3400384 4 WASHER—CONICAL SPRING 5/16
12 711379 4 NUT-FLANGED WIZZ 5/16-18 ZP
13 3400170 2 SCR—HSS 1/2 DIA X .31 ZP
14 3318540P 1 LID—HOPPER
15 3311245 2 HINGE—FILTER COVER PAINTED
16 3337981 2 GASKET - LATCH

PowerBoss®, Copyright 2014
Armadillo 6X and AM7D-III Gas, LP, Diesel PB#4100043 Rev. E 01/16
Page 32
PARTS BREAKDOWN
CONTROL VALVE

Armadillo 6X and AM7D-III Gas, LP, Diesel PB#4100043 Rev. E 01/16
PowerBoss®, Copyright 2014
Page 33
PARTS BREAKDOWN
CONTROL VALVE
ITEM PART NO. QTY DESCRIPTION
1 3400039 2 SCR-HH 1/4-20 X 2.00 ZP GR 5
2 3300562 2 KNOB—BALL 1.375" DIA #95 BLACK
3 675525 1 FTG-STR THD RUN TEE -8 ORFS TO -8 SAE
4 675511 2 FTG-STR THD CONNECTOR -4 ORFS TO -6 SA
6 3338092 1 DIR CONTROL VALVE—SW6XV
7 3313278 1 WELD—VALVE HANDLE LH 62 G&D
8 3313277 1 WELD—VALVE HANDLE RH 62 G&D
9 3313298 2 LINK—U CONTROL SW62 GAS/DSL/LP
10 3400103 2 WASHER—LOCK 1/4 SPLIT ZP
11 3400742 4 RUE RING—1/4 HEAVY ZP
12 675516 1 FTG-STR THD RUN TEE -6 ORFS TO -6 SAE
13 620141 2 PIN-CLEVIS 3/16 X 3/4, ZP
14 675546 2 FTG-STR THD ELBOW -4 ORFS TO -6 SAE
16 675562 1 FTG—ADPT ST THD 3/4-16 TO #6
18 675485 1 HOSE HOP A (STR) TO BASE HOP LFT (STR)
19 675480 1 HOSE HOP B (90) TO ROD HOP LIFT (STR)
20 675487 1 HOSE HOP IN (STR) TO STR PB (45)
21 675470 1 HOSE CHRG T (STR) TO HOP OUT (90)
22 675573 1 FTG-REDUCER 1/2"TO 3/8 OD TUBE
24 675486 1 HOSE HOP OUT (STR) TO STR T (45)
25 675484 1 HOSE HOP C (90) TO HOP ROT BASE (STR)
26 675483 1 HOSE HOP D (90) TO HOP ROT ROD (STR)
27 675468 1 HOSE CHRG T (90) TO HOP B PORT (STR)

PowerBoss®, Copyright 2014
Armadillo 6X and AM7D-III Gas, LP, Diesel PB#4100043 Rev. E 01/16
Page 34
PARTS BREAKDOWN
HYDRAULIC MANIFOLD ASSEMBLY

Armadillo 6X and AM7D-III Gas, LP, Diesel PB#4100043 Rev. E 01/16
PowerBoss®, Copyright 2014
Page 35
PARTS BREAKDOWN
HYDRAULIC MANIFOLD ASSEMBLY
ITEM PART NO. QTY DESCRIPTION
1 3400035 4 SCREW-HEX,5/16-18X1.00 ZP
2 3336666 1 MOUNT, HYDRAULIC MANIFOLD
3 711228 4 SCR-HH 5/16-18 X .75 ZP GR 5
4 3400102 4 WASHER—LOCK 5/16 SPLIT ZP
5 3400384 4 WASHER-CONICAL SPRING 5/16
6 3338100 1 VALVE—HYD MANIFOLD SWEEPERS
7 3400390 4 NUT-FLANGE LOCK 5/16-18
10 3300359 1 FILTER - HYD
PORT NO. FITTING
PART #
HOSE
PART #
C1 3331436 (PLUG) N/A
C2 3331436 (PLUG) N/A
C3 675507 675478
C47 675508 675479
C7 675508 675488
C8 675517 675469
M3 675523 675477
M4 675523 675476
M5 675523 675471
M6 675575 675472
M7 675527 675465
M8 675527 675467
P2 675523 675466
ST 675515 675475
T1 675572 675464
T2 675571 675462

PowerBoss®, Copyright 2014
Armadillo 6X and AM7D-III Gas, LP, Diesel PB#4100043 Rev. E 01/16
Page 36
PARTS BREAKDOWN
HYDRAULIC MANIFOLD

Armadillo 6X and AM7D-III Gas, LP, Diesel PB#4100043 Rev. E 01/16
PowerBoss®, Copyright 2014
Page 37
PARTS BREAKDOWN
HYDRAULIC MANIFOLD
ITEM PART NO. QTY DESCRIPTION
1 3338101 3 SOLENOID VALVE(SVC PART ONLY)
* 3331353 3 COIL-EATON SPECIAL
2 3338102 1 SOLENOID VALVE(SVC PART ONLY)
* 3331353 1 COIL-EATON SPECIAL
3 3337629 1 FLOW REGULATOR
4 3337630 1 RELIEF VALVE

PowerBoss®, Copyright 2014
Armadillo 6X and AM7D-III Gas, LP, Diesel PB#4100043 Rev. E 01/16
Page 38
PARTS BREAKDOWN
HYDRAULIC RESERVOIR

Armadillo 6X and AM7D-III Gas, LP, Diesel PB#4100043 Rev. E 01/16
PowerBoss®, Copyright 2014
Page 39
PARTS BREAKDOWN
HYDRAULIC RESERVOIR
ITEM PART NO. QTY DESCRIPTION
1 3338019 1 WELD—HYDRAULIC RESERVOIR
2 3305576 1 FILTER—BREATHER ASSEMBLY
3 3400044 1 SCR—HEX,#10-32X0.75 ZP
4 3400172 1 NUT—HEX JAM #10-32 ES ZP
5 3400082 1 NUT—HEX #8-32 ES ZP
6 3312273 1 DIPSTICK—HYD SW/62 DSL
7 3302249 2 SPACER-NYLON .56 OD .25 ID .18
8 3400040 1 SCR—HEX,1/4-20X1.00 ZP
9 3332336 1 COVER-RESERVIOR 6XV
10 3300007 1 GASKET—SOLUTION TANK
11 675522 1 FTG-STR THD RUN TEE -6 ORFS TO -8 ORFS T
12 675552 1 FTG-STR THD 45 -6 ORFS TO -6 SAE
13 675535 1 FTG-STR THD ELBOW -12 ORFS TO -16 SAE
14 675560 1 FTG—STR CONN (16FTX-S)
15 3400164 1 FTG—PLUG 3/4-16 O RING
16 3400045 1 SCR—PAN,#8-32X0.62,SLT ZP
17 3307573 1 STRAINER—HYDRAULIC TM-15
18 675463 1 HOSE RES (90) TO IMP CD (STR)
19 675464 1 HOSE RES (STR) TO T1 (STR)
20 675461 1 HOSE COO OUT (STR) TO RES (90)
21 675460 1 HOSE RES (STR) TO HYD (45) PUMP
22 711250 4 SCR-HH 3/8-16 X 1.25 ZP GR 5
23 3400385 4 WASHER-CONICAL SPRING 3/8
24 3400392 4 NUT-FLANGE LOCK 3/8-16

PowerBoss®, Copyright 2014
Armadillo 6X and AM7D-III Gas, LP, Diesel PB#4100043 Rev. E 01/16
Page 40
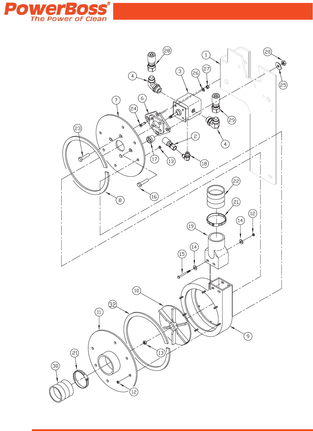
PARTS BREAKDOWN
IMPELLER

Armadillo 6X and AM7D-III Gas, LP, Diesel PB#4100043 Rev. E 01/16
PowerBoss®, Copyright 2014
Page 41
PARTS BREAKDOWN
IMPELLER
ITEM PART NO. QTY DESCRIPTION
1 3338016 1 MOUNT—IMPELLER
2 675463 1 HOSE RES (90) TO IMP CD (STR)
3 3313008 1 MOTOR—HYDRAULIC IMPELLER
4 675524 2 FTG-STR THD CONNECTOR -8 ORFS TO -8 SA
6 3307152 1 WELD—IMPELLER MOTOR MNT PNTD
7 3322121 1 MOUNT—IMPELLER MOTOR PNTD
8 3335458 1 GASKET-TOP IMPELLAR, ARMA
9 3307004 1 SHROUD—IMPELLER PNTD
10 3307003 1 IMPELLER—ARMA CASTING & MACHIN
11 3311334 1 ASSEMBLY—IMPELLER INLET PLATE PNTD
12 711373 14 NUT-NYLOC 1/4-20 ZP
13 3400420 1 NUT—HEX 5/16-24 ES
14 3400089 4 WASHER—FLAT 1/4 STANDARD ZP
15 3402008 2 SCR—HEX 1/4-20 X 3.75 ZP
16 3400027 3 SCR—HEX 3/8-16 X 1.75 ZP
17 3300465 4 MOUNT—ISOLATION
18 675508 1 FTG-STR THD CONNECTOR -4 ORFS TO -4 SA
19 3315347 1 EXHAUST—IMPELLER 9XV
20 711380 4 NUT-NYLOC 3/8-16 ZP
21 3300351 1 CLAMP-HOSE, 4.5" DIA, SS
22 3338227 1 HOSE-IMPELLER EXHAUST, 3.5 DIAX30 LG
23 3400028 1 SCREW-HEX,3/8-16X1.50 ZP
24 3400016 4 SCREW-FLT,5/16-18X1.25,SOC ZP
25 3400278 4 WASHER-FENDER 3/8 ZP
26 3400088 4 WASHER-FLAT 5/16 IDX.688 ODX.065 THK
27 711374 4 NUT-NYLOC 5/16-18 ZP
28 675465 1 HOSE REAR IMP (90) TO M7 (STR)
29 675467 1 HOSE FRONT IMP (90) TO M8 (STR)
30 3309034 1 HOSE-IMPELLER
32 3335459 1 GASKET-BOTT IMPELLAR, ARMA

PowerBoss®, Copyright 2014
Armadillo 6X and AM7D-III Gas, LP, Diesel PB#4100043 Rev. E 01/16
Page 42
PARTS BREAKDOWN
GASKET MOUNT

Armadillo 6X and AM7D-III Gas, LP, Diesel PB#4100043 Rev. E 01/16
PowerBoss®, Copyright 2014
Page 43
PARTS BREAKDOWN
GASKET MOUNT
ITEM PART NO. QTY DESCRIPTION
1 3318473 1 WELD—GASKET MOUNT
2 3307005 1 GASKET—IMPELLER
3 3309034 1 HOSE—IMPELLER
4 3300351 1 CLAMP—HOSE 4½” DIA.
5 3400030 2 SCR-HH 3/8-16 X 1.00 ZP GR 5
6 3400087 2 WASHER-FLAT 3/8 ZP
7 3335945 1 SWITCH - COBO W/ AMP CONNECTOR
9 710360 2 SCR-PHMS 10-32 X 1 ZP
10 3400172 2 NUT - HEX JAM #10-32 ES ZP

PowerBoss®, Copyright 2014
Armadillo 6X and AM7D-III Gas, LP, Diesel PB#4100043 Rev. E 01/16
Page 44
PARTS BREAKDOWN
LIFT ARM PART 1

Armadillo 6X and AM7D-III Gas, LP, Diesel PB#4100043 Rev. E 01/16
PowerBoss®, Copyright 2014
Page 45
PARTS BREAKDOWN
LIFT ARM PART 1
ITEM PART NO. QTY DESCRIPTION
1 675547 1 FITTING ORIFICE .047 #4
2 3311244 2 PLATE—HOPPER DOUBLER
3 3400030 4 BOLT—3/8-16 X 1.0 LONG
4 3400087 4 WASHER—3/8 FLAT
5 3400392 6 NUT 3/8-16 FLANGE LOCK
6 3400444 2 SCREW—FLAT HD 3/8-16 X 1.0
7 3301665 3 GROMMET—Z2056
8 675480 2 HOSE HOP B (90) TO ROD HOP LIFT (STR)
9 3400054 2 SCREW– SET 1/4-20 X .25 LONG ZP
10 3319089 1 ASSY- BLOCK CYL (INCLUDES ITEMS 11 & 12)
11 3300229 1 ASSEMBLY—BLOCK CYLINDER PLTD
12 3300552 1 BEARING—1.0ID X 1.50LG
13 3311212P 1 ASSEMBLY—ROTATION PLATE LH
14 675507 4 FTG-STR THD ELBOW -4 ORFS TO -4 SAE
15 3311458 4 BEARING—FIBERGLIDE LTD-2442
16 3305398 2 CLAMP-HYD HOSE, PLATED
17 3400385 2 WASHER-CONICAL SPRING 3/8
18 711250 2 SCR-HH 3/8-16 X 1.25 ZP GR 5
19 3311330 4 RETAINING RING 5100-150
20 675567 1 FTG-STR THD ELBOW
21 3400439 2 PIN—CLEVIS 3/4 X 2.00
22 3311012 4 WASHER—HI-DUMP SPACER SEC. ARM
23 661015 2 ASSEMBLY—SECONDARY LIFT ARM
24 3311219 2 WASHER-SPACER ROTATION PLT ZP
25 3400121 5 PIN-COTTER 5/32 X 1.50 ZP
26 3338096M 1 WELD—LIFT ARM
27 3311316 1 SAFETY ARM PAINTED
28 3400462 1 PIN—CLEVIS 5/8 X 1.5
29 3400124 1 PIN—COTTER 5/8 RUE-RING

PowerBoss®, Copyright 2014
Armadillo 6X and AM7D-III Gas, LP, Diesel PB#4100043 Rev. E 01/16
Page 46
PARTS BREAKDOWN
LIFT ARM PART 1 (CONTINUED)

Armadillo 6X and AM7D-III Gas, LP, Diesel PB#4100043 Rev. E 01/16
PowerBoss®, Copyright 2014
Page 47
PARTS BREAKDOWN
LIFT ARM PART 1
ITEM PART NO. QTY DESCRIPTION
30 3400472 1 PIN—CLEVIS 1.0 X 3.0 ZP
31 3337952 2 WELD - ROTATION PIN ZP
32 3300836 2 BEARING—2.18OD X 2.00ID X .75
33 3300882 4 WASHER-HD 3.25 ODX2.00 ID
34 3307431 4 RING-RETAINING EXT LIFT CYL
35
3318711 1 CYLINDER3"BORE X 13.25 STROKE
3330887 1 KIT—CYLINDER SEAL (GREEN MFG)
3331331 1 KIT—CYLINDER SEAL (GOLD STAR)
36 3307408 1 PIN—CYLINDER MOUNT
37 3307431 2 RING—RETAIING 5100-125
38 3311724 1 ASSY- LIFT ARM IDLER (INCLUDES ITEMS 39 & 40)
39 3311198P 1 ASSEMBLY—LIFT ARM IDLER
40 3311457 2 BEARING—FIBERGLIDE CJS-2428
41 3400030 2 SCR-HEX,3/8-16X1.00, GRADE 5, ZP
42 3400087 4 WASHER-FLAT 3/8 STANDARD ZP
43 711380 2 NUT-NYLOC 3/8-16 ZP
44 675485 1 HOSE HOP A (STR) TO BASE HOP LFT (STR)

PowerBoss®, Copyright 2014
Armadillo 6X and AM7D-III Gas, LP, Diesel PB#4100043 Rev. E 01/16
Page 48
PARTS BREAKDOWN
LIFT ARM PART 2

Armadillo 6X and AM7D-III Gas, LP, Diesel PB#4100043 Rev. E 01/16
PowerBoss®, Copyright 2014
Page 49
PARTS BREAKDOWN
LIFT ARM PART 2
ITEM PART NO. QTY DESCRIPTION
1 3311206P 1 WELD—ROTATION PLATE RH
2 3311244 2 PLATE—HOPPER DOUBLER
3 3400030 4 BOLT—3/8-16 X 1.0 LONG
4 3400087 4 WASHER—3/8 FLAT
5 3400392 6 NUT 3/8-16 FLANGE LOCK
6 3400444 2 SCREW—FLAT HD 3/8-16 X 1.0
7 3301665 3 GROMMET—Z2056
8 3316890 1 CYLINDER-HYD, ROTATION SINGLE SW/A
9 3400092 2 WASHER—3/8 FENDER
10 675507 4 FTG-STR THD ELBOW -4 ORFS TO -4 SAE
11 675483 1 HOSE HOP D (90) TO HOP ROT ROD (STR)
12 675484 1 HOSE HOP C (90) TO HOP ROT BASE (STR)
13 3311213 1 PIN—ROTATION PLATE CYLINDER ZP
14 3400219 1 BOLT 5/16-18 X .50 ZP
15 3311458 4 BEARING—FIBERGLIDE LTD-2442
16 3400102 1 WASHER—LOCK 5/16 SPLIT ZP
17 3307607 1 PIN—CYL RETAINING
18 3301998 2 RETAINING RING
19 3311330 4 RETAINING RING 5100-150
20 3400121 5 PIN-COTTER 5/32 X 1.50 ZP
21 3400439 2 PIN—CLEVIS 3/4 X 2.00
22 3311012 4 WASHER—HI-DUMP SPACER SEC. ARM
23 661015 2 ASSY-SECONDARY LIFT ARM, 6X
24 3400054 2 SCREW– SET 1/4-20 X .25 LONG ZP
25 3319089 1 ASSY- BLOCK CYL (INCLUDES ITEMS 26 & 27)
26 3300229 1 ASSEMBLY—BLOCK CYLINDER PLTD
27 3300552 1 BEARING—1.0ID X 1.50LG
28 3311722 1 ASSY- LIFT ARM CYLMNT (INCLUDES ITEM 29 & 30)
29 3311200P 1 ASSEMBLY—LIFT ARM CYLINDER MOUNT
30 3311457 2 BEARING—FIBERGLIDE CJS-2428

PowerBoss®, Copyright 2014
Armadillo 6X and AM7D-III Gas, LP, Diesel PB#4100043 Rev. E 01/16
Page 50
PARTS BREAKDOWN
MAIN BROOM ASSEMBLY
REFER TO MAIN
AND SIDE BROOMS

Armadillo 6X and AM7D-III Gas, LP, Diesel PB#4100043 Rev. E 01/16
PowerBoss®, Copyright 2014
Page 51
PARTS BREAKDOWN
MAIN BROOM ASSEMBLY
ITEM PART NO. QTY DESCRIPTION
1 3307181 1 SPACER-MAIN BROOM SW/A PLTD
2 3338129 1 CYLINDER—MAIN BROOM LIFT SW6XV
3 3338192 1 ROD—MAIN BROOM LIFT SW/6XV
4 3301447 1 CLEVIS WITH PIN AND COTTER (INCLUDES #8 AND #9)
5 3400084 1 NUT—WING 1/2-13 ZP
6 3400091 1 WASHER—FENDER 1/2 ZP
7 3300352 1 KNOB—MB LIFT HDJ
8 3400125 1 PIN—COTTER 3/8 RUE RING
9 3400117 1 PIN—CLEVIS 3/8 X 1-1/8
10 3400030 9 SCREW—HEX 3/8-16 X 1.00
11 3400385 5 WASHER—CONICAL SPRING 3/8
12 3318675 1 ANGLE—MAIN BROOM TUBE BRG MNT
13 3311147P 1 ASSEMBLY—MAIN BROOM IDLER ARM PNTD
14 3318429 1 KNOB—MB IDLER RETAINER
15 3311013 1 WASHER—MAIN BROOM RETAINER PLTD
16 711705 1 RET RING-INT 2.125
17 3309618 1 BEARING—STEERING ARM 205PP
18 3301051 1 HUB—BROOM IDLER PNTD
19 3400091 1 WASHER—FENDER 1/2 ZP
20 3400024 1 SCR-HEX,1/2-13X0.75 ZP
21 3311022 1 BUSHING—MAIN BROOM
22 3311161 1 WELDMENT—MAIN BROOM TUBE BRG MNT R / H
23 3338043P 1 WELD—PIVOT TUBE
24 3311425 1 RETAINER-MB LEVER SEAL PLTD
25 3400075 2 NUT-HEX JAM 3/8-24 ZP
26 3400049 3 SCR—SOC 1/4-20 X 0.75 ZP NYLOCK
27 3301285 1 RETAINER—DR HUB PLTD
28 3311424 1 SEAL-MAIN BROOM LEVER
30 3400101 4 WASHER—LOCK 3/8 SPLIT ZP
31 3301050-CG 1 HUB—MAIN BROOM DRIVE PNTD

PowerBoss®, Copyright 2014
Armadillo 6X and AM7D-III Gas, LP, Diesel PB#4100043 Rev. E 01/16
Page 52
PARTS BREAKDOWN
MAIN BROOM ASSEMBLY (CONTINUED)
REFER TO MAIN
AND SIDE BROOMS

Armadillo 6X and AM7D-III Gas, LP, Diesel PB#4100043 Rev. E 01/16
PowerBoss®, Copyright 2014
Page 53
PARTS BREAKDOWN
MAIN BROOM ASSEMBLY
ITEM PART NO. QTY DESCRIPTION
33 3316894 1 MOTOR—HYDRAULIC MAIN BROOM 621C THRU 77
34 3400690 2 FTG-8-10V5OLO-S 45ST THD ELL SL
35 3311022 1 BUSHING—MAIN BROOM PLASTIC
36 3307818 1 SPACER-SHOCK DISK PLTD
37 3311374 4 SCREW-HEX,1/4-14X3/4 SELF TAP
38 675477 1 HOSE BRM MTR B (STR) TO M3 (STR)
39 675476 1 HOSE BRM MTR A (STR) TO M4 (STR)
40 675507 2 FTG-STR THD ELBOW -4 ORFS TO -4 SAE
41 675478 1 HOSE C3 (STR) TO BASE BRM LIFT (STR)
42 675479 1 HOSE C4 (90) TO ROD BRM LIFT (STR)
43 3400392 4 NUT-FLANGE LOCK 3/8-16
44 3400049 3 SCR—SOC 1/4-20 X 0.75 NYLOCK
45 3400103 3 WASHER—LOCK 1/4 SPLIT ZP
46 3318674 1 BEARING—MOUNT L / H
47 3318634 1 ANGLE—L / H

PowerBoss®, Copyright 2014
Armadillo 6X and AM7D-III Gas, LP, Diesel PB#4100043 Rev. E 01/16
Page 54
PARTS BREAKDOWN
SIDE BROOM ASSEMBLY
REFER TO MAIN
AND SIDE BROOMS

Armadillo 6X and AM7D-III Gas, LP, Diesel PB#4100043 Rev. E 01/16
PowerBoss®, Copyright 2014
Page 55
PARTS BREAKDOWN
SIDE BROOM ASSEMBLY
ITEM PART NO. QTY DESCRIPTION
1 3301262 1 PLATE—GIMBAL SCHD
2 3316897 1 MOTOR—HYD CURB BRM
3 3339695 1 BAR-CURB BROOM RETAINER ZP RH
4 3302082 1 KEY—HEX HYD MOTOR
5 3313202 1 ASSEMBLY—MOUNT CURB BROOM
6 3313207 1 MOUNT—CURB BROOM MOTOR
7 711855 2 WASHER-FENDER 3/8 X 1.12 X .10 ZP HARD
8 3313212 1 WELD—GIMBLE PLATE 62/72 GAS/DS
9 3400420 1 NUT-HEX 5/16-24 ES
10 3400030 3 SCREW—HEX 3/8-16 x 1.0
11 3400032 4 SCREW—HEX 3/8-16 x .75
12 3400069 1 NUT—HEX 5/16-24 ZP
13 3400042 2 SCREW—HEX 1/4-20 x .75
14 3400064 1 NUT-HEX 1/2-20 ZP
15 3400404 1 SCREW-SET,1/2-20X3.00 ZP
16 3400078 2 NUT—ES 1/2-13
17 3400079 3 NUT—HEX ES 3/8-16
18 3400081 2 NUT—HEX ES 1/4-20
19 3400101 4 WASHER—LOCK 3/8
20 3400151 1 FTG—STR 7/8-14 TO #8
21 3400178 2 BRG—THRUST .531ID x 1.00OD
22 3400030 4 SCREW—HEX 3/8-16 x 1.0
23 3400079 4 NUT—HEX ES 3/8-16
24 3400018 1 SCREW—HEX 1/2-13 x 4.00 ZP
25 3300526 3 BUMPER-RUBBER 1/4 ID X 1/8 THK
26 3307241 1 SPACER—HAND BRAKE PLTD SW/A
27 3313203 1 ASSEMBLY—ARM SIDE BROOM
28 3318885 1 CABLE—CURB BRM LIFT 62/72
29 3400278 2 WASHER—FENDER 3/8
30 3400383 1 WASHER—CONICAL SPRING 1/4
31 3400049 1 SCREW—SOC,1/4-20X0.75 ZP NYLOCK
32 3402009 1 FTG—CHECK VALVE
33 3338160 1 HOSE-.50 AR 70" ST#8 ST#8
34 3338161 1 HOSE-.50 AR 67" ST#10 90 #8(S)
35 661126 1 EXTENSION SPRING, CB - 6X
36 3307642 1 CLEVIS-5/16 PLTD SW/A
37 713533 1 BOLT, HH, 5/16-24 X 4', FULL THRD GR 8
- 3400184 1 PIN-CLEVIS (NOT SHOWN-CONNECTS #28 & #35)
- 3400118 1 PIN-CLEVIS (NOT SHOWN-CONNECTS #35 & #36)

PowerBoss®, Copyright 2014
Armadillo 6X and AM7D-III Gas, LP, Diesel PB#4100043 Rev. E 01/16
Page 56
PARTS BREAKDOWN
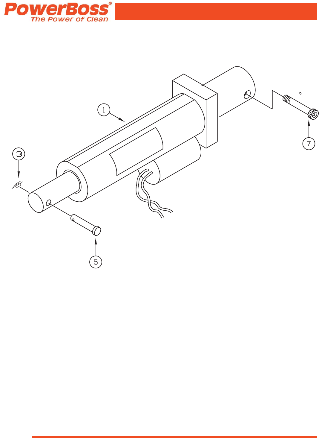
SIDE BROOM ACTUATOR

Armadillo 6X and AM7D-III Gas, LP, Diesel PB#4100043 Rev. E 01/16
PowerBoss®, Copyright 2014
Page 57
PARTS BREAKDOWN
SIDE BROOM ACTUATOR
ITEM PART NO. QTY DESCRIPTION
- 3318883 1 ASSEMBLY, LINEAR ACTUATOR (REPLACEMENT)
1 748503-1 1 ACTUATOR—CURB BRM 12V 4"STROKE
3 3400125 2 RING-RUE 3/8
5 3400185 2 PIN-CLEVIS 5/16X1-1/4 ZP
7 3400726 1 BLT-SHOULDER 3/8 X 1.25 LG X 5/16-18 BLK

PowerBoss®, Copyright 2014
Armadillo 6X and AM7D-III Gas, LP, Diesel PB#4100043 Rev. E 01/16
Page 58
PARTS BREAKDOWN
STEERING ASSEMBLY

Armadillo 6X and AM7D-III Gas, LP, Diesel PB#4100043 Rev. E 01/16
PowerBoss®, Copyright 2014
Page 59
PARTS BREAKDOWN
STEERING ASSEMBLY
ITEM PART NO. QTY DESCRIPTION
1 3301534 1 MOTOR—HYD 2000 SERIES PNTD
2 675563 2 FTG—SWIVEL 3/4-16 TO #8
3 675569 1 FTG—SPECIAL WHEEL MOTOR
4 675564 2 FTG-STR THD CONNECTOR
5 711376 4 NUT-NYLOC 1/2-13 ZP
6 3338080P 1 WELD—STEERING FORK
7 620066 1 NUT-CASTLE 1 1/4-12 JAM ZP
8 3400019 4 SCR—HEX 1/2-13 X 2.50 ZP
9 3300415 5 STUD—WHEEL HUB
10 3338076 1 HUB—REAR WHEEL PNTD MS
11 3318690 1 WHEEL—5 X 10.5 X 16 MOLDED
12 3300411 5 NUT—WHEEL LUG
13 3300472 1 BRG—THRUST 5.812ID X 7.00OD
14 3400826 1 SCR-SET 1/4-28 X .250 BLK OX CP
15 3401022 4 SCREW-FLT, 1/2-13 X 1.00 SOC
16 3330642P 1 FORK MNT 6X PLT
17 661018 1 WD-STEERING LINK ASSY - 6X
18 3318452 1 CYLINDER—STEERING
19 675568 2 FTG-STR THD ELBOW
20 3400214 1 SCR-HH 3/4-10 X 2.75 ZP GR 5 FULL THD TA
21 3400012 2 FTG—GREASE
22 3400223 1 NUT—HEX SLOTTED 11/16-18 ZP
23 3337628 1 WASHER FLAT 1.28 ID X 2.00 OD ZP
25 3400166 1 FITTING ADAPTER 7/8-14 EXT TO 3/4
26 712318 2 WASHER-FLAT 3/4 X 1.12 X .12 ZP
27 675507 1 FTG-STR THD ELBOW -4 ORFS TO -4 SAE
28 3300470 1 BEARING-TAPERED ROL CUP
29 3300471 1 BEARING-TAPERED ROLCONE W/SEAL
30 675489 2 HOSE PROP PUMP A TO PROP MTR A
31 675490 1 HOSE PROP PUMP B TO PROP MTR B
32 675482 1 HOSE TOP BLK (90) TO BASE STR (STR)
33 675481 1 HOSE BTM BLK (90) TO ROD STR (STR)
34 3400122 2 PIN-COTTER 1/8 X 2.00 ZP
36 675488 1 HOSE C7 (90) TO PROP DRN (STR)

PowerBoss®, Copyright 2014
Armadillo 6X and AM7D-III Gas, LP, Diesel PB#4100043 Rev. E 01/16
Page 60
PARTS BREAKDOWN
TILT STEERING ASSEMBLY

Armadillo 6X and AM7D-III Gas, LP, Diesel PB#4100043 Rev. E 01/16
PowerBoss®, Copyright 2014
Page 61
PARTS BREAKDOWN
TILT STEERING ASSEMBLY
ITEM PART NO. QTY DESCRIPTION
1 3338215 1 WHEEL-STEERING W/COVER SW/6XV
2 3343165 1 COLUMN-STEERING TILT
3 3402054 4 SCR-SHCS M6-1.0 X 12 ZP
4 713043 3 SCR-HH 3/8-16 X 1.25 ZP GR 5
5 3400385 3 WASHER-CONICAL SPRING 3/8
6 3338235P 1 WELD - TILT STEERING CONSOLE
7 3330598 1 STEERING UNIT-OSPM 100PB
8 675473 1 HOSE STR L (45) TO TOP BLK (STR)
9 675474 1 HOSE STR R (45) TO BTM BLK (STR)
10 675475 1 HOSE STR P (45) TO ST (STR)
11 675486 1 HOSE HOP OUT (STR) TO STR T (45)
12 675487 1 HOSE HOP IN (STR) TO STR PB (45)
13 747040 1 SWITCH-IGNITION R POSITION

PowerBoss®, Copyright 2014
Armadillo 6X and AM7D-III Gas, LP, Diesel PB#4100043 Rev. E 01/16
Page 62
PARTS BREAKDOWN
FUEL TANK - GAS AND DIESEL

Armadillo 6X and AM7D-III Gas, LP, Diesel PB#4100043 Rev. E 01/16
PowerBoss®, Copyright 2014
Page 63
PARTS BREAKDOWN
FUEL TANK - GAS AND DIESEL
ITEM PART NO. QTY DESCRIPTION
1 3337858 1 FUEL TANK
2 3307778 1 FTG-ELBOW 90 1/4 MPT X 1/8 HB BRASS
3 3400087 2 WASHER-FLAT 3/8 STANDARD ZP
4 3318401 1 STRAP—FUEL TANK
5 711380 2 NUT-NYLOC 3/8-16 ZP
6 3343413 1 CAP FUEL CAP
73309249 1 FILTER—FUEL (DSL)
3306606 FILTER—FUEL (GAS)
9 3302338 CLAMP-HOSE .22 TO .62
10 3500104 FT. HOSE-NEOPRENE 5/16 ID
11 3335871 1 PUMP—FUEL (DSL)
3337634 PUMP—FUEL (GAS)
12 620663 1 FTG-NIPPLE 1/4 NPT X 1/4 NPT X 2 IN
13 620238 1 FITTING, 1/4 NPT STREET ELBOW, BRASS
14 3400499 1 VALVE-MINATURE 1/4 FPT BALL
15 620052 1 FTG-ADAPTER 1/4 NPT X 5/16 HB
16 3337062 1 ASSY - 6X GAS CARBON CANISTER (FOR GAS ONLY)

PowerBoss®, Copyright 2014
Armadillo 6X and AM7D-III Gas, LP, Diesel PB#4100043 Rev. E 01/16
Page 64
PARTS BREAKDOWN
BILL OF MATERIAL
ITEM PART NO. QTY DESCRIPTION
1 661131 1 RAD BRKT, INNER - 6X
2 661132 1 RAD BRKT, OUTER - 6X
3 661134 1 RAD SHROUD FILLER PLATE - 6X
4 661140 1 WD-DIVERTER, IMPELLER EXHAUST
5 661149 1 ASSY, RADIATOR W/FTGS - 6X
6 690150 1 ASSY, FAN SHROUD, DSL/LP/GAS
7 713001 7 SCR-HH 1/4-20 X .62 PLAIN GR 5
8 713002 4 SCR-HH 1/4-20 X .75 ZP 5
9 3400089 11 WASHER-FLAT 1/4 ZP
10 3400103 11 WASHER-LOCK 1/4 SPLIT ZP
RADIATOR COMPONENTS - 661141/DSL - 661187/LP_GAS - PAGE 1

Armadillo 6X and AM7D-III Gas, LP, Diesel PB#4100043 Rev. E 01/16
PowerBoss®, Copyright 2014
Page 65
PARTS BREAKDOWN
BILL OF MATERIAL
ITEM PART NO. QTY DESCRIPTION
1 661149 1 ASSY, RADIATOR W/FTGS - 6X
2 711254-1 2 BLT-CARR 3/8-16 X 2.50 ZP GR 5
3 711380 2 NUT-NYLOC 3/8-16 ZP
5 3400278 2 WASHER-FENDER 3/8 X 1.25 ZP
6 3338082M 1 MAIN FRAME 6X, SDG
7 3344101 1 RESERVOIR 5.5" X 3.5" X 5.5" KBA
RADIATOR COMPONENTS - 661141/DSL - 661187/LP_GAS - PAGE 2

PowerBoss®, Copyright 2014
Armadillo 6X and AM7D-III Gas, LP, Diesel PB#4100043 Rev. E 01/16
Page 66
PARTS BREAKDOWN
BILL OF MATERIAL
ITEM PART NO. QTY DESCRIPTION
1661186 1BRKT, RADIATOR, UPPER, LP/GAS
661133 BRKT, RADIATOR, UPPER, DSL
3 713002 6 SCR-HH 1/4-20 X .75 ZP 5
4 713595 1 ISOLATOR, VIBRATION MNT, 1/4-20 FEM THR
5 3335274 2 SPACER-.28 ID X .625 OD X .26 LG
6 3344112 1 ISO-CYL, 1 DIA X 3/4 X 1/4-20,50LBS
7 3400090 4 WASHER-FENDER 1/4 X 1.00 ZP
8 3401021 2 NUT-JAM 1/4-20 ZP NYLOC
RADIATOR COMPONENTS - 661141/DSL - 661187/LP_GAS - PAGE 3

Armadillo 6X and AM7D-III Gas, LP, Diesel PB#4100043 Rev. E 01/16
PowerBoss®, Copyright 2014
Page 67
PARTS BREAKDOWN
BILL OF MATERIAL
ITEM PART NO. QTY DESCRIPTION
1 661135 1 RAD HOSE, LOWER, 6X
2661185 1HOSE, UPPER RADIATOR, LP/GAS
3332643 HOSE, UPPER RADIATOR, DSL
3661186 1BRKT, RADIATOR, UPPER, LP/GAS
661133 BRKT, RADIATOR, UPPER, DSL
5 713595 1 ISOLATOR, VIBRATION MNT, 1/4-20 FEM THR
6 3302193 4 CLAMP-HOSE 1.25 NOM
7 3335274 2 SPACER-.28 ID X .625 OD X .26 LG
8 3338082M 1 MAIN FRAME 6X, SDG
RADIATOR COMPONENTS - 661141/DSL - 661187/LP_GAS - PAGE 4

PowerBoss®, Copyright 2014
Armadillo 6X and AM7D-III Gas, LP, Diesel PB#4100043 Rev. E 01/16
Page 68
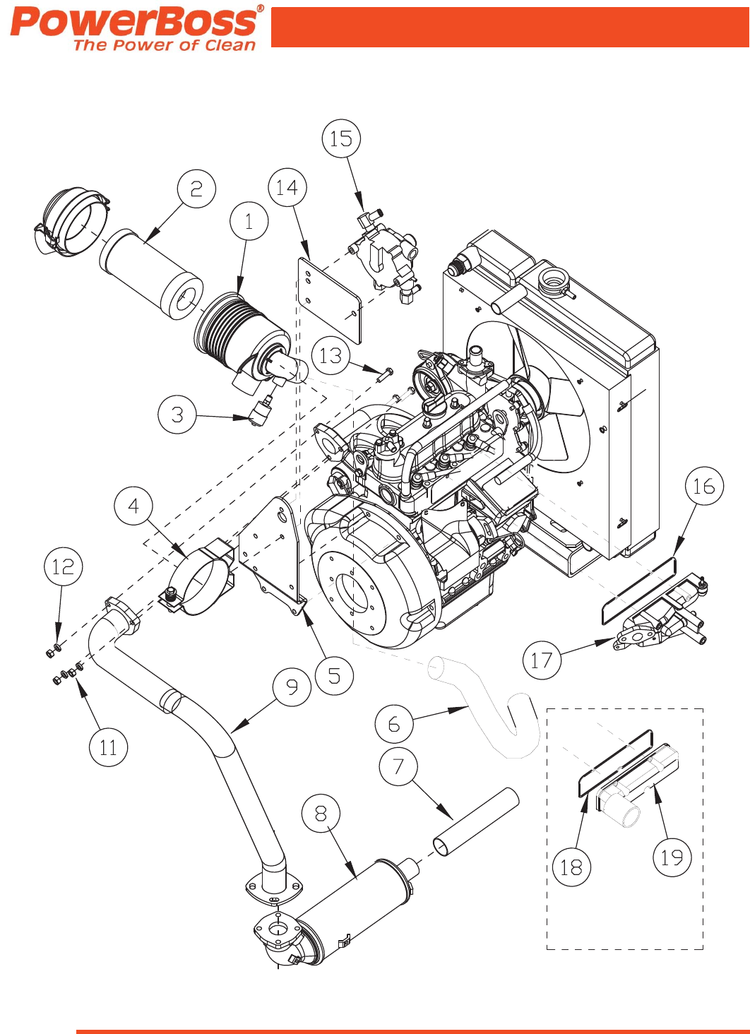
PARTS BREAKDOWN
ENGINE PARTS BREAKDOWN
ENGINE KUBOTA D902 DIESEL & DF752 LP/GAS - MOUNTING AND PUMPS

Armadillo 6X and AM7D-III Gas, LP, Diesel PB#4100043 Rev. E 01/16
PowerBoss®, Copyright 2014
Page 69
PARTS BREAKDOWN
ENGINE KUBOTA D902 DIESEL & DF752 LP/GAS - MOUNTING AND PUMPS
ITEM PART NO. QTY DESCRIPTION
1 3335672 1 MNT-RIGHT REAR (DIESEL KUBOTA D902 ONLY)
2 3400020 4 SCREW-HEX,1/2-13X2.00 ZP
3 3400091 4 WASHER-FENDER 1/2 ZP
4 3300464 4 ISOLATOR-RUBBER, 1.24 DIAX1.25 LG
5 3400395 4 NUT-FLANGE LOCK 1/2-13
6 3335673 1 MNT-LEFT REAR (DIESEL KUBOTA D902 ONLY)
73336022 1 MNT-FRONT (DIESEL KUBOTA D902 ONLY)
3338242 1 MNT-ENGINE (LP/GAS KUBOTA DF752 ONLY)
8 3336023 1 PUMP-MAIN HYDRAULIC (6X)
9 675500 3 FTG-STR ELBOW -10 ORFS TO -12 SAE
10 675528 2 FTG-STR THD ELBOW -8 ORFS TO -10 SAE
11 675466 1 HOSE HYD PUMP (45) TO P2 (STR)
12 675489 2 HOSE PROP PUMP A TO PROP MTR A
13 675469 1 HOSE PROP PUMP (STR) TO C8 (90)
14 3338093 1 GEAR PUMP-SW/6XV
15 675505 1 FTG-STR THD CONNECTR -16 ORFS TO -16 SAE
16 675460 1 HOSE RES (STR) TO HYD (45) PUMP
17 675490 1 HOSE PROP PUMP B TO PROP MTR B
18 661179 1 DIRECTIONAL ARM 6X, ASSEMBLY
19 675573 1 FITTING
20 675574 1 FTG-TEE SWIVEL 1/2 TUBE
21 675468 1 HOSE PROP PUMP B TO PROP MTR B
22 675470 1 HOSE PROP PUMP B TO PROP MTR B
24 3306819 1 FTG-TEE SWIVEL RUN #4 JIC ARMA
26 661080 1 HOSE PROP PUMP B TO PROP MTR B
28 3336696 1 O-RING SEAL, NITRILE 3.25 ID

PowerBoss®, Copyright 2014
Armadillo 6X and AM7D-III Gas, LP, Diesel PB#4100043 Rev. E 01/16
Page 70
PARTS BREAKDOWN
ENGINE KUBOTA D902 DIESEL & DF752 LP/GAS - AIR CLEANER & EXHAUST
FOR D902 DIESEL
ONLY

Armadillo 6X and AM7D-III Gas, LP, Diesel PB#4100043 Rev. E 01/16
PowerBoss®, Copyright 2014
Page 71
PARTS BREAKDOWN
ENGINE KUBOTA D902 DIESEL & DF752 LP/GAS - AIR CLEANER & EXHAUST
ITEM PART NO. QTY DESCRIPTION
13333737 1 AIR CLEANER ASSY (DIESEL KUBOTA D902 ONLY)
3331005 1 AIR CLEANER ASSY (LP/GAS KUBOTA DF752 ONLY)
23322572 1 ELEMENT PRIMARY (DIESEL KUBOTA D902 ONLY)
3330677 1 ELEMENT PRIMARY (LP/GAS KUBOTA DF752 ONLY)
3 3335864 1 INDICATOR-AIR CLEANER RESTRICT
4 3337798 1 AIR CLEANER BAND KUBOTA DF752-D902
5 3337799 1 AIR CLEANER MOUNT KUBOTA DF752-D902
63337806 1 HOSE-AIR (LP/GAS KUBOTA DF752 ONLY)
3337807 1 HOSE-AIR (DIESEL KUBOTA D902 ONLY)
7 3315317 1 PIPE-EXTENSION SW/62 GAS/DSL
8 3335866 1 MUFFLER KUBOTA DF752-D902
93337931 1 PIPE-EXHAUST 6X 902 (DSL)
3338243 1 WDT-EXHAUST PIPE - 6XV TIER III (LP/GAS)
11 3400070 3 NUT-HEX 5/16-18 ZP
12 3400102 3 WASHER-LOCK 5/16 SPLIT ZP
13 3400034 3 SCREW-HEX,5/16-18X1.25 ZP
14 3337801 1 BRACKET FUEL VAPORIZER (LP KUBOTA DF752 ONLY)
15 3335717 1VAPORIZER (LP KUBOTA DF752 ONLY)UEL VAPORIZER (LP/GAS
KUBOTA DF752 ONLY)
16
3337635 1 GASEKT-INTAKE MANIFOLD KUBOTA DF752 (PRIOR TO ENGINE
SN 2S7883)
3337637 1 GASEKT-INTAKE MANIFOLD KUBOTA DF752 (AFTER TO ENGINE
SN 2U0001)
17
3337636 1INTAKE MANIFOLD KUBOTA DF752 (PRIOR TO ENGINE SN
2S7883)
3337638 1 INTAKE MANIFOLD KUBOTA DF752 (AFTER TO ENGINE SN
2U0001)
18 3337639 1 GASEKT-INTAKE MANIFOLD KUBOTA D902
19 3337640 1 INTAKE MANIFOLD KUBOTA D902
20 3338715 1 CATALYTIC CONVERTER DF752 (NOT SHOWN)

PowerBoss®, Copyright 2014
Armadillo 6X and AM7D-III Gas, LP, Diesel PB#4100043 Rev. E 01/16
Page 72
PARTS BREAKDOWN
ENGINE KUBOTA D902 DIESEL & DF752 LP/GAS - ALTERNATOR, WATER PUMP, & FAN

Armadillo 6X and AM7D-III Gas, LP, Diesel PB#4100043 Rev. E 01/16
PowerBoss®, Copyright 2014
Page 73
PARTS BREAKDOWN
ENGINE KUBOTA D902 DIESEL & DF752 LP/GAS - ALTERNATOR, WATER PUMP, & FAN
ITEM PART NO. QTY DESCRIPTION
13337641 1 COVER-THERMOSTAT KUBOTA DF752
3337642 1 COVER-THERMOSTAT KUBOTA D902
23309244 1 THERMOSTAT-WATER (LP/GAS KUBOTA DF752 ONLY)
3335854 1 THERMOSTAT-KUBOTA (DIESEL KUBOTA D902 ONLY)
3 3333384 1 GASKET WATER FLANGE
43306601 1 GASKET-THERMOSTAT KBA GAS (LP/GAS KUBOTA DF752 ONLY)
3338994 1 GASKET THERMOSTAT (DIESEL KUBOTA D902 ONLY)
5 3301441 1 SENDER-TEMPERATURE A12,A15,& KUBOTA
63337643 1 WATER-FLANGE KUBOTA DF752 (INCLUDES ITEM 3)
3337644 1 WATER-FLANGE KUBOTA D902 (INCLUDES ITEM 3)
73337645 1 WATER PIPE RETURN KUBOTA DF752
3333408 1 PIPE WATER RETURN (DIESEL KUBOTA D902 ONLY)
83318755 1 KUBOTA ALTERNATOR 40 AMP (LP/GAS KUBOTA DF752 ONLY)
3335849 1 ALTERNATOR-KUBOTA (DIESEL KUBOTA D902 ONLY)
9 3337646 1 STAY-ALTERNATOR KUBOTA DF752-D902
10 3318745 1 KUBOTA-FAN COOLING (LP/GAS KUBOTA DF752 ONLY)
3337647 1 FAN-ENGINE (DIESEL KUBOTA D902 ONLY)
11 3335913 1 FAN-ALTERNATOR BELT KUBOTA
12 3337648 1 PULLEY FAN DRIVE KUBOTA DF752
3337649 1 PULLEY FAN DRIVE KUBOTA D902
13 3337650 1 PULLEY FAN KUBOTA DF752-D902
14 3330129 1 HOSE LWR WATER PMP (LP/GAS KUBOTA DF752 ONLY)
3337651 1 WATER HOSE KUBOTA D902
15 3337373 1 PUMP-WATER (LP/GAS KUBOTA DF752 ONLY)
3337652 1 WATER PUMP KUBOTA D902
16 3337653 1 PIPE-WATER KUBOTA DF752
3337654 1 PIPE-WATER KUBOTA D902
17 3337655 1 OIL PAN KUBOTA DF752
3337656 1 OIL PAN KUBOTA D902
18 3337657 1 GASKET KUBOTA DF752
3337658 1 GASKET KUBOTA D902
19 3303923 1 PLUG-OIL PAN KUBOTA DF752
3337702 1 PLUG-OIL PAN KUBOTA D902

PowerBoss®, Copyright 2014
Armadillo 6X and AM7D-III Gas, LP, Diesel PB#4100043 Rev. E 01/16
Page 74
PARTS BREAKDOWN
ENGINE KUBOTA D902 DIESEL & DF752 LP/GAS - STARTER, & EXHAUST MANIFOLD
KUBOTA D902 ONLY

Armadillo 6X and AM7D-III Gas, LP, Diesel PB#4100043 Rev. E 01/16
PowerBoss®, Copyright 2014
Page 75
PARTS BREAKDOWN
ENGINE KUBOTA D902 DIESEL & DF752 LP/GAS - STARTER, & EXHAUST MANIFOLD
ITEM PART NO. QTY DESCRIPTION
1 3337802 1 COVER KUBOTA DF752
2 3337703 1 SUPPORT-COVER KUBOTA DF752 ONLY
33337704 1 PLATE REAR END KUBOTA DF752
3337705 1 PLATE REAR END KUBOTA D902
43337706 1 FLYWHEEL KUBOTA DF752
3337707 1 FLYWHEEL KUBOTA D902
5 3337803 1 BELL HOUSING KUBOTA DF752-D902
63306594 1 STARTER-KUBOTA GAS (LP/GAS KUBOTA DF752 ONLY)
3335850 1 STARTER-KUBOTA 902 (DIESEL KUBOTA D902 ONLY)
73333393 1 GASKET (LP/GAS KUBOTA DF752 ONLY)
3337708 1 GASKET-EXHAUST MANIFOLD KUBOTA D902
8 3338670 1 MANIFOLD-EXHAUST KUBOTA DF752
9 3300387 1 SENDER-OIL PRESSURE
10 3301720 1 FTG-90 ELL 1/8 FPT
11 3305640 1 FTG-NIPPLE 1/8BPT-1/8NPT BRASS
12 3333388 1 CARTRIDGE OIL FILTER
13 3333401 1 GASKET HEAD COVER KUBOTA DF752
14 3337710 1 O-RING KUBOTA DF752-D902
15 3337711 1 PLUG-OIL HEAD COVER KUBOTA DF752-D902
16 3331829 3 NUT, CAP KUBOTA DF752
17 3331828 3 GASKET KUBOTA DF752
18 3337712 1 TUBE-BREATHER KUBOTA DF752
19 3337713 1 GASKET-HEAD COVER KUBOTA D902
20 3334288 1 BREATHER-VALVE KUBOTA D902
21 3334287 1 COVER-BREATHER KUBOTA D902
22 3337714 1 TUBE BREATHER KUBOTA D902
23 3332829 1 KUBOTA 902 PUMP COUPLING

PowerBoss®, Copyright 2014
Armadillo 6X and AM7D-III Gas, LP, Diesel PB#4100043 Rev. E 01/16
Page 76
PARTS BREAKDOWN
ENGINE KUBOTA D902 DIESEL & DF752 LP/GAS - BLOCK AND FREEZE PLUGS

Armadillo 6X and AM7D-III Gas, LP, Diesel PB#4100043 Rev. E 01/16
PowerBoss®, Copyright 2014
Page 77
PARTS BREAKDOWN
ENGINE KUBOTA D902 DIESEL & DF752 LP/GAS - BLOCK AND FREEZE PLUGS
ITEM PART NO. QTY DESCRIPTION
1 3337715 2 CAP SEALING KUBOTA DF752
3337716 2 CAP SEALING KUBOTA D902
2 3337717 1 CAP SEALING KUBOTA D902 ONLY
3 3310007 2 PLUG-FREEZE KUBOTA DF752-D902
4 3337718 1 CAP SEALING KUBOTA DF752-D902
5 3337719 3 CAP SEALING KUBOTA DF752-D902
6 3337720 2 CAP SEALING KUBOTA DF752-D902
7 3337721 1 ASSY-COCK DRAIN KUBOTA DF752-D902

PowerBoss®, Copyright 2014
Armadillo 6X and AM7D-III Gas, LP, Diesel PB#4100043 Rev. E 01/16
Page 78
PARTS BREAKDOWN
ENGINE KUBOTA D902 DIESEL & DF752 LP/GAS - CYLINDER HEAD AND VALVES

Armadillo 6X and AM7D-III Gas, LP, Diesel PB#4100043 Rev. E 01/16
PowerBoss®, Copyright 2014
Page 79
PARTS BREAKDOWN
ENGINE KUBOTA D902 DIESEL & DF752 LP/GAS - CYLINDER HEAD AND VALVES
ITEM PART NO. QTY DESCRIPTION
1 3337722 14 BOLT CYCLINDER HEAD KUBOTA DF752-D902
2 3333382 3 GUIDE INLET VALVE KUBOTA DF752-D902
3 3333383 3 GUIDE EXHAUST VALVE KUBOTA DF752-D902
4 3337723 2 CAP SEALING KUBOTA DF752-D902
5 3337724 1 CAP SEALING KUBOTA DF752-D902
63334669 1 GASKET CYLINDER HEAD KUBOTA DF752
3337725 1 GASKET CYLINDER HEAD KUBOTA D902
73337726 3 VALVE-EXHAUST KUBOTA DF752
3337727 3 VALVE-EXHAUST KUBOTA D902
83337728 3 VALVE-INLET KUBOTA DF752
3337729 3 VALVE-INLET KUBOTA D902
9 3333845 6 SEAL-VALVE STEM KUBOTA DF752-D902
10 3337730 6 SPRING VALVE KUBOTA DF752-D902
11 3337731 6 RETAINER SPRING KUBOTA DF752-D902
12 3337732 6 COLLET,VALVE SPRING KUBOTA DF752-D902
13 3337733 6 CAP,VALVE KUBOTA DF752-D902

PowerBoss®, Copyright 2014
Armadillo 6X and AM7D-III Gas, LP, Diesel PB#4100043 Rev. E 01/16
Page 80
PARTS BREAKDOWN
ENGINE KUBOTA D902 DIESEL & DF752 LP/GAS - MAIN BEARING CASE
KUBOTA D902 ONLY
KUBOTA DF752 ONLY

Armadillo 6X and AM7D-III Gas, LP, Diesel PB#4100043 Rev. E 01/16
PowerBoss®, Copyright 2014
Page 81
PARTS BREAKDOWN
ENGINE KUBOTA D902 DIESEL & DF752 LP/GAS - MAIN BEARING CASE
ITEM PART NO. QTY DESCRIPTION
1 3337734 1 SEAL,OIL KUBOTA D902
2 3337735 3 BOLT,BEARING CASE KUBOTA D902
3 3337736 2 BOLT,BEARING CASE KUBOTA D902
4 3337737 1 ASSY BRG.CASE MAIN KUBOTA D902
5 3337738 1 ASSY BRG.CASE,MAIN KUBOTA D902
6 3337739 1 ASSY BRG.CASE,MAIN KUBOTA D902
7 3337740 1 SEAL,OIL KUBOTA DF752
8 3337741 3 BOLT,BEARING CASE KUBOTA DF752
9 3337742 1 ASSY BRG.CASE MAIN KUBOTA DF752
10 3316538 1 ASSY-CASE MAIN BEARING KUBOTA DF752
11 3316536 1 ASSY-CASE MAIN BEARING KUBOTA DF752

PowerBoss®, Copyright 2014
Armadillo 6X and AM7D-III Gas, LP, Diesel PB#4100043 Rev. E 01/16
Page 82
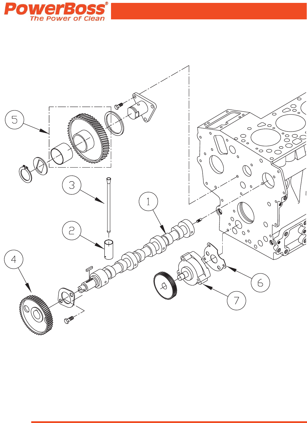
PARTS BREAKDOWN
ENGINE KUBOTA D902 DIESEL & DF752 LP/GAS - CAMSHAFT, IDLE & OIL PUMP

Armadillo 6X and AM7D-III Gas, LP, Diesel PB#4100043 Rev. E 01/16
PowerBoss®, Copyright 2014
Page 83
PARTS BREAKDOWN
ENGINE KUBOTA D902 DIESEL & DF752 LP/GAS - CAMSHAFT, IDLE & OIL PUMP
ITEM PART NO. QTY DESCRIPTION
13337745 1 ASSY CAMSHAFT KUBOTA DF752
3337746 1 ASSY CAMSHAFT KUBOTA D902
2 3337747 3 TAPPET KUBOTA DF752-D902
3 3337748 3 PUSH ROD KUBOTA DF752-D902
4 3337749 1 GEAR,CAM KUBOTA DF752-D902
5 3337750 1 GEAR,IDLE KUBOTA DF752-D902
6 3333405 1 GASKET OIL PUMP KUBOTA DF752-D902
7 3337751 1 ASSY PUMP OIL KUBOTA DF752-D902

PowerBoss®, Copyright 2014
Armadillo 6X and AM7D-III Gas, LP, Diesel PB#4100043 Rev. E 01/16
Page 84
PARTS BREAKDOWN
ENGINE KUBOTA D902 DIESEL & DF752 LP/GAS - PISTON AND CRANKSHAFT

Armadillo 6X and AM7D-III Gas, LP, Diesel PB#4100043 Rev. E 01/16
PowerBoss®, Copyright 2014
Page 85
PARTS BREAKDOWN
ENGINE KUBOTA D902 DIESEL & DF752 LP/GAS - PISTON AND CRANKSHAFT
ITEM PART NO. QTY DESCRIPTION
1
3337752 3 ASSY PISTON RING KUBOTA DF752 STD
3337753 3 ASSY PISTON RING KUBOTA DF752 +0.5MM
3337754 3 ASSY PISTON RING KUBOTA D902 STD
3337755 3 ASSY PISTON RING KUBOTA D902 +0.25MM
2
3337756 3 PISTON KUBOTA DF752 STD
3337757 3 PISTON KUBOTA DF752 +0.5MM
3337758 3 PISTON KUBOTA D902 STD
3337759 3 PISTON KUBOTA D902 +0.25MM
3 3337760 3 ASSY ROD CONNECTING KUBOTA DF752-D902
43337761 1 CRANKSHAFT KUBOTA DF752
3337762 1 CRANKSHAFT KUBOTA D902
5
3337763 1 METAL CRANKSHAFT KUBOTA DF752 STD
3337764 1 METAL CRANKSHAFT KUBOTA DF752 -0.2MM
3337765 1 METAL CRANKSHAFT KUBOTA DF752 -0.4MM
3337766 1 METAL CRANKSHAFT KUBOTA D902 STD
3337767 1 METAL CRANKSHAFT KUBOTA D902 -0.2MM
3337768 1 METAL CRANKSHAFT KUBOTA D902 -0.4MM
6
3337769 2 METAL CRANKSHAFT KUBOTA DF752 STD
3337770 2 METAL CRANKSHAFT KUBOTA DF752 -0.2MM
3337771 2 METAL CRANKSHAFT KUBOTA DF752 -0.4MM
3337772 2 METAL CRANKSHAFT KUBOTA D902 STD
3337773 2 METAL CRANKSHAFT KUBOTA D902 -0.2MM
3337774 2 METAL CRANKSHAFT KUBOTA D902 -0.4MM
7
3337775 1 METAL CRANKSHAFT KUBOTA DF752 STD
3337776 1 METAL CRANKSHAFT KUBOTA DF752 -0.2MM
3337777 1 METAL CRANKSHAFT KUBOTA DF752 -0.4MM
3337778 1 METAL CRANKSHAFT KUBOTA D902 STD
3337779 1 METAL CRANKSHAFT KUBOTA D902 -0.2MM
3337780 1 METAL CRANKSHAFT KUBOTA D902 -0.4MM

PowerBoss®, Copyright 2014
Armadillo 6X and AM7D-III Gas, LP, Diesel PB#4100043 Rev. E 01/16
Page 86
PARTS BREAKDOWN
ENGINE KUBOTA DF752 LP/GAS - DISTRIBUTOR AND SPARK PLUG

Armadillo 6X and AM7D-III Gas, LP, Diesel PB#4100043 Rev. E 01/16
PowerBoss®, Copyright 2014
Page 87
PARTS BREAKDOWN
ENGINE KUBOTA DF752 LP/GAS - DISTRIBUTOR AND SPARK PLUG
ITEM PART NO. QTY DESCRIPTION
1 3337781 3 CAP SPARK PLUG KUBOTA DF752
2 3306610 3 PLUG-SPARK KUBOTA DF752
3 3335954 1 WIRE-SPARK PLUG DF752 KUBOTA
4 3335955 1 WIRE-SPARK PLUG DF752 KUBOTA
5 3335956 1 WIRE-SPARK PLUG DF752 KUBOTA
6 3318742 1 KUBOTA-COIL WIRE DF752
7 3318746 1 COIL IGNITION KUBOTA DF752
8 3334908 1 DISTRIBUTOR KUBOTA DF752

PowerBoss®, Copyright 2014
Armadillo 6X and AM7D-III Gas, LP, Diesel PB#4100043 Rev. E 01/16
Page 88
PARTS BREAKDOWN
ENGINE KUBOTA DF752 LP/GAS - CARBURETOR AND GOVERNOR

Armadillo 6X and AM7D-III Gas, LP, Diesel PB#4100043 Rev. E 01/16
PowerBoss®, Copyright 2014
Page 89
PARTS BREAKDOWN
ENGINE KUBOTA DF752 LP/GAS - CARBURETOR AND GOVERNOR
ITEM PART NO. QTY DESCRIPTION
1 3336725 1 SPRING KUBOTA DF752
2 3337782 1 GASKET GOVERNOR KUBOTA DF752
3 3337783 1 SPRING GOVERNOR LEVER KUBOTA DF752
4 3337784 1 GASKET CONTROL PLALE KUBOTA DF753
5 3330693 1 GASKET FUEL PUMP KUBOTA DF752
6 3337785 1 SPRING SPEED CONTL KUBOTA DF752
7 3336727 1 ASSY - SPRING KUBOTA DF752
8 3332774 1 CARBUERATOR KUBOTA DF752
9 3337786 1 GASKET, AIR CLEANER KUBOTA DF752
10 3306632 1 GASKET-CARBURETOR KUBOTA DF752

PowerBoss®, Copyright 2014
Armadillo 6X and AM7D-III Gas, LP, Diesel PB#4100043 Rev. E 01/16
Page 90
PARTS BREAKDOWN
ENGINE KUBOTA D902 LP/GAS - FUEL SYSTEM

Armadillo 6X and AM7D-III Gas, LP, Diesel PB#4100043 Rev. E 01/16
PowerBoss®, Copyright 2014
Page 91
PARTS BREAKDOWN
ENGINE KUBOTA D902 LP/GAS - FUEL SYSTEM
ITEM PART NO. QTY DESCRIPTION
1 3335860 1 STOP-SOLENOID KUBOTA D902
2 3337787 1 SPRING RETURN SPEED CONTROL KUBOTA D902
3 3337788 1 PLATE SPEED CONTROL KUBOTA D902
4 3337789 1 FUEL PIPE KUBOTA D902
5 3337790 1 FUEL PUMP KUBOTA D902
* 3330693 1 GASKET -FUEL PUMP KUBOTA D902
6 3337804 1 MOUNTING BRACKET KUBOTA D902 (EPS2250)
7 3335303 1 SOLENOID-THROTTLE SOLENOID KIT
8 3337791 1 FUEL TUBE KUBOTA D902
9 3337792 1 FUEL TUBE KUBOTA D902
10 3337793 1 FUEL TUBE KUBOTA D902
11 3335855 3 INJECTOR-KUBOTA 902
12 3337794 1 CORD,GLOW PLUG KUBOTA D902
13 3329846 3 PLUG, GLOW KUBOTA D902
14 3337795 1 PIPE,INJECTION KUBOTA D902
15 3337796 1 PIPE,INJECTION KUBOTA D902
16 3337797 1 PIPE,INJECTION KUBOTA D902
17 3337934 1 ASSY-FILTER/SHUT-OFF D902 (6X)
18 3337946 1 FILTER-D902 FUEL
* 3330885 1 RELAY-GLOWPLUG KUBOTA D902 (NOT SHOWN)

PowerBoss®, Copyright 2014
Armadillo 6X and AM7D-III Gas, LP, Diesel PB#4100043 Rev. E 01/16
Page 92
PARTS BREAKDOWN
ENGINE WG750 GAS - MOUNTINGS

Armadillo 6X and AM7D-III Gas, LP, Diesel PB#4100043 Rev. E 01/16
PowerBoss®, Copyright 2014
Page 93
PARTS BREAKDOWN
ENGINE WG750 GAS - MOUNTINGS
ITEM PART NO. QTY DESCRIPTION
1 3338124 1 WELD—ENG MOUNT REAR WG750
2 3338122 1 MOUNT—ENGINE RH WG750 KBA
3 3338121 1 MOUNT—ENGINE LH WG750 KBA
4 3400030 4 SCR—HEX,3/8-16X1.00 ZP
5 3400101 4 WASHER—LOCK 3/8 SPLIT ZP
6 620082 4 SCR-HH M10-1.25 X 25 ZP CLASS 8.8
7 3401458 4 WASHER-LOCK 10MM SPLIT ZP
8 3400020 4 SCR-HH 1/2-13 X 2.00 ZP GR 5
9 3400087 8 WASHER-FLAT 3/8 ZP
11 3400101 4 WASHER-LOCK 3/8 SPLIT ZP
12 3400091 4 WASHER-FENDER 1/2 X 2.00 ZP

PowerBoss®, Copyright 2014
Armadillo 6X and AM7D-III Gas, LP, Diesel PB#4100043 Rev. E 01/16
Page 94
PARTS BREAKDOWN
ENGINE WG750 GAS - RADIATOR AND EXHAUST SYSTEM

Armadillo 6X and AM7D-III Gas, LP, Diesel PB#4100043 Rev. E 01/16
PowerBoss®, Copyright 2014
Page 95
PARTS BREAKDOWN
ENGINE WG750 GAS - RADIATOR AND EXHAUST SYSTEM
ITEM PART NO. QTY DESCRIPTION
1 3338582 1 ASSY- 752 EXHAUST
2 3310021 1 GASKET—EXH SW71 KBA GAS (SP)
3 3312281 2 EXHAUST—WRAP MANIFOLD TUBE
4 3302193 4 CLAMP—HOSE 1.25 NOM
5 3301640 1 CLAMP—EXHAUST 1 3/4
6 3400339 4 SCREW-HEX,3/8-16X2.25 SS
7 3400070 7 NUT—HEX 5/16-18 ZP
8 3400101 8 WASHER—LOCK 3/8 SPLIT ZP
9 3400035 4 SCR—HEX,5/16-18X1.00 ZP
10 3400278 5 WASHER-FENDER 3/8 ZP
14 PBK15371-12370 1 GASKET—MUFFLER
16 3316505 1 MUFFLER—KBA WG750 (SP)
17 3315317 1 PIPE—EXTENSION SW/62 GAS/DSL
18 3316508 1 CLAMP—MUFLR/TAILPIPE KBA 62-SP
19 3318406 1 BRKT—EXHAUST MOUNT SW/72
22 3338023 1 PIPE EXH MANIF TO MUFFLER (USE #3338582)

PowerBoss®, Copyright 2014
Armadillo 6X and AM7D-III Gas, LP, Diesel PB#4100043 Rev. E 01/16
Page 96
PARTS BREAKDOWN
ENGINE WG750 GAS - COMPONENTS

Armadillo 6X and AM7D-III Gas, LP, Diesel PB#4100043 Rev. E 01/16
PowerBoss®, Copyright 2014
Page 97
PARTS BREAKDOWN
ENGINE WG750 GAS - COMPONENTS
ITEM PART NO. QTY DESCRIPTION
1 3338097 1 POWERTRAIN—KUBOTA GAS
2 3300543 4 SPRING—RETURN
3 3400081 2 NUT—HEX 1/4-20 ES ZP
4 3400089 4 WASHER—FLAT 1/4 STANDARD ZP
5 3303918 2 SPACER—FWD / REV BRKT PLTD
6 3400149 2 SCR—HEX 1/4-20 X 1.50 ZP
7 3400069 2 NUT—HEX 5/16-24 ZP
8 3400228 2 SCR—HEX 5/16-24 X 1.5 ZP FULL TH
9 3316296 1 BELT-FAN 750 KBA GAS ENG (SP)
10 3338015 1 PLATE—DIR CONTROL ADJ
11 3400102 2 WASHER—LOCK 5/16 SPLIT ZP
12 3400036 2 SCR—HEX 5/15-18 X 0.75 ZP
13 3400088 1 WASHER—FLAT 5/16 STANDARD ZP
14 3400173 1 SCR—HEX 1/4-20 X 1.75 ZP
15 3400027 1 SCR—HEX 3/8-16 X 1.75 ZP
16 3301544 1 WELD—DISC FWD/REV PLTD
17 3301507 1 COUPLING—DIR CONTROL
18 3338014 1 PLATE—DIRECTIONAL CONTROL
19 3338093 1 GEAR PUMP—SW/6XV
20 3303711 1 O-RING STATIC SEAL 3.239 ID
21 3302193 1 CLAMP—HOSE 1.25 NOM
22 3338090 1 PUMP—MAIN HYD DRIVE SW6XV
23 3313077 1 CABLE—CHOKE SW/62 GAS
24 3331363 1 WG750 LOWER RAD HOSE GRIFFIN
25 3300387 1 SENDER—OIL PRESSURE
26 3305640 1 FTG—NIPPLE 1/8 RPT-1/8 NPT BRASS
27 3301720 1 FTG—90 EL 1/8 FPT
28 3318746 1 COIL IGNITION
29 3318742 1 COIL WIRE
30 3330186 1 WG750—SOLENOID THROTTLE LP4/98
31 3322163 1 FAN BLADE—D722/D750
32 3318754 1 CARBURETOR
33 3318749 1 WIRE #1 SPARK PLUG
34 3318750 1 WIRE # 2 SPARK PLUG
35 3318751 1 WIRE #3 SPARK PLUG

PowerBoss®, Copyright 2014
Armadillo 6X and AM7D-III Gas, LP, Diesel PB#4100043 Rev. E 01/16
Page 98
PARTS BREAKDOWN
ENGINE WG750 GAS - COMPONENTS (CONTINUED)

Armadillo 6X and AM7D-III Gas, LP, Diesel PB#4100043 Rev. E 01/16
PowerBoss®, Copyright 2014
Page 99
PARTS BREAKDOWN
ENGINE WG750 GAS - COMPONENTS
ITEM PART NO. QTY DESCRIPTION
36 3318755 1 WG750—KUBOTA ALTERNATOR
37 3301441 1 SENDER—TEMP
38 3331364 1 HOSE—90 DEG AIR INTAKE
39 3044112 1 CLAMP—HOSE 2.50 MAX WORM
40 3331362 1 WG750 UPPER RAD HOSE GRIFFIN
41 3331005 1 WG750—AIR CLNR ASSY
42 3330677 1 WG750—ELEMENT (NEW) PRIMARY
43 3303991 1 INDICATOR—AIR CLEANER KIT
44 3331360 1 BAND-AIR CLEANER MNT SMALL
45 3331367 1 VALVE TOW OPTION
46 3400036 2 SCR—HEX,5/16-18X0.75 ZP
47 3400102 2 WASHER—LOCK 5/16 SPLIT ZP
48 3400070 2 NUT—HEX 5/16-18 ZP
49 3331365 1 BRKT AIR CLEANER MOUNT
50 3330678 1 WG750—ELEMENT (NEW) SAFETY
51 3300339 4 SLEEVE-SQ & FWD/REV

PowerBoss®, Copyright 2014
Armadillo 6X and AM7D-III Gas, LP, Diesel PB#4100043 Rev. E 01/16
Page 100
PARTS BREAKDOWN
DECAL LAYOUT

Armadillo 6X and AM7D-III Gas, LP, Diesel PB#4100043 Rev. E 01/16
PowerBoss®, Copyright 2014
Page 101
PARTS BREAKDOWN
DECAL LAYOUT
ITEM PART NO. QTY DESCRIPTION
1 3343876 2 DECAL-ARMADILLO 6X (ARMADILLO 6X ONLY)
2 3334827 1 DECAL-MADE IN USA, 1.75 DIA (ARMADILLO 6X ONLY)
3 3301854 1 DECAL-CAUTION, 5X4.50"
4 3301732 1 DECAL—WARNING HOPPER ARMS
5 3334900 1 DECAL-LARGE MACHINE POWERBOSS
6 3334901 1 DECAL-MEDIUM MACHINE POWERBOSS
7 3307599 1 DECAL-IGNITION SW/A
8 3333298 1 DECAL-SAFETY ARM
9 715424 2 DECAL - AM7D-III (AM7D-III ONLY)
* 3301733 2 DECAL-WARNING FAN (RAD SHROUD) (NOT SHOWN)
* 3301729 1 DECAL-WARNING FAN INLET (IMP) (NOT SHOWN)

PowerBoss®, Copyright 2014
Armadillo 6X and AM7D-III Gas, LP, Diesel PB#4100043 Rev. E 01/16
Page 102
PARTS BREAKDOWN
BROOM PARTS BREAKDOWN
MAIN AND SIDE BROOMS
1RWH6LGHEURRPVDOVRFDOOHGFXUEEURRPV

Armadillo 6X and AM7D-III Gas, LP, Diesel PB#4100043 Rev. E 01/16
PowerBoss®, Copyright 2014
Page 103
PARTS BREAKDOWN
MAIN AND SIDE BROOMS
ITEM PART NO. QTY DESCRIPTION
1
3300302 1 36" (91 CM) PROEX & WIRE ( STANDARD )
3300304 1 36" (91 CM) HIGH DENSITY NYLON, BLACK
3300314 1 36" (91 CM) NYLON
3300316 1 36" (91 CM) PATROL (HERRINGBONE)
3300320 1 36" (91 CM) HIGH DENSITY NATURAL FIBER & WIRE
3315384 1 36" (91 CM) STIFF NYLON
3300324 1 36" (91 CM) MIXED WIRE & NATURAL FIBER
3300326 1 36" (91 CM) CRINKLE WIRE
3333484 1 36" (91 CM) TRIPLE ROW POLY
3300310 1 36" (91 CM) NYLON (STANDARD FOR AM7D-III)
23300306 1 24" (61 CM) SIDE BROOM - POLY (BLACK) ( STANDARD )
3300308 1 24" (61 CM) SIDE BROOM - NYLON (WHITE) (OPTIONAL)
Main Broom User’s Guide
Proex & Wire - Slightly encrusted soilage & dusty conditions. High heat.
High Density Nylon - Highly effective for small particle soilage. Severe dust environments.
Nylon - General purpose broom with long life bristles.
Natural Fiber & Wire - Good all around broom. Good for high heat applications.
Poly Proex - All purpose broom that stands up well on rough surfaces.
Crinkle Wire - Stiff bristles for compacted grime, oil, grease or mud. Fair to good broom life.
Side Broom User’s Guide
Poly - Stiff bristles for aggressive sweeping of mainly heavy litter. Not suited for high heat.
Nylon - Provides longest life. Recommended for tough sweeping jobs.

PowerBoss®, Copyright 2014
Armadillo 6X and AM7D-III Gas, LP, Diesel PB#4100043 Rev. E 01/16
Page 104
PARTS BREAKDOWN
OPTIONS
OPTIONAL LEFT SIDE BROOM ASSEMBLY
REFER TO OPTIONAL
LEFT SIDE BROOM

Armadillo 6X and AM7D-III Gas, LP, Diesel PB#4100043 Rev. E 01/16
PowerBoss®, Copyright 2014
Page 105
PARTS BREAKDOWN
OPTIONAL LEFT SIDE BROOM ASSEMBLY
ITEM PART NO. QTY DESCRIPTION
1 3321254 1 ASSY-CURB BRM L/H SW62
2 3400029 4 SCREW-HEX,3/8-16X1.25 ZP
3 3400064 1 NUT-HEX 1/2-20 ZP
4 3400404 1 SCREW-SET,1/2-20X3.00 ZP
5 3313202 1 MOUNT-CURB BROOM L/H
6 3400317 1 NUT-HEX JAM 1/2-13 ES ZP
7 3400079 4 NUT-HEX 3/8-16 ES ZP
8 3400051 1 SCREW-HSS 5/16 DIA X .50 ZP
9 3300368 1 PULLEY-PLASTIC 2" DIA W/0.25"
10 3400185 1 PIN-CLEVIS 5/16 X 1-1/4 ZP
11 3318887 2 PIN-CLEVIS 1/4 X 1-1/8
12 3318884 2 ADAPTER-CURB BRM ACTUATOR
14 3401577 1 SCREW-TRUSS 3/8-16 X 2 PH DRV SS
15 3400742 2 RUE RING-1/4 HEAVY Z
16 3318886-1 1 ACTUATOR-CURB BRM 12V 4"STROKE
17 3400125 1 PIN-COTTER 3/8 RUE-RING
20 3400018 1 SCREW-HEX,1/2-13X4.00 ZP
22 3332745 1 HOSE 1/2AR45.O ST#8 ST#8
23 3300646 1 HOSE-1/2 AR 49.50 ST#8 ST#8
24 3400836 1 FITTING-8HTX-S

PowerBoss®, Copyright 2014
Armadillo 6X and AM7D-III Gas, LP, Diesel PB#4100043 Rev. E 01/16
Page 106
PARTS BREAKDOWN
OPTIONAL LEFT SIDE BROOM

Armadillo 6X and AM7D-III Gas, LP, Diesel PB#4100043 Rev. E 01/16
PowerBoss®, Copyright 2014
Page 107
PARTS BREAKDOWN
OPTIONAL LEFT SIDE BROOM
ITEM PART NO. QTY DESCRIPTION
1 3300306 1 SIDE BROOM-24"
2 3300526 3 BUMPER - 1/4 ID X 1/8 THK
3 3301262 1 PLT-GIMBLE SCRUB BRUSH PNTD
4 3339696 1 BAR - CURB BROOM RETAINER LH
5 3313212 1 SW-62 GAS/DSL PNTD. ASSY-GIMB
6 3316897 1 MOTOR-HYD CURB BROOM
7 3318885 1 CABLE-CURB BRM LIFT 62/72
8 3321242 1 ARM ASSY LH SW/62
9 3321243 1 MNT-CURB BROOM MTR SW/62
10 3400030 7 SCREW-HHM 3/8-16 X 1.0 LG ZP
11 3400042 2 SCR-HEX 1/4-20X.75 ZP
12 3400049 1 SCR=SOC 1/4-20 X .75 ZP
13 3400069 1 NUT-HEX 5/16-24 ZP
14 3400079 3 NUT-HEX 3/8-16 ES ZP
15 3400081 2 NUT-HEX 1/4-20 ES ZP
16 3400101 4 WASHER-LOCK 3/8 SPLIT ZP
17 3400151 2 FTG-7/8-14 STOR TO 3/4-16 JIC
18 3400178 2 BEARING-THRUST .531 ID X 1.00
19 3400233 1 WASHER 5/16 ID 1.0 OD X .065
20 3400278 2 WASHER-FENDER 3/8 ZP
21 3400383 1 WASHER CONICAL SPRING 1/4
22 3400420 1 NUT-HEX 5/16-24 ES

PowerBoss®, Copyright 2014
Armadillo 6X and AM7D-III Gas, LP, Diesel PB#4100043 Rev. E 01/16
Page 108
ELECTRICAL SCHEMATIC
ELECTRONIC SCHEMATIC 3338222 (REV. A)

Armadillo 6X and AM7D-III Gas, LP, Diesel PB#4100043 Rev. E 01/16
PowerBoss®, Copyright 2014
Page 109
HYDRAULIC SCHEMATIC
HYDRAULIC SCHEMATIC 3338146 (REV. E)

PowerBoss®, Copyright 2014
Armadillo 6X and AM7D-III Gas, LP, Diesel PB#4100043 Rev. E 01/16
Page 110
WARRANTY
WARRANTY
Revision J
Effective January 2014
PowerBoss Made Simple Industrial Limited Warranty
Minuteman International owner of PowerBoss warrants to the original purchaser/user that the product is free from defects in workmanship and materials
under normal use. PowerBoss will, at its option, repair or replace without charge, parts that fail under normal use and service when operated and
maintained in accordance with the applicable operation and instruction manuals. All warranty claims must be submitted through and approved by factory
authorized repair stations.
This warranty does not apply to normal wear, or to items whose life is dependent on their use and care. Parts not manufactured by PowerBoss are covered by and
subject to the warranties and/or guarantees of their manufacturers. Please contact Minuteman International for procedures in warranty claims against these
manufacturers.
Special warning to purchaser -- Use of replacement parts not manufactured by PowerBoss or its designated licensees, will void all warranties
expressed or implied. A potential health hazard exits without original equipment replacement.
All warranted items become the sole property of Minuteman International or PowerBoss or its original manufacturer, whichever the case may be.
PowerBoss disclaims any implied warranty, including the warranty of merchantability and the warranty of fitness for a particular purpose. PowerBoss
assumes no responsibility for any special, incidental or consequential damages.
This limited warranty is applicable only in the U.S.A. and Canada, and is extended only to the original user/purchaser of this product. Customers outside
the U.S.A. and Canada should contact their local distributor for export warranty policies. PowerBoss is not responsible for costs or repairs performed by
persons other than those specifically authorized by PowerBoss. This warranty does not apply to damage from transportation, alterations by unauthorized
persons, misuse or abuse of the equipment, use of non-compatible chemicals, or damage to property, or loss of income due to malfunctions of the
product. If a difficulty develops with this machine, you should contact the dealer from whom it was purchased.
This warranty gives you specific legal rights, and you may have other rights, which vary from state to state. Some states do not allow the exclusion or
limitation of special, incidental or consequential damages, or limitations on how long an implied warranty lasts, so the above exclusions and limitations
may not apply to you.
Travel * Labor Parts Engine Extended Warranty Costs
Walk Behind ****
Battery Sweepers 90 Days 12 months 12 months N/A N/A -
IC Sweepers 90 Days 12 months 12 months Through Eng. Mfg. N/A -
Battery Scrubbers 90 Days 24 months 36 months N/A N/A -
Riders
Battery Scrubbers 90 Days 24 months 36 months or 2000 hr. N/A 36 months parts + 24 labor (or 3000 Hours) 5%
IC Sweeper/Scrubbers
82 & 90 90 Days 6 months 24 months or 2000 hr. 24 months or 3000 hrs**
36 months parts + 24 months labor (or 3000 Hours) +
180 days travel 5%
I.C. Sweepers 9X, 10X 90 days 6 months 48 months or 3000 hrs. 60 months or 3000 hrs**
48 months parts + 24 months labor (or 3000 Hours) +
180 days travel 5%
NAUTILUS Scrubber 180 Days 24 months 36 months or 2000 hr. 36 months or 2000 hrs**
48 months parts + 24 months labor (or 3000 Hours) +
180 days travel 3%
All Rider, I.C. Bumper to Bumper
(excludingAPEXseries)
5000 hr max. 48 months parts, 48 months labor, 180
days travel
Exceptions
Apex Series Sweeper 90 Days 12 months 12 months or 1000 hr. 12 months or 1000 hrs** 24 months parts + 24 months labor (or 2000 Hours)5%
6X Sweeper 90 Days 6 months 24 months or 2000 hr. 24 months or 2000 hours**
36 months parts + 24 months labor (or 3000 Hours) +
180 day travel 5%
8%
TankBladdersȀ
Batteries
PolyethyleneplastictanksȀ
Chargers
ͲǦ͵ǡͶǦͳʹ
Ǧ
AftermarketReplacementparts
*TwoǦHourCapPerServiceCall
**ThroughEngineManufacturer.SeeSection3ofWarrantyManualforEngineWarrantyExceptions
***BasedUponDealer’sCertificationStatus:
ExtendedWarrantyMUSTBeSignedUpWithin30DaysofDeliverytoEndUser
(DealerHas1YearFromReceivingMachineToSignUpForExtendedWarranty)
***Allabovelaborandtravelreimbursedat65%or75%ofthepublishedshoprate.

Armadillo 6X and AM7D-III Gas, LP, Diesel PB#4100043 Rev. E 01/16
PowerBoss®, Copyright 2014
Page 111
NOTES
NOTES

“The Power of Clean”
PowerBoss®, Minuteman International, Inc. 14N845 U.S. Route 20 Pingree Grove Illinois 60140
Phone: 800-323-9420 www.PowerBoss.com email: tech@powerboss.com
A Member of the Hako Group
PowerBoss® Is a Full Line Manufacturer of Sweepers and Scrubbers,
for Industrial Facilities.
PowerBoss®, Copyright 2014
Armadillo 6X and AM7D-III Gas, LP, Diesel PB#4100043 Rev. E 01/16