988720PB PHX20 Parts Catalog Rev E Powerboss Phoenix 20 Walk Behind Disk Floor Scrubber Manual
2017-01-17
: Sweepscrub Powerboss-Phoenix-20-Walk-Behind-Disk-Floor-Scrubber-Parts-Manual powerboss-phoenix-20-walk-behind-disk-floor-scrubber-parts-manual 2048 file product_file
Open the PDF directly: View PDF
.
Page Count: 42

PowerBoss, Inc.
A Member of The Hako Group
PHOENIX 20
FLOOR SCRUBBER BRUSH DRIVE

• Stop on level surface.
• Disconnect the power to the machine by pulling the red Battery Connector located under the recovery tank near the batteries.
• Avoid moving parts. Do not wear loose jackets, shirts, or sleeves when working on machine.
• Avoid contact with battery acid. Battery acid can cause burns. When working on or around batteries, wear protective clothing and
safety glasses. Remove metal jewelry. Do not lay tools or metal objects on top of batteries.
• Do not clean machine with a pressure washer.
• Authorized personnel must perform repairs and maintenance. Use PowerBoss supplied replacement parts.
For Safety When Servicing or Maintaining Machine
Parts Manual - Phoenix - 20 Floor Scrubber - Brush Drive
Model Phoenix 20 Floor Scrubber Brush Drive
Model No. PHX20BD / PHX20BDQP / PHX20BDQPG
32 amps
105Ah @20 hr
95Ah @20 hr
69 dBA
20 in (51 cm)
34 in (86 cm)
15,000 ft2 /hr ( 1,394 m2)
1.7 mph (2.7 km per hr)
3 mph (4.8 km per hr)
24 volts
65 cfm (110 m3/hr)
45 inches ( 112mbar)
.60 HP (450 W)
Disc
3/4 HP (560W)
1
180 RPM
Coming Soon
12 Gal (45 liters)
13 Gal (49 liters)
2%
313 lbs (142 kg)
203lbs (92 kg)
47.4 x 21.3 x 42.3 (120.4 x 54.1 107.4 cm)
Current (Max)
Battery Capacity (Lead Acid)
Battery Capacity (Gel)
Sound Level
Cleaning path width
Squeegee width
Theoretical productivity (Brush Drive)
Working speed (Brush Drive)
Transport speed
Rated voltage
Vacuum fl ow
Vacuum waterlift
Vacuum power
Brush type
Brush motor(s) power
Number of brushes
Brush RPM
Aqua-Stop equipped
Solution capacity
Recovery capacity
Working Grade
Weight with batteries
Weight without batteries
Dimensions (LxWxH)
Technical Specifi cations

Parts Manual - Phoenix 20 Floor Scrubber - Brush Drive
Table of Contents
Technical Specifi cations ................................................................................................................ 2
Main Assembly ................................................................................................................................. 4
Main Assembly BOM ........................................................................................................................ 5
Brush Drive Base Assembly ............................................................................................................. 6
Brush Drive Base Assembly BOM .................................................................................................... 7
Base Assembly ................................................................................................................................. 8
Base Assembly BOM........................................................................................................................ 9
Chassis Assembly .......................................................................................................................... 10
Chassis Assembly BOM ..................................................................................................................11
Old Style - Solution Valve Assembly .............................................................................................. 12
New Style - Solution Valve Assembly ............................................................................................. 12
Solution Control Handle Assembly ................................................................................................. 13
Solution Control Handle Assembly BOM ........................................................................................ 14
Solution Tank Assembly ................................................................................................................. 15
Lift Pedal Stop Assembly................................................................................................................ 16
Battery Tray Assembly.................................................................................................................... 17
Recovery Tank Assembly ............................................................................................................... 18
Recovery Tank Assembly BOM ...................................................................................................... 19
Handle Assembly............................................................................................................................ 20
Handle Assembly BOM .................................................................................................................. 21
Electrical Box Assembly ................................................................................................................. 22
Electrical Box Assembly BOM ........................................................................................................ 23
Electrical Panel Assembly .............................................................................................................. 24
Vacuum Switch Assembly .............................................................................................................. 25
Electrical Box Cover Assembly....................................................................................................... 26
Brush Hub Assembly ...................................................................................................................... 27
20” Brush Deck Assembly .............................................................................................................. 28
20” Brush Deck Assembly BOM ..................................................................................................... 29
Vac Motor Assembly ....................................................................................................................... 30
Tension Band Sub-Assembly ......................................................................................................... 31
Rear Squeegee Assembly .............................................................................................................. 32
Rear Squeegee Assembly BOM.....................................................................................................33
Squeegee Mechanism Assembly ...................................................................................................34
Squeegee Mechanism Assembly BOM .......................................................................................... 35
Wiring Diagrams ............................................................................................................................. 36
Warranty ......................................................................................................................................... 41

Page 4Parts Manual - Phoenix 20 Floor Scrubber - Brush Drive
Main Assembly
24
25
26

Page 5Parts Manual - Phoenix 20 Floor Scrubber - Brush Drive
Main Assembly BOM
ITEM PART NO. QTY DESCRIPTION
1 172010 1 HOSE, CLEAR VAC W/ 45 CUFF
2 172018 1 SOLUT ION TANK LID ASSY
3 172100 1 BRUSH DECK ASSY 20"
4 7951-03 1 BRUSH-DISC, 20" NYLO-GRIT 80GR, GREEN
5 172150 1 SQUEEGEE LIFT MECH ASSY
6 172159 1 FILTER, FILL PORT
7 172534-1 1 SQUEEGEE, 34" (860)
8 450076 1 CLAMP-CRIMP 185R SS
9 711118 1 SCR-ST-A 10 X .75 SS
10 711374 1 NUT-NYLOC 5/16-18
11 711375 3 NUT-NYLOC 3/8-16 X 1/2 NUT
12 711523 1 WSR-WAVE .37X .68 X .08
13 711569 1 WSR-FLT .390 X .880 X .062 NYL
14 711592 6 WSR-FLAT .506 X .9 X .064 NYL
15 712143 1 BLT-SHLD 3/8 X 2.0, 5/16-18
16 712301 2 WSR-FLAT .37 X .87 X .06
17 715688 2 DECAL, PHOENIX
18 740164-1 1JUMPER CABLE ASSY, RED 4G 12"
19 747649 1 CABLE ASSY, BAT T ERY
20 956712 2 BATTERY, 12V 115AH
20G 956100 2 GEL BATTERY 12V 100AH
21 FOR REF 1 BRUSH DRVMAIN ASSY-120VCHARGER
22 712099PLT 3 BLT- SHLDR 1/2 X 1/2 ZINC PLT
23 3334902 1 DECAL, POWERBOSS
24 172008 1 SOLUTION TANK LID
25 172123 1 CHAIN, BEADED SS W/EYELET S
26 712145 1 SCR-MC 6-32 X .37 PPH SS
25 172123 1 CHAIN, BEADED SS W/EYELETS
26 712145 1 SCR-MC 6-32 X .37 PPH SS
BRUSH OPTIONS
AQUA STOP BRUSHES
762394 PAD RETAINER, FIXED - NOT SHOWN 7951-01 BRUSH, 20” LIGHT-MED PP.5 A/S, WHITE
762370 PAD RETAINER, REMOVEABLE - NOT SHOWN 7951-02 BRUSH, 20” LIGHT-MEDIUM A/S, K901, BLACK
172520-1 BRUSH, 20" NYLON 7951-03 BRUSH, 20” MEDIUM NYLON 600GR. A/S, GREY
172520-3 BRUSH-DISC, 20" NYLO-GRIT 80GR, GREEN 7951-04 BRUSH, 20” MEDIUM-HEAVY PP.8 A/S, WHITE
172520-6 DISC BRUSH 20", SCRUB GRIT 2, 120GR RED 7951-05 BRUSH, 20” HEAVY NYLON 180GR. A/S, GREY
7951-06 BRUSH, 20” HEAVY-2 NYL 120GR. A/S, GREEN

Page 6Parts Manual - Phoenix 20 Floor Scrubber - Brush Drive
Brush Drive Base Assembly

Page 7Parts Manual - Phoenix 20 Floor Scrubber - Brush Drive
Brush Drive Base Assembly BOM
BILL OF MATERIAL - 172001BD - 120/230
ITEM PART NO QTY DESCRIPTION ITEM PART NO QTY DESCRIPTION
1 172002 1 BD CHASSIS ASSY 23 710985 2 SCR-BHSCS 3/8-16 X .625 ZP
2 172012 1 BATTERY TRAY ASSY 24 711504 1 WASHER-FLAT 1/4 SS
3 172016 1 BD HANDLE ASSY 25 711507 2 WASHER-FLAT 3/8 X 1.12 X .06
4 172032 1 LIFT PEDAL WMT 26 711519 3 WASHER-FLAT 1/4 X 1.00 X .06
ZP
5 172050 1 VAC MOTOR ASSY 27 711543 2 WASHER-LOCK #10 SPLIT ZP
6 172055 1 BKT, VAC AREA INSIDE COVER 28 711546 6 WASHER-LOCK 3/8 SPLIT ZP
7 172070-120 1 ELEC BOX BD ASSY 120V 29 711803 1 PIN-COTTER .06 X .75
8 172073 1 BD ELEC BOXCOVER ASSY 30 712117 1 PIN-CLEVIS 3/16 X .593
9 172085 2 KNOB, 3/8-16 STUD, 3LOBE 31 712301 8 WASHER-FLAT 3/8 X .87 X .06
ZP
10 172112 1 SOL CONTROL ASSY 32 712312 2 WASHER-BALANCING .187 X
1.25
11 172129 1 BKT, PWR CORD MOUNT, 5/8
HOLE
33 712562 2 SCR-HH 1/4-20 X .75, 18-8 SS
12 172157 1 LIFT PEDAL STOP ASSY 34 712758 2 WASHER-LOCK 1/4 SPLIT SS
13 172184 1 FOAM COVER W/ ADHESIVE 35 713042 4 SCR-HH 3/8-16 X 1.00 ZP GR 5
14 172185 1 FOAM COVER REAR 2, 1/2"
THICK
36 715029 1 DECAL-NAME PLATE MODEL
ID
15 172187 1 FOAM COVER FRONT 2, 1/2"
THICK
37 715047 1 DECAL-CLEAR LAMINATE 2X3
16 210142 1 PEDAL PAD 38 760592 1 KNOB-OVAL TAPERED
17 3303255 1 CLAMP-HOSE 1.75 DIA NOMI-
NAL
39 809443 1 CLIP-WIRE & CORD
18 293080 1 STRAIN RELIEF 40 172115 1 SOLUTION CTRL LEVER ASSY
19 342440 1 FTG-TEE 3/4 MPT X 1/2 HB
NYLON
41 172122 1 NUT, PUSH-ON WSR CAP, 3/16
20 430156 1 HOSE, CLEAR 1/2 ID X 39.75" 42 172069 1 SOLUTION CONTROL ROD
21 450093 1 CLAMP-CRIMP 3/4" OD STEP-
LESS
43 172062 1 YOKE, 3/16 CLEVIS X 10-32
THD
22 710178 10 SCR-THMS 1/4-20 X .50 ZP 44 172001BASE 1 BASE ASSY

Page 8Parts Manual - Phoenix 20 Floor Scrubber - Brush Drive
Base Assembly
;
;

Page 9Parts Manual - Phoenix 20 Floor Scrubber - Brush Drive
BILL OF MATERIAL - 172001BASE
ITEM PART NO. QTY DESCRIPTION
1 172013 1 SOLUTION TANK ASSY
2 172014HR 1 RECOVERY TANK ASSEMBLY
3 172144 1 COVER, FRONT PANEL
4 711504 3 WASHER-FLAT 1/4 SS
5 711543 4 WASHER-LOCK #10 SPLIT ZP
6 712041 1 BLT-SHOULDER 5/16 X .375 LG X 1/4-20 BLK
7 712312 4 WASHER-BALANCING .187 X 1.25
8 712565 2 SCR-THMS 1/4-20 X .62 SS
9 712757 1 WASHER-LOCK #10 SPLIT SS
10 712758 2 WASHER-LOCK 1/4 SPLIT SS
11 712812 4 SCR-PHMS 10-24 X .62 ZP
12 712822 1 SCR-THMS 10-24 X .50 SS
13 3303255 1 CLAMP-HOSE 1.75 DIA NOMINAL
Base Assembly BOM

Page 10Parts Manual - Phoenix 20 Floor Scrubber - Brush Drive
Chassis Assembly
F G
D
E H

Page 11Parts Manual - Phoenix 20 Floor Scrubber - Brush Drive
Chassis Assembly BOM
BILL OF MATERIAL - 172002
ITEM PART NO. QTY DESCRIPTION
1 70-516-16 2 BLT-CARR 5/16-18 X 1 ZP
2 172020 1 MAIN FRAME WMT
3 172024 2 BKT, WHEEL
4 172035 1 ROD, .5" AXLE
5 172038 4 BEARING BLOCK
6 172039 1 BEARING BLOCK PLATE
7 172110 1 DECK SWITCH ASSY
7a 172111 1 BEARING BLOCK/SWITCH PLATE
7b 710493 2 SCR-RHMS 4-40 X .75 ZP
7c 711428 2 NUT-HEX 4-40 ZP
7d 712326 2 WASHER-INT LOCK #4 SS
7e 747603-2 1 SWITCH ASY, MICRO ROLLER W/PACK/CONDUIT
8 172167 2 CASTER, 3 1/2" PU WHEEL
9 172265 2 WHEEL, 8X2X.5ID, 75A W/ GROOVES
10 172368 1 UPPER LIFT ARM
11 172370 1 DISC DECK LIFT WMT
12 172571 1 ASSY-SOLUTION VALVE
13 260041 2 BUSHING-FLG .502 X .627 X .375 OILITE
14 600578 1 RING-RUE .50 ZP
15 711374 2 NUT-NYLOC 5/16-18 ZP
16 711504 12 WASHER-FLAT 1/4 SS
17 711569 3 WASHER-FLAT .390 X .880 X .062 NYL
18 711592 2 WASHER-FLAT 1/2 X .90 X .064 NYLON
19 712140 4 WASHER-LOCK 5/16 SPLIT SS
20 712265 1 CLEVIS-YOKE, 1/2-20 WITH .375 PIN
21 712301 2 WASHER-FLAT 3/8 X .87 X .06 ZP
22 712562 13 SCR-HH 1/4-20 X .75, 18-8 SS
23 712575 4 SCR-HH 5/16-18 X .75 18-8 SS
24 712758 14 WASHER-LOCK 1/4 SPLIT SS
25 712760 3 WASHER-FLAT .56 X 1.06 X .04 SS
26 712761 2 WASHER-FENDER 1/4 X 1.25 X .059 SS
27 712772 6 WASHER-FLAT .344 X .75 X .06 SS
28 713007 4 SCR-HH 1/4-20 X 2.00 ZP GR 5
29 809444 1 CLIP-CORD
30 833374 1 PIN-HAIRPIN COTTER 3/8
31 833833 1 PIN-CLEVIS 3/8 X 1.25
32 3400449 1 NUT-JAM 1/2-20 ZP

Page 12Parts Manual - Phoenix 20 Floor Scrubber - Brush Drive
NEW STYLE - BILL OF MATERIAL - 172571
ITEM PART NO. QTY DESCRIPTION
1 172564 1 FILTER-SOLUTION E1720
2 172566 1 HOSE- 1/2ID X 1.75" NYLOBRAID
3 172567 1 HOSE-1/2"ID X 2.375" NYLOBRAID
4 172568 1 HOSE-WIRE REINF 1/2"ID X 4.25"
5 172569 1 FTG-ELBOW 90 1/2 HB X 1/2 HB NYLON
6 172579 1 SOLUTION CNTRL VALVE, WITH BRKT
7 383347 5 CLAMP-CRIMP 1/2 HOSE
***REPLACING OLD STYLE BRASS SOLUTION
VALVE ASSEMBLY 172514 WITH 172571 PLASTIC
SOLUTION VALVE ASSEMBLY
WILL REQUIRE THE PURCHASE OF
KIT K-172571
Old Style - Solution Valve Assembly
New Style - Solution Valve Assembly
OLD STYLE - BILL OF MATERIAL - 172514
ITEM PART NO. QTY DESCRIPTION
1 172513 1 BRKT, SOL VALVE MOUNT
2 172515 1 BALL VALVE, BRASS, 3/8FNPT, CUST HANDLE
3 320265 1 FTG-ADAPTER 3/8 MPT X 3/8 HB BRASS
4 711512 2 WASHER-FLAT 3/4 X 1.37 X .08 ZP
5 711513 1 WASHER-FLAT .689 X 1.06 X .029 SS
6 827008 1 FTG-ADAPTER 3/8 MPT 1/2 HB BRASS
NO LONGER AVAILABLE

Page 13Parts Manual - Phoenix 20 Floor Scrubber - Brush Drive
Solution Control Handle Assembly

Page 14Parts Manual - Phoenix 20 Floor Scrubber - Brush Drive
BILL OF MATERIAL - 172577
ITEM PART NO. QTY DESCRIPTION
1 172061 1 LEVER, SOLUTION CONTROL BRK'T
2 172424 1 BLT-ELEVATOR 1/4-20 x .75 ZINC
3 172575 1 BRKT, AQUASTOP SOL CNTRL
4 710195 1 SCR-PHMS 5/16-18 X .50 ZP
5 711425 1 NUT-FLANGED WIZZ 1/4-20 ZP
6 711508 1 WASHER-FLAT 3/8 X 1.00 X .08 ZP
7 711524 2 WASHER-FLAT 3/8 X 1.00 X .08 ZP
8 711539 1 WASHER-EXT LOCK 3/8 ZP
9 711550 2 WASHER-FLAT 1/4 X .75 NYLON
10 711566 3 WASHER-FLAT #12 X .50 X .065 ZP
11 711575 6 WASHER-FLAT 1/4 X .75 X .06 ZP
12 711592 1 WASHER-FLAT 1/2 X .90 X .064 NYLON
13 712070 1 BLT-SHOULDER 5/16 X .75 LG X 1/4-20 BLK
14 713598 1 BLT-SHOULDER 1/4 X .313 LG X 10-24 SS
15 715690 1 DECAL, AQUASTOP SOLUTION CONTROL
16 760592 1 KNOB-OVAL TAPERED
17 833214 1 KNOB-3 SIDED 1/4-20 INSERT
18 840202 1 BUSHING-FLG .31 X .435 X .325 NYL
19 3400399 1 NUT-NYLOC 10-24 SS
Solution Control Handle Assembly BOM

Page 15Parts Manual - Phoenix 20 Floor Scrubber - Brush Drive
Solution Tank Assembly
BILL OF MATERIAL - 172013
ITEM PART NO. QTY DESCRIPTION
1 172003 1 SOLUTION TANK
2 172080 1 HANDLE MOUNT ASSY, LEFT
3 172082 1 HANDLE MOUNT ASSY, RIGHT
4 172341 1 HOOK, DRAIN HOSE WITH TWIST VALVE
5 260579 1 TOOL CLIP, 1.5" HOSE
6 342438 1 FITTING, 1/2 MPT 1/2 HB BRASS
7 711507 4 WSR-FLAT .37 X 1.12 X .06
8 711546 4 WSR-HELICAL 3/8
9 712822 4 SCR-MC TR HD 10-24 X .50 SS
10 713041 4 BLT-HH 3/8-16 X 3/4 #5

Page 16Parts Manual - Phoenix 20 Floor Scrubber - Brush Drive
Lift Pedal Stop Assembly
BILL OF MATERIAL - 172157
ITEM PART NO. QTY DESCRIPTION
1 172036 1 BKT, PEDAL STOP
2 172065 1 CLIP, FOR 1/2" ID HOSE
3 710493 2 SCR-MC 4-40 X .75 PAN HD
4 710530 2 SCR-MC FL HD 8-32 X .50 BRS
5 711428 2 NUT-HEX 4-40
6 712326 2 WSR-INT LOCK #4
7 715685 1 DECAL, REMOVE SPLASH GUARD
8 747603-2 1 SWITCH ASY, MICRO ROLLER W/PACK/CONDUIT

Page 17Parts Manual - Phoenix 20 Floor Scrubber - Brush Drive
Battery Tray Assembly
BILL OF MATERIAL - 172012
ITEM PART NO. QTY DESCRIPTION
1 172116 1 BATTERY BOX
2 172213 1 BKT, SPACER FOR BATTERIES
3 210414 2 O RING 2-113
4 260224 1 18" HOSE
5 320271 1 NOZZLE BODY-ELBOW
6 320272 2 NOZZLE BODY LOCKNUT
7 320273 1 HOSE SHUT-OFF CLAMP
8 710178 2 SCR-MC 1/4-20 X .50 TRUSS STPL
9 711575 2 WSR-FLT .31x.75x..06ST
10 828490 1 CRIMP CLAMP 140R

Page 18Parts Manual - Phoenix 20 Floor Scrubber - Brush Drive
Recovery Tank Assembly

Page 19Parts Manual - Phoenix 20 Floor Scrubber - Brush Drive
Recovery Tank Assembly BOM
BILL OF MATERIAL - 172014
ITEM PART NO. QTY DESCRIPTION
1 172004HR 1 RECOVERY TANK
2 172005HR 1 VACUUM MANIFOLD
3 172007 1 LID
4 172017 1 GASKET LID
5 172049 1 HINGE, RECOVERY TANK
6 172132 1 FLOAT, SCREENED
7 172394 1 CABLE, REC TANK 12.0
8 711210 2 SCR-HH 1/4-20 X 1.25 ZP GR 5 FULL THRD
9 711212 1 SCR-HH 1/4-20 X 1.50 ZP GR 5
10 711379 I NUT-FLANGED WIZZ 5/16-18 ZP
11 711519 6 WASHER-FLAT 1/4 X 1.00 X .06 ZP
12 711544 3 WASHER-LOCK 1/4 SPLIT ZP
13 712565 3 SCR-THMS 1/4-20 X .62 SS
14 712758 3 WASHER-LOCK 1/4 SPLIT SS
15 3303255 1 CLAMP-HOSE 1.75 DIA NOMINAL
16 97090096 1 DRAIN HOSE ASSY, RECOVERY TANK
17 15282072 1 REPLACEMENT O-RING
18 90304528 1 CAP

Page 20Parts Manual - Phoenix 20 Floor Scrubber - Brush Drive
Handle Assembly
127($33/</2&7,7(72$//
6&5(:6;

Page 21Parts Manual - Phoenix 20 Floor Scrubber - Brush Drive
Handle Assembly BOM
BILL OF MATERIAL - 172016
ITEM PART NO. QTY DESCRIPTION
1 172006 1 HANDLE
2 172053 1 BAIL PLATE WMT RH
3 172054 1 BAIL PLATE WMT LH
4 172057 2 LEAF SPRING
5 172059 1 BAIL, HANDLE
6 172074 2 SPACER, 5/16OD X 17GA, ALUM
7 270143 2 HANDLE PIVOT JAW
8 710353 4 SCR-PHMS 10-32 X .37 ZP
9 710493 2 SCR-RHMS 4-40 X .75 ZP
10 711310 4 NUT-HEX 10-32 ZP
11 711350 2 NUT-NYLOC 10-32 ZP
12 711428 2 NUT-HEX 4-40 ZP
13 711503 6 WASHER-FLAT #10 X .50 ZP
14 711543 4 WASHER-LOCK #10 SPLIT ZP
15 712320 2 WASHER-FLAT 20 X .45 X .048 NYLON
16 712326 2 WASHER-INT LOCK #4 SS
17 712830 10 SCR-THMS 10-24 X .62 ZP
18 747603-3 1 SWITCH ASY, MICRO ROLLER W/PACK
19 747715 1 ABLE ASY, 5 COND 18G CONSOLE

Page 22Parts Manual - Phoenix 20 Floor Scrubber - Brush Drive
Electrical Box Assembly

Page 23Parts Manual - Phoenix 20 Floor Scrubber - Brush Drive
Electrical Box Assembly BOM
BILL OF MATERIAL - 172070 - 120/230
ITEM PART NO. QTY DESCRIPTION
1 369-416 3 NUT-HEX 1/4-20 ZP DOUBLE SERRATED
2 172077 1 ELEC BOX BOTTOM WMT
3 172088 1 ELEC BOX TOP WMT
4 172141 1 VAC SWITCH ASSY
5 172152 1 WELDMENT-VAC LEVER
6 172188 1 FOAM TAPE, 1/2" SQ X 16.5"
7 172381 1 SQUEEGEE CABLE ASSY (for curved squeegee)
8 670093 1 SPRING-COMP .502 X .6 X 1 ZINC
9 710178 3 SCR-THMS 1/4-20 X .50 ZP
10 711372 1 NUT-NYLOC 8-32 ZP
11 711383 2 NUT-HEX 5/16-18 ZP REVERSE LOC
12 711505 9 WASHER-FLAT 1/4 ZP
13 711508 1 WASHER-FLAT 3/8 X 1.00 X .08 ZP
14 711516 2 WASHER-FLAT 5/16 X 1.25 X .05 ZP
15 711544 2 WASHER-LOCK 1/4 SPLIT ZP
16 712320 2 WASHER-FLAT 20 X .45 X .048 NYLON
17 712533 1 SCR-PHMS 10-24 X 1.25 SS
18 712770 2 WASHER-INT TOOTH LOCK #10 SS
19 742748 3 CIRCUIT BREAKER-BOOT
20 747630 1 ELECTRICAL PANEL ASY
21 747637 1 WIRE ASY, MACHINE-BATTERY
22 760134 2 MOUNT RING
23 762084 1 SPRING-EXT .25OD X 2" F.L. MUSIC
24 762400 1 BUSH -HEYCO 1-5/8 X 2-1/8 X 29/64 2400 B
25 828062 1 CABLE TIE LARGE
26 957761 1CHARGER, SIGNET HBF300-24 (120) see below
957760 CHARGER, SIGNET HBF300-24 (230) see below
27 15592033 2 CAP, SAFETY NUT COVER M8
Setting Battery Type
1Wet 115 AH Group 27, Minuteman Part # 956712
1AGM 100 AH Group 27 OEM Minuteman Part # 956100 Crown AGM Only
2Wet 140 AH Group 31 Minuteman Part # 956140 Crown and 956753 Trojan 130 AH
2AGM 135 AH Group 31 Minuteman Part # 956135 Crown AGM Only
3All Group 31 GEL and Non Minuteman AGM 135 AH
4All Group 27 GEL, Minuteman 956157 Trojan 102AH Overdrive AGM and Non Minuteman AGM 100 AH
5 to 0 No Additional Functions
Charger Settings

Page 24Parts Manual - Phoenix 20 Floor Scrubber - Brush Drive
Electrical Panel Assembly
BILL OF MATERIAL - 747630
ITEM PART NO. REQ’D DESCRIPTION
1 172189 1 PANEL, RELAY MOUNT
2 711350 4 NUT -NYLOC 10-32
3 711543 2 WSR-HELICAL #10
4 712800 2 SCR-MC 10-24 X .25 ST PL
5 740220 1 CIRCUIT BREAKER-20AMP 2-T ERMIN
6 740247 1 CIRCUIT BREAKER-30AMP PUSH BUT
7 740482 2 DIODE ASY, 1N4007 W/PIGGY (NOT SHOWN)
8 747609 1 CIRCUIT BREAKER-4.0AMP PUSHBUT
9 747615 1 RELAY, 2 POLE CURT IS (1720)
10 747616 1 RELAY, 1 POLE CURT IS (1720)
11 747619 2 BRACKET , RELAY 747615 & 747616
12 747640 1 WIRE ASY, 10G RED 13" (NOT SHOWN)
13 747641 1 WIRE ASY, 10G RED 7" (NOT SHOWN)
14 747653 1 WIRE HARNESS, E1720BD MAIN (NOT SHOWN)
15 15592025 6 CAP, SAFET Y NUT COVER M 6
16 15592033 2 CAP, SAFET Y NUT COVER M 8
17 90331026 1 RELAY, 24VDC 2 POLE 100A (HAKO)

Page 25Parts Manual - Phoenix 20 Floor Scrubber - Brush Drive
Vacuum Switch Assembly
BILL OF MATERIAL - 172141
ITEM PART NO. QTY DESCRIPTION
1 172140 1 BKT, VAC SWITCH MOUNT
2 172337 1 VAC SWITCH COVER
3 710493 2 SCR-RHMS 4-40 X .75 ZP
4 711428 2 NUT-HEX 4-40 ZP
5 712326 2 WASHER-INT LOCK #4 SS
6 747603-2 1 SWITCH ASY, MICRO ROLLER W/PACK/CONDUIT

Page 26Parts Manual - Phoenix 20 Floor Scrubber - Brush Drive
Electrical Box Cover Assembly
BILL OF MATERIAL - 172073PB
ITEM PART NO. QTY DESCRIPTION
1 172181 1 ELEC BOX, COVER, WMT
2 172193 1 GASKET, CB OUTLINE
3 172194 1 GASKET, CHARGER CORD PLATE
4 715672 1 DECAL, ELEC BOX
5 715681 1 DECAL, DASHBOARD PHOENIX 20 BD
6 715675 1 DECAL, CIRC BKRS
7 740216 1 VOLT METER
8 747614 1 CHARGE STATUS INDICATOR
9 747617-1 1 KEYSWITCH ASY, KEYSWITCH + WIR

Page 27Parts Manual - Phoenix 20 Floor Scrubber - Brush Drive
Brush Hub Assembly
BILL OF MATERIAL - 172510
ITEM PART NO. QTY DESCRIPTION
1 11127000 3 SCR-SHCS M6X30 SS, ISO4762
2 12310256 3 WSR-FLT 6.4X12X1.6, SS DIN125
3 90541814 1 DRIVE HUB, PLASTIC 3 LOBE
4 172096MCH 1 BASE, DRIVE HUB WITH KEYWAY

Page 28Parts Manual - Phoenix 20 Floor Scrubber - Brush Drive
;
'(7$,/$
6(('(7$,/%
6(('(7$,/$
'(7$,/%
;
;
;
20” Brush Deck Assembly

Page 29Parts Manual - Phoenix 20 Floor Scrubber - Brush Drive
20” Brush Deck Assembly BOM
BILL OF MATERIAL - 172100
ITEM PART NO. QTY DESCRIPTION
1 81-166-A 6 WASHER-FLAT .390 X .687 ZP
2 172040 1 WELDMENT-DECK ANGLE ADJUST
3 172044 1 PLATE MOTOR MOUNT
4 241097 1 HOSE-WIRE REINF 3/8 X 31"
5 172208 1 BRUSH DECK PLATE
6 172296 1 BKT, DECK MOUNT RT
8 172297 1 BKT, DECK MOUNT LEFT
9 172375 1 DECK COVER WMT, 20"
10 172384 1 FLOATING BRUSH DECK SKIRT
11 210153 1 ROLLER WHEEL
12 450076 1 CLAMP-HOSE 5/8 (.590-.791) SS
13 710990 6 SCR-BHSCS 3/8-24 X .75 ZP
14 710991 1 SCR-HH 3/8-24 X .62 ZP GR 5
16 711375 2 NUT-NYLOC 3/8-16 ZP
17 711504 2 WASHER-FLAT 1/4 SS
18 711507 4 WASHER-FLAT 3/8 X 1.12 X .06
19 711523 3 WASHER-WAVE .37 X .68 X .08
20 711546 6 WASHER-LOCK 3/8 SPLIT ZP
21 711679 2 PIN-CLEVIS 3/8 X .750 ZP
22 711855 1 WASHER-FENDER 3/8 X 1.12 X .10 ZP HARD
23 712301 6 WASHER-FLAT 3/8 X .87 X .06 ZP
24 712565 2 SCR-THMS 1/4-20 X .62 SS
25 717024 4 SCR-HH M8-1.25 X 20 ZP GRADE 8.8
26 717025 1 WASHER-FLAT 13/16 X 1.25 X .08 ZP
27 747600 1 MOTOR, 24VDC PM 600W
28 11127000 3 SCR-SHCS M6X30 SS, ISO4762
29 11717203 1 BLT-HH FLG M8X1.25X20 PRECOTE, ZD 10.9
30 12310256 3 WSR-FLT 6.4X12X1.6, SS DIN125
31 90311663 1 FITTING, WATER NOZZLE W/ MOUNT HOLES
32 90541814 1 DRIVE HUB, PLASTIC, 3-LOBE
33 172096MCH 1 HUB BASE MACHINED

Page 30Parts Manual - Phoenix 20 Floor Scrubber - Brush Drive
Vac Motor Assembly
BILL OF MATERIAL - 172050
ITEM PART NO. QTY DESCRIPTION
1 172045 1 VAC MOUNT WMT
2 172048 1 HOSE, STRETCH 13", 90 CUFF
3 172124 1 EDGE TRIM, .063 X 3.0, BLACK
4 172186 1 FOAM COVER FRONT 1, 1/2 THICK
5 172187 1 FOAM COVER FRONT 2, 1/2" THICK
6 172188 .5 FOAM TAPE, 1/2" SQ X 16.5"
7 450095 1 CLAMP-CRIMP 1.75" OD
8 711160 4 SCR-HI/LO 10 X .625 BLACK ZINC
9 711503 4 WASHER-FLAT #10 X .50 ZP
10 715967 1 DECAL - WARNING, DO NOT PICK UP (NOT SHOWN)
11 747607-1 1 VAC MOTOR ASY, 24V PERIF BYPASS

Page 31Parts Manual - Phoenix 20 Floor Scrubber - Brush Drive
Tension Band Sub-Assembly
BILL OF MATERIAL - 172440
ITEM PART NO. QTY DESCRIPTION
1 172074 2 SPACER, 5/16OD X 17GA, ALUM
2 172234 1 LEVER, 90535758
3 172240 1 STRAP WMT, FRONT LEFT
4 11175494 2 SCR-MC M5 X 25 SS DIN7985
5 11518313 1 BLT-EYE M5 X 40 SS
6 12022430 1 NUT- HEX, M5, SS DIN934
7 12040283 2 NUT- HEX, M5 NYLON LOCK, SS DIN985
8 90513631 1 PIN, THD 90513631

Page 32Parts Manual - Phoenix 20 Floor Scrubber - Brush Drive
Rear Squeegee Assembly
;
;
;

Page 33Parts Manual - Phoenix 20 Floor Scrubber - Brush Drive
BILL OF MATERIAL - 172534-1
ITEM PART NO. QTY DESCRIPTION
1 172241 1 STRAP WMT, FRONT RT - 34" (860) SQG
2 172245 1 STRAP WMT, REAR LEFT - 34" (860) SQG
3 172246 1 WELD-STRAP REAR RT - 34" (860) SQG
4 172272 1 SQUEEGEE-FRONT BLADE 34", 1/8 PU
5 172273 1 SQUEEGEE-REAR BLADE 34", 1/8 PU
6 172429 2 SPRING, COMP .4 ID X .5FL SS
7 172440 1 STRAP W/ LATCH, FRONT LEFT, 34" SQG
8 90533183 1 CASTING, SQG BODY 34" (860MM)
9 717030 2 SCR-HH M8-1.25 X 20 SS
10 717040 2 WASHER-FLAT M10.5 X 30 X 2.5 SS
11 12310264 2 WSR-FLT M8.4 X 16 X 1.6 A2 SS 140HV DIN
12 17133026 2 STAR HANDLE, M10, BLACK
13 90513094 2 FIXED CASTER
14 90531112 10 WASHER-FLAT 8.3 x 22 x 1.00mm STAINLESS
15 90548397 2 ROLLER - PLASTIC, 100mm DIA. (4")
16 172271 1 BUMPER, 34" SQG
17 172274 1 EDGE TRIM, 5/16 X 10" BLACK
18 711504 5 WASHER-FLAT 1/4 SS
19 711527 2 WASHER-FLAT .63 X 1.12 X .09
20 430322 2 USHING-.435 X .625 X .50 ZINC
21 712591 6 NUT-ACORN 1/4-20 SS
22 712592 2 SCR-BHSCS 1/4-20 X 2.25 SS
23 712772 3 WASHER-FLAT .344 X .75 X .06 SS
24 840202 1 BUSHING-FLG .31 X .435 X .325 NYL
25 3400727 1 PIN-ROLL 1/8 X .50 ZINC
Rear Squeegee Assembly BOM

Page 34Parts Manual - Phoenix 20 Floor Scrubber - Brush Drive
Squeegee Mechanism Assembly
;

Page 35Parts Manual - Phoenix 20 Floor Scrubber - Brush Drive
Squeegee Mechanism Assembly BOM
BILL OF MATERIAL - 172150
ITEM PART NO. QTY DESCRIPTION
1 172134 1 BKT, SQG HINGE
2 172155 1 SQUEEGEE MOUNT WMT
3 172196 1 UPPER SQG LINK
4 172197 1 LOWER SQG LINK
5 172261 1 SPRING, TORSION 1720 SQG
6 172352 1 PIN, 3/8 X 3.0, SQG STRAP
7 172357 1 STRAP, 9" PU, BLACK
8 260579 1 CLIP-TOOL 1.5 INCH HOSE
9 430051 1 SPRING-RETURN .313 X .438 X 2.93 SS
10 710528 2 SCR-FHMS 8-32 X .37 BRASS
11 711420 1 NUT-JAM 5/16-18 ZP
12 711504 4 WASHER-FLAT 1/4 SS
13 712767 2 WASHER-FLAT .406 X .75 X .035 SS
14 711523 2 WASHER-WAVE .37 X .68 X .08
15 711592 2 WASHER-FLAT 1/2 X .90 X .064 NYLON
16 711678 2 PIN-CLEVIS 3/8 X 2 1/4 ZP
17 711717 2 RET RING-E EXT .37
18 711720 2 RET RING-E EXT .25
19 712147 1 ROD-THD 5/16-18 X 3.25 SS
20 712148 1 PIN-CLEVIS 1/2 X 2.25 WITH HOLE
21 712157 2 NUT-WING 5/16-18 SS
22 712562 2 SCR-HH 1/4-20 X .75, 18-8 SS
23 712665 2 NUT-HEX 1/4-20 SS
24 712683 1 NUT-NYLOC 5/16-18 SS
25 712758 2 WASHER-LOCK 1/4 SPLIT SS
26 712760 3 WASHER-FLAT .56 X 1.06 X .04 SS
27 712772 2 WASHER-FLAT .344 X .75 X .06 SS
28 3400125 1 RING-RUE 3/8
29 713528 1 COLLAR-THREADED CLAMP 5/16-18X5/16-BK OX

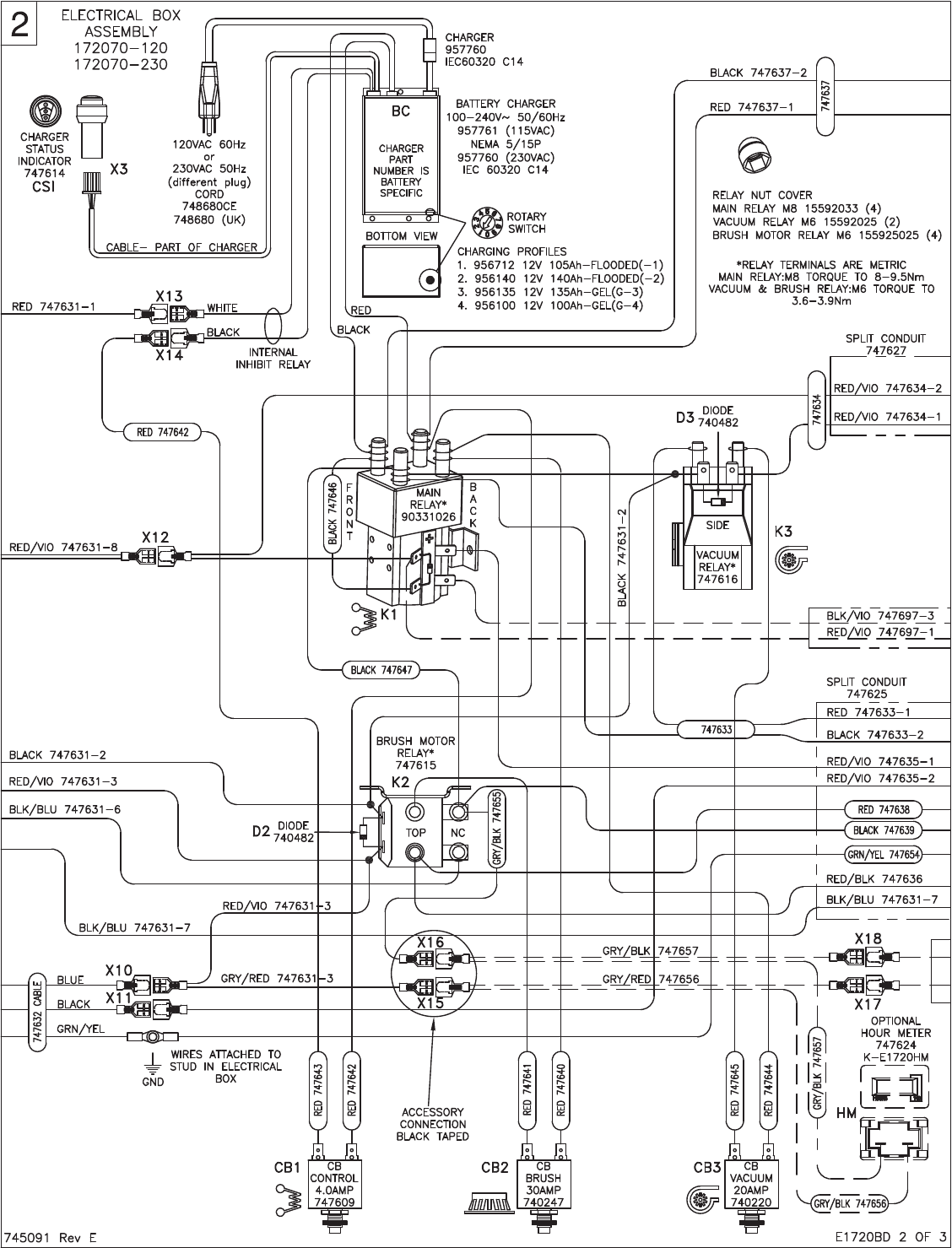
Wiring Diagrams



E1720BD PART REFERENCE LIST
Schematic 745091
REFERENCE # COMPONENT NAME PART NUMBER
M1 (optional) PUMP, WATER (KIT K-E1720P) 748691
M2 MOTOR, BRUSH 748692
M3 MOTOR, VACUUM ASSEMBLY 747607-1
M3 (model specific) MOTOR, VACUUM ASSEMBLY (H20 only) 747665-1
Y1 (optional) SOLENOID VALVE, WATER (KIT K-E1720S) 740493
K1 RELAY, MAIN 90331026
K2 RELAY, BRUSH MOTOR 747615
K3 RELAY, VACUUM 747616
CB1 CIRCUIT BREAKER 4.0A, CONTROL 747609
CB2 CIRCUIT BREAKER 30A, BRUSH MOTOR 740247
CB3 CIRCUIT BREAKER 20A, VACUUM MOTOR 740220
S1 KEYSWITCH 747617
S2A SWITCH, BRUSH MOTOR (at motor) 747603-2
S2B SWITCH, BRUSH MOTOR (handle) 748603-1
S3 SWITCH, VACUUM MOTOR 748603-2
S6 SWITCH, BRUSH UNLOAD 748603-2
S7 (optional) SWITCH, SOLENOID (KIT K-1720S) 747603-2
S8 (optional) SWITCH, PUMP- OFF AISLE WAND (KIT K-1720P) 747693-1
CSI CHARGER STATUS INDICATOR 747614
HM (optional) HOUR METER (KIT K-E1720HM) 747624
BC (model specific) BATTERY CHARGER 115VAC (battery type specific) 957761 (-1 or G-4)
BC (model specific) BATTERY CHARGER 230VAC (battery type specific) 957760 (-1 or G-4)
G1 BATTERY, 12V 105AH (2 REQUIRED) 956712
G1 (optional) BATTERY, GEL 12V 100AH (2 REQUIRED) 956100
N1 FERRITE, BRUSH MOTOR 747690
N2 FERRITE, VACUUM MOTOR 746034
D1 DIODE, MAIN RELAY Part of K1
D2 DIODE ASM, BRUSH MOTOR RELAY 740482
D3 DIODE ASM, VACUUM MOTOR RELAY 740482
D4 (optional) DIODE ASM, SOLENOID VALVE (KIT K-E1720S) 740482
REFERENCE # CONNECTOR FUNCTION PART # -female PART # -male
X1 KEYSWITCH (S1) 744012 748037
X2 SWITCH, BRUSH MOTOR (S2B) 747022 747021
X3 CHARGER STATUS INDICATOR (CSI) Part of CSI Part of BC
X4 SWITCH, VACUUM (S3) 747022 747021
X5 MOTOR, VACUUM (M3) 748021 748020
X6 BATTERY CONNECTOR 740159 740159
X7 SWITCH, BRUSH MOTOR (S2A) 747022 747021
X8 SWITCH, BRUSH UNLOAD (S4) 747022 747021
X9 SOLENOID VALVE, WATER (Y1) 747022 747021
X10 OPERATOR HANDLE CABLE 741093 740697
X11 OPERATOR HANDLE CABLE 740366 740697
X12 KEYSWITCH (S1)- MAIN RELAY COIL (K1) 741093 741165
X13 BATTERY CHARGER (BC)- INTERNAL RELAY 740366 740697
X14 BATTERY CHARGER (BC)-INTERNAL RELAY 740366 740697
X15 SOLENOID (Y1) /HOUR METER CONNECTION (HM) 740366 741165
X16 SOLENOID (Y1) /HOUR METER CONNECTION (HM) 740366 741165
X17 OPTIONAL HOUR METER (HM) WIRE-747656 740366 741165
X18 OPTIONAL HOUR METER (HM) WIRE-747657 740366 741165
X28 (optional) SWITCH, TOGGLE WATER PUMP (S8) 747022 747021
X29 (optional) PUMP, OFF AISLE WAND (M1) 748021 748020
Last Updated

Page 40Parts Manual - Phoenix 20 Floor Scrubber - Brush Drive

Revision J
Effective January 2014
PowerBoss Made Simple Industrial Limited Warranty
Minuteman International owner of PowerBoss warrants to the original purchaser/user that the product is free from defects in workmanship and materials
under normal use. PowerBoss will, at its option, repair or replace without charge, parts that fail under normal use and service when operated and
maintained in accordance with the applicable operation and instruction manuals. All warranty claims must be submitted through and approved by factory
authorized repair stations.
This warranty does not apply to normal wear, or to items whose life is dependent on their use and care. Parts not manufactured by PowerBoss are covered by and
subject to the warranties and/or guarantees of their manufacturers. Please contact Minuteman International for procedures in warranty claims against these
manufacturers.
Special warning to purchaser -- Use of replacement parts not manufactured by PowerBoss or its designated licensees, will void all warranties
expressed or implied. A potential health hazard exits without original equipment replacement.
All warranted items become the sole property of Minuteman International or PowerBoss or its original manufacturer, whichever the case may be.
PowerBoss disclaims any implied warranty, including the warranty of merchantability and the warranty of fitness for a particular purpose. PowerBoss
assumes no responsibility for any special, incidental or consequential damages.
This limited warranty is applicable only in the U.S.A. and Canada, and is extended only to the original user/purchaser of this product. Customers outside
the U.S.A. and Canada should contact their local distributor for export warranty policies. PowerBoss is not responsible for costs or repairs performed by
persons other than those specifically authorized by PowerBoss. This warranty does not apply to damage from transportation, alterations by unauthorized
persons, misuse or abuse of the equipment, use of non-compatible chemicals, or damage to property, or loss of income due to malfunctions of the
product. If a difficulty develops with this machine, you should contact the dealer from whom it was purchased.
This warranty gives you specific legal rights, and you may have other rights, which vary from state to state. Some states do not allow the exclusion or
limitation of special, incidental or consequential damages, or limitations on how long an implied warranty lasts, so the above exclusions and limitations
may not apply to you.
Travel * Labor Parts Engine Extended Warranty Costs
Walk Behind ****
Battery Sweepers 90 Days 12 months 12 months N/A N/A -
IC Sweepers 90 Days 12 months 12 months Through Eng. Mfg. N/A -
Battery Scrubbers 90 Days 24 months 36 months N/A N/A -
Riders
Battery Scrubbers 90 Days 24 months 36 months or 2000 hr. N/A 36 months parts + 24 labor (or 3000 Hours) 5%
IC Sweeper/Scrubbers
82 & 90 90 Days 6 months 24 months or 2000 hr. 24 months or 3000 hrs**
36 months parts + 24 months labor (or 3000 Hours) +
180 days travel 5%
I.C. Sweepers 9X, 10X 90 days 6 months 48 months or 3000 hrs. 60 months or 3000 hrs**
48 months parts + 24 months labor (or 3000 Hours) +
180 days travel 5%
NAUTILUS Scrubber 180 Days 24 months 36 months or 2000 hr. 36 months or 2000 hrs**
48 months parts + 24 months labor (or 3000 Hours) +
180 days travel 3%
All Rider, I.C. Bumper to Bumper
(excludingAPEXseries)
5000 hr max. 48 months parts, 48 months labor, 180
days travel
Exceptions
Apex Series Sweeper 90 Days 12 months 12 months or 1000 hr. 12 months or 1000 hrs** 24 months parts + 24 months labor (or 2000 Hours) 5%
6X Sweeper 90 Days 6 months 24 months or 2000 hr. 24 months or 2000 hours**
36 months parts + 24 months labor (or 3000 Hours) +
180 day travel 5%
8%
TankBladdersȀ
Batteries
PolyethyleneplastictanksȀ
Chargers
ͲǦ͵ǡͶǦͳʹ
Ǧ
AftermarketReplacementparts
*TwoǦHourCapPerServiceCall
**ThroughEngineManufacturer.SeeSection3ofWarrantyManualforEngineWarrantyExceptions
***BasedUponDealer’sCertificationStatus:
ExtendedWarrantyMUSTBeSignedUpWithin30DaysofDeliverytoEndUser
(DealerHas1YearFromReceivingMachineToSignUpForExtendedWarranty)
***Allabovelaborandtravelreimbursedat65%or75%ofthepublishedshoprate.

“The Power of Clean”
PowerBoss®, Minuteman International, Inc. 14N845 U.S. Route 20 Pingree Grove, Illinois 60140
Phone: 800-323-9420 www.PowerBoss.com Email: tech@powerboss.com
A Member of the Hako Group
PowerBoss® is a Full Line Manufacturer of Sweepers and Scrubbers,
for Industrial Facilities.
988720PB
Rev E 08/16