Proterra Operators Manual
Proterra Operators Manual Proterra_Operators_Manual Proterra_Operators_Manual 924 file product_file sweepscrub
2013-12-18
: Sweepscrub Proterra Operators Manual Proterra_Operators_Manual 923 file product_file
Open the PDF directly: View PDF
.
Page Count: 132 [warning: Documents this large are best viewed by clicking the View PDF Link!]

Proterra™
INSTRUCTION FOR USE
INSTRUCTIONS D’UTILISATION
INSTRUCCIONES DE USO
INSTRUÇÕES DE USO
Advance models: 13300106 (3 cyl Diesel), 13300109 (3 cyl LPG),
13300108 (3 cyl Gasoline)
ENGLISH
FRANÇAIS
ESPAÑOL
PORTUGUÊS
33019864(1)2009-05

INSTRUCTION FOR USE ENGLISH
Proterra™ 33019864(1)2009-05 1
TABLE OF CONTENTS
INTRODUCTION .............................................................................................................................................................. 2
MANUAL PURPOSE AND CONTENTS .......................................................................................................................................... 2
TARGET ........................................................................................................................................................................................... 2
HOW TO STORE THIS MANUAL .................................................................................................................................................... 2
IDENTIFICATION DATA ................................................................................................................................................................... 2
OTHER REFERENCE MANUALS ................................................................................................................................................... 2
SPARE PARTS AND MAINTENANCE ............................................................................................................................................. 3
CHANGES AND IMPROVEMENTS ................................................................................................................................................ 3
OPERATION CAPABILITIES ........................................................................................................................................................... 3
CONVENTIONS .............................................................................................................................................................................. 3
UNPACKING/DELIVERY ................................................................................................................................................. 3
SAFETY ........................................................................................................................................................................... 4
SYMBOLS ....................................................................................................................................................................................... 4
GENERAL INSTRUCTIONS ............................................................................................................................................................ 4
HOPPER SAFETY SUPPORT ........................................................................................................................................................ 7
JACKING THE MACHINE ................................................................................................................................................................ 7
MACHINE TRANSPORT ................................................................................................................................................................. 7
PUSHING/TOWING THE MACHINE ............................................................................................................................................... 7
KNOW YOUR MACHINE ................................................................................................................................................. 8
MACHINE NOMENCLATURE ......................................................................................................................................................... 8
OPERATING CONTROLS ............................................................................................................................................................. 10
ACCESSORIES/OPTIONS .............................................................................................................................................................11
TECHNICAL DATA ..........................................................................................................................................................................11
WIRING DIAGRAM ........................................................................................................................................................................ 12
HYDRAULIC DIAGRAM ................................................................................................................................................................ 15
PREPARING THE MACHINE FOR USE ....................................................................................................................... 16
PRE-OPERATIONAL CHECKLIST ................................................................................................................................................ 16
MAIN BROOM ............................................................................................................................................................................... 16
FUEL .............................................................................................................................................................................................. 16
DIESEL AND GASOLINE ENGINE ................................................................................................................................................ 16
LPG ENGINE ................................................................................................................................................................................. 17
BEFORE STARTING THE MACHINE ........................................................................................................................................... 17
STARTING AND STOPPING THE MACHINE ............................................................................................................................... 17
PARKING BRAKE .......................................................................................................................................................................... 18
SWEEPING ................................................................................................................................................................................... 18
HOPPER DUMPING ...................................................................................................................................................................... 19
AFTER USING THE MACHINE ..................................................................................................................................................... 20
MACHINE STORAGE .................................................................................................................................................................... 20
FIRST PERIOD OF USE ............................................................................................................................................................... 20
MAINTENANCE ............................................................................................................................................................. 20
SCHEDULED MAINTENANCE TABLE ......................................................................................................................................... 21
MAIN BROOM MAINTENANCE .................................................................................................................................................... 22
SIDE BROOM MAINTENANCE ..................................................................................................................................................... 24
DUST FILTER MAINTENANCE (PANEL FILTER) ......................................................................................................................... 26
SKIRT MAINTENANCE ................................................................................................................................................................. 27
DUSTGUARD SYSTEM WATER FILTER CLEANING (OPTIONAL) ............................................................................................. 27
HYDRAULIC OIL ........................................................................................................................................................................... 28
ENGINE OIL .................................................................................................................................................................................. 28
ENGINE AIR FILTER CLEANING .................................................................................................................................................. 29
ENGINE COOLANT ....................................................................................................................................................................... 29
FUSE CHECK/REPLACEMENT/RESET ....................................................................................................................................... 30
TROUBLESHOOTING ................................................................................................................................................... 31
SCRAPPING .................................................................................................................................................................. 32

ENGLISH INSTRUCTION FOR USE
233019864(1)2009-05 Proterra™
INTRODUCTION
NOTE
The numbers in brackets refer to the components shown in Machine Description chapter.
MANUAL PURPOSE AND CONTENTS
The purpose of this Manual is to provide the operator with all necessary information to use the machine properly, in a safe and
autonomous way. It contains information about technical data, safety, operation, storage, maintenance, spare parts and disposal.
Before performing any procedure on the machine, the operators and qualifi ed technicians must read this Manual carefully. Contact
Advance in case of doubts concerning the interpretation of the instructions and for any further information.
TARGET
This Manual is intended for operators and technicians qualifi ed to perform the machine maintenance.
The operators must not carry out operations reserved for qualifi ed technicians. Advance will not be responsible for damages coming
from failure to follow these instructions.
HOW TO STORE THIS MANUAL
The Instructions for Use Manual must be kept near the machine, inside an adequate case, away from liquids and other substances
that can cause damage to it.
IDENTIFICATION DATA
The machine model and serial number are shown on the plate (10) placed on the frame.
The machine model year is written in the declaration of conformity and it is also indicated by the fi rst two fi gures of the machine
serial number.
The machine model and serial number are shown on the plate (31).
This information is useful when ordering machine and engine spare parts. Use the following table to write down the machine and
engine identifi cation data.
MACHINE model ...............................................................................
MACHINE serial number ...................................................................
ENGINE model ..................................................................................
ENGINE serial number ......................................................................
OTHER REFERENCE MANUALS
Engine Manual, supplied with the machine, to be considered an integral part of this Manual. –
The following Manuals are also available: –
Spare Parts List (supplied with the machine)•
Service Manual (that can be consulted at any Advance Dealer)•

INSTRUCTION FOR USE ENGLISH
Proterra™ 33019864(1)2009-05 3
SPARE PARTS AND MAINTENANCE
All necessary operating, maintenance and repair procedures must be performed by qualifi ed personnel or by Advance Service
Centers. Only original spare parts and accessories must be used.
Call Advance for service or to order spare parts and accessories, specifying the machine model and serial number.
CHANGES AND IMPROVEMENTS
Advance constantly improves its products and reserves the right to make changes and improvements at its discretion without being
obliged to apply such benefi ts to the machines that were previously sold.
Any change and/or addition of accessory must be approved and performed by Advance.
OPERATION CAPABILITIES
This sweeper has been designed and built to be used by a qualifi ed operator to sweep/clean smooth and solid fl oors, in civil and
industrial environments, and to collect dust and light debris under safe operation conditions.
CONVENTIONS
Forward, backward, front, rear, left or right are intended with reference to the operator’s position, while on the driver’s seat (32).
UNPACKING/DELIVERY
Upon delivery, carefully check that the packing and the machine are not damaged. In case of visible damages, keep the packing
and have it checked by the carrier that delivered it. Call the carrier immediately to fi ll in a damage claim.
Check that the machine is equipped as follows: –
Sweeper Instructions for Use•
Engine Manual•
Sweeper Spare Parts List•
After removing the packing, remove the wooden blocks next to the wheels. –
Check the engine oil and coolant levels. –
Check the hydraulic oil level. –
Read the instructions in the Preparing the Machine For Use section of this manual, then fi ll the fuel tank. –
Place a ramp next to the front end of the pallet. –
Read the instructions in the Operating Controls and Operating the Machine sections of this manual and start the engine. –
Slowly drive the machine forward down the ramp to the fl oor.
WARNING!
Use extreme caution when operating the sweeper.
Be certain to be thoroughly familiar with all of the operating instructions prior to using this sweeper.
In case of questions, contact a supervisor or local Advance Industrial Dealer.
Should the sweeper malfunction, do not attempt to correct the problem unless the supervisor directs you to do
so. Have a qualifi ed company mechanic or an authorized Advance Dealer service person make any necessary
corrections to the equipment.
Use extreme care when working on this machine. Neckties, loose clothing, long hair, rings and bracelets can get
caught in moving parts.
Before working on the machine turn the ignition key (64) to “O”, remove the key, engage the parking brake and
disconnect the battery.
Use good common sense, practice good safety habits and pay attention to the yellow decals on this machine.
Drive the machine slowly on inclines. Use the brake pedal (35) to control machine speed while descending
inclines.
Do not turn the machine on an incline; drive straight up or down.
The maximum rated incline during transport with a 3 cylinder model is 15%.

ENGLISH INSTRUCTION FOR USE
433019864(1)2009-05 Proterra™
SAFETY
The following symbols indicate potentially dangerous situations. Always read this information carefully and take all necessary
precautions to safeguard people and property.
The operator’s cooperation is essential in order to prevent injury. No accident prevention program is effective without the total
cooperation of the person responsible for the machine operation. Most of the accidents that may occur while working or moving
around are caused by failure to comply with the simplest rules for exercising prudence. A careful and prudent operator is the best
guarantee against accidents and is essential for successful completion of any prevention program.
SYMBOLS
DANGER!
It indicates a dangerous situation with risk of death for the operator.
WARNING!
It indicates a potential risk of injury for people or damage to objects.
CAUTION!
It indicates a caution or a remark related to important or useful functions. Pay careful attention to the
paragraphs marked by this symbol.
NOTE
It indicates a remark related to important or useful functions.
CONSULTATION
It indicates that it is necessary to consult the Instructions for Use before performing any procedure.
GENERAL INSTRUCTIONS
Specifi c warnings and cautions to inform about potential damages to people and machine are shown below.
DANGER!
Carbon monoxide (CO) can cause brain damage or death. –
The internal combustion engine of this machine can emit carbon monoxide. –
Do not inhale exhaust gas fumes. –
Only use indoors when adequate ventilation is provided, and when an assistant has been instructed to look –
after you.

INSTRUCTION FOR USE ENGLISH
Proterra™ 33019864(1)2009-05 5
DANGER!
Before performing any maintenance, repair, cleaning or replacement procedure disconnect the battery –
connector, remove the ignition key and engage the parking brake.
This machine must be used by properly trained operators only. Children or disabled people cannot use this –
machine.
Sharp turns must be made at slowest possible speed. Avoid: abrupt turns on incline, turns when the hopper –
is lifted.
Do not lift the hopper when the machine is on incline. The machine loses stability on incline or when the –
hopper is full. Regularly check the tire pressure.
Do not wear jewelry when working near electrical components. –
Keep the battery away from sparks, fl ames and incandescent material. During the normal operation explosive –
gases are released.
Do not work under the lifted machine without supporting it with safety stands. –
When working under the open hood, ensure that it cannot be closed by accident. –
Do not operate the machine near toxic, dangerous, fl ammable and/or explosive powders, liquids or vapors: –
This machine is not suitable for collecting dangerous powders.
Be careful, fuel is highly fl ammable. –
Do not smoke or bring naked fl ames in the area where the machine is refueled or where the fuel is stored. –
Refuel outdoors or in a well-ventilated area, with the engine off. –
Turn off the engine and let it cool down for a few minutes, then remove the fuel tank plug. –
Do not fi ll the fuel tank to the top, but leave at least 4 cm from the fi ller neck to allow the fuel to expand. –
After refueling, check that the fi ller cap is tightly closed. –
If any fuel is spilled while refueling, clean the tank area and allow the vapors to evaporate before starting the –
engine.
Avoid contact with skin and do not breathe in fuel vapors. Keep out of reach of children. –
Do not tilt the engine too much to avoid fuel spillage. –
When moving the machine, the fuel tank must not be full and the fuel valve must be closed. –
Do not lay any object on the engine. –
Stop the engine before performing any procedure on it. To prevent the engine from starting accidentally, –
disconnect the battery negative terminal.
See also the SAFETY RULES in the Engine Manual, which is to be considered an integral part of this Manual. –
Lead batteries (WET) are installed on this machine, do not tilt the machine more than 30° from its horizontal –
position to prevent the highly corrosive acid to leak out of the batteries. When the machine is to be tilted to
perform maintenance procedures, remove the batteries.
Do not use the machine in case of gas leaks. Disconnect the fuel hose and replace the LPG tank. If the gas –
leak persists, disconnect the fuel hose and contact the Advance Service Center.

ENGLISH INSTRUCTION FOR USE
633019864(1)2009-05 Proterra™
WARNING!
Carefully read all the instructions before performing any maintenance/repair procedure. –
When working near the hydraulic system, always wear protective clothes and safety glasses. –
Pay attention to hot parts when working near the engine, the muffl er, the manifold and the cooler. –
Take all necessary precautions to prevent hair, jewelry and loose clothes from being caught by the machine –
moving parts.
To avoid any unauthorized use of the machine, remove the ignition key. –
Do not leave the machine unattended without being sure that it cannot move independently. –
Do not use the machine on slopes with a gradient exceeding the specifi cations. –
Use only brooms supplied with the machine and those specifi ed in the Instructions for Use. Using other –
brooms could reduce safety.
Before using the machine, close all doors and/or covers. –
Do not use the machine in particularly dusty areas. –
Use the machine only where a proper lighting is provided. –
If the machine is to be used where there are other people besides the operator, it is necessary to install the –
pivoting light and the reverse gear buzzer (optional).
Do not wash the machine with direct or pressurized water jets, or with corrosive substances. –
Do not use compressed air to clean this type of machine, except for the fi lters (see the relevant paragraph). –
While using this machine, take care not to cause damage to people and children especially. –
Do not put any can containing fl uids on the machine. –
The machine storage temperature must be 32°F and 104°F (0°C to +40°C). –
The machine working temperature must be 32°F and 104°F (0°C to +40°C). –
The humidity must be between 30% and 95%. –
Always protect the machine against the sun, rain and bad weather, both under operation and inactivity –
condition. Store the machine indoors, in a dry place. This machine must be used in dry conditions, it must
not be used or kept outdoors in wet conditions.
Do not use the machine as a means of transport, or for pushing/towing. –
Do not allow the brooms to operate while the machine is stationary to avoid damaging the fl oor. –
In case of fi re, use a powder fi re extinguisher, not a water one. –
Do not bump into shelves or scaffoldings, particularly where there is a risk of falling objects. –
Adjust the operation speed to suit the fl oor conditions. –
Avoid sudden stops when the machine is going downhill. Avoid sharp turns. Drive at slow speed when going –
downhill.
This machine cannot be used on roads or public streets. –
Do not tamper with the machine safety guards.
–
Follow the routine maintenance procedures scrupulously. –
Do not remove or modify the plates affi xed to the machine. –
In case of machine malfunctions, ensure that these are not due to lack of maintenance. Otherwise, request –
assistance from the authorized personnel or from an authorized Service Center.
In case of part replacement, order ORIGINAL spare parts from an authorized Dealer or Retailer. –
To ensure the proper and safe operation of the machine, have the scheduled maintenance, detailed in the –
relevant chapter of this Manual, performed by the authorized personnel or an authorized Service Center.
The machine must be disposed of properly, because of the presence of toxic-harmful materials (batteries, –
oil, plastics, etc.), which are subject to standards that require disposal in special centers (see Scrapping
chapter).
While the engine is running the silencer heats up. Do not touch the silencer to avoid serious scalding or fi re. –
Running the engine with an insuffi cient quantity of oil can seriously damage the engine. Check the oil level –
with the engine off and the machine on a level surface.
Never run the engine if the air fi lter is not installed, because the engine could be damaged. –
All engine servicing procedures should be performed by an authorized Dealer. –
Only use original spare parts or parts of matching quality for the engine. Using spare parts of lower quality
can seriously damage the engine.
See also the SAFETY RULES in the Engine Manual, which is to be considered an integral part of this Manual. –

INSTRUCTION FOR USE ENGLISH
Proterra™ 33019864(1)2009-05 7
HOPPER SAFETY SUPPORT
CAUTION!
Before performing any maintenance procedure under or near to the lifted hopper, pull the locking handle (39) to
make sure the hopper safety support (5) is in place. The hopper safety support (5) holds the hopper in the lifted
position to allow work to be performed under the hopper. Never rely on the machine’s hydraulic components to
safely support the hopper.
JACKING THE MACHINE
WARNING!
Never work under a machine without safety stands or blocks to support the machine.
When jacking the machine, do so at designated locations (do not jack on the hopper) - see jacking locations (8).
MACHINE TRANSPORT
WARNING!
Before transporting the machine on an open truck or trailer, make sure that:
All access doors are latched securely. –
The machine is tied down securely. –
The parking brake is engaged. –
PUSHING/TOWING THE MACHINE
The machine hydraulic pump (45) is equipped with a screw that disengages the traction system. The system prevents damage to
the hydraulic system when the machine is being towed/pushed short distances without using the engine.
To access the unlocking screw, open the engine compartment hood (1) by using the unlocking push-button (25) and locate the
hydraulic pump (45) in the front part of the engine (44).
Turn the socket head screw (A, Fig. 1) half turn counter-clockwise to disengage the hydrostatic lock between the engine and pump.
CAUTION!
The hydraulic pump can be damaged if the machine is towed when the screw is in the normal working position
(locked).
NOTE
If the screw is left in unlocking position, the hydraulic pump cannot drive the machine.
NOTE
Tow or push the machine no faster than a normal walking pace [1.8-2.8 mph (3-4.5 km/h)] and for short distances only.
If the machine is to be moved long distances the driving wheels need to be raised off the fl oor and placed on a suitable
transport dolly.
After pushing/towing the machine, turn the socket head screw half turn clockwise to reset the hydraulic functions.
A
P100320
Figure 1

ENGLISH INSTRUCTION FOR USE
833019864(1)2009-05 Proterra™
KNOW YOUR MACHINE
MACHINE NOMENCLATURE
Engine compartment hood1.
Left side main broom access panel2.
Battery3.
Left side hood4.
DustGuard system tank (optional)
Hopper safety support5.
Hopper hood latch6.
Working light (optional)7.
Jacking locations (rear location is under the engine 8.
radiator)
Right side broom9.
Serial number plate/technical data/conformity certifi cation10.
Dust fi lter shaker assembly11.
Hopper dust control fi lter12.
Panel fi lter (standard)
Closed pocket fi lter (optional)
Filter shaker assembly mounting knobs13.
Hydraulic oil fi lter14.
Left side broom (optional)15.
Hopper hood16.
Hopper hood support rod17.
Right side main broom access panel18.
Hydraulic oil tank19.
Hydraulic oil tank plug20.
Fuel tank plug21.
Fuel tank22.
Radiator plug23.
Engine air fi lter24.
Engine compartment hood unlocking push-button25.
Tie-down locations (3)26.
Air fi lter service indicator27.
DustGuard system nozzles (optional)28.
DustGuard system tank plug (optional)29.
Water fi lter (optional)30.
Engine model and serial number plate31.
1
2
45
31
4
32
19
30
8
5
15
9
6
7
11
12
13
14
20
17
28
47 43
26
P100317

INSTRUCTION FOR USE ENGLISH
Proterra™ 33019864(1)2009-05 9
MACHINE NOMENCLATURE (Continues)
Driver’s seat32.
Control panel (see the following paragraph)33.
Steering wheel34.
Brake pedal35.
Parking brake pedal36.
(To engage/disengage the parking brake, use
simultaneously with the brake pedal)
Forward/reverse gear pedal37.
Circuit breaker panel (see the Fuse Check/Replacement/38.
Reset paragraph)
Hopper safety support handle39.
Pull backward to lock the support•
Push forward to unlock the support•
Driver’s seat adjustment lever40.
Engine air grid41.
Rear driving and steering wheel42.
Front wheels43.
Engine44.
Hydraulic pump45.
Engine coolant/hydraulic oil radiator46.
Hopper47.
Fuses (see the Fuse Check/Replacement/Reset 48.
paragraph)
Fire extinguisher (optional)49.
LPG fuel tank50.
3
23
24
27
25
29
26
26
8
21 18 40
41
43
44
45
46
49
42
33 34
36
37
48
38
39
35
16
50
1
0
10
P100318

ENGLISH INSTRUCTION FOR USE
10 33019864(1)2009-05 Proterra™
OPERATING CONTROLS
Engine speed lever51.
(Forward) working speed•
(Backward) idle speed•
Side broom lever52.
(Forward) side broom lowered•
(Backward) side broom lifted•
Main broom lever53.
(Forward) main broom lowered•
(Backward) main broom lifted•
Hopper lever54.
(Forward) hopper lowered•
(Backward) hopper lifted•
Hopper dumping door lever55.
(Forward) dumping door opened•
(Backward) dumping door closed•
Hour counter56.
Fuel level indicator57.
Hopper overtemperature warning light58.
Clogged hopper fi lter warning light59.
Battery charger warning light60.
Engine coolant overtemperature warning light61.
Parking brake warning light62.
Glow plug pre-heating warning light63.
Ignition key:64.
When turned to “O” it stops the engine and disables all •
machine functions.
When turned to “I” it enables the machines functions.•
When turned to “II” it starts the engine.•
As soon as the engine starts release the key, which will
return to “I”.
Horn switch65.
Vacuum fan/Shaker switch66.
(Lower position) fi lter shaker activation•
(Upper position) vacuum fan and dust control system •
activation
DustGuard system switch (optional)67.
Choke lever (for LPG and Gasoline versions only)68.
Working light switch (optional)69.
Hazard warning light switch (optional)70.
Turn signal switch (optional)71.
Steering wheel adjustment lever (optional)72.
5152535455
56
57
58
59
60 61 62 63 64 65 6668 67
69
71
70
72
P100319

INSTRUCTION FOR USE ENGLISH
Proterra™ 33019864(1)2009-05 11
ACCESSORIES/OPTIONS
In addition to the standard components, the machine can be equipped with the following accessories/options, according to the
machine specifi c use:
Left side broom –
Main and side brooms with harder or softer bristles –
Polyester Water Resistant dust fi lter –
Clogged fi lter sensor –
DustGuard system –
Fire extinguisher –
Headlights –
Working light –
Flashing light –
Non-marking wheels –
Tilt steering wheel –
Driver’s seat with suspensions –
Safety belts –
Side broom guard –
Overhead Guard –
Rearview mirrors –
Fire extinguisher –
Rear bumper –
Reverse gear buzzer –
Hopper protection –
Anti-skid mat –
For further information about the above-mentioned accessories, contact an authorized Retailer.
TECHNICAL DATA
Dimensions and weights Proterra™ Diesel Proterra™ LPG Proterra™ Gasoline
Cleaning path with main broom 35.5 in (900 mm)
Cleaning path with one side broom 49.25 in (1,250 mm)
Cleaning path with two side brooms (optional) 63 in (1,600 mm)
Machine length 87.5 in (2,220 mm)
Machine width (broom hubs) 52 in (1,320 mm)
Maximum machine height 57.5 in (1,460 mm)
Maximum machine height with Overhead Guard (optional) 79 in (2,000 mm)
Minimum distance from the fl oor (skirts not included) 4.25 in (110 mm)
Maximum hopper lifting height 62.5 in (1,590 mm)
Main broom size (diameter x length) 12.2 x 35.5 in (310 x 900 mm)
Side broom diameter 21.5 in (550 mm)
Tire pressure 85 psi (6 Bar)
Front axle curb weight 1,180 lb (535 kg)
Rear axle curb weight 905 lb (410 kg)
Total machine curb weight (without operator) 2,085 lb (945 kg)
Maximum weight (GVW) 2,910 lb (1,320 kg)
Machine weight for shipment 2,204.6 lb (1,000 kg)
Ref data Proterra™ Diesel Proterra™ LPG Proterra™ Gasoline
Fuel tank capacity 14 gal (35 liters) - 14 gal (35 liters)
Hydraulic system oil tank capacity 26.5 qt (25 liters)
Engine oil pan capacity (*) 5.4 qt (5.1 liters) 3.59 qt (3.4 liters)
Engine oil type (**) SAE 10 W - 30
Engine coolant quantity (**) 4.2 qt (4 liters)
(*) For other engine data/values, see the relevant Manual.
(**) For engine oil and coolant data, and for technical specifi cations see the Engine Manual.

ENGLISH INSTRUCTION FOR USE
12 33019864(1)2009-05 Proterra™
Performance data Proterra™ Diesel Proterra™ LPG Proterra™ Gasoline
Maximum forward speed (for transport only) 7.5 mph (12 km/h) 7.5 mph (12 km/h) 7.5 mph (12 km/h)
Gradeability when working 20% (11°)
Gradeability 25% (14°)
Minimum turning radius 60.2 in (1,530 mm)
Sound pressure level at workstation (ISO 11201, ISO 4871)
(LpA) 69.5 ± 3 dB(A) 69.1 ± 3 dB(A) 69.1 ± 3 dB(A)
Machine output acoustic power (ISO 3744, ISO 4871) (LwA) 82 dB(A) 83 dB(A) 83 dB(A)
Vibration level at the operator’s arms (ISO 5349-1) (*) <2.5 m/s2
Vibration level at the operator’s body (ISO 2631-1) (*) <0.5 m/s2
Hopper capacity Theoretic: 11.25 cu·ft (315 liters)
Real: 8.00 cu·ft (226 liters)
Hopper maximum lift capacity 800 lb (363 kg)
DustGuard system tank capacity (optional) 11.9 gal (45 liters)
Under normal working conditions, on a level asphalt surface.(*)
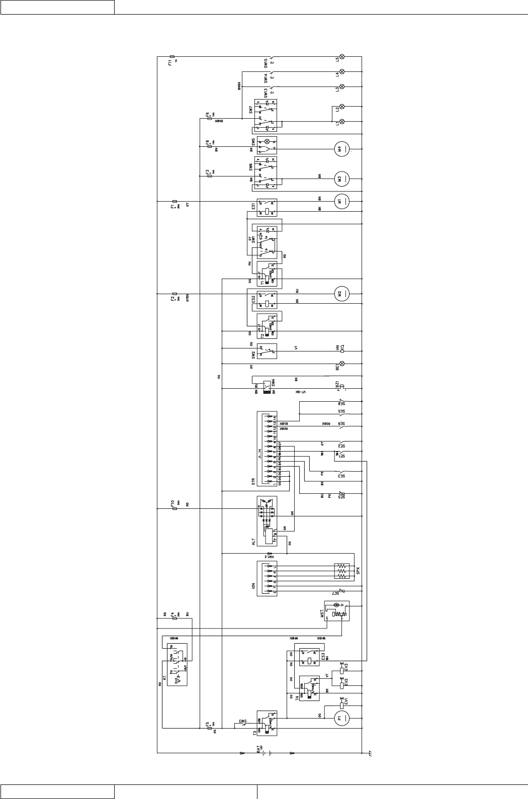
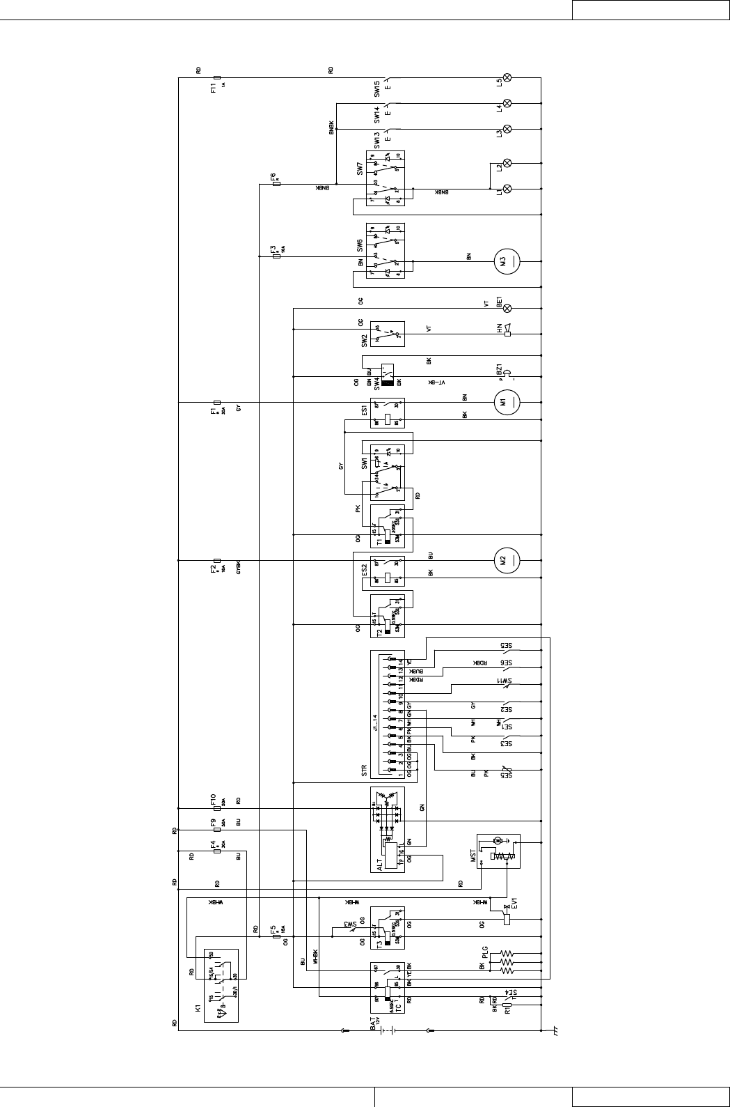
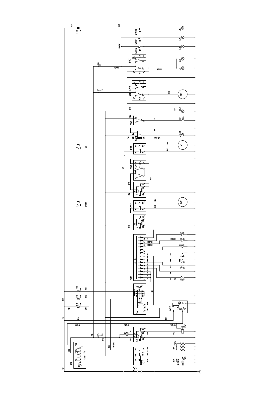
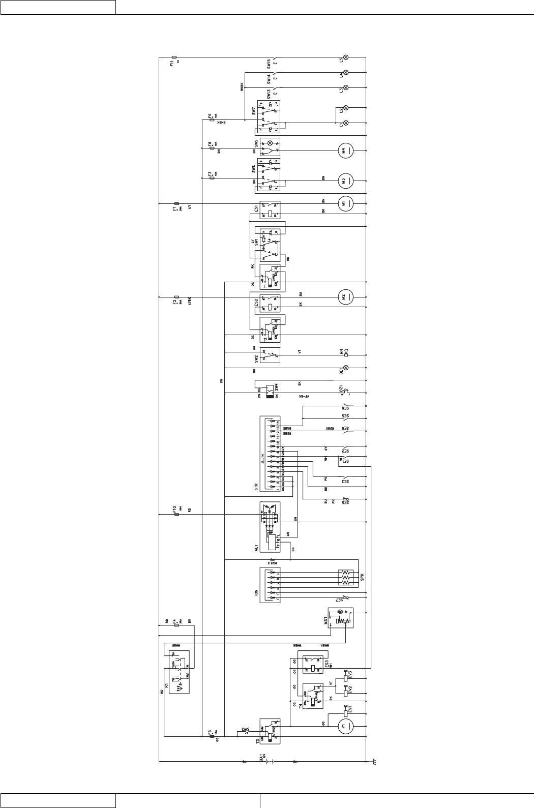
WIRING DIAGRAM
Key
ALT Alternator
BAT Battery
BE1 Pivoting light (if equipped)
BZ1 Reverse gear buzzer (if equipped)
ES1 Vacuum system relay
ES2 Filter shaker relay
ES3 LPG safety relay (LPG version only)
EV1 Fuel solenoid valve (Diesel e Gasoline version only)
EV2 LPG solenoid valve (LPG version only)
EV3 LPG safety solenoid valve (LPG version only)
F1 Vacuum system circuit breaker (30 A)
F2 Filter shaker circuit breaker (16 A)
F3 Water pump circuit breaker (10 A) (if equipped)
F4 Ignition key circuit breaker (30 A)
F5 Engine accessory circuit breaker (16 A)
F6 Working light fuse (10 A) (if equipped)
F8 Cab blower circuit breaker (if equipped)
F9 Glow plug fuse (50 A) (Diesel version only)
F10 Alternator fuse box and fuse (50 A)
F11 Hood inner light fuse (1 A) (optional)
HN Horn
IGN Ignition unit (for LPG and Gasoline versions only)
K1 Ignition switch
L1 Front working light (if equipped)
L2 Front working light (if equipped)
L3 Driver’s side working light (optional)
L4 Rear working light (optional)
L5 Hood inner light (optional)
M1 Vacuum system motor
M2 Filter shaker motor
M3 Water pump motor (if equipped)
M4 Cab blower (if equipped)
MST Starter
P1 Fuel pump (Gasoline version only)
PLG Glow plugs (Diesel version only)
R1 Glow plug warning light resistance (Diesel version only)
SE1 Oil pressure sensor
SE2 Water temperature sensor
SE3 Clogged hopper fi lter sensor (if equipped)
SE5 Fuel tank fl oat (Diesel and Gasoline version only)
SE6 Hopper temperature sensor (if equipped)
SE7 Engine speed sensor (LPG and Gasoline version only)
SE8 Low fuel sensor (for LPG and Gasoline versions only)
SPK Glow plug coils (for LPG and Gasoline versions only)
STR Gauge
SW1 Vacuum system/fi lter shaker switch
SW2 Horn switch
SW3 Driver’s seat microswitch
SW4 Reverse gear proximity sensor (if equipped)
SW5 Cab blower switch (if equipped)
SW6 Water pump switch (if equipped)
SW7 Working light switch (if equipped)
SW13 Driver’s side working light switch (optional)
SW14 Rear working light switch (optional)
SW15 Hood inner light switch (optional)
T1 Filter shaker timer
T2 Filter shaker timer 2
T3 Driver’s seat timer
T4 LPG safety timer (LPG version only)
TC Glow plug timer (Diesel version only)
Color code
BK Black
BU Light blue
BN Brown
GN Green
GY Grey
OG Orange
PK Pink
RD Red
VT Violet
WH White
YE Yellow

INSTRUCTION FOR USE ENGLISH
Proterra™ 33019864(1)2009-05 13
WIRING DIAGRAM PROTERRA™ DIESEL (Continues)
P100330

ENGLISH INSTRUCTION FOR USE
14 33019864(1)2009-05 Proterra™
WIRING DIAGRAM PROTERRA™ LPG AND GASOLINE(Continues)
P100330LPG

INSTRUCTION FOR USE ENGLISH
Proterra™ 33019864(1)2009-05 15
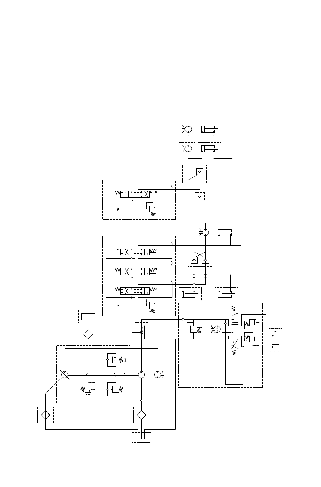
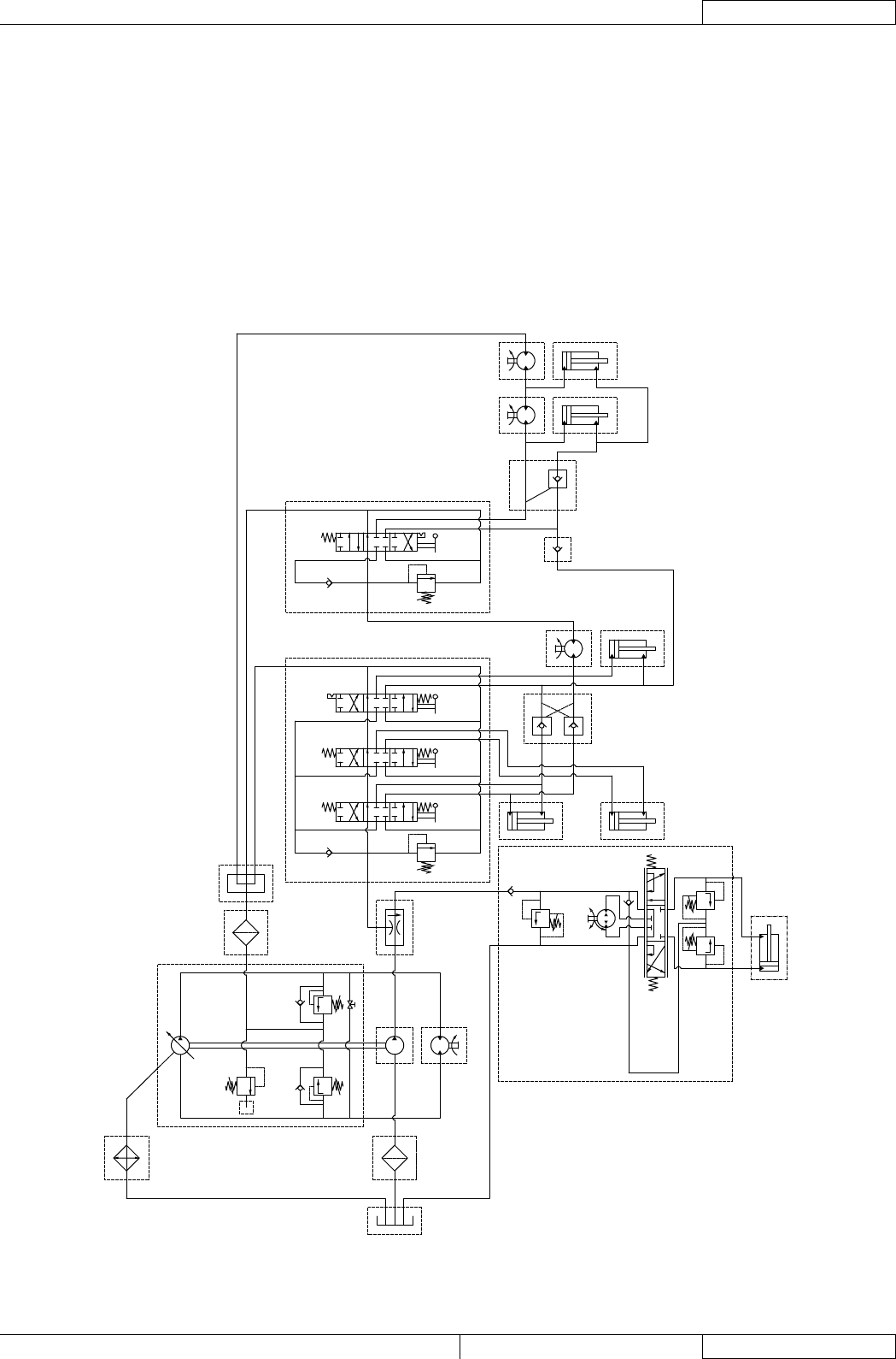
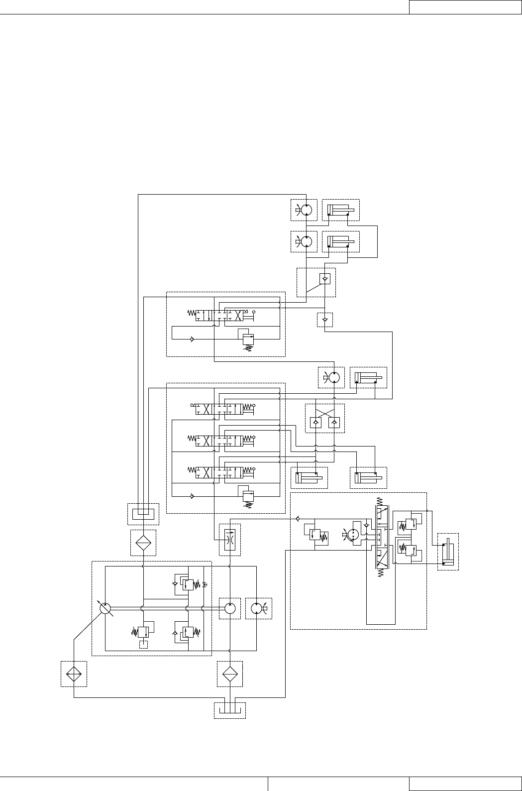
HYDRAULIC DIAGRAM
Key
Oil tank1.
Oil fi lter2.
Drive system pump3.
Accessory pump4.
Drive system motor5.
Power steering6.
Steering cylinder7.
Priority valve8.
Manifold 3 levers9.
Hopper lifting cylinder10.
Skirt cylinder11.
Main broom motor12.
Main broom cylinder13.
Manifold 1 lever14.
Right side broom motor15.
Right side broom cylinder16.
Check valve17.
One-way valve18.
Double check valve19.
Manifold block20.
Left side broom motor (optional)21.
Left side broom cylinder (optional)22.
Oil cooler23.
20 9
11 10
13
12
14
15
21
16
17
18
19
22
1
2
23
3
456
7
8
2
P100328

ENGLISH INSTRUCTION FOR USE
16 33019864(1)2009-05 Proterra™
PREPARING THE MACHINE FOR USE
WARNING!
On some points of the machine there are adhesive plates indicating:
DANGER –
WARNING –
CAUTION –
CONSULTATION –
While reading this Manual, the operator must pay particular attention to the symbols shown on the plates.
Do not cover these plates for any reason and immediately replace them if they are damaged.
PRE-OPERATIONAL CHECKLIST
Before Each Use:
Inspect the machine for damage, oil or coolant leaks. –
Check the engine coolant level (23) (see the relevant paragraph). –
Check the engine oil level (44) (see the relevant paragraph). –
Check the hydraulic oil level (19) (see the relevant paragraph). –
Check the fuel gauge (57), if necessary unscrew the plug (21) and refuel. –
Check that the pressure of all three tires is 85 psi (6 Bar). –
Check the air fi lter service indicator (see the relevant paragraph). –
In the driver’s seat:
Be sure to understand the operating controls and their functions. –
Adjust the seat with the lever (40) to allow easy reach of all controls. –
Insert the ignition key (64) and turn it to “I”: –
Check the horn (65), hour counter (56) and headlights (69, optional) for proper operation.•
Turn the ignition key (64) to “O”.•
Check the Parking Brake (35 and 36). The brake must hold its (locked parked) setting fi rmly without easily being released. –
(Report all defects immediately to service personnel).
Plan cleaning in advance:
Arrange long runs with a minimum of stopping or starting. –
Allow a small amount of broom path overlap to ensure complete coverage. –
Avoid making sharp turns, bumping into posts, or scraping the side of the machine. –
MAIN BROOM
Several different main brooms are available for this machine. To select the best broom for the surface and litter to be swept, contact
a Advance Retailer.
NOTE
To install the main broom, refer to Main Broom Maintenance paragraph.
FUEL
CAUTION!
Always stop the engine before fi lling the fuel tank. –
Do not smoke while fi lling the fuel tank. –
Fill the fuel tank in a well-ventilated area. –
Do not fi ll the fuel tank near sparks or open fl ame. –
DIESEL AND GASOLINE ENGINE
(only for Proterra™ Diesel) If using the machine when the outside temperature is lower than 32 F° (0°C), use diesel fuel for low
temperatures.
(Only for Proterra™ Gasoline) Fill the tank (22) with unleaded fuel for vehicles.
NOTE
If the engine machine runs out of fuel completely, the fuel system must be bled before the engine can be re-started. To
avoid this situation, fi ll the fuel tank (22) when the fuel gauge (56) indicates 1/4 tank. Fuel tank capacity is 14 gal (35
liters).

INSTRUCTION FOR USE ENGLISH
Proterra™ 33019864(1)2009-05 17
LPG ENGINE
Assembly only a LPG container with the following specifi cations:
DOT fuel container marked for a minimum service pressure of 240 psig (1.7 MPa). It shall bear marking DOT-4BA240 or •
DOT-4BW240.
Connect the fuel hose and open the cutoff valve on the tank. Always wear gloves when connecting and disconnecting the fuel hose.
When the machine is not operating, close the LPG tank valve.
NOTE
Place the LPG tank in a proper horizontal position. Connect the fuel hose to the tank and check that there are no gas
leaks.
WARNING!
Do not use the machine in case of gas leaks. Disconnect the fuel hose and replace the LPG tank. If the gas leak
persists, disconnect the fuel hose and contact the Advance Service Center.
OPERATING THE MACHINE
The Proterra™ is a rider-type automatic fl oor sweeping machine. The controls were designed to be user friendly. For single pass
sweeping the operator can simply lower the main broom.
BEFORE STARTING THE MACHINE
Be sure to understand the operating controls and their functions.1.
Plan the cleaning route. Arrange long, straight passes with as few turns as possible.2.
Check the brake pedal (35). The pedal should be fi rm.3.
WARNING!
If the pedal is “spongy” or fades under pressure, do not drive the machine.
Report all defects immediately to service personnel.
STARTING AND STOPPING THE MACHINE
Starting the machine
NOTE
The driver’s seat (32) is equipped with a safety sensor, which allows the machine to be started up and driven only when
the operator is on the driver’s seat.
(only for Proterra™ Diesel) Turn the ignition key (64) clockwise to position “I” and hold it until the pre-heating glow plug 4.
indicator (63) turns off. Do not perform the step above, if the engine is already on and warmed up.
(only for Proterra™ LPG) Slowly open the safety valve on the LPG tank (50). Pull the engine choke lever (68).
(only for Proterra™ Gasoline) Pull the engine choke lever (68).
Turn the ignition key (64) clockwise to position “II”, then release it when the engine starts.5.
If the engine does not start after running the starter for 15 seconds, release the ignition key, wait 1 minute and then repeat
steps 1 e 2.
(for Proterra™ LPG and Gasoline) After the ignition, let the engine run for a few seconds, then release the choke lever ((68).
Before using the machine, run the engine at idle for 5 minutes by turning the engine speed lever (51) backward (idle speed).6.
Disengage the Parking Brake.7.
Turn the engine speed lever (51) forward (working speed) and drive the machine at slow speed for 2 or 3 minutes to warm up 8.
the hydraulic system.
Press the front part of the drive pedal (37) to move forward and the rear part to move backward.9.
The drive speed can be adjusted from zero to maximum speed by increasing the pressure on the pedal.
WARNING!
When steering, avoid abrupt direction changes, pay careful attention and drive the machine at slow speed,
especially when the hopper is full or when operating on inclines.
Drive the machine slowly on inclines. Use the brake pedal (35) to control machine speed while descending
inclines.
Do not turn the machine on an incline; drive straight up or down.
Stopping the machine
To stop the machine release the pedal (37).10.
To stop the machine quickly, press also the brake pedal (36).
Turn off the machine by turning the ignition key (64) to “O”, then remove it.11.
Engage the parking brake.12.

ENGLISH INSTRUCTION FOR USE
18 33019864(1)2009-05 Proterra™
PARKING BRAKE
Engage the parking brake by pressing the pedals (35) and (36) simultaneously.1.
Disengage the parking brake by pressing and releasing the pedal (35).2.
WARNING!
Always engage Parking Brake before Servicing and when parking machine on an incline.
SWEEPING
Follow the instructions in the Preparing The Machine For Use paragraph.
Drive the machine to the work area as shown in the previous paragraph.1.
Lower the hopper properly by using the lever (54) if hopper not already in down position.2.
Lower and turn on the main broom with the lever (53).3.
CAUTION!
Avoid stopping for a long time with the machine in the same position and the brooms rotating: this could create
unwanted marks on the fl oor.
NOTE
The hopper dumping door opens automatically when the main broom lowers and closes automatically as soon as the
main broom is lifted.
Press the upper part of the switch (66) to turn on the vacuum fan dust control system.4.
Turn on the vacuum fan and the dust control system as soon as the machine returns to a dry fl oor.
Lower and turn on the side brooms (9) (15, optional) with the lever (52).5.
If equipped, turn on the DustGuard system with the switch (67, optional).
Drive the machine straight forward at a quick walking speed. Drive the machine slower when sweeping large amounts of dust 6.
or debris or when safe operation dictates slower speeds. Overlap passes 5.9 in (15 cm).
For proper machine operation, the dust fi lter must be as clean as possible. To clean the dust fi lter while sweeping, turn on the 7.
fi lter shaker by pressing the lower part of the switch (66), then turn on the vacuum fan and the dust control system by pressing
the upper part of the switch (66) after shaking has completed.
While working, repeat the procedure every 10 minutes on average (depending on the dustiness of the area to be cleaned).
NOTE
This operation can be performed even when the machine is moving.
CAUTION!
When the dust fi lter is clogged and/or the hopper is full, the machine cannot collect dust and debris anymore.
Check behind the machine occasionally to make sure that the machine is picking up debris. Dirt left behind in the path of the 8.
machine usually indicates that the machine is moving too fast, the main broom needs to be adjusted, or the hopper (47) is full.
The hopper (47) should be emptied after each working cycle and whenever it is full (see the procedure in the following
paragraph).
WARNING!
When working on wet fl oors, turn off the vacuum fan and the dust control system with the switch (66) to
preserve the dust fi lter.

INSTRUCTION FOR USE ENGLISH
Proterra™ 33019864(1)2009-05 19
HOPPER DUMPING
DANGER!
The hopper must be emptied on level grounds only.
Do not lift the hopper when the machine is on incline.
NOTE
The minimum ceiling height dumping clearance required for lifting the hopper is 108.2 in (275 cm).
Lift the main broom with the lever (53).1.
Press the lower part of the switch (66) to turn on the fi lter shaker and remove the excess dirt from the dust fi lter (12).2.
NOTE
Always run the fi lter shaker with the hopper fully lowered.
Drive the machine to the area appointed to empty the hopper, or close to a large trash receptacle.3.
Lift the hopper with the lever (54) to the desired dump height.4.
NOTE
The dumping door automatically closes when using the lever (54) to lift the hopper. The control of the dumping door can
be regained with the lever (55) as soon as the hopper begins to lift so that it can be dumped at any height as necessary.
Move the machine forward until the hopper is over the receptacle and engage the parking brake.5.
Open the dumping door with the lever (55) and dump the hopper.6.
NOTE
If not dumping into a trash receptacle, low dumping is recommended to help avoid airborne dust.
WARNING!
Before performing any maintenance procedure under or near to the lifted hopper, fully lift the hopper with the
lever (54), then pull the handle (39) backwards to make sure that the hopper safety support (5) is in place. The
hopper safety support holds the hopper lifted to allow working under the hopper. Never rely on the machine’s
hydraulic components to safely support the hopper.
Pull the locking handle (39) to make sure the hopper safety support (5) is in place, then slightly lower the hopper with the lever 7.
(54) to secure it.
Check the hopper door and its front gasket. If necessary, use a brush to remove litter from these areas.8.
For machine proper operation, the hopper door must seal tightly against the broom housing.
Return to the operator’s compartment. Disengage the parking brake. Move the machine back until the hopper will clear the 9.
receptacle.
Lift the hopper with the lever (54), pull the locking handle (39) forward until the safety support (5) disengages, then lower the 10.
hopper.

ENGLISH INSTRUCTION FOR USE
20 33019864(1)2009-05 Proterra™
AFTER USING THE MACHINE
Press the lower part of the switch (66) to turn on the fi lter shaker, clean the hopper dust fi lter and empty the hopper (see the 1.
previous paragraph).
Lift the main broom with the lever (53).2.
Turn all controls to off position.3.
Turn the engine speed lever (51) to idle and let the engine idle for 25 - 30 seconds.4.
(only for Proterra™ LPG) Close the safety valve on the LPG tank (50), then let the engine run until all the fuel is expelled from
the hoses (then the engine is stopped).
Turn off the machine by turning the ignition key (64) to “O”, then remove it.5.
Engage the parking brake.6.
Check the maintenance schedule and perform any required maintenance before storage.7.
Store the machine indoors.8.
NOTE
The machine can be cleaned with a pressure washer as long as it is not sprayed directly at or into electrical components.
The machine should always be allowed to dry completely before each use.
Report all defects or malfunctions to any Advance Service Center or to service personnel.
MACHINE STORAGE
If the machine is not going to be used for more than 30 days, proceed as follows:
Check that the machine storage area is dry and clean.1.
Empty the DustGuard system water tank (4) and clean the water fi lter (30, optional).2.
Disconnect the negative connector (–) of the battery (3).3.
Check the engine (44) as shown in the relevant Manual.4.
FIRST PERIOD OF USE
After the fi rst period of use (fi rst 5 hours) it is necessary to perform the following procedures:
Check the fastening and connecting elements for proper tightening.1.
Check the visible parts for integrity and leaks.2.
Change the engine oil (see Maintenance chapter).3.
MAINTENANCE
The lifespan of the machine and its maximum operating safety are ensured by correct and regular maintenance.
The following table provides the scheduled maintenance. The intervals shown may vary according to particular working conditions,
which are to be defi ned by the person in charge of the maintenance.
All scheduled or extraordinary maintenance procedures must be performed by qualifi ed personnel, or by Advance Service Center.
This Manual contains the Scheduled Maintenance Table and describes only the easiest and most common maintenance
procedures. For other maintenance procedures contained in the Scheduled Maintenance Table or for extraordinary maintenance
procedures see the Service Manual that can be consulted at any Service Center.
WARNING!
To perform maintenance procedures, the machine must be off, the ignition key removed, Parking Brake set, and,
if necessary, the batteries must be disconnected.
Read carefully the instructions in Safety chapter before performing any maintenance procedure.

INSTRUCTION FOR USE ENGLISH
Proterra™ 33019864(1)2009-05 21
SCHEDULED MAINTENANCE TABLE
NOTE
Maintenance intervals given are for average operating conditions. Machines used in severe operational environments
may require service more often.
Procedure Upon delivery Daily
After the
fi rst 50
hours
Every 30
hours
Every
150
hours
Every
300
hours
Every
1,000
hours
Engine coolant check
Engine oil level check
Hydraulic oil level check
Parking brake check
Main and side broom cleaning
Engine oil change (1) (1)
Oil fi lter element replacement (1) (1)
V-belt check (1) (1)
Engine coolant circuit check (1)
Battery check
DustGuard system water fi lter check and
cleaning (optional)
Engine air fi lter cleaning (2)
Engine radiator and oil cooler cleaning
Broom check and adjustment
Hopper dust fi lter check and cleaning (“A”
method) (2)
Skirt integrity, height and operation check
Hopper gasket integrity check
Engine maintenance (1) - (3)
Steering wheel bearing and hydraulic piston
lubrication (1)
Tank hydraulic oil fi lter replacement (1)
Pump hydraulic oil fi lter replacement (1)
Hopper dust fi lter check and cleaning (“B”
method) (2)
Fuel fi lter replacement (1)
Fuel fi tting and screw tightening (1)
Hopper dust fi lter check and cleaning (“C”
method) (2)
Hydraulic oil “recharge” fi lter replacement (1)
Tank hydraulic oil change (1) - (4)
For the relevant procedure, see the Service Manual.(1)
Or more often in dusty areas.(2)
Maintenance procedures to be performed by an authorized KUBOTA dealer.(3)
Change the hydraulic oil for the fi rst time after 500 hours, then every year.(4)

ENGLISH INSTRUCTION FOR USE
22 33019864(1)2009-05 Proterra™
MAIN BROOM MAINTENANCE
The main broom should be replaced for optimal performance when the bristles are worn to a length of 2 in (50 mm).
Main broom replacement
WARNING!
It is advisable to wear protective gloves when replacing the side broom because there can be sharp debris
between the bristles.
NOTE
Brooms of various hardness are available.
This procedure is applicable to all types of brooms.
Drive the machine on a level fl oor.1.
Engage the parking brake.2.
Turn the ignition key (64) and start the machine.3.
Lower the main broom with the lever (53).4.
Turn the ignition key (64) to “O” to stop the machine.5.
Open the right panel (18).6.
Move aside the right side skirt (A, Fig. 2) and fasten it with the pin (B).7.
Pivot the idler arm assembly (C) out of the main broom core (D).8.
NOTE
The idler arm is held in place by the right side access panel (18).
Pull the main broom (D) out of its housing and remove any string or wire wrapped around it and the drive hub.9.
Replace the main broom, slide it back into its housing. Make sure that the slots on the main broom core (D) engage the pins 10.
(E) in the main broom drive hub (F) and that the main broom is fully seated.
Close and swing the idler arm assembly (C) back into the main broom core.11.
NOTE
Make sure the lugs on the idler arm engage the slots (G) (right side) of the main broom core.
Place the right side skirt back to its position and close the right panel (18) until the lock lever engages.12.
AB
C
DG
E
F
P100321
Figure 2

INSTRUCTION FOR USE ENGLISH
Proterra™ 33019864(1)2009-05 23
Main broom height adjustment
NOTE
Brooms of various hardness are available.
This procedure is applicable to all types of brooms.
Drive the machine on a level fl oor.1.
Engage the parking brake.2.
Turn the ignition key (64) and start the machine.3.
Lower the main broom with the lever (53) and let it run for 1 minute.4.
This allows the broom to polish a “strip” on the fl oor. After 1 minute, lift the main broom, release the parking brake and move 5.
the machine so that the polished strip is visible.
Inspect the polished strip on the fl oor. If the strip is less than 2 in (50 mm) or more than 3 in (75 mm) wide, the main broom 6.
must be adjusted.
To adjust, open the engine compartment hood (1) by using the unlocking push-button (25), loosen the knob (A, Fig. 3) and 7.
operate on the main broom adjuster (B) by considering the following:
When turning clockwise, the main broom pressure and polish strip is decreased.•
When turning counter-clockwise, the main broom pressure and polish strip is increased.•
After adjusting, lock the adjuster with the knob (A).
Repeat steps 2-7 until the polished strip is 2-3 in (50-75 mm) wide.8.
NOTE
If the broom pattern cannot be properly adjusted, because the broom pressure differs from one end to another, see the
adjustment procedure in the Service Manual.
B
A
P100322
Figure 3

ENGLISH INSTRUCTION FOR USE
24 33019864(1)2009-05 Proterra™
SIDE BROOM MAINTENANCE
Side broom adjustment
NOTE
Brooms of various hardness are available.
This procedure is applicable to all types of brooms.
Drive the machine on a level fl oor.1.
Engage the parking brake.2.
Turn the ignition key (64) and start the machine.3.
Lower the side broom with the lever (52) and let it run for 1 minute.4.
When lowered, the side broom (9) (15, optional) should be contacting the fl oor as shown in the fi gure (A and B, Fig. 4).5.
To adjust, loosen the knob (A, Fig. 5) and operate on the side broom adjuster (B) by considering the following:6.
When turning clockwise, the main broom pressure is decreased.•
When turning counter-clockwise, the main broom pressure is increased.•
After adjusting, lock the adjuster with the knob (A).
Repeat steps 1-5 to check the proper adjustment of the side broom height.7.
When the broom is too worn out the adjustment is no more possible; replace the broom according to the instructions in the 8.
next paragraph.
NOTE
The side brooms (9) (15, optional) should be replaced for optimal performance when the bristles are worn to a length of 3
in (75 mm). When replacing the side brooms, adjust the height.
AB
BA
P100323 P100324
Figure 4 Figure 5

INSTRUCTION FOR USE ENGLISH
Proterra™ 33019864(1)2009-05 25
Side broom replacement
WARNING!
It is advisable to wear protective gloves when replacing the side broom because there can be sharp debris
between the bristles.
Lift the hopper until the side broom is approximately at chest height.1.
Release the spring to remove the mounting pin (A, Fig. 6) and remove the side broom (B) from the motor shaft.2.
Install the new broom on the motor shaft, align the hole with the mounting pin and engage the mounting pin (A).3.
AB
P100325
Figure 6

ENGLISH INSTRUCTION FOR USE
26 33019864(1)2009-05 Proterra™
DUST FILTER MAINTENANCE (PANEL FILTER)
The hopper dust control fi lter must be cleaned regularly to maintain the effi ciency of the vacuum system. Follow the recommended
fi lter service intervals for the longest fi lter life.
WARNING!
Wear safety glasses when cleaning the fi lter. –
Do not puncture the fi lter. –
Clean the fi lter in a well-ventilated area. –
Wear appropriate dust mask to avoid breathing in dust. –
Drive the machine on a level fl oor, engage the parking brake and turn the ignition key (64) to “O”.1.
Open the latches (6), lift the hopper hood (16) and ensure that the support rod (17) is in place.2.
Inspect the dust fi lter upper part (12) for damage. A large amount of dust on top of the fi lter is usually caused by a hole in the 3.
fi lter or a damaged fi lter gasket.
Unscrew the fi lter shaker assembly mounting knobs (13). Lift the fi lter shaker assembly (11) to access the fi lter panel.4.
Lift the dust fi lter (12) per and remove it from the machine.5.
Clean the fi lter using one of the methods below:6.
Method “A”
Vacuum loose dust from the fi lter. Then gently tap the fi lter against a fl at surface (with the dirty side down) to remove loose dust and
dirt.
NOTE
Take care not to damage the metal lip which extends past the gasket.
Method “B”
Vacuum loose dust from the fi lter. Then blow compressed air [maximum pressure 87 psi (6 Bar)] into the clean side of the fi lter (in
the opposite direction of the airfl ow).
Method “C”
Vacuum loose dust from the fi lter. Then soak the fi lter in warm water for 15 minutes, then rinse it under a gentle stream of water
[maximum pressure 36 psi (2.5 Bar)]. Let the fi lter dry completely before installing it back into the machine.
NOTE
For proper drying, lay the fi lter horizontally on two spacer to allow the air to fl ow under the fi lter.
NOTE
For a better cleaning, it is allowed to wash the fi lter with water and non-lathering detergents.
This provides better quality cleaning but reduces the life of the fi lter, which will have to be replaced more frequently.
Using inadequate detergents can damage the fi lter.
Install the fi lter in the reverse order of removal and note the following:7.
Install the fi lter with the wire gauze up.•
If the fi lter gasket is damaged or missing, it must be replaced.•
NOTE
Before replacing fi lter clear debris from dust plate located under fi lter.
Check that the debris skirt at the rear of the dust plate swings freely.

INSTRUCTION FOR USE ENGLISH
Proterra™ 33019864(1)2009-05 27
SKIRT MAINTENANCE
Preliminary operations
Empty the hopper as shown in the relevant paragraph to avoid that the weight of the debris affects the skirt height check.1.
Drive the machine on a level fl oor, suitable to check the skirt height.2.
Turn the ignition key (64) to “O”.3.
Engage the parking brake.4.
Skirt check
Open the right (18) and left door (2).5.
Remove the main broom as shown in the relevant paragraph.6.
Check the front and rear skirt of the main broom housing. Replace or adjust the skirt if damaged or worn so that their distance 7.
from the ground is more than 0.2 in (6 mm) (see the procedure in the Service Manual).
DUSTGUARD SYSTEM WATER FILTER CLEANING (OPTIONAL)
Drive the machine on a level fl oor, engage the parking brake and turn the ignition key (64) to “O”.1.
Disengage the quick coupling (A, Fig. 7) from the tank hoses.2.
Remove the left panel (2) to reach the water fi lter (30).3.
Remove the transparent cover (B) with the gasket (C), then remove the fi lter strainer (D). Clean and reinstall them on the 4.
support (E).
NOTE
Install the gasket (C) and the fi lter strainer (D) in the housings of the cover and the support (E).
Assemble in the reverse order of disassembly.5.
A
BD
E
C
P100329
Figure 7

ENGLISH INSTRUCTION FOR USE
28 33019864(1)2009-05 Proterra™
HYDRAULIC OIL
WARNING!
Do not touch hot components.
Let the engine and hydraulic system cool down.
Drive the machine on a level fl oor, engage the parking brake 1.
and turn the ignition key (64) to “O”.
Open the engine compartment hood (1) by using the 2.
unlocking push-button (25).
Remove the left side hood (4) by using the latch, if 3.
necessary remove the water fi lter hose (30, optional).
Check the hydraulic oil level by means of the indicator on 4.
the tank (19).
The hydraulic oil level should be half way up the indicator.
If it is below this level, unscrew the plug (20) and add
Hydraulic oil AGIP Arnica 46.
Change the oil if major contamination from a mechanical
failure occurs (see the procedure in the Service Manual).
ENGINE OIL
WARNING!
Do not touch hot components.
Let the engine cool down.
Drive the machine on a level fl oor, engage the parking brake 1.
and turn the ignition key (64) to “O”.
Open the engine compartment hood (1) by using the 2.
unlocking push-button (25).
Check the engine oil level with the dipstick (A, Fig. 8-9-10) 3.
before each use of the machine.
If necessary, open the plug (B, Fig. 9-10) and top up.
(See the procedure in the Engine Manual).
Change the engine oil after the fi rst 50 hours of operation, 4.
and then after 150 hours.
The oil fi lter (C) should be replaced with every oil change
(see the procedure in the Service Manual).
According to the air temperature, use the type of oil
indicated below:
TEMPERATURE RANGE TYPE OF OIL
Above 60°F (15°C) SAE 10W-30
Below 60°F (15°C) SAE 5W-30
A
MIN
MAX
P100329A
Figure 8
C
A
Proterra™ Diesel version
B
P100329D
Figure 9
A
C
B
Proterra™ LPG and Gasoline version
P100329P
Figure 10

INSTRUCTION FOR USE ENGLISH
Proterra™ 33019864(1)2009-05 29
ENGINE AIR FILTER CLEANING
Drive the machine on a level fl oor, engage the parking brake and turn the ignition key (64) to “O”.1.
Open the engine compartment hood (1) by using the unlocking push-button (25).2.
Check the engine air fi lter service indicator (27) before each use of the machine.3.
NOTE
After cleaning or replacing the engine air fi lter, the service indicator can be reset by pressing the end of the indicator.
WARNING!
When servicing the engine air fi lter elements, use extreme care to prevent loose dust from entering the engine.
Dust can severely damage the engine.
Open the engine oil fi lter cover (24) and remove the paper pre-fi lter and synthetic fi lter.4.
Clean the engine air fi lters and/or perform maintenance of the engine air fi lter element (24) as shown in the Engine Manual.5.
ENGINE COOLANT
WARNING!
Do not remove the radiator cap (23) when the engine is hot.
Drive the machine on a level fl oor, engage the parking brake and turn the ignition key (64) to “O”.1.
Open the engine compartment hood (1) by using the unlocking push-button (25).2.
Let the engine and engine coolant cool down, then open the radiator cap (23) with great care, to release the pressure.3.
Remove the radiator cap (23) and check the coolant.4.
If the level is low, add a mixture of half water and half automotive type anti-freeze, as shown in the Engine Manual.

ENGLISH INSTRUCTION FOR USE
30 33019864(1)2009-05 Proterra™
FUSE CHECK/REPLACEMENT/RESET
Circuit breaker check
Drive the machine on a level ground. 1.
Engage the parking brake.2.
Turn the ignition key (64) to “O” and remove it.3.
On the panel (38), check for deactivation of one of the following fuses (4. Fig. 11):
(A): F1 (30 A), vacuum system•
(B): F2 (16 A), fi lter shaker•
(C): F4 (30 A), ignition key•
(D): F5 (16 A), engine accessory•
(E): F3 (10 A), DustGuard system nozzle (if equipped)•
(F): F6 (10 A), working light (if equipped)•
(G): F7, light system (if equipped)•
(H): F8, cab fan (if equipped)•
Reset any deactivated fuse, when the component that caused deactivation has fully cooled down.
Fuse check/replacement
Drive the machine on a level ground. 1.
Engage the parking brake.2.
Turn the ignition key (64) to “O” and remove it.3.
Open the engine compartment hood (1) by using the unlocking push-button (25).4.
In the driver’s seat area, remove the covers and check the following fuses for integrity (Fig. 12-13):5.
(I): F9 (50 A), pre-heating glow plugs (only for Proterra™ Diesel)•
(J): F10 (50 A), alternator•
(K): F11 (1 A), hood inner light (optional)•
Replace any open fuse. Install the cover.
Close the engine compartment hood (1).6.
ABE
G
C
HDF
P100326
Figure 11
IJ
K
Proterra™ Diesel and Gasoline version Proterra™ LPG version
J
P100327 P100327LPG
Figure 12 Figure 13

INSTRUCTION FOR USE ENGLISH
Proterra™ 33019864(1)2009-05 31
TROUBLESHOOTING
Problem Possible cause Remedy
The machine does not move
The battery is disconnected Connect the battery
The machine has run out of fuel Refuel
The circuit breakers are tripped Reset any tripped circuit breaker
The parking brake is engaged Disengage
The unlocking screw is not in a proper position Turn it properly
The main broom does not turn
The main broom is lifted Lower the main broom with the lever
Debris wrapped around the broom drive Remove debris
The hopper is not fully lowered Fully lower the hopper
The circuit breakers are tripped Reset any tripped circuit breaker
The machine collects little debris/dust
The vacuum system is off Turn on the vacuum system with the switch
The dust fi lter is clogged Clean the dust fi lter
The hopper is full Empty the hopper
The skirts are damaged or misadjusted Check the skirt for integrity and proper adjustment (*)
The main broom height is incorrect Adjust the main broom height
The circuit breakers are tripped Reset any tripped circuit breaker
The side broom does not work
The side broom is lifted Lower the side broom with the lever
Debris wrapped around the broom drive Remove debris
The hopper is not fully lowered Fully lower the hopper
The hopper dumping door does not close The dumping door is jammed by debris Remove debris and clean edges of dirt chamber
The fi lter shaker motor does not work
The fi lter shaker motor connector is not
properly connected Connect it properly
The circuit breaker is tripped Reset the tripped circuit breaker
The DustGuard system (optional) does
not work
The switch is faulty Replace the switch (*)
The nozzles or the water fi lter are clogged Clean
Pump failure Replace
The circuit breaker is tripped Reset the tripped circuit breaker
Procedure to be performed by Advance Service Center.(*)
For further information contact a Advance Service Center, where it is possible to consult the Service Manual.

ENGLISH INSTRUCTION FOR USE
32 33019864(1)2009-05 Proterra™
SCRAPPING
Have the machine scrapped by a qualifi ed scrapper.
Before scrapping the machine, remove and separate the following materials, which must be disposed of properly according to the
law in force:
Batteries –
Polyester dust fi lter –
Main and side brooms –
Engine oil –
Hydraulic system oil –
Hydraulic system oil fi lter –
Plastic components –
Electrical and electronic components (*) –
Refer to the nearest Advance Service Center especially when scrapping electrical and electronic components.(*)

INSTRUCTIONS D’UTILISATION FRANÇAIS
Proterra™ 33019864(1)2009-05 1
TABLE DES MATIERES
INTRODUCTION .............................................................................................................................................................. 2
BUT ET CONTENU DU MANUEL ................................................................................................................................................... 2
DESTINATAIRES ............................................................................................................................................................................. 2
CONSERVATION DU MANUEL ....................................................................................................................................................... 2
DONNEES D’IDENTIFICATION ...................................................................................................................................................... 2
AUTRES MANUELS DE REFERENCE ........................................................................................................................................... 2
PIECES DE RECHANGE ET ENTRETIEN ..................................................................................................................................... 3
MODIFICATIONS ET AMELIORATIONS ......................................................................................................................................... 3
CAPACITES OPERATIONNELLES ................................................................................................................................................. 3
CONVENTIONS .............................................................................................................................................................................. 3
DEBALLAGE / LIVRAISON ............................................................................................................................................. 3
SECURITE ....................................................................................................................................................................... 4
SYMBOLES UTILISES .................................................................................................................................................................... 4
INSTRUCTIONS GENERALES ....................................................................................................................................................... 4
TIGE DE SECURITE DU CONTENEUR DECHETS ....................................................................................................................... 7
MISE SUR VERINS DE LA MACHINE ............................................................................................................................................ 7
TRANSPORT DE LA MACHINE ...................................................................................................................................................... 7
DEPLACEMENT PAR POUSSEE / REMORQUAGE DE LA MACHINE ......................................................................................... 7
INFORMATIONS SUR LA MACHINE .............................................................................................................................. 8
STRUCTURE DE LA MACHINE ...................................................................................................................................................... 8
POSTE DE TRAVAIL ET TABLEAU DE BORD ............................................................................................................................. 10
ACCESSOIRES / OPTIONS ...........................................................................................................................................................11
CARACTERISTIQUES TECHNIQUES ...........................................................................................................................................11
SCHEMA ELECTRIQUE ................................................................................................................................................................ 12
SCHEMA HYDRAULIQUE ............................................................................................................................................................. 15
PREPARATION DE LA MACHINE POUR L’EMPLOI ................................................................................................... 16
LISTE DES CONTROLES PREALABLES ..................................................................................................................................... 16
BALAI CENTRAL ........................................................................................................................................................................... 16
CARBURANT................................................................................................................................................................................. 16
MOTEUR DIESEL ET A ESSENCE ............................................................................................................................................... 16
MOTEUR GPL ............................................................................................................................................................................... 17
AVANT LA MISE EN MARCHE DE LA MACHINE ......................................................................................................................... 17
MISE EN MARCHE ET ARRET DE LA MACHINE ........................................................................................................................ 17
FREIN DE STATIONNEMENT ....................................................................................................................................................... 18
MACHINE AU TRAVAIL ................................................................................................................................................................. 18
VIDANGE DU CONTENEUR DECHETS ...................................................................................................................................... 19
APRES L’UTILISATION DE LA MACHINE .................................................................................................................................... 20
INACTIVITE PROLONGEE DE LA MACHINE .............................................................................................................................. 20
PREMIERE PERIODE D’UTILISATION ......................................................................................................................................... 20
ENTRETIEN ................................................................................................................................................................... 20
PLAN D’ENTRETIEN PROGRAMME ............................................................................................................................................ 21
ENTRETIEN DU BALAI CENTRAL ............................................................................................................................................... 22
ENTRETIEN DU BALAI LATERAL ................................................................................................................................................ 24
ENTRETIEN DU FILTRE A POUSSIERE (EN PANNEAU) ............................................................................................................ 26
ENTRETIEN DES VOLETS ........................................................................................................................................................... 27
NETTOYAGE DU FILTRE A EAU DU SYSTEME D’ABATTAGE DES POUSSIERES (OPTIONNEL) .......................................... 27
HUILE HYDRAULIQUE ................................................................................................................................................................. 28
HUILE MOTEUR ............................................................................................................................................................................ 28
NETTOYAGE FILTRE A AIR MOTEUR ......................................................................................................................................... 29
LIQUIDE DE REFROIDISSEMENT MOTEUR .............................................................................................................................. 29
CONTROLE / REMPLACEMENT / RETABLISSEMENT DES FUSIBLES .................................................................................... 30
DEPISTAGE DES PANNES ........................................................................................................................................... 31
MISE A LA FERRAILLE ................................................................................................................................................. 32

FRANÇAIS INSTRUCTIONS D’UTILISATION
233019864(1)2009-05 Proterra™
INTRODUCTION
REMARQUE
Les nombres entre parenthèses se rapportent aux composants indiqués au chapitre Description de la machine.
BUT ET CONTENU DU MANUEL
Ces instructions se proposent de fournir à l’opérateur toutes les informations nécessaires afi n qu’il puisse utiliser la machine
correctement et la gérer de la manière la plus autonome et sûre. Il comprend des informations relatives à l’aspect technique, la
sécurité, le fonctionnement, l’arrêt de la machine, l’entretien, les pièces de rechange et la mise à la ferraille.
Avant d’effectuer toute opération sur la machine, les opérateurs et les techniciens qualifi és doivent lire attentivement ces
instructions. En cas de doutes sur la correcte interprétation des instructions, contacter Advance pour avoir plus de renseignements.
DESTINATAIRES
Ces instructions s’adressent à l’opérateur aussi bien qu’aux techniciens préposés à l’entretien de la machine.
Les opérateurs ne doivent pas exécuter les opérations réservées aux techniciens qualifi és. Advance ne répond pas des dommages
dus à l’inobservance de cette interdiction.
CONSERVATION DU MANUEL
Les instructions d’utilisation doivent être gardées près de la machine, dans une enveloppe spéciale et, surtout, loin de liquides et de
tout ce qui pourrait en compromettre l’état de lisibilité.
DONNEES D’IDENTIFICATION
Le numéro de série et le modèle de la machine sont indiqués sur la plaque des données techniques (10) positionnée sur le cadre.
L’année de fabrication de la machine est indiquée dans la Déclaration de Conformité, ainsi que par les deux premiers chiffres du
numéro de série de la machine.
Le numéro de série et le modèle de la machine sont indiqués sur la plaque (31).
Ces informations sont nécessaires lors de la commande des pièces de rechange de la machine e du moteur. Utiliser l’espace
suivant pour y noter les données d’identifi cation de la machine e du moteur.
Modèle de la MACHINE ....................................................................
Numéro de série de la MACHINE ......................................................
Modèle MOTEUR ..............................................................................
Numéro de série MOTEUR ...............................................................
AUTRES MANUELS DE REFERENCE
Manuel du moteur, livré avec la machine, qui constitue une partie intégrante de ces instructions. –
Les manuels suivants sont aussi disponibles : –
Catalogue de pièces de rechange (livré avec la machine)•
Manuel d’entretien (consultable auprès des concessionnaires Advance)•

INSTRUCTIONS D’UTILISATION FRANÇAIS
Proterra™ 33019864(1)2009-05 3
PIECES DE RECHANGE ET ENTRETIEN
Pour toute nécessité concernant l’emploi, l’entretien et la réparation, s’adresser au personnel qualifi é ou directement aux Services
après-vente Advance. Utiliser toujours des pièces de rechange et des accessoires d’origine.
Pour l’assistance ou la commande de pièces de rechange et accessoires, contacter Advance en spécifi ant toujours le modèle et le
numéro de série de la machine.
MODIFICATIONS ET AMELIORATIONS
Advance vise à un constant perfectionnement de ses produits et se réserve le droit d’effectuer des modifi cations et des
améliorations lorsqu’elle le considère nécessaire sans l’obligation de modifi er les machines précédemment vendues.
Il est entendu que toute modifi cation et / ou addition d’accessoires doit toujours être approuvée et réalisée par Advance.
CAPACITES OPERATIONNELLES
Cette balayeuse est conçue et fabriquée pour le nettoyage / balayage de sols lisses et solides et pour le ramassage de poussières
et déchets légers, en milieux civils et industriels, en condition de complète sécurité par un opérateur qualifi é.
CONVENTIONS
Toutes les références à en avant, en arrière, avant, arrière, droite ou gauche indiquées dans ces instructions doivent être
considérées comme référées à l’opérateur assis en position de conduite sur le siège (32).
DEBALLAGE / LIVRAISON
Lors de la livraison de la machine, veuillez contrôler attentivement l’emballage et la machine afi n de détecter d’éventuels dégâts.
Si les dommages sont évidents, garder l’emballage de façon qu’il puisse être examiné par le transporteur qui l’a livré. Contacter
immédiatement le transporteur pour remplir une demande de dommages-intérêts.
Contrôler que le matériel livré avec la machine correspond à la liste suivante : –
Instructions d’utilisation de la balayeuse•
Manuel du moteur•
Catalogue de pièces de rechange de la balayeuse•
Une fois l’emballage enlevé, retirer les cales en bois situées près des roues. –
Contrôler le niveau d’huile moteur et du liquide de refroidissement. –
Contrôler le niveau d’huile hydraulique. –
Lire attentivement les instructions dans la section “Préparation de la machine”, puis remplir le réservoir du carburant. –
Placer une rampe contre la partie avant de la palette. –
Lire attentivement les instructions dans les sections “Poste de travail et tableau de bord” et “Utilisation de la machine”, puis –
démarrer le moteur. Faire avancer la machine lentement sur les plans inclinés.
ATTENTION !
Démarrer la balayeuse avec une extrême prudence.
Avant d’utiliser la balayeuse, s’assurer de connaître parfaitement son mode d’emploi.
En cas de questions, contacter le responsable technique ou le concessionnaire industriel Advance local.
Si la machine ne fonctionne pas correctement, ne pas essayer de la réparer, à moins d’y être invité par le
responsable technique. Contacter un technicien qualifi é ou le service après-vente Advance pour procéder aux
réglages nécessaires.
Utiliser la balayeuse avec une extrême prudence. Éviter que les cravates, les cheveux, les bijoux ou les
vêtements amples soient entraînés dans les parties mobiles de la machine.
Avant d’utiliser la machine, tourner la clé de contact (64) sur “O” et l’enlever, serrer le frein de stationnement et
débrancher la batterie.
Prendre toutes les précautions d’usage et prêter attention aux décalcomanies jaunes sur la machine.
Faire avancer la machine lentement sur les plans inclinés. Régler la vitesse d’avance au moyen de la pédale du
frein (35).
Ne pas braquer sur les plans inclinés ; avancer en ligne droite en montée et en descente.
Le dégrée d’inclinaison maximum pendant le transport avec un modèle à 3 cylindres est de 15 %.

FRANÇAIS INSTRUCTIONS D’UTILISATION
433019864(1)2009-05 Proterra™
SECURITE
On utilise la symbolique suivante pour signaler les conditions de danger potentielles. Lire attentivement ces informations et prendre
les précautions nécessaires pour protéger les personnes et les choses.
Pour éviter tout accident, la collaboration de l’opérateur est essentielle. Aucun programme de prévention des accidents du travail
ne peut résulter effi cace sans la totale collaboration de la personne directement responsable du fonctionnement de la machine. La
plupart des accidents qui peuvent survenir dans une entreprise, pendant le travail ou les déplacements, sont dus à l’inobservance
des plus simples règles de prudence. Un opérateur attentif et prudent est la meilleure garantie contre les accidents du travail et se
révèle indispensable pour compléter n’importe quel programme de prévention.
SYMBOLES UTILISES
DANGER !
Indique une situation dangereuse exposant l’opérateur au risque de blessures graves, voire mortelles.
ATTENTION !
Indique un risque potentiel d’accident pour les personnes ou de dommage matériel.
AVERTISSEMENT !
Indique un avertissement ou une remarque sur des fonctions clé ou utiles. Prêter la plus grande attention aux
segments de texte marqués par ce symbole.
REMARQUE
Indique une remarque sur des fonctions clé ou utiles.
CONSULTATION
Indique la nécessité de consulter les instructions d’utilisation avant d’effectuer toute opération.
INSTRUCTIONS GENERALES
Les avertissements et précautions spécifi ques suivants informent sur les potentiels risques de dommages à la machine ou aux
personnes.
DANGER !
Le monoxyde de carbone (CO) peut causer des dommages au cerveau et même la mort. –
Le moteur à combustion interne de la machine émet du monoxyde de carbone. –
Ne pas inhaler les gaz d’échappement. –
Si l’on doit utiliser la machine dans un endroit fermé, s’assurer qu’il y ait une ventilation adéquate et des –
assistants à vous aider.

INSTRUCTIONS D’UTILISATION FRANÇAIS
Proterra™ 33019864(1)2009-05 5
DANGER !
Avant d’effectuer toute opération d’entretien, de réparation, de nettoyage ou de remplacement, débrancher le –
connecteur de la batterie, enlever la clé de contact, serrer le frein de stationnement et débrancher la batterie.
Cette machine doit être utilisée uniquement par le personnel adéquatement formé. L’utilisation de la machine –
est interdite aux enfants et aux personnes handicapées.
Les manoeuvres de braquage doivent être effectuées à vitesse extrêmement réduite. Eviter de braquer –
brusquement, en particulier en pente, et de braquer avec le conteneur déchets soulevé.
Ne pas soulever le conteneur déchets sur des surfaces inclinées. La stabilité de la machine est réduite en –
pente ou lorsque le conteneur déchets est plein. Contrôler régulièrement la pression des pneus.
Ne pas porter de bijoux quand on travaille près des composants électriques. –
Tenir les étincelles, les fl ammes et les matériaux fumants et incandescents loin des batteries. Les batteries –
produisent des gaz potentiellement explosifs pendant l’utilisation ordinaire.
Ne pas travailler sous la machine soulevée, sans des supports fi xes de sécurité convenables. –
Chaque fois que l’on opère sous le portillon du conteneur déchets ouvert, vérifi er que le portillon ne peut –
pas se refermer accidentellement.
Ne pas opérer avec cette machine en présence de poudres, liquides ou vapeurs nuisibles, dangereux, –
infl ammables et / ou explosifs : la machine ne doit pas être utilisée pour ramasser des matériaux dangereux.
Attention : le carburant est extrêmement infl ammable. –
Ne pas fumer et ne pas utiliser des fl ammes libres près du lieu de ravitaillement ou de stockage du –
carburant.
Effectuer le plein d’essence en plein air ou dans un endroit bien aéré et à moteur arrêté. –
Arrêter le moteur et laisser refroidir pendant quelques minutes avant de dévisser le bouchon du réservoir du –
carburant.
Ne pas remplir complètement le réservoir du carburant, mais laisser au moins 4 centimètres du bord afi n que –
le carburant puisse s’éteindre.
Après le ravitaillement, contrôler que le bouchon du réservoir est bien fermé. –
Si, pendant le ravitaillement, du carburant est renversée, nettoyer soigneusement et permettre aux vapeurs –
de se dissiper avant de démarrer le moteur.
Eviter tout contact du carburant avec la peau et ne pas en inhaler les vapeurs. Conserver hors de la portée –
des enfants.
Ne pas incliner le moteur selon un angle excessif pour éviter toute sortie de carburant. –
Pendant le transport de la machine, le réservoir du carburant ne doit pas être plein et, dans tout cas, le –
bouchon doit être fermé.
Ne pas poser d’objets sur le moteur. –
Arrêter le moteur avant d’y effectuer toute opération. Pour éviter le démarrage accidentel du moteur, –
débrancher le terminal négatif de la batterie.
Lire aussi les REGLES DE SECURITE dans le manuel du moteur, qui constitue une partie intégrante de ces –
instructions.
Les batteries au plomb (WET) sont installées dans cette machine ; ne pas incliner la machine de plus de –
30° depuis l’horizontale, car cela pourrait provoquer des pertes de liquide très corrosif. Au cas où il serait
nécessaire d’incliner la machine pour l’entretien, enlever les batteries.
Ne pas utiliser la machine en cas de fuite de gaz. Déconnecter le tuyau fl exible du carburant et remplacer le –
réservoir GPL. Si la fuite de gaz persiste, déconnecter le tuyau fl exible du carburant et contacter un Service
après-vente Advance.

FRANÇAIS INSTRUCTIONS D’UTILISATION
633019864(1)2009-05 Proterra™
ATTENTION !
Avant d’effectuer toute activité d’entretien / réparation, lire attentivement toutes les instructions qui –
concernent l’entretien / réparation.
Lorsqu’on travaille près ou dans le système hydraulique, porter toujours des vêtements de protection et des –
lunettes de protection.
Prêter attention aux pièces chaudes lorsqu’on travaille près du moteur propulseur, du pot d’échappement, –
du collecteur et du radiateur.
Prendre les précautions convenables afi n que les cheveux, les bijoux, les parties non adhérentes des –
vêtements ne soient pas capturés par les parties en mouvement de la machine.
Pour éviter l’utilisation non autorisée de la machine, enlever la clé de contact. –
Avant de laisser la machine sans surveillance, veiller à ce que celle-ci ne puisse pas bouger de façon –
autonome.
Ne pas utiliser la machine sur des surfaces ayant une pente supérieure à la valeur indiquée sur la machine –
même.
Utilisez exclusivement les balais livrées avec la machine et spécifi ées dans les instructions d’utilisation. –
L’utilisation de balais différentes peut compromettre la sécurité.
Avant d’utiliser la machine, fermer tous les couvercles et / ou portillons. –
Ne pas utiliser la machine dans des endroits très poussiéreux. –
Utiliser la machine exclusivement dans des endroits illuminés. –
Si l’on utilise la machine en présence d’autres personnes, il faut activer le feu tournant et l’avertisseur –
sonore de marche arrière (optionnels).
Ne pas laver la machine avec des jets d’eau directs ou sous pression ou avec des substances corrosives. –
Ne pas utiliser d’air comprimé pour le nettoyage général de la machine, sauf que pour les fi ltres (voir le –
paragraphe spécifi que).
Pendant l’utilisation de cette machine, faire attention à sauvegarder l’intégrité des autres personnes, en –
particulier des enfants.
Ne pas poser de conteneurs de liquides sur la machine. –
La température de stockage doit être comprise entre 32°F et 104°F (entre 0°C et +40°C). –
La température de travail doit être comprise entre 32°F et 104°F (entre 0°C et +40°C). –
L’humidité doit être comprise entre 30 % et 95 %. –
Protéger toujours la machine du soleil, de la pluie et d’autres intempéries, pendant le fonctionnement et en –
état d’arrêt. Garder la machine dans un endroit couvert et sec : elle a été conçue pour l’utilisation à sec, par
conséquent elle ne doit pas être utilisée ou gardée dehors, dans des conditions d’humidité.
Ne pas utiliser la machine comme moyen de transport ou de poussée / remorquage. –
Ne pas faire travailler les balais lorsque la machine est arrêtée pour ne pas endommager le sol. –
En cas d’incendie, il est préférable d’utiliser un extincteur à poudre, plutôt qu’un extincteur à eau. –
Ne pas heurter contre des étagères ou des échafaudages, en particulier en cas de danger de chute d’objets. –
Adapter la vitesse d’utilisation aux conditions d’adhérence. –
Éviter tout freinage brusque en descente. Éviter tout changement brusque de direction. Procéder à vitesse –
réduite en descente.
La machine n’est pas approuvée pour l’utilisation sur la voie publique. –
Ne pas altérer pour aucune raison les protections prévues pour la machine. –
Respecter scrupuleusement les instructions prévues pour l’entretien ordinaire. –
Ne pas enlever ou altérer les plaques installées sur la machine. –
S’assurer que les éventuelles anomalies de fonctionnement de la machine ne dépendent pas du manque
–
d’entretien. En cas contraire demander l’intervention de personnel autorisé ou d’un Service après-vente
agréé.
En cas de remplacement de pièces, demander les pièces de rechange D’ORIGINE à un concessionnaire ou –
revendeur agréé.
Afi n de garantir la sécurité et le bon fonctionnement de la machine, faire effectuer l’entretien programmé –
prévu au chapitre spécifi que de ces instructions par du personnel autorisé ou par un Service après-vente
agréé.
Lors de la mise à la ferraille, la machine ne doit pas être abandonnée par la présence de matériaux toxiques –
(batteries, huiles, matériaux plastiques, etc.), sujets à des lois qui prévoient l’élimination auprès de centres
spéciaux (voir le chapitre Mise à la ferraille).
Pendant le fonctionnement du moteur, le silencieux se chauffe. Ne pas toucher le silencieux lorsqu’il est –
chaud pour éviter des brûlures graves et des incendies.
Le fonctionnement du moteur avec une quantité d’huile insuffi sante peut endommager sérieusement le –
moteur même. Contrôler le niveau d’huile à moteur arrêté et avec la machine sur une surface horizontale.
Ne jamais démarrer le moteur sans le fi ltre à air, car le moteur pourrait subir des dommages. –
Toute procédure d’entretien du moteur doit être effectué par un concessionnaire agréé. –
Utiliser exclusivement des pièces de rechange D’ORIGINE pour garder la qualité du moteur. L’utilisation de
pièces de rechange de qualité non équivalente peut sérieusement endommager le moteur.
Lire aussi les REGLES DE SECURITE dans le manuel du moteur, qui constitue une partie intégrante de ces –
instructions.

INSTRUCTIONS D’UTILISATION FRANÇAIS
Proterra™ 33019864(1)2009-05 7
TIGE DE SECURITE DU CONTENEUR DECHETS
AVERTISSEMENT !
Avant d’effectuer toute opération d’entretien sous ou près du conteneur déchets soulevé, tirer la poignée de
blocage (39) pour s’assurer que la tige de sécurité (5) se trouve dans la position de blocage. La tige de sécurité
(5) maintient le conteneur déchets en position soulevée, afi n de permettre tout travail sous le conteneur même.
Les composants du système hydraulique de la machine ne maintiennent jamais le conteneur déchets en
position soulevée.
MISE SUR VERINS DE LA MACHINE
ATTENTION !
Ne jamais travailler sous la machine sans y avoir placé préalablement des supports ou des cales de sécurité
pour la supporter.
Pour soulever la machine au moyen de vérins, les positionner aux emplacements prévus à cet effet (ne pas placer de vérins sous
le conteneur déchets) ; voir les emplacements pour la mise sur vérins (8).
TRANSPORT DE LA MACHINE
ATTENTION !
Avant de transporter la machine dans un camion ou dans une remorque découverte, vérifi er que :
Toutes les portes d’accès à la cabine soient fermées. –
La machine est fi xée solidement. –
Le frein de stationnement de la machine est serré. –
DEPLACEMENT PAR POUSSEE / REMORQUAGE DE LA MACHINE
La pompe hydraulique (45) est équipée d’une vis qui désactive le système de traction. La vis permet d’éviter tout dommage au
système hydraulique quand la machine est déplacée par poussée / remorquage sur une brève distance sans démarrer le moteur.
Pour rejoindre la vis de déblocage, ouvrir le coffre (1) du compartiment moteur en agissant sur le bouton-poussoir de déblocage
(25) et localiser la pompe hydraulique (45) à l’avant du moteur (44).
Tourner la vis à six pans creux (A, Fig. 1) d’un demi-tour dans le sens contraire aux aiguilles d’une montre, pour relâcher le blocage
hydrostatique entre le moteur et la pompe.
AVERTISSEMENT !
Pendant le déplacement de la machine, si la vis de la pompe hydraulique se trouve dans la position de blocage,
on risque d’endommager la pompe même.
REMARQUE
Si la vis se trouve dans la position de déblocage, la pompe hydraulique n’intervient pas sur le déplacement de la
machine.
REMARQUE
Déplacer la machine par poussée ou remorquage et rouler au pas [1.8-2.8 mph (3-4.5 km/h)] sur une brève distance.
Si la machine doit être déplacée sur une longue distance, soulever les roues de traction du sol et les placer sur un
chariot de transport adéquat.
Le déplacement par poussée / remorquage terminé, tourner la vis à six pans creux d’un demi-tour dans le sens des aiguilles d’une
montre pour activer à nouveau les fonctions hydrauliques.
A
P100320
Figure 1

FRANÇAIS INSTRUCTIONS D’UTILISATION
833019864(1)2009-05 Proterra™
INFORMATIONS SUR LA MACHINE
STRUCTURE DE LA MACHINE
Coffre compartiment moteur1.
Panneau gauche d’accès au balai central2.
Batterie3.
Coffre latéral gauche4.
Réservoir à eau système d’abattage des poussières
(optionnel)
Tige de sécurité conteneur déchets5.
Serrure coffre conteneur déchets6.
Feu de travail (optionnel)7.
Emplacements pour mise sur vérins (l’emplacement arrière 8.
se trouve sous le radiateur du moteur)
Balai latéral droit9.
Plaque avec numéro de série / données techniques / 10.
marquage de conformité
Groupe secoueur fi ltre à poussière en panneau11.
Filtre à poussière conteneur déchets12.
Filtre à panneau (standard)
Filtre à poches (optionnel)
Poignées de fi xation groupe secoueur13.
Filtre à huile hydraulique14.
Balai latéral gauche (optionnel)15.
Coffre conteneur déchets16.
Tige de support coffre conteneur déchets17.
Panneau droit d’accès pour dépose / remplacement balai 18.
central
Réservoir d’huile hydraulique19.
Bouchon réservoir huile hydraulique20.
Bouchon réservoir carburant21.
Réservoir carburant22.
Bouchon radiateur23.
Filtre à air moteur24.
Bouton-poussoir de déblocage coffre compartiment moteur25.
Points d’ancrage (3)26.
Indicateur entretien fi ltre à air27.
Gicleurs système d’abattage des poussières (optionnel)28.
Bouchon réservoir à eau système d’abattage des 29.
poussières (optionnel)
Filtre à eau (optionnel)30.
Plaque avec modèle moteur et numéro de série31.
1
2
45
31
4
32
19
30
8
5
15
9
6
7
11
12
13
14
20
17
28
47 43
26
P100317

INSTRUCTIONS D’UTILISATION FRANÇAIS
Proterra™ 33019864(1)2009-05 9
STRUCTURE DE LA MACHINE (suite)
Siège de conduite32.
Tableau de bord (voir le paragraphe suivant)33.
Volant34.
Pédale frein35.
Pédale frein de stationnement36.
(Utiliser avec la pédale du frein pour le blocage ou le
déblocage du frein de stationnement)
Pédale de marche avant / arrière37.
Panneau fusibles restaurables (voir le paragraphe Contrôle 38.
/ remplacement / rétablissement des fusibles)
Poignée de blocage tige de sécurité conteneur déchets39.
Tirer pour bloquer la tige•
Pousser pour débloquer la tige•
Levier de réglage siège de conduite40.
Grille de ventilation moteur41.
Roue arrière de traction42.
Roues avant43.
Moteur44.
Pompe hydraulique45.
Radiateur liquide de refroidissement / huile hydraulique46.
Conteneur déchets47.
Fusibles (voir le paragraphe Contrôle / remplacement / 48.
rétablissement des fusibles)
Extincteur (optionnel)49.
Réservoir carburant GPL50.
3
23
24
27
25
29
26
26
8
21 18 40
41
43
44
45
46
49
42
33 34
36
37
48
38
39
35
16
50
1
0
10
P100318

FRANÇAIS INSTRUCTIONS D’UTILISATION
10 33019864(1)2009-05 Proterra™
POSTE DE TRAVAIL ET TABLEAU DE BORD
Levier tours moteur51.
(Poussé en avant) régime de travail•
(Tiré en arrière) régime minimum•
Levier balais latéraux52.
(Poussé en avant) balai latéral baissé•
(Tiré en arrière) balai latéral soulevé•
Levier balai central53.
(Poussé en avant) balai central baissé•
(Tiré en arrière) balai central soulevé•
Levier conteneur déchets54.
(Poussé en avant) abaissement conteneur déchets•
(Tiré en arrière) soulèvement conteneur déchets•
Levier portillon de vidange conteneur déchets55.
(Poussé en avant) ouverture portillon de vidange•
(Tiré en arrière) fermeture portillon de vidange•
Compteur horaire56.
Indicateur niveau huile57.
Témoin lumineux surtempérature conteneur déchets58.
Témoin lumineux conteneur déchets colmaté59.
Témoin lumineux chargeur de batterie60.
Témoin lumineux surtempérature liquide de 61.
refroidissement moteur
Témoin lumineux frein de stationnement62.
Témoin lumineux bougies préchauffage63.
Clé de contact :64.
Tournée en position “O”, elle arrête le moteur et •
désactive toutes le fonctions de la machine.
Tournée en position “I”, elle active toutes le fonctions •
de la machine.
Tournée en position “II”, elle démarre le moteur.•
Dès que le moteur démarre, relâcher tout de suite la
clé, qui reviendra en position “I”.
Interrupteur avertisseur sonore65.
Interrupteur ventilateur d’aspiration / secoueur66.
(Appuyé sur la partie inférieure) activation secoueur•
(Appuyé sur la partie supérieure) activation ventilateur •
d’aspiration et système d’abattage des poussières
Interrupteur système d’abattage des poussières (optionnel)67.
Dispositif de démarrage à froid moteur (seulement pour 68.
versions GPL et à essence)
Interrupteur feux de travail (optionnel)69.
Interrupteur feux de détresse (optionnel)70.
Interrupteur indicateurs de direction (optionnel)71.
Levier de réglage volant (optionnel)72.
5152535455
56
57
58
59
60 61 62 63 64 65 6668 67
69
71
70
72
P100319

INSTRUCTIONS D’UTILISATION FRANÇAIS
Proterra™ 33019864(1)2009-05 11
ACCESSOIRES / OPTIONS
Outre les composants présents dans le modèle standard, la machine peut être équipée des accessoires optionnels suivants, selon
l’emploi spécifi que de la machine :
Balai latéral gauche –
Balais central et latéraux avec poils plus ou moins durs par rapport au standard –
Filtre à poussière en polyester (étanche à l’eau) –
Capteur fi ltre colmaté –
Système d’abattage des poussières –
Extincteur –
Feux –
Feu de travail –
Feu clignotant –
Roues antitraces –
Volant réglable –
Siège avec suspensions –
Ceinture de sécurité –
Protections balais latéraux –
Toit de protection –
Rétroviseurs –
Extincteur –
Pare-chocs arrière –
Avertisseur sonore de marche arrière –
Protection conteneur déchets –
Tapis antidérapant –
Pour de plus amples informations relatives aux accessoires optionnels susmentionnés, s’adresser au revendeur agréé.
CARACTERISTIQUES TECHNIQUES
Données dimensionnelles et poids Proterra™ diesel Proterra™ GPL Proterra™ à essence
Largeur de nettoyage avec balai central 35.5 in (900 mm)
Largeur de nettoyage (avec un balai latéral) 49.25 in (1,250 mm)
Largeur de nettoyage avec deux balais latéraux (optionnels) 63 in (1,600 mm)
Longueur machine 87.5 in (2,220 mm)
Largeur machine (moyeux balais) 52 in (1,320 mm)
Hauteur maximum machine 57.5 in (1,460 mm)
Hauteur maximum machine avec toit de protection (optionnel) 79 in (2,000 mm)
Hauteur minimum du sol (volets non compris) 4.25 in (110 mm)
Hauteur maximum de soulèvement conteneur déchets 62.5 in (1,590 mm)
Dimensions balai central (diamètre x longueur) 310 x 900 mm (12,2 x 35,5 in)
Diamètre balai latéral 21.5 in (550 mm)
Pression pneus 85 psi (6 bars)
Poids essieu avant en ordre de marche 1,180 lb (535 kg)
Poids essieu arrière en ordre de marche 905 lb (410 kg)
Poids total machine en ordre de marche (sans opérateur à
bord) 2,085 lb (945 kg)
Poids total (PTM) 2,910 lb (1,320 kg)
Poids machine pour expédition 2,204.6 lb (1,000 kg)
Données sur le ravitaillement Proterra™ diesel Proterra™ GPL Proterra™ à essence
Capacité réservoir carburant 14 gal (35 litres) - 14 gal (35 litres)
Capacité réservoir huile système hydraulique 26.5 qt (25 litres)
Capacité carter d’huile moteur (*) 5.4 qt (5.1 litres) 3.59 qt (3.4 litres)
Type d’huile moteur (**) SAE 10 W - 30
Quantité liquide de refroidissement moteur (**) 4.2 qt (4 litres)
(*) Pour les autres données / valeurs des moteurs, voir les manuels spécifi ques.
(**) Pour les caractéristiques de l’huile moteur, du liquide de refroidissement et la table des spécifi cations de référence,
voir le manuel spécifi que du moteur.

FRANÇAIS INSTRUCTIONS D’UTILISATION
12 33019864(1)2009-05 Proterra™
Données de prestation Proterra™ diesel Proterra™ GPL Proterra™ à essence
Vitesse maximum marche avant (déplacement seulement) 12 km/h (7,5 mph) 12 km/h (7,5 mph) 12 km/h (7,5 mph)
Pente maximum franchissable 20% (11°)
Pente maximum franchissable 25% (14°)
Rayon de braquage minimum 60.2 in (1,530 mm)
Niveau pression acoustique à l’oreille de l’opérateur (ISO
11201, ISO 4871) (LpA) 69,5 ± 3 dB(A) 69.1 ± 3 dB(A) 69.1 ± 3 dB(A)
Puissance acoustique émise par la machine (ISO 3744, ISO
4871) (LwA) 82 dB (A) 83 dB(A) 83 dB(A)
Niveau de vibrations au bras de l’opérateur (ISO 5349-1) (*) <2.5 m/s2
Niveau de vibrations transmises au corps de l’opérateur (ISO
2631-1) (*) <0.5 m/s2
Capacité conteneur déchets Valeur théorique : 11.25 cu·ft (315 litres)
Valeur réelle : 8.00 cu·ft (226 litres)
Charge maximum conteneur déchets 363 kg (800 lb)
Capacité réservoir à eau système d’abattage des poussières
(optionnel) 11.9 gal (45 litres)
En conditions de travail normales, sur une surface horizontale d’asphalte.(*)
SCHEMA ELECTRIQUE
Légende
ALT Alternateur
BAT Batterie
BE1 Feu tournant (si présent)
BZ1 Avertisseur sonore de marche arrière (si présent)
ES1 Relais aspirateur
ES2 Relais secoueur
ES3 Relais sécurité GPL (seulement version GPL)
EV1 Electrovanne carburant (seulement versions diesel et à
essence)
EV2 Electrovanne GPL (seulement version GPL)
EV3 Electrovanne sécurité GPL (seulement version GPL)
F1 Fusible rétablissement aspirateur (30 A)
F2 Fusible rétablissement secoueur (16 A)
F3 Fusible restaurable pompe à eau (10 A) (si présent)
F4 Fusible rétablissement circuit clé de contact (30 A)
F5 Fusible rétablissement composants auxiliaires moteur (16 A)
F6 Fusible feux de travail (10 A) (si présent)
F8 Fusible restaurable ventilateur cabine (si présent)
F9 Fusible bougies (50 A) (seulement version diesel)
F10 Boîte à fusibles et fusible (50 A) alternateur
F11 Fusible feu interne coffre (1 A) (optionnel)
HN Avertisseur sonore
IGN Centrale démarrage (seulement versions GPL et à essence)
K1 Clé de contact
L1 Feu de travail avant (si présent)
L2 Feu de travail avant (si présent)
L3 Feu de travail côté conduite (optionnel)
L4 Feu de travail arrière (optionnel)
L5 Feu interne coffre (optionnel)
M1 Moteur aspirateur
M2 Moteur secoueur
M3 Moteur pompe à eau (si présent)
M4 Ventilateur cabine (si présent)
MST Starter
P1 Pompe carburant (seulement version à essence)
PLG Bougies (seulement version diesel)
R1 Résistance témoin lumineux bougies (seulement version
diesel)
SE1 Capteur pression huile
SE2 Capteur température eau
SE3 Capteur fi ltre conteneur déchets colmaté (si présent)
SE5 Flotteur réservoir carburant (seulement versions diesel et à
essence)
SE6 Capteur température conteneur déchets (si présent)
SE7 Capteur tours moteur (seulement versions GPL et à essence)
SE8 Capteur réserve (seulement versions GPL et à essence)
SPK Bobines bougies (seulement versions GPL et à essence)
STR Indicateur
SW1 Interrupteur aspirateur / secoueur
SW2 Interrupteur avertisseur sonore
SW3 Microinterrupteur siège
SW4 Capteur proximité marche arrière (si présent)
SW5 Interrupteur ventilateur cabine (si présent)
SW6 Interrupteur pompe à eau (si présent)
SW7 Interrupteur feux de travail (si présent)
SW13 Interrupteur feu de travail côté conduite (optionnel)
SW14 Interrupteur feu de travail arrière (optionnel)
SW15 Interrupteur feu interne coffre (optionnel)
T1 Temporisateur secoueur
T2 Temporisateur secoueur 2
T3 Temporisateur siège
T4 Temporisateur sécurité GPL (seulement version GPL)
TC Temporisateur bougies (seulement version diesel)
Codes des couleurs
BK Noir
BU Bleu clair
BN Marron
GN Vert
GY Gris
OG Orange
PK Rose
RD Rouge
VT Violet
WH Blanc
YE Jaune

INSTRUCTIONS D’UTILISATION FRANÇAIS
Proterra™ 33019864(1)2009-05 13
SCHEMA ELECTRIQUE PROTERRA™ DIESEL (suite)
P100330

FRANÇAIS INSTRUCTIONS D’UTILISATION
14 33019864(1)2009-05 Proterra™
SCHEMA ELECTRIQUE PROTERRA™ GPL ET A ESSENCE (suite)
P100330LPG

INSTRUCTIONS D’UTILISATION FRANÇAIS
Proterra™ 33019864(1)2009-05 15
SCHEMA HYDRAULIQUE
Légende
Réservoir huile1.
Filtre à huile2.
Pompe système de traction3.
Pompe composants auxiliaires4.
Moteur système de traction5.
Direction assistée6.
Cylindre direction7.
Vanne prioritaire8.
Distributeur 3 leviers9.
Cylindre de soulèvement conteneur déchets10.
Cylindre volet11.
Moteur balai central12.
Cylindre balai central13.
Distributeur 1 levier14.
Moteur balai latéral droit15.
Cylindre balai latéral droit16.
Soupape d’arrêt simple17.
Soupape unidirectionnelle18.
Soupape d’arrêt double19.
Collecteur20.
Moteur balai latéral gauche (optionnel)21.
Cylindre balai latéral gauche (optionnel)22.
Radiateur huile23.
20 9
11 10
13
12
14
15
21
16
17
18
19
22
1
2
23
3
456
7
8
2
P100328

FRANÇAIS INSTRUCTIONS D’UTILISATION
16 33019864(1)2009-05 Proterra™
PREPARATION DE LA MACHINE POUR L’EMPLOI
ATTENTION !
Des plaques adhésives appliquées sur certains points de la machine indiquent :
DANGER –
ATTENTION –
AVERTISSEMENT –
CONSULTATION –
Lors de la lecture de ces instructions, l’opérateur doit bien comprendre le sens des symboles illustrés sur les plaques.
Ne pas couvrir les plaques et les remplacer immédiatement en cas d’endommagement.
LISTE DES CONTROLES PREALABLES
Avant toute utilisation :
Contrôler la machine pour vérifi er qu’elle n’est pas endommagée et qu’elle ne présente pas de pertes d’huile ou de liquide de –
refroidissement.
Contrôler le niveau (23) du liquide de refroidissement du moteur (voir le paragraphe spécifi que). –
Contrôler le niveau (44) d’huile moteur (voir le paragraphe spécifi que). –
Contrôler le niveau (19) d’huile hydraulique (voir le paragraphe spécifi que). –
Contrôler l’indicateur de niveau (57) du carburant ; si besoin est, desserrer le bouchon (21) et ravitailler. –
Vérifi er que la pression des trois pneus soit de 85 psi (6 bars). –
Contrôler l’indicateur d’entretien du fi ltre à air (voir le paragraphe spécifi que). –
Sur le siège de conduite :
Vérifi er d’avoir bien compris les commandes et les fonctions de la machine. –
Régler le siège de conduite au moyen du levier (40) de façon à accéder facilement à tous les boutons-poussoirs de –
commande.
Insérer la clé de contact (64) et la tourner sur “I” : –
Vérifi er le bon fonctionnement de l’avertisseur sonore (65), du compteur horaire (56) et des feux (69, optionnel).•
Tourner la clé de contact (64) sur “O”.•
Contrôler le frein de stationnement (35 et 36). Une fois serré, le frein de stationnement doit maintenir solidement sa position et –
ne doit pas être desserré facilement (si l’on détecte de défauts, contacter immédiatement le Service après-vente).
Planifi er le nettoyage en avance :
Effectuer de longues passes en réduisant au minimum le nombre d’arrêts et de redémarrages. –
Les passes doivent se chevaucher de quelques centimètres afi n d’assurer une couverture complète de la surface. –
Éviter tout changement brusque de direction et ne pas heurter contre les murs avec les côtés de la machine. –
BALAI CENTRAL
Différents types de balai central sont disponibles pour cette machine. Pour choisir le balai adapté aux surfaces à nettoyer et aux
déchets à collecter, contacter le revendeur Advance agréé.
REMARQUE
Pour l’installation, consulter le paragraphe concernant l’entretien du balai central.
CARBURANT
AVERTISSEMENT !
Arrêter le moteur avant de remplir le réservoir du carburant. –
Ne pas fumer pendant le remplissage du réservoir du carburant. –
Remplir le réservoir du carburant dans un endroit bien aéré. –
Effectuer le ravitaillement loin des étincelles ou des fl ammes libres. –
MOTEUR DIESEL ET A ESSENCE
(seulement pour Proterra™ diesel) En cas d’emploi de la machine avec une température inférieure à 32°F (0°C), utiliser une huile
adaptée aux basses températures.
(seulement pour Proterra™ à essence) Remplir le réservoir (22) avec de l’essence sans plomb pour automobiles.
REMARQUE
Si la machine tombe en panne d’essence, le système d’alimentation doit être vidangé avant de redémarrer le moteur.
Pour éviter cette situation, remplir le réservoir du carburant (22) lorsque l’indicateur (56) indique 1/4 du réservoir. La
capacité du réservoir du carburant et de 14 gals (35 litres).

INSTRUCTIONS D’UTILISATION FRANÇAIS
Proterra™ 33019864(1)2009-05 17
MOTEUR GPL
Monter exclusivement a réservoir pour GPL en respectant les données suivantes :
Réservoir pour carburant DOT avec une pression de service minimum de 240 psi (1.7 MPa). Il doit présenter le marquage •
DOT-4BA240 ou DOT-4BW240.
Connecter le tuyau fl exible du carburant et ouvrir la vanne de sectionnement sur le réservoir. Porter toujours des gants pour
connecter et déconnecter le tuyau fl exible du carburant. Lorsque la machine n’est pas utilisée, fermer la vanne de service du
réservoir GPL.
REMARQUE
Pour le prélèvement de liquide, disposer correctement le réservoir GPL à l’horizontale. Après avoir connecté le tuyau
fl exible du carburant au réservoir, vérifi er qu’il n’y ait pas de fuites de gaz.
ATTENTION !
Ne pas utiliser la machine en cas de fuite de gaz. Déconnecter le tuyau fl exible du carburant et remplacer le
réservoir GPL. Si la fuite de gaz persiste, déconnecter le tuyau fl exible du carburant et contacter un Service
après-vente Advance.
UTILISATION DE LA MACHINE
La machine Proterra™ est une balayeuse de sol automatique à conducteur porté. Les commandes ont été conçus de façon à
simplifi er au maximum leur utilisation. Pour balayer en une seule passe, il suffi t de baisser le balai central.
AVANT LA MISE EN MARCHE DE LA MACHINE
Vérifi er d’avoir bien compris les commandes et les fonctions de la machine.1.
Défi nir la surface à nettoyer. Effectuer des passes longues et en ligne droite, en tournant le moins possible.2.
Contrôler la pédale du frein (35). Elle doit être fi xement en position.3.
ATTENTION !
Si la pédale est “spongieuse” ou cède sous pression, ne pas déplacer la machine.
Si l’on détecte de défauts, contacter immédiatement le Service après-vente.
MISE EN MARCHE ET ARRET DE LA MACHINE
Mise en marche de la machine
REMARQUE
Le siège de conduite (32) est équipé d’un capteur de sécurité qui ne permet ni le démarrage ni le mouvement de la
machine autrement que l’opérateur est assis sur son siège.
(seulement pour Proterra™ diesel) Tourner la clé de contact (64) dans le sens des aiguilles d’une montre sur “I” et la maintenir 4.
dans cette position jusqu’à ce que l’indicateur (63) des bougies de préchauffage s’éteigne. Ne pas effectuer l’opération ci-
dessus si le moteur est en fonction et chauffé.
(seulement pour Proterra™ GPL) Ouvrir lentement la vanne de sécurité sur le réservoir GPL (50). Tirer le dispositif de
démarrage à froid (68) du moteur.
(seulement pour Proterra™ à essence) Tirer le levier du dispositif de démarrage à froid (68) du moteur.
Tourner la clé de contact (64) dans le sens des aiguilles d’une montre sur “II”, puis la relâcher dès que le moteur démarre.5.
Si le moteur ne démarre pas après avoir actionné le starter pour 15 secondes, relâcher la clé de contact, attendre 1 minute et
répéter les opérations au points 1 et 2.
(pour Proterra™ GPL et à essence) Après le démarrage, laisser tourner le moteur pendant quelques secondes, puis relâcher
le dispositif de démarrage à froid (68).
Avant d’utiliser la machine, laisser tourner le moteur au ralenti pendant 5 minutes en tirant le levier de tours du moteur (51) en 6.
arrière (régime minimum).
Desserrer le frein de stationnement.7.
Pousser le levier de tours du moteur (51) en avant (régime de travail) et conduire la machine à vitesse réduite pour 2 ou 3 8.
minutes pour chauffer le système hydraulique.
Appuyer sur la partie avant de la pédale de marche (37) pour procéder en marche avant et appuyer sur la partie arrière pour 9.
procéder en marche arrière.
La vitesse d’avance est réglable de zéro à la valeur maximum, selon la pression exercée sur la pédale.
ATTENTION !
Effectuer les manœuvres de braquage avec soin, toujours à vitesse réduite et en évitant tout changement
brusque de direction, en particulier quand le conteneur déchets est plein ou avec la machine en pente.
Faire avancer la machine lentement sur les plans inclinés. Régler la vitesse d’avance au moyen de la pédale du
frein (35).
Ne pas braquer sur les plans inclinés ; avancer en ligne droite en montée et en descente.
Arrêt de la machine
Pour arrêter la machine, relâcher la pédale (37).10.
Pour arrêter la machine rapidement, appuyer aussi sur la pédale du frein (36).
Arrêter la machine en tournant la clé de contact (64) sur “O”, puis l’enlever.11.
Serrer le frein de stationnement.12.

FRANÇAIS INSTRUCTIONS D’UTILISATION
18 33019864(1)2009-05 Proterra™
FREIN DE STATIONNEMENT
Serrer le frein de stationnement en appuyant en même temps sur les pédales (35) et (36).1.
Desserrer le frein de stationnement en appuyant sur la pédale (35) et en la relâchant.2.
ATTENTION !
Serrer toujours le frein de stationnement avant toute opération d’entretien et lorsqu’on stationne la machine en
pente.
MACHINE AU TRAVAIL
Lire avec attention les instructions dans la section “Préparation de la machine”.
Se porter sur le lieu de travail comme décrit au paragraphe précédent.1.
Contrôler et baisser le conteneur déchets correctement au moyen du levier (54).2.
Baisser et actionner le balai central au moyen du levier (53).3.
AVERTISSEMENT !
Ne pas s’arrêter pendant longtemps dans la même position avec les balais qui tournent : des traces non
désirées pourraient rester sur le sol.
REMARQUE
Le portillon de vidange du conteneur déchets s’ouvre automatiquement dans le moment où le balai central baisse et il se
ferme automatiquement dans le moment où le balai central se soulève.
Appuyer sur la partie supérieur de l’interrupteur (66) pour activer le ventilateur d’aspiration et le système d’abattage des 4.
poussières.
Activer à nouveau le ventilateur d’aspiration et le système d’abattage des poussières dès que la machine retourne sur le sol
sec.
Baisser et activer les balais latéraux (9) (15, optionnel) au moyen du levier (52).5.
Utiliser le système d’abattage des poussières, si présent, au moyen de l’interrupteur (67, optionnel).
Faire avancer la machine en ligne droite à une allure confortable. Faire avancer la machine plus lentement quand la quantité 6.
des déchets à collecter est considérable, ou quand il est nécessaire de procéder à vitesse réduite pour des raisons de sécurité
de fonctionnement. La largeur de chevauchement de la machine est de 5.9 in (15 cm).
Pour un bon travail de nettoyage, il faut que le fi ltre à poussière soit le plus propre possible. Pour le nettoyer pendant le cycle 7.
de travail, activer le secoueur en appuyant sur la partie inférieure de l’interrupteur (66), puis activer à nouveau le ventilateur
d’aspiration et le système d’abattage des poussières en appuyant sur la partie supérieure de l’interrupteur (66).
Répéter l’opération en moyenne toutes les 10 minutes pendant le travail (selon la quantité de poussière du milieu à nettoyer).
REMARQUE
Cette opération peut être effectuée même avec la machine en mouvement.
AVERTISSEMENT !
Lorsque le fi ltre à poussière est colmaté et / ou le conteneur déchets est plein, la machine n’arrive plus à
collecter ni de poussière ni de déchets.
S’assurer qu’après votre passage il ne reste plus de déchets sur le sol. Si le sol n’est pas propre après le passage de la 8.
machine, cela signifi e soit que la machine est en train d’avancer trop rapidement, soit que le balai central doit être réglé ou
encore que le conteneur déchets (47) est plein.
Vider le conteneur déchets (47) chaque fois qu’il est plein ainsi qu’à la fi n du travail (voir la procédure au paragraphe suivant).
ATTENTION !
S’il est nécessaire d’opérer sur un sol mouillé, il faut désactiver le ventilateur d’aspiration et le système
d’abattage des poussières au moyen de l’interrupteur (66) pour protéger le fi ltre à poussière.

INSTRUCTIONS D’UTILISATION FRANÇAIS
Proterra™ 33019864(1)2009-05 19
VIDANGE DU CONTENEUR DECHETS
DANGER !
La vidange du conteneur déchets doit être effectuée exclusivement sur une surface horizontale.
Ne pas soulever le conteneur déchets sur des surfaces inclinées.
REMARQUE
La hauteur minimum de plafond requise lors du levage du conteneur déchets est de 108.2 in (275 cm).
Soulever le balai central au moyen du levier (53).1.
Appuyer sur la partie inférieure de l’interrupteur (66) pour activer le secoueur et nettoyer complètement le fi ltre à poussière 2.
(12).
REMARQUE
Activer le secoueur seulement si le conteneur déchets est complètement baissé.
Approcher la machine à la zone destinée à la vidange ou à un conteneur prévu à cet effet.3.
Soulever le conteneur déchets au moyen du levier (54) jusqu’à soulever complètement le conteneur même.4.
REMARQUE
Le portillon de vidange se ferme automatiquement dans le moment où l’on utilise le levier (54) pour soulever le
conteneur déchets. Le contrôle du portillon de vidange au moyen du levier (55) sera possible dès que le conteneur
déchets commence à se soulever, de façon à permettre la vidange à toute hauteur.
Faire avancer la machine jusqu’à ce que le conteneur déchets se trouve sur le conteneur et serrer le frein de stationnement.5.
Ouvrir le portillon de vidange des déchets au moyen du levier (55) et vider le conteneur déchets.6.
REMARQUE
Si la vidange n’est pas effectuée dans un conteneur, on conseille d’effectuer une vidange à une hauteur réduite, afi n de
ne pas disperser de poussière.
ATTENTION !
Dans le cas où il faut effectuer une opération d’entretien ou de nettoyage sous ou près du conteneur déchets
soulevé, soulever le conteneur déchets à la hauteur maximum au moyen du levier (54) et tirer la poignée de
blocage (39) pour s’assurer que la tige de sécurité (5) se trouve dans la position de blocage. La tige de sécurité
maintient le conteneur déchets en position soulevée, afi n de permettre tout travail sous le conteneur même. Les
composants du système hydraulique de la machine ne maintiennent jamais le conteneur déchets en position
soulevée.
Tirer la poignée de blocage (39) pour vérifi er que la tige de sécurité (5) du conteneur déchets soit positionnée correctement, 7.
puis baisser légèrement le conteneur déchets au moyen du levier (54) pour le bloquer.
Contrôler le portillon du conteneur déchets et son joint avant. Si besoin est, utiliser une brosse pour les nettoyer.8.
Pour un bon fonctionnement de la machine, le portillon du conteneur déchets doit être complètement fermé contre le logement
des balais.
Se porter à nouveau sur le siège de conduite. Desserrer le frein de stationnement. Reculer la machine jusqu’à ce qu’on ait la 9.
possibilité de baisser le conteneur déchets.
Soulever le conteneur déchets au moyen du levier (54), pousser la poignée de blocage (39) jusqu’à ce que la tige de sécurité 10.
(5) se bloque, puis baisser le conteneur déchets.

FRANÇAIS INSTRUCTIONS D’UTILISATION
20 33019864(1)2009-05 Proterra™
APRES L’UTILISATION DE LA MACHINE
Appuyer sur la partie inférieure de l’interrupteur (66) pour activer le secoueur, nettoyer le fi ltre à poussière du conteneur 1.
déchets et vider le conteneur même (voir le paragraphe précédent).
Soulever le balai central au moyen du levier (53).2.
Désactiver toutes les commandes.3.
Pousser le levier de tours du moteur (51) dans la position de régime minimum et laisser tourner le moteur au ralenti pendant 4.
25 - 30 secondes.
(seulement pour Proterra™ GPL) Fermer la vanne de service sur le réservoir GPL (50), puis laisser tourner le moteur jusqu’à
l’expulsion totale du carburant des conduits (le moteur s’arrête).
Arrêter la machine en tournant la clé de contact (64) sur “O”, puis l’enlever.5.
Serrer le frein de stationnement.6.
Contrôler le plan d’entretien et effectuer les opérations nécessaires avant de remiser la machine.7.
Garder la machine dans un endroit couvert.8.
REMARQUE
On peut nettoyer la machine au moyen d’un système de lavage à pression, à condition que l’on ne vaporise pas
directement sur ou à l’intérieur des composants. Laisser toujours sécher la machine complètement avant toute utilisation.
Si l’on détecte de défauts ou un mauvais fonctionnement pendant l’utilisation de la machine, contacter immédiatement le Service
après-vente Advance ou le personnel préposé à l’entretien.
INACTIVITE PROLONGEE DE LA MACHINE
Si l’on prévoit de ne pas utiliser la machine pendant plus de 30 jours, il est convenable d’effectuer les opérations suivantes :
S’assurer de garder la machine dans un endroit sec et propre.1.
Vider le réservoir à eau (4) du système d’abattage des poussières et nettoyer le fi ltre à eau (30, optionnel).2.
Débrancher le connecteur négatif (–) de la batterie (3).3.
Contrôler le moteur (44) comme indiqué dans le manuel spécifi que.4.
PREMIERE PERIODE D’UTILISATION
Après la première période d’utilisation (les 5 premières heures), il faut :
Contrôler le serrage des éléments de fi xation et de connexion.1.
Vérifi er que les parties visibles sont intactes et qu’elles ne présentent pas de pertes.2.
Remplacer l’huile moteur (voir le chapitre Entretien).3.
ENTRETIEN
La durée de vie de la machine et sa sécurité de fonctionnement sont garanties par un entretien soigné et régulier.
Veuillez trouver ci-dessous le plan d’entretien programmé. Les périodicités indiquées peuvent subir des variations en fonction de
conditions de travail particulières, à défi nir par le responsable de l’entretien.
Toutes les opérations d’entretien programmé ou extraordinaire doivent être effectuées par du personnel qualifi é ou par un Service
après-vente Advance.
Dans ces instructions, après le plan récapitulatif d’entretien programmé, seulement les procédures des opérations d’entretien les
plus simples et les plus récurrentes sont indiquées. Pour les procédures des autres opérations d’entretien prévues par le plan
d’entretien programmé et d’entretien extraordinaire, se référer au manuel d’entretien consultable auprès des Services après-vente.
ATTENTION !
Les opérations d’entretien doivent être effectuées avec la machine arrêtée, la clé enlevée, le frein de
stationnement serré et, si besoin est, les batteries débranchées.
Lire attentivement toutes les instructions du chapitre Sécurité avant d’effectuer les opérations d’entretien.

INSTRUCTIONS D’UTILISATION FRANÇAIS
Proterra™ 33019864(1)2009-05 21
PLAN D’ENTRETIEN PROGRAMME
REMARQUE
Les intervalles d’entretien se réfèrent aux conditions opérationnelles normales. Si la machine est utilisée dans des
endroits très poussiéreux et très sales, l’entretien doit être effectué plus fréquemment.
Procédure Lors de la
livraison
Entretien
quotidien
Après les
50 pre-
mières
heures
Toutes
les 30
heures
Toutes
les 150
heures
Toutes
les 300
heures
Toutes
les 1,000
heures
Contrôle liquide de refroidissement moteur
Contrôle niveau huile moteur
Contrôle niveau huile hydraulique
Contrôle frein de stationnement
Nettoyage balai central et balais latéraux
Remplacement huile moteur (1) (1)
Remplacement élément fi ltrant huile (1) (1)
Contrôle courroie en V (1) (1)
Contrôle circuit liquide de refroidissement
moteur (1)
Contrôle batterie
Contrôle et nettoyage fi ltre à eau système
d’abattage des poussières (optionnel)
Nettoyage fi ltre à air moteur (2)
Nettoyage radiateur moteur et radiateur huile
Contrôle et réglage balais
Contrôle et nettoyage fi ltre à poussière
conteneur déchets (méthode “A”) (2)
Contrôle intégrité, hauteur et fonctionnement
volets
Contrôle intégrité joints conteneur déchets
Entretien moteur (1) - (3)
Graissage roulements direction et pistons
hydrauliques (1)
Remplacement fi ltre huile hydraulique
réservoir (1)
Remplacement fi ltre huile hydraulique pompe (1)
Contrôle et nettoyage fi ltre à poussière
conteneur déchets (méthode “B”) (2)
Remplacement fi ltre carburant (1)
Fixation tuyaux carburant et serrage vis (1)
Contrôle et nettoyage fi ltre à poussière
conteneur déchets (méthode “C”) (2)
Remplacement fi ltre pour ravitaillement huile
hydraulique (1)
Remplacement huile hydraulique réservoir (1) - (4)
Pour la procédure relative, se référer au manuel d’entretien.(1)
Ou plus fréquemment dans les zones poussiéreuses.(2)
Toute procédure d’entretien doit être effectué par un concessionnaire KUBOTA agréé.(3)
Remplacer l’huile hydraulique la première fois après 500 heures et ensuite tous les ans.(4)

FRANÇAIS INSTRUCTIONS D’UTILISATION
22 33019864(1)2009-05 Proterra™
ENTRETIEN DU BALAI CENTRAL
Pour un bon fonctionnement, remplacer le balai central quand les poils sont usés et ils ne mesurent que 2 in (50 mm).
Remplacement balai central
ATTENTION !
L’utilisation de gants de travail est conseillée pendant le remplacement du balai latéral à cause de la présence
éventuelle de débris tranchants parmi les poils.
REMARQUE
La machine est livrée avec des balais de dureté différente.
La procédure ci-décrite est applicable à tous les types de balais.
Porter la machine sur un sol plat et bien nivelé.1.
Serrer le frein de stationnement.2.
Tourner la clé de contact (64) et démarrer la machine.3.
Baisser le balai central au moyen du levier (53).4.
Tourner la clé de contact (64) sur “O” pour arrêter la machine.5.
Ouvrir le panneau droit (18).6.
Déplacer le volet latéral droit (A, Fig. 2) et le fi xer à la goupille (B).7.
Ouvrir le groupe levier de renvoi (C) du groupe balai central (D).8.
REMARQUE
Le panneau droit (18) maintient en position le levier de renvoi.
Extraire le balai central (D) de son logement et enlever d’éventuels cordes ou fi ls enroulés accidentellement autour du balai et 9.
du moyeu d’entraînement.
Remplacer le balai central et l’insérer à nouveau dans son logement. Contrôler que les goujons (E) sur le moyeu 10.
d’entraînement (F) s’insèrent dans les trous du groupe balai central (D) et que le balai est positionné correctement dans son
logement.
Fermer et insérer à nouveau le groupe levier de renvoi (C) dans le groupe balai principal.11.
REMARQUE
Vérifi er que les pattes sur le levier de renvoi s’insèrent dans les fentes (G) (côté droit) du groupe balai central.
Positionner à nouveau le volet latéral droit et fermer le panneau droit (18) jusqu’à l’accrochage du levier de blocage.12.
AB
C
DG
E
F
P100321
Figure 2

INSTRUCTIONS D’UTILISATION FRANÇAIS
Proterra™ 33019864(1)2009-05 23
Réglage de la hauteur du balai central
REMARQUE
La machine est livrée avec des balais de dureté différente.
La procédure ci-décrite est applicable à tous les types de balais.
Porter la machine sur un sol plat et bien nivelé.1.
Serrer le frein de stationnement.2.
Tourner la clé de contact (64) et démarrer la machine.3.
Baisser le balai central au moyen du levier (53) et le laisser tourner pour 1 minute.4.
De cette façon, le balai central nettoie une portion du sol. Après 1 minute, soulever le balai central, desserrer le frein de 5.
stationnement et déplacer la machine pour observer la portion du sol nettoyée.
Contrôler la portion nettoyée du sol. Si la largeur de la portion est inférieure à 2 in (50 mm) ou supérieure à 3 in (75 mm), il est 6.
nécessaire de régler le balai central.
Pour effectuer le réglage, ouvrir le coffre (1) du compartiment moteur en agissant sur le bouton-poussoir de déblocage (25), 7.
desserrer la poignée (A, Fig. 3) et agir sur l’écrou papillon (B) du balai central en considérant que :
En le tournant dans le sens des aiguilles d’une montre, on réduit la pression et la trace du balai central au sol.•
En le tournant dans le sens contraire aux aiguilles d’une montre, on augmente la pression et la trace du balai central au •
sol.
Le réglage terminé, bloquer le dispositif de réglage au moyen de la poignée (A).
Répéter les points de 2 à 7 jusqu’à obtenir une portion nettoyée qui présente une largeur de 2 à 3 in (de 50 à 75 mm).8.
REMARQUE
Au cas où il ne serait pas possible de régler correctement la trace, car le balai exerce une pression excessivement
différente aux extrémités de sa longueur, se référer au manuel d’entretien pour la procédure de réglage.
B
A
P100322
Figure 3

FRANÇAIS INSTRUCTIONS D’UTILISATION
24 33019864(1)2009-05 Proterra™
ENTRETIEN DU BALAI LATERAL
Réglage du balai latéral
REMARQUE
La machine est livrée avec des balais de dureté différente.
La procédure ci-décrite est applicable à tous les types de balais.
Porter la machine sur un sol plat et bien nivelé.1.
Serrer le frein de stationnement.2.
Tourner la clé de contact (64) et démarrer la machine.3.
Baisser le balai latéral au moyen du levier (52) et le laisser tourner pour 1 minute.4.
Lorsque le balai latéral (9) (15, optionnel) est baissé, son extension et orientation doit se présenter comme indiqué dans la 5.
fi gure (A et B, Fig. 4).
Pour effectuer le réglage, desserrer la poignée (A, Fig. 5) et agir sur l’écrou papillon (B) du balai latéral en considérant que :6.
En le tournant dans le sens des aiguilles d’une montre, on réduit la pression du balai central au sol.•
En le tournant dans le sens contraire aux aiguilles d’une montre, on augmente la pression du balai central au sol.•
Le réglage terminé, bloquer le dispositif de réglage au moyen de la poignée (A).
Exécuter à nouveau les points de 1 à 5 pour vérifi er que le réglage de la hauteur du sol des balais latéraux soit correct.7.
Lorsque l’usure excessive du balai n’en permet plus le réglage, le remplacer comme prévu au paragraphe suivant.8.
REMARQUE
Pour un bon fonctionnement, remplacer les balais latéraux (9) (15, optionnel) quand les poils sont usés et ils ne
mesurent que 3 in (75 mm). Après le remplacement des balais latéraux, la hauteur des balais doit être réglée à nouveau.
AB
BA
P100323 P100324
Figure 4 Figure 5

INSTRUCTIONS D’UTILISATION FRANÇAIS
Proterra™ 33019864(1)2009-05 25
Remplacement du balai latéral
ATTENTION !
L’utilisation de gants de travail est conseillée pendant le remplacement du balai latéral à cause de la présence
éventuelle de débris tranchants parmi les poils.
Soulever le conteneur déchets jusqu’à ce que le balai latéral se trouve à hauteur de l’œil.1.
Dégager le dispositif de fi xation pour extraire la goupille de blocage (A, Fig. 6) et enlever le balai latéral (B) de l’arbre moteur.2.
Faire glisser le nouveau balai sur l’arbre moteur, aligner le trou avec la goupille et insérer à nouveau la goupille de blocage (A).3.
AB
P100325
Figure 6

FRANÇAIS INSTRUCTIONS D’UTILISATION
26 33019864(1)2009-05 Proterra™
ENTRETIEN DU FILTRE A POUSSIERE (EN PANNEAU)
Pour garantir le bon fonctionnement du système d’aspiration, le fi ltre à poussière du conteneur déchets doit être nettoyé
régulièrement. Pour augmenter la durée de vie du fi ltre, respecter les intervalles d’entretien recommandés dans ces instructions.
ATTENTION !
Porter toujours des lunettes de protection pendant le nettoyage du fi ltre. –
Ne pas percer le fi ltre. –
Nettoyer le fi ltre dans un endroit bien aéré. –
Porter une masque de protection adéquate pour éviter d’inhaler la poussière. –
Porter la machine sur un sol plat, serrer le frein de stationnement et tourner la clé de contact (64) sur “O”.1.
Ouvrir les serrures (6), soulever le coffre (16) du conteneur déchets et le fi xer à l’aide de la tige de support (17) en la 2.
positionnant correctement.
Contrôler que la partie supérieure du fi ltre à poussière (12) n’a pas été endommagée. La présence d’une considérable quantité 3.
de poussière sur la partie supérieure du fi ltre indique qu’il y a un trou dans le fi ltre ou que le joint du fi ltre est endommagé.
Dévisser le quatre poignées de fi xation (13) du groupe secoueur. Soulever le groupe secoueur (11) pour rejoindre le panneau 4.
du fi ltre.
Soulever le fi ltre à poussière (12) pour l’enlever de la machine.5.
Nettoyer le fi ltre par une des méthodes suivantes :6.
Méthode “A”
Aspirer la poussière du fi ltre. Piqueter légèrement le fi ltre contre une surface plate (avec le côté sale tourné vers le bas) pour
enlever toute la saleté et la poussière.
REMARQUE
Faire particulièrement attention à ne pas endommager le lèvre qui se prolonge du joint.
Méthode “B”
Aspirer la poussière du fi ltre. Souffl er de l’air comprimé [pression maximum 87 psi (6 bars)] vers le côté propre du fi ltre (dans le
sens contraire au fl ux d’air).
Méthode “C”
Aspirer la poussière du fi ltre. Immerger le fi ltre dans l’eau chaude pour 15 minutes, puis le rincer avec un jet d’eau délicat [pression
maximum 36 psi (2.5 bars)]. Reposer le fi ltre dans la machine seulement lorsqu’il est parfaitement sec.
REMARQUE
Pour un bon séchage, poser le fi ltre en position horizontale sur deux supports écartés pour permettre la circulation de
l’air sous le fi ltre même.
REMARQUE
Pour un nettoyage plus profond, laver le fi ltre avec de l’eau et, éventuellement, avec des détergents non moussants.
Ce type de lavage, même s’il est meilleur du point de vue qualitatif, réduit la vie utile du fi ltre, lequel devra être remplacé
plus souvent. L’utilisation de détergents pas adéquats peut compromettre les caractéristiques fonctionnelles du fi ltre.
Pour reposer le fi ltre, suivre les instructions en procédant dans l’ordre inverse de la dépose et en faisant attention aux 7.
indications suivantes :
Installer le fi ltre avec le tamis tourné vers le haut.•
Si le joint du fi ltre est lacéré ou presque complètement usé, il doit être remplacé.•
REMARQUE
Avant de remplacer le fi ltre, nettoyer les débris sur la plaque située sous le fi ltre.
Vérifi er que le clapet dans la partie arrière de la plaque bouge librement.

INSTRUCTIONS D’UTILISATION FRANÇAIS
Proterra™ 33019864(1)2009-05 27
ENTRETIEN DES VOLETS
Opérations préliminaires
Vider le conteneur déchets en procédant comme prévu dans le paragraphe spécifi que pour éviter que le poids de déchets 1.
dans le conteneur infl uence le contrôle de la hauteur des volets.
Amener la machine sur un sol plat et adéquat en tant que plan de référence pour le contrôle de la hauteur des volets.2.
Tourner la clé de contact (64) sur “O”.3.
Serrer le frein de stationnement.4.
Contrôle des volets
Ouvrir le portillon droit (18) et gauche (2).5.
Enlever le balai central en procédant comme prévu au paragraphe spécifi que.6.
Contrôler aussi le volet avant et arrière du logement du balai. Remplacer ou régler les volets s’ils sont lacérés ou usés à tel 7.
point que la hauteur du sol est supérieure à 0.2 in (6 mm) (voir la procédure dans le Manuel d’entretien).
NETTOYAGE DU FILTRE A EAU DU SYSTEME D’ABATTAGE DES POUSSIERES (OPTIONNEL)
Porter la machine sur un sol plat, serrer le frein de stationnement et tourner la clé de contact (64) sur “O”.1.
Dégager le raccord rapide (A, Fig. 7) du réservoir.2.
Démonter le panneau gauche (2) pour rejoindre le fi ltre à eau (30).3.
Enlever le couvercle transparent (B) avec le joint (C), puis enlever le fi let fi ltrant (D). Les nettoyer et les reposer dans le 4.
support (E).
REMARQUE
Positionner correctement le joint (C) et le fi let fi ltrant (D) dans les logements du couvercle et du support (E).
Pour la repose, procéder dans l’ordre inverse de la dépose.5.
A
BD
E
C
P100329
Figure 7

FRANÇAIS INSTRUCTIONS D’UTILISATION
28 33019864(1)2009-05 Proterra™
HUILE HYDRAULIQUE
ATTENTION !
Ne pas toucher les pièces chaudes.
Laisser refroidir le moteur et le système
hydraulique.
Porter la machine sur un sol plat, serrer le frein de 1.
stationnement et tourner la clé de contact (64) sur “O”.
Ouvrir le coffre (1) du compartiment moteur en agissant 2.
sur le bouton-poussoir de déblocage (25).
Démonter le coffre latéral gauche (4) en agissant sur la 3.
serrure et, si besoin est, extraire le tuyau du fi ltre à eau
(30, optionnel).
Contrôler le niveau d’huile hydraulique au moyen de 4.
l’indicateur sur le réservoir (19).
Le niveau d’huile hydraulique doit être à la moitié de
l’indicateur.
Si le niveau est inférieur, dévisser le bouchon (20) et
remplir avec huile hydraulique AGIP Arnica 46.
Remplacer l’huile et les fi ltres en cas de forte
contamination causée par une panne mécanique (voir la
procédure dans le Manuel d’entretien).
HUILE MOTEUR
ATTENTION !
Ne pas toucher les pièces chaudes.
Laisser refroidir le moteur.
Porter la machine sur un sol plat, serrer le frein de 1.
stationnement et tourner la clé de contact (64) sur “O”.
Ouvrir le coffre (1) du compartiment moteur en agissant 2.
sur le bouton-poussoir de déblocage (25).
Contrôler le niveau d’huile moteur avec la jauge (A, Fig. 3.
8-9-10) avant chaque utilisation de la machine.
Si besoin est, ouvrir le bouchon (B, Fig. 9-10) et remplir.
(Voir la procédure dans le manuel spécifi que).
Remplacer l’huile moteur la première fois après 50 heures 4.
d’utilisation et ensuite toutes les 150 heures.
Le fi ltre à huile (C) doit être remplacé à chaque
remplacement de l’huile (voir la procédure dans le Manuel
d’entretien).
En fonction de la température de l’air, utiliser le type d’huile
indiqué ci dessous :
INTERVALLE DE TEMPERATURE TYPE D’HUILE
Supérieure à 60°F (15°C) SAE 10W-30
Inférieure à 60°F (15°C) SAE 5W-30
A
MIN
MAX
P100329A
Figure 8
C
A
Proterra™ Diesel version
B
P100329D
Figure 9
A
C
B
Proterra™ LPG and Gasoline version
P100329P
Figure 10

INSTRUCTIONS D’UTILISATION FRANÇAIS
Proterra™ 33019864(1)2009-05 29
NETTOYAGE FILTRE A AIR MOTEUR
Porter la machine sur un sol plat, serrer le frein de stationnement et tourner la clé de contact (64) sur “O”.1.
Ouvrir le coffre (1) du compartiment moteur en agissant sur le bouton-poussoir de déblocage (25).2.
Contrôler l’indicateur d’entretien (27) du fi ltre à air avant chaque utilisation de la machine.3.
REMARQUE
Après le nettoyage ou le remplacement du fi ltre à air du moteur, l’indicateur d’entretien peut être remis à zéro en
appuyant sur son extrémité.
ATTENTION !
Pendant l’entretien des éléments du fi ltre à air du moteur, prêter attention à éviter toute pénétration de poussière
dans le moteur. La poussière peut sérieusement endommager le moteur.
Ouvrir le couvercle (24) du fi ltre à air du moteur et enlever le préfi ltre en papier et le fi ltre synthétique.4.
Nettoyer le fi ltre à air du moteur et / ou effectuer l’opération d’entretien de l’élément (24) du fi ltre à air du moteur comme 5.
indiqué dans le manuel du moteur.
LIQUIDE DE REFROIDISSEMENT MOTEUR
ATTENTION !
Ne pas enlever le bouchon (23) du radiateur lorsque le moteur est chaud.
Porter la machine sur un sol plat, serrer le frein de stationnement et tourner la clé de contact (64) sur “O”.1.
Ouvrir le coffre (1) du compartiment moteur en agissant sur le bouton-poussoir de déblocage (25).2.
Laisser refroidir le moteur et le liquide de refroidissement, puis ouvrir le bouchon (23) du radiateur avec soin pour relâcher la 3.
pression.
Enlever le bouchon (23) du radiateur et contrôler le liquide de refroidissement.4.
Si le niveau est insuffi sant, ajouter une solution composée à 50 % d’antigel pour automobiles et à 50 % d’eau, comme indiqué
dans le manuel du moteur.

FRANÇAIS INSTRUCTIONS D’UTILISATION
30 33019864(1)2009-05 Proterra™
CONTROLE / REMPLACEMENT / RETABLISSEMENT DES FUSIBLES
Contrôle fusible de protection circuit
Amener la machine sur un sol plat. 1.
Serrer le frein de stationnement.2.
Tourner la clé de contact (64) sur “O”, puis l’enlever.3.
Contrôler dans le panneau (38) si un fusible restaurable parmi les suivants (4. Fig. 11)est débranché :
(A) : F1 (30 A), système d’aspiration•
(B) : F2 (16 A), secoueur•
(C) : F4 (30 A), clé de contact•
(D) : F5 (16 A), composants auxiliaires moteur•
(E) : F3 (10 A), gicleur système d’abattage des poussières (si présent)•
(F) : F6 (10 A), feu de travail (si présent)•
(G) : F7, système d’éclairage (si présent)•
(H) : F8, ventilateur cabine (si présent)•
Restaurer le fusible déclenché après le refroidissement du composant qui a provoqué le déclenchement.
Contrôle / remplacement des fusibles
Amener la machine sur un sol plat. 1.
Serrer le frein de stationnement.2.
Tourner la clé de contact (64) sur “O”, puis l’enlever.3.
Ouvrir le coffre (1) du compartiment moteur en agissant sur le bouton-poussoir de déblocage (25).4.
Dans la zone du siège de conduite, enlever les couvercles de protection et contrôler l’intégrité des fusibles suivants (Fig. 12-5.
13) :
(I) : F9 (50 A), bougies préchauffage (seulement pour Proterra™ Diesel)•
(J) : F10 (50 A), alternateur•
(K) : F11 (1 A), feu intérieur coffre (optionnel)•
Remplacer le fusible coupé, si présent. Insérer le couvercle de protection.
Fermer le coffre du compartiment moteur (1).6.
ABE
G
C
HDF
P100326
Figure 11
IJ
K
Proterra™ Diesel and Gasoline version Proterra™ LPG version
J
P100327 P100327LPG
Figure 12 Figure 13

INSTRUCTIONS D’UTILISATION FRANÇAIS
Proterra™ 33019864(1)2009-05 31
DEPISTAGE DES PANNES
Problème Cause probable Remède
La machine ne bouge pas
La batterie est débranchée Brancher la batterie
La machine est tombée en panne d’essence Effectuer le plein d’essence
Fusibles de protection circuit déclenchés Restaurer les fusibles déclenchés
Frein de stationnement serré Desserrer
Vis de déblocage pompe hydraulique pas
correctement positionnée Tourner correctement
Le balai central ne tourne pas
Levier en position de balai central soulevé Baisser le balai central au moyen du levier
Débris près du moyeu d’entraînement balai Enlever les débris
Conteneur déchets pas complètement baissé Baisser complètement le conteneur déchets
Fusibles de protection circuit déclenchés Restaurer les fusibles déclenchés
Le moteur a des performances faibles de
collectage de déchets / poussière
Système d’aspiration désactivé Activer le système d’aspiration au moyen de
l’interrupteur
Filtre à poussière colmaté Nettoyer le fi ltre à poussière
Conteneur déchets plein Vider le conteneur déchets
Volets pas intacts ou mal réglés Contrôler le parfait état et le correct réglage des volets
(*)
Hauteur du sol du balai central pas correcte Régler la hauteur du sol du balai
Fusibles de protection circuit déclenchés Restaurer les fusibles déclenchés
Le balai latéral ne tourne pas
Levier en position de balai latéral soulevé Baisser le balai latéral au moyen du levier
Débris près du moyeu d’entraînement balai Enlever les débris
Conteneur déchets pas complètement baissé Baisser complètement le conteneur déchets
Le portillon de vidange du conteneur
déchets ne se ferme pas Portillon de vidange bloqué par les débris Enlever les débris des côtés du compartiment
Le moteur du secoueur ne fonctionne pas
Le connecteur du moteur du secoueur n’est
pas branché correctement Rétablir la connexion
Fusible de protection circuit déclenché Restaurer le fusible déclenché
Le système d’abattage des poussières
(optionnel) ne fonctionne pas
Interrupteur défectueux Remplacer l’interrupteur (*)
Gicleurs obstrués ou fi ltre à eau colmaté Nettoyer
Pompe en panne Remplacer
Fusible de protection circuit déclenché Restaurer le fusible déclenché
Opération à effectuer auprès d’un Service après-vente Advance.(*)
Pour de plus amples informations, se référer au manuel d’entretien consultable auprès des Services après-vente Advance.

FRANÇAIS INSTRUCTIONS D’UTILISATION
32 33019864(1)2009-05 Proterra™
MISE A LA FERRAILLE
Effectuer la mise à la ferraille de la machine auprès d’un démolisseur autorisé.
Avant la mise à la ferraille, il est nécessaire de déposer et séparer les éléments suivants et les envoyer aux collectes sélectives,
conformément aux normes d’hygiène de l’environnement en vigueur :
Batteries –
Filtre à poussière en polyester –
Balais central et latéraux –
Huile moteur –
Huile système hydraulique –
Filtre à huile système hydraulique –
Tuyaux et pièces en matériel plastique –
Parties électriques et électroniques (*) –
Pour la mise en décharge des parties électriques et électroniques, s’adresser auprès du centre Advance le plus proche.(*)

INSTRUCCIONES DE USO ESPAÑOL
Proterra™ 33019864(1)2009-05 1
ÍNDICE
INTRODUCCIÓN .............................................................................................................................................................. 2
FINALIDAD Y OBJETO DE ESTE MANUAL ................................................................................................................................... 2
DESTINATARIOS ............................................................................................................................................................................ 2
CONSERVACIÓN DEL MANUAL .................................................................................................................................................... 2
DATOS DE IDENTIFICACIÓN ......................................................................................................................................................... 2
OTROS MANUALES DE REFERENCIA ......................................................................................................................................... 2
PIEZAS DE REPUESTO Y MANTENIMIENTO ............................................................................................................................... 3
MODIFICACIONES Y MEJORAS .................................................................................................................................................... 3
CARACTERÍSTICAS DE FUNCIONAMIENTO ............................................................................................................................... 3
CONVENCIONES ............................................................................................................................................................................ 3
DESEMBALAJE/ENTREGA ............................................................................................................................................ 3
SEGURIDAD .................................................................................................................................................................... 4
SÍMBOLOS ...................................................................................................................................................................................... 4
INSTRUCCIONES GENERALES .................................................................................................................................................... 4
SOPORTE DE SEGURIDAD DEL CAJÓN DE RESIDUOS ............................................................................................................ 7
LEVANTAMIENTO DE LA MÁQUINA CON GATOS ........................................................................................................................ 7
TRANSPORTE DE LA MÁQUINA.................................................................................................................................................... 7
DESPLAZAMIENTO DE LA MÁQUINA MEDIANTE EMPUJE/REMOLQUE................................................................................... 7
DESCRIPCIÓN DE LA MÁQUINA ................................................................................................................................... 8
ESTRUCTURA DE LA MÁQUINA .................................................................................................................................................... 8
PANEL DE CONTROL Y MANDOS ............................................................................................................................................... 10
ACCESORIOS/OPCIONES ............................................................................................................................................................11
DATOS TÉCNICOS ........................................................................................................................................................................11
ESQUEMA ELÉCTRICO ............................................................................................................................................................... 12
ESQUEMA HIDRÁULICO .............................................................................................................................................................. 15
PREPARACIÓN DE LA MÁQUINA PARA EL USO ...................................................................................................... 16
COMPROBACIONES PREVIAS A LA UTILIZACIÓN .................................................................................................................... 16
CEPILLO PRINCIPAL .................................................................................................................................................................... 16
COMBUSTIBLE ............................................................................................................................................................................. 16
MOTOR DIESEL Y GASOLINA ..................................................................................................................................................... 16
MOTOR GPL ................................................................................................................................................................................. 17
ANTES DE LA PUESTA EN MARCHA DE LA MÁQUINA.............................................................................................................. 17
PUESTA EN MARCHA Y PARADA DE LA MÁQUINA ................................................................................................................... 17
FRENO DE ESTACIONAMIENTO ................................................................................................................................................. 18
BARRIDO ...................................................................................................................................................................................... 18
VACIADO DEL CAJÓN DE RESIDUOS ........................................................................................................................................ 19
DESPUÉS DEL USO DE LA MÁQUINA ........................................................................................................................................ 20
PERIODO DE LARGA INACTIVIDAD DE LA MÁQUINA ............................................................................................................... 20
PRIMER PERIODO DE USO ........................................................................................................................................................ 20
MANTENIMIENTO ......................................................................................................................................................... 20
ESQUEMA DE MANTENIMIENTO PROGRAMADO ..................................................................................................................... 21
MANTENIMIENTO DEL CEPILLO PRINCIPAL ............................................................................................................................. 22
MANTENIMIENTO DEL CEPILLO LATERAL ................................................................................................................................ 24
MANTENIMIENTO DEL FILTRO DE POLVOS (FILTRO DE PANEL) ........................................................................................... 26
MANTENIMIENTO DEL FLAP ....................................................................................................................................................... 27
LIMPIEZA DEL FILTRO DE AGUA DEL SISTEMA DE CONTROL DE POLVO (OPCIONAL) ...................................................... 27
ACEITE HIDRÁULICO ................................................................................................................................................................... 28
ACEITE DEL MOTOR .................................................................................................................................................................... 28
LIMPIEZA DEL FILTRO DE AIRE DEL MOTOR ............................................................................................................................ 29
LÍQUIDO DE ENFRIAMIENTO DEL MOTOR ................................................................................................................................ 29
CONTROL/SUSTITUCIÓN/REACTIVACIÓN DE LOS FUSIBLES ................................................................................................ 30
BÚSQUEDA AVERÍAS .................................................................................................................................................. 31
DESGUACE ................................................................................................................................................................... 32

ESPAÑOL INSTRUCCIONES DE USO
233019864(1)2009-05 Proterra™
INTRODUCCIÓN
NOTA
Los números entre paréntesis se refi eren a los componentes ilustrados en el capítulo Descripción de la máquina.
FINALIDAD Y OBJETO DE ESTE MANUAL
Este manual contiene todas las informaciones necesarias para que el operador utilice la máquina de forma adecuada, autónoma
y segura. Incluye informaciones inherentes a los datos técnicos, la seguridad el funcionamiento, el almacenamiento, el
mantenimiento, las piezas de repuesto y el desguace.
Antes de efectuar cualquier operación de mantenimiento, los operadores y los técnicos califi cados tienen que leer cuidadosamente
las instrucciones incluidas en este manual. En caso de dudas sobre la correcta interpretación de las instrucciones, contactar con
Advance para obtener explicaciones.
DESTINATARIOS
Este manual es para los operadores y los técnicos encargados del mantenimiento de la máquina.
Los operadores no deben efectuar procedimientos reservados a los técnicos califi cados. Advance no es responsable para los
daños causados a la máquina por falta de observación de esta prohibición.
CONSERVACIÓN DEL MANUAL
Este Manual de uso debe conservarse junto a la máquina, dentro de su contenedor, lejos de líquidos y otras substancias que
podrían dañarlo.
DATOS DE IDENTIFICACIÓN
El número de serie y el modelo de la máquina están marcados en la placa (10) puesta en el bastidor.
El año de fabricación de la máquina está en la declaración de conformidad y está también indicado por las dos primeras cifras del
número de serie de la máquina misma.
El número de serie y el modelo del motor diesel están marcados en la placa (31).
Estas informaciones son necesarias cuando se piden piezas de repuesto para la máquina y el motor. Usar el espacio siguiente
para escribir los datos de identifi cación de la máquina y del motor.
Modelo MÁQUINA .............................................................................
Número de serie MÁQUINA ..............................................................
Modelo MOTOR ................................................................................
Número de serie MOTOR ..................................................................
OTROS MANUALES DE REFERENCIA
Manual del motor, en dotación a la máquina, de considerarse parte integrante de este manual. –
Los siguientes manuales son también disponibles: –
Catálogo piezas de repuestos (en dotación a la máquina)•
Manual de asistencia (que se puede consultar en los Centros de asistencia Advance)•

INSTRUCCIONES DE USO ESPAÑOL
Proterra™ 33019864(1)2009-05 3
PIEZAS DE REPUESTO Y MANTENIMIENTO
Para cualquier necesidad que se refi ere al uso, al mantenimiento y a las reparaciones, consultar al personal califi cado o a los
Centros de asistencia Advance. Usar siempre piezas de repuesto y accesorios originales.
Para la asistencia o para ordenar piezas de repuesto y accesorios acudir a Advance, especifi cando siempre el modelo y el número
de serie de la máquina.
MODIFICACIONES Y MEJORAS
Advance está constantemente mejorando sus productos y se reserva el derecho de realizar modifi caciones y mejoras a su
discreción, sin verse obligada a aplicar dichas ventajas a las máquinas vendidas previamente.
Sólo Advance puede aprobar y efectuar cualquier modifi cación y/o instalación de accesorios.
CARACTERÍSTICAS DE FUNCIONAMIENTO
Esta barredera es adecuada para limpiar/barrer suelos lisos y sólidos y para aspirar polvo y residuos ligeros, en ambiente privado o
industrial sobre , en condiciones de seguridad, por parte de un operador califi cado.
CONVENCIONES
En este manual, las indicaciones de adelante, atrás, delantero, trasero, derecho e izquierdo, se refi eren al operador en posición de
conducción en su asiento (32).
DESEMBALAJE/ENTREGA
Tras la recepción, controlar la caja de embalaje y la máquina para ver si existen daños. Si los daños son evidentes, conservar el
embalaje, de forma que el transportista que lo ha entregado lo pueda inspeccionar. Contactarlo de inmediato para compilar una
indemnización daños y perjuicios.
Controlar que la máquina sea entregada junto a los siguientes componentes: –
Manual de uso de la barredera•
Manual del motor•
Catálogo de piezas de repuesto de la barredera•
Después de retirar el embalaje, retirar los bloques de madera situados junto a las ruedas. –
Comprobar el nivel del líquido de enfriamiento y del aceite del motor. –
Controlar el nivel del aceite hidráulico. –
Leer las instrucciones de la sección “Preparación de la máquina para el uso” y llenar el depósito de combustible. –
Colocar una rampa junto al extremo delantero de la tarima de carga. –
Leer las instrucciones de las secciones “Panel de control y mandos” y “Uso de la máquina” de este manual y encender el –
motor. Conducir despacio la máquina desde la rampa hasta el suelo.
¡ATENCIÓN!
Utilizar la barredera con mucho cuidado.
Antes de utilizarla, es preciso conocer bien todas sus instrucciones de funcionamiento.
En caso de duda, consultar con su supervisor o con el concesionario industrial local Advance.
En caso de funcionamiento incorrecto de la barredera, no intentar solucionar el problema a menos que se
lo ordene su supervisor. Solicitar la ayuda de un mecánico cualifi cado o de una persona autorizada por el
concesionario Advance para que efectúen las correcciones necesarias en la máquina.
Usar esta máquina con mucho cuidado. Existe el peligro de que las corbatas, prendas sueltas, pelo largo,
anillos y pulseras queden atrapados entre los componentes móviles.
Antes de utilizar la máquina, llevar la llave de encendido (64) en posición “O”, quitar la llave, activar el freno de
estacionamiento y desconectar la batería.
Utilizar el sentido común, respetar las normas de seguridad y prestar atención a las pegatinas amarillas
colocadas en la máquina.
Conducir la máquina lentamente en pendientes. Usar el pedal de freno (35) para controlar la velocidad de la
máquina al descender las pendientes.
No girar la máquina en una pendiente; conducir en línea recta hacia arriba o hacia abajo.
La pendiente nominal máxima durante el transporte con un modelo de 3 cilindros es del 15%.

ESPAÑOL INSTRUCCIONES DE USO
433019864(1)2009-05 Proterra™
SEGURIDAD
La siguiente simbología sirve para señalizar situaciones de peligro potencial. Leer siempre cuidadosamente estas informaciones y
tomar las precauciones necesarias para proteger personas y cosas.
Para evitar desgracias, la cooperación del operador es fundamental. Ningún programa de prevención de accidentes resulta efi caz
sin la total cooperación de la persona directamente responsable del funcionamiento de la máquina. La mayoría de los accidentes
que pueden ocurrir en una empresa, durante el trabajo o el transporte, son causados por no observar las reglas de seguridad
fundamentales. Un operador cuidadoso y cauto es la mejor garantía para evitar posibles accidentes y resulta más efi caz que
cualquier programa de prevención.
SÍMBOLOS
¡PELIGRO!
Indica un peligro con riesgo, incluso mortal, para el operador.
¡ATENCIÓN!
Indica el riesgo potencial de infortunios para las personas o de daños a las cosas.
¡ADVERTENCIA!
Indica una advertencia o una nota sobre una función importante o útil. Tener cuidado de las partes del texto
marcadas con este símbolo.
NOTA
Indica una nota sobre una función importante o útil.
CONSULTAS
Indica la necesidad de consultar el Manual de uso antes de efectuar cualquier operación.
INSTRUCCIONES GENERALES
Se describen aquí las advertencias y precauciones específi cas por lo que se refi ere a los potenciales riesgos de daños a la
máquina o a las personas.
¡PELIGRO!
El monóxido de carbono (CO) puede causar daños al cerebro o la muerte. –
El motor de combustión interna de esta máquina produce monóxido de carbono. –
No aspirar los humos de los gases de escape. –
Usar en lugares cerrados sólo si hay una ventilación adecuada y en presencia de un ayudante. –

INSTRUCCIONES DE USO ESPAÑOL
Proterra™ 33019864(1)2009-05 5
¡PELIGRO!
Antes de efectuar cualquier operación de mantenimiento, reparación, limpieza o sustitución de piezas, –
desconectar el conector de la batería, quitar la llave de encendido y activar el freno de estacionamiento.
Sólo los operadores cualifi cados pueden usar esta máquina. Los niños y los minusválidos no pueden usar –
esta máquina.
Los virajes deben efectuarse a velocidad muy baja. Está prohibido: virar bruscamente especialmente en –
descenso, virar cuando el cajón de residuos está levantado.
No levantar nunca el cajón de residuos sobre pendientes. La máquina pierde estabilidad en descenso o –
cuando el cajón está lleno. Controlar con regularidad la presión de los neumáticos.
Cuando se trabaja cerca de componentes eléctricos, hay que quitarse las joyas. –
Tener chispas, llamas y materiales fumantes/incandescentes lejos de las baterías. Durante el uso normal –
pueden salir gases explosivos.
No trabajar bajo la máquina levantada si ésta no está fi jada con los soportes de seguridad adecuados. –
Cuando se trabaja bajo del capó abierto, asegurarse que el capó mismo no pueda cerrarse de forma –
accidental.
No activar la máquina en un ambiente donde haya polvo, líquidos o vapores nocivos, peligrosos, infl amables –
y/o explosivos: esta máquina no es adecuada para recoger polvos peligrosos.
Atención, el combustible es muy infl amable. –
No fumar y no llevar llamas libres en los lugares en los que se repone el combustible o donde el combustible –
está almacenado.
Rellenar el depósito del combustible en un lugar abierto y bien ventilado, y con el motor apagado. –
Apagar el motor y dejarlo enfriar por unos minutos antes de desenroscar el tapón del depósito del –
combustible.
No llenar el depósito del combustible a más de 4 cm de la boca de llenado, para permitir que el combustible –
se expanda.
Tras haber rellenado el depósito del combustible, controlar que el tapón del depósito esté correctamente –
cerrado.
Si durante el relleno, el combustible sale del depósito, limpiar con cuidado y dejar que los vapores se –
disipen antes de arrancar el motor.
Evitar que el combustible entre en contacto con la piel y no respirar los vapores. Tener fuera del alcance de –
los niños.
No inclinar el motor demasiado, para evitar que el combustible sobresalga. –
Durante el transporte de la barredera, el depósito del combustible no debe estar lleno y el grifo del –
combustible debe estar cerrado.
No apoyar ningún objeto sobre el motor. –
Apagar el motor antes de efectuar operaciones de mantenimiento. Para evitar que el motor se ponga en –
marcha accidentalmente, desconectar el terminal negativo de la batería.
Véase las NORMAS DE SEGURIDAD indicadas en el manual del motor, el cual debe considerarse parte –
integrante de este manual.
La máquina está equipada de baterías de plomo (WET), no inclinar la máquina de más de 30° respeto a la –
línea horizontal, porque el líquido muy corrosivo de las baterías podría sobresalir. Si es necesario inclinar la
máquina para las operaciones de mantenimiento, primero quitar las baterías.
No usar la máquina en caso de pérdidas de gas. Desconectar el tubo del combustible y sustituir el depósito –
GPL. Si la pérdida de gas sigue existiendo, desconectar el tubo del combustible y contactar el Centro de
asistencia Advance.

ESPAÑOL INSTRUCCIONES DE USO
633019864(1)2009-05 Proterra™
¡ATENCIÓN!
Antes de efectuar cualquier operación de mantenimiento/reparación, leer cuidadosamente todas las –
instrucciones relacionadas.
Cuando se trabaja cerca de o con el sistema hidráulico, ponerse siempre ropa y gafas de protección. –
Tener cuidado de las partes calientes cuando se trabaja cerca del motor, del silenciador de escape, del –
colector del radiador.
Tomar todas las precauciones necesarias para que el pelo, las joyas y las ropas no sean capturados por las –
partes móviles de la máquina.
Para evitar usos no autorizados de la máquina, quitar la llave de encendido. –
No dejar la máquina sin custodia y sin haberse asegurado que no pueda moverse de forma autónoma. –
No usar la máquina sobre suelos con inclinaciones superiores a las especifi caciones. –
Usar sólo los cepillos suministrados junto a la máquina o aquellos indicados en el Manual de uso. Usar otros –
cepillos puede perjudicar la seguridad.
Antes de usar la máquina, cerrar todas los portillos y/o las tapas. –
No usar la máquina en ambientes demasiado polvorientos. –
Usar la máquina sólo en áreas con sufi ciente iluminación. –
Si se va a usar la máquina en presencia de otras personas, además del operador, es necesario equipar la –
máquina con la luz rotativa y el avisador acústico de marcha atrás (opcional).
No lavar la máquina con chorros de agua directa o presurizada, o con sustancias corrosivas. –
No usar aire comprimido para la limpieza general de este tipo de máquina, excepto para los fi ltros (véase el –
párrafo específi co).
Cuando se usa esta máquina, tener cuidado de salvaguardar la incolumidad de las personas, especialmente –
los niños.
No apoyar contenedores de líquidos sobre la máquina. –
La temperatura de almacenamiento de la máquina debe estar entre 32°F - 104°F (0°C - +40°C). –
La temperatura de la máquina en trabajo debe estar entre 32°F - 104°F (0°C - +40°C). –
La humedad debe estar entre el 30% y el 95%. –
Proteger siempre la máquina del sol, lluvia y otra intemperie, tanto durante el funcionamiento como durante –
los períodos de inactividad. Almacenar la máquina en un lugar cerrado y seco. Esta máquina sólo se puede
usar en seco y no se debe usar o tener al exterior en condiciones de humedad.
No usar la máquina como vehículo de transporte o de remolque/empuje. –
No permitir que los cepillos funcionen mientras la máquina está parada en un punto para evitar posibles –
daños al suelo.
En caso de incendio usar un extintor de polvo, no de agua. –
No chocar contra estanterías o andamios de los que puedan caer objetos. –
Ajustar la velocidad de funcionamiento según la adherencia al suelo. –
Evitar paradas improvisas cuando la máquina está en descenso. Evitar tomar las curvas bruscamente. –
Reducir la velocidad en descenso.
Esta máquina no tiene aprobación para el uso en carreteras o vías públicas. –
No adulterar por ninguna razón las protecciones de la máquina. –
Atenerse escrupulosamente las instrucciones para el mantenimiento ordinario. –
No quitar ni modifi car las placas colocadas en la máquina.
–
Cuando la máquina no funciona correctamente, asegurarse de que ésto no sea causado por falta de –
mantenimiento. En caso contrario pedir la intervención del personal autorizado o del Centro de asistencia
autorizado.
Si deben sustituirse piezas, solicitar piezas de repuesto ORIGINALES a un concesionario y/o revendedor –
autorizado.
Para asegurar condiciones de funcionamiento correcto y seguro, el personal autorizado o el Centro de –
asistencia autorizado debe llevar a cabo el mantenimiento programado según las especifi caciones indicadas
en el capítulo relacionado de este manual.
Nunca se debe abandonar la máquina al fi nal de su ciclo vital, por la presencia de materiales tóxicos y –
dañinos (baterías, aceites, plástico, etc.) sujetos a normativas que exigen que se realice la eliminación en
centros especiales (véase el capítulo Desguace).
Durante el funcionamiento del motor, el silenciador se calienta. Para evitar graves quemaduras o incendios, –
no tocar el silenciador cuando está caliente.
Si el motor funciona con un nivel de aceite insufi ciente, se puede dañar gravemente. Controlar el nivel de –
aceite con el motor apagado y con la máquina en posición horizontal.
No dejar que el motor funcione sin el fi ltro de aire, porque podría dañarse. –
Las intervenciones de asistencia técnica al motor deben ser efectuados por un Concesionario autorizado. –
Para el motor usar sólo piezas de repuesto originales o productos equivalentes. El uso de piezas de
repuestos de calidad inferior puede dañar el motor.
Véase las NORMAS DE SEGURIDAD indicadas en el manual del motor, el cual debe considerarse parte –
integrante de este manual.

INSTRUCCIONES DE USO ESPAÑOL
Proterra™ 33019864(1)2009-05 7
SOPORTE DE SEGURIDAD DEL CAJÓN DE RESIDUOS
¡ADVERTENCIA!
Antes de efectuar cualquier operación de mantenimiento debajo del cajón de residuos levantado o cerca
de el, tirar de la manija de bloqueo (39) para comprobar que el soporte de seguridad del cajón de residuos
(5) se encuentre colocado. El soporte de seguridad del cajón de residuos (5) mantiene el cajón en posición
levantada para permitir la realización de operaciones debajo del cajón. No se limitarse nunca a los componentes
hidráulicos de la máquina solamente para soportar el cajón de residuos de manera segura.
LEVANTAMIENTO DE LA MÁQUINA CON GATOS
¡ATENCIÓN!
No trabajar nunca debajo de la máquina sin colocar antes los soportes o bloques de seguridad para apoyar la
máquina.
Para levantar la máquina, aplicar los gatos en los lugares indicados (no bajo del cajón de residuos) – véase puntos de elevación
con gatos (8).
TRANSPORTE DE LA MÁQUINA
¡ATENCIÓN!
Antes de transportar la máquina sobre un camión o remolque abierto, asegurarse de:
Cerrar bien todas las puertas de acceso. –
Sujetar bien la máquina, de forma que quede segura. –
Activar el freno de estacionamiento. –
DESPLAZAMIENTO DE LA MÁQUINA MEDIANTE EMPUJE/REMOLQUE
La bomba hidráulica (45) está equipada de un tornillo que desactiva el sistema de tracción. El sistema impide que se produzcan
daños en el sistema hidráulico en caso de que deba remolcarse/empujarse la máquina a una distancia corta sin el uso del motor.
Para acceder al tornillo de desbloqueo, abrir el capó del compartimiento del motor (1) usando el pulsador de desbloqueo (25) y
localizar la bomba hidráulica (45) en la parte delantera del motor (44).
Girar el tornillo de hexágono interior (A, Fig. 1) de medio giro en sentido antihorario para desacoplar el bloqueo entre el motor y la
bomba.
¡ADVERTENCIA!
La bomba hidráulica puede sufrir daños si se remolca la máquina con el tornillo en posición normal de
funcionamiento (en bloqueo).
NOTA
Si el tornillo se queda en función de bloqueo, la bomba hidráulica no puede determinar el movimiento de la máquina.
NOTA
No remolcar ni empujar la máquina a una velocidad superior a la del paso normal de una persona [1.8-2.8 mph (3-4.5
km/h)] y hacerlo solamente en distancias cortas.
Si se necesita desplazar la máquina una larga distancia, las ruedas de tracción deben levantarse del suelo y colocarse
sobre un gato rodante.
Tras haber desplazado la máquina mediante empuje/remolque, girar el tornillo de hexágono interior de medio giro en sentido
horario para habilitar las funciones hidráulicas.
A
P100320
Figura 1

ESPAÑOL INSTRUCCIONES DE USO
833019864(1)2009-05 Proterra™
DESCRIPCIÓN DE LA MÁQUINA
ESTRUCTURA DE LA MÁQUINA
Capó compartimiento motor1.
Panel izquierdo de acceso del cepillo principal2.
Batería3.
Capó lateral izquierdo4.
Depósito de agua del sistema de control de polvo
(opcional)
Soporte de seguridad del cajón de residuos5.
Cerradura del capó del cajón de residuos6.
Luz de trabajo (opcional)7.
Puntos de elevación con gatos (el punto trasero está bajo 8.
del radiador del motor)
Cepillo lateral derecho9.
Placa número de serie/datos técnicos/marcación de 10.
conformidad
Conjunto sacudidor del fi ltro polvos de panel11.
Filtro de polvos del cajón de residuos12.
Filtro de panel (estándar)
Filtro de bolsas (opcional)
Perilla de fi jación del conjunto sacudidor del fi ltro13.
Filtro del aceite hidráulico14.
Cepillo lateral izquierdo (opcional)15.
Capó del cajón de residuos16.
Barra de soporte del capó del cajón de residuos17.
Panel derecho de acceso para desmontaje/sustitución del 18.
cepillo principal
Depósito del aceite hidráulico19.
Tapón del depósito del aceite hidráulico20.
Tapón del depósito del combustible21.
Depósito de combustible22.
Tapón del radiador23.
Filtro de aire del motor24.
Pulsador de desbloqueo del capó del compartimiento del 25.
motor
Puntos de anclaje (3)26.
Indicador de mantenimiento del fi ltro de aire27.
Boquillas del sistema de control de polvo (opcional)28.
Tapón del depósito de agua del sistema de control de 29.
polvo (opcional)
Filtro de agua (opcional)30.
Placa con modelo y número de serie del motor31.
1
2
45
31
4
32
19
30
8
5
15
9
6
7
11
12
13
14
20
17
28
47 43
26
P100317

INSTRUCCIONES DE USO ESPAÑOL
Proterra™ 33019864(1)2009-05 9
ESTRUCTURA DE LA MÁQUINA (Sigue)
Asiento de conducción32.
Tablero de control (véase el párrafo siguiente)33.
Volante34.
Pedal del freno35.
Pedal del freno de estacionamiento36.
(Usar junto al pedal del freno para bloquear o desbloquear
el freno de estacionamiento)
Pedal de accionamiento marcha adelante/marcha atrás37.
Panel de los fusibles (véase el párrafo Control/sustitución/38.
reactivación de los fusibles)
Manija de bloqueo del soporte de seguridad del cajón de 39.
residuos
Tirar hacia atrás para bloquear el soporte•
Tirar hacia adelante para desbloquear el soporte•
Palanca de ajuste del asiento de conducción40.
Rejilla de aspiración aire del motor41.
Rueda trasera directriz de tracción42.
Ruedas delanteras43.
Motor44.
Bomba hidráulica45.
Radiador del líquido de enfriamiento del motor/46.
enfriamiento del aceite hidráulico
Cajón de residuos47.
Fusibles (véase el párrafo Control/sustitución/reactivación 48.
de los fusibles)
Extintor (opcional)49.
Depósito GPL50.
3
23
24
27
25
29
26
26
8
21 18 40
41
43
44
45
46
49
42
33 34
36
37
48
38
39
35
16
50
1
0
10
P100318

ESPAÑOL INSTRUCCIONES DE USO
10 33019864(1)2009-05 Proterra™
PANEL DE CONTROL Y MANDOS
Palanca del régimen del motor (mínimo/máximo)51.
(posición “adelante”) motor al régimen de trabajo•
(posición “atrás”) motor al régimen mínimo•
Palanca de los cepillos laterales52.
(posición “adelante”) cepillo lateral bajado•
(posición “atrás”) cepillo lateral levantado•
Palanca del cepillo principal53.
(posición “adelante”) cepillo principal bajado•
(posición “atrás”) cepillo principal levantado•
Palanca del cajón de residuos54.
(posición “adelante”) bajada cajón de residuos•
(posición “atrás”) subida cajón de residuos•
Palanca del portillo de descarga del cajón de residuos55.
(posición “adelante”) apertura del portillo de descarga•
(posición “atrás”) cierre del portillo de descarga•
Cuentahoras56.
Indicador de nivel de combustible57.
Luz de aviso temperatura excesiva del cajón de residuos58.
Luz de aviso fi ltro cajón de residuos obstruido59.
Luz de aviso del cargador de baterías60.
Luz de aviso temperatura excesiva líquido de enfriamiento 61.
motor
Luz de aviso freno de estacionamiento62.
Luz de aviso de precalentamiento bujías63.
Llave de encendido:64.
En posición “O” apaga la máquina y deshabilita todas •
las funciones.
En posición “I” habilita todas las funciones de la •
máquina.
En posición “II” pone en marcha el motor.•
Cuando el motor se pone en marcha, soltar la llave que
vuelve en posición “I”.
Interruptor de la bocina65.
Interruptor del sacudidor del fi ltro/sistema de aspiración66.
(posición inferior) activación del sacudidor del fi ltro•
(posición superior) activación del ventilador de •
aspiración y del sistema de control de polvo
Interruptor del sistema de control de polvo (opcional)67.
Estárter del motor (sólo para versiones GPL y Gasolina)68.
Interruptor de las luces de trabajo (opcional)69.
Interruptor de las luces de emergencia (opcional)70.
Interruptor de los indicadores de dirección (opcional)71.
Palanca de ajuste del volante (opcional)72.
5152535455
56
57
58
59
60 61 62 63 64 65 6668 67
69
71
70
72
P100319

INSTRUCCIONES DE USO ESPAÑOL
Proterra™ 33019864(1)2009-05 11
ACCESORIOS/OPCIONES
Además de los componentes instalados en la versión estándar, la máquina puede equiparse con los siguientes accesorios/
opciones, según el uso específi co:
Cepillo lateral izquierdo –
Cepillos principal y laterales con cerdas más o menos duras con respeto al estándar –
Filtro de polvo de poliéster (a prueba de agua) –
Sensor fi ltro obstruido –
Sistema de control de polvo –
Extintor –
Luces delanteras –
Luz de trabajo –
Luz destelladora –
Ruedas antihuella –
Volante ajustable –
Asiento con suspensiones –
Cinturón de seguridad –
Protección de los cepillos laterales –
Lumbrera de protección –
Espejos retrovisores –
Extintor –
Parachoques trasero –
Avisador acústico de marcha atrás –
Protección del cajón de residuos –
Alfombra antideslizante –
Para informaciones suplementarias sobre estos accesorios opcionales, acudir al Revendedor autorizado.
DATOS TÉCNICOS
Dimensiones y pesos Proterra™ Diesel Proterra™ GPL Proterra™ Gasolina
Anchura de barrido con cepillo principal 35.5 in (900 mm)
Anchura de trabajo con un cepillo lateral 49.25 in (1,250 mm)
Anchura de barrido con dos cepillos laterales (opcional) 63 in (1,600 mm)
Largura máquina 87.5 in (2,220 mm)
Anchura de la máquina (cubos de los cepillos) 52 in (1,320 mm)
Altura máxima de la máquina 57.5 in (1,460 mm)
Altura máxima de la máquina con lumbrera (opcional) 79 in (2,000 mm)
Altura mínima desde el suelo (sin fl ap) 4.25 in (110 mm)
Altura máxima de subida del cajón de residuos 62.5 in (1,590 mm)
Dimensiones del cepillo principal (diámetro x largura) 12.2 x 35.5 in (310 x 900 mm)
Diámetro del cepillo lateral 21.5 in (550 mm)
Presión de los neumáticos 85 psi (6 Bar)
Peso eje delantero en orden de marcha 1,180 lb (535 kg)
Peso eje trasero en orden de marcha 905 lb (410 kg)
Peso total máquina en orden de marcha (sin operador) 2,085 lb (945 kg)
Peso máximo (GVW) 2,910 lb (1,320 kg)
Peso de la máquina para expedición 2,204.6 lb (1,000 kg)
Información de reposición Proterra™ Diesel Proterra™ GPL Proterra™ Gasolina
Capacidad del depósito de combustible 14 gal (35 litros) - 14 gal (35 litros)
Capacidad del depósito de aceite del sistema hidráulico 26.5 qt (25 litros)
Capacidad del cárter del aceite del motor (*) 5.4 qt (5.1 litros) 3.59 qt (3.4 litros)
Tipo de aceite del motor (**) SAE 10 W - 30
Cantidad de líquido de enfriamiento motor (**) 4.2 qt (4 litros)
(*) Para otros datos/valores del motor, véase el manual relacionado.
(**) Para los datos del aceite del motor, del líquido de enfriamiento y la tabla de las especifi caciones de referencia,
véase el manual del motor.

ESPAÑOL INSTRUCCIONES DE USO
12 33019864(1)2009-05 Proterra™
Información de prestaciones Proterra™ Diesel Proterra™ GPL Proterra™ Gasolina
Velocidad máxima en marcha adelante (solo para transporte) 7.5 mph (12 km/h) 7.5 mph (12 km/h) 7.5 mph (12 km/h)
Inclinación máxima durante el trabajo 20% (11°)
Inclinación máxima superable 25% (14°)
Radio mínimo de viraje 60.2 in (1,530 mm)
Presión acústica a la oreja del operador (ISO 11201, ISO
4871) (LpA) 69,5 ±3 dB(A) 69.1 ± 3 dB(A) 69.1 ± 3 dB(A)
Potencia acústica emitida por la máquina (ISO 3744, ISO
4871) (LwA) 82 dB (A) 83 dB(A) 83 dB(A)
Nivel de vibraciones al brazo del operador (ISO 5349-1) (*) <2.5 m/s2
Nivel de vibraciones transmitidas al cuerpo del operador (ISO
2631-1) (*) <0.5 m/s2
Capacidad del cajón de residuos Teórica: 11.25 cu·ft (315 litros)
Real: 8.00 cu·ft (226 litros)
Capacidad máxima de levantamiento del cajón de residuos 800 lb (363 kg)
Capacidad del depósito del sistema de control de polvo
(opcional) 11.9 gal (45 litros)
En condiciones de trabajo normal sobre un suelo llano de asfalto.(*)
ESQUEMA ELÉCTRICO
Leyenda
ALT Alternador
BAT Batería
BE1 Luz rotativa (opcional)
BZ1 Avisador acústico de marcha atrás (opcional)
ES1 Relé sistema de aspiración
ES2 Relé sacudidor del fi ltro
ES3 Relé de seguridad GPL (sólo versión GPL)
EV1 Electroválvula de combustible (sólo versión Diesel y Gasolina)
EV2 Electroválvula GPL (sólo versión GPL)
EV3 Electroválvula de seguridad GPL (sólo versión GPL)
F1 Fusible sistema de aspiración (30 A)
F2 Fusible sacudidor del fi ltro (16 A)
F3 Fusible bomba de agua (10 A) (opcional)
F4 Fusible llave de encendido (30 A)
F5 Fusible accesorios motor (16 A)
F6 Fusible luces de trabajo (10 A) (opcional)
F8 Fusible ventilador de la cabina (opcional)
F9 Fusible bujías (50 A) (sólo versión Diesel)
F10 Portafusible y fusible alternador (50 A)
F11 Fusible luz interior del capó (1 A) (opcional)
HN Bocina
IGN Unidad de control de encendido (sólo versión GPL y Gasolina)
K1 Conmutador de arranque
L1 Luz de trabajo delantera (opcional)
L2 Luz de trabajo delantera (opcional)
L3 Luz de trabajo lado conducente (opcional)
L4 Luz de trabajo trasera (opcional)
L5 Luz interior del capó (opcional)
M1 Motor aspirador
M2 Motor sacudidor del fi ltro
M3 Motor de la bomba de agua (opcional)
M4 Ventilador de la cabina (opcional)
MST Motor de arranque
P1 Bomba de combustible (sólo versión Gasolina)
PLG Bujías (sólo versión Diesel)
R1 Resistencia luz de aviso bujías (sólo versión Diesel)
SE1 Sensor presión aceite
SE2 Sensor temperatura agua
SE3 Sensor fi ltro cajón de residuos obstruido (opcional)
SE5 Flotador depósito de combustible (sólo versión Diesel y
Gasolina)
SE6 Sensor temperatura cajón de residuos (opcional)
SE7 Sensor régimen motor (sólo versión GPL y Gasolina)
SE8 Sensor reserva de combustible (sólo versión GPL y Gasolina)
SPK Bobina bujías (sólo versión GPL y Gasolina)
STR Instrumento
SW1 Interruptor sistema de aspiración/sacudidor del fi ltro
SW2 Interruptor de la bocina
SW3 Microinterruptor asiento de conducción
SW4 Sensor proximity marcha atrás (opcional)
SW5 Interruptor ventilador de la cabina (opcional)
SW6 Interruptor de la bomba de agua (opcional)
SW7 Interruptor luces de trabajo (opcional)
SW13 Interruptor luz de trabajo lado conducente (opcional)
SW14 Interruptor luz de trabajo trasera (opcional)
SW15 Interruptor luz interior del capó (opcional)
T1 Temporizador sacudidor del fi ltro
T2 Temporizador sacudidor del fi ltro 2
T3 Temporizador asiento de conducción
T4 Temporizador de seguridad GPL (sólo versión GPL)
TC Temporizador bujías (sólo versión Diesel)
Códigos color
BK Negro
BU Azul
BN Marrón
GN Verde
GY Gris
OG Anaranjado
PK Rosado
RD Rojo
VT Morado
WH Blanco
YE Amarillo

INSTRUCCIONES DE USO ESPAÑOL
Proterra™ 33019864(1)2009-05 13
ESQUEMA ELÉCTRICO PROTERRA™ DIESEL (Sigue)
P100330

ESPAÑOL INSTRUCCIONES DE USO
14 33019864(1)2009-05 Proterra™
ESQUEMA ELÉCTRICO PROTERRA™ GPL Y GASOLINA (Sigue)
P100330LPG

INSTRUCCIONES DE USO ESPAÑOL
Proterra™ 33019864(1)2009-05 15
ESQUEMA HIDRÁULICO
Leyenda
Depósito del aceite1.
Filtro del aceite2.
Bomba del sistema de tracción3.
Bomba de accesorios4.
Motor del sistema de tracción5.
Dirección asistida6.
Cilindro de la dirección7.
Válvula prioritaria8.
Distribuidor 3 levas9.
Cilindro de levantamiento del cajón de residuos10.
Cilindro del fl ap11.
Motor del cepillo principal12.
Cilindro del cepillo principal13.
Distribuidor 1 leva14.
Motor del cepillo lateral derecho15.
Cilindro del cepillo lateral derecho16.
Válvula de retención simple17.
Válvula unidireccional18.
Válvula de retención doble19.
Colector20.
Motor del cepillo lateral izquierdo (opcional)21.
Cilindro del cepillo lateral izquierdo (opcional)22.
Radiador del aceite23.
20 9
11 10
13
12
14
15
21
16
17
18
19
22
1
2
23
3
456
7
8
2
P100328

ESPAÑOL INSTRUCCIONES DE USO
16 33019864(1)2009-05 Proterra™
PREPARACIÓN DE LA MÁQUINA PARA EL USO
¡ATENCIÓN!
En unas partes de la máquina hay unas placas adhesivas que indican:
PELIGRO –
ATENCIÓN –
ADVERTENCIA –
CONSULTAS –
Leyendo este manual, el operador tiene que aprender el sentido de los símbolos indicados en las placas.
Por ninguna razón estas placas deben cubrirse y si están dañadas tienen que sustituirse de inmediato.
COMPROBACIONES PREVIAS A LA UTILIZACIÓN
Antes de cada utilización:
Controlar la máquina para comprobar si existen daños o fugas de aceite o líquido de enfriamiento. –
Controlar el nivel del líquido de enfriamiento del motor (23) (véase el párrafo específi co). –
Controlar el nivel del aceite del motor (44) (véase el párrafo específi co). –
Controlar el nivel del aceite hidráulico (19) (véase el párrafo específi co). –
Controlar el indicador del combustible (57), si necesario desenroscar el tapón (21) e repostar. –
Controlar que la presión de los neumático sea 6 Bar (85 psi). –
Controlare el indicador de mantenimiento del fi ltro de aire (véase el párrafo específi co). –
En el asiento de conducción:
El operador debe conocer todos los controles y sus funciones. –
Ajustar el asiento con la palanca (40) para alcanzar cómodamente todos los controles. –
Introducir la llave de encendido (64) y girarla en posición “I”: –
Controlar el funcionamiento correcto del avisador acústico (65), del cuentahoras (56) y de los faros (69, opcional).•
Colocar la llave de encendido (64) en “O”.•
Controlar el freno de estacionamiento (35 y 36). El freno debe mantenerse en posición de estacionamiento sin que se suelte –
con facilidad (comunicar inmediatamente cualquier defecto al personal de servicio).
Planifi que la limpieza por adelantado:
Utilizar la máquina en tramos largos, manteniendo al mínimo el número de detenciones y puestas en marcha. –
Los tramos de barrido deben solaparse unos centímetros para conseguir un barrido completo de la superfi cie. –
Evitar tomar las curvas bruscamente, chocar contra postes y arañar los laterales de la máquina. –
CEPILLO PRINCIPAL
Existen varios cepillos principales diferentes para esta máquina. Consultar con su revendedor Advance a fi n de seleccionar el
mejor cepillo para la superfi cie y residuos que vaya a limpiar.
NOTA
Para la instalación consultar el párrafo sobre el mantenimiento del cepillo principal.
COMBUSTIBLE
¡ADVERTENCIA!
Apagar siempre el motor antes de llenar el depósito de combustible. –
No fumar cuando se llena el depósito de combustible. –
Llenar el depósito de combustible en un lugar bien ventilado. –
No llenar el depósito de combustible cerca de chispas o llamas. –
MOTOR DIESEL Y GASOLINA
(sólo para Proterra™ Diesel) Si la máquina se va a utilizar en una zona donde la temperatura es de 32 F° (0°C) o inferior, usar
combustible diesel para bajas temperaturas.
(Sólo para Proterra™ Gasolina) Llenar el depósito (22) con gasolina sin plomo para vehículos.
NOTA
Si la máquina se queda sin combustible, el sistema de combustible debería purgarse por completo antes de volver a
poner en marcha el motor. Para evitar esta situación, llenar el depósito de combustible (22) cuando el indicador del nivel
de combustible (56) muestre 1/4 en el depósito. La capacidad del depósito de combustible es de 35 litros (14 gal).

INSTRUCCIONES DE USO ESPAÑOL
Proterra™ 33019864(1)2009-05 17
MOTOR GPL
Montar un depósito GPL con las siguientes características:
depósito de combustible DOT con presión de servicio mínima de 240 psig (1.7 MPa). Debe llevar marcado DOT-4BA240 o •
DOT-4BW240.
Conectar el tubo del combustible y abrir la válvula sobre el depósito. Se recomienda usar guantes para conectar y desconectar el
tubo del combustible. Cuando la máquina no se usa, cerrar la válvula del depósito GPL.
NOTA
Colocar correctamente el depósito GPL en posición horizontal. Tras haber conectado el tubo del combustible al depósito,
controlar que no hay pérdidas de gas.
¡ATENCIÓN!
No usar la máquina en caso de pérdidas de gas. Desconectar el tubo del combustible y sustituir el depósito
GPL. Si la pérdida de gas sigue existiendo, desconectar el tubo del combustible y contactar el Centro de
asistencia Advance.
USO DE LA MÁQUINA
La Proterra™ es una máquina automática de barrido de suelos sobre ruedas. Los controles han sido diseñados para su utilización
con un solo toque. Para el barrido de una sola pasada, el operador puede simplemente bajar el cepillo principal y todas las
funciones de barrido estarán listas para empezar.
ANTES DE LA PUESTA EN MARCHA DE LA MÁQUINA
El operador debe conocer todos los controles y sus funciones.1.
Planifi car su limpieza por adelantado. Utilizar la máquina en tramos largos y rectos, manteniendo al mínimo el número de 2.
giros.
Compruebe el pedal de freno (35). El pedal debería estar fi rme.3.
¡ATENCIÓN!
Si el pedal está “esponjoso” o pierde potencia bajo presión, no conducir la máquina.
Comunicar inmediatamente cualquier defecto al personal de servicio.
PUESTA EN MARCHA Y PARADA DE LA MÁQUINA
Puesta en marcha de la máquina
NOTA
El asiento de conducción (32) está equipado de un sensor de seguridad para permitir que la máquina se ponga en
marcha y se mueva sólo cuando el operador está sentado en el asiento.
(sólo para Proterra™ Diesel) Girar la llave de encendido (64) en sentido horario hacia la posición “I” y mantenerla en esta 4.
posición hasta que el indicador de bujías de precalentamiento (63) se apague. Saltar este paso si el motor ha estado
funcionando y ya está caliente.
(Sólo para Proterra™ GPL) Abrir lentamente la válvula de seguridad sobre el depósito GPL (50). Tirar de la palanca del
estárter (68).
(Sólo para Proterra™ Gasolina) Tirar de la palanca del estárter (68).
Girar la llave de encendido (64) en sentido horario hasta la posición “II” y soltarla en cuanto arranque el motor.5.
Si el motor no arranca en 15 segundos, soltar la llave, esperar 1 minuto y volver a realizar los pasos 1 y 2 de nuevo.
(Sólo para Proterra™ GPL y Gasolina) Después del arranque, dejar girar el motor durante unos segundos, luego desactivar el
estárter (68).
Antes de usar la máquina, dejar el motor al mínimo durante 5 minutos llevando la palanca del régimen del motor (51) en la 6.
posición de régimen mínimo.
Desactivar el freno de estacionamiento.7.
Llevar la palanca del régimen del motor (51) en la posición de régimen de trabajo, luego conducir la máquina durante 2 o 3 8.
minutos a baja velocidad para calentar el sistema hidráulico.
Aplicar con el pie una presión uniforme en la parte delantera del pedal de marcha (37) para ir delante o en la parte trasera 9.
para ir hacia atrás.
La velocidad de marcha se puede ajustar de cero al valor máximo según la presión aplicada al pedal.
¡ATENCIÓN!
Durante los virajes, evitar bruscos cambios de direcciones, tener mucho cuidado y conducir siempre la máquina
a baja velocidad, especialmente cuando el cajón de residuos está lleno o sobre pendientes.
Conducir la máquina lentamente en pendientes. Usar el pedal de freno (35) para controlar la velocidad de la
máquina al descender las pendientes.
No girar la máquina en una pendiente; conducir en línea recta hacia arriba o hacia abajo.
Parada de la máquina
Parar la máquina soltando el pedal (37).10.
Para parar la máquina rápidamente, pisar también el pedal del freno (36).
Apagar la máquina llevando la llave de encendido (64) en posición “O”, luego sacarla.11.
Activar el freno de estacionamiento.12.

ESPAÑOL INSTRUCCIONES DE USO
18 33019864(1)2009-05 Proterra™
FRENO DE ESTACIONAMIENTO
Activar el freno de estacionamiento pisando contemporáneamente los pedales (35) y (36).1.
Desactivar el freno de estacionamiento pisando y soltando el pedal (35).2.
¡ATENCIÓN!
Activar siempre el freno de estacionamiento antes de efectuar operaciones de mantenimiento y cuando se
aparca la máquina sobre pendientes.
BARRIDO
Seguir las instrucciones de la sección “Preparación de la máquina para el uso” del manual.
Llevar la máquina a la zona de trabajo como indicado en el párrafo anterior.1.
Controlar y bajar el cajón de residuos mediante la palanca (54).2.
Bajar y activar el cepillo principal con la palanca (53).3.
¡ADVERTENCIA!
Evitar que los cepillos sigan funcionando durante demasiado tiempo mientras que la máquina está parada en un
punto: la máquina podría dejar signos en el suelo.
NOTA
El portillo de descarga del cajón de residuos se abre automáticamente cuando el cepillo principal se baja y se cierra
automáticamente cuando el cepillo principal se levanta.
Pulsar la parte superior del interruptor (66) para activar el ventilador de aspiración y el sistema de control de polvos.4.
Volver a encender el ventilador de aspiración y el sistema de control de polvo cuando la máquina haya vuelto a una superfi cie
totalmente seca.
Bajar y activar el cepillo lateral (9) (15, opcional) mediante la palanca (52).5.
Si presente, usar el sistema de control de polvo con el interruptor (67, opcional).
Conducir la máquina hacia delante en línea recta a velocidad de paso rápido. Conducir la máquina más despacio si barre una 6.
gran cantidad de suciedad o residuos o si así lo exige la seguridad. Cada pasada debe coincidir con la anterior en una banda
de 5.9 in (15 cm).
Para que la máquina funcione correctamente es necesario que el fi ltro polvos sea lo más limpio posible. Para limpiarlo durante 7.
el barrido, activar el sacudidor del fi ltro pulsando la parte inferior del interruptor (66), luego reactivar el ventilador de aspiración
y el sistema de control de polvo pulsando la parte superior del interruptor (66) tras haber completado el sacudimiento.
Repetir esta operación en media cada 10 minutos durante el trabajo (cambiar el intervalo sobre la base de la cantidad de
polvo presente en el ambiente que se debe limpiar).
NOTA
Esta operación puede efectuarse también cuando la máquina está en movimiento.
¡ADVERTENCIA!
Cuando el cajón de residuos está lleno, la máquina no puede más recoger polvo y residuos.
Mire de vez en cuando detrás de la máquina para comprobar si está recogiendo los residuos. Si queda suciedad tras el paso 8.
de la máquina, esto indica que la máquina va demasiado rápida, que debe ajustarse el cepillo principal o que el cajón de
residuos (47) está lleno.
El cajón de residuos (47) se debe vaciar después de cada período de trabajo y cada vez que está lleno (para el relativo
procedimiento véase el párrafo siguiente).
¡ATENCIÓN!
Cuando se debe usar la máquina sobre suelos mojados, desactivar el sistema de aspiración y el sistema de
control de polvo con el interruptor (66) para proteger el fi ltro de polvos.

INSTRUCCIONES DE USO ESPAÑOL
Proterra™ 33019864(1)2009-05 19
VACIADO DEL CAJÓN DE RESIDUOS
¡PELIGRO!
Vaciar el cajón de residuos sólo cuando la máquina se encuentra sobre suelos llanos.
No levantar nunca el cajón de residuos sobre pendientes.
NOTA
El espacio mínimo de descarga hasta el techo para el vaciado de la tolva es de 108.2 in (275 cm).
Levantar el cepillo principal con la palanca (53).1.
Si el cepillo principal no se levanta, pulsar la parte inferior del interruptor (66) para activar el sacudidor del fi ltro y limpiar el 2.
fi ltro de polvos (12).
NOTA
Activar el sacudidor del fi ltro cuando el cajón de residuos está bajado.
Situar la máquina en el área adecuada para vaciar el cajón de residuos o junto a un contenedor de basura grande.3.
Levantar el cajón de residuos con la palanca (54) hasta la altura de descarga deseada.4.
NOTA
El portillo de descarga se cierra automáticamente cuando se usa la palanca (54) para levantar el cajón de residuos. Se
puede recuperar el control del portillo de descarga mediante la palanca (55) en cuanto el cajón de residuos empiece a
elevarse, por tanto, se puede descargar a cualquier altura si fuera necesario.
Conducir la máquina hasta que el cajón de residuos quede sobre el contenedor y poner el freno de estacionamiento.5.
Abrir el portillo de descarga mediante la palanca (55) y vaciar el cajón de residuos.6.
NOTA
Si no se descarga en un contenedor de basura, se recomienda vaciar un poco para evitar propagar el polvo suspendido
en el aire.
¡ATENCIÓN!
Si es necesario efectuar cualquier operación de mantenimiento debajo del cajón de residuos levantado o
cerca de el, levantar el cajón por completo mediante la palanca (54), luego tirar de la manija de bloqueo (39)
para comprobar que el soporte de seguridad (5) se encuentre colocado. El soporte de seguridad del cajón
de residuos mantiene el cajón en posición levantada para permitir la realización de operaciones debajo del
cajón. No se limitarse nunca a los componentes hidráulicos de la máquina solamente para soportar el cajón de
residuos.
Tirar de la manija de bloqueo (39) para colocar el soporte de seguridad (5), luego bajar un poco el cajón de residuos (54) para 7.
bloquearlo.
Controlar el portillo del cajón de residuos y la guarnición delantera. Si es necesario, utilizar una escoba para retirar los 8.
residuos de estas zonas.
Para el correcto funcionamiento de la máquina, el portillo del cajón de residuos debe quedar herméticamente cerrado contra
el alojamiento de los cepillos.
Volver al compartimento del operador. Desactivar el freno de estacionamiento. Mover la máquina hasta que el cajón de 9.
residuos se pueda bajar.
Levantar el cajón de residuos mediante la palanca (54), empujar la manija de bloqueo (39) hasta que el soporte de seguridad 10.
(5) se desbloquea, luego bajar el cajón de residuos.

ESPAÑOL INSTRUCCIONES DE USO
20 33019864(1)2009-05 Proterra™
DESPUÉS DEL USO DE LA MÁQUINA
Pulsar la parte inferior del interruptor (66) para activar el sacudidor del fi ltro, limpiar el fi ltro de polvos del cajón de residuos y 1.
vaciar el cajón (ver el párrafo anterior).
Levantar el cepillo principal con la palanca (53).2.
Apagar todos los mandos.3.
Colocar la palanca del régimen del motor (51) en posición de régimen mínimo y dejar el motor al mínimo durante 25 - 30 4.
segundos.
(Sólo para Proterra™ GPL) Cerrar la válvula sobre el depósito GPL (50), luego tener el motor en marcha hasta la completa
expulsión del combustible de los tubos (hasta que el motor se para).
Apagar la máquina llevando la llave de encendido (64) en posición “O”, luego sacarla.5.
Activar el freno de estacionamiento.6.
Consulte el programa de mantenimiento y efectuar todas las operaciones de mantenimiento necesarias antes de guardar la 7.
máquina.
Llevar la máquina a un lugar interior de almacenamiento.8.
NOTA
Es seguro limpiar esta máquina con una limpiadora a presión mientras que no se pulverice directamente dentro de los
componentes eléctricos. Dejar que la máquina se seque completamente antes de cada uso.
Comunicar cualquier defecto o funcionamiento incorrecto observado durante el uso de la máquina al Centro de asistencia Advance
o a la persona encargada del mantenimiento.
PERIODO DE LARGA INACTIVIDAD DE LA MÁQUINA
Si se piensa que la máquina no va a ser usada durante 30 días o más, efectuar las operaciones siguientes:
Dejar la máquina en un lugar seco y limpio.1.
Vaciar el depósito de agua del sistema de control de polvo (4) y limpiar el fi ltro de agua (30, opcional).2.
Desconectar el conector negativo (–) de la batería (3).3.
Controlar el motor (44) como indicado en el manual relativo.4.
PRIMER PERIODO DE USO
Después del primer período de uso (primeras 5 horas) es necesario:
Controlar que los dispositivos de fi jación y conexión de la máquina estén apretados.1.
Controlar que las partes visibles no estén dañadas y que no haya pérdidas de líquidos.2.
Sustituir el aceite del motor (véase el capítulo Mantenimiento).3.
MANTENIMIENTO
Un mantenimiento cuidadoso y continuo garantiza la vida útil y la seguridad de funcionamiento de la máquina.
El esquema siguiente resume el mantenimiento programado. Los períodos indicados pueden variar según las condiciones de
trabajos, que el encargado del mantenimiento debe establecer.
Todas las operaciones de mantenimiento programado o extraordinario deben ser efectuadas por el personal califi cado o por un
Centro de asistencia Advance.
Este manual, después del esquema de mantenimiento, se describen sólo los procedimientos de mantenimiento más sencillos y
frecuentes. Para las operaciones de mantenimiento no indicadas en el esquema de mantenimiento programado y las operaciones
de mantenimiento extraordinario, véase el Manual de asistencia disponible en los Centros de asistencia.
¡ATENCIÓN!
Las operaciones de mantenimiento deben efectuarse con la máquina apagada, llave quitada, freno de
estacionamiento activado y, si necesario, con las baterías desconectadas.
Antes de efectuar las operaciones de mantenimiento, leer cuidadosamente todas las instrucciones del capítulo
Seguridad.

INSTRUCCIONES DE USO ESPAÑOL
Proterra™ 33019864(1)2009-05 21
ESQUEMA DE MANTENIMIENTO PROGRAMADO
NOTA
La frecuencia de mantenimiento indicada corresponde a condiciones normales de uso. Si la máquina se utiliza en
condiciones más duras, puede ser necesario el mantenimiento con mayor frecuencia.
Procedimiento Al momento de
la entrega
Mantenimiento
diario
Después
de las
primeras
50 horas
Cada 30
horas
Cada 150
horas
Cada 300
horas
Cada
1.000
horas
Control del líquido de enfriamiento motor
Control del nivel del aceite del motor
Control nivel aceite hidráulico
Control del freno de estacionamiento
Limpieza de los cepillos principal y laterales
Sustitución del aceite del motor (1) (1)
Sustitución cartucho fi ltro del aceite (1) (1)
Control de la correa trapecial (1) (1)
Control del circuito del líquido de enfriamiento
motor (1)
Control de la batería
Control y limpieza del fi ltro de agua del
sistema de control de polvo (opcional)
Limpieza del fi ltro de aire del motor (2)
Limpieza del radiador del motor y del radiador
del aceite
Control y ajuste de los cepillos
Control y limpieza del fi ltro de polvos del cajón
de residuos (método “A”) (2)
Control de la integridad, de la altura y del
funcionamiento de los fl aps
Control de la integridad de las guarniciones
del cajón de residuos
Mantenimiento del motor (1) - (3)
Lubricación de los cojinetes de la dirección y
de los pistones hidráulicos (1)
Sustitución del fi ltro del aceite hidráulico del
depósito (1)
Sustitución del fi ltro del aceite hidráulico de
la bomba (1)
Control y limpieza del fi ltro de polvos del cajón
de residuos (método “B”) (2)
Sustitución fi ltro combustible (1)
Torsión de tornillos y racores del combustible (1)
Control y limpieza del fi ltro de polvos del cajón
de residuos (método “C”) (2)
Sustitución del fi ltro para “recarga” del aceite
hidráulico (1)
Sustitución del aceite hidráulico del depósito (1) - (4)
Para el procedimiento relacionado, véase el Manual de asistencia.(1)
O más frecuentemente en áreas polvorientas.(2)
Mantenimiento de competencia de un concesionario KUBOTA autorizado.(3)
Sustituir el aceite hidráulico por primera vez después de 500 horas, en seguida cada año.(4)

ESPAÑOL INSTRUCCIONES DE USO
22 33019864(1)2009-05 Proterra™
MANTENIMIENTO DEL CEPILLO PRINCIPAL
Para obtener un mayor rendimiento, el cepillo principal debe cambiarse cuando las cerdas estén gastadas hasta una longitud de 2
in (50 mm).
Sustitución cepillo principal
¡ATENCIÓN!
Durante la sustitución del cepillo lateral se recomienda usar guantes por que residuos cortantes podrían estar
encastrados en las cerdas.
NOTA
Hay cepillos con cerdas más o menos duras.
Este procedimiento es aplicable por cada uno de estos tipos.
Llevar la máquina sobre un suelo llano y liso.1.
Activar el freno de estacionamiento.2.
Girar la llave de encendido (64) y poner en marcha la máquina.3.
Bajar el cepillo principal con la palanca (53).4.
Girar la llave de encendido (64) en “O” para apagar la máquina.5.
Abrir el panel derecho (18).6.
Desplazar el fl ap lateral derecho (A, Fig. 2) y fi jarlo con el perno de bloqueo (B).7.
Abrir el conjunto del brazo (C) hasta sacarlo del núcleo del cepillo principal (D).8.
NOTA
El brazo está sujeto por el panel derecho (18).
Quitar el cepillo principal (D) de su alojamiento y quitar las cuerdas o alambres que puedan haber quedado enrollados en él y 9.
en los cubos.
Sustituir el cepillo y volver a colocarlo en su alojamiento. Asegurarse de que esté correctamente colocado y que los huecos en 10.
el núcleo del cepillo principal (D) encajen en los pernos (E) del cubo de transmisión (F) y de que el cepillo esté completamente
asentado.
Cerrar y volver a colocar el conjunto brazo (C) en el núcleo del cepillo principal.11.
NOTA
Asegurarse de que las lengüetas del brazo encajen con las ranuras (G) (lado derecho) en el núcleo del cepillo.
Volver a colocar el fl ap lateral derecho y cerrar el panel derecho (18) hasta que la palanca de bloqueo se enganche.12.
AB
C
DG
E
F
P100321
Figura 2

INSTRUCCIONES DE USO ESPAÑOL
Proterra™ 33019864(1)2009-05 23
Ajuste de la altura del cepillo principal
NOTA
Hay cepillos con cerdas más o menos duras.
Este procedimiento es aplicable por cada uno de estos tipos.
Llevar la máquina sobre un suelo llano y liso.1.
Activar el freno de estacionamiento.2.
Girar la llave de encendido (64) y poner en marcha la máquina.3.
Bajar el cepillo principal con la palanca (53) y dejarlo girar durante 1 minuto.4.
Esto permite barrer una “banda” del suelo. Al cabo de 1 minuto, levantar el cepillo, soltar el freno de estacionamiento y mover 5.
la máquina para que quede visible la banda barrida.
Controlar la banda barrida del suelo. Si su anchura es inferior a 2 in (50 mm) o superior a 3 in (75 mm), será necesario ajustar 6.
el cepillo principal.
Para ajustar, abrir el capó del compartimiento del motor (1) con el pulsador de desbloqueo (25), soltar la perilla (A, Fig. 3) y 7.
usar la empuñadura de ajuste (B) del cepillo principal teniendo en cuenta que:
Girando en sentido horario la presión y la anchura de barrido del cepillo disminuyen.•
Girando en sentido antihorario la presión y la anchura de barrido del cepillo aumentan.•
Luego bloquear el dispositivo de ajuste con la perilla (A).
Repetir los pasos 2-7 hasta que la banda barrida presente una anchura de 2-3 in (50-75 mm).8.
NOTA
Si no es posible ajustar correctamente la huella y la anchura de la banda barrida no es la misma en ambos extremos del
cepillo, véase el procedimiento relacionado en el Manual de asistencia.
B
A
P100322
Figura 3

ESPAÑOL INSTRUCCIONES DE USO
24 33019864(1)2009-05 Proterra™
MANTENIMIENTO DEL CEPILLO LATERAL
Ajuste del cepillo lateral
NOTA
Hay cepillos con cerdas más o menos duras.
Este procedimiento es aplicable por cada uno de estos tipos.
Llevar la máquina sobre un suelo llano y liso.1.
Activar el freno de estacionamiento.2.
Girar la llave de encendido (64) y poner en marcha la máquina.3.
Bajar el cepillo lateral con la palanca (52) y dejarlo girar durante 1 minuto.4.
Cuando están bajados, los cepillos laterales (9) (15, opcional) deben contactar el suelo como indicado en la fi gura (A y B, Fig. 5.
4).
Para ajustar, afl ojar la perilla (A, Fig. 5) y usar la empuñadura de ajuste (B) del cepillo lateral teniendo en cuenta que:6.
Girando en sentido horario la presión del cepillo disminuye.•
Girando en sentido antihorario la presión del cepillo aumenta.•
Luego bloquear el dispositivo de ajuste con la perilla (A).
Repetir los pasos 1-5 para controlar que la altura de los cepillos laterales sea correcta.7.
Si el cepillo está demasiado consumado no se puede ajustar más, sustituir el cepillo como indicado en el párrafo siguiente.8.
NOTA
Para su uso efi caz, el cepillo lateral (9) (15, opcional) debe sustituirse cuando las cerdas estén gastadas hasta una
longitud de 3 in (75 mm). La altura del cepillo lateral debe volver a ajustarse cada vez que se sustituye el cepillo.
AB
BA
P100323 P100324
Figura 4 Figura 5

INSTRUCCIONES DE USO ESPAÑOL
Proterra™ 33019864(1)2009-05 25
Sustitución cepillo lateral
¡ATENCIÓN!
Durante la sustitución del cepillo lateral se recomienda usar guantes por que residuos cortantes podrían estar
encastrados en las cerdas.
Levantar el cajón de residuos hasta que el cepillo lateral se encuentre a la altura del pecho aproximadamente.1.
Desenganchar el resorte de seguridad para quitar el perno de enganche (A, Fig. 6) y quitar el cepillo lateral (B) del eje del 2.
motor.
Instalar el nuevo cepillo en el eje del motor, alinear el orifi cio con el perno y volver a colocar el perno de enganche (A).3.
AB
P100325
Figura 6

ESPAÑOL INSTRUCCIONES DE USO
26 33019864(1)2009-05 Proterra™
MANTENIMIENTO DEL FILTRO DE POLVOS (FILTRO DE PANEL)
El fi ltro de polvos del cajón de residuos debe limpiarse con regularidad para mantener la efi cacia del sistema de aspiración.
Respetar la frecuencia de mantenimiento recomendada para conseguir la máxima duración del fi ltro.
¡ATENCIÓN!
Llevar puestas unas gafas protectoras para limpiar el fi ltro. –
No perforar el fi ltro. –
Limpiar el fi ltro en una zona bien ventiladas. –
Utilizar una mascarilla adecuada para evitar respirar el polvo. –
Llevar la máquina sobre un suelo llano, activar el freno de estacionamiento y Girar la llave de encendido (64) en “O”.1.
Abrir las cerraduras (6), abrir el capó del cajón de residuos (16) y bloquearlo con la barra de soporte (17) colocándola 2.
correctamente.
Inspeccionar la parte superior del fi ltro de polvos (12) para comprobar si existe algún deterioro. La acumulación de gran 3.
cantidad de polvo en la parte superior del fi ltro suele deberse a la presencia de agujeros en el fi ltro o a daños en la guarnición.
Desenroscar las cuatro perillas de fi jación (13) del conjunto sacudidor del fi ltro. Levantar el conjunto sacudidor del fi ltro (11) 4.
para acceder al panel del fi ltro.
Levantar el fi ltro de polvos (12) para quitarlo de la máquina.5.
Limpiar el fi ltro de acuerdo con uno de los siguientes métodos:6.
Método “A”
Aspirar el polvo del fi ltro. A continuación, golpear suavemente el fi ltro contra una superfi cie plana (con el lado sucio hacia abajo)
para eliminar el polvo y la suciedad.
NOTA
No dañar el borde metálico que se extiende más allá de la guarnición.
Método “B”
Aspirar el polvo del fi ltro. A continuación, aplicar aire comprimido [presión máxima 87 psi (6 Bar)] al lado limpio del fi ltro (en
dirección contraria a la corriente de aire).
Método “C”
Aspirar el polvo del fi ltro. A continuación, introducir el fi ltro en agua templada durante 15 minutos, aclararlo con un chorro suave de
agua [presión máxima 36 psi (2.5 Bar)]. Dejar secar completamente el fi ltro antes de volver a colocarlo en la máquina.
NOTA
Para que el fi ltro se seque completamente, apoyarlo horizontalmente sobre dos distanciadores para que el aire circule
por debajo del fi ltro mismo.
NOTA
Para una limpieza más profunda, se podría eventualmente limpiar el fi ltro con agua y un detergente no espumógeno.
Se recuerda que, este tipo de limpieza, si bien sea mejor cualitativamente, reduce la duración del fi ltro que, por
consecuencia, tendrá que sustituirse más frecuentemente. El uso de detergentes no adecuados puede dañar el fi ltro.
Para instalar el fi ltro, efectuar las instrucciones en el orden inverso, prestando atención a lo siguiente:7.
Instalar el fi ltro con la redecilla boca arriba.•
Si la guarnición del fi ltro está rota o falta, debe instalarse una nueva.•
NOTA
Antes de sustituir el fi ltro, eliminar los residuos de la placa de polvo situada debajo del fi ltro.
Comprobar que el fl anco de residuos en la parte trasera de la placa de polvo se mueve libremente.

INSTRUCCIONES DE USO ESPAÑOL
Proterra™ 33019864(1)2009-05 27
MANTENIMIENTO DEL FLAP
Operaciones preliminares
Vaciar el cajón de residuos como indicado en párrafo específi co para evitare que el peso de los residuos afecte el control de 1.
la altura de los fl aps.
Llevar la máquina sobre un suelo llano y adecuado para controlar la altura de los fl aps.2.
Colocar la llave de encendido (64) en “O”.3.
Activar el freno de estacionamiento.4.
Control de los fl aps
Abrir el portillo derecho (18) y el portillo izquierdo (2).5.
Quitar el cepillo principal como indicado en el párrafo específi co.6.
Controlar los fl aps delantero y trasero del alojamiento del cepillo. Sustituir o ajustar los fl aps desgarrados o desgastados tanto 7.
que tienen una altura superior a 0.2 in (6 mm) (véase el procedimiento en el Manual de asistencia).
LIMPIEZA DEL FILTRO DE AGUA DEL SISTEMA DE CONTROL DE POLVO (OPCIONAL)
Llevar la máquina sobre un suelo llano, activar el freno de estacionamiento y Girar la llave de encendido (64) en “O”.1.
Desenganchar el acoplamiento rápido (A, Fig. 7) de la tubería del depósito.2.
Desmontar el panel izquierdo (2) para acceder al fi ltro de agua (30).3.
Quitar la tapa transparente (B) con la guarnición (C), luego quitar la rejilla fi ltrante (D). Limpiarlos e instalarlos en el soporte 4.
(E).
NOTA
Colocar correctamente la guarnición (C) y la rejilla fi ltrante (D) en los alojamientos de la tapa y del soporte (E).
Montar en orden contrario al desmontaje.5.
A
BD
E
C
P100329
Figura 7

ESPAÑOL INSTRUCCIONES DE USO
28 33019864(1)2009-05 Proterra™
ACEITE HIDRÁULICO
¡ATENCIÓN!
No tocar las partes calientes.
Dejar que el motor y el sistema hidráulico se
enfríen.
Llevar la máquina sobre un suelo llano, activar el freno de 1.
estacionamiento y Girar la llave de encendido (64) en “O”.
Abrir el capó del compartimiento del motor (1) con el 2.
pulsador de desbloqueo (25).
Desmontar el capó lateral izquierdo (4) abriendo la 3.
cerradura, si necesario quitar el tubo del fi ltro de agua (30,
opcional).
Controlar el nivel del aceite hidráulico a través del 4.
indicador en el depósito (19).
El nivel del aceite hidráulico debe estar en la mitad del
indicador.
Si está por debajo de este nivel, desenroscar el tapón (20)
y añadir aceite hidráulico AGIP Arnica 46.
Sustituir el aceite y los fi ltros si se produce una
contaminación grave debida a un fallo mecánico (véase el
procedimiento en el Manual de asistencia).
ACEITE DEL MOTOR
¡ATENCIÓN!
No tocar las partes calientes.
Dejar enfriar el motor.
Llevar la máquina sobre un suelo llano, activar el freno de 1.
estacionamiento y Girar la llave de encendido (64) en “O”.
Abrir el capó del compartimiento del motor (1) con el 2.
pulsador de desbloqueo (25).
Controlar el nivel del aceite del motor con la varilla (A, Fig. 3.
8-9-10) antes de cada utilización.
Si necesario, abrir el tapón (B, Fig. 9-10) y añadir aceite
del motor.
(Véase procedimiento en el Manual relacionado).
Sustituir el aceite del motor al cabo de las primeras 50 4.
horas de funcionamiento y, con posterioridad, cada 150
horas.
El fi ltro del aceite (C) debe cambiarse cada vez que se
cambie el aceite (véase el procedimiento en el Manual de
asistencia).
Según la temperatura del aire en el lugar de utilización
de la máquina, usar el tipo de aceite indicado en la tabla
siguiente:
TEMPERATURA TIPO DE ACEITE
Por encima de 15°C (60°F) SAE 10W-30
Por debajo de 15°C (60°F) SAE 5W-30
A
MIN
MAX
P100329A
Figura 8
C
A
Proterra™ Diesel version
B
P100329D
Figura 9
A
C
B
Proterra™ LPG and Gasoline version
P100329P
Figura 10

INSTRUCCIONES DE USO ESPAÑOL
Proterra™ 33019864(1)2009-05 29
LIMPIEZA DEL FILTRO DE AIRE DEL MOTOR
Llevar la máquina sobre un suelo llano, activar el freno de estacionamiento y Girar la llave de encendido (64) en “O”.1.
Abrir el capó del compartimiento del motor (1) con el pulsador de desbloqueo (25).2.
Controlar el indicador de mantenimiento del fi ltro de aire del motor (27) cada vez antes del uso de la máquina.3.
NOTA
Después de limpiar o cambiar el fi ltro de aire del motor, el indicador de mantenimiento se puede resetear pulsando el
extremo del indicador mismo.
¡ATENCIÓN!
Cuando se efectúan operaciones de mantenimiento en los elementos del fi ltro de aire, tener mucho cuidado
para impedir que el polvo suelto penetre en el motor. El polvo podría dañarlo gravemente.
Abrir la tapa del fi ltro de aire del motor (24), quitar el prefi ltro de papel y el fi ltro sintético.4.
Limpiar los fi ltros de aire del motor y/o efectuar el mantenimiento del cartucho del fi ltro de aire del motor (24) como indicado 5.
en el manual del motor.
LÍQUIDO DE ENFRIAMIENTO DEL MOTOR
¡ATENCIÓN!
No quitar el tapón del radiador (23) cuando el motor está caliente.
Llevar la máquina sobre un suelo llano, activar el freno de estacionamiento y Girar la llave de encendido (64) en “O”.1.
Abrir el capó del compartimiento del motor (1) con el pulsador de desbloqueo (25).2.
Dejar que el motor y el líquido de enfriamiento se enfríen, luego desenroscar con cuidado el tapón del radiador (23) para 3.
desfogar la presión.
Quitar el tapón del radiador (23) y controlar el líquido de enfriamiento.4.
Si el nivel es bajo, añadir una mezcla de agua y líquido anticongelante para vehículos, como indicado en el manual del motor.

ESPAÑOL INSTRUCCIONES DE USO
30 33019864(1)2009-05 Proterra™
CONTROL/SUSTITUCIÓN/REACTIVACIÓN DE LOS FUSIBLES
Control de los fusibles
Llevar la máquina sobre un suelo llano. 1.
Activar el freno de estacionamiento.2.
Llevar la llave de encendido (64) en posición “O” y sacarla.3.
Controlar en el panel (38) la desactivación de los siguientes fusibles (4. Fig. 11):
(A): F1 (30 A), sistema de aspiración•
(B): F2 (16 A), sacudidor del fi ltro•
(C): F4 (30 A), llave de encendido•
(D): F5 (16 A), accesorios del motor•
(E): F3 (10 A), boquillas del sistema de control de polvo (opcional)•
(F): F6 (10 A), luz de trabajo (opcional)•
(G): F7, sistema de iluminación (opcional)•
(H): F8, ventilador cabina (opcional)•
Reactivar el fusible desactivado, tras haber esperado el enfriamiento del componente que causó la desactivación.
Control/sustitución de los fusibles
Llevar la máquina sobre un suelo llano. 1.
Activar el freno de estacionamiento.2.
Llevar la llave de encendido (64) en posición “O” y sacarla.3.
Abrir el capó del compartimiento del motor (1) con el pulsador de desbloqueo (25).4.
En el área del asiento de conducción, quitar las tapas de protección y controlar la integridad de los siguientes fusibles (Fig. 5.
12-13):
(I): F9 (50 A), bujías de precalentamiento (sólo para Proterra™ Diesel)•
(J): F10 (50 A), alternador•
(K): F11 (1 A), luz interior del capó (opcional)•
Sustituir el fusible abierto. Colocar la tapa de protección.
Cerrar el capó del compartimiento del motor (1).6.
ABE
G
C
HDF
P100326
Figura 11
IJ
K
Proterra™ Diesel and Gasoline version Proterra™ LPG version
J
P100327 P100327LPG
Figura 12 Figura 13

INSTRUCCIONES DE USO ESPAÑOL
Proterra™ 33019864(1)2009-05 31
BÚSQUEDA AVERÍAS
Problema Probable causa Remedio
La máquina no se mueve
La batería está desconectada Conectar la batería
La máquina no tiene combustible Poner combustible
Desconexión de algún fusible Conectar de nuevo los fusibles desconectados
El freno de estacionamiento está activado Desactivar
El tornillo de desbloqueo hidráulico no está en
posición correcta Girar correctamente
El cepillo principal no funciona
La palanca está en posición de levantamiento
del cepillo principal Bajar el cepillo principal con la palanca
Residuos atascados en la transmisión del
cepillo Quitar los residuos
El cajón de residuos no está bajado del todo Bajar del todo el cajón de residuos
Desconexión de algún fusible Conectar de nuevo los fusibles desconectados
La máquina recoge pocos residuos/polvo
El sistema de aspiración está apagado Encender el sistema de aspiración con el interruptor
El fi ltro de polvos está obstruido Limpiar el fi ltro de polvos
El cajón de residuos está lleno Vaciar el cajón de residuos
Los fl aps están rotos o no correctamente
ajustados Controlar la integridad y el ajuste de los fl aps (*)
La altura del cepillo principal no es correcta Ajustar la altura del cepillo
Desconexión de algún fusible Conectar de nuevo los fusibles desconectados
El cepillo lateral no funciona
La palanca está en posición de levantamiento
del cepillo lateral Bajar el cepillo lateral con la palanca
Residuos atascados en la transmisión del
cepillo Quitar los residuos
El cajón de residuos no está bajado del todo Bajar del todo el cajón de residuos
El portillo de descarga del cajón de
residuos no se cierra
Atascamiento de la puerta de descarga por la
presencia de residuos
Quitar los residuos y limpiar los bordes de la cámara
sucia
El motor del sacudidor del fi ltro no
funciona
El conector del motor del sacudidor del fi ltro
no está correctamente conectado Reactivar la conexión
Desconexión del fusible de protección Conectar de nuevo el fusible
El sistema de control de polvo (opcional)
no funciona
El interruptor está averiado Sustituir el interruptor (*)
Boquillas o fi ltro de agua obstruidos Limpiar
Avería de la bomba Sustituir
Desconexión del fusible de protección Conectar de nuevo el fusible
Procedimiento que debe efectuarse en un Centro de asistencia Advance.(*)
Para informaciones suplementarias consultar el Manual de asistencia en los Centros de asistencia Advance.

ESPAÑOL INSTRUCCIONES DE USO
32 33019864(1)2009-05 Proterra™
DESGUACE
Efectuar el desguace de la máquina en un demoledor califi cado.
Antes de eliminar la máquina es necesario quitar y separar los siguientes materiales y eliminarlos según las actuales normas de
higiene ambiental:
Baterías –
Filtro de polvo de poliéster –
Cepillos principal y laterales –
Aceite del motor –
Aceite del sistema hidráulico –
Filtros del aceite del sistema hidráulico –
Tubos y componentes de plástico –
Componentes eléctricos y electrónicos (*) –
En particular, para el desguace de componentes eléctricos y electrónicos, contactar con un centro de asistencia Advance.(*)

INSTRUÇÕES DE USO PORTUGUÊS
Proterra™ 33019864(1)2009-05 1
ÍNDICE
INTRODUÇÃO ................................................................................................................................................................. 2
OBJECTIVO E CONTEÚDO DO MANUAL ..................................................................................................................................... 2
DESTINATÁRIOS ............................................................................................................................................................................ 2
CONSERVAÇÃO DO MANUAL ....................................................................................................................................................... 2
DADOS DE IDENTIFICAÇÃO ......................................................................................................................................................... 2
OUTROS MANUAIS DE REFERÊNCIA .......................................................................................................................................... 2
PEÇAS DE SUBSTITUIÇÃO E MANUTENÇÃO ............................................................................................................................. 3
MODIFICAÇÕES E MELHORIAS ................................................................................................................................................... 3
CAPACIDADE DE OPERAÇÃO ...................................................................................................................................................... 3
CONVENÇÕES ............................................................................................................................................................................... 3
DESEMBALAGEM/ENTREGA ........................................................................................................................................ 3
SEGURANÇA .................................................................................................................................................................. 4
SÍMBOLOS UTILIZADOS ................................................................................................................................................................ 4
INSTRUÇÕES GERAIS ................................................................................................................................................................... 4
SUPORTE DE SEGURANÇA DO DEPÓSITO DE RESÍDUOS ...................................................................................................... 7
ELEVAÇÃO DA MÁQUINA ATRAVÉS DE MACACOS .................................................................................................................... 7
TRANSPORTE DA MÁQUINA ......................................................................................................................................................... 7
EMPURRAR/REBOCAR A MÁQUINA ............................................................................................................................................. 7
DESCRIÇÃO DA MÁQUINA ............................................................................................................................................ 8
ESTRUTURA DA MÁQUINA ............................................................................................................................................................ 8
ESTRUTURA DA MÁQUINA (Continuação) .................................................................................................................................... 9
PAINEL DE CONTROLO E COMANDOS ..................................................................................................................................... 10
ACESSÓRIOS / OPCIONAIS .........................................................................................................................................................11
CARACTERÍSTICAS TÉCNICAS ...................................................................................................................................................11
DIAGRAMA ELÉCTRICO .............................................................................................................................................................. 12
DIAGRAMA HIDRÁULICO ............................................................................................................................................................. 15
PREPARAÇÃO DA MÁQUINA PARA A UTILIZAÇÃO ................................................................................................. 16
LISTA DE CONTROLO ANTES DA UTILIZAÇÃO ......................................................................................................................... 16
ESCOVA CILÍNDRICA PRINCIPAL................................................................................................................................................ 16
COMBUSTÍVEL ............................................................................................................................................................................. 16
MOTOR DIESEL E GASOLINA ..................................................................................................................................................... 16
MOTOR GPL ................................................................................................................................................................................. 17
ANTES DO ARRANQUE DA MÁQUINA ........................................................................................................................................ 17
ARRANQUE E PARAGEM DA MÁQUINA ..................................................................................................................................... 17
TRAVÃO DE ESTACIONAMENTO ................................................................................................................................................ 18
MÁQUINA EM MARCHA ............................................................................................................................................................... 18
ESVAZIAMENTO DO DEPÓSITO DE RESÍDUOS ....................................................................................................................... 19
APÓS A UTILIZAÇÃO DA MÁQUINA ............................................................................................................................................ 20
INACTIVIDADE PROLONGADA DA MÁQUINA ............................................................................................................................ 20
PRIMEIRO PERÍODO DE UTILIZAÇÃO ....................................................................................................................................... 20
MANUTENÇÃO .............................................................................................................................................................. 20
PLANO DE MANUTENÇÃO PROGRAMADA ............................................................................................................................... 21
MANUTENÇÃO DA ESCOVA CENTRAL ...................................................................................................................................... 22
MANUTENÇÃO DA ESCOVA LATERAL ....................................................................................................................................... 24
MANUTENÇÃO DO FILTRO DE CONTROLO DAS POEIRAS (FILTRO DE PAINÉIS) ................................................................ 26
MANUTENÇÃO DOS FLAPS ........................................................................................................................................................ 27
LIMPEZA DO FILTRO DA ÁGUA DO SISTEMA DE ELIMINAÇÃO DAS POEIRAS (OPCIONAIS) .............................................. 27
ÓLEO HIDRÁULICO ...................................................................................................................................................................... 28
ÓLEO DO MOTOR ........................................................................................................................................................................ 28
LIMPEZA DO FILTRO DO AR DO MOTOR ................................................................................................................................... 29
LÍQUIDO DE ARREFECIMENTO DO MOTOR ............................................................................................................................. 29
CONTROLO/SUBSTITUIÇÃO/REPOSIÇÃO DOS FUSÍVEIS ...................................................................................................... 30
RESOLUÇÃO DE PROBLEMAS ................................................................................................................................... 31
FIM DE VIDA .................................................................................................................................................................. 32

PORTUGUÊS INSTRUÇÕES DE USO
233019864(1)2009-05 Proterra™
INTRODUÇÃO
NOTA
Os números indicados entre parêntesis referem-se aos componentes ilustrados no capítulo Descrição da máquina.
OBJECTIVO E CONTEÚDO DO MANUAL
Este manual tem como objectivo fornecer ao operador todas as informações necessárias para poder utilizar a máquina da maneira
mais adequada, autónoma e segura possível. O manual compreende informações inerentes à parte técnica, à segurança, ao
funcionamento, ao desligamento da máquina, à manutenção, às peças de substituição e ao fi m de vida.
Antes de efectuar qualquer operação na máquina, os operadores e os técnicos qualifi cados devem ler cuidadosamente as
instruções contidas no presente manual. Em caso de dúvidas sobre a correcta interpretação das instruções, contacte a Advance
para obter os esclarecimentos necessários.
DESTINATÁRIOS
O presente manual destina-se quer ao operador, quer aos técnicos qualifi cados de manutenção da máquina.
Os operadores não devem executar intervenções reservadas aos técnicos qualifi cados. A Advance não se responsabiliza por
danos resultantes do não cumprimento desta proibição.
CONSERVAÇÃO DO MANUAL
O Manual de utilizador deve ser conservado próximo da máquina, dentro de seu estojo, protegido contra os líquidos e tudo mais
que possa comprometer seu estado de legibilidade.
DADOS DE IDENTIFICAÇÃO
O número de série e o modelo da máquina estão indicados na placa (10) colocada no chassis.
O ano de produção da máquina está indicado na declaração de conformidade, além de ser indicado pelos primeiros dois dígitos do
número de série da própria máquina.
O número de série e o modelo do motor diesel estão indicados na placa (31).
Estas informações são necessárias para encomendar as peças de substituição para a máquina e o motor. Utilize o espaço
seguinte para anotar os dados de identifi cação da máquina e do motor.
Modelo da MÁQUINA ........................................................................
Número de série da MÁQUINA .........................................................
Modelo do MOTOR ...........................................................................
Número de série do MOTOR .............................................................
OUTROS MANUAIS DE REFERÊNCIA
Manual do motor, fornecido com a máquina, que deve ser considerado parte integrante deste manual. –
Além disso, encontram-se disponíveis os seguintes manuais: –
Catálogo das peças de substituição (fornecido com a máquina)•
Manual de assistência (pode ser consultado nos centros de assistência da Advance)•

INSTRUÇÕES DE USO PORTUGUÊS
Proterra™ 33019864(1)2009-05 3
PEÇAS DE SUBSTITUIÇÃO E MANUTENÇÃO
Em caso de necessidade relativa à utilização, à manutenção e à reparação, consulte o pessoal qualifi cado ou directamente os
Centros de assistência Advance. Utilize sempre peças de substituição e acessórios originais.
Para assistência e para encomendar peças de substituição e acessórios, contacte a Advance, especifi cando sempre o modelo e o
número de série.
MODIFICAÇÕES E MELHORIAS
A Advance procura constantemente aperfeiçoar os produtos e reserva-se o direito de efectuar modifi cações e melhorias, quando
necessário, sem a obrigação de modifi car as máquinas vendidas anteriormente.
Fica estipulado que qualquer modifi cação e/ou acréscimo de acessórios devem ser explicitamente aprovados e realizados pela
Advance.
CAPACIDADE DE OPERAÇÃO
A máquina de varrer foi concebida e fabricada para limpar/varrer pisos lisos e sólidos, em espaços públicos e industriais, bem
como para a recolha de poeiras e detritos leves, em condições de segurança verifi cada, por parte de um operador qualifi cado.
CONVENÇÕES
Todas as referências de para frente, para trás, dianteiro, traseiro, direito e esquerdo indicadas neste manual devem ser
consideradas como se referindo ao operador sentado na posição de condução no banco (32).
DESEMBALAGEM/ENTREGA
No momento da entrega da máquina, verifi que com atenção que a embalagem e a máquina não tenham sido danifi cadas. Se notar
qualquer dano, guarde a embalagem para que possa ser vista por parte do transportador responsável pela entrega. Contacte
imediatamente a empresa de entregas para preencher um pedido de indemnização pelos danos.
Verifi que que o fornecimento da máquina corresponde à seguinte lista: –
Manual do utilizador da máquina de varrer•
Manual do motor•
Catálogo das peças de substituição da máquina de varrer•
Depois de ter removido a embalagem, remova os blocos de madeira perto das rodas. –
Verifi que o nível do líquido de arrefecimento e do óleo do motor. –
Controle o nível do óleo hidráulico. –
Siga as instruções indicadas na secção “Preparação da máquina para a utilização” e, em seguida, encha o depósito de –
combustível.
Coloque uma rampa ao lado da parte dianteira da palete. –
Leia cuidadosamente as instruções contidas nas secções “Disposição e painel de controlo e comandos” e “Utilização da –
máquina” e ligue o motor. Conduza devagar a máquina para a frente, descendendo a rampa até o chão.
ATENÇÃO!
Accione a máquina de varrer com muito cuidado.
Antes de utilizar a máquina de varrer, é importante conhecer perfeitamente todas as instruções de
funcionamento.
Caso tenha alguma pergunta, contacte o seu supervisor e o Concessionário Industrial Advance local.
Se a máquina de varrer não funcionar correctamente, não tente corrigir o problema, a menos que o seu
supervisor não tenha dado instruções nesse sentido. Contacte um mecânico qualifi cado da empresa ou um
responsável pela assistência do Concessionário Advance, para que execute as modifi cações necessárias à
máquina.
Utilize esta máquina com muito cuidado. Gravatas, roupas largas, cabelo comprido, anéis e pulseiras podem
fi car presos nas partes em movimento.
Antes de trabalhar na máquina, coloque a chave de ignição (64) em “O” e retire-a, engate o travão de
estacionamento e desligue a bateria.
Com senso comum, siga as normas de segurança e preste atenção aos autocolantes amarelos colocados na
máquina.
Faça avançar a máquina devagar nas superfícies inclinadas. Em superfícies inclinadas, controle a velocidade de
marcha utilizando o pedal dos travões (35).
Não vire em superfícies inclinadas; proceda em linha directa na subida ou na descida.
O grau de inclinação máximo durante o transporte com um modelo de 3 cilindros é igual a 15%.

PORTUGUÊS INSTRUÇÕES DE USO
433019864(1)2009-05 Proterra™
SEGURANÇA
São utilizados os seguintes símbolos para assinalar eventuais situações de perigo. Leia sempre estas informações com atenção e
tome as devidas precauções para proteger as pessoas e os objectos.
A colaboração do operador é essencial para evitar acidentes. Nenhum programa de prevenção de acidentes pode ser efi caz sem
a total colaboração da pessoa directamente responsável pelo funcionamento da máquina. A maioria dos acidentes, que podem
ocorrer numa fábrica, no trabalho ou nas deslocações, resultam do incumprimento das mais elementares normas de segurança.
Um operador atento e prudente é a melhor garantia contra os acidentes e indispensável para implementar qualquer programa de
prevenção.
SÍMBOLOS UTILIZADOS
PERIGO!
Indica um perigo com risco, até mortal, para o operador.
ATENÇÃO!
Indica um risco potencial de acidente para as pessoas ou de danos para os objectos.
ADVERTÊNCIA!
Indica uma advertência ou uma nota sobre funções chave ou sobre funções úteis. Preste a máxima atenção aos
blocos de texto indicados com esse símbolo.
NOTA
Indica uma nota sobre funções chave ou sobre funções úteis.
CONSULTA
Indica a necessidade de consultar o Manual do utilizador antes de efectuar qualquer operação.
INSTRUÇÕES GERAIS
Encontram-se descritas a seguir advertências e atenções específi cas para indicar os potenciais perigos de danos à máquina e às
pessoas.
PERIGO!
O monóxido de carbono (CO) pode provocar lesões no cérebro ou mesmo a morte. –
O motor de combustão interna desta máquina emite monóxido de carbono. –
Não inalar os fumos dos gases de escape. –
Utilizar em locais fechados apenas se existir uma ventilação adequada e acompanhado. –

INSTRUÇÕES DE USO PORTUGUÊS
Proterra™ 33019864(1)2009-05 5
PERIGO!
Antes de efectuar qualquer operação de limpeza na máquina, de manutenção, de substituição de peças ou a –
conversão em outras funções, a bateria deve estar desligada, a chave do interruptor principal (ou de ignição)
deve ser removida e o travão de estacionamento deve ser accionado.
Esta máquina deve ser utilizadas apenas por pessoas que tenham tido formação apropriada. É proibida a –
utilização da máquina por parte de crianças e pessoas com limitações físicas.
As manobras de viragem devem ser efectuadas a velocidade muito reduzida. Evite: efectuar viragens –
bruscas especialmente em planos inclinados, virar com o depósito de resíduos levantado.
Nunca levante o depósito de resíduos em planos inclinados. A máquina tem menos estabilidade em planos –
inclinados ou se o depósito de resíduos estiver cheio. Controle regularmente a pressão dos pneus.
Quando estiver a trabalhar próximo de componentes eléctricos, tire todas as jóias. –
Mantenha faíscas, chamas e materiais fumegantes/incandescentes, afastados das baterias. Gases –
explosivos são expelidos durante a utilização normal.
Não trabalhe sob a máquina levantada, sem os suportes de elevação fi xos de segurança adequados. –
Sempre que intervir sob a tampa do depósito de resíduos aberto, certifi que-se de que a mesma não se possa –
fechar acidentalmente.
Não opere com esta máquina em espaços onde estejam presentes poeiras, líquidos ou vapores nocivos, –
perigosos, infl amáveis e/ou explosivos: esta máquina não é adequada a colectar poeiras perigosas.
Atenção, o combustível é altamente infl amável. –
Não fume nem coloque fontes de chama na zona de abastecimento ou do depósito do combustível. –
Efectue o abastecimento do combustível num local aberto ou num local correctamente ventilado e com o –
motor desligado.
Antes de abrir a tampa do combustível, desligue o motor e deixe-o arrefecer durante alguns minutos. –
Ao encher o depósito, deixe pelo menos 4 cm de espaço vazio até ao tubo do bocal de enchimento, para –
permitir a expansão do combustível.
Após o abastecimento de combustível, verifi que que a tampa do depósito esteja fi rmemente fechada. –
Se durante o abastecimento ocorrer um derrame de combustível, limpe totalmente e deixe evaporar os –
vapores antes de ligar o motor.
Evite o contacto do combustível com a pele e não respire os vapores. Mantenha fora do alcance das –
crianças.
Não incline o motor numa inclinação que provoque a saída do combustível. –
Durante o transporte da máquina, o depósito do combustível não deve estar cheio e de qualquer modo a –
torneira do combustível deve estar fechada.
Não pose nenhum objecto sobre o motor. –
Antes de efectuar qualquer intervenção no motor, desligue-o. Para evitar o arranque acidental do motor, –
desligue o terminal negativo da bateria.
Veja também as NORMAS DE SEGURANÇA indicadas no manual do motor, o qual deve ser considerado –
parte integral do presente manual.
Se estiverem instaladas na máquina baterias de chumbo (WET), não incline a máquina acima de 30º em –
relação ao plano horizontal, de modo a não provocar o derrame do líquido altamente corrosivo das baterias.
Quando for necessário inclinar a máquina para manutenções, retire previamente as baterias.
Não utilize a máquina na presença de fugas de gás. Desligue o tubo fl exível de combustível e substitua o –
depósito de GPL. Se a fuga de gás persistir, desligue o tubo fl exível do combustível e contacte o Centro de
Assistência Advance.

PORTUGUÊS INSTRUÇÕES DE USO
633019864(1)2009-05 Proterra™
ATENÇÃO!
Antes de efectuar qualquer intervenção de manutenção/reparação, leia cuidadosamente todas as instruções –
relativas à manutenção/reparação.
Quando se trabalha perto ou no sistema hidráulico, vista sempre roupa e óculos de protecção. –
Preste atenção às partes quentes quando trabalhar perto do motor de propulsão, do cano de escape, do –
colector e do radiador.
Tome as devidas precauções de modo que cabelos, jóias, partes das roupas soltas não fi quem presas nas –
partes em movimento da máquina.
Para evitar a utilização da máquina sem autorização, remova a chave de ignição. –
Se a máquina for deixada sem vigilância, deve ser bloqueada para impedir o movimento involuntário. –
Não utilize a máquina em superfícies cujo gradiente seja superior àquele marcado na máquina. –
Utilize unicamente as escovas fornecidas com a máquina e aquelas especifi cadas no Manual do utilizador. A –
utilização de outras escovas pode pôr em causa a segurança.
Antes de utilizar a máquina, feche todas as portinholas e/ou tampas. –
Não utilize a máquina em espaços particularmente poeirentos. –
Utilize a máquina unicamente em áreas sufi cientemente iluminadas. –
Se a máquina for utilizada na presença de outras pessoas, além do operador, será necessária a luz rotativa e –
o sinal sonoro de marcha-atrás (opcionais)
Não lave a máquina com jactos de água directos ou sob pressão, ou com substâncias corrosivas. –
Devido à tipologia da máquina não use ar comprimido para a limpeza geral excepto para os fi ltros (consulte –
o parágrafo específi co).
Durante a utilização da máquina, preste atenção para salvaguardar a segurança das outras pessoas, –
especialmente das crianças.
Não pose recipientes com líquidos na máquina. –
A temperatura de armazenamento deve estar compreendida entre 32°F e 104°F (0°C e +40°C). –
A temperatura de uso da máquina deve estar compreendida entre 32°F e 104°F (0°C e +40°C). –
A humidade deve estar compreendida entre 30% e 95%. –
Proteja sempre a máquina do sol, chuva e outras intempéries seja em estado de funcionamento ou parada. –
Mantenha a máquina num lugar coberto, num ambiente seco: esta máquina destina-se apenas para utilização
a seco e não deve ser utilizada ou colocada no exterior em condições de humidade.
Não utilize a máquina como meio de transporte, para puxar ou empurrar. –
Evite que as escovas estejam em funcionamento com a máquina parada para não provocar danos no piso. –
Em caso de incêndio, utilize, se for possível, um extintor de pó e não de água. –
Não encoste a estantes ou andaimes, principalmente se existir o perigo de queda de objectos. –
Adeqúe a velocidade de utilização às condições de aderência. –
Evite paragens súbitas quando a máquina estiver em descida. Evite viragens bruscas. Na descida, reduza a –
velocidade.
A presente máquina não é aprovada para a utilização em estradas ou vias públicas. –
Não violar, em hipótese alguma, as protecções previstas para a máquina. –
Ater-se escrupulosamente às instruções previstas para a manutenção ordinária. –
Não remova, nem altere as placas colocadas na máquina.
–
No caso de se verifi carem anomalias no funcionamento da máquina, certifi que-se de que não se devem à –
falta de manutenção periódica. Caso contrário, solicite a intervenção do pessoal autorizado ou do centro de
assistência autorizado.
Em caso de substituição de peças, solicite peças de substituição ORIGINAIS a um concessionário ou –
revendedor autorizado.
Por motivos da segurança, e também do bom funcionamento, faça com que pessoal autorizado ou um centro –
de assistência autorizado execute a manutenção programada prevista no capítulo específi co deste manual.
A máquina não deve ser abandonada, no fi m de seu ciclo de vida, devido à presença, em seu interior, de –
materiais tóxicos nocivos (baterias, óleos, plástico, etc.), sujeitos a normas que prevêem a entrega junto de
centros especiais (ver o capítulo Fim de vida).
Durante o funcionamento do motor, o silenciador aquece. Não o toque quando estiver quente para evitar –
queimaduras graves ou incêndios.
O funcionamento do motor com pouco óleo pode danifi cá-lo gravemente. Controle o nível do óleo com o –
motor desligado e com a máquina na posição horizontal.
Não faça funcionar o motor sem fi ltro de ar, pois provocaria danos. –
As intervenções de assistência técnica no motor devem ser executadas por um representante autorizado. –
Para o motor, utilize unicamente peças de substituição originais ou equivalentes. A utilização de peças de
substituição de qualidade inferior pode danifi car gravemente o motor.
Veja também as NORMAS DE SEGURANÇA indicadas no manual do motor, o qual deve ser considerado –
parte integral do presente manual.

INSTRUÇÕES DE USO PORTUGUÊS
Proterra™ 33019864(1)2009-05 7
SUPORTE DE SEGURANÇA DO DEPÓSITO DE RESÍDUOS
ADVERTÊNCIA!
Antes de executar intervenções de manutenção sob ou ao lado do depósito de resíduos levantado, puxe para
trás o manípulo de bloqueio (39) para garantir que o suporte de segurança (5) está em posição. O suporte de
segurança (5) mantém o depósito de resíduos levantado para poder executar intervenções por baixo do mesmo.
Nunca confi e no facto que os componentes hidráulicos da máquina suportam de maneira segura o depósito de
resíduos.
ELEVAÇÃO DA MÁQUINA ATRAVÉS DE MACACOS
ATENÇÃO!
Nunca trabalhe por baixo da máquina sem ter colocado os suportes e os blocos de segurança de apoio da
máquina.
Para levantar a máquina com macacos, aplique-os nos pontos específi cos (não instale os macacos por baixo do depósito de
resíduos) - veja os pontos de elevação com macacos (8).
TRANSPORTE DA MÁQUINA
ATENÇÃO!
Antes de transportar a máquina num camião ou num reboque descoberto, certifi que-se de que:
Todas as portas de acesso estão bem fechadas. –
A máquina está adequadamente fi xada. –
O travão de estacionamento da máquina está accionado. –
EMPURRAR/REBOCAR A MÁQUINA
A bomba hidráulica (45) está equipada com um parafuso que desactiva o sistema de tracção. O sistema previne danos no sistema
hidráulico quando a máquina é rebocada/empurrada em distâncias curtas sem utilizar o motor.
Para aceder ao parafuso de desbloqueio, abra o capot do compartimento do motor (1) operando no botão de desbloqueio (25) e
identifi que a bomba hidráulica (45) na parte dianteira do motor (44).
Rode o parafuso sextavado encaixado (A, Fig. 1) de meia volta no sentido contrário aos ponteiros do relógio para soltar o bloqueio
hidrostático entre o motor e a bomba.
ADVERTÊNCIA!
A bomba hidráulica pode danifi car-se se a máquina for rebocada com o parafuso da bomba hidráulica na
posição de funcionamento normal (em posição de bloqueio).
NOTA
Se o parafuso é deixado em função de desbloqueio, a bomba hidráulica não pode determinar o movimento da máquina.
NOTA
Rebocar ou empurrar a máquina a passo de homem [1.8-2.8 mph (3-4.5 km/h)] e unicamente em distâncias curtas.
Se a máquina deve ser deslocada em distâncias compridas, levante as rodas de tracção do chão e coloque-as num
carrinho de transporte adequado.
Depois de ter empurrado/rebocado a máquina, rode o parafuso sextavado de meia volta no sentido dos ponteiros do relógio para
restabelecer as funções hidráulicas.
A
P100320
Figura 1

PORTUGUÊS INSTRUÇÕES DE USO
833019864(1)2009-05 Proterra™
DESCRIÇÃO DA MÁQUINA
ESTRUTURA DA MÁQUINA
Capot do compartimento do motor1.
Painel esquerdo de acesso à escova central2.
Bateria do motor3.
Capot lateral esquerdo4.
Reservatório da água do sistema de eliminação das
poeiras (opcional)
Suporte de segurança do depósito de resíduos5.
Fechadura da tampa do depósito de resíduos6.
Farol de trabalho (opcional)7.
Pontos de elevação com macacos (o ponto traseiro está 8.
situado por baixo do radiador do motor)
Escova lateral direita9.
Placa do número de série/dados técnicos/marca de 10.
conformidade
Grupo de sacudimento do fi ltro das poeiras de painel11.
Filtro de controlo das poeiras do depósito de resíduos12.
Filtro de painel (padrão)
Filtro de mangas (opcional)
Manípulos de fi xação do grupo de sacudimento do fi ltro13.
Filtro do óleo hidráulico14.
Escova lateral esquerda (opcional)15.
Tampa depósito de resíduos16.
Haste de suporte da tampa depósito de resíduos17.
Painel direito de acesso para desmontagem/substituição 18.
da escova central
Reservatório de óleo hidráulico19.
Tampa do reservatório de óleo hidráulico20.
Tampa do reservatório de combustível21.
Depósito de combustível22.
Tampa do radiador23.
Filtro de ar motor24.
Botão de desbloqueio do capot do compartimento do 25.
motor
Postos de ancoragem (3)26.
Indicador de serviço do fi ltro de ar27.
Humidifi cadores da água do sistema de eliminação das 28.
poeiras (opcional)
Tampa do reservatório da água do sistema de eliminação 29.
das poeiras (opcional)
Filtro da água (opcional)30.
Placa do modelo e do número de série do motor31.
1
2
45
31
4
32
19
30
8
5
15
9
6
7
11
12
13
14
20
17
28
47 43
26
P100317

INSTRUÇÕES DE USO PORTUGUÊS
Proterra™ 33019864(1)2009-05 9
ESTRUTURA DA MÁQUINA (Continuação)
Banco do operador32.
Painel de controlo (ver o parágrafo seguinte)33.
Volante34.
Pedal do travão35.
Pedal do travão de estacionamento36.
(A utilizar com o pedal dos travões para o bloqueio e o
desbloqueio do travão de estacionamento)
Pedal de accionamento da marcha para a frente/marcha-37.
atrás
Painel dos disjuntores (ver o parágrafo Controlo/38.
substituição/reposição dos fusíveis)
Manípulo de bloqueio do suporte de segurança do 39.
depósito de resíduos
Puxe para trás para bloquear o suporte•
Puxe para frente para desbloquear o suporte•
Alavanca de regulação do banco do operador40.
Grelha de aspiração do ar do motor41.
Roda traseira direccionável de tracção42.
Rodas dianteiras43.
Motor44.
Bomba hidráulica45.
Radiador do líquido de arrefecimento do motor/46.
arrefecimento do óleo hidráulico
Depósito de resíduos47.
Fusíveis (ver o parágrafo Controlo/substituição/reposição 48.
dos fusíveis)
Extintor (opcional)49.
Depósito GPL50.
3
23
24
27
25
29
26
26
8
21 18 40
41
43
44
45
46
49
42
33 34
36
37
48
38
39
35
16
50
1
0
10
P100318

PORTUGUÊS INSTRUÇÕES DE USO
10 33019864(1)2009-05 Proterra™
PAINEL DE CONTROLO E COMANDOS
Alavanca do regime do motor (mínimo/máximo)51.
(Posição “para frente”) do motor ao regime de trabalho•
(Posição “para trás”) do motor ao regime mínimo•
Alavanca das escovas laterais52.
(Posição “para frente”) da escova lateral baixada•
(Posição “para trás”) da escova lateral levantada•
Alavanca da escova central53.
(Posição “para frente”) da escova central baixada•
(Posição “para trás”) da escova central levantada•
Alavanca do depósito de resíduos54.
(Posição “para frente”) abaixamento do depósito de •
resíduos
(Posição “para trás”) elevação do depósito de resíduos•
Alavanca da porta de descarga do depósito de resíduos55.
(Posição “para frente”) abertura da porta de descarga•
(Posição “para trás”) fecho da porta de descarga•
Contador de horas56.
Indicador do nível do combustível57.
Indicador luminoso de alta temperatura do depósito de 58.
resíduos
Indicador luminoso de depósito de resíduos entupido59.
Indicador luminoso do carregador de bateria60.
Indicador luminoso de alta temperatura do líquido de 61.
arrefecimento do motor
Indicador luminoso do travão de estacionamento62.
Indicador luminoso de pré-aquecimento das velas63.
Chave de ignição:64.
Rodada em “O” pára o motor e desactiva todas as •
funções da máquina.
Rodada em “I” activa as várias funções da máquina.•
Rodada em “II” liga o motor.•
Assim que o motor arrancar, solte a chave que voltará
na posição “I”.
Interruptor avisador acústico65.
Interruptor do dispositivo de sacudimento do fi ltro/sistema 66.
de aspiração
(Posição inferior) activação do sacudimento do fi ltro•
(Posição superior) activação da ventoinha de •
aspiração e controlo das poeiras
Interruptor do sistema de eliminação das poeiras 67.
(opcional)
Dispositivo de arranque a frio do motor (apenas para 68.
versões GPL e Gasolina)
Interruptor das luzes de trabalho (opcional)69.
Interruptor das luzes de emergência (opcional)70.
Interruptor dos indicadores de direcção (opcional)71.
Alavanca de regulação do volante (opcional)72.
5152535455
56
57
58
59
60 61 62 63 64 65 6668 67
69
71
70
72
P100319

INSTRUÇÕES DE USO PORTUGUÊS
Proterra™ 33019864(1)2009-05 11
ACESSÓRIOS / OPCIONAIS
Além dos componentes existentes na versão padrão, a máquina pode ser equipada com os seguintes acessórios/opcionais, com
base na utilização específi ca da mesma:
Escova lateral esquerda –
Escovas central e laterais com cerdas mais rígidas ou mais macias em relação às normais –
Filtro poeiras em poliéster (estanque) –
Sensor do fi ltro entupido –
Sistema de eliminação das poeiras –
Extintor –
Luzes dianteiras –
Luz de trabalho –
Luz rotativa intermitente –
Roda anti-rasto –
Volante regulável –
Banco com suspensões –
Cinto de segurança –
Protecção das escovas laterais –
Tecto de protecção –
Retrovisores –
Extintor –
Pára-choques traseiro –
Sinal sonoro marcha-atrás –
Protecção do depósito de resíduos –
Tapete anti-derrapante –
Para mais informações relativas aos acessórios opcionais acima indicados, consulte o seu Revendedor habitual.
CARACTERÍSTICAS TÉCNICAS
Dados dimensionais e pesos Proterra™ Diesel Proterra™ GPL Proterra™ Gasolina
Largura de limpeza com escova central 35.5 in (900 mm)
Amplitude de limpeza com uma escova lateral 49.25 in (1,250 mm)
Largura de limpeza com duas escovas laterais (opcional) 63 in (1,600 mm)
Comprimento da máquina 87.5 in (2,220 mm)
Largura da máquina (cubos das escovas) 52 in (1,320 mm)
Altura máxima da máquina 57.5 in (1,460 mm)
Altura máxima da máquina com tecto (opcional) 79 in (2,000 mm)
Altura mínima ao solo (excluídos os fl ap) 4.25 in (110 mm)
Altura máxima de elevação do depósito de resíduos 62.5 in (1,590 mm)
Dimensões da escova central (diâmetro x comprimento) 12.2 x 35.5 in (310 x 900 mm)
Diâmetro da escova lateral 21.5 in (550 mm)
Pressão dos pneus 6 Bar (85 psi)
Peso do eixo dianteiro em andamento 1,180 lb (535 kg)
Peso do eixo traseiro em andamento 905 lb (410 kg)
Peso total da máquina em marcha (sem o operador) 2,085 lb (945 kg)
Peso máximo (GVW) 2,910 lb (1,320 kg)
Peso da máquina para envio 2,204.6 lb (1,000 kg)
Dados de abastecimento Proterra™ Diesel Proterra™ GPL Proterra™ Gasolina
Capacidade do depósito de combustível 14 gal (35 litros) - 14 gal (35 litros)
Capacidade do reservatório de óleo do sistema hidráulico 26.5 qt (25 litros)
Capacidade do cárter de óleo do motor (*) 5.4 qt (5.1 litros) 3.59 qt (3.4 litros)
Tipo de óleo do motor (**) SAE 10 W - 30
Quantidade de líquido de arrefecimento do motor (**) 4.2 qt (4 litros)
(*) Para os mais dados/valores do motor, consulte o respectivo Manual.
(**) Para os dados das características do óleo motor, do líquido de arrefecimento e a tabela das especifi cações de
arrefecimento, consulte o respectivo manual do motor.

PORTUGUÊS INSTRUÇÕES DE USO
12 33019864(1)2009-05 Proterra™
Dados de performance Proterra™ Diesel Proterra™ GPL Proterra™ Gasolina
Velocidade máxima durante a marcha para frente (unicamente
para as deslocações) 7.5 mph (12 km/h) 7.5 mph (12 km/h) 7.5 mph (12 km/h)
Inclinação máxima de utilização 20% (11°)
Inclinação máxima superável 25% (14°)
Raio mínimo de viragem 60.2 in (1,530 mm)
Pressão acústica nos ouvidos do operador (ISO 11201, ISO
4871) (LpA) 69.5 ± 3 dB(A) 69.1 ± 3 dB(A) 69.1 ± 3 dB(A)
Potência sonora emitida pela máquina (ISO 3744, ISO 4871)
(LwA) 82 dB(A) 83 dB(A) 83 dB(A)
Nível das vibrações no braço do operador (ISO 5349-1) (*) <2.5 m/s2
Nível das vibrações transmitidas ao braço do operador (ISO
2631-1) (*) <0.5 m/s2
Capacidade do depósito de resíduos Teórica: 11.25 cu·ft (315 litros)
Real: 8.00 cu·ft (226 litros)
Capacidade de elevação máxima do depósito de resíduos 800 lb (363 kg)
Capacidade do reservatório do sistema de eliminação das
poeiras (opcional) 11.9 gal (45 litros)
Em condições de trabalho normais na superfície plana do asfalto.(*)
DIAGRAMA ELÉCTRICO
Legenda
ALT Alternador
BAT Bateria do motor
BE1 Luz rotativa (opcional)
BZ1 Sinal sonoro marcha-atrás (opcional)
ES1 Relé do aspirador
ES2 Relé do dispositivo de sacudimento fi ltro
ES3 Relé segurança GPL (apenas versão GPL)
EV1 Electroválvula combustível (apenas versão Diesel e Gasolina)
EV2 Electroválvula GPL (apenas versão GPL)
EV3 Electroválvula de segurança GPL (apenas versão GPL)
F1 Disjuntor de aspiração das poeiras (30 A)
F2 Disjuntor do dispositivo de sacudimento do fi ltro (16 A)
F3 Disjuntor da bomba de água (10 A) (opcional)
F4 Disjuntor da chave de ignição (30 A)
F5 Disjuntor dos auxiliares do motor (16 A)
F6 Disjuntor luzes de trabalho (10 A) (opcional)
F8 Disjuntor do ventilador da cabina (opcional)
F9 Fusível das velas (50 A) (apenas versão Diesel)
F10 Porta-fusível e fusível do alternador (50 A)
F11 Fusível do farol interno do capot (1 A) (opcional)
HN Avisador acústico
IGN Centralina de ignição (apenas versão GPL e Gasolina)
K1 Bloco da chave de ignição
L1 Farol de trabalho frontal (opcional)
L2 Farol de trabalho frontal (opcional)
L3 Farol de trabalho lado condutor (opcional)
L4 Farol de trabalho posterior (opcional)
L5 Farol interno capot (opcional)
M1 Motor aspirador
M2 Motor dispositivo de sacudimento do fi ltro
M3 Motor da bomba da água (opcional)
M4 Ventilador da cabina (opcional)
MST Motor de arranque
P1 Bomba combustível (apenas versão Gasolina)
PLG Velas (apenas versão Diesel)
R1 Resistência do indicador luminoso das velas (apenas versão
Diesel)
SE1 Sensor da pressão óleo
SE2 Sensor da temperatura da água
SE3 Sensor do fi ltro do depósito de resíduos entupido (opcional)
SE5 Bóia do depósito de combustível (apenas versão Diesel e
Gasolina)
SE6 Sensor da temperatura do depósito de resíduos (opcional)
SE7 Sensor de rotações do motor (apenas versão GPL e Gasolina)
SE8 Sensor reserva (apenas versão GPL e Gasolina)
SPK Bobinas das velas (apenas versão GPL e Gasolina)
STR Instrumento
SW1 Interruptor do aspirador/dispositivo de sacudimento do fi ltro
SW2 Interruptor avisador acústico
SW3 Micro-interruptor do assento
SW4 Proximity marcha-atrás (opcional)
SW5 Interruptor do ventilador da cabina (opcional)
SW6 Interruptor da bomba da água (opcional)
SW7 Interruptor das luzes de trabalho (opcional)
SW13 Interruptor do farol de trabalho lado condutor (opcional)
SW14 Interruptor do farol de trabalho posterior (opcional)
SW15 Interruptor do farol interno capot (opcional)
T1 Temporizador do dispositivo de sacudimento do fi ltro
T2 Temporizador do dispositivo de sacudimento do fi ltro 2
T3 Temporizador do assento
T4 Temporizador de segurança GPL (apenas versão GPL)
TC Temporizador das velas (apenas versão Diesel)
Código das cores
BK Preto
BU Azul
BN Castanho
GN Verde
GY Cinzento
OG Cor de laranja
PK Rosa
RD Vermelho
VT Roxo
WH Branco
YE Amarelo

INSTRUÇÕES DE USO PORTUGUÊS
Proterra™ 33019864(1)2009-05 13
ESQUEMA ELÉCTRICO PROTERRA™ DIESEL (Continuação)
P100330

PORTUGUÊS INSTRUÇÕES DE USO
14 33019864(1)2009-05 Proterra™
ESQUEMA ELÉCTRICO PROTERRA™ GPL E GASOLINA (Continuação)
P100330LPG

INSTRUÇÕES DE USO PORTUGUÊS
Proterra™ 33019864(1)2009-05 15
DIAGRAMA HIDRÁULICO
Legenda
Reservatório do óleo1.
Filtro do óleo2.
Bomba do sistema de tracção3.
Bomba de serviço4.
Motor do sistema de tracção5.
Direcção assistida6.
Cilindro da direcção7.
Válvula prioritária8.
Distribuidor de 3 alavancas9.
Cilindro de elevação do depósito de resíduos10.
Cilindro do fl ap11.
Motor escova central12.
Cilindro escova central13.
Distribuidor de 1 alavanca14.
Motor escova lateral direita15.
Cilindro da escova lateral direita16.
Válvula de bloqueio simples17.
Válvula unidireccional18.
Válvula de bloco duplo19.
Colector20.
Motor escova lateral esquerda (opcional)21.
Cilindro da escova lateral esquerda (opcional)22.
Radiador do óleo23.
20 9
11 10
13
12
14
15
21
16
17
18
19
22
1
2
23
3
456
7
8
2
P100328

PORTUGUÊS INSTRUÇÕES DE USO
16 33019864(1)2009-05 Proterra™
PREPARAÇÃO DA MÁQUINA PARA A UTILIZAÇÃO
ATENÇÃO!
Em alguns pontos da máquina encontram-se aplicadas autocolantes que indicam:
PERIGO –
ATENÇÃO –
ADVERTÊNCIA –
CONSULTA –
O operador, durante a leitura deste Manual, deve compreender perfeitamente o signifi cado dos símbolos presentes nas placas.
Não cubra, em caso algum, os autocolantes e substitua-os imediatamente caso venham a ser danifi cados.
LISTA DE CONTROLO ANTES DA UTILIZAÇÃO
Antes de qualquer utilização:
Inspeccione a máquina para verifi car que não há danos e fugas de óleo ou de líquido de arrefecimento do motor. –
Controle o nível do líquido de arrefecimento do motor (23) (ver o parágrafo específi co). –
Controle o nível do óleo do motor (44) (ver o parágrafo específi co). –
Controle o nível do óleo hidráulico (19) (ver o parágrafo específi co). –
Controle o indicador do combustível (57), se necessário desaparafuse a tampa (21) e efectue o abastecimento. –
Controle que a pressão dos três pneus é de 6 Bar (85 psi). –
Controle o indicador de serviço do fi ltro do ar (ver o parágrafo específi co). –
No banco do operador:
Certifi que-se que compreende os comandos do operador e as respectivas funções. –
Regule o banco com a alavanca (40) de maneira a alcançar facilmente todos os comandos. –
Introduza a chave de ignição (64) e rode-a para a posição “I”: –
Controle o funcionamento correcto do aviso sonoro (65), do contador de horas (56) e dos faróis (69, opcional).•
Rode a chave de ignição (64) para “O”.•
Controle o travão de estacionamento (35 e 36). O travão de estacionamento deve manter correctamente a posição de –
estacionamento sem poder ser desactivado com facilidade (comunique ao pessoal responsável pela assistência qualquer
defeito detectado).
Programe a limpeza com antecedência:
Organize trajectos compridos com o menor número possível de paragens e arranques. –
Sobreponha alguns centímetros as passagens adjacentes para garantir uma cobertura completa da superfície. –
Evite efectuar viragens bruscas, embater os montantes ou riscar os lados da máquina. –
ESCOVA CILÍNDRICA PRINCIPAL
Para esta máquina, estão disponíveis diversos tipos de escovas cilíndricas principais. Para saber qual é o tipo de escova
adequado às superfícies e ao tipo de sujidade a eliminar, contacte o revendedor Advance.
NOTA
Para a instalação, consulte o parágrafo sobre a manutenção das escovas cilíndricas principais.
COMBUSTÍVEL
ADVERTÊNCIA!
Pare sempre o motor antes de encher o depósito de combustível. –
Não fume durante o abastecimento do depósito de combustível. –
Encha o depósito de combustível numa área bem ventilada. –
Não encha o depósito de combustível perto de faíscas ou chamas. –
MOTOR DIESEL E GASOLINA
(Só para Proterra™ Diesel) Se se utilizar a máquina a uma temperatura ambiente inferior a 32 F° (0°C), utilize combustível diesel
para temperaturas baixas.
(Apenas para Proterra™ Gasolina) Ateste o reservatório (22) com gasolina sem chumbo para automóveis.
NOTA
Se a máquina permanecer completamente sem combustível, antes de poder voltar a ligar o motor, o sistema de
alimentação deve ser totalmente depurado. Para evitar esta situação, encha o depósito de combustível (22) até o
indicador (56) indicar um nível igual a 1/4 do depósito. A capacidade do depósito de combustível é de 35 litros (14 gal).

INSTRUÇÕES DE USO PORTUGUÊS
Proterra™ 33019864(1)2009-05 17
MOTOR GPL
Monte unicamente um depósito GPL com as seguintes características:
depósito DOT marcado com uma pressão de funcionamento mínima de 240 psig (1,7 MPa). Deve ter a marca DOT-•
4BA240 ou DOT-4BW240.
Ligue o tubo fl exível do combustível e abra a válvula de intercepção existente no depósito. Para ligar e desligar o tubo fl exível do
combustível, use sempre luvas. Quando a máquina não está a ser utilizada, feche a válvula de serviço do depósito GPL.
NOTA
Oriente correctamente o depósito GPL horizontal para a recolha de líquido. Após ter ligado o tubo fl exível do
combustível ao depósito, verifi que que não existem fugas de gás.
ATENÇÃO!
Não utilize a máquina na presença de fugas de gás. Desligue o tubo fl exível de combustível e substitua o
depósito de GPL. Se a fuga de gás persistir, desligue o tubo fl exível do combustível e contacte o Centro de
Assistência Advance.
USO DA MÁQUINA
A Proterra™ é uma máquina de varrer pavimentos automática, de tipo “de operador”. Os comandos foram projectados para
a máxima facilidade de utilização. Para as operações de limpeza com uma única passagem, basta baixar a escova cilíndrica
principal.
ANTES DO ARRANQUE DA MÁQUINA
Certifi que-se que compreende os comandos do operador e as respectivas funções.1.
Determine o percurso de limpeza. Execute passagens compridas e horizontais, com o menor número possível de rotações.2.
Controle o pedal dos travões (35). Deve estar parado na posição.3.
ATENÇÃO!
Se o pedal é “elástico” ou cede sob a pressão, não movimente a máquina.
Comunique imediatamente ao pessoal responsável pela assistência qualquer defeito detectado.
ARRANQUE E PARAGEM DA MÁQUINA
Ligar a máquina
NOTA
O assento de condução (32) está equipado com um sensor de segurança que permite ligar e deslocar a máquina
apenas com o operador sentado no assento.
(Só para Proterra™ Diesel) Rode a chave de ignição (64) no sentido dos ponteiros do relógio para a posição “I” e mantenha-a 4.
naquela posição até que o indicador das velas de pré-aquecimento (63) se desligue. Ignore esta fase se o motor já foi ligado e
estiver quente.
(apenas para Proterra™ GPL) Abra lentamente a válvula de segurança do depósito GPL (50). Puxe a alavanca do dispositivo
de arranque com o motor frio (68).
(Só para Proterra™ Gasolina) Puxe a alavanca do dispositivo de arranque com o motor frio (68).
Rode a chave de ignição (64) no sentido dos ponteiros do relógio para a posição “II” de arranque, em seguida solte-a assim 5.
que o motor arrancar.
Se o motor não arrancar após ter accionado o motor de arranque durante 15 segundos, solte a chave, espere 1 minuto e volte
a repetir os pontos 1 e 2.
(Só para Proterra™ GPL e Gasolina) Após a ignição, deixe o motor a trabalhar por alguns segundos e de seguida desengate
o dispositivo de arranque a frio (68).
Antes de utilizar a máquina, deixe o motor trabalhar ao ralenti durante 5 minutos deslocando a alavanca do regime motor (51) 6.
para a posição “traseira” (motor ao regime mínimo).
Desengate o travão de estacionamento.7.
Desloque a alavanca do regime motor (51) para a posição “dianteira” (motor no regime de trabalho) e desloque-se com a 8.
máquina durante 2 ou 3 minutos a velocidade reduzida para aquecer o sistema hidráulico.
Pressione, de maneira contínua, com o pé a parte dianteira do pedal de marcha (37) para se deslocar para a frente e a parte 9.
traseira para a marcha-atrás.
A velocidade de avanço pode ser regulada de zero até ao seu valor máximo através da pressão exercida no pedal.
ATENÇÃO!
Durante as manobras de viragem, evite as mudanças de direcção bruscas, preste muita atenção e conduza
sempre a baixa velocidade, em particular quando o depósito de resíduos estiver cheio ou em descidas.
Faça avançar a máquina devagar nas superfícies inclinadas. Em superfícies inclinadas, controle a velocidade de
marcha utilizando o pedal dos travões (35).
Não vire em superfícies inclinadas; proceda em linha directa na subida ou na descida.
Desligar a máquina
Para parar a máquina, solte o pedal (37).10.
Para parar rapidamente a máquina, pressione também o pedal dos travões (36).
Desligue a máquina colocando a chave de ignição (64) em “O”, em seguida remova-a.11.
Engate o travão de estacionamento.12.

PORTUGUÊS INSTRUÇÕES DE USO
18 33019864(1)2009-05 Proterra™
TRAVÃO DE ESTACIONAMENTO
Accione o travão de estacionamento, premindo, ao mesmo tempo, os pedais (35) e (36).1.
Desengate o travão de estacionamento, premindo e soltando o pedal (35).2.
ATENÇÃO!
Engate sempre o travão de estacionamento antes da manutenção e quando estaciona a máquina numa zona
inclinada.
MÁQUINA EM MARCHA
Siga as instruções contidas na secção do manual “Preparação da máquina para a utilização”.
Desloque-se na área de trabalho come indicado no parágrafo anterior.1.
Verifi que e baixe o depósito de resíduos de maneira adequada com a alavanca (54).2.
Baixe e active a escova central através da alavanca (53).3.
ADVERTÊNCIA!
Evite parar a máquina por muito tempo na mesma posição, com as escovas a rodar: pode provocar marcas
indesejáveis no pavimento.
NOTA
A porta de descarga do depósito de resíduos abre-se automaticamente quando a escova central se baixar e fecha-se
automaticamente assim que a escova central se levantar.
Pressione a parte superior do interruptor (66) para activar a ventoinha de aspiração e o sistema de eliminação das poeiras.4.
Volte a activar a ventoinha de aspiração e o controlo das poeiras assim que a máquina voltar para um piso completamente
seco.
Baixe e active a escova central (9) (15, opcional) com a alavanca (52).5.
Se estiver presente, utilize o sistema de eliminação das poeiras com o interruptor (67, opcional).
Faça avançar a máquina em linha recta com um bom ritmo. Faça avançar a máquina mais devagar quando a quantidade 6.
de sujidade ou detritos a varrer for considerável ou quando a segurança de funcionamento impõe velocidades de marcha
inferiores. Sobreponha cada passagem de acerca de 5.9 in (15 cm).
Para um bom trabalho de varrimento, é necessário que o fi ltro de controlo das poeiras esteja o mais limpo possível. Para 7.
a limpeza do fi ltro durante o varrimento, accione o dispositivo de sacudimento do fi ltro pressionando a parte inferior do
interruptor (66), em seguida volte a activar a ventoinha de aspiração e o controlo das poeiras pressionando a parte superior
do interruptor (66).
Repita a operação em média a cada 10 minutos durante o trabalho (variar o intervalo em função da quantidade de poeiras
presentes no espaço a ser limpo).
NOTA
Esta operação também pode ser efectuada com a máquina em movimento.
ADVERTÊNCIA!
Quando o fi ltro de controlo das poeiras estiver entupido e/ou o depósito de resíduos cheio, a máquina não
consegue recolher poeiras e detritos.
De vez em quando, vire-se para verifi car que a máquina recolhe poeiras e detritos. Se no rasto da máquina continuam 8.
sujidades, signifi ca que a velocidade da máquina é demasiado alta, que a escova central deve ser regulada ou que o depósito
de resíduos (47) está cheio.
No fi m do trabalho e, sempre que o depósito de resíduos (47) estiver cheio, dever-se-á efectuar o seu esvaziamento (para o
respectivo procedimento ver o parágrafo a seguir).
ATENÇÃO!
Se for necessário intervir num piso molhado, é indispensável, para a protecção do fi ltro de controlo das poeiras,
desactivar a ventoinha de aspiração e o controlo das poeiras com o interruptor (66).

INSTRUÇÕES DE USO PORTUGUÊS
Proterra™ 33019864(1)2009-05 19
ESVAZIAMENTO DO DEPÓSITO DE RESÍDUOS
PERIGO!
O esvaziamento do depósito de resíduos deve ser executado exclusivamente em superfícies planas.
Nunca levante o depósito de resíduos em planos inclinados.
NOTA
O espaço de descarga livre mínimo em relação ao tecto necessário para levantar o depósito de resíduos é de 108.2 in
(275 cm).
Levante a escova central através da alavanca (53).1.
Pressione a parte inferior do interruptor (66) para activar o dispositivo de sacudimento do fi ltro e remova a sujidade residual 2.
do fi ltro de controlo das poeiras (12).
NOTA
Accione sempre o dispositivo de sacudimento fi ltro quando o depósito de resíduos está totalmente abaixado.
Aproxime a máquina da zona para o esvaziamento ou a um contentor adequado.3.
Levante o depósito de resíduos com a alavanca (54) à altura de descarga pretendida.4.
NOTA
A porta de descarga fecha-se automaticamente assim que se utilizar a alavanca (54) para levantar o depósito de
resíduos. Será possível retomar o controlo da porta de descarga com a alavanca (55) assim que o depósito de resíduos
começar a levantar-se de maneira a poder executar a descarga de qualquer altura, de acordo com as necessidades.
Faça avançar a máquina até que o depósito de resíduos não se encontre por cima do contentor e engate o travão de 5.
estacionamento.
Abra a porta de descarga dos resíduos com a alavanca (55) e esvazie o depósito de resíduos.6.
NOTA
Se os resíduos não forem descarregados num contentor, aconselha-se descarregá-los a uma altura mínima para evitar
que as poeiras se propaguem no ar.
ATENÇÃO!
Caso seja necessário efectuar qualquer intervenção de manutenção ou de limpeza por baixo de ou junto do
depósito de resíduos levantado, posicione-o à altura máxima com a alavanca (54), em seguida puxe para trás
a pega (39) para garantir o bloqueio do suporte de segurança (5). O suporte de segurança mantém o depósito
de resíduos levantado para poder executar intervenções por baixo do mesmo. Nunca confi e no facto que os
componentes hidráulicos da máquina suportam o depósito de resíduos.
Puxar para atrás o manípulo de bloqueio (39) para posicionar o suporte de segurança (5), em seguida baixe ligeiramente o 7.
depósito de resíduos accionando a alavanca (54) para bloqueá-lo.
Controle a porta do depósito de resíduos e a junta dianteira. Se necessário, utilize uma escova para remover a sujidade 8.
destas zonas.
Para um funcionamento correcto da máquina, a porta do depósito de resíduos deve estar perfeitamente fechada contra o
alojamento das escovas.
Volte para o banco do operador. Desengate o travão de estacionamento. Desloque a máquina para atrás até poder baixar o 9.
depósito de resíduos.
Levante o depósito de resíduos através da alavanca (54), empurre para a frente o manípulo de bloqueio (39) até que o 10.
suporte de segurança (5) fi que desbloqueado, em seguida baixe o depósito de resíduos.

PORTUGUÊS INSTRUÇÕES DE USO
20 33019864(1)2009-05 Proterra™
APÓS A UTILIZAÇÃO DA MÁQUINA
Pressione a parte inferior do interruptor (66) para activar o dispositivo de sacudimento do fi ltro, limpe o fi ltro de controlo das 1.
poeiras do depósito de resíduos e esvazie o depósito (ver o parágrafo anterior).
Levante a escova central através da alavanca (53).2.
Posicione todos os comandos na posição “desligado”.3.
Posicione a alavanca do regime motor (51) na posição “traseira” de mínimo e deixe rodar o motor ao ralenti durante 25-30 4.
segundos.
(apenas para Proterra™ GPL) Fecha a válvula de serviço no depósito GPL (50), depois deixe trabalhar o motor até a
expulsão completa da totalidade do combustível das condutas (o motor parará).
Desligue a máquina colocando a chave de ignição (64) em “O”, em seguida remova-a.5.
Engate o travão de estacionamento.6.
Controle o programa de manutenção e executa todas as intervenções necessárias antes de pôr a máquina em marcha.7.
Conserve a máquina num lugar protegido.8.
NOTA
A máquina pode ser limpa com instrumentos de lavagem de pressão, a condição que não se humidifi que directamente
os ou dentro dos componentes. Aconselha-se deixar sempre secar completamente a máquina antes de utilizá-la.
Indique qualquer defeito ou mau funcionamento detectado durante a utilização da máquina ao Centro de assistência Advance ou
ao pessoal responsável pela manutenção.
INACTIVIDADE PROLONGADA DA MÁQUINA
Caso preveja não utilizar a máquina por mais de 30 dias, é oportuno executar as seguintes operações:
Controlar que o local onde é guardada a máquina esteja seco e limpo.1.
Esvazie o reservatório da água do sistema de eliminação das poeiras (4) e limpe o fi ltro da água (30, opcional).2.
Desligue o conector negativo (-) das baterias (3).3.
Inspeccione o motor (44) como indicado no manual específi co.4.
PRIMEIRO PERÍODO DE UTILIZAÇÃO
Após o primeiro período de utilização (primeiras 5 horas), é necessário:
Controlar o aperto dos órgãos de fi xação e de ligação.1.
Controle se as partes visíveis estejam intactas e não apresentam fugas.2.
Substitua o óleo do motor (ver o capítulo Manutenção).3.
MANUTENÇÃO
A durabilidade da máquina e sua máxima segurança de funcionamento são garantidas através de uma manutenção cuidadosa e
regular.
Encontra-se indicado a seguir o plano de manutenção programada. As periodicidades indicadas podem sofrer variações em função
de condições especiais de trabalho, a serem defi nidas por parte do responsável da manutenção.
Todas as operações de manutenção programadas ou extraordinárias devem ser efectuadas por pessoal qualifi cado ou num Centro
de assistência Advance.
Neste manual, após o diagrama de manutenção programada, estão indicados unicamente os procedimentos de manutenção
mais simples e recorrentes. Para o procedimento de outras operações de manutenção indicadas no diagrama de manutenção
programada e as operações de manutenção extraordinária, consulte o respectivo Manual de assistência que possuem os vários
Centros de assistência.
ATENÇÃO!
As operações de manutenção devem ser efectuadas com a máquina desligada, chave removida, travão de
estacionamento engatado e, quando necessário, com as baterias desligadas.
Antes de efectuar manutenções, ler cuidadosamente todas as instru ções do capítulo Segurança.

INSTRUÇÕES DE USO PORTUGUÊS
Proterra™ 33019864(1)2009-05 21
PLANO DE MANUTENÇÃO PROGRAMADA
NOTA
Os intervalos de manutenção indicados referem-se a condições de funcionamento médias. As máquinas que são
utilizadas em ambientes de funcionamento muito sujos podem requerer uma manutenção mais frequente.
Procedimento No momento da
entrega
Manutenção
diária
Após as
primeiras
50 horas
Cada 30
horas
Cada 150
horas
Cada 300
horas
Cada
1.000
horas
Controlo do líquido de arrefecimento do motor
Verifi cação do nível do óleo do motor
Controlo do nível do óleo hidráulico
Controlo do travão de estacionamento
Limpeza das escovas central e laterais
Substituição do óleo do motor (1) (1)
Substituição do fi ltro de ar (1) (1)
Controlo da correia trapezoidal (1) (1)
Controlo do circuito do líquido de
arrefecimento do motor (1)
Controlo da bateria
Controlo e limpeza do fi ltro da água do
sistema de eliminação das poeiras (opcional)
Limpeza do fi ltro de ar do motor (2)
Limpeza do radiador do motor e radiador do
óleo
Verifi cação e regulação das escovas
Verifi cação e limpeza do fi ltro de controlo das
poeiras do depósito de resíduos (método “A”) (2)
Controlo do bom estado, da altura e do
funcionamento do fl ap
Controlo do bom estado das juntas do
depósito de resíduos
Manutenção do motor (1) - (3)
Lubrifi cação dos rolamentos da direcção e
dos pistões hidráulicos (1)
Substituição do fi ltro do óleo hidráulico do
reservatório (1)
Substituição do fi ltro do óleo hidráulico da
bomba (1)
Verifi cação e limpeza do fi ltro de controlo das
poeiras do depósito de resíduos (método “B”) (2)
Substituição fi ltro combustível (1)
Aperto dos parafusos e uniões do combustível (1)
Verifi cação e limpeza do fi ltro de controlo das
poeiras do depósito de resíduos (método “C”) (2)
Substituição do fi ltro para a “recarga” do óleo
hidráulico (1)
Substituição do óleo hidráulico do reservatório (1) - (4)
Para o respectivo procedimento, fazer referência ao Manual de assistência.(1)
Ou mais frequentemente em áreas poeirentas.(2)
Manutenção da competência de um concessionário autorizado da KUBOTA.(3)
Substitua o óleo hidráulico a primeira vez após 500 horas e, em seguida, cada ano.(4)

PORTUGUÊS INSTRUÇÕES DE USO
22 33019864(1)2009-05 Proterra™
MANUTENÇÃO DA ESCOVA CENTRAL
Para um melhor funcionamento, substitua a escova central quando as cerdas estão gastas com um comprimento de 2 in (50 mm).
Substituição da escova central
ATENÇÃO!
Aconselha-se a utilização de luvas de trabalho durante a substituição da escova lateral devido à possível
presença de detritos cortantes inseridos entre as cerdas.
NOTA
São fornecidas escovas com várias durezas.
O presente procedimento é aplicável a todos os tipos de escova.
Coloque a máquina num pavimento plano e adequadamente nivelado.1.
Engate o travão de estacionamento.2.
Rode a chave de ignição (64) e ligue a máquina.3.
Baixe a escova central com a alavanca (53).4.
Rode a chave de ignição (64) para “O” para desligar a máquina.5.
Abra o painel direito (18).6.
Desloque o fl ap lateral direito (A, Fig. 2) e fi xe-o ao perno de retenção (B).7.
Abra o grupo da alavanca de retorno (C) do núcleo da escova central (D).8.
NOTA
A alavanca de retorno é mantida em posição pelo painel direito (18).
Remova a escova central (D) do alojamento e remova eventuais cordas ou fi os em torno da mesma e dos cubos.9.
Substitua a escova central, volte a introduzi-la no alojamento. Verifi que que a posição está correcta, que os orifícios do 10.
núcleo da escova central (D) estão inseridos nos pernos (E) no cubo de accionamento (F) e que a escova está na sede
correctamente.
Feche e volte a introduzir o grupo da alavanca de retorno (C) no núcleo da escova cilíndrica.11.
NOTA
Verifi que que as alhetas da alavanca de retorno se inserem nas ranhuras (G) (lado direito) do núcleo da escova.
Volte a posicionar o fl ap lateral direito e feche o painel direito (18) até engatar a alavanca de bloqueio.12.
AB
C
DG
E
F
P100321
Figura 2

INSTRUÇÕES DE USO PORTUGUÊS
Proterra™ 33019864(1)2009-05 23
Regulação da altura da escova central
NOTA
São fornecidas escovas com várias durezas.
O presente procedimento é aplicável a todos os tipos de escova.
Coloque a máquina num pavimento plano e adequadamente nivelado.1.
Engate o travão de estacionamento.2.
Rode a chave de ignição (64) e ligue a máquina.3.
Baixe a escova central accionando a alavanca (53) e deixe-a rodar durante 1 minuto.4.
Assim será possível permitir à escova central limpar uma “risca” no pavimento. Após 1 minuto, levante a escova central, solte 5.
o travão de estacionamento e desloque a máquina de maneira a que a risca limpa esteja visível.
Inspeccione a risca limpa no pavimento. Se a risca estiver tiver uma largura inferior a 2 in (50 mm) ou superior a 3 in (75 mm), 6.
a escova central deve ser regulada.
Para efectuar a regulação, abra o capot do compartimento do motor (1) accionando o botão de desbloqueio (25), solte o 7.
manípulo (A, Fig. 3) e ajuste a porca de orelhas de regulação (B) da escova central considerando que:
Rodando no sentido dos ponteiros do relógio, diminui a pressão e a faixa de limpeza da escova central.•
Rodando no sentido contrário ao dos ponteiros do relógio, aumenta a pressão e a faixa de limpeza da escova central.•
Após a regulação, bloqueia o ajuste com o manípulo (A).
Repita os passos 2-7 até a risca limpa não ter uma largura de 2-3 in (50-75 mm).8.
NOTA
Caso não seja possível regular correctamente a marca dado que a escova carrega de modo demasiado diferenciado
numa das duas extremidade do seu comprimento, consulte o manual de assistência para obter o procedimento de
regulação.
B
A
P100322
Figura 3

PORTUGUÊS INSTRUÇÕES DE USO
24 33019864(1)2009-05 Proterra™
MANUTENÇÃO DA ESCOVA LATERAL
Regulação da escova lateral
NOTA
São fornecidas escovas com várias durezas.
O presente procedimento é aplicável a todos os tipos de escova.
Coloque a máquina num pavimento plano e adequadamente nivelado.1.
Engate o travão de estacionamento.2.
Rode a chave de ignição (64) e ligue a máquina.3.
Baixe a escova lateral accionando a alavanca (52) e deixe-a rodar durante 1 minuto.4.
Quando estiverem na posição abaixada, as escovas laterais (9) (15, opcional) devem estar em contacto com o pavimento com 5.
a extensão e a orientação, como indicado na fi gura (A e B, Fig. 4).
Para efectuar a regulação, solte o manípulo (A, Fig. 5) e ajuste na porca com orelhas de regulação (B) da escova lateral 6.
considerando que:
Rodando no sentido dos ponteiros do relógio, diminui a pressão da escova.•
Rodando no sentido contrário ao dos ponteiros do relógio, aumenta a pressão da escova.•
Após a regulação, bloqueia o ajuste com o manípulo (A).
Execute novamente os pontos 1-5 para verifi car a correcta regulação da altura ao solo das escovas laterais.7.
Quando o excessivo consumo da escova já não permitir a sua regulação, substitua a escova como indicado no parágrafo 8.
seguinte.
NOTA
Para funcionar correctamente, a escova lateral (9) (15, opcional) deve ser substituída quando as cerdas estão gastas
com um comprimento de 3 in (75 mm). A altura da escova lateral deve ser regulada após cada substituição da escova.
AB
BA
P100323 P100324
Figura 4 Figura 5

INSTRUÇÕES DE USO PORTUGUÊS
Proterra™ 33019864(1)2009-05 25
Substituição da escova lateral
ATENÇÃO!
Aconselha-se a utilização de luvas de trabalho durante a substituição da escova lateral devido à possível
presença de detritos cortantes inseridos entre as cerdas.
Levante o depósito de resíduos até que a escova lateral esteja a “altura de homem”.1.
Desengate a pinça de retenção para extrair o perno de engate (A, Fig. 6) e remova a escova lateral (B) do eixo do motor.2.
Faça deslizar a nova escova no eixo do motor, alinhe o furo em relação ao perno e volte a introduzir o perno de engate (A).3.
AB
P100325
Figura 6

PORTUGUÊS INSTRUÇÕES DE USO
26 33019864(1)2009-05 Proterra™
MANUTENÇÃO DO FILTRO DE CONTROLO DAS POEIRAS (FILTRO DE PAINÉIS)
Para garantir o funcionamento do sistema de aspiração, o fi ltro das poeiras de painéis do depósito de resíduos deve ser limpo
regularmente. Para uma duração maior do fi ltro, respeite os intervalos de manutenção recomendados.
ATENÇÃO!
Para a limpeza do fi ltro, use sempre óculos de protecção. –
Não fure o fi ltro. –
Limpe o fi ltro numa área adequadamente ventilada. –
Use uma máscara de protecção adequada para evitar respirar as poeiras. –
Coloque a máquina num terreno plano, accione o travão de estacionamento e rode a chave de ignição (64) para “O”.1.
Abra a fechadura (6), levante a tampa do depósito de resíduos (16) e bloqueie-o com a haste de suporte (17) posicionando-a 2.
correctamente.
Inspeccione a parte superior do fi ltro de controlo das poeiras (12) para verifi car que não há danos. Normalmente uma grande 3.
quantidade de poeiras na parte superior do fi ltro indica um furo no fi ltro ou uma junta do fi ltro danifi cada.
Desaparafuse os quatro manípulos de fi xação (13) do grupo de sacudimento do fi ltro. Levante o grupo de sacudimento do 4.
fi ltro (11) para aceder ao painel do fi ltro.
Levante o fi ltro de controlo das poeiras (12) para removê-lo da máquina.5.
Limpe o fi ltro adoptando um dos métodos seguintes:6.
Método “A”
Aspire a poeira do fi ltro. Em seguida bata ligeiramente o fi ltro contra uma superfície plana (com o lado sujo virado para baixo) para
remover a sujidade e a poeira.
NOTA
Preste atenção a não danifi car o bordo metálico que se prolonga além da junta.
Método “B”
Aspire a poeira do fi ltro. Em seguida, sopre ar comprimido [pressão máxima 87 psi (6 Bar)] no lado limpo do fi ltro (na direcção
oposta em relação ao fl uxo do ar).
Método “C”
Aspire a poeira do fi ltro. Em seguida, mergulhe o fi ltro na água quente durante 15 minutos, em seguida lave-o sob um jacto de
água ligeiro [pressão máxima 36 psi (2.5 Bar)]. Volte a pôr o fi ltro na máquina unicamente quando estiver completamente seco.
NOTA
Para uma secagem óptima, apoie o fi ltro horizontalmente entre dois espaçadores para permitir ao ar circular por baixo
do próprio fi ltro.
NOTA
Para uma limpeza mais profunda, lave o fi ltro com água e eventualmente com detergentes que não façam espuma.
Não se esqueça que este tipo de lavagem, mesmo sendo de melhor qualidade, reduz a vida útil do fi ltro que deverá
ser substituído mais frequentemente. A utilização de detergentes inadequados prejudica as características de
funcionamento do fi ltro.
Para montar o fi ltro, siga as instruções na ordem contrária, prestando atenção aos pontos seguintes:7.
Instale o fi ltro com a rede virada para cima.•
Se a junta do fi ltro estiver gasta ou em falta, deve ser substituída.•
NOTA
Antes de substituir o fi ltro, limpe os detritos da placa de recolha da poeira que se encontra por baixo do fi ltro.
Verifi que que a asa para os detritos da parte traseira da placa de recolha das poeiras pode deslocar-se livremente.

INSTRUÇÕES DE USO PORTUGUÊS
Proterra™ 33019864(1)2009-05 27
MANUTENÇÃO DOS FLAPS
Operações preliminares
Despeje o depósito de resíduos conforme indicado no parágrafo específi co para evitar que o peso dos resíduos contidos no 1.
contentor possa ter infl uência no controlo da altura dos fl aps.
Coloque a máquina num terreno plano e adequado para servir de plano de referência para a verifi cação da correcta altura dos 2.
fl aps.
Rode a chave de ignição (64) para “O”.3.
Engate o travão de estacionamento.4.
Controlo dos fl aps
Abra a tampa direita (18) e esquerda (2).5.
Remova a escova central, como previsto no respectivo parágrafo.6.
Inspeccione os fl aps dianteiro e traseiro do alojamento da escova. Substitua ou regule os fl aps gastos ou usados de modo a 7.
ter uma altura superior a 0.2 in (6 mm) do solo (ver o procedimento no Manual de assistência).
LIMPEZA DO FILTRO DA ÁGUA DO SISTEMA DE ELIMINAÇÃO DAS POEIRAS (OPCIONAIS)
Coloque a máquina num terreno plano, accione o travão de estacionamento e rode a chave de ignição (64) para “O”.1.
Desengate a tomada rápida (A, Fig, 7) dos tubos do reservatório.2.
Desmonte o painel esquerdo (2) para aceder ao fi ltro da água (30).3.
Remova a tampa transparente (B) com a junta (C) e, em seguida, remova a rede fi ltrante (D). Limpe e monte-os no suporte 4.
(E).
NOTA
Posicione correctamente a junta (C) e a rede fi ltrante (D) nos alojamentos da tampa e do suporte (E).
A montagem dever ser efectuada na ordem inversa em relação à desmontagem.5.
A
BD
E
C
P100329
Figura 7

PORTUGUÊS INSTRUÇÕES DE USO
28 33019864(1)2009-05 Proterra™
ÓLEO HIDRÁULICO
ATENÇÃO!
Não mexa nas partes quentes.
Deixe arrefecer o motor e o sistema hidráulico.
Coloque a máquina num terreno plano, accione o travão de 1.
estacionamento e rode a chave de ignição (64) para “O”.
Abra o capot do compartimento do motor (1) accionando o 2.
botão de desbloqueio (25).
Desmonte o capot lateral esquerdo (4) accionando a 3.
fechadura, se necessário extrair o tubo do fi ltro da água
(30, opcional).
Controle o nível do óleo hidráulico através do indicador 4.
colocado no reservatório (19).
O nível do óleo hidráulico deverá estar a metade do
indicador.
Se o nível estiver mais baixo, desaparafuse a tampa (20) e
abasteça com o óleo hidráulico AGIP Arnica 46.
Mude o óleo e os fi ltros em caso de forte contaminação
devida a uma anomalia mecânica (ver os procedimentos
no Manual de assistência).
ÓLEO DO MOTOR
ATENÇÃO!
Não mexa nas partes quentes.
Deixe arrefecer o motor.
Coloque a máquina num terreno plano, accione o travão de 1.
estacionamento e rode a chave de ignição (64) para “O”.
Abra o capot do compartimento do motor (1) accionando o 2.
botão de desbloqueio (25).
Controle o nível do óleo motor antes de qualquer utilização 3.
da máquina com a vareta (A, Fig. 8-9-10).
Se necessário, abra a tampa (B, Fig. 9-10) e reponha o
nível do óleo motor.
(Consulte o procedimento no respectivo manual do motor).
Mude o óleo motor após as primeiras 50 horas de 4.
funcionamento e, em seguida, a cada 150 horas.
O fi ltro do óleo (C) deverá ser substituído a cada mudança
de óleo (ver os procedimentos no Manual de assistência).
Em função da temperatura ambiente, utilize o tipo de óleo
de acordo com a tabela seguinte:
INTERVALO DE TEMPERATURA TIPO DE ÓLEO
Superior a 15 ºC (60 ºF) SAE 10W-30
Inferior a 15 ºC (60 ºF) SAE 5W-30
A
MIN
MAX
P100329A
Figura 8
C
A
Proterra™ Diesel version
B
P100329D
Figura 9
A
C
B
Proterra™ LPG and Gasoline version
P100329P
Figura 10

INSTRUÇÕES DE USO PORTUGUÊS
Proterra™ 33019864(1)2009-05 29
LIMPEZA DO FILTRO DO AR DO MOTOR
Coloque a máquina num terreno plano, accione o travão de estacionamento e rode a chave de ignição (64) para “O”.1.
Abra o capot do compartimento do motor (1) accionando o botão de desbloqueio (25).2.
Controle o indicador de serviço do fi ltro do ar do motor (27) antes de qualquer utilização da máquina.3.
NOTA
Após ter limpo ou substituído o fi ltro do ar do motor, o indicador de serviço pode ser reiniciado pressionando a
extremidade.
ATENÇÃO!
Quando se executam operações de assistência nos elementos do fi ltro do ar do motor, tenha muito cuidado
para evitar que a poeira ou a sujidade penetram no motor. A poeira pode causar danos graves ao motor.
Abra a tampa do fi ltro do ar do motor (24), extraia o pré-fi ltro de papel e o fi ltro sintético.4.
Limpe os fi ltros do ar do motor e/ou efectua a manutenção do cartucho do fi ltro de ar do motor (24) seguindo as indicações do 5.
manual do motor.
LÍQUIDO DE ARREFECIMENTO DO MOTOR
ATENÇÃO!
Não remova a tampa do radiador (23) quando o motor estiver quente.
Coloque a máquina num terreno plano, accione o travão de estacionamento e rode a chave de ignição (64) para “O”.1.
Abra o capot do compartimento do motor (1) accionando o botão de desbloqueio (25).2.
Deixe arrefecer o motor e o líquido de arrefecimento, em seguida desaparafuse com cuidado a tampa do radiador (23) de 3.
maneira a deixar sair a pressão em excesso.
Remova a tampa do radiador (23) e controle o líquido de arrefecimento.4.
Se o nível estiver baixo, adicione uma mistura composta por água e por líquido antigelo para automóveis como previsto no
manual do motor.

PORTUGUÊS INSTRUÇÕES DE USO
30 33019864(1)2009-05 Proterra™
CONTROLO/SUBSTITUIÇÃO/REPOSIÇÃO DOS FUSÍVEIS
Controlo dos disjuntores
Posicione a máquina num terreno plano. 1.
Engate o travão de estacionamento.2.
Coloque a chave de ignição (64) em “O” e retire-a.3.
Controle no painel (38) se os disjuntores seguintes (4. Fig. 11) estão desinseridos:
(A): F1 (30 A), sistema de aspiração•
(B): F2 (16 A), sacudimento de fi ltro•
(C): F4 (30 A), chave de ignição•
(D): F5 (16 A), auxiliares do motor•
(E): F3 (10 A), humidifi cadores da água do sistema de eliminação das poeiras (opcional)•
(F): F6 (10 A), luz de trabalho (opcional)•
(G): F7, instalação de luzes (opcional)•
(H): F8, ventilador da cabina (opcional)•
Restabeleça o eventual fusível desengatado, após o arrefecimento da parte que casou o desengate.
Controlo/substituição dos fusíveis
Posicione a máquina num terreno plano. 1.
Engate o travão de estacionamento.2.
Coloque a chave de ignição (64) em “O” e retire-a.3.
Abra o capot do compartimento do motor (1) accionando o botão de desbloqueio (25).4.
Operando na zona do assento de condução, remova as tampas de protecção e controlo o estado dos seguintes fusíveis (Fig. 5.
12-13):
(I): F9 (50 A), velas de pré-aquecimento (Só para Proterra™ Diesel)•
(J): F10 (50 A), alternador•
(K): F11 (1 A), farol interno capot (opzionale)•
Substitua os fusíveis que estiverem queimados. Insira a tampa de protecção.
Feche a tampa do compartimento motor (1).6.
ABE
G
C
HDF
P100326
Figura 11
IJ
K
Proterra™ Diesel and Gasoline version Proterra™ LPG version
J
P100327 P100327LPG
Figura 12 Figura 13

INSTRUÇÕES DE USO PORTUGUÊS
Proterra™ 33019864(1)2009-05 31
RESOLUÇÃO DE PROBLEMAS
Problema Causa provável Solução
A máquina não se move
Bateria desligada Ligue a bateria
Máquina sem combustível Abasteça
Fusíveis de protecção do circuito queimados Reponha os fusíveis queimados
Travão de estacionamento engatado Desinserir
Parafuso de desbloqueio hidráulico numa
posição incorrecta Rode correctamente
A escova central não roda
Alavanca na posição da escova central
levantada Baixe a escova central com a alavanca
Detritos à volta da transmissão da escova Remova os detritos
Depósito de resíduos não completamente
baixado Baixe completamente o depósito de resíduos
Fusíveis de protecção do circuito queimados Reponha os fusíveis queimados
A máquina tem um mau funcionamento da
recolha de lixo/poeiras
Sistema de aspiração desligado Ligue o sistema de aspiração, pressionando o
interruptor
Filtro das poeiras entupido Limpe o fi ltro de poeiras
Depósito de resíduos cheio Esvazie o depósito de resíduos
Flaps em mau estado ou não regulados
correctamente Controle o estado e a regulação correcta dos fl aps (*)
Altura ao solo da escova central incorrecta Regule a altura ao solo da escova
Fusíveis de protecção do circuito queimados Reponha os fusíveis queimados
A escova lateral não funciona
Alavanca na posição da escova lateral
levantada Baixe a escova lateral com a alavanca
Detritos à volta da transmissão da escova Remova os detritos
Depósito de resíduos não completamente
baixado Baixe completamente o depósito de resíduos
A porta de descarga do depósito de
resíduos não se fecha
Porta de descarga rápida bloqueada pelos
detritos
Remova os detritos e a sujidade dos bordos do
compartimento
O motor do dispositivo de sacudimento do
fi ltro não funciona
O conector do motor do sistema de
sacudimento do fi ltro não foi ligado
correctamente
Volte a estabelecer a ligação
Fusível de protecção do circuito queimado Reponha o fusível queimado
O sistema de eliminação das poeiras
(opcional) não funciona
Interruptor defeituoso Substitua o interruptor (*)
Bicos entupidos ou fi ltro da água entupido Limpar
Bomba avariada Substituir
Fusível de protecção do circuito queimado Reponha o fusível queimado
Esta operação deve ser executada por um Centro de assistência Advance.(*)
Para mais informações contacte os centros de assistência da Advance, os quais possuem o manual de assistência.

PORTUGUÊS INSTRUÇÕES DE USO
32 33019864(1)2009-05 Proterra™
FIM DE VIDA
Proceda ao depósito da máquina junto de um demolidor autorizado.
Antes de proceder ao depósito da máquina, é necessário remover e separar os seguintes materiais e enviá-los para o sistema de
recolha separada em conformidade com a norma ambiental em vigor:
Baterias –
Filtro poeiras em poliéster –
Escovas central e laterais –
Óleo do motor –
Óleo do sistema hidráulico –
Filtro do óleo do sistema hidráulico –
Tubos e peças em material plástico –
Componentes eléctricos e electrónicos (*) –
Em particular, para o depósito das partes eléctricas e electrónicas, dirija-se à centro da Advance local.(*)

Nilfisk-Advance, Inc.
14600 21st Avenue North
Plymouth, MN, 55447-3408
www.nilfisk-advance.com
Phone: 800-989-2235
Fax: 800-989-6566
©2008 Nilfisk-Advance, Inc.,
Plymouth, MN 55447-3408
Printed in Italy