S9 Operator & Parts Manual Sweeper And
2014-07-11
: Sweepscrub S9 Sweeper Operator And Parts Manual S9_Sweeper_operator_and_parts_manual 1062 file product_file
Open the PDF directly: View PDF
.
Page Count: 46
- Front Cover
- English
- Español
- Français
- Português
- 英语
- 日本語
- MACHINE OPERATION
- Unpacking Machine
- Adjusting Handle Height
- Installing Side Brush
- Connecting Battery Cable
- Adjusting Main Brush Height
- Operating Machine
- Control Console LED Codes
- Charging Battery
- Brush Obstruction Removal
- Circuit Breaker Button
- Emptying Debris Hopper
- Replacing Main Brush
- Replacing Side Brush
- Replacing Filter (Every 6 months)
- Cleaning Machine
- Servicing Machine
- Data Label Location
- Electrical Diagram
- PARTS LIST

Model Part No.:
Without Battery
1069648 – S9 NA
9010186 – S9 EX
9010140 – S9 AUS / CN / JP
With Battery
1071366 – S9 NA/EX
9010145 – S9 CN
9010187 – S9 AUS / JP
TwinMax™ Technology
TennantTrue® Parts
S9
Battery powered automatic walk-
behind sweeper
Barredora de batería con operario a pie
Balayeuse à conducteur marchant
automatique alimentée par batterie
Varredora à bateria de condução
apeada automática à bateria
电瓶供电手推自走式自动扫地机
バッテリー駆動自動歩行型スイーパー
9009634
Rev. 03 (11-2013)
Operator and Parts Manual
Manual de funcionamiento
y lista de componentes
Manuel de fonctionnement
et liste des pièces
Manual de Instruções e de Peças
操作与零部件手册
オペレーターおよび部品マニュアル
EN
ES
FR
PT
CN
JP
www.tennantco.com/manuals

EN English
2 Tennant S9 (11-2013)
Introduction
This manual is furnished with each new model. It
provides necessary operation and maintenance
instructions and replacement parts information.
Read all instructions before using
this machine.
Intended Use
This battery powered automatic walk-behind sweeper is
intended for commercial use, for example in buildings,
warehouses, parking lots and sidewalks. It is designed
for indoor and outdoor use and suitable for picking up
dry, nonflammable dust and debris on dry hard floor and
carpet surfaces. It is not suitable for wet surfaces or for
picking up flammable or hazardous materials.
General Information
This machine will provide excellent service. However,
the best results will be obtained at minimum costs if:
The machine is operated with reasonable care.
The machine is maintained regularly - per the
machine maintenance instructions provided.
The machine is maintained with manufacturer-
supplied or equivalent parts.
Protect the Environment
Please dispose of packaging materials and
used machine components in an
environmentally safe way according to local
waste disposal regulations.
Always remember to recycle.
Technical Specifications
Model
S9
Length
1085 mm / 43 in
Width
799 mm / 31 in
Height
658 mm / 26 in
Weight
137 kg / 300 lb
Sweeping Path Width
900 mm / 35 in
Main Brush Width
500 mm / 20 in
Side Brush Diameter
354 mm / 14 in
Hopper Capacity
60 L / 15.9 Gal
Battery Capacity
12 V, 105 Ah (C5),
120Ah (C20)
Total Power Consumption
12 VDC, 590 W, 34.3 A
Battery Charger
100-240VAC 10A
Productivity Rate (Net)
3150 m²/hr / 23620 ft²/hr
Slope Maximum
2%
Machine Vibration at Hand-arm *
<2.5m/s2
Machine Vibration Uncertainty K *
0.8 m/s2
Sound Pressure Level LpA *
62 dBA
Sound Uncertainty KpA *
3 dBA
Sound Power Level LWA +
Uncertainly KWA *
81 dB(A)
Protection Grade
IPX3
Operation Temperature
min. -15°C, max. 40°C
* Values determined as per EN 60335-2-72
Tennant Company
PO Box 1452, Minneapolis, MN 55440 USA
Phone: (800) 553-8033 or (763) 513-2850
www.tennantco.com
Original Instructions. Copyright © 2012 TENNANT Company.
All rights reserved. Printed in Germany.
Specifications and parts are subject to change without notice.
Machine Data
Please fill out at time of installation for future reference.
Model No. - __________________________________
Serial No. - __________________________________
Installation Date - _____________________________
IMPORTANT SAFETY INSTRUCTIONS
(SAVE THESE INSTRUCTIONS)
This symbol warns the operator of hazards and
unsafe practices which could result in severe
personal injury or death.
WARNING: To Reduce the Risk of Fire,
Explosion, Electric Shock, or Injury:
- Do not use near flammable liquids, vapors or
combustible dusts.
The machine is not equipped with explosion proof
motors. The electric motors will spark upon start up
and during operation which could cause a flash fire
or explosion if machine is used in an area where
flammable vapors/liquids or combustible dusts are
present.
- Do Not Pick Up Flammable or Toxic Materials and
Burning Debris.
- Batteries Emit Hydrogen gas. Keep Sparks and
Open Flame Away When Charging Batteries.
- Charge batteries in a well ventilated area.
- Disconnect Battery Cable and Charger Cord Before
Servicing.
- Do Not Charge Batteries with Damaged Cord. Do
Not Modify Plug.
- Do Not Use On Wet Surfaces. Store Indoors.
The following safety precautions signal potentially
dangerous conditions to the operator or equipment.
FOR SAFETY:
1. Do not operate machine:
- Unless trained and authorized.
- Unless operator manual is read and understood.
- Unless mentally and physically capable of
following machine instructions.
- In areas that are too dark to safely see the
controls or operate the machine.
- If not in proper operating condition.
- Without hopper and/or filter in place.
2. Before operating machine:
- Make sure all safety devices are in place and
operate properly.
3. When operating machine:
- Use only as described in manual.
- Do not pick up objects such as cords, strings,
wires that may entangle brush.
- Report machine damage or faulty operation
immediately.
- Do not leave unattended or on an unlevel
surface.
- Do not allow children to play on or around
machine.
- Keep children and unauthorized persons away
from machine when in use.

English EN
Tennant S9 (11-2013) 3
- Go slow on slippery surfaces.
- Do not operate on inclines that exceed 2 %.
- Do not use machine to transport people or
objects.
- Wear a dust mask, protective glasses and
gloves in dusty environments.
- Keep hands away from spinning brush.
- Use caution when lifting full hopper to avoid
back strain.
- Wear heavy gloves when removing sharp
objects from hopper.
- Turn machine power off if brush becomes
obstructed or machine malfunctions.
4. Before leaving or servicing machine:
- Stop on level surface.
- Turn machine power off and remove key.
5. When servicing machine:
- Turn machine power off and remove key.
- Disconnect battery cable and charger cord
before working on machine.
- Wear protective gloves and glasses when
handling batteries or battery cables.
- Avoid contact with battery acid.
- Use manufacturer supplied or approved
replacement parts.
- All repairs must be performed by a qualified
service person.
- Avoid moving parts. Do not wear loose clothing
or jewelry and secure long hair.
- Do not power spray or hose off machine near
electrical components.
- Do not modify the machine from its original
design.
- Drive wheels off ground during test after drive
belt adjustment.
- All work must be done having enough visibility
and/or appropriate lighting.
- Wear personal protective equipment as needed.
6. When transporting machine:
- Turn machine power off and remove key.
- Get assistance when lifting machine.
- Use a loading ramp that will support the weight
of the machine.
- Do not wheel up or down stairs.
- Use tie-down straps to secure machine when
transporting by vehicle.
Onboard Battery Charger Information
The onboard battery charger's charging profile is
specifically configured for a 12V sealed GEL battery.
When installing a replacement battery it is important to
use the same battery type or damage to the battery
and/or charger may result.
For battery charger operating instructions, refer to the
battery charger manual supplied with the machine.
Safety Label
The safety label appears on the machine in the location
indicated. Replace label if missing, damaged or illegible.

ES Español
4 Tennant S9 (11-2013)
Introducción
Este manual se incluye en todos los modelos nuevos.
Proporciona la información necesaria para su utilización,
mantenimiento y cómo reponer las piezas.
Lea todas las instrucciones antes
de utilizar esta máquina.
Uso previsto
Esta barredora de batería con operario a pie está pensada para
su uso comercial en edificios, almacenes, aparcamientos y
aceras, entre otros. Está diseñado para interior y exterior y
además recoge el polvo y los restos de suciedad secos y no
inflamables de los suelos secos y alfombras. No es apropiado
para superficies mojadas o para recoger materiales inflamables
o peligrosos.
Información general
Esta máquina ofrece un funcionamiento excelente. Sin
embargo, los resultados serán óptimos a un coste mínimo si:
Maneja la máquina con un cuidado razonable.
Realiza las operaciones de mantenimiento regularmente y
de acuerdo con las instrucciones adjuntas.
Las operaciones de mantenimiento de la máquina se realizan
con piezas suministradas por el fabricante o
equivalentes.
Proteja el medio ambiente
Deseche el material de embalaje y los componentes
usados de la máquina de forma segura para el
medio ambiente, de acuerdo con las normas locales
sobre desecho de residuos.
No olvide reciclar.
Especificaciones técnicas
Modelo
S9
Longitud
1085 mm / 43 in
Anchura
799 mm / 31 in
Altura
658 mm / 26 in
Peso
137 kg / 300 lb
Anchura de la pista de barrido
900 mm / 35 in
Anchura del cepillo principal
500 mm / 20 in
Diámetro del cepillo lateral
354 mm / 14 in
Capacidad de la caja colectora
60 L / 15.9 Gal
Capacidad de la batería 12V,
12 V, 105 Ah (C5),
120Ah (C20)
Consumo total de energía
12 VDC, 590 W, 34.3 A
Cargador de baterías
100-240VAC 10A
Productividad media (neta)
3150 m²/hr / 23620 ft²/hr
Inclinación máxima
2%
Vibraciones de la máquina en
brazos y manos*
<2.5m/s2
Incertidumbre de la vibración K *
0.8 m/s2
Nivel de presión acústica LpA *
62 dBA
Incertidumbre acústica KpA *
3 dBA
Nivel de potencia acústica LWA +
Incertidumbre KWA *
81 dB(A)
Índice de protección
IPX3
temperatura de operación
min. -15°C, max. 40°C
* Valores determinados según EN 60335-2-72
Tennant Company
PO Box 1452, Minneapolis, MN 55440 USA
Teléfono: 001-800-553-8033 o 001-763- 513-2850
www.tennantco.com
Instrucciones originales. Copyright © 2012 TENNANT Company.
Todos los derechos reservados. Impreso en Alemania.
Las características técnicas y las piezas están sujetas a modificaciones
sin previo aviso.
Datos de la máquina
Rellene esta ficha cuando realice la instalación, para utilizarla
como referencia en el futuro.
Número de modelo - ___________________________
Número de serie - _____________________________
Fecha de instalación - __________________________
MEDIDAS DE SEGURIDAD
(GUARDE ESTAS INSTRUCCIONES)
Este símbolo advierte al operario de los riesgos y
hábitos peligrosos que podrían causar lesiones
corporales graves o mortales.
ADVERTENCIA: para reducir el riesgo de
incendios, explosiones, descargas eléctricas o
lesiones:
- No utilice la máquina cerca de líquidos, polvos o
vapores inflamables.
Esta máquina no está equipada con motores a prueba de
explosiones. Los motores eléctricos producirán chispas
tanto durante el arranque como durante su utilización que
pueden provocar incendios o explosiones si utiliza la
máquina en presencia de líquidos o vapores inflamables o
partículas combustibles.
- No recoja materiales tóxicos o inflamables ni residuos
humeantes o ardiendo.
- Las baterías emiten hidrógeno. Mantenga brasas o fuego
alejados cuando cargue las baterías.
- Cargue siempre las baterías en un lugar bien ventilado.
- Desconecte los cables de batería y el enchufe del cargador
antes de realizar operaciones de mantenimiento en la
máquina.
- No cargue las baterías si el cable está dañado. No
modifique el enchufe.
- No utilice la máquina sobre superficies mojadas.
Guárdela en un lugar cerrado.
Las siguientes medidas de seguridad hacen referencia a
situaciones potencialmente peligrosas para el operario
o el equipo.
SEGURIDAD:
1. No utilice la máquina:
- A no ser que cuente con la formación y autorización
adecuada.
- A no ser que haya leído y comprendido el manual del
operario.
- A no ser que tenga la capacidad física y mental para
seguir las instrucciones de la máquina.
- En lugares demasiado oscuros para ver los controles
o utilizar la máquina con seguridad.
- Si la máquina no funciona correctamente.
- Sin haber colocado los filtros y/o la caja recolectora.
2. Antes de utilizar la máquina:
- Asegúrese de que todos los dispositivos de seguridad
están bien instalados y funcionan correctamente.
3. Al utilizar la máquina:
- Utilice la máquina solamente como se describe en el
manual.
- No recoja objetos como cuerdas, hilos o cables que
pudieran enredar el cepillo.
- Informe inmediatamente de las averías de la máquina
o de si el funcionamiento no es correcto.
- Vigile la máquina en todo momento y no la deje en
una superficie inestable.
- No permita que los niños jueguen encima o alrededor
de la máquina.
- Mantenga a los niños y a las personas no autorizadas
alejados de la máquina mientras esté en uso.

Español ES
Tennant S9 (11-2013) 5
- Vaya despacio en superficies resbaladizas.
- No utilice la máquina en superficies inclinadas que
excedan el 2%.
- No utilice la máquina para transportar personas u
objetos.
- En ambientes con mucho polvo, protéjase con una
mascarilla contra el polvo, gafas y guantes.
- Cepillo giratorio. Mantenga alejadas las manos
- Sea precavido cuando levante la caja colectora llena
para evitar dolores de espalda.
- Protéjase con guantes cuando retire objetos
punzantes del filtro.
- Apague la máquina si no está funcionando
correctamente o si el cepillo se bloquea.
4. Antes de dejar la máquina o realizar operaciones de
mantenimiento:
- Detenga la máquina en una superficie plana.
- Apague la máquina y retire la llave.
5. Cuando realice operaciones de mantenimiento:
- -Apague la máquina y retire la llave.
- Desconecte el cable de la batería y el del cargador
antes realizar las operaciones de mantenimiento.
- Utilice guantes y gafas de protección al trabajar con
las baterías o sus cables.
- Evite el contacto con el ácido de las baterías.
- Utilice repuestos suministrados o aprobados por
el fabricante.
- Todas las reparaciones debe realizarlas personal
técnico cualificado.
- Evite las partes en movimiento. No lleve prendas
sueltas ni joyas y recójase el pelo si lo tiene largo.
- No moje la máquina rociándola o utilizando una
manguera cuando esté cerca de componentes
eléctricos.
- No modifique el diseño original de la máquina.
- Levante las ruedas del suelo durante la prueba tras
ajustar las correas.
- Todos los trabajos deben realizarse con visibilidad
suficiente e iluminación adecuada.
- Protéjase llevando las prendas o equipo adecuados.
6. Al transportar la máquina:
- -Apague la máquina y retire la llave.
- Pida ayuda para levantar la máquina.
- Utilice una rampa de carga capaz de soportar el peso
de la máquina.
- No baje ni suba escaleras utilizando las ruedas de la
máquina.
- Utilice las correas de sujeción para fijar la máquina
cuando la transporte en un vehículo.
Información sobre el cargador de
batería integrado
El tipo de carga que realiza el cargador de batería integrado
está específicamente configurado para cargar una batería
sellada GEL de 12V. Cuando se cambia la batería, es
importante utilizar el mismo tipo de batería. En caso contrario
la batería o el cargador podrían resultar dañados.
Para las instrucciones de uso del cargador, consulte el manual
del cargador de batería que se incluye con la máquina.
Adhesivo de seguridad
El adhesivo de seguridad se encuentra en la posición indicada
a continuación. Sustituya el adhesivo si se ha perdido, está
deteriorado o es ilegible.

FR Français
6 Tennant S9 (11-2013)
Introduction
Ce manuel accompagne chaque nouveau modèle. Il fournit les
instructions nécessaires au fonctionnement et à l’entretien, ainsi
que les informations relatives au remplacement des pièces.
Lisez toutes les instructions
avant d’utiliser cette machine.
Utilisation prévue
Cette balayeuse à conducteur marchant automatique alimentée par
batterie est destinée à un usage commercial (par exemple,
dans les bâtiments, entrepôts, parcs de stationnement et
trottoirs. Elle peut être utilisée à l’intérieur et à l’extérieur, et
permet de ramasser la poussière sèche et non-inflammable,
ainsi que les déchets sur sol dur et sec et les surfaces des
moquettes. Elle ne peut pas être utilisée sur des surfaces
humides ou pour le ramassage de matériaux inflammables ou
toxiques.
Informations générales
Cette machine fournit d’excellents services. Toutefois, vous
obtiendrez les meilleurs résultats, à moindre coût, si :
La machine doit être manipulée avec précaution.
La machine fait l’objet d’un entretien régulier, conformément
aux instructions d’entretien fournies.
L’entretien de la machine s’effectue avec les pièces
fournies par le fabricant ou des pièces équivalentes.
Protection de l’environnement
Pour éliminer les matériaux d’emballage et les
composants usagés de la machine en respectant
l’environnement, respectez les réglementations
locales en vigueur concernant la mise au rebut des
déchets.
Pensez toujours à recycler.
Caractéristiques techniques
Modèle
S9
Longueur
1085 mm / 43 in
Largeur
799 mm / 31 in
Hauteur
658 mm / 26 in
Poids
137 kg / 300 lb
Largeur de la trace de balayage
900 mm / 35 in
Largeur de la brosse principale
500 mm / 20 in
Diamètre de la brosse latérale
354 mm / 14 in
Capacité du bac à déchets
60 L / 15.9 Gal
Capacité de la batterie 12 V,
12 V, 105 Ah (C5),
120Ah (C20)
Consommation électrique totale
12 VDC, 590 W, 34.3 A
Chargeur de la batterie
100-240VAC 10A
Taux de rendement (net)
3150 m²/hr / 23620 ft²/hr
Pente maximum
2%
Vibrations de la machine au niveau
du système main-bras *
<2.5m/s2
Incertitude de vibrations de la
machine K *
0.8 m/s2
Niveau de pression acoustique LpA *
62 dBA
Incertitude acoustique KpA *
3 dBA
Niveau de puissance acoustique
LWA + incertitude KWA *
81 dB(A)
Degré de protection
IPX3
température de fonctionnement
min. -15°C, max. 40°C
* Valeurs déterminées conformément à la norme EN 60335-2-72
Tennant Company
PO Box 1452, Minneapolis, MN 55440 États-Unis d’Amérique
Téléphone : (800) 553-8033 ou (763) 513-2850
www.tennantco.com
Instructions d’origine. Copyright © 2012 TENNANT Company.
Tous droits réservés. Imprimé en Allemagne.
Les caractéristiques et les pièces sont susceptibles d’être modifiées
sans avis préalable.
Données de la machine
À remplir au moment de l’installation pour s’y référer
ultérieurement.
N° de modèle - _______________________________
N° de série - _________________________________
Date d’installation - ____________________________
CONSIGNES DE SÉCURITÉ
IMPORTANTES
(CONSERVEZ CES INSTRUCTIONS)
Ce symbole avertit l’opérateur de situations à risque
ou de pratiques dangereuses pouvant provoquer des
blessures graves, voire mortelles.
AVERTISSEMENT : Afin de réduire le risque d’incendie,
d’explosion, de choc électrique ou de blessure :
- N’utilisez pas la machine à proximité de liquides ou de
vapeurs inflammable, ni de poussières combustibles.
La machine n’est pas équipée de moteurs protégés contre
les explosions. Les moteurs électriques génèrent des
étincelles au moment du démarrage et pendant leur
fonctionnement, ce qui peut entraîner un incendie
instantané ou une explosion si la machine est utilisée dans
une zone où des vapeurs/liquides inflammables ou des
poussières combustibles sont présents.
- Ne ramassez pas de matériaux inflammables ou
toxiques, ni de déchets incandescents.
- Les batteries émettent du gaz hydrogène. Éloignez les
sources d’étincelles ou de flammes ouvertes lors du
chargement des batteries.
- Rechargez les batteries dans un endroit bien aéré.
- Débranchez les câbles de la batterie et le cordon du
chargeur avant l’entretien.
- Ne chargez pas la batterie avec un cordon endommagé.
Ne modifiez pas la prise.
- N’utilisez pas la machine sur des surfaces humides.
Entreposez la machine à l’intérieur.
Les consignes de sécurité mentionnées ci-après indiquent
les situations présentant un danger pour l’opérateur ou
l’équipement.
POUR VOTRE SÉCURITÉ :
1. N’utilisez pas la machine :
- Si vous n’y êtes pas formé et autorisé.
- Avant d’avoir lu et compris le manuel d’utilisation.
- Si nous n’êtes pas mentalement et physiquement
capable de suivre les instructions d’utilisation de la
machine.
- Dans les endroits trop sombres pour pouvoir
distinguer les commandes de la machine ou l’utiliser
en toute sécurité.
- Si elle n’est pas en bon état de marche.
- Sans bac à déchets et/ou filtre en place.
2. Avant de mettre la machine en marche :
- Assurez-vous que tous les dispositifs de sécurité
sont en place et fonctionnent correctement.
3. Lors de l’utilisation de la machine :
- Utilisez la machine uniquement tel qu’indiqué dans
ce manuel.
- Ne ramassez pas d’objets susceptibles de se coincer
dans la brosse (tel que des cordes, ficelles ou fils).
- Signalez immédiatement tout dommage ou
dysfonctionnement.
- Ne laissez jamais la machine sans surveillance ou
sur une surface non plane.
- Empêchez les enfants de jouer à proximité de la machine.
- Maintenez les enfants et les personnes non autorisées à
l’écart de la machine pendant son utilisation.

Français FR
Tennant S9 (11-2013) 7
- Roulez lentement sur les surfaces glissantes.
- N’utilisez pas la machine sur des pentes dépassant 2 %.
- N’utilisez pas la machine pour transporter des
personnes ou des objets.
- Portez un masque antipoussière, des lunettes
protectrices et des gants dans les environnements
poussiéreux.
- Brosse en rotation. Éloignez vos mains.
- Lors du levage des bacs à déchets pleins, faites
attention à ne pas vous faire un tour de reins.
- Portez des gants renforcés pour ramasser les objets
tranchants des bacs à déchets.
- Mettez la machine hors tension si la brosse se coince
ou la machine ne fonctionne pas correctement.
4. Avant de quitter la machine ou d’en effectuer l’entretien :
- Arrêtez-la sur une surface plane.
- -Mettez la machine hors tension et retirez la clé.
5. Lors de l’entretien de la machine :
- -Mettez la machine hors tension et retirez la clé.
- Débranchez le câble de la batterie et la prise du
chargeur avant de travailler sur la machine.
- Portez des gants et des lunettes de protection
lorsque vous manipulez les batteries ou les câbles
de batterie.
- Évitez tout contact avec l’acide des batteries.
- Utilisez des pièces de rechanges fournies ou
approuvées par le fabricant.
- Toutes les réparations doivent être effectuées
uniquement par un technicien qualifié.
- Évitez les pièces mobiles. Ne portez pas de
vêtements amples et attachez vos cheveux s’ils
sont longs.
- N’utilisez pas de jet ou de tuyau de pression à
proximité des composants électriques de la machine.
- Ne modifiez pas la conception d’origine de la
machine.
- Dégagez les roues motrices du sol lors du test
suivant le réglage de la courroie d’entraînement.
- Tous les travaux doivent être exécutés avec une
visibilité suffisante et/ou un éclairage approprié.
- Portez un équipement de protection approprié.
6. Lors du transport de la machine :
- -Mettez la machine hors tension et retirez la clé.
- Demandez de l’aide pour soulever la machine.
- Utilisez une rampe de chargement capable de
supporter le poids de la machine.
- Ne faites pas rouler la machine dans les escaliers.
- En cas de transport par véhicule, arrimez la machine
avec des sangles.
Informations concernant le chargeur de
batterie embarqué
Le profil du chargeur de batterie embarqué est spécialement
conçu pour une batterie GEL scellée de 12 V. Lors de
l’installation ou du remplacement d’une batterie, il est important
d’utiliser une batterie du même type, sans quoi, la batterie et/ou
le chargeur peuvent être endommagés.
Pour les instructions de fonctionnement du chargeur de
batterie, reportez-vous au manuel fourni avec la machine.
Étiquette de mise en garde
L’étiquette de mise en garde se trouve sur la machine à
l’emplacement indiqué. Remplacez toute étiquette manquante,
endommagée ou devenue illisible.

PT Português
8 Tennant S9 (11-2013)
Introdução
Este manual é distribuído com os modelos novos. Ele fornece
as instruções necessárias para operação e manutenção e para
substituição de peças.
Leia todas as instruções antes
de utilizar esta máquina.
Finalidade
A finalidade desta varredora de empurrar à bateria é o uso
comercial, por exemplo, em prédios, armazéns,
estacionamentos e calçadas. Ela foi projetada para uso em
espaços internos e externos e é adequada para retirar poeira
e detritos secos e não-inflamáveis em piso duro seco e
superfícies de carpete. Ela não é adequada para superfícies
molhadas ou para retirar material inflamável ou perigoso.
Informações gerais
Esta máquina deverá funcionar muito bem. Entretanto, serão
obtidos melhores resultados com o mínimo de custos se:
A máquina for operada com o devido cuidado.
Houver manutenção regular da máquina; de acordo com as
instruções de manutenção fornecidas.
Houver manutenção da máquina com peças fornecidas
pelo fabricante ou peças similares autorizadas.
Proteja o meio ambiente
Descarte o material da embalagem e os
componentes usados da máquina de maneira
ambientalmente segura de acordo com a
regulamentação local de descarte de resíduos.
Lembre-se sempre de reciclar.
Especificações técnicas
Modelo
S9
Comprimento
1085 mm / 43 in
Largura
799 mm / 31 in
Altura
658 mm / 26 in
Peso
137 kg / 300 lb
Largura do caminho de varredura
900 mm / 35 in
Largura da escova principal
500 mm / 20 in
Diâmetro da escova lateral
354 mm / 14 in
Capacidade da caçamba
60 L / 15.9 Gal
Capacidade da bateria 12V,
12 V, 105 Ah (C5),
120Ah (C20)
Consumo total de energia
12 VDC, 590 W, 34.3 A
Carregador de bateria
100-240VAC 10A
Taxa de produtividade (Líq.)
3150 m²/hr / 23620 ft²/hr
Inclinação máxima
2%
Vibração máxima quando na mão
*
<2.5m/s2
Incerteza da vibração da máquina
K *
0.8 m/s2
Nível da pressão do som LpA *
62 dBA
Incerteza do som KpA *
3 dBA
Nível de potência do som LWA +
Incerteza KWA *
81 dB(A)
Grau de proteção
IPX3
temperatura de operação
min. -15°C, max. 40°C
* Valores determinados de acordo com EN 60335-2-72
Tennant Company
Caixa Postal 1452, Minneapolis, MN 55440 EUA
Telefone: (800) 553-8033 ou (763) 513-2850
www.tennantco.com
Instruções originais. Copyright © 2012 TENNANT Company.
Todos os direitos reservados. Impresso na Alemanha.
Especificações e peças sujeitas a alterações sem aviso prévio.
Dados da máquina
Preencha estes dados durante a instalação para referência
futura.
Nº do Modelo - ________________________________
Nº de Série - _________________________________
Data de Instalação - ___________________________
INSTRUÇÕES DE SEGURANÇA
IMPORTANTES
(GUARDE ESTAS INSTRUÇÕES)
Este símbolo adverte o operador dos perigos e práticas
perigosas que podem causar ferimentos graves ou morte.
AVISO: Para reduzir o risco de incêndio, explosão,
choque elétrico ou ferimento:
- Não use próximo a líquidos ou vapores inflamáveis ou
pós combustíveis.
Esta máquina não está equipada com motores à prova de
explosão. Os motores elétricos soltarão faíscas ao serem
ligados e durante a operação, o que pode causar chamas
ou explosão se a máquina for usada em um local onde
estejam presentes vapores/líquidos inflamáveis ou pós
combustíves.
- Não faça a coleta de material inflamável ou tóxico e de
detritos em chamas.
- As baterias emitem gás de hidrogênio. Mantenha as
faíscas e as chamas abertas distantes ao recarregar as
baterias.
- Recarregue as baterias em uma área bem ventilada.
- Desconecte os cabos da bateria e a tomada do
carregador antes de fazer a manutenção da máquina.
- Não recarregue baterias se o cabo de alimentação
estiver danificado. Não modifique o plugue.
- Não utilizar em superfícies molhadas. Armazene em um
local fechado.
Os símbolos de precaução de segurança a seguir alertam
quanto a possíveis condições de risco para o operador ou
equipamento.
MEDIDA DE SEGURANÇA:
1. Não opere a máquina:
- A menos que tenha sido treinado e autorizado.
- A menos que tenha lido e compreendido o Manual de
Operação.
- A menos que seja mentalmente e fisicamente capaz
de seguir as instruções da máquina.
- Em áreas em que a escuridão impede de ver os
controles ou operar a máquina.
- Se ela não estiver em condições apropriadas de
operação.
- Sem que a caçamba e/ou o filtro esteja no lugar.
2. Antes de operar a máquina:
- Certifique-se de que todos os dispositivos de
segurança estão na posição correta e operando
apropriadamente.
3. Ao operar a máquina:
- Utilize somente conforme a descrição deste manual.
- Não faça a coleta de objetos como cordas, fitas e
cabos que podem embolar na escova.
- Notifique imediatamente qualquer dano na máquina
ou falha na operação.
- Não deixe sem supervisão ou em superfície
desnivelada.
- Mantenha distante de crianças.
- Mantenha crianças ou pessoas não autorizadas
distantes da máquina quando ela estiver sendo
usada.

Português PT
Tennant S9 (11-2013) 9
- Desloque-se lentamente em superfícies
escorregadias.
- Não opere a máquina em declives maiores do que 2%.
- Não utilize a máquina para transportar pessoas ou
objetos.
- Use uma máscara contra poeira, óculos protetores e
luvas em ambientes empoeirados.
- Escova rotativa. Mantenha longe do alcance das
mãos.
- Tenha cuidado ao levantar a caçamba para evitar
machucar as costas.
- Use luvas pesadas ao remover objetos pontiagudos
do caçamba.
- Desligue a máquina se a escova for obstruída ou se a
máquina tiver um defeito.
4. Antes de deixar a máquina ou de fazer a manutenção:
- Pare em uma superfície plana.
- Desligue a máquina e retire a chave.
5. Ao fazer a manutenção da máquina:
- Desligue a máquina e retire a chave.
- Desconecte o cabo da bateria e a tomada do
carregador antes de fazer a manutenção da máquina.
- Use luvas protetoras e óculos ao manusear baterias
ou cabos de baterias.
- Evite o contato com as substâncias ácidas da bateria.
- Use somente peças fornecidas pela TENNANT ou
peças similares.
- Todos os consertos devem ser feitos por uma equipe
de serviços qualificada.
- Evite peças móveis. Não use roupas largas nem joias
e proteja cabelos longos.
- Não utilize jatos de água sob pressão ou qualquer
jato de água próximo de componentes elétricos.
- Não modifique o design original da máquina.
- Retire as rodas do chão durante o teste após ajuste
do cinto
- Todo o trabalho deve ser realizado com visibilidade
suficiente e/ou iluminação adequada.
- Use equipamento de proteção pessoal, conforme
necessário.
6. Ao transportar a máquina:
- Desligue a máquina e retire a chave.
- Peça assistência para levantar a máquina.
- Use um guindaste ou macaco que suporte o peso da
máquina.
- Não role a máquina escada acima ou abaixo.
- Utilize tiras de amarrar para proteger a máquina
quando transportada por um veículo.
Informações sobre o carregador a bordo
O perfil de carregamento do carregador da bateria a bordo é
especificamente configurado para uma bateria GEL de 12 V
selada. Ao instalar uma bateria de substituição, é importante
utilizar o mesmo tipo de bateria ou poderá haver dano à bateria
e/ou ao carregador.
Para obter instruções operacionais do carregador da bateria,
consulte o manual do carregador de bateria fornecido com a
máquina.
Adesivo de segurança
O adesivo de segurança aparece na máquina no local indicado.
Substitua o adesivo caso esteja faltando ou esteja danificado
ou ilegível.

CN 英语
10 Tennant S9 (11-2013)
引言
本手册随每种新型号提供,它提供必要的操作、维护说明
和更换部件信息。
使用本机器前请阅读所有说明
用途
本款电瓶供电手推自走式自动扫地机用于商业用途,例如
建筑物、仓库、停车场和人行道。例如建筑物、仓库、停
车场和人行道。它针对室内和室外应用设计,适合拾取干
硬地面和地毯表面上的不易燃干燥粉尘和碎屑。它不适合
湿表面或拾取易燃或危险物质。
常规信息
本机器性能优异。但是,只有在以下情况下才能以最低成
本发挥最佳性能:
操作机器时谨慎小心。
按照提供的机器维护说明定期维护机器。
使用制造商提供的或同等部件维护机
器。
保护环境
请按照当地废物处理法规以环保的方式处理包装
材料和旧的机器组件。
始终记住尽量将物品回收利用。
技术规格
型号
S9
长度
1085 毫米 /43 英寸
宽度
799 毫米 / 31 英寸
高度
658 毫米 / 26 英寸
重量
137 千克 / 300 磅
扫地宽度
900 毫米 / 35 英寸
主刷宽度
500 毫米 / 20 英寸
边刷直径
354 毫米 / 14 英寸
垃圾斗容量
60 升 / 15.9 夸脱
电瓶容量 12V
12 V, 105 Ah (C5)
120Ah (C20)
总功耗
12 VDC, 590 W, 34.3 A
电瓶充电器
100-240VAC 10A
清扫效率(净)
3150 m²/hr / 23620 ft²/hr
最大斜坡
2%
手臂处的机器振动 *
<2.5m/s2
机器振动不确定度 K *
0.8 m/s2
声压级别 LpA *
62 dBA
声音不确定度 KpA *
3 dBA
声压级别 LWA + 不确定度 KWA *
81 dB(A)
防护等级
IPX3
工作温度
-15°C 对 40°C
* 按照 EN 60335-2-72 确定的值
坦能清洁系统设备(上海)有限公司
中国上海青浦漕盈路3777号1幢 201712
电话:86 21 6922 5333
www.tennantco.com.cn
原稿说明。版权所有 © 2012 TENNANT Company。
保留所有权利。德国印刷。
规格和部件可能更改,恕不另行通知。
机器数据
请在安装时填写,供以后参考。
型号 - ______________________________________
序列号 - _____________________________________
安装日期 - ___________________________________
重要的安全说明
(妥善保存这些说明)
此符号警告可能导致严重人身伤害或死亡的危险和
不安全做法。
警告:为了减少起火、爆炸、触电或受伤危险:
- 不要在靠近可燃液体、蒸气或易燃粉尘的地方使用。
本机器不配备防爆炸马达。马达在启动和工作期间会产生
火花,如果在存在可燃蒸气/液体或易燃粉尘的区域使用
机器,可能导致闪火或爆炸。
- 不要拾取可燃或有毒物质,以及正在燃烧的残渣。
- 电瓶会排放氢气。为电瓶充电时远离火花和明火。
- 请在通风良好的区域为电瓶充电。
- 在维修机器前断开电瓶缆线和充电线缆。
- 不要用损坏的电源线为电瓶充电。不要改装插头。
- 不要在湿表面上使用。室内存放。
以下安全预防措施表明可能会发生对操作员或设备产生危
险的情况。
出于安全考虑:
1. 在以下情况下,不要操作机器:
- 未经培训和授权。
- 未阅读并理解操作员手册。
- 不能在思想上和行动上遵守机器指南。
- 所在的区域太暗,以致无法看清控制装置或
安全地操作机器。
- 如果不在正确的工作状态。
- 垃圾斗和/或过滤器不在原位。
2. 操作机器前:
- 确保所有安全设备就位并且正常工作。
3. 操作机器时:
- 仅按照手册中的说明使用。
- 不要拾取可能会缠住刷子的绳索、线丝、
金属丝等物体。
- 立刻报告机器损坏或故障操作。
- 不要让机器无人看管或将机器停放在不平整
的表面上。
- 不允许儿童在机器上或附近玩耍。
- 不要让儿童和未经授权的人员靠近使用中的机器。
- 在光滑表面上慢行。
- 不要在超过 2% 的斜坡上操作。
- 不要使用机器运送人员或物体。
- 在多灰环境中配戴面罩、护目镜和手套。
- 旋转刷。保持手离开。
- 搬抬装满的垃圾斗时要小心,避免腰背劳损。
- 清除垃圾斗中的尖锐物体时戴上厚手套。
- 如果刷子堵塞或机器发生故障,关闭机器电源。
4. 离开或维修机器前:

英语 CN
Tennant S9 (11-2013) 11
- 在水平表面上停放。
- 关闭机器电源并取下钥匙。
5. 维修机器时:
- 关闭机器电源并取下钥匙。
- 在维修机器前断开电瓶缆线和充电线缆。
- 处理电瓶或电瓶缆线时佩戴手套和护目镜。
- 避免接触电瓶酸液。
- 使用制造商提供的或批准的更换部件。
- 所有维修工作必须由合格维修人员执行。
- 避开移动部件。不要穿着宽松的衣服或佩戴
首饰并扎紧长发。
- 不要用电动喷雾器喷洒或用水管冲洗机
器的电气元件附近区域。
- 不要对机器做出任何不同于原始设计的修改。
- 调整驱动皮带后,驱动轮在测试期间离开地面。
- 所有工作必须在有足够可见度和/或适当
照明的情况下完成。
- 根据需要穿戴个人防护设备。
6. 运输机器时:
- 关闭机器电源并取下钥匙。
- 提升机器时寻求帮助。
- 使用能够支撑机器重量的装载坡台。
- 不可使用轮子上下楼梯。
- 在使用车辆运输机器时应使用皮带固定机器。
内置电瓶充电器信息
内置电瓶充电器的充电特性专门针对 12V 密封式 GEL
电瓶配置。在安装更换电瓶时,务必使用相同的电瓶类
型,否则可能损坏电瓶和/或充电器。
有关电瓶充电器的操作说明,请参阅机器随附的电瓶充电
器手册。
安全标签位于机器上的指定位置。若安全标签丢失
、损坏或不可辨认,则应更换标签。

JP 日本語
12 Tennant S9 (11-2013)
はじめに
本マニュアルはそれぞれの製品に同梱されています。製品
の操作やメンテナンスに必要な説明や交換部品に関する情
報が記載されています。
本機をご使用になる前に、本マニュアル
に記載の説明をご一読ください。
使用目的
本バッテリー駆動プッシュスイーパーは、ビル、倉庫、駐車
場、歩道等、商業用途で使用される機械です。屋内/屋外用
に設計されており、乾いた硬質床やカーペットの表面の乾燥
した不燃性ごみやほこりを吸引するのに最適な機械です。濡
れた床でのご使用、可燃物または危険物の吸引には適して
いません。
一般情報
本機には優れた耐久性があります。最小のコストで最良の
結果を得るためには、次のことにご留意ください。
本機は十分注意して操作してください。
本機は決められた手順に従い、定期的に整備してくださ
い。
本機は、当社製の部品または同等品を使って点検整備
してください。
環境の保護
梱包材や本機の使用済部品を廃棄するときは、各
国の法令に従い、環境に安全な方法で廃棄してく
ださい。
常にリサイクルを検討してください。
技術仕様
機種名
S9
全長
1085 mm / 43 インチ
全幅
799 mm / 31 インチ
全高
658 mm / 26 インチ
重量
137 kg / 300 ポンド
清掃幅
900mm / 35 インチ
メインブラシ幅
500mm / 20 インチ
サイドブラシ直径
354 mm / 14 インチ
ホッパー容量
60 L / 15.9 クォート
バッテリー容量
12 V、105 Ah (C5)、120Ah
(C20)
総電力消費量
12 VDC、590 W、34.3 A
バッテリー充電器
100-240VAC 10A
洗浄効率 (正味)
3150 m2/時/ 23620 ft2/時
最大傾斜
2%
ハンドアーム位置の振動レベル *
2.5m/s2未満
機械振動の不確定値 K *
0.8 m/s2
騒音レベル LpA *
62 dBA
騒音の不確定値 KpA *
3 dBA
騒音出力レベル LWA + 不確定値
KWA *
81 dB(A)
保護等級
IPX3
使用温度
最低 -15°C、最高 40°C
* 値は、EN 60335-2-72 の通り決定されています。
テナントカンパニー
PO Box 1452, Minneapolis, MN 55440 USA
TEL: (800) 553-8033 または (763) 513-2850
<www.tennantco.com>
操作マニュアル (原本) Copyright © 2012 TENNANT Company.
無断複写・転載を禁じます。印刷: ドイツ。
本マニュアルに記載された仕様や部品は、予告なく変更される場合があります。
本機のデータ
後日確認できるように、納入時に記入してください。
機種番号 - _______________________________
シリアル番号 - ____________________________
導入日 - ________________________________
安全に関する重要事項
(本マニュアルを保管してください。)
この記号は、重傷や死亡などにつながるおそれの
ある危険な使い方を警告します。
警告: 火災、爆発、感電やけがを防ぐために行うこ
と:
- 可燃性液体、引火性気体、または粉塵の近くでは、使用し
ないでください。
本機は防爆形モーターを搭載していません。電動モーター
はその起動時や運転時にスパーク(火花)を発生することが
あり、本機を可燃性の気体、液体または粉塵が存在する場
所で使用すると、火災や爆発を引き起こす恐れがあります。
- 引火性物質や有毒物質、燃えるがれき類を吸引しないでく
ださい。
- バッテリーは水素ガスを排出します。充電中、火花や火気
を近づけないでください。
- 換気の良い場所でバッテリーを交換してください。
- 点検整備する前に、バッテリーケーブルと充電器のコード
を外してください。
- 破損したコードでバッテリーを充電しないでください。プラグ
を改造しないでください。
- 濡れた床面では使用しないでください。屋内で保管してく
ださい。
以下の安全に関する注意事項は、本機の使用者および装
置自体に危険を及ぼす状態を示します。
安全のために:
1. 以下の場合は、本機を使用しないでください。
- 操作の訓練を受けていない場合や、資格がない場合。
- 操作マニュアルを読んでいない、または内容を理解していな
い場合。
- 本機の取り扱いに従う精神的、身体的能力が十分でない場
合。
- コントローラーの確認や機械の運転を安全に行うには暗すぎ
る場合。
- 正しい動作条件でない場合。
- ホッパーやフィルターが所定の位置に取り付けられていない
場合。
2. 本機を使う前に
- 安全装置がすべて所定の位置にあり、正しく機能していること
を確認してください。
3. 本機を使用の際
- マニュアルに記載の通り使用してください。
- コード、ひも、ワイヤなどブラシに絡まるおそれのあるものを
回収しないでください。
- 本機が損傷した場合や動作に異常がみられる場合
は、すぐにご連絡ください。
- 本機を放置しないでください。また、平らでない場所に置かな
いでください。

日本語 JP
Tennant S9 (11-2013) 13
- 小さなお子様が本機の上やその周りで遊ばないよう注意して
ください。
- 本機使用中に、お子様や許可のない方が本機に近づかない
ようにしてください。
- 滑りやすい場所ではゆっくり進んでください。
- 2% を上回る斜面では使用しないでください。
- 人や物を運ぶために本機を使用しないでください。
- 粉塵作業を行う場所では、防塵マスク、保護眼鏡、手袋を着
けてください。
- 回転するブラシに手を近づけないでください。
- 腰椎捻挫を防ぐため、ホッパー自体を持ち上げる際は注意し
てください。
- ホッパーから鋭利なものを取り除く場合、厚手の手袋を着け
てください。
- ブラシの動作が妨げられた場合、機械が故障した場合は、本
機の電源をお切りください。
4. 本機から離れる場合、または点検整備する場合
- 平らな場所に停めてください。
- 本機の電源を切り、キーを外してください。
5. 本機を点検整備する場合
- 本機の電源を切り、キーを外してください。
- 本機を修理する前に、バッテリーケーブルと充電器のコードを
外してください。
- バッテリーやバッテリーケーブルを取り扱うときは、保護手袋
と保護眼鏡を着用してください。
- バッテリーの酸に触れないでください。
- 当社製または当社承認の交換部品を使用してくださ
い。
- すべての修理は、資格のある担当者が行う必要があります。
- 可動部に近づかないでください。ゆったりした服やアクセサリ
ーを着用しないでください。また、髪が長い場合はまとめてく
ださい。
- 電気部品近くにある機械に高圧スプレーやホースで水をかけ
ないでください。
- 本機を改造しないでください。
- 駆動ベルト調節後の試運転において、車輪を床から離した状
態で駆動してください。
- 作業はすべて見通しがよく、適切な照明のある場所で行って
ください。
- 必要に応じて個人用保護具を着用してください。
6. 本機を移動する場合:
- 本機の電源を切り、キーを外してください。
- 本機を持ち上げる場合は一人で行わないでください。
- 本機の重量を支えられる車両積載用スロープを使用してくだ
さい。
- 本機をころがして階段を上り下りさせないでください。
- 車で移動する場合は、ストラップを使用して機械を縛りつけし
っかりと固定させてください。
搭載型充電器の充電に関する情報
搭載型充電器の充電プロファイルは、12V 密閉型ゲルバッ
テリー専用に設定されています。バッテリーや充電器の損傷
につながるおそれがあるため、交換充電器を取り付ける場
合は、同じ種類の充電器を使用することが重要です。
バッテリー充電器の操作説明については、本機に同梱され
ている「バッテリー充電器マニュアル」を参照してください。
安全ラベル
本機の指定された位置に、安全ラベルが貼付されています。
ラベルの一部が失われたり、傷ついたり、判読できなくなった
場合は、新しいラベルと貼り替えてください。

14 Tennant S9 (11-2013)
(EN) Machine Components
1. Vacuum, Side Brush, Main Brush
Start Button
2. Side Brush, Main Brush Start
Button
3. Vacuum, Main Brush Start Button
4. Battery Discharge Indicator
5. Hour Meter
6. Battery Charger Cord Storage
Compartment
7. Battery Charger Outlet
8. Adjustable Control Handle
9. Adjustable Control Handle Lever
10. Drive Lever
11. Control Panel
12. Main Power Key Switch
13. Side Brush
14. Side Brush Lever
15. Internal Access Knob
16. Filter Shaker
17. Debris Hopper
18. Debris Hopper Release Lever
19. Dual Main Brushes
20. Anti-static Chain
(ES) Componentes de la máquina
1. Aspirador, cepillo lateral, botón de
activación del cepillo principal
2. Cepillo lateral, botón de activación
del cepillo principal
3. Aspirador, botón de activación del
cepillo principal
4. Indicador de descarga de la batería
5. Contador de horas
6. Compartimento para guardar el
cable del cargador de baterías
7. Enchufe del cargador de baterías
8. Manillar de control ajustable
9. Palanca del asa de control ajustable
10. Palanca de transmisión
11. Panel de control
12. Botón de encendido principal
13. Cepillo lateral
14. Palanca del cepillo lateral
15. El acceso interno
16. Sacudidor del filtro
17. Caja colectora
18. Caja colectora palanca
19. Cepillos principales dobles
20. Cadena anti-estática
(FR) Composants de la machine
1. Bouton d’activation de l’aspirateur,
de la brosse latérale, de la brosse
principale
2. Bouton d’activation de la brosse
latérale, de la brosse principale
3. Bouton d’activation de l’aspirateur,
de la brosse principale
4. Indicateur du niveau de charge des
batteries
5. Compteur horaire
6. Compartiment de stockage du
cordon du chargeur de batterie
7. Prise du chargeur de batterie
8. Poignée de commande réglable
9. Levier de poignée de commande
réglable
10. Levier de commande
11. Tableau de bord
12. Bouton d’alimentation principale
13. Brosse latérale
14. Levier de la brosse latérale
15. L'accès interne
16. Secoueur de filtre
17. Bac à déchets
18. Levier Bac à déchets
19. Brosses latérales doubles
20. Chaîne antistatique
(PT) Componentes da máquina
1. Botão de início do aspirador, escova
lateral e escova principal
2. Botão de início da escova lateral e
escova principal
3. Botão de início do aspirador e
escova principal
4. Indicador de descarga de bateria
5. Contador de horas
6. Compartimento de armazenamento
do cabo do carregador da bateria
7. Saída do carregador da bateria
8. Alças de controle ajustáveis
9. Alavanca das alças de controle
ajustáveis
10. Alavanca de Locomoção
11. Painel de controle
12. Botão de energia principa
13. Escova lateral
14. Alavanca da escova lateral
15. acesso interno
16. Mecanismo de vibração do filtro
17. Contentor
18. Contentor alavanca
19. Escovas principais duplas
20. Cadeia anti-estática
(CN) 机器组件
1. 真空吸尘器、边刷、主刷启动按钮
2. 边刷、主刷启动按钮
3. 真空吸尘器、主刷启动按钮
4. 电瓶放电指示器
5. 计时器
6. 电瓶充电器线缆存储舱
7. 电瓶充电器插座
8. 可调整的控制把手
9. 可调整的控制把手杆
10. 驱动杆
11. 控制面板
12. 总电源按钮
13. 边刷
14. 边刷杆
15. 内部访问旋钮
16. 过滤网振动器
17. 垃圾箱
18. 垃圾箱 杆
19. 双主刷
20. 防静电链
(JP) 本機の構成
1. バキューム、サイドブラシ、メインブラシ起動
ボタン
2. サイドブラシ、メインブラシ起動ボタン
3. バキューム、メインブラシ起動ボタン
4. バッテリー放電インジケーター
5. アワーメーター
6. バッテリー充電器コード収納部
7. バッテリー充電器コンセント
8. 調整式コントロールハンドル
9. 調整式コントロールハンドルレバー
10. 駆動レバー
11. コントロールパネル
12. 主電源キースイッチ
13. サイドブラシ
14. サイドブラシレバー
15. 内部アクセスノブ
16. フィルターシェーカー
17. ごみホッパー
18. ごみホッパー解除レバー
19. デュアルメインブラシ
20. 静電気防止チェーン

Tennant S9 (11-2013) 15
1
2
3

16 Tennant S9 (11-2013)
1
2
3
4
5

Tennant S9 (11-2013) 17
1
2
3
13 mm
(+)
4
5

18 Tennant S9 (11-2013)
1
2
3
=
4
5
6
7

Tennant S9 (11-2013) 19
I
I
I
I
1
2

20 Tennant S9 (11-2013)
=
=
=
=
Pg. 19
Pg. 20

Tennant S9 (11-2013) 21
1
8h
2
3
4
5
7
6
=

22 Tennant S9 (11-2013)
6
7
1
2
3
13 mm
(+)
4
5
=
> 15 kg / 33 lbs

Tennant S9 (11-2013) 23
(+)
8
9
10
11
12
I
13

24 Tennant S9 (11-2013)
1
2
3
4
0
=
> 15 kg / 33 lbs

Tennant S9 (11-2013) 25
1
4
0
2
3
=
> 15 kg / 33 lbs

26 Tennant S9 (11-2013)
1
3
2
5
4
0

Tennant S9 (11-2013) 27
1
6
2
3
4
0

28 Tennant S9 (11-2013)
(+)
0

Tennant S9 (11-2013) 29
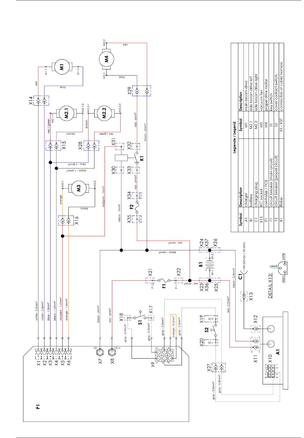
Electrical Diagram

Parts List
30 Tennant S9 (11-2013)
Fig. 1 – Wheel and Caster Assy

Parts List
Tennant S9 (11-2013) 31
Fig. 1 – Wheel and Caster Assy
Ref. Part No.
Describtion Qty.
s19010055
Wheel Kit (Includes Wheel Qty 1, Bearings Qty 2 & Mounting Hardware 2
p2 N/A Washer, Flat, M14 4
p3 N/A
Nut, Hex, Lock, M10 2
s49010080
Wheel MTG Kit (Includes Wheel bracket Qty 2, Caster Bracket Qty1 &
Mounting Hardware)
1
p5 N/A
Screw, Soc, M6x1x10 4
p6 N/A Washer, Flat, M8x20 2
p7 N/A
Screw, Hex, M8x1.25x90 2
p8 N/A
Nut, Hex, Lock, M8 2
p9 N/A
Bolt Carriage M8x1.25x40 2
p10 N/A
Washer, Flat 8.4x34x2.5 2
p11 N/A
Sleeve Nut M8 2
12 9010057
Hub Cap Kit Teal (Includes Hub Cap Teal Qty 2) 1
s13 9010059
Caster Kit (Includes Caster Qty 1 & Mounting Hardware) 1
p14 N/A
Screw, Soc, M12x1.75x35 1
p15 N/A Washer, Flat, M12 1
p16 N/A
Nut, Hex, Lock, M12 1
17 9010076
Belt Kit Propel (Includes V-Belt Qty1 & Toothed Belt Qty2) 1
s18 9009647
Strap Kit, Static ( Includes Static Strap & Mounting Hardware) 1
p19 N/A
Washer, flat M4 1
p20 N/A
Screw, Pan, 3.9x13 TCUT 1
sASSEMBLY
pINCLUDED IN ASSEMBLY
RECOMMENDED STOCK ITEM
N/A Not Available Separately. Local Purchase.

Parts List
32 Tennant S9 (11-2013)
Fig. 2 – Wheel and Main Brush Drive
Bushings pre-
installed on
bracket with
push nut

Parts List
Tennant S9 (11-2013) 33
Fig. 2 – Wheel and Main Brush Drive
Ref. Part No.
Describtion Qty.
s19010168
Bracket Kit Battery and Fan (Includes Battery Bracket Qty 1, Motor Bracket
Qty 1, Fan Bracket Qty 1, Shaker Bracket Qty 1 & Mounting Hardware)
1
p2 N/A
Washer, flat, M8x17 8
p3 N/A Screw, Soc, M8x1.25x16 8
s49010066
Motor Kit Main Brush ( Includes Main Brush Motor Qty1, Motor Guard
Qty1 & Mounting Hardware)
1
p5 N/A
Washer, Lock, M6 3
p6 N/A
Screw, Lock, M6x1x16 3
s79010017
Propel Motor Kit (Includes Propel Motor Qty 1, & Mounting Hardware) 1
p8 N/A
Washer, Flat, M6 5
p9 N/A
Washer, Lock, M6 3
p10 N/A
Screw, Hex, M6x1x16 3
p11 N/A
Bolt Cariage M6x1x20 2
p12 N/A
Nut, Hex, Lock M6 2
s13 9010165
Pulley Kit, Main Brush(Includes Pulley Z60 Qty 1, Pulley Z20 Qty1, Double
Pulley Z32 Qty1, Pulley Z32 Qty2, Bushing Qty1 & Mounting Hardware)
1
p14 N/A Washer, Flat, M4 1
p15 N/A
Screw, Hex, M4x0.7x12 1
p16 N/A
Retainment Ring 12 1
p17 N/A Screw, Soc, M6x1x24 1
p18 N/A
Nut, Hex, Lock M6 1
s19 9010178
Pulley Kit Propel (Includes Motor Pulley Qty1, Pulley Qty1, Pulley Z32 lh
Qty1, Pulley Z32 rh Qty1, Washer d60 Qty2 & Mounting Hardware)
1
p20 N/A
Washer, Flat, M4x20 1
p21 N/A
Screw, Hex, M4x0.7x20 1
s22 9010179
Propel Tensioning Kit (Includes Drive Shaft Qty1, Bracket lh Qty1, Bracket
rh Qty1, Bearings Qty2, Clutch Lever Qty1, Motor Bracket Qty1, Motor
Guard Qty1, Bushing Qty2, Washer D=60 Qty2 & Mounting Hardware)
1
p23 N/A
Screw, Hex, M8x1.25x30 2
p24 N/A
Nut, Hex, Lock M8 4
p25 N/A
Screw, Hex, M6x1x65 2
p26 N/A
Nut, Hex, Std M6 7
p27 N/A
Bolt Cariage M6x1x16 4
p28 N/A
Washer, Flat, M8 4
p29 N/A
Nut, Hex, Lock M6 4
p30 N/A
Washer, Flat, M6x30 2
p31 N/A Screw, Soc, M6x1x16 2
p32 N/A
Nut, Hex, Lock M6 2
p33 N/A
Retainment Ring 12 2
p34 N/A
Retainment Ring 8 1
s35 9010175
Propel Bail and Cable (Includes Bail Qty1, Clutch Cable Qty1, Cable Bracket
Qty2, Spring Qty1 & Mounting Hardware)
1
p36 N/A Screw, Soc, M6x1x20 2
p37 N/A
Washer, Flat, M6 3
p38 N/A
Nut, Hex, Lock M6 2
sASSEMBLY
pINCLUDED IN ASSEMBLY
RECOMMENDED STOCK ITEM
N/A Not Available Separately. Local Purchase.

Parts List
34 Tennant S9 (11-2013)
Fig. 2 – Wheel and Main Brush Drive
Ref. Part No.
Describtion Qty.
39 9010076
Belt Kit Propel ( Includes V-Belt Qty1, Timing Belt Qty2) 1
40 9010078
Belt Kit Main Brush (Includes Double Timing Belt Qty 1 & Timing Belt Qty1) 1
s41 9010166
Tensioning Arm Kit, Main Brush (Includes Lever Qty 1, Motor Guard Qty1,
Spring Qty 1 & Mounting Hardware)
1
p42 N/A
Washer, Flat, M6x20 4
p43 N/A
Nut, Hex, Lock M6 1
s44 9010167
Adjuster Kit Rear Brush (Includes Axle Qty1, Adjuster Bracket Qty1, Lever
Qty1, Pointer Qty1, Fixing Bracket lh Qty1, Fixing Bracket rh Qty1, Flange
Bracket Qty2, Lever Qty2 & Mounting Hardware)
1
p45 N/A
Bolt Cariage M6x1x20 6
p46 N/A
Washer, Flat, M6 6
p47 N/A
Bolt Cariage M6x1x16 4
p48 N/A
Nut, Hex, Lock, M6 9
p49 N/A
Screw, Hex, M6x1x16 1
p50 N/A Screw, Soc, M8x1.25x20 2
p51 N/A
Nut, Hex, Lock, M8 2
s52 9010011
Knob Kit (Includes Black Balls M8 Qty 2, Yellow Balls M8 Qty 1, Knurled
Knob M10 Qty 2, Knurled Knob M6 Qty 1 & Mounting Material)
1
p53 N/A
Screw, Hex, M10x1.5x100 1
p54 N/A
Nut, Hex, Std, M10 1
p55 N/A
Nut, Hex Jam, M10 2
p56 N/A
Nut, Hex , Lock, M10 1
p57 N/A
Screw, Set, M6x1x20 1
sASSEMBLY
pINCLUDED IN ASSEMBLY
RECOMMENDED STOCK ITEM
N/A Not Available Separately. Local Purchase.

Parts List
Tennant S9 (11-2013) 35

Parts List
36 Tennant S9 (11-2013)
Fig. 3 – Main Brush Assy

Parts List
Tennant S9 (11-2013) 37
Fig. 3 – Main Brush Assy
Ref. Part No.
Describtion Qty.
s19010031
Hopper Kit (Includes Hopper Qty1, Wheels Qty2, Closing Bracket Qty1,
Bushings Qty2 & Mounting Hardware)
1
p2 N/A Spiral Pin 8x30 1
p3 N/A
Washer, Flat, M8 1
p4 N/A
Screw, Hex, M8x1.25x20 1
p59010043
Hopper Seal Kit (Includes Hopper Seal Qty2) 1
69010167
Adjuster Kit Rear Brush (Includes Axle Qty1, Adjuster Bracket Qty1, Lever
Qty1, Pointer Qty1, Fixing Bracket lh Qty1, Fixing Bracket rh Qty1, Flange
Bracket Qty2, Lever Qty2 & Mounting Hardware)
1
79010176
Main Broom Axle Kit (Includes Axle Qty2, Bearing Qty4, Bearing Support
Qty4 & Retainment Rings Qty4)
1
89010165
Pulley Kit, Main Brush(Includes Pulley Z60 Qty 1, Pulley Z20 Qty1, Double
Pulley Z32 Qty1, Pulley Z32 Qty2, Bushing Qty1 & Mounting Hardware)
1
99010078 Belt Kit Main Brush (Includes Double Timing Belt Qty 1 & Timing Belt Qty1) 1
10 9010036
Brush Kit (Includes Main Brush Halves Qty 2 & Mounting Hardware) 2
s11 9010038
Brush Flap Kit ( Includes Flaps Side Qty2, Front and Rear Qty2, Brackets
Qty9, Axle Qty1, Spring Qty2, Clamp Qty2 & Mounting Hardware)
1
p12 N/A Washer, Flat, M6 9
p13 N/A
Screw, Soc, M6x1x12 9
p14 N/A
Nut, Hex, Lock, M4 16
sASSEMBLY
pINCLUDED IN ASSEMBLY
RECOMMENDED STOCK ITEM
N/A Not Available Separately. Local Purchase.

Parts List
38 Tennant S9 (11-2013)
Fig. 4 – Side Brush Assy
Drive Hub Kit
(p/n 9013031)
Includes: Hub, set screw,
washer, rubber ring and
wing screw

Parts List
Tennant S9 (11-2013) 39
Fig. 4 – Side Brush Assy
Ref. Part No.
Describtion Qty.
s19010067
Motor Kit Side Brush (Includes Gear Motor Qty 1, & Mounting
Hardware)
2
p2 N/A Screw, Soc, M6x1x12 6
p3 N/A
Washer, Lock, M4 2
s49010040
Side Brush Kit (Incudes Side Brush Qty1 & Mounting Hardware) 2
p5 N/A Wing Screw, M5x0.8x20 2
s69010169
Bracket Kit, Side Brush (Includes Side Brush Bracket lh Qty1, Side
Brush Bracket rh Qty1,Side Brush Flange Qty2, Cable Bracket Qty2,
Spring Qty2, Knob Qty2 & Mounting Hardware)
1
p7 N/A
Screw, Stud, M6x1x220 2
p8 N/A
Adjusting Ring D=12 2
p9 N/A
Washer, Flat, M8x20 2
p10 N/A
Nut, Hex, Std, M6 4
p11 N/A
Screw, Soc, M8x1,.25x16 2
p12 N/A
Screw, Headless, M6x1x10 2
13 9010053
Side Brush Lift Cable Kit (Includes Side Brush Cables Qty2 & Cable
Fitting Qty2 )
1
sASSEMBLY
pINCLUDED IN ASSEMBLY
RECOMMENDED STOCK ITEM
N/A Not Available Separately. Local Purchase.

Parts List
40 Tennant S9 (11-2013)
Fig. 5 – Filter and Shaker Assy

Parts List
Tennant S9 (11-2013) 41
Fig. 5 – Filter and Shaker Assy
Ref. Part No.
Describtion Qty.
s19010168
Bracket Kit, Fan, Batt (Includes Fan Bracket Qty1, Shaker Bracket Qty1,
Switch Holder Qty1, & Mounting Hardware)
1
p2 N/A Screw, Pan, 3.5x16 TCUT 7
p3 N/A
Screw, Soc, M5x0,8x10 4
49010065
Fan Blower Kit (Includes Fan Qty1 & Mounting Hardware) 1
s59010046
Switch Kit ( Includes Switch & Mounting Hardware) 1
p6 N/A
Screw, Soc, M5x0.8x16 2
p7 N/A
Nut, Hex, Lock, M5 2
s89010062
Shaker Kit (Includes Bracket Qty1, Lever Qty1, Axle Qty1, Bushing Qt2,
Bushing Qty10, Rubber Disc Qty12 & Mounting Hardware)
1
p9 N/A Screw, Pan, 4x20 TCUT 2
p10 N/A
Bolt Carriage, M5x0.8x16 2
p11 N/A
Nut, Hex, Lock, M5 2
p12 N/A
Retainment Ring D=8 2
s13 9010193
Filter Holder Kit (Includes Filter Bracket Qty1, Hinge Bracket Qty1, Hinge
Bracket Qty2, Hinge Qty4, Sealing Qty1, Locking Handle Qty2 & Mounting
Hardware)
1
p14 N/A
Washer, Flat M6 2
p15 N/A
Screw, Soc, M6x1x12 2
p16 N/A
Screw, Rnd M6x1x20 2
p17 N/A
Screw, Hex, M5x0,8x16 2
p18 N/A
Nut, Hex, Lock, M5 2
19 9010042
Filter Kit (Includes FilterQty1) 1
20 9010011
Knob Kit (Includes Black Balls M8 Qty 2, Yellow Balls M8 Qty 1, Knurled
Knob M10 Qty 2, Knurled Knob M6 Qty & Mounting Hardware)
1
s21 9010418
Circuit Breaker and Relay Kit (Includes Circuit Breaker 20A Qty1, Circuit
Breaker 25A Qty1, Relay Holder Qty1, Relay Qty1 & Mounting Hardware)
1
p22 N/A
Screw, Hex, M5x0,8x12 2
p23 N/A
Washer, Flat M5 2
p24 N/A
Nut, Hex, Lock, M5 2
p25 N/A
Washer, flat M5 D=15 1
p26 N/A Screw, Pan, 4.8x16 TCUT 1
sASSEMBLY
pINCLUDED IN ASSEMBLY
RECOMMENDED STOCK ITEM
N/A Not Available Separately. Local Purchase.

Parts List
42 Tennant S9 (11-2013)
Fig. 6 – Cover and Electrical Assy

Parts List
Tennant S9 (11-2013) 43
Fig. 6 – Cover and Electrical Assy
Ref. Part No.
Describtion Qty.
s19010137
Front Cover Kit (Includes Frontcover Qty1, Flap Qty1, Plug Qty 1, Sleeve Qty
2, Knurled Knob Qty 1 & Mounting Hardware)
1
p2 N/A Screw, Soc, M4x0.7x16 2
p3 N/A Screw, Soc, M6x0.8x25 2
p4 N/A
Nut, Hex, Lock, M4 2
p5 N/A
Nut, Hex, Lock, M6 2
69010180
Handle Rod & Lever Kit (Includes Lever Qty1, Pipe Long Qty1, Pipe Short
Qty2, Rod Qty1 & Spring 6x22)
1
s79010034
Handle Pivot Disc Kit (Includes Hinge Outside Qty2, Hinge Inside Qty2,
Plastic Disc Qty2, & Mounting Hardware)
1
p8 N/A
Washer, Flat, M8x28 2
p9 N/A
Nut, Hex, Lock, M8 1
s10 9010048
Charger Kit (Includes Charger Qty1, Clamp Qty2 & Mounting Hardware) 1
p11 N/A
Screw, Pan, 3.5x13 TCUT 6
p12 N/A
Screw, Hex, M3x0.5x8 2
13 9010052
Wire Harness Kit 1
14 1071125
Battery NA 1
14 994201 Battery EU 1
15 9010168 Bracket Kit Battery and Fan (Includes Strap Qty1) 1
16 9010103
Label Kit (Includes Tennant Logo Qty1, Label S9 Qty2, Label Warning NA
Qty1, Label Warning EU Qty1, Label Side Brush Qty1, Label Main Brush
Qty1, Label Shaker Qty1)
1
17 1044067 Cord, Power, 16/3 BLK [2,5meter, NA] 1
989722 Cord, Power, BLK [3meter, JP]
1044069 Cord, Power, BLK [2,5meter, BRZL/UK]
1044068 Cord, Power, BLK [2,5meter, KOR/CE]
1026325 Cord, Power, 1.0mm2/3 BLK [2,5meter, AUS]
1026330 Cord, Power, 1,000mm2 BLK [2,5meter, CHINA]
18 9010474 Terminal Clamp Kit, Battery (Includes "+" Terminal Qty1, "-" Terminal Qty1) 1
19 N/A Screw, Hex, M6x1x90 (Included with item 1) 1
20 N/A
Nut, Hex, Lock, M6 (Included with item 1) 1
21 N/A
Knob, Knurled, M6 (Included with Item 1) 1
Note: Knob also included with Knob Kit 9010011
sASSEMBLY
pINCLUDED IN ASSEMBLY
RECOMMENDED STOCK ITEM
N/A Not Available Separately. Local Purchase.

Parts List
44 Tennant S9 (11-2013)
Fig. 7 – Handle Assy

Parts List
Tennant S9 (11-2013) 45
Fig. 7 – Handle Assy
Ref. Part No. Describtion Qty.
19010033 Handle Kit (Includes Handle Qty 1, Softgripp Qty2, Plugs Qty2) 1
s29010044
Inst Panel Kit (Includes Panel Top Qty1, Panel Bottom Qty1, Slotted Bracket
Qty2, Adjuster Bracket lh Qty1, Adjuster Bracket rh Qty1, Eye Bolt Qty2, Panel
Label Qty1, Warning Label Qty 1 & Mounting Hardware)
1
p3 N/A Screw, Pan 3.5x20 TCUT 6
p4 N/A Screw, Soc M6x1x12 2
p5 N/A Nut, Hex, Lock, M6 4
p6 N/A Washer, Flat M6x22 2
p7 N/A Sleeve M6 2
p8 N/A Screw, Soc M6x1x20 2
s99010053
Side Brush Lift Cable Kit ( Includes Side Cables Qty2, Side Cable Qty1 &
Mounting Hardware)
1
p10 N/A Screw, Hex M5x0.8x20 2
p11 N/A Nut, Hex, Lock, M5 2
s12 9010175
Bail and Cable Kit Propel (Includes Bail Qty1, Clutch Cable Qty1, Bracket Qty1,
Plastic Cap M6 Qty1 & Mounting Hardware)
1
p13 N/A Screw, Lens Head M6x1x35 2
p14 N/A Nut, Hex, Std, M6 1
p15 N/A Nut, Hex, Lock, M5 1
p16 N/A Retainment Ring 8 2
s17 9010050 Controller Kit ( Includes Controller Qty1 & Mounting Hardware) 1
p18 N/A Screw, Pan 2.9x13 TCUT 3
s19 9010045 Key Switch 1
p20 1017696 Key, Replacement 1
21 1071274 Inst Panel Label 1
22 9010011
Knob Kit (Includes Black Balls M8 Qty 2, Yellow Balls M8 Qty 1, Knurled Knob
M10 Qty 2, Knurled Knob M6 Qty 1 & Mounting Material)
1
23 9010103
Label Kit (Includes Tennant Logo Qty1, Label S9 Qty2, Label Warning NA Qty1,
Label Warning APAC Qty1, Label Warning EU Qty1, Label Main Brush Qty1,
Label Shaker Qty1)
1
sASSEMBLY
pINCLUDED IN ASSEMBLY
RECOMMENDED STOCK ITEM
N/A Not Available Separately. Local Purchase.