01 D14 ADVANCE Sc250 Parts Manual
2018-08-20
: Sweepscrub Sc250-Parts-Manual sc250-parts-manual 2822 file product_file
Open the PDF directly: View PDF
.
Page Count: 24

SC250
Parts List
Model: 9087381020
07/2016
(1)
FORM NO. 9100001617
01 - D14 ADVANCE(1).indd 1 01/08/2016 08:28:18
01 - D14 ADVANCE(1).indd 2 01/08/2016 08:28:18

PARTS LIST
07/2016 9100001617 - SC250 1
TABLE OF CONTENTS
GENERAL VIEW ......................................................................................................................................................... 2
SOLUTION AND RECOVERY TANK .......................................................................................................................... 4
BRUSH MOTOR ........................................................................................................................................................ 6
CHASSIS - FIXING AND COVER ............................................................................................................................... 8
CHASSIS - VACUUM AND REAR WHEELS ............................................................................................................. 10
CHASSIS - SOLUTION AND VAC CHAMBER .......................................................................................................... 12
CHASSIS - PEDAL WHEELS .................................................................................................................................... 14
HANDLE BAR............................................................................................................................................................ 16
WIRING DIAGRAM ................................................................................................................................................... 18
RECOMMENDED PARTS ......................................................................................................................................... 20
ACCESSORIES/ OPTIONAL .................................................................................................................................... 21
WHEN ORDERING PARTS
– Use the part numbers from the “REF. NO.” columns in this parts list. If the “REF. NO.” column is
blank; look under the “KIT” column to identify which kit contains the part in question, then use the kit
callout, for example “K1”, to nd the “REF. NO.” for that kit.
– Specify the model and serial number of the machine.
– Use the space below to record the model and serial number for future reference.
Model Serial No.
* = Optional
#= Modied item No. or New item No.
[ ] = Not shown
01 - D14 ADVANCE(1).indd 1 01/08/2016 08:28:18

PARTS LIST
2SC250 - 9100001617 07/2016
1
4
9
6
3
5
78
10
2
11
GENERAL VIEW
01 - D14 ADVANCE(1).indd 2 01/08/2016 08:28:24

PARTS LIST
07/2016 9100001617 - SC250 3
GENERAL VIEW
KIT ITEM REF. NO. QTY DESCRIPTION
1* 9100002070 1 BATTERY LI 36V 10S4P
2 9100002059 1 HANDLE BATTERY LI
3 9100001964 1 MINI CONTAINER PLAST. F DIRT PKD
4 9100002024 1 DECALS ADVANCE SC250 KIT
5 9100002058 1 CHARGER BATTERY LI 100-240V 1.5A
6 9100002008 1 CABLE POWER SUPPLY US L.1000MM PKD
7* 9100002066 1 BRUSH CYL 340MM MEDIUM NYLON WHITE
7* 9100002067 1 BRUSH CYL 340MM HARD GRIT 320 GREY
7* 9100002068 1 BRUSH CYL 340MM MICROFIBRE
7* 9100002069 1 BRUSH CYL 340MM SOFT NYLON BLACK
8* 9100002063 1 SQUEEGEE 360MM GREY RUBBER 2 PCS SET
8* 9100002064 1 SQUEEGEE 360MM PU 2 PCS SET
9 9100002026 1 COVER REAR GREY KIT
10 9100002028 1 MAGNET ROUND KIT
11* 9100002057 1 BATTERY LI PACK US
01 - D14 ADVANCE(1).indd 3 01/08/2016 08:28:24

PARTS LIST
4SC250 - 9100001617 07/2016
SOLUTION AND RECOVERY TANK
2
3
1
4
5
6
7
8
01 - D14 ADVANCE(1).indd 4 01/08/2016 08:28:25

PARTS LIST
07/2016 9100001617 - SC250 5
SOLUTION AND RECOVERY TANK
KIT ITEM REF. NO. QTY DESCRIPTION
1 9100002029 1 VALVE F SOLUTION TANK KIT
2 9100001972 1 HANDLE PLAST. GREY F TANK PKD
3 9100001990 1 CAP PLAST. F TANK PKD
4 9100002030 1 TANK WATER PLAST. 6 LT GREY KIT
5 9100002032 2 PIPE PLAST. F TANK KIT
6 9100002033 1 COVER TANK PLAST. GREY KIT
7 9100002035 1 CAGE FLOAT PLAST. BLACK KIT
8 9100001993 1 GASKET BULB REINFORCED -SKEIN PKD
01 - D14 ADVANCE(1).indd 5 01/08/2016 08:28:25

PARTS LIST
6SC250 - 9100001617 07/2016
BRUSH MOTOR
5
2
3
4
6
7
8
1
9
9
9
9
9
9
01 - D14 ADVANCE(1).indd 6 01/08/2016 08:28:25

PARTS LIST
07/2016 9100001617 - SC250 7
BRUSH MOTOR
KIT ITEM REF. NO. QTY DESCRIPTION
1 9100001957 1 HUB TRACTION BRUSH PLAST. PKD
2 9100002018 1 BEARING BALL 6201 2RS1PKD
3 9100001966 1 MOTOR BRUSH 180W 36V PKD
4 9100001967 1 SUPPORT ALU F BRUSH MOTOR PKD
5 9100001968 1 PULLEY TIMING BELT ALU HTD 20 3M 09 PKD
6 9100001969 1 PULLEY TIMING BELT ALU HTD 40 3M 09 PKD
7 9100001970 1 SHAFT GALV. F BRUSHPKD
8 9100001971 1 BELT TIMING HTD/OMEGA 669 3M 09 PKD
9 9100002036 1 HARDWARE BRUSH MOTOR KIT
01 - D14 ADVANCE(1).indd 7 01/08/2016 08:28:25

PARTS LIST
8SC250 - 9100001617 07/2016
CHASSIS - FIXING AND COVER
3
11
11
11
4
2
8
7
5
6
11
11
11
1
9
11
10
01 - D14 ADVANCE(1).indd 8 01/08/2016 08:28:32

PARTS LIST
07/2016 9100001617 - SC250 9
CHASSIS - FIXING AND COVER
KIT ITEM REF. NO. QTY DESCRIPTION
1 9100001960 1 CONTROLLER MAIN MACH.P24 PROGR.PKD
2 9100001963 1 CASING BELT PROTECTION PLAST. GREY PKD
3 9100001965 1 CASING UPPER PLAST. GREY F CHASSIS PKD
4 9100001988 1 BUMPER FRONT PLAST. PKD
5 9100001991 1 COVER PLAST.F CONTROLLER MACH.PKD
6 9100001994 2 GASKET RUBBER HANDLE FIXING PKD
7 9100002019 1 CAP PLAST. D.13.25XD.18 BLACK 10 PCS SET
8 9100002037 1 HARNESS BATTERY CHARGER KIT
9 9100002038 1 HARNESS BATTERY KIT
10 9100002039 1 HANDLE FIXING KIT
11 9100002040 1 HARDWARE CHASSIS KIT
01 - D14 ADVANCE(1).indd 9 01/08/2016 08:28:32

PARTS LIST
10 SC250 - 9100001617 07/2016
CHASSIS - VACUUM AND REAR WHEELS
1
10
10
2
3
6
3
7
5
3
3
4
7
7
7
8
9
01 - D14 ADVANCE(1).indd 10 01/08/2016 08:28:33

PARTS LIST
07/2016 9100001617 - SC250 11
CHASSIS - VACUUM AND REAR WHEELS
KIT ITEM REF. NO. QTY DESCRIPTION
1 9100002041 1 MOTOR VACUUM 36V 200W KIT
2 9100001987 1 MOTOR VACUUM 36V 200W PKD
3 9100002042 1 SEALINGS MOTOR VACUUM KIT
4 9100001983 1 SUPPORT EXT. PLAST. F VAC. MOTOR PKD
59100001989 1 SUPPORT INT. PLAST. F VAC. MOTOR PKD
6 9100001996 1 HARNESS VACUUM MOTOR PKD
7 9100002045 1 WHEELS CASTOR KIT
8 9100001992 1 CONTAINER PLAST. F BATTERY CHARGER PKD
9 1466337000 1 TIE CABLE 4.8X430 WHITE 2 PCS SET
10 9100002046 1 HARDWARE VACUUM AND REAR WHEELS KIT
01 - D14 ADVANCE(1).indd 11 01/08/2016 08:28:33

PARTS LIST
12 SC250 - 9100001617 07/2016
CHASSIS - SOLUTION AND VAC CHAMBER
3
6
6
7
4
9
10
11
12
13
14
15
16
16
16
16
1
10
8
5
2
01 - D14 ADVANCE(1).indd 12 01/08/2016 08:28:35

PARTS LIST
07/2016 9100001617 - SC250 13
CHASSIS - SOLUTION AND VAC CHAMBER
KIT ITEM REF. NO. QTY DESCRIPTION
1 9100001959 1 CHASSIS PLAST. GREY PKD
2 9100001995 1 HARNESS WATER PUMP PKD
3 9100002047 1 FILTER PLAST. F WATER PUMP KIT
4 9100001997 1 SUPPORT PLAST. F WATER FILTER PKD
5 9100001981 1 PUMP WATER 24V 18W 21L/H PKD
6 9100002048 1 HOSES KIT
7 9100002049 1 SENSOR CAPACITIVE F WATER FLOW KIT
8 9100001977 4 HOLDER SQUEEGEE PLAST. PKD
9 9100001984 4 SPRING COMPRESS. D.E.17.6 WIRE D.1.2 PKD
10 9100001975 2 DISPENSER WATER SPRAY SOFT PLAST. PKD
11 9100001978 1 PLATE ALU SQUEEGEE LIFTER PKD
12 9100001980 1 HOOK METAL F FRONT SQUEEGEE LIFT. PKD
13 9100001979 1 ROD LIFTING SQUEEGEE PLAST. PKD
14 9100001974 1 CHAMBER VACUUMING RUBBER PKD
15 9100001976 1 SUPPORT PLAST. F VAC. CHAMBER PKD
16 9100002044 1 HARDWARE SOLUTION VAC CHAMBER KIT
01 - D14 ADVANCE(1).indd 13 01/08/2016 08:28:35

PARTS LIST
14 SC250 - 9100001617 07/2016
CHASSIS - PEDAL WHEELS
1
2
3
4
59
6
7
8
9
9
9
8
9
9
99
9
9
01 - D14 ADVANCE(1).indd 14 01/08/2016 08:28:36

PARTS LIST
07/2016 9100001617 - SC250 15
CHASSIS - PEDAL WHEELS
KIT ITEM REF. NO. QTY DESCRIPTION
1 9100001278 1 FILTER VACUUM MOTOR PKD
2 9100001958 1 GASKET PKD
3 9100002017 1 KNOB M8 PKD
4 9100001973 1 SUPPORT ALU F BRUSH HOOKING PKD
5 9100001982 1 LEVER PLAST. F PEDAL PKD
6 9100001962 1 PEDAL ALU F MACHINE PARKING PKD
7 9100001961 1 SUPPORT ALU F FIXED WHEELS PKD
8 9100000559 2 WHEEL D.51 GREY PKD
9 9100002043 1 HARDWARE PEDAL WHEELS KIT
01 - D14 ADVANCE(1).indd 15 01/08/2016 08:28:36

PARTS LIST
16 SC250 - 9100001617 07/2016
HANDLE BAR
1
2
3
4
5
10
11
12
13
13
14
14
14
14
14
14
11
6
7
9
8
13
01 - D14 ADVANCE(1).indd 16 01/08/2016 08:28:37

PARTS LIST
07/2016 9100001617 - SC250 17
HANDLE BAR
KIT ITEM REF. NO. QTY DESCRIPTION
1 9100001999 1 HANDLE BAR ALU PKD
2 9100002004 1 COVER PLAST. GREY F HANDLE PKD
3 9100002001 1 COVER LOWER PLAST. GREY F HANDLE PKD
4 9100002000 1 COVER UPPER PLAST. GREY F HANDLE PKD
5 9100001985 1 CONTROLLER USER INTERFACE PKD
6 9100002005 1 LOCK LEVER PLAST. PKD
7 9100002003 2 LEVER ALU F HANDLE ADJUST. PKD
8 9100002002 1 CABLE LIFTING SQUEEGEE PKD
9 9100001998 1 CABLE HADLE ADJUSTING PKD
10 9100001986 1 HARNESS HANDLE BAR PKD
11 9100002016 2 SENSOR CAPACITIVE PKD
12 9100002006 2 HARNESS HANDLE BAR SENSOR PKD
13 9100002020 1 LOCK HANDLE KIT
14 9100002021 1 HARDWARE HANDLE BAR KIT
01 - D14 ADVANCE(1).indd 17 01/08/2016 08:28:37

PARTS LIST
18 SC250 - 9100001617 07/2016
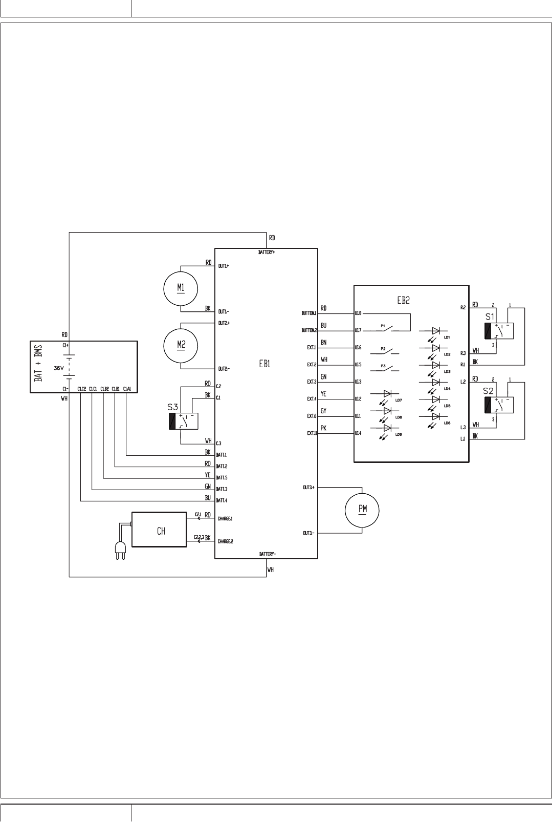
WIRING DIAGRAM
01 - D14 ADVANCE(1).indd 18 01/08/2016 08:28:37

PARTS LIST
07/2016 9100001617 - SC250 19
WIRING DIAGRAM
KEY COLOUR
BK BLACK
BU LIGHT BLUE
BN BROWN
GN GREEN
GY GREY
OG ORANGE
KEY COLOUR
PK PINK
RD RED
VT VIOLET
WH WHITE
YE YELLOW
KEY REF. NO. QTY DESCRIPTION
BAT 9100002070 1 BATTERY LI 36V 10S4P
BMS
C1 9100002038 1 HARNESS BATTERY KIT
CH 9100002058 1 CHARGER BATTERY LI 100-240V 1.5A
EB1 9100001960 1 CONTROLLER MAIN MACH.P24 PROGR.PKD
EB2 9100001985 1 CONTROLLER USER INTERFACE PKD
M1 9100001966 1 MOTOR BRUSH 180W 36V PKD
M2 9100001987 1 MOTOR VACUUM 36V 200W PKD
PM 9100001981 1 PUMP WATER 24V 18W 21L/H PKD
S1 9100002016 1 SENSOR CAPACITIVE PKD
S2 9100002016 1 SENSOR CAPACITIVE PKD
S3 9100002049 1 SENSOR CAPACITIVE F WATER FLOW KIT
01 - D14 ADVANCE(1).indd 19 01/08/2016 08:28:38

PARTS LIST
20 SC250 - 9100001617 07/2016
REF. NO. QTY DESCRIPTION
NORMAL WEAR
9100002066 1 BRUSH CYL 340MM MEDIUM NYLON WHITE
9100002063 1 SQUEEGEE 360MM GREY RUBBER 2 PCS SET
ORDINARY MAINTENANCE
9100001993 1 GASKET BULB REINFORCED -SKEIN PKD
9100001971 1 BELT TIMING HTD/OMEGA 669 3M 09 PKD
9100001987 1 MOTOR VACUUM 36V 200W PKD
9100001975 2 DISPENSER WATER SPRAY SOFT PLAST. PKD
9100002045 1 WHEELS CASTOR KIT
9100001981 1 PUMP WATER 24V 18W 21L/H PKD
9100000559 2 WHEEL D.51 GREY PKD
9100002002 1 CABLE LIFTING SQUEEGEE PKD
EXTRAORDINARY MAINTENANCE
9100002070 1 BATTERY PACK, 36 VOLT, 10S4P
9100002058 1 CHARGER BATTERY LI 100-240V 1.5A
9100002029 1 VALVE F SOLUTION TANK KIT
9100001957 1 HUB TRACTION BRUSH PLAST. PKD
9100001966 1 MOTOR BRUSH 180W 36V PKD
9100001960 1 CONTROLLER MAIN MACH.P24 PROGR.PKD
9100001988 1 BUMPER FRONT PLAST. PKD
9100001974 1 CHAMBER VACUUMING RUBBER PKD
9100002048 1 HOSES KIT
9100002047 1 FILTER PLAST. F WATER PUMP KIT
9100001998 1 CABLE HADLE ADJUSTING PKD
9100001985 1 CONTROLLER USER INTERFACE PKD
9100002016 2 SENSOR CAPACITIVE PKD
9100002049 1 SENSOR CAPACITIVE F WATER FLOW KIT
RECOMMENDED PARTS
01 - D14 ADVANCE(1).indd 20 01/08/2016 08:28:38

PARTS LIST
07/2016 9100001617 - SC250 21
REF. NO. QTY DESCRIPTION
9100002066 1 BRUSH CYL 340MM MEDIUM NYLON WHITE
9100002067 1 BRUSH CYL 340MM HARD GRIT 320 GREY
9100002068 1 BRUSH CYL 340MM MICROFIBRE
9100002069 1 BRUSH CYL 340MM SOFT NYLON BLACK
9100002063 1 SQUEEGEE 360MM GREY RUBBER 2 PCS SET
9100002064 1 SQUEEGEE 360MM PU 2 PCS SET
9100002057 1 BATTERY LI PACK US
9100002058 1 CHARGER BATTERY LI 100-240V 1.5A
9100002070 1 BATTERY LI 36V 10S4P
9100002059 1 HANDLE BATTERY
ACCESSORIES/ OPTIONAL
01 - D14 ADVANCE(1).indd 21 01/08/2016 08:28:38

A Nilfisk Brand
9435 Winnetka Avenue North
Brookly Park, MN 55445
www.advance-us.com
Phone: 800-989-2235
Fax: 800-989-6566
©2016 Nilfisk, Inc.
01 - D14 ADVANCE(1).indd 22 01/08/2016 08:28:38