Sentinel NA Parts Manual
2012-03-19
: Sweepscrub Sentinel Parts Manual Sentinel_parts_manual 483 file product_file
Open the PDF directly: View PDF
.
Page Count: 514 [warning: Documents this large are best viewed by clicking the View PDF Link!]
- Sentinel NA Parts Manual
- HOW TO USE THIS MANUAL
- STANDARD PARTS
- Fig. 1 -- Recommended General Maintenance Items
- Fig. 2 -- Brushes, Replacement
- Fig. 3 -- Main Frame Group (000000-- 008499)
- Fig. 4 -- Main Frame Group (008500-- )
- Fig. 5 -- Main Frame, Right Brush Door Group
- Fig. 6 -- Main Frame, Left Brush Door Group
- Fig. 7 -- Main Frame, Rear Axle Group
- Fig. 8 -- Main Frame, Front Axle and Transmission Group
- Fig. 9 -- Main Frame, Front Brakes and Lines Group
- Fig. 10 -- Brush Group, Main
- Fig. 11 -- Brush Lift Group, Main
- Fig. 12 -- Engine and Mount Group (000000-- 008499)
- Fig. 13 -- Engine and Mount Group (008500-- )
- Fig. 14 -- Engine Fan and Alternator Group (000000-- 008499)
- Fig. 15 -- Engine Fan Group (008500-- )
- Fig. 16 -- Engine Fuel Tank and Lines Group (000000-- 008499)
- Fig. 17 -- Engine Fuel Tank and Lines Group
- Fig. 18 -- Engine Radiator and Hydraulic Cooler Group, NA (000000-- 008499)
- Fig. 19 -- Engine Radiator and Hydraulic Cooler Group, Turbo (000000-- 008499)
- Fig. 20 -- Engine Radiator and Hydraulic Cooler Group, Turbo (008500-- )
- Fig. 21 -- Engine Muffler Group, NA (000000-- 008499)
- Fig. 22 -- Engine Muffler Group, Turbo (000000-- 008499)
- Fig. 23 -- Engine Muffler Group, Turbo (008500-- )
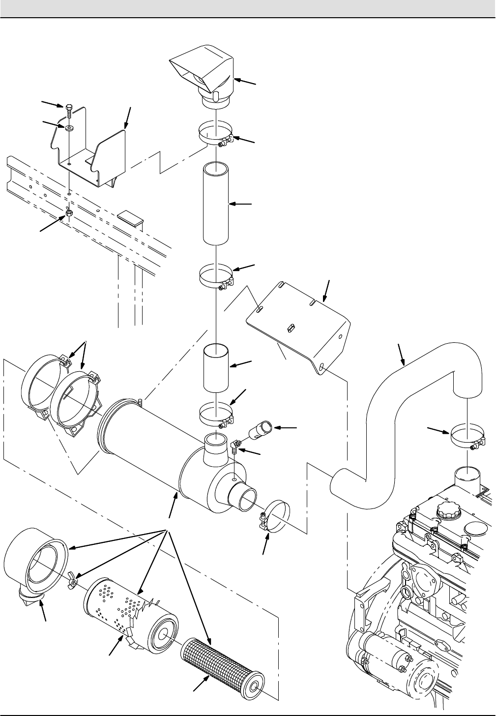
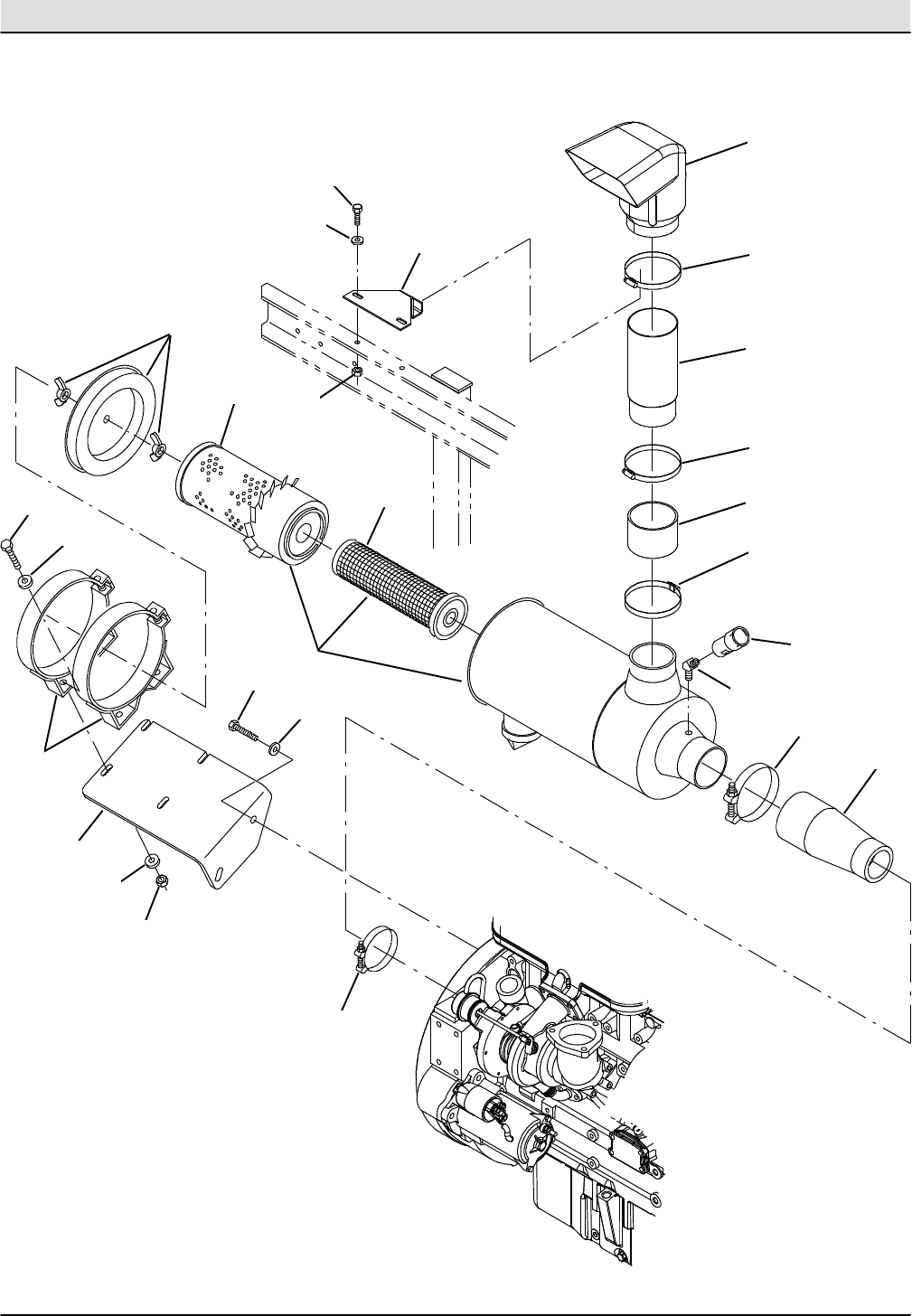
- Fig. 24 -- Engine Air Cleaner Group, NA (000000-- 008499)
- Fig. 25 -- Engine Air Cleaner Group, Turbo (000000-- 008499)
- Fig. 26 -- Engine Air Cleaner Group, Turbo (008500-- )
- Fig. 27 -- Engine Battery and Cables Group
- Fig. 28 -- Conveyor and Covers Group
- Fig. 29 -- Conveyor Drive Group
- Fig. 30 -- Conveyor Idler Group
- Fig. 31 -- Conveyor Tension Group
- Fig. 32 -- Conveyor Lift Group, Right
- Fig. 33 -- Conveyor Lift Group, Left
- Fig. 34 -- Hopper Group
- Fig. 35 -- Hopper Filter Bags Group
- Fig. 36 -- Hopper Tilt Cylinders Group
- Fig. 37 -- Hopper Support Cylinder Group
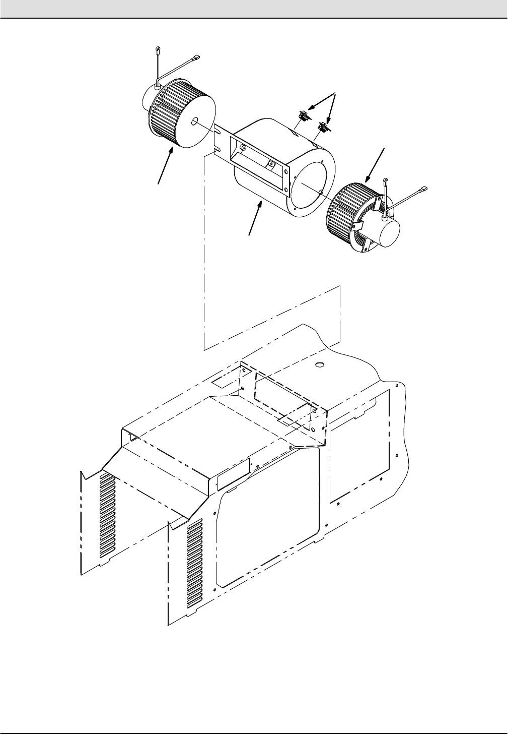
- Fig. 38 -- Hopper Vacuum Fan Group
- Fig. 39 -- Cab Group, Front
- Fig. 40 -- Cab Group, Rear
- Fig. 41 -- Cab Door Mount and Covers Group
- Fig. 42 -- Cab Door Group, Right
- Fig. 43 -- Cab Door Group, Left
- Fig. 44 -- Cab Upper and Front Console Group
- Fig. 45 -- Cab Center Console and Seat Group
- Fig. 46 -- Cab Lights, Visor, and Pedal Group
- Fig. 47 -- Cab Heater Group
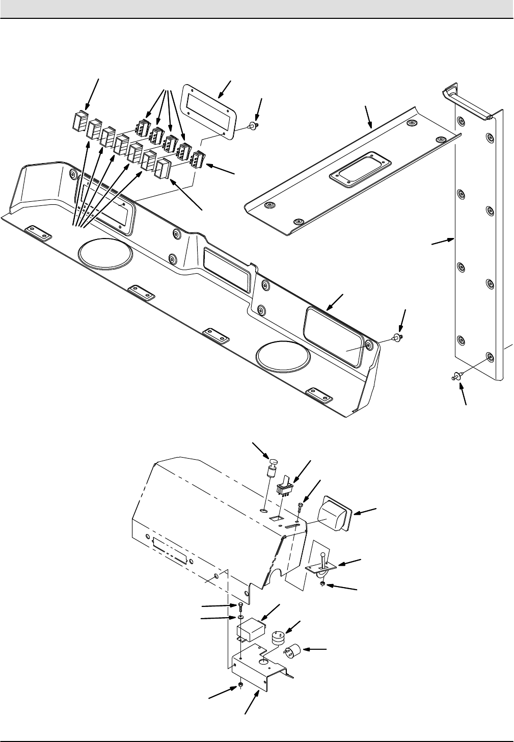
- Fig. 48 -- Cab Blower Assembly
- Fig. 49 -- Electrical Instrument Panel Assembly
- Fig. 50 -- Steering Wheel Group
- Fig. 51 -- Brush Group, Right Side
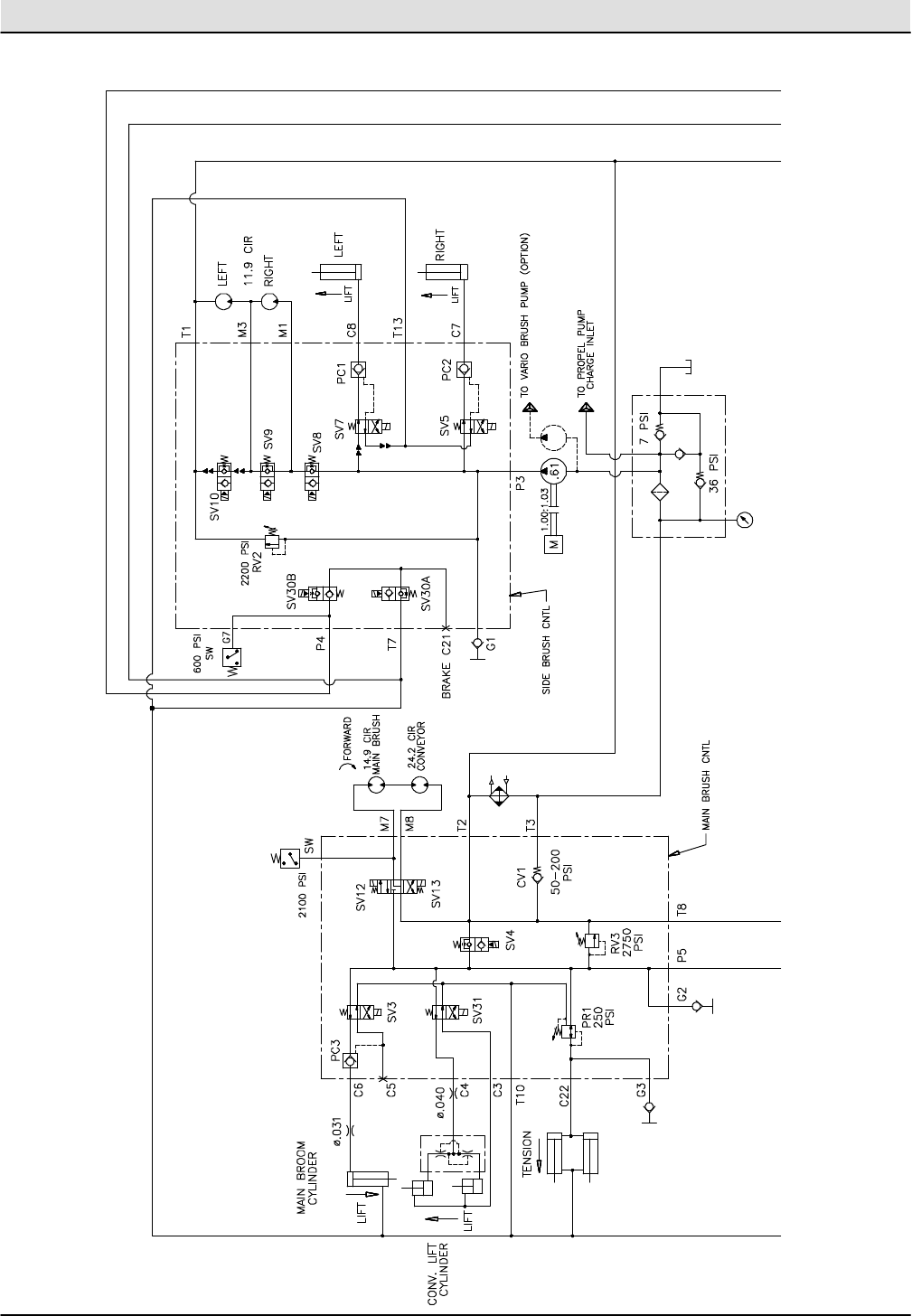
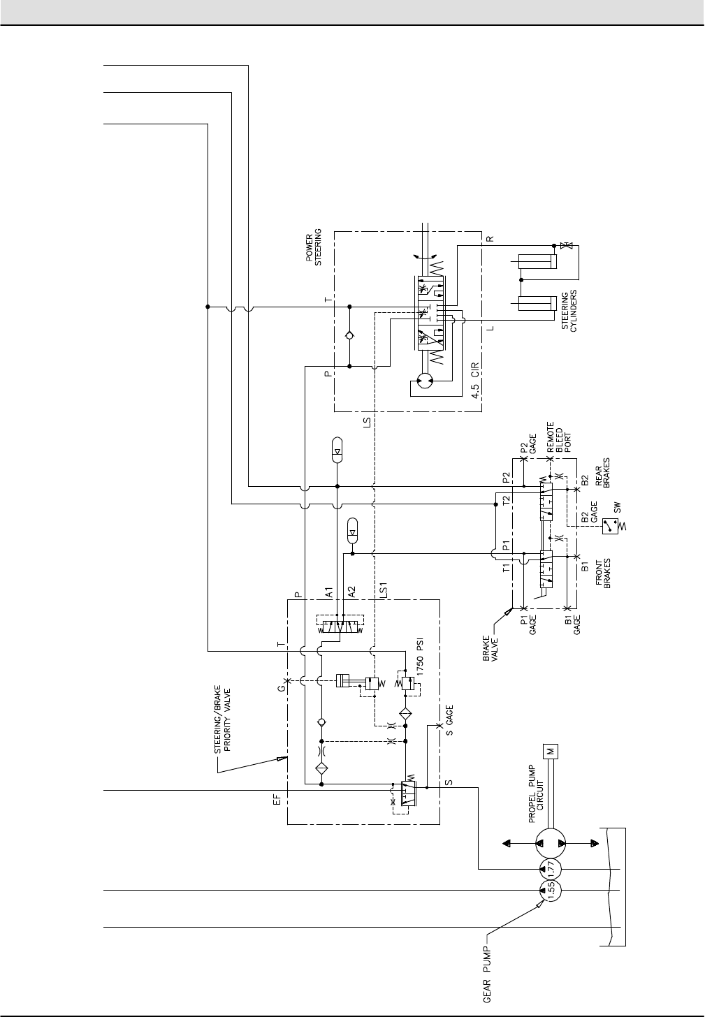
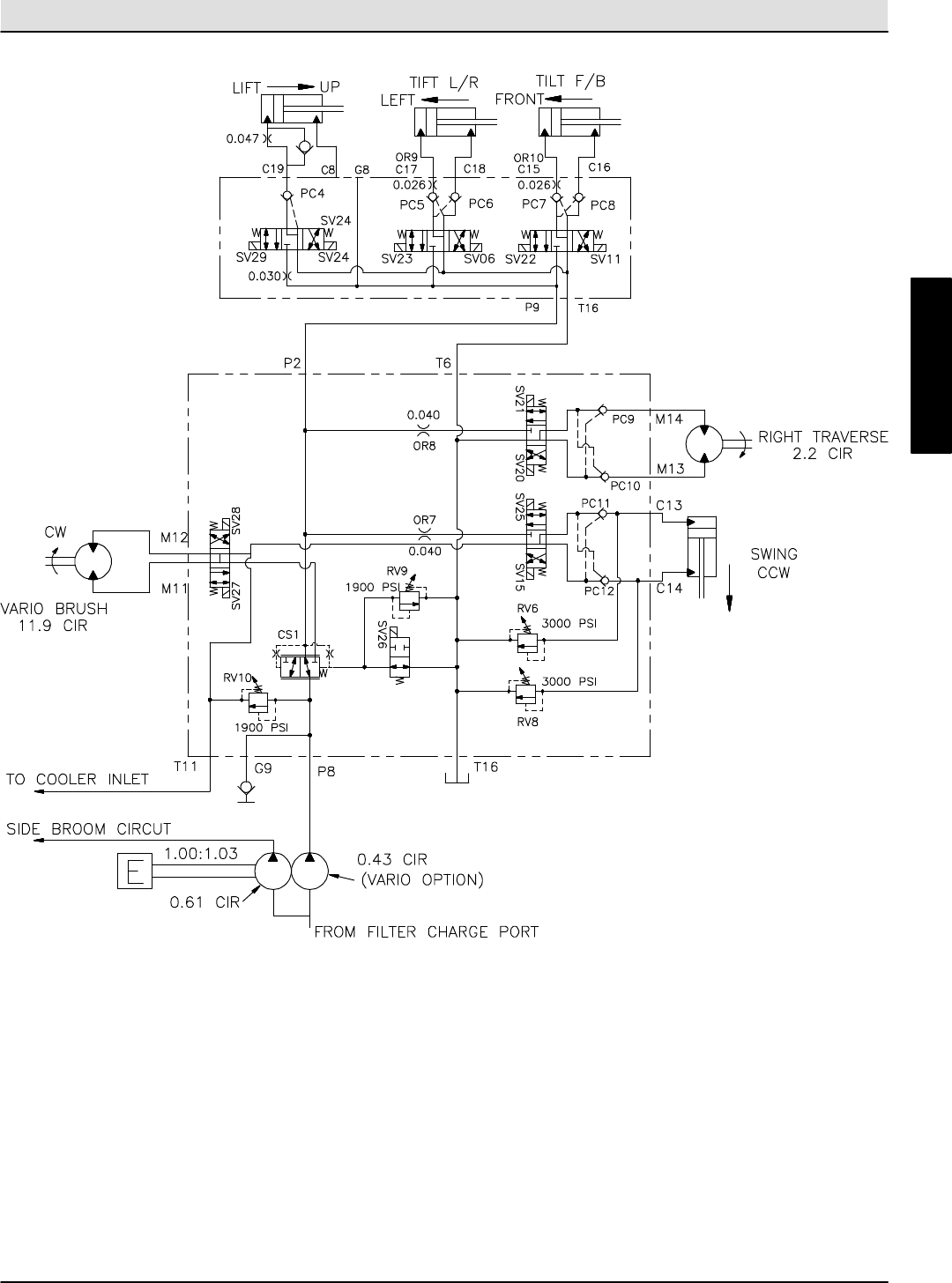
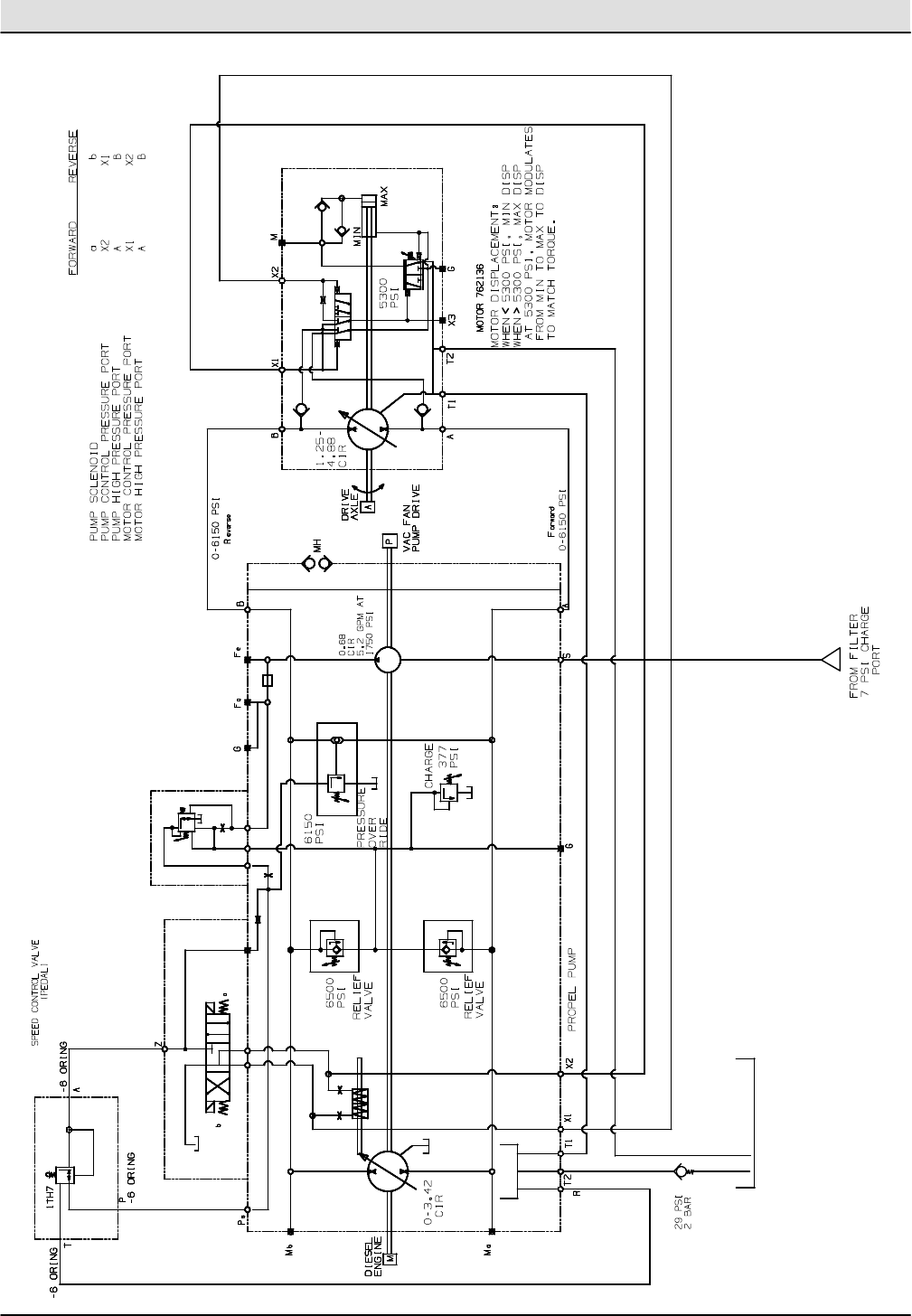
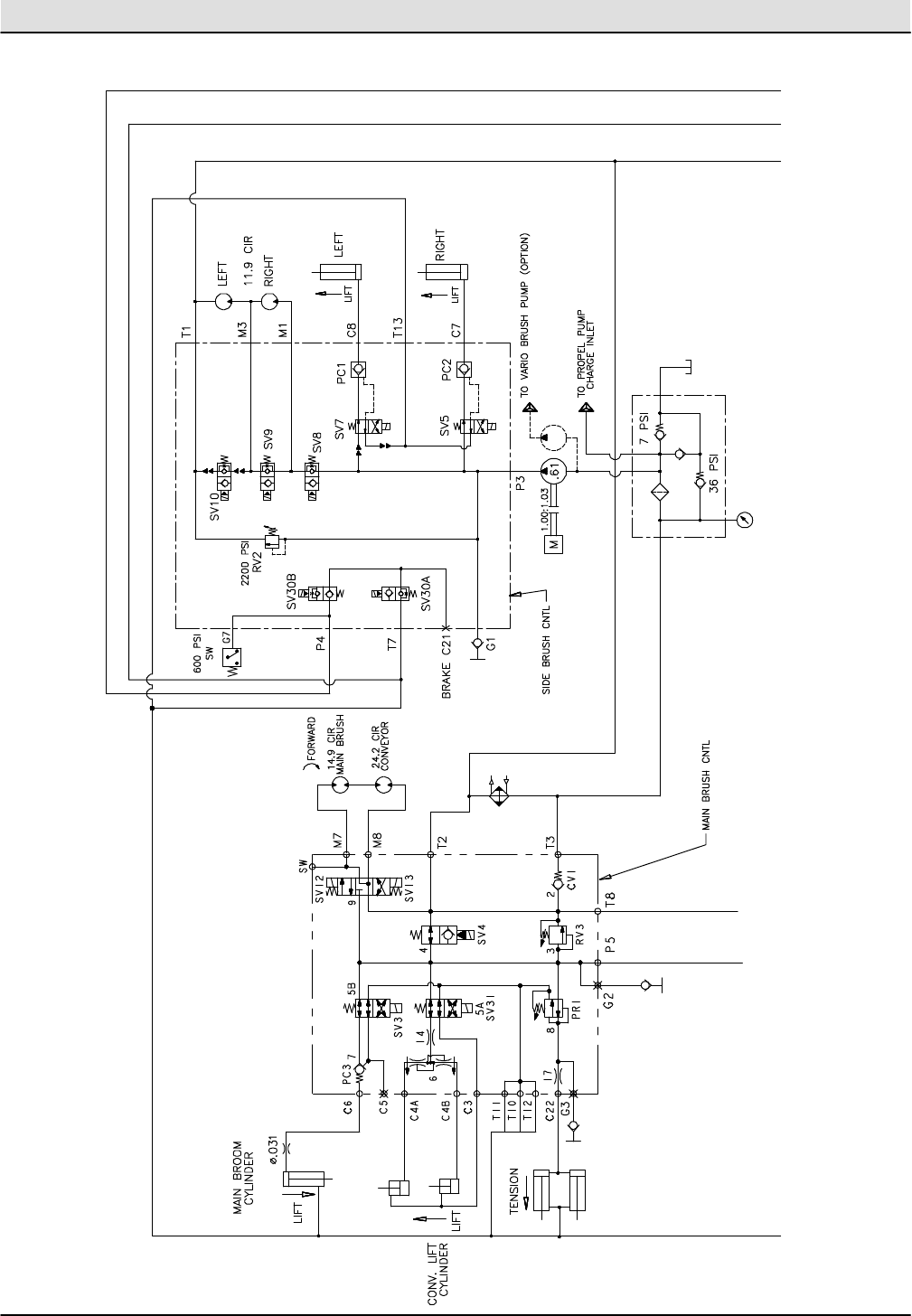
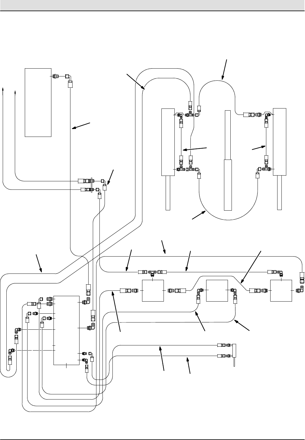
- Fig. 52 -- Hydraulic Schematic (000000-- 008742)
- Fig. 53 -- Hydraulic Schematic (008743-- )
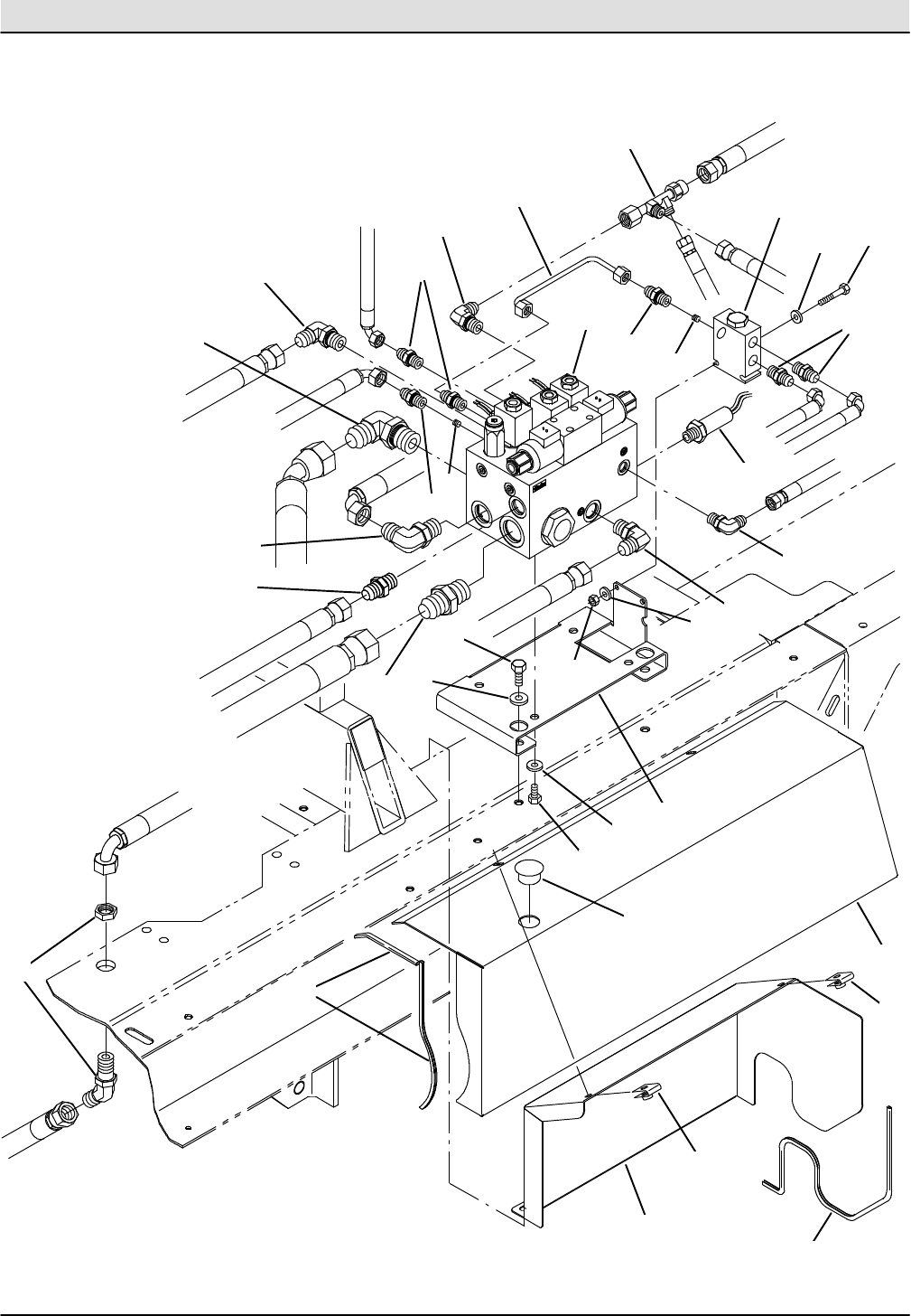
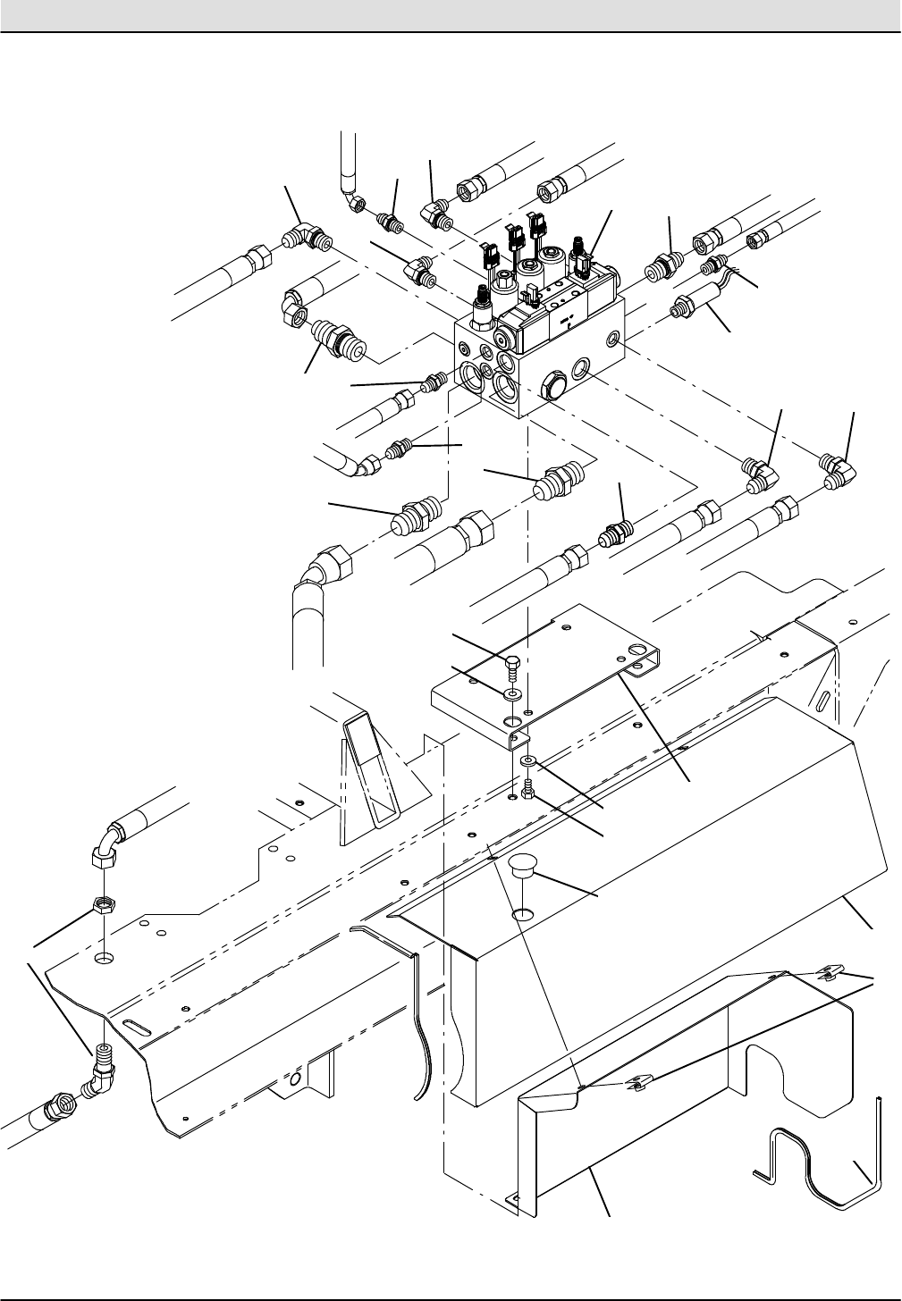
- Fig. 54 -- Hydraulic Hose Group, Low Dump
- Fig. 55 -- Hydraulic Hose Group, Cab
- Fig. 56 -- Hydraulic Hose Group, Conveyor and Main Brush (000000-- 008742)
- Fig. 57 -- Hydraulic Hose Group, Conveyor and Main Brush (008743-- )
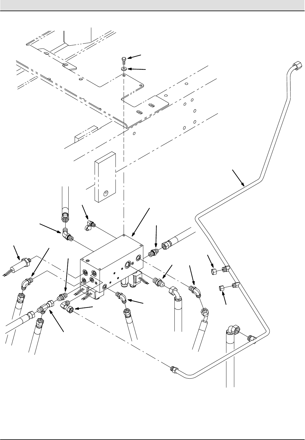
- Fig. 58 -- Hydraulic Hose Group, Reservoir
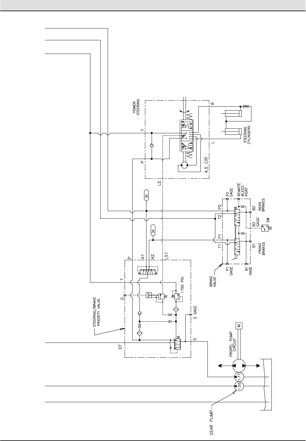
- Fig. 59 -- Hydraulic Hose Group, Steer, Brakes, Side Brush
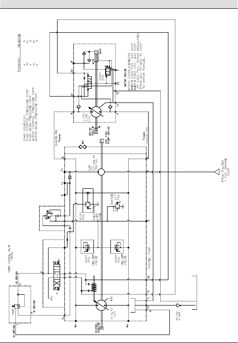
- Fig. 60 -- Hydraulic Hose Group, Propel
- Fig. 61 -- Hydraulic Reservoir Group
- Fig. 62 -- Hydraulic Pumps Group
- Fig. 63 -- Hydraulic Main Brush/Conveyor Lift Valve Group (000000-- 008742)
- Fig. 64 -- Hydraulic Main Brush/Conveyor Lift Valve Group (008743-- )
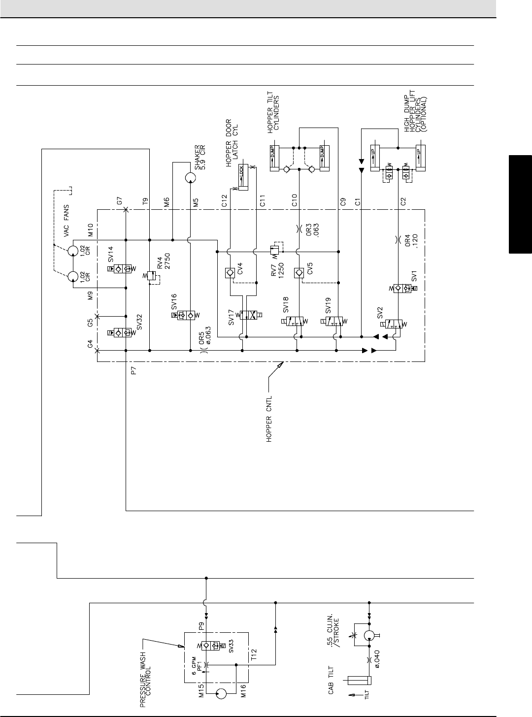
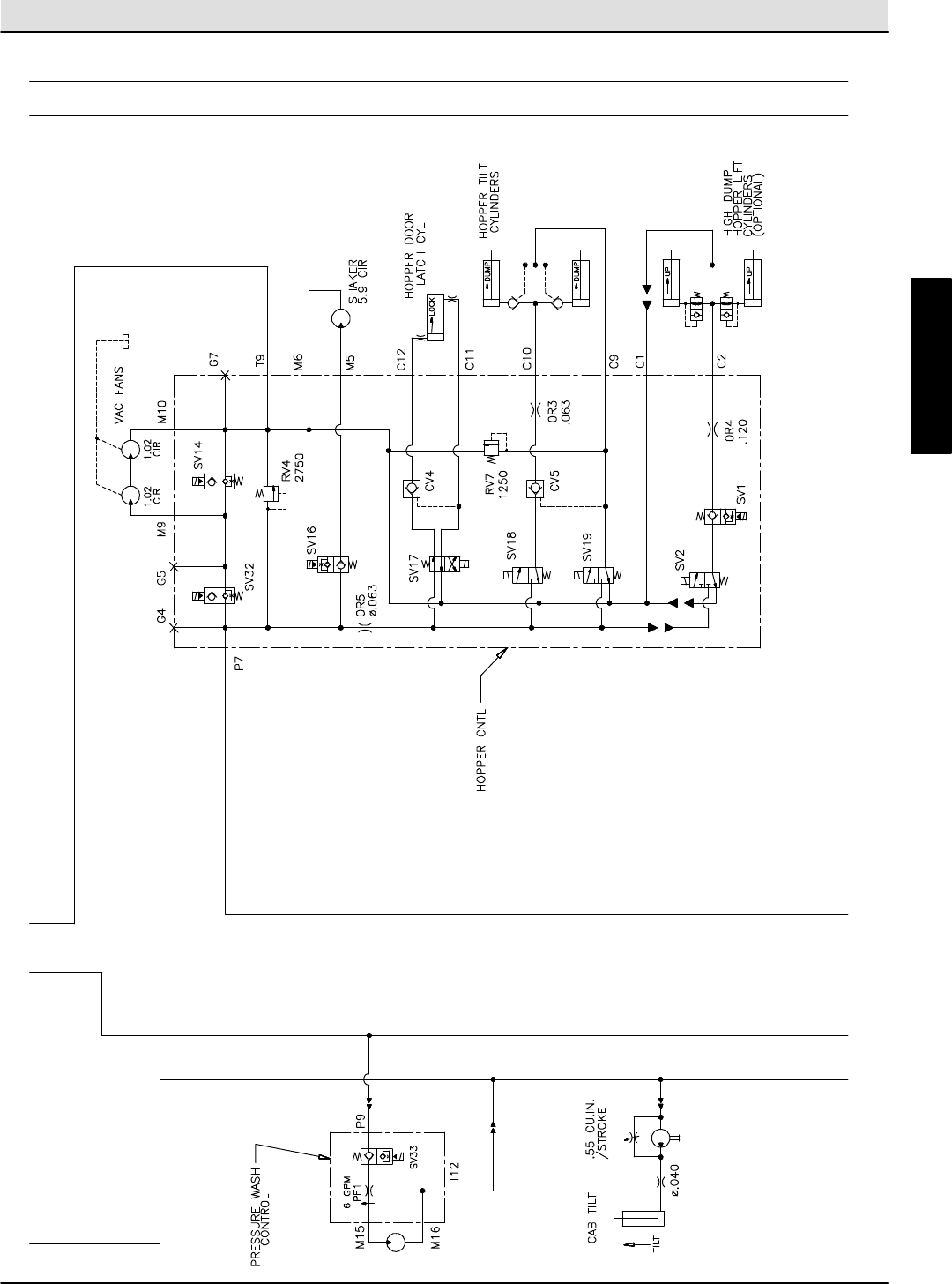
- Fig. 65 -- Hydraulic Hopper Control Valve Group
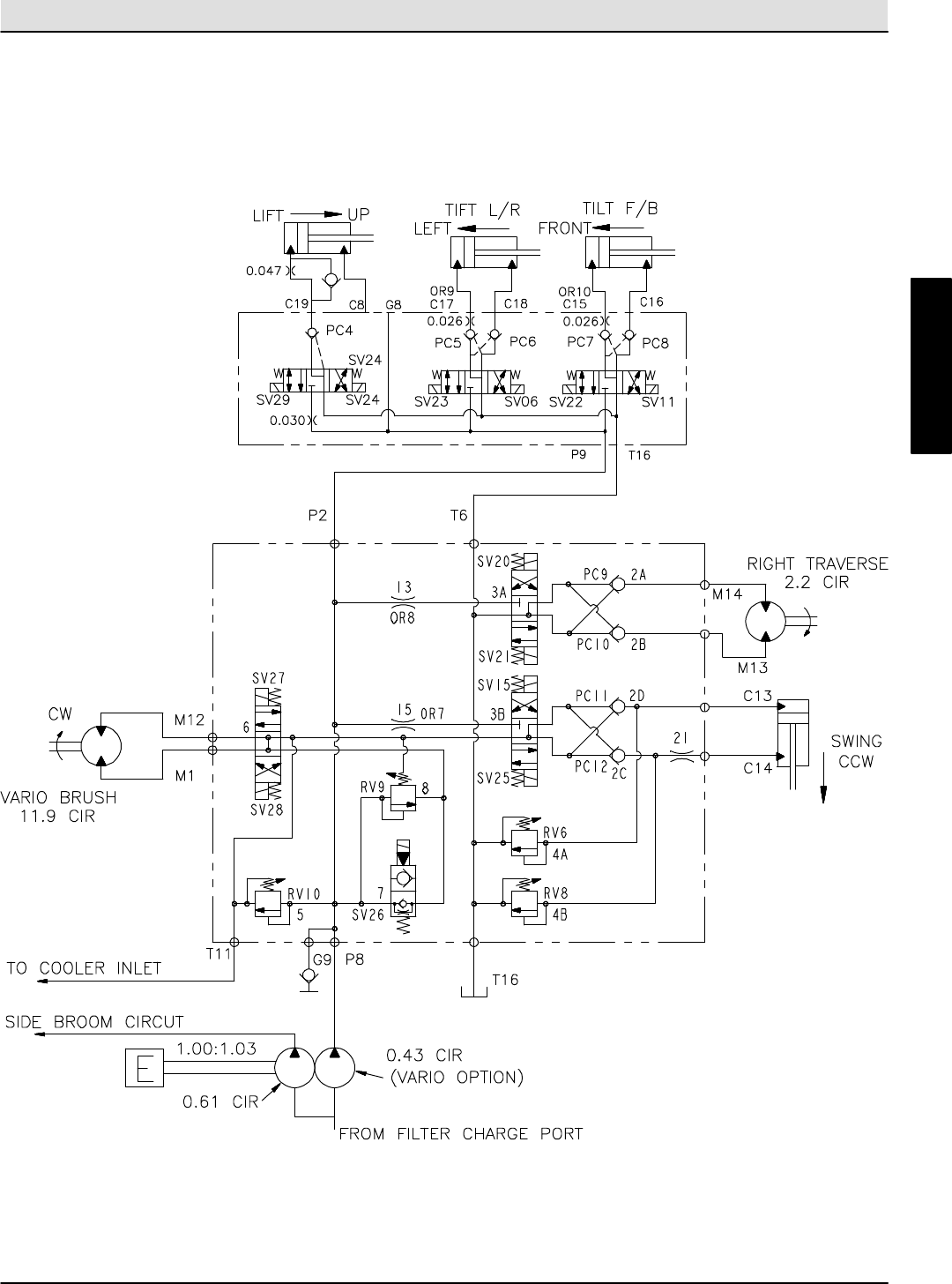
- Fig. 66 -- Hydraulic Side Brush Valve Group
- Hydraulic Side Brush Valve Group
- Fig. 67 -- Hydraulic Manifold and Priority Valve Group
- Fig. 68 -- Water Tank Group
- Fig. 69 -- Dry Dust Control Group
- Fig. 70 -- Dry Dust Control Group, Left Side Brush
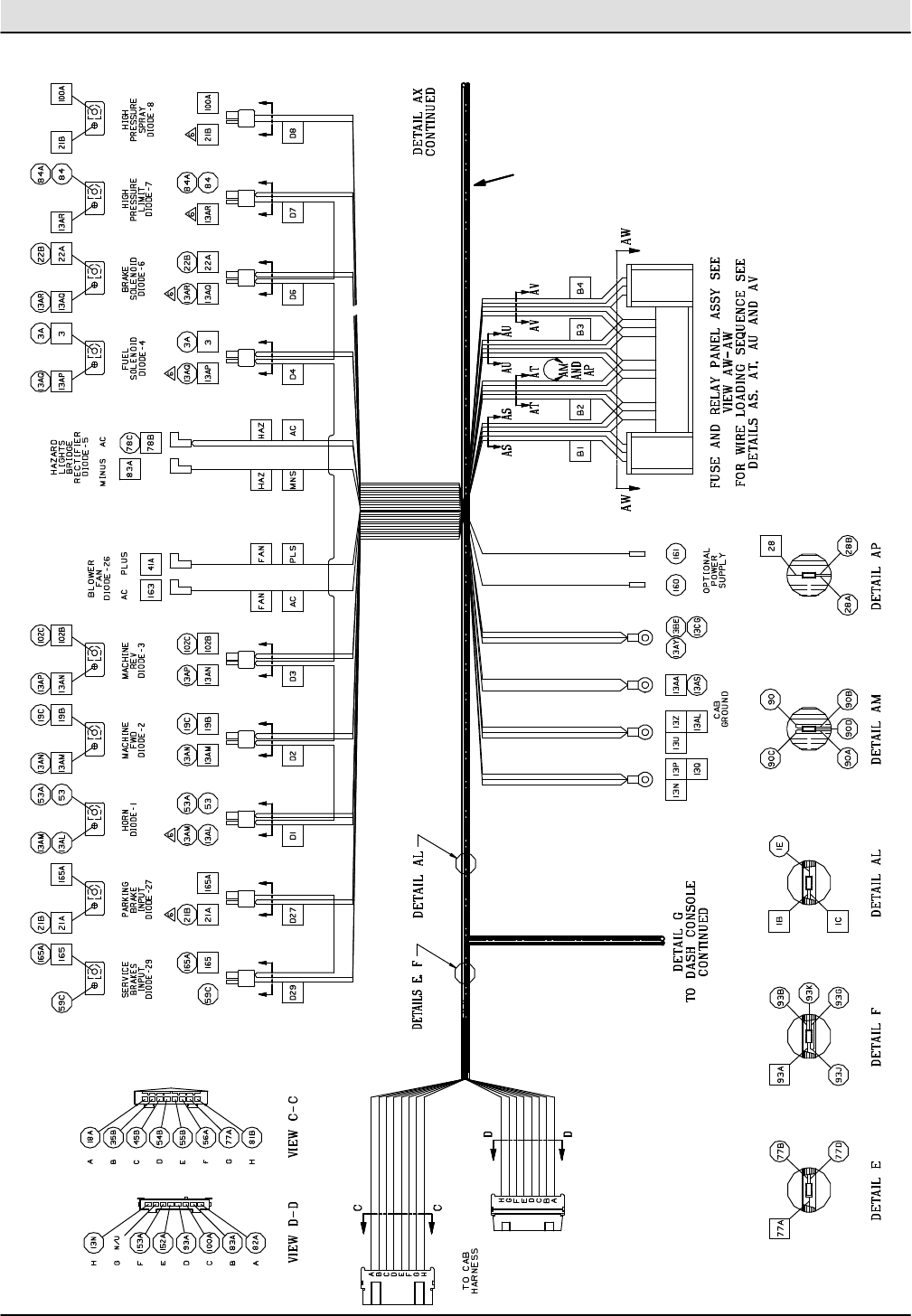
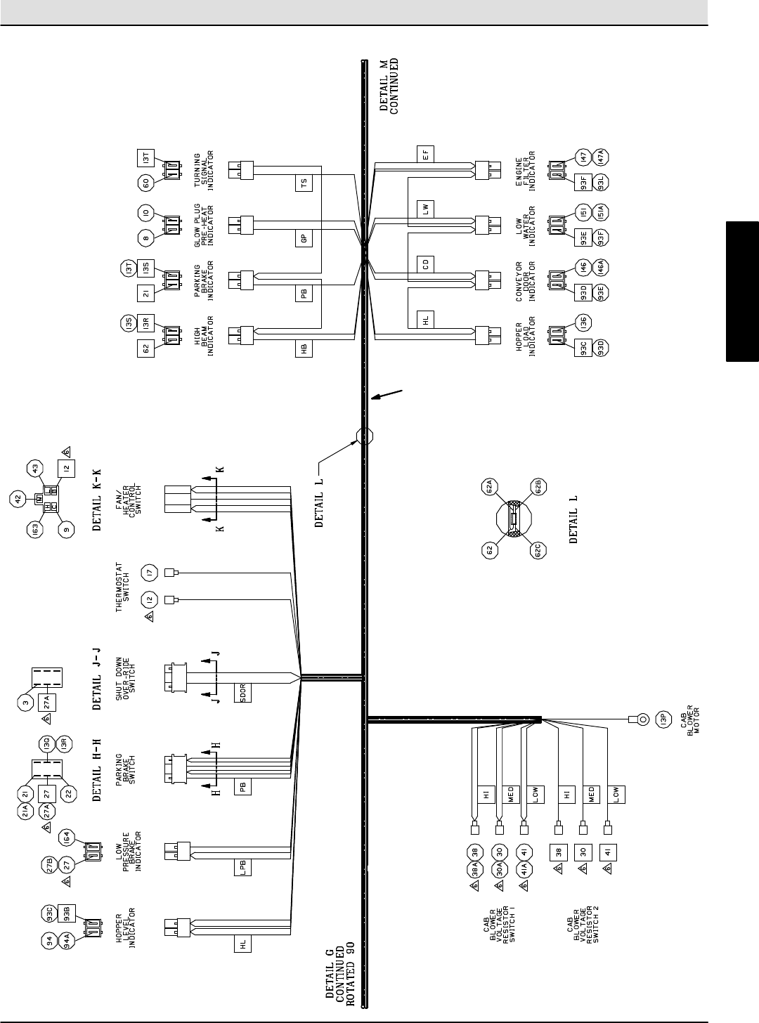
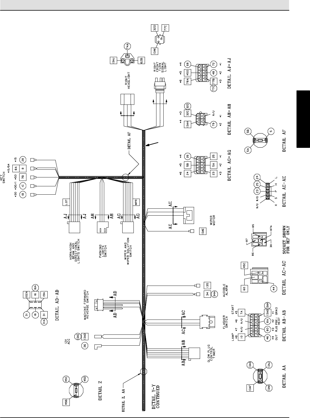
- Fig. 71 -- Electrical Schematic (000000-- 008499)
- (000000-- 008499)
- Fig. 72 -- Electrical Schematic (008500-- )
- Fig. 73 -- Wire Harnesses Group (000000-- 008499)
- Group
- Fig. 74 -- Wire Harnesses Group (008500-- )
- Fig. 75 -- Labels Group
- OPTIONS
- Fig. 1 -- High Dump Hopper Lift Group
- Fig. 2 -- High Dump Hopper Lift Cylinders Group
- Fig. 3 -- High Dump Hopper Hydraulic Hose Group
- Fig. 4 -- Left Side Brush Group
- Fig. 5 -- Left Side Brush Hydraulic Hose Group
- Fig. 6 -- Vario Brush Dolly Group
- Fig. 7 -- Vario Brush Dolly Hydraulics Group
- Fig. 8 -- Vario Brush Pivot Group
- Fig. 9 -- Vario Brush Lift Group
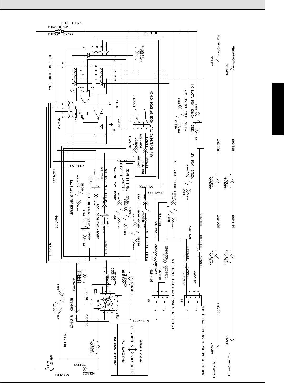
- Fig. 10 -- Vario Brush Motor Group
- Fig. 11 -- Vario Brush Cab Controls and Water Supply Group
- Fig. 12 -- Vario Brush Hydraulic Hose Group
- Fig. 13 -- Vario Brush Harnesses Group
- Fig. 14 -- High Pressure Sprayer Wand Group
- Fig. 15 -- High Pressure Sprayer Pump Group
- Fig. 16 -- High Pressure Sprayer Hydraulic Hose Group
- Fig. 17 -- Cab Jack Kit
- Fig. 18 -- Left Hand Operator Group
- Fig. 19 -- Hydraulic Hose Group, Left Hand Steering
- Left Hand Steering
- Fig. 20 -- Cab Air Conditioner Heater Group
- Fig. 21 -- Vacuum Wand Group
- Fig. 22 -- Vacuum Wand Door Group
- Fig. 23 -- Vacuum Wand Extension Group
- Fig. 24 -- Hopper Cleanout Tool Kit
- Fig. 25 -- Foam Filled Tire Group
- Fig. 26 -- Protectoseal Fuel Cap Group
- Fig. 27 -- Rear Rubber Bumper Kit
- Fig. 28 -- Fire Extinguisher Group
- Fig. 29 -- Filter Bag Lift Kit
- Fig. 30 -- Hydrant Wash Down Group
- Fig. 31 -- Hydrant Hose Group
- Fig. 32 -- Engine Access Step Kit
- Fig. 33 -- Light Kit, Night
- Fig. 34 -- Light Kit, Revolving
- Fig. 35 -- Light Kit, Strobe
- Fig. 36 -- Light Kit, Arrow Stick, Without Revolving Light
- Fig. 37 -- Light Kit, Arrow Stick, With Revolving Light
- Fig. 38 -- Passenger Seat Kit
- Fig. 39 -- Radio Kit
- Fig. 40 -- Auto-- Lube System Group
- Fig. 41 -- Auto-- Lube Pump Kit
- Fig. 42 -- Side Brush Spring Kit
- Fig. 43 -- Side Brush Linkage Kit
- Fig. 44 -- Side Brush Fourth Bar Linkage Kit
- Fig. 45 -- Documentation Group
- BREAKDOWNS
- Fig. 1 -- Hydraulic Piston Pump Breakdown, 767200
- Fig. 2 -- Hydraulic Piston Motor Breakdown, 762136
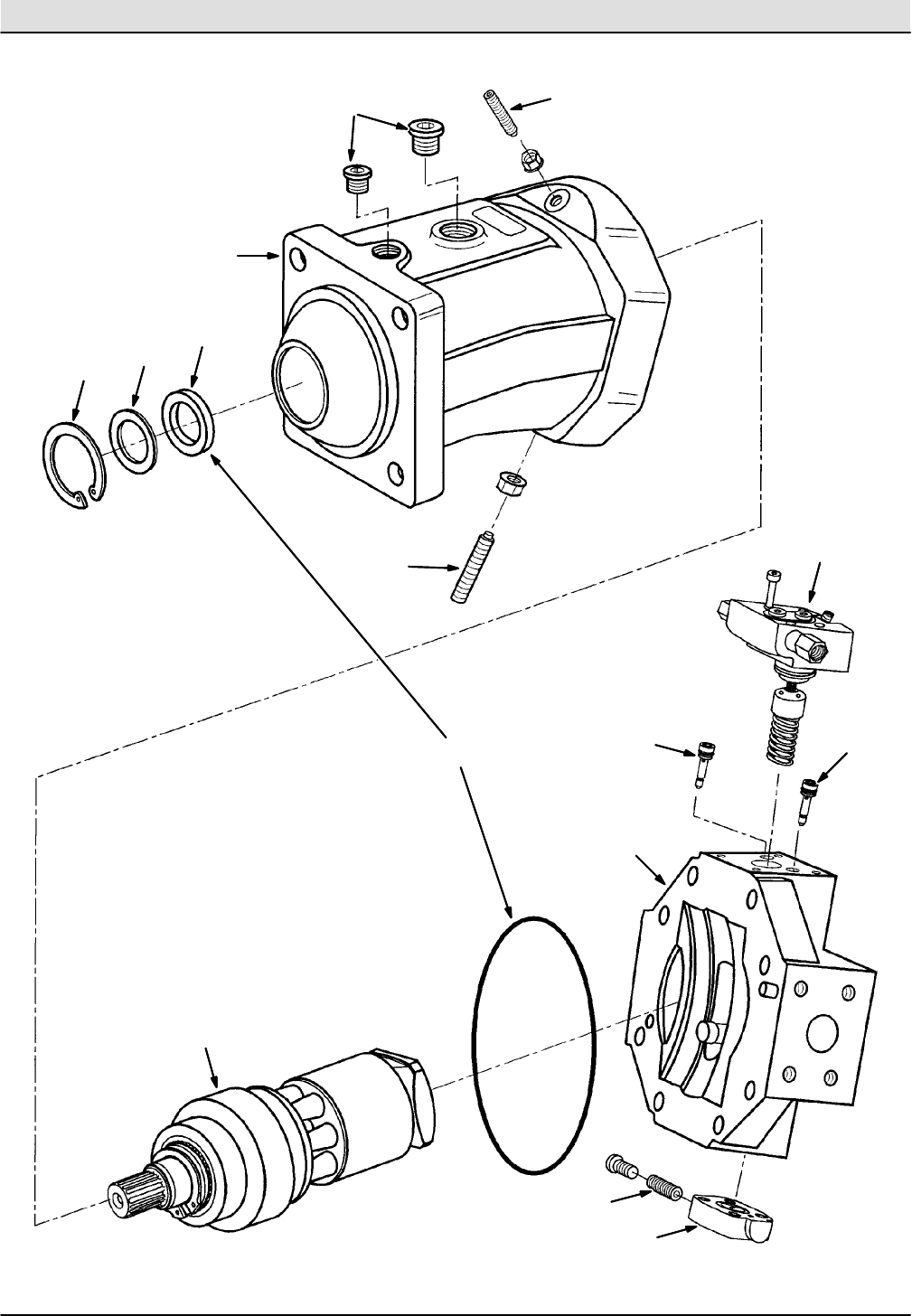
- Fig. 3 -- Hydraulic Motor Breakdown, 762035
- Fig. 4 -- Hydraulic Motor Breakdown, 762032
- Fig. 5 -- Axle And Spindle Breakdown, Front
- Fig. 6 -- Axle Wheel Hub and Brake Breakdown, Front
- Fig. 7 -- Axle Differential Breakdown, Front
- Fig. 8 -- Axle Input Breakdown, Front
- Fig. 9 -- Axle CV Joint Breakdown, Front
- Fig. 10 -- Axle And Spindle Breakdown, Rear
- Fig. 11 -- Axle Wheel Hub and Brake Breakdown, Rear
- Fig. 12 -- Cat Pump Breakdown, 762260
- Fig. 13 -- Hydraulic Solenoid Valve Breakdown, 768899
- Fig. 14 -- Hydraulic Solenoid Valve Breakdown, 768899
- (For High Dump Hopper Lift Option)
- Fig. 15 -- Hydraulic Solenoid Valve Breakdown, 767009
- Fig. 16 -- Hydraulic Steering Valve Breakdown, 771014
- Fig. 17 -- Hydraulic Solenoid Valve Breakdown, 771010
- Fig. 18 -- Hydraulic Solenoid Valve Breakdown, 771010
- (For Left Hand Side Brush Option)
- Fig. 19 -- Hydraulic Solenoid Valve Breakdown, 771019
- Fig. 20 -- Hydraulic Solenoid Valve Breakdown, 771011
- Fig. 21 -- Hydraulic Solenoid Valve Breakdown, 771012
- Fig. 22 -- Hydraulic Solenoid Valve Breakdown, 1053642
- Fig. 23 -- Hydraulic Solenoid Valve Breakdown, 1053642
- (For High Dump Hopper Lift Option)
- Fig. 24 -- Hydraulic Solenoid Valve Breakdown, 1053650
- Fig. 25 -- Hydraulic Solenoid Valve Breakdown, 1048792
- Fig. 26 -- Hydraulic Solenoid Valve Breakdown, 1048792
- (For Left Hand Side Brush Option)
- Fig. 27 -- Hydraulic Solenoid Valve Breakdown, 1053645
- Fig. 28 -- Hydraulic Solenoid Valve Breakdown, 1053648
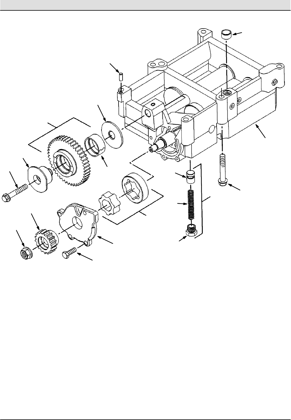
- 1008786 NA ENGINE BREAKDOWN
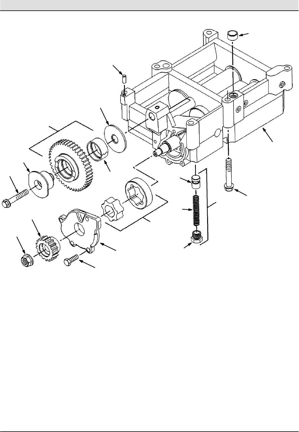
- Fig. 1 -- Balancer Group
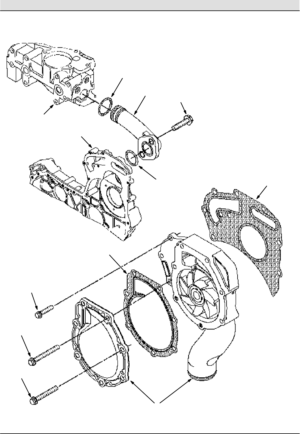
- Fig. 2 -- Water Connection Group
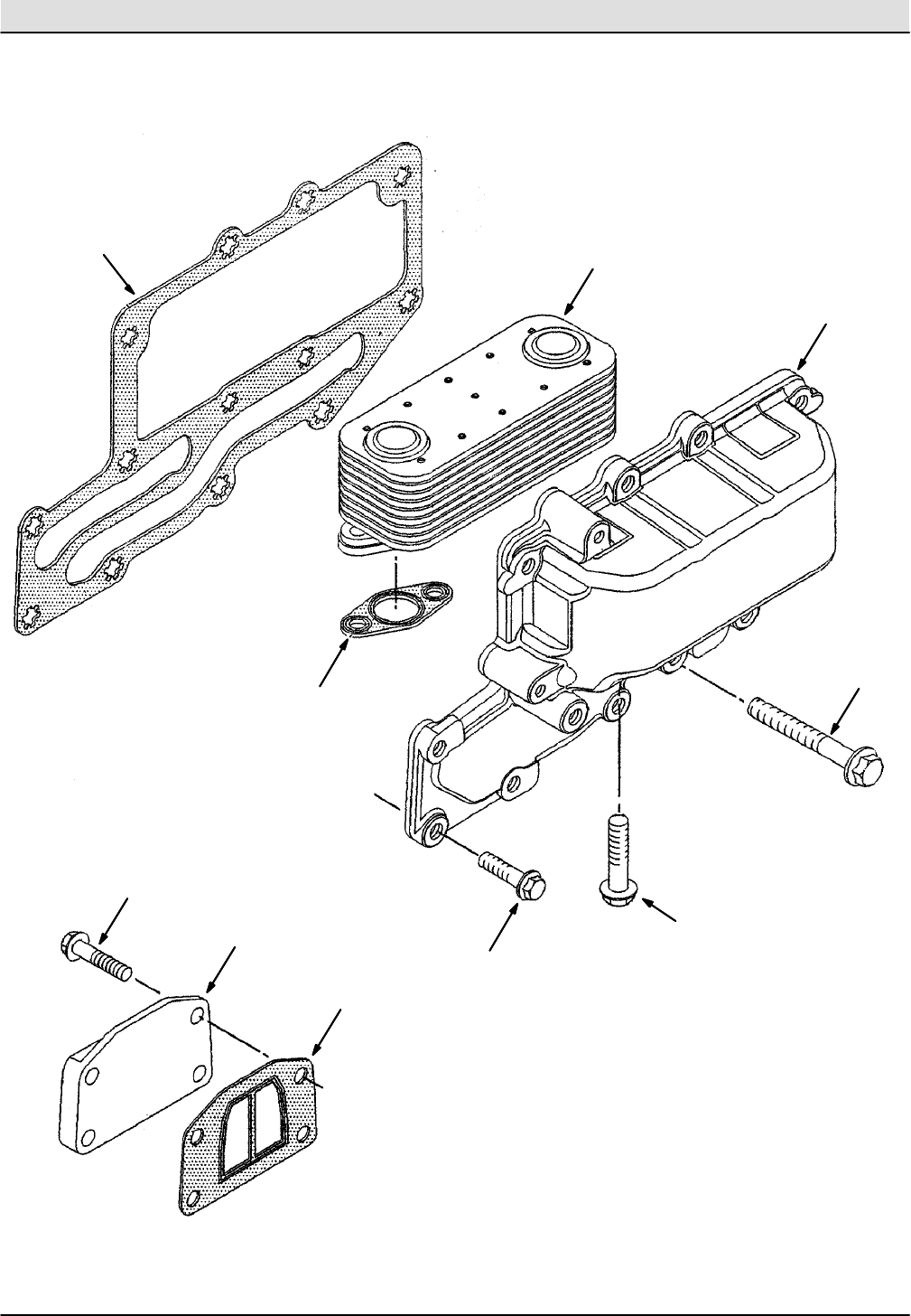
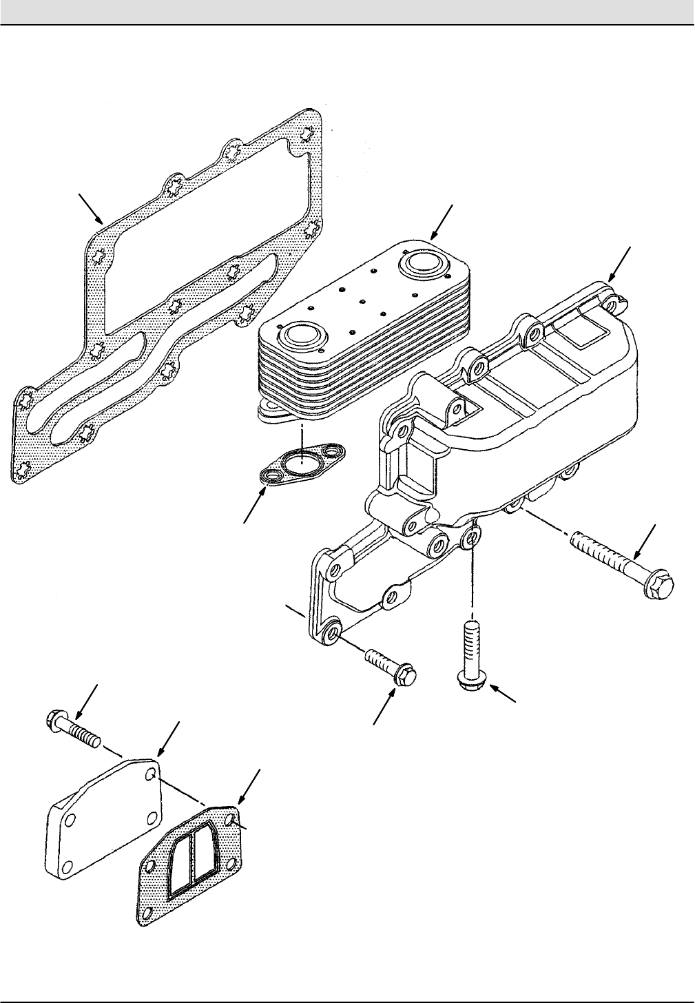
- Fig. 3 -- Engine Oil Cooler Group
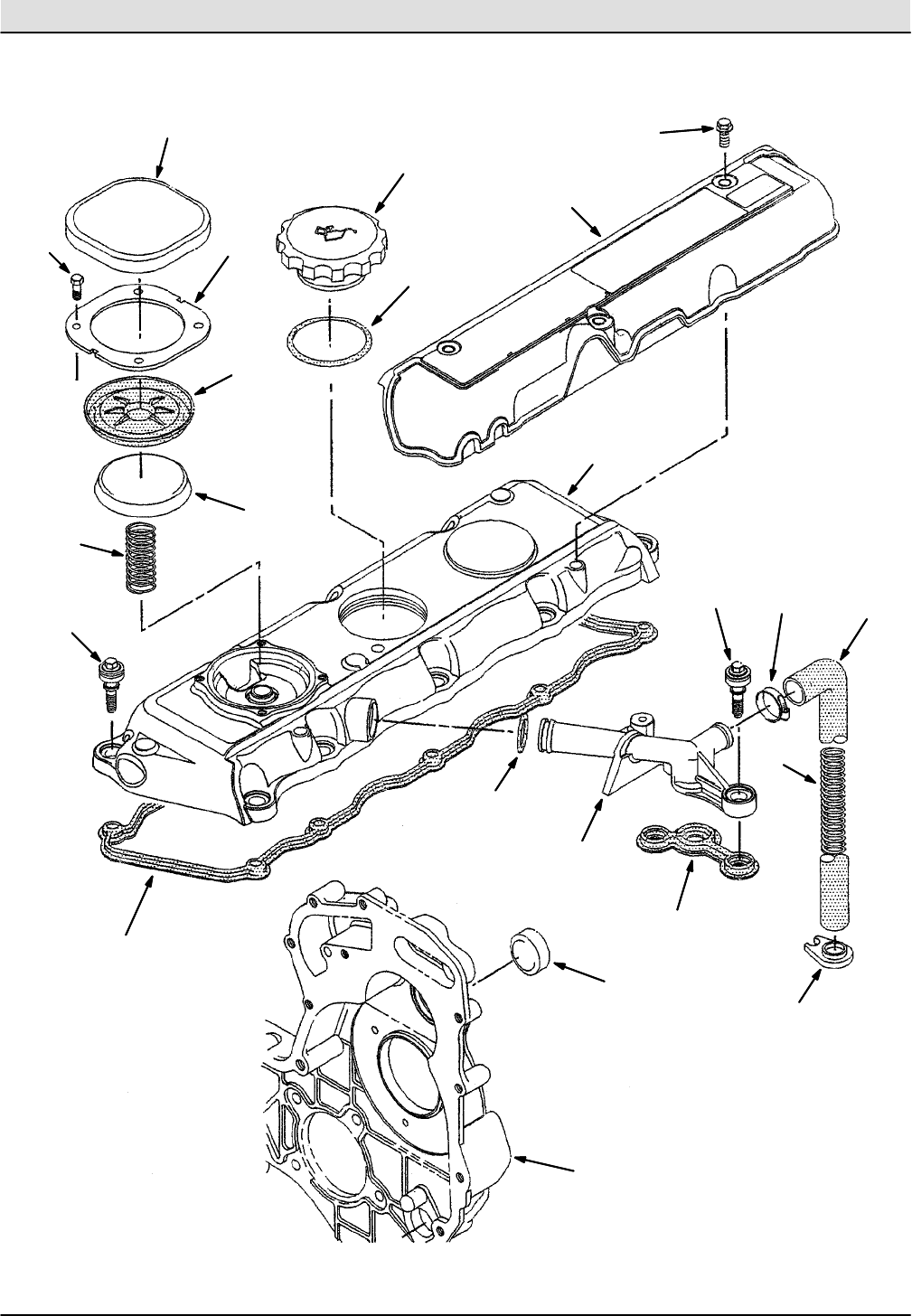
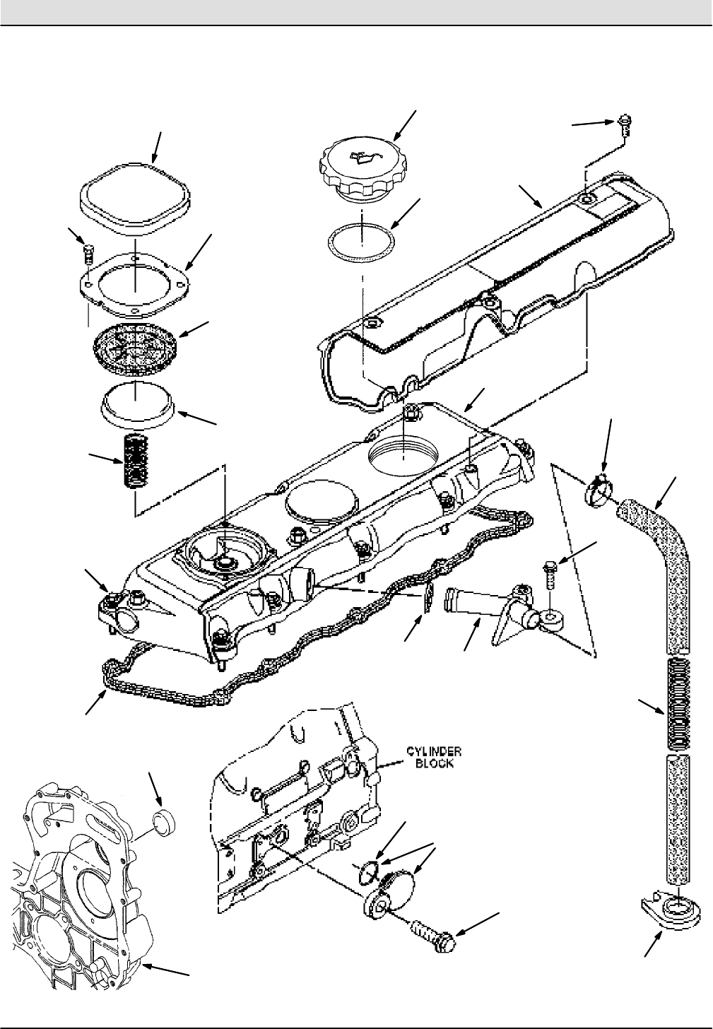
- Fig. 4 -- Valve Mechanism Cover Group
- Fig. 5 -- Front Housing Cover Group
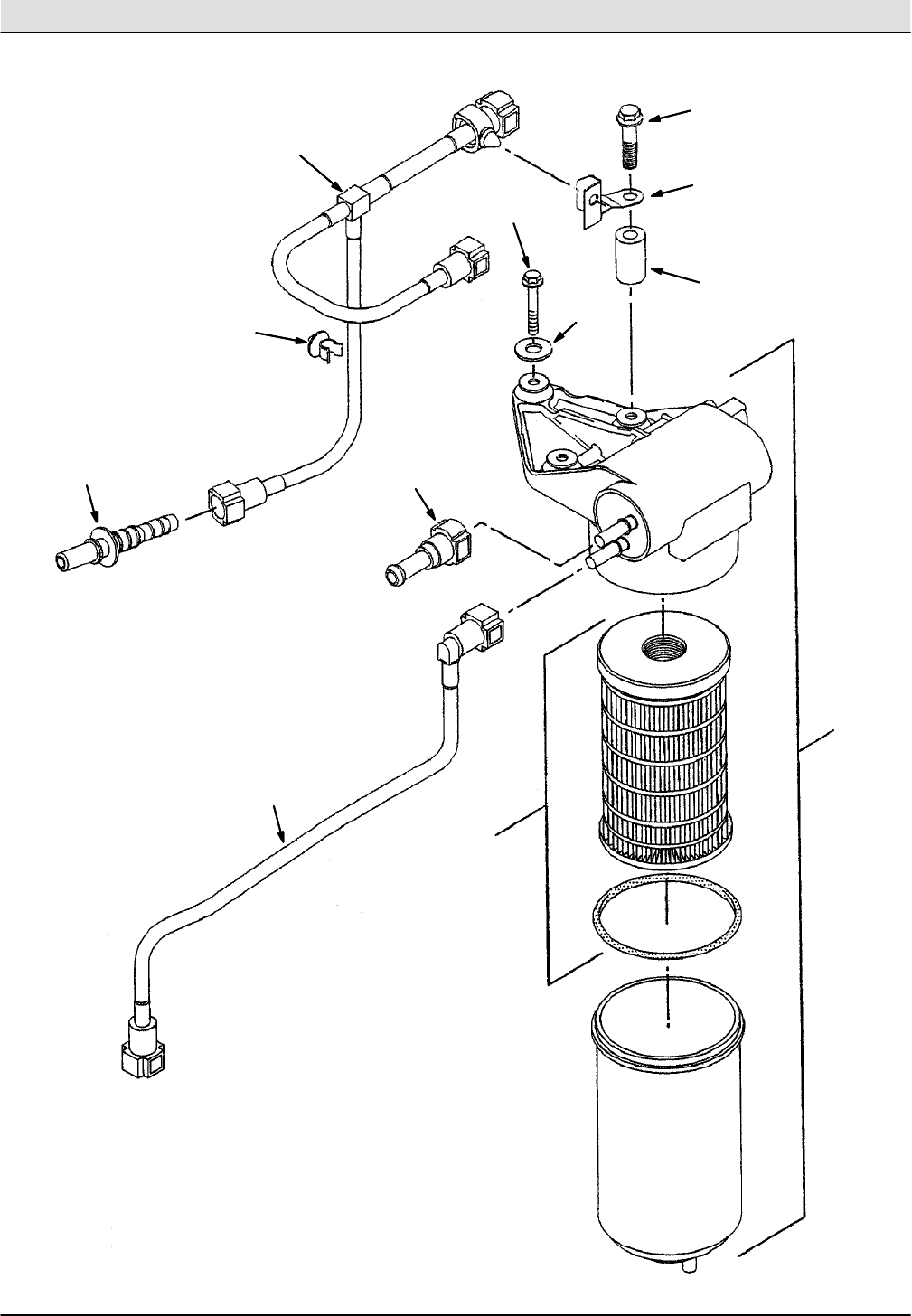
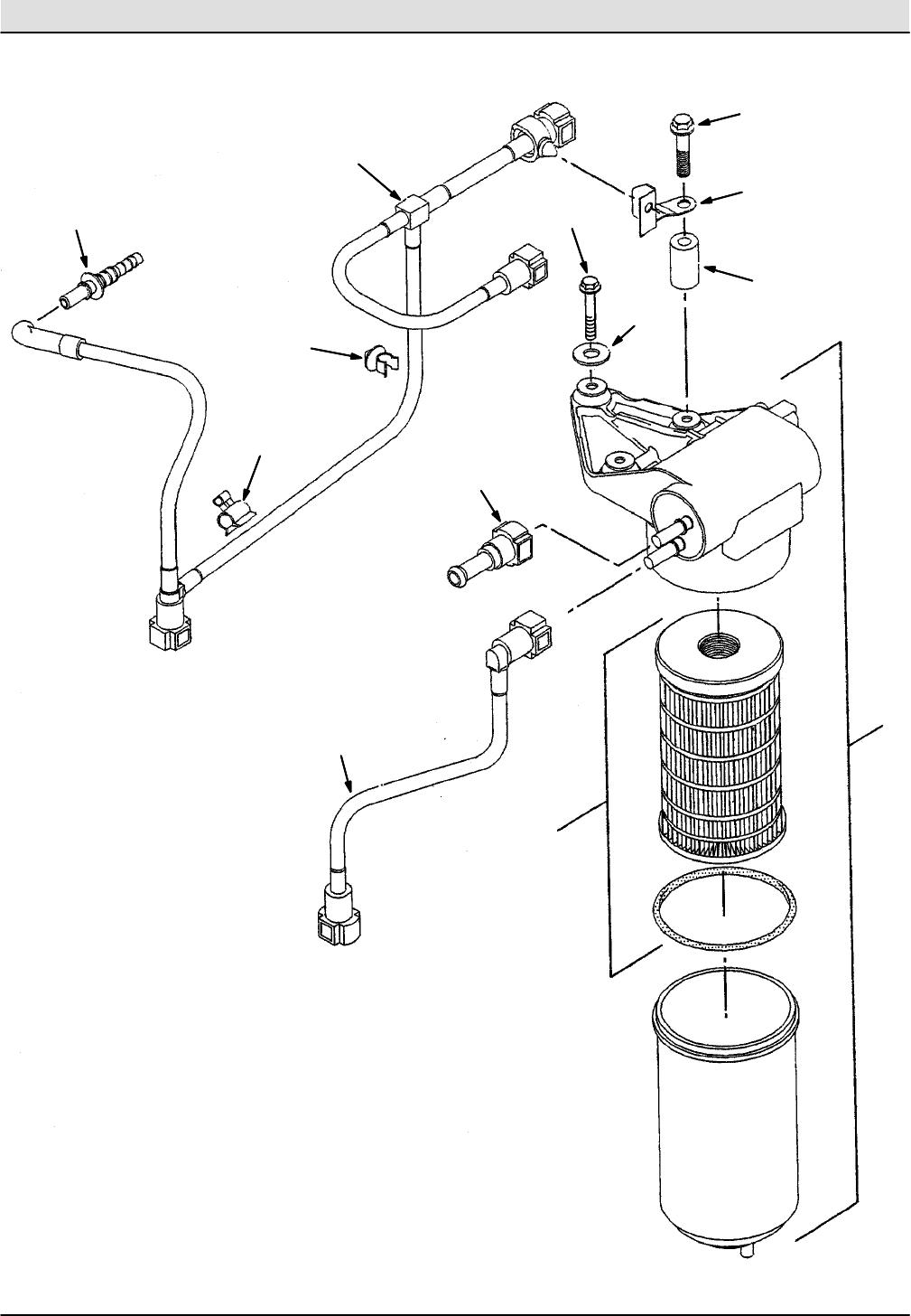
- Fig. 6 -- Fuel Filter Group
- Fig. 7 -- Front Housing Group
- Fig. 8 -- Glow Plug Group
- Fig. 9 -- Engine Lifting Group
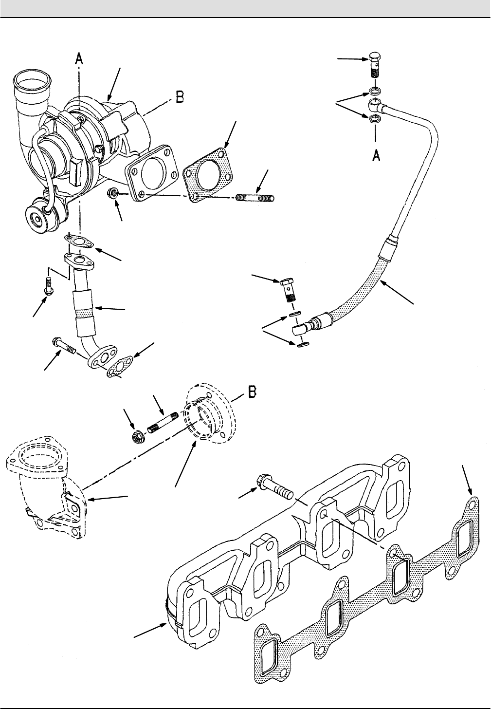
- Fig. 10 -- Exhaust Manifold Group
- Fig. 11 -- Exhaust Fastener Group
- Fig. 12 -- Engine Plug Group
- Fig. 13 -- Engine Plug Group
- Fig. 14 -- Fan Drive Group
- Fig. 15 -- Crankshaft Pulley Group
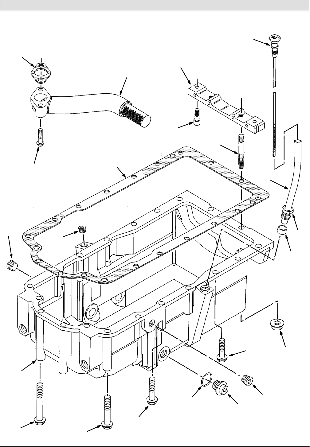
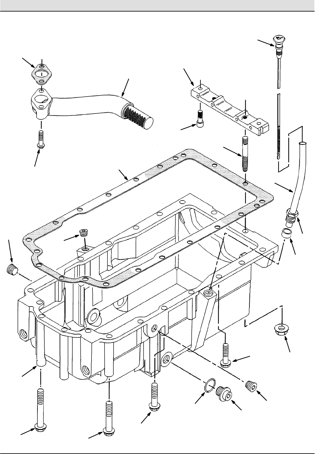
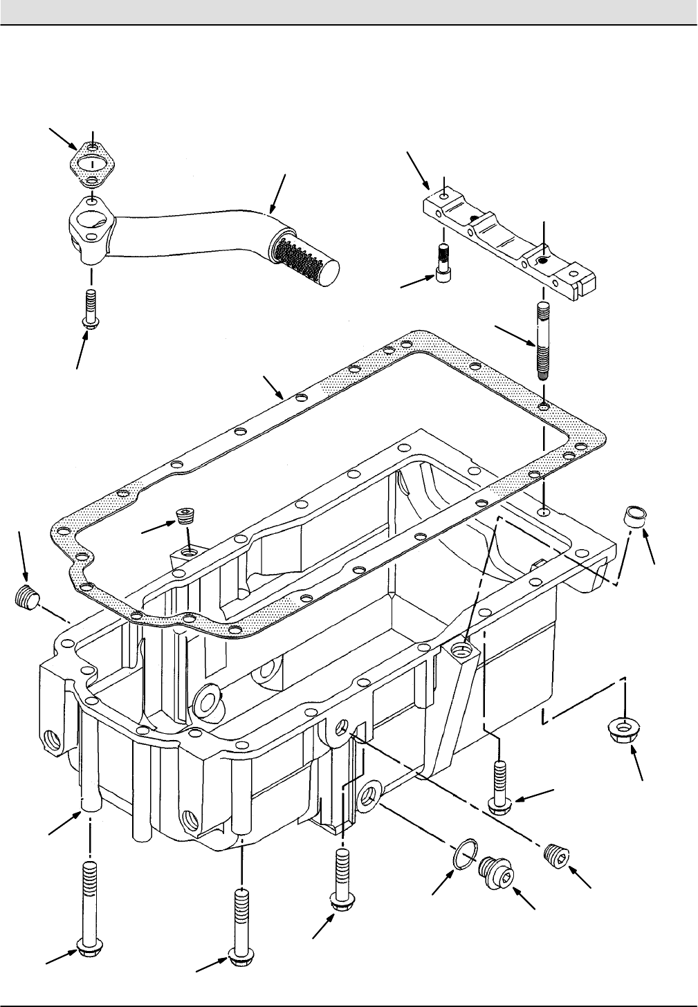
- Fig. 16 -- Oil Pan Group
- Fig. 17 -- Exhaust Pipe Group
- Fig. 18 -- Fuel Injection Pump Group
- Fig. 19 -- Water Pump Group
- Fig. 20 -- Pressure Switch Group
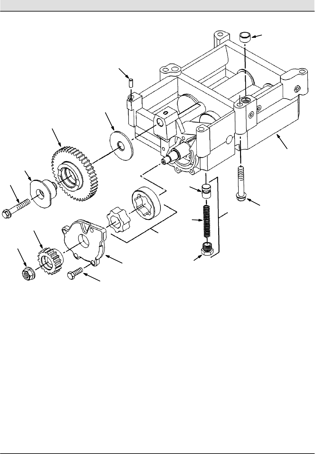
- Fig. 21 -- Camshaft Group
- Fig. 22 -- Crankshaft Group
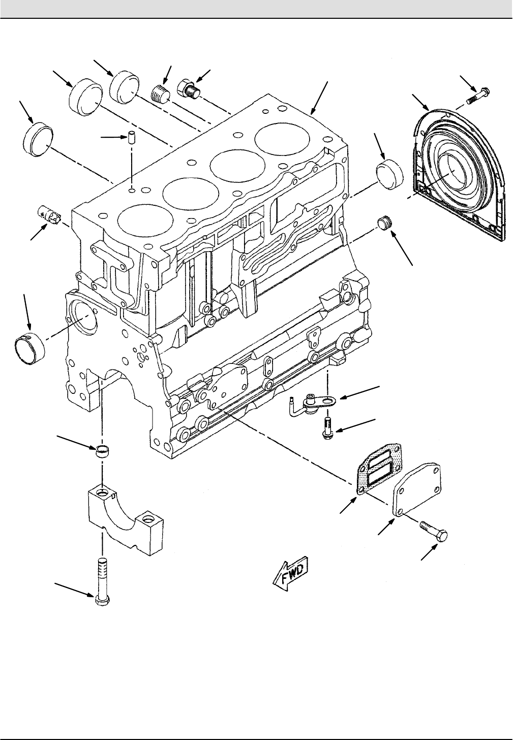
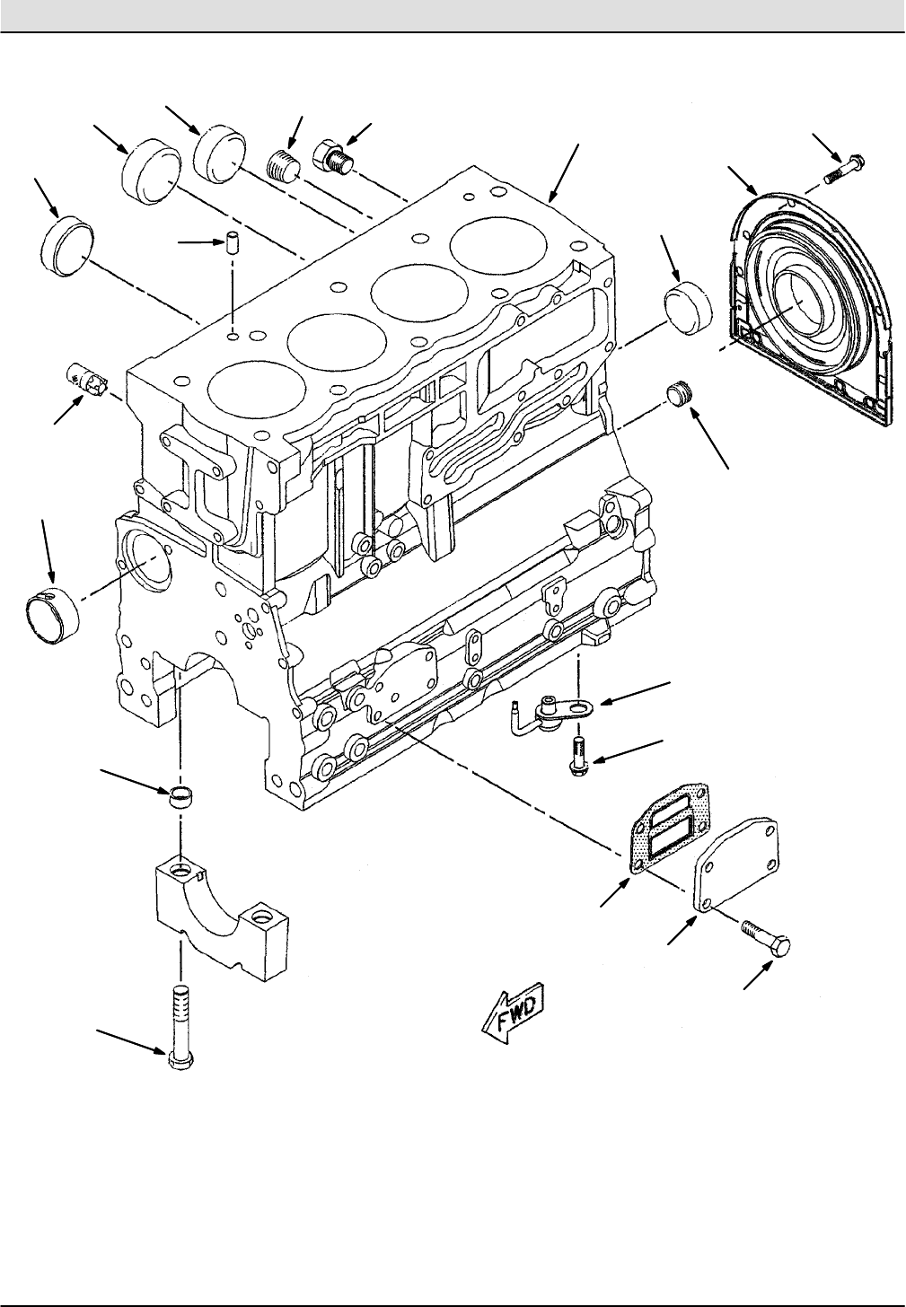
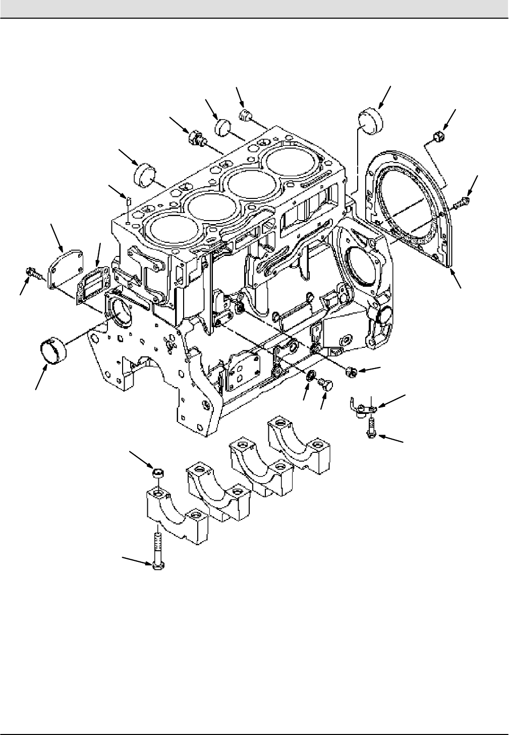
- Fig. 23 -- Cylinder Block Group
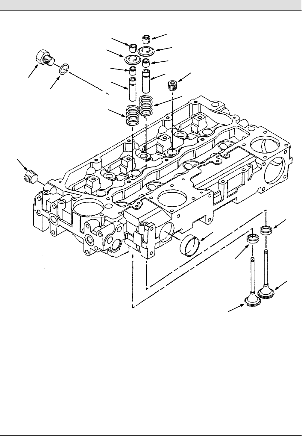
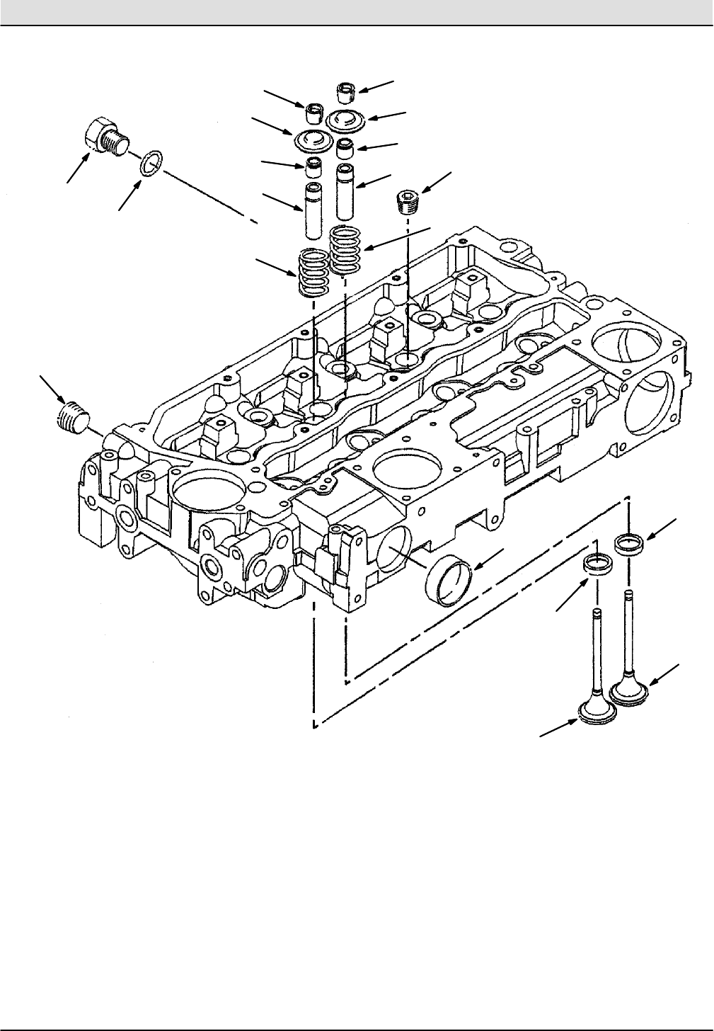
- Fig. 24 -- Cylinder Head Group
- Fig. 25 -- Piston and Rod Group
- Fig. 26 -- Valve Mechanism Group
- 1008787 TURBO ENGINE BREAKDOWN
- Fig. 1 -- Balancer Group
- Fig. 2 -- Water Connection Group
- Fig. 3 -- Engine Oil Cooler Group
- Fig. 4 -- Valve Mechanism Cover Group
- Fig. 5 -- Front Housing Cover Group
- Fig. 6 -- Fuel Filter Group
- Fig. 7 -- Front Housing Group
- Fig. 8 -- Glow Plug Group
- Fig. 9 -- Engine Lifting Group
- Fig. 10 -- Engine Plug Group
- Fig. 11 -- Engine Plug Group
- Fig. 12 -- Fan Drive Group
- Fig. 13 -- Crankshaft Pulley Group
- Fig. 14 -- Oil Pan Group
- Fig. 15 -- Exhaust Pipe Group
- Fig. 16 -- Fuel Injection Pump Group
- Fig. 17 -- Water Pump Group
- Fig. 18 -- Pressure Switch Group
- Fig. 19 -- Camshaft Group
- Fig. 20 -- Crankshaft Group
- Fig. 21 -- Cylinder Block Group
- Fig. 22 -- Cylinder Head Group
- Fig. 23 -- Piston and Rod Group
- Fig. 24 -- Valve Mechanism Group
- Fig. 25 -- Turbocharger Group
- 1040660 CAT ENGINE BREAKDOWN
- Fig. 1 -- Balancer Group
- Fig. 2 -- Valve Mechanism Cover Group
- Fig. 3 -- Front Housing Cover Group
- Fig. 4 -- Front Housing Group
- Fig. 5 -- Engine Lifting Group
- Fig. 6 -- Engine Plug Group
- Fig. 7 -- Engine Plug Group
- Fig. 8 -- Fan Drive Group
- Fig. 9 -- Crankshaft Pulley Group
- Fig. 10 -- Water Connection Group
- Fig. 11 -- Oil Pan Group
- Fig. 12 -- Exhaust Pipe Group
- Fig. 13 -- Fuel Injection Pump Group
- Fig. 14 -- Water Pump Group
- Fig. 15 -- Glow Plug Group
- Fig. 16 -- Camshaft Group
- Fig. 17 -- Crankshaft Group
- Fig. 18 -- Cylinder Block Group
- Fig. 19 -- Piston and Rod Group
- Fig. 20 -- Turbocharger Group
- Fig. 21 -- Cylinder Head Group
- Fig. 22 -- Flywheel Housing Group
- Fig. 23 -- Flywheel Group
- Fig. 24 -- Starter Group
- Fig. 25 -- Alternator Group
- CROSS REFERENCE

*331000*
www.tennantco.com
331000
Rev. 07 (5-2010)
North America / International
SENTINELR
Sweeper
Parts Manual
TennantTruetParts and Supplies
Home
Find...
Go To..

When ordering replacement parts, use the illustrated parts list section in this manual. Before ordering parts or supplies,
be sure to have your machine model number and serial number available. Only use TENNANT Company supplied or
equivalent parts. Parts and supplies may be ordered online, by phone, or mail from any authorized parts and service
center, distributor or from any of the manufacturer’s subsidiaries.
This machine will provide excellent service. However, the best results will be obtained at minimum costs if:
SThe machine is operated with reasonable care.
SThe machine is maintained regularly - per the machine maintenance instructions provided.
SThe machine is maintained with manufacturer supplied or equivalent parts.
MACHINE DATA
Please fill out at time of installation for future reference.
Model No. --
Serial No. --
Machine Options --
Sales Rep. --
Sales Rep. phone no. --
Customer Number --
Installation Date --
Tennant Company
PO Box 1452
Minneapolis, MN 55440
Phone: (800) 553--8033 or (763) 513--2850
www.tennantco.com
Thermo--Sentry, Total View and Vario Sweeping Brush are US registered and unregistered trademarks of Tennant Company.
Specifications and parts are subject to change without notice.
Original instructions, Copyright E2003, 2005--2010 TENNANT Company, Printed in U.S.A.
Home
Find...
Go To..

HOW TO USE THIS MANUAL
1--1
Sentinel 331000 (6--03)
HOW TO USE THIS MANUAL
This section on HOW TO USE THIS MANUAL will
tell you how to:
-- Find important machine information for
ordering correct repair parts.
-- Find TENNANT part numbers.
-- Order TENNANT parts and supplies.
IMPORTANT INFORMATION
When placing an order for parts, the machine
model and machine serial number are important.
Refer to the MACHINE DATA box which is filled
out during the installation of your machine. The
MACHINE DATA box is located on the inside of
the front cover of this manual.
The model number of your machine is on the side
of the machine.
The serial number of your machine is printed on
the machine data plate located as shown.
Home
Find...
Go To..

HOW TO USE THIS MANUAL
Sentinel 331000 (6--03)
1--2
FINDING A TENNANT PART NUMBER
This manual contains the following sections:
-- HOW TO USE THIS MANUAL
-- STANDARD PARTS
-- OPTIONS
-- BREAKDOWNS
-- ENGINE BREAKDOWNS
-- CROSS REFERENCE
The STANDARD PARTS section lists repair parts
for standard machines. They are grouped in this
general order:
-- General wear parts.
-- Machine frame and related parts.
-- Machine propelling system.
-- Scrubbing components.
-- Electrical parts.
The OPTION section lists repair parts of options.
The BREAKDOWN section lists available repair
parts of major components.
All sections in this manual consist of parts
illustrations and corresponding parts lists.
The parts illustrations are numbered with Ref
numbers which refer to corresponding parts lists.
The parts lists include a number of columns of
information:
-- Ref -- column refers to the reference number
on the parts illustration.
o-- indicates the part is an assembly.
Y-- indicates the part is included in the
assembly listed just before it.
-- Part No. -- column lists the TENNANT part
number for the part.
-- Serial Number -- column indicates the set of
machines the part number is applicable to.
Serial numbers change when the machine
design has been modified. The most current
design of the machine is shown in the main
illustration, older designs are boxed in a
corner of the illustration.
-- Description -- column is a brief description
of the part.
-- Qty. -- column lists the quantity of that part
used in that area of the machine.
Home
Find...
Go To..

HOW TO USE THIS MANUAL
1--3
Sentinel 331000 (6--03)
NOTE: If a service kit is installed on your
machine, be sure to keep the INSTRUCTION
BULLETIN which came with the kit. It contains
repair parts numbers needed for ordering future
parts.
NOTE: Fasteners used in this machine may be
metric or non-metric. Take care when replacing
hardware to replace with same thread size.
PLACING AN ORDER
Orders may be placed by phone, fax, or by mail.
Phone orders may need written confirmation.
Follow the steps below to insure prompt delivery:
1. Identify the model number of your machine.
2. Identify the serial number of your machine.
3. Find the part number of the part you need.
Do not order by page number or reference
number. If you are not able to find the part
number, call your TENNANT representative
for help or send the old part as a sample.
4. Determine the quantity of the part you need.
5. Provide the following company information:
-- Company name
-- Customer ID Number
-- Shipping address
-- Billing address
-- First and last name of person ordering
parts
-- Telephone number
-- Purchase order number
6. Provide definitive shipping instructions.
Home
Find...
Go To..

HOW TO USE THIS MANUAL
Sentinel 331000 (6--03)
1--4
Any claim for loss or damage to a shipment in
transit should be filed promptly with the
transportation company making the delivery.
Shipments will be complete unless the packing list
or order acknowledgement indicates items back
ordered.
If parts received are suspected to be incorrect or
defective, please contact the TENNANT
representative from whom you ordered the part.
They will give authorization for return and/or
handle replacement shipments when required.
Home
Find...
Go To..

STANDARD PARTS
2--1
Sentinel 331000 (5--10)
SECTION 2
Contents Page
Fig. 1 -- Recommended General
Maintenance Items 2--2................
Fig. 2 -- Brushes, Replacement 2--3..............
Fig. 3 -- Main Frame Group (000000--008499) 2--4.
Fig. 4 -- Main Frame Group (008500-- ) 2--6..
Fig. 5 -- Main Frame, Right Brush Door Group 2--8.
Fig. 6 -- Main Frame, Left Brush Door Group 2--10.
Fig. 7 -- Main Frame, Rear Axle Group 2--12......
Fig. 8 -- Main Frame, Front Axle and
Transmission Group 2--14..............
Fig. 9 -- Main Frame, Front Brakes and
Lines Group 2--16.....................
Fig. 10 -- Brush Group, Main 2--18................
Fig. 11 -- Brush Lift Group, Main 2--20.............
Fig. 12 -- Engine and Mount Group
(000000--008499) 2--22................
Fig. 13 -- Engine and Mount Group
(008500-- ) 2--26.................
Fig. 14 -- Engine Fan and Alternator Group
(000000--008499) 2--30................
Fig. 15 -- Engine Fan Group (008500-- ) 2--31.
Fig. 16 -- Engine Fuel Tank and Lines Group
(000000--008499) 2--32................
Fig. 17 -- Engine Fuel Tank and Lines Group
(008500-- ) 2--34.................
Fig. 18 -- Engine Radiator and Hydraulic
Cooler Group, NA (000000--008499) 2--36
Fig. 19 -- Engine Radiator and Hydraulic Cooler
Group, Turbo (000000--008499) 2--38....
Fig. 20 -- Engine Radiator and Hydraulic Cooler
Group, Turbo (008500-- ) 2--40.....
Fig. 21 -- Engine Muffler Group, NA
(000000--008499) 2--42................
Fig. 22 -- Engine Muffler Group, Turbo
(000000--008499) 2--44................
Fig. 23 -- Engine Muffler Group, Turbo
(008500-- ) 2--46.................
Fig. 24 -- Engine Air Cleaner Group, NA
(000000--008499) 2--48................
Fig. 25 -- Engine Air Cleaner Group, Turbo
(000000--008499) 2--50................
Fig. 26 -- Engine Air Cleaner Group, Turbo
(008500-- ) 2--52.................
Fig. 27 -- Engine Battery and Cables Group 2--54...
Fig. 28 -- Conveyor and Covers Group 2--56.......
Fig. 29 -- Conveyor Drive Group 2--58.............
Fig. 30 -- Conveyor Idler Group 2--62..............
Fig. 31 -- Conveyor Tension Group 2--66...........
Fig. 32 -- Conveyor Lift Group, Right 2--68.........
Fig. 33 -- Conveyor Lift Group, Left 2--72..........
Fig. 34 -- Hopper Group 2--76....................
Fig. 35 -- Hopper Filter Bags Group 2--78..........
Fig. 36 -- Hopper Tilt Cylinders Group 2--80........
Contents Page
Fig. 37 -- Hopper Support Cylinder Group 2--82.....
Fig. 38 -- Hopper Vacuum Fan Group 2--84........
Fig. 39 -- Cab Group, Front 2--86.................
Fig. 40 -- Cab Group, Rear 2--88..................
Fig. 41 -- Cab Door Mount and Covers Group 2--90.
Fig. 42 -- Cab Door Group, Right 2--92............
Fig. 43 -- Cab Door Group, Left 2--94..............
Fig. 44 -- Cab Upper and Front Console Group 2--96
Fig. 45 -- Cab Center Console and Seat Group 2--98
Fig. 46 -- Cab Lights, Visor, and Pedal Group 2--100.
Fig. 47 -- Cab Heater Group 2--102...............
Fig. 48 -- Cab Blower Assembly 2--104............
Fig. 49 -- Electrical Instrument Panel Assembly 2--106
Fig. 50 -- Steering Wheel Group 2--108............
Fig. 51 -- Brush Group, Right Side 2--110..........
Fig. 52 -- Hydraulic Schematic
(000000--008742) 2--112...............
Fig. 53 -- Hydraulic Schematic
(008743-- ) 2--118................
Fig. 54 -- Hydraulic Hose Group, Low Dump 2--124..
Fig. 55 -- Hydraulic Hose Group, Cab 2--126.......
Fig. 56 -- Hydraulic Hose Group, Conveyor and
Main Brush (000000--008742) 2--128.....
Fig. 57 -- Hydraulic Hose Group, Conveyor and
Main Brush (008743-- ) 2--130......
Fig. 58 -- Hydraulic Hose Group, Reservoir 2--132...
Fig. 59 -- Hydraulic Hose Group, Steer, Brakes,
Side Brush 2--134.....................
Fig. 60 -- Hydraulic Hose Group, Propel 2--136.....
Fig. 61 -- Hydraulic Reservoir Group 2--138........
Fig. 62 -- Hydraulic Pumps Group 2--140...........
Fig. 63 -- Hydraulic Main Brush/Conveyor Lift
Valve Group (000000--008742) 2--142....
Fig. 64 -- Hydraulic Main Brush/Conveyor Lift
Valve Group (008743-- ) 2--144.....
Fig. 65 -- Hydraulic Hopper Control
Valve Group 2--146....................
Fig. 66 -- Hydraulic Side Brush Valve Group 2--148..
Fig. 67 -- Hydraulic Manifold and Priority
Valve Group 2--150....................
Fig. 68 -- Water Tank Group 2--152................
Fig. 69 -- Dry Dust Control Group 2--154...........
Fig. 70 -- Dry Dust Control Group,
Left Side Brush 2--156.................
Fig. 71 -- Electrical Schematic
(000000--008499) 2--158...............
Fig. 72 -- Electrical Schematic
(008500-- ) 2--164................
Fig. 73 -- Wire Harnesses Group
(000000--008499) 2--170...............
Fig. 74 -- Wire Harnesses Group
(008500-- ) 2--191................
Fig. 75 -- Labels Group 2--212....................
Home
Find...
Go To..

STANDARD PARTS
Sentinel 331000 (9--08)
2--2
Fig. 1 -- Recommended General Maintenance Items
Ref. Part No. Serial Number Description Qty.
771078 (000000-- )Filter, Oil, Hyd 5mic 50 Gpm 145 1
762220 (000000-- ) Tee, Water Spray (Wet Dust Control) 1
762221 (000000-- ) Nozzle, Water Spray (Wet Dust Control) 2
762234 (000000-- ) Cap, Spray Nozzle (Wet Dust Control) 2
372117 (000000-- ) Element, Fltr, Fuel [Cat#1r--1804] 1
1011194 (000000-- )Element, Fltr, Oil (NA Engine) 1
1011194 (000000-- ) Element, Fltr, Oil (Turbo Engine) 1
764131 (000000-- ) Filter Element,Air Donaldson (NA Engine) 1
764190 (000000-- ) Filter Element,Air Donaldson (Turbo Engine) 1
760098 (000000-- ) Plug And Cap Kit, Hyd Ftg 1
760099 (000000-- )O--Ring Kit, Seal Lok 1
1009169 (000000-- ) Paint, Airdry, [Hawk Gray], 12oz 1
1009170 (000000-- ) Paint, Airdry, [Gm White], 12oz 1
65870--5 (000000-- ) Fluid, Hyd Oil, Lo Tp 5 Gal. 1
767766 (000000-- ) 424 Oil, Brakes, 2.5 Gal. 1
764260 (000000-- )Skirt Kit, Front (With 5 U--Nuts) (Dry Dust Control) 1
764261 (000000-- ) Skirt Kit, S. B. (1 Per Side With 5 U--Nuts)
(Dry Dust Control)
1
768089 (000000-- ) Skirt, Dust Containment (1 Per Side With 2 U--Nuts)
(Dry Dust Control)
2
1005719 (000000-- ) Strip, Paddle, Conveyor 13
760897 (000000-- ) Skirt, Conveyor Lip 1
760882 (000000-- )Skirt, Conveyor Side 2
765845 (000000-- ) Guide, Conveyor Chain 4
760837 (000000-- ) Skirt, Side Deflectors 2
761117 (000000-- ) Skirt, Dust, Rear 1
761158 (000000-- ) Seal, Brush Door 2
86385 (000000-- )Grease, Anti--Corrosion Electrical 1
761501 (000000-- ) Filter Bag Lifting Kit 1
769657 (000000-- ) Filter, Cab Air Intake 1
o55850 (000000-- ) Filter Assy, Fuel, 3--Mic [Nelson91783a] 1
Y55844 (000000-- ) Filter, Fuel, Spin--On [Nelson#85254f] 1
65869--5 (000000-- )Oil, Hyd, 15/40, 05gal 1
65870--5 (000000-- ) Oil, Hyd, 5/20, 05gal 1
9000119 (000000-- ) Oil, Hyd, Syn, 5 Gal 1
1009169 (000000-- ) Paint, Airdry, [Hawk Gray], 12oz 1
1009170 (000000-- ) Paint, Airdry, [Gm White], 12oz 1
9000688 (000000-- )PaintKit,Ure,Gal[HawkGray] 1
9000689 (000000-- ) Paint Kit, Ure, Gal [Gm White] 1
771052 (000000-- ) Test Kit, Hyd Press 1
760798 (000000-- ) Trough Wldt, Conveyor 1
1006225 (000000-- ) Plate Wldt, Back, Conveyor 1
1006175 (000000-- )Plate, Wear 1
1006108 (000000-- ) Wrap, Conveyor, Upper 1
1025192 (000000-- ) Sprocket, 1.654pd, 19tooth, 4.50b, Split 3
1005173 (000000-- ) Wheel, Traction 1
1005175 (000000-- )Chain, Rlr, 1.65 Pitch, 92 Pitches 2
Home
Find...
Go To..

STANDARD PARTS
2--3
Sentinel 331000 (6--06)
Fig. 2 -- Brushes, Replacement
1
2
3
6
7
8
4
5
9
351955
Ref. Part No. Serial Number Description Qty.
1761126 (000000-- )Brush--Main Sweep,51Lg Strp Poly 1
2 761211 (000000-- ) Brush--Side Sweep 32D Poly&Wire, Side 1
2 761213 (000000-- ) Brush--Side Sweep --32D Flatwire, Side 1
2 761238 (000000-- ) Brush--Side Sweep --32D Poly, Side 1
2 761239 (000000-- ) Brush--Side Sweep --38D Poly, Vario 1
2761372 (000000-- )Brush--Side Sweep--38D Poly&Wire, Vario 1
o3 768031 (000000-- ) Brush Kit, Segmented --32 D--Poly 1
Y4 768025 (000000-- ) Plate, Side Brush 1
Y5 768028 (000000-- ) Brush--Side Swp, 4 Segments--Poly 1
YY 760107 (000000-- ) Kit, Side Brush Spring 1
YY 769590 (000000-- )Kit, Ci, Linkage, Brush, Side 1
o3 768032 (000000-- ) Brush Kit, Segmented --32 D--Flatwire 1
Y4 768025 (000000-- ) Plate, Side Brush 1
Y5 768029 (000000-- ) Brush--Side Swp, 4 Segments--Flatwire 1
YY 760107 (000000-- ) Kit, Side Brush Spring 1
YY 769590 (000000-- )Kit, Ci, Linkage, Brush, Side 1
o3 768033 (000000-- ) Brush Kit, Segmented --32 D--Poly&Wire 1
Y4 768025 (000000-- ) Plate, Side Brush 1
Y5 768030 (000000-- ) Brush--Side Swp, 4 Segments--Poly&Wire 1
YY 760107 (000000-- ) Kit, Side Brush Spring 1
YY 769590 (000000-- )Kit, Ci, Linkage, Brush, Side 1
o6 768034 (000000-- ) Brush Kit, Segmented --38 D--Poly 1
Y7 768026 (000000-- ) Plate, Front Brush/Vario 1
Y8 768028 (000000-- ) Brush--Side Swp, 4 Segments--Poly 1
Y9 1017282 (000000-- ) Spacer, 1.25od X .433id X .50h 3
o6768036 (000000-- )Brush Kit, Segmented --38 D--Poly&Wire 1
Y7 768026 (000000-- ) Plate, Front Brush/Vario 1
Y8 768030 (000000-- ) Brush--Side Swp, 4 Segments--Poly&wire 1
Y9 1017282 (000000-- ) Spacer, 1.25od X .433id X .50h 3
Home
Find...
Go To..

STANDARD PARTS
Sentinel 331000 (9--08)
2--4
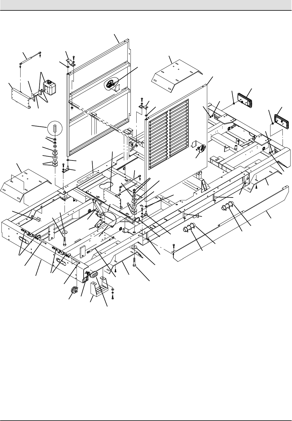
Fig. 3 -- Main Frame Group (000000--008499)
14
14
21
42
43
44
41
1
2
3
4
2
2
2
5
6
6
7
7
7
8
9
10
11
13
12
16
17
17
18
18
19
20
21
8
22
21
23
24
25
25
21
22
26
27
27
28
29
29
30
31
31
32
33
34
35
36
37
37
11
38
39
40
15
20
7
39
9
15
17
Home
Find...
Go To..

STANDARD PARTS
2--5
Sentinel 331000 (9--08)
354100
Fig. 3 -- Main Frame Group (000000--008499)
Ref. Part No. Serial Number Description Qty.
11008375 (000000--008499 )Frame Wldt [Sentinel] 1
2 760357 (000000--008499 ) Fender 4
3 765360 (000000--008499 ) Step Wldt 2
4 1009349 (000000--008499 ) Cover, Channel, Lh 1
5 1009680 (000000--008499 ) Door Assy, Eng, Lh 1
o61008823 (000000--008499 )Latch, T Handle 2
Y1017948 (000000--008499 ) Key, Door, Eng 2
7 761044 (000000--008499 ) Bushing, Engine Door Hinge 4
8 761043 (000000--008499 ) Pin, Hinge, Lower 2
9 761093 (000000--008499 ) Pad,Cab Mount 2
10 1009694 (000000--008499 )Door Assy, Eng, Rh 1
11 766980 (000000--008499 ) Gas Spring 2
o12 768620 (000000--008499 ) Taillight, Lh w/Connector 1
Y762587 (000000--008499 ) Gasket, Taillight 3
Y45779 (000000--008499 ) Bulb, GE (Signal/tail) 2
Y45780 (000000--008499 )Bulb, GE (Brake/backup) 1
o13 768619 (000000--008499 ) Taillight, Rh w/Connector 1
Y762587 (000000--008499 ) Gasket, Taillight 3
Y45779 (000000--008499 ) Bulb, GE (signal/tail) 2
Y45780 (000000--008499 ) Bulb, GE (Brake/backup) 1
14 762573 (000000--008499 )Isolator, Taillight 12
15 768487 (000000--008499 ) Washer 4
16 75430 (000000--008499 ) Pad, Tread 1
17 760395 (000000--008499 ) Retainer, Hoses 4
18 766966 (000000--008499 ) Pin, Hinge, Upper 2
19 369704 (000000--008499 )Horn, 12V 1
20 764016 (000000--008499 ) Isolator, Cab, Rear 2
21 764073 (000000--008499 ) Washer, Special 4
22 1010495 (000000--008499 ) Bolt, Modif 2
23 763126 (000000--008499 ) U--Nut, 10mmx1.25x0.75in 16
24 761237 (000000--008499 )Molding, Rigid 4
25 765307 (000000--008499 ) Bushing 4
26 761882 (000000--008499 ) Light, Side Mrkr, Sig, Ambr, 12vdc 2
27 1009012 (000000--008499 ) Bracket Wldt, Door 2
28 766984 (000000--007613 ) Plate 1
29 51538 (000000--008499 )Clevis Pin 2
30 765391 (000000--008499 ) Grommet 2
31 762180 (000000--008499 ) Sheet, Rbr, Guard, Hose, 8” 2
32 768411 (000000--008499 ) Bracket 1
33 768410 (000000--008499 ) Channel 1
34 768412 (000000--008499 )Cable 1
35 768413 (000000--008499 ) Pin 1
36 57702 (000000--008499 ) Cable 1
37 763116 (000000--008499 ) Tie, Cable, Nyl, 15.3l . W 4.5 Max D 6
38 761893 (000000--007613 ) Bottle, Washer Fluid W/Pump 1
39 07783 (000000--008499 )Nut, Hex, Std, M20 X 2.5, 8 4
40 1011429 (000000--008499 ) Nut, Spcl, Extended (Required with water tank) 1
41 1021424 (007614--008499 ) Bracket 1
42 1043659 (007614--008499 ) Bottle, Winshield Washer Fluid 1
43 12459 (007614--008499 ) Screw, Hex, M6 X 1.00 X 20, Fmg 8
44 763040 (007614--008499 )Washer, Flat, Belleville, M6 6
Home
Find...
Go To..

STANDARD PARTS
Sentinel 331000 (9--08)
2--6
Fig. 4 -- Main Frame Group (008500-- )
42
43
1
2
3
4
2
2
2
5
6
6
7
7
7
8
9
10
11
12
12
13
14
15
15
13
14
16
17
17
17
18
18
19
20
21
8
22
21
23
24
25
25
21
22
26
27
27 28
29
29
30
31
31
32
33
34
35
36
37
37
11
38
39
40
41
20
7
39
9
41
Home
Find...
Go To..

STANDARD PARTS
2--7
Sentinel 331000 (9--08)
354100
Fig. 4 -- Main Frame Group (008500-- )
Ref. Part No. Serial Number Description Qty.
11046323 (008500-- )Frame Wldt [Sentinel 2008] 1
2 760357 (008500-- ) Fender 4
3 765360 (008500-- ) Step Wldt 2
4 1009349 (008500-- ) Cover, Channel, Lh 1
5 1009680 (008500-- ) Door Assy, Eng, Lh 1
o61008823 (008500-- )Latch, T Handle 2
Y1017948 (008500-- ) Key, Door, Eng 2
7 761044 (008500-- ) Bushing, Engine Door Hinge 4
8 761043 (008500-- ) Pin, Hinge, Lower 2
9 761093 (008500-- ) Pad,Cab Mount 2
10 1009694 (008500-- )Door Assy, Eng, Rh 1
11 766980 (008500-- ) Gas Spring 2
12 1046088 (008500-- ) Taillight, Led [Sentinel 08] 2
13 32490 (008500-- ) Washer, Flat, 0.25, Std 4
14 08708 (008500-- ) Nut, Hex, Lock, M6 X 1.00, Nl 4
15 46314 (008500-- )Grommet, Rbr, 0.20id, F/0.4h, .12 Matl 4
16 75430 (008500-- ) Pad, Tread 1
17 760395 (008500-- ) Retainer, Hoses 4
18 766966 (008500-- ) Pin, Hinge, Upper 2
19 369704 (008500-- ) Horn, 12V 1
20 764016 (008500-- )Isolator, Cab, Rear 2
21 764073 (008500-- ) Washer, Special 4
22 1010495 (008500-- ) Bolt, Modif 2
23 763126 (008500-- ) U--Nut, 10mmx1.25x0.75in 16
24 761237 (008500-- ) Molding, Rigid 4
25 765307 (008500-- )Bushing 4
26 761882 (008500-- ) Light, Side Mrkr, Sig, Ambr, 12vdc 2
27 1009012 (008500-- ) Bracket Wldt, Door 2
28 1021424 (008500-- ) Bracket 1
29 51538 (008500-- ) Clevis Pin 2
30 765391 (008500-- )Grommet 2
31 762180 (008500-- ) Sheet, Rbr, Guard, Hose, 8” 2
32 768411 (008500-- ) Bracket 1
33 768410 (008500-- ) Channel 1
34 768412 (008500-- ) Cable 1
35 768413 (008500-- )Pin 1
36 57702 (008500-- ) Cable 1
37 763116 (008500-- ) Tie, Cable, Nyl, 15.3l . W 4.5 Max D 6
38 1043659 (008500-- ) Bottle, Winshield Washer Fluid 1
39 07783 (008500-- ) Nut, Hex, Std, M20 X 2.5, 8 4
40 1011429 (008500-- )Nut, Spcl, Extended (Required with water tank) 1
41 768487 (008500-- ) Washer, Flat, 1.50b 3.00d .18 4
42 12459 (008500-- ) Screw, Hex, M6 X 1.00 X 20, Fmg 8
43 763040 (008500-- ) Washer, Flat, Belleville, M6 6
Home
Find...
Go To..

STANDARD PARTS
Sentinel 331000 (9--08)
2--8
Fig. 5 -- Main Frame, Right Brush Door Group
1
2
3
4
5
6
7
8
9
10
11
12
13
14
15
16
17
18
19
19
20
21
22
23
24
25
26
27
28
29
30
31
32
33
34
35
36
37
38
39
29
27
29
5
17
26
27
29
30
Home
Find...
Go To..

STANDARD PARTS
2--9
Sentinel 331000 (9--08)
354101
Fig. 5 -- Main Frame, Right Brush Door Group
Ref. Part No. Serial Number Description Qty.
1769598 (000000-- )Plate Wldt, Cage, Rh 1
2 768009 (000000-- ) Rod Link, Brush Support Adj 2
3 768205 (000000-- ) Plate Wldt, Support, Side, Rh 1
o4 768222 (000000-- ) Skid Kit, Carbide, Rh & Lh 1
Y768207 (000000-- ) Skid Weld’t, Carbide Rh 1
Y768202 (000000-- )Skid Weld’t, Carbide Lh 1
Y5 768209 (000000-- ) Cushion,Side Skids 1
Y6 768210 (000000-- ) Strip, Retainer Skirt 1
7 761106 (000000-- ) Plate, Brush Guide 2
8 768211 (000000-- ) Strip, Retainer, Upper 1
91009386 (000000-- )Chain Wldt, Brush, Cage 1
10 761158 (000000-- ) Seal, Brush Door 1
11 760208 (000000-- ) Retainer, Side Skirt,Brushdoor 1
12 761121 (000000-- ) Seal, Vertical 1
13 761120 (000000-- ) Strip, Retainer, Vertical 2
14 760205 (000000-- )Seal,Brush Door 1
15 763075 (000000-- ) Rivet, Pop .156Dx.710x.312Dhd 5
16 761124 (000000-- ) Angle, Skid Chain 2
17 761125 (000000-- ) Chain, 2/0 13 Links 2
18 1009306 (000000-- ) Cover, Door, Brush, Rh 1
19 761179 (000000-- )T--Handle, Latch 5” 2
20 764256 (000000-- ) Retainer 1
21 768099 (000000-- ) Seal 1
22 765336 (000000-- ) Support Wldt, Door Rh 1
23 19895 (000000-- ) Mat, Floor 2
24 60428 (000000-- )Rivet 8
25 39890 (000000-- ) Washer, Flat, M08 Fender 2
26 47801 (000000-- ) Fitting, Grease, Str Pm04 .63l 4
27 39277 (000000-- ) Screw, Hex, M 8 X 1.25 X 25 10
28 763041 (000000-- ) Washer, Belleville, M08 14
29 32490 (000000-- )Washer, Flat, 0.25 Std 9
30 16931 (000000-- ) Screw, Hex, M 8 X 1.25 X 20 7
31 76570 (000000-- ) Screw, Hex, M 8 X 1.25 X 30 2
32 06943 (000000-- ) Screw, Hex, M 6 X 1.0 X 20 3
33 763040 (000000-- ) Washer, Belleville, M06 3
34 08709 (000000-- )Nut, Hex, Lock, M8 X 1.25, Nl 4
35 08716 (000000-- ) Screw, Hex, M6 X 1.0 X 20, Ss 10
36 08712 (000000-- ) Nut, Hex, Lock, M6 X 1.0, Ss, Nl 10
37 01684 (000000-- ) Washer, Flat, 0.25 Ss 10
38 763100 (000000-- ) Screw, Hex, M12 X 1.75 X 60 1
39 39313 (000000-- )Nut, Hex, Std, M12 X 1.75 1
Home
Find...
Go To..

STANDARD PARTS
Sentinel 331000 (6--06)
2--10
Fig. 6 -- Main Frame, Left Brush Door Group
1
2
3
4
5
6
8
7
9
10
15
16
17
18
14
13
12
19
11
20
21
22
23
23
25
24
26
27
28
37
21
32
36
33
33
32
34
33
30
31 32
32
32
29
33
35
35
34
33
38
34
29
40
29 39
40
29
41
43
42
Home
Find...
Go To..

STANDARD PARTS
2--11
Sentinel 331000 (6--06)
354102
Fig. 6 -- Main Frame, Left Brush Door Group
Ref. Part No. Serial Number Description Qty.
1770000 (000000-- )Plate Wldt, Cage, Sppt, Brush, Lh 1
2 768009 (000000-- ) Rod Link, Brush Support Adj 2
3 768200 (000000-- ) Plate Wldt, Support, Side, Lh 1
4 761106 (000000-- ) Plate, Brush Guide 2
o5 768222 (000000-- ) Skid Kit, Carbide, Rh & Lh 1
Y768202 (000000-- )Skid Weld’t, Carbide Lh 1
Y768207 (000000-- ) Skid Weld’t, Carbide Rh 1
Y6 768209 (000000-- ) Cushion,Side Skids 1
Y7 768210 (000000-- ) Strip, Retainer Skirt 1
8 768211 (000000-- ) Strip, Retainer, Upper 1
9761121 (000000-- )Seal, Vertical 1
10 761120 (000000-- ) Strip, Retainer, Vertical 2
11 1009386 (000000-- ) Chain Wldt, Brush, Cage 1
12 761117 (000000-- ) Skirt, Rear Dust 1
13 761118 (000000-- ) Bracket, Retainer, Rear 1
14 761119 (000000-- )Strip, Retainer, Vertical 1
15 761158 (000000-- ) Seal, Brush, Door 1
16 760208 (000000-- ) Retainer, Side Skirt,Brushdoor 1
17 760205 (000000-- ) Seal,Brush Door 1
18 48183 (000000-- ) Chain,Link#2/0,11Links,Zinc Pl 1
19 763075 (000000-- )Rivet, Pop .156Dx.710x.312Dhd 5
20 761124 (000000-- ) Angle, Skid Chain 2
21 761125 (000000-- ) Chain, 2/0 13 Links 2
22 1009266 (000000-- ) Cover, Door, Brush, Lh 1
23 761179 (000000-- ) T--Handle, Latch 5” 2
24 764256 (000000-- )Retainer 1
25 768099 (000000-- ) Seal 1
26 765335 (000000-- ) Support Wldt, Brush Door Lh 1
27 765322 (000000-- ) Brush Wrap 1
28 60428 (000000-- ) Rivet 8
29 32490 (000000-- )Washer, Flat, 0.25 Std 15
30 47801 (000000-- ) Fitting, Grease, Str Pm04 .63l 2
31 09718 (000000-- ) Fitting, Grease, E90 Pm04 .75l 2
32 39277 (000000-- ) Screw, Hex, M 8 X 1.25 X 25 13
33 763041 (000000-- ) Washer, Belleville, M08 11
34 16931 (000000-- )Screw, Hex, M 8 X 1.25 X 20 8
35 39890 (000000-- ) Washer, Flat, M08 Fender 4
36 06943 (000000-- ) Screw, Hex, M 6 X 1.0 X 20 3
37 763040 (000000-- ) Washer, Belleville, M06 3
38 06415 (000000-- ) Screw, Flt, M6 X 1.0 X 25, 10.9 8
39 08708 (000000-- )Nut, Hex, Lock, M6 X 1.0, Nl 8
40 08709 (000000-- ) Nut, Hex, Lock, M8 X 1.25, Nl 12
41 08716 (000000-- ) Screw, Hex, M6 X 1.0 X 20, Ss 10
42 08712 (000000-- ) Nut, Hex, Lock, M6 X 1.0, Ss, Nl 10
43 01684 (000000-- )Washer, Flat, 0.25 Ss 10
Home
Find...
Go To..

STANDARD PARTS
Sentinel 331000 (9--08)
2--12
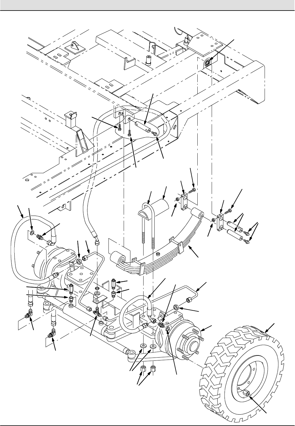
Fig. 7 -- Main Frame, Rear Axle Group
1
1
2
2
4
5
6
7
8
9
10
10
12
13
13
14
15
14
15
16
17
18
18 20
20
19
19
21
3
11
23
22
21
24
24
25
25
26
Home
Find...
Go To..

STANDARD PARTS
2--13
Sentinel 331000 (9--08)
354103
Fig. 7 -- Main Frame, Rear Axle Group
Ref. Part No. Serial Number Description Qty.
1761017 (000000-- )Pin, Spring 6
2 06418 (000000-- ) Ftg, Grease.12 Npt Strt .66L 6
3 761010 (000000-- ) Nut, Special U--Bolt, .75 Deep 8
o4 761011 (000000-- ) Tire & Rim Assy, (Bias Ply) 2
Y761012 (000000-- ) Wheel 1
Y761013 (000000-- )Tire,7.00X12 Hd Rib Lug, (Bias Ply) 1
Y761014 (000000-- ) Tube,Tire 7.00X12, (Bias Ply) 1
Y57048 (000000-- ) Washer, 0.53b 2.13d .11, Stl, Pl 1
o4 761799 (000000-- ) Tire & Rim Assy, (Radial) 2
Y761012 (000000-- ) Wheel 1
Y761798 (000000-- )Tire,7.00X12, (Radial) 1
Y761014 (000000-- ) Innertube, 7.00 X 12, [Tr440] 1
Y57048 (000000-- ) Washer, .532 Bx2.13x.11 HR ZNC 1
5 761019 (000000-- ) Saddle, U--Bolt 2
6 761996 (000000-- ) Tube, Brake, Rear, Lh 1
7761997 (000000-- )Tube, Brake, Rear, Rh 1
8 34392 (000000-- ) Ftg--Hyd Tee 1
9 761004 (000000-- ) Spring, Rear Leaf 2
10 762432 (000000-- ) Ftg--Hyd, E90 2
11 768872 (000000-- ) Screw Hex .38--16x 1.25 2
12 761005 (000000-- )U--Bolt, Rear Spring 4
13 761018 (000000-- ) Bar, Side Spring 4
14 762430 (000000-- ) Ftg--Hyd Bleeder, 4 2
15 762431 (000000-- ) Ftg--Hyd, 6 2
o16 767702 (000000-- ) Axle, Rear (See Breakdowns) 1
Y17 761025 (000000-- )Lug Nut, Flanged 12
Y18 761995 (000000-- ) Hose 2
Y19 761992 (000000-- ) Fitting, Brakeline 2
Y20 761993 (000000-- ) Washer, Brakeline 2
Y21 761712 (000000-- ) Nut, Brake, M16x1.5 2
22 761020 (000000-- )Washer 8
23 21195 (000000-- ) Screw Hex .38--16x.75 2
24 27990 (000000-- ) Screw, Hex, .38--16 X 2.00, G5 8
25 36643 (000000-- ) Nut, Hex, Lock, .38--16, Nl, Thin 8
26 763021 (000000-- )Bushing, 1.125 X .875 X 3.00 2
Home
Find...
Go To..

STANDARD PARTS
Sentinel 331000 (9--08)
2--14
Fig. 8 -- Main Frame, Front Axle and Transmission Group
1
1
2
2
3
3
4
4
4
4
5
5
5
6
6
6
7
7
8
10
10
11
12
13 14
14
9
15
15
16
16
17 17
18
19
20
18
5
6
21
7
22 22
24
23
26
25
27
28
28
27
27
27
28
28
29
Home
Find...
Go To..

STANDARD PARTS
2--15
Sentinel 331000 (9--08)
354104
Fig. 8 -- Main Frame, Front Axle and Transmission Group
Ref. Part No. Serial Number Description Qty.
1770016 (000000-- )Spring, Front Leaf 2
2 761019 (000000-- ) Saddle, U--Bolt 2
3 761005 (000000-- ) U--Bolt, Front Spring 4
4 761018 (000000-- ) Bar, Side Spring 4
5 761017 (000000-- ) Pin, Spring 6
606418 (000000-- )Ftg, Grease.12 Npt Strt .66L 6
7 761010 (000000-- ) Nut, Special U--Bolt, .75 Deep 8
8 762007 (000000-- ) Valve, Ball Hycon 1
o9 761011 (000000-- ) Tire & Rim Assy, (Bias Ply) 2
Y761012 (000000-- ) Wheel 1
Y761013 (000000-- )Tire,7.00X12 Hd Rib Lug, (Bias Ply) 1
Y761014 (000000-- ) Tube,Tire 7.00X12, (Bias Ply) 1
Y57048 (000000-- ) Washer, .532 Bx2.13x.11 HR ZNC 1
o9 761799 (000000-- ) Tire & Rim Assy, (Radial) 2
Y761012 (000000-- ) Wheel 1
Y761798 (000000-- )Tire,7.00X12, (Radial) 1
Y761014 (000000-- ) Innertube, 7.00 X 12, [Tr440] 1
Y57048 (000000-- ) Washer, 0.53b 2.13d .11, Stl, Pl 1
10 762488 (000000-- ) Ftg--Hyd Sae Flange 2
11 762136 (000000-- ) Motor, Piston, (See Breakdowns) 1
11 376059 (000000-- )Motor, Hyd, Rebuilt, F/762136, (See Breakdowns) 1
12 762433 (000000-- ) Ftg--Hyd, Str 1
13 762441 (000000-- ) Ftg--Hyd, E90 1
14 762434 (000000-- ) Ftg--Hyd, Tee 2
15 762109 (000000-- ) Fitting, Hyd, Str, Om M18/Fm08 2
16 762427 (000000-- )Ftg--Hyd, E90 2
17 762430 (000000-- ) Ftg--Hyd, Bleeder,4 2
18 762431 (000000-- ) Ftg--Hyd, 6 2
o19 1006065 (000000-- ) Axle, Front, 13.6:1 (See Breakdowns) 1
Y20 761025 (000000-- ) Lug Nut, Flanged 12
21 1042485 (000000-- )Sensor, Spd, 04.5--24vdc 1
22 761020 (000000-- ) Washer 8
23 21195 (000000-- ) Screw Hex .38--16x.75 2
24 768872 (000000-- ) Screw Hex.38--16x 1.25 2
o25 1008248 (000000-- ) Brake, Parking 1
Y1015478 (000000-- )Brake Kit, Parking 1
26 762428 (000000-- ) Fitting, Hyd, Str, Om04/Fm04 1
27 27990 (000000-- ) Screw, Hex, .38--16 X 2.00, G5 8
28 36643 (000000-- ) Nut, Hex, Lock, .38--16, Nl, Thin 8
29 763021 (000000-- )Bushing, 1.125 X .875 X 3.00 2
Home
Find...
Go To..

STANDARD PARTS
Sentinel 331000 (9--07)
2--16
Fig. 9 -- Main Frame, Front Brakes and Lines Group
1
2
3
20
7
8
9
11
12
13
14
15
16
17
18
18
2
3
24
19
5
10
46
46
4
22
21
23
23
Home
Find...
Go To..

STANDARD PARTS
2--17
Sentinel 331000 (9--08)
354105
Fig. 9 -- Main Frame, Front Brakes and Lines Group
Ref. Part No. Serial Number Description Qty.
1767212 (000000-- )Valve, Brake 1
2 761992 (000000-- ) Fitting, Brake Line 2
3 761995 (000000-- ) Hose 2
4 762426 (000000-- ) Fitting, Hyd, Str, Fm04/Om06 4
5 771001 (000000-- ) Tube, Hyd, Brake Pedal 1
6762432 (000000-- )Fitting, Hyd, E90, Om06/ Fm06 2
7 1007955 (000000-- ) Fitting 1
8 762438 (000000-- ) Fitting, Hyd, Str, Om06/Fm08 2
9 1049834 (000000-- ) Accumulator, Piston, Brake, Ce 2
10 70157 (000000-- ) Clamp, Cable 4
11 1006521 (000000-- )Plate, Mtg, Hyd 1
12 771003 (000000-- ) Tube, Hyd, Accumulator, Left 1
13 771002 (000000-- ) Tube, Hyd, Accumulator, Right 1
14 761998 (000000-- ) Tube, Brake,Front, Rh 1
15 761999 (000000-- ) Tube, Brake Front, Lh 1
16 766031 (000000-- )Plate, Hyd Line 1
17 34392 (000000-- ) Fitting, Hyd, Tee 1
18 761993 (000000-- ) Washer 2
19 770148 (000000-- ) Switch, Press, 12vdc A Spst No 0060psi 1
20 39283 (000000-- ) Screw, Hex, M10 X 1.5 X 25, 8.8 4
21 32492 (000000-- )Washer, Flat, 0.38 Std 4
22 41430 (000000-- ) Nut, Hex, Lock, M10 X 1.5, Nl 4
23 761712 (000000-- ) Nut, Brake, M16x1.5 2
24 762425 (000000-- ) Fitting, Hyd, E90, Fm04/Om06 1
Home
Find...
Go To..

STANDARD PARTS
Sentinel 331000 (6--03)
2--18
Fig. 10 -- Brush Group, Main
1
2
4
5
67
8
9
10 11
12
5
4
3
13
13
Home
Find...
Go To..

STANDARD PARTS
2--19
Sentinel 331000 (9--07)
08712
Fig. 10 -- Brush Group, Main
Ref. Part No. Serial Number Description Qty.
158366 (000000-- )Clamp--Cable, 1.25Dia. 1.0Wth 2
o2 771008 (000000-- ) Motor, Hyd, Gear, [In] 14.9 B 3000 1
Y1031670 (000000-- ) Seal Kit, Motor, Hyd, Gear 1
3 761141 (000000-- ) Plug, Brush Drive, 1
4 761131 (000000-- ) Plug, Brush Guide 2
5761128 (000000-- )Pin, Brush Plug 6
6 763134 (000000-- ) Seal, Dust 1
7 761134 (000000-- ) Plug, Brush Idler 1
8 360074 (000000-- ) Bearing 2
9 763133 (000000-- ) Retaining Ring, 62 Dia 1
10 763131 (000000-- )Retaining Ring, 30 Dia 1
11 761130 (000000-- ) Plate, Lid, Brush Drive 1
12 762463 (000000-- ) Ftg--Hyd, Str 2
13 33342 (000000-- ) Nut--Hxlocnyln M16x2.0 Reg Pltd 6
Home
Find...
Go To..

STANDARD PARTS
Sentinel 331000 (9--07)
2--20
Fig. 11 -- Brush Lift Group, Main
1
2
3
4
16
4
5
16
6
7
8
9
10
11
12
13
14
15
17
18
19
19
20
12
13
26
23
22
28
29
21
25
24
27
28 32
31
30
Home
Find...
Go To..

STANDARD PARTS
2--21
Sentinel 331000 (9--07)
354106
Fig. 11 -- Brush Lift Group, Main
Ref. Part No. Serial Number Description Qty.
1768014 (000000-- )Spring, Brush Lift 1
2 768019 (000000-- ) Arm Wldt 1
3 765370 (000000-- ) Plate, Arm 1
4 760916 (000000-- ) Pulley 2
5 765488 (000000-- ) Cable, Brush Lift 1
61028504 (000000-- )Cylinder, Hyd, 1.5b 12.6l 05.10strk 3000 1
7 760925 (000000-- ) Pin, Brush Lift 1
8 760921 (000000-- ) Pin, Brush Lift 1
9 1010153 (000000-- ) Fitting, Hyd, Orifice, 0.031 1
10 762426 (000000-- ) Ftg--Hyd, Str 1
11 762425 (000000-- )Ftg--Hyd, E90 1
12 763022 (000000-- ) Bearing, Sleeve 30x38x10 2
13 763024 (000000-- ) Washer, Thrust 32.1x50.8x3.2 2
14 763003 (000000-- ) Bearing 1
15 763007 (000000-- ) Bearing 1
16 763118 (000000-- )Bearing 2
17 763050 (000000-- ) Bearing, Thrust 1
18 765380 (000000-- ) Hook, Threaded M20x10 1
19 765381 (000000-- ) Washer, 2.250x.812x.250 2
20 9001775 (000000--006896 ) Pin Kit, Pulley, Repair 1
21 1026950 (006897-- )Mount Wldt, Pulley 1
22 1026997 (006897-- ) Pin Wldt, Clevis, .550d 1
23 26239 (006897-- ) Pin, Roll, .250 D X 1.25l, .250/.256 1
24 763045 (006897-- ) Screw, Hex, M8 X 1.25 X 20, Fmg 1
25 32491 (006897-- ) Washer, Flat, 0.31 Std 1
26 222158 (006897-- )Screw, Hex, M6 X 1.0 X 10, Fmg 1
27 06975 (006897-- ) Screw, Hex, M12 X 1.75 X 90, 8.8 1
28 32486 (006897-- ) Washer, Flat, 0.50 Sae 2
29 222159 (006897-- ) Screw, Hex, M6 X 1.0 X 25, Fmg 1
30 06961 (000000-- ) Screw, Hex, M10 X 1.5 X 20, 8.8 1
31 764070 (000000-- )Washer, Flat [Lord #J--2049--52] 1
32 763036 (000000-- ) Nut, Hex, Lock, M20 X 2.5, Nl 1
Home
Find...
Go To..

STANDARD PARTS
Sentinel 331000 (11--09)
2--22
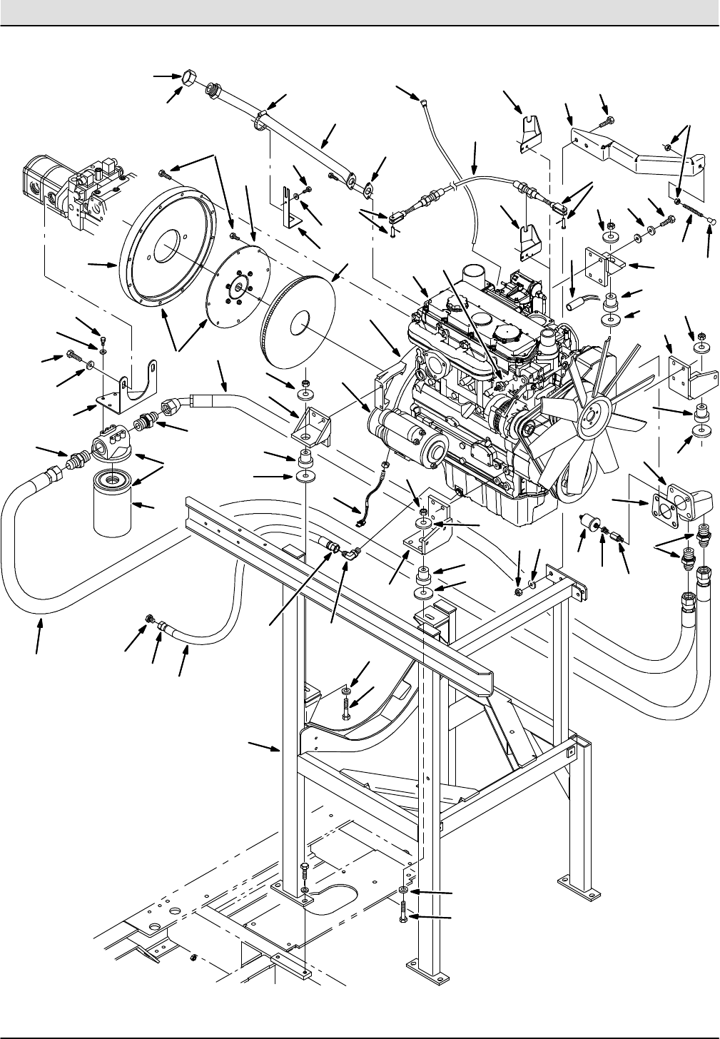
Fig. 12 -- Engine and Mount Group (000000--008499)
3
20
7
8
10
9
48
9
41
42
10
7
5
18
19
43
40
21
13
16
15
31
59
60
12
50
32
23
24
19
22
9
33 38
42
41
14
8
28
27 26
37
29
30
89
14
8
1, 2 17
4
11
46
43
39
47
49
45
44
36
6
52
51
54
55
56 25
53
57
35
58
34
63
64
61
62
65
65
Home
Find...
Go To..

STANDARD PARTS
2--23
Sentinel 331000 (11--09)
354107
Fig. 12 -- Engine and Mount Group (000000--008499)
Ref. Part No. Serial Number Description Qty.
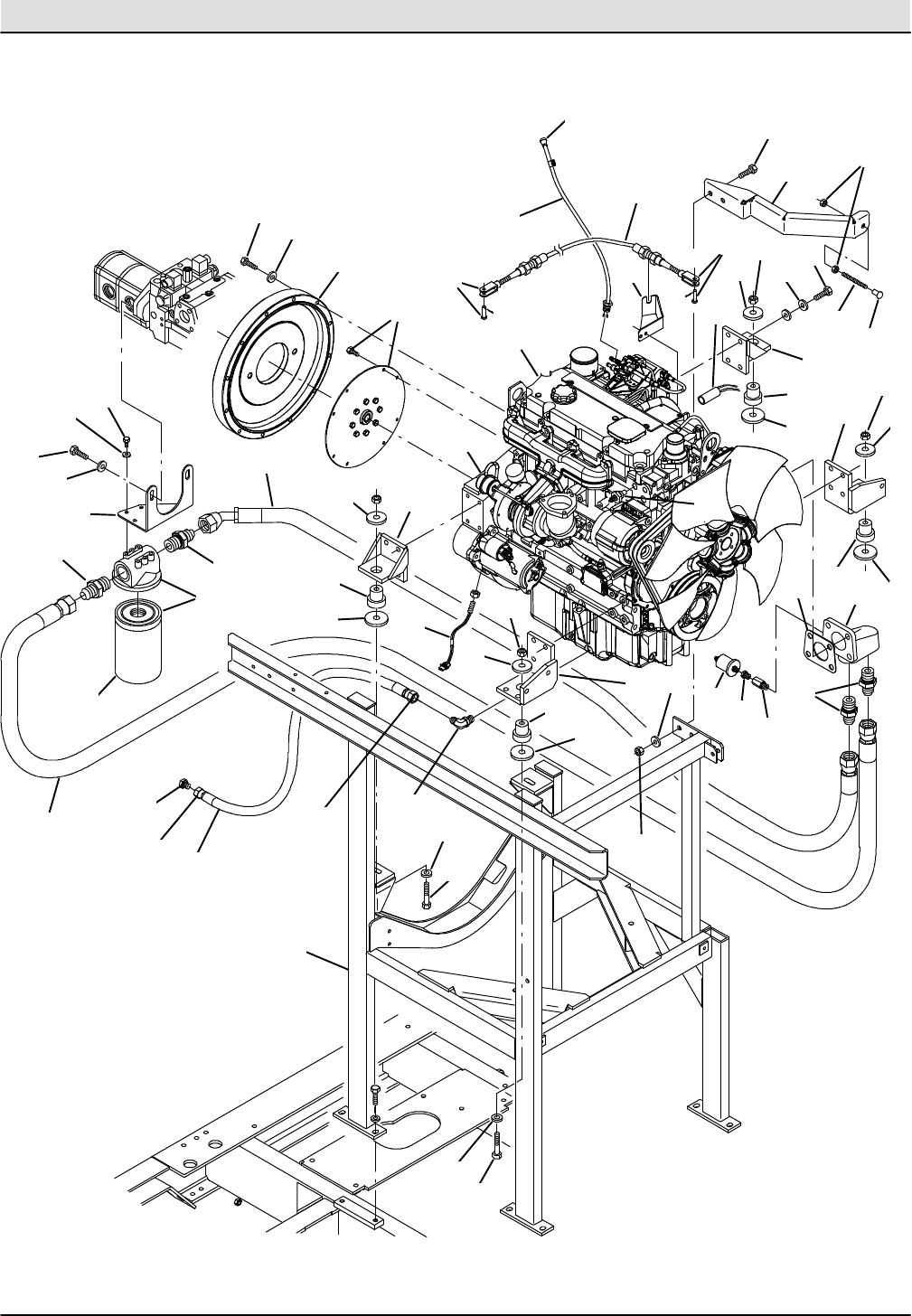
11008786 (000000--008499 )Engine Assy, DSL [Cat 83 Hp] (See Engine Breakdown) 1
2 1008787 (000000--008499 ) Engine Assy, DSL, Turbo [Cat 127 Hp]
(See Engine Breakdown)
1
3 372215 (000000--008499 ) Kit, Dipstick 1
4 1011183 (000000--008499 ) Starter, Eng (Sentinel) 1
o5 1011195 (000000--008499 ) Remote Oil Filter Assy 1
Y61011194 (000000--008499 )Filter Element, Oil 1
7 764015 (000000--008499 ) Isolator, Mtg, Flywheel, Orange 2
8 764071 (000000--008499 ) Washer, Special 4
9 764070 (000000--008499 ) Washer, Special 4
10 764009 (000000--008499 ) Support,Engine Flywheel 2
11 764011 (000000--008499 )Support, Eng Fan, Side, Front 1
12 764012 (000000--008499 ) Support,Engine Fan Side Rear 1
13 1010833 (000000--008499 ) Bracket, Remote Oil Filter 1
14 764014 (000000--008499 ) Isolator, Mtg, Fan, Side 2
15 1010962 (000000--008499 ) Hose, Hyd 1
16 9006638 (000000--008499 )Hose, Drain, Eng Oil 1
17 767648 (000000--008499 ) Sensor, Temp, Water, 0.50Nptf 300 Deg 1
18 1010961 (003709--008499 ) Hose, Hyd 1
19 762483 (000000--008499 ) Fitting, Hyd, Str, Fm16/Om20 2
20 9006637 (000000--008499 ) Fitting, E90 1
21 9006639 (000000--008499 )Fitting, Cap 1
22 768593 (000000--008499 ) Sensor, Magnetic Pickup 1
23 764045 (000000--008499 ) Cable, Engine Speed 1
24 1012546 (000000--008499 ) Bracket, Cable, Throttle Na 1
25 1007779 (000000--008499 ) Bracket, Throttle Cable Turbo 1
26 1011122 (000000--008499 )Fitting, str 1
27 17414 (000000--008499 ) Fitting, str 1
28 768627 (000000--008499 ) Sending Unit 1
29 372216 (000000--008499 ) Adaptor, Filter, Oil, Eng, Remote 1
30 372217 (000000--008499 ) Gasket, Adaptor, Filter, Oil 1
31 761292 (000000--008499 )Clevi & Spring Assy .250 1
32 761293 (000000--008499 ) Clevi & Spring Assy .188 1
33 372218 (000000--008499 ) Flywheel 1
34 16931 (000000--008499 ) Screw, Hex, M8 X 1.25 X 20, 8.8 2
35 32492 (000000--008499 ) Washer, Flat, 0.38 Std 1
36 372219 (000000--008499 )Housing, Flywheel 1
37 1010963 (000000--008499 ) Fitting, str 2
38 372227 (000000--008499 ) Connector, Shutoff, Fuel 2
39 41346 (000000--008499 ) Hex Scr M12 16
40 763043 (000000--008499 ) Washer M12 belle 16
41 06974 (000000--008499 )Hex Scr M12 4
42 32486 (000000--008499 ) Washer Ftg .50 4
43 08711 (000000--008499 ) Nyloc M12 6
44 1007462 (000000--008499 ) Bracket, Stop 1
45 06968 (000000--008499 ) Screw, Hex, M12 X 1.75 X 35, 8.8 2
46 32493 (000000--008499 )Washer, Flat, 0.50 Std 2
47 760757 (000000--008499 ) Rod, Thrd, Full, M12x1.75 03.5l 1
48 763061 (000000--008499 ) Bumper, Engine Door 1
49 39313 (000000--008499 ) Nut, Hex, Std, M12 X 1.75 2
Home
Find...
Go To..

STANDARD PARTS
Sentinel 331000 (11--09)
2--24
354107
Fig. 12 -- Engine and Mount Group (000000--008499)
Ref. Part No. Serial Number Description Qty.
50 1006624 (000000--008499 )Support Wldt, Eng 1
51 1011730 (000000--008499 ) Tube, Assembly 1
52 1011918 (000000--008499 ) Gasket 1
53 1011922 (000000--008499 ) Strap, Sppt, Oil Fill 1
54 22297 (000000--008499 ) Clamp, Hose, Wormdrive, 1.56--2.50d 1
55 762165 (000000--008499 )Fitting, Hyd, Cap 1
56 1011945 (000000--008499 ) Label, Oil Fill 1
o57 372229 (000000--008499 ) Kit, Plate, Mtg, Pump 1
Y58 372228 (000000--008499 ) Kit, Cplg, Flywheel 1
Y59 1031501 (000000--008499 ) Mount Plate W/Bolts 1
Y60 1031502 (000000--008499 )Hsng Bolt Kit 1
61 39811 (000000--008499 ) Screw, Hex, .50--13 X 1.50, 5 2
62 763043 (000000--008499 ) Washer, Belleville, M12 2
63 54396 (000000--008499 ) Screw, Hex, .31--18 X 0.75, 5 4
64 763041 (000000--008499 ) Washer, Belleville, M08 4
65 9006636 (000000--008499 )Fitting, End, Hose 2
Home
Find...
Go To..

STANDARD PARTS
2--25
Sentinel 331000 (9--08)
Home
Find...
Go To..

STANDARD PARTS
Sentinel 331000 (11--09)
2--26
Fig. 13 -- Engine and Mount Group (008500-- )
1
2
3
4
5
6
7
8
8
8
8
7
9
9
9
10
9
11
12
13
14
14
15
16
17
18
19
19
20
21
22
23
24
25
26
27
28
29
30
31
32
33
34 35
36
37
38
39
40
41
42
41
42
43
43
43
43
44
45
46
47 48
49
50
51
52
53
10
54
54
Home
Find...
Go To..

STANDARD PARTS
2--27
Sentinel 331000 (11--09)
354107
Fig. 13 -- Engine and Mount Group (008500-- )
Ref. Part No. Serial Number Description Qty.
11040660 (008500-- )Engine, Dsl, 99hp,Turbo[Cat 4.4 08]
(See Engine Breakdown)
1
2 1046895 (008500-- ) Dipstick, Oil [Sentinel 08] 1
3 1047100 (008500-- ) Tube, Dipstick 1
4 763041 (008500-- ) Washer, Flat, Belleville, M8 4
o5 1011195 (008500-- ) Remote Oil Filter Assy 1
Y61011194 (008500-- )Filter Element, Oil 1
7 764015 (008500-- ) Isolator, Mtg, Flywheel, Orange 2
8 764071 (008500-- ) Washer, Special 4
9 764070 (008500-- ) Washer, Special 4
10 764009 (008500-- ) Support,Engine Flywheel 2
11 764011 (008500-- )Support, Eng Fan, Side, Front 1
12 764012 (008500-- ) Support,Engine Fan Side Rear 1
13 1010833 (008500-- ) Bracket, Remote Oil Filter 1
14 764014 (008500-- ) Isolator, Mtg, Fan, Side 2
15 1010962 (008500-- ) Hose, Hyd 1
16 9006638 (008500-- )Hose, Drain, Eng Oil 1
17 767648 (008500-- ) Sensor, Temp, Water, 0.50Nptf 300 Deg 1
18 1010961 (008500-- ) Hose, Hyd 1
19 762483 (008500-- ) Fitting, Hyd, Str, Fm16/Om20 2
20 9006637 (008500-- ) Fitting, E90 1
21 9006638 (008500-- )Fitting, Cap 1
22 768593 (008500-- ) Sensor, Magnetic Pickup 1
23 764045 (008500-- ) Cable, Engine Speed 1
24 39811 (008500-- ) Screw, Hex, .50--13 X 1.50, G5 2
25 1007779 (008500-- ) Bracket, Throttle Cable Turbo 1
26 1011122 (008500-- )Fitting, str 1
27 17414 (008500-- ) Fitting, str 1
28 768627 (008500-- ) Sending Unit 1
29 372216 (008500-- ) Adaptor, Filter, Oil, Eng, Remote 1
30 372217 (008500-- ) Gasket, Adaptor, Filter, Oil 1
31 761292 (008500-- )Clevi & Spring Assy .250 1
32 761293 (008500-- ) Clevi & Spring Assy .188 1
33 763043 (008500-- ) Washer, Flat, Belleville, M12 2
34 06963 (008500-- ) Screw, Hex, M10 X 1.50 X 60, 8.8 12
35 32485 (008500-- ) Washer, Flat, 0.38, Sae 12
36 372219 (008500-- )Housing, Flywheel 1
37 1010963 (008500-- ) Fitting, str 2
38 372227 (008500-- ) Connector, Shutoff, Fuel 2
39 41346 (008500-- ) Hex Scr M12 16
40 763043 (008500-- ) Washer M12 belle 16
41 06974 (008500-- )Hex Scr M12 4
42 32486 (008500-- ) Washer Ftg .50 4
43 08711 (008500-- ) Nyloc M12 6
44 1007462 (008500-- ) Bracket, Stop 1
45 06968 (008500-- ) Screw, Hex, M12 X 1.75 X 35, 8.8 2
46 32493 (008500-- )Washer, Flat, 0.50 Std 2
47 760757 (008500-- ) Rod, Thrd, Full, M12x1.75 03.5l 1
48 763061 (008500-- ) Bumper, Engine Door 1
49 39313 (008500-- ) Nut, Hex, Std, M12 X 1.75 2
Home
Find...
Go To..

STANDARD PARTS
Sentinel 331000 (11--09)
2--28
354107
Fig. 13 -- Engine and Mount Group (008500-- )
Ref. Part No. Serial Number Description Qty.
50 1006624 (008500-- )Support Wldt, Eng 1
51 1043568 (008500-- ) Coupling Kit, Flywheel [Cat 4.4 08] 1
52 1043567 (008500-- ) Plate, Mtg, Housing [Cat 4.4 08] 1
53 54396 (008500-- ) Screw, Hex, .31--18 X 0.75, G5 4
54 9006636 (008500-- )Fittining, End, Hose 4
Home
Find...
Go To..

STANDARD PARTS
2--29
Sentinel 331000 (9--08)
Home
Find...
Go To..

STANDARD PARTS
Sentinel 331000 (9--08)
2--30
Fig. 14 -- Engine Fan and Alternator Group (000000--008499)
1
2
3
4
5
6
7
8
11
12
13
14
15
16
9
10
354108
Ref. Part No. Serial Number Description Qty.
11011181 (000000--008499 )Alternator 1
2 372220 (000000--008499 ) Belt, Fan 2
3 372221 (000000--008499 ) Wire, Ground 1
4 372222 (000000--008499 ) Pulley, Alternator 1
5 372223 (000000--008499 ) Bracket, Mtg, Alternator 1
6372224 (000000--008499 )Strap, Sppt, Alternator 1
7 372225 (000000--008499 ) Spacer, .38ID X .38L 1
8 372226 (000000--008499 ) Kit, Fan, 20.0 (NA) 1
9 9000522 (000000--007259 ) Fan Kit, Eng, Turbo, Replmt [Sentinel] 1
10 372233 (000000--007259 ) Spacer Extn, Fan 2.5 (turbo) 1
11 1043982 (007260--008499 )Spacer, Fan, 2.00 Inch 1
12 1043984 (007260--008499 ) Spacer, Fan, 1.50 Inch 1
13 1036697 (007260--008499 ) Fan, [Sickle], Eng, Turbo [Sentinel] 1
14 49883 (007260--008499 ) Screw, Hex, M8 X 1.25 X 120, 8.8, Fl 4
15 32490 (007260--008499 ) Washer, Flat, 0.25, Std 4
16 763041 (007260--008499 )Washer, Flat, Belleville, M8 4
Home
Find...
Go To..

STANDARD PARTS
2--31
Sentinel 331000 (11--09)
Fig. 15 -- Engine Fan Group (008500-- )
1
2
3
4
5
6
354806
Ref. Part No. Serial Number Description Qty.
11048297 (008500-- )Fan, Cooling, 24.0d, 7 Blade [Sentl 08] 1
2 1046979 (008500-- ) Spacer, Fan [Sentinel 08] 1
3 49883 (008500-- ) Screw, Hex, M8 X 1.25 X 120, 8.8, Fl 4
4 32491 (008500-- ) Washer, Flat, 0.31, Std 4
5 1046936 (008500-- ) Sheave, Alternator [Sentinel 08] 1
61046447 (008500-- )Stand--Off, Hex, M8 X M6, Metal 1
Home
Find...
Go To..

STANDARD PARTS
Sentinel 331000 (9--08)
2--32
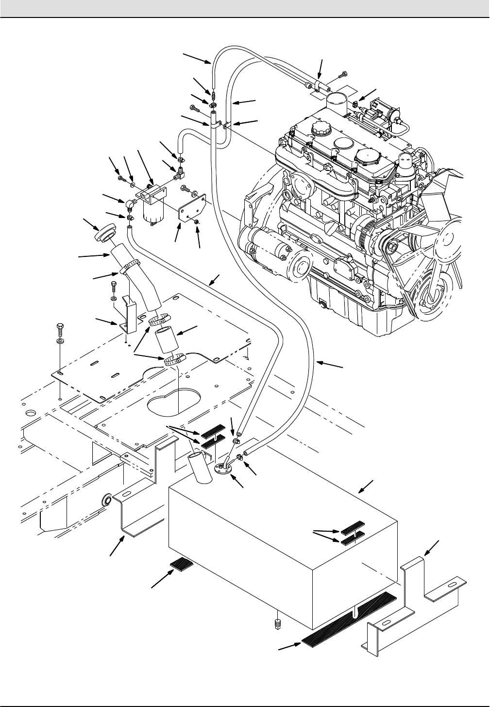
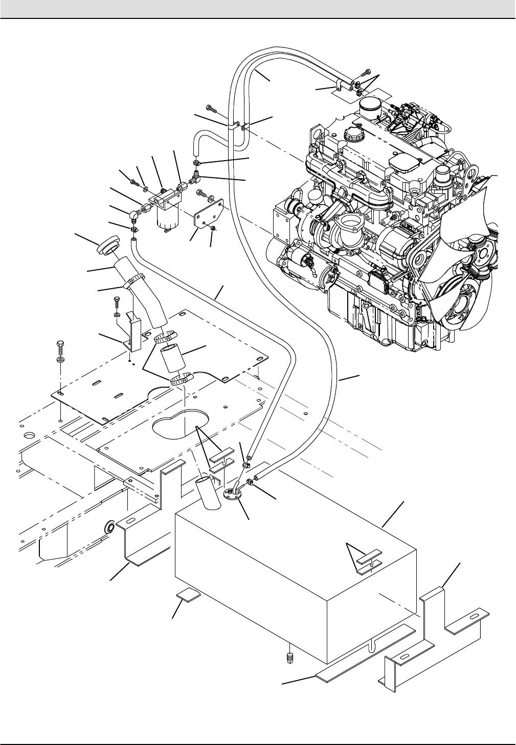
Fig. 16 -- Engine Fuel Tank and Lines Group (000000--008499)
6
17
5
4
14
7
16
6
8
11
13
13
1
615
11
12
12
6
10
3
2
9
9
6
21
19
24
23
21
6
20 25
18
22
Home
Find...
Go To..

STANDARD PARTS
2--33
Sentinel 331000 (9--08)
354109
Fig. 16 -- Engine Fuel Tank and Lines Group (000000--008499)
Ref. Part No. Serial Number Description Qty.
o1764002 (000000--008499 )Fuel Tank 1
Y2 764064 (000000--008499 ) Sending Unit,Fuel Tank 1
3 761035 (000000--008499 ) Filler, Neck, Fuel Tank 1
4 761036 (000000--008499 ) Cap, Tank, Fuel, Filler 1
5 764087 (000000--008499 ) Bracket,Filler Tube 1
643844 (000000--008499 )Clamp--Wormdrive, 0.25-- 0.62D 6
7 764090 (000000--008499 ) Hose,Fuel Fill 2.25X3.75In Lg 1
8 22297 (000000--008499 ) Clamp--Wormdrive, 1.56-- 2.50D L 2
9 82829 (000000--008499 ) Clamp 2
10 14432 (000000--008499 ) Clamp--Wormdrive, 1.81-- 2.75D 1
11 764126 (000000--008499 )Bracket Weldt 2
12 764129 (000000--008499 ) Strip, Rubber, Long 2
13 764139 (000000--008499 ) Strip, Rubber, Short 4
14 1007707 (000000--008499 ) Hose .25 .ID 1
15 1012161 (000000--008499 ) Hose, Fuel, .31id 39.0l 1
16 1007814 (000000--008499 )Fitting, Hyd, .25brb / .25brb 1
17 67767 (000000--008499 ) Clamp 1
18 1012316 (000000--008499 ) Fuelline Kit, Nyl 1
o19 1016827 (000000--008499 ) Filter Assy, Fuel, Dsl 1
Y1017826 (000000--008499 ) Filter, Fuel, Element 1
20 1011992 (000000--008499 )Plate, Mtg, Fuel Filter 1
21 1012159 (000000--008499 ) Fitting, Brs, E90, Bm05/Pm04 2
22 1012160 (000000--008499 ) Hose, Fuel, .31id 24.0l 1
23 06944 (000000--008499 ) Screw, Hex, M6 X 1.0 X 25, 8.8 2
24 32490 (000000--008499 ) Washer, Flat, 0.25 Std 2
25 08708 (000000--008499 ) Nut, Hex, Lock, M 6 X 1.0, Nl 2
Home
Find...
Go To..

STANDARD PARTS
Sentinel 331000 (11--09)
2--34
Fig. 17 -- Engine Fuel Tank and Lines Group (008500-- )
23
23
1
2
3
4
5
6
6
6
6
6
7
8
99
9
10
11
11
12
12
13
13
14
15
16
17
18
18
19
20 21
22
Home
Find...
Go To..

STANDARD PARTS
2--35
Sentinel 331000 (11--09)
354109
Fig. 17 -- Engine Fuel Tank and Lines Group (008500-- )
Ref. Part No. Serial Number Description Qty.
o1764002 (008500-- )Fuel Tank 1
Y2 764064 (008500-- ) Sending Unit,Fuel Tank 1
3 761035 (008500-- ) Filler, Neck, Fuel Tank 1
4 761036 (008500-- ) Cap, Tank, Fuel, Filler 1
5 764087 (008500-- ) Bracket,Filler Tube 1
643844 (008500-- )Clamp--Wormdrive, 0.25-- 0.62D 6
7 764090 (008500-- ) Hose,Fuel Fill 2.25X3.75In Lg 1
8 22297 (008500-- ) Clamp--Wormdrive, 1.56-- 2.50D L 2
9 82829 (008500-- ) Clamp 3
10 14432 (008500-- ) Clamp--Wormdrive, 1.81-- 2.75D 1
11 764126 (008500-- )Bracket Weldt 2
12 764129 (008500-- ) Strip, Rubber, Long 2
13 764139 (008500-- ) Strip, Rubber, Short 4
14 1007707 (008500-- ) Hose .25 .ID 1
15 1012161 (008500-- ) Hose, Fuel, .31id 39.0l 1
o16 1047133 (008500-- )Separator, Fltr [Cat] (Comes with the engine) 1
Y9004937 (008500-- ) Element, Fltr [Cat 08] (Comes with the engine) 1
17 1011992 (008500-- ) Plate, Mtg, Fuel Filter 1
18 1012159 (008500-- ) Fitting, Brs, E90, Bm05/Pm04 2
19 1012160 (008500-- ) Hose, Fuel, .31id 24.0l 1
20 06944 (008500-- )Screw, Hex, M6 X 1.0 X 25, 8.8 2
21 32490 (008500-- ) Washer, Flat, 0.25 Std 2
22 08708 (008500-- ) Nut, Hex, Lock, M 6 X 1.0, Nl 2
23 1051103 (008500-- ) Fitting, Stl, Str, Pf04/Sm08 2
Home
Find...
Go To..

STANDARD PARTS
Sentinel 331000 (9--08)
2--36
Fig. 18 -- Engine Radiator and Hydraulic Cooler Group, NA (000000--008499)
25
10
1
2
3
4
5
18
15
5
5
15
23
20
22
13
18
7
19
17
8
16
11
12
21
18
18
14
24
31
26
27
32
33
28
29
30 32
34
5
5
6
9
5
37
36
35
38
36
16
Home
Find...
Go To..

STANDARD PARTS
2--37
Sentinel 331000 (9--08)
354110
Fig. 18 -- Engine Radiator and Hydraulic Cooler Group, NA (000000--008499)
Ref. Part No. Serial Number Description Qty.
o11018901 (000000--008499 )Radiator, Alm, 362mm 1
Y2 1032822 (000000--008499 ) Cap, Radiator, 07psi 1
770172 (000000--008499 ) Fluid, Conditioner, Coolant, 16oz (Mandatory) 1
3 1018902 (000000--008499 ) Support, Radiator [Sentinel] 1
4 760565 (000000--008499 ) Seal,Bulb 2
582661 (000000--008499 )Isolator--Vibration .25--20 7
6 764183 (000000--008499 ) Fitting, Draincock, E90 Pm06 1
7 1007630 (000000--008499 ) Hose, Radiator, Lower 1
8 1007497 (000000--008499 ) Hose, Radiator, Upper 1
9 17400--18 (000000--008499 ) Fitting, Pipe, E90, Pm06/Pf06 1
10 47167 (000000--008499 )Fitting, Brs, Str, Pm08/Pf06 1
11 32982 (000000--008499 ) Washer, Lock, Int, .25 4
12 1009526 (000000--008499 ) Fitting, Hyd, Brb 1
13 62595 (000000--008499 ) Molding, Trim, Pvc,.08--.11 07.7l 2
14 1018900 (000000--008499 ) Cooler, Hyd 1
15 762415 (000000--008499 )Fitting, Hyd, Tee, Fm16/Om16/Fm16 2
16 766417 (000000--008499 ) Hose, Overflow, Radiator 1
17 10632--14 (000000--008499 ) Grommet, Rbr, 1.00id, F/ 1.4h, .12matl 1
18 14432 (000000--008499 ) Clamp, Hose, Wormdrive, 1.81--2.75D 4
19 766044 (000000--008499 ) Shroud, Radiator, Upper 1
20 766046 (000000--008499 )Shroud, Radiator, L.H. 1
21 766042 (000000--008499 ) Shroud, Radiator, R.H. 1
22 766043 (000000--008499 ) Shroud, Radiator, Lower 1
23 764025 (000000--008499 ) Seal, Bulb, Str, 0.58 .06--.09Grip108.0L 1
24 768896 (000000--008499 ) Bracket, Coolant Overflow 1
25 768897 (000000--008499 )Tank,Hyd,2.5QtVol 1
26 32815 (000000--008499 ) Tie, Cable, Nyl, 28.5l .50w 8.0 Max D 1
27 69234 (000000--008499 ) Clamp, Cable, Stl, 1.00d X 0.62w, 1h 1
28 06944 (000000--008499 ) Screw, Hex, M06 X 1.0 X 25, 8.8 1
29 32483 (000000--008499 ) Washer, Flt, .25 Sae 1
30 08708 (000000--008499 )Nut, Hex, Lock, M06 X 1.0, Nl 1
31 76570 (000000--008499 ) Screw Hex M08 4
32 32491 (000000--008499 ) Washer Flt .31 4
33 08709 (000000--008499 ) Nut, Hex Lock M08 4
34 51305 (000000--008499 ) Fitting, Draincock, .25npt 90 1
35 16931 (000000--008499 )Screw, Hex, M8 X 1.25 X 20, 8.8 4
36 32490 (000000--008499 ) Washer, Flat, 0.25 Std 12
37 08709 (000000--008499 ) Nut, Hex, Lock, M8 X 1.25, Nl 4
38 19312 (000000--008499 ) Nut, Hex, Std, .25--20 4
Home
Find...
Go To..

STANDARD PARTS
Sentinel 331000 (9--08)
2--38
Fig. 19 -- Engine Radiator and Hydraulic Cooler Group, Turbo (000000--008499)
1
2
3
4
5
6
7
8
9
10
11
12
13
14
15
16
17
18
19
20
21
22
23
24 25 26
27
28
29
30
7
12
12
25
26
26
31 32
33
34
35
36
37
38
39
40
41
42
36
36
36
37
25
26
26
34
43
Home
Find...
Go To..

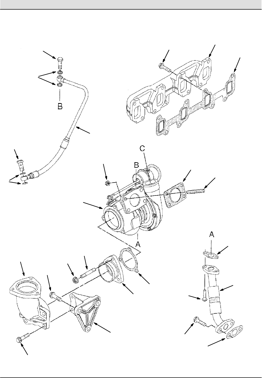
STANDARD PARTS
2--39
Sentinel 331000 (9--08)
354111
Fig. 19 -- Engine Radiator and Hydraulic Cooler Group, Turbo (000000--008499)
Ref. Part No. Serial Number Description Qty.
o11018903 (000000--008499 )Radiator, Turbo [Sentinel] 1
Y2 1032822 (000000--008499 ) Cap, Radiator, 07psi 1
770172 (000000--008499 ) Fluid, Conditioner, Coolant, 16oz (Mandatory) 1
3 1018904 (000000--008499 ) Cooler, Hyd, Turbo 1
4 1018905 (000000--008499 ) Cooler, Air, Turbo [Sentinel] 1
51018906 (000000--008499 )Shroud, Radiator, Turbo [Sentinel] 1
6 764025 (000000--008499 ) Seal, Bulb, Str, 0.58 .06--.09Grip108.0L 1
7 82661 (000000--008499 ) Isolator, Vib, Ring, 1.0DD .25 6
8 762415 (000000--008499 ) Fitting, Hyd, Tee, Fm16/Om16/Fm16 1
9 762481 (000000--008499 ) Fitting, Hyd, Str, Om16/Fm16 1
10 771073 (000000--008499 )Tube, Hyd, Inlet, Cooler 1
11 1008308 (000000--008499 ) Hose, Radiator, Lower, Turbo 1
12 22297 (000000--008499 ) Clamp, Hose, Wormdrive, 1.56--2.50D 4
13 1008317 (000000--008499 ) Hose, Radiator, Upper, Turbo 1
14 764183 (000000--008499 ) Fitting, Draincock, E90 Pm06 1
15 17400--18 (000000--008499 )Fitting, Pipe, E90, Pm06/Pf06 1
16 47167 (000000--008499 ) Fitting, Brs, Str, Pm08/Pf06 1
17 1009526 (000000--008499 ) Fitting, Hyd, Brb 1
18 1008806 (000000--008499 ) Shroud, Radiator 1
19 1008784 (000000--008499 ) Shroud, Radiator 1
20 1008809 (000000--008499 )Shroud, Radiator 1
21 1008816 (000000--008499 ) Shroud Wldt, Radiator 1
22 760565 (000000--008499 ) Seal, Bulb,Str, 0.75d .13grip 178.0l 1
23 10632--14 (000000--008499 ) Grommet, Rbr, 1.00id, F/ 1.4h, .12matl 1
24 62595 (000000--008499 ) Molding, Trim, Pvc,.08--.11 07.7L 1
25 39277 (000000--008499 )Screw, Hex, M8 X 1.25 X 25, 8.8 12
26 32491 (000000--008499 ) Washer, Flat, 0.31 Std 24
27 08709 (000000--008499 ) Nut, Hex, Lock, M8 X 1.25, Nl 10
28 311331 (000000--008499 ) Clamp, S.S., Spring & Screw, 65--75 Mm 2
29 1008303 (000000--008499 ) Sleeve, Connector 1
30 1007761 (000000--008499 )Tube, Lower 1
31 1008302 (000000--008499 ) Sleeve, Connector 1
32 1009503 (000000--008499 ) Clamp, Hose, Spring, 50--60Mm 2
33 1007742 (000000--008499 ) Bracket, Eng 1
34 766417 (000000--008499 ) Hose, Overflow, Radiator 2
35 76570 (000000--008499 )Screw, Hex, M8 X 1.25 X 30, 8.8 2
36 310667 (000000--008499 ) Clamp, S.S., Spring & Screw, 80--90 Mm 4
37 769208 (000000--008499 ) Hose, Turbo, 3.0 Dia 2
38 83584 (000000--008499 ) Clamp, Hose, Wormdrive, 1.31--3.25D 1
39 1007776 (000000--008499 ) Tube, Upper 1
40 768897 (000000--008499 )Tank, Coolant, 06.0 04.5 06.9deep 2.5 Qt 1
41 1008130 (000000--008499 ) Bracket, Tank, Coolant 1
42 32815 (000000--008499 ) Tie, Cable, Nyl, 28.5l .50w 8.0 Max D 1
43 51305 (000000--008499 ) Fitting, Draincock, E90, .25npt 1
Home
Find...
Go To..

STANDARD PARTS
Sentinel 331000 (11--09)
2--40
Fig. 20 -- Engine Radiator and Hydraulic Cooler Group, Turbo (008500-- )
1
23
4
5
6
7
78
9
10
11
12
12
13
14
15
16
17
18
19
20
21
22
23
24 25
26
26
27
26
25
28
29
30
31
32
32
33
34
34
35
36
36
37
38
26
25
26
37
36
36
39
40
41
42
43
44
45
46
47
12
Home
Find...
Go To..

STANDARD PARTS
2--41
Sentinel 331000 (11--09)
354111
Fig. 20 -- Engine Radiator and Hydraulic Cooler Group, Turbo (008500-- )
Ref. Part No. Serial Number Description Qty.
o11018903 (008500-- )Radiator, Turbo [Sentinel] 1
Y2 1032822 (008500-- ) Cap, Radiator, 07psi 1
770172 (008500-- ) Fluid, Conditioner, Coolant, 16oz (Mandatory) 1
3 1018904 (008500-- ) Cooler, Hyd, Turbo 1
4 1018905 (008500-- ) Cooler, Air, Turbo [Sentinel] 1
51018906 (008500-- )Shroud, Radiator, Turbo [Sentinel] 1
6 764025 (008500-- ) Seal, Bulb, Str, 0.58 .06--.09Grip108.0L 1
7 82661 (008500-- ) Isolator, Vib, Ring, 1.0DD .25 6
8 762415 (008500-- ) Fitting, Hyd, Tee, Fm16/Om16/Fm16 1
9 762481 (008500-- ) Fitting, Hyd, Str, Om16/Fm16 1
10 771073 (008500-- )Tube, Hyd, Inlet, Cooler 1
11 1008308 (008500-- ) Hose, Radiator, Lower, Turbo 1
12 22297 (008500-- ) Clamp, Hose, Wormdrive, 1.56--2.50D 4
13 1008317 (008500-- ) Hose, Radiator, Upper, Turbo 1
14 764183 (008500-- ) Fitting, Draincock, E90 Pm06 1
15 17400--18 (008500-- )Fitting, Pipe, E90, Pm06/Pf06 1
16 47167 (008500-- ) Fitting, Brs, Str, Pm08/Pf06 1
17 1009526 (008500-- ) Fitting, Hyd, Brb 1
18 1008806 (008500-- ) Shroud, Radiator 1
19 1008784 (008500-- ) Shroud, Radiator 1
20 1008809 (008500-- )Shroud, Radiator 1
21 1008816 (008500-- ) Shroud Wldt, Radiator 1
22 760565 (008500-- ) Seal, Bulb,Str, 0.75d .13grip 178.0l 1
23 10632--14 (008500-- ) Grommet, Rbr, 1.00id, F/ 1.4h, .12matl 1
24 62595 (008500-- ) Molding, Trim, Pvc,.08--.11 07.7L 1
25 39277 (008500-- )Screw, Hex, M8 X 1.25 X 25, 8.8 12
26 32491 (008500-- ) Washer, Flat, 0.31 Std 24
27 08709 (008500-- ) Nut, Hex, Lock, M8 X 1.25, Nl 10
28 1051521 (008500-- ) Clamp, Spring & Screw, 65--75Mm, Ss 2
29 1045982 (008500-- ) Hose, 2.00id X 2.38d [Sentinel 08] 1
30 1045950 (008500-- )Tube, Air, Chrgr, Lower [Sentinel 08] 1
31 1008302 (008500-- ) Sleeve, Connector 1
32 1051366 (008500-- ) Clamp, Spring & Screw, 55--65Ms, Ss 2
33 1007742 (008500-- ) Bracket, Eng 1
34 766417 (008500-- ) Hose, Overflow, Radiator 2
35 76570 (008500-- )Screw, Hex, M8 X 1.25 X 30, 8.8 2
36 1051522 (008500-- ) Clamp, Spring & Screw, 75--85Mm, Ss 4
37 769208 (008500-- ) Hose, Turbo, 3.0 Dia 2
38 83584 (008500-- ) Clamp, Hose, Wormdrive, 1.31--3.25D 1
39 1007776 (008500-- ) Tube, Upper 1
40 768897 (008500-- )Tank, Coolant, 06.0 04.5 06.9deep 2.5 Qt 1
41 1008130 (008500-- ) Bracket, Tank, Coolant 1
42 32815 (008500-- ) Tie, Cable, Nyl, 28.5l .50w 8.0 Max D 1
43 51305 (008500-- ) Fitting, Draincock, E90, .25npt 1
44 1046317 (008500-- ) Bracket, Pipe, Air, Chrgr [Sentinel 08] 1
45 05881 (008500-- )Clamp, Muffler, 2.00d 1
46 06961 (008500-- ) Screw, Hex, M10 X 1.50 X 20, 8.8 1
47 32492 (008500-- ) Washer, Flat, 0.38, Std 1
Home
Find...
Go To..

STANDARD PARTS
Sentinel 331000 (11--09)
2--42
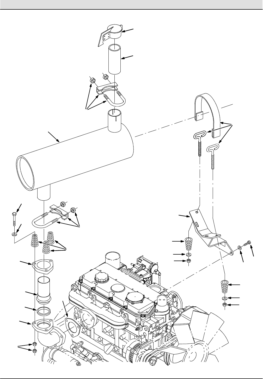
Fig. 21 -- Engine Muffler Group, NA (000000--008499)
1
2
13
2
4
8
5
3
6
7
9
10
12
11
6
12
14
12
14
6
15
16
17
18
Home
Find...
Go To..

STANDARD PARTS
2--43
Sentinel 331000 (11--09)
354112
Fig. 21 -- Engine Muffler Group, NA (000000--008499)
Ref. Part No. Serial Number Description Qty.
1764077 (000000--008499 )Muffler 1
2 764082 (000000--008499 ) Clamp, 2.5 Muffler 2
3 761824 (000000--008499 ) Flange, Exhaust 1
4 1007081 (000000--008499 ) Bracket Wldt, Muffler 1
5 764085 (000000--008499 ) Clamp,Muf 6--8 In 1
6764098 (000000--008499 )Spring,Exhaust 5
7 761826 (000000--008499 ) Ring, Seal 1
8 1007770 (000000--008499 ) Tube Wldt, Exhaust 1
9 764120 (000000--008499 ) Rain Cap, Exhaust 1
10 764123 (000000--008499 ) Tube, 2.5x6L 1
11 39279 (000000--008499 )Screw, Hex, M8 X 1.25 X 70, 8.8 3
12 763042 (000000--008499 ) Washer, Belleville, M10 5
13 39311 (000000--008499 ) Nut, Hex, Std, M08 X 1.25 6
14 50902 (000000--008499 ) Nut, Hex, Lock, .38--16, Nl 2
15 16931 (000000--008499 ) Screw, Hex, M8 X 1.25 X 20, 8.8 2
16 32491 (000000--008499 )Washer, Flat, 0.31 Std 2
17 761825 (000000--008499 ) Elbow, Exhaust, Eng 1
18 764790 (000000--008499 ) Gasket 1
Home
Find...
Go To..

STANDARD PARTS
Sentinel 331000 (9--08)
2--44
Fig. 22 -- Engine Muffler Group, Turbo (000000--008499)
1
2
3
4
6
7
8
9
10
2
9
11
12
13 14
15
16
17 18
10
19
20
18
5
Home
Find...
Go To..

STANDARD PARTS
2--45
Sentinel 331000 (9--08)
354113
Fig. 22 -- Engine Muffler Group, Turbo (000000--008499)
Ref. Part No. Serial Number Description Qty.
1764077 (000000--008499 )Muffler 1
2 764082 (000000--008499 ) Clamp, 2.5 Muffler 2
3 761824 (000000--008499 ) Flange, Exhaust 1
4 372230 (000000--008499 ) Fitting, Ebow, Exhaust 1
5 1008028 (000000--008499 ) Tube Wldt, Exhaust, 2.5 Od 1
61008101 (000000--008499 )Bracket, Wldt, Turbo 1
7 1008018 (000000--008499 ) Bracket Wldt, Exhaust 1
8 1007833 (000000--008499 ) Tailpipe, Exhaust 1
9 764085 (000000--008499 ) Clamp, Muf 6--8 In 2
10 764098 (000000--008499 ) Spring, Exhaust 7
11 761826 (000000--008499 )Ring, Seal 1
12 764120 (000000--008499 ) Rain Cap, Exhaust 1
13 03192 (000000--008499 ) Screw, Hex, M10 X 1.5 X 30, 8.8 5
14 32492 (000000--008499 ) Washer, Flat, 0.38 Std 5
15 39277 (000000--008499 ) Screw, Hex, M8 X 1.25 X 25, 8.8 2
16 32491 (000000--008499 )Washer, Flat, 0.31 Std 2
17 39279 (000000--008499 ) Screw, Hex, M8 X 1.25 X 70, 8.8 3
18 763042 (000000--008499 ) Washer, Belleville, M10 7
19 39311 (000000--008499 ) Nut, Hex, Std, M08 X 1.25 6
20 50902 (000000--008499 )Nut, Hex, Lock, .38--16, Nl 4
Home
Find...
Go To..

STANDARD PARTS
Sentinel 331000 (9--08)
2--46
Fig. 23 -- Engine Muffler Group, Turbo (008500-- )
1
2
2
3
4
5
6
7
8
8
9
10
11
12
13
14
14
15
16
Home
Find...
Go To..

STANDARD PARTS
2--47
Sentinel 331000 (9--08)
354113
Fig. 23 -- Engine Muffler Group, Turbo (008500-- )
Ref. Part No. Serial Number Description Qty.
1764077 (008500-- )Muffler 1
2 764082 (008500-- ) Clamp, 2.5 Muffler 2
3 761824 (008500-- ) Flange, Exhaust 1
4 1045977 (008500-- ) Tube Wldt, Exhaust [Sentinel 08] 1
5 1047685 (008500-- ) Bracket Wldt, Exhaust [Sentinel 08] 1
61007833 (008500-- )Tailpipe, Exhaust 1
7 764085 (008500-- ) Clamp, Muf 6--8 In 1
8 764098 (008500-- ) Spring, Exhaust 5
9 761826 (008500-- ) Ring, Seal 1
10 764120 (008500-- ) Rain Cap, Exhaust 1
11 39277 (008500-- )Screw, Hex, M8 X 1.25 X 25, 8.8 2
12 32491 (008500-- ) Washer, Flat, 0.31 Std 2
13 39279 (008500-- ) Screw, Hex, M8 X 1.25 X 70, 8.8 3
14 763042 (008500-- ) Washer, Belleville, M10 5
15 39311 (008500-- ) Nut, Hex, Std, M08 X 1.25 6
16 50902 (008500-- )Nut, Hex, Lock, .38--16, Nl 2
Home
Find...
Go To..

STANDARD PARTS
Sentinel 331000 (9--08)
2--48
Fig. 24 -- Engine Air Cleaner Group, NA (000000--008499)
1
2
3
4
5
6
7
8
9
10
11
12
13
14
15
16
17
18
8
12
12
Home
Find...
Go To..

STANDARD PARTS
2--49
Sentinel 331000 (9--08)
354114
Fig. 24 -- Engine Air Cleaner Group, NA (000000--008499)
Ref. Part No. Serial Number Description Qty.
o1764027 (000000--008499 )Air Cleaner 1
Y2 764131 (000000--008499 ) Filter Element,Air Donaldson 1
Y3 60933 (000000--008499 ) Element, Filter Safety 1
Y4 761830 (000000--008499 ) Aspirator,Air Cleaner 1
5 1007637 (000000--008499 ) Hose, Mold, Intake, Air, [N/A] 1
61007233 (000000--008499 )Tube, Air--Clnr 1
7 1007217 (000000--008499 ) Bracket Wldt, Air--Clnr 1
8 311437 (000000--008499 ) Clamp, Spring And Screw, 85--95 Mm, Ss 2
9 24976 (000000--008499 ) Ftg--Brs E45 Pm02/Pf02 1
10 768567 (000000--008499 ) Switch, Vacuum Indicator 1
11 76321 (000000--008499 )Strap, Band, Mtg, Air Fltr, 6.5d 2
12 17188 (000000--008499 ) Clamp, Wormdrive, 1.62--3.5OD 3
13 766405 (000000--008499 ) Intake, Air, 90 1
14 764291 (000000--008499 ) Hose, Str, Filter, Air 1
15 1007983 (000000--008499 ) Bracket Wldt, Air Intake 1
16 76570 (000000--008499 )Screw, Hex, M8 X 1.25 X 30, 8.8 2
17 32490 (000000--008499 ) Washer, Flat, 0.25 Std 2
18 08709 (000000--008499 ) Nut, Hex, Lock, M8 X 1.25, Nl 2
Home
Find...
Go To..

STANDARD PARTS
Sentinel 331000 (9--08)
2--50
Fig. 25 -- Engine Air Cleaner Group, Turbo (000000--008499)
1
2
3
4
5
7
8
9
10
11
12
13
14
17
18
19
20
21
22
23
24
26
27
28
29
30
28
25
6
11
16
15
16
15
16
17
16
Home
Find...
Go To..

STANDARD PARTS
2--51
Sentinel 331000 (11--09)
354115
Fig. 25 -- Engine Air Cleaner Group, Turbo (000000--008499)
Ref. Part No. Serial Number Description Qty.
o1764168 (000000--008499 )Air Cleaner, 8 inch 1
Y2 764190 (000000--008499 ) Element, 8 inch Air Cleaner 1
Y3 764191 (000000--008499 ) Element, Safety 1
4 764182 (000000--008499 ) Clamp, 8 inch Air Cleaner 2
5 1008733 (000000--008499 ) Bracket Wldt, Air--Clnr 1
6763072 (000000--008499 )Washer, Flat, M10, Fender [Din9021] 3
7 1007670 (000000--008499 ) Hose, Reducer, Air--Clnr 1
8 311690 (000000--008499 ) Clamp, S.s. Spring&screw 110mm 1
9 24976 (000000--008499 ) Ftg--Brs E45 Pm02/Pf02 1
10 768568 (000000--008499 ) Switch, Vacuum Indicator 1
11 23498 (000000--008499 )Clamp, Hose, Wormdrive, 3.56--4.50d, .50w 2
12 1030628 (000000--008499 ) Tube, Intake, Air--Clnr 1
13 766406 (000000--008499 ) Elbow, Air Scoop 1
14 68567 (000000--008499 ) Rivet, Blind, .188DX0.53X.62D, Alm 11
15 16931 (000000--008499 ) Screw, Hex, M8 X 1.25 X 20, 8.8 4
16 32491 (000000--008499 )Washer, Flat, 0.31 Std 8
17 08709 (000000--008499 ) Nut, Hex, Lock, M8 X 1.25, Nl 4
18 1009908 (000000--008499 ) Plate, Intake, Air 1
19 1011587 (000000--008499 ) Bracket, Intake, Turbo 1
20 365353 (000000--008499 ) Seal, Bulb, 90, 1.33 .06--.09Grip 08.3L 1
21 1031615 (000000--008499 )Seal, Afmkt, Bulb, Str, .75d F/07ga 02ft 1
22 57534 (000000--008499 ) Seal, Bulb, 90, 1.33 .06--.09Grip 19.5L 1
23 364837 (000000--008499 ) Seal, Bulb, Str,0.58D .06--.09Grip 04.0L 2
24 1010146 (000000--008499 ) Duct Wldt, Intake, Air 1
25 06963 (000000--008499 ) Screw, Hex, M10 X 1.5 X 60, 8.8 3
26 1007936 (000000--008499 )Tube, Intake, Turbo 1
27 1007930 (000000--008499 ) Elbow, Turbo 1
28 1051522 (000000--008499 ) Clamp, Spring & Screw, 75--85Mm, Ss 3
29 1008543 (000000--008499 ) Shield Wldt, Heat 1
30 1010364 (000000--008499 )Insulation, Thermal 1
Home
Find...
Go To..

STANDARD PARTS
Sentinel 331000 (9--08)
2--52
Fig. 26 -- Engine Air Cleaner Group, Turbo (008500-- )
1
1
2
3
4
5
6
7
8
9
10
11
11
11
12
13
14
15
16
17
18
19
20
21
16
17
16
Home
Find...
Go To..

STANDARD PARTS
2--53
Sentinel 331000 (11--09)
354115
Fig. 26 -- Engine Air Cleaner Group, Turbo (008500-- )
Ref. Part No. Serial Number Description Qty.
o1764168 (008500-- )Air Cleaner, 8 inch 1
Y2 764190 (008500-- ) Element, 8 inch Air Cleaner 1
Y3 764191 (008500-- ) Element, Safety 1
4 764182 (008500-- ) Clamp, 8 inch Air Cleaner 2
5 1007217 (008500-- ) Bracket Wldt, Air--Clnr 1
61051522 (008500-- )Clamp, Spring & Screw, 75--85Mm, Ss 1
7 1007670 (008500-- ) Hose, Reducer, Air--Clnr 1
8 311690 (008500-- ) Clamp, S.s. Spring&screw 110mm 1
9 24976 (008500-- ) Ftg--Brs E45 Pm02/Pf02 1
10 768568 (008500-- ) Switch, Vacuum Indicator 1
11 23498 (008500-- )Clamp, Hose, Wormdrive, 3.56--4.50d, .50w 3
12 1045986 (008500-- ) Tube, Intake, Air--Clnr [Sentinel 08] 1
13 766406 (008500-- ) Elbow, Air Scoop 1
14 1048150 (008500-- ) Hose, Intake, 3.75id .25w 5.0l 1
15 76570 (008500-- ) Screw, Hex, M8 X 1.25 X 30, 8.8 2
16 32490 (008500-- )Washer, Flat, 0.25, Std 12
17 08709 (008500-- ) Nut, Hex, Lock, M8 X 1.25, Nl 8
18 1048156 (008500-- ) Bracket, Air--Intk 1
19 06963 (008500-- ) Screw, Hex, M10 X 1.5 X 60, 8.8 3
20 763072 (008500-- ) Washer, Flat, M10, Fender [Din9021] 3
21 39277 (008500-- )Screw, Hex, M8 X 1.25 X 25, 8.8 4
Home
Find...
Go To..

STANDARD PARTS
Sentinel 331000 (12--03)
2--54
Fig. 27 -- Engine Battery and Cables Group
1
2
3
4
5
78
6
Home
Find...
Go To..

STANDARD PARTS
2--55
Sentinel 331000 (12--03)
354116
Fig. 27 -- Engine Battery and Cables Group
Ref. Part No. Serial Number Description Qty.
1310580 (000000-- )Battery, 12V, Cc Amps:1000 Wet 1
2 766015 (000000-- ) Battery Box, Poly 1
3 766015 (000000-- ) Battery Box, Poly 1
4 766014 (000000-- ) Support Wldt 1
5 762555 (000000-- ) Wire 1
6762557 (000000-- )Wire Assy, 36.0 Lg, 4 Ga, Blk 1
7 762556 (000000-- ) Wire Assy, 02ga 48.0l Blk .41h/.41h 2
8 762554 (000000-- ) Wire Assy, 02ga 48.0l Red 1
Home
Find...
Go To..

STANDARD PARTS
Sentinel 331000 (9--07)
2--56
Fig. 28 -- Conveyor and Covers Group
2
12
8
9
35
26
19
1
17
13
27
8
8
9
9
4
10
11
15
20
21
35 16
6
14
8
7
9
8
8
7
29
28
28
28
26
17
18
15
7
22
9
9
3
4
25
23
24
8
87
7
5
3
2
30
31
23
22
29
29 28
33 36
35
34
34
32
36
36
35
35
9
37
37
Not included
in conveyor
Assembly
Home
Find...
Go To..

STANDARD PARTS
2--57
Sentinel 331000 (6--06)
354127
Fig. 28 -- Conveyor and Covers Group
NOTE: The Conveyor Assembly, Tennant Part Number 9002028, includes Fig. 28, Fig. 29, Fig. 30, and Fig. 31.
Ref. Part No. Serial Number Description Qty.
11006691 (000000-- )Panel Wldt, Side, Rh 1
2 06968 (000000-- ) Screw, Hex, M12 X 1.75 X 35, 8.8 8
3 32486 (000000-- ) Washer, Flat, 0.50 Sae 8
4 08711 (000000-- ) Nut, Hex, Lock, M12 X 1.75,Nl 8
5 1006617 (000000-- ) Panel Wldt, Side, Lh 1
6760798 (000000-- )Trough Wldt, Conveyor 1
7 16931 (000000-- ) Screw, Hex, M8 X 1.25 X 20, 8.8 50
8 32491 (000000-- ) Washer, Flat, 0.31 Std 55
9 08709 (000000-- ) Nut, Hex, Lock, M8 X 1.25, Nl 36
10 1006225 (000000-- ) Plate Wldt, Back, Conveyor 1
11 1006175 (000000-- )Plate, Wear 1
12 1006108 (000000-- ) Wrap, Conveyor, Upper 1
13 1006103 (000000-- ) Panel, Rear, Lower 1
14 1006554 (000000-- ) Panel Wldt, Rear, Upper 1
15 760883 (000000-- ) Strip, Backup 2
16 760884 (000000-- )Strip, Backup 1
17 760882 (000000-- ) Skirt, Side, Conveyor 2
18 760897 (000000-- ) Skirt, Lip, Conveyor 1
19 760896 (000000-- ) Strip, Retainer 1
20 76570 (000000-- ) Screw, Hex, M8 X 1.25 X 30, 8.8 9
21 08709 (000000-- )Nut, Hex, Lock, M8 X 1.25, Nl 9
22 760837 (000000-- ) Skirt, Deflector, Side 2
23 760838 (000000-- ) Retainer, Skirt, Conveyor 2
24 06943 (000000-- ) Screw, Hex, M6 X 1.0 X 20, 8.8 4
25 08708 (000000-- ) Nut, Hex, Lock, M6 X 1.0, Nl 4
26 32822 (000000-- )Handle 2
27 760721 (000000-- ) Plate, Cover, Lubrication 2
28 361339 (000000-- ) Screw, Hex, M 6 X 1.0 X 16, Fmg 14
29 32490 (000000-- ) Washer, Flat, 0.25 Std 6
30 381981 (000000-- ) Handle, Container, Rear 1
31 41732 (000000-- )Rivet, Blind, .188d X 0.45 X .38d, Stl 3
32 761148 (000000-- ) Strip, Seal 1
33 761153 (000000-- ) Strip, Seal 1
34 760785 (000000-- ) Seal, Bulb, Str, 0.58d .06--.09grip 54.0l 2
35 39277 (000000-- ) Screw, Hex, M8 X 1.25 X 25, 8.8 20
36 763041 (000000-- )Washer, Belleville, M08 6
37 393135 (000000-- ) Screw, Btn, M8 X 1.25 X 20, Blk 2
Home
Find...
Go To..

STANDARD PARTS
Sentinel 331000 (11--09)
2--58
Fig. 29 -- Conveyor Drive Group
5
34
32
36
25
36
35
18
37
38
41
2
30
28
23
45
29
41
12
17
2
6
7
3
4
10
1
22
21
20
19
42
24 21
33
Not included
in conveyor
Assembly
46
27
40
31
26
5
1
23
21
40
22
8
911
44
316
15
14
13
9
39
39
43
Home
Find...
Go To..

STANDARD PARTS
2--59
Sentinel 331000 (9--07)
354128
Fig. 29 -- Conveyor Drive Group
NOTE: The Conveyor Assembly, Tennant Part Number 9002028, includes Fig. 28, Fig. 29, Fig. 30, and Fig. 31.
Ref. Part No. Serial Number Description Qty.
11005936 (000000-- )Bar, Retainer 2
2 11516 (000000-- ) Pin, Roll, .250 D X 1.75l, .250/.256 4
3 28270 (000000-- ) Pin, Roll, .187 D X 0.75l, .187/.192 18
4 06972 (000000-- ) Screw, Hex, M12 X 1.75 X 60, 8.8 4
5 32486 (000000-- ) Washer, Flat, 0.50 Sae 8
608711 (000000-- )Nut, Hex, Lock, M12 X 1.75,Nl 4
7 1006031 (000000-- ) Plate, Brg 1
8 1017496 (000000-- ) Housing, Brg 1
9 1005312 (000000-- ) Bearing, Ball, 50mm 2
o10 1005309 (000000-- ) Shaft, Upper 1
Y1009396 (000000-- )Screw, Set, M12 X 1.75 X 12, Soc 1
11 1008020 (000000-- ) Ring, Retaining, Ext, 50mm 1
12 1005888 (000000-- ) Plate, Motor 1
13 18141 (000000-- ) Pin, Roll, .180 D X 0.50l, .187/.192 2
14 26927 (000000-- ) Fitting, Pipe, Str, Pm02/Pm02 02.0l,Blk 1
15 11848 (000000-- )Fitting, Pipe, Cplg, Pf02 Full Black 1
16 50270 (000000-- ) Fitting, Grease, Str Pm02 . L 1
17 06968 (000000-- ) Screw, Hex, M12 X 1.75 X 35, 8.8 4
18 1005242 (000000-- ) Hub, Sprkt 1
19 1008021 (000000-- ) Seal 1
20 1009396 (000000-- )Screw, Set, M12 X 1.75 X 12, Soc 2
21 1008022 (000000-- ) Key, Rt, 14Mm X 09Mm X 50Mm L 4
o22 1006010 (000000-- ) Coupling Assy, Conveyor 2
Y1034499 (000000-- ) Disc Kit, Cplg 1
Y9003028 (000000-- ) Bolt Kit, Cplg 1
Y23 1009396 (000000-- )Screw, Set, M12 X 1.75 X 12, Soc 2
24 1006013 (000000-- ) Shaft, Cen 1
25 1006391 (000000-- ) Angle, Guide 2
26 16931 (000000-- ) Screw, Hex, M8 X 1.25 X 20, 8.8 4
27 32491 (000000-- ) Washer, Flat, 0.31 Std 4
o28 761111 (000000-- )Bearing, Flange 1
Y29 765817 (000000-- ) Cap, Bearing, Lower 1
30 06981 (000000-- ) Screw, Hex, M16 X 2.0 X 40, 8.8 3
31 765806 (000000-- ) Spacer, Strap 4
32 765805 (000000-- ) Strap, Retainer, Bearing Cup 2
33 771096 (000000-- )Fitting, Hyd, E90, Fm10/Ff10 1
34 42467 (000000-- ) Screw, Hex, .38--16 X 2.00, Ss 2
35 1002939 (000000-- ) Shaft, Lower 1
36 66612 (000000-- ) Key, Sq, 0.50 X 2.00l 2
37 1005248 (000000-- ) Hub, Sprkt 1
38 375642 (000000-- )Collar, Split, 2.00b 3.00d .69w, Stl 2
39 1005171 (000000--006881 ) Sprocket, 1.654P, 19 Tooth, 4.5B, 1.5W 2
39 1025192 (006882-- ) Sprocket, 1.654p, 19tooth, 4.50b, Split 2
40 39285 (000000-- ) Screw, Hex, M10 X 1.5 X 40, 8.8 12
41 41187 (000000-- )Washer, Belleville, .38 12
Home
Find...
Go To..

STANDARD PARTS
Sentinel 331000 (9--07)
2--60
354128
Fig. 29 -- Conveyor Drive Group
NOTE: The Conveyor Assembly, Tennant Part Number 9002028, includes Fig. 28, Fig. 29, Fig. 30, and Fig. 31.
Ref. Part No. Serial Number Description Qty.
42 1005175 (000000-- )Chain, 1.654 Pitch. 92P Long 1
1016719 (000000-- ) Kit, Repair, Inside Attmnt 1
1016732 (000000-- ) Kit, Repair, Outside Attmnt 1
1015444 (000000-- ) Pin Kit, Connecting 1
o43 771009 (000000--006702 ) Motor, Hyd, Gear, [In] 24.2 B 2750 1
Y762116 (000000--006702 )Seal Kit 1
o43 767180 (006703-- ) Motor, Hyd, Gear, Int 19.2 2900 1
Y762116 (006703-- ) Seal Kit 1
44 06970 (000000-- ) Screw, Hex, M12 X 1.75 X 45, 8.8 4
45 15331 (000000-- ) Washer, Flat, 0.62 Sae 8
46 762464 (000000-- )Fitting, Hyd, E90, Om10/Fm10 2
Home
Find...
Go To..

STANDARD PARTS
2--61
Sentinel 331000 (3--05)
Home
Find...
Go To..

STANDARD PARTS
Sentinel 331000 (9--07)
2--62
Fig. 30 -- Conveyor Idler Group
1
22
24
89
7
2
5
6
11
10
5
3
29
19
13
12
20
45
21
25
43
14
42
41
26
22
25
40
38
43
39
2
9
15
17
18
16
46 47
31
32
33 30
27
36
34
35
25
24
23
44
37
54
48
50
49
28
Home
Find...
Go To..

STANDARD PARTS
2--63
Sentinel 331000 (6--06)
354129
Fig. 30 -- Conveyor Idler Group
NOTE: The Conveyor Assembly, Tennant Part Number 9002028, includes Fig. 28, Fig. 29, Fig. 30, and Fig. 31.
Ref. Part No. Serial Number Description Qty.
11005936 (000000-- )Bar, Retainer 2
2 11516 (000000-- ) Pin, Roll, .250 D X 1.75l, .250/.256 4
3 28270 (000000-- ) Pin, Roll, .187 D X 0.75l, .187/.192 18
4 06972 (000000-- ) Screw, Hex, M12 X 1.75 X 60, 8.8 4
5 32486 (000000-- ) Washer, Flat, 0.50 Sae 8
608711 (000000-- )Nut, Hex, Lock, M12 X 1.75,Nl 4
7 1006031 (000000-- ) Plate, Brg 1
8 1017496 (000000-- ) Housing, Brg 1
9 1005312 (000000-- ) Bearing, Ball, 50mm 2
10 1006852 (000000-- ) Shaft, Stub 1
11 1008020 (000000-- )Ring, Retaining, Ext, 50mm 1
12 26927 (000000-- ) Fitting, Pipe, Str, Pm02/Pm02 02.0l,Blk 1
13 11848 (000000-- ) Fitting, Pipe, Cplg, Pf02 Full Black 1
14 50270 (000000-- ) Fitting, Grease, Str Pm02 . L 1
15 06969 (000000-- ) Screw, Hex, M12 X 1.75 X 40, 8.8 4
16 1007315 (000000-- )Plate, Cover 1
17 41345 (000000-- ) Screw, Hex, M12 X 1.75 X 25, 8.8 4
18 32486 (000000-- ) Washer, Flat, 0.50 Sae 4
19 1005242 (000000-- ) Hub, Sprkt 1
20 1008021 (000000-- ) Seal 1
21 1008022 (000000-- )Key, Rt, 14MmX09 2
22 1009396 (000000-- ) Screw, Set, M12 X 1.75 X 12, Soc 2
23 1005171 (000000--006881 ) Sprocket, 1.654P, 19 Tooth, 4.5B, 1.5W 1
23 1025192 (006882-- ) Sprocket, 1.654p, 19tooth, 4.50b, Split 1
24 39284 (000000-- ) Screw, Hex, M10 X 1.5 X 35, 8.8 12
25 41187 (000000-- )Washer, Belleville, .38 12
26 1006391 (000000-- ) Angle, Guide 2
o27 761111 (000000-- ) Bearing, Flange 1
Y28 765817 (000000-- ) Cap, Bearing, Lower 1
29 06981 (000000-- ) Screw, Hex, M16 X 2.0 X 40, 8.8 3
30 765806 (000000-- )Spacer, Strap 2
31 765805 (000000-- ) Strap, Retainer, Bearing Cup 1
32 32485 (000000-- ) Washer, Flat, .38 Sae 2
33 45290 (000000-- ) Screw, Flt, .38--16X2.00, Al 2
34 1005248 (000000-- ) Hub, Sprkt 1
35 375642 (000000-- )Collar, Split, 2.00b 3.00d .69w, Stl 2
36 1005173 (000000-- ) Wheel, Traction 1
37 1005175 (000000-- ) Chain, 1.654 Pitch. 92P Long 1
1016719 (000000-- ) Kit, Repair, Inside Attmnt 1
1016732 (000000-- ) Kit, Repair, Outside Attmnt 1
1015444 (000000-- )Pin Kit, Connecting 1
38 1005678 (000000-- ) Angle, Paddle, Conveyor 13
39 1005719 (000000-- ) Strip, Paddle, Conveyor 13
40 1005718 (000000-- ) Strip, Retainer, Paddle 13
41 76570 (000000-- ) Screw, Hex, M8 X 1.25 X 30, 8.8 117
42 08709 (000000-- )Nut, Hex, Lock, M8 X 1.25, Nl 117
43 1005722 (000000-- ) Spacer, Paddle 52
44 16930 (000000-- ) Screw, Hex, M10 X 1.5 X 50, 8.8 52
45 08166 (000000-- ) Nut, Hex, Stover, M10 X 1.5 52
Home
Find...
Go To..

STANDARD PARTS
Sentinel 331000 (6--06)
2--64
354129
Fig. 30 -- Conveyor Idler Group
NOTE: The Conveyor Assembly, Tennant Part Number 9002028, includes Fig. 28, Fig. 29, Fig. 30, and Fig. 31.
Ref. Part No. Serial Number Description Qty.
46 16931 (000000-- )Screw, Hex, M8 X 1.25 X 20, 8.8 4
47 32491 (000000-- ) Washer, Flat, 0.31 Std 4
48 77752 (000000-- ) Screw, Hex, M16 X 2.0 X 70, 8.8, Fl 1
49 07782 (000000-- ) Nut, Hex, Std, M16 X 2.0 1
50 15331 (000000-- )Washer, Flat, 0.62 Sae 4
Home
Find...
Go To..

STANDARD PARTS
2--65
Sentinel 331000 (6--06)
Home
Find...
Go To..

STANDARD PARTS
Sentinel 331000 (6--06)
2--66
Fig. 31 -- Conveyor Tension Group
17
12
22
14
1
17
25
5
11
10
4
9
23
16
13
19
18
21
20
22
23
23
21
22
11
12
14
23
21
22
24
12
14
13
14
13
19
19
12
15
27
9
235
4
4
6
5
3
8
7
2
10
9
35
4
63 9
10
78
25
26
26
25 25
24
27
Home
Find...
Go To..

STANDARD PARTS
2--67
Sentinel 331000 (9--08)
354130
Fig. 31 -- Conveyor Tension Group
NOTE: The Conveyor Assembly, Tennant Part Number 9002028, includes Fig. 28, Fig. 29, Fig. 30, and Fig. 31.
Ref. Part No. Serial Number Description Qty.
11005954 (000000-- )Frame Wldt, Conveyor 1
2 1005925 (000000-- ) Block Wldt, Spring 2
3 11516 (000000-- ) Pin, Roll, .250 D X 1.75l, .250/.256 8
4 1010423 (000000-- ) Spring, Ure 4
5 1009951 (000000-- ) Link 4
61007331 (000000-- )Block, Retainer 2
7 41346 (000000-- ) Screw, Hex, M12 X 1.75 X 30, 8.8 2
8 32486 (000000-- ) Washer, Flat, 0.50 Sae 2
9 1005923 (000000-- ) Spring, Cmpr 4
10 1006006 (000000-- ) Plug 4
11 1040830 (000000-- )Cylinder, Hyd, 2.0b 11.3l 04.00strk 3000 2
12 1007105 (000000-- ) Pin Wldt, Clevis 2
13 87308 (000000-- ) Screw, Hex, M6 X 1.0 X 12, 8.8 2
14 32483 (000000-- ) Washer, Flat, 0.25 Sae 2
15 1023833 (000000-- ) Plate Wldt, Lift, Conveyor, Rh 1
16 1023835 (000000-- )Plate Wldt, Lift, Conveyor, Lh 1
17 06968 (000000-- ) Screw, Hex, M12 X 1.75 X 35, 8.8 8
18 08711 (000000-- ) Nut, Hex, Lock, M12 X 1.75,Nl 8
19 1007959 (000000-- ) Fitting, Hyd, E90, Fm06/Om04 4
20 762435 (000000-- ) Fitting, Hyd, Tee, Om06/Om06/Ff06 1
21 1005819 (000000-- )Angle, Guide 4
22 765845 (000000-- ) Guide, Chain, Steel 4
23 763092 (000000-- ) Rivet, Blind, .188d X 0.45 X .38d, Ss 32
24 16931 (000000-- ) Screw, Hex, M8 X 1.25 X 20, 8.8 12
25 32491 (000000-- ) Washer, Flat, 0.31 Std 12
26 1019488 (000000-- )Plate, Deflector 2
Home
Find...
Go To..

STANDARD PARTS
Sentinel 331000 (9--07)
2--68
Fig. 32 -- Conveyor Lift Group, Right
36
5
38
4
33
31
16
35
32
20
26
40
10
9
41
12
15
11
13
14
5
39
36
31
23
24
25
28
27
2
3
30
29
6
8
7
20
6
7
8
42
51
52
43
50
44
50
45
2
3
18
17
21
22
19
34
5
37
1
50
44 48
49 50
44
45
37 38
47
46
51
51
18
Home
Find...
Go To..

STANDARD PARTS
2--69
Sentinel 331000 (9--08)
354131
Fig. 32 -- Conveyor Lift Group, Right
Ref. Part No. Serial Number Description Qty.
∇9003311 (000000-- )Tower Kit, Conveyor, Lift, Rh, Replmt 1
Y∇9003314 (000000-- ) Tower Assy, Conveyor, Lift, Rh 1
YY 1 1006801 (000000-- ) Support Wldt, Conveyor 1
YY 2 06969 (000000-- ) Screw, Hex, M12 X 1.75 X 40, 8.8 2
YY 3 39313 (000000-- ) Nut, Hex, Std, M12 X 1.75 2
YY 41006629 (000000-- )Arm, Lift 1
YY 5 364587 (000000-- ) Bushing, Sleeve, 0.88b 1.00d 0.75l, Bnz 5
YY 6 1007616 (000000-- ) Pin Wldt, Clevis 2
YY 7 361339 (000000-- ) Screw, Hex, M 6 X 1.0 X 16, Fmg 2
YY 8 763040 (000000-- ) Washer, Belleville, M06 2
YY 91006648 (000000-- )Link, Upper 1
YY 10 1006519 (000000-- ) Shaft, Eccentric 1
YY 11 15331 (000000-- ) Washer, Flat, 0.62 Sae 1
YY 12 33342 (000000-- ) Nut, Hex, Lock, M16 X 2.0, Nl 1
YY 13 760740 (000000-- ) Bearing, Cam Roller 52x14x20 1
YY 14 1006888 (000000-- )Retainer, Roller 1
YY 15 32129 (000000-- ) Screw, Flt, M8 X 1.25 X 20, 10.9 1
YY 16 1006843 (000000-- ) Link Wldt, Push 1
YY 17 1007764 (000000-- ) Pin, Pivot 1
YY 18 09162 (000000-- ) Screw, Set, M06 X 1.0 X 8, Nl 4
YY 19 1006842 (000000-- )Rod--End, M16 X 2.0rh Male 16h 1
YY 20 07782 (000000-- ) Nut, Hex, Std, M16 X 2.0 2
YY 21 76438 (000000-- ) Screw, Hex, M10 X 1.5 X 90, Fl 1
YY 22 39312 (000000-- ) Nut, Hex, Std, M10 X 1.5 1
YY 23 1006828 (000000-- ) Roller, Guide 1
YY 24 1006556 (000000-- )Sleeve 1
YY 25 41346 (000000-- ) Screw, Hex, M12 X 1.75 X 30, 8.8 1
YY 26 08711 (000000-- ) Nut, Hex, Lock, M12 X 1.75,Nl 1
YY 27 1007049 (000000-- ) Roller, Guide 1
YY 28 1008644 (000000-- ) Retainer, Roller 1
YY 29 16735 (000000-- )Screw, Hex, M8 X 1.25 X 16, 8.8 1
YY 30 32491 (000000-- ) Washer, Flat, 0.31 Std 1
Y31 1009447 (000000-- ) Plate, Sppt 2
Y32 06968 (000000-- ) Screw, Hex, M12 X 1.75 X 35, 8.8 4
Y33 32486 (000000-- ) Washer, Flat, 0.50 Sae 4
Y34 06981 (000000-- )Screw, Hex, M16 X 2.0 X 40, 8.8 1
Y35 15331 (000000-- ) Washer, Flat, 0.62 Sae 1
Y36 1007105 (000000-- ) Pin Wldt, Clevis 2
Y37 87308 (000000-- ) Screw, Hex, M6 X 1.0 X 12, 8.8 2
Y38 763040 (000000-- ) Washer, Belleville, M06 2
39 1040830 (000000-- )Cylinder, Hyd, 2.0b 11.3l 04.00strk 3000 1
40 762427 (000000-- ) Fitting, Hyd, E90, Om04/Fm04 1
41 771029 (000000-- ) Fitting, Hyd, Tee, Om04/Fm04/Fm04 1
42 1008607 (000000-- ) Stop, Down, Adj 1
43 222516 (000000-- ) Sleeve, P/M, 0.496D 0.318B 0.31L 430Ss 2
44 39277 (000000-- )Screw, Hex, M8 X 1.25 X 25, 8.8 6
45 08709 (000000-- ) Nut, Hex, Lock, M8 X 1.25, Nl 6
46 760757 (000000-- ) Rod, Thrd, Full, M12 X 1.8 03.5l 1
47 763061 (000000-- ) Bumper, Engine Door 1
48 1009614 (000000-- ) Bracket, Latch 1
Home
Find...
Go To..

STANDARD PARTS
Sentinel 331000 (9--07)
2--70
354131
Fig. 32 -- Conveyor Lift Group, Right
Ref. Part No. Serial Number Description Qty.
49 1009653 (000000-- )Plate, Strike 1
50 32491 (000000-- ) Washer, Flat, 0.31 Std 6
51 39313 (000000-- ) Nut, Hex, Std, M12 X 1.75 3
52 06968 (000000-- ) Screw, Hex, M12 X 1.75 X 35, 8.8 1
Home
Find...
Go To..

STANDARD PARTS
2--71
Sentinel 331000 (9--07)
Home
Find...
Go To..

STANDARD PARTS
Sentinel 331000 (9--07)
2--72
Fig. 33 -- Conveyor Lift Group, Left
36
5
38
4
33
31
16
35
32
20
26
40
10
9
41
12
15
11
14
5
39
36
31
23
24
25
28
27
2
3
30 29
20
6
7
8
42
51
52
43
50
44
50 45
2
3
18
17
21
22
19
34
5
37
1
67
8
13
48
50
44
45
49
50
44
38
37
51
51
46
47
18
Home
Find...
Go To..

STANDARD PARTS
2--73
Sentinel 331000 (9--08)
354132
Fig. 33 -- Conveyor Lift Group, Left
Ref. Part No. Serial Number Description Qty.
∇9003312 (000000-- )Tower Kit, Conveyor, Lift, Lh, Replmt 1
Y∇9003315 (000000-- ) Tower Assy, Conveyor, Lift, Lh 1
YY 1 1006801 (000000-- ) Support Wldt, Conveyor 1
YY 2 06969 (000000-- ) Screw, Hex, M12 X 1.75 X 40, 8.8 2
YY 3 39313 (000000-- ) Nut, Hex, Std, M12 X 1.75 2
YY 41006629 (000000-- )Arm, Lift 1
YY 5 364587 (000000-- ) Bushing, Sleeve, 0.88b 1.00d 0.75l, Bnz 5
YY 6 1007616 (000000-- ) Pin Wldt, Clevis 2
YY 7 361339 (000000-- ) Screw, Hex, M 6 X 1.0 X 16, Fmg 2
YY 8 763040 (000000-- ) Washer, Belleville, M06 2
YY 91006648 (000000-- )Link, Upper 1
YY 10 1006519 (000000-- ) Shaft, Eccentric 1
YY 11 15331 (000000-- ) Washer, Flat, 0.62 Sae 1
YY 12 33342 (000000-- ) Nut, Hex, Lock, M16 X 2.0, Nl 1
YY 13 760740 (000000-- ) Bearing, Cam Roller 52x14x20 1
YY 14 1006888 (000000-- )Retainer, Roller 1
YY 15 32129 (000000-- ) Screw, Flt, M8 X 1.25 X 20, 10.9 1
YY 16 1006843 (000000-- ) Link Wldt, Push 1
YY 17 1007764 (000000-- ) Pin, Pivot 1
YY 18 09162 (000000-- ) Screw, Set, M06 X 1.0 X 8, Nl 4
YY 19 1006842 (000000-- )Rod--End, M16 X 2.0rh Male 16h 1
YY 20 07782 (000000-- ) Nut, Hex, Std, M16 X 2.0 2
YY 21 76438 (000000-- ) Screw, Hex, M10 X 1.5 X 90, Fl 1
YY 22 39312 (000000-- ) Nut, Hex, Std, M10 X 1.5 1
YY 23 1006828 (000000-- ) Roller, Guide 1
YY 24 1006556 (000000-- )Sleeve 1
YY 25 41346 (000000-- ) Screw, Hex, M12 X 1.75 X 30, 8.8 1
YY 26 08711 (000000-- ) Nut, Hex, Lock, M12 X 1.75,Nl 1
YY 27 1007049 (000000-- ) Roller, Guide 1
YY 28 1008644 (000000-- ) Retainer, Roller 1
YY 29 16735 (000000-- )Screw, Hex, M8 X 1.25 X 16, 8.8 1
YY 30 32491 (000000-- ) Washer, Flat, 0.31 Std 1
Y31 1009447 (000000-- ) Plate, Sppt 2
Y32 06968 (000000-- ) Screw, Hex, M12 X 1.75 X 35, 8.8 4
Y33 32486 (000000-- ) Washer, Flat, 0.50 Sae 4
Y34 06981 (000000-- )Screw, Hex, M16 X 2.0 X 40, 8.8 1
Y35 15331 (000000-- ) Washer, Flat, 0.62 Sae 1
Y36 1007105 (000000-- ) Pin Wldt, Clevis 2
Y37 87308 (000000-- ) Screw, Hex, M6 X 1.0 X 12, 8.8 2
Y38 763040 (000000-- ) Washer, Belleville, M06 2
39 1040830 (000000-- )Cylinder, Hyd, 2.0b 11.3l 04.00strk 3000 1
40 762427 (000000-- ) Fitting, Hyd, E90, Om04/Fm04 1
41 771029 (000000-- ) Fitting, Hyd, Tee, Om04/Fm04/Fm04 1
42 1008607 (000000-- ) Stop, Down, Adj 1
43 222516 (000000-- ) Sleeve, P/M, 0.496D 0.318B 0.31L 430Ss 2
44 39277 (000000-- )Screw, Hex, M8 X 1.25 X 25, 8.8 6
45 08709 (000000-- ) Nut, Hex, Lock, M8 X 1.25, Nl 6
46 760828 (000000-- ) Rod, Thrd, 1 End, M12x1.75 07.9l 1
47 763061 (000000-- ) Bumper, Engine Door 1
48 1009651 (000000-- )Bracket, Plate, Latch, Door, Lh 1
Home
Find...
Go To..

STANDARD PARTS
Sentinel 331000 (9--07)
2--74
354132
Fig. 33 -- Conveyor Lift Group, Left
Ref. Part No. Serial Number Description Qty.
49 1009653 (000000-- )Plate, Strike 1
50 32491 (000000-- ) Washer, Flat, 0.31 Std 6
51 39313 (000000-- ) Nut, Hex, Std, M12 X 1.75 3
52 06968 (000000-- ) Screw, Hex, M12 X 1.75 X 35, 8.8 1
Home
Find...
Go To..

STANDARD PARTS
2--75
Sentinel 331000 (9--07)
Home
Find...
Go To..

STANDARD PARTS
Sentinel 331000 (9--08)
2--76
Fig. 34 -- Hopper Group
17
18 19
20
21 28
15
33
13
25
34
26
27
16
14
12
22
1
24
30
10
8
11
3
23
31
96
5
32
2
29
7
36
37
35
38
39
4
24
32
Home
Find...
Go To..

STANDARD PARTS
2--77
Sentinel 331000 (11--09)
354117
Fig. 34 -- Hopper Group
Ref. Part No. Serial Number Description Qty.
o9000071 (000000-- )Hopper Assy [Sentinel] 1
Y1 1009243 (000000-- ) Hopper (Painted GM White) 1
Y2 1009327 (000000-- ) Door, Hppr 1
3 1042226 (000000-- ) Cylinder, Hyd, 1.5b 11.0l 02.94strk 3000 1
4 1015530 (000000-- ) Rivet, Blind, .156d X 1.00l X .31d, Alm 2
5760598 (000000-- )Hook, Door Release 1
6 760586 (000000-- ) Pin, Hydraulic Cylinder 1
7 760577 (000000-- ) Bushing 1
8 765614 (000000-- ) Pivot Wldt, Hopper Right 1
9 760682 (000000-- ) Pin, Hyd Cyl 2
10 765612 (000000-- )Pivot Wldt, Hopper Left 1
11 1009254 (000000-- ) Panel, Hppr, Skirt, Rh 1
12 1009237 (000000-- ) Panel, Hppr, Lh 1
13 1009191 (000000-- ) Cover, Line, Hyd 1
14 1049971 (000000-- ) Alarm, Backup, 12--48Vdc 112Dba 1
15 760647 (000000-- )Bracket,Cable Mount 1
16 762035 (000000-- ) Motor, Hyd Shaker W/End Ports (See Breakdowns) 1
17 760548 (000000-- ) Beater Bar, Filter Bag 1
18 763244 (000000-- ) Seal, Shaft 2
19 760543 (000000-- ) Bushing, Rear Support 1
20 763278 (000000-- )Bearing, Sleeve 1
21 760523 (000000-- ) Clamp, Gasket, Front 2
22 760504 (000000-- ) Shutter, Vacuum 1
23 762426 (000000-- ) Ftg--Hyd, Str 2
24 762437 (000000-- ) Ftg--Hyd, E90 1
25 61923 (000000-- ) Alarm, Backup, Smart 1
26 367679 (000000-- ) Thermostat Assembly,155 Deg 1
27 82733 (000000-- ) Gasket, Fire Switch 1
28 760522 (000000-- ) Gasket,Hopper Opening 1
29 760565 (000000-- ) Gasket,Rear Hopper Door 1
30 770176 (000000-- )Switch, Snap Actn, 12vdc 15a No 1
31 763284 (000000-- ) Bushing 2
32 763075 (000000-- ) Rivet, Pop .156Dx.710x.312Dhd 30
33 760663 (000000-- ) Cable, Hopper Door Hook 1
34 761417 (000000-- ) Bar Flat, Rubber Hopper 1
35 47801 (000000-- )Ftg, Grease 2
36 19065 (000000-- ) Washer Flt 08 18
37 761542 (000000-- ) Angle, Switch 1
38 1009367 (000000-- ) Plate, Mtg, License 1
39 46711 (000000-- )Light, Panl, 12vdc, Clr, 1.5d 1
Home
Find...
Go To..

STANDARD PARTS
Sentinel 331000 (9--07)
2--78
Fig. 35 -- Hopper Filter Bags Group
1
2
3
4
5
6
7
56
69
8
8
10
Home
Find...
Go To..

STANDARD PARTS
2--79
Sentinel 331000 (9--07)
09190
Fig. 35 -- Hopper Filter Bags Group
Ref. Part No. Serial Number Description Qty.
o761505 (000000-- )Filter Bag Assy, Hopper 1
Y1 1041780 (000000-- ) Filter, Bag [Sentinel] 1
Y2 760536 (000000-- ) Separator, Filter Bag 10
Y3 760545 (000000-- ) Rod Wldt, Filter Bag 20
Y4 760535 (000000-- ) Rack, Filter Bag 1
5760529 (000000-- )Bracket, Filter Bag 2
6 760550 (000000-- ) Bar, Stop, Filter Bag 3
7 1009199 (000000-- ) Cover, Fltr, Bag 1
8 760532 (000000-- ) Gasket 1
9 760540 (000000-- ) Seal, Bulb, Str, 0.75d .19grip 204.0l 1
10 763075 (000000-- )Rivet, Blind, .156d X 0.71 X .31d 28
Home
Find...
Go To..

STANDARD PARTS
Sentinel 331000 (6--03)
2--80
Fig. 36 -- Hopper Tilt Cylinders Group
8
5
5
8
2
4
73
7
1
8
5
11
6
10
9
4
7
2
12
Home
Find...
Go To..

STANDARD PARTS
2--81
Sentinel 331000 (9--07)
351893
Fig. 36 -- Hopper Tilt Cylinders Group
Ref. Part No. Serial Number Description Qty.
1765450 (000000-- )Base, LIft, Lower 1
o2 1029852 (000000-- ) Cyl, Hyd, 2.5b, 27.3l, 17.7strk 3000 2
Y1035699 (000000-- ) Seal Kit, Cyl, Hyd 1
Y1035701 (000000-- ) Valve, Check, Cyl, Hyd 1
3 762435 (000000-- ) Ftg--Hyd, Tee 1
4762432 (000000-- )Ftg--Hyd, Elbow 2
5 760682 (000000-- ) Pin Weldment, Safety Leg Lower 4
6 770176 (000000-- ) Switch, Snap Actn, 12Vdc 15A No 1
7 762434 (000000-- ) Ftg--Hyd, Tee 3
8 47801 (000000-- ) Ftg, Grease 4
959965 (000000-- )Switch Assy, Roller--No 1
10 770025 (000000-- ) Bracket, Switch 1
11 760447 (000000-- ) Spring, Overload Switch 1
12 762443 (000000-- ) Fitting, Hyd 1
Home
Find...
Go To..

STANDARD PARTS
Sentinel 331000 (6--03)
2--82
Fig. 37 -- Hopper Support Cylinder Group
1
3
5
7
8
8
9
6
10
2
4
Home
Find...
Go To..

STANDARD PARTS
2--83
Sentinel 331000 (6--03)
351895
Fig. 37 -- Hopper Support Cylinder Group
Ref. Part No. Serial Number Description Qty.
1760673 (000000-- )Hopper Support, Upper W/Label 1
2 761524 (000000-- ) Clip, Finger Clip, Metal 1
3 760691 (000000-- ) Hopper Support, Lower 1
4 760660 (000000-- ) Clip, Finger Clip 1
5 760554 (000000-- ) Tie Rod, Hopper Support 2
6760824 (000000-- )Pin W/Label 1
7 760695 (000000-- ) Pin Weldment,Safety Leg Upper 1
8 47801 (000000-- ) Ftg, Grease.25--28th Strt .63L 2
9 760679 (000000-- ) Pin Weldment,Safety Leg Lower 1
10 760668 (000000-- )Bracket, Extended Pin 1
Home
Find...
Go To..

STANDARD PARTS
Sentinel 331000 (6--03)
2--84
Fig. 38 -- Hopper Vacuum Fan Group
1
1
2
2
3
3
8
4
6
7
6
6
4
9
5
10
Home
Find...
Go To..

STANDARD PARTS
2--85
Sentinel 331000 (9--07)
351897
Fig. 38 -- Hopper Vacuum Fan Group
Ref. Part No. Serial Number Description Qty.
1760562 (000000-- )Impeller, Intake 2
2 760560 (000000-- ) Plate, Fan Housing 2
3 760566 (000000-- ) Plate, Cover, Fan Housing 2
4 762032 (000000--007257 ) Motor, Hyd Vac Fan (See Breakdowns) 2
o4 1036050 (007258-- ) Motor, Hyd, Vacfan, 1.06 [Cid] 2
Y1036052 (007258-- )Seal Kit, Hyd, Motor 1
5 1009224 (000000-- ) Guard, Motor 1
6 762468 (000000-- ) Ftg--Hyd, Str 3
7 762432 (000000-- ) Ftg--Hyd, E90 1
8 762469 (000000-- ) Ftg--Hyd, E90 1
9762436 (000000-- )Ftg--Hyd, Tee 1
10 770154 (000000-- ) Insulation, Acstc, Vacfan 1
Home
Find...
Go To..

STANDARD PARTS
Sentinel 331000 (6--03)
2--86
Fig. 39 -- Cab Group, Front
2
3
4
5
6
7
89
10
1
11
12
13
14
15
16
17
18
19
20
21
22
23
24 25
26
27
2
15
22
3
18
18
18
2
2
19
18
22
21
20
8
24
23
Home
Find...
Go To..

STANDARD PARTS
2--87
Sentinel 331000 (3--05)
354133
Fig. 39 -- Cab Group, Front
Ref. Part No. Serial Number Description Qty.
11009821 (000000-- )Console, Steering 1
2 769617 (000000-- ) Louver, Vent 6
3 372293 (000000-- ) Bracket, Strike 2
4 769610 (000000-- ) Adaptor, Arm, Wiper 1
5 761872 (000000-- ) Adaptor 1
761738 (000000-- )Nozzle Kit, Spray, Windshield 1
6 769615 (000000-- ) Arm, Wiper 1
7 769609 (000000-- ) Blade, Wiper 1
8 769631 (000000-- ) Filter, Air, Foam 2
9 769657 (000000-- ) Filter, Air 1
10 769659 (000000-- )Cover, Filter, Assy 1
11 769601 (000000-- ) Arm, Drive 1
12 769616 (000000-- ) Pivot, Shaft, Wiper 1
13 761867 (000000-- ) Motor, Ele, Wiper, 12vdc Deg 1
14 769071 (000000-- ) Kit, Link, Connecting 1
15 769620 (000000-- )Clip, Window 3
16 769630 (000000-- ) Pane, Glass, Windshield 1
17 372309 (000000-- ) Screw, Flng, .31--16 X 1.75, Blk 2
18 372298 (000000-- ) Screw, Flng, #10--16 X .75, Self Tap,Blk 10
19 372306 (000000-- ) Grommet, 1.38h 2
20 372296 (000000-- )Catch, Strike, .44--14 X .75, G8 2
21 372295 (000000-- ) Nut, Clinch, .44--14, G5 2
22 372303 (000000-- ) Screw, Flng, M8 X 1.25 X 20mm, Blk 7
23 372311 (000000-- ) Washer, Bevel, .334, .822, .109, .128 4
24 372307 (000000-- ) Screw, Hex, M 6 X 1.00 X 20, 8.8 4
25 372297 (000000-- )Washer, 0.28b 0.62od .06 2
26 372308 (000000-- ) Spacer, .125 X .25 X 2.00 1
27 372301 (000000-- ) Label, Striping, Blk 1
Home
Find...
Go To..

STANDARD PARTS
Sentinel 331000 (6--06)
2--88
Fig. 40 -- Cab Group, Rear
2
3
4
5
8
15
16
17
18
1
19
20 21
19
20
5
13
10
11
11
12
11
13
12
11
9
10
11
10
11 1112
14
6
7
Home
Find...
Go To..

STANDARD PARTS
2--89
Sentinel 331000 (6--06)
354134
Fig. 40 -- Cab Group, Rear
Ref. Part No. Serial Number Description Qty.
1769643 (000000-- )Insulation, Acstc, Upper, Rh 1
2 769641 (000000-- ) Insulation, Acstc, Rear, Rh 1
3 769642 (000000-- ) Insulation, Acstc, Upper, Lh 1
4 769640 (000000-- ) Insulation, Acstc, Rear, Lh 1
5 372302 (000000-- ) Plug, Hole, 2.25 2
69001923 (000000--006917 )Seatbelt Kit, Rh, Ci 2
7 9001924 (000000--006917 ) Seatbelt Kit, Lh, Ci 1
8 1028188 (006918-- ) Seatbelt, Rh 1
9 1028021 (006918-- ) Bracket, Seatbelt, Rh 1
10 16931 (006918-- ) Screw, Hex, M8 X 1.25 X 20, 8.8 4
11 32490 (006918-- )Washer, Flat, 0.25 Std 8
12 08709 (006918-- ) Nut, Hex, Lock, M8 X 1.25, Nl 4
13 1028186 (006918-- ) Seatbelt, Lh 1
14 1028112 (006918-- ) Bracket, Seatbelt, Lh 1
15 372289 (000000-- ) Cover, Lower, Lh 1
16 372290 (000000-- )Cover, Lower, Rh 1
17 372291 (000000-- ) Cover, Upper, Lh 1
18 372292 (000000-- ) Cover, Upper, Rh 1
19 35709 (000000-- ) Screw, Hex, .38--16 X 3.50, 5 2
20 372304 (000000-- ) Nut, Clinch, .38--16, G5 2
21 372303 (000000-- )Screw, Flng, M8 X 1.25 X 20mm, Blk 8
Home
Find...
Go To..

STANDARD PARTS
Sentinel 331000 (6--06)
2--90
Fig. 41 -- Cab Door Mount and Covers Group
2
3
4
5
6
7
8
9
10
1
11
12
13
1
13
10
11
15
14
16
17
16
17
Home
Find...
Go To..

STANDARD PARTS
2--91
Sentinel 331000 (6--06)
354135
Fig. 41 -- Cab Door Mount and Covers Group
Ref. Part No. Serial Number Description Qty.
1372305 (000000-- )Nut, Dome, Hex, .38, Nyl, Blk 12
2 372299 (000000-- ) Screw, Hex, .38--16 X 4.50, Ss 6
3 372310 (000000-- ) Washer, 0.38b 0.62d .06, Nyl, White 12
4 372304 (000000-- ) Nut, Clinch, .38--16, G5 6
5 769658 (000000-- ) Cover, Heater, Lh 1
6769619 (000000-- )Seal 1
7 09145 (000000-- ) Screw, Pan, M 6 X 1.0 X 16, 4.8 4
8 769654 (000000-- ) Mat, Floor, Lh 1
9 372294 (000000-- ) Mat, Floor, Side, Rh 1
10 769618 (000000-- ) Louver, Adj, Heat--A/C 2
11 372298 (000000-- )Screw, Flng, #10--16 X .75, Self Tap,Blk 4
12 769645 (000000-- ) Insulation, Acstc 1
13 372300 (000000-- ) Plub, Foam 4
14 768448 (000000-- ) Support Wldt, Seat, Passenger 1
15 768447 (000000-- ) Support, Seat, Driver 1
16 16931 (000000-- )Screw, Hex, M8 X 1.25 X 20, 8.8 8
17 763041 (000000-- ) Washer, Belleville, M08 8
Home
Find...
Go To..

STANDARD PARTS
Sentinel 331000 (6--03)
2--92
Fig. 42 -- Cab Door Group, Right
2
3
4
5
6
78
9
10
111
12
13
14
15
16
17
18
19
20
21
22
5
2
1
14
Home
Find...
Go To..

STANDARD PARTS
2--93
Sentinel 331000 (3--05)
354136
Fig. 42 -- Cab Door Group, Right
Ref. Part No. Serial Number Description Qty.
o372287 (000000-- )Door Assy, Rh 1
Y1 41620 (000000-- ) Screw, Hex, .31--18 X 1.00, 8 2
Y2 372312 (000000-- ) Nut, Clinch, .31--18, G8 2
Y3 372313 (000000-- ) Nut, .25--20 1
Y4 372314 (000000-- ) Washer, 0.31b 0.88d .06, Nyl, Blk 3
Y5372315 (000000-- )Washer, 0.38b 0.88d .08 2
Y6 372316 (000000-- ) Scrw, Trs, .25--20 X 1.00 1
Y7 372327 (000000-- ) Pane, Wndw, Lower, Rh 1
Y8 372317 (000000-- ) Screw, Flng, M6 X 1 X 20 1
Y9 372318 (000000-- ) Bushing, 0.26b 0.50d, Nyl, White 1
Y10 372319 (000000-- )Grommet, Rbr, .500, .812, 1.062, .250 1
Y11 372320 (000000-- ) Washer, 0.28b 1.00d .06 2
Y12 761914 (000000-- ) Mirror, Convex 1
Y13 68445 (000000-- ) Mirror, Convex, 08.0d 1
Y14 761915 (000000-- ) Clamp, Dovetail 2
Y15 372321 (000000-- )Rivnut, Rnd, M8 X 1.25 5
Y16 761981 (000000-- ) Seal 1
Y17 372322 (000000-- ) Cover, Latch, Handle, Rh 1
Y18 372323 (000000-- ) Lever, Release, Int, Rh 1
Yo19 372324 (000000-- ) Handle, Door, Ext 1
YY 1016370 (000000-- )Key, Door, Cab [Sentinel] 1
Y20 769653 (000000-- ) Bracket, Mtg, Mirror, 24.5” 1
Y21 372325 (000000-- ) Door Wldt, Rh 1
Y22 372326 (000000-- ) Pane, Wndw, Slide, Rh 1
Home
Find...
Go To..

STANDARD PARTS
Sentinel 331000 (6--03)
2--94
Fig. 43 -- Cab Door Group, Left
2
34
5
6
7
8
9
10
1
11
12
13
14
15
16
17
18
19
20
21
1
14
2
5
11
Home
Find...
Go To..

STANDARD PARTS
2--95
Sentinel 331000 (3--05)
354137
Fig. 43 -- Cab Door Group, Left
Ref. Part No. Serial Number Description Qty.
o372286 (000000-- )Door Assy, Lh 1
Y1 41620 (000000-- ) Screw, Hex, .31--18 X 1.00, 8 2
Y2 372312 (000000-- ) Nut, Clinch, .31--18, G8 2
Y3 372313 (000000-- ) Nut, .25--20 1
Y4 372314 (000000-- ) Washer, 0.31b 0.88d .06, Nyl, Blk 3
Y5372315 (000000-- )Washer, 0.38b 0.88d .08 2
Y6 372316 (000000-- ) Scrw, Trs, .25--20 X 1.00 1
Y7 372332 (000000-- ) Pane, Wndw, Lower, Lh 1
Y8 372317 (000000-- ) Screw, Flng, M6 X 1 X 20 1
Y9 372318 (000000-- ) Bushing, 0.26b 0.50d, Nyl, White 1
Y10 372319 (000000-- )Grommet, Rbr, .500, .812, 1.062, .250 1
Y11 372320 (000000-- ) Washer, 0.28b 1.00d .06 2
Y12 761914 (000000-- ) Mirror, Convex 1
Y13 68445 (000000-- ) Mirror, Convex, 08.0d 1
Y14 761915 (000000-- ) Clamp, Dovetail 2
Y15 761981 (000000-- )Seal 1
Y16 372328 (000000-- ) Cover, Latch, Handle, Lh 1
Y17 372329 (000000-- ) Lever, Release, Int, Lh 1
Yo18 372324 (000000-- ) Handle, Door, Ext 1
YY 1016370 (000000-- ) Key, Door, Cab [Sentinel] 1
Y19 769653 (000000-- )Bracket, Mtg, Mirror, 24.5” 1
Y20 372330 (000000-- ) Door Wldt, Lh 1
Y21 372331 (000000-- ) Pane, Wndw, Slide, Lh 1
Home
Find...
Go To..

STANDARD PARTS
Sentinel 331000 (6--03)
2--96
Fig. 44 -- Cab Upper and Front Console Group
2
3
4
5
6
7
8
9
10
1
11
12
13
14
15
16
17
18
19
20
6
4
4
16
18
Home
Find...
Go To..

STANDARD PARTS
2--97
Sentinel 331000 (6--03)
354160
Fig. 44 -- Cab Upper and Front Console Group
Ref. Part No. Serial Number Description Qty.
1768430 (000000-- ) Cover, Top 1
2 768431 (000000-- ) Cover, Back 1
3 768425 (000000-- ) Panel, Console, Upper, Switch 1
4 72970 (000000-- ) Rivet, Plstc, .250d X 0.898 30
5 768443 (000000-- ) Plate, Switch, Upper 1
6762519 (000000-- )Bezel 2
7 762520 (000000-- ) Bezel, Center 5
8 762522 (000000-- ) Switch, Rocker, 28vdc 15a Spst On/Of 4
9 762523 (000000-- ) Switch, Rocker, 28vdc 15a Dpst On/Of 1
10 761952 (000000-- ) Ashtray, Side Mounting, Chr 1
11 761954 (000000-- )Lighter, Cigarette, 12Vdc 1
12 762525 (000000-- ) Switch, Rocker, 250Vac 10A Dpdt On/Of/On 1
13 768453 (000000-- ) Bracket, Cable, Throttle 1
14 762604 (000000-- ) Controlbox, Pre--Heat 1
15 762547 (000000-- ) Buzzer 1
16 06942 (000000-- )Screw, Hex, M6 X 1.0 X 16, 8.8 5
17 19066 (000000-- ) Washer, Flt, #10 2
18 08708 (000000-- ) Nut, Hex, Lock, M 6 X 1.0, Nl 5
19 31922 (000000-- ) Flasher, Hd, 12vdc 25a, [10--57300] 1
20 768458 (000000-- )Lever, Throttle Contrl 1
Home
Find...
Go To..

STANDARD PARTS
Sentinel 331000 (6--06)
2--98
Fig. 45 -- Cab Center Console and Seat Group
2
3
4
5
6
89
10
1
11
12
13 14
15 16 17
18
19
20
21
22
23
24
25
26
27
28
29
30
31
32
33
34
35
36
37
38 39
40
4
12
17
7
20
38
38
38
41
42
Home
Find...
Go To..

STANDARD PARTS
2--99
Sentinel 331000 (11--09)
354161
Fig. 45 -- Cab Center Console and Seat Group
Ref. Part No. Serial Number Description Qty.
1768493 (000000-- )Seat, Suspension, W/Connector 1
2 1057149 (000000-- ) Seat, Std 1
2 765283 (000000-- ) Kit, Seat, Suspension, Passenger 1
3 768432 (000000-- ) Panel, Concole, Control, Center 1
4 769618 (000000-- ) Louver, Adj, Heat--A/C 2
5768492 (000000-- )Duct, Air 2
6 768595 (000000-- ) Insulation, Acstc, Console 1
7 10632--2 (000000-- ) Grommet, Rbr, 0.62id, F/ 0.9h, .12matl 1
8 768446 (000000-- ) Bezel, Switch 1
9 768601 (000000-- ) Lamp, Warning 1
10 768596 (000000-- )Plug, Lamp, Black 1
11 768554 (000000-- ) Lamp, Warning 1
12 762519 (000000-- ) Bezel 2
13 768610 (000000-- ) Kit, Switch 1
14 768609 (000000-- ) Kit, Switch 1
15 768551 (000000-- )Lamp, Warning 1
16 768552 (000000-- ) Lamp, Warning 1
17 72970 (000000-- ) Rivet, Plstc, .250d X 0.898 8
18 01493 (000000-- ) Button, Plug, 1.00H .03--.12 [Black Nyl] 4
19 10962 (000000-- ) Diode, Bridge 12.0a 2
20 19065 (000000-- )Washer, Flat, #08 4
21 06928 (000000-- ) Screw, Pan, M 4 X 0.7 X 20, 4.8 2
22 02850 (000000-- ) Nut, Hex, Lock, M 4 X 0.7, Nl 2
23 41142 (000000-- ) Washer, Lock, Int--Ext, .38 1
24 32491 (000000-- ) Washer, Flat, 0.31 Std 1
25 08709 (000000-- )Nut, Hex, Lock, M8 X 1.25, Nl 1
26 222290 (000000-- ) Diode, Ele, Plug 10
27 57804 (000000-- ) Relay, 12vdc, 40a, Spdt 10
28 762513 (000000-- ) Fuse, 10 Amp 6
28 762514 (000000-- ) Fuse, 15 Amp 7
28 762515 (000000-- )Fuse, 20 Amp 2
28 762583 (000000-- ) Fuse, 25amp 1
28 762516 (000000-- ) Fuse, 30 Amp 3
28 1009751 (000000-- ) Fuse, 80a [Maxi] 1
29 16931 (000000-- ) Screw, Hex, M8 X 1.25 X 20, 8.8 5
30 32490 (000000-- )Washer, Flat, 0.25 Std 5
31 768434 (000000-- ) Shroud, Instmt 1
32 768433 (000000-- ) Bezel, Case, Instmt 1
33 763149 (000000-- ) Screw, Pan, #06--?? X 0.38, F/Plstc Pl 8
34 12271 (000000-- ) Nut, U, M06 X 1.0 8
35 768581 (000000-- )Circuitboard, Power Supply 1
36 768603 (000000-- ) Support, Circuitboard 3
37 1008586 (000000-- ) Cover, Panl, Fuse, Cab [Sentinel] 1
38 768451 (000000-- ) Latch, Cover, Access 2
39 768580 (000000-- ) Sensor Assy, Directional, Level 1
40 768449 (000000-- )Plate, Console, Hold--Down 1
41 1008297 (000000-- ) Ciruitboard, Diode / Timer, Vario 1
42 10632 (000000-- ) Grommet, Rbr, 0.89id, F/ 1.2h, .14matl 2
Home
Find...
Go To..

STANDARD PARTS
Sentinel 331000 (6--03)
2-- 100
Fig. 46 -- Cab Lights, Visor, and Pedal Group
3
4
5
3
4
5
1
2
6
8
7
912
10
11
Home
Find...
Go To..

STANDARD PARTS
2-- 101
Sentinel 331000 (6--03)
351982
Fig. 46 -- Cab Lights, Visor, and Pedal Group
Ref. Part No. Serial Number Description Qty.
1769651 (000000-- )Wldt, Accelerator Pe 1
2 769652 (000000-- ) Bracket, Accelerator 1
3 769656 (000000-- ) Sun Visor 2
4 761881 (000000-- ) Light, Signal, Amber 2
5 769607 (000000-- ) Grommet, Turn Signal 2
635706 (000000-- )Bolt, .374--16X2.75 1
7 768570 (000000-- ) Dome Light W/Map 12V 1
8 769626 (000000-- ) Screw,.25--20X.75Blk 8
o9 768550 (000000-- ) Headlight, Assy 2
Y768607 (000000-- ) Lamp #4 1
o10 768591 (000000-- )Side Brush Light R.H. 1
Y768606 (000000-- ) Bulb 1
11 56992 (000000-- ) Button, Plug, 0.50h .03--.12 [Black Nyl] 1
o12 768591 (000000-- ) Side Brush Light L.H. 1
Y768606 (000000-- )Bulb 1
Home
Find...
Go To..

STANDARD PARTS
Sentinel 331000 (9--07)
2-- 102
Fig. 47 -- Cab Heater Group
2
3
4
5
6
7
8
9
10
1
11
6
6
6
6
3
Home
Find...
Go To..

STANDARD PARTS
2-- 103
Sentinel 331000 (6--03)
354118
Fig. 47 -- Cab Heater Group
Ref. Part No. Serial Number Description Qty.
1769024 (000000-- )Coil, Heater 1
2 769039 (000000-- ) Bracket, Coil 1
3 769040 (000000-- ) Seal, Weatherstrip 2
4 761950 (000000-- ) Valve, Water 1
5 769038 (000000-- ) Hose, Heater 1
663810 (000000-- )Clamp, Wormdrive 6
7 769046 (000000-- ) Hose, Heater 2
8 761946 (000000-- ) Cable, Push--Pull 1
9 761927 (000000-- ) Cable, Rotary Control 1
10 761924 (000000-- ) Switch, Fan, 3--Speed 1
11 761926 (000000-- )Knob, Switch 2
Home
Find...
Go To..
Control, Cable, Rotary

STANDARD PARTS
Sentinel 331000 (6--03)
2-- 104
Fig. 48 -- Cab Blower Assembly
2
3
4
1
Home
Find...
Go To..

STANDARD PARTS
2-- 105
Sentinel 331000 (6--06)
352512
Fig. 48 -- Cab Blower Assembly
Ref. Part No. Serial Number Description Qty.
o769036 (000000-- )Blower, Assy 1
Y1 769033 (000000-- ) Housing, Blower 1
Y2 769032 (000000-- ) Motor Assy, 12vdc, Blower, Lh 1
Y3 769031 (000000-- ) Motor Assy, 12vdc, Blower, Rh 1
Y4761936 (000000-- ) Resistor, Block 2
Home
Find...
Go To..

STANDARD PARTS
Sentinel 331000 (6--06)
2-- 106
Fig. 49 -- Electrical Instrument Panel Assembly
2
3
4
5
6
7
8
9
10
1
11
12
9
8
13
Home
Find...
Go To..

STANDARD PARTS
2-- 107
Sentinel 331000 (6--06)
352002
Fig. 49 -- Electrical Instrument Panel Assembly
Ref. Part No. Serial Number Description Qty.
o1009314 (000000-- )Panel Assy, Instmt, W/ Touch Panl 1
Yo767647 (000000-- ) Panel Assy, Instmt [Sentinel] 1
YY 1 768587 (000000-- ) Panel, Instrument 1
YY 2 73219 (000000-- ) O Ring Seal 1
YY 3 27928 (000000-- ) Grommet, Ribbon Cable 1
YY 4768583 (000000-- )Cable, Ribbon, 34 Conductor 1
YY 5 364943 (000000-- ) Seal, Connector, 60 Pin 1
YY 6 768584 (000000-- ) Box, Instrument 1
YY 7 364942 (000000-- ) Screw, Pan 2
YY 8 364292 (000000-- ) Bracket, L 2
YY 902850 (000000-- )Nut, Hex 8
YY 10 32515 (000000-- ) Screw, Pan 2
YY 11 768582 (000000-- ) Cable, Ribbon, 20 Conductor 1
YY 12 365183 (000000-- ) Gasket, Box, Instrument 1
Y13 768586 (000000-- ) Panel, Touch 1
9000452 (000000-- )Controller Kit, Micro, Replmt [Sentinel] 1
27964 (000000-- ) Static Strap 1
Home
Find...
Go To..

STANDARD PARTS
Sentinel 331000 (9--08)
2-- 108
Fig. 50 -- Steering Wheel Group
1
2
3
4
5
6
7
8
8
9
10
11
12
13
13
14
15 16
17
18
19
Home
Find...
Go To..

STANDARD PARTS
2-- 109
Sentinel 331000 (11--09)
354119
Fig. 50 -- Steering Wheel Group
Ref. Part No. Serial Number Description Qty.
11058996 (000000-- )Wheel, Steering, 14.0D 0.81B 36Tooth 1
2 768482 (000000-- ) Cover, Steering Wheel 1
o3 762501 (000000-- ) Steering Column Switch 1
Y4 762601 (000000-- ) Switch, Assy Wipers 1
Y5 762602 (000000-- ) Switch, Assy Turn/Lights 1
Y6762603 (000000-- ) Screw, Switch Assy 2
7 771014 (000000-- ) Steer--Control, Hyd,10 04.5 4000 1
8 762438 (000000-- ) Ftg--Hyd, Str 4
9 762427 (000000-- ) Ftg--Hyd, Elbow, 4--6 1
10 762504 (000000--007709 ) Switch, Key, Steering Column 1
11 762517 (000000--007709 )Key, Ignition Switch 2
12 768480 (000000--007053 ) Column, Steering, 29.0l .81d 36tooth 1
12 1034397 (007054-- ) Column, Steering, 29.0l .81d 36tooth 1
13 768457 (000000-- ) U Bolt 1
14 57676 (000000-- ) Nut, Steering Wheel 1
15 770023 (000000--007053 )Rod, Thrd 1
16 26565 (000000--007053 ) Knob, Ball, 1.25d 0.38--16 Plstc 1
17 82727 (007710-- ) Plug, Hole, Rnd, 0.88h .03--.12, Blk Nyl 1
18 762504 (007710-- ) Switch, Ignition [Cobo] 1
19 762517 (007710-- )Key, Switch, Ignition 2
Home
Find...
Go To..

STANDARD PARTS
Sentinel 331000 (9--07)
2-- 110
Fig. 51 -- Brush Group, Right Side
1
2
3
4
5
8
9
10
11
12
13
14
15
18
19
20
21
22
23
16
20
19
22
17
1
7
6
6
14
21
18
30
31
34
33
34
33
24
25
30
31
31
32
29
27
26
28
35 36
Home
Find...
Go To..

STANDARD PARTS
2-- 111
Sentinel 331000 (9--07)
354120
Fig. 51 -- Brush Group, Right Side
Ref. Part No. Serial Number Description Qty.
11007954 (000000-- )Fitting, Hyd, E90, Fm06/Om10 2
o2 771072 (000000-- ) Motor, Hyd, Gear, [In] 11.9 B 3000 1
Y1031670 (000000-- ) Seal Kit, Motor, Hyd, Gear 1
3 761209 (000000-- ) Bracket,Hyd.Motor Support 1
4 768834 (000000-- ) Channel Weldt,Lower Support 1
5761428 (000000-- )Hub Weldt,Side Brush 1
6 768836 (000000-- ) Bar, Brush Support 3
o7 1028505 (000000-- ) Cylinder, Hyd, 1.8b 07.7l 01.70strk 3000 1
Y762073 (000000-- ) Kit, Seal, Cyl, Hyd 1
8 761229 (000000-- ) Pin,Hyd.Cylinder 1
9763005 (000000-- )Retaining Ring, M16 1
10 767644 (000000-- ) Shaft, Side Brush 1
11 768843 (000000-- ) Bracket,Side Brush Rh 1
12 761225 (000000-- ) Eyebolt, .50--13X3.5” 1
13 761223 (000000-- ) Spring 1
14 763003 (000000-- )Bearing 2
15 762432 (000000-- ) Fitting, Hyd, E90, Om06/ Fm06 1
16 47801 (000000-- ) Ftg, Grease.25--28Th Strt .63L 1
17 761215 (000000-- ) Skirt, Rubber 1
18 761216 (000000-- ) Retainer,Skirt 2
19 761217 (000000-- )Bracket,Skirt (on wet machine only) 2
20 40758 (000000-- ) Chain,Link#2/08 5Links,Br.Zinc 2
21 768842 (000000-- ) Tube 6
22 767641 (000000-- ) Bearing, Flange 6
23 763007 (000000-- ) Bearing 1
24 39285 (000000-- )Screw, Hex, M10 X 1.5 X 40, 8.8 3
25 763042 (000000-- ) Washer, Belleville, M10 3
26 41346 (000000-- ) Screw, Hex, M12 X 1.75 X 30, 8.8 1
27 763074 (000000-- ) Washer, Flat, M16, Fender [Din9021] 1
28 763043 (000000-- ) Washer, Belleville, M12 1
29 763139 (000000-- )Washer, Flat, 1.12 Sae 2
30 06971 (000000-- ) Screw, Hex, M12 X 1.75 X 50, 8.8 6
31 32486 (000000-- ) Washer, Flat, 0.50 Sae 12
32 08167 (000000-- ) Nut, Hex, Stover, M12 X 1.75 6
33 15331 (000000-- ) Washer, Flat, 0.62 Sae 2
34 33342 (000000-- )Nut, Hex, Lock, M16 X 2.0, Nl 2
35 06416 (000000-- ) Screw, Hex, M12 X 1.75 X 50, Fl 1
36 763065 (000000-- ) Nut, Hex, Jam, M12 X 1.75, [Din439] 1
Home
Find...
Go To..

STANDARD PARTS
Sentinel 331000 (12--03)
2-- 112
Fig. 52 -- Hydraulic Schematic (000000--008742)
6
5
4
3
2
1
1009593
Home
Find...
Go To..

STANDARD PARTS
2-- 113
Sentinel 331000 (12--03)
Fig. 52 -- Hydraulic Schematic (000000--008742)
12
6
5
4
3
2
1
11
10
9
8
7
1009593
Home
Find...
Go To..

STANDARD PARTS
Sentinel 331000 (12--03)
2-- 114
Fig. 52 -- Hydraulic Schematic (000000--008742)
12
11
10
9
8
7
1009593
Home
Find...
Go To..

STANDARD PARTS
2-- 115
Sentinel 331000 (12--03)
Fig. 52 -- Hydraulic Schematic (000000--008742)
1009593
Home
Find...
Go To..

STANDARD PARTS
Sentinel 331000 (9--07)
2-- 116
Fig. 52 -- Hydraulic Schematic (000000--008742)
1009593
Home
Find...
Go To..

STANDARD PARTS
2-- 117
Sentinel 331000 (6--03)
Home
Find...
Go To..

STANDARD PARTS
Sentinel 331000 (5--10)
2-- 118
Fig. 53 -- Hydraulic Schematic (008743-- )
6
5
4
3
2
1
1058282
Home
Find...
Go To..

STANDARD PARTS
2-- 119
Sentinel 331000 (5--10)
Fig. 53 -- Hydraulic Schematic (008743-- )
12
6
5
4
3
2
1
11
10
9
8
7
1058282
Home
Find...
Go To..

STANDARD PARTS
Sentinel 331000 (5--10)
2-- 120
Fig. 53 -- Hydraulic Schematic (008743-- )
12
11
10
9
8
7
1058282
Home
Find...
Go To..

STANDARD PARTS
2-- 121
Sentinel 331000 (5--10)
Fig. 53 -- Hydraulic Schematic (008743-- )
Home
Find...
Go To..

STANDARD PARTS
Sentinel 331000 (5--10)
2-- 122
Fig. 53 -- Hydraulic Schematic (008743-- )
1058282
Home
Find...
Go To..

STANDARD PARTS
2-- 123
Sentinel 331000 (5--10)
Home
Find...
Go To..

STANDARD PARTS
Sentinel 331000 (5--10)
2-- 124
Fig. 54 -- Hydraulic Hose Group, Low Dump
HOPPER TILT CYL
HOPPER TILT CYL
TO PRIORITY VALVE (EF)
TO HYD RESERVOIR
VAC FAN
MOTOR, HYD
SHAKER
MOTOR, HYD
OUT
IN
OUT
IN
VAC FAN
MOTOR, HYD
DOOR
HOPPER
CYL HYD
HOPPER CNTL
M5 M6
C12 C11 P7 T9
C1
C10 C2 C9 M10 M9
CONVEYOR/MAIN BRUSH
T8
1
2
3
4
6
7
8
9
10
11
12
13
14
15
16
5
5
Home
Find...
Go To..

STANDARD PARTS
2-- 125
Sentinel 331000 (5--10)
354121
Fig. 54 -- Hydraulic Hose Group, Low Dump
Ref. Part No. Serial Number Description Qty.
1771098 (000000--008742 )Hose, Hyd,Tc 10, Ff10str /Ff10e90 , 82.0 1
1 1059162 (008743-- ) Hose, Hyd,Tc 10, Ff10e90/Ff10str, 079.0 1
2 767333 (000000-- ) Hose, Hyd,Tc 10, Ff10str /Ff10e90 , 49.0 1
3 767225 (000000-- ) Hose, Hyd,Tc 06, Ff06str /Ff06str , 77.0 1
4 762335 (000000-- ) Hose, Hyd,Tc 06, Ff06str /Ff06e90 , 20.0 1
5762349 (000000-- )Hose, Hyd,Tc 06, Ff06str /Ff06str , 18.0 2
6 767224 (000000-- ) Hose, Hyd,Tc 06, Ff06str /Ff06str , 83.0 1
7 762350 (000000-- ) Hose, Hyd,Tc 06, Ff06e90 /Ff06e90 , 21.5 1
8 767290 (000000-- ) Hose, Hyd,Tc 06, Ff06str /Ff06e90 ,101.5 1
9 767232 (000000-- ) Hose, Hyd,Tc 10, Ff10str /Ff10e90m,124.5 1
10 767234 (000000-- )Hose, Hyd,Tc 06, Ff06str /Ff06str , 25.5 1
11 767231 (000000-- ) Hose, Hyd,Tc 10, Ff10str /Ff10str , 21.0 1
12 767230 (000000-- ) Hose, Hyd,Tc 10, Ff10str /Ff10e90 , 71.0 1
13 767235 (000000-- ) Hose, Hyd,Tc 06, Ff06str /Ff06e90 , 82.5 1
14 767236 (000000-- ) Hose, Hyd,Tc 06, Ff06str /Ff06e90 , 86.0 1
15 767238 (000000-- )Hose, Hyd,Tc 04, Ff04str /Ff04str , 26.0 2
16 767237 (000000-- ) Hose, Hyd,Tc 04, Ff04str /Ff04e90, 26.0 1
Home
Find...
Go To..

STANDARD PARTS
Sentinel 331000 (9--07)
2-- 126
Fig. 55 -- Hydraulic Hose Group, Cab
B1
B2
P2
P1
T
L
R
Front Axle
Rear Axle
1
4
6
5
3
2
Manifold
Steering
Valve
Brake
Valve
Home
Find...
Go To..

STANDARD PARTS
2-- 127
Sentinel 331000 (6--03)
354122
Fig. 55 -- Hydraulic Hose Group, Cab
Ref. Part No. Serial Number Description Qty.
1770002 (000000-- )Hose, Hyd,Tc 04, Jf04E45 /Ff04Str, 252.0 1
2 1007893 (000000-- ) Hose, Hyd,Tc 04, Jf04str /Ff06e90 , 50.0 1
3 79840 (000000-- ) Hose, Hyd,Tc 06, Ff06Str /Ff06E90 , 21.0 2
4 1007891 (000000-- ) Hose, Hyd,Med06, Ff06str /Ff06e90l,100.0 1
5 767241 (000000-- ) Hose, Hyd,Tc 06, Ff06Str /Ff06E90 , 59.5 1
6767242 (000000-- )Hose, Hyd,Tc 06, Ff06Str /FfF06E90 ,244.5 1
Home
Find...
Go To..

STANDARD PARTS
Sentinel 331000 (5--10)
2-- 128
Fig. 56 -- Hydraulic Hose Group, Conveyor and Main Brush (000000--008742)
T10 C4
C22
C3
T3
P5
M8 M7
C6
4
2
3
T2
1
4
2
3
7
9
20
10
14
19
11
8
6
18
13 5
12
17
15
16
Conveyor
Motor
Main Brush
Motor
Left
Tension
Right
Tension
Right
Lift
Left
Lift
NA Cooler
Turbo Cooler
Turbo Cooler
Hydraulic
Reservoir
Main
Brush
Lift
Gear
Pump
Conveyor/Main Brush Valve
Home
Find...
Go To..

STANDARD PARTS
2-- 129
Sentinel 331000 (5--10)
354123
Fig. 56 -- Hydraulic Hose Group, Conveyor and Main Brush (000000--008742)
Ref. Part No. Serial Number Description Qty.
11010943 (000000--008742 )Hose, Hyd, Tc04, Ff04e45/Ff04str, 052.0 1
2 1010942 (000000--008742 ) Hose, Hyd, Tc04, Ff04e90/Ff04str, 062.0 1
3 767282 (000000--008742 ) Hose, Hyd, Tc10, Ff10e90/Ff10str, 051.0 1
4 1007884 (000000--008742 ) Hose, Hyd, Tc10, Ff10e90/Ff10str, 036.0 1
5 771032 (000000--008742 ) Hose, Hyd, Tc04, Ff04e90/Ff04str, 020.0 1
6771036 (000000--008742 )Hose, Hyd, Med06, Ff06str/Ff06str, 068.0 1
7 1007885 (000000--008742 ) Hose, Hyd, Tc10, Ff10e90/Ff10str, 114.0 1
8 767230 (000000--008742 ) Hose, Hyd, Tc10, Ff10e90/Ff10str, 071.0 1
9 1007895 (000000--008742 ) Hose, Hyd, Tc04, Ff04e90/Ff04str, 042.0 1
10 9001541 (000000--008742 ) Hose, Hyd, Tc06, Ff06str/Ff06e90, 062.5 1
11 771074 (000000--008742 )Hose, Hyd, Tc06, Ff06e90/Ff06str, 148.0 1
12 771076 (000000--008742 ) Hose, Hyd, Med06, Ff06str/Ff06str, 032.0 1
13 1007898 (000000--008742 ) Hose, Hyd, Med08, Ff08e90/Ff08str, 148.0 1
14 1010944 (000000--008742 ) Hose, Hyd, Tc10, Ff10e90/Ff10str, 114.0 1
15 771099 (000000--008742 ) Hose, Hyd, Med16, Ff16e45/Ff16str, 062.0 1
16 771000 (000000--008742 )Hose, Hyd, Med16, Ff16e90/Ff16str, 104.0 1
17 9001540 (000000--008742 ) Hose, Hyd, Tc16, Ff16str/Ff16e45, 042.0 1
18 1007890 (000000--008742 ) Hose, Hyd, Med16, Ff16e90/Ff16str, 084.0 1
19 771030 (000000--008742 ) Hose, Hyd, Tc04, Ff04e90/Ff04str, 094.0 1
20 762371 (000000--008742 )Hose, Hyd, Tc04, Ff04str/Ff04str, 085.0 1
Home
Find...
Go To..

STANDARD PARTS
Sentinel 331000 (5--10)
2-- 130
Fig. 57 -- Hydraulic Hose Group, Conveyor and Main Brush (008743-- )
1
4
2
3
7
9
20
10
14
19
11
8
6
18
13
5
12
17
15
16
Conveyor
Motor
Main Brush
Motor
Left
Tension
Right
Tension
Right
Lift
Left
Lift
NA Cooler
Turbo Cooler
Turbo Cooler
Hydraulic
Reservoir
Main
Brush
Lift
Gear
Pump
Conveyor/Main Brush Valve
T3
M8
C4A
C4B
T2 M7
C3
T12
T11
P5
T10
C6
SW
C22
Home
Find...
Go To..

STANDARD PARTS
2-- 131
Sentinel 331000 (5--10)
354123
Fig. 57 -- Hydraulic Hose Group, Conveyor and Main Brush (008743-- )
Ref. Part No. Serial Number Description Qty.
11010943 (008743-- )Hose, Hyd, Tc04, Ff04e45/Ff04str, 052.0 1
2 1058265 (008743-- ) Hose, Hyd, Tc04, Ff06str/Ff04e90 058.0 1
3 767282 (008743-- ) Hose, Hyd, Tc10, Ff10e90/Ff10str, 051.0 1
4 1007884 (008743-- ) Hose, Hyd, Tc10, Ff10e90/Ff10str, 036.0 1
5 771032 (008743-- ) Hose, Hyd, Tc04, Ff04e90/Ff04str, 020.0 1
61059149 (008743-- )Hose, Hyd, Tc06, Ff06str/Ff06str, 063.0 1
7 1007885 (008743-- ) Hose, Hyd, Tc10, Ff10e90/Ff10str, 114.0 1
8 767230 (008743-- ) Hose, Hyd, Tc10, Ff10e90/Ff10str, 071.0 1
9 1058153 (008743-- ) Hose, Hyd, Tc04, Ff04str/Ff06e45, 035.0 1
10 1058264 (008743-- ) Hose, Hyd, Tc06, Ff06str/Ff06e45 062.0 1
11 771074 (008743-- )Hose, Hyd, Tc06, Ff06e90/Ff06str, 148.0 1
12 771076 (008743-- ) Hose, Hyd, Med06, Ff06str/Ff06str, 032.0 1
13 1007898 (008743-- ) Hose, Hyd, Med08, Ff08e90/Ff08str, 148.0 1
14 1010944 (008743-- ) Hose, Hyd, Tc10, Ff10e90/Ff10str, 114.0 1
15 771099 (008743-- ) Hose, Hyd, Med16, Ff16e45/Ff16str, 062.0 1
16 771000 (008743-- )Hose, Hyd, Med16, Ff16e90/Ff16str, 104.0 1
17 1061182 (008743-- ) Hose, Hyd, Tc16, Ff16str/Ff16e45, 038.0 1
18 1007890 (008743-- ) Hose, Hyd, Med16, Ff16e90/Ff16str, 084.0 1
19 1058154 (008743-- ) Hose, Hyd, Tc04, Ff04str/Ff04str, 080.0 1
20 762371 (008743-- )Hose, Hyd, Tc04, Ff04str/Ff04str, 085.0 1
Home
Find...
Go To..

STANDARD PARTS
Sentinel 331000 (3--05)
2-- 132
Fig. 58 -- Hydraulic Hose Group, Reservoir
T2
T2
S
1
2
4
3
6
5
8
7
9
Hydraulic
Reservoir
NA Cooler
Turbo Cooler
Gear
Pump
Piston
Motor
Aux. Gear
Pump
Piston
Pump
Hydraulic
Filter
To Hopper
Shaker
Motor
Home
Find...
Go To..

STANDARD PARTS
2-- 133
Sentinel 331000 (12--03)
354124
Fig. 58 -- Hydraulic Hose Group, Reservoir
Ref. Part No. Serial Number Description Qty.
11007882 (000000-- )Hose, Hyd,Suc12, Ff12str /Ff12e90 , 56.0 1
2 1007901 (000000-- ) Hose, Hyd,Med12, Ff12str /Ff12e90 , 31.0 1
3 771037 (000000-- ) Hose, Hyd,Med06, Fm06strb/Ff06e90 ,184.0 1
4 767264 (000000-- ) Hose, Hyd,Tc 08, Ff08str /Ff08e45 , 57.0 1
5 771094 (000000-- ) Hose, Hyd,Suc20, Ff20e90 /Ff20e90 , 28.s 1
6771017 (000000-- )Hose, Hyd,Med20, Ff20str /Ff16e90 , 60.0 1
7 767324 (000000-- ) Hose, Hyd,Tc 10, Ff10str /Ff10e90 , 18.0 1
8 1007887 (000000-- ) Hose, Hyd,Suc20, Ff20str /Ff20e90 , 31.0 1
9 1007896 (000000-- ) Hose, Hyd,Med20, Ff20e45 /Ff16e90 , 50.0 1
Home
Find...
Go To..

STANDARD PARTS
Sentinel 331000 (3--05)
2-- 134
Fig. 59 -- Hydraulic Hose Group, Steer, Brakes, Side Brush
T1 M1
C21
P3
T7
T13
G7
P4
C7
G1
S
A2
A1
P
LS1
EF
T
T1
T2
LS
P
1
4
3
3
16
11
14
13
6
NA Cooler
Turbo
Cooler
Hydraulic
Reservoir
Front Axle Rear Axle
2
15
5
7
8
9
10
4
12
To P 7 o n
Hopper
Valve
Side
Brush
Valve
Priority
Valve
Gear
Pump
Aux.
Gear
Pump
Steering
Valve
Brake
Valve
R.H.
Side
Brush
Motor
Manifold
17
Home
Find...
Go To..

STANDARD PARTS
2-- 135
Sentinel 331000 (3--05)
354125
Fig. 59 -- Hydraulic Hose Group, Steer, Brakes, Side Brush
Ref. Part No. Serial Number Description Qty.
1762366 (000000-- )Hose, Hyd,Tc 06, Ff06str /Ff06str , 88.5 1
2 767235 (000000-- ) Hose, Hyd,Tc 06, Ff06str /Ff06e90 , 82.5 1
3 1007881 (000000-- ) Hose, Hyd,Tc 06, Ff06str /Ff06e45 , 72.0 2
4 771043 (000000-- ) Hose, Hyd,Tc 06, Ff06str /Ff06str , 62.0 1
5 767230 (000000-- ) Hose, Hyd,Tc 10, Ff10str /Ff10e90 , 71.0 1
6771045 (000000-- )Hose, Hyd,Med08, Ff08str /Ff08e45 , 62.0 1
7 1007895 (000000-- ) Hose, Hyd,Tc 04 Ff04str /Ff04e90 , 42.0 1
8 767239 (000000-- ) Hose, Hyd,Tc 06, Ff06str /Ff06e90 ,265.0 1
9 762399 (000000-- ) Hose, Hyd,Tc 06, Ff06str /Ff06e90 , 21.0 1
10 771038 (000000-- ) Hose, Hyd,Tc 06, Ff06str /Ff06e90 , 14.0 1
11 769314 (000000-- ) Hose, Hyd 1
12 771041 (000000-- ) Hose, Hyd,Med08, Ff08str /Ff08e90 , 24.0 1
13 767291 (000000-- ) Hose, Hyd,Tc 04, Ff04str /Ff04str , 39.0 1
14 771092 (000000-- ) Hose, Hyd,Tc 06, Ff06str /Ff06e90 , 44.0 1
15 771007 (000000-- ) Hose, Hyd,Med12, Ff16str /Ff12e90 , 50.0 1
16 771095 (000000-- )Hose, Hyd,Med12, Ff12str /Ff12e90 , 70.0 1
17 767266 (000000-- ) Hose, Hyd,Tc 10, Fm10strb/Ff10str ,187.0 1
Home
Find...
Go To..

STANDARD PARTS
Sentinel 331000 (6--03)
2-- 136
Fig. 60 -- Hydraulic Hose Group, Propel
A
T
P
RX2
PS
X1
A
B
T1
X1
X2
B
A
T1
Z
1
2
4
3
6
5
7
Piston
Motor
Piston
Pump
Speed
Control
Valve
3
Home
Find...
Go To..

STANDARD PARTS
2-- 137
Sentinel 331000 (6--03)
354126
Fig. 60 -- Hydraulic Hose Group, Propel
Ref. Part No. Serial Number Description Qty.
1767262 (000000-- )Hose, Hyd,Uhi12, F 12e90 /F 16e90 , 90.0 1
2 767308 (000000-- ) Hose, Hyd,Tc 04, Ff04str /Ff04str , 96.0 1
3 767311 (000000-- ) Hose, Hyd,Tc 04, Ff04str /Ff04str ,125.5 2
4 767309 (000000-- ) Hose, Hyd,Tc 04, Ff04str /Ff04str , 90.0 1
5 767312 (000000-- ) Hose, Hyd,Tc 04, Ff04str /Ff06e90 ,118.0 1
6767265 (000000-- )Hose, Hyd,Tc 08, Ff08str /Ff08e90 , 77.0 1
7 767261 (000000-- ) Hose, Hyd,Uhi12, F 12str /F 16e90 , 80.0 1
Home
Find...
Go To..

STANDARD PARTS
Sentinel 331000 (9--07)
2-- 138
Fig. 61 -- Hydraulic Reservoir Group
2
3
4
56
7
8
25
10
1
11
12
13
14
15
16
17
18
19
20
14
24
22
23
23
21
9
Home
Find...
Go To..

STANDARD PARTS
2-- 139
Sentinel 331000 (9--07)
354143
Fig. 61 -- Hydraulic Reservoir Group
Ref. Part No. Serial Number Description Qty.
1762075 (000000-- )Gauge, Sight 1
o2 1008261 (000000-- ) Plate, Floor, Eng 1
Y3 1007908 (000000-- ) Reservoir, 25.0 Gal 1
4 31613 (000000-- ) Strainer, Hyd, 25 Gpm 100 Mesh Psi 1
o5 767019 (000000-- ) Breather, Hyd, 10 Mic 1
Y670006 (000000-- )Gasket, Cap, Breather, Hyd 1
Y7 61288 (000000-- ) Gasket, Breather, Reservoir 1
o8 771018 (000000-- ) Filter, Oil, Hyd 5 Mic 50 Gpm 145 1
Y771078 (000000-- ) Element, Fltr, Oil, Hyd 1
Y9003022 (000000-- ) Seal Kit, Fltr [Hydac] 1
Y91037643 (000000-- )Gauge, Press 1
10 763042 (000000-- ) Washer, Belleville, M10 4
11 79872 (000000-- ) Fitting, Str 1
12 767407 (000000-- ) Fitting, E90 1
13 762484 (000000-- ) Fitting, E90 1
14 762445 (000000-- )Fitting, Str 2
15 762448 (000000-- ) Plug 1
16 762433 (000000-- ) Fitting, Str 2
17 762105 (000000-- ) Valve, Check, Gpm 0030psi 10om/10ors 1
18 771089 (000000-- ) Fitting, Tee 1
19 762432 (000000-- )Fitting, E90 1
20 767315 (000000-- ) Hyd Hose 1
21 760757 (000000-- ) Rod, Thrd, Full, M12x1.75 03.5l 1
22 763061 (000000-- ) Bumper, Engine Door 1
23 39313 (000000-- ) Nut, Hex, Std, M12 X 1.75 2
24 762446 (000000-- )Fitting, Hyd, E90, Fm08/Om08 1
25 03192 (000000-- ) Screw, Hex, M10 X 1.5 X 30, 8.8 4
Home
Find...
Go To..

STANDARD PARTS
Sentinel 331000 (9--07)
2-- 140
Fig. 62 -- Hydraulic Pumps Group
13
19
10
15
1
9
6
8
2
16
14
12
7
5
4
17
3
12
11
19
21
20
24
8
22
23
18
Home
Find...
Go To..

STANDARD PARTS
2-- 141
Sentinel 331000 (9--07)
354144
Fig. 62 -- Hydraulic Pumps Group
Ref. Part No. Serial Number Description Qty.
1767200 (000000-- )Pump, Piston (See Breakdowns) 1
o9001442 (000000-- ) Replmt Kit, Pump, Hyd, Gear [Sentinel] 1
Y2 1010859 (000000-- ) Pump, Hyd, Gear [Ex2] 1.77 [R] 3500 1
Y3 769004 (000000-- ) O--Ring 1
Y4 769005 (000000-- ) O--Ring 1
o5771016 (000000-- )Pump, Hyd, Gear [Ex1] 0.61 [R] 3200 1
Y1031676 (000000-- ) Seal Kit, Motor, Hyd 1
6 762469 (000000-- ) Ftg--Hyd, Str 1
7 762433 (000000-- ) Ftg--Hyd, Str 1
8 762427 (000000-- ) Ftg--Hyd, E90 3
9762425 (000000-- )Ftg_Hyd, E90 1
10 762288 (000000-- ) Ftg--Hyd, E90 1
11 762457 (000000-- ) Ftg--Hyd, Str 1
12 762487 (000000-- ) Ftg--Hyd Sae Flange 2
13 762432 (000000-- ) Fitting, Hyd, E90, Om06/ Fm06 1
14 762463 (000000-- )Ftg--Hyd, Str 2
15 767407 (000000-- ) Fitting, Hyd, E90, Fm12/Om16 1
16 762492 (000000-- ) Fitting, Hyd, E90, Om12/Fm12 1
o17 1038895 (000000-- ) Valve, Hyd, Spd Cntrl, Of06/Of06 1
Y371748 (000000--007325 ) Kit, Seal 1
Y1039198 (007326-- )Seal Kit, Valve, Spd Cntrl, Hyd 1
Y18 1039201 (007326-- ) Boot, Rbr 1
19 762425 (000000-- ) Ftg--Hyd, E90 3
20 1007953 (000000-- ) Fitting, Hyd, Str, Fm20/Om16 1
21 1007978 (000000-- ) Fitting, Hyd E90 1
22 48416 (000000-- )Screw, Hex, .62--11 X 1.75, 5 2
23 763117 (000000-- ) Washer, Flat, M16 X 30, Hard [Din125] 2
24 767014 (000000-- ) O--Ring 2
Home
Find...
Go To..

STANDARD PARTS
Sentinel 331000 (5--10)
2-- 142
Fig. 63 -- Hydraulic Main Brush/Conveyor Lift Valve Group (000000--008742)
SW
T10
C4
C22
C3
T8
T3
P5
M8
M7
C6
4
2
3
T2
1
2
3
4
5
6
7
8
9
10
11
12
13
14
15
16
17
18
19
20
21
22
23
24
25
26
27
28
29
29
28
30
15
5
14
31
Home
Find...
Go To..

STANDARD PARTS
2-- 143
Sentinel 331000 (5--10)
354145
Fig. 63 -- Hydraulic Main Brush/Conveyor Lift Valve Group (000000--008742)
Ref. Part No. Serial Number Description Qty.
1771019 (000000--008742 )Valve, Hyd, Sol, 12Vdc [05S13G3000] (See Breakdowns) 1
2 1008200 (000000--008742 ) Bracket, Mtg, Valve, Hyd 1
3 771013 (000000--008742 ) Valve, Hyd, Flow Divider 1
4 06948 (000000--008742 ) Screw, Hex, M6 X 1.0 X 45, 8.8 2
5 32483 (000000--008742 ) Washer, Flat, 0.25 Sae 4
608708 (000000--008742 ) Nut, Hex, Lock, M 6 X 1.0, Nl 2
7 16931 (000000--008742 ) Screw, Hex, M8 X 1.25 X 20, 8.8 4
8 763041 (000000--008742 ) Washer, Belleville, M08 4
9 06961 (000000--008742 ) Screw, Hex, M10 X 1.5 X 20, 8.8 4
10 763042 (000000--008742 ) Washer, Belleville, M10 4
11 771023 (000000--008742 )Tube, Hyd, Manifold, Main 1
12 771024 (000000--008742 ) Tube, Hyd, Flow Divider 1
13 762426 (000000--008742 ) Fitting, Hyd, Str, Fm04/Om06 1
14 771077 (000000--008742 ) Fitting, Hyd, Orifice, 0.040 2
15 762426 (000000--008742 ) Fitting, Hyd, Str, Fm04/Om06 4
16 767411 (000000--008742 )Fitting, Hyd, E90, Fm08/Om10 1
17 771090 (000000--008742 ) Fitting, Hyd, Str, Fm06/Om06l 1
18 762464 (000000--008742 ) Fitting, Hyd, E90, Om10/Fm10 1
19 762482 (000000--008742 ) Fitting, Hyd, E90, Om16/Fm16 1
20 762463 (000000--008742 ) Fitting, Hyd,, Str, Fm10/Om10 1
21 762481 (000000--008742 )Fitting, Hyd, Str, Om16/Fm16 1
22 762464 (000000--008742 ) Fitting, Hyd, E90, Om10/Fm10 1
23 762425 (000000--008742 ) Fitting, Hyd, E90, Fm04/Om06 1
24 769077 (000000--008742 ) Switch Assy, Press, 12vdc No 2400psi 1
25 1009229 (000000--008742 ) Cover, Valve, Outer 1
26 1008710 (000000--008742 )Cover, Valve, Inner 1
27 768471 (000000--008742 ) Button, Plug 1
28 59118--2 (000000--008742 ) Molding, Trim, Pvc, .00--.06 19.9l 2
29 12271 (000000--008742 ) Nut, U, M06 X 1.0 2
30 767425 (000000--008742 ) Fitting, Hyd, E45, Fm10/Fm10 Bh 1
31 762469 (000000--008742 )Fitting, Hyd, E90, Fm10/Om12 1
Home
Find...
Go To..

STANDARD PARTS
Sentinel 331000 (5--10)
2-- 144
Fig. 64 -- Hydraulic Main Brush/Conveyor Lift Valve Group (008743-- )
T3
M8
C4A
C4B
T2
M7
C3
T12
T11
T8
P5
T10
C6
SW
C22
15
17
18
19
20
21
22
1
2
3
4
5
6
7
8
8
9
910
11
12
13
14
15
7
11
16
Home
Find...
Go To..

STANDARD PARTS
2-- 145
Sentinel 331000 (9--08)
354145
Fig. 64 -- Hydraulic Main Brush/Conveyor Lift Valve Group (008743-- )
Ref. Part No. Serial Number Description Qty.
11053650 (008743-- )Valve, Cntrl, Hyd, Solenoid, 12vdc 13gpm (See Breakdowns) 1
2 1055355 (008743-- ) Bracket, Mtg, Valve, Hyd 1
3 16931 (008743-- ) Screw, Hex, M8 X 1.25 X 20, 8.8 4
4 763041 (008743-- ) Washer, Flat, Belleville, M8 4
5 06961 (008743-- ) Screw, Hex, M10 X 1.50 X 20, 8.8 4
6763042 (008743-- )Washer, Flat, Belleville, M10 4
7 762426 (008743-- ) Fitting, Hyd, Str, Fm04/Om06 2
8 771090 (008743-- ) Fitting, Hyd, Str, Fm06/Om06, Long 2
9 762481 (008743-- ) Fitting, Hyd, Str, Fm16/Om16 2
10 762463 (008743-- ) Fitting, Hyd, Str, Fm10/Om10 1
11 762464 (008743-- )Fitting, Hyd, E90, Fm10/Om10 2
12 769077 (008743-- ) Switch Assy, Press, No 02400psi 1
13 762456 (008743-- ) Fitting, Hyd, Str, Fm08/Om10 1
14 762425 (008743-- ) Fitting, Hyd, E90, Fm04/Om06 1
15 762432 (008743-- ) Fitting, Hyd, E90, Fm06/Om06 2
16 762468 (008743-- )Fitting, Hyd, Str, Fm10/Om12 1
17 1009229 (008743-- ) Cover, Valve, Outer 1
18 1057765 (008743-- ) Cover, Valve, Inner 1
19 768471 (008743-- ) Plug, Hole, Rnd 1
20 59118--2 (008743-- ) Molding, Trim, Pvc, .00--.06 19.9l 2
21 12271 (008743-- )Nut, U, M6 X 1.00 2
22 767425 (008743-- ) Fitting, Hyd, E45, Fm10/Fm10 Bh 1
Home
Find...
Go To..

STANDARD PARTS
Sentinel 331000 (6--03)
2-- 146
Fig. 65 -- Hydraulic Hopper Control Valve Group
M1O
M9
M6
C9
M5
C10
C12
C11
P7
T9
1
2
3
4
5
67
8
Home
Find...
Go To..

STANDARD PARTS
2-- 147
Sentinel 331000 (5--10)
351909
Fig. 65 -- Hydraulic Hopper Control Valve Group
Ref. Part No. Serial Number Description Qty.
1768899 (000000--008742 )Valve, Hyd Control Sol--Hopper (See Breakdowns) 1
1 1053642 (008743-- ) Valve, Cntrl, Hyd, Solenoid, 12Vdc (See Breakdowns) 1
2 762432 (000000-- ) Fitting, Hyd 2
3 762433 (000000-- ) Fitting, Hyd 2
4 762463 (000000-- ) Fitting, Hyd 2
5762464 (000000-- )Fitting, Hyd 2
6 762428 (000000-- ) Fitting--Hyd, Str 1
7 762427 (000000-- ) Fitting, Hyd, Elbow 1
8 767026 (000000-- ) Angle, Hyd Valve Mount 1
Home
Find...
Go To..

STANDARD PARTS
Sentinel 331000 (6--03)
2-- 148
Fig. 66 -- Hydraulic Side Brush Valve Group
T1 M1
C21
P3
T7
T13
G7
P4
C7
G1
16
2
12
11
7
4
65
14
3
9
1
8
10
13
15
17
Home
Find...
Go To..

STANDARD PARTS
2-- 149
Sentinel 331000 (5--10)
354146
Fig. 66 -- Hydraulic Side Brush Valve Group
Ref. Part No. Serial Number Description Qty.
1771010 (000000--008742 )Valve, Hyd, Sol, 12Vdc [07S24G3000] (See Breakdowns) 1
1 1048792 (008743-- ) Valve, Cntrl, Hyd, Solenoid, 12Vdc 24Gpm (See Break-
downs)
1
2 16931 (000000-- ) Screw, Hex, M8 X 1.25 X 20, 8.8 4
3 32490 (000000-- ) Washer, Flat, 0.25 Std 4
4 762445 (000000-- ) Fitting, Hyd, Str, Om08/Fm08 1
5762427 (000000-- )Fitting, Hyd, E90, Om04/Fm04 1
6 762441 (000000-- ) Fitting, Hyd, E90, Ff06/Om06 1
7 771040 (000000-- ) Fitting, Hyd, Str, Fm06/Om04 1
8 762435 (000000-- ) Fitting, Hyd, Tee, Om06/Om06/Ff06 1
9 771053 (000000-- ) Fitting, Hyd, E90, Fm06/Om04 1
10 768602 (000000-- )Switch, Press, 12vdc 06a Spst Nc 0750psi 1
11 762442 (000000-- ) Fitting, Hyd, E45, Om06/Fm06 1
12 762433 (000000-- ) Fitting, Hyd, Str, Om06/Fm06 1
13 762432 (000000-- ) Fitting, Hyd, E90, Om06/ Fm06 1
14 762440 (000000-- ) Ftg, Hyd Cap 1
15 762160 (000000-- )Ftg, Hyd Cap 1
16 771006 (000000-- ) Tube, Hyd, Return [Sentinel] 1
17 395974 (000000-- ) Fitting, Hyd, E90, Om04/Qm04 1
Home
Find...
Go To..

STANDARD PARTS
Sentinel 331000 (6--03)
2-- 150
Fig. 67 -- Hydraulic Manifold and Priority Valve Group
S
A2
A2
A1 PLS1
EF T
21
20
17
16
9
5
15
7
12
11
19
18
9
15
14
10
1
3
2
8
3
6
3
3
4
4
13
Home
Find...
Go To..

STANDARD PARTS
2-- 151
Sentinel 331000 (6--03)
354147
Fig. 67 -- Hydraulic Manifold and Priority Valve Group
Ref. Part No. Serial Number Description Qty.
1767221 (000000-- )Valve, Hyd, Strg, Accumulator, Dual 1
2 06976 (000000-- ) Screw, Hex, M12 X 1.75 X 100, 8.8 3
3 32486 (000000-- ) Washer, Flat, 0.50 Sae 8
4 08711 (000000-- ) Nut, Hex, Lock, M12 X 1.75,Nl 4
5 12138 (000000-- ) Screw, Hex, M12 X 1.75 X 120, 8.8 1
633812 (000000-- )Fitting, Hyd, Plug, Om04 1
7 46482 (000000-- ) Fitting, Hyd, Plug, Om06 1
8 762445 (000000-- ) Fitting, Hyd, Str, Om08/Fm08 1
9 762468 (000000-- ) Fitting, Hyd, Str Fm10/Om12 2
10 762428 (000000-- ) Fitting, Hyd, Str, Om04/Fm04 1
11 762438 (000000-- )Fitting, Hyd, Str, Om06/Fm08 1
12 762433 (000000-- ) Fitting, Hyd, Str, Om06/Fm06 1
13 762434 (000000-- ) Fitting, Hyd, Tee, Fm06 /Fm06 /Om06 1
14 771042 (000000-- ) Tube, Hyd, Return, Cooler 1
15 396287 (000000-- ) Clamp, Hyd, 0.75d 2
16 65084 (000000-- )Fitting, Hyd, Qdc Assy, Of06/Of06 1
17 33862 (000000-- ) Cap, Dust Coupling, Hyd 1
18 396288 (000000-- ) Channel, Clamp, Hyd 2
19 12459 (000000-- ) Screw, Hex, M 6 X 1.0 X 20, Fmg 4
20 32490 (000000-- ) Washer, Flat, 0.25 Std 4
21 762440 (000000-- )Ftg, Hyd Cap 1
Home
Find...
Go To..

STANDARD PARTS
Sentinel 331000 (5--10)
2-- 152
Fig. 68 -- Water Tank Group
1
1
2
3
3
3
3
3
3
2
4
5
6
7
8
9
8
7
8
9
8
9
10
11
12
13
13
14
15
16
17 18 15
17
18
19
18
17
20
21
22
23
24
20
21
23
24
25
26
27
28 29
30
31
32
33
34
35
36
37
38
39
40
41 42
41
31
19
19
19
43
44
45
45
46
30
25
7
47
Home
Find...
Go To..

STANDARD PARTS
2-- 153
Sentinel 331000 (5--10)
354148
Fig. 68 -- Water Tank Group
Ref. Part No. Serial Number Description Qty.
111399 (000000-- )Clamp, Hose, Wormdrive 2
2 22297 (000000-- ) Clamp, Hose, Wormdrive 2
3 54333 (000000-- ) Clamp, Hose, Wormdrive 6
4 57702 (000000-- ) Cable, .06D, 12.0L, .26 Eye/.26 Eye 1
5 58366 (000000-- ) Clamp, Cable, Stl, 1.25D X 1.00W, 1H 1
61008149 (000000-- )Bracket, Mount, Hose 1
7 03192 (000000-- ) Screw, Hex, M10 X 1.5 X 30, 8.8 7
8 32492 (000000-- ) Washer, Flat, 0.38 STD 7
9 41430 (000000-- ) Nut, Hex, Lock, M10 X 1.5, NL 5
10 762209 (000000-- ) Filter, Water, 50 Mesh 1
11 761828 (000000-- )Pump, Water, Ele, 12vdc 1
12 06948 (000000-- ) Screw, Hex, M6 X 1.0 X 45, 8.8 4
13 32483 (000000-- ) Washer, Flat, 0.25 Sae 12
14 08708 (000000-- ) Nut, Hex, Lock, M6 X 1.0, NL 4
15 762212 (000000-- ) Fitting, Plstc, Tee, PM08/PM08/PM08 2
16 762214 (000000-- )Nipple, .50M X .75B 2
17 762228 (000000-- ) Valve, Ball, 08PF Brs W/ Handle 3
18 86508 (000000-- ) Fitting, Plstc, Str, Pm08/Pm08 3
19 63244--1 (000000-- ) Fitting, Plstc, E90, BM08/PM08, PP 4
20 762220 (000000-- ) Fitting, Spray Water 2
21 762221 (000000-- )Nozzle, Spray Water 4
22 762225 (000000-- ) Fitting, Hyd, Str, PM08/PM12 1
23 762234 (000000-- ) Cap, Nozzle, Spray, Nylon 4
24 762249 (000000-- ) Fitting, Brs, Str, BM08/PM04 2
25 376716 (000000-- ) Hose, Pvc, Brd, 0.50id 0.73od 3
26 762255 (000000-- )Hose, Poly Wire, .75ID 1
27 1006142 (000000-- ) Tank Assy, Water 1
28 57145 (000000-- ) Sensor, Level, Liquid, 14 Vdc 01A .88--14 1
29 763042 (000000-- ) Washer, Belleville, M10 5
30 763072 (000000-- ) Washer, Flat, M10, Fender 5
31 1006224 (000000-- )Bracket, Angle, Mtg, Tank 2
32 16931 (000000-- ) Screw, Hex, M8 X 1.25 X 20, 8.8 8
33 39890 (000000-- ) Washer, Flat, M08 Fender 8
34 763041 (000000-- ) Washer, Belleville, M08 8
35 768304 (000000-- ) Ring, Split 1
36 768320 (000000-- )Coupling, Water 1
37 768323 (000000-- ) Plug, Dust, Coupling, Water 1
38 768324 (000000-- ) Hose, Water 1
39 1046434 (000000-- ) Bracket, Nozzle, Tank,Water 1
40 39277 (000000-- ) Screw, Hex, M8 X 1.25 X 25, 8.8 2
41 32491 (000000-- )Washer, Flat, 0.31 Std 4
42 07791 (000000-- ) Nut, Hex, Flng, M08 X 1.25 2
43 762236 (000000-- ) Knob, Star, 1.96D 4Ear 1.30L 0.33B 2
44 767205 (000000-- ) Manifold, Water 1
45 762217 (000000-- ) Valve, Water Spray 2
46 17521 (000000-- )Plug 1
47 17521 (000000-- ) Fitting, Pipe, Plug, Pm08, Sq Head (W/O Left Hand Side
Brush)
1
Home
Find...
Go To..
Filter Assy, Water, 50 Mesh

STANDARD PARTS
Sentinel 331000 (5--10)
2-- 154
Fig. 69 -- Dry Dust Control Group
1
22
2
3
4
4
5
5
5
6
7
8
9
1
10
11
12
13
14
15
16
16
17
17
18
19
20
21
21
21
21
22
23
24
25
26
27
28
29
30 31
32
33
34
2
31
29
9
2
Home
Find...
Go To..
6

STANDARD PARTS
2-- 155
Sentinel 331000 (5--10)
354149
Fig. 69 -- Dry Dust Control Group
Ref. Part No. Serial Number Description Qty.
112271 (000000-- )Nut, U, M6 X 1.00 32
2 41178 (000000-- ) Washer, Flat, 0.25, Fendr 84
3 768091 (000000-- ) Bar, Seal, Upper 2
4 768089 (003100-- ) Skirt, Rbr, .12, 08.25w 13.25l, 04/ Sl 2
5 58595 (003100-- ) Nut, U, M8 X 1.25 8
6764261 (000000-- )SkirtKit,Dust--Cntrl,Side 1
7 764260 (000000-- ) Skirt Kit, Dust--Cntrl, Front 1
8 768100 (000000-- ) Shroud Assy 1
9 764254 (000000-- ) Panel, Baffle, Sppt, Lh 1
10 764253 (000000-- ) Panel, Baffle, Sppt, Rh 1
11 764234 (000000-- )Panel, Baffle, Skirt, Rh 1
12 764235 (000000-- ) Panel, Baffle, Skirt, Lh 1
13 769087 (000000-- ) Arm, Seal, Upper 1
14 768096 (000000-- ) Shroud, Brush [W/ No Left Side Brush] 1
15 764238 (000000-- ) Retainer, Skirt, .19, 1.0w X 41.2l, None 1
16 764263 (000000-- )Retainer, Front End, Sbdc 2
17 764240 (000000-- ) Retainer, Skirt, .13, 1.5w X 39.5l, None 2
18 764241 (000000-- ) Panel, Baffle 2
19 764244 (000000-- ) Bar, Sppt, Rh 1
20 764245 (000000-- ) Bar, Sppt, Lh 1
21 764256 (000000-- )Bar, Flat, 0.18, 1.00 X 13.50l, 3/.38h 4
22 760552 (000000-- ) Seal, Bulb, Str, 0.75d .19grip 052.0l 1
23 760532 (000000-- ) Gasket 1
24 768103 (003100-- ) Bracket, Skirt, Lh 1
25 768104 (003100-- ) Bracket, Skirt, Rh 1
26 768038 (000000-- )Bracket, Door, Brush, Lh 1
27 768039 (000000-- ) Bracket, Door, Brush, Rh 1
28 08708 (000000-- ) Nut, Hex, Lock, M6 X 1.00, Nl 26
29 06944 (000000-- ) Screw, Hex, M6 X 1.00 X 25, 8.8 10
30 06943 (000000-- ) Screw, Hex, M6 X 1.00 X 20, 8.8 14
31 763040 (000000-- )Washer, Flat, Belleville, M6 12
32 763041 (000000-- ) Washer, Flat, Belleville, M8 8
33 76570 (000000-- ) Screw, Hex, M8 X 1.25 X 30, 8.8 8
34 39890 (000000-- ) Washer, Flat, M8, Fendr 8
Home
Find...
Go To..
2

STANDARD PARTS
Sentinel 331000 (5--10)
2-- 156
Fig. 70 -- Dry Dust Control Group, Left Side Brush
1
2
3
4
4
56
7
8
8
9
7
10
8
8
10
711
8
8
9
11
8
8
9
12 13
14
Home
Find...
Go To..

STANDARD PARTS
2-- 157
Sentinel 331000 (5--10)
356047
Fig. 70 -- Dry Dust Control Group, Left side Brush
Ref. Part No. Serial Number Description Qty.
1769087 (000000-- )Arm, Seal, Upper 1
2 768100 (000000-- ) Shroud Assy 1
3 768091 (000000-- ) Bar, Seal, Upper 1
4 764256 (000000-- ) Bar, Flat, 0.18, 1.00 X 13.50l, 3/.38h 2
5 764240 (000000-- ) Retainer, Skirt, .13, 1.5w X 39.5l, None 1
6764261 (000000-- )SkirtKit,Dust--Cntrl,Side 1
7 06944 (000000-- ) Screw, Hex, M6 X 1.00 X 25, 8.8 2
8 41178 (000000-- ) Washer, Flat, 0.25, Fendr 30
9 08708 (000000-- ) Nut, Hex, Lock, M6 X 1.00, Nl 14
10 763040 (000000-- ) Washer, Flat, Belleville, M6 2
11 06943 (000000-- )Screw, Hex, M6 X 1.00 X 20, 8.8 9
12 763041 (000000-- ) Washer, Flat, Belleville, M8 4
13 76570 (000000-- ) Screw, Hex, M8 X 1.25 X 30, 8.8 4
14 39890 (000000-- ) Washer, Flat, M8, Fendr 4
Home
Find...
Go To..

STANDARD PARTS
Sentinel 331000 (9--08)
2-- 158
Fig. 71 -- Electrical Schematic (000000--008499)
1
2
3
4
5
6
7
8767649
Home
Find...
Go To..

STANDARD PARTS
2-- 159
Sentinel 331000 (9--08)
Fig. 71 -- Electrical Schematic (000000--008499)
1
2
3
4
5
6
7
8
9
10
11
12
13
14
15
767649
Home
Find...
Go To..

STANDARD PARTS
Sentinel 331000 (9--08)
2-- 160
Fig. 71 -- Electrical Schematic (000000--008499)
9
10
11
12
13
14
15 767649
Home
Find...
Go To..

STANDARD PARTS
2-- 161
Sentinel 331000 (9--08)
Fig. 71 -- Electrical Schematic (000000--008499)
16
17
767649
Home
Find...
Go To..

STANDARD PARTS
Sentinel 331000 (9--08)
2-- 162
Fig. 71 -- Electrical Schematic (000000--008499)
16
17
18
19
767649
Home
Find...
Go To..

STANDARD PARTS
2-- 163
Sentinel 331000 (9--08)
Fig. 71 -- Electrical Schematic (000000--008499)
18
19 767649
Home
Find...
Go To..

STANDARD PARTS
Sentinel 331000 (9--08)
2-- 164
Fig. 72 -- Electrical Schematic (008500-- )
1
2
3
4
5
6
7
81048641
Home
Find...
Go To..

STANDARD PARTS
2-- 165
Sentinel 331000 (9--08)
Fig. 72 -- Electrical Schematic (008500-- )
9
10
11
12
13
14
15
1
2
3
4
5
6
7
81048641
Home
Find...
Go To..

STANDARD PARTS
Sentinel 331000 (9--08)
2-- 166
Fig. 72 -- Electrical Schematic (008500-- )
9
10
11
12
13
14
15
1
0
4
8
6
4
1
Home
Find...
Go To..

STANDARD PARTS
2-- 167
Sentinel 331000 (9--08)
Fig. 72 -- Electrical Schematic (008500-- )
1048641
16
17
Home
Find...
Go To..

STANDARD PARTS
Sentinel 331000 (9--08)
2-- 168
Fig. 72 -- Electrical Schematic (008500-- )
18
19
16
17
1048641
Home
Find...
Go To..

STANDARD PARTS
2-- 169
Sentinel 331000 (9--08)
Fig. 72 -- Electrical Schematic (008500-- )
18
19
1048641
Home
Find...
Go To..

STANDARD PARTS
Sentinel 331000 (9--08)
2-- 170
Fig. 73 -- Wire Harnesses Group (000000--008499)
Main Wire Harness
1
Home
Find...
Go To..

STANDARD PARTS
2-- 171
Sentinel 331000 (9--08)
Fig. 73 -- Wire Harnesses Group Group (000000--008499)
Main Wire Harness
1
Home
Find...
Go To..

STANDARD PARTS
Sentinel 331000 (9--08)
2-- 172
Fig. 73 -- Wire Harnesses Group Group (000000--008499)
Main Wire Harness
1
Home
Find...
Go To..

STANDARD PARTS
2-- 173
Sentinel 331000 (9--08)
Fig. 73 -- Wire Harnesses Group Group (000000--008499)
Main Wire Harness
1
Home
Find...
Go To..

STANDARD PARTS
Sentinel 331000 (9--08)
2-- 174
Fig. 73 -- Wire Harnesses Group Group (000000--008499)
Main Wire Harness
1
Home
Find...
Go To..

STANDARD PARTS
2-- 175
Sentinel 331000 (9--08)
Fig. 73 -- Wire Harnesses Group Group (000000--008499)
Main Wire Harness
1
Home
Find...
Go To..

STANDARD PARTS
Sentinel 331000 (9--08)
2-- 176
Fig. 73 -- Wire Harnesses Group Group (000000--008499)
Main Wire Harness
1
Home
Find...
Go To..

STANDARD PARTS
2-- 177
Sentinel 331000 (9--08)
Fig. 73 -- Wire Harnesses Group Group (000000--008499)
Main Wire Harness
1
Home
Find...
Go To..

STANDARD PARTS
Sentinel 331000 (9--08)
2-- 178
Fig. 73 -- Wire Harnesses Group Group (000000--008499)
Main Wire Harness
1
1
Home
Find...
Go To..

STANDARD PARTS
2-- 179
Sentinel 331000 (9--08)
Fig. 73 -- Wire Harnesses Group Group (000000--008499)
Main Wire Harness
1
1
Home
Find...
Go To..

STANDARD PARTS
Sentinel 331000 (9--08)
2-- 180
Fig. 73 -- Wire Harnesses Group Group (000000--008499)
Main Wire Harness
1
Home
Find...
Go To..

STANDARD PARTS
2-- 181
Sentinel 331000 (9--08)
Fig. 73 -- Wire Harnesses Group Group (000000--008499)
Main Wire Harness
1
Home
Find...
Go To..

STANDARD PARTS
Sentinel 331000 (9--08)
2-- 182
Fig. 73 -- Wire Harnesses Group Group (000000--008499)
Main Wire Harness
1
Home
Find...
Go To..

STANDARD PARTS
2-- 183
Sentinel 331000 (9--08)
Fig. 73 -- Wire Harnesses Group Group (000000--008499)
Main Wire Harness
1
Home
Find...
Go To..

STANDARD PARTS
Sentinel 331000 (9--08)
2-- 184
Fig. 73 -- Wire Harnesses Group Group (000000--008499)
Main Wire Harness
1
Home
Find...
Go To..

STANDARD PARTS
2-- 185
Sentinel 331000 (9--08)
Fig. 73 -- Wire Harnesses Group Group (000000--008499)
Cab Wire Harness
2
Home
Find...
Go To..

STANDARD PARTS
Sentinel 331000 (9--08)
2-- 186
Fig. 73 -- Wire Harnesses Group Group (000000--008499)
Cab Wire Harness
2
Home
Find...
Go To..

STANDARD PARTS
2-- 187
Sentinel 331000 (9--08)
Fig. 73 -- Wire Harnesses Group Group (000000--008499)
Hopper Wire Harness
3
Home
Find...
Go To..

STANDARD PARTS
Sentinel 331000 (9--08)
2-- 188
Fig. 73 -- Wire Harnesses Group Group (000000--008499)
Hopper Wire Harness
3
Home
Find...
Go To..

STANDARD PARTS
2-- 189
Sentinel 331000 (9--08)
Fig. 73 -- Wire Harnesses Group Group (000000--008499)
Hopper Lift Wire Harness
4
Home
Find...
Go To..

STANDARD PARTS
Sentinel 331000 (11--09)
2-- 190
354165 -- 354166 -- 354167 -- 354171
Fig. 73 -- Wire Harnesses Group Group (000000--008499)
Ref. Part No. Serial Number Description Qty.
1768827 (000000--008499 )Harness, Wire, Main [Sentinel] 1
2 768561 (000000--008499 ) Harness, Wire, Cab 1
3 770180 (000000--008499 ) Harness, Wire, Hopper, [Sentinel] 1
4 768575 (000000--008499 ) Harness, Hppr [W/ Hd] 1
Home
Find...
Go To..

STANDARD PARTS
2-- 191
Sentinel 331000 (9--08)
Fig. 74 -- Wire Harnesses Group (008500-- )
Main Wire Harness
1
Home
Find...
Go To..

STANDARD PARTS
Sentinel 331000 (9--08)
2-- 192
Fig. 74 -- Wire Harnesses Group (008500-- )
Main Wire Harness
1
Home
Find...
Go To..

STANDARD PARTS
2-- 193
Sentinel 331000 (9--08)
Fig. 74 -- Wire Harnesses Group (008500-- )
Main Wire Harness
1
Home
Find...
Go To..

STANDARD PARTS
Sentinel 331000 (9--08)
2-- 194
Fig. 74 -- Wire Harnesses Group (008500-- )
Main Wire Harness
1
Home
Find...
Go To..

STANDARD PARTS
2-- 195
Sentinel 331000 (9--08)
Fig. 74 -- Wire Harnesses Group (008500-- )
Main Wire Harness
1
Home
Find...
Go To..

STANDARD PARTS
Sentinel 331000 (9--08)
2-- 196
Fig. 74 -- Wire Harnesses Group (008500-- )
Main Wire Harness
1
Home
Find...
Go To..

STANDARD PARTS
2-- 197
Sentinel 331000 (9--08)
Fig. 74 -- Wire Harnesses Group (008500-- )
Main Wire Harness
1
Home
Find...
Go To..

STANDARD PARTS
Sentinel 331000 (9--08)
2-- 198
Fig. 74 -- Wire Harnesses Group (008500-- )
Main Wire Harness
1
Home
Find...
Go To..

STANDARD PARTS
2-- 199
Sentinel 331000 (9--08)
Fig. 74 -- Wire Harnesses Group (008500-- )
Main Wire Harness
1
1
Home
Find...
Go To..

STANDARD PARTS
Sentinel 331000 (9--08)
2-- 200
Fig. 74 -- Wire Harnesses Group (008500-- )
Main Wire Harness
1
1
Home
Find...
Go To..

STANDARD PARTS
2-- 201
Sentinel 331000 (9--08)
Fig. 74 -- Wire Harnesses Group (008500-- )
Main Wire Harness
1
Home
Find...
Go To..

STANDARD PARTS
Sentinel 331000 (9--08)
2-- 202
Fig. 74 -- Wire Harnesses Group (008500-- )
Main Wire Harness
1
Home
Find...
Go To..

STANDARD PARTS
2-- 203
Sentinel 331000 (9--08)
Fig. 74 -- Wire Harnesses Group (008500-- )
Main Wire Harness
1
Home
Find...
Go To..

STANDARD PARTS
Sentinel 331000 (9--08)
2-- 204
Fig. 74 -- Wire Harnesses Group (008500-- )
Main Wire Harness
1
Home
Find...
Go To..

STANDARD PARTS
2-- 205
Sentinel 331000 (9--08)
Fig. 74 -- Wire Harnesses Group (008500-- )
Main Wire Harness
1
Home
Find...
Go To..

STANDARD PARTS
Sentinel 331000 (9--08)
2-- 206
Fig. 74 -- Wire Harnesses Group (008500-- )
Cab Wire Harness
2
Home
Find...
Go To..

STANDARD PARTS
2-- 207
Sentinel 331000 (9--08)
Fig. 74 -- Wire Harnesses Group (008500-- )
Cab Wire Harness
2
Home
Find...
Go To..

STANDARD PARTS
Sentinel 331000 (9--08)
2-- 208
Fig. 74 -- Wire Harnesses Group (008500-- )
Hopper Wire Harness
3
Home
Find...
Go To..

STANDARD PARTS
2-- 209
Sentinel 331000 (9--08)
Fig. 74 -- Wire Harnesses Group (008500-- )
Hopper Wire Harness
3
Home
Find...
Go To..

STANDARD PARTS
Sentinel 331000 (9--08)
2-- 210
Fig. 74 -- Wire Harnesses Group (008500-- )
Hopper Lift Wire Harness
4
Home
Find...
Go To..

STANDARD PARTS
2-- 211
Sentinel 331000 (11--09)
354165 -- 354167 -- 354171 -- 353808 -- 354809
Fig. 74 -- Wire Harnesses Group (008500-- )
Ref. Part No. Serial Number Description Qty.
11047567 (008500-- )Harness, Main [Sentinel 08] 1
2 768561 (008500-- ) Harness, Wire, Cab 1
3 770180 (008500-- ) Harness, Wire, Hopper, [Sentinel] 1
4 768575 (008500-- ) Harness, Hppr [W/ Hd] 1
Home
Find...
Go To..

STANDARD PARTS
Sentinel 331000 (9--08)
2-- 212
Fig. 75 -- Labels Group
1
2
3
4
6
8
7
7
5
9
354168
Ref. Part No. Serial Number Description Qty.
109901 (000000-- )Label,Tennant Logo 1
2 17200 (000000-- ) Label, Tennant Logo-- 10.0 Blue 1
3 760980 (000000-- ) Label, Slow Moving Vehicle 1
4 1010326 (000000-- ) Label [Sentinel] 2
5 765960 (000000-- ) Label, Set, Info & Hazard 1
61047569 (000000-- )Label Set, Opertnl [Sentinel 2008] 1
7 760983 (000000-- ) Label, Info, [Tire Pressure] 4
8 09905 (000000-- ) Label, Tennant Logo 2
9 1009154 (000000-- ) Label, Instr, Tilt, Cab 1
Home
Find...
Go To..

OPTIONS
3--1
Sentinel 331000 (9--07)
SECTION 3
Contents Page
Fig. 1 -- High Dump Hopper Lift Group 3--2........
Fig. 2 -- High Dump Hopper Lift Cylinders Group 3--4
Fig. 3 -- High Dump Hopper Hydraulic Hose Group3--6
Fig. 4 -- Left Side Brush Group 3--8..............
Fig. 5 -- Left Side Brush Hydraulic Hose Group 3--10
Fig. 6 -- Vario Brush Dolly Group 3--12............
Fig. 7 -- Vario Brush Dolly Hydraulics Group 3--14..
Fig. 8 -- Vario Brush Pivot Group 3--16............
Fig. 9 -- Vario Brush Lift Group 3--18..............
Fig. 10 -- Vario Brush Motor Group 3--20...........
Fig. 11 -- Vario Brush Cab Controls
and Water Supply Group 3--22..........
Fig. 12 -- Vario Brush Hydraulic Hose Group 3--24..
Fig. 13 -- Vario Brush Harnesses Group 3--26......
Fig. 14 -- High Pressure Sprayer Wand Group 3--30.
Fig. 15 -- High Pressure Sprayer Pump Group 3--32.
Fig. 16 -- High Pressure Sprayer
Hydraulic Hose Group 3--34............
Fig. 17 -- Cab Jack Kit 3--36.....................
Fig. 18 -- Left Hand Operator Group 3--38..........
Fig. 19 -- Hydraulic Hose Group,
Left Hand Steering 3--40...............
Fig. 20 -- Cab Air Conditioner Heater Group 3--42...
Fig. 21 -- Vacuum Wand Group 3--44..............
Fig. 22 -- Vacuum Wand Door Group 3--46.........
Fig. 23 -- Vacuum Wand Extension Group 3--48....
Fig. 24 -- Hopper Cleanout Tool Kit 3--50...........
Fig. 25 -- Foam Filled Tire Group 3--51............
Fig. 26 -- Protectoseal Fuel Cap Group 3--52.......
Fig. 27 -- Rear Rubber Bumper Kit 3--53...........
Fig. 28 -- Fire Extinguisher Group 3--54............
Fig. 29 -- Filter Bag Lift Kit 3--55..................
Fig. 30 -- Hydrant Wash Down Group 3--56........
Fig. 31 -- Hydrant Hose Group 3--57..............
Fig. 32 -- Engine Access Step Kit 3--58............
Fig. 33 -- Light Kit, Night 3--59....................
Fig. 34 -- Light Kit, Revolving 3--60................
Fig. 35 -- Light Kit, Strobe 3--62..................
Fig. 36 -- Light Kit, Arrow Stick,
Without Revolving Light 3--64...........
Fig. 37 -- Light Kit, Arrow Stick,
With Revolving Light 3--66.............
Fig. 38 -- Passenger Seat Kit 3--68................
Fig. 39 -- Radio Kit 3--70.........................
Fig. 40 -- Auto--Lube System Group 3--72..........
Fig. 41 -- Auto--Lube Pump Kit 3--74..............
Fig. 42 -- Side Brush Spring Kit 3--75..............
Fig. 43 -- Side Brush Linkage Kit 3--76.............
Fig. 44 -- Side Brush Fourth Bar Linkage Kit 3--77...
Fig. 45 -- Documentation Group 3--78.............
Home
Find...
Go To..

OPTIONS
Sentinel 331000 (6--06)
3--2
Fig. 1 -- High Dump Hopper Lift Group
2
3
4
5
6
7
8
9
10
1
11
12
13
14
15
16
17
18
19
20
21
22
23
24
25
26
27
30
31
32
34
33
31
30
20 18
21
12
30
12
26
30
19
31
27
18
18
20
20 21
21
27
35
36
29
21 29
37
21
28
39
38
Home
Find...
Go To..

OPTIONS
3--3
Sentinel 331000 (9--07)
351919
Fig. 1 -- High Dump Hopper Lift Group
Ref. Part No. Serial Number Description Qty.
1769547 (000000-- )Leg Assy, Upper W/Label 1
2 769548 (000000-- ) Leg Assy, Lower W/Label 1
o3 769503 (000000-- ) Guide,Cam Roller,Lh 1
Y4 765435 (000000-- ) Guide,Cam Roller,Up 1
o5 769504 (000000-- ) Guide,Cam Roller,Rh 1
Y6765435 (000000-- )Guide,Cam Roller,Up 1
7 765465 (000000-- ) Plate Wldt, Brush, Pulley 1
8 765620 (000000-- ) Mount,Frame,Rear Lh 1
9 765621 (000000-- ) Mount,Frame,Rear Rh 1
o769509 (000000-- ) Pin Assy,Leg,Inside 2
Y10 769510 (000000-- )Pin, Leg, Inside 2
11 06961 (000000-- ) Screw, Hex, M10 X 1.5 X 20, 8.8 2
12 769522 (000000-- ) Bushing, Sleeve, 30mmb 40mmd 25mml, Bnz 4
o769511 (000000-- ) Pin Assy, Roller, Hpr 1
Y13 769512 (000000-- ) Pin, Roller,Hopper 1
14 32988 (000000-- )Washer, Lock, Int, .38 1
o769513 (000000-- ) Pin Assy,Leg,Outsid 2
Y15 769514 (000000-- ) Pin, Leg, Outside 2
16 32492 (000000-- ) Washer, Flat, 0.38 Std 2
17 769522 (000000-- ) Bushing 2
18 769524 (000000-- )Bearing, Spherical 4
19 769528 (000000-- ) Follower, Cam 2
20 769529 (000000-- ) Ring, Retaining 4
21 769534 (000000-- ) Ftg, Nipple, Grease 6
22 39283 (000000-- ) Screw, Hex, M10 X 1.5 X 25, 8.8 12
23 41187 (000000-- )Washer, Belleville, M10 12
24 06992 (000000-- ) Screw, Hex, M20 X 2.5 X 50, 8.8 2
25 763067 (000000-- ) Nut, Hex, Jam M20 X 2.5 2
26 769541 (000000-- ) Screw 2
27 769542 (000000-- ) Nut, Lock, Ny 4
28 769554 (000000-- )Washer 4
29 47801 (000000-- ) Fitting, Grease, Str Pm04 .63l 2
30 769545 (000000-- ) Washer, Flat 7
31 769523 (000000-- ) Bushing, Sleeve 4
32 09294 (000000-- ) Screw, Soc, M 8 X 1.25 X 60, 12.9 3
33 08709 (000000-- ) Nut, Hex, Lock, M 8 X 1.25 Nl 3
34 769549 (000000-- ) Roller, Hopper 1
35 769563 (000000-- ) Bushing 2
36 760917 (000000-- ) Pin, Clevis, Lift, Brush 1
37 760916 (000000-- ) Pulley, Cable, 123mm Dia 1
38 02942 (000000-- )Pin, Hair Cotter, 0.62 D .120 Wir 1
39 763118 (000000-- ) Bushing, Sleeve 1
Home
Find...
Go To..

OPTIONS
Sentinel 331000 (5--10)
3--4
Fig. 2 -- High Dump Hopper Lift Cylinders Group
C1
C2
C2
2
3
4
5
6
7
8
10
1
11
12
14
15
16
17
18
19
20
26
22
23
24
25
26
27
28
29
30
22
27
26
26
16
23
10
25 24
24
24
18
15
26
13
19
19
20
9
20 8
26
14
11
3
21
31
Home
Find...
Go To..

OPTIONS
3--5
Sentinel 331000 (5--10)
354150
Fig. 2 -- High Dump Hopper Lift Cylinders Group
Ref. Part No. Serial Number Description Qty.
11019759 (000000-- )Cylinder, Hyd, 3.5b,25.3l,16.50strk,3000 2
2 765445 (000000-- ) Support, Maintenance, Lift W/Label 1
3 1019760 (000000-- ) Cylinder, Hyd, 2.0b,30.0l,19.25strk,3000 2
4 765444 (000000-- ) Tilt, Maintenance, Stand W/Label 1
5 769518 (000000-- ) Ring, Lock 1
o769507 (000000-- )Pin Assy, Cyl,Lift 2
Y6 769508 (000000-- ) Pin, Cyl, Lift 2
7 765491 (000000-- ) Tube 1
o769515 (000000-- ) Pin Assy, Cyl,Tilt 2
Y8 769516 (000000-- ) Pin, Cyl, Tilt 2
9765492 (000000-- )Tube 1
10 769523 (000000-- ) Bushing 3
11 769522 (000000-- ) Bushing 4
12 769561 (000000-- ) Pin, Rod Cyl, Lift 1
13 769562 (000000-- ) Bushing 1
14 769525 (000000-- )Bearing, Spherical 2
15 769526 (000000-- ) Bearing, Spherical 2
16 769527 (000000-- ) Rod, End, Cyl,Tilt 2
17 769530 (000000-- ) Fuse, Velocity 2
18 769531 (000000-- ) Fuse, Velocity 2
19 09294 (000000-- ) Screw, Soc, M 8 X 1.25 X 60 6
20 08709 (000000-- ) Nut, Hex, Lock, M 8 X 1.25 6
21 769558 (000000-- ) Clevis Assy, Support 1
22 762432 (000000-- ) Fitting, Hyd, E90, Fm06/Om06 4
23 769540 (000000-- ) Nut, Jam 3
24 762425 (000000-- )Fitting, Hyd 4
25 762444 (000000-- ) Fitting, Hyd 2
26 47801 (000000-- ) Fitting, Grease 7
27 760682 (000000-- ) Pin Wldt, Safety Leg, Lower 2
28 760695 (000000-- ) Pin 1
29 762433 (000000-- )Fitting, Hyd 1
30 762432 (000000--008742 ) Fitting, Hyd 1
31 762433 (008743-- ) Fitting, Hyd, Str, Fm06/Om06 1
Home
Find...
Go To..

OPTIONS
Sentinel 331000 (5--10)
3--6
Fig. 3 -- High Dump Hopper Hydraulic Hose Group
1
2
3
4
5
6
7
3
4
HOPPER CNTL
C2
TILT
CYLINDER
TILT
CYLINDER
SAFETY LEG
LIFT
CYLINDER
LIFT
CYLINDER
OUT
IN
VAC FAN
MOTOR, HYD
TO PRIORITY VALVE (EF)
TO HYD RESERVOIR
CONVEYOR/MAIN BRUSH
T8
HOPPER CNTL
M5 M6
C12 C11 P7 T9
C1
C10 C2 C9 M10 M9
98
Home
Find...
Go To..

OPTIONS
3--7
Sentinel 331000 (5--10)
354154
Fig. 3 -- High Dump Hopper Hydraulic Hose Group
Ref. Part No. Serial Number Description Qty.
1767233 (000000-- )Hose, Hyd,Tc 06, Ff06str /Ff06e90 ,198.0 1
2 771031 (000000-- ) Hose, Hyd,Tc 10, Ff10str /Ff10e90 ,184.0 1
3 767319 (000000-- ) Hose, Hyd,Tc 04, Ff06str /Ff04e45 , 23.5 2
4 767320 (000000-- ) Hose, Hyd,Tc 04, Ff06str /Ff04e45 , 14.5 2
5 767321 (000000-- ) Hose, Hyd,Tc 06, Ff06str /Ff06e90 , 77.0 2
6767323 (000000-- )Hose, Hyd,Tc 10, Ff10str /Ff10e90 ,154.5 1
7 767325 (000000-- ) Hose, Hyd,Tc 04, Ff06str /Ff06e45 ,173.0 1
8 767325 (000000--008742 ) Hose, Hyd,Tc 04, Ff06str /Ff06e45 ,173.0 1
9 1058980 (008743-- ) Hose, Hyd, Tc04, Ff06E90/Ff06Str, 173.0 1
Home
Find...
Go To..

OPTIONS
Sentinel 331000 (9--07)
3--8
Fig. 4 -- Left Side Brush Group
M3
C8
2
3
4
5
7
8
9
10
1
11
12
13
14
15
16
17
18
19
20
6
18
16
15
1
7
17 16
23
22
21
21
24
25
26
27
23
22
37
39
36
38
35
29
30
31
28
28
25
32
33
34
40
Home
Find...
Go To..

OPTIONS
3--9
Sentinel 331000 (5--10)
354151
Fig. 4 -- Left Side Brush Group
Ref. Part No. Serial Number Description Qty.
11007954 (000000-- )Fitting, Hyd, E90, Fm06/Om10 2
o2 771072 (000000-- ) Motor, Hyd, Gear, [In] 11.9 B 3000 1
Y1031670 (000000-- ) Seal Kit, Motor, Hyd, Gear 1
3 761209 (000000-- ) Bracket,Hyd.Motor Support 1
4 768834 (000000-- ) Channel Weldt,Lower Support 1
5761428 (000000-- )Hub Weldt,Side Brush 1
6 762434 (000000 ) Fitting, Hyd, Tee, Fm06/Om06/Fm06 1
7 768836 (000000-- ) Bar, Wldt. Brush Support 3
o8 762043 (000000-- ) Cylinder, Hyd S Br Lift 1
Y762073 (000000-- ) Kit, Seal, Cyl, Hyd 1
9761229 (000000-- )Pin,Hyd.Cylinder 1
10 763005 (000000-- ) Retaining Ring, M16 1
11 767644 (000000-- ) Shaft, Side Brush 1
12 768852 (000000-- ) Bracket Wldt,Side Brush Lh 1
13 761225 (000000-- ) Eyebolt, .50--13X3.5” 1
14 761223 (000000-- ) Spring 1
15 762432 (000000-- ) Fitting, Hyd, E90, Om06/ Fm06 2
16 768842 (000000-- ) Tube 6
17 767641 (000000-- ) Bearing, Flange 6
18 763003 (000000-- ) Bearing, 2
19 47801 (000000-- )Ftg, Grease.25--28Th Strt .63L 1
20 763007 (000000-- ) Bearing 1
21 06971 (000000-- ) Screw, Hex, M12 X 1.75 X 50, 8.8 6
22 33342 (000000-- ) Nut, Hex, Lock, M16 X 2.0, Nl 2
23 15331 (000000-- ) Washer, Flat, 0.62 Sae 2
24 08167 (000000-- )Nut, Hex, Stover, M12 X 1.75 6
25 32486 (000000-- ) Washer, Flat, 0.50 Sae 12
26 32985 (000000-- ) Nut, Hex, Lock, .50--13, Nl 1
27 32493 (000000-- ) Washer, Flat, 0.50 Std 1
28 08711 (000000-- ) Nut, Hex, Lock, M12 X 1.75,Nl 3
29 41346 (000000-- )Screw, Hex, M12 X 1.75 X 30, 8.8 3
30 33440 (000000-- ) Screw, Hex, M12 X 1.75 X 40, Ss, Nl 4
31 12317 (000000-- ) Screw, Hex, M10 X 1.50 X 30, Ss 3
32 32969 (000000-- ) Washer, Flat, 1.00 Sae 1
33 38490 (000000-- ) Nut, Slot, Pump, Hyd, Gear 1
34 08180 (000000-- )Pin, Cotter, .125 X 2.00 1
35 09741 (000000-- ) Nut, Hex, Lock, M12 X 1.75, Nl, Ss 4
36 41346 (000000-- ) Screw, Hex, M12 X 1.75 X 30, 8.8 1
37 763074 (000000-- ) Washer, Flat, M16, Fender [Din9021] 1
38 763043 (000000-- ) Washer, Belleville, M12 1
39 763139 (000000-- )Washer, Flat, 1.12 Sae 2
40 771010 (000000--008742 ) Valve, Hyd, Solenoid, 12vdc[07s24g3000] (See Breakdowns) 1
40 1048792 (008743-- ) Valve, Cntrl, Hyd, Solenoid, 12Vdc 24 Gpm
(See Breakdowns)
1
Home
Find...
Go To..

OPTIONS
Sentinel 331000 (12--03)
3--10
Fig. 5 -- Left Side Brush Hydraulic Hose Group
C8
C7
M1
M3
1
1
2
Manifold
L.H. Side
Brush
Side Brush
Valve
R.H. Side
Brush
Home
Find...
Go To..

OPTIONS
3--11
Sentinel 331000 (6--03)
354152
Fig. 5 -- Left Side Brush Hydraulic Hose Group
Ref. Part No. Serial Number Description Qty.
1771043 (000000-- )Hose, Hyd,Tc 06, Ff06Str /Ff06Str , 62.0 2
2 1010941 (000000-- ) Hose, Hyd,Tc 06, Ff06Str /Ff06Str , 66.0 1
Home
Find...
Go To..

OPTIONS
Sentinel 331000 (12--03)
3--12
Fig. 6 -- Vario Brush Dolly Group
11
12
11
10
9
13
5
4
11 13
29
24
25
6
11
12
10
9
13
13
11
11
10
9
13
11
12
11 10 9
13
13
1
23
4
5
8
14
15
16
17
18
19
20
26
27 28
7
21 15
30
31
17
18 19
14
15
12
13
23
22
32
Home
Find...
Go To..

OPTIONS
3--13
Sentinel 331000 (12--03)
354138
Fig. 6 -- Vario Brush Dolly Group
Ref. Part No. Serial Number Description Qty.
11011527 (000000-- )Channel Wldt 1
2 03192 (000000-- ) Screw, Hex, M10 X 1.5 X 30, 8.8 14
3 32492 (000000-- ) Washer, Flat, 0.38 Std 14
4 1006939 (000000-- ) Block, Stop 2
5 06963 (000000-- ) Screw, Hex, M10 X 1.5 X 60, 8.8 4
6761317 (000000-- )Rack, Undercarriage 1
7 09278 (000000-- ) Screw, Soc, M 8 X 1.25 X 30, 12.9 8
8 1006148 (000000-- ) Dolly Wldt 1
9 1008985 (000000-- ) Follower, Cam 4
10 1008982 (000000-- ) Bearing, Ball,20.0b 47.0d 20.6w [Ang] 4
11 1009201 (000000-- )Ring, Retaining, Int, 47mm 8
12 1008883 (000000-- ) Bushing, Sleeve, 12.3b 19.9d 55.9l, Ss 4
13 1008853 (000000-- ) Sleeve, Pm, 29.0od 20.0b 6.6l Ss 8
14 09741 (000000-- ) Nut, Hex, Lock, M12 X 1.75,Nl, Ss 4
15 32493 (000000-- ) Washer, Flat, 0.50 Std 4
16 06974 (000000-- )Screw, Hex, M12 X 1.75 X 80, 8.8 2
17 06960 (000000-- ) Screw, Hex, M10 X 1.5 X 16, 8.8 8
18 1009571 (000000-- ) Plate, Spacer 4
19 41187 (000000-- ) Washer, Belleville, .38 8
20 1010399 (000000-- ) Button, Plug, 1.25h .183 [Black Stl] 8
21 1010697 (000000-- )Cover, Follower 1
22 09744 (000000-- ) Screw, Hex, M6 X 1.0 X 12, Ss 2
23 01684 (000000-- ) Washer, Flat, 0.25 Ss 2
24 1009784 (000000-- ) Latch Wldt 1
25 06969 (000000-- ) Screw, Hex, M12 X 1.75 X 40, 8.8 4
26 1010759 (000000-- )Guard Wldt 1
27 09029 (000000-- ) Screw, Hex, M12 X 1.75 X 40, Ss 4
28 41619 (000000-- ) Washer, Flat, 0.50 Ss 4
29 32486 (000000-- ) Washer, Flat, 0.50 Sae 4
30 06975 (000000-- ) Screw, Hex, M12 X 1.75 X 90, 8.8 2
31 36328 (000000-- )Washer, Belleville, .50 4
32 86318 (000000-- ) Button, Plug, 0.50h Blind, [Black Stl] 3
Home
Find...
Go To..

OPTIONS
Sentinel 331000 (6--03)
3--14
Fig. 7 -- Vario Brush Dolly Hydraulics Group
P8
T6
M11
M12 C14
C13
P2
T11
T16
G9
M13
M14
1
2
3
4
5
6
7
8
9
10
11
12
13
14
15
16
17
18
19
20
21
22
23
24
3
19
19
20
Home
Find...
Go To..

OPTIONS
3--15
Sentinel 331000 (5--10)
354170
Fig. 7 -- Vario Brush Dolly Hydraulics Group
Ref. Part No. Serial Number Description Qty.
o11005753 (000000-- )Motor, Hyd, Gear [In] 02.2 B 2250 1
Y373423 (000000-- ) Seal Kit, Motor 1
2 06971 (000000-- ) Screw, Hex, M12 X 1.75 X 50, 8.8 2
3 32486 (000000-- ) Washer, Flat, 0.50 Sae 4
4 08711 (000000-- ) Nut, Hex, Lock, M12 X 1.75,Nl 2
5761328 (000000-- )Gear 1
6 761449 (000000-- ) Washer, 0.33b 1.50d .47, Stl, C / Bore 1
7 25046 (000000-- ) Screw, Hex,.25--20X1.00, 5 1
8 32490 (000000-- ) Washer, Flat, 0.25 Std 1
9 771011 (000000--008742 ) Valve, Hyd, Sol, 12Vdc [07S06G3000] (See Breakdown) 1
91053645 (008743-- )Valve, Cntrl, Hyd, Solenoid, 12Vdc 06 Gpm (See Breakdown) 1
10 06961 (000000-- ) Screw, Hex, M10 X 1.5 X 20, 8.8 3
11 762439 (000000-- ) Fitting, Hyd, Str, Fm06/Om10 2
12 763115 (000000-- ) Tie, Cable 6.0Lg 6
o13 1008236 (000000-- ) Pump, Hyd, Gear [Ex2] 0.61 [R] 3200 1
Y1031679 (000000-- )Seal Kit, Motor, Hyd 1
14 767014 (000000-- ) Seal, O--Ring, 1
15 762432 (000000-- ) Fitting, Hyd, E90, Om06/ Fm06 1
16 762492 (000000-- ) Fitting, Hyd, E90, Om12/Fm12 1
17 771084 (000000-- ) Fitting, Hyd, Tee, Fm12/Fm12/Ff12 1
18 762463 (000000-- )Fitting, Hyd,, Str, Fm10/Om10 1
19 762433 (000000-- ) Fitting, Hyd, Str, Om06/Fm06 4
20 762426 (000000-- ) Fitting, Hyd, Str, Fm04/Om06 6
21 762438 (000000-- ) Fitting, Hyd, Str, Om06/Fm08 2
22 395973 (000000-- ) Fitting, Hyd, Str, Om04/Qm04 1
23 32492 (000000-- )Washer, Flat, 0.38 Std 3
24 762180 (000000-- ) Sheet, Rbr, Guard, Hose, 8” 2
Home
Find...
Go To..

OPTIONS
Sentinel 331000 (9--07)
3--16
Fig. 8 -- Vario Brush Pivot Group
1
2
3
45
6
7
8
9
10
11
12
13
14
15
16
17 18
1
9
20
21
22
23
24
25
26
27
28
29
30
31
32
33
41
35
36
37
9
10
11
12
12
13
14 15
16
17
18
4
4
17
17
20
20
20
21
24
25
28
29
30
33
34
36
3
36
36
8
38
39
40
34
12
41
42
42
43
44
47
45
46
47
Home
Find...
Go To..

OPTIONS
3--17
Sentinel 331000 (9--07)
354139
Fig. 8 -- Vario Brush Pivot Group
Ref. Part No. Serial Number Description Qty.
11006894 (000000-- )Cylinder, Hyd, 2.0B,15.5L,07.50Strk 1
2 1008689 (000000-- ) Plate Wldt, Cyl 1
3 83733 (000000-- ) Bushing, Flng, 1.00b 1.13d 0.38l 2
4 32492 (000000-- ) Washer, Flat, 0.38 Std 12
5 39285 (000000-- ) Screw, Hex, M10 X 1.5 X 40, 8.8 4
641430 (000000-- )Nut, Hex, Lock, M10 X 1.5, Nl 4
7 763042 (000000-- ) Washer, Belleville, M10 4
8 1010219 (000000-- ) Support Wldt 2
9 54618 (000000-- ) Bushing, Flng, 1.00b 1.13d 1.00l 4
10 55767 (000000-- ) Tube, 01.00d 00.50b 02.7l Stl Plt 2
11 1013169 (000000-- )Pin, Pivot, Main 2
12 32493 (000000-- ) Washer, Flat, 0.50 Std 4
13 1007327 (000000-- ) Spring, Extn, 1.90od X .306wir, 8.0l 4
14 1007496 (000000-- ) Bar, Hex, Stl, 0.75 3.2l M10 X 1.50 Thru 4
15 1008264 (000000-- ) Screw, Hex, M10 X 1.5 X 70, 8.8 Fl 4
16 32492 (000000-- )Washer, Flat, 0.38 Std 4
17 1008254 (000000-- ) Bolt, Eye, M10x1.50 X 30mm, 10 Eye 8
18 08714 (000000-- ) Nut, Hex, Lock, M10 X 1.5, Nl, Ss 4
19 1008235 (000000-- ) Cable, 3.96D, 109 L, M8--1.25/Plug 1
20 32491 (000000-- ) Washer, Flat, 0.31 Std 5
21 39311 (000000-- )Nut, Hex, Std, M08 X 1.25 2
22 1010306 (000000-- ) Angle, Guard 1
23 09010 (000000-- ) Screw, Hex, M8 X 1.25 X 25, Ss 2
24 1009443 (000000-- ) Bumper, Rbr, 2.0d 1.7t 0.34h 2
25 41445 (000000-- ) Screw, Soc, M 8 X 1.25 X 35, 12.9 2
26 1010217 (000000-- )Pivot Wldt, Arm 1
27 1010266 (000000-- ) Pivot Wldt, Arm 1
28 1010272 (000000-- ) Bumper 4
29 71388 (000000-- ) Screw, Soc, M 6 X 1.0 X 16, 12.9 8
30 1008156 (000000-- ) Bushing, Flng, 1.50b 1.65d .750l 2
31 1007053 (000000-- )Pin, 0.75d 05.1l 2/.16h 2/Cham Chm 1
32 06949 (000000-- ) Screw, Hex, M6 X 1.0 X 50, 8.8 1
33 1014717 (000000-- ) Pin, Pivot 2
34 1013494 (000000-- ) Nut, Hex, Sltd, M12 X 1.75 2
35 1010249 (000000-- ) Pivot Wldt 1
36 54620 (000000-- )Bushing, Flng, 1.50b 1.65d 1.00l 4
37 762427 (000000-- ) Fitting, Hyd, E90, Om04/Fm04 2
38 1012561 (000000-- ) Bar Wldt, Mtg, Hose 1
39 15678 (000000-- ) Screw, Hex, M6 X 1.0 X 16, Ss 2
40 01685 (000000-- ) Washer, Flat, 0.31 Ss 2
41 08185 (000000-- )Pin, Cotter, .125 X 1.50 2
42 08711 (000000-- ) Nut, Hex, Lock, M12 X 1.75,Nl 2
43 08708 (000000-- ) Nut, Hex, Lock, M6 X 1.0, Nl 1
44 1013847 (000000-- ) Guard Wldt 1
45 06955 (000000-- ) Screw, Hex, M8 X 1.25 X 35, 8.8 2
46 08709 (000000-- )Nut, Hex, Lock, M8 X 1.25, Nl 2
47 32490 (000000-- ) Washer, Flat, 0.25, Std 4
Home
Find...
Go To..

OPTIONS
Sentinel 331000 (6--06)
3--18
Fig. 9 -- Vario Brush Lift Group
1
2
3
4
5
6
78
9
10
11
12
13
14
15
16
17
18
19
20
21
22 23
24
25
26
27
28
29
30 1
3
3
3
3
3
3
4
4
29
31
32
33
34
35
36
37
14
14
4
13
25
17
16
25
C19
P9
C8
T16
C16
C15
C17
C18
16
42
42
39
40
38
41
42
42
Home
Find...
Go To..

OPTIONS
3--19
Sentinel 331000 (5--10)
354140
Fig. 9 -- Vario Brush Lift Group
Ref. Part No. Serial Number Description Qty.
11007123 (000000-- )Bushing, Flng, 25b 28d 25l 4
2 1006590 (000000-- ) Arm Wldt, Upper 1
3 1013513 (000000-- ) Pin, Cotter, .25 X 2.00 7
4 1006606 (000000-- ) Pin, 25.0od 175.0l 1/6.35h 2/Cham 3
5 1007327 (000000-- ) Spring, Extn, 1.90od X .306wir, 8.0l 1
625015 (000000-- )Nut, Hex, Std, .50--13 1
7 32486 (000000-- ) Washer, Flat, 0.50 Sae 2
8 32985 (000000-- ) Nut, Hex, Lock, .50--13, Nl 1
9 761225 (000000-- ) Bolt, Eye, .50--13 X 03.5 1
10 1006612 (000000-- ) Arm Wldt, Lower 1
11 1009443 (000000-- )Bumper, Rbr, 2.0d 1.7t 0.34h 2
12 41445 (000000-- ) Screw, Soc, M 8 X 1.25 X 35, 12.9 2
13 762011 (000000-- ) Cylinder, Hyd, 1.5B,11.0L,02.90Strk 2
14 1006669 (000000-- ) Pin, 15.7od 110.0l 1/6.35h 2/Cham 4
15 771086 (000000-- ) Fitting, Hyd, Orifice, 0.047 1
16 762426 (000000-- )Fitting, Hyd, Str, Fm04/Om06 8
17 762425 (000000-- ) Fitting, Hyd, E90, Fm04/Om06 4
18 1007880 (000000-- ) Support Wldt 1
19 1007854 (000000-- ) Bolt, U, 48mm Id, 6mm 2
20 08708 (000000-- ) Nut, Hex, Lock, M 6 X 1.0, Nl 4
21 32490 (000000-- )Washer, Flat, 0.25 Std 4
22 360357 (000000-- ) Spring, Die, 1.00od 0.50id 1.25l 3
23 1011254 (000000-- ) Tube, 01.00d 00.44b 00.3l Stl 3
24 06964 (000000-- ) Screw, Hex, M10 X 1.5 X 70, 8.8 3
25 32492 (000000-- ) Washer, Flat, 0.38 Std 7
26 41430 (000000-- )Nut, Hex, Lock, M10 X 1.5, Nl 3
27 771012 (000000--008742 ) Valve, Hyd, Sol, 12Vdc [07S03G3000] (See Breakdown) 1
27 1053648 (008743-- ) Valve, Cntrl, Hyd, Solenoid, 12Vdc 03Gpm (See Breakdown) 1
28 06961 (000000-- ) Screw, Hex, M10 X 1.5 X 20, 8.8 4
29 1009537 (000000-- ) Fitting, Hyd, Orifice, 0.026 2
30 1005978 (000000-- )Pivot Wldt, Head 1
31 1007123 (000000-- ) Bushing, Flng, 25b 28d 25l 2
32 07782 (000000-- ) Nut, Hex, Std, M16 X 2.0 1
33 57702 (000000-- ) Cable, .06d, 12.0l, .26eye /.26eye 1
34 761490 (000000-- ) Pin, Hair, Double 1
35 06943 (000000-- )Screw, Hex, M6 X 1.0 X 20, 8.8 1
36 763040 (000000-- ) Washer, Belleville, M06 2
37 08708 (000000-- ) Nut, Hex, Lock, M 6 X 1.0, Nl 1
38 1013272 (000000-- ) Guard, Wire, Vario Brush 1
39 16931 (000000-- ) Screw, Hex, M8 X 1.25 X 20, 8.8 2
40 07791 (000000-- )Nut, Hex, Flng, M8 X 1.25 2
41 32491 (000000-- ) Washer, Flat, 0.31 Std 2
42 1013447 (000000-- ) Tube, Rnd, 1.125d 0.63b 0.3l Stl Plt 4
Home
Find...
Go To..

OPTIONS
Sentinel 331000 (6--03)
3--20
Fig. 10 -- Vario Brush Motor Group
1
2
34
5
6
7
8
9
10
11
12
13
14
15
16
17
18
19
20
21
22
23
Home
Find...
Go To..

OPTIONS
3--21
Sentinel 331000 (9--07)
354141
Fig. 10 -- Vario Brush Motor Group
Ref. Part No. Serial Number Description Qty.
1761311 (000000-- )Bearing 1
2 761451 (000000-- ) Bracket 1
3 49145 (000000-- ) Washer, 0.76b 1.50d .06, Ss 1
4 763036 (000000-- ) Nut, Hex, Lock, M20 X 2.5, Nl 1
5 761463 (000000-- ) Bracket 1
608713 (000000-- )Nut, Hex, Lock, M 8 X 1.25, Nl, Ss 2
7 09010 (000000-- ) Screw, Hex, M8 X 1.25 X 25, Ss 2
8 1028491 (000000-- ) Cylinder, Hyd, 1.5b 07.8l 01.60strk 3000 1
9 06986 (000000-- ) Screw, Hex, M16 X 2.0 X 70, 8.8 1
10 08711 (000000-- ) Nut, Hex, Lock, M12 X 1.75,Nl 1
11 32486 (000000-- )Washer, Flat, 0.50 Sae 1
12 33342 (000000-- ) Nut, Hex, Lock, M16 X 2.0, Nl 1
13 761428 (000000-- ) Hub, Brush 1
14 01686 (000000-- ) Washer, Flat, 0.38 Ss 3
15 12317 (000000-- ) Screw, Hex, M10 X 1.5 X 30, Ss 3
o16 771072 (000000-- )Motor, Hyd, Gear, [In] 11.9 B 3000 1
Y1031670 (000000-- ) Seal Kit, Motor, Hyd, Gear 1
17 32969 (000000-- ) Washer, Flat, 1.00 Sae 1
18 08202 (000000-- ) Pin, Cotter, .125 X 1.75 1
19 06971 (000000-- ) Screw, Hex, M12 X 1.75 X 50, 8.8 4
20 32493 (000000-- )Washer, Flat, 0.50 Std 4
21 08711 (000000-- ) Nut, Hex, Lock, M12 X 1.75,Nl 4
22 762426 (000000-- ) Fitting, Hyd, Str, Fm04/Om06 2
23 762461 (000000-- ) Fitting, Hyd, E45, Fm08/Om10 2
Home
Find...
Go To..

OPTIONS
Sentinel 331000 (9--07)
3--22
Fig. 11 -- Vario Brush Cab Controls and Water Supply Group
1
2
34
5
6
7
8
9
10
11
12
13
14
15
16
18
19
20
21
22
24
23
4
4
4
4
45
6
6
6
7
77
88
9
9
9
10
10
10
23
24
17
Home
Find...
Go To..

OPTIONS
3--23
Sentinel 331000 (9--07)
354162
Fig. 11 -- Vario Brush Cab Controls and Water Supply Group
Ref. Part No. Serial Number Description Qty.
1762217 (000000-- )Valve, Water, Flow Cntrl 2
2 762236 (000000-- ) Knob, Star, 1.96d 4ear 1.30l 0.33b 2
3 63244--1 (000000-- ) Fitting, Plstc, E90, Bm08/Pm08, Pp 2
4 54333 (000000-- ) Clamp, Hose, Wormdrive, 0.31--0.88D 12
5 762219 (000000-- ) Fitting, Plstc, Tee, Bm08/Bm08/Bm08 2
6762221 (000000-- ) Nozzle, Spray, Water 8
7 762249 (000000-- ) Fitting, Brs, Str, Bm08/Pm04 4
8 41619 (000000-- ) Washer, Flat, 0.50 Ss 4
9 769777 (000000-- ) Fitting, Brass, Unijet 1/4 T 4
10 769778 (000000-- ) Fitting, Brass, Unijet Cap 8
11 763115 (000000-- )Tie, Cable 6.0 Lg 15
o12 762505 (000000-- ) Joystick, Third Brush, [Burgess] 1
Y762575 (000000-- ) Switch, Micro, Joystick 4
13 392171 (000000-- ) Switch, Rocker, 36Vdc 05A Dpdt On/Of/On 1
14 398528 (000000-- ) Switch, Rocker, 36Vdc 05A Dpdt On/Of/Mo 1
15 397889 (000000-- )Switch, Rocker, 36Vdc 05A Dpdt On/N/On 1
16 1009095 (000000-- ) Box Wldt, Cntrl R.H. 1
17 1010320 (000000-- ) Box, Cntrl L.H. 1
18 1010020 (000000-- ) Plate, Cntrl 1
19 74027 (000000-- ) Screw, Pan, M 6 X 1.0 X 12, Nl 3
20 32491 (000000-- )Washer, Flat, 0.31 Std 4
21 16735 (000000-- ) Screw, Hex, M8 X 1.25 X 16, 8.8 4
22 1011835 (000000-- ) Hose, Afmkt Replmt, Pvc, Brd 0.50id 20ft 2
23 1024020 (000000-- ) Hose, Afmkt, Pvc, Wir, 0.50id, 01ft, Clr 2
24 1011403 (000000-- )Hose, Afmkt, Pvc, Brd, 0.50id, 01ft, Clr 2
Home
Find...
Go To..

OPTIONS
Sentinel 331000 (6--03)
3--24
Fig. 12 -- Vario Brush Hydraulic Hose Group
M14
M13
G9
T16
T11
P2
C13
C14
M12
M11
T6
P9
T16
C18
C17
C16
C15 C19
C8
P8
1
2
4
5
6
7
8
9
3
9
11
10
Hydraulic
Filter
Aux. Gear
Pump
Manifold
Vario Brush
Motor
Vario Brush
Hydraulic Lift
Valve
Hydraulic
Solenoid
Valve
Hydraulic
Gear
Motor
Home
Find...
Go To..

OPTIONS
3--25
Sentinel 331000 (6--03)
354142
Fig. 12 -- Vario Brush Hydraulic Hose Group
Ref. Part No. Serial Number Description Qty.
1771047 (000000-- )Hose, Hyd,Tc 04, Ff04Str /Ff04E45 , 14.0 2
2 762377 (000000-- ) Hose, Hyd,Tc 04, Ff04Str /Ff04E90 , 55.5 2
3 1011125 (000000-- ) Hose, Hyd,Tc 04, Ff06Str /Ff04E45 , 17.0 2
4 767253 (000000-- ) Hose, Hyd,Tc 04, Ff04Str/Ff04E90, 15.0 2
5 767329 (000000-- ) Hose, Hyd,Tc 06, Ff06Str /Ff06Str , 94.0 1
6771057 (000000-- )Hose, Hyd,Tc 06, Ff06Str /Ff06E90 ,161.0 1
7 771050 (000000-- ) Hose, Hyd,Med06, Ff06Str /Ff06Str , 98.0 1
8 771085 (000000-- ) Hose, Hyd,Med10, Ff10Str /Ff12E45 , 25.0 1
9 771048 (000000-- ) Hose, Hyd,Tc 04, Ff04Str /Ff04E90 , 19.0 4
10 771051 (000000-- ) Hose, Hyd,Tc 06, Ff08Str, Ff06E90 , 82.0 2
11 1007882 (000000-- )Hose, Hyd,Suc12, Ff12Str /Ff12E90 , 94.0 1
Home
Find...
Go To..

OPTIONS
Sentinel 331000 (6--03)
3--26
Fig. 13 -- Vario Brush Harnesses Group
1
Home
Find...
Go To..

OPTIONS
3--27
Sentinel 331000 (12--03)
Fig. 13 -- Vario Brush Harnesses Group
2
3
Home
Find...
Go To..

OPTIONS
Sentinel 331000 (6--03)
3--28
Fig. 13 -- Vario Brush Harnesses Group
2
Home
Find...
Go To..

OPTIONS
3--29
Sentinel 331000 (12--03)
354163 -- 354164
Fig. 13 -- Vario Brush Harnesses Group
Ref. Part No. Serial Number Description Qty.
1767645 (000000-- )Harness, Wire, Vario Cntrl 1
2 767646 (000000-- ) Harness, Wire, Vario 1
3 1008297 (000000-- ) Ciruitboard, Diode / Timer, Vario 1
Home
Find...
Go To..

OPTIONS
Sentinel 331000 (6--03)
3--30
Fig. 14 -- High Pressure Sprayer Wand Group
1
2
3
4
5
6
7
8
9
10
11
12
13
14
15
16
17
18
19
20
21
23
24
25
26
27 28
29
30
15
14
Existing
Existing
22
31
32
33
34
35
36
31
32
34
15
8
15
Home
Find...
Go To..

OPTIONS
3--31
Sentinel 331000 (9--07)
354158
Fig. 14 -- High Pressure Sprayer Wand Group
Ref. Part No. Serial Number Description Qty.
1762272 (000000-- )Nozzle, High Pressure 1
2 762271 (000000-- ) Nozzle, Lo Pressure 1
3 762267 (000000-- ) Lance, Dual 1
4 762278 (000000-- ) Ftg--Hyd, Str 1
5 762266 (000000-- ) Handle, High Pressure Spray 1
6762270 (000000-- )Hose Assembly, Pressure Wash 1
7 762294 (000000-- ) Coupler Body, .375F Brass 1
8 762293 (000000-- ) Coupler Plug, .375M Ss 2
9 762264 (000000-- ) Valve, Unloader 1
10 762256 (000000-- ) Ftg--Hyd, E45 1
11 762265 (000000-- )Gauge, Glycerin 1
12 762292 (000000-- ) Ftg,Nipple Galv .375Npt Close 1
13 762254 (000000-- ) Ftg,90El Galv .375X.50 F Npt 1
14 762229 (000000-- ) Nipple, .50Mx.50B 2
15 54333 (000000-- ) Clamp--Wormdrive, 0.31-- 0.88D 4
16 762237 (000000-- )Hose,Vyl,Brd,0.50idNylon 1
17 87677 (000000-- ) Sleeve--Nylon #20 20.0L 1
18 763115 (000000-- ) Tie, Cable 6.0 Lg 15
763116 (000000-- ) Tie, Cable 15.25 Lg 10
19 86508 (000000-- ) Fitting, Plstc, Str, Pm08/Pm08 1
20 762212 (000000-- )Tee, .50Fx.50Fx.50F 1
21 40145 (000000-- ) Ftg,Plstc,Elb,Barb.50Pt--.75Hse 1
22 761524 (000000-- ) Clip, Finger Clip, Metal 1
23 762213 (000000-- ) Hose, Water 1
24 762291 (000000-- ) Ftg--Hyd, Str 8--8 1
25 762269 (000000-- )Filter, Inline Strainer 1
26 762290 (000000-- ) Ftg--Hyd, Str 8--8 1
27 63244--1 (000000-- ) Ftg, Plstc E90 1
28 762286 (000000-- ) Ftg--Hyd, Str 8 1
29 762284 (000000-- ) Ftg--Hyd, E90 8 1
30 762285 (000000-- ) Ftg--Hyd, E90 8 1
31 768310 (000000-- ) Plate, Tool Holder 2
32 762297 (000000-- ) Angle 4
33 760660 (000000-- ) Clip, Storage Plastic 1
34 768314 (000000-- ) Molding, Trim 7.5 Ft 1
35 760599 (000000-- )Bracket, Tool Box 1
36 760672 (000000-- ) Angle 1
Home
Find...
Go To..

OPTIONS
Sentinel 331000 (9--07)
3--32
Fig. 15 -- High Pressure Sprayer Pump Group
2
3
4
5
6
7
8
9
10
1
11
12
13
14
14
10
15
Home
Find...
Go To..

OPTIONS
3--33
Sentinel 331000 (9--07)
354159
Fig. 15 -- High Pressure Sprayer Pump Group
Ref. Part No. Serial Number Description Qty.
1762261 (000000-- )Motor, Hyd High Press Sprayer 1
2 762277 (000000-- ) Plate, Mount, Hyd Motor 1
3 762279 (000000-- ) Guard, Pump Coupling 1
4 762280 (000000-- ) Coupling, Motor Press Washer 1
5 33691 (000000-- ) Chain,Rlr, 15Pitchs 1
633692 (000000-- )Link, Rlr.Chain 1
7 40143 (000000-- ) Coupling,Chain,L.H Half,Keyed 1
o8 762260 (000000-- ) Pump, Cat 290 Press Wash (See Breakdowns) 1
Y40144--4 (000000-- ) Oil, Crankcase, Cat Pump (For 1 oil change) 1
9 38321 (000000-- ) Pump Cover 1
10 40144--6 (000000-- ) Key--5Mm 2
11 762281 (000000-- ) Ftg--Hyd, Plug 1
12 17521 (000000-- ) Ftg--Plug Npt 08Pm Sq Hd 1
13 762282 (000000-- ) Ftg--Hyd, Plug 1
14 39322 (000000-- ) Screw, Set .38 in 2
15 763148 (000000-- )Screw, Flt, .25--28 X 0.62, Al 5
Home
Find...
Go To..

OPTIONS
Sentinel 331000 (6--03)
3--34
Fig. 16 -- High Pressure Sprayer Hydraulic Hose Group
HIGH PRESSURE
SPRAYER
MOTOR
PRESSUR
E
WASH
CONTROL
VALVE
T12P9
M15
M16
DUAL GEAR PUMP/PROPEL
3
1
2
4
5
6
8
7
7
5
9
Home
Find...
Go To..

OPTIONS
3--35
Sentinel 331000 (6--03)
354153
Fig. 16 -- High Pressure Sprayer Hydraulic Hose Group
Ref. Part No. Serial Number Description Qty.
1771083 (000000-- ) Hose, Hyd 1
2 762387 (000000-- ) Hose, Hyd 2
3 79840 (000000-- ) Hose, Hyd 1
4 762435 (000000-- ) Ftg--Hyd, Tee 1
5 762433 (000000-- ) Ftg--Hyd, Str 2
6771081 (000000-- )Fitting, Hyd, Tee, Fm10/Fm10/Om10 1
7 762438 (000000-- ) Ftg--Hyd, Str 4
8 767009 (000000-- ) Valve, Hyd Cntrl Sol--Press Wash (See Breakdowns) 1
9 771082 (000000-- ) Fitting, Hyd, Str, Ff10/Fm06 1
Home
Find...
Go To..

OPTIONS
Sentinel 331000 (9--07)
3--36
Fig. 17 -- Cab Jack Kit
2
3
4
5
6
7
8
9
10
1
11
12
13
14
15
16
17
18
33
36
19
28
20
22
22
25
24
26
27
628
15
1
11
20
24
23
17
34
35
21
20
20
20
28
32
32
32
31
31
32
31
31
30
29
37
27
Home
Find...
Go To..

OPTIONS
3--37
Sentinel 331000 (9--07)
354156
Fig. 17 -- Cab Jack Kit
Ref. Part No. Serial Number Description Qty.
o9003498 (000000-- )Jack Kit, Cab, Ci 1
Y1 771059 (000000-- ) Pump, Hyd, Piston [Hand] 0.55 2800 1
Y2 1028063 (000000-- ) Cyl, Hyd, 2.0b, 19.0l, 12.0strk, 2500 1
Y3 771088 (000000-- ) Fitting, Hyd, Orifice, 0.040 1
Y4 363616 (000000-- ) Bushing, Sleeve, 0.50b 0.59d 0.95l, Fgl 1
Y51009226 (000000-- )Bracket Wldt, Tilt, Cab 1
Y6 1009227 (000000-- ) Angle 2
Y7 1007150 (000000-- ) Bracket Wldt, Tilt, Cab, Lower 1
Y8 1009099 (000000-- ) Pin, 0.50d X 80mm 1
Y9 1008571 (000000-- ) Bracket Wldt, Tilt, Pump 1
Y10 1009676 (000000-- )Plate, Fender, Lh 1
Y∇771070 (000000-- ) Hose Kit, Hyd [830--Iii Cab Tilt] 1
YY 11 771079 (000000-- ) Fitting 4--4 Flo 2
YY 12 767422 (000000-- ) Fitting, Hyd 1
YY 13 79874 (000000-- ) Fitting, Hyd 1
YY 14 762427 (000000-- )Fitting, Hyd, E90, Metric, Jf14/Jm [830] 1
YY 15 767255 (000000-- ) Hose, Hyd,Tc 04, Ff04str /Ff04e90 , 34.5 3
YY 16 1011123 (000000-- ) Fitting, Hyd, E45 FM04/FF04 1
Y17 760660 (000000-- ) Clip 2
Y18 06935 (000000-- ) Screw, Pan, M05 X 0.8 X 25, 4.8 2
Y19 06964 (000000-- )Screw, Hex, M10 X 1.5 X 70, 8.8 2
Y20 32485 (000000-- ) Washer, Flat, 0.38, Sae 14
Y21 08179 (000000-- ) Pin, Cotter, .094 X 1.00 2
Y22 32486 (000000-- ) Washer, Flat, 0.50, Sae 6
Y23 06969 (000000-- ) Screw, Hex, M12 X 1.75 X 40, 8.8 3
Y24 08711 (000000-- )Nut, Hex, Lock, M12 X 1.75,Nl 5
Y25 06968 (000000-- ) Screw, Hex, M12 X 1.75 X 35, 8.8 2
Y26 32493 (000000-- ) Washer, Flat, .50 Std 2
Y27 06963 (000000-- ) Screw, Hex, M10 X 1.5 X 60, 8.8 4
Y28 41430 (000000-- ) Nut, Hex, Lock, M10 X 1.5, Nl 6
Y29 39285 (000000-- )Screw, Hex, M10 X 1.5 X 40, 8.8 2
Y30 03192 (000000-- ) Screw, Hex, M10 X 1.5 X 30, 8.8 2
Y31 763042 (000000-- ) Washer, Flat, Belleville, M10 4
Y32 763072 (000000-- ) Washer, Flat, M10, Fendr 5
Y33 32895 (000000-- ) Screw, Hex, .50--13 X 3.50, G5 1
Y34 19066 (000000-- )Washer, Flat, #10 2
Y35 06549 (000000-- ) Nut, Hex, Lock, M5 X 0.80, Nl 2
Y36 32985 (000000-- ) Nut, Hex, Lock, .50--13, Nl 1
Y37 1009154 (000000-- ) Label, Instr, Tilt, Cab 1
Home
Find...
Go To..

OPTIONS
Sentinel 331000 (9--07)
3--38
Fig. 18 -- Left Hand Operator Group
1
4
3
8
7
9
6
5
11
2
14
12
13
10
15
Home
Find...
Go To..

OPTIONS
3--39
Sentinel 331000 (9--07)
352513
Fig. 18 -- Left Hand Operator Group
Ref. Part No. Serial Number Description Qty.
175428 (000000-- )Plugbtn .75H .03--.12 Blacknyl 1
2 768472 (000000-- ) Plugbtn, 0.375H, .172, Blk 3
3 761867 (000000-- ) Motor, Ele, Wiper, 12vdc Deg 1
4 768423 (000000-- ) Bracket, Throttle, Lh 1
5 768445 (000000-- ) Plate, Switch Blank 1
6768469 (000000-- )Panel, Console Upper L.H. 1
7 768477 (000000-- ) Cover, Floor Plate 1
8 768476 (000000-- ) Cover, Steering Column 1
9 1012145 (000000-- ) Panel, Console, Steering, Lh 1
10 768496 (000000-- ) Bracket, Steering Column, Lh 1
11 1012158 (000000-- )Label Set, Cab, Lh 1
12 72970 (000000-- ) Rivet, Plstc, .250d X 0.898 4
13 761885 (000000-- ) Blade, Wiper 1
14 768497 (000000-- ) Insert, M8 X 1.25 4
15 769615 (000000-- ) Arm, Wiper, Panel, 28.0 1
56992 (000000-- )Button, Plug, 0.50h .03--.12 [Black Nyl] 1
57167 (000000-- ) Button, Plug, 0.62h .03--.12 [Black Nyl] 1
Home
Find...
Go To..

OPTIONS
Sentinel 331000 (9--07)
3--40
Fig. 19 -- Hydraulic Hose Group, Left Hand Steering
B1
B2
P2
P1
T
L
R
Front Axle
Rear Axle
1
3
2
Manifold
Steering
Valve
Brake
Valve
Home
Find...
Go To..

OPTIONS
3--41
Sentinel 331000 (3--05)
354122
Fig. 19 -- Hydraulic Hose Group, Left Hand Steering
Ref. Part No. Serial Number Description Qty.
19000735 (000000-- )Hose, Hyd,Tc 04, Ff04e90 /Jf04e45 ,204.0 1
2 762387 (000000-- ) Hose, Hyd,Tc 06, Ff06str /Ff06e90 , 64.0 1
3 9000736 (000000-- ) Hose, Hyd,Tc 06, Ff06str /Ff06e90 ,190.0 1
Home
Find...
Go To..

OPTIONS
Sentinel 331000 (9--08)
3--42
Fig. 20 -- Cab Air Conditioner Heater Group
2
3
4
5
6
7
9
10
1
11
12
13
14
15
16 17
18
19
20
21
22
23
24
25
26
27
28
29
22
22
22
19 11
22
13
30
31
32
33 34
35
37
36
8
15
Home
Find...
Go To..

OPTIONS
3--43
Sentinel 331000 (11--09)
354155
Fig. 20 -- Cab Air Conditioner Heater Group
Ref. Part No. Serial Number Description Qty.
1768416 (000000-- )Coil, Condenser 1
2 761963 (000000-- ) Hinge 2
3 769021 (000000-- ) Dryer,Air--Cond 1
4 769029 (000000-- ) Clamp, Receiver, Dryer 1
5 769030 (000000-- ) Bracket, Receiver, Dryer 1
6769042 (000000-- )Switch, Pressure 1
o7 769020 (000000-- ) Compressor,Air--Cond 1
Y388532 (000000-- ) Pulley 1
8 39663 (000000-- ) Screw, Hex, .44--20 X 1.00, 5 4
9 1046712 (000000-- ) Belt, V, 40.30L [AX] 1
10 767522 (000000-- ) Hose,Ac 1
11 761961 (000000-- ) Seal, Oring 2
12 767523 (000000-- ) Hose,Ac 1
13 761960 (000000-- ) Seal, Oring 2
14 767521 (000000-- ) Hose,Ac 1
15 761962 (000000-- )Seal, Oring 2
16 761959 (000000-- ) Seal, Oring 1
17 769023 (000000-- ) Coil, Air--Cond, Heater 1
18 769039 (000000-- ) Bracket, Coil 1
19 769040 (000000-- ) Seal, Weatherstrip 2
20 761950 (000000-- )Valve, Water 1
21 769038 (000000-- ) Hose, Heater 1
22 63810 (000000-- ) Clamp, Wormdrive 6
23 769046 (000000-- ) Hose, Heater 2
24 761946 (000000-- ) Cable, Push--Pull 1
25 761927 (000000-- )Cable, Rotary Control 1
26 764212 (000000-- ) Switch, Cold Control 1
27 761924 (000000-- ) Switch, Fan, 3--Speed 1
28 761926 (000000-- ) Knob, Switch 3
29 222290 (000000-- ) Diode, Electric Plug 1
30 82661 (000000-- )Isolator 3
31 763096 (000000-- ) Bolt, M10x130 2
32 08166 (000000-- ) Nut, Hex, Stover, M10 X 1.5 2
33 761965 (000000-- ) Valve, Thermal Expansion 1
34 41346 (000000-- ) Screw, Hex 2
35 763043 (000000-- )Washer, Bellville 2
36 769593 (000000-- ) Pulley, Belt, V 2
37 1008326 (004642-- ) Bracket Wldt, Compressor 1
Home
Find...
Go To..
Control, Cable, Rotary

OPTIONS
Sentinel 331000 (6--06)
3--44
Fig. 21 -- Vacuum Wand Group
9
2
3
14
5
7
15
4
9
10
8
1
6
12
24
26
16
17
12
13
11
20
21
23
26
24
27
22
25
19
18
24
23
23
22
15
23
13
Home
Find...
Go To..

OPTIONS
3--45
Sentinel 331000 (3--05)
354157
Fig. 21 -- Vacuum Wand Group
NOTE: Vacuum Wand kit, TENNANT Part Number 770173 includes Fig. 21, and Fig. 22.
Ref. Part No. Serial Number Description Qty.
1760591 (000000-- )Bracket, Sppt, Hose, Vacuum 2
2 770682 (000000-- ) Tube, Adaptor, Wand 1
3 770696 (000000-- ) Nozzle, Rubber, Vac Wand 1
4 765650 (000000-- ) Wand, Vacuum, Extended 1
5 763075 (000000-- ) Rivet, Blind, .156d X 0.71 X .31d 4
649891 (000000-- )Clamp, Hose, Wormdrive, 5.56--6.50d, .56w 2
7 770155 (000000-- ) Boom Wldt, Vacuum Wand 1
8 768717 (000000-- ) Retainer 1
9 763212 (000000-- ) Clamp 2
10 761233 (000000-- ) Chain, Snap 1
11 760991 (000000-- )Tube Wldt, Sppt, Rear 1
12 57702 (000000-- ) Cable, .06d, 12.0l, .26eye /.26eye 2
13 760507 (000000-- ) Support, Hose, Vacuum 2
14 760509 (000000-- ) Hose 1
15 760640 (000000-- ) Strip, Nylon, 0.38 01.5w 11.8b 2/.2h 2
16 760649 (000000-- )Strap, Wand, Vacuum 2
17 761490 (000000-- ) Pin, Hair, Dbl 1
18 763045 (000000-- ) Screw, Hex, M8 X 1.25 X 20, Fmg 1
19 763041 (000000-- ) Washer, Belleville, M08 1
20 32815 (000000-- ) Tie, Cable, Nyl, 28.3l .50w 8.0 Max D 1
21 763114 (000000-- )Tie, Cable, 11.3l, 2.75d Max 2
22 06943 (000000-- ) Screw, Hex, M6 X 1.0 X 20, 8.8 3
23 32490 (000000-- ) Washer, Flat, 0.25 Std 10
24 08708 (000000-- ) Nut, Hex, Lock, M6 X 1.0, Nl 4
25 68567 (000000-- ) Rivet, Blind, .188d X 0.53 X .62d, Alm 5
26 09010 (000000-- ) Screw, Hex, M8 X 1.25 X 25, Ss 6
27 19066 (000000-- ) Washer, Flat, #10 1
Home
Find...
Go To..

OPTIONS
Sentinel 331000 (9--07)
3--46
Fig. 22 -- Vacuum Wand Door Group
2
3
4
5
6
17
7
8
9
10
27
6
15
5
9
25
11
12 26
13
20
15
20
15 17
17
16
13
12
15
16
14
623
22
16 18
19
15
24
12
19
21
16
19
18
15
15
15
15
16
13
12
14
17
24
12
6
17
1
16
17
16 16
Home
Find...
Go To..

OPTIONS
3--47
Sentinel 331000 (9--07)
354314
Fig. 22 -- Vacuum Wand Door Group
NOTE: Vacuum Wand kit, TENNANT Part Number 770173 includes Fig. 21, and Fig. 22.
Ref. Part No. Serial Number Description Qty.
1760726 (000000--007136 )Door, Weldt Vacuum Door 1
2 1033993 (007137-- ) Door Wldt, Vacuum Wand 1
3 1014045 (000000-- ) Bracket, Mtg, Hinge, Rh 1
4 1014044 (000000-- ) Bracket, Mtg, Hinge, Lh 1
5 1013454 (000000-- ) Hinge, .31pin .15, Offset, 3.5l 4/0.34h 2
6364614 (000000-- )Bumper, Rubber Recessed 4
7 03292B (000000-- ) Grip, Handle--Rnd .72Id X 5.0L 1
8 760653 (000000-- ) Tube, Vac Wand Door 1
9 760660 (000000-- ) Clip,Finger Grip 2
10 760661 (000000-- ) Bracket,Clip Mount 1
11 06942 (000000-- )Screw, Hex, M6 X 1.0 X 16, 8.8 1
12 32483 (000000-- ) Washer, Flat, 0.25 Sae 5
13 08708 (000000-- ) Nut, Hex, Lock, M6 X 1.0, Nl 3
14 1007738 (000000-- ) Bracket 2
15 32490 (000000-- ) Washer, Flat, 0.25 Std 20
16 08709 (000000-- )Nut, Hex, Lock, M8 X 1.25, Nl 16
17 39277 (000000-- ) Screw, Hex, M8 X 1.25 X 25, 8.8 12
18 763127 (000000-- ) Rivet, Blind, .188d X 0.69 X .62d 2
19 19065 (000000-- ) Washer, Flat, #08 4
20 16931 (000000-- ) Screw, Hex, M8 X 1.25 X 20, 8.8 4
21 06928 (000000-- )Screw, Pan, M4 X 0.7 X 20, 4.8 2
22 32978 (000000-- ) Washer, Lock, Int, #08 2
23 02850 (000000-- ) Nut, Hex, Lock, M4 X 0.7, Nl 2
24 06943 (000000-- ) Screw, Hex, M6 X 1.0 X 20, 8.8 2
25 06935 (000000-- ) Screw, Pan, M5 X 0.8 X 25, 4.8 2
26 06549 (000000-- )Nut, Hex, Lock, M5 X 0.8, Nl 2
27 1010413 (000000-- ) Switch 1
Home
Find...
Go To..

OPTIONS
Sentinel 331000 (6--03)
3--48
Fig. 23 -- Vacuum Wand Extension Group
1
1
2
3
Home
Find...
Go To..

OPTIONS
3--49
Sentinel 331000 (6--03)
351964
Fig. 23 -- Vacuum Wand Extension Group
Ref. Part No. Serial Number Description Qty.
1763212 (000000-- )Clamp, 6” Dia Bridge R.S. 2
2 760509 (000000-- ) Hose, 6” Dia x 150 R.S. 1
3 760665 (000000-- ) Tube, Coupler Vac Wand 1
Home
Find...
Go To..

OPTIONS
Sentinel 331000 (6--03)
3--50
Fig. 24 -- Hopper Cleanout Tool Kit
1
2
3
4
5
5
08705
Ref. Part No. Serial Number Description Qty.
o760078 (000000-- )Hopper Cleanout Kit 1
Yo79518 (000000-- ) Sludge Removal Tool Assy. 1
YY 1 03292B (000000-- ) Grip, Handle--Rnd .72Id X 5.0L 1
YY 2 79517 (000000-- ) Handle Weldt.,Sludge Removal 1
YY 3 79515 (000000-- ) Skirt.,25T3.0W11.0L 4/.31Hcomc 1
YY 479508--1 (000000-- )Strip,.11T2.5W10.0L 4/.31Hcomc 1
Y5 760660 (000000-- ) Clip,Finger Grip 2
Home
Find...
Go To..

OPTIONS
3--51
Sentinel 331000 (6--03)
Fig. 25 -- Foam Filled Tire Group
1
09208
Ref. Part No. Serial Number Description Qty.
1760105 (000000-- )Tire Assy, Foam Filled, (Bias Ply) 1
1 761795 (000000-- ) Tire Assy, Foam Filled, (Radial) 1
Home
Find...
Go To..

OPTIONS
Sentinel 331000 (6--03)
3--52
Fig. 26 -- Protectoseal Fuel Cap Group
1
09209
Ref. Part No. Serial Number Description Qty.
102506--6 (000000-- )Cap, Fuel, Protectoseal 1
Home
Find...
Go To..

OPTIONS
3--53
Sentinel 331000 (6--03)
Fig. 27 -- Rear Rubber Bumper Kit
1
1
351971
Ref. Part No. Serial Number Description Qty.
o760073 (000000-- )Rear Rubber Bumper Kit 1
Y1 770504 (000000-- ) Bumper, Rear Rubber 2
Home
Find...
Go To..

OPTIONS
Sentinel 331000 (6--03)
3--54
Fig. 28 -- Fire Extinguisher Group
1
07516
Ref. Part No. Serial Number Description Qty.
125312 (000000-- )Extinguisher, Fire 1
Home
Find...
Go To..

OPTIONS
3--55
Sentinel 331000 (6--03)
Fig. 29 -- Filter Bag Lift Kit
1
1
10953
Ref. Part No. Serial Number Description Qty.
o761501 (000000-- )Lift Kit, Filter Bag 1
Y1 761791 (000000-- ) Angle, Weld’t, Filterbag Lift 2
Home
Find...
Go To..

OPTIONS
Sentinel 331000 (6--06)
3--56
Fig. 30 -- Hydrant Wash Down Group
1
2
3
4
4
3
5
351223
Ref. Part No. Serial Number Description Qty.
1760672 (000000-- )Angle 1
2 762253 (000000-- ) Hose Assy 1
3 768310 (000000-- ) Plate, Tool Holder 2
4 762297 (000000-- ) Angle 4
5768318 (000000-- )Wrench, Hydrant 1
Home
Find...
Go To..

OPTIONS
3--57
Sentinel 331000 (6--06)
Fig. 31 -- Hydrant Hose Group
1
2
4
7
3
1
5
6
6
7
8
9
09207
Ref. Part No. Serial Number Description Qty.
1762207 (000000-- )Clamp, 1.25--2.12 Dia Power Gear 2
2 762201 (000000-- ) Coupling, Tank Fill Hose 1
3 762210 (000000-- ) Hose,Water Fill 1
4 768322 (000000-- ) Adaptor, Cam Coupler 1
5 760672 (000000-- ) Angle 1
6768310 (000000-- )Plate, Tool Holder 2
7 762297 (000000-- ) Angle 4
8 768325 (000000-- ) Washer, Flat, 0.81b 2.00d .15, Ss 1
9 768318 (000000-- ) Wrench, Hydrant 1
Home
Find...
Go To..

OPTIONS
Sentinel 331000 (6--03)
3--58
Fig. 32 -- Engine Access Step Kit
1
2
3
351990
Ref. Part No. Serial Number Description Qty.
o760143 (000000-- )Engine Access Step Kit 1
Y1 32822 (000000-- ) Handle, Grab 1
Y2 761525 (000000-- ) Step, Large Folding 1
Y3 761526 (000000-- ) Sitrip, Large Step 1
Home
Find...
Go To..

OPTIONS
3--59
Sentinel 331000 (6--03)
Fig. 33 -- Light Kit, Night
2
3
3
1
1
2
2
3
1
352008
Ref. Part No. Serial Number Description Qty.
o765293 (000000-- )Light Kit, Halogen Night 1
Yo1 768555 (000000-- ) Light, Halogen Flood 3
YY 768606 (000000-- ) Lamp, Flood, Halogen 3
Y2 762572 (000000-- ) Bracket, Light, Night Sweeping 3
Y3 10632--11 (000000-- ) Grommet,Rbr,0.38Id,For .19Matl 3
Y768612 (000000-- )Switch Kit, Spst 2
Y762515 (000000-- ) Fuse, 20Amp 1
Home
Find...
Go To..

OPTIONS
Sentinel 331000 (3--05)
3--60
Fig. 34 -- Light Kit, Revolving
2
1
1
2
3
3
4
4
5
5
6
Home
Find...
Go To..

OPTIONS
3--61
Sentinel 331000 (3--05)
354081
Fig. 34 -- Light Kit, Revolving
Ref. Part No. Serial Number Description Qty.
o770168 (000000-- )Light Kit, Revl, Amb, Ci [Sentinel] 1
Yo1 768598 (000000-- ) Light, Revl, Halogen, Amb 2
YY 367946 (000000-- ) Lens, Amb, Light, Revl 1
YY 768605 (000000-- ) Lamp, 12vdc, 55watt, Halogen, [H1] 1
Y2 768604 (000000-- ) Guard, Light, Rotating 2
Y361866 (000000-- )Grommet, Rbr, 0.38id, F/ 1.4h, .09matl 2
Y4 55845 (000000-- ) Screw, Hex, M5 X 0.8 X 16, Fmg 6
Y5 12459 (000000-- ) Screw, Hex, M6 X 1.0 X 20, Fmg 6
Y6 762522 (000000-- ) Switch, Rocker, 28vdc 15a Spst On/Of 1
Home
Find...
Go To..

OPTIONS
Sentinel 331000 (6--06)
3--62
Fig. 35 -- Light Kit, Strobe
2
1
1
2
3
3
4
4
4
4
6
97, 8
5
7, 8
5
Home
Find...
Go To..

OPTIONS
3--63
Sentinel 331000 (9--07)
354082
Fig. 35 -- Light Kit, Strobe
Ref. Part No. Serial Number Description Qty.
o770169 (000000-- )Light Kit, Strobe, Amb, Ci [Sentinel] 1
Y1 396440 (000000-- ) Light, Strobe, Amb [Whelen 2022] 1
Y2 768604 (000000-- ) Guard, Light, Rotating 1
Y3 61866 (000000-- ) Grommet, Rbr, 0.38id, F/ 1.4h, .09matl 1
Y4 12459 (000000-- ) Screw, Hex, M6 X 1.0 X 20, Fmg 6
Y508708 (000000-- )Nut, Hex, Lock, M6 X 1.0, Nl 3
Y6 762522 (000000-- ) Switch, Rocker, 28vdc 15a Spst On/Of 1
Y7 45223 (000000-- ) Terminal, Qdc, [.25m, Insf,14] 1
Y8 45224 (000000-- ) Terminal, Qdc, [.25f, Insf,14] 1
Y9768810 (000000-- )Label Set, Switches 1
Home
Find...
Go To..

OPTIONS
Sentinel 331000 (6--06)
3--64
Fig. 36 -- Light Kit, Arrow Stick, Without Revolving Light
2
1
3
6
5
7
5
5
6
1
3
6
6
6
6
6
6
6
5
55
4
7
7
7
4
Home
Find...
Go To..

OPTIONS
3--65
Sentinel 331000 (6--06)
354396
Fig. 36 -- Light Kit, Arrow Stick, Without Revolving Light
Ref. Part No. Serial Number Description Qty.
o770171 (000000-- )Light Kit, Arrow, Ci, W/O Revl Light 1
Yo1 768504 (000000-- ) Light, Arrow Stick, 8 Lamp [Whelen] 1
YY 1021902 (000000-- ) Lamp, Halogen, 12vdc 1
Y2 768505 (000000-- ) Cable Assy, Arrow Stick 1
Y762515 (000000-- ) Fuse, 20 Amp 1
Y3770500 (000000-- )Plate, Mtg 2
Y4 10632--2 (000000-- ) Grommet, Rbr, 0.62id, F/ 0.9h, .12matl 2
Y5 06944 (000000-- ) Screw, Hex, M6 X 1.0 X 25, 8.8 8
Y6 19066 (000000-- ) Washer, Flat, #10 16
Y708708 (000000-- )Nut, Hex, Lock, M6 X 1.0, Nl 8
Home
Find...
Go To..

OPTIONS
Sentinel 331000 (6--06)
3--66
Fig. 37 -- Light Kit, Arrow Stick, With Revolving Light
2
1
3
4
7
6
8
6
5
7
1
4
7
7
7
7
7
7
7
7
7
6
6
66
8
8
6
8
5
5
Home
Find...
Go To..

OPTIONS
3--67
Sentinel 331000 (6--06)
354388
Fig. 37 -- Light Kit, Arrow Stick, With Revolving Light
Ref. Part No. Serial Number Description Qty.
o770170 (000000-- )Light Kit, Arrow, Ci, W/ Revl Light 1
Yo1 768504 (000000-- ) Light, Arrow Stick, 8 Lamp [Whelen] 1
YY 1021902 (000000-- ) Lamp, Halogen, 12vdc 1
Y2 768505 (000000-- ) Cable Assy, Arrow Stick 1
Y762515 (000000-- ) Fuse, 20 Amp 1
Y3769300 (000000-- )Bracket, Mtg, Strobe, Rh 1
Y4 770500 (000000-- ) Plate, Mtg 2
Y5 10632--2 (000000-- ) Grommet, Rbr, 0.62id, F/ 0.9h, .12matl 3
Y6 06944 (000000-- ) Screw, Hex, M6 X 1.0 X 25, 8.8 11
Y7 19066 (000000-- ) Washer, Flat, #10 22
Y808708 (000000-- )Nut, Hex, Lock, M6 X 1.0, Nl 11
Home
Find...
Go To..

OPTIONS
Sentinel 331000 (6--06)
3--68
Fig. 38 -- Passenger Seat Kit
1
4
5
6
2
3
10
11
7
7
9
10
8
9
10
10
11
Home
Find...
Go To..

OPTIONS
3--69
Sentinel 331000 (11--09)
Fig. 38 -- Passenger Seat Kit
Ref. Part No. Serial Number Description Qty.
o9002029 (000000-- )Seat Kit, Passenger, Ci 1
Y1 1057149 (000000-- ) Seat, Std 1
Y2 76955 (000000-- ) Screw, Hex, .31--18 X 1.00, 5 4
Y3 32490 (000000-- ) Washer, Flat, 0.25 Std 4
Y4 768448 (000000-- ) Support Wldt, Seat, Passenger 1
Y516931 (000000-- )Screw, Hex, M8 X 1.25 X 20, 8.8 4
Y6 763041 (000000-- ) Washer, Belleville, M08 4
Yo9001924 (000000-- ) Seatbelt Kit, Lh, Ci 1
YY 7 1028186 (000000-- ) Seatbelt, Lh 1
YY 8 1028112 (000000-- ) Bracket, Seatbelt, Lh 1
YY 916931 (000000-- )Screw, Hex, M8 X 1.25 X 20, 8.8 2
YY 10 32490 (000000-- ) Washer, Flat, 0.25 Std 4
YY 11 08709 (000000-- ) Nut, Hex, Lock, M8 X 1.25, Nl 2
Home
Find...
Go To..

OPTIONS
Sentinel 331000 (9--07)
3--70
Fig. 39 -- Radio Kit
1
2
3
1
1
45
8
1
6
7
Home
Find...
Go To..

OPTIONS
3--71
Sentinel 331000 (9--07)
353284
Fig. 39 -- Radio Kit
Ref. Part No. Serial Number Description Qty.
o765292 (000000-- )Radio Kit, Ci [W/ Cd Player] 1
Y1 768486 (000000--007340 ) Radio Kit, Replmt 1
Y1 1039495 (007341-- ) Radio [Am/Fm/Cd/Weather Band] 1
Y2 768435 (000000-- ) Bracket, Mtg, Radio 4
Y3 06942 (000000-- ) Screw, Hex M06x1.0x16 4
Y408708 (000000-- )Nut, Hex, Lock, M06x1.0 4
Y5 19066 (000000-- ) Washer, Flt 1
Y6 768438 (000000-- ) Bracket, Antenna 2
Y7 12459 (000000-- ) Screw, Hex M06x1.0x20 1
Y8 10632--11 (000000-- ) Grommet 1
Y25831 (000000-- )Connector 3
Y78951 (000000-- ) Terminal, Metripk280, Fem 16 3
Y10917 (000000-- ) Seal 1
Y78954 (000000-- ) Connector, Wire Lock 4
Y49247 (000000-- ) Terminal 1
Y762513 (000000-- )Fuse 1
Home
Find...
Go To..

OPTIONS
Sentinel 331000 (9--07)
3--72
Fig. 40 -- Auto--Lube System Group
6
24
2, 7
3
4
1
5
12
8
9
10
11
13, 14, 15, 16, 17
18
19, 20
21, 22
23
25
Home
Find...
Go To..

OPTIONS
3--73
Sentinel 331000 (9--07)
353677
Fig. 40 -- Auto--Lube System Group
Ref. Part No. Serial Number Description Qty.
1761741 (000000-- )Fitting, Plug 1
2 761742 (000000-- ) Fitting, Elbow 1
3 761744 (000000-- ) Pump, Assy Lubrication 1
770035 (000000-- ) Reservoir, Grease, 10lbs 1
4 761748 (000000-- ) Fitting, Brass, Tee 1
5761752 (000000-- )Fitting, Pipe, Str 02pm--.25--28sae 1
6 761753 (000000-- ) Fitting, E90 Snap 1
7 761754 (000000-- ) Fitting, Brass, E90 02pm--03com 1
8 761755 (000000-- ) Fitting, Brass, Str 02pm--03com 1
9 761756 (000000-- ) Fitting, Brass, Str 03com--.25--28sae 1
10 761757 (000000-- )Fitting, Brass, E90 02pm--.25--28sae 1
11 761758 (000000-- ) Fitting, Pipe, Str 02pm--02pf 1
12 761759 (000000-- ) Tube, Plstc 5/16 Od 1
13 761761 (000000-- ) Valve, Metering #0 1
14 761762 (000000-- ) Valve, Metering #1 1
15 761763 (000000-- )Valve, Metering #2 1
16 761781 (000000-- ) Valve, Metering #3 1
17 761782 (000000-- ) Valve, Metering #8 1
18 761783 (000000-- ) Sleeve, Brass 05com 1
19 761784 (000000-- ) Nut, Brass 03com 1
20 761785 (000000-- )Nut, Brass 05com 1
21 761786 (000000-- ) Sleeve, Ferrule .188 Dia 1
22 761787 (000000-- ) Sleeve, Ferrule .312 1
23 761790 (000000-- ) Tube, Plstc, W/Grease .188 Od X 15 Ft 1
24 761595 (000000-- ) Fitting, Qf 1
25 312960 (000000-- )Clamp [Grease Jockey] 1
761743 (000000-- ) Fitting, Stud 1
761788 (000000-- ) Timer 1
761745 (000000-- ) Cable, Power 1
761746 (000000-- ) Plug, Outlet 1
761747 (000000-- )Fitting, Plug 1
761749 (000000-- ) Fitting, Str 1
761750 (000000-- ) Fitting, Str, Nipple Npt 1
761751 (000000-- ) Fitting, Brass, E90 1
761789 (000000-- ) Valve, Relief 1
770646 (000000-- )’Fitting, Tube, Union 1
770149 (000000-- ) Label, Blank, 08.5 X 11.0 Clr Poly 1
769090 (000000-- ) Grease, Gen Purpose, Ep 35lbs 5 Gal. pail 1
Home
Find...
Go To..

OPTIONS
Sentinel 331000 (9--07)
3--74
Fig. 41 -- Auto--Lube Pump Kit
2
3
1
4
5
2
3
354587
Ref. Part No. Serial Number Description Qty.
o9003286 (000000-- )Pump Kit, Auto--Lube, Refill, Ci 1
Y1 1035958 (000000-- ) Pump, Refill, Auto--Lube 1
Y2 762249 (000000-- ) Fitting, Brs, Str, Bm08/Pm04 2
Y3 54333 (000000-- ) Clamp, Hose, Wormdrive, 0.31--0.88d, .31w 2
Y4 761595 (000000-- ) Fitting, Qf 1
Y5382745 (000000-- )Hose, Pvc, Brd, 0.50id 0.73od 060.0l,Clr 1
Home
Find...
Go To..

OPTIONS
3--75
Sentinel 331000 (6--03)
Fig. 42 -- Side Brush Spring Kit
1
2
3
4
5
6
353152
Ref. Part No. Serial Number Description Qty.
o760107 (000000-- )Spring Kit, Side Brush 1
Y1 06969 (000000-- ) Screw Hex M12X1.75X40 1
Y2 08711 (000000-- ) Nut HxLocNyln M12X1.75 1
Y3 32486 (000000-- ) Washer Flt .50 SAE 2
Y4 32985 (000000-- ) Nut HxLocNyln .50--13 Std. 1
Y5761225 (000000-- )Eyebolt, .50--13X3.5” 1
Y6 761235 (000000-- ) Spring, Tension 30X5.5X149 1
Home
Find...
Go To..

OPTIONS
Sentinel 331000 (6--03)
3--76
Fig. 43 -- Side Brush Linkage Kit
1
2
3
4
5
4
4
2
4
2
5
1
4
2
3
43
3
353883
Ref. Part No. Serial Number Description Qty.
o767642 (000000-- )Kit, Ci, Linkage, Brush, Side 1
Y1 768834 (000000-- ) Channel Wldt, Lower Support 1
Y2 767641 (000000-- ) Bushing, Flng, 0.63b 0.82d 0.75l, Bnz 1
Y3 768836 (000000-- ) Bar Wldt, Brush Support 1
Y4 768842 (000000-- ) Tube, 00.62d 00.47b 00.8l Stl 1
Y5767644 (000000-- )Shaft, Side Brush 1
Home
Find...
Go To..

OPTIONS
3--77
Sentinel 331000 (3--05)
Fig. 44 -- Side Brush Fourth Bar Linkage Kit
1
2
34
5
4
2
3
7
6
5
7
353884
Ref. Part No. Serial Number Description Qty.
o769590 (000000-- )Kit, Ci, Linkage, Brush, Side 1
Y1 768836 (000000-- ) Bar Wldt, Brush Support 2
Y2 767641 (000000-- ) Bushing, Flng, 0.63b 0.82d 0.75l, Bnz 2
Y3 769589 (000000-- ) Spacer 2
Y4 32486 (000000-- ) Washer, Flat, .50 Sae 2
Y506973 (000000-- )Screw, Hex, M12 X 1.75 X 70, 8.8 2
Y6 08167 (000000-- ) Nut, Hex, Stover, M12 X 1.75 2
Y7 768842 (000000-- ) Tube, 00.62d 00.47b 00.8l Stl 2
Home
Find...
Go To..

OPTIONS
Sentinel 331000 (11--09)
3--78
Fig. 45 -- Documentation Group
Ref. Part No. Serial Number Description Qty.
331000 (000000-- )Manual Pkg Sentinel 1
331002 (000000-- ) Manual Op/Mt Sentinel Spanish 1
331003 (000000-- ) Manual Op/Mt Sentinel French 1
331019 (000000-- ) Manual, Service Info [Sentinel] 1
1041886 (000000-- ) Video, Oprtr, Training, Dvd [Sentinel] 1
331005 (000000-- )Manual, Cd--rom, Service, [Sentinel Dsl] 1
372614 (000000--008499 ) Manual, Service [Caterpillar 3054C] 1
9006205 (008500-- ) Manual, Service, Eng [Cat C4.4] 1
Home
Find...
Go To..

BREAKDOWNS
4--1
Sentinel 331000 (5--10)
SECTION 4
Contents Page
Fig. 1 -- Hydraulic Piston Pump
Breakdown, 767200 4--2...............
Fig. 2 -- Hydraulic Piston Motor
Breakdown, 762136 4--6...............
Fig. 3 -- Hydraulic Motor Breakdown, 762035 4--8..
Fig. 4 -- Hydraulic Motor Breakdown, 762032 4--9..
Fig. 5 -- Axle And Spindle Breakdown, Front 4--10.
Fig. 6 -- Axle Wheel Hub and Brake
Breakdown, Front 4--12................
Fig. 7 -- Axle Differential Breakdown, Front 4--14..
Fig. 8 -- Axle Input Breakdown, Front 4--16.......
Fig. 9 -- Axle CV Joint Breakdown, Front 4--18....
Fig. 10 -- Axle And Spindle Breakdown, Rear 4--20..
Fig. 11 -- Axle Wheel Hub and Brake
Breakdown, Rear 4--22.................
Fig. 12 -- Cat Pump Breakdown, 762260 4--24......
Fig. 13 -- Hydraulic Solenoid Valve
Breakdown, 768899 4--26..............
Fig. 14 -- Hydraulic Solenoid Valve
Breakdown, 768899
(For High Dump Hopper Lift Option) 4--28.
Fig. 15 -- Hydraulic Solenoid Valve
Breakdown, 767009 4--30..............
Fig. 16 -- Hydraulic Steering Valve
Breakdown, 771014 4--32..............
Fig. 17 -- Hydraulic Solenoid Valve
Breakdown, 771010 4--34..............
Fig. 18 -- Hydraulic Solenoid Valve
Breakdown, 771010
(For Left Hand Side Brush Option) 4--36..
Fig. 19 -- Hydraulic Solenoid Valve
Breakdown, 771019 4--38..............
Fig. 20 -- Hydraulic Solenoid Valve
Breakdown, 771011 4--40...............
Fig. 21 -- Hydraulic Solenoid Valve
Breakdown, 771012 4--42..............
Fig. 22 -- Hydraulic Solenoid Valve
Breakdown, 1053642 4--44.............
Fig. 23 -- Hydraulic Solenoid Valve
Breakdown, 1053642
(For High Dump Hopper Lift Option) 4--46.
Fig. 24 -- Hydraulic Solenoid Valve
Breakdown, 1053650 4--48.............
Fig. 25 -- Hydraulic Solenoid Valve
Breakdown, 1048792 4--50.............
Fig. 26 -- Hydraulic Solenoid Valve
Breakdown, 1048792
(For Left Hand Side Brush Option) 4--52..
Fig. 27 -- Hydraulic Solenoid Valve
Breakdown, 1053645 4--54.............
Fig. 28 -- Hydraulic Solenoid Valve
Breakdown, 1053648 4--56.............
Home
Find...
Go To..

BREAKDOWNS
Sentinel 331000 (5--10)
4--2
Fig. 1 -- Hydraulic Piston Pump Breakdown, 767200
1
15
20
8
7
2
19
11
12
3
5
23
9
20
20
20
20
20
20
20
20
20
20 20
20
20
18
16
13
10
14
10
6
17
4
4
39
Home
Find...
Go To..

BREAKDOWNS
4--3
Sentinel 331000 (5--10)
Fig. 1 -- Hydraulic Piston Pump Breakdown, 767200
26
24
25
20
28
20
20
27
20
21
25
22 23
29
18
Home
Find...
Go To..

BREAKDOWNS
Sentinel 331000 (5--10)
4--4
Fig. 1 -- Hydraulic Piston Pump Breakdown, 767200
20
20
34
33
20
20
20
20
32
31
36
20
20
20
35
37
38
30
34
18
Home
Find...
Go To..

BREAKDOWNS
4--5
Sentinel 331000 (6--06)
Fig. 1 -- Hydraulic Piston Pump Breakdown, 767200
Ref. Part No. Serial Number Description Qty.
o767200 (000000-- )Pump, Piston, Rexroth 1
Y1 763521 (000000-- ) Rotary Group 1
Y2 763527 (000000-- ) Stroking Piston Assembly 1
Yo3 763931 (000000-- ) Control, Ez, Pump, Hyd 1
YY 4 770181 (000000-- ) Coil 1
Y5763535 (000000-- )Stroking Piston Cover 1
Y6 763536 (000000-- ) Stroking Piston Cover 1
Y7 763538 (000000-- ) Snap Ring 1
Y8 763537 (000000-- ) Thru Drive Charge Pump Assembly 1
Y9 763943 (000000-- ) Orifice (0.8 mm) 1
Y10 13904 (000000-- )Plug 2
Y11 763443 (000000-- ) Eccentric Screw 1
Y12 763539 (000000-- ) H.P.R.V. with Tow Option (4000--6100 psi) 2
Y13 763446 (000000-- ) Charge Pressure Relief Valve Kit 1
Y14 763447 (000000-- ) Plug 3
Y15 13907 (000000-- )Plug 1
Y16 763449 (000000-- ) DA Cartridge 1
Y17 763450 (000000-- ) Jam Nut 1
Y18 74098 (000000-- ) Plug 6
Y19 763541 (000000-- ) Cap Screw 8
Y20 763542 (000000-- )Seal KIt 1
Y21 763518 (000000-- ) Shaft 1
Y22 763519 (000000-- ) Bearing 1
Y23 763520 (000000-- ) Retaining Ring 2
Y24 763522 (000000-- ) Housing 1
Y25 763523 (000000-- )Bushing 2
Y26 763524 (000000-- ) Locating Pin 1
Y27 79779 (000000-- ) Plug 1
Y28 763525 (000000-- ) Pin 1
Y29 763526 (000000-- ) Plug 1
Y30 763528 (000000-- )P.O.R. Assembly 1
Y31 763529 (000000-- ) Adjusting Screw 1
Y32 763451 (000000-- ) Orifice (1.8 mm) 1
Y33 763530 (000000-- ) Cap Screw 4
Y34 763452 (000000-- ) Plug 3
Y35 763531 (000000-- )Bushing Support 1
Y36 763532 (000000-- ) Bushing 1
Y37 763533 (000000-- ) Dowell Pin 2
Y38 763534 (000000-- ) Port Block 1
Y39 1027904 (000000-- )Gasket, Cntrl Valve [Ez] 1
Home
Find...
Go To..
Coil and Stem

BREAKDOWNS
Sentinel 331000 (6--06)
4--6
Fig. 2 -- Hydraulic Piston Motor Breakdown, 762136
1
2
3
4
5
6
78
10
11
12
13
4
8
9
Home
Find...
Go To..

BREAKDOWNS
4--7
Sentinel 331000 (6--03)
10975
Fig. 2 -- Hydraulic Piston Motor Breakdown, 762136
NOTE: This hydraulic motor is available as a “rebuilt” motor, Tennant part number 376059.
Ref. Part No. Serial Number Description Qty.
o762136 (000000-- )Motor, Piston, Rexroth 1
Y1 763948 (000000-- ) Rotary Group 1
Y2 763949 (000000-- ) Rear Cover Assembly 1
Y3 763950 (000000-- ) DA Control Kit 1
Y4 763951 (000000-- ) Check Valve Kit 2
Y5763457 (000000-- )Swivel Orifice Kit 1
Y6 763952 (000000-- ) Stroking Piston Cover 1
Y7 763447 (000000-- ) Plug (M18 x 1.5) 2
Y8 763461 (000000-- ) Stop Screw 2
Yo9 763956 (000000-- ) Seal Kit 1
YY 10 763464 (000000-- )Shaft Seal 1
Y11 763953 (000000-- ) Shim 1
Y12 763954 (000000-- ) Housing 1
Y13 763955 (000000-- ) Snap Ring 1
Home
Find...
Go To..

BREAKDOWNS
Sentinel 331000 (6--03)
4--8
Fig. 3 -- Hydraulic Motor Breakdown, 762035
1
2
3
4
5
6
7
8
9
10
11
12
13
14
15
16
15
15
15
15
15
15
10312--09670
Ref. Part No. Serial Number Description Qty.
o762035 (000000-- )Motor, Hyd Shaker W/End Ports 1
Y1 37555 (000000-- ) Screw 4
Y2 763504 (000000-- ) Flg, Mtg 2--Bolt 1
Y3 16695 (000000-- ) Race Thrust 1
Y4 45628 (000000-- ) Thrust Bearing 1
Y5763508 (000000-- )Output Shaft 1
Y6 74092 (000000-- ) Housing 1
Y7 74093 (000000-- ) Plug, Housing 1
Y8 34172 (000000-- ) Drive 1
Y9 74094 (000000-- ) Spacer Plate 1
Y10 763506 (000000-- )Gerotor Assy 1
Y11 763509 (000000-- ) End Cap 1
Y12 74191 (000000-- ) Screw, Cap 5
Y13 74099 (000000-- ) Plug #10 2
Y14 00500--15 (000000-- ) Key--Wdruff 0.25 1.00 Asa#0808 1
Y15 28835 (000000-- )Seal Kit, Motor A/H--Stnd 1
16 763507 (000000-- ) Repair Info, Mtr 1
Home
Find...
Go To..

BREAKDOWNS
4--9
Sentinel 331000 (6--03)
Fig. 4 -- Hydraulic Motor Breakdown, 762032
1
48
3
9
8
6
5
6
2
7
Ref. Part No. Serial Number Description Qty.
o762032 (000000-- )Motor, Hyd, Vacfan 1.02 Cid 1
Y1 373561 (000000-- ) Backplate 1
Y2 373562 (000000-- ) Frontplate 1
Y3 373563 (000000-- ) Body 1
Y4 373564 (000000-- ) Drive Gear 1
Y5373565 (000000-- )Idler Gear 1
Y6 373212 (000000-- ) Cap Screw 8
Y7 373213 (000000-- ) Key 1
Y8 762117 (000000-- ) Kit, Seal, Hyd Motor 1
9373566 (000000-- )Repair Info, Pmp 1
Home
Find...
Go To..

BREAKDOWNS
Sentinel 331000 (9--07)
4--10
Fig. 5 -- Axle And Spindle Breakdown, Front
1
3
5
6
7
8
9
10
11
12
14
15
16
17
18
19
20
21
22
23 24
25
26
27
28
9
8
14
13
29
29
4
2
31
30
Home
Find...
Go To..

BREAKDOWNS
4--11
Sentinel 331000 (9--07)
351949
Fig. 5 -- Axle And Spindle Breakdown, Front
NOTE: The Front Axle Breakdown, Tennant part number 1006065, includes Fig. 5, Fig. 6, Fig. 7, Fig. 8 and
Fig. 9.
Ref. Part No. Serial Number Description Qty.
1761601 (000000-- )Rod End Pivot Lh 1
2 761602 (000000-- ) Rod End Pivot Rh 1
3 761727 (000000-- ) Nut, Rh 1
4 761728 (000000-- ) Nut, Lh 1
5 761600 (000000-- ) Steering Rod Front 1
6761606 (000000-- )Front Axle Housing 1
7 761607 (000000-- ) Screw, M8x50 2
8 761609 (000000-- ) Gasket 4
9 761610 (000000-- ) Bearing 4
10 761613 (000000-- ) Breather 1
11 761615 (000000-- )Screw, M12x30 1
12 761616 (000000-- ) Magnetic Plug 2
13 08709 (000000-- ) Nut, Self Lock M8 2
14 761629 (000000-- ) Pivoting Hub 4
15 761630 (000000-- ) Flange 2
16 761631 (000000-- )Grease Zerk 4
17 06969 (000000-- ) Screw, M12x40 8
18 761611 (000000-- ) Washer 16
19 761634 (000000-- ) Steering Lever, Rh, Lower 1
20 761732 (000000-- ) Steering Lever, Lower 1
21 41346 (000000-- )Screw, M12x30 8
o22 762080 (000000-- ) Cylinder, Hydraulic 1
Y761714 (000000-- ) Seal Kit, Cylinder 1
23 761715 (000000-- ) Pivoting Hub 1
24 761716 (000000-- ) Rod End 1
25 761717 (000000-- )Nut, M18x1.5 1
26 08280 (000000-- ) Cotter Pin 1
27 769093 (000000-- ) Cylinder Anchor Pin 1
28 761720 (000000-- ) Spacer 1
29 761729 (000000-- ) Cap, Dust 4
30 9002764 (000000-- )Shim, Half, 0.10mm 2
31 9002765 (000000-- ) Shim, Half, 0.25mm 2
Home
Find...
Go To..

BREAKDOWNS
Sentinel 331000 (3--05)
4--12
Fig. 6 -- Axle Wheel Hub and Brake Breakdown, Front
2
25
145
6
7
8
9
10
11
1
14
14
14
15
16
1
17
18
19
20
21
22
1
23
24
3
12
13
26
Home
Find...
Go To..

BREAKDOWNS
4--13
Sentinel 331000 (3--05)
352000
Fig. 6 -- Axle Wheel Hub and Brake Breakdown, Front
NOTE: The Front Axle Breakdown, Tennant part number 1006065, includes Fig. 5, Fig. 6, Fig. 7, Fig. 8 and
Fig. 9.
Ref. Part No. Serial Number Description Qty.
o767767 (000000-- )Hub Assy, Front W/Brake 1
Y1 767762 (000000-- ) Kit, Seal, Brake 1
Y2 767737 (000000-- ) Flange, Driven 1
Y3 39283 (000000-- ) Screw, Hex, M10 X 1.5 X 25, 8.8 10
Y4 767738 (000000-- ) Nut 1
Y5767739 (000000-- )Washer 1
Y6 761644 (000000-- ) Bearing 1
Y7 767764 (000000-- ) Spacer 1
Y8 761641 (000000-- ) Stud 6
Y9 767740 (000000-- ) Hub, Wheel 1
Y10 767741 (000000-- )Bearing 1
Y11 761025 (000000-- ) Nut, Wheel, Flng 6
Y12 761647 (000000-- ) Ring 1
Y13 761646 (000000-- ) Pin 2
Y14 767763 (000000-- ) Kit, Discs, Brake 1
Y15 767745 (000000-- )Circlip 1
Y16 767746 (000000-- ) Cover 1
Y17 767747 (000000-- ) Screw 3
Y18 767748 (000000-- ) Spring 3
Y19 767749 (000000-- ) Hub, Brake 1
Y20 767750 (000000-- )Plug 3
Y21 761993 (000000-- ) Washer 3
Y22 767752 (000000-- ) Piston 1
Y23 767753 (000000-- ) Screw, Bleed 1
Y24 761613 (000000-- ) Breather 1
Y25 761643 (000000-- ) Cover 1
Y26 767742 (000000-- ) Housing, Steering 1
Home
Find...
Go To..

BREAKDOWNS
Sentinel 331000 (3--05)
4--14
Fig. 7 -- Axle Differential Breakdown, Front
1
2
3
29
6
7
8
9
10
4
12
13
14
15
16
17
18
19
20
21
7
22
23
24
26 27
28
24
25
26
17
16
15
11
5
Home
Find...
Go To..

BREAKDOWNS
4--15
Sentinel 331000 (9--07)
351951
Fig. 7 -- Axle Differential Breakdown, Front
NOTE: The Front Axle Breakdown, Tennant part number 1006065, includes Fig. 5, Fig. 6, Fig. 7, Fig. 8 and
Fig. 9.
Ref. Part No. Serial Number Description Qty.
139284 (000000-- )Screw, M10x1.5 8
o761988 (000000-- ) Kit, Speed Reducer Gear Set 1
Y2 761670 (000000-- ) Bearing 1
Y3 761672 (000000-- ) Output Gear 1
Y4 761655 (000000-- ) Nut 1
5761682 (000000-- ) Pin, M8x20 2
6 761674 (000000-- ) Spacer 1
7 761650 (000000-- ) Planetary Gear 2
8 761651 (000000-- ) Satellite Gear 2
9 761652 (000000-- ) Differential Pivot 1
10 761653 (000000-- )Differential Flange 1
11 761654 (000000-- ) Retaining Ring 2
12 761669 (000000-- ) Lock Nut, D.25 1
13 761649 (000000-- ) Differential Housing 1
14 761656 (000000-- ) Spacer 1
15 372944 (000000-- )Gear Assy, Ring And Pinion [13.6:1] 1
16 761658 (000000-- ) Planetary Spherical Washer 2
17 761659 (000000-- ) Satellite Spherical Washer 2
18 761661 (000000-- ) Spacer 2
19 761662 (000000-- ) Spacer 1
20 761663 (000000-- )Screw, M12x20 1
21 761665 (000000-- ) Washer, A6 1
22 761666 (000000-- ) Bearing 1
23 761667 (000000-- ) Bearing 1
24 761668 (000000-- ) Bearing, 32012 2
25 761608 (000000-- )Differential Cover 1
26 761611 (000000-- ) Washer 10
27 41346 (000000-- ) Screw, M12x30 9
28 761614 (000000-- ) Nut 1
29 761678 (000000-- )Front Housing 1
Home
Find...
Go To..

BREAKDOWNS
Sentinel 331000 (3--05)
4--16
Fig. 8 -- Axle Input Breakdown, Front
1
6
3
5
2
7
4
Home
Find...
Go To..

BREAKDOWNS
4--17
Sentinel 331000 (3--05)
Fig. 8 -- Axle Input Breakdown, Front
NOTE: The Front Axle Breakdown, Tennant part number 1006065, includes Fig. 5, Fig. 6, Fig. 7, Fig. 8 and
Fig. 9.
Ref. Part No. Serial Number Description Qty.
1767705 (000000-- )Gear, Input 1
2 372945 (000000-- ) Seal, Hyd, O--ring 2.62mm X .88.57 Mm 1
3 767707 (000000-- ) Bearing, Hub 1
4 767709 (000000-- ) Circlip 1
5 767710 (000000-- ) Circlip 1
61023437 (000000-- )Seal, Oil, 40mm B X 62mm D X 7mm H 1
7 1023442 (000000-- ) Bearing, 35mm B X 72mm D X 17mm H 1
Home
Find...
Go To..

BREAKDOWNS
Sentinel 331000 (11--09)
4--18
Fig. 9 -- Axle CV Joint Breakdown, Front
7
2
35
4
6
1
Home
Find...
Go To..

BREAKDOWNS
4--19
Sentinel 331000 (11--09)
10973
Fig. 9 -- Axle CV Joint Breakdown, Front
NOTE: The Front Axle Breakdown, Tennant part number 1006065, includes Fig. 5, Fig. 6, Fig. 7, Fig. 8 and
Fig. 9.
Ref. Part No. Serial Number Description Qty.
o1761986 (000000-- )Kit, Cv Joints 2
Y2 761660 (000000-- ) Cross Bearing Kit 2
Y3 761623 (000000-- ) Bearing 1
Y4 9001524 (000000-- ) Seal, Oil, 42 X 55 X 8 1
Y5 761625 (000000-- ) Ring 1
Y6761626 (000000-- )Bearing 1
Y7 761618 (000000-- ) Dust Protector 1
Home
Find...
Go To..

BREAKDOWNS
Sentinel 331000 (9--07)
4--20
Fig. 10 -- Axle And Spindle Breakdown, Rear
2
3
4
6
31
15
7
11
9
12
13
10
8
17
16
9
18
19
20
21
22
23
24
25
26
27
28
29
14
30
7
7
7
1
5
32 33
Home
Find...
Go To..

BREAKDOWNS
4--21
Sentinel 331000 (9--07)
351945
Fig. 10 -- Axle And Spindle Breakdown, Rear
NOTE: The Rear Axle Breakdown, Tennant part number 767702, includes Fig. 10 and Fig. 11.
Ref. Part No. Serial Number Description Qty.
1761601 (000000-- )Rod End Pivot Lh 1
2 761602 (000000-- ) Rod End Pivot Rh 1
3 761603 (000000-- ) Steering Rod Rear 1
4 761727 (000000-- ) Nut, Rh 1
5 761728 (000000-- ) Nut, Lh 1
6767703 (000000-- )Rear Axle Housing 1
7 761729 (000000-- ) Cap, Dust 4
8 767742 (000000-- ) Housing, Steering 2
9 761629 (000000-- ) Pivoting Hub 4
10 761630 (000000-- ) Flange 1
11 761643 (000000-- ) Cover 2
12 761631 (000000-- ) Grease Zerk 4
13 41346 (000000-- ) Screw, M12x30 4
14 761733 (000000-- ) Lever, Steering, Upper, Rh 1
15 08709 (000000-- ) Nut, Self Lock M8 2
16 761609 (000000-- ) Gasket 4
17 761610 (000000-- ) Bearing 4
18 761635 (000000-- ) Lever, Steering, Lower, Lh 1
19 761611 (000000-- ) Washer 16
20 06969 (000000-- ) Screw, M12x40 12
o21 762080 (000000-- )Cylinder, Hydraulic 1
Y761714 (000000-- ) Seal Kit, Cylinder 1
22 761720 (000000-- ) Spacer 1
23 761715 (000000-- ) Pivoting Hub 1
24 761716 (000000-- ) Rod End 1
25 761717 (000000-- )Nut, M18x1.5 1
26 08280 (000000-- ) Cotter Pin 1
27 769093 (000000-- ) Cylinder Anchor Pin 1
28 06960 (000000-- ) Screw M10x16 1
29 767704 (000000-- ) Plate 1
30 761732 (000000-- )Lever, Steering, Lower 1
31 761607 (000000-- ) Screw, M8x50 2
32 9002764 (000000-- ) Shim, Half, 0.10mm 2
33 9002765 (000000-- ) Shim, Half, 0.25mm 2
Home
Find...
Go To..

BREAKDOWNS
Sentinel 331000 (3--05)
4--22
Fig. 11 -- Axle Wheel Hub and Brake Breakdown, Rear
1
2
345
6
7
8
9
10
11
12
3
13
14
14
14
15
16
3
17
18
19 20
21
22
3
23
24
Home
Find...
Go To..

BREAKDOWNS
4--23
Sentinel 331000 (3--05)
351947
Fig. 11 -- Axle Wheel Hub and Brake Breakdown, Rear
NOTE: The Rear Axle Breakdown, Tennant part number 767702, includes Fig. 10and Fig. 11.
Ref. Part No. Serial Number Description Qty.
o767768 (000000-- ) Axle Assembly, Rear W/Brake 1
Y1 767734 (000000-- ) Cover, Hub 1
Y2 39283 (000000-- ) Screw, Hex, M10 X 1.5 X 25, 8.8 5
Y3 767762 (000000-- ) Kit, Seal, Brake 1
Y4 767738 (000000-- ) Nut 1
Y5767739 (000000-- )Washer 1
Y6 761644 (000000-- ) Bearing 1
Y7 767764 (000000-- ) Spacer 1
Y8 761025 (000000-- ) Nut, Lug, Flanged 6
Y9 761641 (000000-- ) Stud 6
Y10 767740 (000000-- )Hub, Wheel 1
Y11 767741 (000000-- ) Bearing 1
Y12 767742 (000000-- ) Housing, Steering 1
Y13 767735 (000000-- ) Gasket 1
Y14 767763 (000000-- ) Kit, Discs, Brake 1
Y15 767745 (000000-- )Circlip 1
Y16 767746 (000000-- ) Cover 1
Y17 767747 (000000-- ) Screw 3
Y18 767748 (000000-- ) Spring 3
Y19 767749 (000000-- ) Hub, Brake 1
Y20 767750 (000000-- )Plug 3
Y21 761993 (000000-- ) Washer 3
Y22 767752 (000000-- ) Piston 1
Y23 767753 (000000-- ) Screw, Bleed 1
Y24 761613 (000000-- )Breather 1
Home
Find...
Go To..

BREAKDOWNS
Sentinel 331000 (6--03)
4--24
Fig. 12 -- Cat Pump Breakdown, 762260
1
2
3
4
5
6
Home
Find...
Go To..

BREAKDOWNS
4--25
Sentinel 331000 (6--03)
351217
Fig. 12 -- Cat Pump Breakdown, 762260
Ref. Part No. Serial Number Description Qty.
o762260 (000000-- )Pump Breakdown, Cat 1
Y40144--4 (000000-- ) Oil, Crankcase (For 1 oil change) 1
Y1 40144--21 (000000-- ) Cup Kit 1
Y2 40144--22 (000000-- ) Dischrg Quiet Vlv Kit 1
Y3 40144--6 (000000-- ) Key, 5mm 1
Y437778 (000000-- )Disc. Manifold 1
Y5 38321 (000000-- ) Cover, Pump 1
Y6 37573 (000000-- ) Cap, Oil Filler 1
Home
Find...
Go To..

BREAKDOWNS
Sentinel 331000 (6--03)
4--26
Fig. 13 -- Hydraulic Solenoid Valve Breakdown, 768899
SV19
SV17
SV32
SV14
SV2
RV4
SV16
SV18 SV1 CV4
CV5
RV7
1
24
4
5
24 19 18
22
3
21
3
13
15
2
4
7
8
9
24
11
14
15
14 16
17
10
20
26
28
9
6
8
4
2
15
4
1
10
15
26
28 24
28
24
27
26
28
24
25
19
18
23
24
12
24
29
30
31
Home
Find...
Go To..

BREAKDOWNS
4--27
Sentinel 331000 (6--03)
353675
Fig. 13 -- Hydraulic Solenoid Valve Breakdown, 768899
Ref. Part No. Serial Number Description Qty.
o768899 (000000-- )Valve, Hyd Control Sol 1
Yo1 79718 (000000-- ) Valve Stem 3W2P 2
YY 2 79731 (000000-- ) Nut 1
YY 3 79711 (000000-- ) Seal Kit, Cart 1
YY 4 79740 (000000-- ) Seal Kit, Coil 2
Yo579716 (000000-- )Valve Stem 1
YY 6 79728 (000000-- ) Nut 1
YY 7 79711 (000000-- ) Seal Kit, Cart 1
YY 8 79740 (000000-- ) Seal Kit, Coil 2
Yo9 22680 (000000-- ) Valve Stem N.O. Cp 2
Y10 22685 (000000-- )Coil, 12V Cp 2
Yo11 79719 (000000-- ) Valve Stem 4W2P 1
YY 12 79731 (000000-- ) Nut 1
YY 13 79711 (000000-- ) Seal Kit, Cart 1
YY 14 79740 (000000-- ) Seal Kit, Coil 2
Y15 21916 (000000-- )Coil, 12V Cp 4
Yo16 22689 (000000-- ) Cart,Psi Cn Cp 1
YY 17 79711 (000000-- ) Seal Kit, Cart 1
Yo18 373417 (000000-- ) Cart, Pilot Chk 2
YY 19 79711 (000000-- ) Seal Kit, Cart 1
Yo20 22687 (000000-- )Plug, Cavity Cp 1
YY 21 79711 (000000-- ) Seal Kit, Cart 1
Yo22 22688 (000000-- ) Cart,Psi Cn Cp 1
YY 23 79711 (000000-- ) Seal Kit, Cart 1
Y24 13902 (000000-- ) Plug 26
Y25 79723 (000000-- )Plug 2
Y26 13904 (000000-- ) Plug, Gauge 5
Y27 22690 (000000-- ) Plug, Orifice Cp 1
Y28 74098 (000000-- ) Plug 6
Y29 74099 (000000-- ) Plug 1
Y30 13907 (000000-- )Plug 1
Y31 373418 (000000-- ) Filter, 10 Micron 1
Home
Find...
Go To..

BREAKDOWNS
Sentinel 331000 (6--03)
4--28
Fig. 14 -- Hydraulic Solenoid Valve Breakdown, 768899
(For High Dump Hopper Lift Option)
SV19
SV17
SV32
SV14
SV2
RV4
SV16
SV18
SV1 CV4
CV5
RV7
2
1
3
4
5
6
8
7
8
9
4
9
Home
Find...
Go To..

BREAKDOWNS
4--29
Sentinel 331000 (6--06)
353676
Fig. 14 -- Hydraulic Solenoid Valve Breakdown, 768899
(For High Dump Hopper Lift Option)
Ref. Part No. Serial Number Description Qty.
o768899 (000000-- )Valve, Hyd Control Sol 1
Yo1 21906 (000000-- ) Stem, Valve, Hyd 3w2p 1
YY 2 79731 (000000-- ) Nut 1
YY 3 79711 (000000-- ) Seal Kit, Cart 1
YY 4 79740 (000000-- ) Seal Kit, Coil 2
Yo579716 (000000-- )Valve Stem 1
YY 6 79728 (000000-- ) Nut 1
YY 7 79711 (000000-- ) Seal Kit, Cart 1
YY 8 79740 (000000-- ) Seal Kit, Coil 2
Y921916 (000000-- )Coil, 12V Cp 2
Home
Find...
Go To..

BREAKDOWNS
Sentinel 331000 (6--03)
4--30
Fig. 15 -- Hydraulic Solenoid Valve Breakdown, 767009
PF1
SV33
1
2
3
4
5
6
4
7
Home
Find...
Go To..

BREAKDOWNS
4--31
Sentinel 331000 (6--03)
352458
Fig. 15 -- Hydraulic Solenoid Valve Breakdown, 767009
Ref. Part No. Serial Number Description Qty.
o767009 (000000-- )Valve, Hyd Cntrl Sol 1
Yo1 79716 (000000-- ) Valve Stem 1
YY 2 79728 (000000-- ) Nut 1
YY 3 79711 (000000-- ) Seal Kit, Cart 1
YY 4 79740 (000000-- ) Seal Kit, Coil 2
Yo522692 (000000-- )Cart, Priority Cp 1
YY 6 22699 (000000-- ) Seal Kit, Cart. Cp 1
Y7 21916 (000000-- ) Solenoid, 12V 1
Home
Find...
Go To..

BREAKDOWNS
Sentinel 331000 (3--05)
4--32
Fig. 16 -- Hydraulic Steering Valve Breakdown, 771014
1
2
1
1
Home
Find...
Go To..

BREAKDOWNS
4--33
Sentinel 331000 (3--05)
Fig. 16 -- Hydraulic Steering Valve Breakdown, 771014
Ref. Part No. Serial Number Description Qty.
o771014 (000000-- )Steer--control, Hyd, 10 04.5 4000 1
Y1 373619 (000000-- ) Seal Kit, Scu 1
2 373620 (000000-- ) Instr, Repair, Scu 1
Home
Find...
Go To..

BREAKDOWNS
Sentinel 331000 (6--06)
4--34
Fig. 17 -- Hydraulic Solenoid Valve Breakdown, 771010
RV2
SV5
SV9
SV8
SV7
SV30A
SV30B
SV10
PC2
PC1
42
1
1
6
9
8
26
26
28
29
29
30
30
31
31
31
31
31
31
29
29
29
29
29
29
27
29
3
16
14
17
25
13
25
12
22
18
23
19
13
17
10
7
24
7
5
20
11
15
21
3
Home
Find...
Go To..

BREAKDOWNS
4--35
Sentinel 331000 (6--06)
354307
Fig. 17 -- Hydraulic Solenoid Valve Breakdown, 771010
Ref. Part No. Serial Number Description Qty.
o771010 (000000-- )Valve, Hyd, Sol, 12vdc [07s24g3000] 1
Yo1 373610 (000000-- ) Valve, Stem, No 2
YY 2 373611 (000000-- ) Nut, Coil 1
YY 3 373594 (000000-- ) Kit, Seal, Cartridge 1
Yo4 79719 (000000-- ) Stem, Valve, Hyd,4w2p {Cec] 1
YY 579728 (000000-- )Nut, Cart, Valve, Hyd Cec 1
YY 6 79711 (000000-- ) Seal Kit, Cartridge 1
YY 7 79740 (000000-- ) Kit, Seal, Valve, Hyd [Cec] 1
Yo8 373609 (000000-- ) Valve, Cartridge, Relief 1
YY 9 79711 (000000-- ) Seal Kit, Cartridge 1
Yo10 768891 (000000-- )Valve, Stem, No Poppet 1
YY 11 373416 (000000-- ) Nut, Cartridge 1
YY 12 373342 (000000-- ) Seal Kit, Cartridge 1
YY 13 373361 (000000-- ) Seal Kit, Coil [Cp] 1
Yo14 768890 (000000-- ) Valve, Stem, Nc Poppet 1
YY 15 373360 (000000-- )Nut, Cartridge [Cp] 1
YY 16 373342 (000000-- ) Seal Kit, Cartridge 1
YY 17 373361 (000000-- ) Seal Kit, Coil [Cp] 1
Yo18 373553 (000000-- ) Valve, Check 1
YY 19 48834 (000000-- ) Seal Kit, Valve, Hyd 1
Yo20 373489 (000000-- )Plug 1
YY 21 79711 (000000-- ) Seal Kit, Cartridge 1
Yo22 373556 (000000-- ) Plug, Cav 1
YY 23 48834 (000000-- ) Seal Kit, Valve, Hyd 1
Y24 21916 (000000-- ) Solenoid, 12vdc, Valve, Hyd Cec 1
Y25 22681 (000000-- )Coil, 12vdc 2
Y26 373478 (000000-- ) Solenoid, Hyd, 12 Vdc, 12 Watt 2
Y27 21920 (000000-- ) Plug, Orifice Cp 1
Y28 33817 (000000-- ) Fitting, Hyd, Plug, Om12 1
Y29 13902 (000000-- ) Fitting, Hyd, Plug, Om02 16
Y30 74098 (000000-- )Fitting, Hyd, Plug, Om04 2
Y31 13904 (000000-- ) Fitting, Plug, Org, #6, Valve, Cec 7
Home
Find...
Go To..

BREAKDOWNS
Sentinel 331000 (9--07)
4--36
Fig. 18 -- Hydraulic Solenoid Valve Breakdown, 771010
(For Left Hand Side Brush Option)
4
2
1
6
10
8
9
7
11
7
5
3
SV30B
SV30A
PC1 PC2
SV7
RV2
SV10
SV5
SV9
SV8
Home
Find...
Go To..

BREAKDOWNS
4--37
Sentinel 331000 (9--07)
354588
Fig. 18 -- Hydraulic Solenoid Valve Breakdown, 771010
(For Left Hand Side Brush Option)
Ref. Part No. Serial Number Description Qty.
o771010 (000000-- )Valve, Hyd, Sol, 12vdc [07s24g3000] 1
Yo1 373610 (000000-- ) Valve, Stem, No 1
YY 2 373611 (000000-- ) Nut, Coil 1
YY 3 373594 (000000-- ) Kit, Seal, Cartridge 1
Yo4 79719 (000000-- ) Stem, Valve, Hyd,4w2p {Cec] 1
YY 579728 (000000-- )Nut, Cart, Valve, Hyd Cec 1
YY 6 79711 (000000-- ) Seal Kit, Cartridge 1
YY 7 79740 (000000-- ) Kit, Seal, Valve, Hyd [Cec] 1
Yo8 373602 (000000-- ) Valve, Cartridge, Pilot Check 1
YY 9 373603 (000000-- ) Seal Kit, Cartridge 1
Y10 373478 (000000-- )Solenoid, Hyd, 12 Vdc, 12 Watt 1
Y11 21916 (000000-- ) Solenoid, 12vdc, Valve, Hyd [Cec] 1
Home
Find...
Go To..

BREAKDOWNS
Sentinel 331000 (6--06)
4--38
Fig. 19 -- Hydraulic Solenoid Valve Breakdown, 771019
RV3
SV3
SV31
SV4
PC3
CV1
PR1
4
2
1
6
8
20
7
9
3
17
16
14
19
13
12
22
18
519
15
10
20
11
21
19
20
9
6
8
20
20
20
99
7
SV12
SV13
Home
Find...
Go To..

BREAKDOWNS
4--39
Sentinel 331000 (6--06)
354308
Fig. 19 -- Hydraulic Solenoid Valve Breakdown, 771019
Ref. Part No. Serial Number Description Qty.
o771019 (000000-- )Valve, Hyd, Sol, 12vdc [05s13g3000] 1
Y1 373614 (000000-- ) Valve [3p4w Do3] 1
Yo2 373612 (000000-- ) Valve, Cntrl, Psi 1
YY 3 373594 (000000-- ) Kit, Seal, Cartridge 1
Yo4 22689 (000000-- ) Kit, Cartridge, Control, Psi 1
YY 579711 (000000-- )Seal Kit, Cartridge 1
Yo6 79719 (000000-- ) Stem, Valve, Hyd,4w2p {Cec] 2
YY 7 79728 (000000-- ) Nut, Cart, Valve, Hyd Cec 1
YY 8 79711 (000000-- ) Seal Kit, Cartridge 1
YY 9 79740 (000000-- ) Kit, Seal, Valve, Hyd [Cec] 1
Yo10 373610 (000000-- )Valve, Stem, No 1
YY 11 373611 (000000-- ) Nut, Coil 1
YY 12 373594 (000000-- ) Kit, Seal, Cartridge 1
Yo13 373553 (000000-- ) Valve, Check 1
YY 14 48834 (000000-- ) Seal Kit, Valve, Hyd 1
Yo15 373613 (000000-- )Valve, Check 1
YY 16 373463 (000000-- ) Kit, Seal, Valve 1
Y17 21916 (000000-- ) Solenoid, 12vdc, Valve, Hyd Cec 2
Y18 373478 (000000-- ) Solenoid, Hyd, 12 Vdc, 12 Watt 1
Y19 13902 (000000-- ) Fitting, Hyd, Plug, Om02 7
Y20 74098 (000000-- )Fitting, Hyd, Plug, Om04 9
Y21 13904 (000000-- ) Fitting, Plug, Org, #6, Valve, Cec 1
Y22 373615 (000000-- ) Screw, Soc, #10--24 X 1.25 4
Home
Find...
Go To..

BREAKDOWNS
Sentinel 331000 (11--09)
4--40
Fig. 20 -- Hydraulic Solenoid Valve Breakdown, 771011
RV10
RV9
SV26
RV6
RV8
SV27
SV28
SV21
SV20
SV15
SV25
PC10
PC11
CS1
PC12
PC9
OR7
OR8
4
2
1
6
8
20
23
9
3
16
14
13
12
22
18
5
19
15
10 17
21
19
11
10 24
25
9
7
20
20
14
13
15
1
1
1
2
2
2
26
27 6
6
28
5
5
3
Home
Find...
Go To..

BREAKDOWNS
4--41
Sentinel 331000 (6--06)
354394
Fig. 20 -- Hydraulic Solenoid Valve Breakdown, 771011
Ref. Part No. Serial Number Description Qty.
o771011 (000000-- )Valve, Hyd, Solenoid, 12vdc [07s06g3000] 1
Yo1 373631 (000000-- ) Valve, Check 4
YY 2 373647 (000000-- ) Seal Kit, Cartridge 1
Y3 373632 (000000-- ) Spool, Pilot, Hd 2
Y4 373633 (000000-- ) Plug, Orifice, Valve, Hyd, .040 1
Yo574098 (000000-- )Fitting, Hyd, Plug, Om04 4
YY 6 77003 (000000-- ) Seal, Org, .072 X 00.35id #04 1
Yo7 373634 (000000-- ) Valve, Relief 1
YY 8 373647 (000000-- ) Seal Kit, Cartridge 1
Yo9 373635 (000000-- ) Valve, Relief 2
YY 10 373647 (000000-- )Seal Kit, Cartridge 1
Yo11 373636 (000000-- ) Valve, Cntrl, Flow, Hyd 1
YY 12 373646 (000000-- ) Seal Kit, Cartridge 1
Yo13 373637 (000000-- ) Valve, Cntrl, Solenoid 2
YY 14 373648 (000000-- ) Nut, Coil, F/#8 1
YY 15 373647 (000000-- )Seal Kit, Cartridge 1
Yo16 373638 (000000-- ) Valve, Cntrl, Solenoid 1
YY 17 373648 (000000-- ) Nut, Coil, F/#8 1
YY 18 373646 (000000-- ) Seal Kit, Cartridge 1
Y19 373639 (000000-- ) Spacer, Coil, #8 2
Y20 373640 (000000-- )Solenoid, #8, 12vdc 5
Yo21 373641 (000000-- ) Valve, Cntrl, Solenoid 1
YY 22 373648 (000000-- ) Nut, Coil, F/#8 1
YY 23 373647 (000000-- ) Seal Kit, Cartridge 1
Y24 373642 (000000-- ) Solenoid, #10, 12vdc 2
Y25 373643 (000000-- )Spacer, Coil, #10 1
Yo26 373644 (000000-- ) Valve, Relief 1
YY 27 373647 (000000-- ) Seal Kit, Cartridge 1
Y28 373645 (000000-- ) Plug, Orifice, Valve, Hyd, .026 1
Home
Find...
Go To..

BREAKDOWNS
Sentinel 331000 (6--06)
4--42
Fig. 21 -- Hydraulic Solenoid Valve Breakdown, 771012
SV29
SV24
SV23
SV06
SV22
S
V
11
PC5
PC7
PC4
PC8
PC
7
16
7
9
12
10
11
6
5
7
1
1
3
3
3
7
4
4
5
8
8
8
2
2
2
5
5
5
4
4
4
Home
Find...
Go To..

BREAKDOWNS
4--43
Sentinel 331000 (6--06)
354395
Fig. 21 -- Hydraulic Solenoid Valve Breakdown, 771012
Ref. Part No. Serial Number Description Qty.
o771012 (000000-- )Valve, Hyd, Solenoid, 12vdc [07s03g3000] 1
Yo1 373637 (000000-- ) Valve, Cntrl, Solenoid 3
YY 2 373648 (000000-- ) Nut, Coil, F/#8 1
YY 3 373647 (000000-- ) Seal Kit, Cartridge 1
Yo4 373631 (000000-- ) Valve, Check 5
YY 5373647 (000000-- )Seal Kit, Cartridge 1
Y6 373649 (000000-- ) Spool, Pilot 2
Y7 373640 (000000-- ) Solenoid, #8, 12vdc 6
Y8 373639 (000000-- ) Spacer, Coil, #8 3
Y9 373650 (000000-- ) Spool, Pilot 1
Y10 373651 (000000-- )Plug, Orifice, Valve, Hyd, .030 1
Yo11 74098 (000000-- ) Fitting, Hyd, Plug, Om04 1
YY 12 77003 (000000-- ) Seal, Org, .072 X 00.35id #04 1
Home
Find...
Go To..

BREAKDOWNS
Sentinel 331000 (5--10)
4--44
Fig. 22 -- Hydraulic Solenoid Valve Breakdown, 1053642
1
3
1
5
7
7
9
11
12
13
15
15
17
17
17
17
18
18
19
20
20
21
21
21
21
21
22
23
24
24 24
24
25
25
25
25
26
27
27
27
28
28
10
4
6
21
8
8
14
2
2
16
16
SV14
CV4
SV1
SV18
SV16
RV4
SV32
SV19
SV2 SV17
CV5
RV7
Home
Find...
Go To..

BREAKDOWNS
4--45
Sentinel 331000 (5--10)
356048
Fig. 22 -- Hydraulic Solenoid Valve Breakdown, 1053642
Ref. Part No. Serial Number Description Qty.
o1053642 (000000-- )Valve, Cntrl, Hyd, Solenoid, 12vdc 1
Yo1 1058058 (000000-- ) Valve, Stem, Hyd 2
YY 2 1050871 (000000-- ) Seal Kit, Cartridge 2
Yo3 1058065 (000000-- ) Valve, Cartridge, Relief 1
YY .4 1050780 (000000-- ) Seal Kit, Cartridge 3
Yo51052230 (000000-- )Valve, Stem, Hyd 1
YY 6 1050780 (000000-- ) Seal Kit, Cartridge 3
Yo7 373739 (000000-- ) Valve, Stem, Hyd 2
YY 8 1051081 (000000-- ) Seal Kit, Cartridge 2
Yo9 1058087 (000000-- ) Valve, Cartridge, Relief 1
YY 10 1050780 (000000-- )Seal Kit, Cartridge 3
Y11 1058050 (000000-- ) Fitting, Plug, Cavity 1
Y12 1058068 (000000-- ) Fitting, Plug, Om10, Valve 1
Y13 373573 (000000-- ) Control, Solenoid, Hyd 1
Y14 1050870 (000000-- ) Seal Kit, Cartridge 1
Yo15 1058070 (000000-- )Valve, Cartridge, Check 2
YY 16 1058200 (000000-- ) Seal Kit, Cartridge 2
Y17 1050867 (000000-- ) Fitting, Plug, Om06, Valve 5
Y18 1050868 (000000-- ) Fitting, Plug, Om05, Valve 4
Y19 1058083 (000000-- ) Fitting, Plug, Valve 1
Y20 1058059 (000000-- )Fitting, Plug, Orifice 2
Y21 1050873 (000000-- ) Fitting, Plug, Om06, Valve 21
Y22 1050866 (000000-- ) Fitting, Plug, Om04, Valve 1
Y23 1058201 (000000-- ) Valve, Cartridge, Regulator, Flow 1
Y24 1052221 (000000-- ) Solenoid, Valve, Hyd, 12vdc 6
Y25 1050813 (000000-- )Fitting, Plug, Org, #6, Valve 5
Y26 1050869 (000000-- ) Fitting, Plug, Om04, Valve 1
Y27 373585 (000000-- ) Nut, Long 4
Y28 373584 (000000-- ) Nut, Short 2
Home
Find...
Go To..

BREAKDOWNS
Sentinel 331000 (5--10)
4--46
Fig. 23 -- Hydraulic Solenoid Valve Breakdown, 1053642
(For High Dump Hopper Lift Option)
SV14
CV4
SV1
SV16
RV4
SV32
SV19
SV2 SV17
CV5
RV7
SV18
1
4
3
2
5
4
7
6
Home
Find...
Go To..

BREAKDOWNS
4--47
Sentinel 331000 (5--10)
354049
Fig. 23 -- Hydraulic Solenoid Valve Breakdown, 1053642
(For High Dump Hopper Lift Option)
Ref. Part No. Serial Number Description Qty.
o1053642 (000000-- )Valve, Cntrl, Hyd, Solenoid, 12vdc 1
Yo1 1052230 (000000-- ) Valve, Stem, Hyd 1
YY 2 1050780 (000000-- ) Seal Kit, Cartridge 1
Y3 373584 (000000-- ) Nut, Short 1
Y4 1052221 (000000-- ) Solenoid, Valve, Hyd, 12vdc 2
Yo5373739 (000000-- )Valve, Stem, Hyd 1
YY 6 1051081 (000000-- ) Seal Kit, Cartridge 1
Y7 373585 (000000-- ) Nut, Long 1
Home
Find...
Go To..

BREAKDOWNS
Sentinel 331000 (5--10)
4--48
Fig. 24 -- Hydraulic Solenoid Valve Breakdown, 1053650
RV3
CV1
SV12
SV13
SV4
PC3
PR1
SV31
SV3
1
3
5
7
9
11
12
14
16
17
17
17
17
17
18
19
19
20
21
21
22
22
23
24
25
4
13
2
15
8
8
10
6
Home
Find...
Go To..

BREAKDOWNS
4--49
Sentinel 331000 (5--10)
356050
Fig. 24 -- Hydraulic Solenoid Valve Breakdown, 1053650
Ref. Part No. Serial Number Description Qty.
o1053650 (000000-- )Valve, Cntrl, Hyd, Solenoid, 12vdc 13gpm 1
Yo1 1058052 (000000-- ) Valve, Cartridge, Check 1
YY 2 1058237 (000000-- ) Seal Kit, Cartridge 1
Yo3 1058065 (000000-- ) Valve, Cartridge, Relief 1
YY 4 1050780 (000000-- ) Seal Kit, Cartridge 1
Yo51058058 (000000-- )Valve, Stem, Hyd 1
YY 6 1052226 (000000-- ) Seal Kit, Cartridge 1
Yo7 373573 (000000-- ) Control, Solenoid, Hyd 2
YY 8 1050870 (000000-- ) Seal Kit, Cartridge 3
Yo9 1058051 (000000-- ) Valve, Cartridge, Divider, Flow 1
YY 10 1050870 (000000-- )Seal Kit, Cartridge 3
Y11 1058082 (000000-- ) Valve, Cartridge, Check 1
Yo12 1058066 (000000-- ) Valve, Cartridge, Reducing, Pressure 1
YY 13 1058236 (000000-- ) Seal Kit, Cartridge 1
Yo14 1058080 (000000-- ) Valve, Cartridge, Control, Direction 1
YY 15 1058238 (000000-- )Seal Kit, Cartridge 1
Y16 1058055 (000000-- ) Bolt Kit 1
Y17 1050873 (000000-- ) Fitting, Plug, Om06, Valve 7
Y18 1050866 (000000-- ) Fitting, Plug, Om04, Valve 2
Y19 1050813 (000000-- ) Fitting, Plug, Org, #6, Valve 2
Y20 1058062 (000000-- )Fitting, Plug, Orifice 1
Y21 1052221 (000000-- ) Solenoid, Valve, Hyd, 12vdc 3
Y22 1050869 (000000-- ) Fitting, Plug, Om04, Valve 2
Y23 1058060 (000000-- ) Fitting, Plug, Orifice 1
Y24 373584 (000000-- ) Nut, Short 2
Y25 373585 (000000-- )Nut, Long 1
Home
Find...
Go To..

BREAKDOWNS
Sentinel 331000 (5--10)
4--50
Fig. 25 -- Hydraulic Solenoid Valve Breakdown, 1048792
SV9
SV10
PC2
PC1
SV30B
C21
SV8
RV2
SV5
SV7
PC1
PC2
SV10
SV9
1
1
3
5
7
9
11
12
13
12
12
13
13
13
14
14
15
16
16
17
18
19
20
21
21
22
22
22
23
23
2
2
4
6
10
8
Home
Find...
Go To..

BREAKDOWNS
4--51
Sentinel 331000 (5--10)
356051
Fig. 25 -- Hydraulic Solenoid Valve Breakdown, 1048792
Ref. Part No. Serial Number Description Qty.
o1048792 (000000-- )Valve, Cntrl, Hyd, Solenoid, 12vdc 24gpm 1
Yo1 1058049 (000000-- ) Valve, Stem, Hyd 2
YY 2 1050780 (000000-- ) Seal Kit, Cartridge 1
Yo3 1058064 (000000-- ) Valve, Cartridge, Relief 1
YY 4 1050780 (000000-- ) Seal Kit, Cartridge 1
Yo5373573 (000000-- )Control, Solenoid, Hyd 1
YY 6 1050870 (000000-- ) Seal Kit, Cartridge 1
Yo7 1058057 (000000-- ) Valve, Stem, Hyd 1
YY 8 1050871 (000000-- ) Seal Kit, Cartridge 1
Yo9 1058056 (000000-- ) Valve, Stem, Hyd 1
YY 10 1050871 (000000-- )Seal Kit, Cartridge 1
Y11 1058082 (000000-- ) Valve, Cartridge, Check 1
Y12 1050868 (000000-- ) Fitting, Plug, Om05, Valve 5
Y13 1050866 (000000-- ) Fitting, Plug, Om04, Valve 6
Y14 1050813 (000000-- ) Fitting, Plug, Org, #6, Valve 2
Y15 1058060 (000000-- )Fitting, Plug, Orifice 1
Y16 1050873 (000000-- ) Fitting, Plug, Om06, Valve 8
Y17 1058068 (000000-- ) Fitting, Plug, Om10, Valve 1
Y18 1058053 (000000-- ) Fitting, Plug, Cavity 1
Y19 1058081 (000000-- ) Fitting, Plug, Cavity 1
Y20 1058086 (000000-- )Solenoid, Valve, Hyd 2
Y21 1052221 (000000-- ) Solenoid, Valve, Hyd, 12vdc 3
Y22 373584 (000000-- ) Nut, Short 3
Y23 373585 (000000-- ) Nut, Long 2
Home
Find...
Go To..

BREAKDOWNS
Sentinel 331000 (5--10)
4--52
Fig. 26 -- Hydraulic Solenoid Valve Breakdown, 1048792
(For Left Hand Side Brush Option)
SV30B
C21
SV8
SV7
SV9 SV10
PC1
1
2
3
4
5
6
Home
Find...
Go To..

BREAKDOWNS
4--53
Sentinel 331000 (5--10)
356052
Fig. 26 -- Hydraulic Solenoid Valve Breakdown, 1048792
(For Left Hand Side Brush Option)
Ref. Part No. Serial Number Description Qty.
o1048792 (000000-- )Valve, Cntrl, Hyd, Solenoid, 12vdc 24gpm 1
Yo1 1058049 (000000-- ) Valve, Stem, Hyd 1
YY 2 1050780 (000000-- ) Seal Kit, Cartridge 1
Y3 1052221 (000000-- ) Solenoid, Valve, Hyd, 12vdc 2
Yo4 373573 (000000-- ) Control, Solenoid, Hyd 1
YY 51050870 (000000-- )Seal Kit, Cartridge 1
Y6 1058082 (000000-- ) Valve, Cartridge, Check 1
Home
Find...
Go To..

BREAKDOWNS
Sentinel 331000 (5--10)
4--54
Fig. 27 -- Hydraulic Solenoid Valve Breakdown, 1053645
11
2
2
1
2
1
2
3
4
3
4
5
6
5
6
7
8
9
10
11
12
13
14
15
15
15
15
15
16
16
17
18
18
18
19
20
20
21
22
22
23
24
24
25
25
26
26
27
28
28
28
29
SV26
RV10
PC11
RV9
RV6
PC10
RV8
PC12
OR8
SV15
SV25
SV28
SV27
SV20
SV21
PC9
Home
Find...
Go To..

BREAKDOWNS
4--55
Sentinel 331000 (5--10)
356053
Fig. 27 -- Hydraulic Solenoid Valve Breakdown, 1053645
Ref. Part No. Serial Number Description Qty.
o1053645 (000000-- )Valve, Cntrl, Hyd, Solenoid, 12vdc 06gpm 1
Yo1 1058067 (000000-- ) Valve, Cartridge, Check 4
YY 2 1050780 (000000-- ) Seal Kit, Cartridge 4
Yo3 1058077 (000000-- ) Valve, Stem, Hyd 2
YY 4 1058233 (000000-- ) Seal Kit, Cartridge 2
Yo51058078 (000000-- )Valve, Cartridge, Relief 2
YY 6 1050871 (000000-- ) Seal Kit, Cartridge 1
Yo7 1058071 (000000-- ) Valve, Cartridge, Relief 1
YY 8 1050871 (000000-- ) Seal Kit, Cartridge 1
Yo9 1058079 (000000-- ) Valve, Stem, Hyd 1
YY 10 1050870 (000000-- )Seal Kit, Cartridge 1
Yo11 373732 (000000-- ) Solenoid, Cntrl 1
YY 12 1050780 (000000-- ) Seal Kit, Cartridge 1
Yo13 1058234 (000000-- ) Valve, Cartridge, Sequence, Press 1
YY 14 1050870 (000000-- ) Seal Kit, Cartridge 1
Y15 1050873 (000000-- )Fitting, Plug, Om06, Valve 15
Y16 1050867 (000000-- ) Fitting, Plug, Om06, Valve 2
Y17 1050866 (000000-- ) Fitting, Plug, Om04, Valve 1
Y18 1050868 (000000-- ) Fitting, Plug, Om05, Valve 3
Y19 1058084 (000000-- ) Fitting, Plug, Orifice 1
Y20 1058069 (000000-- )Fitting, Plug, Om02, Valve 2
Y21 1058061 (000000-- ) Fitting, Plug, Orifice 1
Y22 1058075 (000000-- ) Spacer, Coil 2
Y23 1058074 (000000-- ) Spacer, Coil 1
Y24 373737 (000000-- ) Solenoid, #8, 12vdc 4
Y25 373736 (000000-- )Solenoid, #10, 12vdc 3
Y26 1058073 (000000-- ) Valve, Piston 2
Y27 1058599 (000000-- ) Fitting, Plug, Orifice 1
Y28 373584 (000000-- ) Nut, Short 3
Y29 373585 (000000-- )Nut, Long 1
Home
Find...
Go To..

BREAKDOWNS
Sentinel 331000 (5--10)
4--56
Fig. 28 -- Hydraulic Solenoid Valve Breakdown, 1053648
PC4
PC6
PC8
PC7
PC5
SV11
SV22
SV23
SV06
SV24
SV29
11
1
22
2
33
3
3
3
3
4
4
4
5
5
5
5
5
6
6
6
6
6
6
7
8
9
10
11
12 12
12
13
13
14 14
14
Home
Find...
Go To..

BREAKDOWNS
4--57
Sentinel 331000 (5--10)
356054
Fig. 28 -- Hydraulic Solenoid Valve Breakdown, 1053648
Ref. Part No. Serial Number Description Qty.
o1053648 (000000-- )Valve, Cntrl, Hyd, Solenoid, 12vdc 03gpm 1
Yo1 1058077 (000000-- ) Valve, Stem, Hyd 3
YY 2 1058233 (000000-- ) Seal Kit, Cartridge 1
Y3 1058085 (000000-- ) Solenoid, Valve, Hyd 6
Yo4 1058067 (000000-- ) Valve, Cartridge, Check 5
YY 51050871 (000000-- )Seal Kit, Cartridge 1
Y6 1050873 (000000-- ) Fitting, Plug, Om06, Valve 16
Y7 1050868 (000000-- ) Fitting, Plug, Om05, Valve 1
Y8 1058063 (000000-- ) Fitting, Plug, Valve 1
Y9 1050869 (000000-- ) Fitting, Plug, Om04, Valve 1
Y10 1058073 (000000-- )Valve, Piston 2
Y11 1058072 (000000-- ) Valve, Piston 1
Y12 1058075 (000000-- ) Spacer, Coil 3
Y13 1058603 (000000-- ) Fitting, Plug, Orifice 2
Y14 373584 (000000-- )Nut, Short 3
Home
Find...
Go To..

BREAKDOWNS
Sentinel 331000 (6--06)
4--58
Home
Find...
Go To..

1008786 NA ENGINE BREAKDOWN
5--1
Sentinel 331000 (12--03)
SECTION 5
Contents Page
Fig. 1 -- Balancer Group 5-2.....................
Fig. 2 -- Water Connection Group 5-4.............
Fig. 3 -- Engine Oil Cooler Group 5-6.............
Fig. 4 -- Valve Mechanism Cover Group 5-8.......
Fig. 5 -- Front Housing Cover Group 5-10.........
Fig. 6 -- Fuel Filter Group 5-12...................
Fig. 7 -- Front Housing Group 5-14...............
Fig. 8 -- Glow Plug Group 5-16..................
Fig. 9 -- Engine Lifting Group 5-17................
Fig. 10 -- Exhaust Manifold Group 5-18............
Fig. 11 -- Exhaust Fastener Group 5-19............
Fig. 12 -- Engine Plug Group 5-20.................
Fig. 13 -- Engine Plug Group 5-21.................
Fig. 14 -- Fan Drive Group 5-22...................
Fig. 15 -- Crankshaft Pulley Group 5-23............
Fig. 16 -- Oil Pan Group 5-24.....................
Fig. 17 -- Exhaust Pipe Group 5-26................
Fig. 18 -- Fuel Injection Pump Group 5-28..........
Fig. 19 -- Water Pump Group 5-30.................
Fig. 20 -- Pressure Switch Group 5-32.............
Fig. 21 -- Camshaft Group 5-33...................
Fig. 22 -- Crankshaft Group 5-34..................
Fig. 23 -- Cylinder Block Group 5-36...............
Fig. 24 -- Cylinder Head Group 5-38...............
Fig. 25 -- Piston and Rod Group 5-40..............
Fig. 26 -- Valve Mechanism Group 5-42............
Home
Find...
Go To..

1008786 NA ENGINE BREAKDOWN
Sentinel 331000 (12--03)
5--2
Fig. 1 -- Balancer Group
1
2
3
6
5
8
12
13
4
15
16
14
9
17
18
11
7
10
Home
Find...
Go To..

1008786 NA ENGINE BREAKDOWN
5--3
Sentinel 331000 (6--06)
Fig. 1 -- Balancer Group
Ref. Part No. Description Qty.
1372069 )Bolt, M10 X 1.5 X 70mm 6
o2 372070 Balancer 1
Y3 372071 Dowel 1
Y4 372072 Nut 1
Y5 372073 Bolt 1
Y6372074 Gear, Shaft 1
Y7 372075 Washer, Thrust 1
Y8 372076 Gear, Balancer, 17tooth 1
Yo9 372077 Gear, 44tooth 1
YY 10 372078 Bearing 1
Y11 372079 Bolt 5
Y12 372080 Cover 1
Y13 372081 Rotor 1
Y14 372082 Dowel 1
Yo15 372083 Valve, Relief, Press, Oil, Eng 1
YY 16 372084 Plunger 1
YY 17 372085 Spring 1
YY 18 372086 Plug, Retainer 1
Home
Find...
Go To..

1008786 NA ENGINE BREAKDOWN
Sentinel 331000 (12--03)
5--4
Fig. 2 -- Water Connection Group
1
3
4
5
2
Cylinder Head
Home
Find...
Go To..

1008786 NA ENGINE BREAKDOWN
5--5
Sentinel 331000 (6--06)
Fig. 2 -- Water Connection Group
Ref. Part No. Description Qty.
1372087 )Bolt, M8 X 1.25 X 25mm 2
o2 372088 Regulator Assy, Temp, Water 1
Y3 372089 Regulator, Temp,Water 1
Y4 372090 Seal, Org, Reg, Temp, Water 1
Home
Find...
Go To..

1008786 NA ENGINE BREAKDOWN
Sentinel 331000 (12--03)
5--6
Fig. 3 -- Engine Oil Cooler Group
1
3
4
5
6
78
9
10
2
Home
Find...
Go To..

1008786 NA ENGINE BREAKDOWN
5--7
Sentinel 331000 (6--06)
Fig. 3 -- Engine Oil Cooler Group
Ref. Part No. Description Qty.
1372091 )Bolt, M8 X 1.25 X 25mm 8
o2 372253 Cooler Assy, Oil 1
Y3 372087 Bolt, M8 X 1.25 X 25mm 10
Y4 372094 Bolt 3
Y5 372095 Bolt, M8 X 1.25 X 35mm 4
Y6372096 Seal 2
Y7 372097 Gasket 1
Y8 372254 Cooler, Oil 1
9 372099 Plate 1
10 372100 Gasket 1
Home
Find...
Go To..

1008786 NA ENGINE BREAKDOWN
Sentinel 331000 (12--03)
5--8
Fig. 4 -- Valve Mechanism Cover Group
2
4
7
18
5
6
8
9
1
10
11
12
3
13
14
15
16
17
Front Housing
Home
Find...
Go To..

1008786 NA ENGINE BREAKDOWN
5--9
Sentinel 331000 (6--06)
Fig. 4 -- Valve Mechanism Cover Group
Ref. Part No. Description Qty.
1372405 )Bolt, M6 X 1.0 X 14mm 3
o2 372406 Cover, Valve 1
Yo3 372407 Cap, Filler, Oil 1
YY 4 372408 Seal, Cap, Oil Filler 1
Y5 372259 Gasket, Cover, Valve 1
Y6372409 Bolt 12
Y7 372410 Spring 1
Y8 372411 Cap 1
Y9 372412 Partition, Diaphragm 1
Y10 372413 Plate 1
Y11 372414 Screw 4
Y12 372415 Cap 1
13 372416 Plug, Cup 1
o14 372422 Tube, Connecting 1
Y15 372419 Seal, Org 1
Y16 372421 Gasket 1
17 372417 Cover 1
Home
Find...
Go To..

1008786 NA ENGINE BREAKDOWN
Sentinel 331000 (12--03)
5--10
Fig. 5 -- Front Housing Cover Group
1
2
3
5
4
Cylinder Block
To Front
Housing
Home
Find...
Go To..

1008786 NA ENGINE BREAKDOWN
5--11
Sentinel 331000 (6--06)
Fig. 5 -- Front Housing Cover Group
Ref. Part No. Description Qty.
1372101 )Bolt, M10 X 1.5 X 20mm 1
2 372102 Bolt 5
o3 372103 Cover Assy, Gear, Timing 1
Y4 372104 Seal, Cover 1
5372105 Plug 1
Home
Find...
Go To..

1008786 NA ENGINE BREAKDOWN
Sentinel 331000 (12--03)
5--12
Fig. 6 -- Fuel Filter Group
1
4
6
11
7
5
12
8
10
2
3
9
Home
Find...
Go To..

1008786 NA ENGINE BREAKDOWN
5--13
Sentinel 331000 (6--06)
Fig. 6 -- Fuel Filter Group
Ref. Part No. Description Qty.
1372110 )Bolt, M8 X 1.25 X 45mm 1
2 372111 Bolt 3
3 372121 Bracket 1
4 372112 Spacer 1
5 372113 Fitting, Special 1
6372114 Fitting, Special 1
7 372115 Clip 1
o8 372116 Pump Assy, Primer, Fuel 1
Y9 372117 Element Assy, Filter, Fuel 1
10 372118 Washer 3
11 372262 Fuelline Assy 1
12 372263 Fuelline Assy 1
Home
Find...
Go To..

1008786 NA ENGINE BREAKDOWN
Sentinel 331000 (12--03)
5--14
Fig. 7 -- Front Housing Group
1
22
4
23 16
6
20
9
7
3
10
5
17
15
21
2
14 8
13
11
12
18
19
Camshaft
Home
Find...
Go To..

1008786 NA ENGINE BREAKDOWN
5--15
Sentinel 331000 (6--06)
Fig. 7 -- Front Housing Group
Ref. Part No. Description Qty.
1372124 )Key, Woodruff 1
o2 372125 Seal, Cshaft 1
Y3 372126 Sleeve, Cshaft 1
4 372127 Bolt, M8 X 1.25 X 20mm 8
5 372091 Bolt, M8 X 1.25 X 25mm 4
6372128 Bolt, M10 X 1.50 X 60mm 3
7 372129 Bolt, M12 X 1.75 X 45mm 1
8 372130 Pin, Dowel 1
9 372131 Hub, Gear, Idler 1
10 372132 Plate, Retaining 1
11 372133 Bolt, M8 X 1.25 X 65mm 5
12 372101 Bolt, M10 X 1.5 X 20mm 1
13 372134 Bolt, M8 X 1.25 X 16mm 9
14 372135 Washer 1
15 372136 Gear, Camshaft, 68tooth 1
16 372137 Gasket 1
17 372138 Gasket 1
o18 372139 Cover Assy, Front 1
Y19 372140 Gasket, Cover 1
20 372141 Washer, Thrust 1
o21 372142 Gear Assy, Idler 1
Y22 372143 Bushing, Gear, Idler 2
23 372144 Housing, Front 1
Home
Find...
Go To..

1008786 NA ENGINE BREAKDOWN
Sentinel 331000 (6--06)
5--16
Fig. 8 -- Glow Plug Group
1
2
3
Cylinder Head
Ref. Part No. Description Qty.
1372122 )Support, Plug 1
2 372123 Plug, Glow 4
Home
Find...
Go To..

1008786 NA ENGINE BREAKDOWN
5--17
Sentinel 331000 (6--06)
Fig. 9 -- Engine Lifting Group
1
1
Cylinder Head
352398
Ref. Part No. Description Qty.
1372145 )Kit, Lift, Eng 1
Home
Find...
Go To..

1008786 NA ENGINE BREAKDOWN
Sentinel 331000 (6--06)
5--18
Fig. 10 -- Exhaust Manifold Group
2
1
3
Ref. Part No. Description Qty.
1372146 )Bolt 4
2 372147 Gasket 1
3 372148 Manifold, Exhaust 1
Home
Find...
Go To..

1008786 NA ENGINE BREAKDOWN
5--19
Sentinel 331000 (6--06)
Fig. 11 -- Exhaust Fastener Group
1
2
Ref. Part No. Description Qty.
1372109 )Kit, Fastener, Exhaust 1
Home
Find...
Go To..

1008786 NA ENGINE BREAKDOWN
Sentinel 331000 (6--06)
5--20
Fig. 12 -- Engine Plug Group
1
Ref. Part No. Description Qty.
1372174 )Plug, W/ Org 1
Home
Find...
Go To..

1008786 NA ENGINE BREAKDOWN
5--21
Sentinel 331000 (6--06)
Fig. 13 -- Engine Plug Group
1
1
1
Ref. Part No. Description Qty.
1372175 )Plug 3
Home
Find...
Go To..

1008786 NA ENGINE BREAKDOWN
Sentinel 331000 (6--06)
5--22
Fig. 14 -- Fan Drive Group
1
2
3
Ref. Part No. Description Qty.
1372106 )Bolt, M10 X 1.5 X 35mm 4
2 372107 Pulley, Drive, Fan 1
3 372108 Housing Assy 1
Home
Find...
Go To..

1008786 NA ENGINE BREAKDOWN
5--23
Sentinel 331000 (6--06)
Fig. 15 -- Crankshaft Pulley Group
1
3
2
Ref. Part No. Description Qty.
1372176 )Block, Pulley 1
2 372264 Pulley 1
3 372178 Bolt, .44--20 X 1.50 3
Home
Find...
Go To..

1008786 NA ENGINE BREAKDOWN
Sentinel 331000 (12--03)
5--24
Fig. 16 -- Oil Pan Group
21
3
4
5
6
9
8
19
10
11
12
13
15
16
2
18
1
20
17
14
1
7
Home
Find...
Go To..

1008786 NA ENGINE BREAKDOWN
5--25
Sentinel 331000 (6--06)
Fig. 16 -- Oil Pan Group
Ref. Part No. Description Qty.
1372149 )Plug, Pipe 2
2 372150 Seal, Org, Drain, Sump 2
3 372127 Bolt, M8 X 1.25 X 20mm 8
4 372151 Plug 1
5 372152 Nut, M8 X 1.25 2
6372153 Bolt 2
7 372154 Bolt, M8 X 1.25 X 80mm 4
8 372155 Bolt, M6 X 1.00 X 20mm 2
9 372156 Seal 1
10 372157 Plug, Drain, Sump 2
11 372158 Gasket 1
12 372095 Bolt, M8 X 1.25 X 35mm 2
o13 372159 Tube Assy 1
Y14 372160 Nut 1
15 372161 Dipstick 1
16 372162 Stud 2
17 372163 Bolt 4
18 372164 Gasket 1
19 372165 Yoke 1
20 372166 Pan, Oil 1
21 372167 Strainer 1
Home
Find...
Go To..

1008786 NA ENGINE BREAKDOWN
Sentinel 331000 (12--03)
5--26
Fig. 17 -- Exhaust Pipe Group
3
4
6
5
7
1
3
2
Cylinder Head
Home
Find...
Go To..

1008786 NA ENGINE BREAKDOWN
5--27
Sentinel 331000 (6--06)
Fig. 17 -- Exhaust Pipe Group
Ref. Part No. Description Qty.
1372168 )Bolt, M8 X 1.25 X 20mm 12
2 372091 Bolt, M8 X 1.25 X 25mm 4
3 372169 Gasket 4
4 372170 Plate 3
5 372171 Plug 1
6372172 Washer 1
7 372173 Pipe 1
Home
Find...
Go To..

1008786 NA ENGINE BREAKDOWN
Sentinel 331000 (9--07)
5--28
Fig. 18 -- Fuel Injection Pump Group
20
31
22
7
4
30, 32
12
1
28
24
8
27
3
21
13
2
23
19
18
1726
25
5
6
11
9
16
15
10
14
29
Cylinder Block
Cylinder Head
33
Home
Find...
Go To..

1008786 NA ENGINE BREAKDOWN
5--29
Sentinel 331000 (9--07)
Fig. 18 -- Fuel Injection Pump Group
Ref. Part No. Description Qty.
1372127 )Bolt, M8 X 1.25 X 20mm 1
2 372087 Bolt, M8 X 1.25 X 25mm 3
3 372152 Nut, M8 X 1.25 1
4 372101 Bolt, M10 X 1.5 X 20mm 1
5 372134 Bolt, M8 X 1.25 X 16mm 1
6372179 Clip 1
7 372180 Seal, Org 1
8 372181 Cap 1
9 372182 Switch, Advance, Timing 1
10 372183 Seal, Org 1
11 372184 Seal, Org 1
12 372185 Bracket 1
13 372186 Bracket 1
14 372187 Plug 1
15 372188 Plug 1
16 372189 Plug, Cup 1
17 372190 Fuelline Assy 1
18 372191 Fuelline Assy 1
19 372192 Fuelline Assy 1
20 372193 Fuelline Assy 1
21 372194 Clip 2
22 372195 Clip 1
23 372196 Washer 3
24 372197 Bracket 1
25 372198 Clamp, Injector 4
26 372199 Bolt 4
27 372200 Pump Assy, Fuel Injection 1
28 372201 Gear, Pump 1
29 372202 Cable 1
o30 372203 Injector Assy, Fuel 4
Y31 372204 Washer 1
Y32 372205 Nozzle 1
Y33 1037757 Soleniod, Shutoff, Fuel, Na 1
372206 Clip, Pipe (not shown) 1
Home
Find...
Go To..

1008786 NA ENGINE BREAKDOWN
Sentinel 331000 (12--03)
5--30
Fig. 19 -- Water Pump Group
1
3
4
8
9
2
6
5
7
Cylinder Head
Front Housing
Home
Find...
Go To..

1008786 NA ENGINE BREAKDOWN
5--31
Sentinel 331000 (6--06)
Fig. 19 -- Water Pump Group
Ref. Part No. Description Qty.
1372127 )Bolt, M8 X 1.25 X 20mm 2
2 372207 Bolt, M8 X 1.25 X 30mm 2
3 372133 Bolt, M8 X 1.25 X 65mm 5
4 372208 Bolt, M8 X 75mm 2
o5 372209 Pipe Assy 1
Y6372210 Seal, Org 1
Y7 372211 Seal, Org 1
o8 372212 Pump Assy, Water 1
Y9 372213 Gasket 1
Home
Find...
Go To..

1008786 NA ENGINE BREAKDOWN
Sentinel 331000 (6--06)
5--32
Fig. 20 -- Pressure Switch Group
1
Ref. Part No. Description Qty.
1372214 )Switch Assy, Press, Oil, Eng 1
Home
Find...
Go To..

1008786 NA ENGINE BREAKDOWN
5--33
Sentinel 331000 (6--06)
Fig. 21 -- Camshaft Group
1
Ref. Part No. Description Qty.
1372333 )Camshaft, W/ Key 1
Home
Find...
Go To..

1008786 NA ENGINE BREAKDOWN
Sentinel 331000 (12--03)
5--34
Fig. 22 -- Crankshaft Group
6
7
2
4
5
3
1
Home
Find...
Go To..

1008786 NA ENGINE BREAKDOWN
5--35
Sentinel 331000 (6--06)
Fig. 22 -- Crankshaft Group
Ref. Part No. Description Qty.
1372124 )Key, Woodruff 1
2 372334 Gear, Cshaft, 34tooth 1
o3 372402 Kit, Cshft 1
Y4 372336 Kit, Brg, Main 1
Y4 372337 Kit, Brg, Cshft, .25mm 1
Y4372338 Kit, Brg, Cshft, .50mm 1
Y4 372339 Kit, Brg, Cshft, .76mm 1
Y5 372340 Kit, Brg, Rod, Std 1
Y5 372341 Kit, Brg, Rod, .25mm 1
Y5 372342 Kit, Brg, Rod, .50mm 1
Y5372343 Kit, Brg, Rod, .76mm 1
Y6 372344 Washer, Thrust, Upper, Std 2
Y6 372345 Washer, Thrust, .18mm [Oversized] 2
Y7 372346 Washer, Thrust, Lower, Std 2
Y7372347 Washer, Thrust, .18mm [Oversized] 2
Home
Find...
Go To..

1008786 NA ENGINE BREAKDOWN
Sentinel 331000 (12--03)
5--36
Fig. 23 -- Cylinder Block Group
15
7
1
19
12
18
13
20
10
8
17
6
2
3
11
16
14 549
Home
Find...
Go To..

1008786 NA ENGINE BREAKDOWN
5--37
Sentinel 331000 (6--06)
Fig. 23 -- Cylinder Block Group
Ref. Part No. Description Qty.
1372168 )Bolt, M8 X 1.25 X 20mm 4
2 372348 Bolt 10
3 372349 Pin, Dowel 10
4 372350 Plug 1
5 372351 Plug, Side 1
6372352 Screw, M6 X 1.00 X 10mm 4
7 372353 Pin, Dowel 2
8 372217 Gasket, Adapter, Fltr, Oil 1
9 372354 Plug 2
10 372355 Plate 1
11 372356 Bearing 1
12 372357 Nozzle, Jet, Piston Cooling 4
13 372358 Plug 1
14 372359 Plug 2
15 372360 Plug 1
16 372361 Plug, Cup 1
17 372362 Plug 1
18 372363 Screw, M8 X 1.25 X 16mm 10
19 372364 Housing Assy 1
20 372365 Block Assy, Cyl 1
Home
Find...
Go To..

1008786 NA ENGINE BREAKDOWN
Sentinel 331000 (12--03)
5--38
Fig. 24 -- Cylinder Head Group
1
6
14
10
5
11
12
44
11
12
53
10
8
7
9
13
2
Home
Find...
Go To..

1008786 NA ENGINE BREAKDOWN
5--39
Sentinel 331000 (6--06)
17
16 15
Fig. 24 -- Cylinder Head Group
Ref. Part No. Description Qty.
1372159 )Tube Assy 1
2 372367 Plug 2
3 372350 Plug 4
4 372368 Retainer 16
5 372369 Guide, Valve, Intake 8
6372184 Seal, Org 1
7 372370 Insert, Valve, Inlet 4
8 372371 Insert, Valve, Exhaust 4
9 372372 Valve, Inlet 4
10 372373 Spring, Valve 8
11 372374 Seal, Valve 8
12 372375 Cap 8
13 372376 Valve, Exhaust 4
14 372188 Plug 1
15 372378 Bolt 7
16 372379 Bolt 3
17 372380 Gasket, Head 1
Home
Find...
Go To..

1008786 NA ENGINE BREAKDOWN
Sentinel 331000 (12--03)
5--40
Fig. 25 -- Piston and Rod Group
1
2
6
2
3
4
5
Home
Find...
Go To..

1008786 NA ENGINE BREAKDOWN
5--41
Sentinel 331000 (6--06)
Fig. 25 -- Piston and Rod Group
Ref. Part No. Description Qty.
o1372381 )Piston Assy 4
Y2 372382 Ring, Retaining 2
Y3 372383 Kit, Ring, Piston 1
o4 372384 Rod Assy 4
Y5 372385 Bushing 1
Y6372386 Bolt 2
Home
Find...
Go To..

1008786 NA ENGINE BREAKDOWN
Sentinel 331000 (12--03)
5--42
Fig. 26 -- Valve Mechanism Group
1
8
3, 7
10
4
9
14
2
6
5
11
12
16
13
15
Home
Find...
Go To..

1008786 NA ENGINE BREAKDOWN
5--43
Sentinel 331000 (6--06)
Fig. 26 -- Valve Mechanism Group
Ref. Part No. Description Qty.
1372387 )Rod 8
2 372388 Tappet 8
o3 372389 Arm Assy, Rocker 1
oY4 372390 Lever Assy 4
YY 5 372391 Nut, Jam, .38--24 1
YY 6372392 Screw 1
Y7 372393 Shaft Assy 1
Y8 372394 Plug 2
Y9 372395 Spring 3
oY10 372396 Lever Assy 4
YY 11 372391 Nut, Jam, .38--24 1
YY 12 372392 Screw 1
Y13 372397 Clip 2
Y14 372398 Bolt 1
Y15 372399 Washer 2
Y16 372400 Bolt 3
Home
Find...
Go To..

1008786 NA ENGINE BREAKDOWN
Sentinel 331000 (8--03)
5--44
Home
Find...
Go To..

1008787 TURBO ENGINE BREAKDOWN
6--1
Sentinel 331000 (12--03)
SECTION 6
Contents Page
Fig. 1 -- Balancer Group 6-2.....................
Fig. 2 -- Water Connection Group 6-4.............
Fig. 3 -- Engine Oil Cooler Group 6-6.............
Fig. 4 -- Valve Mechanism Cover Group 6-8.......
Fig. 5 -- Front Housing Cover Group 6-10.........
Fig. 6 -- Fuel Filter Group 6-12...................
Fig. 7 -- Front Housing Group 6-14...............
Fig. 8 -- Glow Plug Group 6-16..................
Fig. 9 -- Engine Lifting Group 6-17................
Fig. 10 -- Engine Plug Group 6-18.................
Fig. 11 -- Engine Plug Group 6-19.................
Fig. 12 -- Fan Drive Group 6-20...................
Fig. 13 -- Crankshaft Pulley Group 6-21............
Fig. 14 -- Oil Pan Group 6-22.....................
Fig. 15 -- Exhaust Pipe Group 6-24................
Fig. 16 -- Fuel Injection Pump Group 6-26..........
Fig. 17 -- Water Pump Group 6-28.................
Fig. 18 -- Pressure Switch Group 6-30.............
Fig. 19 -- Camshaft Group 6-31...................
Fig. 20 -- Crankshaft Group 6-32..................
Fig. 21 -- Cylinder Block Group 6-34...............
Fig. 22 -- Cylinder Head Group 6-36...............
Fig. 23 -- Piston and Rod Group 6-38..............
Fig. 24 -- Valve Mechanism Group 6-40............
Fig. 25 -- Turbocharger Group 6-42................
Home
Find...
Go To..

1008787 TURBO ENGINE BREAKDOWN
Sentinel 331000 (12--03)
6--2
Fig. 1 -- Balancer Group
1
2
3
6
5
8
12
13
4
15
16
14
9
17
18
11
7
10
Home
Find...
Go To..

1008787 TURBO ENGINE BREAKDOWN
6--3
Sentinel 331000 (6--06)
Fig. 1 -- Balancer Group
Ref. Part No. Description Qty.
1372069 )Bolt, M10 X 1.5 X 70mm 6
o2 372070 Balancer 1
Y3 372071 Dowel 1
Y4 372072 Nut 1
Y5 372073 Bolt 1
Y6372074 Gear, Shaft 1
Y7 372075 Washer, Thrust 1
Y8 372076 Gear, Balancer, 17tooth 1
Yo9 372077 Gear, 44tooth 1
YY 10 372078 Bearing 1
Y11 372079 Bolt 5
Y12 372080 Cover 1
Y13 372081 Rotor 1
Y14 372082 Dowel 1
Yo15 372083 Valve, Relief, Press, Oil, Eng 1
YY 16 372084 Plunger 1
YY 17 372085 Spring 1
YY 18 372086 Plug, Retainer 1
Home
Find...
Go To..

1008787 TURBO ENGINE BREAKDOWN
Sentinel 331000 (12--03)
6--4
Fig. 2 -- Water Connection Group
1
3
4
5
2
Cylinder Head
Home
Find...
Go To..

1008787 TURBO ENGINE BREAKDOWN
6--5
Sentinel 331000 (6--06)
Fig. 2 -- Water Connection Group
Ref. Part No. Description Qty.
1372087 )Bolt, M8 X 1.25 X 25mm 2
o2 372088 Regulator Assy, Temp, Water 1
Y3 372089 Regulator, Temp,Water 1
Y4 372090 Seal, Org, Reg, Temp, Water 1
Home
Find...
Go To..

1008787 TURBO ENGINE BREAKDOWN
Sentinel 331000 (12--03)
6--6
Fig. 3 -- Engine Oil Cooler Group
1
3
4
5
6
78
9
10
2
Home
Find...
Go To..

1008787 TURBO ENGINE BREAKDOWN
6--7
Sentinel 331000 (6--06)
Fig. 3 -- Engine Oil Cooler Group
Ref. Part No. Description Qty.
1372091 )Bolt, M8 X 1.25 X 25mm 8
o2 372253 Cooler Assy, Oil 1
Y3 372087 Bolt, M8 X 1.25 X 25mm 10
Y4 372094 Bolt 3
Y5 372095 Bolt, M8 X 1.25 X 35mm 4
Y6372096 Seal 2
Y7 372097 Gasket 1
Y8 372254 Cooler, Oil 1
9 372099 Plate 1
10 372100 Gasket 1
Home
Find...
Go To..

1008787 TURBO ENGINE BREAKDOWN
Sentinel 331000 (12--03)
6--8
Fig. 4 -- Valve Mechanism Cover Group
6
8
11
18
9
10
12
13
2
1415
16
7
17
19
20
5
Front Housing
1
3
4
21
10
Home
Find...
Go To..

1008787 TURBO ENGINE BREAKDOWN
6--9
Sentinel 331000 (6--06)
Fig. 4 -- Valve Mechanism Cover Group
Ref. Part No. Description Qty.
1372255 )Clamp, Hose 1
2 372405 Bolt, M6 X 1.0 X 14mm 3
3 372256 Bracket 1
4 372257 Spring, Hose, Breather, Crankcase 1
5 372258 Hose, Breather, Crankcase 1
o6372406 Cover, Valve 1
Yo7 372407 Cap, Filler, Oil 1
YY 8 372408 Seal, Cap, Oil Filler 1
Y9 372259 Gasket, Cover, Valve 1
Y10 372409 Bolt 12
Y11 372410 Spring 1
Y12 372411 Cap 1
Y13 372412 Partition, Diaphragm 1
Y14 372413 Plate 1
Y15 372414 Screw 4
Y16 372415 Cap 1
17 372416 Plug, Cup 1
18 372417 Cover 1
o19 372418 Tube, Connecting 1
Y20 372419 Seal, Org 1
Y21 372421 Gasket 1
Home
Find...
Go To..

1008787 TURBO ENGINE BREAKDOWN
Sentinel 331000 (12--03)
6--10
Fig. 5 -- Front Housing Cover Group
1
2
3
5
4
Cylinder Block
To Front
Housing
Home
Find...
Go To..

1008787 TURBO ENGINE BREAKDOWN
6--11
Sentinel 331000 (6--06)
Fig. 5 -- Front Housing Cover Group
Ref. Part No. Description Qty.
1372101 )Bolt, M10 X 1.5 X 20mm 1
2 372102 Bolt 5
o3 372103 Cover Assy, Gear, Timing 1
Y4 372104 Seal, Cover 1
5372105 Plug 1
Home
Find...
Go To..

1008787 TURBO ENGINE BREAKDOWN
Sentinel 331000 (12--03)
6--12
Fig. 6 -- Fuel Filter Group
1
4
6
11
7
5
12
8
10
2
13
9
3
Home
Find...
Go To..

1008787 TURBO ENGINE BREAKDOWN
6--13
Sentinel 331000 (6--06)
Fig. 6 -- Fuel Filter Group
Ref. Part No. Description Qty.
1372110 )Bolt, M8 X 1.25 X 45mm 1
2 372111 Bolt 3
3 372261 Clip 1
4 372112 Spacer 1
5 372113 Fitting, Special 1
6372114 Fitting, Special 1
7 372115 Clip 1
o8 372116 Pump Assy, Primer, Fuel 1
Y9 372117 Element Assy, Filter, Fuel 1
10 372118 Washer 3
11 372262 Fuelline Assy 1
12 372263 Fuelline Assy 1
13 372121 Bracket 1
Home
Find...
Go To..

1008787 TURBO ENGINE BREAKDOWN
Sentinel 331000 (12--03)
6--14
Fig. 7 -- Front Housing Group
1
22
4
23 16
6
20
9
7
3
10
5
17
15
21
2
14 8
13
11
12
18
19
Camshaft
Home
Find...
Go To..

1008787 TURBO ENGINE BREAKDOWN
6--15
Sentinel 331000 (6--06)
Fig. 7 -- Front Housing Group
Ref. Part No. Description Qty.
1372124 )Key, Woodruff 1
o2 372125 Seal, Cshaft 1
Y3 372126 Sleeve, Cshaft 1
4 372127 Bolt, M8 X 1.25 X 20mm 8
5 372091 Bolt, M8 X 1.25 X 25mm 4
6372128 Bolt, M10 X 1.50 X 60mm 3
7 372129 Bolt, M12 X 1.75 X 45mm 1
8 372130 Pin, Dowel 1
9 372131 Hub, Gear, Idler 1
10 372132 Plate, Retaining 1
11 372133 Bolt, M8 X 1.25 X 65mm 5
12 372101 Bolt, M10 X 1.5 X 20mm 1
13 372134 Bolt, M8 X 1.25 X 16mm 9
14 372135 Washer 1
15 372136 Gear, Camshaft, 68tooth 1
16 372137 Gasket 1
17 372138 Gasket 1
o18 372139 Cover Assy, Front 1
Y19 372140 Gasket, Cover 1
20 372141 Washer, Thrust 1
o21 372142 Gear Assy, Idler 1
Y22 372143 Bushing, Gear, Idler 2
23 372144 Housing, Front 1
Home
Find...
Go To..

1008787 TURBO ENGINE BREAKDOWN
Sentinel 331000 (6--06)
6--16
Fig. 8 -- Glow Plug Group
1
2
3
Cylinder Head
Ref. Part No. Description Qty.
1372122 )Support, Plug 1
2 372123 Plug, Glow 4
Home
Find...
Go To..

1008787 TURBO ENGINE BREAKDOWN
6--17
Sentinel 331000 (6--06)
Fig. 9 -- Engine Lifting Group
1
1
Cylinder Head
352398
Ref. Part No. Description Qty.
1372145 )Kit, Lift, Eng 1
Home
Find...
Go To..

1008787 TURBO ENGINE BREAKDOWN
Sentinel 331000 (6--06)
6--18
Fig. 10 -- Engine Plug Group
1
Ref. Part No. Description Qty.
1372174 )Plug, W/ Org 1
Home
Find...
Go To..

1008787 TURBO ENGINE BREAKDOWN
6--19
Sentinel 331000 (6--06)
Fig. 11 -- Engine Plug Group
1
1
1
Ref. Part No. Description Qty.
1372175 )Plug [Set Of 3] 1
Home
Find...
Go To..

1008787 TURBO ENGINE BREAKDOWN
Sentinel 331000 (6--06)
6--20
Fig. 12 -- Fan Drive Group
1
2
3
Ref. Part No. Description Qty.
1372106 )Bolt, M10 X 1.5 X 35mm 4
2 372107 Pulley, Drive, Fan 1
3 372108 Housing Assy 1
Home
Find...
Go To..

1008787 TURBO ENGINE BREAKDOWN
6--21
Sentinel 331000 (6--06)
Fig. 13 -- Crankshaft Pulley Group
1
3
2
Ref. Part No. Description Qty.
1372176 )Block, Pulley 1
2 372264 Pulley 1
3 372178 Bolt, .44--20 X 1.50 3
Home
Find...
Go To..

1008787 TURBO ENGINE BREAKDOWN
Sentinel 331000 (12--03)
6--22
Fig. 14 -- Oil Pan Group
21
3
4
5
6
9
8
19
10
11
12
13
15
16
2
18
1
20
17
14
1
7
Home
Find...
Go To..

1008787 TURBO ENGINE BREAKDOWN
6--23
Sentinel 331000 (6--06)
Fig. 14 -- Oil Pan Group
Ref. Part No. Description Qty.
1372149 )Plug, Pipe 2
2 372150 Seal, Org, Drain, Sump 2
3 372127 Bolt, M8 X 1.25 X 20mm 8
4 372151 Plug 1
5 372152 Nut, M8 X 1.25 2
6372153 Bolt 2
7 372154 Bolt, M8 X 1.25 X 80mm 4
8 372155 Bolt, M6 X 1.00 X 20mm 2
9 372156 Seal 1
10 372157 Plug, Drain, Sump 2
11 372158 Gasket 1
12 372095 Bolt, M8 X 1.25 X 35mm 2
o13 372159 Tube Assy 1
Y14 372160 Nut 1
15 372161 Dipstick 1
16 372162 Stud 2
17 372163 Bolt 4
18 372164 Gasket 1
19 372165 Yoke 1
20 372166 Pan, Oil 1
21 372167 Strainer 1
Home
Find...
Go To..

1008787 TURBO ENGINE BREAKDOWN
Sentinel 331000 (12--03)
6--24
Fig. 15 -- Exhaust Pipe Group
3
4
6
5
7
1
3
2
Cylinder Head
Home
Find...
Go To..

1008787 TURBO ENGINE BREAKDOWN
6--25
Sentinel 331000 (6--06)
Fig. 15 -- Exhaust Pipe Group
Ref. Part No. Description Qty.
1372168 )Bolt, M8 X 1.25 X 20mm 12
2 372091 Bolt, M8 X 1.25 X 25mm 4
3 372169 Gasket 4
4 372170 Plate 3
5 372171 Plug 1
6372172 Washer 1
7 372173 Pipe 1
Home
Find...
Go To..

1008787 TURBO ENGINE BREAKDOWN
Sentinel 331000 (9--07)
6--26
Fig. 16 -- Fuel Injection Pump Group
20
37
22
7
34
29
1
30
24
8
27
3
21
9
2
23
35
18
17
31
25
5
6
32
12
16
15
13
14
36
Cylinder Block
Cylinder Head
26
4
33
14
33
19
11
10
28
38
Home
Find...
Go To..

1008787 TURBO ENGINE BREAKDOWN
6--27
Sentinel 331000 (9--07)
Fig. 16 -- Fuel Injection Pump Group
Ref. Part No. Description Qty.
1372127 )Bolt, M8 X 1.25 X 20mm 1
2 372087 Bolt, M8 X 1.25 X 25mm 3
3 372152 Nut, M8 X 1.25 1
4 372265 Fitting, Str 1
5 372266 Fitting, Flair 1
6372267 Fitting, Brs 1
7 372101 Bolt, M10 X 1.5 X 20mm 1
8 372268 Nut 1
9 372269 Washer 1
10 372134 Bolt, M8 X 1.25 X 16mm 1
11 372179 Clip 1
12 372182 Switch, Advance, Timing 1
13 372183 Seal, Org 1
14 372184 Seal, Org 2
15 372270 Washer 3
16 372197 Bracket 1
17 372271 Fuelline Assy 1
18 372272 Gear, Pump, Fuel 1
19 372273 Fuelline Assy, Cyl 1 1
20 372274 Fuelline Assy, Cyl 2 1
21 372275 Fuelline Assy, Cyl 3 1
22 372276 Fuelline Assy, Cyl 4 1
o23 372277 Injector Assy, Fuel 4
Y24 372204 Washer 1
o25 372278 Pump Assy, Injection, Fuel 1
Y26 372279 Seal, Org 1
27 372280 Clamp, Injector 4
28 372281 Bolt 4
29 372185 Bracket 1
30 372282 Clip, Pipe 1
31 372186 Clip, Pipe 1
32 372187 Plug 1
33 372188 Plug 2
34 372189 Plug, Cup 1
35 372283 Cap 1
36 372284 Cable 1
37 372285 Hose 3
38 1037758 Solenoid, Shutoff, Fuel, Turbo 1
372194 Clip (Not Shown) 1
372195 Clip (Not Shown) 1
Home
Find...
Go To..

1008787 TURBO ENGINE BREAKDOWN
Sentinel 331000 (12--03)
6--28
Fig. 17 -- Water Pump Group
1
3
4
8
9
2
6
5
7
Cylinder Head
Front Housing
Home
Find...
Go To..

1008787 TURBO ENGINE BREAKDOWN
6--29
Sentinel 331000 (6--06)
Fig. 17 -- Water Pump Group
Ref. Part No. Description Qty.
1372127 )Bolt, M8 X 1.25 X 20mm 2
2 372207 Bolt, M8 X 1.25 X 30mm 2
3 372133 Bolt, M8 X 1.25 X 65mm 5
4 372208 Bolt, M8 X 75mm 2
o5 372209 Pipe Assy 1
Y6372210 Seal, Org 1
Y7 372211 Seal, Org 1
o8 372212 Pump Assy, Water 1
Y9 372213 Gasket 1
Home
Find...
Go To..

1008787 TURBO ENGINE BREAKDOWN
Sentinel 331000 (6--06)
6--30
Fig. 18 -- Pressure Switch Group
1
Ref. Part No. Description Qty.
1372214 )Switch Assy, Press, Oil, Eng 1
Home
Find...
Go To..

1008787 TURBO ENGINE BREAKDOWN
6--31
Sentinel 331000 (6--06)
Fig. 19 -- Camshaft Group
1
Ref. Part No. Description Qty.
1372214 )Switch Assy, Press, Oil, Eng 1
Home
Find...
Go To..

1008787 TURBO ENGINE BREAKDOWN
Sentinel 331000 (12--03)
6--32
Fig. 20 -- Crankshaft Group
6
7
2
4
5
3
1
Home
Find...
Go To..

1008787 TURBO ENGINE BREAKDOWN
6--33
Sentinel 331000 (6--06)
Fig. 20 -- Crankshaft Group
Ref. Part No. Description Qty.
1372124 )Key, Woodruff 1
2 372334 Gear, Cshaft, 34tooth 1
o3 372402 Kit, Cshft 1
Y4 372336 Kit, Brg, Main 1
Y4 372337 Kit, Brg, Cshft, .25mm 1
Y4372338 Kit, Brg, Cshft, .50mm 1
Y4 372339 Kit, Brg, Cshft, .76mm 1
Y5 372340 Kit, Brg, Rod, Std 1
Y5 372341 Kit, Brg, Rod, .25mm 1
Y5 372342 Kit, Brg, Rod, .50mm 1
Y5372343 Kit, Brg, Rod, .76mm 1
Y6 372344 Washer, Thrust, Upper, Std 2
Y6 372345 Washer, Thrust, .18mm [Oversized] 2
Y7 372346 Washer, Thrust, Lower, Std 2
Y7372347 Washer, Thrust, .18mm [Oversized] 2
Home
Find...
Go To..

1008787 TURBO ENGINE BREAKDOWN
Sentinel 331000 (12--03)
6--34
Fig. 21 -- Cylinder Block Group
15
7
1
19
12
18
13
20
10
8
17
6
2
3
11
16
14 549
Home
Find...
Go To..

1008787 TURBO ENGINE BREAKDOWN
6--35
Sentinel 331000 (6--06)
Fig. 21 -- Cylinder Block Group
Ref. Part No. Description Qty.
1372168 )Bolt, M8 X 1.25 X 20mm 4
2 372348 Bolt 10
3 372349 Pin, Dowel 10
4 372350 Plug 1
5 372351 Plug, Side 1
6372352 Screw, M6 X 1.00 X 10mm 4
7 372353 Pin, Dowel 2
8 372217 Gasket, Adapter, Fltr, Oil 1
9 372354 Plug 2
10 372355 Plate 1
11 372356 Bearing 1
12 372357 Nozzle, Jet, Piston Cooling 4
13 372358 Plug 1
14 372359 Plug 2
15 372360 Plug 1
16 372361 Plug, Cup 1
17 372362 Plug 1
18 372363 Screw, M8 X 1.25 X 16mm 10
19 372364 Housing Assy 1
20 372365 Block Assy, Cyl 1
Home
Find...
Go To..

1008787 TURBO ENGINE BREAKDOWN
Sentinel 331000 (12--03)
6--36
Fig. 22 -- Cylinder Head Group
1
6
14
10
5
11
12
44
11
12
53
10
8
7
9
13
2
Home
Find...
Go To..

1008787 TURBO ENGINE BREAKDOWN
6--37
Sentinel 331000 (6--06)
17
16 15
Fig. 22 -- Cylinder Head Group
Ref. Part No. Description Qty.
1372159 )Tube Assy 1
2 372367 Plug 2
3 372350 Plug 4
4 372368 Retainer 16
5 372369 Guide, Valve, Intake 8
6372184 Seal, Org 1
7 372370 Insert, Valve, Inlet 4
8 372371 Insert, Valve, Exhaust 4
9 372372 Valve, Inlet 4
10 372373 Spring, Valve 8
11 372374 Seal, Valve 8
12 372375 Cap 8
13 372376 Valve, Exhaust 4
14 372188 Plug 1
15 372378 Bolt 7
16 372379 Bolt 3
17 372380 Gasket, Head 1
Home
Find...
Go To..

1008787 TURBO ENGINE BREAKDOWN
Sentinel 331000 (12--03)
6--38
Fig. 23 -- Piston and Rod Group
1
2
6
2
3
4
5
Home
Find...
Go To..

1008787 TURBO ENGINE BREAKDOWN
6--39
Sentinel 331000 (6--06)
Fig. 23 -- Piston and Rod Group
Ref. Part No. Description Qty.
o1372404 )Piston Assy 4
Y2 372382 Ring, Retaining 2
Y3 372383 Kit, Ring, Piston 1
o4 372384 Rod Assy 4
Y5 372385 Bushing 1
Y6372386 Bolt 2
Home
Find...
Go To..

1008787 TURBO ENGINE BREAKDOWN
Sentinel 331000 (12--03)
6--40
Fig. 24 -- Valve Mechanism Group
1
8
3, 7
10
4
9
14
2
6
5
11
12
16
13
15
Home
Find...
Go To..

1008787 TURBO ENGINE BREAKDOWN
6--41
Sentinel 331000 (6--06)
Fig. 24 -- Valve Mechanism Group
Ref. Part No. Description Qty.
1372387 )Rod 8
2 372388 Tappet 8
o3 372389 Arm Assy, Rocker 1
oY4 372390 Lever Assy 4
YY 5 372391 Nut, Jam, .38--24 1
YY 6372392 Screw 1
Y7 372393 Shaft Assy 1
Y8 372394 Plug 2
Y9 372395 Spring 3
oY10 372396 Lever Assy 4
YY 11 372391 Nut, Jam, .38--24 1
YY 12 372392 Screw 1
Y13 372397 Clip 2
Y14 372398 Bolt 1
Y15 372399 Washer 2
Y16 372400 Bolt 3
Home
Find...
Go To..

1008787 TURBO ENGINE BREAKDOWN
Sentinel 331000 (12--03)
6--42
Fig. 25 -- Turbocharger Group
1
6
5
10
9
8
2
4
3
11
7
14
13
2
3
15
12
See Standard
Parts for Exhaust
Elbow
7
8
Home
Find...
Go To..

1008787 TURBO ENGINE BREAKDOWN
6--43
Sentinel 331000 (6--06)
Fig. 25 -- Turbocharger Group
Ref. Part No. Description Qty.
1372127 )Bolt, M8 X 1.25 X 20mm 2
2 372423 Nut, M10 7
3 372426 Stud 7
4 372146 Bolt 8
5 372427 Gasket, Manifold 1
o6372428 Tube Assy 1
Y7 372429 Bolt 2
Y8 372430 Washer 4
9 372431 Turbocharger 1
10 372432 Gasket 1
11 372433 Gasket 1
12 372434 Manifold, Exhaust 1
13 372147 Gasket 1
14 372437 Tube Assy 1
15 372438 Bolt 2
Home
Find...
Go To..

1008787 TURBO ENGINE BREAKDOWN
Sentinel 331000 (8--03)
6--44
Home
Find...
Go To..

1040660 CAT ENGINE BREAKDOWN
7--1
Sentinel 331000 (9--08)
SECTION 7
Contents Page
Fig. 1 -- Balancer Group 7--2....................
Fig. 2 -- Valve Mechanism Cover Group 7--4.......
Fig. 3 -- Front Housing Cover Group 7--6..........
Fig. 4 -- Front Housing Group 7--8................
Fig. 5 -- Engine Lifting Group 7--10...............
Fig. 6 -- Engine Plug Group 7--11.................
Fig. 7 -- Engine Plug Group 7--12................
Fig. 8 -- Fan Drive Group 7--13..................
Fig. 9 -- Crankshaft Pulley Group 7--14............
Fig. 10 -- Water Connection Group 7--15...........
Fig. 11 -- Oil Pan Group 7--16....................
Fig. 12 -- Exhaust Pipe Group 7--18...............
Fig. 13 -- Fuel Injection Pump Group 7--20.........
Fig. 14 -- Water Pump Group 7--22................
Fig. 15 -- Glow Plug Group 7--24..................
Fig. 16 -- Camshaft Group 7--25..................
Fig. 17 -- Crankshaft Group 7--26.................
Fig. 18 -- Cylinder Block Group 7--28..............
Fig. 19 -- Piston and Rod Group 7--30.............
Fig. 20 -- Turbocharger Group 7--32...............
Fig. 21 -- Cylinder Head Group 7--34..............
Fig. 22 -- Flywheel Housing Group 7--35...........
Fig. 23 -- Flywheel Group 7--36...................
Fig. 24 -- Starter Group 7--37.....................
Fig. 25 -- Alternator Group 7--38..................
Home
Find...
Go To..

1040660 CAT ENGINE BREAKDOWN
Sentinel 331000 (9--08)
7--2
Fig. 1 -- Balancer Group
1
2
3
6
5
8
12
13
4
15
16
14
9
17
11
7
10
Home
Find...
Go To..

1040660 CAT ENGINE BREAKDOWN
7--3
Sentinel 331000 (9--08)
Fig. 1 -- Balancer Group
Ref. Part No. Description Qty.
1372069 )Bolt, M10 X 1.5 X 70mm 6
o2 372070 Balancer 1
Y3 372071 Dowel 1
Y4 372072 Nut 1
Y5 372073 Bolt 1
Y6372074 Gear, Shaft 1
Y7 372075 Washer, Thrust 1
Y8 372076 Gear, Balancer, 17tooth 1
Y9 372077 Gear, 44tooth 1
Y10 372079 Bolt 5
Y11 372080 Cover 1
Y12 372081 Rotor 1
Y13 372082 Dowel 1
Yo14 372083 Valve, Relief, Press, Oil, Eng 1
YY 15 372084 Plunger 1
YY 16 372085 Spring 1
YY 17 372086 Plug, Retainer 1
Home
Find...
Go To..

1040660 CAT ENGINE BREAKDOWN
Sentinel 331000 (9--08)
7--4
Fig. 2 -- Valve Mechanism Cover Group
6
8
11
18
9
10
12
13
2
14
15
16
7
17
19
20
5
Front Housing
1
3
4
21
22
23
24
Home
Find...
Go To..

1040660 CAT ENGINE BREAKDOWN
7--5
Sentinel 331000 (9--08)
Fig. 2 -- Valve Mechanism Cover Group
Ref. Part No. Description Qty.
1372255 )Clamp, Hose 1
2 372405 Bolt, M6 X 1.0 X 14mm 3
3 372256 Bracket 1
4 372257 Spring, Hose, Breather, Crankcase 1
5 372258 Hose, Breather, Crankcase 1
o69005326 Cover, Cyl [Cat 08] 1
Yo7 372407 Cap, Filler, Oil 1
YY 8 372408 Seal, Cap, Oil Filler 1
Y9 372259 Gasket, Cover, Valve 1
Y10 372409 Bolt 12
Y11 372410 Spring 1
Y12 372411 Cap 1
Y13 372412 Partition, Diaphragm 1
Y14 372413 Plate 1
Y15 372414 Screw 4
Y16 372415 Cap 1
17 372416 Plug, Cup 1
18 372417 Cover 1
o19 9005327 Tube [Cat 08] 1
Y20 372419 Seal, Org 1
Y21 9005323 Bolt [Cat 08] 1
22 372127 Bolt, M08 X 1.25 X 20mm 1
o23 9005324 Cover [Cat 08] 1
Y24 9005325 Seal, Org [Cat 08] 1
Home
Find...
Go To..

1040660 CAT ENGINE BREAKDOWN
Sentinel 331000 (9--08)
7--6
Fig. 3 -- Front Housing Cover Group
1
2
3
5
4
Cylinder Block
6
Home
Find...
Go To..

1040660 CAT ENGINE BREAKDOWN
7--7
Sentinel 331000 (9--08)
Fig. 3 -- Front Housing Cover Group
Ref. Part No. Description Qty.
1372101 )Bolt, M10 X 1.5 X 20mm 1
2 372102 Bolt 5
o3 372103 Cover Assy, Gear, Timing 1
Y4 372104 Seal, Cover 1
5 9005331 Bolt [Cat 08] 1
69005313 Washer, Seal [Cat 08] 1
Home
Find...
Go To..

1040660 CAT ENGINE BREAKDOWN
Sentinel 331000 (9--08)
7--8
Fig. 4 -- Front Housing Group
1
4
16
6
20
9
7
3
10 5
17
15
2
14
8
13
11
12
18
19
Camshaft
Home
Find...
Go To..

1040660 CAT ENGINE BREAKDOWN
7--9
Sentinel 331000 (9--08)
Fig. 4 -- Front Housing Group
Ref. Part No. Description Qty.
19005311 )Housing, Front [Cat 08] 1
2 9005310 Seal, Oil [Cat 08] 1
3 9005307 Gear, Idler [Cat 08] 1
4 372127 Bolt, M8 X 1.25 X 20mm 6
5 372091 Bolt, M8 X 1.25 X 25mm 4
69005306 Bolt [Cat 08] 3
7 372129 Bolt, M12 X 1.75 X 45mm 1
8 372130 Pin, Dowel 1
9 9005309 Hub, Idler, Gear [Cat 08] 1
10 9005312 Plate, Retaining [Cat 08] 1
11 372133 Bolt, M8 X 1.25 X 65mm 5
12 372101 Bolt, M10 X 1.5 X 20mm 1
13 372134 Bolt, M8 X 1.25 X 16mm 9
14 372135 Washer 1
15 372136 Gear, Camshaft, 68tooth 1
16 372141 Washer, Thrust, Camshaft 1
17 9005308 Gasket, Cover [Cat 08] 1
o18 372139 Cover Assy, Front 1
Y19 372140 Gasket, Cover 1
20 372095 Bolt, M08 X 1.25 X 35mm 2
Home
Find...
Go To..

1040660 CAT ENGINE BREAKDOWN
Sentinel 331000 (9--08)
7--10
Fig. 5 -- Engine Lifting Group
1
1
Cylinder Head
2
3
352398
Ref. Part No. Description Qty.
1372101 )Bolt, M10 X 1.50 X 20mm 4
2 9005320 )Plate, Lift [Cat 08] 1
3 9005321 )Plate, Lift [Cat 08] 1
Home
Find...
Go To..

1040660 CAT ENGINE BREAKDOWN
7--11
Sentinel 331000 (9--08)
Fig. 6 -- Engine Plug Group
1
2
Ref. Part No. Description Qty.
1372188 )Plug 1
2372184 )Seal, Org 1
Home
Find...
Go To..

1040660 CAT ENGINE BREAKDOWN
Sentinel 331000 (9--08)
7--12
Fig. 7 -- Engine Plug Group
1
1
1
Ref. Part No. Description Qty.
1372149 )Plug, Pipe 3
Home
Find...
Go To..

1040660 CAT ENGINE BREAKDOWN
7--13
Sentinel 331000 (9--08)
Fig. 8 -- Fan Drive Group
1
2
3
Ref. Part No. Description Qty.
1372106 )Bolt, M10 X 1.5 X 35mm 4
2 9005355 Pulley, Fan [Cat 08] 1
3 372108 Housing Assy 1
Home
Find...
Go To..

1040660 CAT ENGINE BREAKDOWN
Sentinel 331000 (9--08)
7--14
Fig. 9 -- Crankshaft Pulley Group
1
3
2
Ref. Part No. Description Qty.
1372176 )Block, Pulley 1
2 372264 Pulley 1
3 372178 Bolt, .44--20 X 1.50 3
Home
Find...
Go To..

1040660 CAT ENGINE BREAKDOWN
7--15
Sentinel 331000 (9--08)
Fig. 10 -- Water Connection Group
1
3
2
Ref. Part No. Description Qty.
1372089 )Regulator, Temp,Water 1
2 9005322 Seal, Org [Cat 08] 1
3 372087 )Bolt, M8 X 1.25 X 25mm 2
Home
Find...
Go To..

1040660 CAT ENGINE BREAKDOWN
Sentinel 331000 (9--08)
7--16
Fig. 11 -- Oil Pan Group
3
4
5
6
9
8
10
11
12
13
15
16
2
18
1
17
14
1
7
Home
Find...
Go To..

1040660 CAT ENGINE BREAKDOWN
7--17
Sentinel 331000 (9--08)
Fig. 11 -- Oil Pan Group
Ref. Part No. Description Qty.
1372149 )Plug, Pipe 2
2 9005314 Seal [Cat 08] 2
3 372127 Bolt, M8 X 1.25 X 20mm 8
4 372151 Plug 1
5 372152 Nut, M8 X 1.25 2
6372153 Bolt 2
7 372154 Bolt, M8 X 1.25 X 80mm 4
8 372155 Bolt, M6 X 1.00 X 20mm 2
9 372156 Seal 1
10 372157 Plug, Drain, Sump 2
11 372158 Gasket 1
12 372095 Bolt, M8 X 1.25 X 35mm 2
13 372165 Yoke 1
14 372166 Pan, Oil 1
15 372167 Strainer 1
16 372162 Stud 2
17 372163 Bolt 4
18 372164 Gasket 1
Home
Find...
Go To..

1040660 CAT ENGINE BREAKDOWN
Sentinel 331000 (9--08)
7--18
Fig. 12 -- Exhaust Pipe Group
4
4
6
5
1
3
2
Cylinder Head
3
2
Home
Find...
Go To..

1040660 CAT ENGINE BREAKDOWN
7--19
Sentinel 331000 (9--08)
Fig. 12 -- Exhaust Pipe Group
Ref. Part No. Description Qty.
1372091 )Bolt, M8 X 1.25 X 25mm 4
2 372102 Bolt 8
3 372169 Gasket 2
4 9005328 Plate [Cat 08] 2
5 9005329 Pipe [Cat 08] 1
69005330 Gasket, Inlet [Cat 08] 1
Home
Find...
Go To..

1040660 CAT ENGINE BREAKDOWN
Sentinel 331000 (9--08)
7--20
Fig. 13 -- Fuel Injection Pump Group
20
22
7
29
1
30
24
8
27
3
21
9
2
23 12
18
17
31
25
5
6
16
15
13
Cylinder Block
Cylinder Head
26 4
14
19
11
10
28
Home
Find...
Go To..

1040660 CAT ENGINE BREAKDOWN
7--21
Sentinel 331000 (9--08)
Fig. 13 -- Fuel Injection Pump Group
Ref. Part No. Description Qty.
1372127 )Bolt, M8 X 1.25 X 20mm 1
2 372087 Bolt, M8 X 1.25 X 25mm 3
3 372152 Nut, M8 X 1.25 1
4 372101 Bolt, M10 X 1.5 X 20mm 1
5 372134 Bolt, M8 X 1.25 X 16mm 1
6372179 Clip 1
7 372272 Gear, Pump, Fuel 1
8 372273 Fuelline Assy, Cyl 1 1
9 372274 Fuelline Assy, Cyl 2 1
10 9005349 Fuelline Assy, Cyl 3 1
11 372276 Fuelline Assy, Cyl 4 1
12 372283 Cap 1
13 372284 Cable 1
14 372285 Hose 3
15 372194 Clip 2
16 372195 Clip 1
17 372115 Clip 1
18 372196 Washer 3
19 372197 Bracket 1
20 372199 Bolt 4
21 372182 Switch, Advance, Timing 1
22 9005350 Clamp, Injector [Cat 08] 4
23 9005351 Bracket [Cat 08] 1
o24 9005352 Fuel, Pump, Injection [Cat 08] 1
Y25 372268 Nut 1
Y26 372269 Washer 1
Y27 372279 Seal, Org 1
Y28 1037758 Solenoid, Shutoff, Fuel, Turbo 1
o29 9005353 Atomizer [Cat 08] 4
Y30 372204 Washer 1
31 372189 Plug, Cup 1
9005354 Seal, Org [Cat 08] (not shown) 1
Home
Find...
Go To..

1040660 CAT ENGINE BREAKDOWN
Sentinel 331000 (9--08)
7--22
Fig. 14 -- Water Pump Group
1
3
4
8
9
2
6
5
7
Cylinder Head
Front Housing
10
Home
Find...
Go To..

1040660 CAT ENGINE BREAKDOWN
7--23
Sentinel 331000 (9--08)
Fig. 14 -- Water Pump Group
Ref. Part No. Description Qty.
1372127 )Bolt, M8 X 1.25 X 20mm 2
2 372207 Bolt, M8 X 1.25 X 30mm 2
3 372133 Bolt, M8 X 1.25 X 65mm 5
4 372208 Bolt, M8 X 75mm 2
o5 372209 Pipe Assy 1
Y6372210 Seal, Org 1
Y7 372211 Seal, Org 1
o8 9005317 Pump, Water [Cat 08] 1
Y9 372213 Gasket 1
Y10 9005318 Gasket, Cover [Cat 08] 1
Home
Find...
Go To..

1040660 CAT ENGINE BREAKDOWN
Sentinel 331000 (9--08)
7--24
Fig. 15 -- Glow Plug Group
1
2
3
Cylinder Head
Ref. Part No. Description Qty.
19005319 )Bar [Cat 08] 1
2 372123 Plug, Glow 4
Home
Find...
Go To..

1040660 CAT ENGINE BREAKDOWN
7--25
Sentinel 331000 (9--08)
Fig. 16 -- Camshaft Group
1
2
3
4
Ref. Part No. Description Qty.
19005346 )Tappet [Cat 08] 1
2 9005347 )Rod, Push [Cat 08] 1
o3 9005348 )Camshaft Assy [Cat 08] 1
Y4 372124 )Key, Woodruff 1
Home
Find...
Go To..

1040660 CAT ENGINE BREAKDOWN
Sentinel 331000 (9--08)
7--26
Fig. 17 -- Crankshaft Group
6
2
4
5
3
1
Home
Find...
Go To..

1040660 CAT ENGINE BREAKDOWN
7--27
Sentinel 331000 (9--08)
Fig. 17 -- Crankshaft Group
Ref. Part No. Description Qty.
1372334 )Gear, Cshaft, 34tooth 1
o2 372402 Kit, Cshft 1
Y3 372336 Kit, Brg, Main 1
Y3 372337 Kit, Brg, Cshft, .25mm 1
Y3 372338 Kit, Brg, Cshft, .50mm 1
Y3372339 Kit, Brg, Cshft, .76mm 1
Y4 372340 Kit, Brg, Rod, Std 1
Y4 372341 Kit, Brg, Rod, .25mm 1
Y4 372342 Kit, Brg, Rod, .50mm 1
Y4 372343 Kit, Brg, Rod, .76mm 1
Y5372344 Washer, Thrust, Upper, Std 2
Y5 372345 Washer, Thrust, .18mm [Oversized] 2
Y6 372346 Washer, Thrust, Lower, Std 2
Y6 372347 Washer, Thrust, .18mm [Oversized] 2
Home
Find...
Go To..

1040660 CAT ENGINE BREAKDOWN
Sentinel 331000 (9--08)
7--28
Fig. 18 -- Cylinder Block Group
15
7
1
19
12
18
13
20
10
8
17
6
2
3
11
16
14
5
4
9
Home
Find...
Go To..

1040660 CAT ENGINE BREAKDOWN
7--29
Sentinel 331000 (9--08)
Fig. 18 -- Cylinder Block Group
Ref. Part No. Description Qty.
1372168 )Bolt, M8 X 1.25 X 20mm 4
2 9005331 Bolt [Cat 08] 1
3 9005332 Plug [Cat 08] 1
4 372348 Bolt 10
5 372349 Pin, Dowel 10
6372350 Plug 1
7 372351 Plug, Side 1
8 372352 Screw, M6 X 1.00 X 10mm 4
9 372353 Pin, Dowel 2
10 372363 Screw, M8 X 1.25 X 16mm 10
11 9005333 Washer, Seal [Cat 08] 1
12 9005334 Gasket [Cat 08] 1
13 372354 Plug 2
14 372355 Plate 1
15 372356 Bearing 1
16 372364 Housing Assy 1
17 372358 Plug 1
18 372359 Plug 2
19 372360 Plug 1
20 9005335 Piston, Cooling, Jet [Cat 08] 4
Home
Find...
Go To..

1040660 CAT ENGINE BREAKDOWN
Sentinel 331000 (9--08)
7--30
Fig. 19 -- Piston and Rod Group
1
2
6
2
3
4
5
Home
Find...
Go To..

1040660 CAT ENGINE BREAKDOWN
7--31
Sentinel 331000 (9--08)
Fig. 19 -- Piston and Rod Group
Ref. Part No. Description Qty.
o19005341 )Piston Assy [Cat 08] 4
Y2 372382 Ring, Retaining 2
Y3 9005342 Ring, Piston Kit [Cat 08] 1
o4 372384 Rod Assy 4
Y5 372385 Bushing 1
Y6372386 Bolt 2
Home
Find...
Go To..

1040660 CAT ENGINE BREAKDOWN
Sentinel 331000 (9--08)
7--32
Fig. 20 -- Turbocharger Group
1
6
15
9
10
11
2
4
3
16
19
12
13
2
21
17
14
7
8
18
6
20
11
10
5
Home
Find...
Go To..

1040660 CAT ENGINE BREAKDOWN
7--33
Sentinel 331000 (9--08)
Fig. 20 -- Turbocharger Group
Ref. Part No. Description Qty.
1372127 )Bolt, M8 X 1.25 X 20mm 2
2 372423 Nut, M10 7
3 9005402 Bolt [Cat 08] 2
4 9005403 Bolt [Cat 08] 3
5 9005404 Bolt [Cat 08] 2
6372426 Stud 7
7 372146 Bolt 8
8 372427 Gasket, Manifold 1
o9 372428 Tube Assy 1
Y10 372429 Bolt 1
Y11 372430 Washer 1
12 9005409 Gasket, Elbow [Cat 08] 1
13 372432 Gasket 1
14 372433 Gasket 1
15 372147 Gasket 1
16 9005413 Elbow, Exhaust [Cat 08] 1
17 372437 Tube Assy 1
18 9005415 Manifold, Exhaust [Cat 08] 1
19 9005416 Adapter, Exhaust [Cat 08] 1
20 9005417 Bracket [Cat 08] 1
21 9005418 Turbocharger [Cat 08] 1
Home
Find...
Go To..

1040660 CAT ENGINE BREAKDOWN
Sentinel 331000 (9--08)
7--34
Fig. 21 -- Cylinder Head Group
3
21
4
Ref. Part No. Description Qty.
1372378 )Bolt 1
2 372379 Bolt 7
3 9005343 Gasket, Head, Cyl [Cat 08] 1
4 9005344 Head, Clyinder [Cat 08] 1
Home
Find...
Go To..

1040660 CAT ENGINE BREAKDOWN
7--35
Sentinel 331000 (9--08)
Fig. 22 -- Flywheel Housing Group
1
2
6
7
3
5
4
Ref. Part No. Description Qty.
19005382 )Bolt [Cat 08] 2
2 9005383 Bolt [Cat 08] 3
3 9005384 Plug [Cat 08] 1
4 9005385 Bolt [Cat 08] 6
5 9005386 Plug [Cat 08] 1
69005387 Housing, Flywheel [Cat 08] 1
7 9005388 Pin, Dowel [Cat 08] 1
Home
Find...
Go To..

1040660 CAT ENGINE BREAKDOWN
Sentinel 331000 (9--08)
7--36
Fig. 23 -- Flywheel Group
1
2
3
4
3
Ref. Part No. Description Qty.
19005422 )Bolt [Cat 08] 10
2 9005423 Washer, Hard [Cat 08] 10
o3 9005424 Flywheel Assy [Cat 08] 1
Y4 9005425 Ring, Motor [126t, Cat 08] 1
Home
Find...
Go To..

1040660 CAT ENGINE BREAKDOWN
7--37
Sentinel 331000 (9--08)
Fig. 24 -- Starter Group
1
2
2
3
Ref. Part No. Description Qty.
19005373 )Stud [Cat 08] 3
2 9005374 Nut [Cat 08] 3
3 9005375 Starter [Cat 08] 1
Home
Find...
Go To..

1040660 CAT ENGINE BREAKDOWN
Sentinel 331000 (11--09)
7--38
Fig. 25 -- Alternator Group
1
2
3
Ref. Part No. Description Qty.
19005397 )Alternator 1
2 9005399 Lever [Cat 08] 1
3 9005918 Belt [SET OF 2 Cat 08] 1
9005398 Bracket, Alternator [Cat 08] (not shown) 1
Home
Find...
Go To..

CROSS REFERENCE
8--1
Sentinel 331000 (5--10)
SECTION 8
CONTENTS PAGE
PART NUMBER TO PAGE NUMBER CROSS REFERENCE LIST 8-2......................................
PART DESCRIPTION TO PAGE NUMBER CROSS REFERENCE LIST 8-16...............................
Home
Find...
Go To..

CROSS REFERENCE
8--2 Sentinel 331000 (5--10)
PART NUMBER TO PAGE NUMBER CROSS REFERENCE LIST
Part Page
Number Number
00500--15 4--8......
01493 2--99........
01684 2--9, 2--11, 3--13........
01685 3--17........
01686 3--21........
02506--6 3--52.......
02850 2--99, 2--107, 3--47........
02942 3--3........
03192 2--45, 2--139, 2--153,........
3--13, 3--37
03292B 3--47, 3--50.......
05881 2--41........
06415 2--11........
06416 2--111........
06418 2--13, 2--15........
06549 3--37, 3--47........
06928 2--99, 3--47........
06935 3--37, 3--47........
06942 2--97, 3--47, 3--71........
06943 2--9, 2--11, 2--57,........
2--155, 2--157, 3--19,
3--45, 3--47
06944 2--33, 2--35, 2--37,........
2--155, 2--157, 3--65,
3--67
06948 2--143, 2--153........
06949 3--17........
06955 3--17........
06960 3--13, 4--21........
06961 2--21, 2--41, 2--143,........
2--145, 3--3, 3--15,
3--19
06963 2--27, 2--51, 2--53,........
3--13, 3--37
06964 3--19, 3--37........
06968 2--23, 2--27, 2--57,........
2--59, 2--67, 2--69,
2--70, 2--73, 2--74,
3--37
06969 2--63, 2--69, 2--73,........
3--13, 3--37, 3--75,
4--11, 4--21
06970 2--60........
06971 2--111, 3--9, 3--15,........
3--21
06972 2--59, 2--63........
06973 3--77........
06974 2--23, 2--27, 3--13........
06975 2--21, 3--13........
06976 2--151........
06981 2--59, 2--63, 2--69,........
2--73
06986 3--21........
06992 3--3........
07782 2--64, 2--69, 2--73,........
3--19
07783 2--5, 2--7........
07791 2--153, 3--19........
Part Page
Number Number
08166 2--63, 3--43........
08167 2--111, 3--9, 3--77........
08179 3--37........
08180 3--9........
08185 3--17........
08202 3--21........
08280 4--11, 4--21........
08708 2--7, 2--11, 2--33,........
2--35, 2--37, 2--57,
2--97, 2--143, 2--153,
2--155, 2--157, 3--17,
3--19, 3--45, 3--47,
3--63, 3--65, 3--67,
3--71
08709 2--9, 2--11, 2--37,........
2--39, 2--41, 2--49,
2--51, 2--53, 2--57,
2--63, 2--69, 2--73,
2--89, 2--99, 3--3, 3--5,
3--17, 3--47, 3--69,
4--11, 4--21
08711 2--23, 2--27, 2--57,.........
2--59, 2--63, 2--67,
2--69, 2--73, 2--151,
3--9, 3--15, 3--17, 3--21,
3--37, 3--75
08712 2--9, 2--11........
08713 3--21........
08714 3--17........
08716 2--9, 2--11........
09010 3--17, 3--21, 3--45........
09029 3--13........
09145 2--91........
09162 2--69, 2--73........
09278 3--13........
09294 3--3, 3--5........
09718 2--11........
09741 3--9, 3--13........
09744 3--13........
09901 2--212........
09905 2--212........
1002939 2--59.......
1005171 2--59, 2--63.......
1005173 2--2, 2--63.......
1005175 2--2, 2--60, 2--63.......
1005242 2--59, 2--63.......
1005248 2--59, 2--63.......
1005309 2--59.......
1005312 2--59, 2--63.......
1005678 2--63.......
1005718 2--63.......
1005719 2--2, 2--63.......
1005722 2--63.......
1005753 3--15.......
1005819 2--67.......
1005888 2--59.......
1005923 2--67.......
1005925 2--67.......
Part Page
Number Number
1005936 2--59, 2--63.......
1005954 2--67.......
1005978 3--19.......
1006006 2--67.......
1006010 2--59.......
1006013 2--59.......
1006031 2--59, 2--63.......
1006065 2--15.......
1006103 2--57.......
1006108 2--2, 2--57.......
1006142 2--153.......
1006148 3--13.......
1006175 2--2, 2--57.......
1006224 2--153.......
1006225 2--2, 2--57.......
1006391 2--59, 2--63.......
1006519 2--69, 2--73.......
1006521 2--17.......
1006554 2--57.......
1006556 2--69, 2--73.......
1006590 3--19.......
1006606 3--19.......
1006612 3--19.......
1006617 2--57.......
1006624 2--24, 2--28.......
1006629 2--69, 2--73.......
1006648 2--69, 2--73.......
1006669 3--19.......
1006691 2--57.......
1006801 2--69, 2--73.......
1006828 2--69, 2--73.......
1006842 2--69, 2--73.......
1006843 2--69, 2--73.......
1006852 2--63.......
1006888 2--69, 2--73.......
1006894 3--17.......
1006939 3--13.......
1007049 2--69, 2--73.......
1007053 3--17.......
1007081 2--43.......
1007105 2--67, 2--69, 2--73.......
1007123 3--19.......
1007150 3--37.......
1007217 2--49, 2--53.......
1007233 2--49.......
1007315 2--63.......
1007327 3--17, 3--19.......
1007331 2--67.......
1007462 2--23, 2--27.......
1007496 3--17.......
1007497 2--37
.......
1007616 2--69, 2--73.......
1007630 2--37.......
1007637 2--49.......
1007670 2--51, 2--53.......
1007707 2--33, 2--35.......
1007738 3--47.......
1007742 2--39, 2--41.......
Home
Find...
Go To..

CROSS REFERENCE
8--3
Sentinel 331000 (5--10)
Part Page
Number Number
1007761 2--39.......
1007764 2--69, 2--73.......
1007770 2--43.......
1007776 2--39, 2--41.......
1007779 2--23, 2--27.......
1007814 2--33.......
1007833 2--45, 2--47.......
1007854 3--19.......
1007880 3--19.......
1007881 2--135.......
1007882 2--133, 3--25.......
1007884 2--129, 2--131.......
1007885 2--129, 2--131.......
1007887 2--133.......
1007890 2--129, 2--131.......
1007891 2--127.......
1007893 2--127.......
1007895 2--129, 2--135.......
1007896 2--133.......
1007898 2--129, 2--131.......
1007901 2--133.......
1007908 2--139.......
1007930 2--51.......
1007936 2--51.......
1007953 2--141.......
1007954 2--111, 3--9.......
1007955 2--17.......
1007959 2--67.......
1007978 2--141.......
1007983 2--49.......
1008018 2--45.......
1008020 2--59, 2--63.......
1008021 2--59, 2--63.......
1008022 2--59, 2--63.......
1008028 2--45.......
1008101 2--45.......
1008130 2--39, 2--41.......
1008149 2--153.......
1008156 3--17.......
1008200 2--143.......
1008235 3--17.......
1008236 3--15.......
1008248 2--15.......
1008254 3--17.......
1008261 2--139.......
1008264 3--17.......
1008297 2--99, 3--29.......
1008302 2--39, 2--41.......
1008303 2--39.......
1008308 2--39, 2--41.......
1008317 2--39, 2--41
.......
1008326 3--43.......
1008375 2--5.......
1008543 2--51.......
1008571 3--37.......
1008586 2--99.......
1008607 2--69, 2--73.......
1008644 2--69, 2--73.......
1008689 3--17.......
1008710 2--143.......
Part Page
Number Number
1008733 2--51.......
1008784 2--39, 2--41.......
1008786 2--23.......
1008787 2--23.......
1008806 2--39, 2--41.......
1008809 2--39, 2--41.......
1008816 2--39, 2--41.......
1008823 2--5, 2--7.......
1008853 3--13.......
1008883 3--13.......
1008982 3--13.......
1008985 3--13.......
1009012 2--5, 2--7.......
1009095 3--23.......
1009099 3--37.......
1009154 2--212, 3--37.......
1009169 2--2.......
1009170 2--2.......
1009191 2--77.......
1009199 2--79.......
1009201 3--13.......
1009224 2--85.......
1009226 3--37.......
1009227 3--37.......
1009229 2--143, 2--145.......
1009237 2--77.......
1009243 2--77.......
1009254 2--77.......
1009266 2--11.......
1009306 2--9.......
1009314 2--107.......
1009327 2--77.......
1009349 2--5, 2--7.......
1009367 2--77.......
1009386 2--9, 2--11.......
1009396 2--59, 2--63.......
1009443 3--17, 3--19.......
1009447 2--69, 2--73.......
1009503 2--39.......
1009526 2--37, 2--39, 2--41.......
1009537 3--19.......
1009571 3--13.......
1009614 2--69.......
1009651 2--73.......
1009653 2--70, 2--74.......
1009676 3--37.......
1009680 2--5, 2--7.......
1009694 2--5, 2--7.......
1009751 2--99.......
1009784 3--13.......
1009821 2--87
.......
1009908 2--51.......
1009951 2--67.......
1010020 3--23.......
1010146 2--51.......
1010153 2--21.......
1010217 3--17.......
1010219 3--17.......
1010249 3--17.......
1010266 3--17.......
Part Page
Number Number
1010272 3--17.......
1010306 3--17.......
1010320 3--23.......
1010326 2--212.......
1010364 2--51.......
1010399 3--13.......
1010413 3--47.......
1010423 2--67.......
1010495 2--5, 2--7.......
1010697 3--13.......
1010759 3--13.......
1010833 2--23, 2--27.......
1010859 2--141.......
1010941 3--11.......
1010942 2--129.......
1010943 2--129, 2--131.......
1010944 2--129, 2--131.......
1010961 2--23, 2--27.......
1010962 2--23, 2--27.......
1010963 2--23, 2--27.......
1011122 2--23, 2--27.......
1011123 3--37.......
1011125 3--25.......
1011181 2--30.......
1011183 2--23.......
1011194 2--2, 2--23, 2--27.......
1011195 2--23, 2--27.......
1011254 3--19.......
1011403 3--23.......
1011429 2--5, 2--7.......
1011527 3--13.......
1011587 2--51.......
1011730 2--24.......
1011835 3--23.......
1011918 2--24.......
1011922 2--24.......
1011945 2--24.......
1011992 2--33, 2--35.......
1012145 3--39.......
1012158 3--39.......
1012159 2--33, 2--35.......
1012160 2--33, 2--35.......
1012161 2--33, 2--35.......
1012316 2--33.......
1012546 2--23.......
1012561 3--17.......
1013169 3--17.......
1013272 3--19.......
1013447 3--19.......
1013454 3--47.......
1013494 3--17
.......
1013513 3--19.......
1013847 3--17.......
1014044 3--47.......
1014045 3--47.......
1014717 3--17.......
1015444 2--60, 2--63.......
1015478 2--15.......
1015530 2--77.......
1016370 2--93, 2--95.......
Home
Find...
Go To..

CROSS REFERENCE
8--4 Sentinel 331000 (5--10)
Part Page
Number Number
1016719 2--60, 2--63.......
1016732 2--60, 2--63.......
1016827 2--33.......
1017282 2--3.......
1017496 2--59, 2--63.......
1017826 2--33.......
1017948 2--5, 2--7.......
1018900 2--37.......
1018901 2--37.......
1018902 2--37.......
1018903 2--39, 2--41.......
1018904 2--39, 2--41.......
1018905 2--39, 2--41.......
1018906 2--39, 2--41.......
1019488 2--67.......
1019759 3--5.......
1019760 3--5.......
1021424 2--5, 2--7.......
1021902 3--65, 3--67.......
1023437 4--17.......
1023442 4--17.......
1023833 2--67.......
1023835 2--67.......
1024020 3--23.......
1025192 2--2, 2--59, 2--63.......
1026950 2--21.......
1026997 2--21.......
1027904 4--5.......
1028021 2--89.......
1028063 3--37.......
1028112 2--89, 3--69.......
1028186 2--89, 3--69.......
1028188 2--89.......
1028491 3--21.......
1028504 2--21.......
1028505 2--111.......
1029852 2--81.......
1030628 2--51.......
1031501 2--24.......
1031502 2--24.......
1031615 2--51.......
1031670 2--19, 2--111, 3--9,.......
3--21
1031676 2--141.......
1031679 3--15.......
1032822 2--37, 2--39, 2--41.......
1033993 3--47.......
1034397 2--109.......
1034499 2--59.......
1035699 2--81.......
1035701 2--81.......
1035958 3--74.......
1036050 2--85.......
1036052 2--85.......
1036697 2--30.......
1037643 2--139.......
1037757 5--29.......
1037758 6--27, 7--21.......
1038895 2--141.......
1039198 2--141.......
Part Page
Number Number
1039201 2--141.......
1039495 3--71.......
1040660 2--27.......
1040830 2--67, 2--69, 2--73.......
1041780 2--79.......
1041886 3--78.......
1042226 2--77.......
1042485 2--15.......
1043567 2--28.......
1043568 2--28.......
1043659 2--5, 2--7.......
1043982 2--30.......
1043984 2--30.......
1045950 2--41.......
1045977 2--47.......
1045982 2--41.......
1045986 2--53.......
1046088 2--7.......
1046317 2--41.......
1046323 2--7.......
1046434 2--153.......
1046447 2--31.......
1046712 3--43.......
1046895 2--27.......
1046936 2--31.......
1046979 2--31.......
1047100 2--27.......
1047133 2--35.......
1047567 2--211.......
1047569 2--212.......
1047685 2--47.......
1048150 2--53.......
1048156 2--53.......
1048297 2--31.......
1048792 2--149, 3--9, 4--51,.......
4--53
1049834 2--17.......
1049971 2--77.......
1050780 4--45, 4--47, 4--49,.......
4--51, 4--53, 4--55
1050813 4--45, 4--49, 4--51.......
1050866 4--45, 4--49, 4--51,.......
4--55
1050867 4--45, 4--55.......
1050868 4--45, 4--51, 4--55,.......
4--57
1050869 4--45, 4--49, 4--57.......
1050870 4--45, 4--49, 4--51,.......
4--53, 4--55
1050871 4--45, 4--51, 4--55,.......
4--57
1050873 4--45, 4--49, 4--51,.......
4--55, 4--57
1051081 4--45, 4--47.......
1051103 2--35.......
1051366 2--41.......
1051521 2--41.......
1051522 2--41, 2--51, 2--53.......
1052221 4--45, 4--47, 4--49,.......
4--51, 4--53
Part Page
Number Number
1052226 4--49.......
1052230 4--45, 4--47.......
1053642 2--147, 4--45, 4--47.......
1053645 3--15, 4--55.......
1053648 3--19, 4--57.......
1053650 2--145, 4--49.......
1055355 2--145.......
1057149 2--99, 3--69.......
1057765 2--145.......
1058049 4--51, 4--53.......
1058050 4--45.......
1058051 4--49.......
1058052 4--49.......
1058053 4--51.......
1058055 4--49.......
1058056 4--51.......
1058057 4--51.......
1058058 4--45, 4--49.......
1058059 4--45.......
1058060 4--49, 4--51.......
1058061 4--55.......
1058062 4--49.......
1058063 4--57.......
1058064 4--51.......
1058065 4--45, 4--49.......
1058066 4--49.......
1058067 4--55, 4--57.......
1058068 4--45, 4--51.......
1058069 4--55.......
1058070 4--45.......
1058071 4--55.......
1058072 4--57.......
1058073 4--55, 4--57.......
1058074 4--55.......
1058075 4--55, 4--57.......
1058077 4--55, 4--57.......
1058078 4--55.......
1058079 4--55.......
1058080 4--49.......
1058081 4--51.......
1058082 4--49, 4--51, 4--53.......
1058083 4--45.......
1058084 4--55.......
1058085 4--57.......
1058086 4--51.......
1058087 4--45.......
1058153 2--131.......
1058154 2--131.......
1058200 4--45.......
1058201 4--45.......
1058233 4--55, 4--57
.......
1058234 4--55.......
1058236 4--49.......
1058237 4--49.......
1058238 4--49.......
1058264 2--131.......
1058265 2--131.......
1058599 4--55.......
1058603 4--57.......
1058980 3--7.......
Home
Find...
Go To..

CROSS REFERENCE
8--5
Sentinel 331000 (5--10)
Part Page
Number Number
1058996 2--109.......
1059149 2--131.......
1059162 2--125.......
1061182 2--131.......
10632--11 3--59, 3--71......
10632--14 2--37, 2--39, 2--41......
10632--2 2--99, 3--65, 3--67.......
10632 2--99........
10917 3--71........
10962 2--99........
11399 2--153.........
11516 2--59, 2--63, 2--67.........
11848 2--59, 2--63.........
12138 2--151........
12271 2--99, 2--143, 2--145,........
2--155
12317 3--9, 3--21........
12459 2--5, 2--7, 2--151,........
3--61, 3--63, 3--71
13902 4--27, 4--35, 4--39........
13904 4--5, 4--27, 4--35, 4--39........
13907 4--5, 4--27........
14432 2--33, 2--35, 2--37........
15331 2--60, 2--64, 2--69,........
2--73, 2--111, 3--9
15678 3--17........
16695 4--8........
16735 2--69, 2--73, 3--23........
16930 2--63........
16931 2--9, 2--11, 2--23,........
2--37, 2--43, 2--51,
2--57, 2--59, 2--64,
2--67, 2--89, 2--91,
2--99, 2--143, 2--145,
2--149, 2--153, 3--19,
3--47, 3--69
17188 2--49........
17200 2--212........
17400--18 2--37, 2--39, 2--41......
17414 2--23, 2--27........
17521 2--153, 3--33........
18141 2--59........
19065 2--77, 2--99, 3--47........
19066 2--97, 3--37, 3--45,........
3--65, 3--67, 3--71
19312 2--37........
19895 2--9........
21195 2--13, 2--15.........
21906 4--29........
21916 4--27, 4--29, 4--31,........
4--35, 4--37, 4--39
21920 4--35........
222158 2--21........
222159 2--21........
222290 2--99, 3--43........
222516 2--69, 2--73........
22297 2--24, 2--33, 2--35,........
2--39, 2--41, 2--153
22680 4--27
........
22681 4--35........
Part Page
Number Number
22685 4--27........
22687 4--27........
22688 4--27........
22689 4--27, 4--39........
22690 4--27........
22692 4--31........
22699 4--31........
23498 2--51, 2--53........
24976 2--49, 2--51, 2--53........
25015 3--19........
25046 3--15........
25312 3--54........
25831 3--71........
26239 2--21........
26565 2--109........
26927 2--59, 2--63........
27928 2--107........
27964 2--107........
27990 2--13, 2--15........
28270 2--59, 2--63........
28835 4--8........
310580 2--55........
310667 2--39........
311331 2--39........
311437 2--49........
311690 2--51, 2--53........
312960 3--73........
31613 2--139........
31922 2--97........
32129 2--69, 2--73........
32483 2--37, 2--67, 2--143,........
2--153, 3--47
32485 2--27, 2--63, 3--37........
32486 2--21, 2--23, 2--27,........
2--57, 2--59, 2--63,
2--67, 2--69, 2--73,
2--111, 2--151, 3--9,
3--13, 3--15, 3--19,
3--21, 3--37, 3--75,
3--77
32490 2--7, 2--9, 2--11, 2--30,........
2--33, 2--35, 2--37,
2--49, 2--53, 2--57,
2--89, 2--99, 2--149,
2--151, 3--15, 3--17,
3--19, 3--45, 3--47,
3--69
32491 2--21, 2--31, 2--37,........
2--39, 2--41, 2--43,
2--45, 2--47, 2--51,
2--57, 2--59, 2--64,
2--67, 2--69, 2--70,
2--73, 2--74, 2--99,
2--153, 3--17, 3--19,
3--23
32492 2--17, 2--23, 2--41,........
2--45, 2--153, 3--3,
3--13, 3--15, 3--17,
3--19
Part Page
Number Number
32493 2--23, 2--27, 3--9,........
3--13, 3--17, 3--21,
3--37
32515 2--107........
32815 2--37, 2--39, 2--41,........
3--45
32822 2--57, 3--58........
32895 3--37........
32969 3--9, 3--21........
32978 3--47........
32982 2--37........
32985 3--9, 3--19, 3--37, 3--75........
32988 3--3........
331000 3--78........
331002 3--78........
331003 3--78........
331005 3--78........
331019 3--78........
33342 2--19, 2--69, 2--73,........
2--111, 3--9, 3--21
33440 3--9........
33691 3--33........
33692 3--33........
33812 2--151........
33817 4--35........
33862 2--151........
34172 4--8........
34392 2--13, 2--17........
35706 2--101........
35709 2--89........
360074 2--19........
360357 3--19........
361339 2--57, 2--69, 2--73........
36328 3--13........
363616 3--37........
364292 2--107........
364587 2--69, 2--73........
364614 3--47........
364837 2--51........
364942 2--107........
364943 2--107........
365183 2--107........
365353 2--51........
36643 2--13, 2--15........
367679 2--77........
367946 3--61........
369704 2--5, 2--7........
371748 2--141........
372069 5--3, 6--3, 7--3........
372070 5--3, 6--3, 7--3........
372071 5--3, 6--3, 7--3........
372072 5--3, 6--3, 7--3........
372073 5--3, 6--3, 7--3........
372074 5--3, 6--3, 7--3........
372075 5--3, 6--3, 7--3........
372076 5--3, 6--3, 7--3........
372077 5--3, 6--3, 7--3........
372078 5--3, 6--3........
372079 5--3, 6--3, 7--3........
372080 5--3, 6--3, 7--3........
Home
Find...
Go To..

CROSS REFERENCE
8--6 Sentinel 331000 (5--10)
Part Page
Number Number
372081 5--3, 6--3, 7--3........
372082 5--3, 6--3, 7--3........
372083 5--3, 6--3, 7--3........
372084 5--3, 6--3, 7--3........
372085 5--3, 6--3, 7--3........
372086 5--3, 6--3, 7--3........
372087 5--5, 5--7, 5--29, 6--5,........
6--7, 6--27, 7--15, 7--21
372088 5--5, 6--5........
372089 5--5, 6--5, 7--15........
372090 5--5, 6--5........
372091 5--7, 5--15, 5--27, 6--7,........
6--15, 6--25, 7--9, 7--19
372094 5--7, 6--7........
372095 5--7, 5--25, 6--7, 6--23,........
7--9, 7--17
372096 5--7, 6--7........
372097 5--7, 6--7........
372099 5--7, 6--7........
372100 5--7, 6--7........
372101 5--11, 5--15, 5--29,........
6--11, 6--15, 6--27, 7--7,
7--9, 7--10, 7--21
372102 5--11, 6--11, 7--7, 7--19........
372103 5--11, 6--11, 7--7........
372104 5--11, 6--11, 7--7........
372105 5--11, 6--11........
372106 5--22, 6--20, 7--13........
372107 5--22, 6--20........
372108 5--22, 6--20, 7--13........
372109 5--19........
372110 5--13, 6--13........
372111 5--13, 6--13........
372112 5--13, 6--13........
372113 5--13, 6--13........
372114 5--13, 6--13........
372115 5--13, 6--13, 7--21........
372116 5--13, 6--13........
372117 2--2, 5--13, 6--13........
372118 5--13, 6--13........
372121 5--13, 6--13........
372122 5--16, 6--16........
372123 5--16, 6--16, 7--24........
372124 5--15, 5--35, 6--15,........
6--33, 7--25
372125 5--15, 6--15........
372126 5--15, 6--15........
372127 5--15, 5--25, 5--29,........
5--31, 6--15, 6--23,
6--27, 6--29, 6--43, 7--5,
7--9, 7--17, 7--21, 7--23,
7--33
372128 5--15, 6--15........
372129 5--15, 6--15, 7--9........
372130 5--15, 6--15, 7--9........
372131 5--15, 6--15........
372132 5--15, 6--15
........
372133 5--15, 5--31, 6--15,........
6--29, 7--9, 7--23
Part Page
Number Number
372134 5--15, 5--29, 6--15,........
6--27, 7--9, 7--21
372135 5--15, 6--15, 7--9........
372136 5--15, 6--15, 7--9........
372137 5--15, 6--15........
372138 5--15, 6--15........
372139 5--15, 6--15, 7--9........
372140 5--15, 6--15, 7--9........
372141 5--15, 6--15, 7--9........
372142 5--15, 6--15........
372143 5--15, 6--15........
372144 5--15, 6--15........
372145 5--17, 6--17........
372146 5--18, 6--43, 7--33........
372147 5--18, 6--43, 7--33........
372148 5--18........
372149 5--25, 6--23, 7--12,........
7--17
372150 5--25, 6--23........
372151 5--25, 6--23, 7--17........
372152 5--25, 5--29, 6--23,........
6--27, 7--17, 7--21
372153 5--25, 6--23, 7--17........
372154 5--25, 6--23, 7--17........
372155 5--25, 6--23, 7--17........
372156 5--25, 6--23, 7--17........
372157 5--25, 6--23, 7--17........
372158 5--25, 6--23, 7--17........
372159 5--25, 5--39, 6--23,........
6--37
372160 5--25, 6--23........
372161 5--25, 6--23........
372162 5--25, 6--23, 7--17........
372163 5--25, 6--23, 7--17........
372164 5--25, 6--23, 7--17........
372165 5--25, 6--23, 7--17........
372166 5--25, 6--23, 7--17........
372167 5--25, 6--23, 7--17........
372168 5--27, 5--37, 6--25,........
6--35, 7--29
372169 5--27, 6--25, 7--19........
372170 5--27, 6--25........
372171 5--27, 6--25........
372172 5--27, 6--25........
372173 5--27, 6--25........
372174 5--20, 6--18........
372175 5--21, 6--19........
372176 5--23, 6--21, 7--14........
372178 5--23, 6--21, 7--14........
372179 5--29, 6--27, 7--21........
372180 5--29........
372181 5--29........
372182 5--29, 6--27, 7--21........
372183 5--29, 6--27........
372184 5--29, 5--39, 6--27,........
6--37, 7--11
372185 5--29, 6--27........
372186 5--29, 6--27........
372187 5--29, 6--27........
Part Page
Number Number
372188 5--29, 5--39, 6--27,........
6--37, 7--11
372189 5--29, 6--27, 7--21........
372190 5--29........
372191 5--29........
372192 5--29........
372193 5--29........
372194 5--29, 6--27, 7--21........
372195 5--29, 6--27, 7--21........
372196 5--29, 7--21........
372197 5--29, 6--27, 7--21........
372198 5--29........
372199 5--29, 7--21........
372200 5--29........
372201 5--29........
372202 5--29........
372203 5--29........
372204 5--29, 6--27, 7--21........
372205 5--29........
372206 5--29........
372207 5--31, 6--29, 7--23........
372208 5--31, 6--29, 7--23........
372209 5--31, 6--29, 7--23........
372210 5--31, 6--29, 7--23........
372211 5--31, 6--29, 7--23........
372212 5--31, 6--29........
372213 5--31, 6--29, 7--23........
372214 5--32, 6--30, 6--31........
372215 2--23........
372216 2--23, 2--27........
372217 2--23, 2--27, 5--37,........
6--35
372218 2--23........
372219 2--23, 2--27........
372220 2--30........
372221 2--30........
372222 2--30........
372223 2--30........
372224 2--30........
372225 2--30........
372226 2--30........
372227 2--23, 2--27........
372228 2--24........
372229 2--24........
372230 2--45........
372233 2--30........
372253 5--7, 6--7........
372254 5--7, 6--7........
372255 6--9, 7--5........
372256 6--9, 7--5........
372257 6--9, 7--5........
372258 6--9, 7--5
........
372259 5--9, 6--9, 7--5........
372261 6--13........
372262 5--13, 6--13........
372263 5--13, 6--13........
372264 5--23, 6--21, 7--14........
372265 6--27........
372266 6--27........
372267 6--27........
Home
Find...
Go To..

CROSS REFERENCE
8--7
Sentinel 331000 (5--10)
Part Page
Number Number
372268 6--27, 7--21........
372269 6--27, 7--21........
372270 6--27........
372271 6--27........
372272 6--27, 7--21........
372273 6--27, 7--21........
372274 6--27, 7--21........
372275 6--27........
372276 6--27, 7--21........
372277 6--27........
372278 6--27........
372279 6--27, 7--21........
372280 6--27........
372281 6--27........
372282 6--27........
372283 6--27, 7--21........
372284 6--27, 7--21........
372285 6--27, 7--21........
372286 2--95........
372287 2--93........
372289 2--89........
372290 2--89........
372291 2--89........
372292 2--89........
372293 2--87........
372294 2--91........
372295 2--87........
372296 2--87........
372297 2--87........
372298 2--87, 2--91........
372299 2--91........
372300 2--91........
372301 2--87........
372302 2--89........
372303 2--87, 2--89........
372304 2--89, 2--91........
372305 2--91........
372306 2--87........
372307 2--87........
372308 2--87........
372309 2--87........
372310 2--91........
372311 2--87........
372312 2--93, 2--95........
372313 2--93, 2--95........
372314 2--93, 2--95........
372315 2--93, 2--95........
372316 2--93, 2--95........
372317 2--93, 2--95........
372318 2--93, 2--95........
372319 2--93, 2--95
........
372320 2--93, 2--95........
372321 2--93........
372322 2--93........
372323 2--93........
372324 2--93, 2--95........
372325 2--93........
372326 2--93........
372327 2--93........
372328 2--95........
Part Page
Number Number
372329 2--95........
372330 2--95........
372331 2--95........
372332 2--95........
372333 5--33........
372334 5--35, 6--33, 7--27........
372336 5--35, 6--33, 7--27........
372337 5--35, 6--33, 7--27........
372338 5--35, 6--33, 7--27........
372339 5--35, 6--33, 7--27........
372340 5--35, 6--33, 7--27........
372341 5--35, 6--33, 7--27........
372342 5--35, 6--33, 7--27........
372343 5--35, 6--33, 7--27........
372344 5--35, 6--33, 7--27........
372345 5--35, 6--33, 7--27........
372346 5--35, 6--33, 7--27........
372347 5--35, 6--33, 7--27........
372348 5--37, 6--35, 7--29........
372349 5--37, 6--35, 7--29........
372350 5--37, 5--39, 6--35,........
6--37, 7--29
372351 5--37, 6--35, 7--29........
372352 5--37, 6--35, 7--29........
372353 5--37, 6--35, 7--29........
372354 5--37, 6--35, 7--29........
372355 5--37, 6--35, 7--29........
372356 5--37, 6--35, 7--29........
372357 5--37, 6--35........
372358 5--37, 6--35, 7--29........
372359 5--37, 6--35, 7--29........
372360 5--37, 6--35, 7--29........
372361 5--37, 6--35........
372362 5--37, 6--35........
372363 5--37, 6--35, 7--29........
372364 5--37, 6--35, 7--29........
372365 5--37, 6--35........
372367 5--39, 6--37........
372368 5--39, 6--37........
372369 5--39, 6--37........
372370 5--39, 6--37........
372371 5--39, 6--37........
372372 5--39, 6--37........
372373 5--39, 6--37........
372374 5--39, 6--37........
372375 5--39, 6--37........
372376 5--39, 6--37........
372378 5--39, 6--37, 7--34........
372379 5--39, 6--37, 7--34........
372380 5--39, 6--37........
372381 5--41........
372382 5--41, 6--39, 7--31........
372383 5--41, 6--39........
372384 5--41, 6--39, 7--31........
372385 5--41, 6--39, 7--31........
372386 5--41, 6--39, 7--31........
372387 5--43, 6--41........
372388 5--43, 6--41........
372389 5--43, 6--41........
372390 5--43, 6--41........
Part Page
Number Number
372391 5--43, 6--41........
372392 5--43, 6--41........
372393 5--43, 6--41........
372394 5--43, 6--41........
372395 5--43, 6--41........
372396 5--43, 6--41........
372397 5--43, 6--41........
372398 5--43, 6--41........
372399 5--43, 6--41........
372400 5--43, 6--41........
372402 5--35, 6--33, 7--27........
372404 6--39........
372405 5--9, 6--9, 7--5........
372406 5--9, 6--9........
372407 5--9, 6--9, 7--5........
372408 5--9, 6--9, 7--5........
372409 5--9, 6--9, 7--5........
372410 5--9, 6--9, 7--5........
372411 5--9, 6--9, 7--5........
372412 5--9, 6--9, 7--5........
372413 5--9, 6--9, 7--5........
372414 5--9, 6--9, 7--5........
372415 5--9, 6--9, 7--5........
372416 5--9, 6--9, 7--5........
372417 5--9, 6--9, 7--5........
372418 6--9........
372419 5--9, 6--9, 7--5........
372421 5--9, 6--9........
372422 5--9........
372423 6--43, 7--33........
372426 6--43, 7--33........
372427 6--43, 7--33........
372428 6--43, 7--33........
372429 6--43, 7--33........
372430 6--43, 7--33........
372431 6--43........
372432 6--43, 7--33........
372433 6--43, 7--33........
372434 6--43........
372437 6--43, 7--33........
372438 6--43........
372614 3--78........
372944 4--15........
372945 4--17........
373212 4--9........
373213 4--9........
373342 4--35........
373360 4--35........
373361 4--35........
373416 4--35........
373417 4--27
........
373418 4--27........
373423 3--15........
373463 4--39........
373478 4--35, 4--37, 4--39........
373489 4--35........
373553 4--35, 4--39........
373556 4--35........
373561 4--9........
373562 4--9........
Home
Find...
Go To..

CROSS REFERENCE
8--8 Sentinel 331000 (5--10)
Part Page
Number Number
373563 4--9........
373564 4--9........
373565 4--9........
373566 4--9........
373573 4--45, 4--49, 4--51,........
4--53
373584 4--45, 4--47, 4--49,........
4--51, 4--55, 4--57
373585 4--45, 4--47, 4--49,........
4--51, 4--55
373594 4--35, 4--37, 4--39........
373602 4--37........
373603 4--37........
373609 4--35........
373610 4--35, 4--37, 4--39........
373611 4--35, 4--37, 4--39........
373612 4--39........
373613 4--39........
373614 4--39........
373615 4--39........
373619 4--33........
373620 4--33........
373631 4--41, 4--43........
373632 4--41........
373633 4--41........
373634 4--41........
373635 4--41........
373636 4--41........
373637 4--41, 4--43........
373638 4--41........
373639 4--41, 4--43........
373640 4--41, 4--43........
373641 4--41........
373642 4--41........
373643 4--41........
373644 4--41........
373645 4--41........
373646 4--41........
373647 4--41, 4--43........
373648 4--41, 4--43........
373649 4--43........
373650 4--43........
373651 4--43........
373732 4--55........
373736 4--55........
373737 4--55........
373739 4--45, 4--47........
37555 4--8........
375642 2--59, 2--63........
37573 4--25........
376059 2--15........
376716 2--153........
37778 4--25........
381981 2--57........
382745 3--74........
38321 3--33, 4--25........
38490 3--9........
388532 3--43........
392171 3--23........
Part Page
Number Number
39277 2--9, 2--11, 2--39,........
2--41, 2--45, 2--47,
2--53, 2--57, 2--69,
2--73, 2--153, 3--47
39279 2--43, 2--45, 2--47........
39283 2--17, 3--3, 4--13, 4--23........
39284 2--63, 4--15........
39285 2--59, 2--111, 3--17,........
3--37
39311 2--43, 2--45, 2--47,.........
3--17
39312 2--69, 2--73........
39313 2--9, 2--23, 2--27,........
2--69, 2--70, 2--73,
2--74, 2--139
393135 2--57........
39322 3--33........
395973 3--15........
395974 2--149........
396287 2--151........
396288 2--151........
396440 3--63........
39663 3--43........
397889 3--23........
39811 2--24, 2--27.........
398528 3--23........
39890 2--9, 2--11, 2--153,........
2--155, 2--157
40143 3--33........
40144--21 4--25......
40144--22 4--25......
40144--4 3--33, 4--25.......
40144--6 3--33, 4--25.......
40145 3--31........
40758 2--111........
41142 2--99.........
41178 2--155, 2--157.........
41187 2--59, 2--63, 3--3, 3--13.........
41345 2--63........
41346 2--23, 2--27, 2--67,........
2--69, 2--73, 2--111,
3--9, 3--43, 4--11, 4--15,
4--21
41430 2--17, 2--153, 3--17,........
3--19, 3--37
41445 3--17, 3--19........
41619 3--13, 3--23........
41620 2--93, 2--95........
41732 2--57........
42467 2--59........
43844 2--33, 2--35........
45223 3--63........
45224 3--63........
45290 2--63........
45628 4--8........
45779 2--5........
45780 2--5........
46314 2--7........
46482 2--151........
46711 2--77.........
Part Page
Number Number
47167 2--37, 2--39, 2--41........
47801 2--9, 2--11, 2--77,........
2--81, 2--83, 2--111,
3--3, 3--5, 3--9
48183 2--11........
48416 2--141........
48834 4--35, 4--39........
49145 3--21........
49247 3--71........
49883 2--30, 2--31........
49891 3--45........
50270 2--59, 2--63........
50902 2--43, 2--45, 2--47........
51305 2--37, 2--39, 2--41........
51538 2--5, 2--7........
54333 2--153, 3--23, 3--31,........
3--74
54396 2--24, 2--28........
54618 3--17........
54620 3--17........
55767 3--17........
55844 2--2........
55845 3--61........
55850 2--2........
56992 2--101, 3--39........
57048 2--13, 2--15........
57145 2--153........
57167 3--39........
57534 2--51........
57676 2--109........
57702 2--5, 2--7, 2--153,........
3--19, 3--45
57804 2--99........
58366 2--19, 2--153........
58595 2--155........
59118--2 2--143, 2--145.......
59965 2--81........
60428 2--9, 2--11........
60933 2--49........
61288 2--139........
61866 3--61, 3--63........
61923 2--77........
62595 2--37, 2--39, 2--41........
63244--1 2--153, 3--23, 3--31.......
63810 2--103, 3--43........
65084 2--151........
65869--5 2--2.......
65870--5 2--2.......
66612 2--59........
67767 2--33........
68445 2--93, 2--95........
68567 2--51, 3--45........
69234 2--37........
70006 2--139........
70157 2--17........
71388 3--17........
72970 2--97, 2--99, 3--39........
73219 2--107........
74027 3--23........
74092 4--8........
Home
Find...
Go To..

CROSS REFERENCE
8--9
Sentinel 331000 (5--10)
Part Page
Number Number
74093 4--8........
74094 4--8........
74098 4--5, 4--27, 4--35,........
4--39, 4--41, 4--43
74099 4--8, 4--27........
74191 4--8........
75428 3--39........
75430 2--5, 2--7........
760073 3--53........
760078 3--50........
760098 2--2........
760099 2--2........
760105 3--51........
760107 2--3, 3--75........
760143 3--58........
760205 2--9, 2--11........
760208 2--9, 2--11........
760357 2--5, 2--7........
760395 2--5, 2--7........
760447 2--81........
760504 2--77........
760507 3--45........
760509 3--45, 3--49........
760522 2--77........
760523 2--77........
760529 2--79........
760532 2--79, 2--155........
760535 2--79........
760536 2--79........
760540 2--79........
760543 2--77........
760545 2--79........
760548 2--77........
760550 2--79........
760552 2--155........
760554 2--83........
760560 2--85........
760562 2--85........
760565 2--37, 2--39, 2--41,........
2--77
760566 2--85........
760577 2--77........
760586 2--77........
760591 3--45........
760598 2--77........
760599 3--31........
760640 3--45........
760647 2--77........
760649 3--45........
760653 3--47........
760660 2--83, 3--31, 3--37,........
3--47, 3--50
760661 3--47........
760663 2--77........
760665 3--49........
760668 2--83........
760672 3--31, 3--56, 3--57........
760673 2--83........
760679 2--83........
760682 2--77, 2--81, 3--5........
Part Page
Number Number
760691 2--83........
760695 2--83, 3--5........
760721 2--57........
760726 3--47........
760740 2--69, 2--73........
760757 2--23, 2--27, 2--69,........
2--139
760785 2--57........
760798 2--2, 2--57........
760824 2--83........
760828 2--73........
760837 2--2, 2--57........
760838 2--57........
760882 2--2, 2--57........
760883 2--57........
760884 2--57........
760896 2--57........
760897 2--2, 2--57........
760916 2--21, 3--3........
760917 3--3........
760921 2--21........
760925 2--21........
760980 2--212........
760983 2--212........
760991 3--45........
761004 2--13........
761005 2--13, 2--15........
761010 2--13, 2--15........
761011 2--13, 2--15........
761012 2--13, 2--15........
761013 2--13, 2--15........
761014 2--13, 2--15........
761017 2--13, 2--15........
761018 2--13, 2--15........
761019 2--13, 2--15........
761020 2--13, 2--15........
761025 2--13, 2--15, 4--13,........
4--23
761035 2--33, 2--35........
761036 2--33, 2--35........
761043 2--5, 2--7........
761044 2--5, 2--7........
761093 2--5, 2--7........
761106 2--9, 2--11........
761111 2--59, 2 -- 63........
761117 2--2, 2--11........
761118 2 --11........
761119 2 --11........
761120 2--9, 2--11........
761121 2--9, 2--11........
761124 2--9, 2--11........
761125 2--9, 2--11
........
761126 2--3........
761128 2--19........
761130 2--19........
761131 2--19........
761134 2--19........
761141 2--19........
761148 2--57........
761153 2--57........
Part Page
Number Number
761158 2--2, 2--9, 2--11........
761179 2--9, 2--11........
761209 2--111, 3--9........
761211 2--3........
761213 2--3........
761215 2--111........
761216 2--111........
761217 2--111........
761223 2--111, 3--9........
761225 2--111, 3--9, 3--19,........
3--75
761229 2--111, 3--9........
761233 3--45........
761235 3--75........
761237 2--5, 2--7........
761238 2--3........
761239 2--3........
761292 2--23, 2--27........
761293 2--23, 2--27........
761311 3--21........
761317 3--13........
761328 3--15........
761372 2--3........
761417 2--77........
761428 2--111, 3--9, 3--21........
761449 3--15........
761451 3--21........
761463 3--21........
761490 3--19, 3--45........
761501 2--2, 3--55........
761505 2--79........
761524 2--83, 3--31........
761525 3--58........
761526 3--58........
761542 2--77........
761595 3--73, 3--74........
761600 4--11........
761601 4--11, 4--21........
761602 4--11, 4--21........
761603 4--21........
761606 4--11........
761607 4--11, 4--21........
761608 4--15........
761609 4--11, 4--21........
761610 4--11, 4--21........
761611 4--11, 4--15, 4--21........
761613 4--11, 4--13, 4--23........
761614 4--15........
761615 4--11........
761616 4--11........
761618 4--19........
761623 4--19........
761625 4--19........
761626 4--19........
761629 4--11, 4--21........
761630 4--11, 4--21........
761631 4--11, 4--21........
761634 4--11........
761635 4--21........
761641 4--13, 4--23........
Home
Find...
Go To..

CROSS REFERENCE
8--10 Sentinel 331000 (5--10)
Part Page
Number Number
761643 4--13, 4--21........
761644 4--13, 4--23........
761646 4--13........
761647 4--13........
761649 4--15........
761650 4--15........
761651 4--15........
761652 4--15........
761653 4--15........
761654 4--15........
761655 4--15........
761656 4--15........
761658 4--15........
761659 4--15........
761660 4--19........
761661 4--15........
761662 4--15........
761663 4--15........
761665 4--15........
761666 4--15........
761667 4--15........
761668 4--15........
761669 4--15........
761670 4--15........
761672 4--15........
761674 4--15........
761678 4--15........
761682 4--15........
761712 2--13, 2--17........
761714 4--11, 4--21........
761715 4--11, 4--21........
761716 4--11, 4--21........
761717 4--11, 4--21........
761720 4--11, 4--21........
761727 4--11, 4--21........
761728 4--11, 4--21........
761729 4--11, 4--21........
761732 4--11, 4--21........
761733 4--21........
761738 2--87........
761741 3--73........
761742 3--73........
761743 3--73........
761744 3--73........
761745 3--73........
761746 3--73........
761747 3--73........
761748 3--73........
761749 3--73........
761750 3--73........
761751 3--73
........
761752 3--73........
761753 3--73........
761754 3--73........
761755 3--73........
761756 3--73........
761757 3--73........
761758 3--73........
761759 3--73........
761761 3--73........
Part Page
Number Number
761762 3--73........
761763 3--73........
761781 3--73........
761782 3--73........
761783 3--73........
761784 3--73........
761785 3--73........
761786 3--73........
761787 3--73........
761788 3--73........
761789 3--73........
761790 3--73........
761791 3--55........
761795 3--51........
761798 2--13, 2--15........
761799 2--13, 2--15........
761824 2--43, 2--45, 2--47........
761825 2--43........
761826 2--43, 2--45, 2--47........
761828 2--153........
761830 2--49........
761867 2--87, 3--39........
761872 2--87........
761881 2--101........
761882 2--5, 2--7........
761885 3--39........
761893 2--5........
761914 2--93, 2--95........
761915 2--93, 2--95........
761924 2--103, 3--43........
761926 2--103, 3--43........
761927 2--103, 3--43........
761936 2--105........
761946 2--103, 3--43........
761950 2--103, 3--43........
761952 2--97........
761954 2--97........
761959 3--43........
761960 3--43........
761961 3--43........
761962 3--43........
761963 3--43........
761965 3--43........
761981 2--93, 2--95........
761986 4--19........
761988 4--15........
761992 2--13, 2--17........
761993 2--13, 2--17, 4--13,........
4--23
761995 2--13, 2--17........
761996 2--13........
761997 2--13........
761998 2--17........
761999 2--17........
762007 2--15........
762011 3--19........
762032 2--85, 4--9........
762035 2--77, 4--8........
762043 3--9........
762073 2--111, 3--9........
Part Page
Number Number
762075 2--139........
762080 4--11, 4--21........
762105 2--139........
762109 2--15........
762116 2--60........
762117 4--9........
762136 2--15, 4--7........
762160 2--149........
762165 2--24........
762180 2--5, 2--7, 3--15........
762201 3--57........
762207 3--57........
762209 2--153........
762210 3--57........
762212 2--153, 3--31........
762213 3--31........
762214 2--153........
762217 2--153, 3--23........
762219 3--23........
762220 2--2, 2--153........
762221 2--2, 2--153, 3--23........
762225 2--153........
762228 2--153........
762229 3--31........
762234 2--2, 2--153........
762236 2--153, 3--23........
762237 3--31........
762249 2--153, 3--23, 3--74........
762253 3--56........
762254 3--31........
762255 2--153........
762256 3--31........
762260 3--33, 4--25........
762261 3--33........
762264 3--31........
762265 3--31........
762266 3--31........
762267 3--31........
762269 3--31........
762270 3--31........
762271 3--31........
762272 3--31........
762277 3--33........
762278 3--31........
762279 3--33........
762280 3--33........
762281 3--33........
762282 3--33........
762284 3--31........
762285 3--31........
762286 3--31
........
762288 2--141........
762290 3--31........
762291 3--31........
762292 3--31........
762293 3--31........
762294 3--31........
762297 3--31, 3--56, 3--57........
762335 2--125........
762349 2--125........
Home
Find...
Go To..

CROSS REFERENCE
8--11
Sentinel 331000 (5--10)
Part Page
Number Number
762350 2--125........
762366 2--135........
762371 2--129, 2--131........
762377 3--25........
762387 3--35, 3--41........
762399 2--135........
762415 2--37, 2--39, 2--41........
762425 2--17, 2--21, 2--141,........
2--143, 2--145, 3--5,
3--19
762426 2--17, 2--21, 2--77,........
2--143, 2--145, 3--15,
3--19, 3--21
762427 2--15, 2--69, 2--73,........
2--109, 2--141, 2--147,
2--149, 3--17, 3--37
762428 2--15, 2--147, 2--151........
762430 2--13, 2--15........
762431 2--13, 2--15........
762432 2--13, 2--17, 2--81,........
2--85, 2--111, 2--139,
2--141, 2--145, 2--147,
2--149, 3--5, 3--9, 3--15
762433 2--15, 2--139, 2--141,........
2--147, 2--149, 2--151,
3--5, 3--15, 3--35
762434 2--15, 2--81, 2--151,........
3--9
762435 2--67, 2--81, 2--149,........
3--35
762436 2--85........
762437 2--77........
762438 2--17, 2--109, 2--151,........
3--15, 3--35
762439 3--15........
762440 2--149, 2--151........
762441 2--15, 2--149........
762442 2--149........
762443 2--81........
762444 3--5........
762445 2--139, 2--149, 2--151........
762446 2--139........
762448 2--139........
762456 2--145........
762457 2--141........
762461 3--21........
762463 2--19, 2--141, 2--143,........
2--145, 2--147, 3--15
762464 2--60, 2--143, 2--145,........
2--147
762468 2--85, 2--145, 2--151........
762469 2--85, 2--141, 2--143........
762481 2--39, 2--41, 2--143,........
2--145
762482 2--143........
762483 2--23, 2--27........
762484 2--139........
762487 2--141........
762488 2--15........
762492 2--141, 3--15........
Part Page
Number Number
762501 2--109........
762504 2--109........
762505 3--23........
762513 2--99, 3--71........
762514 2--99........
762515 2--99, 3--59, 3--65,........
3--67
762516 2--99........
762517 2--109........
762519 2--97, 2--99........
762520 2--97........
762522 2--97, 3--61, 3--63........
762523 2--97........
762525 2--97........
762547 2--97........
762554 2--55........
762555 2--55........
762556 2--55........
762557 2--55........
762572 3--59........
762573 2--5........
762575 3--23........
762583 2--99........
762587 2--5........
762601 2--109........
762602 2--109........
762603 2--109........
762604 2--97........
763003 2--21, 2--111, 3--9........
763005 2--111, 3--9........
763007 2--21, 2--111, 3--9........
763021 2--13, 2--15........
763022 2--21........
763024 2--21........
763036 2--21, 3--21........
763040 2--5, 2--7, 2--9, 2--11,........
2--69, 2--73, 2--155,
2--157, 3--19
763041 2--9, 2--11, 2--24,........
2--27, 2--30, 2--57,
2--91, 2--143, 2--145,
2--153, 2--155, 2--157,
3--45, 3--69
763042 2--43, 2--45, 2--47,........
2--111, 2--139, 2--143,
2--145, 2--153, 3--17,
3--37
763043 2--23, 2--24, 2--27,........
2--111, 3--9, 3--43
763045 2--21, 3--45........
763050 2--21........
763061 2--23, 2--27, 2--69,........
2--73, 2--139
763065 2--111........
763067 3--3........
763072 2--51, 2--53, 2--153,........
3--37
763074 2--111, 3--9........
763075 2--9, 2--11, 2--77,........
2--79, 3--45
Part Page
Number Number
763092 2--67........
763096 3--43........
763100 2--9........
763114 3--45........
763115 3--15, 3--23, 3--31........
763116 2--5, 2--7, 3--31........
763117 2--141........
763118 2--21, 3--3........
763126 2--5, 2--7........
763127 3--47........
763131 2--19........
763133 2--19........
763134 2--19........
763139 2--111, 3--9........
763148 3--33........
763149 2--99........
76321 2--49........
763212 3--45, 3--49........
763244 2--77........
763278 2--77........
763284 2--77........
763443 4--5........
763446 4--5........
763447 4--5, 4--7........
763449 4--5........
763450 4--5........
763451 4--5........
763452 4--5........
763457 4--7........
763461 4--7........
763464 4--7........
763504 4--8........
763506 4--8........
763507 4--8........
763508 4--8........
763509 4--8........
763518 4--5........
763519 4--5........
763520 4--5........
763521 4--5........
763522 4--5........
763523 4--5........
763524 4--5........
763525 4--5........
763526 4--5........
763527 4--5........
763528 4--5........
763529 4--5........
763530 4--5........
763531 4--5........
763532 4--5
........
763533 4--5........
763534 4--5........
763535 4--5........
763536 4--5........
763537 4--5........
763538 4--5........
763539 4--5........
763541 4--5........
763542 4--5........
Home
Find...
Go To..

CROSS REFERENCE
8--12 Sentinel 331000 (5--10)
Part Page
Number Number
763931 4--5........
763943 4--5........
763948 4--7........
763949 4--7........
763950 4--7........
763951 4--7........
763952 4--7........
763953 4--7........
763954 4--7........
763955 4--7........
763956 4--7........
764002 2--33, 2--35........
764009 2--23, 2--27........
764011 2--23, 2--27........
764012 2--23, 2--27........
764014 2--23, 2--27........
764015 2--23, 2--27........
764016 2--5, 2--7........
764025 2--37, 2--39, 2--41........
764027 2--49........
764045 2--23, 2--27........
764064 2--33, 2--35........
764070 2--21, 2--23, 2--27........
764071 2--23, 2--27........
764073 2--5, 2--7........
764077 2--43, 2--45, 2--47........
764082 2--43, 2--45, 2--47........
764085 2--43, 2--45, 2--47........
764087 2--33, 2--35........
764090 2--33, 2--35........
764098 2--43, 2--45, 2--47........
764120 2--43, 2--45, 2--47........
764123 2--43........
764126 2--33, 2--35........
764129 2--33, 2--35........
764131 2--2, 2--49........
764139 2--33, 2--35........
764168 2--51, 2--53........
764182 2--51, 2--53........
764183 2--37, 2--39, 2--41........
764190 2--2, 2--51, 2--53........
764191 2--51, 2--53........
764212 3--43........
764234 2--155........
764235 2--155........
764238 2--155........
764240 2--155, 2--157........
764241 2--155........
764244 2--155........
764245 2--155........
764253 2--155
........
764254 2--155........
764256 2--9, 2--11, 2--155,........
2--157
764260 2--2, 2--155........
764261 2--2, 2--155, 2--157........
764263 2--155........
764291 2--49........
76438 2--69, 2--73........
764790 2--43........
Part Page
Number Number
765283 2--99........
765292 3--71........
765293 3--59........
765307 2--5, 2--7........
765322 2--11........
765335 2--11........
765336 2--9........
765360 2--5, 2--7........
765370 2--21........
765380 2--21........
765381 2--21........
765391 2--5, 2--7........
765435 3--3........
765444 3--5........
765445 3--5........
765450 2--81........
765465 3--3........
765488 2--21........
765491 3--5........
765492 3--5........
765612 2--77........
765614 2--77........
765620 3--3........
765621 3--3........
765650 3--45........
76570 2--9, 2--37, 2--39,........
2--41, 2--49, 2--53,
2--57, 2--63, 2--155,
2--157
765805 2--59, 2--63........
765806 2--59, 2--63........
765817 2--59, 2--63........
765845 2--2, 2--67........
765960 2--212........
766014 2--55........
766015 2--55........
766031 2--17........
766042 2--37........
766043 2--37........
766044 2--37........
766046 2--37........
766405 2--49........
766406 2--51, 2--53........
766417 2--37, 2--39, 2--41........
766966 2--5, 2--7........
766980 2--5, 2--7........
766984 2--5........
767009 3--35, 4--31........
767014 2--141, 3--15........
767019 2--139........
767026 2--147........
767180 2--60........
767200 2--141, 4--5........
767205 2--153........
767212 2--17........
767221 2--151........
767224 2--125........
767225 2--125........
767230 2--125, 2--129, 2--131,........
2--135
Part Page
Number Number
767231 2--125........
767232 2--125........
767233 3--7........
767234 2--125........
767235 2--125, 2--135........
767236 2--125........
767237 2--125........
767238 2--125........
767239 2--135........
767241 2--127........
767242 2--127........
767253 3--25........
767255 3--37........
767261 2--137........
767262 2--137........
767264 2--133........
767265 2--137........
767266 2--135........
767282 2--129, 2--131........
767290 2--125........
767291 2--135........
767308 2--137........
767309 2--137........
767311 2--137........
767312 2--137........
767315 2--139........
767319 3--7........
767320 3--7........
767321 3--7........
767323 3--7........
767324 2--133........
767325 3--7........
767329 3--25........
767333 2--125........
767407 2--139, 2--141........
767411 2--143........
767422 3--37........
767425 2--143, 2--145........
767521 3--43........
767522 3--43........
767523 3--43........
767641 2--111, 3--9, 3--76,........
3--77
767642 3--76........
767644 2--111, 3--9, 3--76........
767645 3--29........
767646 3--29........
767647 2--107........
767648 2--23, 2--27........
767702 2--13........
767703 4--21........
767704 4--21........
767705 4--17........
767707 4--17........
767709 4--17........
767710 4--17........
767734 4--23........
767735 4--23........
767737 4--13........
767738 4--13, 4--23........
Home
Find...
Go To..

CROSS REFERENCE
8--13
Sentinel 331000 (5--10)
Part Page
Number Number
767739 4--13, 4--23........
767740 4--13, 4--23........
767741 4--13, 4--23........
767742 4--13, 4--21, 4--23........
767745 4--13, 4--23........
767746 4--13, 4--23........
767747 4--13, 4--23........
767748 4--13, 4--23........
767749 4--13, 4--23........
767750 4--13, 4--23........
767752 4--13, 4--23........
767753 4--13, 4--23........
767762 4--13, 4--23........
767763 4--13, 4--23........
767764 4--13, 4--23........
767766 2--2........
767767 4--13........
767768 4--23........
768009 2--9, 2--11........
768014 2--21........
768019 2--21........
768025 2--3........
768026 2--3........
768028 2--3........
768029 2--3........
768030 2--3........
768031 2--3........
768032 2--3........
768033 2--3........
768034 2--3........
768036 2--3........
768038 2--155........
768039 2--155........
768089 2--2, 2--155........
768091 2--155, 2--157........
768096 2--155........
768099 2--9, 2--11........
768100 2--155, 2--157........
768103 2--155........
768104 2--155........
768200 2--11........
768202 2--9, 2--11........
768205 2--9........
768207 2--9, 2--11........
768209 2--9, 2--11........
768210 2--9, 2--11........
768211 2--9, 2--11........
768222 2--9, 2--11........
768304 2--153........
768310 3--31, 3--56, 3--57........
768314 3--31
........
768318 3--56, 3--57........
768320 2--153........
768322 3--57........
768323 2--153........
768324 2--153........
768325 3--57........
768410 2--5, 2--7........
768411 2--5, 2--7........
768412 2--5, 2--7........
Part Page
Number Number
768413 2--5, 2--7........
768416 3--43........
768423 3--39........
768425 2--97........
768430 2--97........
768431 2--97........
768432 2--99........
768433 2--99........
768434 2--99........
768435 3--71........
768438 3--71........
768443 2--97........
768445 3--39........
768446 2--99........
768447 2--91........
768448 2--91, 3--69........
768449 2--99........
768451 2--99........
768453 2--97........
768457 2--109........
768458 2--97........
768469 3--39........
768471 2--143, 2--145........
768472 3--39........
768476 3--39........
768477 3--39........
768480 2--109........
768482 2--109........
768486 3--71........
768487 2--5, 2--7........
768492 2--99........
768493 2--99........
768496 3--39........
768497 3--39........
768504 3--65, 3--67........
768505 3--65, 3--67........
768550 2--101........
768551 2--99........
768552 2--99........
768554 2--99........
768555 3--59........
768561 2--190, 2--211........
768567 2--49........
768568 2--51, 2--53........
768570 2--101........
768575 2--190, 2--211........
768580 2--99........
768581 2--99........
768582 2--107........
768583 2--107........
768584 2--107
........
768586 2--107........
768587 2--107........
768591 2--101........
768593 2--23, 2--27........
768595 2--99........
768596 2--99........
768598 3--61........
768601 2--99........
768602 2--149........
Part Page
Number Number
768603 2--99........
768604 3--61, 3--63........
768605 3--61........
768606 2--101, 3--59........
768607 2--101........
768609 2--99........
768610 2--99........
768612 3--59........
768619 2--5........
768620 2--5........
768627 2--23, 2--27........
768717 3--45........
768810 3--63........
768827 2--190........
768834 2--111, 3--9, 3--76........
768836 2--111, 3--9, 3--76,........
3--77
768842 2--111, 3--9, 3--76,........
3--77
768843 2--111........
768852 3--9........
768872 2--13, 2--15........
768890 4--35........
768891 4--35........
768896 2--37........
768897 2--37, 2--39, 2--41........
768899 2--147, 4--27, 4--29........
769004 2--141........
769005 2--141........
769020 3--43........
769021 3--43........
769023 3--43........
769024 2--103........
769029 3--43........
769030 3--43........
769031 2--105........
769032 2--105........
769033 2--105........
769036 2--105........
769038 2--103, 3--43........
769039 2--103, 3--43........
769040 2--103, 3--43........
769042 3--43........
769046 2--103, 3--43........
769071 2--87........
769077 2--143, 2--145........
769087 2--155, 2--157........
769090 3--73........
769093 4--11, 4--21........
769208 2--39, 2--41........
769300 3--67........
769314 2--135
........
769503 3--3........
769504 3--3........
769507 3--5........
769508 3--5........
769509 3--3........
769510 3--3........
769511 3--3........
769512 3--3........
Home
Find...
Go To..

CROSS REFERENCE
8--14 Sentinel 331000 (5--10)
Part Page
Number Number
769513 3--3........
769514 3--3........
769515 3--5........
769516 3--5........
769518 3--5........
769522 3--3, 3--5........
769523 3--3, 3--5........
769524 3--3........
769525 3--5........
769526 3--5........
769527 3--5........
769528 3--3........
769529 3--3........
769530 3--5........
769531 3--5........
769534 3--3........
769540 3--5........
769541 3--3........
769542 3--3........
769545 3--3........
769547 3--3........
769548 3--3........
769549 3--3........
76955 3--69........
769554 3--3........
769558 3--5........
769561 3--5........
769562 3--5........
769563 3--3........
769589 3--77........
769590 2--3, 3--77........
769593 3--43........
769598 2--9........
769601 2--87........
769607 2--101........
769609 2--87........
769610 2--87........
769615 2--87, 3--39........
769616 2--87........
769617 2--87........
769618 2--91, 2--99........
769619 2--91........
769620 2--87........
769626 2--101........
769630 2--87........
769631 2--87........
769640 2--89........
769641 2--89........
769642 2--89........
769643 2--89........
769645 2--91
........
769651 2--101........
769652 2--101........
769653 2--93, 2--95........
769654 2--91........
769656 2--101........
769657 2--2, 2--87........
769658 2--91........
769659 2--87........
769777 3--23........
Part Page
Number Number
769778 3--23........
770000 2--11........
770002 2--127........
770016 2--15........
770023 2--109........
770025 2--81........
77003 4--41, 4--43........
770035 3--73........
770148 2--17........
770149 3--73........
770154 2--85........
770155 3--45........
770168 3--61........
770169 3--63........
770170 3--67........
770171 3--65........
770172 2--37, 2--39, 2--41........
770176 2--77, 2--81........
770180 2--190, 2--211........
770181 4--5........
770500 3--65, 3--67........
770504 3--53........
770646 3--73........
770682 3--45........
770696 3--45........
771000 2--129, 2--131........
771001 2--17........
771002 2--17........
771003 2--17........
771006 2--149........
771007 2--135........
771008 2--19........
771009 2--60........
771010 2--149, 3--9, 4--35,........
4--37
771011 3--15, 4--41........
771012 3--19, 4--43........
771013 2--143........
771014 2--109, 4--33........
771016 2--141........
771017 2--133........
771018 2--139........
771019 2--143, 4--39........
771023 2--143........
771024 2--143........
771029 2--69, 2--73........
771030 2--129........
771031 3--7........
771032 2--129, 2--131........
771036 2--129........
771037 2--133........
771038 2--135........
771040 2--149........
771041 2--135........
771042 2--151........
771043 2--135, 3--11........
771045 2--135........
771047 3--25........
771048 3--25........
771050 3--25........
Part Page
Number Number
771051 3--25........
771052 2--2........
771053 2--149........
771057 3--25........
771059 3--37........
771070 3--37........
771072 2--111, 3--9, 3--21........
771073 2--39, 2--41........
771074 2--129, 2--131........
771076 2--129, 2--131........
771077 2--143........
771078 2--2, 2--139........
771079 3--37........
771081 3--35........
771082 3--35........
771083 3--35........
771084 3--15........
771085 3--25........
771086 3--19........
771088 3--37........
771089 2--139........
771090 2--143, 2--145........
771092 2--135........
771094 2--133........
771095 2--135........
771096 2--59........
771098 2--125........
771099 2--129, 2--131........
77752 2--64........
78951 3--71........
78954 3--71........
79508--1 3--50.......
79515 3--50........
79517 3--50........
79518 3--50........
79711 4--27, 4--29, 4--31,.........
4--35, 4--37, 4--39
79716 4--27, 4--29, 4--31........
79718 4--27........
79719 4--27, 4--35, 4--37,........
4--39
79723 4--27........
79728 4--27, 4--29, 4--31,........
4--35, 4--37, 4--39
79731 4--27, 4--29........
79740 4--27, 4--29, 4--31,........
4--35, 4--37, 4--39
79779 4--5........
79840 2--127, 3--35........
79872 2--139........
79874 3--37........
82661 2--37, 2--39, 2--41,........
3--43
82727 2--109........
82733 2--77........
82829 2--33, 2--35........
83584 2--39, 2--41........
83733 3--17........
86318 3--13........
86385 2--2........
Home
Find...
Go To..

CROSS REFERENCE
8--15
Sentinel 331000 (5--10)
Part Page
Number Number
86508 2--153, 3--31........
87308 2--67, 2--69, 2--73........
87677 3--31........
9000071 2--77.......
9000119 2--2.......
9000452 2--107.......
9000522 2--30.......
9000688 2--2.......
9000689 2--2.......
9000735 3--41.......
9000736 3--41.......
9001442 2--141.......
9001524 4--19.......
9001540 2--129.......
9001541 2--129.......
9001775 2--21.......
9001923 2--89.......
9001924 2--89, 3--69.......
9002029 3--69.......
9002764 4--11, 4--21.......
9002765 4--11, 4--21.......
9003022 2--139.......
9003028 2--59.......
9003286 3--74.......
9003311 2--69.......
9003312 2--73.......
9003314 2--69.......
9003315 2--73.......
9003498 3--37.......
9004937 2--35.......
9005306 7--9.......
9005307 7--9.......
9005308 7--9.......
9005309 7--9.......
9005310 7--9.......
9005311 7--9.......
9005312 7--9.......
9005313 7--7.......
9005314 7--17.......
9005317 7--23.......
9005318 7--23.......
9005319 7--24.......
9005320 7--10.......
9005321 7--10.......
9005322 7--15.......
9005323 7--5.......
9005324 7--5.......
9005325 7--5.......
9005326 7--5.......
9005327 7--5.......
9005328 7--19
.......
9005329 7--19.......
9005330 7--19.......
9005331 7--7, 7--29.......
9005332 7--29.......
9005333 7--29.......
9005334 7--29.......
9005335 7--29.......
9005341 7--31.......
9005342 7--31.......
Part Page
Number Number
9005343 7--34.......
9005344 7--34.......
9005346 7--25.......
9005347 7--25.......
9005348 7--25.......
9005349 7--21.......
9005350 7--21.......
9005351 7--21.......
9005352 7--21.......
9005353 7--21.......
9005354 7--21.......
9005355 7--13.......
9005373 7--37.......
9005374 7--37.......
9005375 7--37.......
9005382 7--35.......
9005383 7--35.......
9005384 7--35.......
9005385 7--35.......
9005386 7--35.......
9005387 7--35.......
9005388 7--35.......
9005397 7--38.......
9005398 7--38.......
9005399 7--38.......
9005402 7--33.......
9005403 7--33.......
9005404 7--33.......
9005409 7--33.......
9005413 7--33.......
9005415 7--33.......
9005416 7--33.......
9005417 7--33.......
9005418 7--33.......
9005422 7--36.......
9005423 7--36.......
9005424 7--36.......
9005425 7--36.......
9005918 7--38.......
9006205 3--78.......
9006636 2--24, 2--28.......
9006637 2--23, 2--27.......
9006638 2--23, 2--27.......
9006639 2--23.......
Home
Find...
Go To..

CROSS REFERENCE
8--16 Sentinel 331000 (5--10)
PART DESCRIPTION TO PAGE NUMBER CROSS REFERENCE LIST
Numbers
424 Oil, Brakes, 2.5 Gal., 2--2
A
Accumulator, Piston, Brake, Ce, 2--17
Adapter, Exhaust [Cat 08], 7--33
Adaptor, Arm, Wiper, 2--87
Adaptor, Cam Coupler, 3--57
Adaptor, Filter, Oil, Eng, Remote, 2--23,
2--27
Adaptor, 2--87
Adjusting Screw, 4--5
Air Cleaner, 8 inch, 2--51, 2--53
Air Cleaner, 2--49
Alarm, Backup, 12--48Vdc 112Dba, 2--77
Alarm, Backup, Smart, 2--77
Alternator, 2--30, 7--38
Angle, Guard, 3--17
Angle, Guide, 2--59, 2--63, 2--67
Angle, Hyd Valve Mount, 2--147
Angle, Paddle, Conveyor, 2--63
Angle, Skid Chain, 2--9, 2--11
Angle, Switch, 2--77
Angle, Weld’t, Filterbag Lift, 3--55
Angle, 3--31, 3--37, 3--56, 3--57
Arm Assy, Rocker, 5--43, 6--41
Arm Wldt, Lower, 3--19
Arm Wldt, Upper, 3--19
Arm Wldt, 2--21
Arm, Drive, 2--87
Arm, Lift, 2--69, 2--73
Arm, Seal, Upper, 2--155, 2--157
Arm, Wiper, Panel, 28.0, 3--39
Arm, Wiper, 2--87
Ashtray, Side Mounting, Chr, 2--97
Aspirator,Air Cleaner, 2--49
Atomizer [Cat 08], 7--21
Axle Assembly, Rear W/Brake, 4--23
Axle, Front, 13.6:1 (See Breakdowns),
2--15
Axle, Rear (See Breakdowns), 2--13
B
Backplate, 4--9
Balancer, 5--3, 6--3, 7--3
Bar [Cat 08], 7--24
Bar Flat, Rubber Hopper, 2--77
Bar Wldt, Brush Support, 3--76, 3--77
Bar Wldt, Mtg, Hose, 3--17
Bar, Brush Support, 2--111
Bar, Flat, 0.18, 1.00 X 13.50l, 3/.38h,
2--155, 2--157
Bar, Hex, Stl, 0.75 3.2l M10 X 1.50 Thru,
3--17
Bar, Retainer, 2--59, 2--63
Bar, Seal, Upper, 2--155, 2--157
Bar, Side Spring, 2--13, 2--15
Bar, Sppt, Lh, 2--155
Bar, Sppt, Rh, 2--155
Bar, Stop, Filter Bag, 2--79
Bar, Wldt. Brush Support, 3--9
Base, LIft, Lower, 2--81
Battery Box, Poly, 2--55
Battery, 12V, Cc Amps:1000 Wet, 2--55
Bearing, 32012, 4--15
Bearing, 35mm B X 72mm D X 17mm H,
4--17
Bearing, Ball, 50mm, 2--59, 2--63
Bearing, Ball,20.0b 47.0d 20.6w [Ang],
3--13
Bearing, Cam Roller 52x14x20, 2--69,
2--73
Bearing, Flange, 2--59, 2--63, 2--111, 3--9
Bearing, Hub, 4--17
Bearing, Sleeve 30x38x10, 2--21
Bearing, Sleeve, 2--77
Bearing, Spherical, 3--3, 3--5
Bearing, Thrust, 2--21
Bearing,, 3--9
Bearing, 2--19, 2--21, 2--111, 3--9, 3--21,
4--5, 4--11, 4--13, 4--15, 4--19, 4--21,
4--23, 5--3, 5--37, 6--3, 6--35, 7--29
Beater Bar, Filter Bag, 2--77
Belt [SET OF 2 Cat 08], 7--38
Belt, Fan, 2--30
Belt, V, 40.30L [AX], 3--43
Bezel, Case, Instmt, 2--99
Bezel, Center, 2--97
Bezel, Switch, 2--99
Bezel, 2--97, 2--99
Blade, Wiper, 2--87, 3--39
Block Assy, Cyl, 5--37, 6--35
Block Wldt, Spring, 2--67
Block, Pulley, 5--23, 6--21, 7--14
Block, Retainer, 2--67
Block, Stop, 3--13
Blower, Assy, 2--105
Body, 4--9
Bolt [Cat 08], 7--5, 7--7, 7--9, 7--29, 7--33,
7--35, 7--36
Bolt Kit, Cplg, 2--59
Bolt Kit, 4--49
Bolt, .374--16X2.75, 2--101
Bolt, .44--20 X 1.50, 5--23, 6--21, 7--14
Bolt, Eye, .50--13 X 03.5, 3--19
Bolt, Eye, M10x1.50 X 30mm, 10 Eye,
3--17
Bolt, M08 X 1.25 X 20mm, 7--5
Bolt, M08 X 1.25 X 35mm, 7--9
Bolt, M10 X 1.5 X 20mm, 5--11, 5--15,
5--29, 6--11, 6--15, 6--27, 7--7, 7--9,
7--21
Bolt, M10 X 1.5 X 35mm, 5--22, 6--20,
7--13
Bolt, M10 X 1.5 X 70mm, 5--3, 6--3, 7--3
Bolt, M10 X 1.50 X 20mm, 7--10
Bolt, M10 X 1.50 X 60mm, 5--15, 6--15
Bolt, M10x130, 3--43
Bolt, M12 X 1.75 X 45mm, 5--15, 6--15,
7--9
Bolt, M6 X 1.0 X 14mm, 5--9, 6--9, 7--5
Bolt, M6 X 1.00 X 20mm, 5--25, 6--23,
7--17
Bolt, M8 X 1.25 X 16mm, 5--15, 5--29,
6--15, 6--27, 7--9, 7--21
Bolt, M8 X 1.25 X 20mm, 5--15, 5--25,
5--27, 5--29, 5--31, 5--37, 6--15, 6--23,
6--25, 6--27, 6--29, 6--35, 6--43, 7--9,
7--17, 7--21, 7--23, 7--29, 7--33
Bolt, M8 X 1.25 X 25mm, 5--5, 5--7, 5--15,
5--27, 5--29, 6--5, 6--7, 6--15, 6--25,
6--27, 7--9, 7--15, 7--19, 7--21
Bolt, M8 X 1.25 X 30mm, 5--31, 6--29,
7--23
Bolt, M8 X 1.25 X 35mm, 5--7, 5--25, 6--7,
6--23, 7--17
Bolt, M8 X 1.25 X 45mm, 5--13, 6--13
Bolt, M8 X 1.25 X 65mm, 5--15, 5--31,
6--15, 6--29, 7--9, 7--23
Bolt, M8 X 1.25 X 80mm, 5--25, 6--23,
7--17
Bolt, M8 X 75mm, 5--31, 6--29, 7--23
Bolt,Modif,2--5,2--7
Bolt, U, 48mm Id, 6mm, 3--19
Bolt, 5--3, 5--7, 5--9, 5--11, 5--13, 5--18,
5--25, 5--29, 5--37, 5--39, 5--41, 5--43,
6--3, 6--7, 6--9, 6--11, 6--13, 6--23,
6--27, 6--35, 6--37, 6--39, 6--41, 6--43,
7--3, 7--5, 7--7, 7--17, 7--19, 7--21,
7--29, 7--31, 7--33, 7--34
Boom Wldt, Vacuum Wand, 3--45
Boot, Rbr, 2--141
Bottle, Washer Fluid W/Pump, 2--5
Bottle, Winshield Washer Fluid, 2--5, 2--7
Box Wldt, Cntrl R.H., 3--23
Box, Cntrl L.H., 3--23
Box, Instrument, 2--107
Bracket Wldt, Air--Clnr, 2--51
Bracket [Cat 08], 7--21, 7--33
Bracket Weldt, 2--33, 2--35
Bracket Wldt, Air Intake, 2--49
Bracket Wldt, Air--Clnr, 2--49, 2--53
Bracket Wldt, Compressor, 3--43
Bracket Wldt, Door, 2--5, 2--7
Bracket Wldt, Exhaust [Sentinel 08], 2--47
Bracket Wldt, Exhaust, 2--45
Bracket Wldt, Muffler, 2--43
Bracket Wldt, Tilt, Cab, Lower, 3--37
Bracket Wldt, Tilt, Cab, 3--37
Bracket Wldt, Tilt, Pump, 3--37
Bracket Wldt,Side Brush Lh, 3--9
Bracket, Eng, 2--39, 2--41
Bracket, Accelerator, 2--101
Bracket, Air--Intk, 2--53
Bracket, Alternator [Cat 08] (not shown),
7--38
Bracket, Angle, Mtg, Tank, 2--153
Bracket, Antenna, 3--71
Bracket, Cable, Throttle Na, 2--23
Home
Find...
Go To..

CROSS REFERENCE
8--17
Sentinel 331000 (5--10)
Bracket, Cable, Throttle, 2--97
Bracket, Coil, 2--103, 3--43
Bracket, Coolant Overflow, 2--37
Bracket, Door, Brush, Lh, 2--155
Bracket, Door, Brush, Rh, 2--155
Bracket, Extended Pin, 2--83
Bracket, Filter Bag, 2--79
Bracket, Intake, Turbo, 2--51
Bracket, L, 2--107
Bracket, Latch, 2--69
Bracket, Light, Night Sweeping, 3--59
Bracket, Mount, Hose, 2--153
Bracket, Mtg, Alternator, 2--30
Bracket, Mtg, Hinge, Lh, 3--47
Bracket, Mtg, Hinge, Rh, 3--47
Bracket, Mtg, Mirror, 24.5”, 2--93, 2--95
Bracket, Mtg, Radio, 3--71
Bracket, Mtg, Strobe, Rh, 3--67
Bracket, Mtg, Valve, Hyd, 2--143, 2--145
Bracket, Nozzle, Tank,Water, 2--153
Bracket, Pipe, Air, Chrgr [Sentinel 08],
2--41
Bracket, Plate, Latch, Door, Lh, 2--73
Bracket, Receiver, Dryer, 3--43
Bracket, Remote Oil Filter, 2--23, 2--27
Bracket, Retainer, Rear, 2--11
Bracket, Seatbelt, Lh, 2--89, 3--69
Bracket, Seatbelt, Rh, 2--89
Bracket, Skirt, Lh, 2--155
Bracket, Skirt, Rh, 2--155
Bracket, Sppt, Hose, Vacuum, 3--45
Bracket, Steering Column, Lh, 3--39
Bracket, Stop, 2--23, 2--27
Bracket, Strike, 2--87
Bracket, Switch, 2--81
Bracket, Tank, Coolant, 2--39, 2--41
Bracket, Throttle Cable Turbo, 2--23, 2--27
Bracket, Throttle, Lh, 3--39
Bracket, Tool Box, 3--31
Bracket, Wldt, Turbo, 2--45
Bracket,Cable Mount, 2--77
Bracket,Clip Mount, 3--47
Bracket,Filler Tube, 2--33, 2--35
Bracket,Hyd.Motor Support, 2--111, 3--9
Bracket,Side Brush Rh, 2--111
Bracket,Skirt (on wet machine only), 2--111
Bracket, 2--5, 2--7, 3--21, 3--47, 5--13,
5--29, 6--9, 6--13, 6--27, 7--5, 7--21
Brake Kit, Parking, 2--15
Brake, Parking, 2--15
Breather, Hyd, 10 Mic, 2--139
Breather, 4--11, 4--13, 4--23
Brush Kit, Segmented --32 D--Flatwire, 2--3
Brush Kit, Segmented --32 D--Poly&Wire,
2--3
Brush Kit, Segmented --32 D--Poly, 2--3
Brush Kit, Segmented --38 D--Poly&Wire,
2--3
Brush Kit, Segmented --38 D--Poly, 2--3
Brush Wrap, 2--11
Brush--Main Sweep,51Lg Strp Poly, 2--3
Brush--Side Sweep --32D Flatwire, Side,
2--3
Brush--Side Sweep --32D Poly, Side, 2--3
Brush--Side Sweep --38D Poly, Vario, 2--3
Brush--Side Sweep 32D Poly&Wire, Side,
2--3
Brush--Side Sweep--38D Poly&Wire, Vario,
2--3
Brush--Side Swp, 4 Segments--Flatwire,
2--3
Brush--Side Swp, 4 Segments--Poly&Wire,
2--3
Brush--Side Swp, 4 Segments--Poly&wire,
2--3
Brush--Side Swp, 4 Segments--Poly, 2--3
Bulb, GE (Brake/backup), 2--5
Bulb, GE (Signal/tail), 2--5
Bulb, GE (signal/tail), 2--5
Bulb, 2--101
Bumper, Engine Door, 2--23, 2--27, 2--69,
2--73, 2--139
Bumper, Rbr, 2.0d 1.7t 0.34h, 3--17, 3--19
Bumper, Rear Rubber, 3--53
Bumper, Rubber Recessed, 3--47
Bumper, 3--17
Bushing Support, 4--5
Bushing, 0.26b 0.50d, Nyl, White, 2--93,
2--95
Bushing, 1.125 X .875 X 3.00, 2--13, 2--15
Bushing, Engine Door Hinge, 2--5, 2--7
Bushing, Flng, 0.63b 0.82d 0.75l, Bnz,
3--76, 3--77
Bushing, Flng, 1.00b 1.13d 0.38l, 3--17
Bushing, Flng, 1.00b 1.13d 1.00l, 3--17
Bushing, Flng, 1.50b 1.65d .750l, 3--17
Bushing, Flng, 1.50b 1.65d 1.00l, 3--17
Bushing, Flng, 25b 28d 25l, 3--19
Bushing, Gear, Idler, 5--15, 6--15
Bushing, Rear Support, 2--77
Bushing, Sleeve, 0.50b 0.59d 0.95l, Fgl,
3--37
Bushing, Sleeve, 0.88b 1.00d 0.75l, Bnz,
2--69, 2--73
Bushing, Sleeve, 12.3b 19.9d 55.9l, Ss,
3--13
Bushing, Sleeve, 30mmb 40mmd 25mml,
Bnz, 3--3
Bushing, Sleeve, 3--3
Bushing, 2--5, 2--7, 2--77, 3--3, 3--5, 4--5,
5--41, 6--39, 7--31
Button, Plug, 1.25h .183 [Black Stl],
3--13
Button, Plug, 0.50h Blind, [Black Stl],
3--13
Button, Plug, 0.50h .03--.12 [Black Nyl],
2--101, 3--39
Button, Plug, 0.62h .03--.12 [Black Nyl],
3--39
Button, Plug, 1.00H .03--.12 [Black Nyl],
2--99
Button, Plug, 2--143
Buzzer, 2--97
C
Cable Assy, Arrow Stick, 3--65, 3--67
Cable, .06d, 12.0l, .26eye /.26eye, 3--19,
3--45
Cable, .06D, 12.0L, .26 Eye/.26 Eye,
2--153
Cable, 3.96D, 109 L, M8--1.25/Plug, 3--17
Cable, Brush Lift, 2--21
Cable, Engine Speed, 2--23, 2--27
Cable, Hopper Door Hook, 2--77
Cable, Power, 3--73
Cable, Push--Pull, 2--103, 3--43
Cable, Ribbon, 20 Conductor, 2--107
Cable, Ribbon, 34 Conductor, 2--107
Cable, Rotary Control, 2--103, 3--43
Cable, 2--5, 2--7, 5--29, 6--27, 7--21
Camshaft Assy [Cat 08], 7--25
Camshaft, W/ Key, 5--33
Cap Screw, 4--5, 4--9
Cap, Bearing, Lower, 2--59, 2--63
Cap, Dust Coupling, Hyd, 2--151
Cap, Dust, 4--11, 4--21
Cap, Filler, Oil, 5--9, 6--9, 7--5
Cap, Fuel, Protectoseal, 3--52
Cap, Nozzle, Spray, Nylon, 2--153
Cap, Oil Filler, 4--25
Cap, Radiator, 07psi, 2--37, 2--39, 2--41
Cap, Spray Nozzle (Wet Dust Control), 2--2
Cap, Tank, Fuel, Filler, 2--33, 2--35
Cap, 5--9, 5--29, 5--39, 6--9, 6--27, 6--37,
7--5, 7--21
Cart,PilotChk,4--27
Cart, Priority Cp, 4--31
Cart,Psi Cn Cp, 4--27
Catch, Strike, .44--14 X .75, G8, 2--87
Chain Wldt, Brush, Cage, 2--9, 2--11
Chain, 1.654 Pitch. 92P Long, 2--60, 2--63
Chain, 2/0 13 Links, 2--9, 2--11
Chain, Rlr, 1.65 Pitch, 92 Pitches, 2--2
Chain, Snap, 3--45
Chain,Link#2/0,11Links,Zinc Pl, 2--11
Chain,Link#2/08 5Links,Br.Zinc, 2--111
Chain,Rlr, 15Pitchs, 3--33
Channel Weldt,Lower Support, 2--111, 3--9
Channel Wldt, Lower Support, 3--76
Channel Wldt, 3--13
Channel, Clamp, Hyd, 2--151
Channel, 2--5, 2--7
Charge Pressure Relief Valve Kit, 4--5
Check Valve Kit, 4--7
Circlip, 4--13, 4--17, 4--23
Circuitboard, Power Supply, 2--99
Ciruitboard, Diode / Timer, Vario, 2--99,
3--29
Clamp [Grease Jockey], 3--73
Clamp, 1.25--2.12 Dia Power Gear, 3--57
Clamp, 2.5 Muffler, 2--43, 2--45, 2--47
Clamp, 6” Dia Bridge R.S., 3--49
Clamp, 8 inch Air Cleaner, 2--51, 2--53
Clamp, Cable, Stl, 1.00d X 0.62w, 1h,
2--37
Clamp, Cable, Stl, 1.25D X 1.00W, 1H,
2--153
Home
Find...
Go To..

CROSS REFERENCE
8--18 Sentinel 331000 (5--10)
Clamp, Cable, 2--17
Clamp, Dovetail, 2--93, 2--95
Clamp, Gasket, Front, 2--77
Clamp, Hose, Spring, 50--60Mm, 2--39
Clamp, Hose, Wormdrive, 0.31--0.88d,
.31w, 3--74
Clamp, Hose, Wormdrive, 0.31--0.88D,
3--23
Clamp, Hose, Wormdrive, 1.31--3.25D,
2--39, 2--41
Clamp, Hose, Wormdrive, 1.56--2.50D,
2--39, 2--41
Clamp, Hose, Wormdrive, 1.56--2.50d,
2--24
Clamp, Hose, Wormdrive, 1.81--2.75D,
2--37
Clamp, Hose, Wormdrive, 3.56--4.50d,
.50w, 2--51, 2--53
Clamp, Hose, Wormdrive, 5.56--6.50d,
.56w, 3--45
Clamp, Hose, Wormdrive, 2--153
Clamp, Hose, 6--9, 7--5
Clamp, Hyd, 0.75d, 2--151
Clamp, Injector [Cat 08], 7--21
Clamp, Injector, 5--29, 6--27
Clamp, Muf 6--8 In, 2--45, 2--47
Clamp, Muffler, 2.00d, 2--41
Clamp, Receiver, Dryer, 3--43
Clamp, S.s. Spring&screw 110mm, 2--51,
2--53
Clamp, S.S., Spring & Screw, 65--75 Mm,
2--39
Clamp, S.S., Spring & Screw, 80--90 Mm,
2--39
Clamp, Spring & Screw, 55--65Ms, Ss,
2--41
Clamp, Spring & Screw, 65--75Mm, Ss,
2--41
Clamp, Spring & Screw, 75--85Mm, Ss,
2--41, 2--51, 2--53
Clamp, Spring And Screw, 85--95 Mm, Ss,
2--49
Clamp, Wormdrive, 1.62--3.5OD, 2--49
Clamp, Wormdrive, 2--103, 3--43
Clamp,Muf 6--8 In, 2--43
Clamp--Cable, 1.25Dia. 1.0Wth, 2--19
Clamp--Wormdrive, 0.25-- 0.62D, 2--33,
2--35
Clamp--Wormdrive, 0.31-- 0.88D, 3--31
Clamp--Wormdrive, 1.56-- 2.50D L, 2--33,
2--35
Clamp--Wormdrive, 1.81-- 2.75D, 2--33,
2--35
Clamp, 2--33, 2--35, 3--45
Clevi & Spring Assy .188, 2--23, 2--27
Clevi & Spring Assy .250, 2--23, 2--27
Clevis Assy, Support, 3--5
Clevis Pin, 2--5, 2--7
Clip (Not Shown), 6--27
Clip, Storage Plastic, 3--31
Clip, Finger Clip, Metal, 2--83, 3--31
Clip, Finger Clip, 2--83
Clip, Pipe (not shown), 5--29
Clip, Pipe, 6--27
Clip, Window, 2--87
Clip,Finger Grip, 3--47, 3--50
Clip, 3--37, 5--13, 5--29, 5--43, 6--13, 6--27,
6--41, 7--21
Coil, 12V Cp, 4--27, 4--29
Coil, 12vdc, 4--35
Coil, Air--Cond, Heater, 3--43
Coil, Condenser, 3--43
Coil, Heater, 2--103
Coil, 4--5
Collar, Split, 2.00b 3.00d .69w, Stl, 2--59,
2--63
Column, Steering, 29.0l .81d 36tooth,
2--109
Compressor,Air--Cond, 3--43
Connector, Shutoff, Fuel, 2--23, 2--27
Connector, Wire Lock, 3--71
Connector, 3--71
Console, Steering, 2--87
Control, Ez, Pump, Hyd, 4--5
Control, Solenoid, Hyd, 4--45, 4--49, 4--51,
4--53
Controlbox, Pre--Heat, 2--97
Controller Kit, Micro, Replmt [Sentinel],
2--107
Cooler Assy, Oil, 5--7, 6--7
Cooler, Air, Turbo [Sentinel], 2--39, 2--41
Cooler, Hyd, Turbo, 2--39, 2--41
Cooler, Hyd, 2--37
Cooler, Oil, 5--7, 6--7
CotterPin,4--11,4--21
Coupler Body, .375F Brass, 3--31
Coupler Plug, .375M Ss, 3--31
Coupling Assy, Conveyor, 2--59
Coupling Kit, Flywheel [Cat 4.4 08], 2--28
Coupling, Motor Press Washer, 3--33
Coupling, Tank Fill Hose, 3--57
Coupling, Water, 2--153
Coupling,Chain,L.H Half,Keyed, 3--33
Cover [Cat 08], 7--5
Cover Assy, Front, 5--15, 6--15, 7--9
Cover Assy, Gear, Timing, 5--11, 6--11, 7--7
Cover, Back, 2--97
Cover, Channel, Lh, 2--5, 2--7
Cover, Cyl [Cat 08], 7--5
Cover, Door, Brush, Lh, 2--11
Cover, Door, Brush, Rh, 2--9
Cover, Filter, Assy, 2--87
Cover, Floor Plate, 3--39
Cover, Fltr, Bag, 2--79
Cover, Follower, 3--13
Cover, Heater, Lh, 2--91
Cover, Hub, 4--23
Cover, Latch, Handle, Lh, 2--95
Cover, Latch, Handle, Rh, 2--93
Cover, Line, Hyd, 2--77
Cover, Lower, Lh, 2--89
Cover, Lower, Rh, 2--89
Cover, Panl, Fuse, Cab [Sentinel], 2--99
Cover, Pump, 4--25
Cover, Steering Column, 3--39
Cover, Steering Wheel, 2--109
Cover, Top, 2--97
Cover, Upper, Lh, 2--89
Cover, Upper, Rh, 2--89
Cover, Valve, Inner, 2--143, 2--145
Cover, Valve, Outer, 2--143, 2--145
Cover, Valve, 5--9, 6--9
Cover, 4--13, 4--21, 4--23, 5--3, 5--9, 6--3,
6--9, 7--3, 7--5
Cross Bearing Kit, 4--19
Cup Kit, 4--25
Cushion,Side Skids, 2--9, 2--11
Cyl, Hyd, 2.0b, 19.0l, 12.0strk, 2500, 3--37
Cyl, Hyd, 2.5b, 27.3l, 17.7strk 3000, 2--81
Cylinder Anchor Pin, 4--11, 4--21
Cylinder, Hyd S Br Lift, 3--9
Cylinder, Hyd, 1.5b 07.8l 01.60strk 3000,
3--21
Cylinder, Hyd, 1.5b 11.0l 02.94strk 3000,
2--77
Cylinder, Hyd, 1.5b 12.6l 05.10strk 3000,
2--21
Cylinder, Hyd, 1.5B,11.0L,02.90Strk, 3--19
Cylinder, Hyd, 1.8b 07.7l 01.70strk 3000,
2-- 111
Cylinder, Hyd, 2.0b 11.3l 04.00strk 3000,
2--67, 2--69, 2--73
Cylinder, Hyd, 2.0B,15.5L,07.50Strk, 3--17
Cylinder, Hyd, 2.0b,30.0l,19.25strk,3000,
3--5
Cylinder, Hyd, 3.5b,25.3l,16.50strk,3000,
3--5
Cylinder, Hydraulic, 4--11, 4--21
D
DA Cartridge, 4--5
DA Control Kit, 4--7
Differential Cover, 4--15
Differential Flange, 4--15
Differential Housing, 4--15
Differential Pivot, 4--15
Diode, Bridge 12.0a, 2--99
Diode, Ele, Plug, 2--99
Diode, Electric Plug, 3--43
Dipstick, Oil [Sentinel 08], 2--27
Dipstick, 5--25, 6--23
Disc Kit, Cplg, 2--59
Disc. Manifold, 4--25
Dischrg Quiet Vlv Kit, 4--25
Dolly Wldt, 3--13
Dome Light W/Map 12V, 2--101
Door Assy, Eng, Lh, 2--5, 2--7
Door Assy, Eng, Rh, 2--5, 2--7
Door Assy, Lh, 2--95
Door Assy, Rh, 2--93
Door Wldt, Lh, 2--95
Door Wldt, Rh, 2--93
Door Wldt, Vacuum Wand, 3--47
Door, Hppr, 2--77
Door, Weldt Vacuum Door, 3--47
Dowel, 5--3, 6--3, 7--3
Dowell Pin, 4--5
Drive Gear, 4--9
Home
Find...
Go To..

CROSS REFERENCE
8--19
Sentinel 331000 (5--10)
Drive, 4--8
Dryer,Air--Cond, 3--43
Duct Wldt, Intake, Air, 2--51
Duct,Air,2--99
Dust Protector, 4--19
E
Eccentric Screw, 4--5
Elbow, Air Scoop, 2--51, 2--53
Elbow, Exhaust [Cat 08], 7--33
Elbow, Exhaust, Eng, 2--43
Elbow, Turbo, 2--51
Element Assy, Filter, Fuel, 5--13, 6--13
Element, 8 inch Air Cleaner, 2--51, 2--53
Element, Filter Safety, 2--49
Element, Fltr [Cat 08] (Comes with the
engine), 2--35
Element, Fltr, Fuel [Cat#1r--1804], 2--2
Element, Fltr, Oil (NA Engine), 2--2
Element, Fltr, Oil (Turbo Engine), 2--2
Element, Fltr, Oil, Hyd, 2--139
Element, Safety, 2--51, 2--53
End Cap, 4--8
Engine Access Step Kit, 3--58
Engine Assy, DSL [Cat 83 Hp] (See Engine
Breakdown), 2--23
Engine Assy, DSL, Turbo [Cat 127
Hp]ٛ(See Engine Breakdown), 2--23
Engine, Dsl, 99hp,Turbo[Cat 4.4 08]ٛ(See
Engine Breakdown), 2--27
Extinguisher, Fire, 3--54
Eyebolt, .50--13X3.5”, 2--111, 3--9, 3--75
F
Fan Kit, Eng, Turbo, Replmt [Sentinel],
2--30
Fan, [Sickle], Eng, Turbo [Sentinel], 2--30
Fan, Cooling, 24.0d, 7 Blade [Sentl 08],
2--31
Fender, 2--5, 2--7
Filler, Neck, Fuel Tank, 2--33, 2--35
Filter Assy, Fuel, 3--Mic [Nelson91783a],
2--2
Filter Assy, Fuel, Dsl, 2--33
Filter Bag Assy, Hopper, 2--79
Filter Bag Lifting Kit, 2--2
Filter Element, Oil, 2--23, 2--27
Filter Element,Air Donaldson (NA Engine),
2--2
Filter Element,Air Donaldson (Turbo
Engine), 2--2
Filter Element,Air Donaldson, 2--49
Filter, 10 Micron, 4--27
Filter, Air, Foam, 2--87
Filter, Air, 2--87
Filter, Bag [Sentinel], 2--79
Filter, Cab Air Intake, 2--2
Filter, Fuel, Element, 2--33
Filter, Fuel, Spin--On [Nelson#85254f], 2--2
Filter, Inline Strainer, 3--31
Filter, Oil, Hyd 5mic 50 Gpm 145, 2--2
Filter, Oil, Hyd 5 Mic 50 Gpm 145, 2--139
Filter, Water, 50 Mesh, 2--153
Fitting 4--4 Flo, 3--37
Fitting, Brake Line, 2--17
Fitting, Brakeline, 2--13
Fitting, Brass, E90 02pm--.25--28sae, 3--73
Fitting, Brass, E90 02pm--03com, 3--73
Fitting, Brass, E90, 3--73
Fitting, Brass, Str 02pm--03com, 3--73
Fitting, Brass, Str 03com--.25--28sae, 3--73
Fitting, Brass, Tee, 3--73
Fitting, Brass, Unijet 1/4 T, 3--23
Fitting, Brass, Unijet Cap, 3--23
Fitting, Brs, E90, Bm05/Pm04, 2--33, 2--35
Fitting, Brs, Str, Bm08/Pm04, 3--23
Fitting, Brs, Str, Pm08/Pf06, 2--37, 2--39,
2--41
Fitting, Brs, Str, BM08/PM04, 2--153
Fitting, Brs, Str, Bm08/Pm04, 3--74
Fitting, Brs, 6--27
Fitting, Cap, 2--23, 2--27
Fitting, Draincock, .25npt 90, 2--37
Fitting, Draincock, E90 Pm06, 2--37, 2--39,
2--41
Fitting, Draincock, E90, .25npt, 2--39, 2--41
Fitting, E90 Snap, 3--73
Fitting, E90, 2--23, 2--27, 2--139
Fitting, Ebow, Exhaust, 2--45
Fitting, Elbow, 3--73
Fitting, End, Hose, 2--24
Fitting, Flair, 6--27
Fitting, Grease, E90 Pm04 .75l, 2--11
Fitting, Grease, Str Pm02 . L, 2--59, 2--63
Fitting, Grease, Str Pm04 .63l, 2--9, 2--11,
3--3
Fitting, Grease, 3--5
Fitting, Hyd E90, 2--141
Fitting, Hyd, .25brb / .25brb, 2--33
Fitting, Hyd, Brb, 2--37, 2--39, 2--41
Fitting, Hyd, Cap, 2--24
Fitting, Hyd, E45 FM04/FF04, 3--37
Fitting, Hyd, E45, Fm08/Om10, 3--21
Fitting, Hyd, E45, Fm10/Fm10 Bh, 2--143,
2--145
Fitting, Hyd, E45, Om06/Fm06, 2--149
Fitting, Hyd, E90, Ff06/Om06, 2--149
Fitting, Hyd, E90, Fm04/Om06, 2--17,
2--143, 2--145, 3--19
Fitting, Hyd, E90, Fm06/Om04, 2--67,
2--149
Fitting, Hyd, E90, Fm06/Om06, 2--145,
3--5
Fitting, Hyd, E90, Fm06/Om10, 2--111, 3--9
Fitting, Hyd, E90, Fm08/Om08, 2--139
Fitting, Hyd, E90, Fm08/Om10, 2--143
Fitting, Hyd, E90, Fm10/Ff10, 2--59
Fitting, Hyd, E90, Fm10/Om10, 2--145
Fitting, Hyd, E90, Fm10/Om12, 2--143
Fitting, Hyd, E90, Fm12/Om16, 2--141
Fitting, Hyd, E90, Metric, Jf14/Jm [830],
3--37
Fitting, Hyd, E90, Om04/Fm04, 2--69,
2--73, 2--149, 3--17
Fitting, Hyd, E90, Om04/Qm04, 2--149
Fitting, Hyd, E90, Om06/ Fm06, 2--17,
2--111, 2--141, 2--149, 3--9, 3--15
Fitting, Hyd, E90, Om10/Fm10, 2--60,
2--143
Fitting, Hyd, E90, Om12/Fm12, 2--141,
3--15
Fitting, Hyd, E90, Om16/Fm16, 2--143
Fitting, Hyd, Elbow, 2--147
Fitting, Hyd, Orifice, 0.026, 3--19
Fitting, Hyd, Orifice, 0.031, 2--21
Fitting, Hyd, Orifice, 0.040, 2--143, 3--37
Fitting, Hyd, Orifice, 0.047, 3--19
Fitting, Hyd, Plug, Om02, 4--35, 4--39
Fitting, Hyd, Plug, Om04, 2--151, 4--35,
4--39, 4--41, 4--43
Fitting, Hyd, Plug, Om06, 2--151
Fitting, Hyd, Plug, Om12, 4--35
Fitting, Hyd, Qdc Assy, Of06/Of06, 2--151
Fitting, Hyd, Str Fm10/Om12, 2--151
Fitting, Hyd, Str, Ff10/Fm06, 3--35
Fitting, Hyd, Str, Fm04/Om06, 2--17,
2--143, 2--145, 3--15, 3--19, 3--21
Fitting, Hyd, Str, Fm06/Om04, 2--149
Fitting, Hyd, Str, Fm06/Om06, Long,
2--145
Fitting, Hyd, Str, Fm06/Om06, 3--5
Fitting, Hyd, Str, Fm06/Om06l, 2--143
Fitting, Hyd, Str, Fm06/Om10, 3--15
Fitting, Hyd, Str, Fm08/Om10, 2--145
Fitting, Hyd, Str, Fm10/Om10, 2--145
Fitting, Hyd, Str, Fm10/Om12, 2--145
Fitting, Hyd, Str, Fm16/Om16, 2--145
Fitting, Hyd, Str, Fm16/Om20, 2--23, 2--27
Fitting, Hyd, Str, Fm20/Om16, 2--141
Fitting, Hyd, Str, Om M18/Fm08, 2--15
Fitting, Hyd, Str, Om04/Fm04, 2--15,
2--151
Fitting, Hyd, Str, Om04/Qm04, 3--15
Fitting, Hyd, Str, Om06/Fm06, 2--149,
2--151, 3--15
Fitting, Hyd, Str, Om06/Fm08, 2--17,
2--151, 3--15
Fitting, Hyd, Str, Om08/Fm08, 2--149,
2--151
Fitting, Hyd, Str, Om16/Fm16, 2--39, 2--41,
2--143
Fitting, Hyd, Str, PM08/PM12, 2--153
Fitting, Hyd, Tee, Fm06 /Fm06 /Om06,
2--151
Fitting, Hyd, Tee, Fm06/Om06/Fm06, 3--9
Fitting, Hyd, Tee, Fm10/Fm10/Om10, 3--35
Fitting, Hyd, Tee, Fm12/Fm12/Ff12, 3--15
Fitting, Hyd, Tee, Fm16/Om16/Fm16,
2--37, 2--39, 2--41
Fitting, Hyd, Tee, Om04/Fm04/Fm04,
2--69, 2--73
Fitting, Hyd, Tee, Om06/Om06/Ff06, 2--67,
2--149
Fitting, Hyd, Tee, 2--17
Home
Find...
Go To..

CROSS REFERENCE
8--20 Sentinel 331000 (5--10)
Fitting, Hyd,, Str, Fm10/Om10, 2--143,
3--15
Fitting, Hyd, 2--81, 2--147, 3--5, 3--37
Fitting, Pipe, Cplg, Pf02 Full Black, 2--59,
2--63
Fitting, Pipe, E90, Pm06/Pf06, 2--37, 2--39,
2--41
Fitting, Pipe, Str 02pm--.25--28sae, 3--73
Fitting, Pipe, Str 02pm--02pf, 3--73
Fitting, Pipe, Str, Pm02/Pm02 02.0l,Blk,
2--59, 2--63
Fitting, Plstc, E90, BM08/PM08, PP, 2--153
Fitting, Plstc, E90, Bm08/Pm08, Pp, 3--23
Fitting, Plstc, Str, Pm08/Pm08, 2--153,
3--31
Fitting, Plstc, Tee, Bm08/Bm08/Bm08,
3--23
Fitting, Plstc, Tee, PM08/PM08/PM08,
2--153
Fitting, Plug, Cavity, 4--45, 4--51
Fitting, Plug, Om02, Valve, 4--55
Fitting, Plug, Om04, Valve, 4--45, 4--49,
4--51, 4--55, 4--57
Fitting, Plug, Om05, Valve, 4--45, 4--51,
4--55, 4--57
Fitting, Plug, Om06, Valve, 4--45, 4--49,
4--51, 4--55, 4--57
Fitting, Plug, Om10, Valve, 4--45, 4--51
Fitting, Plug, Org, #6, Valve, Cec, 4--35,
4--39
Fitting, Plug, Org, #6, Valve, 4--45, 4--49,
4--51
Fitting, Plug, Orifice, 4--45, 4--49, 4--51,
4--55, 4--57
Fitting, Plug, Valve, 4--45, 4--57
Fitting, Plug, 3--73
Fitting, Qf, 3--73, 3--74
Fitting, Special, 5--13, 6--13
Fitting, Spray Water, 2--153
Fitting, Stl, Str, Pf04/Sm08, 2--35
Fitting, Str, Nipple Npt, 3--73
Fitting, Str, 2--139, 3--73, 6--27
Fitting, str, 2--23, 2--27
Fitting, Stud, 3--73
Fitting, Tee, 2--139
Fitting--Hyd, Str, 2--147
Fitting, 2--17
Fittining, End, Hose, 2--28
Flange, Driven, 4--13
Flange, Exhaust, 2--43, 2--45, 2--47
Flange, 4--11, 4--21
Flasher, Hd, 12vdc 25a, [10--57300], 2--97
Flg, Mtg 2--Bolt, 4--8
Fluid, Conditioner, Coolant, 16oz
(Mandatory), 2--37, 2--39, 2--41
Fluid, Hyd Oil, Lo Tp 5 Gal., 2--2
Flywheel Assy [Cat 08], 7--36
Flywheel, 2--23
Follower, Cam, 3--3, 3--13
Frame Wldt [Sentinel 2008], 2--7
Frame Wldt [Sentinel], 2--5
Frame Wldt, Conveyor, 2--67
Front Axle Housing, 4--11
Front Housing, 4--15
Frontplate, 4--9
Ftg, Grease.12 Npt Strt .66L, 2--13, 2--15
Ftg, Grease.25--28Th Strt .63L, 2--111,
3--9
Ftg, Grease.25--28th Strt .63L, 2--83
Ftg, Grease, 2--77, 2--81
Ftg, Hyd Cap, 2--149, 2--151
Ftg, Nipple, Grease, 3--3
Ftg, Plstc E90, 3--31
Ftg,90El Galv .375X.50 F Npt, 3--31
Ftg,Nipple Galv .375Npt Close, 3--31
Ftg,Plstc,Elb,Barb.50Pt--.75Hse, 3--31
Ftg--Brs E45 Pm02/Pf02, 2--49, 2--51, 2--53
Ftg--Hyd Bleeder, 4, 2--13
Ftg--Hyd Sae Flange, 2--15, 2--141
Ftg--Hyd Tee, 2--13
Ftg--Hyd, 6, 2--15
Ftg--Hyd,6,2--13
Ftg--Hyd, Bleeder,4, 2--15
Ftg--Hyd, E45, 3--31
Ftg--Hyd, E90 8, 3--31
Ftg--Hyd, E90, 2--13, 2--15, 2--21, 2--77,
2--85, 2--141
Ftg--Hyd, Elbow, 4--6, 2--109
Ftg--Hyd, Elbow, 2--81
Ftg--Hyd, Plug, 3--33
Ftg--Hyd, Str 8--8, 3--31
Ftg--Hyd, Str 8, 3--31
Ftg--Hyd, Str, 2--15, 2--19, 2--21, 2--77,
2--85, 2--109, 2--141, 3--31, 3--35
Ftg--Hyd, Tee, 2--15, 2--81, 2--85, 3--35
Ftg--Plug Npt 08Pm Sq Hd, 3--33
Ftg_Hyd, E90, 2--141
Fuel Tank, 2--33, 2--35
Fuel, Pump, Injection [Cat 08], 7--21
Fuelline Assy, Cyl 1, 6--27, 7--21
Fuelline Assy, Cyl 2, 6--27, 7--21
Fuelline Assy, Cyl 3, 6--27, 7--21
Fuelline Assy, Cyl 4, 6--27, 7--21
Fuelline Assy, 5--13, 5--29, 6--13, 6--27
Fuelline Kit, Nyl, 2--33
Fuse,10Amp,2--99
Fuse,15Amp,2--99
Fuse, 20 Amp, 2--99, 3--65, 3--67
Fuse, 20Amp, 3--59
Fuse, 25amp, 2--99
Fuse,30Amp,2--99
Fuse, 80a [Maxi], 2--99
Fuse, Velocity, 3--5
Fuse, 3--71
G
Gas Spring, 2--5, 2--7
Gasket[Cat08],7--29
Gasket, Adapter, Fltr, Oil, 5--37, 6--35
Gasket, Adaptor, Filter, Oil, 2--23, 2--27
Gasket, Box, Instrument, 2--107
Gasket, Breather, Reservoir, 2--139
Gasket, Cap, Breather, Hyd, 2--139
Gasket, Cntrl Valve [Ez], 4--5
Gasket, Cover [Cat 08], 7--9, 7--23
Gasket, Cover, Valve, 5--9, 6--9, 7--5
Gasket, Cover, 5--15, 6--15, 7--9
Gasket, Elbow [Cat 08], 7--33
Gasket, Fire Switch, 2--77
Gasket, Head, Cyl [Cat 08], 7--34
Gasket, Head, 5--39, 6--37
Gasket,Inlet[Cat08],7--19
Gasket, Manifold, 6--43, 7--33
Gasket, Taillight, 2--5
Gasket,Hopper Opening, 2--77
Gasket,Rear Hopper Door, 2--77
Gasket, 2--24, 2--43, 2--79, 2--155, 4--11,
4--21, 4--23, 5--7, 5--9, 5--15, 5--18,
5--25, 5--27, 5--31, 6--7, 6--9, 6--15,
6--23, 6--25, 6--29, 6--43, 7--17, 7--19,
7--23, 7--33
Gauge, Glycerin, 3--31
Gauge, Press, 2--139
Gauge, Sight, 2--139
Gear Assy, Idler, 5--15, 6--15
Gear Assy, Ring And Pinion [13.6:1], 4--15
Gear, 44tooth, 5--3, 6--3, 7--3
Gear, Balancer, 17tooth, 5--3, 6--3, 7--3
Gear, Camshaft, 68tooth, 5--15, 6--15, 7--9
Gear, Cshaft, 34tooth, 5--35, 6--33, 7--27
Gear, Idler [Cat 08], 7--9
Gear, Input, 4--17
Gear, Pump, Fuel, 6--27, 7--21
Gear, Pump, 5--29
Gear, Shaft, 5--3, 6--3, 7--3
Gear, 3--15
Gerotor Assy, 4--8
Grease Zerk, 4--11, 4--21
Grease, Anti--Corrosion Electrical, 2--2
Grease, Gen Purpose, Ep 35lbs 5 Gal.
pail, 3--73
Grip, Handle--Rnd .72Id X 5.0L, 3--47,
3--50
Grommet, 1.38h, 2--87
Grommet, Rbr, .500, .812, 1.062, .250,
2--93, 2--95
Grommet, Rbr, 0.20id, F/0.4h, .12 Matl,
2--7
Grommet, Rbr, 0.38id, F/ 1.4h, .09matl,
3--61, 3--63
Grommet, Rbr, 0.62id, F/ 0.9h, .12matl,
2--99, 3--65, 3--67
Grommet, Rbr, 0.89id, F/ 1.2h, .14matl,
2--99
Grommet, Rbr, 1.00id, F/ 1.4h, .12matl,
2--37, 2--39, 2--41
Grommet, Ribbon Cable, 2--107
Grommet, Turn Signal, 2--101
Grommet,Rbr,0.38Id,For .19Matl, 3--59
Grommet, 2--5, 2--7, 3--71
Guard Wldt, 3--13, 3--17
Guard, Light, Rotating, 3--61, 3--63
Guard, Motor, 2--85
Guard, Pump Coupling, 3--33
Guard, Wire, Vario Brush, 3--19
Guide, Chain, Steel, 2--67
Guide, Conveyor Chain, 2--2
Guide, Valve, Intake, 5--39, 6--37
Home
Find...
Go To..

CROSS REFERENCE
8--21
Sentinel 331000 (5--10)
Guide,Cam Roller,Lh, 3--3
Guide,Cam Roller,Rh, 3--3
Guide,Cam Roller,Up, 3--3
H
H.P.R.V. with Tow Option (4000--6100 psi),
4--5
Handle Weldt.,Sludge Removal, 3--50
Handle, Container, Rear, 2--57
Handle, Door, Ext, 2--93, 2--95
Handle, Grab, 3--58
Handle, High Pressure Spray, 3--31
Handle, 2--57
Harness, Hppr [W/ Hd], 2--190, 2--211
Harness, Main [Sentinel 08], 2--211
Harness, Wire, Cab, 2--190, 2--211
Harness, Wire, Hopper, [Sentinel], 2--190,
2--211
Harness, Wire, Main [Sentinel], 2--190
Harness, Wire, Vario Cntrl, 3--29
Harness, Wire, Vario, 3--29
Head, Clyinder [Cat 08], 7--34
Headlight, Assy, 2--101
Hex Scr M12, 2--23, 2--27
Hinge, .31pin .15, Offset, 3.5l 4/0.34h,
3--47
Hinge, 3--43
Hook, Door Release, 2--77
Hook, Threaded M20x10, 2--21
Hopper (Painted GM White), 2--77
Hopper Assy [Sentinel], 2--77
Hopper Cleanout Kit, 3--50
Hopper Support, Lower, 2--83
Hopper Support, Upper W/Label, 2--83
Horn, 12V, 2--5, 2--7
Hose .25 .ID, 2--33, 2--35
Hose Assembly, Pressure Wash, 3--31
Hose Assy, 3--56
Hose Kit, Hyd [830--Iii Cab Tilt], 3--37
Hose, 2.00id X 2.38d [Sentinel 08], 2--41
Hose, 6” Dia x 150 R.S., 3--49
Hose, Afmkt Replmt, Pvc, Brd 0.50id 20ft,
3--23
Hose, Afmkt, Pvc, Brd, 0.50id, 01ft, Clr,
3--23
Hose, Afmkt, Pvc, Wir, 0.50id, 01ft, Clr,
3--23
Hose, Breather, Crankcase, 6--9, 7--5
Hose, Drain, Eng Oil, 2--23, 2--27
Hose, Fuel, .31id 24.0l, 2--33, 2--35
Hose, Fuel, .31id 39.0l, 2--33, 2--35
Hose, Heater, 2--103, 3--43
Hose, Hyd, Med06, Ff06str/Ff06str, 032.0,
2--129, 2--131
Hose, Hyd, Med06, Ff06str/Ff06str, 068.0,
2--129
Hose, Hyd, Med08, Ff08e90/Ff08str,
148.0, 2--129, 2--131
Hose, Hyd, Med16, Ff16e45/Ff16str,
062.0, 2--129, 2--131
Hose, Hyd, Med16, Ff16e90/Ff16str,
084.0, 2--129, 2--131
Hose, Hyd, Med16, Ff16e90/Ff16str,
104.0, 2--129, 2--131
Hose, Hyd, Tc04, Ff04e45/Ff04str, 052.0,
2--129, 2--131
Hose, Hyd, Tc04, Ff04e90/Ff04str, 020.0,
2--129, 2--131
Hose, Hyd, Tc04, Ff04e90/Ff04str, 042.0,
2--129
Hose, Hyd, Tc04, Ff04e90/Ff04str, 062.0,
2--129
Hose, Hyd, Tc04, Ff04e90/Ff04str, 094.0,
2--129
Hose, Hyd, Tc04, Ff04str/Ff04str, 080.0,
2--131
Hose, Hyd, Tc04, Ff04str/Ff04str, 085.0,
2--129, 2--131
Hose, Hyd, Tc04, Ff04str/Ff06e45, 035.0,
2--131
Hose, Hyd, Tc04, Ff06E90/Ff06Str, 173.0,
3--7
Hose, Hyd, Tc04, Ff06str/Ff04e90 058.0,
2--131
Hose, Hyd, Tc06, Ff06e90/Ff06str, 148.0,
2--129, 2--131
Hose, Hyd, Tc06, Ff06str/Ff06e45 062.0,
2--131
Hose, Hyd, Tc06, Ff06str/Ff06e90, 062.5,
2--129
Hose, Hyd, Tc06, Ff06str/Ff06str, 063.0,
2--131
Hose, Hyd, Tc10, Ff10e90/Ff10str, 036.0,
2--129, 2--131
Hose, Hyd, Tc10, Ff10e90/Ff10str, 051.0,
2--129, 2--131
Hose, Hyd, Tc10, Ff10e90/Ff10str, 071.0,
2--129, 2--131
Hose, Hyd, Tc10, Ff10e90/Ff10str, 114.0,
2--129, 2--131
Hose, Hyd, Tc16, Ff16str/Ff16e45, 038.0,
2--131
Hose, Hyd, Tc16, Ff16str/Ff16e45, 042.0,
2--129
Hose, Hyd,Med06, Ff06str
/Ff06e90l,100.0, 2--127
Hose, Hyd,Med06, Ff06Str /Ff06Str , 98.0,
3--25
Hose, Hyd,Med06, Fm06strb/Ff06e90
,184.0, 2--133
Hose, Hyd,Med08, Ff08str /Ff08e45 , 62.0,
2--135
Hose, Hyd,Med08, Ff08str /Ff08e90 , 24.0,
2--135
Hose, Hyd,Med10, Ff10Str /Ff12E45 ,
25.0, 3--25
Hose, Hyd,Med12, Ff12str /Ff12e90 , 31.0,
2--133
Hose, Hyd,Med12, Ff12str /Ff12e90 , 70.0,
2--135
Hose, Hyd,Med12, Ff16str /Ff12e90 , 50.0,
2--135
Hose, Hyd,Med20, Ff20e45 /Ff16e90 ,
50.0, 2--133
Hose, Hyd,Med20, Ff20str /Ff16e90 , 60.0,
2--133
Hose, Hyd,Suc12, Ff12str /Ff12e90 , 56.0,
2--133
Hose, Hyd,Suc12, Ff12Str /Ff12E90 , 94.0,
3--25
Hose, Hyd,Suc20, Ff20e90 /Ff20e90 ,
28.s, 2--133
Hose, Hyd,Suc20, Ff20str /Ff20e90 , 31.0,
2--133
Hose, Hyd,Tc 04 Ff04str /Ff04e90 , 42.0,
2--135
Hose, Hyd,Tc 04, Ff04e90 /Jf04e45 ,204.0,
3--41
Hose, Hyd,Tc 04, Ff04Str /Ff04E45 , 14.0,
3--25
Hose, Hyd,Tc 04, Ff04Str /Ff04E90 , 19.0,
3--25
Hose, Hyd,Tc 04, Ff04str /Ff04e90 , 34.5,
3--37
Hose, Hyd,Tc 04, Ff04Str /Ff04E90 , 55.5,
3--25
Hose, Hyd,Tc 04, Ff04str /Ff04e90, 26.0,
2--125
Hose, Hyd,Tc 04, Ff04str /Ff04str , 26.0,
2--125
Hose, Hyd,Tc 04, Ff04str /Ff04str , 39.0,
2--135
Hose, Hyd,Tc 04, Ff04str /Ff04str , 90.0,
2--137
Hose, Hyd,Tc 04, Ff04str /Ff04str , 96.0,
2--137
Hose, Hyd,Tc 04, Ff04str /Ff04str ,125.5,
2--137
Hose, Hyd,Tc 04, Ff04str /Ff06e90 ,118.0,
2--137
Hose, Hyd,Tc 04, Ff04Str/Ff04E90, 15.0,
3--25
Hose, Hyd,Tc 04, Ff06str /Ff04e45 , 14.5,
3--7
Hose, Hyd,Tc 04, Ff06Str /Ff04E45 , 17.0,
3--25
Hose, Hyd,Tc 04, Ff06str /Ff04e45 , 23.5,
3--7
Hose, Hyd,Tc 04, Ff06str /Ff06e45 ,173.0,
3--7
Hose, Hyd,Tc 04, Jf04E45 /Ff04Str, 252.0,
2--127
Hose, Hyd,Tc 04, Jf04str /Ff06e90 , 50.0,
2--127
Hose, Hyd,Tc 06, Ff06e90 /Ff06e90 , 21.5,
2--125
Hose, Hyd,Tc 06, Ff06str /Ff06e45 , 72.0,
2--135
Hose, Hyd,Tc 06, Ff06str /Ff06e90 , 14.0,
2--135
Hose, Hyd,Tc 06, Ff06str /Ff06e90 , 20.0,
2--125
Hose, Hyd,Tc 06, Ff06Str /Ff06E90 , 21.0,
2--127
Hose, Hyd,Tc 06, Ff06str /Ff06e90 , 21.0,
2--135
Home
Find...
Go To..

CROSS REFERENCE
8--22 Sentinel 331000 (5--10)
Hose, Hyd,Tc 06, Ff06str /Ff06e90 , 44.0,
2--135
Hose, Hyd,Tc 06, Ff06Str /Ff06E90 , 59.5,
2--127
Hose, Hyd,Tc 06, Ff06str /Ff06e90 , 64.0,
3--41
Hose, Hyd,Tc 06, Ff06str /Ff06e90 , 77.0,
3--7
Hose, Hyd,Tc 06, Ff06str /Ff06e90 , 82.5,
2--125, 2--135
Hose, Hyd,Tc 06, Ff06str /Ff06e90 , 86.0,
2--125
Hose, Hyd,Tc 06, Ff06str /Ff06e90 ,101.5,
2--125
Hose, Hyd,Tc 06, Ff06Str /Ff06E90 ,161.0,
3--25
Hose, Hyd,Tc 06, Ff06str /Ff06e90 ,190.0,
3--41
Hose, Hyd,Tc 06, Ff06str /Ff06e90 ,198.0,
3--7
Hose, Hyd,Tc 06, Ff06str /Ff06e90 ,265.0,
2--135
Hose, Hyd,Tc 06, Ff06str /Ff06str , 18.0,
2--125
Hose, Hyd,Tc 06, Ff06str /Ff06str , 25.5,
2--125
Hose, Hyd,Tc 06, Ff06Str /Ff06Str , 62.0,
3--11
Hose, Hyd,Tc 06, Ff06str /Ff06str , 62.0,
2--135
Hose, Hyd,Tc 06, Ff06Str /Ff06Str , 66.0,
3--11
Hose, Hyd,Tc 06, Ff06str /Ff06str , 77.0,
2--125
Hose, Hyd,Tc 06, Ff06str /Ff06str , 83.0,
2--125
Hose, Hyd,Tc 06, Ff06str /Ff06str , 88.5,
2--135
Hose, Hyd,Tc 06, Ff06Str /Ff06Str , 94.0,
3--25
Hose, Hyd,Tc 06, Ff06Str /FfF06E90
,244.5, 2--127
Hose, Hyd,Tc 06, Ff08Str, Ff06E90 , 82.0,
3--25
Hose, Hyd,Tc 08, Ff08str /Ff08e45 , 57.0,
2--133
Hose, Hyd,Tc 08, Ff08str /Ff08e90 , 77.0,
2--137
Hose, Hyd,Tc 10, Ff10e90/Ff10str, 079.0,
2--125
Hose, Hyd,Tc 10, Ff10str /Ff10e90 , 18.0,
2--133
Hose, Hyd,Tc 10, Ff10str /Ff10e90 , 49.0,
2--125
Hose, Hyd,Tc 10, Ff10str /Ff10e90 , 71.0,
2--125, 2--135
Hose, Hyd,Tc 10, Ff10str /Ff10e90 , 82.0,
2--125
Hose, Hyd,Tc 10, Ff10str /Ff10e90 ,154.5,
3--7
Hose, Hyd,Tc 10, Ff10str /Ff10e90 ,184.0,
3--7
Hose, Hyd,Tc 10, Ff10str
/Ff10e90m,124.5, 2--125
Hose, Hyd,Tc 10, Ff10str /Ff10str , 21.0,
2--125
Hose, Hyd,Tc 10, Fm10strb/Ff10str ,187.0,
2--135
Hose, Hyd,Uhi12, F 12e90 /F 16e90 , 90.0,
2--137
Hose, Hyd,Uhi12, F 12str /F 16e90 , 80.0,
2--137
Hose, Hyd, 2--23, 2--27, 2--135, 3--35
Hose, Intake, 3.75id .25w 5.0l, 2--53
Hose,Mold,Intake,Air,[N/A],2--49
Hose, Overflow, Radiator, 2--37, 2--39,
2--41
Hose, Poly Wire, .75ID, 2--153
Hose, Pvc, Brd, 0.50id 0.73od, 2--153
Hose, Pvc, Brd, 0.50id 0.73od 060.0l,Clr,
3--74
Hose, Radiator, Lower, Turbo, 2--39, 2--41
Hose, Radiator, Lower, 2--37
Hose, Radiator, Upper, Turbo, 2--39, 2--41
Hose, Radiator, Upper, 2--37
Hose, Reducer, Air--Clnr, 2--51, 2--53
Hose,Str,Filter,Air,2--49
Hose, Turbo, 3.0 Dia, 2--39, 2--41
Hose,Vyl,Brd,0.50idNylon,3--31
Hose, Water, 2--153, 3--31
Hose,Ac, 3--43
Hose,Fuel Fill 2.25X3.75In Lg, 2--33, 2--35
Hose,Water Fill, 3--57
Hose, 2--13, 2--17, 3--45, 6--27, 7--21
Housing Assy, 5--22, 5--37, 6--20, 6--35,
7--13, 7--29
Housing, Blower, 2--105
Housing, Brg, 2--59, 2--63
Housing, Flywheel [Cat 08], 7--35
Housing, Flywheel, 2--23, 2--27
Housing, Front [Cat 08], 7--9
Housing, Front, 5--15, 6--15
Housing, Steering, 4--13, 4--21, 4--23
Housing, 4--5, 4--7, 4--8
Hsng Bolt Kit, 2--24
Hub Assy, Front W/Brake, 4--13
HubWeldt,SideBrush,2--111,3--9
Hub, Brake, 4--13, 4--23
Hub, Brush, 3--21
Hub, Gear, Idler, 5--15, 6--15
Hub, Idler, Gear [Cat 08], 7--9
Hub, Sprkt, 2--59, 2--63
Hub, Wheel, 4--13, 4--23
Hyd Hose, 2--139
I
Idler Gear, 4--9
Impeller, Intake, 2--85
Injector Assy, Fuel, 5--29, 6--27
Innertube, 7.00 X 12, [Tr440], 2--13, 2--15
Insert, M8 X 1.25, 3--39
Insert, Valve, Exhaust, 5--39, 6--37
Insert, Valve, Inlet, 5--39, 6--37
Instr, Repair, Scu, 4--33
Insulation, Acstc, Console, 2--99
Insulation, Acstc, Rear, Lh, 2--89
Insulation, Acstc, Rear, Rh, 2--89
Insulation, Acstc, Upper, Lh, 2--89
Insulation, Acstc, Upper, Rh, 2--89
Insulation, Acstc, Vacfan, 2--85
Insulation, Acstc, 2--91
Insulation, Thermal, 2--51
Intake, Air, 90, 2--49
Isolator, Cab, Rear, 2--5, 2--7
Isolator, Mtg, Fan, Side, 2--23, 2--27
Isolator, Mtg, Flywheel, Orange, 2--23,
2--27
Isolator, Taillight, 2--5
Isolator, Vib, Ring, 1.0DD .25, 2--39, 2--41
Isolator--Vibration .25--20, 2--37
Isolator, 3--43
itting, Pipe, Plug, Pm08, Sq Head (W/O
Left Hand Side Brush), 2--153
J
Jack Kit, Cab, Ci, 3--37
Jam Nut, 4--5
Joystick, Third Brush, [Burgess], 3--23
K
Key, 5mm, 4--25
Key, Door, Cab [Sentinel], 2--93, 2--95
Key, Door, Eng, 2--5, 2--7
Key, Ignition Switch, 2--109
Key, Rt, 14Mm X 09Mm X 50Mm L, 2--59
Key, Rt, 14MmX09, 2--63
Key, Sq, 0.50 X 2.00l, 2--59
Key, Switch, Ignition, 2--109
Key, Woodruff, 5--15, 5--35, 6--15, 6--33,
7--25
Key--5Mm, 3--33
Key--Wdruff 0.25 1.00 Asa#0808, 4--8
Key, 4--9
Kit, Brg, Cshft, .25mm, 5--35, 6--33, 7--27
Kit, Brg, Cshft, .50mm, 5--35, 6--33, 7--27
Kit, Brg, Cshft, .76mm, 5--35, 6--33, 7--27
Kit, Brg, Main, 5--35, 6--33, 7--27
Kit, Brg, Rod, .25mm, 5--35, 6--33, 7--27
Kit, Brg, Rod, .50mm, 5--35, 6--33, 7--27
Kit, Brg, Rod, .76mm, 5--35, 6--33, 7--27
Kit, Brg, Rod, Std, 5--35, 6--33, 7--27
Kit, Cartridge, Control, Psi, 4--39
Kit, Ci, Linkage, Brush, Side, 2--3, 3--76,
3--77
Kit, Cplg, Flywheel, 2--24
Kit, Cshft, 5--35, 6--33, 7--27
Kit, Cv Joints, 4--19
Kit, Dipstick, 2--23
Kit, Discs, Brake, 4--13, 4--23
Kit, Fan, 20.0 (NA), 2--30
Kit, Fastener, Exhaust, 5--19
Kit, Lift, Eng, 5--17, 6--17
Kit, Link, Connecting, 2--87
Kit, Plate, Mtg, Pump, 2--24
Home
Find...
Go To..

CROSS REFERENCE
8--23
Sentinel 331000 (5--10)
Kit, Repair, Inside Attmnt, 2--60, 2--63
Kit, Repair, Outside Attmnt, 2--60, 2--63
Kit, Ring, Piston, 5--41, 6--39
Kit, Seal, Brake, 4--13, 4--23
Kit, Seal, Cartridge, 4--35, 4--37, 4--39
Kit,Seal,Cyl,Hyd,2--111,3--9
Kit, Seal, Hyd Motor, 4--9
Kit, Seal, Valve, Hyd [Cec], 4--35, 4--37
Kit, Seal, Valve, Hyd [Cec], 4--39
Kit, Seal, Valve, 4--39
Kit, Seal, 2--141
Kit, Seat, Suspension, Passenger, 2--99
Kit, Side Brush Spring, 2--3
Kit, Speed Reducer Gear Set, 4--15
Kit, Switch, 2--99
Knob, Ball, 1.25d 0.38--16 Plstc, 2--109
Knob, Star, 1.96D 4Ear 1.30L 0.33B,
2--153
Knob, Star, 1.96d 4ear 1.30l 0.33b, 3--23
Knob, Switch, 2--103, 3--43
L
Label [Sentinel], 2--212
Label Set, Cab, Lh, 3--39
Label Set, Opertnl [Sentinel 2008], 2--212
Label Set, Switches, 3--63
Label, Blank, 08.5 X 11.0 Clr Poly, 3--73
Label, Info, [Tire Pressure], 2--212
Label, Instr, Tilt, Cab, 2--212, 3--37
Label, Oil Fill, 2--24
Label, Set, Info & Hazard, 2--212
Label, Slow Moving Vehicle, 2--212
Label, Striping, Blk, 2--87
Label, Tennant Logo-- 10.0 Blue, 2--212
Label, Tennant Logo, 2--212
Label,Tennant Logo, 2--212
Lamp #4, 2--101
Lamp, 12vdc, 55watt, Halogen, [H1], 3--61
Lamp, Flood, Halogen, 3--59
Lamp, Halogen, 12vdc, 3--65, 3--67
Lamp, Warning, 2--99
Lance, Dual, 3--31
Latch Wldt, 3--13
Latch, Cover, Access, 2--99
Latch, T Handle, 2--5, 2--7
Leg Assy, Lower W/Label, 3--3
Leg Assy, Upper W/Label, 3--3
Lens, Amb, Light, Revl, 3--61
Lever [Cat 08], 7--38
Lever Assy, 5--43, 6--41
Lever, Release, Int, Lh, 2--95
Lever, Release, Int, Rh, 2--93
Lever, Steering, Lower, Lh, 4--21
Lever, Steering, Lower, 4--21
Lever, Steering, Upper, Rh, 4--21
Lever, Throttle Contrl, 2--97
Lift Kit, Filter Bag, 3--55
Light Kit, Arrow, Ci, W/ Revl Light, 3--67
Light Kit, Arrow, Ci, W/O Revl Light, 3--65
Light Kit, Halogen Night, 3--59
Light Kit, Revl, Amb, Ci [Sentinel], 3--61
Light Kit, Strobe, Amb, Ci [Sentinel], 3--63
Light, Arrow Stick, 8 Lamp [Whelen], 3--65,
3--67
Light, Halogen Flood, 3--59
Light, Panl, 12vdc, Clr, 1.5d, 2--77
Light, Revl, Halogen, Amb, 3--61
Light, Side Mrkr, Sig, Ambr, 12vdc, 2--5,
2--7
Light, Signal, Amber, 2--101
Light, Strobe, Amb [Whelen 2022], 3--63
Lighter, Cigarette, 12Vdc, 2--97
Link Wldt, Push, 2--69, 2--73
Link, Rlr.Chain, 3--33
Link, Upper, 2--69, 2--73
Link, 2--67
Locating Pin, 4--5
Lock Nut, D.25, 4--15
Louver, Adj, Heat--A/C, 2--91, 2--99
Louver, Vent, 2--87
Lug Nut, Flanged, 2--13, 2--15
M
Magnetic Plug, 4--11
Manifold, Exhaust [Cat 08], 7--33
Manifold, Exhaust, 5--18, 6--43
Manifold, Water, 2--153
Manual Op/Mt Sentinel French, 3--78
Manual Op/Mt Sentinel Spanish, 3--78
Manual Pkg Sentinel, 3--78
Manual, Cd--rom, Service, [Sentinel Dsl],
3--78
Manual, Service [Caterpillar 3054C], 3--78
Manual, Service Info [Sentinel], 3--78
Manual, Service, Eng [Cat C4.4], 3--78
Mat, Floor, Lh, 2--91
Mat, Floor, Side, Rh, 2--91
Mat, Floor, 2--9
Mirror, Convex, 08.0d, 2--93, 2--95
Mirror, Convex, 2--93, 2--95
Molding, Rigid, 2--5, 2--7
Molding, Trim 7.5 Ft, 3--31
Molding, Trim, Pvc, .00--.06 19.9l, 2--143
Molding, Trim, Pvc, .00--.06 19.9l, 2--145
Molding, Trim, Pvc,.08--.11 07.7L, 2--39,
2--41
Molding, Trim, Pvc,.08--.11 07.7l, 2--37
Motor Assy, 12vdc, Blower, Lh, 2--105
Motor Assy, 12vdc, Blower, Rh, 2--105
Motor, Ele, Wiper, 12vdc Deg, 2--87, 3--39
Motor, Hyd High Press Sprayer, 3--33
Motor, Hyd Shaker W/End Ports (See
Breakdowns), 2--77
Motor, Hyd Shaker W/End Ports, 4--8
Motor, Hyd Vac Fan (See Breakdowns),
2--85
Motor, Hyd, Gear [In] 02.2 B 2250, 3--15
Motor, Hyd, Gear, [In] 11.9 B 3000, 2--111,
3--9, 3--21
Motor, Hyd, Gear, [In] 14.9 B 3000, 2--19
Motor, Hyd, Gear, [In] 24.2 B 2750, 2--60
Motor, Hyd, Gear, Int 19.2 2900, 2--60
Motor, Hyd, Rebuilt, F/762136, (See
Breakdowns), 2--15
Motor, Hyd, Vacfan 1.02 Cid, 4--9
Motor, Hyd, Vacfan, 1.06 [Cid], 2--85
Motor, Piston, (See Breakdowns), 2--15
Motor, Piston, Rexroth, 4--7
Mount Plate W/Bolts, 2--24
Mount Wldt, Pulley, 2--21
Mount,Frame,Rear Lh, 3--3
Mount,Frame,Rear Rh, 3--3
Muffler, 2--43, 2--45, 2--47
N
Nipple, .50M X .75B, 2--153
Nipple, .50Mx.50B, 3--31
Nozzle Kit, Spray, Windshield, 2--87
Nozzle, High Pressure, 3--31
Nozzle, Jet, Piston Cooling, 5--37, 6--35
Nozzle, Lo Pressure, 3--31
Nozzle, Rubber, Vac Wand, 3--45
Nozzle, Spray Water, 2--153
Nozzle, Spray, Water, 3--23
Nozzle, Water Spray (Wet Dust Control),
2--2
Nozzle, 5--29
Nut[Cat08],7--37
Nut HxLocNyln .50--13 Std., 3--75
Nut HxLocNyln M12X1.75, 3--75
Nut, .25--20, 2--93, 2--95
Nut, Brake, M16x1.5, 2--13, 2--17
Nut, Brass 03com, 3--73
Nut, Brass 05com, 3--73
Nut, Cart, Valve, Hyd Cec, 4--35, 4--37
Nut, Cart, Valve, Hyd Cec, 4--39
Nut, Cartridge [Cp], 4--35
Nut, Cartridge, 4--35
Nut, Clinch, .31--18, G8, 2--93, 2--95
Nut, Clinch, .38--16, G5, 2--89, 2--91
Nut, Clinch, .44--14, G5, 2--87
Nut, Coil, F/#8, 4--41, 4--43
Nut, Coil, 4--35, 4--37, 4--39
Nut, Dome, Hex, .38, Nyl, Blk, 2--91
Nut, Hex Lock M08, 2--37
Nut, Hex, Flng, M08 X 1.25, 2--153
Nut, Hex, Flng, M8 X 1.25, 3--19
Nut, Hex, Jam M20 X 2.5, 3--3
Nut, Hex, Jam, M12 X 1.75, [Din439],
2-- 111
Nut, Hex, Lock, .38--16, Nl, Thin, 2--13,
2--15
Nut, Hex, Lock, .38--16, Nl, 2--43, 2--45,
2--47
Nut, Hex, Lock, .50--13, Nl, 3--9, 3--19,
3--37
Nut, Hex, Lock, M 4 X 0.7, Nl, 2--99
Nut, Hex, Lock, M 6 X 1.0, Nl, 2--33, 2--35,
2--97, 2--143, 3--19
Nut, Hex, Lock, M 8 X 1.25 Nl, 3--3
Nut, Hex, Lock, M 8 X 1.25, Nl, Ss, 3--21
Nut, Hex, Lock, M 8 X 1.25, 3--5
Nut, Hex, Lock, M06 X 1.0, Nl, 2--37
Nut, Hex, Lock, M06x1.0, 3--71
Home
Find...
Go To..

CROSS REFERENCE
8--24 Sentinel 331000 (5--10)
Nut, Hex, Lock, M10 X 1.5, Nl, Ss, 3--17
Nut, Hex, Lock, M10 X 1.5, NL, 2--153
Nut, Hex, Lock, M10 X 1.5, Nl, 2--17, 3--17,
3--19, 3--37
Nut, Hex, Lock, M12 X 1.75, Nl, Ss, 3--9
Nut, Hex, Lock, M12 X 1.75,Nl, Ss, 3--13
Nut, Hex, Lock, M12 X 1.75,Nl, 2--57,
2--59, 2--63, 2--67, 2--69, 2--73, 2--151,
3--9, 3--15, 3--17, 3--21, 3--37
Nut, Hex, Lock, M16 X 2.0, Nl, 2--69, 2--73,
2--111, 3--9, 3--21
Nut, Hex, Lock, M20 X 2.5, Nl, 2--21, 3--21
Nut, Hex, Lock, M4 X 0.7, Nl, 3--47
Nut, Hex, Lock, M5 X 0.8, Nl, 3--47
Nut, Hex, Lock, M5 X 0.80, Nl, 3--37
Nut, Hex, Lock, M6 X 1.0, NL, 2--153
Nut, Hex, Lock, M6 X 1.0, Nl, 2--11, 2--57,
3--17, 3--45, 3--47, 3--63, 3--65, 3--67
Nut, Hex, Lock, M6 X 1.0, Ss, Nl, 2--9,
2--11
Nut, Hex, Lock, M6 X 1.00, Nl, 2--7, 2--155,
2--157
Nut, Hex, Lock, M8 X 1.25, Nl, 2--9, 2--11,
2--37, 2--39, 2--41, 2--49, 2--51, 2--53,
2--57, 2--63, 2--69, 2--73, 2--89, 2--99,
3--17, 3--47, 3--69
Nut, Hex, Sltd, M12 X 1.75, 3--17
Nut, Hex, Std, .25--20, 2--37
Nut, Hex, Std, .50--13, 3--19
Nut, Hex, Std, M08 X 1.25, 2--43, 2--45,
2--47, 3--17
Nut, Hex, Std, M10 X 1.5, 2--69, 2--73
Nut, Hex, Std, M12 X 1.75, 2--9, 2--23,
2--27, 2--69, 2--70, 2--73, 2--74, 2--139
Nut, Hex, Std, M16 X 2.0, 2--64, 2--69,
2--73, 3--19
Nut, Hex, Std, M20 X 2.5, 8, 2--5, 2--7
Nut, Hex, Stover, M10 X 1.5, 2--63, 3--43
Nut, Hex, Stover, M12 X 1.75, 2--111, 3--9,
3--77
Nut, Hex, 2--107
Nut, Jam, .38--24, 5--43, 6--41
Nut, Jam, 3--5
Nut, Lh, 4--11, 4--21
Nut, Lock, Ny, 3--3
Nut, Long, 4--45, 4--47, 4--49, 4--51, 4--55
Nut, Lug, Flanged, 4--23
Nut, M10, 6--43, 7--33
Nut, M18x1.5, 4--11, 4--21
Nut, M8 X 1.25, 5--25, 5--29, 6--23, 6--27,
7--17, 7--21
Nut, Rh, 4--11, 4--21
Nut, Self Lock M8, 4--11, 4--21
Nut, Short, 4--45, 4--47, 4--49, 4--51, 4--55,
4--57
Nut, Slot, Pump, Hyd, Gear, 3--9
Nut, Spcl, Extended (Required with water
tank), 2--5, 2--7
Nut, Special U--Bolt, .75 Deep, 2--13, 2--15
Nut, Steering Wheel, 2--109
Nut, U, M06 X 1.0, 2--99, 2--143
Nut, U, M6 X 1.00, 2--145, 2--155
Nut, U, M8 X 1.25, 2--155
Nut, Wheel, Flng, 4--13
Nut--Hxlocnyln M16x2.0 Reg Pltd, 2--19
Nut, 4--13, 4--15, 4--23, 4--27, 4--29, 4--31,
5--3, 5--25, 6--3, 6--23, 6--27, 7--3,
7--21
Nyloc M12, 2--23, 2--27
O
O Ring Seal, 2--107
O--Ring Kit, Seal Lok, 2--2
O--Ring, 2--141
Oil, Crankcase (For 1 oil change), 4--25
Oil, Crankcase, Cat Pump (For 1 oil
change), 3--33
Oil, Hyd, 5/20, 05gal, 2--2
Oil, Hyd, 15/40, 05gal, 2--2
Oil, Hyd, Syn, 5 Gal, 2--2
Orifice (0.8 mm), 4--5
Orifice (1.8 mm), 4--5
Output Gear, 4--15
Output Shaft, 4--8
P
P.O.R. Assembly, 4--5
Pad, Tread, 2--5, 2--7
Pad,Cab Mount, 2--5, 2--7
PaintKit,Ure,Gal[GmWhite],2--2
PaintKit,Ure,Gal[HawkGray],2--2
Paint, Airdry, [Gm White], 12oz, 2--2
Paint, Airdry, [Hawk Gray], 12oz, 2--2
Pan, Oil, 5--25, 6--23, 7--17
Pane, Glass, Windshield, 2--87
Pane, Wndw, Lower, Lh, 2--95
Pane, Wndw, Lower, Rh, 2--93
Pane, Wndw, Slide, Lh, 2--95
Pane, Wndw, Slide, Rh, 2--93
Panel Assy, Instmt [Sentinel], 2--107
Panel Assy, Instmt, W/ Touch Panl, 2--107
Panel Wldt, Rear, Upper, 2--57
Panel Wldt, Side, Lh, 2--57
Panel Wldt, Side, Rh, 2--57
Panel, Baffle, Skirt, Lh, 2--155
Panel, Baffle, Skirt, Rh, 2--155
Panel, Baffle, Sppt, Lh, 2--155
Panel, Baffle, Sppt, Rh, 2--155
Panel, Baffle, 2--155
Panel, Concole, Control, Center, 2--99
Panel, Console Upper L.H., 3--39
Panel, Console, Steering, Lh, 3--39
Panel, Console, Upper, Switch, 2--97
Panel, Hppr, Lh, 2--77
Panel, Hppr, Skirt, Rh, 2--77
Panel, Instrument, 2--107
Panel, Rear, Lower, 2--57
Panel, Touch, 2--107
Partition, Diaphragm, 5--9, 6--9, 7--5
Pin Assy, Cyl,Lift, 3--5
Pin Assy, Cyl,Tilt, 3--5
Pin Assy, Roller, Hpr, 3 --3
Pin Assy,Leg,Inside, 3--3
Pin Assy,Leg,Outsid, 3--3
Pin Kit, Connecting, 2--60, 2--63
Pin Kit, Pulley, Repair, 2--21
Pin W/Label, 2--83
Pin Weldment, Safety Leg Lower, 2--81
Pin Weldment,Safety Leg Lower, 2--83
Pin Weldment,Safety Leg Upper, 2--83
Pin Wldt, Clevis, .550d, 2--21
Pin Wldt, Clevis, 2--67, 2--69, 2--73
Pin Wldt, Safety Leg, Lower, 3--5
Pin, 0.50d X 80mm, 3--37
Pin, 0.75d 05.1l 2/.16h 2/Cham Chm,
3--17
Pin, 15.7od 110.0l 1/6.35h 2/Cham, 3--19
Pin, 25.0od 175.0l 1/6.35h 2/Cham, 3--19
Pin, Brush Plug, 2--19
Pin, Brush Lift, 2--21
Pin, Clevis, Lift, Brush, 3--3
Pin, Cotter, .094 X 1.00, 3--37
Pin, Cotter, .125 X 1.50, 3--17
Pin, Cotter, .125 X 1.75, 3--21
Pin, Cotter, .125 X 2.00, 3--9
Pin, Cotter, .25 X 2.00, 3--19
Pin, Cyl, Lift, 3--5
Pin, Cyl, Tilt, 3--5
Pin, Dowel [Cat 08], 7--35
Pin, Dowel, 5--15, 5--37, 6--15, 6--35, 7--9,
7--29
Pin, Hair Cotter, 0.62 D .120 Wir, 3--3
Pin, Hair, Dbl, 3--45
Pin, Hair, Double, 3--19
Pin, Hinge, Lower, 2--5, 2--7
Pin, Hinge, Upper, 2--5, 2--7
Pin, Hyd Cyl, 2--77
Pin, Hydraulic Cylinder, 2--77
Pin, Leg, Inside, 3--3
Pin, Leg, Outside, 3--3
Pin, M8x20, 4--15
Pin, Pivot, Main, 3--17
Pin, Pivot, 2--69, 2--73, 3--17
Pin, Rod Cyl, Lift, 3--5
Pin, Roll, .180 D X 0.50l, .187/.192, 2--59
Pin, Roll, .187 D X 0.75l, .187/.192, 2--59,
2--63
Pin, Roll, .250 D X 1.25l, .250/.256, 2--21
Pin, Roll, .250 D X 1.75l, .250/.256, 2--59,
2--63, 2--67
Pin, Roller,Hopper, 3--3
Pin, Spring, 2--13, 2--15
Pin,Hyd.Cylinder, 2--111, 3--9
Pin, 2--5, 2--7, 3--5, 4--5, 4--13
Pipe [Cat 08], 7--19
Pipe Assy, 5--31, 6--29, 7--23
Pipe, 5--27, 6--25
Piston Assy [Cat 08], 7--31
Piston Assy, 5--41, 6--39
Piston, Cooling, Jet [Cat 08], 7--29
Piston, 4--13, 4--23
Pivot Wldt, Arm, 3--17
Pivot Wldt, Head, 3--19
Pivot Wldt, Hopper Left, 2--77
Pivot Wldt, Hopper Right, 2--77
Pivot Wldt, 3--17
Home
Find...
Go To..

CROSS REFERENCE
8--25
Sentinel 331000 (5--10)
Pivot, Shaft, Wiper, 2--87
Pivoting Hub, 4--11, 4--21
Planetary Gear, 4--15
Planetary Spherical Washer, 4--15
Plate [Cat 08], 7--19
Plate Wldt, Back, Conveyor, 2--2, 2--57
Plate Wldt, Brush, Pulley, 3--3
Plate Wldt, Cage, Rh, 2--9
Plate Wldt, Cage, Sppt, Brush, Lh, 2--11
Plate Wldt, Cyl, 3--17
Plate Wldt, Lift, Conveyor, Lh, 2--67
Plate Wldt, Lift, Conveyor, Rh, 2--67
Plate Wldt, Support, Side, Lh, 2--11
Plate Wldt, Support, Side, Rh, 2--9
Plate, Arm, 2--21
Plate, Brg, 2--59, 2--63
Plate, Brush Guide, 2--9, 2--11
Plate, Cntrl, 3--23
Plate, Console, Hold--Down, 2--99
Plate, Cover, Fan Housing, 2--85
Plate, Cover, Lubrication, 2--57
Plate, Cover, 2--63
Plate, Deflector, 2--67
Plate, Fan Housing, 2--85
Plate, Fender, Lh, 3--37
Plate, Floor, Eng, 2--139
Plate, Front Brush/Vario, 2--3
Plate, Hyd Line, 2--17
Plate, Intake, Air, 2--51
Plate, Lid, Brush Drive, 2--19
Plate, Lift [Cat 08], 7--10
Plate, Motor, 2--59
Plate, Mount, Hyd Motor, 3--33
Plate, Mtg, Fuel Filter, 2--33, 2--35
Plate, Mtg, Housing [Cat 4.4 08], 2--28
Plate, Mtg, Hyd, 2--17
Plate, Mtg, License, 2--77
Plate, Mtg, 3--65, 3--67
Plate, Retaining [Cat 08], 7--9
Plate, Retaining, 5--15, 6--15
Plate, Side Brush, 2--3
Plate, Spacer, 3--13
Plate, Sppt, 2--69, 2--73
Plate, Strike, 2--70, 2--74
Plate, Switch Blank, 3--39
Plate, Switch, Upper, 2--97
Plate, Tool Holder, 3--31, 3--56, 3--57
Plate, Wear, 2--2, 2--57
Plate, 2--5, 4--21, 5--7, 5--9, 5--27, 5--37,
6--7, 6--9, 6--25, 6--35, 7--5, 7--29
Plub, Foam, 2--91
Plug (M18 x 1.5), 4--7
Plug [Cat 08], 7--29, 7--35
Plug [Set Of 3], 6--19
Plug #10, 4--8
Plug And Cap Kit, Hyd Ftg, 2--2
Plug, Brush Drive,, 2--19
Plug, Brush Guide, 2--19
Plug, Brush Idler, 2--19
Plug, Cav, 4--35
Plug, Cavity Cp, 4--27
Plug, Cup, 5--9, 5--29, 5--37, 6--9, 6--27,
6--35, 7--5, 7--21
Plug, Drain, Sump, 5--25, 6--23, 7--17
Plug, Dust, Coupling, Water, 2--153
Plug, Gauge, 4--27
Plug, Glow, 5--16, 6--16, 7--24
Plug, Hole, 2.25, 2--89
Plug, Hole, Rnd, 0.88h .03--.12, Blk Nyl,
2--109
Plug, Hole, Rnd, 2--145
Plug, Housing, 4--8
Plug, Lamp, Black, 2--99
Plug, Orifice Cp, 4--35
Plug, Orifice Cp, 4--27
Plug, Orifice, Valve, Hyd, .026, 4--41
Plug, Orifice, Valve, Hyd, .030, 4--43
Plug, Orifice, Valve, Hyd, .040, 4--41
Plug, Outlet, 3--73
Plug, Pipe, 5--25, 6--23, 7--12, 7--17
Plug, Retainer, 5--3, 6--3, 7--3
Plug, Side, 5--37, 6--35, 7--29
Plug, W/ Org, 5--20, 6--18
Plug, 2--67, 2--139, 2--153, 4--5, 4--13,
4--23, 4--27, 4--35, 5--11, 5--21, 5--25,
5--27, 5--29, 5--37, 5--39, 5--43, 6--11,
6--23, 6--25, 6--27, 6--35, 6--37, 6--41,
7--11, 7--17, 7--29
Plugbtn .75H .03--.12 Blacknyl, 3--39
Plugbtn, 0.375H, .172, Blk, 3--39
Plunger, 5--3, 6--3, 7--3
Port Block, 4--5
Pulley, Alternator, 2--30
Pulley, Belt, V, 3--43
Pulley, Cable, 123mm Dia, 3--3
Pulley, Drive, Fan, 5--22, 6--20
Pulley, Fan [Cat 08], 7--13
Pulley, 2--21, 3--43, 5--23, 6--21, 7--14
Pump Assy, Fuel Injection, 5--29
Pump Assy, Injection, Fuel, 6--27
Pump Assy, Primer, Fuel, 5--13, 6--13
Pump Assy, Water, 5--31, 6--29
Pump Breakdown, Cat, 4--25
Pump Cover, 3--33
Pump Kit, Auto--Lube, Refill, Ci, 3--74
Pump, Assy Lubrication, 3--73
Pump, Cat 290 Press Wash (See
Breakdowns), 3--33
Pump, Hyd, Gear [Ex1] 0.61 [R] 3200,
2--141
Pump, Hyd, Gear [Ex2] 0.61 [R] 3200,
3--15
Pump, Hyd, Gear [Ex2] 1.77 [R] 3500,
2--141
Pump, Hyd, Piston [Hand] 0.55 2800, 3--37
Pump, Piston (See Breakdowns), 2--141
Pump, Piston, Rexroth, 4--5
Pump, Refill, Auto--Lube, 3--74
Pump, Water [Cat 08], 7--23
Pump, Water, Ele, 12vdc, 2--153
R
Race Thrust, 4--8
Rack, Filter Bag, 2--79
Rack, Undercarriage, 3--13
Radiator, Alm, 362mm, 2--37
Radiator, Turbo [Sentinel], 2--39, 2--41
Radio [Am/Fm/Cd/Weather Band], 3--71
Radio Kit, Ci [W/ Cd Player], 3--71
Radio Kit, Replmt, 3--71
Rain Cap, Exhaust, 2--43, 2--45, 2--47
Rear Axle Housing, 4--21
Rear Cover Assembly, 4--7
Rear Rubber Bumper Kit, 3--53
Regulator Assy, Temp, Water, 5--5, 6--5
Regulator, Temp,Water, 5--5, 6--5, 7--15
Relay, 12vdc, 40a, Spdt, 2--99
Remote Oil Filter Assy, 2--23, 2--27
Repair Info, Mtr, 4--8
Repair Info, Pmp, 4--9
Replmt Kit, Pump, Hyd, Gear [Sentinel],
2--141
Reservoir, 25.0 Gal, 2--139
Reservoir, Grease, 10lbs, 3--73
Resistor, Block, 2--105
Retainer, Front End, Sbdc, 2--155
Retainer, Hoses, 2--5, 2--7
Retainer, Roller, 2--69, 2--73
Retainer, Side Skirt,Brushdoor, 2--9, 2--11
Retainer, Skirt, .13, 1.5w X 39.5l, None,
2--155, 2--157
Retainer, Skirt, .19, 1.0w X 41.2l, None,
2--155
Retainer, Skirt, Conveyor, 2--57
Retainer,Skirt, 2--111
Retainer, 2--9, 2--11, 3--45, 5--39, 6--37
Retaining Ring, 30 Dia, 2--19
Retaining Ring, 62 Dia, 2--19
Retaining Ring, M16, 2--111, 3--9
Retaining Ring, 4--5, 4--15
Ring, Lock, 3--5
Ring, Motor [126t, Cat 08], 7--36
Ring, Piston Kit [Cat 08], 7--31
Ring, Retaining, Ext, 50mm, 2--59, 2--63
Ring, Retaining, Int, 47mm, 3--13
Ring, Retaining, 3--3, 5--41, 6--39, 7--31
Ring, Seal, 2--43, 2--45, 2--47
Ring, Split, 2--153
Ring, 4--13, 4--19
Rivet, Blind, .156d X 0.71 X .31d, 2--79,
3--45
Rivet, Blind, .156d X 1.00l X .31d, Alm,
2--77
Rivet, Blind, .188d X 0.45 X .38d, Ss, 2--67
Rivet, Blind, .188d X 0.45 X .38d, Stl, 2--57
Rivet, Blind, .188d X 0.53 X .62d, Alm,
3--45
Rivet, Blind, .188d X 0.69 X .62d, 3--47
Rivet, Blind, .188DX0.53X.62D, Alm, 2--51
Rivet, Plstc, .250d X 0.898, 2--97, 2--99,
3--39
Rivet, Pop .156Dx.710x.312Dhd, 2--9,
2--11, 2--77
Rivet, 2--9, 2--11
Home
Find...
Go To..

CROSS REFERENCE
8--26 Sentinel 331000 (5--10)
Rivnut, Rnd, M8 X 1.25, 2--93
Rod Assy, 5--41, 6--39, 7--31
Rod End Pivot Lh, 4--11, 4--21
Rod End Pivot Rh, 4--11, 4--21
Rod End, 4--11, 4--21
Rod Link, Brush Support Adj, 2--9, 2--11
Rod Wldt, Filter Bag, 2--79
Rod, End, Cyl,Tilt, 3--5
Rod, Push [Cat 08], 7--25
Rod, Thrd, 1 End, M12x1.75 07.9l, 2--73
Rod, Thrd, Full, M12 X 1.8 03.5l, 2--69
Rod, Thrd, Full, M12x1.75 03.5l, 2--23,
2--27, 2--139
Rod, Thrd, 2--109
Rod--End, M16 X 2.0rh Male 16h, 2--69,
2--73
Rod, 5--43, 6--41
Roller, Guide, 2--69, 2--73
Roller, Hopper, 3--3
Rotary Group, 4--5, 4--7
Rotor, 5--3, 6--3, 7--3
S
Saddle, U--Bolt, 2--13, 2--15
Satellite Gear, 4--15
Satellite Spherical Washer, 4--15
Screw Hex .38--16x 1.25, 2--13
Screw Hex .38--16x.75, 2--13, 2--15
Screw Hex M08, 2--37
Screw Hex M12X1.75X40, 3--75
Screw Hex.38--16x 1.25, 2--15
Screw M10x16, 4--21
Screw, Bleed, 4--13, 4--23
Screw, Btn, M8 X 1.25 X 20, Blk, 2--57
Screw, Cap, 4--8
Screw, Flng, .31--16 X 1.75, Blk, 2--87
Screw, Flng, #10--16 X .75, Self Tap,Blk,
2--87, 2--91
Screw, Flng, M6 X 1 X 20, 2--93, 2--95
Screw, Flng, M8 X 1.25 X 20mm, Blk,
2--87, 2--89
Screw, Flt, .25--28 X 0.62, Al, 3--33
Screw, Flt, .38--16X2.00, Al, 2--63
Screw, Flt, M6 X 1.0 X 25, 10.9, 2--11
Screw, Flt, M8 X 1.25 X 20, 10.9, 2--69,
2--73
Screw, Hex M06x1.0x16, 3--71
Screw, Hex M06x1.0x20, 3--71
Screw, Hex, .31--18 X 0.75, 5, 2--24
Screw, Hex, .31--18 X 0.75, G5, 2--28
Screw, Hex, .31--18 X 1.00, 5, 3--69
Screw, Hex, .31--18 X 1.00, 8, 2--93, 2--95
Screw, Hex, .38--16 X 2.00, G5, 2--13,
2--15
Screw, Hex, .38--16 X 2.00, Ss, 2--59
Screw, Hex, .38--16 X 3.50, 5, 2--89
Screw, Hex, .38--16 X 4.50, Ss, 2--91
Screw, Hex, .44--20 X 1.00, 5, 3--43
Screw, Hex, .50--13 X 1.50, 5, 2--24
Screw, Hex, .50--13 X 1.50, G5, 2--27
Screw, Hex, .50--13 X 3.50, G5, 3--37
Screw, Hex, .62--11 X 1.75, 5, 2--141
Screw, Hex, M 6 X 1.0 X 16, Fmg, 2--57,
2--69, 2--73
Screw, Hex, M 6 X 1.0 X 20, Fmg, 2--151
Screw, Hex, M 6 X 1.0 X 20, 2--9, 2--11
Screw, Hex, M 6 X 1.00 X 20, 8.8, 2--87
Screw, Hex, M 8 X 1.25 X 20, 2--9, 2--11
Screw, Hex, M 8 X 1.25 X 25, 2--9, 2--11
Screw, Hex, M 8 X 1.25 X 30, 2--9
Screw, Hex, M06 X 1.0 X 25, 8.8, 2--37
Screw, Hex, M10 X 1.5 X 16, 8.8, 3--13
Screw, Hex, M10 X 1.5 X 20, 8.8, 2--143,
3--3, 3--15, 3--19
Screw, Hex, M10 X 1.5 X 25, 8.8, 2--17,
3--3
Screw, Hex, M10 X 1.5 X 30, 8.8, 2--45,
3--13
Screw, Hex, M10 X 1.5 X 30, Ss, 3--21
Screw, Hex, M10 X 1.5 X 40, 8.8, 3--17
Screw, Hex, M10 X 1.5 X 60, 8.8, 2--51,
2--53, 3--13, 3--37
Screw, Hex, M10 X 1.5 X 70, 8.8 Fl,
3--17
Screw, Hex, M10 X 1.5 X 70, 8.8, 3--19
Screw, Hex, M10 X 1.5 X 90, Fl, 2--69,
2--73
Screw, Hex, M10 X 1.5 X 20, 8.8, 2--21
Screw, Hex, M10 X 1.5 X 25, 8.8, 4--13,
4--23
Screw, Hex, M10 X 1.5 X 30, 8.8, 2--139,
2--153, 3--37
Screw, Hex, M10 X 1.5 X 35, 8.8, 2--63
Screw, Hex, M10 X 1.5 X 40, 8.8, 2--59,
2-- 111, 3 --37
Screw, Hex, M10 X 1.5 X 50, 8.8, 2--63
Screw, Hex, M10 X 1.5 X 70, 8.8, 3--37
Screw, Hex, M10 X 1.50 X 20, 8.8, 2--41,
2--145
Screw, Hex, M10 X 1.50 X 30, Ss, 3--9
Screw, Hex, M10 X 1.50 X 60, 8.8, 2--27
Screw, Hex, M12 X 1.75 X 30, 8.8, 2--67,
2--69, 2--73
Screw, Hex, M12 X 1.75 X 35, 8.8, 2--23,
2--27, 2--57, 2--59, 2--67, 2--69, 2--70,
2--73, 2--74, 3--37
Screw, Hex, M12 X 1.75 X 40, 8.8, 2--63,
2--69, 2--73, 3--13, 3--37
Screw, Hex, M12 X 1.75 X 40, Ss, 3--13
Screw, Hex, M12 X 1.75 X 50, 8.8, 3--15,
3--21
Screw, Hex, M12 X 1.75 X 60, 8.8, 2--59,
2--63
Screw, Hex, M12 X 1.75 X 70, 8.8, 3--77
Screw, Hex, M12 X 1.75 X 80, 8.8, 3--13
Screw, Hex, M12 X 1.75 X 90, 8.8, 3--13
Screw, Hex, M12 X 1.75 X 100, 8.8, 2--151
Screw, Hex, M12 X 1.75 X 120, 8.8, 2--151
Screw, Hex, M12 X 1.75 X 25, 8.8, 2--63
Screw, Hex, M12 X 1.75 X 30, 8.8, 2--111,
3--9
Screw, Hex, M12 X 1.75 X 40, Ss, Nl, 3--9
Screw, Hex, M12 X 1.75 X 45, 8.8, 2--60
Screw, Hex, M12 X 1.75 X 50, 8.8, 2--111,
3--9
Screw, Hex, M12 X 1.75 X 50, Fl, 2--111
Screw, Hex, M12 X 1.75 X 60, 2--9
Screw, Hex, M12 X 1.75 X 90, 8.8, 2--21
Screw, Hex, M16 X 2.0 X 40, 8.8, 2--69,
2--73
Screw, Hex, M16 X 2.0 X 70, 8.8, 3--21
Screw, Hex, M16 X 2.0 X 40, 8.8, 2--59,
2--63
Screw, Hex, M16 X 2.0 X 70, 8.8, Fl, 2--64
Screw, Hex, M20 X 2.5 X 50, 8.8, 3--3
Screw, Hex, M5 X 0.8 X 16, Fmg, 3--61
Screw, Hex, M6 X 1.0 X 16, 8.8, 2--97
Screw, Hex, M6 X 1.0 X 16, Ss, 3--17
Screw, Hex, M6 X 1.0 X 20, 8.8, 3--19
Screw, Hex, M6 X 1.0 X 25, 8.8, 2--33,
2--35
Screw, Hex, M6 X 1.0 X 45, 8.8, 2--143
Screw, Hex, M6 X 1.0 X 12, 8.8, 2--67,
2--69, 2--73
Screw, Hex, M6 X 1.0 X 10, Fmg, 2--21
Screw, Hex, M6 X 1.0 X 12, Ss, 3--13
Screw, Hex, M6 X 1.0 X 16, 8.8, 3--47
Screw, Hex, M6 X 1.0 X 20, 8.8, 2--57,
3--45, 3--47
Screw, Hex, M6 X 1.0 X 20, Fmg, 3--61,
3--63
Screw, Hex, M6 X 1.0 X 20, Ss, 2--9, 2--11
Screw, Hex, M6 X 1.0 X 25, 8.8, 3--65,
3--67
Screw, Hex, M6 X 1.0 X 25, Fmg, 2--21
Screw, Hex, M6 X 1.0 X 45, 8.8, 2--153
Screw, Hex, M6 X 1.0 X 50, 8.8, 3--17
Screw, Hex, M6 X 1.00 X 20, 8.8, 2--155,
2--157
Screw, Hex, M6 X 1.00 X 20, Fmg, 2--5,
2--7
Screw, Hex, M6 X 1.00 X 25, 8.8, 2--155,
2--157
Screw, Hex, M8 X 1.25 X 16, 8.8, 2--69,
2--73, 3--23
Screw, Hex, M8 X 1.25 X 20, 8.8, 2--23,
2--37, 2--43, 2--57, 2--59, 2--67, 2--99,
2--143, 2--149, 3--19
Screw, Hex, M8 X 1.25 X 25, 8.8, 2--39,
2--41, 2--45, 2--47, 2--69, 2--73
Screw, Hex, M8 X 1.25 X 25, Ss, 3--17,
3--21
Screw, Hex, M8 X 1.25 X 120, 8.8, Fl,
2--30, 2--31
Screw, Hex, M8 X 1.25 X 20, 8.8, 2--51,
2--64, 2--89, 2--91, 2--145, 2--153,
3--47, 3--69
Screw, Hex, M8 X 1.25 X 20, Fmg, 2--21,
3--45
Screw, Hex, M8 X 1.25 X 25, 8.8, 2--53,
2--57, 2--153, 3--47
Screw, Hex, M8 X 1.25 X 25, Ss, 3--45
Screw, Hex, M8 X 1.25 X 30, 8.8, 2--39,
2--41, 2--49, 2--53, 2--57, 2--63, 2--155,
2--157
Screw, Hex, M8 X 1.25 X 35, 8.8, 3--17
Screw, Hex, M8 X 1.25 X 70, 8.8, 2--43,
2--45, 2--47
Home
Find...
Go To..

CROSS REFERENCE
8--27
Sentinel 331000 (5--10)
Screw, Hex,.25--20X1.00, 5, 3--15
Screw, Hex, 3--43
Screw, M10x1.5, 4--15
Screw, M12x20, 4--15
Screw, M12x30, 4--11, 4--15, 4--21
Screw, M12x40, 4--11, 4--21
Screw, M6 X 1.00 X 10mm, 5--37, 6--35,
7--29
Screw, M8 X 1.25 X 16mm, 5--37, 6--35,
7--29
Screw, M8x50, 4--11, 4--21
Screw, Pan, #06--?? X 0.38, F/Plstc Pl,
2--99
Screw, Pan, M 4 X 0.7 X 20, 4.8, 2--99
Screw, Pan, M 6 X 1.0 X 12, Nl, 3--23
Screw, Pan, M 6 X 1.0 X 16, 4.8, 2--91
Screw, Pan, M05 X 0.8 X 25, 4.8, 3--37
Screw, Pan, M4 X 0.7 X 20, 4.8, 3--47
Screw, Pan, M5 X 0.8 X 25, 4.8, 3--47
Screw, Pan, 2--107
Screw, Set .38 in, 3--33
Screw, Set, M06 X 1.0 X 8, Nl, 2--69,
2--73
Screw, Set, M12 X 1.75 X 12, Soc, 2--59,
2--63
Screw, Set, M12 X 1.75 X 12, Soc, 2--59
Screw, Soc, #10--24 X 1.25, 4--39
Screw, Soc, M 6 X 1.0 X 16, 12.9, 3--17
Screw, Soc, M 8 X 1.25 X 30, 12.9, 3--13
Screw, Soc, M 8 X 1.25 X 35, 12.9, 3--17,
3--19
Screw, Soc, M 8 X 1.25 X 60, 12.9, 3--3
Screw, Soc, M 8 X 1.25 X 60, 3--5
Screw, Switch Assy, 2--109
Screw,.25--20X.75Blk, 2--101
Screw, 3--3, 4--8, 4--13, 4--23, 5--9, 5--43,
6--9, 6--41, 7--5
Scrw, Trs, .25--20 X 1.00, 2--93, 2--95
Seal [Cat 08], 7--17
Seal Kit, Cart. Cp, 4--31
Seal Kit, Cart, 4--27, 4--29, 4--31
Seal Kit, Cartridge, 4--35, 4--37, 4--39,
4--41, 4--43, 4--45, 4--47, 4--49, 4--51,
4--53, 4--55, 4--57
Seal Kit, Coil [Cp], 4--35
Seal Kit, Coil, 4--27, 4--29, 4--31
Seal Kit, Cyl, Hyd, 2--81
Seal Kit, Cylinder, 4--11, 4--21
Seal Kit, Fltr [Hydac], 2--139
Seal Kit, Hyd, Motor, 2--85
Seal Kit, Motor A/H--Stnd, 4--8
Seal Kit, Motor, Hyd, Gear, 2--19, 2--111,
3--9, 3--21
Seal Kit, Motor, Hyd, 2--141, 3--15
Seal Kit, Scu, 4--33
Seal Kit, Valve, Hyd, 4--35, 4--39
Seal Kit, Valve, Spd Cntrl, Hyd, 2--141
Seal KIt, 4--5
Seal Kit, 2--60, 4--7
Seal, Afmkt, Bulb, Str, .75d F/07ga 02ft,
2--51
Seal, Brush Door, 2--2, 2--9
Seal, Brush, Door, 2--11
Seal, Bulb, 90, 1.33 .06--.09Grip 19.5L,
2--51
Seal, Bulb, 90, 1.33 .06--.09Grip 08.3L,
2--51
Seal, Bulb, Str, 0.58 .06--.09Grip108.0L,
2--37, 2--39, 2--41
Seal, Bulb, Str, 0.58d .06--.09grip 54.0l,
2--57
Seal, Bulb, Str, 0.75d .19grip 052.0l, 2--155
Seal, Bulb, Str, 0.75d .19grip 204.0l, 2--79
Seal, Bulb, Str,0.58D .06--.09Grip 04.0L,
2--51
Seal, Bulb,Str, 0.75d .13grip 178.0l,
2--39, 2--41
Seal, Cap, Oil Filler, 5--9, 6--9, 7--5
Seal, Connector, 60 Pin, 2--107
Seal,Cover,5--11,6--11,7--7
Seal, Cshaft, 5--15, 6--15
Seal, Dust, 2--19
Seal, Hyd, O--ring 2.62mm X .88.57 Mm,
4--17
Seal, O--Ring,, 3--15
Seal, Oil [Cat 08], 7--9
Seal, Oil, 40mm B X 62mm D X 7mm H,
4--17
Seal, Oil, 42 X 55 X 8, 4--19
Seal, Org [Cat 08] (not shown), 7--21
Seal, Org [Cat 08], 7--5, 7--15
Seal, Org, .072 X 00.35id #04, 4--41, 4--43
Seal, Org, Drain, Sump, 5--25, 6--23
Seal, Org, Reg, Temp, Water, 5--5, 6--5
Seal, Org, 5--9, 5--29, 5--31, 5--39, 6--9,
6--27, 6--29, 6--37, 7--5, 7--11, 7--21,
7--23
Seal, Oring, 3--43
Seal, Shaft, 2--77
Seal, Valve, 5--39, 6--37
Seal, Vertical, 2--9, 2--11
Seal, Weatherstrip, 2--103, 3--43
Seal,Brush Door, 2--9, 2--11
Seal,Bulb, 2--37
Seal, 2--9, 2--11, 2--59, 2--63, 2--91, 2--93,
2--95, 3--71, 5--7, 5--25, 6--7, 6--23,
7--17
Seat Kit, Passenger, Ci, 3--69
Seat, Std, 2--99, 3--69
Seat, Suspension, W/Connector, 2--99
Seatbelt Kit, Lh, Ci, 2--89, 3--69
Seatbelt Kit, Rh, Ci, 2--89
Seatbelt, Lh, 2--89, 3--69
Seatbelt, Rh, 2--89
Sending Unit,Fuel Tank, 2--33, 2--35
Sending Unit, 2--23, 2--27
Sensor Assy, Directional, Level, 2--99
Sensor, Level, Liquid, 14 Vdc 01A .88--14,
2--153
Sensor, Magnetic Pickup, 2--23, 2--27
Sensor, Spd, 04.5--24vdc, 2--15
Sensor, Temp, Water, 0.50Nptf 300 Deg,
2--23, 2--27
Separator, Filter Bag, 2--79
Separator, Fltr [Cat] (Comes with the
engine), 2--35
Shaft , 4--5
Shaft Assy, 5--43, 6--41
Shaft Seal, 4--7
Shaft, Cen, 2--59
Shaft, Eccentric, 2--69, 2--73
Shaft, Lower, 2--59
Shaft, Side Brush, 2--111, 3--9, 3--76
Shaft, Stub, 2--63
Shaft, Upper, 2--59
Sheave, Alternator [Sentinel 08], 2--31
Sheet, Rbr, Guard, Hose, 8”, 2--5, 2--7,
3--15
Shield Wldt, Heat, 2--51
Shim, Half, 0.10mm, 4--11, 4--21
Shim, Half, 0.25mm, 4--11, 4--21
Shim, 4--7
Shroud Assy, 2--155, 2--157
Shroud Wldt, Radiator, 2--39, 2--41
Shroud, Brush [W/ No Left Side Brush],
2--155
Shroud, Instmt, 2--99
Shroud, Radiator, L.H., 2--37
Shroud, Radiator, Lower, 2--37
Shroud, Radiator, R.H., 2--37
Shroud, Radiator, Turbo [Sentinel], 2--39,
2--41
Shroud, Radiator, Upper, 2--37
Shroud, Radiator, 2--39, 2--41
Shutter, Vacuum, 2--77
Side Brush Light L.H., 2--101
Side Brush Light R.H., 2--101
Sitrip, Large Step, 3--58
Skid Kit, Carbide, Rh & Lh, 2--9, 2--11
Skid Weld’t, Carbide Lh, 2--9, 2--11
Skid Weld’t, Carbide Rh, 2--9, 2--11
Skirt Kit, Dust--Cntrl, Front, 2--155
Skirt Kit, Dust--Cntrl, Side, 2--155, 2--157
Skirt Kit, Front (With 5 U--Nuts) (Dry Dust
Control), 2--2
SkirtKit,S.B.(1PerSideWith5
U--Nuts)ٛ(Dry Dust Control), 2--2
Skirt.,25T3.0W11.0L 4/.31Hcomc, 3--50
Skirt, Conveyor Lip, 2--2
Skirt, Conveyor Side, 2--2
Skirt, Deflector, Side, 2--57
Skirt, Dust Containment (1 Per Side With 2
U--Nuts)ٛ(Dry Dust Control), 2--2
Skirt,Dust,Rear,2--2
Skirt, Lip, Conveyor, 2--57
Skirt, Rbr, .12, 08.25w 13.25l, 04/ Sl,
2--155
Skirt, Rear Dust, 2--11
Skirt, Rubber, 2--111
Skirt, Side Deflectors, 2--2
Skirt, Side, Conveyor, 2--57
Sleeve, Brass 05com, 3--73
Sleeve, Connector, 2--39, 2--41
Sleeve, Cshaft, 5--15, 6--15
Sleeve, Ferrule .188 Dia, 3--73
Sleeve, Ferrule .312, 3--73
Sleeve, P/M, 0.496D 0.318B 0.31L 430Ss,
2--69, 2--73
Sleeve, Pm, 29.0od 20.0b 6.6l Ss, 3--13
Home
Find...
Go To..

CROSS REFERENCE
8--28 Sentinel 331000 (5--10)
Sleeve--Nylon #20 20.0L, 3--31
Sleeve, 2--69, 2--73
Sludge Removal Tool Assy., 3--50
Snap Ring, 4--5, 4--7
Soleniod, Shutoff, Fuel, Na, 5--29
Solenoid, #10, 12vdc, 4--41, 4--55
Solenoid, #8, 12vdc, 4--41, 4--43, 4--55
Solenoid, 12V, 4--31
Solenoid, 12vdc, Valve, Hyd Cec, 4--35
Solenoid, 12vdc, Valve, Hyd [Cec], 4--37
Solenoid, 12vdc, Valve, Hyd Cec, 4--39
Solenoid, Cntrl, 4--55
Solenoid, Hyd, 12 Vdc, 12 Watt, 4--35,
4--37, 4--39
Solenoid, Shutoff, Fuel, Turbo, 6--27, 7--21
Solenoid, Valve, Hyd, 12vdc, 4--45, 4--47,
4--49, 4--51, 4--53
Solenoid, Valve, Hyd, 4--51, 4--57
Spacer Extn, Fan 2.5 (turbo), 2--30
Spacer Plate, 4--8
Spacer, .125 X .25 X 2.00, 2--87
Spacer, .38ID X .38L, 2--30
Spacer, 1.25od X .433id X .50h, 2--3
Spacer, Coil, #10, 4--41
Spacer, Coil, #8, 4--41, 4--43
Spacer, Coil, 4--55, 4--57
Spacer, Fan [Sentinel 08], 2--31
Spacer, Fan, 1.50 Inch, 2--30
Spacer, Fan, 2.00 Inch, 2--30
Spacer, Paddle, 2--63
Spacer, Strap, 2--59, 2--63
Spacer, 3--77, 4--11, 4--13, 4--15, 4--21,
4--23, 5--13, 6--13
Spool, Pilot, Hd, 4--41
Spool, Pilot, 4--43
Spring Kit, Side Brush, 3--75
Spring, Brush Lift, 2--21
Spring, Cmpr, 2--67
Spring, Die, 1.00od 0.50id 1.25l, 3--19
Spring, Exhaust, 2--45, 2--47
Spring, Extn, 1.90od X .306wir, 8.0l, 3--17,
3--19
Spring, Front Leaf, 2--15
Spring, Hose, Breather, Crankcase, 6--9,
7--5
Spring, Overload Switch, 2--81
Spring, Rear Leaf, 2--13
Spring, Tension 30X5.5X149, 3--75
Spring, Ure, 2--67
Spring, Valve, 5--39, 6--37
Spring,Exhaust, 2--43
Spring, 2--111, 3--9, 4--13, 4--23, 5--3, 5--9,
5--43, 6--3, 6--9, 6--41, 7--3, 7--5
Sprocket, 1.654P, 19 Tooth, 4.5B, 1.5W,
2--59, 2--63
Sprocket, 1.654p, 19tooth, 4.50b, Split,
2--59, 2--63
Sprocket, 1.654pd, 19tooth, 4.50b, Split,
2--2
Stand--Off, Hex, M8 X M6, Metal, 2--31
Starter [Cat 08], 7--37
Starter, Eng (Sentinel), 2--23
Static Strap, 2--107
Steer--control, Hyd, 10 04.5 4000, 4--33
Steer--Control, Hyd,10 04.5 4000, 2--109
Steering Column Switch, 2--109
Steering Lever, Lower, 4--11
Steering Lever, Rh, Lower, 4--11
Steering Rod Front, 4--11
Steering Rod Rear, 4--21
Stem, Valve, Hyd 3w2p, 4--29
Stem, Valve, Hyd,4w2p {Cec], 4--35,
4--37
Stem, Valve, Hyd,4w2p {Cec], 4--39
Step Wldt, 2--5, 2--7
Step, Large Folding, 3--58
Stop Screw, 4--7
Stop, Down, Adj, 2--69, 2--73
Strainer, Hyd, 25 Gpm 100 Mesh Psi,
2--139
Strainer, 5--25, 6--23, 7--17
Strap, Band, Mtg, Air Fltr, 6.5d, 2--49
Strap, Retainer, Bearing Cup, 2--59, 2--63
Strap, Sppt, Alternator, 2--30
Strap, Sppt, Oil Fill, 2--24
Strap, Wand, Vacuum, 3--45
Strip, Backup, 2--57
Strip, Nylon, 0.38 01.5w 11.8b 2/.2h, 3--45
Strip, Paddle, Conveyor, 2--2, 2--63
Strip, Retainer Skirt, 2--9, 2--11
Strip, Retainer, Paddle, 2--63
Strip, Retainer, Upper, 2--9, 2--11
Strip, Retainer, Vertical, 2--9, 2--11
Strip, Retainer, 2--57
Strip, Rubber, Long, 2--33, 2--35
Strip, Rubber, Short, 2--33, 2--35
Strip, Seal, 2--57
Strip,.11T2.5W10.0L 4/.31Hcomc, 3--50
Stroking Piston Assembly, 4--5
Stroking Piston Cover, 4--5, 4--7
Stud [Cat 08], 7--37
Stud, 4--13, 4--23, 5--25, 6--23, 6--43, 7--17,
7--33
Sun Visor, 2--101
Support Wldt, Brush Door Lh, 2--11
Support Wldt, Conveyor, 2--69, 2--73
Support Wldt, Door Rh, 2--9
Support Wldt, Eng, 2--24, 2--28
Support Wldt, Seat, Passenger, 2--91,
3--69
Support Wldt, 2--55, 3--17, 3--19
Support, Circuitboard, 2--99
Support, Eng Fan, Side, Front, 2--23, 2--27
Support, Hose, Vacuum, 3--45
Support, Maintenance, Lift W/Label, 3--5
Support, Plug, 5--16, 6--16
Support, Radiator [Sentinel], 2--37
Support, Seat, Driver, 2--91
Support,Engine Fan Side Rear, 2--23, 2--27
Support,Engine Flywheel, 2--23, 2--27
Switch Assy, Press, 12vdc No 2400psi,
2--143
Switch Assy, Press, No 02400psi, 2--145
Switch Assy, Press, Oil, Eng, 5--32, 6--30,
6--31
Switch Assy, Roller--No, 2--81
Switch Kit, Spst, 3--59
Switch, Advance, Timing, 5--29, 6--27,
7--21
Switch, Assy Turn/Lights, 2--109
Switch, Assy Wipers, 2--109
Switch, Cold Control, 3--43
Switch, Fan, 3--Speed, 2--103, 3--43
Switch, Ignition [Cobo], 2--109
Switch, Key, Steering Column, 2--109
Switch, Micro, Joystick, 3--23
Switch, Press, 12vdc 06a Spst Nc 0750psi,
2--149
Switch, Press, 12vdc A Spst No 0060psi,
2--17
Switch, Pressure, 3--43
Switch, Rocker, 28vdc 15a Dpst On/Of,
2--97
Switch, Rocker, 28vdc 15a Spst On/Of,
2--97, 3--61, 3--63
Switch, Rocker, 36Vdc 05A Dpdt
On/N/On, 3--23
Switch, Rocker, 36Vdc 05A Dpdt
On/Of/Mo, 3--23
Switch, Rocker, 36Vdc 05A Dpdt
On/Of/On, 3--23
Switch, Rocker, 250Vac 10A Dpdt
On/Of/On, 2--97
Switch, Snap Actn, 12Vdc 15A No, 2--81
Switch, Snap Actn, 12vdc 15a No, 2--77
Switch, Vacuum Indicator, 2--49, 2--51,
2--53
Switch, 3--47
Swivel Orifice Kit, 4--7
T
T--Handle, Latch 5”, 2--9, 2--11
Taillight, Led [Sentinel 08], 2--7
Taillight, Lh w/Connector, 2--5
Taillight, Rh w/Connector, 2--5
Tailpipe, Exhaust, 2--45, 2--47
Tank Assy, Water, 2--153
Tank, Coolant, 06.0 04.5 06.9deep 2.5 Qt,
2--39, 2--41
Tank,Hyd,2.5QtVol,2--37
Tappet [Cat 08], 7--25
Tappet, 5--43, 6--41
Tee, .50Fx.50Fx.50F, 3--31
Tee, Water Spray (Wet Dust Control), 2--2
Terminal, Metripk280, Fem 16, 3--71
Terminal, Qdc, [.25f, Insf,14], 3--63
Terminal, Qdc, [.25m, Insf,14], 3--63
Terminal, 3--71
Test Kit, Hyd Press, 2--2
Thermostat Assembly,155 Deg, 2--77
Thru Drive Charge Pump Assembly, 4--5
Thrust Bearing, 4--8
Tie Rod, Hopper Support, 2--83
Tie, Cable 15.25 Lg, 3--31
Tie, Cable 6.0 Lg, 3--23, 3--31
Tie, Cable 6.0Lg, 3--15
Tie, Cable, 11.3l, 2.75d Max, 3--45
Home
Find...
Go To..

CROSS REFERENCE
8--29
Sentinel 331000 (5--10)
Tie, Cable, Nyl, 15.3l . W 4.5 Max D, 2--5,
2--7
Tie, Cable, Nyl, 28.3l .50w 8.0 Max D,
3--45
Tie, Cable, Nyl, 28.5l .50w 8.0 Max D,
2--37, 2--39, 2--41
Tilt, Maintenance, Stand W/Label, 3--5
Timer, 3--73
Tire & Rim Assy, (Bias Ply), 2--13, 2--15
Tire & Rim Assy, (Radial), 2--13, 2--15
Tire Assy, Foam Filled, (Bias Ply), 3--51
Tire Assy, Foam Filled, (Radial), 3--51
Tire,7.00X12 Hd Rib Lug, (Bias Ply), 2--13,
2--15
Tire,7.00X12, (Radial), 2--13, 2--15
Tower Assy, Conveyor, Lift, Lh, 2--73
Tower Assy, Conveyor, Lift, Rh, 2--69
Tower Kit, Conveyor, Lift, Lh, Replmt, 2--73
Tower Kit, Conveyor, Lift, Rh, Replmt,
2--69
Trough Wldt, Conveyor, 2--2, 2--57
Tube [Cat 08], 7--5
Tube Assy, 5--25, 5--39, 6--23, 6--37, 6--43,
7--33
Tube Wldt, Exhaust [Sentinel 08], 2--47
Tube Wldt, Exhaust, 2.5 Od, 2--45
Tube Wldt, Exhaust, 2--43
Tube Wldt, Sppt, Rear, 3--45
Tube, 01.00d 00.44b 00.3l Stl, 3--19
Tube, 00.62d 00.47b 00.8l Stl, 3--76, 3--77
Tube, 01.00d 00.50b 02.7l Stl Plt,
3--17
Tube, 2.5x6L, 2--43
Tube, Adaptor, Wand, 3--45
Tube, Air, Chrgr, Lower [Sentinel 08], 2--41
Tube, Air--Clnr, 2--49
Tube, Assembly, 2--24
Tube, Brake Front, Lh, 2--17
Tube, Brake, Rear, Lh, 2--13
Tube, Brake, Rear, Rh, 2--13
Tube, Brake,Front, Rh, 2--17
Tube, Connecting, 5--9, 6--9
Tube, Coupler Vac Wand, 3--49
Tube, Dipstick, 2--27
Tube, Hyd, Accumulator, Left, 2--17
Tube, Hyd, Accumulator, Right, 2--17
Tube, Hyd, Brake Pedal, 2--17
Tube, Hyd, Flow Divider, 2--143
Tube, Hyd, Inlet, Cooler, 2--39, 2--41
Tube, Hyd, Manifold, Main, 2--143
Tube, Hyd, Return [Sentinel], 2--149
Tube, Hyd, Return, Cooler, 2--151
Tube, Intake, Turbo, 2--51
Tube, Intake, Air--Clnr [Sentinel 08], 2--53
Tube, Intake, Air--Clnr, 2--51
Tube, Lower, 2--39
Tube, Plstc 5/16 Od, 3--73
Tube, Plstc, W/Grease .188 Od X 15 Ft,
3--73
Tube, Rnd, 1.125d 0.63b 0.3l Stl Plt, 3--19
Tube, Upper, 2--39, 2--41
Tube, Vac Wand Door, 3--47
Tube,Tire 7.00X12, (Bias Ply), 2--13, 2--15
Tube, 2--111, 3--5, 3--9
Turbocharger [Cat 08], 7--33
Turbocharger, 6--43
U
U Bolt, 2--109
U--Bolt, Front Spring, 2--15
U--Bolt, Rear Spring, 2--13
U--Nut, 10mmx1.25x0.75in, 2--5, 2--7
V
Valve [3p4w Do3], 4--39
Valve Stem 3W2P, 4-- 27
Valve Stem 4W2P, 4-- 27
Valve Stem N.O. Cp, 4--27
Valve Stem, 4--27, 4--29, 4--31
Valve, Ball Hycon, 2--15
Valve, Ball, 08PF Brs W/ Handle, 2--153
Valve, Brake, 2--17
Valve, Cartridge, Check, 4--45, 4--49, 4--51,
4--53, 4--55, 4--57
Valve, Cartridge, Control, Direction, 4--49
Valve, Cartridge, Divider, Flow, 4--49
Valve, Cartridge, Pilot Check, 4--37
Valve, Cartridge, Reducing, Pressure,
4--49
Valve, Cartridge, Regulator, Flow, 4--45
Valve, Cartridge, Relief, 4--35, 4--45, 4--49,
4--51, 4--55
Valve, Cartridge, Sequence, Press, 4--55
Valve, Check, Gpm 0030psi 10om/10ors,
2--139
Valve, Check, Cyl, Hyd, 2--81
Valve, Check, 4--35, 4--39, 4--41, 4--43
Valve, Cntrl, Flow, Hyd, 4--41
Valve, Cntrl, Hyd, Solenoid, 12Vdc (See
Breakdowns), 2--147
Valve, Cntrl, Hyd, Solenoid, 12Vdc 03Gpm
(See Breakdown), 3--19
Valve, Cntrl, Hyd, Solenoid, 12vdc 03gpm,
4--57
Valve, Cntrl, Hyd, Solenoid, 12Vdc 06
Gpm (See Breakdown), 3--15
Valve, Cntrl, Hyd, Solenoid, 12vdc 06gpm,
4--55
Valve, Cntrl, Hyd, Solenoid, 12vdc 13gpm
(See Breakdowns), 2--145
Valve, Cntrl, Hyd, Solenoid, 12vdc 13gpm,
4--49
Valve, Cntrl, Hyd, Solenoid, 12Vdc 24
Gpmٛ(See Breakdowns), 3--9
Valve, Cntrl, Hyd, Solenoid, 12Vdc 24Gpm
(See Breakdowns), 2--149
Valve, Cntrl, Hyd, Solenoid, 12vdc 24gpm,
4--51, 4--53
Valve, Cntrl, Hyd, Solenoid, 12vdc, 4--45,
4--47
Valve, Cntrl, Psi, 4--39
Valve, Cntrl, Solenoid, 4--41, 4--43
Valve, Exhaust, 5--39, 6--37
Valve, Hyd Cntrl Sol--Press Wash (See
Breakdowns), 3--35
Valve, Hyd Cntrl Sol, 4--31
Valve, Hyd Control Sol--Hopper (See
Breakdowns), 2--147
Valve, Hyd Control Sol, 4--27, 4--29
Valve, Hyd, Flow Divider, 2--143
Valve, Hyd, Sol, 12Vdc [05S13G3000]
(See Breakdowns), 2--143
Valve, Hyd, Sol, 12Vdc [07S24G3000]
(See Breakdowns), 2--149
Valve, Hyd, Sol, 12vdc [05s13g3000], 4--39
Valve, Hyd, Sol, 12Vdc [07S03G3000]
(See Breakdown), 3--19
Valve, Hyd, Sol, 12Vdc [07S06G3000]
(See Breakdown), 3--15
Valve, Hyd, Sol, 12vdc [07s24g3000],
4--35, 4--37
Valve, Hyd, Solenoid, 12vdc [07s03g3000],
4--43
Valve, Hyd, Solenoid, 12vdc [07s06g3000],
4--41
Valve, Hyd, Solenoid, 12vdc[07s24g3000]
(See Breakdowns), 3--9
Valve, Hyd, Spd Cntrl, Of06/Of06, 2--141
Valve, Hyd, Strg, Accumulator, Dual,
2--151
Valve, Inlet, 5--39, 6--37
Valve, Metering #0, 3--73
Valve, Metering #1, 3--73
Valve, Metering #2, 3--73
Valve, Metering #3, 3--73
Valve, Metering #8, 3--73
Valve, Piston, 4--55, 4--57
Valve, Relief, Press, Oil, Eng, 5--3, 6--3,
7--3
Valve, Relief, 3--73, 4--41
Valve, Stem, Hyd, 4--45, 4--47, 4--49, 4--51,
4--53, 4--55, 4--57
Valve, Stem, Nc Poppet, 4--35
Valve, Stem, No Poppet, 4--35
Valve, Stem, No, 4--35, 4--37, 4--39
Valve, Thermal Expansion, 3--43
Valve, Unloader, 3--31
Valve, Water Spray, 2--153
Valve, Water, Flow Cntrl, 3--23
Valve, Water, 2--103, 3--43
Video, Oprtr, Training, Dvd [Sentinel], 3--78
W
Wand, Vacuum, Extended, 3--45
Washer Flt .31, 2--37
Washer Flt .50 SAE, 3--75
Washer Flt 08, 2--77
Washer Ftg .50, 2--23, 2--27
Washer M12 belle, 2--23, 2--27
Washer, .532 Bx2.13x.11 HR ZNC, 2--13
Washer, .532 Bx2.13x.11 HR ZNC, 2--15
Washer, 0.28b 0.62od .06, 2--87
Washer, 0.28b 1.00d .06, 2--93, 2--95
Washer, 0.31b 0.88d .06, Nyl, Blk, 2--93,
2--95
Home
Find...
Go To..

CROSS REFERENCE
8--30 Sentinel 331000 (5--10)
Washer, 0.33b 1.50d .47, Stl, C / Bore,
3--15
Washer, 0.38b 0.62d .06, Nyl, White, 2--91
Washer, 0.38b 0.88d .08, 2--93, 2--95
Washer, 0.53b 2.13d .11, Stl, Pl, 2--13,
2--15
Washer, 0.76b 1.50d .06, Ss, 3--21
Washer, 2.250x.812x.250, 2--21
Washer, A6, 4--15
Washer, Belleville, .38, 2--59, 2--63, 3--13
Washer, Belleville, .50, 3--13
Washer, Belleville, M06, 2--9, 2--11, 2--69,
2--73, 3--19
Washer, Belleville, M08, 2--9, 2--11, 2--24,
2--57, 2--91, 2--143, 2--153, 3--45,
3--69
Washer, Belleville, M10, 2--43, 2--45, 2--47,
2--111, 2--139, 2--143, 2--153, 3--3,
3--17
Washer, Belleville, M12, 2--24, 2--111, 3--9
Washer, Bellville, 3--43
Washer, Bevel, .334, .822, .109, .128,
2--87
Washer, Brakeline, 2--13
Washer, Flat [Lord #J--2049--52], 2--21
Washer, Flat, .38 Sae, 2--63
Washer, Flat, .50 Sae, 3--77
Washer, Flat, .50 Std, 3--37
Washer, Flat, #08, 2--99, 3--47
Washer, Flat, #10, 3--37, 3--45, 3--65, 3--67
Washer, Flat, 0.25 Sae, 2--67, 2--143,
2--153, 3--47
Washer, Flat, 0.25 Ss, 2--9, 2--11, 3--13
Washer, Flat, 0.25 Std, 2--9, 2--11, 2--33,
2--35, 2--37, 2--49, 2--57, 2--89, 2--99,
2--149, 2--151, 3--15, 3--19, 3--45,
3--47, 3--69
Washer, Flat, 0.25, Fendr, 2--155, 2--157
Washer, Flat, 0.25, Std, 2--7, 2--30, 2--53,
3--17
Washer, Flat, 0.31 Ss, 3--17
Washer, Flat, 0.31 Std, 2--21, 2--39, 2--41,
2--43, 2--45, 2--47, 2--51, 2--57, 2--59,
2--64, 2--67, 2--69, 2--70, 2--73, 2--74,
2--99, 2--153, 3--17, 3--19, 3--23
Washer, Flat, 0.31, Std, 2--31
Washer, Flat, 0.38 Ss, 3--21
Washer, Flat, 0.38 STD, 2--153
Washer, Flat, 0.38 Std, 2--17, 2--23, 2--45,
3--3, 3--13, 3--15, 3--17, 3--19
Washer, Flat, 0.38, Sae, 2--27, 3--37
Washer, Flat, 0.38, Std, 2--41
Washer, Flat, 0.50 Sae, 2--21, 2--57, 2--59,
2--63, 2--67, 2--69, 2--73, 2--111,
2--151, 3--9, 3--13, 3--15, 3--19, 3--21
Washer, Flat, 0.50 Ss, 3--13, 3--23
Washer, Flat, 0.50 Std, 2--23, 2--27, 3--9,
3--13, 3--17, 3--21
Washer, Flat, 0.50, Sae, 3--37
Washer, Flat, 0.62 Sae, 2--60, 2--64, 2--69,
2--73, 2--111, 3--9
Washer, Flat, 0.81b 2.00d .15, Ss, 3--57
Washer, Flat, 1.00 Sae, 3--9, 3--21
Washer, Flat, 1.12 Sae, 2--111, 3--9
Washer, Flat, 1.50b 3.00d .18, 2--7
Washer, Flat, Belleville, M10, 2--145, 3--37
Washer, Flat, Belleville, M12, 2--27
Washer, Flat, Belleville, M6, 2--5, 2--7,
2--155, 2--157
Washer, Flat, Belleville, M8, 2--27, 2--30,
2--145, 2--155, 2--157
Washer, Flat, M08 Fender, 2--9, 2--11,
2--153
Washer, Flat, M10, Fender [Din9021],
2--51, 2--53
Washer, Flat, M10, Fender, 2--153
Washer, Flat, M10, Fendr, 3--37
Washer, Flat, M16 X 30, Hard [Din125],
2--141
Washer, Flat, M16, Fender [Din9021],
2-- 111, 3 --9
Washer, Flat, M8, Fendr, 2--155, 2--157
Washer, Flat, 3--3
Washer, Flt, .25 Sae, 2--37
Washer, Flt, #10, 2--97
Washer, Flt, 3--71
Washer, Hard [Cat 08], 7--36
Washer, Lock, Int, .25, 2--37
Washer, Lock, Int, .38, 3--3
Washer, Lock, Int, #08, 3--47
Washer, Lock, Int--Ext, .38, 2--99
Washer, Seal [Cat 08], 7--7, 7--29
Washer, Special, 2--5, 2--7, 2--23, 2--27
Washer, Thrust 32.1x50.8x3.2, 2--21
Washer, Thrust, .18mm [Oversized], 5--35,
6--33, 7--27
Washer, Thrust, Camshaft, 7--9
Washer, Thrust, Lower, Std, 5--35, 6--33,
7--27
Washer, Thrust, Upper, Std, 5--35, 6--33,
7--27
Washer, Thrust, 5--3, 5--15, 6--3, 6--15, 7--3
Washer, 2--5, 2--13, 2--15, 2--17, 3--3, 4--11,
4--13, 4--15, 4--21, 4--23, 5--13, 5--15,
5--27, 5--29, 5--43, 6--13, 6--15, 6--25,
6--27, 6--41, 6--43, 7--9, 7--21, 7--33
Wheel, Steering, 14.0D 0.81B 36Tooth,
2--109
Wheel, Traction, 2--2, 2--63
Wheel, 2--13, 2--15
Wire Assy, 02ga 48.0l Blk .41h/.41h, 2--55
Wire Assy, 02ga 48.0l Red, 2--55
Wire Assy, 36.0 Lg, 4 Ga, Blk, 2--55
Wire, Ground, 2--30
Wire, 2--55
Wldt, Accelerator Pe, 2--101
Wrap, Conveyor, Upper, 2--2, 2--57
Wrench, Hydrant, 3--56, 3--57
Y
Yoke, 5--25, 6--23, 7--17
Home
Find...
Go To..

We Need Your Help...
As part of Tennant’s Zero Defects Program, we want to know about errors you have
found or suggestions you may have regarding our machine manuals. If you find an er-
ror or have a suggestion, please complete this postage-paid form and mail it to us.
Thank you for helping us make zero defects a way of life at Tennant.
Manual No. Rev. No. Publish Date Page
Machine -Report Error -Suggestion
Name Date
Customer Number
Company
Address
City/State/Zip Code
Home
Find...
Go To..

Tape hereFold along dotted lines
NO POSTAGE
NECESSARY
IF MAILED
IN THE
UNITED SATES
BUSINESS REPLY MAIL
FIRST CLASS MAIL PERMIT NO. 94 MINNEAPOLIS, MN
POSTAGE WILL BE PAID BY ADDRESSEE
Technical Publications #15
701 North Lilac Drive
P.O. Box 1452
Minneapolis, MN 55440--9947
TENNANT COMPANY
Home
Find...
Go To..

We Need Your Help...
As part of Tennant’s Zero Defects Program, we want to know about errors you have
found or suggestions you may have regarding our machine manuals. If you find an er-
ror or have a suggestion, please complete this postage-paid form and mail it to us.
Thank you for helping us make zero defects a way of life at Tennant.
Manual No. Rev. No. Publish Date Page
Machine -Report Error -Suggestion
Name Date
Customer Number
Company
Address
City/State/Zip Code
Home
Find...
Go To..

Tape hereFold along dotted lines
NO POSTAGE
NECESSARY
IF MAILED
IN THE
UNITED SATES
BUSINESS REPLY MAIL
FIRST CLASS MAIL PERMIT NO. 94 MINNEAPOLIS, MN
POSTAGE WILL BE PAID BY ADDRESSEE
Technical Publications #15
701 North Lilac Drive
P.O. Box 1452
Minneapolis, MN 55440--9947
TENNANT COMPANY
Home
Find...
Go To..