NOBLES SPEEDSCRUB 2001HD Speed Scrub 2001 HD Parts And Operator Manual 2 2002 Up
2015-03-24
: Sweepscrub Speed Scrub 2001 Hd Parts And Operator Manual 2-2002 And Up Speed_Scrub_2001_HD_parts_and_operator_manual_2-2002_and_up 1102 file product_file
Open the PDF directly: View PDF
.
Page Count: 29
- ENGLISH
- ESPAÑOL
- DIAGRAMAS ELECTRICAS
- LISTA DE PIEZAS
- CEPILLO DEL REEMPLAZO Y GRUPO DEL MANDO DE LA ALMOHADILLA
- GRUPE DEL DEPÓSITO DE DISOLUCIÓN
- CONJUNTO DEPOSITO RECUPERAR
- CONJUNTO CONSOLA DE CONTROLES
- GRUPO DEL ELÉCTRICO/BATERÍA
- GRUPO DE TRANMISIÓN
- CONJUNTO IMPULSO DE CEPILLO
- CONJUNTO JUEGO DE CEPILLO
- CONJUNTO DE PALANCAS SOLUCIÓN
- CONJUNTO DE PALETA PLANCAS
- CONJUNTO PALETA
- OPCIONES

ENGLISH - ESPAÑOL
Operator and Parts Manual
Manual del Operador y Piezas
Automatic Scrubber
Fregadora Automática
Model No.:
612214
612086 – Pac
612088 – Can. Pac
612816
Rev. 01 (02-02)
CUSTOMER SERVICE: 1-800-365-6625
FAX: 1–800–678–4240
NOBLES
12875 RANSOM STREET
HOLLAND MI 49424 U.S.A.
Speed Scrubt
2001HD
Home
Find...
Go To..

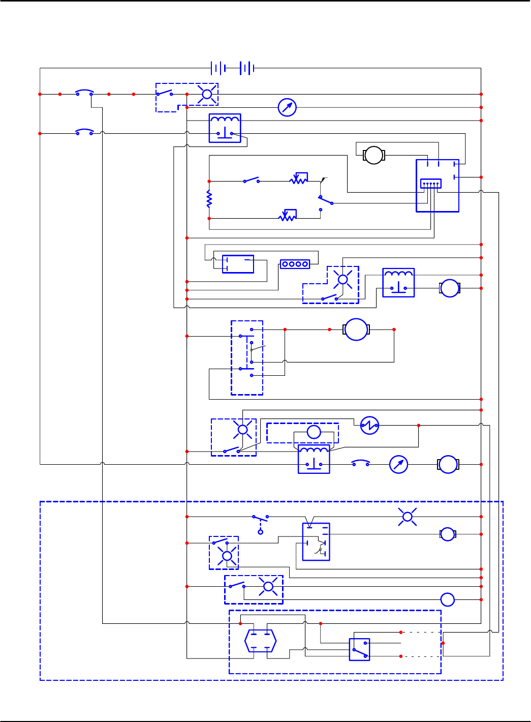
ELECTRICAL DIAGRAMS
DIAGRAMAS ELECTRICAS
Speed Scrubt 2001HD (09–01)
34
4
AMMETER
33 58
35 82
33
58
33
58
33
58
31
31
31
31
80
80 BLK
80
80
78
78
78
78
16
16
16
16
30
76
76
26
26
26
26
24
24
50
50
50
50
11
32
13 15 17
28
RED
RED
44
14
52
60
56
54
64
7472
62
70
32
7
818
5
5
12
12
20
21
18 27
3
3
9
9
23
22
6
6
7
24
BLK
40
GRN
66
66
14 41
43
GRN
GRN
RED
410
10 34
40
23
BLK
RED BLK
BLK
WHT
RED
GRN
ORG
GRN
YEL
29
60
64
62
GRNGRN
GRN
RED
RED
BLK
BLK
WHT
WHT
BLK
WHT
BLK
86
90
47
90
84
84
45
45
43
46 19
36
41
48
46
34
4
BLK
BLU
48
41
25
25
19
24
17
41
BLK
RED
BLK
BLK
RED
RED
PNK
PNK
BLK
BLU
RED RED
RED
RED
RED
RED
BLK
BLK
BLU
BLK
GRN
RED
RED
BLK
ORG
BLU
BLK
BLK
BLK
BLK
BLK
BLK
BLK
BLK
BLK
BLK WHT
TAN
YEL
ORG
TAN
BLU BRN
BLK
ORG
WHT
BLU
BRN
YEL
BLK BLK
BLK
ORG
ORG
BLK
BLK
GRN
GRN
GRN
BLU
RED
GRN
RED
RED
RED
BLK
BLK
RED
BLU
BLU
GRN
GRN
RED
RED
GRN
RED
YEL
YEL
GRN GRN
GRN BLU
BRN
BRN
BLU
BRN
BLKBLKBLK
BLK
ORG
WHT
BLK
ORG
BLK
ORG
WHT
RED
RED
GRN
ORG
WHT
BLU
ORG
ORG
BLU
26
23
BLK
4
RED
RED
10
GRN
40
GRN
BLK RED
MAIN
ACTUATOR
MOTOR
DRIVE
MOTOR 12
3
T2
T1
M1
M2
FLASHER
35
AMP
10
AMP
WAND
PUMP
ES
PUMP
VACUUM
MOTOR
BRUSH
MOTOR
35
AMP
12
+
+-
-
+-
UP
ACTUATOR
DOWN
BATTERY
OPTIONAL
EMERGENCY STOP
OPTIONAL
KEY SWITCH
4.7K
50K
ADJUSTABLE
FORWARD
DIRECTION
SWITCH
F
R
50K
LOCKABLE
REVERSE
ROLL
SWITCH
OPTIONAL
LOW VOLTAGE
CUT-OFF
TIMER
RELAY
OPTIONAL
RECYCLE
OPTIONAL
WAND PUMP
FLOAT
SWITCH
OPTIONAL
HOUR METER
(2) 12 VOLT
BATTERIES
24 VDC
VACUUM BRUSH/
SOLUTION
SPEED
CONTROL
BOARD
RELAY
SOLUTION
SOLENOID
WARNING
LIGHTS
HARNESS
CONNECTOR
VACUUM/
DRIVE
CIRCUIT
BREAKER
MAIN
CIRCUIT
BREAKER
BRUSH
CIRCUIT
BREAKER
CHARGER
PLUG
G
G G
MAIN VACUUM
B
BRUSH
G G
–37–
WIRING DIAGRAM
DIAGRAMA DE CABLEADO
Find...
Go To..
Home

ELECTRICAL DIAGRAMS
DIAGRAMAS ELECTRICAS
35
Speed Scrubt 2001HD (09–01)
BREAKER
G
G
G
21
43
ACTUATOR
DOWN
UP
B
-10-
RED
-14-
RED
-44-
RED
-50-
RED
RED BLK
-13- -BLK-
-11- -BLK-
-4-
RED
-6- RED
-32- -GRN-
-66- -GRN-
-24-
-GRN-
-ORG- -12-
-21- -BLK-
-20- -RED-
-29-
-BLK-
-56-
-WHT-
-62- -ORG-
-54-
-WHT-
-74-
-ORG-
-72-
-ORG-
-52-
-WHT-
-60- -WHT-
-64- -BLU-
-5-
-BLK-
-22- -GRN-
-40- -GRN-
-23- -BLK-
-9- -BLK-
-28- -GRN-
-8- -ORG-
-16-
YEL
-3- -BLK-
-18-
-TAN-
-27-
-BLK-
-15- -BLK-
-30-
-GRN-
-48-
-BLU-
-BLU- -BLK-
-26- -BLU-
-25- -BLK-
-2- -RED- -BLK--80- -WHT-
-78-
-ORG-
-36-
-RED-
-GRN-
-GRN-
-RED-
-84- -PNK-
-90- -RED-
-WHT-
-47- -BLK-
-BLK-
-45- -BLK-
-43- -BLK-
-GRN- -41- -BLK-
-BLK-
-WHT-
G
G
-RED-
-GRN- -RED-
-WHT-
-BLK-
-BLK-
-GRN-
-ORG-
-YEL- -29-
-25-
-29-
-25-
M2 M1
T1
T2
-34-
-RED-
-7- -BLK-
-76-
-GRN-
-80-
-BRN-
-35-
-BLU-
-58- -BRN-
-33- -BLU-
-31- -BLK-
-17- -BLK-
-86-
-41- -BLK-
DRIVE
MOTOR
BATTERY
METER
10A
35A
MAIN
-
+
-
+
(2) 12 VOLT BATTERIES
24 VDC
F
R
50K
50K
FOWARD
POT
REVERSE
POT
ROLL
SWITCH
4.7K
VACUUM
VAC
MOTOR
FLASHER
WARNING
LIGHTS
"VACUUM"
BRUSH
HOUR
MTR
SOLUTION
SOLENOID
"BRUSH"
35A AMMETER
BRUSH
MOTOR
"FULL"
PUMP
TIMER
FLOAT
SWITCH
RECYCLE
PUMP
NOT
USED
LOW VOLTAGE PAD INTERRUPT
N.C.
ACTUATOR
MOTOR
WAND
OPTIONAL
FUNCTIONS
VACUUM/DRIVE
CIRCUIT BREAKER
MAIN
SWITCH
OPTIONAL
HOUR
METER
BRUSH
CIRCUIT BREAKER
MASTER
CIRCUIT
-37-
LADDER DIAGRAM
DIAGRAMA ESCALONADO
Find...
Go To..
Home

PARTS LIST
LISTA DE PIEZAS
Speed Scrubt 2001HD (09–01)
36
REPLACEMENT BRUSHES AND PAD DRIVER GROUP
CEPILLO DEL REEMPLAZO Y GRUPO DEL MANDO DE LA ALMOHADILLA
1
2
3
4
5
Find...
Go To..
Home

PARTS LIST
LISTA DE PIEZAS
Speed Scrubt 2001HD (09–01) 37
REPLACEMENT BRUSHES AND PAD DRIVER GROUP
CEPILLO DEL REEMPLAZO Y GRUPO DEL MANDO DE LA ALMOHADILLA
REF PART # DESCRIPTION QTY.
∇1 240250 DBRUSH, POLY–SCRUB
508MM (20”)1
240251 DBRUSH, DYNA–SCRUB
508MM (20”)1
240252 DBRUSH, NYLON SCRUB/STRIP
508MM (20”)1
240253 DBRUSH, STRATA SCRUB/STRIP
508MM (20”)1
Y2 240238 DLUGS, W/ SCREWS (SET OF 3) 3
∇ASSEMBLY / CONJUNTO
Y INCLUDED IN ASSEMBLY / INCLUIDO EN EL CONJUNTO
D RECOMMENDED STOCK ITEMS / ARTICULOS RECOMENDADOS PARA
MANTENER EN EXISTENCIA
REF PART # DESCRIPTION QTY.
∇3 240249 DPAD DRIVER ASM
508MM (20”)1
Y4 240254 DLUGS, W/SCREWS (SET OF 3) 3
Y5 25707 DLOCK, UNIVERSAL CENTER 1
Find...
Go To..
Home

PARTS LIST
LISTA DE PIEZAS
Speed Scrubt 2001HD (09–01)
38
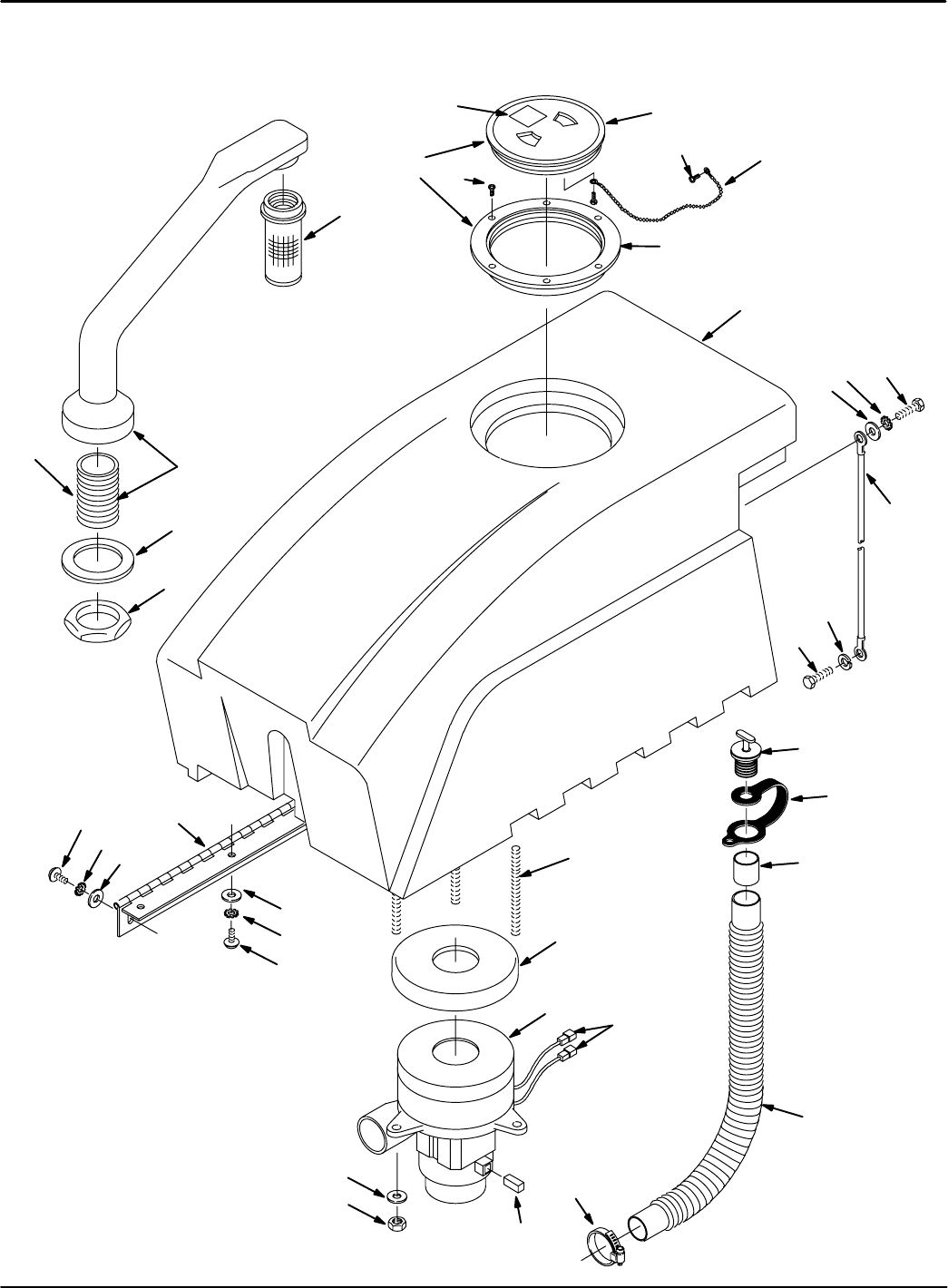
SOLUTION TANK GROUP
GRUPE DEL DEPÓSITO DE DISOLUCIÓN
27
2
3
5
6
7
8
11
10
12 13
14
15
16
18
19
11
12
17
21
22
9
23
25
9
31
30
29
28
32
33
34
36
35
37
24
20
38
1
4
26
39
Find...
Go To..
Home

PARTS LIST
LISTA DE PIEZAS
Speed Scrubt 2001HD (02–02) 39
SOLUTION TANK GROUP
GRUPE DEL DEPÓSITO DE DISOLUCIÓN
REF PART # DESCRIPTION QTY.
∇1 608518 ASM., SOL. TANK COVER GREEN 1
Y2 612518 COVER, TANK GREEN 1
Y3 140706 RIVET, POP 7
Y4 611068 HINGE, COVER 1
5 603233 DECAL, BATTERY RECHARGE 1
6 630010 DGASKET, TUBE ADAPTER 1
7 630011 TUBE, VAC 1
8 630267 SPRING, TUBE ADAPTER 1
9 150529 HOSE BARB 2
10 608706 BRACKET, VAC TUBE 1
11 140027 WASHER, FLAT 3
12 140015 WASHER, LOCK 3
13 200031488 SCREW, M8X1.25X20MM 2
14 600476 DSTRAP, PLUG REAR FILL 1
15 140011 WASHER, FLAT 1
16 140350 SCREW, #10X1/2 1
17 200031488 SCREW, M8X1.25X20MM 1
18 230925 SUPPORT, RECOVERY TANK 1
19 611418 BUSHING 1
20 140032 WASHER, FLAT 2
∇ASSEMBLY / CONJUNTO
Y INCLUDED IN ASSEMBLY / INCLUIDO EN EL CONJUNTO
D RECOMMENDED STOCK ITEMS / ARTICULOS RECOMENDADOS PARA
MANTENER EN EXISTENCIA
REF PART # DESCRIPTION QTY.
21 600650 DECAL, SQUEEGEE LEVER CE 1
22 608295 TANK, SOLUTION GREEN 1
23 607983 ASM., DRAIN HOSE W/LEVEL IND. 1
24 602529 DSCREEN, FILL 1
25 608915 CLAMP, HOSE 2–WIRE 1
26 621324 DPLUG, EXPANSION 1
27 608451 DECAL, ”SPEED SCRUB 2001HD”2
28 630002 DCASTER, 4”2
29 140036 WASHER, 3/8 FLAT 8
30 140333 WASHER, M10 SPLITLOCK 8
31 140277 SCREW, M10X1.5X20MM 8
32 578141000 SCREW, M5X10MM 2
33 140018 WASHER, #10 INT 2
34 600298 SHIELD, LIGHT 1
35 605324 GASKET, 1/2”X2.34’1
36 130023 LIGHT, SAFETY 1
37 608184 DECAL, NOBLES LOGO 1
38 3701.6 SCREW, #6X3/4 2
39 621236000 RING, RETAINING 1
Find...
Go To..
Home

PARTS LIST
LISTA DE PIEZAS
Speed Scrubt 2001HD (09–01)
40
RECOVERY TANK GROUP
CONJUNTO DEPOSITO RECUPERAR
1
5
30
12
2
3
4
611
9
10
13
15 14
16
20
21
25
24
29
28
27
26
28
29
27
8
7
23
33
34
32
31
17
18
19
22
35
Find...
Go To..
Home

PARTS LIST
LISTA DE PIEZAS
Speed Scrubt 2001HD (09–01) 41
RECOVERY TANK GROUP
CONJUNTO DEPOSITO RECUPERAR
REF PART # DESCRIPTION QTY.
∇1 701103 ASM., STANDPIPE 1
Y2 606088 FITTING, NIPPLE 1
3 101714 DGASKET 1
4 210240 NUT, FLANGED 1
5 180613 DFLOAT, SHUT–OFF 1
∇6 100102 DASM., LID CLEAR W/STD HOLE 1
Y7 100105 DLID, CENTER CLEAR ONLY 1
Y8 100109 DLID, OUTER RING ONLY 1
9 140826 SCREW, #6X3/4 6
10 3701.6 SCREW, #6X3/8 2
11 230513 CHAIN 1
12 608297 TANK, RECOVERY GREEN 1
13 578187000 SCREW, M06X1.0X12MM 1
14 140052 WASHER, 1/4 EXT 1
15 140000 WASHER, FLAT 1
16 140960 DCABLE 1
17 140308 CLAMP 1
18 140015 WASHER, LOCK 1
∇ASSEMBLY / CONJUNTO
Y INCLUDED IN ASSEMBLY / INCLUIDO EN EL CONJUNTO
D RECOMMENDED STOCK ITEMS / ARTICULOS RECOMENDADOS PARA
MANTENER EN EXISTENCIA
REF PART # DESCRIPTION QTY.
19 200031488 SCREW, M8X1.25X20MM 1
20 0174..10 DSEAT, NEOPRENE MOTOR 1
∇21 130477 DMOTOR, VAC 5.7/3 STG 24 VDC 1
Y22 190163 DCARBON BRSH W/HOLDER 2/PK 2
23 130096 TERMINAL, MALE DISCONNECT 2
24 140284 NUT 3
25 140000 WASHER, FLAT 3
26 140353 STUD 3
27 578187000 SCREW, M06X1.0X12MM 11
28 140052 WASHER, 1/4 EXT 11
29 140000 WASHER, 1/4 FLAT 11
30 600311 DHINGE, RECOVERY TANK 1
31 621324 DPLUG, EXPANSION 2
32 578441 DSTRAP, DRAINHOSE 1
33 630394 DSLEEVE, DRAINHOSE 1
34 630068 DHOSE, DRAIN 1
35 606105 DO NOT SPRAY 1
Find...
Go To..
Home

PARTS LIST
LISTA DE PIEZAS
Speed Scrubt 2001HD (02–02)
42
CONSOLE GROUP
CONJUNTO CONSOLA DE CONTROLES
27
1
2
3
7
4
5
6
8
9
10
5
4
12
13
51
12
14
1
15
38
36
20
18
19
21
16
52
26
23
22
24
25
30
35
31
32
33
34
29
37
36
40
41
43
42
28
47
46
39
44
48
50
49
45
24
36
36
11
17
17
Find...
Go To..
Home

PARTS LIST
LISTA DE PIEZAS
Speed Scrubt 2001HD (02–02) 43
CONSOLE GROUP
CONJUNTO CONSOLA DE CONTROLES
REF PART # DESCRIPTION QTY.
1 200823 DGRIP, HANDLE TUBE 2
2 605351 BUSHING 1
3 604402 HANDLE, TUBE 1
4 578141000 SCREW, M5X10MM 8
5 140018 WASHER, LOCK 8
∇613095 ASM., SWITCH PANEL 1
Y6 602560 PANEL, SWITCH 1
Y7 606857 DGAUGE, BRUSH PRESSURE 1
Y8 603399 DSWITCH, MOM. ON/OFF/MOM. ON 1
Y9 601107 DSWITCH, LIGHTED ROCKER 3
Y10 606020 DMETER, BATTERY VOLTAGE 24V 1
Y11 611825 DHARNESS, MAIN 1
12 200160014 NUT 4
13 630261 SPACER 2
14 630128 HEATSINK, ALLUM. 1
15 608299 HOUSING, CONTROL GREEN 1
16 601108 DSWITCH, TOGGLE 1
∇17 602873 HARNESS CONSOLE W/POT. 1
Y18 130776 DPOTIENTIOMETER, 50K 1
Y19 130775 DPOTIENTIOMETER, 50K
LOCKABLE 1
20 140351 SCREW, M12X1.75X70MM 2
21 630304 SCREW, M4X35MM 2
22 230715 TUBE, HANDLE ADJUSTMENT 1
23 230649 PIN, HANDLE ADJUSTMENT 2
24 230710 PIN, HANDLE LOCK 2
25 140415 SPRING, LOCK PIN 1
∇ASSEMBLY / CONJUNTO
Y INCLUDED IN ASSEMBLY / INCLUIDO EN EL CONJUNTO
D RECOMMENDED STOCK ITEMS / ARTICULOS RECOMENDADOS PARA
MANTENER EN EXISTENCIA
REF PART # DESCRIPTION QTY.
26 140155 BUSHING 2
27 606550 DKNOB, SPEED CONTROL 1
28 603007 BUSHING, SNAP 1
29 602886 PIN, SPRING RETURN 1
30 605812 SPRING, EXTENSION 1
31 140829 SCREW, 6–32X1 2
32 140019 WASHER, LOCK 2
33 27098 BRACKET, SWITCH 1
34 130729 DSWITCH, ROLL 1
35 140552 NUT 1
36 140000 WASHER, FLAT 6
37 25671 MOUNT, SWITCH 1
38 140890 SCREW, 10–24X1/2 1
39 140900 SCREW, 10–24X3/4 TRSPHL 1
40 608322 SCREW, M6X1.0X16 2
41 140284 NUT, M6X1.0 NYLOCK 2
42 140045 WASHER, FLAT 2
43 140024 WASHER, LOCK 2
44 603830 PLATE, GUARD SWITCH 1
45 140540 NUT, 6–32 HEX 2
46 630343 CLAMP, CABLE 1
47 140552 NUT, 10–24 NYLOCK 1
48 605094 COLLAR, HANDLE 2
49 140859 SCREW, 1/4 SK CUP 2
50 606549 DECAL, SPEED CONTROL 1
51 630104 DSPEED CONTROL, PMB 55 AMP 1
52 130753 DBOOT, SWITCH 1
Find...
Go To..
Home

PARTS LIST
LISTA DE PIEZAS
Speed Scrubt 2001HD (09–01)
44
ELECTRICAL / BATTERY GROUP
GRUPO DEL ELÉCTRICO/BATERÍA
1
2
5
4
6
8
9
10
8
13
16
17
18
19
20
24
17
8
21
23
2
25
26
10
28
26
25
10
9
13
11
12
34
3
7
13
12
11
9
10
14 15
22
27
29
35
36
37
32
31
30
33 41
41
41
41
29
27 40
39
40
39
38
Find...
Go To..
Home

PARTS LIST
LISTA DE PIEZAS
Speed Scrubt 2001HD (09–01) 45
ELECTRICAL / BATTERY GROUP
GRUPO DEL ELÉCTRICO/BATERÍA
REF PART # DESCRIPTION QTY.
1 602559 PANEL, CONTROL HOUSING 1
2 609969 DPLUG, HOUR METER 2
3 069764626 DPLUG, HOLE 012.7 1
4 130161 DPLUG, DOME .850 1
5 130175 DPLUG, DOME .750 1
6 120649 DECAL, WARNING BATTERY 1
7 582150 DPLUG, ACCESSORY SWITCH 2
8 608322 SCREW, M6X1.0X16 6
9 140284 NUT, M6X1.O NYLOCK 6
10 140000 WASHER, FLAT 7
11 606404 DASM., DIODE W/RING TERM. 3
12 281001009 RING, TERMINAL #10 6
13 605905 DSOLENOID, 24V 3
14 130021 DFLASHER, 24VDC 1
15 606243 TAPE, ACRYLIC 1”X.25’1
16 130737 DBREAKER, CIRCUIT BRSH 10AMP 1
17 602951 DBREAKER, CIRCUIT 35 AMP 3
18 140829 SCREW, 6–32X1 2
19 140019 WASHER, #6 EXT 2
20 605387 DCONNECTOR, 50A W/O CNTCTS 1
21 578141000 SCREW, M5X10 2
D RECOMMENDED STOCK ITEMS / ARTICULOS RECOMENDADOS PARA
MANTENER EN EXISTENCIA
REF PART # DESCRIPTION QTY.
22 140018 WASHER, #10 INT 2
23 130698 BUSHING, SNAP 1
24 602887 BRACKET 1
25 140553 SCREW, 1/4–20X1/2 2
26 140016 WASHER, LOCK 1
27 602871 CABLE, BATTERY #6 BLACKX20”1
28 578427 DSTANDOFF 1
29 602872 CABLE, BATTERY #6 REDX28”1
30 603235 CHARGER, 24DC 20 AMP 1
31 601991 TRAY, BATTERY 1
32 600394 BATTERY, 12V 215A 2
33 130364 DCABLE, BATTERY #6 BLACKX15”1
34 140539 NUT, 6–32 KEP 2
35 605823 DO–RING .929 ID X .996 OD 1
36 603331 SPACER, CHARGER PLUG 1
37 578729 DECAL, READ MANUAL 1
38 604486 ASM., DIODE SPLICED 1
39 611221 BOOT, BATTERY CABLE BLK 2
40 611222 BOOT, BATTERY CABLE RED 2
41 45962 COVER, BATTERY TERMINAL 4
Find...
Go To..
Home

PARTS LIST
LISTA DE PIEZAS
Speed Scrubt 2001HD (02–02)
46
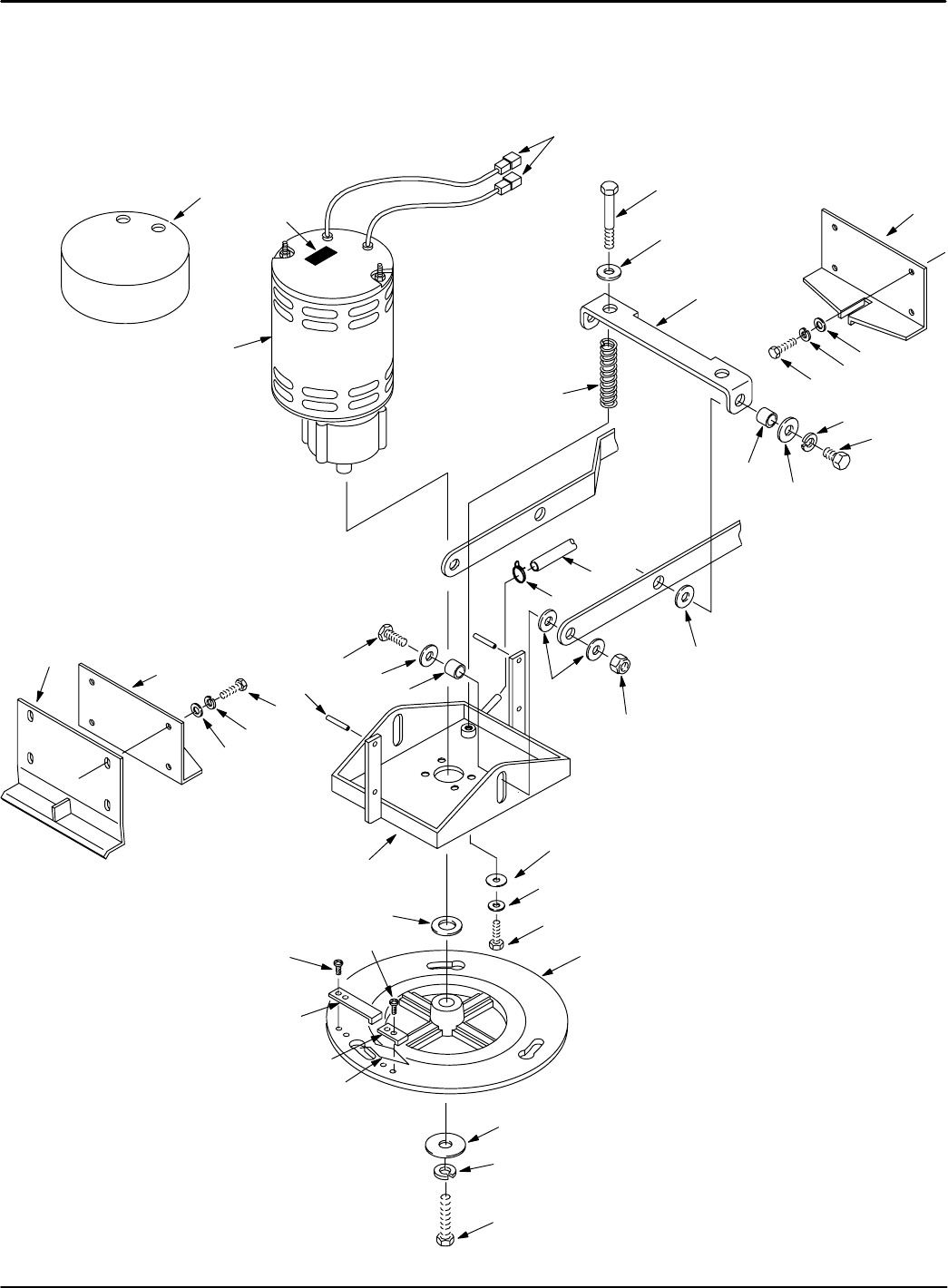
DRIVE GROUP
GRUPO DE TRANMISIÓN
13
4
678
9
10
11
12
16
18
19
20
21
22
43
23
13
14
15
17
18
19
5
28
24
24
31
35
34
29
27
33
31
32
30
30
42
41
40
39
42
41
40
39
38
26
25
38
37
36
21
2
Find...
Go To..
Home

PARTS LIST
LISTA DE PIEZAS
Speed Scrubt 2001HD (02–02) 47
DRIVE GROUP
GRUPO DE TRANMISIÓN
REF PART # DESCRIPTION QTY.
1 600288 PLATE, BASE TRANSAXLE 1
2 36758 BOLT, SHLD .50X.50, .38–16 2
3 600292 BRACKET, ACTUATOR 1
4 140314 CLAMP, INSULATED 3/4 ID 1
5 140027 WASHER, FLAT 4
6 140015 WASHER, LOCK 4
7 200031488 SCREW, M8X1.25X20 4
8 621235 BUSHING, CABLE 1
9 630157 BRACKET, CABLE GUIDE 1
10 200031432 SCREW, M6X1/0X10 2
11 140000 WASHER, FLAT 10
12 621236000 RING, RETAINING 1
13 140028 WASHER, FLAT 6
14 140333 WASHER, LOCK 6
16 600952 DACUTATOR 1
17 281004001 TERMINAL, QC 2
15 140277 SCREW, M10X1.5X20MM 2
18 604076 PIN, CLEVIS 2
19 578421 PIN, COTTER 2
20 606702 BRACKET, LIFT SCRUB HEAD 1
21 140045 WASHER, FLAT 4
22 602882 BUSHING 2
23 140515 NUT, 3/8–16 NYLOCK 2
24 640013 DWHEEL, NEOPRENE, SOLID 2
630215 DWHEEL, PNEUMATIC, AIR 2
600352 DWHEEL, FOAM FILLED 2
604357 DKIT, PNEUMATIC WHEEL, AIR 1
604259 DKIT, WHEEL FOAM FILLED 1
∇ASSEMBLY / CONJUNTO
Y INCLUDED IN ASSEMBLY / INCLUIDO EN EL CONJUNTO
D RECOMMENDED STOCK ITEMS / ARTICULOS RECOMENDADOS PARA
MANTENER EN EXISTENCIA
REF PART # DESCRIPTION QTY.
25 140000 WASHER, FLAT 8
26 140501 NUT, 1/4–20 NYLOCK 8
∇27 612844 TRANSAXLE, 24V 72RPM 1
Y612873 BODY, TRANSAXLE ONLY 1
Y612874 COUPLING, NYLON TRANSAXLE 1
Y612875 KEY, TRANSAXLE 1
Y28 612877 MOTOR, TRANSAXLE 1
Y29 612882 DBRUSH, CARBON KIT
BRUSHES W/CAPS (2/PK) 1
Y30 612880 SLEEVE, TRANSAXLE 2
Y31 612879 HUB, WHEEL TRANSAXLE 2
Y32 140552 NUT, 10–24 NYLOCK 2
Y33 31249 BOLT, SHOULDER .25X1.25 2
Y34 32982 WASHER, INT. LOCK 2
Y35 140868 SCREW, SCKT 1/4–20X5/8 2
Y36 577031000 SCREW, 8X1/2 PANPHL 2
Y37 613082 COVER, TRANSAXLE 1
38 612783 SPACER, AXLE 4
39 612784 BRACKET, TRANSAXLE MTG 2
40 140028 WASHER, 3/8 FLAT 4
41 140333 WASHER, LOCK M10 4
42 612255000 SCREW, M10X35MM 4
43 140046 WASHER, 1.00X.392X.090 2
Find...
Go To..
Home

PARTS LIST
LISTA DE PIEZAS
Speed Scrubt 2001HD (09–01)
48
BRUSH DRIVE GROUP
CONJUNTO IMPULSO DE CEPILLO
2
19
12
1
5
8
21
23
24
25
26
27
28
29
20
22
20
8
7
5
35
34
33
30
34
31
6
6
15
16
3
7
4
9
10
11
13
14
11
11
17
18
36
32
Find...
Go To..
Home

PARTS LIST
LISTA DE PIEZAS
Speed Scrubt 2001HD (09–01) 49
BRUSH DRIVE GROUP
CONJUNTO IMPULSO DE CEPILLO
REF PART # DESCRIPTION QTY.
∇1 130491 DMOTOR, IMPERIAL 1
Y2190741 DASM., BRUSH CARD 1
Y2190970 DBRUSH, CARBON 1
Y2140632 DKEY, 1/4X1 1
Y2630609 DASM., GEAR BOX 1
Y2 281001014 TERMINAL RING (NEGATIVE) 1
130192 TERMINAL MALE (POSITIVE) 1
3 100764 COVER, BRUSH MOTOR 1
4 606243 TAPE, ACRYLIC 1”X.25’1
5 600300 PLATE, GUIDE 2
6 140003 WASHER, FENDER 8
7 140016 WASHER, LOCK 8
8 140272 SCREW, M6X1.0X16MM 8
9 606781 BRACKET, SPRING 1
10 607143 SCREW, 3/8–16X31/2 2
11 140028 WASHER, FLAT 3/8”6
12 606782 SPRING, BRUSH PRESSURE 2
13 140017 WASHER, LOCK 3/8”2
14 140201 SCREW, 3/8–16X3/4”2
15 607433 TUBING, 3/4”IDX21”1
16 607775 CLAMP, 2 WIRE BLK 1
∇ASSEMBLY / CONJUNTO
Y INCLUDED IN ASSEMBLY / INCLUIDO EN EL CONJUNTO
D RECOMMENDED STOCK ITEMS / ARTICULOS RECOMENDADOS PARA
MANTENER EN EXISTENCIA
REF PART # DESCRIPTION QTY.
17 606704 BRACKET, BRUSH MOTOR MOUNT 1
18 140618 PIN, ROLL 4
19 140204 SCREW, 1/2–13X1–1/2 2
20 140008 WASHER, .570X1.28X.075 FLAT 6
21 602882 BUSHING, 1/2IDX5/8ODX5/16 2
22 140516 NUT, 1/2–13 2
23 140028 WASHER, FLAT 4
24 140017 WASHER, LOCK 4
25 140202 SCREW, 3/8–16X1 4
26 606335 PLATE, DRIVER NYLON 1
27 25732 WASHER, FLAT 1
28 140015 WASHER, LOCK 1
29 140219 SCREW, 5/16–18X1 1
30 140417 DCLIP, SPRING 1
31 230651 DCLAMP, BRUSH PLATE 1
32 140136 BUSHING, 3/8X1/2X.275”2
33 230697 DSTOP, DRIVER RELEASE 1
34 606915 SCREW, HIGH LOW 10–16X3/8 4
35 600299 SKIRT, FRONT LIP 1
36 140047 WASHER 1
Find...
Go To..
Home

PARTS LIST
LISTA DE PIEZAS
Speed Scrubt 2001HD (09–01)
50
BRUSH SKIRT GROUP
CONJUNTO JUEGO DE CEPILLO
20
19
18
21
19
18
10
9
2
14
3
4
5
17
16
15
15
13
8
6
12
11
14
13
1
5
8
9
16
17
6
7
7
Find...
Go To..
Home

PARTS LIST
LISTA DE PIEZAS
Speed Scrubt 2001HD (09–01) 51
BRUSH SKIRT GROUP
CONJUNTO JUEGO DE CEPILLO
REF PART # DESCRIPTION QTY.
1 608306 SKIRT, OPERATOR LH, GREEN 1
2 608308 SKIRT, OPERATOR RH, GREEN 1
3 603154 DSCREW, M08X1.25X40MM 2
4 630450 DWHEEL, RUBBER 2
5 230943 DPIN, SKIRT 2
6 600301 BRACKET, SKIRT MOUNT 2
7 140027 WASHER, 5/16 FLAT 4
8 140015 WASHER, 5/16 SPLITLOCK 4
9 578237000 SCREW, M8X18 4
10 140932 DLATCH, HOOD W/KEEPER 1
∇ASSEMBLY / CONJUNTO
Y INCLUDED IN ASSEMBLY / INCLUIDO EN EL CONJUNTO
D RECOMMENDED STOCK ITEMS / ARTICULOS RECOMENDADOS PARA
MANTENER EN EXISTENCIA
REF PART # DESCRIPTION QTY.
11 200070340 SCREW, M4X.7X8MM 4
13 606705 DGUARD, SPLASH 2
14 606706 STRAP, SPLASH GUARD 2
15 140011 WASHER, FLAT 14
16 140018 WASHER, LOCK INT 14
17 578144000 SCREW, M5X16MM 14
18 575029000 SCREW, M8X1.25X20 4
19 140015 WASHER, 5/16 SPLITLOCK 4
20 607951 BRACKET, SKIRT MOUNT LH 1
21 607952 BRACKET, SKIRT MOUNT RH 1
Find...
Go To..
Home

PARTS LIST
LISTA DE PIEZAS
Speed Scrubt 2001HD (09–01)
52
SOLUTION CONTROL GROUP
CONJUNTO DE PALANCAS SOLUCIÓN1
9
14
2
3
45678
4
10
11
12
13
10
11
12
18
16
15
14
17
19
18
20
21
19
20
22
23
24
25
26
25
25
28
25 27
27
30
31
14
29
32
Find...
Go To..
Home

PARTS LIST
LISTA DE PIEZAS
Speed Scrubt 2001HD (09–01) 53
SOLUTION CONTROL GROUP
CONJUNTO DE PALANCAS SOLUCIÓN
REF PART # DESCRIPTION QTY.
1 626121 KNOB, WATER VALVE 1
2 612039 DECAL, SOLUTION CONTROL 1
3 611821 BRACKET, SOLUTION CONTROL 1
4 612497 CABLE, SOL. FLOW CONTROL 1
5 230661 PLATE, LOCK CONTROL HSG. 1
6 140027 WASHER, 5/16 FLAT 2
7 140015 WASHER, 5/16 SPLIT LOCK 2
8 200031488 SCREW, M8X1.25X20 2
9 611822 BRACKET, SOLELNOID MOUNT 1
10 140000 WASHER, 1/4 FLAT 4
11 140016 WASHER, 1/4 LOCK 4
12 140272 SCREW, M6X1.0X16 4
13 612498 DVALVE, LIQUID DISPENSING 1
14 140310 CLAMP, HOSE 3
15 069760725 HOSE, 1/2IDX3.25”1
16 578039000 FITTING, 3/8MX1/2H ELBOW 90 1
D RECOMMENDED STOCK ITEMS / ARTICULOS RECOMENDADOS PARA
MANTENER EN EXISTENCIA
REF PART # DESCRIPTION QTY.
17 611820 BRACKET, FILTER BOWL 1
18 575541000 WASHER, M5X1 FLAT 4
19 200655016 WASHER, M5 LOCK 4
20 609062 SCREW, M5X.8X12 4
21 605056 BRACKET, FILTER MOUNT 1
22 601475 DASM., FILTER BOWL & SCREEN 1
23 01997 FITTING, BRASS ELBOW 45 1
24 605046 FITTING, 3/8MX1/2HX1/2H TEE 1
25 607776 CLAMP, HOSE 2 WIRE BLK 4
26 606241 HOSE, 1/2IDX6”1
27 578039000 FITTING, 3/8MX1/2H ELBOW 90 2
28 626204 HOSE, 320MM 1
29 578822000 HOSE, 425MM 1
30 612774 FITTING, 1/2HX3/8H STR 1
31 606886 HOSE, 3/8IDX5/8ODX2–3/4”1
32 607775 CLAMP, HOSE 2 WIRE BLK 1
Find...
Go To..
Home

PARTS LIST
LISTA DE PIEZAS
Speed Scrubt 2001HD (09–01)
54
SQUEEGEE CONTROL GROUP
CONJUNTO DE PALETA PLANCAS
20
1
2
3
2
4
16
6
7
8
6
12
11
3
13
6
19
18
24
23
22
17
18
19
14
15
25
26 27
21
6
31
30
28 29
28
6
7
9
10
Find...
Go To..
Home

PARTS LIST
LISTA DE PIEZAS
Speed Scrubt 2001HD (09–01) 55
SQUEEGEE CONTROL GROUP
CONJUNTO DE PALETA PLANCAS
REF PART # DESCRIPTION QTY.
1 160613 DHOSE, VAC 1.5X30” W/CUFFS 1
2 630156 DCABLE, SQUEEGEE LIFT 1
3 140501 NUT 2
4 140236 SCREW, 1/2–13X1–1/4”1
5 611480 SCREW, 1/2–13X1.25 1
6 140045 WASHER, FLAT 6
7 140139 BUSHING 2
8 140516 NUT, 1/2–13 NYLOCK 1
9 611494 PIVOT MOUNT, SQUEEGEE 1
10 611479 BRACKET, SQUEEGEE MOUNT 1
11 140509 NUT, 1/2–13 JAM 2
12 602981 SCREW, 1/2–13X5–1/2”1
13 601108000 NUT, HEX LOCK 1
14 140284 NUT, M6X1.0 NYLOCK 1
15 140272 SCREW, M6X1.0X16MM 1
D RECOMMENDED STOCK ITEMS / ARTICULOS RECOMENDADOS PARA
MANTENER EN EXISTENCIA
REF PART # DESCRIPTION QTY.
16 611477 SPRING 1
17 200031496 SCREW, M08X35 1
18 140015 WASHER, LOCK 2
19 140027 WASHER, FLAT 2
20 602885 HANDLE, SQUEEGEE LIFT 1
21 200816 DGRIP, HANDLE 1
22 604358 BUSHING SPACER 1
23 230661 PLATE, LOCK CONTROL HSG. 1
24 200031488 SCREW, M8X1.25X20MM 1
25 140268 SCREW, M5X.8X12MM 2
26 140031 WASHER, LOCK 2
27 230712 PLATE, SQUEEGEE LOCK 1
28 630477 WHEEL, 2” GRAY 2
29 603368 SPACER, NYLON 1
30 603144 SCREW, 3/8X3 SHOULDER 1
Find...
Go To..
Home

PARTS LIST
LISTA DE PIEZAS
Speed Scrubt 2001HD (09–01)
56
SQUEEGEE ASSEMBLY GROUP – 838mm (33 in)
CONJUNTO PALETA
17 16 15 10
14
13
12
11
2
8
9
4
6
3
1
7
5
18
Find...
Go To..
Home

PARTS LIST
LISTA DE PIEZAS
Speed Scrubt 2001HD (09–01) 57
SQUEEGEE ASSEMBLY GROUP – 838mm (33 in)
CONJUNTO PALETA
REF PART # DESCRIPTION QTY.
∇612025 ASSEMBLY, SQUEEGEE, LINATEX 1
Y∇606758 DKIT, SQUEEGEE BLADES,
LINATEX 1
Y1 605030 DBLADE, FRONT SQUEEGEE,
LINATEX (RED) 1
Y2 605029 DBLADE, REAR SQUEEGEE,
LINATEX (RED) 1
1 605032 DBLADE, FRONT SQUEEGEE,
URETHANE (WHITE) 1
2 611634 DBLADE, REAR SQUEEGEE,
URETHANE (WHITE) 1
∇606741 ASSEMBLY, SQUEEGEE, GUM
RUBBER 1
Y∇606757 DKIT, SQUEEGEE BLADES,
GUM RUBBER 1
Y1 605028 DBLADE, FRONT SQUEEGEE,
GUM RUBBER (TAN) 1
Y2 605027 DBLADE, REAR SQUEEGEE,
GUM RUBBER (TAN) 1
Y3 605026 CASTING, SQUEEGEE 1
∇ASSEMBLY / CONJUNTO
Y INCLUDED IN ASSEMBLY / INCLUIDO EN EL CONJUNTO
D RECOMMENDED STOCK ITEMS / ARTICULOS RECOMENDADOS PARA
MANTENER EN EXISTENCIA
REF PART # DESCRIPTION QTY.
Y4 140799 SCREW, 5/16–18X1–1/2 2
Y5 605034 RETAINER, FRONT STRIP 1
Y6 370100 DKNOB, 5/16 STAR 2
Y7 603012 DKNOB, FRONT SQUEEGEE 6
Y8 630450 WHEEL, 76 DIA X 22 2
Y9 611489 SCREW, 5/16–18X1–3/4 2
Y10 605033 SQUEEGEE, BAND ASM REAR 1
Y11 601108000 NUT, HEX LOCK, .31–18 1
Y12 630477 DWHEEL 1
Y13 140028 WASHER, 3/8 FLAT 2
Y14 600187 SCREW, SHOULDER, 3/8 X 1 1/4 1
Y15 140283 NUT, M5X.8 NYLOCK 1
Y16 605069 CLIP, SQUEEGEE BAND 1
Y17 630389 SCREW, M5 7/8X45MM 1
Y18 140506 NUT, 5/16–18 2
Find...
Go To..
Home

OPTIONS
OPCIONES
58 Speed Scrubt 2001HD (09–01)
ESt KIT
ESt JUEGO
1
3
1
2
4
5
6
7
8
9
10
11
12
13
14
13
15
13
16
Find...
Go To..
Home

OPTIONS
OPCIONES
59
Speed Scrubt 2001HD (09–01)
ESt KIT
ESt JUEGO
REF PART # DESCRIPTION QTY.
∇604780 DKIT, ESt1
Y1 630419 DSWITCH, ROCKER 1
Y2 578720 DSPLASHGUARD, RCKR SWITCH 1
Y3 130738 DLIGHT, INDICATOR GREEN 1
Y4 140283 NUT 1
Y5 630145 DTIMER, 24VDC, RANGE:30SEC 1
Y6 578008000 SCREW 1
Y7 603166 DSWITCH, LIQUID LEVEL W/NUT 1
Y8 630138 DFILTER, SCREEN 1
Y9 630385 FITTING, 3/4M NIPPLE 1
∇ASSEMBLY / CONJUNTO
Y INCLUDED IN ASSEMBLY / INCLUIDO EN EL CONJUNTO
D RECOMMENDED STOCK ITEMS / ARTICULOS RECOMENDADOS
N/S = NOT SHOWN
REF PART # DESCRIPTION QTY.
Y10 601490 FITTING, 3/4NPT BULKHEAD 1
Y11 630136 DPUMP, SOLUTION 24VDC 1
Y12 605282 TUBING, 5/8X.5’1
Y13 140310 CLAMP, HOSE 4
Y14 210044 DVALVE, CHECK 1
Y15 605282 TUBING, 5/8X1.25’1
Y16 150415 FITTING, ELBOW 90°1
YN/S 604787 HARNESS, WIRE ESt1
YN/S 630440 DECAL, REMOVE FILTER 1
Find...
Go To..
Home

OPTIONS
OPCIONES
60 Speed Scrubt 2001HD (09–01)
SQUEEGEE WAND ASSEMBLY
GROUPE D’ASPIRATION ET RACLETTE À MAIN
1
2
3
4
REF PART # DESCRIPTION QTY.
∇190928 DASM, WAND DOUBLE BEND 1
Y1 6108.1 WAND, DOUBLE BEND 1
Y2 13840 SQUEEGEE ASM PUSH/PULL 1
∇ASSEMBLY / CONJUNTO
Y INCLUDED IN ASSEMBLY / INCLUIDO EN EL CONJUNTO
D RECOMMENDED STOCK ITEMS / ARTICULOS RECOMENDADOS
REF PART # DESCRIPTION QTY.
Y3 160481 DHOSE, VAC 1–1/2X10’1
Y4 160451 CONNECTOR, VAC HOSE 1
Find...
Go To..
Home

OPTIONS
OPCIONES
61
Speed Scrubt 2001HD (09–01)
HOUR METER, EMERGENCY STOP, KEYSWITCH AND LOW VOLTAGE KITS
MEDIDOR DE HORA, BOTÓN DE EMERGENCIA, INTERRUPTOR DE LLAVE,
HERRAMIENTAS DE BAJO VOLTAGE
1
2
2
3
REF PART # DESCRIPTION QTY.
∇1 602999 DKIT, HOUR METER 1
Y630143 DMETER, HOUR 1
Y603000 ASM., WIRE #18X5” BLU 1
Y603004 ASM WIRE #18X5” BLK 1
∇2 602995 DKIT, EMERGENCY STOP 1
Y630100 DSWITCH, EMERGENCY STOP
BUTTON 1
Y630097 DSWITCH, CONTACT BLOCK 1
Y602996 ASM, WIRE #16X5” RED 1/4FX1/4F 1
Y602997 ASM, WIRE #16X5” RED 1/4MX1/4F 1
∇ASSEMBLY / CONJUNTO
Y INCLUDED IN ASSEMBLY / INCLUIDO EN EL CONJUNTO
D RECOMMENDED STOCK ITEMS / ARTICULOS RECOMENDADOS PARA
MANTENER EN EXISTENCIA
REF PART # DESCRIPTION QTY.
∇3 602993 DKIT, KEYSWITCH 1
Y612462 DSWITCH, KEY 1
Y607821 DKEY, REPLACEMENT 1
∇N/S 603074 DKIT, LOW VOLTAGE CUTOFF 1
Y603076 DGAUGE, BATTERY 24V 1
Y603314 ASM., RELAY LOW VLTGE CUTOFF 1
Y603078 ASM., WIRE #18X9” GRN 1
Y603080 ASM., WIRE #18X8” BLK 1
Y603081 ASM., WIRE #18X12” RED 1
Y130040 WIRE TIE 1
Find...
Go To..
Home