Speed Scrub 2001HD Operator & Parts Manual 2001 HD XR Sqg And 6 2006 Up
2015-03-24
: Sweepscrub Speed Scrub 2001 Hd Xr Sqg Parts And Operator Manual 6-2006 And Up Speed_Scrub_2001_HD_XR_sqg_parts_and_operator_manual_6-2006_and_up 1105 file product_file
Open the PDF directly: View PDF
.
Page Count: 105 [warning: Documents this large are best viewed by clicking the View PDF Link!]
- ENGLISH
- OPERATION
- ELECTRICAL DIAGRAMS
- PARTS LIST
- REPLACEMENT BRUSHES AND PAD DRIVER GROUP
- SOLUTION TANK GROUP
- RECOVERY TANK GROUP
- CONTROL CONSOLE GROUP
- COMPONENT PANEL GROUP (FaST MODEL)
- ELECTRICAL -- BATTERY GROUP
- DRIVE GROUP
- BRUSH DRIVE GROUP
- SKIRT GROUP
- SOLUTION GROUP, FaST MODEL
- SOLUTION GROUP, STANDARD MODEL
- SQUEEGEE CONTROL GROUP
- SQUEEGEE ASSEMBLY GROUP
- OPTIONS
- ESPAÑOL
- OPERACIÓN
- ÍNDICE
- MEDIDAS DE SEGURIDAD
- ETIQUETAS DE SEGURIDAD
- COMPONENTES ESTÁNDAR DE LA MÁQUINA
- SÍMBOLOS DEL PANEL DE CONTROL
- INSTALACIÓN DE LA MÁQUINA
- PREPARACIÓN DE LA MÁQUINA
- FUNCIONAMIENTO DE LA MÁQUINA
- VACIADO DE LOS DEPÓSITOS
- CARGA DE LAS BATERÍAS
- MANTENIMIENTO DE MÁQUINA
- TRANSPORTE DE LA MÁQUINA
- ALMACENAMIENTO DE LA MÁQUINA
- RECOMENDACIONES PARA ELALMACENAMIENTO
- LOCALIZACIÓN DE AVERÍAS
- ESPECIFICACIONES
- DIAGRAMAS ELECTRICA
- LISTA DE PIEZAS
- CEPILLO DEL REEMPLAZO Y GRUPO DEL MANDO DE LA ALMOHADILLA
- GRUPE DEL DEPÓSITO DE DISOLUCIÓN
- CONJ. DESPOSITO RECUPERAR
- CONJUNTO CONSOLA DE CONTROLES
- GRUPO TABLERO DE COMPONONTÉ (MODELO FaST)
- GRUPO DEL ELÉCTRICO -- BATERÍA
- GRUPO DE TRANSMISIÓN
- CONJUNTO IMPULSO DE CEPILLO
- CONJUNTO JUEGO
- GRUPO DE SOLUCIÓN, MODELO FaST
- GRUPO DE SOLUCION, MODELO ESTANDARD
- GRUPO DE CONTROL DE LA ESCOBILLA DE GOMA
- CONJUNTO PALETA
- OPCIONES
- OPERACIÓN
- FRANÇAIS
- FONCTIONNEMENT
- TABLE DES MATIÈRE
- MESURES DE SÉCURITÉ
- ÉTIQUETTES DE MISE EN GARDE
- COMPOSANTS DE LA MACHINE
- SYMBOLES DU TABLEAU DE COMMANDE
- INSTALLATION DE LA MACHINE
- MISE EN SERVICE DE LA MACHINE
- FONCTIONNEMENT DE L’APPAREIL
- VIDANGE DES RÉSERVOIRS
- MISE EN CHARGE DES BATTERIES
- ENTRETIEN DE LA MACHINE
- TRANSPORT DE LA MACHINE
- ENTREPOSAGE DE LA MACHINE
- ARTICLES DE STOCK RECOMMANDÉS
- DÉPISTAGE DES PANNES
- DONNÉES TECHNIQUES
- SYSTÈM ÉLECTRIQUE
- LISTE DES PIÈCES
- GROUPE REMPLACEMENT DES BROSSES ET DU PIGNON MENANT DE PATIN
- ENSEMBLE DU RÉSERVOIR DE SOLUTION
- GROUPE RESERVOIR DE RECUPERATION
- GROUPE TABLEAU DE COMMANDE
- TABLEAU DES COMPOSANTS (MODÈLE)
- ÉLECTRIQUE -- GROUPE DE BATTERIE
- GROUPE D’ENTRAINEMENT
- GROUPE TÊTE DE BROSSAGE DISQUE SIMPLE
- GROUPE SOUFFLET JUPE
- GROUPE SOLUTION, MODÈLE FaST
- GROUPE DE SOLUTION, MODÈLE STANDARD
- GROUPE COMMANDE DE RACLOIR
- GROUPE DE LA RACLETTE
- ÉQUIPEMENT AU CHOIX
- FONCTIONNEMENT

ENGLISH - ESPAÑOL - FRANÇAIS
Automatic Scrubber
Fregadora Automática
Balayeuse Automatique
The Safe Scrubbing Alternativer
Operator and Parts Manual
Manual del Operador y Piezas
Opérateur Manuel et Liste Des Piéces
R
Model No.:
612214
612086 - Complete
614364 - FaST
614363 - FaST Complete
Speed Scrubt
2001HD
*612816*
612816
Rev. 04 (06-2006)
HomeHome
Find...
Go To..
Find...
Go To..

OPERATION
2Speed Scrub 2001HD (06--06)
This manual is furnished with each new model.
It provides necessary operation and maintenance
instructions and an illustrated parts list.
Read this manual completely and understand the
machine before operating or servicing it.
When ordering replacement parts, use the illustrated
parts lists section in this manual. Before ordering parts
or supplies, be sure to have your machine model
number and serial number available. Parts and
supplies may be ordered by phone or mail from any
authorized parts and service center, distributor or from
any of the manufacturer’s subsidiaries.
This machine will provide excellent service. However,
the best results will be obtained at minimum costs if:
SThe machine is operated with reasonable care.
SThe machine is maintained regularly - per the
machine maintenance instructions provided.
SThe machine is maintained with manufacturer
supplied or equivalent parts.
PROTECT THE ENVIRONMENT
Please dispose of packaging materials,
old machine components such as
batteries, hazardous fluids such as
antifreeze and oil, in a safe
environmentally way according to your
local waste disposal regulations.
Always remember to recycle.
Tennant Company
PO Box 1452
Minneapolis, MN 55440
Phone: (800) 553--8033 or (763) 513--2850
www.nobles.com
Specifications and parts are subject to change without notice.
FaST Pak and ES are registered United States trademarks of Tennant
Company.
E2001, 2002, 2004, 2005, 2006 Tennant Company. All rights reserved.
Printed in U.S.A.
MACHINE DATA
Please fill out at time of installation for future reference.
Model No.-
Install. Date -
Serial No.-
HomeHome
Find...
Go To..
Find...
Go To..

OPERATION
Speed Scrub 2001HD (06--06) 3
TABLE OF CONTENTS (ESPAÑOL....24) (FRANÇAIS....48)
SAFETY PRECAUTIONS 4....................
SAFETY LABELS 5...........................
MACHINE COMPONENTS 6...................
CONTROL PANEL SYMBOLS 7...............
MACHINE INSTALLATION 8...................
UNCRATING MACHINE 8..................
INSTALLING BATTERIES 8................
MACHINE SETUP 9..........................
ATTACHING SQUEEGEE ASSEMBLY 9.....
INSTALLING BRUSH OR PAD DRIVER 9....
INSTALLING FaST--PAK AGENT
(FaST MODEL) 10.........................
FILLING SOLUTION TANK 11...............
MACHINE OPERATION 11.....................
PRE--OPERATION CHECKS 11..............
OPERATING THE MACHINE 11.............
OPERATING FaST SCRUB SYSTEM
(FaST MODEL) 13.........................
WHILE OPERATING MACHINE 13...........
STOPPING MACHINE 14...................
EMERGENCY STOPPING (OPTION) 14......
CIRCUIT BREAKERS 14....................
DRAINING TANKS 15..........................
DRAINING RECOVERY TANK 15............
DRAINING SOLUTION TANK 15.............
CHARGING BATTERIES 15....................
MACHINE MAINTENANCE 17..................
DAILY MAINTENANCE 17...................
MONTHLY MAINTENANCE 18...............
QUARTERLY MAINTENANCE 18............
SQUEEGEE BLADE REPLACEMENT 18......
SQUEEGEE BLADE ADJUSTMENT 19.......
BATTERY MAINTENANCE 19...............
TRANSPORTING MACHINE 20.................
STORING MACHINE 20........................
RECOMMENDED STOCK ITEMS 20.............
TROUBLE SHOOTING 21......................
SPECIFICATIONS 23..........................
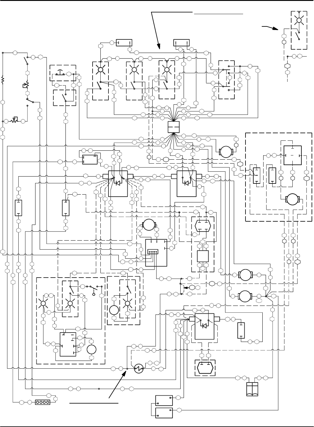
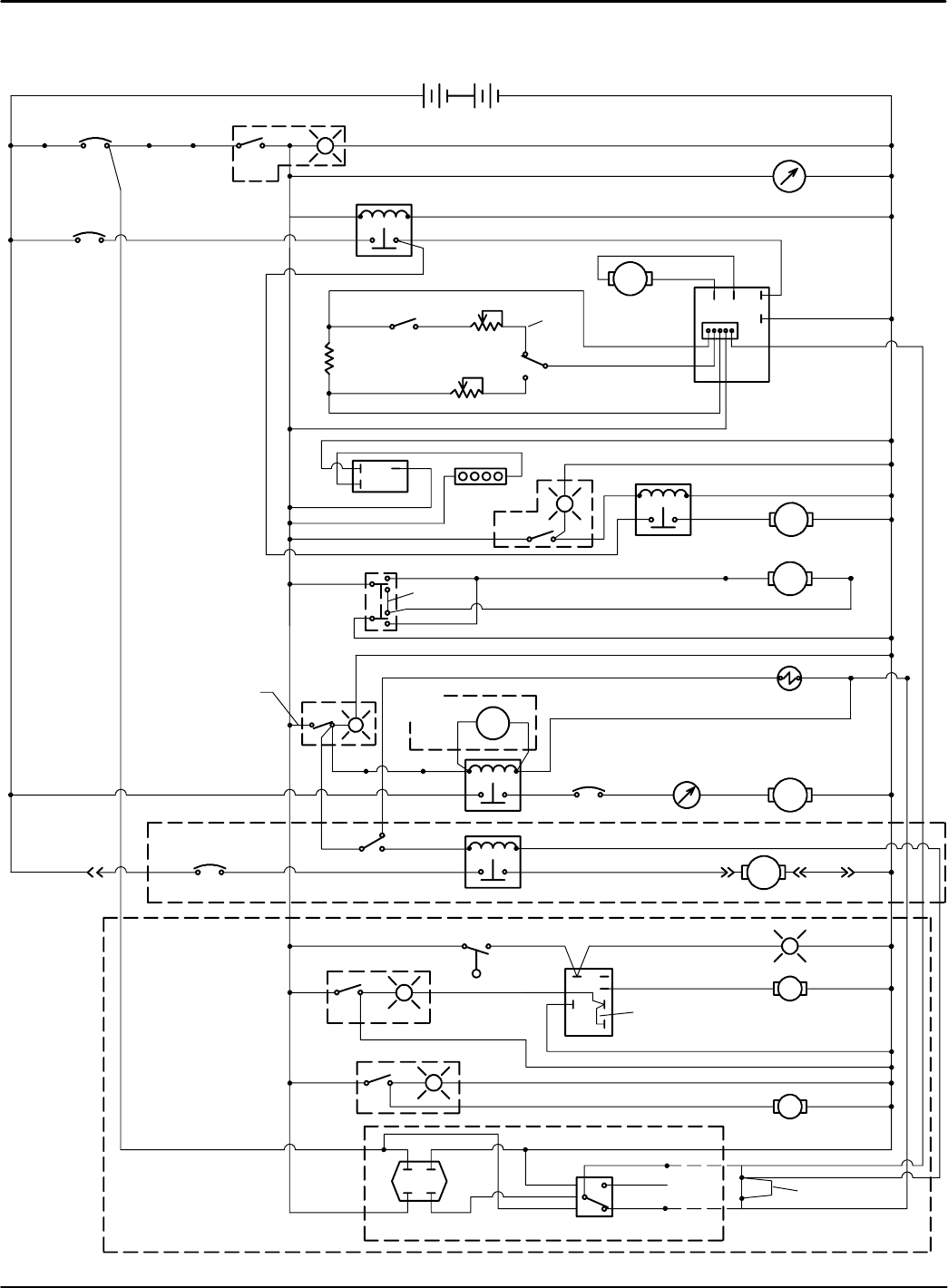
ELECTRICAL DIAGRAMS 74...................
PARTS LIST 76...............................
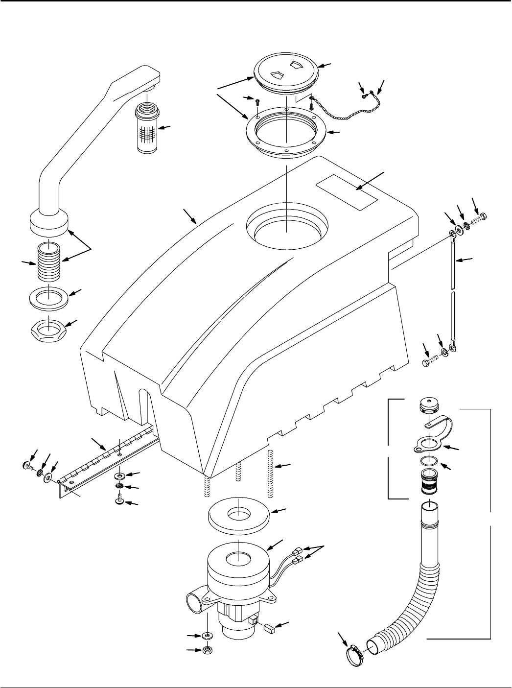
REPLACEMENT BRUSHES AND PAD
DRIVER GROUP 76........................
SOLUTION TANK GROUP 78................
RECOVERY TANK GROUP 80...............
CONSOLE GROUP 82......................
CONSOLE PANEL GROUP (FaST MODEL) 84
ELECTRICAL / BATTERY GROUP 86........
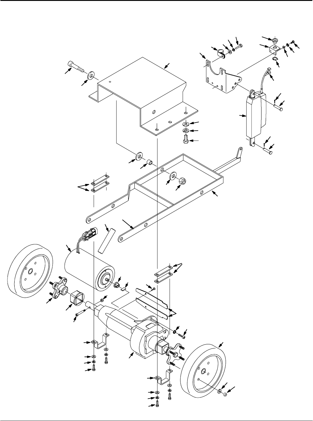
DRIVE GROUP 88.........................
BRUSH DRIVE GROUP 90..................
BRUSH SKIRT GROUP 92..................
SOLUTION GROUP (FaST MODEL) 94.......
SOLUTION GROUP (STANDARD MODEL) 96.
SQUEEGEE CONTROL GROUP 98
..........
SQUEEGEE ASSEMBLY GROUP 100.........
OPTIONS 102..................................
ES (EXTENDED SCRUB) KIT 102.............
SQUEEGEE WAND ASSEMBLY 104..........
HOUR METER, EMERGENCY STOP,
KEYSWITCH AND LOW VOLTAGE KITS 105..
HomeHome
Find...
Go To..
Find...
Go To..

OPERATION
4Speed Scrub 2001HD (09--04)
SAFETY PRECAUTIONS
This machine is intended for commercial use. It is
designed exclusively to scrub hard floors in an
indoor environment and is not constructed for any
other use. Use only recommended pads, brushes
and commercially available floor cleaners
intended for machine application.
All operators must read, understand and practice
the following safety precautions.
The following warning alert symbol and the “FOR
SAFETY” heading are used throughout this manual as
indicated in their description:
WARNING: To warn of hazards or unsafe
practices which could result in severe personal
injury or death.
FOR SAFETY: To identify actions which must be
followed for safe operation of equipment.
Failure to follow these warnings may result in
personal injury, electrical shock, fire or explosion.
WARNING: Fire Or Explosion Hazard:
-- Never Use Flammable Liquids Or Operate
Machine in Or Near Flammable Liquids,
Vapors Or Combustible Dusts.
This machine is not equipped with explosion proof
motors. The electric motors will spark upon start
up and during operation which could cause a flash
fire or explosion if machine is used in an area
where flammable vapors/liquids or combustible
dusts are present.
-- Do Not Pick Up Flammable Materials Or
Reactive Metals.
-- Batteries Emit Hydrogen Gas. Keep Sparks
And Open Flame Away. Keep Battery
Compartment Open When Charging.
WARNING: Electrical Hazard. Disconnect
Battery Cables Before Servicing Machine.
The following information signals potentially
dangerous conditions to the operator or
equipment:
FOR SAFETY:
1. Do not operate machine:
-- With flammable liquids or near flammable
vapors as an explosion or flash fire may
occur.
-- Unless trained and authorized.
-- Unless operation manual is read and
understood.
-- If not in proper operating condition.
2. Before starting machine:
-- Make sure all safety devices are in place
and operate properly.
3. When using machine:
-- Go slow on inclines and slippery surfaces.
-- Wear no--slip shoes.
-- Reduce speed when turning.
-- Report machine damage or faulty
operation immediately.
-- Never allow children to play on or around.
-- Follow mixing and handling instructions
on chemical containers.
4. Before leaving or servicing machine:
-- Stop on level surface.
-- Turn off machine.
5. When servicing machine:
-- Avoid moving parts. Do not wear loose
jackets, shirts, or sleeves.
-- Block machine tires before jacking up.
-- Use hoist or jack that will support the
weight of the machine.
-- Disconnect battery connections before
working on machine.
-- Wear protective gloves and eye protection
when handling batteries or battery cables.
-- Avoid contact with battery acid.
-- Do not power spray or hose off machine.
Electrical malfunction may occur.
-- Use manufacturer supplied or approved
replacement parts.
-- All repairs must be performed by a
qualified service person.
-- Do not modify the machine from its
original design.
HomeHome
Find...
Go To..
Find...
Go To..

OPERATION
Speed Scrub 2001HD (06--06) 5
6. When transporting machine:
-- Turn machine off.
-- Get assistance when lifting machine.
-- Do not lift machine when batteries are
installed.
-- Use a recommended ramp when
loading/unloading into/off truck or trailer.
-- Use tie--down straps to secure machine to
truck or trailer.
SAFETY LABELS
The safety labels appear on the machine in the
locations indicated. Replace labels if they become
damaged or illegible.
WARNING LABEL -- LOCATED ON THE RECOVERY TANK.
BATTERY CHARGE LABEL --
LOCATED IN BATTERY COMPARTMENT.
WARNING: Fire Or Explosion
Hazard. Batteries Emit Hydrogen
Gas. Keep Sparks And Open Flame
Away. Keep Battery Compartment
Open When Charging.
HomeHome
Find...
Go To..
Find...
Go To..

OPERATION
6Speed Scrub 2001HD (03--05)
MACHINE COMPONENTS
11
10
9
4765
22
13
21
18
23
25
19
15
2
16
8
20
3
1
12
14
17
2
25
27
26
1
29 28
35
33
36
34
31
32
36
30
24
FaST Model
37
38
1. Control Console
2. Control Twist Grips
3. Key Switch (Optional)
4. Main ON/OFF Switch
5. Vacuum ON/OFF Switch
6. Brush/Solution ON/OFF Switch
7. Brush Pressure (Raise/Lower) Switch
8. Brush Pressure Meter
9. Battery Meter
10. Reverse Switch
11. Speed Control Knob
12. Emergency Stop Button (Optional)
13. Main, Vac/Drive Circuit Breakers
14. Squeegee Lift Lever
15. Hour Meter (Optional)
16. Solution Flow Adjustment Knob
17. ES (Extended Scrub) Switch
(Optional)
18. Scrub Head Actuator
19. Adjustable Control Console Levers
20. Recovery Tank Drain Hose
21. Solution Tank Level/Drain Hose
22. Rear Fill Port
23. Squeegee Assembly
24. Recovery Tank
25. Recovery Tank Lid
26. Solution Tank
27. Solution Fill Port
28. Safety Lights
29. Battery Compartment
30. Charger Plug Connector
31. Drive Wheels
32. Rear Casters
33. Brush Skirt
34. Skirt Housing
35. Skirt Housing Latch
36. Wall Rollers
37. FaST Scrub/Conventional Scrub
Switch (FaST Model)
38. FaST--PAK Dispensing System
(FaST Model)
HomeHome
Find...
Go To..
Find...
Go To..

OPERATION
Speed Scrub 2001HD (09--04) 7
CONTROL PANEL SYMBOLS
Main Power Fast Speed
Slow Speed
Vacuum
Reverse
Brush
Battery Charge
Meter
Squeegee Up
Less Brush
Pressure
More Brush
Pressure
Squeegee
Down
Brush Pressure
Meter
Solution
Flow
HomeHome
Find...
Go To..
Find...
Go To..

OPERATION
8Speed Scrub 2001HD (03--05)
MACHINE INSTALLATION
UNCRATING MACHINE
1. Carefully check the shipping crate for signs of
damage. Report damages at once to carrier.
2. Check the contents list. Contact distributor for
missing items.
Contents:
SPad Driver -- Optional
S2--12 V Batteries -- Optional
SBattery Charger -- Optional
SBattery Tray (#601991)
S38 cm Battery Cable (#130364)
S1--FaST--PAK 365 Concentrate (#1017019)
(FaST Model)
SSqueegee Assembly
Brushes and pads must be purchased separately.
3. To uncrate your machine, remove the shipping
hardware and straps that secure the machine to
the pallet. Position a ramp at the rear of the
machine and carefully back the machine off the
pallet.
ATTENTION: Do not roll machine off pallet unless
a ramp is used, machine damage may occur.
ATTENTION: To prevent possible machine
damage, install batteries after removing machine
from shipping pallet.
INSTALLING BATTERIES
WARNING: Fire Or Explosion Hazard.
Batteries Emit Hydrogen Gas. Keep Sparks And
Open Flame Away. Keep Battery Hood Open When
Charging.
FOR SAFETY: When servicing machine, wear
protective gloves and eye protection when
handling batteries and battery cables. Avoid
contact with battery acid.
Battery Specifications:
Two 12 volt, deep cycle batteries. Consult with an
Authorized Distributor for specific batteries. Maximum
battery dimensions are 178mm (7 in.) W x 381mm
(15 in.) L x 356mm (14 in.) H.
1. Turn all switches to the OFF position.
2. Carefully hinge open recovery tank to access the
battery compartment. Remove loose battery
cables from the compartment (Figure 1).
FIG. 1
3. Carefully install batteries into battery tray at
bottom of compartment and arrange battery posts
as shown (Figure 2).
ATTENTION: Do not drop the batteries into the
compartment, battery and machine housing
damage may result.
(+) (--)
(+)(--)
FIG. 2
4. Before connecting the battery cables, make sure
the terminals and posts are clean. Use a post
cleaner and wire brush if necessary.
NOTE: Apply a light coating of non-metallic grease or
protective spray on the cable connections to prevent
battery corrosion.
5. Connect battery cables to battery posts as shown
(RED TO POSITIVE & BLACK TO NEGATIVE)
(Figure 2).
6. Turn on the main switch and check battery meter
charge level to ensure batteries are fully charged.
Charge if necessary (See CHARGING
BATTERIES).
HomeHome
Find...
Go To..
Find...
Go To..

OPERATION
Speed Scrub 2001HD (09--04) 9
MACHINE SETUP
ATTACHING SQUEEGEE ASSEMBLY
1. Turn off machine.
FOR SAFETY: Before leaving or servicing
machine, stop on level surface and turn off
machine.
2. Pull back on squeegee lift lever to raise squeegee
mount bracket (Figure 3).
FIG. 3
3. Loosen two thumb knobs on squeegee assembly
and slide squeegee into slots on squeegee mount
bracket (Figure 4).
FIG. 4
4. Tighten thumb knobs securely.
5. Connect vacuum hose from machine to squeegee
assembly (Figure 5).
FIG. 5
INSTALLING BRUSH OR PAD DRIVER
1. Turn main switch to the on position.
2. Raise scrub head. Press top half (--) of brush
pressure switch to raise. Hold switch down until
scrub head actuator turns off (Figure 6).
FIG. 6
3. Turn off machine.
FOR SAFETY: Before leaving or servicing
machine, stop on level surface and turn off
machine.
4. Unfasten black latch at front of machine and hinge
open skirt housing to access motor hub (Figure 7).
FIG. 7
HomeHome
Find...
Go To..
Find...
Go To..

OPERATION
10 Speed Scrub 2001HD (09--04)
5. Select a recommended pad or brush that best
meets your cleaning needs.
NOTE: Consult your authorized distributor for pad and
brush recommendations.
6. (For Pad Installation) Attach pad to pad driver
before connecting driver to motor hub. Secure with
centerlock ring (Figure 8).
FIG. 8
7. Align pad driver mounting studs with slots in motor
hub. Give the driver a quick turn toward the motor
hub spring clip. Be certain that the spring clip
locks into one of the studs before operating
machine(Figure9).
FIG. 9
NOTE: Always make sure pad driver and motor hub
surfaces are clean before installing driver. Clean
surfaces will ease pad driver removal later.
8. Close skirt housing and refasten latch.
INSTALLING FaST--PAK AGENT (FaST MODEL)
1. Remove the perforated knock-out from the
FaST--PAK carton. Do not remove the bag from
the carton. Pull the hose connector through the
knock--out and remove the orange cap
(Figure 10).
ATTENTION: The FaST--PAK Concentrate Formula
is specifically designed for the FaST system.
NEVER use a substitute, machine damage may
result.
FOR SAFETY: When using machine, always follow
the handling instructions on chemical container.
FIG. 10
2. Place the FaST--PAK carton in the carton holder at
the rear of the machine and connect the supply
hose to the FaST--PAK bag (Figure 11).
NOTE: If any dried concentrate is visible on the supply
hose connector or on the FaST--PAK connector, soak
and clean with warm water.
FIG. 11
3. When the supply hose is not in use, make sure to
connect it to the storage plug (Figure 12). This will
prevent the FaST solution system from drying out
and clogging up the supply hose.
FIG. 12
HomeHome
Find...
Go To..
Find...
Go To..

OPERATION
Speed Scrub 2001HD (03--05) 11
FIRST TIME USE (FaST Model): The FaST system is
protected against freezing during shipment. You must
operate the FaST system for 10 minutes to disperse
the mixture of RV anti--freeze/FaST concentrate
before achieving maximum foam.
FILLING SOLUTION TANK
Remove fill port cover at front of machine and fill
solution tank with 64L (17 gal) of clean water. Or use
the rear fill port to fill solution tank. The clear tube
below the fill port has 19L (5 gal) increment markers to
indicate amount of water in tank (Figure 13).
FOR FOAM SCRUBBING (FaST Model) : ONLY FILL
TANK WITH CLEAN COOL WATER (< 21°C/70°F).
NOTE: DO NOT use hot water or add any
conventional floor cleaning detergents, FaST system
failure may result.
FOR CONVENTIONAL SCRUBBING: Fill tank with
water (60°C/140°F maximum). Pour a recommended
cleaning detergent into the solution tank according to
mixing instructions on the bottle.
FIG. 13
NOTE: When filling the solution tank with a bucket,
make sure that the bucket is clean. Do not use the
same bucket for filling and draining the machine.
ATTENTION: For Conventional Scrubbing, only
use recommended cleaning detergents. Machine
damage due to improper detergent usage will void
the manufacturer’s warranty.
WARNING: Fire or Exposion Hazard.
Never Use Flammable Liquids.
FOR SAFETY: When using machine, follow mixing
and handling instructions on chemical containers.
MACHINE OPERATION
FOR SAFETY: Do not operate machine, unless
operatior manual is read and understood.
WARNING: Fire or Explosion Hazard. Never
Operate Machine In Or Near Flammable Liquids,
Vapors Or Combustible Dusts.
PRE--OPERATION CHECKS
1. Sweep and dust mop the floor.
2. Check battery meter charge level to ensure
batteries are fully charged (See CHARGING
BATTERIES).
3. Check that pad or brush is installed.
4. Check that squeegee is installed.
5. Foam scrubbing (FaST Model): Check the
FaST--PAK concentrate level.
6. Foam scrubbing (FaST Model): Make sure the
solution tank is filled with only cool clean water, no
detergents.
OPERATING THE MACHINE
NOTE: If your machine is equipped with the FaST
Option, refer to page 13 for additional operation
procedures.
1. Adjust control grips to a comfortable operating
height by squeezing the two levers together below
the console (Figure 14).
FIG. 14
HomeHome
Find...
Go To..
Find...
Go To..

OPERATION
12 Speed Scrub 2001HD (09--04)
2. Disengage the squeegee lift lever from the up
position and lower the squeegee (Figure 15).
FIG. 15
3. Turn the main switch to the on position.
4. Lower scrub head to floor by pressing the bottom
half (+) of brush the pressure switch (Figure 16).
FIG. 16
5. Turn the vacuum and brush switches to the on
position.
NOTE: The brush and solution flow will not start until
control grips are rotated.
6. Before starting, turn speed control knob to slowest
setting (Figure 17).
7. Begin scrubbing by rotating control grips forward.
Gradually increase your speed by turning speed
control knob forward (Figure 17).
FIG. 17
8. Once machine begins to move, check the needle
position of the brush pressure meter. Depress the
brush pressure switch to adjust brush pressure.
Never operate machine in the red zone
(Figure 18).
FIG. 18
ATTENTION: To prevent floor damage and brush
motor overload, do not operate brush pressure
meter in red zone.
9. To operate machine in reverse, simply pull reverse
switch backwards (one speed) (Figure 19).
FIG. 19
10. To stop machine, release control grips.
HomeHome
Find...
Go To..
Find...
Go To..

OPERATION
Speed Scrub 2001HD (09--04) 13
OPERATING FaST SCRUB SYSTEM (FaST
MODEL)
(FaST-- Foam Scrubbing Technology)
Unlike conventional scrubbing, the FaST system
injects the patented FaST--PAK concentrate formula
with a small amount of water and air onto the floor.
The mixture creates a large volume of expanded wet
foam for the brush to scrub the floor clean. As the
machine moves forward, the foam collapses and the
squeegee wipes the dirty solution into the the recovery
tank leaving the floor completely dry and slip free.
The foam scrubbing application (FaST) can increase
productivity by 30% by reducing the dump/fill cycle. It
will also reduce chemical usage and storage space.
One FaST--PAK can scrub up to 90,000 m2(1,000,000
ft2).
NOTE: The FaST model can also be operated as a
conventional scrubber. However, it’s important that you
follow the instructions in this manual to prevent FaST
system failure.
1. Make sure that the FaST--PAK carton is properly
installed (See INSTALLING FaST--PAK
AGENT).
2. Make sure that the solution tank is filled with clear
cool water only. DO NOT add conventional
cleaning agents in solution tank. Conventional
cleaning agents/restorers in the solution tank may
result in premature FaST system failure.
3. Press the FaST Scrub/Conventional Scrub Switch
toward the FaST Scrub mode position (Figure 20).
NOTE: To scrub with clear water only, simply press
the FaST Scrub/Conventional Scrub Switch toward the
Conventional Scrub mode position. This allows you to
operate the machine in a rinsing application.
FIG. 20
4. Make sure that the main solution switch is in the
on position.
NOTE: The water flow rate from the solution tank is
automatically regulated by the operation of the FaST
system. The solution flow rate can not be adjusted by
the Solution Control Adjustment Knob during the
FaST Scrub mode.
5. Follow the standard MACHINE OPERATION
instructions to begin scrubbing.
WHILE OPERATING MACHINE
FOR SAFETY: When using machine, go slow on
inclines and slippery surfaces.
WARNING: Fire Or Explosion Hazard. Do Not
Pick Up Flammable Materials Or Reactive Metals.
1. Overlap each pass by 51mm (2 in.).
2. Conventional scrubbing: Observe amount of
solution flow on floor. To increase or decrease
water flow, adjust solution control knob
(Figure 21).
FIG. 21
3. Conventional scrubbing: Pour a recommended
foam control solution into the recovery tank if
excessive foam appears.
ATTENTION: Do not allow foam to enter the float
shut-off screen, vacuum motor damage will result.
Foam will not activate the float shut-off screen.
4. If squeegee leaves streaks, raise and wipe blades
with a cloth. Pre-sweep area to prevent streaking.
5. Always operate at a slower speed when scrubbing
around walls or obstacles.
6. Always reduce speed to maintain control when
turning machine.
HomeHome
Find...
Go To..
Find...
Go To..

OPERATION
14 Speed Scrub 2001HD (09--04)
7. Change or turn over pad when worn.
8. Stay clear of floor obstructions, such as electrical
plates or grates, they will destroy pad.
9. During brief stops, you do not have to turn off any
switches, the brush and solution flow will
automatically stop when control grips are
released.
10. Periodically check battery meter discharge level.
When the needle drops to the red zone, recharge
batteries.
ATTENTION: Do not continue to run machine
when battery meter needle is in the red zone,
battery damage will result.
11. While cleaning, view sight gauge at rear of
machine for remaining cleaning solution. Each
mark on hose indicates 19L (5 gal).
12. When solution tank runs dry, turn off brush switch,
raise brush and continue to vacuum until all dirty
water is consumed. Then drain recovery tank
(See DRAINING TANKS).
STOPPING MACHINE
1. Turn off brush switch, raise brush and continue to
vacuum until all dirty water is consumed.
2. Release control grips.
3. Raise squeegee and scrub head.
4. Turn off switches.
FOR SAFETY: Before leaving or servicing
machine, stop on level surface and turn off
machine.
EMERGENCY STOPPING (OPTION)
Strike the emergency stop button, located on the
control panel, to stop the machine in an emergency.
Turn the button clockwise to reset (Figure 22).
FIG. 22
CIRCUIT BREAKERS
The machine is equipped with circuit breakers to
protect the machine from damage.
If circuit breakers should trip, they will not reset
immediately upon tripping. Determine reason why
breaker tripped, allow motor to cool and reset.
Brush motor circuit breaker will trip due to excessive
overload on pad. Reduce pad pressure or replace pad
if breaker should trip. Brush motor (35 amp) circuit
breaker is located near the charger plug.
The main (10 amp) and drive/vacuum (35 amp) circuit
breakers are located at rear of machine (Figure 23).
FaST Model
Brush
Motor
Circuit
Breaker
FIG. 23
HomeHome
Find...
Go To..
Find...
Go To..

OPERATION
Speed Scrub 2001HD (09--04) 15
DRAINING TANKS
The recovery tank should be drained and cleaned out
after every use. The solution tank should be cleaned
out periodically to remove any corrosion.
Transport the machine to a draining site, turn the
machine off and follow the draining instructions below:
FOR SAFETY: Before leaving or servicing
machine, stop on level surface and turn off
machine.
DRAINING RECOVERY TANK
1. Remove the recovery tank drain hose cap by
turning it counter--clockwise and drain the tank.
To completely drain recovery tank, hinge open
tank sideways and flip up tank support stand to
rest tank on (Figure 24).
FIG. 24
NOTE: When using a bucket to drain the machine, do
not use the same bucket to fill the solution tank.
2. Rinse out recovery tank after each use. This will
prevent a foul odor buildup. Use a hose to rinse
out the recovery tank. Be careful not to spray
water into the float shut--off screen.
3. Remove and clean the float shut--off screen
located in the recovery tank (Figure 25).
FIG. 25
DRAINING SOLUTION TANK
1. To drain any remaining water from the solution
tank, pull the solution tank level/drain hose off the
hose fitting as shown (Figure 26).
FIG. 26
2. Rinse out solution tank and solution flow system
with clean water after each use. This will prevent
clogging due to chemical buildup. Use solution
tank level/drain hose to drain solution tank.
3. Reconnect hose to hose barb. Be certain hose is
completely pushed onto hose barb.
CHARGING BATTERIES
ATTENTION: To prolong the life of the batteries
and to provide optimum machine performance,
ONLY recharge the batteries after a total of 30
minutes of use or more. Do not leave batteries
discharged for lengthy periods.
The following charging instructions are intended for
battery chargers supplied with the machine. Only use
a battery charger with the following specifications to
prevent battery damage.
BATTERY CHARGER SPECIFICATIONS:
SCHARGER TYPE: FOR LEAD ACID BATTERIES
SOUTPUT VOLTAGE -- 24 VOLTS
SOUTPUT CURRENT -- 25 AMPS
SAUTOMATIC SHUT--OFF CIRCUIT
SFOR DEEP CYCLE BATTERY CHARGING
1. Transport machine to a well ventilated area for
charging.
WARNING: Fire Or Explosion Hazard.
Batteries Emit Hydrogen Gas. Keep Sparks And
Open Flame Away. Keep Battery Compartment
Open When Charging.
HomeHome
Find...
Go To..
Find...
Go To..

OPERATION
16 Speed Scrub 2001HD (09--04)
2. Before charging the batteries, check the
electrolyte level in each battery cell (Figure 27).
FIG. 27
FOR SAFETY: When servicing machine, wear
protective gloves and eye protection when
handling batteries and battery cables. Avoid
contact with battery acid.
The electrolyte level (A) should slightly cover the
battery plates (B). Add distilled water as needed.
DO NOT OVERFILL, the fluid may expand and
overflow while charging. Replace cell caps before
charging (Figure 28).
A
B
FIG. 28
3. Connect the charger’s AC power supply cord to a
properly grounded receptacle (Figure 29).
Grounded
3HoleOutlet
Ground Pin
FIG. 29
4. Plug charger’s DC output connector to battery
connector located near battery compartment
(Figure 30).
FIG. 30
5. The charger will automatically begin charging and
shut off when fully charged.
6. Rest the recovery tank on the support stand to
promote ventilation during charging (Figure 31).
FIG. 31
ATTENTION: Do not disconnect the charger’s DC
cord from the machine’s receptacle when the
charger is operating. Arcing may result. If the
charger must be interrupted during charging,
disconnect the AC power supply cord first.
WARNING: Fire Or Explosion Hazard.
Batteries Emit Hydrogen Gas. Keep Sparks And
Open Flame Away. Keep Battery Compartment
Open When Charging.
HomeHome
Find...
Go To..
Find...
Go To..

OPERATION
Speed Scrub 2001HD (03--05) 17
7. After charging, check the electrolyte level (A)
again. The level should be approximately 1 cm
from the bottom of the fill--port (B) (Figure 32).
Add distilled water if needed. DO NOT OVERFILL.
A
B
FIG. 32
MACHINE MAINTENANCE
To keep the machine in good working condition, simply
follow the daily, monthly and quarterly maintenance
procedures.
WARNING: Electrical Hazard. Disconnect
Battery Cables Before Servicing Machine.
DAILY MAINTENANCE
(After Every Use)
1. Drain and clean out the recovery tank.
2. Remove and clean the float shut--off screen
located in the recovery tank (Figure 33).
FIG. 33
3. Drain the solution tank and rinse out the inside
with water (60°C/140°F maximum) as needed.
4. Remove the pad/brush and clean. Rotate pad or
replace when worn.
5. Wipe the squeegee blades clean. Store the
squeegee assembly in the raised position to
prevent blade damage.
6. Check the condition of the squeegee blade wiping
edge. Rotate blade if worn (See SQUEEGEE
BLADE REPLACEMENT)
7. Clean the machine with an all purpose cleaner and
damp cloth (Figure 34).
FOR SAFETY: When cleaning machine, do not
power spray or hose off machine. Electrical
malfunction may occur.
FIG. 34
8. FaST Model: Connect the FaST--PAK supply hose
to the storage plug when not it use (Figure 35).
Remove any dried concentrate from the hose
connector by soaking it in warm water.
FIG. 35
9. Recharge the batteries after a total of 30 minutes
of use or more (See CHARGING BATTERIES).
HomeHome
Find...
Go To..
Find...
Go To..

OPERATION
18 Speed Scrub 2001HD (03--05)
MONTHLY MAINTENANCE
(Every80HoursofUse)
1. Check water level in battery cells (See BATTERY
MAINTENANCE).
2. Clean battery tops to prevent corrosion
(See BATTERY MAINTENANCE).
3. Check for loose battery cable connections.
4. Remove inline strainer filter and rinse out. Before
removing filter, be certain solution tank is empty.
Filter is located under machine at rear (Figure 36).
FIG. 36
5. Lubricate caster grease fittings with a water
resistant grease.
6. Lubricate all linkage pivot points with silicone
spray then coat with a water resistant grease to
maintain a smooth operation.
7. Check the machine for loose nuts and bolts.
8. Check the machine for leaks.
QUARTERLY MAINTENANCE
(Every 250 Hours of Use)
Check the drive transaxle motor, the vacuum motor
and the brush motor for carbon brush wear. Replace
carbon brushes when worn to a length of 10 mm
(0.38 in) or less.
Contact an Authorized Service Center for
machine repairs.
FOR SAFETY: When servicing machine, all repairs
must be performed by a qualified service person.
WARNING: Electrical Hazard. Disconnect
Battery Cables Before Servicing Machine.
SQUEEGEE BLADE REPLACEMENT
The squeegee has two squeegee blades. The rear
squeegee blade has four wiping edges, the front blade
has two wiping edges. When the blades become worn,
simply rotate the blades for a new wiping edge.
Replace blade if all wiping edges are worn.
Rotating or replacing the rear blade:
1. Remove the squeegee assembly from the machine.
2. Loosen the band clamp and remove the band from
the squeegee assembly (Figure 37).
FIG. 37
3. Rotate the rear blade to a new wiping edge and
reinstall the band (Figure 38).
FIG. 38
Rotating or replacing the front blade:
1. Remove the squeegee assembly from the machine.
2. Remove the six thumbscrews holding the retainer
and squeegee blade to the squeegee frame.
Rotate the squeegee blade end for end to allow a
new edge to face the front of the machine. Make
sure the notched edge of the blade is facing
downward (Figure 39).
FIG. 39
HomeHome
Find...
Go To..
Find...
Go To..

OPERATION
Speed Scrub 2001HD (09--04) 19
SQUEEGEE BLADE ADJUSTMENT
For optimum squeegee blade performance, the
squeegee assembly casters must be adjusted to a
specified height as described below.
1. To check the squeegee assembly for proper
adjustment, remove the squeegee assembly from
the machine and place it on a level surface.
Measure the distance between the caster and the
surface. It should measure approximately 2 mm
(1/16 in) (Figure 40).
2. To adjust the caster height, loosen the top nut and
remove the plastic bearing cover to access the
adjustment nut. Turn the adjustment nut until
properly adjusted (Figure 40). After adjusting,
tighten the top nut and replace the plastic bearing
cover. Repeat step for the other caster.
2mm
(1/16 in)
FIG. 40
3. During machine operation, with the casters
properly adjusted, the squeegee blades should
deflect as shown (Figure 41).
FIG. 41
BATTERY MAINTENANCE
WARNING: Fire Or Explosion Hazard.
Batteries Emit Hydrogen Gas. Keep Sparks And
Open Flame Away. Keep Battery Compartment
Open When Charging.
FOR SAFETY: When servicing machine, wear
protective gloves and eye protection when
handling batteries and battery cables. Avoid
contact with battery acid.
1. Check the specific gravity using a hydrometer to
determine the charge level and the condition of the
batteries (Figure 42). If one or more of the battery
cells read lower than the other battery cells (0.050
or more), the cell is damaged, shorted, or is about
to fail. Check the hydrometer readings against the
following chart to determine the remaining battery
charge level.
NOTE: Do not take readings immediately after adding
distilled water. If the water and acid are not thoroughly
mixed, the readings may not be accurate.
FIG. 42
SPECIFIC GRAVITY
at 27_C(80_F) BATTERY
CHARGE
1.265 100% CHARGED
1.223 75% CHARGED
1.185 50% CHARGED
1.148 25% CHARGED
1.110 DISCHARGED
NOTE: If the readings are taken when the battery
electrolyte is any temperature other than 27_C(80_F),
the reading must be temperature corrected. Add or
subtract to the specific gravity reading 0.004, 4 points,
for each 6_C(43_F) above or below 27_C(80_F).
2. Always follow proper charging instructions
(See CHARGING BATTERIES).
HomeHome
Find...
Go To..
Find...
Go To..

OPERATION
20 Speed Scrub 2001HD (09--04)
3. Check the electrolyte level (A) in each battery cell
after charging batteries. The level should be
approximately 1 cm (3/8 in) from the bottom of the
fill--port (B). Add distilled water if needed (Figure
43).
DO NOT OVERFILL.
A
B
FIG. 43
4. Keep the battery tops clean to prevent battery
corrosion.
To clean batteries:
FOR SAFETY: When servicing machine, wear
protective gloves and eye protection when
handling batteries and battery cables. Avoid
contact with battery acid.
a. Mix a strong solution of baking soda and water
(Figure 44).
FIG. 44
b. Brush the solution sparingly over the battery
tops and cable connectors.
NOTE: Do not allow baking soda solution to enter
battery cells.
c. Use a wire brush to clean the battery terminals
and cable connectors.
d. After cleaning, apply a coating of clear battery
post protectant to the terminals and cable
connectors.
5. Check for loose or worn cables. Replace if worn.
TRANSPORTING MACHINE
When transporting machine by use of trailer or truck,
be certain to follow tie--down procedures below:
FOR SAFETY: When using machine, go slow on
inclines and slippery surfaces.
1. Remove squeegee from machine and raise scrub
head. Leave pad or brush installed.
2. Load machine using a recommended loading
ramp.
3. Position front of machine up against front of trailer
or truck. Once machine is positioned, lower brush
head.
4. Place a block behind the drive wheel and the rear
casters.
5. Place tie--down straps over top of machine and
secure straps to floor. It may be necessary to
install tie--down brackets to the floor of your trailer
or truck.
STORING MACHINE
1. Charge the batteries before storing. Never store
the machine with discharged batteries.
2. Drain and rinse the tanks thoroughly.
3. Store the machine in a dry area with the squeegee
and scrub head in the up position.
4. Open the recovery tank cover to promote air
circulation.
ATTENTION: Do not expose machine to rain, store
indoors.
5. If storing machine in freezing temperatures, make
sure to drain machine of all water.
RECOMMENDED STOCK ITEMS
Refer to the Parts List section for recommended stock
items. Stock Items are clearly identified with a bullet
preceding the parts description. See example below:
HomeHome
Find...
Go To..
Find...
Go To..

OPERATION
Speed Scrub 2001HD (09--04) 21
TROUBLE SHOOTING
PROBLEM CAUSE SOLUTION
No power. Faulty main switch. Contact Service Center.
Batteries need charging. See CHARGING BATTERIES.
Faulty battery(s). Replace battery(s).
Loose battery cable. Tighten loose cable.
Main circuit breaker has tripped. Determine cause and reset breaker.
Brush motor does not operate. Brush switch is not turned on. Turn on brush switch.
Control grips are not rotated. Rotate control grips.
Brush circuit breaker has tripped. Clean or replace pad or brush and
reset brush circuit breaker button.
Faulty brush motor or wiring. Contact Service Center.
Carbon brushes worn. Contact Service Center.
Faulty brush switch or solenoid. Contact Service Center.
Vacuum motor does not operate. Faulty vacuum switch. Contact Service Center.
Vacuum circuit breaker has tripped. Remove obstruction and reset
breaker.
Faulty vacuum motor or wiring. Contact Service Center.
Carbon brushes worn. Contact Service Center.
Drive motor does not operate. Drive motor circuit breaker has
tripped. Determine cause and reset breaker.
Faulty speed control circuit board or
connection. Contact Service Center.
Faulty solenoid. Contact Service Center.
Faulty drive motor. Contact Service Center.
Faulty wiring. Contact Service Center.
Worn carbon brushes. Contact Service Center.
Drive motor operates improperly. Faulty potentiometer or speed control
board. Contact Service Center.
Loose wire connection Contact Service Center.
Little or no solution flow. Low water level in solution tank. Fill tank with water/solution.
Solution line or solution tank filter is
clogged. Remove hose and blow compressed
air through it. Flush solution tank after
each use.
Solution valve or solenoid is clogged. Remove valve or solenoid and clean.
Do not scratch inside of valve.
Faulty solution switch or solenoid. Contact Service Center.
Loose set screw on solution knob. Calibrate knob and retighten screw.
Short run time. Batteries not fully charged. Charge batteries.
Bad cell in one or more batteries. Replace battery.
Batteries need maintenance. See BATTERY MAINTENANCE.
Faulty charger. Replace battery charger.
HomeHome
Find...
Go To..
Find...
Go To..

OPERATION
22 Speed Scrub 2001HD (09--04)
TROUBLE SHOOTING --continued
PROBLEM CAUSE SOLUTION
Poor water pick up. Recovery tank is full. Empty recovery tank.
Ball float shut--off screen inside recov-
ery tank is clogged. Remove screen and clean.
Squeegee is clogged with debris. Clean squeegee.
Squeegee blades are worn. Replace squeegee blades.
Squeegee thumbscrews are loose. Tighten thumbscrews.
Vacuum hose connections are loose
or hose has a hole. Push hose cuffs firmly on connections.
Replace hose if damaged.
Vacuum hose is clogged with debris. Remove clogged debris.
Recovery tank inlet hole is obstructed. Empty recovery tank and tilt tank side-
ways to access inlet hole, remove
obstruction.
Tank gasket is defective. Replace gasket.
Drain hose cap is loose. Tighten drain cap.
Recovery tank lid is loose. Tighten lid.
Vacuum motor is loose. Contact Service Center.
Battery charge level is low. Charge batteries. Do not run machine
when battery meter is in the red zone.
Safety lights do not work. Flasher is burned out. Contact Service Center.
FaST Model: FaST System does
not operate or operate correctly. FaST system switch is not turned on. Turn on FaST system switch.
FaST--PAK supply hose not connected Connect supply hose.
FaST circuit breaker has tripped. Determine cause and reset the 10A
circuit breaker button.
Clogged FaST--PAK supply hose or
connectors. Soak in warm water to unclog.
Empty FaST--PAK carton. Replace FaST PAK carton.
Kink in FaST--PAK supply hose. Undo hose kink.
Clogged FaST solution system. Contact Service Center.
Faulty FaST system on/off switch. Contact Service Center.
Faulty pump. Contact Service Center.
Clogged solution tank filter. Drain solution tank. Remove solution
tank filter, clean and reinstall.
HomeHome
Find...
Go To..
Find...
Go To..

OPERATION
Speed Scrub 2001HD (09--04) 23
SPECIFICATIONS
MODEL 2001HD
LENGTH 1270mm (50 in.)
WIDTH 790mm (31 in.)
HEIGHT 990mm (39 in.)
WEIGHT 220kg (487 lbs) --w/ batteries 323kg (712 lbs)
SOL./REC TANK CAPACITY 64L (17 gal)
SPEED CONTROL Variable Fwd. / Fixed Rev.
CLEANING SPEED (MAX) 1923.6m2(20,000 sq. ft.) per hour
CLEANING PATH WIDTH 508mm (20 in.)
PAD DIAMETER 508mm (20 in.)
PAD PRESSURE Variable 18--59kg ( 40--130 lbs)
SQUEEGEE WIDTH 839 mm (33 in.)
DRIVE SYSTEM Transaxle, .2 h.p., 24V
BRUSH MOTOR .75 h.p., 220 rpm, 24V, 20A, 550W
VACUUM MOTOR .75 h.p., 3--stage 5.7”, 24V, 21A, 550W
WATER LIFT 1720mm (68 in.)
BATTERIES 2--12V, 215AH
RUN TIME PER CHARGE Up to 4 hours
DECIBEL RATING AT OPERATOR’S EAR,
INDOORS ON TILE. 77dB(A)
FaST SYSTEM (FaST MODEL)
SOLUTION PUMP 24 Volt DC, 3.5 A, 5.6 LPM (1.5 GPM) open flow, 4.13 Bar (60 psi) bypass setting
SOLUTION FLOW RATE 0.47 LPM (0.12 GPM)
CONCENTRATE FLOW RATE 0.47 CC/Minute (0.01 Ounces/Minute)
CONCENTRATE TO WATER
DILUTION RATIO 1:1000
HomeHome
Find...
Go To..
Find...
Go To..

OPERACIÓN
24 Speed Scrub 2001HD (06--06)
Este manual se incluye en todos los modelos nuevos.
Proporciona la información necesaria para su
utilización y mantenimiento.
Lea todo el manual detenidamente para
comprender la máquina antes de utilizarla o
revisarla.
Use la Lista de Piezas incluida en este manual al
ordenar piezas de repuesto. Antes de ordenar piezas
o suministros, asegúrese de tener el número de
modelo y el número de serie de su máquina. Las
piezas y los suministros pueden ordenarse por
teléfono o por correo de cualquier centro autorizado
de piezas y servicios, distribuidor de piezas o de
cualquier subsidiaria del fabricante.
Esta máquina le proporcionará excelentes resultados.
Sin embargo, los resultados serán óptimos a un coste
mínimo si:
SUtiliza la máquina con un cuidado razonable.
SRealiza las operaciones de mantenimiento de
acuerdo con las instrucciones adjuntas.
SLas operaciones de mantenimiento de la máquina
se realizan con piezas suministradas por el
fabricante o equivalentes.
PROTECCIÓN DEL MEDIO
AMBIENTE
Deseche el material de embalaje, los
componentes usados de la máquina
como las baterías y los líquidos
peligrosos como el anticongelante y el
aceite, de forma segura para el medio
ambiente, de acuerdo con las
normativas o disposiciones locales.
No olvide reciclar.
DATOS DE LA MÁQUINA
Por favor complete en el momento de la instalación,
para referencia futura.
No. de modelo --
Fechadeinstalación--
Nº de Serie--
HomeHome
Find...
Go To..
Find...
Go To..

OPERACIÓN
25
Speed Scrub 2001HD (06--06)
ÍNDICE
MEDIDAS DE SEGURIDAD 25..................
ETIQUETAS DE SEGURIDAD 26................
COMPONENTES ESTÁNDAR DE
LA MÁQUINA 27..............................
SÍMBOLOS DEL PANEL DE CONTROL 28......
INSTALACIÓN DE LA MÁQUINA 29............
DESEMBALADO DE LA MÁQUINA 29........
INSTALACIÓN DE LAS BATERÍAS 29........
PREPARACIÓN DE LA MÁQUINA 30............
FIJACIÓN DEL CONJUNTO DE LA
ESCOBILLA DE GOMA 30..................
INSTALACIÓN DE LOS IMPULSORES
DEL CEPILLO O LA ALMOHADILLA 30.......
INSTALACIÓN DEL AGENTE FaST--PAK
(MODELO FaST) 31........................
LLENADO DEL DEPÓSITO DE
LA DISOLUCIÓN 32........................
FUNCIONAMIENTO DE LA MÁQUINA 33........
COMPROBACIONES PREVIAS A LA
PUESTA EN FUNCIONAMIENTO 33.........
UTILIZACIÓN DE LA MÁQUINA 33...........
OPERACIÓN DEL SISTEMA
LIMPIADOR FaST (MODELO FaST) 34......
AL UTILIZAR LA MÁQUINA 35...............
PARADA DE LA MÁQUINA 35...............
PARADA DE EMERGENCIA (OPCIÓN) 35....
CORTACIRCUITOS 36......................
VACIADO DE LOS DEPÓSITOS. 36.............
VACIADO DEL DEPÓSITO DE
RECUPERACIÓN 36.......................
VACIADO DEL DEPÓSITO DE
LA DISOLUCIÓN 37........................
CARGA DE LAS BATERÍAS 37.................
MANTENIMIENTO DE MÁQUINA 39.............
MANTENIMIENTO DIARIO 39...............
MANTENIMIENTO MENSUAL 39............
MANTENIMIENTO TRIMESTRAL 40.........
SUSTITUCIÓN DE LA LÁMINA DE LA
ESCOBILLA DE GOMA 40..................
AJUSTE DE LAS LÁMINAS DE
LA ESCOBILLA 41.........................
MANTENIMIENTO DE LAS BATERÍAS 41.....
TRANSPORTE DE LA MÁQUINA 42.............
ALMACENAMIENTO DE LA MÁQUINA 42.......
RECOMENDACIONES PARA EL
ALMACENAMIENTO 43.......................
LOCALIZACIÓN DE AVERÍAS 43...............
ESPECIFICACIONES 46.......................
DIAGRAMAS ELECTRICAS 74.................
LISTA DE PIEZAS 76..........................
CEPILLO DEL REEMPLAZO Y GRUPO DEL
MANDO DE LA ALMOHADILLA 76...........
GRUPE DEL DEPÓSITO DE DISOLUCIÓN 78.
CONJUNTO DEPOSITO RECUPERAR 80....
CONJUNTO CONSOLA DE CONTROLES 82..
GRUPO DEL PANEL DE LA CONSOLA
(MODELO FaST) 84........................
GRUPO DEL ELÉCTRICO/BATERÍA 86.......
GRUPO DE TRANSMISIÓN 88..............
CONJUNTO IMPULSO DE CEPILLO 90......
CONJUNTO JUEGO DE CEPILLO 92.........
GRUPO DE SOLUCIÓN (MODELO FaST) 94..
GRUPO DE SOLUCIÓN
(MODELO ESTÁNDAR) 96..................
CONJUNTO DE PALETA PLANCAS 98.......
CONJUNTO PALETA 100....................
OPCIONES 102................................
ES (FREGADO PROLONGADO) JUEGO 102...
GROUPE D’ASPIRATION ET
RACLETTE À MAIN 104.....................
MEDIDOR DE HORA, BOTÓN DE
EMERGENCIA, INTERRUPTOR DE LLAVE,
HERRAMIENTAS DE BAJO VOLTAGE 105....
HomeHome
Find...
Go To..
Find...
Go To..

OPERACIÓN
26 Speed Scrub 2001HD (09--04)
MEDIDAS DE SEGURIDAD
Esta máquina está diseñada para el uso
comercial. Se ha diseñado exclusivamente para
limpiar pisos duros en un ambiente interior y no
se fabrica para ningún otro uso. Use sólo
limpiadores recomendados de pisos
comercialmente disponibles para la aplicación de
la máquina.
Todos los operadores deben leer, entender y
practicar las precauciones siguientes de
seguridad.
El siguiente símbolo de alerta de advertencia y el
encabezamiento de ”PARA SEGURIDAD” se usan en
este manual como se indica en su descripción:
ADVERTENCIA: Para advertir de riesgos o
prácticas inseguras que podrían resultar en
lesiones personales graves o la muerte.
PARA SEGURIDAD: Para identificar acciones que
deben seguirse para el funcionamiento seguro del
equipo.
El no cumplimiento de estas advertencias puede
causar lesiones personales, descargas eléctricas,
incendios y explosiones.
ADVERTENCIA: Peligro de incendio o
explosión:
-- Nunca utilice líquidos inflamables ni haga
funcionar la máquina en las proximidades de
líquidos, vapores o polvos inflamables.
La máquina no está equipada con motores a
prueba de explosiones. Los motores eléctricos
producirán chispas tanto durante el arranque y
como durante su utilización que pueden provocar
incendios o explosiones si utiliza la máquina en
presencia de líquidos o vapores inflamables o
partículas combustibles.
-- No recoja materiales inflamables ni metales
reactivos.
-- Las baterías emiten hidrógeno. Mantenga
chispasyllamasalejadasdelamáquina.
Mantenga el compartimento de la batería
abierto mientras realiza la operación de carga.
ADVERTENCIA: Peligro eléctrico. Desconecte
los cables de la batería antes de realizar
reparaciones en la máquina.
La información siguiente señala condiciones
potencialmente peligrosas para el operador o el
equipo:
PARA SEGURIDAD:
1. No opere la máquina:
-- Con líquidos inflamables o cerca de los
vapores inflamables ya que puede ocurrir
una explosión o fuego explosivo.
-- A menos que está capacitado y autorizado.
-- A menos que se haya leído y entendido el
manual del funcionamiento.
-- Si no está en condición de ejecutar una
operación apropiada.
2. Antes de arrancar la máquina:
-- Asegúrese que todos los dispositivos de
seguridad están en su lugar y operando
apropiadamente.
3. Al usar máquina:
-- Avance lentamente en las cuestas y
superficies resbaladizas.
-- Use zapatos antiresbalosos.
-- Reduzca la velocidad al realizar giros.
-- Informe inmediatamente acerca de daños
o una operación defectuosa de la
máquina.
-- Nunca permita que los niños jueguen en o
alrededor de la máquina.
-- Siga las instrucciones de mezcla y manejo
indicados en los recipientes químicos.
4. Antes de salir de o reparar la máquina:
-- Deténgala en una superficie nivelada.
-- Apague la máquina.
5. Al prestar servicio a la máquina:
-- Evite las piezas móviles. No use
chaquetas, camisas, o mangas, holgadas.
-- Bloquee las ruedas de la máquina antes de
alzar.
-- Use güinches o gatos para soportar el
peso de la máquina.
-- Desconecte las conexiones de la batería
antes de trabajar en la máquina.
-- Utilice guantes y gafas de protección al
trabajar con las baterías o sus cables.
-- Evite el contacto con el ácido de la batería.
-- No moje la máquina rociándola o
utilizando una manguera. Pueden
producirse fallos eléctricos.
-- Use piezas de repuesto provistas o
aprobadas por el fabricante.
-- Todas las reparaciones deben ser
realizadas por una persona de servicio
calificada.
-- No modifique la máquina de su diseño
original.
HomeHome
Find...
Go To..
Find...
Go To..

OPERACIÓN
27
Speed Scrub 2001HD (06--06)
6. Al transportar máquina:
-- Apague la máquina.
-- Obtenga ayuda al alzar la máquina.
-- No alce la máquina al instalar las baterías.
-- Use una rampa recomendada al
cargar/descargar al/fuera del camión o
remolque .
-- Use correas de amarre para asegurar la
máquina al camión o remolque.
ETIQUETAS DE SEGURIDAD
Las etiquetas de seguridad aparecen en la máquina
en las ubicaciones indicadas. Reemplace las etiquetas
en caso de estar dañadas o son ilegibles.
ETIQUETA DE ADVERTENCIA --
LOCALIZADA EN EL TANQUE DE RECUPERACION.
ETIQUETA DE CAMBIO DE BATERIA
-- ESTÁ SITUADA EN EL
COMPARTIMIENTO DE BATERIÁ.
ADVERTENCIA: Peligro de
incendio o explosión. Las baterías
emiten hidrógeno. Mantenga chispas
yllamasalejadasdelamáquina.
Mantenga el compartimento de la
batería abierto mientras realiza la
operación de carga.
HomeHome
Find...
Go To..
Find...
Go To..

OPERACIÓN
28 Speed Scrub 2001HD (03--05)
COMPONENTES ESTÁNDAR DE LA MÁQUINA
2
25
27
26
1
29 28
35
33
36
34
31
32
36
30
24
11
10
9
4765
22
13
21
18
23
25
19
15
2
16
8
20
3
1
12
14
17
Modelo FaST
37
38
1. Consola de control
2. Mandos giratorios de control
3. Contacto para la llave (Opción)
4. Interruptor principal de
encendido/apagado
5. Interruptor de
encendido/apagadode la aspiración
6. Interruptor de ncendido/apagado
del cepillo/de la disolución
7. Interruptor de (subir/bajar) de la
presión del cepillo
8. Indicador de la presión del cepillo
9. Indicador del nivel de carga de
la baterías
10. Interruptor de marcha atrás
11. Mando de control de la velocidad
12. Botón de parada (Opción)
13. Cortacircuitos principal, de
impulsión/de aspiración
14. Palanca de elevación de la
escobilla de goma
15. Contador de horas (Opción)
16. Mando de ajuste del flujo de la
disolución
17. Interruptor de ES (Opción)
18. Actuador del cabezal de fregado
19. Palancas de la consola de
control ajustable
20. Manguera de vaciado del
depósito de recuperación
21. Manguera de nivel/vaciado del
depósito de la disolución
22. Orificio trasero de llenado
23. Conjunto de la escobilla de goma
24. Depósito de recuperación
25. Tapa del depósito de recuperación
26. Depósito de la disolución
27. Abertura de llenado de la disolución
28. Luces de seguridad
29. Compartimento de la batería
30. Enchufe del cargador
31. Ruedas impulsoras
32. Ruedecillas traseras
33. Aleta del cepillo
34. Bastidor de la aleta
35. Pestillo del bastidor de la aleta
36. Rodillos de pared
37. Conmutador de Limpiado
FaST/Convencional (Modelo FaST)
38. Sistema surtidor FaST--PAK
(Modelo FaST)
HomeHome
Find...
Go To..
Find...
Go To..

OPERACIÓN
29
Speed Scrub 2001HD (09--04)
SÍMBOLOS DEL PANEL DE CONTROL
Circuito principal Velocidad
rápida
Velocidad
lenta
Aspiración
Marcha atrás
Cepillo
Indicador del
nivel de carga
de la batería
Escobilla de
goma elevada
Menos presión
del cepillo
Más presión
del cepillo
Escobilla de
goma bajada
Indicador de la
presión del cepillo
Control de
la disolución
HomeHome
Find...
Go To..
Find...
Go To..

OPERACIÓN
30 Speed Scrub 2001HD (03--05)
INSTALACIÓN DE LA MÁQUINA
DESEMBALADO DE LA MÁQUINA
1. Controle cuidadosamente si la caja de embalaje
presenta signos de deterioro. Si existieran
desperfectos, informe inmediatamente al
transportista.
2. Compruebe la lista del contenido. Póngase en
contacto con el distribuidor en caso de no haber
recibido todos los accesorios.
Contenido:
SImpulsores de almohadillas -- Opcional
S2 baterías de 12 V -- Opcional
SCargador de baterías -- Opcional
SBandeja de batería (núm. 601991)
SCable de batería de 15 pulg. (núm. 130364)
S1 concentrado FaST--PAK 365
(núm. 1017019) (modelo FaST)
SConjunto de la escobilla de goma
Las almohadillas deben adquirirse por separado.
3. Para desembalar la máquina, retire los elementos
y cintas de embalaje que fijan la máquina al pallet.
Coloque en posición la rampa en la parte posterior
de la máquina y haga retroceder la máquina
cuidadosamente fuera de la tarima.
ATENCIÓN: No haga rodar la máquina para
retirarla del pallet si no utiliza una rampa, ya que
podría averiarla.
ATENCIÓN: Para evitar el posible deterioro de la
máquina, monte las baterías después de retirar la
máquina del pallet de transporte.
INSTALACIÓN DE LAS BATERÍAS
ADVERTENCIA: Peligro de incendio o
explosión. Las baterías emiten hidrógeno.
Mantenga chispas y llamas alejadas de la
máquina. Mantenga la tapa del compartimento de
la batería abierto mientras realiza la operación de
carga.
PARA SEGURIDAD: Al revisar la máquina, utilice
guantes y gafas de protección cuando manipule
las baterías y sus cables. Evite el contacto con el
ácido de la batería.
Especificaciones de la Batería:
Dos baterías de 12 voltios de ciclo profundo. Consulte
a un distribuidor autorizado sobre baterías
específicas. Las dimensiones máximas de la batería
son 178mm (7 pulg.) ancho x 381mm (15 pulg.) largo
x 356mm (14 pulg.) alto.
1. Sitúe todos los interruptores en la posición de
APAGADO.
2. Abra cuidadosamente el depósito de recuperación
para acceder al compartimento de la batería.
Extraiga del compartimento los cable sueltos de la
batería (Figura 1).
FIG. 1
3. Instale con cuidado las baterías en la bandeja de
la batería que se encuentra en el fondo del
compartimento e instale los bornes de la batería
como se muestra (Figura 2).
ATENCIÓN: Deposite las baterías en el
compartimento, no las deje caer, tanto la batería
como su soporte podrían averiarse.
(+) (--)
(+)(--)
FIG. 2
4. Antes de conectar los cables de la batería,
asegúrese de que los bornes y terminales están
limpios. Utilice un limpiador de bornes y un cepillo
de cerdas metálicas si es necesario.
NOTA: Aplique una fina capa de grasa no metálica o
espray de protección en las conexiones del cable para
evitar la aparición de corrosión en la batería.
HomeHome
Find...
Go To..
Find...
Go To..

OPERACIÓN
31
Speed Scrub 2001HD (09--04)
5. Conecte los cables de la batería a los bornes de la
batería como se muestra (ROJO EN EL
POSITIVO Y NEGRO EN EL NEGATIVO)
(Figura 2).
6. Gire la llave y encienda el interruptor principal y
controle el nivel de carga de la batería. Cargue la
batería en caso necesario (Consulte el apartado
de CARGA DE LAS BATERÍAS).
PREPARACIÓN DE LA MÁQUINA
FIJACIÓN DEL CONJUNTO DE LA ESCOBILLA DE
GOMA
1. Apague el poder de máquina.
PARA SEGURIDAD: Antes de abandonar o revisar
la máquina, deténgase en una superficie plana,
apague la máquina.
2. Eleve el soporte de montaje de la escobilla de
goma tirando hacia atrás de la palanca de
elevación de la escobilla de goma (Figura 3).
FIG. 3
3. Afloje los dos tornillos de orejas del conjunto de la
escobilla de goma e introduzca dicha escobilla
deslizándola en las ranuras del soporte de
montaje de la escobilla de goma (Figura 4).
FIG. 4
4. Fije bien los tornillos de orejas.
5. Conecte la manguera de aspiración de la máquina
al conjunto de la escobilla de goma (Figura 5).
FIG. 5
INSTALACIÓN DE LOS IMPULSORES DEL
CEPILLO O LA ALMOHADILLA
1. Gire la llave y encienda el interruptor principal.
2. Eleve totalmente el cabezal de fregado pulsando
la mitad superior (--) del interruptor de la presión
del cepillo (Figura 6).
FIG. 6
3. Apague el poder de máquina.
PARA SEGURIDAD: Antes de abandonar o revisar
la máquina, deténgase en una superficie plana,
apague la máquina.
HomeHome
Find...
Go To..
Find...
Go To..

OPERACIÓN
32 Speed Scrub 2001HD (09--04)
4. Suelte el pestillo negro de la parte delantera de la
máquina y abra el soporte de la aleta para poder
acceder al cubo del motor (Figura 7).
FIG. 7
5. Seleccione el cepillo o almohadilla recomendado
que mejor se ajuste a sus necesidades de
limpieza.
NOTA: Consulte a su distribuidor autorizado el tipo de
cepillo/almohadilla recomendado para sus
necesidades.
6. (Instalación de la almohadilla) Fije la
almohadilla a los impulsores antes de conectar
dichos impulsores a los cubos del motor. Fije las
almohadillas con el cierre central de plástico en
forma de anillo (Figura 8).
FIG. 8
7. Alinee los pernos de montaje del impulsor de la
almohadilla y las ranuras el cubo del motor.Gire
rápidamente el impulsor hacia el sujetador de
resorte del cubo del motor. Asegúrese antes de
poner la máquina en funcionamiento de que el
sujetador de resorte se introduce e imnoviliza en
uno de los pernos del impulsor (Figura 9).
FIG. 9
NOTA: Asegúrese siempre de que las superficies de
los impulsores de la almohadilla y del cubo del motor
estén siempre limpias antes de instalar los impulsores.
Las superficies limpias facilitarán la posterior
extracción del impulsor de la almohadilla.
8. Cierre el soporte de la aleta y vuelva a cerrar el
pestillo.
INSTALACIÓN DEL AGENTE FaST--PAK
(MODELO FaST)
1. Abra el envase de FaST--PAK por la marca
perforada. No retire la bolsa del envase. Saque el
conector de la manguera a través de la marca y
retire el tapón naranja (Figura 10).
ATENCIÓN: La fórmula del concentrado
FaST--PAK está diseñada específicamente para el
sistema FaST. No utilice NUNCA sustitutos, podría
averiar la máquina.
PARA SEGURIDAD: Al utilizar la máquina, siga
siempre las instrucciones de uso indicadas en el
envase del producto químico.
FIG. 10
HomeHome
Find...
Go To..
Find...
Go To..

OPERACIÓN
33
Speed Scrub 2001HD (03--05)
2. Coloque la caja FaST--PAK en el recipiente de la
caja en la parte posterior de la máquina y conecte
la manguera de alimentación a la bolsa del
FaST--PAK (Figura 11).
NOTA: Si observa restos de producto concentrado
seco en el conector de la manguera de alimentación o
en el conector de FaST--PAK, sumérjalos y límpielos
con agua caliente.
FIG. 11
3. Cuando no se utilice la manguera de alimentación,
asegúrese de conectarla al tapón de
almacenamiento (Figura 12). Esto evitará que el
sistema FaST se reseque y se bloquee la
manguera de alimentación.
FIG. 12
PRIMERA UTILIZACIÓN (modelo FaST): El sistema
FaST está protegido contra la congelación durante el
transporte. Debe hacer funcionar el sistema FaST
durante 10 minutos para dispersar la mezcla de
anticongelante RV/detergente FaST antes de obtener
el grado máximo de espuma.
LLENADO DEL DEPÓSITO DE LA DISOLUCIÓN
Retire la tapa del orificio de llenado de la máquina y
llene el depósito de la disolución con 17 galones
(64 litros) de agua limpia. O utilice el orificio de llenado
trasero para llenar el depósito de la disolución. El tubo
transparente que se encuentra debajo del orificio de
llenado tiene unas marcas cada 5 galones (19 litros)
que indican el volumen de agua del depósito
(Figura 13).
PARA FREGADO CON ESPUMA (modelo FaST):
LLENAR EL DEPÓSITO ÚNICAMENTE CON AGUA
FRÍA LIMPIA (< 21°C/70°F)
NOTA: NO utilice agua caliente o añada detergentes
de limpieza de suelos convencionales, puede
producirse un fallo en el sistema FaST.
PARA FREGADO CONVENCIONAL: Llene el
depósito con agua (a un máximo de 60°C/140°F)
Vierta un detergente recomendado en el depósito de
disolución siguiendo las instrucciones de uso
indicadas en el envase.
FIG. 13
NOTA: Cuando se llene el depósito de disolución con
un cubo, asegúrese de que el cubo esté limpio. No
utilice el mismo cubo para llenar y vaciar la máquina.
ATENCIÓN: Para el fregado convencional, utilice
únicamente detergentes de limpieza. Los daños
en la máquina debidos al uso inapropiado de
detergentes anularán la garantía del fabricante.
ADVERTENCIA: Peligro de incendio o
explosión. No utilizar NUNCA líquidos
inflamables.
PARA SEGURIDAD: Siga las instrucciones de
mezcla y manipulación indicadas en los envases
de los productos químicos cuando utilice la
máquina.
HomeHome
Find...
Go To..
Find...
Go To..

OPERACIÓN
34 Speed Scrub 2001HD (09--04)
FUNCIONAMIENTO DE LA MÁQUINA
PARA SEGURIDAD: No utilice la máquina salvo
que el operario haya leído y comprendido el
manual de instrucciones.
ADVERTENCIA: Peligro de incendio o
explosión. NUNCA haga funcionar la máquina
sobre o en las proximidades de líquidos, vapores
o polvos inflamables.
COMPROBACIONES PREVIAS A LA PUESTA EN
FUNCIONAMIENTO
1. Barra el suelo y quite el polvo que pueda quedar
con una mopa.
2. Controle el nivel de carga de la batería para
asegurarse que de las baterías estén
completamente cargadas (Consulte CARGA DE
LAS BATERÍAS).
3. Controle que están instalados los cepillos o
almohadillas.
4. Controle que está instalada la escobilla de goma.
5. Fregado con espuma (modelo FaST): Compruebe
el nivel del concentrado FaST--PAK.
6. Fregado con espuma (modelo FaST): Asegúrese
de que el depósito de disolución esté lleno sólo
con agua limpia y fría, sin ningún tipo de
detergente.
UTILIZACIÓN DE LA MÁQUINA
NOTA: Refiérase a las página 35 por procedimientos
adicionales de operación, si su máquina está
equipada con la opción de FaST.
1. Ajuste los mandos de control a una altura de
funcionamiento cómoda, junte las dos palancas
que se encuentran bajo la consola (Figura 14).
FIG. 14
2. Suelte la palanca de elevación de la escobilla de
goma de la posición superior y baje la escobilla de
goma (Figura 15).
FIG. 15
3. Encienda el conmutador principal.
4. Baje el cabezal de fregado hasta el suelo
pulsando la mitad inferior (+) del interruptor de la
presión del cepillo (Figura 16).
FIG. 16
5. Encienda los interruptores de aspiración y del
cepillo.
NOTA: El cepillo y el flujo de disolución no empezarán
a funcionar hasta girar los mandos de control.
6. Antes de arrancar, gire el mando de control de la
velocidad a la velocidad más lenta (Figura 17).
7. Comience la operación de fregado girando hacia
delante los mandos de control. Aumente
gradualmente la velocidad girando hacia delante
los mandos de control de la velocidad (Figura 17).
HomeHome
Find...
Go To..
Find...
Go To..

OPERACIÓN
35
Speed Scrub 2001HD (09--04)
FIG. 17
8. Controle la posición de la aguja del indicador de la
presión del cepillo cuando la máquina empiece a
moverse. Pulse el interruptor de la presión del
cepillo para ajustar correctamente la presión del
cepillo. No utilice nunca la máquina con la aguja
en la zona roja (Figura 18).
FIG. 18
ATENCIÓN: Para evitar el posible deterioro del
acabado del suelo y la activación del cortacircuitos
del cepillo NO utilice la máquina cuando la aguja de
la presión del cepillo se encuentra en la zona roja.
9. Para utilizar la máquina marcha atrás,
simplemente tire hacia atrás del interruptor de
marcha atrás (una velocidad) (Figura 19).
FIG. 19
10. Para detener la máquina suelte los mandos de
control.
OPERACIÓN DEL SISTEMA LIMPIADOR FaST
(MODELO FaST)
(Tecnología de fregado con espuma--FaST)
A diferencia del fregado convencional, el sistema
FaST inyecta sobre el suelo el producto patentado
concentrado FaST--PAK con una pequeña cantidad de
agua y aire comprimido. La mezcla crea una gran
cantidad de espuma húmeda expandida para que el
cepillo friegue el suelo. A medida que la máquina se
desplaza hacia adelante, la espuma se contrae y la
escobilla de goma retira la solución impregnada de
suciedad en el depósito de recuperación dejando el
suelo completamente seco evitando resbalones.
La utilización del sistema de fregado con espuma
FaST puede incrementar un 30% la eficacia del
fregado gracias a la reducción del ciclo de
vaciado/llenado. También reduce el empleo de
productos químicos y el espacio necesario para el
almacenamiento. Un paquete FaST--PAK puede fregar
hasta 90,000 m2(1,000,000 ft2).
NOTA: El modelo FaST también puede utilizarse
como una fregadora convencional. Sin embargo, es
importante que siga las instrucciones del operador en
este manual para evitar fallos del sistemas FaST.
1. Asegúrese que la caja de concentrado de limpieza
de pisos FaST--PAK esté bien instalada (Vea
INSTALACIÓN DEL AGENTE FaST--PAK).
2. Asegúrese que el tanque de solución esté lleno de
agua limpia y fría solamente. NO agregue agentes
limpiadores convencionales al tanque de solución.
Agentes/Restauradores convencionales de
limpieza en el tanque de solución pueden ser en
una falla prematura del sistema FaST.
3. Oprima el conmutador de FaST
Scrub/Conventional hacia la posición de modo de
FaST Scrub (Figura 20).
NOTA: Para limpiar con agua limpia solamente,
simplemente oprima el conmutador de FaST
Scrub/Conventional Scrub hacia la posición de modo
de Conventional Scrub. Esto le permite operar la
máquina en una aplicación de enjuague.
FIG. 20
HomeHome
Find...
Go To..
Find...
Go To..

OPERACIÓN
36 Speed Scrub 2001HD (09--04)
4. Coloque el interruptor principal y el de los cepillos
en la posición de encendido.
NOTA: La velocidad del flujo de agua del tanque de
solución se regula automáticamente mediante la
operación del sistema FaST. La velocidad del flujo de
solución no puede ajustarse mediante la perilla de
ajuste de control de la solución durante el modo de
FaST Scrub.
5. Para comenzar a limpiar siga las instrucciones
estándar de OPERACIÓN DE LA MÁQUINA.
AL UTILIZAR LA MÁQUINA
PARA SEGURIDAD: Conduzca despacio cuando
utilice la máquina en pendientes o superficies
resbaladizas.
ADVERTENCIA: Peligro de incendio o
explosión. NO recoja materiales inflamables ni
metales reactivos.
1. Superponga cada pasada de fregado 2 pulg.
(5 cm).
2. Fregado convencional: Ajuste el botón para
controlar la cantidad de flujo de disolución al suelo
(Figura 21).
FIG. 21
3. Fregado convencional: Vierta un producto para el
control de la formación de espuma en el depósito
de recuperación si existe exceso de espuma.
ATENCIÓN: No permita que la espuma se
introduzcan en el filtro del flotador de cierre de la
aspiración porque podría averiar el motor de
aspiración. La espuma no activará el filtro del
flotador de cierre.
4. Si la escobilla de goma deja marcas, eleve la
escobilla de goma y limpie las láminas con un
paño. Realice un barrido previo de la zona para
evitar la formación de marcas.
5. Reduzca la velocidad siempre que friegue cerca
de paredes u obstáculos.
6. Para mantener el control sobre la máquina,
reduzca la velocidad siempre que tome curvas.
7. Cambie o gire la almohadilla cuando estén sucias.
8. Manténgase alejado de obstáculos del suelo como
placas eléctricas o rejillas, romperían las
almohadillas.
9. No es necesario apagar ningún interruptor durante
las paradas cortas, los cepillos y el flujo de la
disolución se detendrán automáticamente al soltar
los mandos de control.
10. Controle periódicamente el nivel de carga de la
batería. Recargue las baterías cuando la aguja del
indicador se encuentre en la zona roja.
ATENCIÓN: No utilice la máquina cuando la aguja
del indicador del nivel de carga de la batería se
encuentre en la zona roja o podría dañar la
batería.
11. Controle la cantidad de disolución que queda
durante la operación de limpieza a través del tubo
indicador transparente. Cada marca de la
manguera indica cinco galones / 19 litros.
12. Cuando se vacíe el depósito de la disolución,
vacíe el depósito de recuperación. (Consulte el
apartado de VACIADO DE LOS DEPÓSITOS).
PARADA DE LA MÁQUINA
1. Apague el interruptor del cepillo, eleve los cepillos
y continúe aspirando hasta que se haya recogido
todo el agua sucia.
2. Suelte los mandos de control.
3. Eleve la escobilla de goma y el cabezal de
fregado.
4. Apague los interruptores.
PARA SEGURIDAD: Antes de abandonar o revisar
la máquina, deténgase en una superficie plana,
apague la máquina.
PARADA DE EMERGENCIA (OPCIÓN)
Pulse el botón de parada de emergencia, ubicado en
el panel de control, para detener la máquina en caso
de emergencia. Gire el botón en el sentido de las
agujas del reloj para reajustarlo (Figura 22).
FIG. 22
HomeHome
Find...
Go To..
Find...
Go To..

OPERACIÓN
37
Speed Scrub 2001HD (09--04)
CORTACIRCUITOS
La máquina está equipada con cortacircuitos de
protección.
Si se activan los cortacircuitos, no los reajuste
inmediatamente. Determine la causa de la activación
del cortacircuitos, deje que el motor se enfríe y
reajuste dicho cortacircuitos.
Los cortacircuitos del motor del cepillo se activarán
debido a una carga excesiva de la almohadilla.
Reduzca la presión de la almohadilla o sustitúyala si
se activa el cortacircuitos Los cortacircuitos del motor
del cepillo (35 amp) se encuentran cerca del enchufe
del cargador.
Los cortacircuitos principal (10 amp) y de
impulsión/aspiración (35 amp) se encuentran en la
parte trasera de la máquina (Figura 23).
Modelo FaST
Los corta-
circuitos
del motor
del cepillo
FIG. 23
VACIADO DE LOS DEPÓSITOS
Debe vaciarse y limpiarse el depósito de recuperación
después de cada uso. El depósito de disolución debe
limpiarse periódicamente para retirar cualquier
corrosión.
Transporte la máquina a un punto de vaciado, apague
la llave de alimentación y realice las siguientes
instrucciones de vaciado:
PARA SEGURIDAD: Antes de abandonar o revisar
la máquina, deténgase en una superficie plana,
apague la máquina.
VACIADO DEL DEPÓSITO DE RECUPERACIÓN
1. Retire el tapón de la manguera de vaciado del
depósito de recuperación girándolo en sentido
contrario a las agujas del reloj y vacíe el depósito.
Para vaciar completamente el depósito de
recuperación abra la tapa del depósito
lateralmente y coloque la barra de apoyo para
colocar el depósito sobre ella (Figura 24).
FIG. 24
NOTA: Cuando se utilice un cubo para vaciar la
máquina, no utilice el mismo cubo para llenar el
depósito de disolución.
2. Aclare el depósito de recuperación después de
cada uso. Esto evitará malos olores. Destornille la
tapa transparente del depósito de recuperación.
Utilice una manguera para aclarar el depósito de
recuperación. Tenga cuidado de no introducir agua
en el flotador de cierre.
HomeHome
Find...
Go To..
Find...
Go To..

OPERACIÓN
38 Speed Scrub 2001HD (09--04)
3. Retire y limpie el filtro del flotador de cierre situado
en el depósito de recuperación (Figura 25).
FIG. 25
VACIADO DEL DEPÓSITO DE LA DISOLUCIÓN
1. Para vaciar el agua restante en el depósito de
disolución, saque la manguera de nivel del
depósito de disolución de su conector como se
muestra (Figura 26).
FIG. 26
2. Aclare el depósito de la disolución y el sistema de
flujo de la disolución con agua limpia después de
cada uso. Esto evitará el bloqueo debido a la
acumulación de productos químicos. Utilice la
manguera nivel/vaciado para vaciar el depósito de
la disolución.
3. Vuelva a colocar la manguera en su soporte.
Asegúrese de introducirla bien.
CARGA DE LAS BATERÍAS
ATENCIÓN: Para prolongar la vida útil de las
baterías y obtener un rendimiento óptimo de la
máquina, recargue ÚNICAMENTE las baterías si se
ha utilizado la máquina más de 30 minutos. No
deje nunca las baterías descargadas durante
periodos largos.
Las siguientes instrucciones de carga se refieren sólo
a los cargadores suministrados con la máquina. Utilice
únicamente cargadores de baterías de las siguientes
características para evitar el deterioro de las baterías.
CARACTERÍSTICAS DEL CARGADOR DE
BATERÍAS:
STIPO DE CARGADOR: PARA BATERÍAS DE PLOMO
CON ÁCIDO
SVOLTAJE DE SALIDA 24 VOLTIOS
SCORRIENTE DE SALIDA 25 AMP
SCIRCUITO DE CIERRE AUTOMÁTICO
SPARA CARGAR BATERÍAS DE CICLO PROFUNDO
1. Dirija la máquina a una zona bien ventilada para
cargar las baterías.
ADVERTENCIA: Peligro de incendio o
explosión. Las baterías emiten hidrógeno.
Mantenga chispas y llamas alejadas de la
máquina. Mantenga el compartimento de la batería
abierto mientras realiza la operación de carga.
2. Antes de cargar las baterías, compruebe el nivel
de electrólito en cada elemento de la batería
(Figura 27).
FIG. 27
HomeHome
Find...
Go To..
Find...
Go To..

OPERACIÓN
39
Speed Scrub 2001HD (09--04)
PARA SEGURIDAD: Al revisar la máquina, utilice
guantes y gafas de protección cuando manipule
las baterías y sus cables. Evite el contacto con el
ácido de la batería.
El nivel del electrólito (A) debe cubrir ligeramente
los electrodos de la batería (B). Añada agua
destilada si es necesario. NO LLENE EN
EXCESO, el nivel del líquido puede expandirse y
desbordarse al cargar. Coloque de nuevo las
tapas de los elementos antes de la operación de
carga (Figura 28).
A
B
FIG. 28
3. Conecte el cable de alimentación eléctrica de CA
del cargador a un enchufe con toma de tierra
adecuada (Figura 29).
ENCHUFE CONEC-
TADO A TIERRA (3
ORIFICIOS)
CLAVIJA DE
CONEXION
A TIERRA
FIG. 29
4. Enchufe el conector de salida CC del cargador al
conector de la batería situado cerca del
compartimento de la batería (Figura 30).
FIG. 30
5. El cargador comenzará la carga automáticamente
y se apagará cuando la carga sea completa.
6. Coloque el depósito de recuperación sobre su
soporte para facilitar la ventilación durante la
carga (Figura 31).
FIG. 31
ATENCIÓN: No desenchufe del receptáculo de la
máquina el cable de CC del cargador cuando esté
en funcionamiento. Pueden producirse arcos
voltaicos. Si es necesario interrumpir la carga,
desenchufe el cable de alimentación de CA
primero.
ADVERTENCIA: Peligro de incendio o
explosión. Las baterías emiten hidrógeno.
Mantenga chispas y llamas alejadas de la
máquina. Mantenga el compartimento de la batería
abierto mientras realiza la operación de carga.
7. Después de realizar la carga, compruebe el nivel
del electrólito (A) de nuevo. El nivel debe estar a
aproximadamente 1 cm de la parte inferior del
orificio de llenado (B) (Figura 32). Añada agua
destilada en caso necesario. NO LLENE EN
EXCESO.
A
B
FIG. 32
HomeHome
Find...
Go To..
Find...
Go To..

OPERACIÓN
40 Speed Scrub 2001HD (03--05)
MANTENIMIENTO DE MÁQUINA
Para mantener la máquina en buenas condiciones de
funcionamiento bastará realizar las siguientes
operaciones de mantenimiento diaria, mensual o
trimestralmente.
ADVERTENCIA: Peligro eléctrico. Desconecte
los cables de la batería antes de realizar
reparaciones en la máquina.
MANTENIMIENTO DIARIO
(Después de cada uso)
1. Vacíe y limpie el depósito de recuperación.
2. Retire y limpie el filtro del flotador de cierre situado
en el depósito de recuperación (Figura 33).
FIG. 33
3. Vacíe el depósito de disolución y enjuague el
interior con agua (a un máximo de 60°C/140°F)
si es necesario.
4. Retire la almohadilla/cepillo y realice la limpieza.
Gire las almohadillas o sustitúyalas cuando estén
desgastadas.
5. Limpie las láminas de la escobilla de goma.
Guarde el conjunto de la escobilla de goma en la
posición elevada para evitar que se estropee.
6. Compruebe el estado del borde de secado de la
lámina de la escobilla de goma. Gire la lámina si
está gastada (Consulte SUSTITUCIÓN DE LA
LÁMINA DE LA ESCOBILLA DE GOMA.)
7. Limpie la máquina con un limpiador general y con
un paño húmedo (Figura 34).
PARA SEGURIDAD: Cuando limpie la máquina, no
moje la máquina rociándola o utilizando una
manguera. Pueden producirse fallos eléctricos.
FIG. 34
8. Modelo FaST: Conecte la manguera de
alimentación FaST--PAK al tapón de
almacenamiento cuando no se esté utilizando
(Figura 35). Retire el concentrado resecado del
conector de la manguera humedeciéndolo con
agua caliente.
FIG. 35
9. Recargue las baterías después de haberlas
utilizado durante un tiempo mínimo de 30 minutos
(Consulte CARGA DE LAS BATERÍAS.)
MANTENIMIENTO MENSUAL
(Cada 80 horas de uso)
1. Controle el nivel del agua de los elementos de la
batería (Consulte el apartado de
MANTENIMIENTO DE LAS BATERÍAS).
2. Limpie la parte superior de la batería para evitar la
formación de corrosión (Consulte el apartado de
MANTENIMIENTO DE LAS BATERÍAS).
3. Compruebe si hay conexiones de cables de las
baterías sueltos.
4. Extraiga el filtro en línea. Antes de extraer el filtro,
asegúrese de que el depósito de la disolución está
vacío. El filtro se encuentra debajo de la máquina
en la parte trasera (Figura 36).
HomeHome
Find...
Go To..
Find...
Go To..

OPERACIÓN
41
Speed Scrub 2001HD (03--05)
FIG. 36
5. Lubrique los puntos de lubricación de la ruedecilla
con grasa impermeable.
6. Lubrique todos los puntos pivotantes de conexión
con un spray de silicona y luego con una capa de
grasa impermeable para permitir un
funcionamiento suave.
7. Compruebe si hay tuercas y tornillos sueltos en la
máquina.
8. Controle si debajo de la máquina existen manchas
que indiquen la presencia de fugas.
MANTENIMIENTO TRIMESTRAL
(Cada 250 horas de uso)
Inspeccione el motor propulsor del eje transversal, los
motores de aspiración y los motores de los cepillos,
por desgaste de las escobillas de carbón. Reemplace
las escobillas cuando estén desgastadas a un largo de
10 mm (0.38 pulg) o menos.
Póngase en contacto con un Centro de Servicio
autorizado para reparar las reparaciones
necesarias.
PARA SU SEGURIDAD: Todas las reparaciones
deben ser realizadas por una persona de servicio
calificada.
ADVERTENCIA: Peligro eléctrico. Desconecte
los cables de la batería antes de realizar
reparaciones en la máquina.
SUSTITUCIÓN DE LA LÁMINA DE LA ESCOBILLA
DE GOMA
La rasqueta lleva dos hojas. La hoja trasera tiene
cuatro bordes limpiadores. La hoja delantera tiene dos
bordes limpiadores. Cuando las láminas se gasten,
simplemente gírelas obtener un nuevo borde de
secado. Sustituya la lámina si los bordes están
gastados.
Como recambiar o hacer rotar la hoja de rasqueta
trasera:
1. Extraiga el conjunto de la escobilla de goma de la
máquina.
2. Afloje la banda de fijación y retírela del conjunto
de la escobilla (Figura 37).
FIG. 37
3. Gire la lámina posterior para obtener un nuevo
borde de secado y vuelva a montar la banda
(Figura 38).
FIG. 38
Como recambiar o hacer rotar la hoja de rasqueta
delantera:
1. Extraiga el conjunto de la escobilla de goma de la
máquina.
2. Quitar los seis tornillos de orejas que fijan el
sujetador y la hoja en el bastidor de la rasqueta.
Hacer rotar la hoja en sentido horizontal para que
un borde limpiador nuevo quede en la parte
delantera. Asegúrese de que el borde ranurado
está boca abajo (Figura 39).
FIG. 39
HomeHome
Find...
Go To..
Find...
Go To..

OPERACIÓN
42 Speed Scrub 2001HD (09--04)
AJUSTE DE LAS LÁMINAS DE LA ESCOBILLA
Para obtener un rendimiento óptimo de la lámina de la
escobilla, las ruedecillas del conjunto de la escobilla
deben ajustarse a una altura especificada como se
describe a continuación.
1. Para comprobar el correcto ajuste del conjunto de
la escobilla, retire el conjunto de la escobilla de la
máquina y colóquelo sobre una superficie
horizontal. Mida la distancia entre la ruedecilla y la
superficie. Debe medir aproximadamente 2 mm
(1/16 in) (Figura 40).
2. Para ajustar la altura de la ruedecilla, afloje la
tuerca superior y retire la cubierta de plástico del
cojinete para acceder a la tuerca de ajuste. Gire la
tuerca de ajuste hasta que el ajuste sea el
correcto (Figura 40). Después de realizar el
ajuste, apriete la tuerca superior y vuelva a
colocar la cubierta de plástico del cojinete. Repita
la misma operación con la otra ruedecilla.
2mm
(1/16 in)
FIG. 40
3. Durante el funcionamiento de la máquina, con las
ruedecillas adecuadamente ajustadas, las láminas
de la escobilla deben curvarse como se muestra
(Figura 41).
FIG. 41
MANTENIMIENTO DE LAS BATERÍAS
ADVERTENCIA: Peligro de incendio o
explosión. Las baterías emiten hidrógeno.
Mantenga chispas y llamas alejadas de la
máquina. Mantenga el compartimento de la batería
abierto mientras realiza la operación de carga.
PARA SEGURIDAD: Al revisar la máquina, utilice
guantes y gafas de protección cuando manipule
las baterías y sus cables. Evite el contacto con el
ácido de la batería.
1. Compruebe la densidad específica utilizando un
densímetro para determinar el nivel de carga y el
estado de las baterías (Figura 42). Si el valor de
uno o más elementos de la batería es inferior al
de los otros elementos de la batería (0,050 ó
más), este elemento está deteriorado, en
cortocircuito o a punto de fallar. Compare los
valores obtenidos con el densímetro con los del
siguiente esquema para determinar el nivel de
carga que queda en la batería.
NOTA: No tome medidas inmediatamente después de
añadir agua destilada. Si el agua y el ácido no están
bien mezclados, es posible que el valor medido puede
no sea correcto.
FIG. 42
DENSIDAD ESPECÍFICA a
27_C(80_F) CARGA DE LA BATERÍA
1,265 100% DE CARGA
1,223 75% DE CARGA
1,185 50% DE CARGA
1,148 25% DE CARGA
1,110 DESCARGADA
NOTA: Si la temperatura del electrólito de la batería a
la que se miden los valores no es de 27_C(80_F),
deberá corregir el valor dependiendo de la
temperatura. Sume o reste 0,004, 4 puntos, al valor
de la densidad específica por cada 6_C(43_F) de
diferencia por encima o debajo de 27_C(80_F).
HomeHome
Find...
Go To..
Find...
Go To..

OPERACIÓN
43
Speed Scrub 2001HD (09--04)
2. Siga siempre las instrucciones de la operación de
carga (consulte CARGA DE LAS BATERÍAS).
3. Controle el nivel de electrólito (A) en todos los
elementos de las baterías después de realizar la
operación de carga. El nivel debe estar a
aproximadamente 1 cm de la parte inferior del
orificio de llenado (B). Añada agua destilada en
caso necesario (Figura 43). NO LLENE EN
EXCESO.
A
B
FIG. 43
4. Mantenga limpias las partes superiores de las
baterías para evitar la corrosión.
Limpieza de las baterías:
PARA SEGURIDAD: Al revisar la máquina, utilice
guantes y gafas de protección cuando manipule
las baterías y sus cables. Evite el contacto con el
ácido de la batería.
a. Haga una solución concentrada de
bicarbonato y agua (Figura 44).
FIG. 44
b. Rocíe ligeramente las partes superiores de las
baterías y conectores de cables con la
disolución.
NOTA: No permita que la solución de bicarbonato se
introduzca en los elementos de las baterías.
c. Utilice un cepillo de cerdas metálicas para
limpiar los bornes y conectores de cables.
d. Después de la limpieza, aplique una capa de
protector transparente de bornes de baterías
a los bornes y conectores de cables.
5. Controle si existen cables gastados o sueltos.
Sustitúyalos si están gastados.
TRANSPORTE DE LA MÁQUINA
Cuando transporte la máquina en un camión o
remolque, asegúrese de seguir los pasos siguientes
para sujetar la máquina:
PARA SEGURIDAD: Conduzca despacio cuando
utilice la máquina en pendientes o superficies
resbaladizas.
1. Retire la escobilla de goma de la máquina y
levante el cabezal de fregado. Deje instalado el
cepillo o la almohadilla.
2. Cargue la máquina utilizando la rampa de carga
recomendada.
3. Coloque la parte delantera de la máquina contra la
parte delantera del remolque o camión. Una vez
colocada la máquina, baje el cabezal de barrido.
4. Coloque un calzo detrás de la rueda tractora y de
las ruedecillas traseras.
5. Pase las cintas de sujeción por la parte superior
de la máquina y sujételas al suelo. Puede ser
necesario instalar varios soportes de sujeción en
el suelo de su camión o remolque.
ALMACENAMIENTO DE LA MÁQUINA
1. Cargue las baterías antes de guardar la máquina.
No guarde nunca máquina con las baterías
descargadas.
2. Vacíe y aclare bien los depósitos.
3. Guarde la máquina en lugar fresco y seco, con la
escobilla de goma y el cabezal de fregado en la
posición elevada.
4. Abra la tapa del depósito de recuperación para
facilitar la circulación de aire.
ATENCIÓN: No permita que la lluvia moje la
máquina, guárdela en lugares cerrados.
5. Si guarda la máquina a temperaturas inferiores a
0°C, asegúrese de vaciar todo el agua de la
máquina.
HomeHome
Find...
Go To..
Find...
Go To..

OPERACIÓN
44 Speed Scrub 2001HD (09--04)
RECOMENDACIONES PARA EL
ALMACENAMIENTO
Consulte la sección de Lista de Repuestos para ver
que productos son los recomendados. Los elementos
de almacén están claramente identificados con una
marca colocada delante de la descripción de la pieza.
Consulte el siguiente ejemplo:
LOCALIZACIÓN DE AVERÍAS
PROBLEMA CAUSA SOLUCIÓN
No hay alimentación, no funciona
nada. Defectuoso principal interruptor. Contactar con el Servicio Técnico.
Las baterías necesitan ser cargadas. Consultar el apartado de CARGA DE
LAS BATERÍAS.
Batería(s) defectuosa(s). Sustituir la(s) batería(s).
Cable de la batería suelto. Fijar el cable suelto.
Cortacircuitos principal activado. Determinar la causa y reajustar el
botón del cortacircuitos.
El motor de cepillo no funciona. El interruptor del cepillo no está
encendido. Encender el interruptor del cepillo.
Los mandos de control no están
girados. Girar los mandos de control.
Cortacircuitos del cepillo activado(s). Limpiar o sustituir la almohadilla y
reajustar el botón del cortacircuitos.
Cableado o motor del cepillo
defectuosos. Contactar con el Servicio Técnico.
Cepillos de carbón gastados. Contactar con el Servicio Técnico.
Interruptor del cepillo defectuoso o
solenoide defectuoso. Contactar con el Servicio Técnico.
Motor de aspiración no funciona. Interruptor de aspiración defectuoso. Contactar con el Servicio Técnico.
Cortacircuitos de aspiración activado. Retirar la obstrucción y reajustar el
cortacircuitos.
Cableado o motor del aspiración
defectuosos. Contactar con el Servicio Técnico.
Cepillos de carbón gastados. Contactar con el Servicio Técnico.
HomeHome
Find...
Go To..
Find...
Go To..

OPERACIÓN
45
Speed Scrub 2001HD (09--04)
LOCALIZACIÓN DE AVERÍAS -- continuación
PROBLEMA CAUSA SOLUCIÓN
Motor de avance no funciona. Cortacircuitos del motor de impulsión
activado. Determinar la causa y reajustar el
cortacircuitos.
Circuito de control de la velocidad o
conexión defectuoso. Contactar con el Servicio Técnico.
Solenoide defectuoso. Contactar con el Servicio Técnico.
Motor de impulsión defectuoso. Contactar con el Servicio Técnico.
Cableado defectuoso. Contactar con el Servicio Técnico.
Cepillos de carbón gastados. Contactar con el Servicio Técnico.
Los motor de impulsión funcionan
pero no correctamente. Potenciómetroocircuitodecontrolde
la velocidad defectuoso. Contactar con el Servicio Técnico.
Conexión del cable suelta Contactar con el Servicio Técnico.
Flujodeladisoluciónescasoo
nulo. Es necesario ajustar el botón de
ajuste del flujo de la disolución. Gire el botón de ajuste del flujo de
disolución en el sentido de las agujas
del reloj para aumentar el flujo.
Tubería de la disolución o filtro del
depósito de la disolución bloqueados. Retirar la manguera e introducir aire
comprimido a través de su orificio.
Aclarar el depósito de la disolución
después de cada uso.
Válvula o solenoide de la disolución
bloqueados. Retirar la válvula o el solenoide y
limpiar. No raye el interior de la válvula.
Interruptor o solenoide de la disolución
defectuoso. Contactar con el Servicio Técnico.
Afloje el tornillo de fijación del mando
de la disolución Calibre el mando y vuelva a apretar
tornillos.
Tiempo de funcionamiento
demasiado corto. Las baterías no están totalmente
cargadas. Cargar las baterías.
Elemento defectuoso en una o más
baterías. Sustituir la batería.
Las baterías necesitan una revisión. Consultar el apartado de
MANTENIMIENTO DE LA BATERÍA.
Cargador defectuoso. Sustituir el cargador.
Recogida de agua insuficiente. Depósito de recuperación lleno. Vaciar el depósito de recuperación.
Filtro del flotador de cierre del interior
del depósito de recuperación
bloqueado.
Extraer el filtro y limpiar.
Escobilla de goma bloqueada. Limpiar la escobilla de goma.
Láminas de la escobilla de goma
gastadas. Sustituir las láminas de la escobilla de
goma.
Tornillos de orejas de la escobilla de
goma sueltos. Apretar los tornillos de orejas.
Conexiones de la manguera de
aspiración sueltas o la manguera está
perforada.
Introducir bien la manguera de
aspiración en sus conexiones.
Sustituir la manguera si está dañada.
Manguera de aspiración bloqueada. Retirar los residuos bloqueados.
HomeHome
Find...
Go To..
Find...
Go To..

OPERACIÓN
46 Speed Scrub 2001HD (09--04)
LOCALIZACIÓN DE AVERÍAS -- continuación
Recogida de agua insuficiente --
continuación. Orificio de entrada del depósito de
recuperación bloqueado. Vaciar el depósito de recuperación y
levantarlo lateralmente para poder
acceder al orificio de entrada, retirar la
obstrucción.
Junta del depósito defectuosa. Sustituir la junta.
Tapón de la manguera de vaciado mal
cerrado. Cerrar bien el tapón de vaciado.
Tapa transparente del depósito de re-
cuperación floja. Cerrar bien la tapa.
Motor de aspiración flojo. Contactar con el Servicio Técnico.
Nivel de carga de la batería bajo. Cargar las baterías. No utilizar la
máquina cuando la aguja indicadora
del nivel de carga de la batería se
encuentra en la zona roja.
Las luces de seguridad no
funcionan. Bombilla fundida. Contactar con el Servicio Técnico.
Modelo FaST: El sistema FaST no
funciona o no lo hace
correctamente
El interruptor del sistema FaST no
está encendido. Encienda el interruptor del sistema
FaST.
La manguera de alimentación de
FaST--PAK no está conectada. Conecte la manguera de alimentación.
Se ha activado el interruptor de circui-
to FaST. Determine la causa y regradúe el
botón del interruptor de circuito de
10A.
Manguera de alimentación o conec-
tores del sistema FaST--PAK atasca-
dos.
Sumerja en agua caliente para
desatascar.
Envase de FaST--PAK vacío Sustituya el envase de FaST--PAK
Doblez en la manguera de suministro
de FaST--PAK Deshaga el doblez
Sistema de disolución FaST atascado Póngase en contacto con el Centro de
Servicio
Interruptor del sistema FaST defec-
tuoso Póngase en contacto con el Centro de
Servicio
Bomba averiada Póngase en contacto con el Centro de
Servicio
Filtro del depósito de disolución atas-
cado Vacíe el depósito de disolución, retire
el filtro del depósito de disolución, lim-
pie y vuelva a montar
HomeHome
Find...
Go To..
Find...
Go To..

OPERACIÓN
47
Speed Scrub 2001HD (09--04)
ESPECIFICACIONES
MODELO 2001HD
LONGITUD 1270mm (50 pulg.)
ANCHURA 790mm (31 pulg.)
ALTURA 990mm (39 pulg.)
PESO 220kg (487 lbs) --c/ baterías 323kg (712 lbs)
CAPACIDAD DEL DEPÓSITO DE
DIS./REC.64L (17 gal)
CONTROL DE LA VELOCIDAD Hacia delante variable. / Fixed Rev./ Marcha atrás fija.
VELOCIDAD DE LIMPIEZA (MAX) 1923.6m2(20,000 sq. ft.) por hora
ANCHURA DEL CARRIL DE
LIMPIEZA 508mm (20 pulg.)
DIÁMETRO DE LA ALMOHADILLA 508mm (20 pulg.)
PRESIÓN DE LA ALMOHADILLA Variable 18--59kg ( 40--130 lbs)
ANCHURA DE LA ESCOBILLA DE
GOMA 839mm (33 pulg.)
SISTEMA DE IMPULSIÓN Eje de transmisión, .2 h.p., 24V
MOTOR DEL CEPILLO .75 c.v., 220 rpm, 24V, 20A, 550W
MOTOR DE ASPIRACIÓN .75 c.v., 3--tiempos 5.7”, 24V, 21A, 550W
ELEVACIÓN DE AGUA 1720mm (68 pulg.)
BATERÍAS 2--12V, 215AH
AUTONOMÍA POR CARGA Hasta 4 horas
NIVEL DE RUIDO EN DECIBELIOS
A LA ALTURA DEL OPERARIO EN
RECINTO CERRADO CON SUELO
DE BALDOSAS.
77dB(A)
SISTEMA FaST -- MODELO FaST
BOMBADEDISOLUCIÓN 24 voltios CC, 3,5 A, 5,6 LPM de flujo, 4,13 bar de ajuste de derivación
FLUJO DE LA DISOLUCIÓN 0,47 LPM
FLUJO DE CONCENTRADO 0,47 CC/Minuto
RELACIÓN DE DILUCIÓN CONCENTRA-
DO:AGU 1:1000
HomeHome
Find...
Go To..
Find...
Go To..

FONCTIONNEMENT
48 Speed Scrub 2001HD (06--06)
Ce manuel est fourni avec chaque nouveau modèle.
Il contient les instructions d’utilisation et d’entretien
nécessaires, ainsi qu’une liste des pièces détachées
avec des illustrations.
Lisez complètement ce manuel et
familiarisez--vous avec la machine avant de
l’utiliser ou de l’entretenir.
Lorsque vous commandez des pièces de rechange,
utilisez la section des listes de pièces détachées
illustrées de ce manuel. Avant de commander des
pièces ou des fournitures, soyez sûr d’avoir avec vous
le numéro de modèle de la machine et le numéro de
série. Les pièces et les fournitures se commandent
par téléphone ou par courrier auprès de tout centre de
dépannage agréé, de tout distributeur ou de l’une des
filiales du fabricant.
Cette machine vous fournira d’excellents services.
Toutefois, vous obtiendrez les meilleurs résultats pour
un prix de revient minimum si:
SLa machine est manipulée avec un certain soin.
SLa machine fait l’objet d’un entretien régulier -
conformément aux instructions d’entretien de ce
manuel.
SL’entretien de la machine est effectué avec des
pièces fournies par le fabricant ou des pièces
équivalentes.
PROTECTION DE
L’ENVIRONNEMENT
Veuillez éliminer les matériaux
d’emballage, les composants
d’anciennes machines comme les
batteries, les fluides dangereux tels que
l’antigel ou l’huile, d’une manière sûre au
point de vue environnemental, suivant la
règlementation locale en vigueur en
matière d’élimination des déchets.
N’oubliez pas de toujours recycler.
DONNÉES DE LA MACHINE
A remplir au moment de l’installation à titre de
référence.
No. modèle -
Date d’installation -
Nº de série -
HomeHome
Find...
Go To..
Find...
Go To..

FONCTIONNEMENT
49
Speed Scrub 2001HD (06--06)
TABLE DES MATIÈRE
MESURES DE SÉCURITÉ 50...................
ÉTIQUETTES DE MISE EN GARDE 51..........
COMPOSANTS DE LA MACHINE 52............
SYMBOLES DU TABLEAU DE COMMANDE 53...
INSTALLATION DE LA MACHINE 54............
DÉBALLAGE DE LA MACHINE 54...........
MISE EN PLACE DES BATTERIES 54........
MISE EN SERVICE DE LA MACHINE 55.........
FIXATION DU BLOC DE RACLOIR 55........
INSTALLATION DU PIGNON MENANT
DE BROSSE OU DE PATIN 55..............
INSTALLATION DE L’AGENT FaST--PAK
(MODÈELE FaST) 56......................
REMPLISSAGE DU RÉSERVOIR
DE SOLUTION 57.........................
FONCTIONNEMENT DE L’APPAREIL 58.........
VÉRIFICATIONS PRÉLIMINAIRES 58........
ACTIONNEMENT DE LA MACHINE 58.......
UTILISATION DU SYSTÈME FaST SCRUB
(MODÈLE FaST) 59........................
PENDANT LE FONCTIONNEMENT DE LA
MACHINE 60..............................
ARRET DE LA MACHINE 61.................
ARRÊT D’URGENCE (OPTION) 61...........
COUPE--CIRCUIT 61.......................
VIDANGE DES RÉSERVOIRS 62................
VIDANGE DU RÉSERVOIR
DE RÉCUPÉRATION 62....................
VIDANGE DU RÉSERVOIR DE SOLUTION 62.
MISE EN CHARGE DES BATTERIES 63.........
ENTRETIEN DE LA MACHINE 64...............
ENTRETIEN QUOTIDIEN 64................
ENTRETIEN MENSUEL 65..................
ENTRETIEN TRIMESTRIEL 65..............
REMPLACEMENT DES LAMES
DE RALCOIR 65...........................
RÉGLAGEDESLAMESDERACLOIR 66.....
ENTRETIEN DES BATTERIES 67............
TRANSPORT DE LA MACHINE 68..............
ENTREPOSAGE DE LA MACHINE 68...........
ARTICLES DE STOCK RECOMMANDÉS 68......
DÉPISTAGE DES PANNES 69..................
DONNÉES TECHNIQUES 72...................
ELECTRICAL DIAGRAMS 74...................
PARTS LIST 76...............................
GROUPE REMPLACEMENT DES BROSSES
ET DU PIGNON MENANT DE PATIN 76......
ENSEMBLE DU RÉSERVOIR DE SOLUTION 78
GROUPE RESERVOIR DE RECUPERATION 80
GROUPE TABLEAU DE COMMANDE 82.....
TABLEAU DES COMPOSANTS (MODÈLE) 84.
ÉLECTRIQUE -- GROUPE DE BATTERIE 86..
GROUPE D’ENTRAINEMENT 88.............
GROUPE TÊTE DE BROSSAGE
DISQUE SIMPLE 90.......................
GROUPE TÊTE DE BROSSAGE
DISQUE SIMPLE 91.......................
GROUPE SOUFFLET JUPE 92
..............
GROUPE SOLUTION, MODÈLE FaST 94.....
GROUPE DE SOLUTION,
MODÈLE STANDARD 96...................
GROUPE COMMANDE DE RACLOIR 98......
GROUPE DE LA RACLETTE 100.............
OPTIONS 102..................................
ES GRUPE DE SOLUTION 102...............
GROUPE RACLOIR AUXILIAIRE
D’EXTRACTION 104........................
LOT COMPTEUR HORAIRE, ARRÊT
D’URGENCE, CONTACT ET KITS DE BASSE
TENSION 105.............................
HomeHome
Find...
Go To..
Find...
Go To..

FONCTIONNEMENT
50 Speed Scrub 2001HD (06--06)
MESURES DE SÉCURITÉ
Cette machine est conçue pour un usage
commercial. Elle est destinée exclusivement à
nettoyer les sols intérieurs à surface dure et ne
convient pas à un quelconque autre usage.
Utilisez uniquement des patins, des brosses et
des produits nettoyants pour sols disponibles
dans le commerce, prévus pour l’application de la
machine.
Tous les opérateurs sont tenus de lire et
comprendre les consignes de sécurité suivantes
et de se familiariser avec celles--ci.
Le symbole de mise en garde suivant et l’en--tête «
POUR VOTRE SECURITE » sont utilisés tout au long
de ce manuel comme indiqué dans leur description :
MISE EN GARDE : identifie la présence de
dangers ou les opérations dangereuses
susceptibles de blesser grièvement ou de
provoquer la mort.
POUR VOTRE SECURITÉ : identifie les
instructions qui doivent être suivies afin de
garantir la sécurité lors de l’utilisation de
l’équipement.
Le fait de ne pas respecter ces avertissements
peut entraîner des blessures, un choc électrique,
un incendie ou une explosion.
MISE EN GARDE : danger d’incendie ou
d’explosion :
-- N’utilisez jamais de liquides inflammables ou
n’utilisezpaslamachinedansouprèsde
liquides ou vapeurs inflammables ou de
poussières combustibles.
Cette machine n’est pas équipée de moteurs
protégés contre les explosions. Les moteurs
électriques émettent des étincelles au moment du
démarrage et pendant leur fonctionnement, ce qui
peut entraîner un incendie instantané ou une
explosion si la machine est utilisée dans une zone
où des vapeurs/liquides inflammables ou des
poussières combustibles, sont présents.
-- Ne ramassez pas de matériaux inflammables
ou de métaux réactifs.
-- Les batteries émettent du gaz hydrogène.
Evitez toute étincelle et toute flamme nue à
proximité des batteries. Laissez ouvert le
compartiment des batteries pendant la mise
en charge.
MISE EN GARDE : danger électrique.
Débranchez les câbles de la batterie avant
l’entretien ou la réparation de la machine.
Les signaux d’information ci--après indiquent les
situations potentiellement dangereuses pour
l’opérateur ou l’équipement :
POUR VOTRE SECURITÉ :
1. N’utilisez pas la machine :
-- avec des liquides inflammables ou près de
vapeurs inflammables, afin d’éviter le
risque d’explosion ou d’incendie
instantané.
-- Si vous n’y êtes pas formé et autorisé.
-- Avant d’avoir lu et compris le manuel
opérateur.
-- Si elle n’est pas en bon état de marche.
2. Avant de mettre en marche la machine :
-- Assurez--vous que tous les dispositifs de
sécurité se trouvent à leur place et
fonctionnent correctement.
3. Lors de l’utilisation de la machine :
-- Roulez lentement sur les pentes et sur les
surfaces glissantes.
-- Portez des chaussures antidérapantes.
-- Réduisez la vitesse dans les tournants.
-- Signalez immédiatement tout dommage
occasionnéàlamachineoutoutmauvais
fonctionnement.
-- Empêchez les enfants de jouer à proximité
de la machine.
-- Suivez les instructions de mélange et de
manipulation indiquées sur les conteneurs
chimiques.
4. Avant de quitter ou d’entretenir la machine :
-- Arrêtez la machine sur une surface
horizontale.
-- Coupez le contact de la machine.
5. Lors de l’entretien de la machine :
-- Évitez les pièces mobiles. Ne portez pas
de veste ou de chemise large ou de
manches amples.
-- Bloquez les roues de la machine avant de
la soulever avec un cric.
-- Utilisez un levier ou cric pouvant
supporter le poids de la machine.
-- Déconnectez les cosses des batteries
avant de travailler sur la machine.
-- Portez des gants et des lunettes de
protection lorsque vous maniez les
batteries ou les câbles de batteries.
HomeHome
Find...
Go To..
Find...
Go To..

FONCTIONNEMENT
51
Speed Scrub 2001HD (06--06)
-- Évitez tout contact avec l’acide des
batteries.
-- N’utilisez pas de jet de pression sur la
machine. Un dysfonctionnement électrique
risque de se produire.
-- Utilisez des pièces de rechanges fournies
ou agréées par le fabricant.
-- Toutes les réparations doivent être
effectuées uniquement par un technicien
qualifié.
-- Ne modifiez pas le design d’origine de la
machine.
6. Lors du transport de la machine :
-- Coupez le contact de la machine.
-- Demandez de l’aide pour soulever la
machine.
-- Ne soulevez pas la machine lorsque les
batteries sont installées.
-- Lorsque vous chargez la machine sur le
camion ou la remorque ou lorsque vous la
déchargez, utilisez une rampe
recommandée.
-- Utilisez des sangles pour arrimer la
machine sur le camion ou la remorque.
ÉTIQUETTES DE MISE EN GARDE
Les étiquettes de mise en garde se trouvent sur la machine aux endroits indiqués. Remplacez les étiquettes quand
elles sont endommagées ou qu’elles deviennent illisibles.
ÉTIQUETTE MISE EN GARDE -- SITUÉE SUR LE COUVERCLE DU RÉSERVOIR DE RÉCUPÉRATION.
ÉTIQUETTE MISE EN CHARGE DES
BATTERIES -- SITUÉE DANS LE
COMPARTIMENT DES BATTERIES.
MISE EN GARDE : danger d’incendie
ou d’explosion. Les batteries émettent du
gaz hydrogène. Evitez toute étincelle et
toute flamme nue à proximité des
batteries. Laissez ouvert le compartiment
des batteries pendant la mise en charge.
HomeHome
Find...
Go To..
Find...
Go To..

FONCTIONNEMENT
52 Speed Scrub 2001HD (06--06)
COMPOSANTS DE LA MACHINE
11
10
9
4765
22
13
21
18
23
25
19
15
2
16
8
20
3
1
12
14
17
2
25
27
26
1
29 28
35
33
36
34
31
32
36
30
24
Modèle FaST
37
38
1. Tableau de commande
2. Poignées de commande
3. Contact à clé (Option)
4. Interrupteur principal Marche/Arrêt
5. Interrupteur Marche/Arrêt d’extracteur
6. Commutateur Marche/Arrêt
Brosse/Solution
7. Commutateur de pression de
brossage (Augmentation/Diminution)
8. Indicateur de pression des brosses
9. Indicateur du niveau de charge des
batteries
10. Commutateur de marche arrière
11. Bouton de commande de la vitesse
12. Bouton d’arrêt d’urgence (Option)
13. Coupe--circuit principal, de l’extracteur
/du système d’entraînement
14. Levier de soulèvement du racloir
15. Compteur horaire (Option)
16. Bouton de réglage du débit de solution
17. Commutateur ES (brossage étendu)
(Option)
18. Vérindelatêtedebrossage
19. Leviers réglables du tableau de
commande
20. Tuyau de vidange du réservoir de
récupération
21. Tuyau de niveau/vidange du réservoir
de solution
22. Orifice de remplissage arrière
23. Bloc de racloir
24. Réservoir de récupération
25. Couvercle du réservoir de
récupération
26. Réservoir de solution
27. Orifice de remplissage de solution
28. Feux de sécurité
29. Compartiment des batteries
30. Prise du chargeur
31. Roues motrices
32. Roulettes arrière
33. Jupe de brosse
34. Carter de la jupe
35. Loquet du carter de la jupe
36. Roulettes de mur
37. Commutateur Brossage FaST/Brossage
conventionnel (Modèle FaST)
38. Système de diffusion FaST--PAK
(Modèle FaST)
HomeHome
Find...
Go To..
Find...
Go To..

FONCTIONNEMENT
Speed Scrub 2001HD (06--06) 53
SYMBOLES DU TABLEAU DE COMMANDE
Alimentation
principale
Extracteur
Indicateur du
niveau de charge
des batteries
aux.
Diminution de
la pression
des brosses
Augmentation
de la pression
des brosses
Indicateur de pression
des brosses
Grande vitesse
Petite vitesse
Marche arrière
Racloir relevé
Racloir abaissé
Distribution
de la solution
HomeHome
Find...
Go To..
Find...
Go To..

FONCTIONNEMENT
54 Speed Scrub 2001HD (06--06)
INSTALLATION DE LA MACHINE
DÉBALLAGE DE LA MACHINE
1. Vérifiez soigneusement si la caisse d’expédition
ne présente pas de dommages. Signalez
immédiatement tout dommage au transporteur.
2. Vérifiez la liste du contenu de la caisse. Contactez
le distributeur pour tout élément manquant.
Contenu :
SPignon menant de patin -- Option
S2 batteries de 12 V -- Option
SChargeur de batterie -- Option
SChariot de batterie (#601991)
SCâble de batterie de 38 cm (15 in) (#130364)
S1 paquet de concentré FaST--PAK 365
(#1017019) (Modèle FaST)
SBloc de racloir
Les brosses et les patins doivent être achetés
séparément.
3. Pour déballer votre machine, retirez les matériaux
d’expédition et les sangles qui fixent la machine
sur la palette. Placez une rampe à l’arrière de la
machine et faites reculer la machine avec
précaution, pour la descendre de la palette.
ATTENTION : ne faites pas rouler la machine de la
palette pour éviter de l’endommager, à moins
d’utiliser une rampe.
ATTENTION : afin d’éviter le risque
d’endommagement de la machine, installez les
batteries après avoir retiré la machine de la palette
d’expédition.
MISE EN PLACE DES BATTERIES
MISE EN GARDE : danger d’incendie ou
d’explosion. Les batteries émettent du gaz
hydrogène. Evitez toute étincelle et toute flamme
nue à proximité des batteries. Laissez Ouvert le
Capot du Compartiment des Batteries Lors de la
mise en charge.
POUR VOTRE SECURITÉ : lorsque vous
entretenez la machine, portez des gants et des
lunettes de protection quand vous maniez les
batteries et les câbles de batterie. Evitez tout
contact avec l’acide des batteries.
Caractéristiques des batteries :
deux batteries de 12 volts à cycle intensif. Consultez
votre distributeur agréé pour obtenir les batteries
spécifiques. La dimension maximale des batteries est
178 mm l x 381mm
L x 356 mm H.
1. Tournez tous les commutateurs en position OFF.
2. Faites pivoter avec précaution le réservoir de
récupération pour accéder au compartiment des
batteries. Retirez du compartiment les câbles de
batteries lâches (Figure 1).
FIG. 1
3. Placez avec précaution les batteries dans le
plateau qui se trouve au fond du compartiment et
connectez les bornes comme illustré (Figure 2).
ATTENTION : ne laissez pas tomber les batteries
dans le compartiment, afin d’éviter d’endommager
les batteries et le châssis de la machine.
(+) (--)
(+)(--)
FIG. 2
4. Avant de connecter les câbles de batterie, veillez
à ce que les bornes et les cosses soient propres.
Si nécessaire, utilisez un nettoyant pour cosses et
une brosse métallique.
REMARQUE : appliquez une mince couche de
graisse non métallique ou pulvérisez un produit de
protection sur les connexions de câbles, afin
d’empêcher la corrosion des batteries.
5. Reliez les câbles de batteries aux cosses des
batteries, comme indiqué (ROUGE SUR PLUS (+)
et NOIR SUR MOINS (--)) (Figure 2).
HomeHome
Find...
Go To..
Find...
Go To..

FONCTIONNEMENT
55
Speed Scrub 2001HD (06--06)
6. Tournez le commutateur principal en position ON
et vérifiez le niveau de charge des batteries afin
de vous assurer que celles--ci sont totalement
chargées. Chargez les batteries si nécessaire
(Voir CHARGE DES BATTERIES).
MISE EN SERVICE DE LA MACHINE
FIXATION DU BLOC DE RACLOIR
1. Coupez le contact de la machine.
POUR VOTRE SECURITÉ : Avant de quitter ou
d’entretenir la machine, arrêtez--la sur une surface
horizontale, coupez le contact.
2. Tirez sur le levier de soulèvement du racloir, pour
soulever la bride de montage du racloir (Figure 3).
FIG. 3
3. Desserrez les deux molettes qui se trouvent sur le
bloc racloir et faites glisser le racloir dans les
fentes de la bride de fixation du racloir. (Figure 4)
FIG. 4
4. Resserrez fermement les molettes.
5. Branchez le tuyau d’aspiration de la machine au
bloc racloir. (Figure 5)
FIG. 5
INSTALLATION DU PIGNON MENANT DE BROSSE
OU DE PATIN
1. Tournez le commutateur principal en position ON.
2. Soulevez la tête de brossage. Appuyez sur la
moitié supérieure (--) du commutateur de pression
de brossage pour augmenter la pression.
Maintenez le commutateur vers le bas jusqu’à ce
quelevérindelatêtedebrossages’arrête
(Figure 6).
FIG. 6
3. Coupez le contact de la machine.
POUR VOTRE SECURITÉ : Avant de quitter ou
d’entretenir la machine, arrêtez--la sur une surface
horizontale, coupez le contact.
HomeHome
Find...
Go To..
Find...
Go To..

FONCTIONNEMENT
56 Speed Scrub 2001HD (06--06)
4. Détachez le loquet noir à l’avant de la machine et
faites pivoter le carter de la jupe pour accéder au
moyeu du moteur (Figure 7).
FIG. 7
5. Sélectionnez le patin ou la brosse répondant le
mieux à vos besoins.
REMARQUE :consultez votre distributeur agréé pour
toute recommandation en matière de patin et de
brosse.
6. (Mise en place des patins) Fixez le patin sur le
pignon menant du patin avant de raccorder le
pignon sur le moyeu du moteur. Fixez le patin
avec la bague de blocage central (Figure 8).
FIG. 8
7. Alignez les ergots de montage du pignon menant
de patin avec les fentes du moyeu du moteur.
Faites tourner rapidement le tourillon en direction
de la bride à ressort du moyeu du moteur. Vérifiez
si la bride à ressort est bloquée dans un des
ergots du pignon avant d’utiliser la machine
(Figure 9).
FIG. 9
REMARQUE : Veillez toujours à ce que les surfaces
du pignon mentant de patin et du moyeu de moteur
soient propres avant d’installer le pignon. Ceci facilite
un démontage ultérieur du pignon menant de patin.
8. Refermez le carter de la jupe et replacez le loquet.
INSTALLATION DE L’AGENT FaST--PAK
(MODÈELE FaST)
1. Retirez l’éjecteur perforé du carton de concentré
FaST--PAK. N’enlevez pas le sac du carton. Tirez
le raccord de tuyau au travers de l’éjecteur et
retirez le bouchon orange (Figure 10).
ATTENTION : la formule de concentré FaST--PAK a
été spécialement conçue pour le système FaST.
N’utilisez JAMAIS un produit de substitution, ceci
peut provoquer l’endommagement de la machine.
POUR VOTRE SECURITÉ : lorsque vous utilisez la
machine, suivez toujours les instructions de
manipulation indiquées sur le conteneur
chimique.
FIG. 10
HomeHome
Find...
Go To..
Find...
Go To..

FONCTIONNEMENT
57
Speed Scrub 2001HD (06--06)
2. Placez le carton de FaST PAK dans le support de
carton situé à l’arrière de la machine et branchez
le tuyau d’alimentation sur le sac FaST PAK
(Figure 11).
REMARQUE : si du concentré séché est visible sur le
raccord du tuyau d’alimentation ou sur le raccord
FaST-- PAK, trempez--les dans l’eau chaude et
nettoyez--les.
FIG. 11
3. Lorsque vous n’utilisez pas le tuyau
d’alimentation, veillez à le brancher sur le bouchon
de stockage (Figure 12). Ceci permet d’éviter que
le système de solution FaST sèche et obstrue le
tuyau d’alimentation.
FIG. 12
PREMIÈRE UTILISATION (Modèle FaST) : le
système FaST est protégé contre le gel pendant le
transport. Vous devez faire fonctionner le système
FaST pendant 10 minutes pour répartir le mélange
d’antigel RV/de concentré FaST, avant de pouvoir
obtenir un moussage optimal.
REMPLISSAGE DU RÉSERVOIR DE SOLUTION
Retirez le couvercle de la porte de remplissage situé à
l’avant de la machine et remplissez le réservoir de
solution avec 64 l d’eau claire. Vous pouvez
également utiliser le trou de remplissage qui se trouve
à l’arrière de la machine pour remplir le réservoir de
solution. Le tube transparent qui se trouve sous le trou
de remplissage est pourvu de graduations tous les 19
litres qui indiquent la quantité d’eau dans le réservoir
(Figure 13).
POUR LE BROSSAGE MOUSSANT (modèle FaST)
:REMPLISSEZ LE RÉSERVOIR UNIQUEMENT
AVEC DE L’EAU CLAIRE FROIDE (< 21°C).
REMARQUE : n’utilisez PAS d’eau chaude et n’ajoutez
PAS de détergents pour sols conventionnels ; vous
risquez d’entraîner une panne du système FaST.
POUR LE BROSSAGE CONVENTIONNEL :
Remplissez le réservoir avec de l’eau (Température
maximale : 60°C). Versez un produit détergent
recommandé dans le réservoir de solution, suivant les
instructions de mélange figurant sur le flacon.
FIG. 13
REMARQUE : lorsque vous remplissez le réservoir de
solution avec un seau, assurez--vous que le seau est
propre. N’utilisez pas le même seau pour remplir et
pour vider la machine.
ATTENTION : pour le brossage conventionnel,
utilisez uniquement des produits détergents
recommandés. Un endommagement de la machine
dû à l’utilisation d’un détergent impropre,
entraînera l’annulation de la garantie.
MISE EN GARDE : danger d’incendie ou
d’explosion. N’utilisez jamais de liquides
inflammables.
POUR VOTRE SECURITÉ : lorsque vous utilisez la
machine, suivez les instructions de mélange et de
manipulation indiquées sur les conteneurs
chimiques.
HomeHome
Find...
Go To..
Find...
Go To..

FONCTIONNEMENT
58 Speed Scrub 2001HD (06--06)
FONCTIONNEMENT DE L’APPAREIL
POUR VOTRE SECURITÉ : N’utilisez pas la
machine avant d’avoir lu et compris le manuel.
MISE EN GARDE : danger d’incendie ou
d’explosion. N’utilisez jamais la machine dans ou
à proximité de liquides et vapeurs inflammables
ou de poussières combustibles.
VÉRIFICATIONS PRÉLIMINAIRES
1. Balayez le sol et essuyez--le pour enlever la
poussière.
2. Vérifiez le niveau de charge des batteries sur
l’appareil de mesure de la charge des batteries
pour vous assurer que les batteries sont chargées
(Voir CHARGE DES BATTERIES).
3. Assurez--vous que le patin ou la brosse est
installé.
4. Assurez--vous que le racloir est installé.
5. Brossage moussant (modèle FaST) : vérifiez le
niveau de concentré FaST--PAK.
6. Brossage moussant (modèle FaST) :
assurez--vous que le réservoir de solution est
rempli uniquement d’eau claire froide, sans
détergent.
ACTIONNEMENT DE LA MACHINE
REMARQUE : Si votre machine est équipée de
l’option FaST, reportez--vous à la page 59 pour
d’autres procédures d’opérations.
1. Réglez les poignées de commande à une hauteur
confortable en pressant l’un contre l’autre les deux
leviers sous le panneau de commande
(Figure 14).
FIG. 14
2. Relâchez le levier de soulèvement du racloir de la
position relevée et abaissez le racloir (Figure 15).
FIG. 15
3. Tournez le commutateur principal en position ON.
4. Abaissez la tête de nettoyage sur le sol en
appuyant sur la partie inférieure (+) du
commutateur de pression de brossage
(Figure 16).
FIG. 16
5. Tournez le commutateur principal et le
commutateur de brosse en position ON.
REMARQUE : La brosse et le système de distribution
de la solution ne se mettent pas en marche tant que
les poignées ne sont pas actionnées.
6. Avant de démarrer, placez le bouton de
commande de la vitesse sur le réglage de vitesse
minimale (Figure 17).
HomeHome
Find...
Go To..
Find...
Go To..

FONCTIONNEMENT
59
Speed Scrub 2001HD (06--06)
7. Commencez à nettoyer en tournant les poignées
de commande vers l’avant. Augmentez
progressivement votre vitesse en tournant le
bouton de commande de la vitesse vers l’avant
(Figure 17).
FIG. 17
8. Une fois que la machine commence à se déplacer,
contrôlez la position de l’aiguille de l’appareil de
mesure de la pression des brosses. Appuyez sur
le bouton de réglage de la pression des brosses
pour régler la pression de brossage. N’utilisez
jamais la machine dans la zone rouge
(Figure 18).
FIG. 18
ATTENTION : Pour éviter d’endommager le sol ou
de surcharger le moteur de la brosse, n’utilisez
pas la machine quand l’aiguille indiquant la
pression des brosses se trouve dans la zone
rouge.
9. Pour déplacer la machine en marche arrière, tirez
simplement le bouton de marche arrière vers
l’arrière (vitesse unique) (Figure 19).
FIG. 19
10. Pour arrêter la machine, relâchez les poignées de
commande.
UTILISATION DU SYSTÈME FaST SCRUB
(MODÈLE FaST)
(FaST-- Foam Scrubbing Technology = technologie de
brossage moussant) À la différence du brossage
conventionnel, le système FaST pulvérise sur le sol la
formule concentrée FaST--PAK brevetée, avec une
petite quantité d’eau et d’air. Le mélange crée un
grand volume de mousse humide expansée,
permettant à la brosse de nettoyer le sol. A mesure
que la machine avance, la mousse cesse d’être active
et le racloir dirige vers le réservoir de récupération la
solution salie, laissant le sol complètement sec et
non--glissant.
L’utilisation du brossage moussant (FaST) peut
augmenter la productivité de 30% en réduisant vos
cycles de vidage/remplissage. Elle permet également
de réduire l’utilisation de produits chimiques ainsi que
l’espace de stockage. Un FaST--PAK peut permettre
le brossage de 20 000 m2(1,000,000 ft2).
REMARQUE : le modèle FaST peut également être
utilisé pour le brossage conventionnel. Toutefois, il est
important que vous suiviez les instructions de ce
manuel, afin d’éviter une panne du système FaST.
1. Assurez--vous que le carton FaST--PAK est
correctement installé (Voir INSTALLATION DE
L’AGENT FaST--PAK).
2. Assurez--vous que le réservoir de solution est
rempli uniquement d’eau claire froide. N’ajoutez
PAS d’agents nettoyants conventionnels dans le
réservoir de solution. La présence d’agents
nettoyants/régénérateurs conventionnels dans le
réservoir de solution risque de provoquer la panne
prématurée du système FaST.
HomeHome
Find...
Go To..
Find...
Go To..

FONCTIONNEMENT
60 Speed Scrub 2001HD (06--06)
3. Placez le bouton de brossage FaST/conventionnel
en position de mode de brossage FaST
(Figure 20).
REMARQUE : Pour brosser à l’eau claire seulement, il
vous suffit de placer le bouton de brossage
FaST/conventionnel en position de mode de brossage
conventionnel. Ceci vous permet d’utiliser la machine
dans une application de rinçage.
FIG. 20
4. Assurez--vous que le bouton de solution principal
est en position ON.
REMARQUE : Le débit d’eau s’écoulant du réservoir
de solution est régulé automatiquement par l’activation
du système FaST. Pendant le brossage en mode de
brossage FaST, le débit de solution ne peut pas être
ajusté par l’intermédiaire du bouton de réglage de la
commande de solution.
5. Suivez les instructions standard de la section
FONCTIONNEMENT DE LA MACHINE pour
débuter le brossage.
PENDANT LE FONCTIONNEMENT DE LA
MACHINE
POUR VOTRE SECURITÉ : lors de l’utilisation de
la machine, roulez lentement sur les pentes et sur
les surfaces glissantes.
MISE EN GARDE : danger d’incendie ou
d’explosion. Ne ramassez pas de matériaux
inflammables ou de métaux réactifs.
1. Faites chevaucher de 51 mm (2 in) chaque
passage.
2. Brossage conventionnel : Observez la quantité de
solution diffusée sur le sol. Pour augmenter ou
diminuer la circulation d’eau, ajustez le bouton de
commande de solution (Figure 21).
FIG. 21
3. Brossage conventionnel : versez une solution de
contrôle de mousse recommandée dans le
réservoir de récupération, si un excès de mousse
apparaît.
ATTENTION : veillez à ne pas laisser pénétrer de
mousse dans le filtre d’arrêt à flotteur, afin d’éviter
l’endommagement du moteur de l’extracteur. La
mousse n’active pas le filtre d’arrêt à flotteur.
4. Si le racloir laisse des traînées, relevez le racloir
et essuyez les lames avec un chiffon. Balayez au
préalable la zone pour éviter la formation de
traînées.
5. Réduisez toujours la vitesse pour nettoyer le long
de murs ou d’obstacles.
6. Réduisez toujours la vitesse dans les virages afin
de garder le contrôle de la machine.
7. Remplacez ou retournez les patins quand ils sont
sales.
8. Évitez les obstacles au sol tels que plaques de
boîtes électriques ou grilles qui risquent de
détruire le patin.
9. Pendant les arrêts de courte durée, il n’est pas
nécessaire de désactiver les boutons, la brosse et
le système de distribution de la solution s’arrêtent
automatiquement quand les poignées de
commande sont relâchées.
10. Contrôlez périodiquement le niveau de charge des
batteries. Lorsque l’aiguille passe dans la zone
rouge, rechargez les batteries.
ATTENTION : Ne continuez pas à utiliser la
machine quand l’aiguille indiquant le niveau de
charge des batteries se trouve dans la zone rouge,
afin d’éviter d’endommager les batteries.
11. Lors du nettoyage, examinez le regard à l’arrière
de la machine pour mesurer la solution de
nettoyage restante. Chaque marque sur le tuyau
indique 19 l (5 gal).
HomeHome
Find...
Go To..
Find...
Go To..

FONCTIONNEMENT
61
Speed Scrub 2001HD (06--06)
12. Lorsque le réservoir de solution est vide, tournez
le bouton de brossage en position Off, soulevez la
brosse et continuez à aspirer jusqu’à ce que toute
l’eau sale soit épuisée. Vidangez ensuite le
réservoir de récupération (Voir VIDANGE DES
RÉSERVOIRS).
ARRET DE LA MACHINE
1. Coupez le commutateur de la brosse, relevez la
brosses et continuez à aspirer jusqu’à ce que
toute l’eau sale soit évacuée.
2. Relâchez les poignées de commande.
3. Relevez le racloir et la tête de brossage.
4. Coupez tous les commutateurs.
POUR VOTRE SECURITÉ : Avant de quitter ou
d’entretenir la machine, arrêtez--la sur une surface
horizontale, coupez le contact.
ARRÊT D’URGENCE (OPTION)
Frappez sur le bouton d’arrêt d’urgence, situé sur le
tableau de bord, pour arrêter la machine en cas
d’urgence. Tournez le bouton dans le sens des
aiguilles d’une montre pour le réenclencher
(Figure 22).
FIG. 22
COUPE--CIRCUIT
La machine est équipée de coupe--circuit pour
protéger son endommagement.
Si les coupe--circuit se déclenchent, il n’est pas
possible de les réenclencher immédiatement.
Déterminez la cause du désenclenchement des
coupe--circuit, laissez le moteur refroidir et
réenclenchez les coupe--circuit.
Le coupe--circuit du moteur de la brosse se déclenche
en cas de surcharge du patin. Réduisez la pression du
patin ou remplacez le patin si le coupe--circuit se
déclenche. Le coupe--circuit du moteur de la brosse
(35 amp) est situé derrière la prise du chargeur.
Le coupe--circuit principal (10 ampères) et le
coupe--circuit de l’extracteur/du système
d’entraînement (35 ampères) se trouvent à l’arrière de
la machine (Figure 23).
Modèle FaST
Coupe--
circuit du
moteur de la
brosse
FIG. 23
HomeHome
Find...
Go To..
Find...
Go To..

FONCTIONNEMENT
62 Speed Scrub 2001HD (06--06)
VIDANGE DES RÉSERVOIRS
Le réservoir de récupération doit être vidé et nettoyé
après chaque utilisation. Le réservoir de solution doit
être nettoyé périodiquement, afin d’éliminer toute
corrosion.
Transportez la machine vers un site de vidange,
coupez le contact et suivez les instructions de vidange
ci--dessous :
POUR VOTRE SECURITÉ : Avant de quitter ou
d’entretenir la machine, arrêtez--la sur une surface
horizontale, coupez le contact.
VIDANGE DU RÉSERVOIR DE RÉCUPÉRATION
1. Retirez le bouchon du tuyau de drainage du
réservoir de récupération en le tournant dans le
sens contraire des aiguilles d’une montre et videz
le réservoir.
Pour vidanger complètement le réservoir de
récupération, faites pivoter sur le côté le réservoir
et faites basculer le support du réservoir pour y
faire reposer le réservoir. (Figure 24).
FIG. 24
REMARQUE : si vous utilisez un seau pour vidanger
la machine, n’employez pas le même seau pour
remplir le réservoir de solution.
2. Rincez le réservoir de récupération après chaque
emploi. Ceci prévient la formation de mauvaises
odeurs. Utilisez un tuyau pour rincer le réservoir
de récupération. Veillez à ne pas asperger d’eau
le filtre d’arrêt à flotteur.
3. Retirez du réservoir de récupération le filtre d’arrêt
à flotteur et nettoyez--le (Figure 25).
FIG. 25
VIDANGE DU RÉSERVOIR DE SOLUTION
1. Pour vider l’eau restante du réservoir de solution,
tirez le tuyau de niveau/de vidange du réservoir de
solution hors du raccord de tuyau, comme illustré
(Figure 26).
FIG. 26
2. Rincez le réservoir de solution et le système de
distribution de la solution à l’eau claire après
chaque emploi. Ceci évite tout risque d’obstruction
due à la formation de dépôts chimiques. Utilisez le
tuyau de niveau/vidange du réservoir de solution,
pour vidanger le réservoir.
3. Remettez le tuyau sur la pointe réceptrice.
Vérifiez que le tuyau est bien enfoncé dans la
pointe réceptrice du tuyau.
HomeHome
Find...
Go To..
Find...
Go To..

FONCTIONNEMENT
63
Speed Scrub 2001HD (06--06)
MISE EN CHARGE DES BATTERIES
ATTENTION : pour prolonger la durée de vie des
batteries et obtenir des performances optimales,
rechargez les batteries UNIQUEMENT après une
durée d’utilisation totale de 30 minutes ou plus.
Ne laissez jamais les batteries se décharger sur de
longues périodes.
Les instructions de mise en charge ci--dessous sont
destinées uniquement aux chargeurs de batteries
fournis avec la machine. Utilisez uniquement un
chargeur de batterie ayant les caractéristiques
ci--dessous, afin d’éviter l’endommagement des
batteries.
SPÉCIFICATIONS DU CHARGEUR DE BATTERIS:
STYPE DE CHARGEUR : POUR DES BATTERIES
PLOMB--ACIDE
STENSION DE SORTIE -- 24 VOLTS
SCOURANT DE SORTIE --25 AMPÈRES
SCIRCUIT DE COUPURE AUTOMATIQUE
SPOUR LA MISE EN CHARGE DE BATTERIES A CYCLE
INTENSIF
1. Transportez la machine dans un endroit bien aéré
pour recharger les batteries.
MISE EN GARDE : danger d’incendie ou
d’explosion. Les batteries émettent du gaz
hydrogène. Evitez toute étincelle et toute flamme
nue à proximité des batteries. Laissez ouvert le
compartiment des batteries pendant la mise en
charge.
2. Avant de mettre en charge les batteries, vérifiez le
niveau d’électrolyte dans chaque élément de
batterie (Figure 27).
FIG. 27
POUR VOTRE SECURITÉ : lorsque vous
entretenez la machine, portez des gants et des
lunettes de protection quand vous maniez les
batteries et les câbles de batterie. Evitez tout
contact avec l’acide des batteries.
Le niveau d’électrolyte (A) doit légèrement
recouvrir les plaques de batteries (B). Ajoutez de
l’eau distillée si nécessaire. NE REMPLISSEZ
PAS TROP, le fluide va augmenter de volume et
risque de déborder lors de la mise en charge.
Remettez les bouchons sur les éléments, avant la
mise en charge (Figure 28).
A
B
FIG. 28
3. Branchez le cordon d’alimentation CA du chargeur
sur une prise mise à la terre correctement
(Figure 29).
Priseà3trous
reliéeàlaterre
Fichedeterre
FIG. 29
4. Branchez la fiche de sortie CC du chargeur sur la
prise des batteries située près du compartiment
des batteries (Figure 30).
FIG. 30
HomeHome
Find...
Go To..
Find...
Go To..

FONCTIONNEMENT
64 Speed Scrub 2001HD (06--06)
5. Le chargeur commence automatiquement à
charger et se coupe lorsque les batteries sont
complètement chargées.
6. Posez le réservoir de récupération sur la béquille
de support, afin de faciliter la ventilation durant la
mise en charge (Figure 31).
FIG. 31
ATTENTION : ne débranchez pas le cordon
d’alimentation en courant continu de la prise de la
machine lorsque le chargeur est en
fonctionnement. Ceci peut provoquer des
étincelles. Si le chargeur doit être arrêté durant la
mise en charge, débranchez d’abord le cordon
d’alimentation en courant alternatif.
MISE EN GARDE : danger d’incendie ou
d’explosion. Les batteries émettent du gaz
hydrogène. Evitez toute étincelle et toute flamme
nue à proximité des batteries. Laissez ouvert le
compartiment des batteries pendant la mise en
charge.
7. Après le chargement, vérifiez le niveau
d’électrolyte (A) des batteries. Le niveau doit se
trouverenvironà1cm(3/8in)dubordinférieurde
l’orifice de remplissage (B) (Figure 32). Ajoutez de
l’eau distillée si nécessaire. NE REMPLISSEZ
PAS TROP.
A
B
FIG. 32
ENTRETIEN DE LA MACHINE
Pour garder la machine en bon état de marche, il suffit
d’observer les procédures d’entretien quotidien,
mensuel et trimestriel.
MISE EN GARDE : danger électrique.
Débranchez les câbles de la batterie avant
l’entretien ou la réparation de la machine.
ENTRETIEN QUOTIDIEN
(Après chaque utilisation)
1. Vidangez et nettoyez le réservoir de récupération.
2. Retirez du réservoir de récupération le filtre d’arrêt
à flotteur et nettoyez--le (Figure 33).
FIG. 33
3. Videz le réservoir de solution et rincez l’intérieur
du réservoir avec de l’eau (60°C maximum),
comme requis.
4. Retirez et nettoyez le patin/la brosse. Retournez le
patin ou remplacez--le en cas d’usure.
5. Essuyez les lames du racloir. Entreposez le bloc
de racloir en position relevée, afin d’éviter
l’endommagement de la lame.
6. Inspectez l’état du bord nettoyant de la lame de
racloir. Faite pivoter la lame en cas d’usure (Voir
REMPLACEMENT DE LA LAME DE RACLOIR)
HomeHome
Find...
Go To..
Find...
Go To..

FONCTIONNEMENT
65
Speed Scrub 2001HD (06--06)
7. Nettoyez la machine avec un produit nettoyant
tous usages et un chiffon humidifié (Figure 34).
POUR VOTRE SECURITÉ : lorsque vous nettoyez
la machine, n’utilisez pas de jet de pression sur la
machine. Un dysfonctionnement électrique risque
de se produire.
FIG. 34
8. Modèle FaST : branchez le tuyau d’alimentation
FaST--PAK sur le bouchon de stockage lorsque
vous ne l’utilisez pas (Figure 35). Eliminez toute
trace de concentré séché du raccord du tuyau, en
le trempant dans de l’eau chaude.
FIG. 35
9. Rechargez les batteries après un total de 30
minutes de service ou plus (Voir CHARGE DES
BATTERIES).
ENTRETIEN MENSUEL
(Toutes les 80 heures de service)
1. Contrôlez le niveau de liquide des éléments des
batteries (Voir ENTRETIEN DES BATTERIES).
2. Nettoyez la partie supérieure des batteries pour
éviter la corrosion
(Voir ENTRETIEN DES BATTERIES).
3. Vérifiez le serrage des connecteurs de câble de
batterie.
4. Enlevez le filtre en ligne et rincez--le. Avant de
retirer le filtre, assurez--vous que le réservoir de
solution est vide. Le filtre se trouve sous la
machine à l’arrière (Figure 36).
FIG. 36
5. Lubrifiez les graisseurs des roulettes avec une
graisse imperméable.
6. Lubrifiez toutes les articulations de la tringlerie
avec du silicone sous forme de spray; puis,
appliquez--y une graisse imperméable pour
assurer un fonctionnement régulier.
7. Vérifiez le serrage des écrous et des boulons de la
machine.
8. Vérifiez la présence de fuites sur la machine.
ENTRETIEN TRIMESTRIEL
(Toutes les 250 heures de service)
Vérifiez l’usure des balais de charbon du moteur de
l’arbre de transmission, du moteur d’extraction et du
moteur de la brosse. Remplacez les balais lorsqu’ils
mesurent 10 mm (3/8 in) ou moins.
Contactez un service de réparation agréé pour les
réparations de la machine.
POUR VOTRE SECURITÉ : Lors du dépannage de
la machine, toutes les réparations doivent être
effectuées uniquement par un technicien qualifié.
MISE EN GARDE : danger électrique.
Débranchez les câbles de la batterie avant
l’entretien ou la réparation de la machine.
REMPLACEMENT DES LAMES DE RALCOIR
Le racloir possède deux lames. La lame arrière de
racloir possède quatre bords de nettoyage, la lame
avant possède deux bords de nettoyage. Lorsque les
lames deviennent usées, faites pivoter simplement les
lames pour exposer un nouveau bord de nettoyage.
Remplacez la lame lorsque tous les bords sont usés.
HomeHome
Find...
Go To..
Find...
Go To..

FONCTIONNEMENT
66 Speed Scrub 2001HD (06--06)
Rotation ou remplacement de la lame arrière :
1. Retirez de la machine le bloc de racloir.
2. Détachez l’agrafe de la bande et retirez la bande
du bloc de racloir (Figure 37).
FIG. 37
3. Faites pivoter la lame arrière pour obtenir un
nouveau bord nettoyant et réinstallez la bande
(Figure 38).
FIG. 38
Rotation ou remplacement de la lame avant :
1. Retirez de la machine le bloc de racloir.
2. Retirez les six vis à oreilles maintenant le système
de retenue et la lame de racloir sur le châssis du
racloir. Faites pivoter bout à bout la lame de racloir
afin de placer un nouveau bord sur l’avant de la
machine. Assurez--vous que le bord cranté de la
lame se trouve vers le bas (Figure 39).
FIG. 39
RÉGLAGE DES LAMES DE RACLOIR
Pour une performance optimale des lames de racloir,
les roulettes du bloc de racloir doivent être réglées à
une hauteur spécifique, comme décrit ci--dessous.
1. Pour vérifier le bon réglage du bloc de racloir,
retirez le bloc de racloir de la machine et placez--le
sur une surface égale. Mesurez la distance entre
la roulette et la surface. Cette distance doit être
d’environ 2 mm (1/16 in) (Figure 40).
2. Pour régler la hauteur de roulette, desserrez
l’écrou supérieur et retirez le carter en plastique
du roulement pour accéder à l’écrou de réglage.
Tournez l’écrou de réglage jusqu’à ce que vous
obteniez le bon réglage (Figure 40). Après le
réglage, resserrez l’écrou supérieur et replacez le
carter en plastique du roulement. Répétez
l’opération pour l’autre roulette.
2mm
(1/16 in)
FIG. 40
3. Durant le fonctionnement de la machine avec les
roulettes réglées correctement, les lames de
racloir doivent avoir une déflexion comme illustré
(Figure 41).
FIG. 41
HomeHome
Find...
Go To..
Find...
Go To..

FONCTIONNEMENT
67
Speed Scrub 2001HD (06--06)
ENTRETIEN DES BATTERIES
MISE EN GARDE : danger d’incendie ou
d’explosion. Les batteries émettent du gaz
hydrogène. Evitez toute étincelle et toute flamme
nue à proximité des batteries. Laissez ouvert le
compartiment des batteries pendant la mise en
charge.
POUR VOTRE SECURITÉ : lorsque vous
entretenez la machine, portez des gants et des
lunettes de protection quand vous maniez les
batteries et les câbles de batterie. Evitez tout
contact avec l’acide des batteries.
1. Vérifiez la densité spécifique à l’aide d’un
hydromètre, pour déterminer le niveau de charge
et l’état des batteries (Figure 42). Si un ou
plusieurs des éléments des batteries est (sont)
plus faible(s) que les autres éléments des
batteries (de 0,050 ou plus), cela signifie que
l’élément (les éléments) est (sont) endommagé(s),
que sa (leur) capacité est réduite ou qu’il(s) va
(vont) bientôt tomber en panne. Comparez les
mesures hydrométriques avec le tableau suivant
pour déterminer le niveau de charge.
REMARQUE : n’effectuez pas de mesures juste après
avoir ajouté de l’eau distillée. Si l’eau et l’acide ne sont
pas bien mélangés, il se peut que les mesures ne
soient pas exactes.
FIG. 42
DENSITÉ SPÉCIFIQUE
à27_CCHARGE
DES BATTERIES
1.265 Chargée à 100%
1.223 Chargée à 75%
1.185 Chargée à 50%
1.148 Chargée à 25%
1.110 Déchargée
REMARQUE : Si les lectures sont effectuées quand la
température de l’électrolyte est autre que 27_C
(80_F), la lecture doit être corrigée par rapport au
niveau de température. Ajoutez ou soustrayez 0,004
(4 points) à la lecture de densité spécifique, pour
chaque 6_C(43_F) au--dessus ou au--dessous de
27_C(80_F).
2. Suivez toujours attentivement les instructions de
chargement (Voir CHARGEMENT DES
BATTERIES).
3. Après la mise en charge des batteries, vérifiez le
niveau d’électrolyte (A) dans chaque élément de
batterie.Leniveaudoitsetrouverenvironà1cm
du bord inférieur de l’orifice de remplissage (B).
Ajoutez de l’eau distillée si nécessaire (Figure 43).
NE REMPLISSEZ PAS TROP.
A
B
FIG. 43
4. Nettoyez la partie supérieure des batteries pour
prévenir la corrosion des batteries.
Pour nettoyer les batteries:
POUR VOTRE SECURITÉ : lorsque vous
entretenez la machine, portez des gants et des
lunettes de protection quand vous maniez les
batteries et les câbles de batterie. Evitez tout
contact avec l’acide des batteries.
a. Préparez une solution concentrée de
bicarbonate de soude (Figure 44).
FIG. 44
b. Brossez les surfaces supérieures et les
cosses de câbles des batteries en utilisant la
solution avec modération.
HomeHome
Find...
Go To..
Find...
Go To..

FONCTIONNEMENT
68 Speed Scrub 2001HD (06--06)
REMARQUE : veillez à ce que la solution de
bicarbonate de soude ne pénètre pas dans les
éléments des batteries.
c. Utilisez une brosse métallique pour nettoyer
les bornes et les cosses de câbles.
d. Une fois le nettoyage terminé, appliquez une
couche de produit de protection pour batteries
sur les bornes et les cosses de câbles.
5. Vérifiez si les câbles ne sont pas débranchés ou
usés. Remplacez--les s’ils sont usés.
TRANSPORT DE LA MACHINE
Lorsque vous transportez la machine à l’aide d’une
remorque ou d’un camion, veuillez suivre les
instructions suivantes pour attacher la machine.
POUR VOTRE SECURITÉ : lors de l’utilisation de
la machine, roulez lentement sur les pentes et sur
les surfaces glissantes.
1. Enlevez le racloir de la machine et relevez la tête
de nettoyage. Laissez le patin ou la brosse
monté(e).
2. Chargez la machine à l’aide d’une rampe de
chargement recommandée.
3. Mettez l’avant de la machine contre l’avant de la
remorque ou du camion. Une fois la machine à sa
place, abaissez la tête de nettoyage.
4. Placez un bloc derrière la roue motrice et les
roulettes arrière.
5. Placez des sangles par--dessus la machine et
fixez--les au plancher. Il se peut qu’il soit
nécessaire d’installer des brides d’attache au
plancher de votre remorque ou camion.
ENTREPOSAGE DE LA MACHINE
1. Chargez les batteries avant l’entreposage.
N’entreposez jamais la machine avec des
batteries déchargées.
2. Vidangez et rincez les réservoirs soigneusement.
3. Entreposez la machine à l’abri de l’humidité en
veillant à relever le racloir et la tête de brossage.
4. Ouvrez le réservoir de récupération pour faciliter la
circulation de l’air.
ATTENTION : n’exposez pas la machine à la pluie ;
entreposez--la à l’intérieur.
5. Si vous entreposez la machine à des
températures inférieures à 0C, assurez--vous
que toute l’eau de la machine est vidangée.
ARTICLES DE STOCK RECOMMANDÉS
Reportez--vous à la section Liste des pièces pour les
pièces de stock recommandées. Les articles de stock
sont clairement identifiés à l’aide d’un point précédant
la description de la pièce. Voir l’exemple ci--dessous :
HomeHome
Find...
Go To..
Find...
Go To..

FONCTIONNEMENT
69
Speed Scrub 2001HD (06--06)
DÉPISTAGE DES PANNES
PROBLÈME CAUSE REMÈDE
Pas d’alimentation. Interrupteur principal défectueux. Contactez le service de dépannage.
Batteries doivent être chargées. Voyez CHARGE DES BATTERIES.
Batterie(s) défectueuse(s). Remplacez batterie(s).
Câble de batterie détaché. Rebranchez câble.
Coupe--circuit principal s’est
déclenché. Déterminez la cause et réenclenchez
le coupe--circuit.
Le moteur de la brosse ne
fonctionne pas. Le commutateur de la brosse n’est
pas activé. Activez le commutateur de brosse.
Les poignées de commande ne sont
pas actionnées. Actionnez les poignées de commande.
Coupe--circuit de la brosse déclenché. Nettoyez ou remplacez le patin ou la
brosse et réenclenchez le bouton du
coupe--circuit de la brosse.
Moteur ou câble de la brosse
défectueux. Contactez le service de dépannage.
Balais de charbon usés. Contactez le service de dépannage.
Bouton des brosses ou solénoïde
défectueux. Contactez le service de dépannage.
Le moteur de l’extracteur ne
fonctionne pas. Bouton de l’extracteur défectueux. Contactez le service de dépannage.
Coupe--circuit de l’extracteur
déclenché. Enlevez les détritus causant
l’obstruction et réenclenchez le
coupe--circuit.
Moteur ou câble de l’extracteur
défectueux. Contactez le service de dépannage.
Balais de charbon usés. Contactez le service de dépannage.
Le moteur du système
d’entraînement ne fonctionne pas. Coupe--circuit du moteur du système
d’entraînement déclenché. Déterminez la cause et réenclenchez
le coupe--circuit.
Connexion ou panneau du circuit de
commande de la vitesse défectueux. Contactez le service de dépannage.
Solénoïde défectueux. Contactez le service de dépannage.
Moteur du système d’entraînement
défectueux. Contactez le service de dépannage.
Câblage défectueux. Contactez le service de dépannage.
Balais de charbon usés. Contactez le service de dépannage.
Le moteur de propulsion ne
fonctionne pas correctement. Potentiomètre ou carte du circuit de
commande de la vitesse défectueux. Contactez le service de dépannage.
Fil détaché. Contactez le service de dépannage.
HomeHome
Find...
Go To..
Find...
Go To..

FONCTIONNEMENT
70 Speed Scrub 2001HD (06--06)
DEPISTAGE DES PANNES --suite
PROBLÈME CAUSE REMÈDE
Débit de solution faible ou nul. Niveau d’eau bas dans le réservoir de
solution. Remplissez d’eau/solution le réservoir.
Conduite du système de distribution
de la solution ou filtre du réservoir de
solution est obstrué.
Enlevez le tuyau et soufflez--y de l’air
comprimé. Rincez le réservoir de
solution après chaque emploi.
Soupape de distribution de la solution
ou solénoïde est obstrué. Enlevez la soupape ou le solénoïde et
nettoyez--la/le.
Veillez à ne pas érafler l’intérieur de la
soupape.
Bouton de distribution de la solution
ou solénoïde défectueux. Contactez le service de dépannage.
Desserrez la vis de solution sur le
bouton de solution. Calibrez le bouton et resserrez la vis
Brève durée de fonctionnement. Batteries ne sont pas complètement
chargées. Rechargez les batteries.
Elément défectueux dans une ou
plusieurs batteries. Remplacez les batteries.
Les batteries doivent être entretenues. Voir ENTRETIEN DES BATTERIES.
Chargeur défectueux. Remplacez le chargeur de batterie.
Ramassage non satisfaisant de
l’eau. Réservoir de récupération est plein. Videz le réservoir de récupération.
Le filtre d’arrêt à flotteur du réservoir
de récupération est bouché. Enlevez le filtre et nettoyez--le.
Le racloir est obstrué par des débris. Nettoyez le racloir.
Les lames du racloir sont usées. Remplacez les lames de racloir.
Les vis à oreilles du racloir sont
desserrées. Resserrez les vis papillons.
Raccords du tuyau d’aspiration sont
détachés ou tuyau est percé. Enfoncez bien les extrémités du tuyau
dans les raccords. Remplacez le
tuyau s’il est endommagé.
Le tuyau d’aspiration est obstrué par
des débris. Enlevez les détritus responsables de
l’obstruction.
Trou d’alimentation du réservoir de
récupération est obstrué. Videz le réservoir de récupération et
soulevez--le par le côté pour accéder
au trou d’alimentation et enlevez les
détritus responsables de l’obstruction.
Le joint du réservoir est défectueux. Remplacez le joint.
Le bouchon du tuyau de vidange est
desserré. Resserrez le bouchon du tuyau de
vidange.
Le couvercle du réservoir de
récupération est desserré. Resserrez couvercle.
Le moteur d’extraction est lâche. Contactez le service de dépannage.
Niveau de charge des batteries est
bas. Rechargez les batteries. N’utilisez pas
la machine quand l’aiguille de l’appareil
de mesure de la charge des batteries
se trouve dans la zone rouge.
HomeHome
Find...
Go To..
Find...
Go To..

FONCTIONNEMENT
71
Speed Scrub 2001HD (06--06)
DEPISTAGE DES PANNES --suite
PROBLÈME CAUSE REMÈDE
Les feux de sécurité ne
fonctionnent pas. Le feu clignotant est grillé. Contactez le service de dépannage.
Modèle FaST : Le système FaST
ne fonctionne pas (correctement). Le bouton du système FaST n’est pas
activé. Activez le bouton du système FaST.
Le tuyau d’alimentation du FaST--PAK
n’est pas branché Branchez le tuyau d’alimentation.
Coupe--circuit FaST déclenché. Déterminez la cause et réenclenchez
le bouton du coupe--circuit de 10 A.
Tuyau d’alimentation ou raccords du
FaST PAK obstrués. Trempez dans l’eau chaude pour
déboucher.
Carton de FaST--PAK vide. Remplacez le carton FaST PAK.
Tortillement dans le tuyau
d’alimentation du FaST--PAK. Eliminez le tortillement.
Système de solution FaST obstrué. Contactez le service de dépannage.
Interrupteur marche/arrêt du système
FaST défectueux. Contactez le service de dépannage.
Pompe défectueuse. Contactez le service de dépannage.
Filtre du réservoir de solution obstrué. Vidangez le réservoir de solution.
Retirez le filtre du réservoir de
solution, nettoyez--le et réinstallez--le.
HomeHome
Find...
Go To..
Find...
Go To..

FONCTIONNEMENT
72 Speed Scrub 2001HD (06--06)
DONNÉES TECHNIQUES
MODÈLE 2001HD
LONGUEUR 1,270 mm (50 in)
LARGEUR 790 mm (31 in)
HAUTEUR 990 mm (39 in)
POIDS 220 kg (487 lbs) --avec batteries 323 kg (712 lbs)
CAPACITÉ RÉSERVOIR SOL./RÉC. 64 L (17 gal)
COMMANDE DE LA VITESSE Variable marche avant Unique marche arrière
VITESSE DE NETTOYAGE (MAX) 1.923,6 m2(20,000 ft2) par heure
LARGEUR DE LA TRACE DE NETTOYAGE 508 mm (20 in)
DIAMÈTRE DU PATIN 508 mm (20 in)
PRESSION DU PATIN Variablede18à59kg(40--130lbs)
LARGEURDURACLOIR 839 mm (33 in)
SYSTÈME D’ENTRAÎNEMENT Pont arrière, 0,2CV, 24V
MOTEUR DE BROSSE 0,75 CV, 220 tr/min, 24 V, 20 A, 550 W
MOTEUR D’EXTRACTION 0,75CV, 3 étages 5,7”, 24V, 21A, 550 W
HAUTEUR D’ASPIRATION 1.720 mm (68 in)
BATTERIES 2--12 V, 215 AH
DURÉE DE FONCTIONNEMENT PAR CHARGE Jusqu’à 4 heures
NIVEAU SONORE AU NIVEAU DE L’OREILLE DE
L’OPÉRATEUR, À L’INTÉRIEUR SUR DU
CARRELAGE
77 dB(A)
SYSTÈME FaST (MODÈLE FaST)
POMPEÀSOLUTION 24 Volts CC, 3,5 A, circulation ouverte 5,6 l/min, réglage de dérivation 4,13 bar
DÉBITDELASOLUTION 0,47 l/min
DÉBIT DU CONCENTRÉ 0,47 CC/minute
TAUX DE DILUTION DU CONCENTRÉ
DANS L’EAU 1:1000
HomeHome
Find...
Go To..
Find...
Go To..

FONCTIONNEMENT
73
Speed Scrub 2001HD (06--06)
HomeHome
Find...
Go To..
Find...
Go To..

ELECTRICAL DIAGRAMS -DIAGRAMAS ELECTRICA -SYSTÈM ÉLECTRIQUE
Speed Scrub 2001HD (09--04)
74
WIRING DIAGRAM
DIAGRAMA DE CABLEADO
DIAGRAMME DE CÂBLAGE
RED
100
G
4
AMMETER
58
35 82
33
58
33
58
33
58
31
31
31
31
80
80
BLK
80
80
78
78
78
78
16
16
16
30
76
76
26
26
26
26
24
24
50
50
50
50
11
32
13 15 17
28
RED
RED
44
14
52
60
56
54
64
7472
62
70
32
7
818
5
5
12
12
20
21
18 27
3
3
9
9
23
22
6
6
7
24
BLK
40
GRN
66
66
14 41
43
GRN
GRN
RED
410
10 34
40
23
BLK
RED BLK
BLK
WHT
RED
GRN
GRN
YEL
29
60
64
62
GRNGRN
GRN
RED
RED
BLK
BLK
WHT
WHT
BLK
WHT
BLK
86
90
47
90
84
84
45
45
43
46 19
36
41
48
46
34
4
BLKBLU
48
41
25
25
19
24
17
41
BLK
RED
BLK
BLK
RED
RED
PNK
PNK BLK
BLU
RED RED
RED
RED
RED
RED
BLK
BLK
BLU
BLK
GRN
RED
BLK
ORG
BLU
BLK
BLK
BLK
BLK
BLK
BLK
BLK
BLK
BLK
BLK
WHT
TAN
YEL
ORG
TAN
BRN
BLK
ORG
WHT
BLU
BRN
YEL
BLK BLK
BLK
ORG
ORG
BLK
BLK
GRN
GRN
GRN
BLU
RED
GRN
RED
RED
RED
BLK
BLK
RED
BLU
BLU
GRN
GRN
RED
GRN
RED
YEL
YEL
GRN GRN
GRN BLU
BRN
BRN
BLU
BRN
BLK
BLKBLK
BLK
ORG
WHT
BLK
ORG
BLK
ORG
WHT
RED
RED
GRN
ORG
WHT
BLU
ORG
ORG
BLU
26
23
BLK
4
RED
RED
10
GRN
40
GRN
BLK RED
MAIN
ACTUATOR
MOTOR
DRIVE
MOTOR 12
3
T2
T1
M1
M2
FLASHER
35
AMP 10
AMP
WAND
PUMP
ES
PUMP
VACUUM
MOTOR
BRUSH
MOTOR
35
AMP
12
+
+--
--
+--
UP
ACTUATOR
DOWN
BATTERY
OPTIONAL
EMERGENCY STOP
OPTIONAL
KEY SWITCH
4.7K
50K
ADJUSTABLE
FORWARD
DIRECTION
SWITCH
F
R
50K
LOCKABLE
REVERSE
ROLL
SWITCH
OPTIONAL
LOW VOLTAGE
CUT--OFF
TIMER
RELAY
OPTIONAL
RECYCLE
OPTIONAL
WAND PUMP
FLOAT
SWITCH
OPTIONAL
HOUR METER
(2) 12 VOLT
BATTERIES
24 VDC
VACUUM BRUSH/
SOLUTION
SPEED
CONTROL
BOARD
RELAY
SOLUTION
SOLENOID
WARNING
LIGHTS
HARNESS
CONNECTOR
VACUUM/
DRIVE
CIRCUIT
BREAKER
MAIN
CIRCUIT
BREAKER
BRUSH
CIRCUIT
BREAKER
CHARGER
PLUG
G
G
MAIN VACUUM
B
BRUSH
G G
37
FaST
PUMP
10
AMP
87A
30
87
86 85
FAST OPTION
RELAY CR5
RED
FaST
CIRCUIT
BREAKER
FaST
SWITCH
OPTIONAL
FaST
BLU
100
BLU
90
RED
92
BLU YEL
102 GRY
YEL
68
BLU
95
BLK
YEL
88
RED
88 RED
68
BLU
29A
29A
29A
BLU
26A
26A
BLU
26 BLU
BRUSH/
SOLUTION
G
100
BLU
26A
BLU
FaST equipped machines:
Wire #100 is connected to the
Brush/Solution switch, as shown.
Wire #26 is connected to wire #26A.
FaST equipped machines:
Wire #68 is connected to the
Solution Solenoid, as shown.
Wires #26 and 48 are not used.
ORG
25A ORG
HomeHome
Find...
Go To..
Find...
Go To..

ELECTRICAL DIAGRAMS -DIAGRAMAS ELECTRICA -SYSTÈM ÉLECTRIQUE
75
Speed Scrub 2001HD (09--04)
L
A
DDER DI
A
GR
A
M
DIAGRAMA ESCALONADO
DIAGRAMME D’ÉCHELLE
-- 1 0 --
RED
-- 1 4 --
RED
-- 4 4 --
RED
-- 5 0 --
RED
RED BLK
-- 1 3 -- B L K
-- 11 -- B L K
-- 4 --
RED
-- 6 -- R E D
-- 3 2 -- G R N
-- 6 6 -- G R N
-- 2 4 --
GRN
-- 1 2 -- O R G
-- 2 1 -- B L K
-- 2 0 -- R E D
-- 6 2 -- O R G
-- 5 4 --
WHT
-- 7 4 ---- 7 2 --
ORG
-- 5 2 --
WHT -- 6 0 -- W H T
-- 6 4 -- B L U
-- 2 2 -- G R N
-- 4 0 -- G R N
-- 2 3 -- B L K
-- 9 -- B L K
-- 2 8 -- G R N
-- 8 -- O R G
-- 3 -- B L K
-- 1 8 --
TAN
-- 1 5 -- B L K
-- 4 8 --
BLU BLK
-- 2 -- R E D -- 8 0 ---- 7 8 ---- 3 6 --
GRN RED
-- 8 4 --
-- 9 0 -- R E D
WHT
-- 4 7 -- B L K
BLK
-- 4 5 -- B L K
-- 4 3 -- B L K
-- 4 1 -- B L K
BLK
-- W H T --
-- R E D --
-- W H T --
-- B L K --
-- B L K --
-- G R N --
-- Y E L --
-- O R G -- -- 2 9 -- B L K
-- 2 5 -- B L K
-- 3 4 --
-- 7 -- B L K
-- 8 6 --
DRIVE
BATTERY
10A
35A
MAIN
--+
F
R
50K
50K
FORWARD
ADJUSTABLE
ROLL
4.7K
VACUUM
FLASHER
WARNING
VACUUM
BRUSH
HOUR
35A AMMETER
BRUSH
”FULL”
TIMER
FLOAT
RECYCLE SWITCH
NOT
LOW VOLTAGE PAD MOTOR INTERRUPT
N.C.
WAND/
OPTIONAL
FUNCTIONS
VACUUM/DRIVE
CIRCUIT BREAKER
MAIN
OPTIONAL
MAIN
CIRCUIT BREAKER
--
+
(2) 12 VOLT BATTERIES
24 VDC
G
M2 M1 T1
T2
G
ACTUATOR
B
2
1
43
-- 1 6 --
YEL
LOCKABLE
VAC
WAND PUMP
RELAY
DIRECTIONAL
-- 6 8 -- B L U
SOLUTION
G
-- 7 6 -- -- G R N --
-- 3 1 -- B L K
-- 4 1 -- B L K
-- 2 5 --
BLK
-- 5 -- B L K
-- 2 9 -- B L K
-- 2 7 -- B L K
FaST
BLK
-- 3 7 -- B L K
-- 3 5 -- B L U
-- 8 0 -- B R N
-- 5 8 -- B R N
-- 3 3 -- B L U
-- 1 7 -- B L K
-- 2 6 --
-- 2 6 A --
-- 3 0 --
GRN
-- 8 8 -- R E D 10A
-- 1 0 0 -- CONV.
FaST
-- 1 0 2 --
SCRUB HEAD
-- 2 9 A -- Y E L
-- 9 2 -- B L U
-- 9 0 --
-- 2 5 A --
FaST
BRUSH
G
-- 9 5 --
RED
ORG
-- 5 6 --
WHT
ORGRED
BLU BLU BLU
WHT
FaST
BLU GRY
RED PUMP
PNK ES PUMP
ORG
-- 2 9 --
-- 2 5 --
USED
GRN
GRN
RED
GRN
G
SWITCH
METER
SWITCH
SWITCH
REVERSE
LIGHTS
SWITCH
SOLENOID
MTR
HOUR
METER
DOWN
PRESSURE
SWITCH
SWITCH
SWITCH
RELAY
PUMP
SWITCH
OPTION
-- 2 9 -- Y E L
HomeHome
Find...
Go To..
Find...
Go To..

PARTS LIST -LISTA DE PIEZAS -LISTE DES PIÈCES
Speed Scrub 2001HD (06--06)
76
REPLACEMENT BRUSHES AND PAD DRIVER GROUP /
CEPILLO DEL REEMPLAZO Y GRUPO DEL MANDO DE LA ALMOHADILLA /
GROUPE REMPLACEMENT DES BROSSES ET DU PIGNON MENANT DE PATIN
1
2
3
4
5
HomeHome
Find...
Go To..
Find...
Go To..

PARTS LIST -LISTA DE PIEZAS -LISTE DES PIÈCES
Speed Scrub 2001HD (06--06) 77
REPLACEMENT BRUSHES AND PAD DRIVER GROUP /
CEPILLO DEL REEMPLAZO Y GRUPO DEL MANDO DE LA ALMOHADILLA /
GROUPE REMPLACEMENT DES BROSSES ET DU PIGNON MENANT DE PATIN
REF PART # DESCRIPTION QTY.
∇1240250 DBRUSH, SCRUB, POLY, 20” 1
240251 DBRUSH, DYNASCRUB, 20” 1
240252 DBRUSH, NYLOGRIT SCRUB/STRIP,
20” 1
240253 DBRUSH, STRATAGRIT, 20” 1
Y2240238 DLUGS,W/SCREWSP74
(1PC=3LUGS W/SCREWS) 3
∇ASSEMBLY / CONJUNTO / ENSEMBLE
YINCLUDED IN ASSEMBLY / INCLUIDO A CONJUNTA / Y COMPRIS EN
ENSEMBLE
DRECOMMENDED STOCK ITEM / PIEZAS RECOMENDADAS EN ALMACÉN /
ELÉMENTS DE STOCK RECOMMANDÉS
REF PART # DESCRIPTION QTY.
∇31033173 DDRIVER, PAD, 20” 1
Y4240254 DPIN, LUGS, PLASTIC,
1=1PKG OF 3PCS 3
Y5630473 DDEVICE, CENTERING 1
HomeHome
Find...
Go To..
Find...
Go To..

PARTS LIST -LISTA DE PIEZAS -LISTE DES PIÈCES
Speed Scrub 2001HD (06--06)
78
SOLUTION TANK GROUP / GRUPE DEL DEPÓSITO DE DISOLUCIÓN /
ENSEMBLE DU RÉSERVOIR DE SOLUTION
27
5
6
7
8
11
10
12 13
14
16
15
18
19 11 1217
21
22
9
23
25
9
31
30
29
28
37
26
47
48
49
40
45
46
41
43
42
39
44
2
3
1
4
39
32
33
34
36 35
24
20
38
Before SN 10227906
Before SN 10227906
52
51
50
36
53
HomeHome
Find...
Go To..
Find...
Go To..

PARTS LIST -LISTA DE PIEZAS -LISTE DES PIÈCES
Speed Scrub 2001HD (06--06) 79
SOLUTION TANK GROUP / GRUPE DEL DEPÓSITO DE DISOLUCIÓN /
ENSEMBLE DU RÉSERVOIR DE SOLUTION
REF PART # DESCRIPTION QTY.
∇1608518 ASM., SOL. TANK LID GREEN 1
Y2612518 SOLUTION COVER, GREEN 1
Y3140706 RIVET, BLIND, .125D, PL 7
Y4611068 HINGE, .09 PIN .04 1.06W 6.5L 1
5603233 DECAL, BATTERY DIAGRAM 1
6630010 DGASKET, 70 OD, 43 ID, 12.7 THK 1
7630011 TUBE, VAC TRANS, FLANGE AND
BARB 1
8630267 SPRING, CMPR, 59.9D 3.0W 50.8L 1
9150529 FITTING, 3/4M X 3/4H BARB BRS 2
10 608706 VAC TRANS BRACKET 1
11 140027 WASHER, FLAT, 0.35B 0.75D .04 SS 3
12 140015 WASHER, LOCK, SPLT, 0.31 SS 3
13 16931 SCREW, HEX, M8X1.25X20, 8.8 2
14 1012965 DCAP, PORT, SOLUTION FILL 1
15 01683 WASHER, FLAT, #10 SS 1
16 1018155 SCREW, PAN, M4.8X16 SS TCUT 1
17 16931 SCREW, HEX, M8X1.25X20, 8.8 1
18 230925 SUPPORT, RECOVERY TANK 1
19 611418 SLEEVE, P/M 0.437D, 0.315B, 0.14L 1
20 140032 WASHER, #6 FLAT SS 2
21 600650 LABEL, CE, SQUEEGEE LEVER 1
22 1023712 KIT, TANK, SOLUTION, GREEN
(Before SN 10227906)1
1023348 TANK, SOLUTION, GREEN
(After SN 10227906)1
23 607983 HOSE, DRAIN W/LEVEL IND. 1
24 602529 DFILTER, SCREEN, SOLUTION FILL 1
25 608915 CLAMP, HOSE, WIRE 1.03--1.09 1
∇ASSEMBLY / CONJUNTO / ENSEMBLE
YINCLUDED IN ASSEMBLY / INCLUIDO A CONJUNTA / Y COMPRIS EN
ENSEMBLE
DRECOMMENDED STOCK ITEM / PIEZAS RECOMENDADAS EN ALMACÉN /
ELÉMENTS DE STOCK RECOMMANDÉS
REF PART # DESCRIPTION QTY.
26 630016 RING, RETAINING, EXT, 1.82D 1
27 608451 DECAL, ”SPEED SCRUB 2001HD” 2
614367 DECAL, ”SPEED SCRUB 2001HD
FaST” 2
28 1029695 DCASTER, 4.0D X 1.38W 2
29 140027 WASHER, FLAT, 0.35B 0.75D .04 SS 8
30 140015 WASHER, LOCK, SPLT, 0.31 SS 8
31 578237000 SCREW, HEX, M8X1.25X18 SS, 933 8
32 1026454 SCREW, PAN, M5X0.8X10, SS 2
33 07514 WASHER, LOCK, INT #10 SS 2
34 612765 SHIELD, LIGHT 1
35 613455 GASKET, 1/2”X1.34’ 2
36 1024583 LIGHT, SAFETY, 12” 1
37 608184 LABEL, NOBLES LOGO 1
38 3701.6 SCREW, PAN, #6--32X0.38, PHL SS 2
39 613733 LABEL, ATTENTION (FaST MODEL) 1
40 578301 DKNOB, RND 1
41 140826 SCREW, PAN, #6--32X0.75, PHL SS 1
42 621443 DCHAIN, BALL, #10X157L, SS 1
43 605061 DCOVER, SOLUTON FILL 1
44 605062 DGASKET, COVER, SOLUTION FILL 1
45 07514 WASHER, LOCK, INT, #10 SS 1
46 578201000 SCREW, PAN, #10--32X0.50, PHL 1
47 606146 DFILTER, SCREEN, SOL--FILL 1
48 140032 WASHER, #6 FLAT 2
49 140826 SCREW, PAN, #6--32X0.75, PHL SS 2
50 1020193 SHIELD, LIGHT 1
51 19324 WASHER, FLAT, #10 SAE 2
52 604930 SCREW, TRS, M5X0.8X10, PHL, ZN 2
53 613454 GASKET, .50X.50X1.17 CLSD CELL 1
HomeHome
Find...
Go To..
Find...
Go To..

PARTS LIST -LISTA DE PIEZAS -LISTE DES PIÈCES
Speed Scrub 2001HD (03--05)
80
RECOVERY TANK GROUP / CONJ. DESPOSITO RECUPERAR / GROUPE RESERVOIR DE RECUPERATION
1
5
30
12
2
3
4
6
11
9
10
35
15 14
16
20
21
25
24
29
28
27
26
2829
27
8
7
23
17
18
19
22
31
13
32
33
34
HomeHome
Find...
Go To..
Find...
Go To..

PARTS LIST -LISTA DE PIEZAS -LISTE DES PIÈCES
Speed Scrub 2001HD (06--06) 81
RECOVERY TANK GROUP / CONJ. DESPOSITO RECUPERAR / GROUPE RESERVOIR DE RECUPERATION
REF PART # DESCRIPTION QTY.
∇1701103 ASM., STANDPIPE 1
Y2606088 FITTING, CPVC, STR,
1--1/2” NIPPLE 1
3101714 DGASKET, WASTE AIR CHAMBER 1
4210240 NUT, HEX, FLNG, 1--1/2 FPT METAL 1
5180613 DFLOAT, SHUT--OFF (1) BALL 2DIA 1
∇6100102 DCOVER ASSY CLEAR LID
W/STANDARD HOLE 1
Y7100105 DLID, CENTER ONLY CLEAR 1
Y8100109 DLID, OUTER RING 1
9140826 SCREW, PAN, #6--32X0.75, PHL SS 6
10 3701.6 SCREW, PAN, #6--32X0.38, PHL SS 2
11 230513 CHAIN ASSY, STOPPER, DRAIN 1
∇12 613721 ASM, REC TANK W/LABEL, GREEN 1
Y13 1026386 LABEL, WARNING, (EXPL,FIRE,SHK
EN/FR/ES) 1
14 140052 WASHER, LOCK, EXT, 0.25 SS 1
15 140000 WASHER, FLAT, 0.28B .062D .04 SS 1
16 140960 DCABLE, .13D 14.5L .343EYE/.343EYE 1
17 140308 CLAMP, HOSE, WORMDRIVE,
1.31--2.25D, SS 1
∇ASSEMBLY / CONJUNTO / ENSEMBLE
YINCLUDED IN ASSEMBLY / INCLUIDO A CONJUNTA / Y COMPRIS EN
ENSEMBLE
DRECOMMENDED STOCK ITEM / PIEZAS RECOMENDADAS EN ALMACÉN /
ELÉMENTS DE STOCK RECOMMANDÉS
REF PART # DESCRIPTION QTY.
18 140015 WASHER, LOCK, SPLT, 0.31 SS 1
19 16931 SCREW, HEX, M8X1.25X20, 8.8 1
20 626092 DGASKET, VAC FAN 1
∇21 130477 DFAN, VACUUM, 5.7D, 3S, 24V BPT 1
Y22 190163 DBRUSH CRBN, MOTOR, ELE,
(1PC=1PACK=2BRSH) 1
23 130096 CONNECTOR ASSY, BLADE, MALE
.25 1TRMNL 2
24 08712 NUT, HEX LOCK, M6X1.0 SS NL 3
25 140000 WASHER, FLAT, 0.28B .062D .04 SS 3
26 140353 SCREW, STUD, M6X1.0X108 ZN 3
27 363503 SCREW, PAN, M6X1.0X12 SS 11
28 140052 WASHER, LOCK, EXT, 0.25 SS 11
29 140000 WASHER, FLAT, 0.28B .062D .04 SS 11
30 600311 DHINGE, .25PIN .07 2.0W 26.0L 1
∇31 1010143 DHOSE, DRAIN ASSEMBLY, 31.2” 1
Y∇32 1008639 DCAP, DRAIN ASSEMBLY 1
Y33 1008637 DO RING, 1.48”ID, 1.76”OD 1
Y34 1019563 DSTRAP, DRAIN CAP 1
35 363503 SCREW, PAN, M6X1.0X12 SS 1
HomeHome
Find...
Go To..
Find...
Go To..

PARTS LIST -LISTA DE PIEZAS -LISTE DES PIÈCES
Speed Scrub 2001HD (06--06)
82
CONTROL CONSOLE GROUP / CONJUNTO CONSOLA DE CONTROLES /
GROUPE TABLEAU DE COMMANDE
27
1
2
3
7
4
5
6
8
9
10
54
12
13
51
12
14
1
15
38
36
20
18
19
21
16
52
26
23
22
24
25
30
35
31
32
33
34
29
37
36
40
41
43
42
28
47
46
39
44
48
50
49
45
24
36
36
11
17
17
HomeHome
Find...
Go To..
Find...
Go To..

PARTS LIST -LISTA DE PIEZAS -LISTE DES PIÈCES
Speed Scrub 2001HD (06--06) 83
CONTROL CONSOLE GROUP / CONJUNTO CONSOLA DE CONTROLES /
GROUPE TABLEAU DE COMMANDE
REF PART # DESCRIPTION QTY.
1200823 DGRIP, HANDLE TUBE 2
2605351 BUSHING, 7/8 10--BLACK 1
3604402 TUBE, HANDLE 1
41026454 SCREW, PAN, M5X0.8X10, SS 8
507514 WASHER, LOCK, INT #10 SS 8
∇613095 ASSY, PANEL, SWITCH 1
Y6602560 SWITCH PANEL 1
Y7606857 DGAUGE, AMMETER, RT, 5--36A
(PRESSURE) 1
Y8603399 DSWITCH, PUSH, DPDT
ON/OFF/MOM. ON 1
Y9601107 DSWITCH, ROCKER, 24VDC 15A
LIGHTED 3
Y10 606020AM DGAUGE, DISCHARGE, BATTERY,
24VDC 1
Y11 611825 DHARNESS, WIRE 1
12 02850 NUT, HEX LOCK, M4X0.7 NL 4
13 630261 TUBE, 0.31D 0.19B 0.5L ALUM 2
14 630128 HEATSINK, 11GA. ALUM. 104X120 1
15 608299 CONTRL HSG, GREEN 1
16 601108AM DSWITCH, TOGGLE MON/ON/ON 1
∇17 602873 HARNESS CONSOLE W/POT. 1
Y18 130776 DPOTIENTIOMETER, 50K 1
Y19 130775 DPOTIENTIOMETER, 50K
LOCKABLE 1
20 140351 SCREW, HEX, M12X1.75X70 ZN 2
21 630304 SCREW, FLT, M4X0.7X35 PHL, ZN 2
22 230715 TUBE, HANDLE ADJUSTMENT 1
23 230649 PIN, HANDLE, ADJUSTMENT 2
24 230710 PIN, HANDLE, LOCK 2
25 140415 SPRING, LOCK PIN 1
∇ASSEMBLY / CONJUNTO / ENSEMBLE
YINCLUDED IN ASSEMBLY / INCLUIDO A CONJUNTA / Y COMPRIS EN
ENSEMBLE
DRECOMMENDED STOCK ITEM / PIEZAS RECOMENDADAS EN ALMACÉN /
ELÉMENTS DE STOCK RECOMMANDÉS
REF PART # DESCRIPTION QTY.
26 140155 BUSHING, .48X.62X2.00 2
27 606550 DKNOB, RND, 0.92D 0.76L 0.25B 1
28 603007 BUSHING, SNAP .25ID BLACK 1
29 602886 PIN, SPRING, HANGER,
.31--18X.94 THD, ZN 1
30 605812 SPRING, EXT. 1
31 140829 SCREW, PAN, #06--32X1.00 PHL SS 2
32 140019 WASHER, LOCK, EXT, #06 ZN 2
33 27098 BRACKET, SWITCH 1
34 614003 DSWITCH, SNAP ACTION W/ BUMP 1
35 140552 NUT, HEX L0CK, #10--24 NL SS 1
36 140000 WASHER, FLAT, 0.28B .062D .04 SS 6
37 25671 MOUNT, SWITCH 1
38 140890 SCREW, TRS, #10--24X0.50 PHL SS 1
39 140900 SCREW, TRS, #10--24X0.75 PHL SS 1
40 608322 SCREW, TRS, M6X1.0X16 PHL SS 2
41 08712 NUT, HEX LOCK, M6X1.0 SS NL 2
42 140045 WASHER, FLAT, 0.51B 1.25D .06 SS 2
43 140024 WASHER, LOCK 0.50 SS 2
44 603830 PLATE, SWITCH GUARD 1
45 140540 NUT, #6--32 HEX SS 2
46 630343 CLAMP, CABLE, STL,
0.88D X 0.50W 1H VYL 1
47 140552 NUT, HEX L0CK, #10--24 NL SS 1
48 605094 COLLAR, HANDLE 2
49 140859 SCREW, SET, .25--20X0.25 CUP PT 2
50 606549 LABEL, SPEED CONTROL 1
51 630104 DSPEED CONTROL, PMB 55 AMP 1
52 130753 DBOOT, SWITCH 1.00 LONG BLK 1
HomeHome
Find...
Go To..
Find...
Go To..

PARTS LIST -LISTA DE PIEZAS -LISTE DES PIÈCES
Speed Scrub 2001HD (06--06)
84
COMPONENT PANEL GROUP (FaST MODEL) / GRUPO TABLERO DE COMPONONTÉ (MODELO FaST) /
TABLEAU DES COMPOSANTS (MODÈLE)
4
3
5
1
2
HomeHome
Find...
Go To..
Find...
Go To..

PARTS LIST -LISTA DE PIEZAS -LISTE DES PIÈCES
Speed Scrub 2001HD (06--06) 85
COMPONENT PANEL GROUP (FaST MODEL) / GRUPO TABLERO DE COMPONONTÉ (MODELO FaST) /
TABLEAU DES COMPOSANTS (MODÈLE)
REF PART # DESCRIPTION QTY.
1605044 PANEL, SWITCH 1
249309 DRELAY, 24VDC 40A SPDT N/O 1
3130787 DSWITCH, ROCKER V C A SPDT 1
DRECOMMENDED STOCK ITEM / PIEZAS RECOMENDADAS EN ALMACÉN /
ELÉMENTS DE STOCK RECOMMANDÉS
N/S = NOT SHOWN / NO INDICADO / NON MONTRÉ
REF PART # DESCRIPTION QTY.
4613399 LABEL, FAST SWITCH 1
5130737 DCIRCUITBREAKER, 10.0A 1
N/S 1019019 HARNESS, WIRE, GEN2 FaST 1
HomeHome
Find...
Go To..
Find...
Go To..

PARTS LIST -LISTA DE PIEZAS -LISTE DES PIÈCES
Speed Scrub 2001HD (06--06)
86
ELECTRICAL -- BATTERY GROUP /
GRUPO DEL ELÉCTRICO -- BATERÍA / ÉLECTRIQUE -- GROUPE DE BATTERIE
12
5
4
8
9
10
8
13
16
17
18
19
20
24
17
8
21
23
2
25
26 10
28
26
25
10 9
13
11
12
34
3
7
13
12 11
910
14 15
22
27
29
35
36
32
31
30
33
29
27
39
39
39
39
38 37
6
HomeHome
Find...
Go To..
Find...
Go To..

PARTS LIST -LISTA DE PIEZAS -LISTE DES PIÈCES
Speed Scrub 2001HD (06--06) 87
ELECTRICAL -- BATTERY GROUP /
GRUPO DEL ELÉCTRICO -- BATERÍA / ÉLECTRIQUE -- GROUPE DE BATTERIE
REF PART # DESCRIPTION QTY.
1613030 PANEL, CONTROL HOUSING 1
2609969 DPLUG, HOURMETER 2
3069764626 DPLUG, HOLE 012.7 1
4130161 DPLUG, DOME, .875D, BLACK 1
5130175 DPLUG, DOME, .750D, BLACK 1
6606105 LABEL, HZRD, DO NOT SPRAY 1
7582150 DBUTTON, PLUG, ACCESSORY
SWITCH 2
8608322 SCREW, TRS, M6X1.0X16 PHL SS 6
908712 NUT, HEX LOCK, M6X1.0 SS NL 6
10 140000 WASHER, FLAT, 0.28B .062D .04 SS 7
11 606404 DDIODE ASSY W/RING TERMINALS 3
12 281001009 TERMINAL, RING, #10 14--16 6
13 605905AM DSOLENOID, 24VDC 125A
050 OHM 3
14 130021 DFLASHER, 24VDC 1
15 606243 TAPE, DOUBLE STICK 1” ACRYLIC 1
16 130737AM DCIRCUITBREAKER, 10.0A 1
17 602951AM DCIRCUITBREAKER, 35.0A 2
18 140829 SCREW, PAN, #06--32X1.00 PHL SS 2
19 140019 WASHER, LOCK, EXT, #06 ZN 2
20 605387 DCONNECTOR, 50A RED
W/O CONT 1
21 1026454 SCREW, PAN, M5X0.8X10, SS 2
DRECOMMENDED STOCK ITEM / PIEZAS RECOMENDADAS EN ALMACÉN /
ELÉMENTS DE STOCK RECOMMANDÉS
REF PART # DESCRIPTION QTY.
22 07514 WASHER, LOCK, INT #10 SS 2
23 130698 BUSHING, SNAP .50ID BLACK 1
24 602887 BRACKET, CHRG PLUG/CB/SOL 1
25 01696 SCREW, HEX, .25--20X0.50 SS 2
26 140016 WASHER, LOCK, 0.25 SS 2
27 602871 CABLE, BATTERY 6BLKX24” 1/4X5/16 1
28 76062 DINSULATOR, PANEL &
SWITCHBOARD 1
29 602872 CABLE, BATT #6REDX28” 5/16X3/8 1
30 603235 CHARGER, 24DC/20A/120AC RED-
PLUG 1
31 601991 TRAY, BATTERY 1
32 600394 BATTERY, 12VDC CCA 215AH DUAL
POST 2
33 130364 DCABLE, BATTERY 6X15 BLK
5/16X3/8 1
34 140539 NUT, HEX LOCK #06--32 KEP SS 2
35 605823 DSEAL, ORG .926 ID X .996 OD 1
36 603331 SPACER, CHARGER PLUG 1
37 130280 DPLUG, DOME .437D BLACK 1
38 604486 DIODE ASSY, SPLICED 1
39 611221 BOOT, CABLE, BATTERY, BLACK 4
HomeHome
Find...
Go To..
Find...
Go To..

PARTS LIST -LISTA DE PIEZAS -LISTE DES PIÈCES
Speed Scrub 2001HD (06--06)
88
DRIVE GROUP / GRUPO DE TRANSMISIÓN / GROUPE D’ENTRAINEMENT
1
34
678
9
10
11
12
16
20
21 22
43 23
13
14
15
17
18
19
5
21
2
44
18
19
32
28
29
38 39 36
37
34 35
31
30
33
14
24
27
42
41
40
46
45
26
25
45
42
41
40
46
HomeHome
Find...
Go To..
Find...
Go To..

PARTS LIST -LISTA DE PIEZAS -LISTE DES PIÈCES
Speed Scrub 2001HD (06--06) 89
DRIVE GROUP / GRUPO DE TRANSMISIÓN / GROUPE D’ENTRAINEMENT
REF PART # DESCRIPTION QTY.
1600288 PLATE, BASE TRANSAXLE 1
236758 BOLT, SHLD, .50DX0.50, .38--16 2
31002936 BRACKET, ACTUATOR 1
4140314 CLAMP, CABLE, STL,
0.75D X 0.75W 1H VYL 1
5140027 WASHER, FLAT, 0.35B 0.75D .04 SS 4
6140015 WASHER, LOCK, SPLT, 0.31 SS 4
716931 SCREW, HEX, M8X1.25X20, 8.8 4
81009363 BUSHING, CABLE 1
9630157 BRACKET, CABLE GUIDE, 11GA ZP 1
10 200031432 SCREW, HEX, M6X1.0X10 2
11 140000 WASHER, FLAT, 0.28B .062D .04 SS 2
12 621236000 RING, RETAINING, .810 DIA 1
13 140028 WASHER, FLAT, 0.42B 1.00D .05 SS 2
14 140333 WASHER, M10 SPLTLCK SS 2
15 09291 SCREW, HEX, M10X1.5X20 SS 2
16 600952 DACTUATOR 24VDC 1
17 281004001 TERMINAL, FEM .25 22--18GA FI RED 2
18 604076 PIN, M10DIAX28 CLEVIS ZN 2
19 578421 PIN, COTTER, .125D X 1.00L 2
20 606702 BRACKET, HD LIFT 1
21 140045 WASHER, FLAT, 0.51B 1.25D .06 SS 4
22 602882 SLEEVE, P/M, 0.625D 0.502B 0.31L
STL PLT 2
23 59156 NUT, HEX LOCK .38--16 NL SS 2
24 613026 DWHEEL, 8.0D 2.00W 2
630215 DWHEEL, 9.0D PNEUMATIC FLANGE 2
600352 DTIRE, FOAM FILLED 2
604357 DKIT, TIRE, AIR 1
604259 DKIT, TIRE, FOAM 1
∇ASSEMBLY / CONJUNTO / ENSEMBLE
YINCLUDED IN ASSEMBLY / INCLUIDO A CONJUNTA / Y COMPRIS EN
ENSEMBLE
DRECOMMENDED STOCK ITEM / PIEZAS RECOMENDADAS EN ALMACÉN /
ELÉMENTS DE STOCK RECOMMANDÉS
REF PART # DESCRIPTION QTY.
25 140000 WASHER, FLAT, 0.28B .062D .04 SS 8
26 41169 NUT, HEX LOCK, .25--20 NL SS 8
∇1013312 TRANSAXLE, 24V MOTOR 116 RPM 1
Y27 612873 TRANSAXLE, REPLMT,
BODY ONLY 1
Y28 614165 MOTOR, ELE, 24VDC TRANSAXLE
REPLMT 1
Y29 614166 DKIT, BRUSH, CARBON QTY(4)
(After SN 10169615--
For Motor #614165)
1
612883 DKIT, BRUSH, CARBON QTY(2)
(Before SN 10169615 --
For Motor #612877)
1
Y30 612880 SLEEVE, TRANSAXLE REPLMT 2
Y31 612879 HUB, WHEEL TRANSAXLE REPLMT 2
Y32 140552 NUT, HEX L0CK, #10--24 NL SS 2
Y33 31249 BOLT, SHLD, .25DX1.25, #10--24 2
Y34 32982 WASHER, LOCK, INT, 0.25 2
Y35 33951 SCREW, SOC, M6 X 1.0 X 20, 12.9 2
Y36 577031000 SCREW, #8X1/2 PAN PHL ZN 2
Y37 N/A COVER, SHAFT 2
Y38 612874 COUPLING, TRANSAXLE REPLMT 1
Y39 612875 KEY, SPECIAL, TRANSAXLE REPLMT 1
40 140028 WASHER, FLAT, 0.42B 1.00D .05 SS 4
41 140333 WASHER, M10 SPLTLCK SS 4
42 612255000 SCREW, HEX, M10X1.5X35 ZN 4
43 140046 WASHER, 1.00X.392X.090 SS 2
44 140052 WASHER, LOCK, EXT, 0.25 SS 2
45 612783 SPACER, AXLE 4
46 612784 BRACKET, TRANSAXLE MTG 2
HomeHome
Find...
Go To..
Find...
Go To..

PARTS LIST -LISTA DE PIEZAS -LISTE DES PIÈCES
Speed Scrub 2001HD (04--00)
90
BRUSH DRIVE GROUP / CONJUNTO IMPULSO DE CEPILLO /
GROUPE TÊTE DE BROSSAGE DISQUE SIMPLE
2
19
12
1
5
8
21
23
24
25
26
27
28
29
20 22
20
8
7
5
35
33
30
34
31
6
6
15
16
3
7
4
9
10
11
13 14
11
11
17
18
36
32
HomeHome
Find...
Go To..
Find...
Go To..

PARTS LIST -LISTA DE PIEZAS -LISTE DES PIÈCES
Speed Scrub 2001HD (03--05) 91
BRUSH DRIVE GROUP / CONJUNTO IMPULSO DE CEPILLO /
GROUPE TÊTE DE BROSSAGE DISQUE SIMPLE
REF PART # DESCRIPTION QTY.
∇1130491 DMOTOR, ELE, 24VDC 0.75HP
W/GEARBOX IMP 1
Y2190741 DCARD ASSY., BRUSH, MOTOR, ELE 1
Y2190970 DBRUSH, CARBON, MOTOR, ELE 1
Y2140632 DKEY, .25X.25X1.00L (+.000/--.002) 1
Y2630609 DGEARBOX ASSY 1
Y2281001014 TERMINAL RING 1/4 10--12 1
130192 TERMINAL MAL .25 12--10 FI YW 1
3100764 COVER, BRUSH MOTOR 1
4606243 TAPE, ACRYLIC FOAM
1” WIDE X 12” LONG 0.25
FT.
5600300 PLATE, GUIDE 2
6140003 WASHER, 1/4X1 FNDR SS 8
7140016 WASHER, LOCK, 0.25 SS 8
815678 SCREW, HEX, M6X1.0X16 SS 8
9606781 BRACKET, SPRING 1
10 607143 SCREW, HEX, .38--16X3.50 SS 2
11 140028 WASHER, FLAT, 0.42B 1.00D .05 SS 6
12 606782 SPRING, BRUSH PRESSURE 2
13 140017 WASHER, LOCK, SPLT, 0.38 SS 2
14 02994 SCREW, HEX, .38--16X0.75 SS 2
15 613446 HOSE, PYU, CLR, 0.38ID 0.62OD
10.0L 1
∇ASSEMBLY / CONJUNTO / ENSEMBLE
YINCLUDED IN ASSEMBLY / INCLUIDO A CONJUNTA / Y COMPRIS EN
ENSEMBLE
DRECOMMENDED STOCK ITEM / PIEZAS RECOMENDADAS EN ALMACÉN /
ELÉMENTS DE STOCK RECOMMANDÉS
REF PART # DESCRIPTION QTY.
16 607775 CLAMP, HOSE, WIRE .63--.66 BLK 1
17 606704 BRACKET, BRUSH MOTOR MOUNT 1
18 140618 PIN, ROLL .258D X 1.50L ZN 4
19 140204 SCREW, HEX, .50--13X1.50 SS 2
20 140008 WASHER, FLAT 0.57B 1.28D .08 SS 6
21 602882 SLEEVE, P/M, 0.625D 0.502B 0.31L
STL PLT 2
22 02931 NUT, HEX LOCK .50--13 NL SS 2
23 140028 WASHER, FLAT, 0.42B 1.00D .05 SS 4
24 140017 WASHER, LOCK, SPLT, 0.38 SS 4
25 69225 SCREW, HEX, .38--16X1.00 SS 4
26 606335 PLATE, DRIVE, MOLDED, NYLON 1
27 25732 WASHER, FLAT, 0.36B 1.25D .09 ZN 1
28 140015 WASHER, LOCK, SPLT, 0.31 SS 1
29 140219 SCREW, HEX, .31--18X1.00 SS 1
30 140417 DCLIP, SPRING 1
31 230651 DCLAMP, BRUSH PLATE 1
32 140136 BUSHING, .38X.50X.28 2
33 230697 DSTOP, DRIVER RELEASE 1
34 606915 SCREW, HILO #10--16X0.38 SS 4
35 600299 LIP, FRONT SKIRT 1
36 140047 WASHER, FLAT, 0.75B 1.25D .06 SS 1
HomeHome
Find...
Go To..
Find...
Go To..
X

PARTS LIST -LISTA DE PIEZAS -LISTE DES PIÈCES
Speed Scrub 2001HD (09--04)
92
SKIRT GROUP / CONJUNTO JUEGO / GROUPE SOUFFLET JUPE
20
19 18
21
19
18
10
9
2
14
3
4
5
17 16
15
15
13
8
6
12
11
14
13
1
5
8
9
16 17
6
7
7
7
HomeHome
Find...
Go To..
Find...
Go To..

PARTS LIST -LISTA DE PIEZAS -LISTE DES PIÈCES
Speed Scrub 2001HD (03--05) 93
SKIRT GROUP / CONJUNTO JUEGO / GROUPE SOUFFLET JUPE
REF PART # DESCRIPTION QTY.
1608306 SKIRT, 20” LH, GREEN 1
2608308 SKIRT, 20” RH, GREEN 1
3603154 DSCREW, PAN, M8X1.25X40 PHL SS 2
41014918 DWHEEL, RBR, 3”X1” W/BUSHING 2
5230943 DPIN, SKIRT 2
6600301 MOUNT, BRACKET, SKIRT 2
7140027 WASHER, FLAT, 0.35B 0.75D .04 SS 6
8140015 WASHER, LOCK, SPLT, 0.31 SS 4
9578237000 SCREW, HEX, M8X1.25X18 SS, 933 4
10 49800 DLATCH, DRAW, SOFT RBR
W/ KEEPER 1
∇ASSEMBLY / CONJUNTO / ENSEMBLE
YINCLUDED IN ASSEMBLY / INCLUIDO A CONJUNTA / Y COMPRIS EN
ENSEMBLE
DRECOMMENDED STOCK ITEM / PIEZAS RECOMENDADAS EN ALMACÉN /
ELÉMENTS DE STOCK RECOMMANDÉS
REF PART # DESCRIPTION QTY.
11 200070340 SCREW, PAN, M4X0.7X8 PHL ZN 4
12 02938 WASHER, LOCK, INT. 08 SS 4
13 606705 DSKIRT, SPLASH 30.75”L 2
14 606706 STRAP, SPLASH GUARD 20” 2
15 140011 WASHER, FLAT, 0.21B 0.45D .03 SS 14
16 07514 WASHER, LOCK, INT #10 SS 14
17 578144000 SCREW, PAN, M5X0.8X16 PHL SS 14
18 575029000 SCREW, PAN, M8X1.25X20 PHL SS 4
19 140015 WASHER, LOCK, SPLT, 0.31 SS 4
20 607951 BRACKET, LH SKIRT 1
21 607952 BRACKET, RH SKIRT 1
HomeHome
Find...
Go To..
Find...
Go To..

PARTS LIST -LISTA DE PIEZAS -LISTE DES PIÈCES
Speed Scrub 2001HD (06--06)
94
SOLUTION GROUP, FaST MODEL / GRUPO DE SOLUCIÓN, MODELO FaST /
GROUPE SOLUTION, MODÈLE FaST
34
TO
SCRUB
HEAD
TO
SOLUTION
TANK
1
234
33 35
38
39
40
41
37
36
TO
SOLUTION
TANK
7
8
5
5
6
11
17
13
11
16
14
16
910
16
15
10
17
11
12
19
21
20
22
23
24
25
26
18
18
28
28
18
18
29
30
31 18
18
32
50
49
45
47
46
44
17
27
59
17 58
17 51 17 59
56 17 52
17
17
53 17
55
17
57
18
42
17
54 18
41
16
15
43
48
60
61
62
63
64
61
62
65
HomeHome
Find...
Go To..
Find...
Go To..

PARTS LIST -LISTA DE PIEZAS -LISTE DES PIÈCES
Speed Scrub 2001HD (06--06) 95
SOLUTION GROUP, FaST MODEL / GRUPO DE SOLUCIÓN, MODELO FaST /
GROUPE SOLUTION, MODÈLE FaST
REF PART # DESCRIPTION QTY.
11005236 BRACKET, MOUNTING 1
2140003 WASHER, 1/4X1 FNDR SS 2
3140016 WASHER, LOCK, 0.25 SS 2
415678 SCREW, HEX, M6X1.0X16 SS 2
543555 CLAMP, HOSE, WORMDRIVE,
1.62--3.50D, .56W 2
61014282 DPUMP,SOLTN,ELE,24VDC 1
71017386 DVALVE, AIR VENT, FLOAT TYPE 1
853466 CLAMP, CABLE, STL, 1.50DX1.00W 1
9150705 FITTING, BRS, TEE, PF02 1
10 1005564 FITTING, PLSTC, E90, BM06/PM02 2
11 1005630 FITTING, PLSTC, E90, BM06/PM06
NYL 3
12 1005318 FITTING, PLSTC, E90, PF06/PM06
NYL 1
13 1014974 HOSE, AFMKT, PVC, BRD 0.38ID 2FT. 1
14 1014971 HOSE, AFMKT, PVC, BRD 0.38ID 1FT. 1
15 630418 HOSE, PVC, BRD 0.38ID, 0.60OD
27.6L 1
16 54333 CLAMP, HOSE, WORMDRIVE,
0.31--0.88D, .31W 4
17 607775 CLAMP, HOSE, WIRE .63--.66 BLK 12
18 607776 CLAMP, HOSE, .73--.77, 2--WIRE 8
19 601483 FITTING, BRS, TEE, PM06/PF06,
STRT, T 1
20 609062 SCREW, TRS, M5X0.8X12 PHL, SS 4
21 1026457 WASHER, LOCK, SPLIT, M5, SS 4
22 575541000 WASHER, M5.3X10X1 FLT, SS D125A 4
23 605056 BRACKET, FILTER MOUNT 2
24 1005302 DFILTER, INLINE, PF06/PF06,
80 MESH 1
25 1005304 DSCREEN, FILTER, 80 MESH 1
26 01997 FITTING, BRS, E45, PM06/PF06 1
27 605046 FITTING, PLSTC, TEE,
PM06/BM08/BM08 1
28 1017532 FITTING, PLSTC, E90, PM06/BM08 2
29 613515 HOSE, PVC, CLR, 0.50ID 0.75OD 4.5L 1
30 613523 HOSE, PVC, CLR, 0.50ID 0.75OD
13.1L 1
∇ASSEMBLY / CONJUNTO / ENSEMBLE
YINCLUDED IN ASSEMBLY / INCLUIDO A CONJUNTA / Y COMPRIS EN
ENSEMBLE
DRECOMMENDED STOCK ITEM / PIEZAS RECOMENDADAS EN ALMACÉN /
ELÉMENTS DE STOCK RECOMMANDÉS
REF PART # DESCRIPTION QTY.
31 64743 FITTING, PLSTC, STR, BM08/PM06 1
32 613509 HOSE, PVC, CLR, 0.50ID 0.75OD 1.9L 1
33 1002871 BRACKET, HOLDER, BOX 1
34 140027 WASHER, FLAT, 0.35B 0.75D .04 SS 4
35 140015 WASHER, LOCK, SPLT, 0.31 SS 4
36 16931 SCREW, HEX, M8X1.25X20, 8.8 4
37 1017019 DDETERGENT PKG, 2--LITER, SLG 1
38 1005435 FITTING, PLSTC, PIPE, CAP, PF04 1
39 1006206 COUPLING, MAL, .25 NPT 1
40 1006204 DCOUPLING, FEM, W/VALVE
.25 BRB 1
41 1014987 HOSE, AFMKT, PVC, CLR 0.25ID 1FT. 1
42 612774 FITTING, PLSTC, STR, BM08/BM06 1
∇43 1014468 INJECTOR ASSY, .13 GPM 1
Y44 1014276 DFITTING, BRS, STR, BM06/PF12 1
Y45 1014470 DPLUG, ORFICE, .022 1
Y∇46 1013411 DFILTER ASSY, 50 MESH 1
YY47 1013408 DFILTER, BRASS/SS, 50 MESH 1
Y48 9001489 DKIT, ORIFICE 1
Y49 1005507 DFITTING, PLSTC, BODY, SPRAY,
PF04 1
Y50 1014254 DVALVE, CHECK, BM04/PM04,
2 PSI 1
51 1015455 DVALVE, CHECK, BM06/BM06,
5 PSI 1
52 1014974 HOSE, AFMKT, PVC, BRD 0.38ID 2FT. 1
53 1017255 FITTING, PLSTC, Y, BM06/BM06/BM06
NYL 1
54 1014974 HOSE, AFMKT, PVC, BRD 0.38ID 2FT. 1
55 1014971 HOSE, AFMKT, PVC, BRD 0.38ID 1FT. 1
56 20951 FITTING, PLSTC, E90, BM06/BM06 1
57 613509 HOSE, PVC, CLR, 0.50ID 0.75OD 1.9L 1
58 1014971 HOSE, AFMKT, PVC, BRD 0.38ID 1FT. 1
59 1014971 HOSE, AFMKT, PVC, BRD 0.38ID 1FT. 1
60 1005337 BRACKET, MOUNTING, SOLENOID 1
61 140000 WASHER, FLAT, 0.28B .062D .04 SS 4
62 140016 WASHER, LOCK, 0.25 SS 4
63 15678 SCREW, HEX, M6X1.0X16 SS 2
64 612498 DVALVE, LIQUID DISPENSING 1
614265 DKIT, VALVE, WATER, REBUILD 1
65 200031432 SCREW, HEX, M6X1.0X10 2
HomeHome
Find...
Go To..
Find...
Go To..

PARTS LIST -LISTA DE PIEZAS -LISTE DES PIÈCES
Speed Scrub 2001HD (09--04)
96
SOLUTION GROUP, STANDARD MODEL / GRUPO DE SOLUCION, MODELO ESTANDARD /
GROUPE DE SOLUTION, MODÈLE STANDARD
1
9
14
2
3
45678
4
10
11
12
13
10
11
33
18
16
15
14
17
19
18
20 21
19
20
23
24
25
26
25
25 28
25 27
27
30
31
14
29
32
22
34
HomeHome
Find...
Go To..
Find...
Go To..

PARTS LIST -LISTA DE PIEZAS -LISTE DES PIÈCES
Speed Scrub 2001HD (06--06) 97
SOLUTION GROUP, STANDARD MODEL / GRUPO DE SOLUCION, MODELO ESTANDARD /
GROUPE DE SOLUTION, MODÈLE STANDARD
REF PART # DESCRIPTION QTY.
1626121 KNOB, RND 0.71D 0.75L 0.25B PLSTC 1
2612039 DECAL, SOLUTION CONTROL 1
31002538 BRACKET, SOLUTION CONTROL 1
4612497 CABLE, WATER FLOW CONTROL 1
5230661 PLATE, LOCK CONTROL HOUSING 1
6140027 WASHER, FLAT, 0.35B 0.75D .04 SS 2
7140015 WASHER, LOCK, SPLT, 0.31 SS 2
816931 SCREW, HEX, M8X1.25X20, 8.8 2
9611822 BRACKET, MOUNTING, SOLENOID 1
10 140000 WASHER, FLAT, 0.28B .062D .04 SS 4
11 140016 WASHER, LOCK, 0.25 SS 4
12 15678 SCREW, HEX, M6X1.0X16 SS 2
13 612498 DVALVE, LIQUID DISPENSING 1
614265 DKIT, VALVE, WATER, REBUILD 1
14 54333 CLAMP, HOSE, WORMDRIVE,
0.31--0.88D, .31W 3
15 613509 HOSE, PVC, CLR, 0.50ID 0.75OD 1.9L 1
16 1017532 FITTING, PLSTC, E90, PM06/BM08 1
17 611820 BRACKET, FILTER MOUNT 1
18 575541000 WASHER, M5.3X10X1 FLT, SS D125A 4
DRECOMMENDED STOCK ITEM / PIEZAS RECOMENDADAS EN ALMACÉN /
ELÉMENTS DE STOCK RECOMMANDÉS
REF PART # DESCRIPTION QTY.
19 1026457 WASHER, LOCK, SPLIT, M5, SS 4
20 609062 SCREW, TRS, M5X0.8X12 PHL, SS 4
21 605056 BRACKET, MTG FILTER 1
22 1005302 DFILTER, INLINE, PF06/PF06,
80 MESH 1
23 01997 FITTING, BRS, E45, PM06/PF06 1
24 605046 FITTING, PLSTC, TEE,
PM06/BM08/BM08 1
25 607776 CLAMP, HOSE, .73--.77, 2--WIRE 4
26 613515 HOSE, PVC, CLR, 0.50ID 0.75OD 4.5L 1
27 1017532 FITTING, PLSTC, E90, PM06/BM08 2
28 613523 HOSE, PVC, CLR, 0.50ID 0.75OD
13.1L 1
29 613525 HOSE, PVC, CLR, 0.50ID 0.75OD
14.5L 1
30 612774 FITTING, PLSTC, STR, BM08/BM06 1
31 613446 HOSE, PYU, CLR, 0.38ID 0.62OD
10.0L 1
32 607775 CLAMP, HOSE, WIRE .63--.66 BLK 1
33 200031432 SCREW, HEX, M6X1.0X10 2
34 1005304 DSCREEN, FILTER, 80 MESH 1
HomeHome
Find...
Go To..
Find...
Go To..

PARTS LIST -LISTA DE PIEZAS -LISTE DES PIÈCES
Speed Scrub 2001HD (03--05)
98
SQUEEGEE CONTROL GROUP / GRUPO DE CONTROL DE LA ESCOBILLA DE GOMA /
GROUPE COMMANDE DE RACLOIR
20
1
2
3
2
4
16
6
7
8
6
12
11
3
6
19
18
24
23
22
17
18 19
14
15
25 26 27
21
6
5
6
7
9
10
13
13
31
29
28
30
30
HomeHome
Find...
Go To..
Find...
Go To..

PARTS LIST -LISTA DE PIEZAS -LISTE DES PIÈCES
Speed Scrub 2001HD (03--05) 99
SQUEEGEE CONTROL GROUP / GRUPO DE CONTROL DE LA ESCOBILLA DE GOMA /
GROUPE COMMANDE DE RACLOIR
REF PART # DESCRIPTION QTY.
1160613 DHOSE, VACUUM, 1.5DX30L,
2--CUFFS 1
21015636 DCABLE, SQUEEGEE LIFT 1
341169 NUT, HEX LOCK, .25--20 NL SS 2
4140236 SCREW, HEX, .50--13X1.25 ZN 1
5611480 SCREW, TRS, .50--13X1.25 PHL SS 1
6140045 WASHER, FLAT, 0.51B 1.25D .06 SS 6
7140139 SLEEVE, P/M, 0.625D 0.500B 0.25L
STL PLT 2
802931 NUT, HEX LOCK .50--13 NL SS 1
91021179 BRACKET, PIVOT, MOUNT,
SQUEEGEE 1
10 1011342 BRACKET, SQUEEGEE MOUNT 1
11 140509 NUT, 1/2--13 HXJM SS 2
12 602981 SCREW, HEX, .50--13X5.50 ZN 1
13 140024 WASHER, LOCK 0.50 SS 2
14 08712 NUT, HEX LOCK, M6X1.0 SS NL 1
15 15678 SCREW, HEX, M6X1.0X16 SS 1
DRECOMMENDED STOCK ITEM / PIEZAS RECOMENDADAS EN ALMACÉN /
ELÉMENTS DE STOCK RECOMMANDÉS
REF PART # DESCRIPTION QTY.
16 611477 SPRING, SQUEEGEE 1
17 200031496 SCREW, M8X1.25X35 1
18 140015 WASHER, LOCK, SPLT, 0.31 SS 2
19 140027 WASHER, FLAT, 0.35B 0.75D .04 SS 2
20 602885 HANDLE, SQUEEGEE LIFT 1
21 200816 DGRIP,HANDLE.25X1X2.25 1
22 604358 SPACER BUSHING 1
23 230661 PLATE, LOCK CONTROL HOUSING 1
24 16931 SCREW, HEX, M8X1.25X20, 8.8 1
25 140268 SCREW, HEX, M5X0.8X12 SS 2
26 140031 WASHER, #10 EXT ZN 2
27 230712 PLATE, SQUEEGEE LOCK 1
28 1021007 PLATE, MOUNT (FaST MODEL) 1
29 630428 CLAMP, CABLE, STL, 1.0D X .50W, .25
MOUNT (FaST MODEL) 2
30 08712 NUT, HEX LOCK, M6X1.0 SS NL (FaST
MODEL) 3
31 15678 SCREW, HEX, M6X1.0X16 SS
(FaST MODEL) 3
HomeHome
Find...
Go To..
Find...
Go To..

PARTS LIST -LISTA DE PIEZAS -LISTE DES PIÈCES
Speed Scrub 2001HD (06--06)
100
SQUEEGEE ASSEMBLY GROUP / CONJUNTO PALETA / GROUPE DE LA RACLETTE
17 16 15 10
14
13
12
11
2
4
6
3
1
7
5
8
9
20
6
8
9
19
18
21
21
22
18
20
23
21
21
22
HomeHome
Find...
Go To..
Find...
Go To..

PARTS LIST -LISTA DE PIEZAS -LISTE DES PIÈCES
Speed Scrub 2001HD (06--06) 101
SQUEEGEE ASSEMBLY GROUP / CONJUNTO PALETA / GROUPE DE LA RACLETTE
REF PART # DESCRIPTION QTY.
∇612025*ASSEMBLY, SQUEEGEE, LINATEX 1
Y∇606758 DKIT, SQUEEGEE BLADES,
LINATEX 1
Y1605030 DBLADE, FRONT SQUEEGEE,
LINATEX (RED) 1
Y2605029 DBLADE, REAR SQUEEGEE,
LINATEX (RED) 1
∇613036*ASSEMBLY, SQUEEGEE, GUM
RUBBER 1
Y∇606757 DKIT, SQUEEGEE BLADES,
GUM RUBBER 1
Y1605028 DBLADE, FRONT SQUEEGEE,
GUM RUBBER (TAN) 1
Y2605027 DBLADE, REAR SQUEEGEE,
GUM RUBBER (TAN) 1
∇606743*ASSEMBLY, SQUEEGEE,
URETHANE 1
Y∇606759 DKIT, SQUEEGEE BLADES,
URETHANE 1
Y1605032 DBLADE, FRONT SQUEEGEE,
URETHANE (WHITE) 1
Y2605031 DBLADE, REAR SQUEEGEE,
URETHANE (WHITE) 1
Y3611462 CASTING, SQUEEGEE 1
Y4140799 SCREW, TRS, .31--18 X 1.50, PHL 2
Y5605034 RETAINER, FRONT STRIP 1
Y6370100 DKNOB, STAR, 2.80D 4EAR 1.1L
.31--18 PLSTC 2
Y7603012 DKNOB, RND, 19D, PLSTIC, M6X12
STUD 6
∇ASSEMBLY / CONJUNTO / ENSEMBLE
YINCLUDED IN ASSEMBLY / INCLUIDO A CONJUNTA / Y COMPRIS EN
ENSEMBLE
DRECOMMENDED STOCK ITEM / PIEZAS RECOMENDADAS EN ALMACÉN /
ELÉMENTS DE STOCK RECOMMANDÉS
*NOTE: KIT # 614116 IS REQUIRED FOR MODEL BEFORE SN. 10173088.
REF PART # DESCRIPTION QTY.
Y81010560 DWHEEL, BMPR, 80D X 25W,
NON--MARKING 2
Y9611489 SCREW, TRS, .31--18 X 1.88, PHL 2
Y10 605033 SQUEEGEE, BAND ASM REAR 1
Y11 601108000 NUT, 5/16--18 HXLCK THIN NY 1
Y12 630477 DWHEEL, 2.0D 0.38W POLY GRAY 1
Y13 140028 WASHER, 3/8 FLAT 2
Y14 600187 SCREW, SHOULDER, 3/8 X 1 1/4 1
Y15 09739 NUT, M5X.8 NYLOCK 1
Y16 605069 CLIP, SQUEEGEE BAND 1
Y17 630389 SCREW, M5 7/8X45 PANPHL 1
Y18 222460 SLEEVE, P/M 0.496D 0.318B 0.50L
430SS 2
Y19 1010488 BRACKET, CASTER MTG,
SWIVEL, RH
(After SN 10173088)
1
Y20 140506 NUT, HEX, STD, .31--18, SS 2
Y21 39312 NUT, HEX, STD, M10 X 1.5
(After SN 10173088)4
Y22 1006343 DCASTER, SWIVEL, 2.0 D 0.8W,
M10 STEM
(After SN 10173088)
2
Y23 1006347 BRACKET, CASTER MTG,
SWIVEL, LH
(After SN 10173088)
1
HomeHome
Find...
Go To..
Find...
Go To..

OPTIONS - OPCIONES - ÉQUIPEMENT AU CHOIX
Speed Scrub 2001HD (06--06)
102
ES (EXTENDED SCRUB) SOLUTION GROUP / ES GRUPO DE LA SOLUCIÓN / ES GRUPE DE SOLUTION
1
3
1
4
5
6
7
8
9
10
11
12
13
14
13
15
13
2
HomeHome
Find...
Go To..
Find...
Go To..

OPTIONS - OPCIONES - ÉQUIPEMENT AU CHOIX
Speed Scrub 2001HD (06--06) 103
ES (EXTENDED SCRUB) SOLUTION GROUP / ES GRUPO DE LA SOLUCIÓN / ES GRUPE DE SOLUTION
REF PART # DESCRIPTION QTY.
∇604780 *KIT, RECYCLE 1
Y1630419 DSWITCH, ROCKER, 28VDC
A SPST 1
Y2150415 FITTING, PLSTC, E90, PM04/BM06 1
Y3130738 DLIGHT, INDICATOR, VDC, GREEN 1
Y409739 NUT, HEX LOCK, M5X0.8, NL, SS 1
Y5630145 DTIMER 1
Y6578008000 SCREW, PAN, M5X0.8X30, PHL, ZN 1
Y7603166 DSENSOR, LEVEL, LIQUID, 28VDC
.28A 1
Y8630138 DFILTER, SCREEN, 100 MESH 1
Y9630385 FITTING, PLSTC, STR, PM12/PM12
01.5L 1
∇ASSEMBLY / CONJUNTO / ENSEMBLE
YINCLUDED IN ASSEMBLY / INCLUIDO A CONJUNTA / Y COMPRIS EN
ENSEMBLE
DRECOMMENDED STOCK ITEM / PIEZAS RECOMENDADAS EN ALMACÉN /
ELÉMENTS DE STOCK RECOMMANDÉS
N/S = NOT SHOWN / NO INDICADO / NON MONTRÉ
* KIT NOT INTENDED FOR FaST MODELS / LA OPCIÓN DEL ES NO ESTÁ
DISPONIBLE PARA LOS MODELOS FaST. / OPTION NON DESTINÉE AUX
MODÈLES FaST
REF PART # DESCRIPTION QTY.
Y10 601490 FITTING, PLSTC, STR, PM12, BH 1
Y11 630136 DPUMP, SOL 24VDC
3116”TERM 3/4” 1
Y12 607308 HOSE, 3/8IDX5/8ODX8 1
Y13 54333 CLAMP, HOSE, WORMDRIVE,
0.31--0.88D, .31W 4
Y14 210044 DVALVE, CHECK, GPM 1PSI
BM06/BM06 1
Y15 607103 HOSE, 3/8IDX5/8ODX1.25FT 1
YN/S 604787 HARNESS, WIRE ES KIT 1
YN/S 630440 DECAL, “FILTER REMOVE” 1
HomeHome
Find...
Go To..
Find...
Go To..

OPTIONS - OPCIONES - ÉQUIPEMENT AU CHOIX
Speed Scrub 2001HD (09--01)
104
SQUEEGEE WAND ASSEMBLY / GROUPE D’ASPIRATION ET RACLETTE À MAIN /
GROUPE RACLOIR AUXILIAIRE D’EXTRACTION
1
2
3
4
REF PART # DESCRIPTION QTY.
∇190928 DKIT, AUTOSCRUB WET PICK--UP 1
Y16108.1 WAND, TWO BEND ALUMINUM 1
Y213840 SQUEEGEE ASM PUSH/PULL 14” 1
∇ASSEMBLY / CONJUNTO / ENSEMBLE
YINCLUDED IN ASSEMBLY / INCLUIDO A CONJUNTA / Y COMPRIS EN
ENSEMBLE
DRECOMMENDED STOCK ITEM / PIEZAS RECOMENDADAS EN ALMACÉN /
ELÉMENTS DE STOCK RECOMMANDÉS
REF PART # DESCRIPTION QTY.
Y3160481 DHOSE, VACUUM, 1.5DX10’L.,
1--SWIVEL CUFF 1
Y4160451 CONNECTOR, 1--1/2 VACUUM HOSE 1
HomeHome
Find...
Go To..
Find...
Go To..

OPTIONS - OPCIONES - ÉQUIPEMENT AU CHOIX
Speed Scrub 2001HD (09--04) 105
HOUR METER, EMERGENCY STOP, KEYSWITCH AND LOW VOLTAGE KITS /
MEDIDOR DE HORA, BOTÓN DE EMERGENCIA, INTERRUPTOR DE LLAVE, HERRAMIENTAS DE BAJO
VOLTAGE / LOT COMPTEUR HORAIRE, ARRÊT D’URGENCE, CONTACT ET KITS DE BASSE TENSION
1
2
2
3
REF PART # DESCRIPTION QTY.
∇1602999 DGAUGE KIT, HOURMETER 1
Y1010555 DGAUGE, HOURMETER, 14--48VDC,
LCD, RT 1
Y603000 ASM., WIRE #18X5” BLU #10RX.187F 1
Y603004 ASM., WIRE #18X5” BLK #10RX.187F 1
∇2602995 DKIT, E--STOP 1
Y630100 DSWITCH, PUSH, E--STOP
TCO#28429 1
Y630097 DSWITCH, CONTACT
VC A NC11608 1
Y602996 ASM, WIRE #16X5” RED 1/4FX1/4F 1
Y602997 ASM, WIRE #16X5” RED 1/4MX1/4F 1
∇ASSEMBLY / CONJUNTO / ENSEMBLE
YINCLUDED IN ASSEMBLY / INCLUIDO A CONJUNTA / Y COMPRIS EN
ENSEMBLE
DRECOMMENDED STOCK ITEM / PIEZAS RECOMENDADAS EN ALMACÉN /
ELÉMENTS DE STOCK RECOMMANDÉS
REF PART # DESCRIPTION QTY.
∇3602993 DKIT, KEYSWITCH 1
Y607475 DSWITCH, KEYLOCK, 12AMP 1
Y607821 DKEY, REPLACEMENT, STEEL 1
∇N/S 603074 DKIT, LOW VOLT INTRPT 1
Y603076 DGAUGE, DISCHARGE, BATTERY
24VDC, DIGITAL 1
Y603314 RELAY ASM, LOW VOLTAGE IN-
TERPT 1
Y603078 ASM., WIRE #18X9” GRN .187FX#10R 1
Y603080 ASM., WIRE #18X8” BLK .187FX#10R 1
Y603081 ASM., WIRE #18X12” RED
.187FX.250PIGGYBACK 1
Y130040 TIE, CABLE, NYL, 06.0L .12W 1
HomeHome
Find...
Go To..
Find...
Go To..