Speed Scrub 17/20/24 Parts Manual 1033586 Rev07 SS3 17 20 24 Sn 80000000 90000000
2013-12-05
: Sweepscrub Speed Scrub Ss3 17-20-24 Parts Manual Sn 80000000-90000000 Speed_Scrub_SS3_17-20-24_parts_manual_sn_80000000-90000000 897 file product_file
Open the PDF directly: View PDF
.
Page Count: 105 [warning: Documents this large are best viewed by clicking the View PDF Link!]
- HOW TO ORDER PARTS
- RECOMMENDED MAINTENANCE ITEMS
- STANDARD PARTS
- REPLACEMENT BRUSH AND PAD DRIVER GROUP, 43 cm (17 in) MODEL
- REPLACEMENT BRUSH AND PAD DRIVER GROUP, 50 cm (20 in) MODEL
- REPLACEMENT BRUSH AND PAD DRIVER GROUP, 60 cm (24 in) MODEL
- RECOVERY TANK GROUP
- VACUUM MOTOR GROUP
- SOLUTION TANK GROUP
- LOWER CONTROL CONSOLE GROUP
- UPPER CONTROL CONSOLE GROUP, BRUSH ASSIST MODEL
- COMPONENT PANEL GROUP, BRUSH ASSIST MODEL
- UPPER CONTROL CONSOLE GROUP, DRIVE MODEL
- COMPONENT PANEL GROUP, DRIVE MODEL
- WHEEL GROUP, BRUSH ASSIST MODEL
- WHEEL GROUP, DRIVE MODEL (S/N 80001782- )
- WHEEL GROUP, DRIVE MODEL (S/N 80000000-80001781)
- SCRUB HEAD GROUP, 43 cm MODEL (S/N 80008823- )
- SCRUB HEAD GROUP, 43 cm MODEL (S/N 80000000-80008822)
- SCRUB HEAD GROUP, 50 cm MODEL (S/N 80008823- )
- SCRUB HEAD GROUP, 50 cm MODEL (S/N 80000000-80008822)
- SCRUB HEAD GROUP, DUAL DISK, 60 cm MODEL
- SCRUB HEAD GROUP, DUAL DISK, 60 cm (24 in) MODEL - CONT’D
- SCRUB HEAD LIFT GROUP, 43 cm (17 in) MODEL
- SCRUB HEAD LIFT GROUP, 50 cm (20 in) MODEL
- SCRUB HEAD LIFT GROUP, DUAL DISK 60 cm (24 in) MODEL
- SQUEEGEE GROUP, 500 mm
- SOLUTION GROUP, STANDARD MODEL
- SOLUTION GROUP, ec-H2O MODEL
- SOLUTION GROUP, ec-H2O MODEL - CONT’D
- ec-H2O MODULE ASSEMBLY BREAKDOWN, 9007970 (S/N 80006004- )
- ec-H2O MODULE ASSEMBLY BREAKDOWN, 9006161 (S/N 80002319-80006003)
- SOLUTION GROUP, FaST MODEL
- SOLUTION GROUP, FaST MODEL - CONT’D
- 9003906 FAST INJECTOR ASSEMBLY BREAKDOWN (S/N 80001391- ) - SINGLE DISK 43 cm (17 in) & 50 cm (20 in) MODELS
- 9003801 FAST INJECTOR ASSEMBLY BREAKDOWN (S/N 80000000-80001390) - SINGLE DISK 43 cm (17 in) & 50 cm (20 in) MODELS
- 9003907 FAST INJECTOR ASSEMBLY BREAKDOWN --DUAL DISK 60 cm (24 in) MODEL
- BATTERY AND CABLE GROUP, 12V/105 AH, 43 cm (17 in) BRUSH ASSIST MODEL
- BATTERY AND CABLE GROUP, 12V/130 Ah, 50 cm (20 in) BRUSH ASSIST MODEL
- BATTERY AND CABLE GROUP, 12V/155 AH, 50 cm (20 in) / 60 cm (24 in) DRIVE MODEL
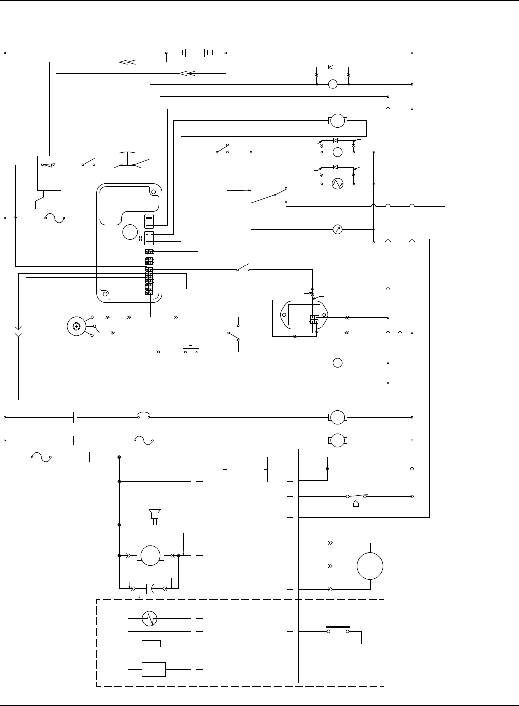
- ELECTRICAL DIAGRAM, BRUSH ASSIST STANDARD & FaST MODEL
- ELECTRICAL DIAGRAM, DRIVE STANDARD & FaST MODEL
- ELECTRICAL DIAGRAM, BRUSH ASSIST ec-H2O MODEL
- ELECTRICAL DIAGRAM, DRIVE ec-H2O MODEL
- WIRE HARNESS GROUP, ec-H2O OPTION (S/N 80005377- )
- WIRE HARNESS GROUP, ec-H2O OPTION (S/N 80002319-80005376)
- WIRE HARNESS GROUP, FAST OPTION
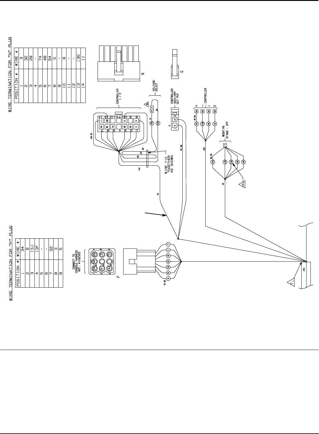
- WIRE HARNESS GROUP, CONSOLE, BRUSH ASSIST MODEL
- WIRE HARNESS GROUP, CONSOLE, DRIVE MODEL
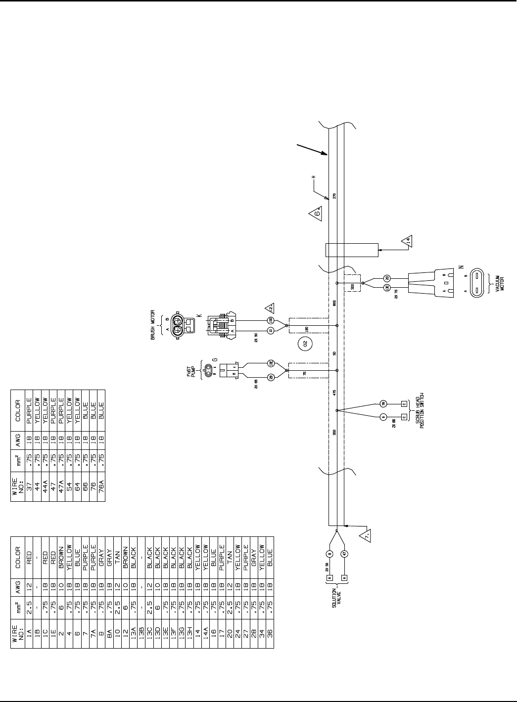
- WIRE HARNESS GROUP, MAIN, BRUSH ASSIST MODEL
- WIRE HARNESS GROUP, MAIN, BRUSH ASSIST MODEL - CONT’D
- WIRE HARNESS GROUP, MAIN, BRUSH ASSIST MODEL - CONT’D
- WIRE HARNESS GROUP, MAIN, DRIVE MODEL
- WIRE HARNESS GROUP, MAIN, DRIVE MODEL - CONT’D
- WIRE HARNESS GROUP, MAIN, DRIVE MODEL - CONT’D
- WIRE HARNESS GROUP, FRAME, DRIVE MODEL
- OPTIONS
- DOCUMENTATION GROUP
- OFF-BOARD BATTERY CHARGER GROUP
- ON-BOARD BATTERY CHARGER GROUP, STANDARD & FaST MODEL(S/N 80006188-- )
- ON-BOARD BATTERY CHARGER GROUP, STANDARD & FaST MODEL(S/N 80001159-80006187)
- ON-BOARD BATTERY CHARGER GROUP, ec-H2O MODEL(S/N 80006188- )
- ON-BOARD BATTERY CHARGER GROUP, ec-H2O MODEL(S/N 80001159--80006187)
- PARKING BRAKE GROUP

The Safe Scrubbing Alternativer
®
1033586
Rev. 07 (02-2012)
17 in / 20 in / 24 in AUTOMATIC SCRUBBER
*1033586*
®
www.nobles.com
PARTS MANUAL
SPEED SCRUB
(S/N 80000000--90000000)
Home
Find...
Go To..

A
Ref Part No. Serial Number Description Qty.
1 82681 (000000--- ) Bracket Wldt, Lpg Mount 1
o2 63810 (000000--- ) Latch Assy, Lpg Tank Mtg, W/Nut 4
Y3 51839 (000000--- ) Nut Adjustable, Lpg Tank Mtg 2
4 49263 (000000--- ) Tie, Cable 3
5 82556 (000000---001039 ) Bracket, Vaporizer 1
6 54930 (000000--- ) Vaporizer, LPG 1
C
B
D
HOW TO ORDER PARTS -- See diagram above
Only use TENNANT Company supplied or equivalent parts. Parts and supplies may be ordered online,
by phone, by fax or by mail.
Follow the steps below to ensure prompt delivery.
1. (A) Identify the machine model.
2. (B) Identify the machine serial number from the data label.
3. (C) Ensure the proper serial number is used from
the parts list.
4. Identify the part number and quantity.
Do not order by page or reference numbers.
5. Provide your name, company name, customer ID number,
billing and shipping address, phone number and
purchase order number.
6. Provide detail shipping instructions.
(D) -- identifies an assembly
Y-- identifies parts included in assembly
Please fill out at time of installation for
future reference.
Model No. --
Serial No. --
Machine Options --
Sales Rep. --
Sales Rep. phone no. --
Customer ID Number --
Installation Date --
Tennant Company
PO Box 1452
Minneapolis, MN 55440 USA
Phone: (800) 553--8033 or (763) 513--2850
www.nobles.com
Specifications and parts are subject to change without notice.
Copyright E2007 -- 2012
TENNANT Company, Printed in China.
Home
Find...
Go To..
Home
Find...
Go To..

TABLE OF CONTENTS
4Nobles Speed Scrub 17--20--24 (02--12)
RECOMMENDED MAINTENANCE ITEMS
GENERAL RECOMMENDED MAINTENANCE
ITEMS 6...................................
43 CM MODEL RECOMMENDED MAINTENANCE
ITEMS 7...................................
50 CM MODEL RECOMMENDED MAINTENANCE
ITEMS 7...................................
60 CM MODEL RECOMMENDED MAINTENANCE
ITEMS 7...................................
STANDARD PARTS
REPLACEMENT BRUSH AND PAD DRIVER GROUP,
43 cm (17 in) MODEL 8......................
REPLACEMENT BRUSH AND PAD DRIVER GROUP,
50 cm (20 in) MODEL 10......................
REPLACEMENT BRUSH AND PAD DRIVER GROUP,
60 cm (24 in) MODEL 12......................
RECOVERY TANK GROUP 14..................
VACUUM MOTOR GROUP 16...................
SOLUTION TANK GROUP 18...................
LOWER CONTROL CONSOLE GROUP 20.......
UPPER CONTROL CONSOLE GROUP, BRUSH
ASSIST MODEL 22..........................
COMPONENT PANEL GROUP, BRUSH ASSIST
MODEL 24..................................
UPPER CONTROL CONSOLE GROUP, DRIVE
MODEL 26..................................
COMPONENT PANEL GROUP, DRIVE
MODEL 28..................................
WHEEL GROUP, BRUSH ASSIST MODEL 30.....
WHEEL GROUP, DRIVE MODEL
(S/N 80001782-- ) 32..................
WHEEL GROUP, DRIVE MODEL
(S/N 80000000--80001781) 34.................
SCRUB HEAD GROUP, 43 cm MODEL
(S/N 80008823-- ) 36...................
SCRUB HEAD GROUP, 43 cm MODEL
(S/N 80000000--80008822) 38.................
SCRUB HEAD GROUP, 50 cm MODEL
(S/N 80008823-- ) 40...................
SCRUB HEAD GROUP, 50 cm MODEL
(S/N 80000000--80008822) 42.................
SCRUB HEAD GROUP, DUAL DISK, 60 cm
MODEL 44..................................
SCRUB HEAD GROUP, DUAL DISK, 60 cm (24 in)
MODEL -- CONT’D 46........................
SCRUB HEAD LIFT GROUP, 43 cm (17 in)
MODEL 48..................................
SCRUB HEAD LIFT GROUP, 50 cm (20 in)
MODEL 50..................................
SCRUB HEAD LIFT GROUP, DUAL DISK 60 cm
(24 in) MODEL 52............................
SQUEEGEE GROUP, 500 mm 54................
SOLUTION GROUP, STANDARD MODEL 56.....
SOLUTION GROUP, ec-H2O MODEL 58.........
SOLUTION GROUP, ec-H2O MODEL --
CONT’D 60.................................
ec-H2O MODULE ASSEMBLY BREAKDOWN,
9007970 (S/N 80006004-- ) 62...........
ec-H2O MODULE ASSEMBLY BREAKDOWN,
9006161 (S/N 80002319--80006003) 64.........
SOLUTION GROUP, FaST MODEL 66...........
SOLUTION GROUP, FaST MODEL -- CONT’D 68..
9003906 FAST INJECTOR ASSEMBLY
BREAKDOWN (S/N 80001391-- ) --
SINGLE DISK 43 cm (17 in) & 50 cm (20 in)
MODELS 70................................
9003801 FAST INJECTOR ASSEMBLY
BREAKDOWN (S/N 80000000--80001390) --
SINGLE DISK 43 cm (17 in) & 50 cm (20 in)
MODELS 71................................
9003907 FAST INJECTOR ASSEMBLY
BREAKDOWN -- DUAL DISK 60 cm (24 in)
MODEL 72..................................
BATTERY AND CABLE GROUP, 12V/105 AH,
43 cm (17 in) BRUSH ASSIST MODEL 73......
BATTERY AND CABLE GROUP, 12V/130 Ah,
50 cm (20 in) BRUSH ASSIST MODEL 74......
BATTERY AND CABLE GROUP, 12V/155 AH,
50 cm (20 in) / 60 cm (24 in) DRIVE MODEL 75..
Home
Find...
Go To..

TABLE OF CONTENTS
Nobles Speed Scrub 17--20--24 (02--12) 5
STANDARD PARTS -- CONT’D
ELECTRICAL DIAGRAM, BRUSH ASSIST
STANDARD & FaST MODEL 76...............
ELECTRICAL DIAGRAM, DRIVE STANDARD &
FaST MODEL 77............................
ELECTRICAL DIAGRAM, BRUSH ASSIST ec-H2O
MODEL 78..................................
ELECTRICAL DIAGRAM, DRIVE ec-H2O
MODEL 79..................................
WIRE HARNESS GROUP, ec--H2O OPTION
(S/N 80005377-- ) 80...................
WIRE HARNESS GROUP, ec--H2O OPTION
(S/N 80002319--80005376) 82.................
WIRE HARNESS GROUP, FAST OPTION 84.....
WIRE HARNESS GROUP, CONSOLE, BRUSH
ASSIST MODEL 85..........................
WIRE HARNESS GROUP, CONSOLE, DRIVE
MODEL 86..................................
WIRE HARNESS GROUP, MAIN, BRUSH ASSIST
MODEL 87..................................
WIRE HARNESS GROUP, MAIN, BRUSH ASSIST
MODEL -- CONT’D 88........................
WIRE HARNESS GROUP, MAIN, DRIVE
MODEL 90..................................
WIRE HARNESS GROUP, MAIN, DRIVE
MODEL -- CONT’D 91........................
WIRE HARNESS GROUP, FRAME, DRIVE
MODEL 93..................................
OPTIONS
DOCUMENTATION GROUP 94..................
OFF-BOARD BATTERY CHARGER GROUP 95...
ON-BOARD BATTERY CHARGER GROUP,
STANDARD & FaST MODEL
(S/N 80006188-- ) 96..................
ON-BOARD BATTERY CHARGER GROUP,
STANDARD & FaST MODEL
(S/N 80001159--80006187) 98.................
ON-BOARD BATTERY CHARGER GROUP, ec-H2O
MODEL (S/N 80006188-- ) 100...........
ON-BOARD BATTERY CHARGER GROUP, ec-H2O
MODEL (S/N 80001159--80006187) 102.........
PARKING BRAKE GROUP 104...................
EMERGENCY STOP BUTTON GROUP 105.......
Home
Find...
Go To..

RECOMMENDED MAINTENANCE ITEMS
Nobles Speed Scrub 17--20 (02--12)
6
GENERAL RECOMMENDED MAINTENANCE ITEMS
Part No. Serial Number Description Qty.
9001178 (80000000-- )Squeegee Assy Kit, 500mm, Ci 1
Y1010560 (80000000-- ) Wheel, Bmpr, 80d X 25w, Non--Marking 2
Y1006343 (80000000-- ) Caster, Swivel, 50mmd, M10 X 30 Stem, Pl 2
Y1011232 (80000000-- ) Blade, Sqge, Front, 500mml Linatex
(Linatex Red Standard)
1
1014091 (80000000-- ) Blade, Sqge, Front, 500mml, Gum
(Gum Rubber Tan Optional)
1
1014092 (80000000-- )Blade, Sqge, Front, 500mml, Oil--Rstn
(Polyurethane Natural Optional)
1
Y1011456 (80000000-- ) Blade, Sqge, Rear, 32.7l, Linatex[500mm]
(Linatex Red Standard)
1
1014093 (80000000-- ) Blade, Sqge, Rear, 32.7l, Gum [500mm]
(Gum Rubber Tan Optional)
1
1014094 (80000000-- ) Blade, Sqge, Rear, 32.7l,Oil--Rstn[500mm]
(Polyurethane Natural Optional)
1
Y1013933 (80000000-- ) Strap Assy, Sqge, 500mm 1
1014079 (80000000-- )Clip, Hose, Gripper, 1.50id, Dbl, Blk Pp 1
1014026 (80000000-- ) Hose, Vacuum, 1.5d X 57l, 2--Short Cuffs 1
1043538 (80000000-- )Hose Assy, Drain, 1.50id X 29.5l, Blk 1
Y1008639 (80000000-- )Cap, Drain Assy 1
YY 1019563 (80000000-- )Strap, Cap, Drain 1
630367 (80000000-- )Seal, .50, .50w 33.9l, Adh [D Shape] 1
630052 (80000000-- )Float, Shut--Off, (2)Ball, 1.75d 1
1013628 (80000000-- )Gasket, Mtg, Float, .125th, Neo, Adh 1
1024602 (80000000-- )Gasket, Adapter, Hose .13, Neo, Adh 1
100038 (80000000-- ) Gasket, Vacuum Mtr 5.7 Epdm W/Psa 1
1012965 (80000000-- )Cap, Port, Soltn Fill 1
1029829 (80000000-- )Hose, Drain, Soltn Tank [Ss3] 1
1060173 (80008607-- ) Cover Assy, Tank, Soltn Fill 1
578301 (80000000--80009606 )Knob 10--32f Fill--Cover 1
621443 (80000000--80009606 )Chain, Ball, #10, 157mml, Ss 1
605062 (80000000--80009606 )Gasket, Cover, Soltn Fill (Replaced by 1060173) 1
606146 (80000000--80009606 )Screen, Fltr, Soltn Fill, Nat (Replaced by 1060173) 1
1026345 (80000000-- )Caster, Swivel, 80mm D, M12 X 25 Stem 2
1014283 (80000000-- )Pad, Adh, Non--Slip, 28mm X 36mm, Blk 1
1039988 (80001391-- )Orifice, Plug, .027 (For Injector 9003906) 1
1014470 (80000000--80001390 )Plug, Orifice, 0.022 (For Injector 9003801) 1
1039989 (80007145-- )Plug, Orifice, 0.030, Ss [Fast Ii+] (For Injector 9003907) 1
1017019 (80000000-- )Detergent Pkg, 2 Liter, Sgl [Mp] 1
1017025 (80000000-- )Detergent Pkg, 2 Liter, Sgl [Mpd] 1
1047470 (80000000-- )Fuse, Blade, 010a, 32vdc, Red (ec--H2O Model) 1
1016039 (80000000-- )Fuse, Blade, 007.5a, 32vdc (Fast Model) 1
1016040 (80000000-- )Fuse, Blade, 025a, 32vdc (Main Brush Assist Model) 1
1016029 (80000000-- )Fuse, Blade, 005a, 32vdc (Main Brush Assist Model) 1
1016040 (80000000-- )Fuse, Blade, 025a, 32vdc (Main Drive Model) 1
762516 (80000000-- )Fuse, Blade, 030a, 32vdc (Main Drive Model) 1
Home
Find...
Go To..

RECOMMENDED MAINTENANCE ITEMS
Nobles Speed Scrub 17--20 (02--12) 7
43 CM MODEL RECOMMENDED MAINTENANCE ITEMS
Ref. Part No. Serial Number Description Qty.
11016764 (80000000-- )Brush Assy, Disk, 43cm/17inch, (White--Soft Nylon) 1
11016765 (80000000-- )Brush Assy, Disk, 43cm/17inch, (Black--Polypropylene) 1
11016763 (80000000-- )Brush Assy, Disk, 43cm/17inch, (Gray--Abrasive) 1
11 1050273 (80000000-- )Pad, Polish, 17.0d, White [1pick=1pad] (Polishing) 1
11 1050271 (80000000-- )Pad, Buff, 17.0d, Red [1pick=1pad]
(Light Scrubbing & Buffing)
1
11 1050270 (80000000-- )Pad, Scb, 17.0d, Blue [1pick=1pad] (Medium Scrubbing) 1
11 1050267 (80000000-- )Pad, Stripping, 17.0d, Brown[1pick=1pad]
(Deep Scrubbing & Stripping)
1
11 1050262 (80000000-- )Pad, Stripping, 17.0d[Hi Pro,1pick=1pad] (Black)
(High Productivity Stripping)
1
11 1051028 (80000000-- )Pad, Surf Prep, 17.0d [Mar, 1pick=1pad] (Maroon)
(Surface Preparation)
1
50 CM MODEL RECOMMENDED MAINTENANCE ITEMS
Ref. Part No. Serial Number Description Qty.
11016810 (80000000-- )Brush Assy, Disk, 50cm/20inch, (White--Soft Nylon) 1
11016811 (80000000-- )Brush Assy, Disk, 50cm/20inch, (Black--Polypropylene) 1
11016805 (80000000-- )Brush Assy, Disk, 50cm/20inch, (Gray--Abrasive) 1
11 17260 (80000000-- )Pad, Polish, 20.0d, White [1pick=1pad] (Polishing) 1
11 17261 (80000000-- )Pad, Buff, 20.0d, Red [1pick=1pad]
(Light Scrubbing & Buffing)
1
11 17262 (80000000-- )Pad, Scb, 20.0d, Blu [1pick=1pad] (Blue)
(Medium Scrubbing)
1
11 17263 (80000000-- )Pad, Stripping, 20.0d, Brown[1pick=1pad]
(Deep Scrubbing & Stripping)
1
11 370094 (80000000-- )Pad, Stripping, 20.0d[Hi Prod,1pick=1pad (Black)
(High Productivity Stripper)
1
11 1051030 (80000000-- )Pad, Surf Prep, 20.0d [Mar, 1pick=1pad] (Maroon)
(Surface Preparation)
1
60 CM MODEL RECOMMENDED MAINTENANCE ITEMS
Ref. Part No. Serial Number Description Qty.
11056306 (80000000-- )Brush Assy, Disk, Scb, 12.0d, 3--Lug, Nyl
(White--Soft Nylon)
2
11056313 (80000000-- )Brush Assy, Disk, Scb, 12.0d, 3--Lug, Pyp
(Black--Polypropylene)
2
11063297 (80000000-- )Brush Assy, Disk, Scb, 12.0d, 3--Lug, Abr
(Gray--Abrasive)
2
9385940 (80000000-- )Pad, Polish, 12.0d, White [1pad=1pc] (Polishing) 2
9385941 (80000000-- )Pad, Buff, 12.0d, Red [1pad=1pc]
(Light Scrubbing & Buffing)
2
9385942 (80000000-- )Pad, Scb, 12.0d, Blu [1pick = 1 Pad] (Blue)
(Medium Scrubbing)
2
9385943 (80000000-- )Pad, Stripping, 12.0d, Brown [1pad=1pc]
(Deep Scrubbing & Stripping)
2
91063334 (80000000-- )Pad, Stripping, 12.0d [Hi--Prod] Blk (Black)
(High Productivity Stripper)
2
91051020 (80000000-- )Pad, Surf Prep, 12.0d [Mar, 1pick=1pad] (Maroon)
(Surface Preparation)
2
Home
Find...
Go To..

STANDARD PARTS
Nobles Speed Scrub 17--20--24 (01--11)
8
REPLACEMENT BRUSH AND PAD DRIVER GROUP, 43 cm (17 in) MODEL
4
10
5
6
5
7
5
9
2
3
2
2
8
1
11
Home
Find...
Go To..

STANDARD PARTS
Nobles Speed Scrub 17--20--24 (01--11) 9
REPLACEMENT BRUSH AND PAD DRIVER GROUP, 43 cm (17 in) MODEL
Ref. Part No. Serial Number Description Qty.
11016764 (80000000-- )Brush Assy, Disk, 43cm/17inch,
(White--Soft Nylon Scrub)
1
11016765 (80000000-- )Brush Assy, Disk, 43cm/17inch,
(Black--Polypropylene Scrub)
1
11016763 (80000000-- )Brush Assy, Disk, 43cm/17inch,
(Gray--Abrasive Scrub)
1
21013018 (80000000-- )Stud, Drive, Brush Pad 3
307809 (80000000-- )Screw, Flt, M6 X 1.0 X 35, 10.9 3
41016813 (80000000-- )Driver Assy, Pad, 43cm/17inch 1
51013018 (80000000-- )Stud, Drive, Brush Pad 3
607809 (80000000-- )Screw, Flt, M6 X 1.0 X 35, 10.9 3
725707 (80000000-- )Lock, Universal, Cntr, Rh, Yel 1
841579 (80000000-- )Washer, Flat, #08, Ss 3
904403 (80000000-- )Screw, Pan, M4 X 0.7 X 25, Ss, Nl 3
10 32505 (80000000-- )Washer, Flat, 3.60b 5.65d .06, Brush Pad 1
11 1050273 (80000000-- )Pad, Polish, 17.0d, White [1pick=1pad] (Polishing) 1
11 1050271 (80000000-- )Pad, Buff, 17.0d, Red [1pick=1pad]
(Light Scrubbing & Buffing)
1
11 1050270 (80000000-- )Pad, Scb, 17.0d, Blue [1pick=1pad] (Medium Scrubbing) 1
11 1050267 (80000000-- )Pad, Stripping, 17.0d, Brown[1pick=1pad]
(Deep Scrubbing & Stripping)
1
11 1050262 (80000000-- )Pad, Stripping, 17.0d[Hi Pro,1pick=1pad] (Black)
(High Productivity Stripping)
1
11 1051028 (80000000-- )Pad, Surf Prep, 17.0d [Mar, 1pick=1pad] (Maroon)
(Surface Preparation)
1
Home
Find...
Go To..

STANDARD PARTS
Nobles Speed Scrub 17--20--24 (01--11)
10
REPLACEMENT BRUSH AND PAD DRIVER GROUP, 50 cm (20 in) MODEL
4
10
5
6
5
7
5
9
2
3
2
2
8
1
11
Home
Find...
Go To..

STANDARD PARTS
Nobles Speed Scrub 17--20--24 (01--11) 11
REPLACEMENT BRUSH AND PAD DRIVER GROUP, 50 cm (20 in) MODEL
Ref. Part No. Serial Number Description Qty.
11016810 (80000000-- )Brush Assy, Disk, 50cm/20inch,
(White--Soft Nylon Scrub)
1
11016811 (80000000-- )Brush Assy, Disk, 50cm/20inch,
(Black--Polypropylene Scrub)
1
11016805 (80000000-- )Brush Assy, Disk, 50cm/20inch,
(Gray--Abrasive Scrub)
1
21013018 (80000000-- )Stud, Drive, Brush Pad 3
307809 (80000000-- )Screw, Flt, M6 X 1.0 X 35, 10.9 3
41016814 (80000000-- )Driver Assy, Pad, 50cm/20inch 1
51013018 (80000000-- )Stud, Drive, Brush Pad 3
607809 (80000000-- )Screw, Flt, M6 X 1.0 X 35, 10.9 3
725707 (80000000-- )Lock, Universal, Cntr, Rh, Yel 1
841579 (80000000-- )Washer, Flat, #08, Ss 3
904403 (80000000-- )Screw, Pan, M4 X 0.7 X 25, Ss, Nl 3
10 32505 (80000000-- )Washer, Flat, 3.60b 5.65d .06, Brush Pad 1
11 17260 (80000000-- )Pad, Polish, 20.0d, White [1pick=1pad] (Polishing) 1
11 17261 (80000000-- )Pad, Buff, 20.0d, Red [1pick=1pad]
(Light Scrubbing & Buffing)
1
11 17262 (80000000-- )Pad, Scb, 20.0d, Blu [1pick=1pad] (Blue)
(Medium Scrubbing)
1
11 17263 (80000000-- )Pad, Stripping, 20.0d, Brown[1pick=1pad]
(Deep Scrubbing & Stripping)
1
11 370094 (80000000-- )Pad, Stripping, 20.0d[Hi Prod,1pick=1pad (Black)
(High Productivity Stripper)
1
11 1051030 (80000000-- )Pad, Surf Prep, 20.0d [Mar, 1pick=1pad] (Maroon)
(Surface Preparation)
1
Home
Find...
Go To..

STANDARD PARTS
Nobles Speed Scrub 17--20--24 (01--11)
12
REPLACEMENT BRUSH AND PAD DRIVER GROUP, 60 cm (24 in) MODEL
4
6
5
7
5
2
3
2
2
1
9
5
88
Home
Find...
Go To..

STANDARD PARTS
Nobles Speed Scrub 17--20--24 (01--11) 13
REPLACEMENT BRUSH AND PAD DRIVER GROUP, 60 cm (24 in) MODEL
Ref. Part No. Serial Number Description Qty.
11056306 (80000000-- )Brush Assy, Disk, Scb, 12.0d, 3--Lug, Nyl
(White--Soft Nylon Scrub)
2
11056313 (80000000-- )Brush Assy, Disk, Scb, 12.0d, 3--Lug, Pyp
(Black--Polypropylene Scrub)
2
11063297 (80000000-- )Brush Assy, Disk, Scb, 12.0d, 3--Lug, Abr
(Gray--Abrasive Scrub)
2
21055558 (80000000-- )Mount, Lug, Pad--Driver [T3] 3
31021316 (80000000-- ) Screw, Flt, Phl, M6 X 1.00 X 35, Ss 3
41054856 (80000000-- )Driver Assy, Pad, 12”, 3--Lug 2
51055558 (80000000-- )Mount, Lug, Pad--Driver [T3] 3
61021316 (80000000-- ) Screw, Flt, Phl, M6 X 1.00 X 35, Ss 3
7370095 (80000000-- )Device, Centering, Clip On, Tl [Gf Pp] 2
804403 (80000000-- )Screw, Pan, M4 X 0.7 X 25, Ss, Nl 3
9385940 (80000000-- )Pad, Polish, 12.0d, White [1pad=1pc] (Polishing) 2
9385941 (80000000-- )Pad, Buff, 12.0d, Red [1pad=1pc]
(Light Scrubbing & Buffing)
2
9385942 (80000000-- )Pad, Scb, 12.0d, Blu [1pick = 1 Pad] (Blue)
(Medium Scrubbing)
2
9385943 (80000000-- )Pad, Stripping, 12.0d, Brown [1pad=1pc]
(Deep Scrubbing & Stripping)
2
91063334 (80000000-- )Pad, Stripping, 12.0d [Hi--Prod] Blk (Black)
(High Productivity Stripper)
2
91051020 (80000000-- )Pad, Surf Prep, 12.0d [Mar, 1pick=1pad] (Maroon)
(Surface Preparation)
2
Home
Find...
Go To..

STANDARD PARTS
Nobles Speed Scrub 17--20--24 (02--12)
14
RECOVERY TANK GROUP
910
6
12
21
22
24
25
26
27
29
28
27
11
8
7
23
31
313
14
15
17 18
19
8
5
4
2
26
27
28
27
30
16
20
34
33
33
36
35
32
13
2
1
37
Home
Find...
Go To..

STANDARD PARTS
Nobles Speed Scrub 17--20--24 (02--12) 15
RECOVERY TANK GROUP
Ref. Part No. Serial Number Description Qty.
19003396 (80000000-- )Lid Assy, W/ Label [En/Es/Fr/Jp] 1
Y2 1036679 (80000000-- ) Label, Warning [Exp,Fre,Shk En/Fr/Es/Jp] 1
Y3630367 (80000000-- )Seal, .50, .50w 33.9l, Adh [D Shape] 1
4 630056 (80000000-- ) Hinge, Cover, Tank Lid 1
5 1009168 (80000000-- ) Washer, Flat, 0.17b 0.75d .04, Ss 4
63701.6 (80000000-- )Screw, Pan, #06--32 X 0.38, Phl Ss Shtmtl 4
71039118 (80000000-- ) Screw, Btn, M8 X 1.25 X 30, Blk 1
8140027 (80000000-- )Washer, Flat, 0.35b 0.75d .04, Ss 2
9222460 (80000000-- )Sleeve, P/M, 0.31b 0.50d 0.5l 1
10 1022399 (80000000-- )Support, Tank, Prop, Blk, Nyl 1
11 1022904 (80000000-- )Bracket, Sppt, Stop, Blk, Nyl 1
12 630052 (80000000-- )Float, Shut--Off, (2)Ball, 1.75d 1
13 1011777 (80000000-- )Mount, Float, Mold 1
14 1034731 (80000000-- )Screw, Hex, M6 X 1.00 X 16, Sems, Ss 2
15 1013628 (80000000-- )Gasket, Mtg, Float, .125th, Neo, Adh 1
16 1028801 (80000000-- )Fitting, Plstc, E45, 1.25 1
17 1024602 (80000000-- )Gasket, Adapter, Hose .13, Neo, Adh 1
18 1021214 (80000000-- )Tube, Hose, Adapter, 1.5d 1
19 1034731 (80000000-- )Screw, Hex, M6 X 1.00 X 16, Sems, Ss 2
20 140960 (80000000-- )Cable, Glv .13d 014.5l .34eye /.34eye 1
21 1043538 (80000000-- )Hose Assy, Drain, 1.50id X 29.5l, Blk 1
Y22 1008639 (80000000-- )Cap, Drain Assy 1
YY 23 1019563 (80000000-- )Strap, Cap, Drain 1
YY 24 1008637 (80000000-- )Seal, Org, 1.48id 1.76od 1
25 11531 (80000000-- )Clamp, Hose, Wormdrive, 1.06--2.00d, .56w 1
26 1012540 (80000000-- )Hinge, 6mmpin 2.5mm Th 73.5mmw 100mml 2
27 1034731 (80000000-- )Screw, Hex, M6 X 1.00 X 16, Sems, Ss 8
28 1016354 (80000000-- )Clamp, Cable, Ss, 0.50d X 0.50w [Insul] 2
29 9007890 (80000000-- )Tank, Recovery, Afmkt [Ss3] 1
Y30 1034637 (80000000-- )Label, Front, 3.50 [Nobles Icon] 1
Y31 1014154 (80000000-- )Label, Instr, Battery 1
Y32 1064991 (80000000-- )Label, Model [Speed Scrub] 2
33 1034731 (80000000-- )Screw, Hex, M6 X 1.00 X 16, Sems, Ss 2
34 01684 (80000000-- )Washer, Flat, 0.25 Ss 1
35 1064994 (80000000-- )Label, Logo, 06.1l Dk Gr [Fast] 2
36 1064823 (80000000-- )Label, Logo, 12.3l 4color [Ech2o Nobles] 2
37 1068925 (80000000-- )Label, Do Not Add Detgt[Ec--H20] 1
ASSEMBLY
YINCLUDED IN ASSEMBLY
Home
Find...
Go To..

STANDARD PARTS
Nobles Speed Scrub 17--20--24 (02--12)
16
VACUUM MOTOR GROUP
1
5
3
16
10
11
13
14
16
4
2
1
2
11
6
7
8
8
7
68
12 15
15
15
15 15
9
9
(S/N 80000775--80006540)
(S/N 80000000--80000774)
Home
Find...
Go To..

STANDARD PARTS
Nobles Speed Scrub 17--20--24 (02--12) 17
VACUUM MOTOR GROUP
Ref. Part No. Serial Number Description Qty.
11015412 (80000000-- )Rod, Thrd, Full, M6x1.0, 140l 2
2 1024575 (80000000-- ) Tube, 0.43d 0.28b 03.3l, Pl 2
3 1023271 (80000000-- ) Fan, Vacuum, 5.7d 2stage 024vdc [Bpt,Pk] 1
Y4 372883 (80000000-- ) Vr, Brush Kit, Motor, Ele 1
5 100038 (80000000-- ) Gasket, Vacuum Mtr 5.7 Epdm W/Psa 1
607785 (80000000--80000774 )Nut, Hex, Std, M6 X 1.0, A2, Ss 6
707515 (80000000--80000774 )Washer, Lock, Int, 0.25 Ss 6
801684 (80000000--80000774 )Washer, Flat, 0.25 Ss 8
91011093 (80000000--80006540 )Isolator, Vib, .75d, M6 Stud Both Ends 3
10 1011962 (80000000-- )Bracket, Mtg, Vacuum 1
11 30406 (80000000-- )Clip, Keeper 2
12 08712 (80000000--80000774 )Nut, Hex, Lock, M6 X 1.0, Ss, Nl 2
13 1068577 (80000000-- )Muffler, Exhaust, Vacfan, 150mml [T2/T3] 1
14 130773 (80000000-- )Tie, Cable, Nyl, 11.0l, .14w, 3.0 Max. D 1
15 1040381 (80006541-- )Nut, Hex, Flng, M6 X 1.0, Ss [Serrated] 2
15 1040381 (80000775--80006540 )Nut, Hex, Flng, M6 X 1.0, Ss [Serrated] 8
16 1062016 (80006541-- )Isolator, Vib, .75d 3
ASSEMBLY
YINCLUDED IN ASSEMBLY
Home
Find...
Go To..

STANDARD PARTS
Nobles Speed Scrub 17--20--24 (02--12)
18
SOLUTION TANK GROUP
37
36
42
18
41
40
38
39
43
44
45
46
19
20 21
22
23
20
24 21
25
26
12
29
30
31
32
33
34
35
13
17
14
11
27
13
47
(S/N 80000000--80009606
)
Replaced by 1060173
1
34
2
10
4
9
7
8
5
6
48
15
16
28
Home
Find...
Go To..

STANDARD PARTS
Nobles Speed Scrub 17--20--24 (02--12) 19
SOLUTION TANK GROUP
Ref. Part No. Serial Number Description Qty.
1578301 (80000000--80009606 )Knob 10--32f Fill--Cover 1
2391451 (80000000-- )Label [Attention Fast Users] (Fast Model) 1
21050003 (80002319-- )Label, User, Attention, Ec--H2o (ec-H2O Model) 1
3621443 (80000000--80009606 )Chain, Ball, #10, 157mml, Ss 1
4140826 (80009607-- )Screw, Pan, #06--32 X 0.75, Phl Ss Shtmtl 2
4140826 (80000000--80009606 )Screw, Pan, #06--32 X 0.75, Phl Ss Shtmtl 3
5605061 (80000000--80009606 )Cover, Fill, Soltn (Replaced by 1060173) 1
6605062 (80000000--80009606 )Gasket, Cover, Soltn Fill (Replaced by 1060173) 1
707514 (80000000--80009606 )Washer, Lock, Int, #10, Ss 1
8140841 (80000000--80009606 )Screw, Pan, #10--32 X 0.62, Phl, Ss 1
941578 (80000000-- )Washer, Flat, #06, Ss 2
10 606146 (80000000--80009606 )Screen, Fltr, Soltn Fill, Nat (Replaced by 1060173) 1
11 9007891 (80000000-- )Tank, Solution, Afmkt [Ss3] 1
12 1024781 (80000000-- )Label, Side [Spdscrub] (Replaced by 1064991) 2
13 1050019 (80002319-- )Label, Side, Ec--H2o [Ss3/Ss5/Ssrider] (ec-H2O Model)
(No Longer Available W/O Replacement)
3
14 1018155 (80000000-- )Screw, Pan, M5 X 0.8 X16, Ss, Tcut 1
15 1040598 (80000000-- )Bracket, Mtg, Chrgr [Ss3] 1
16 1018559 (80000000-- ) Screw, Set, M6 X 1.00 X 30, Ss [Fltpt] 1
17 01683 (80000000-- )Washer, Flat, #10, Ss 1
18 1018389 (80000000-- )Label, Lever, Dual Down Press 1
19 1018020 (80000000-- )Bracket Wldt, Mtg, Dual Dp Lever 1
20 140127 (80000000-- )Bearing, Thrust,0.51b X 1.0 X .12, Brz 2
21 89710 (80000000-- )Washer, Flat, 0.51b 1.00d .03, Nyl 2
22 1017156 (80000000-- )Knob, Ball, M8 Insert, 40mmd, Plstc 1
23 1017493 (80000000-- )Lever, Lift, Dual Down Press 1
24 1014336 (80000000-- )Sleeve, P/M, 08.4b 12.6d 14.5l, Pl 1
25 1018756 (80000000-- )Spring, Cmpr, 0.7od .080wir 00.7l,Pl[Mw] 1
26 1018181 (80000000-- )Nut, T, M8 X 1.25 X 0.50od X 0.4l 1
27 1020341 (80000000-- )Screw, Hex, M8 X 1.25 X 20, Ss, Sems 2
28 578439 (80000000-- )Nut, Thumb, M6 X 1.0, 24mm Od 1
29 09738 (80000000-- ) Screw, Hex, M5 X 0.8 X 12, Ss 1
30 1031783 (80000000-- )Spring, Extn, 1.00od 0.12wir 06.3l 1
31 1017884 (80000000-- )Bushing, Sleeve, 6mmb 10mmd 7mml 1
32 1017882 (80000000-- )Link Wldt, Spring, Lever 1
33 1017805 (80000000-- )Link, Spring, Lever 1
34 09739 (80000000-- )Nut, Hex, Lock, M5 X 0.8, Nl, Ss 1
35 08708 (80000000-- )Nut, Hex, Lock, M6 X 1.0, Nl 1
36 1035469 (80000000-- )Fitting, Plastic, Bm12 [Sight Tube] 1
37 1029829 (80000000-- )Hose, Drain, Soltn Tank [Ss3] 1
38 608915 (80000000-- )Clamp, Hose, Wir, 1.03 -- 1.09 1
39 78398 (80000000-- )Fitting, Plstc, Str, Bm12/Pm08, Nyl 1
40 608322 (80000000-- ) Screw, Trs, M6 X 1.0 X 16, Phl, Ss 1
41 140154 (80000000-- )Sleeve, P/M, 0.25b 0.38d 0.3l, Pl 1
42 1012965 (80000000-- )Cap, Port, Soltn Fill 1
43 607776 (80000000-- )Clamp, Hose, Wir, .73 -- .77, Silver 1
44 1023581 (80000000-- )Fitting, Plstc, Str, Bm08/Pm08, Nyl 1
45 1028710 (80000000-- )Cover, Head, Rm--Blk, Trimmed [Ss3] 1
46 1034731 (80000000-- )Screw, Hex, M6 X 1.00 X 16, Ss, Sems 6
47 1034921 (80000000-- )Label, Logo, White/Black, 4.00l [Fast] (Fast Model)
(No Longer Available W/O Replacement)
1
48 1060173 (80008607-- ) Cover Assy, Tank, Soltn Fill 1
Home
Find...
Go To..

STANDARD PARTS
Nobles Speed Scrub 17--20--24 (01--11)
20
LOWER CONTROL CONSOLE GROUP
16
15
14
3
12
11
10
9
2
1
6
8
7
13
9
9
11
10 4
5
Home
Find...
Go To..

STANDARD PARTS
Nobles Speed Scrub 17--20--24 (01--11) 21
LOWER CONTROL CONSOLE GROUP
Ref. Part No. Serial Number Description Qty.
1140638 (80000000-- )Nut, Hex, Pf08, Blk Nyl [Conduit] 1
2 130181 (80000000-- ) Grip, Cord, Strainrelief, .50npt 1
3 1031071 (80000000-- ) Console, Lower, Rm--Spg, Trimmed [Ss3] 1
459658 (80000000-- )Screw, Hex, M8 X 1.25 X 35, Ss, Nl 2
51016331 (80000000-- )Washer, Flat, 0.34b 1.25d .11, Ss 2
61035469 (80000000-- )Fitting, Plstc, Bm12 [Sight Tube] 1
707515 (80000000-- )Washer, Lock, Int, 0.25 Ss 1
8367770 (80000000-- )Screw, Pan, M6 X 1.0 X 16, Ss 1
91020341 (80000000-- )Screw, Hex, M8 X 1.25 X 20, Ss, Sems 4
10 41359 (80000000-- )Nut, Hex, Std, M6 X 1.00, 8 3
11 01684 (80000000-- )Washer,Flat 0.25, Ss 3
12 1054129 (80000000-- )Bracket, Hsng, Cntrl, Alm [T3, Ss3] 1
13 1031025 (80000000-- )Bushing, Sleeve, 6.5mmb 12mmd 18mml 3
14 07805 (80000000-- ) Screw, Hex, M6 X 1.0 X 35, Ss 2
15 07515 (80000000-- )Washer, Lock, Int, 0.25, Ss 2
16 01684 (80000000-- )Washer,Flat 0.25, Ss 2
Home
Find...
Go To..

STANDARD PARTS
Nobles Speed Scrub 17--20--24 (03--07)
22
UPPER CONTROL CONSOLE GROUP, BRUSH ASSIST MODEL
1
23
4
5
4
6
7
8
1
9
10
11
12
13
14
15
16
17
18
19
20
21
23
20
24
25
26
20
22
20
24
25
26
Home
Find...
Go To..

STANDARD PARTS
Nobles Speed Scrub 17--20--24 (06--10) 23
UPPER CONTROL CONSOLE GROUP, BRUSH ASSIST MODEL
Ref. Part No. Serial Number Description Qty.
11026407 (80000000-- )Grip, Handle, 31.75mm Dia. X 117mm L 2
2 630094 (80000000-- ) Cap, Vinyl, 2.26 Id X 12.7lg, Blk 1
3 630081 (80000000-- ) Lever, Latch, Console Adjust 1
4 630083 (80000000-- ) Bushing, Latch 2
5 630082 (80000000-- ) Spring, Cmpr, 0.42od .04wir 01.8l, Pl,Mw 1
6630084 (80000000-- )Ring, Retaining, Ext, 4.62mm, [E--Ring] 1
749697 (80004370-- )Screw, Pan, Phl, M4 X 0.70 X 10, Ss 2
7630114 (80000000--80004369 )Screw, Flt, M4 X 0.7 X 8, 4.8 2
8630087 (80000000-- )Plate, Latch, Retainer 1
9140328 (80000000-- )Clamp, Cable, Nyl, 0.38d, Blk 1
10 1009324 (80000000-- )Screw, Pan, #10--16 X 0.50,Phl,Blk[Ty--17] 1
11 140825 (80000000-- )Screw, Pan, #06 X 0.50, Phl, Blk,Fmg[Ab] 2
12 1031162 (80000000-- )Panel, Cntrl, Upper, Battery Indicator 1
13 1057627 (80000000-- )Indicator, Battery, 24vdc, 1.73volt/Cell 1
14 579211 (80000000-- ) Nut, Hex, Lock, M3 X 0.50, Ss 2
15 1031952 (80004370-- )Console, Upper, Rm---Spg, Trimmed, Push 1
15 9006217 (80000000--80004369 )Console Kit, Upper, Rm--Spg W/ Scr [Ss3] 1
16 02938 (80000000-- )Washer, Lock, Int, #08, Ss 1
17 33931 (80000000-- )Screw, Pan, Phl, M4 X 0.70 X 30, Ss 1
18 1063203 (80000000-- )Controlbox, Assy, Trigger 1
19 1032889 (80000000-- )Screw, Pan, #8--18 X 1.12, F/ Plstc 2
20 608562 (80000000-- )Washer, Flat, 0.51b 0.94d .06, Nyl 8
21 607783 (80000000-- )Bearing, Sleeve, .31id X .50od X .25,Bnz 2
22 630259 (80000000-- )Bearing, 9.5id 12.7od 6.4l,Brz 2
23 1030879 (80000000-- )Plate, Slide, Console [Ss3] 1
24 01685 (80000000-- )Washer, Flat, 0.38b 0.88d .08, Ss 4
25 08709 (80000000-- )Nut, Hex, Lock, M8 X 1.25, Nl 4
26 607461 (80004370-- ) Screw, Set, M8 X 1.25 X 35, Nl 4
26 1032057 (80000000--80004369 )Screw, Set, M8x1.25x30, W/Patch 4
Home
Find...
Go To..

STANDARD PARTS
Nobles Speed Scrub 17--20--24 (02--12)
24
COMPONENT PANEL GROUP, BRUSH ASSIST MODEL
1234
6
7
3
8
9
12 11
10
11
12
13
38
37
29
29
30
34
19
31
31
32
36
35
33
20
22
21
17
18
39
18
17
11
28
27
12
15
16 14
23
24
25
26
23
23
41
40
42
38
5
43
(S/N 80000000--80002318)
Home
Find...
Go To..

STANDARD PARTS
Nobles Speed Scrub 17--20--24 (02--12) 25
COMPONENT PANEL GROUP, BRUSH ASSIST MODEL
Ref. Part No. Serial Number Description Qty.
11012134 (80000000-- )Panel, Cntrl, Lower 1
21016628 (80000000-- )Label, Panl, Instmt, Lower [T3/T3e/Ss3] 1
21049998 (80002319-- )Label, Console, Lower Ec--H2o [T3 Na/Aej] 1
31009324 (80000000-- )Screw, Pan, #10--16 X 0.50,Phl,Blk[Ty--17] 4
41041822 (80002319-- )Light, Panel, Mgt, .312” Dia. (ec-H2O Model) 1
5130787 (80000000-- )Switch, Rocker, Spdt (Fast & ec-H2O Model) 1
61011402 (80000000-- )Switch, Key 1
Y71017696 (80000000-- )Key Set, Replmt [F/ Keyswitch 1011402] 1
81057902 (80000000-- )Circuitbreaker, 35.0a 1
91064038 (80002319-- )Gauge, Hourmeter, 05--277 Volt, Ac / Dc 1
10 1038490 (80000000-- )Relay, 24vdc, 100a, No [Trombetta] 2
11 01683 (80000000-- )Washer, Flat, #10, Ss 7
12 09739 (80000000-- )Nut, Hex, Lock, M5 X 0.80, Nl, Ss 4
13 1012216 (80000000-- )Relay, 24vdc, 070a, Spst No, Plug--In 1
14 1012216 (80000000-- )Relay, 24vdc, 070a, Spst No, Plug--In
(Fast & ec-H2O Model)
1
15 01683 (80000000-- )Washer, Flat, #10, Ss (Fast & ec-H2O Model) 1
16 09739 (80000000-- )Nut, Hex, Lock, M5 X 0.80, Nl, Ss
(Fast & ec-H2O Model)
1
17 48732 (80000000-- )Screw, Pan, M6 X 1.0 X 10, Ss 2
18 07515 (80000000-- )Washer, Lock, Int, 0.25, Ss 2
19 1016331 (80000000-- )Washer, Flat, 0.34b 1.25d .11, Ss 1
20 1012850 (80000000-- )Bracket Wldt, Lever, Sqge 1
21 1034731 (80000000-- )Screw, Hex, M6 X 1.00 X 16, Sems, Ss 2
22 02938 (80000000-- )Washer, Lock, Int, 08, Ss 2
23 41578 (80000000-- )Washer, Flat, #06, Ss 6
24 1012568 (80000000-- )Switch, Snap, 10a, Short 1
25 579211 (80000000-- ) Nut, Hex, Lock, M3 X 0.50, Ss 2
26 1042062 (80000000-- ) Screw, Hex, M3 X 0.5 X 25, Ss 2
27 08713 (80000000-- )Nut, Hex, Lock, M8 X 1.25, Nl, Ss 1
28 1015459 (80000000-- )Spring, Lever, Sqge 1
29 07785 (80000000-- )Nut, Hex, Std, M6 X 1.00, A2, Ss 2
30 1013479 (80000000-- )Cable, Glv 3.18mmd 0412l M06/ M06 1
31 1013397 (80000000-- )Washer, Flat, M13 X 30 X 0.8, Nyl 2
32 1014336 (80000000-- )Sleeve, P/M, 8.40b 12.60d 14.5l, Pl 1
33 08712 (80000000-- ) Nut, Hex, Lock, M6 X 1.00, Ss, Nl 1
34 09011 (80000000-- ) Screw, Hex, M8 X 1.25 X 30, Ss 1
35 1016895 (80000000-- )Cap, Handle, Sqge Lift 1
36 1013329 (80000000-- )Lever Wldt, Sqge 1
37 1012747 (80000000-- )Balljoint, M06 X 1.0 Fem, M06 X 1.0 Mal 1
38 01684 (80000000-- )Washer, Flat, 0.27b 0.69d .05, Ss 2
39 1013523 (80000000-- )Stand--Off, Wir, M6, 18 Hex, 20l, Insul 1
40 579211 (80000000--80002318 ) Nut, Hex, Lock, M3 X 0.50, Ss 2
41 1014572 (80000000--80002318 )Gauge, Hourmeter, 14--48vdc, Lcd, Rt,.1hr 1
42 06920 (80000000--80002318 )Screw, Pan, M3 X 0.50 X 10, 4.8 2
43 43952 (80000000-- )Washer, Lock, Int, 0.31, Ss 1
ASSEMBLY
YINCLUDED IN ASSEMBLY
Home
Find...
Go To..

STANDARD PARTS
Nobles Speed Scrub 17--20--24 (03--07)
26
UPPER CONTROL CONSOLE GROUP, DRIVE MODEL
1
23
4
5
4
6
7
8
1
9
10
11
12 13
14
15
16
17
18
19
20
21
22
23
24
25
26
28
25
29
30
31
25
27
25
29
30
31
Home
Find...
Go To..

STANDARD PARTS
Nobles Speed Scrub 17--20--24 (06--10) 27
UPPER CONTROL CONSOLE GROUP, DRIVE MODEL
Ref. Part No. Serial Number Description Qty.
11026407 (80000000-- )Grip, Handle, 31.75mm Dia. X 117mm L 2
2 630094 (80000000-- ) Cap, Vinyl, 2.26 Id X 12.7lg, Blk 1
3 630081 (80000000-- ) Lever, Latch, Console Adjust 1
4 630083 (80000000-- ) Bushing, Latch 2
5 630082 (80000000-- ) Spring, Cmpr, 0.42od .04wir 01.8l, Pl,Mw 1
6630084 (80000000-- )Ring, Retaining, Ext, 4.62mm, [E--Ring] 1
749697 (80004370-- )Screw, Pan, Phl, M4 X 0.70 X 10, Ss 2
7630114 (80000000--80004369 )Screw, Flt, M4 X 0.7 X 8, 4.8 2
8630087 (80000000-- )Plate, Latch, Retainer 1
91028037 (80000000-- )Knob, 1.25d 1
10 1042687 (80000000-- ) Harness, Pot, Wire Assy [45k Ohm] 1
11 140328 (80000000-- )Clamp, Cable, Nyl, 0.38d, Blk 1
12 1009324 (80000000-- )Screw, Pan, #10--16 X 0.50,Phl,Blk[Ty--17] 1
13 140825 (80000000-- )Screw, Pan, #06 X 0.50, Phl, Blk,Fmg[Ab] 2
14 1031582 (80000000-- )Label, Panel, Cntrl, Upper 1
15 1031162 (80000000-- )Panel, Cntrl, Upper, Battery Indicator 1
16 392894 (80000000-- )Gauge, Discharge, Battery, 36vdc, Rt,Led 1
17 579211 (80000000-- ) Nut, Hex, Lock, M3 X 0.50, Ss 2
18 601108 (80000000-- )Switch, Toggle, Mom / On / On 1
19 1031000 (80004370-- )Console, Upper, Rm--Spg, Trimmmed (Ss3) 1
19 9006223 (80000000--80004369 )Console Kit, Upper, Rm--Spg, Drive [Ss3] 1
20 130753 (80000000-- )Boot, Switch 1.00l Blk 1
21 02938 (80000000-- )Washer, Lock, Int, #08, Ss 1
22 33931 (80000000-- )Screw, Pan, Phl, M4 X 0.70 X 30, Ss 1
23 1063203 (80000000-- )Controlbox, Assy, Trigger 1
24 1032889 (80000000-- )Screw, Pan, #8--18 X 1.12, F/ Plstc 2
25 608562 (80000000-- )Washer, Flat, 0.51b 0.94d .06, Nyl 8
26 607783 (80000000-- )Bearing, Sleeve, .31id X .50od X .25,Bnz 2
27 630259 (80000000-- )Bearing, 9.5id 12.7od 6.4l,Brz 2
28 1030879 (80000000-- )Plate, Slide, Console [Ss3] 1
29 01685 (80000000-- )Washer, Flat, 0.38b 0.88d .08, Ss 4
30 08709 (80000000-- )Nut, Hex, Lock, M8 X 1.25, Nl 4
31 607461 (80004370-- ) Screw, Set, M8 X 1.25 X 35, Nl 4
31 1032057 (80000000--80004369 )Screw, Set, M8x1.25x30, W/Patch 4
Home
Find...
Go To..

STANDARD PARTS
Nobles Speed Scrub 17--20--24 (02--12)
28
COMPONENT PANEL GROUP, DRIVE MODEL
1234
6
7
3
8
9
12 11
10
11
12
13
18
37
29
29
30
34
19
31
31
32
36
35
33
20
22
21
40
41
42
43
44
38
44
43
39 17
11
28
27
12
15
16 14
23
24
25
26
23
23
46
45
47
18
5
48
(S/N 80000000--80002318)
Home
Find...
Go To..

STANDARD PARTS
Nobles Speed Scrub 17--20--24 (02--12) 29
COMPONENT PANEL GROUP, DRIVE MODEL
Ref. Part No. Serial Number Description Qty.
11012134 (80000000-- )Panel, Cntrl, Lower 1
21016628 (80000000-- )Label, Panl, Instmt, Lower [T3/T3e/Ss3] 1
21049998 (80002319-- )Label, Console, Lower Ec--H2o [T3 Na/Aej] 1
31009324 (80000000-- )Screw, Pan, #10--16 X 0.50,Phl,Blk[Ty--17] 4
41041822 (80002319-- )Light, Panel, Mgt, .312” Dia. (ec-H2O Model) 1
5130787 (80000000-- )Switch, Rocker, Spdt (Fast & ec-H2O Model) 1
61011402 (80000000-- )Switch, Key 1
Y71017696 (80000000-- )Key Set, Replmt [F/ Keyswitch 1011402] 1
81057902 (80000000-- )Circuitbreaker, 35.0a 1
91064038 (80002319-- )Gauge, Hourmeter, 05--277 Volt, Ac / Dc 1
10 1038490 (80000000-- )Relay, 24vdc, 100a, No [Trombetta] 2
11 01683 (80000000-- )Washer, Flat, #10, Ss 7
12 09739 (80000000-- )Nut, Hex, Lock, M5 X 0.80, Nl, Ss 4
13 1012216 (80000000-- )Relay, 24vdc, 070a, Spst No, Plug--In 1
14 1012216 (80000000-- )Relay, 24vdc, 070a, Plug--In (Fast & ec-H2O Model) 1
15 01683 (80000000-- )Washer, Flat, #10, Ss (Fast & ec-H2O Model) 1
16 09739 (80000000-- )Nut, Hex, Lock, M5 X 0.80, Nl (Fast & ec-H2O Model) 1
17 41579 (80000000-- )Washer, Flat, #08, Ss 2
18 01684 (80000000-- )Washer, Flat, 0.27b 0.69d .05, Ss 2
19 1016331 (80000000-- )Washer, Flat, 0.34b 1.25d .11, Ss 1
20 1012850 (80000000-- )Bracket Wldt, Lever, Sqge 1
21 1034731 (80000000-- )Screw, Hex, M6 X 1.00 X 16, Sems, Ss 2
22 02938 (80000000-- )Washer, Lock, Int, 08, Ss 2
23 41578 (80000000-- )Washer, Flat, #06, Ss 6
24 1012568 (80000000-- )Switch, Snap, 10a, Short 1
25 579211 (80000000-- ) Nut, Hex, Lock, M3 X 0.50, Ss 2
26 1042062 (80000000-- ) Screw, Hex, M3 X 0.5 X 25, Ss 2
27 08713 (80000000-- )Nut, Hex, Lock, M8 X 1.25, Nl, Ss 1
28 1015459 (80000000-- )Spring, Lever, Sqge 1
29 07785 (80000000-- )Nut, Hex, Std, M6 X 1.00, A2, Ss 2
30 1013479 (80000000-- )Cable, Glv 3.18mmd 0412l M06/ M06 1
31 1013397 (80000000-- )Washer, Flat, M13 X 30 X 0.8, Nyl 2
32 1014336 (80000000-- )Sleeve, P/M, 8.40b 12.60d 14.5l, Pl 1
33 08712 (80000000-- ) Nut, Hex, Lock, M6 X 1.00, Ss, Nl 1
34 09011 (80000000-- ) Screw, Hex, M8 X 1.25 X 30, Ss 1
35 1016895 (80000000-- )Cap, Handle, Sqge Lift 1
36 1013329 (80000000-- )Lever Wldt, Sqge 1
37 1012747 (80000000-- )Balljoint, M06 X 1.0 Fem, M06 X 1.0 Mal 1
38 1013523 (80000000-- )Stand--Off, Wir, M6, 18 Hex, 20l, Insul 1
39 33932 (80000000-- )Nut, Hex, Lock, M4 X 0.70, Nl, Ss 2
40 1020280 (80000000-- )Seal, Afmkt, Rbr, Clsd, Adh, 01ft (C410217) 1
41 33931 (80000000-- )Screw, Pan, M4 X 0.7 X 30, Ss 2
42 1052260 (80000000-- )Module, Drive [T3] 1
43 48732 (80000000-- )Screw, Pan, M6 X 1.0 X 10, Ss 2
44 07515 (80000000-- )Washer, Lock, Int, 0.25, Ss 2
45 579211 (80000000--80002318 ) Nut, Hex, Lock, M3 X 0.50, Ss 2
46 1014572 (80000000--80002318 )Gauge, Hourmeter, 14--48vdc, Lcd, Rt,.1hr 1
47 06920 (80000000--80002318 )Screw, Pan, M3 X 0.50 X 10, 4.8 2
48 43952 (80000000-- )Washer, Lock, Int, 0.31, Ss 1
ASSEMBLY
YINCLUDED IN ASSEMBLY
Home
Find...
Go To..

STANDARD PARTS
Nobles Speed Scrub 17--20--24 (02--12)
30
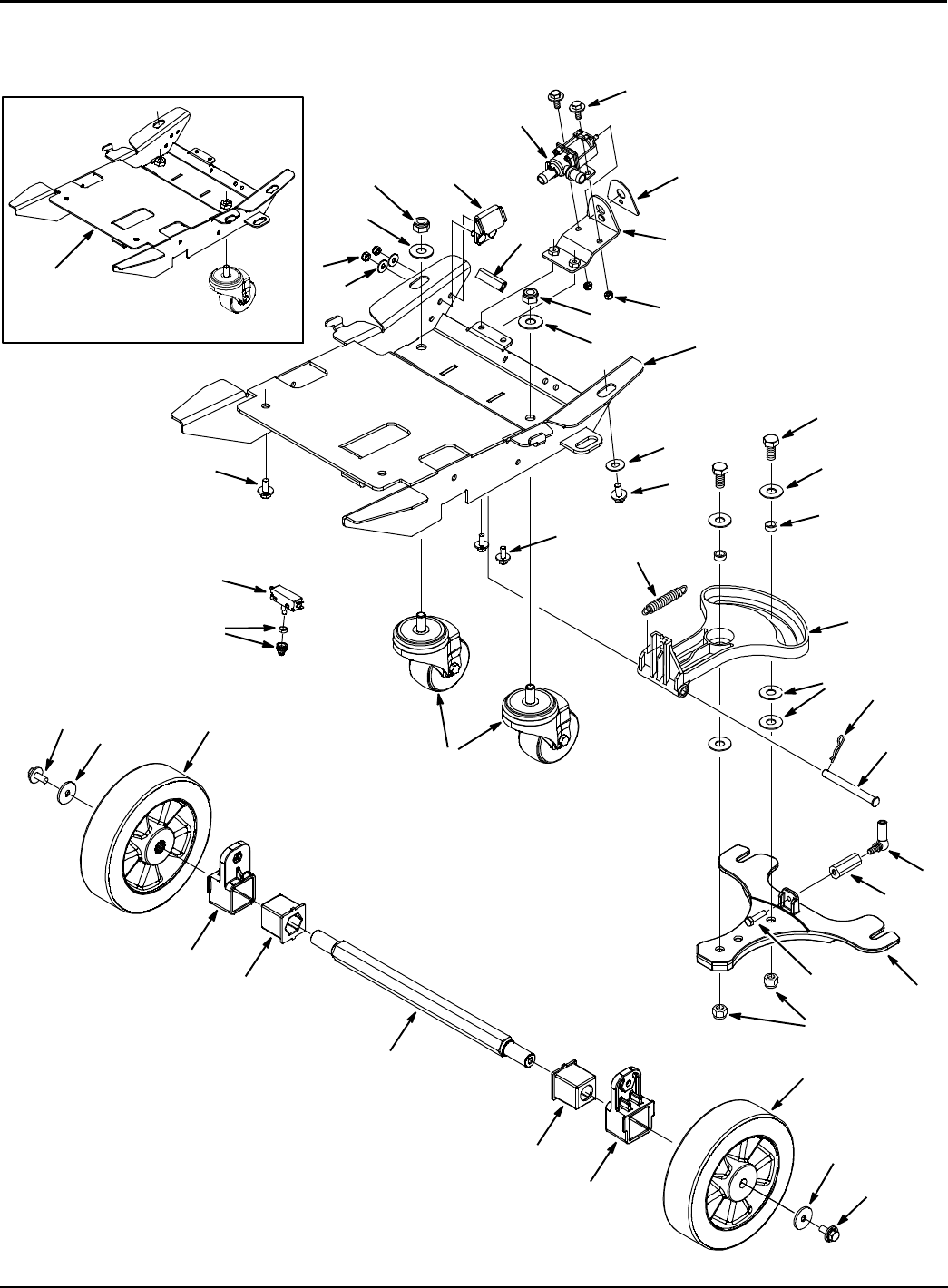
WHEEL GROUP, BRUSH ASSIST MODEL
8
5
7
2
1
3
6
5
30
32
11
10
11
24
25
26
27
28
29
28
27
26
24 25
12
13
14
15
13 17
18
19
20
16
21
22
23
4
36
31
33
34
35
34
35
9
(S/N 80000000--80008032
)
Replaced By 9008680
Home
Find...
Go To..

STANDARD PARTS
Nobles Speed Scrub 17--20--24 (02--12) 31
WHEEL GROUP, BRUSH ASSIST MODEL
Ref. Part No. Serial Number Description Qty.
11034731 (80000000-- )Screw, Hex, M6 X 1.00 X 16, Ss, Sems 2
21062385 (80000000-- )Valve, Water, Solenoid, 24vdc Bm10/Bm10 1
Y614265 (80000000-- )Valve Kit, Water [Viton Diaphram] 1
31014156 (80000000-- )Label, Opertnl, Lower, Soltn Flow 1
41037292 (80000000-- )Bracket, Mtg, Valve, Soltn [Ss3] 1
508712 (80000000-- )Nut, Hex, Lock, M6 X 1.0, Ss, Nl 4
61013946 (80000000-- )Bracket, Locking, Pedal, Foot Ylw 1
71034551 (80000000-- )Trim, Plstc, Edge, .12 X .56 X 1.75 1
801684 (80000000-- )Washer, Flat, 0.25 Ss 2
91023428 (80000000--80008032 )Frame Wldt, Mach, Blk (Replaced By 9008680) 1
10 1016331 (80000000-- )Washer, Flat, 0.34b 1.25d .11, Ss 2
11 1020341 (80000000-- )Screw, Hex, M8 X 1.25 X 20, Ss, Sems 4
12 12309 (80000000-- )Screw, Hex, M12 X 1.75 X 30, Ss 2
13 140045 (80000000-- )Washer, Flat, 0.51b 1.25d .06, Ss 5
14 1013662 (80000000-- )Bushing, Sleeve, 12mm 16mm 6.5mml, Pm Yw 2
15 1023389 (80000000-- )Bracket, Sqge, Lift, Mold Blk, Nyl 1
16 1008721 (80000000-- )Spring, Extn, 0.75od 0.09wir 03.5l 1
17 44906 (80000000-- )Pin, Cotter, Hair, 0.69d .092 Wir 1
18 1013610 (80000000-- )Pin, Clevis, 10mmd X 100mml 1
19 1012747 (80000000-- )Balljoint, M6 X 1.0 Fem, M6 X 1.0 Mal 1
20 1002078 (80000000-- )Spacer, 0.50hex X 1.25l, M6 Thread 1
21 1026265 (80000000-- )Bracket, Mtg, Sqge, Cast, Alm 1
22 1034741 (80000000-- )Screw, Hex, .31--18 X 1.25, Ss, Nl 1
23 09741 (80000000-- )Nut, Hex, Lock, M12 X 1.75, Nl, Ss 2
24 1020341 (80000000-- )Screw, Hex, M8 X 1.25 X 20, Ss, Sems 2
25 1016331 (80000000-- )Washer, Flat, 0.34b 1.25d .11, Ss 2
26 1013248 (80000000-- )Wheel, Scrbr, 198.00 Mm With Bearing 2
27 1028292 (80000000-- )Adapter, Mtg, Axle, Alm 2
28 1028381 (80000000-- )Grommet, Axle 2
29 1028382 (80000000-- )Axle, Wheel, Hex, Clr Zn 1
30 1026345 (80000000-- )Caster, Swivel, 80mm D, M12 X 25 Stem 2
31 1035711 (80000000-- )Boot, Switch, Hex Nut, .38--32 Thd 1
32 606292 (80000000-- )Switch, Push, Actuator, 20a 1
33 9008680 (80008033-- )Frame Kit, Main, W/ Caster Fastenrs [T3] 1
Y34 140045 (80008033-- )Washer, Flat, 0.51b 1.25d .06, Ss 2
Y35 09741 (80008033-- )Nut, Hex, Lock, M12 X 1.75, Nl, Ss 2
36 08716 (80000000-- ) Screw, Hex, M6 X 1.00 X 20, SS 2
ASSEMBLY
YINCLUDED IN ASSEMBLY
Home
Find...
Go To..

STANDARD PARTS
Nobles Speed Scrub 17--20--24 (02--12)
32
WHEEL GROUP, DRIVE MODEL (S/N 80001782-- )
8
5
7
2
6
33
35
11
10
11
12
13
14
15
13 17
18
19
20
16
21
22
23
34
24
27
28
27
26
24
25
25
31
32
30
3
5
4
39
1
26
29
36
37
38
37
38
9
(S/N 80000000--80008032)
Replaced By 9008680
Home
Find...
Go To..

STANDARD PARTS
Nobles Speed Scrub 17--20--24 (02--12) 33
WHEEL GROUP, DRIVE MODEL (S/N 80001782-- )
Ref. Part No. Serial Number Description Qty.
11034731 (80000000-- )Screw, Hex, M6 X 1.00 X 16, Ss, Sems 2
21062385 (80000000-- )Valve, Water, Solenoid, 24vdc Bm10/Bm10 1
Y614265 (80000000-- )Valve Kit, Water [Viton Diaphram] 1
31014156 (80000000-- )Label, Opertnl, Lower, Soltn Flow 1
41037292 (80000000-- )Bracket, Mtg, Valve, Soltn 1
508712 (80000000-- )Nut, Hex, Lock, M6 X 1.0, Ss, Nl 4
61013946 (80000000-- )Bracket, Locking, Pedal, Foot Ylw 1
71034551 (80000000-- )Trim, Plstc, Edge, .12 X .56 X 1.75 1
801684 (80000000-- )Washer, Flat, 0.25 Ss 2
91023428 (80000000--80008032 )Frame Wldt, Mach, Blk (Replaced By 9008680) 1
10 1016331 (80000000-- )Washer, Flat, 0.34b 1.25d .11, Ss 2
11 1020341 (80000000-- )Screw, Hex, M8 X 1.25 X 20, Ss, Sems 4
12 12309 (80000000-- )Screw, Hex, M12 X 1.75 X 30, Ss 2
13 140045 (80000000-- )Washer, Flat, 0.51b 1.25d .06, Ss 5
14 1013662 (80000000-- )Bushing, Sleeve, 12mm 16mm 6.5mml, Pm Yw 2
15 1023389 (80000000-- )Bracket, Sqge, Lift, Mold Blk, Nyl 1
16 1008721 (80000000-- )Spring, Extn, 0.75od 0.09wir 03.5l 1
17 44906 (80000000-- )Pin, Cotter, Hair, 0.69d .092 Wir 1
18 1013610 (80000000-- )Pin, Clevis, 10mmd X 100mml 1
19 1012747 (80000000-- )Balljoint, M6 X 1.0 Fem, M6 X 1.0 Mal 1
20 1002078 (80000000-- )Spacer, 0.50hex X 1.25l, M6 Thread 1
21 1026265 (80000000-- )Bracket, Mtg, Sqge, Cast, Alm 1
22 1034741 (80000000-- )Screw, Hex, .31--18 X 1.25, Ss, Nl 1
23 09741 (80000000-- )Nut, Hex, Lock, M12 X 1.75, Nl, Ss 2
24 07788 (80001782-- )Nut, Hex, Std, M12 X 1.75, Ss 2
25 140024 (80001782-- )Washer, Lock, Split, 0.50, Ss 2
26 1039655 (80001782-- )Wheel, Scrbr, 198.00mm, W/ Taper [T3] 2
27 1028292 (80000000-- )Adapter, Mtg, Axle, Alm 2
28 1039475 (80001782-- )Transaxle, Ele, 24vdc, 112rpm, Pkrd,Dfma 1
Y1017782 (80000000-- )Coupling Kit, Transaxle, Replmt [11057] 1
Y29 1021167 (80001782-- )Key, Woodruff, 5mm 2
Y30 612880 (80000000-- )Sleeve, Transaxle, Replmt 2
Y31 1019916 (80000000-- )Motor, Transaxle, 24vdc, Replmt 1
YY 32 614166 (80000000-- )Brush Kit, Carbon [Qty 4] 1
33 1026345 (80000000-- )Caster, Swivel, 80mm D, M12 X 25 Stem 2
34 1035711 (80000000-- )Boot, Switch, Hex Nut, .38--32 Thd 1
35 606292 (80000000-- )Switch, Push, Actuator, 20a 1
36 9008680 (80008033-- )Frame Kit, Main, W/ Caster Fastenrs [T3] 1
Y37 140045 (80008033-- )Washer, Flat, 0.51b 1.25d .06, Ss 2
Y38 09741 (80008033-- )Nut, Hex, Lock, M12 X 1.75, Nl, Ss 2
39 08716 (80000000-- ) Screw, Hex, M6 X 1.00 X 20, SS 2
N/S 130773 (80000000-- )Tie, Cable, Nyl, 11.0l, .14w, 3.0 Max. D 4
ASSEMBLY
YINCLUDED IN ASSEMBLY
Home
Find...
Go To..

STANDARD PARTS
Nobles Speed Scrub 17--20--24 (04--08)
34
WHEEL GROUP, DRIVE MODEL (S/N 80000000--80001781)
8
5
7
2
6
33
35
11
10
11
12
13
14
15
13 17
18
19
20
16
21
22
23
34
24
26
27
28
27
26
24
25
25
31
29
30
32
3
5
9
4
1
1
Home
Find...
Go To..

STANDARD PARTS
Nobles Speed Scrub 17--20--24 (01--11) 35
WHEEL GROUP, DRIVE MODEL (S/N 80000000--80001781)
Ref. Part No. Serial Number Description Qty.
11034731 (80000000-- )Screw, Hex, M6 X 1.00 X 16, Ss, Sems 4
21062385 (80000000-- )Valve, Water, Solenoid, 24vdc Bm10/Bm10 1
Y614265 (80000000-- )Valve Kit, Water [Viton Diaphram] 1
31014156 (80000000-- )Label, Opertnl, Lower, Soltn Flow 1
41037292 (80000000-- )Bracket, Mtg, Valve, Soltn 1
508712 (80000000-- )Nut, Hex, Lock, M6 X 1.0, Ss, Nl 4
61013946 (80000000-- )Bracket, Locking, Pedal, Foot Ylw 1
71034551 (80000000-- )Trim, Plstc, Edge, .12 X .56 X 1.75 1
801684 (80000000-- )Washer, Flat, 0.25 Ss 2
91023428 (80000000-- )Frame Wldt, Mach, Blk 1
10 1016331 (80000000-- )Washer, Flat, 0.34b 1.25d .11, Ss 2
11 1020341 (80000000-- )Screw, Hex, M8 X 1.25 X 20, Ss, Sems 4
12 12309 (80000000-- )Screw, Hex, M12 X 1.75 X 30, Ss 2
13 140045 (80000000-- )Washer, Flat, 0.51b 1.25d .06, Ss 5
14 1013662 (80000000-- )Bushing, Sleeve, 12mm 16mm 6.5mml, Pm Yw 2
15 1023389 (80000000-- )Bracket, Sqge, Lift, Mold Blk, Nyl 1
16 1008721 (80000000-- )Spring, Extn, 0.75od 0.09wir 03.5l 1
17 44906 (80000000-- )Pin, Cotter, Hair, 0.69d .092 Wir 1
18 1013610 (80000000-- )Pin, Clevis, 10mmd X 100mml 1
19 1012747 (80000000-- )Balljoint, M6 X 1.0 Fem, M6 X 1.0 Mal 1
20 1002078 (80000000-- )Spacer, 0.50hex X 1.25l, M6 Thread 1
21 1026265 (80000000-- )Bracket, Mtg, Sqge, Cast, Alm 1
22 11329 (80000000-- )Screw, Hex, M6 X 1.0 X 16, Ss, Nl 1
23 09741 (80000000-- )Nut, Hex, Lock, M12 X 1.75, Nl, Ss 2
24 1015869 (80000000--80001781 ) Screw, Soc, M6 X 1.0 X 25, Ss, Nl 2
25 200304017 (80000000--80001781 )Washer, Flat, M6.4b X 13d X 1.6, Pl 2
26 1015079 (80000000--80001781 )Wheel, Scrbr, 198.00mm [W/ Spline) 2
27 1028292 (80000000-- )Adapter, Mtg, Axle, Alm 2
28 1028379 (80000000--80001781 )Transaxle, Ele, 24vdc, 112rpm, Pkrd,Dfma 1
Y29 1019916 (80000000-- )Motor, Transaxle, 24vdc, Replmt 1
YY 30 614166 (80000000-- )Brush Kit, Carbon [Qty 4] 1
Y31 1017782 (80000000-- )Coupling Kit, Transaxle, Replmt [11057] 1
Y32 612880 (80000000-- )Sleeve, Transaxle, Replmt 2
33 1026345 (80000000-- )Caster, Swivel, 80mm D, M12 X 25 Stem 2
34 1035711 (80000000-- )Boot, Switch, Hex Nut, .38--32 Thd 1
35 606292 (80000000-- )Switch, Push, Actuator, 20a 1
N/S 130773 (80000000-- )Tie, Cable, Nyl, 11.0l, .14w, 3.0 Max. D 4
ASSEMBLY
YINCLUDED IN ASSEMBLY
Home
Find...
Go To..

STANDARD PARTS
Nobles Speed Scrub 17--20--24 (02--12)
36
SCRUB HEAD GROUP, 43 cm MODEL (S/N 80008823-- )
1
9
10
23
17
18
16
15
14
13
12
25
29
30
31
32
24
19
20
11
68
7
5
4
3
26
27
28
22
21
2
Home
Find...
Go To..

STANDARD PARTS
Nobles Speed Scrub 17--20--24 (02--12) 37
SCRUB HEAD GROUP, 43 cm MODEL (S/N 80008823-- )
Ref. Part No. Serial Number Description Qty.
11062544 (80008823-- )Motor, Ele, 24vdc 0200rpm 1.00hp, 17mm 1
Y1045790 (80002111-- )Brush Kit, Replmt, Carbon 24vdc [4pc = 1kit] 1
Y2607798 (80000000-- )Terminal Mal Brush Motor Leads 2
Y2607801 (80002111-- )Clip, Position, Terminal [Packard] 1
31014328 (80008823-- )Key, Sq, 05mm X 05mm, 25mml 1
41020234 (80000000-- ) Screw, Hex, M4 X 0.7 X 10, Ss 1
502938 (80000000-- )Washer, Lock, Int, 08, Ss 1
61009168 (80000000-- )Washer, Flat, 0.17b 0.75d .04, Ss 1
7607775 (80000000-- )Clamp, Hose, Wir, .63 -- .66, Blk 1
81016155 (80000000-- )Tube Wldt, Supply, Water 1
91048186 (80000000-- )Housing, Head, 43cm [Die Cast] 1
10 1055019 (80000000-- )Bumper, Head, 43cm, W/ Bristle Skirt, Im 1
11 1022549 (80008823-- )Spacer, Shaft, 17.15b 30.0d 3.0l, Ss 1
12 09200 (80000000-- )Screw, Pan, M5 X 0.8 X 12, Ss 2
13 07514 (80000000-- )Washer, Lock, Int, #10, Ss 2
14 01683 (80000000-- )Washer, Flat, 0.22b 0.50d .05, Ss [#10] 2
15 1011201 (80000000-- )Plate, Clamp, Brush 1
16 1013188 (80000000-- )Clip, Spring, Drive Plate Yel Pl 1
17 1063046 (80008823-- )Hub, Drive, 3lug, Alm, 17.0b [Heavy Dp] 1
18 1017218 (80008823-- )Washer, Flat, 0.32b 1.00d .12, Ss 1
19 12273 (80008823-- )Screw, Hex, M8 X 1.25 X 20, Nl, Ss 1
20 1016426 (80000000-- )Ring, Water, Containment 1
21 1037399 (80000000-- )Pin, Stop, 8.3mmd X 42mml 1
22 605825 (80000000-- )Screw, Stop, Head Pin 1
23 1020341 (80008823-- )Screw, Hex, M8 X 1.25 X 20, Ss, Sems 4
24 578769 (80000000-- )Label, Moving Parts 1
25 79506 (80000000-- ) Screw, Flt, M8 X 1.25 X 30, Ss 1
26 1037470 (80000000-- )Nut, Hex, M14 X 2.00, Ss 1
27 1037400 (80000000-- )Spring, Cmpr, .42od, .04wir, 1.0l, Pl,Mw 1
28 603012 (80000000-- )Knob, Rnd, 19.0d M6 X 12, Stud, Plstc,Pl 1
29 1010560 (80000000-- )Wheel, Bmpr, 80d X 25w, Non--Marking 1
30 222460 (80000000-- )Sleeve, P/M, 0.31b 0.50d 0.5l 1
31 140027 (80000000-- )Washer, Flat, 0.35b 0.75d .04, Ss 1
32 08713 (80000000-- )Nut, Hex, Lock, M8 X 1.25, Nl, Ss 1
ASSEMBLY
YINCLUDED IN ASSEMBLY
Home
Find...
Go To..

STANDARD PARTS
Nobles Speed Scrub 17--20--24 (02--12)
38
SCRUB HEAD GROUP, 43 cm MODEL (S/N 80000000--80008822)
1
9
10
24
23
22
17
18
16
15
14
13
12
28
29
30
31
32
27
19
20
21
11
68
7
5
4
3
35
34
33
26
25
2
Home
Find...
Go To..

STANDARD PARTS
Nobles Speed Scrub 17--20--24 (02--12) 39
SCRUB HEAD GROUP, 43 cm MODEL (S/N 80000000--80008822)
Ref. Part No. Serial Number Description Qty.
11039494 (80002111--80008822 )Motor, Ele, 24vdc 0200rpm 1.00hp Gear (Replaced by
Kit 1069394 -- Includes Motor, Hub & Hardware)
1
Y1045790 (80002111-- )Brush Kit, Replmt, Carbon 24vdc [4pc = 1kit] 1
Y2607798 (80000000-- )Terminal Mal Brush Motor Leads 2
Y2607801 (80002111-- )Clip, Position, Terminal [Packard] 1
1N/A (80000000--80002110 )Motor, Ele, 24vdc 0200rpm 1.00hp Gear
(Replaced by 1039494)
1
Y1038269 (80000000--80002110 )Brush, Card, Assy, Imperial (For Motor #1028301) 1
YY 222615 (80000000--80002110 )Vr, Brush, Motor, Ele [Ip 572012] (1 Pkg = 4 Brushes)
(For Motor #1028301)
1
YY 1038268 (80000000--80002110 )Gearbox, Motor, Imperial (For Motor #1028301) 1
Y2607798 (80000000-- )Terminal Mal Brush Motor Leads 2
Y2607797 (80000000--80002110 )Connector, Mal [Packard] (For Motor #1028301) 1
300930 (80000000--80008822 )Key, Sq, 0.25 X 0.25, 1.50l 1
41020234 (80000000-- ) Screw, Hex, M4 X 0.7 X 10, Ss 1
502938 (80000000-- )Washer, Lock, Int, 08, Ss 1
61009168 (80000000-- )Washer, Flat, 0.17b 0.75d .04, Ss 1
7607775 (80000000-- )Clamp, Hose, Wir, .63 -- .66, Blk 1
81016155 (80000000-- )Tube Wldt, Supply, Water 1
91048186 (80000000-- )Housing, Head, 43cm [Die Cast] 1
10 1055019 (80000000-- )Bumper, Head, 43cm, W/ Bristle Skirt, Im 1
11 621471 (80000000--80008822 )Spacer, 0.75b 1.12d 0.12l, 2
12 09200 (80000000-- )Screw, Pan, M5 X 0.8 X 12, Ss 2
13 07514 (80000000-- )Washer, Lock, Int, #10, Ss 2
14 01683 (80000000-- )Washer, Flat, 0.22b 0.50d .05, Ss [#10] 2
15 1011201 (80000000-- )Plate, Clamp, Brush 1
16 1013188 (80000000-- )Clip, Spring, Drive Plate Yel Pl 1
17 1054019 (80000000--80008822 )Hub, Drive, 3lug, Alm, 19.0b [Diecast] 1
18 1028796 (80000000--80008822 )Washer, Flat, 0.33b 1.00d .18 1
19 140015 (80000000--80008822 )Washer, Lock, Split, 0.31, Ss 1
20 1035038 (80000000--80008822 )Screw, Hex, .31--18 X 1.38, Ss, Nl 1
21 1016426 (80000000-- )Ring, Water, Containment 1
22 69225 (80000000--80008822 )Screw, Hex, .38--16 X 1.00, Ss 4
23 43953 (80000000--80008822 )Washer, Lock, Int, 0.38 Ss 4
24 01686 (80000000--80008822 )Washer, Flat, 0.44b 1.00 .08, Ss 4
25 1037399 (80000000-- )Pin, Stop, 8.3mmd X 42mml 1
26 605825 (80000000-- )Screw, Stop, Head Pin 1
27 578769 (80000000-- )Label, Moving Parts 1
28 79506 (80000000-- ) Screw, Flt, M8 X 1.25 X 30, Ss 1
29 1010560 (80000000-- )Wheel, Bmpr, 80d X 25w, Non--Marking 1
30 222460 (80000000-- )Sleeve, P/M, 0.31b 0.50d 0.5l 1
31 140027 (80000000-- )Washer, Flat, 0.35b 0.75d .04, Ss 1
32 08713 (80000000-- )Nut, Hex, Lock, M8 X 1.25, Nl, Ss 1
33 603012 (80000000-- )Knob, Rnd, 19.0d M6 X 12, Stud, Plstc,Pl 1
34 1037400 (80000000-- )Spring, Cmpr, .42od, .04wir, 1.0l, Pl,Mw 1
35 1037470 (80000000-- )Nut, Hex, M14 X 2.00, Ss 1
ASSEMBLY
YINCLUDED IN ASSEMBLY
Home
Find...
Go To..

STANDARD PARTS
Nobles Speed Scrub 17--20--24 (02--12)
40
SCRUB HEAD GROUP, 50 cm MODEL (S/N 80008823-- )
1
3
68
9
10
25
29
30
31
32
24
7
5
4
23
17
18
16
15
14
13
12
19
20
11
26
27
28
22
21
2
Home
Find...
Go To..

STANDARD PARTS
Nobles Speed Scrub 17--20--24 (02--12) 41
SCRUB HEAD GROUP, 50 cm MODEL (S/N 80008823-- )
Ref. Part No. Serial Number Description Qty.
11062544 (80008823-- )Motor, Ele, 24vdc 0200rpm 1.00hp, 17mm 1
Y1045790 (80002111-- )Brush Kit, Replmt, Carbon 24vdc [4pc = 1kit] 1
Y2607798 (80000000-- )Terminal Mal Brush Motor Leads 2
Y2607801 (80002111-- )Clip, Position, Terminal [Packard] 1
31014328 (80008823-- )Key, Sq, 05mm X 05mm, 25mml 1
41020234 (80000000-- ) Screw, Hex, M4 X 0.7 X 10, Ss 1
502938 (80000000-- )Washer, Lock, Int, 08, Ss 1
61009168 (80000000-- )Washer, Flat, 0.17b 0.75d .04, Ss 1
7607775 (80000000-- )Clamp, Hose, Wir, .63 -- .66, Blk 1
81016155 (80000000-- )Tube Wldt, Supply, Water 1
91036813 (80000000-- )Housing, Head, 50cm, Die Cstg 1
10 1055025 (80000000-- )Bumper, Head, 50cm, W/ Bristle Skirt, Im 1
11 1022549 (80008823-- )Spacer, Shaft, 17.15b 30.0d 3.0l, Ss 1
12 09200 (80000000-- )Screw, Pan, M5 X 0.8 X 12, Ss 2
13 07514 (80000000-- )Washer, Lock, Int, #10, Ss 2
14 01683 (80000000-- )Washer, Flat, 0.22b 0.50d .05, Ss [#10] 2
15 1011201 (80000000-- )Plate, Clamp, Brush 1
16 1013188 (80000000-- )Clip, Spring, Drive Plate Yel Pl 1
17 1063046 (80008823-- )Hub, Drive, 3lug, Alm, 17.0b [Heavy Dp] 1
18 1017218 (80008823-- )Washer, Flat, 0.32b 1.00d .12, Ss 1
19 12273 (80008823-- )Screw, Hex, M8 X 1.25 X 20, Nl, Ss 1
20 1016426 (80000000-- )Ring, Water, Containment 1
21 1037399 (80000000-- )Pin, Stop, 8.3mmd X 42mml 1
22 605825 (80000000-- )Screw, Stop, Head Pin 1
23 1020341 (80008823-- )Screw, Hex, M8 X 1.25 X 20, Ss, Sems 4
24 578769 (80000000-- )Label, Moving Parts 1
25 79506 (80000000-- ) Screw, Flt, M8 X 1.25 X 30, Ss 1
26 1037470 (80000000-- )Nut, Hex, M14 X 2.00, Ss 1
27 1037400 (80000000-- )Spring, Cmpr, .42od, .04wir, 1.0l, Pl,Mw 1
28 603012 (80000000-- )Knob, Rnd, 19.0d M6 X 12, Stud, Plstc,Pl 1
29 1010560 (80000000-- )Wheel, Bmpr, 80d X 25w, Non--Marking 1
30 222460 (80000000-- )Sleeve, P/M, 0.31b 0.50d 0.5l 1
31 140027 (80000000-- )Washer, Flat, 0.35b 0.75d .04, Ss 1
32 08713 (80000000-- )Nut, Hex, Lock, M8 X 1.25, Nl, Ss 1
ASSEMBLY
YINCLUDED IN ASSEMBLY
Home
Find...
Go To..

STANDARD PARTS
Nobles Speed Scrub 17--20--24 (02--12)
42
SCRUB HEAD GROUP, 50 cm MODEL (S/N 80000000--80008822)
1
3
68
9
10
28
29
30
31
32
27
7
5
4
24
23
22
17
18
16
15
14
13
12
19
20
21
11
35
34
33
26
25
2
Home
Find...
Go To..

STANDARD PARTS
Nobles Speed Scrub 17--20--24 (02--12) 43
SCRUB HEAD GROUP, 50 cm MODEL (S/N 80000000--80008822)
Ref. Part No. Serial Number Description Qty.
11039494 (80002111--80008822 )Motor, Ele, 24vdc 0200rpm 1.00hp Gear (Replaced by
Kit 1069394 -- Includes Motor, Hub & Hardware)
1
Y1045790 (80002111-- )Brush Kit, Replmt, Carbon 24vdc [4pc = 1kit] 1
Y2607798 (80000000-- )Terminal Mal Brush Motor Leads 2
Y2607801 (80002111-- )Clip, Position, Terminal [Packard] 1
1N/A (80000000--80002110 )Motor, Ele, 24vdc 0200rpm 1.00hp Gear
(Replaced by 1039494)
1
Y1038269 (80000000--80002110 )Brush, Card, Assy, Imperial (For Motor #1028301) 1
YY 222615 (80000000--80002110 )Vr, Brush, Motor, Ele [Ip 572012] (1 Pkg = 4 Brushes)
(For Motor #1028301)
1
YY 1038268 (80000000--80002110 )Gearbox, Motor, Imperial (For Motor #1028301) 1
Y2607798 (80000000-- )Terminal Mal Brush Motor Leads 2
Y2607797 (80000000--80002110 )Connector, Mal [Packard] (For Motor #1028301) 1
300930 (80000000--80008822 )Key, Sq, 0.25 X 0.25, 1.50l 1
41020234 (80000000-- ) Screw, Hex, M4 X 0.7 X 10, Ss 1
502938 (80000000-- )Washer, Lock, Int, 08, Ss 1
61009168 (80000000-- )Washer, Flat, 0.17b 0.75d .04, Ss 1
7607775 (80000000-- )Clamp, Hose, Wir, .63 -- .66, Blk 1
81016155 (80000000-- )Tube Wldt, Supply, Water 1
91036813 (80000000-- )Housing, Head, 50cm, Die Cstg 1
10 1055025 (80000000-- )Bumper, Head, 50cm, W/ Bristle Skirt, Im 1
11 621471 (80000000--80008822 )Spacer, 0.75b 1.12d 0.12l 2
12 09200 (80000000-- )Screw, Pan, M5 X 0.8 X 12, Ss 2
13 07514 (80000000-- )Washer, Lock, Int, #10, Ss 2
14 01683 (80000000-- )Washer, Flat, 0.22b 0.50d .05, Ss [#10] 2
15 1011201 (80000000-- )Plate, Clamp, Brush 1
16 1013188 (80000000-- )Clip, Spring, Drive Plate Yel Pl 1
17 1054019 (80000000--80008822 )Hub, Drive, 3lug, Alm, 19.0b [Diecast] 1
18 1028796 (80000000--80008822 )Washer, Flat, 0.33b 1.00d .18 1
19 140015 (80000000--80008822 )Washer, Lock, Split, 0.31, Ss 1
20 1035038 (80000000--80008822 )Screw, Hex, .31--18 X 1.38, Ss, Nl 1
21 1016426 (80000000-- )Ring, Water, Containment 1
22 69225 (80000000--80008822 )Screw, Hex, .38--16 X 1.00, Ss 4
23 43953 (80000000--80008822 )Washer, Lock, Int, 0.38 Ss 4
24 01686 (80000000--80008822 )Washer, Flat, 0.44b 1.00 .08, Ss 4
25 1037399 (80000000-- )Pin, Stop, 8.3mmd X 42mml 1
26 605825 (80000000-- )Screw, Stop, Head Pin 1
27 578769 (80000000-- )Label, Moving Parts 1
28 79506 (80000000-- ) Screw, Flt, M8 X 1.25 X 30, Ss 1
29 1010560 (80000000-- )Wheel, Bmpr, 80d X 25w, Non--Marking 1
30 222460 (80000000-- )Sleeve, P/M, 0.31b 0.50d 0.5l 1
31 140027 (80000000-- )Washer, Flat, 0.35b 0.75d .04, Ss 1
32 08713 (80000000-- )Nut, Hex, Lock, M8 X 1.25, Nl, Ss 1
33 603012 (80000000-- )Knob, Rnd, 19.0d M6 X 12, Stud, Plstc,Pl 1
34 1037400 (80000000-- )Spring, Cmpr, .42od, .04wir, 1.0l, Pl,Mw 1
35 1037470 (80000000-- )Nut, Hex, M14 X 2.00, Ss 1
ASSEMBLY
YINCLUDED IN ASSEMBLY
Home
Find...
Go To..

STANDARD PARTS
Nobles Speed Scrub 17--20--24 (02--12)
44
SCRUB HEAD GROUP, DUAL DISK, 60 cm MODEL
1
2
3
4
5
6
7
8
9
8
10 12
13
12
10
14
15
16
17
17
19
18
17
17
17
11
Home
Find...
Go To..

STANDARD PARTS
Nobles Speed Scrub 17--20--24 (02--12) 45
SCRUB HEAD GROUP, DUAL DISK, 60 cm MODEL
Ref. Part No. Serial Number Description Qty.
11064902 (80000000-- )Motor, 24vdc, 2000rpm, 7/8hp [Us] 1
Y1059370 (80000000-- )Brush, Motor, Replmt [Bag Of 4) 1
21013995 (80000000-- )Screw, Set, M5 X 0.80 X 8, Ss [Cuppt] 2
31059058 (80000000-- )Sheave, 06grv, 1.25pd 0.55b, Ss [D Shaft] 1
409011 (80000000-- ) Screw, Hex, M8 X 1.25 X 30, Ss 1
5140027 (80000000-- )Washer, Flat, 0.35b 0.75d .04, Ss 1
6222460 (80000000-- )Sleeve, P/M, 0.32b 0.50d 0.5l [430ss] 1
71010560 (80000000-- )Wheel, Bmpr, 80d X 25w, Non--Marking 1
808713 (80000000-- )Nut, Hex, Lock, M8 X 1.25, Nl, Ss 3
91055815 (80000000-- )Bracket, Wall--Roller, Scb Head [T3] 1
10 1062937 (80000000-- )Tube, Soltn, 245.0mml [T3 Dual Disks] 2
11 578769 (80000000-- )Label, Parts, Moving [Textless] 1
12 130773 (80000000-- )Tie, Cable, Nyl, 11.0l, .14w, 3.0 Max. D 2
13 160310 (80000000-- )Fitting, Plstc, Tee, Bm06/Bm06/Bm06 1
14 1059697 (80000000-- )Housing, Casting, Head [T3 60cm] Mach 1
15 1053609 (80000000-- )Bumper, Skirt, Scb Head, 60cm 1
16 1058573 (80000000-- )Bracket, Gaurd, Splash [T3 60cm] 1
17 1034731 (80000000-- )Screw, Hex, M6 X 1.00 X 16, Ss, Sems 10
18 1058380 (80000000-- )Bracket, Guide, Belt [T3 60cm] 1
19 79246 (80000000-- )Screw, Flt, Soc, M8 X 1.25 X 20, 18--8,Ss 2
ASSEMBLY
YINCLUDED IN ASSEMBLY
Home
Find...
Go To..

STANDARD PARTS
Nobles Speed Scrub 17--20--24 (01--11)
46
SCRUB HEAD GROUP, DUAL DISK, 60 cm (24 in) MODEL -- CONT’D
1
2
3
1
2
4
5
6
7
8
5
6
7
8
10
6
11
6
2
1
12
5
6
7
8
6
2
1
4
9
10
6
16
13
14
14
15
14
15
12
13
14
Home
Find...
Go To..

STANDARD PARTS
Nobles Speed Scrub 17--20--24 (01--11) 47
SCRUB HEAD GROUP, DUAL DISK, 60 cm (24 in) MODEL -- CONT’D
Ref. Part No. Serial Number Description Qty.
109741 (80000000-- )Nut, Hex, Lock, M12 X 1.75, Nl, Ss 4
233925 (80000000-- )Washer, Flat, M12, Ss 4
312273 (80000000-- )Screw, Hex, M8 X 1.25 X 20, Nl, Ss 3
41058800 (80000000-- )Shaft Wldt, Mtg, Pulley 2
51013884 (80000000-- )Ring, Retaining, Int, 40mm, Ss 3
6140123 (80000000-- )Bearing, Ball, 0.67b 1.57d 0.47w [6203] 7
71058514 (80000000-- )Pulley, Idler, 55d X 21w[60cm Dual Disk] 3
81011008 (80000000-- )Spacer, Brg, Idler 3
91055305 (80000000-- )Belt, Drive, 6pj, Ej139 [T3] 1
10 1011041 (80000000-- )Tube, 0.69id 0.87od 00.8l, Stl, Pl 2
11 1059205 (80000000-- )Hub, Drive, 3lug, Alm, 2disk, Flt 1
12 1013188 (80000000-- )Clip, Spring, Drive Plate [T3], Clr Zn 2
13 1013592 (80000000-- )Stop, Driver, Release 2
14 223198 (80000000-- )Screw, Hex, M5 X 0.80 X 10, Fmg 8
15 1011201 (80000000-- )Plate, Clamp, Brush 2
16 1059206 (80000000-- )Hub, Drive, 3lug, Alm, 2disk, 6grv 1
Home
Find...
Go To..

STANDARD PARTS
Nobles Speed Scrub 17--20--24 (06--10)
48
SCRUB HEAD LIFT GROUP, 43 cm (17 in) MODEL
17
24
2
27
19
223
4
2
22
2
21
19
24
26
4
2
19
25
14
15
12
4
5
35432
1
19
17
3
10
11
9
8
8
10
11
9
9
12
6
7
3
20
14
13
13
16
18
18
28
9
Home
Find...
Go To..

STANDARD PARTS
Nobles Speed Scrub 17--20--24 (06--10) 49
SCRUB HEAD LIFT GROUP, 43 cm (17 in) MODEL
Ref. Part No. Serial Number Description Qty.
109011 (80000000-- ) Screw, Hex, M8 X 1.25 X 30, Ss 2
2 01685 (80000000-- ) Washer, Flat, 0.38b 0.88d .08, Ss 7
3 1013936 (80000000-- ) Washer, Flat, 0.51b 0.94d .10, Nyl 4
4 222460 (80000000-- ) Sleeve, P/M, 0.31b 0.50d 0.5l 7
5 630188 (80000000-- ) Bearing, Journal, .50id X .25l 2
61061708 (80000000-- )Kit, Lift Assy, Head, Sgl Disk,43cm [T3] 1
Y7 1014283 (80000000-- ) Pad, Adh, Non--Slip, 28mm X 36mm, Blk 1
Y8 09011 (80000000-- ) Screw, Hex, M8 X 1.25 X 30, Ss 2
Y9 1013936 (80000000-- ) Washer, Flat, 0.51b 0.94d .10, Nyl 4
Y10 222460 (80000000-- ) Sleeve, P/M, 0.31b 0.50d 0.5l 2
Y11 630188 (80000000-- )Bearing, Journal, .50id X .25l 2
Y12 08713 (80000000-- ) Nut, Hex, Lock, M8 X 1.25, Nl, Ss 2
13 11329 (80000000-- ) Screw, Hex, M6 X 1.0 X 16, Ss, Nl 2
14 01684 (80000000-- ) Washer, Flat, 0.25 Ss 1
15 1015460 (80000000-- ) Bracket, Guide, Head, [43cm] 1
16 1028796 (80000000-- )Washer, Flat, 0.33b 1.00d .18, Stl, Pl 1
17 12333 (80000000-- )Screw, Hex, M8 X 1.25 X 25, Ss, Nl 4
18 69461 (80000000-- )Washer, Flat, 0.38b 0.88d .12, Stl, Pl 4
19 08713 (80000000-- )Nut, Hex, Lock, M8 X 1.25, Nl, Ss 4
20 1015470 (80000000-- )Bracket, Mtg, Head 1
21 222505 (80000000-- ) Screw, Hex, M8 X 1.25 X 45, Ss 1
22 1014020 (80000000-- )Roller, Lift, Dual Disk Head 1
23 1032420 (80000000-- )Spring, Extn, 0.85od 0.09wir 02.9l (43cm Model) 1
24 140127 (80000000-- )Bearing, Thrust,0.51b X 1.0 X .12, Brz 2
25 1012323 (80000000-- )Bracket, Mtg, Head, Rh 1
26 140430 (80000000-- )Spring, Cmpr, .72od X 1.69 L 1
27 1014163 (80000000-- )Screw, Hex, M8 X 1.25 X 60, Fl, Ss 1
28 1032791 (80000000-- )Spacer, Head, 4mm (Brush Assist Model) 1
N/S 130773 (80000000-- )Tie, Cable, Nyl, 11.0l, .14w, 3.0 Max. D 1
ASSEMBLY
YINCLUDED IN ASSEMBLY
Home
Find...
Go To..

STANDARD PARTS
Nobles Speed Scrub 17--20--24 (06--10)
50
SCRUB HEAD LIFT GROUP, 50 cm (20 in) MODEL
17 24
2
27
19
223
422
2
21
19
24
26
4
2
19
25
14
15
12
4
5
3 5 43
2
1
19
17
3
10
11
9
8
8
10
11
9
12
6
7
3
20
14
13
13
16
18
18
28
2
9
9
Home
Find...
Go To..

STANDARD PARTS
Nobles Speed Scrub 17--20--24 (06--10) 51
SCRUB HEAD LIFT GROUP, 50 cm (20 in) MODEL
Ref. Part No. Serial Number Description Qty.
109011 (80000000-- ) Screw, Hex, M8 X 1.25 X 30, Ss 2
2 01685 (80000000-- ) Washer, Flat, 0.38b 0.88d .08, Ss 7
3 1013936 (80000000-- ) Washer, Flat, 0.51b 0.94d .10, Nyl 4
4 222460 (80000000-- ) Sleeve, P/M, 0.31b 0.50d 0.5l 7
5 630188 (80000000-- ) Bearing, Journal, .50id X .25l 2
61061720 (80000000-- )Kit, Lift Assy, Head, Disk,50/60[T3 N/A] 1
Y7 1014283 (80000000-- ) Pad, Adh, Non--Slip, 28mm X 36mm, Blk 1
Y8 09011 (80000000-- ) Screw, Hex, M8 X 1.25 X 30, Ss 2
Y9 1013936 (80000000-- ) Washer, Flat, 0.51b 0.94d .10, Nyl 4
Y10 222460 (80000000-- ) Sleeve, P/M, 0.31b 0.50d 0.5l 2
Y11 630188 (80000000-- )Bearing, Journal, .50id X .25l 2
Y12 08713 (80000000-- ) Nut, Hex, Lock, M8 X 1.25, Nl, Ss 2
13 11329 (80000000-- ) Screw, Hex, M6 X 1.0 X 16, Ss, Nl 2
14 01684 (80000000-- ) Washer, Flat, 0.25 Ss 1
15 1012484 (80000000-- )Bracket, Guide, Head, [50cm] 1
16 1028796 (80000000-- )Washer, Flat, 0.33b 1.00d .18, Stl, Pl 1
17 12333 (80000000-- )Screw, Hex, M8 X 1.25 X 25, Ss, Nl 4
18 69461 (80000000-- )Washer, Flat, 0.38b 0.88d .12, Stl, Pl 4
19 08713 (80000000-- )Nut, Hex, Lock, M8 X 1.25, Nl, Ss 4
20 1015470 (80000000-- )Bracket, Mtg, Head 1
21 222505 (80000000-- ) Screw, Hex, M8 X 1.25 X 45, Ss 1
22 1014020 (80000000-- )Roller, Lift, Dual Disk Head 1
23 1031776 (80000000-- )Spring, Extn, 0.75od 0.09wir 03.2l (50cm Model) 1
24 140127 (80000000-- )Bearing, Thrust,0.51b X 1.0 X .12, Brz 2
25 1012323 (80000000-- )Bracket, Mtg, Head, Rh 1
26 140430 (80000000-- )Spring, Cmpr, .72od X 1.69 L 1
27 1014163 (80000000-- )Screw, Hex, M8 X 1.25 X 60, Fl, Ss 1
28 1032791 (80000000-- )Spacer, Head, 4mm (Brush Assist Model) 1
N/S 130773 (80000000-- )Tie, Cable, Nyl, 11.0l, .14w, 3.0 Max. D 1
ASSEMBLY
YINCLUDED IN ASSEMBLY
Home
Find...
Go To..

STANDARD PARTS
Nobles Speed Scrub 17--20--24 (01--11)
52
SCRUB HEAD LIFT GROUP, DUAL DISK 60 cm (24 in) MODEL
14
1
34
432
1
2
9
10
8
7
7
9
10
8
11
5
6
3
17
15
19
13
2
12
4
2
12
12
16
2
3
15
18
20
10
10
21
Home
Find...
Go To..

STANDARD PARTS
Nobles Speed Scrub 17--20--24 (01--11) 53
SCRUB HEAD LIFT GROUP, DUAL DISK 60 cm (24 in) MODEL
Ref. Part No. Serial Number Description Qty.
109011 (80000000-- ) Screw, Hex, M8 X 1.25 X 30, Ss 2
201685 (80000000-- )Washer, Flat, 0.38b 0.88d .08, Ss 5
31013936 (80000000-- )Washer, Flat, 0.51b 0.94d .10, Nyl 4
4222460 (80000000-- )Sleeve, P/M, 0.31b 0.50d 0.5l 4
51061720 (80000000-- )Kit, Lift Assy, Head, Disk,50/60[T3 N/A] 1
Y61014283 (80000000-- )Pad, Adh, 28mm X 36mm, Blk [Non--Slip] 1
Y709011 (80000000-- ) Screw, Hex, M8 X 1.25 X 30, Ss 2
Y81013936 (80000000-- )Washer, Flat, 0.51b 0.94d .10, Nyl 4
Y9222460 (80000000-- )Sleeve, P/M, 0.31b 0.50d 0.5l [430ss] 2
Y10 630188 (80000000-- )Bearing, Journal, .50id X .25l 4
Y11 08713 (80000000-- )Nut, Hex, Lock, M8 X 1.25, Nl, Ss 2
12 08713 (80000000-- )Nut, Hex, Lock, M8 X 1.25, Nl, Ss 3
13 1014020 (80000000-- )Roller, Lift, Dual Disk Head 1
14 1055999 (80000000-- )Bracket, Guide, Head, 60cm Dd [T3] 1
15 1020341 (80000000-- )Screw, Hex, M8 X 1.25 X 20, Ss, Sems Sq 3
16 222505 (80000000-- ) Screw, Hex, M8 X 1.25 X 45, Ss 1
17 1011432 (80000000-- )Bracket, Mtg, Head, Rh 1
18 09741 (80000000-- )Nut, Hex, Lock, M12 X 1.75, Nl, Ss 1
19 33925 (80000000-- )Washer, Flat, M12, Ss 1
20 1054760 (80000000-- )Bracket, Mtg, Head [T3 60cm Dd] 1
21 1034731 (80000000-- )Screw, Hex, M6 X 1.00 X 16, Ss, Sems 2
ASSEMBLY
YINCLUDED IN ASSEMBLY
Home
Find...
Go To..

STANDARD PARTS
Nobles Speed Scrub 17--20--24 (03--07)
54
SQUEEGEE GROUP, 500 mm
20
1
2
3
4
5
8
6
7
9
10
11
12
9
12
13
14
16
19
1
2
3
4
15
6
7
8
11
12
18
14
14
17
2
2
Home
Find...
Go To..

STANDARD PARTS
Nobles Speed Scrub 17--20--24 (06--10) 55
SQUEEGEE GROUP, 500 mm
Ref. Part No. Serial Number Description Qty.
9001178 (80000000-- )Squeegee Assy Kit, 500mm, Ci 1
Y1 08713 (80000000-- ) Nut, Hex, Lock, M8 X 1.25, Nl, Ss 2
Y2 140027 (80000000-- ) Washer, Flat, 0.35b 0.75d .04, Ss 4
Y3 1010560 (80000000-- ) Wheel, Bmpr, 80d X 25w, Non--Marking 2
Y4 222460 (80000000-- ) Sleeve, P/M, 0.31b 0.50d 0.5l 2
Y51011228 (80000000-- )Plate, Mtg, Caster, Sqge, Rh 1
Y6 74455 (80000000-- ) Screw, Hex, M6 X 1.0 X 12, Fmg 2
Y7 32716 (80000000-- ) Nut, Hex, Jam, M10 X 1.5, Ss 2
Y8 1006343 (80000000-- ) Caster, Swivel, 50mmd, M10 X 30 Stem, Pl 2
Y9 1010558 (80000000-- ) Knob, Star, 2.00d 4ear .73l M8x1.25 Thru 4
Y10 1011163 (80000000-- )Frame, Sqge, 74cm [50cm] Die Cast 1
Y11 09011 (80000000-- ) Screw, Hex, M8 X 1.25 X 30, Ss 2
Y12 07786 (80000000-- ) Nut, Hex, Std, M8 X 1.25, Ss 4
Y13 1019919 (80000000-- ) Retainer, Sqge, 76cm [50cm] Nyl, Blk 1
Y14 1014163 (80000000-- ) Screw, Hex, M8 X 1.25 X 60, Fl, Ss 4
Y15 1011956 (80000000-- )Plate, Mtg, Caster, Sqge, Lh 1
Y16 1011232 (80000000-- ) Blade, Sqge, Front, 500mml Linatex
(Linatex Red Standard)
1
16 1014091 (80000000-- ) Blade, Sqge, Front, 500mml, Gum
(Gum Rubber Tan Optional)
1
16 1014092 (80000000-- ) Blade, Sqge, Front, 500mml, Oil--Rstn
(Polyurethane Natural Optional)
1
Y17 1011456 (80000000-- ) Blade, Sqge, Rear, 32.7l, Linatex[500mm]
(Linatex Red Standard)
1
17 1014093 (80000000-- )Blade, Sqge, Rear, 32.7l, Gum [500mm]
(Gum Rubber Tan Optional)
1
17 1014094 (80000000-- ) Blade, Sqge, Rear, 32.7l,Oil--Rstn[500mm]
(Polyurethane Natural Optional)
1
Y18 1013933 (80000000-- ) Strap Assy, Sqge, 500mm 1
19 1014079 (80000000-- ) Clip, Hose, Gripper, 1.50id, Dbl, Blk Pp 1
20 1014026 (80000000-- )Hose, Vacuum, 1.5d X 57l, 2--Short Cuffs 1
ASSEMBLY
YINCLUDED IN ASSEMBLY
Home
Find...
Go To..

STANDARD PARTS
Nobles Speed Scrub 17--20--24 (03--07)
56
SOLUTION GROUP, STANDARD MODEL
8
7
6
4
5
4
3
4
9
15
11
1
2
1
4
12
1
3
10
14
18
4
4
16
17
14
15
16
4
19
4
20
21
22 24
25
23
Home
Find...
Go To..

STANDARD PARTS
Nobles Speed Scrub 17--20--24 (06--10) 57
SOLUTION GROUP, STANDARD MODEL
Ref. Part No. Serial Number Description Qty.
1607775 (80000000-- )Clamp, Hose, Wir, .63 -- .66, Blk 2
2606318 (80000000-- )Hose, PVC,Brd, 0.38id 0.60od 036.5l, Clr 1
3612774 (80000000-- )Fitting, Plstc, Str, Bm06/Bm08 1
4607776 (80000000-- )Clamp, Hose, Wir, .73 -- .77, Silver 8
5606225 (80000000-- )Hose 1/2id X 1.79” 1
61062385 (80000000-- )Valve, Water, Solenoid, 24vdc Bm10/Bm10 1
Y614265 (80000000-- )Valve Kit, Water [Viton Diaphram] 1
71017091 (80000000-- )Spring, Cmpr, .48d, .036w, .75l 1
81013442 (80000000-- )Knob, Valve, Indicator, Blk 1
91005302 (80000000-- )Filter, In--Line, Pf06/Pf06, 80 Mesh 1
Y10 613993 (80000000-- )Housing, Top, F/1005302 1
Y11 1005304 (80000000-- )Screen, Fltr, 80 Mesh 1
Y12 613992 (80000000-- )Gasket [Viton, F/1005302] 1
Y13 613991 (80000000-- )Bowl, Clr, Short, F/1005302 1
14 150420 (80000000-- )Fitting, Brs, E90, Pf06/Pm06 [Taped] 2
15 1017532 (80000000-- )Fitting, Plstc, E90, Bm08/Pm06 2
16 140957 (80000000-- )Hose, Pvc, Clr, 0.50id 0.75od 002.5l 2
17 1023581 (80000000-- )Fitting, Plstc, Str, Bm08/Pm08, Nyl 1
18 613517 (80000000-- )Tube, 0.50id X 0.75od Vyl 0.46ft[611259] 1
19 63987--1 (80000000-- )Fitting, Plstc, E90, Bm08/Bm08 1
20 1029533 (80000000-- )Bracket, Mtg, Fltr 1
21 605056 (80000000-- )Bracket, Mtg, Fltr 2
22 01683 (80000000-- )Washer, Flat, #10, Ss 4
23 07514 (80000000-- )Washer, Lock, Int, #10, Ss 4
24 09738 (80000000-- ) Screw, Hex, M5 X 0.8 X 12, Ss 4
25 1034731 (80000000-- )Screw, Hex, M6 X 1.00 X 16, Ss, Sems 2
ASSEMBLY
YINCLUDED IN ASSEMBLY
Home
Find...
Go To..

STANDARD PARTS
Nobles Speed Scrub 17--20--24 (09--08)
58
SOLUTION GROUP, ec-H2O MODEL
1
2
2
3
2
4
4
2
6
5
7
8
8
2
9
10
11
12
13
14
15 16
17
2
19 20 21 22
18
Home
Find...
Go To..

STANDARD PARTS
Nobles Speed Scrub 17--20--24 (06--10) 59
SOLUTION GROUP, ec-H2O MODEL
Ref. Part No. Serial Number Description Qty.
19007970 (80006004-- )Module Kit, Replmt [Ec--H2o] (See Breakdown) 1
21034731 (80000000-- )Screw, Hex, M6 X 1.00 X 16, Ss, Sems 9
31045961 (80002319-- )Bracket, Mtg, Chrgr [Ss3/T3e Ec--H2o] 1
4140314 (80002319-- )Clamp, Cable, Stl, 0.75d X 0.75w, 1hole 2
511635 (80002319-- )Screw, Hex, M6 X 1.00 X 12, Nl, Ss 1
601684 (80002319-- )Washer, Flat, 0.27b 0.69d .05, Ss 1
71037242 (80000000-- )Bracket Wldt, Mtg, Pump [Fast Ii+] 1
8130773 (80000000-- )Tie, Cable, Nyl, 11.0l, .14w, 3.0 Max. D 2
91018505 (80005377-- )Horn, 12--48vdc [88.5 Decibels] 1
9392937 (80002319--80005376 )Horn, 12--48vdc [94 Decibels] 1
10 1042495 (80002319-- )Pump, Soltn, Ele, 24vdc, 35psi 1
Y9004759 (80002319-- )Pump Kit, Head, Soltn [Ec--H2o] 1
Y78950 (80000000-- )Connector, Fem, 2cav, Mp280 Sealed 1
Y78951 (80000000-- )Terminal, Fem, Mp280, Sealed, 18--16ga 1
Y10917 (80000000-- )Seal, Wire, 14/16ga [Wp / Mp280 Sealed] 1
Y78952 (80000000-- )Lock, Secondary, 2cav, Mp280 Sealed 1
11 1040868 (80002319-- )Capacitor, Plug [.01 Uf, 200v] 1
12 43555 (80000000-- )Clamp, Hose, Wormdrive, 2.50--3.50d, .50w 3
13 1005302 (80000000-- )Filter, In--Line, Pf06/Pf06 080mesh 02.6l 1
Y14 613993 (80000000-- ) Housing, Top, F/1005302 1
Y15 1005304 (80000000-- )Screen, Fltr, 80 Mesh, Ss 1
Y16 613992 (80000000-- ) Gasket [Viton, F/1005302] 1
Y17 613991 (80000000-- ) Bowl, Clr, Short, F/1005302 1
18 1029533 (80000000-- ) Bracket, Mtg, Fltr 1
19 605056 (80000000-- ) Bracket, Mtg, Fltr 2
20 01683 (80000000-- )Washer, Flat, 10, Ss 4
21 07514 (80000000-- ) Washer, Lock, Int, 10, Ss 4
22 09738 (80000000-- ) Screw, Hex, M5 X 0.80 X 12, Ss 4
ASSEMBLY
YINCLUDED IN ASSEMBLY
Home
Find...
Go To..

STANDARD PARTS
Nobles Speed Scrub 17--20--24 (11--08)
60
SOLUTION GROUP, ec-H2O MODEL -- CONT’D
4
3
2
1
5
4
6
7
8
7
9
7
10
11
12 13
14
15
15
28
13
16
13
17
18
17
13
26
17
17
16
16
20
19
27
13
13
17
21 22
23
24
25
29
30
77
31
27
28
33
4
4
4
32
34
435
36
37
4
35
38
4
36
39
40
Home
Find...
Go To..

STANDARD PARTS
Nobles Speed Scrub 17--20--24 (06--10) 61
SOLUTION GROUP, ec-H2O MODEL -- CONT’D
Ref. Part No. Serial Number Description Qty.
11013442 (80000000-- )Knob, Valve, Indicator, Blk 1
2 1017091 (80000000-- ) Spring, Cmpr, 0.50od .04wir 00.8l 1
31016595 (80000000-- )Valve, .25--20 [Liq Dispensing] 1
Y614265 (80000000-- )Valve Kit, Water [Viton Diaphram] 1
4607776 (80000000-- )Clamp, Hose, Wir, .73 -- .77, Silver 10
51015071 (80000000-- )Hose, Afmkt, Pvc, Clr, 0.50id, 01ft 1
6612774 (80000000-- )Fitting, Plstc, Str, Bm06/Bm08 1
7607775 (80000000-- )Clamp, Hose, Wir, .63 -- .66, Blk 5
8606318 (80000000-- )Hose, PVC,Brd, 0.38id 0.60od 036.5l, Clr 1
91017340 (80002319-- )Fitting, Plstc, Tee, Bm06/Bm06/Pm04, Br 1
10 606317 (80000000-- )Hose, PVC,Brd, 0.38id 0.60od 019.5l, Clr 1
11 1043866 (80002319-- )Fitting Assy, Qd, Pf04 1
12 50901 (80000000-- )Fitting, Plstc, Str, Bm04/Pm04 1
13 603654 (80002319-- )Clamp, Hose, Ear, .44d [Ctb] 14
14 578820000 (80002319-- )Hose, Pvc, Brd, 0.25id 0.44od 157.2l,Clr 1
15 130773 (80002319-- )Tie, Cable, Nyl, 11.0l, .14w, 3.0 Max. D 2
16 150713 (80002319-- )Fitting, Plstc, Tee, Bm04/Bm04/Bm04 3
17 578820000 (80002319-- )Hose, Pvc, Brd, 0.25id 0.44od 157.2l,Clr 1
18 1044334 (80002319-- )Valve, Check, 0017psi Bm04/Bm04 1
19 1044335 (80002319-- ) Switch, Press, 6psi, Pm02 1
20 150520 (80002319-- )Fitting, Brs, Str, Bm04/Pf02 1
21 150515 (80002319-- )Fitting, Brs, Str, Bm04/Pm04 [Taped] 1
22 150709 (80002319-- )Fitting, Brs, Tee, Pm04/Pf04/Pf04, Run 1
23 1016383 (80002319-- )Fitting, Brs, Str, Pf04/Pm06 1
24 150100 (80002319-- )Fitting, Brs, Str, Pf02/Pm04 1
25 1017386 (80000000-- )Valve, Vent, Air, Float Type 1
26 9007970 (80006004-- )Module Kit, Replmt [Ec--H2o] (See Breakdown) 1
Y27 578820000 (80002319-- )Hose, Pvc, Brd, 0.25id 0.44od 157.2l,Clr 1
Y28 9004606 (80002319-- )Hose, Pvc, Brd, .25id .45od 64l, Clr 1
29 1042495 (80002319-- )Pump, Soltn, Ele, 24vdc, 35psi 1
30 1005630 (80000000-- )Fitting, Plstc, E90, Bm06/Pm06, Nyl 1
31 613521 (80002319-- )Hose, Pvc, Clr, 0.50id 0.75od 012.0l 1
32 613514 (80000000-- ) Hose, Pvc, Clr, 0.50id 0.75od 004.1l 1
33 630372 (80000000-- ) Fitting, Plstc, Tee, Bm06/Bm08/Bm08, Br 1
34 140957 (80000000-- ) Hose, Pvc, Clr, 0.50id 0.75od 002.5l 1
35 1017532 (80000000-- )Fitting, Plstc, E90, Bm08/Pm06 2
36 150420 (80000000-- ) Fitting, Brs, E90, Pf06/Pm06 [Taped] 2
37 1023581 (80000000-- ) Fitting, Plstc, Str, Bm08/Pm08, Nyl 1
38 140957 (80000000-- ) Hose, Pvc, Clr, 0.50id 0.75od 002.5l 2
39 63987--1 (80000000-- ) Fitting, Plstc, E90, Bm08/Bm08 1
40 1005302 (80000000-- )Filter, In--Line, Pf06/Pf06 080mesh 02.6l 1
ASSEMBLY
YINCLUDED IN ASSEMBLY
Home
Find...
Go To..

STANDARD PARTS
Nobles Speed Scrub 17--20--24 (06--10)
62
ec-H2O MODULE ASSEMBLY BREAKDOWN, 9007970 (S/N 80006004-- )
1
20
2
2
3
4
2
6
7
5
6
7
8
10
2
1
3
9
6
7
6
7
11
12
13
14
21
15
16
18
21
16
18
19
17
21
21
Home
Find...
Go To..

STANDARD PARTS
Nobles Speed Scrub 17--20--24 (06--10) 63
ec-H2O MODULE ASSEMBLY BREAKDOWN, 9007970 (S/N 80006004-- )
Ref. Part No. Serial Number Description Qty.
9007970 (80006004-- )Module Kit, Replmt [Ec--H2o] 1
Y9006324 (80006004-- )Ec--H2o Kit [Module B, Plumbing] 1
YY 1578820000 (80002319-- )Hose, Pvc, Brd, 0.25id 0.44od 157.2l,Clr 1
YY 2603654 (80002319-- )Clamp, Hose, Ear, .44d [Ctb] 4
YY 31037595 (80002319-- )Fitting, Plstc, E90, Bm04/Pm02, Nyl 2
YY 41062006 (80002319-- )Electrode, Cylindrical 1
YY 51045030 (80002319-- )Fitting, Brs, Str, Pm02/Pm02 1
YY 633932 (80006004-- )Nut, Hex, Lock, M4 X 0.70, Nl, Ss 4
YY 741579 (80006004-- )Washer, Flat, 08, Ss 4
YY 81048490 (80006004-- ) Bracket, Valve 1
YY 9140801 (80002319-- )Screw, Trs, Phl, 08--32 X 0.38, Ss 2
YY 10 1013236 (80002319-- )Valve, Shutoff, Ele, 24vdc 1
YY 11 9006574 (80006004-- )Hose, Pvc, Brd, 0.25id 0.45od, 65l, Clr 1
YY 12 1049637 (80002319-- )Label, Direction [Ec--H2o] 1
YY 13 1057637 (80006004-- )Electrode, 5 Plate, High Flow 1
YY 14 1051519 (80006004-- )Housing, Upper, Module, High Flow 1
YY 15 1044393 (80002319-- )Switch, Rocker, Spst, Mom, 1
YY 16 32509 (80006004-- ) Screw, Hex, M4 X 0.70 X 50, Ss 4
YY 17 1049489 (80006004-- )Harness, Main, Controller [Ec--H2o, P3] 1
Y18 1037032 (80002319-- )Housing, Bottom 1
Y19 1054776 (80006004-- )Grommet, Blind 1
Y20 9007969 (80002319-- )Controller Kit, Replmt [Ec--H2o] 1
Y21 1018155 (80002319-- )Screw, Pan, Phl, M5 X 0.80 X 16, Tcut,Ss 8
ASSEMBLY
YINCLUDED IN ASSEMBLY
Home
Find...
Go To..

STANDARD PARTS
Nobles Speed Scrub 17--20--24 (06--10)
64
ec-H2O MODULE ASSEMBLY BREAKDOWN, 9006161 (S/N 80002319--80006003)
1
3
4
5
6
7
9
11
11
11
9
9
10
12
13
5
14
15
16
12
10
18
19
18
20
21
18
2
8
18
17
17
17
17
17
Home
Find...
Go To..

STANDARD PARTS
Nobles Speed Scrub 17--20--24 (06--10) 65
ec-H2O MODULE ASSEMBLY BREAKDOWN, 9006161 (S/N 80002319--80006003)
Ref. Part No. Serial Number Description Qty.
9006161 (80002319--80006003 )Module Kit, Replmt [Ec--H2o] 1
Y11037032 (80002319-- )Housing, Bottom 1
Y21054776 (80002319-- )Grommet, Blind 1
Y3609062 (80002319--80006003 )Screw, Trs, Phl, 08--32 X 0.38, Ss 1
Y4578860 (80002319--80006003 )Screw, Pan, Phl, 04--40 X 0.31, Pl 2
Y53701.6 (80002319--80006003 )Screw, Pan, Phl, 06--32 X 0.38, Shtmtl,Ss 4
Y6613735 (80002319-- )Clamp, Hose, Wir, .40 -- .42, Yel 1
Y79004606 (80002319--80006003 )Hose, Pvc, Brd, .25id .45od 46l, Clr 1
Y81049637 (80002319-- )Label, Direction [Ec--H2o] 1
Y9140826 (80002319--80006003 )Screw, Pan, 06--32 X 0.75, Fmg/Ab, Ss 4
Y10 578820000 (80002319-- )Hose, Pvc, Brd, 0.25id 0.44od 157.2l,Clr 1
Y11 603654 (80002319-- )Clamp, Hose, Ear, .44d [Ctb] 4
Y12 1037595 (80002319-- )Fitting, Plstc, E90, Bm04/Pm02, Nyl 2
Y13 140801 (80002319--80006003 )Screw, Trs, Phl, 08--32 X 0.38, Ss 2
Y14 1013236 (80002319-- )Valve, Shutoff, Ele, 24vdc 1
Y15 1045030 (80002319-- )Fitting, Brs, Str, Pm02/Pm02 1
Y16 1038159 (80002319-- )Electrode, Cylindrical 1
Y17 N/A (80002319--80006003 )Part Not Sold Separately -- Order E--Cell
Upgrade Kit P/N 9006324
1
Y18 1018155 (80002319-- )Screw, Pan, Phl, M5 X 0.80 X 16, Tcut,Ss 8
Y19 1044393 (80002319-- )Switch, Rocker, Spst, Mom, 1
Y20 9006159 (80002319-- )Controller Kit, Replmt [Ec--H2o] 1
Y21 1044399 (80002319--80006003 )Harness, Main, Controller [Ec--H2o, P3] 1
ASSEMBLY
YINCLUDED IN ASSEMBLY
Home
Find...
Go To..

STANDARD PARTS
Nobles Speed Scrub 17--20--24 (02--12)
66
SOLUTION GROUP, FaST MODEL
1
2
2
3
4
5
6
25
9
10
9
11
12
14
9
16
17
15
9
9
13
9
9
8
19
20 21 23
24
22
18
7
25
Home
Find...
Go To..

STANDARD PARTS
Nobles Speed Scrub 17--20--24 (01--11) 67
SOLUTION GROUP, FaST MODEL
Ref. Part No. Serial Number Description Qty.
11017019 (80000000-- )Detergent Pkg, 2 Liter, Sgl [Mp] 1
1 1017025 (80000000-- ) Detergent Pkg, 2 Liter, Sgl [Mpd] 1
2 1018155 (80000000-- ) Screw, Pan, M5 X 0.8 X16, Ss, Tcut 2
3 621443 (80000000-- ) Chain, Ball, #10, 157mml, Ss 1
4 1005435 (80000000-- ) Fitting, Plstc, Cap, Pf04, Pipe 1
51006206 (80000000-- )Fitting, Plstc, Str, Pm04, Cplg, Mal [Nob] 1
6 1006204 (80000000-- ) Coupling, Fem, W/ Valve, .25 Brb [Nobles] 1
7 613947 (80000000-- ) Hose, Clr, 0.25id 26.0l 1
8606317 (80000000-- )Hose, PVC,Brd, 0.38id 0.60od 019.5l, Clr 1
9607775 (80000000-- )Clamp, Hose, Wir, .63 -- .66, Blk 7
10 160310 (80000000-- )Fitting, Plstc, Tee, Bm06/Bm06/Bm06 1
11 606318 (80000000-- )Hose, PVC,Brd, 0.38id 0.60od 036.5l, Clr 1
11 613451 (80000000-- )Hose 3/8idx5/8od Clear 611254 Ft 1.000 1
12 606362 (80000000-- )Hose 3/8idx5/8odx6.5 (611254) 1
13 1015455 (80000000-- )Valve, Check, 0005psi Bm06/Bm06 1
14 613442 (80000000-- )Hose 3/8idx5/8od Clear 611254 Ft 1.292 1
15 9003906 (80001391-- )Fast Kit, Injector, Ci [T3/Ss3 Fast Ii+]
(43 & 50 CM Models -- See Breakdowns)
1
15 9003907 (80000000-- )Fast Kit, Injector[T5 60/65cm, Fast Ii+]
(60 CM Model -- See Breakdowns)
1
16 54333 (80000000-- )Clamp, Hose, Wormdrive, 0.31--0.88d, .31w 1
17 613722 (80000000-- )Hose .38 Id X 21” Pvc Braided 1
18 9003801 (80000000--80001390 )Fast Kit, Conv, Ci [T3/Ss3 Fast Ii+] (See Breakdowns) 1
19 1029533 (80000000-- )Bracket, Mtg, Fltr 1
20 605056 (80000000-- )Bracket, Mtg, Fltr 2
21 01683 (80000000-- )Washer, Flat, #10, Ss 4
22 07514 (80000000-- )Washer, Lock, Int, #10, Ss 4
23 09738 (80000000-- ) Screw, Hex, M5 X 0.8 X 12, Ss 4
24 1034731 (80000000-- )Screw, Hex, M6 X 1.00 X 16, Ss, Sems 2
25 613735 (80000000-- )Clamp, Hose, Wir, .40 -- .42, Yel 2
Home
Find...
Go To..

STANDARD PARTS
Nobles Speed Scrub 17--20--24 (02--12)
68
SOLUTION GROUP, FaST MODEL -- CONT’D
7
37
36
22
35
22
34
22
22
23
24
25
22
26
20
19
19
16
18
17
16
12
15
12
13
14
13
12
6
1
24
5
9
8
21
27
29
31 32
33
27
26
28
30
22
3
22
28
22
22
11 10
Home
Find...
Go To..

STANDARD PARTS
Nobles Speed Scrub 17--20--24 (02--12) 69
SOLUTION GROUP, FaST MODEL -- CONT’D
Ref. Part No. Serial Number Description Qty.
1573073 (80001391-- )Clip, Grip, Hose, 1.00--1.38, Zn 2
249697 (80000000-- )Screw, Pan, M4 X 0.7 X 10, Ss 2
363987--1 (80000000-- )Fitting, Plstc, E90, Bm08/Bm08 1
41037242 (80001391-- )Bracket Wldt, Mtg, Pump [Fast Ii+] 1
51034731 (80000000-- )Screw, Hex, M6 X 1.00 X 16, Sems, Ss 2
633932 (80000000-- )Nut, Hex, Lock, M4 X 0.7, Nl, Ss 2
71013442 (80000000-- )Knob, Valve, Indicator, Blk 1
81017386 (80000000-- )Valve, Air Vent, Float Type 1
944961 (80000000-- )Tie, Cable, Nyl, 14.5l .30w 4.0 Max D 1
10 1020273 (80000000--80001390 )Bracket Wldt, Mtg, Pump [Fast] 1
11 1014295 (80000000--80001390 )Clip, Grip, Hose, 0.75--1.12, Blk Vyl,Stl 2
12 54333 (80000000-- )Clamp, Hose, Wormdrive, 0.31--0.88d, .31w 3
13 1005564 (80000000-- ) Fitting, Plstc, E90, Bm06/Pm02, Nyl 2
14 150705 (80000000-- ) Fitting, Brs, Tee, Pf02/Pf02/Pf02 1
15 613724 (80000000-- ) Hose .38 Id X 10” Pvc Braided 1
16 1005630 (80000000-- )Fitting, Plstc, E90, Bm06/Pm06, Nyl 2
17 43555 (80000000-- ) Clamp, Hose, Wormdrive, 2.50--3.50d, .50w 2
18 1014282 (80000000-- ) Pump, Soltn, Ele, 24vdc, 60psi, Packard 1
19 607775 (80000000-- ) Clamp, Hose, Wir, .63 -- .66, Blk 2
20 613450 (80000000-- ) Hose 3/8idx5/8od Clear 611254 Ft 2.000 1
21 1023581 (80000000-- )Fitting, Plstc, Str, Bm08/Pm08, Nyl 1
22 607776 (80000000-- )Clamp, Hose, Wir, .73 -- .77, Silver 10
23 613514 (80000000-- )Tube, 0.50id X 0.75od Vyl 0.34ft[611259] 1
24 630372 (80000000-- )Fitting, Plstc, Tee, Bm06/Bm08/Bm08, Br 1
25 140957 (80000000-- )Hose, Vyl, Clr, .50id .75od 2.5l(611259) 1
26 1017532 (80000000-- )Fitting, Plstc, E90, Bm08/Pm06 2
27 150420 (80000000-- )Fitting, Brs, E90, Pf06/Pm06 [Taped] 2
28 140957 (80000000-- )Hose, Pvc, Clr, 0.50id 0.75od 002.5l 2
29 1005302 (80000000-- )Filter, In--Line, Pf06/Pf06, 80 Mesh 1
Y30 613993 (80000000-- )Housing, Top, F/1005302 1
Y31 1005304 (80000000-- )Screen, Fltr, 80 Mesh 1
Y32 613992 (80000000-- )Gasket [Viton, F/1005302] 1
Y33 613991 (80000000-- )Bowl, Clr, Short, F/1005302 1
34 612774 (80000000-- )Fitting, Plstc, Str, Bm06/Bm08 1
35 1015071 (80000000-- )Hose, Afmkt, Pvc, Clr 0.50id 01ft 1
36 1016595 (80000000-- )Valve, 1/4--20 [Liq Dispensing] 1
Y614265 (80000000-- )Valve Kit, Water [Viton Diaphram] 1
37 1017091 (80000000-- )Spring, Cmpr, .48d, .036w, .75l 1
N/S 130773 (80000000-- )Tie, Cable, Nyl, 11.0l, .14w, 3.0 Max. D 2
ASSEMBLY
YINCLUDED IN ASSEMBLY
Home
Find...
Go To..

STANDARD PARTS
Nobles Speed Scrub 17--20--24 (01--11)
70
9003906 FAST INJECTOR ASSEMBLY BREAKDOWN (S/N 80001391-- ) --
SINGLE DISK 43 cm (17 in) & 50 cm (20 in) MODELS
2
6
2
3
4
2
2
2
7
2
3
32
5
2
1
1
1
1
Ref. Part No. Serial Number Description Qty.
9003906 (80001391-- )Fast Kit, Injector, Ci [T3/Ss3 Fast Ii+] 1
Y19003802 (80001391-- )FaST Kit, Ci, Injector Rebuild [FaST II+] 1
Y29003008 (80001391-- )FaST Kit, Ci, Injector Seals [FaST II+] 1
Y39003009 (80001391-- )FaST Kit, Ci, Injector Filters [FaST II+] 1
Y41039974 (80001391-- )Plate Assy, Orifice, 0.0065Id, Blk 1
Y51039988 (80001391-- )Orifice, Plug, .027 1
Y61030444 (80001391-- )Valve, Check, 0002psi, White, [FaST II+] 1
Y71030441 (80001391-- )Valve, Check, 0005psi, Brown, [FaST II+] 1
ASSEMBLY
YINCLUDED IN ASSEMBLY
Home
Find...
Go To..

STANDARD PARTS
Nobles Speed Scrub 17--20--24 (01--11) 71
9003801 FAST INJECTOR ASSEMBLY BREAKDOWN (S/N 80000000--80001390) --
SINGLE DISK 43 cm (17 in) & 50 cm (20 in) MODELS
1
2
3
4
6
7
8
5
Ref. Part No. Serial Number Description Qty.
9003801 (80000000--80001390 )Fast Kit, Conv, Ci [T3/Ss3 Fast Ii+] 1
Y11014276 (80000000--80001390 )Fitting, Brs, Str, Bm06/Pf08 1
Y21014470 (80000000--80001390 )Plug, Orifice, 0.022 1
Y31013411 (80000000--80001390 )Filter Assy, 50 Mesh 1
YY 41006447 (80000000--80001390 )Vr, Filter, Screen, 050 Mesh .59D .8L Ss 1
Y51039974 (80000000--80001390 )Plate Assy, Orfice, 0.0065Id, Blk 1
Y61029355 (80000000--80001390 )Vr, Filter, Screen, 200 Mesh .59D .8L Ss 1
Y71005507 (80000000--80001390 )Fitting, Plstc, Body, Spray, Pf04 1
Y81014254 (80000000--80001390 )Valve, Check, 0002psi Bm04/Pm04 1
ASSEMBLY
YINCLUDED IN ASSEMBLY
Home
Find...
Go To..

STANDARD PARTS
Nobles Speed Scrub 17--20--24 (02--12)
72
9003907 FAST INJECTOR ASSEMBLY BREAKDOWN --
DUAL DISK 60 cm (24 in) MODEL
2
6
2
3
4
2
2
2
7
2
3
32
5
2
1
1
1
1
Ref. Part No. Serial Number Description Qty.
9003907 (80007145-- )Fast Kit, Injector[T5 60/65cm, Fast Ii+] 1
Y19003811 (80007145-- )Fast Kit, Ci[Inj Rebld, T5 60/65cm, Ii+] 1
Y29003008 (80007145-- )Fast Kit, Ci, Injector Seals [Fast Ii+] 1
Y39003009 (80007145-- )3ast Kit, Ci, Injector Filters[Fast Ii+] 1
Y41032284 (80007145-- )Plate Assy, Orifice, 0.007id, Red 1
Y51039989 (80007145-- )Plug, Orifice, 0.030, Ss [Fast Ii+] 1
Y61030444 (80007145-- )Valve, Check, 0002psi [Fast Ii+] 1
Y71030441 (80007145-- )Valve, Check, 0005psi [Fast Ii+] 1
ASSEMBLY
YINCLUDED IN ASSEMBLY
Home
Find...
Go To..

STANDARD PARTS
Nobles Speed Scrub 17--20--24 (06--10) 73
BATTERY AND CABLE GROUP, 12V/105 AH, 43 cm (17 in) BRUSH ASSIST MODEL
2
3
1
7
4
4
5
6
Ref. Part No. Serial Number Description Qty.
1630375 (80000000-- )Spacer, Battery, 1.25 X 3.25 X 13.7 Foam 3
2 578426 (80000000-- ) Battery, 12vdc, 0530cca, 105ah [27tmx] 2
3 130364 (80000000-- ) Cable, 06ga 15.0l Blk .31ring /.38ring 1
4 611221 (80000000-- ) Boot, Terminal, Battery, 25.4mm, Blk 4
5 1015941 (80000000-- ) Harness, Battery 1
645962 (80000000-- )Cap, Plstc, .04 1.38 X 2.30 0.5l 4
71059486 (80000000-- )Tray, Battery [Ss3 / T3] 1
Home
Find...
Go To..

STANDARD PARTS
Nobles Speed Scrub 17--20--24 (06--10)
74
BATTERY AND CABLE GROUP, 12V/130 Ah, 50 cm (20 in) BRUSH ASSIST MODEL
2
3
1
7
4
5
6
4
Ref. Part No. Serial Number Description Qty.
1630375 (80000000-- )Spacer, Battery, 1.25 X 3.25 X 13.7 Foam 2
2 130869 (80000000-- ) Battery, 12vdc, Cca, 130ah(30xhs--Wnt) 2
3 130364 (80000000-- ) Cable, 06ga 15.0l Blk .31ring /.38ring 1
4 611221 (80000000-- ) Boot, Terminal, Battery, 25.4mm, Blk 4
5 1015941 (80000000-- ) Harness, Battery 1
645962 (80000000-- )Cap, Plstc, .04 1.38 X 2.30 0.5l 4
71059486 (80000000-- )Tray, Battery [Ss3 / T3] 1
Home
Find...
Go To..

STANDARD PARTS
Nobles Speed Scrub 17--20--24 (01--11) 75
BATTERY AND CABLE GROUP, 12V/155 AH, 50 cm (20 in) / 60 cm (24 in) DRIVE MODEL
2
6
7
1
3
5
1
4
Ref. Part No. Serial Number Description Qty.
1630375 (80000000-- )Spacer, Battery, 1.25 X 3.25 X 13.7 Foam 3
21015046 (80000000-- )Battery, 12vdc, 155ah, Wet 2
Y31041030 (80000000-- )Cap, Battery 4
4611221 (80000000-- )Boot, Terminal, Battery, 25.4mm, Blk 4
51015941 (80000000-- ) Harness, Battery 1
6130364 (80000000-- )Cable, 06ga 15.0l Blk .31ring /.38ring 1
71059486 (80000000-- )Tray, Battery [Ss3 / T3] 1
ASSEMBLY
YINCLUDED IN ASSEMBLY
Home
Find...
Go To..

STANDARD PARTS
Nobles Speed Scrub 17--20--24 (01--11)
76
ELECTRICAL DIAGRAM, BRUSH ASSIST STANDARD & FaST MODEL
103240
9
Home
Find...
Go To..

STANDARD PARTS
Nobles Speed Scrub 17--20--24 (01--11) 77
ELECTRICAL DIAGRAM, DRIVE STANDARD & FaST MODEL
103239
6
CR3
CR1
CR2
M1
M2
M3
M4
FaST PUMP
MOTOR
VACUUM
MOTOR
BRUSH
MOTOR
VACUUM FAN
RELAY
HOUR METER
FaST RELAY
SOLUTION VALVE
BRUSH CONTACTOR
PROPEL MOTOR
CHARGER
PLUG BLK
RED
F1
30 AMP
1C RED 22 BRN
13A BLK
84 YEL
19 WHT
6BLU
UP
DN
SCRUB/TRANSPORT SWITCH
(ACTUATED BY SCRUB HEAD)
76 BLU
CONVENTIONAL
FaST
8GRY
30 TAN
16 BLU
27 PUR
54 YEL 4 YEL
24 YEL
CHARGER
SAFETY SWITCH
KEY SWITCH
TRIGGER
5
39 WHITE
32 BRN
5GRN
9WHT
13G BLK
11 PI NK
CONTROL
BOARD
UP
DN
VACUUM SWITCH
(SQUEGEE LEVER ACTUATED)
13K BLK
13H BLK
3ORG
74 YEL
29 WHT
48 GRY
13D BLK
13C BLK
13E BLK
12 BRN
20 TAN
28 GRY18 GRY
1E RED 1E RED
1A RED
RED
10 TAN
2BRN
Cr2
Cr1
Cr3
CB1
35 AMP
F2
25 AMP
F3
7.5 AMP
SPEED
CONTROL 1
24
24 VDC
+
44 YEL
FaST OPTION
13H BLK
BATTERY
DISCHARGE
INDICATOR
FaST
SWITCH
36 BLU
+
--
121
2
12
3
4
123
4
5
6
7
8
9
10
11
12
13
14
34 YEL
17 PUR
37 PUR
47 PUR
7PUR
45K
POTENTIOMETER
66 BLU
3
31 PINK
1B RED
13B BLK
13F BLK
REV.
FWD NC
14 YEL
94 YEL
OPTIONAL
E--STOP
32
3
9
13F
34
13j
13J BLK
OPTIONAL
ONBOARD
CHARGER
CHARGER SAFETY SWITCH REMOVED
W/ OPTIONAL ONBOARD CHARGER
Home
Find...
Go To..

STANDARD PARTS
Nobles Speed Scrub 17--20--24 (01--11)
78
ELECTRICAL DIAGRAM, BRUSH ASSIST ec-H2O MODEL
104694
9
Home
Find...
Go To..

STANDARD PARTS
Nobles Speed Scrub 17--20--24 (01--11) 79
ELECTRICAL DIAGRAM, DRIVE ec-H2O MODEL
104712
9
AUX1 IS AT MAXIMUM CAPACITY
WITH ADDITION OF ec-H2O
CR1
CR2
M1
M2
M3
M4
SOLUTION
PUMP
VACUUM MOTOR
BRUSH MOTOR
VACUUM FAN RELAY
HOUR METER
SOLUTION VALVE
BRUSH CONTACTOR
PROPEL MOTOR
CHARGER PLUG
BLK
RED
F1
30 AMP
1C RED 22 BRN
13A BLK
84 YEL
19 WHT
6BLU UP
DN
SCRUB/TRANSPORT
76 BLU
CONVENTIONAL 8GRY
40 TAN
16 BLU
27 PUR
54 YEL 4 YEL
24 YEL
KEY SWITCH
TRIGGER
5
39 WHITE
32 BRN
5GRN
9WHT
13G BLK
11 PI NK
CONTROL
BOARD
UP
DN
VACUUM SWITCH
(SQUEGEE LEVER ACTUATED)
13K BLK
13H BLK
3ORG
74 YEL
29 WHT
48 GRY
13D BLK
13C BLK
48X GRY
12 BRN
20 TAN
48W GRY
48 GRY
1Z RED 38 GRY
1A RED
RED
10 TAN
2BRN
Cr2
Cr1
Cr4
CB1
35 AMP
F2
25 AMP
F4
10 AMP
SPEED
CONTROL 1
24
24
V
DC
+
44 YEL
13H BLK
BATTERY
DISCHARGE
INDICATOR
SWITCH
+
--
121
2
1
2
3
4
123
4
5
67
8
9
10
11
12
13
14
34 YEL
17 PUR
47 PUR
7PUR
45K
POTENTIOMETER
66 BLU
3
31 PINK
1B RED
13B BLK
13F BLK
REV.
FWD NC
14 YEL
94 YEL
OPTIONAL
E--STOP
32
3
9
13F
34
13j
13J BLK
OPTIONAL
ONBOARD
CHARGER
RED
BLK CR4
58 GRY
88
GRY
88A
GRY
101 PNK
105
GRN
105A
GRN
C1
.01 uF
6BLU
5GRN
8GRY
7PUR
3ORG
4 YEL
SPARGER
CELL
J6-11
J6-12
+24V
J6-7
J6-8
ALARM OUTPUT
PUMP OUTPUT
J6--5
J6--6
GND
J6--9
J6--4
J6--10
J6--3
J6--1
J6--2
PRESSURE
ENABLE
MODE
LED B
LED GND
LED A
88 GRY
13V BLK
95 GRN
RED
BLK
GRN
LED
PRESSURE
SWITCH
40 TAN
37 PUR
99 WHT 13T BLK
13X BLK
13W BLK
13Z BLK
FLUSH SWITCH
9WHT
13 BLK
J5--1
J5--2
J5--3
J5--6
J5--5
J5--7
J5--4
J5--8
SOL A
SOL B
SPA A
SPA B
CELL A
CELL B
BOARD
COMPONENTS
WHEN ENABLE IS AT B--
AND MODE IS AT B+
37 PUR
94B
YEL 13U
BLK
13S BLK
76A BLU 7A PUR
8A GRY 47A
PUR
94 YEL
SWITCH (ACTUATED
BY SCRUB HEAD
ec-H2O MODULE
ec-H2O SYSTEM
ec-H2O BOARD IS ACTIVE
ec-H2O VALVE
ec-H2O ALARM
ec-H2O
ec-H2O
ec-H2O RELAY
ec-H2O CONTROL
ec-H2O
Home
Find...
Go To..

STANDARD PARTS
Nobles Speed Scrub 17--20--24 (01--11)
80
WIRE HARNESS GROUP, ec- H2O OPTION (S/N 80005377-- )
1
3
3
2
Home
Find...
Go To..

STANDARD PARTS
Nobles Speed Scrub 17--20--24 (01--11) 81
WIRE HARNESS GROUP, ec- H2O OPTION (S/N 80005377-- )
Ref. Part No. Serial Number Description Qty.
11055408 (80005377-- )Harness Assy, Wire [T3e Ec--H2o] 1
Y21047470 (80000000-- )Fuse, Blade, 010a, 32vdc, Red 1
Y3222290 (80000000-- )Diode, Ele, Plug 2
ASSEMBLY
YINCLUDED IN ASSEMBLY
Home
Find...
Go To..

STANDARD PARTS
Nobles Speed Scrub 17--20--24 (01--11)
82
WIRE HARNESS GROUP, ec- H2O OPTION (S/N 80002319--80005376)
1
3
3
2
Home
Find...
Go To..

STANDARD PARTS
Nobles Speed Scrub 17--20--24 (01--11) 83
WIRE HARNESS GROUP, ec- H2O OPTION (S/N 80002319--80005376)
Ref. Part No. Serial Number Description Qty.
11048108 (80002319--80005376 )Harness Assy, Wire [T3e Ec--H2o, P3] 1
Y21047470 (80000000-- )Fuse, Blade, 010a, 32vdc, Red 1
Y3222290 (80000000-- )Diode, Ele, Plug 2
ASSEMBLY
YINCLUDED IN ASSEMBLY
Home
Find...
Go To..

STANDARD PARTS
Nobles Speed Scrub 17--20--24 (01--11)
84
WIRE HARNESS GROUP, FAST OPTION
1
2
Ref. Part No. Serial Number Description Qty.
11013644 (80000000-- )Harness [Fast Option] 1
Y21016039 (80000000-- )Fuse, Blade, 007.5a, 32vdc 1
ASSEMBLY
YINCLUDED IN ASSEMBLY
Home
Find...
Go To..

STANDARD PARTS
Nobles Speed Scrub 17--20--24 (01--11) 85
WIRE HARNESS GROUP, CONSOLE, BRUSH ASSIST MODEL
1
Ref. Part No. Serial Number Description Qty.
11032338 (80000000-- )Harness, Wire, Console, Push [Ss3] 1
Home
Find...
Go To..

STANDARD PARTS
Nobles Speed Scrub 17--20--24 (01--11)
86
WIRE HARNESS GROUP, CONSOLE, DRIVE MODEL
1
Ref. Part No. Serial Number Description Qty.
11032325 (80000000-- )Harness, Wire, Console, Drive [Ss3] 1
Home
Find...
Go To..

STANDARD PARTS
Nobles Speed Scrub 17--20--24 (01--11) 87
WIRE HARNESS GROUP, MAIN, BRUSH ASSIST MODEL
1
DETAIL A
DETAIL B
2
3
4
4
Home
Find...
Go To..

STANDARD PARTS
Nobles Speed Scrub 17--20--24 (01--11)
88
WIRE HARNESS GROUP, MAIN, BRUSH ASSIST MODEL -- CONT’D
1
DETAIL A --
CONTINUED
Home
Find...
Go To..

STANDARD PARTS
Nobles Speed Scrub 17--20--24 (01--11) 89
WIRE HARNESS GROUP, MAIN, BRUSH ASSIST MODEL -- CONT’D
1
DETAIL A
CONTINUED
DETAIL B
CONTINUED
Ref. Part No. Serial Number Description Qty.
11048288 (80000000-- )Harness, Main, Push [Ss3] 1
Y21016040 (80000000-- )Fuse, Blade, 025a, 32vdc 1
Y31016029 (80000000-- )Fuse, Blade, 005a, 32vdc 1
Y4222290 (80000000-- )Diode, Ele, Plug 3
ASSEMBLY
YINCLUDED IN ASSEMBLY
Home
Find...
Go To..

STANDARD PARTS
Nobles Speed Scrub 17--20--24 (01--11)
90
WIRE HARNESS GROUP, MAIN, DRIVE MODEL
1
DETAIL A
DETAIL B
2
3
4
4
Home
Find...
Go To..

STANDARD PARTS
Nobles Speed Scrub 17--20--24 (01--11) 91
WIRE HARNESS GROUP, MAIN, DRIVE MODEL -- CONT’D
1
DETAIL A --
CONTINUED
Home
Find...
Go To..

STANDARD PARTS
Nobles Speed Scrub 17--20--24 (02--12)
92
WIRE HARNESS GROUP, MAIN, DRIVE MODEL -- CONT’D
1
DETAIL A
CONTINUED
DETAIL B
CONTINUED
Ref. Part No. Serial Number Description Qty.
11048337 (80000000-- )Harness, Main, Drive [Ss3] 1
Y21016040 (80000000-- )Fuse, Blade, 025a, 32vdc 1
Y3762516 (80000000-- )Fuse, Blade, 030a, 32vdc 1
Y4222290 (80000000-- )Diode, Ele, Plug 2
ASSEMBLY
YINCLUDED IN ASSEMBLY
Home
Find...
Go To..

STANDARD PARTS
Nobles Speed Scrub 17--20--24 (01--11) 93
WIRE HARNESS GROUP, FRAME, DRIVE MODEL
1
Ref. Part No. Serial Number Description Qty.
11019397 (80000000-- )Harness, Frame, Drive [T3 -- Na] 1
Home
Find...
Go To..

OPTIONS
Nobles Speed Scrub 17--20 (03--07)
94
DOCUMENTATION GROUP
1
23
Ref. Part No. Serial Number Description Qty.
11033583 (80000000-- )Manual, Oprtr, En [Ss3] English 1
11033584 (80000000-- )Manual, Oprtr, Es [Ss3] Spanish 1
11033585 (80000000-- )Manual, Oprtr, Fr [Ss3] French 1
21033586 (80000000-- )Manual, Parts [Ss3] 1
31033587 (80000000-- )Instr, Use & Care, Txtls [Ss3] 1
Home
Find...
Go To..

OPTIONS
Nobles Speed Scrub 17--20 (02--12) 95
OFF-BOARD BATTERY CHARGER GROUP
1
2
3
9
5
5
4
8
10
7
11
12
6
Ref. Part No. Serial Number Description Qty.
9003347 (80000000-- )Kit, Charger, Off--Board, 120vac, 24vdc 1
Y11056034 (80000000-- )Charger, 24vdc, 11a Var Vac 1ph 50/60hz 1
YY 2 605387 (80000000-- ) Connector, Anderson, 50a,Red W/O Contact 1
Y31025642 (80000000-- )Cord, Power, 16/3, 4.5 Meters, Blk [Us] 1
3989584 (80000000-- )Power Cord With Plug, [125v12a]#4.5m (Japan) 1
Y406922 (80000000-- )Screw, Pan, M3 X 0.50 X 20, 4.8 2
Y541578 (80000000-- )Washer, Flat, #06, Ss 4
Y61033362 (80000000-- )Harness, Chrgr [T3e -- Ss3] 1
YY 7605387 (80000000-- )Connector, Anderson, 50a,Red W/O Contact 1
Y8611005 (80000000-- )Switch, Rlr, 16a, Micro 1
Y9579211 (80000000-- ) Nut, Hex, Lock, M3 X 0.50, Ss 2
Y10 33932 (80000000-- )Nut, Hex, Lock, M4 X 0.70, Nl, Ss 2
Y11 603331 (80000000-- )Spacer, Plug, Chrgr 1
Y12 1033197 (80000000-- )Screw, Pan, M4x0.7x24, Phl, Ss [7985] 2
ASSEMBLY
YINCLUDED IN ASSEMBLY
Home
Find...
Go To..

OPTIONS
Nobles Speed Scrub 17--20 (06--10)
96
ON-BOARD BATTERY CHARGER GROUP, STANDARD & FaST MODEL
(S/N 80006188-- )
1
34
6
5
2
10
7
8
9
Home
Find...
Go To..

OPTIONS
Nobles Speed Scrub 17--20 (02--12) 97
ON-BOARD BATTERY CHARGER GROUP, STANDARD & FaST MODEL
(S/N 80006188-- )
Ref. Part No. Serial Number Description Qty.
9007343 (80006188-- )Charger Kit, On--Board [T3e/Ss3] 1
Y11059522 (80006188-- )Charger, 24vdc 11a 100/240vac 50/60hz 1
YY 2605387 (80000000-- )Connector, Anderson, 50a,Red W/O Contact 1
Y301683 (80000000-- )Washer, Flat, 0.22b 0.50d .05, Ss [#10] 4
Y409739 (80000000-- )Nut, Hex, Lock, M5 X 0.80, Nl, Ss 4
Y506934 (80000000-- )Screw, Pan, Phl, M5 X 0.80 X 20, 4.8 4
Y61040600 (80000000-- )Cover, Charger [Ss3] 1
Y7130773 (80006188-- )Tie, Cable, Nyl, 11.0l, .14w, 3.0 Max. D 6
Y81061192 (80006188-- )Retainer,Cord, Charger [Ss3/T3e] 1
Y91009324 (80006188-- )Screw, Pan, Phl, 10--16 X 0.50,Blk[Typ17] 2
YN/S 1045989 (80000000-- )Harness, Chrgr [Onboard, T3e/Ss3 Ec--H2o] 1
10 1025642 (80000000-- )Cord, Power, 16/3, 4.5 Meters, Blk [Us] 1
10 989584 (80000000-- )Power Cord With Plug, [125v12a]#4.5m (Japan) 1
10 1026330 (80000000-- )Cord, Power,1.0mm2 X 2.5 Meters [ China] 1
10 1026325 (80000000-- )Cord, Power, 1.0mm2 X 2.5 Meters [Aus] 1
10 1032849 (80000000-- )Cord, Power, 4.5 Meter, Blk [Ce] 1
ASSEMBLY
YINCLUDED IN ASSEMBLY
Home
Find...
Go To..

OPTIONS
Nobles Speed Scrub 17--20 (06--10)
98
ON-BOARD BATTERY CHARGER GROUP, STANDARD & FaST MODEL
(S/N 80001159--80006187)
1
34
6
5
2
7
Home
Find...
Go To..

OPTIONS
Nobles Speed Scrub 17--20 (06--10) 99
ON-BOARD BATTERY CHARGER GROUP, STANDARD & FaST MODEL
(S/N 80001159--80006187)
Ref. Part No. Serial Number Description Qty.
N/A (80001159--80006187 )Charger Kit [On--Board, T3e/Ss3]
(Replaced By Kit 9007343)
1
Y1N/A (80001159--80006187 )Charger, 24vdc 11a 100/240vac 50/60hz
(Replaced By Kit 9007343)
1
YY 2605387 (80001159-- )Connector, Anderson, 50a,Red W/O Contact 1
Y301683 (80001159-- )Washer, Flat, 0.22b 0.50d .05, Ss [#10] 4
Y409739 (80001159-- )Nut, Hex, Lock, M5 X 0.80, Nl, Ss 4
Y506934 (80001159-- )Screw, Pan, Phl, M5 X 0.80 X 20, 4.8 4
Y61040600 (80001159-- )Cover, Charger [Ss3] 1
YN/S 1045989 (80001159-- )Harness, Chrgr [Onboard, T3e/Ss3 Ec--H2o] 1
71025642 (80001159-- )Cord, Power, 16/3, 4.5 Meters, Blk [Us] (Us/Japan) 1
71026330 (80001159-- )Cord, Power,1.0mm2 X 2.5 Meters [ China] 1
71026325 (80001159-- )Cord, Power, 1.0mm2 X 2.5 Meters [Aus] 1
71032849 (80001159-- )Cord, Power, 4.5 Meter, Blk [Ce] 1
ASSEMBLY
YINCLUDED IN ASSEMBLY
Home
Find...
Go To..

OPTIONS
Nobles Speed Scrub 17--20 (06--10)
100
ON-BOARD BATTERY CHARGER GROUP, ec-H2O MODEL
(S/N 80006188-- )
4
12
11
123
14 6
13 10
5
12
2
6
3
23
7
8
9
Home
Find...
Go To..

OPTIONS
Nobles Speed Scrub 17--20 (02--12) 101
ON-BOARD BATTERY CHARGER GROUP, ec-H2O MODEL
(S/N 80006188-- )
Ref. Part No. Serial Number Description Qty.
9007344 (80006188-- )Charger Kit [On--Board, T3e/Ss3 Ec--H2o] 1
Y11045985 (80002319-- )Cover, Chrgr [T2 Ec--H2o Concept] 1
Y209739 (80002319-- )Nut, Hex, Lock, M5 X 0.80, Nl, Ss 3
Y301683 (80002319-- )Washer, Flat, 10, Ss 3
Y41059522 (80006188-- )Charger, 24vdc 11a 100/240vac 50/60hz 1
YY 5605387 (80001159-- )Connector, Anderson, 50a,Red W/O Contact 1
Y606934 (80002319-- )Screw, Pan, Phl, M5 X 0.80 X 20, 4.8 3
Y7130773 (80006188-- )Tie, Cable, Nyl, 11.0l, .14w, 3.0 Max. D 6
Y81061192 (80006188-- )Retainer,Cord, Charger [Ss3/T3e] 1
Y91009324 (80006188-- )Screw, Pan, Phl, 10--16 X 0.50,Blk[Typ17] 2
YN/S 1045989 (80002319-- )Harness, Chrgr [Onboard, T3e/Ss3 Ec--H2o] 1
10 1045961 (80002319-- )Brkt, Mntg, Echo, Chrgr [Ss3/T3e] 1
11 1025642 (80001159-- )Cord, Power, 16/3, 4.5 Meters, Blk [Us] 1
11 989584 (80000000-- )Power Cord With Plug, [125v12a]#4.5m (Japan) 1
11 1026330 (80001159-- )Cord, Power,1.0mm2 X 2.5 Meters [ China] 1
11 1026325 (80001159-- )Cord, Power, 1.0mm2 X 2.5 Meters [Aus] 1
11 1032849 (80001159-- )Cord, Power, 4.5 Meter, Blk [Ce] 1
12 1034731 (80002319-- )Screw, Hex, M6 X 1.00 X 16, Ss, Sems 3
13 1046631 (80002319-- )Knob,Rnd,19mmod,M6x20,Stud,Plstc,Pl 1
14 1045966 (80002319-- )Brkt, Mntg, Chrgr [Ss3] W/Echo 1
ASSEMBLY
YINCLUDED IN ASSEMBLY
Home
Find...
Go To..

OPTIONS
Nobles Speed Scrub 17--20 (06--10)
102
ON-BOARD BATTERY CHARGER GROUP, ec-H2O MODEL
(S/N 80001159--80006187)
4
9
11
1
2
3
76
810
5
9
2
6
3
2
3
Home
Find...
Go To..

OPTIONS
Nobles Speed Scrub 17--20 (06--10) 103
ON-BOARD BATTERY CHARGER GROUP, ec-H2O MODEL
(S/N 80001159--80006187)
Ref. Part No. Serial Number Description Qty.
N/A (80002319--80006187 )Charger Kit [On--Board, T3e/Ss3 Ec--H2o]
(Replaced By Kit 9007344)
1
Y11045985 (80002319-- )Cover, Chrgr [T2 Ec--H2o Concept] 1
Y209739 (80002319-- )Nut, Hex, Lock, M5 X 0.80, Nl, Ss 3
Y301683 (80002319-- )Washer, Flat, 10, Ss 3
Y4N/A (80001159--80006187 )Charger, 24vdc 11a 100/240vac 50/60hz
(Replaced By Kit 9007344)
1
YY 5605387 (80001159-- )Connector, Anderson, 50a,Red W/O Contact 1
Y606934 (80002319-- )Screw, Pan, Phl, M5 X 0.80 X 20, 4.8 3
YN/S 1045989 (80002319-- )Harness, Chrgr [Onboard, T3e/Ss3 Ec--H2o] 1
71045966 (80002319-- )Brkt, Mntg, Chrgr [Ss3] W/Echo 1
81046631 (80002319-- )Knob,Rnd,19mmod,M6x20,Stud,Plstc,Pl 1
91034731 (80002319-- )Screw, Hex, M6 X 1.00 X 16, Ss, Sems 3
10 1045961 (80002319-- )Brkt, Mntg, Echo, Chrgr [Ss3/T3e] 1
11 1025642 (80001159-- )Cord, Power, 16/3, 4.5 Meters, Blk [Us] (Us/Japan) 1
11 1026330 (80001159-- )Cord, Power,1.0mm2 X 2.5 Meters [ China] 1
11 1026325 (80001159-- )Cord, Power, 1.0mm2 X 2.5 Meters [Aus] 1
11 1032849 (80001159-- )Cord, Power, 4.5 Meter, Blk [Ce] 1
ASSEMBLY
YINCLUDED IN ASSEMBLY
Home
Find...
Go To..

OPTIONS
Nobles Speed Scrub 17--20 (06--09)
104
PARKING BRAKE GROUP
1
3
4
5
6
7
8
2
9
10
3
11
Ref. Part No. Serial Number Description Qty.
9003351 (80000000-- ) Kit, Parking Brake 1
Y1600624 (80000000-- )Label, Parking Brake, Symbol 1
Y21013840 (80000000-- )Bracket, Brake, Frame 1
Y301684 (80000000-- )Washer, Flat, 0.27b 0.69d .05, Ss 4
Y408716 (80000000-- ) Screw, Hex, M6 X 1.0 X 20, Ss 2
Y51013718 (80000000-- )Clamp, Brake, Parking 1
Y612323 (80000000-- )Screw, Pan, M4 X 0.7 X 20, Ss 4
Y707785 (80000000-- )Nut, Hex, Std, M6 X 1.00, A2, Ss 1
Y809007 (80000000-- ) Screw, Hex, M6 X 1.00 X 25, Ss 1
Y941579 (80000000-- )Washer, Flat, #08, Ss 4
Y10 33932 (80000000-- )Nut, Hex, Lock, M4 X 0.70, Nl, Ss 4
Y11 08712 (80000000-- ) Nut, Hex, Lock, M6 X 1.00, Ss, Nl 2
ASSEMBLY
YINCLUDED IN ASSEMBLY
Home
Find...
Go To..

OPTIONS
Nobles Speed Scrub 17--20 (03--07) 105
EMERGENCY STOP BUTTON GROUP
1
Ref. Part No. Serial Number Description Qty.
9003350 (80000000-- )Kit, E--Stop 1
Y11011735 (80000000-- )Switch, Safety, Shutoff 1
ASSEMBLY
YINCLUDED IN ASSEMBLY
Home
Find...
Go To..