6100E Service Manual Tennant Rider Floor Sweeper
2018-06-19
: Sweepscrub Tennant-6100E-Rider-Floor-Sweeper-Service-Manual tennant-6100e-rider-floor-sweeper-service-manual 2766 file product_file
Open the PDF directly: View PDF
.
Page Count: 228 [warning: Documents this large are best viewed by clicking the View PDF Link!]

330255
Rev. 02 (6--01)
Service Manual
6100E

This service manual is intended to be used as an aid in the detailed service, repair, and troubleshooting of
your TENNANT Model 6100E.
The set is organized into four major groups: General Information, Chassis, Sweeping, and Electrical.
General Information: Safety precautions, machine specifications, machine maintenance chart, machine
tieing, machine jacking, machine storing, machine pushing or towing, and hardware information.
Chassis: Tire/wheel replacement, brake adjustment and replacement, steering adjustment and
replacement.
Sweeping: Hopper repair/replacement, brush repair/replacement, skirt/seal repair/replacement, and
sweeping troubleshooting.
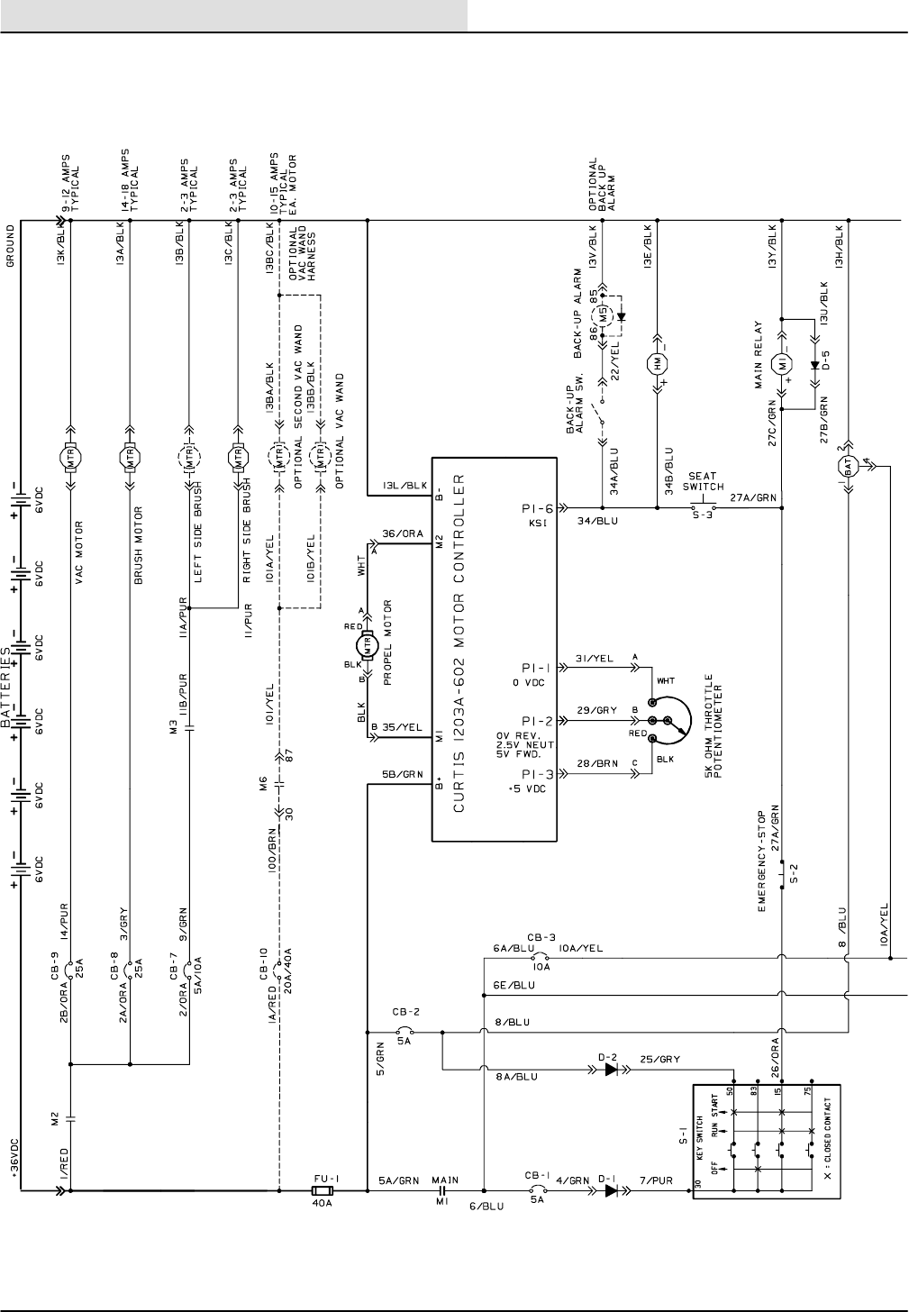
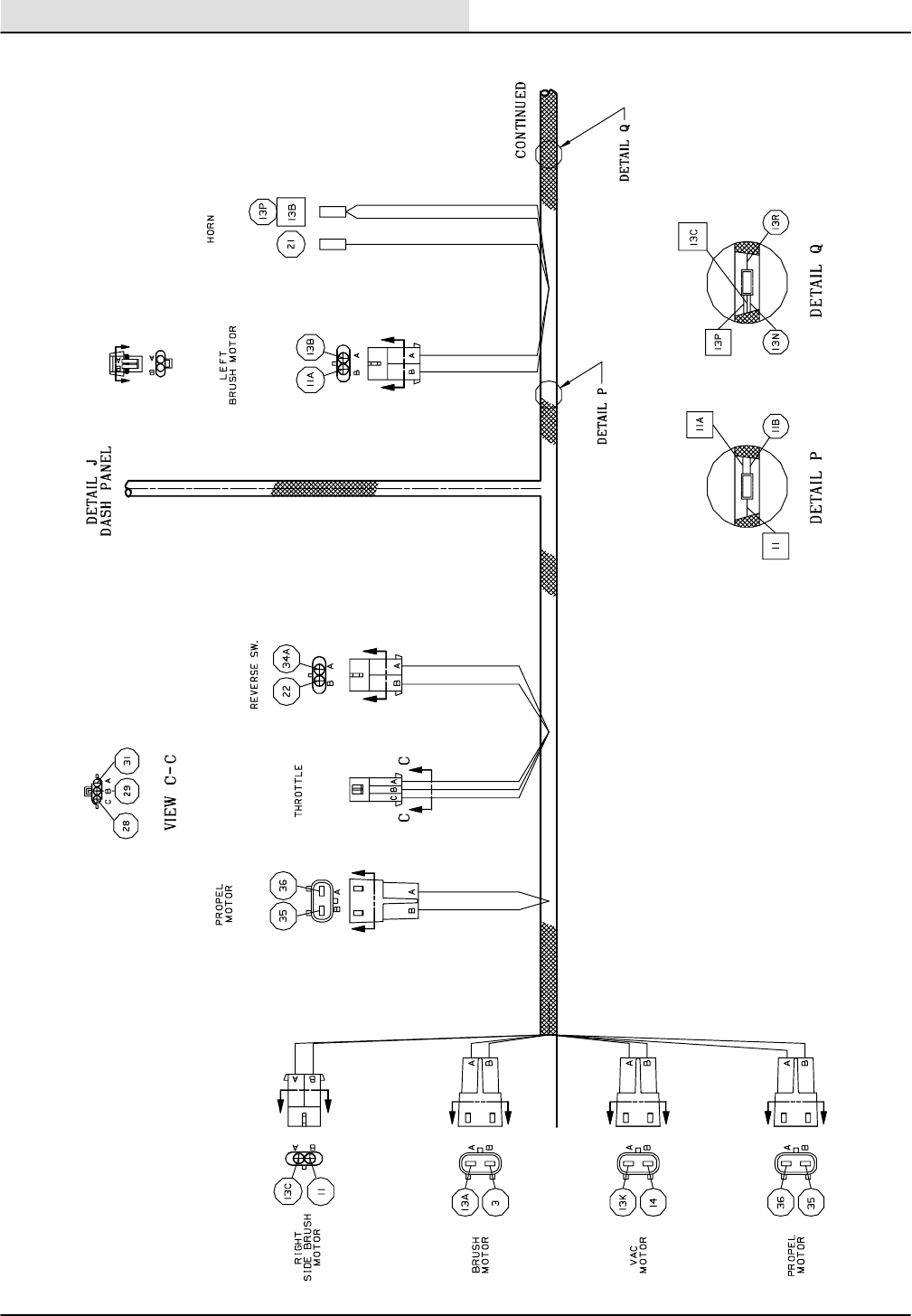
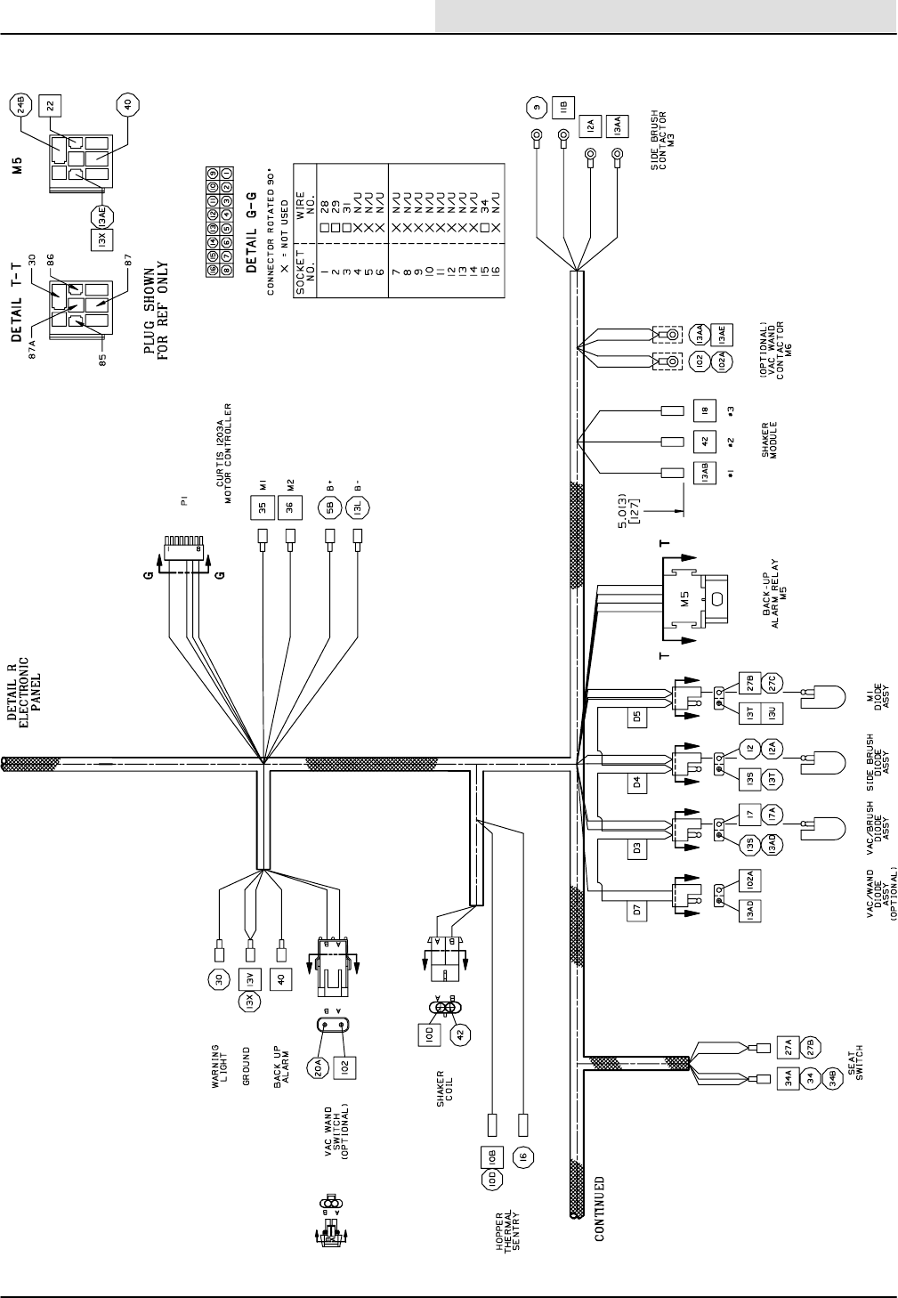
Electrical: Battery maintenance and replacement, motor replacement, electrical schematics, and
electrical troubleshooting.
Manual Number -- 330255
Revision: 02
Published: 6--01
Copyright E2000, 2001 TENNANT, Printed in U.S.A.

GENERAL INFORMATION
1--1
6100E 330255 (6--01)
CONTENTS
Page
SAFETY PRECAUTIONS 1--3................
SPECIFICATIONS 1--5......................
GENERAL MACHINE
DIMENSIONS/CAPACITIES 1--5........
GENERAL MACHINE PERFORMANCE 1--5.
POWER TYPE 1--6.......................
STEERING 1--6..........................
BRAKING SYSTEM 1--6..................
TIRES 1--6..............................
MACHINE DIMENSIONS 1--7..............
MAINTENANCE 1--8........................
MAINTENANCE CHART 1--8..............
PUSHING, TOWING, AND
TRANSPORTING THE MACHINE 1--10..
PUSHING OR TOWING THE
MACHINE 1--10....................
TRANSPORTING THE MACHINE 1--10..
MACHINE JACKING 1--13.................
STORING MACHINE 1--13................
HARDWARE INFORMATION 1--14.........
STANDARD BOLT TORQUE
CHART 1--14.......................
METRIC BOLT TORQUE CHART 1--14..
BOLT IDENTIFICATION 1--14...........
THREAD SEALANT AND LOCKING
COMPOUNDS 1--14................

GENERAL INFORMATION
1--2 6100E 330255 (6--01)

GENERAL INFORMATION
1--3
6100E 330255 (6--01)
SAFETY PRECAUTIONS
The following symbols are used throughout this
manual as indicated in their description:
WARNING: To warn of hazards or
unsafe practices that could result in
severe personal injury or death.
FOR SAFETY: To identify actions that
must be followed for safe operation of
equipment.
The machine is suited to sweep disposable
debris. Do not use the machine other than
described in this Operator Manual. The machine
is not designed for use on public roads.
The following information signals potentially
dangerous conditions to the operator or
equipment:
FOR SAFETY:
1. Do not operate machine:
-- Unless trained and authorized.
-- Unless operation manual is read and
understood.
-- In flammable or explosive areas unless
designed for use in those areas.
-- In areas with possible falling objects
unless equipped with overhead guard.
2. Before starting machine:
-- Make sure all safety devices are in
place and operate properly.
-- Check brakes and steering for proper
operation.
3. When starting machine:
-- Keep foot on brake and directional
pedal in neutral.
4. When using machine:
-- Use brakes to stop machine.
-- Go slowly on inclines and slippery
surfaces.
-- Use care when reversing machine.
-- Do not carry riders on machine.
-- Always follow safety and traffic rules.
-- Report machine damage or faulty
operation immediately.
5. Before leaving or servicing machine:
-- Stop on level surface.
-- Set parking brake.
-- Turn off machine and remove key.
6. When servicing machine:
-- Avoid moving parts. Do not wear loose
jackets, shirts, or sleeves when
working on machine.
-- Block machine tires before jacking up
machine.
-- Jack up machine at designated
locations only. Block machine up with
jack stands.
-- Use hoist or jack that will support the
weight of the machine.
-- Wear eye and ear protection if using
pressurized air or water.
-- Disconnect battery connections before
working on machine.
-- Avoid contact with battery acid.
-- Use cardboard to locate leaking
hydraulic fluid under pressure.
-- Use Tennant supplied or equivalent
replacement parts.
7. When loading/unloading machine
onto/off truck or trailer:
-- Turn off machine.
-- Use truck or trailer that will support
the weight of the machine.
-- Use winch. Do not drive the machine
onto/off the truck or trailer unless the
load height is 380 mm (15 in) or less
from the ground.
-- Set parking brake after machine is
loaded.
-- Block machine tires.
-- Tie machine down to truck or trailer.
WARNING: Batteries emit hydrogen gas.
Explosion or fire can result. Keep
sparks and open flame away. Keep
covers open when charging.
WARNING: Brush throws debris. Stop
motor before lifting hopper.

GENERAL INFORMATION
1--4 6100E 330255 (9--00)
The following safety labels are mounted on the
machine in the locations indicated. If these or any
labels become damaged or illegible, install a new
label in its place.
BATTERY CHARGING LABEL -- LOCATED IN
BATTERY COMPARTMENT.
FOR SAFETY LABEL -- LOCATED ON THE
SIDE OF THE OPERATOR COMPARTMENT.
FLYING DEBRIS LABEL -- LOCATED
ABOVE HOPPER
352182

GENERAL INFORMATION
1--5
6100E 330255 (9--00)
SPECIFICATIONS
GENERAL MACHINE DIMENSIONS/CAPACITIES
Item Dimension/capacity
Length 1520 mm (60 in)
Width 805 mm (32 in)
Height 1180 mm (46 in)
Track 880 mm (35 in)
Wheelbase 682 mm (27 in)
Main sweeping brush diameter 280 mm (11 in)
Main sweeping brush length 560 mm (22 in)
Side brush diameter 406 mm (16 in)
Sweeping path width 560 mm (22 in)
Sweeping path width with one side brush 762 mm (30 in)
Sweeping path width with two side brushes 965 mm (38 in)
Main sweeping brush pattern width 50 mm (2 in)
Hopper weight capacity 90 kg (200 lb)
Hopper volume capacity 85 L (3 cu ft)
Dust filter area 3.2sqm (34 sq ft)
GVWR 2041 kg (1009 lb)
GENERAL MACHINE PERFORMANCE
Item Measure
Maximum forward speed 8.5 km/h (5 .5 mph)
Maximum reverse speed 4.8 km/h (3 mph)
Minimum turning radius 1725 mm (68 in)
Maximum rated incline with empty hopper 10_
Maximum rated incline with full hopper 8_

GENERAL INFORMATION
1--6 6100E 330255 (9--00)
POWER TYPE
Type Quantity Volts Ah Rating Weight
Batteries 66220 @ hr rate 177 kg (390lbs)
Type Use VDC Kw (hp)
Electric Motor Propelling 36 1.6 (.75 hp)
Type VDC AHz Phase VAC
Charger 36 20 60 1240
STEERING
Type Power source Emergency steering
Front wheel, manual controlled Manual steering Manual
BRAKING SYSTEM
Type Operation
Service brakes Mechanical disc brake (1), one front wheel, rod
actuated
Parking brake Utilizes service brakes, cable actuated
TIRES
Location Type Size
Front (1) Solid 90 x 305 mm (3.5 in x12 in OD)
Rear (2) Solid 76 x 305 mm (3 in x 12 in OD)

GENERAL INFORMATION
1--7
6100E 330255 (9--00)
TOP VIEW
SIDE VIEW
1520 mm
(60 in)
805 mm
(32 in)
1180 mm
(46 in)
352185
MACHINE DIMENSIONS

GENERAL INFORMATION
1--8 6100E 330255 (6--01)
MAINTENANCE
8
10
11
6
4
9
5
12
2
3
7
1
13
8
14
15
16
17
MAINTENANCE CHART
Interval Key Description Procedure
Lubricant/
Fluid
No. of
Service
Points
Daily 6Brush compartment skirts Check for damage, wear, and
adjustment
-- 6
4Main brush Check for damage or wear -- 1
5Side brush(es) Check for damage or wear -- 1(2)
(
)
Check brush pattern -- 1(2)
7Hopper dust filter Shake -- 1
3Batteries Check and charge batteries -- 6(3)
50 Hours 4Main brush Rotate end-for-end -- 1
Check brush pattern -- 1
3Batteries Check electrolyte level DW 6(3)
14 Vacuum wand bag (Option) Check or change vacuum bag -- --
Vacuum wand fan(s)
(Option)
Check for damage or wear -- 2
15 QuickMoptbroom (Option) Rotate or wash sweep heads -- 2

GENERAL INFORMATION
1--9
6100E 330255 (6--01)
Interval Key Description Procedure
Lubricant/
Fluid
No. of
Service
Points
100 Hours 7Hopper dust filter Check for damage, clean or
replace
-- 1
8Tires Check for damage or wear -- 3
9Large Debris Trap Flap Check for damage or wear -- 1
10 Propelling chain Lubricate and check tension EO 1
12 Hopper Seal Check for damage or wear -- 4
17 Steering castor pivot
bearing
Lubricate and check for wear SPL 1
200 Hours 11 Brake Check adjustment -- 1
13 Side brush(es) Check pivot adjustment -- 1(2)
2Vacuum fan belt Check tension and wear -- 1
3Main brush belt Check for wear -- 1
16 Steering gear chain Lubricate EO 1
800 Hours 1Electric motors Check carbon brushes -- 3
LUBRICANT/FLUID
DW Distilled water....
EO SAE 30 Engine oil....
SPL Special lubricant, Lubriplate EMB grease (TENNANT part no. 01433--1)...
NOTE: More frequent intervals may be required in extremely dusty conditions.

GENERAL INFORMATION
1--10 6100E 330255 (6--01)
PUSHING, TOWING, AND TRANSPORTING
THE MACHINE
PUSHING OR TOWING THE MACHINE
If the machine becomes disabled, it can be
pushed or towed from the front or rear, but it is
easier and more stable to tow from the front end.
Unplug the drive motor from the electrical harness
before attempting to push the machine. The
machine will become easier to maneuver when it
is unplugged.
ATTENTION! Do not push or tow the
machine for a long distance and without
unplugging the drive motor or damage
may occur to the propelling system.
Only push or tow the machine for a very short
distance and do not exceed 3.2 kp/h (2 mph). It is
NOT intended to be pushed or towed for a long
distance or at a high speed.
TRANSPORTING THE MACHINE
1. Position the front of the machine at the
loading edge of the truck or trailer.
FOR SAFETY: Use truck or trailer that
will support the weight of the machine.
NOTE: Empty the hopper before transporting the
machine.
2. If the loading surface is not horizontal or is
higher than 380 mm (15 in) from the ground,
use a winch to load machine.
If the loading surface is horizontal AND is
380 mm (15 in) or less from the ground, the
machine may be driven onto the truck or
trailer.

GENERAL INFORMATION
1--11
6100E 330255 (6--01)
3. To winch the machine onto the truck or
trailer, attach the winching chains to the
front tie down located in the front of the
machine frame.
4. Unplug the drive motor from the electrical
harness before winching the machine onto
the truck or trailer. See PUSHING OR
TOWING THE MACHINE section of this
manual. Make sure the machine is centered.
FOR SAFETY: When loading machine
onto truck or trailer, use winch. Do not
drive the machine onto the truck or
trailer unless the loading surface is
horizontal AND is 380 mm (15 in) or less
from the ground.
5. Position the machine onto the truck or trailer
as far as possible. If the machine starts to
veer off the centerline of the truck or trailer,
stop and turn the steering wheel to center
the machine.

GENERAL INFORMATION
1--12 6100E 330255 (6--01)
6. Set the parking brake and block the machine
tires. Tie down the machine to the truck or
trailer before transporting.
The front tie-down locations are the holes in
the front of the machine frame.
The rear tie-down locations are the holes in
the sides of the machine frame near the rear
bumper.
7. If the loading surface is not horizontal or is
higher than 380 mm (15 in) from the ground,
use a winch to unload machine.
If the loading surface is horizontal AND is
380 mm (15 in) or less from the ground, the
machine may be driven off the truck or
trailer.
FOR SAFETY: When unloading machine
off truck or trailer, use winch. Do not
drive the machine off the truck or trailer
unless the loading surface is horizontal
AND 380 mm (15 in) or less from the
ground.

GENERAL INFORMATION
1--13
6100E 330255 (6--01)
MACHINE JACKING
Empty the hopper before jacking the machine.
You can jack up the machine for service at the
designated locations. Use a hoist or jack that will
support the weight the machine. Always stop the
machine on a flat, level surface and block the tires
before jacking up the machine.
FOR SAFETY: Before leaving or
servicing machine, stop on level
surface, set parking brake, turn off
machine, and remove key.
The front jacking locations are on the flat bottom
edge of the front of the machine frame.
The rear jacking locations are on the corners of
the rear frame.
FOR SAFETY: When servicing machine,
block machine tires before jacking up
machine.
FOR SAFETY: When servicing machine,
jack up machine at designated locations
only. Block machine up with jack
stands.
STORING MACHINE
Before storing the machine for an extended time,
the machine needs to be serviced to lessen the
chance of rust, sludge, and other undesirable
deposits from forming.

GENERAL INFORMATION
1--14 6100E 330255 (9--00)
HARDWARE INFORMATION
The following charts state standard plated
hardware tightening ranges for normal assembly
applications. Decrease the specified torque by
20% when using a thread lubricant. Do not
substitute lower grade hardware for higher grade
hardware. If higher grade hardware than specified
is substituted, tighten only to the specified
hardware torque value to avoid damaging the
threads of the part being threaded into, as when
threading into speed nuts or weldments.
STANDARD BOLT TORQUE CHART
Thread
Size
SAE Grade 5
Torque ft lb
(Nm)
SAE Grade 8
Torque ft lb
(Nm)
0.25 in 7--10 (9--14) 10--13 (14--38)
0.31 in 15--20 (20--27) 20--26 (27--35)
0.38 in 27--35 (37--47) 36--47 (49--64)
0.44 in 43--56 (58--76) 53--76 (72--103)
0.50 in 65--85 (88--115) 89--116
(121--157)
0.62 in 130--170
(176--231)
117--265
(159--359)
0.75 in 215--280
(291--380)
313--407
(424--552)
1.00 in 500--650
(678--881)
757--984
(1026--1334)
NOTE: Decrease torque by 20% when using a
thread lubricant.
METRIC BOLT TORQUE CHART
Thread
Size
Class 8.8
Torque ft lb
_Nm)
Class 10.9
Torque ft lb
(Nm)
M4 2(3) 3(4)
M5 4(5) 6(8)
M6 7(9) 10 (14)
M8 18 (24) 25 (34)
M10 32 (43) 47 (64)
M12 58 (79) 83 (112)
M14 94 (127) 133 (180)
M16 144 (195) 196 (265)
M20 260 (352) 336 (455)
M24 470 (637) 664 (900)
NOTE: Decrease torque by 20% when using a
thread lubricant.
Exceptions to the above chart:
Check the machine for exceptions!
BOLT IDENTIFICATION
Identification
Grade Marking
Specification and
Grade
SAE--Grade 5
SAE--Grade 8
ISO--Grade 8.8
ISO--Grade 10.9
THREAD SEALANT AND LOCKING
COMPOUNDS
Thread sealants and locking compounds may be
used on this machine. They include the following:
Locktite 515 sealant -- gasket forming
material. TENNANT Part No. 75567,15 oz
(440 ml) cartridge.
Locktite 242 blue -- medium strength thread
locking compound. TENNANT Part No.
32676, 0.5 ml tube.
Locktite 271 red -- high strength thread
locking compound. TENNANT Part No.
19857, 0.5 ml tube.

CHASSIS
2--1
6100E 330255 (9--00)
CONTENTS
Page
INTRODUCTION 2--3......................
BRAKES AND TIRES 2--4..................
SERVICE BRAKES 2--4....................
TO ADJUST SERVICE BRAKE 2--4......
TO ADJUST PARKING BRAKE 2--5......
TO REPLACE BRAKE PADS 2--6........
REAR TIRES AND WHEELS 2--9...........
TO REMOVE REAR TIRE ASSEMBLY 2--9
TO INSTALL REAR TIRE ASSEMBLY 2--12
FRONT DRIVE WHEEL, AND WHEEL
HOUSING SUPPORT 2--14..............
TO REMOVE FRONT TIRE AND
WHEEL 2--14.......................
TO INSTALL FRONT TIRE AND
WHEEL 2--17.......................
TO REPLACE FRONT WHEEL
DRIVE CHAIN 2--20.................
TO REPLACE FRONT WHEEL
HUB BEARINGS 2--23...............
TO REMOVE GEARBOX ASSEMBLY 2--24
TO INSTALL GEARBOX ASSEMBLY 2--26
TO REPLACE DRIVE WHEEL
COGGED BELT 2--28................
TO REPLACE GEARBOX BEARINGS 2--31
TO ADJUST STEERING CHAIN 2--35....
TO REPLACE STEERING CHAIN 2--37...
TO REPLACE STEERING HOUSING
BEARINGS 2--40....................
TO REPLACE STEERING U--JOINT 2--46.
TO REPLACE SMALL STEERING
SPROCKET 2--48...................
TO REPLACE LARGE STEERING
SPROCKET 2--51...................
TO REPLACE FRONT WHEEL
HOUSING NEEDLE BEARING/
THRUST WASHERS 2--55.........
TO REPLACE FRONT WHEEL
HOUSING CONE BEARING 2--61.....

CHASSIS
2--2 6100E 330255 (9--00)

CHASSIS
2--3
6100E 330255 (9--00)
INTRODUCTION
This section includes information on the main
chassis related components for example the seat,
steering, brakes, and tires.

CHASSIS
2--4 6100E 330255 (9--00)
BRAKES AND TIRES
SERVICE BRAKES
The service brakes on the model 6100E consists
of a single disc and caliper located on the front
tire and wheel assembly. The parking brake uses
the same disc and caliper. The service brake and
parking brake are each actuated with a foot pedal.
TO ADJUST SERVICE BRAKE
FOR SAFETY: Before Leaving Or
Servicing Machine; Stop On Level
Surface, place blocks in front and back
of back wheels.
1. If the service brake pedal has excessive
movement before the brake is activated, the
service brake needs to be adjusted.
2. Go under the front of the machine and
locate the disc brake caliper assembly.
3. Remove the small cotter pin from the caliper
lever pin.

CHASSIS
2--5
6100E 330255 (9--00)
4. Move the lever up to the next hole in the
brake bracket.
5. Reinstall the small cotter pin into the lever
pin.
6. Go to the operators compartment and step
on the service brake pedal. There should be
just a small amount of movement before the
brakes are engaged. If this is the case, the
adjustment is complete, if not, repeat the
previous step.
NOTE: If the lever does not reach the next hole,
loosen the two screws holding the small lever to
the caliper. The lever pin can now be moved up to
the next hole. Retighten the hardware.
TO ADJUST PARKING BRAKE
The parking brake adjustment is made at the
same time as the service brake. See TO ADJUST
SERVICE BRAKE instructions.

CHASSIS
2--6 6100E 330255 (9--00)
TO REPLACE BRAKE PADS
FOR SAFETY: Before Leaving Or
Servicing Machine; Stop On Level
Surface, Set Parking Brake.
1. Remove the front wheel assembly. See TO
REMOVE FRONT TIRE AND WHEEL
instructions in this section.
2. Remove the tension spring from the brake
caliper lever and wheel housing.
3. Remove the nuts from the shoulder screws
holding the brake caliper to the wheel
housing.

CHASSIS
2--7
6100E 330255 (9--00)
4. Remove the caliper assembly from the
wheel housing. Note the orientation of the
caliper assembly on the wheel housing.
5. Remove the two shoulder screws from the
caliper assembly.
6. Pull the two brake pads out of the caliper
assembly. Note the orientation of the pads.
7. Install the new pads into the caliper
assembly in the same orientation.

CHASSIS
2--8 6100E 330255 (9--00)
8. Reinstall the two shoulder screws into the
caliper and new brake pads.
9. Reinstall the caliper assembly onto the
wheel housing. Position the shoulder screws
through the mount holes on the wheel
housing. Reinstall the two nyloc nuts and
tighten to 18 -- 24 Nm (15 -- 20 ft lb). Make
sure the caliper free floats after the screws
are tightened.
10. Reinstall the tension spring onto the brake
caliper lever and wheel housing.
11. Reinstall the front tire and wheel assembly.
See TO INSTALL FRONT TIRE AND
WHEEL instructions in this section.
12. Operate the machine and check the brakes
for proper operation.

CHASSIS
2--9
6100E 330255 (9--00)
REAR TIRES AND WHEELS
The rear tires on the 6100G are semi--pneumatic.
The rear tires are free wheeling and have no
braking capabilities.
TO REMOVE REAR TIRE ASSEMBLY
FOR SAFETY: Before Leaving Or
Servicing Machine; Stop On Level
Surface, Set Parking Brake.
1. Remove the debris hopper from the rear of
the machine.
2. Jack up the machine at the rear jack point.
Place a jack stand under the machine frame.

CHASSIS
2--10 6100E 330255 (9--00)
3. Go to the rear, inside of the machine frame
and locate the large nyloc nut and washer
holding the rear wheel axle to the machine.
Remove the nyloc nut and washer.
4. Support the rear wheel and remove the axle
shaft.
5. Remove the rear tire assembly from the
machine.
6. Remove the three hex screws and nuts
holding the wheel hub to the tire assembly.

CHASSIS
2--11
6100E 330255 (9--00)
7. Remove the hub assembly from the tire
assembly.

CHASSIS
2--12 6100E 330255 (9--00)
TO INSTALL REAR TIRE ASSEMBLY
FOR SAFETY: Before Leaving Or
Servicing Machine; Stop On Level
Surface, Set Parking Brake.
1. Position the rear hub assembly onto the new
tire assembly. Place the three screws
through the hub then through the wheel.
Install the nuts. Center the hub on the
wheel. Tighten the nuts to 18 -- 24 Nm
(15 -- 20 ft lb).
2. Install the tire and hub assembly into the
machine with the hub positioned on the
inside of the machine frame.
3. Hold the wheel in position and install the
axle shaft from to outside of the machine
frame. Note the “D” shape of the frame
mount hole and the “ D” on the axle shaft.
Line these two up and push the axle all the
way into the mount hole.

CHASSIS
2--13
6100E 330255 (9--00)
4. Go to the inside of the machine frame and
install the washer and nyloc nut. Tighten to
37 -- 48 Nm (26 -- 34 ft lb).
5. Spin the tire assembly to make sure it turns
freely.
6. Remove the jack stand and lower the
machine to the floor.
7. Operate the machine for proper operation.

CHASSIS
2--14 6100E 330255 (9--00)
FRONT DRIVE WHEEL, AND WHEEL
HOUSING SUPPORT
The model 6100E is propelled forward and
reverse by the front wheel assembly. An electric
motor turns a cogged belt that in turn drives a
O--ring chain that turns the front tire assembly.
The steering on the model 6100E is controlled by
a steering wheel which turns a chain that is
connected to the front wheel housing. The front
wheel housing turns on a large bearing and rubber
seal.
TO REMOVE FRONT TIRE AND WHEEL
FOR SAFETY: Before Leaving Or
Servicing Machine; Stop On Level
Surface, place blocks in front and back
of the rear tires.
1. Jack up the front of the machine at the jack
point. Install jack stands under the machine
frame.
2. Remove the two nuts holding the chain
guard to the wheel support. Remove the
chain guard.

CHASSIS
2--15
6100E 330255 (9--00)
3. Loosen the three nuts holding the drive
motor gearbox to the wheel support. Let the
gearbox drop down so the drive chain has
some slack.
4. Turn the front tire until the master link is
visible at the bottom of the drive sprocket.
Remove the master link from the drive
chain. Make sure to retain the four small
O--rings from behind the master link clip.
NOTE: Try to keep the chain on the upper
sprocket when removing the wheel.
5. Remove the large nut and washer from the
wheel axle.
6. Support the front drive wheel. Remove the
axle from the front wheel.
7. Let the front wheel drop down and out of the
brake caliper. Remove the front drive wheel
from the machine.

CHASSIS
2--16 6100E 330255 (9--00)
8. Remove the four screws holding the brake
disc to the front hub assembly. Make sure to
retain the four steel sleeves. Pull the brake
disc off the hub.
9. Remove the three wheel nuts holding the tire
to the front hub. Remove the tire assembly
from the hub.

CHASSIS
2--17
6100E 330255 (9--00)
TO INSTALL FRONT TIRE AND WHEEL
FOR SAFETY: Before Leaving Or
Servicing Machine; Stop On Level
Surface, place blocks in front and back
of the rear tires.
1. Position the new front tire onto the front hub
assembly. Reinstall the three wheel nuts and
tighten to 64 -- 83 Nm (47 -- 61 ft lb).
2. Reinstall the brake disc onto the front hub
assembly.
NOTE: Place a small amount of grease in the ID
of the brake disc. The hub of the brake disc is
positioned toward the tire.
3. Reinstall the four hex screws and steel
sleeves. Use red loctite (271) on the threads
of the screws and tighten to 18 -- 24 Nm
(15 -- 20 ft lb). Tighten these screws in a
“criss--cross” pattern. Make sure the disc
floats on the hub.
4. Position the front drive wheel assembly into
the wheel housing. The brake disc is
positioned on the left side of the wheel
support.
NOTE: Use a screw driver to spread the brake
pads apart to ease the installation of the assembly
into the wheel support.

CHASSIS
2--18 6100E 330255 (9--00)
5. Line up the wheel hub bearings with the
mount holes on the wheel support.
6. Push the wheel axle, from the right hand
side, into the wheel housing and wheel hub.
Note the “D” shape of the wheel support
mount hole and the “ D” on the axle shaft.
Line these two up and push the axle all the
way into the mount hole.
7. Install the washer and nyloc nut onto the
axle shaft. Tighten to 64 -- 83 Nm
(47 -- 61 ft lb).
8. Spread the drive chain and install around the
large sprocket on the front wheel assembly.
Reinstall the master link. Make sure the
four small O--rings are in place behind
the master link clip.
9. Push the motor gearbox up until the drive
chain is tight (+/-- 1/8 inch at mid--point).
Tighten nuts to 18 -- 24 Nm (15 -- 20 ft lb).

CHASSIS
2--19
6100E 330255 (9--00)
10. Reinstall the drive chain guard and tighten
the two nuts to 18 -- 24 Nm (15 -- 20 ft lb).
11. Remove the jack stands and lower the
machine to the floor. Operate the machine
and check for proper operation.

CHASSIS
2--20 6100E 330255 (9--00)
TO REPLACE FRONT WHEEL DRIVE
CHAIN
FOR SAFETY: Before Leaving Or
Servicing Machine; Stop On Level
Surface, place blocks in front and back
of the rear tires.
1. Jack up the front of the machine at the jack
point. Install jack stands under the machine
frame.
2. Remove the two nuts holding the chain
guard to the wheel support. Remove the
chain guard.
3. Loosen the three nuts holding the drive
motor gearbox to the wheel support. Let the
gearbox drop down so the drive chain has
some slack.

CHASSIS
2--21
6100E 330255 (9--00)
4. Turn the front tire until the master link is
visible at the bottom of the drive sprocket.
Remove the master link from the drive
chain. Make sure to retain the four small
O--rings from behind the master link clip.
5. Pulltheoldchainoffthedrivemotor
sprocket and drive wheel sprocket. Remove
the old drive chain from the machine.
6. Reinstall the new drive chain around the
drive sprocket on the drive motor and front
wheel assembly. Reinstall the master link.
Make sure the four small O--rings are in
place behind the master link clip.
7. Push the gearbox assembly up until the
chain is tight (+/-- 1/8 inch at mid--point).
Tighten nuts to 18 -- 24 Nm (15 -- 20 ft lb).

CHASSIS
2--22 6100E 330255 (9--00)
8. Reinstall the drive chain guard and tighten
the two nuts to 18 -- 24 Nm (15 -- 20 ft lb).
9. Remove the jack stands and lower the
machine to the floor. Operate the machine
and check the new drive chain for proper
operation.

CHASSIS
2--23
6100E 330255 (9--00)
TO REPLACE FRONT WHEEL HUB BEARINGS
FOR SAFETY: Before Leaving Or
Servicing Machine; Stop On Level
Surface, place blocks in front and back
of the rear tires.
1. Remove the front tire and wheel assembly.
See TO REMOVE FRONT TIRE AND
WHEEL instructions in this section.
2. Use a long screw driver or punch to hammer
the two bearings out of the front hub
assembly. Discard the old bearings.
3. Use an arbor press to install the new
bearings into the front hub. Push the
bearings down until they are seated flush
against the housing.
4. Reinstall the front wheel assembly. See TO
INSTALL FRONT TIRE AND WHEEL
instructions in this section.

CHASSIS
2--24 6100E 330255 (9--00)
TO REMOVE GEARBOX ASSEMBLY
FOR SAFETY: Before Leaving Or
Servicing Machine; Stop On Level
Surface, place blocks in front and back
of the rear tires.
1. Jack up the front of the machine at the jack
point. Install jack stands under the machine
frame.
2. Remove the two nuts holding the chain
guard to the wheel support. Remove the
chain guard.
3. Loosen the three nuts holding the gearbox
assembly to the wheel support. Let the
gearbox drop down so the drive chain has
some slack.

CHASSIS
2--25
6100E 330255 (9--00)
4. Turn the front tire until the master link is
visible at the bottom of the drive sprocket.
Remove the master link from the drive
chain. Make sure to retain the four small
O--rings from behind the master link clip.
5. Pull the chain off the drive motor sprocket
and drive wheel sprocket. Remove the drive
chain from the machine.
6. Disconnect the drive motor from the main
electrical harness.
7. Finish removing the three nuts and washers
holding the gearbox assembly to the wheel
support. Remove the gearbox assembly
from the machine.

CHASSIS
2--26 6100E 330255 (9--00)
TO INSTALL GEARBOX ASSEMBLY
FOR SAFETY: Before Leaving Or
Servicing Machine; Stop On Level
Surface, place blocks in front and back
of the rear tires.
1. Position the gearbox assembly onto the
wheel support. The three slots on the
gearbox go over the three studs on the
wheel support.
2. Install the three washers and nuts onto the
wheel housing studs. Leave loose for now.
3. Reinstall the drive chain around the drive
sprocket on the drive motor and front wheel
assembly. Reinstall the master link. Make
sure the four small O--rings are in place
behind the master link clip.

CHASSIS
2--27
6100E 330255 (9--00)
4. Push the gearbox assembly up until the
chain is tight (+/-- 1/8 inch at mid--point).
Tighten nuts to 18 -- 24 Nm (15 -- 20 ft lb).
5. Reinstall the drive chain guard and tighten
the two nuts to 18 -- 24 Nm (15 -- 20 ft lb).
6. Reconnect the drive motor to the main
electrical harness.
7. Remove the jack stands and lower the
machine to the floor. Operate the machine
and check the gearbox assembly for proper
operation.

CHASSIS
2--28 6100E 330255 (9--00)
TO REPLACE DRIVE WHEEL COGGED BELT
FOR SAFETY: Before Leaving Or
Servicing Machine; Stop On Level
Surface, place blocks in front and back
of the rear tires.
1. Jack up the front of the machine at the jack
point. Install jack stands under the machine
frame.
2. Disconnect the drive motor from the main
electrical harness. Turn the steering wheel
all the way to the right.
3. Remove the six hex screws holding the two
black covers to the side of the gearbox.

CHASSIS
2--29
6100E 330255 (9--00)
4. Remove the cover on the front side of the
gearbox first.
5. Next, remove the bearing cover. You may
have to lightly pry the second cover off the
locating pins.
6. Loosen the two hex screws holding the
electric drive motor to the back side of the
gearbox assembly. Let the motor slide
toward the back of the machine. The cogged
belt will now be loose on the pulleys.
7. Remove the old cogged belt from both drive
pulleys. Discard the old belt.

CHASSIS
2--30 6100E 330255 (9--00)
8. Position the new cogged belt onto the large
and small pulleys.
9. Reinstall the bearing side cover onto the
gearbox. Make sure the cover is seated
down over the locating pins. Install two hex
screws for now. Tighten the screws to
18 -- 24 Nm (15 -- 20 ft lb).
10. Use a large channel lock pliers to pull the
drive motor to the front of the gearbox.
Place one side of the pliers over the small
pulley and the other side of the pliers on the
front side of the gearbox. Squeeze the pliers
until the belt is tight (1/16inchplayat
midpoint). Tighten the two motor mount
screws to 18 -- 24 Nm (15 -- 20 ft lb).
11. Install the second belt cover onto the
gearbox. Install the remaining four hex
screws and tighten to 18 -- 24 Nm
(15 -- 20 ft lb). Plug the drive motor into the
main electrical harness.
12. Remove the jack stands and lower the
machine to the floor. Operate the machine
and check the gearbox assembly for proper
operation.

CHASSIS
2--31
6100E 330255 (9--00)
TO REPLACE GEARBOX BEARINGS
FOR SAFETY: Before Leaving Or
Servicing Machine; Stop On Level
Surface, place blocks in front and back
of the rear tires.
1. Remove the gearbox assembly from the
machine. See TO REMOVE GEARBOX
ASSEMBLY instructions in this section.
2. Loosen the two set screws on the small
sprocket on the gearbox assembly. Remove
and retain the small sprocket, woodruff key,
and foam washer.
3. Go to the other side of the gearbox
assembly. Remove the six hex screws
holding the two black covers to the side of
the gearbox.

CHASSIS
2--32 6100E 330255 (9--00)
4. Remove the smaller cover first.
5. Remove the bearing cover second. You may
have to lightly pry the second cover off the
locating pins.
6. Loosen the two hex screws holding the
electric drive motor to the back side of the
gearbox assembly. Let the motor slide
toward the large sprocket. The cogged belt
will now be loose on the pulleys. Remove
the cogged belt from both drive pulleys.
7. Pull the large pulley out of the gearbox. You
may have to lightly tap on the shaft to
dislodge the inner bearing from the bottom
case of the gearbox assembly. Remove the
three hex screws holding the hub to the
sprocket.

CHASSIS
2--33
6100E 330255 (9--00)
8. Use an arbor press to remove the pulley
shaft and both gearbox bearings. Note the
orientation of the bearings on the pulley
shaft. Discard the old bearings.
9. Install the new bearings onto the pulley shaft
in the same orientation as the old bearings.
Reinstall the hub and new bearings into the
sprocket. Tighten the three hex screws to
11 -- 1 4 N m ( 7 -- 1 0 f t l b ) .
10. Position the large belt pulley, shaft, and
bearing assembly back into the bottom case
of the gearbox assembly. Make sure the
inner bearing is seated properly in the lower
case.
11. Position the cogged belt onto the large and
small pulleys.

CHASSIS
2--34 6100E 330255 (9--00)
12. Reinstall the bearing side cover onto the
gearbox. Make sure the cover is seated
down over the locating pins. Install two hex
screws for now. Tighten the screws to
18 -- 24 Nm (15 -- 20 ft lb).
13. Use a large channel lock pliers to pull the
drive motor to the front of the gearbox.
Place one side of the pliers over the small
pulley and the other side of the pliers on the
front side of the gearbox. Squeeze the pliers
until the belt is tight (1/16inchplayat
midpoint). Tighten the two motor mount
screws to 18 -- 24 Nm (15 -- 20 ft lb).
14. Install the second belt cover onto the
gearbox. Install the remaining four hex
screws and tighten to 18 -- 24 Nm
(15 -- 20 ft lb).
15. Reinstall the gearbox assembly onto the
wheel support assembly. See TO INSTALL
GEARBOX ASSEMBLY instructions in this
section.
16. Remove the jack stands and lower the
machine to the floor. Operate the machine
and check the gearbox assembly for proper
operation.

CHASSIS
2--35
6100E 330255 (9--00)
TO ADJUST STEERING CHAIN
FOR SAFETY: Before Leaving Or
Servicing Machine; Stop On Level
Surface, Set Parking Brake.
1. Jack up the front of the machine at the jack
point. Install jack stands under the machine
frame.
2. Go to the operators compartment and locate
the two hex screws holding the steering
bearing housing to the machine frame.
Loosen the two screws.
3. Turn the steering wheel all the way to the left
and then to the right. Find the point in the
rotation where the steering chain is the most
tight.

CHASSIS
2--36 6100E 330255 (9--00)
4. Push the bearing housing forward in the
slots. This will remove any excess slack in
the steering chain. Tighten the two hex
screws to 37 -- 48 Nm (26 -- 34 ft lb).
5. Remove the jack stands and lower the
machine to the floor. Operate the machine
and check the steering chain for proper
operation.

CHASSIS
2--37
6100E 330255 (9--00)
TO REPLACE STEERING CHAIN
FOR SAFETY: Before Leaving Or
Servicing Machine; Stop On Level
Surface, place blocks in front and back
of the rear tires.
1. Jack up the front of the machine at the jack
point. Install jack stands under the machine
frame.
2. Turn the steering wheel all the way to the
left.
3. Go to the operators compartment and locate
the two hex screws holding the steering
bearing housing to the machine frame.
Loosen the two screws and push the bearing
housing back in the slots.

CHASSIS
2--38 6100E 330255 (9--00)
4. Go under the machine and locate the small
steering chain sprocket.
5. Locate the master link on the steering chain.
Remove the master link and steering chain.
6. Position the new steering chain around both
the large steering sprocket and small
sprocket. Install a new master link in the
new chain.
7. Turn the steering wheel all the way to the left
and then to the right. Find the point in the
rotation where the steering chain is the most
tight.

CHASSIS
2--39
6100E 330255 (9--00)
8. Push the bearing housing forward in the
slots. This will remove any excess slack in
the steering chain. Tighten the two hex
screws to 37 -- 48 Nm (26 -- 34 ft lb).
9. Remove the jack stands and lower the
machine to the floor. Operate the machine
and check the steering chain for proper
operation.

CHASSIS
2--40 6100E 330255 (9--00)
TO REPLACE STEERING HOUSING
BEARINGS
FOR SAFETY: Before Leaving Or
Servicing Machine; Stop On Level
Surface, Set Parking Brake.
1. Jack up the front of the machine at the jack
point. Install jack stands under the machine
frame.
2. Turn the steering wheel all the way to the
left.
3. Go to the operators compartment and locate
the steering U--joint. Loosen the two set
screws on the top of the steering U--joint.

CHASSIS
2--41
6100E 330255 (9--00)
4. Pull the steering wheel and long steering
shaft up and out of the top of the steering
U--joint.
5. Remove the two hex screws holding the
steering bearing housing to the machine
frame. Push the bearing housing back in the
slots.
6. Go under the machine and locate the small
steering chain sprocket.
7. Locate the master link on the steering chain.
Remove the master link and steering chain
from the small steering sprocket.

CHASSIS
2--42 6100E 330255 (9--00)
8. Remove the steering housing from the
machine.
9. Loosen the two set screws holding the
U--joint to the top of the short steering shaft.
Remove and retain the U--joint and square
key.
10. Loosen the set screw holding the small
steering sprocket to the bottom of the short
steering shaft. Remove and retain small
sprocket and woodruff key.
11. Use an arbor press to press the short
steering shaft and two bearings out of the
housing. Discard the bearings. Retain the
short shaft. Note the orientation of the shaft
in the housing.

CHASSIS
2--43
6100E 330255 (9--00)
12. Use the arbor press to install the new
bearings into the steering housing.
13. Use the arbor press to install the short
steering shaft into the new bearings.
14. Reinstall the small steering sprocket and
woodruff key on the bottom of the steering
housing. Tighten the set screws tight.
15. Reinstall the U--joint and square key on the
top of the steering housing. Tighten the set
screws tight.

CHASSIS
2--44 6100E 330255 (9--00)
16. Reinstall the steering housing in the
machine. Reinstall the two hex screws.
Leave loose for now.
17. Position the long steering shaft and steering
wheel into the top of the steering U--joint.
Tighten the set screws tight.
18. Go under the machine and reinstall the
steering chain around the small steering
sprocket. Reinstall the master link.
19. Turn the steering wheel all the way to the left
and then to the right. Find the point in the
rotation where the steering chain is the most
tight.

CHASSIS
2--45
6100E 330255 (9--00)
20. Push the bearing housing forward in the
slots. This will remove any excess slack in
the steering chain. Tighten the two hex
screws to 37 -- 48 Nm (26 -- 34 ft lb).
21. Remove the jack stands and lower the
machine to the floor. Operate the machine
and check the steering chain for proper
operation.

CHASSIS
2--46 6100E 330255 (9--00)
TO REPLACE STEERING U--JOINT
FOR SAFETY: Before Leaving Or
Servicing Machine; Stop On Level
Surface, Set Parking Brake.
1. Jack up the front of the machine at the jack
point. Install jack stands under the machine
frame.
2. Go to the operators compartment and locate
the steering U--joint. Loosen the two set
screws on the top of the steering U--joint.
3. Pull the steering wheel and long steering
shaft up and out of the top of the steering
U--joint.

CHASSIS
2--47
6100E 330255 (9--00)
4. Loosen the two set screws holding the
U--joint to the top of the short steering shaft.
Remove and discard the U--joint and square
key.
5. Install the new U--joint and square key on
the top of the steering housing. Tighten the
set screws tight.
6. Position the long steering shaft and steering
wheel into the top of the steering U--joint.
Tighten the set screws tight.
7. Operate the machine and check the steering
U--joint for proper operation.

CHASSIS
2--48 6100E 330255 (9--00)
TO REPLACE SMALL STEERING SPROCKET
FOR SAFETY: Before Leaving Or
Servicing Machine; Stop On Level
Surface, Set Parking Brake.
1. Jack up the front of the machine at the jack
point. Install jack stands under the machine
frame.
2. Turn the steering wheel all the way to the
left.
3. Go to the operators compartment and locate
the two hex screws holding the steering
bearing housing to the machine frame.
Loosen the two screws and push the bearing
housing back in the slots. This will loosen
the steering chain.

CHASSIS
2--49
6100E 330255 (9--00)
4. Go under the machine and locate the small
steering chain sprocket.
5. Locate the master link on the steering chain.
Remove the master link from the steering
chain.
6. Loosen the set screw holding the small
steering sprocket to the bottom of the short
steering shaft. Remove and discard the
small sprocket. Retain the woodruff key.
7. Install the new small sprocket and woodruff
key onto the steering shaft. The teeth of the
new sprocket face down. Position the
sprocket in the same location as the old one.
Tighten the two set screws tight.

CHASSIS
2--50 6100E 330255 (9--00)
8. Place the steering chain around the new
sprocket. Reinstall the master link.
9. Turn the steering wheel all the way to the left
and then to the right. Find the point in the
rotation where the steering chain is the most
tight.
10. Push the bearing housing forward in the
slots. This will remove any excess slack in
the steering chain. Tighten the two hex
screws to 37 -- 48 Nm (26 -- 34 ft lb).
11. Remove the jack stands and lower the
machine to the floor. Operate the machine
and check the steering for proper operation.

CHASSIS
2--51
6100E 330255 (9--00)
TO REPLACE LARGE STEERING SPROCKET
FOR SAFETY: Before Leaving Or
Servicing Machine; Stop On Level
Surface, place blocks in front and back
of the rear tires.
1. Jack up the front of the machine at the jack
point. Install jack stands under the machine
frame.
2. Turn the steering wheel all the way to the
left.
3. Go to the operators compartment and locate
the two hex screws holding the steering
bearing housing to the machine frame.
Loosen the two screws and push the bearing
housing back in the slots. This will loosen
the steering chain.

CHASSIS
2--52 6100E 330255 (9--00)
4. Locate the master link on the steering chain.
Remove the master link from the steering
chain. Remove the steering chain from the
machine.
5. Remove the front tire assembly. See TO
REMOVE FRONT TIRE AND WHEEL
instructions in this section.
6. Go under the machine and locate the short
brake rod coming through the center of the
wheel support bearing assembly. Disconnect
the clevis end of the short brake cable
where it attaches to the brake lever.
7. Remove the four hex screws holding the
wheel support and large sprocket to the
pivot bearing assembly. Drop the wheel
support and large sprocket out of the
machine.

CHASSIS
2--53
6100E 330255 (9--00)
8. Remove the large sprocket from the wheel
support. Discard the sprocket.
9. Position the new large steering sprocket
onto the wheel support. Make sure the
locating pin on the wheel support is inserted
in the locating pin hole in the new sprocket.
10. Position the wheel support and sprocket
assembly into the machine. Line up the
mount holes in the wheel support and
sprocket with the threaded holes in the
bottom of the pivot bearing assembly.
Reinstall the four screws and tighten to
64 -- 83 Nm (47 -- 61 ft lb).
11. Reconnect the short brake rod to the brake
lever.

CHASSIS
2--54 6100E 330255 (9--00)
12. Reinstall the front wheel assembly. See TO
INSTALL FRONT TIRE AND WHEEL
instructions in this section.
13. Reinstall the steering chain onto both
steering sprockets. Reinstall the master link.
14. Turn the steering wheel all the way to the left
and then to the right. Find the point in the
rotation where the steering chain is the most
tight.
15. Push the bearing housing forward in the
slots. This will remove any excess slack in
the steering chain. Tighten the two hex
screws to 37 -- 48 Nm (26 -- 34 ft lb).
16. Remove the jack stands and lower the
machine to the floor. Operate the machine
and check the steering for proper operation.

CHASSIS
2--55
6100E 330255 (9--00)
TO REPLACE FRONT WHEEL HOUSING
NEEDLE BEARING/THRUST WASHERS
FOR SAFETY: Before Leaving Or
Servicing Machine; Stop On Level
Surface, place blocks in front and back
of the rear tires.
1. Jack up the front of the machine at the jack
point. Install jack stands under the machine
frame.
2. Turn the steering wheel all the way to the
left.
3. Go to the operators compartment and locate
the two hex screws holding the steering
bearing housing to the machine frame.
Loosen the two screws and push the bearing
housing back in the slots. This will loosen
the steering chain.

CHASSIS
2--56 6100E 330255 (9--00)
4. Locate the master link on the steering chain.
Remove the master link from the steering
chain. Remove the steering chain from the
machine.
5. Disconnect the drive motor from the main
harness.
6. Go to the operators compartment and locate
the clevis pin holding the brake pedal
assembly to the floor plate. Remove the
clevis pin and tension spring from the brake
pedal.
7. Pull the brake pedal up and disconnect the
clevis end of the short brake rod where it
attaches to the brake pedal assembly.

CHASSIS
2--57
6100E 330255 (9--00)
8. Support the front drive assembly with a jack
or blocks. Remove the four button head
screws holding the front drive assembly in
the machine. Lower the drive assembly
down and out of the machine.
9. Remove the small thread roller screw
holding the castle nut to the pivot shaft.
Remove the castle nut and flat washer.
10. Pull the cone bearing out of the swivel plate.
11. Pull the swivel plate off the swivel plate
weldment. Make sure to retain the rubber
seal ring.

CHASSIS
2--58 6100E 330255 (9--00)
12. Remove and discard the upper thrust
washer. Remove and discard the needle
bearing and lower thrust washer.
13. Install the new thrust washer onto the swivel
plate weldment.
14. Grease the new needle bearing and position
on top of the new thrust washer. Install the
second thrust washer on top of the needle
bearing.
15. Reinstall the swivel plate onto the swivel
plate weldment. Make sure the rubber seal
ring is in place on the swivel plate before
installing.
16. Reinstall the cone bearing in the swivel
plate. Grease the bearing if needed.
17. Reinstall the large flat washer and castle
nut. Tighten to 37 -- 48 Nm (26 -- 34 ft. lb).
Reinstall the small thread roller into the
cross hole. Back off the castle nut if needed
to align cross hole.

CHASSIS
2--59
6100E 330255 (9--00)
18. Use a floor jack to reinstall the front drive
assembly in the machine.
19. Line up the four threaded holes in the swivel
plate weldment with the mount holes in the
machine frame. Reinstall the four button
head screws and tighten to 64 -- 83 Nm
(47 -- 61 ft lb). Make sure the drive motor is
facing the front of the machine.
20. Reinstall the steering chain onto both
steering sprockets. Reinstall the master link.
21. Go back to the operators compartment.
Push the steering housing forward in the
slots. This will remove any slack in the
steering chain. Tighten the two hex screws
to 37 -- 48 Nm (26 -- 34 ft lb).

CHASSIS
2--60 6100E 330255 (9--00)
22. Reconnect the drive motor to the main
harness.
23. Reconnect the short brake rod to the brake
pedal.
24. Reinstall the brake pedal and clevis pin.
25. Remove the jack stands and lower the
machine to the floor. Operate the machine
and check the steering for proper operation.

CHASSIS
2--61
6100E 330255 (9--00)
TO REPLACE FRONT WHEEL HOUSING
CONE BEARING
FOR SAFETY: Before Leaving Or
Servicing Machine; Stop On Level
Surface, place blocks in front and back
of the rear tires.
1. Jack up the front of the machine at the jack
point. Install jack stands under the machine
frame.
2. Turn the steering wheel all the way to the
left.
3. Go to the operators compartment and locate
the two hex screws holding the steering
bearing housing to the machine frame.
Loosen the two screws and push the bearing
housing back in the slots. This will loosen
the steering chain.

CHASSIS
2--62 6100E 330255 (9--00)
4. Locate the master link on the steering chain.
Remove the master link from the steering
chain. Remove the steering chain from the
machine.
5. Disconnect the drive motor from the main
harness.
6. Go to the operators compartment and locate
the clevis pin holding the brake pedal
assembly to the floor plate. Remove the
clevis pin and tension spring from the brake
pedal.
7. Pull the brake pedal up and disconnect the
clevis end of the short brake rod where it
attaches to the brake pedal assembly.

CHASSIS
2--63
6100E 330255 (9--00)
8. Support the front drive assembly with a jack
or blocks. Remove the four button head
screws holding the front drive assembly in
the machine. Lower the drive assembly
down and out of the machine.
9. Remove the small thread roller screw
holding the castle nut to the pivot shaft.
Remove the castle nut and flat washer.
10. Pull the cone bearing out of the swivel plate.
11. Grease the new cone bearing. Reinstall the
cone bearing into the swivel plate.
12. Reinstall the large flat washer and castle
nut. Tighten to 37 -- 48 Nm (26 -- 34 ft. lb).
Reinstall the small thread roller into the
cross hole. Back off the castle nut if needed
to align cross hole.

CHASSIS
2--64 6100E 330255 (9--00)
13. Use a floor jack to reinstall the front drive
assembly in the machine.
14. Line up the four threaded holes in the swivel
plate weldment with the mount holes in the
machine frame. Reinstall the four button
head screws and tighten to 64 -- 83 Nm (47
-- 6 1 f t l b ) . Make sure the drive motor is
facing the front of the machine.
15. Reinstall the steering chain onto both
steering sprockets. Reinstall the master link.
16. Go back to the operators compartment.
Push the steering housing forward in the
slots. This will remove any slack in the
steering chain. Tighten the two hex screws
to 37 -- 48 Nm (26 -- 34 ft lb).

CHASSIS
2--65
6100E 330255 (9--00)
17. Reconnect the drive motor to the main
harness.
18. Reconnect the short brake rod to the brake
pedal.
19. Reinstall the brake pedal and clevis pin.
20. Remove the jack stands and lower the
machine to the floor. Operate the machine
and check the steering for proper operation.

CHASSIS
2--66 6100E 330255 (9--00)

SWEEPING
3--1
6100E 330255 (6--01)
CONTENTS
Page
INTRODUCTION 3--2........................
DEBRIS HOPPER 3--3....................
TO REMOVE HOPPER 3--4............
TO INSTALL HOPPER 3--5.............
HOPPER DUST FILTER 3--6..............
TO REPLACE HOPPER DUST
FILTER 3--7........................
MAIN BRUSH 3--10.......................
TO REPLACE MAIN BRUSH 3--10.......
CHECKING AND ADJUSTING MAIN
BRUSH PATTERN 3--13.............
MAIN BRUSH BELT 3--15..............
TO REPLACE MAIN BRUSH DRIVE
BELT 3--15.........................
TO REPLACE MAIN BRUSH IDLER
PLUG BEARING 3--18..............
TO REPLACE MAIN BRUSH DRIVE
PLUG BEARINGS 3--21.............
TO REPLACE MAIN BRUSH DRIVE
BELT IDLER PULLEY 3--26..........
SIDE BRUSH 3--29.......................
TO REPLACE SIDE BRUSH 3--30.......
SIDE BRUSH GUARD 3--32............
SIDE BRUSH PIVOT 3--32.............
TO REPLACE SIDE BRUSH LIFT
CABLE 3--33.......................
SKIRTS AND SEALS 3--35................
REAR SKIRT 3--35....................
SIDE SKIRTS 3--36....................
TO ADJUST SIDE SKIRTS 3--36........
LARGE DEBRIS TRAP SKIRT 3--38.....
TO ADJUST FRONT FLAP SKIRT 3--38..
HOPPER SEALS 3--39.................
TO ADJUST RECIRCULATING
SKIRT CAM. 3--40..................
VACUUM FAN 3--42......................
VACUUM FAN BELT 3--42..............
TO REPLACE VACUUM FAN
DRIVE BELT 3--43..................
TO TENSION VACUUM FAN
DRIVE BELT 3--46..................
TO REPLACE VACUUM FAN
IMPELLER 3--48....................
TO REPLACE VACUUM FAN
IMPELLER BEARINGS 3--53.........
MACHINE TROUBLESHOOTING 3--60.....

SWEEPING
3--2 6100E 330255 (9--00)
INTRODUCTION
This section includes information on the sweeping
operation of the model 6100E. The side brush
sweeps debris in front of the machine and the
main brush sweeps the debris into the hopper.
The vacuum fan pulls air from the hopper and
through the dust filter.

SWEEPING
3--3
6100E 330255 (9--00)
DEBRIS HOPPER
The hopper is located in the rear of the machine
under the battery compartment. The hopper rolls
in and out of position and rests in grooves that
hold the hopper in place.
The hopper is held in operating position with a
retaining clip.
NOTE: Check that the hopper retaining clip is
securely in place each time before operating
machine.

SWEEPING
3--4 6100E 330255 (9--00)
TO REMOVE HOPPER
FOR SAFETY: Before Leaving Or
Servicing Machine; Stop On Level
Surface, Set Parking Brake.
1. Go to the back of the machine.
2. Grasp the hopper retainer clip. Turn the
retainer clip out of the way of the hopper lip.
3. Grasp the hopper handle. Pull up slightly
then pull out on the hopper.
4. Remove the hopper from the machine.

SWEEPING
3--5
6100E 330255 (9--00)
TO INSTALL HOPPER
FOR SAFETY: Before Leaving Or
Servicing Machine; Stop On Level
Surface, Set Parking Brake.
1. Position the hopper into the back of the
machine.
2. Push the hopper in until it is flush with the
back of the machine frame.
3. Rotate the retainer clip down to lock the
hopper in the machine.

SWEEPING
3--6 6100E 330255 (9--00)
HOPPER DUST FILTER
The Instant Accessthopper filter filters the air
pulled up from the hopper. The dust filter is
equipped with a shaker to remove the
accumulated dust particles. The dust filter shaker
is operated by the main brush, vacuum and filter
shaker switch.
Shake the dust filter before emptying the hopper
and at the end of every work shift. Check and
clean or replace the dust filter after every 100
hours of operation.
To clean the Instant Accesstfilter, use one of the
following methods:
DSHAKING -- Press and hold the main brush,
vacuum and filter shaker switch to the Filter
shaker position.
DTAPPING -- Remove the filter and tap the
filter gently on a flat surface with the dirty
side down. Do not damage the edges of the
filter element and seals, or the filter will not
seat properly in the filter frame.
DAIR -- Blow air through the dust filter,
opposite the direction of the arrows. This
may be done with the dust filter in the
machine. Always wear eye protection when
using compressed air.
FOR SAFETY: When servicing machine,
wear eye and ear protection if using
pressurized air or water.
DWATER -- Soak the dust filter in a water and
mild detergent solution. Rinse the dust filter
until it is clean. Air dry the wet dust filter; do
not use compressed air to dry a wet filter.
NOTE: Be sure the dust filter is completely dry
before reinstalling it in the machine.

SWEEPING
3--7
6100E 330255 (9--00)
TO REPLACE HOPPER DUST FILTER
FOR SAFETY: Before Leaving Or
Servicing Machine; Stop On Level
Surface, Set Parking Brake.
1. Remove the debris hopper from the
machine.
2. Un--latch the two filter pivot latches at the
rear of the machine.
3. Let the hooper filter pivot down.

SWEEPING
3--8 6100E 330255 (9--00)
4. Disconnect the wires leading to the filter
shaker.
NOTE: Apply pressure between the shaker
solenoid terminals when removing the wires.
5. Remove the filter from the filter tray.
6. Pull back on the tension spring located on
the shaker assembly. Cut the plastic ties
holding the shaker to the filter.
7. Remove the filter shaker assembly from the
filter.
8. Install the filter shaker assembly onto the
new filter. Make sure the pin on the shaker
assembly is inserted in the hole in the filter
shaker comb.

SWEEPING
3--9
6100E 330255 (9--00)
9. Make sure the filter shaker assembly is
installed properly, the edge of the shaker
should be between the filter and the filter
seal.
10. Reinstall the filter assembly into the filter
tray.
11. Reconnect the wires to the filter shaker.
12. Pivot the filter tray up and re--latch the
latches.
13. Reinstall the debris hopper and lock the
retainer bracket.

SWEEPING
3--10 6100E 330255 (9--00)
MAIN BRUSH
The main brush is cylindrical and spans the width
of the machine, sweeping debris into the hopper.
Check the brush daily for wear or damage.
Remove any string or wire tangled on the main
brush, main brush drive hub, or main brush idler
hub.
Check the main brush pattern weekly. The pattern
should be 50 to 75 mm (2 to 3 in) wide with the
main brush in the lowered position.
Rotate the main brush end-for-end after every 50
hours of operation for maximum brush life and
best sweeping performance.
Replace the main brush when the remaining
bristles measure 25 mm (1 in) in length.
TO REPLACE MAIN BRUSH
FOR SAFETY: Before Leaving Or
Servicing Machine; Stop On Level
Surface, Set Parking Brake.
1. Stop the machine, set the parking brake and
turn the machine power off.
FOR SAFETY: Before leaving or
servicing machine, stop on level
surface, set parking brake, turn off
machine, and remove key.
2. Open the left side main brush access door.

SWEEPING
3--11
6100E 330255 (9--00)
3. Loosen the idler arm mounting knob and
three other side skirt mounting knobs.
Remove the brush idler arm assembly.
4. Grasp the main brush; pull it off the brush
drive plug and out of the main brush
compartment.
5. Put the new or rotated end-for-end main
brush on the floor next to the access door.
6. Slide the main brush onto the drive plug.
Rotate the brush until it engages the drive
plug, and push it all the way onto the plug.

SWEEPING
3--12 6100E 330255 (9--00)
7. Check that the recirculation skirt is tucked in
behind the frame.
8. Slide the main brush idler arm plug onto the
main brush.
9. Secure the idler arm on the bolts. Hand
tighten the mounting knobs.
10. Close the main brush access door.

SWEEPING
3--13
6100E 330255 (9--00)
CHECKING AND ADJUSTING MAIN BRUSH
PATTERN
1. Apply chalk, or some other material that will
not blow away easily, to a smooth, level
floor.
2. Raise the side brush and main brush and
position the main brush over the chalked
area.
3. Start and lower the main brush for 15 to 20
seconds while keeping a foot on the brakes
to keep the machine from moving.
NOTE: If chalk or other material is not available,
allow the brushes to spin on the floor for two
minutes. A polish mark will remain on the floor.
4. Raise the main brush.
5. Drive the machine off the test area.

SWEEPING
3--14 6100E 330255 (9--00)
6. Observe the width of the brush pattern. The
proper brush pattern width is 50 to 75 mm
(2to3in).
The brush taper is factory set and should not
need adjustment unless parts of the brush
system have been replaced.
If the main brush pattern is tapered,
more than 15 mm (0.5 in) on one end
than the other, adjust the taper as
follows:
1. Loosen the brush shaft bearing bracket
mounting bolt and the idler arm securing
head.
2. Allow the brush to operate and float into
position for approximately 30 seconds.
3. Tighten the adjustment bolt and idler arm
securing knob.
4. Check the main brush pattern and readjust
as necessary.

SWEEPING
3--15
6100E 330255 (9--00)
MAIN BRUSH BELT
Check the main brush belt for wear after every
200 hours of operation. The idler keeps tension on
the belt. The tension is set manually.
WARNING: Moving belt and fan. Keep
away.
TO REPLACE MAIN BRUSH DRIVE BELT
FOR SAFETY: Before Leaving Or
Servicing Machine; Stop On Level
Surface, Set Parking Brake.
1. Remove the four screws holding the right
hand brush door to the machine frame.
Remove the right hand side brush door.
2. Locate the main brush drive belt idler pulley
between the small motor drive pulley and the
larger brush pulley.

SWEEPING
3--16 6100E 330255 (9--00)
3. Loosen the hex nut in the center of the idler
pulley.
4. Push the idler pulley back in the slot.
5. Remove the main brush drive belt from the
two remaining pulleys. Remove and discard
the old drive belt.
6. Position the new main brush drive belt onto
the motor and brush drive pulleys.
7. Move the idler pulley forward in the slot until
the belt is tight. Tighten the hex nut to
18 -- 24 Nm (15 -- 20 ft lb).

SWEEPING
3--17
6100E 330255 (9--00)
8. Reinstall the right hand side brush door.
9. Operate the machine and check the main
brush for proper operation.

SWEEPING
3--18 6100E 330255 (9--00)
TO REPLACE MAIN BRUSH IDLER PLUG
BEARING
FOR SAFETY: Before Leaving Or
Servicing Machine; Stop On Level
Surface, Set Parking Brake.
1. Open the left hand side brush door.
2. Remove the main brush idler mount plate.
See TO REPLACE MAIN BRUSH
instructions in this sections.
3. Remove the hex screw, nut, and washer
holding the idler plug assembly to the brush
lift plate.

SWEEPING
3--19
6100E 330255 (9--00)
4. Remove the idler plug assembly from the lift
plate.
5. Remove the four hex screws holding the
bearing retainer to the idler plug. Remove
the retainer.
6. Remove and discard the idler ball bearing
from the idler plug.
7. Position the new ball bearing into the idler
plug.
8. Reinstall the bearing retainer plate on the
idler plug. Reinstall the four screws and
tighten to 8 -- 10 Nm (6 -- 7 ft lb).

SWEEPING
3--20 6100E 330255 (9--00)
9. Reinstall the idler plug assembly onto the
brush lift plate. Reinstall the hex screw,
washer, and nyloc nut. Tighten to
37 -- 48 Nm (26 -- 34 ft lb).
10. Reinstall the main brush idler mount plate.
See TO REPLACE MAIN BRUSH
instructions in this sections.
11. Close the left hand side brush door.
12. Operate the machine and check the main
brush for proper operation.

SWEEPING
3--21
6100E 330255 (9--00)
TO REPLACE MAIN BRUSH DRIVE PLUG
BEARINGS
FOR SAFETY: Before Leaving Or
Servicing Machine; Stop On Level
Surface, Set Parking Brake.
1. Jack up the front of the machine at the jack
points. Install jack stands under the machine
frame.
2. Open the left hand side brush door.
3. Remove the main brush idler mount plate
and main brush. See TO REPLACE MAIN
BRUSH instructions in this sections.
4. Remove the right hand brush door.

SWEEPING
3--22 6100E 330255 (9--00)
5. Remove the main brush drive belt. See TO
REPLACE MAIN BRUSH DRIVE BELT
instructions in this section.
6. Hold the main brush V--belt pulley (large
one) from turning. Remove the large nut
from the center of this pulley. NOTE: THIS
IS A LEFT HAND THREAD NUT.
7. Remove the main brush V--belt pulley
(larger one) from the main brush shaft. Make
sure to retain the washer from behind the
pulley.
8. Hold the main brush drive plug from turning.
Remove the large nut from the center of the
drive plug. NOTE: THIS IS A LEFT HAND
THREAD NUT.
9. Remove the main brush idler plug assembly
from the main brush shaft.

SWEEPING
3--23
6100E 330255 (9--00)
10. Reinstall the nut on the outside of the main
brush shaft.
11. Use a hammer to lightly tap on the end of
the shaft with the nut reinstalled. Tap on the
shaft until the inner bearing is out of the
housing.
12. Remove the nut from the main brush shaft.
Remove the shaft and bearing from the
machine.
13. Use a long screw driver or punch to remove
the remaining outer bearing from the main
brush housing. Discard the bearing.
14. Use an arbor press to remove the bearing
from the main brush shaft. Discard the
bearing.
15. Install one new bearing onto the main brush
shaft.
16. Install one new bearing into the outer side of
the main brush housing.
17. Install the new bearing and main brush shaft
assembly into the main brush housing.
Install one of the nuts onto the outside of the
main brush shaft. Use a hammer to lightly
tap the bearing and shaft into the housing.
18. Reinstall the main brush drive plug onto the
main brush shaft on the inside. Reinstall the
left hand nut. Hand tighten tight. Make sure
the large washer is in place behind the brush
plug.

SWEEPING
3--24 6100E 330255 (9--00)
19. Reinstall the washer and V--belt pulley onto
the outside of the main brush shaft. Reinstall
the left hand nut. Tighten to 52 -- 67 Nm
(39 -- 51 ft lb).
20. Reinstall the main brush drive belt. See TO
REPLACE MAIN BRUSH DRIVE BELT
instructions in this section.
21. Reinstall the main brush. See TO REPLACE
MAIN BRUSH instructions in this sections.
22. Reinstall the right hand brush door and close
the left hand brush door.

SWEEPING
3--25
6100E 330255 (9--00)
23. Remove the jack stands and lower the
machine.
24. Operate the machine and check the main
brush for proper operation.

SWEEPING
3--26 6100E 330255 (9--00)
TO REPLACE MAIN BRUSH DRIVE BELT
IDLER PULLEY
FOR SAFETY: Before Leaving Or
Servicing Machine; Stop On Level
Surface, Set Parking Brake.
1. Remove the four screws holding the right
hand brush door to the machine frame.
Remove the right hand side brush door.
2. Locate the main brush drive belt idler pulley
between the small jackshaft pulley and the
larger brush pulley.
3. Loosen the hex nut in the center of the idler
pulley.

SWEEPING
3--27
6100E 330255 (9--00)
4. Push the idler pulley back in the slot.
5. Remove the main brush drive belt from the
two remaining pulleys.
6. Remove the hex nut in the center of the idler
pulley. Remove and discard the pulley.
7. Install the new idler pulley onto the hex bolt.
Reinstall the hex nut. Leave loose for now.

SWEEPING
3--28 6100E 330255 (9--00)
8. Reinstall the V--belt around the two drive
pulleys and on top of the idler pulley.
9. Push down on the idler pulley until the belt is
tight. Tighten the pulley nut to 18 -- 24 Nm
(15 -- 20 ft lb).
10. Reinstall the right hand side brush door.
11. Operate the machine and check the main
brush for proper operation.

SWEEPING
3--29
6100E 330255 (9--00)
SIDE BRUSH
The side brush sweeps debris along edges into
the path of the main brush.
Check the brush daily for wear or damage.
Remove any string or wire found tangled on the
side brush or side brush drive hub.
Check the side brush pattern daily. The side brush
bristles should contact the floor in a 10 o’clock to
3 o’clock pattern when the brush is in motion.
Adjust the side brush pattern by loosening the hex
screw located above the side brush cable pulley in
the front of the operators compartment. Move the
pulley mount bracket up or down to achieve the
proper side brush pattern. Retighten the hex
screw.
The side brush should be replaced when it no
longer sweeps effectively for your application. A
guideline length is when the remaining bristles
measure 50 mm (2 in) in length. You may need to
replace the side brush sooner if you are sweeping
light litter or use a brush with shorter bristles if you
are sweeping heavy debris.

SWEEPING
3--30 6100E 330255 (9--00)
TO REPLACE SIDE BRUSH
1. Stop the machine, set the parking brake and
turn the machine power off.
FOR SAFETY: Before Leaving Or
Servicing Machine; Stop On Level
Surface, Set Parking Brake.
2. Remove the side brush retaining pin from
the side brush drive shaft by pulling the pin
keeper off over the end of the pin.
3. Slide the side brush off the side brush drive
shaft.
4. Slide the new side brush onto the side brush
drive shaft.

SWEEPING
3--31
6100E 330255 (9--00)
5. Insert the side brush retaining pin through
the side brush hub and shaft.
6. Secure the pin by clipping the pin keeper
over the end of the pin.
7. Adjust the side brush pattern by loosening
the hex screw located above the side brush
cable pulley in the front of the operators
compartment.
8. Move the pulley mount bracket up or down
to achieve the proper side brush pattern.
Retighten the hex screw.

SWEEPING
3--32 6100E 330255 (9--00)
SIDE BRUSH GUARD
Check the side brush guard after every 200 hours
of operation. Replace the brush guard after it
begins to show serious wear.
SIDE BRUSH PIVOT
The side brush pivot should be checked for
excessive movement after every 200 hours of
operation. Torque the front and rear compression
springs to reduce excessive movement.

SWEEPING
3--33
6100E 330255 (9--00)
TO REPLACE SIDE BRUSH LIFT CABLE
FOR SAFETY: Before Leaving Or
Servicing Machine; Stop On Level
Surface, Set Parking Brake.
1. Lower the side brush handle.
2. Go under the front of the machine near the
side brush. Locate the side brush lift cable
clevis under the brush pivot hex nut.
Remove the nut only. Pull the side brush lift
cable off the hex screw.
3. Go to the operators compartment. Remove
the three cable pulleys, sleeves, and cable
clips from the side brush lift assembly. Note
the orientation of the cable clips for proper
re--assembly.

SWEEPING
3--34 6100E 330255 (9--00)
4. Go up under the instrument panel and
remove the hex screw and nut holding the
end of the side brush lift cable to the lift
handle. Remove the side brush lift cable
from the machine.
5. Route the new side brush lift cable in the
machine.
6. Reinstall the three cable pulleys, sleeves,
and cable clips. Make sure the cable clips
are in the correct orientation. Tighten the
hardware to 18 -- 24 Nm (15 -- 20 ft lb).
7. Connect the new side brush lift cable to the
side brush pivot screw. Hand tighten the hex
nut. Cable should pivot on the hardware.
8. Raise the side brush.

SWEEPING
3--35
6100E 330255 (9--00)
SKIRTS AND SEALS
REAR SKIRT
The two rear skirts are located on the bottom rear
of the main brush compartment. The vertical skirt
should clear the floor up to 2 mm (0.09 in). The
recirculation skirt requires no adjustment.
Check the skirts for wear or damage and
adjustment daily.
NOTE: The recirculation skirt must be folded in
between the brush and the machine frame before
the brush door is mounted on for the machine to
work properly.

SWEEPING
3--36 6100E 330255 (6--01)
SIDE SKIRTS
Thesideskirtsarelocatedonbothsidesofthe
main brush compartment. The skirts should clear
the floor up to 5 mm.
Check the skirts for wear or damage daily.
TO ADJUST SIDE SKIRTS
FOR SAFETY: Before Leaving Or
Servicing Machine; Stop On Level
Surface, Set Parking Brake.
1. Open the LH brush door .
2. Remove the RH brush door.

SWEEPING
3--37
6100E 330255 (9--00)
3. Loosen the hardware holding the side skirts
to the frame.
4. Place a flat washer under the bottom edge
of the skirts. Make sure the skirt is touching
the washer. Tighten the hardware to
560Ncm.
5. Close the LH brush door.
6. Reinstall the RH brush door.

SWEEPING
3--38 6100E 330255 (9--00)
LARGE DEBRIS TRAP SKIRT
The large debris trap skirt is located along the
front of the main brush. This skirt is raised and
lowered by the large debris trap pedal, allowing
larger debris to be trapped and swept up into the
hopper.
This skirt should be adjusted so it touches the
floor and is curled back, toward the main brush
(curl back should be 3/4 inch =/-- 1/4 inch).
Sweeping performance will be adversely affected
if this skirt does not contact the floor.
Check the skirt for wear or damage after every
100 hours of operation.
TO ADJUST FRONT FLAP SKIRT
FOR SAFETY: Before Leaving Or
Servicing Machine; Stop On Level
Surface, Set Parking Brake.
1. The front flap skirt must roll to the rear of the
machine .75 in (3/4 in) +/-- .125 in (1/8 in)

SWEEPING
3--39
6100E 330255 (6--01)
HOPPER SEALS
The hopper seals are located along the back of
the main brush. The hopper rests on the seals
when the hopper is setting in proper sweeping
position.
Check the seals for wear or damage after every
100 hours of operation.
The upper hopper seal is located above the
hopper on the bottom of the filter weldment.
Check the seal for wear or damage after every
100 hours of operation.

SWEEPING
3--40 6100E 330255 (9--00)
TO ADJUST RECIRCULATING SKIRT CAM.
FOR SAFETY: Before Leaving Or
Servicing Machine; Stop On Level
Surface, Set Parking Brake.
1. Pull the brush lift handle forward.
2. Lift the recirculation cam until it hits the
frame.
3. Slowly lower the brush lift handle to the
down position.

SWEEPING
3--41
6100E 330255 (9--00)
4. If the cam follows the lever, do NOT adjust.
5. If the lever does not lower, Loosen the
hardware and move the lever.
NOTE: The lever must not move to the front of
the cam.

SWEEPING
3--42 6100E 330255 (9--00)
VACUUM FAN
The vacuum system pulls dust and air into the
hopper through the Instant Accesstfilter. The
vacuum fan is driven off the engine jack shaft.
VACUUM FAN BELT
Check the vacuum fan belt tension and wear after
every 200 hours of operation. The correct tension
is when the belt deflects 8.38 mm (0.33 in) from a
force of .42 kg (.90 to .95 lb) at belt midpoint.
WARNING: Moving belt and fan. Keep
away.

SWEEPING
3--43
6100E 330255 (9--00)
TO REPLACE VACUUM FAN DRIVE BELT
FOR SAFETY: Before Leaving Or
Servicing Machine; Stop On Level
Surface, Set Parking Brake.
1. To access the vacuum fan drive belt, remove
the right hand side panel. Start by lifting up
on the panel, pop the brush lift slot over the
black knob, then move the panel backward
and off the machine.
2. Remove the four screws holding the right
hand brush door to the machine frame.
Remove the right hand side brush door.
3. Loosen the four hex screws holding the
vacuum fan housing to the machine frame.

SWEEPING
3--44 6100E 330255 (9--00)
4. Push the vacuum fan assembly forward in
the slots to loosen the vacuum fan V--belt.
5. Remove the two hex screws holding the
cover over the V--belt pulley. Remove the
cover.
6. Remove the vacuum fan V--belt from both
pulleys. Remove the old V--belt from the
machine.
7. Install the new vacuum fan V--belt over both
pulleys.

SWEEPING
3--45
6100E 330255 (9--00)
8. Pull the vacuum fan assembly toward the
back of the machine to tighten the V--belt.
The correct tension is when the belt deflects
8.38 mm (0.33 in) from a force of .42 kg (.90
to .95 lb) at belt midpoint. Tighten the
screws hand tight.
9. Reinstall the V--belt cover. Tighten the two
screws hand tight.
10. Reinstall the right hand side brush door.
11. Reinstall the right hand machine cover.
12. Operate the machine. Check the vacuum
fan for proper operation.

SWEEPING
3--46 6100E 330255 (9--00)
TO TENSION VACUUM FAN DRIVE BELT
FOR SAFETY: Before Leaving Or
Servicing Machine; Stop On Level
Surface, Set Parking Brake.
1. To access the vacuum fan drive belt, remove
the right hand side panel. Start by lifting up
on the panel, pop the brush lift slot over the
black knob, then move the panel backward
and off the machine.
2. Loosen the four hex screws holding the
vacuum fan housing to the machine frame.
3. Pull the vacuum fan assembly toward the
back of the machine to tighten the V--belt.
The correct tension is when the belt deflects
8.38 mm (0.33 in) from a force of .42 kg
(.90 to .95 lb) at belt midpoint.

SWEEPING
3--47
6100E 330255 (9--00)
4. Tighten the four mounts screws hand tight.
5. Reinstall the right hand machine cover.
6. Operate the machine. Check the vacuum
fan for proper operation.

SWEEPING
3--48 6100E 330255 (9--00)
TO REPLACE VACUUM FAN IMPELLER
FOR SAFETY: Before Leaving Or
Servicing Machine; Stop On Level
Surface, Set Parking Brake.
1. To access the vacuum fan drive belt, remove
the right hand side panel. Start by lifting up
on the panel, pop the brush lift slot over the
black knob, then move the panel backward
and off the machine.
2. Loosen the four hex screws holding the
vacuum fan housing to the machine frame.
3. Push the vacuum fan assembly forward in
the slots to loosen the vacuum fan V--belt.

SWEEPING
3--49
6100E 330255 (9--00)
4. Remove the two hex screws holding the
cover over the V--belt pulley. Remove the
cover.
5. Remove the vacuum fan V--belt from the
vacuum fan sheave.
6. Remove the four hex nuts holding the
vacuum fan assembly to the machine.
Remove the assembly from the machine.
Make sure to retain the two steel sleeves
from the bottom two hex screws.
7. Place the assembly on a work bench with
the vacuum fan inlet plate facing up.

SWEEPING
3--50 6100E 330255 (9--00)
8. Remove the five hex screws and nuts
holding the vacuum fan inlet plate to the
bearing housing plate. Remove the inlet
plate from the housing. Make sure to retain
the five steel sleeves.
9. Remove the nyloc nut holding the vacuum
fan impeller to the fan shaft. Pull the impeller
off the shaft. Make sure to retain the square
key.
10. Install the new vacuum fan impeller onto the
fan shaft. Make sure to reinstall the square
key on the fan shaft.
11. Reinstall the nyloc nut onto the fan shaft.
Tighten to 11 -- 14 Nm (7 -- 10 ft lb).

SWEEPING
3--51
6100E 330255 (9--00)
12. Reinstall the vacuum fan inlet plate onto the
bearing housing plate. Reinstall the five steel
sleeves, hex screws, and nuts. Center the
hole in the plate over the impeller fins.
Tighten the hardware to 18 -- 24 Nm
(15 -- 20 ft lb).
13. Position the vacuum fan assembly onto the
right side off the machine. Reinstall the four
hex screws and nuts. Make sure to install
the two steel sleeves on the bottom two hex
screws. Leave the hardware loose for now.
14. Install the vacuum fan V--belt over the
vacuum fan sheave.
15. Pull the vacuum fan assembly toward the
back of the machine to tighten the V--belt.
The correct tension is when the belt deflects
8.38 mm (0.33 in) from a force of .42 kg
(.90 to .95 lb) at belt midpoint.
16. Tighten the four mounts screws hand tight.

SWEEPING
3--52 6100E 330255 (9--00)
17. Reinstall the V--belt cover. Tighten the two
screws hand tight.
18. Reinstall the right hand machine cover.
19. Operate the machine. Check the vacuum
fan for proper operation.

SWEEPING
3--53
6100E 330255 (9--00)
TO REPLACE VACUUM FAN IMPELLER
BEARINGS
FOR SAFETY: Before Leaving Or
Servicing Machine; Stop On Level
Surface, Set Parking Brake.
1. To access the vacuum fan assembly,
remove the right hand side panel. Start by
lifting up on the panel, pop the brush lift slot
over the black knob, then move the panel
backward and off the machine.
2. Loosen the four hex screws holding the
vacuum fan housing to the machine frame.
3. Push the vacuum fan assembly forward in
the slots to loosen the vacuum fan V--belt.

SWEEPING
3--54 6100E 330255 (9--00)
4. Remove the two hex screws holding the
cover over the V--belt pulley. Remove the
cover.
5. Remove the vacuum fan V--belt from the
vacuum fan sheave.
6. Remove the four hex nuts holding the
vacuum fan assembly to the machine.
Remove the assembly from the machine.
Make sure to retain the two steel sleeves
from the bottom two hex screws.
7. Place the assembly on a work bench with
the vacuum fan inlet plate facing up.

SWEEPING
3--55
6100E 330255 (9--00)
8. Remove the five hex screws and nuts
holding the vacuum fan inlet plate to the
bearing housing plate. Remove the inlet
plate from the housing. Make sure to retain
the five steel sleeves.
9. Remove the nyloc nut holding the vacuum
fan impeller to the fan shaft. Pull the impeller
off the shaft. Make sure to retain the square
key.
10. Loosen the two set screws holding the
V--belt pulley to the fan shaft. Remove the
pulley.
11. Remove the four hex screws holding the
vacuum fan bearing assembly to the bearing
plate. Remove the bearing assembly.

SWEEPING
3--56 6100E 330255 (9--00)
12. Use a arbor press to remove the fan shaft
and two bearings from the housing.
13. Use the arbor press to install the new
bearings and spacer washer (between
bearings) into the housing. The short end of
fan shaft is on the side of housing with the
thin flange. The long end of fan shaft is on
the side of the housing with the wide flange.
NOTE: Make sure the bearings are pressed down
tight. The fan will be noisy if there is any play in
the bearings. The retaining rings must be tight to
the housing.
14. Reinstall the bearing housing onto the
bearing housing plate. The long end of the
shaft is on the side with the sound foam.
Reinstall the four hex screws and washers.
Tighten to 8 -- 10 Nm (6 -- 8 ft lb).

SWEEPING
3--57
6100E 330255 (9--00)
15. Reinstall the V--belt pulley on the short end
of the fan shaft. Therecessedsideofthe
pulley goes to the inside. Hand tighten the
set screws tight.
16. Reinstall the vacuum fan impeller onto the
fan shaft. Make sure to reinstall the square
key on the fan shaft.
17. Reinstall the nyloc nut onto the fan shaft.
Tighten to 11 -- 14 Nm (7 -- 10 ft lb).
18. Reinstall the vacuum fan inlet plate onto the
bearing housing plate. Reinstall the five steel
sleeves, hex screws, and nuts. Center the
hole in the plate over the impeller fins.
Tighten the hardware to 18 -- 24 Nm
(15 -- 20 ft lb).

SWEEPING
3--58 6100E 330255 (9--00)
19. Position the vacuum fan assembly onto the
right side off the machine. Reinstall the four
hex screws and nuts. Make sure to install
the two steel sleeves on the bottom two hex
screws. Leave the hardware loose for now.
20. Install the vacuum fan V--belt over the
vacuum fan sheave.
21. Pull the vacuum fan assembly toward the
back of the machine to tighten the V--belt.
The correct tension is when the belt deflects
8.38 mm (0.33 in) from a force of .42 kg
(.90 to .95 lb) at belt midpoint.
22. Tighten the four mounts screws hand tight.
23. Reinstall the V--belt cover. Tighten the two
screws hand tight.

SWEEPING
3--59
6100E 330255 (9--00)
24. Reinstall the right hand machine cover.
25. Operate the machine. Check the vacuum
fan for proper operation.

SWEEPING
3--60 6100E 330255 (8--98)
MACHINE TROUBLESHOOTING
Problem Cause Remedy
Excessive dusting Vacuum fan off Press the main brush, vacuum
and filter shaker switch to the on
position
Brush skirts and dust seals worn,
damaged, out of adjustment
Replace or adjust brush skirts or
dust seals
Hopper dust filter clogged Shake and/or clean or replace
dust filter
Vacuum hose damaged Replace vacuum hose
Vacuum fan failure Contact Tennant service
personnel
Poor sweeping performance Brush bristles worn Replace brushes
Main and side brushes not
adjusted properly
Adjust main and side brushes
Debris caught in main brush drive
mechanism
Remove debris from drive
mechanism
Main brush drive failure Contact Tennant service
personnel
Side brush drive failure Contact Tennant service
personnel
Hopper full Empty hopper
Hopper lip skirts worn or damaged Replace lip skirts
Wrong sweeping brush Contact Tennant representative
for recommendations
Large debris trap damaged Repair or replace large debris trap
No machine power Power kill switch on Turn kill switch clockwise until it
pops up. Turn machine off and on.
Low battery power Check and charge batteries
Hopper dust filter clogged Shake and/or clean or replace
dust filter
Low machine power Low battery power Check and charge batteries.
Machine does not propel Power kill switch on Turn kill switch clockwise until it
pops up. Turn machine off and on.
Low or dead batteries Check and charge batteries
Operator not in seat Sit in operator seat
Vacuum Wand does not
come on
Auto switch not adjusted Adjust switch
Low battery power Check and charge batteries
Wand holding bracket bent Straighten bracket

ELECTRICAL
4--1
6100E 330255 (6--01)
CONTENTS
Page
INTRODUCTION 4--3........................
ELECTRICAL SYSTEM 4--4...............
BATTERIES 4--4.........................
TO CHARGE BATTERIES 4--5..........
TO REPLACE BATTERIES 4--8.........
INSTRUMENT PANEL 4--12...............
TO ACCESS INSTRUMENT PANEL 4--12
TO REPLACE INSTRUMENT PANEL
CIRCUIT BREAKER 4--16........
ELECTRICAL PANEL 4--21................
TO ACCESS ELECTRICAL PANEL 4--21.
TO REPLACE PROPEL
CONTROLLER 4--24................
CIRCUIT BREAKERS 4--27.............
TO REPLACE ELECTRICAL PANEL
CIRCUIT BREAKER 4--28...........
FUSES 4--31..........................
TO REPLACE ELECTRICAL PANEL
40 AMP FUSE 4--31................
DIRECTIONAL PEDAL 4--34...............
TO REMOVE DIRECTIONAL PEDAL
ASSEMBLY 4--34................
TO INSTALL DIRECTIONAL PEDAL
ASSEMBLY 4--36...................
TO REPLACE DIRECTIONAL PEDAL
POTENTIOMETER 4--38.........
TO SET POTENTIOMETER
NEUTRAL 4--41....................
ELECTRIC MOTORS 4--44................
TO REPLACE FRONT DRIVE WHEEL
MOTOR 4--44...................
TO REPLACE MAIN BRUSH
MOTOR 4--52......................
TO REPLACE VACUUM FAN
MOTOR 4--59......................
TO REPLACE SIDE BRUSH
MOTOR 4--65......................
ELECTRICAL SCHEMATIC 4--68...........
WIRE HARNESS 4--70....................
TROUBLESHOOTING 4--73...............

ELECTRICAL
4--2 6100E 330255 (9--00)

ELECTRICAL
4--3
6100E 330255 (9--00)
INTRODUCTION
The 6100E electrical system consists of the
batteries, instrument panel, drive motor, switches,
relays, and circuit breakers.

ELECTRICAL
4--4 6100E 330255 (6--01)
ELECTRICAL SYSTEM
The model 6100E is a battery powered, all electric
machine. The batteries are used to power the
front drive motor, vacuum fan motor, main brush
motor, side brush motor, and the filter shaker.
BATTERIES
The batteries are unique in that they hold their
power for long periods of time. The lifetime of the
batteries is limited by the number of charges the
batteries receive. To get the most life from the
batteries, charge them when the last battery
discharge indicator segment flashes (20% charge
left). Use an automatic charger with the proper
rating for the batteries.
Periodically clean the top surface of the batteries
and the terminals, and check for loose
connections. Use a strong solution of baking soda
and water. Brush the solution sparingly over the
battery tops, terminals, and cable clamps. Do not
allow any baking soda solution to enter the
batteries. Use a wire brush to clean the terminal
posts and the cable connectors. After cleaning,
apply a coating of clear battery post protectant to
the terminals and the cable connectors. Keep the
tops of the batteries clean and dry.
Keep all metallic objects off the top of the
batteries, which may cause a short circuit.
Replace any worn or damaged wires.
Check the electrolyte level in each battery cell
before and after charging, and after every 50
hours of operation. Do not charge the batteries
unless the fluid is slightly above the battery plates.
If needed, add just enough distilled water to cover
the plates. Never add acid to the batteries. Do not
overfill. Always keep the battery caps on, except
when adding water or taking hydrometer readings.

ELECTRICAL
4--5
6100E 330255 (9--00)
Measuring the specific gravity, using a
hydrometer, is a way to determine the charge
level and condition of the batteries. If one or more
of the battery cells test lower than the other
battery cells (0.050 or more), the cell is damaged,
shorted, or is about to fail.
NOTE: Do not take readings immediately after
adding distilled water. If the water and acid are not
thoroughly mixed, the readings may not be
accurate. Check the hydrometer readings against
the following chart to determine the remaining
battery charge level:
Spec. Gravity at 27°C(80°F)
Charge Level 220 AH Battery
100 % 1.265
75 % 1.223
50 % 1.185
25 % 1.148
Discharged 1.110
NOTE: If the readings are taken when the battery
electrolyte is any temperature other than shown,
the reading must be temperature corrected. Add
or subtract to the specific gravity reading 0.004,
4 points, for each 6_C(10_F) above or below
25_C(77_F).
TO CHARGE BATTERIES
1. Drive the machine to a flat, dry surface in a
well-ventilated area.
2. Stop the machine, set the parking brake and
turn the machine power off.
FOR SAFETY: Before leaving or
servicing machine, stop on level
surface, set parking brake, turn off
machine, and remove key.
3. Open the seat support.
04380

ELECTRICAL
4--6 6100E 330255 (6--01)
4. Check the water level in all the battery cells.
5. If the level is low, add just enough distilled
water to cover the battery plates. DO NOT
OVERFILL. The batteries can overflow
during charging due to expansion.
NOTE: Make sure the battery caps are in place
while charging.
FOR SAFETY: When maintaining or
servicing machine, avoid contact with
battery acid.
6. Unplug the battery connector from the
machine connector.
7. Plug the connector from the batteries into
the battery charger connector.
WARNING: Batteries emit hydrogen gas.
Explosion or fire can result. Keep
sparks and open flame away. Keep
covers open when charging.
NOTE: Plug the charger connector into connector
that runs to the batteries. Do not plug charger into
mounted connector. Damage may occur to the
machine.

ELECTRICAL
4--7
6100E 330255 (6--01)
NOTE: If the red “ABNORMAL CYCLE” lamp
lights when the batteries are plugged into the
TENNANT charger, this indicates that something
is wrong with the battery. The charger can not
charge the battery when this happens.
8. The Tennant charger will start automatically.
When the batteries are fully charged, the
Tennant charger will automatically turn off.
NOTE: Use a charger with the proper rating for
the batteries to prevent damage to the batteries or
reduce the battery life.
NOTE: If the charger needs to be disconnected
from the machine before the batteries are fully
charged and the charger has not automatically
shut off, turn off the charger before disconnecting
it.
9. After the charger has turned off, unplug the
charger connector from the battery
connector on the machine.
10. Reconnect the battery connector to the
machine connector.
11. Check the electrolyte level in each battery
cell. Add just enough distilled water to bring
the electrolyte level up to the bottom of the
fill rings.
FOR SAFETY: When maintaining or
servicing machine, avoid contact with
battery acid.
12. Close the seat support.

ELECTRICAL
4--8 6100E 330255 (9--00)
TO REPLACE BATTERIES
FOR SAFETY: Before Leaving Or
Servicing Machine; Stop On Level
Surface, Set Parking Brake.
1. Open the seat support and engage the prop
rod.
2. Disconnect the machine batteries.
3. Remove the five small battery cables from
the batteries.

ELECTRICAL
4--9
6100E 330255 (9--00)
4. Disconnect the connector assembly from the
batteries.
5. Remove the three batteries nearest the rear
of the machine first by lifting with the lifting
loop at each end of the battery
6. Pull the three batteries nearest the front of
the machine toward the rear of the battery
tray. Remove these batteries next.
7. Install the front three batteries first. Push
these batteries toward the front of the
machine.

ELECTRICAL
4--10 6100E 330255 (9--00)
8. Install the rear three batteries next.
9. Reinstall the five small battery cables onto
the new batteries.
10. Reinstall the connector assembly onto the
batteries.
11. Reconnect the battery connect to the
machine connector.

ELECTRICAL
4--11
6100E 330255 (9--00)
12. Disengage the prop rod and lower the seat
support.
13. Start the machine and check the new
batteries for proper operation.

ELECTRICAL
4--12 6100E 330255 (9--00)
INSTRUMENT PANEL
The instrument panel on the model 6100E
contains the switches, gauges, and instruments
needed to run the machine functions.
TO ACCESS INSTRUMENT PANEL
FOR SAFETY: Before Leaving Or
Servicing Machine; Stop On Level
Surface, Set Parking Brake.
1. Open the seat support and engage the prop
rod.
2. Disconnect the machine batteries.

ELECTRICAL
4--13
6100E 330255 (9--00)
3. Disengage the prop rod and lower the seat
support.
4. Tie the side brush in the up position.
5. Remove the four hex screws and two pan
screws holding the instrument panel to the
front shroud.
6. Pull the instrument panel back away from
the front shroud for better access to the
circuit breakers.

ELECTRICAL
4--14 6100E 330255 (9--00)
7. Position the instrument panel back onto the
front shroud. Reinstall the hardware and
hand tighten tight.
8. Remove the tie holding the side brush in the
up position.
9. Open the seat support and engage the prop
rod.
10. Reconnect the batteries.

ELECTRICAL
4--15
6100E 330255 (9--00)
11. Disengage the prop rod and lower the seat
support.
12. Start the machine and check for proper
operation.

ELECTRICAL
4--16 6100E 330255 (9--00)
TO REPLACE INSTRUMENT PANEL CIRCUIT
BREAKER
FOR SAFETY: Before Leaving Or
Servicing Machine; Stop On Level
Surface, Set Parking Brake.
1. Open the seat support and engage the prop
rod.
2. Disconnect the machine batteries.
3. Disengage the prop rod and lower the seat
support.

ELECTRICAL
4--17
6100E 330255 (9--00)
4. Tie the side brush in the up position.
5. Remove the four hex screws and two pan
screws holding the instrument panel to the
front shroud.
6. Pull the instrument panel back away from
the front shroud for better access to the
circuit breakers.
7. Locate the circuit breaker that needs to be
changed.

ELECTRICAL
4--18 6100E 330255 (9--00)
8. Mark and disconnect the wires leading to the
back of the circuit breaker.
9. Remove the metal retainer ring from the
back of the circuit breaker.
10. Push the circuit breaker out of the hole.
Retain the clear, rubber boot and discard the
circuit breaker.
11. Position the new circuit breaker into the
mount hole. NOTE: The mount hole has a
“D” shape to match the shape of the circuit
breaker.
12. Install the metal retainer ring onto the back
of the new circuit breaker. Push the retainer
all the way down the circuit breaker.
13. Install the rubber boot onto the out side of
the new circuit breaker.

ELECTRICAL
4--19
6100E 330255 (9--00)
14. Reconnect the electrical wires to the new
circuit breaker. See schematic in the
ELECTRICAL section.
15. Position the instrument panel back onto the
front shroud. Reinstall the hardware and
hand tighten tight.
16. Remove the tie holding the side brush in the
up position.
17. Open the seat support and engage the prop
rod.

ELECTRICAL
4--20 6100E 330255 (9--00)
18. Reconnect the batteries.
19. Disengage the prop rod and lower the seat
support.
20. Start the machine and check for proper
operation.

ELECTRICAL
4--21
6100E 330255 (9--00)
ELECTRICAL PANEL
The electrical panel on the model 6100E is
located at the left, rear corner of the machine. The
electrical panel contains the propel controller,
relays, contactors, circuit breakers, and fuse.
TO ACCESS ELECTRICAL PANEL
FOR SAFETY: Before Leaving Or
Servicing Machine; Stop On Level
Surface, Set Parking Brake.
1. Open the seat support and engage the prop
rod.
2. Disconnect the machine batteries.

ELECTRICAL
4--22 6100E 330255 (9--00)
3. Remove the left side machine panel by lifting
up and back on the panel.
4. Make any repairs to the electrical
components located on the electrical panel.
5. Reinstall the left side panel.
6. Reconnect the batteries.

ELECTRICAL
4--23
6100E 330255 (9--00)
7. Disengage the prop rod and lower the seat
support.
8. Start the machine and check for proper
operation.

ELECTRICAL
4--24 6100E 330255 (9--00)
TO REPLACE PROPEL CONTROLLER
FOR SAFETY: Before Leaving Or
Servicing Machine; Stop On Level
Surface, Set Parking Brake.
1. Open the seat support and engage the prop
rod.
2. Disconnect the machine batteries.
3. Remove the left side machine panel by lifting
up and back on the panel.

ELECTRICAL
4--25
6100E 330255 (9--00)
4. Mark and disconnect the wires leading to the
propel controller.
5. Remove the four screws and nuts holding
the controller to the electrical panel. Remove
the controller from the machine.
6. Install the new controller onto the electrical
panel in the same orientation as the old one.
Reinstall the hardware and hand tighten.
Do not over tighten.
7. Reconnect the wires to the new controller.
See schematic in this section.

ELECTRICAL
4--26 6100E 330255 (9--00)
8. Reinstall the left side panel.
9. Reconnect the batteries.
10. Disengage the prop rod and lower the seat
support.
11. Start the machine and check for proper
operation.

ELECTRICAL
4--27
6100E 330255 (9--00)
CIRCUIT BREAKERS
The circuit breakers are resettable electrical
circuit protection devices. Their design stops the
flow of current in the event of a circuit overload.
Once a circuit breaker is tripped, it must be reset
manually. Press the reset button after the breaker
has cooled down. The circuit breakers will not
reset until they have had a chance to cool down.
If the overload that caused the circuit breaker to
trip is still there, the circuit breaker will continue to
stop current flow until the problem is corrected.
Circuit breakers 1 through 6 are located above
the foot pedals. Numbers 7 through 10 are
located back under the left side panel.
The chart lists the circuit breakers and the
electrical components they protect.
Circuit Breaker Rating Circuit Protected
CB-1 5A Main Power
CB-2 5A Main Power
CB-3 10 A Sweeping
CB-4 10 A Horn / Vac Wand
CB-5 15 A Back Alrm / Lights
CB-6 15 A Option
CB-7 10 A Side Brush
CB-8 25 A Main Brush
CB-9 25 A Vac Fan Motor
CB-10 20 A Vac Wand (Option)
CB-10 40 A Dual Motor, Vac
Wand (Option)
1
3
5
2
4
6
10 987

ELECTRICAL
4--28 6100E 330255 (9--00)
TO REPLACE ELECTRICAL PANEL CIRCUIT
BREAKER
FOR SAFETY: Before Leaving Or
Servicing Machine; Stop On Level
Surface, Set Parking Brake.
1. Open the seat support and engage the prop
rod.
2. Disconnect the machine batteries.
3. Remove the left side machine panel by lifting
up and back on the panel.

ELECTRICAL
4--29
6100E 330255 (9--00)
4. Locate the circuit breaker that needs to be
changed.
5. Remove the two pan screws holding the
circuit breaker to the panel. Pull the circuit
breaker out of the mount hole.
6. Mark and disconnect the wires leading to the
bottom of the circuit breaker.
7. Connect the electrical wires to the new
circuit breaker. See schematic in the
ELECTRICAL section.

ELECTRICAL
4--30 6100E 330255 (9--00)
8. Position the new circuit breaker into the
mount hole. Reinstall the two pan screws
and hand tighten tight.
9. Reinstall the machine side panel.
10. Reconnect the batteries.
11. Disengage the prop rod and lower the seat
support.
12. Start the machine and check for proper
operation.

ELECTRICAL
4--31
6100E 330255 (9--00)
FUSES
Fuses are one-time protection devices designed
to stop the flow of current in the event of a circuit
overload. Never substitute higher value fuses than
specified.
The fuse is located in the control box.
Fuse Rating Circuit Protected
FU-1 40 A Main
TO REPLACE ELECTRICAL PANEL 40 AMP
FUSE
FOR SAFETY: Before Leaving Or
Servicing Machine; Stop On Level
Surface, Set Parking Brake.
1. Open the seat support and engage the prop
rod.
2. Disconnect the machine batteries.

ELECTRICAL
4--32 6100E 330255 (9--00)
3. Remove the left side machine panel.
4. Locate the 40 amp fuse at the front, upper
area of the electrical panel.
5. Loosen the two hex screws holding the fuse
to the insulator stand offs.
6. Pivot one end of the fuse up and off the hex
screw, then slip the other end of the fuse
from under the other hex screw. Remove
and discard the fuse.
7. Install the new fuse under the two hex
screws. Hand tighten the hex screws tight.
8. Reinstall the machine side panel.

ELECTRICAL
4--33
6100E 330255 (9--00)
9. Reconnect the batteries.
10. Disengage the prop rod and lower the seat
support.
11. Start the machine and check for proper
operation.

ELECTRICAL
4--34 6100E 330255 (9--00)
DIRECTIONAL PEDAL
The directional pedal controls the direction of
travel and the propelling speed of the machine.
Change the speed of the machine with the
pressure of your foot on the pedal; the harder you
press the faster the machine travels.
Use the brake pedal to stop the machine.
TO REMOVE DIRECTIONAL PEDAL
ASSEMBLY
FOR SAFETY: Before Leaving Or
Servicing Machine; Stop On Level
Surface, Set Parking Brake.
1. Open the seat support and engage the prop
rod.
2. Disconnect the machine batteries.

ELECTRICAL
4--35
6100E 330255 (9--00)
3. Lower the side brush.
4. Go under the machine in the area of the
right hand side brush. Locate the wires and
connector leading from the directional pedal.
5. Disconnect the directional pedal connector
from the main harness. Remove any plastic
ties holding the directional pedal harness to
the main harness.
6. Go the the operators compartment and
locate the directional pedal assembly.
Remove the four thread rolling screws
holding the directional pedal to the floor
plate.
7. Remove the pedal assembly from the
machine.

ELECTRICAL
4--36 6100E 330255 (9--00)
TO INSTALL DIRECTIONAL PEDAL
ASSEMBLY
FOR SAFETY: Before Leaving Or
Servicing Machine; Stop On Level
Surface, Set Parking Brake.
1. Position the directional pedal assembly in
the machines operators compartment.
2. Feed the pedal harness down through the
access hole in the floor plate.
3. Line up the mount holes in the pedal
assembly plate with the mount holes in the
machines floor plate.
4. Reinstall the four thread rolling screws and
tighten to 8 -- 10 Nm (6 -- 7 ft lb).

ELECTRICAL
4--37
6100E 330255 (9--00)
5. Go under the machine in the area of the
right hand side brush. Locate the wires and
connector leading from the directional pedal.
6. Reconnect the directional pedal connector to
the main harness. Reinstall any plastic ties
that were holding the directional pedal
harness to the main harness.
7. Reconnect the batteries.
8. Disengage the prop rod and lower the seat
support.
9. Start the machine and check for proper
operation. Set the pedal neutral if needed.
See TO SET POTENTIOMETER NEUTRAL
instructions in this section.

ELECTRICAL
4--38 6100E 330255 (9--00)
TO REPLACE DIRECTIONAL PEDAL
POTENTIOMETER
FOR SAFETY: Before Leaving Or
Servicing Machine; Stop On Level
Surface, Set Parking Brake.
1. Remove the directional pedal assembly from
the machine. See TO REMOVE
DIRECTIONAL PEDAL ASSEMBLY
instructions in this section.
2. Loosen the hex screw and nut holding the
accelerator lever to the potentiometer.
Remove the accelerator lever from the
potentiometer shaft.
3. Remove the thin hex nut from the
potentiometer shaft.

ELECTRICAL
4--39
6100E 330255 (9--00)
4. Note the orientation of the existing
potentiometer and remove it from the pedal
assembly.
5. Install the new potentiometer onto the pedal
assembly in the same orientation as the old
one. Reinstall the thin hex nut and tighten
lightly.
6. With the directional pedal in the neutral
position, reinstall the accelerator lever onto
the shaft of the potentiometer. Hand tighten
the hex screw and nut.
7. Check the length of the threaded rod/ball
joint assembly. Measure the distance
between the ball joint centers. The
dimension should be approximately 4
inches. If an adjustment needs to be made,
loosen the upper jam nut and turn the rod.
Re--tighten the jam nut.
8. Reinstall the directional pedal assembly into
the machine. See TO INSTALL
DIRECTIONAL PEDAL ASSEMBLY
instructions in this section.

ELECTRICAL
4--40 6100E 330255 (9--00)
9. Check the new potentiometer for neutral.
See TO SET POTENTIOMETER NEUTRAL
instructions in this section.
10. Operate the machine. Check the new
potentiometer for proper operation.

ELECTRICAL
4--41
6100E 330255 (9--00)
TO SET POTENTIOMETER NEUTRAL
FOR SAFETY: Before Leaving Or
Servicing Machine; Stop On Level
Surface, Set Parking Brake.
1. Open the seat support and engage the prop
rod.
2. Disconnect the machine batteries.
3. Lower the side brush.

ELECTRICAL
4--42 6100E 330255 (9--00)
4. Go under the machine in the area of the
right hand side brush. Locate the wires and
connector leading from the directional pedal.
5. Disconnect the directional pedal connector
from the main harness. Remove any plastic
ties holding the directional pedal harness to
the main harness.
6. Use a multimeter, set to the OHMS setting.
Check the red (B) and white (A) of the
connector with the meter.
7. The meter reading should be 2500 OHMS
(=/-- 50 OHMS).
8. Loosen the upper jam nut on the threaded
rod. Turn the rod to achieve the proper OHM
reading. Tighten the jam nut.

ELECTRICAL
4--43
6100E 330255 (9--00)
9. Reconnect the batteries.
10. Disengage the prop rod and lower the seat
support.
11. Operate the machine. Check the machine
for proper neutral operation.

ELECTRICAL
4--44 6100E 330255 (9--00)
ELECTRIC MOTORS
The carbon brushes on the propelling and
accessories motors should be inspected after
every 800 hours of machine operation.
TO REPLACE FRONT DRIVE WHEEL MOTOR
FOR SAFETY: Before Leaving Or
Servicing Machine; Stop On Level
Surface, Set Parking Brake.
1. Jack up the front of the machine at the jack
point. Install jack stands under the machine
frame.
2. Open the seat support and engage the prop
rod.

ELECTRICAL
4--45
6100E 330255 (9--00)
3. Disconnect the machine batteries.
4. Remove the two nuts holding the chain
guard to the wheel support. Remove the
chain guard.
5. Loosen the three nuts holding the gearbox
assembly to the wheel support. Let the
gearbox drop down so the drive chain has
some slack.
6. Turn the front tire until the master link is
visible at the bottom of the drive sprocket.
Remove the master link from the drive
chain. Make sure to retain the four small
O--rings from behind the master link clip.

ELECTRICAL
4--46 6100E 330255 (9--00)
7. Pull the chain off the drive motor sprocket
and drive wheel sprocket. Remove the drive
chain from the machine.
8. Disconnect the drive motor from the main
electrical harness.
9. Finish removing the three nuts and washers
holding the gearbox assembly to the wheel
support. Remove the gearbox assembly
from the machine.
10. Remove the four hex screws holding the
smaller black cover to the side of the
gearbox.

ELECTRICAL
4--47
6100E 330255 (9--00)
11. Remove the smaller black cover from the
gearbox.
12. Loosen the two hex screws holding the
electric drive motor to the back side of the
gearbox assembly. Slide the motor and
remove the cogged belt from the sprocket.
13. Remove the two hex screws from the drive
motor. Remove the motor from the gearbox.
Make sure to note the orientation of the
drive motor electric wires in relation to the
gearbox.
14. Loosen the set screws holding the small
timing sprocket to the drive motor. Slide the
sprocket off the shaft. Make sure to retain
the square key.

ELECTRICAL
4--48 6100E 330255 (9--00)
15. Install the new electric drive motor onto the
gearbox. Make sure to orientate the electric
wires from the drive motor properly.
16. Reinstall the two hex screws and washers
into the drive motor.
17. Reinstall the small cogged sprocket on the
new motor. Locate the small sprocket flush
with the end on the motor shaft.
18. Position the cogged belt onto the small
sprocket.
19. Use a large channel lock pliers to pull the
drive motor to the front of the gearbox.
Place one side of the pliers over the small
pulley and the other side of the pliers on the
front side of the gearbox. Squeeze the pliers
until the belt is tight (1/16inchplayat
midpoint). Tighten the two motor mount
screws to 18 -- 24 Nm (15 -- 20 ft lb).

ELECTRICAL
4--49
6100E 330255 (9--00)
20. Install the belt cover onto the gearbox.
Install the four hex screws and tighten to
18 -- 24 Nm (15 -- 20 ft lb).
21. Position the gearbox assembly onto the
wheel support. The three slots on the
gearbox go over the three studs on the
wheel support.
22. Install the three washers and nuts onto the
wheel housing studs. Leave loose for now.
23. Reinstall the drive chain around the drive
sprocket on the drive motor and front wheel
assembly. Reinstall the master link. Make
sure the four small O--rings are in place
behind the master link clip.

ELECTRICAL
4--50 6100E 330255 (9--00)
24. Push the gearbox assembly up until the
chain is tight (+/-- 1/8 inch at mid--point).
Tighten nuts to 18 -- 24 Nm (15 -- 20 ft lb).
25. Reinstall the drive chain guard and tighten
the two nuts to 18 -- 24 Nm (15 -- 20 ft lb).
26. Reconnect the drive motor to the main
electrical harness.
27. Remove the jack stands and lower the
machine to the floor. Operate the machine
and check the gearbox assembly for proper
operation.

ELECTRICAL
4--51
6100E 330255 (9--00)
28. Reconnect the batteries.
29. Disengage the prop rod and lower the seat
support.
30. Operate the machine. Check the machine
for proper operation.

ELECTRICAL
4--52 6100E 330255 (9--00)
TO REPLACE MAIN BRUSH MOTOR
FOR SAFETY: Before Leaving Or
Servicing Machine; Stop On Level
Surface, Set Parking Brake.
1. Jack up the front of the machine at the jack
point. Install jack stands under the machine
frame.
2. Lower the main brush lever.
3. Open the seat support and engage the prop
rod.

ELECTRICAL
4--53
6100E 330255 (9--00)
4. Disconnect the machine batteries.
5. Remove the four screws holding the right
hand brush door to the machine frame.
Remove the right hand side brush door.
6. Locate the main brush drive belt idler pulley
between the small motor drive pulley and the
larger brush pulley.
7. Loosen the hex nut in the center of the idler
pulley.

ELECTRICAL
4--54 6100E 330255 (9--00)
8. Push the idler pulley back in the slot.
9. Remove the main brush drive belt from the
two remaining pulleys. Remove the main
brush drive belt.
10. Loosen the two set screws holding the small
V--belt pulley to the main brush motor shaft.
Pull the pulley off the shaft. Retain the
square key.
11. Remove the two hex screws holding the
brush arm lift link to the front of the brush
arm weldment.

ELECTRICAL
4--55
6100E 330255 (9--00)
12. Remove the four flat head screws holding
themainbrushmotortothemotorpivot
plate and machine frame. You may have to
rotate the brush arm weldment to line up the
access holes.
13. Go under the front of the machine and
locate the main brush motor behind the front
drive assembly. Disconnect the main brush
motor from the main harness.
14. Remove the main brush motor from the
machine. Note the orientation of the motor
and electrical wires.
15. Install the new main brush motor into the
machine. Make sure to orientate the motor
so the wires are pointed to the front of the
machine

ELECTRICAL
4--56 6100E 330255 (9--00)
16. Connect the new main brush motor to the
main harness.
17. Line up the mount holes in the new motor
with the mount holes in the machine frame
and motor pivot plate. Reinstall the four flat
head screws. Tighten to 11 -- 14 Nm
(7 -- 10 ft lb). You may have to rotate the
brush arm weldment to line up the access
holes.
18. Wire tie the motor wires to the motor
housing.
19. Reinstall the small main brush V--belt pulley
onto the new main brush motor shaft. Line
up the small V--belt pulley with the larger
V--belt pulley. Make sure the square key is
installed on the shaft. Hand tighten the two
set screws tight.

ELECTRICAL
4--57
6100E 330255 (9--00)
20. Reinstall the brush arm lift link to the front of
the brush arm weldment. Reinstall the two
hex screws and tighten to 18 -- 24 Nm
(15 -- 20 ft lb).
21. Position the main brush drive belt onto the
motor and brush drive pulleys.
22. Move the idler pulley forward in the slot until
the belt is tight. Tighten the hex nut to
18 -- 24 Nm (15 -- 20 ft lb).
23. Reinstall the right hand side brush door.

ELECTRICAL
4--58 6100E 330255 (9--00)
24. Reconnect the batteries.
25. Disengage the prop rod and lower the seat
support.
26. Remove the jack stands and lower the
machine to the floor. Operate the machine
and check the new main brush motor for
proper operation.

ELECTRICAL
4--59
6100E 330255 (9--00)
TO REPLACE VACUUM FAN MOTOR
FOR SAFETY: Before Leaving Or
Servicing Machine; Stop On Level
Surface, Set Parking Brake.
1. The main brush motor must be removed
before the vacuum fan motor can be
removed. See TO REPLACE MAIN BRUSH
MOTOR instructions in this section.
2. Open the seat support and engage the prop
rod.
3. Disconnect the machine batteries.

ELECTRICAL
4--60 6100E 330255 (9--00)
4. To access the vacuum fan drive belt, remove
the right hand side panel. Start by lifting up
on the panel, pop the brush lift slot over the
black knob, then move the panel backward
and off the machine.
5. Remove the four screws holding the right
hand brush door to the machine frame.
Remove the right hand side brush door.
6. Loosen the four hex screws holding the
vacuum fan housing to the machine frame.
7. Push the vacuum fan assembly forward in
the slots to loosen the vacuum fan V--belt.

ELECTRICAL
4--61
6100E 330255 (9--00)
8. Remove the V--belt from the vacuum fan
motor pulley.
9. Loosen the set screws holding the vacuum
fan V--belt pulley to the motor shaft. Remove
the pulley off the shaft. Retain the square
key.
10. Remove the four hex screws holding the
vacuum fan motor to the mount bracket.
11. Go under the front of the machine and
locate the vacuum fan motor behind the
front drive assembly. Disconnect the
vacuum fan motor from the main harness.
12. Remove the vacuum fan motor from the
machine. Note the orientation of the motor
and electrical wires.

ELECTRICAL
4--62 6100E 330255 (9--00)
13. Install the new vacuum fan motor into the
machine. Make sure to orientate the motor
so the wires are pointed to the front of the
machine.
14. Reconnect the vacuum fan motor to the
main harness.
15. Line up the mount holes in the new motor
with the mount holes in the motor mount
bracket. Reinstall the four hex screws.
Tighten to 11 -- 14 Nm (7 -- 10 ft lb).
16. Reinstall the vacuum fan V--belt pulley onto
the new vacuum fan motor shaft. Line up the
V--belt pulley with the V--belt pulley up at the
impeller. Make sure the square key is
installed on the shaft. Hand tighten the two
set screws tight.

ELECTRICAL
4--63
6100E 330255 (9--00)
17. Pull the vacuum fan assembly toward the
back of the machine to tighten the V--belt.
The correct tension is when the belt deflects
8.38 mm (0.33 in) from a force of .42 kg (.90
to .95 lb) at belt midpoint. Tighten the
screws hand tight.
18. Reinstall the right hand side brush door.
19. Reinstall the right hand machine cover.
20. Reconnect the batteries.

ELECTRICAL
4--64 6100E 330255 (9--00)
21. Disengage the prop rod and lower the seat
support.
22. Remove the jack stands and lower the
machine to the floor. Operate the machine
and check the new vacuum fan motor for
proper operation.

ELECTRICAL
4--65
6100E 330255 (9--00)
TO REPLACE SIDE BRUSH MOTOR
FOR SAFETY: Before Leaving Or
Servicing Machine; Stop On Level
Surface, Set Parking Brake.
1. Jack up the front of the machine at the jack
point. Install jack stands under the machine
frame.
2. Lower the side brush.
3. Remove the side brush from the motor
assembly. See TO REPLACE SIDE BRUSH
instructions in the SWEEPING section.

ELECTRICAL
4--66 6100E 330255 (9--00)
4. Disconnect the side brush motor from the
main wire harness.
5. Remove the four hex screws holding the
side brush motor to the motor mount
bracket.
6. Drop the motor out of the mount bracket and
past the brush guard.
7. Position the new side brush motor onto the
motor mount bracket. The motor is
positioned to the rear of the machine.

ELECTRICAL
4--67
6100E 330255 (9--00)
8. Line up the holes in the motor assembly with
the mount holes in the motor bracket.
Reinstall the four hex screws and tighten to
8--10Nm(6--7ftlb).
9. Reconnect the side brush motor to the main
harness.
10. Wire tie the motor wires to the motor
housing.
11. Reinstall the side brush. See TO REPLACE
SIDE BRUSH instructions in the
SWEEPING section.
12. Operate the machine. Check the side brush
for proper operation.

ELECTRICAL
4--68 6100E 330255 (6--01)
ELECTRICAL SCHEMATIC
1
2
3

ELECTRICAL
4--69
6100E 330255 (6--01)
ELECTRICAL SCHEMATIC
1
2
3

ELECTRICAL
4--70 6100E 330255 (6--01)
WIRE HARNESS

ELECTRICAL
4--71
6100E 330255 (6--01)
WIRE HARNESS

ELECTRICAL
4--72 6100E 330255 (6--01)
WIRE HARNESS

ELECTRICAL
4--73
6100E 330255 (9--00)
TROUBLESHOOTING
The troubleshooting charts that follow are
organized so they lead you through the circuits.
They include flow charts and instructions for you
as to where to insert your test instruments.

ELECTRICAL
4--74 6100E 330255 (9--00)
NO PROPEL OR SWEEP FUNCTION AT MACHINE POWER UP
NORMAL OPERATION:
1. Cycling the keyswitch to the start position will switch B+ voltage from the keyswitch pin 50 to the keyswitch
pin 15. This will turn on M1 relay.
2. The closed M1 relay contacts supply B+ voltage to the keyswitch pin 30, and through the keyswitch to pin
15. This will keep M1 relay on.
3. M1 will stay on until fuse--1, CB--1, the keyswitch or the emergency stop switch open up, breaking the
current path of M1 and turning off the machine.
TURN KEYSWITCH TO START POSITION THEN
RELEASE TO THE ON POSITION.
0VOLTS
B+ VOLTAGE
0VOLTS
CHECK FOR VOLTAGE ON 6/BLU
AT M1 RELAY.
MACHINE IS PASSING THE
POWER UP TESTING.
CHECK FOR VOLTAGE ON 25/GRY
AT KEYSWITCH AND 5A/GRN AT
RELAY M1.
B+ VOLTAGE
CHECK FOR VOLTAGE ON 27C/GRN
AT M1 RELAY.
CYCLE AND HOLD THE KEYSWITCH
IN THE START POSITION
25/GRY, D--2, 8A/BLU, CB--2, 5/GRN
5A/GRN, FUSE--1, OR THE BATTERY
CONNECTION TO FUSE--1 ARE
OPEN.
0VOLTS
THE KEYSWITCH BETWEEN PINS 50
AND 15 IN THE START POSITION, WIRES
26/ORA, 27A/GRN, 27C/GRN OR THE EMER-
GENCY STOP SWITCH ARE OPEN.
B+ VOLTAGE
VERIFY GROUND AT RELAY M1
CHECK VOLTAGE FROM BAT-
TERY POSITIVE TO 13Y/BLK AT
RELAY M1.
0VOLTS
WIRE 13Y/BLK IS OPEN FROM
RELAY M1 TO BATTERY GROUND.
B+ VOLTAGE
CYCLE AND HOLD THE KEYSWITCH
IN THE START POSITION AGAIN.
CHECK VOLTAGE ON WIRE 6/BLU
AT RELAY M1.
0VOLTS
REPLACE RELAY M1
B+ VOLTAGE
6/BLU, 4/GRN, 7/PUR, CB--1, D--1, OR
THE KEYSWITCH PIN 30 TO PIN 15 IN
THE RUN POSITION ARE OPEN.

ELECTRICAL
4--75
6100E 330255 (9--00)
NO PROPEL AT MACHINE POWER UP (STANDARD CONTROLLER)
NORMAL OPERATION:
1. With throttle potentiometer in the neutral position (2.5V on P1--2) M1 and M2 are held at B+ voltage, and the
motor does not move.
2. With throttle potentiometer in the forward position (2.5V to 5.0V on P1--2) M1 is held at B+ voltage, and M2 i
s
pulsed to ground. The voltage applied to the motor is proportional to how high the throttle voltage goes
above 2.5VDC.
3. With throttle potentiometer in the reverse position (2.5V to 0V on P1--2) M2 is held at B+ voltage and M1 is
pulsed to ground. The voltage applied to the motor is proportional to how low the throttle voltage
goes below 2.5VDC.
TURN KEYSWITCH TO START POSITION THEN RE-
LEASE TO THE ON POSITION.
NOTE: THE SEAT SWITCH MUST BE ACTIVATED
FOR ALL OF THIS TESTING.
B+ VOLTAGE 0VOLTS
CHECK FOR VOLTAGE ON 34/BLU AT
P1--6 OF THE MOTOR CONTROLLER.
NOTE: THE CONTROLLER MUST SEE A NEUTRAL SIGNAL FROM THE THROTTLE POTENTIOMETER
(2.5VDC ON P1--2) AFTER POWER UP OR IT WILL NOT PROPEL FORWARD OR REVERSE.
NOTE: DISCONNECT THE PROPEL MOTOR OR LIFT THE PROPEL WHEEL OFF THE FLOOR BEFORE
PROCEEDING WITH THESE TESTS.
34/BLU, 27A/GRN, OR THE
SEAT SWITCH ARE OPEN.
CHECK VOLTAGE BETWEEN 5B/GRN
AND 13L/BLK AT THE MOTOR CONTROLLER.
0VOLTS
WIRES 5B/GRN OR
13L/BLK ARE OPEN.
B+ VOLTAGE
DISCONNECT P1 CONNECTOR AND RECONNECT IT
SO THAT ONLY 34/BLU IS HOOKED UP TO P1--6. NOTE:
P1--6 MUST HAVE B+ VOLTAGE FOR THE NEXT TEST.
VERIFY THE THROTTLE VOLTAGES:
P1--1=0VDC
P1--2=2.5VDC
P1--3=5VDC
ALL VOLTAGES +/-- .3 VDC
VOLTAGES INCORRECT
REPLACE THE
MOTOR CONTROLLER.
VOLTAGES MEET SPEC
RECONNECT THE P1
CONNECTOR PROPERLY
VERIFY THE THROTTLE SIGNAL VOLTAGES:
P1--2 = GREATER THAN .5 VDC IN REVERSE
P1--2 = 2.5 VDC IN NEUTRAL
P1--2 = LESS THAN 4.5 VDC IN FORWARD
ALL VOLTAGES +/-- .3 VDC
P1--2 IS NOT CHANGING
WIRES 28/BRN, 29/GRY, 31/YEL ARE
OPEN OR THE POTENTIOMETER
THROTTLE IS DISCONNECTED OR BAD.
POTENTIOMETER TESTING
1. THE POTENTIOMETER SHOULD MEASURE 5000+/-- 200 OHMS
BETWEEN CONNECTOR POSITIONS A AND C.
2. THE POTENTIOMETER RESISTANCE BETWEEN CONNECTOR POSI-
TION B AND CONNECTOR POSITION A OR C SHOULD CHANGE FROM 0
OHMS TO 5000 OHMS WHEN THE POTENTIOMETER IS TURNED.
3. WHEN THE POTENTIOMETER IS CENTERED THE RESISTANCE BE-
TWEEN CONNECTOR POSITION B AND POSITION A OR C SHOULD BE
HALF OF THE TOTAL RESISTANCE. (ABOUT 2500 OHMS)
VOLTAGES CORRECT FOR FOR-
WARD AND REVERSE BUT
NEUTRAL VOLTAGE IS HIGH OR LOW
POTENTIOMETER THROTTLE IS NOT
CENTERED PROPERLY. READJUST
LINKAGE AT FOOT PEDAL.
CONTINUED ON NEXT PAGE
THROTTLE SIGNAL VOLTAGES ARE WITHIN SPEC.
NOTE: THE MACHINE IS
PASSING THE POWER
UP TESTING.
DISCONNECT THE POTENTIOMETER FROM THE CONTROLLER

ELECTRICAL
4--76 6100E 330255 (9--00)
CONTINUED FROM PREVIOUS PAGE
DISCONNECT 35/YEL AND 36/ORA AT THE
MOTOR CONTROLLER. CHECK THE VOLTAGE
FROM M1 TO M2 AT THE MOTOR CONTROLLER
WITH THE THROTTLE ACTIVATED IN THE FULL
FORWARD POSITION.
LESS THAN 25 VDC GREATERTHAN25VDC
REPLACE THE MOTOR CONTROLLER RECONNECT WIRES 35/YEL AND 36/ORA.
CHECK THE VOLTAGE ACROSS WIRES
35/YEL AND 36/ORA AT THE DISCON-
NECTED PROPEL MOTOR CONNECTOR
WITH THE THROTTLE IN THE FULL FOR-
WARD POSITION.
0VDC
WIRES 35/YEL, 36/ORA, OR THE
MOTOR CONNECTOR TERMINALS
ARE OPEN.
GREATERTHAN25VDC
THE PROPEL MOTOR OR ASSOCIATED WIRES
AND CONNECTOR ARE OPEN. REPLACE THE
MOTOR. NOTE: THE RESISTANCE OF A TYPICAL
PROPEL MOTOR IS 1.6 OHMS.

ELECTRICAL
4--77
6100E 330255 (9--00)
NO PROPEL AT MACHINE POWER UP (HEAVY DUTY CONTROLLER)
TURN KEYSWITCH TO START POSITION THEN RE-
LEASE TO THE ON POSITION.
NOTE: THE SEAT SWITCH MUST BE ACTIVATED
FOR ALL OF THIS TESTING.
B+ VOLTAGE 0VOLTS
CHECK FOR VOLTAGE ON 34/BLU AT
P1--15 OF THE MOTOR CONTROLLER.
NOTE: THE CONTROLLER MUST SEE A NEUTRAL SIGNAL FROM THE THROTTLE POTENTIOMETER
(2.5VDC ON P1--2) AFTER POWER UP OR IT WILL NOT PROPEL FORWARD OR REVERSE.
NOTE: DISCONNECT THE PROPEL MOTOR OR LIFT THE PROPEL WHEEL OFF THE FLOOR BEFORE
PROCEEDING WITH THESE TESTS.
34/BLU, 27A/GRN, ADAPTOR HARNESS
WIRE GOING TO P1--15, OR THE
SEAT SWITCH ARE OPEN.
CHECK VOLTAGE BETWEEN 5B/GRN
AND 13L/BLK AT THE MOTOR CONTROLLER.
0VOLTS
WIRES 5B/GRN OR
13L/BLK ARE OPEN.
B+ VOLTAGE DISCONNECT 6 PIN ADAPTOR HARNESS CONNECTOR
AND RECONNECT IT SO THAT ONLY 34/BLU IS
HOOKED UP TO P1--15. NOTE: P1--15 MUST HAVE B+
VOLTAGE FOR THE NEXT TEST.
VERIFY THE THROTTLE VOLTAGES:
P1--3=0VDC
P1--2=2.5VDC
P1--1=5VDC
ALL VOLTAGES +/-- .3 VDC
VOLTAGES INCORRECT
REPLACE THE
MOTOR CONTROLLER.
VOLTAGES MEET SPEC
RECONNECT THE 6 PIN
ADAPTOR HARNESS
CONNECTOR PROPERLY
VERIFY THE THROTTLE SIGNAL VOLTAGES:
P1--2 = GREATER THAN .5 VDC IN REVERSE
P1--2 = 2.5 VDC IN NEUTRAL
P1--2 = LESS THAN 4.5 VDC IN FORWARD
ALL VOLTAGES +/-- .3 VDC
P1--2 IS NOT CHANGING
WIRES 28/BRN, 29/GRY, 31/YEL, OR
ADAPTOR HARNESS BETWEEN THE
THROTTLE AND MOTOR CONTROLLER
ARE OPEN OR THE POTENTIOMETER
THROTTLE IS DISCONNECTED OR BAD.
POTENTIOMETER TESTING
POTENTIOMETER THROTTLE IS NOT
CENTERED PROPERLY. READJUST
LINKAGE AT FOOT PEDAL. NOTE; THE
MACHINE WILL NOT PROPEL UNTIL A
NEUTRAL SIGNAL IS SENSED AT THE
THROTTLE.
CONTINUED ON NEXT PAGE
THROTTLE SIGNAL VOLTAGES ARE WITHIN SPEC.
NORMAL OPERATION:
1. With throttle potentiometer in the neutral position (2.5V on P1--2) M1 and M2 are held at B+ voltage, and the
motor does not move.
2. With throttle potentiometer in the forward position (2.5V to 5.0V on P1--2) M1 is held at B+ voltage, and M2 is
pulsed to ground. The voltage applied to the motor is proportional to how high the throttle voltage goes
above 2.5VDC.
3. With throttle potentiometer in the reverse position (2.5V to 0V on P1--2) M2 is held at B+ voltage and M1 is
pulsed to ground. The voltage applied to the motor is proportional to how low the throttle voltage
goes below 2.5VDC.
NOTE: THE MACHINE IS
PASSING THE POWER
UP TESTING.
VOLTAGES CORRECT FOR FOR-
WARD AND REVERSE BUT
NEUTRAL VOLTAGE IS HIGH OR LOW
1. THE POTENTIOMETER SHOULD MEASURE 5000+/-- 200 OHMS
BETWEEN CONNECTOR POSITIONS A AND C.
2. THE POTENTIOMETER RESISTANCE BETWEEN CONNECTOR POSI-
TION B AND CONNECTOR POSITION A OR C SHOULD CHANGE FROM 0
OHMS TO 5000 OHMS WHEN THE POTENTIOMETER IS TURNED.
3. WHEN THE POTENTIOMETER IS CENTERED THE RESISTANCE BE-
TWEEN CONNECTOR POSITION B AND POSITION A OR C SHOULD BE
HALF OF THE TOTAL RESISTANCE. (ABOUT 2500 OHMS)

ELECTRICAL
4--78 6100E 330255 (9--00)
CONTINUED FROM PREVIOUS PAGE
DISCONNECT 35/YEL AND 36/ORA AT THE
MOTOR CONTROLLER. CHECK THE VOLTAGE
FROM M1 TO M2 AT THE MOTOR CONTROLLER
WITH THE THROTTLE ACTIVATED IN THE FULL
FORWARD POSITION.
LESS THAN 25 VDC GREATERTHAN25VDC
REPLACE THE MOTOR CONTROLLER RECONNECT WIRES 35/YEL AND 36/ORA.
CHECK THE VOLTAGE ACROSS WIRES
35/YEL AND 36/ORA AT THE DISCON-
NECTED PROPEL MOTOR CONNECTOR
WITH THE THROTTLE IN THE FULL FOR-
WARD POSITION.
0VDC
WIRES 35/YEL, 36/ORA, OR THE
MOTOR CONNECTOR TERMINALS
ARE OPEN.
GREATERTHAN25VDC
THE PROPEL MOTOR OR ASSOCIATED WIRES
AND CONNECTOR ARE OPEN. REPLACE THE
MOTOR. NOTE: THE RESISTANCE OF A TYPICAL
PROPEL MOTOR IS 1.6 OHMS.

ELECTRICAL
4--79
6100E 330255 (9--00)
MAIN BRUSH IS NOT OPERATING
NORMAL OPERATION:
1. The vacuum fan main brush switch turns on relay M2.
2. Relay M2 supplies power to the main brush motor.
TURN KEYSWITCH TO START POSITION THEN
RELEASE TO THE ON POSITION.
0VOLTSB+ VOLTAGE
0VOLTS
ACTIVATE S--5 ON THE CONTROL PANEL
TO TURN ON THE MAIN BRUSH AND VAC-
UUM FAN. CHECK FOR VOLTAGE ON 1/RED
AND 17A/BLU AT RELAY M2.
6A/GRN, 10A/YEL, 10B/YEL, 16/GRY,
17A/BLU, CB--3, THERMAL SENTRY
SWITCH S--4, OR THE VAC/BRUSH
ROCKER SWITCH BETWEEN 16/GRY
AND 17A/BLU ARE OPEN.
CHECK FOR VOLTAGE BETWEEN
17A/BLU AND 13AA/BLK AT RELAY M2.
WIRE 13AA/BLK IS OPEN FROM
RELAY M2 AND MACHINE GROUND.
B+ VOLTAGE
CHECK FOR VOLTAGE ON
2A/ORA AT RELAY M2.
VACFAN/MAINBRUSHSTILLON
0VOLTS
REPLACE RELAY M2
B+ VOLTAGE
CHECK FOR VOLTAGE ON
3/GRY AT CB--8.
0VOLTS
WIRE 2A/ORA OR CB--8
IS OPEN
B+ VOLTAGE
DISCONNECT BRUSH MOTOR AND
CHECK VOLTAGE ACROSS 3/GRY
AND 13A/BLK AT THE CONNECTOR.
B+ VOLTAGE
0VOLTS
WIRE 3/GRY OR 13A/BLK OR
BRUSH MOTOR CONNECTORS
ARE OPEN.
BRUSH MOTOR OR ITS AS-
SOCIATED WIRES ARE OPEN.
NOTE: THE MACHINE
POWERS UP AND
PROPELS

ELECTRICAL
4--80 6100E 330255 (9--00)
SIDE BRUSH IS NOT OPERATING
NORMAL OPERATION:
1. With vacuum fan and brush on, lowering the side brush lever will
activate limit switch S--6, and turn on relay M3.
2.RelayM3suppliespowertothesidebrushmotors.
CHECK VOLTAGE ON 12A/BRN AT RELAY M3
TURN KEYSWITCH TO START POSITION THEN
RELEASE TO THE ON POSITION
TURN ON THE VACUUM FAN AND MAIN BRUSH,
LOWER THE SIDE BRUSH LEVER.
0VOLTS
B+ VOLTAGE
0VOLTS
10C/YEL, 12A/BRN OR THE SIDE
BRUSH SWITCH S--6 ARE OPEN.
CHECK FOR VOLTAGE BETWEEN
12A/BRN AND 13Z/BLK AT RELAY M3.
WIRE 13Z/BLK IS OPEN FROM RELAY
M3 AND MACHINE GROUND.
B+ VOLTAGE
CHECK FOR VOLTAGE ON
9/GRN AT RELAY M3.
0VOLTS
2/ORA, 9/GRN, OR CB--7
IS OPEN.
B+ VOLTAGE
CHECK FOR VOLTAGE
ON 11B/PUR AT M3 RELAY.
0VOLTS
REPLACE M3 RELAY
B+ VOLTAGE
DISCONNECT SIDE BRUSH MOTOR
AND CHECK VOLTAGE ACROSS
11A/PUR AND 13B/BLK AT THE CON-
NECTOR.
0VOLTS B+ VOLTAGE
SIDE BRUSH MOTOR OR
ITS CONNECTOR IS OPEN.
WIRE 11A/PUR 13B/BLK, OR
SIDE BRUSH MOTOR CON-
NECTOR ON MACHINE HAR-
NESS IS OPEN.
WITH VACUUM FAN
AND MAIN BRUSH
STILL ON
NOTE: THE MACHINE
PROPELS AND MAIN
BRUSH IS OPERATING

ELECTRICAL
4--81
6100E 330255 (9--00)
VACUUM FAN IS NOT OPERATING
NORMAL OPERATION:
1. The vacuum fan main brush switch turns on relay M2.
2. Relay M2 supplies power to the vacuum fan motor.
TURN KEYSWITCH TO START POSITION THEN
RELEASE TO THE ON POSITION.
0VOLTSB+ VOLTAGE
0VOLTS
ACTIVATE S--5 ON THE CONTROL PANEL
TO TURN ON THE MAIN BRUSH AND VAC-
UUM FAN. CHECK FOR VOLTAGE ON 1/RED
AND 17A/BLU AT RELAY M2.
6A/GRN, 10A/YEL, 10B/YEL, 16/GRY,
17A/BLU, CB--3, THERMAL SENTRY
SWITCH S--4, OR THE VAC/BRUSH
ROCKER SWITCH BETWEEN 16/GRY
AND 17A/BLU ARE OPEN.
CHECK FOR VOLTAGE BETWEEN
17A/BLU AND 13AA/BLK AT RELAY M2.
WIRE 13AA/BLK IS OPEN FROM
RELAY M2 AND MACHINE GROUND.
B+ VOLTAGE
CHECK FOR VOLTAGE ON
2B/ORA AT RELAY M2.
VACFAN/MAINBRUSHSTILLON
0VOLTS
REPLACE RELAY M2
B+ VOLTAGE
CHECK FOR VOLTAGE ON
14/PUR AT CB--9.
0VOLTS
WIRE 2B/ORA OR CB--9
IS OPEN
B+ VOLTAGE
DISCONNECT BRUSH MOTOR AND
CHECK VOLTAGE ACROSS 14/PUR
AND 13K/BLK AT THE CONNECTOR.
B+ VOLTAGE
0VOLTS
WIRE 14/PUR OR 13K/BLK OR
BRUSH MOTOR CONNECTORS
ARE OPEN.
BRUSH MOTOR OR ITS
CONNECTOR IS OPEN.
NOTE: THE MACHINE
PROPELS

ELECTRICAL
4--82 6100E 330255 (9--00)
SHAKE SYSTEM NOT OPERATING
NORMAL OPERATION:
1. With the keyswitch on, the operator selects shake by activating and holding switch S--5 on the front panel.
2. B+ voltage is supplied to pin 3 of the shaker module, turning on the shaker module..
3. Pin 2 of the shaker module is pulsed to ground (pin 1).
4. The shaker solenoid is turned on and off at a high frequency, moving the filter bar back and forth.
CHECK VOLTAGE ON PIN 3, WIRE 18/GRN AT THE SHAKER
MODULE.
TURN KEYSWITCH TO START POSITION AND
RELEASE TO RUN POSITION.
SELECT AND HOLD S--5 IN THE MOMENTARY
SHAKE POSITION
0VOLTSB+ VOLTAGE
18/GRN OR SHAKER SWITCH S--5 FROM
16/GRY TO 18/GRN IS OPEN.
KEYSWITCH ON, S--5 IS STILL
HELD IN SHAKE POSITION
CHECK FOR VOLTAGE BETWEEN 18/GRN
(PIN 3) AND 13AB/BLK (PIN 1) AT SHAKER
MODULE.
0VOLTS B+ VOLTAGE
WIRE 13AB/BLK IS OPEN FROM SHAKER
MODULE PIN 3 AND MACHINE GROUND.
CHECK FOR VOLTAGE ON 10D/YEL AT
THE SHAKER SOLENOID SV--1.
0VOLTS B+ VOLTAGE
WIRE 10D/YEL IS OPEN
DISCONNECT THE SHAKER SOLENOID SV--1
AND MEASURE THE RESISTANCE OF THE
COIL. sHOULD BE 6 +/-- 2 OHMS.
WITHIN SPEC NOT WITHIN SPEC
REPLACE SHAKER SOLENOID
AND RE--TEST
RECONNECT SHAKER SOLENOID AND
MEASURE VOLTAGE ACROSS SHAKER
SOLENOID SV--1 WHEN SHAKER BUTTON
IS ACTIVATED.
B+ VOLTAGE
SHAKER SOLENOID IS OPEN
OR DISCONNECTED 14--22 VDC 0VOLTS
THE MODULE IS WORKING PROPERLY
THE SOLENOID ASSEMBLY IS PHYSI-
CALLY JAMMED OR THE SOLENOID IS
DEFECTIVE.
WIRE 42/GRN IS OPEN OR THE SHAKER
MODULE IS DEFECTIVE.
NOTE: IF THE SHAKER SYSTEM WORKS FOR A SHORT DURATION, THEN STOPS
OR SLOWS, THE SHAKER COIL IS DRAWING EXCESSIVE CURRENT. REPLACE THE
SHAKER COIL.
NOTE: THE MACHINE
PROPELS AND VAC
FAN AND MAIN BRUSH
OPERATE PROPERLY

We Need Your Help...
As part of Tennant’s Zero Defects Program, we want to know about errors you have
found or suggestions you may have regarding our machine manuals. If you find an
error or have a suggestion, please complete this postage-paid form and mail it to us.
Thank you for helping us make zero defects a way of life at Tennant.
Manual No. Rev. No. Publish Date Page
Machine -Report Error -Suggestion
Name Date
Customer Number
Company
Address
City/State/Zip Code

Tape hereFold along dotted lines
NO POSTAGE
NECESSARY
IF MAILED
IN THE
UNITED SATES
BUSINESS REPLY MAIL
FIRST CLASS MAIL PERMIT NO. 94 MINNEAPOLIS, MN
POSTAGE WILL BE PAID BY ADDRESSEE
Technical Publications #15
701 North Lilac Drive
P.O. Box 1452
Minneapolis, MN 55440--9947
TENNANT COMPANY

We Need Your Help...
As part of Tennant’s Zero Defects Program, we want to know about errors you have
found or suggestions you may have regarding our machine manuals. If you find an
error or have a suggestion, please complete this postage-paid form and mail it to us.
Thank you for helping us make zero defects a way of life at Tennant.
Manual No. Rev. No. Publish Date Page
Machine -Report Error -Suggestion
Name Date
Customer Number
Company
Address
City/State/Zip Code

Tape hereFold along dotted lines
NO POSTAGE
NECESSARY
IF MAILED
IN THE
UNITED SATES
BUSINESS REPLY MAIL
FIRST CLASS MAIL PERMIT NO. 94 MINNEAPOLIS, MN
POSTAGE WILL BE PAID BY ADDRESSEE
Technical Publications #15
701 North Lilac Drive
P.O. Box 1452
Minneapolis, MN 55440--9947
TENNANT COMPANY