Tennant 810 Service Manual
2016-04-11
: Sweepscrub Tennant 810 Service Manual Tennant_810_Service_Manual 1249 file product_file
Open the PDF directly: View PDF
.
Page Count: 402 [warning: Documents this large are best viewed by clicking the View PDF Link!]

800/810
Service Manual
MM337
Rev. 04 (6--01)
Gas/LP/Diesel

This service manual is intended to be an aid for the disassembly and reassembly of your TENNANT
Model 800/810.
The set is organized into eight major groups: General Information, Chassis, Sweeping, Electrical,
Hydraulics, Engine--G/LPG, Engine--D, Perkins 200 Series, and Engine--D, Perkins 700 Series.
General Information: Machine transport, machine jacking, machine storage, machine specifications, and
machine maintenance chart.
Chassis: Tire/wheel replacement, brake adjustment and replacement, chassis lubrication, steering
adjustment and replacement, and cover/door adjustment.
Sweeping: Hopper repair/replacement, brush repair/replacement. skirt/seal repair/replacement, and
sweeping troubling shooting
Electrical: Battery maintenance and replacement, instrument panel replacement, and electrical
troubleshooting.
Hydraulics: Valve replacement/repair, motor replacement/repair, cylinder replacement/repair, pump
replacement/repair, filter replacement, and hydraulics troubleshooting.
Engine -- G/LPG: Air filter replacement, oil changing, cooling system maintenance/repair, fuel system
maintenance/repair, governor adjustment/repair, engine repair, engine troubleshooting, and engine
repairs.
Engine -- D, Perkins 200 Series: Air filter replacement, oil changing, cooling system maintenance/repair,
fuel system maintenance/repair, governor adjustment/repair, engine repair, engine troubleshooting, and
engine repairs.
Engine -- D, Perkins 700 Series: Air filter replacement, oil changing, cooling system maintenance/repair,
fuel system maintenance/repair, governor adjustment/repair, engine repair, engine troubleshooting, and
engine repairs.
Manual Number -- MM337
Revision: 04
Published: 6--01
CALIFORNIA PROPOSITION 65 WARNING:
Engine exhaust from this product contains chemicals known to the State of
California to cause cancer, birth defects, or other reproductive harm.
Copyright E1995, 1996, 1997, 2001 TENNANT, Printed in U.S.A.

GENERAL INFORMATION
1--1
800/810 MM337 (6--01)
CONTENTS
Page
SAFETY PRECAUTIONS 1--3.................
PUSHING, TOWING, AND
TRANSPORTING THE MACHINE 1--5.......
PUSHING OR TOWING THE
MACHINE 1--5......................
TRANSPORTING THE MACHINE 1--6....
MACHINE JACKING 1--8...................
STORING MACHINE 1--8..................
SPECIFICATIONS 1--9.......................
GENERAL MACHINE
DIMENSIONS/CAPACITIES 1--9.........
GENERAL MACHINE PERFORMANCE 1--9..
POWER TYPE: GAS/LP 1--10..............
POWER TYPE: DIESEL 1--11...............
STEERING 1--12..........................
ELECTRICAL SYSTEM 1--12...............
800/810 ELECTRICAL 1--12................
HYDRAULIC SYSTEM 1--12................
HYDRAULIC PUMPS: CHAR--LYNN 1--12....
HYDRAULIC MOTORS: GAS/LP 1--13.......
HYDRAULIC MOTORS: DIESEL 1--13.......
BRAKING SYSTEM 1--13..................
TIRES 1--13..............................
MAINTENANCE -- GAS/LPG 1--14.............
MAINTENANCE CHART 1--14..............
MAINTENANCE -- DIESEL 1--16...............
MAINTENANCE CHART 1--16..............
HARDWARE INFORMATION 1--18..........
STANDARD BOLT TORQUE CHART 1--18
METRIC BOLT TORQUE CHART 1--18...
BOLT IDENTIFICATION 1--19............
THREAD SEALANT AND
LOCKING COMPOUNDS 1--19........

GENERAL INFORMATION
1--2 800/810 MM337 (8--97)

GENERAL INFORMATION
1--3
800/810 MM337 (6--01)
SAFETY PRECAUTIONS
The following precautions are used throughout this
manual as indicated in their description:
WARNING: To warn of hazards or unsafe
practices which could result in severe
personal injury or death.
FOR SAFETY: To identify actions which
must be followed for safe operation of
equipment.
The machine is suited to sweep disposable debris.
Do not use the machine other than described in
this Operator Manual. The machine is not
designed for use on public roads.
The following information signals potentially
dangerous conditions to the operator or
equipment:
FOR SAFETY:
1. Do not operate machine:
-- unless trained and authorized.
-- unless operator manual is read and
understood.
-- if it is not in proper operating
condition.
-- in flammable or explosive areas unless
designed for use in those areas.
-- in areas with possible falling objects
unless equipped with overhead guard.
2. Before starting machine:
-- check for fuel, oil, and liquid leaks.
-- keep sparks and open flame away from
refueling area.
-- make sure all safety devices are in
place and operate properly.
-- check brakes and steering for proper
operation.
3. When starting machine:
-- keep foot on brake and directional
pedal in neutral.
4. When using machine:
-- use brakes to stop machine.
-- go slow on inclines and slippery
surfaces.
-- use care when reversing machine.
-- move machine with care when hopper
is raised.
-- make sure adequate clearance is
available before raising hopper.
-- do not carry passengers on machine.
-- always follow safety and traffic rules.
-- report machine damage or faulty
operation immediately.
5. Before leaving or servicing machine:
-- stop on level surface.
-- set parking brake.
-- turn off machine and remove key.
6. When servicing machine:
-- avoid moving parts. do not wear loose
jackets, shirts, or sleeves.
-- block machine tires before jacking
machine up.
-- jack machine up at designated
locations only. Block machine up with
jack stands.
-- use hoist or jack that will support the
weight of the machine.
-- wear eye and ear protection when
using pressurized air or water.
-- disconnect battery connections before
working on machine.
-- avoid contact with battery acid.
-- avoid contact with hot engine coolant.
-- allow engine to cool.
-- keep flames and sparks away from fuel
system service area. Keep area well
ventilated.
-- use cardboard to locate leaking
hydraulic fluid under pressure.
-- use tennant supplied or approved
replacement parts.
7. When loading/unloading machine
onto/off truck or trailer:
-- Turn off machine.
-- Use truck or trailer that will support the
weight of the machine.
-- Use winch. Do not drive the machine
onto/off the truck or trailer unless the
load height is 380 mm (15 in) or less
from the ground.
-- Set parking brake after machine is
loaded.
-- Block machine tires.
-- Tie machine down t truck or trailer.
WARNING: Engine emits toxic gases.
Severe respiratory damage or
asphyxiation can result. Provide
adequate ventilation. Consult with your
regulatory authorities for exposure
limits. Keep engine properly tuned.
WARNING: Raised hopper may fall.
Engage hopper support bar.
WARNING: Lift arm pinch point. Stay
clear of hopper lift arms.
WARNING: Moving belt and fan. Keep
away.

GENERAL INFORMATION
800/810 MM337 (8--97)
1--4
The following safety labels are mounted on the
machine in the locations indicated. If these or any
label becomes damaged or illegible, install a new
label in its place.
HOPPER LIFT ARMS LABEL -- LOCATED
ON BOTH HOPPER LIFT ARMS.
HOPPER SUPPORT BAR LABEL -- LOCATED
ON THE HOPPER LIFT ARMS CROSS-TUBE
AND ON BOTH HOPPER LIFT ARMS.
NOISE LABEL -- LOCATED ON THE FRONT
PANEL OF THE OPERATOR COMPARTMENT.
EMISSIONS LABEL -- LOCATED ON THE
FRONTPANELOFTHEOPERATOR
COMPARTMENT.
07623
FOR SAFETY LABEL -- LOCATED
ON THE FRONT PANEL OF THE
OPERATOR COMPARTMENT. ENGINE FAN AND BELT LABEL --
LOCATED ON THE RADIATOR SHROUD.

GENERAL INFORMATION
1--5
800/810 MM337 (6--01)
PUSHING, TOWING, AND TRANSPORTING
THE MACHINE
PUSHING OR TOWING THE MACHINE
If the machine becomes disabled, it can be
pushed from the front or rear, but towed only from
the rear.
The propelling pump has a bypass valve to
prevent damage to the hydraulic system when the
machine is being pushed or towed. This valve
allows a disabled machine to be moved for a very
short distance and at a speed to not exceed 1.6
kp/h (1 mph). The machine is NOT intended to be
pushed or towed a long distance or at a high
speed.
ATTENTION! Do not push or tow
machine for a long distance and without
using the bypass valve, or the machine
hydraulic system may be damaged.
Turn the bypass valve 90_from the normal
position before pushing or towing the machine.
The illustration shows the bypass valve in the
pushing or towing position.
08576

GENERAL INFORMATION
800/810 MM337 (6--01)
1--6
TRANSPORTING THE MACHINE
1. Position the rear of the machine at the
loading edge of the truck or trailer.
FOR SAFETY: Use truck or trailer that
will support the weight of the machine.
NOTE: Empty the hopper before transporting the
machine.
2. If the loading surface is not horizontal or is
higher than 380 mm (15 in) from the ground,
use a winch to load machine.
If the loading surface is horizontal AND is
380 mm (15 in) or less from the ground, the
machine may be driven onto the truck or
trailer.
3. To winch the machine onto the truck or
trailer, attach the winching chains to the rear
tie down locations.
The rear tie-down locations are through the
U--bolt section of the main frame under the
side bumpers toward the rear.

GENERAL INFORMATION
1--7
800/810 MM337 (6--01)
4. Turn the bypass valve 90_from the normal
position before winching the machine onto
the truck or trailer. See PUSHING OR
TOWING THE MACHINE section of this
manual. Make sure the machine is centered.
FOR SAFETY: When loading machine
onto truck or trailer, use winch. Do not
drive the machine onto the truck or
trailer unless the loading surface is
horizontal AND is 380 mm (15 in) or less
from the ground.
5. Position the machine onto the truck or trailer
as far as possible. If the machine starts to
veer off the centerline of the truck or trailer,
stop and turn the steering wheel to center
the machine.
6. Set the parking brake and block the machine
tires. Tie down the machine to the truck or
trailer before transporting.
The two front tie--down locations are through
the U--bolt section of the main frame in front
of the wheels.
The two rear tie--down locations are through
the U--bolt section of the main frame under
the side bumpers toward the rear.
7. If the loading surface is not horizontal or is
higher than 380 mm (15 in) from the ground,
use a winch to unload machine.
If the loading surface is horizontal AND is
380 mm (15 in) or less from the ground, the
machine may be driven off the truck or
trailer.
FOR SAFETY: When unloading machine
off truck or trailer, use winch. Do not
drive the machine off the truck or trailer
unless the loading surface is horizontal
AND 380 mm (15 in) or less from the
ground.
08576

GENERAL INFORMATION
800/810 MM337 (6--01)
1--8
MACHINE JACKING
Empty the hopper before jacking the machine.You
canjackupthemachineforserviceatthe
designated locations. Use a jack or hoist that will
support the wieght of the machine. Always stop
the machine on a flat, level surface and block the
tires before jacking the machine up.
The front jacking locations are the flat bottom
edge of the machine frame next to the front tires.
The rear jacking location is the middle of the rear
bumper.
FOR SAFETY: When Servicing Machine, Block
Machine Tires Before Jacking Machine Up.
FOR SAFETY: When Servicing Machine, Jack
Machine Up At Designated Locations Only.
Block Machine Up With Jack Stands.
STORING MACHINE
Before storing the machine for an extended period
of time, the machine needs to be prepped to
lessen the chance of rust, sludge, and other
undesirable deposits from forming. Contact
TENNANT service personnel.
08485
08586

GENERAL INFORMATION
1--9
800/810 MM337 (2--94)
SPECIFICATIONS
GENERAL MACHINE DIMENSIONS/CAPACITIES
Item Dimension/capacity
Length 3050 mm (120 in)
Width 1780 mm (70 in)
Height 1335 mm (52.5 in)
Height with overhead guard 2095 mm (82.5 in)
Height with overhead guard and hazard light 2310 mm (91 in)
Height with cab 2095 mm (82.5 in)
Height with cab and hazard light 2310 mm (91 in)
Track 1560 mm (61.5 in)
Wheelbase 1420 mm (56 in)
Main brush diameter 405 mm (16 in)
Main brush length 1270 mm (50 in)
Power Throwtbrush diameter 205 mm (8 in)
Power Throwtbrush length 1170 mm (46 in)
Side brush diameter 65 mm (26 in)
Sweeping path width 1270 mm (50 in)
Sweeping path width with side brush 1675 mm (66 in)
Main brush pattern width 50 to 65 mm (2.0 to 2.5 in)
Hopper weight capacity 907.2 kg (2000 lb)
Hopper volume capacity 849.5 L (30 cu ft)
Dust filter area 17.7 m2(190 sq ft)
GVWR 4068 kg (8970 lb)
Ceiling height minimum dumping clearance 3355 mm (11 ft)
GENERAL MACHINE PERFORMANCE
Item Measure
Maximum forward speed 16 kmh15.9 kmh (10 mph)
Maximum reverse speed 7.3 kmh (4.5 mph)
Minimum aisle turn width, left 3450 mm (135 in)
Minimum aisle turn width, right 4675 mm (184 in)
Maximum rated climb and descent angle 8.5_

GENERAL INFORMATION
800/810 MM337 (6--01)
1--10
POWER TYPE: GAS/LP
Engine Displacement Net power, governed Net power, maximum
Ford LSG 2.3 or
Ford LRG 2.3
2300 cc (140 cu in) 37.3 kw (50 hp) @ 2400 rpm 47 kw (63 hp) @
2800 rpm
Ford LRG 2.5 2500 cc (152 cu in) 40.3 kw (54 hp) @ 2400 rpm 59 kw (79 hp) @
3000 rpm
Ford LSG 2.3
Ford LRG 2.3
d
Type Ignition Cycle Aspiration Cyl Bore LRG 2.3
Stroke
LRG 2.5
Stroke
and
Ford LRG 2.5 Piston Breakerless-
type spark (LSG)
Distributerless-
type spark
4Natural 496 mm
(3.78 in)
80 mm
(3.126 in)
96 mm
(3.78 in)
Fuel Cooling system Electrical system
Gasoline, 87 octane
minimum, unleaded.
Fuel tank: 45.5 L (12 gal)
Water/ethylene glycol
antifreeze
12 V nominal
LPG,
F
l
t
k
1
5
k
(
3
3
l
b
)
Total: 16.7 L (4.4 gal) 50 A alternator
Fuel tank: 15 kg (33 lb) Radiator: 6.2 L (1.6 gal)
(Start) governed speed (Low) governed speed (High) governed speed
1350 + 50 rpm (LSG)
1475 + 50 rpm (LRG)
1100 + 50 rpm (LSG)
2000 + 50 rpm (LRG)
2400 + 50 rpm (LSG)
2400 + 50 rpm (LRG)
Spark plug gap Firing order
1 to 1.1 mm (0.042 to 0.046 in) 1--3--4--2
Engine lubricating oil with filter (10W30 SAE--SG/SH)
4.7L(5qt) (LSG)
Ford LRG 2.5 -- 4.26 L (4.5 qt)
FordLRG2.3--4.7L(5qt)

GENERAL INFORMATION
1--11
800/810 MM337 (6--01)
POWER TYPE: DIESEL
Engine Type Ignition Cycle Aspiration Cylinders Bore Stroke
Perkins 200
Series
Piston Diesel 4Natural 489 mm
(3.5 in)
102 mm
(4 in)
Displacement Net power, governed Net power, maximum
2522 cc (154 cu in) 33.6 kw (45 hp) @ 2400 rpm 44.8 kw (60 hp) @
3000 rpm
Fuel Cooling system Electrical system
Diesel
Fuel tank: 45.5 L (12 gal)
Water/ethylene glycol
antifreeze
12 V nominal
Total: 13.6 L (3.6 gal) 50 A alternator
Radiator: 6.1 L (1.6 gal)
Idle speed, no load Governed speed, under load
600 to 650 rpm 2400 +50 rpm
Engine lubricating oil with filter
6 L (6.3 qt) 10W30 SAE--CC/CD rated engine oil
Engine Type Ignition Cycle Aspiration Cylinders Bore Stroke
Perkins 704--30
Series
Piston Diesel 4Natural 497 mm
(3.8 in)
100 mm
(3.9 in)
Displacement Net power, governed Net power, maximum
3.0 L. (183 cu in) 44.8 kw (63 hp) @ 2400 rpm 47 kw (63 hp) @
2400 rpm
Fuel Cooling system Electrical system
Diesel
Fuel tank: 45.5 L (12 gal)
Water/ethylene glycol
antifreeze
12 V nominal
Total: 13.6 L (3.6 gal) 50 A alternator (std)
1
0
0
A
a
l
t
e
r
n
a
t
o
r
(
H
D
)
Radiator: 6.1 L (1.6 gal) 100
A
alternator (HD)
Idle speed, no load Intermediate speed, under load Governed speed,
under load
1400 rpm 2000 rpm 2400 + 50 rpm
Engine lubricating oil with filter
10.4 L (11 qt) with remote filter, 10W30 diesel rating above
Fuel Consumption: Gas-- 1.2 gph
LPG-- 6.6 lb ph
Diesel--1.4 gph
Oil Pressure: Gas/LP--10 psi at idle, 35 -- 40 psi at
operating rpm
Diesel-- 7 psi at idle, 29 psi at operating rpm
Vacuum system; CFM -- 585 (16565 L / min)

GENERAL INFORMATION
800/810 MM337 (6--01)
1--12
STEERING
Type Power source Emergency steering
Rear wheel, hydraulic cylinder and rotary
valve controlled
Hydraulic accessory pump Manual
ELECTRICAL SYSTEM
800/810 Electrical
Battery: Diesel-- Group 31, 12V, Cc Amps: 730
Gas/LP--Group 24 12V, Cc Amps: 475
Motors: Shaker motors,12V,
Normal amp draw--4.5
Starter motor: Diesel, Amp draw cold--
380 @ 10Volts,
Amp draw hot--355 @ 11.5
Starter motor: Gas/LP, Amp draw cold--
185 @ 10Volts
Amp draw hot--155 @ 11.5
Standard alternator: Diesel/Gas/LP,
Output -- 50 amps @ 5000 rpm
Volts -- 14.5
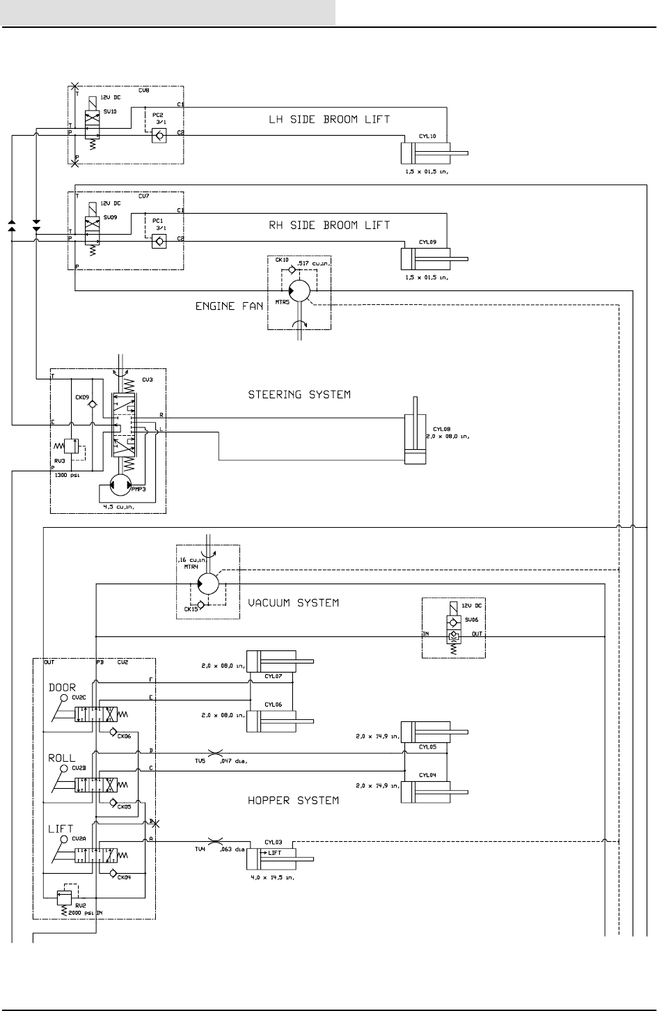
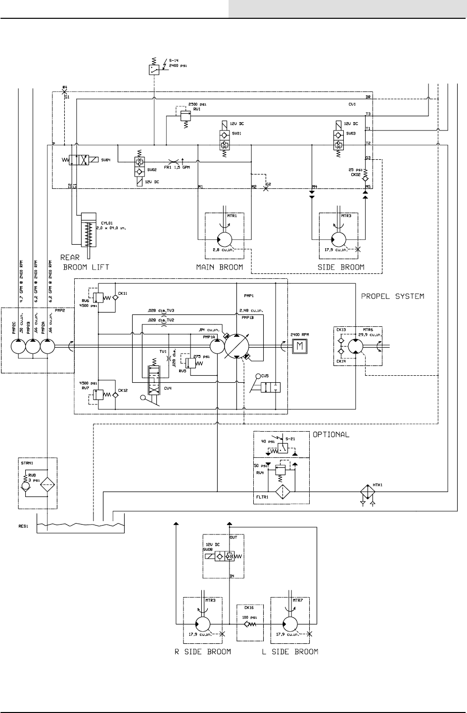
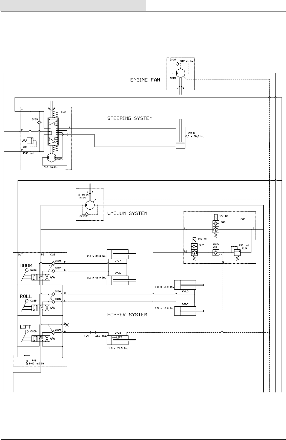
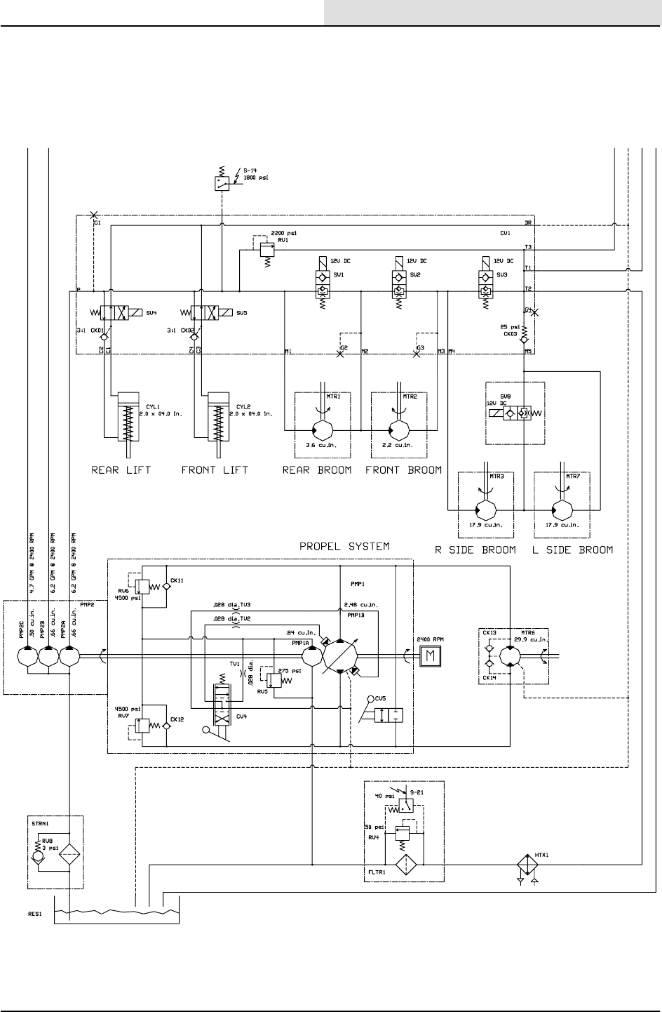
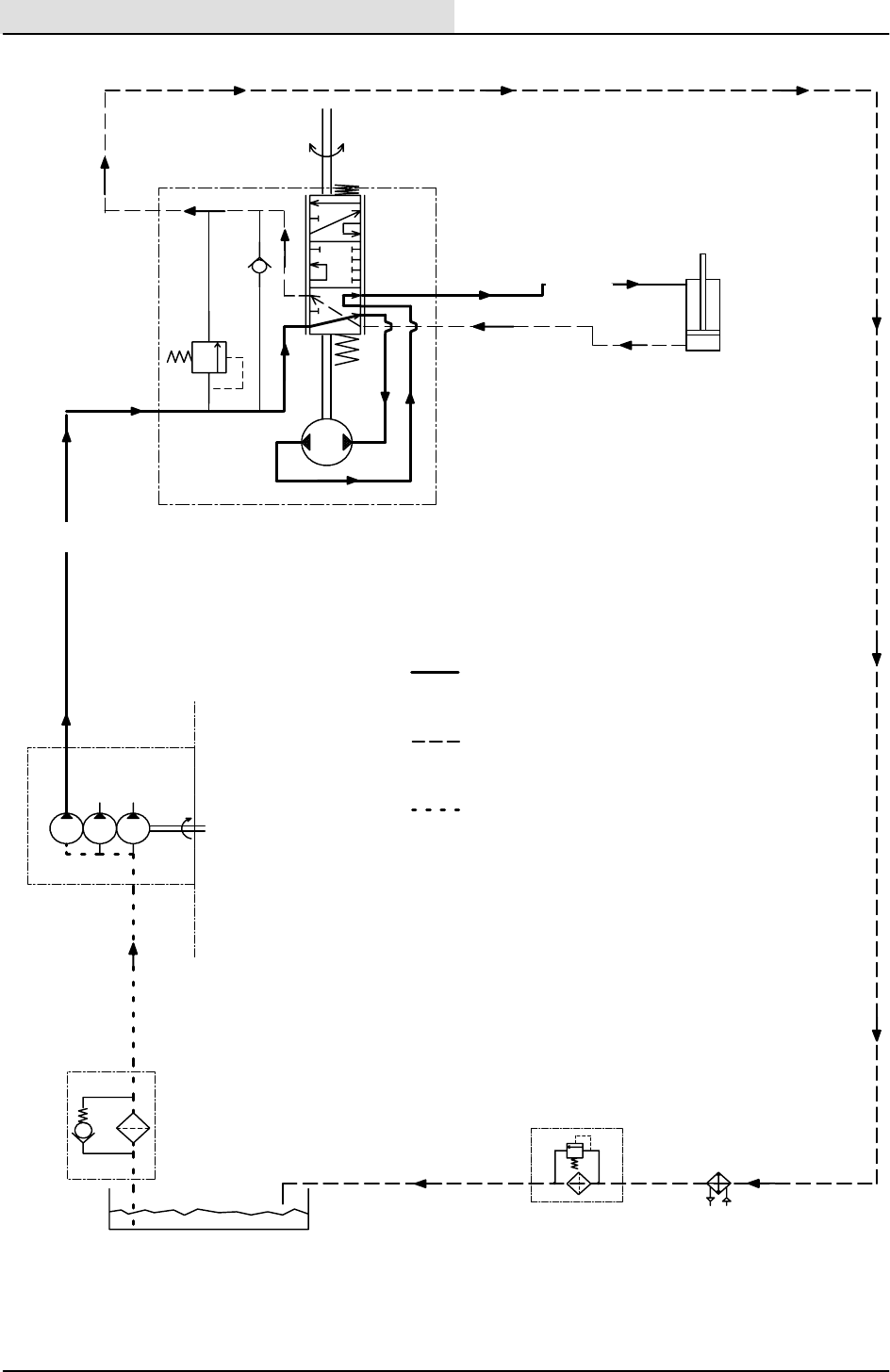
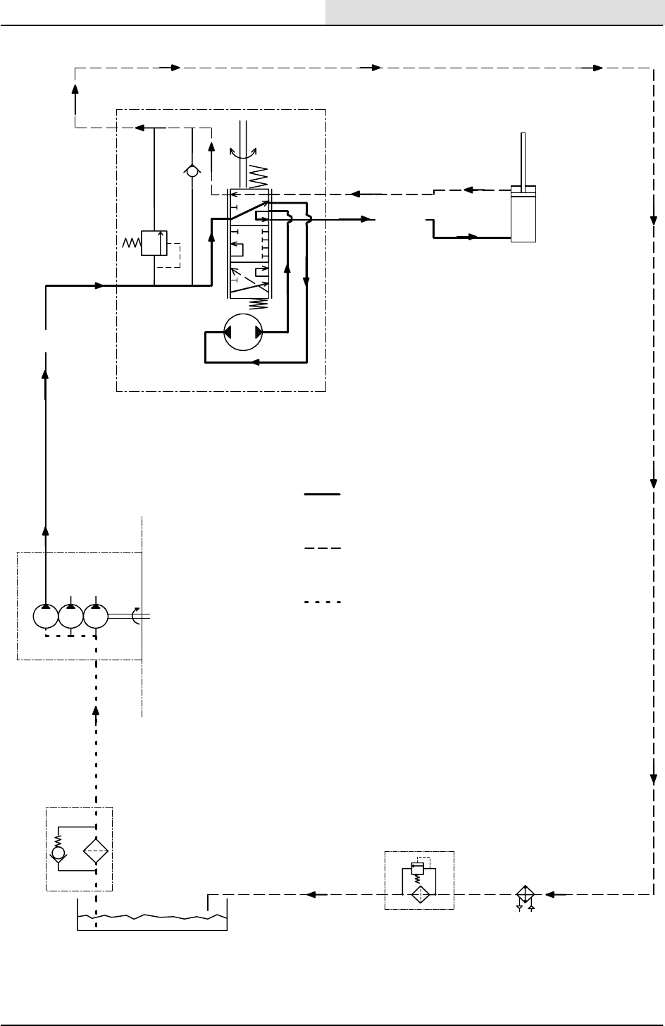
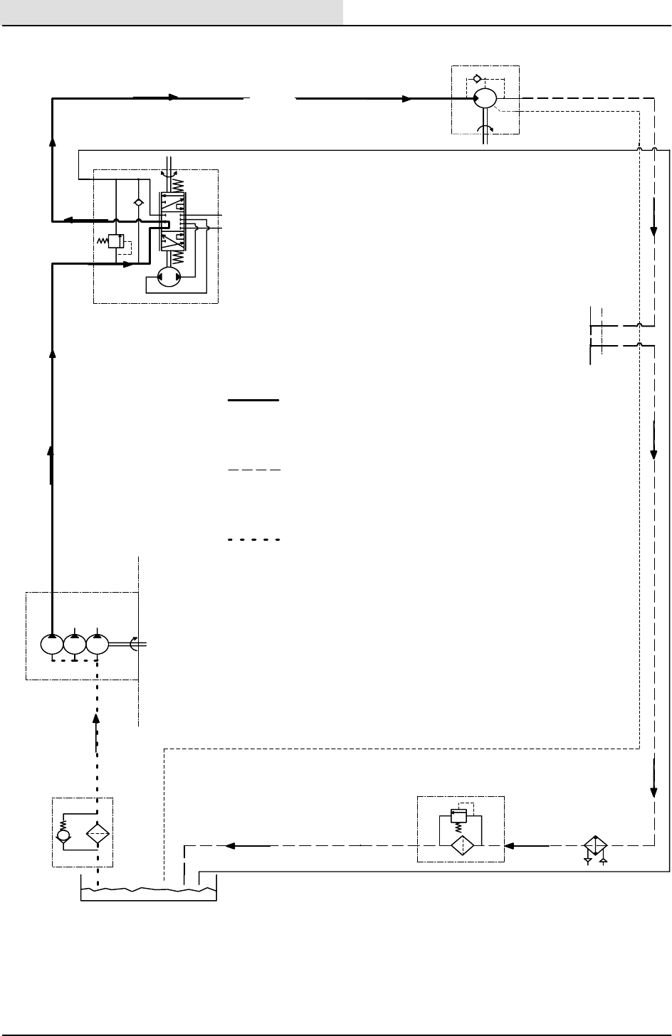
HYDRAULIC SYSTEM
System Capacity Fluid Type
Hydraulic reservoir 47.3 L (12.5 gal) TENNANT part no. 65869 -- above 7_C(45_F)
Hydraulic total 56.8 L (15 gal) TENNANT part no. 65870 -- below 7_C(45_F)
HYDRAULIC PUMPS: CHAR--LYNN
Propelling 23.2GPM(88L/min) 4500 PSI Relief (31027 kPa)--Normal throttle
Accessory (brush) 6.2GPM(23L/min) 2200 PSI Relief (15170 kPa)--Normal throttle
Accessory (steering) 4.7GPM(18L/min) 1300 PSI Relief (8963 kPa)--Normal throttle
Accessory (vacuum) 6.2GPM(23L/min) 2000 PSI Relief (13790 kPa)--Normal throttle

GENERAL INFORMATION
1--13
800/810 MM337 (2--94)
HYDRAULIC MOTORS: GAS/LP
Main brush (2 speed), Char--lynn 400 / 500 RPM
Side brush, Char--lynn 100 RPM
Vacuum fan, Barnes 8500 RPM
Propelling, Char--lynn 150 RPM
HYDRAULIC MOTORS: DIESEL
Main brush, Char--lynn 385 RPM
Side brush, Char--lynn 78 RPM
Vacuum fan, Barnes 8500 RPM
Propelling, Char--lynn 150 RPM
BRAKING SYSTEM
Type Operation
Service brakes Hydraulic drum brakes (2), one per front wheel, foot brake master cylinder activated
Parking brake Utilize service brakes, cable actuated
TIRES
Location Type Size Pressure
Front (2) Pneumatic 6.5 x 23.5 in 690 -- 758 kPa (100 -- 110 psi)
Rear (1) Pneumatic 6.5 x 23.5 in 690 -- 758 kPa (100 -- 110 psi)

GENERAL INFORMATION
800/810 MM337 (6--01)
1--14
MAINTENANCE -- GAS/LPG
1
2
3
4
5
6
7
8
9
10
11
12
13
14
15
16
07623
MAINTENANCE CHART
Interval Key Description Procedure
Lubricant/
Fluid
No. of
Service
Points
Daily 10 Engine air filter Check indicator -- 1
y
g
Empty dust cap -- 1
12 Engine crankcase Check oil level EO 1
13 Brush compartment skirts Check for damage, wear, and
adjustment
-- 6
15 Hopper lip skirts Check for damage, wear, and
adjustment
-- 3
13 Main brush Check for damage, wear, and
adjustment
-- 1
Check brush pattern -- 1
1Side brush Check for damage, wear, and
adjustment
-- 1
Check brush pattern -- 1
2Hopper dust filter Shake -- 2
50 Hours 13 Main brush Rotate end-for-end -- 1
2Hopper dust filter Check or clean -- 2
16 Main brush adjustment Lubricate SPL 1

GENERAL INFORMATION
1--15
800/810 MM337 (6--01)
Interval Key Description Procedure
Lubricant/
Fluid
No. of
Service
Points
100 Hours 6Hydraulic fluid reservoir Check fluid level HYDO 1
7Hydraulic fluid cooler Clean cooler fins 1
8Radiator Clean core exterior 1
Check coolant level WG 1
Clean screen -- 1
-- Tires Check pressure -- 3
13 Main brush & hopper seals Check for damage or wear -- 12
12 Engine crankcase HChange oil and filter element EO 1
12 Engine fan belt HCheck tension -- 1
12 Air cond. belt (option) Check tension -- 1
-- Air cond. filter (option) Clean or replace if necessary -- 1
200 Hours 12 Engine Steam clean exterior -- 1
8Radiator hoses and clamps Check for tightness and wear -- 2
11 Rear wheel support
bearings
Lubricate SPL 2
5 Parking brake Check adjustment -- 1
3Side brush pivot pins Lubricate SPL 1
400 Hours 12 Engine Clean or replace and adjust spark
plugs
-- 1
Replace PCV valve --
Replace fuel filters, gasoline --
8 Cooling system Flush WG 1
4Brake master cylinder Check fluid level BF 1
800 Hours 6Hydraulic reservoir Replace filler cap GL
y
Replace suction strainer GL 1
Change hydraulic fluid HYDO 1
9
H
y
d
r
a
u
l
i
c
f
l
u
i
d
f
i
l
t
e
r
H
C
h
a
n
g
e
f
i
l
t
e
r
e
l
e
m
e
n
t
1
9
H
y
d
rau
l
i
c
f
l
u
i
d
f
i
l
t
er H
C
h
ange
f
i
l
t
er e
l
emen
t
--
1
12 Engine Clean PCV hoses, tubes, & fit-
tings
-- 1
Torque intake manifold bolts -- 8
Check timing belt -- 1
9Hydraulic hoses Check for wear and damage -- 45
11 Propelling motor HTorque shaft nut -- 1
-- Rear wheel HTorque wheel nuts -- 1
16 Battery HClean and tighten battery cable
connections
-- 1
1600 14 Front wheel bearings Check, lubricate, and adjust SPL 2
Hours 12 Engine Replace timing belt -- 1
LUBRICANT/FLUID
BF Brake fluid....
EO Engine oil, SAE--SG/SH rated....
HYDO Tennant Company or approved hydraulic fluid.
SPL Special lubricant, Lubriplate EMB grease (TENNANT part no. 01433--1)...
WG Water and permanent-type ethylene glycol anti-freeze, --34_C(--30_F)...
NOTE: Also check procedures indicted (H) after the first 50-hours of operation.

GENERAL INFORMATION
800/810 MM337 (6--01)
1--16
MAINTENANCE -- DIESEL
1
2
3
4
5
6
7
8
9
10
11
12
13
14
15
16
07623
MAINTENANCE CHART
Interval Key Description Procedure
Lubricant/
Fluid
No. of
Service
Points
Daily 10 Engine air filter Check indicator -- 1
y
g
Empty dust cap -- 1
12 Engine crankcase Check oil level EO 1
13 Brush compartment skirts Check for damage, wear, and
adjustment
-- 6
15 Hopper lip skirts Check for damage, wear, and
adjustment
-- 3
13 Main brush Check for damage, wear, and
adjustment
-- 1
Check brush pattern -- 1
1Side brush Check for damage, wear, and
adjustment
-- 1
Check brush pattern -- 1
2Hopper dust filter Shake -- 2
50 Hours 13 Main brush Rotate end-for-end -- 1
2Hopper dust filter Check or clean -- 2
12 Fuel lines Check for wear and leaks -- 1
16 Main brush adjustment Lubricate SPL 1

GENERAL INFORMATION
1--17
800/810 MM337 (6--01)
Interval Key Description Procedure
Lubricant/
Fluid
No. of
Service
Points
100 Hours 6Hydraulic fluid reservoir Check fluid level HYDO 1
7Hydraulic fluid cooler Clean cooler fins 1
8Radiator Clean core exterior 1
Check coolant level WG 1
Clean screen -- 1
-- Tires Check pressure -- 3
13 Main brush & hopper seals Check for damage or wear -- 12
12 Engine crankcase HChange oil and filter element EO 1
12 Engine fan belt HCheck tension -- 1
12 Air cond. belt (option) Check tension -- 1
-- Air cond. filter (option) Clean or replace if necessary -- 1
200 Hours 12 Engine Steam clean exterior -- 1
8Radiator hoses and clamps Check for tightness and wear -- 2
11 Rear wheel support
bearings
Lubricate SPL 2
5 Parking brake Check adjustment -- 1
3Side brush pivot pins Lubricate SPL 1
400 Hours 12 Fuel filter, Engine Replace -- 1
12 Water separator / fuel filter Replace -- 1
8 Cooling system Flush WG 1
4Brake master cylinder Check fluid level BF 1
800 Hours 6Hydraulic reservoir Replace filler cap GL
y
Replace suction strainer GL 1
Change hydraulic fluid HYDO 1
9
H
y
d
r
a
u
l
i
c
f
l
u
i
d
f
i
l
t
e
r
H
C
h
a
n
g
e
f
i
l
t
e
r
e
l
e
m
e
n
t
1
9
H
y
d
rau
l
i
c
f
l
u
i
d
f
i
l
t
er H
C
h
ange
f
i
l
t
er e
l
emen
t
--
1
9Hydraulic hoses Check for wear and damage -- 49
11 Propelling motor HTorque shaft nut -- 1
-- Rear wheel HTorque wheel nuts -- 1
16 Battery HClean and tighten battery cable
connections
-- 1
1600
Hours
14 Front wheel bearings Check, lubricate, and adjust SPL 2
LUBRICANT/FLUID
BF Brake fluid....
EO Engine oil, 10W30 diesel rating above CD grade only....
HYDO Tennant Company or approved hydraulic fluid.
SPL Special lubricant, Lubriplate EMB grease (TENNANT part no. 01433--1)...
WG Water and permanent-type ethylene glycol anti-freeze, --34_C(--30_F)...
NOTE: Also check procedures indicted (H) after the first 50-hours of operation.

GENERAL INFORMATION
800/810 MM337 (2--94)
1--18
HARDWARE INFORMATION
The following charts state standard plated
hardware tightening ranges for normal assembly
applications. Decrease the specified torque by
20% when using a thread lubricant. Do not
substitute lower grade hardware for higher grade
hardware. If higher grade hardware than specified
is substituted, tighten only to the specified
hardware torque value to avoid damaging the
threads of the part being threaded into, as when
threading into speed nuts or weldments.
STANDARD BOLT TORQUE CHART
Thread SAE Grade 5 SAE Grade 8
Size Torque ft lb (Nm) Torque ft lb (Nm)
0.25 in 7--10 (9--14) 10--13 (14--38)
0.31 in 15--20 (20--27) 20--26 (27--35)
0.38 in 27--35 (37--47) 36--47 (49--64)
0.44 in 43--56 (58--76) 53--76 (72--103)
0.50 in 65--85 (88--115) 89--116 (121--157)
0.62 in 130--170 (176--231) 117--265 (159--359)
0.75 in 215--280 (291--380) 313--407 (424--552)
1.00 in 500--650 (678--881) 757--984 (1026--1334)
NOTE: Decrease torque by 20% when using a
thread lubricant.
METRIC BOLT TORQUE CHART
Thread Class 8.8 Class 10.9
Size Torque ft lb (Nm) Torque ft lb (Nm)
M4 2(3) 3(4)
M5 4(5) 6(8)
M6 7 (9) 10 (14)
M8 18 (24) 25 (34)
M10 32 (43) 47 (64)
M12 58 (79) 83 (112)
M14 94 (127) 133 (180)
M16 144 (195) 196 (265)
M20 260 (352) 336 (455)
M24 470 (637) 664 (900)
NOTE: Decrease torque by 20% when using a
thread lubricant.

GENERAL INFORMATION
1--19
800/810 MM337 (8--97)
BOLT IDENTIFICATION
Identification Specification
Grade Marking and Grade
SAE--Grade 5
SAE--Grade 8
ISO--Grade 8.8
ISO--Grade 10.9
THREAD SEALANT AND LOCKING
COMPOUNDS
Thread sealants and locking compounds may be
used on this machine. They include the following:
Locktite 515 sealant -- gasket forming
material. TENNANT Part No. 75567,15 oz
(440 ml) cartridge.
Locktite 242 blue -- medium strength thread
locking compound. TENNANT Part No.
32676, 0.5 ml tube.
Locktite 271 red -- high strength thread
locking compound. TENNANT Part No.
19857, 0.5 ml tube.

GENERAL INFORMATION
800/810 MM337 (6--01)
1--20

CHASSIS
2--1
800/810 MM337 (8--97)
CONTENTS
Page
CHASSIS 2--3............................
SEAT 2--3................................
TO REMOVE SEAT ASSEMBLY 2--3.....
TO REPLACE SEAT ASSEMBLY 2--3.....
TO ADJUST SEAT POSITION 2--4.......
TO ADJUST SEAT RIDE STIFFNESS 2--4
STATIC DRAG CHAIN 2--4.................
BRAKES AND TIRES 2--5..................
SERVICE BRAKES 2--5.................
TO REPLACE BRAKE SHOES 2--5.......
TO ADJUST BRAKES 2--7..............
FRONT TIRES AND WHEELS 2--8.......
TO REPACK FRONT WHEEL
BEARINGS 2--8.....................
PARKING BRAKE
(FOOT ACTIVATED) 2--9.............
TO ADJUST FOOT ACTIVATED
BRAKE 2--9.........................
PARKING BRAKE
(HAND ACTIVATED) 2--9.............
TO ADJUST HAND ACTIVATED
BRAKE 2--9.........................
REAR TIRE AND WHEEL, AND WHEEL
SUPPORT 2--10........................
TO REPLACE REAR WHEEL
HOUSING PIVOT BEARINGS 2--11...

CHASSIS
2--2 800/810 MM337 (8--97)

CHASSIS
2--3
800/810 MM337 (8--97)
CHASSIS
This section includes information on the main
chassis related components for example the seat,
steering, brakes and tires.
SEAT
The seat assembly is removable on both the 800
and the 810. The seat can also be adjusted on
both models. Tools are needed to remove the
seat.
FOR SAFETY: Before Leaving Or Servicing
Machine; Stop On Level Surface, Set Parking
Brake, Turn Off Machine And Remove Key.
TO REMOVE SEAT ASSEMBLY
1. Tilt the seat assembly forward and hold it in
this position.
2. Remove the M6 hex screw and nyloc nut
holding the prop rod to the seat bottom.
3. Set the seat back down.
4. Remove the two M8 hex bolts, washers,
and sleeves from the front of the seat.
5. Lift the seat assembly out of the machine.
TO REPLACE SEAT ASSEMBLY
1. Position the seat assembly back on the
machine.
2. Install the two sleeves, washers, and M8
hex bolts. Hand tighten.
3. Tilt the seat assembly forward and hold it in
this position.
4. Reinstall the seat prop rod to the bottom of
the seat using the M6 hex screw, nyloc nut,
and washers. Hand tighten until snug.
5. Lower the seat.

CHASSIS
2--4 800/810 MM337 (8--97)
TO ADJUST SEAT POSITION
1. Pull adjustment lever forward, located lower
left side of seat
2. Move seat to desired position.
3. Release adjustment lever.
TO ADJUST SEAT RIDE STIFFNESS
1. Turn knob (located in front of seat) clockwise
to increase ride stiffness, counter-clockwise
to decrease ride stiffness.
STATIC DRAG CHAIN
A static drag chain prevents the buildup of static
electricity in the machine. The chain is attached to
the machine by a rear main brush skirt retaining
bolt.
Make sure the chain is touching the floor at all
times.
08443
08449

CHASSIS
2--5
800/810 MM337 (8--97)
BRAKES AND TIRES
SERVICE BRAKES
The hydraulic service brakes are located on the
front wheels. The brakes are operated by the foot
brake pedal.
Check the brake adjustment every 200 hours of
operation.
TO REPLACE BRAKE SHOES
FOR SAFETY: Before Leaving Or Servicing
Machine; Stop On Level Surface, Set Parking
Brake, Turn Off Machine And Remove Key.
1. Jack up one front corner of the machine.
Place a jack stand under machine.
FOR SAFETY: Block machine tires before
jacking machine up. Jack machine up at
designated locations only. Block machine up
with jack stands.
2. Remove the six wheel nuts and the tire/
wheel assembly.
3. Remove the small hub cap from the center
of the brake drum.
4. Remove the cotter pin, slotted nut, flat
washer, and bearing cone.
5. Slide the brake drum off the axle.
6. Remove the springs holding the brake shoes
together.
7. Remove the retainer clips holding the brake
shoes to the backing plate. Remove and
discard the old shoes.
8. Position the new brake shoes onto the
backing plate.
9. Reinstall the retainer clips.
08579
08579

CHASSIS
2--6 800/810 MM337 (8--97)
10. Reconnect brake springs to brake shoes.
11. Pack the wheel bearings with Lubriplate
EMB grease.
12. Slide the brake drum back on the axle.
13. Slide the outer bearing, flat washer and nut
onto the shaft.
14. Tighten nut with hand wrench until wheel
binds, then back nut off to nearest hole.
15. Insert a new cotter pin through nut and hole.
16. After making sure the wheel spins
freely,carefully install the small center cap.
17. Reinstall tire and wheel assembly. Tighten
the six wheel nuts to 95 -- 115 Nm
(70 -- 85 ft lb).
18. Remove the jack stands and lower the
machine.
NOTE: Always replace brake shoes in sets.
19. Repeat the procedure on the other wheel.

CHASSIS
2--7
800/810 MM337 (8--97)
TO ADJUST BRAKES
FOR SAFETY: Before Leaving Or Servicing
Machine; Stop On Level Surface, Set Parking
Brake, Turn Off Machine And Remove Key.
1. Jack up one front corner of the machine.
Place a jack stand under machine.
FOR SAFETY: Block machine tires before
jacking machine up. Jack machine up at
designated locations only. Block machine up
with jack stands.
2. Remove the six wheel nuts and the tire/
wheel assembly.
3. Remove the small hub cap from the center
of the brake drum.
4. Remove the cotter pin, slotted nut, flat
washer, and bearing cone.
5. Slide the brake drum off the axle.
6. Turn adjustment wheel located at bottom of
brake shoes until drum fits snugly over
brake shoes.
7. Slide the brake drum back on the axle.
8. Slide the outer bearing, flat washer and nut
onto the shaft.
9. Tighten nut with hand wrench until wheel
binds, then back nut off to nearest hole.
10. Insert a new cotter pin through nut and hole.
11. After making sure the wheel spins freely,
carefully install the small center cap.
12. Reinstall tire and wheel assembly. Tighten
the six wheel nuts to 95 -- 115 Nm
(70 -- 85 ft lb).
13. Remove the jack stands and lower the
machine.
14. Operate the machine and check the brake
pedal for proper adjustment.
08579

CHASSIS
2--8 800/810 MM337 (8--97)
FRONT TIRES AND WHEELS
The standard machine tires are pneumatic.
inspect the front wheel bearings for seal damage,
and repack and adjust every 1600 hours of
operation. Use Lubriplate EMB grease
(TENNANT part no. 01433--1).
TO REPACK FRONT WHEEL BEARINGS
FOR SAFETY: Before Leaving Or Servicing
Machine; Stop On Level Surface, Set Parking
Brake, Turn Off Machine And Remove Key.
1. Jack up one front corner of the machine.
Place a jack stand under machine.
FOR SAFETY: Block machine tires before
jacking machine up. Jack machine up at
designated locations only. Block machine up
with jack stands.
2. Remove the six wheel nuts and the tire/
wheel assembly.
3. Remove the small hub cap from the center
of the brake drum.
4. Remove the cotter pin, slotted nut, flat
washer, and bearing cone.
5. Slide the brake drum off the axle.
6. Pack the wheel bearings with Lubriplate
EMB grease.
7. Slide the brake drum back on the axle.
8. Slide the outer bearing, flat washer and nut
onto the shaft.
9. Tighten nut with hand wrench until wheel
binds, then back nut off to nearest hole.
10. Insert a new cotter pin through nut and hole.
11. After making sure the wheel spins freely,
carefully install the small center cap.
12. Reinstall tire and wheel assembly. Tighten
the six wheel nuts to 95 -- 115 Nm
(70 -- 85 ft lb).
13. Remove the jack stands and lower the
machine.
08579

CHASSIS
2--9
800/810 MM337 (8--97)
PARKING BRAKE (FOOT ACTIVATED)
The parking brake is set with foot pedal on
machines with serial numbers (0 -- 1102) on
model 800 and (0 -- 2045) on model 810.
Adjust the parking brake whenever it becomes
very easy to set, when the machine rolls after
setting the parking brake, and after every 200
hours of operation.
Adjust the parking brake so it will hold the
Machine on a smooth 8 degree incline.
TO ADJUST FOOT ACTIVATED BRAKE
1. Loosen 2 jam nuts on threaded rod
connected to brake pedal.
2. Turn rod either clockwise or
counter-clockwise to increase or decrease
the tension on cables.
3. Once rod is at the correct length where the
brakes hold the machine, tighten the jam
nuts on the rod.
PARKING BRAKE (HAND ACTIVATED)
The parking brake is set with a hand lever on
machines with serial numbers (1103 and up) on
model 800 and (2046 and up) on model 810.
Adjust the parking brake whenever it becomes
very easy to set, when the machine rolls after
setting the parking brake, and after every 200
hours of operation
Adjust the parking brake so it will hold the
Machine on a smooth 8 degree incline.
TO ADJUST HAND ACTIVATED BRAKE
1. At the end of the handle, there is a knob that
can be turned clockwise or
counter-clockwise.
2. Release the parking brake and turn knob to
increase or decrease the tension on the
brake cables. Set the parking brake to test
readjust as necessary.
3. Adjust this knob until the brakes sufficiently
holdthemachineinplace.
08574

CHASSIS
2--10 800/810 MM337 (8--97)
REAR TIRE AND WHEEL, AND WHEEL
SUPPORT
The rear wheel support pivots the rear wheel. The
support has one grease fitting for the bearings.
The rear wheel support bearings must be
lubricated every 200 hours of operation. Use
Lubriplate EMB grease (TENNANT part no.
01433--1).
Check the rear tire pressure every 100 hours of
operation. The proper tire air pressure is
690 --758 kPa (100 -- 110 psi).
Torque the rear wheel nuts to 122 -- 142 Nm
(90 -- 105 ft lb) after the first 50-hours of
operation, and every 800 hours thereafter.
Torque the rear wheel hub nut to 270 -- 340 Nm
(200 -- 250 ft lb).
08451

CHASSIS
2--11
800/810 MM337 (8--97)
TO REPLACE REAR WHEEL HOUSING PIVOT
BEARINGS
FOR SAFETY: Before Leaving Or Servicing
Machine; Stop On Level Surface, Set Parking
Brake, Turn Off Machine And Remove Key.
1. Engage the parking brake, block the front
tires.
FOR SAFETY: Block machine tires before
jacking machine up. Jack machine up at
designated locations only. Block machine up
with jack stands.
2. Jack up the rear of machine. Use jack
stands to support the machine.
3. Remove the rear tire and wheel assembly.
4. Turn steering wheel clockwise as far as it
will go so the steering cylinder is completely
retracted.
5. Disconnect the battery cables from machine.
WARNING: Always disconnect battery
cables from machine before working on
or near electrical components.
6. Remove the seat assembly from the
machine. See TO REMOVE SEAT
ASSEMBLY instructions in this section.
7. Remove the access cover panel from the
operator’s compartment to gain access to
steering bracket.
8. Remove the hose clamp, channel, sleeve
and hardware from the steering bracket.
9. Remove the hex screw and nyloc nut
holding the ball joint to the rear casting.
10. Remove and plug the hydraulic hoses from
the drive motor. Mark the hoses for proper
assembly orientation.
NOTE: Observe hydraulic cleanliness
requirements when opening hydraulic lines.

CHASSIS
2--12 800/810 MM337 (8--97)
11. Place a floor jack under the rear wheel
support. Raise the wheel support until the
weight is removed from the support
bearings. Do not lift the machine off the jack
stands.
12. Remove the lock ring retainer by first
loosening the retainer’s 12 cap screws.
Thread three of the cap screws in the three
open threaded holes. This will drive the ring
retainer off the shaft. After the ring is off the
shaft, return the three cap screws to their
original threaded holes.
13. Remove the bottom pivot plate bolts and the
pivot plate. Count the number of threads
exposed below slotted nut on pivot shaft.
14. Remove the slotted nut and tabbed lock
washer. Save the slotted nut and the tabbed
lock washer.
15. Remove the washer and bearing cone.
Discard the washer.
16. Lower the drive housing and remove it from
under the machine.
17. The upper bearing cone is pressed on. A
bearing puller must be used to remove it.
Removal of the upper bearing mount plate
will make this easier.
18. Pre-grease the new bearing cone and press
on shaft. Reinstall upper bearing mount
plate if removed. Tighten the five M20 hex
screws to 300 -- 390 Nm (220 -- 290 ft lb).
19. Place the rear drive housing back under the
machine. Raise the housing back in position
with the floor jack.
Threaded
Hole
Cap
Screw
Lock
Ring
Retainer
To r q u e
Sequence

CHASSIS
2--13
800/810 MM337 (8--97)
20. Pre-grease the second bearing cone and
install with a new hardened washer, tab lock
washer, and slotted nut. Lubricate the face
of the tab lock washer so the locking nut can
turn freely.
21. Tighten the slotted nut by rocking the casting
back and forth. Torque slotted nut to 68 Nm
(50 ft lb).Then tighten nut another1/8 turn.
Bend tabs on washer to lock slotted nut.
22. Reinstall the bottom pivot plate. Only HAND
TIGHTEN the hex screws at this time.
23. Slide the lock ring retainer into place on the
pivot shaft. This will center bottom plate to
pivot shaft. Do not tighten at this time.
24. Hold the lock ring retainer in place while
tightening the five M20 hex screws to
300 -- 390 Nm (220 -- 290 ft lb) on the
bottom pivot plate.
25. Alternately tighten the cap screws. Torque
cap screws to 14 Nm (10 ft lb), then to
28 Nm (20 ft lb), and then to 40 Nm (30 ft lb)
in the pattern shown.
26. Remove the floor jack from under the rear
wheel support.
27. Reconnect the hydraulic hoses. Make sure
each hose is placed on the fitting it was
removed from.
NOTE: Observe hydraulic cleanliness
requirements when opening hydraulic lines.
28. Install the hydraulic cylinder ball joint on
steering bracket. Torque the hex screw to
290 -- 380 Nm (215 -- 280 ft lb).
Threaded
Hole
Cap
Screw
Lock
Ring
Retainer
To r q u e
Sequence

CHASSIS
2--14 800/810 MM337 (8--97)
29. Install existing hose clamp, channel and
sleeve on steering bracket with existing
hardware.
30. Reinstall the rear tire and wheel assembly.
Tighten the six wheel nuts to 122 -- 142 Nm
(90 -- 105 ft lb). Use a crisscross pattern
when torquing wheel nuts.
31. Remove the machine jack stands and lower
the machine to the floor.
32. Rock the machine side to side and listen for
a clicking sound from the rear wheel
support. If you hear the sound, repeat steps
11 -- 25.
33. Reinstall access cover panel in operator’s
compartment.
34. Reinstall seat assembly. See TO REPLACE
SEAT ASSEMBLY instructions in this
section.
35. Reconnect the battery cables.
36. Operate the machine and check for proper
operation of the rear drive area.

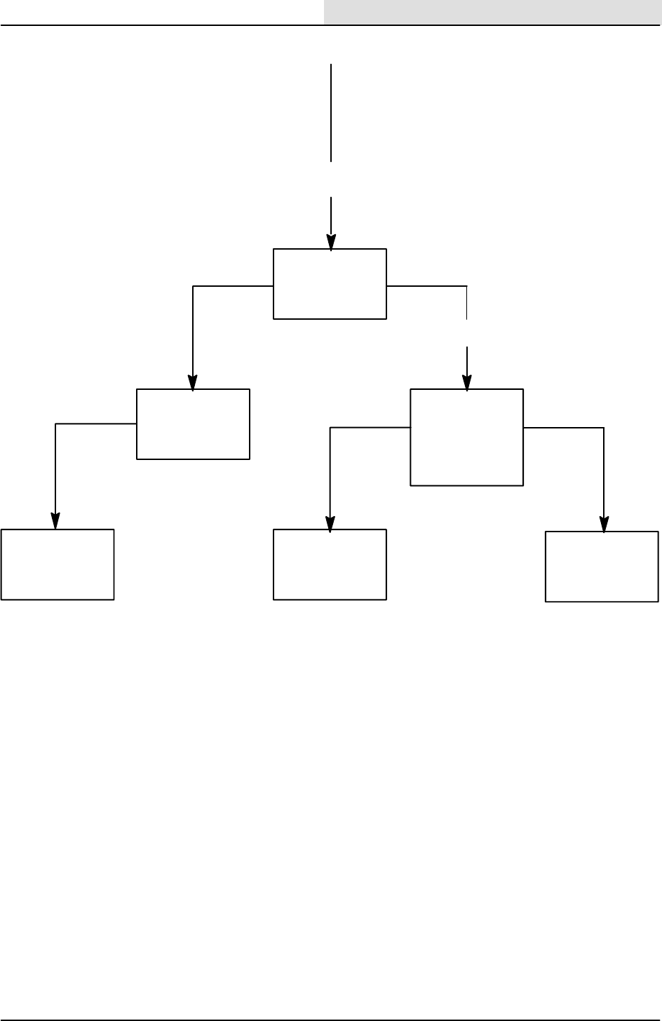
SWEEPING
3--1
800/810 MM337 (8--97)
CONTENTS
Page
INTRODUCTION 3--3......................
REGENERATIVE FILTER SYSTEM
(RFS) 3--4.............................
DEBRIS HOPPER 3--5.....................
TO REMOVE HOPPER 3--5.............
TO INSTALL HOPPER 3--7..............
TO ADJUST AND LEVEL HOPPER
HEIGHT 3--7........................
HOPPER DUMP DOOR 3--8................
TO REMOVE HOPPER DUMP
DOOR 3--8.........................
TO INSTALL HOPPER DUMP
DOOR 3--9.........................
TO ADJUST HOPPER DUMP
DOOR 3--9.........................
HOPPER DUST FILTER 3--10..............
TO REMOVE OR REPLACE HOPPER
DUST FILTER 3--10..................
THERMO SENTRYt3--12.................
TO REPLACE THERMO SENTRYt3--12.
BRUSHES 3--13..........................
MAIN BRUSH 3--13.....................
TO REPLACE MAIN BRUSH 3--13.....
TO CHECK AND ADJUST MAIN
BRUSH PATTERN 3--14...........
TO REPLACE MAIN BRUSH IDLER
PLUG BEARING 3--16...............
TO REPLACE MAIN BRUSH SHAFT
BEARINGS 3--17....................
POWER THROWt3--19................
TO REPLACE POWER
THROWtBRUSH 3--19...........
TO REPLACE POWER THROWt
BRUSH IDLER BEARINGS 3--20.....
SIDE BRUSH 3--21.....................
TO REPLACE SIDE BRUSH 3--21.....
TO ADJUST SIDE BRUSH TIP
ANGLE 3--22.....................
TO ADJUST SIDE BRUSH RIDE
HEIGHT 3--23....................
Page
SKIRTS AND SEALS 3--24.................
TO REPLACE HOPPER LIP
SKIRTS 3--24.......................
BRUSH COMPARTMENT SKIRTS 3--25..
TO REPLACE AND ADJUST BRUSH
DOOR SKIRTS 3--25.................
REAR SKIRTS 3--26....................
TO REPLACE AND ADJUST THE
REAR SKIRT 3--26..................
TO REPLACE AND ADJUST THE
REAR DEFLECTOR SKIRT 3--27......
BRUSH DOOR SEALS 3--28.............
HOPPER SEALS 3--28..................
TO REPLACE HOPPER WHEEL
POCKET SEALS 3--29...............
HOPPER DOOR SEALS 3--30...........
HOPPER SIDE SKIRT 3--30.............
HOPPER DUST SEAL 3--30.............
HOPPER COVER SEAL 3--30...........
HOPPER LIFT ARMS 3--31.................
TO REMOVE HOPPER LIFT ARM 3--31..
TO INSTALL HOPPER LIFT ARM 3--32...
HOPPER VACUUM FAN SEAL 3--33........
VACUUM FAN 3--33....................
TO REPLACE VACUUM FAN
IMPELLER 3--33....................
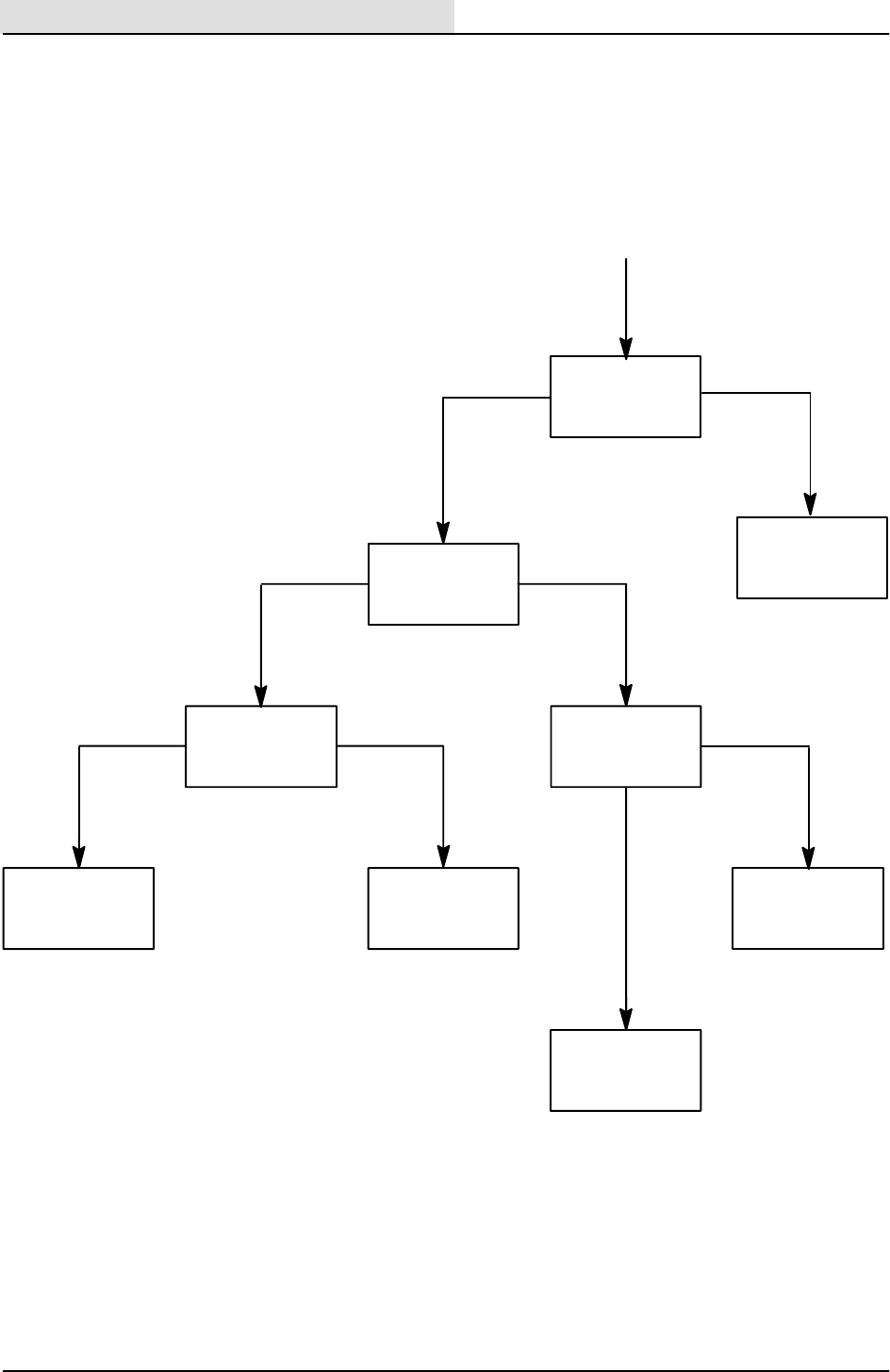
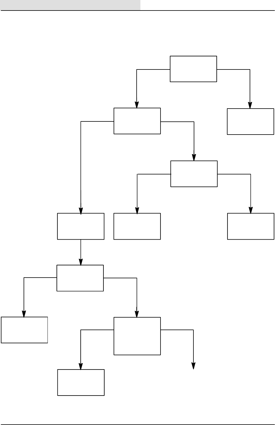
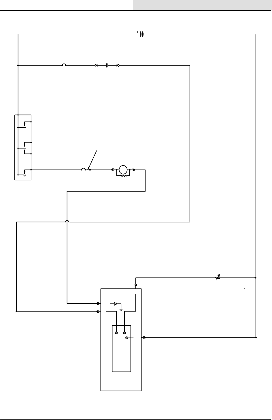
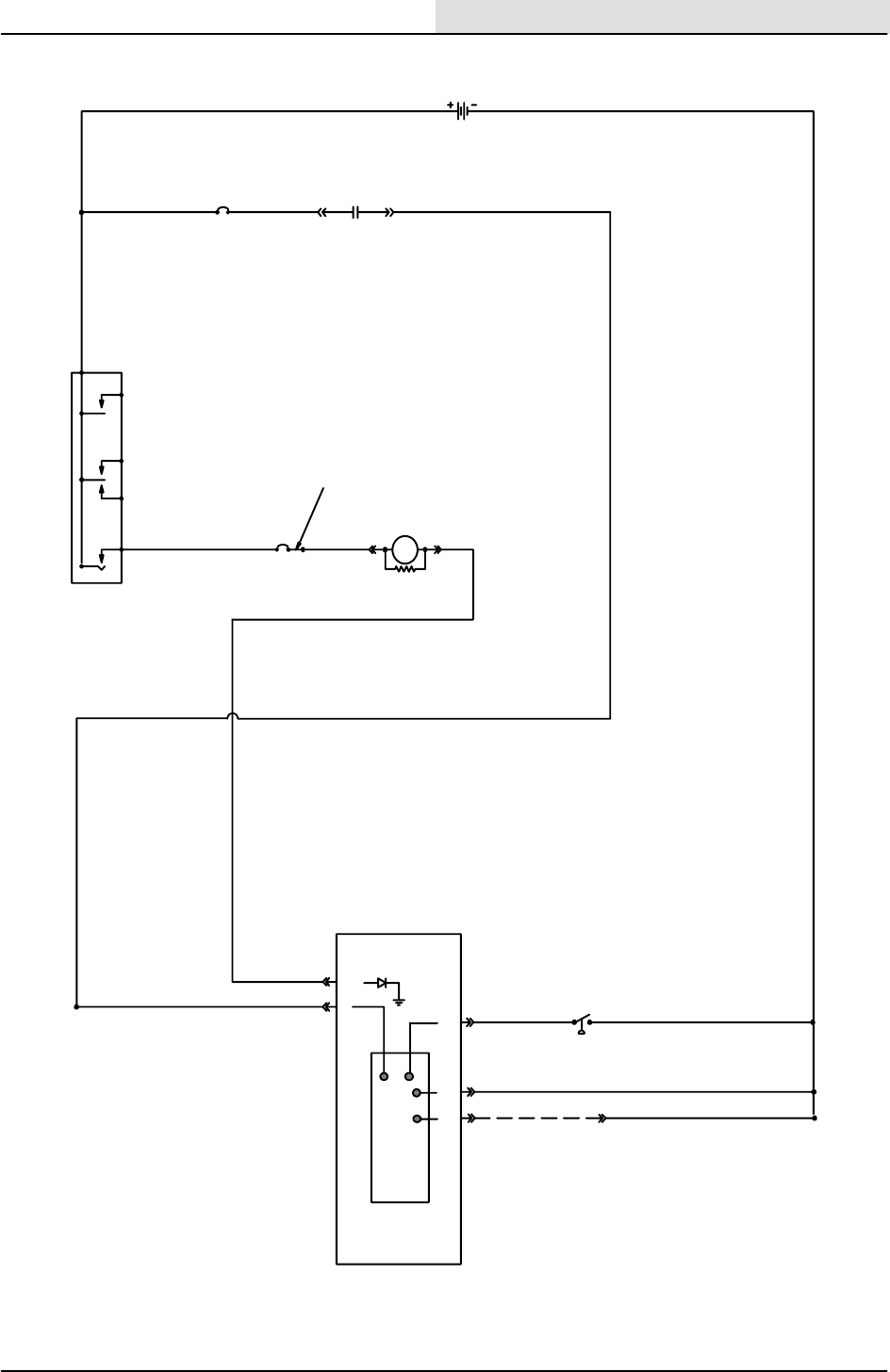
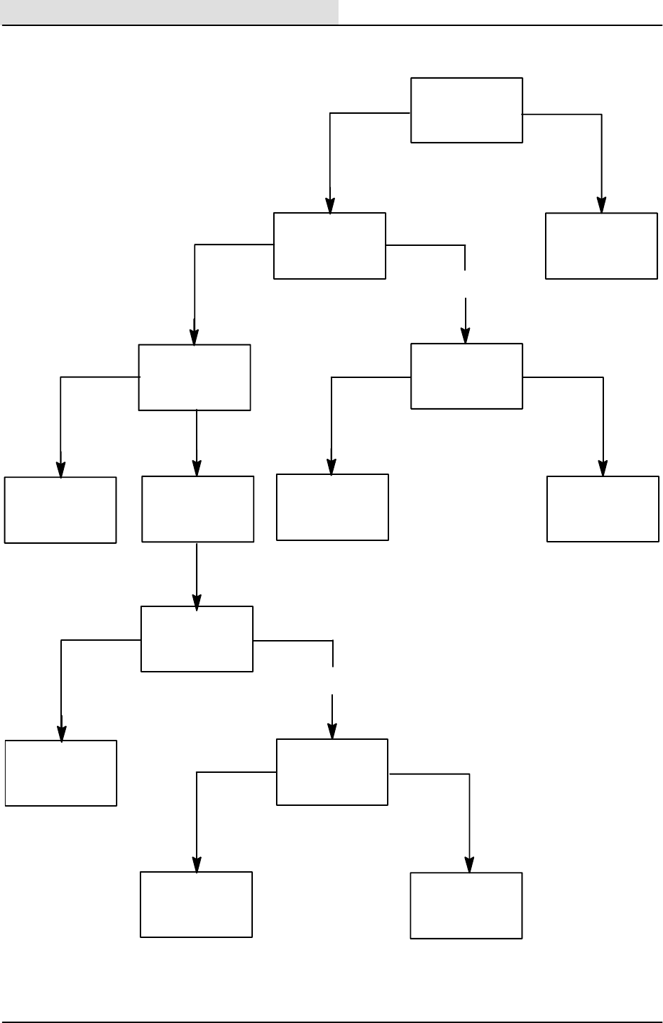
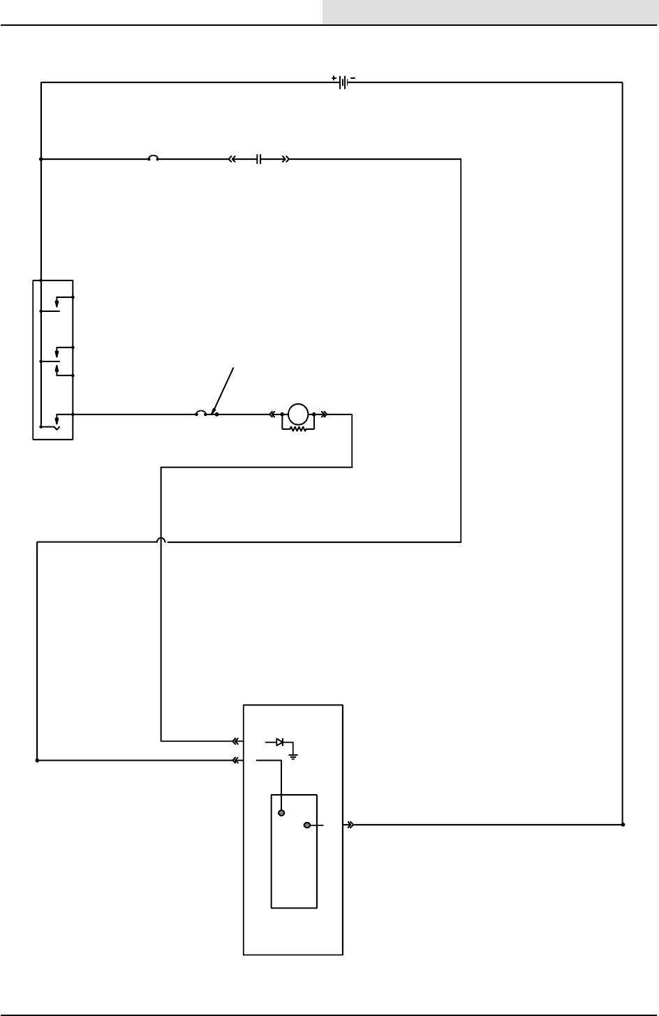
MACHINE TROUBLESHOOTING 3--36......

SWEEPING
3--2 800/810 MM337 (8--97)

SWEEPING
3--3
800/810 MM337 (8--97)
INTRODUCTION
The side brush sweeps debris into the path of the
main brush. The main brush sweeps debris from
the floor into the hopper. The vacuum system
pulls dust and air through the hopper and the
hopper dust filter.

SWEEPING
3--4 800/810 MM337 (8--97)
REGENERATIVE FILTER SYSTEM (RFS)
The Regenerative Filter System (RFS) is an
option that alternately turns on the filter shaker
motors when the filters need cleaning because of
a build--up of dust or debris.
Normally the RFS does not require the operator to
stop the machine to shake the filters during
sweeping operation (except in extreme and
severe dust environments). However, it is
recommended that the filters are shaken at the
operator’s initiative each time the hopper is
dumped. This can be accomplished during transit
to a dump sight. AVOID shaking the filters while
hopper is in a rolled out position. To initiate a
shaking cycle, press the filter button on the
instrument panel.
In very severe dust environments, the plugged
filter indicator on the instrument panel may remain
lit. When this occurs, it is recommended that the
operator stop the machine and initiate one or two
shake cycles to clear a possible plugged filter
condition. After shaking, roll the hopper out to
evacuate the dust tray. Resume sweeping
operation.
If the hopper is over full, the light may come on.
Check the hopper load and dump if necessary.
If the filter light remains on after all the above
conditions are corrected, the filters may be
plugged or the RFS may be inoperative. Filters
may be shaken by the operator initiative by
pressing the filter button on the instrument panel if
there is a failure in the RFS control system.
Successful operation of the RFS option requires
clean, undamaged filters. Plugged filters may
cause the RFS to cycle continuously even at start
up. The option also requires good sealing of the
upper lid to the hopper, as well as a good seal
between the two upper filter chambers.
It is recommended that the machine be driven for
some test sweeping with the RFS option at initial
start up. This next step assumes the hopper cover
and upper filter chamber of the hopper was
cleaned thoroughly prior to installation of the RFS
option. Sweep for 30 minutes and open the
hopper cover to check the integrity of the seals.
Look at the top of the shaker panels and the
underside of the hopper cover. Check for any
signs of dust tracking that may be caused by a
bad seal or filter. Repair a necessary. Perform this
check periodically while using the sweeper with
the RFS option.

SWEEPING
3--5
800/810 MM337 (8--97)
DEBRIS HOPPER
The debris hopper collects the debris swept up by
the main brush. The hopper includes the following
main components: hopper dust filters, hopper
dump door, and dust skirts. All adjustments have
been made at the factory and require no regular
maintenance. If the hopper components are
repaired or replaced, some components may
need to be re--adjusted for best performance. The
hopper may need to be removed from the
machine for some repair or service work.
TO REMOVE HOPPER
FOR SAFETY: Before Leaving Or Servicing
Machine; Stop On Level Surface, Set Parking
Brake, Turn Off Machine And Remove Key.
1. Make sure the hopper has been emptied of
all debris.
2. Set the parking brake, Raise the hopper and
engage the prop arm.
WARNING: Raised Hopper May Fall.
Engage Hopper Support Bar.
3. Remove the two M8 hex screws holding
each fender to the hopper bumper.
Disengage the prop arm and lower the
hopper.
4. Open hopper cover and remove eight M8
hex screws attaching LH and RH fenders to
hopper.
5. Open the front headlight panel. Spread the
front fenders apart and pull the headlight
panel out of the hole on each end.
6. Remove the headlight panel and both front
fenders from the machine.
7. Start the machine and open hopper dump
door.
8. Remove the two M10 hex screws from the
bottom front corners of the hopper.
9. Remove the five M10 hex screws from both
sides of hopper. (accessed inside hopper)

SWEEPING
3--6 800/810 MM337 (8--97)
10. Start the engine and roll the hopper slightly
forward. Hook an over head hoist to the two
adjustment bolts on the back of the hopper.
11. Remove the five M10 hex screws from on
top of hopper in front.
12. Unbolt the bracket holding the hydraulic
hose tee fittings at the front of the hopper.
13. Start the engine, close the dump door, and
roll the hopper all the way out. Use the over
head hoist to help roll the un--bolted hopper
forward.
14. Unplug the hopper wire harness from the
main harness. Remove any ties holding the
harness to the lift arm.
15. The hopper can now be lifted up and out of
the lift arms using the over head hoist.
16. Set the hopper on the floor.

SWEEPING
3--7
800/810 MM337 (8--97)
TO INSTALL HOPPER
1. Engage parking brake, Lift the hopper back
into the machine using the rear adjustment
bolts and a chain or strap.
2. Roll the hopper back half way. Open the
hopper dump door.
FOR SAFETY: Before Leaving Or Servicing
Machine; Stop On Level Surface, Set Parking
Brake, Turn Off Machine And Remove Key.
3. Reinstall all the hopper hardware. Align
holes by rocking hopper and using a drift
punch.
4. Tighten the M10 hex screws to 37 -- 48 Nm
(27 -- 35 ft lb).
5. Reinstall the hydraulic hose tee bracket.
Tighten the M8 hex screws to 18 -- 24 Nm
(13 -- 18 ft lb).
6. Reinstall the front headlight panel and RH
and LH fenders. Tighten the ten M8 hex
screws to 18 -- 24 Nm (13 -- 18 ft lb).
7. Reconnect the hopper harness to the main
harness. Reattach the harness to the lift
arms.
8. Close the hopper dump door, roll the hopper
back, raise the hopper, engage the prop
arm.
9. Reinstall the four M8 hex screws in the
bottom of both fenders. Tighten to
18 -- 24 Nm (13 -- 18 ft lb).
10. Disengage the prop arm and lower the
hopper.
TO ADJUST AND LEVEL HOPPER HEIGHT
1. The two M12 hex screws at the rear of
hopper should be set at 45 mm (1.75 in)
from the head of bolt to the edge of bracket.

SWEEPING
3--8 800/810 MM337 (8--97)
HOPPER DUMP DOOR
The hopper dump door is used to control the
hopper debris when dumping.
TO REMOVE HOPPER DUMP DOOR
FOR SAFETY: Before Leaving Or Servicing
Machine; Stop On Level Surface, Set Parking
Brake, Turn Off Machine And Remove Key.
1. Make sure the hopper has been emptied of
all debris.
2. Set the parking brake, Raise the hopper and
engage the prop arm.
WARNING: Raised Hopper May Fall.
Engage Hopper Support Bar.
3. Remove the two M8 hex screws holding
each fender to the hopper bumper.
Disengage the prop arm and lower the
hopper.
4. Open hopper cover and remove eight M8
hex screws attaching LH and RH fenders to
hopper.
5. Open the front headlight panel. Spread the
front fenders apart and pull the headlight
panel out of the hole on each end.
6. Remove the headlight panel and both front
fenders from the machine.
7. Start the machine and open hopper dump
door.
8. Brace the dump door up with jack stands.
9. Remove the cotter keys from pins at the rod
end of the dump door cylinders.
10. Slide the clevis pins out of each cylinder and
door. Make sure dump door is supported
before removing the pins.
11. Loosen the set screws on both centering
sleeves on upper hopper door pins.
12. Remove the M12 hex screws and nyloc
nuts.
13. The hopper door can now be removed from
the machine.

SWEEPING
3--9
800/810 MM337 (8--97)
TO INSTALL HOPPER DUMP DOOR
FOR SAFETY: Before Leaving Or Servicing
Machine; Stop On Level Surface, Set Parking
Brake, Turn Off Machine And Remove Key.
1. Position the dump door in front of the
machine with the pivot ears pointing up.
2. Align the upper bearing sleeves with the
holes in bumper ears. Install the M12 hex
screws and nyloc nuts. Tighten to
64 -- 83 Nm (47 -- 60 ft lb).
3. Center the dump door and tighten the set
screws on the centering sleeves.
4. Align the holes in rod end of the dump door
cylinder with the holes in dump door. Slide
the clevis pin through the hole and install the
washer and cotter key.
5. Start the machine and close the dump door.
6. Reinstall the headlight panel, RH and LH
fenders. Tighten the ten M8 hex screws to
18 -- 24 Nm (13 -- 18 ft lb).
7. Reconnect the hopper harness to the main
harness. Reattach the harness to the lift
arms.
8. Close the hopper dump door, roll the hopper
back, raise the hopper, engage the prop
arm.
9. Reinstall the four M8 hex screws in the
bottom of both fenders. Tighten to
18 -- 24 Nm (13 -- 18 ft lb).
10. Disengage the prop arm and lower the
hopper.
TO ADJUST HOPPER DUMP DOOR
FOR SAFETY: Before Leaving Or Servicing
Machine; Stop On Level Surface, Set Parking
Brake, Turn Off Machine And Remove Key.
1. Engage the parking brake and open the
hopper dump door.
2. Usethetwo0.50inx3.5inhexscrews
located in the lower corner of front bumper
to adjust hopper dump door in and out for
proper seal.

SWEEPING
3--10 800/810 MM337 (8--97)
HOPPER DUST FILTER
The dust filters filter the air pulled up from the
hopper. The dust filters are equipped with a
shaker to remove the accumulated dust particles.
The dust filters shaker is operated by the filter
shaker switch.
Shake the dust filters before dumping the hopper
and at the end of every work shift. Check and
clean the dust filters every 50 hours of operation.
Extremely dusty conditions may require more
frequent cleaning of dust filters.
To clean the dust filters, use one of the following
methods:
DSHAKING -- Press the filter shaker switch.
DAIR -- Blow compressed air through the dust
filter from the inside. This may be done with
the dust filter in the machine, or for more
efficient cleaning remove the dust filter from
the machine and the prescreen wrap from
the filter element. Always wear eye
protection when using compressed air.
FOR SAFETY: When Servicing Machine, Wear
Eye And Ear Protection When Using
Pressurized Air Or Water.
DWATER -- Remove the fabric presceen wrap
from the filter element. Wash the prescreen
wrap in a water and mild detergent solution.
Rinse the prescreen wrap until it is clean. Air
dry the wet prescreen wrap; do not use
compressed air. NEVER wash the filter
element with water.
TO REMOVE OR REPLACE HOPPER DUST
FILTER
1. Stop the engine and set the machine parking
brake.
FOR SAFETY: Before Leaving Or Servicing
Machine; Stop On Level Surface, Set Parking
Brake, Turn Off Machine And Remove Key.
2. Open the hopper cover.
3. Disconnect the shaker motor wire
connectors.
08594

SWEEPING
3--11
800/810 MM337 (8--97)
4. Remove the four retaining screws from the
filter shaker frame.
5. Pull the filter shaker frame out of the hopper.
6. To ease in the removal of the shaker frame
the hopper should be rolled forward slightly.
7. Carefully turn over the shaker frame and
element.
8. Remove the four filter retaining screws from
the shaker frame.
9. Remove the retainer ring from the shaker
frame. Remove the filter.
NOTE: At this point inspect the shaker assembly
for worn pivot bearings or torn dust seal. Repair or
replace as necessary. Also lubricate the eccentric
roller bearings.
10. Make sure the prescreen wrap is tightly
wrapped around and securely fastened on
the new filter element. Put the new filter on
the filter shaker frame.
11. Place the retainer ring over the filter. Make
sure the retaining ring fits inside the lip of
the filter element all the way around. Line up
the slots on the retainer ring with the
retaining screws holes.
12. Mount using the retaining screws.
13. Check the seal on the shaker frame for
damage. Make sure the vibration isolators
are mounted in all four corners of the filter
shaker frame.
14. Put the filter and shaker frame in the hopper.
15. Install the four retaining screws and tighten.
16. Connect the shaker motor wire connectors.
17. Check the shaker ring to filter clearance.
Make sure the cam is in the lowest position.
There should be 0.125 in clearance around
the entire shaker ring. Use three 0.125 in
drill bits as gauges. The shaker ring is
adjusted with the two jam nuts on the shaker
stem.
NOTE: Make sure that the jam nuts are TIGHT
when the adjustment is complete.
08591
08592
08593

SWEEPING
3--12 800/810 MM337 (8--97)
THERMO SENTRYt
The Thermo Sentrytsenses the temperature of
the air pulled up from the hopper. If there is a fire
in the hopper, the Thermo Sentrytstops the
vacuum fan and cuts off the air flow. The Thermo
Sentrytis located on the vacuum fan housing.
Reset the Thermo Sentrytby pushing in its reset
button.
TO REPLACE THERMO SENTRYt
FOR SAFETY: Before Leaving Or Servicing
Machine; Stop On Level Surface, Set Parking
Brake, Turn Off Machine And Remove Key.
1. Open engine cover and side door.
2. Disconnect Thermo Sentrytfrom wire
harness.
3. Remove the two bolts holding the Thermo
Sentrytto the vacuum fan housing.
4. Mount new Thermo Sentrytwith existing
hardware.
5. Connect the wires back to the Thermo
Sentryt.
6. Close engine cover and side door.
08928

SWEEPING
3--13
800/810 MM337 (8--97)
BRUSHES
MAIN BRUSH
The main brush is cylindrical and spans the width
of the machine, sweeping debris into the hopper.
Check the brush daily for wear or damage.
Remove any string or wire tangled on the main
brush, main brush drive hub, or main brush idler
hub.
Check the main brush pattern daily. The pattern
should be 50 to 65 mm (2 to 2.5 in) wide. Adjust
the main brush pattern by turning the main brush
pressure knob located next to the operator seat.
Rotate the main brush end-for-end every
50 hours of operation for maximum brush life and
best sweeping performance.
Replace the main brush when the remaining
bristles measure 30 mm (1.25 in) in length.
TO REPLACE MAIN BRUSH
1. Raise the main brush.
2. Stop the engine and set the machine parking
brake.
FOR SAFETY: Before Leaving Or Servicing
Machine; Stop On Level Surface, Set Parking
Brake, Turn Off Machine And Remove Key.
3. Open the right side main brush access door.
4. Unlatch and remove the brush idler plate.
5. Grasp the main brush; pull it off the brush
drive plug and out of the main brush
compartment.
6. Put the new or rotated end-for-end main
brush on the floor next to the access door.
7. Slide the main brush onto the drive plug.
Rotate the brush until it engages the drive
plug, and push it all the way onto the plug.
8. Slide the main brush idler plate plug into the
main brush.
9. Latch the idler plate on the machine frame.
10. Close the right side main brush access door.
08487
08488
08489

SWEEPING
3--14 800/810 MM337 (8--97)
TO CHECK AND ADJUST MAIN BRUSH
PATTERN
1. Apply chalk, or some other material that will
not blow away easily, to a smooth, level
floor.
2. Raise the side brush and main brush and
position the main brush over the chalked
area.
3. Start the main brush.
4. Lower the main brush for 15 to 20 seconds
while keeping a foot on the brakes to keep
the machine from moving. This will lower the
rotating main brush.
NOTE: If chalk or other material is not available,
allow the brushes to spin on the floor for two
minutes. A polish mark will remain on the floor.
5. Raise the main brush.
6. Stop the main brush.
7. Drive the machine off the test area.
8. Observe the width of the brush pattern. The
proper brush pattern width is 65 to 75 mm
(2.5 to 3.5 in).
9. To increase the width of the main brush
pattern, turn the main brush down pressure
knob counter-clockwise, Heavy.
00582
08442

SWEEPING
3--15
800/810 MM337 (8--97)
10. To decrease the width of the main brush
pattern, turn the main brush down pressure
knob clockwise Light.
11. If the main brush pattern is tapered, more
than 15 mm (0.5 in) on one end than the
other, adjust the taper at the drive end of the
brush.
A. Loosen the brush drive end plate
mounting bolts.
B. Turn the taper adjustment nut
counter-clockwise to increase the
pattern width at the brush drive end,
and clockwise to decrease the pattern
width at the brush drive end. Tighten
the drive end plate mounting bolts.
C. Check the main brush pattern and
readjust as necessary. Then adjust the
width of the main brush pattern.
12. For maximum brush life always use the
minimum pattern to get good pickup. If the
brush is adjusted to a large pattern for an
uneven surface or a depression, it should be
returned to the lighter pattern as soon as
possible.
08441
00601
08450
08490

SWEEPING
3--16 800/810 MM337 (8--97)
TO REPLACE MAIN BRUSH IDLER PLUG
BEARING
FOR SAFETY: Before Leaving Or Servicing
Machine; Stop On Level Surface, Set Parking
Brake, Turn Off Machine And Remove Key.
1. Remove the main brush idler arm from the
machine. See TO REPLACE MAIN BRUSH
instructions in this section.
2. Remove the plastic cap from the idler plug.
3. Clean the area around where the cap was
mounted to the idler plug.
4. Remove the M12 hex screw, nyloc hex nut,
and washer holding the idler plug to the idler
arm. Save the hardware.
5. Remove the four M6 hex screws holding the
idler shaft in the idler plug. Remove the shaft
and cover. Save the hardware.
6. Remove the bearing seal plate, retainer and
bearing.
7. Clean the inside of the idler plug.
8. Place a new bearing, the seal plate and the
retainer in the idler.
9. Thread the four screws and flat washers into
place.
10. Install the idler shaft and tighten the four
bolts to 8 -- 10 Nm (6 -- 8 ft lb).
11. Slide the idler plug on the idler arm shaft.
Secure it with the hardware removed earlier.
Tighten hardware to 68 -- 81 Nm
(50 -- 60 ft lb).
12. Apply RTV to contact area where plastic cap
will fit one end of idle plug. Snap plastic cap
into place.
Note: If you replace idler arm latch, use blue
locktite on hardware to hold in place.

SWEEPING
3--17
800/810 MM337 (8--97)
TO REPLACE MAIN BRUSH SHAFT
BEARINGS
FOR SAFETY: Before Leaving Or Servicing
Machine; Stop On Level Surface, Set Parking
Brake, Turn Off Machine And Remove Key.
1. Remove the main brush. See TO REPLACE
MAIN BRUSH instructions in this section.
2. Remove the two M12 hex screws holding
main brush motor arm to brush shaft. Place
arm to the side without disconnecting
hydraulic hoses.
3. Remove the brush lift cable clevis from the
brush shaft arm.
4. Remove two M10 hex screws holding
bearing flange to main frame. Do this on
both sides.
5. Drop main brush shaft out of machine.
6. Secure brush shaft in vice.
7. Remove M8 hex screw holding brush pattern
adjustment tab on idler side of brush shaft.
Remove tab.
8. Remove the remaining hex screw in three
hole bearing flange.
9. Loosen the bearing set screws and slide the
bearings off the shaft.
10. Slide the new bearings on the shaft with the
collar facing the ends of the shaft end. Be
sure to have a bearing flange on each side
of each bearing. Leave collars loose.
11. Reinstall one hex screw into bearing flange
on each side. Tighten to 18 -- 24 Nm
(13 -- 18 ft lb).
12. Reinstall the brush shaft in the machine.
NOTE: Make sure bearing flanges are on the
inside of main frame.
13. Align two remaining holes in bearing flanges
with holes in main frame. Install M10 hex
screws and tighten to 37 -- 48 Nm
(26 -- 34 ft lb).

SWEEPING
3--18 800/810 MM337 (8--97)
14. Center brush shaft in machine. Tighten
bearing collars by turning on shaft. Hand
tighten set screws.
15. Reinstall main brush lift cable clevis pin.
16. Reinstall main brush motor arm using M12
hex screws. Tighten to 64 -- 83 Nm
(47 -- 61 ft lb).
17. Reinstall brush pattern adjustment tab using
M8 hex screw. Tighten to 18 -- 24 Nm
(13 -- 18 ft lb).
18. Reinstall main brush and check pattern.
Adjust if necessary.
Note: If you are replacing the idler arm latch
bracket, use blue locktite to hold the bolts in
place. Tighten the bolts to 8 -- 10 Nm
(6 -- 8 ft lb).

SWEEPING
3--19
800/810 MM337 (8--97)
POWER THROWt
The Power Throwtloads the hopper with debris
picked up by the main brush.
Check the brush daily for wear or damage.
Remove any string or wire tangled on the main
brush, main brush drive hub, or main brush idler
hub.
The Power Throwtbrush should clear the floor
by 7 to 13 mm (0.25 to 0.50 in). Adjust the floor
clearance with the adjusting bolt located under the
seat on the Power Throwtcross-tube. Turn the
bolt clockwise to increase the floor clearance, and
counter-clockwise to decrease the floor clearance.
TO REPLACE POWER THROWtBRUSH
1. Set the machine parking brake and open the
right main brush door.
2. Raise the hopper and secure with the
hopper prop arm.
WARNING: Raised Hopper May Fall.
Engage Hopper Support Bar.
3. Lower the Power Throwt.
4. Shut off the engine.
FOR SAFETY: Before Leaving Or Servicing
Machine; Stop On Level Surface, Set Parking
Brake, Turn Off Machine And Remove Key.
5. Remove the hex screw holding the idler
plate of the Power Throwtto the brush
torque tube. Remove the brush idler plate.
6. Pull the Power Throwtbrush off the drive
plug.
7. Slide the new brush on the drive end of the
Power Throwt.
8. Slide the brush idler plate plug onto the
brush.
9. Reinstall the brush idler plate and hex screw.
10. Lower the hopper and operate the machine,
checking for proper operation.
08583
08584

SWEEPING
3--20 800/810 MM337 (8--97)
TO REPLACE POWER THROWtBRUSH
IDLER BEARINGS
FOR SAFETY: Before Leaving Or Servicing
Machine; Stop On Level Surface, Set Parking
Brake, Turn Off Machine And Remove Key.
1. Set the machine parking brake and remove
the Power Throwtbrush and idler plate.
See TO REPLACE POWER THROWt
BRUSH instructions in this section.
WARNING: Raised Hopper May Fall.
Engage Hopper Support Bar.
2. Remove the M6 hex screw holding the
plastic idler plug on the idler shaft. Pull the
plug off the idler shaft. Retain the square
key.
3. Remove the two M6 hex screws holding the
bearing cup to the idler arm. Remove the
bearing cup assembly.
4. Remove the first snap ring from the shaft.
5. Press the bearing nearest the key way off
the shaft.
6. Press the second bearing off the shaft.
7. Press both the new bearings on the shaft.
Be careful not to damage the snap rings
when pressing the bearings on.
8. Reinstall the bearing cup assembly to brush
arm using the two M6 hex screws. Tighten
to8--10Nm(5--7ftlb).
9. Reinstall the snap ring that was removed in
step 4.
10. Reinstall the idler plug to shaft using M6 hex
screw. Tighten to 8 -- 10 Nm (5 -- 7 ft lb).
11. Reinstall the idler plate back on the
machine.
12. Reinstall the brush, lower the hopper, and
operate the machine. Check for proper
brush operation.

SWEEPING
3--21
800/810 MM337 (8--97)
SIDE BRUSH
The side brush sweeps debris along edges into
the path of the main brush.
Check the brush daily for wear or damage.
Remove any string or wire found tangled on the
side brush or side brush drive hub.
Check the side brush pattern daily. One-half of the
side brush bristles should contact the floor when
the brush is in motion. Adjust the side brush
pattern by the side brush down pressure knob.
Turn the knob counter-clockwise to increase the
brush contact with the sweeping surface, and
clockwise to decrease the brush contact with the
sweeping surface.
The side brush should be replaced when it no
longer sweeps effectively for your application. A
guideline length is when the remaining bristles
measure 50 mm (2 in) in length. You may change
the side brush sooner if you are sweeping light
litter, or wear the bristles shorter if you are
sweeping heavy debris.
TO REPLACE SIDE BRUSH
1. Make sure the hopper has been emptied of
all debris.
2. Set the parking brake, Raise the hopper and
engage the prop arm.
3. Shut off the engine.
FOR SAFETY: Before Leaving Or Servicing
Machine; Stop On Level Surface, Set Parking
Brake, Turn Off Machine And Remove Key.
4. Pull the hair pin and cable out of the hole in
the end of the side brush retaining clevis pin.
Remove the clevis pin from the side brush
hub.
5. Slide the side brush off the side brush drive
shaft.
6. Remove the five hex screws holding the
drive adaptor to the brush. Remove the drive
adaptor and install it on the new brush.
7. Slide the new side brush on the side brush
drive shaft.
08466

SWEEPING
3--22 800/810 MM337 (8--97)
8. Insert the side brush clevis pin through the
side brush hub and shaft. Reinstall the hair
pin and cable back into the hole in the end of
the clevis pin.
9. Secure the pin by clipping the pin keeper
over the end of the pin.
10. Disengage the hopper prop arm and lower
the hopper.
11. Adjust the side brush pattern with the side
brush down pressure knob.
TO ADJUST SIDE BRUSH TIP ANGLE
1. Raise the hopper and engage the prop arm.
FOR SAFETY: Before Leaving Or Servicing
Machine; Stop On Level Surface, Set Parking
Brake, Turn Off Machine And Remove Key.
2. Remove the M10 hex screw holding the side
brush lift cable to the lift arms.
3. Carefully lower side brush down onto the
side brush lift stop.
4. Makesurethesidebrushisdowninthe
sweep mode.
5. Locate the M10 threaded rod with two M10
jam nuts in the upper center of the side
brush motor mount bracket.
6. Loosen the rear jam nut and tighten the front
one. This will flatten out the brush pattern on
a worn brush and help maintain proper
sweeping performance.
7. Reconnect the side brush cable to the lift
arms using the M10 hex screw and washer.
Tighten to 52 -- 67 Nm (39 -- 51 ft lb).
8. Disengage prop arm, lower hopper and
check side brush for proper operation.

SWEEPING
3--23
800/810 MM337 (8--97)
TO ADJUST SIDE BRUSH RIDE HEIGHT
1. Raise the hopper and engage prop arm.
FOR SAFETY: Before Leaving Or Servicing
Machine; Stop On Level Surface, Set Parking
Brake, Turn Off Machine And Remove Key.
2. Remove the M10 hex screw holding the side
brush lift cable to the lift arms.
3. Carefully lower side brush down onto the
side brush lift stop.
4. Makesurethesidebrushisdowninthe
sweep mode.
5. Loosen the two M8 hex screws holding the
side brush cable lift bracket to the side of the
side brush motor mount bracket.
6. Adjust the side brush to the desired height of
approximately 0.50 in from lower edge of
bumper with the side brush in the raised
position. Tighten the hex screws to
18 -- 24 Nm (15 -- 20 ft lb).
7. Reconnect the hopper up side brush cable
to the lift arms. using the M10 hex screw
and washer. Tighten to 52 -- 67 Nm
(39 -- 51 ft lb).
8. Disengage prop arm, lower hopper and
check side brush for proper operation.

SWEEPING
3--24 800/810 MM337 (8--97)
SKIRTS AND SEALS
The hopper lip skirts are located on the bottom
rear of the hopper. The skirts float over debris and
help deflect that debris into the hopper. The top
skirt is segmented.
Check the hopper lip skirts for wear or damage
daily.
Replace the hopper lip skirts when they no longer
touch the floor.
TO REPLACE HOPPER LIP SKIRTS
1. Make sure the hopper has been emptied of
all debris.
2. Set the parking brake, Raise the hopper and
engage the prop arm.
WARNING: Raised Hopper May Fall.
Engage Hopper Support Bar.
3. Shut off the engine.
FOR SAFETY: Before Leaving Or Servicing
Machine; Stop On Level Surface, Set Parking
Brake, Turn Off Machine And Remove Key.
4. Remove the hopper lip retaining strip
mounting bolts.
5. Remove the hopper lip retaining strip, the
hopper lip, and the back-up strip.
6. Thread the retaining strip mounting bolts
through the retaining strip, the new hopper
lip, the back-up strip, and into the hopper.
7. Tighten the mounting bolts to 8 -- 14 Nm
(6 -- 10 ft lb).
8. Start the engine.
9. Raise the hopper, disengage the hopper
prop arm, and lower the hopper.
10. Operate the machine and check for proper
operation.
08491

SWEEPING
3--25
800/810 MM337 (8--97)
BRUSH COMPARTMENT SKIRTS
The brush compartment skirts are located on the
bottom of each of the two main brush doors and
around the ends of the brush on the main frame.
The inside brush door skirt should touch the floor,
and the outside brush door skirt should clear the
floor by 5 mm (0.25 in).
Check the skirts for wear or damage and
adjustment daily.
NOTE: The brush door skirts have slotted holes to
allow for a ground clearance adjustment. The door
must be closed for proper adjustment.
NOTE: Tire pressure will affect skirt clearances.
TO REPLACE AND ADJUST BRUSH DOOR
SKIRTS
1. Park the machine on a smooth, level
surface.
2. Stop the engine and set the machine parking
brake.
FOR SAFETY: Before Leaving Or Servicing
Machine; Stop On Level Surface, Set Parking
Brake, Turn Off Machine And Remove Key.
3. Open the main brush doors.
4. Remove the four hex screws holding the
brush door skirts and retainer to the brush
door.
5. Remove the skirt retaining strip and both
door skirts.
6. Discard the worn or damaged skirts.
7. Reinstall new skirts, skirt retainer, and M8
hex screws. Snug hex screws only at this
time.
8. Close the brush door and adjust skirt to
desired height 5 mm (0.25 in) off the floor.
9. Open the brush door and tighten M8 hex
screws to 8 -- 14 Nm (6 -- 10 ft lb)
10. Repeat this on the other brush door.

SWEEPING
3--26 800/810 MM337 (8--97)
REAR SKIRTS
The two rear skirts are located on the bottom rear
of the main brush compartment. The vertical skirt
should clear the floor up to 19 mm (0.75 in). The
recirculation skirt is self-adjusting.
Check the skirts for wear or damage and
adjustment daily.
NOTE: Tire pressure will affect skirt clearances.
TO REPLACE AND ADJUST THE REAR SKIRT
1. Park the machine on a smooth, level
surface.
2. Stop the engine and set the machine parking
brake.
FOR SAFETY: Before Leaving Or Servicing
Machine; Stop On Level Surface, Set Parking
Brake, Turn Off Machine And Remove Key.
3. Open the main brush doors.
4. Remove the main brush. See TO REPLACE
MAIN BRUSH instructions in this section.
5. Remove the five M8 hex screws and nyloc
nuts holding the skirt retainer channel to the
machine. Remove the skirt and retainer from
the machine.
6. Discard the old skirt. Position the new skirt
in place on the machine frame.
7. Thread the five hex screws through the
retaining channel, the rear skirt, and the
machine frame. Reuse the five nyloc nuts.
Leave loose for now.
NOTE: Make sure to reinstall the static chain on
the right hand skirt mounting hardware.
8. Slide the rear floor skirt up or down so that
the skirt clears the floor by 19 mm (0.75 in).
9. Tighten the rear floor skirt mounting bolts to
8--14Nm(6--10ftlb).
10. Reinstall the main brush. See TO REPLACE
MAIN BRUSH instructions in this section.
11. Close the brush doors and operate the
machine. Check for proper rear skirt
operation.
up to 19 mm
(up to 0.75 in)

SWEEPING
3--27
800/810 MM337 (8--97)
TO REPLACE AND ADJUST THE REAR
DEFLECTOR SKIRT
1. Park the machine on a smooth, level
surface.
2. Stop the engine and set the machine parking
brake.
FOR SAFETY: Before Leaving Or Servicing
Machine; Stop On Level Surface, Set Parking
Brake, Turn Off Machine And Remove Key.
3. Open the main brush doors.
4. Remove the main brush. See TO REPLACE
MAIN BRUSH instructions in this section.
5. Remove the four M8 hex screws and nyloc
nuts holding the deflector skirt retainer strap
to the deflector plate on the machine.
Remove the skirt and retainer from the
machine.
6. Discard the old skirt. Position the new
deflector skirt and old retainer strap in place
on the deflector plate on the machine.
7. Thread the four hex screws through the
retaining strap, the deflector skirt, and the
deflector plate. Reuse the four nyloc nuts.
Leave loose for now.
8. Adjust the recirculation flap high enough in
the slots so it can pivot back freely without
hitting the floor.
9. Tighten the brush deflector blade mounting
bolts to 8 -- 14 Nm (6 -- 10 ft lb).
10. Make sure the deflector spring moves the
recirculation flap freely into position.
11. Make sure to clear any build up of dirt or
debris from between the recirculation flap
mounting bracket and the brush wrap frame.
12. After a period of time the recirculation flap
will tend to curl down. When this happens
remove it, turn it end for end and upside
down, and reinstall. This will help maintain
proper sweeping performance.
13. Reinstall the main brush. See TO REPLACE
MAIN BRUSH instructions in this section.
14. Close the brush doors and operate the
machine. Check for proper deflector skirt
operation.

SWEEPING
3--28 800/810 MM337 (8--97)
BRUSH DOOR SEALS
The brush door seals are located on both main
brush doors and on corresponding portions of the
main frame.
Check the seals for wear or damage every
100 hours of operation.
HOPPER SEALS
The hopper seals are located on the top and side
portions of the machine frame that contact the
hopper.
Check the seals for wear or damage every
100 hours of operation.
08495
08496

SWEEPING
3--29
800/810 MM337 (8--97)
TO REPLACE HOPPER WHEEL POCKET
SEALS
1. Park the machine on a smooth, level
surface.
2. Stop the engine and set the machine parking
brake.
FOR SAFETY: Before Leaving Or Servicing
Machine; Stop On Level Surface, Set Parking
Brake, Turn Off Machine And Remove Key.
3. Raise hopper and engage hopper prop arm.
WARNING: Raised Hopper May Fall.
Engage Hopper Support Bar.
4. Remove main brush. See TO REPLACE
MAIN BRUSH instructions in this section.
5. Remove six M6 hex screws and five plastic
rivets holding the four retainers and brush
compartment seal to the machine frame.
6. Remove and discard the old brush
compartment seal.
NOTE: The Power Throwtbrush must be
removed on the model 810 to remove this seal.
See TO REPLACE POWER THROW BRUSH
instructions in this section.
7. Position the new brush compartment seal on
the machine frame.
8. Align holes on new skirt with holes in
retainers and frame.
9. Install and tighten the six M6 hex screws
and nyloc nuts to 8 -- 10 Nm (6 -- 8 ft lb).
10. Push the five plastic rivets in by hand.
NOTE: The plastic rivets may need to be replaced
if they were damaged during removal.
11. Repeat this procedure on the other side.

SWEEPING
3--30 800/810 MM337 (8--97)
HOPPER DOOR SEALS
The hopper door seals are located on the hopper
door. They seal the hopper when the hopper door
is closed.
Check the seals for wear or damage every
100 hours of operation.
HOPPER SIDE SKIRT
The hopper side skirt is located on the left side of
the hopper.
Check the hopper side skirt for wear or damage
daily.
HOPPER DUST SEAL
The hopper dust seal is located inside the hopper.
It seals the hopper filter compartment.
Check the seal for wear or damage every
100 hours of operation.
HOPPER COVER SEAL
The hopper cover seals are located on the inside
of the hopper cover. They seal the hopper filter
compartment.
Check the seal for wear or damage every
100 hours of operation.
08497
08492
08498

SWEEPING
3--31
800/810 MM337 (8--97)
HOPPER LIFT ARMS
The hopper lift arms lift and lower the hopper
assembly. They are held in place by pins and
fiberglide bearings in the ends of the lift arms.
TO REMOVE HOPPER LIFT ARM
FOR SAFETY: Before Leaving Or Servicing
Machine; Stop On Level Surface, Set Parking
Brake, Turn Off Machine And Remove Key.
1. Remove debris hopper. See TO REMOVE
HOPPER instructions in this section.
2. Make sure the lift arms are in the down
position.
3. Trace the hydraulic hoses leading from the
hopper roll out cylinders and hopper dump
door cylinders back to the control valve.
4. Remove and plug these hoses at the control
valve .
Note:Observe hydraulic cleanliness requirements
when opening hydraulic lines.
5. Remove the pins connecting the black pivot
link to the lower lift arm bar.
6. Remove the pin connecting the hopper lift
arm to the hopper lift cylinder.
7. Remove the two M10 hex screws from the
hopper lift arm upper pins.
8. Lift arms must now be lifted with a chain or
cable so the pins can be removed.
9. Once the pins are removed the lift arm
assembly can be lifted out of the machine.

SWEEPING
3--32 800/810 MM337 (8--97)
TO INSTALL HOPPER LIFT ARM
FOR SAFETY: Before Leaving Or Servicing
Machine; Stop On Level Surface, Set Parking
Brake, Turn Off Machine And Remove Key.
1. Position the lift arm assembly back into the
machine.
2. Align the upper holes in lift arm with the
upper holes in main frame towers. Install
pins and M10 hex screws. Hand tighten the
hardware.
3. Align the holes in lower lift arm bar with the
lower holes black pivot link. Install pins and
M10 hex screws. Tighten to 37 -- 48 Nm
(26 -- 34 ft lb).
4. Align the hole in the lift cylinder clevis with
the holes in cylinder lift ears on hopper arm.
Install pin and M10 hex screw. Tighten to
37 -- 48 Nm (26 -- 34 ft lb).
5. Reconnect roll out and dump door hydraulic
hoses to control valve. See schematic in the
HYDRAULICS section of this manual.
6. Reinstall debris hopper. See TO INSTALL
HOPPER instructions in this section.

SWEEPING
3--33
800/810 MM337 (8--97)
HOPPER VACUUM FAN SEAL
The hopper vacuum fan seal is mounted on the
vacuum fan inlet bracket.
Check the seal for wear or damage every
100 hours of operation.
VACUUM FAN
The vacuum fan is hydraulically driven. It pulls air
from the main brush area and through the hopper
filters. There is no vacuum when the hopper is in
the raised position.
TO REPLACE VACUUM FAN IMPELLER
FOR SAFETY: Before Leaving Or Servicing
Machine; Stop On Level Surface, Set Parking
Brake, Turn Off Machine And Remove Key.
1. Dump the machine debris hopper.
2. Set the machine parking brake.
3. Raise the hopper, engage the hopper prop
arm, and lower the hopper.
WARNING: Raised Hopper May Fall.
Engage Hopper Support Bar.
4. Shut off the engine.
5. Open the engine cover and side door.
NOTE: The vacuum fan must be removed from
the machine to replace the hydraulic motor.
6. Remove the vacuum hose and bracket from
the front of vacuum fan housing.

SWEEPING
3--34 800/810 MM337 (8--97)
7. Disconnect the wires leading to the
thermo sentryt
8. Disconnect and plug the three hydraulic
hoses at the vacuum fan motor.
NOTE:Observe hydraulic cleanliness
requirements when opening hydraulic lines.
9. Remove the two M10 hex screws, washers
and rubber isolators holding the vacuum fan
housing to the machine frame.
10. Remove solenoid valve mounting bracket
and rubber isolator from top of vacuum fan
housing.
11. Tip the vacuum fan assembly forward and
remove it from the machine.
12. Remove the six 0.31 in. hex screws holding
the front housing to rear housing.
NOTE: Mark the orientation of the outer fan
housing to the inner housing for proper
re--assembly.
13. Remove the crown nut from the impeller
shaft. Slide the impeller off the shaft.
(Remove and save key and any shims on
shaft under impeller.)
14. Turn the housing over and reinstall the
shims, key, fan impeller, and crown nut.
Tighten the crown nut to 34 -- 47 Nm
(25 -- 35 ft lb).
NOTE: Use blue loctite 242 on shaft threads.
NOTE: Be sure key is in shaft. Super gluing key
helps keep key in place.
NOTE: Make sure the impeller spins freely before
continuing with the assembly.
15. Reinstall the front housing on the rear
housing. Reinstall 0.31 in. hex screws and
tighten to 22 -- 27 Nm (16 -- 20 ft lb).
NOTE: Tennant part no. 57543 plastic shims must
be used for proper fan to housing clearance.
Remove the shims through the fan intake after
tightening screws.

SWEEPING
3--35
800/810 MM337 (8--97)
16. Reinstall the vacuum fan assembly into the
machine. Tighten the M10 hex screws to
37 -- 48 Nm (26 -- 34 ft lb).
17. Reinstall the solenoid mount bracket and
isolator to the top of fan assembly.
18. Reconnect the hydraulic hoses to the
vacuum fan motor. See schematic in
HYDRAULICS section.
19. Reinstall the vacuum hose and mounting
bracket to the front of vacuum fan. Tighten
thetwoM8hexscrewsto18--24Nm
(13 -- 18 ft lb).
20. Reconnect the electrical harness to the
thermo sentryt. See schematic in
HYDRAULICS section.
21. Start the machine and operate the vacuum
fan. Check for leaks and proper operation.

SWEEPING
3--36 800/810 MM337 (8--97)
MACHINE TROUBLESHOOTING
Problem Cause Remedy
Excessive dusting Brush skirts and dust seals worn,
damaged, out of adjustment
Replace or adjust brush skirts or
dust seals
Hopper dust filter clogged Shake and/or clean or replace
dust filter Also check operation
and adjustment of shaker
assembly
Main brush operating Power
Throwtspeed
Operate main brush in Normal
speed
Vacuum hose damaged Replace vacuum hose
Vacuum fan seal (vacuum fan inlet
bracket) damaged
Replace seal
Vacuum fan failure Contact TENNANT service
personnel
Hopper door partially or
completely closed
Open the hopper door
Thermo Sentryttripped Reset Thermo Sentryt
Fabric presceen missing on dust
filters
Clean filter elements and install
fabric prescreen
Hopper cover not sealing Repair/replace hopper cover seal,
also check adjustment on hopper
cover latch and hinge.
Poor sweeping
f
Brush bristles worn Replace brushes
p
g
per
f
or
m
a
n
ce Main and side brushes not
adjusted properly
Adjust main and side brushes
Debris caught in main brush drive
mechanism
Free drive mechanism of debris
Main brush drive failure Contact TENNANT service
personnel
Side brush drive failure Contact TENNANT service
personnel
Hopper full Empty hopper
Hopper floor skirts worn or
damaged
Replace floor skirts
Hopper door partially or
completely open
Close the hopper door
Wrong sweeping brush Contact TENNANT representative
for recommendations

ELECTRICAL
4--1
800/810 MM337 (6--01)
CONTENTS
Page
ELECTRICAL SYSTEM 4--3................
BATTERY 4--3............................
TO REPLACE BATTERY ON LPG
MACHINE AND GAS/DIESEL
Serial # 002075 and up 4--4........
TO REPLACE BATTERY ON GAS /
DIESEL MACHINE Serial # 002074
and down 4--5....................
INSTRUMENT PANEL 4--6.................
TO REPLACE INSTRUMENT PANEL 4--6.
TO DISASSEMBLE INSTRUMENT
PANE L 4-- 7.........................
TO REASSEMBLE INSTRUMENT
PANE L 4-- 8.........................
TO REPLACE MACHINE RELAY 4--9.....
TO REPLACE MACHINE CIRCUIT
BREAKER 4--10.....................
TO REPLACE GOVERNOR
CONTROL BOX 4--11................
Electrical Schematic 800--810 G/LPG
(LSG ENGINE) 4--12....................
Wire Harnesses Group 800--810 G/LPG
(LSG ENGINE) 4--20....................
Electrical Schematic 800--810 G/LPG
(LRG ENGINE) 4--32...................
Wire Harnesses Group 800--810 G/LPG
(LRG ENGINE) 4--40...................
Electrical Schematic 800--810 D
(PERKINS 200 SERIES ENGINE) 4--52...
Wire Harnesses Group 800--810 D
(PERKINS 200 SERIES ENGINE) 4--58...
Electrical Schematic 800--810 D
(PERKINS 700 SERIES ENGINE) 4--68...
Page
TROUBLESHOOTING 4--74................
ENGINE RUN 4--75.....................
SHAKER 4--76..
SHAKER FAILURE 4--77.............
VAC FAN 4-- 80..
VACUUM FAN FAILURE 4--81........
MAIN BRUSH 4--86.....................
MAIN BRUSH FAILURE 4--87.........
SIDE BRUSH 4--89.....................
SIDE BRUSH FAILURE 4--90.........
HOPPER ROLL OUT 4--91..............
HOPPER ROLLOUT FAILURE 4--92...
HEADLIGHT 4--93......................
HEADLIGHT FAILURE 4--94..........
WARNING LIGHT 4--97.................
WARNING LIGHT FAILURE 4--98.....
CLOGGED FILTER INDICATOR
CIRCUIT 4--101.....................
CLOGGED FILTER INDICATOR 4--102.
HOPPER DOOR CIRCUIT 4--103........
HOPPER DOOR INDICATOR 4--104...
DOWN FORCE 4--105..................
DOWN FORCE CIRCUIT 4--106.......
FUEL SENDER CIRCUIT
(GAS AND DIESEL MACHINES) 4--107
FUEL INDICATOR
(GAS AND DIESEL MACHINES) 4--108
COOLANT SENDER CIRCUIT 4--109.....
COOLANT TEMPERATURE 4--110....
LOW LP CIRCUIT
(L.P. MACHINES ONLY) 4--111........
LOW L.P. CIRCUIT
(L.P. MACHINES ONLY) 4--112........
ALTERNATOR FAULT 4--113............
ALTERNATOR 4--114................
HOURMETER CIRCUIT 4--115...........
HOURMETER WON’T WORK 4--116..
POWER UP CIRCUIT 4--117.............
POWER UP TESTING 4--118.........
800/810 RELAY AND CIRCUIT
BREAKER LOCATION 4--121.........

ELECTRICAL
4--2 800/810 MM337 (8--97)

ELECTRICAL
4--3
800/810 MM337 (8--97)
ELECTRICAL SYSTEM
The machine electrical system consists of the
battery, alternator, and related components. This
section includes information on these components
and their troubleshooting.
BATTERY
The battery used in the machine is a low
maintenance battery. It has been constructed with
special materials and has extra electrolyte to
reduce or eliminate maintenance. Its design
reduces electrolyte loss and contamination. Do
not add water, remove the battery vent plugs, or
check the battery specific gravity. For specific
instructions, see the battery label.
Do not allow the battery to remain in discharged
condition for any time. Do not operate the
machine if the battery is in poor condition or
discharged beyond 80%, specific gravity below
1.120.
Periodically clean the top surface of the batteries
and the terminals, and check for loose
connections. Use a strong solution of baking soda
and water. Brush the solution sparingly over the
battery tops, terminals, and cable clamps. Do not
allow any baking soda solution to enter the
batteries. Use a wire brush to clean the terminal
posts and the cable connectors. After cleaning,
apply a coating of clear battery post protectant to
the terminals and the cable connectors. Keep the
tops of the batteries clean and dry.
Keep all metallic objects off the top of the
batteries, which may cause a short circuit.
Replace any worn or damaged wires.
The electrolyte level in regular non sealed
batteries can be checked. The level must always
be above the battery plates. Never add acid to the
batteries, only distilled water. Keep the battery
caps on the batteries always except when adding
water or taking hydrometer readings.
FOR SAFETY: When Servicing Machine, Avoid
Contact With Battery Acid.

ELECTRICAL
4--4 800/810 MM337 (8--97)
Using a hydrometer to measure the specific
gravity is a way to determine the charge level and
condition of the batteries. If one or more of the
battery cells test lower than the other battery cells
(0.050 or more), the cell is damaged, shorted, or
is about to fail.
NOTE: Do not take readings immediately after
adding distilled water. If the water and acid are not
thoroughly mixed, the readings may not be
accurate. Check the hydrometer readings against
the following chart to determine the remaining
battery charge level:
SPECIFIC GRAVITY BATTERY
at 27_C(80_F) CHARGE
1.260 -- 1.280 100% Charged
1.230 -- 1.250 75% Charged
1.200 -- 1.220 50% Charged
1.170 -- 1.190 25% Charged
1.110 -- 1.160 Discharged
NOTE: If the readings are taken when the battery
electrolyte is any temperature other than 27_C
(80_F), the reading must be temperature
corrected. Add or subtract to the specific gravity
reading 0.004, 4 points, for each 6_C
(10_F)above or below 27_C(80_F).
TO REPLACE BATTERY ON LPG MACHINE
AND GAS/DIESEL Serial # 002075 and up
FOR SAFETY: Before Leaving Or Servicing
Machine; Stop On Level Surface, Set Parking
Brake, Turn Off Machine And Remove Key.
1. Lift the engine cover and open the side door.
2. Disconnect the negative then the positive
battery cables.
3. Remove the small battery hold down bracket
from machine.
4. Tilt the battery towards you and lift it up and
out.
5. Clean the old cables and the posts on the
new battery.
6. Lift the new battery up and onto the battery
tray.
7. Reinstall the small battery hold down
bracket.
8. Reconnect the positive then the negative
battery cables.
04380

ELECTRICAL
4--5
800/810 MM337 (8--97)
TO REPLACE BATTERY ON GAS / DIESEL
MACHINE Serial # 002074 and down
FOR SAFETY: Before Leaving Or Servicing
Machine; Stop On Level Surface, Set Parking
Brake, Turn Off Machine And Remove Key.
1. Open the battery access door located at the
right rear of the machine.
2. Disconnect the negative then the positive
battery cables.
3. Remove the battery hold down bracket from
the machine.
4. Slide the battery towards you and lift it out.
5. Clean the old cables and the posts on the
new battery.
6. Lift the new battery up and slide it into the
battery tray.
7. Reinstall the battery hold down bracket.
8. Reconnect the positive then the negative
battery cables.
9. Close the battery access door.

ELECTRICAL
4--6 800/810 MM337 (8--97)
INSTRUMENT PANEL
The instrument panel consists of a circuit board, a
touch panel, and a water/dust resistant plastic
enclosure. The touch panel controls various
machine functions, while its indicator lights keep
the operator informed on machine performance.
TO REPLACE INSTRUMENT PANEL
FOR SAFETY: Before Leaving Or Servicing
Machine; Stop On Level Surface, Set Parking
Brake, Turn Off Machine And Remove Key.
1. Remove the battery cables from the battery.
2. Remove the three plastic knobs from the
valve handles.
3. Place the steering wheel in lowest position.
4. Remove the eight M6 pan head screws from
the dash panel.
5. Pull the dash panel towards you until it
clears the valve handles.
6. Loosen the allen head screw in center of
instrument panel wire harness plug. Unplug
the harness from the panel.
7. Remove the four M5 hex screws holding the
instrument panel to the dash panel. Remove
the instrument panel from the machine and
repair or replace it.
8. Position the new instrument panel back on
the dash panel. Reinstall the four M5 hex
screws and washers. Lightly hand tighten
this hardware.
9. Push the main harness plug back into the
instrument panel receptacle.
NOTE:The slot in the instrument panel receptacle
must line up with the notch on main harness plug.
Lightly hand tighten the allen head screw.
10. Reinstall the dash panel on the machine
using the eight M6 pan head screws.
Tighten to 8 -- 10 Nm (5 -- 6 ft lb).
11. Reinstall the three plastic knobs on valve
handles. Hand tighten.
12. Reconnect the battery cables.
13. Start the machine and check for proper
operation of the instrument panel.
08475
08475

ELECTRICAL
4--7
800/810 MM337 (8--97)
TO DISASSEMBLE INSTRUMENT PANEL
FOR SAFETY: Before Leaving Or Servicing
Machine; Stop On Level Surface, Set Parking
Brake, Turn Off Machine And Remove Key.
1. Remove the instrument panel from the
machine. See TO REPLACE INSTRUMENT
PANEL instructions in this section.
2. Place the instrument panel face down and
remove the twelve larger pan head screws.
3. The touch panel case can now be separated
from outer case and new o-ring gasket
installed if necessary.
4. To disassemble the touch panel case further,
remove the four smaller pan head screws
from the center of case box.
5. Remove the case box from the circuit board
touch panel assembly.
6. The o-ring and connector gaskets can now
be replaced in the case box if necessary.
7. Remove the eight smaller pan head screws,
unplug the flat connector and ground strap.
Remove the touch panel from the circuit
board.
8. Any burned-out lamps can now be changed
by turning them 1/4 turn counterclockwise
and lifting them straight out.
9. To replace the hour meter, unplug the two
wires and remove the two pan head screws.

ELECTRICAL
4--8 800/810 MM337 (8--97)
TO REASSEMBLE INSTRUMENT PANEL
FOR SAFETY: Before Leaving Or Servicing
Machine; Stop On Level Surface, Set Parking
Brake, Turn Off Machine And Remove Key.
1. Position the circuit board over the touch
panel.
2. Feed the flat connector from the panel
through the slot in the board. Plug the
connector in and reconnect the ground
strap.
3. Reinstall the eight smaller pan head screws
and lightly hand tighten.
4. Turn the circuit board assembly over and
place it back in the case box.
5. Reinstall the four smaller pan head screws
in the center of the case box.
6. Reinstall the touch panel case onto the outer
case.
7. Reinstall the twelve pan head screws and
lightly hand tighten.
8. The instrument panel is now ready to be
reinstalled in machine. See TO REPLACE
INSTRUMENT PANEL instructions in this
section.

ELECTRICAL
4--9
800/810 MM337 (8--97)
TO REPLACE MACHINE RELAY
FOR SAFETY: Before Leaving Or Servicing
Machine; Stop On Level Surface, Set Parking
Brake, Turn Off Machine And Remove Key.
1. Make sure the hopper has been emptied of
all debris.
2. Set the parking brake, Raise the hopper and
engage the prop arm.
WARNING: Raised Hopper May Fall.
Engage Hopper Support Bar.
3. Remove the battery cables from the battery.
4. Go in machine under the hopper by the dust
shield. Lift the dust shield and prop it out of
the way.
5. Remove the four M6 nyloc nuts and washers
holding the plastic relay cover in place. Pull
the cover back far enough to allow access to
the relays.
6. Locate the relay that needs replacing.
Un--plug the main electrical harness from
that relay.
7. Remove the M6 nyloc nut holding the relay
to the relay plate. Remove and discard the
relay.
8. Position the new relay on the threaded stud
on the relay plate. Reinstall the M6 nyloc nut
and hand tighten.
9. Plug the main harness into the new relay.
See electrical schematic in this section.
10. Reinstall the plastic relay cover. Hand
tighten the four M6 nuts and washers.
11. Drop the dust shield back in place.
12. Reconnect the battery cables.
13. Disengage the prop arm, lower the hopper
and operate the machine. Check the new
relay for proper operation.

ELECTRICAL
4--10 800/810 MM337 (8--97)
TO REPLACE MACHINE CIRCUIT BREAKER
FOR SAFETY: Before Leaving Or Servicing
Machine; Stop On Level Surface, Set Parking
Brake, Turn Off Machine And Remove Key.
1. Remove the battery cables from the battery.
2. Go in the machine operators compartment
and locate the removable circuit breaker
plate.
3. Remove the six M6 screws holding the
removable circuit breaker panel to the
machine. Pull the panel back far enough to
allow access to the wires on the circuit
breakers.
4. Locate the circuit breaker that needs to be
replaced. Remove the wires leading to that
circuit breaker.
5. The round, metal lock ring, that is holding
the circuit breaker to the panel, must be
removed.
NOTE: A new lock ring is provided with the new
circuit breaker in case the old one is damaged
during the removal procedure.
6. Pull the old circuit breaker out of the hole
and discard it. Retain the clear rubber boot.
NOTE: Re--use the clear rubber boot on the new
circuit breaker.
7. Position the new circuit breaker in the panel.
NOTE: The circuit breaker is ”D” shaped and will
only go in the hole one way.
8. Install the lock ring on the new circuit
breaker. Push it down all the way to the
panel.
9. Reconnect the wires to the new circuit
breaker. See electrical schematic in this
section.
10. Reinstall the circuit breaker plate to the
machine. Tighten the six M6 screws to
8--10Nm(5--6ftlb).
11. Reconnect the battery cables and start the
machine, checking for proper circuit breaker
operation.

ELECTRICAL
4--11
800/810 MM337 (8--97)
TO REPLACE GOVERNOR CONTROL BOX
FOR SAFETY: Before Leaving Or Servicing
Machine; Stop On Level Surface, Set Parking
Brake, Turn Off Machine And Remove Key.
1. Make sure the hopper has been emptied of
all debris.
2. Set the parking brake, Raise the hopper and
engage the prop arm.
WARNING: Raised Hopper May Fall.
Engage Hopper Support Bar.
3. Remove the battery cables from the battery.
4. Go in machine under the hopper by the dust
shield. Lift the dust shield and prop it out of
the way.
5. Remove the four M6 nyloc nuts and washers
holding the plastic relay cover in place. Pull
the cover back far enough to allow access to
the governor control box.
6. Unplug the governor control box from the
main electrical harness.
7. Remove the hex screws holding the
governor control box to the plastic relay
panel. Remove the governor control box
from the machine.
8. Position the new governor control box on the
plastic relay panel. Hand tighten the hex
screws.
9. Plug the new governor control box into the
main harness. See electrical schematic in
this section.
10. Reinstall the plastic relay cover. Hand
tighten the four M6 nuts and washers.
11. Drop the dust shield back in place.
12. Reconnect the battery cables.
13. Disengage the prop arm, lower the hopper
and operate the machine. Check the new
governor control box for proper operation.

ELECTRICAL
800/810 MM337 (6--01)
4--12
Electrical Schematic 800--810 G/LPG (LSG ENGINE)
NOT USED
IGN.
ACC
NEUTRAL START
SWITCH OPTION
10C/GRY 12A/BRN 12/BRN M1 STARTER RELAY COIL
S--3
90/ORA
13DDD/BLK 13X/BLK
13EEE/BLK
13III/BLK
30B/GRY
L.H. SHAKER
R.H. SHAKER
30A/GRY
MTR
18C/ORA18/ORA
1G/RED
1H/RED
1D/RED
A
5/PUR
1/RED M1 STARTER RELAY
1A/RED OUT GND ALTERNATOR
BATTERY 13/BLK
STARTER MOTOR
13A/BLK
SENSE
START
15A
19
30
BATT.
IGNITION
SWITCH S--10
50
17
M1
10/GRY 12/BRN
20/BLU
12V
540 C.C.A.
1B/RED L2
2/ORA
55A MAX.
CHARGE
8685
M3
CB--4
MTR
15A
B
1C/RED
1E/RED
15A
4/YEL HORN
HORN BUTTON
PB--1
11/PUR
CB--1
CB--2 87
M4
30 MTR
30/GRY
2.5A
CB--3 22/YEL 87 30
M3
TO EIP
TO EIP
C
E
3/BLU
UNSWITCHED POWER
23/GRY SWITCHED POWER
TO EIP
D
STARTER RELAY COIL
6/GRN
TO IGNITION
COIL
1
2
3
4

ELECTRICAL
4--13
800/810 MM337 (NIL)
Electrical Schematic 800--810 G/LPG (LSG ENGINE)
RED
18J/ORA18H/ORA
G
F
90/ORA
FROM
IGNITION
SWITCH
THROTTLE
ACTUATOR
A
B
CDEF
GH
86/PUR
84/GRN
20A/BLU
13E/BLK
DIST.
--
+
ORA
PUR
BLK/GRN
ST.
GRD.
-- +
IGN.
DEC.
18D/ORA
72A/GRY
72B/GRY
WHT
GRN
BATT. DEC. YEL. 72/GRY
RESISTOR
WIRE
RED/GRN
8685 13EE/BLK
GROUND
LINE
RED/BLU
ELECTRONIC
GOVERNOR
CONTROL
BOX
NOT
USED
10A/GRY
CAB
OPTION
TO ELECTRONIC
INSTRUMENT PANEL
M2
18B/ORA
IGN.
COIL
A
FORD
IGN.
MODULE
ACC
LINE
83/BRN 85/BLU SEPARATE
1
2
3
4

ELECTRICAL
800/810 MM337 (6--01)
4--14
Electrical Schematic 800--810 G/LPG (LSG ENGINE)
HOPPER DOOR SWITCH 2
PRESSURE
SETTING
CLOSES AT
20” H O
HYDRAULIC
FLUID
FILTER
N. O.
23G/GRY
FILTER
INDICATOR
SWITCH
FILTER
INDICATOR
LIGHT
M. BRUSH HYD.
PRESSURE SWITCH
115/ORA S--21
23F/GRY
SEPARATE
GF
13AAA/BLK13BBB/BLK13CCC/BLK
13MMM/BLK
13BB/BLK
13X/BLK13DDD/BLK
13FFF/BLK
39A/GRY
38A/PUR38/PUR
39/GRY
13HH/BLK
23/GRY
3
13 5
4
7
12
23
22
2
15
13B/BLK
16/GRN
(L.P. ONLY)
SWITCHED POWER
6/GRN
D
23E/GRY 13U/BLK
24
C
E
FROM ELECTRONIC
GOVERNOR CONTROL
85/
BLU
83/
BRN
OIL
PRESSURE
SWITCH
15/BLU
C
S--6
N.O.
N.C.
11
FROM
IGNITION
SWITCH
FROM
ALTERNATOR
HOPPER DIFFERENTIAL
PRESSURE SWITCH
23A/GRY
23D/GRY
23B/GRY
S--5
N.C.H.O.
S--14
S--13
CHASSIS
GROUND
GROUND
LINE
FULL=90
EMPTY=0
HEADLIGHT RELAY
WARNING LIGHT
SHAKER RELAY
FAN RELAY
23C/GRY
43/BLU
M6
M7
M4
M5
85 86
85 86
85 86
13M/BLK
13T/BLK
13S/BLK
13R/BLK
40/YEL
60/GRN
75/BRN
29/GRN
85 86
2/ORA
20
19
21
18
17
16
14
6
1
L.P. GND.
24A/PUR
44/GRY
42/ORA
25/
BRN
24/PUR
HOPPER
THERMAL SW.
CLOSES AT
225 F
S--4
ELECTRONIC
INSTRUMENT
PANEL
COOLANT TEMP
SENDER
N.C.
C
N.O.
FUEL SENDER SE--1
SE--2
LOW L.P. FUEL
S--2
1

ELECTRICAL
4--15
800/810 MM337 (6--01)
Electrical Schematic 800--810 G/LPG (LSG ENGINE)
62D/YEL
62E/YEL
13JJ/
BLK
13II/
BLK
AIR
CONDITIONER
OPTION
M2
96B/ORA
96A/ORA
30 AMP
74G/PUR
74F/PUR
74D/PUR
76/ORA
93/ORA
89/BRN89A/BRN
87/PUR
91A/GRY
91/GRY
87
30
BACK--UP
LIGHT
CURB
LIGHT
13AA/BLK
1G/RED
13AAA/BLK
13BBB/BLK
13NNN/BLK
13TT/BLK76B/ORA
FLASHING
LIGHT
ROTATING
LIGHT
62C/YEL
13L/BLK
13KK/BLK
13BB/BLK
L.H.
HEADLIGHT
R.H.
HEADLIGHT
62A/YEL
WARNING
LIGHT
OPTION
BACK--UP
LIGHT
OPTION
76A/ORA
93B/ORA
62H/YEL
62B/YEL 62F/YEL
62G/YEL
SEPARATE
SEPARATE
HEADLIGHT
OPTION
93A/ORA
S--11
UNSWITCHED POWER
S--16
1F/RED
THERMO
SWITCH
FAN SW
OFF
ON
OFF
SP3
SP2
SP1
13QQ/BLK
13NN/BLK
A/C CLUTCH
CAB
OPTION
13DD/BLK
CAB
ENVIRONMENTAL
FAN CONTROL
74/PUR
74B/PUR
74A/PUR
9/ORA
77/GRY
WINDSHIELD
WIPER MTR
CB--8
DOME LIGHT
S--9 13SS/BLK
96/ORA
MTR
MTR
S--17
S--15
CB--5
GROUND
LINE
13GG/BLK
94/YEL
13FF/BLK
B
M6
M7
8730
8730
62/YEL
88/GRN
80/BLU
79/
YEL
15 AMP
BACK--UP ALARM UNIT
FLASHER
FOOT
SWITCH
S--18
YEL BLU
”P”
”L”
BLU
YEL
BRN
”X”
GRY/
BLK
GRY
BLK
GRN
RED
DIRECTIONAL
SWITCH
BRAKE
SWITCH
FLASHER
TAIL LHT L.H.
TAIL LHT R.H.
RUN LHT L.H.
RUN LHT R.H.
1

ELECTRICAL
800/810 MM337 (6--01)
4--16
Electrical Schematic 800--810 G/LPG (LSG ENGINE)
S--12
VAC FAN
N. O.
810 ONLY
31A/GRY
19C/GRY
28/BRN
28A/BRN28B/BRN
31B/GRY
13ZZ/BLK
MAIN/FRONT
BRUSH
8730
8685
8730
8685
13C/BLK
7/PUR
SV--1
SV--5
SV--2
SV--6
FR. BRUSH
LIFT
MOV
B
A
C
19/GRY
31/GRY
FAN
MOV
13G/BLK
8730
M5
M10
S--1
37/YEL
M8
LITTER
BRUSH
MOV
MAIN
BRUSH
MOV
21D/ORA
21C/ORA
8730
M9
13F/BLK
21B/ORA
85 86
32/GRN21A/ORA
13Y/BLK
13W/BLK
13V/BLK
27/YEL21/ORA
20A/BLU CB--6
15 AMP
GROUND
LINE
ACC
LINE
SHUT OFF
1
2
3

ELECTRICAL
4--17
800/810 MM337 (6--01)
Electrical Schematic 800--810 G/LPG (LSG ENGINE)
33D/GRN
33C/GRN
13P/BLK
SV--10
SV--9 13I/BLK
M. BRUSH
LIFT
M11
13KKK/BLK
33B/GRN
33A/GRN
26B/PUR
26A/PUR
L.H. SIDE
BRUSH LIFT
MOV
R.H. SIDE
BRUSH LIFT
MOV
35/YEL
26/PUR
8586
8730
13VV/BLK
SV--8
NCC
S--8
L.H. SIDE BRUSH
L.H. SIDE
BRUSH
MOV
21R/ORA20B/BLU CB--7
15 AMP
19B/GRY 19A/GRY 13D/BLK
SV--3
SV--4
MOV
NCC
S--7 R.H. SIDE BRUSH
33/GRN
MOV
R.H. SIDE
BRUSH
13N/BLK
MTR
M
CB
PM
J
P
PB
VM
POWER RELAY
MOTOR
CIRCUIT BREAKER
PERMANENT MAGNET
JACK--FEM. SOCKET
PLUG--MALE PIN
PUSHBUTTON
VOLTMETER
HM
SV
S
ACC
GND
C
N.O.
N.C.
HOURMETER
SOLENOID VALVE
SWITCH
ACCESSORY
GROUND CHASSIS
COMMON
NORMALLY OPEN
NORMALLY CLOSED
LEGEND
FU FUSE NOV METAL OXIDE VARISTOR
1
2
3

ELECTRICAL
800/810 MM337 (6--01)
4--18
Electrical Schematic 800--810 G/LPG (LSG ENGINE)
38A/PUR
J
38B/PUR
TO RFS
CIRCUITRY
BOX
SWITCHED
POWER
UNSWITCHED
POWER
29/GRN23C/GRY M4
STD.
SHAKER
RELAY
85 86
K
K
2
PRESSURE
SETTING
CLOSES AT
20” H O
13AQ/BLK
HOPPER DOOR SWITCH
TO RFS
CIRCUITRY
BOX
R.H. SHAKER
CURB LIGHT
L.H. HEADLIGHT
R.H. HEADLIGHT
IGNITION
SWITCH
S--10
ELECTRONIC
INSTRUMENT
PANEL
(RFS OPTION)
FOR STANDARD
EIP WIRING
18H/ORA
20A/BLU
H
18/ORA18P/ORA
18Q/ORA
13AB/BLK13AC/BLK 13X/BLK
13AQ/BLK
13AP/BLK
13AM/BLK
13AN/BLK
62F/YEL
62H/YEL
62G/YEL
IGN.
ACC 18C/ORA
START
15A
19
30 BATT.
50
17
20/BLU 8685
M3
CB--4
TO EIPE
6/GRN
13BB/BLK
62A/YEL
62B/YEL74B/PUR
M6 8730 62/YEL
HOPPER DIFFERENTIAL
PRESSURE SWITCH #1
39A/GRY
38/PUR
39/GRY
3
13 5
4
7
12
23
22
2
15
24
11 S--13
GROUND
LINE
20
19
21
18
17
16
14
6
1
S--4
N.C.
C
N.O.
MOTOR OVERRIDE

ELECTRICAL
4--19
800/810 MM337 (6--01)
Electrical Schematic 800--810 G/LPG (LSG ENGINE)
J
NOT
USED
FROM HOPPER
DIFFERENTIAL
PRESSURE
SWITCH #1
38B/PUR
J2--C
J2--B
J2--A
J1--A
J2--G
J2--F
J2--E
J2--D
J1--E
J1--D
J2--H
J1--C
J1--F
J1--B
P2--H
P1--F
P1--B
P2--D
P2--E
P2--F
P2--G
P1--A
P2--A
P2--B
P2--C
VANE
MOTORS
MAX. 3.0
AMPS
2
PRESSURE
SETTING
CLOSES AT
6.5” H O
SHAKER
MOTORS
VOLT 13.6
HP .04
AMP 4.5
RFS OPTION
13AL/BLK
13AJ/BLK
13AK/BLK
13AH/BLK
FROM CB--4
CONTROL
POWER -- FROM
KEY SWITCH
30C/GRY
30B/GRY
102B/GRY
102A/GRY102/GRY
101B/ORA
101A/ORA101/ORA
11G/PUR
107/BRN
108/GRN
11F/PUR
11E/PUR
MTR
RH SHAKER
MOTOR
11C/PUR
MTR
LH SHAKER
MOTOR
11B/PUR
13AS/BLK
13AR/BLK
M20
M19
L.H. SHAKER
MOTOR OVERRIDE
LH SHAKER
RFS CONTROL
RH SHAKER
RFS CONTROL
8685
8685
M20
M19
RH SHAKER
MOTOR OVERRIDE
LH SHAKER
MOTOR OVERRIDE
RH SHAKER
RFS CONTROL
LH SHAKER
RFS CONTROL
30
30
87
87
UNSWITCHED
POWER
11/PUR
S--22
H
SEPARATE
13AG/BLK
11A/PUR11B/PUR 30A/GRY30/GRY
30
M4
87
CB--2
15A
1D/RED
M18
M17
87
87
30
30
106/BRN
105/YEL
104/BLU
103/GRN
13AE/BLK
13AF/BLK
18Q/ORA
13AD/BLK
38C/PUR
M18
M17
85 86
8685
RH VANE
ACTUATOR MOTOR
LH VANE
ACTUATOR MOTOR
MTR POSITIVE
HERE = CLOSE
POSITIVE
HERE = CLOSE
HOPPER DIFFERENTIAL
PRESSURE SWITCH #2
MTR N.C.
C
N.O.
NOT
USED
NOT
USED
GRY
WHT
RED
ORA
BRN
YEL
BLU
BLK
GRN
TAN
PUR
PNK
RFS
CIRCUITRY
BOX
09918

ELECTRICAL
800/810 MM337 (6--01)
4--20
Wire Harnesses Group 800--810 G/LPG (LSG ENGINE)
TO
STARTER
1/RED
BATTERY
LOCATION
19B/GRY
33/GRN
R.H. SIDE
BRUSH SWITCH
REV.
SWITCH
(OPTION)
G
G
18B/ORA
10A/GRY
IGNITION
MODULE
NEUTRAL
START
OPTION
12/BRN
10/GRY
HYD.
FILTER
INDICATOR
SWITCH
(OPTION)
AB
AB
AB
74A/PUR
93/ORA
B
B
A
A
115/ORA
91/GRY
89/BRN
62E/YEL
62D/YEL
TAIL LIGHT/ACC. HARNESS
AB
BLACK
RED
BLACK
RED
ABC
TO
ENGINE
13/BLK
D
D
C
C
F
F
E
E
SEE
OPTIONS
BA
72/GRY
90/ORA
COIL
13JJ/BLK
1H/RED
1G/RED
1D/RED
1A/RED
43/BLU
SEE
OPTIONS
15/BLU
CBA
CBA
13VVV/BLK
MAIN/FRONT
BRUSH
SWITCH
15
GRN6
B B
12/YEL
1/RED
TO
BATTERY
STARTER
ALTERNATOR
WATER
TEMPERATURE
SENDER
13II/BLK
13A/BLK
FUEL
SENDER
42A/ORA
FUEL PUMP
13B/BLK
16/GRN
13M/BLK
44/GRY OIL
PRESSURE
SWITCH
L.P.
SWITCH
FUEL HARNESS
24
23
22
21
20
19 75
60
25
13R
13T
13U
GRN
BLK
BLK
BLK
BRN
BRN
15
14
13
16
17
18
42
2
29
83
85
GRN
BRN
BLU
BLU
ORA
ORA
12
11
10
9
8
740
PLUG
PLUG
PLUG
44
YEL
GRY6
5
4
3
2
1 23A GRY
16
38
39
43
24A
GRN
PUR
PUR
GRY
BLU
WIRE
NO.
SOCKET
NO. COLORWIRE
NO.
SOCKET
NO. COLORWIRE
NO.
SOCKET
NO. COLORWIRE
NO.
SOCKET
NO. COLOR
1
2

ELECTRICAL
4--21
800/810 MM337 (6--01)
Wire Harnesses Group 800--810 G/LPG (LSG ENGINE)
ABC
ABC
VAC FAN
SHUT OFF
SWITCH
13RRR/BLK
MAIN HARNESS
13I/BLK
33B/GRN
R.H.
SIDE BRUSH
LIFT
SV--9
AB
AB
HOPPER
DOOR
SWITCH
(OPTION)
H
H
VIEW H--H
KEY SWITCH
ENGINE
GROUND
23F/GRY
115/ORA
HYD.
FILTER
LIGHT
INDICATOR
(OPTION)
CIRCUIT
BREAKERS
AND
RELAYS
GOVERNOR
62C/YEL
SOLENOID
BLOCK
13CC/BLK
62H/YEL
62G/YEL
13FFF/BLK
38A/PUR
VIEW D--D
VIEW C--C
VIEW E--E
VIEW F--F
27/YEL
13V/BLK
THERMO
SWITCH
13T/BLK
13E/BLK
13HHH/BLK
13JJJ/BLK
13UU/BLK
13Z/BLK
13S/BLK
24A/PUR
24/PUR
23B/GRY
AB
AB
L.H. HEADLIGHT
AB
AB
HOPPER
DIFF.
SWITCH
13KK/BLK
76A/ORA
62A/YEL
76/ORA
13L/BLK
ABC
CB
A
13HH/BLK
42/ORA
B
A
13VVV/BLK
42A/ORA
B
A
R.H.
SHAKER
MOTOR
L.H.
SHAKER
MOTOR
30B/ORA
30B/ORA
30A/ORA
13III/BLK
13EEE/BLK
13AAA/BLK
13BBB/BLK
13BBB/BLK
62G/YEL
62F/YEL
R.H. HEADLIGHT
39A/GRY
13CCC/BLK
13AAA/BLK
62F/YEL
13DDD/BLK39A/GRY
38A/PUR 30A/ORA
B
13BB/BLK
62B/YEL
13X/BLK
38/PUR 30/ORA
5/PUR
5/PUR
4/YEL
B
HORN
SWITCH
28/BRN
37/YEL
7/PUR
90/ORA
20A/BLU
1H/RED
B
B
AB
A
B
HORN
TO
MAIN
HARNESS
20/BLU
10A/GRY
10/GRY
86/PUR
84/GRN
ACTUATOR
LP
CONNECTOR
SEE CHART
13R/BLK
13S/BLK
VIEW B--B
VIEW A--A
A
B
D
C
39/GRY
A
HOPPER HARNESS
AC 17
19
30
50
BB
A
A
D
C
BA A
1
2

ELECTRICAL
800/810 MM337 (6--01)
4--22
Wire Harnesses Group 800--810 G/LPG (LSG ENGINE)
30
85
86
87
87A
33D/GRN
33C/GRN
L.H.
SIDE BRUSH
HARNESS
(OPTION)
JJ
VIEW J--J
SECTION I--I
II
18J/ORA
AIR
CONDITIONER --
PRESSURIZER
HARNESS
(OPTION)
23G/GRY
18H/ORA
M10M9M8M7M6
M5M4M3
RELAYS
M3 ELECTRONIC
M4 SHAKER MOTOR
M5 VAC FAN SOLENOID
M6 HEADLIGHTS
M7 ROTATING/FLASHING
M8 HOPPER LIFT
M9 FRONT BRUSH
M10 MAIN BRUSH
22/YEL
18C/ORA
11/PUR
23C/GRY
32/GRN
24/PUR
76/ORA
23D/GRY
28B/BRN
21/ORA
31/GRY
7/PUR
19/GRY
37/YEL
6/GRN
23/GRY
29/GRN
30/ORA 28A/BRN
25/BRN
74B/PUR
75/BRN
74/PUR 21A/ORA
27/YEL 13G/BLK
21B/ORA
13Y/BLK
21C/ORA
M3 M4 M5
M6 M7 M8 M9 M10
85 COIL+
86 COIL --
30 COMMON CONTACT
87 N.O. CONTACT
87A N.C. CONTACT
60/GRN
62/YEL
MAIN
HARNESS
INSTRUMENT PANEL
LIGHTS

ELECTRICAL
4--23
800/810 MM337 (6--01)
Wire Harnesses Group 800--810 G/LPG (LSG ENGINE)
CB--8
(OPTION) CB--7
(OPTION)
74F/PUR
DIRECTIONAL
HARNESS
(OPTION)
74D/PUR
74E/PUR
CIRCUIT
BREAKERS
CB--1 HORN
CB--2 SHAKER MOTOR
CB--3 VAC FAN RELAY, SHAKER RELAY, WARNING
LIGHT & HEADLIGHT
CB--4 ELECTRONIC INSTRUMENT PANEL
CB--5 ROTATING LIGHT & BACK--UP ALARM
CB--6 HOPPER LIFT RELAY, FRONT/MAIN BRUSH
CB--7 LEFT HAND SIDE BRUSH
CB--8 CAB ACCESSORIES
CB--3
2.5 A
MAIN
HARNESS
1F/RED
1E/RED
21D/ORA
20A/BLU
20B/BLU
1G/RED
74/PUR
1D/RED
1C/RED
11/PUR
22/YEL
1E/RED
20/BLU
18/ORA
1C/RED
4/YEL
CB--4CB--5CB--6
CB--1CB--2

ELECTRICAL
800/810 MM337 (6--01)
4--24
Wire Harnesses Group 800--810 G/LPG (LSG ENGINE)
B
B
A
A
TO TAIL LIGHT
HARNESS
REV/FLSH
LIGHT
VIEW N--N
N
N
VIEW P--P
P
P
VIEW Q--Q
QQ
VIEW R--R
RR
REV/FLSH
LIGHT (ONLY)
OHG/CAB
HYD.
PUMP
REV/FLSH
LIGHT
HARNESS
TO MAIN
HARNESS
12/BRN
10/GRY
12B/BRN
12B/BRN
10C/GRY
10C/GRY
NEUTRAL
START
HARNESS
89/BRN
91/GRY
89A/BRN
91A/GRY
TO MAIN
HARNESS
B
A
B
A
93/ORA
93B/ORA
BA
BA
TAIL LIGHT/ACC. HARNESS
76C/ORA
13PPP/BLK
94/YEL
94/YEL
76C/ORA
13PPP/BLK
76A/ORA
13NNN/BLK
13NN/BLK
93B/ORA
13QQ/BLK
93A/ORA
B
A
B
A
B
A
B
A
AB AB
B B
89/BRN
91/GRY
13NNN/BLK
76C/ORA
76C/ORA
76A/ORA
13PPP/BLK
13PPP/BLK
13NN/BLK
93B/ORA
13NN/BLK
93A/ORA
93B/ORA
TURN SIGNAL
BLK
RED
BACKUP HORN
13QQ/BLK
LIGHT
LX P
RED
RED
FLASHER
HARNESS 1

ELECTRICAL
4--25
800/810 MM337 (6--01)
Wire Harnesses Group 800--810 G/LPG (LSG ENGINE)
BRAKE
SWITCH
TURN LIGHTS
LEFT HAND
S.E. OPTION
TURN LIGHTS
RIGHT HAND
S.E. OPTION
TURN LIGHTS
RIGHT HAND
TURN LIGHTS
LEFT HAND
TO MAIN
HARNESS
VIEW M--M
MM
VIEW L--L
LL
TO MAIN
HARNESS
74G/PUR
74F/PUR
77/GRY
13AA/BLK
62H/YEL
HOPPER HARNESS
SIDE BRUSH
LIGHT
74G/ORA
FLASHER
79/YEL
80/BLU
LX
P
13YYY/BLK
13YYY/BLK
13ZZZ/BLK
L.H.
HEADLIGHT
REF. ONLY
13AAA/BLK
13BBB/BLK
62G/YEL
91A/GRY
89A/BRN
13ZZZ/BLK
13TTT/BLK
13TTT/BLK
13WWW/BLK
88A/GRN
88/GRN
87/PUR
87A/PUR
87A/PUR
13WWW/BLK
13SSS/BLK
13SSS/BLK
TURN SIGNAL HARNESS
YEL
GRN
RED
BLK
GRY
BLU
GRY/BLK
96
3
7
41
77/GRY
80/BLU
87/PUR
88/GRN
79/YEL
9
8
7
6
4
3
2
1
88A/GRN
1

ELECTRICAL
800/810 MM337 (6--01)
4--26
Wire Harnesses Group 800--810 G/LPG (LSG ENGINE)
33D/GRN
WIPERS
SWITCH
DOME
LIGHT
21R/ORA THERMOSTAT
BLOWER
MOTOR
BLOWER
SWITCH
PRESSURE
SWITCH
CLUTCHCOMPRESSOR
M11M2
WIPER
MOTOR
BLACK
RED/GRY
NL
ORANGE
RED
YELLOW
M
CB
ORANGE
BLUE
BLUE
HEATER FAN,
PRESSURIZER AND
A/C FAN
96/ORA
18J/ORA
13EE/BLK
9/ORA
87A
87
8685
30
WHITE
BLACK
BLACK
BLACK
WHITE
WHITE
RED
BLACK
87A
87
8685
30
35/YEL
26/PUR
1
2

ELECTRICAL
4--27
800/810 MM337 (6--01)
Wire Harnesses Group 800--810 G/LPG (LSG ENGINE)
13KKK/BLK
13P/BLK
26A/PUR
26B/PUR
33D/GRN33C/GRN
TO
MAIN
HARNESS
AB
AB
L.H.
SIDE BRUSH
LIFT
SV--10
13KKK/BLK
CB--8
30 AMP
LH SIDE
BRUSH SWITCH
ENGINE
GROUND
GROUND
CB--7
M12
M11
RED/GRY
AB
LH SIDE
BRUSH
SV--8
TO
MAIN
HARNESS
1G/RED
18H/ORA
13Q/BLK
18J/ORA
TO
MAIN
HARNESS
9/ORA
A/C HARNESS
WHITE
BLACK
BLACK
96B/ORA
13DD/BLK
13SS/BLK
96A/ORA
AB
AB
BA
BA
21R/ORA
13VV/BLK
35/YEL
13VV/BLK
13P/BLK
LH SIDE BRUSH HARNESS
BA
1
2

ELECTRICAL
800/810 MM337 (6--01)
4--28
Wire Harnesses Group 800--810 G/LPG (LSG ENGINE)
HGFE
DCBA
FED
CB
A
NOT
USED
108
107
11G
103 104
105
106 38C
18Q
13AF 13AE
NOT
USED
NOT
USED
18Q/ORA
18P/ORA
13AH/BLK13AK/BLK
13AJ/BLK13AL/BLK
30B/GRY30C/GRY
RFS OPTION
HARNESS ROUTING
87
86
87A
85
30
87
86
87A
85
30
87
86
87A
85
30
8685
87
87A
30
101A/ORA102A/GRY
11E/PUR
13AR/BLK
107/BRN
101B/ORA
11F/PUR
13AS/BLK
108/GRN
102B/GRY
M20 M19
VIEW C--C
P--1
P--2
B
B
11/PUR
18/ORA
11B/PUR
11A/PUR
1D/RED
1C/RED
20/BLU
M18 M17
CB--4
CB--2
MAIN HARNESS
AB
AB
AB
AB A
A
1
2

ELECTRICAL
4--29
800/810 MM337 (6--01)
Wire Harnesses Group 800--810 G/LPG (LSG ENGINE)
38B/PUR
38C/PUR
38A/PUR
38B/PUR
30/GRY
30A/GRY
M--20
M--19
R.H.
VANE
MOTOR
WHT
GRN
WHT
GRN
103/GRN
C
C
RFS
CIRCUITRY
BOX
J--1
J--2
P--1
P--2
M--18
M--17
13AE/BLK
HOPPER
DIFF.
SWITCH--2
13AD/BLK
102/GRY
11C/PUR
11B/PUR
101/ORA
11D/PUR
11C/PUR
104/BLU
105/YEL
106/BRN
L.H.
VANE
MOTOR
HOPPER
DIFF.
SWITCH--1
13AN/BLK
13AM/BLK
62G/YEL
62F/YEL
SIDE BRUSH
LIGHT
13AD/BLK
13AC/BLK
13AB/BLK
13AM/BLK
13AQ/BLK
13AP/BLK
13AN/BLK
62H/YEL
62G/YEL
62H/YEL
13AQ/BLK
13AP/BLK
HOPPER
DOOR
SWITCH
(OPTION)
L.H. HEADLIGHT
R.H.
SHAKER
MOTOR
L.H.
SHAKER
MOTOR
R.H. HEADLIGHT
39A/GRY
62F/YEL
39A/GRY
38A/PUR
B
13BB/BLK
62B/YEL
13X/BLK
38/PUR
B
AB
AB
VIEW B--B VIEW A--A
AB
D
C
39/GRY
A
DC
BAA
1
2

ELECTRICAL
800/810 MM337 (6--01)
4--30
Wire Harnesses Group 800--810 G/LPG (LSG ENGINE)

ELECTRICAL
4--31
800/810 MM337 (6--01)
Wire Harnesses Group 800--810 G/LPG (LSG ENGINE)

ELECTRICAL
800/810 MM337 (6--01)
4--32
Electrical Schematic 800--810 G/LPG (LRG ENGINE)
ALTERNATOR
LIGHT 2
TO EIP
1H/RED
17/ORA
10/GRY
IGNITION SWITCHS--10
( X INDICATES A CLOSED CONTACT )
START
STARTRUN
OFF
PREHEAT
X
XXX
XX
X
IGN.
19
30
BATT.
50
17
N/U
20/BLU
RUN/
ACC
NEUTRAL START
SWITCH OPTION
10C/GRY 12A/BRN 12/BRN M1 STARTER RELAY COIL
S--3
13DDD/BLK 13X/BLK
13EEE/BLK
13III/BLK
30B/GRY
L.H. SHAKER
R.H. SHAKER
30A/GRY
MTR
1G/RED
1D/RED
5/PUR
1/RED M1 STARTER RELAY
1A/RED OUT GND ALTERNATOR
BATTERY 13/BLK
STARTER MOTOR
13A/BLK
SENSE
M1
12/BRN
12V
540 C.C.A.
1B/RED 2/ORA 55A MAX.
CHARGE
MTR
15A
B
1C/RED
1E/RED
15A
4/YEL HORN
HORN BUTTON
PB--1
11/PUR
CB--1
CB--2 87
M4
30 MTR
30/GRY
2.5A
CB--3 22/YEL 87 30
M3
C
3/BLU
UNSWITCHED POWER
23/GRY SWITCHED POWER
TO EIP
D
STARTER RELAY COIL
1
2
3

ELECTRICAL
4--33
800/810 MM337 (6--01)
Electrical Schematic 800--810 G/LPG (LRG ENGINE)
13AC/BLK
C
A
72/ORA
73//WHTTAN/WHT
TAN/ORA
2
1
RED/GRN
G
SPARK
PLUGS
18B/ORA
18S/ORA
18T/ORA
TO EIP
15A/BLU
H
13AB/BLK14/YEL SV--14
FUEL PUMP
87A
3087
FUEL
PUMP
RELAY
TO EIP
6/GRN
18R/ORA
TAN/ORA
A
N/U
N/U
18D/ORA
BLK
TAN/WHT
IGNITION
COIL
MODULE
GRY/RED
GRY/RED
YEL/BLK
9
10
11
1
7
12
2
3
4
6
8
ELECTRONIC
SPARK
CONTROL
CRANK
POSITION
SENSOR
ELECTRONIC
COOLANT
TEMPERATURE
SENSOR
ELECTRONIC
GOVERNOR
CONTROL
BOX
B
A
D
C
H
F
E
5
M12
85 86
18J/ORA18H/ORA
G
F
18C/ORA18/ORA
THROTTLE
ACTUATOR
15A
86/PUR
84/GRN
20A/BLU
13E/BLK
8685 M3
86
85 13EE/BLK
CB--4
GROUND
LINE
CAB
OPTION
TO ELECTRONIC
INSTRUMENT PANEL
E
M2
ACC
LINE
83/BRN
85/BLU
SEPARATE
1
2
3

ELECTRICAL
800/810 MM337 (6--01)
4--34
Electrical Schematic 800--810 G/LPG (LRG ENGINE)
15B/BLU
15A/BLU
15/BLU FROM ELECTRONIC
GOVERNOR CONTROL
G
HOPPER DOOR SWITCH 2
PRESSURE
SETTING
CLOSES AT
20” H O
AIR
CONDITIONER
OPTION
HYDRAULIC
FLUID
FILTER
M2
96B/ORA
96A/ORA
30 AMP
87
30
1G/RED
N. O.
23G/GRY
FILTER
INDICATOR
SWITCH
FILTER
INDICATOR
LIGHT
M. BRUSH HYD.
PRESSURE SWITCH
115/ORA S--21
23F/GRY
SEPARATE
GF
13AAA/BLK13BBB/BLK13CCC/BLK
13MMM/BLK
13BB/BLK
13X/BLK13DDD/BLK
13FFF/BLK
39A/GRY
38A/PUR38/PUR
39/GRY
13HH/BLK
23/GRY
3
13 5
4
7
12
23
22
2
15
13B/BLK
16/GRN
S--11
(L.P. ONLY)
SWITCHED POWER
UNSWITCHED POWER
6/GRN
D
23E/GRY
THERMO
SWITCH
FAN SW
OFF
13U/BLK
24
ON
OFF
SP3
SP2
SP1
C
E
FROM ELECTRONIC
GOVERNOR CONTROL
85/
BLU
83/
BRN
OIL
PRESSURE
SWITCH
C
S--6
N.O.
N.C.
11
FROM
IGNITION
SWITCH
A/C CLUTCH
13DD/BLK
CAB
ENVIRONMENTAL
FAN CONTROL
FROM
ALTERNATOR
HOPPER DIFFERENTIAL
PRESSURE SWITCH
23A/GRY
23D/GRY
23B/GRY
9/ORA
S--5
N.C.H.O.
CB--8 96/ORA
MTR
S--15
S--14
S--13
CHASSIS
GROUND
B
GROUND
LINE
FULL=90
EMPTY=0
HEADLIGHT RELAY
WARNING LIGHT
SHAKER RELAY
FAN RELAY
23C/GRY
43/BLU
M6
M7
M4
M5
85 86
85 86
85 86
13M/BLK
13T/BLK
13S/BLK
13R/BLK
40/YEL
60/GRN
75/BRN
29/GRN
85 86
2/ORA
20
19
21
18
17
16
14
6
1
L.P. GND.
24A/PUR
44/GRY
42/ORA
25/
BRN
24/PUR
HOPPER
THERMAL SW.
CLOSES AT
225F
S--4
ELECTRONIC
INSTRUMENT
PANEL
COOLANT TEMP
SENDER
N.C.
C
N.O.
FUEL SENDER SE--1
SE--2
LOW L.P. FUEL
S--2
1
2
3

ELECTRICAL
4--35
800/810 MM337 (6--01)
Electrical Schematic 800--810 G/LPG (LRG ENGINE)
94/YEL93A/ORA
93B/ORA
62D/YEL
62E/YEL
13JJ/
BLK
13II/
BLK
74G/PUR
74F/PUR
74D/PUR
76/ORA
93/ORA
89/BRN89A/BRN
87/PUR
91A/GRY
91/GRY
BACK--UP
LIGHT
CURB
LIGHT
13AA/BLK
13AAA/BLK
13BBB/BLK
13NNN/BLK
13TT/BLK
76B/ORA
FLASHING
LIGHT
ROTATING
LIGHT
62C/YEL
13L/BLK
13KK/BLK
13BB/BLK
L.H.
HEADLIGHT
R.H.
HEADLIGHT
62A/YEL
WARNING
LIGHT
OPTION
BACK--UP
LIGHT
OPTION
76A/ORA
62H/YEL
62B/YEL 62F/YEL
62G/YEL
SEPARATE
SEPARATE
HEADLIGHT
OPTION
S--16
1F/RED
13QQ/BLK
13NN/BLK
CAB
OPTION
74/PUR
74B/PUR
74A/PUR
77/GRY
WINDSHIELD
WIPER MTR
DOME LIGHT
S--9 13SS/BLK
MTR
S--17
CB--5
GROUND
LINE
13GG/BLK
13FF/BLK
M6
M7
8730
8730
62/YEL
88/GRN
80/BLU
79/
YEL
15 AMP
BACK--UP ALARM UNIT
FLASHER
FOOT
SWITCH
S--18
YEL BLU
”P”
”L”
BLU
YEL
BRN
”X”
GRY/
BLK
GRY
BLK
GRN
RED
DIRECTIONAL
SWITCH
BRAKE
SWITCH
FLASHER
TAIL LHT L.H.
TAIL LHT R.H.
RUN LHT L.H.
RUN LHT R.H.
1
2
3

ELECTRICAL
800/810 MM337 (6--01)
4--36
Electrical Schematic 800--810 G/LPG (LRG ENGINE)
S--12
VAC FAN
SHUT OFF
N. O.
810 ONLY
31A/GRY
19C/GRY
28/BRN
28A/BRN28B/BRN
31B/GRY
13ZZ/BLK
MAIN/FRONT
BRUSH
8730
8685
8730
8685
13C/BLK
7/PUR
SV--1
SV--5
SV--2
SV--6
FR. BRUSH
LIFT
MOV
B
A
C
19/GRY
31/GRY
FAN
MOV
13G/BLK
8730
M5
M10
S--1
37/YEL
M8
LITTER
BRUSH
MOV
MAIN
BRUSH
MOV
21D/ORA
21C/ORA
8730
M9
13F/BLK21B/ORA
85 86
32/GRN21A/ORA
13Y/BLK
13W/BLK
13V/BLK
27/YEL21/ORA20A/BLU CB--6
15 AMP
GROUND
LINE
ACC
LINE
1
2
3

ELECTRICAL
4--37
800/810 MM337 (6--01)
Electrical Schematic 800--810 G/LPG (LRG ENGINE)
33D/GRN
33C/GRN
13P/BLK
SV--10
SV--9 13I/BLK
M. BRUSH
LIFT
M11
13KKK/BLK
33B/GRN
33A/GRN
26B/PUR
26A/PUR
L.H. SIDE
BRUSH LIFT
MOV
R.H. SIDE
BRUSH LIFT
MOV
35/YEL
26/PUR
8586
8730
13VV/BLK
SV--8
NCC
S--8
L.H. SIDE BRUSH
L.H. SIDE
BRUSH
MOV
21R/ORA
20B/BLU CB--7
15 AMP
19B/GRY 19A/GRY 13D/BLK
SV--3
SV--4
MOV
NCC
S--7
R.H. SIDE BRUSH
33/GRN
MOV
R.H. SIDE
BRUSH
13N/BLK
MTR
M
CB
PM
J
P
PB
VM
POWER RELAY
MOTOR
CIRCUIT BREAKER
PERMANENT MAGNET
JACK--FEM. SOCKET
PLUG--MALE PIN
PUSHBUTTON
VOLTMETER
HM
SV
S
ACC
GND
C
N.O.
N.C.
HOURMETER
SOLENOID VALVE
SWITCH
ACCESSORY
GROUND CHASSIS
COMMON
NORMALLY OPEN
NORMALLY CLOSED
LEGEND
FU FUSE NOV METAL OXIDE VARISTOR
1
2
3

ELECTRICAL
800/810 MM337 (6--01)
4--38
Electrical Schematic 800--810 G/LPG (LRG ENGINE)
E
K
J
K
38A/PUR
38B/PUR TO RFS
CIRCUITRY
BOX
SWITCHED
POWER
UNSWITCHED
POWER
29/GRN23C/GRY M4
STD.
SHAKER
RELAY
85 86
2
PRESSURE
SETTING
CLOSES AT
20” H O
13AQ/BLK
HOPPER DOOR SWITCH
13AL/BLK
13AJ/BLK
TO RFS
CIRCUITRY
BOX
30C/GRY
30B/GRY
R.H. SHAKER
MOTOR OVERRIDE
L.H. SHAKER
MOTOR OVERRIDE
CURB LIGHT
L.H. HEADLIGHT
R.H. HEADLIGHT
UNSWITCHED
POWER
IGNITION
SWITCH
S--10
ELECTRONIC
INSTRUMENT
PANEL
(RFS OPTION)
FOR STANDARD
EIP WIRING
11/PUR
18H/ORA
20A/BLU
H
18/ORA18P/ORA
18Q/ORA
SEPARATE
13AG/BLK
11A/PUR11B/PUR 30A/GRY30/GRY
30
M4
87
CB--2
15A
1D/RED
13AT/BLK13AU/BLK 13X/BLK
13AQ/BLK
13AP/BLK
13AM/BLK
13AN/BLK
62F/YEL
62H/YEL
62G/YEL
IGN.
ACC 18C/ORA
START
15A
19
30
BATT.
50
17
20/BLU 86
85 M3
CB--4
TO EIP
6/GRN
13BB/BLK
62A/YEL
62B/YEL74B/PUR
M6 8730 62/YEL
M18
M17
85 86
8685
HOPPER DIFFERENTIAL
PRESSURE SWITCH #1
39A/GRY
38/PUR
39/GRY
3
13 5
4
7
12
23
22
2
15
24
11
S--13
GROUND
LINE
20
19
21
18
17
16
14
6
1
S--4
N.C.
C
N.O.
1
2

ELECTRICAL
4--39
800/810 MM337 (6--01)
Electrical Schematic 800--810 G/LPG (LRG ENGINE)
10502
J
38C/PUR
NOT
USED
FROM HOPPER
DIFFERENTIAL
PRESSURE
SWITCH #1
38B/PUR
J2--C
J2--B
J2--A
J1--A
J2--G
J2--F
J2--E
J2--D
J1--E
J1--D
J2--H
J1--C
J1--F
J1--B
P2--H
P1--F
P1--B
P2--D
P2--E
P2--F
P2--G
P1--A
P2--A
P2--B
P2--C
VANE
MOTORS
MAX. 3.0
AMPS
2
PRESSURE
SETTING
CLOSES AT
6.5” H O
SHAKER
MOTORS
VOLT 13.6
HP .04
AMP 4.5
RFS OPTION
13AK/BLK
13AH/BLK
FROM CB--4
CONTROL
POWER -- FROM
KEY SWITCH
102B/GRY
102A/GRY102/GRY
101B/ORA
101A/ORA101/ORA
11G/PUR
107/BRN
108/GRN
11F/PUR
11E/PUR
MTR
RH SHAKER
MOTOR
11C/PUR
MTR
LH SHAKER
MOTOR
11B/PUR
13AS/BLK
13AR/BLK
M20
M19
LH SHAKER
RFS CONTROL
RH SHAKER
RFS CONTROL
8685
86
85
M20
M19
RH SHAKER
MOTOR OVERRIDE
LH SHAKER
MOTOR OVERRIDE
RH SHAKER
RFS CONTROL
LH SHAKER
RFS CONTROL
30
30
87
87
S--22
H
M18
M17
87
87
30
30
106/BRN
105/YEL
104/BLU
103/GRN
13AE/BLK
13AF/BLK
18Q/ORA
13AD/BLK
RH VANE
ACTUATOR MOTOR
LH VANE
ACTUATOR MOTOR
MTR POSITIVE
HERE = CLOSE
POSITIVE
HERE = CLOSE
HOPPER DIFFERENTIAL
PRESSURE SWITCH #2
MTR
N.C.
C
N.O.
NOT
USED
NOT
USED
GRY
WHT
RED
ORA
BRN
YEL
BLU
BLK
GRN
TAN
PUR
PNK
RFS
CIRCUITRY
BOX
1
2

ELECTRICAL
800/810 MM337 (6--01)
4--40
Wire Harnesses Group 800--810 G/LPG (LRG ENGINE)
AB
NOT USED
ON GAS/LPG
MODELS
13PP/BLK
14C/YEL
NEUTRAL
START
OPTION FF
EE
FORD ENGINE HARNESS
AB
BA
14C/YEL
13PP/BLK
NOT USED
ON GAS/LPG
MODELS
BA
13II/BLK
13JJ/BLK
73/WHT
15B/BLU
14/YEL
AB
BA
13AB/BLK
FUEL PUMP
TO
STARTER
1/RED
BATTERY
LOCATION
19B/GRY
33/GRN
R.H. SIDE
BRUSH SWITCH
REV.
SWITCH
(OPTION)
12/BRN
10/GRY
HYD.
FILTER
INDICATOR
SWITCH
(OPTION)
AB
AB
AB
74A/PUR
93/ORA
B
B
A
A
115/ORA
62C/YEL
91/GRY
89/BRN
62E/YEL
62D/YEL
TAIL LIGHT/ACC. HARNESS
AB
BLACK
RED
BLACK
RED
ABC
TO
ENGINE
13/BLK
VIEW B--B
VIEW A--A
C
C
D
D
A
A
B
B
SEE
OPTIONS
BA
72/GRY
IGNITION
COIL
1H/RED
1G/RED
1D/RED
1A/RED
43/BLU
13KK/BLK
76A/ORA
62A/YEL
76/ORA
13L/BLK
ABC
C
BA
SEE
OPTIONS
CBA
CBA
13VVV/BLK
15
GRN6
B B
12/YEL
1/RED
TO
BATTERY
STARTER
WATER
TEMPERATURE
SENDER
FUEL
SENDER
42A/ORA
FUEL PUMP
13B/BLK
16/GRN
84/GRN
86/PUR
13M/BLK
44/GRY
CARBURETOR
ACTUATOR
OIL
PRESSURE
SWITCH
L.P.
SWITCH
FUEL HARNESS
24
23
22
21
20
19 75
60
25
13R
13T
13U
GRN
BLK
BLK
BLK
BRN
BRN
15
14
13
16
17
18
42
2
29
83
85
GRN
BRN
BLU
BLU
ORA
ORA
12
11
10
9
8
740
PLUG
PLUG
PLUG
44
YEL
GRY6
5
4
3
2
1 23A GRY
16
38
39
43
24A
GRN
PUR
PUR
GRY
BLU
WIRE
NO.
SOCKET
NO. COLORWIRE
NO.
SOCKET
NO. COLORWIRE
NO.
SOCKET
NO. COLORWIRE
NO.
SOCKET
NO. COLOR
1
2

ELECTRICAL
4--41
800/810 MM337 (6--01)
Wire Harnesses Group 800--810 G/LPG (LRG ENGINE)
SOLENOID
BLOCK
CIRCUIT
BREAKERS
AND
RELAYS
GOVERNOR
RED/GRNBLK
VIEW F--F
VIEW E--E
18B/ORA 13AC/BLK
13MMM/BLK
AB
BA
23B/GRY
13KKK/BLK
13HHH/BLK
13AC/BLK
EDBAC
13DDD/BLK
39A/GRY 38A/PUR
30A/ORA
38/PUR
13X/BLK
BA
ABCDE
BA
EDCBA
ABDEC
17/ORA
ABC
ABC
VAC FAN
SHUT OFF
SWITCH
13RRR/BLK
MAIN HARNESS
13I/BLK
33B/GRN
R.H.
SIDE BRUSH
LIFT
SV--9
A
B
AB
HOPPER
DOOR
SWITCH
(OPTION)
H
H
VIEW H--H
KEY SWITCH
G
G
ENGINE
GROUND
23F/GRY
115/ORA
HYD.
FILTER
LIGHT
INDICATOR
(OPTION)
13CC/BLK
62H/YEL
62G/YEL
13FFF/BLK
38A/PUR
TO
ENGINE
13/BLK
VIEW C--C
VIEW D--D
27/YEL
13V/BLK
THERMO
SWITCH
13T/BLK
13E/BLK
13UU/BLK
13Z/BLK
13S/BLK
24A/PUR
24/PUR
23B/GRY
L.H. HEADLIGHT
HOPPER
DIFF.
SWITCH
13HH/BLK
42/ORA
B
A
13VVV/BLK
42A/ORA
B
A
R.H.
SHAKER
MOTOR
L.H.
SHAKER
MOTOR
30B/ORA
30B/ORA
30A/ORA
13III/BLK
13EEE/BLK
13AAA/BLK
13BBB/BLK
13BBB/BLK
62G/YEL
62F/YEL
R.H. HEADLIGHT
39A/GRY
13CCC/BLK
13AAA/BLK
62F/YEL
13BB/BLK
62B/YEL
30/ORA
5/PUR
5/PUR
4/YEL
HORN
SWITCH
MAIN/FRONT
BRUSH
SWITCH
28/BRN
37/YEL
7/PUR
1H/RED
B
B
AB
AB
HORN
FROM
MAIN
HARNESS
20/BLU
10/GRY
ALTERNATOR
13A/BLK
LP
CONNECTOR
SEE CHART
13R/BLK
13S/BLK
VIEW J--J
VIEW K--K
39/GRY
HOPPER HARNESS
AC 17
19
30
50
JJ
K
K
1
2

ELECTRICAL
800/810 MM337 (6--01)
4--42
Wire Harnesses Group 800--810 G/LPG (LRG ENGINE)
30
85
86
87
87A
M5
M4M3M12
23E/GRY
18R/ORA
17/ORA
15A/BLU
18S/ORA
18T/ORA
14/YEL
M12
RELAYS
M3 ELECTRONIC INSTRUMENT PANEL
M4 SHAKER MOTOR
M5 VAC FAN SOLENOID
M6 HEADLIGHTS
M7 ROTATING/FLASHING LIGHTS
M8 HOPPER LIFT
M9 FRONT BRUSH
M10 MAIN BRUSH
M12 FUEL PUMP
33D/GRN
33C/GRN
L.H.
SIDE BRUSH
HARNESS
(OPTION)
MM
VIEW M--M
SECTION L--L
LL
18J/ORA
AIR
CONDITIONER --
PRESSURIZER
HARNESS
(OPTION)
18H/ORA
M10M9M8M7M6
22/YEL 11/PUR
23C/GRY
32/GRN
24/PUR
76/ORA
23D/GRY
28B/BRN
21/ORA
31/GRY
7/PUR
19/GRY
37/YEL
6/GRN
23/GRY
29/GRN
30/ORA
28A/BRN
25/BRN
74B/PUR
75/BRN
74/PUR 21A/ORA
27/YEL 13G/BLK
21B/ORA
13Y/BLK
21C/ORA
M3 M4
M5 M6 M7 M8 M9 M10
MAIN
HARNESS
85 COIL+
86 COIL --
30 COMMON CONTACT
87 N.O. CONTACT
87A N.C. CONTACT
60/GRN
62/YEL

ELECTRICAL
4--43
800/810 MM337 (6--01)
Wire Harnesses Group 800--810 G/LPG (LRG ENGINE)
20A/BLU
CB--8
(OPTION) CB--7
(OPTION)
74F/PUR
DIRECTIONAL
HARNESS
(OPTION)
74D/PUR
74E/PUR
CIRCUIT
BREAKERS
CB--1 HORN
CB--2 SHAKER MOTOR
CB--3 VAC FAN RELAY, SHAKER RELAY, WARNING
LIGHT & HEADLIGHT
CB--4 ELECTRONIC INSTRUMENT PANEL
CB--5 ROTATING LIGHT & BACK--UP ALARM
CB--6 HOPPER LIFT RELAY, FRONT/MAIN BRUSH
CB--7 LEFT HAND SIDE BRUSH
CB--8 CAB ACCESSORIES
CB--3
2.5 A
MAIN
HARNESS
1F/RED
1E/RED
21D/ORA
20A/BLU
20B/BLU
1G/RED
74/PUR
1D/RED
1C/RED
11/PUR
22/YEL
1E/RED
20/BLU
18/ORA
1C/RED
4/YEL
CB--4CB--5CB--6
CB--1CB--2

ELECTRICAL
800/810 MM337 (6--01)
4--44
Wire Harnesses Group 800--810 G/LPG (LRG ENGINE)
BACK--UP
ALARM
HARNESS
BACKUP/HORN
FROM TAIL LIGHT
HARNESS
FROM MAIN
HARNESS
FROM MAIN
HARNESS
B
B
A
A
REV/FLSH
LIGHT
VIEW S--S
S
S
R
R
VIEW Q--Q
QQ
VIEW P--P
PP
REV/FLSH
LIGHT (ONLY)
OHG/CAB
HYD.
PUMP
REV/FLSH
LIGHT
HARNESS
12/BRN
10/GRY
12B/BRN
12B/BRN 10C/GRY
10C/GRY
NEUTRAL
START
HARNESS
89A/BRN
91A/GRY
BA
93/ORA
BA
BA
TAIL LIGHT/ACC. HARNESS
76C/ORA
13PPP/BLK
94/YEL
94/YEL
76C/ORA
13PPP/BLK
76A/ORA
13NNN/BLK
13NN/BLK
93B/ORA
13QQ/BLK
93A/ORA
B
A
B
A
B
A
B
A
AB AB
B B
89/BRN
91/GRY
13NNN/BLK
76C/ORA
76C/ORA
76A/ORA
13PPP/BLK
13PPP/BLK
13NN/BLK
93B/ORA
13QQ/BLK
93A/ORA
93B/ORA
DIRECTIONAL HARNESS
BLK
RED
13NN/BLK
LIGHT
LXP
RED
RED
FLASHER
1
2

ELECTRICAL
4--45
800/810 MM337 (6--01)
Wire Harnesses Group 800--810 G/LPG (LRG ENGINE)
FROM MAIN
HARNESS
62G/YEL
FROM
HOPPER
HARNESS
BRAKE
SWITCH
TURN LIGHTS
LEFT HAND
S.E. OPTION
TURN LIGHTS
RIGHT HAND
S.E. OPTION
TURN LIGHTS
RIGHT HAND
TURN LIGHTS
LEFT HAND
VIEW U--U
UU
VIEW T--T
TT
VIEW R--R 89/BRN
91/GRY
B
A
93B/ORA
74G/PUR
74F/PUR
77/GRY
13AA/BLK
62H/YEL
HOPPER HARNESS
SIDE BRUSH
LIGHT
74G/ORA
FLASHER
79/YEL
80/BLU
LX
P
13YYY/BLK
13YYY/BLK
13ZZZ/BLK
L.H.
HEADLIGHT
REF. ONLY
13AAA/BLK
13BBB/BLK
62H/YEL
91A/GRY
89A/BRN
13ZZZ/BLK
13TTT/BLK
13TTT/BLK
13WWW/BLK
88A/GRN
88/GRN
87/PUR
87A/PUR
87A/PUR
13WWW/BLK
13SSS/BLK
13SSS/BLK
YEL
GRN
RED
BLK
GRY
BLU
GRY/BLK
96
3
7
41
77/GRY
80/BLU
87/PUR
88/GRN
79/YEL
9
8
7
6
4
3
2
1
88A/GRN
1
2

ELECTRICAL
800/810 MM337 (6--01)
4--46
Wire Harnesses Group 800--810 G/LPG (LRG ENGINE)
HEATER FAN,
PRESSURIZER AND
A/C FAN
33D/GRN
WIPERS
SWITCH
DOME
LIGHT
21R/ORA THERMOSTAT
BLOWER
MOTOR
BLOWER
SWITCH
PRESSURE
SWITCH
CLUTCH
COMPRESSOR
M11M2
WIPER
MOTOR
BLACK
RED/GRY
NL
ORANGE
RED
YELLOW
M
CB
ORANGE
BLUE
BLUE
96/ORA
18J/ORA
13EE/BLK
9/ORA
87A
87
8685
30
WHITE
BLACK
BLACK
BLACK
WHITE
WHITE
RED
BLACK
87A
87
8685
30
35/YEL 26/PUR
1
2

ELECTRICAL
4--47
800/810 MM337 (6--01)
Wire Harnesses Group 800--810 G/LPG (LRG ENGINE)
FROM
MAIN
HARNESS
FROM
MAIN
HARNESS
1F/RED
13KKK/BLK
13P/BLK
26A/PUR
26B/PUR
33D/GRN33C/GRN
A
B
AB
L.H.
SIDE BRUSH
LIFT
SV--10
13KKK/BLK
CB--8
30 AMP
LH SIDE
BRUSH SWITCH
ENGINE
GROUND
GROUND
CB--7
M12
M11
RED/GRY
AB
LH SIDE
BRUSH
SV--8
FROM
MAIN
HARNESS
1G/RED
18H/ORA
13Q/BLK
18J/ORA
9/ORA
A/C HARNESS
WHITE
BLACK
BLACK
96B/ORA
13DD/BLK
13SS/BLK
96A/ORA
AB
AB
BA
BA
21R/ORA
13VV/BLK
35/YEL
13VV/BLK
13P/BLK
LH SIDE BRUSH HARNESS
BA
1
2

ELECTRICAL
800/810 MM337 (6--01)
4--48
Wire Harnesses Group 800--810 G/LPG (LRG ENGINE)
20/BLU
K
K
J
J
AB
BAEDBAC
ABDE C
38C
HGFE
DCBA
FED
CBA
NOT
USED
108
107
11G
103 104
105
106
18Q
13AF
13AE
NOT
USED
NOT
USED
18Q/ORA
18P/ORA
13AK/BLK
13AL/BLK
30C/GRY
RFS OPTION
HARNESS ROUTING
87
86
87A
85
30
87
86
87A
85
30
8685
87
87A
30
102A/GRY
11E/PUR
13AR/BLK
107/BRN
101B/ORA
11F/PUR
13AS/BLK
108/GRN
102B/GRY
M20 M19
VIEW V--V
P--1
P--2
11/PUR
18/ORA
11B/PUR
11A/PUR
1D/RED
1C/RED
20A/BLU
M18
CB--4
CB--2
MAIN HARNESS
HOPPER
DOOR
SWITCH
(OPTION)
AB
13AH/BLK
13AJ/BLK
30B/GRY
87
86
87A
85
30
101A/ORA
M17
1
2

ELECTRICAL
4--49
800/810 MM337 (6--01)
Wire Harnesses Group 800--810 G/LPG (LRG ENGINE)
62F/YEL
62G/YEL
62H/YEL
VIEW K--K
VIEW J--J
13DDD/BLK
39A/GRY 38A/PUR
30A/ORA
38/PUR
13X/BLK
BA
ABCDE
BA
EDCBA
13AT/BLK 62F/YEL
13BB/BLK
62B/YEL
30/ORA
39/GRY
38C/PUR
38B/PUR
38B/PUR
38A/PUR
M--20
M--19
R.H.
VANE
MOTOR
WHT
GRN
WHT
GRN
103/GRN
V
V
RFS
CIRCUITRY
BOX
J--1
J--2
P--1
P--2
M--18
M--17
13AE/BLK
HOPPER
DIFF.
SWITCH--2
13AD/BLK
102/GRY
11C/PUR
11B/PUR
101/ORA
11D/PUR
11C/PUR
104/BLU
105/YEL
106/BRN
L.H.
VANE
MOTOR
HOPPER
DIFF.
SWITCH--1 13AN/BLK
13AM/BLK
SIDE BRUSH
LIGHT
13AU/BLK
13AD/BLK
13AQ/BLK
13AP/BLK
13AN/BLK
62H/YEL
62G/YEL
13AQ/BLK
13AP/BLK
L.H. HEADLIGHT
R.H.
SHAKER
MOTOR
L.H.
SHAKER
MOTOR
R.H. HEADLIGHT
39A/GRY
AB
1
2

ELECTRICAL
800/810 MM337 (6--01)
4--50
Wire Harnesses Group 800--810 G/LPG (LRG ENGINE)
STANDARD
ALTERNATOR
VIEW G--G
N
N
MAIN
HARNESS
MAIN
HARNESS
AD
AD
ELECTRONIC
GOVERNOR
CONTROL
13U/BLK
13MMM/BLK
13A/BLK
S
1B/RED
1B/RED
1A/RED
2/ORA
E
EXC
L2
B
P

ELECTRICAL
4--51
800/810 MM337 (6--01)
Wire Harnesses Group 800--810 G/LPG (LRG ENGINE)
73/WHT
72/GRY
VIEW N--N
ELECTRONIC
GOVERNOR
CONTROL
13MMM/BLK
13A/BLK
VIEW G--G
REL.
(NOT USED)
IND.
GND. +B
1A/RED
1B/RED
S.E.
ALTERNATOR
MAIN
HARNESS
1B/RED
2/ORA
85/BLU
83/BRN
84/GRN
86/PUR
18D/ORA
13E/BLK
DA
H
E

ELECTRICAL
800/810 MM337 (6--01)
4--52
Electrical Schematic 800--810 D (PERKINS 200 SERIES ENGINE)
1
2
3
4
5

ELECTRICAL
4--53
800/810 MM337 (6--01)
Electrical Schematic 800--810 D (PERKINS 200 SERIES ENGINE)
1
2
3
4
5

ELECTRICAL
800/810 MM337 (6--01)
4--54
Electrical Schematic 800--810 D (PERKINS 200 SERIES ENGINE)
1
2
3

ELECTRICAL
4--55
800/810 MM337 (6--01)
Electrical Schematic 800--810 D (PERKINS 200 SERIES ENGINE)
1
2
3

ELECTRICAL
800/810 MM337 (6--01)
4--56
Electrical Schematic 800--810 D (PERKINS 200 SERIES ENGINE)
1
2
3

ELECTRICAL
4--57
800/810 MM337 (6--01)
Electrical Schematic 800--810 D (PERKINS 200 SERIES ENGINE)
1
2
3

ELECTRICAL
800/810 MM337 (6--01)
4--58
Wire Harnesses Group 800--810 D (PERKINS 200 SERIES ENGINE)
1

ELECTRICAL
4--59
800/810 MM337 (6--01)
Wire Harnesses Group 800--810 D (PERKINS 200 SERIES ENGINE)
1

ELECTRICAL
800/810 MM337 (6--01)
4--60
Wire Harnesses Group 800--810 D (PERKINS 200 SERIES ENGINE)

ELECTRICAL
4--61
800/810 MM337 (6--01)
Wire Harnesses Group 800--810 D (PERKINS 200 SERIES ENGINE)

ELECTRICAL
800/810 MM337 (6--01)
4--62
Wire Harnesses Group 800--810 D (PERKINS 200 SERIES ENGINE)

ELECTRICAL
4--63
800/810 MM337 (6--01)
Wire Harnesses Group 800--810 D (PERKINS 200 SERIES ENGINE)

ELECTRICAL
800/810 MM337 (6--01)
4--64
Wire Harnesses Group 800--810 D (PERKINS 200 SERIES ENGINE)
1

ELECTRICAL
4--65
800/810 MM337 (6--01)
Wire Harnesses Group 800--810 D (PERKINS 200 SERIES ENGINE)
1

ELECTRICAL
800/810 MM337 (6--01)
4--66
Wire Harnesses Group 800--810 D (PERKINS 200 SERIES ENGINE)
1
2

ELECTRICAL
4--67
800/810 MM337 (6--01)
Wire Harnesses Group 800--810 D (PERKINS 200 SERIES ENGINE)
1
2

ELECTRICAL
800/810 MM337 (6--01)
4--68
Electrical Schematic 800--810 D (PERKINS 700 SERIES ENGINE)
1J/RED
36/ORA
36A/ORA
TO EIP
TO EIP
10/GRY
IGNITION SWITCH
S--10
( X INDICATES ACLOSED CONTACT )
START
STARTRUN
OFF
PREHEAT
X
XXX
XX
X
IGN.
19
30
BATT.
50
17
20/BLU
RUN/
ACC
NEUTRAL START
SWITCH OPTION
10C/GRY 12A/BRN 12/BRN
S--3
STARTER RELAY COIL
M1
STARTER RELAY COIL
12/BRN M1
1B/RED
E
13G/BLK13DDD/BLK
L.H. SHAKER
R.H. SHAKER
13EEE/BLK
13III/BLK
30B/ORA MTR
40 AMP
FU -- 1
1G/RED
1D/RED
1A/RED
18E/ORA18/ORA
30/ORA 30A/ORA
5/PUR
1/RED M1 STARTER RELAY
1H/RED OUT GND ALTERNATOR
BATTERY
13/BLK
STARTER MOTOR
13AA/BLK
SENSE
15A
12V
540 C.C.A.
1B/RED
L2
2/ORA
55A MAX.
CHARGE
8685
M3
CB--4
MTR
15A
B
1C/RED
1E/RED
15A
4/YEL HORN
HORN BUTTON
PB--1
11/PUR
CB--1
CB--2 87
M4
30 MTR
2.5A
CB--3 22/YEL 87 30
M3
C
3/BLU
UNSWITCHED POWER
PAGE 2
23A/GRY SWITCHED POWER
TO EIP
PAGE 2
D
6/GRN
1
2
3
4
5
6

ELECTRICAL
4--69
800/810 MM337 (6--01)
Electrical Schematic 800--810 D (PERKINS 700 SERIES ENGINE)
GLOW PLUG CURRENT
DRAW: 28 AMPS MAX.
TO INSTRUMENT
PANEL
18A/ORA
72A/ORA
72B/ORA
72/ORA
86/PUR
84/ORA
13AB/BLK
13D/BLK
GOVERNOR CONTROLLER
TO INSTRUMENT
PANEL
ENGINE SPEED MAGNETIC PICK--UP
GOVERNOR ACTUATOR
JH
BFEDCHGA
13?/BLK
36B/ORA
8730
87A
8685 M13
83/BRN 85/BLU
ACC
LINE
SEE
TO OIL
PRESSURE
SWITCH
GROUND
LINE
SEE
18J/ORA
18B/ORA
13JJJ/BLK
13M/BLK
14C/YEL
14/
YEL
13AC/BLK
45/GRY
48/PUR
36C/ORA
GLOW
INDICATOR
G
13N/BLK
M11 8685
14A/YEL
GLOW PLUGS
10/GRY
18C/ORA
18D/ORA
87A
3087
FUEL PUMP
SV--1
F
15A/BLU
M2
85 86
20A/BLU
13EE/BLK
CAB
OPTION
1
2
3
4
5
6

ELECTRICAL
800/810 MM337 (6--01)
4--70
Electrical Schematic 800--810 D (PERKINS 700 SERIES ENGINE)
18 AMPS
(A/C ONLY)
109/GRN
HIGH
MEDIUM
LOW
INTERNAL
102/BRN
96/ORA
96A/ORA
1CA/RED
104/YEL
107/YEL
108/ORA
110/BLU
85 86
103/PUR
97A/PUR
97/PUR 99/BLU
13CA/BLK
13CH/BLK
13CG/BLK
13CJ/BLK
13CB/BLK
CONDENSER FAN
THERMOSTAT(A/C)
DOME LAMP SWITCH
WIPER SWITCH
HIGH/LOW
PRESSURE
(A/C ONLY)
CAB BLOWER
RESISTOR
FAN SWITCH
30 AMP
15 AMP
CB--11
30 AMP
30 AMP
M11
30 87
BLOWER MOTOR
WIPER MOTOR
DOME LAMP
CB--8
M13
MTR
MTR
TO GOVERNOR CONTROLLER
85/BLU83/BRN
J
18
H
17
SWITCHED POWER
FROM
ALTERNATOR
FROM
IGNITION
SWITCH
FROM M2
FUEL PUMP FROM FUEL
LOCK OFF
SOLENOID
G
F
13
15B/BLU
15A/BLU
15/BLU
HOPPER DOOR SWITCH 2
PRESSURE
SETTING
CLOSES AT
20” H O
HYDRAULIC
FLUID
FILTER
1G/RED
N. O.
23C/GRY
FILTER
INDICATOR
SWITCH
FILTER INDICATOR LIGHT
M. BRUSH HYD.
PRESSURE SWITCH
115/ORA S--21
23E/GRY
SEPARATE
13AAA/BLK13BBB/BLK13CCC/BLK
13X/BLK
13BB/BLK
13X/BLK13DDD/BLK
13FFF/BLK
39A/GRY
38A/PUR38/PUR
39/GRY
13L/BLK
23A/GRY
3
5
4
7
23
2
15
13B/BLK
16/GRN
6/GRN
D
23E/GRY 13B/BLK
24
C
E
OIL
PRESSURE
SWITCH
C
S--6
N.O.
N.C.
11
HOPPER DIFFERENTIAL
PRESSURE SWITCH
23/GRY
23D/GRY
23F/GRY
9/ORA
CB--10
S--14
S--13
CHASSIS
GROUND
B
GROUND
LINE FULL=90
EMPTY=0
HEADLIGHT RELAY
WARNING LIGHT
SHAKER RELAY
FAN RELAY
23B/GRY
43/BLU
M6
M7
M4
M5
85 86
85 86
85 86
13A/BLK
40/YEL
60/GRN
75/BRN
29/GRN
85 86
2/ORA
20
19
21
16
14
6
1
24/PUR
42/ORA
25/
BRN
24A/PUR
HOPPER
THERMAL SW.
CLOSES AT
225F
S--4
ELECTRONIC
INSTRUMENT
PANEL
COOLANT TEMP
SENDER
N.C.
C
N.O.
FUEL SENDER
SE--1
SE--2
S--2
1
2
3
4

ELECTRICAL
4--71
800/810 MM337 (6--01)
Electrical Schematic 800--810 D (PERKINS 700 SERIES ENGINE)
5.5 AMPS
5.5 AMPS
3.5 AMPS
105/BRN 106A/BRN
106B/BRN
106C/BRN GROUND
13CD/BLK
13CC/BLK
COMPRESSOR CLUTCH
CONDENSER FAN
30 87
M13
MTR
MTR
74B/PUR
94/YEL
93A/ORA
93B/ORA
62D/YEL
62E/YEL
13JJ/
BLK
13II/
BLK
74G/PUR
74F/PUR
74L/PUR
76/ORA
93/ORA
89/BRN89A/BRN
87/PUR
91A/GRY
91/GRY
BACK--UP
LIGHT
CURB
LIGHT
13AA/BLK
13AAA/BLK
13BBB/BLK
13NNN/BLK
13TT/BLK
76B/ORA
FLASHING
LIGHT
ROTATING
LIGHT
62C/YEL
13K/BLK
13KK/BLK
13H/BLK
L.H.
HEADLIGHT
R.H.
HEADLIGHT
62B/YEL
WARNING
LIGHT
OPTION
BACK--UP
LIGHT
OPTION
76A/ORA
62H/YEL
62A/YEL 62F/YEL
62G/YEL
SEPARATE
SEPARATE
HEADLIGHT
OPTION
S--16
1F/RED
13QQ/BLK
13NN/BLK
CAB
OPTION
74A/PUR
74/PUR
74D/PUR
77/GRY
CB--5
GROUND
LINE
13GG/BLK
13FF/BLK
M6
M7
8730
8730
62/YEL
88/GRN
80/BLU
79/
YEL
15 AMP
BACK--UP ALARM UNIT
FLASHER
FOOT
SWITCH
S--18
YEL BLU
”P”
”L”
BLU
YEL
BRN
”X”
GRY/
BLK
GRY
BLK
GRN
RED
DIRECTIONAL
SWITCH
BRAKE
SWITCH
FLASHER
TAIL LHT L.H.
TAIL LHT R.H.
RUN LHT L.H.
RUN LHT R.H.
1
2
3
4

ELECTRICAL
800/810 MM337 (6--01)
4--72
Electrical Schematic 800--810 D (PERKINS 700 SERIES ENGINE)
S--12
VAC FAN
SHUT OFF
N. O.
810 ONLY
31A/GRY
19C/GRY
28/BRN
28A/BRN28B/BRN
31B/GRY
13ZZ/BLK
MAIN/FRONT
BRUSH
8730
8685
8730
8685
13C/BLK
7/PUR
SV--1
SV--5
SV--2
SV--6
FR. BRUSH
LIFT
MOV
B
A
C
19/GRY
31/GRY
FAN
MOV
13G/BLK
8730
M5
M10
S--1
37/YEL
M8
LITTER
BRUSH
MOV
MAIN
BRUSH
MOV
21D/ORA
21C/ORA
8730
M9
13F/BLK
21B/ORA
85 86
32/GRN21A/ORA
13Y/BLK
13W/BLK
13V/BLK
27/YEL21/ORA20A/BLU CB--6
15 AMP
GROUND
LINE
ACC
LINE
1
2
3

ELECTRICAL
4--73
800/810 MM337 (6--01)
Electrical Schematic 800--810 D (PERKINS 700 SERIES ENGINE)
M12
33D/GRN
33C/GRN
13P/BLK
SV--10
SV--9 13I/BLK
M. BRUSH
LIFT
13KKK/BLK
33B/GRN
33A/GRN
26B/PUR
26A/PUR
L.H. SIDE
BRUSH LIFT
MOV
R.H. SIDE
BRUSH LIFT
MOV
35/YEL
26/PUR
8586
8730
13VV/BLK
SV--8
NCC
S--8 L.H. SIDE BRUSH
L.H. SIDE
BRUSH
MOV
21R/ORA
20B/BLU CB--7
15 AMP
19B/GRY 19A/GRY 13D/BLK
SV--3
SV--4
MOV
NCC
S--7 R.H. SIDE BRUSH
33/GRN
MOV
R.H. SIDE
BRUSH
13N/BLK
MTR
M
CB
PM
J
P
PB
VM
POWER RELAY
MOTOR
CIRCUIT BREAKER
PERMANENT MAGNET
JACK--FEM. SOCKET
PLUG--MALE PIN
PUSHBUTTON
VOLTMETER
HM
SV
S
ACC
GND
C
N.O.
N.C.
HOURMETER
SOLENOID VALVE
SWITCH
ACCESSORY
GROUND CHASSIS
COMMON
NORMALLY OPEN
NORMALLY CLOSED
LEGEND
FU FUSE NOV METAL OXIDE VARISTOR
1
2
3

ELECTRICAL
4--74 800/810 MM337 (8--97)
TROUBLESHOOTING
The troubleshooting charts that follow are
organized so they lead you through the circuits.
They include flow charts and instructions for you
as to where to insert your test instruments.

ELECTRICAL
4--75
800/810 MM337 (8--97)
ENGINE RUN
1A/RED OUT GND
ALTERNATOR
BATTERY 13/BLK
13A/BLK
THROTTLE
ACTUATOR
SENSE
START
15A
ACC
19
30
BATT.
IGNITION
SWITCH
S--10
50
17
A
B
CDE F
GH
86/PUR
84/GRN
20/BLU
12V
540 C.C.A.
1B/RED L2
2/ORA
55A MAX.
CHARGE
13E/BLK
8685M3
DIST.
--
+
ORA
PUR
BLK/GRN
ST.
GRD.
-- +
IGN.
DEC.
18D/ORA
72A/GRY
72B/GRY
GRN
BATT. DEC. YEL. 72/GRY
RESISTOR
WIRE
RED/GRN
CB--4
1E/RED
2.5A
CB--3 22/YEL 87 30
M3
ELECTRONIC
GOVERNOR
CONTROL
BOX
23/GRY
N/U
6/GRN
18B/ORA
IGN.
COIL
FORD
IGN.
MODULE
83/BRN 85/BLU
SEPARATE
1H/RED
90/
ORA
18C/ORA
18/ORA
13 5
2
15 13B/BLK
16/GRN
OIL
PRESSURE
SWITCH
15/BLU
C
S--6
N.O.
N.C.
23A/GRY
FULL=90
EMPTY=0
43/BLU
18
17
14
42/ORA
CLOSES AT
225 F
ELECTRONIC
INSTRUMENT
PANEL
COOLANT TEMP
SENDER
FUEL SENDER SE--1
SE--2
13HH/BLK
11
1
CIRCUIT
BOARD

ELECTRICAL
4--76 800/810 MM337 (8--97)
SHAKER
BATTERY 13/BLK
START
15A
ACC
19
30
BATT.
IGNITION
SWITCH
S--10
50
17
20/BLU
12V
540 C.C.A.
8685M3
CB--4
1E/RED
15A 13X/BLK
11/PUR
CB--2 87
M4
30
SHAKER
30A/GRY30/GRY
2.5A
CB--3 22/YEL 87 30
M3
23/GRY
N/U
6/GRN
M
1D/RED
18C/ORA
18/ORA
M13EEE/
BLK
13III/
BLK
30B/ GRY
23A/GRY
SHAKER RELAY
23C/GRY M4
85 86
13T/BLK
29/GRN
16
ELECTRONIC
INSTRUMENT
PANEL
23
11
1
CIRCUIT
BOARD

ELECTRICAL
4--77
800/810 MM337 (8--97)
SHAKER FAILURE
YES NO
SEE POWER UP
TESTING
TOUCH PANEL
TOUCH PANEL
CIRCUIT BOARD
LED BURNT OUT
RESET CB2
IF NECESSARY
CHECK AMP DRAW OAMPS
YES
REPLACE MOTOR
REPLACE MOTOR NO
CONT. NEXT PAGE
PLUG 2 --
PIN 3 TO 7
(= BATTERY VOLTAGE)
REPLACE
> 8.5 AMPS
<100 >100
ττ
TEST ASSUMES SHAKER TIMER IS ACTIVE UNLESS KEY IS OFF.
RESETTING SWITCH WILL BE NECESSARY.
CHECK VOLTAGE
AT MOTOR
TO 13III BLK
TO 13EEE BLK
YES NO
SHAKER PANEL
LIGHT COME ON?
TURN KEY ON
DOES THE PANEL
LIGHT FOR
4 SEC.?
TEST
REPLACE
DOES
CHECK &
30A GRY
30B GRY
ACTIVATING THE SHAKER SWITCH TURNS ON A 45 SECOND TIMER.
THIS MAY CAUSE AN INCORRECT READING.

ELECTRICAL
4--78 800/810 MM337 (8--97)
CHECK VOLTAGE
(BATTERY VOLTAGE)
NO
YES
CHECK VOLTAGE
AT CB 2
(BOTH SIDES)
NO VOLTAGE BATTERY VOLTAGE
1D RED ONLY
REPLACE
1D RED
REPLACE CB 2
BATTERY
VOLTAGE
CONT. NEXT PAGE
REMOVE M4 RELAY
CHECK VOLTAGE
TO BATT. NEG.
NO YES
CHECK VOLTAGE
23C GRAY / BATT --
0VOLTS
23C GRAY
REPLACE
11 PURPLE
REPLACE M4 WITH
GOOD RELAY
MOTOR
OPERATES
NOT
OPERATING
REPLACE M4 NO
CONNECTION
REPLACE WIRE
CHECK
CONTINUITY
30 GRY / 30A GRY
YES
BATTERY
VOLTAGE
OR 30B GRY
KEY OFF
TO 13III BLK
TO 13EEE BLK
AND 13X BLK
REPLACE
13III BLK,
13EEE BLK
OR 13X BLK
TO BATT. NEG.
1D RED OR
11 PUR
1D RED &
11 PUR
REPAIR OR
REPLACE
REPAIR OR
AT M4
11 PUR
BATT +
BATT +
REPAIR
KNOWN

ELECTRICAL
4--79
800/810 MM337 (8--97)
CHECK CONTINUITY
OF 29 GREEN
REPAIR OR REPLACE
LETCOOL3MIN.
CHECK RESISTANCE
REPLACE BOARD
PLUG 1 P16 -- P23
CHECK VOLTAGE
ACROSS PLUG 1
P--16 / P--23
NO
0VOLTS BATTERY
VOLTAGE
REMOVE M4 RELAY
INSERT TEST HARNESS
SWITCH ON
KEY OFF
SWITCH OFF
>1MEG
29 GREEN
THEN SWITCH ON

ELECTRICAL
4--80 800/810 MM337 (8--97)
VAC FAN
BATTERY 13/BLK
START
15A
ACC
19
30
BATT.
IGNITION
SWITCH
S--10
50
17
20/BLU
12V
540 C.C.A.
8685M3
CB--4
1E/RED
2.5A
CB--3 22/YEL 87 30
M3
23/GRY
N/U
6/GRN
18C/ORA
18/ORA
6/GRN
23A/GRY
23B/GRY
S--5
FAN RELAY
M5
13T/BLK
85 86 21
6
24A/PUR
25/
BRN
24/PUR
HOPPER
THERMAL SW.
ELECTRONIC
INSTRUMENT
PANEL
S--2
23/GRY
S--12
HOPPER LIFT
SV--6
NO
28B/BRN FAN
MOV
8730
M5
M8
28A/BRN
32/GRN
21A/ORA
86
8730
85
13W/BLK
13V/BLK
27/YEL21/ORA20A/BLU CB--6
15 AMP
21D/ORA
23
11
1
CIRCUIT
BOARD

ELECTRICAL
4--81
800/810 MM337 (8--97)
VACUUM FAN FAILURE
TURN KEY ON
YES NO
SEE POWER UP
TESTING
TEST TOUCH PANEL
REPLACE TOUCH PANEL
REPLACE
LED BURNT OUT
CHECK & RESET CB6
IF NECESSARY
CONT. NEXT PAGE
PLUG 2 -- PIN 4 TO 7
CIRCUIT BOARD
UNPLUG M10 RELAY
(REMOVE BRUSHES
FROM CIRCUIT)
<100 >100
ττ
NOYES DOES VAC FAN PANEL
LIGHT COME ON?
DOES THE PANEL
LIGHT FOR
4 SEC.?
TEST ASSUMES VAC FAN SWITCH IS ACTIVATED UNLESS KEY IS OFF.
RESETTING SWITCH WILL BE NECESSARY.
UNPLUG M12 RELAY
(REMOVE HOPPER
ROLL--OUT FROM
CIRCUIT)

ELECTRICAL
4--82 800/810 MM337 (8--97)
BY--PASS
THERMAL SENSOR & MOTOR
RUNS
MOTOR
OFF LIFT ARM SWITCH
RESET OR REPLACE
THERMAL SENSOR
OR LIFT ARM SWITCH
CONT. NEXT PAGE
REMOVE M5 RELAY
CHECK VOLTAGE
24 PUR TO BATT. NEG.
YES
NO
REPAIR OR REPLACE
NO
REPAIR OR REPLACE
TEST FOR MAGNETISM
AT SV -- 6
YES NO
CHECK
HYDRAULICS
YES
24 PURPLE 23B GRAY
CHECK VOLTAGE
23B GRY TO BATT. NEG.

ELECTRICAL
4--83
800/810 MM337 (8--97)
CHECK VOLTAGE
AT CB 6
(BOTH SIDES)
NO VOLTAGE BATTERY VOLTAGE
20A BLU ONLY
REPAIR OR
20A BLUE
REPLACE CB 6
BATTERY
VOLTAGE
CHECK VOLTAGE
REPLACE M5 WITH
MOTOR
OPERATES
NOT
OPERATING
REPLACE M5
NO YES
REPLACE M8 WITH
GOOD RELAY
MOTOR
OPERATES
NOT
OPERATING
REPLACE M8
CONT. NEXT PAGE
TO BATT. NEG.
AT M5 RELAY
TO BATT. NEG.
REMOVE M8
TO BATT. NEG.
TO BATT. NEG.
NO YES
REPAIR OR CHECK VOLTAGE
21 ORA TO 27 YEL
21D ORA, 21 ORA
OR 21A ORA
NO YES
REPAIR OR
27 YEL OR 13V BLK
REPAIR OR
28B BRN OR
20A BLUE OR
21D ORA
20A BLUE &
21D ORA
REPLACE
AT M8
REPLACE
28A BRN
REPLACE
REPLACE
CHECK VOLTAGE
AT M8
21 ORA
21A ORA
KNOWN
GOOD RELAY
KNOWN
28A BRN

ELECTRICAL
4--84 800/810 MM337 (8--97)
CONT. NEXT PAGE
REPLACE 13W/BLK REPLACE COIL
SV--6
REPAIR OR REPLACE
32 GREEN
CHECK VOLTAGE
BATT + TO 13W/BLK
(BATTERY VOLTAGE)
YES
0VOLTS
NO
YES
CHECK SV--6 COIL
OUT
IN
7+/--2 OHMS
CHECK VOLTAGE
32 GRN / 13W BLK
(= BATTERY VOLTAGE)
AT SV -- 6

ELECTRICAL
4--85
800/810 MM337 (8--97)
CHECK VOLTAGE
ACROSS PLUG 1
P--21 / P--23
OVOLTS BATTERY
VOLTAGE
REMOVE M5 RELAY
LETCOOL3MIN.
RESISTANCE
PLUG 1 P21 -- P23
REPLACE BOARD
CONTINUITY OF
25 BRN
INSERT TEST HARNESS
>1MEG
NO
REPAIR OR
25 BRN
KEY OFF
SWITCH OFF
THEN SWITCH ON
HYDRAULICS
<1MEG
REPLACE CHECK
CHECK
CHECK

ELECTRICAL
4--86 800/810 MM337 (8--97)
MAIN BRUSH
B
A
T
T
E
R
Y
13/BLK
START
ACC
19
30
BATT.
IGNITION
SWITCH
S--10
50
17
20/BLU
12V
540 C.C.A.
N/U
13D/BLK
19A/GRY
S--12
HOPPER LIFT
S
V
-- 4
SV--1
M. BRUSH
LIFT MOV
NO
B
C
28B/BRN
19/GRY
M10
S--1
37/YEL
M8
MAIN
BRUSH
MOV
13Z/BLK21C/ORA
86
85
87
30
21A/ORA
86
8730
85
13Y/BLK
13V/BLK
27/YEL21/ORA20A/BLUCB--6
15 AMP
21D/ORA
MAIN/FRONT
BRUSH

ELECTRICAL
4--87
800/810 MM337 (8--97)
MAIN BRUSH FAILURE
CONT. NEXT PAGE
(VAC FAN WORKS)
CHECK VOLTAGE
TO BATT NEG.
YES NO
REPAIR OR
CHECK VOLTAGE
NO
REPLACE S--1
BRUSH SWITCH
YES
CHECK VOLTAGE
TO BATT NEG.
NO YES
REPAIR OR
21C ORANGE
FOR MAGNETISM
AT SV -- 1
YES
SEE HYDRAULICS
NO
TURN KEY ON
AT S -- 1
28B BROWN
REMOVE M10
CHECK VOLTAGE
TO BATT. NEG.
REPAIR OR
NO
YES
37 YELLOW
CHECK VOLTAGE
TO 13Y BLK
NO
REPAIR OR
13Y BLK
YES
TEST ASSUMES MAIN BRUSH SWITCH IS ACTIVATED UNLESS KEY IS OFF.
RESETTING SWITCH WILL BE NECESSARY.
AT S -- 1
37 YEL
REPLACE REPLACE
REPLACE
TO BATT. NEG.
37 YEL
AT M10
21C ORA
21C ORA
REPLACE
28B BRN
TEST

ELECTRICAL
4--88 800/810 MM337 (8--97)
CHECK VOLTAGE
19 GRY TO 13Z BLK
(= BATTERY VOLTAGE)
YES
CHECK SV--1 COIL
0VOLTS
CHECK VOLTAGE
BATT + TO 13Z/BLK
NO YES
REPAIR OR
19 GRAY
7+/--2OHMS
OUT
IN
REPLACE COIL
SV --1
CHECK
HYDRAULICS
REPLACE M10 WITH
GOOD RELAY
MOTOR
OPERATES
NOT
OPERATING
REPLACE M10
AT SV -- 1
REPAIR OR
13Z BLK
REPLACE
REPLACE
KNOWN

ELECTRICAL
4--89
800/810 MM337 (8--97)
SIDE BRUSH
B
A
T
T
E
R
Y
13/BLK
START
ACC
19
30
BATT.
IGNITION
SWITCH
S--10
50
17
20/BLU
12V
540 C.C.A.
N/U
19A/GRY
S--12
HOPPER LIFT
NO
B
C
28B/BRN
19/GRY
M10
S--1
37/YEL
M8
21C/ORA
86
85
87
30
21A/ORA
86
8730
85
13Y/BLK
13V/BLK
27/YEL21/ORA20A/BLUCB--6
15 AMP
21D/ORA
MAIN/FRONT
BRUSH
SV--3
NC
C
S--7
R.H. SIDE BRUSH
33/GRN
MO
V
R.H. SIDE
BRUSH 13N/BLK
19B/GRY

ELECTRICAL
4--90 800/810 MM337 (8--97)
SIDE BRUSH FAILURE
(M
A
IN BRUSH WOR
K
S)
CHECK VOLTAGE
19B/GRY TO BATT NEG.
YES NO
REPAIR OR REPLACE
CHECK VOLTAGE
33 GRN TO BATT NEG.
NO
REPLACE S--7
SIDE BR. SWITCH
YES
CHECK VOLTAGE
33 GRN TO 13N BLK
(= BATTERY VOLTAGE)
YES
CHECK SV--3 COIL
0VOLTS
CHECK VOLTAGE
BATT + TO 13N BLK
NO
YES
REPLACE 13N BLK
REPAIR OR REPLACE
33 GREEN
7+/--2OHMS
OUT
IN
REPLACE COIL
SV --3
CHECK
HYDRAULICS
TEST FOR MAGNETISM
AT SV -- 3
YES
SEE HYDRAULICS
NO
TURN KEY ON
AT S -- 7
19B GRY OR 19A GRY
AT SV -- 3
TEST ASSUMES SIDE BRUSH LEVER IS ENGAGED.

ELECTRICAL
4--91
800/810 MM337 (8--97)
HOPPER ROLL OUT
BATTERY
13/BLK
START
ACC
19
30
BATT.
IGNITION
SWITCH
S--10
50
17
20/BLU
12V
540 C.C.A.
N/U
21/ORA
20A/BLU
CB--6
15 AMP
21D/ORA
M86
87 30
85
12
87A
NO
MOV
S--22 HOPPER ROLL OUT
SV--7 HOPPER ROLL OUT
67/PUR 67A/PUR
21J/ORA
21H/ORA
66/BRN
13H/BLK
13GGG/BLK
21G/ORA

ELECTRICAL
4--92 800/810 MM337 (8--97)
HOPPER ROLLOUT FAILURE
CHECK CONTINUITY
HOPPER ROLL OUT
YES
NO
REPLACE
CHECK VOLTAGE
NO
REPLACE OR REPLACE
SV--7 OR CHECK VALVE
YES
TEST FOR MAGNETISM
AT SV -- 7
YES
SEE HYDRAULICS
NO
TURN KEY ON
OF S--22
SWITCH
S--22
(HOPPER IS FULLY RAISED AND ROLLED OUT)
AT SV -- 7
66 BRN TO BATT. NEG.
REPLACE
M12 RELAY
(NO REDUCED CYLINDER SPEED)

ELECTRICAL
4--93
800/810 MM337 (8--97)
HEADLIGHT
BATTERY 13/BLK
START
15A
ACC
19
30
BATT.
IGNITION
SWITCH
S--10
50
17
20/BLU
12V
540 C.C.A.
86
85M3
CB--4
1G/RED
1E/RED
2.5A
CB--3 22/YEL 87 30
M3
23/GRY
N/U
1H/RED
18C/ORA
18/ORA
6/GRN
23E/GRY
23A/GRY
HEADLIGHT RELAY
M6
85 86
13T/BLK
60/GRN
20
ELECTRONIC
INSTRUMENT
PANEL
1F/RED 74B/PURCB--5 62F/YEL
M6 8730 62/YEL
15 AMP
HEADLIGHT L.H.
HEADLIGHT R.H.
62G/YEL
62B/YEL
13BB
13BBB
13AAA
23
11
1
CIRCUIT
BOARD

ELECTRICAL
4--94 800/810 MM337 (8--97)
HEADLIGHT FAILURE
TURN KEY ON
YES NO
SEE POWER UP
TESTING
TOUCH PANEL
TOUCH PANEL
REPLACE
LED BURNT OUT
RESET CB5
IF NECESSARY
CHECK AMP DRAW OAMPS
REPLACE LIGHTS CONT. NEXT PAGE
PLUG 2 --
PIN 2 TO 7
AND REPAIR
SHORTED WIRE
CHECK VOLTAGE
(BATTERY VOLTAGE)
13BBB BLK (RH)
13AAA BLK (LH)
YES NO
(10 +/--1AMP)
CIRCUIT BOARD
> 8.5 AMPS
<100 >100
ττ
AT LIGHTS
NO
DOES HEADLIGHT
YES
4 SEC.?
DOES THE PANEL
LIGHT FOR
PANEL LIGHT
COME ON?
TEST ASSUMES HEADLIGHT SWITCH IS ACTIVATED UNLESS KEY IS OFF.
RESETTING SWITCH WILL BE NECESSARY.
REPLACE
TEST
CHECK &
CHECK
62G YEL TO
62F YEL TO

ELECTRICAL
4--95
800/810 MM337 (8--97)
NO
YES
CHECK
CONTINUITY
CHECK VOLTAGE
AT CB 5
(BOTH SIDES)
NO VOLTAGE BATTERY VOLTAGE
1F RED ONLY
BATTERY
VOLTAGE
(BATTERY VOLTAGE)
CHECK VOLTAGE
TO 13BBB BLK
REPLACE M6 WITH
GOOD RELAY
OPERATE
REPLACE M6
REPLACE CB5
& 13AAA BLK
13AAA BLK
LIGHTS
YES
REMOVE M6 RELAY
CHECK VOLTAGE
TO BATT. NEG.
CONT. NEXT PAGE
YES
NO
CHECK VOLTAGE
REPAIR OR
13BBB BLK OR
TO BATT. NEG.
0VOLTS
TO BATT. NEG.
REPAIR OR
23E GRAY
VOLTAGE
KEY OFF
NO
LIGHTS
REPAIR OR
1F RED
REPAIR OR
74B PURPLE
62 YEL, 62B YEL,
62F YEL & 62G YEL
NO
REPAIR OR
YELLOW WIRES
1F RED &
74 PUR
1F RED OR
74 PUR
REPLACE REPLACE
KNOWN
REPLACE
REPLACE
BATT +
AT M6
74B PUR
AT M6
23E GRY
BATTERY
REPLACE

ELECTRICAL
4--96 800/810 MM337 (8--97)
REPAIR OR REPLACE
60 GREEN
LETCOOL3MIN.
CHECK RESISTANCE
REPLACE BOARD
PLUG 1 P20 -- P23
INSERT TEST HARNESS
REMOVE M6 RELAY
BATTERY
VOLTAGE
0VOLTS CHECK VOLTAGE
ACROSS PLUG 1
P--20 / P--23
>1MEG
NO
THEN SWITCH ON
CHECK CONTINUITY
OF 60 GREEN
KEY OFF
SWITCH OFF
SWITCH ON

ELECTRICAL
4--97
800/810 MM337 (8--97)
WARNING LIGHT
B
A
TTERY 13/BLK
START
15A
ACC
19
30
BATT.
IGNITION
SWITCH
S--10
50
17
20/BLU
12V
540 C.C.A.
8685
M3
CB--4
1G/RED
1E/RED
2.5A
CB--3 22/YEL 87 30
M3
23/GRY
N/U
1H/RED
18C/ORA
18/ORA
6/GRN
23A/GRY
13T/BLK
ELECTRONIC
INSTRUMENT
PANEL
23D/GRY
WARNING LIGHT
M7
85 86
75/BRN
19
1F/RED 74/PUR
CB--5 M7 8730
ROTATING LIGHT
FLASHING LIGHT
76/ORA
15 AMP
76A/ORA
76B/ORA
13NNN
13TT
23
11
1
CIRCUIT
BOARD

ELECTRICAL
4--98 800/810 MM337 (8--97)
WARNING LIGHT FAILURE
TURN KEY ON
YES NO
SEE POWER UP
TESTING
TOUCH PANEL
TOUCH PANEL
REPLACE
LED BURNT OUT
RESET CB5
IF NECESSARY
CHECK AMP DRAW OAMPS
REPLACE LIGHTS
CONT. NEXT PAGE
PLUG 2 --
PIN 1 TO 7
AND REPAIR
SHORTED WIRE
CHECK VOLTAGE
(BATTERY VOLTAGE)
13NNN BLK (R)
13TT BLK (F)
YES NO
(10 +/--1AMP)
CIRCUIT BOARD
> 8.5 AMPS
<100 >100
ττ
AT LIGHTS
NO
WARNING LIGHTYES
4 SEC.?
DOES THE PANEL
LIGHT FOR
PANEL LIGHT
COME ON?
TEST
A
SSUMES H
A
Z
A
RD LIGHT S
W
ITCH IS
A
CTI
V
A
TED UNLESS
K
E
Y
IS OFF.
RESETTING SWITCH WILL BE NECESSARY.
CHECK
CHECK & REPLACE
76A ORA TO
76B ORA TO
TEST
DOES

ELECTRICAL
4--99
800/810 MM337 (8--97)
NO
YES
CHECK
CONTINUITY
CHECK VOLTAGE
AT CB 5
(BOTH SIDES)
NO VOLTAGE BATTERY VOLTAGE
1F RED ONLY
BATTERY
VOLTAGE
(BATTERY VOLTAGE)
CHECK VOLTAGE
TO 13NNN BLK
REPLACE M7 WITH
GOOD RELAY
OPERATE
REPLACE M7
REPLACE CB5
& 13TT BLK
13TT BLK
LIGHTS
YES
REMOVE M7 RELAY
TO BATT. NEG.
CONT. NEXT PAGE
YES
NO
CHECK VOLTAGE
REPAIR OR
13NNN BLK OR
TO BATT. NEG.
0VOLTS
TO BATT. NEG.
REPAIR OR
23D GRAY
BATTERY
VOLTAGE
KEY OFF
NO
LIGHTS
REPAIR OR
1F RED
REPAIR OR
74 PURPLE
NO
REPAIR OR
ORANGE WIRES
76 ORA, 76A ORA
OR 76B ORA
1F RED OR
74 PUR
1F RED &
74 PUR
REPLACE
REPLACE
REPLACE
KNOWN
REPLACE
AT M7
23D GRY
REPLACE
CHECK VOLTAGE
AT M7
74 PUR
BATT +

ELECTRICAL
4 -- 100 800/810 MM337 (8--97)
REPAIR OR REPLACE
75 BROWN
LETCOOL3MIN.
CHECK RESISTANCE
REPLACE BOARD
PLUG 1 P19 -- P23
INSERT TEST HARNESS
REMOVE M7 RELAY
BATTERY
VOLTAGE
0VOLTS CHECK VOLTAGE
ACROSS PLUG 1
P--19 / P--23
>1MEG
NO
THEN SWITCH ON
CHECK CONTINUITY
OF 75 BROWN
KEY OFF
SWITCH OFF

ELECTRICAL
4 -- 101
800/810 MM337 (8--97)
CLOGGED FILTER INDICATOR CIRCUIT
B
A
TTERY 13/BLK
START
15A
ACC
19
30
BATT.
IGNITION
SWITCH
S--10
50
17
20/BLU
12V
540 C.C.A.
8685
M3
CB--4
1E/RED
2.5A
CB--3 22/YEL 87 30
M3
N/U
6/GRN
18C/ORA
18/ORA
23
11
23A/GRY
13T/BLK
1
ELECTRONIC
INSTRUMENT
PANEL
23/GRY
1H/RED
CIRCUIT
BOARD
3
HOPPER DIFFERENTIAL
PRESSURE SWITCH
38/PUR S--4
N.C.
C
N.O.
38A/PUR
13X/BLK
13DDD/BLK
13FFF/BLK

ELECTRICAL
4 -- 102 800/810 MM337 (8--97)
CLOGGED FILTER INDICATOR
TEST VACUUM
+/-- 1/2” VAC
DIAPHRAGM
REPLACE VACUUM
LINES
0VOLTS
BATTERY
VOLTAGE
REPLACE SWITCH
TURN KEY ON
P.C. BOARD
LIGHT
W
ILL NOT COME ON
YES NO
SEE POWER UP
TESTING
NO
CLOGGED FILTERYES
4 SEC.?
DOES THE PANEL
LIGHT FOR
PANEL LIGHT
COME ON?
REPLACE LAMP
THEN RE--TEST
ACROSS S--4
NO LIGHT
LIGHT
NO LIGHT
NO LIGHT
LIGHT
CHECK VOLTAGE
INSERT TEST HARNESS
PLUG 1 P1 -- P3
REPLACE BOARD
CONNECTIONS
& CONTINUITY OF
38 PUR, 38A PUR,
13DDD BLK
AND 13X BLK
REPAIR OR
REPLACE
DOES
JUMPER
CHECK
13FFF BLK,
APPLY 11”
TO SWITCH
REPLACE

ELECTRICAL
4 -- 103
800/810 MM337 (8--97)
HOPPER DOOR CIRCUIT
B
A
TTERY 13/BLK
START
15A
ACC
19
30
BATT.
IGNITION
SWITCH
S--10
50
17
20/BLU
12V
540 C.C.A.
8685M3
CB--4
1E/RED
2.5A
CB--3 22/YEL 87 30
M3
N/U
6/GRN
18C/ORA
18/ORA
23
11
23A/GRY
13T/BLK
1
ELECTRONIC
INSTRUMENT
PANEL
23/GRY
1H/RED
CIRCUIT
BOARD
4S--13
39/GRY
HOPPER DOOR
39A/GRY 13CCC
13BBB
13AAA
13BB

ELECTRICAL
4 -- 104 800/810 MM337 (8--97)
HOPPER DOOR INDICATOR
LIGHT WILL NOT COME ON
ACROSS S--13
CHECK VOLTAGE
PLUG 1 P1 -- P4
INSERT TEST HARNESS
CONNECTIONS
& CONTINUITY OF
39 GRAY / 13BB BLK
REPAIR OR
ON
OFF
REPLACE SWITCH
REPLACE BOARD
TURN KEY ON
YES NO
SEE POWER UP
TESTING
NO HOPPER DOOR YES
4 SEC.?
DOES THE PANEL
LIGHT FOR
PANEL LIGHT
COME ON?
BATTERY
VOLTAGE
WIRES AS NEEDED
REPLACE BULB
AND RETEST
NO LIGHT
P.C. BOARD
0VOLTS
NO
DOES
JUMPER
REPLACE
REPLACE
CHECK

ELECTRICAL
4 -- 105
800/810 MM337 (8--97)
DOWN FORCE
BATTERY 13/BLK
START
15A
ACC
19
30
BATT.
IGNITION
SWITCH
S--10
50
17
20/BLU
12V
540 C.C.A.
8685M3
CB--4
1E/RED
2.5A
CB--3 22/YEL 87 30
M3
N/U
6/GRN
18C/ORA
18/ORA
23
11
23A/GRY
13T/BLK
1
ELECTRONIC
INSTRUMENT
PANEL
23/GRY
1H/RED
CIRCUIT
BOARD
7S--14
40/YEL
DN. FORCE
13MMM/BLK
LIGHT WILL NOT COME ON

ELECTRICAL
4 -- 106 800/810 MM337 (8--97)
DOWN FORCE CIRCUIT
LIGHT WILL NOT COME ON
ACROSS S--14
CHECK VOLTAGE
PLUG 1 P1 -- P7
INSERT TEST HARNESS
CONNECTIONS
& CONTINUITY OF
13MMM BLK
REPAIR OR
ON
OFF
S--14 SWITCH
REPLACE BOARD
TURN KEY ON
YES NO
SEE POWER UP
TESTING
NO DOWN FORCE YES
4 SEC.?
DOES THE PANEL
LIGHT FOR
PANEL LIGHT
COME ON?
BATTERY
VOLTAGE
WIRES AS NEEDED
REPLACE BULB
AND RETEST
NO LIGHT
P.C. BOARD
0VOLTS
NO
DOES
JUMPER
REPLACEREPLACE
REPLACE
CHECK
40 YEL /

ELECTRICAL
4 -- 107
800/810 MM337 (8--97)
FUEL SENDER CIRCUIT
(GAS AND DIESEL MACHINES)
BATTERY 13/BLK
START
15A
ACC
19
30
BATT.
IGNITION
SWITCH
S--10
50
17
20/BLU
12V
540 C.C.A.
8685M3
CB--4
1E/RED
2.5A
CB--3 22/YEL 87 30
M3
N/U
6/GRN
18C/ORA
18/ORA
13
23
11
23A/GRY
FULL=90
EMPTY=0
13T/BLK
1
42/ORA
ELECTRONIC
INSTRUMENT
PANEL
FUEL SENDER SE--1 13HH/BLK
23/GRY
1H/RED
CIRCUIT
BOARD
22 13R/BLK 13S/BLK
(LP ONLY
ON GAS WILL TURN LIGHTS OFF)

ELECTRICAL
4 -- 108 800/810 MM337 (8--97)
FUEL INDICATOR
(GAS AND DIESEL MACHINES)
INSERT TEST HARNESS
REPAIR OR
REPLACE SE--1
TURN KEY ON
YES NO
SEE POWER UP
TESTING
4 SEC.?
DOES THE PANEL
LIGHT FOR
NO LIGHTS
NO
CHECK VOLTAGE
AT SE -- 1
TO BATT. +
0VOLTS
BATTERY
VOLTAGE
REPAIR OR
13HH BLK
42 ORA WIRE
FUEL SENDER
= OPEN
ALL LIGHTS ON
GROUND 42 ORA ALL LIGHTS ONALL LIGHTS OFF
CONTINUITY
42 ORA
42 ORA
YES
REPLACE PANEL
INSERT TEST HARNESS
YES
NO
REMOVE JUMPER
FOR L.P. ONLY
SEE SCHEMATIC
REPLACE PANEL
TO BATT. NEG.
CHECK
REPLACE
CONTINUITY
CHECK
P1--22
REPLACE
13HH BLK
REMOVE
FROM
13R BLK

ELECTRICAL
4 -- 109
800/810 MM337 (8--97)
COOLANT SENDER CIRCUIT
BATTERY 13/BLK
START
15A
ACC
19
30
BATT.
IGNITION
SWITCH
S--10
50
17
20/BLU
12V
540 C.C.A.
8685M3
CB--4
1E/RED
2.5A
CB--3 22/YEL 87 30
M3
N/U
6/GRN
18C/ORA
18/ORA
23
11
23A/GRY
13T/BLK
1
ELECTRONIC
INSTRUMENT
PANEL
23/GRY
1H/RED
CIRCUIT
BOARD
5
43/BLU
CLOSES AT
225 F
COOLANT TEMP
SENDER SE--2

ELECTRICAL
4 -- 110 800/810 MM337 (8--97)
COOLANT TEMPERATURE
LIGHT WILL NOT COME ON
JUMPER ACROSS
CHECK VOLTAGE
PLUG 1 P1 -- P5
INSERT TEST HARNESS
REPAIR OR
ON
OFF
SE--2 SENSOR
REPLACE BOARD
TURN KEY ON
YES NO
SEE POWER UP
TESTING
NO COOLANT TEMP. YES
4 SEC.?
DOES THE PANEL
LIGHT FOR
PANEL LIGHT
COME ON?
BATTERY
VOLTAGE
REPLACE BULB
AND RETEST
NO LIGHT
P.C. BOARD
0VOLTS
NO
SENSOR SE--2
CONTINUITY
43 BLU
43 BLU
DOES
REPLACE
REPLACE
CHECK
REPLACE

ELECTRICAL
4 -- 111
800/810 MM337 (8--97)
LOW LP CIRCUIT (L.P. MACHINES ONLY)
BATTERY 13/BLK
START
15A
ACC
19
30
BATT.
IGNITION
SWITCH
S--10
50
17
20/BLU
12V
540 C.C.A.
8685M3
CB--4
1E/RED
2.5A
CB--3 22/YEL 87 30
M3
N/U
6/GRN
18C/ORA
18/ORA
23
11
23A/GRY
13T/BLK
1
ELECTRONIC
INSTRUMENT
PANEL
23/GRY
1H/RED
CIRCUIT
BOARD
12
S--5
N.C.H.O.
13M/BLK
44/GRY
LOW L.P. FUEL
23 13S/BLK
13R/BLK
CLOSED=FLASH
OPEN=ALL OFF

ELECTRICAL
4 -- 112 800/810 MM337 (8--97)
LOW L.P. CIRCUIT (L.P. MACHINES ONLY)
REPAIR OR
TURN KEY ON
YES NO
SEE POWER UP
TESTING
NO MORE THAN 2 YES
4 SEC.?
DOES THE PANEL
LIGHT FOR
FUEL LIGHT
COME ON?
NO
INSERT TEST HARNESS
CONTINUITY
TO BATT. NEG.
YES NO
OR 13S BLK
REPLACE PANEL
CHECK VOLTAGE
AT S -- 5
13M BLK TO BATT. +
REPAIR OR
13M BLK
NO
YES
REMOVE 44 GRY
FROM S--5
= OPEN
GROUND 44 GRY
REPLACE S--5
2FUEL
LIGHTS
NO FLASHING
FUEL LIGHTS
INSERT TEST HARNESS
44 GRY
REPAIR OR
REPAIR OR
44 GRY
REPLACE PANEL
DOES
SEGMENTS
CHECK
P1--22
REPLACE
13R BLK
REPLACE
FLASH
CONTINUITY
CHECK
REPLACE
YES

ELECTRICAL
4 -- 113
800/810 MM337 (8--97)
ALTERNATOR FAULT
BATTERY 13/BLK
START
15A
ACC
19
30
BATT.
IGNITION
SWITCH
S--10
50
17
20/BLU
12V
540 C.C.A.
8685M3
CB--4
1E/RED
2.5A
CB--3 22/YEL 87 30
M3
N/U
6/GRN
18C/ORA
18/ORA
23
11
23A/GRY
13T/BLK
14
1
ELECTRONIC
INSTRUMENT
PANEL
23/GRY
1A/RED OUT GND
ALTERNATOR
13A/BLK
SENSE
1B/RED L2
2/ORA
55A MAX.
CHARGE
1H/RED
CIRCUIT
BOARD

ELECTRICAL
4 -- 114 800/810 MM337 (8--97)
ALTERNATOR
TURN KEY ON
YES NO
SEE POWER UP
TESTING
NO IS ALTERNATOR YES
4 SEC.?
DOES THE PANEL
LIGHT FOR
INSERT TEST HARNESS
ALTERNATOR
CHECK VOLTAGE
NO
(AFTER CHECKING THE BATTERY AND ITS CONNECTIONS)
ON CONSTANTLY?
& START ENGINE
ACROSS
PLUG 1 P1 -- P14
0VOLTS>1 VOLT
RETEST BATTERY
ALT. LIGHT
REPLACE LAMP
AND RETESTLIGHT
REPLACE
LIGHT
REPLACE
P.C. BOARD

ELECTRICAL
4 -- 115
800/810 MM337 (8--97)
HOURMETER CIRCUIT
BATTERY 13/BLK
START
15A
ACC
19
30
BATT.
IGNITION
SWITCH
S--10
50
17
20/BLU
12V
540 C.C.A.
8685M3
CB--4
1E/RED
2.5A
CB--3 22/YEL 87 30
M3
N/U
6/GRN
18C/ORA
18/ORA
23
11
23A/GRY
13T/BLK
1
ELECTRONIC
INSTRUMENT
PANEL
23/GRY
1H/RED
CIRCUIT
BOARD
HM
2
15 13B/BLK
16/GRN
OIL
PRESSURE
SWITCH
15/BLU
C
S--6
N.O.
N.C.

ELECTRICAL
4 -- 116 800/810 MM337 (8--97)
HOURMETER WON’T WORK
CHECK VOLTAGE
BATTERY
VOLTAGE
0VOLTS
(THE HOURMETER RUNS WHEN THE ENGINE IS RUNNING ONLY,
NOTE: THIS TEST DOES NOT REQUIRE THE ENGINE TO RUN.)
TURN KEY ON
YES NO
SEE POWER UP
TESTING
4 SEC.?
DOES THE PANEL
LIGHT FOR
INSERT TEST HARNESS
AT S -- 6
13B BLK TO BATT. +
REPAIR OR REPLACE
13B BLK
REMOVE 15 BLU FROM
S--6 AND JUMPER
TO GROUND
DOES HOURMETER
INDICATOR CLICK
WITHIN 1 MINUTE
YES
REPLACE S--6
NO
CHECK CONTINUITY
15 BLU
YESNO
REPLACE HOURMETER
AND RETEST
REPAIR OR REPLACE
15 BLU

ELECTRICAL
4 -- 117
800/810 MM337 (8--97)
POWER UP CIRCUIT
BATTERY 13/BLK
START
15A
ACC
19
30
BATT.
IGNITION
SWITCH
S--10
50
17
20/BLU
12V
540 C.C.A.
8685
M3
CB--4
1E/RED
2.5A
CB--3 22/YEL 87 30
M3
N/U
6/GRN
18C/ORA
18/ORA
23
11
23A/GRY
13T/BLK
1
ELECTRONIC
INSTRUMENT
PANEL
23/GRY
1H/RED
CIRCUIT
BOARD

ELECTRICAL
4 -- 118 800/810 MM337 (8--97)
POWER UP TESTING
TURN KEY ON
CHECK BATTERY
VOLTAGE
RESET CB 3 & CB 4
IF NECESSARY
REMOVE M3 RELAY
CHECK VOLTAGE
TO BATT. NEG.
NO YES
CONT. NEXT PAGE
AT RELAY
0VOLTS
CHECK AND REPAIR
KEY SWITCH
BATTERY VOLTAGE
REPLACE CB 4
BATTERY
VOLTAGE
OR 20 BLUE
PANEL WARNING
LIGHTS ON
(4 SECONDS)
NO
REPAIR OR
18 ORA
CHECK VOLTAGE
TO BATT. NEG.
AT S--10 KEY SWITCH
YES
NO
REPAIR OR
1H RED
20 BLU ONLY
20 BLU &
18 ORA
20 BLU &
18 ORA
CHECK VOLTAGE
(BOTH SIDES)
TO BATT. NEG.
18C ORA
REPLACE REPLACE
AT CB 4
1H RED

ELECTRICAL
4 -- 119
800/810 MM337 (8--97)
CONT. NEXT PAGE
REPLACE M3 WITH
GOOD RELAY
LIGHTS ON
LIGHTS OFF
REPLACE M3
CHECK VOLTAGE
TO BATT. NEG.
0VOLTS
(=BATTERY VOLTAGE)
BATTERY
VOLTAGE
NO VOLTAGE
BATTERY
1E RED ONLY
REPLACE CB 3
BATTERY
VOLTAGE
VOLTAGE
REPAIR OR
22 YELLOW
REPAIR OR
1E RED
1E RED &
22 YEL
1E RED OR
22 YEL
CHECK VOLTAGE
AT CB 3
(BOTH SIDES)
TO BATT. NEG.
KNOWN
22 YEL
REPLACE
REPLACE

ELECTRICAL
4 -- 120 800/810 MM337 (8--97)
CHECK VOLTAGE
REPLACE BOARD
INSERT TEST HARNESS
CHECK VOLTAGE
REPAIR OR REPLACE
0VOLTS
BATTERY
VOLTAGE
P1--23 TO BATT. +
0VOLTS
BATTERY
VOLTAGE
13T BLK OR 13 BLK
P1--1 TO P1--23
REPAIR OR REPLACE
23A GRAY

ELECTRICAL
4 -- 121
800/810 MM337 (8--97)
800/810 RELAY AND CIRCUIT BREAKER
LOCATION
M3
M6 M5
M10
CB 1
CB 3
CB 6
CB 4
M3 -- INSTR. PANEL
M4 -- SHAKER MOTOR
M5 -- VAC FAN SOL.
M6 -- HEADLIGHTS
M7 -- FLASHING LIGHT
M8 -- HOPPER LIFT
M9 -- FRONT BRUSH
M10 -- MAIN BRUSH
CB 1 -- HORN
CB 2 -- SHAKER MOTOR
CB 3 -- VAC FAN RELAY
CB 4 -- INSTR. PANEL
CB 5 -- FLASHING LIGHT
CB 6 -- HOPPER LIFT & BRUSHES
CB 7 -- AUX. SIDE BRUSH
CB 8 -- CAB ACCY.

ELECTRICAL
4 -- 122 800/810 MM337 (8--97)

HYDRAULICS
5--1
800/810 MM337 (6--01)
CONTENTS
Page
HYDRAULIC FLUID RESERVOIR 5--3.......
TO DRAIN HYDRAULIC FLUID
RESERVOIR AND REPLACE
FILTER ELEMENT 5--4............
TO FILL HYDRAULIC FLUID
RESERVOIR 5--4....................
HYDRAULIC FLUID 5--5................
HYDRAULIC HOSES 5--5...............
DIRECTIONAL CONTROL 5--6.............
DIRECTIONAL PEDAL 5--6..............
TO REPLACE DIRECTIONAL PEDAL
CENTERING SPRING 5--6...........
TO REPLACE DIRECTIONAL
CONTROL CABLE 5--8..............
TO ADJUST DIRECTIONAL
CONTROL 5--11.....................
HYDRAULIC COMPONENTS 5--12..........
TO REPLACE PROPEL PUMP 5--12......
TO REPLACE ACCESSORY PUMP 5--14.
TO REPLACE HOPPER LIFT
CYLINDER 5--16....................
TO REPLACE STEERING
CYLINDER 5--18....................
TO REPLACE HOPPER ROLL OUT
CYLINDERS 5--20...................
TO REPLACE HOPPER DUMP
DOOR CYLINDERS 5--22............
TO REPLACE MAIN BRUSH LIFT
CYLINDER 5--24....................
TO REPLACE SIDE BRUSH LIFT
CYLINDER 5--26....................
TO REPLACE POWER THROWt
BRUSH LIFT CYLINDER 5--28........
TO REPLACE SIDE BRUSH
SOLENOID VALVE 5--30.............
TO REPLACE HYDRAULIC LIFT
VALVE 5-- 31........................
TO REPLACE HYDRAULIC
STEERING VALVE 5--33.............
TO REPLACE HYDRAULIC
SOLENOID VALVE 5--35.............
TO REPLACE SOLENOID VALVE
CARTRIDGE 5--37...................
TO REPLACE ENGINE COOLING
FAN HYDRAULIC MOTOR 5--38......
TO REPLACE REAR DRIVE
MOTOR 5--40.......................
TO REPLACE MAIN BRUSH
MOTOR 5--42.......................
TO REPLACE SIDE BRUSH
MOTOR 5--44.......................
TO REPLACE POWER THROWt
BRUSH MOTOR 5--45...............
Page
VACUUM FAN 5--47.......................
TO REPLACE VACUUM FAN
HYDRAULIC MOTOR 5--47...........
Fig. 1 -- Hydraulic Schematic
800 G/LPG/D (for machines below
serial number 2300) 5--50..........
Fig. 2 -- Hydraulic Schematic
800 G/LPG/D (for machines serial
number 2300 and above) 5--52.....
Fig. 3 -- Hydraulic Schematic
810 G/LPG/D (for machines below
serial number 2300) 5--54..........
Fig. 4 -- Hydraulic Schematic
810 G/LPG/D (for machines serial
number 2300 and above) 5--56.....
Fig. 5 -- Hydraulic Hose Group
800 G/LPG/D (for machines below
serial number 2300) 5--58..........
Fig. 6 -- Hydraulic Hose Group
810 G/LPG/D (for machines below
serial number 2300) 5--59..........
TROUBLESHOOTING 5--61................
800 MAIN -- LO SPD AND VAC FAN 5--62.
810 REAR BROOM AND VAC FAN 5--63..
800 MAIN, S. BR. AND VAC FAN 5--64....
810 ALL BROOMS AND VAC FAN 5--65...
800 / 810 HOPPER LOWER 5--66........
800 / 810 HOPPER LIFT 5--67...........
800 / 810 DOOR OPEN 5--68............
800 / 810 DOOR CLOSE 5--69...........
800 / 810 ROLL IN 5--70.................
800 / 810 ROLL OUT 5--71..............
800 / 810 RIGHT TURN 5--72............
800 / 810 LEFT TURN 5--73.............
800/810 COOLANT FAN 5--74...........
EATON REPAIR INFORMATION 5--75.......

HYDRAULICS
5--2 800/810 MM337 (8--97)

HYDRAULICS
5--3
800/810 MM337 (8--97)
HYDRAULIC FLUID RESERVOIR
The reservoir is located behind the operator seat.
Mounted on top of the reservoir is a filler cap with
a built-in breather. Replace the cap every 800
hours of operation.
Check the hydraulic fluid level at operating
temperature every 100 hours of operation. Make
sure the hopper is down when checking hydraulic
fluid level. The sight gauge is marked with full, the
black line, and add, the red line, levels to indicate
the level of hydraulic fluid in the reservoir.
Lubricate the filler cap gasket with a film of
hydraulic fluid before putting the cap back on the
reservoir.
ATTENTION! Do not overfill the hydraulic fluid
reservoir or operate the machine with a low
level of hydraulic fluid in the reservoir.
Damage to the machine hydraulic system may
result.
Drain and refill the hydraulic fluid reservoir with
new hydraulic fluid every 800 hours of operation.
The hydraulic fluid filter is located in the engine
compartment.
Replace the filter element every 800 hours of
operation.
The reservoir has a built-in strainer outlet that
filters hydraulic fluid before it enters the system.
Replace the strainer every 800 hours of operation.
08452
08430
08453

HYDRAULICS
5--4 800/810 MM337 (8--97)
TO DRAIN HYDRAULIC FLUID RESERVOIR
AND REPLACE FILTER ELEMENT
1. Stop the engine and set the parking brake.
FOR SAFETY: Before Leaving Or Servicing
Machine; Stop On Level Surface, Set Parking
Brake, Turn Off Machine And Remove Key.
2. Wait for the hydraulic fluid to cool down.
3. Un-thread and discard the hydraulic fluid
filter element. Hydraulic fluid will drain
through the filter head. Discard the used
hydraulic fluid. Loosen the breather-filter
cap.
NOTE: Be aware the hydraulic filter is lower than
the reservoir. All fluid will drain from the reservoir.
Discard all hydraulic fluid drained from the
system. The fluid may contain foreign material
harmful to the hydraulic system.
4. Apply a thin coat of hydraulic fluid to the seal
of the new hydraulic fluid filter element.
5. Thread and hand tighten the new hydraulic
fluid filter element on the filter head.
TO FILL HYDRAULIC FLUID RESERVOIR
1. Remove the reservoir breather-filler cap.
2. Pour new, approved hydraulic fluid through a
200 mesh screened funnel into the reservoir.
ATTENTION! Use only new, approved
hydraulic fluid to fill the hydraulic fluid
reservoir. Do not overfill!
3. Check the hydraulic fluid level in the
reservoir with the sight gauge.
4. Add hydraulic fluid until the level in the
reservoir is in between the full, black line
and the add, red line. Do not overfill!
NOTE: Do not overfill the hydraulic fluid reservoir.
Hydraulic fluid expands as it reaches its normal
operating temperature. Always allow for
expansion when filling the reservoir.
5. Put the reservoir breather-filler cap on the
reservoir.
6. Start engine and operate all the hydraulic
components.
7. Recheck the hydraulic fluid level.
8. Check for any leaks.
08453
08452
08430

HYDRAULICS
5--5
800/810 MM337 (8--97)
HYDRAULIC FLUID
The quality and condition of the hydraulic fluid
play a very important role in how well the machine
operates. TENNANT’s hydraulic fluid is specially
selected to meet the needs of TENNANT
machines.
TENNANT’s hydraulic fluids provide a longer life
for the hydraulic components. There are two fluids
available for different temperature ranges:
TENNANT part no. Ambient Temperature
65870--1 above 0_C(32_F)
74217--1 below 0_C(32_F)
The higher temperature fluid has a higher
viscosity and should not be used at the lower
temperatures. Damage to the hydraulic pumps
may occur because of improper lubrication.
The lower temperature fluid is a thinner fluid for
colder temperatures.
If a locally-available hydraulic fluid is used, make
sure the specifications match TENNANT hydraulic
fluid specifications. Using substitute fluids can
cause premature failure of hydraulic components.
ATTENTION! Hydraulic components depend
on system hydraulic fluid for internal
lubrication. Malfunctions, accelerated wear,
and damage will result if dirt or other
contaminants enter the hydraulic system.
HYDRAULIC HOSES
Check the hydraulic hoses every 200 hours of
operation for wear or damage.
Fluid escaping at high pressure from a very small
hole can be almost invisible, and can cause
serious injuries.
See a doctor at once if injury results from
escaping hydraulic fluid. Serious infection or
reaction can develop if proper medical treatment
is not given immediately.
FOR SAFETY: When Servicing Machine, Use
Cardboard To Locate Leaking Hydraulic Fluid
Under Pressure.
00002

HYDRAULICS
5--6 800/810 MM337 (8--97)
DIRECTIONAL CONTROL
DIRECTIONAL PEDAL
The directional pedal controls the flow of hydraulic
fluid to the hydraulic propelling motor. The pedal
neutral position is the position in which the
propelling pump sends no hydraulic fluid to the
propelling motor. The machine should not move
when the pedal neutral position is adjusted
correctly. The pedal linkages should also be
adjusted whenever the reverse is faster or slower
than machine specification.
TO REPLACE DIRECTIONAL PEDAL
CENTERING SPRING
FOR SAFETY: Before Leaving Or Servicing
Machine; Stop On Level Surface, Set Parking
Brake, Turn Off Machine And Remove Key.
1. Raise the hopper and engage the prop arm.
WARNING: Raised Hopper May Fall.
Engage Hopper Support Bar.
2. Remove the clevis pin holding the hopper up
speed cable to the right side lift arm.
3. Remove the rubber floor mat from machine
operator compartment.
4. Remove the seven M8 hex screws from the
directional pedal plate.
5. Lift the plate up and back so the directional
spring assembly is accessible.
6. Remove the M6 hex screw from the bracket
attaching the ball joint to the directional
pedal assembly.
7. Unscrew the spacer from threaded end of
the directional spring assembly and save.
8. Loosen the large jam nuts holding directional
spring assembly to the pedal plate. Drop the
directional spring assembly down, off the
pedal plate.
08467

HYDRAULICS
5--7
800/810 MM337 (8--97)
9. Unscrew the directional spring assembly
from the directional control cable using the
flats located at the end of spring assembly.
NOTE: The cable may have to be held to keep it
from turning.
10. Thread a new directional spring assembly
back on the directional control cable.
11. Use the large jam nut to lock the directional
spring assembly in place.
12. Thread the spacer back on the end of the
cable.
13. Reconnect the spacer to the ball joint
bracket using the M6 hex screw. Tighten to
8--10Nm(5--7ftlb).
14. Position the directional cable assembly back
on the pedal plate. Hand tighten the large
jam nuts.
15. Place the pedal plate back down on floor of
the operators compartment. Reinstall the
seven M8 hex screws and tighten to
19 -- 24 Nm (15 -- 20 ft lb).
16. Reinstall the rubber floor mat.
17. Reconnect the hopper up speed cable to the
right hand lift arm.
18. Disengage the hopper prop arm and lower
the hopper. Lift the rear drive tire off the
ground and place jack stands under the
frame.
FOR SAFETY: Block machine tires before
jacking machine up. Jack machine up at
designated locations only. Block machine up
with jack stands.
19. Check the adjustment of the new directional
spring assembly by starting the machine and
checking the rear drive tire for any rotation.
If the tire is rotating in either direction see
TO ADJUST DIRECTIONAL CONTROL
instructions in this section.

HYDRAULICS
5--8 800/810 MM337 (8--97)
TO REPLACE DIRECTIONAL CONTROL
CABLE
FOR SAFETY: Before Leaving Or Servicing
Machine; Stop On Level Surface, Set Parking
Brake, Turn Off Machine And Remove Key.
1. Raise the hopper and engage the prop arm.
WARNING: Raised Hopper May Fall.
Engage Hopper Support Bar.
2. Remove the clevis pin holding the hopper up
speed cable to the right side lift arm.
3. Remove the rubber floor mat from machine
operator compartment.
4. Remove the seven M8 hex screws from the
directional pedal plate.
5. Lift the plate up and back so the directional
spring assembly is accessible.
6. Remove the M6 hex screw from the bracket
attaching the ball joint to the directional
pedal assembly.
7. Unscrew the spacer from threaded end of
the directional spring assembly and save.
8. Loosen the large jam nuts holding directional
spring assembly to the pedal plate. Drop the
directional spring assembly down, off the
pedal plate.
9. Unscrew the directional spring assembly
from the directional control cable using the
flats located at the end of spring assembly.
NOTE: The cable may have to be held to keep it
from turning.
10. Open the engine cover and side door.
Locate the propel pump under the radiator/
fan shroud assembly.

HYDRAULICS
5--9
800/810 MM337 (8--97)
11. Remove the nyloc nut holding the ball
joint/directional cable to the propel pump
directional arm. Remove the ball joint and
jam nut from the cable.
12. Loosen the two large jam nuts on the control
cable. Remove the cable from the bracket.
13. Remove any clamps or ties holding the
control cable to the machine frame.
Carefully remove the cable from the
machine.
14. Reinstall jam nut and ball joint on the new
directional control cable.
15. Install the new control cable in the machine.
Use the same route as the old cable.
16. Reinstall any clamps or ties used to secure
the old cable.
17. Reinstall the M6 nyloc nut on the ball joint.
18. Place the cable assembly in the slot on the
mount bracket. Hand tighten the large jam
nuts.
NOTE: Try to position the new control cable as
close as possible to the position of the old cable.
19. Thread the old directional spring assembly
on the new directional control cable at the
other end of the cable in the operators
compartment.
20. Use the large jam nut to lock the directional
spring assembly in place.
21. Thread the spacer back on the end of the
cable.

HYDRAULICS
5--10 800/810 MM337 (8--97)
22. Reconnect the spacer to the ball joint
bracket using the M6 hex screw. Tighten to
8--10Nm(5--7ftlb).
23. Position the directional cable assembly back
on the pedal plate. Hand tighten the large
jam nuts.
24. Place the pedal plate back down on floor of
the operators compartment. Reinstall the
seven M8 hex screws and tighten to
19 -- 24 Nm (15 -- 20 ft lb).
25. Reinstall the rubber floor mat.
26. Reconnect the hopper up speed cable to the
right hand lift arm.
27. Close the engine cover and side door.
28. Disengage the hopper prop arm and lower
the hopper. Lift the rear drive tire off the
ground and place jack stands under the
frame.
FOR SAFETY: Block machine tires before
jacking machine up. Jack machine up at
designated locations only. Block machine up
with jack stands.
29. Check the adjustment of the new directional
spring assembly by starting the machine and
checking the rear drive tire for any rotation.
If the tire is rotating in either direction see
TO ADJUST DIRECTIONAL CONTROL
instructions in this section.

HYDRAULICS
5--11
800/810 MM337 (8--97)
TO ADJUST DIRECTIONAL CONTROL
FOR SAFETY: Before Leaving Or Servicing
Machine; Stop On Level Surface, Set Parking
Brake, Turn Off Machine And Remove Key.
1. Lift the rear drive tire off the ground and
place jack stands under the frame.
FOR SAFETY: Block machine tires before
jacking machine up. Jack machine up at
designated locations only. Block machine up
with jack stands.
2. Check the neutral centering of the pump by
starting the machine and observing the rear
tire for any rotation. If the tire is rotating in
either direction, shut off the engine.
3. Open the engine cover and side door.
Locate the propel pump under the radiator/
fan shroud assembly.
4. Remove the nyloc nut holding the ball
joint/directional cable to the propel pump
directional arm. Lift the ball joint up out of
the arm.
5. Start the engine. With the ball joint
disconnected from arm the pump should
automatically be in neutral.
6. Shut off the engine. Loosen the jam nut
locking the ball joint to control cable. Turn
the ball joint until it lines up with the hole in
the pumps directional arm.
7. Reinstall M6 nyloc nut to ball joint. Hand
tighten.
8. Check neutral centering of pump by starting
machine and observing rear tire for any
rotation. If pump still is not centered, repeat
steps 4 -- 7.
9. The large jam nuts on the control cable can
be loosened and repositioned for more
adjustment.
10. Remove the jack stands and lower the
machine. Operate the machine and check
for proper pedal centering.

HYDRAULICS
5--12 800/810 MM337 (8--97)
HYDRAULIC COMPONENTS
TO REPLACE PROPEL PUMP
FOR SAFETY: Before Leaving Or Servicing
Machine; Stop On Level Surface, Set Parking
Brake, Turn Off Machine And Remove Key.
1. Lift the rear drive tire off the ground and
place jack stands under the frame.
FOR SAFETY: Block machine tires before
jacking machine up. Jack machine up at
designated locations only. Block machine up
with jack stands.
2. Open the engine cover and side door.
3. Remove the muffler and tail pipe.
4. Disconnect the directional control cable from
the propel pump.
5. Remove the two 0.375 in. hex screws
holding accessory pump to propel pump.
6. Pull the accessory pump back and out of the
propel pump. Leave the hydraulic hoses
hooked up to the accessory pump.
NOTE: Be careful not to lose or damage the
o--ring on the accessory pump.
7. Position the accessory pump and control
cable bracket up and out of the way to ease
removal of the propel pump.
NOTE: Mark the hoses that are connected to the
propel pump with tape or some other marking
device to make sure they are returned to the
correct fitting.
8. Remove and plug the hydraulic hoses
leading to the propel pump.
NOTE: Observe hydraulic cleanliness
requirements when opening hydraulic lines.
9. Remove the two M12 hex screws holding
the propel pump to the flywheel housing.

HYDRAULICS
5--13
800/810 MM337 (8--97)
10. Pull the propel pump back and out of the
flywheel coupling. The pump must be
dropped down and out of the machine
between engine the cradle and rear frame.
11. Install the fittings from old pump into the new
pump.
NOTE: Make sure to install the fittings in the
same orientation as they were removed.
12. Put a small amount of grease on splines of
the new pump.
13. Position the new pump in machine. The new
pump must be brought under machine and
up between the rear frame and engine
cradle.
14. Line up the splines on pump shaft with the
splines in the flywheel coupling. Push the
pump in and reinstall the two M12 hex
screws. Tighten to 64 -- 83 Nm
(50 -- 60 ft lb).
15. Reconnect the hydraulic hoses to the new
propel pump. See the schematic in this
section.
16. Reinstall the accessory pump and control
cable mount bracket to the rear of the
propel pump.
NOTE: Be sure the o-ring is in place on the
accessory pump.
17. Reinstall the two 0.375 in. hex screws.
Tighten to 36 -- 47 Nm (27 -- 35 ft lb).
18. Reconnect the directional control cable to
the propel pump.
19. Reinstall the muffler and tail pipe.
20. Start machine and check for any leaks at the
propel pump. Close the engine cover and
side door.
21. Observe the rear tire for any rotation. If the
tire is rotating in either direction see TO
ADJUST DIRECTIONAL CONTROL
instructions in this section.

HYDRAULICS
5--14 800/810 MM337 (8--97)
TO REPLACE ACCESSORY PUMP
FOR SAFETY: Before Leaving Or Servicing
Machine; Stop On Level Surface, Set Parking
Brake, Turn Off Machine And Remove Key.
1. Lift the rear drive tire off the ground and
place jack stands under the frame.
FOR SAFETY: Block machine tires before
jacking machine up. Jack machine up at
designated locations only. Block machine up
with jack stands.
2. Open the engine cover and side door.
3. Remove the muffler and tail pipe.
NOTE: Mark the hoses that are connected to the
accessory pump with tape or some other marking
device to make sure they are returned to the
correct fitting.
4. Remove and plug hydraulic hoses leading to
the accessory pump.
NOTE: Observe hydraulic cleanliness
requirements when opening hydraulic lines.
5. Remove the two 0.375 in. hex screws
holding the accessory pump to the propel
pump.
6. Place the control cable bracket up and out of
the way to ease the removal of the
accessory pump.
7. Pull the accessory pump back and out of the
propel pump. The accessory pump must be
dropped down and out of the machine
between the engine cradle and rear frame.
NOTE: Be careful not to lose or damage the
o--ring on the accessory pump.

HYDRAULICS
5--15
800/810 MM337 (8--97)
8. Remove the fittings from the old accessory
pump and install in the new or rebuilt pump.
NOTE: Make sure to install the fittings in the
same orientation as they were removed.
9. Put a small amount of grease on splines of
the new pump.
10. Position the new pump in machine. The new
pump must be brought under machine and
up between the rear frame and engine
cradle.
11. Reinstall the accessory pump and control
cable mount bracket to the rear of the
propel pump.
NOTE: Be sure the o-ring is in place on the
accessory pump.
12. Reinstall the two 0.375 in. hex screws.
Tighten to 36 -- 47 Nm (27 -- 35 ft lb).
13. Reconnect the hydraulic hoses to the new
accessory pump. See the schematic in this
section.
14. Reinstall the muffler and tail pipe.
15. Start machine and check for any leaks at the
propel pump. Close the engine cover and
side door.
16. Observe the rear tire for any rotation. If the
tire is rotating in either direction see TO
ADJUST DIRECTIONAL CONTROL
instructions in this section.

HYDRAULICS
5--16 800/810 MM337 (8--97)
TO REPLACE HOPPER LIFT CYLINDER
FOR SAFETY: Before Leaving Or Servicing
Machine; Stop On Level Surface, Set Parking
Brake, Turn Off Machine And Remove Key.
1. Raise the hopper and engage the prop arm.
WARNING: Raised Hopper May Fall.
Engage Hopper Support Bar.
2. Remove the M10 hex screw holding the
clevis pin in upper rod end of the hopper lift
cylinder. Remove the pin.
NOTE: Mark the hoses that are connected to the
hopper lift cylinder with tape or some other
marking device to make sure they are returned to
the correct fitting.
3. Remove and plug the two hydraulic hoses
leading to the lift cylinder.
NOTE: Observe hydraulic cleanliness
requirements when opening hydraulic lines.
4. Open the engine cover and side door.
5. Remove the inner snap ring from the clevis
pin on lower piston end of the lift cylinder.
6. Pull the pin out toward the engine.
7. The cylinder can now be removed out the
front of the machine.
8. If a new or rebuilt cylinder is going to be
installed, remove the fittings and rod end
clevis from the old cylinder.

HYDRAULICS
5--17
800/810 MM337 (8--97)
9. Reinstall the fittings and clevis on the new
cylinder.
NOTE: Make sure to install the fittings in the
same orientation as they were removed.
10. Position the new cylinder back in machine.
Reinstall the rear clevis pin and snap ring
first.
11. Align the upper clevis with hole in hopper
arm lift lug. Reinstall the clevis pin and M10
hex screw. Tighten to 52 -- 67 Nm
(40 -- 50 ft lb).
12. Reconnect the hydraulic hoses to the new
hopper lift cylinder. See the schematic in this
section.
13. Start the machine and lift the hopper. Check
for any leaks.
14. Close the engine cover and side door.
15. Disengage the prop arm and lower the
hopper. Operate the machine and check for
proper operation.

HYDRAULICS
5--18 800/810 MM337 (8--97)
TO REPLACE STEERING CYLINDER
FOR SAFETY: Before Leaving Or Servicing
Machine; Stop On Level Surface, Set Parking
Brake, Turn Off Machine And Remove Key.
1. Raise the hopper and engage the prop arm.
WARNING: Raised Hopper May Fall.
Engage Hopper Support Bar.
2. Lift the rear drive tire off the ground and
place jack stands under the frame.
FOR SAFETY: Block machine tires before
jacking machine up. Jack machine up at
designated locations only. Block machine up
with jack stands.
3. Tilt the seat forward and remove both
access panels.
NOTE: Mark the hoses that are connected to the
steering cylinder with tape or some other marking
device to make sure they are returned to the
correct fitting.
4. Remove and plug the two hydraulic hoses
leading to the steering cylinder.
NOTE: Observe hydraulic cleanliness
requirements when opening hydraulic lines.
5. Remove the two 0.75 in. hex screws and
nyloc nuts attaching the steering cylinder to
the machine frame and the rear drive
casting steering bracket.
6. The steering cylinder can now be removed
out the front of the machine.

HYDRAULICS
5--19
800/810 MM337 (8--97)
7. If a new or rebuilt cylinder is going to be
installed, remove the fittings and ball joint
ends from the old cylinder.
NOTE: Measure the ball joint center line distance
for proper installation on new cylinder.
8. Reinstall the fittings on the new cylinder.
NOTE: Make sure to install the fittings in the
same orientation as they were removed.
9. Position the new steering cylinder in the
machine. Reinstall two 0.75 in. hex screws
and nyloc nuts. Tighten to 290 -- 380 Nm
(215 -- 280 ft lb).
10. Reconnect the hydraulic hoses to the new
steering cylinder. See schematic in this
section.
11. Reinstall the two access panels. Tighten the
M6 pan head screws to 11 -- 14 Nm
(7 -- 10 ft lb).
12. Start the machine and turn the steering
wheel in both directions. Check for any leaks
and proper operation of the steering cylinder.
13. Remove the jack stands and lower the
machine.
14. Disengage the prop arm and lower the
hopper.

HYDRAULICS
5--20 800/810 MM337 (8--97)
TO REPLACE HOPPER ROLL OUT
CYLINDERS
FOR SAFETY: Before Leaving Or Servicing
Machine; Stop On Level Surface, Set Parking
Brake, Turn Off Machine And Remove Key.
1. Raise the hopper and engage the prop arm.
WARNING: Raised Hopper May Fall.
Engage Hopper Support Bar.
2. Remove the two M8 hex screws holding
each fender to front bumper. Disengage the
prop arm and lower the hopper.
3. Open the hopper cover and remove the
eight M8 hex screws attaching the LH and
RH fenders to the hopper.
4. Open the front headlight panel and remove it
by spreading the fenders apart. Remove the
fenders from the machine.
NOTE: Mark the hoses that are connected to the
hopper roll out cylinder with tape or some other
marking device to make sure they are returned to
the correct fitting.
5. Remove and plug the two hydraulic hoses
leading to the hopper roll out cylinder.
NOTE: Observe hydraulic cleanliness
requirements when opening hydraulic lines.
6. Remove the M6 hex screw from the pin in
the rod end clevis of the roll out cylinder.
Remove the pin.
7. Pull the hair pin out of cylinder piston end
clevis. Remove the pin. Remove the cylinder
from the machine lift arm.
8. If a new or rebuilt cylinder is going to be
installed, remove the fittings and clevis end
from the old cylinder.
NOTE: Measure the location of clevis on old
cylinder and install in same location on new
cylinder.

HYDRAULICS
5--21
800/810 MM337 (8--97)
9. Reinstall the fittings on the new cylinder.
NOTE: Make sure to install the fittings in the
same orientation as they were removed.
10. Position the new roll out cylinder on the
machine lift arm. Reinstall the upper clevis
pin and hair pin.
11. Reinstall the lower pin and M6 hex screw.
Tighten to 11 -- 14 Nm (7 -- 10 ft lb).
12. Reconnect the hydraulic hoses to the new
roll out cylinder. See the schematic in this
section.
13. Repeat steps 5 -- 12 on the other side of the
machine if replacing both the roll out
cylinders.
14. Reinstall the front panel and the RH and LH
fenders. Tighten the M8 hex screws to
18 -- 24 Nm (13 -- 18 ft lb).
15. Raise the hopper and engage the prop arm.
WARNING: Raised Hopper May Fall.
Engage Hopper Support Bar.
16. Reinstall the two M8 hex screws in bottom of
each fender. Tighten to 18 -- 24 Nm
(13 -- 18 ft lb).
17. Disengage the prop arm and lower the
hopper.
18. Start the machine and roll the hopper in and
out a few times. Check for any leaks.

HYDRAULICS
5--22 800/810 MM337 (8--97)
TO REPLACE HOPPER DUMP DOOR
CYLINDERS
FOR SAFETY: Before Leaving Or Servicing
Machine; Stop On Level Surface, Set Parking
Brake, Turn Off Machine And Remove Key.
1. Raise the hopper and engage the prop arm.
WARNING: Raised Hopper May Fall.
Engage Hopper Support Bar.
2. Remove the two M8 hex screws holding
each fender to front bumper. Disengage the
prop arm and lower the hopper.
3. Open the hopper cover and remove the
eight M8 hex screws attaching the LH and
RH fenders to the hopper.
4. Open the front headlight panel and remove it
by spreading the fenders apart. Remove the
fenders from the machine.
5. Start the engine and open the dump door.
NOTE: Remove only one cylinder at a time with
the dump door open.
6. Remove and plug the two hydraulic hoses
leading to the dump door cylinder.
NOTE: Observe hydraulic cleanliness
requirements when opening hydraulic lines.
7. Remove the M8 hex screw holding the lower
cylinder clevis pin. Remove the pin.
8. Remove the cotter pin and clevis pin from
the rod end of dump door cylinder. Remove
the cylinder from the machine.
9. If a new or rebuilt cylinder is going to be
installed, remove the fittings from the old
cylinder.

HYDRAULICS
5--23
800/810 MM337 (8--97)
10. Reinstall the fittings on the new cylinder.
NOTE: Make sure to install the fittings in the
same orientation as they were removed.
11. Install cylinder back in the machine.
Reinstall both pins using the cotter pin and
M8 hex screw. Tighten the screw to
26 -- 34 Nm (19 -- 25 ft lb).
12. Reconnect the hydraulic hoses to the new
dump door cylinder. See the schematic in
this section.
13. Repeat steps 6 -- 12 on the other side of the
machine if replacing both cylinders.
14. Reinstall the front panel and the RH and LH
fenders. Tighten the M8 hex screws to
18 -- 24 Nm (13 -- 18 ft lb).
15. Raise the hopper and engage the prop arm.
WARNING: Raised Hopper May Fall.
Engage Hopper Support Bar.
16. Reinstall the two M8 hex screws in bottom of
each fender. Tighten to 18 -- 24 Nm
(13 -- 18 ft lb).
17. Disengage the prop arm and lower the
hopper.
18. Start the machine and open the dump door
a few times. Check for any leaks.

HYDRAULICS
5--24 800/810 MM337 (8--97)
TO REPLACE MAIN BRUSH LIFT CYLINDER
FOR SAFETY: Before Leaving Or Servicing
Machine; Stop On Level Surface, Set Parking
Brake., Turn Off Machine And Remove Key.
1. Jack up the rear of the machine.
FOR SAFETY: Block machine tires before
jacking machine up. Jack machine up at
designated locations only. Block machine up
with jack stands.
2. Open the engine cover and side door.
3. Remove the muffler and tail pipe.
4. Disconnect the main brush lift cable at the
cylinder bracket.
NOTE: Mark the hoses that are connected to the
lift cylinder with tape or some other marking
device to make sure they are returned to the
correct fitting.
5. Remove and plug the two hydraulic hoses
on the main brush lift cylinder.
NOTE: Observe hydraulic cleanliness
requirements when opening hydraulic lines.
6. Remove the two large tension springs from
the white plastic retainer tubes.
NOTE: Make sure cylinder is all the way
retracted before removing springs.
7. Remove the cotter pin from the clevis
holding lift cylinder to the mount bracket.
The cylinder can now be removed from the
machine.
8. Remove one 0.50 in. hex nut from the
threaded rod holding plastic spring tubes to
the lift cylinder.

HYDRAULICS
5--25
800/810 MM337 (8--97)
9. Remove rod, plastic tubes, and cable
bracket from old cylinder and install on the
new cylinder. Hand tighten the 0.50 in. hex
nut. Use a small amount 242 blue loctite on
threads.
10. Remove the fittings from the old cylinder and
install in the new one.
NOTE: Remember to orientate the fittings as
close as possible to the way they came out.
11. Position the new lift cylinder assembly back
in machine from underneath. Install the
clevis and cotter pin.
12. Reconnect both tension springs to the
plastic spring tubes.
NOTE: Make sure cylinder is all the way retracted
before installing springs.
13. Reconnect the hydraulic hoses to the brush
lift cylinder. See the schematic in this
section.
14. Reconnect the main brush lift cable to the
cylinder bracket. Tighten the M8 hex bolt to
18 -- 24 Nm (13 -- 18 ft lb).
15. Reinstall the muffler and tail pipe.
16. Start engine and check for any leaks.

HYDRAULICS
5--26 800/810 MM337 (8--97)
TO REPLACE SIDE BRUSH LIFT CYLINDER
FOR SAFETY: Before Leaving Or Servicing
Machine; Stop On Level Surface, Set Parking
Brake, Turn Off Machine And Remove Key.
1. Raise the hopper and engage the prop arm.
WARNING: Raised Hopper May Fall.
Engage Hopper Support Bar.
2. Turn off the engine and engage the parking
brake.
3. Remove the M10 hex screw holding the side
brush, hopper up, lift cable to the lift arm.
4. Let the side brush drop down on the stop.
5. Remove the M10 hex screw holding the side
brush lift cable to the side brush assembly.
NOTE: Mark the hoses at the lift cylinder so they
can be reinstalled to the correct port.
6. Disconnect and plug the two hydraulic hoses
leading to the side brush lift cylinder.
NOTE: Observe hydraulic cleanliness
requirements when opening hydraulic lines.
7. Remove the M10 hex screw, nyloc nut and
spacer from the piston end of the side brush
lift cylinder at the upper frame bracket.
8. Remove the cotter pin from the 0.375 clevis
pin connecting the rod end of the side brush
lift cylinder to the pivot brackets.

HYDRAULICS
5--27
800/810 MM337 (8--97)
9. The side brush lift cylinder can now be
removed from the machine.
10. Remove the fittings from the old cylinder and
install into the new cylinder making sure to
keep the orientation the same.
NOTE: Remember to orientate the fittings as
close as possible to the way they came out.
11. Position the new cylinder back in the
machine, rod end first.
12. Reinstall the 0.375 clevis pin back through
the pivot plate and the hole in the end of the
cylinder rod. Reinstall the cotter pin.
13. Position the piston end of the cylinder back
into the upper frame bracket. Reinstall the
M10 hex screw, spacer, and nyloc nut.
Hand tighten.
14. Reconnect the two hydraulic hoses to the
cylinder. See schematic in this section.
15. Reconnect the side brush lift cable to the
side brush assembly. Tighten the M10 hex
screw to 37 -- 48 Nm (26 -- 34 ft lb).
16. Lift the side brush assembly up and
reconnect the side brush, hopper up, lift
cable to the lift arm. Tighten the M10 hex
screw to 37 -- 48 Nm (26 -- 34 ft lb).
17. Start the machine, lower hopper, and check
the side brush lift cylinder for any leaks and
proper operation.

HYDRAULICS
5--28 800/810 MM337 (8--97)
TO REPLACE POWER THROWtBRUSH LIFT
CYLINDER
FOR SAFETY: Before Leaving Or Servicing
Machine; Stop On Level Surface, Set Parking
Brake., Turn Off Machine And Remove Key.
1. Jack up the rear of the machine.
FOR SAFETY: Block machine tires before
jacking machine up. Jack machine up at
designated locations only. Block machine up
with jack stands.
2. Open the engine cover and side door.
3. Remove the muffler and tail pipe.
4. Disconnect the POWER THROWtbrush lift
cable at the cylinder bracket.
NOTE: Mark the hoses that are connected to the
lift cylinder with tape or some other marking
device to make sure they are returned to the
correct fitting.
5. Remove and plug the two hydraulic hoses
leading to the POWER THROWtbrush lift
cylinder.
NOTE: Observe hydraulic cleanliness
requirements when opening hydraulic lines.
6. Remove the two large tension springs from
the white plastic retainer tubes.
NOTE: Make sure cylinder is all the way
retracted before removing springs.
7. Remove the cotter pin from the clevis
holding lift cylinder to the mount bracket.
The cylinder can now be removed from the
machine.
8. Remove one 0.50 in. hex nut from the
threaded rod holding plastic spring tubes to
the lift cylinder.

HYDRAULICS
5--29
800/810 MM337 (8--97)
9. Remove rod, plastic tubes, and cable
bracket from old cylinder and install on the
new cylinder. Hand tighten the 0.50 in. hex
nut. Use a small amount 242 blue loctite on
threads.
10. Remove the fittings from the old cylinder and
install in the new one.
NOTE: Remember to orientate the fittings as
close as possible to the way they came out.
11. Position the new POWER THROWtlift
cylinder assembly back in machine from
underneath. Install the clevis and cotter pin.
12. Reconnect both tension springs to the
plastic spring tubes.
NOTE: Make sure cylinder is all the way retracted
before installing springs.
13. Reconnect the hydraulic hoses to the
POWER THROWtlift cylinder. See the
schematic in this section.
14. Reconnect the POWER THROWtbrush lift
cable to the cylinder bracket. Tighten the M8
hex bolt to 18 -- 24 Nm (13 -- 18 ft lb).
15. Reinstall the muffler and tail pipe.
16. Start engine and check for any leaks.

HYDRAULICS
5--30 800/810 MM337 (8--97)
TO REPLACE SIDE BRUSH SOLENOID VALVE
1. Raise the hopper and the engage prop arm.
WARNING: Raised Hopper May Fall.
Engage Hopper Support Bar.
2. Turn off the engine and engage the parking
brake.
3. Lift the rubber dust flap located in front of
the driver’s compartment.
NOTE: Mark the hoses at the solenoid valve so
they can be reinstalled to the correct port.
4. Disconnect and plug the six hydraulic hoses
leading to the side brush solenoid valve.
5. Un-plug the solenoid valve cartridges from
the main electrical harness.
NOTE: Observe hydraulic cleanliness
requirements when opening hydraulic lines.
6. Remove the two M6 hex screws, nyloc nuts
and rubber washers holding the solenoid
valve to the valve bracket. Remove the
valve from the machine.
7. Remove the fittings from the old valve and
install in the new valve. Make sure to keep
the orientation the same.
NOTE: Remember to orientate the fittings as
close as possible to the way they came out.
8. Position the new valve back in the machine.
Reinstall the two M6 hex screws and nyloc
nuts. Make sure that the rubber washers are
installed between valve and bracket. Hand
tighten the hex screws.
9. Reconnect the six hydraulic hoses to the
solenoid valve. See schematic in this
section.
10. Reconnect the main harness to the solenoid
valve. See schematic in the ELECTRICAL
section.
11. Drop rubber dust flap back in place.
12. Start the machine, lower hopper, and check
the side brush for proper operation.

HYDRAULICS
5--31
800/810 MM337 (8--97)
TO REPLACE HYDRAULIC LIFT VALVE
FOR SAFETY: Before Leaving Or Servicing
Machine; Stop On Level Surface, Set Parking
Brake, Turn Off Machine And Remove Key.
1. Raise the hopper and engage the prop arm.
WARNING: Raised Hopper May Fall.
Engage Hopper Support Bar.
2. Turn off engine and engage the parking
brake.
3. Remove the battery cables from the battery.
4. Remove the three plastic knobs from the
valve handles.
5. Put the steering wheel in the lowest position.
6. Remove the eight M6 pan head screws from
dash panel.
7. Pull the dash panel toward the steering
wheel until it clears the valve handles.
NOTE: Mark the hoses that are connected to the
valve with tape or some other marking device to
make sure they are returned to the correct fitting.
8. Remove and plug all the hoses connected to
valve.
NOTE: Observe hydraulic cleanliness
requirements when opening hydraulic lines.
9. Remove one large clevis pin and three
smaller clevis pins attaching the valve
handles to valve and mount bracket.
10. Remove the three M6 hex screws, washers,
isolators and steel sleeves holding the valve
and mount bracket to the machine frame.
Remove the valve out the front of of the
machine.
11. Remove the two M6 hex screws holding the
valve to the mount bracket. Remove the
mount bracket.
08475
IN PB
C
E
A
F
D
OUT
PB
CE
A
F
D
OUT

HYDRAULICS
5--32 800/810 MM337 (8--97)
12. Remove the fittings from the old cylinder and
install in the new one.
NOTE: Remember to orientate the fittings as
close as possible to the way they came out.
13. Reinstall the new valve on the valve bracket
using two M6 hex screws. Tighten to
8--10Nm(5--7ftlb).
14. Reinstall the valve and bracket back in the
machine through the front. Reinstall the
three M6 hex screws, washers, and rubber
isolators. Tighten to 8 -- 10 Nm (5 -- 7 ft lb).
NOTE: Make sure rubber ring is between valve
bracket and machine frame.
15. Reinstall the three valve handles using one
large clevis pin and three smaller ones.
16. Reconnect the hydraulic hoses to the control
valve. See schematic in this section.
17. Reinstall the dash panel on machine using
eight M6 pan head screws. Tighten to
8--10Nm(5--7ftlb).
18. Reinstall the three plastic knobs on the valve
handles. Lightly hand tighten.
19. Reconnect the battery cables.
20. Start machine and check the new valve for
leaks.
PB
C
E
A
F
D
OUT

HYDRAULICS
5--33
800/810 MM337 (8--97)
TO REPLACE HYDRAULIC STEERING VALVE
FOR SAFETY: Before Leaving Or Servicing
Machine; Stop On Level Surface, Set Parking
Brake, Turn Off Machine And Remove Key.
1. Raise the hopper and engage the prop arm.
WARNING: Raised Hopper May Fall.
Engage Hopper Support Bar.
2. Turn off engine and engage the parking
brake.
3. Remove the rubber cap from center of the
steering wheel.
4. Remove the M12 hex nut holding the
steering wheel to the steering column.
5. Remove the steering wheel.
NOTE: A puller may be needed to remove the
steering wheel.
6. Lift the rubber dust flap located in front of
the driver’s compartment.
NOTE: Mark the hoses that are connected to the
steering valve with tape or some other marking
device to make sure they are returned to the
correct fitting.
7. Remove and plug the five hydraulic hoses
leading to the steering control motor.
NOTE: Observe hydraulic cleanliness
requirements when opening hydraulic lines.
8. Remove the four M6 hex screws holding the
two steering bracket pivot bearing in place.
9. Slide the steering column, control motor, and
pivot bracket assembly down and out of the
machine.

HYDRAULICS
5--34 800/810 MM337 (8--97)
10. Remove the four 0.375 in. screws holding
the steering column and pivot bracket to the
control motor.
NOTE: There is two different length screws. Note
the location of each.
11. Remove the hydraulic fittings from the old
control motor and install in new or rebuilt
motor.
12. Reinstall the steering column and pivot
bracket to the new control motor using the
0.375 in. screws. Tighten to 18 -- 24 Nm
(13 -- 18 ft lb).
NOTE: Make sure to position the pivot bracket in
the same location as it was removed from the old
control motor.
13. Slide the steering column, control motor, and
pivot bracket assembly back in the machine.
14. Reinstall four M6 hex screws holding both
steering bracket pivot bearing in place.
Tighten to 8 -- 10 Nm (6 -- 8 ft lb).
15. Reconnect the hydraulic hoses to the new
steering control motor. See the schematic in
this section.
16. Drop the rubber dust flap back in place.
17. Reinstall steering wheel back on the steering
column. Tighten the M12 hex nut to
102 -- 132 Nm (75 -- 97 ft lb).
18. Reinstall the rubber cap on the steering
wheel.
19. Start the engine and check the steering
control motor for leaks.

HYDRAULICS
5--35
800/810 MM337 (8--97)
TO REPLACE HYDRAULIC SOLENOID VALVE
FOR SAFETY: Before Leaving Or Servicing
Machine; Stop On Level Surface, Set Parking
Brake, Turn Off Machine And Remove Key.
1. Raise the hopper and engage the prop arm.
WARNING: Raised Hopper May Fall.
Engage Hopper Support Bar.
2. Turn off the engine and engage the parking
brake.
3. Remove the battery cables from the battery.
4. Open the engine cover and side door.
5. Un-plug the four solenoid valve cartridges
from the main electrical harness.
NOTE: Mark the hoses that are connected to the
valve with tape or some other marking device to
make sure they are returned to the correct fitting.
6. Remove and plug the hoses connected to
the valve.
NOTE: Observe hydraulic cleanliness
requirements when opening hydraulic lines.
7. Remove the two M6 hex screws holding the
upper valve mounting bracket to the
machine frame.
8. Remove the valve by lifting it up and out of
the lower bracket.
NOTE: Be careful not to lose two rubber isolator
strips.
9. Remove the three M8 flat head screws
holding the valve mounting plate to the
valve.
C1
T1
C2
T3
DR
M1
T2SW
M2
P
M5 M4
M3
C4
C3
C1
T1
C2
T3
DR
M1
T2 SW
M2
P
M5 M4
C4
C3

HYDRAULICS
5--36 800/810 MM337 (8--97)
10. Remove the fittings from the old valve and
install in the new one.
NOTE: Remember to orientate the fittings as
close as possible to the way they came out.
11. Reinstall the new valve on the old valve
plate using three M8 flat head screws.
Tighten to 18 -- 24 Nm (13 -- 18 ft lb).
12. Reinstall the valve and mount plate back on
the lower mount bracket.
NOTE: Make sure rubber isolator strips are in
place.
13. Reinstall the upper valve mount bracket
using two M6 hex screws. Tighten to
8--10Nm(5--7ftlb).
14. Reconnect the hydraulic hoses to the new
control valve. See schematic in this section.
15. Plug the four solenoid valve cartridges back
into the main harness. See schematic in the
ELECTRICAL section.
16. Reconnect the battery cables.
17. Start the machine and check for leaks and
proper operation of the solenoid valve.
C1
T1
C2
T3
DR
M1
T2
SW
M2
P
M5
M4
M3
C4
C3

HYDRAULICS
5--37
800/810 MM337 (8--97)
TO REPLACE SOLENOID VALVE CARTRIDGE
FOR SAFETY: Before Leaving Or Servicing
Machine; Stop On Level Surface, Set Parking
Brake, Turn Off Machine And Remove Key.
1. Turn off the engine and engage the parking
brake.
2. Remove the battery cables from the battery.
3. Open the engine cover and side door.
4. Identify the cartridge to be removed from the
solenoid valve assembly. Unplug the
cartridge from the main harness.
5. Remove the hex nut and rubber o-ring from
cartridge stem.
6. Slide the electrical coil and rubber o-ring off
the cartridge stem.
NOTE: Hydraulic oil will run out of the valve when
cartridge is removed.
7. Loosen and unscrew the cartridge stem out
of the valve body.
NOTE: Observe hydraulic cleanliness
requirements when opening hydraulic lines.
8. Install a new or rebuilt cartridge stem back in
the valve port. Hand tighten. Do not over
tighten.
NOTE: Make sure the new cartridge had an
o-ring installed and oiled before reinstalling.
9. Slip the o-ring and coil back over the stem.
10. Install the o-ring and hex nut on the stem.
Hand tighten. Do not over tighten.
NOTE: Do not over tighten, snug only.
11. Plug the coil back in the main harness. See
schematic in the ELECTRICAL section.
12. Reconnect the battery cables.
13. Start the machine and check the cartridge
for leaks and proper operation.

HYDRAULICS
5--38 800/810 MM337 (8--97)
TO REPLACE ENGINE COOLING FAN
HYDRAULIC MOTOR
FOR SAFETY: Before Leaving Or Servicing
Machine; Stop On Level Surface, Set Parking
Brake, Turn Off Machine And Remove Key.
1. Turn off the engine and engage the parking
brake.
2. Remove the battery cables from the battery.
3. Open the engine cover and side door.
4. Remove the two springs and hooks holding
the fan screen guard to engine fan housing.
NOTE: Mark the hoses that are connected to the
fan motor with tape or some other marking device
to make sure they are returned to the correct
fitting.
5. Remove and plug the hoses connected to
cooling fan motor.
NOTE: Observe hydraulic cleanliness
requirements when opening hydraulic lines.
6. Remove the four M6 hex screws and nyloc
nuts holding the fan motor mount channel to
fan housing. Remove the fan assembly from
the machine.
7. Remove the hex nut from the fan motor
shaft in center of the fan blade.
8. Remove the fan blade from the motor shaft.
NOTE: A puller must be used to remove the fan
blade from the tapered motor shaft.

HYDRAULICS
5--39
800/810 MM337 (8--97)
9. Remove the two M8 hex screws holding the
fan motor to the mount channel.
10. Remove fittings from old fan motor and
install in the new one.
NOTE: Remember to orientate the fittings as
close as possible to the way they came out.
11. Reinstall the new motor on the mount
channel using two M8 hex screws. Tighten
to 18 -- 24 Nm (13 --18 ft lb).
12. Reinstall the fan blade back on the fan
motor shaft.
NOTE: Make sure the key is in place on the
motor shaft.
13. Reinstall the hex nut on the fan motor shaft.
Tighten to 18 -- 24 Nm (13 -- 18 ft lb).
14. Reinstall the fan motor assembly back on
the fan housing. Use four M6 hex screws
and nyloc nuts. Tighten to 8 -- 10 Nm
(5 -- 7 ft lb).
15. Reconnect the hydraulic hoses to the fan
motor. See schematic in this section.
16. Reinstall the screen guard. Reinstall the
springs and hooks.
17. Reconnect the battery cables.
18. Start the machine and check the fan motor
for any leaks and proper operation.

HYDRAULICS
5--40 800/810 MM337 (8--97)
TO REPLACE REAR DRIVE MOTOR
FOR SAFETY: Before Leaving Or Servicing
Machine; Stop On Level Surface, Set Parking
Brake, Turn Off Machine And Remove Key.
1. Engage the parking brake, block the front
tires.
FOR SAFETY: Block machine tires before
jacking machine up. Jack machine up at
designated locations only. Block machine up
with jack stands.
2. Jack up the rear of machine. Use jack
stands to support the machine.
3. Remove the rear tire and wheel assembly.
4. Remove the cotter pin and slotted nut from
the drive motor.
5. Remove the drive hub from the motor. A
wheel puller may need to be used to break
the hub free from the motor shaft.
6. Remove and plug the hydraulic hoses from
the drive motor. Mark the hoses for proper
assembly orientation.
NOTE: Observe hydraulic cleanliness
requirements when opening hydraulic lines.
7. Remove the four hex screws holding the
drive motor to the rear casting. Remove the
drive motor.
8. Rebuild or replace the drive motor. If you
replace the drive motor, remove the
hydraulic fittings from the old motor and
install in the new motor in the same
orientation.
9. Position the new or rebuilt motor on the rear
casting in the same orientation as it was
removed.
10. Install the four socket-head screws and
nyloc nuts. Torque nuts to 120 -- 157 Nm
(89 -- 116 ft lb).

HYDRAULICS
5--41
800/810 MM337 (8--97)
11. Reconnect the hydraulic hoses. Make sure
each hose is placed on the fitting it was
removed from.
NOTE: Observe hydraulic cleanliness
requirements when opening hydraulic lines.
12. Place the drive hub on the tapered motor
shaft. Tighten slotted nut to 270 -- 340 Nm
(200 -- 250 ft lb). Install cotter pin.
NOTE: Make sure the square key is in place on
the motor shaft before installing the drive hub.
13. Install the rear tire and wheel assembly.
Tighten the six wheel nuts to 122 -- 142 Nm
(90 -- 105 ft lb).
14. Start the machine and run the propel circuit
in forward and reverse. Check for leaks and
proper operation.
15. Remove jack stands and lower machine.

HYDRAULICS
5--42 800/810 MM337 (8--97)
TO REPLACE MAIN BRUSH MOTOR
FOR SAFETY: Before Leaving Or Servicing
Machine; Stop On Level Surface, Set Parking
Brake, Turn Off Machine And Remove Key.
1. Raise the hopper and engage the hopper
prop arm.
WARNING: Raised Hopper May Fall.
Engage Hopper Support Bar.
2. Remove the main brush from the machine.
See TO REPLACE MAIN BRUSH
instructions in this section.
3. Remove and plug the hydraulic hoses from
the brush motor.
Note:Observe hydraulic cleanliness requirements
when opening hydraulic lines.
4. Remove the cotter pin from the castle nut at
the end of brush drive plug.
5. Hold the brush drive plug and remove the
castle nut.
6. A puller must be used to remove the brush
drive plug from the tapered shaft on the
brush motor.
7. Remove four 0.375 in. hex screws from
main brush motor arm. Brush motor can now
be removed. (Note orientation of motor in
brush arm).
8. Remove hydraulic fittings from old motor.
9. Install new or rebuilt main brush motor back
in main brush arm. Tighten 0.375 in. hex
screws to 37 -- 47 Nm (27 -- 35 ft lb). Make
sure corners of brush motor line up with
slots in brush arm.
10. Reinstall hydraulic fittings in motor.
11. Reconnect hydraulic hoses to motor.
(See schematic in hydraulic section).

HYDRAULICS
5--43
800/810 MM337 (8--97)
12. Reinstall brush drive plug on tapered motor
shaft. (Make sure key is in place).
13. Reinstall castle nut and tighten to
40 -- 54 Nm (30 -- 40 ft lb). Continue to
tighten castle nut until it lines up with hole in
brush motor shaft. Install new cotter pin.
14. Reinstall main brush.
15. Lower the hopper, operate the main brush
and check for proper rotation and leaks.

HYDRAULICS
5--44 800/810 MM337 (8--97)
TO REPLACE SIDE BRUSH MOTOR
1. Remove the side brush. See TO REPLACE
SIDE BRUSH instructions in the
SWEEPING section.
FOR SAFETY: Before Leaving Or Servicing
Machine; Stop On Level Surface, Set Parking
Brake, Turn Off Machine And Remove Key.
2. Remove and plug the hydraulic hoses from
thesidebrushmotor.
NOTE:Observe hydraulic cleanliness
requirements when opening hydraulic lines.
3. Remove the four 0.375 in. hex screws from
the bottom of the side brush motor. Remove
the side brush guard and the side brush
motor from the machine.
4. Remove the hydraulic fittings from the the
old motor.
5. Install new or rebuilt side brush motor and
side brush guard with .375 in. hex screws
tighten to 37 -- 47 Nm (27 -- 35 ft lb). Make
sure to install four 0.375 SAE flat washers
between motor and mount bracket.
6. Reinstall hydraulic fittings in motor.
7. Reconnect hydraulic hoses to motor.
(See schematic in HYDRAULICS section.)
8. Slide the side brush onto the side brush
drive shaft.
9. Insert the side brush clevis pin through the
side brush hub and shaft. Reinstall the hair
pin and cable back into the hole in the end of
the clevis pin.
08466

HYDRAULICS
5--45
800/810 MM337 (8--97)
TO REPLACE POWER THROWtBRUSH
MOTOR
FOR SAFETY: Before Leaving Or Servicing
Machine; Stop On Level Surface, Set Parking
Brake, Turn Off Machine And Remove Key.
1. Set the machine parking brake and remove
the Power Throwtbrush and idler plate.
See TO REPLACE POWER THROWt
BRUSH instructions in the SWEEPING
section.
WARNING: Raised Hopper May Fall.
Engage Hopper Support Bar.
2. Go into the main brush area and locate the
Power Throwtbrush drive plug.
3. Remove the M6 hex screw on the end of the
plastic drive plug. Pull the drive plug off the
shaft. Retain the square key.
4. Remove and plug the two hydraulic hoses
on the brush motor.
NOTE:Observe hydraulic cleanliness
requirements when opening hydraulic lines.
5. Remove the four 0.375 in. socket head
screws holding hydraulic motor to arm.
6. Remove the hydraulic motor and drive shaft
from the brush arm. Note the orientation of
the motor in the brush arm.
7. Drive the roll pin out of the shaft. Remove
the drive shaft from the motor.
8. Install the drive shaft and roll pin on new or
rebuilt hydraulic motor.
9. Remove the hydraulic fittings from the old
motor and reinstall in the new motor.
10. Reinstall new motor and drive shaft on brush
arm using four 0.375 in. socket head
screws. Tighten to 37 -- 40 Nm
(27 -- 30 ft lb). Note the orientation of the
motor in the brush arm.

HYDRAULICS
5--46 800/810 MM337 (8--97)
11. Reconnect the two hydraulic hoses to motor.
(See schematic in HYDRAULICS section.)
12. Reinstall brush drive plug. Tighten M6 hex
screw to 7 -- 10 Nm (5 -- 8 ft lb). Make sure
the square key is in place in the drive shaft.
13. Reinstall the Power Throwtbrush and idler
plate. See TO REPLACE POWER
THROWtBRUSH instructions in the
SWEEPING section.

HYDRAULICS
5--47
800/810 MM337 (8--97)
VACUUM FAN
The vacuum fan is hydraulically driven. It pulls air
from the main brush area and through the hopper
filters. There is no vacuum when the hopper is in
the raised position.
TO REPLACE VACUUM FAN HYDRAULIC
MOTOR
FOR SAFETY: Before Leaving Or Servicing
Machine; Stop On Level Surface, Set Parking
Brake, Turn Off Machine And Remove Key.
1. Dump the machine debris hopper.
2. Set the machine parking brake.
3. Raise the hopper, engage the hopper prop
arm, and lower the hopper.
WARNING: Raised Hopper May Fall.
Engage Hopper Support Bar.
4. Shut off the engine.
5. Open the engine cover and side door.
NOTE: The vacuum fan must be removed from
the machine to replace the hydraulic motor.
6. Remove the vacuum hose and bracket from
the front of vacuum fan housing.
7. Disconnect the wires leading to the Thermo
Sentryt
8. Disconnect and plug the three hydraulic
hoses at the vacuum fan motor.
NOTE:Observe hydraulic cleanliness
requirements when opening hydraulic lines.
9. Remove the two M10 hex screws, washers,
and rubber isolators holding the vacuum fan
housing to the machine frame.

HYDRAULICS
5--48 800/810 MM337 (8--97)
10. Remove solenoid valve mounting bracket
and rubber isolator from top of vacuum fan
housing.
11. Tip the vacuum fan assembly forward and
remove it from the machine.
12. Remove the six 0.31 in. hex screws holding
the front housing to rear housing.
NOTE: Mark the orientation of the outer fan
housing to the inner housing for proper
re--assembly.
13. Remove the crown nut from the impeller
shaft. Slide the impeller off the shaft.
(Remove and save key and any shims on
shaft under impeller.)
14. Turn the housing over and remove the four
0.375 in. nyloc nuts and washers from the
motor mount plate. Remove the plate from
housing.
NOTE: Mark the orientation of the motor and
fittings before removal.
15. Remove the four 0.25 in. flat head screws
and nyloc nuts holding the motor to the
plate.
16. Install the new motor to the plate. Tighten
the four 0.25 in. flat head screws to
9--13Nm(7--10ftlb).
17. Remove the three hydraulic fittings from the
old motor. Install in the new motor.
NOTE: Make sure the fittings are positioned in the
same orientation as they were removed.
18. Reinstall the motor and mounting plate on
the rear housing. Tighten the 0.375 in. nyloc
nuts to 16 -- 22 Nm (12 -- 16 ft lb).
NOTE: Make sure the motor and fittings are
positioned in the same orientation as they were
removed.

HYDRAULICS
5--49
800/810 MM337 (8--97)
19. Turn the housing over and reinstall the
shims, key, fan impeller, and crown nut.
Tighten the crown nut to 34 -- 47 Nm
(25 -- 35 ft lb).
NOTE: Use blue loctite 242 on shaft threads.
NOTE: Be sure key is in shaft. Super gluing key
helps keep key in place.
NOTE: Make sure the impeller spins freely before
continuing with the assembly.
20. Reinstall the front housing on the rear
housing. Reinstall 0.31 in. hex screws and
tighten to 22 -- 27 Nm (16 -- 20 ft lb).
NOTE: Tennant part no. 57543 plastic shims must
be used for proper fan to housing clearance.
Remove the shims through the fan intake after
tightening screws.
21. Reinstall the vacuum fan assembly into the
machine. Tighten the M10 hex screws to
37 -- 48 Nm (26 -- 34 ft lb).
22. Reinstall the solenoid mount bracket and
isolator to the top of fan assembly.
23. Reconnect the hydraulic hoses to the
vacuum fan motor. See schematic in
HYDRAULICS section.
24. Reinstall the vacuum hose and mounting
bracket to the front of vacuum fan. Tighten
thetwoM8hexscrewsto18--24Nm
(13 -- 18 ft lb).
25. Reconnect the electrical harness to the
thermo sentryt. See schematic in
HYDRAULICS section.
26. Start the machine and operate the vacuum
fan. Check for leaks and proper operation.

HYDRAULICS
800 MM337 (6--01)
5--50
Fig. 1 -- Hydraulic Schematic 800 G/LPG/D
(for machines below serial number 2300)
12 3456

HYDRAULICS
800 MM337 (6--01) 5--51
Fig. 1 -- Hydraulic Schematic 800 G/LPG/D
(for machines below serial number 2300)
12 3456

HYDRAULICS
800 MM337 (6--01)
5--52
Fig. 2 -- Hydraulic Schematic 800 G/LPG/D
(for machines serial number 2300 and above)
12 3456

HYDRAULICS
800 MM337 (6--01) 5--53
Fig. 2 -- Hydraulic Schematic 800 G/LPG/D
(for machines serial number 2300 and above)
09912 -- 800
12 3456

HYDRAULICS
800 MM337 (6--01)
5--54
Fig. 3 -- Hydraulic Schematic 810 G/LPG/D
(for machines below serial number 2300)
12 3456

HYDRAULICS
800 MM337 (6--01) 5--55
Fig. 3 -- Hydraulic Schematic 810 G/LPG/D
(for machines below serial number 2300)
12 345
6

HYDRAULICS
800 MM337 (6--01)
5--56
Fig. 4 -- Hydraulic Schematic 810 G/LPG/D
(for machines serial number 2300 and above)
12 3456

HYDRAULICS
800 MM337 (6--01) 5--57
Fig. 4 -- Hydraulic Schematic 810 G/LPG/D
(for machines serial number 2300 and above)
09911 -- 810
12 3456

HYDRAULICS
800 MM337 (6--01)
5--58
Fig. 5 -- Hydraulic Hose Group 800 G/LPG/D
(for machines below serial number 2300)

HYDRAULICS
800 MM337 (6--01) 5--59
Fig. 6 -- Hydraulic Hose Group 810 G/LPG/D
(for machines below serial number 2300)

HYDRAULICS
800 MM337 (6--01)
5--60

HYDRAULICS
800/810 MM337 (8--97) 5--61
TROUBLESHOOTING
The troubleshooting charts that follow are
organized so they lead you through the circuits.
They include flow charts and instructions for you
as to where to insert your test instruments.

HYDRAULICS
5--62 800/810 MM337 (8--97)
800 MAIN -- LO SPD AND VAC FAN
M4
RES1
FLTR1
HTX1
BROOMBROOM
1000 psi
6,900 kPa
STRN1 RV4
25 psi
170 kPa
REAR LIFT MAIN BROOM
RSIDE LSIDE
RV1
2200 psi
15000 kPa
13200 kPa
VAC FAN
500 psi
3500 kPa
1150 psi
8000 kPa
13800 kPa
RV2
2000 psi
LIFT
ROLL
DOOR
PB
SV6
SUCTION
RETURN
PRESSURE
T2
M5
S--14
1900 psi
6.2 GPM @ 2400 RPM
23.5 LPM @ 2400 RPM
6.2 GPM @ 2400 RPM
23.5 LPM @ 2400 RPM
P
SV4
C1C2 M1 M2
SV2
T3
DR
SV3SV1
OUT
IN
500 psi
3500 kPa
RV8
3psi
20 kPa
500 psi
3500 kPa
SV9

HYDRAULICS
800/810 MM337 (8--97) 5--63
810 REAR BROOM AND VAC FAN
SV6
6.2 GPM @ 2400 RPM
6.2 GPM @ 2400 RPM
PRESSURE
RETURN
SUCTION
OUT PB
IN
RV2
M5
T2
T3
DR
M4
M3
M2
SV2
SV1
RV1
M1
SV5
FRONT LIFT
REAR LIFT
C4 C3C1C2
SV4
P
FRONTREAR
BROOM BROOM
SV3
VAC FAN
2000 psi
13800 kPa
1000 psi
6900 kPa
1150 psi
7900 kPa
3psi
20 kPa
RV 8
RV 4
25 psi
170 kPa
500 psi
3400 kPa
2200 psi
15000 kPa
23.5 LPM @ 2400 RPM
23.5 LPM @ 2400 RPM
500 psi
3400 kPa
DOOR
ROLL
LIFT
LSIDE
BROOM
RSIDE
BROOM
SV9
S--14
1900 psi
13200 kPa

HYDRAULICS
5--64 800/810 MM337 (8--97)
800 MAIN, S. BR. AND VAC FAN
SV6
P
SV4
C1C2 M1 M2
SV1
SV2
RV1
M4 M5
T2
T3
DR
SV3
MAIN BROOM
6.2 GPM @ 2400 RPM
6.2 GPM @ 2400 RPM
REAR LIFT
PRESSURE
RETURN
SUCTION
OUT PB
IN
RV2
RV 4
25 psi
170 kPa
RV 8
3psi
20 kPa
VAC FAN
2000 psi
13800 kPa
2200 psi
15000 kPa
1000 psi
6900 kPa
800 psi
5500 kPa 750 psi
5200 kPa 250 psi
1700 kPa
1150 psi
7900 kPa
23.5LPM@2400RPM
23.5LPM@2400RPM
DOOR
ROLL
LIFT
LSIDE
BROOM
RSIDE
BROOM
SV9
S--14
1900 psi
13200 kPa

HYDRAULICS
800/810 MM337 (8--97) 5--65
810 ALL BROOMS AND VAC FAN
SV6
6.2 GPM @ 2400 RPM
6.2 GPM @ 2400 RPM
PRESSURE
RETURN
SUCTION
OUT PB
IN
RV2
M5
T2
T3
DR
M4
M3
M2
SV2
SV1
RV1
M1
SV5
FRONT LIFT
REAR LIFT
C4 C3C1C2
SV4
P
FRONTREAR
BROOM BROOM
SV3
RV4
RV8
3psi
20 kPa
25 psi
170 kPa
23.5 LPM @ 2400 RPM
23.5 LPM @ 2400 RPM
1000 psi
6900 kPa
2000 psi
13800 kPa
2200 psi
15000 kPa
VAC FAN
1200 psi
8300 KPA
250 psi
1700 kPa
1150 psi
7900 kPa
650 psi
4500 kPa
DOOR
ROLL
LIFT
LSIDE
BROOM
RSIDE
BROOM
SV9
S--14
1900 psi
13200 kPa

HYDRAULICS
5--66 800/810 MM337 (8--97)
800 / 810 HOPPER LOWER
LOWER
RV2
2000 psi
13800 kPA
6.2 GPM @ 2400 RPM
23.5 LPM @ 2400 RPM
RV 8
3psi
20 kPa
25 psi
170 kPa
PRESSURE
RETURN
SUCTION
OUT
B
LIFT
A
IN
RV4
DOOR
ROLL

HYDRAULICS
800/810 MM337 (8--97) 5--67
800 / 810 HOPPER LIFT
LIFT
6.2 GPM @ 2400 RPM
PRESSURE
RETURN
SUCTION
OUT
B
LIFT
A
IN
RV2
2000 psi
13800 kPa
23.5 LPM @ 2400 RPM
RV8
3psi
20 kPa RV4
25 psi
170 kPa
,k
DOOR
ROLL

HYDRAULICS
5--68 800/810 MM337 (8--97)
800 / 810 DOOR OPEN
6.2 GPM @ 2400 RPM
RES1
PRESSURE
RETURN
SUCTION
OPEN
OUT
F
E
DOOR
IN
RV2
23.5 LPM @ 2400 RPM
2000 psi
13800 kPa
500 psi
3400 kPa
RV8
3psi
20 kPa RV4
25 psi
170 kPa
,k
ROLL
LIFT

HYDRAULICS
800/810 MM337 (8--97) 5--69
800 / 810 DOOR CLOSE
6.2 GPM @ 2400 RPM
RES1
PRESSURE
RETURN
SUCTION
CLOSE
OUT
F
E
DOOR
IN
RV2
2000 psi
13800 kPa
23.5 LPM @ 2400 RPM
RV8
3psi
20 kPa RV4
25 psi
170 kPa
,k
ROLL
LIFT

HYDRAULICS
5--70 800/810 MM337 (8--97)
800 / 810 ROLL IN
6.2 GPM @ 2400 RPM
ROLL IN
PRESSURE
RETURN
SUCTION
OUT
D
C
ROLL
IN
RV2
500 psi
3400 kPa
2000 psi
13800 kPa
23.5 LPM @ 2400 RPM
RV8
3psi
20 pKA RV4
25 psi
170 kPa
,k
DOOR
LIFT

HYDRAULICS
800/810 MM337 (8--97) 5--71
800 / 810 ROLL OUT
6.2 GPM @ 2400 RPM
RES1
ROLL OUT
PRESSURE
RETURN
SUCTION
OUT
D
C
ROLL
IN
RV2
2000 psi
13800 kPa
500 psi
3400 kPa
RV8
3psi
20 kPa
23.5 LPM @ 2400 RPM
RV4
25 psi
170 kPa
,k
DOOR
LIFT
SV6
SV7
200 psi
RV9

HYDRAULICS
5--72 800/810 MM337 (8--97)
800 / 810 RIGHT TURN
STEERING SYSTEM
T
P
RV3
R
L
4.7 GPM @ 2400 RPM
STRN1
RV8
RES1
PRESSURE
RETURN
SUCTION
1300 psi
8900 kPa
400 psi
2700 kPa
900 psi
6200 kPa
17.8 LPM @ 2400 RPM
3psi
20 pKa RV4
25 psi
170 kPa
,k

HYDRAULICS
800/810 MM337 (8--97) 5--73
800 / 810 LEFT TURN
STEERING SYSTEM
T
P
RV3
R
L
4.7 GPM @ 2400 RPM
RES1
PRESSURE
RETURN
SUCTION
1300 psi
8900 kPa
400 psi
2700 kPa
17.8 LPM @ 2400 RPM
RV8
3psi
20 kPa
900 psi
6200 kPa
RV4
25 psi
170 kPa
,k

HYDRAULICS
5--74 800/810 MM337 (8--97)
800/810 COOLANT FAN
SUCTION
RETURN
PRESSURE
T
E
P
RV3
T2
T1
4.7 GPM @ 2400 RPM
1300 psi
COOLANT FAN
STRN1
HTX1
RV4
FLTR1
RES1
RV8
25 psi
3psi
8900 kPa
170 kPa
20 kPa
17.8 LPM @ 2400 RPM
500 psi
3400 kPa





























































ENGINE--G/LPG
6--1
800/810 MM337 (6--01)
CONTENTS
Page
FORD 2.3 LITER ENGINE 6--3..............
TO REMOVE ENGINE 6--4..............
TO INSTALL ENGINE 6--5...............
TO CHANGE ENGINE TIMING BELT 6--7.
LUBRICATION 6--9........................
ENGINE 6--9.............................
COOLING SYSTEM 6--9...................
ENGINE BELT 6--10.......................
AIR INTAKE SYSTEM 6--11................
AIR FILTER INDICATOR 6--11...........
AIR FILTER 6--11......................
TO REPLACE AIR FILTER
ELEMENT 6--12.....................
FUEL SYSTEM -- GASOLINE 6--13..........
FUEL FILTERS 6--13...................
CARBURETOR 6--13...................
FUEL SYSTEM -- LPG 6--14.............
LPG FUEL TANK 6--16..................
TO CHANGE LPG FUEL TANK 6--18.....
FUEL FILTER LOCK 6--19...............
VAPORIZER-REGULATOR 6--19.........
CARBURETOR 6--19...................
OIL PRESSURE SWITCH 6--20..........
LPG FUEL TROUBLESHOOTING 6--20...
GOVERNOR ACTUATOR
(LSG ENGINE) 6--21....................
TO REPLACE GOVERNOR
ACTUATOR (LSG ENGINE) 6--21.....
TO ADJUST GOVERNOR
(LSG ENGINE) 6--22.................
GOVERNOR TROUBLESHOOTING
(LSG ENGINE) 6--23.................
GOVERNOR ACTUATOR
(LRG ENGINE) 6--26.................
TO REPLACE GOVERNOR
ACTUATOR (LRG ENGINE) 6--26.....
IGNITION SYSTEM 6--28..................
SPARK PLUGS 6--28...................
TO REPLACE SPARK PLUGS 6--28......
ENGINE IGNITION TIMING 6--28........
CYLINDER HEAD 6--28....................
VALVE TAPPET CLEARANCE 6--28......
ENGINE ELECTRICAL SYSTEM 6--29.......
TO REPLACE ENGINE STARTER 6--29...
TO REPLACE ENGINE STARTER
WITH AIR CONDITIONING 6--30......
TO REPLACE ENGINE
ALTERNATOR 6--31.................
TO REPLACE ENGINE ALTERNATOR
WITH AIR CONDITIONING 6--32......
GAS ENGINE SERVICE MANUALS
FORD LSG--423 (2.3 Litre)
TENNANT Part Number 61875
FORD LRG--423 (2.3 Litre)
TENNANT Part Number 21791
FORD LRG--425 (2.5 Litre)
TENNANT Part Number 385439

ENGINE--G/LPG
6--2 800/810 MM337 (8--97)

ENGINE--G/LPG
6--3
800/810 MM337 (8--97)
FORD 2.3 LITER ENGINE
The Ford 2.3 liter engine in the early model
800/810 G/LP machines has a LSG--423
designation. Later model 800/810 G/LP machines
use a Ford 2.3 liter engine with a LRG--423
designation.
The easiest way to distinguish which engine your
machine is equipped with is the LSG--423 has a
distributor and distributor cap. The LRG--423 does
not have a distributor or distributor cap, instead,
the spark plug wires are attached to a ignition coil
module.
LSG
engine
LRG
engine

ENGINE--G/LPG
6--4 800/810 MM337 (8--97)
TO REMOVE ENGINE
FOR SAFETY: Before Leaving Or Servicing
Machine; Stop On Level Surface, Set Parking
Brake., Turn Off Machine And Remove Key.
1. Remove the engine cover and side door.
2. Remove the battery cables from the battery.
3. Drain the fluid from the radiator.
4. Drain the engine oil.
5. Remove the air cleaner assembly.
6. Remove the radiator hoses from the engine.
7. Disconnect the exhaust pipe at the engine
manifold.
8. Disconnect the wire harness from all of the
engine components and position it out of the
way.
9. Disconnect the engine ground strap from the
machine frame.
10. Disconnect the fuel line from the tank at the
fuel pump on a gas machine. On LPG
machine, disconnect the line from the LP
tank at the fuel lock off / vaporizer.
11. Remove the two M12 hex screws holding
the propel pump to the flywheel housing.
12. Pull the propel pump out of the flywheel
coupling.
13. Using overhead hoist, hook a chain through
the two pick-up points on top of the engine.
Apply a slight amount of tension on the
chain.
14. Remove the two M12 hex screws from the
front motor mounts. These are the vertical
ones coming through the rubber isolators.
15. Remove the two M10 hex screws from the
rear motor mount. These are the horizontal
ones holding the motor mount bracket to the
back of the bellhousing plate.
16. The engine can now be carefully lifted out.
NOTE: Be sure to disconnect engine oil drain
hose from oil pan before lifting engine completely
out of machine.
Early Design
Later Design
(LSG)
Current Design
(LRG)

ENGINE--G/LPG
6--5
800/810 MM337 (8--97)
TO INSTALL ENGINE
FOR SAFETY: Before Leaving Or Servicing
Machine; Stop On Level Surface, Set Parking
Brake., Turn Off Machine And Remove Key.
1. Using an overhead hoist, hook a chain
through the two pick-up points on the top of
the engine. Position the engine into engine
compartment.
2. Carefully lower the engine assembly down
on the motor mounts.
NOTE: Make sure the hoses, wire harness,
exhaust pipe and propel pump are pulled back out
of the way when lowering engine assembly in
place.
3. Reinstall the two M12 hex screws in the
front motor mounts. Tighten to 64 -- 83 Nm
(47 -- 61 ft lb).
4. Reinstall the rear motor mount on the
bellhousing plate using two M10 hex screws.
Tighten to 37 -- 48 Nm (26 -- 34 ft lb).
5. Reinstall the propel pump back in the
bellhousing. Reuse the M12 hex screws.
Tighten to 64 -- 83 Nm (47 -- 61 ft lb).
NOTE: Make sure the splines on pump line up
with splines in coupler when installing pump.
6. Reinstall the exhaust pipe back on the
manifold using the four M10 hex screws.
Tighten to 52 -- 67 Nm (39 -- 50 ft lb).
NOTE: Make sure the steel gasket is in place
when installing exhaust pipe.
7. Reconnect the fuel lines.
8. Reconnect the ground cable from the
bellhousing to the machine frame.
Early Design
Later Design
(LSG)
Current Design
(LRG)
Gas

ENGINE--G/LPG
6--6 800/810 MM337 (8--97)
9. Reconnect the oil drain hose to oil pan and
fill the engine with the proper grade of
engine oil.
10. Reconnect the main wire harness to engine
components: alternator, starter, governor
actuator, oil switch, temperature sender,
distributor, and ignition module.
11. Reinstall the radiator hoses to engine and fill
the radiator with anti--freeze coolant.
12. Reinstall the air cleaner assembly.
13. Reconnect the battery cables.
14. Jack up the rear of the machine.
FOR SAFETY: Block machine tires before
jacking machine up. Jack machine up at
designated locations only. Block machine up
with jack stands
15. Start the engine. Check for leaks on the fuel
lines and hydraulic lines.
16. Reinstall the engine cover and side door.
Lower the machine and operate, checking
for proper operation.
LPG

ENGINE--G/LPG
6--7
800/810 MM337 (8--97)
TO CHANGE ENGINE TIMING BELT
FOR SAFETY: Before Leaving Or Servicing
Machine; Stop On Level Surface, Set Parking
Brake. Turn Off Machine And Remove Key.
1. Disconnect the battery cables from machine.
2. Open the engine cover and side door.
3. Remove the engine spark plugs.
NOTE: Make sure the timing pointer on the timing
belt cover is lined up with the ”O” mark on the
crank shaft damper before removing the timing
belt.
4. Loosen the engine alternator and remove
the V--belt.
NOTE: If the engine is equipped with a smaller
top timing belt cover; it needs to be removed
before the larger timing belt cover can be
removed
5. Remove the three M6 hex screws and nyloc
nuts holding the smaller top cover to the
engine. Remove and retain the smaller
cover.
6. Remove the crankshaft damper pulley.
7. Pull the belt guide off the end of the
crankshaft where the damper was removed.
8. Remove the five hex screws holding the
large timing belt cover to the engine.
Remove and retain the large cover.
NOTE: The tension on the timing belt needs to be
released before the belt can be removed.
9. Loosen the belt tensioner adjustment screw
and release the tension on the timing belt.
Once the tension is released, re--tighten the
tensioner adjustment screw.
NOTE: A special tension release tool is available
from FORD. The part number is T74P--6254--A. A
small pry bar may be used in place of this tool.
LSG engine
LRG engine
LSG engine
LSG engine

ENGINE--G/LPG
6--8 800/810 MM337 (8--97)
10. Remove the old timing belt from the engine.
11. Before installing a new timing belt, make
sure the camshaft sprocket timing mark lines
up with the timing pointer on the engine.
12. (LSG only) Remove the distributor cap and
set the distributor rotor to number 1 firing
position by turning the auxiliary shaft
sprocket. Reinstall the distributor cap.
13. Install the new timing belt over the
crankshaft sprocket and then
counterclockwise over the the auxiliary and
camshaft sprockets. Align the belt fore and
aft on each sprocket.
14. Loosen the tensioner adjustment bolt to
allow the tensioner to move against the belt.
15. Rotate the crankshaft two complete turns in
normal rotation to remove the slack from the
belt.
16. Re--check the alignment of the timing marks.
17. Reinstall the belt guide and damper to the
crankshaft.
18. Reinstall the timing belt cover and the five
hex screws.
19. Reinstall the small, top cover on the timing
belt cover. Hand tighten the three M6 hex
screws and nyloc nuts.
20. Reinstall the spark plugs.
21. Reinstall the alternator V--belt, pull the
alternator to tension the belt, tighten the
alternator mount bolts.
22. Reconnect the battery cables. Start the
engine and check the timing. The timing
should be set at 10 degrees BTDC with the
engine at idle speed.
LSG engine
LRG engine
LRG engine

ENGINE--G/LPG
6--9
800/810 MM337 (8--97)
LUBRICATION
ENGINE
Check the engine oil level daily. Change the
engine oil and oil filter every 100 hours of machine
operation. Use 10W30 SAE--SG/SH rated engine
oil.
The engine oil drain is located on the left side of
the machine inside the main brush compartment.
Fill the engine with oil to the level indicated on the
oil dipstick. The engine oil capacity is 4.7 L (5 qt)
including the oil filter.
COOLING SYSTEM
Check the radiator coolant every 100 hours of
operation. Use clean water mixed with a
permanent-type, ethylene glycol antifreeze to a
-- 3 4 _C(--30_F) rating.
FOR SAFETY: When Servicing Machine, Avoid
Contact With Hot Engine Coolant.
ATTENTION! Never pour cold water or cold
antifreeze into the radiator of an overheated
engine. Allow the engine to cool down to
avoid cracking the cylinder head or block.
Keep the engine running while adding water.
08448
08432

ENGINE--G/LPG
6--10 800/810 MM337 (8--97)
Clean the radiator screen every 100 hours of
operation.
Check the radiator hoses and clamps every
200 hours of operation. Tighten the clamps if they
are loose. Replace the hoses and clamps if the
hoses are cracked, harden, or swollen.
Check the radiator core exterior and hydraulic
cooler fins for debris every 100 hours of
operation. Blow or rinse all dust, which may have
collected on the radiator, in through the grille and
radiator fins, opposite the direction of normal air
flow. The grille and hydraulic cooler open for
easier cleaning. Be careful not to bend the cooling
fins when cleaning. Clean thoroughly to prevent
the fins becoming encrusted with dust. Clean the
radiator and cooler only after the radiator has
cooled to avoid cracking.
FOR SAFETY: When Servicing Machine, Wear
Eye And Ear Protection When Using
Pressurized Air Or Water.
Flush the radiator and the cooling system every
400 hours of operation, using a dependable
cleaning compound.
ENGINE BELT
The engine fan belt is driven by the engine
crankshaft pulley and drives the alternator pulley.
Proper belt tension is 9 to 10 mm (0.35 to
0.39 in) for a new belt and 10 to 11 mm (0.39
to 0.43 in) for a used belt with a force of
10 kg (22 lb).
Check and adjust the belt tension every 100 hours
of operation.
08582
08454
08486

ENGINE--G/LPG
6--11
800/810 MM337 (8--97)
AIR INTAKE SYSTEM
AIR FILTER INDICATOR
The air filter indicator shows when to clean or
replace the air filter element. Check the indicator
daily. The indicator’s red line will move as the air
filter element fills with dirt. Do not clean or replace
the air filter element until the red line reaches
5kPa(20inH
2O) and the ”SERVICE WHEN
RED” window is filled with red. The indicator’s red
line may return to a lower reading on the scale
when the engine shuts off. The red line will return
to a correct reading after the engine runs for a
while.
Reset the air filter indicator by pushing the reset
button on the end of the indicator after cleaning or
replacing the air filter element.
AIR FILTER
The engine air filter housing has a dust cap and a
dry cartridge-type air filter element. Empty the
dust cap daily. The air filter must be replaced
whenever the filter element is damaged or has
been cleaned three times.
Service the air filter element only when the air
filter indicator shows restriction in the air intake
system. Do not remove the air filter element from
the housing unless it is restricting air flow.
08447
08455

ENGINE--G/LPG
6--12 800/810 MM337 (8--97)
TO REPLACE AIR FILTER ELEMENT
1. Stop the engine and set the machine parking
brake.
FOR SAFETY: Before Leaving Or Servicing
Machine: Stop On Level Surface, Set The
Parking Brake, Turn Off Machine And Remove
Key.
2. Open the left side and top engine access
doors.
3. Unscrew the clamp ring on the filter.
4. Remove the dust cap.
5. Empty the dust cap.
6. Remove the filter wing nut.
7. Gently pull the filter element out of the filter
housing.
8. Clean the interior of the air cleaner housing
with a camp cloth. Clean the element
housing sealing surfaces.
9. Using an air hose, direct dry, clean air
maximum 205 kPa (30 psi) up and down
pleats on the inside of the filter. Do not rap,
tap, or pound dust out of the element.
FOR SAFETY: When Servicing Machine, Wear
Eye And Ear Protection When Using
Pressurized Air Or Water.
10. After cleaning the air filter element, inspect it
for damage by placing a bright light inside.
The slightest rupture requires replacement
of the filter. Clean and inspect the seals on
the ends of the element. They should be
unbroken and flexible. Remember to replace
the element after cleaning it three times.
11. Install the new or cleaned filter element so
the fins on the element are at the intake end
of the air cleaner. Be careful not to damage
the fins. Make sure the element is seating
evenly. Tighten the element wing nut.
12. Install the dust cap with the arrows pointing
up. Tighten the clamp ring to hold it in place.
Check all intake hose connections for leaks
or abrasions.
13. Reset the air filter restriction indicator.
14. Close the access doors.
02492

ENGINE--G/LPG
6--13
800/810 MM337 (8--97)
FUEL SYSTEM -- GASOLINE
FUEL FILTERS
The fuel filter traps fuel contaminants. The filter is
located on the fuel line going into the carburetor.
Replace the filter elements every 400 hours of
operation.
CARBURETOR
The carburetor has two basic adjustments. Those
adjustments are idle fuel mixture and idle speed.
Check and adjust idle fuel mixture and idle speed
every 100 hours of operation.
FOR SAFETY: When Servicing Machine, Keep
Flames And Sparks Away From Fuel System
Service Area. Keep Area Well Ventilated.
The idle speed is controlled by a screw located on
the side of the carburetor next to the throttle
linkage. Increase the engine speed by turning the
screw clockwise. Decrease the engine speed by
turning the screw counter-clockwise. Proper idle
speed is 950 + 50 rpm with all accessories off.
LSG engine
LRG engine
LSG engine
LRG engine

ENGINE--G/LPG
6--14 800/810 MM337 (8--97)
FUEL SYSTEM -- LPG
The liquid withdrawal LPG fuel system has up of
five components: the LPG fuel tank, pressure
relief valve, fuel filter lock, vaporizer-regulator,
and the carburetor.
Liquid LPG fuel flows from the LPG tank under its
own pressure, to the pressure relief valve. Usually
this valve is closed, preventing LPG fuel from
escaping into the atmosphere. The valve opens to
relieve pressure if the fuel pressure exceeds
system limits. From the pressure relief valve, the
liquid LPG fuel flows to the fuel filter lock.
The fuel filter lock filters unwanted tank scale and
deposits out of the LPG fuel. The fuel filter lock
also stops the flow of LPG fuel when the engine is
not operating. The filter fuel lock allows LP fuel to
flow to the carburetor when engine vacuum is
sensed.
The vaporizer section of the vaporizer-regulator
converts the liquid LPG fuel into a gaseous LPG
fuel. From the vaporizer section, the gaseous
LPG fuel is sent to the primary regulator section
of the vaporizer-regulator. The primary regulator
section reduces the pressure of the LPG fuel. The
secondary regulator section reduces the LPG fuel
pressure to the level required by the carburetor.
From the vaporizer-regulator, the LPG fuel is sent
to the carburetor where it is finally metered into
the air flow sent to the engine combustion
chamber.
Never operate an LPG powered machine if the
LPG fuel system is leaking, or if any component in
the fuel system is malfunctioning. Operating the
machine under either of these conditions may
cause a fire or explosion.
Check for frosting. If frosting occurs on or near
any LPG component, there is a possible LPG fuel
leak or malfunctioning component.
LSG
engine
LSG
engine
LSG
engine
LRG
engine

ENGINE--G/LPG
6--15
800/810 MM337 (8--97)
To locate the leak, apply a soapy water solution to
the suspected area. Watch for bubbles forming in
this suspected area. This area may have an LPG
fuel leak. Repair or replace the part. Use Loctite
brand Stainless Steel PST thread sealant when
reassembling. Aging or high humidity does not
affect this epoxy-type sealant. Be sure to follow
application directions and apply proper torque
when reconnecting fittings. Never bypass safety
components except to test. If they are defective,
replace them before operating the machine.
Frosting does not occur before the engine
reaches operating temperature. Check after
engine reaches operating temperature.
Check routings of all LPG hoses. Keep them
away from sharp edges, exhaust manifolds, or
other hot surfaces. Check for signs of abrasion or
deterioration. Replace worn or damaged hoses.
LRG
engine
LRG
engine

ENGINE--G/LPG
6--16 800/810 MM337 (8--97)
LPG FUEL TANK
The LPG fuel tank should be inspected for sharp
dents, gouges, leaks, and broken protecting rings
whenever the tanks are refilled. All tank valves
must be inspected for leaks using a soap solution.
Valves must also be checked for dirt, paint, or
other debris in the valve openings. The following
specific checks must also be made:
Filler Valve -- Check the valve for proper
functioning and the presence of the
handwheel. Valve must be closed except
during filling.
Liquid Service Valves -- Check the valve
for proper functioning and presence of the
handwheel. The valve must be closed
except when in service.
Tank Service Valve Coupling -- Check for
proper functioning, thread condition, and
damaged or missing washers or o-rings.
03485
03485
03485

ENGINE--G/LPG
6--17
800/810 MM337 (8--97)
Safety Relief Valve -- Check for damage.
Check for the presence of the relief valve
elbow and the proper direction of the elbow.
If the rain cap is missing, check for foreign
matter and replace the rain cap. Do not
tamper with the relief valve setting.
Magnetic Liquid Level Gauge -- Check the
operation against the maximum filling point
as determined by weight.
An LPG fuel tank with any of the stated defects
must be removed from service and be repaired or
destroyed accordingly.
If an LPG fuel tank is damaged or leaking, it
should be removed to a designated safe area. Do
not attempt to make repairs to the tank,
regardless of condition. Qualified personnel must
make repairs or disposal.
The care an LPG fuel tank receives has a direct
bearing on how long that tank can be used safely.
LPG fuel tanks must not be dropped or dragged
across any surface. To move LPG fuel tanks, use
a hand truck or roll the tank on its foot ring while it
is being held in a position slightly off the vertical.
Whether the storage is inside or outside, fuel
tanks should not be stored near combustible
materials or high temperature sources such as
ovens and furnaces, since the heat may raise the
pressure of the fuel to a point where the safety
relief valves would function. Store the tanks in a
way that if the safety relief valves do function,
they will relieve vapor and not liquid.
Valves on empty tanks must be closed during
storage and transportation.
Similar precautions should be taken in storing
machines fitted with LPG fuel tanks. The
machines may be stored or serviced inside
buildings, provided there are no leaks in the fuel
system and the tanks are not overfilled. While
machines are being repaired inside a building, the
shut-off valve on the tank must be closed, except
when the engine has to be operated.
Changing the tank is a chance for the machine
operator to carefully check over the tank, fittings,
and the fuel lines and fittings. If abnormal wear is
detected, report the findings to the appropriate
personnel.
03485
03485

ENGINE--G/LPG
6--18 800/810 MM337 (8--97)
TO CHANGE LPG FUEL TANK
FOR SAFETY: Before Leaving Or Servicing
Machine; Stop On Level Surface, Set Parking
Brake., Turn Off Machine And Remove Key.
1. Park the machine in a designated safe area.
2. Close the tank service valve.
3. Operate the engine until it stops from lack of
fuel, then set the machine parking brake.
4. Put on gloves and remove the
quick-disconnect tank coupling.
5. Inspect the LPG fuel lines for wear or
damage.
6. Remove the empty LPG fuel tank from the
machine.
7. Check the tank for damage or wear.
8. Store the tank in a designated, safe area.
9. Select a filled LPG fuel tank and inspect it
for damage or leaks.
NOTE: Make sure the LPG fuel tank matches the
fuel system (liquid tank with liquid system).
10. Carefully put the LPG tank in the machine
so that the tank centering pin enters the
aligning hole in the tank collar.
NOTE: If you cannot line up the centering pin,
make sure you have the correct LPG fuel tank
and then adjust the pin locator in or out.
11. Fasten the tank hold-down clamp to lock the
tank in position.
12. Connect the LPG fuel line to the tank service
coupling. Make sure the service coupling is
clean and free of damage. Also make sure it
matches the machine service coupling.
13. Open the tank service valve slowly and
check for leaks. Close the service valve
immediately if an LPG leak is found, and tell
the appropriate personnel.
14. If no leaks are found, the engine is ready to
start.
03485
03485

ENGINE--G/LPG
6--19
800/810 MM337 (8--97)
FUEL FILTER LOCK
The fuel filter lock filters the LPG fuel. It also
stops the flow of LPG fuel to the engine when the
engine is not operating or when the engine
vacuum drops to zero.
VAPORIZER-REGULATOR
If any malfunction is found, completely
disassemble the vaporizer-regulator. Clean all the
parts in alcohol.
Inspect all the parts and replace where needed.
Carefully reassemble the vaporizer-regulator with
the seal repair kit. Check for proper operation.
CARBURETOR
If any malfunction is found, completely
disassemble the carburetor. Clean all the parts in
alcohol.
Inspect all the parts and replace where needed.
Carefully reassemble the carburetor with the seal
repair kit.
LSG engine
LRG engine

ENGINE--G/LPG
6--20 800/810 MM337 (8--97)
OIL PRESSURE SWITCH
The engine oil pressure switch requires no regular
maintenance. Never bypass the oil pressure
switch. The switch is a safety feature that
prevents the engine from starting until there is oil
pressure. The switch will also shut the engine off
if there is a loss of oil pressure.
LPG FUEL TROUBLESHOOTING
Problem Cause Remedy
Engine will not start Outoffuel Fill fuel tank
Service valve opened too quickly
-- check valve stopped fuel flow
Close service valve and reopen
slowly
Plugged fuel filter Replace filter
Kinked or restricted fuel line Straighten or replace fuel line
Engine out of tune Tune-up engine
Oil pressure switch failure Replace oil pressure switch
Fuel lock valve failure Repair or replace fuel filter lock
Vaporizer-regulator failure Repair or replace
vaporizer-regulator
Engine runs unevenly or lacks
power
Wrong type of fuel tank -- vapor
withdrawal tank
Replace vapor withdrawal tank
with liquid withdrawal tank
Plugged fuel filter Replace filter
Kinked or restricted fuel line Straighten or replace fuel line
Engine out of tune Tune-up engine
Restricted air filter Clean or replace air filter element
Vaporizer-regulator out of
adjustment
Adjust vaporizer-regulator

ENGINE--G/LPG
6--21
800/810 MM337 (8--97)
GOVERNOR ACTUATOR (LSG ENGINE)
The electronic governor controls the engine
speed. The governor consists of an ignition
control assembly, a control box, and an actuator
mounted to the carburetor. The ignition control
assembly and control box regulate the actuator,
which in turn controls the throttle.
The electronic governor is factory set and is not
user serviceable.
TO REPLACE GOVERNOR ACTUATOR
(LSG ENGINE)
FOR SAFETY: Before Leaving Or Servicing
Machine; Stop On Level Surface, Set Parking
Brake., Turn Off Machine And Remove Key.
1. Stop the engine and set the machine parking
brake.
2. Open the engine cover and side door.
3. Disconnect the battery cables.
WARNING:Always disconnect battery
cables from machine before working
on electrical components.
4. Disconnect the two wires leading to the top
of the governor actuator.
5. Pop the rod end of the throttle rod off the
ball on the actuator arm.
6. Remove the four screws and nuts holding
the actuator to the mount bracket.
7. Remove the arm from the actuator shaft and
install it on the new actuator in the same
orientation.
8. Position the new actuator on the mount
bracket and install the four screws and nuts.
Tighten to 9 -- 13 Nm (7 -- 10 ft lb).
9. Snap the throttle rod onto the ball on the
actuator arm.
10. Reconnect the two wires on top of the
actuator. Reconnect the battery cables.
11. Start the machine and check the new
actuator for proper operation. See TO
ADJUST GOVERNOR instructions.

ENGINE--G/LPG
6--22 800/810 MM337 (8--97)
TO ADJUST GOVERNOR (LSG ENGINE)
FOR SAFETY: Before Leaving Or Servicing
Machine: Stop On Level Surface, Set The
Parking Brake.
1. Raise the rear of the machine until the drive
wheel is off the floor.
FOR SAFETY: Block machine tires before
jacking machine up. Jack machine up at
designated locations only. Block machine up
with jack stands.
2. Start the engine and warm to operating
temperature.
3. Move the speed switch to idle, all
accessories off.
4. Move speed switch to fast position.
5. If more than three engine speed surges
occur, turn the surge adjustment screw
(located on back of governor control box
under hole plug) counterclockwise
one-eighth of a turn.
6. Repeat this procedure until less than three
engine surges occur.
7. Replace the hole plug if removed for
adjustment.

ENGINE--G/LPG
6--23
800/810 MM337 (8--97)
GOVERNOR TROUBLESHOOTING
(LSG ENGINE)
1. The first step in this troubleshooting is to
disconnect the throttle linkage at the
carburetor and work the throttle at the
carburetor by hand.
If you can run the engine by hand and it
works with no problems, go to step two.
If the problem continues, it is not with the
governor, it is with the ignition signal, fuel
systems or the engine itself.
2. The idle speed is the governor position. This
is 1100 -- 1500 RPM and is controlled by the
governor, NOT THE IDLE STOP SCREW
ON THE CARBURETOR! In order to adjust
the idle mixture and (SHUTOFF SPEED) on
the carburetor,either of the wires on the
actuator box must be disconnected. After
warming up the engine, adjust the shutoff
speed to 850 ¦25 RPM and adjust the idle
mixture for optimum idle quality. After doing
this, shut off the engine and reattach the
wires to the actuator. It is important that the
shutoff speed not be set any higher than 900
RPM or the engine will (diesel) when it is
shut off. Again, the idle speed screw on the
carburetor does not control the start/idle
speed of a correctly setup engine.
3. Fuel System
A common problem that has been
encountered on LPG machines is a
restricted fuel hose (a clogged fuel filter can
have the same effect).
If the governor opens the carburetor wide
open and the engine loses speed, the
problem is not in the governor. The fuel
system is at fault. The purpose of the
governor is to open the carburetor and to
bring the engine to set RPM’s depending on
where you have the speed control switch set
at.

ENGINE--G/LPG
6--24 800/810 MM337 (8--97)
4. System Grounds
The wire harness grounds are routed to the
stud on the alternator, and from there, a
separate cable is routed to the bolt on the
bell housing where the battery cable is
attached.
If a bad ground is present, the engine will
tend to run over speed.
The machine must have good grounds
throughout from the battery cable to the
control box.
The battery cable must be clean and tight.
The actuator is internally isolated and does
not require that the cable be grounded.
5. Start-Up Check
With the throttle switch in the engine start
position, turn the ignition switch to the on
position. The actuator should cycle the
carburetor lever once.
NOTE: A cycle is to move from the off or idle
position to the open position and then return to
the off or idle position.
If this does not happen, the power wiring to
the control box is probably at fault or the
control box is faulty. IT IS RARE TO HAVE
A FAULTY CONTROL BOX, so proceed
with the following voltage checks BEFORE
REPLACING IT.
6. Throttle Control Switch Check
If the engine doesn’t respond to the throttle
switch control:
a. With the engine running, disconnect
Wire 86, purple wire, at the actuator.
b. Connect a jumper wire from the battery
terminal on the starter to the terminal
where you removed Wire 86, purple
wire, from the actuator.

ENGINE--G/LPG
6--25
800/810 MM337 (8--97)
The engine should come up to operating speed.
If the engine comes up to speed, replace the
throttle control switch.
a. Hunts at running speed with the
accessories off.
b. Responds very sluggishly to switch
changes, an adjustment change in the
control box may be necessary.
Cut and remove the RTV seal on the back of
the box.
A slight adjustment of the sensitivity screw
may be necessary to correct the conditions
mentioned above. Turn the screw
approximately 2_at a time and wait for 30
seconds to verify the change. Be careful.
Only a slight change is necessary, and the
“pot” can be broken if too much force is
used.
After the control throttle response is
achieved, verify that the operating speeds
are correct and adjust, if necessary. After
the speeds are reset, the sensitivity screw
may have to be readjusted.
In general, if a new box is being installed, a
gasoline-equipped machine may require that
the sensitivity be reduced slightly.
When the sensitivity is adjusted, the run
speed should not be affected. If the
adjustment is too great, the start speed will
be affected. Verify that the start speed is
correct.
If too much sensitivity is adjusted in, the
engine will either hunt in a no load condition
or over speed severely when the speed
switch is actuated.
The engine speed should not drop off, but
you can have the three hunts of the engine.
If, for some reason, the sensitivity
adjustment became grossly maladjusted, a
good starting point can be obtained by
rotating the pot fully counterclockwise and
then back clockwise 45_.
After the adjustments are made and verified,
reassemble the back plate and reseat the plate
with a bead of RTV to keep dust and moisture out
of the box.

ENGINE--G/LPG
6--26 800/810 MM337 (8--97)
GOVERNOR ACTUATOR (LRG ENGINE)
The governor actuator on the LRG engine is
smaller than on the LSG engine. The throttle rod
has been eliminated on this new actuator. The
unit is bolted directly to the carb base.
TO REPLACE GOVERNOR ACTUATOR
(LRG ENGINE)
FOR SAFETY: Before Leaving Or Servicing
Machine; Stop On Level Surface, Set Parking
Brake., Turn Off Machine And Remove Key.
1. Stop the engine and set the machine parking
brake.
2. Open the engine cover and side door.
3. Unplug the governor actuator from the
electrical harness.
4. Remove and retain the cap screw holding
the wire clamp to the actuator mount
bracket.
5. Remove and retain the two cap screws
holding the mounting strap to the mount
bracket.
6. Carefully remove the actuator from the
mount bracket.
NOTE: When removing the actuator, slip the
slotted arm out from the shoulder bolt on the arm
of the carburetor.
7. Remove the arm from the old actuator and
install on the new actuator in the same
orientation.
8. Install the new actuator by sliding the slotted
arm under the shoulder bolt on the
carburetor arm and fitting the actuator in the
matching radius of the mount bracket.
9. Loosely assemble the mount strap using the
two cap screws. Use a small amount of
loctite on the threads of cap screws. Do not
tighten at this time.

ENGINE--G/LPG
6--27
800/810 MM337 (8--97)
10. Rotate the actuator to just close the
carburetor butterfly against the idle stop
screw----hold this position.
11. Mark the side (away from the arm) of the
actuator at the mount bracket top edge with
a pencil. Further rotate the actuator in the
direction of closing the butterfly until the
pencil mark is above the bracket edge by
approximately .20 inches.
12. Visually check that the slotted arm is
centered on the length of the shoulder bolt
and that there is no interference between
the arms or shafts. Tighten the strap cap
screws.
13. Check the arm movement----there must be
no binding throughout the full stroke and
there must be a spring pre--load holding the
carburetor in its throttle closed position.
14. Install the wire clamp to the side of the
bracket making approximately a 1 inch loop
between the actuator and bracket. Tighten
the cap screw.
15. Start the machine and check for proper
operation.

ENGINE--G/LPG
6--28 800/810 MM337 (8--97)
IGNITION SYSTEM
SPARK PLUGS
Clean or replace, and set the gap of the spark
plugs every 400 hours of operation. A wire gauge
is best for checking the spark plug gap. A flat
gauge should not be used unless the electrode
surfaces have been dressed with a small file to
get parallel surfaces between the center and side
electrode. Set the spark plug gap by bending the
side electrode. All spark plugs, new or used,
should have the gaps checked and reset if
necessary.
The proper spark plug gap is 1 mm (0.040 in).
TO REPLACE SPARK PLUGS
FOR SAFETY: Before Leaving Or Servicing
Machine; Stop On Level Surface, Set Parking
Brake., Turn Off Machine And Remove Key.
1. Clean the spark plug seat in the cylinder
head.
2. Use a new seat gasket and screw the plug
in by hand.
3. Tighten the spark plugs with a socket
wrench of the correct size.
ENGINE IGNITION TIMING
The engine timing should be set at 10BTDC with
the throttle is in the idle position.
CYLINDER HEAD
A three-stage torque procedure should be used
when reassembling the cylinder head. Tighten the
cylinder head bolts seasonally. See Ford
LRG--423, 2.3 Engine Service Manual at the end
of this section.
VALVE TAPPET CLEARANCE
The valve tappet clearance must be checked and
adjusted if necessary every 400 hours of
operation. See Ford LRG--423, 2.3 Engine
Service Manual at the end of this section.
Clean the crankcase ventilation hoses, tubes, and
fittings and replace the PCV valve every
400 hours of operation.
01471

ENGINE--G/LPG
6--29
800/810 MM337 (8--97)
ENGINE ELECTRICAL SYSTEM
TO REPLACE ENGINE STARTER
FOR SAFETY: Before Leaving Or Servicing
Machine; Stop On Level Surface, Set Parking
Brake., Turn Off Machine And Remove Key.
1. Open the engine cover and side door.
2. Disconnect battery cables from machine.
3. Remove the air cleaner assembly from the
engine.
WARNING:Always disconnect battery
cables from machine before working
on electrical components.
4. The engine starter can now be accessed
from the engine compartment. Reach over
the top of the engine and locate the starter.
NOTE: The panel in the operators compartment
can be removed for more access.
5. Remove the wires attached to the starter.
Label the wires to make sure they are
returned to the proper location in the
re--assembly procedure.
6. Remove the three M10 hex screws holding
the starter to the engine bellhousing.
Remove the starter from the machine.
7. Reverse the order of these steps to reinstall
a new or rebuilt starter. Tighten the M10 hex
screw to 37 -- 48 Nm (26--34 ft lb).
8. Reinstall the air cleaner to the engine.
9. Reconnect the battery and start the
machine, checking for proper starter
operation.

ENGINE--G/LPG
6--30 800/810 MM337 (8--97)
TO REPLACE ENGINE STARTER WITH AIR
CONDITIONING
FOR SAFETY: Before Leaving Or Servicing
Machine; Stop On Level Surface, Set Parking
Brake., Turn Off Machine And Remove Key.
1. Open the engine cover and side door.
2. Disconnect battery cables from machine.
WARNING:Always disconnect battery
cables from machine before working
on electrical components.
3. Remove the two nuts holding the air box
cover to the air conditioning air box. Remove
the air box cover from the machine.
4. Remove the four acorn nuts holding the
plastic fan duct assembly to the side panel
of the machine. Remove the fan duct from
the machine. This fan duct is accessed from
the operators compartment.
5. Remove the nuts holding the air conditioning
evaporator assembly to the side panel of the
machine. This air conditioning condenser
assembly is accessed from the operator
compartment. Pull the air conditioning
condenser assembly as far as possible into
the operators compartment.
6. The engine starter can now be accessed
from the engine compartment. Reach over
the top of the engine and locate the starter.
7. Remove the wires attached to the starter.
Label the wires to make sure they are
returned to the proper location in the
re--assembly procedure.
8. Remove the three M10 hex screws holding
the starter to the engine bellhousing.
Remove the starter from the machine.
9. Reverse the order of these steps to reinstall
a new or rebuilt starter. Tighten the M10 hex
screw to 37 -- 48 Nm (26--34 ft lb).
10. Reinstall the air conditioning condenser
assembly and the plastic fan duct assembly
to the machine side panel.
11. Reconnect the battery and start the
machine, checking for proper starter
operation.

ENGINE--G/LPG
6--31
800/810 MM337 (8--97)
TO REPLACE ENGINE ALTERNATOR
FOR SAFETY: Before Leaving Or Servicing
Machine; Stop On Level Surface, Set Parking
Brake., Turn Off Machine And Remove Key.
1. Open the engine cover and side door.
2. Disconnect battery cables from machine.
WARNING:Always disconnect battery
cables from machine before working on
electrical components.
3. The engine alternator can be accessed from
the engine compartment. Loosen the M8
hex screw on the top bracket of the
alternator.
4. Loosen the M10 hex screw and nyloc nut
holding the alternator to the bottom
mounting bracket. Pivot the alternator in and
remove the V--belt.
WARNING:Always disconnect battery
cables from machine before working on
electrical components.
5. Remove the wires attached to the alternator.
Label the wires to make sure they are
returned to the proper location in the
re--assembly procedure.
6. Remove the M10 hex screw and nyloc nut
holding the alternator to the bottom
mounting bracket. Remove the alternator
from the machine.
7. Reverse the order of these steps to reinstall
a new or rebuilt alternator. Tighten the M8
hex screw to 18 -- 24 Nm (15--20 ft lb).
Tighten the M10 hex screw to 37 -- 48 Nm
(26--34 ft lb).
8. Reconnect the battery and start the
machine, checking for proper alternator
operation.
LSG engine
LRG engine
LSG engine
LRG engine

ENGINE--G/LPG
6--32 800/810 MM337 (8--97)
TO REPLACE ENGINE ALTERNATOR WITH
AIR CONDITIONING
FOR SAFETY: Before Leaving Or Servicing
Machine; Stop On Level Surface, Set Parking
Brake., Turn Off Machine And Remove Key.
1. Open the engine cover and side door.
2. Disconnect battery cables from machine.
WARNING:Always disconnect battery
cables from machine before working on
electrical components.
3. The engine alternator can be accessed from
the engine compartment.
4. Loosen the M10 hex screw and nyloc nut
holding the alternator to the bottom
mounting bracket. Pivot the alternator in and
remove the V--belt.
WARNING:Always disconnect battery
cables from machine before working on
electrical components.
5. Remove the wires attached to the alternator.
Label the wires to make sure they are
returned to the proper location in the
re--assembly procedure.
6. Remove the M10 hex screw and nyloc nut
holding the alternator to the bottom
mounting bracket. Remove the alternator
from the machine.
7. Reverse the order of these steps to reinstall
a new or rebuilt alternator. Tighten the M8
hex screw to 18 -- 24 Nm (15--20 ft lb).
Tighten the M10 hex screw to 37 -- 48 Nm
(26--34 ft lb).
8. Reconnect the battery and start the
machine, checking for proper alternator
operation.

ENGINE--D--PERKINS 200 SERIES
7--1
800/810 MM337 (6--01)
CONTENTS
Page
PERKINS 200 SERIES ENGINE 7--3........
TO REMOVE ENGINE 7--4..............
TO INSTALL ENGINE 7--5...............
LUBRICATION 7--7........................
COOLING SYSTEM 7--7...................
AIR INTAKE SYSTEM 7--9.................
AIR FILTER INDICATOR 7--9............
AIR FILTER 7--9.......................
TO REPLACE AIR FILTER
ELEMENT 7--10.....................
FUEL SYSTEM (early machines) 7--11......
FUEL FILTER/WATER SEPARATOR
(early machines) 7--11................
TO REPLACE FILTER/WATER
SEPARATOR CARTRIDGE
(early machines) 7--11.............
FUEL LINES (early machines) 7--12......
IN--LINE FUEL PUMP
(early machines) 7--12................
FUEL SYSTEM (later machines) 7--13.......
FUEL FILTER/WATER SEPARATOR
(later machines) 7--13................
TO REPLACE FILTER/WATER
SEPARATOR CARTRIDGE
(later machines) 7--13.............
FUEL LINES (later machines) 7--14......
IN--LINE FUEL PUMP
(later machines) 7--14................
ENGINE MOUNTED FUEL FILTER 7--15.....
TO REPLACE ENGINE MOUNTED
FUEL FILTER CARTRIDGE 7--15......
PRIMING FUEL SYSTEM 7--16.............
TO PRIME FUEL SYSTEM
(early machines) 7--16................
TO PRIME FUEL SYSTEM
(later machines) 7--16................
ENGINE ELECTRICAL SYSTEM 7--17.......
TO REPLACE ENGINE STARTER 7--17...
TO REPLACE ENGINE STARTER
WITH AIR CONDITIONING 7--18......
TO REPLACE ENGINE
ALTERNATOR 7--19.................
TO REPLACE ENGINE ALTERNATOR
WITH AIR CONDITIONING 7--20.....
ENGINE FAN BELT 7--21..................
DIESEL ENGINE SERVICE MANUALS
PERKINS 200 Series
TENNANT Part Number 61838
PERKINS 700 Series
TENNANT Part Number 380503

ENGINE--D--PERKINS 200 SERIES
7--2 800/810 MM337 (8--97)

ENGINE--D--PERKINS 200 SERIES
7--3
800/810 MM337 (8--97)
PERKINS 200 SERIES ENGINE
To verify that your machine is equipped with a
Perkins 200 Series engine----check the tag on the
front right corner of the engine valve cover. The
200 Series engine will have the numbers 204--25.

ENGINE--D--PERKINS 200 SERIES
7--4 800/810 MM337 (8--97)
TO REMOVE ENGINE
FOR SAFETY: Before Leaving Or Servicing
Machine; Stop On Level Surface, Set Parking
Brake., Turn Off Machine And Remove Key.
1. Remove the engine cover and side door.
2. Remove the battery cables from battery.
3. Drain the radiator coolant.
4. Drain the engine oil.
5. Remove the air cleaner assembly.
6. Remove the radiator hoses from the engine.
7. Disconnect the exhaust pipe at the engine
manifold.
8. Disconnect the wire harness from all engine
components and place it out of the way.
9. Disconnect the engine ground strap from the
machine frame.
10. Disconnect both the fuel lines and the return
line coming from the fuel tank at the fuel
filter.
11. Disconnect the throttle cable from the
engine.
12. Remove the two M12 hex screws holding
the propel pump to the flywheel housing.
13. Pull the propel pump out of flywheel
coupling.
14. Using overhead hoist, hook a chain through
the two pick-up points on the engine. Put a
slight amount of tension on the chain.
15. Remove the two M12 hex screws from front
motor mounts. (these are the vertical ones
coming through the rubber isolators.)
16. Remove the two M10 hex screws from rear
motor mount. (these are the horizontal ones
holding the mount bracket to the bellhousing
plate.)
17. The engine can now be carefully lifted out.
NOTE: Be sure to disconnect engine oil drain
hose from oil pan before lifting engine completely
out of machine.

ENGINE--D--PERKINS 200 SERIES
7--5
800/810 MM337 (8--97)
TO INSTALL ENGINE
FOR SAFETY: Before Leaving Or Servicing
Machine; Stop On Level Surface, Set Parking
Brake., Turn Off Machine And Remove Key.
1. Using an overhead hoist, hook a chain
through the two pick-up points on the top of
the engine. Position the engine into the
engine compartment.
2. Lower the engine assembly carefully down
on the motor mounts.
NOTE: Make sure the hoses, wire harness,
exhaust pipe and propel pump are pulled back out
of the way when lowering engine assembly into
place.
3. Reinstall the M12 hex screws into the front
motor mounts. Tighten to 64 -- 83 Nm
(47 -- 61 ft lb).
4. Reinstall the rear motor mount on the
bellhousing plate using the two M10 hex
screws. Tighten to 37 -- 48 Nm
(26 -- 34 ft lb).
5. Reinstall the propel pump back in the
bellhousing. Reuse the M12 hex screws.
Tighten to 64 -- 83 Nm (47 -- 61 ft lb).
NOTE: Make sure the splines on pump line up
with splines in coupler when installing pump.
6. Reinstall the exhaust pipe back on the
manifold using four M10 hex screws. Tighten
to 52 -- 67 Nm (39 -- 50 ft lb).
NOTE: Make sure steel gasket is in place when
installing exhaust pipe.
7. Reconnect the fuel lines.
8. Reconnect the throttle cable to the engine.
9. Reconnect the ground cable from the
bellhousing to the machine frame.

ENGINE--D--PERKINS 200 SERIES
7--6 800/810 MM337 (8--97)
10. Reconnect the oil drain hose to the oil pan
and fill the engine with the proper grade of
engine oil.
11. Reconnect the main wire harness to the
engine components, alternator, starter, oil
switch, and the temperature sender.
12. Reinstall the radiator hoses to engine and fill
the radiator with antifreeze coolant.
13. Reinstall the air cleaner assembly.
14. Reconnect the battery cables.
15. Jack up the rear of the machine.
FOR SAFETY: Block machine tires before
jacking machine up. Jack machine up at
designated locations only. Block machine up
with jack stands
16. Start the engine and check for fuel or
hydraulic oil leaks.
17. Reinstall the engine cover and side door.
Lower the machine and operate, checking
for proper operation.

ENGINE--D--PERKINS 200 SERIES
7--7
800/810 MM337 (8--97)
LUBRICATION
Check the engine oil level daily. Change the
engine oil and oil filter every 100 hours of machine
operation. Use 10W30 SAE--CC/CD rated engine
oil.
The engine oil drain is located on the left side of
the machine inside the main brush compartment.
Fill the engine with oil to the level indicated on the
oil dipstick. The engine oil capacity is 6 L (6.3 qt)
including the oil filter.
COOLING SYSTEM
Check the radiator coolant level every 100 hours
of operation. Use clean water mixed with a
permanent-type, ethylene glycol antifreeze to a
-- 3 4 _C(--30_F) rating.
FOR SAFETY: When Servicing Machine, Avoid
Contact With Hot Engine Coolant.
ATTENTION! Never pour cold water or cold
antifreeze into the radiator of an overheated
engine. Allow the engine to cool down to
avoid cracking the cylinder head or block.
Keep the engine running while adding water.
08431
08448
08432

ENGINE--D--PERKINS 200 SERIES
7--8 800/810 MM337 (8--97)
Clean the radiator screen every 100 hours of
operation.
Check the radiator hoses and clamps every
200 hours of operation. Tighten the clamps if they
are loose. Replace the hoses and clamps if the
hoses are cracked, harden, or swollen.
Check the radiator core exterior and hydraulic
cooler fins for debris every 100 hours of
operation. Blow or rinse all dust, which may have
collected on the radiator, in through the grille and
radiator fins, opposite the direction of normal air
flow. The grille and hydraulic cooler open for
easier cleaning. Be careful not to bend the cooling
fins when cleaning. Clean thoroughly to prevent
the fins becoming encrusted with dust. Clean the
radiator and cooler only after the radiator has
cooled to avoid cracking.
FOR SAFETY: When Servicing Machine, Wear
Eye And Ear Protection When Using
Pressurized Air Or Water.
Flush the radiator and the cooling system every
400 hours of operation, using a dependable
cleaning compound.
08582
08454

ENGINE--D--PERKINS 200 SERIES
7--9
800/810 MM337 (8--97)
AIR INTAKE SYSTEM
AIR FILTER INDICATOR
The air filter indicator shows when to clean or
replace the air filter element. Check the indicator
daily. The indicator’s red line will move as the air
filter element fills with dirt. Do not clean or replace
the air filter element until the red line reaches
5kPa(20inH
2O) and the ”SERVICE WHEN
RED” window is filled with red. The indicator’s red
line may return to a lower reading on the scale
when the engine shuts off. The red line will return
to a correct reading after the engine runs for a
while.
Reset the air filter indicator by pushing the reset
button on the end of the indicator after cleaning or
replacing the air filter element.
AIR FILTER
The engine air filter housing has a dust cap and a
dry cartridge-type air filter element. Empty the
dust cap daily. The air filter must be replaced
whenever the filter element is damaged or has
been cleaned three times.
Machines with the heavy duty air filter option have
a safety element. It is inside the standard
element. Replace, do not clean this element after
the regular element has been damaged or
cleaned three times.
Service the air filter element only when the air
filter indicator shows restriction in the air intake
system. Do not remove the air filter element
unless it is restricting air flow.
08447
08455

ENGINE--D--PERKINS 200 SERIES
7--10 800/810 MM337 (8--97)
TO REPLACE AIR FILTER ELEMENT
1. Stop the engine and set the machine parking
brake.
FOR SAFETY: Before Leaving Or Servicing
Machine; Stop On Level Surface, Set Parking
Brake, Turn Off Machine And Remove Key.
2. Open the left side and top engine access
doors.
3. Unscrew the clamp ring on the filter.
4. Remove the dust cap.
5. Empty the dust cap.
6. Remove the filter wing nut.
7. Gently pull the filter element out of the filter
housing.
8. Clean the interior of the air cleaner housing
with a damp cloth. Clean the element
housing sealing surfaces.
9. Using an air hose, direct dry, clean air
maximum 205 kPa (30 psi) up and down
pleats on the inside of the filter. Do not rap,
tap, or pound dust out of the element.
FOR SAFETY: When Servicing Machine, Wear
Eye And Ear Protection When Using
Pressurized Air Or Water.
10. After cleaning the air filter element, inspect it
for damage by placing a bright light inside.
The slightest rupture requires replacement
of the filter. Clean and inspect the seals on
the ends of the element. They should be
unbroken and flexible. Remember to replace
the element after cleaning it three times.
11. Install the new or cleaned filter element so
the fins on the element are at the intake end
of the air cleaner. Be careful not to damage
the fins. Make sure the element is seating
evenly. Tighten the element wing nut.
12. Install the dust cap with the arrows pointing
up. Tighten the clamp ring to hold it in place.
Check all intake hose connections for leaks
or abrasion.
13. Reset the air filter restriction indicator.
14. Close the access doors.
00051
00000
02492

ENGINE--D--PERKINS 200 SERIES
7--11
800/810 MM337 (8--97)
FUEL SYSTEM (early machines)
The diesel fuel system is made up of five basic
components which are: fuel tank, fuel filter, fuel
water trap filter, fuel pump, injection pump, and
injectors.
Fuel flows from the fuel tank through the fuel
water trap-filter. The water trap-filter separates
water and impurities from the fuel. From the fuel
water trap-filter, fuel is drawn through the electric
fuel pump and pumped to the engine mounted
fuel filter and then to the injection pump. The
injection pump pressurizes and sends fuel to the
injectors. The injectors atomize and inject proper
amounts of fuel into the combustion chamber at
the proper times. Excess fuel is returned to the
fuel tank through an overflow pipe.
FUEL FILTER/WATER SEPARATOR
(early machines)
The fuel filter/water separator separates water
and impurities from the fuel. It is located at the
back of the machine underneath and behind the
bumper. The bottom portion of the unit is the
water trap. The middle portion is the filter element.
Drain the water trap of water daily. To drain the
water trap, loosen the drain knob on the bottom of
the unit. First water, then diesel fuel will drain.
Tighten the drain knob when diesel fuel appears.
Replace the fuel filter element and clean the water
trap every 400 hours of operation.
TO REPLACE FILTER/WATER SEPARATOR
CARTRIDGE (early machines)
1. Stop the engine and set the machine parking
brake.
FOR SAFETY: Before Leaving Or Servicing
Machine; Stop On Level Surface, Set Parking
Brake, And Turn Off Machine.
2. Loosen the unit vent plug and open the
water trap drain to drain diesel fuel.
3. Remove the filter cartridge from the filter
head.
4. Lubricate the o-ring of the new filter
cartridge and spin it onto the filter head.
5. Bleed the fuel lines of air as described in TO
PRIME FUEL SYSTEM.

ENGINE--D--PERKINS 200 SERIES
7--12 800/810 MM337 (8--97)
FUEL LINES (early machines)
Check the fuel lines every 50 hours of operation.
If the clamp band is loose, apply oil to the screw
of the band, and securely tighten the band.
Made of rubber, the fuel lines become worn out
whether the engine has been used much or not.
Replace the fuel lines and clamp bands every two
years.
If the fuel lines and clamp bands are found worn
or damaged before two years’ time, replace or
repair them at once. Bleed the fuel system after
replacement of any of the fuel lines, see TO
PRIME THE FUEL SYSTEM. When the fuel lines
are not installed, plug both ends with clean cloth
or paper to prevent dirt from entering the lines.
Dirt in the lines can cause fuel injection pump
malfunction.
IN--LINE FUEL PUMP
(early machines)
The in--line fuel pump is used to pull fuel from the
tank, through the fuel/water separator and into the
engine mounted fuel filter. The in--line fuel pump is
electric and runs off the 12VDC battery of the
machine.

ENGINE--D--PERKINS 200 SERIES
7--13
800/810 MM337 (8--97)
FUEL SYSTEM (later machines)
The diesel fuel system is made up of five basic
components which are: fuel tank, fuel filter, fuel
water trap filter, fuel pump, injection pump, and
injectors.
Fuel flows from the fuel tank through the in--line
fuel pump, into the fuel water trap-filter, and then
to the engine mounted fuel filter. The water
trap-filter separates water and impurities from the
fuel. From the fuel water trap-filter, fuel is drawn
through the electric fuel pump and pumped to the
injection pump. The injection pump pressurizes
and sends fuel to the injectors. The injectors
atomize and inject proper amounts of fuel into the
combustion chamber at the proper times. Excess
fuel is returned to the fuel tank through an
overflow pipe.
FUEL FILTER/WATER SEPARATOR
(later machines)
The fuel filter/water separator separates water
and impurities from the fuel. It is located at the
back of the machine underneath and behind the
bumper. The bottom portion of the unit is the
water trap. The middle portion is the filter element.
Drain the water trap of water daily. To drain the
water trap, loosen the drain knob on the bottom of
the unit. First water, then diesel fuel will drain.
Tighten the drain knob when diesel fuel appears.
Replace the fuel filter element and clean the water
trap every 400 hours of operation.
TO REPLACE FILTER/WATER SEPARATOR
CARTRIDGE (later machines)
1. Stop the engine and set the machine parking
brake.
FOR SAFETY: Before Leaving Or Servicing
Machine; Stop On Level Surface, Set Parking
Brake, And Turn Off Machine.
2. Loosen the unit vent plug and open the
water trap drain to drain diesel fuel.
3. Remove the filter cartridge from the filter
head.
4. Lubricate the o-ring of the new filter
cartridge and spin it onto the filter head.
5. Bleed the fuel lines of air as described in TO
PRIME FUEL SYSTEM.

ENGINE--D--PERKINS 200 SERIES
7--14 800/810 MM337 (8--97)
FUEL LINES (later machines)
Check the fuel lines every 50 hours of operation.
If the clamp band is loose, apply oil to the screw
of the band, and securely tighten the band.
Portions of the fuel line system are made of
rubber The fuel lines may become worn out
whether the engine has been used much or not.
Replace the fuel lines and clamp bands every two
years.
If the fuel lines and clamp bands are found worn
or damaged before two years’ time, replace or
repair them at once. Bleed the fuel system after
replacement of any of the fuel lines, see TO
PRIME THE FUEL SYSTEM. When the fuel lines
are not installed, plug both ends with clean cloth
or paper to prevent dirt from entering the lines.
Dirt in the lines can cause fuel injection pump
malfunction.
IN--LINE FUEL PUMP
(later machines)
The in--line fuel pump is used to pull fuel from the
tank, through the in--line filter, and into the
fuel/water separator. The in--line fuel pump is
electric and runs off the 12VDC battery of the
machine.

ENGINE--D--PERKINS 200 SERIES
7--15
800/810 MM337 (8--97)
ENGINE MOUNTED FUEL FILTER
The Perkins 200 Series engine comes equipped
with a factory installed fuel filter. The engine
mounted filter has a replaceable cartridge.
TO REPLACE ENGINE MOUNTED FUEL
FILTER CARTRIDGE
1. Stop the engine and set the machine parking
brake.
FOR SAFETY: Before Leaving Or Servicing
Machine; Stop On Level Surface, Set Parking
Brake, And Turn Off Machine.
2. Loosen the unit vent plug and open the
water trap drain to drain diesel fuel.
3. Remove the filter cartridge from the filter
head.
4. Remove the water trap bowl from the filter
element.
5. Discard the old filter cartridge.
6. Lubricate the o-ring and spin the new filter
cartridge onto the filter base.
7. Bleed the fuel lines of air as described in TO
PRIME FUEL SYSTEM.

ENGINE--D--PERKINS 200 SERIES
7--16 800/810 MM337 (8--97)
PRIMING FUEL SYSTEM
Priming the fuel system removes pockets of air in
the fuel lines and fuel components. Air in the fuel
system will prevent smooth engine operation.
Prime the fuel system after running out of fuel,
changing fuel filter elements or repairing a fuel
system component.
TO PRIME FUEL SYSTEM (early machines)
FOR SAFETY: Before Leaving Or Servicing
Machine; Stop On Level Surface, Set Parking
Brake, And Turn Off Machine.
1. Stop the engine and set the machine parking
brake.
2. Fill the fuel tank.
3. Open the side and top engine access doors.
4. Open the air vent on top of the fuel filter
mounted on engine.
5. Start the engine, operate it for one minute,
then stop it; or operate the starter motor in
ten-second intervals until a steady stream of
fuel flows from the vent.
6. Close the air vent.
7. Close the access doors.
TO PRIME FUEL SYSTEM (later machines)
FOR SAFETY: Before Leaving Or Servicing
Machine; Stop On Level Surface, Set Parking
Brake, And Turn Off Machine.
1. Stop the engine and set the machine parking
brake.
2. Fill the fuel tank.
3. Open the side and top engine access doors.
4. Open the air vent on top of the fuel filter
mounted on engine fan shroud.
5. Start the engine, operate it for one minute,
then stop it; or operate the starter motor in
ten-second intervals until a steady stream of
fuel flows from the vent.
6. Close the air vent.
7. Close the access doors.

ENGINE--D--PERKINS 200 SERIES
7--17
800/810 MM337 (8--97)
ENGINE ELECTRICAL SYSTEM
TO REPLACE ENGINE STARTER
FOR SAFETY: Before Leaving Or Servicing
Machine; Stop On Level Surface, Set Parking
Brake, And Turn Off Machine.
1. Open the engine cover and side door.
2. Disconnect battery cables from machine.
WARNING:Always disconnect battery
cables from machine before working on
electrical components.
3. Remove the air cleaner assembly from the
engine.
4. The engine starter can now be accessed
from the engine compartment. Reach over
the top of the engine and locate the starter.
NOTE: The panel in the operators compartment
can be removed for more access.
5. Remove the wires attached to the starter.
Label the wires to make sure they are
returned to the proper location in the
re--assembly procedure.
6. Remove the three M10 hex screws holding
the starter to the engine bellhousing.
Remove the starter from the machine.
7. Reverse the order of these steps to reinstall
a new or rebuilt starter. Tighten the M10 hex
screw to 37 -- 48 Nm (26--34 ft lb).
8. Reconnect the battery and start the
machine, checking for proper starter
operation.

ENGINE--D--PERKINS 200 SERIES
7--18 800/810 MM337 (8--97)
TO REPLACE ENGINE STARTER WITH AIR
CONDITIONING
FOR SAFETY: Before Leaving Or Servicing
Machine; Stop On Level Surface, Set Parking
Brake, And Turn Off Machine.
1. Open the engine cover and side door.
2. Disconnect battery cables from machine.
WARNING:Always disconnect battery
cables from machine before working on
electrical components.
3. Remove the two nuts holding the air box
cover to the air conditioning air box. Remove
the air box cover from the machine.
4. Remove the four acorn nuts holding the
plastic fan duct assembly to the side panel
of the machine. Remove the fan duct from
the machine. This fan duct is accessed from
the operators compartment.
5. Remove the nuts holding the air conditioning
evaporator assembly to the side panel of the
machine. This air conditioning condenser
assembly is accessed from the operator
compartment. Pull the air conditioning
condenser assembly as far as possible into
the operators compartment.
6. Remove the wires attached to the starter.
Label the wires to make sure they are
returned to the proper location in the
re--assembly procedure.
7. Remove the three M10 hex screws holding
the starter to the engine bellhousing.
Remove the starter from the machine.
8. Reverse the order of these steps to reinstall
a new or rebuilt starter. Tighten the M10 hex
screw to 37 -- 48 Nm (26--34 ft lb).
9. Reinstall the air conditioning condenser
assembly and the plastic fan duct assembly
to the machine side panel.
10. Reconnect the battery and start the
machine, checking for proper starter
operation.

ENGINE--D--PERKINS 200 SERIES
7--19
800/810 MM337 (8--97)
TO REPLACE ENGINE ALTERNATOR
FOR SAFETY: Before Leaving Or Servicing
Machine; Stop On Level Surface, Set Parking
Brake., Turn Off Machine And Remove Key.
1. Open the engine cover and side door.
2. Disconnect battery cables from machine.
WARNING:Always disconnect battery
cables from machine before working on
electrical components.
3. The engine alternator can be accessed from
the engine compartment. Reach over the top
of the engine and remove the M8 hex screw
holding the alternator to the top mounting
bracket.
NOTE: The panel in the operators compartment
can be removed for more access.
4. Loosen the M10 hex screw and nyloc nut
holding the alternator to the bottom
mounting bracket. Pivot the alternator in and
remove the V--belt.
WARNING:Always disconnect battery
cables from machine before working on
electrical components.
5. Remove the wires attached to the alternator.
Label the wires to make sure they are
returned to the proper location in the
re--assembly procedure.
6. Remove the M10 hex screw and nyloc nut
holding the alternator to the bottom
mounting bracket. Remove the alternator
from the machine.
7. Reverse the order of these steps to reinstall
a new or rebuilt alternator. Tighten the M8
hex screw to 18 -- 24 Nm (15--20 ft lb).
Tighten the M10 hex screw to 37 -- 48 Nm
(26--34 ft lb).
8. Reconnect the battery and start the
machine, checking for proper alternator
operation.

ENGINE--D--PERKINS 200 SERIES
7--20 800/810 MM337 (8--97)
TO REPLACE ENGINE ALTERNATOR WITH
AIR CONDITIONING
FOR SAFETY: Before Leaving Or Servicing
Machine; Stop On Level Surface, Set Parking
Brake., Turn Off Machine And Remove Key.
1. Open the engine cover and side door.
2. Disconnect battery cables from machine.
WARNING:Always disconnect battery
cables from machine before working on
electrical components.
3. Remove the two nuts holding the air box
cover to the air conditioning air box. Remove
the air box cover from the machine.
4. Remove the four acorn nuts holding the
plastic fan duct assembly to the side panel
of the machine. Remove the fan duct from
the machine. This fan duct is accessed from
the operators compartment.
5. Remove the nuts holding the air conditioning
evaporator assembly to the side panel of the
machine. This air conditioning condenser
assembly is accessed from the operator
compartment. Pull the air conditioning
condenser assembly as far as possible into
the operators compartment.
6. The engine alternator can now be accessed
from the engine compartment. Reach over
the top of the engine and remove the M8
hex screw holding the alternator to the top
mounting bracket.
7. Loosen the M10 hex screw and nyloc nut
holding the alternator to the bottom
mounting bracket. Pivot the alternator in and
remove the V--belt.
WARNING:Always disconnect battery
cables from machine before working on
electrical components.

ENGINE--D--PERKINS 200 SERIES
7--21
800/810 MM337 (8--97)
8. Remove the wires attached to the alternator.
9. Remove the M10 hex screw and nyloc nut
holding the alternator to the bottom
mounting bracket. Remove the alternator
from the machine.
10. Install the new alternator in the machine.
Reinstall the M10 screw in the lower mount
hole and the M8 in the upper mount hole.
11. Position the V--belt over the alternator pulley.
Pull the alternator tight and tighten the
hardware. Tighten the M8 hex screw to
18 -- 24 Nm (15--20 ft lb). Tighten the M10
hex screw to 37 -- 48 Nm (26--34 ft lb).
12. Check the V--belt for proper tension. See
ENGINE ALTERNATOR BELT instructions.
13. Reconnect the wires to the new alternator.
See schematic in the ELECTRICAL section.
14. Reconnect the battery and start the
machine. Check for proper alternator
operation.
ENGINE FAN BELT
The engine fan belt is driven by the engine
crankshaft pulley and drives the alternator pulley.
Proper belt tension is 13 mm (0.50 in) from a
forceof4to5kg(8to10lb)appliedatthe
mid-point of the longest span.
Check and adjust the belt tension every
100 hours of operation.
08935

ENGINE--D--PERKINS 200 SERIES
7--22 800/810 MM337 (8--97)

ENGINE--D--PERKINS 700 SERIES
8--1
800/810 MM337 (6--01)
CONTENTS
Page
PERKINS 700 SERIES ENGINE 8--3........
TO REMOVE ENGINE 8--4..............
TO INSTALL ENGINE 8--5...............
LUBRICATION 8--7........................
COOLING SYSTEM 8--7...................
AIR INTAKE SYSTEM 8--9.................
AIR FILTER INDICATOR 8--9............
AIR FILTER 8--9.......................
TO REPLACE AIR FILTER
ELEMENT 8--10.....................
FUEL SYSTEM -- DIESEL 8--11.............
DIESEL FUEL SYSTEM 8--11............
FUEL FILTER/WATER SEPARATOR 8--11.
TO REPLACE THE FUEL FILTER
CARTRIDGE 8--11...................
IN--LINE FILTER 8--12..................
IN--LINE FUEL PUMP 8--12..............
FUEL LINES 8--12......................
PRIMING FUEL SYSTEM 8--13..........
TO PRIME FUEL SYSTEM 8--13.........
ENGINE ELECTRICAL SYSTEM 8--14.......
TO REPLACE ENGINE STARTER 8--14...
TO REPLACE ENGINE
ALTERNATOR 8--15.................
ENGINE ALTERNATOR BELT 8--16......
DIESEL ENGINE SERVICE MANUALS
PERKINS 200 Series
TENNANT Part Number 61838
PERKINS 700 Series
TENNANT Part Number 380503

ENGINE--D--PERKINS 700 SERIES
8--2 800/810 MM337 (8--97)

ENGINE--D--PERKINS 700 SERIES
8--3
800/810 MM337 (8--97)
PERKINS 700 SERIES ENGINE
To verify that your machine is equipped with a
Perkins 700 Series engine----check the tag on the
top of the engine valve cover.

ENGINE--D--PERKINS 700 SERIES
8--4 800/810 MM337 (8--97)
TO REMOVE ENGINE
FOR SAFETY: Before Leaving Or Servicing
Machine; Stop On Level Surface, Set Parking
Brake., Turn Off Machine And Remove Key.
1. Remove the air cleaner assembly.
2. Remove the engine covers and side door.
3. Remove the battery cables from battery.
4. Drain the radiator coolant.
5. Drain the engine oil.
6. Remove the radiator hoses from the engine.
7. Disconnect the exhaust pipe at the engine
manifold.
8. Disconnect the wire harness from all engine
components and place it out of the way.
9. Disconnect the engine ground strap from the
machine frame.
10. Disconnect both the fuel lines at the fuel
filter.
11. Remove the two M12 hex screws holding
the propel pump to the flywheel housing.
12. Pull the propel pump out of flywheel
coupling.
13. Using overhead hoist, hook a chain through
the two pick-up points on the engine. Put a
slight amount of tension on the chain.
14. Remove the two M12 hex screws from front
motor mounts. (these are the vertical ones
coming through the rubber isolators.)
15. Remove the two M10 hex screws from rear
motor mount. (these are the horizontal ones
holding the mount bracket to the bellhousing
plate.)
16. The engine can now be carefully lifted out.
NOTE: Be sure to disconnect engine oil drain
hose from oil pan before lifting engine completely
out of machine.

ENGINE--D--PERKINS 700 SERIES
8--5
800/810 MM337 (8--97)
TO INSTALL ENGINE
FOR SAFETY: Before Leaving Or Servicing
Machine; Stop On Level Surface, Set Parking
Brake., Turn Off Machine And Remove Key.
1. Using an overhead hoist, hook a chain
through the two pick-up points on the top of
the engine. Position the engine into the
engine compartment.
2. Lower the engine assembly carefully down
onto the motor mounts.
NOTE: Make sure the hoses, wire harness,
exhaust pipe and propel pump are pulled back out
of the way when lowering engine assembly into
place.
3. Reinstall the M12 hex screws into the front
motor mounts. Tighten to 64 -- 83 Nm
(47 -- 61 ft lb).
4. Reinstall the rear motor mount on the
bellhousing plate using the two M10 hex
screws. Tighten to 37 -- 48 Nm
(26 -- 34 ft lb).
5. Reinstall the propel pump in the back of the
bellhousing. Reuse the M12 hex screws.
Tighten to 64 -- 83 Nm (47 -- 61 ft lb).
NOTE: Make sure the splines on pump line up
with splines in coupler when installing pump.
6. Reinstall the exhaust pipe back on the
manifold using four M10 hex screws. Tighten
to 52 -- 67 Nm (39 -- 50 ft lb).
NOTE: Make sure steel gasket is in place when
installing exhaust pipe.
7. Reconnect the fuel lines.
8. Reconnect the ground cable from the
bellhousing to the machine frame.

ENGINE--D--PERKINS 700 SERIES
8--6 800/810 MM337 (8--97)
9. Reconnect the oil drain hose to the oil pan
and fill the engine with the proper grade of
engine oil.
10. Reconnect the main wire harness to the
engine components, alternator, starter, oil
switch, and the temperature sender.
11. Reinstall the radiator hoses to engine and fill
the radiator with antifreeze coolant.
12. Reconnect the battery cables.
13. Jack up the rear of the machine.
FOR SAFETY: Block machine tires before
jacking machine up. Jack machine up at
designated locations only. Block machine up
with jack stands
14. Start the engine and check for fuel or
hydraulic oil leaks.
15. Reinstall the engine covers and side door.
16. Reinstall the air cleaner assembly.
17. Lower the machine and operate. Check for
proper operation.

ENGINE--D--PERKINS 700 SERIES
8--7
800/810 MM337 (8--97)
LUBRICATION
Check the engine oil level daily. Change the
engine oil and oil filter every 100 hours of machine
operation. Use 10W30 SAE--CC/CD rated engine
oil.
The engine oil drain is located on the left side of
the machine inside the main brush compartment.
Fill the engine with oil to the level indicated on the
oil dipstick. The engine oil capacity is 6 L (6.3 qt)
including the oil filter.
COOLING SYSTEM
Check the radiator coolant level every 100 hours
of operation. Use clean water mixed with a
permanent-type, ethylene glycol antifreeze to a
-- 3 4 _C(--30_F) rating.
FOR SAFETY: When Servicing Machine, Avoid
Contact With Hot Engine Coolant.
ATTENTION! Never pour cold water or cold
antifreeze into the radiator of an overheated
engine. Allow the engine to cool down to
avoid cracking the cylinder head or block.
Keep the engine running while adding water.

ENGINE--D--PERKINS 700 SERIES
8--8 800/810 MM337 (8--97)
Clean the radiator fins every 100 hours of
operation.
Check the radiator hoses and clamps every
200 hours of operation. Tighten the clamps if they
are loose. Replace the hoses and clamps if the
hoses are cracked, harden, or swollen.
Check the radiator core exterior and hydraulic
cooler fins for debris every 100 hours of
operation. Blow or rinse all dust, which may have
collected on the radiator, in through the grille and
radiator fins, opposite the direction of normal air
flow. The grille and hydraulic cooler open for
easier cleaning. Be careful not to bend the cooling
fins when cleaning. Clean thoroughly to prevent
the fins becoming encrusted with dust. Clean the
radiator and cooler only after the radiator has
cooled to avoid cracking.
FOR SAFETY: When Servicing Machine, Wear
Eye And Ear Protection When Using
Pressurized Air Or Water.
Flush the radiator and the cooling system every
400 hours of operation, using a dependable
cleaning compound.

ENGINE--D--PERKINS 700 SERIES
8--9
800/810 MM337 (8--97)
AIR INTAKE SYSTEM
AIR FILTER INDICATOR
The air filter indicator shows when to clean or
replace the air filter element. Check the indicator
daily. The indicator’s red line will move as the air
filter element fills with dirt. Do not clean or replace
the air filter element until the red line reaches
5kPa(20inH
2O) and the ”SERVICE WHEN
RED” window is filled with red. The indicator’s red
line may return to a lower reading on the scale
when the engine shuts off. The red line will return
to a correct reading after the engine runs for a
while.
Reset the air filter indicator by pushing the reset
button on the end of the indicator after cleaning or
replacing the air filter element.
AIR FILTER
The engine air filter housing has a dust cap and a
dry cartridge-type air filter element. Empty the
dust cap daily. The air filter must be replaced
whenever the filter element is damaged or has
been cleaned three times.
Machines with the heavy duty air filter option have
a safety element. It is inside the standard
element. Replace, do not clean this element after
the regular element has been damaged or
cleaned three times.
Service the air filter element only when the air
filter indicator shows restriction in the air intake
system. Do not remove the air filter element
unless it is restricting air flow.

ENGINE--D--PERKINS 700 SERIES
8--10 800/810 MM337 (8--97)
TO REPLACE AIR FILTER ELEMENT
1. Stop the engine and set the machine parking
brake.
FOR SAFETY: Before Leaving Or Servicing
Machine; Stop On Level Surface, Set Parking
Brake, Turn Off Machine And Remove Key.
2. Locate the air cleaner assembly on top of
the engine cover.
3. Unscrew the clamp ring on the filter.
4. Remove the dust cap.
5. Empty the dust cap.
6. Remove the filter wing nut.
7. Gently pull the filter element out of the filter
housing.
8. Clean the interior of the air cleaner housing
with a damp cloth. Clean the element
housing sealing surfaces.
9. Using an air hose, direct dry, clean air
maximum 205 kPa (30 psi) up and down
pleats on the inside of the filter. Do not rap,
tap, or pound dust out of the element.
FOR SAFETY: When Servicing Machine, Wear
Eye And Ear Protection When Using
Pressurized Air Or Water.
10. After cleaning the air filter element, inspect it
for damage by placing a bright light inside.
The slightest rupture requires replacement
of the filter. Clean and inspect the seals on
the ends of the element. They should be
unbroken and flexible. Remember to replace
the element after cleaning it three times.
11. Install the new or cleaned filter element so
the fins on the element are at the intake end
of the air cleaner. Be careful not to damage
the fins. Make sure the element is seating
evenly. Tighten the element wing nut.
12. Install the dust cap with the arrows pointing
up. Tighten the clamp ring to hold it in place.
Check all intake hose connections for leaks
or abrasion.
13. Reset the air filter restriction indicator.

ENGINE--D--PERKINS 700 SERIES
8--11
800/810 MM337 (8--97)
FUEL SYSTEM -- DIESEL
DIESEL FUEL SYSTEM
The diesel fuel system is made up of six basic
components which are: fuel tank, in--line fuel filter,
in--line fuel pump, fuel filter/water trap, injection
pump, and injectors.
Fuel flows from the fuel tank through the in--line
fuel filter, into the in--line pump, into the fuel/water
trap-filter, and into the injector pump. The water
trap-filter separates water and impurities from the
fuel. From the fuel water trap-filter, fuel is drawn
through the electric fuel pump and pumped to the
injection pump. The injection pump pressurizes
and sends fuel to the injectors. The injectors
atomize and inject proper amounts of fuel into the
combustion chamber at the proper times. Excess
fuel is returned to the fuel tank through an
overflow pipe.
FUEL FILTER/WATER SEPARATOR
The fuel filter/water separator cartridge filters
impurities from the fuel. It is located at the rear of
the engine, near the starter.
TO REPLACE THE FUEL FILTER CARTRIDGE
1. Stop the engine and set the machine parking
brake.
FOR SAFETY: Before Leaving Or Servicing
Machine; Stop On Level Surface, Set Parking
Brake, And Turn Off Machine.
2. Open the left side and top engine access
doors.
3. Loosen the unit vent plug and open the
water trap drain to drain diesel fuel.
4. Remove the filter cartridge from the filter
head.
5. Lubricate the o-ring of the new filter
cartridge and spin it onto the filter head.
6. Bleed the fuel lines of air as described in TO
PRIME FUEL SYSTEM.

ENGINE--D--PERKINS 700 SERIES
8--12 800/810 MM337 (8--97)
IN--LINE FILTER
The fuel system on the 800/810 diesel includes an
in--line fuel filter. This filter is ahead of the fuel
pump and is used to filter any impurities before
they reach the pump.
IN--LINE FUEL PUMP
The in--line fuel pump is used to pull fuel from the
tank, through the in--line filter, and into the
fuel/water separator. The in--line fuel pump is
electric and runs off the 12VDC battery of the
machine.
FUEL LINES
Check the fuel lines every 50 hours of operation.
If the clamp band is loose, apply oil to the screw
of the band, and securely tighten the band.
Portions of the fuel line system are made of
rubber The fuel lines may become worn out
whether the engine has been used much or not.
Replace the fuel lines and clamp bands every two
years.
If the fuel lines and clamp bands are found worn
or damaged before two years time, replace or
repair them at once. Bleed the fuel system after
replacement of any of the fuel lines, see TO
PRIME THE FUEL SYSTEM. When the fuel lines
are not installed, plug both ends with clean cloth
or paper to prevent dirt from entering the lines.
Dirt in the lines can cause fuel injection pump
malfunction.

ENGINE--D--PERKINS 700 SERIES
8--13
800/810 MM337 (8--97)
PRIMING FUEL SYSTEM
Priming the fuel system removes pockets of air in
the fuel lines and fuel components. Air in the fuel
system will prevent smooth engine operation.
Prime the fuel system after running out of fuel,
changing fuel filter elements or repairing a fuel
system component.
TO PRIME FUEL SYSTEM
FOR SAFETY: Before Leaving Or Servicing
Machine; Stop On Level Surface, Set Parking
Brake, And Turn Off Machine.
1. Stop the engine and set the machine parking
brake.
2. Fill the fuel tank.
3. Open the side and top engine access doors.
4. Open the air vent on top of the fuel filter
mounted on the bellhousing.
5. Start the engine, operate it for one minute,
then stop it; or operate the starter motor in
ten-second intervals until a steady stream of
fuel flows from the vent.
6. Close the air vent.
7. Close the access doors.

ENGINE--D--PERKINS 700 SERIES
8--14 800/810 MM337 (8--97)
ENGINE ELECTRICAL SYSTEM
TO REPLACE ENGINE STARTER
FOR SAFETY: Before Leaving Or Servicing
Machine; Stop On Level Surface, Set Parking
Brake, And Turn Off Machine.
1. Open the engine cover and side door.
2. Disconnect battery cables from machine.
WARNING:Always disconnect battery
cables from machine before working on
electrical components.
3. The engine starter can be accessed from
the engine compartment
4. Remove the wires attached to the starter.
Label the wires to make sure they are
returned to the proper location in the
re--assembly procedure.
5. Remove the three M10 hex screws holding
the starter to the engine bellhousing.
Remove the starter from the machine.
6. Reinstall the starter in the bellhousing.
Tighten the M10 hex screws to 37 -- 48 Nm
(26--34 ft lb).
7. Reconnect the wires to the new starter. See
schematic in the ELECTRICAL section.
8. Reconnect the battery and start the
machine. Check for proper starter operation.

ENGINE--D--PERKINS 700 SERIES
8--15
800/810 MM337 (8--97)
TO REPLACE ENGINE ALTERNATOR
FOR SAFETY: Before Leaving Or Servicing
Machine; Stop On Level Surface, Set Parking
Brake., Turn Off Machine And Remove Key.
1. Open the engine cover and side door.
2. Disconnect battery cables from machine.
WARNING:Always disconnect battery
cables from machine before working on
electrical components.
3. The engine alternator is accessed from the
left side of the engine compartment.
Remove the M8 hex screw holding the
alternator to the top mounting bracket.
4. Loosen the M10 hex screw and nyloc nut
holding the alternator to the bottom
mounting bracket. Pivot the alternator in and
remove the V--belt.
5. Remove the wires attached to the back of
the alternator.
6. Remove the M10 hex screw and nyloc nut
holding the alternator to the bottom
mounting bracket. Remove the alternator
from the machine.
7. Install the new alternator in the machine.
Reinstall the M10 screw in the lower mount
hole and the M8 in the upper mount hole.
8. Position the V--belt over the alternator pulley.
Pull the alternator tight and tighten the
hardware. Tighten the M8 hex screw to
18 -- 24 Nm (15--20 ft lb). Tighten the M10
hex screw to 37 -- 48 Nm (26--34 ft lb).
9. Check the V--belt for proper tension. See
ENGINE ALTERNATOR BELT instructions.
10. Reconnect the wires to the new alternator.
See schematic in the ELECTRICAL section.
11. Reconnect the battery and start the
machine. Check for proper alternator
operation.

ENGINE--D--PERKINS 700 SERIES
8--16 800/810 MM337 (8--97)
ENGINE ALTERNATOR BELT
The engine alternator belt is driven by the engine
crankshaft pulley and drives the alternator pulley.
Proper belt tension is 13 mm (0.50 in) from a
forceof4to5kg(8to10lb)appliedatthe
mid-point of the longest span.
Check and adjust the belt tension every
100 hours of operation.

We Need Your Help...
As part of Tennant’s Zero Defects Program, we want to know about errors you have
found or suggestions you may have regarding our machine manuals. If you find an
error or have a suggestion, please complete this postage-paid form and mail it to us.
Thank you for helping us make zero defects a way of life at Tennant.
Manual No. Rev. No. Publish Date Page
Machine -Report Error -Suggestion
Name Date
Customer Number
Company
Address
City/State/Zip Code

Tape hereFold along dotted lines
NO POSTAGE
NECESSARY
IF MAILED
IN THE
UNITED SATES
BUSINESS REPLY MAIL
FIRST CLASS MAIL PERMIT NO. 94 MINNEAPOLIS, MN
POSTAGE WILL BE PAID BY ADDRESSEE
Technical Publications #15
701 North Lilac Drive
P.O. Box 1452
Minneapolis, MN 55440--9947
TENNANT COMPANY

We Need Your Help...
As part of Tennant’s Zero Defects Program, we want to know about errors you have
found or suggestions you may have regarding our machine manuals. If you find an
error or have a suggestion, please complete this postage-paid form and mail it to us.
Thank you for helping us make zero defects a way of life at Tennant.
Manual No. Rev. No. Publish Date Page
Machine -Report Error -Suggestion
Name Date
Customer Number
Company
Address
City/State/Zip Code

Tape hereFold along dotted lines
NO POSTAGE
NECESSARY
IF MAILED
IN THE
UNITED SATES
BUSINESS REPLY MAIL
FIRST CLASS MAIL PERMIT NO. 94 MINNEAPOLIS, MN
POSTAGE WILL BE PAID BY ADDRESSEE
Technical Publications #15
701 North Lilac Drive
P.O. Box 1452
Minneapolis, MN 55440--9947
TENNANT COMPANY