S10 Service Manual Tennant Walk Behind Floor Sweeper
2018-06-12
: Sweepscrub Tennant-S10-Walk-Behind-Floor-Sweeper-Service-Manual tennant-s10-walk-behind-floor-sweeper-service-manual 2744 file product_file
Open the PDF directly: View PDF
.
Page Count: 48
- S10 SERVICE INFORMATION MANUAL
- SAFETY INFORMATION
- GENERAL MACHINE INFORMATION
- MAINTENANCE & REPAIR
- ELECTRICAL TROUBLESHOOTING INFORMATION

S10
*331585*
www.tennantco.com
331585
Rev. 00 (6-2007)
Sweeper
Service Information Manual

S10 331585 (6--07)
ii
AB
FOR REPLACEMENT PARTS
Identify machine model and serial number.
1. (A) Identify the machine model.
2. (B) Identify the machine serial number from the data plate.
Refer to the TENNANT Parts Manual.
NOTE: Only use TENNANT Company supplied or equivalent parts. Parts and supplies may be ordered
online, by phone, by fax or by mail.
Tennant Company
PO Box 1452
Minneapolis, MN 55440
Phone: (800) 553--8033 or (763) 513--2850
www.tennantco.com
Thermo--Sentry is a US registered and unregistered trademark of Tennant Company.
Specifications and parts are subject to change without notice.
Copyright E2007 TENNANT, Printed in U.S.A.

S10 SERVICE INFORMATION Table of Contents
iii
S10 331585 (6--07)
SAFETY PRECAUTIONS v....................................
GENERAL MACHINE INFORMATION 1.........................
GENERAL MACHINE DIMENSIONS/CAPACITIES 2..........
GENERAL MACHINE PERFORMANCE 2....................
POWER TYPE 2..........................................
TIRES 3.................................................
MACHINE DIMENSIONS 3.................................
MAINTENANCE & REPAIR 5..................................
MAINTENANCE CHART 6.................................
LUBRICATION 8..........................................
DRIVE CHAINS 8......................................
DIFFERENTIAL 8......................................
BRUSH ARM PIVOTS 8................................
REAR CASTER 8......................................
SIDE BRUSH GEAR BOX 9.............................
SELF ADJUSTING SHEAVE 9..........................
BATTERIES 10............................................
LEAD ACID BATTERIES 10..............................
CHARGING BATTERIES 11..............................
ELECTRIC MOTORS 13.................................
BELTS AND CHAINS 13.................................
PROPELLING BELTS 13....................................
CHECKING/ADJUSTING BELT TENSION 13..............
REPLACE PROPELLING BELTS 15......................
SIDE BRUSH BELT 15......................................
CHECKING/ADJUSTING BELT TENSION 15..............
REPLACE SIDE BRUSH BELT 16........................
MAIN BRUSH BELTS 17....................................
REPLACE SHORT MAIN BRUSH BELT 17................
REPLACE LONG MAIN BRUSH BELT 17..................
VACUUM FAN BELT 18.....................................
CHECK/ADJUST BELT TENSION 18......................
REPLACE VACUUM FAN BELT 18........................
WHEEL DRIVE CHAINS 19.................................
STATIC DRAG CHAIN 19...................................
BRUSHES 20..............................................
MAIN BRUSH 20.......................................
REMOVING THE MAIN BRUSH 20.......................
INSTALLING THE MAIN BRUSH 20.......................
CHECKING/ADJUSTING MAIN BRUSH PATTERN 20.......
SIDE BRUSH 21........................................
REMOVING THE SIDE BRUSH 21........................
INSTALLING THE SIDE BRUSH 22.......................
ADJUSTING THE SIDE BRUSH 22.......................
DEBRIS HOPPER AND DUST FILTER 22.....................
DEBRIS HOPPER 22...................................
CHECKING/ADJUSTING FLOOR CLEARANCE 22.........
ADJUSTING DUST FILTER TO HOPPER SEALING 23......
THERMO-SENTRY 23......................................

Table of Contents S10 SERVICE INFORMATION
S10 331585 (6--07)
iv
DUST FILTER 23......................................................
REMOVING THE DUST FILTER 24..................................
INSTALLING THE DUST FILTER 24.................................
SKIRTS AND SEALS 24...............................................
HOPPER LIP SKIRT 24............................................
REAR BRUSH SKIRTS 24..........................................
HOPPER TOP SEAL 25............................................
MAIN BRUSH SKIRTS AND SEALS 25...............................
PROPEL HANDLE ASSEMBLY 26......................................
ADJUST PROPEL HANDLE ASSEMBLY HEIGHT 26..................
TRANSPORTING THE MACHINE 27....................................
STORING MACHINE 27...............................................
ELECTRICAL TROUBLESHOOTING INFORMATION 29......................
ELECTRICAL SYMBOLS & ABBREVIATIONS 30.........................
ELECTRICAL SCHEMATIC 31..........................................
WIRE HARNESS DRAWING 32.........................................
KEY OFF POWER DISTRIBUTION 33...................................
KEY OFF POWER DISTRIBUTION (CHARGING) 34......................
KEY ON POWER DISTRIBUTION 35....................................
FILTER SHAKER CIRCUIT 36..........................................
FILTER SHAKER SYSTEM ON 37......................................

S10 SERVICE INFORMATION Safety Information
v
S10 331585 (6--07)
SAFETY PRECAUTIONS
The following symbols are used throughout this
manual as indicated in their description:
WARNING: To warn of hazards or unsafe
practices that could result in severe
personal injury or death.
FOR SAFETY: To identify actions that must
be followed for safe operation of
equipment.
This machine is designed solely for sweeping dirt and
dust in an indoor environment. Tennant does not
recommend using this machine in any other
environment.
The following information signals potentially
dangerous conditions to the operator or equipment.
Read this manual carefully. Know when these
conditions can exist. Locate all safety devices on the
machine. Then, take necessary steps to train
machine operating personnel. Report machine
damage or faulty operation immediately. Do not use
the machine if it is not in proper operating condition.
WARNING: Batteries emit hydrogen gas.
Explosion or fire can result. Keep sparks
and open flame away. Keep covers open
when charging.
WARNING: Disconnect battery cables and
charger plug before servicing machine. Do
not charge batteries with damaged power
supply cord. Do not modify plug.
If the charger supply cord is damaged or broken,
it must be replaced by the manufacturer or its
service agent or a similarly qualified person in
order to avoid a hazard.
WARNING: Heavy hopper. Do not remove
without help. Can cause back strain.
This machine is not equipped with explosion
proof motors. The electric motors will spark upon
start up and during operation which could cause
a flash fire or explosion if machine is used in an
area where flammable vapors/liquids or
combustible dusts are present.
FOR SAFETY:
1. Do Not Operate Machine:
-- Unless Trained And Authorized.
-- Unless Operation Manual Is Read And
Understood.
-- In Flammable Or Explosive Areas Unless
Designed For Use In Those Areas.
2. Before Starting Machine:
-- Make Sure All Safety Devices Are In Place
And Operate Properly.
3. When Using Machine:
-- Go Slow On Grades And Slippery
Surfaces.
-- Use Care When Backing Machine.
4. Before Leaving Or Servicing Machine:
-- Stop On Level Surface.
-- Set Parking Brake.
-- Turn Off Machine And Remove Key.
5. When Servicing Machine:
-- Avoid Moving Parts. Do Not Wear Loose
Jackets, Shirts, Or Sleeves When Working
On Machine.
-- Use Hoist Or Jack Of Adequate Capacity
To Lift Machine.
-- Wear Eye And Ear Protection When Using
Pressurized Air Or Water.
-- Disconnect Battery Connections Before
Working On Machine.
-- Avoid Contact With Battery Acid.
-- Use TENNANT Supplied Or Equivalent
Replacement Parts.
6. When loading/unloading machine onto/off
truck or trailer.
-- Turn off machine.
-- Use truck or trailer that will support the
weight of the machine.
-- Use winch. Do not push the machine
onto/off the truck or trailer unless the load
height is 380 mm (15 in) or less from the
ground.
-- Block machine tires.
-- Tie machine down to truck or trailer.

S10 SERVICE INFORMATIONSafety Information
S10 331585 (6--07)
vi
The following safety decals are mounted on the
machine in the locations indicated. If these, or any
decal becomes damaged or illegible, install a new
decal in its place.
FOR SAFETY LABEL -- LOCATED
ON THE CONTROL PANEL.
BATTERY CHARGING LABEL --
LOCATED ON THE LEFT SIDE
PANEL.
BACK STRAIN LABEL -- LOCATED
ON THE TOP OF THE HOPPER.
CHARGER CORD LABEL --
LOCATED NEAR CHARGER.

S10 SERVICE INFORMATION General Machine Information
1
S10 331585 (6--07)
GENERAL
MACHINE
INFORMATION
BEFORE CONDUCTING TESTS:
* Read and Follow ALL Safety Warnings and Precautions as mentioned
at the beginning of this manual
* Always unhook Battery when removing or replacing components
DURING TESTS:
* Call Technical Services if Diagnostic Time Exceeds One Hour With
Unknown Cause or Course of Action
NOTE: Troubleshooting charts may be shown with optional equipment. The optional equipment
may not be specified in these charts. Some machines may not be equipped with all components
shown.
G

S10 SERVICE INFORMATION
General Machine Information
S10 331585 (6--07)
2
SPECIFICATIONS
GENERAL MACHINE DIMENSIONS/CAPACITIES
Item Dimension/capacity
Length 1570 mm (62 in)
Height (maximum) 990 mm--1120 mm (39 in--44 in)
Width (with out side brush) 920 mm (36.25 in)
Track--front 790 mm (31 in)
Wheel base 595 mm (23.5 in)
Main brush width 660 mm (26 in)
Main brush diameter 255 mm (10 in)
Side brush diameter 430 mm (17 in)
Sweeping path width (with side brush) 860 mm (34 in)
Hopper volume capacity 0.08 m#(2.8 cu ft)
Hopper weight capacity 68 kg (150 lb)
GVWR 345 kg (760 lb)
Dust filter (pleated panel filter element) 4.55 m@(49 sq. ft)
GENERAL MACHINE PERFORMANCE
Item Measure
Turning radius 1730 mm (68 in)
Travel speed forward (maximum) 4.7 Km/h (2.9 mph)
Travel speed reverse (maximum) 4.5 Km/h (2.8 mph)
POWER TYPE
System Drive Type
Propelling Belt to chain
Differential Belt
Wheel Drive Chain
Main Brush Belt
Side Brush Belt
Vacuum Fan Belt
Type VDC amp Hz Phase VAC
Charger: Auto / Selectable AC Voltage Input 24 11 50/60 1100--240
Type Use VDC kW (hp)
Electric Motor Propelling 24 0.75 (1)
Type Quantity Volts Ah Rating Weight
Batteries 212 155 @ 20 hr rate 38 kg (83 lb)
G

S10 SERVICE INFORMATION General Machine Information
3
S10 331585 (6--07)
TIRES
Location Type Size
Front (2) Solid 250 mm x 51 mm (10 in x 2 in)
Rear (1) Solid 130mmx38mm(5inx1.5in)
MACHINE DIMENSIONS
920 mm
(36.25 in)
1570 mm
(62 in)
990 mm--1120 mm
(39in--44in)
03131
G

S10 SERVICE INFORMATION
General Machine Information
S10 331585 (6--07)
4
G

S10 SERVICE INFORMATION Maintenance & Repair
S10 331585 (6--07) 5
MAINTENANCE
&REPAIR
BEFORE CONDUCTING TESTS:
* Read and Follow ALL Safety Warnings and Precautions as mentioned
at the beginning of this manual
* Always unhook Battery when removing or replacing components
DURING TESTS:
* Call Technical Services if Diagnostic Time Exceeds One Hour With
Unknown Cause or Course of Action
NOTE: Troubleshooting charts may be shown with optional equipment. The optional equipment
may not be specified in these charts. Some machines may not be equipped with all components
shown.
M

S10 SERVICE INFORMATIONMaintenance & Repair
S10 331585 (6--07)
6
MAINTENANCE
1
2
3
4
7
8
9
13
16
2
5, 10, 11, 15, 17
5
4
617
MAINTENANCE CHART
Interval Key Description Procedure
Lubricant/
Fluid
No. of
Service
Points
Daily 2Brush skirts Check for damage, wear, and
floor clearance
-- 5
3Main brush Check for damage, wear, debris -- 1
8Side brush Check for damage, wear, debris -- 1
7Hopper Check seals for damage and
wear
-- 3
25 Hours 1Battery cells Check electrolyte level DW 2
3Main brush Check floor pattern
(after initial 25 hours only)
-- 1
5Drive chains Check and adjust tension
(after initial 25 hours only)
-- 2
M

S10 SERVICE INFORMATION Maintenance & Repair
S10 331585 (6--07) 7
50 Hours 14 Vacuum fan belt Check tension and wear -- 1
10 Propelling belts Check tension and wear -- 2
10 Main brush belts Check tension and wear -- 2
9Side brush belts Check tension and wear -- 2
8Side brush Check pressure -- 1
3Main brush Check floor pattern
Rotate end--for--end
-- 1
4Brush arm pivots Lubricate SPL 2
13 Rear caster Lubricate SPL 1
7Hopper Check floor clearance -- 1
17 Battery charger cable Check for wear and damage -- 1
100 Hours 5Drive chains Check and adjust tension -- 2
Lubricate SO 2
6Dust filter Clean or replace -- 1
11 Self adjusting sheave Lubricate SPL 1
1Batteries Clean top surface and terminals -- 2
17 Differential Lubricate SPL 1
400 Hours 15 Propelling motor Blow out dust and inspect -- 1
16 Side brush gear box Check lubricant level GL 1
LUBRICANT/FLUID
DW -- Distilled water
SPL -- Special lubricant, Lubriplate EMB grease, TENNANT Part No. 01433--1
SO -- Spray lubricant
GL -- SAE 90 Weight gear lubricant
NOTE: More frequent intervals may be required in extremely dusty conditions.
M

S10 SERVICE INFORMATIONMaintenance & Repair
S10 331585 (6--07)
8
LUBRICATION
DRIVE CHAINS
Check the tension and lubricate the drive chains (A)
with a penetrating-type spray lubricant after every 100
hours of operation.
A
B
03139
A. Drive Chain
B. Differential
DIFFERENTIAL
Lubricate the differential (B) every 100 hours of
operation. The differential grease fitting is located on
the drive shaft inside the drive sheave.
BRUSH ARM PIVOTS
Lubricate the brush arm pivots after every 50 hours of
operation.
REAR CASTER
Lubricate the rear caster after every 50 hours of
operation.
M

S10 SERVICE INFORMATION Maintenance & Repair
S10 331585 (6--07) 9
SIDE BRUSH GEAR BOX
Check the side brush gear box fluid level after every
400 hours of operation. Remove the breather and fill
the gear box to within 6 mm (0.25 in) of the top.
03144
SELF ADJUSTING SHEAVE
Lubricate the sheave shaft after every 100 hours of
operation. Avoid getting oil on the belt or sheave belt
surfaces.
03141
M

S10 SERVICE INFORMATIONMaintenance & Repair
S10 331585 (6--07)
10
BATTERIES
The batteries are designed to hold their power for
long periods of time. The lifetime of the batteries is
limited to number of charges the batteries receive. To
get the most life from the batteries, recharge them
immediately when the battery discharge indicator
begins to blink.
FOR SAFETY: When servicing machine, wear
protective gloves when handling batteries or
battery cables. Avoid contact with battery acid.
After every 100 hours of use check for loose battery
connections and clean the surface of the batteries,
including terminals and cable clamps, using a strong
solution of baking soda and water. Brush the solution
sparingly over the battery tops. Do not allow any
baking soda solution to enter the batteries. Use a wire
brush to clean the terminal posts and the cable
connectors. Wipe off all cleaning solution residue.
After cleaning, apply a coating of clear battery post
protectant to the terminals and the cable connectors.
Keep the tops of the batteries clean and dry.
Objects made of metal can potentially short circuit the
batteries. Keep all metallic objects off the batteries.
Replace any worn or damaged wires. Replace any
defective batteries. To dispose of batteries, contact a
battery dealer or your Tennant Service representative.
LEAD ACID BATTERIES
Check the electrolyte level in each battery cell before
and after charging, and after every 25 hours of
operation. Never add acid to the batteries. Add
distilled water only. Always keep the battery caps on,
except when adding water or taking hydrometer
readings.
Using a hydrometer, measure the specific gravity to
determine the charge level and condition of the
batteries. If one or more of the battery cells test lower
than the other battery cells (0.050 or more), the cell is
damaged, shorted, or is near failure. Completely
recharge the batteries and then retest.
04380
M

S10 SERVICE INFORMATION Maintenance & Repair
S10 331585 (6--07) 11
NOTE: Do not take readings immediately after adding
distilled water. If the water and acid are not thoroughly
mixed, the readings may not be accurate. Check the
hydrometer readings against the following chart to
determine the remaining battery charge level:
SPECIFIC GRAVITY BATTERY
at 27_C(80_F) CHARGE
1.265 100% Charged
1.225 75% Charged
1.190 50% Charged
1.155 25% Charged
1.120 Discharged
NOTE: If the readings are taken when the battery
electrolyte is any temperature other than 27_C(80_
F), the reading must be temperature corrected. Add
or subtract to the specific gravity reading 0.004, 4
points, for each 6_C(10_F) above or below 27_C
(80_F).
CHARGING BATTERIES
The following charging instructions are intended for
battery chargers supplied with the machine.
After every 50 hours check the battery charger cord
for damage.
To prolong the life of the batteries only recharge the
batteries if the machine was used for a total of 30
minutes or more. Do not leave batteries discharged
for lengthy periods.
WARNING: Fire Or Explosion Hazard.
Batteries emit hydrogen gas. Keep sparks and
open flame away. Keep battery compartment open
when charging.
FOR SAFETY: When servicing batteries, wear
protective gloves and eye protection when
handling batteries and battery cables. Avoid
contact with battery acid.
Make sure the charger profile is properly set for the
battery type before charging. Failure to properly set
profile will result in battery damage. To determine the
battery type, see battery label. Contact the battery
supplier if not specified.
To verify the charger profile setting, connect the
charger cord into an electrical receptacle. If the LED
labeled “GEL” is on, the charger is set for Gel
(sealed) batteries. If the LED is off, the charger is set
for Wet/lead acid (flooded) batteries.
To change the charger profile, unplug the charger,
remove the “Charger Profile Selection” panel, and
position the switch towards the proper setting, “GEL”
or “Flooded” .
1. Transport the machine to a well--ventilated area
for charging.
FOR SAFETY: Before leaving or servicing
machine; stop on level surface, set parking brake
(if equipped), and turn off machine.
2. If charging wet (lead acid) batteries check the
fluid level before charging (See BATTERY
MAINTENANCE).
3. Remove the battery compartment covers for
ventilation when charging.
M

S10 SERVICE INFORMATIONMaintenance & Repair
S10 331585 (6--07)
12
4. Connect the charger cord into a properly
grounded electrical receptacle. The charger will
start automatically within a few seconds. The
LEDs will display the charging state as
described in the following table.
CHARGING STATE LED DISPLAY
Charging State 50% LED 75% LED 100% LED
0--50% charged Blinking Off Off
50--75% charged On Blinking Off
75--100%
charged
On On Blinking
100% charged On On On
Abnormal Cycle* Off Off Blinking
Fault detected * Blinking Blinking Blinking
* See the On--board Battery Charger Fault Codes table.
When a fault occurs, the charger will also sound an alarm.
NOTE: The machine will not operate once the battery
charger is connected.
5. Once the batteries are fully charged, the charger
will stop suppling power, but will continue to
monitor the battery voltage. The charger will
restart if the batteries self--discharge.
NOTE: The charger may take up to 30 seconds to
turn off once the charger cord is disconnected. During
this time, the machine will not power up. The charger
cord must also be disconnected for 30 seconds
before the charger can be restarted.
6. Unplug the charger cord from the electrical
receptacle and stow the cord beneath the left
battery.
NOTE: To avoid damaging the charger cord, do not
pul on the cord to unplug the charger from the
electrical receptacle. Use the plug to unplug the cord
from the electrical receptacle.
7. Reinstall the battery compartment covers.
LED FAULT CODE FAULT SOLUTION
3 LEDs blink once
t
d
l
Loose charger cable connection. Check charger cable connection.
repeatedly Loose or damaged battery cable. Check battery cable connections.
Defective Battery. Replace battery.
3 LEDs blink twice
repeatedly
Input voltage is out of range. Try using a different wall outlet.
3LEDsblinkthree
times repeatedly
Safety thermostat exceeded maximum
internal temperature.
Open battery compartment to promote air
circulation or move machine to a cooler
climate.
3LEDsblinkfour
times repeatedly
Output current exceeds a limit. Disconnect charger cord, wait 30 seconds,
then plug back in. If fault continues replace
charger or contact TENNANT Service.
100% LED blinks
while the 50% and
75% LEDs are off.
Abnormal cycle. Safety timer exceeded
the 18 hour charging time.
Battery maintenance required or replace
battery.
M

S10 SERVICE INFORMATION Maintenance & Repair
S10 331585 (6--07) 13
ELECTRIC MOTORS
The electric propelling motor is serviceable. The
propelling motor is located underneath the battery
compartment.
Blow out the dust and inspect the motor brushes in
the motor after every 400 hours of operation.
If the brushes have been worn to less than 10 mm
(0.38 in) in length, replace them.
If the commutator is worn or rough, the motor
armature should be removed and serviced, or
replaced.
BELTS AND CHAINS
PROPELLING BELTS
Check the propelling belts for wear and tension after
every 50 hours of operation.
CHECKING AND ADJUSTING THE PROPELLING
BELT TENSION
FOR SAFETY: Before leaving or servicing
machine; stop on level surface, set parking brake
(if equipped), and turn off machine.
1. Remove the access cover, bumper, and cover.
2. Observe the position of the clutch plate bolt (C)
with no pressure on the clutch handle. It should
be approximately in the center of the slot (D).
3. Press the clutch handle to tighten the forward
propelling belt (G). The clutch handle should be
7to13mm(0.25to
0.50 in) from the stationary handle. Observe the
position of the clutch plate bolt (C). It should not
touch the end of the slot (D). If the handle and
bolt are in the proper position, proceed to step
7; if not, continue with step 4 to readjust forward
belt tension.
A
B
C
D
H
GF
E
I
03151
A. Motor
B. Clutch Plate
C. Clutch Plate Bolt
D. Bolt Slot
E. Forward Belt Idler Sheave
F. Reverse Propelling Belt
G. Forward Propelling Belt
H. Reverse Belt Idler Sheave
I. Belt Guide
M

S10 SERVICE INFORMATIONMaintenance & Repair
S10 331585 (6--07)
14
4. Loosen the forward idler sheave bolt (E) and
slide the idler sheave down to tighten the belt
(G) (this also increases distance between clutch
handle and stationary handle); slide the sheave
up to loosen the belt (this also reduces distance
between clutch handle and stationary handle).
5. Tighten the idler sheave bolt.
6. Recheck handle and bolt positions. Repeat as
necessary to adjust belt tension.
NOTE: After adjusting the forward belt, it may contact
the belt guide when engaged causing a whining noise.
To stop the noise, bend the guide up out of the belt’s
way.
7. Pull the clutch handle to tighten the reverse
propelling belt. Observe the position of the
clutch plate bolt (C). It should not touch the end
of the slot (D). If the bolt is in the proper
position, proceed to step 11; if not, continue with
step 8 to readjust reverse belt tension.
NOTE: If the reverse belt is too tight, it will require
excessive clutch handle pressure to propel machine
in the forward direction. It may also cause the
machine to creep backward when the handle is
released. If the reverse belt is too loose, the machine
will not propel backward.
8. Loosen the reverse idler sheave bolt (H) and
slide the idler sheave to the rear to tighten the
belt (F); slide the sheave forward to loosen the
belt.
9. Tighten the reverse idler sheave bolt (H).
10. Pull the clutch handle to recheck the position of
the clutch plate bolt (C). Repeat as necessary to
adjust belt tension.
11. Check steering effort. After repairing or
replacing drive system parts, effort may
increase due to poor alignment. To correct, do
the following:
A. Loosen the bearing flanges as well as the
split coupling bolts.
B. Snug one split coupling bolt.
C. Align the propelling belts. Check for
clearance between the differential and the
locking collar.
NOTE: Minimum clearance between differential and
sheave is 0.3 mm (0.010 in).
D. While holding belt alignment, pull the shaft
away from the differential.
E. Tighten the center and left bearing flanges.
Check for hard rotation of shaft.
F. Tighten the center and left bearing collars.
G. Pull the short differential shaft away from
differential to spread the differential gears.
H. Tighten the right side bearing flange. Tap
bearing before tightening.
I. Tighten the right bearing collar.
J. Check for free spinning of differential.
Loosen the center and right bearing flanges
if it is not spinning freely. Tap and retighten.
K. Align and tighten sprockets. Chains must
be slack to minimize steering effort.
12. Reinstall the access cover, and right side cover,
and bumper.
M

S10 SERVICE INFORMATION Maintenance & Repair
S10 331585 (6--07) 15
REPLACE PROPELLING BELTS
FOR SAFETY: Before leaving or servicing
machine; stop on level surface, set parking brake
(if equipped), and turn off machine.
1. Remove the bumper and right side cover,
debris hopper, and access cover.
2. Loosen the belt idler sheave bolts.
3. Slip the propelling belts off the idler sheaves.
4. Lift the filter cover.
5. Remove the differential coupling (A).
A
B
03147
A. Coupling
B. Flange Bolts
6. Slide the old belt out through the coupling
opening.
7. Slide the new belt through the coupling opening.
8. Reconnect the coupling to the differential shafts.
9. Slip the belt over the idler and motor sheaves.
10. Adjust the belt as described in CHECK AND
ADJUST PROPELLING BELT TENSION.
11. Replace the right side cover and bumper, and
the access cover.
12. Replace the debris hopper.
13. Lower the filter cover.
SIDE BRUSH BELT
Check the belt for wear and tension after every 50
hours of operation.
CHECKING AND ADJUSTING THE SIDE BRUSH
BELT TENSION
FOR SAFETY: Before leaving or servicing
machine; stop on level surface, set parking brake
(if equipped), and turn off machine.
1. Lift the filter cover.
2. Remove the debris hopper.
3. Remove the access cover, and right side
bumper and cover.
4. Place the side brush arm in the down position.
5. Check the belt (A) tension at a point
230 mm (9 in) from the motor shaft. The belt
should deflect 20 mm (0.75 in) from a force of 3
kg (6 lb).
B
A
03151
A. Side Brush Belt
B. Belt Guide
6. To adjust belt tension, loosen the button head
screw through the side cover (not shown).
M

S10 SERVICE INFORMATIONMaintenance & Repair
S10 331585 (6--07)
16
7. Pull the side brush arm (A) out to tighten the
belt.
B
A
C
03153
A. Side Brush Arm
B. Stop Bolt
C. Lock Nut
8. Tighten the button head screw when the correct
tension is reached.
9. Adjust the stop bolt (B) so it clears the stop by 5
mm (0.06 in).
10. Replace the debris hopper.
11. Lower the filter cover.
REPLACE SIDE BRUSH BELT
FOR SAFETY: Before leaving or servicing
machine; stop on level surface, set parking brake
(if equipped), and turn off machine.
1. Remove the debris hopper.
2. Remove the right side bumper and cover, and
access cover.
3. Place the side brush arm in the raised position.
4. Remove the four speed reducer mounting bolts
and the speed reducer from the side brush arm.
5. Slide the belt (C) off the motor sheave (B) and
out of the machine.
A
D
C
B
03151
A. Motor
B. Motor Sheave
C. Side Brush Belt
D. Belt Guide
6. Position the new belt (C) over the motor sheave
(B), under the belt guide (D), and through the
side brush arm.
7. Loop the belt over the speed reducer sheave
and bolt the speed reducer back onto the side
brush arm.
8. Adjust the belt tension as described in CHECK
AND ADJUST SIDE BRUSH BELT TENSION.
9. Replace the right side bumper and cover, and
access cover.
10. Replace the debris hopper.
M

S10 SERVICE INFORMATION Maintenance & Repair
S10 331585 (6--07) 17
MAIN BRUSH BELTS
Check the main brush belts for wear after every 50
hours of operation. The short main brush belt uses a
self--adjusting sheave to control belt tension and is
not adjustable. The long main brush belt uses a
spring tensioned idler pulley to control belt tension
and is not adjustable.
REPLACE SHORT MAIN BRUSH BELT
FOR SAFETY: Before leaving or servicing
machine; stop on level surface, set parking brake
(if equipped), and turn off machine.
1. Remove the debris hopper.
2. Remove the right side bumper and cover, and
access cover.
3. Thread two M5x0.8 screws into the two
threaded holes (D) in the face of the
self-adjusting sheave (A).
A
B
C
D
03141
A. Self-Adjusting Sheave
B. Short Main Brush Belt
C. Two-Step Sheave
D. Threaded Holes
4. Evenly tighten the two screws to expand the
self-adjusting sheave (A).
5. Slip the belt (B) off the sheaves (A) and (C).
6. Slide the new belt (B) over the sheaves (A) and
(C).
7. Unthread the two screws.
8. Run the machine to ensure the belt (B) rests in
the sheave properly.
9. Replace the right side bumper and cover, and
access cover.
REPLACE LONG MAIN BRUSH BELT
FOR SAFETY: Before leaving or servicing
machine; stop on level surface, set parking brake
(if equipped), and turn off machine.
1. Remove the short main brush belt as described
insteps1to5inREPLACE SHORT MAIN
BRUSH BELT.
2. Place the side brush arm in the raised position.
3. Slide the side brush belt (C) off the motor
sheave (B).
A
BC
D
F
E
G
H
03151
A. Motor
B. Motor Sheave
C. Side Brush Belt
D. Belt Guide
E. Long Main Brush Belt
F. Belt Idler
G. Idler Sheave Spring
H. Two-Step Sheave
4. Disconnect the idler sheave spring (G).
5. Remove the snap ring from the two-step sheave
(H) and slide the sheave off the shaft.
6. Pull belt idler (F) back and slide the long main
brush belt (E) out of the machine.
7. Position the new long main brush belt (E) in the
machine.
8. Reinstall the two-step sheave (H) and reconnect
the idler sheave spring (G).
9. Position the side brush belt (C) over the motor
sheave (B) and under the belt guide (D).
M

S10 SERVICE INFORMATIONMaintenance & Repair
S10 331585 (6--07)
18
10. Slide the short main brush belt over the
self-adjusting sheave and the two-step sheave.
11. Unthread the two screws separating the
self-adjusting sheave.
12. Run the brush to confirm the belt is seated in
the sheave.
13. Adjust the belt tension as described in CHECK
AND ADJUST SIDE BRUSH BELT TENSION.
14. Replace the right side bumper and cover, and
access cover.
15. Replace the debris hopper.
VACUUM FAN BELT
Check the vacuum fan belt for wear and tension after
every 50 hours of operation.
CHECK AND ADJUST VACUUM FAN BELT
TENSION
FOR SAFETY: Before leaving or servicing
machine; stop on level surface, set parking brake
(if equipped), and turn off machine.
1. Remove the rear panel.
2. Check belt deflection by applying a force of
6 lb (3 kg) to the midpoint of the belt span. The
belt should deflect 5 mm (0.06 in).
3. To adjust belt tension, loosen the belt adjusting
stud nut (C). Pull the vacuum fan assembly (A)
back to tighten the belt and tighten the stud nut.
A
C
B
06320
A. Vacuum Fan
B. Adjustment Slot
C. Stud Nut
4. To adjust belt tension, loosen the belt adjusting
stud nut (B). Pull the vacuum fan assembly (A)
up to tighten the belt and tighten the stud nut.
A
B
06320
A. Vacuum Fan
B. Stud Nut
5. Tighten all nuts and recheck belt tension.
6. Replace the rear panel.
REPLACE VACUUM FAN BELT
FOR SAFETY: Before leaving or servicing
machine; stop on level surface, set parking brake
(if equipped), and turn off machine.
1. Remove the rear panel.
2. Loosen the vacuum fan belt.
3. Slide the belt off the sheaves.
4. Position the new belt on the motor sheave and
the vacuum fan sheave.
5. Adjust belt tension as described in CHECK AND
ADJUST VACUUM FAN BELT TENSION.
6. Replace the rear panel.
M

S10 SERVICE INFORMATION Maintenance & Repair
S10 331585 (6--07) 19
WHEEL DRIVE CHAINS
Check the chains for wear or damage and tension
after the first 50 hours of operation and then after
every 100 hours of operation. Lubricate the drive
chains with a penetrating--type spray lubricant after
every 100 hours of operation. The wheel drive chains
should have 15 mm (0.5 in) slack measured midway
between the sprockets.
03139
STATIC DRAG CHAIN
A static drag chain prevents the buildup of static
electricity in the machine. Check the chain for wear
periodically. Make sure the chain touches the floor at
all times.
M

S10 SERVICE INFORMATIONMaintenance & Repair
S10 331585 (6--07)
20
BRUSHES
MAIN BRUSH
Inspect the main brush daily for wear or damage.
Remove any string or wire tangled on the main brush,
the main brush drive hub, or the main brush idler hub.
Rotate the main brush end-for-end after every
50 hours of operation to obtain maximum brush life.
The main brush should be replaced when the
remaining bristle measures 15 mm (0.5 in).
The main brush pattern should be checked after
every 50 hours of operation. The main brush pattern
should be 40 mm (1.5 in) wide.
REMOVING THE MAIN BRUSH
FOR SAFETY: Before leaving or servicing
machine; stop on level surface, set parking brake
(if equipped), and turn off machine.
1. Place the main brush lift handle in the (Main
Brush Free-Float) position.
2. Open the main brush access door (D).
3. Pull the brush out of the brush compartment.
INSTALLING THE MAIN BRUSH
NOTE: The hopper can be removed to aid installing
the main brush into the machine. See REMOVING
THE HOPPER in the OPERATION section for proper
procedure for removing the hopper.
1. Slide the brush into the brush compartment.
2. Rotate the brush until the slots on the ends of
the brush engage the keys on the main brush
drive hub (not shown).
NOTE: Do not force the main brush onto the drive
hub. When the main brush slots and drive hub keys
are properly aligned, the main brush will easily
engage the drive hub.
3. Close and secure the main brush access door
(D). Make sure the lift arm (B) engages the
idler lift arm pins (A).
D
C
A
B
02347
A. Lift Arm Pins
B. Lift Arm
C. Idler Key
D. Access Door
4. Check and adjust main brush pattern as
described in CHECKING AND ADJUSTING
THE MAIN BRUSH PATTERN.
CHECKING AND ADJUSTING THE MAIN BRUSH
PATTERN
1. Apply chalk or some material that will not blow
away easily, to a smooth, level surface.
2. Start the motor.
3. With side brush and main brush raised, position
main brush over the chalked area.
4. While holding the machine in place, move the
main brush lift handle in the (Main Brush Down)
position. Let the brush remain on the floor for 15
to 20 seconds.
5. Place the main brush lift handle in the (Main
Brush Up) position.
M

S10 SERVICE INFORMATION Maintenance & Repair
S10 331585 (6--07) 21
6. Move the machine from the main brush polish
mark.
7. Stop the motor.
8. Observe the width of the polish mark. The
proper polish width is 40 mm (1.5 in).
A
B
00582
A. Main Brush Pattern
B. Polish Width
9. Adjust the main brush width as necessary.
To reduce the polish width, turn the main brush
lift handle to the right.
To widen the polish width, turn the main brush
lift handle to the left.
If any adjustments are made, recheck the main brush
pattern before operating the machine.
SIDE BRUSH
The side brush should be inspected daily for wear or
damage. Remove any string or wire tangled from the
side brush, side brush drive hub, or shaft. The side
brush should be replaced when the remaining bristle
length measures 25 mm (1 in) in length.
The side brush should be checked after every 50
hours of operation. The side brush is properly
adjusted when, with the side brush arm in the raised
position, there is approximately 25 mm
(1 in) between the floor and the side brush bristles.
REMOVING THE SIDE BRUSH
FOR SAFETY: Before leaving or servicing
machine; stop on level surface, set parking brake
(if equipped), and turn off machine.
1. Pull the side brush arm up into the raised
position.
2. Remove the side brush mounting hardware (B).
A
B
A. Side Brush
B. Mounting Hardware
3. Slide the side brush (A) off the drive shaft.
IINSTALLING THE SIDE BRUSH
1. Slide the side brush (A) onto the drive shaft.
2. Secure the side brush (A) with the mounting
hardware (B).
3. Check the side brush adjustment as described
in ADJUSTING THE SIDE BRUSH.
M

S10 SERVICE INFORMATIONMaintenance & Repair
S10 331585 (6--07)
22
ADJUSTING THE SIDE BRUSH
FOR SAFETY: Before leaving or servicing
machine; stop on level surface, set parking brake
(if equipped), and turn off machine.
1. Pull the side brush arm up into the raised
position.
2. Remove the side brush mounting hardware.
3. Position the side brush on the shaft until there is
approximately 25 mm (1 in) between the floor
and the brush bristles.
4. Align the side brush with the drive shaft holes.
5. Securethesidebrushtothedriveshaftwiththe
mounting hardware.
NOTE: It may be necessary to readjust the side brush
drive belt tension after adjusting the side brush height.
DEBRIS HOPPER AND DUST FILTER
DEBRIS HOPPER
The debris hopper should be emptied after every work
shift, or when the hopper is full. The debris hopper
floor clearance should be checked after every 50
hours of operation. The dust filter to hopper seal can
also be adjusted to correct dusting when shaking the
dust filter.
CHECKING AND ADJUSTING THE HOPPER
FLOOR CLEARANCE
FOR SAFETY: Before leaving or servicing
machine; stop on level surface, set parking brake
(if equipped), and turn off machine.
1. Empty the debris hopper and replace it on the
machine.
2. The bottom rear metal edge of the hopper
should clear the floor by 15 mm (0.5 in). Also,
be sure the hopper is level side to side.
3. To adjust the hopper (A), loosen the hanger
bracket bolts (B), reposition the hanger bracket,
and retighten the hanger bracket bolts. Be sure
the hopper brackets do not rub against the pivot
pins preventing the hopper from floating.
B
A
03159
A. Hopper
B. Hanger Bracket Bolts
M

S10 SERVICE INFORMATION Maintenance & Repair
S10 331585 (6--07) 23
ADJUSTING THE DUST FILTER TO HOPPER
SEALING
FOR SAFETY: Before leaving or servicing
machine; stop on level surface, set parking brake
(if equipped), and turn off machine.
1. Lift the filter assembly.
2. Make sure stop bolt (A) is touching the filter
assembly.Ifitis,continuewithstep4.Ifitisnot,
loosen bolts and adjust the round vacuum fan
seal bracket (C) back to allow the assembly to
touch the stop bolt. Secure the vacuum fan seal
bracket.
B
A
C
03541
A. Stop Bolt
B. Hopper
C. Vacuum Fan Seal Bracket
3. Turn the filter stop bolt (A) clockwise a half turn.
4. Close the filter assembly and check the
clearance between the filter cover, the hopper,
and the vacuum fan seal. This can be done by
placing a strip of paper between the filter cover
and the hopper. When correctly adjusted, the
paper will be difficult to pull out. The seal
pressure should allow the hopper to float. Push
the hopper down to check -- it should be able to
go down and return to its original position.
THERMO-SENTRY
The Thermo--Sentry, located inside the
hopper, senses the temperature of the air pulled up
from the hopper. If there is a fire in the hopper, the
Thermo--Sentry stops the vacuum fan and cuts off the
air flow. Press the button to reset the Thermo--Sentry.
DUST FILTER
The dust filter is located inside the dust filter
compartment. The filter shaker will shake the filter for
20 seconds when the machine is powered off. Inspect
and clean or replace the dust filter after every 100
hours of operation.
NOTE: The filter shaker override switch must be in
the “on” position to automatically shake the dust filter
when the machine is turned off. The filter shaker
override switch should be in the “on” position for most
operations.
Use one of the following methods to clean the dust
filter:
DTAP -- Tap the filter gently on a flat surface with
the dirty side down. Do not damage the edges
of the filter element or the filter will not seat
properly in the filter frame.
DAIR -- Blow compressed air, 240 kPa
(35 psi) maximum, through the dust filter
opposite the direction of the arrows on the side
of the filter. This may be done with the filter in
the machine. Always wear eye protection when
using compressed air.
FOR SAFETY: When servicing machine, wear eye
and ear protection when using pressurized air or
water.
M

S10 SERVICE INFORMATIONMaintenance & Repair
S10 331585 (6--07)
24
DWATER -- Soak the dust filter in a water and
mild detergent solution. Rinse the dust filter until
it is clean. The maximum water pressure
allowable is 275 kPa (40 psi). Air dry the wet
dust filter; do not use compressed air.
NOTE: Be sure the dust filter is dry before reinstalling
it in the machine.
REMOVING THE DUST FILTER
FOR SAFETY: Before leaving or servicing
machine; stop on level surface, set parking brake
(if equipped), and turn off machine.
1. Loosen the six front filter cover screws and
remove the front filter cover.
2. Remove the filter hold-down plate. Remove the
dust filter.
3. Inspect and clean or replace the dust filter.
INSTALLING THE DUST FILTER
1. Position the dust filter in the filter frame with the
arrows on the side of the filter pointing away
from the machine.
2. Position the filter hold-down plate on the filter.
3. Secure the front filter cover on the filter frame
with the six front filter cover screws.
SKIRTS AND SEALS
HOPPER LIP SKIRT
The hopper lip skirt is located on the lower rear of the
hopper. The hopper lip skirt should be inspected for
wear or damage daily.
02348
REAR BRUSH SKIRTS
The rear brush skirts are located on the bottom rear
of the brush compartment. The rear brush skirts
should clear the floor by 2 mm (0.06 in). Inspect the
skirt for wear or damage and proper floor clearance
daily.
03157
M

S10 SERVICE INFORMATION Maintenance & Repair
S10 331585 (6--07) 25
HOPPER TOP SEAL
The hopper top seal is located on the front edge of
the machine frame. Inspect the seal for wear or
damage daily.
02349
MAIN BRUSH SKIRTS AND SEALS
The right side seal (not shown) is mounted to the
machine frame. The left side seal is mounted to the
main brush access door. The main brush door seal is
mounted to the door. Inspect the seals for damage
and wear daily. The main brush skirts should clear the
floor by 2 mm (0.06 in). Inspect the skirts for damage
and wear and proper floor clearance daily.
02347
M

S10 SERVICE INFORMATIONMaintenance & Repair
S10 331585 (6--07)
26
PROPEL HANDLE ASSEMBLY
ADJUST PROPEL HANDLE ASSEMBLY HEIGHT
The propel handle assembly height is adjustable.
FOR SAFETY: Before leaving or servicing
machine; stop on level surface, set parking brake,
and turn off machine.
1. Remove the battery compartment covers and
the rear cover. Set the covers and hardware
aside.
2. Slide the sleeve of the ball joint down and
disconnect the ball joint from the propel handle
assembly.
3. Remove the hardware holding the propel handle
assembly to the frame of the machine. Set the
hardware aside.
4. Raise or lower the propel handle assembly to
the desired height.
5. Align the holes in the propel handle assembly
with the holes in the frame of the machine and
reinstall the hardware to secure the handles into
place.
6. Loosen the lock nut and turn the ball joint until the
propel rod assembly is at the correct length to be
reinstalled onto the propel handle assembly.
Tighten the lock nut.
7. Reattach the ball joint to the propel handle
assembly.
8. Start and test the machine. Squeeze both propel
handles to ensure the machine moves in both
directions.
9. Reinstall the rear cover and battery
compartment covers.
M

S10 SERVICE INFORMATION Maintenance & Repair
S10 331585 (6--07) 27
TRANSPORTING AND STORING THE MACHINE
TRANSPORTING THE MACHINE
1. Position the front of the machine at the loading
edge of the truck or trailer.
FOR SAFETY: Use Truck Or Trailer That Will
Support The Weight Of The Machine.
NOTE: Empty the hopper before transporting the
machine.
2. Block the machine tires. Tie down the machine
to the truck or trailer before transporting.
3. Secure the front of the machine by routing
straps through the tie down holes and fastening
it to the truck or trailer.
03136
4. Secure the rear of the machine by wrapping
straps around the stationary handle and
fastening them to the truck or trailer.
STORING MACHINE
When storing the machine for extended periods of
time, the following procedures must be followed to
lessen the chance of rust, sludge, or other
undesirable deposits from forming.
1. Empty debris hopper.
2. Raise the main brush and side brush.
3. To prolong life of the batteries, leave charger
plugged into the outlet. Be sure to remove the
covers from the battery compartment.
WARNING: Fire Or Explosion Hazard.
Batteries emit hydrogen gas. Keep sparks and
open flame away. Keep battery compartment open
when charging.
4. Park the machine in a cool, dry area.
M

S10 SERVICE INFORMATIONMaintenance & Repair
S10 331585 (6--07)
28
M

S10 SERVICE INFORMATION Electrical Troubleshooting
S10 331585 (6--07) 29
ELECTRICAL
Troubleshooting Information
BEFORE CONDUCTING TESTS:
* Read and Follow ALL Safety Warnings and Precautions as mentioned
at the beginning of this manual
* Always unhook Battery when removing or replacing components
DURING TESTS:
* Call Technical Services if Diagnostic Time Exceeds One Hour With
Unknown Cause or Course of Action
NOTE: Troubleshooting charts may be shown with optional equipment. The optional equipment
may not be specified in these charts. Some machines may not be equipped with all components
shown.
E

Electrical Troubleshooting S10 SERVICE INFORMATION
S10 331585 (6--07)
30
Electrical Symbols & Abbreviations
6/BLU
i
WIRES
CONNECTED
WIRES NOT
CONNECTED
PLUG--IN
CONNECTION
BATTERY NORMALLY
OPEN SWITCH
NORMALLY CLOSED
THERMAL SWITCH
(THERMO--SENTRY)
RELAY COIL MOTORNORMALLY
OPEN
NORMALLY
CLOSED
RELAY
CONTACTS
FUSE CIRCUIT
BREAKER
ASSEMBLY COMPONENT IN
POSITION OTHER
THAN NORMAL
ACTIVATED
COMPONENT
MOVEMENT FROM
NORMAL POSITION
COMPONENT
IS ENERGIZED
INFORMATION BATTERY
POSITIVE
BATTERY
NEGATIVE
NON--ACTIVE
WIRE
WIRE NUMBER
& COLOR
Abbreviations
AAmps
AC Alternating Current
BDI Battery Discharge Indicator
CB Circuit Breaker
FFuse
MRelay Coil
MG Motor
N.C. Normally Closed
N.O. Normally Open
SorSW Switch
TMR Timer
VDC Volts, Direct Current
E

S10 SERVICE INFORMATION Electrical Troubleshooting
S10 331585 (6--07) 31
Electrical Schematic
1040284 -- ALL
E

Electrical Troubleshooting S10 SERVICE INFORMATION
S10 331585 (6--07)
32
Wire Harness Drawing
1
354572
Ref. Serial Number Description Qty.
1(000000-- )Harness, Main, 24vdc [S10] 1
E

S10 SERVICE INFORMATION Electrical Troubleshooting
S10 331585 (6--07) 33
Key OFF Power Distribution
12 VDC 12 VDC
CB2
CB1
15 AMP
60 AMP
F1
CHARGER WIRING
M1B
M2B
MG2
M2A
25 AMP
AC CORD
B+ B--
ONBOARD
CHARGER
SW1
KEY SWITCH
S1
THERMO--
SENTRY
MAIN
CONTACTOR
HOUR METER
1
2
3
4
U2
BATTERY
INDICATOR
DISCHARGE
MAIN CONTACTOR
SHAKER RELAY
MAIN DRIVE MOTOR
4/YEL
6/BLU
52/BRN
62/BRN
5/GRN
72/BRN
BLK
1/RED
1/RED
1/RED
1/RED 13/BLK
13/BLK
13/BLK
BLK
6/BLU
5/GRN
5/GRN
5/GRN
9/WHT
CHARGER WIRING
Conditions: Key OFF, Charger OFF
TO SHAKER
MOTOR
13/BLK
9/WHT
H1
+--
9/WHT
Wiring Color Codes
iHour Meter is ON whenever Key Switch is
turned ON (unless charger is plugged in).
E

Electrical Troubleshooting S10 SERVICE INFORMATION
S10 331585 (6--07)
34
Key OFF Power Distribution
12 VDC 12 VDC
CB2
CB1
15 AMP
60 AMP
F1
M1B
M2B
MG2
M2A
AC CORD
B+ B--
ONBOARD
CHARGER
SW1
KEY SWITCH
S1
THERMO--
SENTRY
MAIN
CONTACTOR
HOUR METER
1
2
MAIN CONTACTOR
SHAKER RELAY
MAIN DRIVE MOTOR
CHARGER WIRING
4/YEL
6/BLU
52/BRN
62/BRN
5/GRN
72/BRN
BLK
1/RED
1/RED
1/RED
1/RED 13/BLK
13/BLK
13/BLK
BLK
6/BLU
5/GRN
5/GRN
5/GRN
9/WHT
CHARGER WIRING
Conditions: Key OFF, Charger ON
TO SHAKER
MOTOR
U2
BATTERY
INDICATOR
DISCHARGE
3
4
H1
+--
9/WHT
9/WHT
13/BLK
25 AMP
Wiring Color Codes
iHour Meter is ON whenever Key Switch is
turned ON (unless charger is plugged in).
E

S10 SERVICE INFORMATION Electrical Troubleshooting
S10 331585 (6--07) 35
Key ON Power Distribution
Conditions: Key ON, Charger OFF
12 VDC 12 VDC
CB2
CB1
15 AMP
60 AMP
F1
TO SHAKER
MOTOR
M1B
M2B
MG2
M2A
4/YEL
6/BLU
H1
ONBOARD
CHARGER
SW1
KEY SWITCH
S1
THERMO--
SENTRY
MAIN
CONTACTOR
HOUR METER
1
MAIN CONTACTOR
+--
SHAKER RELAY
52/BRN
62/BRN
5/GRN
72/BRN
BLK
MAIN DRIVE MOTOR
1/RED
1/RED
1/RED
1/RED 13/BLK
13/BLK
BLK
6/BLU
5/GRN
5/GRN
5/GRN
9/WHT
iIf battery voltage drops below 20.76 VDC (1.73
Volts per cell), the Battery Discharge Indicator
will open pins 3 & 4, shutting the machine OFF.
213/BLK
BATTERY
INDICATOR
DISCHARGE
3
4
U2 13/BLK
H1
+--
9/WHT
9/WHT
25 AMP
Wiring Color Codes
Hour Meter is ON whenever Key Switch is
turned ON (unless charger is plugged in).
E

Electrical Troubleshooting S10 SERVICE INFORMATION
S10 331585 (6--07)
36
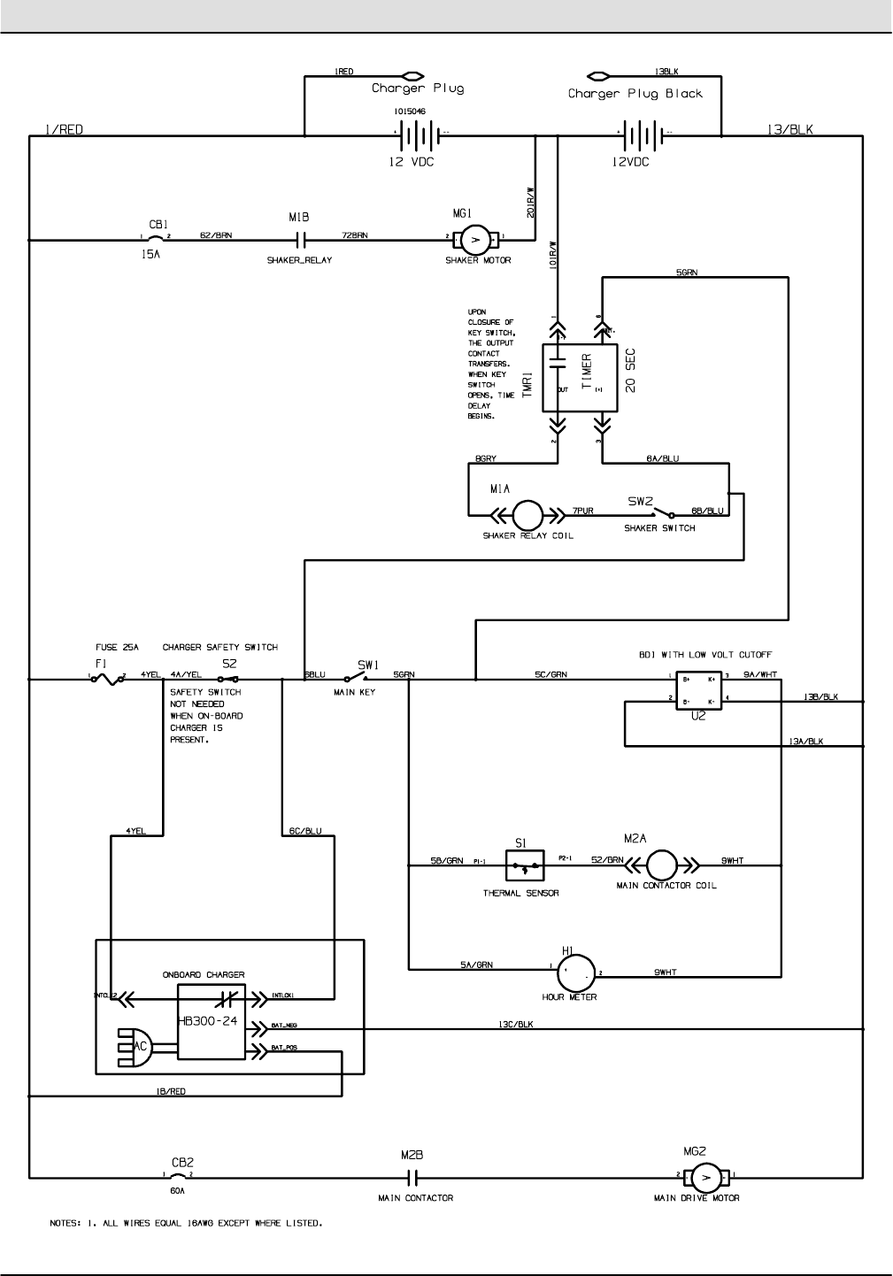
Filter Shaker Circuit
12 VDC 12 VDC
CB1
15 AMP
M1B
MG1
SHAKER
62/BRN 72/BRN1/RED
Conditions: Key ON
TO CB2 &
BATTERY
1/RED
4/YEL
ONBOARD
CHARGER
1/RED
SHAKER
MOTOR
6/BLU
SW1
KEY SWITCH
1
2
36
RELAY
SHAKER
TIMER
SWITCH
SW2
M1A
SHAKER
6/BLU
6/BLU
6/BLU 5/GRN
8/GRY
7/PUR
TO 24 VDC
GROUNDED
CIRCUITS
5/GRN
TO BDI, MAIN
CONTACTOR,&
HOUR METER
CHARGER
TMR1
201/RED--WHT
101/RED--WHT
iThe Shaker Motor (MG1), Shaker Timer (TMR1), and Shaker
Relay (M1) operate on 12 VDC.
The Shaker System operates ONLY when Key Switch is OFF.
Opening the Key Switch signals the Shaker Timer (TMR1) to
begin a 20 second cycle to close the contacts between pins
1 & 2 of the Shaker Timer (TMR1).
The Shaker Switch (SW2) must be closed to allow Shaker
Motor (MG1) to operate.
F1
25 AMP
Wiring Color Codes
E

S10 SERVICE INFORMATION Electrical Troubleshooting
S10 331585 (6--07) 37
Filter Shaker System ON
12 VDC 12 VDC
CB1
15 AMP
M1B
MG1
SHAKER
62/BRN 72/BRN1/RED
Conditions: Key OFF (less than 20 seconds), Shaker Switch ON
TO CB2 &
BATTERY
1/RED
4/YEL
ONBOARD
CHARGER
1/RED
SHAKER
MOTOR
6/BLU
SW1
KEY SWITCH
1
2
36
RELAY
SHAKER
TIMER
SWITCH
SW2
M1A
6/BLU
6/BLU
6/BLU 5/GRN
8/GRY
7/PUR
TO 24 VDC
GROUNDED
CIRCUITS
5/GRN
TO BDI, MAIN
CONTACTOR,&
HOUR METER
CHARGER
TMR1
201/RED--WHT
101/RED--WHT
iThe Shaker Motor (MG1), Shaker Timer (TMR1), and Shaker
Relay (M1) operate on 12 VDC.
The Shaker System operates ONLY when Key Switch is OFF.
Opening the Key Switch signals the Shaker Timer (TMR1) to
begin a 20 second cycle to close the contacts between pins
1 & 2 of the Shaker Timer (TMR1).
The Shaker Switch (SW2) must be closed to allow Shaker
Motor (MG1) to operate.
SHAKER
F1
25 AMP
Wiring Color Codes
E

We Need Your Help...
As part of Tennant’s Zero Defects Program, we want to know about errors you have
found or suggestions you may have regarding our machine manuals. If you find an
error or have a suggestion, please complete this postage-paid form and mail it to us.
Thank you for helping us make zero defects a way of life at Tennant.
Manual No. Rev. No. Publish Date Page
Machine -Report Error -Suggestion
Name Date
Customer Number
Company
Address
City/State/Zip Code

Tape hereFold along dotted lines
NO POSTAGE
NECESSARY
IF MAILED
IN THE
UNITED SATES
BUSINESS REPLY MAIL
FIRST CLASS MAIL PERMIT NO. 94 MINNEAPOLIS, MN
POSTAGE WILL BE PAID BY ADDRESSEE
Technical Publications #15
701 North Lilac Drive
P.O. Box 1452
Minneapolis, MN 55440--9947
TENNANT COMPANY

We Need Your Help...
As part of Tennant’s Zero Defects Program, we want to know about errors you have
found or suggestions you may have regarding our machine manuals. If you find an
error or have a suggestion, please complete this postage-paid form and mail it to us.
Thank you for helping us make zero defects a way of life at Tennant.
Manual No. Rev. No. Publish Date Page
Machine -Report Error -Suggestion
Name Date
Customer Number
Company
Address
City/State/Zip Code

Tape hereFold along dotted lines
NO POSTAGE
NECESSARY
IF MAILED
IN THE
UNITED SATES
BUSINESS REPLY MAIL
FIRST CLASS MAIL PERMIT NO. 94 MINNEAPOLIS, MN
POSTAGE WILL BE PAID BY ADDRESSEE
Technical Publications #15
701 North Lilac Drive
P.O. Box 1452
Minneapolis, MN 55440--9947
TENNANT COMPANY