Sentinel Service Manual Tennant Rider Floor Sweeper
2018-06-19
: Sweepscrub Tennant-Sentinel-Rider-Floor-Sweeper-Service-Manual tennant-sentinel-rider-floor-sweeper-service-manual 2761 file product_file
Open the PDF directly: View PDF
.
Page Count: 190 [warning: Documents this large are best viewed by clicking the View PDF Link!]
- Sentinel Service Information
- Table of Contents
- Electrical Troubleshooting
- Wiring Diagram
- Wiring Harness Detail
- Key Switch
- Starting System
- Glow Plugs System
- Charging System
- Power-Up & Fuel System
- Engine Oil Pressure & Temperature Sensors
- Engine Air Filter, Speed & Fuel Level Sensors
- Right & Left Brush Systems
- Main Brush & Conveyor Systems
- Hopper System
- Vacuum Fan & Filter Shaker Systems
- Hopper Full Sensing System
- Hopper Door & Vacuum Wand Door Sensing Systems
- Machine Speed Sensing System
- Level & Hopper Tilt Sensing Systems
- Blocked Conveyor & Hopper Temp. Sensing Systems
- Wet Dust Control System
- Pressure Washer System
- Forward Propel & Brake Systems
- Reverse Propel & Brake Systems
- Vario Brush Tilt System
- Vario Brush Arm Swing / Slide System
- Vario Brush Raise / Lower & Rotate Systems
- Operating Modes
- Operational Matrix
- Connector Pin Designations
- Fuse Chart
- Component Locator
- Hydraulic Troubleshooting
- Hydraulic Diagram
- Hydraulic Hose Diagram
- Low Dump Hydraulic Hose Group
- High Dump Hopper Hydraulic Hose Group
- Cab Hydraulic Hose Group
- Conveyor and Main Brush Hydraulic Hose Group
- Hydraulic Reservoir Hose Group
- Steer, Brakes, Side Brush Hydraulic Hose Group
- Left Side Brush Hydraulic Hose Group
- Propel Hydraulic Hose Group
- High Pressure Sprayer Hydraulic Hose Group
- Vario Brush Hydraulic Hose Group
- Cab Tilt Group
- Hydraulic Pumps & Valves
- Explanation of Abbreviations
- Conveyor & Main Brush Forward
- Conveyor & Main Brush Reverse
- Main Brush Lower
- Conveyor Lower
- Main Brush Lift, Conveyor Lift, & Conveyor Chain Tension
- Right Side Brush Rotate & Lower
- Left Side Brush Rotate & Lower
- Right & Left Side Brush Rotate & Lower
- Right & Left Side Brush Lift
- Vacuum Fans Run
- Shaker Run
- Vacuum Fans & Shaker Off
- Hopper Tilt Back (Dump)
- Hopper Tilt Forward (Normal Sweep Position)
- Hopper Lift (High Dump)
- Hopper Lower (High Dump)
- Hopper Door Lock (Latch Closed)
- Hopper Door Unlock (Latch Open)
- Vario Brush Rotate Clockwise
- Vario Brush Rotate Counter-Clockwise
- Vario Brush Swing Right (Clockwise)
- Vario Brush Swing Left (Counter-Clockwise)
- Vario Brush Slide Right
- Vario Brush Slide Left
- Vario Brush Tilt Rear Edge Down
- Vario Brush Tilt Front Edge Down
- Vario Brush Tilt Left
- Vario Brush Tilt Right
- Vario Brush Lift
- Vario Brush Lower
- Right Turn
- Left Turn
- Brake Pedal (Push)
- Brake Pedal (Release)
- Propel System
- Operational Matrix
- Solenoid Valve Details
- Component Locator
- Traffic Advisor Control
- Operation Matrix
- Troubleshooting Matrix
- Interlocks
- Pin Chart
- Engine Specifications (Standard Engine)
- Engine Specifications (Turbo Engine)
- Torque Standard
- Auto Lube - Grease Jockey Installation and Maintenance

SENTINEL
Service Information Manual
(Paper Manual)
331019
Rev. 00
*331019*
331005 (CD--ROM)

This manual provides service information for the TENNANT Model SENTINEL.
This machine will provide excellent service. However, the best results will be obtained at minimum
costs if:
DThe machine is operated with reasonable care.
DThe machine is maintained regularly -- per the maintenance instructions provided.
DThe machine is maintained with TENNANT supplied or approved parts.
Paper Manual Number -- 331019
CD--ROM Manual Number -- 331005
Revision: 00
Published: 12--03
CALIFORNIA PROPOSITION 65 WARNING:
Engine exhaust from this product contains chemicals known to the State of
California to cause cancer, birth defects, or other reproductive harm.
Copyright E2003 TENNANT, Printed in U.S.A.
Electrical Troubleshooting 1.........................................................................................................
Wiring Diagram 2...................................................................................................................
Wiring Harness Detail 8.........................................................................................................
Main Wire Harness 8.......................................................................................................
Cab Wire Harness 23........................................................................................................
Hopper Wire Harness 25...................................................................................................
Key Switch 27..........................................................................................................................
Starting System 28...................................................................................................................
Glow Plugs System 29.............................................................................................................
Charging System 30.................................................................................................................
Power-Up & Fuel System 31....................................................................................................
Engine Oil Pressure & Temperature Sensors 32.....................................................................
Engine Air Filter, Speed & Fuel Level Sensors 33...................................................................
Right & Left Brush Systems 34................................................................................................
Main Brush & Conveyor Systems 35.......................................................................................
Hopper System 36...................................................................................................................
Vacuum Fan & Filter Shaker Systems 37................................................................................
Hopper Full Sensing System 38...............................................................................................
Hopper Door & Vacuum Wand Door Sensing Systems 39......................................................
Machine Speed Sensing System 40........................................................................................
Level & Hopper Tilt Sensing Systems 41.................................................................................
Blocked Conveyor & Hopper Temp. Sensing Systems 42.......................................................
Wet Dust Control System 43....................................................................................................
Pressure Washer System 44...................................................................................................
Forward Propel & Brake Systems 45.......................................................................................
Reverse Propel & Brake Systems 46.......................................................................................
Vario Brush Tilt System 47.......................................................................................................
Vario Brush Arm Swing / Slide System 48...............................................................................
Vario Brush Raise / Lower & Rotate Systems 49.....................................................................
Operating Modes 50.................................................................................................................
Operational Matrix 51...............................................................................................................
Connector Pin Designations 53................................................................................................
Fuse Chart 54..........................................................................................................................
Component Locator 55.............................................................................................................
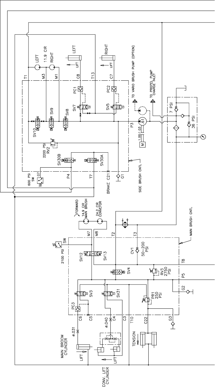
Hydraulic Troubleshooting 63.........................................................................................................
Hydraulic Diagram 64...............................................................................................................
Hydraulic Hose Diagram 69.....................................................................................................
Low Dump Hydraulic Hose Group 69................................................................................
High Dump Hopper Hydraulic Hose Group 70...................................................................
Cab Hydraulic Hose Group 71...........................................................................................
Conveyor and Main Brush Hydraulic Hose Group 72........................................................
Hydraulic Reservoir Hose Group 73..................................................................................
Steer, Brakes, Side Brush Hydraulic Hose Group 74........................................................
Left Side Brush Hydraulic Hose Group 75.........................................................................
Propel Hydraulic Hose Group 76.......................................................................................
High Pressure Sprayer Hydraulic Hose Group 77.............................................................
Vario Brush Hydraulic Hose Group 78...............................................................................
Cab Tilt Group 79..............................................................................................................
Hydraulic Pumps & Valves 80..................................................................................................
Hydraulic Pumps Group 80...............................................................................................
Hydraulic Main Brush / Conveyor Lift Valve Group 81......................................................
Hydraulic Hopper Control Valve Group 82........................................................................
Hydraulic Side Brush Valve Group 83...............................................................................
Hydraulic Manifold and Priority Valve Group 84................................................................
Hopper Functions & Vacuum Fans Valve Block 85...........................................................
Pressure Washer Valve Block 87......................................................................................
Explanation of Abbreviations 88...............................................................................................
Conveyor & Main Brush Forward 89........................................................................................
Conveyor & Main Brush Reverse 90........................................................................................
Main Brush Lower 91...............................................................................................................
Conveyor Lower 92..................................................................................................................
Main Brush Lift, Conveyor Lift, & Conveyor Chain Tension 93................................................
Right Side Brush Rotate & Lower 94.......................................................................................
Left Side Brush Rotate & Lower 95..........................................................................................
Right & Left Side Brush Rotate & Lower 96.............................................................................
Right & Left Side Brush Lift 97.................................................................................................
Vacuum Fans Run 98..............................................................................................................
Shaker Run 99.........................................................................................................................
Vacuum Fans & Shaker Off 100................................................................................................
Hopper Tilt Back (Dump) 101.....................................................................................................
Hopper Tilt Forward (Normal Sweep Position) 102....................................................................
Hopper Lift (High Dump) 103.....................................................................................................
Hopper Lower (High Dump) 104................................................................................................
Hopper Door Lock (Latch Closed) 105.......................................................................................
Hopper Door Unlock (Latch Open) 106......................................................................................
Vario Brush Rotate Clockwise 107.............................................................................................
Vario Brush Rotate Counter-Clockwise 108...............................................................................
Vario Brush Swing Right (Clockwise) 109..................................................................................
Vario Brush Swing Left (Counter-Clockwise) 110......................................................................
Vario Brush Slide Right 111.......................................................................................................
Vario Brush Slide Left 112.........................................................................................................
Vario Brush Tilt Rear Edge Down 113.......................................................................................
Vario Brush Tilt Front Edge Down 114.......................................................................................
Vario Brush Tilt Left 115.............................................................................................................
Vario Brush Tilt Right 116..........................................................................................................
Vario Brush Lift 117....................................................................................................................
Vario Brush Lower 118...............................................................................................................
Right Turn 119...........................................................................................................................
Left Turn 120..............................................................................................................................
Brake Pedal (Push) 121.............................................................................................................
Brake Pedal (Release) 122........................................................................................................
Propel System 123.....................................................................................................................
Operational Matrix 125...............................................................................................................
Solenoid Valve Details 127........................................................................................................
Component Locator 128.............................................................................................................
Traffic Advisor Control 133...............................................................................................................
Installation and Operating Guide: Sirens/Switches 133.............................................................
Installation for Traffic Advisor 137..............................................................................................
Parts List for Traffic Advisor 138................................................................................................
Operation Matrix 139........................................................................................................................
Troubleshooting Matrix 141..............................................................................................................
Interlocks 143...................................................................................................................................
Pin Chart 144....................................................................................................................................
Engine Specifications (Standard Engine) 146..................................................................................
Engine Specifications (Turbo Engine) 148.......................................................................................
Torque Standard 150........................................................................................................................
Inch Fasteners 150....................................................................................................................
METRIC Fasteners 152.............................................................................................................
Nylon Insert Lock Nuts 154........................................................................................................
Wheel Bolt and Nuts 155...........................................................................................................
Tightening Nuts on Tapered Shafts 156....................................................................................
Shoulder Bolts 157.....................................................................................................................
Taper Lockr Bushings 158.........................................................................................................
Sequence Tightening 159..........................................................................................................
Auto Lube - Grease Jockey Installation and Maintenance 161........................................................
Table of Content 162..................................................................................................................
System Components 164...........................................................................................................
Electric systems 167..................................................................................................................
Installation Steps 170.................................................................................................................
Troublshooting the Grease Jockey 178.....................................................................................
Parts List 180.............................................................................................................................

SENTINEL
ELECTRICAL
Troubleshooting Manual
BEFORE CONDUCTING TESTS:
DURING TESTS:
* Read and Follow ALL Safety Warnings and Precautions in
Operator's Manual
* Call Technical Services if Diagnostic Time Exceeds One
Hour With Unknown Cause or Course of Action
NOTE:Troubleshooting charts are shown with optional equipment. The optional equipment is not
specified in these charts. Some machines may not be equipped with all components shown.
1
2003.10.14 Sentinel Electrical Troubleshooting Manual

Sentinel 331000 (6--03)
1
2
3
4
5
6
7
8
Sentinel Wiring Diagram (page 1 of 6)
2
2003.10.14 Sentinel Electrical Troubleshooting Manual

1
2
3
4
5
6
7
8
9
10
11
12
13
14
15
Sentinel Wiring Diagram (page 2 of 6)
3
2003.10.14 Sentinel Electrical Troubleshooting Manual

Sentinel 331000 (6--03)
9
10
11
12
13
14
15
Sentinel Wiring Diagram (page 3 of 6)
4
2003.10.14 Sentinel Electrical Troubleshooting Manual

16
17
Sentinel Wiring Diagram (page 4 of 6)
5
2003.10.14 Sentinel Electrical Troubleshooting Manual

Sentinel 331000 (6--03)
16
17
18
19
Sentinel Wiring Diagram (page 5 of 6)
6
2003.10.14 Sentinel Electrical Troubleshooting Manual

18
19
Sentinel Wiring Diagram (page 6 of 6)
7
2003.10.14 Sentinel Electrical Troubleshooting Manual

Sentinel 331000 (6--03)
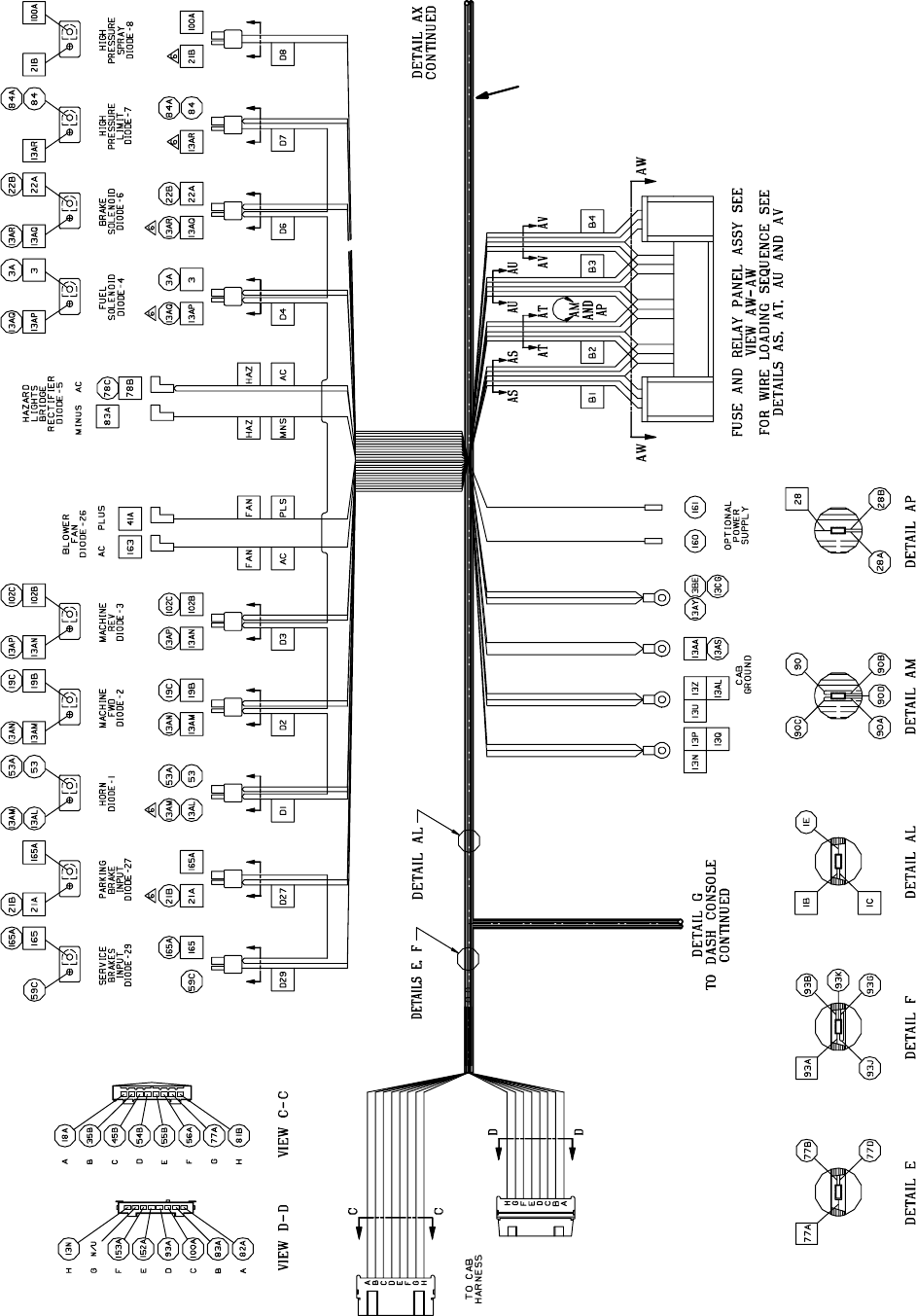
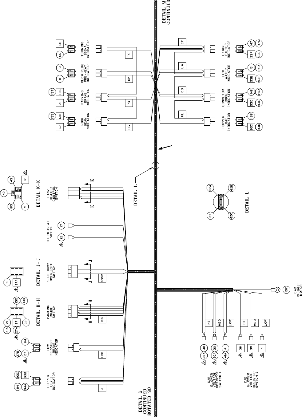
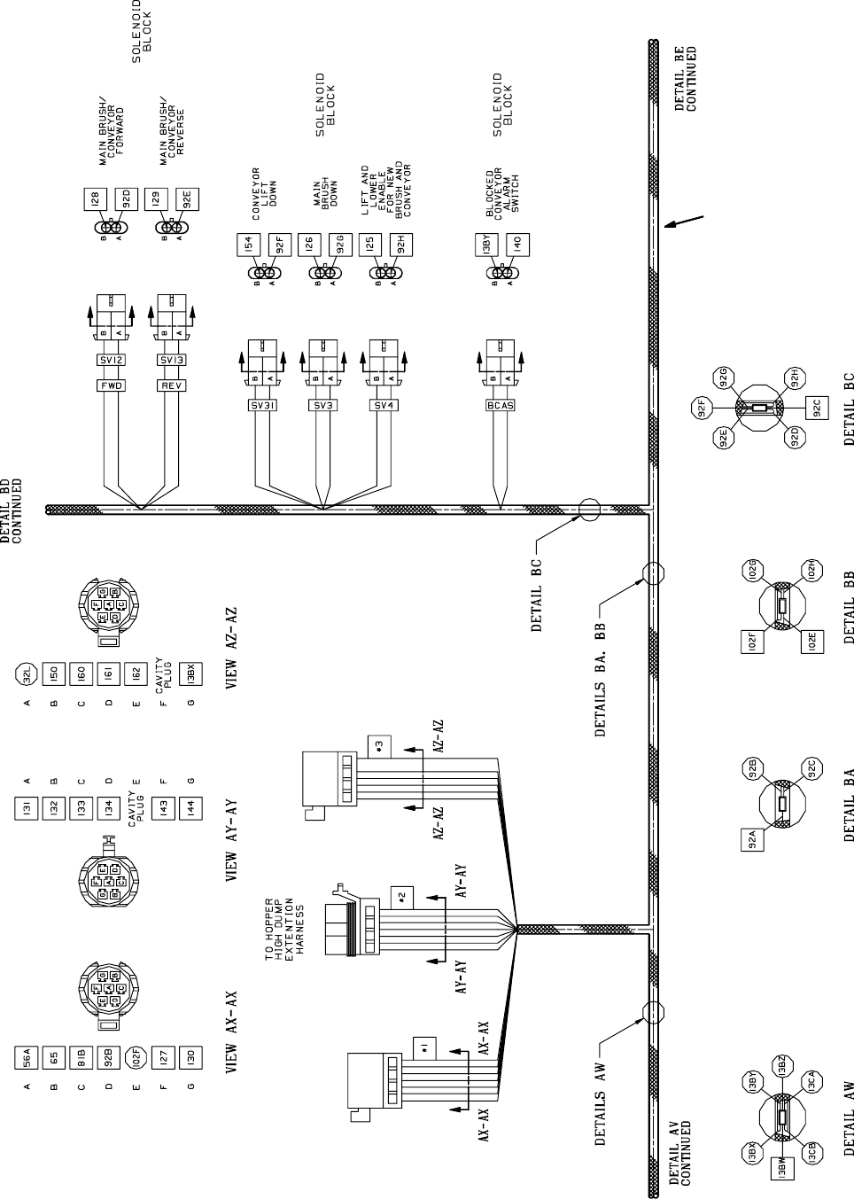
Main Wire Harness
1
Sentinel Wiring Harness Detail (page 1 of 19)
8
2003.10.14 Sentinel Electrical Troubleshooting Manual

Main Wire Harness
1
Sentinel Wiring Harness Detail (page 2 of 19)
9
2003.10.14 Sentinel Electrical Troubleshooting Manual

Sentinel 331000 (6--03)
Main Wire Harness
1
Sentinel Wiring Harness Detail (page 3 of 19)
10
2003.10.14 Sentinel Electrical Troubleshooting Manual

Main Wire Harness
1
Sentinel Wiring Harness Detail (page 4 of 19)
11
2003.10.14 Sentinel Electrical Troubleshooting Manual

Sentinel 331000 (6--03)
Main Wire Harness
1
Sentinel Wiring Harness Detail (page 5 of 19)
12
2003.10.14 Sentinel Electrical Troubleshooting Manual

Main Wire Harness
1
Sentinel Wiring Harness Detail (page 6 of 19)
13
2003.10.14 Sentinel Electrical Troubleshooting Manual

Sentinel 331000 (6--03)
Main Wire Harness
1
Sentinel Wiring Harness Detail (page 7 of 19)
14
2003.10.14 Sentinel Electrical Troubleshooting Manual

Main Wire Harness
1
Sentinel Wiring Harness Detail (page 8 of 19)
15
2003.10.14 Sentinel Electrical Troubleshooting Manual

Sentinel 331000 (6--03)
Main Wire Harness
1
1
Sentinel Wiring Harness Detail (page 9 of 19)
16
2003.10.14 Sentinel Electrical Troubleshooting Manual

Main Wire Harness
1
1
Sentinel Wiring Harness Detail (page 10 of 19)
17
2003.10.14 Sentinel Electrical Troubleshooting Manual

Sentinel 331000 (6--03)
Main Wire Harness
1
Sentinel Wiring Harness Detail (page 11 of 19)
18
2003.10.14 Sentinel Electrical Troubleshooting Manual

Main Wire Harness
1
Sentinel Wiring Harness Detail (page 12 of 19)
19
2003.10.14 Sentinel Electrical Troubleshooting Manual

Sentinel 331000 (6--03)
Main Wire Harness
1
Sentinel Wiring Harness Detail (page 13 of 19)
20
2003.10.14 Sentinel Electrical Troubleshooting Manual

Main Wire Harness
1
Sentinel Wiring Harness Detail (page 14 of 19)
21
2003.10.14 Sentinel Electrical Troubleshooting Manual

Sentinel 331000 (6--03)
Main Wire Harness
1
Sentinel Wiring Harness Detail (page 15 of 19)
22
2003.10.14 Sentinel Electrical Troubleshooting Manual

Sentinel 331000 (6--03)
Cab Wire Harness
2
Sentinel Wiring Harness Detail (page 16 of 19)
23
2003.10.14 Sentinel Electrical Troubleshooting Manual

Sentinel 331000 (6--03)
Cab Wire Harness
2
Sentinel Wiring Harness Detail (page 17 of 19)
24
2003.10.14 Sentinel Electrical Troubleshooting Manual

Hopper Wire Harness
3
Sentinel Wiring Harness Detail (page 18 of 19)
25
2003.10.14 Sentinel Electrical Troubleshooting Manual

Sentinel 331000 (6--03)
Hopper Wire Harness
3
Sentinel Wiring Harness Detail (page 19 of 19)
26
2003.10.14 Sentinel Electrical Troubleshooting Manual

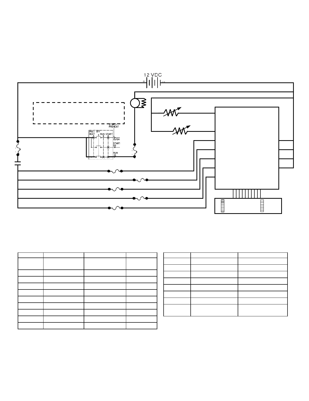
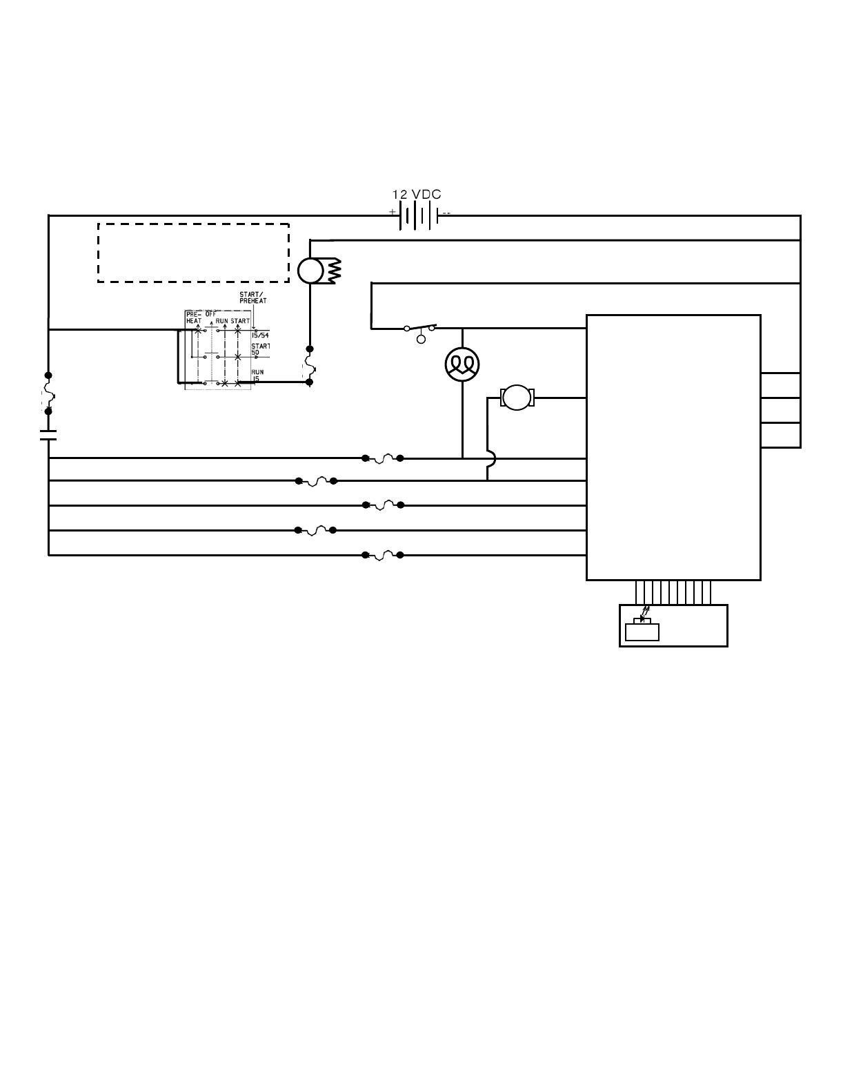
Sentinel Key Switch
RUN POSITION START POSITION
Spring loaded- Returns to “RUN" unless held
Glow
Plug
START
RUN
OFF
KEY SWITCH
Glow
Plug START
RUN
OFF
KEY SWITCH
OFF POSITION
Glow
Plug START
RUN
OFF
KEY SWITCH
GLOW PLUG POSITION
Spring loaded- Returns
to "OFF" unless held Glow
Plug START
RUN
OFF
KEY SWITCH
30
50
15
15/54
30/1
30
50
15
15/54
30/1
30
50
15
15/54
30/1
30
50
15
15/54
30/1
START
RUN
NO CONNECTIONSOFF
GLOW PLUG
155015/5430, 30/1
SWITCH TERMINAL MARKING
KEY SWITCH POSITION
“ . “ Indicates a common connection
NOTE: Common connections in various switch positions should be less than 1Ω
27
2003.10.14 Sentinel Electrical Troubleshooting Manual

Sentinel Starting System
+-
30/1
30
1/RED
1/RED
1/RED
13/BLK
KEY SWITCH
13/BLK
M13
STARTER MOTOR
M2
M13
NEUTRAL
START
RELAY
F27
15 AMP
28/PUR
M11
SEAT SWITCH
RELAY
SEE “SENTINEL FORWARD PROPEL
& BRAKE SYSTEMS “ PAGE
FORWARD / REVERSE
SWITCH
RELEASE
SET
M3
PROPEL DISABLE
RELAY
M11
SEAT SWITCH
PARKING BRAKE ENGAGED LAMP
1/RED CHASSIS GROUND
CHASSIS GROUND
13/BLK
13/BLK
13/BLK
7/YEL
6/ORA
27/GRY
27/GRY
16/YEL
16/YEL
31/GRN
21/PUR
22/GRY 2/BLU 15/GRN
22/GRY
8586
30 87a
858630 87a
30 87
SW1
S5
SW8
TO MACHINE CONTROL BOARD PIN P1-Y2
SEAT SWITCH RELAY
TO MACHINE CONTROL
BOARD PIN P1-M2
D27
SEE “SENTINEL REVERSE PROPEL
& BRAKE SYSTEMS “ PAGE
SEE “SENTINEL FORWARD PROPEL & BRAKE SYSTEMS “ PAGE
OR “SENTINEL REVERSE PROPEL & BRAKE SYSTEMS” PAGE
TO MACHINE CONTROL
BOARD PIN P1-W2 M3 8685
PROPEL DISABLE
RELAY
37/PUR
M2
NEUTRAL
START RELAY
Note: Ignition Switch is illustrated in the “OFF” position. Please
see Key Switch illustrations page for various operating positions
PARKING BRAKE
SWITCH
28
2003.10.14 Sentinel Electrical Troubleshooting Manual

Sentinel Glow Plugs System
+-
30/1
30
1/RED
1/RED
1/RED
13/BLK
KEY SWITCH
13/BLK
F29
80 AMP
GP4
GP3
GP2
GP1
1
3
6
25
4
+OUT
LAMP GROUND
PRE-
HEAT START
ENGINE PRE-
HEAT TIMER
1/RED
CH ASS IS GRO UNDS
80/BRN
8/BLU
8/BLU 10/BRN
7/YEL
46/PUR
PRE-HEAT LAMP
TMR1 GLOW PLUGS
Note: Ignition Switch is illustrated in the “OFF” position. Please
see Key Switch illustrations page for various operating positions
29
2003.10.14 Sentinel Electrical Troubleshooting Manual

Sentinel Charging System
+-
ALT
F27
15 AMP
+-
2
1
Note: Ignition Switch is illustrated in the “OFF” position. Please
see Key Switch illustrations page for various operating positions
14/ORA
27/GRY
CHASSIS GROUND
30/1
30
1/RED
1/RED
1/RED
1/RED
1/RED
28/PUR
13/BLK
KEY SWITCH
CONTROL
BOARD
PIN P1-X1
PIN P1-L2
PIN P1-Y1
PIN P1-E1
PIN P1-E2
PIN P1-F1
PIN P1-B1
PIN P1-A2
M4
10 AMP
15 AMP
F18
F8
10 AMP
15 AMP
F16
F17
F1
30 AMP
GAUGE
PANEL
H
L
VOLT
METER
95/ORA
34/ORA
91/PUR
92/BRN
66/BRN
90/GRY
90/GRY
90/GRY
90/GRY
13/BLK
13/BLK
13/BLK
13/BLK
13/BLK
85
86
30
87
M4 ACCESSORY
POWER RELAY
93/GRN90/GRY F19
10 AMP
PIN P1-X2
D30
Approximate values for Volt Meter Gauge
# of LED's status voltage
8 flashing 15.45 V or higher
7on 14.95 V
6on 14.35 V
5on 13.75 V
4on 13.3 V
3on 12.8V
12.2V
12.15 V or lower
2
2
on
flashing
30
2003.10.14 Sentinel Electrical Troubleshooting Manual

Sentinel Power-Up & Fuel System
+-
F27
15 AMP
27/GRY
30/1
30
1/RED
1/RED
1/RED
28/PUR
13/BLK
KEY SWITCH
CONTROL
BOARD
PIN P1-X1
PIN P1-L2
PIN P1-Y1 PIN P1-E1
PIN P1-E2
PIN P1-F1
PIN P1-B1
PIN P1-A2
10 AMP
15 AMP
F18
F8
10 AMP
15 AMP
F16
F17
F1
M4
GAUGE
PANEL
95/ORA
34/ORA
91/PUR
92/BRN
66/BRN
90/GRY
90/GRY
90/GRY
90/GRY
13/BLK
13/BLK
13/BLK
13/BLK
13/BLK
8586
30
87
M12 8586
86
13/BLK
13/BLK
30 AMP
TOUCH
PANEL
ACCESSORY
POWER RELAY
27/GRY
27/GRY
M5
EL PIN P1-W3
M5
ENGINE SHUT-
DOWN RELAY
3087a
FUEL SOLENOID FUEL LIFT PUMP
27/GRY 3/BRN
27/GRY
M4
ENGINE SHUTDOWN
OVERIDE SWITCH
COLD START
TEMP SWITCH
COLD START
ADVANCE SOLENOID
3/BRN
3/BRN
M12
ACCESSSORY
POWER RELAY # 2
30 87 TO FUSE PANEL FOR OPTIONS / ACCESSORIES
SW2 S10
SOL4
SOL1
MTR2
93/GRN
90/GRY F19
10 AMP
PIN P1-X2
ACCESSSORY
POWER RELAY # 2
ACCESSORY
POWER RELAY
Note: Ignition Switch is illustrated in the “OFF” position. Please
see Key Switch illustrations page for various operating positions
85 11/Y
ENGINE SHUT-
DOWN RELAY
31
2003.10.14 Sentinel Electrical Troubleshooting Manual

Sentinel Engine Oil Pressure & Temperature Sensors
+-
F27
15 AMP
Note: Ignition Switch is illustrated in the “OFF”
position. Please see Key Switch illustrations
page for various operating positions
27/GRY
30/1
30
1/RED
1/RED
1/RED
28/PUR
13/BLK
KEY SWITCH
CONTROL
BOARD
PIN P1-X1
PIN P1-L2
PIN P1-Y1
PIN P1-E1
PIN P1-E2
PIN P1-F1
PIN P1-B1
PIN P1-A2
M4
10 AMP
15 AMP
F18
F8
10 AMP
15 AMP
F16
F17
F1
30 AMP
M4
GAUGE
PANEL
H
L
OIL
PRESSURE
95/ORA
34/ORA
91/PUR
92/BRN
66/BRN
90/GRY
90/GRY
90/GRY
90/GRY
13/BLK
13/BLK
13/BLK
13/BLK
13/BLK
85
86
30
87
ACCESSORY
POWER RELAY
13/BLK
ENGINE OIL PRESSURE
SENSOR
SNSR3
SNSR4
ENGINE TEMPERATURE
SENSOR
PIN P1-N1
PIN P1-R1
H
L
ENGINE
TEMP
137/BRN
139/ORA
93/GRN90/GRY F19
10 AMP
PIN P1-X2
ACCESSORY
POWER RELAY
Approximate values for Temperature Gauge & Sensor Approximate values for Oil Pressure Gauge
# of LED's status voltage @ sensor engine temp.
8flashing /
engine shutdown < 0.88 V above 240
o
8 flashing 0.88 V 240
o
7 on 1.04 V 225
o
6 on 1.19 V 215
o
5 on 1.35 V 205
o
4 on 1.51 V 195
o
3 on 1.82 V 180
o
2 on 2.31 V 160
o
1 on 3.35 V 140
o
0 all LED's off > 3.35 V below 140
o
# of LED's status engine oil pressure
8 on 107 psi
7 on 82 psi
6 on 52 psi
5 on 41 psi
4 on 28 psi
3 on 16 psi
2 flashing below 16 psi
2flashing /
engine shutdown below 5 psi
32
2003.10.14 Sentinel Electrical Troubleshooting Manual

Sentinel Engine Air Filter, Speed & Fuel Level Sensors
+-
F27
15 AMP
Note: Ignition Switch is illustrated in the “OFF”
position. Please see Key Switch illustrations
page for various operating positions
27/GRY
30/1
30
1/RED
1/RED
1/RED
28/PUR
13/BLK
KEY SWITCH
CONTROL
BOARD
PIN P1-X1
PIN P1-L2
PIN P1-Y1
PIN P1-E1
PIN P1-E2
PIN P1-F1
PIN P1-B1
PIN P1-A2
M4
10 AMP
15 AMP
F18
F8
10 AMP
15 AMP
F16
F17
F1
30 AMP
M4
95/ORA
34/ORA
91/PUR
92/BRN
66/BRN
90/GRY
90/GRY
90/GRY
90/GRY
13/BLK
13/BLK
13/BLK
13/BLK
13/BLK
85
86
30
87
ACCESSORY
POWER RELAY
13/BLK
FUEL LEVEL
SENSOR (180 Ohm)
SNSR5
ENGINE SPEED
SENSOR
PIN P1-P1
PIN P1-W1
GAUGE
PANEL
F
E
FUEL
LEVEL
A
B
90/GRY
10 AMP
F19
PIN P1-N3
13/BLK
S17
93/GRN 147/GRY
148/YEL
138/GRN
RPM
PIN P1-X2
93/GRN
ACCESSORY
POWER RELAY
SNSR2
CLOGGED ENGINE AIR FILTER SENSOR
(CLOSED WITH CLOGGED AIR FILTER)
CLOGGED ENGINE
AIR FILTER LAMP
Approximate values for Fuel Level Gauge & Sensor
# of LED's status resistance fuel level
8 on 180 ohms full
7on
6on
5on
4on
3on
2on
1 flashing 0 ohms empty
between
half & full
100 ohms to
180 ohms
0 ohms to
80 ohms
between
empty & half
80 ohms to
100 ohms half
33
2003.10.14 Sentinel Electrical Troubleshooting Manual

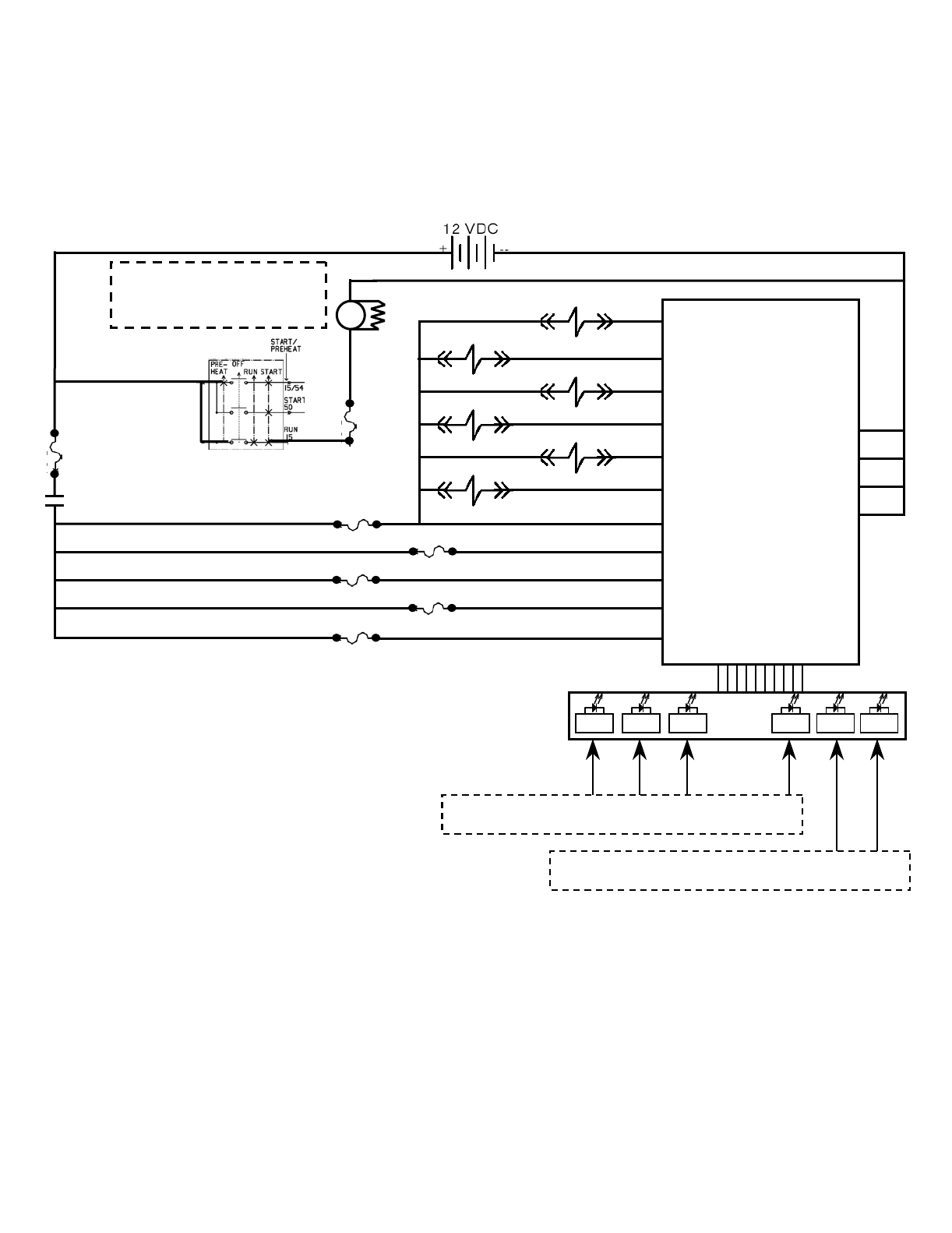
Sentinel Right & Left Brush Systems
+-
F27
15 AMP
Note: Ignition Switch is illustrated
in the “OFF” position. Please see
Key Switch illustrations page for
various operating positions
27/GRY
30/1
30
1/RED
1/RED
1/RED
28/PUR
13/BLK
KEY SWITCH
CONTROL
BOARD
PIN P1-X1
PIN P1-L2
PIN P1-B1
PIN P1-E1
PIN P1-E2
PIN P1-F1
PIN P1-Y1
PIN P1-A2
M4
15 AMP
15 AMP
F16
F8
10 AMP
10 AMP
F18
F17
F1
30 AMP
M4
95/ORA
34/ORA
91/PUR
92/BRN
66/BRN
90/GRY
90/GRY
90/GRY
90/GRY
13/BLK
13/BLK
13/BLK
13/BLK
13/BLK
85
86
30
87
ACCESSORY
POWER RELAY
PIN P1-G2
PIN P1-F2
PIN P1-G3
91/PUR
98/BRN
96/GRY
97/YEL
SV5
SV9
SV7
SV10
SV8
RIGHT SIDE BRUSH DOWN
RIGHT SIDE BRUSH ON
LEFT SIDE BRUSH DOWN
LEFT SIDE BRUSH ON
ENABLE LIFT CIRCUITS # 1
93/GRN90/GRY F19
10 AMP
PIN P1-X2
ACCESSORY
POWER RELAY
TOUCH
PANEL
LEFT SIDE
BRUSH
RIGHT SIDE
BRUSH
NOTE: Touch panel buttons shown activate their component when
they are pushed and released. To deactivate, push and release again
NOTE: Refer to Operational Matrix Charts and Hydraulic Troubleshooting Charts
to successfully troubleshoot electrically operated hydraulic solenoid valves
M4
34
2003.10.14 Sentinel Electrical Troubleshooting Manual

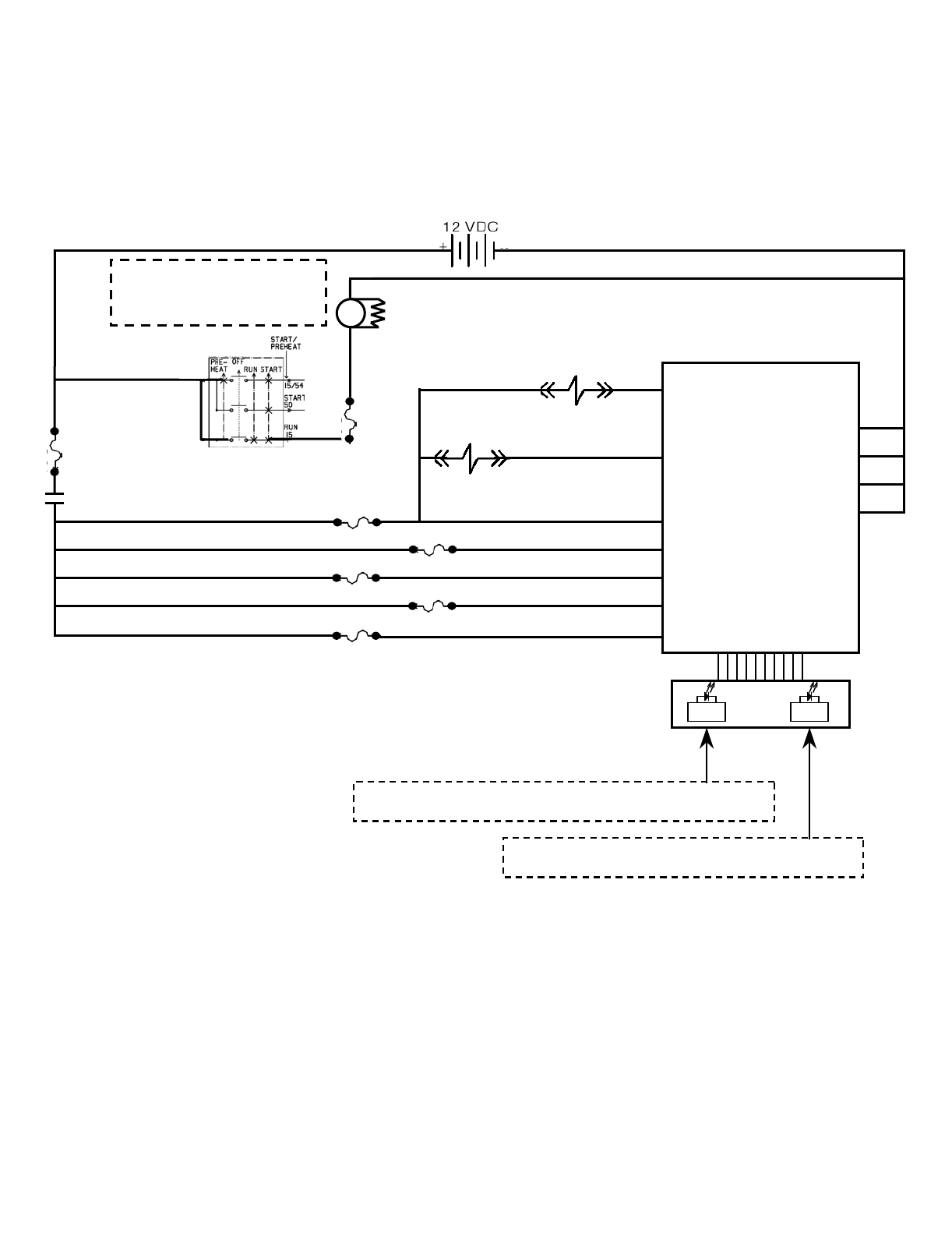
Sentinel Main Brush & Conveyor Systems
+-
F27
15 AMP
Note: Ignition Switch is illustrated
in the “OFF” position. Please see
Key Switch illustrations page for
various operating positions
27/GRY
30/1
30
1/RED
1/RED
1/RED
28/PUR
13/BLK
KEY SWITCH
CONTROL
BOARD
PIN P1-X1
PIN P1-L2
PIN P1-A2
PIN P1-E1
PIN P1-E2
PIN P1-F1
PIN P1-Y1
PIN P1-B1
M4
15 AMP
15 AMP
F17
F8
10 AMP
10 AMP
F18
F16
F1
30 AMP
M4
95/ORA
34/ORA
91/PUR
92/BRN
66/BRN
90/GRY
90/GRY
90/GRY
90/GRY
13/BLK
13/BLK
13/BLK
13/BLK
13/BLK
85
86
ACCESSORY
POWER RELAY
PIN P1-J2
PIN P1-B3
PIN P1-A3
92/BRN
154/PUR
128/BLU
126/BRN
SV3
SV4
SV12
SV13
SV31
MAIN BRUSH DOWN
MAIN BRUSH & CONV FWD
CONVEYOR DOWN
PIN P1-J3
PIN P1-B2
125/YEL
129/GRY
ENABLE LIFT CIRCUITS # 2
MAIN BRUSH & CONV REV
93/GRN90/GRY F19
10 AMP
PIN P1-X2
30
87
ACCESSORY
POWER RELAY
TOUCH
PANEL
CONV
REVERSE SWEEP
NOTE: Touch panel buttons shown activate their component when
they are pushed and released. To deactivate, push and release again
M4
NOTE: Refer to Operational Matrix Charts and Hydraulic Troubleshooting Charts
to successfully troubleshoot electrically operated hydraulic solenoid valves
35
2003.10.14 Sentinel Electrical Troubleshooting Manual

Sentinel Hopper System
+-
F27
15 AMP
Note: Ignition Switch is illustrated
in the “OFF” position. Please see
Key Switch illustrations page for
various operating positions
27/GRY
30/1
30
1/RED
1/RED
1/RED
28/PUR
13/BLK
KEY SWITCH
CONTROL
BOARD
PIN P1-X1
PIN P1-L2
PIN P1-A2
PIN P1-E1
PIN P1-E2
PIN P1-F1
PIN P1-Y1
PIN P1-B1
M4
15 AMP
15 AMP
F17
F8
10 AMP
10 AMP
F18
F16
F1
30 AMP
M4
95/ORA
34/ORA
91/PUR
92/BRN
66/BRN
90/GRY
90/GRY
90/GRY
90/GRY
13/BLK
13/BLK
13/BLK
13/BLK
13/BLK
85
86
ACCESSORY
POWER RELAY
PIN P1-J1
PIN P1-E3
PIN P1-D1
92/BRN
162/YEL
133/ORA
127/GRN
SV2
SV17
SV18
SV19
SV32
HOPPER LIFT
HOPPER TILT BACK
HOPPER ENABLE
PIN P1-D3
PIN P1-F3
132/GRN
134/BLU
HOPPER DOOR RELEASE
HOPPER TILT FORWARD
PIN P1-K3
150/ORA
HOPPER LOWER
SV1
93/GRN90/GRY F19
10 AMP
PIN P1-X2
30
87
ACCESSORY
POWER RELAY
TOUCH
PANEL HOPPER
DR CLOSE
HOPPER
DR OPEN
HOPPER
TILT BACK
HOPPER
TILT FWD
HOPPER
LIFT
HOPPER
LOWER
NOTE: Indicated touch panel buttons activate their component when
they are pushed and held. To deactivate component, release button
NOTE: Indicated touch panel buttons activate their component when
they are pushed and held for 2 to 3 seconds.
NOTE: Refer to Operational Matrix Charts and Hydraulic Troubleshooting Charts
to successfully troubleshoot electrically operated hydraulic solenoid valves
36
2003.10.14 Sentinel Electrical Troubleshooting Manual

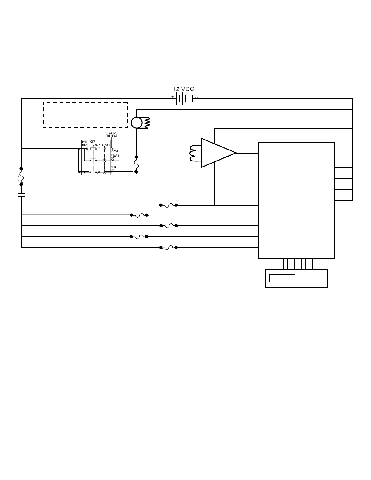
Sentinel Vacuum Fan & Filter Shaker Systems
+-
F27
15 AMP
Note: Ignition Switch is illustrated
in the “OFF” position. Please see
Key Switch illustrations page for
various operating positions
27/GRY
30/1
30
1/RED
1/RED
1/RED
28/PUR
13/BLK
KEY SWITCH
CONTROL
BOARD
PIN P1-X1
PIN P1-L2
PIN P1-A2
PIN P1-E1
PIN P1-E2
PIN P1-F1
PIN P1-Y1
PIN P1-B1
M4
15 AMP
15 AMP
F17
F8
10 AMP
10 AMP
F18
F16
F1
30 AMP
M4
95/ORA
34/ORA
91/PUR
92/BRN
66/BRN
90/GRY
90/GRY
90/GRY
90/GRY
13/BLK
13/BLK
13/BLK
13/BLK
13/BLK
85
86
ACCESSORY
POWER RELAY
92/BRN
SV14
SV16
PIN P1-C3
130/YEL
VACUUM FANS
PIN P1-D2
131/BRN
FILTER SHAKER
93/GRN90/GRY F19
10 AMP
PIN P1-X2
30
87
ACCESSORY
POWER RELAY
TOUCH
PANEL
FILTER
SHAKER
VACUUM
FANS
NOTE: Indicated touch panel button activates component for 30 seconds when
pushed and released. To deactivate, wait 30 seconds OR push and release again
NOTE: Indicated touch panel button activates component when
pushed and released. To deactivate, push and release again
M4
NOTE: Refer to Operational Matrix Charts and Hydraulic Troubleshooting Charts
to successfully troubleshoot electrically operated hydraulic solenoid valves
37
2003.10.14 Sentinel Electrical Troubleshooting Manual

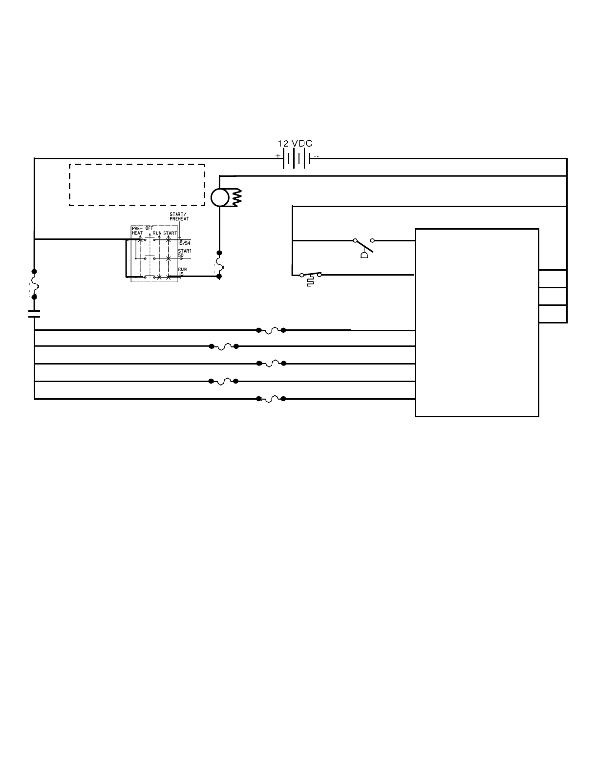
Sentinel Hopper Full Sensing System
+-
F27
15 AMP
Note: Ignition Switch is illustrated
in the “OFF” position. Please see
Key Switch illustrations page for
various operating positions
27/GRY
30/1
30
1/RED
1/RED
1/RED
28/PUR
13/BLK
KEY SWITCH
CONTROL
BOARD
PIN P1-X1
PIN P1-L2
PIN P1-A2
PIN P1-E1
PIN P1-E2
PIN P1-F1
PIN P1-Y1
PIN P1-B1
M4
15 AMP
15 AMP
F17
F8
10 AMP
10 AMP
F18
F16
F1
30 AMP
M4
95/ORA
34/ORA
91/PUR
92/BRN
66/BRN
90/GRY
90/GRY
90/GRY
90/GRY
13/BLK
13/BLK
13/BLK
13/BLK
13/BLK
85
86
ACCESSORY
POWER RELAY
PIN P1-N2
PIN P1-M3
13/BLK
HOPPER LOAD LIMIT
SWITCH (CLOSED
WITH FULL HOPPER)
S25
145/ORA
10 AMP
93/GRN
90/GRY F19
136/YEL
HOPPER
LOAD LIMIT
LAMP
PIN P1-X2
30
87
ACCESSORY
POWER RELAY
TO ADJUST HOPPER LOAD LIMIT SWITCH:
LOW DUMP
Set hopper load limit switch to 1/2" (12.5 mm) from roller to stop plate
HIGH DUMP
Set hopper load limit switch to 7/16" (11 mm) from roller to stop plate
Hopper Load Limit
Switch Roller
Stop Plate
M4
38
2003.10.14 Sentinel Electrical Troubleshooting Manual

Sentinel Hopper Door & Vacuum Wand Door Sensing Systems
+-
F27
15 AMP
Note: Ignition Switch is illustrated
in the “OFF” position. Please see
Key Switch illustrations page for
various operating positions
27/GRY
30/1
30
1/RED
1/RED
1/RED
28/PUR
13/BLK
KEY SWITCH
CONTROL
BOARD
PIN P1-X1
PIN P1-L2
PIN P1-A2
PIN P1-E1
PIN P1-E2
PIN P1-F1
PIN P1-Y1
PIN P1-B1
M4
15 AMP
15 AMP
F17
F8
10 AMP
10 AMP
F18
F16
F1
30 AMP
M4
95/ORA
34/ORA
91/PUR
92/BRN
66/BRN
90/GRY
90/GRY
90/GRY
90/GRY
13/BLK
13/BLK
13/BLK
13/BLK
13/BLK
85
86
ACCESSORY
POWER RELAY
PIN P1-T3
13/BLK
VACUUM WAND DOOR
CLOSED SWITCH
(CLOSED WITH
DOOR CLOSED)
S18 146/BLU
10 AMP
93/GRN
90/GRY F19
VACUUM
WAND DOOR
CLOSED LAMP
PIN P1-X2
PIN P1-P2
S24
HOPPER DOOR OPEN SWITCH
(OPEN WITH DOOR OPEN) 143/BRN
30
87
ACCESSORY
POWER RELAY
TOUCH
PANEL HOPPER
DR CLOSE
HOPPER
DR OPEN
NOTE: Touch panel buttons shown activate their component when
they are pushed and released. To deactivate, push and release again
39
2003.10.14 Sentinel Electrical Troubleshooting Manual

Sentinel Machine Speed Sensing System
+-
F27
15 AMP
Note: Ignition Switch is illustrated
in the “OFF” position. Please see
Key Switch illustrations page for
various operating positions
27/GRY
30/1
30
1/RED
1/RED
1/RED
28/PUR
13/BLK
KEY SWITCH
CONTROL
BOARD
PIN P1-X1
PIN P1-L2
PIN P1-A2
PIN P1-E1
PIN P1-E2
PIN P1-F1
PIN P1-Y1
PIN P1-B1
M4
15 AMP
15 AMP
F17
F8
10 AMP
10 AMP
F18
F16
F1
30 AMP
M4
95/ORA
34/ORA
91/PUR
92/BRN
66/BRN
90/GRY
90/GRY
90/GRY
90/GRY
13/BLK
13/BLK
13/BLK
13/BLK
13/BLK
85
86
ACCESSORY
POWER RELAY
PIN P1-T1
13/BLK
149/BRN
10 AMP
93/GRN
90/GRY F19
HALL
EFFECT
A
B
C
SW6
PIN P1-X2
30
87
ACCESSORY
POWER RELAY
MACHINE
SPEED
SENSOR
GAUGE
PANEL
MPH or Km/h
M4
40
2003.10.14 Sentinel Electrical Troubleshooting Manual

Sentinel Level & Hopper Tilt Sensing Systems
+-
F27
15 AMP
Note: Ignition Switch is illustrated
in the “OFF” position. Please see
Key Switch illustrations page for
various operating positions
27/GRY
30/1
30
1/RED
1/RED
1/RED
28/PUR
13/BLK
KEY SWITCH
CONTROL
BOARD
PIN P1-X1
PIN P1-L2
PIN P1-A2
PIN P1-E1
PIN P1-E2
PIN P1-F1
PIN P1-Y1
PIN P1-B1
M4
15 AMP
15 AMP
F17
F8
10 AMP
10 AMP
F18
F16
F1
30 AMP
M4
95/ORA
34/ORA
91/PUR
92/BRN
66/BRN
90/GRY
90/GRY
90/GRY
90/GRY
13/BLK
13/BLK
13/BLK
13/BLK
13/BLK
85
86
ACCESSORY
POWER RELAY
PIN P1-R2
13/BLK
HOPPER TILTED
SWITCH (CLOSED
WITH HOPPER TILTED)
S27
141/GRY
10 AMP
93/GRN
90/GRY F19
PIN P1-K2
94/GRY
94/GRY
13/BLK
MACHINE NOT
LEVEL LAMP
LEVEL SENSOR
SNSR1
A
BC
PIN P1-X2
30
87
ACCESSORY
POWER RELAY
TOUCH
PANEL
HOPPER
TILT BACK
HOPPER
TILT FWD
NOTE: Indicated touch panel buttons activate their component when
they are pushed and held. To deactivate component, release button
M4
41
2003.10.14 Sentinel Electrical Troubleshooting Manual

Sentinel Blocked Conveyor & Hopper Temp. Sensing Systems
+-
F27
15 AMP
Note: Ignition Switch is illustrated
in the “OFF” position. Please see
Key Switch illustrations page for
various operating positions
27/GRY
30/1
30
1/RED
1/RED
1/RED
28/PUR
13/BLK
KEY SWITCH
CONTROL
BOARD
PIN P1-X1
PIN P1-L2
PIN P1-A2
PIN P1-E1
PIN P1-E2
PIN P1-F1
PIN P1-Y1
PIN P1-B1
M4
15 AMP
15 AMP
F17
F8
10 AMP
10 AMP
F18
F16
F1
30 AMP
M4
95/ORA
34/ORA
91/PUR
92/BRN
66/BRN
90/GRY
90/GRY
90/GRY
90/GRY
13/BLK
13/BLK
13/BLK
13/BLK
13/BLK
85
86
ACCESSORY
POWER RELAY
PIN P1-P3
13/BLK
S26 144/GRN
10 AMP
93/GRN
90/GRY F19 PIN P1-X2
PIN P1-T2
BLOCKED CONVEYOR
SWITCH (CLOSED WITH
BLOCKED CONVEYOR) 140/BLU
S16
30
87
ACCESSORY
POWER RELAY
HOPPER TEMPERATURE SWITCH
(OPEN WITH HIGH TEMPERATURE)
42
2003.10.14 Sentinel Electrical Troubleshooting Manual

Sentinel Wet Dust Control System
+-
F27
15 AMP
Note: Ignition Switch is illustrated
in the “OFF” position. Please see
Key Switch illustrations page for
various operating positions
27/GRY
30/1
30
1/RED
1/RED
1/RED
28/PUR
13/BLK
KEY SWITCH
CONTROL
BOARD
PIN P1-X1
PIN P1-A2
PIN P1-L2
PIN P1-E1
PIN P1-E2
PIN P1-F1
PIN P1-Y1
PIN P1-B1
M4
10 AMP
15 AMP
F8
F17
15 AMP
10 AMP
F18
F16
F1
30 AMP
M4
95/ORA
34/ORA
91/PUR
92/BRN
66/BRN
90/GRY
90/GRY
90/GRY
90/GRY
13/BLK
13/BLK
13/BLK
13/BLK
13/BLK
85
86
ACCESSORY
POWER RELAY
PIN P1-L3
13/BLK
151/BLU
10 AMP
93/GRN
90/GRY F19
PIN P1-L1
PIN P1-X2
S28
LOW WATER
LEVEL SENSOR
(CLOSED WITH LOW WATER)
LOW WATER
LEVEL LAMP MTR1
WET DUST
CONTROL
WATER PUMP
39/PUR
34/ORA93/GRN
30
87
ACCESSORY
POWER RELAY
TOUCH
PANEL
WATER
PUMP
NOTE: Touch panel button shown activates component when
pushed and released. To deactivate, push and release again
43
2003.10.14 Sentinel Electrical Troubleshooting Manual

Sentinel Pressure Washer System
+-
F27
15 AMP
Note: Ignition Switch is illustrated
in the “OFF” position. Please see
Key Switch illustrations page for
various operating positions
27/GRY
30/1
30
1/RED
1/RED
1/RED
28/PUR
13/BLK
KEY SWITCH
CONTROL
BOARD
PIN P1-X1
PIN P1-A2
PIN P1-L2
PIN P1-E1
PIN P1-E2
PIN P1-F1
PIN P1-Y1
PIN P1-B1
M4
10 AMP
15 AMP
F8
F17
15 AMP
10 AMP
F18
F16
F1
30 AMP
M4
95/ORA
34/ORA
91/PUR
92/BRN
66/BRN
90/GRY
90/GRY
90/GRY
90/GRY
13/BLK
13/BLK
13/BLK
13/BLK
13/BLK
85
86
ACCESSORY
POWER RELAY
PIN P1-G3
13/BLK
10 AMP
93/GRN
90/GRY F19
PIN P1-K1
PIN P1-X2
98/BRN
S12
153/YEL
152/GRY
S5
RELEASE
SET
PARKING
BRAKE
SWITCH
D8
SV33
PRESSURE WASHER SWITCH
27/GRY 21/PUR
22/GRY
100/BLU
PRESSURE
WASHER SOLENOID
(SHOWN IN “ON” POSITION)
30
87
ACCESSORY
POWER
RELAY
SEE “SENTINEL FORWARD PROPEL &
BRAKE SYSTEMS “ PAGE OR “SENTINEL
REVERSE PROPEL & BRAKE SYSTEMS” PAGE
NOTE: Refer to Operational Matrix Charts and Hydraulic Troubleshooting Charts
to successfully troubleshoot electrically operated hydraulic solenoid valves
44
2003.10.14 Sentinel Electrical Troubleshooting Manual

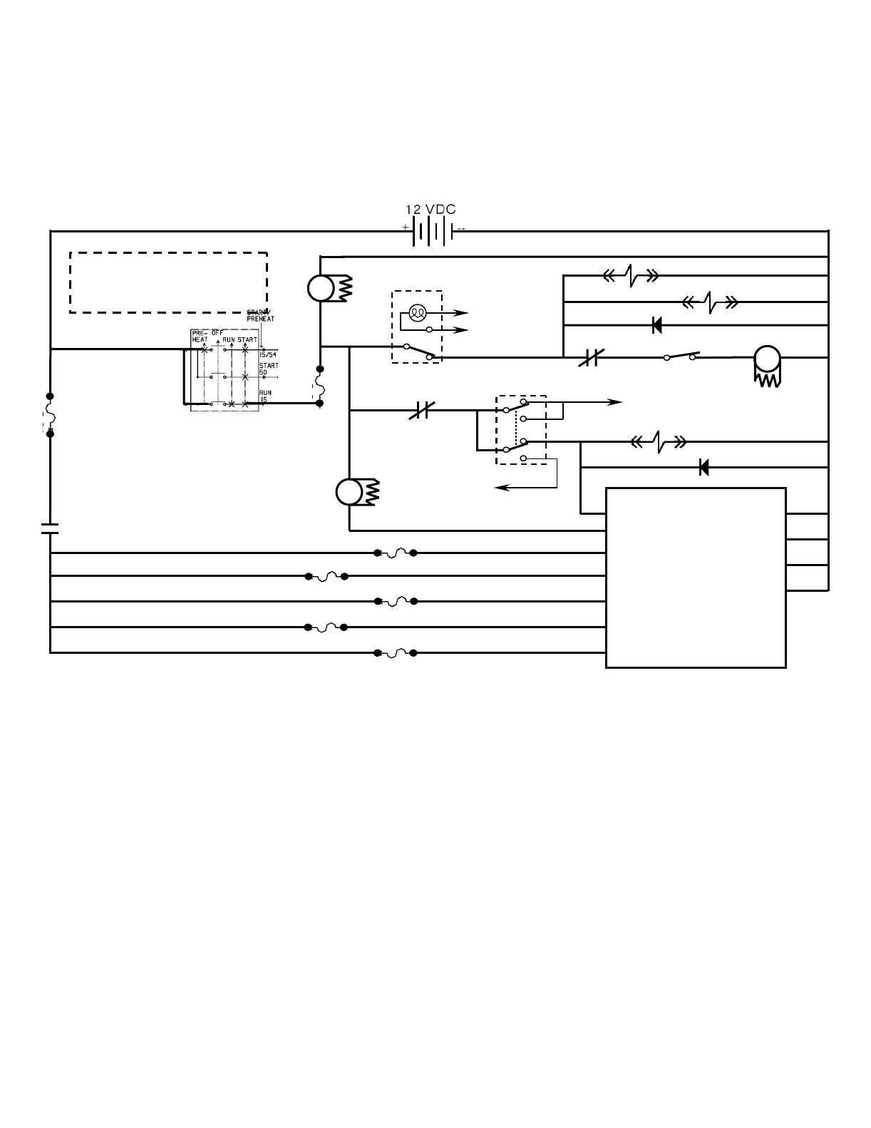
Sentinel Forward Propel & Brake Systems
M11
SEAT SWITCH RELAY
(SHOWN CLOSED WITH
OPERATOR ON SEAT)
FWD / REV
SWITCH
RELEASE
SET
PARKING BRAKE
SWITCH
27/GRY
27/GRY
16/YEL 31/GRN
30 87
S5
+-
F27
15 AMP
Note: Ignition Switch is illustrated
in the “OFF” position. Please see
Key Switch illustrations page for
various operating positions
27/GRY
30/1
30
1/RED
1/RED
1/RED
28/PUR
13/BLK
KEY SWITCH
CONTROL
BOARD
PIN P1-X1
PIN P1-L2
PIN P1-A2
PIN P1-E1
PIN P1-E2
PIN P1-F1
PIN P1-Y1
PIN P1-B1
M4
15 AMP
15 AMP
F17
F8
10 AMP
10 AMP
F18
F16
F1
30 AMP
M4
95/ORA
34/ORA
91/PUR
92/BRN
66/BRN
90/GRY
90/GRY
90/GRY
90/GRY
13/BLK
13/BLK
13/BLK
13/BLK
13/BLK
85
86
ACCESSORY
POWER RELAY
PIN P1-Y3
10 AMP
93/GRN
90/GRY F19 PIN P1-X2
30
87
SEE “SENTINEL
STARTING
SYSTEM” PAGE
SV30A
SV30B
BRAKE RELEASE SOLENOID
BRAKE RELEASE SOLENOID
D6
SEE “SENTINEL STARTING SYSTEM” PAGE
SEE “SENTINEL
REVERSE PROPEL
SYSTEM” PAGE
19/BRN
19/BRN
19/BRN
13/BLK
13/BLK
SOL3
FORWARD SOLENOID
D2
M3
PROPEL
DISABLE RELAY
M11
SEAT SWITCH
13/BLK
2/BLU 15/GRN
8586
30 87a
SW8
(SHOWN CLOSED WITH
OPERATOR ON SEAT)
ACCESSORY
POWER
RELAY
SEAT SWITCH RELAY
13/BLK
13/BLK
13/BLK
22/GRY
22/GRY
PIN P1-W2
37/PUR
M3
85
86
PROPEL
DISABLE
RELAY
27/GRY
102/PUR
SW1
NOTE: Refer to Operational Matrix Charts and Hydraulic Troubleshooting Charts
to successfully troubleshoot electrically operated hydraulic solenoid valves
45
2003.10.14 Sentinel Electrical Troubleshooting Manual

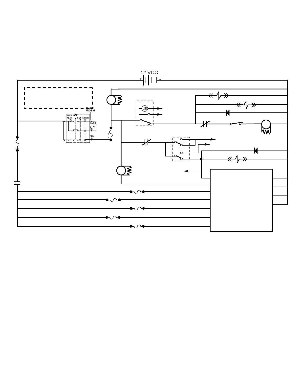
Sentinel Reverse Propel & Brake Systems
M11
SEAT SWITCH RELAY
(SHOWN CLOSED WITH
OPERATOR ON SEAT)
FWD / REV
SWITCH
RELEASE
SET
PARKING BRAKE
SWITCH
27/GRY
27/GRY
16/YEL 31/GRN
30 87
S5
+-
F27
15 AMP
Note: Ignition Switch is illustrated
in the “OFF” position. Please see
Key Switch illustrations page for
various operating positions
27/GRY
30/1
30
1/RED
1/RED
1/RED
28/PUR
13/BLK
KEY SWITCH
CONTROL
BOARD
PIN P1-X1
PIN P1-L2
PIN P1-A2
PIN P1-E1
PIN P1-E2
PIN P1-F1
PIN P1-Y1
PIN P1-B1
M4
15 AMP
15 AMP
F17
F8
10 AMP
10 AMP
F18
F16
F1
30 AMP
M4
95/ORA
34/ORA
91/PUR
92/BRN
66/BRN
90/GRY
90/GRY
90/GRY
90/GRY
13/BLK
13/BLK
13/BLK
13/BLK
13/BLK
85
86
ACCESSORY
POWER RELAY
PIN P1-X3
10 AMP
93/GRN
90/GRY F19 PIN P1-X2
30
87
SEE “SENTINEL
STARTING
SYSTEM” PAGE
SV30A
SV30B
BRAKE RELEASE SOLENOID
BRAKE RELEASE SOLENOID
D6
SEE “SENTINEL STARTING SYSTEM” PAGE
SEE “SENTINEL FORWARD PROPEL SYSTEM” PAGE
13/BLK
13/BLK
SOL2
REVERSE SOLENOID
D3
M3
PROPEL
DISABLE RELAY
M11
SEAT SWITCH
13/BLK
2/BLU 15/GRN
8586
30 87a
SW8
(SHOWN CLOSED WITH
OPERATOR ON SEAT)
ACCESSORY
POWER
RELAY
SEAT SWITCH RELAY
13/BLK
13/BLK
13/BLK
22/GRY
22/GRY
PIN P1-W2
37/PUR
M3
85
86
PROPEL
DISABLE
RELAY
27/GRY
TO BACK-UP LIGHTS
& BACK-UP ALARM
102/PUR
102/PUR
66/BRN
102/PUR
SW1
NOTE: Refer to Operational Matrix Charts and Hydraulic Troubleshooting Charts
to successfully troubleshoot electrically operated hydraulic solenoid valves
46
2003.10.14 Sentinel Electrical Troubleshooting Manual

Sentinel Vario Brush Tilt System
Switch
Vario Brush Tilt Function
Joystick
Tilt Brush
Front Edge Down
Joystick
Tilt Brush
Rear Edge Down
Joystick
Tilt Brush Right
Joystick
Tilt Brush Left
+-
F27
15 AMP
Note: Ignition Switch is illustrated
in the “OFF” position. Please see
Key Switch illustrations page for
various operating positions
27/GRY
30/1
30
1/RED
1/RED
1/RED
28/PUR
13/BLK
KEY SWITCH
M4
F24
10 AMP
F1
30 AMP
M4
66/BRN
13/BLK
85
86
ACCESSORY
POWER RELAY
30
87
ACCESSORY
POWER RELAY
VARIO BRUSH
CONTROL
BOARD
PIN 3
PIN 15
PIN 10
PIN 14
PIN 22
2
3
56
8
9
11 12
PIN 9
SV26
VARIO BRUSH ENABLE SOLENOID
111/PNK
103/BRN
SV22
TILT BRUSH REAR EDGE DOWN SOLENOID
119/WHT
118/GRY
PIN 18
SV23
TILT BRUSH LEFT SOLENOID
120/TAN PIN 20
SV6
SV11
TILT BRUSH FRONT
EDGE DOWN SOLENOID
PIN 23
PIN 11
118/GRY
13/BLK
13/BLK
109/ORA109/ORA
109/ORA
110/YEL
110/YEL
116/BLU
TILT BRUSH RIGHT SOLENOID
PIN 19
PIN 21
117/BRN
121/PNK PIN 12
PIN 13
JOYSTICK
X
X
X
PIN 2
VARIO BRUSH ARM
MOVE/TILT MODE SWITCH
S1
SEE “SENTINEL VARIO BRUSH
ARM SWING / SLIDE SYSTEM” PAGE
2
4
1
13/BLK
108/PUR
Joystick Switch
Contacts Closed: 11 & 12
Joystick Switch
Contacts Closed: 8 & 9
Joystick Switch
Contacts Closed: 2 & 3
Joystick Switch
Contacts Closed: 5 & 6
90/GRY 103/BRN
NOTE: Refer to Operational Matrix Charts
and Hydraulic Troubleshooting Charts to
successfully troubleshoot electrically
operated hydraulic solenoid valves
47
2003.10.14 Sentinel Electrical Troubleshooting Manual

Joystick
Joystick
Joystick
Joystick
Swing Brush
Arm Left
Swing Brush
Arm Right
Slide Brush Arm Right Slide Brush Arm Left
+-
F27
15 AMP
Note: Ignition Switch is illustrated
in the “OFF” position. Please see
Key Switch illustrations page for
various operating positions
27/GRY
30/1
30
1/RED
1/RED
1/RED
28/PUR
13/BLK
KEY SWITCH
M4
F24
10 AMP
F1
30 AMP
M4
66/BRN
13/BLK
85
86
ACCESSORY
POWER RELAY
30
87
ACCESSORY
POWER RELAY
VARIO BRUSH
CONTROL
BOARD
PIN 3
PIN 15
PIN 10
PIN 14
PIN 17
2
3
56
8
9
11 12
PIN 9
SV26
VARIO BRUSH ENABLE SOLENOID
111/PNK
103/BRN
SV15
115/GRN
118/GRY
PIN 18
SV20
112/BRN PIN 19
SV21
SV25
PIN 16
PIN 11
118/GRY
13/BLK
13/BLK
109/ORA109/ORA
109/ORA
110/YEL
110/YEL
114/YEL
SLIDE BRUSH ARM RIGHT SOLENOID
PIN 19
PIN 18
117/BRN
113/ORA PIN 12
PIN 13
JOYSTICK
X
X
X
PIN 1
VARIO BRUSH ARM
MOVE/TILT MODE SWITCH
S1
SEE “SENTINEL VARIO
BRUSH TILT SYSTEM” PAGE
2
4
1107/YEL
PIN 13
SWING BRUSH ARM RIGHT SOLENOID
SLIDE BRUSH ARM LEFT SOLENOID PIN 12
Joystick Switch
Contacts Closed: 11 & 12
Joystick Switch
Contacts Closed: 8 & 9
Joystick Switch
Contacts Closed: 2 & 3
Joystick Switch
Contacts Closed: 5 & 6
SWING BRUSH ARM
LEFT SOLENOID
Sentinel Vario Brush Arm Swing / Slide System
Switch
Vario Brush Swing / Slide Function
90/GRY 103/BRN
13/BLK
NOTE: Refer to Operational Matrix Charts
and Hydraulic Troubleshooting Charts to
successfully troubleshoot electrically
operated hydraulic solenoid valves
48
2003.10.14 Sentinel Electrical Troubleshooting Manual

Sentinel Vario Brush Raise / Lower & Rotate Systems
Switch S3 Switch S3 Switch S3
LOWER
BRUSH OFF RAISE
BRUSH
Switch Contacts
Closed: 2 & 4
Switch Contacts
Closed: 1 & 2
Switch Contacts
Closed: NONE
Switch S2 Switch S2 Switch S2
ROTATE BRUSH
CLOCKWISE OFF ROTATE BRUSH
COUNTER-CLOCKWISE
Switch Contacts
Closed: 1 & 2
Switch Contacts
Closed: 2 & 4
Switch Contacts
Closed: NONE
F27
15 AMP
Note: Ignition Switch is illustrated
in the “OFF” position. Please see
Key Switch illustrations page for
various operating positions
27/GRY
30/1
30
1/RED
1/RED
1/RED
28/PUR
13/BLK
KEY SWITCH
M4
F24
10 AMP
F1
30 AMP
M4
66/BRN
13/BLK
85
86
ACCESSORY
POWER RELAY
30
87
ACCESSORY
POWER RELAY
VARIO BRUSH
CONTROL
BOARD
PIN 3
PIN 15
PIN 14
PIN 9
SV26
VARIO BRUSH ENABLE SOLENOID
111/PNK
103/BRN
13/BLK
13/BLK
X
X
X
S2
2
4
13/BLK
+-
X
X
X
S3
2
4
PIN 4
101/PNK
SV27
VARIO BRUSH ROTATE
CLOCKWISE SOLENOID
13/BLK
PIN 5
13/BLK
SV28
VARIO BRUSH ROTATE
COUNTER-CLOCKWISE SOLENOID
PIN 7
105/GRY
SV29
VARIO BRUSH RAISE SOLENOID
13/BLK
PIN 6
13/BLK
SV24
VARIO BRUSH LOWER SOLENOID
104/BLU
106/GRN
1
VARIO BRUSH ROTATE
ON / OFF SWITCH
90/GRY 103/BRN
1
VARIO BRUSH RAISE /
LOWER SWITCH
NOTE: Refer to Operational Matrix Charts
and Hydraulic Troubleshooting Charts to
successfully troubleshoot electrically
operated hydraulic solenoid valves
49
2003.10.14 Sentinel Electrical Troubleshooting Manual

Operating Modes Entry Sequence
(how to activate)
Indicator
Normal Mode;
Normal operation.
Default (when key is turned on)
To exit turn off key
DNone
Manual Mode; Manually operate
discrete functions without
interlocks.
1. Push and hold the Vac fan
button
2. Turn on the key
3. Hold the button for 15 seconds
4. Release the Vac fan button
5. To exit turn off key
D“Manual” appears in the hour
meter window.
Input Display Mode; Display the
state of floats, limit switches, and
sensors.
1. Push and hold the Left side
brush button
2. Turn on the key
3. Hold the Left side brush
button for 15 seconds
4. Release the Left side brush
button
5. To exit turn off key
DPin numbers and signal levels
at the pin are displayed on the
tach, speedo, hour meter, and
odometer displays. The pins
are displayed as alpha
characters (a z), numeric
(1 3), and signal level (0 1).
0 represents 0 volts,
1 represents 5 volts.
Toggle Units Mode; Toggle
between miles and kilometers for
speedometer and odometer.
1. Push and hold the Hopper
door open button
2. Turn on the key
3. Hold the Hopper door open
button for 15 seconds
4. Release the Hopper door
open button
5. To exit turn off key
DTach, speedo, hour meter, and
odometer windows will display
the numbers for controller pins
that have failed self test.
Display Error Mode; Display pin
numbers that failed self test.
1. Push and hold the Right
Side Brush button
2. Turn on the key
3. Hold the Right Side Brush
button for 15 seconds
4. Release the Right Side
Brush button
5. To exit turn off key
DSelf test will re--run. If all out
puts pass self test, the “OK”
symbol will appear on the dis--
play. If any output pins fail self
test, the failing pins will be
scrolled on the display.
NOTE: The water pump output
will only be tested in this mode.
Because of water that may drip
during self test, this output is not
tested during normal start--up.
Sentinel Operating Modes
50
2003.10.14 Sentinel Electrical Troubleshooting Manual

Sentinel Operational Matrix (page 1 of 2)
51
2003.10.14 Sentinel Electrical Troubleshooting Manual

Sentinel Operational Matrix (page 2 of 2)
52
2003.10.14 Sentinel Electrical Troubleshooting Manual

Sentinel Connector Pin Designations
MACHINE CONTROL BOARD CONNECTOR PIN DESIGNATIONS
VARIO BRUSH CONTROL BOARD CONNECTOR PIN DESIGNATIONS
NOTE: View shown from wire harness side of connector
53
2003.10.14 Sentinel Electrical Troubleshooting Manual

Sentinel Fuse Chart
54
2003.10.14 Sentinel Electrical Troubleshooting Manual

Vario Brush Tilt &
Lift Valve Block
(Top of Vario Arm)
Vario Brush Swing,
Slide & Rotate Valve Block
(Behind Front Bumper)
Main Brush & Conveyor
Valve Block (Top of Frame
under Hopper)
Machine Speed
Sensor (SW6)
(Differential Housing)
Sentinel Component Locator (page 1 of 7)
Hopper Tilted Switch (S27)
(Side of Hopper Stop Post)
Hopper Load Limit Switch
(S25) (Frame Rail beside
Right Spring Shackle)
Side Brush & Brake
Release Valve Block
(Center Frame under Cab)
Wet Dust Control
Water Pump (MTR1)
(Center Frame under Cab)
Blocked Conveyor Pressure
Switch (S16) (Mounted on Main
Brush / Conveyor Valve Block)
Brake Pressure Switch (S13)
(Underside of Cab)
Hopper & Vacuum Fan Valve
Block (Underside of Hopper)
55
2003.10.14 Sentinel Electrical Troubleshooting Manual

Sentinel Component Locator (page 2 of 7)
Fuse / Relay Panel
(In Cab, Rear of
Center Console)
Vacuum Wand Door Switch (S18)
(Top Left Side of Conveyor)
Touch & Gauge Panels
(In Cab, Front & Center)
Forward / Reverse Switch
(SW1) (In Cab, Dash Panel)
Engine Assembly
(Behind Cab)
Main Brush & Conveyor
Valve Block (Top of Frame
under Hopper)
Hopper & Vacuum Fan Valve
Block (Underside of Hopper)
Blocked Conveyor Pressure
Switch (S16) (Mounted on Main
Brush / Conveyor Valve Block)
Hopper Tilted Switch (S27)
(Side of Hopper Stop Post)
Low Water Level Switch for
Wet Dust Control (S28)
(Lower Left Corner of Water Tank)
56
2003.10.14 Sentinel Electrical Troubleshooting Manual

Sentinel Component Locator (page 3 of 7)
Hopper Door Switch (S24)
(Left Rear Hopper Pivot)
Vacuum Wand Door Switch (S18)
(Top Left Side of Conveyor)
Brake Lights Pressure
Switch (S13)
(Underside of Cab)
Hopper Load Limit Switch
(S25) (Frame Rail beside
Right Spring Shackle)
Hopper Temperature Switch
(S26) (Rear Top Left Hopper)
Fuse / Relay Panel
(In Cab, Rear of
Center Console)
Engine Pre-Heat
Timer, Signal Flasher,
Warning Alarm, &
Wiper Motor (Under
Dash, forward of
Steering Column)
Center Console Panel
(In Cab Center, beside Operator)
Air Filter Clogged
Switch (S17)
(Air Filter Housing)
Fuel Level Sender
(SNSR5) (Frame Top,
forward of Conveyor)
Propel Forward &
Reverse Solenoids
(SOL2 & SOL3)
(Top of Propel Pump)
Lights & Pressure Washer
Overhead Switch Panel
(In Cab, Above Windshield)
Windshield Washer Motor (MTR3)
(Back of Cab, above Battery )
12 Volt Battery (Frame
Top, Behind Cab)
57
2003.10.14 Sentinel Electrical Troubleshooting Manual

Sentinel Component Locator (page 4 of 7)
Engine Starter Motor
& Starter Solenoid (M13)
(Engine, Cab Side)
Fuel Lift Pump (MTR2)
(Engine, Conveyor Side,
Top of Fuel Filter Assembly)
Fuel & Injector Pump Timing
Solenoids (SOL1 & SOL4)
(Engine, Conveyor Side,
Below Fuel Injector Pump)
Engine Temperature
Sender (SNSR4)
(Engine, Cab Side)
Alternator & Diode (D30)
(Engine, Cab Side)
Engine Speed Sensor (SNSR2)
(Engine, Lower Flywheel Housing)
Oil Pressure Sensor (SNSR3)
(Engine, Conveyor Side on
Remote Oil Filter Adapter)
NOTE: Optional Engine Starter
Motor Location – Not
Used on Sentinel
Injector Timing Temperature Switch (S10)
(Engine, Conveyor Side, Near Water Neck)
Glow Plugs Connector (Engine,
Conveyor Side, Above Injector Pump)
58
2003.10.14 Sentinel Electrical Troubleshooting Manual

Sentinel Component Locator (page 5 of 7)
component # page #
(s)
description location
S1 x Vario brush arm move/tilt mode In cab, mounted to operator's door
S2 x Vario brush rotate CW or CCW In cab, mounted to operator's door
S3 x Vario brush raise/lower In cab, mounted to operator's door
S4 3 Front sweeping lights In cab, mounted in overhead switch panel
S5 3 Parking brake In cab, center console
S6 1 Pressure, brake system low On Side Brush & Brake Release hydraulic valve block
S7 x Head lights,turn,horn,wiper,washer In cab, mounted to steering column
S8 3 Beacon light In cab, mounted in overhead switch panel
S9 x Key switch (ignition) In cab, mounted to steering column
S10 4 Temperature, injector pump timing Engine, conveyor side, near water neck
S11 3 4-way warning lights In cab, mounted in overhead switch panel
S12 3 Pressure washer In cab, mounted in overhead switch panel
S13 1 & 3 Brake lights Underside of cab, below brake pedal
S14 3 A/C thermostat In cab, center console
S15 3 Rear sweeping lights In cab, mounted in overhead switch panel
S16 1 & 2 Pressure, blocked conveyor Left frame under front of hopper
S17 3 Restriction, air filter Air filter housing on engine, cab side
S18 2 & 3 Vacuum wand door Left side conveyor, top
S20 3 Side brush lights In cab, mounted in overhead switch panel
S23 x Pressure, A/C charge On A/C dryer near A/C condenser
S24 3 Hopper door Left rear hopper pivot
S25 1 & 3 Hopper load limit Right rear leaf spring
S26 3 Temperature, hopper Left rear hopper, top
S27 1 & 2 Hopper tilt Left hopper stop post
S28 2 Low water level (for wet dust control) Water tank, left front bottom
SW1 2 Forward / reverse In cab, dash panel
SW2 3 Engine shut-down override In cab, center console
SW3 3 Fan speed In cab, center console
SW6 1 Machine speed sensor Left differential housing
SW8 x Operator seat switch In cab, under operator's seat
JOYSTICK x Vario brush arm move/tilt In cab, mounted to operator's door
SWITCHES
component # page #
(s)
description location
SNSR1 x Machine level (inclinometer) In cab, under fuse/relay panel
SNSR2 4 Engine speed Engine, lower flywheel housing
SNSR3 4 Pressure, engine oil Engine, conveyor side, on remote oil filter adapter
SNSR4 4 Temperature, engine coolant Engine, cab side, near water neck
SNSR5 3 Fuel level Frame top, right side, forward of conveyor
SENSORS
component # page #(s) description location
MTR1 1 Water pump (wet dust control) Frame mount, center, under cab
MTR2 4 Fuel lift pump Engine, conveyor side, top of fuel filter assembly
MTR3 3 Washer pump Back side of cab, above battery
MTR4 3 Wiper motor In Cab, under dash, forward of steering column
HCU1 x Heating & cooling unit In cab, center console, forward of fuse/relay panel
STARTER 4 Engine starter motor Engine, cab side
ELECTRIC MOTORS
59
2003.10.14 Sentinel Electrical Troubleshooting Manual

Sentinel Component Locator (page 6 of 7)
component # page #(s) description location
F1 to F29 2 & 3 Electrical fuses In cab, rear center console fuse panel (see Fuse Chart)
M1 2 & 3 Horn relay
M2 2 & 3 Neutral start relay
M3 2 & 3 Propel disable relay
M4 2 & 3 Accessory power relay # 1
M5 2 & 3 Engine shut-down relay
M6 2 & 3 High beam relay (headlights)
M7 2 & 3 Low beam relay (headlights)
M8 2 & 3 Medium speed relay (heater & A/C fan)
M9 2 & 3 High speed relay (heater & A/C fan)
M10 2 & 3 Hopper moving alarm relay
M11 2 & 3 Seat switch relay
M12 2 & 3 Accessory power relay # 2
M13 4 Starter motor solenoid Engine, cab side, mounted to starter top
D1 2 & 3 Suppression diode, horn
D2 2 & 3 Suppression diode, forward propel solenoid
D3 2 & 3 Suppression diode, reverse propel solenoid
D4 2 & 3
S
uppression diode, fuel solenoids & lift pum
p
D5A 2 & 3 Blocking bridge rectifier, warning lights
D6 2 & 3 Suppression diode, brake release solenoids
D7 2 & 3 Suppression diode, A/C clutch
D8 2 & 3 Blocking diode, pressure washer
D26B 2 & 3 Blocking bridge rectifier, heater & A/C fan
D27 2 & 3 Blocking diode, parking brake input
D29 2 & 3 Blocking diode, service brake input
D30 4 Blocking diode, alternator Engine, cab side, near alternator
In cab, rear center console fuse panel
In cab, rear center console, below fuse panel
FUSES, RELAYS, & DIODES
component # page #(s) description location
ALT 4 Alternator Engine, cab side
FL1 3 Turn & warning lights flasher In cab, under dash, forward of steering column
GP1 to GP4 4 Engine glow plugs Engine, top
L1 x A/C clutch Near engine cooling fan, belt driven
LS3 3 Warning alarm In cab, under dash, forward of steering column
PWRSPLY1 2 Panel backlight power supply In cab, mounted behind touch & gauge panels
TMR1 3 Engine glow plugs timer In cab, under dash, forward of steering column
VARIO 2 & 3 Vario brush control board In cab, rear center console, below fuse panel
MISCELLANEOUS COMPONENTS
60
2003.10.14 Sentinel Electrical Troubleshooting Manual

Sentinel Component Locator (page 7 of 7)
component # page #(s) description location
767009 x Pressure Washer Frame top, right side, forward of fuel filler neck
767212 1 & 3 Front & rear brakes Underside of cab, below brake pedal
768899 1 & 2 Hopper & Vacuum Fan Left rear, underside of hopper
771010 1 Side Brush & Brake Release Frame mount, center, under cab
771011 1 Vario Swing, Slide, & Rotate Behind front bumper
771012 1 Vario Arm Top of Vario arm
771019 1 & 2 Main Brush & Conveyor Left frame under front of hopper
HYDRAULIC VALVE BLOCKS
component # page #(s) description location
SV1 1 & 2 Hopper lower
SV2 1 & 2 Hopper lift
SV3 1 & 2 Main brush down
SV4 1 & 2 Enable
SV5 1 Right side brush down On Side Brush & Brake Release hydraulic valve block
SV6 1 Tilt Vario brush right On Vario Arm hydraulic valve block
SV7 1 Left side brush down
SV8 1 Enable
SV9 1 Right side brush rotate
SV10 1 Left side brush rotate
SV11 1 Tilt Vario brush front edge down On Vario Arm hydraulic valve block
SV12 1 & 2 Main brush & conveyor forward
SV13 1 & 2 Main brush & conveyor reverse
SV14 1 & 2 Vacuum fans On Hopper & Vacuum Fan hydraulic valve block
SV15 1 Swing Vario brush arm right On Vario Swing, Slide, & Rotate hydraulic valve block
SV16 1 & 2 Shaker, panel filter
SV17 1 & 2 Hopper door release
SV18 1 & 2 Hopper tilt back
SV19 1 & 2 Hopper tilt forward
SV20 1 Slide Vario brush arm left
SV21 1 Slide Vario brush arm right
SV22 1 Tilt Vario brush rear edge down
SV23 1 Tilt Vario brush left
SV24 1 Vario brush lower
SV25 1 Swing Vario brush arm left
SV26 1 Enable Vario brush
SV27 1 Vario brush rotate clockwise
SV28 1 Vario brush rotate counter-clockwise
SV29 1 Vario brush raise On Vario Arm hydraulic valve block
SV30A 1 Brake release
SV30B 1 Brake release
SV31 1 & 2 Conveyor down On Main Brush & Conveyor hydraulic valve block
SV32 1 & 2 Enable hopper On Hopper & Vacuum Fan hydraulic valve block
SV33 x Pressure washer On Pressure Washer hydraulic valve block
SOL1 4 Engine fuel Engine, conveyor side, below fuel injector pump
SOL2 3 Reverse propel Top of propel pump
SOL3 3 Forward propel Top of propel pump
SOL4 4 Injector pump timing Engine, conveyor side, below fuel injector pump
On Side Brush & Brake Release hydraulic valve block
SOLENOID VALVE COILS
On Hopper & Vacuum Fan hydraulic valve block
On Vario Swing, Slide, & Rotate hydraulic valve block
On Vario Arm hydraulic valve block
On Vario Swing, Slide, & Rotate hydraulic valve block
On Hopper & Vacuum Fan hydraulic valve block
On Main Brush & Conveyor hydraulic valve block
On Side Brush & Brake Release hydraulic valve block
On Main Brush & Conveyor hydraulic valve block
61
2003.10.14 Sentinel Electrical Troubleshooting Manual
62

BEFORE CONDUCTING TESTS:
DURING TESTS:
* Read and Follow ALL Safety Warnings and Precautions in
Operator's Manual
* Engine & Hydraulic Oil Must Be At Normal Operating
Temperatures after Running Machine and Hydraulics a
Minimum of 5 Minutes
•Examine Machine For Any Linkage Binding or Mechanical
Problems
* Maintain Normal Main Brush Pressure as Listed in
Operator's Manual
* Call Technical Services if Diagnostic Time Exceeds One
Hour With Unknown Cause or Course of Action
SENTINEL
HYDRAULIC
Troubleshooting Manual
NOTE:Troubleshooting charts are shown with optional equipment. The optional equipment is not
specified in these charts. Some machines may not be equipped with all components shown.
63
2003.10.14 Sentinel Electrical Troubleshooting Manual

6
5
4
3
2
1
Sentinel Hydraulic Diagram (page 1 of 5)
64
2003.10.14 Sentinel Electrical Troubleshooting Manual

12
6
5
4
3
2
1
11
10
9
8
7
Sentinel Hydraulic Diagram (page 2 of 5)
65
2003.10.14 Sentinel Electrical Troubleshooting Manual

12
11
10
9
8
7
Sentinel Hydraulic Diagram (page 3 of 5)
66
2003.10.14 Sentinel Electrical Troubleshooting Manual

Sentinel Hydraulic Diagram (page 4 of 5)
67
2003.10.14 Sentinel Electrical Troubleshooting Manual

Sentinel Hydraulic Diagram (page 5 of 5)
68
2003.10.14 Sentinel Electrical Troubleshooting Manual

HOPPER TILT CYL
HOPPER TILT CYL
TO PRIORITY VALVE (EF)
TO HYD RESERVOIR
MOTOR
VAC FAN
MOTOR
SHAKER
OUT
IN
OUT
IN
CYL HYD
HOPPER
DOOR
HOPPER CNTL
M5 M6
C12C11 P7 T9
C1
C10 C2 C9 M10 M9
CONVEYOR/MAIN BRUSH
T8
MOTOR
SHAKER
Low Dump Hydraulic Hose Group
Sentinel Hydraulic Hose Diagram (page 1 of 11)
69
2003.10.14 Sentinel Electrical Troubleshooting Manual

High Dump Hopper Hydraulic Hose Group
CYLINDER
TILT
CYLINDER
TILT
SAFETY LEG
CYLINDER
LIFT
CYLINDER
LIFT
OUT
IN
MOTOR, HYD
VAC FAN
TO PRIORITY VALVE (EF)
TO HYD RESERVOIR
CONVEYOR/MAIN BRUSH
T8
HOPPER CNTL
M5M6
C12 C11 P7 T9
C1
C10C2 C9 M10M9
Sentinel Hydraulic Hose Diagram (page 2 of 11)
70
2003.10.14 Sentinel Electrical Troubleshooting Manual

B1
B2
P2
P1
T
L
R
Front Axle
Rear Axle
Manifold
Steering
Valve
Brake
Valve
Cab Hydraulic Hose Group
Sentinel Hydraulic Hose Diagram (page 3 of 11)
71
2003.10.14 Sentinel Electrical Troubleshooting Manual

T10 C4
C22
C3
T3
P5
M8 M7
C6
4
2
3
T2
Conveyor
Motor
Main Brush
Motor
Left
Tension
Right
Tension
Right
Lift
Left
Lift
NA Cooler
Turbo Cooler
Turbo Cooler
Hydraulic
Reservoir
Main
Brush
Lift
Gear
Pump
Conveyor/Main Brush Valve
Conveyor and Main Brush Hydraulic Hose Group
Sentinel Hydraulic Hose Diagram (page 4 of 11)
72
2003.10.14 Sentinel Electrical Troubleshooting Manual

T2
T2
S
Hydraulic
Reservoir
NA Cooler
Turbo Cooler
Gear
Pump
Piston
Motor
Aux. Gear
Pump
Piston
Pump
Hydraulic
Filter
Hydraulic Reservoir Group
Sentinel Hydraulic Hose Diagram (page 5 of 11)
73
2003.10.14 Sentinel Electrical Troubleshooting Manual

T1 M1
C21
P3
T7
T13
G7
P4
C7
G1
S
A2
A1
P
LS1
EF
T
T1
T2
LS
P
NA Cooler
Turbo
Cooler
Hydraulic
Reservoir
Front Axle Rear Axle
To P 7 o n
Hopper
Valve
Side
Brush
Valve
Priority
Valve
Gear
Pump
Aux.
Gear
Pump
Steering
Valve
Brake
Valve
R.H.
Side
Brush
Motor
Manifold
Steer, Brakes, Side Brush hydraulic Hose Group
Sentinel Hydraulic Hose Diagram (page 6 of 11)
74
2003.10.14 Sentinel Electrical Troubleshooting Manual

M3
C8
C7
M1
Manifold
L.H. Side
Brush
Side Brush
Valve
R.H. Side
Brush
Left Side Brush Hydraulic Hose Group
Sentinel Hydraulic Hose Diagram (page 7 of 11)
75
2003.10.14 Sentinel Electrical Troubleshooting Manual

A
T
P
RX2
PS
X1
A
B
T1
X1
X2
B
A
T1
Z
Piston
Motor
Piston
Pump
Speed
Control
Valve
Propel Hydraulic Hose Group
Sentinel Hydraulic Hose Diagram (page 8 of 11)
76
2003.10.14 Sentinel Electrical Troubleshooting Manual

High Pressure Sprayer Hydraulic Hose Group
HIGH PRESSURE
SPRAYER
MOTOR
PRESSUR
E
WASH
CONTROL
VALVE
T12P9
M15
M16
DUAL GEAR PUMP/PROPEL
Sentinel Hydraulic Hose Diagram (page 9 of 11)
77
2003.10.14 Sentinel Electrical Troubleshooting Manual

M14
M13
G9
T16
T11
P2
C13
C14
M12
M11
T6
P9
T16
C18
C17
C16
C15 C19
C8
P8
Hydraulic
Filter
Aux. Gear
Pump
Manifold
Vario Brush
Motor
Vario Brush
Hydraulic Lift
Valve
Hydraulic
Solenoid
Valve
Hydraulic
Gear
Motor
Vario Brush Hydraulic Hose Group
Sentinel Hydraulic Hose Diagram (page 10 of 11)
78
2003.10.14 Sentinel Electrical Troubleshooting Manual

Cab Tilt Group
Sentinel Hydraulic Hose Diagram (page 11 of 11)
79
2003.10.14 Sentinel Electrical Troubleshooting Manual

Hydraulic Pumps Group
Sentinel Hydraulic Pumps & Valves (page 1 of 8)
80
2003.10.14 Sentinel Electrical Troubleshooting Manual

SW
T10 C4
C22
C3
T8
T3
P5
M8
M7
C6
4
2
3
T2
Hydraulic Main Brush/Conveyor Lift Valve Group
Sentinel Hydraulic Pumps & Valves (page 2 of 8)
81
2003.10.14 Sentinel Electrical Troubleshooting Manual

M1O
M9
M6
C9
M5
C10
C12
C11
P7
T9
Hydraulic Hopper Control Valve Group
Sentinel Hydraulic Pumps & Valves (page 3 of 8)
82
2003.10.14 Sentinel Electrical Troubleshooting Manual

T1 M1
C21
P3
T7
T13
G7
P4
C7
G1
Hydraulic Side Brush Valve Group
Sentinel Hydraulic Pumps & Valves (page 4 of 8)
83
2003.10.14 Sentinel Electrical Troubleshooting Manual

S
A2
A2
A1 PLS1
EF T
Hydraulic Manifold and Priority Group
Sentinel Hydraulic Pumps & Valves (page 5 of 8)
84
2003.10.14 Sentinel Electrical Troubleshooting Manual

SV19
SV17
SV32
SV14
SV2
RV4
SV16
SV18 SV1 CV4
CV5
RV7
Hyraulic Solenoid Valve Breakdown, 768899
Sentinel Hydraulic Pumps & Valves (page 6 of 8)
85
2003.10.14 Sentinel Electrical Troubleshooting Manual
Hopper Functions & Vacuum Fans Valve Block

SV19
SV17
SV32
SV14
SV2
RV4
SV16
SV18
SV1
CV4
CV5
RV7
Hydraulic Solenoid Valve Breakdown, 768899
(For High Dump Hopper Lift Option)
Sentinel Hydraulic Pumps & Valves (page 7 of 8)
86
2003.10.14 Sentinel Electrical Troubleshooting Manual
Hopper Functions & Vacuum Fans Valve Block

PF1
SV33
Hydraulic Solenoid Valve Breakdown, 767009
Sentinel Hydraulic Pumps & Valves (page 8 of 8)
87
2003.10.14 Sentinel Electrical Troubleshooting Manual
Pressure Washer Valve Block

SUCTION LINE
PRESSURE / FLOW LINE
RETURN LINE
Indicates Energized Solenoid Valve Coil
SV32
SV3
SV8
SV12
SV13
EXAMPLES
Energized
Coils
Non-Energized
Coils
Circled envelope is
valve position for indicated
hydraulic circuit
88
2003.10.14 Sentinel Electrical Troubleshooting Manual

Sentinel Conveyor & Main Brush Forward
SV12
SV4
2400 PSI
SV4
SV12
SV13
S16
SUCTION LINE
PRESSURE / FLOW LINE
RETURN LINE
89
2003.10.14 Sentinel Electrical Troubleshooting Manual

Sentinel Conveyor & Main Brush Reverse
SV4
2400 PSI
SV4
SV12
SV13
S16
SUCTION LINE
PRESSURE / FLOW LINE
RETURN LINE
REVERSE
SV13
90
2003.10.14 Sentinel Electrical Troubleshooting Manual

Sentinel Main Brush Lower
SV4
2400 PSI
SV4
S16
SUCTION LINE
PRESSURE / FLOW LINE
RETURN LINE
LOWER
SV3
SV3
91
2003.10.14 Sentinel Electrical Troubleshooting Manual

Sentinel Conveyor Lower
SV4
2400 PSI
S16
SUCTION LINE
PRESSURE / FLOW LINE
RETURN LINE
LOWER
SV31SV4
SV31
92
2003.10.14 Sentinel Electrical Troubleshooting Manual

Sentinel Main Brush Lift, Conveyor Lift, & Conveyor Chain Tension
SV4
2400 PSI
SV4
S16
SUCTION LINE
PRESSURE / FLOW LINE
RETURN LINE
LIFT
LIFT
SV31SV3
SV31
SV3
93
2003.10.14 Sentinel Electrical Troubleshooting Manual

Sentinel Right Side Brush Rotate & Lower
2200 PSI
SV5
SV9
LOWER
SV10SV8
SV5
SUCTION LINE
PRESSURE / FLOW LINE
RETURN LINE
SV10
SV8 SV9
94
2003.10.14 Sentinel Electrical Troubleshooting Manual

Sentinel Left Side Brush Rotate & Lower
2200 PSI
LOWER
SV7
SV8 SV9 SV10
SV7 SV10
SUCTION LINE
PRESSURE / FLOW LINE
RETURN LINE
SV9
SV8
95
2003.10.14 Sentinel Electrical Troubleshooting Manual

Sentinel Right & Left Side Brush Rotate & Lower
2200 PSI
LOWER
SV7
2200 PSI
SV5
LOWER
SV8 SV9 SV10
SUCTION LINE
PRESSURE / FLOW LINE
RETURN LINE
SV7
SV5 SV9 SV10SV8
96
2003.10.14 Sentinel Electrical Troubleshooting Manual

Sentinel Right & Left Side Brush Lift
2200 PSI
LIFT
SV8
LIFT
SV7
SV5
SV5 SV7 SV8
SUCTION LINE
PRESSURE / FLOW LINE
RETURN LINE
97
2003.10.14 Sentinel Electrical Troubleshooting Manual

SUCTION LINE
PRESSURE / FLOW LINE
RETURN LINE
SV14
SV32
Sentinel Vacuum Fans Run
SV14 SV32
98
2003.10.14 Sentinel Electrical Troubleshooting Manual

SUCTION LINE
PRESSURE / FLOW LINE
RETURN LINE
SV16
SV32
SV32
Sentinel Shaker Run
SV16
99
2003.10.14 Sentinel Electrical Troubleshooting Manual

Sentinel Vacuum Fans & Shaker Off
SUCTION LINE
PRESSURE / FLOW LINE
RETURN LINE
SV32 SV14
SV14 SV32
100
2003.10.14 Sentinel Electrical Troubleshooting Manual

SUCTION LINE
PRESSURE / FLOW LINE
RETURN LINE
SV32
SV18
SV32SV18
Sentinel Hopper Tilt Back (Dump)
TILT BACK
SV19
SV19
101
2003.10.14 Sentinel Electrical Troubleshooting Manual

Sentinel Hopper Tilt Forward (Normal Sweep Position)
SUCTION LINE
PRESSURE / FLOW LINE
RETURN LINE
SV32
SV19
TILT FORWARD
SV32SV18
SV18
SV19
102
2003.10.14 Sentinel Electrical Troubleshooting Manual

SUCTION LINE
PRESSURE / FLOW LINE
RETURN LINE
SV32
SV2
Sentinel Hopper Lift (High Dump)
LIFT
SV1 SV2 SV32
SV1
103
2003.10.14 Sentinel Electrical Troubleshooting Manual

SUCTION LINE
PRESSURE / FLOW LINE
RETURN LINE
SV32
SV1
Sentinel Hopper Lower (High Dump)
LOWER
SV14
SV2
SV1 SV2 SV32SV14
Note: Lowering of
hopper is due to gravity
(weight of hopper)
104
2003.10.14 Sentinel Electrical Troubleshooting Manual

Sentinel Hopper Door Lock (Latch Closed)
SUCTION LINE
PRESSURE / FLOW LINE
RETURN LINE
SV32
NOTE: SV 32 Energized for
4 seconds when Hopper
Door Close button is pressed
LOCK
SV17 SV32
SV17
105
2003.10.14 Sentinel Electrical Troubleshooting Manual

Sentinel Hopper Door Unlock (Latch Open)
SUCTION LINE
PRESSURE / FLOW LINE
RETURN LINE
SV32
UNLOCK
SV17
SV32SV17
NOTE: SV 32 Energized for
4 seconds when Hopper
Door Open button is pressed
106
2003.10.14 Sentinel Electrical Troubleshooting Manual

Sentinel Vario Brush Rotate Clockwise
SV27
SV26
SV26
SUCTION LINE
PRESSURE / FLOW LINE
RETURN LINE
SV28
SV27
ROTATE CLOCKWISE
107
2003.10.14 Sentinel Electrical Troubleshooting Manual

Sentinel Vario Brush Rotate Counter-Clockwise
SV28
SV26
SV26
SUCTION LINE
PRESSURE / FLOW LINE
RETURN LINE
SV28
ROTATE
COUNTER-CLOCKWISE
SV27
108
2003.10.14 Sentinel Electrical Troubleshooting Manual

Sentinel Vario Brush Swing Right (Clockwise)
SV15
SV26
SV26
SUCTION LINE
PRESSURE / FLOW LINE
RETURN LINE
SV25
SV15
SWING RIGHT
(CLOCKWISE)
109
2003.10.14 Sentinel Electrical Troubleshooting Manual

Sentinel Vario Brush Swing Left (Counter-Clockwise)
SV25
SV26
SV26
SUCTION LINE
PRESSURE / FLOW LINE
RETURN LINE
SV25
SWING LEFT
(COUNTER-CLOCKWISE)
SV15
110
2003.10.14 Sentinel Electrical Troubleshooting Manual

Sentinel Vario Brush Slide Right
SV21
SV26
SV26
SUCTION LINE
PRESSURE / FLOW LINE
RETURN LINE
SLIDE RIGHT
SV21
SV20
111
2003.10.14 Sentinel Electrical Troubleshooting Manual

Sentinel Vario Brush Slide Left
SV20
SV26
SV26
SUCTION LINE
PRESSURE / FLOW LINE
RETURN LINE
SLIDE LEFT
SV21
SV20
112
2003.10.14 Sentinel Electrical Troubleshooting Manual

Sentinel Vario Brush Tilt Rear Edge Down
SV22
SV26
SV26
SUCTION LINE
PRESSURE / FLOW LINE
RETURN LINE
TILT REAR
EDGE DOWN
SV22
SV11
113
2003.10.14 Sentinel Electrical Troubleshooting Manual

Sentinel Vario Brush Tilt Front Edge Down
SV11
SV26
SV26
SUCTION LINE
PRESSURE / FLOW LINE
RETURN LINE
TILT FRONT
EDGE DOWN
SV22
SV11
114
2003.10.14 Sentinel Electrical Troubleshooting Manual

Sentinel Vario Brush Tilt Left
SV23
SV26
SV26
SUCTION LINE
PRESSURE / FLOW LINE
RETURN LINE
TILT LEFT
SV23
SV6
115
2003.10.14 Sentinel Electrical Troubleshooting Manual

Sentinel Vario Brush Tilt Right
SV26
SV26
SUCTION LINE
PRESSURE / FLOW LINE
RETURN LINE
TILT RIGHT
SV23
SV6
SV6
116
2003.10.14 Sentinel Electrical Troubleshooting Manual

Sentinel Vario Brush Lift
SV29
SV26
SV26
SUCTION LINE
PRESSURE / FLOW LINE
RETURN LINE
LIFT
SV29
SV24
117
2003.10.14 Sentinel Electrical Troubleshooting Manual

Sentinel Vario Brush Lower
SV26
SV26
SUCTION LINE
PRESSURE / FLOW LINE
RETURN LINE
LOWER
SV29
SV24
SV24
Note: Lowering of
brush is due to gravity
(weight of brush & arm)
118
2003.10.14 Sentinel Electrical Troubleshooting Manual

Sentinel Right Turn
SUCTION LINE
PRESSURE / FLOW LINE
RETURN LINE
TO COOLER
INLET
STEERING VALVE
STEERING / BRAKE
PRIORITY VALVE
STEERING VALVE ASSY.
119
2003.10.14 Sentinel Electrical Troubleshooting Manual

Sentinel Left Turn
SUCTION LINE
PRESSURE / FLOW LINE
RETURN LINE
TO COOLER
INLET
STEERING VALVE
STEERING / BRAKE
PRIORITY VALVE
STEERING VALVE ASSY.
120
2003.10.14 Sentinel Electrical Troubleshooting Manual

Sentinel Brake Pedal (Push)
SUCTION LINE
PRESSURE / FLOW LINE
RETURN LINE
BRAKE
PEDAL
TO
FRONT
BRAKES
TO
REAR
BRAKES
STEERING / BRAKE
PRIORITY VALVE
BRAKE VALVE
121
2003.10.14 Sentinel Electrical Troubleshooting Manual

Sentinel Brake Pedal (Release)
BRAKE
PEDAL
TO
REAR
BRAKES
TO
FRONT
BRAKES
SUCTION LINE
PRESSURE / FLOW LINE
RETURN LINE
STEERING / BRAKE
PRIORITY VALVE
BRAKE VALVE
122
2003.10.14 Sentinel Electrical Troubleshooting Manual

Speed Control Valve Assembly
(Foot Pedal)
Propel Motor AssemblyPropel Pump Assembly
Forward Propel Solenoid (SOL3)
Reverse Propel Solenoid (SOL2)
Sentinel Propel System (page 1 of 2)
123
2003.10.14 Sentinel Electrical Troubleshooting Manual

Propel Troubleshooting Tip Sheet
380 psi +/- 20 psi
6150 psi
All tests are performed at full engine RPM, with
the propel pedal fully depressed.
Always consider safety
when performing tests.
Sentinel Propel System (page 2 of 2)
124
2003.10.14 Sentinel Electrical Troubleshooting Manual

Sentinel Operational Matrix (page 1 of 2)
125
2003.10.14 Sentinel Electrical Troubleshooting Manual

Sentinel Operational Matrix (page 2 of 2)
126
2003.10.14 Sentinel Electrical Troubleshooting Manual

SV3
SV30A
SV16
SV4SV2
SV25
SV15
SV21
SV20
SV22
SV11
SV23
SV6
SV29
SV24
SV12
SV13
SV5 SV7
SV10 SV14
SV19
SV30B SV31 SV32 SV33
SV22
SV11
SV25
SV15
SV29
SV24
SV23
SV6
Sentinel Solenoid Valve Details
SV1 SV8
SV17SV9
SV18 SV26
SV28
SV27
SOL3
SOL2
127
2003.10.14 Sentinel Electrical Troubleshooting Manual

771012
Vario Brush Tilt & Lift Valve Block
(Top of Vario Arm)
SV6, SV11, SV22, SV23, SV24, SV29
771011
Vario Brush Swing, Slide & Rotate Valve Block
(Behind Front Bumper)
SV15, SV20, SV21, SV25, SV26, SV27, SV28
771019
Main Brush & Conveyor Valve Block
(Top of Frame under Hopper)
SV3, SV4, SV12, SV13, SV31
Sentinel Component Locator (page 1 of 5)
771010
Side Brush & Brake Release Valve Block
(Center Frame under Cab)
SV5, SV7, SV8, SV9, SV10, SV30A, SV30B
768899
Hopper & Vacuum Fan Valve Block
(Underside of Hopper)
SV1, SV2, SV14, SV16, SV17, SV18, SV19, SV32
767212
Front & Rear Brake Valve
(Underside of Cab, below Brake Pedal)
Steering / Brake Priority Valve
(Center Frame under Cab)
Power Steering Valve
(Underside of Cab, below Steering Column)
Propel Motor
(Center Frame under Cab)
Speed Control Valve
(Underside of Cab,
below Propel foot pedal)
128
2003.10.14 Sentinel Electrical Troubleshooting Manual

Sentinel Component Locator (page 2 of 5)
771019
Main Brush & Conveyor Valve Block
(Top of Frame under Hopper)
SV3, SV4, SV12, SV13, SV31
768899
Hopper & Vacuum Fan Valve Block
(Underside of Hopper)
SV1, SV2, SV14, SV16, SV17, SV18, SV19, SV32
129
2003.10.14 Sentinel Electrical Troubleshooting Manual

Sentinel Component Locator (page 3 of 5)
Propel Forward &
Reverse Solenoids
(SOL2 & SOL3)
(Top of Propel Pump)
767212
Front & Rear Brake Valve
(Underside of Cab, below Brake Pedal)
767009
Pressure Washer Valve Block
(Frame Top, forward of Fuel Filler Neck)
SV33
767200
Propel Pump
(Mounted to Engine)
Speed Control Valve
(Underside of Cab,
below Propel foot pedal)
Power Steering Valve
(Underside of Cab,
below Steering Column)
130
2003.10.14 Sentinel Electrical Troubleshooting Manual

Sentinel Component Locator (page 4 of 5)
PUMP(S)
Side Brush Functions & Brake Release
Solenoids Pump, Vario Brush Pump
(Mounted to Engine)
131
2003.10.14 Sentinel Electrical Troubleshooting Manual

Sentinel Component Locator (page 5 of 5)
component # page #(s) description location
767009 3 Pressure Washer Frame top, right side, forward of fuel filler neck
767212 1 & 3 Front & rear brakes Underside of cab, below brake pedal
768899 1 & 2 Hopper & Vacuum Fan Left rear, underside of hopper
771010 1 Side Brush & Brake Release Frame mount, center, under cab
771011 1 Vario Swing, Slide, & Rotate Behind front bumper
771012 1 Vario Arm Top of Vario arm
771019 1 & 2 Main Brush & Conveyor Left frame under front of hopper
HYDRAULIC VALVE BLOCKS
component # page #(s) description location
SV1 1 & 2 Hopper lower
SV2 1 & 2 Hopper lift
SV3 1 & 2 Main brush down
SV4 1 & 2 Enable
SV5 1 Right side brush down On Side Brush & Brake Release hydraulic valve block
SV6 1 Tilt Vario brush right On Vario Arm hydraulic valve block
SV7 1 Left side brush down
SV8 1 Enable
SV9 1 Right side brush rotate
SV10 1 Left side brush rotate
SV11 1 Tilt Vario brush front edge down On Vario Arm hydraulic valve block
SV12 1 & 2 Main brush & conveyor forward
SV13 1 & 2 Main brush & conveyor reverse
SV14 1 & 2 Vacuum fans On Hopper & Vacuum Fan hydraulic valve block
SV15 1 Swing Vario brush arm right On Vario Swing, Slide, & Rotate hydraulic valve block
SV16 1 & 2 Shaker, panel filter
SV17 1 & 2 Hopper door release
SV18 1 & 2 Hopper tilt back
SV19 1 & 2 Hopper tilt forward
SV20 1 Slide Vario brush arm left
SV21 1 Slide Vario brush arm right
SV22 1 Tilt Vario brush rear edge down
SV23 1 Tilt Vario brush left
SV24 1 Vario brush lower
SV25 1 Swing Vario brush arm left
SV26 1 Enable Vario brush
SV27 1 Vario brush rotate clockwise
SV28 1 Vario brush rotate counter-clockwise
SV29 1 Vario brush raise On Vario Arm hydraulic valve block
SV30A 1 Brake release
SV30B 1 Brake release
SV31 1 & 2 Conveyor down On Main Brush & Conveyor hydraulic valve block
SV32 1 & 2 Enable hopper On Hopper & Vacuum Fan hydraulic valve block
SV33 x Pressure washer On Pressure Washer hydraulic valve block
SOL2 3 Reverse propel Top of propel pump
SOL3 3 Forward propel Top of propel pump
On Side Brush & Brake Release hydraulic valve block
SOLENOID VALVE COILS
On Hopper & Vacuum Fan hydraulic valve block
On Vario Swing, Slide, & Rotate hydraulic valve block
On Vario Arm hydraulic valve block
On Vario Swing, Slide, & Rotate hydraulic valve block
On Hopper & Vacuum Fan hydraulic valve block
On Main Brush & Conveyor hydraulic valve block
On Side Brush & Brake Release hydraulic valve block
On Main Brush & Conveyor hydraulic valve block
132
2003.10.14 Sentinel Electrical Troubleshooting Manual

Page 1
®
ENGINEERING COMPANY INC.
Route 145, Winthrop Road,
Chester, Connecticut 06412
Phone: (860) 526-9504
Fax: (860) 526-4078
Internet: www.whelen.com
Sales e-mail: autosale@whelen.com
Canadian Sales e-mail: autocan@whelen.com
Customer Service e-mail: custserv@whelen.com
Automotive: Sirens/Switches
Installation and Operating Guide:
Traffic Advisor Control Head Models
TACTL1A, TACTL3A & TACTL4A
Safety First
This document provides all the necessary information to allow your Whelen product to be properly and safely installed.
Before beginning the installation and/or operation of your new product, the installation technician and operator must
read this manual completely. Important information is contained herein that could prevent serious injury or damage.
• Proper installation of this product requires the installer to have a good understanding of automotive
electronics, systems and procedures.
• If mounting this product requires drilling holes, the installer MUST be sure that no vehicle components or
other vital parts could be damaged by the drilling process. Check both sides of the mounting surface
before drilling begins. Also de-burr any holes and remove any metal shards or remnants. Install grommets
into all wire passage holes.
• If this product is mounted with tape or Velcro™, clean the mounting surface with a 50/50 mix of isopropyl
alcohol and water and dry thoroughly.
• Do not install this product or route any wires in the deployment area of your air bag. Equipment mounted
or located in the air bag deployment area will damage or reduce the effectiveness of the air bag, or
become a projectile that could cause serious personal injury or death. Refer to your vehicle owners
manual for the air bag deployment area. The User/Installer assumes full responsibility to determine proper
mounting location, based on providing ultimate safety to all passengers inside the vehicle.
• For this product to operate at optimum efficiency, a good electrical connection to chassis ground must be
made. The recommended procedure requires the product ground wire to be connected directly to the
NEGATIVE (-) battery post.
• If this product uses a remote device to activate or control this product, make sure that this control is
located in an area that allows both the vehicle and the control to be operated safely in any driving
condition.
• Do not attempt to activate or control this device in a hazardous driving situation.
• It is recommended that these instructions be stored in a safe place and referred to when performing
maintenance and/or reinstallation of this product.
• FAILURE TO FOLLOW THESE SAFETY PRECAUTIONS AND INSTRUCTIONS COULD RESULT IN DAMAGE
TO THE PRODUCT OR VEHICLE AND/OR SERIOUS INJURY TO YOU AND YOUR PASSENGERS!
©2001 Whelen Engineering Company Inc.
Form No.13484C (051402)
133

Page 2
FRONT VIEW
LOW
HIGH
POWER
OFF
FLASH
SPLIT
RIGHT
LEFT
TRAFFIC ADVISOR
R
TM
FUNCTION
PATTERN SELECTION
ROTARY KNOB
HIGH / LOW / OFF
SWITCH
LED STATUS DISPLAY
DIRECTION INDICATOR
Important Note: This manual is used for both 12-volt
(TACTL*A) and 24-volt (TACTL2*A) versions of TACTL-
series control switch. All 24-volt versions are identical to
their 12-volt counterparts in both fuction & operation.
However, any fusing and wiring differences will be
documented in the appropriate sections (example: The
TACTL1A (12V) & TACTL21A (24V) require different fuse
ratings).
The TACTL-series Control Head features a four-function
rotary switch that allows the user to select from left arrow,
right arrow, split arrow, or flash pattern. Dip switches on the
rear panel determine which of the following patterns will be
displayed when “flash” is selected (see “Dip Switch
Programming” on page 3).
• One Lamp Sequence to Triple Flash
• One Lamp Sequence to Double Flash
• Sequence to Solid
• Solid Arrow
• Two Lamp Sequences
• Three Lamp Sequences
• Four Lamp Sequences
• Sequence On / Sequence Off
• Remote Flash Control (TACTL1A Only)
Remote Flash Control is the new feature on the TACTL1A.
This allows for the remote activation of the flash function
when the T/A head is off. Turning on the control head
overrides the auxiliary control. This is ideal for activation with
a slide switch control.
A Center-Off Rocker Switch is used to turn the unit On and
Off, in either High or Low power mode. The TACTL has an
LED status display that provides a visual indication of the
current light pattern.
Installation: Mounting Control Head
1. Position the bail strap in the selected mounting location.
Using an awl or other suitable tool, scribe the surface
where the mounting hole are to be drilled.
Caution: As mounting the TACTL will require
drilling, it is absolutely necessary to make sure
that no other vehicle components could be
damaged in the process. Check both sides of the
mounting surface before starting. If damage is
likely, select a different mounting location.
2. Drill the mounting holes in the areas scribed in step 1.
The size of the drill bit should be determined by the size
of the mounting hardware (customer supplied) and
thickness of the mounting surface.
3. Using your mounting hardware, secure the bail strap to
the mounting location.
Note: There are 2 sets of holes on the Bail Strap
for positioning the control head at 2 different
heights (see Page 3).
4. With the bail strap in place, insert the carriage bolt along
with the external tooth lockwasher (supplied) into the
assembly hole from the inner side of the Bail Strap as
shown.
5. Place the split lockwasher and the acorn nut on the
protruding bolt on the outer side of the bail strap. Loosely
secure the acorn nut to the carriage bolt.
6. Now slide the control head onto the carriage bolts. Once
it is in the position that the customer has chosen, tighten
the acorn nuts until the unit is firmly secured.
Wiring the Traffic Advisor System
1. Plug the connector into the back of the control head unit
(See “Rear View” next page).
2. Extend the RED and BLACK wires to the battery.
3. Connect the RED wire to one end of a user supplied fuse
block. Do not connect this unit to the battery yet.
4. Connect the BLACK wire to the vehicle’s chassis ground
5. Extend and connect the WHITE wire to the accessory
switch for the back light controls (TACTL1A only).
6. Route the cable from the TA to the control head.
7. Following the pin charts for your model on page 3, insert
the contact wires into their positions. Check that the
wires are fully inserted by pulling back on them firmly.
8. Plug the connector(s) into the back of the control head.
WARNING! All customer supplied wires that connect to the
positive terminal of the battery must be sized to supply at
least 125% of the maximum operating current and fused at
the battery to carry the load (see “Wire Chart” on page 3).
The installation of your Traffic Advisor System will be
complete after the fuse block wire is connected to the
POSITIVE (+) terminal of the battery. After this connection
has been made, inspect the fuses at the control head and at
the battery. If either of these fuses are blown, carefully
inspect all of the circuit wires and make sure they are wired
correctly. Replace blown fuses with one of an identical amp
rating as the original. If these fuses blow after installation or
activation, contact Whelen Engineering Technical Support.
134

Page 3
DIP SWITCH PROGRAMMING:
(TACTL3A)
Arrow
Tips
Alt Arrow Tips/
Solid Bar
Alt Arrow Tips/
Solid Bar
Alt Arrow Tips/
Solid Bar
Alt Arrow Tips/
Solid Bar
Solid
Bar
Solid
Bar
Arrow
Tips
UP = Normal DOWN = Reversed (Swap Left & Right)
UP = New Array Patterns DOWN = Old Array Patterns
U= D=UP DOWN
X
X
X
X
X
X
X
X
D
D
D
D
U
U
U
U
D
D
U
U
D
D
U
U
D
U
D
U
D
U
D
U
Sequence On/
Sequence Off
Sequence
to Solid
Sequence
Triple Flash
Solid
Half Arrow
Solid
Half Arrow
Solid
Full Arrow
Solid
Full Arrow
Solid
Full Arrow
X
X
X
X
X
X
X
X
DIP SWITCH SETTING RIGHT FLASH
2345 SPLIT
LEFT
1
Sequence On/
Sequence Off
Sequence
to Solid
Sequence
Triple Flash
Solid
Half Arrow
Solid
Half Arrow
Solid
Full Arrow
Solid
Full Arrow
Solid
Full Arrow
Sequence On/
Sequence Off
Sequence
to Solid
Sequence
Triple Flash
Solid
Full Arrow
Solid
Full Arrow
Solid
Full Arrow
Solid
Full Arrow
Solid
Full Arrow
DIP SWITCH PROGRAMMING:
(TACTL1A & TACTL4A)
Double
Flash
Double
Flash
Single
Flash
Double
Flash
Double
Flash
Double
Flash
Double
Flash
Double
Flash
UP = 6 LIGHT ARRAY DOWN = 8 LIGHT ARRAY U= D=UP DOWN
X
X
X
X
X
X
X
X
D
D
D
D
U
U
U
U
D
D
U
U
D
D
U
U
D
U
D
U
D
U
D
U
Sequence
to Solid
Sequence
Double Flash
Sequence
Triple Flash
Sequence
Four Lamps
Sequence
Three Lamps
Sequence
Two Lamps
Solid
Half Arrow
Sequence On
Sequence Off
X
X
X
X
X
X
X
X
UP = ENABLE END LAMPS DOWN = DISABLE END LAMPS
To shut end-cap arrows off on T/A bars for a non-directional warning.
DIP SWITCH SETTING RIGHT FLASH
2345 SPLIT
LEFT
1
Sequence
to Solid
Sequence
Double Flash
Sequence
Triple Flash
Sequence
Four Lamps
Sequence
Three Lamps
Sequence
Two Lamps
Solid
Half Arrow
Sequence On
Sequence Off
Sequence
to Solid
Sequence
Double Flash
Sequence
Triple Flash
Sequence
Four Lamps
Sequence
Three Lamps
Sequence
Two Lamps
AlternatingSolid
Half Arrow
Sequence On
Sequence Off
CUSTOMER SUPPLIED
SHEET METAL SCREWS
10-24
ACORN NUT
QTY. (2)
#10 SPLIT
LOCKWASHER
QTY. (2)
BAIL STRAP
#10 EXT. TOOTH
LOCKWASHER
10-24 x ½"
CARRIAGE BOLT
QTY. (2)
(4)
ASSEMBLY
HOLES
123
456
9
12
8
11
7
10
REAR VIEW OF
PIN HOUSING
Reference Point
123
456
987
REAR VIEW OF
PIN HOUSING
Reference Point
RECOMMENDED WIRE SIZE
POWER WIRES
AUXILIARY
CONTROL WIRES
14 AWG
12 AWG
10 AWG
18 AWG
16 AWG
13 FT.
21 FT.
33 FT.
26 FT.
42 FT.
FUSE
7
8
9
10
11
12
PIN
Lamp
Lamp
7
8
+BAT
N/C
N/C
Aux Input*
Requires a SP/ST switch
and a 3 Amp fuse.
(Customer Supplied)
*
TO:
VIO
GRY
WHT
N/C
N/C
WHT/BLU
WIRE
Dip
Switches
1
2
3
4
5
6
PIN
Lamp 1
2
3
4
5
6
Lamp
Lamp
Lamp
Lamp
Lamp
TO:
BRN
RED
ORN
YEL
GRN
BLU
WIRE
Backlight
Control (to
Acc. Switch)
Rear View
TACTL1A
RED (Pos.1)WHT (Pos.3)
BLK (Pos.2)
To POS.
(+) Battery
Chassis
Ground
Customer Supplied
3 Amp Fuse
1 52 3 4
Pos. 1
Pos. 12
LEFT SIDE CONNECTOR
1
2
3
4
5
6
7
8
9
PIN
LAMP 1
LAMP 2
LAMP 3
LAMP 4
N/C
+ BATTERY
+ BATTERY
+ BATTERY
+ BATTERY
TO:
BRN
WHT
RED
WHT
ORG
WHT
YEL
WHT
N/C
WIRE
Power Input
RIGHT SIDE CONNECTOR
1
2
3
4
5
6
7
8
9
PIN
LAMP 5
LAMP 6
LAMP 7
LAMP 8
N/C
+ BATTERY
+ BATTERY
+ BATTERY
+ BATTERY
TO:
GRN
WHT
BLU
WHT
VIO
WHT
GRY
WHT
N/C
WIRE
1 52 3 4
Dip
Switches
Rear View
TACTL3A & TACTL4A
RED
RED
BLACK
BLACK To POS.
(+) Battery
Customer Supplied Fuse:
30 AMP (12V)
15 AMP (24V)
Customer Supplied Fuse:
15 AMP (12V)
10 AMP (24V)
Splice RED
wires together
To Chassis Ground
To Chassis Ground
135
136

©1997 Whelen Engineering Company Inc.
Form No.13248E (040400)
Installation Manual for
TA836A Traffic Advisor
ENGINEERING COMPANY INC.
ROUTE 145, WINTHROP ROAD
CHESTER, CONNECTICUT 06412-0684
TELEPHONE: (860) 526-9504
FAX: (860) 526-4078
INSERT TOOL
INSIDE OR
OUTSIDE OF
LAMP BASE
A. B. C.
USE TOOL TO
PULL LAMP OUT
OF BASE
Servicing the Traffic Advisor Assembly:
The Traffic Advisor can be field serviced without difficulty. If you
need to replace the reflector, remove the end cap, disconnect
the reflector from the internal wire harness and slide the reflec-
tor out of the extrusion. Use the same procedure in reverse
order for reassembly. (Pg. 2)
Halogen Lamp Replacement:
WARNING: Replacing any bulb requires the use of safety
glasses to prevent injury. To avoid injury, do not attempt to
replace the lamp with your fingers. Use a lamp replacement tool
or other suitable tool.
To Replace a Snap-In Bulb:
1. Be sure the power to the lamp is off. Remove the
two screws holding the lens to the reflector
housing, and
remove the
lens.
2. Locate the removal tool included with your new bulb. Use
the small end of the tool on either the outside (A) or inside
(B) of the base to lift the base of the bulb assembly away
from the socket as shown. Continue to lift until bulb is free.
3. Insert the alignment tab of the new bulb into the bulb holder
and press downwards to lock the new bulb into place.
Installation: Mounting the Traffic Advisor
The Traffic Advisor (T/A) mounting feet can be adjusted so that
no matter what the angle of the selected mounting surface, the
Traffic Advisor can deliver optimum visibility. See page 2.
CAUTION: Do not connect the T/A System to power until the
installation is completed. When servicing or trouble shooting
always disconnect it from the power source.
1. Remove the two lower brackets of the mounting feet from
the mounting kit and secure them to the upper brackets with
the supplied hardware. (Pg. 2)
2. Slide the mounting feet to their desired position inside the
groove, and secure them with the hardware supplied (Pg. 2).
3. Slightly loosen the hex nuts holding the upper and lower
brackets together and place the T/A in the desired position
on the proposed mounting surface. Adjust the lower brack-
ets of the mounting feet to rest firmly on the mounting sur-
face. Trace the outline of these brackets on that surface. If
the T/A’s power cable is to pass through the mounting sur-
face, be sure to mark the area for this passage hole.
4. Remove the T/A from the mounting surface and separate the
lower brackets of the mounting feet from the upper brackets.
Align these brackets with the outlines traced in the previous
step. Trace mounting hole locations onto mounting surface.
NOTE: Make sure that the lower bracket is facing in the same
direction as it was facing, when it was outlined on the mounting
surface as indicated in step 3.
5. Examine the back side of the mounting surface to insure that
no damage will occur when drilling the mounting holes. Drill
mounting holes with a 7/32” drill. If a wire passage hole has
been marked, drill the hole using a drill bit sized for the cable
and for an appropriately sized grommet (customer supplied).
6. Secure lower brackets to mounting surface. (Pg. 2)
7. Lower the T/A assembly onto the two lower brackets
secured to the mounting surface. Secure both brackets
together with the supplied hex head screw, internal tooth
lock washer, split lock washer and hex nut, in the same order
as indicated on page 2. Before tightening the upper and
lower brackets together, adjust the T/A to an angle best
suited to its mounting location.
NOTE: There are two holes that can be used when assembling
lower and upper brackets together, to position the T/A assembly
at two different heights (Pg. 2).
8. Slide the cable through the wire passage hole and route the
cable to the control head mounting location. Refer to dia-
gram on page 2, and your control head manual for wiring.
137

MOUNTING SURFACE
MOUNTING SURFACE
8
913
14
15
16
7
Upper bracket of mounting foot slides
inside groove, and may be positioned
to fit requirements.
Reflector modules slide
side-ways, into grooves
located inside housing.
TA836A PARTS LIST
#6 X 1/2" PPH THREAD FORMING SCREW516 15-065419-080
SNAP-IN HALOGEN LAMP - 12V / 20W48 34-0041987-04
SNAP-IN HALOGEN LAMP - 28V / 35W48 34-0041987-02
52 HALOGEN REFLECTOR HOUSING38 02-0283375-00
ITEM QTY. DESCRIPTION PART NUMBER
2#6-32 X 1/2" PPH SELF TAP MACH. SCREW6/8 14-062216-083
1ENDCAP
211-261326-000
POLYCARBONATE OPTIC LENS / AMBER68 68-1161313-10
12 MOUNTING BRACKET4 07-261325-000
13 1/4" EXTERNAL TOOTH LOCK WASHER
2 16-1310820-02
14 #14 X 1/2" PPH "A" PT. SHEET MTL SCREW2 15-211416-082
15 1/4" INTERNAL TOOTH LOCK WASHER2 16-1321560-02
16 1/4-20 X 3/4" HEX HEAD SCREW2 14-130436-120
8#10-24 X 1-1/4" PPH MACHINE SCREW2 14-104216-200
10 1/4" SPLIT LOCK WASHER2 16-1331520-65
91/4-20 X 7/16" HEX NUT2 13-130120-070
11 2#10-24 WHIZ NUT 13-014111-063
7HOUSING BASE / ALUMINUM111-314126-000
NOTE: The outer surfaces of this product may be cleaned
with mild soap and water. Use of any other chemicals may void
product warranty. Do not use a pressure washer.
1
5
6
2
4
Input Voltage 12.8 VDC ±20% (25.6 VDC 20%)±
12.8 VDC ±20% (25.6 VDC 20%)±
Back Light Voltage
Input Current
Power Per Lamp
1.5 AMPS / LAMP (12V & 24V)
20W(12V) / 35W(28V)
Back Light Current 100MA(12V) / 50MA(24V)
Candel Power High 770 CANDELA (AMBER)
Candel Power Low 300 CANDELA (AMBER)
Sweep Rate 40 CYCLES PER. (MIN.)
SPECIFICATIONS
NOTE: The mounting brackets have two holes that can
be used when assembling the lower and upper brackets
together, to position the T//A at two different heights.
3
10
11
12
138

Component Function Energized Coils Notes Valve Block Test Port Feed
Port
Exit
Port
Retur
n Port
Relief
V
alve in
circuit
Relief
Valve
Pressure
Settin
g
Interlock/Indicator Notes
Vacuum Fan Motor On or Activated SV14 Vac Fan LED On = Vac Fan Running
(see notes)
Hopper
Control P7 M9 M10 RV4 2750 psi
Hopper Thermal Sentry Close at 150
degrees F, (self resetting) --If this
happens the Vac Fan LED will flash
(blink) and Vac Fan will turn off.
Shaker motor cannot be operated with the Vac Fan
operating. If Shaker Motor is turned on with Vac
Fan operating, the Vac Fan is shut off and the Vac
Fan LED will stay on until the Shaker Motor stops
running (Shaker Motor LED will be on when
shaking). There is a five (5) second delay before
the Shaker motor starts if the Vac Fan was on.
Shaker Motor On or Activated SV16 Shaker LED On = Shaker Running
(30 second run cycle)
Hopper
Control P7 M5 M6 RV4 2750 psi -
Shaker motor cannot be operated with the Vac Fan
operating. If Shaker Motor is turned on with Vac
Fan operating, the Vac Fan is shut off and the Vac
Fan LED will stay on until the Shaker Motor stops
running (Shaker Motor LED will be on when
shaking). There is a five (5) second delay before
the Shaker motor starts if the Vac Fan was on.
Hopper System Hopper Door Latch,
Close
SV17 & SV32
(SV32 for 4
seconds, see
notes)
Hopper
Control P7 C12 C11 RV4 2750 psi -
SV32 stays on for four (4) seconds to allow
maximum pressure and fuild flow to Hopper Door
Cylinder. Door is held closed by hydraulic pressur
e
on piston end (always). To open door CV4 Check
Valve is "unchecked" by fluid pressure,
RV4@2750psi, OR5 @0.063 in Hopper Control
Block.
Hopper System Hopper Door Latch,
Open SV17 & SV32 Must hold button to operate Hopper
Control P7 C11 C12 RV4 2750 psi -
SV32 stays on until Hopper Close button, os
Hopper lift/lower/forward/back is pushed. SV17
stays on until hopper closed button is pushed.
RV4@2750psi, OR5 @0.063 in Hopper Control
Block.
Hopper System Hopper Tilt Down
(rest) SV18 Must hold button to operate Hopper
Control P7 C10 C9 RV4 2750 psi Parking or Service Brake must be applied
for this system to operate.
CV5 Check Valve in circuit, OR3@0.063 located in
Hopper Control Block, before Tilt Cylinders
RV4@2750psi, OR5 @0.063 in Hopper Control
Block. Check valves in cylinders on piston ends.
Hopper System Hopper Tilt Forward SV19 Must hold button to operate Hopper
Control P7 C10 C9 RV7 1250 psi
Parking or Service Brake must be applied
for this system to operate. Machine level
sensor must indicate machine is level.
CV5 Pilot Check Valve in circuit is unseated by fluid
pressure via SV19, OR3@0.063 located in Hopper
Control Block, before Tilt Cylinders. OR5 @0.063
in Hopper Control Block. Pilot Check valves on
cylinder piston end is unseated by pressure via
SV19 to allow cylinders to tilt forward (rest position).
Hopper System High Dump (Option)
Lift SV2 Must hold button to operate Hopper
Control P7 C2 C11 RV4 2750 psi
Parking or Service Brake must be applied
for this system to operate. Machine level
sensor must indicate machine is level.
Cylinders have "velocity valves" in line connection
on piston end of cylinder. Velocity valves prevent
sudden falling of hopper if hose breaks. OR5
@0.063 in Hopper Control Block. OR4 @0.120 in
Hopper Block.
Hopper System High Dump (Option)
Down SV1 Must hold button to operate Hopper
Control P7 C2 C11 - - Parking or Service Brake must be applied
for this system to operate.
Gravity lowers the hopper. Hydraulic fluid moves to
return side of system via SV1. Cylinders have
"velocity valves" in line connection on piston end of
cylinder. Velocity valves prevent sudden falling of
hopper if hose breaks. OR5 @0.063 in Hopper
Control Block. OR4 @0.120 in Hopper Block.
Enable Lift Circuit
#
1SV8
Enable Lift Circuit
#
2SV4
139

Component Function Energized Coils Notes Valve Block Test Port Feed
Port
Exit
Port
Retur
n Port
Relief
V
alve in
circuit
Relief
Valve
Pressure
Settin
g
Interlock/Indicator Notes
Conveyor System Lift SV31 Main Brush
Control P5 C4 C3 RV3 2750 psi -
SV4 stays on for four (4)??? seconds to allow
maximum pressure and fuild flow to Conveyor Lift
Cylinder. Restrictor 0.040 at C4
Conveyor System Lower SV31 Main Brush
Control P5 C3 C4 RV3 2750 psi - Restrictor 0.040 at C4
Conveyor System
Operate main brush
motor and conveyor
forward
SV12 This is a press and release to operate
button.
Main Brush
Control P5 M7 M8
RV3
(see
note)
2750 psi
RPM must be under 2000 for Main Brush
and Conveyor to operate. Hopper up or
tilted or Up/Tilt buttons pressed. (LED's
blinking)
Overlaod switch is set at 2400 psi, Overload LED
will turn on. If "jammed" RV3 will relaese pressure.
Conveyor System Operate motor
reverse SV13 This is a press and release to operate
button.
Main Brush
Control P5 M8 M7
RV3
(see
note)
2750 psi
RPM must be under 2000 for Main Brush
and Conveyor to operate. Hopper up or
tilted or Up/Tilt buttons pressed. (LED's
blinking)
If "jammed" RV3 will relaese pressure. If
conveyor is down, brush motor/conveyor will run in
reverse when down, if up brush motor/conveyor will
run in reverse when up. If system in sweep and
reverse is pressed wil cause to run in reverse,
pressing again will cause sweep rotation. If in up
positoin, pressing will cause to run in reverse,
pressing again will cause motion to stop.
Operate left brush
motor and down
(Option)
SV7 & SV10 Side Brush
Valve G1 P3 C8 &
M3
T1 &
T13 RV2 2200 psi
SV8 stays on for four (4)??? seconds to allow
maximum pressure and fuild flow to Right Side
Brush Lift Cylinder through SV7. Pilot operated
check vlave at PC1. SV10 controls Right Side
Brush
Operate right brush
motor and dwon SV5 & SV9 Side Brush
Valve G1 P3 C7 &
M1
T1 &
T13 RV2 2200 psi
SV8 stays on for four (4)??? seconds to allow
maximum pressure and fuild flow to Right Side
Brush Lift Cylinder through SV5. Pilot operated
check vlave at PC2. SV9 controls Right Side Brush
Lift SV3 Main Brush
Control P5 C6 - RV3 2750 psi -
SV4 stays on for four (4)??? seconds to allow
maximum pressure and fuild flow to Main Broom
Cylinder. Pilot Check PC3 in Main Brush Control
block. Restrictor 0.031 at C6
Down/Lower SV3 Main Brush
Control P5 - T10 - - - Pressure unseats Pilot Check PC3 in Main Brush
Control block. Restrictor 0.031 at C6
Main Brush
Side Brushes
140

The following assumes that the PTOs are engaged and operating.
Component Function Energized Coils Notes Valve Block Location Feed
Port
Exit
Port
Relief
Valve in
circuit
Relief
Valve
Pressure
Setting
Interlock/Indicator Notes
Vacuum Fan
Motor Operate SV7 (PWM) Motor speed and system max pressure
vary with current to coil SV7. Hopper Valve On Hopper P1 M1 no Hopper Thermal Sentry (S16) / Display
msg, Shaker motor Speed varies with engine speed.
Shaker Motor Operate SV37, SV6 System max pressure is 3000 psi. Hopper Valve On Hopper P1 M3 no 60 second timer in controller
Lift SV1, SV25B System max pressure is 3000 psi. Main Valve
Above
Main
Broom
P4 C12 RV1 2700 Parking Brake / Display msg, conveyor
back switch / Display msg
Power to SV23A and SV25B supplied through
conveyor back switch (S12). These valveds
cannnot be energised when the conveyor back
switch is not made.
Lower SV1, SV25A System max pressure is 3000 psi. Main Valve
Above
Main
Broom
P4 C12 RV1 2700 Velocity fuses prevent hopper from lowering at
fast speed.
Dump hopper and
open chute SV37, SV23B System max pressure is 3000 psi. Hopper Valve On Hopper P1
C1,
C2,
C3,
C4
no Parking Brake / Display msg, conveyor
back switch / Display msg
Power to SV23A and SV25B supplied through
conveyor back switch (S12). These valveds
cannnot be energised when the conveyor back
switch is not made.
Return hopper home
and close chute SV37, SV23A G11 max pressure is 3000 psi. Hopper Valve On Hopper P1
C1,
C2,
C3,
C4
no Velocity fuses prevent hopper from tilting at fast
speed.
Tilt in SV1, SV20A System max pressure is 3000 psi. Side Brush
Valve Right Side P2 C17,
C18 no Hopper Down Switch / Display msg
Conveyor will not tilt in until hopper down switch
(S11)is closed. Conveyor will tilt forward when the
hopper down switch is made, and the hopper
down button is released (after lowering the
hopper) Converyor will tilt in when sweep
engergized
Tilt out SV1, SV20B System max pressure is 3000 psi. Side Brush
Valve Right Side P2 C17,
C18 no Conveyor will tilt out when hopper lift or tilt are
engaged
Lift SV1, SV19B System max pressure is 3000 psi. Side Brush
Valve Right Side P2 C19,
C20 no Conveyor will lift when sweep is disengaged
Lower SV1, SV19A System max pressure is 3000 psi. Side Brush
Valve Right Side P2 C19,
C20 no
Operate motor
forward SV2 (PWM) Motor speed and system max pressure
vary with current to coil SV2.
Side Brush
Valve Right Side P2 M10,
M11 no Operation inhibited when reverse gear is
selected
Stall Switch SW24. Speed varies with engine
speed and sweep mode.
Operate motor
reverse SV2 (PWM), SV4 Motor speed and system max pressure
vary with current to coil SV2.
Side Brush
Valve Right Side P2 M10,
M11 no Stall Switch SW24. Reverse operation is
momentary
Operate left brush
motor SV11 (PWM) Motor speed and system max pressure
vary with current to coil SV11.
Side Brush
Valve Right Side P2 M4 no
Operation inhibited when reverse gear is
selected. Operation inhibited when
hopper down switch is open / Display msg
Varies with engine speed and touch-panel
adjustment.
Lower left brush SV1, SV38 System max pressure is 3000 psi. Side Brush
Valve Right Side P2 C7 PR1/SV
35 200
Operation inhibited when reverse gear is
selected. Operation inhibited when
hopper down switch is open / Display msg
Maintain left brush
on the ground SV38 Side Brush
Valve Right Side P2 C7 PR1/SV
35 200
Operation inhibited when reverse gear is
selected. Operation inhibited when
hopper down switch is open / Display msg
Lift left brush SV1, SV16 System max pressure is 3000 psi. Side Brush
Valve Right Side P2 C7 no
Operate right brush
motor SV9 (PWM) Motor speed and system max pressure
vary with current to coil SV9.
Side Brush
Valve Right Side P2 M7 no
Operation inhibited when reverse gear is
selected. Operation inhibited when
hopper down switch is open / Display msg
Varies with engine speed and touch-panel
adjustment.
Lower right brush SV1, SV39 System max pressure is 3000 psi. Side Brush
Valve Right Side P2 C5 PR1/SV
35 200
Operation inhibited when reverse gear is
selected. Operation inhibited when
hopper down switch is open / Display msg
Side Brushes
Hopper System
Conveyor
System
Sent Troubleshooting matrix 2003_01_16.xls Page 1 of 2
141

The following assumes that the PTOs are engaged and operating.
Component Function Energized Coils Notes Valve Block Location Feed
Port
Exit
Port
Relief
Valve in
circuit
Relief
Valve
Pressure
Setting
Interlock/Indicator Notes
Maintain right brush
on the ground SV39 Side Brush
Valve Right Side P2 C5 PR1/SV
35 200
Operation inhibited when reverse gear is
selected. Operation inhibited when
hopper down switch is open / Display msg
Lift right brush SV1, SV15 System max pressure is 3000 psi. Side Brush
Valve Right Side P2 C5 no
Adjust brush pattern
lift pressure
SV35 (PWM) or
PR1
PR1 is manual valve, SV35 is PWM
valve (option)
Side Brush
Valve Right Side P2 C5 PR1/SV
35 200
Operation inhibited when reverse gear is
selected. Operation inhibited when
hopper down switch is open / Display msg
Fixed valve (PR1) is option; set at 250 psi.
Adjustable option (SV35) varies with touch-panel
adjustment. Stems share common cavity.
Measure at G1 with right brush on.
Lift SV1, SV31B System max pressure is 3000 psi. Side Brush
Valve Right Side P2 C9,
C10 no
Lower SV1, SV31A System max pressure is 3000 psi. Side Brush
Valve Right Side P2 C9,
C10 no
Operation inhibited when reverse gear is
selected. Operation inhibited when
hopper down switch is open / Display msg
Lift SV1, SV27 System max pressure is 3000 psi. Main Valve
Above
Main
Broom
P4 C22 no
Lower SV28 Drag shoes must be lowered also. Main Valve
Above
Main
Broom
P4 C22 no
Operation inhibited when reverse gear is
selected. Operation inhibited when
hopper down switch is open / Display msg
Maintain brush on
ground SV28 Main Valve
Above
Main
Broom
P4 C22 no
Operation inhibited when reverse gear is
selected. Operation inhibited when
hopper down switch is open / Display msg
Adjust brush pattern
lift pressure SV29 (PWM) max pressure varies with current to coil. Main Valve
Above
Main
Broom
P4 C22 no Varies with engine speed and sweep mode.
Measure at G2.
Operate motor SV13 (PWM),
SV14
Motor speed and system max pressure
vary with current to coil SV1. Main Valve
Above
Main
Broom
P4 M9 no
Operation inhibited when reverse gear is
selected. Operation inhibited when
hopper down switch is open / Display msg
Varies with engine speed and sweep mode.
Lift SV1, SV17 System max pressure is 3000 psi. Main Valve
Above
Main
Broom
P4 C15,
C16 no
Lower SV1, SV43 System max pressure is 3000 psi. Main Valve
Above
Main
Broom
P4 C15,
C16 no
Operation inhibited when reverse gear is
selected. Operation inhibited when
hopper down switch is open / Display msg
Drag Shoes
Side Skirts
Main Brush
Sent Troubleshooting matrix 2003_01_16.xls Page 2 of 2
142

Centurion Switch and LED Operation
Notes PTO LED Sweep
LED Gutter Broom
LED Vac Fan
LED Water
LED Conveyor
Water LED
C
onveyor
Forward
LED
C
onveyor
Reverse
LED Conveyor
Tilt LED Hopper
Lift LED
H
opper
Lower
LED
H
opper
Dump
LED Shaker
LED
PTO Operation
PTO button Pressed ON "ON"
SWEEP button Pressed ON "ON"
Hopper Lift, Lower, Dump or Home buttons pressed ON "ON"
Side Brush button pressed ON "ON"
Conveyor button pressed ON "ON"
PTO button Pressed OFF "OFF"
SWEEP button Pressed OFF "OFF"
Sweep Operation
SWEEP button Pressed ON "ON"
SWEEP button Pressed OFF "OFF"
Gutter Broom Operation
Gutter Broom button Pressed ON * "ON"
Gutter Broom button Pressed OFF ** "OFF"
V
acuum Fan Operation
Vac Fan button Pressed ON * "ON"
Vac Fan button Pressed OFF ** "OFF"
Water Pump Operation
(front, conveyor, left/right gutter brooms)
Water Valve(s) button(s) Pressed ON * "ON"
Water Valve(s) button(s) Pressed OFF ** "OFF"
Thermal Sentry -- Fire in Hopper -- Thermal Sentry "Tripped" "ON"
Conve
y
or Forward Operation
Conveyor "Forward" button Pressed ON * "ON"
Conveyor "Forward" button Pressed OFF ** "OFF"
Conve
y
or Reverse Operatio
n
Conveyor Reverse button "Pressed and Held ON" "ON"
Conve
y
or Tilt Operatio
n
Conveyor Tilt button Pressed "ON" for tilt in *** "ON"
Hopper Lift
Hopper "Lift" button Pressed ON to lift hopper "ON"
Hopper "Lower" button Pressed "ON" to lower hopper "ON"
Hopper Home Operation
Hopper "Home" button Pressed "ON" to move hopper to home position "ON"
Hopper Dump Operation
Hopper "Dump" button Pressed "ON" to dump hopper "ON"
Shaker Operation
Shaker button Pressed "ON" (60 second shake cycle)
after 15 second delay **** "ON"
Notes:
* Sweep button will start this operation if it was on when sweep last cancelled
** Canceling sweep will turn this function of
f
*** Sweep button will automatically tilt conveyor in when sweep operation starte
d
**** Active for 60 seconds
Sent Interlocks 2002_06_14.xls Page 1 of 1
143

Read
Notes:
Pin
Number
Active
Voltage
Inactive
Voltage
Fuse
Num
ber
Fuse
Amp
Rating
Wire
Number
Solenoid
Number
Solenoid
Location Description
Amp Draw
per
Solenoid
Typ Solenoid
Resistance Notes
1 Connects #1 Vario Mode Switch
2 Connects #4 Vario Mode Switch
3 Ground 0vDC 0vDC - - N/A Power Ground
Note 4 Connects #1 Brush Rotation Switch 101K/Pink
Note 4 Output 0 vDC B+ F24 10 101K/Pink SV27 Vario Brush Rotate 6-8 ohms 1.5-2.0 amps Fuse is through
Note 5 Connects #4 Brush Rotation Switch 104J/Blue
Note 5 Output 0 vDC B+ F24 10 104J/Blue SV28
Vario Brush Rotate
Counter ClockWise 6-8 ohms 1.5-2.0 amps
Fuse is through
Brush Rotation
Note 6 Connects #4 Arm Up/Hold Switch 106J/Green
Note 6 Output 0 vDC B+ F24 10 106J/Gree
n
SV24 Vario Brush Float 6-8 ohms 1.5-2.0 amps Fuse is through
Note 7 Connects #1 Arm Up/Hold Switch 105J/Gray
Note 7 Output 0 vDC B+ F24 10 105J/Gray SV29 Vario Brush Up 6-8 ohms 1.5-2.0 amps Fuse is through
8Not Used Not used
9Output 0 vDC B+ F24 10 111J/Pink SV26 Enable Solenoid 6-8 ohms 1.5-2.0 amps
10
11
12
13
14 Key On, Power Input B+ B+ F18 15 103J/Brown Key On, Power
15 Ground 0vDC 0vDC - - 110J/Yellow Power Ground
16
17
18
19
20
Output
Ground, Power
Key On, Power Input
144

Sentinel Vario Brush Control Board Pin Voltage Chart
Connector
Number
Pin
Number
Active
Voltage
Inactive
Voltage
Fuse
Num
ber
Fuse
Amp
Rating
Wire
Number
Solenoid
Number
Solenoid
Location Description
Amp Draw per
Solenoid
Solenoid
Resistan
ce Notes
1 Connects #1 Vario Mode Switch
2 Connects #4 Vario Mode Switch
3 Ground 0vDC 0vDC - - N/A Power Ground
4 Connects #1 Brush Rotation Switch 101K/Pink
5 Connects #4 Brush Rotation Switch 104J/Blue
6 Connects #4 Arm Up/Hold Switch 108K/Green
7 Connects #1 Arm Up/Hold Switch 105J/Gray
8
90 vDC B+ F24 10 111J/Pink SV26 Enable Solenoid
10
11
12 Connects to #19
13 Connects to #18
14 Key On, Power Input B+ B+ F18 15 103J/Brown
15 Ground 0vDC 0vDC - - 110J/Yellow Power Ground
16 0 vDC B+ 114J/Yellow SV25 Vario Brush Arm Pivot Counter Clockwise
17 0 vDC B+ 115J/Green Vario Brush Arm Pivot Clockwise
18
19
Sent Pin Chart 2003_10_02.xls Page 1 of 1
145

CATERPILLAR®ENGINE SPECIFICATIONS
In-Line 4 Cylinder, Four-Stroke-Cycle Diesel
Bore — mm (in) ..................... 105 (4.13)
Stroke — mm (in).................... 127 (5.00)
Displacement — liter (cu in) .......... 4.41 (269)
Combustion System ............Direct injection
Rotation (from flywheel end) . . Counterclockwise
Capacity for Liquids — L (U.S. qts)
Cooling System (engine only) .......... 7 (7.4)
Lube Oil System (refill) typical........ 6.9 (7.3)
Weight, Net Dry (approximate) —
kg (lb) ............................. 291 (641)
3054C
3054E
Naturally Aspirated
Industrial
Diesel
Engine
■HIGH PERFORMANCE
Horsepower and torque capabilities
optimized.
■QUALITY BY DESIGN FOR DURABILITY
Product design and process improvements
have been used from early stages to enhance
engine reliability and durability.
■CLEAN AND QUIET POWER
Cleaner, meeting EPA Tier 2 emissions
standards and free from visible smoke
throughout operational speed range. Quieter,
with up to 3 dBA reduction in bare engine
noise.
■EASY LOW-COST MAINTENANCE
Convenient positioning of service points for
easy accessibility. Service intervals at 500
hours as standard.
■WEB SITE
For additional information on all your power
requirements, visit www.cat.com.
BENEFITS
LEHH2492-01 Page 1 of 2
STANDARD EQUIPMENT
Cast iron engine block
Flywheel and flywheel housing
Ecoplus oil and fuel filters
Electronic control module (on 3054E)
Glow plug starting aid
Integral inlet manifold
Cast iron exhaust manifold — center side outlet
Gear-driven coolant pump
Alternator — 12V and 24V; 55, 65, 85, 100 amp
Provision for PTOs
Choice of cooling fans
Starter motor — 12V and 24V
Plastic J2044 fuel system standard
Choice of lube oil sump
Choice of dipstick positions
Choice of filter positions
Choice of water outlet
Optional balancer
Engine Pictured with
Optional Equipment
50-64 bkW/67-86 bhp
146

3054C/3054E
INDUSTRIAL ENGINE
Materials and specifications are subject to change without notice. The International System of Units (SI) is used in this publication.
LEHH2492-01 (2-03) Printed in U.S.A. ©2003 Caterpillar
All rights reserved.
Intermittent is the horsepower and speed
capability of the engine which can be used for
about one hour, followed by an hour of
operation at or below the continuous rating.
Continuous is the horsepower and speed
capability of the engine which can be used
without interruption or load cycling.
Additional ratings are available for specific
customer requirements. Consult your Caterpillar
dealer.
Ratings are based on SAE J1995 standard
conditions of 100 kPa (29.61 in Hg) and 25° C
(77° F). These ratings also apply at ISO/TR14396,
standard conditions and to DIN6271 and BS5514
standard conditions of 100 kPa (29.61 in Hg),
27° C (81° F) and 30% relative humidity.
Fuel consumption is based on fuel oil having an
LHV of 42 780 kJ/kg (18 390 Btu/lb) and weighing
845-850 g/liter (7.052-7.094 lb/U.S. gal). Power
ratings are based on engine equipped with fuel,
lube oil, and jacket water pumps but without fan.
PERFORMANCE DATA
1400 1600 1800 2000 2200 2400
Engine Speed rpm
Torque
lb-ft
N•m
Power
bhp
bkW
45
55
65
270
280
290
300
250
260
180
200
220
80
70
60
RATING DEFINITIONS AND CONDITIONS
1400 1600 1800 2000 2200 2400
Engine Speed rpm
Torque
lb-ft
N•m
Power
bhp
bkW
45
55
65
270
280
290
300
250
260
180
200
220
80
70
60
Naturally Aspirated
Gross Intermittent Power = SAE J1995
Other ratings are available.
Lower power ratings should not be read from these curves.
3054C 3054E
DIMENSIONS
Note: Dimensions and weight depend on final specifications.
Length mm (in) 663 (26.1)
Width mm (in) 563 (22.2)
Height mm (in) 775 (30.5)
Weight kg (lb) 291 (641)
147

CATERPILLAR®ENGINE SPECIFICATIONS
In-Line 4 Cylinder, Four-Stroke-Cycle Diesel
Bore — mm (in) ..................... 105 (4.13)
Stroke — mm (in).................... 127 (5.00)
Displacement — liter (cu in) .......... 4.41 (269)
Combustion System ............Direct injection
Rotation (from flywheel end) . . Counterclockwise
Capacity for Liquids — L (U.S. gal)
Cooling System (engine only) .......... 7 (7.4)
Lube Oil System (refill) typical........ 6.9 (7.3)
Weight, Net Dry (approximate) —
kg (lb) ............................. 306 (674)
■HIGH PERFORMANCE
Horsepower and torque capabilities
optimized.
■QUALITY BY DESIGN FOR DURABILITY
Product design and process improvements
have been used from early stages to enhance
engine reliability and durability.
■CLEAN AND QUIET POWER
Cleaner, meeting EPA Tier 2 emissions
standards and free from visible smoke
throughout operational speed range. Quieter,
with up to 3 dBA reduction in bare engine
noise.
■EASY LOW-COST MAINTENANCE
Convenient positioning of service points for
easy accessibility. Service intervals at 500
hours as standard.
■WEB SITE
For additional information on all your power
requirements, visit www.cat.com.
BENEFITS
LEHH2493-01 Page 1 of 2
STANDARD EQUIPMENT
Cast iron engine block
Flywheel and flywheel housing
Ecoplus oil and fuel filters
Electronic control module (on 3054E)
Glow plug starting aid
Integral inlet manifold
Cast iron exhaust manifold — center side outlet
Gear-driven coolant pump
Alternator — 12V and 24V; 55, 65, 85, 100 amp
Provision for PTOs
Choice of cooling fans
Starter motor — 12V and 24V
Plastic J2044 fuel system standard
Choice of turbo outlet orientation
Choice of lube oil sump
Choice of dipstick positions
Choice of filter positions
Choice of water outlet
Optional balancer
Engine Pictured with
Optional Equipment
Industrial
Diesel
Engine
3054C
3054E
Turbocharged
60-86 bkW/80-115 bhp
148

3054C/3054E
INDUSTRIAL ENGINE
Materials and specifications are subject to change without notice. The International System of Units (SI) is used in this publication.
LEHH2493-01 (2-03) Printed in U.S.A. ©2003 Caterpillar
All rights reserved.
Intermittent is the horsepower and speed
capability of the engine which can be used for
about one hour, followed by an hour of
operation at or below the continuous rating.
Continuous is the horsepower and speed
capability of the engine which can be used
without interruption or load cycling.
Additional ratings are available for specific
customer requirements. Consult your Caterpillar
dealer.
Ratings are based on SAE J1995 standard
conditions of 100 kPa (29.61 in Hg) and 25° C
(77° F). These ratings also apply at ISO/TR14396,
standard conditions and to DIN6271 and BS5514
standard conditions of 100 kPa (29.61 in Hg),
27° C (81° F) and 30% relative humidity.
Fuel consumption is based on fuel oil having an
LHV of 42 780 kJ/kg (18 390 Btu/lb) and weighing
845-850 g/liter (7.052-7.094 lb/U.S. gal). Power
ratings are based on engine equipped with fuel,
lube oil, and jacket water pumps but without fan.
PERFORMANCE DATA
Turbocharged
1400 1600 1800 2000 2200 2400
Engine Speed rpm
Torque
lb-ft
N•m
Power
bhp
bkW
55
65
75
400
300
350
225
250
275
100
85
70
RATING DEFINITIONS AND CONDITIONS
1400 1600 1800 2000 2200 2400
Engine Speed rpm
Torque
lb-ft
N•m
Power
bhp
bkW
55
65
75
400
300
350
225
250
275
100
85
70
3054C 3054E
Gross Intermittent Power = SAE J1995
Other ratings are available.
Lower power ratings should not be read from these curves.
DIMENSIONS
Note: Dimensions and weight depend on final specifications.
Length mm (in) 663 (26.1)
Width mm (in) 597 (23.5)
Height mm (in) 810 (31.9)
Weight kg (lb) 306 (674)
149

Fasteners and Torque Control (10---90)
Torque Standard
Inch Fasteners
(5)-- (6.5)
Thread
Size
SAE
Grade 1
SAE
Grade 2
Carriage
Bolts
Thread
Cutting
Thread
Rolling
SAE
Grade 5
Socket
and
Stainless
Steel
SAE
Grade 8
Headless
Socket
Set
Screws
Square
Head Set
Screws
4 (.112) (4)-- (6)
5 (.125) (6)--(8) (9)-- (11)
6 (.138) (7)--(9) (20)-- (24) (9)-- (11)
8 (.164) (12)--(16) (40)-- (47) (17)-- (23)
10 (.190) (20)-- (26) (50)-- (60) (31) -- (41)
1/4 (.250) 4--5 5-- 6 7-- 10 7-- 10 10-- 13 6-- 8 17-- 19
5/16 (.312) 7-- 9 9-- 12 15-- 20 15-- 20 20-- 26 13-- 15 32-- 38
3/8 (.375) 13-- 17 16--21 27-- 35 36-- 47 22-- 26 65-- 75
7/16 (.438) 20--26 26-- 34 43--56 53-- 76 33-- 39 106--124
1/2 (.500) 27-- 35 39-- 51 65--85 89-- 116 48-- 56 162-- 188
5/8 (.625) 80-- 104 130-- 170 171--265 228-- 383
3/4 (.750) 129-- 168 215-- 280 313-- 407 592-- 688
1 (1.000) 258-- 335 500-- 650 757--984 1281-- 1489
I
N
C
H
P
O
N
U
D
S
F
O
O
T
P
O
U
N
D
S
Torque Foot Pounds (Inch Pounds) Zinc Plated
150
Home
Find...
Go To..

Fasteners and Torque Control (10---90)
Torque Standard
Inch Fasteners
Fastener
Identification Typ e M a teria l
Nominal
Size
Proof Load
(PSI)
Te n s i l e
Strength
Min (PSI)
Yield
Strength
Min (PSI)
Mechanical Properties
SAE
Grade 1
Machine
Screws
Low or
Medium
Carbon
Steel
#2 Thru
#10
1/4 Thru
11/2 33,000 36,000
55,000
60,000
SAE
Grade 2
Carriage
Bolts
Low or
Medium
Carbon
Steel
1/4 Thru
3/4
Over 3/4
Thru 1 1/2
55,000
33,000
57,000 74,000
36,000 60,000
Stainless
Steel
18-- 8
Austenitic
Stainless
Steel
50,000 90,000
SAE
Grade 5
Medium
Carbon
Steel
Quenched
Tempered
1/4 Thru 1
Over 1 to
11/2
85,000
74,000
92,000
81,000
120,000
105,000
Socket
Screws
High Carbon
Alloy Steel
Quenched
Tempered
136,000 160,000
SAE
Grade 8
Medium
Carbon Al-
loy
Quenched
Tempered
1/4 Thru
11/2 120,000 130,000 150,000
151
Home
Find...
Go To..

Fasteners and Torque Control (10---90)
Torque Standard
METRIC Fasteners
747-- 970 Ncm
18.3--23.7 Nm
Thread
Size 4.8/5.6
8.8
Stainless
Steel 10.9 12.9
Set
Screws
M3 43--56 Ncm 99-- 128 Ncm 139-- 180 Ncm 166--215 Ncm 61-- 79 Ncm
M4 99--128 Ncm 223-- 290 Ncm 316-- 410 Ncm 381--495 Ncm 219-- 285 Ncm
M5 193-- 250 Ncm 443-- 575 Ncm 624-- 810 Ncm 427-- 554 Ncm
M6 3.3 -- 4.3 Nm 7.6-- 9.9 Nm 10.8-- 14 Nm 12.7--16.5 Nm 7.5--9.8 Nm
M8 8.1-- 10.5 Nm 18.5-- 24 Nm 26.2-- 34 Nm 31-- 40 Nm
M10 16--21 Nm 37--48 Nm 52--67 Nm 63--81 Nm
M12 28--36 Nm 64-- 83 Nm 90-- 117 Nm 108-- 140 Nm
M14 45--58 Nm 102-- 132 Nm 142-- 185 Nm 169-- 220 Nm
M16 68--88 Nm 154-- 200 Nm 219-- 285 Nm 262-- 340 Nm
M20 132-- 171 Nm 300--390 Nm 424--550 Nm 508-- 660 Nm
N
E
W
T
O
N
C
E
N
T
I
M
E
T
E
R
S
N
E
W
T
O
N
M
E
T
E
R
S
M22 177-- 230 Nm 409--530 Nm 574--745 Nm 686-- 890 Nm
M24 227-- 295 Nm 520--675 Nm 732--950 Nm 879-- 1140 Nm
Zinc Plated
Conversion Tables
Ncm to Inch Pound x 0.08851 Inch Pound to Ncm x 11.2982
Nm to Foot Pound x 0.7376 Foot Pound to Nm x 1.3558
152
Home
Find...
Go To..

Fasteners and Torque Control (1---01)
Torque Standard
METRIC Fasteners
Fastener
Identification
Type
Material
Nominal
Size
Yield Stress
(Min) MPa
Yield Point
.2% Elongati
(Min) MPa
Te n s i l e
Strength
(Min) MPa
Mechanical Properties
3.6/4.6
Carriage
Bolts
Low or
Medium
Carbon
Steel
4.8 Pan
Head
Machine
Screws
Low or
Medium
Carbon
Steel
A2-- 70
Stainless
Steel
Austenitic
Stainless
Steel
8.8 Hex
Head
(Grade 5)
Medium
Carbon
Steel
Quenched
Tempered
10.9
Hex Head
Flat Head
(Grade 8)
12.9
Socket Head
Class
190
(27,550 PSI)
240
(34,800 PSI)
330
(47,850 PSI)
400
(58,000 PSI)
340
(49,300 PSI)
420
(60,900 PSI)
450
(65,300 PSI)
700
(101,000 PSI)
<M16
>M16
640
(92,800 PSI)
800
(116,000 PSI)
660
(95,700 PSI)
830
(120,350 PSI)
Medium
Carbon
Steel
Quenched
Tempered
940
(136,300 PSI)
1040
(150,800 PSI)
Alloy
Steel
A 2 --- 7 0
8.8
A
10.9
12.9
1100
(159,500 PSI)
1220
(176,900 PSI)
Conversion Table
Mega Pascals to Pounds per Square Inch x 145.138
153
Home
Find...
Go To..

Fasteners and Torque Control (10---90)
Size Grade 2 Bolt Grade 5 Bolt
1 / 4 --- 2 0 5 --- 8 7 --- 8
1 / 4 --- 2 8 4 --- 6 5 --- 6
5/16---18 8---14 13---14
5/16---24 9---14 13---14
3/8---16 12---18 15---18
3/8---24 12---18 16---18
1/2---13 26---40 37---40
1/2---20 27---42 41---42
5/8---11 58---89 73---89
5/8---18 60---92 82---92
Torque Standard
Nylon Insert Lock Nuts
Nut-Hex Light THIN
(Cad or Zinc Plated)
Torque in Foot Pounds
154
Home
Find...
Go To..

Fasteners and Torque Control (10---90)
Stud or Bolt Size
and Thread
Recommended Torque in
Foot Pounds
7/16---20 75---85
1/2---20 75---85
9/16---18 80---90
5/8---18 140---170
Torque Standard
Wheel Bolt and Nuts
Wheel Bearing Adjustment
1. Tighten the spindle nut to 12 ft lbs while turning the wheel assembly forward by hand to
fully seat the bearings.
2. Back off the nut to the “just loose” position.
3. Hand tighten the spindle nut. Loosen the spindle nut until either hole in the spindle lines
up with a slot in the nut. (Not more than 1/2 flat.)
4. Install the cotter pin. Bend the ends of the cotter pin against the nut, cut off extra length
to ensure ends will not interfere with the dust cap.
155
Home
Find...
Go To..

Fasteners and Torque Control (10---90)
Tightening Nuts on Tapered Shafts
.3730
1”-- 20 UNEF-- 2B SLOTTED
HEX LOCKNUT PER SAE
J-- 501 (EXCEPT 1.50/38,1
ACROSS FLATS).
RECOMMENDED TOQUE TO
175 FT LB PLUS TORQUE
REQUIRED TO ALIGN
SLOTTED NUT TO SHAFT
HOLE
2.27/57,7
CLEARANCE
DIA. P
SHAFT
DIA.
1.500 + .002 TAPER PER
FOOT/125 + 0,17 MM TAPER
PER METER
.750 + .010
19,05 + 0,25
1.890
48,01
+.0010
--.00000 /9,474 +0,025
-- 0
3.00
76,2
KEY WIDTH
.156
3,96 DIA. THRU
Example of
recommended
torque.
Check with the manufacturer to see what the recommended maximum torque is.
Tighten the slotted nut to a lower torque, and then tighten the nut to align the cotter pin
hole with the slot on the nut. Do not exceed the recommended torque. Do not back off
the nut to align the holes.
Motor Tapered Shaft Nut Info. Torque Specification Recommendations
A&H Series 1.00 dia. .75--16 UNF 150 ft lb dry
1.107 Hex 125 ft lb lubricated
Plus torque to align for pin
2000 Series 1.25 dia. 1--20 UNEF 225 ft lb dry
1.44 Hex 225 ft lb lubricated
PLUS torque to align for pin
4000 Series 1.625 dia. 1.25--18 UNEF 475 ft lb dry
2.187 Hex 375 ft lb lubricated
PLUS torque to align for pin
6000 Series 1.75 dia. 1.25--18 UNEF 475 ft lb dry
2.187 Hex 375 ft lb lubricated
PLUS torque to align for pin
156
Home
Find...
Go To..

Fasteners and Torque Control (10---90)
Nominal Diameter
Torque Standard
Shoulder Bolts
Thread Size Recommended Seating
To rq u e
.250 10--24
.312
45 In Lbs
1/4-- 20 9 Ft Lbs
.375 5/16-- 18 19 Ft lbs
.500 3/8-- 16 32 Ft Lbs
.625 1/2-- 13 82 Ft Lbs
.750 5/8-- 11 164 Ft Lbs
Nominal Diameter Thread Size Recommended Seating
To rq u e
6
8
7Nm
M6x1.0 12 Nm
10 M8x1.25 29 Nm
12 M10x1.5 57 Nm
16 M12x1.75 100 Nm
M5x0.8
Metric
157
Home
Find...
Go To..

Fasteners and Torque Control (10---90)
Ta p er L o c k rBushings
IMPORTANT: Follow all these instructions carefully. This is necessary to insure
satisfactory performance.
CC
1008 to 3030
To I n s t a l l
1. Clean shaft, bore and outside of bushing, and hub bore of all oil, lacquer, and dirt.
2. Insert bushing in hub. Match the hole pattern, not threaded holes (each hole will be
threaded on one side only).
3. Oil setscrews and thread into those half threaded holes indicated by C on above
diagram.
4. Alternately torque setscrews to recommended torque setting in chart below.
5. Using a block, sleeve, or drift, hammer large end of bushing (do not hammer bushing
directly).
6. Repeat steps 4 and 5 until torque wrench reading after hammering is the same as
before hammering.
7. Fill all unoccupied holes with grease.
To R e m o v e
1. Remove all setscrews.
2. Insert setscrews in holes indicated by Don the diagram. Loosen bushing by alternately
tightening setscrews.
3. To reinstall, complete all seven (7) steps installation steps.
Recommended Wrench Torque
Bushing No. Screws
Wrench Torque
(Pound-Inch)
Hammer
Size
1008, 1108
1210, 1215, 1310
1610, 1615
1/4” Setscrews
3/8” Setscrews
3/8” Setscrews
55
175
175
6lb
6lb
6lb
2012
2517, 2525
3020, 3030
7/16” Setscrews
1/2” Setscrews
5/8” Setscrews
280
430
800
6lb
6lb
6lb
If two bushings are used on same component and shaft, fully tighten one bushing before
working on the other.
158
Home
Find...
Go To..

Fasteners and Torque Control (10---90)
Sequence Tightening
On some assemblies, it is advisable to use a crisscross pattern. Always avoid starting in
one spot and tightening one after another in a row. Remember that the object is to tighten
the parts in such a manner that even stress is set up throughout, at the same time allowing
the parts to be drawn together so that their mating surfaces will contact.
513
426
12
5
3
64
123456
Torque in Steps
1. Run each fastener, in proper sequence, up to the recommended torque.
2. Repeat the process of running up each fastener, in proper sequence, up to the
recommended torque.
3. If necessary, repeat step two until all the fasteners are tightened to the recommended
torque.
159
Home
Find...
Go To..
160
Home
Find...
Go To..

© LUBRIQUIP, INC., A Unit of IDEX Corporation 1989. All Rights Reserved.
Bulletin GJ-30050
Centralized On-Board
Chassis Lubrication
System
Installation & Maintenance
Instructions
IDEX CORPORATION
161
Home
Find...
Go To..

R
Table of Content
SUBJECT PAGE
System Description .............................................. 1
Component Description
Timer ........................................................... 2
Solenoid ...................................................... 2
Air Pumps.................................................... 3
Modules ....................................................... 3
Meters & Tubing .......................................... 4
Grease & Kits .............................................. 4
Electric Pumps ............................................ 4
Typical System Layout......................................... 6
Typical Bill of Materials ........................................ 7
Installation Steps
1) Pump Mounting ....................................... 8
2) Solenoid .................................................. 8
3) Timer & Wiring ........................................ 9
4) Modules.............................................. 9-11
5) Tubing ................................................... 11
6) System Fill/Start.................................... 12
7) Air Purge Lines...................................... 12
8) Warranty Registration ........................... 13
PM Procedure .................................................... 15
Troubleshooting ............................................ 16-17
Parts List ....................................................... 18-21
162
Home
Find...
Go To..

R
SYSTEM DESCRIPTION
The Grease Jockey ® system is controlled by a timer, which activates
either an air solenoid valve or an electric motor to drive a pump. The
pump supplies grease into the main supply line for delivery to local-
ized distribution modules.
These modules are made up of manifolds with metering valves and
distribution lines for each lube point in that localized area. The
meters are designed to dispense a precise amount of grease at each
lube cycle. Meter size is chosen by a ratio of the smallest to largest
lube point requirements in the system.
The pump must pressurize the system, then vent it to allow the
metering valves to reset for the next cycle. The use of a fluid grease
to achieve proper flow characteristics is required.
1
163
Home
Find...
Go To..

R
SYSTEM COMPONENTS
Fig. 2
SOLENOID
The air valve used with the air operated pump threads
into the port on the bottom of the pump. It is a 3-way,
normally closed, free venting valve available with either
a 12 or 24 VDC 9 watt continuous duty rated coil. The
coil is molded and potted with a 6" lead of 16 AWG
wire and a weather tight (male) connector. The air
valve has a 1/8" NPT inlet port and a 1/4" NPT male
thread outlet port. The maximum operating pressure is
150 psi. A 22' wire harness with a weather tight
(female) connector to mate with the solenoid is avail-
able (included with kits).
Fig. 3
2
TIMER
The timer on an air operated pump system is a com-
pact solid state device housed in a high impact resis-
tant plastic enclosure. It has seven lube cycle interval
settings from 1/2 to 6 hours, plus a test position and a
manual run button.
The timer operates the system only while the vehicle's
ignition is turned on. A memory function keeps track of
elapsed-cycle-time even if the ignition switch is turned
off. When the predetermined cycle time has elapsed,
the timer signals the pump to initiate a lubrication cycle.
If the vehicle's ignition is turned off before the interval
is complete, the timer's memory "holds" the time count
until the vehicle is restarted.
When the cycle-time dial is switched from one range to
another, the manual run button should be pressed to
initiate the new cycle time setting (otherwise, the new
time is added to any time that remains from the previ-
ous lube cycle).
When rapid repetitive cycles are needed, set the cycle-
time dial to the "test" position and press the manual run
button. In this mode the timer signals the pump to
cycle approximately once every minute. (45 seconds
on and 15 seconds off). This rapid cycling continues
as long as the timer remains in the "test" position.
Always reset the timer dial to it's proper setting.
Recommended Timer Setting:
Timer Setting Driving Conditions
1/2 or 1 hr. Off Highway
1.5 or 2 hr. Start + stop city, heavy salt,
snow and ice, rough pavement,
wet climate, heavy loads, dusty
roads.
3 hr. Normal city or highway driving,
normal climate, moderate loads.
These are recommended settings only. Experience
with individual applications will determine timer setting.
Fig. 1
164
Home
Find...
Go To..

R
AIR OPERATED PUMP
The air pump (Ref. Fig. 4) operates when the 3-way air
solenoid valve is actuated by the timer and air pressure
is applied to the air chamber port (1) and diaphragm (2).
This forces the spring-loaded pump piston (3) upward
compressing the grease in chamber (4). This pressure
seats the flapper valve (5) against the reservoir opening
(6) and grease flows toward port (9).
Simultaneously, pressure is applied behind the spring-
loaded check valve poppet (8) through port (9) sealing
off passage way (7). Grease flows into the main lines
through outlet (11).
After completion of an on-time cycle, the 3-way air valve
exhausts the air in the pump. The pump piston spring
forces the pump piston (3) down allowing the flapper
valve (5) to unseat from the reservoir opening (6).
Grease from the reservoir is drawn into chamber (4) just
vacated by the pump piston (3). System pressure is
relieved through port (9) to port (7) back to the reservoir
as check valve (8) is returned by spring (10).
3
MODULES
A module is an assembly that distributes the grease
from the main line to a group of lube points. It is made
up of a manifold, mounting stem, meters (metering
valves), 3/16" OD tubing, and fittings. One manifold
can hold as many as 12 meters. Plugs are available to
close off any manifold port that is not required. The
manifold mounts with the ported stud through a 5/8"
hole. Main lines may be connected at either end of the
manifold or at the end of the mounting stud.
67
810
9
11
21
3
4
5
(15 to 22 ft/lb.
Torque)
165
Home
Find...
Go To..

R
METERS
Meters are positive displacement, spring-reloaded,
dispensing devices designed for use in Grease Jockey
systems operating at 900 to 1200 psi. These meters
are available in 9 sizes (based on output volume) to
meet various lube requirements. These 9 sizes provide
adequate choices to supply every lube point on a truck
chassis, including the fifth wheel. (See Fig. 5)
TUBING
Only Grease Jockey heavy wall nylon tubing should be
used in the system. Use 3/16" OD lines for lube point
distribution and 5/16" OD for main lines with brass
fittings. (Tube inserts are required on ALL 5/16" line
connections). Other adapters, fittings, connectors, and
mounting hardware are available form Lubriquip. DO
NOT substitute air brake tubing for lube lines, the
pressure rating is NOT adequate for lubrication
system use.
GREASE
A fluid lithium grease of NLGI grade "0" or "00" with an
"EP" additive is standard for this type system.
Lubriquip 550-400-020 is available from your Grease
Jockey distributor.
INSTALLATION KITS
There are standard "automatic" Grease Jockey kits for
single axle tractors and for tandem axle tractors. Also
available are custom kits for other applications and
trailer systems. See page 18 for kits part numbers.
Meters can be identified by the following characteristics:
Meter No. of Washers Output
Size in Meter Body Grove on Hex (Cu.in.)
0 0 no .001
1 1 no .003
2 2 no .006
3 3 no .009
4 4 no .012
5 1 .015
6 2 For special applications only .018
7 3 .021
8 4 yes .024
HIGH OUTPUT
METER BODY
OUTPUT
END
SPRING
METER VALVE
ASSEMBLY CUP
Fig. 5
4
5/8 HEX
OUTPUT
SPACER
WASHER
"O"
RING
5/8 HEX
1/2-24 THD.
INLET HEAD
"O"
RING
"O"
RING
NUT
SLEEVE
METER BODY
166
Home
Find...
Go To..

R
Fig. 6
4, 6 9
5
7
10
2
1
3
8
RED
BLK
WHITE
GROUND
IGN.
BATT.
5A
TIMER
MOTOR
ELECTRIC MOTOR
DRIVEN PUMP
The motor (1) is energized. The gear pump (2) begins
to turn, causing grease to flow into chamber (3). As
pressure builds, the shuttle valve assembly (4) moves
outward, sealing the fill tube opening (5). As pressure
continues to build, the spring-loaded ball check (6)
inside the shuttle valve moves outward. The grease
flows through the shuttle valve and out passage (7) into
the main line through outlet (8).
After completion of the on-time cycle, the motor shuts
off. The gear pump stops turning and pressure inside
the shuttle valve is released. The shuttle valve is
forced back inward by the spring (9). System pressure
is vented through the fill tube and port (10) back to
reservoir.
The timer is mounted under the pump motor cover. It
is a potted "ice cube" style device with settings for lube
cycle intervals from 6 to 480 minutes and settings for
cycle on-time intervals of 10 to 1,000 seconds. A
manual run button is located on the outside of the
pump housing.
The lube cycle clock (settings in minutes) runs continu-
ously regardless of the status of the vehicle. Only
when the vehicle switch is in the "ON" position will a
lubrication cycle be initiated.
The cycle on-time determines the motor run time
(settings in seconds). Typically this setting is short in
length (approx. 40 sec.). Longer run times would only
be needed for systems with large numbers of lube
points and long lengths of main line.
There is a pressure relief built inside the pump to guard
against dead head flow situations.
ELECTRIC PUMP WIRING
The timer for an electric pump is an integral part of the
pump assembly. (Ref. Fig. 7)
a) Connect the RED lead to the positive side of
the vehicle ignition switch. Install a fuse at
this connection. 10 Amp for a 12 VDC system
5 Amp for a 24 VDC system
ELECTRIC SYSTEMS
Fig. 7
5
BLUE WIRE
MOTOR
b) Connect the WHITE lead to the battery positive
terminal circuit. Install a 5 Amp fuse at this
connection.
c) Connect the BLACK lead to an environmentally
protected battery negative terminal.
d) The GREEN lead is not used and may be clipped
or grounded.
167
Home
Find...
Go To..

R
LUBRIQUIP, INC. CLEVELAND OH
TYPICAL LUBRICATION LAYOUT FOR A TANDEM AXLE TRACTOR & 5TH WHEEL
CUSTOMER: VEH#: DATE:
KIT#: END USER:
3
4
2
156
12
11
10
9
8
7
MANIFOLD
PLUG 1/4 NPT
550-050-210
TEE
435-410-040
ELBOW
435-440-060
10
9
8
7
6
5
4
3
2
1
12
11
RH FRONT
MODULE
LH FRONT
MODULE
PUMP
PUMP
550-000-040
SOLENOID
550-250-090
TIMER
550-200-081
3
MAIN LINE 5/16 OD
550-450-230 IN-
SERTS FOR MAIN
LINE 550-402-330
TANDEM AXLE
MODULE
10
9
8
7
6
5
4
3
2
1
12
11
5TH WHEEL
MODULE
10
9
87
6
5
4
3
2
1
12
11
SNAP ON ELBOW 550-402-380
1/8 CONN 435-460-030
1/8 ELBOW 435-440-030
1/8 ST ELBOW 509-110-000 + 1/8 CONN 435-460-030
1/4 SAE ELBOW 550-400-800 + 435-460-030
ELBOW 435-440-030 + EXTENSION 509-027-000
AIR
TANK
CONN
435-460-060
OUTLET PLUG
550-350-040
ELBOW
435-440-070
MANIFOLD PLUG
1/8 NPT 412-130-130
AIR
LINE
ELBOW
435-440-070
6
168
Home
Find...
Go To..

R
CUSTOMER NAME: LOCATION:
VEHICLE# : MILEAGE:
KIT#: DATE:
POINT# DESCRIPTION INJ# COLOR BUNDLE# FITTING
LEFT HAND FRONT MODULE:
1 KING PIN UPPER 3 ORANGE 1/8 ELBOW
2 TIE ROD 2 BLACK UNMARKED 1/4 ELBOW
3 KING PIN LOWER 3 BLUE 1/8 ELBOW
4 DRAG LINK 2 ORANGE 1/4 ELBOW
5 DRAG LINK 2 BLACK 1/4 ELBOW
6 SPRING PIN 3 ORANGE UNMARKED 1/8 ELBOW
7 CLUTCH LINKAGE 0 BLACK UNMARKED 1/4 ELBOW
8 STEERING BOX 0 BLACK UNMARKED SNAP ON ELBOW
9 SLACK ADJUSTER 1 ORANGE 1/8 ELBOW
10 "S" CAM 0 BLACK 1/8 ELBOW
11 SPRING SHACKLE 3 BLACK 1/8 ELBOW
12 SPRING SHACKLE 3 ORANGE 1/8 ELBOW
RIGHT HAND FRONT MODULE:
1 SPRING SHACKLE 3 ORANGE 1/8 ELBOW
2 SPRING SHACKLE 3 BLACK 1/8 ELBOW
3 PLUG
4 PLUG
5 CLUTH C/SHAFT LH 0 BLACK 1/8 ST ELBOW + 1/8 CONN
6 CLUTH C/SHAFT RH 0 ORANGE 1/8 ELBOW
7 SPRING PIN 3 BLACK UNMARKED 1/8 ELBOW
8 SLACK ADJUSTER 1 ORANGE 1/8 ELBOW
9 "S" CAM 0 BLACK 1/8 ELBOW
10 KING PIN LOWER 3 BLUE 1/8 ELBOW
11 TIE ROD 2 BLACK 1/4 ELBOW
12 KING PIN UPPER 3 ORANGE 1/8 ELBOW
TANDEM AXLE MODULE:
1 PLUG
2 PLUG
3 "S" CAM 0 BLACK 1/8 ELBOW
4 SLACK ADJUSTER 1 ORANGE 1/8 ELBOW OR 1/4 ELBOW
5 "S" CAM 0 BLACK 1/8 ELBOW
6 SLACK ADJUSTER 1 ORANGE 1/8 ELBOW OR 1/4 ELBOW
7 SLACK ADJUSTER 1 ORANGE 1/8 ELBOW OR 1/4 ELBOW
8 "S" CAM 0 BLACK 1/8 ELBOW
9 SLACK ADJUSTER 1 ORANGE 1/8 ELBOW OR 1/4 ELBOW
10 "S" CAM 0 BLACK 1/8 ELBOW
11 PLUG
12 PLUG
5TH WHEEL MODULE:
1 FACE PLATE 8 ORANGE 1/8 ELBOW + EXTENSION
2 FIFTH WHEELL PIVOT 1 BLACK 1/8 ELBOW
3 FACE PLATE 8 BLUE 1/8 CONN
4 FACE PLATE 8 BLUE 1/8 CONN
5 FIFTH WHEEL PIVOT 1 BLACK 1/8 ELBOW
6 FACE PLATE 8 ORANGE 1/8 CONN
7 THROUGH POINT #12 ARE PLUGGED
LUBE POINT FITTING; DESCRIPTION AND PART NUMBER:
1/8 ST ELBOW = 509-110-000 EXTENSION = 509-027-000
1/8 ELBOW = 435-440-030 1/4 SAE ELBOW = 550-400-800 + 435-460-030
1/8 CONN = 435-460-030 SNAP ON ELBOW = 550-402-380
TYPE: TYPICAL LUBRICATION LAYOUT FOR
A TANDEM AXLE TRACTOR & 5TH WHEEL
7
}
1
}UNMARKED
}UNMARKED
}UNMARKED
}UNMARKED
}UNMARKED
}UNMARKED
}2
}
}1
}2
}UNMARKED
}UNMARKED
}UNMARKED
169
Home
Find...
Go To..

R
INSTALLATION STEPS
Fig. 8
1.750
2.281 4.562
5.062
SOLENOID VALVE ASS'Y
Fig. 9
Step 1- PUMP
Pump mounting is the same for either an air or electric
pump. Select a location that is visible, accessible for
filling the reservoir, and protected. The mounting holes
and dimensions are the same on both styles of pump.
(See Fig. 8) A bracket is available to assist in mounting
the pump. The pump inlet is gravity fed; therefore the
pump must set vertically.
Use all four bolts in mounting.
Note: When using an electric pump omit step 2.
For step 3 refer to page 9.
8
Step 2 - SOLENOID
On air driven pumps the solenoid valve threads into the
air chamber at the bottom of the pump. (See Fig. 9)
Be sure you have the correct voltage (12 or 24 VDC) to
match your vehicles electrical system. Use a thread
sealant on all air supply fittings. The air supply line
should run from the aux. air tank only. Connect the air
supply line to the "in" port of the solenoid valve.
A 22' harness wire to supply the signal from the timer is
available (included in standard kits). This harness
comes with a weather tight connector to mate with the
solenoid connector. (see Step 3).
IMPORTANT - ALL connections between the timer and
solenoid (blue and yellow leads) MUST be moisture-
proof and safe from grounding.
All lube points should be properly filled with grease
before removal of zerk fittings to change to tube
connector fittings.
170
Home
Find...
Go To..

R
Step 3 - TIMER
The timer for an air operated system should be mounted in
a protected but readily accessible location inside the cab.
The timer housing has four 7/32" dia. holes for No. 10
mounting screws. The timer leads are a 5-strand, 18 gauge
8" wire harness with a Packard connector. A wiring harness
with a mating connector is available (supplied with kits)
which simplifies installation of the timer and provides
excellent connection integrity. (See part list).
9
NEGATIVE GROUND SYSTEM
Fig. 10
NOTE: Timer must be installed horizontally as shown
in picture with cable leads pointing down.
After mounting the timer;
a) Connect the BLUE and YELLOW leads to the
wires from the pump mounted solenoid. (See
Fig. 10).
IMPORTANT - CAUTION, DO NOT ground the blue
and yellow wires to the solenoid. This could cause
damage to the timer.
b) Connect the RED lead to the positive side of
the vehicle ignition switch. Install a 5 amp
fuse at this connection.
c) Connect the ORANGE lead to the battery
positive terminal circuit. Install a 5 amp fuse at
this connection.
d) Connect the BLACK lead to the chassis
ground.
Step 4 - MODULES
Modules
The modules are mounted with a ported stud through a
5/8" hole. Mount all modules on the frame rail or a cross
member close to the points they will be lubricating.
Grease Jockey kits come with module assemblies for
each strategic area of the chassis to be lubricated. Refer
to the typical system layout on page (6).
Fig. 11
5-AMP
FUSES
LOAD WIRES
BLACK &
WHITE SOL.
VALVE
CONNECTOR
BLACK (-)
GROUND
ORANGE (+)
BATTERY TERMINAL
(MEMORY) RED (+)
(IGNITION ON)
FROM KEYSWITCH
LOAD
WIRES
BLUE &
YELLOW
BLUE BLACK
YELLOW WHITE
VALVE
171
Home
Find...
Go To..

R
Step 4a - Left Front Module
This assembly contains the meters, hardware, and
tubing for 2 king pin, 1 spring pin, 2 spring shackle
pins, 1 tie rod, 2 drag link, 1 S-cam, and 1 slack
adjuster lube points. Optional points from this module
typically are linkage and steering box points.
(Ref. Fig. 12)
Step 4b - Right Front Module
This assembly contains the meters, hardware, and
tubing for 2 king pin, 1 spring pin, 2 spring shackles, 1
tie rod, 2 clutch cross shaft, 1 S-cam, and 1 slack
adjuster lube points. Optional points from this module
typically may be body pivot pins. (Ref. Fig. 13).
Fig. 12
LEFT FRONT -
Fig. 13
REAR AXLE(S) - Fig. 14
5/16" TUBING ( MAIN LINE)
MODULE ASSEMBLY
FRONT
TWO 2-TUBE BUNDLES
ALLOW SLACK FOR AXLE MOVEMENT
SECURE ALL LINES WITH NYLON
STRAPS TO AVOID TUBING ABRASION
SLACK ADJUSTER
BRAKE SHAFT
LEFT FRONT METER BLOCK ASSEMBLY
(LOCATED AS NEAR TO AXLE AS POSSIBLE)
TWO-TUBE BUNDLE
SPRING SHACKLES
ALLOW SLACK FOR DRAG
LINK MOVEMENT
TIE ROD
DUST COVER
MOUNTING
BRACKET
AND CLAMP
FRONT SPRING
PIN METER
FRONT
TO TRANSMISSION CROSS
SHAFT LUBE POINTS
TWO-TUBE BUNDLE
FRONT SPRING
PIN METER
RIGHT FRONT -
FRONT
10
Step 4c - Rear Axle(s)
This assembly contains the meters, hardware, and
tubing for (2 or 4) S-cam and (2 or 4) slack adjuster
lube points. The number of points is determined by the
application (single or tandem axle). Optional points for
this module may be spring pin points or trailer system
meters. (Ref. Fig. 14).
DRAG
LINK
The unused ports in the manifolds should have plugs in
them. If additional lube points are needed these plugs
can be replaced with appropriate sized meters and
lines.
REAR AXLE METER BLOCK ASSEMBLY
(LOCATE AS NEAR TO AXLE AS POSSIBLE
ALLOW AMPLE SLACK FOR TIE
ROD MOVEMENT
THREE-TUBE BUNDLE
ALLOW SLACK FOR
WHEEL MOVEMENT
BRAKE SHAFT
TUBE
TWO 2-TUBE
BUNDLES
FRONT BRAKE
TUBE ROUTING
& FITTINGS
SLACK
ADJUSTER
TUBE
172
Home
Find...
Go To..

R
Step 4d - Fifth Wheel
This assembly contains the meters, hardware, and
tubing for 4 face plate and 2 pivot pin lube points (Ref.
Fig. 15).
NOTE: Most 5th wheel plates do not have grease
fittings in the plate. This requires four holes to be
drilled and tapped (1/8" NPT) through the plate. These
meters should be #8.
Step 5 - TUBING
When installing the tubing, AVOID routing any tubing
close to a heat source such as an exhaust manifold,
muffler, turbocharger, etc.
Route tubes where they can be tied down securely with
plastic tie straps or tube clamps and yet flex or move
with moving parts.
Always use approved 3/16" and 5/16" OD Lubriquip
tubing. Non-approved nylon or air brake tubing should
NOT be used. (Ref. page 4).
The 3/16" tubing comes in three configurations. Single
tubes are black or orange, 2 tube bundles have a black
and an orange tube inside a sheath. A 3 tube bundle
has a black, blue and orange tube inside a sheath.
The orange tube is connected to the highest output
meter. The blue tube is connected to a lesser or equal
output meter. The black tube is connected to the
lowest or equal output meter of the bundle group.
For example, on the front chassis module, either left or
right, a 3 tube bundle is connected to two #3 meters
and a #2 meter (orange and blue tubes go to the upper
and lower king pin lube points and the black tube goes
to the tie rod end lube point).
TUBING PREPARATION;
1) Measure approximate lengths of tube bundles,
leaving extra length for trimming at the lube
points.
2) Cut the outside sheath on tube bundles back to
the point where this bundle meets it's first lube
point. Be careful not to puncture or cut the
tubes inside. Use a stripper to help prevent
damage to the tubes.
3/16" TUBING
FIFTH WHEEL -
Fig. 15
PLATE 3/16" TUBING
PIVOT
MODULE ASSEMBLY
SECURE ALL LINES WITH NYLON
STRAPS TO AVOID TUBING ABRASION
FRAME
RAIL
11
3) Peel back the outside sheath and cut off the
excess. Be careful not to sever the remaining
sheath or tubes.
4) Align tubing with fitting and make cuts square
and clean with an anvil type cutter. NOTE:
Allow ample slack for tube movement and ease
of installation.
TUBING
A self aligned ferrule is supplied with all 3/16" and 5/16"
fittings. It is not necessary to remove the nut and
ferrule to seat the tube into the fitting. Care should be
taken to make sure the tube is well seated into each
fitting. Brass inserts are supplied with kits for use with
the 5/16" tubing. These inserts MUST be used at
every 5/16" connection.
The 5/16" tube is the main line tubing routed from the
pump to the manifolds. It may also be used as the air
supply line to the solenoid. It should be routed inside
the frame and secured well for protection.
TWO 3/16" 2-TUBE BUNDLES
ALLOW SLACK FOR 5TH WHEEL MOVEMENT
5/16" TUBING
TRUNK LINE
173
Home
Find...
Go To..

R
RESERVOIR
STIFFENER
CLAMP
DEPRESS RESERVOIR
INSIDE STIFFENER TO
PURGE AIR
12
Step 7 - Purging air from the main line:
Note: Check the vehicle air supply. At least 100 PSI
gauge pressure is required.
All the air must be removed from the main lines and
manifolds. Follow the next 5 steps carefully.
1) All of the 1/4" NPT end port and 1/8" NPT stud
plugs on the module manifolds should be re-
moved.
2) With the vehicle ignition switch turned ON. Set
timer at the test position and press the manual
run button.
3) As the pump cycles , check the open module
ports for flow of grease with no air.
4) When the flow of grease from a port is free of air
close the port and continue this process until all
ports have been checked. Check the open port
closest to the pump first proceeding to the port
furthermost from the pump last. This will push
out the air in the main line(s).
Note: The 3/16" distribution lines are pre-filled. They
should not require purging of air.
5) Let the system run in the test position for a few
minutes. Check all line connections to be sure
they are holding pressure. Check at lube points
to be sure lubricant is moving to this point in the
system.
At this point the system should be running correctly
and you should reset the timer to the desired setting for
your application.
Timer settings are dependent upon your application.
As a starting point refer to Fig. 2.
If any part of the system has not functioned as it should
please refer to the troubleshooting section of this
bulletin.
This would be a good time to complete the GREASE
JOCKEY in service PM procedure and warranty card.
(See page 13).
Note: The Grease Jockey PM procedure shown on
page 15 is a simplified procedure for regular preventa-
tive maintenance intervals.
Step 6 - System Fill + Start Up
Use lubricant part number 550-400-020 from
Lubriquip, or a quality NLGI "0" or "00" lithium base
with an "EP" additive grease.
When using a flexible style reservoir be sure the top
of the bag is depressed inside the stiffener as far as
possible to purge the air from the reservoir.
Fill the reservoir through the fill stud until it takes the
original shape (top of reservoir slightly domed). DO
NOT OVER FILL.
174
Home
Find...
Go To..

R
Name: In Service Date:
Company: Tel #:
Address: State: Zip:
Vehicle #: Vehicle Make: Mileage:
REFER TO GREASE JOCKEY SCHEMATIC FOR LUBE POINT LOCATION
1. Fill the Grease Jockey reservoir with grease (use fluid grease NLGI 00 Lithium EP). Connect grease filler pump
quick disconnect to the mating quick disconnect at the base of the Grease Jockey lube system pump.
CAUTION: Do not over fill the reservoir. Full reservoir: YES NO
2. RECORD THE SETTING OF THE GREASE JOCKEY TIMER (it should not be on TEST)
Air operated system (timer usually mounted in Cab); 0.5 1 1.5 2 3 4 6 hours.
Electric operated system; 8 15 30 60 90 120 180 240 360 Minutes
3. Set the Grease Jockey timer to the TEST position (at the test position a Grease Jockey air operated system will
cycle approx. every minute, 45 seconds on 15 seconds off; an electrically operated system will cycle approx.
every 2 minutes, 45 seconds on 75 seconds off).
4. Turn the ignition switch to the on position (engine not running). The Grease Jockey system will begin to cycle in
the TEST mode (for air operated systems the vehicle air pressure must be at least 100 psi).
5A. AIR OPERATED PUMP & SOLENOID VALVE (Air operated system):
Check the operation of the pump and solenoid (Listen for the solenoid to click on. Approx. 45 seconds later air
will exhaust from the bottom of the solenoid as the pump piston moves back);
Pump Working: YES NO Solenoid Working: YES NO
5B. ELECTRICALLY OPERATED PUMP (Electrically operated system):
Check the operation of the pump (listen to the pump motor running during the 45 second on time).
Pump Working; YES NO
6. Check main lines and secondary lines for damage (Look for; accumulation of grease where there should be none;
broken lines; lines not connected to, or leaking around, the fitting);
Condition of main lines (5/16" OD) Okay: Line problem:
Condition of distribution lines (3/16" OD) Okay: Line problem:
7. Check chassis lube points for signs of FRESH grease;
Signs of fresh grease at lube points; YES: NO:
8. IMPORTANT: RESET THE GREASE JOCKEY TIMER TO THE SETTING RECORDED AT STEP 2.
CAUTION; The timer should never be left at the TEST position
Timer Reset to: Hours/Minutes
9. Detail any problems: (refer to the troubleshooting sheet for corrective action or call Lubriquip for technical
assistance at the number shown below:
Inspected by:
Tear out this page at the perforation and
RETURN A COPY OF THIS COMPLETED FORM FOR WARRANTY REGISTRATION:
By Fax: (216) 581-8945
By Mail: Fold on lines, tape edge and mail it, postage paid.
GREASE JOCKEY IN SERVICE PM PROCEDURE
& WARRANTY REGISTRATION
13
PLEASE PRINT
175
Home
Find...
Go To..

R
BUSINESS REPLY MAIL
FIRST CLASS MAIL PERMIT NO 15866 CLEVELAND OH
POSTAGE WILL BE PAID BY ADDRESSEE
LUBRIQUIP INC
A UNIT OF IDEX CORPORATION
18901 CRANWOOD PARKWAY
CLEVLAND OH 44128-4085
NO POSTAGE
NECESSARY
IF MAILED
IN THE
UNITED STATES
R
176
Home
Find...
Go To..

R
PM/Inspection by: Date:
PM Type: Location:
Vehicle # Mileage:
REFER TO GREASE JOCKEY LUBE SYSTEM SCHEMATIC FOR LUBE POINT LOCATION/PARTS.
1. Check chassis lube points for signs of FRESH grease;
a) grease at lube points adequate:
b) too much grease at lube points: ALL One
c) not enough grease at all lube points:
d) no sign of fresh grease at lube points: ALL Some One
2. Check main lines and secondary lines for damage. (Look for accumulation of grease where there should
be none.) Check lines for wear or chafing.
a) Condition of main lines: Okay Line Problem
b) Condition of distribution lines; Okay Line Problem
3. Check that the air pressure is at least 100 psi. If not build up the pressure (air operated pump only). Turn the
ignition switch to on (the engine does not have to be running).
4a. AIR OPERATED PUMP:
Press the manual override button on the timer (located in the cab). Check operation of the pump and solenoid
(Listen for the solenoid to click on. 45 seconds later air will exhaust from the bottom of the solenoid as the
pump piston moves back);
Pump OK Pump not working
Solenoid OK Solenoid not working
4b. ELECTRICALLY OPERATED PUMP:
Press the manual override button located on the pump body. Listen to motor operating.
Pump OK Pump not working
5. Check level of reservoir;
Full Half Less than half
6. Fill reservoir with grease. (Use fluid grease NLGI "00" Lithium EP).
Connect grease filler pump quick disconnect to the mating quick disconnect at the base of the automatic lube
system pump. CAUTION do not over fill reservoir.
YES NO
7. Detail all problems and corrective action. (Refer to troubleshooting section for corrective actions.)
LUBRIQUIP, INC., A UNIT of IDEX Corporation, 18901 Cranwood Pkwy., Cleveland, Ohio 44128
Telephone: 1-800-USA-LUBE
15
GREASE JOCKEY PM Procedure
177
Home
Find...
Go To..

R
(1d) No sign of fresh grease at
all points.
(1c) Not enough grease at all
lube points.
Too much grease at one lube
point.
PROBLEM
(1b) Too much grease at all lube
points.
CORRECTIVE ACTION
Adjust the timer one click to a
higher time cycle. (example from 2 to
3 hours).
Remove and replace meter
CAUSE
Timer cycle too frequent
TROUBLESHOOTING THE GREASE JOCKEY
16
Meter leaking
Timer cycle is too infrequent
Lubricant reservoir empty
Lubricant reservoir filled with
heavy grease which will not
work in system.
Adjust the timer one click to a lower time
cycle. (example from 3 to 2 hours).
Fill lubicant reservoir
Remove and clean reservoir, refill with
proper lubricant. Remove main line plugs
from meter blocks, and cycle pump until old
lubricant is removed from lines, replace
main line plugs.
Blown fuse, or break in wiring circuit
Broken air line (air pump only)
Check for electrical short circuit or
broken wire, & Repair.
Repair or replace line
Inoperative solenoid air valve (Air
pump only) Check electrical circuit to make sure voltage
is reaching the solenoid coil from the timer.
Connect a meter from the supply "black" wire
to the return "white" wire at the connector of
the solenoid. Do not connect direct to grouond!
Repair or replace wiring as required:
Check coil resistance for approx. 20
ohms. Check valve opertion; repair or
replace if necessary.
Inoperative air pump
Inoperative electric pump
See 4a page 17
See 4b page 17
Inoperative timer With the ignition switch on, check the input
voltage of both the memory (orange) and
the (red) switch wires; If there is not 12
VDC (or greater) repair electric supply.
Set the timer to TEST. Check the output
signal to the solenoid. Connect a meter
from the timer supply to the return, NOT to
a ground. (At the timer connector the
supply is the blue wire and yellow is the
return), (At the solenoid connector the
supply may be a black wire and return a
white wire). It should show 12 VDC during
the On cycle (approx. 45 sec.) and 2 VDC
or less during the off period (approx. 15
sec.) If there is no signal or a constant 12
VDC output, check lines from the timer to
the solenoid for grounding or breakage;
replace timer if necessary.
Main line broken See 2a page 17
178
Home
Find...
Go To..

R
(2b) Secondary line damaged
No sign of fresh grease at
some lube points.
CORRECTIVE ACTION
TROUBLESHOOTING THE GREASE JOCKEY
CAUSE
17
PROBLEM
Main line broken
No sign of fresh grease at one
lube point Secondary line damaged See 2b below
See 2a below
Air lock in main line Purge main line of air; See page 12,
Step 7.
Lube point fitting has broken off
Meter inoperative
Remove broken fitting and replace
(2a) Main lube line damaged Replace or repair (re-route or protect
the line to prevent the damage from
happening again). Purge with grease to
expel air before connecting new main
line into system. Be sure to use a tube
insert at all main line connections.
Replace or repair (re-route or protect
the line to prevent the damage from
happening again).
Trapped and broken, rubbed through
Main line has popped out of fitting
Trapped and broken, rubbed through
(4a) Air-operated pump not working Solenoid valve not working See 1d. "Inoperative solenoid air valve" -
page 16
Air line damaged Repair or replace if necessary.
Electrical circuit to timer or solenoid is
damaged
Timer is not working Repair or replace timer.
(4b) Electrically operated pump not
working Electrical circuit is damaged Check electrical circuit to make sure
voltage is reaching motor.
Inoperative motor Repair or replace motor if necessary.
Refit line to the fitting using a new
compression sleeve and a tube insert.
Remove broken fitting and replace.
Secondary line has popped out of fitting. Refit line to the fitting using a new
compression sleeve.
Lube point fitting has broken off.
Low air pressure Build up air pressure in truck system.
Check connections; repair or replace if
necessary.
( ) Refer to Grease Jockey PM Procedure on Page 15
For more information call: 1-800-USA-LUBE
Replace meter
179
Home
Find...
Go To..

R
Description Part Number
Installation kit:
30 pt single axle tractor,
air pump, and
flexible reservoir 550-500-105
34 pt tandem axle tractor,
air pump, and
flexible reservoir 550-500-155
30 pt single axle tractor,
electric drive pump,
flexible reservoir 550-501-445
34 pt tandem axle tractor,
electric drive pump,
flexible reservoir 550-501-435
Air pump repair/rebuild kit 550-400-792
Flexible reservoir replacement kit 550-400-780
6lb. rigid reservoir replacement kit 550-402-530
E-Z Luber Installation kit:
6 pt manual trailer system 550-502-051
PARTS LIST
12 pt manual trailer system 550-502-061
Trailer add on kit to attach an
"E-Z Luber system to a tractor
with a GJ system 550-502-320
18
FILLER PUMP
ASSEMBLY
550-000-020
AIR PUMP ASSY.
W/RIGID RESER.
550-001-050
AIR PUMP ASSY.
W/FLEX RESER.
550-000-040
TIMER FOR AIR SYSTEM
(12-32) VDC
550-200-081
WIRE LEAD
for air pump timer
550-250-120
SOLENOIL AIR VALVE
12 VDC - 550-250-090
24 VDC - 550-250-010
WIRE LEAD (22 ft.)
for air solenoid valve
550-250-140
35 LB. CAN GREASE
550-400-020
NLGI "00"
Non-Moly
180
Home
Find...
Go To..

R
19
DISTRIBUTION LINES
3/16" OD TUBING
BUNDLES(10FT.) Prefilled
550-450-100 = 3 Tube bundle
550-450-020 = 2 Tube bundle
550-450-210 = 1 Tube black
550-450-810 = 1 Tube orange
12 PORT MANIFOLD
WITH STUD, MODULE
550-350-145
METER VALVES
# = Size
550-100-000 = 0
550-100-010 = 1
550-100-020 = 2
550-100-030 = 3
550-100-040 = 4
550-100-080 = 8
MAIN LINE TUBING
5/16" OD (60 FT.)
550-450-230
3/16" OD (60 FT.)
550-450-190
MANIFOLD METER
PORT PLUG
550-350-040
METER OUTPUT
SIZING SPACER
550-150-020
PARTS LIST Con't
UNIVERSAL PUMP
MOUNTING BRACKET
550-402-690
METER OUTPUT
PORT PLUG
550-150-130
FLEX. RESERV.
10LB CAPACITY
560-002-630
(CLAMP NOT INCLUDED)
(461-300-859)
5/16" TUBING
INSERT (PKG. 20)
550-402-330
181
Home
Find...
Go To..

R
20
PARTS LIST con't
TEE, TUBE UNION
for 5/16" tube -
435-420-030
1/8"NPT MALE
BRANCH TEE
5/16" tube run -
435-410-040
TUBE UNION
for 3/16" tube -
435-470-020
for 5/16" tube -
435-470-040
NYLON TIE STRAPS
(11.5")
550-400-230 - 36 pcs
550-402-340 - 100 pcs
ELBOW, STREET
(1/8"NPT to 1/8" NPT)
509-110-000
(3/8"NPT to 3/8" NPT)
509-117-000
ELBOW, STREET
1/8" NPT to
1/4" - 28 SAE MALE
550-400-800
FITTING ADAPTER -
STRAIGHT
1/4"-28 SAE X 3/16"T
435-702-367
MALE 900 ELBOW
CONNECTOR
(3/16 tube, 1/8 NPT)
435-440-030
(5/16" tube, 1/8"NPT)
435-440-060
(5/16" tube, 1/4" NPT)
435-440-070
MALE CONNECTOR
(3/16" tube, 1/8" NPT)
435-460-030
5/16" tube, 1/8"NPT
435-460-060
5/16" tube, 1/4"NPT
435-460-070
NUT, TUBE
3/16" Tube - 435-702-340
5/16" Tube - 435-702-503
ADAPTER, STRAIGHT
1/8"NPT to 1/4"-28 SAE
MALE
550-400-880
182
Home
Find...
Go To..

R
21
PARTS LIST con't
BULKHEAD FITTING
550-400-450
ELECTRIC PUMP
Assy, Flex. Reservoir with
timer for
12 VDC - 550-002-095
24 VDC - 550-002-105
WIRING LEAD
for electric pump
492-240-244
ZERK ADAPTORS,
PRESS ON:
(3/16" TUBE CONNECTION)
STRAIGHT - 550-402-870
ZERK ADAPTORS,
PRESS ON:
(3/16" TUBE CONNECTION)
ELBOW - 550-402-860
CLAMPS
(932 dia. hole)
550-400-040 = 5/16"
550-400-070 = 3/8"
550-400-050 = 7/16"
550-400-080 = 1/2"
550-400-060 = 5/8"
RESERVOIR FILL
CONNECTOR (QD)
FEMALE,
1/4" NPT (FEMALE)
550-050-230
1/8"NPT
EXTENSION (.75") -
509-027-000
EXTENSION (1.25")
509-028-000
RESERVOIR FILL
CONNECTOR (QD) MALE
3/8" NPT (MALE)
550-050-300
SERVICE START-UP KIT
550-402-800
CONSISTS OF:SOLENOID VALVE, TUBE AND
TUBE BUNDLES, INJECTORS,
FITTINGS, TUBE INSERTS, AND AN
AIR PUMP REPAIR KIT
183
Home
Find...
Go To..

® Registered trademark of LUBRIQUIP, INC.,
A Unit of IDEX Corporation, Printed in U.S.A.
Bulletin GJ-30050
R
IDEX CORPORATION
LUBRIQUIP, INC., A Unit of IDEX Corporation ❑18901 Cranwood Pkwy ❑Cleveland, Ohio 44128
Phone: 216-581-2000 ❑ FAX : 216-581-8945 ❑ www.lubriquip.com
B-GJ30050-0701
184
Home
Find...
Go To..