T5e Service Manual Tennant Walk Behind Floor Scrubber
2018-06-20
: Sweepscrub Tennant-T5E-Walk-Behind-Floor-Scrubber-Service-Manual tennant-t5e-walk-behind-floor-scrubber-service-manual 2783 file product_file
Open the PDF directly: View PDF
.
Page Count: 51
- T5e Service Information Manual
- Table of Contents
- Safety Warnings
- MACHINE INFORMATION
- MAINTENANCE
- ELECTRICAL
- Electrical Schematic
- Wiring Harness Detail
- Control Board & BDI Details
- Control Board & BDI Pin Charts
- BDI Diagnostic Fault Indicators
- Key OFF Power Distribution (Off-Board Charger Disconnected)
- Key OFF Power Distribution (Off-Board Charger Connected)
- Key OFF Power Distribution (On-Board Charger Disconnected)
- Key OFF Power Distribution (On-Board Charger Connected)
- Key ON Power Distribution
- Propel Forward System
- Propel Reverse System
- Scrub Brushes
- Vacuum Fan System
- Conventional Solution Solenoid Valve & Hour Meter
- FaST Pump & Hour Meter
- Scrub Head Actuator LOWER (Extend)
- Scrub Head Actuator RAISE (Retract)
- Wand Pump

Service Information Manual
T5e
9002342
Rev. 00 (10-2006)
Automatic Scrubber
*9002342*
International
www.tennantco.com

A
B
A
Tennant Company
PO Box 1452
Minneapolis, MN 55440
Phone: (800) 553--8033 or (763) 513--2850
www.tennantco.com
FaST--PAK is a US registered and unregistered trademark of Tennant Company.
Specifications and parts are subject to change without notice.
Copyright E2006 TENNANT Company, Printed in U.S.A.
FOR REPLACEMENT PARTS
Identify machine model and serial number.
1. (A) Identify the machine model.
2. (B) Identify the machine serial number from the data plate.
Refer to the TENNANT Parts Manual.
NOTE: Only use TENNANT Company supplied or equivalent parts. Parts and supplies may be ordered
online, by phone, by fax or by mail.
ii
T5e 9002342 REV.00 (08-06)
page
MACHINE INFORMATION
Electrical Symbols & Terms………...…………………….……………………
…
1
Component Locator……………………….…...……………………………..…
…
2
Machine Specifications………...…………………….…………………………
…
6
MAINTENANCE
SAFETY LABELS………………………..………………………………………
…
8
BATTERY INSTALLATION……………………………………………………
…
9
SQUEEGEE REMOVAL & INSTALLATION…………………………………
…
9
CIRCUIT BREAKERS & FUSES………………………………………………
…
10
CHARGING BATTERIES………………………..……………………………… 10
Battery Charger Specifications…………………………….…………….
.
10
On-Board Batter
y
Char
g
er Settin
g
s……………………………………
…
10
Usin
g
the On-Board Batter
y
Char
g
er…………………………………… 11
On-Board Batter
y
Char
g
er Error Codes………………………………
…
12
Usin
g
an Off-Board Batter
y
Char
g
er……………………………………
…
12
A
DJUSTING SCRUB HEAD BRUSHES………………………………………
…
13
Disk Brush Model………………...………………………………………. 13
C
y
lindrical Brush Model……………………………………..……………
…
13
A
d
j
ustin
g
an Uneven Brush Pattern……………………………… 13
A
d
j
ustin
g
a Ta
p
ered Brush Pattern………………………………
…
14
MACHINE MAINTENANCE……………………………………………..……… 15
Dail
y
Maintenance…………………………………………..……………
…
15
Monthl
y
Maintenance………………………………….…………………
…
17
Batter
y
Maintenance……………...………..……………………………
…
18
S
q
uee
g
ee Blades……………………….…………………...……………
…
18
Motor Maintenance……………………………………….………………
…
19
FaST S
y
stem Maintenance……………………………………….……
…
19
JACKING UP MACHINE……………………….……...………………………
…
20
TRANSPORTING MACHINE…………………….……………...……………
…
20
STORING MACHINE………………………………………...…..……………… 20
FaST S
y
stem Freeze Protection……………..……………………...…
…
20
RECOMMENDED STOCK ITEMS……………..……………….……………
…
21
BASIC TROUBLESHOOTING……………………….…………………………
…
22
ELECTRICAL
Electrical Schematic…………………………...…..…………………..………
…
24
Wirin
g
Harness Detail………………………...………………..………………
…
25
Control Board & BDI Details……………………………………………………
…
31
Control Board & BDI Pin Charts………………………………………………
…
32
BDI Dia
g
nostic Fault Indicators………………………………………………… 33
Ke
y
OFF Power Distribution
(
Off-Board Char
g
er Disconnected
)
……………34
Ke
y
OFF Power Distribution
(
Off-Board Char
g
er Connected
)
………………
…
35
Ke
y
OFF Power Distribution
(
On-Board Char
g
er Disconnected
)
……………36
Ke
y
OFF Power Distribution
(
On-Board Char
g
er Connected
)
………………
…
37
Ke
y
ON Power Distribution………………….………….………………………
…
38
Pro
p
el Forward S
y
stem…………………………...……………………………
…
39
Pro
p
el Reverse S
y
stem…………………………………………………………. 40
Scrub Brushes……………………...…………………………..………………
…
41
Vacuum Fan S
y
stem…………………………..………………..……………….
.
42
Conventional Solution Solenoid Valve & Hour Meter…………………………43
FaST Pum
p
& Hour Meter………………………………………………………
…
44
Scrub Head Actuator LOWER
(
Extend
)
……………………………….………
…
45
Scrub Head Actuator RAISE
(
Retract
)
………………………………………… 46
Wand Pum
p
…………………………….………………………………………… 47
T5e Service Information Manual
Table of Contents
T5e 9002342 REV.00 (08-06)
iii

BEFORE CONDUCTING TESTS:
z Read and Follow ALL Safety Warnings and Precautions in Operator's
Manual
z Always use an ESD (Electrostatic Discharge) strap when working near
the Control Board
z Be cautious when working near Control Board – Battery voltage is
always present, even with Key OFF
z Always Disconnect Batteries when removing or replacing components
DURING TESTS:
z Call Technical Services if Diagnostic Time Exceeds One Hour with
Unknown Cause or Course of Action
! !
T5e Service Information Manual
iv
T5e 9002342 REV.00 (08-06)

Commonly Used Electrical Symbols & Terms
+-
Battery Fuse
Normally Closed
Push-Button Switch
Normally Open
Switch
CR1
Relay Coil
(Part 1 of Relay)
Circuit Breaker
Motor
Wires Connected
Together
Normally Open
Push-Button Switch
Wiring Color Codes
(Unless otherwise marked)
0
1
2
3
4
5
6
7
8
9
Tan
Pink
Brown
Orange
Yellow
Green
Blue
Purple
Gray
White
Right Most Digit
of Wire Number Color of Wire
Example of Wiring Numbers & Colors:
1 RED 25 7 13 BLK
Normally Open
Limit Switch
Normally Closed
Limit Switch
Indicates Component
is Energized
Plug-in
Connection
NOTE: The term “NORMALLY” refers to the components’ “at rest” or “de-energized” position
Diode
Wires Not
Connected Together
Terms & Abbreviations
AC – Alternating Current
BDI – Battery Discharge Indicator
CB – Circuit Breaker
CR – Relay (Contact Type)
LED – Light Emitting Diode
M– Motor
PWM (Pulse Width Modulation) – A method of using controlled on/off times to regulate voltage and current to an electrical device
Standoff – A common connecting point for multiple wires
Indicates Movement
from Normal Position
Indicates Component in
Position Other than Normal
Relay Contacts (Part 2 of Relay)
Normally Open Normally Closed
CR1 CR1
Solenoid (Valve
or Actuator) Potentiometer
i
Information
!
Warning!Assembly
Normally Open
Double Throw
Momentary Switch
T5e 9002342 REV.00 (08-06)
1

T5e Component Locator
(Page 1 of 4)
2
T5e 9002342 REV.00 (08-06)
6
7
8
911
14
2
33
10
5
1. Battery Meter
2. Reverse Trigger
3. Start Triggers
4. Brush Pressure Meter
5. Control Console Height Adjustment Lever
6. Speed Control Knob
7. Brush Pressure Switch
8. Off--Aisle Wand on/off Switch (option)
9. FaST System on/off Switch (option)
10. Main Power on/off Key Switch
11. Hour Meter

T5e Component Locator
(Page 2 of 4)
FRONT
BOTTOM
VIEW
FRONT
VACUUM FAN
MOTOR M3
RECOVERY TANK
INTERLOCK SWITCH
CONTROL BOARD AND
CIRCUIT BREAKERS
PROPEL MOTOR M4
FRONT
BOTTOM
VIEW
FaST PUMP MOTOR M6
FRONT
T5e 9002342 REV.00 (08-06)
3

CYLINDRICAL SCRUB
BRUSH MOTORS
DISK SCRUB
BRUSH MOTORS
SCRUB HEAD ACTUATOR M5 SCRUB HEAD ACTUATOR M5
ACTUATOR SCRUB/TRANSPORT SWITCH
ACTUATOR RAISE LIMIT SWITCH
ACTUATOR LOWER LIMIT SWITCH
MOTOR
M1 MOTOR
M1
MOTOR
M2
MOTOR
M2
T5e Component Locator
(Page 3 of 4)
4
T5e 9002342 REV.00 (08-06)

T5e Component Locator
(Page 4 of 4)
VACUUM FAN
SWITCH
CHARGER
INTERLOCK
SWITCH
(OFF-BOARD
CHARGER)
CONVENTIONAL
SOLENOID VALVE
ON-BOARD CHARGER
CONTROL BOARD, FUSE, & CIRCUIT BREAKERS
STANDOFF
BRUSH
CONTACTOR
CR1
STANDOFF
100A FUSE F1
CIRCUIT
BREAKERS
CONTROL BOARD
CB4
10A RELAYS
CB1
25A
CB2
25A
CB3
25A
CR2
CR4
CR3
T5e 9002342 REV.00 (08-06)
5

T5e Machine Specifications
(Page 1 of 2)
6
T5e 9002342 REV.00 (08-06)
MODEL Disk,
600mm
Disk,
700mm
Disk,
800mm
Cylindrical,
650mm
Cylindrical,
800mm
LENGTH 1,357 mm 1,408 mm 1,471 mm 1,399 mm 1,399 mm
WIDTH 645 mm 737 mm 838 mm 711 mm 864 mm
HEIGHT 1,120 mm
MINIMUM AISLE TURN 1,346 mm 1,499 mm 1,626 mm 1,575 mm 1,638 mm
WEIGHT 133 kg 145 kg 151 kg 151 kg 155 kg
WEIGHT WITH BATTERIES 258 kg 269 kg 275 kg 275 kg 279 kg
RECOVERY TANK CAPACITY 105 L
SOLUTION TANK CAPACITY 85 L
DRIVE SYSTEM Transaxle, 24 V, .19 kW
TRAVEL SPEED, MAXIMUM Cleaning: 67 m/min Transporting: 72 m/min
PRODUCTIVITY RATE
Theoretical
2,450 m2/hr 2,860 m2/hr 3,270 m2/hr 2,660 m2/hr 3,270 m2/hr
PRODUCTIVITY RATE
Estimated Actual
1,660 m2/hr 1,930 m2/hr 2,230 m2/hr 1,785 m2/hr 2,230 m2/hr
CLEANING PATH WIDTH 600 mm 700 mm 800 mm 650 mm 800 mm
BRUSH DIAMETER 302 mm 353 mm 404 mm 151 mm 151 mm
BRUSH PRESSURE Up to 54 kg
SOLUTION FLOW RATE 1.89 L /min 1.89 L/min 2.27 L/min 2.27 L/min
SQUEEGEE WIDTH 908 mm standard 1,051 mm standard 1,185 mm standard 1,051 mm standard 1,185 mm standard
800 mm
narrow aisle
908 mm
narrow aisle
1,051 mm
narrow aisle
908 mm
narrow aisle
1,051 mm
narrow aisle
BRUSH MOTOR Qty 2, .55 kW, 220rpm, 24 V, 29 A Qty 2, .47 kW, 1500 rpm, 24 V, 23 A
VACUUM MOTOR 640 W, 3--stage 5.7, 24 V, 26 A
WATER LIFT/AIR FLOW 55 mm H2O/ 32.4 L3/m
BATTERIES Qty 4, 6 V
BATTERY CAPACITY WET (lead Acid) = 235Ah @ 20 h rate Sealed (Gel)= 200Ah @ 20 h rate
RUN TIME PER CHARGE* WET = Up to 5.0 hours Gel = Up to 4.0 hours
ON--BOARD CHARGER 120VAC, 10A, 50/60Hz, 24VDC, 20A output / 230VAC, 5A, 50/60Hz, 24VDC, 20A output
TOTAL POWER CONSUMPTION 50 A nominal
VOLTAGE DC 24 VDC
PROTECTION GRADE IPX3
DECIBEL RATING AT OPERA-
TOR’S EAR, INDOORS.** 67dBA 68dBA
VIBRATION AT CONTROLS <.1188 m/s2<.103 m/s2
ACCELERATION RATE ON
OPERATOR -- MAX. .179 m /s2
GRADE LEVEL, MAX. Scrubbing 5% (3°), Transporting 8% (5°)
* Run times are based on Continuous Scrubbing Run Times.
** Sound levels (ISO 11201) as recommended by the American Association of Cleaning Equipment Manufacturers (AACEM) and OSHA.

T5e Machine Specifications
(Page 2 of 2)
T5e 9002342 REV.00 (08-06)
7
FaST SYSTEM Disk,
600mm
Disk,
700mm
Disk,
800mm
Cylindrical,
650mm
Cylindrical,
800mm
PRODUCTIVITY RATE
Estimated Actual
1865 m2/hr 2115 m2/hr 2440 m2/hr 1950 m2/hr 2440 m2/hr
SOLUTION PUMP 24 Volt DC, 3.5 A, 5.6 L/min open flow, 4.13 Bar bypass setting
SOLUTION FLOW RATE 0.57 L/min. 0.83 L/min. 0.57 L/min. 0.83 L/min.
CONCENTRATE FLOW RATE 0.57 CC/min. 0.83 CC/min. 0.57 CC/min. 0.83 CC/min.
CONCENTRATE TO WATER
DILUTION RATIO 1:1000
MACHINE DIMENSIONS
A
B
1120 mm
C
Models: 600 mm 700 mm 800 mm 650 mm 800 mm
Disk Disk Disk Cylindrical Cylindrical
A= 1,357 mm 1,408 mm 1,471 mm 1,399 mm 1,399 mm
B= 645 mm 737 mm 838 mm 711 mm 864 mm
C= 908 mm 1,051 mm 1,185 mm 1,051 mm 1,185 mm

SAFETY LABELS
T5e – Maintenance
(Page 1 of 16)
7
8
T5e 9002342 REV.00 (08-06)
The safety labels appear on the machine in the locations indicated. Replace labels if they are missing or become
damaged or illegible.
WARNING LABEL --
Located on recovery tank cover.
BATTERY CHARGE LABEL --
Located on bottom side of recovery tank.
WARNING: Fire Or Explosion
Hazard. Batteries Emit Hydrogen
Gas. Keep Sparks And Open
Flame Away. Keep Battery
Compartment Open When
Charging.
SPINNING BRUSH LABEL --
Located on scrub head
WARNING: Spinning Brush.
Keep Hands Away. Turn Off Power
Before Working On Machine.

BATTERY INSTALLATION
FIG. 1
3. Connect the battery cables to the battery posts as
shown (Figure 2), RED TO POSITIVE (+) and
BLACK TO NEGATIVE (--).
FIG. 2
WARNING: Fire Or Explosion Hazard.
Batteries Emit Hydrogen Gas. Keep Sparks And
Open Flame Away. Keep Battery Hood Open When
Charging.
FOR SAFETY: When installing batteries, wear
protective gloves and eye protection. Avoid
contact with battery acid.
Battery Specifications:
Four 6 volt, 235A/20h deep cycle batteries. Maximum
battery dimensions:
7.5 in / 190 mm W x 10.8 in / 275 mm L x 11.2 in / 284
mm H.
1. Park the machine on a level surface, remove the
key and set the parking brake, if equipped.
2. Carefully install the batteries into the battery
compartment tray (Figure 1). Arrange the battery
posts as shown (Figure 2).
Machine
Front
RED
BLACK
SQUEEGEE REMOVAL & INSTALLATION
REMOVING SQUEEGEE ASSEMBLY
1. Park the machine on a level surface, remove the
key and set the parking brake if equipped.
2. Lift the squeegee lift lever to the upward position
(Figure 3).
FIG. 3
3. Remove the vacuum hose from the squeegee
assembly. Note loop and clip on hose (Figure 4).
FIG. 4
4. Loosen the knobs and slide squeegee assembly away
from pivot bracket (Figure 5).
FIG.5
5. Installation is in reverse order of removal.
T5e – Maintenance
(Page 2 of 16)
8
T5e 9002342 REV.00 (08-06)
9

6. Check the squeegee blades for proper deflection.
The blades should deflect as shown (Figure 6).
FIG. 6
7. To adjust the blade deflection, place the squeegee
assembly on a level surface and adjust the casters
as shown (Figure 7).
The machine is equipped with four resettable circuit
breakers and four fuses to protect the machine from
damage. If a breaker should trip, determine the cause,
allow the motor to cool then manually reset the circuit
breaker button. The circuit breaker panel is located
near the battery compartment (Figure 29). The fuses
are located inside the circuit breaker box. When
replacing a fuse never substitute a higher Amp rated
fuse than specified.
CIRCUIT BREAKERS:
10 A -- Main (A)
25 A -- Vacuum motor (B)
25 A -- Left brush motor (C)
25 A -- Right brush motor (D)
FUSES:
100 A -- Main
30 A -- Propel motor
7.5 A -- FaST system
7.5 A -- Off--aisle wand pump (located in control
console)
CIRCUIT BREAKERS AND FUSES
FIG. 7
CHARGING BATTERIES
ATTENTION: To prolong the life of the batteries
only recharge the batteries if the machine was
used for a total of 30 minutes or more. Do not leave
batteries discharged for lengthy periods.
WARNING: Fire Or Explosion Hazard.
Batteries Emit Hydrogen Gas. Keep Sparks And
Open Flame Away. Keep Battery Compartment
Open When Charging.
FOR SAFETY: When servicing batteries, wear
protective gloves and eye protection when
handling batteries and battery cables. Avoid
contact with battery acid.
BATTERY CHARGER SPECIFICATIONS
SCHARGER TYPE:
-- FOR SEALED (Gel) BATTERIES
-- FOR WET (Lead acid) BATTERIES
SOUTPUT VOLTAGE - 24 VOLTS
SOUTPUT CURRENT - 20 AMPS
SAUTOMATIC SHUTOFF CIRCUIT
SFOR DEEP CYCLE BATTERY CHARGING
ON--BOARD BATTERY CHARGER SETTINGS
If your machine is equipped with the on--board charger,
the charger settings must be set for your battery type
before charging. Failure to properly set will result in
battery damage.
To determine your battery type, see battery label.
Contact your battery supplier if not specified.
To verify the setting of the charger, connect the charger
cord into an electrical receptacle. The charger will
display a sequence of codes. One of the codes will
either read “GEL” or “Acd” (Figure 41).
GEL = Set for sealed/maintenance free batteries
Acd = Set for wet/lead acid batteries
FIG. 41
T5e – Maintenance
(Page 3 of 16)
9
10
T5e 9002342 REV.00 (08-06)
12.5 mm
2mm

T5e – Maintenance
(Page 4 of 16)
To change the setting, unplug the charger, peel up the
corner of the display label and set the switches
accordingly (Fig. 42). The charger cord must be
unplugged when resetting.
FIG. 42
USING THE ON--BOARD BATTERY CHARGER
IMPORTANT: Before charging, make sure that the
charger setting is properly set for your battery type
(See ON--BOARD CHARGER SETTINGS).
1. Transport the machine to a well--ventilated area.
2. Park the machine on a flat, dry surface. Turn the
key off and set the parking brake, if equipped.
3. If charging wet (lead acid) batteries check the fluid
level before charging (See BATTERY
MAINTENANCE).
4. Prop up the recovery tank for ventilation
(Figure 43).
FIG. 43
5. Connect the charger’s AC power supply cord into a
properly grounded receptacle (Figure 44).
NOTE: The machine will not operate when charging.
FIG. 44
6. The charger will display a sequence of codes once
the cord is connected (Figure 45).
Three--digits + the following code:
A = Charging current
U = Battery voltage
h = Charging time
C = Charging ampere--hours [Ah]
E = Energy used [Kwh]
“GEL” or “Acd” = Battery type the charger is
currently set for. Before charging make sure
your battery type matches the display:
GEL=Sealed, Acd=Wet (lead acid). To change
setting, see ON--BOARD CHARGER
SETTINGS.
Press the arrow button to review the codes.
FIG. 45
7. Once the charging cycle begins, the indicator lights
will progress from red, yellow to green. When the
green indicator light comes on, the charging cycle
is done. Unplug the charger cord.
If the charger detects a problem, the charger will
display an error code (See ON--BOARD BATTERY
CHARGER ERROR CODES).
10
T5e 9002342 REV.00 (08-06)
11
WET “Acd” BATTERY
SEALED “GEL” BATTERY

ON--BOARD BATTERY CHARGER ERROR CODES
DISPLAY CODE FAULT SOLUTION
bat Loose or damaged battery cable Check battery cable connections.
Battery exceeded maximum voltage level. No action necessary.
E01 Exceeded maximum battery voltage allowed. No action necessary.
E02 Safety thermostat exceeded maximum internal
temperature.
Check if the charger vents are obstructed.
E03 Exceeded maximum time for charging phase
leaving the batteries undercharged due to a
sulfated or faulty battery.
Repeat the charging cycle and if the error
code E03 reappears check battery or
replace it.
SCt Safety timer exceeded maximum charging
time. Interrupts charging cycle.
Replace battery.
Srt Possible internal short circuit. Contact Tennant Service 1-800-553-8033
USING AN OFF--BOARD BATTERY CHARGER
1. Transport the machine to a well--ventilated area.
2. Park the machine on a flat, dry surface. Turn the
key off and set the parking brake, if equipped.
3. If charging wet (lead acid) batteries, check the fluid
level before charging (See BATTERY
MAINTENANCE).
4. Prop up the recovery tank for ventilation
(Figure 46).
FIG. 46
5. Connect the charger’s AC power supply cord into a
properly grounded receptacle.
6. Connect the charger’s DC cord into the machine’s
battery receptacle (Figure 47).
FIG. 47
7. The supplied charger will automatically begin
charging and shut off when fully charged.
NOTE: The machine will not operate when charging.
ATTENTION: Do not disconnect the charger’s DC
cord from the machine’s receptacle when the
charger is operating. Arcing may result. If the
charger must be interrupted during charging,
disconnect the AC power supply cord first.
T5e – Maintenance
(Page 5 of 16)
11
12
T5e 9002342 REV.00 (08-06)

ADJUSTING SCRUB HEAD BRUSHES
To ensure optimum scrubbing performance periodically
check the scrub head for proper adjustment.
FOR SAFETY: Before adjusting scrub head, stop
machine on level surface, remove key and set
parking brake if equipped.
DISK MODEL
Tools required: Measuring device, 1--1/16 in / 27 mm
wrench and 15/16 in / 24mm wrench
1. With brushes installed, lower the scrub head and
apply medium brush pressure.
2. Turn machine off and remove key.
3. From the center front and back of scrub head,
measure the distance from the top edge of scrub
head to the floor (Figure 48).
FIG. 48
4. If scrub head is not level, loosen the lock nut and
turn the scrub head leveling screw to level. Tighten
down the lock nut once head is level (Figure 49).
FIG. 49
CYLINDRICAL BRUSH MODEL
After installing a new set of cylindrical brushes check
the brush pattern to ensure proper brush adjustment.
Brushes that are not properly adjusted will result in
premature wear and poor scrubbing performance
(Figure 50).
CORRECT BRUSH PATTERN
INCORRECT BRUSH PATTERNS
Even
Pattern
Tapered
Pattern
Uneven
Pattern
FIG. 50
To Inspect the Brush Pattern:
1. Position the machine on a dry dusty floor or apply a
powdered substance, such as chalk.
2. Disconnect the drive motor wire connector to keep
machine from moving forward (Figure 51).
FIG. 51
3. Lower the scrub head to the floor and apply
maximum brush pressure.
4. Shut off the solution flow.
5. Pull the triggers to create a brush pattern on the
floor.
6. Raise the scrub head and pull the machine away.
7. Observe the brush pattern on floor. If the brush
pattern is uneven or tapered, adjustment is
required.
8. Reconnect drive motor wire.
T5e – Maintenance
(Page 6 of 16)
12
T5e 9002342 REV.00 (08-06)
13
Lock
Nut

To Adjust an Uneven Brush Pattern:
Tools required: Measuring device, 1--1/16 in / 27 mm
wrench and 15/16 in / 24mm wrench
1. Measure the distance from the front edge of the
scrub head to the floor and from the back edge of
the scrub head to the floor (Figure 52). The
measurements should be the same.
FIG. 52
2. To level the scrub head, loosen the lock nut and
turn the leveling screw clockwise to lower the rear
of the scrub head or counter--clockwise to lower the
front (Figure 53).
FIG. 53
3. Recheck brush pattern.
NOTE: Replace brush when bristles are worn to 5/8 in /
15 mm.
To Adjust a Tapered Brush Pattern:
Tools required: 3/8 in / 10mm wrench and 6mm hex
wrench
1. Raise the scrub head off floor and remove key.
2. Remove the idler plate from the brush (Figure 54).
FIG. 54
3. Hold the brush plug shaft with a wrench and loosen
the 6mm hex screw (Figure 55).
FIG. 55
4. To lower the brush end, turn the shaft clockwise for
the front brush and counter--clockwise for the rear
brush. Retighten hex screw (Figure 56).
FIG. 56
5. Recheck brush pattern.
NOTE: Replace brushes when bristles are worn to 5/8
in / 15 mm.
T5e – Maintenance
(Page 7 of 16)
13
14
T5e 9002342 REV.00 (08-06)

MACHINE MAINTENANCE
To keep the machine in good working condition, it’s
important that the following maintenance procedures
are performed on a routine basis.
WARNING: Electrical Hazard. Disconnect
Battery Cables Before Servicing Machine.
DAILY MAINTENANCE (After Every Use)
1. Drain the recovery tank (Figure 57).
FIG. 57
2. Rinse out the recovery tank (Figure 58).
FIG. 58
3. Remove the recovery tank float shut--off screen
and clean (Figure 59).
FIG. 59
4. Drain the solution tank (Figure 60).
FIG. 60
5. Rotate pad or replace when worn (Figure 61).
Disk Model
FIG. 61
6. Empty and rinse out the debris trough (Figure 62).
FIG. 62
7. Inspect the cylindrical brushes for wear. Rotate
brushes from front--to--rear every 50 hours (Figure
63). Replace when worn to a length of 5/8in/
15 mm.
T5e – Maintenance
(Page 8 of 16)
14
T5e 9002342 REV.00 (08-06)
15
Cylindrical Brush Model

Cylindrical
Brush Model
FIG. 63
8. Remove debris buildup from the underside of the
cylindrical brush scrub head, including the idler
plates and drive hubs (Figure 64).
Cylindrical Brush Model
FIG. 64
9. Wipe the squeegee blades clean (Figure 65). Store
the squeegee assembly in the raised position to
prevent blade damage.
FIG. 65
10. Check the condition of the squeegee blade wiping
edge (Figure 66). Rotate blade if worn (See
SQUEEGEE BLADES).
FIG. 66
11. Clean the machine with an all purpose cleaner and
damp cloth (Figure 67).
FOR SAFETY: When cleaning machine, do not
power spray or hose off machine. Electrical
malfunction may occur.
FIG. 67
12. Inspect the condition of the scrub head skirt,
replace if worn or damaged (Figure 68).
Cylindrical Brush Model
Disk Model
T5e – Maintenance
(Page 9 of 16)
15
16
T5e 9002342 REV.00 (08-06)
15mm
Cylindrical Brush Model
Disk Model
FIG. 68
Cylindrical
Brush Model
Cylindrical Brush Model

13. FaST Model: Connect the FaST--PAK supply hose
to the storage plug when not in use (Figure 69).
Remove any dried concentrate from the hose
connector by soaking it in warm water.
FIG. 69
14. Clean wet/lead acid batteries to prevent corrosion
and check for loose battery cable connections (See
BATTERY MAINTENANCE).
15. Recharge the batteries (Figure 70) after a total of
30 minutes of use or more.
FIG. 70
MONTHLY MAINTENANCE
1. Remove the solution tank filter from underneath the
machine and rinse out the screen (Figure 71).
Make sure the solution tank is empty before
removing filter.
FIG. 71
2. Check the cylindrical brush belt tension every 100
hours (Figure 72). Belt tension should flex 0.1 in /
3mm at midpoint, with 2.5--2.7 lb / 1.13--1.22 kg
force.
WARNING: Electrical Hazard. Disconnect
Battery Cables Before Servicing Machine.
Cylindrical Brush Model
FIG. 72
3. Inspect and clean the recovery tank cover seal
(Figure 73). Replace if damaged.
FIG. 73
4. Lubricate all pivot points and rollers with a water
resistant grease.
5. Lubricate the casters with a water resistant grease
(Figure 74).
FIG. 74
6. Clean the parking brake clamp with a cleaning
solvent.
7. Check the machine for loose nuts and bolts.
T5e – Maintenance
(Page 10 of 16)
16
T5e 9002342 REV.00 (08-06)
17
Cylindrical Brush Model

8. Check the machine for leaks.
BATTERY MAINTENANCE (Wet/lead acid batteries)
1. Check battery fluid level frequently to prevent
battery damage. The fluid should be at the level
shown (Figure 75). Add distilled water if low. DO
NOT OVERFILL, the fluid may expand and
overflow when charging.
Before Charging After Charging
CORRECT BATTERY FLUID LEVEL:
FIG. 75
WARNING: Fire Or Explosion Hazard.
Batteries Emit Hydrogen Gas. Keep Sparks And
Open Flame Away. Keep Battery Compartment
Open When Charging.
2. Clean the batteries to prevent battery corrosion.
Use a scrub brush with a mixture of baking soda
and water (Figure 76).
FOR SAFETY: When cleaning batteries, wear
protective gloves and eye protection. Avoid
contact with battery acid.
FIG. 76
SQUEEGEE BLADES
When the blades become worn, simply rotate the
blades end-for-end or top-to-bottom to a new wiping
edge. Replace blades when all edges are worn.
The front blades on the 28 in / 700 mm and 32 in /
800mm squeegee assemblies have 12/14 slots on one
edge and 6 slots on the opposite edge (Figure 77). If
making sharp turns with the cylindrical brush models
use the 12/14 slotted edge for maximum water pickup.
6Slotson
one edge
12/14 Slots on
opposite edge
FIG. 77
Replacing Squeegee Blades:
1. Loosen the band clamp and remove the band from
the squeegee assembly (Figure 78).
FIG. 78
T5e – Maintenance
(Page 11 of 16)
17
18
T5e 9002342 REV.00 (08-06)

2. Replace or rotate the rear blade to a new wiping
edge and replace band (Figure 79).
FIG. 79
3. To change the front blade, remove the band and
loosen the four knobs. Replace or rotate the front
blade to a new wiping edge (Figure 80)
FIG. 80
MOTOR MAINTENANCE
Contact an Authorized Tennant Service Center for
carbon brush replacement.
Carbon Brush Replacement Hours
Drive Transaxle Motor
750
Vacuum Motor
Disk Brush Motors
Cylindrical Brush Motors 1000
WARNING: Electrical Hazard. Disconnect
Battery Cables Before Servicing Machine.
FaST SYSTEM MAINTENANCE
Every 1000 hours replace the orifice plate and filter
screen located inside the detergent injector assembly.
1. To access the detergent injector assembly, lower
the scrub head and remove the front shroud
(Figure 81)
FIG. 81
2. Remove the injector assembly from clamps
(Figure 82).
FIG. 82
3 Unthread the black plastic filter housing and replace
the orifice plate and filter (Figure 83).
FIG. 83
T5e – Maintenance
(Page 12 of 16)
T5e 9002342 REV.00 (08-06)
19

JACKING UP MACHINE
Use the designated locations to jack up the machine for
service (Figure 84). Empty the recovery and solution
tank and position the machine on a level before jacking.
FOR SAFETY: When servicing machine, jack
machine up at designated locations only. Use jack
or hoist that will support machine weight.
FIG. 84
TRANSPORTING MACHINE
When transporting the machine by trailer or truck, be
certain to follow the transporting procedure below:
1. Drain machine tanks.
2. Load the machine using a ramp that can support
the machine weight and person loading it. The
maximum ramp incline should not exceed 11qat a
ramp length of 3.7m (12 ft).
3. Position the front of machine up against the front of
the trailer or truck. Lower the scrub head and
squeegee.
4. Set the parking brake, if equipped, and place a
block behind each wheel to prevent the machine
from rolling.
5. Secure with tie--down straps as shown (Figure 85).
It may be necessary to install tie-down brackets to
trailer or truck.
FOR SAFETY: When loading/unloading machine
onto/off truck or trailer, use a ramp that can
support the machine weight and person loading it,
do not exceed a 11qramp incline at a ramp length
of 3.7m (12 ft), use tie--down straps to secure
machine and block machine wheels.
FIG. 85
STORING MACHINE
1. Charge the batteries before storing machine to
prolong the life of the batteries.
2. Drain and rinse the tanks thoroughly.
3. Store the machine in a dry area with the squeegee
and scrub head in the up position.
4. Open the recovery tank cover to promote air
circulation.
ATTENTION: Do not expose machine to rain, store
indoors.
5. If storing machine in freezing temperatures, make
sure to drain machine of all water.
For models equipped with the FaST System, follow
the FaST SYSTEM FREEZE PROTECTION
procedure below.
F
T5e – Maintenance
(Page 13 of 16)
1
FaST SYSTEM FREEZE PROTECTION
Valve Coupling #1002856 and 15 cm Hose #63182 are
required (Purchased separately).
1. Remove the FaST--PAK carton and connect the
valve coupling and 15cm hose (purchased parts) to
the supply hose (Figure 86).
FIG. 86
20
T5e 9002342 REV.00 (08-06)

2. Disconnect the opposite end of the supply hose
from the injector assembly and drain the supply
hose (Figure 87). To access the injector assembly
remove the front shroud.
FIG. 87
3. Reconnect the supply hose to injector assembly
and pour a recreational vehicle (RV) anti--freeze
into the supply hose until full (Figure 88).
FIG. 88
4. Operate the FaST system as normal until the
foaming stops. This step could take anywhere from
5--10 minutes.
5. Remove the valve coupling and connect the
storage plug (Figure 89).
FIG. 89
6. Drain the recovery and solution tanks and store
machine.
7. To drain the anti--freeze, repeat the draining
process above and reconnect the supply hose to
the FaST--PAK carton.
RECOMMENDED STOCK ITEMS
Refer to the Parts List Manual for recommended stock
items. Stock Items are clearly identified with a bullet
preceding the parts description. See example below:
T5e – Maintenance
(Page 14 of 16)
T5e 9002342 REV.00 (08-06)
21

TROUBLESHOOTING
PROBLEM CAUSE SOLUTION
Machine will not operate Discharged batteries Charge batteries
Emergency--stop button activated Turnbuttonclockwisetoreset
Faulty battery(s) Replace battery(s)
Loose battery cable Tighten loose cable
Tripped main circuit breaker Reset 10A main circuit breaker
Main fuse blown Replace 100A main fuse
Faulty key switch Contact Service Center
Machine fault detected. See Battery Meter LED Fault Codes
On--board battery charger
will not operate
Plug not connected to power supply Check plug connection
Faulty charger fuse Replace charger fuse
Faulty power supply cord Replace cord
Error detected. See On--board Battery Charger Error Codes
Brush motor(s) will not
operate
Scrub head is raised off floor Lower scrub head
Battery meter lockout activated Recharge batteries
Discharged batteries Charge batteries
Tripped brush motor circuit breaker Reset 25A circuit breaker button
Faulty scrub head (up/down) switch Contact Service Center
Faulty trigger switch(es) Contact Service Center
Faulty brush motor or wiring Contact Service Center
Worn carbon brushes Contact Service Center
Broken or loose belt
(cylindrical brush model)
Replace or tighten belt
Faulty relay switch Contact Service Center
Machine will not propel Parking brake is set Release parking brake lever
Machine fault detected See Battery Meter LED Fault Codes
Propel motor fuse blown Replace 30A fuse
Faulty transaxle motor or wiring Contact Service Center
Worn carbon brushes Contact Service Center
Exceeded maximum incline Avoid steep inclines and reset key
Vacuum motor will not
operate
Squeegee is raised off floor Lower squeegee
Discharged batteries Charge batteries
Tripped vacuum motor circuit breaker Reset 25A circuit breaker button
Faulty vacuum motor or wiring Contact Service Center
Worn carbon brushes Contact Service Center
Little or no solution flow Solution tank is empty Fill solution tank
Clogged solution tank filter Clean solution tank filter
Discharged batteries Charge batteries
Clogged solution valve Remove valve and clean
Solution flow control knob set too low Adjust solution control flow knob
Loose screw on control knob Calibrate knob and retighten screw.
T5e – Maintenance
(Page 15 of 16)
22
T5e 9002342 REV.00 (08-06)

Nobles Speed Scrub (08--06)
TROUBLESHOOTING -- Continued
PROBLEM CAUSE SOLUTION
Poor water pickup Recovery tank is full or excessive foam
buildup
Drain recovery tank
Loose drain hose cap Tighten cap
Clogged float shut--off screen located in
recovery tank
Clean screen
Clogged squeegee assembly Clean squeegee assembly
Worn squeegee blades Replace or rotate squeegee blades
Incorrect Squeegee blade deflection Adjust Squeegee blade height
Loose vacuum hose connections Secure hose connections
Clogged vacuum hose Remove clogged debris
Damaged vacuum hose Replace vacuum hose
Recovery tank cover not in place Properly position cover
Damaged recovery tank cover seal Replace seal
Faulty vacuum motor Contact Service Center
Low battery charge Recharge batteries
Poor scrubbing
performance
Debris caught in brush Remove debris
Worn brushes/pads Replace brushes/pads
Incorrect brush pressure setting Adjust pressure setting
Wrong brush/pad type. Use correct brush/pad
Reduced run time Batteries not fully charged Fully recharge batteries
Defective batteries Replace battery
Batteries need maintenance See BATTERY MAINTENANCE
Faulty battery charger Repair or replace battery charger
FaST Model: FaST
System does not operate
or operate correctly
FaST system switch is not turned on Turn on FaST system switch
FaST--PAK supply hose not connected Connect supply hose
Clogged FaST--PAK supply hose or con-
nectors
Soak in warm water to unclog
Empty FaST--PAK carton Replace FaST--PAK carton
Kink in FaST--PAK supply hose Undo hose kink
Clogged FaST solution system Contact Service Center
Faulty FaST system on/off switch Contact Service Center
Faulty pump Contact Service Center
Clogged solution tank filter Drain solution tank. Remove solution tank
filter, clean and reinstall
Clogged detergent orifice/filter screen Replace orifice/filter screen
(See FaST SYSTEM MAINTENANCE)
Clogged FaST solution inlet filter Contact Service Center
FaST Pump fuse blown Replace 7.5A fuse
T5e – Maintenance
(Page 16 of 16)
T5e 9002342 REV.00 (08-06)
23

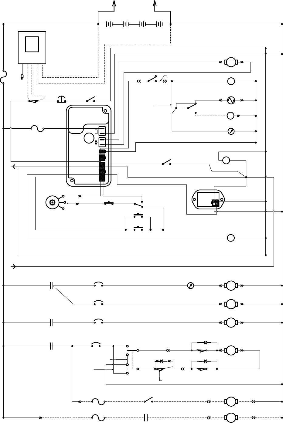
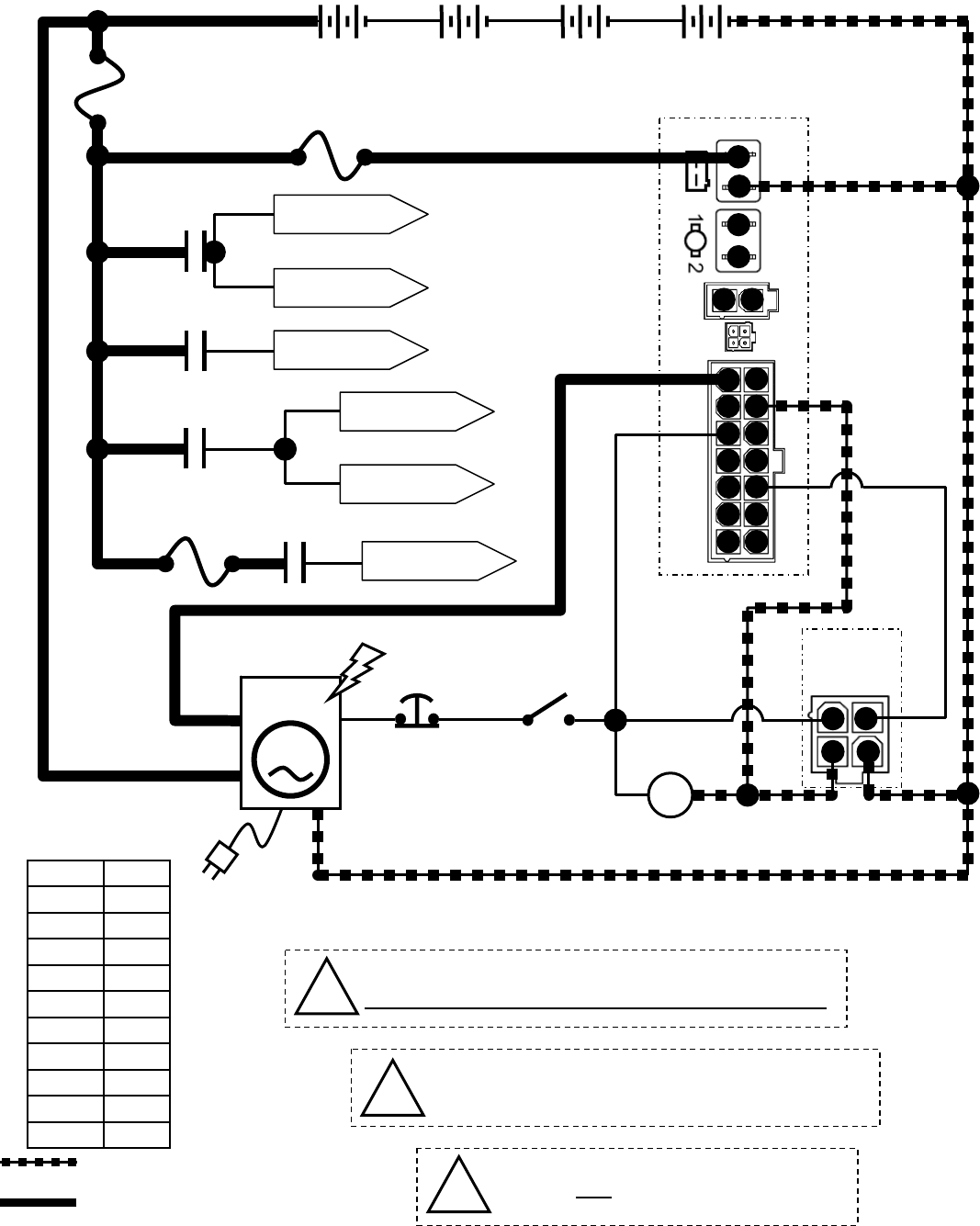
T5e –Electrical Schematic
24
T5e 9002342 REV.00 (08-06)
1020931
NOTES:
CHARGER PLUG HARNESS &
CHARGER SAFETY SWITCH
REMOVED WITH ON--BOARD
CHARGER OPTION.
ONBOARD
CHARGER
CR4
CR1
CR2
M4
VACUUM FAN
RELAY
HOUR METER
FaST RELAY
SOLUTION VALVE
BRUSH CONTACTOR
PROPEL MOTOR
CHARGER
PLUG
BLK
RED
F2
30 AMP
1C RED 22 BRN
13A BLK
84 YEL
19 WHT
25 GRN UP
DN
SCRUB/TRANSPORT SWITCH
(INTERNAL TO ACTUATOR)
26 BLU
CONVENTIONAL
FaST
8GRY
30 TAN
16 BLU
27 PUR
54 YEL
4 YEL
24 YEL
CHARGER
SAFETY SWITCH
KEY SWITCH
REVERSE
FORWARD 39 WHT
32 BRN
5GRN
9WHT
13J BLK
13G BLK
11 PIN K
CONTROL
BOARD
UP
DN
VACUUM SWITCH
(SQUEEGEE LEVER ACTUATED)
13K BLK
13H BLK
3ORG
74 YEL
29 WHT
48 GRY
SPEED
CONTROL
1
24
24 VDC
+
44 YEL
13H BLK
FaST
SWITCH
36 BLU
+
--
121
2
12
3
4
123
4
5
6
7
89
10
11
12
13
14
34 YEL
17 PUR
37 PUR
47 PUR
7PUR
50K
POTENTIOMETER
6BLU
3
31 PINK
1B RED 13B BLK
13F BLK
CR3
64 YEL
13M BLK
N.C.
DIRECTION SWITCH
#601108
LEFT TRIGGER
RIGHT TRIGGER
F1
100 AMP BLU
GRN
_
RED
BLK
ACTUATOR RELAY
52
BRN
49
WHT
14 YEL
E--STOP
SWITCH
RECOVERY TANK PROPEL
INTERLOCK SWITCH
41 PINK
#86379
#1016041
#611005
#1011402#1011735
#1011282
#1012216
#1012216
#1012568
#130787
#1011086
#1013599
#1013567
#606292AM
#130712
#130712
#1012216
#1025143
BATTERY DISCHARGE
INDICATOR
#392894
M1
M3
M6
FaST PUMP
MOTOR
VACUUM
MOTOR
RIGHT BRUSH
MOTOR
13B BLK
13C BLK
13E BLK
12 BRN
20 TAN
28 GRY
18 GRY1E RED 1E RED
1A RED 10 TAN
2BRN
Cr2
#1011086
#1012216
CB1
25 AMP
CB3
25 AMP
F3
7.5 AMP
FaST OPTION
Cr3
1G RED
M2
M5
CB2
25 AMP
CB4
10 AMP
13N BLK
LOWER
RETRACT LIMIT
(INTERNAL TO
ACTUATOR)
EXTEND LIMIT (INTERNAL TO ACTUATOR)
SCRUB DECK
ACTUATOR
MOTOR
LEFT BRUSH
MOTOR
RAISE
A
BRED
BLK
WAND PUMP
MOTOR
M7 13P BLK
F4
7.5 AMP
58 GRY 60 TAN
46 BLU
WAND PUMP
SWITCH
WAND PUMP OPTION
42 BRN 33 ORG
78 GRY 40 TAN
13 BLK
50 TAN
23 ORG
56 BLU
13L BLK
59 WHT
BRUSH PRESSURE
SCRUBHEAD
DOWNPRESSURE SWITCH
68 GRY
68A GRY
56A BLU
EXTERNAL LOWER LIMIT SWITCH -- #606292AM
38 GRY
#1030653
#393724
#393724
#393724
#393721
Cr1
#1012216
#1012216
#1016039
#1016039
Cr4
#130787
D1 -- #222290
#1007012

A
CONTINUED
B
CONTINUED
C
CONTINUED
MAIN HARNESS
T5e –Wiring Harness Detail
(Page 1 of 6)
T5e 9002342 REV.00 (08-06)
25

C
MAIN HARNESS
T5e –Wiring Harness Detail
(Page 2 of 6)
26
T5e 9002342 REV.00 (08-06)

A
B
D
CONTINUED
E
CONTINUED
MAIN HARNESS
T5e –Wiring Harness Detail
(Page 3 of 6)
T5e 9002342 REV.00 (08-06)
27

E
D
MAIN HARNESS
T5e –Wiring Harness Detail
(Page 4 of 6)
28
T5e 9002342 REV.00 (08-06)

CHASSIS HARNESS
T5e –Wiring Harness Detail
(Page 5 of 6)
T5e 9002342 REV.00 (08-06)
29

FaST HARNESS
T5e –Wiring Harness Detail
(Page 6 of 6)
30
T5e 9002342 REV.00 (08-06)

T5e –Control Board & BDI Details
1 2+ -
1
2
1
2
34
7 6 5 4 3 12
10 9 8
14 13 12 11
BATTERY
CONNECTIONS
PROPEL MOTOR
CONNECTIONS
SCRUB OUTPUT
CONNECTIONS
PROGRAMMING
CONNECTIONS
CONTROL
CONNECTIONS
1
2
3
4
BATTERY DISCHARGE INDICATOR
(VIEWED FROM REAR)
CONTROL BOARD
T5e 9002342 REV.00 (08-06)
31

Name Pin # Wire # Color
Active
Voltage
Inactive
Voltage
Input/
Output Notes
+ 22 brown battery (+) x input x Battery positive power supply
- 13A black battery (-) x input x Battery negative power supply
1 84 yellow 0v to 24v 0v output Forward=4v to 24v, Reverse=0v
2 19 white 0v to 24v 0v output Reverse=1.5v to 12v, Forward=0v
1 25 green battery (+) battery (+) output
2 27 purple battery (-) open output
1x x x x x x
2x x x x x x
3x x x x x x
4x x x x x x
1 3 orange input x Throttle signal input Reverse=0v to 2.25v; Fwd=2.75v to 5v;
Neutral=2.25v to 2.75v
2 32 brown 5v x output x Throttle 5v reference signal
3 29 white battery (-) open output CR2 Vacuum fan relay
4x x x x x x
5 74 yellow battery (+) open input x Key switch input Signal to turn control board ON
6 48 gray battery (-) 2.5v input x Low battery voltage lockout level
select
Normal mode: wire 48 NOT connected to
13H (22.4v lockout)
Special mode: wire 48 connected to 13H
(20.7v lockout)
7 54 yellow battery (+) battery (+) output x Battery (+) supply for input
switches
Output in series to charger safety,E-stop,&
key switches
85green 0v x output x Throttle 0v reference signal
9xx xxxx
10 9white output BDI Battery Discharge Indicator Communicates battery & control board
information (up to 10v)
11 xx xxxx
12 xx xxxx
13 13G black battery (-) x output see
notes
Battery (-) output for various
components
Output to vacuum switch, CR3 actuator
relay, Battery Discharge Indicator, & low
battery voltage lockout select
14 11 pink 0v 2.5v input x Vacuum switch
Function/Component Controlled
Battery
Connections
Propel Motor
Connections
Scrub Output
Connections
M4 Propel motor power supply
connections
see
notes Scrub functions power supply
Programming
Connections
Control
Connections
Controls CR1 (brush contactor), solution
valve, CR4 (FaST relay), & hour meter
Used only for programming the
control board
see notes
see notes
Name Pin # Wire # Color
Active
Voltage
Inactive
Voltage
Input/
Output
1 34 yellow battery (+) x input
2 9 white 10v to 24v x input
3 13J black 0v 0v input
4 13F black 0v 0v input
Function
Battery
Discharge
Indicator
Battery (+) supply voltage
Battery status signal
Battery (-) supply voltage
Static drain path
T5e –Control Board & BDI Pin Charts
CONTROL BOARD CONNECTIONS
BATTERY DISCHARGE INDICATOR CONNECTIONS
32
T5e 9002342 REV.00 (08-06)

T5e – BDI Diagnostic Fault Indicators
Very Low Battery
Voltage
The batteries need immediate charging or there is a bad
connection to the batteries. Charge the batteries,or check the
connections to the battery.
Low Battery Voltage
(Slowly Flashing @
40Hz)
The batteries need charging or there is a bad connection to the
batteries. Charge the batteries,or check the connections to the
battery.
Propel Motor Open
(Quickly Flashing @
200 Hz)
The propel motor has an open connection. Check all the
connections and wires between the motor and the control
board. Test motor for open circuit.
Propel Motor Shorted
The propel motor has a short circuit. Check all the connections
and wires between the motor and the control board. Test motor
for short circuit.
Battery Lockout
The voltage level of the batteries has fallen below the Battery
Lockout Level and the control board is inhibiting certain
machine functions. Charge the batteries.
Not Used
Not Used
Not Used
Possible Control
Board Fault
A control board fault is indicated. Make sure that all
connections are secure.
Not Used
High Battery Voltage
An excessive voltage has been applied to the controller. This is
usually caused by a poor battery connection. Check all battery
connections.
Control Board in
Sleep Mode
(LED's flash
one at a time from left to
right)
The controller has entered sleep mode. Switch the control
system off and then on again.
Throttle Displaced
(LED's ripple back and forth)
A throttle fault is indicated. Make sure that the forward and
reverse switches are released before switching on the
machine, or check all connections and wires from the switches
to the control board.
LED Flashing Codes
1
BAR FLASHING
2
BARS FLASHING
2
BARS FLASHING
3
BARS FLASHING
4
BARS FLASHING
5
BARS FLASHING
6
BARS FLASHING
7
BARS FLASHING
8
BARS FLASHING
9
BARS FLASHING
10
BARS FLASHING
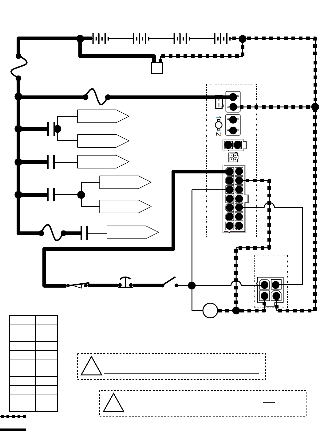
T5e 9002342 REV.00 (08-06)
33

1 RED 13 BLK
CONTROL BOARD
T5e - Key OFF Power Distribution (With Standard Off-Board Battery Charger)
+-
6 VDC +-
6 VDC +-
6 VDC +-
6 VDC
v
1 RED
CHARGER
PLUG
13 BLK
2
1 RED 13 BLK
1 RED
1 RED
F1
100A
+
1 RED
1 RED
-
CONDITIONS: Key OFF, off-board battery charger NOT CONNECTED to charger plug
Wiring Color Codes
(Unless otherwise marked)
0
1
2
3
4
5
6
7
8
9
Tan
Pink
Brown
Orange
Yellow
Green
Blue
Purple
Gray
White
Right Most Digit
of Wire Number Color of Wire
= Battery Negative
or Logic Ground
= Battery Positive
or Logic High
F2
30A
TO CIRCUIT
BREAKER CB3
TO FaST PUMP
MOTOR M6
TO CIRCUIT
BREAKER CB2
TO CIRCUIT
BREAKER CB1
42
22 22
10
CR1
CR4
CR3
CR2
TO CIRCUIT
BREAKER CB4
TO FUSE F4
78
38
58
18 28
F3
7.5A
BATTERY
DISCHARGE
INDICATOR
4
1
2
3
6
8
9
11
12
14
1
2
1 2
2
10
13 BLK
5
4
1
CR3
3
7
EMERGENCY
STOP
SWITCH
CHARGER
SAFETY
SWITCH
KEY
SWITCH
54
54
54
54
414
24
64
34
74
13
34
13 BLK
13 BLK
54
74
13 BLK 13 BLK
9
99
iIf Charger Plug is connected to battery charger, ALL machine
functions will be disabled when Key Switch is turned ON
!Be cautious when working near Control Board -
Battery voltage is always present, even with Key OFF
ACTUATOR
RELAY
34
T5e 9002342 REV.00 (08-06)

CONDITIONS: Key OFF, off-board battery charger CONNECTED to charger plug
1 RED 13 BLK
CONTROL BOARD
T5e - Key OFF Power Distribution (With Standard Off-Board Battery Charger)
+-
6 VDC +-
6 VDC +-
6 VDC +-
6 VDC
v
1 RED
CHARGER
PLUG
13 BLK
2
1 RED 13 BLK
1 RED
1 RED
F1
100A
+
1 RED
1 RED
-
Wiring Color Codes
(Unless otherwise marked)
0
1
2
3
4
5
6
7
8
9
Tan
Pink
Brown
Orange
Yellow
Green
Blue
Purple
Gray
White
Right Most Digit
of Wire Number Color of Wire
= Battery Negative
or Logic Ground
= Battery Positive
or Logic High
F2
30A
TO CIRCUIT
BREAKER CB3
TO FaST PUMP
MOTOR M6
TO CIRCUIT
BREAKER CB2
TO CIRCUIT
BREAKER CB1
42
22 22
10
CR1
CR4
CR3
CR2
TO CIRCUIT
BREAKER CB4
TO FUSE F4
78
38
58
18 28
F3
7.5A
4
1
2
3
6
8
9
11
12
14
1
2
1 2
10
13 BLK
5
CR3
7
EMERGENCY
STOP
SWITCH
CHARGER
SAFETY
SWITCH
KEY
SWITCH
54
54
54
54
414
24
64
74
13
34
13 BLK
13 BLK
54
74
13 BLK
99
iIf Charger Plug is connected to battery charger, ALL machine
functions will be disabled when Key Switch is turned ON
!Be cautious when working near Control Board -
Battery voltage is always present, even with Key OFF
BATTERY
DISCHARGE
INDICATOR
2
4
1
3
34 9
13 BLK
ACTUATOR
RELAY
T5e 9002342 REV.00 (08-06)
35

T5e - Key OFF Power Distribution (With Optional On-Board Battery Charger)
CONDITIONS: Key OFF, On-Board battery charger NOT CONNECTED to AC power
!Be cautious when working near Control Board -
Battery voltage is always present, even with Key OFF
i
If On-Board Charger is connected to AC
power, ALL machine functions will be
disabled when Key Switch is turned ON
i
The battery charger uses a normally closed relay to
send a signal to the control board – the relay opens
when the charger is plugged in to AC power
1 RED 13 BLK
CONTROL BOARD
+-
6 VDC +-
6 VDC +-
6 VDC +-
6 VDC
v
1 RED
13 BLK
2
1 RED
1 RED
F1
100A
+
1 RED
1 RED
-
Wiring Color Codes
(Unless otherwise marked)
0
1
2
3
4
5
6
7
8
9
Tan
Pink
Brown
Orange
Yellow
Green
Blue
Purple
Gray
White
Right Most Digit
of Wire Number Color of Wire
= Battery Negative
or Logic Ground
= Battery Positive
or Logic High
F2
30A
TO CIRCUIT
BREAKER CB3
TO FaST PUMP
MOTOR M6
TO CIRCUIT
BREAKER CB2
TO CIRCUIT
BREAKER CB1
42
22 22
10
CR1
CR4
CR3
CR2
TO CIRCUIT
BREAKER CB4
TO FUSE F4
78
38
58
18 28
F3
7.5A
4
1
2
3
6
8
9
11
12
14
1
2
1 2
10
13 BLK
5
CR3
7
EMERGENCY
STOP
SWITCH
KEY
SWITCH
54
54
54
54
414
24
64
74
13
34
13 BLK
13 BLK
54
74
13 BLK
99
AC POWER
CORD
ON-BOARD
CHARGER
NOT CONNECTED TO AC
RED
RED
BLACK
BATTERY
DISCHARGE
INDICATOR
2
4
1
3
34 9
13 BLK
ACTUATOR
RELAY
AC
36
T5e 9002342 REV.00 (08-06)

T5e - Key OFF Power Distribution (With Optional On-Board Battery Charger)
CONDITIONS: Key OFF, On-Board battery charger CONNECTED to AC power
!Be cautious when working near Control Board -
Battery voltage is always present, even with Key OFF
i
If On-Board Charger is connected to AC
power, ALL machine functions will be
disabled when Key Switch is turned ON
i
The battery charger uses a normally closed relay to
send a signal to the control board – the relay opens
when the charger is plugged in to AC power
1 RED 13 BLK
CONTROL BOARD
+-
6 VDC +-
6 VDC +-
6 VDC +-
6 VDC
v
1 RED
13 BLK
2
1 RED
1 RED
F1
100A
+
1 RED
1 RED
-
Wiring Color Codes
(Unless otherwise marked)
0
1
2
3
4
5
6
7
8
9
Tan
Pink
Brown
Orange
Yellow
Green
Blue
Purple
Gray
White
Right Most Digit
of Wire Number Color of Wire
= Battery Negative
or Logic Ground
= Battery Positive
or Logic High
F2
30A
TO CIRCUIT
BREAKER CB3
TO FaST PUMP
MOTOR M6
TO CIRCUIT
BREAKER CB2
TO CIRCUIT
BREAKER CB1
42
22 22
10
CR1
CR4
CR3
CR2
TO CIRCUIT
BREAKER CB4
TO FUSE F4
78
38
58
18 28
F3
7.5A
4
1
2
3
6
8
9
11
12
14
1
2
1 2
10
13 BLK
5
CR3
7
EMERGENCY
STOP
SWITCH
KEY
SWITCH
54
54
54
54
414
24
64
74
13
34
13 BLK
13 BLK
54
74
13 BLK
99
AC POWER
CORD
ON-BOARD
CHARGER
CONNECTED TO AC
RED
RED
BLACK
BATTERY
DISCHARGE
INDICATOR
2
4
1
3
34
13 BLK
9
ACTUATOR
RELAY
AC
T5e 9002342 REV.00 (08-06)
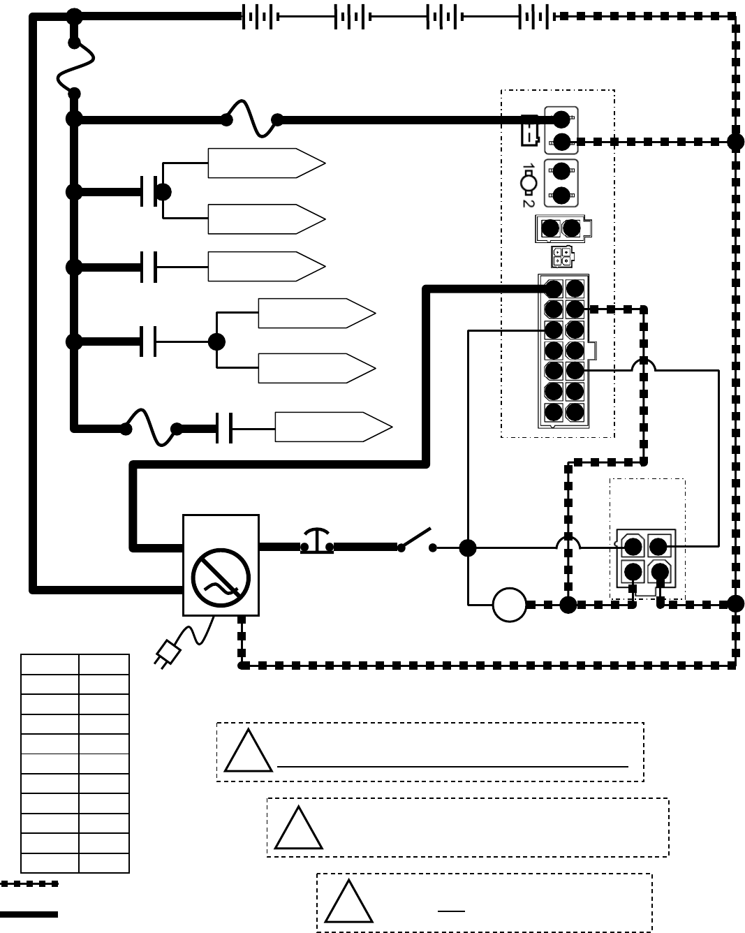
37

T5e - Key ON Power Distribution
CONDITIONS: Key ON
1 RED 13 BLK
CONTROL BOARD
+-
6 VDC +-
6 VDC +-
6 VDC +-
6 VDC
v
1 RED
CHARGER
PLUG
13 BLK
2
1 RED 13 BLK
1 RED
1 RED
F1
100A
+
1 RED
1 RED
-
F2
30A
TO CIRCUIT
BREAKER CB3
TO FaST PUMP
MOTOR M6
TO CIRCUIT
BREAKER CB2
TO CIRCUIT
BREAKER CB1
42
22 22
10
CR1
CR4
CR3
CR2
TO CIRCUIT
BREAKER CB4
TO FUSE F4
78
38
58
18 28
F3
7.5A
4
1
2
3
6
8
9
11
12
14
1
2
1 2
10
13 BLK
CR3
64
74 13
34
13 BLK
13 BLK
54
74
13 BLK
99
EMERGENCY
STOP
SWITCH
41424
CHARGER
SAFETY
SWITCH
7
KEY
SWITCH
54
54
Wiring Color Codes
(Unless otherwise marked)
0
1
2
3
4
5
6
7
8
9
Tan
Pink
Brown
Orange
Yellow
Green
Blue
Purple
Gray
White
Right Most Digit
of Wire Number Color of Wire
= Battery Negative
or Logic Ground
= Battery Positive
or Logic High
iThe troubleshooting information from this page forward applies to machines
with On-Board or Off-Board Chargers unless otherwise noted
iIf Charger Plug is connected to battery charger, ALL machine
functions will be disabled when Key Switch is turned ON
!Be cautious when working near Control Board -
Battery voltage is always present, even with Key OFF
BATTERY
DISCHARGE
INDICATOR
2
4
1
3
34 9
13 BLK
ACTUATOR
RELAY
38
T5e 9002342 REV.00 (08-06)

T5e – Propel Forward System
CONDITIONS: Key ON, forward propel engaged
1 RED 13 BLK
CONTROL BOARD
+-
6 VDC +-
6 VDC +-
6 VDC +-
6 VDC
v
1 RED
CHARGER
PLUG
13 BLK
1 RED 13 BLK
F1
100A
+
-
F2
30A 22 22
4
1
3
6
9
11
12
14
1 2
10
13
7
Wiring Color Codes
(Unless otherwise marked)
0
1
2
3
4
5
6
7
8
9
Tan
Pink
Brown
Orange
Yellow
Green
Blue
Purple
Gray
White
Right Most Digit
of Wire Number Color of Wire
= Battery Negative
or Logic Ground
= Battery Positive
or Logic High
5
iIf Charger Plug is connected to battery charger, ALL machine
functions will be disabled when Key Switch is turned ON
!Be cautious when working near Control Board -
Battery voltage is always present, even with Key OFF
1
PROPEL MOTOR
FORWARD
2
M4
52
X
2
8
DIRECTION
SWITCH
REVERSE
FORWARD
8484
84 19
19
3232
32
49
39 39
RECOVERY TANK
PROPEL INTERLOCK
SWITCH
SPEED LIMITER
POTENTIOMETER
50Kȍ
4131
3
5
LEFT
TRIGGER
SWITCH
RIGHT
TRIGGER
SWITCH
0V REFERENCE
5V REFERENCE
SIGNAL INPUT
iOnly one trigger switch needs to be
closed to propel machine forward
The Propel Motor (M4) is controlled by PWM; A
higher duty cycle will result in higher travel speed
i
T5e 9002342 REV.00 (08-06)
39

5
T5e – Propel Reverse System
CONDITIONS: Key ON, reverse propel engaged
1 RED 13 BLK
CONTROL BOARD
+-
6 VDC +-
6 VDC +-
6 VDC +-
6 VDC
v
1 RED
CHARGER
PLUG
13 BLK
1 RED 13 BLK
F1
100A
+
-
F2
30A 22 22
4
1
3
6
9
11
12
14
1 2
10
13
7
Wiring Color Codes
(Unless otherwise marked)
0
1
2
3
4
5
6
7
8
9
Tan
Pink
Brown
Orange
Yellow
Green
Blue
Purple
Gray
White
Right Most Digit
of Wire Number Color of Wire
= Battery Negative
or Logic Ground
= Battery Positive
or Logic High
1
PROPEL MOTOR
REVERSE
2
M4
52
X
8
DIRECTION
SWITCH
REVERSE
FORWARD
8484
84 19
19
3232
32
49
39 39
RECOVERY TANK
PROPEL INTERLOCK
SWITCH
SPEED LIMITER
POTENTIOMETER
50Kȍ
4131
3
5
RIGHT
TRIGGER
SWITCH
0V REFERENCE
5V REFERENCE
SIGNAL INPUT
LEFT
TRIGGER
SWITCH
2
iIf Charger Plug is connected to battery charger, ALL machine
functions will be disabled when Key Switch is turned ON
!Be cautious when working near Control Board -
Battery voltage is always present, even with Key OFF
The Propel Motor (M4) is controlled by PWM; A
higher duty cycle will result in higher travel speed
i
40
T5e 9002342 REV.00 (08-06)

T5e – Scrub Brushes
CONDITIONS: Key ON, Scrub Head lowered for cleaning, propel engaged
1 RED 13 BLK
CONTROL BOARD
+-
6 VDC +-
6 VDC +-
6 VDC +-
6 VDC
v
1 RED
CHARGER
PLUG
13 BLK
1 RED 13 BLK
F1
100A
+
-
F2
30A 22 22
4
1
3
6
9
11
12
14
10
13
7
Wiring Color Codes
(Unless otherwise marked)
0
1
2
3
4
5
6
7
8
9
Tan
Pink
Brown
Orange
Yellow
Green
Blue
Purple
Gray
White
Right Most Digit
of Wire Number Color of Wire
= Battery Negative
or Logic Ground
= Battery Positive
or Logic High
5
iIf Charger Plug is connected to battery charger, ALL machine
functions will be disabled when Key Switch is turned ON
!Be cautious when working near Control Board -
Battery voltage is always present, even with Key OFF
1
2
8
12
42
2
25
BRUSH
PRESSURE
GAUGE
2
21
CR1
25
25 26 7
27
CR1
M2
M1
CB2
25A
CB1
25A
13 BLK
13 BLK
13 BLK
13 BLK
RIGHT BRUSH
MOTOR
LEFT BRUSH
MOTOR
1 RED
59
33
SCRUB/TRANSPORT
SWITCH (INTERNAL TO
SCRUB HEAD ACTUATOR)
BRUSH
CONTACTOR
iThe Scrub/Transport Switch closes when the Scrub
Head Actuator extends (lowers) 2” (50mm) or more
iThe Brush Pressure Gauge monitors
current on the Right brush motor only
T5e 9002342 REV.00 (08-06)
41

T5e – Vacuum Fan System
CONDITIONS: Key ON, Squeegee lowered
1 RED 13 BLK
CONTROL BOARD
+-
6 VDC +-
6 VDC +-
6 VDC +-
6 VDC
v
1 RED
CHARGER
PLUG
13 BLK
1 RED 13 BLK
F1
100A
+
-
F2
30A 22
4
1
6
9
11
12
10
Wiring Color Codes
(Unless otherwise marked)
0
1
2
3
4
5
6
7
8
9
Tan
Pink
Brown
Orange
Yellow
Green
Blue
Purple
Gray
White
Right Most Digit
of Wire Number Color of Wire
= Battery Negative
or Logic Ground
= Battery Positive
or Logic High
iIf Charger Plug is connected to battery charger, ALL machine
functions will be disabled when Key Switch is turned ON
!Be cautious when working near Control Board -
Battery voltage is always present, even with Key OFF
1
2
8
10
2
21
CR2
M3
CB3
25A
13 BLK13 BLK
VACUUM FAN
MOTOR
1 RED 20
54
74
EMERGENCY
STOP
SWITCH
414 24
CHARGER
SAFETY
SWITCH
KEY
SWITCH
54
54 5
VACUUM FAN
RELAY
3
CR2
7
54
4444
44 29 29
29
14
13
VACUUM FAN
SWITCH
42
T5e 9002342 REV.00 (08-06)

T5e – Conventional Solution Valve, Hour Meter
CONDITIONS: Key ON, scrub head lowered for cleaning, propel engaged, conventional scrub selected
Wiring Color Codes
(Unless otherwise marked)
0
1
2
3
4
5
6
7
8
9
Tan
Pink
Brown
Orange
Yellow
Green
Blue
Purple
Gray
White
Right Most Digit
of Wire Number Color of Wire
= Battery Negative
or Logic Ground
= Battery Positive
or Logic High
iIf Charger Plug is connected to battery charger, ALL machine
functions will be disabled when Key Switch is turned ON
!Be cautious when working near Control Board -
Battery voltage is always present, even with Key OFF
1 RED 13 BLK
CONTROL BOARD
+-
6 VDC +-
6 VDC +-
6 VDC +-
6 VDC
v
1 RED
CHARGER
PLUG
13 BLK
1 RED 13 BLK
F1
100A
+
-
F2
30A 22 22
4
1
3
6
9
11
12
14
10
13
7
5
1
2
8
2
28
26
25
CR4
M6
13 BLK13 BLK
FaST PUMP
MOTOR
1 RED
SCRUB/TRANSPORT
SWITCH (INTERNAL TO
SCRUB HEAD ACTUATOR)
BRUSH
CONTACTOR
F3
7.5A 18
1 2
CR1
25
26
CR4
CONVENTIONAL
SOLUTION
VALVE
FaST
RELAY
HOUR METER
FaST/
CONVENTIONAL
SWITCH
7
47
37
17
27
27
27
CONV
FaST
8
8
30 30
66
6
1616
iThe Scrub/Transport Switch closes when the Scrub
Head Actuator extends (lowers) 2” (50mm) or more
iThe Hour Meter is activated only when the Scrub
Head is lowered, and propel is engaged
T5e 9002342 REV.00 (08-06)
43

T5e – FaST Pump, Hour Meter
CONDITIONS: Key ON, scrub head lowered for cleaning, propel engaged, FaST scrub selected
Wiring Color Codes
(Unless otherwise marked)
0
1
2
3
4
5
6
7
8
9
Tan
Pink
Brown
Orange
Yellow
Green
Blue
Purple
Gray
White
Right Most Digit
of Wire Number Color of Wire
= Battery Negative
or Logic Ground
= Battery Positive
or Logic High
iIf Charger Plug is connected to battery charger, ALL machine
functions will be disabled when Key Switch is turned ON
!Be cautious when working near Control Board -
Battery voltage is always present, even with Key OFF
1 RED 13 BLK
CONTROL BOARD
+-
6 VDC +-
6 VDC +-
6 VDC +-
6 VDC
v
1 RED
CHARGER
PLUG
13 BLK
1 RED 13 BLK
F1
100A
+
-
F2
30A 22 22
4
1
3
6
9
11
12
14
10
13
7
5
1
2
8
2
28
26
25
CR4
M6
13 BLK13 BLK
FaST PUMP
MOTOR
1 RED
SCRUB/TRANSPORT
SWITCH (INTERNAL TO
SCRUB HEAD ACTUATOR)
BRUSH
CONTACTOR
F3
7.5A 18
1 2
CR1
25
26
CR4
CONVENTIONAL
SOLUTION
VALVE
FaST
RELAY
HOUR METER
FaST/
CONVENTIONAL
SWITCH
7
47
37
17
27
27
27
CONV
FaST
8
8
30 30
66
6
1616
iThe Scrub/Transport Switch closes when the Scrub
Head Actuator extends (lowers) 2” (50mm) or more
iThe Hour Meter is activated only when the Scrub
Head is lowered, and propel is engaged
44
T5e 9002342 REV.00 (08-06)

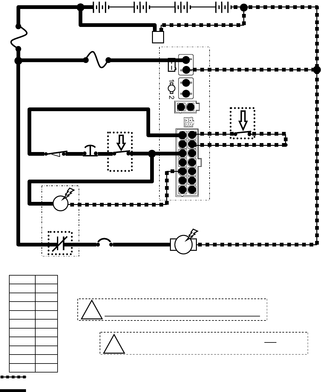
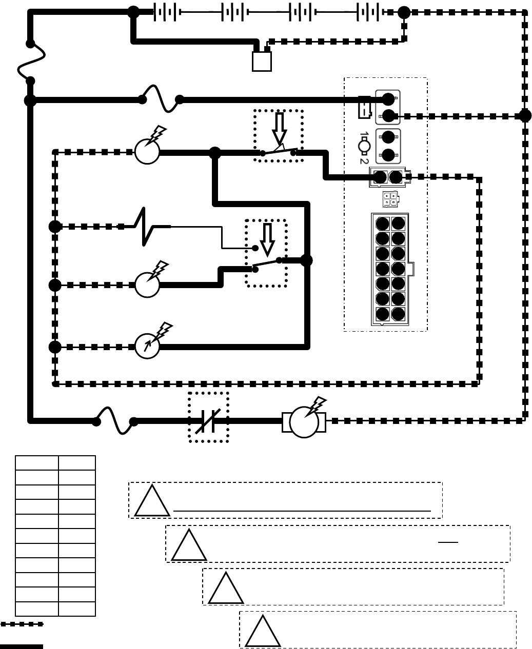
T5e – Scrub Head Actuator LOWER (Extend)
CONDITIONS: Key ON, scrub head lower switch activated
RAISE
SHOWN IN OPERATION DURING
LOWERING OF SCRUB HEAD
1 RED 13 BLK
CONTROL BOARD
+-
6 VDC +-
6 VDC +-
6 VDC +-
6 VDC
v
1 RED
CHARGER
PLUG
13 BLK
1 RED 13 BLK
F1
100A
+
1 RED
-
F2
30A 22 22
CR3
78 38
4
1
2
3
6
8
9
11
12
14
1
2
1 2
10
13 BLK64
40
23
13 BLK
56 68
Wiring Color Codes
(Unless otherwise marked)
0
1
2
3
4
5
6
7
8
9
Tan
Pink
Brown
Orange
Yellow
Green
Blue
Purple
Gray
White
Right Most Digit
of Wire Number Color of Wire
= Battery Negative
or Logic Ground
= Battery Positive
or Logic High
CR3
13
TO FUSE F4
CB4
10A
26
SCRUB/TRANSPORT
SWITCH (INTERNAL TO
SCRUB HEAD ACTUATOR)
BRUSH
CONTACTOR
CR1 25
26
M5
SCRUB HEAD
ACTUATOR
EMERGENCY
STOP
SWITCH
414 24
CHARGER
SAFETY
SWITCH
KEY
SWITCH
7
5
ACTUATOR
RELAY
EXTERNAL
LOWER LIMIT
SWITCH
LOWER LIMIT
SWITCH
RAISE LIMIT
SWITCH
INTERNAL
SWITCHES
40
50
13 BLK 13 BLK
56 68
LOWER
13 BLK
13 BLK
74
74
54
54
54
25
7
27
27
External Switch
switch
condition
OPEN OPEN CLOSED CLOSED
CLOSED CLOSED OPEN OPEN
*
CLOSED CLOSED CLOSED
*
CLOSED CLOSED CLOSED
*
Scrub/Transport Switch closes when actuator is extended 2" (50mm) or more
Fully Retracted (UP)
Fully Extended (DOWN)
Retracting (RAISING)
Extending (LOWERING)
Scrub Head Actuator Logic Chart
Internal Switches
Scrub/
Transport
Raise
Limit
Lower
Limit
Lower
Limit
T5e 9002342 REV.00 (08-06)
45

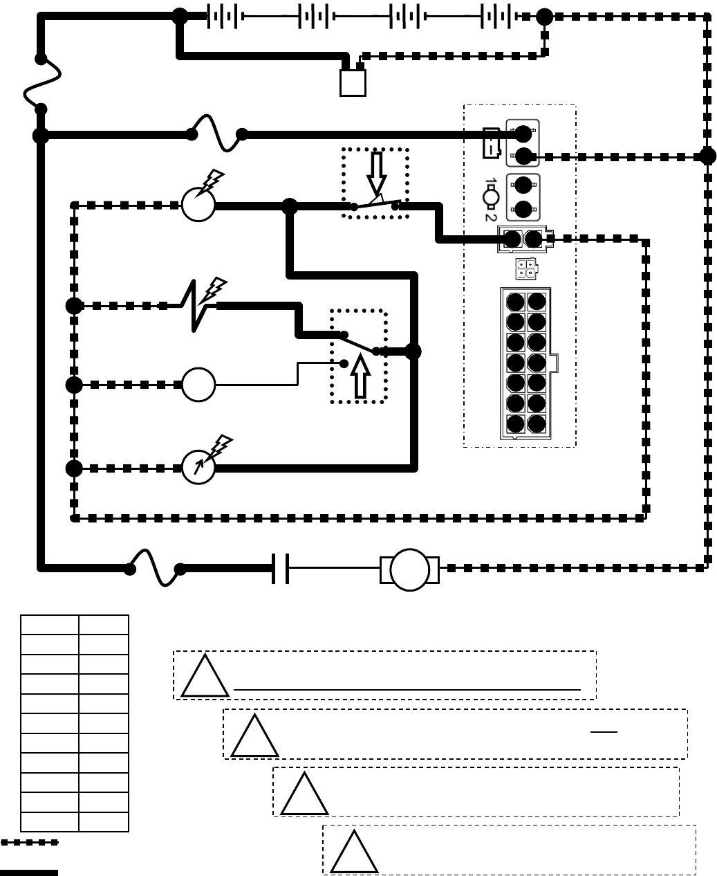
T5e – Scrub Head Actuator RAISE (Retract)
CONDITIONS: Key ON, scrub head raise switch activated
RAISE
SHOWN IN OPERATION DURING
RAISING OF SCRUB HEAD
1 RED 13 BLK
CONTROL BOARD
+-
6 VDC +-
6 VDC +-
6 VDC +-
6 VDC
v
1 RED
CHARGER
PLUG
13 BLK
1 RED 13 BLK
F1
100A
+
1 RED
-
F2
30A 22 22
CR3
78 38
4
1
2
3
6
8
9
11
12
14
1
2
1 2
10
13 BLK64
40
23
13 BLK
56 68
Wiring Color Codes
(Unless otherwise marked)
0
1
2
3
4
5
6
7
8
9
Tan
Pink
Brown
Orange
Yellow
Green
Blue
Purple
Gray
White
Right Most Digit
of Wire Number Color of Wire
= Battery Negative
or Logic Ground
= Battery Positive
or Logic High
CR3
13
TO FUSE F4
CB4
10A
26
SCRUB/TRANSPORT
SWITCH (INTERNAL TO
SCRUB HEAD ACTUATOR)
BRUSH
CONTACTOR
CR1 25
26
M5
SCRUB HEAD
ACTUATOR
EMERGENCY
STOP
SWITCH
414 24
CHARGER
SAFETY
SWITCH
KEY
SWITCH
7
5
ACTUATOR
RELAY
EXTERNAL
LOWER LIMIT
SWITCH
LOWER LIMIT
SWITCH
RAISE LIMIT
SWITCH
INTERNAL
SWITCHES
40
50
13 BLK 13 BLK
56 68
13 BLK
13 BLK
74
74
54
54
54
25
7
27
27
LOWER
External Switch
switch
condition
OPEN OPEN CLOSED CLOSED
CLOSED CLOSED OPEN OPEN
*
CLOSED CLOSED CLOSED
*
CLOSED CLOSED CLOSED
*
Scrub/Transport Switch closes when actuator is extended 2" (50mm) or more
Fully Retracted (UP)
Fully Extended (DOWN)
Retracting (RAISING)
Extending (LOWERING)
Scrub Head Actuator Logic Chart
Internal Switches
Scrub/
Transport
Raise
Limit
Lower
Limit
Lower
Limit
46
T5e 9002342 REV.00 (08-06)

T5e – Wand Pump
CONDITIONS: Key ON, wand pump switch ON
1 RED 13 BLK
CONTROL BOARD
+-
6 VDC +-
6 VDC +-
6 VDC +-
6 VDC
v
1 RED
CHARGER
PLUG
13 BLK
1 RED 13 BLK
F1
100A
+
1 RED
-
F2
30A 22 22
CR3
78 58
4
1
2
3
6
8
9
11
12
14
1
2
1 2
10
13 BLK64
Wiring Color Codes
(Unless otherwise marked)
0
1
2
3
4
5
6
7
8
9
Tan
Pink
Brown
Orange
Yellow
Green
Blue
Purple
Gray
White
Right Most Digit
of Wire Number Color of Wire
= Battery Negative
or Logic Ground
= Battery Positive
or Logic High
CR3
13
EMERGENCY
STOP
SWITCH
414 24
CHARGER
SAFETY
SWITCH
KEY
SWITCH
7
5
ACTUATOR
RELAY
13 BLK
13 BLK
74
74
54
54
54
WAND PUMP
SWITCH
F4
7.5A
M7
WAND PUMP
MOTOR
TO CIRCUIT
BREAKER CB4
38
iIf Charger Plug is connected to battery charger, ALL machine
functions will be disabled when Key Switch is turned ON
!Be cautious when working near Control Board -
Battery voltage is always present, even with Key OFF
T5e 9002342 REV.00 (08-06)
47