Windsor Radius 360 T Walk Behind Floor Sweeper Parts Manual
2017-01-03
: Sweepscrub Windsor-Radius-360-T-Walk-Behind-Floor-Sweeper-Parts-Manual windsor-radius-360-t-walk-behind-floor-sweeper-parts-manual 1865 file product_file
Open the PDF directly: View PDF
.
Page Count: 77
- Table of contents
- Spare parts list Radius 360 T (5.972-644.0)
Spare parts list
(5.972-644.0) Spare parts list Radius 360 T
20.04.2015 EN

Table of contents
Spare parts list Radius 360 T (5.972-644.0) .................................................................................................................................................................................................................................. 3
10 Basic machinery
................................................................................................................................................................................................................................................................................ 4
11 Basic machinery individual parts ............................................................................................................................................................................................................................................................ 5
12 Cover battery
................................................................................................................................................................................................................................................................................... 7
20 Steering battery
................................................................................................................................................................................................................................................................................ 9
16 Wheel drive motor 600W (6.613-206.0)
................................................................................................................................................................................................................................................... 12
26 Spare part set bearing (4.641-045.0)
...................................................................................................................................................................................................................................................... 14
30 Pedal
............................................................................................................................................................................................................................................................................................. 15
31 Pedal bulk waste flap
........................................................................................................................................................................................................................................................................ 16
27 Dust protection vacuum diaphragm unit ov (4.040-815.0)
..................................................................................................................................................................................................................................... 19
32 Pedal battery
................................................................................................................................................................................................................................................................................. 20
25 Dust protection vacuum diaphragm unit ov (4.040-815.0)
..................................................................................................................................................................................................................................... 22
33 Pedal battery
................................................................................................................................................................................................................................................................................. 23
25 Dust protection vacuum diaphragm unit ov (4.040-815.0)
..................................................................................................................................................................................................................................... 26
40 Filter box
....................................................................................................................................................................................................................................................................................... 27
18 Valve block complete (4.582-021.0)
....................................................................................................................................................................................................................................................... 31
50 Sweep roller chest
........................................................................................................................................................................................................................................................................... 33
64 Reversing rolling mill complete KM 90 /6 (4.762-430.0)
................................................................................................................................................................................................................................ 38
66 Sheet metal component bulk waste flap kp (4.040-701.0)
............................................................................................................................................................................................................................. 39
93 Sheet metal component sweep roller chang (4.040-824.0) ............................................................................................................................................................................................................................ 40
60 Operating unit
................................................................................................................................................................................................................................................................................ 41
61 Control panel battery
........................................................................................................................................................................................................................................................................ 42
62 Operating unit key switch
................................................................................................................................................................................................................................................................... 44
70 Transmission battery
....................................................................................................................................................................................................................................................................... 46
14 Direct current motor (6.613-288.0)
........................................................................................................................................................................................................................................................ 49
80 Battery box completely
.................................................................................................................................................................................................................................................................... 50
90 Side broom right
............................................................................................................................................................................................................................................................................. 52
34 Dust protection vacuum diaphragm unit ov (4.040-815.0)
............................................................................................................................................................................................................................. 55
100 Electronics battery
......................................................................................................................................................................................................................................................................... 56
110 Accessories .................................................................................................................................................................................................................................................................................. 59
111 ABS side broom left
........................................................................................................................................................................................................................................................................ 60
112 Add-on kit revolving signal light
.......................................................................................................................................................................................................................................................... 63
113 Add-on kit filter box double APFC
......................................................................................................................................................................................................................................................... 65
114 Add-on kit carpet sweep
................................................................................................................................................................................................................................................................... 68
21 Reversing rolling mill complete antistat (4.762-441.0)
......................................................................................................................................................................................................................................... 70
115 Add-on kit tire equipment solid rubber
.................................................................................................................................................................................................................................................. 72
120 Set holder broom Homebase
........................................................................................................................................................................................................................................................... 74
130 Set bulk waste gripper ................................................................................................................................................................................................................................................................... 76
Page 2

Spare parts list Radius 360 T (5.972-644.0)
Pos Name Qty. Unit
10 Basic machinery 1.000 ST
20 Steering battery 1.000 ST
30 Pedal 1.000 ST
40 Filter box 1.000 ST
50 Sweep roller chest 1.000 ST
60 Operating unit 1.000 ST
70 Transmission battery 1.000 ST
80 Battery box completely 1.000 ST
90 Side broom right 1.000 ST
100 Electronics battery 1.000 ST
110 Accessories 1.000 ST
120 Set holder broom Homebase 1.000 ST
130 Set bulk waste gripper 1.000 ST
Page 3

10 Basic machinery
Pos Name Qty. Unit
11 Basic machinery individual parts 1.000 ST
12 Cover battery 1.000 ST
Page 4

11 Basic machinery individual parts
Page 5

11 Basic machinery individual parts
ET/VT (spare/wear parts) Pos Material # Name Qty. Unit Footnote text
1 5.033-213.0 Covering side left 1.000 ST
2 5.033-165.0 Sweep tank left KM 90/60 R 1.000 ST
3 5.337-031.0 Plate spring stop 2.000 ST
X 4 5.009-418.0 Plate locking bar sweep tank 4.000 ST
5 7.343-306.0 Lock washer 12-St-A2E DIN 6799 2.000 ST
X-X 6 7.312-289.0 Washer 8 -A2 ISO 7093-1 2.000 ST
7 7.304-033.0 Hexagonal head screw M 8X100-A4-70 ISO 4 2.000 ST
8 5.317-230.0 Bearing pin cover KM90/60R 1.000 ST
9 7.312-261.0 Washer 8 -100HV-A3E ISO 7094 2.000 ST
10 7.306-151.0 Cylinder head screw M8x65 -8.8-A2E ISO4 2.000 ST
11 5.061-627.0 Sheet metal component hinge cover 1.000 ST
12 5.033-166.0 Sweep tank right KM 90/60 R 1.000 ST
13 5.033-214.0 Covering side right 1.000 ST
X-X 15 6.304-121.0 Oval head screw M 5X12 4.000 ST
16 Cover front panel RRB 360 Blau 1.000 ST
17 6.365-371.0 Profile gasket 1.000 M TO ORDER AS CUT GOODS
18 5.033-164.0 Covering rear KM 90/60 R P 1.000 ST
20 5.395-041.0 Adhesive label Windsor 1.000 ST
21 5.033-163.0 Front component filter box KM 90/60 R 1.000 ST
23 6.303-125.0 Screw 5x20-Sonder In6Rd+Spitze 8.000 ST
24 7.303-030.0 Screw M4x8 -St-P2R (In6Rd) 4.000 ST
25 5.062-463.0 Sheet metal component angle rope 1.000 ST
X-X 26 7.312-002.0 Washer 5-200HV-A3E ISO 7090 1.000 ST
27 7.303-076.0 Sheet metal screw ST4,8X13 -St-R2R (In6 1.000 ST
Page 6

12 Cover battery
Page 7

12 Cover battery
ET/VT (spare/wear parts) Pos Material # Name Qty. Unit
1 5.069-368.0 Cover RRB 360 T 1.000 ST
X 2 6.366-058.0 Sealing profile 1.000 M
X 3 6.394-729.0 Seat COBO PS48 1.000 ST
4 5.395-040.0 Adhesive label Radius 360T 2.000 ST
X 5 6.365-413.0 Sealing profile 1.000 M
X-X 8 7.311-421.0 Hexagon nut M 5-04-A2E ISO 10511 2.000 ST
X 9 7.306-443.0 Cylinder head screw M5x12-4.8-A2E ISO 1 2.000 ST
X 10 7.312-264.0 Washer 5-100HV-A3E ISO 7094 4.000 ST
12 7.304-402.0 Hexagonal head screw M8x65-8.8-A2E ISO 4.000 ST
X-X 13 7.311-224.0 Hexagon nut M 8-04-A2E ISO 4035 4.000 ST
X 14 7.312-277.0 Washer 8-200HV-A2E ISO7093-1 4.000 ST
X-X 15 7.311-427.0 Hexagon nut M8 -04-A2E ISO 10511 4.000 ST
X 17 7.306-119.0 Cylinder head screw M8x12 -A2-70 ISO 47 1.000 ST
18 7.312-261.0 Washer 8 -100HV-A3E ISO 7094 2.000 ST
19 7.311-337.0 Cap nut M 8-5-A2J DIN 917 1.000 ST
22 6.373-969.0 Belt strap cover support 1.000 ST
23 7.311-337.0 Cap nut M 8-5-A2J DIN 917 1.000 ST
X-X 24 7.306-076.0 Screw M 5x12-ST- 8.8-A2R (IN6RD) 1.000 ST
25 6.630-495.0 Contact switch seat 1.000 ST
Page 8

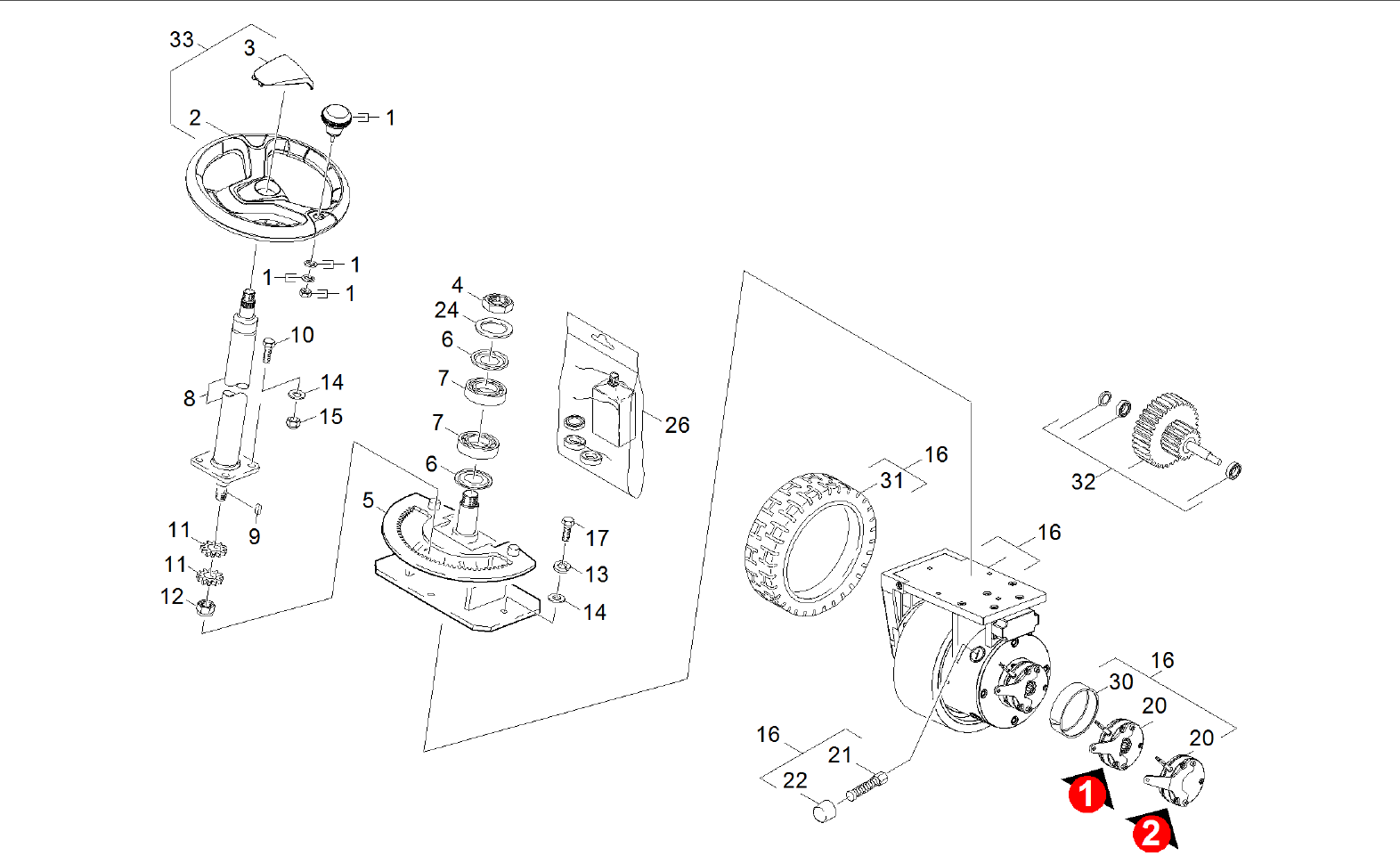
20 Steering battery
Page 9

20 Steering battery
ET/VT (spare/wear parts) Pos Material # Name Qty. Unit var. information
X-X 1 6.640-354.0 Handle 1.000 ST
X-X 2 6.435-795.0 Steering wheel 1.000 ST
3 6.640-352.0 Cap steering wheel WINDSOR 1.000 ST
4 7.311-122.0 Hexagon nut M24X1,5-22H-A2E DIN 936 1.000 ST
5 4.520-164.0 Wheel fork complete Bp 1.000 ST
X 6 6.401-263.0 Slip ring 2.000 ST
7 6.401-260.0 Angular contact ball bearing 2.000 ST
8 6.439-201.0 Steering KM 90/60 R 1.000 ST
X-X 9 7.318-090.0 Parallel key A5x5x10-C45R DIN 6885 1.000 ST
X-X 10 7.304-414.0 Hexagonal head screw M10x20-8.8-A3E ISO 4.000 ST
X-X 11 5.352-000.0 Gear wheel 2.000 ST
X-X 12 7.311-059.0 Hexagon nut M16x1,5 -8-A2E ISO10512 1.000 ST
X 13 7.313-030.0 Spring washer A10-FST DIN 128 4.000 ST
X-X 14 7.312-005.0 Washer 10-200HV-A3E ISO 7090 4.000 ST
X-X 15 7.311-423.0 Hexagon nut M10 -04-A2E ISO 10511 4.000 ST
16 6.613-206.0 Wheel drive motor 600W 1.000 ST KC 801-001A
17 7.304-415.0 Hexagonal head screw M10x25-8.8-A3E ISO 4.000 ST
X 20 4.467-000.0 Brake adjustable complete 1.000 ST Version 2
X-X 20 4.467-002.0 Brake adjustable complete 1.000 ST Version 1
X-X 21 6.613-231.0 Carbon brush set 1.000 ST
X 22 6.961-924.0 Cover closure 1.000 ST
24 7.312-010.0 Washer 24 -200HV-A3E ISO 7090 1.000 ST
26 4.641-045.0 Spare part set bearing 1.000 ST
X-X 30 6.467-039.0 Retrofit kit brake 1.000 ST
X-X 31 6.435-854.0 Tire wheel drive motor 1.000 ST
Page 10

20 Steering battery
ET/VT (spare/wear parts) Pos Material # Name Qty. Unit var. information
32 6.550-040.0 Set armature shaft fuer Fahrmotor 1.000 ST
33 4.040-819.0 Spare part set steering wheel complete 1.000 ST
Page 11

16 Wheel drive motor 600W (6.613-206.0)
Page 12

16 Wheel drive motor 600W (6.613-206.0)
ET/VT (spare/wear parts) Pos Material # Name Qty. Unit
X-X 10 6.613-231.0 Carbon brush set 1.000 ST
X-X 20 6.435-854.0 Tire wheel drive motor 1.000 ST
X 30 6.961-924.0 Cover closure 1.000 ST
X 40 6.961-925.0 Dust protection brake 1.000 ST
X 50 6.550-042.0 Set armature shaft wheel drive motor 1.000 ST
X 220 4.467-000.0 Brake adjustable complete 1.000 ST
Page 13

26 Spare part set bearing (4.641-045.0)
ET/VT (spare/wear parts) Pos Material # Name Qty. Unit
X-X 1 7.401-134.0 Ball bearing 6203-2RS-WAELZLAGST DIN 625 1.000 ST
2 7.401-133.0 Ball bearing 6004-2RS -Wälzl.St DIN 625 1.000 ST
4 6.997-364.0 Synthesis oil CLP150 1.000 ST
Page 14

30 Pedal
Pos Name Qty. Unit var. information
31 Pedal bulk waste flap 1.000 ST
32 Pedal battery 1.000 ST VERSION 1
33 Pedal battery 1.000 ST VERSION 2
Page 15

31 Pedal bulk waste flap
Page 16

31 Pedal bulk waste flap
ET/VT (spare/wear parts) Pos Material # Name Qty. Unit
1 6.321-196.0 Star grip M5x10 1.000 ST
X-X 2 7.313-002.0 Spring washer B 5-FSt-A3E DIN 127 1.000 ST
3 4.040-709.0 Lever lifting reversing rolling mill 1.000 ST
X-X 4 7.306-230.0 Screw M8x25 -A4-70 (In6Rd) 1.000 ST
X-X 6 7.311-010.0 Hexagon nut M16-8-A3E ISO 4032 2.000 ST
X-X 7 7.306-089.0 Screw M6x12 -8.8-R2R (In6Rd) 3.000 ST
X-X 8 6.421-331.0 Vacuum diaphragm unit oval lift 45 mm 1.000 ST
9 5.009-184.0 Plate plate pedal 1.000 ST
10 7.306-090.0 Screw M6x16 -8.8-R3R (In6Rd) 4.000 ST
11 7.303-273.0 Saucer-head screw M8x25 -St-P2R DIN 603 1.000 ST
12 7.311-093.0 Hexagon nut M8 -8-R2R ISO 4032 1.000 ST
13 5.061-449.0 Sheet metal component holder pedal 1.000 ST
14 5.317-211.0 Bolt pedal GSK 1.000 ST
15 6.403-047.0 Plain bearing 2.000 ST
X-X 16 7.343-007.0 Locking ring 20x1,2-FST-RF DIN 471 2.000 ST
17 7.306-224.0 Screw M10x35-A2-70 DIN 7984 1.000 ST
18 5.321-701.0 Handhold 1.000 ST
X-X 19 7.304-521.0 Hexagonal head screw M 6x16-A4-70 ISO 4 2.000 ST
20 5.061-448.0 Sheet metal component lever GSK 1.000 ST
21 5.061-442.0 Sheet metal component connection GSK-Ped 1.000 ST
X-X 22 7.311-425.0 Hexagon nut M6 -04-A2E ISO 10511 2.000 ST
23 4.040-617.0 Sheet metal component complete pedal GSK 1.000 ST
24 6.330-091.0 Extension spring 1.000 ST
X 25 7.312-264.0 Washer 5-100HV-A3E ISO 7094 1.000 ST
X-X 26 7.305-104.0 Countersunk screw M8x25 -8.8-R3R ISO 10 2.000 ST
Page 17

31 Pedal bulk waste flap
ET/VT (spare/wear parts) Pos Material # Name Qty. Unit
X-X 27 4.040-815.0 Dust protection vacuum diaphragm unit ov 1.000 ST
Page 18

27 Dust protection vacuum diaphragm unit ov (4.040-815.0)
Pos Material # Name Qty. Unit
1 5.062-199.0 Washer D 34 1.000 ST
Page 19

32 Pedal battery
Page 20

32 Pedal battery
ET/VT (spare/wear parts) Pos Material # Name Qty. Unit
X-X 1 7.306-230.0 Screw M8x25 -A4-70 (In6Rd) 1.000 ST
2 4.040-709.0 Lever lifting reversing rolling mill 1.000 ST
3 6.321-004.0 Star grip M5x10 1.000 ST
X-X 4 6.421-331.0 Vacuum diaphragm unit oval lift 45 mm 1.000 ST
X-X 5 7.311-010.0 Hexagon nut M16-8-A3E ISO 4032 2.000 ST
X-X 6 7.306-089.0 Screw M6x12 -8.8-R2R (In6Rd) 3.000 ST
X-X 7 7.305-104.0 Countersunk screw M8x25 -8.8-R3R ISO 10 2.000 ST
9 7.303-273.0 Saucer-head screw M8x25 -St-P2R DIN 603 1.000 ST
10 7.311-093.0 Hexagon nut M8 -8-R2R ISO 4032 1.000 ST
X-X 14 5.317-086.0 Bolt power brush 1.000 ST
15 7.305-030.0 Countersunk screw M6x12 -8.8-R2R (In6Rd 4.000 ST
16 5.061-804.0 Sheet metal component bearing pedal KM90 2.000 ST
X-X 17 6.403-031.0 Plain bearing 20/28 2.000 ST
18 5.321-701.0 Handhold 1.000 ST
19 4.040-730.0 Sheet metal component pedal completely K 1.000 ST
20 7.306-224.0 Screw M10x35-A2-70 DIN 7984 1.000 ST
21 6.330-091.0 Extension spring 1.000 ST
22 6.600-300.0 Tachopraph sensor B 1.000 ST
X 23 7.306-443.0 Cylinder head screw M5x12-4.8-A2E ISO 1 2.000 ST
X-X 24 7.312-002.0 Washer 5-200HV-A3E ISO 7090 1.000 ST
X-X 25 4.040-815.0 Dust protection vacuum diaphragm unit ov 1.000 ST
X 26 7.312-278.0 Washer 5-200HV-A2E ISO7093-1 2.000 ST
X-X 27 7.313-002.0 Spring washer B 5-FSt-A3E DIN 127 2.000 ST
Page 21

25 Dust protection vacuum diaphragm unit ov (4.040-815.0)
Pos Material # Name Qty. Unit
1 5.062-199.0 Washer D 34 1.000 ST
Page 22

33 Pedal battery
Page 23

33 Pedal battery
ET/VT (spare/wear parts) Pos Material # Name Qty. Unit
X-X 1 7.306-230.0 Screw M8x25 -A4-70 (In6Rd) 1.000 ST
2 4.040-709.0 Lever lifting reversing rolling mill 1.000 ST
3 6.321-004.0 Star grip M5x10 1.000 ST
X-X 4 6.421-331.0 Vacuum diaphragm unit oval lift 45 mm 1.000 ST
X-X 5 7.311-010.0 Hexagon nut M16-8-A3E ISO 4032 2.000 ST
X-X 6 7.306-089.0 Screw M6x12 -8.8-R2R (In6Rd) 3.000 ST
X-X 7 7.305-104.0 Countersunk screw M8x25 -8.8-R3R ISO 10 2.000 ST
9 7.303-273.0 Saucer-head screw M8x25 -St-P2R DIN 603 1.000 ST
10 7.311-093.0 Hexagon nut M8 -8-R2R ISO 4032 1.000 ST
X-X 14 5.317-086.0 Bolt power brush 1.000 ST
15 7.305-030.0 Countersunk screw M6x12 -8.8-R2R (In6Rd 4.000 ST
16 5.061-804.0 Sheet metal component bearing pedal KM90 2.000 ST
X-X 17 6.403-031.0 Plain bearing 20/28 2.000 ST
18 5.321-701.0 Handhold 1.000 ST
19 4.040-730.0 Sheet metal component pedal completely K 1.000 ST
20 7.306-224.0 Screw M10x35-A2-70 DIN 7984 1.000 ST
21 6.330-091.0 Extension spring 1.000 ST
22 6.600-300.0 Tachopraph sensor B 1.000 ST
X 23 7.306-443.0 Cylinder head screw M5x12-4.8-A2E ISO 1 2.000 ST
X-X 24 7.312-002.0 Washer 5-200HV-A3E ISO 7090 1.000 ST
X-X 25 4.040-815.0 Dust protection vacuum diaphragm unit ov 1.000 ST
X 26 7.312-278.0 Washer 5-200HV-A2E ISO7093-1 3.000 ST
X-X 27 7.313-002.0 Spring washer B 5-FSt-A3E DIN 127 2.000 ST
28 5.095-982.0 Sheet metal component holder micro switc 1.000 ST
29 6.635-560.0 Micro switch with roller lever IP 67 1.000 ST
Page 24

33 Pedal battery
ET/VT (spare/wear parts) Pos Material # Name Qty. Unit
30 7.312-053.0 Washer 2,5-200HV-A3E ISO 7089 2.000 ST
31 7.311-074.0 Hexagon nut M 2-8-A2E ISO 4032 2.000 ST
32 7.306-045.0 Screw M2x20 -8.8-A2R (In6Rd) 2.000 ST
X-X 33 7.306-076.0 Screw M 5x12-ST- 8.8-A2R (IN6RD) 1.000 ST
Page 25

25 Dust protection vacuum diaphragm unit ov (4.040-815.0)
Pos Material # Name Qty. Unit
1 5.062-199.0 Washer D 34 1.000 ST
Page 26

40 Filter box
Page 27

40 Filter box
ET/VT (spare/wear parts) Pos Material # Name Qty. Unit
1 6.368-294.0 Protecting cap black 1/4" PVC 1.000 ST
2 5.107-315.0 Bar box pressure 1.000 ST
X-X 3 6.365-374.0 Sealing profile 1.000 M
5 4.040-879.0 Flange filter box complete 1.000 ST
6 5.111-361.0 Bolt hinge 2.000 ST
7 6.648-739.0 Rubber bushing 1.000 ST
8 6.641-422.0 Wire protecting sleeve 1.000 ST
9 5.069-363.0 Holder flat filter single 1.000 ST
10 7.303-134.0 Screw 4x8 -10.9-R2R (K-In6Rd) 2.000 ST
11 6.273-123.0 Sealing tape 16X6 1.000 M
X 12 6.907-352.0 Flat filter PES 1.000 ST
X 13 6.366-058.0 Sealing profile 1.000 M
X-X 14 7.303-112.0 Screw 6x20 -10.9-R2R (In6Rd) 14.000 ST
15 6.512-011.0 Plug-in connection nipple G1/8" 1.000 ST
16 4.058-457.0 Tank pressure complete 1-fach 1.000 ST
17 5.033-861.0 Tank pressure KM 90/60 R Adv 1.000 ST
18 4.582-021.0 Valve block complete 1.000 ST
19 6.363-640.0 Cellular rubber seal string d=7mm 1.000 M
X-X 20 7.311-424.0 Hexagon nut M4 -8-A2E ISO 7040 3.000 ST
X 21 7.312-001.0 Washer 4 -200HV-A3E ISO 7089 3.000 ST
22 5.095-538.0 Downholder magnet 1.000 ST
23 6.653-017.0 Magnet dedusting filter 12 VDC 1.000 ST
X 24 5.044-838.0 Holder magnet 1.000 ST
25 5.111-288.0 Distance pin short 3.000 ST
X-X 26 6.362-447.0 O-Ring seal 115,0 X 1,78-NBR 70 1.000 ST
Page 28

40 Filter box
ET/VT (spare/wear parts) Pos Material # Name Qty. Unit
27 7.304-157.0 Hexagonal head screw M5x30 -8.8-A2E ISO 1.000 ST
28 5.005-381.0 Plate magnet 1.000 ST
29 5.332-556.0 Spring soft 1.000 ST
30 5.332-555.0 Spring hard 1.000 ST
31 5.069-336.0 Holder spring 1.000 ST
32 7.311-029.0 Hexagon nut M 5-A4-70 ISO 7042 1.000 ST
X-X 34 7.311-510.0 Hexagon nut M 8-8-A2E ISO 7040 2.000 ST
X-X 35 7.312-268.0 Washer 8 -A2 ISO 7094 4.000 ST
36 5.332-222.0 Helical spring 1.000 ST
37 6.321-256.0 Star grip grey M8x63 1.000 ST
40 6.321-257.0 Star grip grey M8x43 1.000 ST
41 6.304-122.0 Oval head screw M 5x25-A2-70 4.000 ST
42 6.476-041.0 Air pump 12 V 1.000 ST
X-X 43 7.303-108.0 Screw 5x20 -10.9-R2R (In6Rd) 8.000 ST
44 5.033-163.0 Front component filter box KM 90/60 R 1.000 ST
X-X 45 6.415-896.0 Air flap 1.000 ST
46 5.363-150.0 Joint ring 1.000 ST
47 5.095-501.0 Plate covering cap filter box 1.000 ST
X-X 48 7.306-089.0 Screw M6x12 -8.8-R2R (In6Rd) 2.000 ST
49 5.009-426.0 Plate fixing cable 2.000 ST
X 50 7.312-277.0 Washer 8-200HV-A2E ISO7093-1 4.000 ST
51 7.304-401.0 Hexagonal head screw M 8x60-8.8-A2E ISO 4.000 ST
52 5.112-805.0 Spacer sleeve 4.000 ST
X-X 53 7.312-260.0 Washer 6 -100HV-A3E ISO 7094 4.000 ST
X-X 54 7.303-209.0 Screw 6x50 -10.9-R2R (K-In6Rd) 4.000 ST
Page 29

40 Filter box
ET/VT (spare/wear parts) Pos Material # Name Qty. Unit
55 7.312-287.0 Washer 12-200HV-A2E ISO7093-1 1.000 ST
X 56 7.312-264.0 Washer 5-100HV-A3E ISO 7094 4.000 ST
X-X 57 7.311-431.0 Hexagon nut M 5-1.4305 ISO 10511 4.000 ST
X-X 58 6.362-703.0 O-Ring seal 6,0x1,5-NBR 70 7.000 ST
60 6.312-147.0 Washer TOLDIN522-C-A2-5,3x20x1,5 1.000 ST
61 7.333-008.0 Disc spring A10 -St DIN 2093 1.000 ST
62 5.363-811.0 Seal flange filter box 1.000 ST
63 6.391-299.0 Hose 1.000 M
X-X 64 6.368-089.0 Edge protection 1.000 M
65 6.273-120.0 Adhesiv cloth tape Zellkautschuk 1.000 M
66 4.582-022.0 Spare part valve 1.000 ST
X 67 4.641-054.0 Spare part set valve 1.000 ST
68 6.346-036.0 Ring 1.000 ST
69 5.115-794.0 Washer 1.000 ST
X-X 70 6.304-142.0 Oval head screw M 5X 8 1.000 ST
X 71 6.476-047.0 Filter air pump 1.000 ST
72 2.643-480.0 Conversion kit cable TACT KM 90/60 R Adv 1.000 ST
Page 30

18 Valve block complete (4.582-021.0)
Page 31

18 Valve block complete (4.582-021.0)
ET/VT (spare/wear parts) Pos Material # Name Qty. Unit
X 10 5.044-838.0 Holder magnet 1.000 ST
X-X 20 6.362-447.0 O-Ring seal 115,0 X 1,78-NBR 70 1.000 ST
30 5.582-161.0 Valve disc 1.000 ST
40 5.332-556.0 Spring soft 1.000 ST
60 5.005-381.0 Plate magnet 1.000 ST
70 6.312-147.0 Washer TOLDIN522-C-A2-5,3x20x1,5 1.000 ST
80 7.304-157.0 Hexagonal head screw M5x30 -8.8-A2E ISO 1.000 ST
90 Magnet dedusting filter 12 VDC 1.000 ST
100 5.069-336.0 Holder spring 1.000 ST
110 5.095-538.0 Downholder magnet 1.000 ST
120 5.095-546.0 Sheet metal component holder-up O-Ring s 1.000 ST
130 7.311-029.0 Hexagon nut M 5-A4-70 ISO 7042 1.000 ST
140 7.333-008.0 Disc spring A10 -St DIN 2093 1.000 ST
150 6.869-070.0 Metal bonding agent 1.000 ZST
Page 32

50 Sweep roller chest
Page 33

50 Sweep roller chest
ET/VT (spare/wear parts) Pos Material # Name Qty. Unit
X-X 1 7.306-089.0 Screw M6x12 -8.8-R2R (In6Rd) 14.000 ST
2 5.009-373.0 Plate apron left 1.000 ST
X-X 3 5.394-833.0 Skirting side 2.000 ST
4 7.343-006.0 Locking ring 17x1-St-ph DIN 471 3.000 ST
X-X 5 7.401-105.0 Ball bearing 6003-2RS Wälzl.St DIN 625 10.000 ST
X-X 6 5.122-189.0 Flange cast 4.000 ST
X 7 7.343-073.0 Locking ring 19 -FST-PHR DIN 6799 2.000 ST
8 5.105-588.0 Shaft carrier left 1.000 ST
9 5.061-430.0 Sheet metal component lever 2.000 ST
X 10 7.303-047.0 Screw M6x16 -St-R3R (In6Rd) 6.000 ST
14 7.303-066.0 Screw M6x30 -St-R3R (In6Rd) 6.000 ST
X-X 15 6.321-238.0 Star grip 1.000 ST
X-X 16 7.313-002.0 Spring washer B 5-FSt-A3E DIN 127 1.000 ST
17 7.304-031.0 Hexagonal head screw M8x55-8.8-A2E ISO 2.000 ST
X-X 18 5.316-320.0 Bolt 2.000 ST
X-X 19 7.312-074.0 Washer 10 -CuZn ISO 7092 2.000 ST
20 5.061-427.0 Sheet metal component bulk waste flap le 1.000 ST
X-X 22 6.321-237.0 Star grip 2.000 ST
X 23 6.630-738.0 Extension spring Z-162FX 2.000 ST
X-X 24 7.311-004.0 Hexagon nut M8 -8-A3E ISO 4032 4.000 ST
X-X 25 7.311-427.0 Hexagon nut M8 -04-A2E ISO 10511 10.000 ST
X-X 26 5.394-834.0 Rear skirting 1.000 ST
27 5.061-428.0 Sheet metal component deflection pulley 1.000 ST
X-X 28 6.365-375.0 Sealing profile 1.000 M
29 5.009-610.0 Plate blank holder seal 1.000 ST
Page 34

50 Sweep roller chest
ET/VT (spare/wear parts) Pos Material # Name Qty. Unit
X-X 30 7.343-003.0 Locking ring 12x1-Rf-St DIN 471 1.000 ST
X-X 31 6.401-363.0 Ball bearing 2.000 ST
X-X 32 7.401-115.0 Ball bearing 6002-2RS -WAELZLAGST DIN 62 1.000 ST
33 5.317-210.0 Bolt 1.000 ST
X 34 7.312-277.0 Washer 8-200HV-A2E ISO7093-1 7.000 ST
35 7.303-230.0 Saucer-head screw M8x20 -8.8-A2E DIN603 1.000 ST
X-X 36 6.348-276.0 Deflection pulley 1.000 ST
X-X 37 7.304-406.0 Hexagonal head screw M 8x35-8.8-A2E IS 1.000 ST
X-X 38 6.348-449.0 V-Belt XPZ LW1500 1.000 ST
39 7.305-030.0 Countersunk screw M6x12 -8.8-R2R (In6Rd 1.000 ST
X-X 40 5.115-361.0 Washer 1.000 ST
X-X 41 6.348-297.0 Deflection pulley 1.000 ST
X-X 42 5.317-229.0 Bolt bearing deflection pulley 1.000 ST
X-X 43 7.312-276.0 Washer 6 -200HV-A2E ISO7093-1 1.000 ST
X-X 44 7.311-512.0 Hexagon nut M 6-8-A2E ISO 7040 2.000 ST
X-X 45 7.304-536.0 Hexagonal head screw M 6x20-A4-70 ISO 4 1.000 ST
X-X 46 7.304-407.0 Hexagonal head screw M 8x45-8.8-A2E ISO 1.000 ST
47 5.105-587.0 Shaft carrier right 1.000 ST
X-X 48 7.318-065.0 Parallel key 5x5x14-C45R DIN 6885 2.000 ST
49 5.111-062.0 Sleeve spacer belt stretcher 1.000 ST
50 7.303-165.0 Saucer-head screw M8x55-ST-A0P DIN 603 1.000 ST
X-X 51 7.311-510.0 Hexagon nut M 8-8-A2E ISO 7040 1.000 ST
X-X 52 5.625-380.0 Belt pulley 1.000 ST
X-X 53 6.348-448.0 V-Belt X10 LW 622 1.000 ST
X 54 5.009-372.0 Plate apron right 1.000 ST
Page 35

50 Sweep roller chest
ET/VT (spare/wear parts) Pos Material # Name Qty. Unit
55 5.625-489.0 Belt pulley 2.000 ST
X-X 57 6.401-231.0 Flanged bearing 2.000 ST
X-X 58 7.318-002.0 Parallel key 5x5x16 -C45R DIN 6885-1 2.000 ST
59 5.105-664.0 Shaft transmission 1.000 ST
X-X 60 7.343-040.0 Locking ring 20x1,2 -St-ph DIN 471 2.000 ST
X-X 61 7.343-304.0 Lock washer 15 -A2 DIN 6799 1.000 ST
62 5.625-477.0 Belt pulley 1.000 ST
X-X 63 7.343-004.0 Locking ring 15x1-FST-PHR DIN 471 1.000 ST
X-X 64 4.762-430.0 Reversing rolling mill complete KM 90 /6 1.000 ST
X-X 65 5.394-832.0 Skirting front 1.000 ST
66 4.040-701.0 Sheet metal component bulk waste flap kp 1.000 ST
X-X 67 6.321-236.0 Star grip 1.000 ST
68 7.304-395.0 Hexagonal head screw M8x16-8.8-A2E ISO 1.000 ST
69 6.365-371.0 Profile gasket 1.000 M
70 5.061-430.0 Sheet metal component lever 1.000 ST
71 5.009-573.0 Plate holder skirting 1.000 ST
X-X 72 7.312-260.0 Washer 6 -100HV-A3E ISO 7094 1.000 ST
X 73 6.343-149.0 Quick-fastener 2.000 ST
X-X 74 5.394-843.0 Skirting sweep roller chest rear 1.000 ST
X-X 75 5.317-126.0 Tension roller gear BR 40/25 1.000 ST
X-X 76 5.110-995.0 Spacer sleeve roller 1.000 ST
X 77 7.343-151.0 Locking ring 28x1,2-FST-RF DIN 472 1.000 ST
78 5.129-224.0 Sleeve 1.000 ST
X 79 7.303-009.0 Saucer-head screw M8x50-8.8-A2E DIN 603 1.000 ST
X-X 80 7.312-017.0 Washer 8-A2 ISO 7089 1.000 ST
Page 36

50 Sweep roller chest
ET/VT (spare/wear parts) Pos Material # Name Qty. Unit
82 5.116-420.0 Spacer washer 30x17.5x2.5 1.000 ST
83 5.062-208.0 Sheet metal component left 1.000 ST
X-X 84 7.306-061.0 Cylinder head screw M10X 20-8.8-A2R ISO 2.000 ST
X-X 85 7.312-005.0 Washer 10-200HV-A3E ISO 7090 2.000 ST
86 5.062-209.0 Sheet metal component right 1.000 ST
87 5.114-563.0 Guide ring 1.000 ST
88 5.094-412.0 Sheet metal component cover 1.000 ST
89 5.114-569.0 Sleeve 2.000 ST
X-X 90 6.304-121.0 Oval head screw M 5X12 2.000 ST
X 91 7.306-042.0 Cylinder head screw M8x25 -8.8-A2E ISO4 2.000 ST
X 92 7.303-047.0 Screw M6x16 -St-R3R (In6Rd) 6.000 ST
93 4.040-824.0 Sheet metal component sweep roller chang 1.000 ST
94 5.062-446.0 Sheet metal component hang in spring 1.000 ST
Page 37

64 Reversing rolling mill complete KM 90 /6 (4.762-430.0)
ET/VT (spare/wear parts) Pos Material # Name Qty. Unit
X-X 30 7.303-107.0 Screw 5x16 -10.9-P2R (K-In6Rd) 4.000 ST
Page 38

66 Sheet metal component bulk waste flap kp (4.040-701.0)
ET/VT (spare/wear parts) Pos Material # Name Qty. Unit
X-X 20 7.305-091.0 Countersunk screw M5x25 -A2-70 (In6Rd) 5.000 ST
X 30 7.305-050.0 Countersunk screw M5x20 -A2-70-s (In6Rd 1.000 ST
Page 39

93 Sheet metal component sweep roller chang (4.040-824.0)
ET/VT (spare/wear parts) Pos Material # Name Qty. Unit
X-X 20 7.304-406.0 Hexagonal head screw M 8x35-8.8-A2E IS 1.000 ST
Page 40

60 Operating unit
Pos Name Qty. Unit
61 Control panel battery 1.000 ST
62 Operating unit key switch 1.000 ST
Page 41

61 Control panel battery
Page 42

61 Control panel battery
ET/VT (spare/wear parts) Pos Material # Name Qty. Unit
1 6.303-125.0 Screw 5x20-Sonder In6Rd+Spitze 6.000 ST
2 6.632-367.0 Switch 2-polig Fahrtrichtung 1.000 ST
3 5.033-409.0 Moulded part symbol washer RRB 360 1.000 ST
4 7.307-025.0 Threaded pin M3x10 St-45H ISO 4029 1.000 ST
5 7.305-019.0 Countersunk screw M4x16 -8.8-R2R (In6Rd 2.000 ST
X-X 6 5.321-738.0 Handhold operational concept 1.000 ST
7 Pushbutton two-pole hooter 1.000 ST
8 7.306-217.0 Screw M5x14 -8.8-R2R (In6Rd) 1.000 ST
9 7.312-231.0 Serrated lock washer A5,3 -FSt-A3E DIN6 1.000 ST
X-X 10 7.311-002.0 Hexagon nut M5 -8-A2E ISO 4032 1.000 ST
X-X 11 6.631-736.0 Blind plug 1.000 ST
X 12 6.681-108.0 Hour counter 5-80V 1.000 ST
13 2.885-057.0 Set control panel circuit board 1.000 ST
X-X 14 6.600-113.0 Pushbutton emergency stop 1.000 ST
X-X 15 6.600-114.0 Switch 1.000 ST
X-X 16 2.630-001.0 Switch program selection 1.000 ST
X 17 6.362-410.0 O-Ring seal 40,4x1,5 1.000 ST
X-X 18 6.313-014.0 Spring element 1.000 ST
19 7.312-015.0 Washer 3 -Kunststoff ISO 7089 1.000 ST
Page 43

62 Operating unit key switch
Page 44

62 Operating unit key switch
ET/VT (spare/wear parts) Pos Material # Name Qty. Unit
1 6.303-125.0 Screw 5x20-Sonder In6Rd+Spitze 4.000 ST
X-X 2 6.630-106.0 Key switch 1.000 ST
Page 45

70 Transmission battery
Page 46

70 Transmission battery
ET/VT (spare/wear parts) Pos Material # Name Qty. Unit
X-X 1 7.307-304.0 Threaded pin M4x6 -A2-21H ISO 4028 1.000 ST
X 2 5.625-485.0 Belt pulley transmission motor Bp 1.000 ST
X-X 3 7.318-070.0 Parallel key 5x5x20-C45R DIN 6885-1 1.000 ST
4 7.343-006.0 Locking ring 17x1-St-ph DIN 471 1.000 ST
X-X 6 7.343-004.0 Locking ring 15x1-FST-PHR DIN 471 1.000 ST
7 6.330-173.0 Extension spring 1.000 ST
X-X 9 6.403-028.0 Plain bearing 1.000 ST
X-X 10 7.304-521.0 Hexagonal head screw M 6x16-A4-70 ISO 4 4.000 ST
X-X 11 7.312-004.0 Washer 8 -200HV-A3E ISO 7090 4.000 ST
X-X 12 7.311-510.0 Hexagon nut M 8-8-A2E ISO 7040 4.000 ST
X-X 13 6.348-452.0 Ribbed band 4PJ L=660mm 1.000 ST
X-X 14 6.613-288.0 Direct current motor 1.000 ST
15 5.625-486.0 Belt pulley sweep roller chest Bp 1.000 ST
X-X 16 7.311-421.0 Hexagon nut M 5-04-A2E ISO 10511 1.000 ST
X-X 17 7.306-079.0 Screw M5x25 -8.8-R2R (In6Rd) 1.000 ST
X 18 4.570-010.0 Ring complete 1.000 ST
19 5.625-487.0 Belt pulley transmission blower Bp 1.000 ST
X-X 20 6.348-453.0 Round belt d=8 L=600mm 1.000 ST
X-X 21 7.343-079.0 Shim ring 17x24x0,5 -A2 DIN 988 1.000 ST
22 5.625-488.0 Belt pulley blower wheel Bp 1.000 ST
X-X 23 7.318-084.0 Parallel key 5x5x12 -C45R DIN 6885-1 1.000 ST
X-X 24 7.401-105.0 Ball bearing 6003-2RS Wälzl.St DIN 625 2.000 ST
X-X 25 5.122-189.0 Flange cast 1.000 ST
26 5.105-622.0 Shaft holder blower Bp 1.000 ST
X-X 27 7.303-112.0 Screw 6x20 -10.9-R2R (In6Rd) 7.000 ST
Page 47

70 Transmission battery
ET/VT (spare/wear parts) Pos Material # Name Qty. Unit
X 28 7.303-047.0 Screw M6x16 -St-R3R (In6Rd) 3.000 ST
X 30 6.484-330.0 Blower wheel 1.000 ST
31 5.033-321.0 Housing cover blower KM90/60R 1.000 ST
X-X 32 7.312-276.0 Washer 6 -200HV-A2E ISO7093-1 4.000 ST
X-X 34 7.312-017.0 Washer 8-A2 ISO 7089 1.000 ST
X 35 7.306-042.0 Cylinder head screw M8x25 -8.8-A2E ISO4 1.000 ST
X 36 7.343-151.0 Locking ring 28x1,2-FST-RF DIN 472 1.000 ST
37 7.401-111.0 Ball bearing 6001-2RS -WAELZLAGST DIN 6 1.000 ST
38 5.317-672.0 Tension roller 1.000 ST
X-X 39 5.110-995.0 Spacer sleeve roller 1.000 ST
40 4.040-875.0 Cocking lever complete 1.000 ST
X-X 41 6.474-075.0 Vacuum pump 24V 1.000 ST
X-X 42 7.311-512.0 Hexagon nut M 6-8-A2E ISO 7040 3.000 ST
43 7.306-090.0 Screw M6x16 -8.8-R3R (In6Rd) 3.000 ST
44 7.312-291.0 Washer 6-200HV-A2R ISO7093-1 3.000 ST
Page 48

14 Direct current motor (6.613-288.0)
ET/VT (spare/wear parts) Pos Material # Name Qty. Unit
X-X 999 6.610-239.0 Carbon brush set ATAS 1.000 ST
Page 49

80 Battery box completely
Page 50

80 Battery box completely
ET/VT (spare/wear parts) Pos Material # Name Qty. Unit
X-X 1 7.304-801.0 Hexagonal head screw M10x25-A4-70 ISO 4 2.000 ST
2 5.116-060.0 Washer 2.000 ST
X-X 3 7.312-066.0 Washer 10 -A2 ISO 7090 2.000 ST
4 6.435-840.0 Wheel complete 4.00-8, 6PR 2.000 ST
X-X 4 6.435-698.0 Wheel solid rubber non-chalking 2.000 ST
X-X 5 7.311-004.0 Hexagon nut M8 -8-A3E ISO 4032 4.000 ST
X-X 6 7.312-004.0 Washer 8 -200HV-A3E ISO 7090 4.000 ST
X-X 7 7.303-204.0 Saucer-head screw M8x20 -St-A2R DIN 603 4.000 ST
8 7.312-261.0 Washer 8 -100HV-A3E ISO 7094 7.000 ST
9 7.306-151.0 Cylinder head screw M8x65 -8.8-A2E ISO4 7.000 ST
10 6.339-065.0 Rubber buffer 2.000 ST
X-X 11 7.307-015.0 Threaded pin M8x50-St-45H-A2E ISO 4026 2.000 ST
Page 51

90 Side broom right
Page 52

90 Side broom right
ET/VT (spare/wear parts) Pos Material # Name Qty. Unit
1 7.303-262.0 Eye screw LBM 8x30-1.4571 DIN 444 1.000 ST
X-X 2 6.401-242.0 Flanged bearing 1.000 ST
X-X 4 7.303-107.0 Screw 5x16 -10.9-P2R (K-In6Rd) 2.000 ST
5 6.303-031.0 Screw M8x16-ST-A2R DIN 7500-1 2.000 ST
6 5.061-410.0 Sheet metal component vacuum diaphragm u 1.000 ST
X-X 7 6.421-331.0 Vacuum diaphragm unit oval lift 45 mm 1.000 ST
X-X 8 6.348-409.0 Round belt 1.000 ST
9 5.105-591.0 Shaft bearing side brush 1.000 ST
10 4.040-866.0 Lifting right complete 1.000 ST
X-X 11 6.330-456.0 Extension spring RZ-177I m=5 1.000 ST
X-X 12 6.330-200.0 Extension spring 1.000 ST
13 5.115-150.0 Washer 1.000 ST
X-X 14 7.306-031.0 Screw M 6x16-A2-70 DIN 7984 1.000 ST
15 7.306-092.0 Screw M6x20-ST- 8.8-R3R (IN6RD) 2.000 ST
16 5.625-360.0 Belt pulley 1.000 ST
X 17 7.307-352.0 Threaded pin M 6X 14-45H ISO 4029 1.000 ST
X-X 19 5.105-590.0 Shaft transmission side brush 1.000 ST
X-X 20 6.465-020.0 Coupler 1.000 ST
22 7.306-092.0 Screw M6x20-ST- 8.8-R3R (IN6RD) 5.000 ST
X 24 5.110-703.0 Sleeve 1.000 ST
X-X 25 5.064-252.0 Rejecting plate 1.000 ST
X-X 26 7.318-079.0 Parallel key A 5x5x25-C45R DIN 6885 1.000 ST
X-X 27 5.120-305.0 Hub 1.000 ST
X-X 28 7.312-260.0 Washer 6 -100HV-A3E ISO 7094 1.000 ST
X-X 29 6.906-132.0 Side broom standard 1.000 ST
Page 53

90 Side broom right
ET/VT (spare/wear parts) Pos Material # Name Qty. Unit
X-X 29 6.905-625.0 Side broom hard 1.000 ST
X-X 29 6.905-626.0 Side broom soft 1.000 ST
X-X 30 7.306-500.0 Cylinder head screw M6x12-8.8-A2E DIN 6 3.000 ST
X-X 31 6.330-079.0 Extension spring 1.000 ST
X-X 32 7.312-276.0 Washer 6 -200HV-A2E ISO7093-1 2.000 ST
X-X 33 4.040-867.0 Arm side broom right 1.000 ST
X-X 34 4.040-815.0 Dust protection vacuum diaphragm unit ov 1.000 ST
X-X 35 6.454-079.0 Worm gearing 1.000 ST
X 36 7.312-062.0 Washer 10-Kunststoff ISO7089 2.000 ST
X-X 37 7.312-005.0 Washer 10-200HV-A3E ISO 7090 1.000 ST
X-X 38 7.316-341.0 Cotter 3,2x16-St-A2E ISO 1234 1.000 ST
39 4.040-865.0 Suspension side broom complete 1.000 ST
X 40 7.316-225.0 Bolt B10,0x65-ST-A2E ISO 2341 1.000 ST
X-X 41 2.642-695.0 Conversion kit side broom right KM 90/60 1.000 ST
X-X 42 7.304-406.0 Hexagonal head screw M 8x35-8.8-A2E IS 1.000 ST
X-X 43 7.311-427.0 Hexagon nut M8 -04-A2E ISO 10511 1.000 ST
Page 54

34 Dust protection vacuum diaphragm unit ov (4.040-815.0)
Pos Material # Name Qty. Unit
1 5.062-199.0 Washer D 34 1.000 ST
Page 55

100 Electronics battery
Page 56

100 Electronics battery
ET/VT (spare/wear parts) Pos Material # Name Qty. Unit
1 6.303-109.0 Screw SPAX 5x20-ST-A2E 12.000 ST
X-X 2 7.306-184.0 Screw M5x30 -A2-70 (In6Rd) 2.000 ST
3 6.648-602.0 Holder 4.000 ST
X-X 4 6.472-979.0 Solenoid valve 2.000 ST
5 7.303-030.0 Screw M4x8 -St-P2R (In6Rd) 4.000 ST
X-X 6 6.635-566.0 Pressure switch 1.000 ST
X-X 7 6.633-389.0 Relay 1.000 ST
X 8 7.307-352.0 Threaded pin M 6X 14-45H ISO 4029 4.000 ST
9 6.339-208.0 Rubber buffer 4.000 ST
X-X 10 6.686-543.0 Control system KM 90/60 R Adv Bp/Pack 1.000 ST
X-X 11 7.312-003.0 Washer 6 -200HV-A3E ISO 7090 8.000 ST
X-X 12 7.306-201.0 Screw M 6x55-A2-70 (IN6RD) 4.000 ST
13 7.304-540.0 Hexagonal head screw M 6x8-A4-70 ISO 40 3.000 ST
X-X 14 7.313-018.0 Spring washer B 6-1.4310 DIN 127 3.000 ST
X-X 15 7.303-037.0 Screw M5x10 -St-P2R (In6Rd) 3.000 ST
X-X 16 6.761-336.0 Filter pneumatic 2.000 ST
X-X 17 6.647-081.0 Cable tape 5.000 ST
X 18 6.768-360.0 Ribbon cable 34 pol. 300mm 1.000 ST
X 19 5.394-852.0 Covering cap batterie terminal 1.000 ST
X-X 20 6.643-948.0 Pole binder single 1.000 ST
21 6.368-294.0 Protecting cap black 1/4" PVC 1.000 ST
22 6.650-287.0 Cable harness KM 90/60 R Bp Adv 1.000 ST
X-X 23 6.649-303.0 Supply cable adapter BR/BD 45-55/40 1.000 ST
X-X 24 6.644-348.0 Nut with flange 1.000 ST
X-X 25 6.644-360.0 Fuse 125A 1.000 ST
Page 57

100 Electronics battery
ET/VT (spare/wear parts) Pos Material # Name Qty. Unit
26 6.650-416.0 Adapter control system single TACT 1.000 ST
Page 58

110 Accessories
Pos Name Qty. Unit
111 ABS side broom left 1.000 ST
112 Add-on kit revolving signal light 1.000 ST
113 Add-on kit filter box double APFC 1.000 ST
114 Add-on kit carpet sweep 1.000 ST
115 Add-on kit tire equipment solid rubber 1.000 ST
Page 59

111 ABS side broom left
Page 60

111 ABS side broom left
ET/VT (spare/wear parts) Pos Material # Name Qty. Unit var. information
1 7.303-262.0 Eye screw LBM 8x30-1.4571 DIN 444 1.000 ST
X-X 2 6.401-242.0 Flanged bearing 2.000 ST
X-X 3 7.311-004.0 Hexagon nut M8 -8-A3E ISO 4032 1.000 ST
X-X 4 7.303-107.0 Screw 5x16 -10.9-P2R (K-In6Rd) 2.000 ST
5 6.303-031.0 Screw M8x16-ST-A2R DIN 7500-1 2.000 ST
6 5.061-444.0 Sheet metal component holder UDD links 1.000 ST
X-X 7 6.421-331.0 Vacuum diaphragm unit oval lift 45 mm 1.000 ST
X-X 8 6.348-409.0 Round belt 1.000 ST
9 5.105-591.0 Shaft bearing side brush 1.000 ST
10 4.040-869.0 Lifting left complete 1.000 ST
X 11 7.316-225.0 Bolt B10,0x65-ST-A2E ISO 2341 1.000 ST
X-X 12 6.330-200.0 Extension spring 1.000 ST
13 5.115-150.0 Washer 1.000 ST
X-X 14 7.306-031.0 Screw M 6x16-A2-70 DIN 7984 1.000 ST
X-X 15 7.303-139.0 Saucer-head screw M6x20 -A2 DIN 603 2.000 ST
16 5.625-477.0 Belt pulley 1.000 ST
X-X 17 7.343-004.0 Locking ring 15x1-FST-PHR DIN 471 4.000 ST
X-X 19 5.105-590.0 Shaft transmission side brush 1.000 ST
X-X 20 6.465-020.0 Coupler 1.000 ST
22 7.306-092.0 Screw M6x20-ST- 8.8-R3R (IN6RD) 7.000 ST
23 5.105-618.0 Shaft transmission left SB 1.000 ST
X 24 5.110-703.0 Sleeve 1.000 ST
X-X 25 5.064-252.0 Rejecting plate 1.000 ST
X-X 26 7.318-079.0 Parallel key A 5x5x25-C45R DIN 6885 1.000 ST
X-X 27 5.120-305.0 Hub 1.000 ST
Page 61

111 ABS side broom left
ET/VT (spare/wear parts) Pos Material # Name Qty. Unit var. information
X-X 28 7.312-260.0 Washer 6 -100HV-A3E ISO 7094 1.000 ST
X-X 29 6.905-626.0 Side broom soft 1.000 ST
X-X 29 6.906-132.0 Side broom standard 1.000 ST
X-X 30 7.306-500.0 Cylinder head screw M6x12-8.8-A2E DIN 6 3.000 ST
X-X 31 7.314-945.0 Spring pin 5,0x28-St ISO 8752 1.000 ST VERSION 2 (l = 28mm)
X-X 31 6.491-557.0 Spring pin 2.000 ST VERSION 1 (l = 25,4mm)
X-X 32 5.317-086.0 Bolt power brush 1.000 ST
X-X 33 6.330-079.0 Extension spring 1.000 ST
34 5.625-360.0 Belt pulley 1.000 ST
X 35 7.307-352.0 Threaded pin M 6X 14-45H ISO 4029 1.000 ST
X-X 36 6.465-027.0 Coupler 1.000 ST
X-X 37 7.312-276.0 Washer 6 -200HV-A2E ISO7093-1 2.000 ST
X-X 38 7.311-425.0 Hexagon nut M6 -04-A2E ISO 10511 2.000 ST
X-X 39 7.318-065.0 Parallel key 5x5x14-C45R DIN 6885 1.000 ST
X 40 4.040-870.0 Arm side brush left 1.000 ST
41 6.454-036.0 Worm gearing 1.000 ST
42 4.040-868.0 Suspension side brush left 1.000 ST
X-X 43 6.330-456.0 Extension spring RZ-177I m=5 1.000 ST
X 44 7.312-062.0 Washer 10-Kunststoff ISO7089 2.000 ST
X-X 45 7.312-005.0 Washer 10-200HV-A3E ISO 7090 1.000 ST
X-X 46 7.316-341.0 Cotter 3,2x16-St-A2E ISO 1234 1.000 ST
Page 62

112 Add-on kit revolving signal light
Page 63

112 Add-on kit revolving signal light
ET/VT (spare/wear parts) Pos Material # Name Qty. Unit
X-X 1 7.303-112.0 Screw 6x20 -10.9-R2R (In6Rd) 3.000 ST
2 7.373-000.0 Clamp 1-6-W1-2 DIN 72571 5.000 ST
3 5.062-430.0 Plate covering cap revolving signal ligh 1.000 ST
4 4.040-889.0 Tube holder complete ABS RKL KM90/60R Ad 1.000 ST
X-X 5 4.058-595.0 Revolving signal light 12/24V 1.000 ST
6 6.632-476.0 Switch two-pole lamp 1.000 ST
7 2.820-271.0 Cable set revolving signal light 1.000 ST
8 6.368-106.0 Edge protection 1.000 M
9 6.651-295.0 Halogen lamp 24V70W 1.000 ST
X-X 10 6.651-284.0 Halogen lamp 12V55W 1.000 ST
X-X 11 7.303-107.0 Screw 5x16 -10.9-P2R (K-In6Rd) 9.000 ST
12 6.647-577.0 Tab 1.000 ST
13 6.640-295.0 Ferrite core 1.000 ST
Page 64

113 Add-on kit filter box double APFC
Page 65

113 Add-on kit filter box double APFC
ET/VT (spare/wear parts) Pos Material # Name Qty. Unit
1 6.368-294.0 Protecting cap black 1/4" PVC 1.000 ST
2 5.107-315.0 Bar box pressure 1.000 ST
7 6.648-739.0 Rubber bushing 1.000 ST
8 6.641-422.0 Wire protecting sleeve 1.000 ST
9 5.069-366.0 Holder flat filter double 1.000 ST
X 12 6.907-352.0 Flat filter PES 2.000 ST
X 13 6.366-058.0 Sealing profile 1.000 M
X-X 14 7.303-112.0 Screw 6x20 -10.9-R2R (In6Rd) 17.000 ST
15 6.512-011.0 Plug-in connection nipple G1/8" 1.000 ST
16 4.058-458.0 Tank pressure complete 2-fach 1.000 ST
17 5.033-861.0 Tank pressure KM 90/60 R Adv 1.000 ST
18 4.582-023.0 Valve block without dividing wall 1.000 ST
19 6.363-640.0 Cellular rubber seal string d=7mm 1.000 M
X-X 20 7.311-424.0 Hexagon nut M4 -8-A2E ISO 7040 6.000 ST
X 21 7.312-001.0 Washer 4 -200HV-A3E ISO 7089 6.000 ST
22 5.095-538.0 Downholder magnet 2.000 ST
23 6.653-017.0 Magnet dedusting filter 12 VDC 2.000 ST
X 24 5.044-838.0 Holder magnet 2.000 ST
25 5.111-288.0 Distance pin short 6.000 ST
X-X 26 6.362-447.0 O-Ring seal 115,0 X 1,78-NBR 70 2.000 ST
27 7.304-157.0 Hexagonal head screw M5x30 -8.8-A2E ISO 2.000 ST
28 5.005-381.0 Plate magnet 2.000 ST
29 5.332-556.0 Spring soft 2.000 ST
30 5.332-555.0 Spring hard 2.000 ST
31 5.069-429.0 Holder spring 1.000 ST
Page 66

113 Add-on kit filter box double APFC
ET/VT (spare/wear parts) Pos Material # Name Qty. Unit
32 7.311-029.0 Hexagon nut M 5-A4-70 ISO 7042 2.000 ST
X-X 34 7.311-427.0 Hexagon nut M8 -04-A2E ISO 10511 2.000 ST
X-X 35 7.312-268.0 Washer 8 -A2 ISO 7094 4.000 ST
36 5.332-222.0 Helical spring 1.000 ST
37 6.321-256.0 Star grip grey M8x63 1.000 ST
40 6.321-257.0 Star grip grey M8x43 1.000 ST
X-X 58 6.362-703.0 O-Ring seal 6,0x1,5-NBR 70 7.000 ST
60 6.312-147.0 Washer TOLDIN522-C-A2-5,3x20x1,5 1.000 ST
61 7.333-008.0 Disc spring A10 -St DIN 2093 1.000 ST
X-X 64 6.368-089.0 Edge protection 1.000 M
65 6.273-120.0 Adhesiv cloth tape Zellkautschuk 1.000 M
66 4.582-022.0 Spare part valve 1.000 ST
X 67 4.641-054.0 Spare part set valve 1.000 ST
68 5.115-794.0 Washer 1.000 ST
X-X 69 6.304-142.0 Oval head screw M 5X 8 1.000 ST
Page 67

114 Add-on kit carpet sweep
Page 68

114 Add-on kit carpet sweep
ET/VT (spare/wear parts) Pos Material # Name Qty. Unit
1 5.050-403.0 Handle carriage adjustment 2.000 ST
2 5.033-831.0 Covering left 1.000 ST
X-X 3 7.304-375.0 Hexagonal head screw M 5x25-8.8-A2E IS 8.000 ST
4 5.062-361.0 Sheet metal component holder left 1.000 ST
5 7.304-394.0 Hexagonal head screw M8x12 -8.8-A2E ISO 2.000 ST
6 7.312-052.0 Washer 5 -A2 ISO 7089 8.000 ST
7 5.105-673.0 Bolt handle 2.000 ST
X 8 5.332-207.0 Helical spring 2.000 ST
9 5.062-363.0 Sheet metal component support 2.000 ST
10 5.062-362.0 Sheet metal component fixing 2.000 ST
11 5.110-315.0 Sleeve 12.000 ST
X-X 12 7.311-421.0 Hexagon nut M 5-04-A2E ISO 10511 12.000 ST
13 5.116-439.0 Sleeve belt stretcher 2.000 ST
14 7.304-374.0 Hexagonal head screw M 5x20-8.8-A2E IS 4.000 ST
15 5.062-357.0 Sheet metal component adjustment 2.000 ST
X-X 16 7.311-060.0 Hexagon nut M 8-A2-70 EN 1661 2.000 ST
X 17 7.312-264.0 Washer 5-100HV-A3E ISO 7094 4.000 ST
18 5.062-356.0 Sheet metal component carrier 2.000 ST
19 5.062-358.0 Sheet metal component holder right 1.000 ST
20 5.033-830.0 Covering right 1.000 ST
21 4.762-441.0 Reversing rolling mill complete antistat 1.000 ST
22 6.303-183.0 Self-drilling screw ST4,8X16-K-ST-A2E D 5.000 ST
23 5.061-845.0 Sheet metal component holder perforated 1.000 ST
24 5.061-846.0 Sheet metal component perforated grid 1.000 ST
25 6.321-004.0 Star grip M5x10 2.000 ST
Page 69

21 Reversing rolling mill complete antistat (4.762-441.0)
Page 70

21 Reversing rolling mill complete antistat (4.762-441.0)
ET/VT (spare/wear parts) Pos Material # Name Qty. Unit
X-X 30 7.303-107.0 Screw 5x16 -10.9-P2R (K-In6Rd) 4.000 ST
Page 71

115 Add-on kit tire equipment solid rubber
Page 72

115 Add-on kit tire equipment solid rubber
ET/VT (spare/wear parts) Pos Material # Name Qty. Unit
1 2.642-936.0 Add-on kit tire equipment solid rubber 1.000 ST
X-X 2 6.435-811.0 Wheel breakdown surely 1.000 ST
X-X 3 6.435-439.0 Wheel solid rubber 2.000 ST
Page 73

120 Set holder broom Homebase
Page 74

120 Set holder broom Homebase
ET/VT (spare/wear parts) Pos Material # Name Qty. Unit
1 6.303-200.0 Screw 5x25-IN6RD 2.000 ST
2 5.095-554.0 Plate holder broom 1.000 ST
X-X 3 5.035-656.0 Retaining bracket mop bracket 1.000 ST
X-X 4 5.035-488.0 Adapter Homebase 1.000 ST
X-X 5 6.980-078.0 Holder handhold grey 1.000 ST
Page 75

130 Set bulk waste gripper
Page 76

130 Set bulk waste gripper
ET/VT (spare/wear parts) Pos Material # Name Qty. Unit
1 6.303-200.0 Screw 5x25-IN6RD 1.000 ST
X-X 2 5.035-488.0 Adapter Homebase 1.000 ST
X-X 3 6.980-078.0 Holder handhold grey 1.000 ST
4 6.369-931.0 Accessories waste gripper Greifboy 1.000 ST
Powered by TCPDF (www.tcpdf.org)
Page 77