Windsor Sensor Xp15 120v Upright Vacuum Service Parts Manual
2017-01-04
: Sweepscrub Windsor-Sensor-Xp15-120V-Upright-Vacuum-Service-Parts-Manual windsor-sensor-xp15-120v-upright-vacuum-service-parts-manual 1919 file product_file
Open the PDF directly: View PDF
.
Page Count: 28

86404510-C 02/15/16
MODEL: 1.012-027.0
SRXP15
Operating Instructions (ENG)
Instrucciones de funcionamiento (SPA)
Vacuum
SENSOR XP15 120V
From Serial No. # C60061301
If Serial Number not listed,
Contact Manufacturer
De Serial No. # C60061301
Si Número de serie no aparece,
Contacto Fabricante

Registro de Garantía
Gracias por comprar un producto de Kärcher North America. El registro de la garantía
es rápido y fácil. Su registro permitirá que le sirvamos mejor sobre el curso de la vida
del producto. Para colocar su producto vaya:
http://warranty.karcherna.com/
Para el servicio de atención al cliente llame al:
1-800-444-7654
Warranty Registration
Thank you for purchasing a Kärcher North America product. Warranty registration is quick
and easy. Your registration will allow us to serve you better over the lifetime of the product.
To register your product go to :
http://warranty.karcherna.com/
For customer assistance:
1-800-444-7654
(QUHJLVWUHPHQWGHODJDUDQWLH
Merci d'avoir acheté un produit Kärcher North America. L'enregistrement de la garantie
est facile et rapide. Votre enregistrement nous permettra de mieux vous servir tout au long
de la durée de vie de votre produit.
Pour enregistrer votre produit, consultez :
http://warranty.karcherna.com/
Pour l'assistance client:
1-800-444-7654





GROUNDING INSTRUCTIONS
This appliance must be grounded. If it should malfunction or breakdown, grounding provides a path of least
resistance for electric current to reduce the risk of electric shock. This appliance is equipped with a cord
having an equipment-grounding conductor and grounding plug. The plug must be inserted into an
appropriate outlet that is properly installed and grounded in accordance with all local codes and ordinances.
WARNING
Improper connection of the equipment-grounding conductor can result in a risk of electric shock. Check
with a qualified electrician or service person if you are in doubt as to whether the outlet is properly
grounded. Do not modify the plug provided with the appliance – if it will not fit the outlet, have a proper
outlet installed by a qualified electrician.
This appliance is for use on a nominal 120-volt circuit, and has a grounded plug that looks like the plug
illustrated in sketch A. A temporary adaptor that looks like the adaptor illustrated in sketches B and C may
be used to connect this plug to a 2-pole receptacle as shown in sketch B if a properly grounded outlet is not
available. The temporary adaptor should be used only until a properly grounded outlet (sketch A) can be
installed by a qualified electrician. The green colored rigid ear, lug, or the like extending from the adaptor
must be connected to a permanent ground such as a properly grounded outlet box cover. Whenever the
adaptor is used, it must be held in place by a metal screw.
Note: In Canada, the use of a temporary adaptor is not permitted by the Canadian Electrical Code.
GROUNDING
PIN
GROUNDED
OUTLET ADAPTER
METAL SCREW TAB FOR
GROUNDING SCREW
GROUNDED
OUTLET BOX
(A) (B) (C)

INSTRUCCIONES PARA LA PUESTA A TIERRA
Este dispositivo tiene que ser puesto debidamente a tierra. Si se produce una avería o rotura, la
conexión a tierra constituye el camino de menor resistencia para la corriente eléctrica, reduciéndose el
riesgo de descargas peligrosas. El aparato cuenta con un cable con conductor de puesta a tierra y un
enchufe con clavija de puesta a tierra. Hay que conectar el enchufe a una toma de corriente adecuada,
instalada y puesta a tierra de acuerdo con las normas y ordenanzas locales.
ADVERTENCIA
Si se conecta de modo inadecuado el conductor de puesta a tierra del aparato pueden producirse
descargas eléctricas peligrosas para el usuario. En caso de dudas, pedir a un electricista
debidamente cualificado o a un técnico del servicio postventa que verifique que la toma de corriente
está bien puesta a tierra. Si el enchufe suministrado con el aparato no se adapta a la toma de corriente
disponible, no hay que modificar el enchufe, sino dirigirse a un electricista para que instale una tome de
corriente adecuada.
El aparato está dimensionado para su conexión a una red de 120 Voltios de tensión nominal, y cuenta
con un enchufe con clavija de puesta a tierra como el que se muestra en la figura A. Si no se dispone
de una toma de corriente con puesta a tierra, puede utilizarse un adaptador temporal como el que se
muestra en las figuras B y C para conectar el aparato a una toma de corriente de 2 polos como la que
aparece en la figura B. Hay que emplear este adaptador solamente durante el tiempo necesario hasta
que el electricista haya instalado una toma de corriente conectada debidamente a tierra (figura A). La
lengüeta, argolla o elemento similar de color verde que sobresale del adaptador tiene que ser
conectada a una toma de tierra permanente, tal como la cubierta metálica de puesta a tierra de la caja
de enchufe. Siempre que se utilice el adaptado hay que mantener esta toma tierra en su posición con
ayuda de un tornillo metálico.
Advertencia: en Canadá, la Canadian Electrical Code prohíbe el uso de adaptadores temporales.
ADAPTADOR
TORNILLO METALICO
(A) (B) (C)
TOMA DE CORRIENTE
CONECTADA A TIERRA
CLAVIJA DE
PUESTA A TIERRA
CAJA DE ENCHUFE
CON TOMA
DE CORRIENTE
CONECTADA A
TIERRA
APENDICE PARA
TORNILLO DE CONEXION
A TIERRA



The guarantee is invalidated if take out
parts not approved by manufacturer. eg. bags,
lters, brush roller, etc. are tted.
La garantia perderá su validez si alguna
pieza, p.ey bolsas, ltros, cepillo de rodillio, etc.,
no ha sido aprobada por fabricante.

%
&
$ $WWDFKPHQWV
8SKROVWHU\1R]]OH
&UHYLFH1R]]OH
% 2SWLRQDO$WWDFKPHQWV
([WHQVLRQ+RVH
6WUDLJKW7XEH
'XVWLQJ%UXVK
8SKROVWHU\1R]]OHVSHFLDO
:DOODQG)ORRU%UXVK
& 6HUYLFH3DUWV
3DSHU%DJ
0LFURILOWHU
([KDXVW)LOWHU
%UXVK5ROOHU
:$51,1*(OHFWULFVKRFNFRXOGRFFXULI
XVHGRXWGRRUVRURQZHWVXUIDFHV
$'9(57(1&,$6LVHXWLOL]DDODLUHOLEUHLVREUHVXSHUILFLHV
K~PHGDVSRGUtDRFXUULUXQFKRTXHHOpFWULFR
$$FFHVRULRV
%RTXLOODSDUDWDSLFHUtD
%RTXLOODSDUDJULHWDV
%$FFHVRULRVRSFLRQDOHV
0DQJXHUDIOH[LEOH
7XERUtJLGR
&HSLOORSDUDVDFXGLU
%RTXLOODSDUDWDSLFHUtDHVSHFLDO
&HSLOORSDUDSDUHGHV\SLVR
&3LH]DVGHUHSXHVWR
%ROVDGHSDSHO
0LFURILOWURKLJLpQLFR
)LOWURGHVDOLGDGHDLUH
&HSLOORGHURGLOOR
$
+
3&%9SRZHUVXSSO\
)XHQWHGHDOLPHQWDFLyQGH9SDUD
ODWDUMHWDGHFLUFXLWRVLPSUHVRV
3&%FRPSXWHUFRQWUROOHU
&RQWURODGRUGHWDUMHWD0&
0BOSLJLQLO3
0BOSLJLQLOAB3
3>@@RJJLQLO
*LQLOAB>PMFO>@F¡K
0DLQVZLWFK
,QWHUXSWRUSULQFLSDO
)LOWHUKRXVLQJ
&RPSDUWLPLHQWRGHOILOWUR
+RVHPDQJXHUD
+DQGOHWXEH
7XERGHODPDQLOOD
+DOOVHQVRU
6HQVRUGHHIHFWR+DOO
9a
7KLUGFRQWDFWLQ86
SURIHVVLRQDOPDFKLQHVRQO\
\
5HHGFRQWDFWVZLYHOVZLWFK
&RQWDFWR5HHGLQWHUXSWRUDUWLFXODWLyQ
+
\
7HFKQLFDO'HWDLOV
9DFXXP0RWRU:DWWV
:DWHUOLIWPP´
$LUIORZ/6&)0
'XVWEDJFDSDFLW\OLWUHV
:RUNLQJZLGWKPP´
%UXVKGULYHWRRWKEHOW
%UXVKVSHHGUSP
)ORRUDGMXVWPHQW DXWRPDWLFDOO\
VHQVRUDGYLVHG
&DEOHP´
:HLJKWNJOEV
5DGLRVXSSUHVVLRQ(19HUI
863DWHQWV
'DWRV7HFQLFR
0RWRUGHDVSLUDFLyQYDWLRV
&ROXPQDGHDJXDPPSXOJDGDV
)OXMRGHDLUH/6&)0
&DSDFLGDGEROVDGHO
SROYROLWURV
$QFKRRSHUDFLRQDOPPSXOJDGDV
0RWRUGHOFHSLOORFLQWDGHQWDGD
9HORFLGDGGHOFHSLOORUSP
$MXVWHDOVXHOR DXWRPiWLFRFRQ
VHQVRU
&DEOHPSLHV
3HVRNJOLEUDV
6XSUHVLyQGHUDGLR(19HUI
:LULQJ'LDJUDP'LDJUDPDGHFRQH[LRQHV

86404510-C 02/15/16
MODEL: 1.012-027.0
SRXP15
SENSOR XP15 120V
Mode d'emploi (FRA)
l’aspirateur
De série n ° # C60061301
Si le numéro de série ne figure pas,
contacter le fabricant
NOTES:



INSTRUCTIONS VISANT LA MISE À LA TERRE
86041040 08/28/07
2-2FRE
Cet appareil doit être mis à la terre. En cas de défaillance ou de panne éventuelles, la mise à la terre fournit au
courant un chemin de moindre résistance qui réduit le risque de choc électrique. Cet appareil est pourvu d’un
cordon muni d’un conducteur de terre et d’une fiche avec broche de terre. La fiche doit être branchée-dans une
prise appropriée correctement installée et mise à la terre conformément aux règlements et ordonnances
municipaux.
AVERTISSEMENT
Un conducteur de terre mal raccordé peut entraîner un risque de choc électrique. Consulter un électricien ou un
technicien d’entretien qualifié si vous n’étés pas certain que la prise est correctement mise 8 la terre. Ne pas
modifier la fiche fournie avec l’appareil si elle ne peut-être insérée dans las prise, faire installer une prise
adéquate par un électricien qualifie.
Cet appareil est destine à un circuit de 120 V et est muni d’une fiche de terre semblable à celle illustrée par le
croquis A. Un adaptateur temporaire semblable à celui illustré par les croquis B et C peut être utilise pour
brancher cette fiche a une prise bipolaire comme l’illustre croquis B si une prise avec mise à la terre n’est pas
disponible. L’adaptateur temporaire devrait être utilise seulement jusqu'à ce qu’une prise avec mise à la terre soit
installée par un électricien qualifie. L’oreille rigide ou le crochet ou autre dispositif semblable, de couleur verte,
prolongeant adaptateur doit être raccorde à un élément correctement mis à la terre comme le couvercle d’une
boite de sortie mis à la terre. L’adaptateur dout être fixé par une vis métallique.
Note. Au Canada, l’utilisation d’un adaptateur temporaire n’est pas autorisée par le Code canadien de l’electricite.
Adaptateur
Vis metallique
(A) (B) (C)
Prise de cuourant
avec mise a la terre
Boite de sortie
mise a la terre
Platte destinee a
la vise de terre
Broche de mise
a la terre



La garantie fabricant ne sera pas appliquée
en cas de non utilisationdes piéces d’orgine
fabricant (sac papier, ltre, brosse,
roulemnent, etc...)

5
4
3
21
B
C
1
23
4
1
2
A
A Accessoires
1 Buse spéciale meuble
2 Buse sifflet
B Accessoires supplementaires
1 Rallonge flexible
2 Tube plastique
3 Buse fauteuil
4 Buse tenture murale
5 Buse oval poussière
C Pieces de rechange
1 Sac papier
2 Micro filtre
3 Filtre sortie anti-acariens
4 Rouleau de brosse
AVERTISSEMENT! Pour réduire les risques de choc électrique,
ne pas utiliser à l‘exterieur et ne pas aspirer de matiéres humides!
Schema Electrique
Détails Techniques
M
Plaquette alimentation 12V
Contrôleur électronique
Servomoteur 12V
Moteur d‘aspiration
Interrupteur principal
Logement sac poussiére
Tube de manche
Sonde de Hall
120V~
~
Contact à lames souples interrupteur joint
M
~
Flexible
Moteur d‘aspiration . . 1200 Watts
Colonna d'eau . . . . . 2300 mm
Débit . . . . . . . . . . . . . 50 L/S (105 CFM)
Sac aspiration . . . . . . 5,3 litres
Largoor de travail . . . 378 mm
Entrainement de la
brosse . . . . . . . . . . . . par courroie
Vitresse rotation de la
brosse . . . . . . . . . . . . 2700 rpm
Réglage de la tête entièrement
sur le sol. . . . . . . . . . . automatique
Cable . . . . . . . . . . . . . 12,2 m
Poids . . . . . . . . . . . . 7.5 kg
Norme . . . . . . . . . . . . EN 55014 Verf. 242/91
U.S. Patents: 5,056,175
4,955,106
5,028,245
NOTES:

8.640-451.0-C
Spare Parts List
(1.012-027.0)
SENSOR XP15 120V
From Serial No. # C60061301
If Serial Number not listed,
Contact Manufacturer

15
16
55
39
14
27
43
47
10
7
2
3
5
6
9
8
13
25
12
4
22
21
19
18
20
17
14
38
37
36
48
51
14
52
42
29 35
54
40 34
31
30
32
46
49
41
1
11
23
24
23
53
33
14
9
56
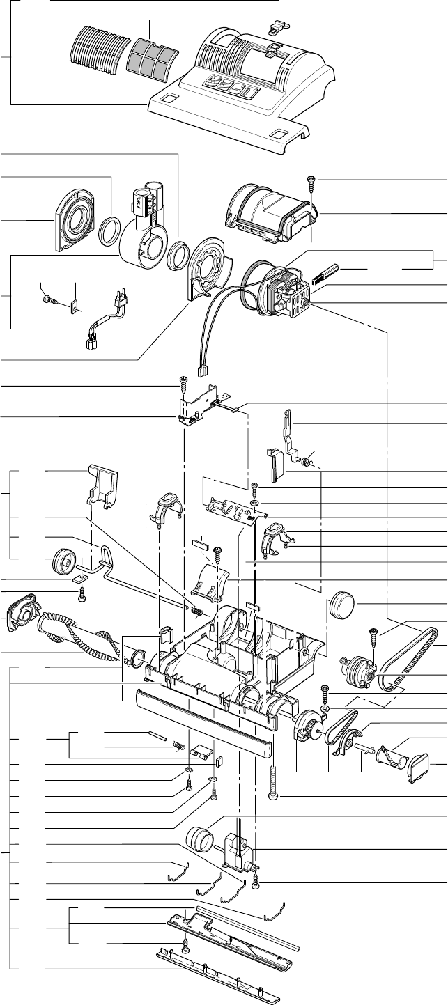
PARTS LIST / SENSOR XP15 / 120V

PARTS LIST / SENSOR XP15 / 120V
POS PRODUCT
CODE PRV NO. DESCRIPTION
1 86407970 5625WI HANDLE COMPLETE, BLACK
2 86372980 5295WI HANDLE GRIP SR BLACK
3 86319140 5359SW GROMMET, BLACK
4 86139130 1260KA CABLE, YELLOW
5 86319160 5113 SWITCH
6 86407990 5160ZG SWITCH CAP, ZINC YELLOW
7 86319180 5161SW SWITCH CAP HOLDER BLACK
8 86139280 5162 CABLE CLAMP
9 86147040 0103ER SCR, M3,9 X 16 MM DIN 7981
10 86137780 0846 ANTISTATIC WIRE
11 86142310 5256ER HANDLE CABLE 3WIRE W/CONNECTOR
12 86147140 0129 SCREW, M4 x 12
13 86142300 5187 HANDLE TUBE
14 86147030 0102 SCREW M3,9x13 MM DIN 7981
15 86142650 5040sb HOSE, SENSOR, SILVER
16 86319200 5045sw EXTENSION TUBE, BLACK
17 86408000 5803kg COVER, KARCHER GRAY
18 86145340 5319 SPRING, BAG HOLDER
19 86408010 5706zg COVER RELEASE, ZINC YELLOW
20 86144760 5091 SAFETY CATCH SPRING
21 86144770 5360 SAFETY CATCH, BAG HOLDER
22 86138050 5324 BAG HOLDER
23 86408020 5800BG FRONT COVER COMPLETE, BASALT GRAY
24 86000500 5300 SENSOR FILTER BAG PACK
25 86005220 5301ER MICRO HYGIENE FILTER
27 86408030 5380BG INTERNAL COVER, BASALT GRAY
29 86139970 1073 CLAMP
30 86141620 5208 FILTER SAFETY CATCH
31 86145320 5210 SPRING (MICRO FILTER CATCH)
32 86139290 5164 CABLE CLAMP
33 86408040 5082kg DUST BAG HOUSING LOCKING CATCH, KARCHER GRAY
34 86408050 5098kg LOCK CATCH, KARCHER GRAY
35 86142290 5099 HANDLE LOCK PLATE
36 86143060 0187 LOCK PIN 4 x 33,5
37 86145350 5146 STOP SPRING (HOOK)
38 86408060 5145bg CARRYING HANDLE, BASALT GRAY
39 86408070 5144kg CABLE HOOK, KARCHER GRAY
40 86408080 5424KG RETAINING RING, KARCHER GRAY
41 86142880 5255ER INTERNAL CABLE 3WIRE LOOSE CON
42 86139320 5266 CABLE CLAMP (FILTER BAG HSNG)
43 86373870 5842 SEAL
46 86144930 5289 SEAL, FILTER TUBE
47 86319290 1491sw UPHOLSTERY NOZZLE, BLACK
48 86319250 1823sw CLIP, DUST BAG HOUSE-SR12, BLACK
49 86145280 5084 SPRING, LOCKING ROD
51 86144910 5163 SEAL, FILTER BAG HOUSING NECK
52 86143120 5083 LOCKING ROD, DUST BAG HOLDER
53 86408090 5085bg DUST BAG HOUS.BUMPER BASE, BASALT GRAY
54 86408100 5215BG DUST BAG HOUSING, SR’S, 3-WIRE, BASALT GRAY
55 86319300 1092sw CREVICE NOZZLE, BLACK
56 86408110 0532EK SWITCH, BLACK / ZINC YELLOW

100
109
108
111
110
101
102
103
104
106
122
123
106
121
116
119
115
114
107
105
151
106
162
161
160
131
106
158
141
142
143
144
148
149
159
115
106
106
150
119
153
156
157
155 154 163
152
133
164
145
146
141a
132
117
140
134
124
127
126
125
129
130
129
130
128
118
120
136
135
139
137
137
138
138
165
165
112
147
113
PARTS LIST / SENSOR XP15 / 120V

PARTS LIST / SENSOR XP15 / 120V
POS PRODUCT
CODE PRV NO. DESCRIPTION
100 86406220 5486BG POWER HEAD COVER XP 15, BASALT GRAY
101 86406070 5008kg EXHAUST FILTER CATCH , KARCHER GRAY
102 86141450 5143 EXHAUST FILTER
103 86406080 5007BG EXHAUST FILTER COVER, BASALT GRAY
104 86406090 5727WI SWIVEL NECK ASSEMBLY, LIGHT GRAY/ZINC YELLOW
105 86143200 5258UL MALE CONTACT HOLDER
106 86147030 0102 SCREW M3,9x13 MM DIN 7981
107 86139230 2494 CABLE CLAMP
108 86145120 5101 SLEEVE
109 86146090 5178 SWIVEL NECK SUPPORT R. H.
110 86146150 5728 SWIVEL NECK SUPPORT L. H.
111 86146130 5717 SWIVEL NECK BEARING
112 86385730 5848ER POWER SUPPLY 100-120V
113 86385760 5205/1 RIBBON CABLE
114 86406100 5102KG BRUSH ROLLER RELEASE, KARCHER GRAY
115 86145290 5103 SPRING
116 86406110 5051ZG AXLE ASSEMBLY, ZINC YELLOW
117 86406120 5059ZG FOOT PEDAL,ZINC YELLOW
118 86137990 5053 AXLE
119 86319360 5819sw WHEEL, BLACK
120 86146570 2010 WHEEL RETURN SPRING
121 86140000 2014 CLAMP CONNECTING ROD (AXLE)
122 86406130 5287BG BEARING BLOCK RIGHT HAND, BLACK/BASALT GRAY
123 86138810 5290WI BRUSH ROLLER SET SR15
124 86401270 5230sw BUMPER (2PC SR15), BLACK
125 86406140 5155sw RUBBING PLATE BLACK
126 86406150 5172ZG ACCESS DOOR, ZINC YELLOW
127 86138000 5303 AXLE, ACCESS DOOR
128 86145330 5304 SPRING, ACCESS DOOR
129 86406160 5154sw HINGE, BLACK
130 86147150 0100 SCREW 2.9x9.5
131 86147170 0176 SCREW M4 x 30
132 86319380 5174sw PILE ADJUSTMENT WHEEL, BLACK
133 86145080 5060ER SERVO MOTOR WITH GEAR BOX
134 86406230 5413gs BOTTOM PLATE, FRT, CLP, GRAY BLACK, SR15
135 86406240 5414gs BOTTOM PLATE, REAR, CPL, GRAY BLACK, SR15
136 86144950 5400-2 SEALING STRIP 15”
137 86146790 5401 WIRE TIE, BOTTOM PLATE, OUTER
138 86146800 5402 WIRE TIE, BOTTOM PLACE, CENTER
139 86144850 0197 SCR, M4X12 MM W/WASHER
140 86406250 5321SW CHASSIS XP15, COMPL., BLACK
141 86139400 05117S CARBON BRUSH SET 100-120v
- 86146210 05135ST THERMO SWITCH VAC
- 86143630 5469 MOTOR 1000 W / 120 V
142 86144710 5100 RUBBER MOUNTING
143 86143620 5462 MOTOR PULLEY 2MR
144 86145470 5129 SUPPORT LEVER
145 86145460 5107-1 SUPPORT SPRING
146 86143570 5112SW MOTOR PULLEY COVER
147 86385750 5849ER COMPUTER CONTROLLER 100-240V
148 86147160 0107 SCREW 2.9 x 13
149 86147190 0143 WASHER 3.2
150 86140760 5173SW COVER (SWIVEL NECK)
151 86145060 5465 SENSOR (WITH RED RING)
152 86147050 0104 SCR M3.9 x 25 MM
153 86138240 5463 BELT 2MR-310-6
154 86005000 5110 BELT 219 3M HTDII-6
155 86138210 5767hg BEARING BLOCK LEFT HAND, CPL
156 86147040 0103ER SCR, M3,9 X 16 MM DIN 7981
157 86146550 0141 WASHER, LOCK
158 86143560 5018UL MOTOR COVER, GRAY BLACK
159 86408850 5239kg BRUSH ROLLER RELEASE, KARCHER GRAY
160 86144920 5244HG SEAL BEARING GREY
161 86406270 5288bg BRUSH COVER BASALT GRAY/BLACK
162 86138810 5290wi BRUSH ROLLER SET SR15
163 86145110 5246 SHAFT EXTENSION
164 86143580 5117/1 SENSOR PULLEY
165 86348780 5108 FELT STRIP SWIVEL NECK
86404510-C 02/15/16 06636K