Sylvania Srt2232X Users Manual
SRT2420P SYLVANIA_SRT2232X_Service_Manual
SRT2232X to the manual d33e705b-a5dc-49a0-af27-4d1103d0a3e3
2015-02-04
: Sylvania Sylvania-Srt2232X-Users-Manual-389257 sylvania-srt2232x-users-manual-389257 sylvania pdf
Open the PDF directly: View PDF
.
Page Count: 56
- SPECIFICATIONS
- IMPORTANT SAFETY PRECAUTIONS
- STANDARD NOTES FOR SERVICING
- CABINET DISASSEMBLY INSTRUCTIONS
- ELECTRICAL ADJUSTMENT INSTRUCTIONS
- BLOCK DIAGRAMS
- SCHEMATIC DIAGRAMS / CBA'S AND TEST POINTS
- SCHEMATIC DIAGRAM
- CBA VIEWS AND TEST POINTS
- WAVEFORMS
- WIRING DIAGRAM
- IC PIN FUNCTIONS
- CABINET EXPLODED VIEWS
- PACKING EXPLODED VIEWS
- MECHANICAL PARTS LIST
- ELECTRICAL PARTS LIST

32" COLOR TELEVISION
SRT2232X
SERVICE MANUAL
IMPORTANT SAFETY NOTICE
Proper service and repair is important to the safe, reliable operation of all
Funai Equipment. The service procedures recommended by Funai and de-
scribed in this service manual are effective methods of performing service
operations. Some of these service special tools should be used when and
as recommended.
It is important to note that this service manual contains various CAUTIONS
and NOTICES which should be carefully read in order to minimize the risk of
personal injury to service personnel. The possibility exists that improper
service methods may damage the equipment. It also is important to under-
stand that these CAUTIONS and NOTICES ARE NOT EXHAUSTIVE. Funai
could not possibly know, evaluate and advice the service trade of all con-
ceivable ways in which service might be done or of the possible hazardous
consequences of each way. Consequently, Funai has not undertaken any
such broad evaluation. Accordingly, a servicer who uses a service proce-
dure or tool which is not recommended by Funai must first use all precau-
tions thoroughly so that neither his safety nor the safe operation of the
equipment will be jeopardized by the service method selected.
TABLE OF CONTENTS
Specifications........................................................ 1-1
Important Safety Precautions................................ 2-1
Standard Notes for Servicing ................................ 3-1
Disassembly Instructions ...................................... 4-1
Electrical Adjustment Instructions ......................... 5-1
Block Diagram....................................................... 6-1
Schematic Diagram / CBA's and Test Points ....... 7-1
Schematic Diagram .............................................. 7-3
CBA Views and Test Points.................................. 7-11
Wave Forms .......................................................... 8-1
Wiring Diagram...................................................... 9-1
IC Pin Function.................................................... 10-1
Cabinet Exploded View ....................................... 11-1
Packing Exploded View....................................... 11-3
Mechanical Parts List .......................................... 12-1
Electrical Parts List.............................................. 13-1

1-1 L6650SP
SPECIFICATIONS
<TUNER> ANT. Input ------------------- 75ohm Unbal., F type
Reference Level ----------- 20Vp-p (CRT Green Cathode)
Test Input Signal ---------- 400Hz 30% modulation
<DEFLECTION>
<VIDEO & CHROMA>
<AUDIO> All items are measured across 8Ω load at speaker output terminal.
Note:
Nominal specifications represent the design specifications. All units should be able to approximate
these. Some will exceed and some may drop slightly below these specifications. Limit specifications
represent the absolute worst condition that still might be considered acceptable. In no case should
a unit fail to meet limit specifications.
Description Condition Unit Nominal Limit
1. Intermediate Freq. Picture
Sound
MHz
MHz
45.75
41.25
-
-
2. Peak Picture Sens VHF
CATV
UHF
dBµV
dBµV
dBµV
15
15
15
30
30
40
3. AFT Pull In Range (10mV input)
-
MHz ±2.2 ±0.7
Description Condition Unit Nominal Limit
1. Deflection Freq. Horizontal
Vertical
KHz
Hz
15.734
60
-
-
2. Linearity Horizontal
Vertical
%
%
-
-
±15
±10
3. Over Scan
-
%10
-
4. High Voltage
-
KV 29
-
Description Condition Unit Nominal Limit
1. Misconvergence Center
Side
Corner
mm
mm
mm
-
-
-
0.4
1.5
2.1
2. Brightness APL 100% Ft-L 20 15
3. Color Temperature
-
°K 9200°K
-
4. Resolution Horizontal
Vertical
Line
Line
250
300
-
-
Description Condition Unit Nominal Limit
1. Audio Output Power 10% THD W 3 2.4
2. Audio Distortion (w/LPF) 500mW % 1.0 7
3. Audio Freq. Response -3dB Hz 90~11K
-

2-1 L6115IMP
IMPORTANT SAFETY PRECAUTIONS
Prior to shipment from the factory, our products are strictly inspected for recognized product safety and electrical
codes of the countries in which they are to be sold. However, in order to maintain such compliance, it is equally
important to implement the following precautions when a set is being serviced.
Safety Precautions for TV Circuit
1. Before returning an instrument to the custom-
er, always make a safety check of the entire instru-
ment, including, but not limited to, the following
items:
a. Be sure that no built-in protective devices are de-
fective and have been defeated during servicing.
(1) Protective shields are provided on this chassis
to protect both the technician and the customer.
Correctly replace all missing protective shields, in-
cluding any removed for servicing convenience.
(2) When reinstalling the chassis and/or other as-
sembly in the cabinet, be sure to put back in place
all protective devices, including but not limited to,
nonmetallic control knobs, insulating fishpapers,
adjustment and compartment covers/shields, and
isolation resistor/capacitor networks. Do not oper-
ate this instrument or permit it to be operated
without all protective devices correctly in-
stalled and functioning. Servicers who defeat
safety features or fail to perform safety checks
may be liable for any resulting damage.
b. Be sure that there are no cabinet openings through
which an adult or child might be able to insert their
fingers and contact a hazardous voltage. Such
openings include, but are not limited to, (1) spac-
ing between the picture tube and the cabinet
mask, (2) excessively wide cabinet ventilation
slots, and (3) an improperly fitted and/or incorrectly
secured cabinet back cover.
c. Antenna Cold Check - With the instrument AC
plug removed from any AC source, connect an
electrical jumper across the two AC plug prongs.
Place the instrument AC switch in the on position.
Connect one lead of an ohmmeter to the AC plug
prongs tied together and touch the other ohmme-
ter lead in turn to each tuner antenna input ex-
posed terminal screw and, if applicable, to the
coaxial connector. If the measured resistance is
less than 1.0 megohm or greater than 5.2 mego-
hm, an abnormality exists that must be corrected
before the instrument is returned to the customer.
Repeat this test with the instrument AC switch in
the off position.
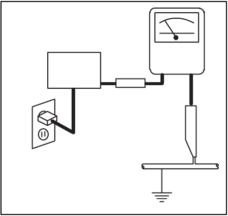
d. Leakage Current Hot Check - With the instru-
ment completely reassembled, plug the AC line
cord directly into a 120V AC outlet. (Do not use an
isolation transformer during this test.) Use a leak-
age current tester or a metering system that com-
plies with American National Standards Institute
(ANSI) C101.1 Leakage Current for Appliances
and Underwriters Laboratories (UL) 1410, (50.7).
With the instrument AC switch first in the on posi-
tion and then in the off position, measure from a
known earth ground (metal water pipe, conduit,
etc.) to all exposed metal parts of the instrument
(antennas, handle brackets, metal cabinet, screw
heads, metallic overlays, control shafts, etc.), es-
pecially any exposed metal parts that offer an elec-
trical return path to the chassis. Any current
measured must not exceed 0.5 milli-ampere. Re-
verse the instrument power cord plug in the outlet
and repeat the test.
ANY MEASUREMENTS NOT WITHIN THE LIMITS
SPECIFIED HEREIN INDICATE A POTENTIAL
SHOCK HAZARD THAT MUST BE ELIMINATED
BEFORE RETURNING THE INSTRUMENT TO
THE CUSTOMER OR BEFORE CONNECTING
THE ANTENNA OR ACCESSORIES.
e. X-Radiation and High Voltage Limits - Because
the picture tube is the primary potential source of
X-radiation in solid-state TV receivers, it is special-
ly constructed to prohibit X-radiation emissions.
For continued X-radiation protection, the replace-
ment picture tube must be the same type as the
original. Also, because the picture tube shields
and mounting hardware perform an X-radiation
protection function, they must be correctly in place.
High voltage must be measured each time servic-
_
DEVICE
LEAKAGE
CURRENT
TESTER
ALSO TEST WITH
PLUG REVERSED
USING AC
ADAPTER PLUG
AS REQUIRED
TEST ALL EXPOSED
METAL SURFACES
+
READING SHOULD
NOT BE ABOVE 0.5 mA
EARTH
GROUND
BEING
TESTED
2-2 L6115IMP
ing is performed that involves B+, horizontal de-
flection or high voltage. Correct operation of the X-
radiation protection circuits also must be recon-
firmed each time they are serviced. (X-radiation
protection circuits also may be called "horizontal
disable" or "hold down.") Read and apply the high
voltage limits and, if the chassis is so equipped,
the X-radiation protection circuit specifications giv-
en on instrument labels and in the Product Safety
& X-Radiation Warning note on the service data
chassis schematic. High voltage is maintained
within specified limits by close tolerance safety-re-
lated components/adjustments in the high-voltage
circuit. If high voltage exceeds specified limits,
check each component specified on the chassis
schematic and take corrective action.
2. Read and comply with all caution and safety-relat-
ed notes on or inside the receiver cabinet, on the
receiver chassis, or on the picture tube.
3. Design Alteration Warning - Do not alter or add
to the mechanical or electrical design of this TV re-
ceiver. Design alterations and additions, including,
but not limited to circuit modifications and the ad-
dition of items such as auxiliary audio and/or video
output connections, might alter the safety charac-
teristics of this receiver and create a hazard to the
user. Any design alterations or additions will void
the manufacturer's warranty and may make you,
the servicer, responsible for personal injury or
property damage resulting therefrom.
4. Picture Tube Implosion Protection Warning -
The picture tube in this receiver employs integral
implosion protection. For continued implosion pro-
tection, replace the picture tube only with one of
the same type number. Do not remove, install, or
otherwise handle the picture tube in any manner
without first putting on shatterproof goggles
equipped with side shields. People not so
equipped must be kept safely away while picture
tubes are handled. Keep the picture tube away
from your body. Do not handle the picture tube by
its neck. Some "in-line" picture tubes are equipped
with a permanently attached deflection yoke; be-
cause of potential hazard, do not try to remove
such "permanently attached" yokes from the pic-
ture tube.
5. Hot Chassis Warning -
a. Some TV receiver chassis are electrically connect-
ed directly to one conductor of the AC power cord
and maybe safety-serviced without an isolation
transformer only if the AC power plug is inserted
so that the chassis is connected to the ground side
of the AC power source. To confirm that the AC
power plug is inserted correctly, with an AC volt-
meter, measure between the chassis and a known
earth ground. If a voltage reading in excess of 1.0V
is obtained, remove and reinsert the AC power
plug in the opposite polarity and again measure
the voltage potential between the chassis and a
known earth ground.
b. Some TV receiver chassis normally have 85V
AC(RMS) between chassis and earth ground re-
gardless of the AC plug polarity. This chassis can
be safety-serviced only with an isolation transform-
er inserted in the power line between the receiver
and the AC power source, for both personnel and
test equipment protection.
c. Some TV receiver chassis have a secondary
ground system in addition to the main chassis
ground. This secondary ground system is not iso-
lated from the AC power line. The two ground sys-
tems are electrically separated by insulation
material that must not be defeated or altered.
6. Observe original lead dress. Take extra care to as-
sure correct lead dress in the following areas:a.
near sharp edges,b. near thermally hot parts-be
sure that leads and components do not touch ther-
mally hot parts,c. the AC supply,d. high voltage,
and,e. antenna wiring. Always inspect in all areas
for pinched, out of place, or frayed wiring. Check
AC power cord for damage.
7. Components, parts, and/or wiring that appear to
have overheated or are otherwise damaged
should be replaced with components, parts, or wir-
ing that meet original specifications. Additionally,
determine the cause of overheating and/or dam-
age and, if necessary, take corrective action to re-
move any potential safety hazard.
8. Product Safety Notice - Some electrical and me-
chanical parts have special safety-related charac-
teristics which are often not evident from visual
inspection, nor can the protection they give neces-
sarily be obtained by replacing them with compo-
nents rated for higher voltage, wattage, etc.. Parts
that have special safety characteristics are identi-
fied by a ( # ) on schematics and in parts lists. Use
of a substitute replacement that does not have the
same safety characteristics as the recommended
replacement part might create shock, fire, and/or
other hazards. The product's safety is under re-
view continuously and new instructions are issued
whenever appropriate. Prior to shipment from the
factory, our products are strictly inspected to con-
firm they comply with the recognized product safe-
ty and electrical codes of the countries in which
they are to be sold. However, in order to maintain
such compliance, it is equally important to imple-
ment the following precautions when a set is being
serviced.
2-3 L6115IMP
Precautions during Servicing
A. Parts identified by the ( # ) symbol are critical for
safety.
Replace only with part number specified.
B. In addition to safety, other parts and assemblies
are specified for conformance with regulations ap-
plying to spurious radiation. These must also be
replaced only with specified replacements.
Examples: RF converters, RF cables, noise block-
ing capacitors, and noise blocking filters, etc.
C. Use specified internal wiring. Note especially:
1) Wires covered with PVC tubing
2) Double insulated wires
3) High voltage leads
D. Use specified insulating materials for hazardous
live parts. Note especially:
1) Insulation Tape
2) PVC tubing
3) Spacers
4) Insulators for transistors.
E. When replacing AC primary side components
(transformers, power cord, etc.), wrap ends of
wires securely about the terminals before solder-
ing.
F. Observe that the wires do not contact heat produc-
ing parts (heatsinks, oxide metal film resistors, fus-
ible resistors, etc.)
G. Check that replaced wires do not contact sharp
edged or pointed parts.
H. When a power cord has been replaced, check that
5~6 kg of force in any direction will not loosen it.
I. Also check areas surrounding repaired locations.
J. Use care that foreign objects (screws, solder drop-
lets, etc.) do not remain inside the set.
K. Crimp type wire connector
The power transformer uses crimp type connec-
tors which connect the power cord and the primary
side of the transformer. When replacing the trans-
former, follow these steps carefully and precisely
to prevent shock hazards.
Replacement procedure
1) Remove the old connector by cutting the wires at
a point close to the connector.
Important: Do not re-use a connector (discard it).
2) Strip about 15 mm of the insulation from the ends
of the wires. If the wires are stranded, twist the
strands to avoid frayed conductors.
3) Align the lengths of the wires to be connected. In-
sert the wires fully into the connector.
4) Use the crimping tool to crimp the metal sleeve at
the center position. Be sure to crimp fully to the
complete closure of the tool.
L. When connecting or disconnecting the internal
connectors, first, disconnect the AC plug from the
AC supply outlet.

2-4 L6115IMP
Safety Check after Servicing
Examine the area surrounding the repaired location
for damage or deterioration. Observe that screws,
parts and wires have been returned to original posi-
tions. Afterwards, perform the following tests and con-
firm the specified values in order to verify compliance
with safety standards.
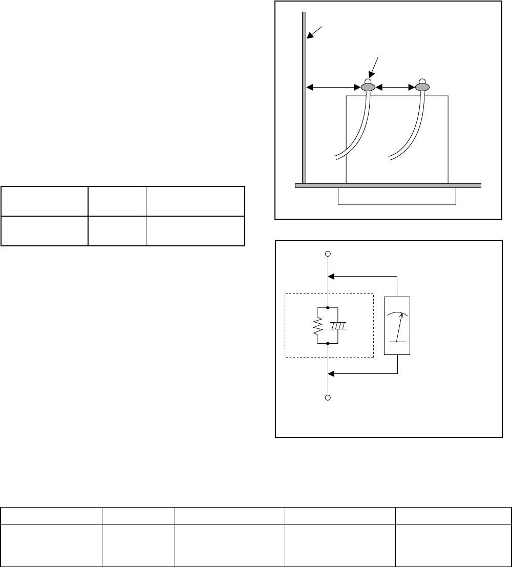
1. Clearance Distance
When replacing primary circuit components, confirm
specified clearance distance (d) and (d') between sol-
dered terminals, and between terminals and surround-
ing metallic parts. (See Fig. 1)
Table 1 : Ratings for selected area
Note: This table is unofficial and for reference only.
Be sure to confirm the precise values.
2. Leakage Current Test
Confirm the specified (or lower) leakage current be-
tween B (earth ground, power cord plug prongs) and
externally exposed accessible parts (RF terminals,
antenna terminals, video and audio input and output
terminals, microphone jacks, earphone jacks, etc.) is
lower than or equal to the specified value in the table
below.
Measuring Method : (Power ON)
Insert load Z between B (earth ground, power cord
plug prongs) and exposed accessible parts. Use an
AC voltmeter to measure across both terminals of
load Z. See Fig. 2 and following table.
Table 2 : Leakage current ratings for selected areas
Note: This table is unofficial and for reference only. Be sure to confirm the precise values.
AC Line Voltage Region Clearance
Distance (d) (d')
110 to 130 V USA or
CANADA
≥ 3.2 mm
(0.126 inches)
Chassis or Secondary Conductor
dd'
Primary Circuit Terminals
Fig. 1
AC Voltmeter
(High Impedance)
Exposed Accessible Part
BEarth Ground
Power Cord Plug Prongs
Z
1.5kΩ0.15µF
Fig. 2
AC Line Voltage Region Load Z Leakage Current (i) Earth Ground (B) to:
110 to 130 V USA
0.15µF CAP. & 1.5kΩ
RES. connected in
parallel
i≤0.5mA rms Exposed accessible
parts

3-1 L6115STA
STANDARD NOTES FOR SERVICING
Circuit Board Indications
a. The output pin of the 3 pin Regulator ICs is indicat-
ed as shown.
b. For other ICs, pin 1 and every fifth pin are indicat-
ed as shown.
c. The 1st pin of every male connector is indicated as
shown.
How to Remove / Install Flat Pack-IC
1. Removal
With Hot-Air Flat Pack-IC Desoldering Machine:
(1) Prepare the hot-air flat pack-IC desoldering ma-
chine, then apply hot air to the Flat Pack-IC (about
5 to 6 seconds). (Fig. S-1-1)
(2) Remove the flat pack-IC with tweezers while ap-
plying the hot air.
(3) Bottom of the flat pack-IC is fixed with glue to the
CBA; when removing entire flat pack-IC, first apply
soldering iron to center of the flat pack-IC and heat
up. Then remove (glue will be melted). (Fig. S-1-6)
(4) Release the flat pack-IC from the CBA using twee-
zers. (Fig. S-1-6)
Caution:
1. Do not supply hot air to the chip parts around the
flat pack-IC for over 6 seconds because damage
to the chip parts may occur. Put masking tape
around the flat pack-IC to protect other parts from
damage. (Fig. S-1-2)
2. The flat pack-IC on the CBA is affixed with glue, so
be careful not to break or damage the foil of each
pin or the solder lands under the IC when remov-
ing it.
Top View
Out In
Bottom View
Input
5
10
Pin 1
Pin 1
Fig. S-1-1
Hot-air
Flat Pack-IC
Desoldering
Machine
CBA
Flat Pack-IC
Tweezers
Masking
Tape
Fig. S-1-2

3-2 L6115STA
With Soldering Iron:
(1) Using desoldering braid, remove the solder from
all pins of the flat pack-IC. When you use solder
flux which is applied to all pins of the flat pack-IC,
you can remove it easily. (Fig. S-1-3)
(2) Lift each lead of the flat pack-IC upward one by
one, using a sharp pin or wire to which solder will
not adhere (iron wire). When heating the pins, use
a fine tip soldering iron or a hot air desoldering ma-
chine.(Fig. S-1-4)
(3) Bottom of the flat pack-IC is fixed with glue to the
CBA; when removing entire flat pack-IC, first apply
soldering iron to center of the flat pack-IC and heat
up. Then remove (glue will be melted). (Fig. S-1-6)
(4) Release the flat pack-IC from the CBA using twee-
zers. (Fig. S-1-6)
With Iron Wire:
(1) Using desoldering braid, remove the solder from
all pins of the flat pack-IC. When you use solder
flux which is applied to all pins of the flat pack-IC,
you can remove it easily. (Fig. S-1-3)
(2) Affix the wire to a workbench or solid mounting
point, as shown in Fig. S-1-5.
(3) While heating the pins using a fine tip soldering
iron or hot air blower, pull up the wire as the solder
melts so as to lift the IC leads from the CBA con-
tact pads as shown in Fig. S-1-5.
(4) Bottom of the flat pack-IC is fixed with glue to the
CBA; when removing entire flat pack-IC, first apply
soldering iron to center of the flat pack-IC and heat
up. Then remove (glue will be melted). (Fig. S-1-6)
(5) Release the flat pack-IC from the CBA using twee-
zers. (Fig. S-1-6)
Note:
When using a soldering iron, care must be taken to
ensure that the flat pack-IC is not being held by
glue. When the flat pack-IC is removed from the
CBA, handle it gently because it may be damaged
if force is applied.
Flat Pack-IC Desoldering Braid
Soldering Iron
Fig. S-1-3
Fine Tip
Soldering Iron
Sharp
Pin
Fig. S-1-4
To Solid
Mounting Point
Soldering Iron
Iron Wire
or
Hot Air Blower
Fig. S-1-5
Fine Tip
Soldering Iron
CBA
Flat Pack-IC
Tweezers
Fig. S-1-6

3-3 L6115STA
2. Installation
(1) Using desoldering braid, remove the solder from
the foil of each pin of the flat pack-IC on the CBA
so you can install a replacement flat pack-IC more
easily.
(2) The "I" mark on the flat pack-IC indicates pin 1.
(See Fig. S-1-7.) Be sure this mark matches the 1
on the PCB when positioning for installation. Then
pre- solder the four corners of the flat pack-IC.
(See Fig. S-1-8.)
(3) Solder all pins of the flat pack-IC. Be sure that
none of the pins have solder bridges.
Instructions for Handling
Semiconductors
Electrostatic breakdown of the semiconductors may
occur due to a potential difference caused by electro-
static charge during unpacking or repair work.
1. Ground for Human Body
Be sure to wear a grounding band (1MΩ) that is prop-
erly grounded to remove any static electricity that may
be charged on the body.
2. Ground for Workbench
Be sure to place a conductive sheet or copper plate
with proper grounding (1MΩ) on the workbench or
other surface, where the semiconductors are to be
placed. Because the static electricity charge on cloth-
ing will not escape through the body grounding band,
be careful to avoid contacting semiconductors with
your clothing.
Example :
Pin 1 of the Flat Pack-IC
is indicated by a " " mark. Fig. S-1-7
Presolder
CBA
Flat Pack-IC
Fig. S-1-8
CBA
<Incorrect>
CBA
Grounding Band
Conductive Sheet or
Copper Plate
1MΩ
1MΩ
<Correct>

4-1 L6650DC
CABINET DISASSEMBLY INSTRUCTIONS
1. Disassembly Flowchart
This flowchart indicates the disassembly steps for the
cabinet parts, and the CBA in order to gain access to
item(s) to be serviced. When reassembling, follow the
steps in reverse order. Bend, route and dress the
cables as they were.
Caution !
When removing the CRT, be sure to discharge the
Anode Lead of the CRT with the CRT Ground Wire
before removing the Anode Cap.
2. Disassembly Method
↓↓↓↓↓
(1) (2) (3) (4) (5)
Note:
(1) Order of steps in procedure. When reassembling,
follow the steps in reverse order.These numbers
are also used as the Identification (location) No. of
parts in figures.
(2) Parts to be removed or installed.
(3) Fig. No. showing procedure of part location
(4) Identification of part to be removed, unhooked, un-
locked, released, unplugged, unclamped, or des-
oldered.
S=Screw, P=Spring, L=Locking Tab, CN=Con-
nector, *=Unhook, Unlock, Release, Unplug, or
Desolder
2(S-2) = two Screws (S-2)
(5) Refer to the following "Reference Notes in the
Table."
Reference Notes in the Table
1. Removal of the Rear Cabinet. Remove screws
7(S-1), 1(S-2) and 3(S-4) then slide the Rear Cab-
inet backward.
2. Removal of the CRT CBA. Disconnect CN1501
then pull the CRT CBA backward.
Caution !
Discharge the Anode Lead of the CRT with the CRT
Ground Wire before removing the Anode Cap.
3. Removal of the Main CBA. First, disconnect
CN571, CN801, CN802, and CN691 on the Main
CBA. Second, remove Anode Cap. then slide the
Main CBA backward.
4. Removal of the CRT. Remove screws 4(S-3) then
slide the CRT backward.
Step/
Loc. No. Part
Removal
Fig.
No
Remove/*unlock/
release/unplug/
unclamp/desolder
Note
[1] Rear
Cabinet 1,2 7(S-1), 1(S-2),
3(S-4) 1
[2] CRT CBA 4,5 CN1501 2
[3] Main CBA 3,5
CN571, CN801,
CN802, CN691,
Anode Cap
3
[4] CRT 4 4(S-3) 4
[1] Rear Cabinet
[2] CRT CBA
[3] Main CBA
[4] CRT

4-2 L6650DC
Fig. 1
S-1
S-2 S-4
[1] Rear Cabinet
S-1
S-1
S-1
Fig. 2
[1] Rear Cabinet
S-1
S-1 S-1
S-1
S-1
S-1
S-1
S-4 S-2
[3] Main CBA
Fig. 3
Fig. 4
[4] CRT
Anode Cap
S-3
S-3
S-3
S-3

4-3 L6650DC
CN691
ANODE
CN801
CLN801
SP801
L691 DEGAUSSING COIL
MAIN CBA
FLYBACK TRANSFORMER
T571
AC601
AC CORD
TU1
TUNER
WH501B
WH301B
FOCUS
SCREEN
WH501A
WH301A
TO CRT GROUND
CN571
CN1501
CN802
CLN802
SP802
Fig. 5
TV Cable Wiring Diagram

5-1 L6650EA
ELECTRICAL ADJUSTMENT INSTRUCTIONS
General Note:
"CBA" is abbreviation for "Circuit Board Assem-
bly."
NOTE:
Electrical adjustments are required after replacing
circuit components and certain mechanical parts.
It is important to perform these adjustments only
after all repairs and replacements have been com-
pleted.
Also, do not attempt these adjustments unless the
proper equipment is available.
Test Equipment Required
1. NTSC Pattern Generator (Color Bar W/White
Window, Red Color, Dot Pattern, Gray Scale,
Monoscope, Multi-Burst)
2. DC Voltmeter
3. Oscilloscope: Dual-trace with 10:1 probe,
V-Range:0.001~50V/Div,
F-Range: DC~AC-60MHz
4. Plastic Tip Driver
5. Remote control unit: Part No. N0138UD or N0139UD
6. DC power supply 13.2V/5A
How to make Service remote control unit:
1.
Prepare normal remote control unit. (Part No.
N0138UD or N0139UD) Remove 3 Screws from
the back lid. (Fig. 1-1)
2. Added J1 (Jumper Wire) to the remote control CBA.
(Fig. 1-2)
Notes:
1. The service remote control unit that be made in
above method is usable in the electrical adjustment
of the following models.
SRT2313/2319, SRT2213B/2219B, SRT2227X,
SRT2223X, SRT2223B, SRT2232X, SRT2220P
SRT4127P
2. The attached remote control unit can not be used
as service remote control unit.
How to set up the service mode:
Service mode:
1. Use the service remote control unit.
2. Turn the power on. (Use main power on the TV
unit.)
3. Press "SLEEP" button on the service remote con-
trol unit. Version of micro computer will display on
the CRT. (Ex: 054-0.05)
4. Check the display on the lower left is "3815" and if
it is not "3815," set it at "3815" according to "2. Ini-
tial Setting."
1. +B Adjustment
Purpose: To obtain correct operation.
Symptom of Misadjustment: The picture is dark and
the unit does not operate correctly.
Note:TP601, TP300(GND), VR661 --- Main CBA
1. Connect DC Volt Meter to TP601 and TP300(GND).
2. Adjust VR661 so that the voltage of TP601 becomes
+132±0.5V DC.
SCREWS
REMOTE CONTROL UNIT Fig. 1-1
J 1
Fig. 1-2
REMOTE CONTROL CBA
Test Point Adj. Point Mode Input
TP601(+B)
TP300(GND) VR661 --- ---
Tape M. EQ. Spec.
--- DC Voltmeter +132±0.5V DC.
5-2 L6650EA
2. Initial Setting
General
1. Enter the Service mode. (See page 5-1)
2. Press "VOL p" button on the service remote control
unit. Display changes "C/D," "7F," "LANGUAGE,"
"ACCESS CODE," "SOUND TYPE," "VIDEO
TONE," "FM MODE," "V-OUT," "VIDEO," "AV
MEMO," "STABLE SOUND," "FILTER," "300," and
"YUV MEMORY" cyclically when "VOL p" button is
pressed.
3. To set the following each data value, press "CH o
/ p" buttons on the service remote control unit.
7F --- Set to "FF."
LANGUAGE --- Set to "SPA."
ACCESS CODE --- Set to "ON."
SOUND TYPE --- Set to "MTS."
VIDEO TONE --- Set to "ON."
FM-MODE --- Set to "OFF."
V-OUT --- Set to "OFF."
VIDEO --- Set to "V1/V2."
AV MEMO --- Set to "ON."
STABLE SOUND --- Set to "OFF."
FILTER --- Set to "ON."
Adjusting the monitoring time --- Set to "500."
YUV MEMORY --- Set to "OFF."
3. AV Memory Setting data
General
1. Enter the Service mode. (See page 5-1)
2. When “AV MEMORY” setting to “ON” (refer to “2-1.
Setting for 7F, CHROMA, LANGUAGE, STEREO
TYPE, ACCESS CODE, STABLE SOUND, COMB
FILTER, COMPONENT and AV MEMORY data
Values”), press "VOL o" button on the service re-
mote control unit. Display changes "SPORT CNT,"
"SPORT CLR," "SPORT SRP," "NEWS CNT,"
"NEWS CLR," "NEWS SRP," "MOVIE CNT,"
"MOVIE CLR," and "MOVIE SRP" cyclically when
"VOL o" button is pressed.
3. To set the following each data value, press "CH o
/ p" buttons on the service remote control unit.
SPORT CNT--- Set to "48."
SPORT CLR--- Set to "30."
SPORT SRP--- Set to "34."
NEWS CNT--- Set to "39."
NEWS CLR--- Set to "30."
NEWS SRP--- Set to "28."
MOVIE CNT--- Set to "43."
MOVIE CLR--- Set to "26."
MOVIE SRP--- Set to "24."
5-3 L6650EA
4. Setting for BRIGHT, CONTRAST,
COLOR, TINT and SHARPNESS
data Values
General
1. Enter the Service mode. (See page 5-1)
2. Press "MENU" button on the service remote control
unit. Display changes "BRT," "CNT," "CLR," "S-
CLR," "C-CLR," "TNT," "V-TNT," "S-TNT," "C-
TNT," "SHARP," "S-SRP," and "C-SRP" cyclical-
ly when "MENU" button is pressed.
CNT
1. Press "MENU" button on the service remote control
unit. Then select "CONTRAST" (CNT) display.
2. Press "CH o/p" buttons on the service remote
control unit so that the value of "CONTRAS" (CNT)
becomes 84.
CLR
1. Press "MENU" button on the service remote con-
trol unit. Then select "COLOR" (CLR) display.
2. Press "CH o/p" buttons on the service remote
control unit so that the value of "COLOR" (CLR)
becomes 56.
S-CLR
1. Press "MENU" button on the service remote con-
trol unit. Then select "S-COLOR" (S-CLR) display.
2. Press "CH o/p" buttons on the service remote
control unit so that the value of "S-COLOR" (S-
CLR) becomes 56.
C-CLR
1. Press "MENU" button on the service remote con-
trol unit. Then select "COMPONENT COLOR" (C-
CLR) display.
2. Press "CH o/p" buttons on the service remote
control unit so that the value of "COMPONENT
COLOR" (C-CLR) becomes 56.
TNT
1. Press "MENU" button on the service remote con-
trol unit. Then select "TINT" (TNT) display.
2. Press "CH o/p" buttons on the service remote
control unit so that the value of "TINT" (TNT) be-
comes 62.
V-TNT
1. Press "MENU" button on the service remote con-
trol unit. Then select "V-TINT" (V-TNT) display.
2. Press "CH o/p" buttons on the service remote
control unit so that the value of "V-TINT" (V-TNT)
becomes 62.
S-TNT
1. Press "MENU" button on the service remote con-
trol unit. Then select "S-TINT" (S-TNT) display.
2. Press "CH o/p" buttons on the service remote
control unit so that the value of "S-TINT" (S-TNT)
becomes 59.
C-TNT
1. Press "MENU" button on the service remote con-
trol unit. Then select "COMPONENT TINT" (C-
TNT) display.
2. Press "CH o/p" buttons on the service remote
control unit so that the value of "COMPONENT
TINT" (C-TNT) becomes 58.
SHARP
1. Press "MENU" button on the service remote con-
trol unit. Then select "SHARPNESS" (SHARP) dis-
play.
2. Press "CH o/p" buttons on the service remote
control unit and select "47."
S-SRP
1. Press "MENU" button on the service remote con-
trol unit. Then select "S-SHARPNESS" (S-SRP)
display.
2. Press "CH o/p" buttons on the service remote
control unit and select "47."
C-SRP
1. Press "MENU" button on the service remote con-
trol unit. Then select "COMPONENT SHARP-
NESS" (C-SRP) display.
2. Press "CH o/p" buttons on the service remote
control unit and select "47."
Note: BRIGHT data value does not need to be adjust-
ed at this moment.

5-4 L6650EA
5. Black Stretch Control Adjustment
Purpose: To show the fine black color.
Symptom of Misadjustment: Black color will not
appear correctly.
Note: Use service remote control unit.
1. Enter the Service mode. (See page 5-1)
2. Press "6" button on the service remote control unit.
"B-S" is indicated.
3. Press "CH o / p" buttons on the service remote con-
trol unit so that display will change "OFF," "0," and
"1." Then choose "B-S OFF."
4. Press "6" button on the service remote control unit.
"B-S2" is indicated.
5. Press "CH o / p" buttons on the service remote
control unit so that display will change "0" and "1."
Then choose "B-S2 0."
6. Turn the power off and on again, using the main
power button on the TV unit.
6. Purity Check
1. Enter the Service mode. (See page 5-1)
2. Press "7" button on the remote control unit. Each
time pressing 7" button on the remote control unit,
display changes Red mode, Green mode, Blue
mode, and White mode cyclically.
3. Select White mode.
4. Turn the power off and on again. (Main power but-
ton on the TV unit.)
7. SD Check Mode
1. Enter the Service mode. (See page 5-1)
2. Press "1" button on the remote control unit. The
unit enter the SD-Check mode.
3. The unit starts selecting the added channel from
first channel according to the memorized CH ADD/
DELL data and CATV/TV data in RAM.
SD Check mode (Factory mode)
7
Please wait
OSD color:
Magenta
Press "1" buton.
13
Please wait
OSD color:
Magenta
There is no SD after
selecting channel.
There are SD
in all channel.
When SD-Check starting,
there is no ADD channel.
26
OK
OSD color:
Magenta
ADD nothing
OSD color:
Magenta
30
NG
OSD color:
Magenta

5-5 L6650EA
8. H. Position Adjustment
Purpose: To obtain correct horizontal position of
screen image.
Symptom of Misadjustment: If H. Position is incor-
rect, horizontal position of image on the screen may
not be properly displayed.
Note: Use service remote control unit
1. Operate the unit for at least 20 minutes.
2. Enter the Service mode. (See page 5-1)
3. Receive the monoscope pattern.
4. Press "8" button on the remote control unit.
"H-P" is indicated.
5. Press "CH o/p" buttons on the service remote
control unit so that the monoscope pattern will be
90±5% of display size and the circle is round.
6. Turn the power off and on again. (Main power but-
ton on the TV unit.)
9. V. Size Adjustment
Purpose: To obtain correct vertical width of screen image.
Symptom of Misadjustment: If V. Size is incorrect, vertical
size of image on the screen may not be properly displayed.
Note: Use service remote control unit.
1. Operate the unit for at least 20 minutes.
2. Enter the Service mode. (See page 5-1)
3. Receive the monoscope pattern.
4. Press "9" button on the service remote control unit
and select "V-S" mode. (Display changes "V-S" and
"V-P" cyclically when "9" button is pressed).
5. Press "CH o/p" buttons on the service remote
control unit so that the monoscope pattern will be
90±5% of display size and the circle is round.
6. Turn the power off and on again. (Main power but-
ton on the TV unit.)
10. V. Position Adjustment
Purpose: To obtain correct vertical width of screen
image.
Symptom of misadjustment: If V. Position is incor-
rect, vertical height of image on the screen may not be
properly displayed.
Note: Use service remote control unit
1. Operate the unit for at least 20 minutes.
2. Enter the Service Mode. (See page 5-1)
3. Receive the monoscope pattern.
4. Press "9" button on the service remote control unit
and select "V-P" mode. (Display change "V-S" and
"V-P" cyclically when "9" button is pressed).
5. Press "CH o/p" buttons on the service remote
control unit so that the top and bottom of the mono-
scope pattern will be equal of each other.
6. Turn the power off and on again. (Main power but-
ton on the TV unit.)
11. U-Pedestal Adjustment
1. In VIDEO mode of V1, V2, or YUV, press "3" button
on the service remote control unit and select "U-
PED" mode. (Display changes "U-PED" and "V-
PED" cyclically when "3" button is pressed).
2. Switch the VIDEO mode to YUV. (Refer to “2. Initial
Setting.”)
3. To select one appropriate value in "0" to "15,"
press "CH o / p" buttons on the remote control
unit.
4. Switch the VIDEO mode to previous mode.
5. Turn the power off and on again. (Main power but-
ton on the TV unit.)
Test Point Adj. Point Mode Input
--- CH o / p
buttons RF Mono-
scope
Tape M. EQ. Spec.
--- Monoscope 90±5%
Test Point Adj. Point Mode Input
--- CH o / p
buttons RF Mono-
scope
Tape M. EQ. Spec.
--- Monoscope 90±5%
Test Point Adj. Point Mode Input
--- CH o / p
buttons RF Mono-
scope
Tape M. EQ. Spec.
--- Monoscope See below.

5-6 L6650EA
12. V-Pedestal Adjustment
1. In VIDEO mode of V1, V2, or YUV, press "3" button
on the service remote control unit and select "V-
PED" mode. (Display changes "U-PED" and "V-
PED" cyclically when "3" button is pressed).
2. Switch the VIDEO mode to YUV. (Refer to “2. Initial
Setting.”)
3. To select one appropriate value in "0" to "15,"
press "CH o / p" buttons on the remote control
unit.
4. Switch the input mode to previous mode.
5. Turn the power off and on again. (Main power but-
ton on the TV unit.)
13. Software Reset
To reset software, press “5” button on the remote con-
trol unit for at least 5 seconds after pressing “CH
RETURN” button on the remote control unit.
14. H. Size Adjustment
Purpose: To obtain correct horizontal size of screen
image.
Symptom of Misadjustment: If H. Size is incorrect,
horizontal size of image on the screen may not be
properly displayed.
Note: Use service remote control unit
1. Operate the unit for at least 20 minutes.
2. Receive the Monoscope Pattern.
3. Adjust VR562 so that the monoscope pattern will
be 90±5% of display size and circle is round.
4. Turn the Power off and on again. (Main power but-
ton on the TV unit.)
15. PIN Cushion Adjustment
Purpose: To obtain correct straight vertical line of
screen image.
Symptom of Misadjustment: If H.Pin cushion is incor-
rect, vertical line of image on the screen may not be
properly displayed.
Note: Use service remote control unit
1. Operate the unit for at least 20 minutes.
2. Receive the Cross hatch Pattern.
3. Adjust VR561 so that the cross hatch pattern will
be straight line of display.
4. Turn the Power off and on again. (Main power but-
ton on the TV unit.)
Test Point Adj. Point Mode Input
--- VR562 RF Mono-
scope
Tape M. EQ. Spec.
--- Monoscope 90±5%
Test Point Adj. Point Mode Input
--- VR561 RF Cross
hatch
Tape M. EQ. Spec.
--- Cross hatch

5-7 L6650EA
16. Cut-off Adjustment
Purpose: To adjust the beam current of R, G, B, and
screen voltage.
Symptom of Misadjustment: White color may be
reddish, greenish or bluish.
Note: Screen Control FBT --- Main CBA
F.B.T= Fly Back Transformer
Use service remote control unit
1. Degauss the CRT and allow CRT to operate for 20
minutes before starting the alignment.
2. Input the Black Raster Signal from RF Input.
3. Enter the Service mode. (See page 5-1)
4. Press "VOL p" button on the service remote con-
trol unit and select "C/D" mode. (Display changes
"C/D," "7F," "LANGUAGE," "ACCESS CODE,"
"SOUND TYPE," "VIDEO TONE," "FM MODE,"
"V-OUT," "VIDEO," "AV MEMO," "STABLE
SOUND," "FILTER," "500," and "YUV MEMORY"
cyclically when "VOL p button is pressed.) then
press "1." The display will momentarily show "CUT
OFF R" (R= Red). Now there should be a horizon-
tal line across the center of the picture tube. If
needed gradually turn the screen control on the fly-
back, clockwise until the horizontal line appears.
Adjust the Red Cut off by pressing the "CH o/p"
buttons. Proceed to Step 5 when the Red Cut off
adjustment is done.
5. Press the "2" button. The display will momentarily
show "CUT OFF G" (G=Green). Adjust the Green
Cut off by pressing the "CH o/p" buttons. Proceed
to step 6 when the Green Cut off adjustment is done.
6. Press the "3" button. The display will momentarily
show "CUT OFF B" (B=Blue). Adjust the Blue cut
off by pressing the "CH o/p" buttons. When done
with steps 4, 5 and 6 the horizontal line should be
pure white if not, then attempt the Cut off adjust-
ment again.
17. White Balance Adjustment
Purpose: To mix red, green and blue beams correctly
for pure white.
Symptom of Misadjustment: White becomes bluish
or reddish.
Note: Use service remote control unit
1. Operate the unit more than 20 minutes.
2. Face the unit to east. Degauss the CRT using De-
gaussing Coil.
3. Input the White Raster (APL 100%).
4. Set the color analyzer to the CHROMA mode and
after zero point calibration, bring the optical recep-
tor to the center on the tube surface (CRT).
5. Enter the Service mode. Press "VOL p" button on the
service remote control unit and select "C/D" mode.
(Display changes "C/D," "7F," "LANGUAGE," "AC-
CESS CODE," "SOUND TYPE," "VIDEO TONE,"
"FM MODE," "V-OUT," "VIDEO," "AV MEMO,"
"STABLE SOUND," "FILTER," "500," and "YUV
MEMORY" cyclically when "VOL p" button is
pressed.) then Press No. 8 button on the service re-
mote control Unit.
6. Press No. 4 button on the service remote control
unit for Red adjustment. Press N0. 5 button on the
service remote control unit for Blue adjustment.
7. In each color mode, Press "CH o/p" button to adjust
the values of color.
8. Adjusting Red and Blue color so that the temperature
becomes 9200K (x: 286 / y: 294)±3%.
9. At this time, Re-check that Horizontal line is white.
If not, Re-adjust Cut-off Adjustment until the Hori-
zontal Line becomes pure white.
10. Turn off and on again to return to normal mode. Re-
ceive APL 100% white signal and Check Chroma
temperatures become 9200K (x: 286 / y: 294)±3%.
Note: Confirm that Cut Off Adj. is correct after this
adjustment, and attempt Cut Off Adj. if needed.
Test Point Adj. Point Mode Input
---
Screen-Control
CH o / p
buttons
RF Black
Raster
Tape M. EQ. Spec.
--- Pattern
Generator
See Reference
Notes below.
Figure
PATTERN GENERATOR
Fig. 2
EXT. INPUT
Test Point Adj. Point Mode Input
Screen CH o / p
buttons RF
White
Raster
(APL
100%)
Tape M. EQ. Spec.
---
Pattern
Generator,
Color analyzer
See below
Figure
Color Analyzer Fig. 3

5-8 L6650EA
18. Sub-Brightness Adjustment
Purpose: To get proper brightness.
Symptom of Misadjustment: If Sub-Brightness is
incorrect, proper brightness cannot be obtained by
adjusting the Brightness Control.
Note: IQW Setup level --- 7.5 IRE
Use service remote control unit
1. Enter the Service mode. (See page 5-1)
Then input IQW signal from RF Input.
2. Press "MENU" button on the service remote control
unit and Select "BRT" mode. (Display changes
"BRT," "CNT," "CLR," "S-CLR," "TNT," "V-TNT," "S-
TNT," "SHARP," and "S-SRP" cyclically when
"MENU" button is pressed). Press "CH o/p" buttons
so that the bar is just visible (See above figure).
3. Turn the power off and on again. (Main power but-
ton on the TV unit.)
19. Focus Adjustment
Purpose: Set the optimum Focus.
Symptom of Misadjustment: If Focus Adjustment is
incorrect, blurred images are shown on the display.
Note: Focus VR (FBT) - Main CBA,
FBT=Fly Back Transformer
1. Operate the unit more than 30 minutes.
2. Face the unit to the East and Degauss the CRT
using Degaussing Coil.
3. Input the Monoscope Pattern.
4. Adjust the Focus Control on the FBT to obtain
clear picture.
The following adjustments normally are not
attempted in the field. Only when replacing the
CRT then adjust as a preparation.
20. Purity Adjustment
Purpose: To obtain pure color.
Symptom of Misadjustment: If Color Purity Adjust-
ment is incorrect, large areas of color may not be
properly displayed.
1. Set the unit facing east.
2. Operate the unit for over 30 minutes before adjust-
ing.
3. Fully degauss the unit using an external degauss-
ing coil.
4. Loosen the screw on the Deflection Yoke Clamper
and pull the Deflection Yoke back away from the
screen. (See Fig. 6)
5. Loosen the Ring Lock and adjust the Purity Mag-
nets so that a red field is obtained at the center of
the screen. Tighten Ring Lock. (See Fig. 5,6)
6. Slowly push the Deflection Yoke toward bell of
CRT and set it where a uniform red field is ob-
tained.
7. Tighten the clamp screw on the Deflection Yoke.
Test Point Adj. Point Mode Input
--- CH o / p
buttons RF IQW
Tape M. EQ. Spec.
--- Pattern
Generator See below
Figure
Test Point Adj. Point Mode Input
--- Focus Control --- Mono-
scope
Tape M. EQ. Spec.
--- Pattern
Generator See below
White Black
Fig. 4
This bar
just
visible
Test Point Adj. Point Mode Input
---
Deflection
Yoke Purity
Magnet
--- Red
Color
Tape M. EQ. Spec.
--- Pattern
Generator See below.
Figure
GREEN RED BLUE
Fig. 5

5-9 L6650EA
21. Convergence Adjustment
Purpose: To obtain proper convergence of red, green
and blue beams.
Symptom of Misadjustment: If Convergence Adjust-
ment is incorrect, the edge of white letters may have
color edges.
1. Loosen the Ring Lock and align red with blue dots
or Crosshatch at the center of the screen by rotat-
ing (RB) C.P. Magnets. (See Fig. 7)
2. Align red / blue with green dots at the center of the
screen by rotating (RB-G) C.P. Magnet. (See Fig. 8)
3. Paintlock the C.P. Magnets after adjustment.
4. Remove the DY Wedges and slightly tilt the De-
flection Yoke horizontally and vertically to obtain
the best overall convergence.
5. Fix the Deflection Yoke by carefully inserting the
DY Wedges between CRT and Deflection Yoke.
Test Point Adj. Point Mode Input
---
C.P. Magnet
(RB),
C.P. Magnet
(RB-G),
Deflection Yoke
---
Dot Pattern
or
Crosshatch
Tape M. EQ. Spec.
--- Pattern
Generator See below.
Figures
DY WEDGE
DEFLECTION YOKE
C.P. MAGNET
RING LOCK
SCREW
SCREW RB-GRB
PURITY
CRT
COIL
COIL CLAMPER
C.P. MAGNET CLAMPER
Fig. 6
GG
RB
RB
Fig. 8
C.B. MAGNET (RB-G)

L6650BLS
BLOCK DIAGRAMS
6-1 6-2
58
73
75
63
62
80
56
SCL
AFT
AGC
AFT
AGC
INPUT0
INPUT1
PROTECT-2
PROTECT-1
PROTECT-3
P-ON-H
SDA
System Control Block Diagram
REMOTE
SENSOR
KEY
SWITCH
74
28
18
40
DG-ON-H
+5V CTRL
+5V CTRL2
+8V CTRL
DG-ON-H
+5V CTRL
+5V CTRL2
+8V CTRL
FROM/TO
POWER
SUPPLY BLOCK
FROM/TO
CRT/H.V. BLOCK
PROTECT-2
PROTECT-1
PROTECT-3
P-ON-H
P-ON-H
KEY-IN2
KEY-IN1
RCV-IN
RCV101
IC151
(MEMORY)
SCL 6
SDA 5
VOLUME
67
68
76
79
69
66
70
PROTECT-2
PROTECT-1
SDA 5
I2C-OPEN 3
SCL 6
CN301
(NO CONNECTION)
CN301 is used for
adjustment at factory
7
CS 72 I2C-OPEN
IC333
TV MICON/VIDEO
/AUDIO/CHROMA
/DEFLECTION
FROM
IF/VIDEO BLOCK
INPUT0
55
A-O-MUTE
TO
IF/VIDEO BLOCK
TO
AUDIO BLOCK
VOLUME
A-O-MUTE
64A-MUTE-H A-MUTE-H
MAIN CBA
Q141
INPUT1
INPUT0
Q131
SCL
SDA
FROM/TO
AUDIO BLOCK

L6650BLIF6-3 6-4
58
16
56
32
30
SCL
CF31
CF32
VCO F/B Q33
AGC
SDA
S-SW
(REAR)
FROM/TO
CRT/H.V. BLOCK
WH301A
TO
CRT/H.V. BLOCK
WH301B
BLUE5
GREEN4
RED3
IF/Video Block Diagram
IC33 (IF SIGNAL PROCESS)
CHROMINANCE
PROCESS
CIRCUIT
LUMINANCE
PROCESS
CIRCUIT
CHROMA COMB
BASEBAND TINT
H-SYNC
PROCESS
CIRCUIT
V-SYNC
PROCESS
CIRCUIT
VCXO
OSD
RGB MATRIX
/COLOR CONT OSD SW
CONTRAST
BRIGHTNESS
RGB DRIVE
/CUT OFF
/H.V. BLK
LPF
14
20
29
11
61
53
46
45
38
37
ACL
H-DRIVE
FBP
RAMP-OUT
V-RAMP-F/B
JK721
VIDEO-IN
24
SAW
FILTER VIF
AMP VIDEO
DET
VCO 4.5MHz
FILTER
LPF
IF AGC DET
EQ
AMP
RF
AGC
AMP
AFT
4.5MHz
TRAP
SIF
AMP
20
14
16
22
7
21 53
8
1
10
TU1 SF1
IF
AGC
SDA
SCL
EXT.CLK
1
11
5
4
8
17
26
SIF
52
51
50
MAIN CBA
VIDEO SIGNALRF/IF SIGNAL AUDIO SIGNAL
JK701
VIDEO-IN
WF16
WF1
WF2
TO
AUDIO BLOCK
IC333
TV MICON/VIDEO
/AUDIO/CHROMA
/DEFLECTION
JK711
S-VIDEO-IN
C Y
(FRONT)
INPUT0
X301
3.58MHz
AFT
FROM/TO
SYSTEM
CONTROL
BLOCK
Q21
Q951
Q956

Audio Block Diagram
MAIN CBA
AUDIO SIGNAL
6-5 6-6 L6650BLA
A-MUTE-H
VOLUME
FROM/TO
SYSTEM CONTROL
BLOCK
INPUT 0
INPUT 1
SCL
SDA
SP802
SPEAKER
R-CH
CN802
SP-R 1
SP-GND 2
SP801
SPEAKER
L-CH
CN801
SP-L 1
SP-GND 2
IC771 (INPUT SELECT)
SW CTL
13
3
11
15
12
4
2
1
9 10
Q751
AMP
Q761
AMP
VCA STEREO
FILTER 75uS
DE-EMPH
dBX
DE-EMPH
L+R
FILTER
WIDE BAND
FILTER WIDE BAND
RMS DET WIDE BAND
EXPAND
SPECTRAL
EXPAND
SPECTRAL
RMS DET
SPECTRAL
FILTER
OFFSET
CANCEL
L-CH
R-CH
MATRIX AGC
OFFSET
CANCEL L-R
FILTER
(L-R)/SAP
SW
SAP
FILTER
I2C
DECORDER
SAP
DEMOD SAP OUT
FILTER
29
30
FROM
IF/VIDEO BLOCK
TUNER
REAR
FRONT
TUNER
REAR
FRONT
(L-CH)
(R-CH)
21
27
24
IC431 (MTS/SAP AUDIO SIGNAL PROCESS)
AUDIO-IN(L)
(REAR)
JK702
JK702
SIF
JK703
JK703
IC801 (AUDIO AMP)
6
7
2
DC
VOL.
5
DC
VOL. 12
Q792 Q791 Q793 +8V
Q794
WF6
A-O-MUTE
Q825
AUDIO-IN(R)
(REAR)
JK722
AUDIO-IN(L)
(FRONT)
JK723
AUDIO-IN(R)
(FRONT)
AUDIO-OUT(L)
(REAR)
AUDIO-OUT(R)
(REAR)
OFFSET
CANCEL

L6650BLCRT
CRT/H.V. Block Diagram
MAIN CBA
CRT CBA
7
4
8
6
11
10
9
RAMP-OUT
P-ON-H
V-RAMP-F/B
H-DRIVE
GREEN AMP
BLUE AMP
Q572 Q571
Q531
Q561
Q551,
Q552
VR562VR561
PCC WIDTH
T572
1
3
4
5
FBP
ACL
V-
DRIVE
H-
DRIVE
DY551 D.Y.
IC551 (V-DEFLECTION CONTROL)
ANODE
FOCUS
SCREEN
WH301BTO WH301A
R
G
B
HEATER
ANODE
GND
V501
CRT
FOCUS
SCREEN
GND
JK1501
CN1501
WH501BWH501A
VIDEO SIGNAL
CN551
H.OUTPUT
H.DRIVE
+B
15kHz
TP302
GND
TP500
BLUE
TP501
X-RAY CHECK
TP591 TP592
PROTECT-3
DEF+B
AMP
7
1
Q533
6 3
PULSE
UP
THERMAL
PROTECTION
SWITCHING
P-ON-ON
5
(SWITCHING)
(SWITCHING)
WF7 WF8
WF11
WF12
WF9
WF10
WF3 WF15 WF4 WF14
WF5 WF13
RED AMP
PROTECT-2
RED 3
GREEN 4
BLUE 5
HEATER3 3
+200V
1 1
PROTECT-1
H.
CONTROL
FROM POWER
SUPPLY BLOCK
FROM/TO
IF/VIDEO BLOCK
FROM/TO
SYSTEM CONTROL
BLOCK
FROM
IF/VIDEO BLOCK
Q547
(SWITCHING)
6-7 6-8
T571 F.B.T. FOCUS VR
SCREEN VR
4
3
1
5
S
F
HV
11
8
10
7
9
6
Q1511,
Q1512 Q1521,
Q1522
Q1531,
Q1532

L6650BLP
6-9 6-10
Power Supply Block Diagram
4A/125V
F601
4A/125V LINE
FILTER
L601
AC601
AC CORD
DEGAUSSING
COIL
L691
CN691
PS691
BRIDGE
RECTIFIER
D605 - D608
HOT COLD
T601
6
4
2
1 13
14
12
11
9
4
3
IC601
ERROR
VOLTAGE DET
Q601
Q602
LIMITER
SWITCHING
Q652
VR661
+B ADJ
Q673
SWITCHING
CONTROL
Q672
Q681
Q696
RL601
+8V
SWITCHING
MAIN CBA
+B
DEF +B
+5V CTRL2
(FROM PIN 18 OF IC333)
P-ON+8V
DG-ON-H
(FROM PIN74 OF IC333)
+8V CTRL
(FROM PIN40 OF IC333)
AL+33V
P-ON+5V
AL+12V
P-ON+12V
Q111
NOTE :
The voltage for parts in hot circuit is measured using
hot GND as a common terminal.
+B
TP601
10 SWITCHING
Q831
PROTECT-2
(TO PIN 67 OF IC333)
BACK-UP
PROTECT-1
(TO PIN68 OF IC333)
Q682
P-ON+5V
+5V CTRL
(FROM PIN28 OF IC333)
Q683
+5V
SWITCHING
+5V
SWITCHING
+5V
SWITCHING
AL+9V
Q321
+9V
SWITCHING
Q674
SWITCHING
P-ON-ON P-ON-H
(FROM PIN79 OF IC333)
Q832
SWITCHING
P-ON-ON
SWITCHING
P-ON-ON
HOT CIRCUIT. BE CAREFUL.
FOR CONTINUED PROTECTION AGAINST RISK OF FIRE,
REPLACE ONLY WITH SAME TYPE 4 A, 125V FUSE.
CAUTION:
ATTENTION: UTILISER UN FUSIBLE DE RECHANGE DE MÊME TYPE DE 4A, 125V.
4A/125V
1
2
FEED
BACK
Q841
(SWITCHING)
SWITCHING
P-ON-ON
Q191
Q851
+9V
REGULATOR
Q961
+5V
REGULATOR
SWITCHING
DG-ON-ON
P-ON+5V
CAUTION !
Fixed voltage ( or Auto voltage selectable ) power supply circuit is used in this unit.
If Main Fuse (F601) is blown, check to see that all components in the power supply
circuit are not defective before you connect the AC plug to the AC power supply.
Otherwise it may cause some components in the power supply circuit to fail.

7-1 L13SC
SCHEMATIC DIAGRAMS / CBA'S AND TEST POINTS
Standard Notes
Many electrical and mechanical parts in this chassis have special characteristics. These characteristics often
pass unnoticed and the protection afforded by them cannot necessarily be obtained by using replacement compo-
nents rated for higher voltage, wattage, etc. Replacement parts that have these special safety characteristics are
identified in this manual and its supplements; electrical components having such features are identified by the
mark " # " in the schematic diagram and the parts list. Before replacing any of these components, read the parts
list in this manual carefully. The use of substitute replacement parts that do not have the same safety characteris-
tics as specified in the parts list may create shock, fire, or other hazards.
Note:
1. Do not use the part number shown on these drawings for ordering. The correct part number is shown in the
parts list, and may be slightly different or amended since these drawings were prepared.
2. All resistance values are indicated in ohms (K=103, M=106).
3. Resistor wattages are 1/4W or 1/6W unless otherwise specified.
4. All capacitance values are indicated in µF (P=10-6µF).
5. All voltages are DC voltages unless otherwise specified.
Note of Capacitors:
ML --- Mylar Cap. PP --- Metallized Film Cap. SC --- Semiconductor Cap. L --- Low Leakage type
Temperature Characteristics of Capacitors are noted with the following:
B --- ±10% CH --- 0±60ppm/°C CSL --- +350~-1000ppm/°C
Tolerance of Capacitors are noted with the following:
Z --- +80~-20%
Note of Resistors:
CEM --- Cement Res. MTL --- Metal Res. F --- Fuse Res.
Capacitors and transistors are represented by the following symbols.
(Top View) (Bottom View)
(Bottom View)
Electrolytic Capacitor
+
Transistor or Digital Transistor
NPN Transistor PNP Transistor
NPN Digital Transistor PNP Digital Transistor
(Top View)
(Top View)
E C B
E C B
Digital Transistor
CBA Symbols Schematic Diagram Symbols
E C B
(Top View)
(Top View)
E C B
E C B

7-2 L13SC
LIST OF CAUTION, NOTES, AND SYMBOLS USED IN THE SCHEMATIC DIAGRAMS ON
THE FOLLOWING PAGES:
1. CAUTION: FOR CONTINUED PROTECTION AGAINST RISK OF FIRE, REPLACE ONLY WITH SAME
TYPE_A,_V FUSE.
ATTENTION: UTILISER UN FUSIBLE DE RECHANGE DE MÊME TYPE DE_A,_V.
2. CAUTION:
Fixed Voltage (or Auto voltage selectable) power supply circuit is used in this unit.
If Main Fuse (F601) is blown, first check to see that all components in the power supply circuit are not defective
before you connect the AC plug to the AC power supply. Otherwise it may cause some components in the pow-
er supply circuit to fail.
3. Note:
(1) Do not use the part number shown on the drawings for ordering. The correct part number is shown in the
parts list, and may be slightly different or amended since the drawings were prepared.
(2) To maintain original function and reliability of repaired units, use only original replacement parts which are
listed with their part numbers in the parts list section of the service manual.
4. Wire Connectors
(1) Prefix symbol "CN" means "connector" (can disconnect and reconnect).
(2) Prefix symbol "CL" means "wire-solder holes of the PCB" (wire is soldered directly).
5. Note: Mark "I" is a leadless (chip) component.
6. Voltage indications on the schematics are as shown below:
Plug the TV power cord into a standard AC outlet.:
7. How to read converged lines
8. Test Point Information
231
5.0
5.0
Voltage Indicates that the voltage
is not consistent here.
(3.0) (3.0)
Power on mode
Power off mode
Unit: Volts
3
2
1
ABCD
1-B1
1-D3
AREA D3
AREA B1
1-D3
Distinction Area
Line Number
(1 to 3 digits)
Examples:
1. "1-D3" means that line number "1" goes to area "D3".
2. "1-B1" means that line number "1" goes to area "B1".
: Indicates a test point with a jumper wire across a hole in the PCB.
: Used to indicate a test point with a component lead on foil side.
: Used to indicate a test point with no test pin.
: Used to indicate a test point with a test pin.

A1
A2
A3
A4
B1
B2
B3
B4
C1
C2
C3
C4
D1
D2
D3
D4
E1
E2
E3
E4
F1
F2
F3
F4
VIDEO SIGNAL
Main 1/4 Schematic Diagram
7-3 7-4 L6650SCM1
MAIN 1/4
Ref No. Position
IC151 A-3
IC333 C-2
Q111 D-1
Q131 A-3
Q141 A-4
Q191 B-4
Q321 E-2
CN301 A-3
ICS
TRANSISTORS
CONNECTOR

G1
G2
G3
G4
H1
H2
H3
H4
I1
I2
I3
I4
J1
J2
J3
J4
K1
K2
K3
K4
L1
L2
L3
L4
VIDEO SIGNAL
AUDIO SIGNAL
7-5 7-6 L6650SCM2
Main 2/4 Schematic Diagram
MAIN 2/4
Ref No. Position
IC431 G-3
IC771 H-2
IC801 J-4
Q751 J-2
Q761 J-2
Q791 J-1
Q792 I-2
Q793 I-1
Q794 H-1
Q825 J-3
Q831 K-3
Q832 K-3
Q841 K-3
Q851 J-3
Q951 H-1
Q956 H-1
Q961 J-3
CN801 L-4
CN802 L-3
ICS
TRANSISTORS
CONNECTORS

M1
M2
M3
M4
N1
N2
N3
N4
O1
O2
O3
O4
P1
P2
P3
P4
Q1
Q2
Q3
Q4
R1
R2
R3
R4
IF SIGNAL
VIDEO SIGNAL
AUDIO SIGNAL
NOTE :
The voltage for parts in hot circuit is measured
using hot GND as a common terminal.
CAUTION: FOR CONTINUED PROTECTION AGAINST RISK
OF FIRE, REPLACE ONLY WITH SAME TYPE 4A, 125V FUSE.
ATTENTION: UTILISER UN FUSIBLE DE RECHANGE DE
MÊME TYPE DE 4A, 125V.
4A/125V
7-7 7-8 L6650SCM3
Main 3/4 Schematic Diagram
CAUTION !
Fixed voltage ( or Auto voltage selectable ) power supply circuit is used in this unit.
If Main Fuse (F601) is blown, check to see that all components in the power supply
circuit are not defective before you connect the AC plug to the AC power supply.
Otherwise it may cause some components in the power supply circuit to fail.
MAIN 3/4
Ref No. Position
IC33 P-3
IC601 O-1
Q21 P-4
Q33 P-4
Q601 P-2
Q602 P-1
Q652 O-1
Q672 N-2
Q673 N-1
Q674 N-1
Q681 M-2
Q682 M-1
Q683 M-1
Q696 O-2
CN691 Q-2
TP300 N-4
TP301 N-4
VR661 O-1
TRANSISTORS
CONNECTOR
TEST POINTS
VARIABLE RESISTOR
ICS

S1
S2
S3
T1
T2
T3
U1
U2
U3
V1
V2
V3
W1
W2
W3
X1
X2
X3
VIDEO SIGNAL
7-9 7-10 L6650SCM4
Main 4/4 & CRT Schematic Diagram
MAIN 4/4
Ref No. Position Ref No. Position Ref No. Position
IC551 S-3 Q571 U-2 TP591 U-2
Q572 T-2 TP592 U-2
Q531 S-2 TP601 U-2
Q533 S-2 CN571 T-3
Q547 U-2 WH301A V-2 VR561 U-3
Q551 T-3 WH501A V-3 VR562 U-3
Q552 T-3
Q561 U-3 TP302 V-2
TRANSISTORS TEST POINTS
CONNECTORS
IC
TRANSISTORS
VARIABLE RESISTORS
TEST POINTS
CRT
Ref No. Position
Q1511 W-1
Q1512 W-2
Q1521 W-1
Q1522 W-2
Q1531 W-1
Q1532 W-2
CN1501 X-2
WH301B V-2
WH501B V-3
TP500 W-1
TP501 W-2
TRANSISTORS
CONNECTORS
TEST POINTS

FOCUS-VR
(UPPER SIDE)
SCREEN-VR
(LOWER SIDE)
VR661
+B ADJ
+B
TP601
15kHz
TP302
VR561
PCC
VR562
WIDTH
AGC
TP301
TP300
GND
Main CBA Top View BECAUSE A HOT CHASSIS GROUND IS PRESENT IN THE POWER
SUPPLY CIRCUIT, AN ISOLATION TRANSFORMER MUST BE USED.
ALSO, IN ORDER TO HAVE THE ABILITY TO INCREASE THE INPUT
SLOWLY, WHEN TROUBLESHOOTING THIS TYPE POWER SUPPLY
CIRCUIT, A VARIABLE ISOLATION TRANSFORMER IS REQUIRED.
NOTE :
The voltage for parts in hot circuit is measured
using hot GND as a common terminal.
CAUTION: FOR CONTINUED PROTECTION AGAINST RISK
OF FIRE, REPLACE ONLY WITH SAME TYPE 4A, 125V FUSE.
ATTENTION: UTILISER UN FUSIBLE DE RECHANGE DE
MÊME TYPE DE 4A, 125V.
4A/125V
7-11 BL6650F01011-1
7-12
CAUTION !
Fixed voltage ( or Auto voltage selectable ) power supply circuit is used in this unit.
If Main Fuse (F601) is blown, check to see that all components in the power
supply circuit are not defective before you connect the AC plug to the AC power supply.
Otherwise it may cause some components in the power supply circuit to fail. MAIN CBA
Ref No. Position Ref No. Position
IC33 B-2 Q751 C-1
IC151 E-5 Q761 C-1
IC333 F-5 Q791 C-1
IC431 A-1 Q792 C-1
IC551 C-2 Q793 D-1
IC601 C-4 Q794 D-1
IC771 D-1 Q825 E-2
IC801 E-2 Q831 E-3
Q832 F-3
Q21 C-1 Q841 F-2
Q33 C-1 Q851 E-3
Q111 F-3 Q951 D-1
Q131 F-4 Q956 D-1
Q141 E-5 Q961 C-1
Q191 F-5
Q321 E-3 CN301 A-1
Q531 C-2 CN571 B-3
Q533 C-2 CN691 D-5
Q547 B-2 CN801 E-2
Q551 B-2 CN802 E-5
Q552 B-2 WH301A D-4
Q561 B-2 WH501A A-4
Q571 B-4
Q572 C-2 TP300 A-4
Q601 B-1 TP301 A-2
Q602 B-4 TP302 A-4
Q652 D-4 TP591 A-3
Q672 D-3 TP592 A-3
Q673 D-3 TP601 B-5
Q674 D-3
Q681 D-3 VR561 B-2
Q682 D-4 VR562 B-2
Q683 D-4 VR661 B-2
Q696 D-4
ICS
TRANSISTORS
TRANSISTORS
CONNECTORS
TEST POINTS
VARIABLE RESISTOR

Q571
Base
WF8
PIN 4
OF CN571
WF12
WF9
PIN 1
OF CN571
PIN 3
OF WH501A
WF10
PIN 7
OF IC551
WF11
Q572
Collector
WF7
WF1
PIN 3
OF IC33
PIN 8
OF TU1
WF16
WF2
PIN 14
OF IC333
PIN 5
OF IC801
WF6
Main CBA Bottom View
BECAUSE A HOT CHASSIS GROUND IS PRESENT IN THE POWER
SUPPLY CIRCUIT, AN ISOLATION TRANSFORMER MUST BE USED.
ALSO, IN ORDER TO HAVE THE ABILITY TO INCREASE THE INPUT
SLOWLY, WHEN TROUBLESHOOTING THIS TYPE POWER SUPPLY
CIRCUIT, A VARIABLE ISOLATION TRANSFORMER IS REQUIRED.
NOTE :
The voltage for parts in hot circuit is measured
using hot GND as a common terminal.
CAUTION: FOR CONTINUED PROTECTION AGAINST RISK
OF FIRE, REPLACE ONLY WITH SAME TYPE 4A, 125V FUSE.
ATTENTION: UTILISER UN FUSIBLE DE RECHANGE DE
MÊME TYPE DE 4A, 125V.
4A/125V
7-13 7-14 BL6650F01011-1
CAUTION !
Fixed voltage ( or Auto voltage selectable ) power supply circuit is used in this unit.
If Main Fuse (F601) is blown, check to see that all components in the power supply
circuit are not defective before you connect the AC plug to the AC power supply.
Otherwise it may cause some components in the power supply circuit to fail.

WF15
Q1511
Collector Q1511
Base
WF3 WF14
Q1521
Collector
Q1521
Base
WF4 WF13
Q1531
Collector
Q1531
Base
WF5
GND
TP500
BLUE
TP501
7-15 BL6650F01011-2
7-16
CRT CBA Top View CRT CBA Bottom View
CRT CBA
Ref No. Position
Q1511 C-1
Q1512 C-1
Q1521 C-1
Q1522 C-1
Q1531 B-1
Q1532 B-1
CN1501 A-2
WH301B B-2
WH501B A-2
TP500 B-2
TP501 B-2
TRANSISTORS
CONNECTORS
TEST POINTS

10 V 5 ms
1DIV: 0.5V 20µsec
IC 33 Pin 3
WF1
GND
1DIV: 0.5V 20µsec
IC 333 Pin 14
WF2 1DIV: 0.2V 20msec
IC 801 Pin 5
WF6
1DIV: 200V 20µsec
CN 571 Pin 1
WF9
GND
1DIV: 5V 20µsec
WH501A Pin 3
WF10
GND
1DIV: 2V 5msec
IC 551 Pin 7
WF11
1DIV: 10V 5msec
CN 571 Pin 4
WF12
1DIV: 20V 20µsec
Q 1521 Collector
WF14
1DIV: 2V 20µsec
Q 1511 Base
WF3
GND
1DIV: 2V 20µsec
Q 1521 Base
WF4
1DIV: 2V 20µsec
Q 1531 Base
WF5
GND
1DIV: 10V 20µsec
Q 572 Collector
WF7
GND
1DIV: 5V 20µsec
Q 571 Base
WF8
1DIV: 20V 20µsec
Q 1531 Collector
WF13
1DIV: 20V 20µsec
Q 1511 Collector
WF15
1DIV: 0.2V 20µsec
TU 1 Pin 8
WF16
GND
L6650WF
WF1 ~ WF16 = Waveforms to be observed at
Waveform check points.
(Shown in Schematic Diagram.)
Input: NTSC Color Bar Signal (with 1kHz Audio Signal)
INITIAL POSITION: Unplug unit from AC outlet for at least 5 minutes.
reconnect to AC outlet and then turn power on.
(Brightness---Center Color---Center Tint --- Center Contrast---Approx 70%)
WAVEFORMS
8-1 8-2

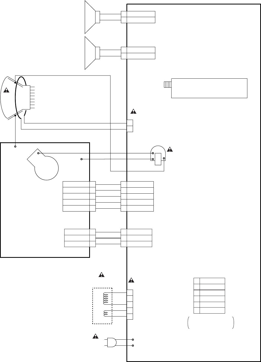
WIRING DIAGRAM
CRT CBA
FOCUS
SCREEN
GND
D.Y.
DY551
HD
VD
MAIN CBA
BL6650F01011-1
WH301A
CN1501
1
2
CN691
CLN501
CLN301
AC601
1
2
3
4
5
1
2
3
4
5
CN571
5
4
3
2
1
WH301B
GND
RED
GREEN
BLUE
V501
CRT
ANODE
L-CH
R-CH
1SP-L
2
SP801
SPEAKER
CN801
1SP-R
2
SP802
SPEAKER
CN802
9-1 L6650WI
T571
FBT
TU1 TUNER UNIT
WH501AWH501B
+8V
GND
RED
GREEN
BLUE
+8V
HEATER3
GND2
+200V1
GND 2
+200V 1
HEATER 3
CLN801
CLN802
SP-GND
SP-GND
BL6650F01011-2
CN301
(NO CONNECTION)
CN301 IS USED FOR
ADJUSTMENT AT
FACTORY.
INT-MONI
1
AGC2
I2C-OPEN3
GND
4
SDA5
SCL
6

10-1 L6650PIN
IC PIN FUNCTIONS
IC333 (TV Micro Computer)
Pin
No. Signal Name Function
1GND GND
2 N.U. Not Used
3 N.U. Not Used
4 N.U. Not Used
5GND GND
6VCC AL+5V
7 N.U. Not Used
8 FILT FILT
9 HLF Filter for CCD
10 VHOLD VHOLD
11 CVIN Input for Video Signal
12 RESET RESET
13 MCU RESET
OUT RESET Signal Output
14 Y-SW OUT Composite Signal Output
15 GND GND
16 3.58 X'TAL 3.58MHz Crystal
17 C-APC CHROMINANCE APC
18 MCU 5.7REG
OUT
Micro controller Control
Voltage Output
19 N.U. Not Used
20 CVBS IN 3 Composite Signal Input 3
21 N.U. Not Used
22 VCC VCC
23 N.U. (GND)
24 CVBS IN2 Composite Signal Input 2
25 N.U. Not Used
26 CVBS IN1 Composite Signal Input 1
27 N.U. Not Used
28 5.7V REG OUT 5.7V Output
29 C(Y/C) IN Chrominance Signal Input
30 Y(Y/C) IN Luminance Signal Input
31 V REG VCC DC 8.7V Input
32 FSC OUT Clock Output 3.58MHz
33 MONITOR OUT Monitor Out
34 N.U. Not Used
35 N.U. Not Used
36 N.U. Not Used
37 V RAMP F/B V Ramp Feed Back
38 V RAMP OUT Vertical Output
39 V RAMP CAP V Ramp OSC Capacitor
40 8.7 VREG OUT DC 8.7V Output
41 N.U. Not Used
42 H VCO F/B H Vco Feed Back
43 AFC FILT Horizontal AFC Filter
44 GND GND
45 FBP IN Flyback Pulse Input
46 H-OUT H Pulse Output
47 VCC Vcc
48 VCC Vcc
49 VCC Vcc
50 R OUT Red Output
51 G OUT Green Output
52 B OUT Blue Output
53 ACL IB-Input
54 N.U. Not Used
55 A-O-MUTE Mute Signal of Audio Output
56 SDA I2C-BUS Controller Interface
(Data)
57 N.U. Not Used
58 SCL I2C-BUS Controller Interface
(Clock)
59 N.U. (GND)
60 N.U. Not Used
61 S-SW Detecting S-VIDEO Jack
Connection
62 VOLUME Volume
63 INPUTO Input Select 0
64 A-MUTE-H Audio Mute
65 N.U. Not Used
66 KEY-IN 1 Key Input 1 (Main)
67 PROTECT-2 Power Supply Protection
68 PROTECT-1 Power Supply Protection
69 KEY-IN 2 Key Input 2 (Main)
Pin
No. Signal Name Function

10-2 L6650PIN
70 RCV-IN Input For Remote Control
71 N.U. Not Used
72 I2C OPEN White Balance Adjustment
Judgement
73 AFT AFT Voltage Input
74 DG-ON-H Degaussing Coil Control
75 AGC AGC Voltage Input
76 PROTECT 3 Power Supply Protection
77 N.U. Not Used
78 FM-SW Switching IF IC VCO
79 P-ON-H Output for P-ON-H
80 INPUT 1 Input Select 1
Pin
No. Signal Name Function

PB6
PB6
A3
A2 A1
L1
L1
B4
B4
SP801 SP802
B2
B2
B5
B5
B2
B1
B2
A6 L2
L2
L2
L2
L4
L2
L2
L3
L2
A5
B-8
B-7
B-6
L-1
L-1
B-9
L-1 L-1
A4
L-1
Scotch Tape #880
MAIN CBA
CRT CBA
AC601
V501
DY551
CLN551
L691
Lead Clamper
Lead Clamper
Lead
Clamper
Lead
Clamper
Lead
Clamper
Lead
Clamper
V501-1
DY551
Details for DY551
and surrounding parts SHINWHA
TAPE SGT-730
(WHITE)
SHINWHA
TAPE SGT-730
(BLACK)
V501-2
EXPLODED VIEWS
Cabinet
11-1 11-2 L6650CEX

FRONT
S2
S6
PACKING TAPE
S5
S4
S3
S2
POP LABEL
X2 X4X3
TAPE
X1
S1
Packing
11-3 L6250PEX

20030303 12-1 L6650CA
MECHANICAL PARTS LIST
PRODUCT SAFETY NOTE: Products marked with a
# have special characteristics important to safety.
Before replacing any of these components, read care-
fully the product safety notice in this service manual.
Don't degrade the safety of the product through
improper servicing.
NOTE:
Parts that are not assigned part numbers (---------) are
not available.
Table 1 (V501 and DY551 Combination)
Note 1: Purity and Convergence Adjustments must be
performed following CRT replacement. Refer to Electri-
cal Adjustment Instructions.
Note 2: Please confirm CRT Type No. on the CRT
Warning Label which is located on the CRT. Then See
the Table 1 for V501 and DY551 combination chart.
Please refer this CRT, Deflection Yoke combination
chart for parts order.
CRT Warning Label Location
Ref. No. Description Part No.
A1 FRONT CABINET L6250UA 0EM000625
A2 CONTROL PLATE L6250UA 0EM201570
A3 BRAND PLATE T5307UH:SYLVANIA 0EM407053
A4 REAR CABINET L6250UA 0EM000681
A5#RATING LABEL L6650UA ----------
A6 POP LABEL L6650UA ----------
B1 TENSION SPRING B0080B0:EM40808 26WH006
B2 M7 CRT SCREW(D22) T7205UF 0EM406573
B4 SPEAKER HOLDER L1200UA 0EM405691
B5 CLOTH 190X15XT0.5 TS7623
CLN551 CRT GND WIRE CRT GND WIRE WX1L6250-005
L1 SCREW, P-TIGHT 3X12 BIND HEAD+ GBMP3120
L2 SCREW, P-TIGHT 4X18 BIND HEAD + GBMP4180
L3 SCREW TAPPING M4X14 DBU14140
L4 SCREW, P-TIGHT 3X10 BIND HEAD+ GBKP3100
L691#DEGAUSSING COIL F-L1232V LLBH00ZTM047
SP801 SPEAKER S08F16-J DSD0808XQ009
SP802 SPEAKER S08F26-J DSD0808XQ008
Note:
1. V501 (CRT) HAS COUPLE OF SUBSTITUTIONAL PARTS AND EACH PARTS
ALSO HAS MATCHING COMBINATION WITH DY551.
PLEASE SEE TABLE 1 FOR DETAILS OF MATCHING COMBINATION.
2. DY551 (DEFLECTION YOKE) HAS MATCHING COMBINATION WITH V501.
PLEASE SEE TABLE 1 FOR DETAILS OF MATCHING COMBINATION.
CRT TYPE A
DY551#DEFLECTION YOKE 6150Z-1050M LLBY00ZGS006
V501#CRT A80QCF340X TCRT190GS041
V501-1 PCM 325LT-022 XM04000BV014
V501-2 WEDGE FT-00110W or XV10000T4001
WEDGE DB25SR XV10000D9001
CRT TYPE B
V501#CRT A80QCF340X03 TCRT190GS042
CRT TYPE C
V501#CRT A80LJF30X11(CT) TCRT190SEG01
PACKIN G
S1 CARTON L6650UA 0EM407898
S2 STYROFOAM TOP ASSEMBLY L6250UA 0EM407000
S3 STYROFOAM BOTTOM ASSEMBLY L6250UA 0EM407001
S4 SET SHEET PCEC:003502019816 0EM403887
S5 SERIAL NO. LABEL L6650UA ----------
S6 HOLD PAD L6250UA 0EM407005
ACCESSORIES
X1 POLYETHYLENE BAG F8626B5 Z325350
X2#OWNER'S MANUAL L6650UA 0EMN02090
X3 REMOTE CONTROL 130/ERC001/N0147UD N0147UD
X4 DRY BATTERY R6P UM3 or XB0M451GH001
DRY BATTERY R6P/2S or XB0M451T0001
DRY BATTERY(SUNRISE) R6SSE/2S or XB0M451MS002
DRY BATTERY R6P(AR)2PX or XB0M451HU002
DRY BATTERY R6P(AR)2P X ICI XB0M451HU003
V501: CRT Type No. V501: CRT Part No. DY551: Deflection
Yoke Par t N o.
CRT A80QCF340X TCRT190GS041 LLBY00ZGS006
CRT A80QCF340X03 TCRT190GS042 ----------
CRT A80LJF30X11(CT) TCRT190SEG01 ----------
Ref. No. Description Part No.
CRT
CRT Warning
Label
CRT Type No.

20030303 13-1 L6650EL
ELECTRICAL PARTS LIST
PRODUCT SAFETY NOTE: Products marked with a
# have special characteristics important to safety.
Before replacing any of these components, read care-
fully the product safety notice in this service manual.
Don't degrade the safety of the product through
improper servicing.
NOTES:
1. Parts that are not assigned part numbers (---------)
are not available.
2. Tolerance of Capacitors and Resistors are noted
with the following symbols.
MMA CBA
MAIN CBA
C.....±0.25% D.....±0.5% F.....±1%
G.....±2% J......±5% K.....±10%
M.....±20% N.....±30% Z.....+80/-20%
Ref. No. Description Part No.
MMA-406 CBA 0ESA05248
Consists of the following
MAIN CBA --------------
CRT CBA --------------
Ref. No. Description Part No.
MAIN CBA
Consists of the following ------------
CAPACITORS
C1 CERAMIC CAP.(AX) F Z 0.01µF/25V CDA1EZT0F103
C2 ELECTROLYTIC CAP. 100µF/10V M or CE1AMASTL101
ELECTROLYTIC CAP. 100µF/10V M CE1AMASDL101
C3 ELECTROLYTIC CAP. 4.7µF/50V M or CE1JMASTL4R7
ELECTROLYTIC CAP. 4.7µF/50V M CE1JMASDL4R7
C4 CERAMIC CAP.(AX) F Z 0.01µF/50V CA1J103TU014
C7 ELECTROLYTIC CAP. 1µF/50V M or CE1JMASTL1R0
ELECTROLYTIC CAP. 1µF/50V M or CE1JMASTL010
ELECTROLYTIC CAP. 1µF/50V M or CE1JMASDL1R0
ELECTROLYTIC CAP. 1µF/50V M CE1JMASDL010
C30 PCB JUMPER D0.6-P5.0 JW5.0T
C31 ELECTROLYTIC CAP. 100µF/10V M or CE1AMASTL101
ELECTROLYTIC CAP. 100µF/10V M CE1AMASDL101
C32 CERAMIC CAP.(AX) F Z 0.01µF/25V CDA1EZT0F103
C34 ELECTROLYTIC CAP. 0.47µF/50V M or CE1JMASTLR47
ELECTROLYTIC CAP. 0.47µF/50V M CE1JMASDLR47
C35 CERAMIC CAP.(AX) CH J 56pF/50V CA1J560TU008
C36 CERAMIC CAP.(AX) B K 1000pF/50V CCA1JKT0B102
C37 ELECTROLYTIC CAP. 1µF/50V M or CE1JMASTL1R0
ELECTROLYTIC CAP. 1µF/50V M or CE1JMASTL010
ELECTROLYTIC CAP. 1µF/50V M or CE1JMASDL1R0
ELECTROLYTIC CAP. 1µF/50V M CE1JMASDL010
C38 ELECTROLYTIC CAP. 10µF/50V M or CE1JMASTL100
ELECTROLYTIC CAP. 10µF/50V M CE1JMASDL100
C41 ELECTROLYTIC CAP. 0.47µF/50V M or CE1JMASTLR47
ELECTROLYTIC CAP. 0.47µF/50V M CE1JMASDLR47
C49 ELECTROLYTIC CAP. 4.7µF/50V M or CE1JMASTL4R7
ELECTROLYTIC CAP. 4.7µF/50V M CE1JMASDL4R7
C51 CERAMIC CAP.(AX) B K 1000pF/50V CCA1JKT0B102
C52 CERAMIC CAP.(AX) F Z 0.01µF/25V CDA1EZT0F103
C53 ELECTROLYTIC CAP. 100µF/10V M or CE1AMASTL101
ELECTROLYTIC CAP. 100µF/10V M CE1AMASDL101
C54 CERAMIC CAP.(AX) B K 1000pF/50V CCA1JKT0B102
C55 CERAMIC CAP.(AX) F Z 0.01µF/25V CDA1EZT0F103
C57 FILM CAP.(P) 0.047µF/50V J or CMA1JJS00473
FILM CAP.(P) 0.047µF/50V J or CA1J473MS029
FILM CAP.(P) 0.047µF/50V J TV or CMB1JJS00473
MYLAR CAP. 0.047µF/50V K 2250473S
C58 FILM CAP.(P) 0.033µF/50V J or CMA1JJS00333
FILM CAP.(P) 0.033µF/50V J or CA1J333MS029
FILM CAP.(P) 0.033µF/50V J TV CMB1JJS00333
C104 ELECTROLYTIC CAP. 10µF/50V M or CE1JMASTL100
ELECTROLYTIC CAP. 10µF/50V M CE1JMASDL100
C111 ELECTROLYTIC CAP. 47µF/16V M or CE1CMASTL470
ELECTROLYTIC CAP. 47µF/16V M CE1CMASDL470
C112 ELECTROLYTIC CAP. 4.7µF/50V M or CE1JMASTL4R7
ELECTROLYTIC CAP. 4.7µF/50V M CE1JMASDL4R7
C113 CERAMIC CAP. F Z 0.1µF/25V CDA1EZT0F104
C114 FILM CAP.(P) 0.001µF/50V J or CMA1JJS00102
FILM CAP.(P) 0.001µF/50V J or CA1J102MS029
FILM CAP.(P) 0.001µF/50V J TV or CMB1JJS00102
MYLAR CAP. 0.001µF/50V K 2250102S
C115 ELECTROLYTIC CAP. 0.1µF/50V M or CE1JMASTLR10
ELECTROLYTIC CAP. 0.1µF/50V M CE1JMASDLR10
C116 CERAMIC CAP.(AX) B K 220pF/50V CCA1JKT0B221
C117 CERAMIC CAP.(AX) Y K 0.01µF/16V CDA1CKT0Y103
C119 CERAMIC CAP.(AX) F Z 0.01µF/25V CDA1EZT0F103
C120 ELECTROLYTIC CAP. 100µF/10V M or CE1AMASTL101
ELECTROLYTIC CAP. 100µF/10V M CE1AMASDL101
C122 ELECTROLYTIC CAP. 100µF/10V M or CE1AMASTL101
ELECTROLYTIC CAP. 100µF/10V M CE1AMASDL101
C132 CERAMIC CAP. F Z 0.1µF/25V CDA1EZT0F104
C133 CERAMIC CAP.(AX) F Z 0.01µF/25V CDA1EZT0F103
C150 CERAMIC CAP. F Z 0.1µF/25V CDA1EZT0F104
C151 CERAMIC CAP.(AX) B K 220pF/50V CCA1JKT0B221
C152 CERAMIC CAP.(AX) B K 220pF/50V CCA1JKT0B221
C301 CERAMIC CAP.(AX) CH J 120pF/50V CA1J121TU008
C302 ELECTROLYTIC CAP. 1µF/50V M or CE1JMASTL1R0
ELECTROLYTIC CAP. 1µF/50V M or CE1JMASTL010
ELECTROLYTIC CAP. 1µF/50V M or CE1JMASDL1R0
ELECTROLYTIC CAP. 1µF/50V M CE1JMASDL010
C303 CERAMIC CAP.(AX) B K 0.015µF/50V CA1J153TU011
C305 ELECTROLYTIC CAP. 0.1µF/50V M or CE1JMASTLR10
ELECTROLYTIC CAP. 0.1µF/50V M CE1JMASDLR10
C306 ELECTROLYTIC CAP. 100µF/10V M or CE1AMASTL101
ELECTROLYTIC CAP. 100µF/10V M CE1AMASDL101
C309 ELECTROLYTIC CAP. 0.1µF/50V M or CE1JMASTLR10
ELECTROLYTIC CAP. 0.1µF/50V M CE1JMASDLR10
C322 ELECTROLYTIC CAP. 0.47µF/50V M or CE1JMASTLR47
ELECTROLYTIC CAP. 0.47µF/50V M CE1JMASDLR47
C324 ELECTROLYTIC CAP. 10µF/50V M or CE1JMASTL100
ELECTROLYTIC CAP. 10µF/50V M CE1JMASDL100
Ref. No. Description Part No.

20030303 13-2 L6650EL
C325 CERAMIC CAP.(AX) SL J 12pF/50V CCA1JJTSL120
C328 ELECTROLYTIC CAP. 10µF/50V M or CE1JMASTL100
ELECTROLYTIC CAP. 10µF/50V M CE1JMASDL100
C329 CERAMIC CAP.(AX) F Z 0.01µF/25V CDA1EZT0F103
C330 STACKED FILM CAP. 0.47µF/50V J or CMA1JJS00474
FILM CAP.(P) 0.47µF/50V J CA1J474MS029
C331 CERAMIC CAP.(AX) B K 1000pF/50V CCA1JKT0B102
C332 ELECTROLYTIC CAP. 10µF/50V M or CE1JMASTL100
ELECTROLYTIC CAP. 10µF/50V M CE1JMASDL100
C341 CERAMIC CAP.(AX) B K 0.01µF/50V CA1J103TU011
C342 ELECTROLYTIC CAP. 1µF/50V M or CE1JMASTL1R0
ELECTROLYTIC CAP. 1µF/50V M or CE1JMASTL010
ELECTROLYTIC CAP. 1µF/50V M or CE1JMASDL1R0
ELECTROLYTIC CAP. 1µF/50V M CE1JMASDL010
C343 CERAMIC CAP.(AX) B K 0.01µF/50V CA1J103TU011
C345 ELECTROLYTIC CAP. 2200µF/10V M or CE1AMZNTL222
ELECTROLYTIC CAP. 2200µF/10V M CE1AMZNDL222
C347 ELECTROLYTIC CAP. 470µF/10V M or CE1AMASTL471
ELECTROLYTIC CAP. 470µF/10V M CE1AMASDL471
C349 ELECTROLYTIC CAP. 470µF/10V M or CE1AMASTL471
ELECTROLYTIC CAP. 470µF/10V M CE1AMASDL471
C353 ELECTROLYTIC CAP. 1µF/50V M or CE1JMASTL1R0
ELECTROLYTIC CAP. 1µF/50V M or CE1JMASTL010
ELECTROLYTIC CAP. 1µF/50V M or CE1JMASDL1R0
ELECTROLYTIC CAP. 1µF/50V M CE1JMASDL010
C401 ELECTROLYTIC CAP. 3.3µF/50V M or CE1JMASTL3R3
ELECTROLYTIC CAP. 3.3µF/50V M CE1JMASDL3R3
C402 ELECTROLYTIC CAP. 3.3µF/50V M or CE1JMASTL3R3
ELECTROLYTIC CAP. 3.3µF/50V M CE1JMASDL3R3
C403 CERAMIC CAP.(AX) F Z 0.1µF/50V or CA1J104TU014
CERAMIC CAP.(AX) F Z 0.1µF/50V CCA1JZT0F104
C404 CERAMIC CAP.(AX) B K 0.022µF/50V CA1J223TU011
C405 CERAMIC CAP. F Z 0.1µF/25V CDA1EZT0F104
C406 CERAMIC CAP.(AX) B K 0.033µF/50V CA1J333TU011
C411 ELECTROLYTIC CAP. 4.7µF/50V M or CE1JMASTL4R7
ELECTROLYTIC CAP. 4.7µF/50V M CE1JMASDL4R7
C413 ELECTROLYTIC CAP. 100µF/10V M or CE1AMASTL101
ELECTROLYTIC CAP. 100µF/10V M CE1AMASDL101
C414 ELECTROLYTIC CAP. 2.2µF/50V M or CE1JMASTL2R2
ELECTROLYTIC CAP. 2.2µF/50V M CE1JMASDL2R2
C415 CERAMIC CAP.(AX) B K 150pF/50V CCA1JKT0B151
C416 CERAMIC CAP.(AX) B K 150pF/50V CCA1JKT0B151
C417 ELECTROLYTIC CAP. 2.2µF/50V M or CE1JMASTL2R2
ELECTROLYTIC CAP. 2.2µF/50V M CE1JMASDL2R2
C421 ELECTROLYTIC CAP. 4.7µF/50V M or CE1JMASTL4R7
ELECTROLYTIC CAP. 4.7µF/50V M CE1JMASDL4R7
C423 CERAMIC CAP.(AX) X K 4700pF/16V CDA1CKT0X472
C424 ELECTROLYTIC CAP. 1µF/50V M or CE1JMASTL1R0
ELECTROLYTIC CAP. 1µF/50V M or CE1JMASTL010
ELECTROLYTIC CAP. 1µF/50V M or CE1JMASDL1R0
ELECTROLYTIC CAP. 1µF/50V M CE1JMASDL010
C426 ELECTROLYTIC CAP. 4.7µF/50V M or CE1JMASTL4R7
ELECTROLYTIC CAP. 4.7µF/50V M CE1JMASDL4R7
C428 CERAMIC CAP.(AX) X K 4700pF/16V CDA1CKT0X472
C429 ELECTROLYTIC CAP. 1µF/50V M or CE1JMASTL1R0
ELECTROLYTIC CAP. 1µF/50V M or CE1JMASTL010
ELECTROLYTIC CAP. 1µF/50V M or CE1JMASDL1R0
ELECTROLYTIC CAP. 1µF/50V M CE1JMASDL010
C441 ELECTROLYTIC CAP. 10µF/50V M or CE1JMASTL100
ELECTROLYTIC CAP. 10µF/50V M CE1JMASDL100
C442 ELECTROLYTIC CAP. 2.2µF/50V M or CE1JMASTL2R2
Ref. No. Description Part No.
ELECTROLYTIC CAP. 2.2µF/50V M CE1JMASDL2R2
C444 ELECTROLYTIC CAP. 0.33µF/50V M or CE1JMASTLR33
ELECTROLYTIC CAP. 0.33µF/50V M CE1JMASDLR33
C445 FILM CAP.(P) 0.1µF/50V J or CMA1JJS00104
FILM CAP.(P) 0.1µF/50V J or CA1J104MS029
FILM CAP.(P) 0.1µF/50V J TV or CMB1JJS00104
MYLAR CAP. 0.1µF/50V K 2250104S
C446 FILM CAP.(P) 0.1µF/50V J or CMA1JJS00104
FILM CAP.(P) 0.1µF/50V J or CA1J104MS029
FILM CAP.(P) 0.1µF/50V J TV or CMB1JJS00104
MYLAR CAP. 0.1µF/50V K 2250104S
C448 ELECTROLYTIC CAP. 2.2µF/50V M or CE1JMASTL2R2
ELECTROLYTIC CAP. 2.2µF/50V M CE1JMASDL2R2
C501 FILM CAP. 0.22µF/50V J or 122Z313S
TF CAP. 0.22µF/50V J CT1J224MS045
C502 CERAMIC CAP.(AX) B K 1000pF/50V CCA1JKT0B102
C503 ELECTROLYTIC CAP. 100µF/35V M or CE1GMASTL101
ELECTROLYTIC CAP. 100µF/35V M CE1GMASDL101
C504 ELECTROLYTIC CAP. 2.2µF/50V M LL or CE1JMASLL2R2
ELECTROLYTIC CAP. 2.2µF/50V LL CE1JMASLH2R2
C505 ELECTROLYTIC CAP. 1000µF/35V M or CE1GMZNTL102
ELECTROLYTIC CAP. 1000µF/35V M or CE1GMZNDL102
ELECTROLYTIC CAP. 1000µF/35V M CE1GMZADL102
C506 ELECTROLYTIC CAP. 1000µF/35V M or CE1GMZNTL102
ELECTROLYTIC CAP. 1000µF/35V M or CE1GMZNDL102
ELECTROLYTIC CAP. 1000µF/35V M CE1GMZADL102
C508 CERAMIC CAP.(AX) F Z 0.01µF/25V CDA1EZT0F103
C520 ELECTROLYTIC CAP. 10µF/50V M or CE1JMASTL100
ELECTROLYTIC CAP. 10µF/50V M CE1JMASDL100
C532 ELECTROLYTIC CAP. 100µF/10V M or CE1AMASTL101
ELECTROLYTIC CAP. 100µF/10V M CE1AMASDL101
C541 FILM CAP.(P) 0.082µF/50V J or CMA1JJS00823
FILM CAP.(P) 0.082µF/50V J CA1J823MS029
C551 CERAMIC CAP. B K 680pF/1KV or CCD3AKD0B681
CERAMIC CAP. B K 680pF/1KV or CCD3AKP0B681
CERAMIC CAP. B K 680pF/1KV CA3A681MR028
C555 METALIZED PLYESTER CAP. 1µF/100V J CT2A105MS065
C556 FILM CAP.(P) 0.1µF/50V J or CMA1JJS00104
FILM CAP.(P) 0.1µF/50V J or CA1J104MS029
FILM CAP.(P) 0.1µF/50V J TV or CMB1JJS00104
MYLAR CAP. 0.1µF/50V K 2250104S
C561 ELECTROLYTIC CAP. 47µF/35V M or CE1GMASTL470
ELECTROLYTIC CAP. 47µF/35V M CE1GMASDL470
C562 ELECTROLYTIC CAP. 470µF/10V M or CE1AMASTL471
ELECTROLYTIC CAP. 470µF/10V M CE1AMASDL471
C563#P. P. C A P 0 .4 7 µF/200 J or CA2D474VC012
#PP CAP. 0.47µF/250V J CT2E474MS041
C565 FILM CAP.(P) 0.1µF/50V J or CMA1JJS00104
FILM CAP.(P) 0.1µF/50V J or CA1J104MS029
FILM CAP.(P) 0.1µF/50V J TV or CMB1JJS00104
MYLAR CAP. 0.1µF/50V K 2250104S
C567#PP CAP. 0.0018µF/1.6KV J or CA3C182VC010
#PP CAP. 0.0018µF/1.6KV J CT3C182MS039
C568 FILM CAP.(P) 0.047µF/50V J or CMA1JJS00473
FILM CAP.(P) 0.047µF/50V J or CA1J473MS029
FILM CAP.(P) 0.047µF/50V J TV or CMB1JJS00473
MYLAR CAP. 0.047µF/50V K 2250473S
C571#PCB JUMPER D0.6-P10.0 JW10.0T
C574#ELECTROLYTIC CAP. 22µF/250V M or CE2EMZPTL220
#ELECTROLYTIC CAP. 22µF/250V M CE2EMZNDL220
C577 ELECTROLYTIC CAP. 47µF/35V M or CE1GMASTL470
Ref. No. Description Part No.

20030303 13-3 L6650EL
ELECTROLYTIC CAP. 47µF/35V M CE1GMASDL470
C578 FILM CAP.(P) 0.01µF/50V J or CMA1JJS00103
FILM CAP.(P) 0.01µF/50V J or CA1J103MS029
FILM CAP.(P) 0.01µF/50V J TV or CMB1JJS00103
MYLAR CAP. 0.01µF/50V K 2250103S
C580#PP CAP. 0.018µF/1.6KV J or CA3C183VC010
#PP CAP. 0.018µF/1.6KV J CT3C183MS039
C582#P.P. CAPACITOR 0.022µF/630V J or CBP2KJD00223
#P.P. CAPACITOR 0.022µF/630V J or CT2K223KF011
#P.P. CAPACITOR 0.022µF/630V J CBP2KKD00223
C583#FILM CAP.(P) 0.1µF/100V J or CMA2AJS00104
#FILM CAP.(P) 0.1µF/100V J TV CMB2AJS00104
C584#ELECTROLYTIC CAP. 4.7µF/50V M or CE1JMASTL4R7
#ELECTROLYTIC CAP. 4.7µF/50V M CE1JMASDL4R7
C588#ELECTROLYTIC CAP. 100µF/160V M W/F or CE2CMZNTL101
#ELECTROLYTIC CAP. 100µF/160V M CE2CMZPDL101
C594#ELECTROLYTIC CAP. 10µF/50V M or CE1JMASTL100
#ELECTROLYTIC CAP. 10µF/50V M CE1JMASDL100
C596 CERAMIC CAP. B K 100pF/500V CCD2JKS0B101
C601#METALLIZED FILM CAP. 0.1µF/250V or CT2E104MS037
#METALLIZED FILM CAP. 0.1µF/275V K or CT2E104HJE06
#FILM CAP.(MP) 0.1µF/250V K or CT2E104DC011
#METALLIZED FILM CAP. 0.1µF/275V K CT2E104HJE06
C603 CERAMIC CAP.(AX) B K 470pF/50V CCA1JKT0B471
C605 CERAMIC CAP. F Z 0.01µF/500V or CCD2JZP0F103
CERAMIC CAP. 0.01µF/AC250V CCD2EZA0F103
C606 CERAMIC CAP. F Z 0.01µF/500V or CCD2JZP0F103
CERAMIC CAP. 0.01µF/AC250V CCD2EZA0F103
C609 CERAMIC CAP. B K 680pF/2KV or CCD3DKD0B681
CERAMIC CAP. B K 680pF/2KV CCD3DKP0B681
C610#ELECTROLYTIC CAP. 470µF/200V M or CE2DMZNTL471
#ELECTROLYTIC CAP. 470µF/200V M or CE2DMZNDL471
#ELECTROLYTIC CAP. 470µF/200V CA2D471NC013
C611 FILM CAP.(P) 0.068µF/50V J or CMA1JJS00683
FILM CAP.(P) 0.068µF/50V J or CA1J683MS029
FILM CAP.(P) 0.068µF/50V J TV or CMB1JJS00683
MYLAR CAP. 0.068µF/50V K 2250683S
C613 FILM CAP.(P) 0.056µF/50V J or CMA1JJS00563
FILM CAP.(P) 0.056µF/50V J or CA1J563MS029
FILM CAP.(P) 0.056µF/50V J TV or CMB1JJS00563
MYLAR CAP. 0.056µF/50V KT 2250563S
C615 CERAMIC CAP.(AX) B K 100pF/50V CCA1JKT0B101
C616 FILM CAP.(P) 0.1µF/50V J or CMA1JJS00104
FILM CAP.(P) 0.1µF/50V J or CA1J104MS029
FILM CAP.(P) 0.1µF/50V J TV or CMB1JJS00104
MYLAR CAP. 0.1µF/50V K 2250104S
C618 FILM CAP.(P) 0.1µF/50V J or CMA1JJS00104
FILM CAP.(P) 0.1µF/50V J or CA1J104MS029
FILM CAP.(P) 0.1µF/50V J TV or CMB1JJS00104
MYLAR CAP. 0.1µF/50V K 2250104S
C642#SAFETY CAP. 4700pF/250V or CCG2EMA0F472
#SAFETY CAP. E M 4700pF/250V KH or CCG2EMP0E472
#CERAMIC CAP. 0.0047µF F CS CCG2HMN0F472
C650 CERAMIC CAP. LB 560pF/2KV or CA3D561KG004
CERAMIC CAP. BN 560pF/2KV or CCD3DKA0B561
CERAMIC CAP. 560pF/2KV CA3D561PAN04
C654 ELECTROLYTIC CAP. 1µF/50V M or CE1JMASTL1R0
ELECTROLYTIC CAP. 1µF/50V M or CE1JMASTL010
ELECTROLYTIC CAP. 1µF/50V M or CE1JMASDL1R0
ELECTROLYTIC CAP. 1µF/50V M CE1JMASDL010
C656 ELECTROLYTIC CAP. 100µF/160V M W/F or CE2CMZNTL101
Ref. No. Description Part No.
ELECTROLYTIC CAP. 100µF/160V M CE2CMZPDL101
C657#ELECTROLYTIC CAP. 2200µF/35V M or CE1GMZNTL222
#ELECTROLYTIC CAP. 2200µF/35V M CE1GMZNDL222
C658#ELECTROLYTIC CAP. 1000µF/16V M(VR/HC) or CE1CMZNTL102
#ELECTROLYTIC CAP. 1000µF/16V M or CE1CMZNDL102
#ELECTROLYTIC CAP. 1000µF/16V M CE1CMZADL102
C661 CERAMIC CAP.(AX) F Z 0.01µF/25V CDA1EZT0F103
C662#ELECTROLYTIC CAP. 1000µF/25V M or CE1EMZNTL102
#ELECTROLYTIC CAP. 1000µF/25V M CE1EMZPDL102
C667 ELECTROLYTIC CAP. 1µF/50V M or CE1JMASTL1R0
ELECTROLYTIC CAP. 1µF/50V M or CE1JMASTL010
ELECTROLYTIC CAP. 1µF/50V M or CE1JMASDL1R0
ELECTROLYTIC CAP. 1µF/50V M CE1JMASDL010
C681 ELECTROLYTIC CAP. 10µF/50V M or CE1JMASTL100
ELECTROLYTIC CAP. 10µF/50V M CE1JMASDL100
C682 ELECTROLYTIC CAP. 100µF/10V M or CE1AMASTL101
ELECTROLYTIC CAP. 100µF/10V M CE1AMASDL101
C684 ELECTROLYTIC CAP. 470µF/10V M or CE1AMASTL471
ELECTROLYTIC CAP. 470µF/10V M CE1AMASDL471
C685 ELECTROLYTIC CAP. 1000µF/10V M or CE1AMASTL102
ELECTROLYTIC CAP. 1000µF/10V M CE1AMASDL102
C686 ELECTROLYTIC CAP. 100µF/10V M or CE1AMASTL101
ELECTROLYTIC CAP. 100µF/10V M CE1AMASDL101
C701 CERAMIC CAP.(AX) B K 100pF/50V CCA1JKT0B101
C702 PCB JUMPER D0.6-P5.0 JW5.0T
C705 CERAMIC CAP.(AX) X K 6800pF/16V CDA1CKT0X682
C706 ELECTROLYTIC CAP. 0.47µF/50V M or CE1JMASTLR47
ELECTROLYTIC CAP. 0.47µF/50V M CE1JMASDLR47
C708 CERAMIC CAP.(AX) X K 6800pF/16V CDA1CKT0X682
C709 ELECTROLYTIC CAP. 0.47µF/50V M or CE1JMASTLR47
ELECTROLYTIC CAP. 0.47µF/50V M CE1JMASDLR47
C713 ELECTROLYTIC CAP. 10µF/50V M or CE1JMASTL100
ELECTROLYTIC CAP. 10µF/50V M CE1JMASDL100
C718 CERAMIC CAP.(AX) B K 1000pF/50V CCA1JKT0B102
C721 CERAMIC CAP.(AX) B K 100pF/50V CCA1JKT0B101
C722 ELECTROLYTIC CAP. 10µF/50V M or CE1JMASTL100
ELECTROLYTIC CAP. 10µF/50V M CE1JMASDL100
C725 CERAMIC CAP.(AX) X K 6800pF/16V CDA1CKT0X682
C726 ELECTROLYTIC CAP. 0.47µF/50V M CE1JMASTLR47
C728 CERAMIC CAP.(AX) X K 6800pF/16V or CDA1CKT0X682
CERAMIC CAP.(AX) X K 3300pF/16V CDA1CKT0X332
C729 ELECTROLYTIC CAP. 0.47µF/50V M or CE1JMASTLR47
ELECTROLYTIC CAP. 0.47µF/50V M CE1JMASDLR47
C751 ELECTROLYTIC CAP. 1µF/50V M or CE1JMASTL1R0
ELECTROLYTIC CAP. 1µF/50V M or CE1JMASTL010
ELECTROLYTIC CAP. 1µF/50V M or CE1JMASDL1R0
ELECTROLYTIC CAP. 1µF/50V M CE1JMASDL010
C757 ELECTROLYTIC CAP. 0.1µF/50V M or CE1JMASTLR10
ELECTROLYTIC CAP. 0.1µF/50V M CE1JMASDLR10
C761 ELECTROLYTIC CAP. 1µF/50V M or CE1JMASTL1R0
ELECTROLYTIC CAP. 1µF/50V M or CE1JMASTL010
ELECTROLYTIC CAP. 1µF/50V M or CE1JMASDL1R0
ELECTROLYTIC CAP. 1µF/50V M CE1JMASDL010
C767 ELECTROLYTIC CAP. 0.1µF/50V M or CE1JMASTLR10
ELECTROLYTIC CAP. 0.1µF/50V M CE1JMASDLR10
C773 ELECTROLYTIC CAP. 100µF/10V M or CE1AMASTL101
ELECTROLYTIC CAP. 100µF/10V M CE1AMASDL101
C781 ELECTROLYTIC CAP. 10µF/50V M or CE1JMASTL100
ELECTROLYTIC CAP. 10µF/50V M CE1JMASDL100
C801 ELECTROLYTIC CAP. 470µF/25V M or CE1EMASTL471
ELECTROLYTIC CAP. 470µF/25V M CE1EMASDL471
Ref. No. Description Part No.

20030303 13-4 L6650EL
C802 ELECTROLYTIC CAP. 470µF/25V M or CE1EMASTL471
ELECTROLYTIC CAP. 470µF/25V M CE1EMASDL471
C803 FILM CAP.(P) 0.1µF/50V J or CMA1JJS00104
FILM CAP.(P) 0.1µF/50V J or CA1J104MS029
FILM CAP.(P) 0.1µF/50V J TV or CMB1JJS00104
MYLAR CAP. 0.1µF/50V K 2250104S
C804 FILM CAP.(P) 0.1µF/50V J or CMA1JJS00104
FILM CAP.(P) 0.1µF/50V J or CA1J104MS029
FILM CAP.(P) 0.1µF/50V J TV or CMB1JJS00104
MYLAR CAP. 0.1µF/50V K 2250104S
C808 ELECTROLYTIC CAP. 1µF/50V M or CE1JMASTL1R0
ELECTROLYTIC CAP. 1µF/50V M or CE1JMASTL010
ELECTROLYTIC CAP. 1µF/50V M or CE1JMASDL1R0
ELECTROLYTIC CAP. 1µF/50V M CE1JMASDL010
C809 ELECTROLYTIC CAP. 1µF/50V M or CE1JMASTL1R0
ELECTROLYTIC CAP. 1µF/50V M or CE1JMASTL010
ELECTROLYTIC CAP. 1µF/50V M or CE1JMASDL1R0
ELECTROLYTIC CAP. 1µF/50V M CE1JMASDL010
C812 ELECTROLYTIC CAP. 10µF/50V M or CE1JMASTL100
ELECTROLYTIC CAP. 10µF/50V M CE1JMASDL100
C814 ELECTROLYTIC CAP. 22µF/50V M or CE1JMASTL220
ELECTROLYTIC CAP. 22µF/50V M CE1JMASDL220
C821 ELECTROLYTIC CAP. 1000µF/25V M or CE1EMZNTL102
ELECTROLYTIC CAP. 1000µF/25V M CE1EMZPDL102
C827 ELECTROLYTIC CAP. 100µF/16V M or CE1CMASTL101
ELECTROLYTIC CAP. 100µF/16V M CE1CMASDL101
C831 ELECTROLYTIC CAP. 100µF/25V M or CE1EMASTL101
ELECTROLYTIC CAP. 100µF/25V M CE1EMASDL101
C851 ELECTROLYTIC CAP. 10µF/50V M or CE1JMASTL100
ELECTROLYTIC CAP. 10µF/50V M CE1JMASDL100
C852 ELECTROLYTIC CAP. 470µF/16V M or CE1CMASTL471
ELECTROLYTIC CAP. 470µF/16V M CE1CMASDL471
C853 CERAMIC CAP.(AX) F Z 0.01µF/25V CDA1EZT0F103
C963 ELECTROLYTIC CAP. 10µF/50V M or CE1JMASTL100
ELECTROLYTIC CAP. 10µF/50V M CE1JMASDL100
C964#ELECTROLYTIC CAP. 100µF/10V M or CE1AMASTL101
#ELECTROLYTIC CAP. 100µF/10V M CE1AMASDL101
CONNECTORS
CN301 CONNECTOR BASE, 6P TUC-P06P-B1 J3TUA06TG001
CN571#CONNECTOR BASE, 5P TV-50P-05-V3 or J3TVC05TG002
#CONNECTOR BASE, 5P RTB-1.5-5P or J3RTC05JG001
#CONNECTOR BASE, 5P W-P3005-02 1730812
CN691#CONNECTOR BASE, 2P TV-50P-02-V3 or J3TVC02TG002
#CONNECTOR BASE, 2P RTB-1.5-2P J3RTC02JG001
CN801 STRAIGHT CONNECTOR BASE 00 8283 0212 00
000 or J383C02UG002
STRAIGHT PIN HEADER, 2P 173981-2 1770258
CN802 STRAIGHT CONNECTOR BASE 00 8283 0212 00
000 or J383C02UG002
STRAIGHT PIN HEADER, 2P 173981-2 1770258
DIODES
D131 ZENER DIODE MTZJT-775.1B or QDTB0MTZJ5R1
ZENER DIODE DZ-5.1BSBT265 NDTB0DZ5R1BS
D171 SWITCHING DIODE 1SS133(T-77) or QDTZ001SS133
SWITCHING DIODE 1N4148 or NDTZ001N4148
DIODE 1SS176TPA7 1SS176T
D322 SWITCHING DIODE 1SS133(T-77) or QDTZ001SS133
SWITCHING DIODE 1N4148 or NDTZ001N4148
DIODE 1SS176TPA7 1SS176T
D323 ZENER DIODE MTZJT-779.1B or QDTB0MTZJ9R1
ZENER DIODE DZ-9.1BSBT265 NDTB0DZ9R1BS
Ref. No. Description Part No.
D326 SWITCHING DIODE 1SS133(T-77) or QDTZ001SS133
SWITCHING DIODE 1N4148 or NDTZ001N4148
DIODE 1SS176TPA7 1SS176T
D351 SWITCHING DIODE 1SS133(T-77) or QDTZ001SS133
SWITCHING DIODE 1N4148 or NDTZ001N4148
DIODE 1SS176TPA7 1SS176T
D352 SWITCHING DIODE 1SS133(T-77) or QDTZ001SS133
SWITCHING DIODE 1N4148 or NDTZ001N4148
DIODE 1SS176TPA7 1SS176T
D353 SWITCHING DIODE 1SS133(T-77) or QDTZ001SS133
SWITCHING DIODE 1N4148 or NDTZ001N4148
DIODE 1SS176TPA7 1SS176T
D501 DIODE FR104-B or NDLZ000FR104
RECTIFIER DIODE ERA22-02 or QDPZ0ERA2202
RECTIFIER DIODE 10ELS2 QDQZ0010ELS2
D502#ZENER DIODE MTZJT-7724B or QDTB00MTZJ24
#ZENER DIODE DZ-24BSBT265 NDTB00DZ24BS
D503#SWITCHING DIODE 1SS133(T-77) or QDTZ001SS133
#SWITCHING DIODE 1N4148 or NDTZ001N4148
#DIODE 1SS176TPA7 1SS176T
D545 ZENER DIODE MTZJT-776.8B or QDTB0MTZJ6R8
ZENER DIODE DZ-6.8BSBT265 NDTB0DZ6R8BS
D546 SWITCHING DIODE 1SS133(T-77) or QDTZ001SS133
SWITCHING DIODE 1N4148 or NDTZ001N4148
DIODE 1SS176TPA7 1SS176T
D547 SWITCHING DIODE 1SS133(T-77) or QDTZ001SS133
SWITCHING DIODE 1N4148 or NDTZ001N4148
DIODE 1SS176TPA7 1SS176T
D552#ZENER DIODE MTZJT-773.0B or QDTB0MTZJ3R0
#ZENER DIODE DZ-3.0BSBT265 NDTB0DZ3R0BS
D558 SWITCHING DIODE 1SS133(T-77) or QDTZ001SS133
SWITCHING DIODE 1N4148 or NDTZ001N4148
DIODE 1SS176TPA7 1SS176T
D572 RECTIFIER DIODE ERA22-02 or QDPZ0ERA2202
RECTIFIER DIODE 10ELS2 QDQZ0010ELS2
D573 RECTIFIER DIODE ERA22-02 or QDPZ0ERA2202
RECTIFIER DIODE 10ELS2 QDQZ0010ELS2
D580#DIODE ERD07-15 QDLZ0ERD0715
D582 FAST RECOVERY DIODE ERD38-06 QDQZ0ERD3806
D583 SWITCHING DIODE 1SS133(T-77) or QDTZ001SS133
SWITCHING DIODE 1N4148 or NDTZ001N4148
DIODE 1SS176TPA7 1SS176T
D584#SWITCHING DIODE 1SS133(T-77) or QDTZ001SS133
#SWITCHING DIODE 1N4148 or NDTZ001N4148
#DIODE 1SS176TPA7 1SS176T
D585 SWITCHING DIODE 1SS133(T-77) or QDTZ001SS133
SWITCHING DIODE 1N4148 or NDTZ001N4148
DIODE 1SS176TPA7 1SS176T
D591#ZENER DIODE MTZJT-7736B or QDTB00MTZJ36
#ZENER DIODE DZ-36BSBT265 NDTB00DZ36BS
D594#SWITCHING DIODE 1SS133(T-77) or QDTZ001SS133
#SWITCHING DIODE 1N4148 or NDTZ001N4148
#DIODE 1SS176TPA7 1SS176T
D597 ZENER DIODE MTZJT-776.8B or QDTB0MTZJ6R8
ZENER DIODE DZ-6.8BSBT265 NDTB0DZ6R8BS
D605#DIODE 1N5406 NDLZ001N5406
D606#DIODE 1N5406 NDLZ001N5406
D607#DIODE 1N5406 NDLZ001N5406
D608#DIODE 1N5406 NDLZ001N5406
D609 SWITCHING DIODE 1SS133(T-77) or QDTZ001SS133
SWITCHING DIODE 1N4148 or NDTZ001N4148
Ref. No. Description Part No.

20030303 13-5 L6650EL
DIODE 1SS176TPA7 1SS176T
D611#ZENER DIODE MTZJT-7720B or QDTB00MTZJ20
#ZENER DIODE DZ-20BSBT265 NDTB00DZ20BS
D613 ZENER DIODE MTZJT-778.2B or QDTB0MTZJ8R2
ZENER DIODE DZ-8.2BSBT265 NDTB0DZ8R2BS
D614 SWITCHING DIODE 1SS133(T-77) or QDTZ001SS133
SWITCHING DIODE 1N4148 or NDTZ001N4148
DIODE 1SS176TPA7 1SS176T
D615 SWITCHING DIODE 1N4148 T-77 QDTZ001N4148
D621 BEAD INDUCTORS FBA04HA600VB-00 LLBF00STU026
D651#FAST RECOVERY DIODE 30DF6 or QDWZ00030DF6
#DIODE ERD29-06J or QD4Z0ERD2906
#FAST RECOVERY DIODE FE201-6 QDLZ00FE2016
D652#DIODE FR154 or NDLZ000FR154
#FAST RECOVERY DIODE ERB44-02 QDPZ0ERB4402
D653#DIODE FR154 or NDLZ000FR154
#FAST RECOVERY DIODE ERB44-02 QDPZ0ERB4402
D654#SWITCHING DIODE 1SS133(T-77) or QDTZ001SS133
#SWITCHING DIODE 1N4148 or NDTZ001N4148
#DIODE 1SS176TPA7 1SS176T
D655 ZENER DIODE 1ZB180 QDQZ001ZB180
D656#ZENER DIODE MTZJT-776.8B or QDTB0MTZJ6R8
#ZENER DIODE DZ-6.8BSBT265 NDTB0DZ6R8BS
D657#DIODE FR154 or NDLZ000FR154
#FAST RECOVERY DIODE ERB44-02 QDPZ0ERB4402
D658#DIODE 1ZC18 or QDQZ0001ZC18
#ZENER DIODE RD18F QDQZ000RD18F
D660 SWITCHING DIODE 1SS133(T-77) or QDTZ001SS133
SWITCHING DIODE 1N4148 or NDTZ001N4148
DIODE 1SS176TPA7 1SS176T
D661 SWITCHING DIODE 1SS133(T-77) or QDTZ001SS133
SWITCHING DIODE 1N4148 or NDTZ001N4148
DIODE 1SS176TPA7 1SS176T
D666 ZENER DIODE MTZJT-7736B or QDTB00MTZJ36
ZENER DIODE DZ-36BSBT265 NDTB00DZ36BS
D671#SWITCHING DIODE 1SS133(T-77) or QDTZ001SS133
#SWITCHING DIODE 1N4148 or NDTZ001N4148
#DIODE 1SS176TPA7 1SS176T
D672 SWITCHING DIODE 1SS133(T-77) or QDTZ001SS133
SWITCHING DIODE 1N4148 or NDTZ001N4148
DIODE 1SS176TPA7 1SS176T
D673 SWITCHING DIODE 1SS133(T-77) or QDTZ001SS133
SWITCHING DIODE 1N4148 or NDTZ001N4148
DIODE 1SS176TPA7 1SS176T
D675#SWITCHING DIODE 1SS133(T-77) or QDTZ001SS133
#SWITCHING DIODE 1N4148 or NDTZ001N4148
#DIODE 1SS176TPA7 1SS176T
D692#SWITCHING DIODE 1SS133(T-77) or QDTZ001SS133
#SWITCHING DIODE 1N4148 or NDTZ001N4148
#DIODE 1SS176TPA7 1SS176T
D694#ZENER DIODE MTZJT-7715B or QDTB00MTZJ15
#ZENER DIODE DZ-15BSBT265 NDTB00DZ15BS
D696 SWITCHING DIODE 1SS133(T-77) or QDTZ001SS133
SWITCHING DIODE 1N4148 or NDTZ001N4148
DIODE 1SS176TPA7 1SS176T
D697#SWITCHING DIODE 1SS133(T-77) or QDTZ001SS133
#SWITCHING DIODE 1N4148 or NDTZ001N4148
#DIODE 1SS176TPA7 1SS176T
D698#SWITCHING DIODE 1SS133(T-77) or QDTZ001SS133
#SWITCHING DIODE 1N4148 or NDTZ001N4148
#DIODE 1SS176TPA7 1SS176T
Ref. No. Description Part No.
D826 SWITCHING DIODE 1SS133(T-77) or QDTZ001SS133
SWITCHING DIODE 1N4148 or NDTZ001N4148
DIODE 1SS176TPA7 1SS176T
D827 SWITCHING DIODE 1SS133(T-77) or QDTZ001SS133
SWITCHING DIODE 1N4148 or NDTZ001N4148
DIODE 1SS176TPA7 1SS176T
D841#SWITCHING DIODE 1SS133(T-77) or QDTZ001SS133
#SWITCHING DIODE 1N4148 or NDTZ001N4148
#DIODE 1SS176TPA7 1SS176T
D842#ZENER DIODE MTZJT-776.2B or QDTB0MTZJ6R2
#ZENER DIODE DZ-6.2BSBT265 NDTB0DZ6R2BS
D851#ZENER DIODE MTZJT-7712B or QDTB00MTZJ12
#ZENER DIODE DZ-12BSBT265 NDTB00DZ12BS
D853 ZENER DIODE MTZJT-779.1B or QDTB0MTZJ9R1
ZENER DIODE DZ-9.1BSBT265 NDTB0DZ9R1BS
D854 SWITCHING DIODE 1SS133(T-77) or QDTZ001SS133
SWITCHING DIODE 1N4148 or NDTZ001N4148
DIODE 1SS176TPA7 1SS176T
D855 SWITCHING DIODE 1SS133(T-77) or QDTZ001SS133
SWITCHING DIODE 1N4148 or NDTZ001N4148
DIODE 1SS176TPA7 1SS176T
D896 SWITCHING DIODE 1SS133(T-77) or QDTZ001SS133
SWITCHING DIODE 1N4148 or NDTZ001N4148
DIODE 1SS176TPA7 1SS176T
D963 ZENER DIODE MTZJT-775.6B or QDTB0MTZJ5R6
ZENER DIODE DZ-5.6BSBT265 NDTB0DZ5R6BS
D966 SWITCHING DIODE 1SS133(T-77) or QDTZ001SS133
SWITCHING DIODE 1N4148 or NDTZ001N4148
DIODE 1SS176TPA7 1SS176T
ICS
IC33 IC:VIF/SIF DETECTOR M61111FP QSZBA0SMB010
IC151 IC:MEMORY AT24C02N-10SC or NSMMA0SAZ012
IC(EEPROM) M24C02-MN6 or NSMMA0SSS028
IC:MEMORY BR24C02F-W or QSMBA0SRM003
IC:MEMORY BR24C02F or QSMMA0SRM003
IC:MEMORY S524C20D21 or NSZBA0SSM028
IC(EEP-ROM) M24C02-WMN6 NSZAA0SSS004
IC333 IC M61272M8-054FP QSZAA0RMB130
IC431 IC:MTS DECORDER AN5832SA QSZBA0TMS003
IC551#IC:VERTICAL OUTPUT LA78041 QSZBA0SSY006
IC601#PHOTOCOUPLER LTV-817B-F or NPEB0LTV817F
#PHOTOCOUPLER LTV-817C-F NPEC0LTV817F
IC771 IC:SWITCHING TC4052BF(EL) or QSZBA0TTS096
IC:SWITCHING CD4052BCSJX NSZBA0TF3079
IC801 AUDIO POWER IC AN17805A QSZBA0SMS007
COILS
L1 PCB JUMPER D0.6-P5.0 JW5.0T
L2 INDUCTOR 22µH-K-5FT or LLARKBSTU220
INDUCTOR 22µH-K LLARKDQKA220
L32 INDUCTOR 15µH-J-26T or LLAXJATTU150
INDUCTOR 15µH-K-26T LLAXKDTKA150
L33 INDUCTOR 22µH-J-26T or LLAXJATTU220
INDUCTOR 22µH-K-26T LLAXKDTKA220
L34 PCB JUMPER D0.6-P5.0 JW5.0T
L51 INDUCTOR 100µH-J-5FT or LLARJCSTU101
INDUCTOR 100µH-K LLARKDQKA101
L111 INDUCTOR 22µH-K-5FT or LLARKBSTU220
INDUCTOR 22µH-K LLARKDQKA220
L112 INDUCTOR 22µH-K-5FT or LLARKBSTU220
INDUCTOR 22µH-K LLARKDQKA220
Ref. No. Description Part No.

20030303 13-6 L6650EL
L301 INDUCTOR 100µH-J-5FT or LLARJCSTU101
INDUCTOR 100µH-K LLARKDQKA101
L341 PCB JUMPER D0.6-P5.0 JW5.0T
L342 PCB JUMPER D0.6-P5.0 JW5.0T
L551#LINEARITY COIL ELH5L6136N LLBD00PMS008
L562#CHOKE COIL ELC18B681LK or LLC681KMS001
#CHOKE COIL CSA-LF057 LLBD00ZSA001
L588 CHOKE COIL 47µH-K or LLBD00PKV007
POT COIL 47µH K LLBD**DMM001
L601#LINE FILTER MS036 or LLBG00ZY2009
#LINE FILTER JLB2808 LLBG00ZXB004
TRANSISTORS
Q21 TRANSISTOR 2SA1175(F) or QQSF02SA1175
TRANSISTOR KTA1267(GR) or NQS10KTA1267
TRANSISTOR KTA1266(GR) or NQS40KTA1266
TRANSISTOR 2SA1318(T)-AANP or 2SA1318TZ
TRANSISTOR 2SA1318(U)-AANP or 2SA1318UZ
TRANSISTOR 2SA1015-GR(TPE2) QQS102SA1015
Q33 TRANSISTOR 2SC2785(F) or QQSF02SC2785
TRANSISTOR 2SC2785(H) or QQSH02SC2785
TRANSISTOR 2SC2785(J) or QQSJ02SC2785
TRANSISTOR KTC3199(GR) or NQS10KTC3199
TRANSISTOR KTC3198(GR) or NQS40KTC3198
TRANSISTOR 2SC3331(T)-AANP or 2SC3331TZ
TRANSISTOR 2SC3331(U)-AANP or 2SC3331UZ
TRANSISTOR 2SC1815-GR(TPE2) QQS102SC1815
Q111#TRANSISTOR 2SC2785(F) or QQSF02SC2785
#TRANSISTOR 2SC2785(H) or QQSH02SC2785
#TRANSISTOR 2SC2785(J) or QQSJ02SC2785
#TRANSISTOR KTC3199(GR) or NQS10KTC3199
#TRANSISTOR KTC3198(GR) or NQS40KTC3198
#TRANSISTOR 2SC3331(T)-AANP or 2SC3331TZ
#TRANSISTOR 2SC3331(U)-AANP or 2SC3331UZ
#TRANSISTOR 2SC1815-GR(TPE2) QQS102SC1815
Q131 RES. BUILT-IN TRANSISTOR BA1F4M-T or QQSZ00BA1F4M
RES. BUILT-IN TRANSISTOR KRC103M NQSZ0KRC103M
Q141 RES. BUILT-IN TRANSISTOR BA1F4M-T or QQSZ00BA1F4M
RES. BUILT-IN TRANSISTOR KRC103M NQSZ0KRC103M
Q191 TRANSISTOR 2SC2785(F) or QQSF02SC2785
TRANSISTOR 2SC2785(H) or QQSH02SC2785
TRANSISTOR 2SC2785(J) or QQSJ02SC2785
TRANSISTOR KTC3199(GR) or NQS10KTC3199
TRANSISTOR KTC3198(GR) or NQS40KTC3198
TRANSISTOR 2SC3331(T)-AANP or 2SC3331TZ
TRANSISTOR 2SC3331(U)-AANP or 2SC3331UZ
TRANSISTOR 2SC1815-GR(TPE2) QQS102SC1815
Q321 TRANSISTOR 2SC2785(F) or QQSF02SC2785
TRANSISTOR 2SC2785(H) or QQSH02SC2785
TRANSISTOR 2SC2785(J) or QQSJ02SC2785
TRANSISTOR KTC3199(GR) or NQS10KTC3199
TRANSISTOR KTC3198(GR) or NQS40KTC3198
TRANSISTOR 2SC3331(T)-AANP or 2SC3331TZ
TRANSISTOR 2SC3331(U)-AANP or 2SC3331UZ
TRANSISTOR 2SC1815-GR(TPE2) QQS102SC1815
Q531 TRANSISTOR 2SC2785(F) or QQSF02SC2785
TRANSISTOR 2SC2785(H) or QQSH02SC2785
TRANSISTOR 2SC2785(J) or QQSJ02SC2785
TRANSISTOR KTC3199(GR) or NQS10KTC3199
TRANSISTOR KTC3198(GR) or NQS40KTC3198
TRANSISTOR 2SC3331(T)-AANP or 2SC3331TZ
Ref. No. Description Part No.
TRANSISTOR 2SC3331(U)-AANP or 2SC3331UZ
TRANSISTOR 2SC1815-GR(TPE2) QQS102SC1815
Q533 TRANSISTOR 2SC2785(F) or QQSF02SC2785
TRANSISTOR 2SC2785(H) or QQSH02SC2785
TRANSISTOR 2SC2785(J) or QQSJ02SC2785
TRANSISTOR KTC3199(GR) or NQS10KTC3199
TRANSISTOR KTC3198(GR) or NQS40KTC3198
TRANSISTOR 2SC3331(T)-AANP or 2SC3331TZ
TRANSISTOR 2SC3331(U)-AANP or 2SC3331UZ
TRANSISTOR 2SC1815-GR(TPE2) QQS102SC1815
Q547 TRANSISTOR 2SC2785(F) or QQSF02SC2785
TRANSISTOR 2SC2785(H) or QQSH02SC2785
TRANSISTOR 2SC2785(J) or QQSJ02SC2785
TRANSISTOR KTC3199(GR) or NQS10KTC3199
TRANSISTOR KTC3198(GR) or NQS40KTC3198
TRANSISTOR 2SC3331(T)-AANP or 2SC3331TZ
TRANSISTOR 2SC3331(U)-AANP or 2SC3331UZ
TRANSISTOR 2SC1815-GR(TPE2) QQS102SC1815
Q551#TRANSISTOR 2SA1175(F) or QQSF02SA1175
#TRANSISTOR KTA1267(GR) or NQS10KTA1267
#TRANSISTOR KTA1266(GR) or NQS40KTA1266
#TRANSISTOR 2SA1318(T)-AANP or 2SA1318TZ
#TRANSISTOR 2SA1318(U)-AANP or 2SA1318UZ
#TRANSISTOR 2SA1015-GR(TPE2) QQS102SA1015
Q552#TRANSISTOR KTD2059(O) or NQ400KTD2059
#TRANSISTOR KTD2059(Y) or NQ4Y0KTD2059
#TRANSISTOR 2SD1666S QQES02SD1666
Q561 TRANSISTOR 2SC2785(F) or QQSF02SC2785
TRANSISTOR 2SC2785(H) or QQSH02SC2785
TRANSISTOR 2SC2785(J) or QQSJ02SC2785
TRANSISTOR KTC3199(GR) or NQS10KTC3199
TRANSISTOR KTC3198(GR) or NQS40KTC3198
TRANSISTOR 2SC3331(T)-AANP or 2SC3331TZ
TRANSISTOR 2SC3331(U)-AANP or 2SC3331UZ
TRANSISTOR 2SC1815-GR(TPE2) QQS102SC1815
Q571#TRANSISTOR 2SD2553 or QQWZ02SD2553
#TRANSISTOR 2SC5902 QQWZ02SC5902
Q572#TRANSISTOR 2SC1627Y-TPE2 QQSY02SC1627
Q601#FET 2SK3407 QFFZ02SK3407
Q602#TRANSISTOR 2SC2120-O-TPE2 or QQS002SC2120
#TRANSISTOR 2SC2120-Y(TPE2) QQSY02SC2120
Q652#TRANSISTOR 2SC2785(F) or QQSF02SC2785
#TRANSISTOR 2SC2785(H) or QQSH02SC2785
#TRANSISTOR 2SC2785(J) or QQSJ02SC2785
#TRANSISTOR KTC3199(GR) or NQS10KTC3199
#TRANSISTOR KTC3198(GR) or NQS40KTC3198
#TRANSISTOR 2SC3331(T)-AANP or 2SC3331TZ
#TRANSISTOR 2SC3331(U)-AANP or 2SC3331UZ
#TRANSISTOR 2SC1815-GR(TPE2) QQS102SC1815
Q672#TRANSISTOR 2SA950(O) Q2SA9500TPE2
Q673 TRANSISTOR 2SC2785(F) or QQSF02SC2785
TRANSISTOR 2SC2785(H) or QQSH02SC2785
TRANSISTOR 2SC2785(J) or QQSJ02SC2785
TRANSISTOR KTC3199(GR) or NQS10KTC3199
TRANSISTOR KTC3198(GR) or NQS40KTC3198
TRANSISTOR 2SC3331(T)-AANP or 2SC3331TZ
TRANSISTOR 2SC3331(U)-AANP or 2SC3331UZ
TRANSISTOR 2SC1815-GR(TPE2) QQS102SC1815
Q674 TRANSISTOR 2SC2785(F) or QQSF02SC2785
TRANSISTOR 2SC2785(H) or QQSH02SC2785
TRANSISTOR 2SC2785(J) or QQSJ02SC2785
Ref. No. Description Part No.

20030303 13-7 L6650EL
TRANSISTOR KTC3199(GR) or NQS10KTC3199
TRANSISTOR KTC3198(GR) or NQS40KTC3198
TRANSISTOR 2SC3331(T)-AANP or 2SC3331TZ
TRANSISTOR 2SC3331(U)-AANP or 2SC3331UZ
TRANSISTOR 2SC1815-GR(TPE2) QQS102SC1815
Q681 TRANSISTOR 2SC2120-O-TPE2 or QQS002SC2120
TRANSISTOR 2SC2120-Y(TPE2) or QQSY02SC2120
TRANSISTOR KTC3203(Y) NQSY0KTC3203
Q682 TRANSISTOR 2SC2120-O-TPE2 or QQS002SC2120
TRANSISTOR 2SC2120-Y(TPE2) or QQSY02SC2120
TRANSISTOR KTC3203(Y) NQSY0KTC3203
Q683 TRANSISTOR 2SC2120-O-TPE2 or QQS002SC2120
TRANSISTOR 2SC2120-Y(TPE2) or QQSY02SC2120
TRANSISTOR KTC3203(Y) NQSY0KTC3203
Q696 RES. BUILT-IN TRANSISTOR BA1F4M-T or QQSZ00BA1F4M
RES. BUILT-IN TRANSISTOR KRC103M NQSZ0KRC103M
Q751 TRANSISTOR 2SC2785(F) or QQSF02SC2785
TRANSISTOR 2SC2785(H) or QQSH02SC2785
TRANSISTOR 2SC2785(J) or QQSJ02SC2785
TRANSISTOR KTC3199(GR) or NQS10KTC3199
TRANSISTOR KTC3198(GR) or NQS40KTC3198
TRANSISTOR 2SC3331(T)-AANP or 2SC3331TZ
TRANSISTOR 2SC3331(U)-AANP or 2SC3331UZ
TRANSISTOR 2SC1815-GR(TPE2) QQS102SC1815
Q761 TRANSISTOR 2SC2785(F) or QQSF02SC2785
TRANSISTOR 2SC2785(H) or QQSH02SC2785
TRANSISTOR 2SC2785(J) or QQSJ02SC2785
TRANSISTOR KTC3199(GR) or NQS10KTC3199
TRANSISTOR KTC3198(GR) or NQS40KTC3198
TRANSISTOR 2SC3331(T)-AANP or 2SC3331TZ
TRANSISTOR 2SC3331(U)-AANP or 2SC3331UZ
TRANSISTOR 2SC1815-GR(TPE2) QQS102SC1815
Q791 TRANSISTOR 2SC2785(F) or QQSF02SC2785
TRANSISTOR 2SC2785(H) or QQSH02SC2785
TRANSISTOR 2SC2785(J) or QQSJ02SC2785
TRANSISTOR KTC3199(GR) or NQS10KTC3199
TRANSISTOR KTC3198(GR) or NQS40KTC3198
TRANSISTOR 2SC3331(T)-AANP or 2SC3331TZ
TRANSISTOR 2SC3331(U)-AANP or 2SC3331UZ
TRANSISTOR 2SC1815-GR(TPE2) QQS102SC1815
Q792 TRANSISTOR 2SC2785(F) or QQSF02SC2785
TRANSISTOR 2SC2785(H) or QQSH02SC2785
TRANSISTOR 2SC2785(J) or QQSJ02SC2785
TRANSISTOR KTC3199(GR) or NQS10KTC3199
TRANSISTOR KTC3198(GR) or NQS40KTC3198
TRANSISTOR 2SC3331(T)-AANP or 2SC3331TZ
TRANSISTOR 2SC3331(U)-AANP or 2SC3331UZ
TRANSISTOR 2SC1815-GR(TPE2) QQS102SC1815
Q793 TRANSISTOR 2SA1175(F) or QQSF02SA1175
TRANSISTOR KTA1267(GR) or NQS10KTA1267
TRANSISTOR KTA1266(GR) or NQS40KTA1266
TRANSISTOR 2SA1318(T)-AANP or 2SA1318TZ
TRANSISTOR 2SA1318(U)-AANP or 2SA1318UZ
TRANSISTOR 2SA1015-GR(TPE2) QQS102SA1015
Q794 RES. BUILT-IN TRANSISTOR BA1F4M-T or QQSZ00BA1F4M
RES. BUILT-IN TRANSISTOR KRC103M NQSZ0KRC103M
Q825 TRANSISTOR 2SC2785(F) or QQSF02SC2785
TRANSISTOR 2SC2785(H) or QQSH02SC2785
TRANSISTOR 2SC2785(J) or QQSJ02SC2785
TRANSISTOR KTC3199(GR) or NQS10KTC3199
TRANSISTOR KTC3198(GR) or NQS40KTC3198
Ref. No. Description Part No.
TRANSISTOR 2SC3331(T)-AANP or 2SC3331TZ
TRANSISTOR 2SC3331(U)-AANP or 2SC3331UZ
TRANSISTOR 2SC1815-GR(TPE2) QQS102SC1815
Q831#TRANSISTOR 2SB892(S) or QQSS002SB892
#TRANSISTOR 2SB892(T) QQST002SB892
Q832 TRANSISTOR 2SC2785(F) or QQSF02SC2785
TRANSISTOR 2SC2785(H) or QQSH02SC2785
TRANSISTOR 2SC2785(J) or QQSJ02SC2785
TRANSISTOR KTC3199(GR) or NQS10KTC3199
TRANSISTOR KTC3198(GR) or NQS40KTC3198
TRANSISTOR 2SC3331(T)-AANP or 2SC3331TZ
TRANSISTOR 2SC3331(U)-AANP or 2SC3331UZ
TRANSISTOR 2SC1815-GR(TPE2) QQS102SC1815
Q841 TRANSISTOR 2SC2785(F) or QQSF02SC2785
TRANSISTOR 2SC2785(H) or QQSH02SC2785
TRANSISTOR 2SC2785(J) or QQSJ02SC2785
TRANSISTOR KTC3199(GR) or NQS10KTC3199
TRANSISTOR KTC3198(GR) or NQS40KTC3198
TRANSISTOR 2SC3331(T)-AANP or 2SC3331TZ
TRANSISTOR 2SC3331(U)-AANP or 2SC3331UZ
TRANSISTOR 2SC1815-GR(TPE2) QQS102SC1815
Q851#TRANSISTOR 2SC2120-O-TPE2 or QQS002SC2120
#TRANSISTOR 2SC2120-Y(TPE2) or QQSY02SC2120
#TRANSISTOR KTC3203(Y) NQSY0KTC3203
Q951 TRANSISTOR 2SA1175(F) or QQSF02SA1175
TRANSISTOR KTA1267(GR) or NQS10KTA1267
TRANSISTOR KTA1266(GR) or NQS40KTA1266
TRANSISTOR 2SA1318(T)-AANP or 2SA1318TZ
TRANSISTOR 2SA1318(U)-AANP or 2SA1318UZ
TRANSISTOR 2SA1015-GR(TPE2) QQS102SA1015
Q956 TRANSISTOR 2SA1175(F) or QQSF02SA1175
TRANSISTOR KTA1267(GR) or NQS10KTA1267
TRANSISTOR KTA1266(GR) or NQS40KTA1266
TRANSISTOR 2SA1318(T)-AANP or 2SA1318TZ
TRANSISTOR 2SA1318(U)-AANP or 2SA1318UZ
TRANSISTOR 2SA1015-GR(TPE2) QQS102SA1015
Q961#TRANSISTOR 2SC2120-O-TPE2 or QQS002SC2120
#TRANSISTOR 2SC2120-Y(TPE2) or QQSY02SC2120
#TRANSISTOR KTC3203(Y) NQSY0KTC3203
RESISTORS
R23 CARBON RES. 1/4W J 1k Ω or RCX4JATZ0102
CARBON RES. 1/6W J 1k ΩRCX6JATZ0102
R31 CARBON RES. 1/4W J 22k ΩRCX4JATZ0223
R33 CARBON RES. 1/4W J 270 Ω or RCX4JATZ0271
CARBON RES. 1/6W J 270 ΩRCX6JATZ0271
R34 CARBON RES. 1/4W J 220 Ω or RCX4JATZ0221
CARBON RES. 1/6W J 220 ΩRCX6JATZ0221
R36 CARBON RES. 1/4W J 10k ΩRCX4JATZ0103
R37 CARBON RES. 1/4W J 220 Ω or RCX4JATZ0221
CARBON RES. 1/6W J 220 ΩRCX6JATZ0221
R38 CARBON RES. 1/4W J 3.3k ΩRCX4JATZ0332
R39 CARBON RES. 1/4W J 27k ΩRCX4JATZ0273
R40 CARBON RES. 1/4W J 100k ΩRCX4JATZ0104
R43 CARBON RES. 1/4W J 12k ΩRCX4JATZ0123
R44 CARBON RES. 1/4W J 100 Ω or RCX4JATZ0101
CARBON RES. 1/6W J 100 ΩRCX6JATZ0101
R51 CARBON RES. 1/4W J 220k ΩRCX4JATZ0224
R52 CARBON RES. 1/4W J 220k ΩRCX4JATZ0224
R54 CARBON RES. 1/4W J 22k ΩRCX4JATZ0223
R102 CARBON RES. 1/4W J 1.5k ΩRCX4JATZ0152
Ref. No. Description Part No.

20030303 13-8 L6650EL
R103 CARBON RES. 1/4W J 2.2k ΩRCX4JATZ0222
R104 CARBON RES. 1/4W J 2.7k ΩRCX4JATZ0272
R105 CARBON RES. 1/4W J 4.7k ΩRCX4JATZ0472
R108 CARBON RES. 1/4W J 10k ΩRCX4JATZ0103
R109 CARBON RES. 1/4W J 10k ΩRCX4JATZ0103
R111 CARBON RES. 1/4W J 100 Ω or RCX4JATZ0101
CARBON RES. 1/6W J 100 ΩRCX6JATZ0101
R112 CARBON RES. 1/4W J 10k ΩRCX4JATZ0103
R113 CARBON RES. 1/4W J 470k ΩRCX4JATZ0474
R114 CARBON RES. 1/4W J 1k Ω or RCX4JATZ0102
CARBON RES. 1/6W J 1k ΩRCX6JATZ0102
R116 PCB JUMPER D0.6-P5.0 JW5.0T
R132 PCB JUMPER D0.6-P5.0 JW5.0T
R133 PCB JUMPER D0.6-P5.0 JW5.0T
R135 CARBON RES. 1/4W J 2.2k ΩRCX4JATZ0222
R136 CARBON RES. 1/4W J 100k ΩRCX4JATZ0104
R137 CARBON RES. 1/4W J 100 Ω or RCX4JATZ0101
CARBON RES. 1/6W J 100 ΩRCX6JATZ0101
R138 CARBON RES. 1/4W J 220k ΩRCX4JATZ0224
R139 CARBON RES. 1/4W J 22k ΩRCX4JATZ0223
R140 CARBON RES. 1/4W J 1k Ω or RCX4JATZ0102
CARBON RES. 1/6W J 1k ΩRCX6JATZ0102
R141 PCB JUMPER D0.6-P5.0 JW5.0T
R142 CARBON RES. 1/4W J 470 Ω or RCX4JATZ0471
CARBON RES. 1/6W J 470 ΩRCX6JATZ0471
R150 PCB JUMPER D0.6-P5.0 JW5.0T
R153 CARBON RES. 1/4W J 100 Ω or RCX4JATZ0101
CARBON RES. 1/6W J 100 ΩRCX6JATZ0101
R154 CARBON RES. 1/4W J 100 Ω or RCX4JATZ0101
CARBON RES. 1/6W J 100 ΩRCX6JATZ0101
R156 CARBON RES. 1/4W J 100 Ω or RCX4JATZ0101
CARBON RES. 1/6W J 100 ΩRCX6JATZ0101
R157 CARBON RES. 1/4W J 100 Ω or RCX4JATZ0101
CARBON RES. 1/6W J 100 ΩRCX6JATZ0101
R158 CARBON RES. 1/4W J 1k Ω or RCX4JATZ0102
CARBON RES. 1/6W J 1k ΩRCX6JATZ0102
R159 CARBON RES. 1/4W J 100 Ω or RCX4JATZ0101
CARBON RES. 1/6W J 100 ΩRCX6JATZ0101
R161 CARBON RES. 1/4W J 470 Ω or RCX4JATZ0471
CARBON RES. 1/6W J 470 ΩRCX6JATZ0471
R163 CARBON RES. 1/4W J 470 Ω or RCX4JATZ0471
CARBON RES. 1/6W J 470 ΩRCX6JATZ0471
R164 CARBON RES. 1/4W J 10k ΩRCX4JATZ0103
R165 CARBON RES. 1/4W J 4.7k ΩRCX4JATZ0472
R166 CARBON RES. 1/4W J 6.8k ΩRCX4JATZ0682
R167 CARBON RES. 1/4W J 22k ΩRCX4JATZ0223
R168 CARBON RES. 1/4W J 4.7k ΩRCX4JATZ0472
R170 CARBON RES. 1/4W J 5.6k ΩRCX4JATZ0562
R171 CARBON RES. 1/4W J 3.9k ΩRCX4JATZ0392
R172 PCB JUMPER D0.6-P5.0 JW5.0T
R173 CARBON RES. 1/4W J 22k ΩRCX4JATZ0223
R174 CARBON RES. 1/4W J 10k ΩRCX4JATZ0103
R176 CARBON RES. 1/4W J 100 Ω or RCX4JATZ0101
CARBON RES. 1/6W J 100 ΩRCX6JATZ0101
R177 CARBON RES. 1/4W J 100 Ω or RCX4JATZ0101
CARBON RES. 1/6W J 100 ΩRCX6JATZ0101
R178 CARBON RES. 1/4W J 470 Ω or RCX4JATZ0471
CARBON RES. 1/6W J 470 ΩRCX6JATZ0471
R193 CARBON RES. 1/4W J 22k ΩRCX4JATZ0223
R195 CARBON RES. 1/4W J 2.2k ΩRCX4JATZ0222
R196 CARBON RES. 1/4W J 100 Ω or RCX4JATZ0101
Ref. No. Description Part No.
CARBON RES. 1/6W J 100 ΩRCX6JATZ0101
R198 PCB JUMPER D0.6-P5.0 JW5.0T
R301 CARBON RES. 1/4W J 6.8k ΩRCX4JATZ0682
R302 CARBON RES. 1/4W J 100 Ω or RCX4JATZ0101
CARBON RES. 1/6W J 100 ΩRCX6JATZ0101
R303 CARBON RES. 1/4W J 470 Ω or RCX4JATZ0471
CARBON RES. 1/6W J 470 ΩRCX6JATZ0471
R305 CARBON RES. 1/4W J 470 Ω or RCX4JATZ0471
CARBON RES. 1/6W J 470 ΩRCX6JATZ0471
R320 CARBON RES. 1/4W J 10k ΩRCX4JATZ0103
R323 CARBON RES. 1/4W J 2.2k ΩRCX4JATZ0222
R326 CARBON RES. 1/4W J 100 Ω or RCX4JATZ0101
CARBON RES. 1/6W J 100 ΩRCX6JATZ0101
R327 PCB JUMPER D0.6-P5.0 JW5.0T
R328 CARBON RES. 1/4W J 3.3k ΩRCX4JATZ0332
R329 CARBON RES. 1/4W J 56k ΩRCX4JATZ0563
R330 CARBON RES. 1/4W J 1k Ω or RCX4JATZ0102
CARBON RES. 1/6W J 1k ΩRCX6JATZ0102
R333 CARBON RES. 1/4W J 330 Ω or RCX4JATZ0331
CARBON RES. 1/6W J 330 ΩRCX6JATZ0331
R342 PCB JUMPER D0.6-P5.0 JW5.0T
R344 CARBON RES. 1/4W J 6.8k ΩRCX4JATZ0682
R345 CARBON RES. 1/4W J 10k ΩRCX4JATZ0103
R346 CARBON RES. 1/4W J 1k Ω or RCX4JATZ0102
CARBON RES. 1/6W J 1k ΩRCX6JATZ0102
R347 PCB JUMPER D0.6-P5.0 JW5.0T
R348 CARBON RES. 1/4W J 27k ΩRCX4JATZ0273
R355 CARBON RES. 1/4W J 15k ΩRCX4JATZ0153
R356 CARBON RES. 1/4W J 100 Ω or RCX4JATZ0101
CARBON RES. 1/6W J 100 ΩRCX6JATZ0101
R357 CARBON RES. 1/4W J 100 Ω or RCX4JATZ0101
CARBON RES. 1/6W J 100 ΩRCX6JATZ0101
R358 CARBON RES. 1/4W J 100 Ω or RCX4JATZ0101
CARBON RES. 1/6W J 100 ΩRCX6JATZ0101
R362 PCB JUMPER D0.6-P5.0 JW5.0T
R417 CARBON RES. 1/4W J 180k ΩRCX4JATZ0184
R422 CARBON RES. 1/4W J 2.2k ΩRCX4JATZ0222
R427 CARBON RES. 1/4W J 2.2k ΩRCX4JATZ0222
R445 CARBON RES. 1/4W J 3.3k ΩRCX4JATZ0332
R503 CARBON RES. 1/4W J 68k ΩRCX4JATZ0683
R504 CARBON RES. 1/4W J 3.3 Ω or RCX4JATZ03R3
CARBON RES. 1/6W J 3.3 ΩRCX6JATZ03R3
R505 CARBON RES. 1/4W J 1.8k ΩRCX4JATZ0182
R506 CARBON RES. 1/4W J 2.7 Ω or RCX4JATZ02R7
CARBON RES. 1/6W J 2.7 ΩRCX6JATZ02R7
R507 CARBON RES. 1/4W J 2.7 Ω or RCX4JATZ02R7
CARBON RES. 1/6W J 2.7 ΩRCX6JATZ02R7
R508 CARBON RES. 1/4W J 2.7 Ω or RCX4JATZ02R7
CARBON RES. 1/6W J 2.7 ΩRCX6JATZ02R7
R513#METAL OXIDE FILM RES. 2W J 4.7 Ω or RN024R7ZU001
#METAL OXIDE FILM RES. 2W J 4.7 ΩRN024R7DP004
R514 CARBON RES. 1/4W J 2.7k ΩRCX4JATZ0272
R516 CARBON RES. 1/4W J 680 Ω or RCX4JATZ0681
CARBON RES. 1/6W J 680 ΩRCX6JATZ0681
R520#CARBON RES. 1/4W J 22k ΩRCX4JATZ0223
R522 CARBON RES. 1/4W J 22k ΩRCX4JATZ0223
R531 CARBON RES. 1/4W J 1.8k ΩRCX4JATZ0182
R532 CARBON RES. 1/4W J 22k ΩRCX4JATZ0223
R533 CARBON RES. 1/4W J 22k ΩRCX4JATZ0223
R534 CARBON RES. 1/4W J 22k ΩRCX4JATZ0223
R535 CARBON RES. 1/4W J 470 Ω or RCX4JATZ0471
Ref. No. Description Part No.

20030303 13-9 L6650EL
CARBON RES. 1/6W J 470 ΩRCX6JATZ0471
R541 CARBON RES. 1/4W J 680 Ω or RCX4JATZ0681
CARBON RES. 1/6W J 680 ΩRCX6JATZ0681
R542 CARBON RES. 1/4W J 680 Ω or RCX4JATZ0681
CARBON RES. 1/6W J 680 ΩRCX6JATZ0681
R543 CARBON RES. 1/4W J 680 Ω or RCX4JATZ0681
CARBON RES. 1/6W J 680 ΩRCX6JATZ0681
R545 CARBON RES. 1/4W J 6.8k ΩRCX4JATZ0682
R546 CARBON RES. 1/4W J 2.2k ΩRCX4JATZ0222
R547 CARBON RES. 1/4W J 2.7k ΩRCX4JATZ0272
R548 CARBON RES. 1/4W J 10k ΩRCX4JATZ0103
R549 CARBON RES. 1/4W J 1.5k ΩRCX4JATZ0152
R551#METAL OXIDE FILM RES. 1W J 1k Ω or RN01102ZU001
#METAL OXIDE FILM RES. 1W J 1k ΩRN01102DP003
R552#METAL OXIDE FILM RES. 1W J 8.2 Ω or RN018R2ZU001
#METAL OXIDE FILM RES. 1W J 8.2 ΩRN018R2DP003
R553 CARBON RES. 1/4W J 2.2k ΩRCX4JATZ0222
R554 CARBON RES. 1/4W J 3.3k ΩRCX4JATZ0332
R555#CARBON RES. 1/4W J 1.5k ΩRCX4JATZ0152
R556 CARBON RES. 1/4W J 100k ΩRCX4JATZ0104
R557 CARBON RES. 1/4W J 18k ΩRCX4JATZ0183
R558 CARBON RES. 1/4W J 220 Ω or RCX4JATZ0221
CARBON RES. 1/6W J 220 ΩRCX6JATZ0221
R559 CARBON RES. 1/4W J 47k ΩRCX4JATZ0473
R560 CARBON RES. 1/4W J 150k ΩRCX4JATZ0154
R561 CARBON RES. 1/4W J 1.2k ΩRCX4JATZ0122
R562 CARBON RES. 1/4W J 100k ΩRCX4JATZ0104
R563 CARBON RES. 1/4W J 10k ΩRCX4JATZ0103
R564 CARBON RES. 1/4W J 270k ΩRCX4JATZ0274
R565 CARBON RES. 1/4W J 33k ΩRCX4JATZ0333
R566 CARBON RES. 1/4W J 10k ΩRCX4JATZ0103
R567 CARBON RES. 1/4W J 47k ΩRCX4JATZ0473
R568 CARBON RES. 1/4W J 1k Ω or RCX4JATZ0102
CARBON RES. 1/6W J 1k ΩRCX6JATZ0102
R569 CARBON RES. 1/4W J 560k ΩRCX4JATZ0564
R575#CARBON RES. 1/4W J 15 Ω or RCX4JATZ0150
#CARBON RES. 1/6W J 15 ΩRCX6JATZ0150
R576 CARBON RES. 1/4W J 1k Ω or RCX4JATZ0102
CARBON RES. 1/6W J 1k ΩRCX6JATZ0102
R577 CARBON RES. 1/4W J 330 Ω or RCX4JATZ0331
CARBON RES. 1/6W J 330 ΩRCX6JATZ0331
R578 CARBON RES. 1/4W J 15 Ω or RCX4JATZ0150
CARBON RES. 1/6W J 15 ΩRCX6JATZ0150
R579 CARBON RES. 1/4W J 15 Ω or RCX4JATZ0150
CARBON RES. 1/6W J 15 ΩRCX6JATZ0150
R581 PCB JUMPER D0.6-P5.0 JW5.0T
R583#METAL OXIDE FILM RES. 2W J 1.5 Ω or RN021R5ZU001
#METAL OXIDE FILM RES. 2W J 1.5 ΩRN021R5DP004
R584#PCB JUMPER D0.6-P5.0 JW5.0T
R585#CARBON RES. 1/4W J 10k ΩRCX4JATZ0103
R586#CARBON RES. 1/4W J 470k ΩRCX4JATZ0474
R587 CARBON RES. 1/4W J 470k ΩRCX4JATZ0474
R588 CARBON RES. 1/4W J 47k ΩRCX4JATZ0473
R589#CARBON RES. 1/4W J 47k ΩRCX4JATZ0473
R590 CARBON RES. 1/4W J 22k ΩRCX4JATZ0223
R591#CARBON RES. 1/4W J 180k ΩRCX4JATZ0184
R592#CARBON RES. 1/4W J 220k ΩRCX4JATZ0224
R593#CARBON RES. 1/4W J 68k ΩRCX4JATZ0683
R594#CARBON RES. 1/4W J 100k ΩRCX4JATZ0104
R596 CARBON RES. 1/4W J 100k ΩRCX4JATZ0104
R597 CARBON RES. 1/4W J 8.2k ΩRCX4JATZ0822
Ref. No. Description Part No.
R598#CARBON RES. 1/4W J 33k ΩRCX4JATZ0333
R599#CARBON RES. 1/4W J 15k ΩRCX4JATZ0153
R601#CEMENT RES. 7W K 0.56 Ω or RW07R56DP007
#CEMENT RESISTOR 7W K 0.56 Ω H=10MM RW07R56PG001
R602 CARBON RES. 1/4W J 820k ΩRCX4JATZ0824
R603 CARBON RES. 1/4W J 820k ΩRCX4JATZ0824
R604 CARBON RES. 1/4W J 820k ΩRCX4JATZ0824
R605 CARBON RES. 1/4W J 820k ΩRCX4JATZ0824
R607 CARBON RES. 1/4W J 220 Ω or RCX4JATZ0221
CARBON RES. 1/6W J 220 ΩRCX6JATZ0221
R608 CARBON RES. 1/4W J 220 Ω or RCX4JATZ0221
CARBON RES. 1/6W J 220 ΩRCX6JATZ0221
R609 CARBON RES. 1/4W J 820k ΩRCX4JATZ0824
R613#CEMENT RES. 5W K 0.27 Ω or RW05R27DP005
#CEMENT RESISTOR 5W K 0.27 ΩRW05R27PG001
R616 CARBON RES. 1/4W J 10k ΩRCX4JATZ0103
R618 CARBON RES. 1/4W J 390 Ω or RCX4JATZ0391
CARBON RES. 1/6W J 390 ΩRCX6JATZ0391
R620#CARBON RES. 1/4W J 100 Ω or RCX4JATZ0101
#CARBON RES. 1/6W J 100 ΩRCX6JATZ0101
R621 CARBON RES. 1/4W J 1.5k ΩRCX4JATZ0152
R622 CARBON RES. 1/4W J 47 Ω or RCX4JATZ0470
CARBON RES. 1/6W J 47 ΩRCX6JATZ0470
R623 CARBON RES. 1/4W J 39 Ω or RCX4JATZ0390
CARBON RES. 1/6W J 39 ΩRCX6JATZ0390
R651#METAL OXIDE FILM RES. 2W J 15k Ω or RN02153ZU001
#METAL OXIDE FILM RES. 2W J 15k ΩRN02153DP004
R652 CARBON RES. 1/4W J 15k ΩRCX4JATZ0153
R653 CARBON RES. 1/4W J 22k ΩRCX4JATZ0223
R654#CARBON RES. 1/4W J 2.7k ΩRCX4JATZ0272
R655 CARBON RES. 1/4W J 1k Ω or RCX4JATZ0102
CARBON RES. 1/6W J 1k ΩRCX6JATZ0102
R656#CARBON RES. 1/4W J 15k ΩRCX4JATZ0153
R657 CARBON RES. 1/4W J 15k ΩRCX4JATZ0153
R658 CARBON RES. 1/4W J 470k ΩRCX4JATZ0474
R660 CARBON RES. 1/4W J 1k Ω or RCX4JATZ0102
CARBON RES. 1/6W J 1k ΩRCX6JATZ0102
R661#CARBON RES. 1/4W J 100k ΩRCX4JATZ0104
R662#CARBON RES. 1/4W J 82k ΩRCX4JATZ0823
R663#PCB JUMPER D0.6-P5.0 JW5.0T
R664#CARBON RES. 1/4W J 12k ΩRCX4JATZ0123
R665#CARBON RES. 1/4W J 5.6k ΩRCX4JATZ0562
R666#METAL OXIDE FILM RES. 1W J 100k Ω or RN01104ZU001
#METAL OXIDE FILM RES. 1W J 100k ΩRN01104DP003
R667#CARBON RES. 1/4W J 33k ΩRCX4JATZ0333
R668#CARBON RES. 1/4W J 33k ΩRCX4JATZ0333
R669#CARBON RES. 1/4W J 33k ΩRCX4JATZ0333
R670#CARBON RES. 1/4W J 100k ΩRCX4JATZ0104
R671#CARBON RES. 1/4W J 3.3k ΩRCX4JATZ0332
R672#CARBON RES. 1/4W J 3.3k ΩRCX4JATZ0332
R673#CARBON RES. 1/4W J 100k ΩRCX4JATZ0104
R674 CARBON RES. 1/4W J 22k ΩRCX4JATZ0223
R676 CARBON RES. 1/4W J 10k ΩRCX4JATZ0103
R677 CARBON RES. 1/4W J 15k ΩRCX4JATZ0153
R678 CARBON RES. 1/4W J 47k ΩRCX4JATZ0473
R679#CARBON RES. 1/4W J 3.3k ΩRCX4JATZ0332
R680 CARBON RES. 1/4W J 10k ΩRCX4JATZ0103
R681#CARBON RES. 1/4W J 12 Ω or RCX4JATZ0120
#CARBON RES. 1/6W J 12 ΩRCX6JATZ0120
R682#METAL OXIDE FILM RES. 2W J 33 Ω or RN02330ZU001
#METAL OXIDE FILM RES. 2W J 33 ΩRN02330DP004
Ref. No. Description Part No.

20030303 13-10 L6650EL
R683#METAL RESISTOR 2W J 39 Ω or RN02390ZU001
#METAL OXIDE FILM RES. 2W J 39 ΩRN02390DP004
R686 CARBON RES. 1/4W J 100 Ω or RCX4JATZ0101
CARBON RES. 1/6W J 100 ΩRCX6JATZ0101
R687 CARBON RES. 1/4W J 10 Ω or RCX4JATZ0100
CARBON RES. 1/6W J 10 ΩRCX6JATZ0100
R694#CARBON RES. 1/4W J 4.7k ΩRCX4JATZ0472
R696#CARBON RES. 1/4W J 10 Ω or RCX4JATZ0100
#CARBON RES. 1/6W J 10 ΩRCX6JATZ0100
R697 PCB JUMPER D0.6-P5.0 JW5.0T
R701 CARBON RES. 1/4W J 82 Ω or RCX4JATZ0820
CARBON RES. 1/6W J 82 ΩRCX6JATZ0820
R702 CARBON RES. 1/4W J 82 Ω or RCX4JATZ0820
CARBON RES. 1/6W J 82 ΩRCX6JATZ0820
R704 CARBON RES. 1/4W J 47k ΩRCX4JATZ0473
R705 CARBON RES. 1/4W J 2.2k ΩRCX4JATZ0222
R706 CARBON RES. 1/4W J 33k ΩRCX4JATZ0333
R707 CARBON RES. 1/4W J 47k ΩRCX4JATZ0473
R708 CARBON RES. 1/4W J 2.2k ΩRCX4JATZ0222
R709 CARBON RES. 1/4W J 33k ΩRCX4JATZ0333
R711 CARBON RES. 1/4W J 82 Ω or RCX4JATZ0820
CARBON RES. 1/6W J 82 ΩRCX6JATZ0820
R713 CARBON RES. 1/4W J 330 Ω or RCX4JATZ0331
CARBON RES. 1/6W J 330 ΩRCX6JATZ0331
R716 CARBON RES. 1/4W J 82 Ω or RCX4JATZ0820
CARBON RES. 1/6W J 82 ΩRCX6JATZ0820
R718 CARBON RES. 1/4W J 330 Ω or RCX4JATZ0331
CARBON RES. 1/6W J 330 ΩRCX6JATZ0331
R721 CARBON RES. 1/4W J 82 Ω or RCX4JATZ0820
CARBON RES. 1/6W J 82 ΩRCX6JATZ0820
R722 CARBON RES. 1/4W J 82 Ω or RCX4JATZ0820
CARBON RES. 1/6W J 82 ΩRCX6JATZ0820
R724 CARBON RES. 1/4W J 47k ΩRCX4JATZ0473
R725 CARBON RES. 1/4W J 2.2k ΩRCX4JATZ0222
R726 CARBON RES. 1/4W J 33k ΩRCX4JATZ0333
R727 CARBON RES. 1/4W J 47k ΩRCX4JATZ0473
R728 CARBON RES. 1/4W J 2.2k ΩRCX4JATZ0222
R729 CARBON RES. 1/4W J 33k ΩRCX4JATZ0333
R751 CARBON RES. 1/4W J 22k ΩRCX4JATZ0223
R752 CARBON RES. 1/4W J 27k ΩRCX4JATZ0273
R753 CARBON RES. 1/4W J 56k ΩRCX4JATZ0563
R754 CARBON RES. 1/4W J 18k ΩRCX4JATZ0183
R755 CARBON RES. 1/4W J 1.8k ΩRCX4JATZ0182
R756 CARBON RES. 1/4W J 1k Ω or RCX4JATZ0102
CARBON RES. 1/6W J 1k ΩRCX6JATZ0102
R757 CARBON RES. 1/4W J 560 Ω or RCX4JATZ0561
CARBON RES. 1/6W J 560 ΩRCX6JATZ0561
R761 CARBON RES. 1/4W J 22k ΩRCX4JATZ0223
R762 CARBON RES. 1/4W J 27k ΩRCX4JATZ0273
R763 CARBON RES. 1/4W J 56k ΩRCX4JATZ0563
R764 CARBON RES. 1/4W J 18k ΩRCX4JATZ0183
R765 CARBON RES. 1/4W J 1.8k ΩRCX4JATZ0182
R766 CARBON RES. 1/4W J 1k Ω or RCX4JATZ0102
CARBON RES. 1/6W J 1k ΩRCX6JATZ0102
R767 CARBON RES. 1/4W J 560 Ω or RCX4JATZ0561
CARBON RES. 1/6W J 560 ΩRCX6JATZ0561
R771 CARBON RES. 1/4W J 4.7k ΩRCX4JATZ0472
R772 CARBON RES. 1/4W J 10k ΩRCX4JATZ0103
R791 CARBON RES. 1/4W J 4.7k ΩRCX4JATZ0472
R792 CARBON RES. 1/4W J 4.7k ΩRCX4JATZ0472
R793 CARBON RES. 1/4W J 10k ΩRCX4JATZ0103
Ref. No. Description Part No.
R803 CARBON RES. 1/4W J 100 Ω or RCX4JATZ0101
CARBON RES. 1/6W J 100 ΩRCX6JATZ0101
R804 CARBON RES. 1/4W J 100 Ω or RCX4JATZ0101
CARBON RES. 1/6W J 100 ΩRCX6JATZ0101
R811 CARBON RES. 1/4W J 18k ΩRCX4JATZ0183
R812 CARBON RES. 1/4W J 18k ΩRCX4JATZ0183
R817 CARBON RES. 1/4W J 5.6k ΩRCX4JATZ0562
R818 CARBON RES. 1/4W J 33k ΩRCX4JATZ0333
R827 CARBON RES. 1/4W J 1k Ω or RCX4JATZ0102
CARBON RES. 1/6W J 1k ΩRCX6JATZ0102
R828 CARBON RES. 1/4W J 10k ΩRCX4JATZ0103
R829 CARBON RES. 1/4W J 10k ΩRCX4JATZ0103
R831 CARBON RES. 1/4W J 470 Ω or RCX4JATZ0471
CARBON RES. 1/6W J 470 ΩRCX6JATZ0471
R832 CARBON RES. 1/4W J 22k ΩRCX4JATZ0223
R833 CARBON RES. 1/4W J 470 Ω or RCX4JATZ0471
CARBON RES. 1/6W J 470 ΩRCX6JATZ0471
R834 CARBON RES. 1/4W J 4.7k ΩRCX4JATZ0472
R841 METAL OXIDE FILM RES. 2W J 0.47 Ω or RN02R47ZU001
METAL OXIDE FILM RES. 2W J 0.47 ΩRN02R47DP004
R842 CARBON RES. 1/4W J 560 Ω or RCX4JATZ0561
CARBON RES. 1/6W J 560 ΩRCX6JATZ0561
R843 CARBON RES. 1/4W J 2.2k ΩRCX4JATZ0222
R844 CARBON RES. 1/4W J 100 Ω or RCX4JATZ0101
CARBON RES. 1/6W J 100 ΩRCX6JATZ0101
R845 CARBON RES. 1/4W J 22k ΩRCX4JATZ0223
R851#CARBON RES. 1/4W J 330 Ω or RCX4JATZ0331
#CARBON RES. 1/6W J 330 ΩRCX6JATZ0331
R855#CARBON RES. 1/4W J 2.2k ΩRCX4JATZ0222
R856#CARBON RES. 1/4W J 2.2k ΩRCX4JATZ0222
R951 CARBON RES. 1/4W J 220 Ω or RCX4JATZ0221
CARBON RES. 1/6W J 220 ΩRCX6JATZ0221
R952 CARBON RES. 1/4W J 10k ΩRCX4JATZ0103
R953 CARBON RES. 1/4W J 47 Ω or RCX4JATZ0470
CARBON RES. 1/6W J 47 ΩRCX6JATZ0470
R954 CARBON RES. 1/4W J 75 Ω or RCX4JATZ0750
CARBON RES. 1/6W J 75 ΩRCX6JATZ0750
R956 CARBON RES. 1/4W J 220 Ω or RCX4JATZ0221
CARBON RES. 1/6W J 220 ΩRCX6JATZ0221
R957 CARBON RES. 1/4W J 10k ΩRCX4JATZ0103
R959 CARBON RES. 1/4W J 75 Ω or RCX4JATZ0750
CARBON RES. 1/6W J 75 ΩRCX6JATZ0750
R961 PCB JUMPER D0.6-P5.0 JW5.0T
R962 CARBON RES. 1/4W J 470 Ω or RCX4JATZ0471
CARBON RES. 1/6W J 470 ΩRCX6JATZ0471
R966#CARBON RES. 1/4W J 2.2k ΩRCX4JATZ0222
R967#CARBON RES. 1/4W J 10k ΩRCX4JATZ0103
SWITCHES
SW101 TACT SWITCH SKQSAB or SST0101AL038
TACT SWITCH KSM0612B or SST0101HH003
TACT SWITCH SKHHAM SST0101AL029
SW102 TACT SWITCH SKQSAB or SST0101AL038
TACT SWITCH KSM0612B or SST0101HH003
TACT SWITCH SKHHAM SST0101AL029
SW103 TACT SWITCH SKQSAB or SST0101AL038
TACT SWITCH KSM0612B or SST0101HH003
TACT SWITCH SKHHAM SST0101AL029
SW104 TACT SWITCH SKQSAB or SST0101AL038
TACT SWITCH KSM0612B or SST0101HH003
TACT SWITCH SKHHAM SST0101AL029
Ref. No. Description Part No.

20030303 13-11 L6650EL
CRT CBA
SW105 TACT SWITCH SKQSAB or SST0101AL038
TACT SWITCH KSM0612B or SST0101HH003
TACT SWITCH SKHHAM SST0101AL029
SW106 TACT SWITCH SKQSAB or SST0101AL038
TACT SWITCH KSM0612B or SST0101HH003
TACT SWITCH SKHHAM SST0101AL029
MISCELLANEOUS
AC601#AC CORD LA-2413 WAC0172LW007
B-6 HEAT SINK(PGM)ASSEMBLY L6250UA 0EM407156
B-7 HEAT SINK(PFN)ASSEMBLY L1520UZ 0EM406353
B-8 HEAT SINK(PGN)ASSEMBLY L6250UA 0EM407158
B-9 HEAT SINK(PGO) L6250UA 0EM407159
BC571 BEAD INDUCTORS FBA04HA600VB-00 LLBF00STU026
BC572 BEAD INDUCTORS FBA04HA600VB-00 LLBF00STU026
BC602 PCB JUMPER D0.6-P5.0 JW5.0T
BC603 BEAD INDUCTORS FBR07HA121TB-00 LLBF00ZTU021
BC652 BEAD INDUCTORS FBR07HA121TB-00 LLBF00ZTU021
BC653 PCB JUMPER D0.6-P5.0 JW5.0T
BC654 BEAD INDUCTORS FBR07HA121TB-00 LLBF00ZTU021
BC655 BEAD INDUCTORS FBR07HA121TB-00 LLBF00ZTU021
BC656 BEAD INDUCTORS FBR07HA121TB-00 LLBF00ZTU021
BC657 BEAD INDUCTORS FBR07HA121TB-00 LLBF00ZTU021
BC691 BEAD INDUCTORS FBR07HA121TB-00 LLBF00ZTU021
BC692 BEAD INDUCTORS FBR07HA121TB-00 LLBF00ZTU021
CF31 CERAMIC TRAP 4.5MHz or FBE455PMR003
CERAMIC TRAP 4.5MHz FBE455PMS001
CF32 CERAMIC FILTER SFSRA4M50CF00-B0 or FBB455PMR004
CERAMIC FILTER 4.5MHz FBB455PMS001
CLN1 LEAD WIRE UL1007 AWG22 BLACK 140MM WX3001A2FF14
CLN301 WIRE ASSEMBLY WX1L1520-103 WX1L1520-103
CLN501 WIRE ASSEMBLY WX1L1520-101 WX1L1520-101
F601#FUSE 4A/125V 237 TYPE or PAGJ20CAG402
#FUSE TDS4A125VU/C or PAGD20CW3402
#FUSE STC4A125V U/CT or PAGE20CW3402
#FUSE 4.00A/125V PAGG20CNG402
FH601 FUSE HOLDER MSF-015 or XH01Z00LY001
FUSE HOLDER FH-V-03078 or XH01Z00DK001
HOLDER, FUSE CNT41-0014 1790424
FH602 FUSE HOLDER MSF-015 or XH01Z00LY001
FUSE HOLDER FH-V-03078 or XH01Z00DK001
HOLDER, FUSE CNT41-0014 1790424
GP641#GAP. FNR-G3.10D FAZ000LD6005
JK701 RCA JACK(YELLOW) MSP-281V4-B JXRL010LY003
JK702 RCA JACK 2P MSP-282V13 PBSN JXRL020LY045
JK703 RCA JACK 2P(SW) MSP-292V07 PBSN JYRL020LY011
JK711 Y/C JACK 1P(SW) MDC-070V1-A JYEL040LY002
JK721 RCA JACK(YELLOW) MTJ-032-06B-20 or JXRL010LY050
RCA JACK 1P AV-8.4-9Y JXRL010RP010
JK722 RCA JACK(WHITE) MTJ-032-06B-22 or JXRL010LY052
RCA JACK 1P AV-8.4-9W JXRL010RP011
JK723 RCA JACK(RED) MTJ-032-06A-21 or JYRL010LY014
RCA JACK 1P(RED)WITH SW ITCH AV1-09S-2 JYRL010RP008
JS102 PCB JUMPER D0.6-P5.0 JW5.0T
JS104 PCB JUMPER D0.6-P5.0 JW5.0T
JS105 PCB JUMPER D0.6-P5.0 JW5.0T
JS171 PCB JUMPER D0.6-P15.0 JW15.0T
JS191 PCB JUMPER D0.6-P5.0 JW5.0T
JS301 PCB JUMPER D0.6-P5.0 JW5.0T
JS570 PCB JUMPER D0.6-P5.0 JW5.0T
JS642 PCB JUMPER D0.6-P10.0 JW10.0T
Ref. No. Description Part No.
JS801 PCB JUMPER D0.6-P5.0 JW5.0T
JS802 PCB JUMPER D0.6-P10.0 JW10.0T
JS821 PCB JUMPER D0.6-P5.0 JW5.0T
JS822 PCB JUMPER D0.6-P7.5 JW7.5T
L-1 SCREW, B-TIGHT M3X8 BIND HEAD+ GBMB3080
PB6 CLOTH(65) L7735TR:65X10X0.5T 0EM402149
PS691#THERMISTOR ZPB58BL7R0F QNQZ58BL7R0F
RCV101 REMOCON RECEIVE UNIT MIM-93M8DKL or USESJRSUNT02
REMOCON RECEIVE UNIT PIC-37042SR or USESJRSKK034
REMOCON RECEIVE UNIT PIC-26042SR-2 USESJRSKK032
RL601#POWER RELAY SDT-S-112LMR MRNDC12QN014
#POWER RELAY RPEF-12-901 or MRNDC12KB002
#RELAY GD12D1-O(M)-II or MRNDC12DEC02
#RELAY ALKS321 MRNDC12MS013
SA601#SURGE ABSORBER AVR-S07D471KAAS or QVQZ0AVRS07D
#SURGE ABSORBER JVR-07N471K or NVQZVR07N471
#SURGE ABSORBER CNR-10D471K or NVQZR10D471K
#SURGE ABSORBER CNR-07D471K or NVQZR07D471K
#SURGE ABSORBER PVR-07D471KB NVQZ07D471KB
SF1 SAW FILTER SAFGM45M7VHHzC0B03 FBB456PMR008
T571#FLYBACK TRANS BSC28-0731 or LTF00CPP1019
#FLYBACK TRANSFORMER JF0501-2189 LTF00CPXB038
T572 HORIZONTAL DRAIVE TRANS Y2004 or LTH00CPY2004
HORIZONTAL DRAIVE TRANS CSA-LF044 LTH00CPSA002
T601#SWITCHING TRANS KD-L12-32V LTT00CPKT095
TH556 PCB JUMPER D0.6-P5.0 JW5.0T
TP300 PCB JUMPER D0.6-P10.0 JW10.0T
TP301 PCB JUMPER D0.6-P7.5 JW7.5T
TP302 PCB JUMPER D0.6-P7.5 JW7.5T
TP500 PCB JUMPER D0.6-P7.5 JW7.5T
TP501 PCB JUMPER D0.6-P7.5 JW7.5T
TP591 PCB JUMPER D0.6-P5.0 JW5.0T
TP592 PCB JUMPER D0.6-P5.0 JW5.0T
TP601 PCB JUMPER D0.6-P7.5 JW7.5T
TU1 TUNER UNIT TEQH9-001A UTUNNTUAL032
VR561 CARBON P.O.T. 20k Ω B or VRCB203KA011
CARBON P.O.T. 20k Ω B VRCB203HH014
VR562 CARBON P.O.T. 5k Ω B or VRCB502KA011
CARBON P.O.T. 5k Ω B VRCB502HH014
VR661#CARBON P.O.T. 50k Ω B or VRCB503KA011
#CARBON P.O.T. 50k Ω B VRCB503HH014
X301 X'TAL 3.579545 MHz FXD355LLN003
Ref. No. Description Part No.
CRT CBA
Consists of the following ------------
CAPACITORS
C1501 ELECTROLYTIC CAP. 100µF/10V M or CE1AMASTL101
ELECTROLYTIC CAP. 100µF/10V M CE1AMASDL101
C1502 ELECTROLYTIC CAP. 10µF/50V M or CE1JMASTL100
ELECTROLYTIC CAP. 10µF/50V M CE1JMASDL100
C1510 CERAMIC CAP. B K 2200pF/2KV or CCD3DKD0B222
CERAMIC CAP. B K 2200pF/2KV or CCD3DKP0B222
CERAMIC CAP. B K 2200pF/2KV CA3D222MR030
C1511 CERAMIC CAP.(AX) B K 470pF/50V CCA1JKT0B471
C1512 CERAMIC CAP.(AX) B K 0.01µF/50V CA1J103TU011
C1521 CERAMIC CAP.(AX) B K 220pF/50V CCA1JKT0B221
C1522 CERAMIC CAP.(AX) B K 0.01µF/50V CA1J103TU011
Ref. No. Description Part No.

20030303 13-12 L6650EL
C1531 CERAMIC CAP.(AX) B K 470pF/50V CCA1JKT0B471
C1532 CERAMIC CAP.(AX) B K 0.01µF/50V CA1J103TU011
CONNECTORS
CN1501 PIN CONNECTOR 005P-5100 JTEA001TG001
DIODES
D1501 SWITCHING DIODE 1SS133(T-77) or QDTZ001SS133
SWITCHING DIODE 1N4148 or NDTZ001N4148
DIODE 1SS176TPA7 1SS176T
COILS
L1501#INDUCTOR 150µH-J-5FT or LLARJCSTU151
#INDUCTOR 150µH-K LLARKDQKA151
L1511 PCB JUMPER D0.6-P5.0 JW5.0T
L1521 PCB JUMPER D0.6-P5.0 JW5.0T
L1531 PCB JUMPER D0.6-P5.0 JW5.0T
TRANSISTORS
Q1511 TRANSISTOR 2SC2785(F) or QQSF02SC2785
TRANSISTOR 2SC2785(H) or QQSH02SC2785
TRANSISTOR 2SC2785(J) or QQSJ02SC2785
TRANSISTOR KTC3199(GR) or NQS10KTC3199
TRANSISTOR KTC3198(GR) or NQS40KTC3198
TRANSISTOR 2SC3331(T)-AANP or 2SC3331TZ
TRANSISTOR 2SC3331(U)-AANP or 2SC3331UZ
TRANSISTOR 2SC1815-GR(TPE2) QQS102SC1815
Q1512 TRANSISTOR 2SC5360 or QQ9Z02SC5360
TRANSISTOR 2SC4544 or QQ9Z02SC4544
TRANSISTOR KTC3229 NQ5Z0KTC3229
Q1521 TRANSISTOR 2SC2785(F) or QQSF02SC2785
TRANSISTOR 2SC2785(H) or QQSH02SC2785
TRANSISTOR 2SC2785(J) or QQSJ02SC2785
TRANSISTOR KTC3199(GR) or NQS10KTC3199
TRANSISTOR KTC3198(GR) or NQS40KTC3198
TRANSISTOR 2SC3331(T)-AANP or 2SC3331TZ
TRANSISTOR 2SC3331(U)-AANP or 2SC3331UZ
TRANSISTOR 2SC1815-GR(TPE2) QQS102SC1815
Q1522 TRANSISTOR 2SC5360 or QQ9Z02SC5360
TRANSISTOR 2SC4544 or QQ9Z02SC4544
TRANSISTOR KTC3229 NQ5Z0KTC3229
Q1531 TRANSISTOR 2SC2785(F) or QQSF02SC2785
TRANSISTOR 2SC2785(H) or QQSH02SC2785
TRANSISTOR 2SC2785(J) or QQSJ02SC2785
TRANSISTOR KTC3199(GR) or NQS10KTC3199
TRANSISTOR KTC3198(GR) or NQS40KTC3198
TRANSISTOR 2SC3331(T)-AANP or 2SC3331TZ
TRANSISTOR 2SC3331(U)-AANP or 2SC3331UZ
TRANSISTOR 2SC1815-GR(TPE2) QQS102SC1815
Q1532 TRANSISTOR 2SC5360 or QQ9Z02SC5360
TRANSISTOR 2SC4544 or QQ9Z02SC4544
TRANSISTOR KTC3229 NQ5Z0KTC3229
RESISTORS
R1501 CARBON RES. 1/4W J 100 Ω or RCX4JATZ0101
CARBON RES. 1/6W J 100 ΩRCX6JATZ0101
R1502 CARBON RES. 1/4W J 100 Ω or RCX4JATZ0101
CARBON RES. 1/6W J 100 ΩRCX6JATZ0101
R1503 CARBON RES. 1/4W J 100 Ω or RCX4JATZ0101
CARBON RES. 1/6W J 100 ΩRCX6JATZ0101
R1509 CARBON RES. 1/4W J 100 Ω or RCX4JATZ0101
CARBON RES. 1/6W J 100 ΩRCX6JATZ0101
R1510#METAL RESISTOR 3W J 10k Ω or RN03103ZU001
#FIXED METAL OXIDE FILM RES. 3W J 10k ΩRN03103DP005
R1511 CARBON RES. 1/4W J 1.5k ΩRCX4JATZ0152
Ref. No. Description Part No.
R1512 CARBON RES. 1/4W J 1.5k ΩRCX4JATZ0152
R1514 CARBON RES. 1/4W J 100 Ω or RCX4JATZ0101
CARBON RES. 1/6W J 100 ΩRCX6JATZ0101
R1515 CARBON RES. 1/4W J 820 Ω or RCX4JATZ0821
CARBON RES. 1/6W J 820 ΩRCX6JATZ0821
R1518 CARBON RES. 1/4W J 220 Ω or RCX4JATZ0221
CARBON RES. 1/6W J 220 ΩRCX6JATZ0221
R1519 CARBON RES. 1/4W J 100 Ω or RCX4JATZ0101
CARBON RES. 1/6W J 100 ΩRCX6JATZ0101
R1520#METAL RESISTOR 3W J 10k Ω or RN03103ZU001
#FIXED METAL OXIDE FILM RES. 3W J 10k ΩRN03103DP005
R1521 CARBON RES. 1/4W J 1.5k ΩRCX4JATZ0152
R1522 CARBON RES. 1/4W J 1.5k ΩRCX4JATZ0152
R1524 CARBON RES. 1/4W J 100 Ω or RCX4JATZ0101
CARBON RES. 1/6W J 100 ΩRCX6JATZ0101
R1525 CARBON RES. 1/4W J 820 Ω or RCX4JATZ0821
CARBON RES. 1/6W J 820 ΩRCX6JATZ0821
R1528 CARBON RES. 1/4W J 220 Ω or RCX4JATZ0221
CARBON RES. 1/6W J 220 ΩRCX6JATZ0221
R1529 CARBON RES. 1/4W J 100 Ω or RCX4JATZ0101
CARBON RES. 1/6W J 100 ΩRCX6JATZ0101
R1530#METAL RESISTOR 3W J 10k Ω or RN03103ZU001
#FIXED METAL OXIDE FILM RES. 3W J 10k ΩRN03103DP005
R1531 CARBON RES. 1/4W J 1.5k ΩRCX4JATZ0152
R1532 CARBON RES. 1/4W J 1.5k ΩRCX4JATZ0152
R1534 CARBON RES. 1/4W J 100 Ω or RCX4JATZ0101
CARBON RES. 1/6W J 100 ΩRCX6JATZ0101
R1535 CARBON RES. 1/4W J 820 Ω or RCX4JATZ0821
CARBON RES. 1/6W J 820 ΩRCX6JATZ0821
R1538 CARBON RES. 1/4W J 220 Ω or RCX4JATZ0221
CARBON RES. 1/6W J 220 ΩRCX6JATZ0221
MISCELLANEOUS
BC1501 BEAD INDUCTORS FBR07HA121TB-00 LLBF00ZTU021
JK1501#CRT SOCKET ISHS40ST or JSCC290PK006
#CRT SOCKET HPS0521-012212 JSCC290HD012
JS1551 PCB JUMPER D0.6-P5.0 JW5.0T
Ref. No. Description Part No.
Printed in Japan
2003-03-20 HO
SRT2232X L6650UA