System Sensor Innovair Dh100Acdclwp Users Manual
DH100ACDCLWP to the manual 52a1cf83-56db-4c2d-9a03-5c362229ae5e
2015-02-02
: System-Sensor System-Sensor-Innovair-Dh100Acdclwp-Users-Manual-490696 system-sensor-innovair-dh100acdclwp-users-manual-490696 system-sensor pdf
Open the PDF directly: View PDF
.
Page Count: 8

D200-24-00 1 I56-0056-07R
DH100ACDCLWP Watertight Air Duct Smoke
Detector with Extended Air Speed Range
INSTALLATION AND MAINTENANCE INSTRUCTIONS
3825 Ohio Avenue, St. Charles, Illinois 60174
800/736-7672, FAX: 630-377-6495
www.systemsensor.com
The Innovair DH100ACDCLWP is a photoelectric extended air
speed range duct smoke detector with a NEMA 4 Rated
watertight housing. This detector is specially designed for
use in either indoor or outdoor applications to provide a
degree of protection against falling dirt, rain, sleet, wind-
blown dust, splashing water and hose-directed water.
The DH100ACDCLWP is listed for an extended air speed
range of 100 to 4000 feet per minute (0.5 m/s to 20.2 m/s).
IMPORTANT NOTES
The following temperature limitations must be observed
during the installation and handling of this product:
Operating temperature: +32° to +131°F (0° to + 55°C)
Storage temperature: –22° to +158°F (–30° to +70°C)
To maintain the watertight properties of this duct smoke
detector, watertight conduit and fittings must be used.
Mount the product with the conduit holes facing down-
wards, if possible.
Before Installing
Please thoroughly read the System Sensor Guide for Proper Use
of Smoke Detectors in Duct Applications, which provides
detailed information on detector spacing, placement, zoning,
wiring, and special applications. Copies of this manual are
available online at www.systemsensor.com or via System
Sensor’s toll free fax-back service, Documents on Demand at
800/736-7672. NFPA Standards 72 and 90A should also be ref-
erenced for detailed information.
NOTICE: This manual shall be left with the owner/user of
this equipment.
IMPORTANT: This detector must be tested regularly follow-
ing NFPA 90 requirements. The detector should be cleaned at
least once a year.
Table of Contents Page
[1] General Description 1
[2] Limitations of Duct Smoke Detectors 1
[3] Exploded View of Duct Smoke Detector Components 2
[4] Contents of the Duct Smoke Detector Kit 2
[5] Installation Sequence 2
[6]
Duct Smoke Detector Maintenance and Test Procedures
5
[7] Detector Cleaning Procedures 7
[8] Board Replacement 8
[9] Specifications 8
Warranty 8
[1] General Description
An HVAC system supplies conditioned air to virtually every
area of a building. Smoke introduced into this air duct sys-
tem will be distributed to the entire building. Smoke detec-
tors designed for use in air duct systems are used to sense the
presence of smoke in the duct.
Model DH100ACDCLWP Air Duct Smoke Detector is sup-
plied as a photoelectronic model. This smoke detection
method is combined with an efficient housing design that
samples air passing through a duct and allows detection of
a developing hazardous condition. When sufficient smoke
is sensed, an alarm signal is initiated and appropriate
action can be taken to shut off fans, blowers, change over
air handling systems, etc. These actions can facilitate the
management of toxic smoke and fire gases throughout the
areas served by the duct system.
The DH100ACDCLWP detector is designed to operate on 24
VDC/VAC, 120 VAC, or 240 VAC. Alarm and supervisory
relay contacts are available for control panel interface (alarm
initiation), HVAC control, and other auxiliary functions.
Auxiliary relays are also provided for fan shut down or sig-
naling of up to 9 other detectors in the loop for multiple fan
shut down. These detectors are not designed for 2-wire
applications.
For testing, the alarm can be enabled by a magnet activated
test switch or by the optional remote test station. The duct
smoke detector latches into alarm state when an alarm
occurs. Prior to cover installation, the green LED should be
flashing, indicating that the detector is powered and func-
tioning. To accurately determine detector status following
installation, System Sensor offers a variety of remote
annunciation and test accessories.
The DH100ACDCLWP can be reset by a momentary power
interruption, the reset button on the front cover, the control
panel, or remote reset accessory. The DH100ACDCLWP
incorporates a cover tamper feature that provides a trou-
ble signal after 7 minutes if the cover is removed or
improperly installed. Proper reinstallation of the cover
removes the trouble condition.
[2] Limitations Of Duct Smoke Detectors
The National Fire Protection Association has established that
DUCT DETECTORS MUST NOT BE USED AS A SUBSTITUTE
FOR OPEN AREA DETECTOR PROTECTION as a means of pro-
viding life safety. Nor are they a substitute for early warning in
a building’s regular fire detection system.
System Sensor supports this position and strongly recommends
that the user read NFPA Standards 90A, 72, and 101. The
DH100ACDCLWP Air Duct Smoke Detectors are listed per
UL 268A.
This device will not operate without electrical power.
Fire situations may cause an interruption of power. The
system safeguards should be discussed with your local fire
protection specialist.
WARNING
WARNING

This device will not sense smoke unless the ventilation sys-
tem is operating and the cover is installed.
For this detector to function properly, it MUST be installed
according to the instructions in this manual. Furthermore,
the detector MUST be operated within ALL electrical and
environmental specifications listed in this manual. Failure
to comply with these requirements may prevent the detec-
tor from activating when smoke is present in the air duct.
[4] Contents Of The Duct Smoke Detector Kit
1. Complete housing base and cover assembly
2. Two #10×11⁄4″sheet metal screws for mounting
3. Two sampling tube filters
4. One test magnet
5. Drilling template
6. Two foam gaskets
7. Four #6-self tapping mounting screws for the metal
sampling tube and optional exhaust tube extension
8. One sampling tube end cap
9. One plastic telescoping sampling tube
10. One #8 self-tapping screw for the plastic sampling tube
NOTE: For ducts over 11⁄2feet, longer sampling tubes must
be ordered to complete the installation. They must
be the correct length for the width of the duct
where they will be installed. See Table 1 on page 3
to determine the sampling tube required for differ-
ent duct widths.
[5] Installation Sequence
[5.1] Verify Duct Air Flow Direction And Velocity
Model DH100ACDCLWP detectors are designed to be used
in air handling systems having air velocities of 100 to 4000
feet per minute. Be sure to check engineering specifications
to ensure that the air velocity in the duct falls within these
parameters. If necessary, use a velocity meter to check the
air velocity in the duct.
WARNING
WARNING
[5.2] Select Mounting Orientation
If possible, mount the DH100ACDCLWP with the wiring
entry hole(s) facing downwards, so that all wiring enters
the housing from below. This minimizes the possibility of
water entering around the conduit fittings. Mounting the
product with the wiring entry holes on the uppermost sur-
face should be avoided.
[5.3] Drill The Mounting Holes
Remove the paper backing from the mounting template
supplied. Affix the template to the duct at the desired
mounting location. Make sure the template lies flat and
smooth on the duct. Center punch holes A and B. Drill the
holes as indicated on the template.
[5.4] Secure The Detector Housing To The Duct
Slide the foam gaskets over the tube bushings as shown in
Figure 2. Use the two 11⁄4″long sheet metal screws to screw
the detector housing to the duct.
CAUTION: Do not overtighten the screws.
Figure 2. Installation of foam gaskets over sampling
tube bushings:
[5.5] Sampling Tube Installation
The sampling tube is identified by a series of air inlet holes
on the tube. A plastic tube is included for ducts up to 18″
in width. All other tubes must be ordered separately and
resized for the duct width, as specified in Table 1. It is rec-
ommended that the sampling tube length extend at least 2⁄3
across the duct width for optimal performance. The
D200-24-00 2 I56-0056-07R
[3] Figure 1: Exploded View Of Duct Smoke Detector Components
SCREW HOLES FOR
ATTACHING HOUSING
TO DUCT WORK.
FOAM
GASKETS
METAL
SAMPLING TUBE
SAMPLING TUBE
FILTERS
DETECTOR
COVER
DETECTOR BOARD
CONDUIT HOLES
DETECTOR
HOUSING
TERMINAL STRIP
POWER BOARD
COVER MOUNTING
SCREWS

exhaust tube is molded onto the base of the duct housing,
and the A2440-00 Exhaust Tube Extension is available as
an accessory in those cases where the molded exhaust port
does not extend at least 2 inches into the duct.
The sampling tube is always installed with the air inlet
holes facing into the air flow. To assist proper installation,
the tube’s mounting flange is marked with an arrow. Make
sure the sampling tube is mounted so that the arrow points
into the air flow (see Figure 3). Figure 4 shows the various
combinations of tube mounting configurations with respect
to air flow. Mounting the detector housing in a vertical ori-
entation is acceptable, provided that the air flows directly
into the sampling tube holes as indicated in Figure 3.
Table 1. Sampling tubes recommended for different
duct widths:
Outside Duct Width Sampling Tube Recommended*
1 to 2 ft. ST-1.5
2 to 4 ft. ST-3
4 to 8 ft. ST-5
8 to 12 ft. ST-10
*Must extend a minimum of 2/3the duct width.
[5.5.1] Installation For Ducts Greater Than 11/2Feet
But Less Than 8 Feet Wide
1. If the tube is longer than the width of the air duct, drill a
3/4″hole in the duct opposite the hole already cut for the
sampling tube. Make sure the hole is 1″to 2″below the
inlet hole on the opposite side of the duct to allow mois-
ture drainage away from the detector. If the tube is short-
er than the width of the air duct, install the end cap into
the sampling tube as shown in Figure 4. Sampling tubes
over 3 ft. long must be supported at the end opposite the
duct smoke detector.
2. Slide the tube into the housing bushing that meets the
air flow first. Position the tube so that the arrow points
into the air flow.
3. Secure the tube flange to the housing bushing with two
#6 self-tapping screws.
4. For tubes longer than the width of the air duct, the tube
should extend out of the opposite side of the duct. If
there are more than 2 holes in the section of the tube
extending out of the duct, select a different length using
Table 1. Otherwise, trim the end of the tube protruding
through the duct so that 1″to 2″of the tube extend out-
side the duct. Plug this end with the end cap and tape
closed any holes in the protruding section of the tube. Be
sure to seal the duct where the tube protrudes.
NOTE: The sampling tube end cap is critical to the proper
operation of the duct smoke detector. The end cap
is needed to create the proper air flow to the sensor
of the duct smoke detector.
Figure 3. Air duct detector sampling tube:
H0108-02
Figure 5. Tube mounting configurations with varying
air flow direction:
H0109-01
NOTE: Only metal sampling tubes may be used on ori-
entations C and D.
[5.5.2] Installation For Ducts More Than 8 Feet Wide
NOTE:
To install sampling tubes in ducts more than 8 feet
wide, work must be performed inside the air duct.
Sampling of air in ducts wider than 8 feet is accom-
plished by using the ST-10 sampling tube. If the tube
is shorter than the width of the air duct, install the
end cap into the sampling tube as shown in Figure 4
and support the end opposite the duct smoke detector.
Install the inlet tube as follows:
1. Drill a 3/4-inch hole in the duct directly opposite the hole
already drilled for the inlet tube. Make sure the hole is 1
to 2″below the inlet hole on the opposite side of the
duct to allow for moisture drainage.
2. Slide the sampling tube with the flange into the housing
bushing that meets the air flow first. Position the tube so
that the arrow points into the air flow. Secure the tube flange
to the housing bushing with two #6 self-tapping screws.
3. From inside the duct, couple the other sections of the
sampling tube to the section already installed using the
1/2-inch conduit fittings supplied. Make sure that the
holes on both of the air inlet tubes are lined up and fac-
ing into the air flow.
4. Trim the end of the tube protruding through the duct so
that 1 to 2″of the tube extend outside the duct. Plug this
end with the end cap and tape closed any holes in the
protruding section of the tube. Be sure to seal the duct
when the tube protrudes.
AIR FLOW
DIRECTION
DETECTOR
HOUSING
DOTS INDICATE POSITION OF
SAMPLING TUBE HOLES
AIR FLOW
DIRECTION
DETECTOR
HOUSING
SAMPLING
TUBE
EXHAUST
TUBE
AIR FLOW
DIRECTION
EXHAUST
TUBE
SAMPLING
TUBE
SAMPLING
TUBE
EXHAUST
TUBE
DETECTOR
HOUSING
AIR FLOW
DIRECTION
DETECTOR
HOUSING
A. B.
C. D.
HORIZONTAL MOUNTING OF HOUSING
VERTICAL MOUNTING OF HOUSING
SAMPLING
TUBE
END CAP
AIR HOLES
ARROW
MUST FACE
INTO AIR FLOW AIR FLOW DIRECTION
FLANGE
D200-24-00 3 I56-0056-07R

NOTE: An alternate method to using the ST-10 is to use
two ST-5 sampling tubes. Remove the flange from
one of the tubes and install as described above.
After the installation, use electrical tape to close off
some of the sampling holes so that there are a total
of 10 to 12 holes spaced as evenly as possible
across the width of the duct.
NOTE: Air currents inside the duct may cause excessive
vibration, especially when the longer sampling
tubes are used. In these cases a 3 inch floor flange
(available at most plumbing supply stores) may be
used to fasten the sampling tube to the other side
of the duct. When using the flange/connector
mounting technique, drill a 1-inch to 11/4-inch hole
where the flange will be used.
[5.5.3] Modifications of Sampling Tubes
There may be applications where duct widths are not what
is specified for the installation. In such cases, it is permis-
sible to modify a sampling tube that is longer than neces-
sary to span the duct width.
Use a 0.193-inch diameter (#11) drill and add the appropriate
number of holes so that the total number of holes exposed to
the air flow in the duct is 10 to 12. Space the additional holes
as evenly as possible over the length of the tube.
NOTE: This procedure should only be used as a temporary
fix. It is not intended as a permanent substitute for
ordering the correct length tubes.
[5.6] Install The Filters
To install the sampling tube filters, simply push the filters
into the sampling and exhaust tube holes, as shown in
Figure 5.
Figure 5. Sampling tube filter installation:
Filters require periodic cleaning or replacement, depending
on the amount of dust and dirt accumulated. Visually
inspect the filters at least quarterly; inspect them more
often if the dust accumulation warrants it. See Section [6]
for more information. For replacement filters, contact your
Innovair distributor. (Exhaust tube/intake tube filter P/N
F36-09-11)
CAUTION
[5.7] Field Wiring
Installation Guidelines
All wiring must be installed in compliance with the
National Electrical Code and the local codes having juris-
diction. Proper wire gauges should be used. The conduc-
tors used to connect smoke detectors to control panels and
accessory devices should be color-coded to prevent wiring
mistakes. Improper connections can prevent a system from
responding properly in the event of a fire.
For signal wiring, (the wiring between interconnected
detectors or from detectors to auxiliary devices), it is usu-
ally recommended that single conductor wire be no small-
er than 18 gauge. The duct smoke detector terminals
accommodate wire sizes up to 12 gauge. In order to achieve
NEMA 4 environmental protection, watertight conduit and
fittings must be used when installing the DH100ACDCLWP.
Smoke detectors and alarm system control panels have
specifications for allowable loop resistance. Consult the
control panel manufacturer’s specifications for the total
loop resistance allowed for the particular model control
panel being used before wiring the detector loop.
Wiring Instructions
The DH100ACDCLWP detectors are designed for easy
wiring. The housing provides a terminal strip with clamp-
ing plates. Wiring connections are made by stripping about
3/8-inch of insulation from the end of the wire, sliding the
bare end under the plate, and tightening the clamping plate
screw.
[5.8] Perform Detector Check
1. Perform STANDBY AND TROUBLE TEST per Section
[6.2.1].
2. Perform MAGNET TEST per Section [6.2.2.1]. The
RTS451 test of Section [6.2.2.2] may substitute for this
requirement.
3. Perform AIR FLOW TEST per Section [6.1.1].
4. Perform SMOKE RESPONSE TEST per Section [6.1.2].
5. Perform SENSITIVITY TEST per Section [6.2.3].
[5.9] Install The Cover
Install the cover using the six screws that are captured in
the housing cover. Be certain filters are installed as speci-
fied in Section [5.6]. Make sure that the cover fits into the
base groove and that all gaskets are in their proper posi-
tions. Tighten the six screws.
[6] Duct Smoke Detector Maintenance And Test
Procedures
As recommended in NFPA 90, all smoke detection devices
designated for automatic shutdown shall be tested annually.
The tests in this manual are designed to assist installation
and maintenance personnel in verification of proper detector
operation.
D200-24-00 4 I56-0056-07R

Before conducting these tests, notify the proper authorities
that the smoke detection system will be temporarily out of
service. Disable the zone or system under test to prevent
unwanted alarms.
[6.1] Smoke Entry Tests
[6.1.1] Air Flow
The DH100ACDCLWP is designed to operate over an
extended air speed range of 100 to 4000 FPM. To verify suf-
ficient sampling of ducted air, turn the air handler on and
use a manometer to measure the differential pressure
between the two sampling tubes. The differential pressure
should measure at least 0.0015 inches of water and no
more than 1.4 inches of water. Because most commercially
available manometers cannot accurately measure very low
pressure differentials, applications with less than 500 FPM
of duct air speed may require one of the following: 1) the
use of a current-sourcing pressure transmitter (Dwyer
Series 607) per Section 6.1.4 or; 2) the use of aerosol smoke
per Section 6.1.2.
[6.1.2] Air Flow Test using Aerosol Smoke
This test is intended for low-flow systems (100-500FPM). If
the air speed is greater than 500FPM, use a conventional
manometer to measure differential pressure between the
sampling tubes as described in 6.1.1. Drill a 1⁄4″hole 3 feet
upstream from the duct smoke detector. With the air han-
dler on, measure the air velocity with an anemometer. Air
speed must be at least 100 FPM. Spray aerosol smoke* into
the duct through the 1⁄4″hole for five seconds. Wait two min-
utes for the duct smoke detector to alarm. If the duct smoke
detector alarms, air is flowing through the detector. Remove
the duct smoke detector cover and blow out the residual
aerosol smoke from the chamber and reset the duct smoke
detector. Use duct tape to seal the aerosol smoke entry hole.
*Aerosol smoke can be purchased from several maufacturers, including
Home Safeguard Industries, Malibu, CA. Phone: 310/457-5813.
[6.1.3] Smoke Entry Test
To determine if smoke is capable of entering the sensing
chamber, visually identify any obstructions. With the cover
removed, plug the exhaust and inlet tube holes to prevent
ducted air from carrying smoke away from the detector
head, then blow smoke such as cigarette, cotton wick, or
punk directly at the head to cause an alarm. REMEMBER
TO REMOVE THE PLUGS AFTER THIS TEST, OR THE
DETECTOR WILL NOT FUNCTION PROPERLY.
[6.1.4] Air Flow Test using Dwyer Series 607
Differential Pressure Transmitter
To verify the air speed of the duct using an anemometer, air
velocity must be at least 100 FPM. Disconnect power and
remove cover. Remove both foam air filters from the inlet
and exhaust tubes. Wire the Dwyer transmitter as shown in
Figure 6. Connect the leads of the meter to either side of the
1000 Ωresistor. Allow unit to warm up for 15 seconds. With
both HIGH and LOW pressure ports open to ambient air,
measure and record the voltage drop across the 1000 Ω
resistor (measurement 1), 4.00 volts is typical. Using flexi-
ble tubing and rubber stoppers, connect the HIGH side of
the transmitter to the sampling tube of the duct smoke
detector housing, and the LOW side of the transmitter to the
exhaust tube of the duct smoke detector housing. Measure
and record the voltage drop across the 1000 Ωresistor
(measurement 2). Subtract the voltage recorded in meas-
urement 1 from the voltage recorded in measurement 2. If
the difference is greater than 0.15 volts, there is enough air
flow through the duct smoke detector for proper operation.
Once readings are complete, reinsert both filters and rein-
stall cover. Reconnect power.
Figure 6. Procedure for verifying air flow:
[6.1.5] Filter Replacement
The filters do not substantially affect smoke performance
even when up to 90% of the filter is clogged. Quarterly
visual inspection usually suffices to determine whether the
filters should be replaced because only a high percentage of
contamination affects performance. If further testing is
required, compare differential pressure readings with and
without the filters installed. If the difference exceeds 10%
replace the filters. In no case should the pressure differen-
tial fall below 0.0015 inches of water.
[6.2] Standby, Alarm and Sensitivity Tests
The cover must be removed to perform these tests. The use
of a remote accessory for visible indication of power and
alarm is recommended.
[6.2.1] Standby And Trouble
Standby—Look for the presence of the flashing green LED. The
LED should flash approximately every 10 seconds.
Trouble— If the detector LED does not flash, then the detector
lacks power (check wiring, panel, or power supply),
the detector board is missing (replace), the cover
has been missing or not secured properly for more
than 7 minutes (secure cover properly), or the unit
is defective (return for repair).
Test— The trouble condition can be caused intentionally to
verify correct operation of the system. Remove the
DIFFERENTIAL
PRESSURE
TRANSMITTER
MODEL #607-01
HIGH LOW
TO SAMPLING TUBE
TO EXHAUST TUBE
VOLT METER
FLUKE MODEL 87
OR EQUIVALENT
1000 OHM 5% 1 WATT RESISTOR
9 VOLT
BATTERY
9 VOLT
BATTERY
9 VOLT
BATTERY
15 TO 36VDC
SUPPLY
D200-24-00 5 I56-0056-07R

15
19
14
3
20 1
3
2
Alarm Signal
Aux. Power +
Sup. N. O.
Sup. COM
Aux. Power –
NOTE: Wiring diagram shown is for DH100ACDCLWP 4-wire duct
smoke detector system equipped without a control panel.
Alarm
(Red LED)
Power
(Green LED)
Common
APA451DH100ACDCLWP
D200-24-00 6 I56-0056-07R
Do not loop wire under terminals when wiring detectors. Break wire runs to provide system supervision of connections.
CAUTION
Figure 8. Wiring diagram for DH100ACDCLWP
to APA451:
H0178-00
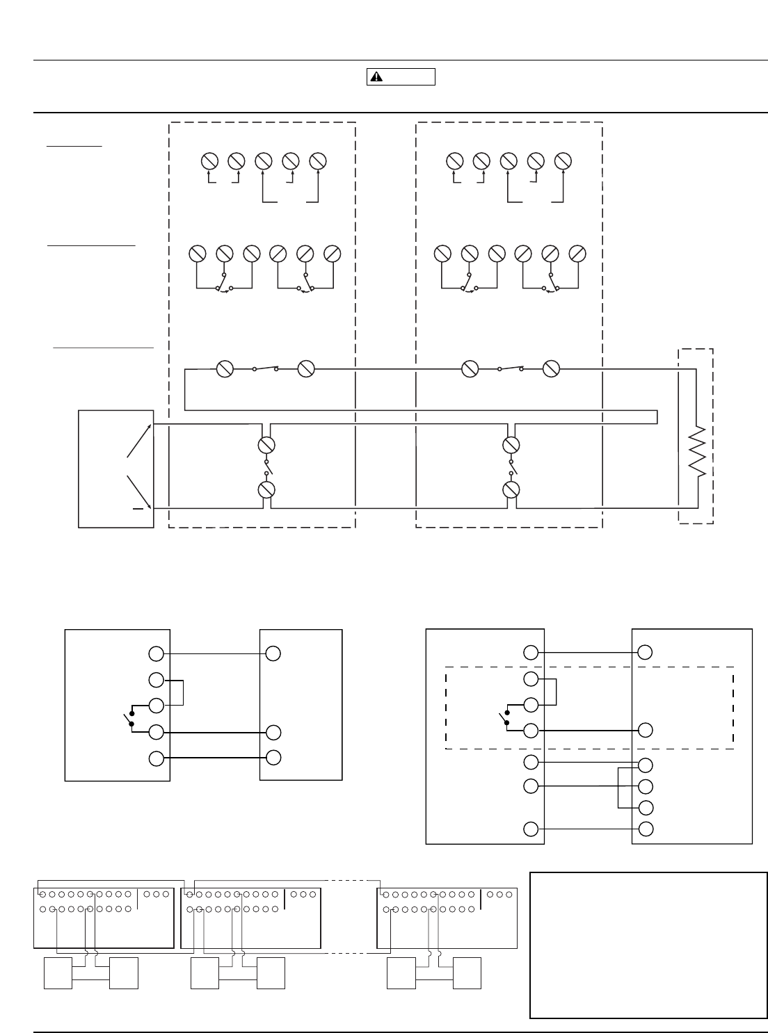
Figure 7. System wiring diagram for 4-wire duct smoke detectors:
Figure 9. Wiring diagram for DH100ACDCLWP to
RTS451KEY and interconnect feature:
Important Interconnect Notes
•When using the interconnect feature, all
interconnected units must be powered with
the same, independent supply.
• Polarity must be maintained throughout the
interconnect wiring. Connect terminal 12 on
unit 1 to terminal 12 on unit 2 and so on.
Similarly, connect terminal 1 on unit 1 to ter-
minal 1 on unit 2 and so on.
•Up to 10 units may be interconnected.
Figure 10. Multiple fan shutdown (interconnect):
16
12 16
ABC
FAN
CONTROL
SYSTEM
CONTROL
POWER OR
THERMOSTAT
16
12 16
AB
FAN
CONTROL
SYSTEM
CONTROL
POWER OR
THERMOSTAT
DETECTOR 1
C
DETECTOR 2
16
12 16
AB
FAN
CONTROL
SYSTEM
CONTROL
POWER OR
THERMOSTAT
C
DETECTOR 10
OUT TO
10 DETECTORS
MAXIMUM
24V
120
VAC
220/240
VAC
910 ABC
AVAILABLE POWER INPUTS
ALARM AUXILIARY CONTACTS
FOR FAN SHUTDOWN, ETC.
16 6 17 718 8
N.C.
C.N.O.
N.O.
C.N.C.
ALARM AUXILIARY CONTACTS SHOWN IN
STANDBY. CONTACTS TRANSFER DURING
ALARM AS INDICATED BY THE ARROWS.
SUPERVISORY TROUBLE CONTACTS
TROUBLE CONTACTS CLOSED IN ALARM AND STANDBY.
CONTACTS OPEN WHILE DETECTOR PCB OR POWER IS
REMOVED OR WHEN TAMPER FEATURE TIMES OUT. OPEN
CONTACTS SIGNAL TROUBLE CONDITION TO PANEL.
24V
220/240
VAC
910ABC
AVAILABLE POWER INPUTS
ALARM AUXILIARY CONTACTS
FOR FAN SHUTDOWN, ETC.
16 617 7188
N.C.
C.
N.O.
N.O.
C.N.C.
ALARM AUXILIARY CONTACTS SHOWN IN
STANDBY. CONTACTS TRANSFER DURING
ALARM AS INDICATED BY THE ARROWS.
SUPERVISORY TROUBLE CONTACTS
TROUBLE CONTACTS CLOSED IN ALARM AND STANDBY.
CONTACTS OPEN WHILE DETECTOR PCB OR POWER IS
REMOVED OR WHEN TAMPER FEATURE TIMES OUT. OPEN
CONTACTS SIGNAL TROUBLE CONDITION TO PANEL.
14 3 3
14
4
5
ALARM
INITIATION
CONTACTS
CONTACTS SHOWN
OPEN IN STANDBY.
CONTACTS CLOSE
IN ALARM.
4
5
ALARM
INITIATION
CONTACTS
CONTACTS SHOWN
OPEN IN STANDBY.
CONTACTS CLOSE
IN ALARM.
ALARM
INITIATION
LOOP
UL LISTED 4-WIRE
CONTROL PANEL FIRST DETECTOR IN THE LOOP
DH100ACDCLWPLAST DETECTOR IN THE LOOP
DH100ACDCLWP
EOL RESISTOR
SPECIFIED BY
PANEL MANUFACTURER
CONNECT POWER SOURCE
TO APPROPRIATE TERMINALS
OF EACH DETECTOR. SEE
SPECIFICATIONS FOR
ADDITIONAL POWER SUPPLY
INFORMATION.
FOR WIRING OF AUXILIARY
DEVICES, REFER TO
MANUFACTURER'S
INSTALLATION INSTRUCTIONS
OR CONTACT MANUFACTURER.
NOTE: THE SUPERVISORY RELAY NOW
PROVIDES A "FORM C" CONTACT FOR
CUSTOMIZED APPLICATIONS.
FOR STANDARD APPLICATIONS, ONLY
THE "NO" CONTACT IS USED
POWER INPUTS ACCEPT
24 VDC, 24 VAC 50-60 HZ,
120 VAC 50-60 HZ, OR
220/240 VAC 50-60 HZ.
CONNECT POWER SOURCE
TO APPROPRIATE TERMINALS
OF EACH DETECTOR.
AUX. CONTACT RATINGS
10A @ 30 VDC RESISTIVE
10A @ 250 VAC
100mA MINIMUM @ 5 VDC
1/4 HP @ 240 VAC
1/8 HP @ 120 VAC
NOT INTENDED FOR
CONNECTION TO CONTROL
PANELS.
TROUBLE CONTACT RATING
2.0 A @ 30 VDC resistive
2.0 A @ 125 VDC resistive
+
120
VAC
15
19
14
3
20
2
11
2
6
1
Alarm Signal
Aux. Power +
Sup. N. O.
Sup. COM
Aux. Power —
Reset
Test
(Red LED) Alarm
(Green LED)
Power
DH100ACDCLWP RTS451/RTS451KEY
5
4
3
*
For RTS451KEY
only without a
control panel.
*
H0155-01

detector board to cause a trouble condition locally
and at the system control panel.
Cover
Tamper — If the cover is removed or not properly secured for
a period longer than 7 minutes, a trouble signal is
generated to indicate the cover is missing.
Figure 13. Testing detector alarm:
H0160-00
[6.2.2] Alarm Tests
[6.2.2.1] M02-04-00 Magnet Test
1. Place the painted surface of the magnet onto the TEST
locator on the bottom of the housing (Figure 13).
2. The red alarm LED on the detector should latch on, as
should any accessories (i.e. RA400Z, RTS451). Verify
system control panel alarm status and control panel exe-
cution of all intended auxiliary functions (i.e. fan shut-
down, damper control, etc.).
3. The detector must be reset by system control panel, front
cover reset button, or remote accessory.
[6.2.2.2] RTS451/RTS451KEY Remote Test Station
The RTS451/RTS451KEY Remote Test Station facilitates test
of the alarm capability of the duct smoke detector as indi-
cated in the RTS451/RTS451KEY manual. The DH100ACD-
CLWP duct smoke detector can be reset by the
RTS451/RTS451KEY. If a system control panel is used, the
panel itself may also require testing.
To install the RTS451/RTS451KEY, connect the device as
shown in Figure 9; wire runs must be limited to 25 ohms
or less per interconnecting wire.
Please note that the magnetic coil supplied with the
RTS451 and RTS451KEY is not required when these acces-
ALARM SIGNAL (+)
AUX POWER (—)
15
20
(+)
(—)
DUCT DETECTOR
DH100ACDCLWP PA400 (OPTIONAL)
AUDIBLE ALERT
ALARM SIGNAL (+)
AUX POWER (—)
15
20
(+)
(—)
DUCT DETECTOR
DH100ACDCLWP RA400Z (OPTIONAL)
REMOTE (LED)
ANNUNCIATOR
RED
ACCESSORY CURRENT LOADS AT 24 VDC
DEVICE
APA451
PA400
RA400Z
RTS451/RTS451KEY
SSK451
STANDBY
12.5mA Max.
0mA
0mA
12mA*
5mA Max.
ALARM
30mA Max.
15mA Max.
10mA Max.
7.5mA Max.
30mA Max.
*NOTE: When a unit is powered at the 120VAC or 220/240VAC input, any
combination of accessories may be used such that the given accessory loads are:
60 mA or less in the standby state; 110 mA or less in the alarm state.
TROUBLE
n/a
n/a
n/a
n/a
9mA Max.
D200-24-00 7 I56-0056-07R
sories are used with the DH100ACDCLWP detectors. The
functionality of the magnetic coil has been designed into the
circuitry of the new Innovair™ duct smoke detectors.
[6.2.2.3] SSK451 Multi-Signaling Accessory
The System Sensor SSK451 Multi-Signaling accessory com-
bines a sounder feature with a key activated test and reset
function. Green, amber and red LEDs provide a visual indica-
tion of power, trouble, and alarm respectively. An optional
strobe (PS24LO) with a smoke lens can be added to conform
to the codes of certain jurisdictions.
To install the SSK451, connect the device as shown in figure 12.
[6.2.3] Sensitivity Tests
[6.2.3.1] MOD400 or MOD400R Test
After verification of alarm capability, use the MOD400R test
module with a voltmeter to check detector sensitivity as
indicated in the test module’s manual. The housing cover
must be removed to perform this test.
If test module readings indicate that the detector head is
outside of the acceptable range that is printed on the label
of the detector, the detector chamber requires cleaning per
Section [7] of this manual.
[7] Detector Cleaning Procedures
Notify the proper authorities that the smoke detector sys-
tem is undergoing maintenance, and that the system will
temporarily be out of service. Disable the zone or system
undergoing maintenance to prevent unwanted alarms and
possible dispatch of the fire department.
[7.1] Air Filters
1. Turn off power to the system.
2. Remove and inspect sampling tube filters.
3. If filters are heavily coated with dirt, replace them with
new filters. If they are not heavily coated, use a vacuum
cleaner or compressed air nozzle to remove dust, then
reinstall the filters.
[7.2] Photo Detector Board
1. Remove the screen by gently grasping on each side and
pulling straight off.
2. Lift the photo chamber in the same fashion. Vacuum the
screen and cover. Use clean, compressed air to loosen
Figure 11. Wiring diagrams for optional accessories:
A78-2354-08
15 ALARM SIGNAL
3
14
2 RESET
11 TEST
20 AUX. POWER (-)
19 AUX. POWER (+)
SSK451
FIELD INSTALLED
JUMPER FOR
TEMPORAL PATTERN
SUPERVISORY
CONTACT
NO
FIELD INSTALLED
JUMPER
DH100ACDC
COMMON 3
TEMPORAL SELECT 2
ALARM SIGNAL 1
SUPERVISORY SIGNAL 4
RESET 7
TEST 8
POWER (-) 6
POWER (+) 5
Figure 12. Wiring diagram for
DH100ACDCLWP to SSK451

D200-24-00 8 I56-0056-07R
Three-Year Limited Warranty
System Sensor warrants its enclosed air duct smoke detector to be free from defects
in materials and workmanship under normal use and service for a period of three
years from date of manufacture. System Sensor makes no other express warranty for
this air duct smoke detector. No agent, representative, dealer, or employee of the
Company has the authority to increase or alter the obligations or limitations of this
Warranty. The Company’s obligation of this Warranty shall be limited to the repair
or replacement of any part of the air duct smoke detector which is found to be
defective in materials or workmanship under normal use and service during the
three year period commencing with the date of manufacture. After phoning System
Sensor’s toll free number 800-SENSOR2 (736-7672) for a Return Authorization num-
ber, send defective units postage prepaid to: System Sensor, Returns Department,
RA #__________, 3825 Ohio Avenue, St. Charles, IL 60174. Please include a note
describing the malfunction and suspected cause of failure. The Company shall not
be obligated to repair or replace units which are found to be defective because of
damage, unreasonable use, modifications, or alterations occurring after the date of
manufacture. In no case shall the Company be liable for any consequential or inci-
dental damages for breach of this or any other Warranty, expressed or implied
whatsoever, even if the loss or damage is caused by the Company’s negligence or
fault. Some states do not allow the exclusion or limitation of incidental or conse-
quential damages, so the above limitation or exclusion may not apply to you. This
Warranty gives you specific legal rights, and you may also have other rights which
vary from state to state.
[9] Model DH100ACDCLWP Air Duct Smoke Detector Specifications
Operating temperature: +32° to +131°F 0° to +55°C
Storage temperature: –22° to +158°F –30° to +70°C
Environmental Rating: NEMA 4
Humidity: 10% to 93% R.H. noncondensing
Air Velocity: 100 to 4000 ft./min. 0.5 to 20.3 m/sec.
Dimensions: 14.38″L x 5.5″W x 2.75″D37cm L x 14cm W x 7cm D
Weight: 3.75 pounds 1.7 kg
Electrical Specifications
Power supply voltage: 20-29 VDC 24 VAC 50-60-Hz 120 VAC 50-60 Hz 220/240 VAC 50-60 Hz
Input capacitance: 270 µF max. 270 µF max. N/A N/A
Reset voltage: 3.0 VDC min. 2.0 VAC min. 10 VAC min. 20 VAC min.
Reset time (with RTS451): .03 to 0.3 sec. .03 to 0.3 sec. .03 to 0.3 sec. .03 to 0.3 sec.
Reset time (by power down): 0.6 sec. max. 0.6 sec. max. 0.6 sec. max. 0.6 sec. max.
Power up time: 34 sec. max. 34 sec. max. 34 sec. max. 34 sec. max.
Alarm response time: 2 to 17 sec. 2 to 17 sec. 2 to 17 sec. 2 to 17 sec.
Sensitivity Test: See detector label See detector label See detector label See detector label
and blow out any remaining debris. Replacement
screens (S08-39-01) are available.
3. Vacuum photo chamber, then use clean compressed air
to blow area clean.
4. Replace the chamber by pressing it onto the base.
Press the screen into place. It should fit tightly on the
chamber.
[8.0] Board Replacement
[8.1] Detector Board Replacement (part no. A5069)
1. Remove the two detector board mounting screws.
2. Pull gently on the board to remove it.
3. To replace the board, align the board mounting fea-
tures, holes, and the interconnect terminals. Push the
board into place.
4. Secure board with the two mounting screws.
[8.2] Power Board replacement (part no. A5064)
1. Disconnect wiring from the terminal block.
2. Remove the two power board mounting screws.
3. Pull gently on the board to remove it.
4. To replace the board, align the board mounting fea-
tures, holes, and the interconnect terminals. Push the
board into place.
5. Secure board with the two mounting screws.
6. Re-connect wiring to terminal block.
Power Supply Voltage 20 - 29 VDC 24 VAC 50 - 60 Hz 120 VAC 50 - 60 Hz 220/240 VAC 50 - 60 Hz
CURRENT REQUIREMENTS (USING NO ACCESSORIES)
Max. standby current 15 mA 35 mA RMS 25 mA RMS* 15 mA RMS*
Max. alarm current
70 mA
125 mA RMS 35 mA RMS* 25 mA RMS*
CONTACT RATINGS
Alarm initiation contacts (SPST) 2.0A @ 30 VDC (resistive)
Alarm auxiliary contacts (DPDT) 10A @ 30 VDC
10A @ 250 VAC
1/4 HP @ 240 VAC
1/8 HP @ 120 VAC
Trouble contacts (SPDT) 2.0A @ 30 VDC (resistive)
2.0A @ 125 VAC (resistive)
Note: Alarm auxiliary contacts must switch 100 mA minimum at 5VDC. Alarm auxiliary contacts shall not be
connected to inititaing circuits of control panels. Use the alarm initiation contact for this purpose.
* NOTE: When a unit is powered at the 120VAC or 220/240VAC input, any
combination of accessories may be used such that the given accessory loads are:
60 mA or less in the standby state,
110 mA or less in the alarm state.
ACCESSORY CURRENT LOADS AT 24 VDC
DEVICE
APA451
PA400
RA400Z
RTS451
RTS451KEY
SSK451
STANDBY
12.5mA Max.
0mA
0mA
0mA
12mA*
5mA Max.
ALARM
30mA Max.
15mA Max.
10mA Max.
7.5mA Max.
7.5mA Max.
30mA Max.
TROUBLE
n/a
n/a
n/a
n/a
n/a
9mA Max.
Please refer to insert for the Limitations of Fire Alarm Systems