System Sensor Smoke Alarm D100 67 00 Users Manual 1148
I56-1148-04 to the manual 6664521a-f437-492b-b027-08271f83d791
2015-02-02
: System-Sensor System-Sensor-Smoke-Alarm-D100-67-00-Users-Manual-490714 system-sensor-smoke-alarm-d100-67-00-users-manual-490714 system-sensor pdf
Open the PDF directly: View PDF
.
Page Count: 8

D100-67-00 1 I56-1148-04
DH100 Air Duct Smoke Detector
INSTALLATION AND MAINTENANCE INSTRUCTIONS
A Division of Pittway
3825 Ohio Avenue, St. Charles, Illinois 60174
1-800-SENSOR2, FAX: 630-377-6495
Before Installing
Please thoroughly read the System Sensor Guide for Proper
Use of Smoke Detectors in Duct Applications (I56-473),
which provides detailed information on detector spacing,
placement, zoning, wiring, and special applications. Cop-
ies of this manual are available from System Sensor. NFPA
Standards 72 and 90A should also be referenced for de-
tailed information.
NOTICE: This manual should be left with the owner/user
of this equipment.
IMPORTANT: This detector must be tested and maintained
regularly following NFPA 72 requirements. The detector
should be cleaned at least once a year.
Table of Contents Page
[1] General Description 1
[2] Limitations of Duct Smoke Detectors 1
[3] Exploded View of Duct Smoke Detector Components 2
[4] Contents of the Duct Smoke Detector Kit 2
[5] Installation Sequence 2
[6] Duct Smoke Detector Maintenance and Test Procedures 5
[7] Detector Cleaning Procedures 7
[8] Board Replacement 7
[9] Specifications 8
Warranty 8
[1] General Description
An HVAC system supplies conditioned air to virtually every
area of a building. Smoke introduced into this air duct sys-
tem will be distributed to the entire building. Smoke detec-
tors designed for use in air duct systems are used to sense
the presence of smoke in the duct.
Model DH100 Air Duct Smoke Detectors are supplied as a
photoelectronic model. This smoke detection method is
combined with an efficient housing design that samples air
passing through a duct and allows detection of a develop-
ing hazardous condition. When sufficient smoke is sensed,
an alarm signal is initiated at the fire control panel monitor-
ing the detector, and appropriate action can be taken to
shut off fans, blowers, change over air handling systems,
etc. These actions can facilitate the management of toxic
smoke and fire gases throughout the areas served by the
duct system.
DH100 detectors are designed to operate with 12 or 24
VDC UL listed compatible 2-wire control panels. Alarm
current must be limited to 100mA or less by the control
panel. Auxiliary relay contacts for control purposes are
not available for use with the DH100. Control must ini-
tiate from the control panel.
For testing, the alarm can be enabled by a magnet acti-
vated test switch or by the optional remote test station.
The duct smoke detector latches into alarm state when
an alarm occurs. A green LED flashes to indicate power,
a red LED signals local alarm indication, and optional
accessories offer a variety of annunciation capabilities.
The DH100 can be reset by a momentary power interrup-
tion, the reset button on the front cover, the control panel,
or remote reset accessory.
[2] Limitations Of Duct Smoke Detectors
WARNING
The National Fire Protection Association has established
that DUCT DETECTORS MUST NOT BE USED AS A SUB-
STITUTE FOR OPEN AREA DETECTOR PROTECTION as a
means of providing life safety. Nor are they a substitute for
early warning in a building’s regular fire detection system.
System Sensor supports this position and strongly recom-
mends that the user read NFPA Standards 90A, 72, and 101.
The DH100 Air Duct Smoke Detectors are listed per UL 268A.
WARNING
This device will not operate without electrical power.
Fire situations may cause an interruption of power. The
system safeguards should be discussed with your local fire
protection specialist.
WARNING
This device will not sense smoke unless the ventilation sys-
tem is operating and the cover is installed.
WARNING
For this detector to function properly, it MUST be installed
according to the instructions in this manual. Furthermore,
the detector MUST be protected from the elements and op-
erated within ALL electrical and environmental specifica-
tions listed in this manual. Failure to comply with these
requirements may prevent the detector from activating
when smoke is present in the air duct.

holes as indicated on the template. Insert the two jack nut
receptacles. Drive a #10 machine screw into the jacknut to
flare the retainer and then back the screw out to use for de-
tector mounting.
[5.2.1] Sampling Tube Installation for Ducts Less
Than 11/2 Feet Wide (see Figure 2)
1. Remove the front cover.
2. Use the tube installation chart above to determine the
set screw setting.
3. Slide the sampling tube into the housing bushing.
4. Align the holes in the bushing with the holes in the sam-
pling tube. Make sure the number of holes exposed on
the supplemental tube matches the number as deter-
mined in step 2. Secure with the #8 self-tapping screw
into the bottom hole of the permanent tube.
NOTE: For ducts greater than 11/2 feet in width, refer to
sections [5.4.1] and [5.4.2].
Figure 2. Sampling tubes connected to duct smoke
detector:
[4] Contents Of The Duct Smoke Detector Kit
1. Complete housing base and cover assembly
2. Two #10 machine screws for mounting
3. Two sampling tube filters
4. One test magnet
5. Drilling template
6. Two foam gaskets
7. Four #6-self tapping mounting screws for the metal
sampling tube and optional exhaust tube extension
8. Two jack nuts
9. One inlet tube end plug
10. Metal sampling tube end plug
11. One telescoping sampling tube
12. One #8 self-tapping screw for the telescoping sampling tube
NOTE: For ducts over 11/2 feet, longer inlet sampling tubes
must be ordered to complete the installation. They
must be the correct length for the width of the duct
where they will be installed. See Table 1 on page 3
to determine the inlet tube required for different
duct widths.
[5] Installation Sequence
[5.1] Verify Duct Air Flow Direction And Velocity
Model DH100 detectors are designed to be used in air han-
dling systems having air velocities of 500 to 4000 feet per
minute. Be sure to check engineering specifications to en-
sure that the air velocity in the duct falls within these pa-
rameters. If necessary, use a velocity meter to check the air
velocity in the duct.
[5.2] Drill The Mounting Holes
Remove the paper backing from the mounting template
supplied. Affix the template to the duct at the desired
mounting location. Make sure the template lies flat and
smooth on the duct. Center punch holes A and B. Drill the
D100-67-00 2 I56-1148-04
[3] Figure 1: Exploded View Of Duct Detector Components
FOAM
GASKETS
TELESCOPING TUBE
CONDUIT HOLES
DETECTOR
HOUSING
TERMINAL STRIP
DETECTOR
COVER
SAMPLING TUBE
FILTERS
COVER MOUNTING
SCREWS
TELESCOPING TUBE
#8 SELF-TAPPING SCREW
POWER BOARD
DETECTOR BOARD
Tube Installation Chart:
Supplemental Duct
Tube Holes Width
512″-14″
614″-16″
716″-18″

[5.3] Secure The Detector Housing To The Duct
Slide the foam gaskets over the tube bushings as shown in
Figure 3. Use the two machine screws to screw the detector
housing to the duct.
CAUTION: Do not overtighten the screws.
Figure 3. Installation of foam gaskets over sampling
tube bushings:
A78-2045-00
[5.4] Sampling Tube Installation of Ducts Greater
Than 11/2 Feet Wide
The sampling tube is identified by a series of air inlet holes
on the tube. One telescoping tube is included for ducts up
to 18″ in width. All other lengths must be purchased sepa-
rately. Order the correct length, as specified in Table 1, for
width of the duct where it will be installed. The exhaust
tube is molded onto the base of the duct housing, and the
A2440-00 Exhaust Tube Extension is available as an acces-
sory in those cases where the molded exhaust port does not
extend at least 2 inches into the duct.
The inlet tube is always installed with the air inlet holes
facing into the air flow. To assist proper installation, the
tube’s mounting flange is marked with arrows. Make sure
the inlet tube is mounted so that the arrows point into the
air flow (see Figure 4). Figure 5 shows the various combi-
nations of tube mounting configurations with respect to air
flow. Mounting the detector housing in a vertical orienta-
tion is acceptable, provided that the air flows directly into
the sampling tube holes as indicated in Figure 4.
Table 1. Inlet tubes required for different duct
widths:
Outside Duct Width Inlet Tube Required
1 to 2 ft. ST-1.5
2 to 4 ft. ST-3
4 to 8 ft. ST-5
8 to 12 ft. ST-10
[5.4.1] Installation For Ducts Greater Than 1 1/2 Feet
But Less Than 8 Feet Wide
1. If the tube is longer than the width of the air duct, drill a
3/4-inch hole in the duct opposite the hole already cut for
the inlet tube. Make sure the hole is 1″ to 2″ below the in-
let hole on the opposite side of the duct to allow for mois-
ture drainage. If the tube is shorter than the width of the air
duct, install the end plug into the inlet tube as shown in
Figure 4. Sampling tubes over 3 ft. long must be supported
at the end opposite the duct detector.
2. Slide the tube into the housing bushing that meets the
air flow first. Position the tube so that the arrows point
into the air flow.
3. Secure the tube flange to the housing bushing with two
#6 self-tapping screws.
4. For tubes longer than the width of the air duct, the tube
should extend out of the opposite side of the duct. If
there are more than 2 holes in the section of the tube ex-
tending out of the duct, select a different length using
Table 1. Otherwise, trim the end of the tube protruding
through the duct so that 1″ to 2″ of the tube extend out-
side the duct. Plug this end with the end plug and tape
closed any holes in the protruding section of the tube. Be
sure to seal the duct when the tube protrudes.
Figure 4. Air duct detector inlet sampling tube:
INLET
TUBE
END
PLUG
AIR HOLES
ARROWS
MUST FACE
INTO AIR FLOW
AIR FLOW DIRECTION
FLANGE
A78-2047-00
Figure 5. Tube mounting configurations with varying
air flow direction:
AIR FLOW
DIRECTION
DUCT
DETECTOR
HOUSING
DOTS INDICATE POSITION OF
SAMPLING TUBE HOLES
AIR FLOW
DIRECTION
DUCT
DETECTOR
HOUSING
INLET
TUBE
EXHAUST
TUBE
AIR FLOW
DIRECTION
EXHAUST
TUBE
INLET
TUBE
INLET
TUBE
EXHAUST
TUBE
DUCT
DETECTOR
HOUSING
AIR FLOW
DIRECTION EXHAUST
TUBE INLET
TUBE
DUCT
DETECTOR
HOUSING
A. B.
C. D.
NOTE: Orientations C and D apply only to metal sampling tubes.
D100-67-00 3 I56-1148-04
A78-1812-08

WARNING
In no case should more than 2 air inlet holes be cut off the
tube. There must be a minimum of 10 holes in the tube ex-
posed to the air stream.
[5.4.2] Installation For Ducts More Than 8 Feet Wide
NOTE: To install inlet tubes in ducts more than 8 feet wide,
work must be performed inside the air duct. Sampling
of air in ducts wider than 8 feet is accomplished by
using the ST-10 inlet sampling tube. If the tube is
shorter than the width of the air duct, install the end
plug into the inlet tube as shown in Figure 4 and sup-
port the end opposite the duct smoke detector.
Install the inlet tube as follows:
1. Drill a 3/4-inch hole in the duct opposite the hole already
drilled for the inlet tube. Drill the hole 1″ to 2″ below the
inlet hole on the opposite side of the duct to allow for
moisture drainage away from the detector.
2. Slide the inlet tube with the flange into the housing bush-
ing that meets the air flow first. Position the tube so that
the arrows point into the air flow. Secure the tube flange to
the housing bushing with two #6 self-tapping screws.
3. From inside the duct, couple the other sections of the in-
let tube to the section already installed using the 1/2-inch
conduit fittings supplied. Make sure that the holes on
both of the air inlet tubes are lined up and facing into
the air flow.
4. Trim the end of the tube protruding through the duct so
that 1″ to 2″ of the tube extend outside the duct. Plug
this end with the end plug and tape closed any holes in
the protruding section of the tube. Be sure to seal the
duct when the tube protrudes.
NOTE: An alternate method to using the ST-10 is to use
two ST-5 inlet tubes. Remove the flange from one
of the tubes and install as described above. After
the installation, use electrical tape to close off
some of the sampling holes so that there are a total
of 10 to 12 holes spaced as evenly as possible
across the width of the duct.
NOTE: Air currents inside the duct may cause excessive
vibration, especially when the longer sampling
tubes are used. In these cases a 3 inch floor flange
(available at most plumbing supply stores) may be
used to fasten the sampling tube to the other side
of the duct. When using the flange/connector
mounting technique, drill a 1″ to 11/4″ inch hole
where the flange will be used.
[5.4.3] Modifications of Inlet Sampling Tubes
There may be applications where duct widths are not what
is specified for the installation. In such cases, it is permis-
sible to modify an inlet sampling tube that is longer than
necessary to span the duct width.
Use a 0.193-inch diameter (#11) drill and add the appropriate
number of holes so that the total number of holes exposed to
the air flow in the duct is 10 to 12. Space the additional holes
as evenly as possible over the length of the tube.
NOTE: This procedure should only be used as a temporary
fix. It is not intended as a permanent substitute for
ordering the correct length tubes.
[5.5] Install The Filters
To install the sampling tube filters, simply push the filters
into the sampling and exhaust tube holes as shown in Fig-
ure 6. If a metal sampling tube is used, install the filter over
the sampling tube.
Figure 6. Sampling tube filter installation:
A78-2106-01
CAUTION
Filters require periodic cleaning or replacement, depending
on the amount of dust and dirt accumulated. Visually in-
spect the filters at least quarterly; inspect them more often
if the dust accumulation warrants it. See Section [6] for
more information. Replacement filters can be ordered from
System Sensor, 3825 Ohio Ave., St. Charles, IL 60174. (Ex-
haust tube/intake tube filter P/N F36-09-00)
[5.6] Field Wiring
Wiring Installation Guidelines
All wiring must be installed in compliance with the Na-
tional Electrical Code and the local codes having jurisdic-
tion. Proper wire gauges should be used. The conductors
used to connect smoke detectors to control panels and ac-
cessory devices should be color-coded to prevent wiring
mistakes. Improper connections can prevent a system from
responding properly in the event of a fire.
D100-67-00 4 I56-1148-04

For signal wiring, (the wiring between interconnected de-
tectors or from detectors to auxiliary devices), it is usually
recommended that single conductor wire be no smaller
than 18 gauge. The duct smoke detector terminals accom-
modate wire sizes up to 12 gauge. The last foot of conduit
should be flexible conduit (available in electrical supply
houses), which facilitates easier installation and puts less
strain on the conduit holes in the housing. Solid conduit
connections may be used if desired.
Smoke detectors and alarm system control panels have
specifications for allowable loop resistance. Consult the
control panel manufacturer’s specifications for the total
loop resistance allowed for the particular model control
panel being used before wiring the detector loop.
Wiring Instructions
The DH100 detectors are designed for easy wiring. The
housing provides a terminal strip with clamping plates.
Wiring connections are made by stripping about 3/8-inch of
insulation from the end of the wire, sliding the bare end un-
der the plate, and tightening the clamping plate screw.
The DH100 duct smoke detector is designed to operate with
12 or 24 VDC UL listed 2-wire compatible control panels.
Alarm current must be limited by the control panel to
100mA or less. An example of a UL listed compatible con-
trol panel is the Fire-Lite model Sensiscan 1000 using zone
card ANC-2 and compatibility identification “A”. Install per
installation instruction S1000/801. A maximum of 20 detec-
tors may be installed per zone.
[5.7] Perform Detector Check
1. Perform STANDBY AND TROUBLE TEST per Section
[6.2.1].
2. Perform MAGNET TEST per Section [6.2.2.1]. The
RTS451 test of Section [6.2.2.2] may substitute for this
requirement.
3. Perform AIR FLOW TEST per Section [6.1.1].
4. Perform SMOKE RESPONSE TEST per Section [6.1.2].
5. Perform SENSITIVITY TEST per Section [6.2.3].
[5.8] Install The Cover
Install the cover using the four screws that are captured in
the housing cover. Be certain filters are installed as speci-
fied in Section [5.5]. Make sure that the cover fits into the
base groove and that all gaskets are in their proper posi-
tions. Tighten the four screws.
[6] Duct Smoke Detector Maintenance And Test
Procedures
Test and maintain duct smoke detectors as recommended in NFPA
72. The tests contained in this manual were devised to assist main-
tenance personnel in verification of proper detector operation.
Before conducting these tests, notify the proper authorities
that the smoke detection system will be temporarily out of
service. Disable the zone or system under test to prevent
unwanted alarms.
[6.1] Smoke Entry Tests
[6.1.1] Air Flow
To verify sufficient sampling of ducted air, use a manometer
to measure the differential pressure created from air flow
across the sampling tubes. The pressure should measure no
less than 0.03 inches of water and no greater than 1.4 inches
of water. The air handler must be operating for this test.
[6.1.2] Smoke Response
To determine if smoke is capable of entering the sensing
chamber, visually identify any obstructions. Plug the ex-
haust and inlet tube holes to prevent ducted air from carry-
ing smoke away from the detector head, then blow smoke
such as cigarette, cotton wick, or punk directly at the head
to cause an alarm. REMEMBER TO REMOVE THE PLUGS
AFTER THIS TEST, OR THE DETECTOR WILL NOT FUNC-
TION PROPERLY.
[6.1.3] Filter Replacement
The filters do not substantially affect smoke performance
even when up to 90% of the filter is clogged. Quarterly vi-
sual inspection usually suffices to determine whether the
filters should be replaced because only a high percentage of
contamination affects performance. If further testing is re-
quired, compare differential pressure readings with and
without the filters installed. If the difference exceeds 10%
replace the filters. In no case should the pressure differen-
tial fall below 0.03 inches of water.
[6.2] Standby, Alarm, And Sensitivity Tests
[6.2.1] Standby And Trouble
Standby — Look for the presence of the flashing green
LED through the transparent housing cover.
The LED should flash approximately every 10
seconds.
Trouble — If the Green LED does not flash, then the de-
tector lacks power (check wiring, panel, or
power supply), the detector board is missing
(replace), or the unit is defective (return for
repair)
Test — The trouble condition can be caused inten-
tionally to verify correct operation of the sys-
tem. Remove the detector board to cause a
trouble condition locally and at the system
control panel.
D100-67-00 5 I56-1148-04

D100-67-00 6 I56-1148-04
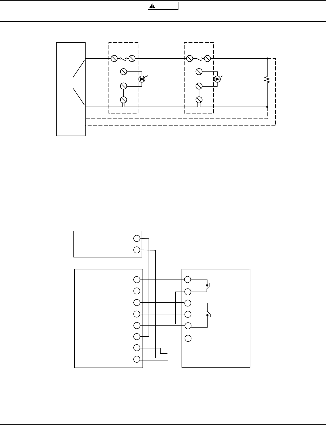
SUPERVISORY
SWITCH
76
4
(+) IN (+) OUT
(+)
(+)
5
8
(–)
(–) IN (–) OUT
1ST DETECTOR
IN LOOP DH100
(–)
RA400Z (OPTIONAL)
REMOTE ALARM LED
2.8 VDC NOM.
IN ALARM
SUPERVISORY
SWITCH
76
4
(+) IN (+) OUT
(+)
(+)
5
8
(–)
(–) IN (–) OUT
LAST DETECTOR
IN LOOP DH100
(–)
RA400Z (OPTIONAL)
REMOTE ALARM LED
2.8 VDC NOM.
IN ALARM
E
O
L
R
STYLE D OPTIONAL WIRING
UL LISTED
COMPATIBLE 2-WIRE
CONTROL PANEL
ALARM
INITIATION
LOOP
(+)
(–)
EOL RESISTOR
SPECIFIED BY
PANEL MANUFACTURER
CAUTION
Do not loop wire under terminals when wiring detectors. Break wire runs to provide system supervision of connections.
1
2
3
4
5
6
7
3
4
5
Test +
Test / Reset –
Reset +
Test
Reset
RA +
RA –
V Out +
V In +
8
7
8
V In / V Out –
V In +
V In / V Out –
DH100 RTS451 KEY
6
2
1Alarm
LED
No Connection
+
–
Panel
Figure 8. Wiring diagram for RTS451/RTS451KEY Remote Test Station to 2-wire duct smoke detectors:
A78-2350-00
Figure 7. System wiring diagram for 2-wire duct smoke detectors (detectors powered from initiating circuit):

D100-67-00 7 I56-1148-04
[6.2.2] Alarm Tests
[6.2.2.1] M02-04-00 Magnet Test
1. Place the painted surface of the magnet onto the TEST
locator on the bottom of the housing (Figure 9).
2. The red alarm LEDs on the detector should latch on, as
should any accessories (i.e. RA400Z, RTS451). Verify
system control panel alarm status, and control panel ex-
ecution of all intended auxiliary functions (i.e. fan shut-
down, damper control, etc.).
3. The detector must be reset by the system control panel,
the local reset button, or the remote accessory.
Figure 9. Testing detector alarm:
[6.2.2.2] RTS451/RTS451KEY Remote Test Station
The RTS451/RTS451KEY Remote Test Station facilitates test
of the alarm capability of the duct smoke detector as indi-
cated in the RTS451/RTS451KEY manual. The DH100 duct
smoke detector can be reset by the RTS451/RTS451KEY. If a
system control panel is used, the panel itself may also re-
quire testing.
To install the RTS451/RTS451KEY, connect the device as
shown in Figure 8; wire runs must be limited to 25 ohms or
less per interconnecting wire.
[6.2.3] Sensitivity Tests
[6.2.3.1] MOD400 or MOD400R Test
After verification of alarm capability, use the MOD400R test
module with a voltmeter to check detector sensitivity as in-
dicated in the test module’s manual. The housing cover
must be removed to perform this test.
If test module readings indicate that the detector head is
outside of the acceptable range that is printed on the label
of the detector, the detector requires cleaning per Section
[7] of this manual.
[7] Detector Cleaning Procedures
Notify the proper authorities that the smoke detector sys-
tem is undergoing maintenance, and that the system will
temporarily be out of service. Disable the zone or system
undergoing maintenance to prevent unwanted alarms and
possible dispatch of the fire department.
[7.1] Air Filters
1. Turn off power to the system.
2. Remove and inspect sampling tube filters.
3. If filters are heavily coated with dirt, replace them with
new filters. If they are not heavily coated, use a vacuum
cleaner or compressed air nozzle to remove dust, then
reinstall the filters.
[7.2] Photo Detector Boards
1. Remove the screen by gently grasping on each side and
pulling straight off
2. Lift the photo chamber in the same fashion. Vacuum the
screen and cover. Use clean, compressed air to loosen
and blow out any remaining debris. Replacement
screens (S08-39-01) are available.
3. Vacuum photo chamber, then use clean compressed air
to blow area clean.
4. Replace the chamber by pressing it onto the base. Press
the screen into place. It should fit tightly on the chamber.
[8.0] Board Replacement
[8.1] Detector Board Replacement
1. Remove the two detector board mounting screws.
2. Pull gently on the board to remove it.
3. To replace the board, align the board mounting fea-
tures, holes, and the interconnect terminals. Push the
board into place.
4. Secure board with the two mounting screws.
[8.2] Power Board replacement
1. Disconnect wiring from the terminal block.
2. Remove the two power board mounting screws.
3. Pull gently on the board to remove it.
4. To replace the board, align the board mounting fea-
tures, holes, and the interconnect terminals. Push the
board into place.
5. Secure board with the two mounting screws.
6. Re-connect wiring to terminal block.
A78-2325-00

[9] Model DH100 Air Duct Smoke Detector Specifications
Temperature: 32° to 131° F0° to 55° C
Humidity: 10% to 93% R.H. noncondensing
Air Velocity: 500 to 4000 ft./min. 2.5 to 20.3 m/sec.
Dimensions: 14.38″ L x 5.5″ W x 2.75″ D 36.5cm L x 14cm W x 7cm D
Weight: 3.25 pounds 1.5 kg
Electrical Ratings — includes base and detector
System Voltage: 12/24 VDC
Maximum Ripple Voltage: 4 Volts peak to peak
Start-up Capacitance: 0.02
µ
F maximum
Standby Ratings: 8.5 VDC minimum
35 VDC maximum
120
µ
A maximum
Alarm Ratings: 4.2 VDC minimum at 10mA
6.6 VDC maximum at 100mA
Alarm current must be limited to 100mA or less by the control panel.
If used, the RA400Z remote lamp operates within the specified alarm currents.
Reset Voltage: 2.50 VDC minimum
Reset Time: 0.3 Sec. maximum
Start-up Time: 34.0 Sec. maximum
Three-Year Limited Warranty
System Sensor warrants its enclosed air duct smoke detector to be free
from defects in materials and workmanship under normal use and service
for a period of three years from date of manufacture. System Sensor makes
no other express warranty for this air duct smoke detector. No agent, rep-
resentative, dealer, or employee of the Company has the authority to in-
crease or alter the obligations or limitations of this Warranty. The
Company’s obligation of this Warranty shall be limited to the repair or re-
placement of any part of the air duct smoke detector which is found to be
defective in materials or workmanship under normal use and service dur-
ing the three year period commencing with the date of manufacture. After
phoning System Sensor’s toll free number 800-SENSOR2 (736-7672) for a
Return Authorization number, send defective units postage prepaid to:
System Sensor, Repair Department, RA #__________, 3825 Ohio Avenue,
St. Charles, IL 60174. Please include a note describing the malfunction and
suspected cause of failure. The Company shall not be obligated to repair
or replace units which are found to be defective because of damage, un-
reasonable use, modifications, or alterations occurring after the date of
manufacture. In no case shall the Company be liable for any consequential
or incidental damages for breach of this or any other Warranty, expressed
or implied whatsoever, even if the loss or damage is caused by the
Company’s negligence or fault. Some states do not allow the exclusion or
limitation of incidental or consequential damages, so the above limitation
or exclusion may not apply to you. This Warranty gives you specific legal
rights, and you may also have other rights which vary from state to state.
D100-67-00 8 I56-1148-04
© System Sensor 1998