TE Group BC9000 Car Bluetooth Handsfree Carkit User Manual FLC BTHF Quick User Guide
TE Group Car Bluetooth Handsfree Carkit FLC BTHF Quick User Guide
TE Group >
(BC9000m) User Manual

BC9000 User Manual
Bluetooth Handsfree Carkit
User Manual
Model: BC9000
. 1
(M/N: BC9000m)

BC9000 User Manual
Thank you for choosing our Bluetooth handsfree products. Please read this BC9000 User Manual before you use
this handsfree carkit. Flaircomm Technologies Inc. (hereinafter referred to as “The company”) reserves its rights to
make any changes and improvements to the product described in this document without prior notice.
Declaration:
Without written permission from original manufacturer, reproduction, transfer, distribution or storage of part or all
of the contents in this document in any form is prohibited.
Notice:
Please make sure your mobile phone supports Bluetooth profiles and network operator supports the functions
described in this manual, otherwise the relative functions cannot be realized on this handsfree device.
Safety:
z Before starting the installation, make sure that the car ignition is off.
z Before you install the individual components, check that the installation locations have been selected in such a
way that the cable length is sufficient to connect every element.
z Do not install any component in the airbag deployment area.
z Once the installation is complete, make sure that no cables are pinched or trapped.
z Make sure not to damage electrical cables, fuel or brake lines or safety equipment during the installation.
z Make sure not to impact the steering or braking system or other key systems essential for the proper operation
of the car when installing the carkit.
z The carkit may only be used at an operating voltage of 12V with the minus pole earthed. Failure to observe
this requirement may result in damage to the car’s electronics system.
z Use the accessories compatible with this device. The company is not responsible for any losses caused by
using other accessories.
z Check the laws and regulations on the use of mobile phones and carkit in the areas where you drive. Always
give full attention to driving, and pull off the road and park before making or answering a call if driving
conditions require.
z Do not allow children to play with your Bluetooth handsfree carkit since it contains small parts that could
become detached and create a choking hazard.
. 2

BC9000 User Manual
Certification and Safety Approvals
This product has been tested and found to comply with Bluetooth BQB requirements, part 15 of FCC rules,
R&TTE Directive(99/5/EC) of CE marked requirements, and approval on Bluetooth models of China
Wireless Communications Committee.
Warning: Users should not make changes on or modify the device in any way. Changes or modifications
without being expressly approved by the party responsible for compliance could void the user’s authority to
operate the device.
This device complies with part 15 of the FCC Rules. Operation is subject to the following two conditions: (1)
This device may not cause harmful interference, and (2) this device must accept any interference received,
including interference that may cause undesired operation.
FEDERAL COMMUNICATIONS COMMISSION INTERFERENCE STATEMENT
This equipment has been tested and found to comply with the limits for a Class B digital device, pursuant to
part 15 of the FCC Rules. These limits are designed to provide reasonable protection against harmful
interference in a residential installation. This equipment generates, uses and can radiate radio frequency
energy and, if not installed and used in accordance with the instructions, may cause harmful interference to
radio communications. However, there is no guarantee that interference will not occur in a particular
installation. If this equipment does cause harmful interference to radio or television reception, which can be
determined by turning the equipment off and on, the user is encouraged to try to correct the interference by
one or more of the following measures:
-Reorient or relocate the receiving antenna;
-Increase the separation between the equipment and receiver;
-Connect the equipment into an outlet on a circuit different from that to which the receiver is connected;
-Consult the dealer or an experienced radio/ TV technician for help.
RF exposure warning:
This equipment must be installed and operated in accordance with provided instructions and the antenna(s)
used for this transmitter must be installed to provide a separation distance of at least 20 cm from all persons
and must not be co-located or operating in conjunction with any other antenna or transmitter. End-users
and installers must be provided with antenna installation instructions and transmitter operating conditions
for satisfying RF exposure compliance.
CE command:
ETSI EN 301 489-1 V1.6.1(2005-09);
ETSI EN 301 489-17 V1.2.1(2002-08);
ETSI EN 300 328 V1.7.1(2006-10);
IEC 60950-1:2001,EN 60950-1:2001+A11:2004
. 3

BC9000 User Manual
Contents:
BLUETOOTH HANDSFREE CARKIT.....................................................................................................1
USER MANUAL ...........................................................................................................................................1
MODEL: BC9000 .......................................................................................................................................1
DECLARATION:..........................................................................................................................................2
NOTICE:........................................................................................................................................................2
SAFETY:........................................................................................................................................................2
CERTIFICATION AND SAFETY APPROVALS.....................................................................................3
FEDERAL COMMUNICATIONS COMMISSION INTERFERENCE STATEMENT........................3
RF EXPOSURE WARNING:.......................................................................................................................3
CE COMMAND:........................................................................................................................................3
ETSI EN 301 489-1 V1.6.1(2005-09); ...........................................................................................................3
ETSI EN 301 489-17 V1.2.1(2002-08);..........................................................................................................3
ETSI EN 300 328 V1.7.1(2006-10);...............................................................................................................3
IEC 60950-1:2001,EN 60950-1:2001+A11:2004 ..........................................................................................3
1. INTRODUCTION.................................................................................................................................6
1.1 BLUETOOTH TECHNOLOGY...................................................................................................................6
1.2 BLUETOOTH HANDSFREE CARKIT .........................................................................................................6
1.3 PRODUCT FEATURES.............................................................................................................................6
1.4 PACKAGE CONTENTS ............................................................................................................................6
2. BEFORE YOU BEGIN.........................................................................................................................8
2.1 CHECK THE CAR CONFIGURATION ........................................................................................................8
2.2 REMOVE THE CAR STEREO....................................................................................................................8
3. INSTALL THE CARKIT.....................................................................................................................9
3.1 INSTALL THE ELECTRONIC BOX ............................................................................................................9
3.2 INSTALL THE IN-CAR RADIO CABLE ....................................................................................................10
3.2.1 Connect in-car radio with «ISO» connectors.............................................................................10
3.2.2 Connect in-car radio with «line in» inputs.................................................................................11
3.3 INSTALL THE POWER SUPPLY CABLE...................................................................................................12
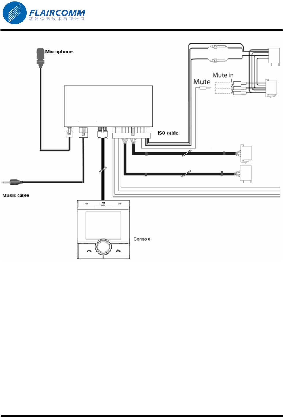
3.4 INSTALL THE MUSIC CABLE, THE MICROPHONE AND THE CONTROL UNIT............................................12
3.4.1 Music cable................................................................................................................................12
3.4.2 Microphone................................................................................................................................12
3.4.3 Control unit................................................................................................................................13
4. GET STARTED...................................................................................................................................14
4.1 NAVIGATE THROUGH THE MENUS.......................................................................................................14
4.2 PAIR/CONNECT YOUR PHONE WITH BLUETOOTH CARKIT ...................................................................14
4.2.1 Pair your phone with Bluetooth carkit.......................................................................................14
4.2.2 Disconnect your phone with Bluetooth carkit ...........................................................................14
4.2.3 Connect an already used phone with Bluetooth carkit...............................................................15
4.2.4 Delete paired records.................................................................................................................15
5. SYNCHRONIZE THE PHONEBOOK.............................................................................................16
5.1 AUTOMATIC SYNCHRONIZATION ........................................................................................................16
. 4

BC9000 User Manual
5.2 ORGINATE SYNCHRONIZATION FROM BLUETOOTH CARKIT ................................................................16
5.3 ORIGINATE SYNCHRONIZATION FROM PHONE.....................................................................................16
5.4 DELETE PHONEBOOK..........................................................................................................................16
6. CALL FUNCTIONS ...........................................................................................................................17
6.1 MAKE A CALL.....................................................................................................................................17
6.2 RECEIVE A CALL.................................................................................................................................17
6.3 USE THE BC9000 WHILE ON A CALL...................................................................................................17
6.4 END A CALL........................................................................................................................................18
6.5 VOICE DIAL ........................................................................................................................................18
7. VOICE RECOGNITION....................................................................................................................19
7.1 ACTIVATE/DEACTIVATE THE VOICE CONTROL ...................................................................................19
7.2 ACCEPT A CALL..................................................................................................................................19
7.3 REJECT A CALL...................................................................................................................................19
8. AV FUNCTIONS.................................................................................................................................20
8.1 MUSIC PLAYER CONNECTED VIA MUSIC CABLE ..................................................................................20
8.2 MUSIC PLAYER CONNECTED VIA BLUETOOTH ....................................................................................20
8.3 AV OPERATIONS.................................................................................................................................20
9. TWO-LINK OPERATION.................................................................................................................21
10. SETTINGS.......................................................................................................................................22
10.1 PHONEBOOK.......................................................................................................................................22
10.2 MUTE CONTROL .................................................................................................................................22
10.3 VOLUME CONTROL.............................................................................................................................22
10.4 VOICE CONTROL.................................................................................................................................22
10.5 AUTO ANSWER ...................................................................................................................................22
10.6 DISPLAY.............................................................................................................................................23
10.6.1 Brightness..................................................................................................................................23
10.6.2 Contrast .....................................................................................................................................23
10.6.3 Wallpaper ..................................................................................................................................23
10.6.4 Color..........................................................................................................................................23
10.6.5 Backlight off time......................................................................................................................23
10.7 LANGUAGE.........................................................................................................................................23
10.8 REMOTE CONTROLLER........................................................................................................................23
10.9 SECURITY...........................................................................................................................................24
10.10 FACTORY SETTINGS........................................................................................................................24
11. UPGRADE SOFTWARE................................................................................................................25
. 5

BC9000 User Manual
1. Introduction
1.1 Bluetooth technology
Bluetooth is an internationally standardized technology supporting short distance wireless communications. Any
two Bluetooth-compatible equipments, such as mobile phone, PDA, PC, headset, mouse, keyboard, printer, etc. can
wirelessly communicate with each other via Bluetooth connection.
Though line-of-sight is not required, Bluetooth connections could be subject to interferences from obstructions such
as walls, human bodies, and other electronic devices. In addition, due to variations on product implementation, it is
likely that Bluetooth equipments from different manufactures have interoperability issues. In that case, you may
consult with manufactures to check product compatibility.
Note:There could be some restrictions imposing on using Bluetooth devices in some countries. Please check with
your local authorities.
1.2 Bluetooth handsfree carkit
This Bluetooth handsfree carkit is a specially designed product bringing not only convenience but also safety by
allowing car drivers to make and receive calls without holding a mobile phone. It provides a clean wireless audio
connection with your Bluetooth mobile phone and PDA. Mobile phones that are not Bluetooth-enabled also support
this carkit set through AV adaptors.
1.3 Product features
z Bluetooth v 2.1+EDR compliant, and data rate up to 2Mbps
z Class II, operating range up to 10 meters (33 feet)
z Compatible with most Bluetooth-enabled devices such as cellular phones, PDAs, and computers for voice
communication
z Loud audio output and supreme audio effect, allowing crystal-clear conversations within a noisy car
environment
z Display caller names on the control screen
z Access phonebook from the control screen
z Voice command technology makes real handsfree operating possible
z Mutes the in-car radio when the audio comes from the carkit
1.4 Package contents
z Control unit (Screen unit)
z Junction box (Electronic box)
z Microphone
z ISO cable
z Control unit to junction box cable
z Holder for control unit
1
1
1
1
1
1
. 6

BC9000 User Manual
z Music line-in cable (Jack cable)
z SW upgrade cable (MiniUSB to USB convert cable)
z Mounting accessories (Screws, double side adhesive tape, etc.)
z User manual
1
1
1
1
. 7

BC9000 User Manual
2. Before you begin
2.1 Check the car configuration
z The cables supplied with the kit feature ISO connectors and two pairs of line-out jacks. The line-out jacks can
be used if your audio system features this option (use of an amplifier). Several set-ups are therefore possible
depending on the type of car stereo and your vehicle.
z If your car stereo is not fitted with ISO connectors, you need to purchase an ISO adapter cable to simplify the
wiring procedure.
2.2 Remove the car stereo
z Remove your car stereo from you vehicle. You may need release keys to do so. Refer to your car stereo user
guide or contact your car dealer for more information.
z Remove the audio system from your vehicles dashboard to access the wiring harness.
z The mute function is used to cut the sound of your car stereo to enable a phone call. The choice of the mute-in
jack depends on your car stereo’s configuration.
. 8

BC9000 User Manual
3. Install the carkit
3.1 Install the electronic box
Search for a location in your car where the handsfree unit fits and where it is comfortable for use. Make sure that
the location in your car where you would like to install your handsfree unit is free from dust and dirt. We
recommend mounting the handsfree uint at a less visible position in the car. However, make sure that the unit can
provide good acoustic, by directing the speaker in the opposite direction of the microphone and by placing the unit
at a distance of more than 1 meter from the microphone.
The handsfree unit can be fixed in 2 ways:
1. Under the dashboard or at any other place in the car using the installation screws.
2. Under the dashboard or at any other place in the car using the double-sided adhesive tape.
The BC9000 system is fitted with 4 interfaces:
z ISO cable connector
z Control unit connector
z Music line in
z Microphone line in
. 9

BC9000 User Manual
We recommend installing all the cables before fixing the control box. Each cable supplied has a different connector
to avoid wrong connections.
The box must not be installed near the heating or the air-conditioning. Ensure that it is not exposed to sunlight.
Avoid installing it behind metal walls, which could alter the quality of the Bluetooth link.
3.2 Install the in-car radio cable
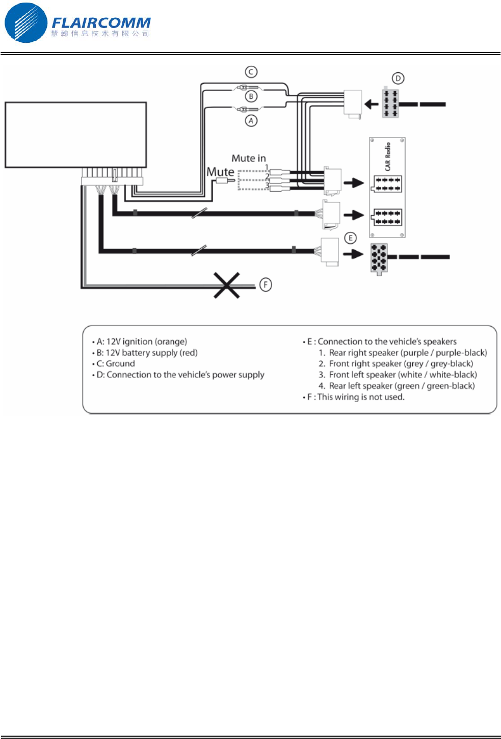
3.2.1 Connect in-car radio with «ISO» connectors
1. Disconnect the audio and supply bundles from the in-car radio.
2. Connect the audio and supply bundles from the vehicle to the male connectors.
3. Link the female connectors of the mute supply cables and of the power supply cable to the in-car radio.
4. If the in-car radio is equipped with a mute input, connect the yellow wire of the mute cable to one of the mute
in 1, 2 or 3.
Note: Mute in 1, mute in 2 and mute in 3 are only suggested mute locations. You first have to test and verify the
mute on the vehicle.
. 10

BC9000 User Manual
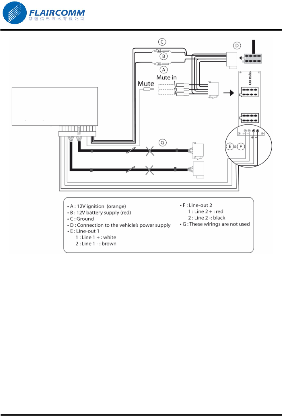
3.2.2 Connect in-car radio with «line in» inputs
1. Use this type of connection by wiring the line-out (brown & whit wire or red & black wire) to your car stereo’s
line-in.
2. Using the two pairs of line-out will enable you to take advantage of the music function in stereo over your
vehicle’s speakers.
3. On the installation cable, connect the yellow wire of the mute cable to the corresponding audio system’s mute-
input if available (mute in 1, 2 or 3).
. 11

BC9000 User Manual
3.3 Install the power supply cable
z The red wire of the power cable must be connected to the permanent 12V, the orange wire to the 12V and the
black wire to the earth.
z Verify the electric wiring of the ISO supply bundle of the in-car radio. In some vehicles it is necessary to
reverse the positions of the red and orange wires. This operation is simply done by reversing the fuse holders.
z Do not connect the orange wire to the permanent 12V, otherwise you risk causing the vehicle battery to go flat.
Note: On some vehicles, there is no ignition +12V on the vehicle’s connectors. You must therefore connect the
orange power supply wire to the fuse box or another ignition power source.
3.4 Install the music cable, the microphone and the control unit
3.4.1 Music cable
Connect the music cable to the electronic box and place the jack connector into music player or iPod. Make sure
that the cable is not pinched.
3.4.2 Microphone
In order to get hi-quality conversations, we advise you to respect following recommendations:
. 12

BC9000 User Manual
z Make sure the microphone is installed as close to the mouth of the user as possible. The ideal distance is 60
cm. The best possible location for the microphone is near the rear-view mirror.
z The microphone needs to be pointed towards the user
z Make sure the microphone is not exposed to the air stream for air vents.
z Do not install the microphone cable in heating, ventilation or air conditioning systems.
z Be careful of the side airbags and SRS systems while running the microphone cable
z The mounting location for the microphone must be clean and free from grease or dust. Prior to installation,
clean the area with an appropriate cleansing product.
z Once you have stuck the support on the dashboard, wait for approximately 2 hours to make sure the adhesive
tape adheres well.
3.4.3 Control unit
Several accessories allow the screen to be installed in multiples sites in the body of the vehicle.
z Fastening on the dashboard. Using the scotch tape double-face provided. Just stick the display on a plane and
clean spot on the dashboard.
z With a foot on the dashboard. Once the display has been mounted on the foot provided in the packaging, stick
this foot using the double side adhesive tape on the dashboard. From then on, the screen becomes directional.
. 13

BC9000 User Manual
4. Get started
4.1 Definitions on Keying Time Duration
Key press Operation Description
Click Press and release the button within 1 second.
Long press Press and hold the button at least 3 seconds, then release
Hold Press and hold the button for more than 3 seconds
Release Release the button after hold
Turn Turn the jog wheel left or right
4.2 Navigate through the menus
Function Operation Description
Access menus click the or the central jog wheel to access
menu or select menu item
Browse through menus Turn the jog wheel to browse through menus
Go back Click the to get back to the previous menu
Confirm Click the to confirm in a inquiring dialog.
Cancel Click the to cancel in a inquiring dialog
4.3 Pair/Connect your phone with Bluetooth carkit
4.3.1 Pair your phone with Bluetooth carkit
Before making and answering calls, you must pair your handsfree with your Bluetooth phone.
Detailed operation procedures are as follows:
1. Click the jog wheel and select Bluetooth > New phone.
2. Enter the PIN you want to attach to the phone and then carkit enters pair mode.
3. From your mobile phone, search for Bluetooth peripherals. Refer to your phone user guide for more
information. The list of the available Bluetooth peripherals is displayed.
4. Select BC9000 in the device list on your mobile phone.
5. Enter passkey “0000”and confirm to pair the carkit with your phone
Once your phone is paired to the BC9000, the BC9000 will connect your phone automatically.
4.3.2 Disconnect your phone with Bluetooth carkit
When your phone is currently connecting with Bluetooth carkit (or in the connected mode), you can disconnect
them by clicking or the jog wheel and select Bluetooth > Disconnect.
. 14

BC9000 User Manual
4.3.3 Connect an already used phone with Bluetooth carkit
If you want to connect BC9000 to another phone you already paired:
1. Click the jog wheel to select Bluetooth, you will see a list of paired phones.
2. Select the phone you want to connect to the BC9000.
3. Select the Connect option.
4.3.4 Delete paired records
This handsfree can store up to 4 Bluetooth equipments. Click the jog wheel and select Phones > Delete, you will
see a list of paired phones. It allows you to erase any paired Bluetooth device profiles stored in the handsfree.
. 15

BC9000 User Manual
5. Synchronize the phonebook
5.1 Automatic synchronization
z Automatic synchronization from two top priority phones after carkit powered on and connected with them.
z Automatic synchronization from the phone after pairing and connected with it.
Note: The carkit can store 4 phones’ phonebook. The maximum contact number of each phonebook is 1000.
5.2 Orginate synchronization from Bluetooth carkit
z Click the jog wheel and select Phonebook > Copy > From phone, the phonebook in the phone will be
synchronized to the carkit.
z Click the jog wheel and select Phonebook > Copy > From SIM card, the phonebook stored in the SIM card
which is inserted in the carkit will be copied to the carkit.
5.3 Originate synchronization from phone
You can also send contacts from your mobile to the carkit via Object Push. To do so:
1. Click the jog wheel and select Phonebook > Receive business card
2. Refer to your phones’ user guide for more information about sending contacts via Object Push.
5.4 Delete phonebook
z Click the jog wheel and select Phonebook > Delete > Delete all, you can delete all contacts in the carkit.
z Click the jog wheel and select Phonebook > Delete > Delete selected, you can select the contact you want to
delete in the carkit.
. 16

BC9000 User Manual
6. Call functions
6.1 Make a call
If the contact you want to call is in the phonebook of the phone connected to the BC9000:
1. Click the jog wheel and select Phonebook > Select, you can see the list of the phone name.
2. Roll the jog wheel to choose the phone you want to search the contact, you can see the list of the phonebook in
the phone.
3. Turn the jog wheel to choose the contact you want to call.
4. Click the to call the number in this contact.
You can call out a number from call list.
1. Click the jog wheel to select Call list > Dialed numbers or Call list > Received calls or Call list > Missed
calls, you can see a list of the numbers.
2. Turn the jog wheel to choose the number you want to call.
3. Click the to call the number.
You also can dial a number and then call out.
1. Click the jog wheel and select Keypad, you can see a soft keypad.
2. You can turn the jog wheel to select the digits you want to input and click the jog wheel to input the digits.
3. You can click the to delete the digits you input.
4. Click the to call the number.
6.2 Receive a call
An incoming call is indicated by a voice promotion. You can say
z “Answer” to accept an incoming call.
z Or “Ignore” to reject an incoming call.
Notice:
1. The voice control function can be switched off in the menu settings. In case the voice control function is
switched off, the carkit will not play the voice promotion, and you can not accept or reject the incoming call by
voice command.
If you can not response in time, then the carkit will promote a ring tone, you can now
z Click the to answer an incoming call.
z Click the to reject an incoming call.
6.3 Use the BC9000 while on a call
Adjust Volume:
Use the jog wheel during a call to adjust the communication volume. The volume setting is saved for subsequent
calls.
. 17

BC9000 User Manual
Transfer a call to/from your phone:
z During a call, if you want to continue the conversation on your phone, click the . The call is transferred
to the phone.
z If you want to transfer the call from your phone to carkit, click the . The call is transferred back.
Advanced call functions:
When you are talking in a call, if you get another incoming call(waiting call), you can
z Click the to accept the waiting call. The first call is automatically put on hold.
z Long press the to accept the waiting call and hang up the first call.
z Click the to reject the waiting call and keep the first call.
If you are talking in a call, and another call is put on hold. You can
z Click the to swap between the talking call and held call.
z Click the to hang up the talking call and unhold the held call.
z Long press the to hang up the held call and keep the talking call.
z Long press the to put the two calls in a conference call.
Notice: This feature depends on if your phone supports 3-way call function.
Mute the microphone:
When you are talking in a call,
z If you want to deactivate the microphone, you can click the . You will still hear your caller but your caller
will not be able to hear you.
z Click the to unmute the microphone.
6.4 End a call
Click the to end a call.
6.5 Voice dial
If the connected phone supports voice dialing, you can click the jog wheel and select Voice dial to initiate voice
dialing. Before using voice dialing, you must record voice tags in your phone. Please refer to your phone manual
for detailed descriptions on how to set up voice dialing and recording voice tags. When voice dialing is in progress,
you can speak to carkit to call out.
. 18

BC9000 User Manual
7. Voice recognition
To handle a call via voice recognition commands, voice control must be activated in the menu settings.
7.1 Activate/Deactivate the voice control
1. Click the jog wheel and select Phones > Settings > Voice control
2. Click the jog wheel to activate/deactivate voice control.
7.2 Accept a call
Say “Answer” to answer an incoming call.
7.3 Reject a call
Say “Ignore” to reject an incoming call.
. 19

BC9000 User Manual
8. AV functions
8.1 Music player connected via line-in cable
If you are using the BC9000 with a music player, you can connect your music player to the BC9000 by using the
line-in cable. The audio will be output by audio speakers in the car.
8.2 Music player connected via Bluetooth
When connected with a Bluetooth-enabled multimedia/music player, the product allows users to enjoy and
remotely play stereo music from the player.
For phone supports Bluetooth A2DP profiles, you can establish A2DP connection between the phone and the
device to enjoy music at the carkit side while the music is played by the phone. Depending on the phone capability,
the AV connection could be established automatically when you start playing music.
If your phone does support Bluetooth A2DP profiles but you fail to get an A2DP connection when you start playing
music, you must follow your phone’s user guide to establish an A2DP connection before playing music.
8.2.1 AVRCP operations
The following operations can be used for remotely controlling your Bluetooth A2DP capable phone (must support
AVRCP profile) to play music:
Play/Pause/Stop:Click button.
Forward:Click button.
Backward:Click button.
Fast forward: Hold to start fast forward and release to end fast forward.
Fast backward: Hold to start fast backward and release to end fast backward.
In addition, you can adjust sound volume up or down by rolling the jog wheel.
. 20

BC9000 User Manual
9. Two-Link operation
Compared with the ordinary Bluetooth handsfree device in the market which can only connect to one single phone
at one time, BC9000 allows you to connect two paired phones simultaneously. Thus, this is very convenient for
users with two phones.
To connect with two paired phones, you can:
1. Power on the carkit. The carkit automatically starts to connect the two top priority paired phones.
2. Initiate connection request from the carkit:
When the carkit is in standby mode, which means no Bluetooth connection exits, click the jog wheel and select
BLUETOOTH > connect. Once the connection is established, start to connect the second top priority device. Note
that, if your phones are not the top two priority phones, you need to make connections from the phone side.
3. Initiate connection request from the phones:
Initiate Bluetooth connection from your phones one after the other by following your phone manuals. You have to
wait one connection is completed before launching the other.
When two phones are connected with the carkit, the one which takes the higher priority will works as the primary
device and the other is the secondary device.
Any operation initiated from the carkit, such as redialing and voice dialing, will only be applied to the primary
device.
Operations initiated from either phone shall be applied to the carkit as normal.
When you use the carkit to talk in a call, you can use the carkit to handle the new incoming call on the other phone.
z Click the to accept the new incoming call, the talking call will be put on suspend.
z Click the to reject the new incoming call and keep the talking call.
z Long press the to accept the new incoming call and reject the talking call.
If you are using the carkit to talk in a call and putting call of another phone on suspend, you can:
z Click the jog wheel to switch between the talking call and suspended call of another phone.
z Clcik the to hang up the talking call and resume the suspended call of another phone.
z Long press the to hang up the suspended call of another phone and keep the talking call.
z Click the to hang up the talking call and active the held call.
Notice: When there is two phones connected with the carkit, you can also use the 3-way call function, the operation is the
same as when there is only one phone connected with the carkit, but all of the operation on the carkit will not applied for
the suspend phone but applied for the activated phone. The activated phone means the phone which have the incoming
call, waiting call, outgoing call, or talking call.
. 21

BC9000 User Manual
10. Settings
10.1 Phonebook
You can configure the BC9000 to decide whether to add a prefix to call ID while receiving a call from a foreign
country. To do so:
1. Click the jog wheel and select Phones > Settings > Phonebook > Prefix > Off. No prefix is added.
2. Or click the jog wheel and select Phones > Settings > Phonebook > Prefix > Change to 00. “00” will be
added to the call ID.
3. Or click the jog wheel and select Phones > Settings > Phonebook > Prefix > Change to ... Use the jog wheel
to input the prefix. The prefix will be added to the call ID.
10.2 Mute control
You can configure the BC9000 to choose whether mute control the rear speakers when there is a phone call. To do
so:
1. Click the jog wheel and select Phones > Settings > Mute control
2. Use the jog wheel to select mute control of the rear speakers when there is a phone call or not.
10.3 Volume control
To adjust the volume of the voice in a call:
1. Click the jog wheel and select Phones > Settings > Volume control
2. Use the jog wheel to adjust the volume
10.4 Voice control
To activate/deactivate the voice command feature:
1. Click the jog wheel and select Phones > Settings > Voice control
2. Use the jog wheel to activate/deactivate voice command feature
Then you can say “Answer” to accept a call and say “Ignore” to reject a call.
10.5 Auto answer
To activate/deactivate the auto answer feature:
1. Click the jog wheel and select Phones > Settings > Auto answer
2. Use the jog wheel to activate/deactivate auto answer feature
Once the Auto answer is activated, the incoming call will be answered automatically if you don’t click either the
to accept the call or the reject the call in 10 seconds.
. 22

BC9000 User Manual
10.6 Display
10.6.1 Brightness
To adjust the display brightness of the carkit:
1. Click the jog wheel and select Phones > Settings > Display > Brightness
2. Use the jog wheel to adjust the display brightness of the carkit.
10.6.2 Contrast
To adjust the display contrast of the carkit:
1. Click the jog wheel and select Phones > Settings > Display > Contrast
2. Use the jog wheel to adjust the display contrast of the carkit.
10.6.3 Wallpaper
To adjust the display wallpaper of the carkit:
1. Click the jog wheel and select Phones > Settings > Display > Wallpaper
2. Use the jog wheel to select the display wallpaper of the carkit.
10.6.4 Color
To adjust the display color of the carkit:
1. Click the jog wheel and select Phones > Settings > Display > Color
2. Use the jog wheel to select the display color of GUI of the carkit.
10.6.5 Backlight off time
To adjust the backlight off time of the carkit:
1. Click the jog wheel and select Phones > Settings > Display > Backlight off time
2. Use the jog wheel to select the backlight off time of the carkit. The options of backlight off time are Always
On, 10 sec, 20 sec, 30 sec, 40 sec, 50 sec and 60 sec.
10.7 Language
You can select the language of the menu:
1. Click the jog wheel and select Phones > Settings > Language
2. Use the jog wheel to select the language you want to display on menu.
10.8 Remote controller
Because people can be left-handed person or right-handed person, you can set this setting to fit people’s habit:
1. Click the jog wheel and select Phones > Settings > Remote Controller
2. Use the jog wheel to select Left or Right according to the position where the remote controller installed.
. 23

BC9000 User Manual
10.9 Security
To change the PIN of paired phone, you can:
1. Click the jog wheel and select Phones > Settings > Security
2. Use the jog wheel to input PIN by the soft keypad.
10.10 Factory settings
To restore the settings of the carkit to the factory settings:
1. Click the jog wheel and select Phones > Settings > Factory settings
2. Click the to confirm if you want to restore the settings to factory settings.
. 24

BC9000 User Manual
. 25
11. Upgrade software
This device supports self software upgrade via USB disk. This unique feature allows you to always get the latest
software release from the product service section of website. Such software upgrade may help you to resolve some
compatibility issues related to new phone models entering the market. Our upgrade software may also include
product feature and performance improvement which you may want.
Warning:
Interrupting the upgrade process, such as lost of power, cable disconnection may cause your handsfree
unrecoverable software errors and the device will failure at work. You may have to return the product to the
vendor for software recovery. Before upgrading your device software, please ensure that your device has
enough battery power, the USB cable has been firmly connected to both your USB disk and your device, and
the cable has been firmly connected to both the black box and control unit.
Detailed operation procedures are as follows:
1. Download the latest version of software for BC9000 from our website, the file may be names as
bc9000_YYYYMMDD.img, YYYYMMDD means the date of software been released, e.g.
bc9000_20101012.img .
2. Format your USB disk in FAT or FAT32 format.
3. Copy the software to your USB disk and rename as bc9000.img. Make sure that the USB disk has only one
partition and only has bc9000.img on this partition.
4. Connect the USB disk with BC9000 handsfree carkit using the USB convert cable.
5. Check and make sure the Control Unit and the Junction Box is connected well.
6. Click the jog wheel and select SOFTWARE VERSION > SW upgrade. And click the to confirm if you
want to upgrade the software.
7. Once the upgrading process started, the screen will display a progress bar to indicate the upgrading progress.
8. After finished, the device will be restarted automatically, you can remove the USB disk now.