TON ELECTRONICS TECHNOLOGY TK110 GPS Vehicle Tracker User Manual
TOPTEN ELECTRONICS TECHNOLOGY LIMITED GPS Vehicle Tracker
User Manual
GPS Vehicle Tracker
USER MANUAL
(Model: TK110)
Version 4.0
(Date: Jan. 2010)

GPS Vehicle Tracker User Manual
Page 1
CONTENT
Preface...............................................................................................................................2
Functions & Features........................................................................................................3
Explanation on SMS Message ..........................................................................................4
How to Operate It..............................................................................................................5
Arm/Disarm by Phone Calling.....................................................................................................5
SMS Control Instructions.............................................................................................................5
Authorize the Alert-received Mobile............................................................................................5
SOS Anti-robbery Alert................................................................................................................8
Movement Alert............................................................................................................................8
Geo-Fence Alert ...........................................................................................................................9
Over-speed Alert...........................................................................................................................9
The Setting for GPRS Connection..............................................................................................10
Re-define the Alert Text in other languages ...............................................................................11
How to Track the Car .................................................................................................................12
Specifications..................................................................................................................12
FAQs & Troubleshooting................................................................................................13
Installation.......................................................................................................................14
Packing List(Standard Package)............................................................................................14
Wiring Diagram..........................................................................................................................15
Important Notice on Installation.................................................................................................16
Appendix I: How to Track the Car..................................................................................17

GPS Vehicle Tracker User Manual
Page 2
Preface
This Mini GPS Vehicle Tracker is the most cost-effective device to track
your vehicle or the other objects. It has very small size, so it can be installed
in very secret place. The installation & usage is very easy.
This Mini GPS tracker communicates with user by SMS, not by GPRS, so
it can work alone & the management center is not a must. It is specially
designed for individual vehicles, user could use any GSM mobile phone to
supervise, control and locate the car without the third party.
On the other hand, if the management center is set up, many useful &
interesting functions can be realized, such as monitoring many vehicles
together by map, converting the GPS coordinate into the real address
automatically. If user has MAPINFO map with detailed landmarks, the
software can translate the car’s location automatically into the real physical
address (such as city name, street name, building, etc.), then send this real
physical address to user’s mobile by SMS.
Read it Firstly:
Please read this manual thoroughly before you use the device; please
keep it for future reference.
Attention:
Please keep the device away from the water, humidity, high temperature,
heavy dust or strong magnetism.
Warning:
We strongly suggest user let the professional car electrician to install the
system.

GPS Vehicle Tracker User Manual
Page 3
Functions & Features
(1) Check the car’s location, speed & direction via SMS;
(2) Cut off the car power/fuel supply by SMS, to stop the car;
(3) Movement Alert:
Once the car is parked, you can send the SMS instruction to put the
system in movement alert status. Then, if the car moves, the system will
send SMS to inform you. It is a very useful function, which enables the
tracker to work as the car alarm too;
(4) Geo-fence Alert:
User can set a certain zone by SMS, once the vehicle runs over the fence,
the alarm will send SMS to inform you;
(5) Over-speed Alert.
User can set a certain speed limitation by SMS. Once the vehicle
is running over this speed, the system will send SMS to inform you;
(6) Built-in rechargeable backup battery. If the system’s main power supply is
cut off or low enough, system will send SMS to warn you;
(7) Two kinds of location information; user could locate the precise location
by GPS. If there is no GPS signal, user could also locate the car by CPS
(cellular positioning system - located by GSM network)
(8) Monitor the voice around the car via telephone;
(9) Anti-robbery switch, send out SMS for help in case of hijack; (optional
function)
(10) Track the car by SMS or by online mapping (The software is optional).
(11) Flexible design, the system can work alone without support of center. If
the center is set up, the functions can be much stronger, you can monitor
& control many vehicles in the center, and the information of vehicle’s
location can be more detailed and friendly.
(12) Anti-tamper design in small size, stable, reliable & easy installation.
(13) Support SMS & GPRS communication
(14) The Alert Text in SMS can be re-defined in different languages.

GPS Vehicle Tracker User Manual
Page 4
Explanation on SMS Message
When the alarm is triggered, it will send the alert SMS message to the
authorized mobile. This SMS alarm message includes:
Alarm type. “Be robbed”, “Power failure”, etc..
Base station’s code of GSM signal relay tower. The GSM operator
can tell you the location by this code because they have the related
database. In some countries, this function is not open to the public.
Latitude & longitude. User could locate the car’s precise position by
help of GOOGLE MAP (http://maps.google.com/) or GOOGLE
EARTH (Download link: http://earth.google.com/).
GPS signal’s Status: A : GPS’s signal is available, the car is at broad
outside place; V: GPS’s signal is shielded, the car is at the
underground; H: The car pass through 10 GSM base stations, but the
received GPS’s data doesn’t change, it means that there is no GPS
signal or GPS’s receiver is damaged
Speed. The car’s speed in KM/H.
Direction: The car’s direction is showed in this message. (In
coordinates, start from line of the north direction, turn over an angle in
the certain degree clockwise.)
Example: The above message shows that: the SOS anti-robbery button is pressed
down. The GSM base station code of the car is 25023722, the car is at outdoors & GPS
signal is available, the latitude is 23.1430N, the longitude is 113.3390E, the car’s speed
Alarm’s type
GSM Base
Station Code Latitude
Direction
S
p
eed
Longitude
GPS signal’s
status

GPS Vehicle Tracker User Manual
Page 5
is 0KM/H, and the car’s direction is north.
How to Operate It
Arm/Disarm by Phone Calling
User could also use the first alarm-received mobile phone to call the
system SIM card number, so as to arm/disarm the system.
Arm: After hearing several ring tones, if the systems hang up the call
automatically, and call back you, it means that the system is armed.
Disarm: After hearing several ring tones, if the system hangs up the call
automatically, and don’t call back you, it means that the system is disarmed.
Note:
(1) There is no communication fee for this operation, it is a very convenient way to
arm & disarm the system.
(2)The SIM card inside the device must have the function of Caller ID Display.
(3) Only the 1st authorized mobile phone can realize this function.
SMS Control Instructions
User can send SMS instruction to operate the tracker by any mobile
phone, the format of the instruction is:
User Password(******)+ Control Code(XXX)
The default user password is 111111.
If the user password is changed, user should send the SMS instruction
with the new user password instead of 111111.
XXX is the control code, all the letters must be capital letters or small
letters.
There is no space between the user password & the control instruction.
Authorize the Alert-received Mobile
In case of alarm, if user wants to get the alert SMS from the tracker,

GPS Vehicle Tracker User Manual
Page 6
he/she needs send the following SMS to program the system firstly:
111111*10 Mobile #1*20 Mobile #2*
Other functions:
Mobile #1: it is used to call the tracker No., system will be armed
/disarmed
Mobile #2: it is used to call the tracker No., system will send back
location SMS to the mobile #2
Example: User sends the SMS 111111*1013922713571*2013711189059* to the
tracker’s SIM card number, if there is any alert, system will send alert SMS to both of
these two mobiles. If user uses mobile 13922713571 to call tracker No., system will be
arm/disarm; if user uses mobile 13711189059 to call the tracker No., system will send
back location SMS to the mobile 13711189059.
z 111111PSWnnnnnn
This instruction is used to change the user password. The length of the
user’s password is 3~6 digits. Users are suggested to change to the new
password in use.
Example: User sends the SMS “111111PSW12345” to the system SIM card number,
and gets the confirmed SMS “111111PSW12345” in 3 seconds. It means that the user
password has been changed to 12345.
Remark: Please keep the password deep in mind if it is changed.
z 111111ARM
This instruction is used to arm the system.
The system will send back the confirmed SMS to you, such as “Unit
Armed! ……”
z 111111DSM
This instruction is used to disarm the system, to stop receiving the alert
SMS from the tracker.
The system will send back the confirmed SMS to you, such as “Unit
Disarmed! ……”

GPS Vehicle Tracker User Manual
Page 7
z 111111CHK
This instruction is used to inquiry the vehicle’s location & system’s status.
The system will send back the SMS, includes the similar information,
such as “Unit Disarmed……”
z 111111STP
This instruction is used to cut off the car’s power supply or fuel supply, so
as to stop the car.
The car will be controlled to stop gradually.
Attention: It is very dangerous to stop the car when the vehicle is running at high
speed. We do not take any responsibility to the consequence caused by this action.
z 111111STPN or 111111STP(N)
This instruction is used to stop the car under the condition of speed
limitation.
If the car is running at speed higher than N (KM/H), the instruction will not
be carried out. System will send back feedback SMS “No parking, vehicle …”;
If the car’s speed is less than the value N , it will be controlled to stopped
gradually.
Example: N =40. The car is running at speed of 50KM/H, user send 111111STP40
or 111111STP(40) to system, the system will send back SMS “No parking.” to warn user
that the condition is not met. Once the car’s speed is about 39KM/H, the system will
automatically carry out this instruction & stop the car.
The Minimum value of N is 30KM/H
z 111111RES
This instruction is used to restore the car to normal status after stopping
the car.
It is also used to stop the receiving of SOS alert SMS once the
anti-robbery SOS switch is pressed down.
z 111111MONP
This instruction is used to monitor the voice around the car. The SIM card
inside the system pays for the communication fee.
The P is the telephone which is used to monitor the voice. When user
send out this SMS to the system, the system will call back the telephone P,

GPS Vehicle Tracker User Manual
Page 8
user could listen in the voice around the car upon picking up the call.
If you use the present mobile to carry out the monitoring, you can let the
P as blank, sending 111111MON is OK.
Example: P =13780012345. If user sends 111111MON13780012345 to system, the
system will call back the phone 13780012345 immediately. Once upon pickup the call
from the system, user can hear the voice around.
z 111111MON:Phone No.
This instruction is used to monitor the voice around the car. The user’s
telephone pays for the communication fee.
Example: User uses the telephone 38351400 to carry out monitoring and pay the
communication fee, user can send 111111MON:38351400 to the tracker firstly, then use
this phone 38351400 to call the tracker, it will be connected automatically to monitor the
voice. This setting is stored all the time until you change it to another phone no.
Remark: please do not set the user’s 1st alert-received phone no. as this phone no.
SOS Anti-robbery Alert
It is the optional function, it needs the optional component: SOS switch.
If you program the 1st & 2nd alert-received mobile only, once the SOS
switch is pressed down & hold for at least 3 seconds, the system will send
alarm SMS to the 1st & 2nd alert-received mobile. User can send command
111111RES to release it.
If you program the 3rd alert-received mobile as the center number, once
the SOS switch is pressed down & hold for at least 3 seconds, the system will
ONLY send alarm SMS to the center number. (the 3rd mobile no.). User can
send command 111111RES to release it.
Movement Alert
111111MOV0 to disable the movement alert
111111MOV1 to enable the movement alert, the present location is the
center.
111111MOV? to check the center’s position.
Once the system is armed, the movement alert will be automatically
enabled. Once the system is disarmed, the movement alert will be
automatically disabled.

GPS Vehicle Tracker User Manual
Page 9
111111RAD:XR:a,YR:b to define the distance for triggering the alert
Example: If you want to set the radius in latitude as 60meters, radius
in longitude as 80 meters, you can send 111111RAD:XR:60,YR:80 to the
tracker. This setting will be stored in the tracker all the time until you
change it again.
Geo-Fence Alert
Format of SMS instructions:
111111FEN0 Disable the Geo-fence
111111FEN1 Enable the Geo-fence, using the stored setting
111111FEN1() Enable the geo-fence, using the latitude & longitude of
present location, the distance of latitude & longitude are 1000 meters.
111111FEN? Check the setting of geo-fence
111111RAL:XR:a,YR:b,X:c,Y:d
Or 111111RAL:XR:a,YR:b
Or 111111RAL:X:c,Y:d
XR:a, a is the distance of latitude (Meter)
YR:b, b is the distance of longitude (Meter)
X:c, c is latitude(degree), the range of the value is 0-90)
Y:d, d longitude (degree), the range of the value is 0~180)
Remark: (1) RAL, XR, YR, X, Y must be in capital letter.
(2) The Setting will be stored.
Example: If the fence is a circle with Radius of 5000meters, the coordinates of the
circle’s center is: latitude:+23.1400, longitude:+113.4500, then the SMS instruction is:
111111RAL:XR:5000,Y:5000,X:23.1400,Y:113.4500 . If the vehicle is running across the
boundary of the fence, the system will automatically send out Alert SMS.
Over-speed Alert
111111SPD:X x is the speed in KM/H , maximum value is 300KM/H

GPS Vehicle Tracker User Manual
Page 10
(For example: 111111SPD:120, if the car speed is over 120KM/H, it will
send SMS to warn you)
111111SPD:? to check the setting of over-speed alert.
Default setting: 200KM/H
How to disable this function: You can send 111111SPD:290 to disable this
Over-speed Alert
Remark: this function is just for reference, because there might be some
delay or error in detecting the car’s real speed by GPS.
The Setting for GPRS Connection
The GPRS command is used for the GPRS setting. User needs the
GPRS online tracking server firstly. For more information, please refer to the
GPRS communication protocol.
111111WWW:IDN:*;IPN:*;APN:*;COM:*;RPT:*;RUN:*;ARM:*;TDW:*;
IDN: The tracker’s ID number, the length cannot be longer than 14, it can
be numbers or letters.
IPN: The IP address of the GPRS server
APN: The Access Point Name for the GSM SIM card.
COM: The Serial COM port for the GPRS server
RPT: The time interval for the uploading GPRS packet (Unit: 10 sec.)
ARM: 1 to enable the alert via GPRS, 0 to close the alert via GPRS;
TDW:1 --TOPTEN GPRS protocol #1
2 --TOPTEN GPRS protocol #2
0 -- NMEA0183 format
Example, if server IP is: 98.143.144.145, TCP port is 8500, tracker ID is
13922713571. APN is CMNET. Then the command is:
111111WWW:IDN:13922713571;IPN:98.143.144.145;APN:CMNET;CO
M:8500;RPT:1;ARM:0;TDW:2;
W111111,013,B
B=0: close GPRS function
B=1: open GPRS function

GPS Vehicle Tracker User Manual
Page 11
Re-define the Alert Text in other languages
Step 1: Switch from English Mode to other language mode
W111111,023,0 : Default setting, English Text Mode
W111111,023,1 Other language Text Mode
Step 2: Define your own text by the following command:
111111TXT:nnstrDnnstrDnnstrDnnstrDnnstrDnnstrD
Remarks:
(1) 6 pieces of strings can be defined in one command.
(2) nn: 2bits, range:01~24
(3) D: it can be (,) or (!)
(4) the number of letters in each str. can not be more than 8
(5) the character (.) ,(.),(!) can not be showed in str.
Example: 111111TXT:09vibración! is to define the alarm text in Spanish when the
shock sensor is triggered
nn Str.
01 Patrol area
02 Patrol area
03 Patrol area
04 Patrol area
05 Be robbed
06 Power failure
07 Door opened
08 Seeks help
09 Be vibrated
10 Engine ignited
11 Door opened
12 Cross border
13 Line broken
14 Lamp alarm
15 Vehicle moved
16 Exceed limit
17 No parking
18 Vehicle stopped
19 Unit disarmed
20 Unit armed
21 Not defined
22 Not defined

GPS Vehicle Tracker User Manual
Page 12
How to Track the Car
(1). Track the Car by SMS
The user could get SMS alarm message from the system, this message
includes 2 kinds of location information:
(1) .The code of the GSM network’s base station. By the help of the GSM
operator, the car could be easily located because the GSM operators have
the database of the GSM network’s base station code. But in many countries,
this service is not open to public.
(2). The GPS’s latitude & longitude, user could track the car’s precise
location after inputting them in the GOOGLE EARTH (please download it
from http://earth.google.com )
(The details are attached in Appendix I.)
(2). Track by the Management Software (Optional)
This function is not the standard function. It needs the support of the
management center. To setup the center, user should buy the management
software, GSM Modem & digital map (Mapinfo format or Google map). The
center can monitor many vehicles at the same time on the map, and it could
translate the professional SMS alarm message (latitude, longitude, etc.) into
friendly information (such as: city, street…etc).
Specifications
Size of the main unit: 7.5*5.4*2.5 (CM)
Weight of the main unit: 0.1KG
Working temperature: -20 ~ 65℃
Humidity: 0 ~ 95%
GSM frequencies: 850MHz/900MHz/1800MHz/1900MHz
GPS chip: Latest SiRF-Star III chipset
GSM antenna’s Gain 3.5dBi
GPS antenna’s Gain Antenna Gain: -3dBic at 10°; 3.5dBic at zenith;
Amplified Gain: 27dB typ.
Working voltage: 12VDC/ or 24 VDC
Power Consumption:
Working current: ≤250mA;
Static current: ≤60mA;
Peak current: 300mA;
Internal Backup battery: Rechargeable 3.7V 750mAh Li-ion battery

GPS Vehicle Tracker User Manual
Page 13
FAQs & Troubleshooting
FAQ Troubleshooting
Call the tracker, it does not ring
(1) The GSM SIM card has no credit;
(2) The SIM card is protected by PIN code;
(3) Fix the GSM antenna to open place to test;
(4) The SIM card is placed correctly in the slot;
(5) Check the connection of the GSM antenna, or
change another GSM antenna to test;
Call the tracker, it rings, but it
doesn’t send back response
SMS
(1)The user password is wrong, please use the
correct password or reset the password to test;
(2) Low power, please use outside 12VDC power
supply to power on the unit to test
The mobile can not recieve the
alarm informations. The other
functions are OK.
(1) The SIM card inside the device has no credit;
(2) The SMS instruction is not in correct format;
(2) The mailbox of the user’s mobile is full;
No GPS signal or GPS signal is
weak
(1) Fix the GPS antenna to open place to test;
(2) Please check the connection of the GPS
antenna;
(3) Chang another GPS antenna to test;
(4) In cloudy condition, it is a little hard to get the
GPS signal, and the GPS coordinate might have
some errors.
I can check the location, but I
can not get the alert SMS when
the car moves
(1) Please setup the system firstly. (authorize
SMS-received mobile number, etc);
(2) In arming status,the device only warn you
once the car moves at about 50 meters away
from the parking place;
I can not stop my car
(1) Check the format of the instruction ******STP
is correct or not?
(2) Replace another relay to test.
(3) The relay’s control output is suggested to
control the power supply loop of the fuel
pump. In some cars, it can also used to
control the engine ignition loop.
I can’t arm/disarm system by
phone call
(1) Only the 1st authorized moible number can
realize this funciton;
(2) The SIM card inside the device must have the
function of Caller ID Display.

GPS Vehicle Tracker User Manual
Page 14
Installation
Packing List(Standard Package)
Standard package:
Component name Quantities
Main unit 1 pc
GPS antenna 1 pc
GSM antenna 1 pc
4-pins wiring harness 1 pc
Cut-off relay 1 pc
Microphone 1 pc
Optional components (not included in the standard package):
Component name Quantities
Anti-robbery SOS Switch 1 pc
Shock Sensor 1 pc
12-Pins iring harness 1 pc

GPS Vehicle Tracker User Manual
Page 15
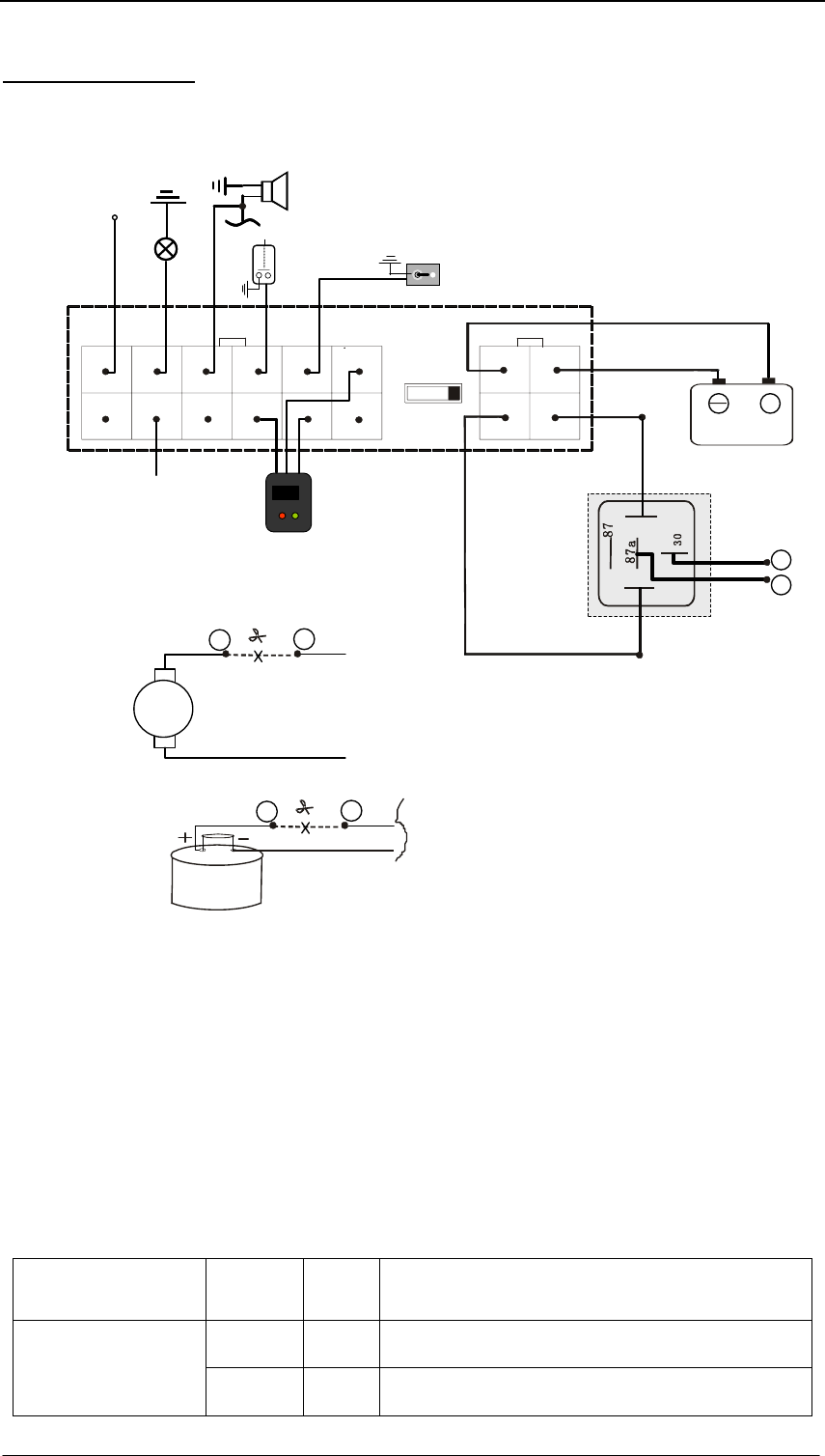
Wiring Diagram
ON OFF (BLACK) Ground
(RED) +12VDC
(Yellow)
White
Yellow
(White)
High-Voltage Ingiton winding
Green
Green
Relay P1
P2
P1 P2
Engine Ignition Loop
Fuel Pump's Power Supply Loop
D
P1 P2
Fuel Pump's Motor
Notes:
(1). The relay's control output (2 green lines, no polarity) has 2 kinds of connections. It can be
used to cut off the engine ignition loop or the fuel pump's power supply loop. It is suggested to
control the fuel pump.
(2). Please turn the switch to ON position. It is the switch of the inside backup battery.
(3). The 12-pins wiring harness are optional components.
(4). The SOS button and LED are already connected in the 12-pins wiring harness.
(5). The shock sensor is connected to the 12-pins wiring harness
(6). The Orange line in 12-pins connector can be connected with positive of alarm siren or car
lamp. No matter in arming or disarming status, once it detects +12VDC signal for at least 8
seconds, it will send out alert.
12
34 +
Car Battery
56
11 12
34
910
12
78
ACC ON
Blue
LED
Original alarm siren
Door Switch
Red Orange
SOS Switch
yellow Black
GND
GND GND (Null)+12V
Arm/Disarm Signal line.
+12VDC voltage: Disarm system
0 VDC (Ground): Arm System
4P & 12P
Connector Color No. Function & connection
Red 1 Positive input from car battery(DC12V)
4-PIN connector
Black 2 Negative input(GND)

GPS Vehicle Tracker User Manual
Page 16
white 3 Relay’s positive control output
yellow 4 Relay’s negative control output
blue 1 ACC ON alert signal input
red 2 Status indicator LED
Orange 3 Integration line with the original car
alarm’s siren
yellow 4 Car door switch input
black 5 SOS switch input
green 6 Shock sensor input
black 7 GND output
purple 8
Arming/disarming signal line. Once it
detects +12VDC, system will be
disarmed. Once it is 0V signal, it is
armed.
black 9 GND output
black 10 +12VDC output (only in arming status)
black 11 GND output (same as Pin7 & Pin 9)
12-PIN
connector
12 (Null)
Important Notice on Installation
We strongly recommend you to ask the professional car electrician to
do the installation.
Please prepare a valid GSM SIM card in advance.
IMPORTANT: Please do not insert or pull out the SIM card when the
main unit has power. Before doing this operation, please disconnect
the outside power supply lines, and turn off the internal backup
battery’s switch firstly. The wrong operation might damage the main
unit.
Please fix the main unit at secret place to avoid being destroyed by
theft. Please keep it away from the high-temperature, humidity or
strong magnetic object. Please fasten it tightly.
While mounting the GPS antenna, the flat magnetic side must be
placed downside. There could not be any metal or shielded obstacles

GPS Vehicle Tracker User Manual
Page 17
around the upside of the GPS antenna, so that it can receive the
satellite signal from upside the sky very well, the GPS antenna should
be placed at broad & secret place too. It should be drew straight and
kept away from the sound box or speaker.
While mounting the GSM antenna, it should be placed at broad &
secret place where there is no shielded obstacle.
The GSM antenna can’t be placed along with the GPS antenna in
parallel. It should be drew straight and kept away from the sound box
or speaker.
After installation, please test the system & make sure that it can GSM
signal & GPS signal very well. Otherwise, fix the GSM antenna or
GPS antenna at other places until the signals are OK.
For security, please fix the GSM & GPS antenna in secret places.
Recommended places: (1).Downside the fore windshield class
(2).Downside the dashboard (3).Downside water brusher(no metal coat)
(4). Inside the door edge of the car’s roof (nearby the driving room).
Appendix I: How to Track the Car
Track the Car by GPRS Center (Optional)
The user should setup their own GPRS center firstly, then program the tracker
to send GPS data by GPRS network to the server. It is online real-time tracking
which is special for fleet management.
Track the Car by SMS & Google Map
The user could get SMS alarm message from the system, this message
includes 2 kinds of location information:
(1) .The code of the GSM network’s base station. By the help of the GSM
operator, the car could be easily located because the GSM operators have the
database of the GSM network’s base station code. But in many countries, this
service is not open to public.
(2). The GPS’s latitude & longitude, user could track the car’s precise
location after inputting them in the GOOGLE EARTH (please download it from
http://earth.google.com ) or http://maps.google.com (Noted, please add the
minus before X & Y if they have)
It is cost-effective way for tracking, but it is not so convenient because user
must use internet to track by Google Map.

GPS Vehicle Tracker User Manual
Page 18
Track by the SMS Center Software & MapInfo Map (Optional)
This function is not the standard function. It needs the support of the center (includes:
center software, GSM Modem & digital map). The center can translate the GPS
coordinates into the real address (such as: city, street…etc) automatically.
By this way, the user can directly use mobile to send a SMS command, then he can get
the car’s real address by SMS. There is no need of internet connection. It is very convenient
for users.

GPS Vehicle Tracker User Manual
Page 19
This device complies with Part 15 of the FCC Rules. Operation
is subject to the following two conditions: (1) this device may not cause harmful
interference, and (2) this device must accept any interference received, including
interference that may cause undesired operation.
This equipment complies with FCC RF radiation exposure limits set forth for an uncontrolled
environment. This device and its antenna must not be co-located or operating in conjunction
with any other antenna or transmitter.
“To comply with FCC RF exposure compliance requirements.The antennas used for this
transmitter must be installed to provide a separation distance of at least 30 cm from all
persons and must not be co-located or operating in conjunction with any other antenna or
transmitter.”
Changes or modifications not expressly approved by the party responsible for compliance
could void the user's authority to operate the equipment
FCC ID: X3U-TK110
Model No.: TK110
Manufacturer: Topten electronics Technology Limited