TOPPAN EDGE TR63036-E Contactless IC Card Reader / Writer User Manual

Toppan Forms Co., LTD Contactless IC Card Reader / Writer Users Manual

Users Manual

          Contactless IC Card Reader/Writer TR63036(E) User’s Manual        Version 0.91 2014-10-08 Toppan Forms Co., Ltd.      Copyright Toppan Forms Co., Ltd. 2014  FeliCa is a technology developed by Sony Corporation. FeliCa is a trademark of Sony Corporation. MIFARE is a trademark of NXP B.V. I-Code is a trademark of NXP B.V. All other brands, product names and trademarks are the property of their respective owners. The TM or ® markings are omitted in this document. Reproduction in whole or in part is prohibited without the prior written consent of the copyright owner. The contents of this document may be altered without prior notice.
   [TR63036(E)User’sManual]  i      Revision history Date Revision  Description Oct/08/2014 0.91  First issue
   [TR63036(E)User’sManual]  ii     Important notice  For use in the United States:  1.Module User Requirements FCC 15.212(a)(ⅵ)(A) The host device must contain the following permanent labeling on the exterior of the host device as follows: Contains FCC ID: ORKTR63036-E  FCC 15.19(a)(3) The host device shall bear the following statement in a conspicuous location on the device:This device complies with part 15 of the FCC Rules. Operation is subject to the following two conditions: (1) This device may not cause harmful interference, and (2) this device must accept any interference received,including interference that may cause undesired operation. When the device is so small or for such use that it is not practicable to place the statement specified under paragraph 15.19(a)(3) of this section on it, the information required by this paragraph shall be placed in a prominent location in the instruction manual or pamphlet supplied to the user or, alternatively,shall be placed on the container in which the device is marketed.  2.The user manual of the host device must contain the following paragraph: FCC 15.21 Caution: Changes or modifications not expressly approved by the party responsible for compliance could void the user’s authority to operate the equipment.  FCC15.105(b) This equipment has been tested and found to comply with the limits for a Class B digital device, pursuant to part 15 of the FCC Rules. These limits are designed to provide reasonable protection against harmful interference in a residential installation. This    equipment generates, uses and can radiate radio frequency energy and,if not installed and used in accordance with the instructions, may cause harmful interference to radio communications. However, there is no guarantee that interference will not occur in a particular   installation. If this equipment does cause harmful interference to radio or
   [TR63036(E)User’sManual]  iii     television reception, which can be determined by turning the equipment off and on, the user is encouraged to try to correct the interference by one or more of the following measures:              —Reorient or relocate the receiving antenna.             —Increase the separation between the equipment and receiver.                         —Connect the equipment into an outlet on a circuit different from that to which the receiver is connected.             —Consult the dealer or an experienced radio/TV technician for help.  IMPORTANT NOTE: ⅰ.That module is limited to OEM installation only. ⅱ.That OEM integrators is responsible for ensuring that the end-user has no manual instructions to remove or install module. ⅲ.That module is limited to installation in mobile or fixed applications, according to Part 2.1091(b) ⅳ.That separate approval is required for all other operating configurations, Manual Information to the End User The OEM integrator has to be aware not to provide information to the end user regarding how to install or remove this RF module in the user’s manual of the end product which integrates this module. The end user manual shall include required regulatory information/warning as below. ⅰ.End-users must be provided with transmitter/antenna installation requirements and operating conditions for satisfying RF exposure compliance. ⅱ.A separate section should clearly state  “FCC RF Exposure requirements:” ⅲ.Required operating conditions for end users ⅳ.Antenna/or transmitter installation requirements, where relevant (For example: The antenna used with this module must be installed to provide a separation distance of at least 20cm from all persons, and must not transmit simultaneously with any other antenna or transmitter.)
   [TR63036(E)User’sManual]  iv     For use in the EU:  This device can be used without restrictions in all EU member states and EFTA countries. Declaration of Conformity with regard to the R&TTE Directive 1999/5/EC   English Hereby, Toppan Forms Co., Ltd., declares that this IC Card Reader/Writer TR63036(E) is in compliance with the essential requirements and other relevant provisions of Directive 1999/5/EC. Finnish Toppan Forms Co., Ltd. vakuuttaa täten että IC Card Reader/Writer TR63036(E) tyyppinen laite on direktiivin 1999/5/EY oleellisten vaatimusten ja sitä koskevien direktiivin muiden ehtojen mukainen. Dutch Hierbij verklaart Toppan Forms Co., Ltd. dat het toestel IC Card Reader/Writer TR63036E) in overeenstemming is met de essentiële eisen en de andere relevante bepalingen van richtlijn 1999/5/EG Bij deze verklaart Toppan Forms Co., Ltd. dat deze IC Card Reader/Writer TR63036(E) voldoet aan de essentiële eisen en aan de overige relevante bepalingen van Richtlijn 1999/5/EC. French Par la présente Toppan Forms Co., Ltd. déclare que l'appareil IC Card Reader/Writer TR63036(E) est conforme aux exigences essentielles et aux autres dispositions pertinentes de la directive 1999/5/CE Par la présente, Toppan Forms Co., Ltd. déclare que ce IC Card Reader/Writer TR63036(E) est conforme aux exigences essentielles et aux autres dispositions de la directive 1999/5/CE qui lui sont applicables Swedish Härmed intygar Toppan Forms Co., Ltd. att denna IC Card Reader/Writer TR63036(E) står I överensstämmelse med de väsentliga egenskapskrav och övriga relevanta bestämmelser som framgår av direktiv 1999/5/EG. Danish Undertegnede Toppan Forms Co., Ltd. erklærer herved, at følgende udstyr IC Card Reader/Writer TR63036(E) overholder de væsentlige krav og øvrige relevante krav i direktiv 1999/5/EF
   [TR63036(E)User’sManual]  v     German Hiermit erklärt Toppan Forms Co., Ltd., dass sich dieser/diese/dieses IC Card Reader/Writer TR63036(E) in Übereinstimmung mit den grundlegenden Anforderungen und den anderen relevanten Vorschriften der Richtlinie 1999/5/EG befindet". (BMWi) Hiermit erklärt Toppan Forms Co., Ltd. die Übereinstimmung des Gerätes IC Card Reader/Writer TR63036(E) mit den grundlegenden Anforderungen und den anderen relevanten Festlegungen der Richtlinie 1999/5/EG. (Wien) Greek ΜΕ ΤΗΝ ΠΑΡΟΥΣΑ Toppan Forms Co., Ltd. ΔΗΛΩΝΕΙ ΟΤΙ IC Card Reader/Writer TR63036(E) ΣΥΜΜΟΡΦΩΝΕΤΑΙ ΠΡΟΣ ΤΙΣ ΟΥΣΙΩΔΕΙΣ ΑΠΑΙΤΗΣΕΙΣ ΚΑΙ ΤΙΣ ΛΟΙΠΕΣ ΣΧΕΤΙΚΕΣ ΔΙΑΤΑΞΕΙΣ ΤΗΣ ΟΔΗΓΙΑΣ 1999/5/ΕΚ Italian Con la presente Toppan Forms Co., Ltd. dichiara che questo IC Card Reader/Writer TR63036(E) è conforme ai requisiti essenziali ed alle altre disposizioni pertinenti stabilite dalla direttiva 1999/5/CE. Spanish Por medio de la presente Toppan Forms Co., Ltd. declara que el IC Card Reader/Writer TR63036(E) cumple con los requisitos esenciales y cualesquiera otras disposiciones aplicables o exigibles de la Directiva 1999/5/CE Portuguese Toppan Forms Co., Ltd. declara que este IC Card Reader/Writer TR63036(E) está conforme com os requisitos essenciais e outras disposições da Directiva 1999/5/CE.
   [TR63036(E)User’sManual]  vi     For Use in Canada:  Canada, Industry Canada (IC) Notices This Class B digital apparatus complies with Canadian ICES-003 and RSS-210. Operation is subject to the following two conditions: (1) this device may not cause inteference, and (2) this device must accept any interference, including interference that may cause undesired operation of the device.  This device complies with Industry Canada licence-exempt RSS standard(s). Operation is subject to the following two conditions: (1) this device may not cause interference, and   (2) this device must accept any interference, including interference that may cause undesired operation of the device.  Under Industry Canada regulations, this radio transmitter may only operate using an antenna of a type and maximum (or lesser) gain approved for the transmitter by Industry Canada. To reduce potential radio interference to other users, the antenna type and its gain should be so chosen that the equivalent isotropically radiated power (e.i.r.p.) is not more than that necessary for successful communication.  IMPORTANT NOTE: Radiation Exposure Statement  The available scientific evidence does not show that any health problems are associated with using low power wireless devices. There is no proof, however, that these low power wireless devices are absolutely safe. Low power Wireless devices emit low levels of radio frequency energy (RF) in the microwave range while being used. Whereas high levels of RF can produce health effects (by heating tissue), exposure of low-level RF that does not produce heating effects causes no known adverse health effects. Many studies of low-level RF exposures have not found any biological effects. Some studies have suggested that some biological effects might occur, but such findings have not been confirmed by additional research. This device (TR63036(E)) has been tested and found to comply with IC radiation exposure limits set forth for an uncontrolled environment and meets RSS-102 of the IC radio frequency (RF) Exposure rules.  --------------------------------------------------------------------------------------------------------------  Canada, avis d'Industry Canada (IC) Cet appareil numérique de classe B est conforme aux normes canadiennes ICES-003 et RSS-210. Son fonctionnement est soumis aux deux conditions suivantes: (1) cet appareil ne doit pas causer d'interférence et (2) cet appareil doit accepter toute interférence, notamment les interférences qui peuvent affecter son fonctionnement
   [TR63036(E)User’sManual]  vii     Le présent appareil est conforme aux CNR d'Industrie Canada applicables aux appareils radio exempts de licence. L'exploitation est autorisée aux deux conditions suivantes :   (1) l'appareil ne doit pas produire de brouillage, et   (2) l'utilisateur de l'appareil doit accepter tout brouillage radioélectrique subi, même si le brouillage est susceptible d'en compromettre le fonctionnement.  Conformément à la réglementation d'Industrie Canada, le présent émetteur radio peut fonctionner avec une antenne d'un type et d'un gain maximal (ou inférieur) approuvé pour l'émetteur par Industrie Canada. Dans le but de réduire les risques de brouillage radioélectrique à l'intention des autres utilisateurs, il faut choisir le type d'antenne et son gain de sorte que la puissance isotrope rayonnée équivalente (p.i.r.e.) ne dépasse pas l'intensité nécessaire à l'établissement d'une communication satisfaisante.  NOTE IMPORTANTE: Déclaration de l'exposition de la radiation Les connaissances scientifiques dont nous disposons n’ont mis en évidence aucun problème de santé associé à l’usage des appareils sans fil à faible puissance. Nous ne sommes cependant pas en mesure de prouver que ces appareils sans fil à faible puissance sont entièrement sans danger. Les appareils sans fil à faible puissance émettent une énergie radioélectrique (RF) très faible dans le spectre des micro-ondes lorsqu’ils sont utilisés. Alors qu’une dose élevée de RF peut avoir des effets sur la santé (en chauffant les tissus), l’exposition à de faibles RF qui ne produisent pas de chaleur n’a pas de mauvais effets connus sur la santé. De nombreuses études ont été menées sur les expositions aux RF faibles et n’ont découvert aucun effet biologique. Certaines études ont suggéré qu’il pouvait y avoir certains effets biologiques, mais ces résultats n’ont pas été confirmés par des recherches supplémentaires. TR63036(E) a été testé et jugé conforme aux limites d’exposition aux rayonnements énoncées pour un environnement non contrôlé et respecte les règles d’exposition aux fréquences radioélectriques (FR) RSS-102 de l’IC.  Labelling Requirements for the Host device The host device shall be properly labelled to identify the modules within the host   device. The Industry Canada certification label of a module shall be clearly visible at all times when installed in the host device, otherwise the host device must be labelled to display the Industry Canada certification number of the module, preceded by the words “Contains transmitter module”, or the word “Contains”, or similar wording expressing the same meaning, as follows:   Contains transmitter module IC: XXXXXX-YYYYYYYYYYY where XXXXXX-YYYYYYYYYYY is the module’s certification number. The applicant for equipment certification of the module shall provide with each unit of the module either a label such as described above, or an explanation and instructions to the user as to the host device labelling requirements.
   [TR63036(E)User’sManual]  viii     Table of Contents  1. Introduction ........................................................................................................................................... 1 2. Description ............................................................................................................................................. 1 3. Specification ........................................................................................................................................... 2 4. Block Diagram ....................................................................................................................................... 4 5. Host Interface ........................................................................................................................................ 5 5.1. USB Connector ................................................................................................................................ 5 5.2. USB pin assignment ....................................................................................................................... 5 5.3. UART Connector ............................................................................................................................. 6 5.4. UART Pin assignment .................................................................................................................... 6 6. Electrical characteristics ...................................................................................................................... 7 6.1. Absolute maximum rating .............................................................................................................. 7 6.2. Operating Environment .................................................................................................................. 7 6.3. Input characteristics ....................................................................................................................... 8 6.4. Output characteristics .................................................................................................................... 8 6.5. Current consumption ...................................................................................................................... 9 7. Module Outline .................................................................................................................................... 10 8. Module structure .................................................................................................................................. 11 9. Cautions ............................................................................................................................................... 12 9.1. Handling care ................................................................................................................................ 12 9.2. Operating environment ................................................................................................................ 12
   [TR63036(E)User’sManual]  ix      Figure and Table   Figure 4-1 Block Diagram ........................................................................................................................ 4 Figure 7-1 Module outline ...................................................................................................................... 10 Figure 8-1 Module structure ................................................................................................................... 11  Table 3-1 Specification .............................................................................................................................. 2 Table 5-1 Connector on board ................................................................................................................... 5 Table 5-2 Cable connector ......................................................................................................................... 5 Table 5-3 Pin assignment ......................................................................................................................... 5 Table 5-4 Connector on board ................................................................................................................... 6 Table 5-5 Cable connector ......................................................................................................................... 6 Table 5-6 Pin assignment ......................................................................................................................... 6 Table 6-1 Absolute maximum rating ....................................................................................................... 7 Table 6-2 Operating Environment ........................................................................................................... 7 Table 6-3 Input characteristics ................................................................................................................ 8 Table 6-4 Output characteristics .............................................................................................................. 8 Table 6-5 Current consumption ............................................................................................................... 9 Table 8-1 Description of module structure ............................................................................................. 11
    [TR63036(E)User’sManual]  1     1. Introduction This document describes the functionality and electrical specification of the contactless IC Card Reader/Write “TR63036(E).  2. Description  Two types of host interfaces ・Full speed USB interfaces. Supports USB bus powered operation ・UART interface   Compliance ・Japan (Type Designation)  Inductive communication unit / ARIB STD-T82 ・The United States  FCC 【Part15 subpartC CFR15.225】 ・EU  CE  【EN302 291-2 V1.1.1】   VCCI Class B compliant   Supported communication protocols  JIS X 6319-4  ISO/IEC 14443 Type A(MIFARE)/Type B  ISO/IEC 15693
    [TR63036(E)User’sManual]  2     3. Specification Table 3-1 Specification  Parameter  Description Model name  TR63036(E) Function  Contactless IC Card Reader/Writer Host USB Interface1  Power supply  USB bus powered / DC+5V / 250mA max Compliant to  USB 2.0 Full Speed Baud rate  12Mbps Connector  USB MiniB / female Host UART Interface1 Power supply  DC+5V / 250mA max Method  Full duplex Asynchronous Baud rate  Up to 115.2kbps / Selective by Host Start bit  1bit Data length  8bit Stop bit  1bit Parity  none Bit order  LSB first Connector  SM05B-SRSS-GTBLFSN / JST RF Interface  Type Designation / Japan Contactless inductive communication unit Model:TR63036(E) Type #  : AC-****** RF carrier frequency  13.56MHz RF bit rate  JIS X 6319-4:211.875kbps / 423.750kbps ISO/IEC 14443:105.9375kbps ISO15693:26.5kbps Communication range / InformativeFeliCa   Toppan Forms standard card: 50mm  Suica: 30mm MIFARE: 50mm / DESfire: 30mm Type B card: 20mm I-Code SLI: 50mm User interface  LED  Green color LED                                                       1  USB interface and UART interface cannot be used simultaneously.
    [TR63036(E)User’sManual]  3     Parameter  Description Operation environment Temperature  -20 to +60  ℃ Humidity  30 to 90 %RH / No dew condensation Storage environment Temperature  -20 to +60  ℃ Humidity  30 to 90 %RH / No dew condensation Outline Size  5 × 48 × 71mm Weight  10g FCC  Part15 subpartC CFR15.225 compliant Part15 subpartB ANSI C63.4-2003 compliant CE  EN302 291-2 V1.1.1 compliant EN301 489-3 V1.6.1 compliant VCCI  VCCI Class B compliant
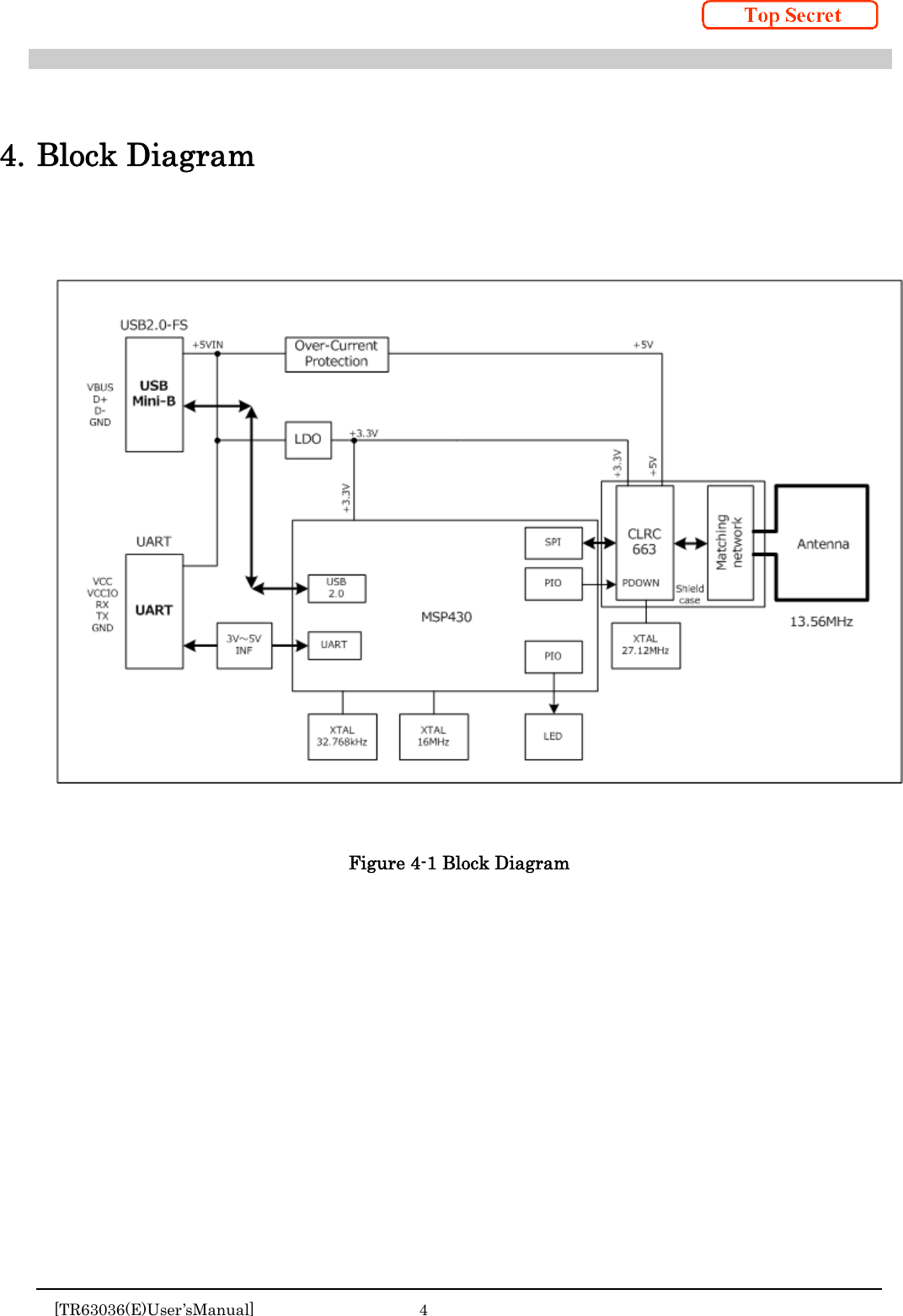
    [TR63036(E)User’sManual]  4      4. Block Diagram      Figure 4-1 Block Diagram
 [TR63036(E)User’sManual] 5      5. Host Interface 5.1. USB Connector  Table 5-1 Connector on board  Model #  Maker  Note UX60SC-MB-5ST HIROSE TID:60001382  Table 5-2 Cable connector  Model #  Maker  Note USB mini B / male  in general     5.2. USB pin assignment  Table 5-3 Pin assignment  pin #  Signal  Feature  Note 1  VBUS  POWER  Power supply +5V 2 D-  I/O USB-D- 3 D+  I/O USB-D+ 4 (ID)  NC No connection 5 GND  GND Ground
 [TR63036(E)User’sManual] 6       5.3. UART Connector  Table 5-4 Connector on board  Item  Model#  Maker  Note Connector  SM05B-SRSS-GTBLFSN  JST  P=1.0 / Gold plate   Table 5-5 Cable connector  Item  Model#  Maker  Note Socket SHR-05V-S-B  JST  Contact  SSH-003T-P0.2-H  JST  AWG32 to 28 / Gold plate   5.4. UART Pin assignment  Table 5-6 Pin assignment  pin #  Signal  Feature  Note 1  VCC  POWER  Power supply +5V 2  VCCIO  IN  TX,RX voltage level / Chip Select 3 RX  IN Receive signal 4 TX OUT Transmit signal 5 GND GND Ground
 [TR63036(E)User’sManual] 7       6. Electrical characteristics  6.1. Absolute maximum rating  Table 6-1 Absolute maximum rating  Parameter  Symbol  Limiting value  Unit USB Supply voltage  VBUS  5.5  V USB-D+ D+  3.6 V USB-D- D-  3.6 V UART Supply voltage  VCC  5.5  V I/O Terminal Voltage VCCIO  5.5 V RX Voltage  RX  5.5  V   6.2. Operating Environment  Table 6-2 Operating Environment  Parameter  Symbol  Min  Max  Unit Operating temperature range  Top  -20  +60  ℃ Operating humidity range / No dew condensation RHop   30 90 % USB Recommended voltage range VBUS 4.75 5.25  V UART Recommended voltage range VCC  4.75 5.25  V Recommended voltage range   VCCIO  3.0 5.0 V
 [TR63036(E)User’sManual] 8       6.3. Input characteristics Table 6-3 Input characteristics  Signal  Parameter  Symbol  Min  Max  Unit USB (D+,D-) Low level input voltage VIL  - 0.8 V High level input voltage VIH 2.0 - V Signal  Parameter  Symbol  Min  Max  Unit UART (RX) Low level input voltage VIL - 0.8 V High level input voltage VIH 2.0 - V   6.4. Output characteristics Table 6-4 Output characteristics  Signal  Parameter  Symbol  Min  Max  Unit USB (D+,D-) Low level output voltage VOL  0 0.3 V High level output voltage VOH 2.8 3.6 V      Signal  Condition  Parameter  Symbol  Min  Max  Unit UART(TX) 3.0V ≦VCCIO <4.5V Output current: 5mA(max) Low level output voltage VOL  - 0.4  V High level output voltage VOH 2.4 -  V 4.5V ≦VCCIO ≦5.0V Output current: 5mA(max) Low level output voltage VOL - 0.55  V High level output voltage VOH 3.8 -  V
 [TR63036(E)User’sManual] 9      6.5. Current consumption Table 6-5 Current consumption  Parameter  Simbol  Typ  Max  Unit USB  Supply current  IVBIS 150 250 mA USB standby current  IUSB-STBY 2.2  2.5  mA UART  Supply current  IVCC 150 250 mA VCCIO IVCCIO 5 10 mA
 [TR63036(E)User’sManual] 10      7. Module Outline                       【Unit:mm】 Figure 7-1 Module outline
 [TR63036(E)User’sManual] 11      8. Module structure                   Figure 8-1 Module structure  Table 8-1 Description of module structure  No.  Part  Description ① RF communication area  IC Card communication area, locate the card above this area. ② Monitor LED  Monitor LED indicating Reader/Writer status ③ USB interface connector  USB interface connector for Host ④ UART interface connector  UART interface connector for Host ⑤ Shielding case  Shielding case for RF circuitry ⑥ Label  Label for product information
 [TR63036(E)User’sManual] 12      9. Cautions 9.1. Handling care  Any changes or modifications on this product will void the compliance requirement of radio regulation and user’s authority to operate. The operation of changed or modified product will result the violation of raw and a penalty might be imposed.   Please avoid the static electricity be fed on this product.  Stress above the absolute maximum rating (limiting value) will permanently and irreversibly affect the quality and reliability of the product. Please avoid high voltage or spike noise be fed on any terminals of this product.  9.2. Operating environment  Operating performance of this product shall be confirmed in the exact location where the product is installed in the user’s final applications.  Any electromagnetic field generated nearby this product or materials that intercept/reflect the radio wave will interfere with the communication performance of this product.    Locating two or more contactless IC Card Reader or RFID Reader closely each other will affect the communication performance between Reader and IC card/RFID tag.  This product is designed to be used in the stabile condition. If any vibration or shock on this product is expected, full evaluation is required to confirm proper operation in prior to the installation.  A USB hub connected between this product and the Host might cause a failure in recognizing the Reader/Writer by host and a reduction of communication distance between the Reader/Writer and an IC Card.  A USB extension cable might cause a failure in recognizing the Reader/Writer by host and a reduction of communication distance between the Reader/Writer and an IC Card.
                                        Contactless IC Card Reader/Writer TR63036(E) User’s Manual Version0.91 2014/10/08  Toppan Forms Co., Ltd.

Navigation menu