TQ Systems KRT2 VHF Communication Transceiver User Manual Operation Manual
TQ Systems GmbH VHF Communication Transceiver Operation Manual
User manual

Operation and Installation Manual
KRT2 VHF-Communication Transceiver
Doc.-No: KRT2.A-MAN.en
Rev. 0101
Page 1
KRT2-S, KRT2-L, KRT2-P
VHF Communication
Transceiver
285942-xx(xx)-xx(xx) = KRT2-S (Standard Ø57mm)
285945-xx(xx)-xx(xx) = KRT2-L (Mini Landscape)
286048-xx(xx)-xx(xx) = KRT2-P (Mini Portrait)
285946-xx(xx)-xx(xx) = KRT-RC (Remote control Ø57mm for KRT2)
Operation- and Installation
Manual

Operation and Installation Manual
KRT2 VHF-Communication Transceiver
Doc.-No: KRT2.A-MAN.en
Rev. 0101
Page 2
Record of Revisions
Revision Date Topic
0100 24.03.2017 Initial Release
0101 16.01.2018 FCC supplements
Table 1: Record of Revisions

Operation and Installation Manual
KRT2 VHF-Communication Transceiver
Doc.-No: KRT2.A-MAN.en
Rev. 0101
Page 3
Service Bulletins (SB)
Service Bulletins must be inserted in the manual and added to this table.
No SB No Rev. Release date Date added Name
Table 2: Service Bulletins

Operation and Installation Manual
KRT2 VHF-Communication Transceiver
Doc.-No: KRT2.A-MAN.en
Rev. 0101
Page 4
Table of Contents
Record of Revisions ....................................................................................................................... 2
Service Bulletins (SB) ..................................................................................................................... 3
1. GENERAL ................................................................................................................................. 7
1.1 Symbols ............................................................................................................................ 7
1.2 Acronyms .......................................................................................................................... 7
1.3 Customer Service .............................................................................................................. 8
1.4 KRT2 Transceiver properties ............................................................................................. 8
2. Installation limitation .................................................................................................................. 9
2.1 Installation ......................................................................................................................... 9
2.2 Aircraft Radio ..................................................................................................................... 9
2.3 Quantitative safety objective identification ......................................................................... 9
2.4 Deviations.......................................................................................................................... 9
3. CONTROL general .................................................................................................................. 10
3.1 Control elements overview .............................................................................................. 10
3.2 Display ............................................................................................................................ 14
3.3 Menu levels ..................................................................................................................... 15
3.4 Self-test error reports ....................................................................................................... 15
4. OPERATION ........................................................................................................................... 16
4.1 General ........................................................................................................................... 16
4.2 ON / OFF switching ......................................................................................................... 16
4.3 Frequency selection ........................................................................................................ 17
4.3.1 Direct frequency selection ............................................................................................ 17
4.3.2 Frequency selection from favourites list ....................................................................... 18
4.3.3 Storing and editing favourites ...................................................................................... 18
4.4 AUD – Audio menu .......................................................................................................... 20
4.4.1 VOL – Volume ............................................................................................................. 20
4.4.2 SQ – Squelch .............................................................................................................. 20
4.4.3 VOX – Intercom voice trigger level setting ................................................................... 21
4.4.4 Manual Intercom .......................................................................................................... 21
4.4.5 TXm – PTT switch selection ........................................................................................ 21
4.4.6 INT – Intercom volume ................................................................................................ 22
4.4.7 EXT – External audio input volume .............................................................................. 22
4.4.8 DIM – Display brightness ............................................................................................. 22
4.4.9 BAT – Battery test........................................................................................................ 23
4.4.10 SIT – Side tone ........................................................................................................ 23
4.4.11 MIC – Setup ............................................................................................................. 23
4.4.12 Menu lock ................................................................................................................ 25
4.5 DUAL watch .................................................................................................................... 26
4.6 Transmitter Operation ...................................................................................................... 27
4.6.1 Two PTT configuration ................................................................................................. 28
4.6.2 Self-Test monitor ......................................................................................................... 28
4.6.3 Optical side tone .......................................................................................................... 28
4.7 Resetting to factory settings ............................................................................................ 29
4.8 SET UP - Menu ............................................................................................................... 29
4.8.1 ERASE – erasing of favourites list ............................................................................... 30
4.8.2 Channel spacing .......................................................................................................... 30
5. Remote Control ....................................................................................................................... 31
6. Installation ............................................................................................................................... 32
6.1 Installation hints ............................................................................................................... 32
6.2 Telecommunication data .................................................................................................. 32

Operation and Installation Manual
KRT2 VHF-Communication Transceiver
Doc.-No: KRT2.A-MAN.en
Rev. 0101
Page 5
6.3 FCC related issues .......................................................................................................... 33
6.3.1 Radiofrequency radiation exposure Information: .......................................................... 33
6.3.2 Note: ............................................................................................................................ 33
6.3.3 Compliance.................................................................................................................. 33
6.3.4 Modifications ................................................................................................................ 33
6.4 Scope of delivery ............................................................................................................. 34
6.5 Unpacking and inspecting the equipment ........................................................................ 34
6.6 Mounting ......................................................................................................................... 34
6.7 Electrical connections ...................................................................................................... 34
6.7.1 Microphone connection ................................................................................................ 35
6.7.2 Speaker & open microphone: ...................................................................................... 36
6.7.3 Earphone connection ................................................................................................... 36
6.7.4 External audio input ..................................................................................................... 36
6.7.5 Speaker connection ..................................................................................................... 36
6.8 Final audio setup ............................................................................................................. 37
6.8.1 For glider flights ........................................................................................................... 37
6.8.2 For motor gliders dual seaters ..................................................................................... 37
6.8.3 For motor planes ......................................................................................................... 37
6.9 Wiring .............................................................................................................................. 38
6.9.1 Wire Gauges ................................................................................................................ 38
6.9.2 Connector Pin-Configuration ........................................................................................ 38
6.9.3 General hint ................................................................................................................. 39
6.9.4 Wiring diagrams ........................................................................................................... 40
6.9.5 Wiring for dynamic microphones .................................................................................. 46
6.9.6 Connection support ST1 mating connector .................................................................. 46
6.10 Antenna ........................................................................................................................... 47
6.10.1 Antenna selection .................................................................................................... 47
6.10.2 Installation recommendation .................................................................................... 47
6.11 Microphone general ......................................................................................................... 48
6.12 Post-Installation Check .................................................................................................... 48
6.13 Starting Up ...................................................................................................................... 49
6.14 Accessories ..................................................................................................................... 49
6.15 Drawings ......................................................................................................................... 49
6.15.1 Dimensions .............................................................................................................. 49
6.15.2 Installation directions ............................................................................................... 51
7. Maintenance ........................................................................................................................... 52
7.1 Periodic Maintenance ...................................................................................................... 52
7.2 Repair .............................................................................................................................. 52
7.3 Cleaning .......................................................................................................................... 52
8. ANNEX.................................................................................................................................... 53
8.1 Frequency / channel - schedule ....................................................................................... 53
8.2 Technical Data ................................................................................................................ 54
List of Figures
Figure 1: KRT2-S Front View ............................................................................................................. 10
Figure 2: KRT2-P front view ............................................................................................................... 11
Figure 3: KRT2-L front view ............................................................................................................... 12
Figure 4: KRT2 active & standby frequencies .................................................................................... 26
Figure 5: KRT2 TX & RX operations .................................................................................................. 27
Figure 6: Headsets ............................................................................................................................. 35
Figure 7: Connector pinout ................................................................................................................. 38
Figure 8: Remote control pinout ......................................................................................................... 38

Operation and Installation Manual
KRT2 VHF-Communication Transceiver
Doc.-No: KRT2.A-MAN.en
Rev. 0101
Page 6
Figure 9: KRT2 connection support layout 1 ...................................................................................... 46
Figure 10: KRT2 connection support layout 2 .................................................................................. 47
Figure 11: KRT2-S Dimensions .......................................................................................................... 49
Figure 12: KRT2-P, KRT2-L dimensions ............................................................................................ 50
Figure 13: KRT2-RC remote control dimensions ................................................................................ 50
Figure 14: KRT2-S panel cutout ......................................................................................................... 51
Figure 15: KRT2-P, KRT2-L panel cutout ........................................................................................... 51
List of Tables
Table 1: Record of Revisions ............................................................................................................... 2
Table 2: Service Bulletins ..................................................................................................................... 3
Table 3: Acronyms ............................................................................................................................... 7
Table 4: KRT2 Controls...................................................................................................................... 13
Table 5: KRT2 Display ....................................................................................................................... 14
Table 6: KRT2 Menu Levels ............................................................................................................... 15
Table 7: KRT2 Built In Tests (BIT) ..................................................................................................... 15
Table 8: KRT2 Menu Lock ................................................................................................................. 25
Table 9: Telecommunication data ...................................................................................................... 32
Table 10: Scope of delivery ................................................................................................................ 34
Table 11: Frequencies ....................................................................................................................... 53
Table 12: Technical Data General ...................................................................................................... 54
Table 13: Technical Data Transmitter ................................................................................................ 55
Table 14: Technical Data Receiver .................................................................................................... 55

Operation and Installation Manual
KRT2 VHF-Communication Transceiver
Doc.-No: KRT2.A-MAN.en
Rev. 0101
Page 7
1. GENERAL
This manual contains information about the physical, mechanical and electrical properties as well as a
description for the operation and installation of the VHF airborne transceiver KRT2.
1.1 Symbols
WARNING
Non-compliance may cause personnel injury due to radiation or fire.
CAUTION
Non-compliance may cause damage or incorrect operation of the transceiver.
INFORMATION
1.2 Acronyms
Abbreviation Description Definition
BAT Battery (Electrical) Check DC source
DIM Dimming Display brightness setting
EXT Exterior / External External Audio input level setting
INT Intercom level Intercom volume level setting
PTT Push-To-Talk Transmitter activation
RC Remote control KRT2-RC remote control for KRT2
SQ Squelch Squelch setting
VOX Voice operated intercom Voice level setting for intercom activation
Table 3: Acronyms

Operation and Installation Manual
KRT2 VHF-Communication Transceiver
Doc.-No: KRT2.A-MAN.en
Rev. 0101
Page 8
1.3 Customer Service
In order to process returned units most expeditiously, please use the email
support.krt@tq-avionics.com on the website www.tq-avionics.com.
Suggestions which will improve this manual are very much appreciated at:
info@tq-avionics.com.
Information concerning software updates is available under
support.krt@tq-avionics.com.
1.4 KRT2 Transceiver properties
• VHF airborne transceiver
• Frequency range 117.975 to 137.000 MHz
• Channel spacing 8,33 / 25 kHz (2278 channels)
• Fast channel selection
• 2 separate microphone inputs (standard or dynamic)
• Audio-input for other audio devices
• Installation: Standard panel cut-out (57 mm)
• Integrated Intercom
• 100 user definable frequencies with up to 8 character/spaces identifiers
Continuous transmissions will be turned off after 2 minutes.
(Stuck microphone function)

Operation and Installation Manual
KRT2 VHF-Communication Transceiver
Doc.-No: KRT2.A-MAN.en
Rev. 0101
Page 9
2. Installation limitation
The conditions and tests required for (E)TSO approval of this article are minimum performance
standards. It is the responsibility of those installing this article either on or within a specific type or
class of aircraft to determine that the aircraft installation conditions are within the (E)TSO standards.
(E)TSO articles must have separate approval for installation in aircraft.
2.1 Installation
For installation hints, data, electrical connections and mounting instructions please see section 6 “In-
stallation”.
2.2 Aircraft Radio
The KRT2 was designed as a closed unit for installation in a cockpit environment of the general avia-
tion with the following limitations:
Installation must be in accordance with the applicable EASA or FAA requirements.
The classification of the software approval is suitable for aircraft type.
The failure classification identified in accordance with FAA AC 23.1309-1D is:
MINOR
The Software level is:
LEVEL D
2.3 Quantitative safety objective identification
In accordance with EASA regulations, the goal is a safety objective for the VHF COM radio in the
KRT-2 VHF Communication Transceiver System of 1 x 10E-4 per flight hour for Class I airplanes and
1 x 10E-5 per flight hour for Class II Airplanes.
2.4 Deviations
None

Operation and Installation Manual
KRT2 VHF-Communication Transceiver
Doc.-No: KRT2.A-MAN.en
Rev. 0101
Page 10
3. CONTROL general
3.1 Control elements overview
Figure 1: KRT2-S Front View

Operation and Installation Manual
KRT2 VHF-Communication Transceiver
Doc.-No: KRT2.A-MAN.en
Rev. 0101
Page 11
Figure 2: KRT2-P front view

Operation and Installation Manual
KRT2 VHF-Communication Transceiver
Doc.-No: KRT2.A-MAN.en
Rev. 0101
Page 12
Figure 3: KRT2-L front view
All functions and performances of the normal size unit (57mm round) and the Portrait format (Mini) are
identical.
The only differences are the text areas on the display Compare Figure 2: KRT2 Front view and Figure
3: KRT2 Mini Front view for more details.

Operation and Installation Manual
KRT2 VHF-Communication Transceiver
Doc.-No: KRT2.A-MAN.en
Rev. 0101
Page 13
Button Function Usage
ON / OFF Self-locking switch
DUAL WATCH
1. Scanning between the Active and Standby fre-
quencies
2. Positioning cursor to the left when programming
the station identifier
AUDIO SELECT
1. Stepping through the audio menus
2.
VOL SQ VOX TX INT EXT DIM CON SIT and MIC
3. Positioning cursor to the right when programming
the station identifier
FAVORITES
1. Frequency and identifier selection from the favour-
ites list
2. Programming of favourites (frequency and identifi-
er)
EXCHANGE
Exchange of the Active and Standby frequencies
TURNING KNOB
Pressing for Selection of the frequency range to:
MHz, 100kHz, 10kHz
Toggles between frequency and identifier when pro-
gramming the favourites
Sets all variable values in any menu
• Volume setting of headsets and speakers
• MHz/kHz selection of the standby
• frequency in 3 different ranges
• Favourite selection
• Alpha character selection when programming
favourites
• Change of microphone settings
Table 4: KRT2 Controls

Operation and Installation Manual
KRT2 VHF-Communication Transceiver
Doc.-No: KRT2.A-MAN.en
Rev. 0101
Page 14
3.2 Display
Indication Meaning Remark
RX Reception RX is displayed during reception (squelch
opened)
TX Transmission Transmitter operates normally
Te Transmitter was turned off automati-
cally after 2 min continuous operation
119.700 Frequency
ZELL SEE Frequency station identifier Displayed when frequency and identifier are
stored in the favourite list
MUC IN Standby frequency station identifier Displayed when frequency and identifier are
stored in the favourite list
VOL …… Receiver volume level (default after a
certain time delay)
When AUD is pressed the corresponding Audio
Menu item and setting is displayed
DUAL DUAL function is activated DUAL function is deactivated by DUAL, FREQ or
MEM
[03] (MEM) Favourite list index (0-99) When frequency and identifier are stored at this
index ex:[03] they are displayed
125.100 upper Active frequency Displayed in large fonts.
125.800 lower Standby/DUAL - frequency Displayed in large fonts.
< The pointer indicates what the turning
knob will change VOL SQ VOX…..etc.
Standby frequency
Arrow is positioned according to the button
pressed (AUD or FREQ)
BAT Supply voltage is low <10,5V Low or defective battery / generator.
A-match Antenna error Bad antenna match
a v e Status of certain Audio menu func-
tions
a = AUX. Input active
v = VOX active
e = external Intercom switch active
Table 5: KRT2 Display

Operation and Installation Manual
KRT2 VHF-Communication Transceiver
Doc.-No: KRT2.A-MAN.en
Rev. 0101
Page 15
3.3 Menu levels
Displayed Signification Remark
VOL Volume Default
SQ Squelch
VOX Voice operated Voice operated intercom
DIM Display brightness
BAT(tst) DC source check
INT Intercom - Volume
EXT Volume of external devices
TX(m)** PTT button selection Left/Right/Both
SIT Side tone During transmitter operation
MIC Setup-Menu for Microphones Service-Menu without radio opera-tion.
Table 6: KRT2 Menu Levels
3.4 Self-test error reports
Display Meaning
Remark
Er_PLL Internal error, no transmission Return the transceiver for maintenance
Er_ADC Internal error, operation limited Return the transceiver for maintenance
Er_FPA Internal error; unit not usable Return the transceiver for maintenance
Er_I2C Internal error; unit not usable Return the transceiver for maintenance
Er_D10 Internal error; reception corrupt Return the transceiver for maintenance
Error_3V3 Internal error; unit not usable Return the transceiver for maintenance
Key_Block Internal error; unit not usable Return the transceiver for maintenance
Table 7: KRT2 Built In Tests (BIT)

Operation and Installation Manual
KRT2 VHF-Communication Transceiver
Doc.-No: KRT2.A-MAN.en
Rev. 0101
Page 16
4. OPERATION
4.1 General
In the normal operating mode in which the turning knob always is connected to the volume (VOL).
The normal operating mode can be left by pressing the AUD, FREQ or MEMORY button.
When not in the normal mode and there is no pilot action for more than 10 seconds the unit returns to
the normal mode.
4.2 ON / OFF switching
ON / OFF switching is done by pushing the self-locking switch.
After power up the following display will be displayed:
Device-name
KRT2
Software Version e.g. V8.6
(Example)
The unit starts in the normal operating mode using and displaying the data last used.

Operation and Installation Manual
KRT2 VHF-Communication Transceiver
Doc.-No: KRT2.A-MAN.en
Rev. 0101
Page 17
4.3 Frequency selection
There are two different frequency selection methods:
• Direct Input
• Selection from the favourite list (index 0-99)
4.3.1 Direct frequency selection
The Standby-Frequency is set with the turning knob in 3 different ranges. The selected range is high-
lighted and can be changed with the FREQ button. Frequency ranges are:
1xx.nnn
1nn.xnn
1nn.nxx
Press the FREQ button once or several times until the desired frequency range is highlighted. The
unselected digits are displayed as dotted digits.
When the pointer is not next to the Standby Frequency window, it
will be repositioned with the first pressing of the FREQ button.
Exchanges the Active and Standby frequencies.
When the Exchange button is not pressed, the Standby frequency display will return to its normal ap-
pearance after 20 seconds.

Operation and Installation Manual
KRT2 VHF-Communication Transceiver
Doc.-No: KRT2.A-MAN.en
Rev. 0101
Page 18
4.3.2 Frequency selection from favourites list
By pressing and operating the turning knob a specific favourite list position can be accessed
[xx] (xx = index 0 … 99). When frequency and station identifier have been defined, they will be dis-
played in the Standby and station identifier windows.
The favourite identifiers list can be sorted in alphabetic order (see 4.3.3 Storing and Editing Favour-
ites).
To exit this menu, press the key.
The selection procedure can be terminated with either the AUD or FREQ buttons. Without pressing
any of these buttons the unit will return to its normal operating mode after about 15 seconds.
4.3.3 Storing and editing favourites
Any displayed Standby Frequency can be associated with an identifier and both can be stored as fa-
vourites in the favourite list. The frequency and identifier of a favourite can be edited.
First press the button and go to the desired favourite list position to be edited using the turn-
ing knob (index [00 …99]).
Press the MEMORY button a second time and „–EDIT--„ will show up in the program window.
In the identifier window a blinking cursor will show up
under the extreme left character.
The turning knob selects the desired character.
The AUD button positions the curser one character to
the right. The DUAL button positions the cursor one
character to the left and simultaneously erases this
character.
The station identifier can consist of a maximum of 8
characters/spaces.
To change frequency just press the FREQ button and
follow the normal direct input procedure to edit the
frequency, see “4.3.1 Direct Frequency Selection”.
To quit the frequency input press the MEMORY but-
ton again in order to go to the station identifier win-
dow for editing the identifier if required. Using the buttons FREQ and MEMORY it is possible at any
time to toggle between identifier and frequency inputs.
Keep in mind the watch dog timer which will terminate the input mode after 15 sec.

Operation and Installation Manual
KRT2 VHF-Communication Transceiver
Doc.-No: KRT2.A-MAN.en
Rev. 0101
Page 19
Termination and Save
To save the entered identifier, press the key as the cursor is on the station name, “SAVE” will
appear and the system will go back to the favourite selection.
A sorting process can be activated by pressing the “MEM” button again from the EDIT-mode.
“SORT?” will be displayed for 20 seconds and it should be activated with or skipped with
“MEM”.
When activated all 99 favourites will be sorted in alphabetical order and the process can take several
minutes.
During the sorting procedure “RUN nn“ is displayed in the program window, with nn being the running
index.
After a 6 seconds time out or by ending the sort, the transceiver resumes its normal operating mode.
When the “MEM” button is pressed at the time “RUN nn“ is displayed, the sorting procedure is termi-
nated. The favourite list is then partially sorted and the transceiver resumes its normal operating
mode.
Example:
1. Button MEM -> SEL [23] = Select location
2. Button MEM -> -EDIT- = Input of name
Rotation knop to select the characters
For cursor use (AUD) (DUAL)
Frequency setting -> press rotating button
Use button MEM to go back to -EDIT-
3. Button -> shortly SAVE -> back to 1.) (do nothing = cancelling)
4. Button MEM -> question for “SORT?” Yes = , No = MEM or do nothing.
If the function is abandoned before completion, it will be exited after a 6 seconds time out with no ac-
tivity. The data will not be saved.

Operation and Installation Manual
KRT2 VHF-Communication Transceiver
Doc.-No: KRT2.A-MAN.en
Rev. 0101
Page 20
4.4 AUD – Audio menu
Any action in the Audio Menu requires the pointer (<) to
be next to the Audio menu window (see picture). When
the pointer is next to the Standby frequency window, the
pointer can be repositioned by pressing the AUD button
once.
VOLnn is the Audio menu default display. No action on
any control for more than 10 seconds will result in the
VOLnn being displayed.
Audio Menu items can be accessed in the following or-
der by repeatedly pressing the AUD button.
VOL (default), SQ, VOX, TXm**, INT, EXT, DIM, BATtst,
SIT, MIC
4.4.1 VOL – Volume
Turning the turning knob changes the receiver volume.
VOLnn Range: 01 – 20
The VOL setting only concerns the receiver and not the intercom system. In-
tercom volume values are set in the INT audio menu.
4.4.2 SQ – Squelch
Pressing the AUD button once enables the turning knob to change the squelch level values.
SQnn Value range: 01 – 10
The Squelch setting is depending on several factors.
For engine driven airplanes an initial setting of 3-5 is recommended. For gliders a setting of 2 is rec-
ommended. The lower the Squelch level value the higher is the input sensitivity. A high sensitivity
setting is susceptible to noise from other sources like ignition strobe-lights etc.
Standard SQ-level is 3...5. Higher setting will suppress weaker input signals.
01 = Squelch off, 02 = for long range. Squelch does not influence the intercom
system.

Operation and Installation Manual
KRT2 VHF-Communication Transceiver
Doc.-No: KRT2.A-MAN.en
Rev. 0101
Page 21
4.4.3 VOX – Intercom voice trigger level setting
Pressing the AUD button twice enables the turning knob to change the voice level which triggers the
intercom.
The intercom voice trigger level must be set to a value which prevents normal cockpit noise from be-
ing heard in the earphones. The intercom system should only be activated when talking at a normal
voice level into the microphone.
The higher the trigger level the louder the voice must be in order to trigger the intercom system.
VOX on condition is indicated by flag “v”.
VOXnn Range: 01 – 10
The larger the value, the louder one must speak in order to activate the Inter-
com connection.
VOX on condition is indicated by flag “v”.
For installation with loudspeakers set VOX to 10 to switch it off.
4.4.4 Manual Intercom
With cockpit loud background noise or with uncompensated microphones the Intercom can be con-
trolled manually by using an external switch. Therefore the VOX system must be activated perma-
nently by selecting VOX: 01.
To turn off the Intercom the talk switch (default closed) must be opened, which will be indicated by “e”.
Deactivation of the intercom is done with an opened external microphone button (Ground connection
to pin 12), this is indicated with an “e” on the display.
This mode only works with a deactivated external audio input (see “4.4.7 EXT – External Audio Input
Volume”).
In gliders the VOX has to be set to 10 in order to disable the speaker control.
4.4.5 TXm – PTT switch selection
Pressing the AUD button three times enables the turning knob to enable certain PTT switches.
On transmission the microphone which is related to the PTT-L/R will be enabled. The equivalent indi-
cation is TX (TXm**), TX1 (TXm*-) TX2 (TXm-*).
On transmission the PTT-L/R related microphone will be the only one activated.
TXm** *- Left / -* Right / ** Both

Operation and Installation Manual
KRT2 VHF-Communication Transceiver
Doc.-No: KRT2.A-MAN.en
Rev. 0101
Page 22
4.4.6 INT – Intercom volume
Pressing the AUD button four times enables the turning knob to set the intercom volume.
INTnn Range: 1 – 9
4.4.7 EXT – External audio input volume
Pressing the AUD button five times enables the turning knob to set the external audio input volume.
External audio inputs can be audio alarms, voice alarms, Vario, etc. The required level is 200mVpp
(6Vpp max).
Activation occurs for settings >00 and will be indicated by “a”.
• 00 = turning off,
• 01 = lowest gain without threshold
• 09 = highest gain with interference suppression threshold.
EXTnn Range: 0 - 9
4.4.8 DIM – Display brightness
Pressing the AUD button six times enables the turning knob to set the display brightness.
DIMnn Range: 01 – 16
The display consumption at 12V is between 10mA und 70mA. In addition the battery voltage in Volts
is indicated.

Operation and Installation Manual
KRT2 VHF-Communication Transceiver
Doc.-No: KRT2.A-MAN.en
Rev. 0101
Page 23
4.4.9 BAT – Battery test
Pressing the AUD button seven times enables the turning knob to display the battery voltage.
4.4.10 SIT – Side tone
Pressing the AUD button eight times enables the turning knob to set the side tone volume (for gliders
has to be set to 01).
SITnn Range: 1 – 9
4.4.11 MIC – Setup
This mode is for microphone setup and test only without using the PTT. It is a service mode and it is
not designed for normal operation.
Each of the two microphone input channels can be configured individually, which enables different
microphone types to be used.
A maximum of two microphones of same type may be connected to each microphone input channel
(see chapter 6.6.1 Microphone-Connection).
The MIC – Setup is the last item of the Audio menu and can be accessed by pressing the AUD button
nine times.
By pressing the DUAL button repeatedly L, R and AUTO can be selected (Left “L” in the example).
L: Left = Left microphone.
R: Right = Right microphone.
AUT: Auto mode.

Operation and Installation Manual
KRT2 VHF-Communication Transceiver
Doc.-No: KRT2.A-MAN.en
Rev. 0101
Page 24
Menus L and R:
By means of the turning knob the displayed microphone input channel amplifier gain (MIC-level 01 =
low gain, 09 =high gain) can be selected individually. The microphone signal level is dynamically dis-
played with a bar and a numeric value.
The initial MIC-level should be 0,5; the engine should be running, use a headset or earphone and
speak at a normal voice level to fine-tune the MIC-level. Whenever a new MIC level is selected, the
dynamic bar indicator should then be at about 50%.
Special hint:
During MIC-Setup activation, the speaker state will be taken into account (SQU on/off),
if the state is active an acoustic feet-back may be heard.
The range of the MIC-level for standard microphones is 1 to 9.
MIC levels 10 and 11 are special settings for low microphone levels like dynamic micro-phones often
used in gliders.
• Level 10 is used for non-amplified Electret microphones with an 8 volt supply voltage.
• Level 11 is for dynamic microphones only.
For high gain selection (> 9) the use of side tone can lead to a feed-back at transmission. In that case
the side tone should be set to SIT=01.
The new values will be stored upon exiting the microphone setup menu. AUTO must be selected in
order to activate the AUTO menu, else use L or R to activate the Left and & Right microphone menu.
Menu Auto
In the AUTO mode only the left microphone impedance is measured. When a dynamic microphone is
recognized, the left channel is switch to 11, the right channel is unaffected. When returning to the
standard configuration, the original L and R values are restored.
A simultaneous operation on Electret and Dynamic microphones is not possi-
ble (there is just one DC source for both ports). For dynamic mode this source
must be turned off automatically.

Operation and Installation Manual
KRT2 VHF-Communication Transceiver
Doc.-No: KRT2.A-MAN.en
Rev. 0101
Page 25
The display of microphone type (lower right side) is done upon activation of the microphone menu.
When an Electret microphone is recognized, the values used are the one that were saved upon leav-
ing the menu.
The MIC submenu is terminated by pressing the AUD button.
Additional indications
Additional indications for test purposes:
• RxS : RF receiver input level (from Automatic Gain Control)
• Ext : External audio input voltage
• Mic : d (dynamic) or s (standard)
The microphone type is displayed when the microphone menu is entered.
This Symbol appears on right side of STBY Frequency in AUTO-mode if the dynamic microphone
has been recognized and activated after transmission. In that case the intercom voice triggering level
VOX is set to 10 (switched off).
To reactivate the intercom after a microphone change, a short press of the PTT is required.
4.4.12 Menu lock
For school operation the menus area TXm to MIC-setup can be locked.
To lock or unlock the button combination AUD & FREQ has to be pressed simultaneously for > 2 sec-
onds.
In lock condition there will be displayed an “L” at the right end of the third line.
To store those condition the setting of SQnn should be changed before turning off.
VOL SQ VOX TXm INT EXT DIM CON SIT MIC
Available Locked and not available
Table 8: KRT2 Menu Lock

Operation and Installation Manual
KRT2 VHF-Communication Transceiver
Doc.-No: KRT2.A-MAN.en
Rev. 0101
Page 26
4.5 DUAL watch
Because the communication transceiver KRT2 contains only one receiver, DUAL watch is achieved
by alternating between the Active and Standby frequencies.
The DUAL button activates and deactivates the dual watch function. Deactivation also can take place
by pressing either the FREQ or MEMORY buttons.
The frequencies to be watched should be selected prior to the DUAL watch selection.
The frequencies to be used must be selected before using dual watch and the squelch level SQ must
be set to 02 or more in order to eliminate noise. Scanning Frequencies is only possible when differen-
tiating between radio noise and radio transmissions.
There must be radio noise suppression in order to recognize reception. The
squelch level SQ must be set to 02 or higher.
When DUAL watch is activated, “DUAL“ is displayed on the lowest line. The pointer next to the DUAL
display indicates the frequency on which there is reception.
The Active frequency always has priority and the receiver remains on the active frequency as long as
there is reception on this frequency.
When there is no reception on both the Active frequency and the Standby frequency the receiver
scans both frequencies 5 times per second.
When reception is detected on the Active frequency the reception on the standby frequency is inter-
rupted until the end of the reception.
When a reception is detected on the Standby frequency the receiver stays on the Standby frequency,
however it switches to the Active frequency every 2 seconds for a duration of 0.3 seconds. If a signal
is detected on the active frequency the reception will be switch to that frequency.
The pointer next to the DUAL display indicates on which frequency there is reception.
Figure 4: KRT2 active & standby frequencies
Standby and Active frequencies can be exchanged when in the DUAL mode. The transmitter operates
on the Active frequency only.

Operation and Installation Manual
KRT2 VHF-Communication Transceiver
Doc.-No: KRT2.A-MAN.en
Rev. 0101
Page 27
Summary:
• Select the Standby frequency to be monitored in addition to the active frequency.
• With the AUD button and turning knob set SQnn to 2 or higher.
• With the DUAL button activate the DUAL watch function.
• When there is no reception on both the Active frequency and the Standby frequency the re-
ceiver scans both frequencies.
• When scanning the Active frequency always has priority.
• Deactivate the DUAL watch function with the DUAL, FREQ or MEMORY buttons.
4.6 Transmitter Operation
The unit transmits on the active frequency (upper line) as long as a PTT (press to talk) switch is
pressed.
Transmission Reception
Figure 5: KRT2 TX & RX operations
“TX“ indicates normal transmitter operation.
“RX“ indicates a receiver operation.
In the lower left corner of the display the carrier modulation is dynamically displayed. It corresponds to
the side tone which is not available on gliders when no earphones are in use.
In order to avoid the blocking off of the frequency by unintentional long transmissions (stuck micro-
phone) the transmitter is switched off after two minutes and the display changes from „TX“ to „Te“. To
resume transmission the PPT switch first must be released and then be pressed again.
While transmitting the external audio input will be turned off automatically and the microphone input,
selected during the pre-setting in the TXm-menu, will be selected.
The differential speaker output will be turned off to prevent an audio feedback to the microphone. For
the same reason; the speaker is turned off when the intercom (VOX) is active.
The output for the headset will carry the side tone.

Operation and Installation Manual
KRT2 VHF-Communication Transceiver
Doc.-No: KRT2.A-MAN.en
Rev. 0101
Page 28
4.6.1 Two PTT configuration
There are two different PTT assigned for each of the left and right side microphones. This enables the
deactivation of the unused one preventing additional noise and unintentional talking on transmission.
In case there is just one PTT and multiple headsets in use both the PTT-L and PTT-R must be tied
together, see chapter “4.4.5 TXm – PTT Switch Selection”.
4.6.2 Self-Test monitor
Software diagnostics operate continuously in the background in order to test the system.
The field for battery status & error (see Control Elements Overview) is used to display warnings and in
case of hardware failure, different error reports will be displayed here.
The warnings are:
BAT Low battery voltage (becomes active < 10,5V)
At transmission
A-match Bad antenna match or defective antenna.
Also while transmitting the TX-flag (left top) will change to:
Te if transmission time has exceeded (> 2 minutes).
All other reports starting with Er_…. Indicating a major hardware failure and consequently the radio
has to be returned to the factory.
4.6.3 Optical side tone
Especially when used in gliders, where headsets are generally not worn and thus no side tone is
heard, it is very helpful to see if the microphone is operating properly.
At left lower side, there is a modulation indicator that depicts the voice level. When there is no modu-
lation it becomes a small dot approximately in the centre.
Also if it lays far off centre, it indicates that there is bad antenna matching.

Operation and Installation Manual
KRT2 VHF-Communication Transceiver
Doc.-No: KRT2.A-MAN.en
Rev. 0101
Page 29
4.7 Resetting to factory settings
Returning to the factory settings can only be initiated during power-up.
To do this, during power-up the MEM and DUAL buttons must be pressed simultaneously and the
display will show “SET DEFAULTS”. When the buttons are released the resetting to the factory set-
tings takes place. When resetting is completed “DONE” is displayed.
4.8 SET UP - Menu
During power-up the MEM button must be pressed.
The message "protect mode" is displayed, just wait until it changes.
There are two functions available within the Set-up menu:
• ERASE – Erasing of the favorites (frequency and identifier)
• Channel Spacing – 25kHz / 8,33kHz
Programming of the Set-up is done with the lower 3 buttons next to the symbols (Exit, S, E). Their
function is described on the display.
To exit the SET-UP menu, use the MEM button. The unit remains powered and the normal operating
mode is resumed.

Operation and Installation Manual
KRT2 VHF-Communication Transceiver
Doc.-No: KRT2.A-MAN.en
Rev. 0101
Page 30
4.8.1 ERASE – erasing of favourites list
When in the SET UP – Menu select the “ERASE“ sub-menu with the buttons next to the symbols
(Exit, Y).
Erasing the favourites (frequency and identifier) starts after the button has been pressed again.
This procedure may last a few minutes during which time the message “ERASING“ is displayed.
All INFO frequencies and identifiers that were stored on delivery are lost and all favourite index posi-
tions (01 to 99) are available to the user.
4.8.2 Channel spacing
When in the SET UP – Menu pressing the FREQ (S) button will change the KRT2 into the Channel
Space submenu.
The desired channel spacing then can be selected and the (X) then indicates the actual channel spac-
ing.

Operation and Installation Manual
KRT2 VHF-Communication Transceiver
Doc.-No: KRT2.A-MAN.en
Rev. 0101
Page 31
5. Remote Control
Tandem-seat airplanes can be equipped with the KRT2RC Remote Control Unit. The remote control
unit is connected to RS232 serial interface and enables selection of the most common settings like
frequency, volume, squelch, VOX, display contrast and brightness. In addition the unit has an inde-
pendent memory for the favourites (frequency and identifier).
Transmission error messages are displayed in the error window in the third line:
• R_Time = Time-out transmission error
• R_ChkS = Checksum error
• R_Cmd = Unknown command
• R_Char = Data error
• R_Freq = Wrong Frequency
The error message disappears when a valid command or a new frequency has been input, or after 5
seconds.
Remote control unit errors do not interfere with the KRT2 transceiver operation.
Data transmission between the transceiver KRT2 and the remote control unit (KRT2-RC) is checked
once a minute. An “r” in the upper right corner is displayed when there is no malfunction.
The KRT2-RC can also operate the KRT2 in a fully stand-alone mode such and allow the KRT2 to be
installed anywhere in the aircraft, and be operated remotely by the KRT2C. This feature will be useful
in tandem aircraft, or aircrafts with very little space behind the instrument panel.

Operation and Installation Manual
KRT2 VHF-Communication Transceiver
Doc.-No: KRT2.A-MAN.en
Rev. 0101
Page 32
6. Installation
6.1 Installation hints
The following hints should be considered for installation.
A certified maintenance shop should perform the installation and wiring (or as required by local na-
tional regulations). For the wiring diagram refer to chapter “6.8 Wiring”.
The KRT2 is designed as a single block unit for the installation in cockpit environment of general avia-
tion aircrafts under consideration of the following limitations:
• Installations are to be made in accordance with appropriate EASA or FAA approved guidelines.
• The equipment must be connected to a VHF antenna in order to satisfy FAA TSO-C169a.
• The conditions and tests for ETSO/TSO approval of this article are minimum performance
standards. Those installing this article, on or in a specific type or class of aircraft, must deter-
mine that the aircraft installation conditions are within the ETSO/TSO standards. ETSO/TSO ar-
ticles must have separate approval for installation in an aircraft. The article may be installed only
according to 14 CFR part 43 or the applicable airworthiness requirements.
• The development assurance level for the software (refer chapter “2.3. Quantitative Safety Ob-
jective Identification”) is appropriate for the type of aircraft. By this, the installation is limited to
Part 23 Class 1 and Class 2 airplanes per AC23.1309-1D.
• The environmental conditions at the place, where the equipment is installed, are inside the limits
of the performed environmental qualification (refer chapter “8.2 Technical Data”).
• The equipment classes (refer chapter “8.2 Technical Data”) are appropriate for the type of air-
craft.
• The equipment is not intended to be installed in areas where fluid contamination could be com-
monly encountered.
6.2 Telecommunication data
The following data may be required for the radio station license application.
Manufacturer
TQ
-Systems GmbH
Type
KRT2
EASA Number
EASA.
21O.10063547
Part Number
P/N 285942
-XX(XX)-XX(XX) KRT2-S
P/N 285945
-XX(XX)-XX(XX) KRT2-L
P/N 286048
-XX(XX)-XX(XX) KRT2-P
P/N 285946
-XX(XX)-XX(XX) KRT2RC
Power Output
6 W
Frequency:
11
7.975 – 137.000 MHz
Emission Identifier:
6k0
0A3E for 25khz channel spacing
5k00A3E for 8,33kHz channel spacing
Table 9: Telecommunication data

Operation and Installation Manual
KRT2 VHF-Communication Transceiver
Doc.-No: KRT2.A-MAN.en
Rev. 0101
Page 33
6.3 FCC related issues
6.3.1 Radiofrequency radiation exposure Information:
This transceiver complies with FCC radiation exposure limits set forth for an uncontrolled environ-
ment. This transceiver should be installed and operated with minimum distance of 20 cm between the
radiator and your body.
This transmitter must not be co-located or operating in conjunction with any other antenna or transmit-
ter.
6.3.2 Note:
This transceiver has been tested and found to comply with the limits for a Class B digital device, pur-
suant to Part 15 of the FCC Rules. These limits are designed to provide reasonable protection against
harmful interference in a residential installation. This transceiver generates, uses and can radiate ra-
dio frequency energy and, if not installed and used in accordance with the instructions, may cause
harmful interference to radio communications. However, there is no guarantee that interference will
not occur in a particular installation. If this equipment does cause harmful interference to radio or tele-
vision reception, which can be determined by turning the equipment off and on, the user is encour-
aged to try to correct the interference by one or more of the following measures:
• Reorient or relocate the receiving antenna.
• Increase the separation between the equipment and receiver.
• Connect the equipment into an outlet on a circuit different from that to which the receiver is
connected.
• Consult the dealer or an experienced radio/TV technician for help.
6.3.3 Compliance
Notice: This device complies with Part 15 of the FCC Rules and with Industry Canada licence-exempt
RSS standard(s).
Operation is subject to the following two conditions:
(1) this transceiver may not cause harmful interference, and
(2) this transceiver must accept any interference received, including interference that may cause
undesired operation.
Le présent appareil est conforme aux CNR d'Industrie Canada applicables aux appareils radio
exempts de licence. L'exploitation est autorisée aux deux conditions suivantes:
(1) l'émetteur-récepteur ne doit pas produire de brouillage, et
(2) l'utilisateur de l'émetteur-récepteur doit accepter tout brouillage radioélectrique subi, même si
le brouillage est susceptible d'en compromettre le fonctionnement.
6.3.4 Modifications
Notice: Changes or modifications made to this transceiver not expressly approved by TQ-Systems
GmbH may void the FCC authorization to operate this equipment.

Operation and Installation Manual
KRT2 VHF-Communication Transceiver
Doc.-No: KRT2.A-MAN.en
Rev. 0101
Page 34
6.4 Scope of delivery
Part Number Description
KRT2 KRT2 - VHF Transceiver
ZUB2 (4 pcs) Mounting screw KRT2 - for panels up to 3mm
KRT2.A-MAN.0100 Operation Manual
- EASA Form 1
Table 10: Scope of delivery
6.5 Unpacking and inspecting the equipment
Carefully unpack the equipment. Damages due to transportation must immediately be reported to the
shipping company. Save the shipping container and all packing material to substantiate your claim.
For storage or reshipment the original packing material should be used.
6.6 Mounting
• In cooperation with the maintenance shop, mounting details are specified. The maintenance
shop can manufacture and install all cables that may be required.
• Avoid installing the unit in the vicinity of heat sources. Sufficient air circulation is required.
• There must be sufficient space for cables and connectors.
• Avoid sharp bends and wiring close to control cables.
• Cable length must be such that connectors are accessible for repair.
• The wiring to the transceiver must be installed such that water droplets formed by condensation
will not run into the connector.
• Remove the turning knob in order to install the transceiver:
o Remove the turning knob cap with an appropriate tool.
o Loosen the screw and remove the turning knob.
o Install cap correctly oriented
• Installation is from the front side of the instrument panel with four 4mm screws in a panel cut-out
as indicated in “6.8.4 Wiring Diagram”.
• For installation details and drawings refer to chapter “6.8.4 Wiring Diagram”.
6.7 Electrical connections
The 15-pin D-Sub connector contains all electrical connections except the antenna.
The battery plus connection must be protected with at least 3-amps slow blow
fuse!

Operation and Installation Manual
KRT2 VHF-Communication Transceiver
Doc.-No: KRT2.A-MAN.en
Rev. 0101
Page 35
6.7.1 Microphone connection
Both the L (left) and R (right) microphone input channels can either be connected to standard micro-
phones (standard signal level 1Vpp) or to dynamic microphones (standard signal level 5mV to 10mV).
Input R has less sensitivity (30mV).
For standard microphones a supply voltage of 8V at 330Ω is provided.
Elementary Electret microphones can also be connected. They have considerably lower signal levels
and therefore require an 8V supply voltage.
The microphone input channel amplifier gain can be selected via the MIC-Setup menu “4.4.11 MIC –
Setup”.
When dynamic microphones are used in gliders the 8V supply voltage is switched off for power saving
purposes.
Standard microphones normally used as in headsets, together with dynamic microphones generally
cannot be used at the same time, but instead alternatively. If input R is not used it should be loaded or
grounded and not be left unconnected.
Motor gliders should have a toggle switch installed to differentiate between motor less flight with dy-
namic microphones and powered flight with headsets.
When the AUTO mode is selected in the MIC-Setup menu the KRT2 automatically recognizes on
MIC-L (pin 3) which microphone type has been switched and acts accordingly.
Both inputs (L and R) must not be wired together. L is the master input.
Figure 6: Headsets

Operation and Installation Manual
KRT2 VHF-Communication Transceiver
Doc.-No: KRT2.A-MAN.en
Rev. 0101
Page 36
Because the 8V supply voltage is switched off when dynamic microphones are used during glider
flight the second (co-pilot) headset microphone is disabled.
A maximum of two microphones of same type may be connected to each microphone input channel.
Standard microphones have a large difference in power consumption; therefore different models must
not be mounted in parallel.
6.7.2 Speaker & open microphone:
An installation with open microphone together with a speaker and intercom is not possible.
Running a speaker together with an open microphone (goose neck) the Intercom operation hast to be
turned off by setting VOX=10 or opening the intercom switch (indicating “e”) otherwise a feedback
from the speaker will occur.
6.7.3 Earphone connection
Several earphones of same type can be connected in parallel. The total impedance should not be less
than 60 Ohms.
6.7.4 External audio input
Audio alarms can be made available via the external audio input. When this input is not used it must
be connected to ground in order to avoid noise. PIN5 must be connected to ground (GND).
6.7.5 Speaker connection
The high output power for the speaker requires a differential interconnection.
Obey:
This does not allow for one side of the speaker wires to be grounded. Both the wires have to
be installed fully insulated.
Special intention has to be paid off at gliders after retrofitting on older installations. Check with a me-
ter the resistance between one of the speaker wire and the case of KRT-2, it should be at high im-
pedance.
After turn on it will appear this warning on the screen in case the speaker is grounded.
Running under that condition may cause a defect.

Operation and Installation Manual
KRT2 VHF-Communication Transceiver
Doc.-No: KRT2.A-MAN.en
Rev. 0101
Page 37
6.8 Final audio setup
This is an overview for a correct audio set up depending on the usage. Ground the unused MIC.-R
input if unused.
6.8.1 For glider flights
• Press button AUD 2x for VOX: Set to VOX 10 (turn off) or open the intercom switch
(indicating “e”).
• Press button AUD 3x for TXm: Set to TXm**.
• Press button AUD 5x for EXT: Set to EXT 00 (turn off).
For dynamic microphones:
• Press button AUD 9x for MIC: Set to MIC-L to Level 11.
• Press button AUD 8x for SITxx: Set to SIT01 (turn to min.).
For Electret microphones:
• Press button AUD 9x for MIC: Set to MIC-L to a level (3 to 10) so that indication is just exceed-
ing half the maximum value.
• Leave the menu in position “L” (not AUTO).
6.8.2 For motor gliders dual seaters
For change mode (motoring & headset – gliding & dynamic microphone)
• Press button AUD 2x for VOX: Set to VOX 3. on condition for motoring.
• Press button AUD 3x for TXm: Set to TXm**.
• Press button AUD 5x for EXT: Set to EXT 00 (turn off), or on condition.
• Press button AUD 9x for MIC:
o Set MIC-L to level 5 or as required
o Set MC-R as required or to 1 if unused
o Select AUTO and leave menu.
6.8.3 For motor planes
• Press button AUD 2x for VOX: Set to VOX 3 (turn off).
• Press button AUD 3x for TXm: Set to TXm**, or on condition.
• Press button AUD 5x for EXT: Set to EXT 00 (turn off), or on condition.
• Press button AUD 9x for MIC:
o Set to MIC-Level 3 or as required
o Set MC-R as required or to 1 if unused.
• Leave the menu in position “L” (not AUTO).

Operation and Installation Manual
KRT2 VHF-Communication Transceiver
Doc.-No: KRT2.A-MAN.en
Rev. 0101
Page 38
6.9 Wiring
6.9.1 Wire Gauges
Supply lines (Power, GND): AWG20 (0,61 mm²)
Control lines: AWG22 (0,38 mm²)
All wires must be aviation certified.
6.9.2 Connector Pin-Configuration
Figure 7: Connector pinout
If manual intercom is not used, pin 12 should be grounded (Batt. Minus).
Figure 8: Remote control pinout

Operation and Installation Manual
KRT2 VHF-Communication Transceiver
Doc.-No: KRT2.A-MAN.en
Rev. 0101
Page 39
The nine pins connector on the KRT2RC is used for the connection to the KRT2.
6.9.3 General hint
The following drawings are not covering all possible configurations. There are many different micro-
phones with sometimes incompatible performances on the marked.
It is recommended to use Electret Microphones providing a standard output level.

Operation and Installation Manual
KRT2 VHF-Communication Transceiver
Doc.-No: KRT2.A-MAN.en
Rev. 0101
Page 40
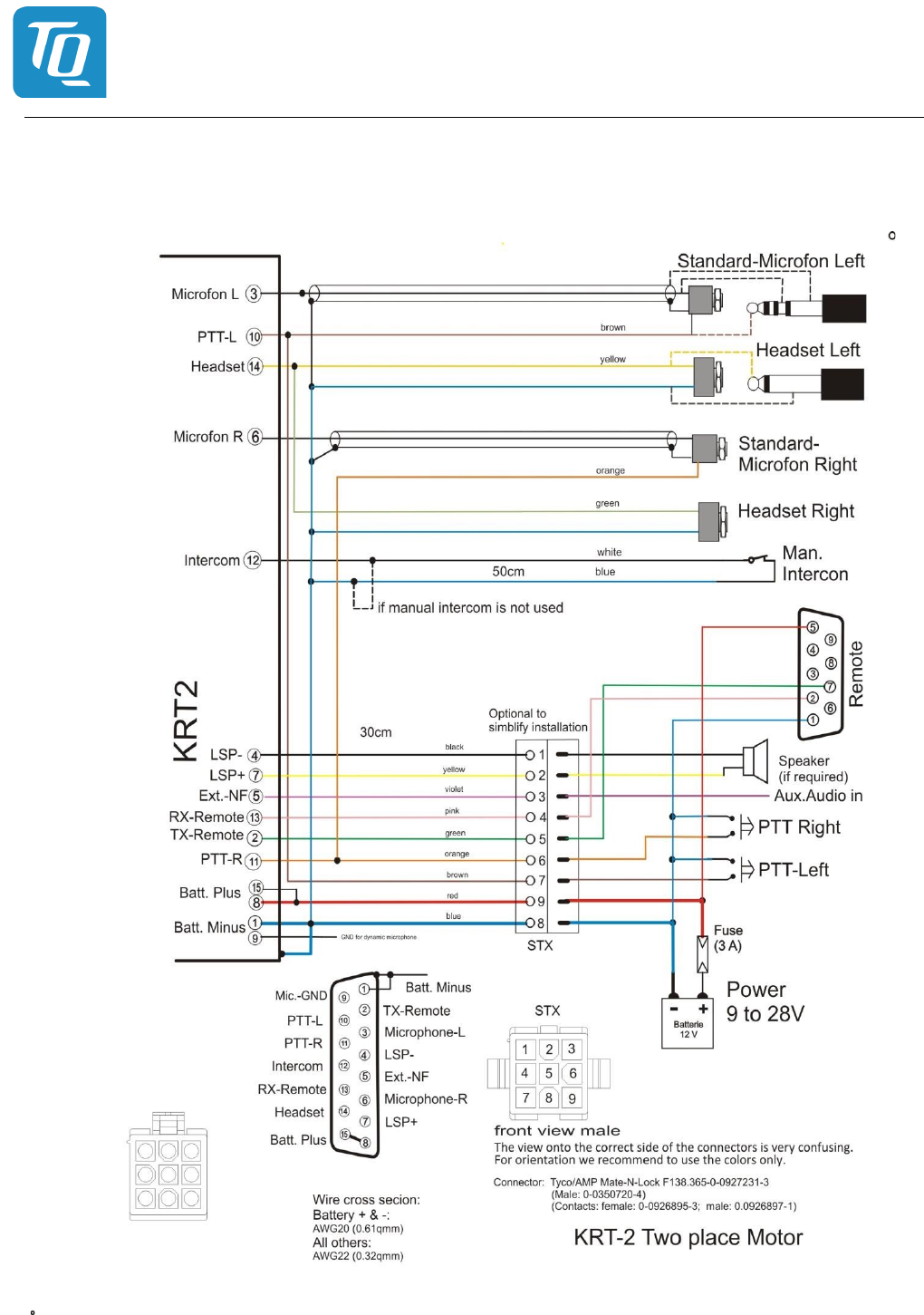
6.9.4 Wiring diagrams
Two place motor aircraft connection
Microphone-Setup: set L / R as required for headset, do not leave in AUTO

Operation and Installation Manual
KRT2 VHF-Communication Transceiver
Doc.-No: KRT2.A-MAN.en
Rev. 0101
Page 41
Glider two place connection
Microphone-Setup: leave in L =11, (not AUTO)

Operation and Installation Manual
KRT2 VHF-Communication Transceiver
Doc.-No: KRT2.A-MAN.en
Rev. 0101
Page 42
Glider single
Microphone-Setup: leave with L =11 for dynamic, (not AUTO)

Operation and Installation Manual
KRT2 VHF-Communication Transceiver
Doc.-No: KRT2.A-MAN.en
Rev. 0101
Page 43
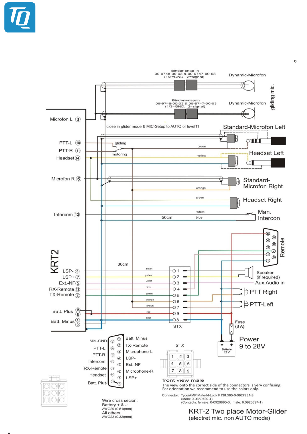
Motor glider single
Microphone-Setup:
For Electret set L / R as required for headset, do not leave in AUTO-mode.
For Dynamic, use a switch to cut off the dynamic mic. (If motoring) and leave setup in AUTO-mode,
wire PTT-L and PTT-R in parallel.

Operation and Installation Manual
KRT2 VHF-Communication Transceiver
Doc.-No: KRT2.A-MAN.en
Rev. 0101
Page 44
Motor glider dual-Dynamic Microphone
Dynamic Microphone
Microphone-Setup: R for headsets, leave menu in AUTO mode.

Operation and Installation Manual
KRT2 VHF-Communication Transceiver
Doc.-No: KRT2.A-MAN.en
Rev. 0101
Page 45
Motor glider dual-Electret Microphone
Electret Microphone
Microphone-Setup: leave L = 3..9 (in case of dynamic =11), R=3 (not AUTO-mode).

Operation and Installation Manual
KRT2 VHF-Communication Transceiver
Doc.-No: KRT2.A-MAN.en
Rev. 0101
Page 46
6.9.5 Wiring for dynamic microphones
Special attention is required for the wiring for dynamic microphones. Because of the required high
gain any mistake on the ground wiring leads to interferences and feed backs.
The basic rules are:
Never connect the power current grounds with the microphone ground.
• The cleanest GND is the case of the radio.
• Connect the battery-GND to the case and pin 1 and the microphone GND to the pin 9 only
(standard allocation).
6.9.6 Connection support ST1 mating connector
In order to get clean cable shields connections, and to avoid ground loops an adapter board as shown
is recommended.
The adapter board is placed between the connector pin rows and soldered to GND pins 1 and frame.
Pin 9 (microphone-GND) has its dedicated connections for shielding.
Figure 9: KRT2 connection support layout 1

Operation and Installation Manual
KRT2 VHF-Communication Transceiver
Doc.-No: KRT2.A-MAN.en
Rev. 0101
Page 47
From left to right:
Pin 9: GND Mikrofon
Pin 10: PTT-L
Pin 11: PTT-R
Pin 12: Intercom with Bridge to Gnd
Pin 13: RX
Pin 14: Headset
Pin 15: connected with Pin 8 Batterie+
From left to right:
Pin 8: Batterie plus
Pin 7: Speaker +
Pin 6: Mikrofon R
Pin 5: Ext. NF
Pin 4: Speaker minus (not GND)
Pin 3: Mikrofon L
Pin 2: TX Remote
Pin 1: Batterie – GND
Figure 10: KRT2 connection support layout 2
6.10 Antenna
6.10.1 Antenna selection
• A 50 Ohms impedance VHF-COM-antenna is required.
• The antenna must be approved in respect to aircraft type and installation location.
• The antenna specifications can only be fulfilled when properly installed
6.10.2 Installation recommendation
• The manufactures instructions have to be observed.
• The metallic contact between airplane surface and antenna ground must be very good. Non-
metallic airplanes must have installed a metal sheet, foil or mesh of at least 80×80 cm inside the
fuselage as electric counterweight.
• In order to avoid interference the distance between a COM an NAV antenna or between a COM
and another COM antenna should be as large as possible. A distance of 2 metres is normally suf-
ficient.
• The antenna must be installed vertically and as far as possible from parts like propeller, landing-
gear, rudder etc., that may influence propagation of the radio signals.
• In gliders the internal antenna provided by the airplane manufacturer is to be used.
The RF-antenna cable may not be part of other cable sets like power-supply
or microphone.
It must not be placed together with any other COM, NAV or transponder an-
tenna cable.
THIS IS VERY IMPORTANT

Operation and Installation Manual
KRT2 VHF-Communication Transceiver
Doc.-No: KRT2.A-MAN.en
Rev. 0101
Page 48
6.11 Microphone general
The correct setting of the MIC and VOX values is of great importance for the Intercom system (see
“4.4.3 VOX – Intercom Voice Trigger Level Setting” and “4.4.11 MIC – Setup”).
The VOX intercom voice trigger level must be set to such a value that the intercom system is activat-
ed when speaking at a normal voice level into the microphone. It should be set so that it is not trig-
gered by normal cockpit noise.
In addition, VOX should be set to level 01 and the intercom switch permanently enabled.
The manual intercom operation is possible with one or two separate, optional parallel connected in-
tercom switches. These switches are not the
PTT switches. The intercom switches connect pin12 (intercom) with GND (pin1).
The intercom-deactivation will be indicated with “e” if pin12 is not on GND.
The intercom requires the connection pin 12 to GND either permanently or through the intercom
switches.
Cockpit noise suppression is only possible with differential microphones used in modern headsets.
Normal electrical microphones are not suitable.
6.12 Post-Installation Check
A certified maintenance shop must verify the proper operation of the VHF
transceiver or as required by national regulations.
A complete check of all airplane systems is required to certify that the new wiring is not causing any
malfunction.
The standing wave ratio (SWR) must be less than 3:1.
A test flight is recommended to verify proper transceiver operation. The following items should be
checked:
• Check transceiver operation with a radio station at least 50 km away when at 2000ft or above.
• Check if there is unusual electrical interference or noise.
• If possible check the transceiver operation on low and high frequencies of the VHF frequency
band.

Operation and Installation Manual
KRT2 VHF-Communication Transceiver
Doc.-No: KRT2.A-MAN.en
Rev. 0101
Page 49
6.13 Starting Up
Switch the unit on with the ON button.
The following display will appear:
The start display shows device type and the software number. It then changes into the normal operat-
ing mode (Direct Input).
6.14 Accessories
Suitable accessories such as antennas, cable sets, and switches can be purchased at our online
shop on www.tq-avionics.com or from other avionics suppliers.
6.15 Drawings
6.15.1 Dimensions
Figure 11: KRT2-S Dimensions

Operation and Installation Manual
KRT2 VHF-Communication Transceiver
Doc.-No: KRT2.A-MAN.en
Rev. 0101
Page 50
Figure 12: KRT2-P, KRT2-L dimensions
Figure 13: KRT2-RC remote control dimensions

Operation and Installation Manual
KRT2 VHF-Communication Transceiver
Doc.-No: KRT2.A-MAN.en
Rev. 0101
Page 51
6.15.2 Installation directions
Required space for connectors
Figure 14: KRT2-S panel cutout
Figure 15: KRT2-P, KRT2-L panel cutout

Operation and Installation Manual
KRT2 VHF-Communication Transceiver
Doc.-No: KRT2.A-MAN.en
Rev. 0101
Page 52
7. Maintenance
7.1 Periodic Maintenance
There are no scheduled service tasks required on the KRT-2 VHF unit.
7.2 Repair
Only exchange and flat repair of the equipment is permitted. In case of equipment failure, the unit
must be sent to the manufacturer. Refer to section “1.2 Customer Service”.
7.3 Cleaning
Clean the display only with, lint-free cloth and an eyeglass lens cleaner that is specified as safe for
anti-reflective coatings.

Operation and Installation Manual
KRT2 VHF-Communication Transceiver
Doc.-No: KRT2.A-MAN.en
Rev. 0101
Page 53
8. ANNEX
8.1 Frequency / channel - schedule
The following table contains the operating and displayed frequencies between 118.000 and
118.100MHz. The table can be continued up to 137.000 MHz following the same principle.
Operating frequency
(MHz)
Cannel Spacing
(kHz)
Displayed channel
8.33/25 kHz Mode
Displayed Channel
25 kHz Mode
118.0000
25
118.000
118.000
118.0000
8.33
118.005
118.0083
8.33
118.010
118.0166
8.33
118.015
118.0250
25
118.025
118.025
118.0250
8.33
118.030
118.0333
8.33
118.035
118.0416
8.33
118.040
118.0500
25
118.050
118.050
118.0500
8.33
118.055
118.0583
8.33
118.060
118.0666
8.33
118.065
118.0750
25
118.075
118.075
118.0750
8.33
118.080
118.0833
8.33
118.085
118.0916
8.33
118.090
118.1000
25
118.100
118.100
118.1000
8.33
118.105
etc.
etc.
etc.
etc.
Table 11: Frequencies

Operation and Installation Manual
KRT2 VHF-Communication Transceiver
Doc.-No: KRT2.A-MAN.en
Rev. 0101
Page 54
8.2 Technical Data
GENERAL
Approval Number ETSO.21O.10063547
Compliance Standards ETSO-2C169a / TSO-C169a
Transmitter:
ED-23C Class 4,6 / DO-186B, Class 4,6
Receiver:
ED-23C Class C-D-E-H1/2 / DO-186B, Class C-D-E
Standards RTCA DO-186B / EUROCAE ED-23C
RTCA DO-160F / EUROCAE ED14F
RTCA DO-178C / EUROCAE ED12C, Software Level D
FCC ID 2ANFFKRT2
Dimensions 57mm-case Height: 62mm, Width: 62 mm, Depth: 146mm plus rear panel
plugs 60mm
Dimensions Portrait Height: 64mm, Width: 46 mm, Depth: 150mm plus rear panel
plugs 60mm
Dimensions Landscape Height: 46mm, Width: 64 mm, Depth: 150mm plus rear panel
plugs 60mm
Weights:
57mm
Portrait / Landscape
approx. 0.36 kg
approx. 0.34 kg
Mounting Panel mounting, cut-out Ø 57 mm or figure KRT2-L /-P panel cut out
Temperature Ranges
Operation
Storage
-20 °C to +55 °C
-55 °C to +85 °C
Maximum Height 35 000ft
Vibration DO-160F, Cat. S, Vibration Curve M
Humidity RTCA DO-160F, Cat. A
Shock 6 G operation
20 G crash safety
RTCA DO-160F ENV. CAT. [C4Z]CAB[SM]XXXXXXZBAB[AC]YMXXXAX
Power Supply 9 VDC to 33VDC test at 13.8VDC
• Transmitter: 2.0 A (typ.)
• Receiver: 0.13 A
• Illumination 0.01A to 0.07A
• Audio Power amp. Up to 1A emergency operation: 9 VDC
Power Consumption Standby 1.6W, Transmit 30 W
Frequency Range 117.975 - 137.000 MHz
Frequency Stability ±5 ppm
Fuse external fuse required: 3 A, slow-blow
Compass Safe Distance 300 mm
Table 12: Technical Data General

Operation and Installation Manual
KRT2 VHF-Communication Transceiver
Doc.-No: KRT2.A-MAN.en
Rev. 0101
Page 55
TRANSMITTER
Power Output 6 W (nominal) at >13.5V
4 W (minimal)
Harmonic Distortion <10 % at 70 % modulation
Sidetone Output >0,5W an 300Ω (head set output)
Microphone Inputs 2 x standard (50mV…2V) into 100Ω or 2 x dynamic
Harmonic Content > 60dBc
Modulation Fidelity deviation <6 dB von 350…2500Hz
Carrier Noise Level >35dB at 70% Modulation index
Unwanted Frequency Modulation <1kHz at m=70% / 1kHz
Duty Cycle 2 minutes on, 4 minutes off; automatic turn-off after 2 minutes con-
tinuous transmitter operation
Table 13: Technical Data Transmitter
RECEIVER
Sensitivity -105 dBm (>6 dB S+N/N, m = 30 % / 1 kHz)
Bandwidth / 25 KHZ -6-dB-bandwidth > ±8.0 kHz
Bandwidth / 8.33 KHZ -6-dB-bandwidth > ±2.78 kHz
Selectivity (channel spacing 25
KHZ)
-40-dB-bandwidth < ±17.0 kHz
-60-dB-bandwidth < ±22.0 kHz
Selectivity (channel spacing 8.33
KHZ)
-60-dB-bandwidth < ±7.37 kHz
Speaker Output ≥10 W into 4 Ω
AGC Characteristics Deviation of NF-output < 6 dB from 10 µV to 10 mV
Squelch Automatic Squelch (adjustable)
Spurious Responses > 80 dB
Distortion (350…2500Hz) <25% at rated power (85% / -33dBm)
<10% at 10dB below rated power (70% / -33dBm)
Table 14: Technical Data Receiver