Tagsys TRL100AEROLBLC RFID Tag Reader User Manual TR L100 V35
Tagsys S.A. RFID Tag Reader TR L100 V35
Tagsys >
Manual

Textile L100 Reader
User's Guide
Revision 3.5
December 2007

Textile L100 Reader User's Guide
2/48 Revision 3.5 December 2007
Publishing Information
Disclaimer and Limitation of Liability
All information herein is either public information or is the property of and owned solely by TAGSYS who shall have and
keep the sole right to file patent applications or any other kind of intellectual property protection in connection with such
information.
Nothing herein shall be construed as implying or granting to you any rights, by license, grant or otherwise, under any
intellectual and/or industrial property rights of or concerning any of TAGSYS’ information.
This document can be used for informational, non-commercial, internal and personal use only provided that:
the copyright notice below, the confidentiality and proprietary legend and this full warning notice appear in all copies.
this document shall not be posted on any network computer or broadcast in any media and no modification of any
part of this document shall be made.
Use for any other purpose is expressly prohibited and may result in severe civil and criminal liabilities.
The information contained in this document is provided “AS IS” without any warranty of any kind. Unless otherwise
expressly agreed in writing, TAGSYS makes no warranty as to the value or accuracy of information contained herein.
The document could include technical inaccuracies or typographical errors. Changes are periodically added to the
information herein. Furthermore, TAGSYS reserves the right to make any change or improvement in the specifications
data, information, and the like described herein, at any time.
Therefore TAGSYS assumes no liability and is not responsible for customer applications or product or software that
include TAGSYS products.
TAGSYS HEREBY DISCLAIMS ALL WARRANTIES AND CONDITIONS WITH REGARD TO THE INFORMATION
CONTAINED HEREIN, INCLUDING ALL IMPLIED WARRANTIES OF MERCHANTABILITY, FITNESS FOR A
PARTICULAR PURPOSE, TITLE AND NON-INFRINGEMENT. IN NO EVENT SHALL TAGSYS BE LIABLE, WHETHER
IN CONTRACT, TORT OR OTHERWISE, FOR ANY INDIRECT, SPECIAL OR CONSEQUENTIAL DAMAGES OR ANY
DAMAGES WHATSOEVER INCLUDING BUT NOT LIMITED TO DAMAGES RESULTING FROM LOSS OF USE,
DATA, PROFITS, REVENUES, OR CUSTOMERS, ARISING OUT OF OR IN CONNECTION WITH THE USE OR
PERFORMANCE OF INFORMATION CONTAINED IN THIS DOCUMENT.
TAGSYS does not and shall not warrant that this product/system/equipment will be resistant to all possible attacks, and
shall not incur, and disclaims, any liability in this respect. Even if each product is compliant with current security
standards in force on the date of their design, security mechanisms' resistance necessarily evolves according to the
state-of-the-art in security and notably under the emergence of new attacks. Under no circumstances shall TAGSYS be
held liable for any third party actions, and in particular in case of any successful attack against systems or equipment
incorporating TAGSYS products.
TAGSYS disclaims any liability with respect to security for direct, indirect, incidental or consequential damages that result
from any use of its products. It is further stressed that independent testing and verification by the person using the
product is particularly encouraged, especially in any application in which defective, incorrect, or insecure functioning
could result in damage to persons or property, denial of service, or loss of privacy.
© 2000-2007 TAGSYS. All rights reserved.
Microsoft, Visual C++, Windows, and Windows NT are either registered trademarks or trademarks of Microsoft
Corporation in the U.S.A. and/or other countries.
Printed in France.
TAGSYS – 180 Chemin de St Lambert, 13821 LA PENNE SUR HUVEAUNE, France.
Tel: +33 (0) 4.91.27.57.00 / Fax: +33 (0) 4.91.27.57.01
Document Reference: 10925C5

Read This First
December 2007 Revision 3.5 3/48
Read This First
Welcome to the TAGSYS RFID System. This User's Guide is designed to help you get up and
running quickly using this high-quality Radio Frequency Identification (RFID) system. It describes
all you need to know about how to install and use the TAGSYS system and its associated
applications.
This document describes how to:
• Install the Textile L100 Reader,
• Select the best-adapted configuration for your application,
• Develop custom application software,
• Troubleshoot any eventual problems.
This guide is designed for all TAGSYS partners and for TAGSYS Expert Network customers
implementing a low-cost and high-performance RFID solution.
This document does not require any previous knowledge of Radio Frequency Identification (RFID)
technology.
Conventions
Symbol Meaning
CAUTION: A note that advises users that a specific action could result in the loss of data or
damage the hardware.
WARNING: A note that advises users that a specific action may result in physical harm.
A note that provides additional information that helps the user perform a task or obtain the
best performance from the product.
If you need assistance
Please contact your nearest TAGSYS sales representative or the TAGSYS welcome desk at:
Telephone: +33 (0) 4 91 27 57 00
Fax: +33 (0) 4 91 27 57 01
E-Mail: info@tagsysrfid.com
Website: http://www.tagsysrfid.com
Contact for Comments
We welcome your feedback to help us provide high quality documentation.
For technical comments, please contact our welcome desk:
Telephone: +33 (0) 4 91 27 57 00
Fax: +33 (0) 4 91 27 57 01
E-Mail: info@tagsysrfid.com

Textile L100 Reader User's Guide
4/48 Revision 3.5 December 2007
Please remember to quote the Document Reference Number 10925C5, your job title and your
company.
Quality Issues
TAGSYS implements stringent quality controls at all stages of its manufacturing process. However,
should you find a defect with this product, please notify your customer service representative using
the dedicated Product Return Form.
Telephone: +33 (0) 4 91 27 57 36
Fax: +33 (0) 4 91 27 57 02

Read This First
December 2007 Revision 3.5 5/48
Table of Contents
PUBLISHING INFORMATION __________________________________________________________ 2
DISCLAIMER AND LIMITATION OF LIABILITY__________________________________________________ 2
READ THIS FIRST ____________________________________________________________________ 3
CONVENTIONS _________________________________________________________________________ 3
IF YOU NEED ASSISTANCE________________________________________________________________ 3
CONTACT FOR COMMENTS _______________________________________________________________ 3
QUALITY ISSUES _______________________________________________________________________ 4
1 FOR YOUR SAFETY _______________________________________________________________ 8
1.1 GENERAL USE ____________________________________________________________________ 8
1.2 CARE AND MAINTENANCE ___________________________________________________________ 8
1.3 IMPORTANT SAFETY INFORMATION____________________________________________________ 8
1.3.1 OPERATING ENVIRONMENT ________________________________________________________ 8
1.3.2 ELECTRONIC DEVICES ____________________________________________________________ 9
2 CERTIFICATION__________________________________________________________________ 10
2.1 OCCUPATIONAL HEALTH AND SAFETY NOTICES ________________________________________ 10
2.2 REGULATORY NOTICES ____________________________________________________________ 10
2.2.1 IN EUROPE (CE AND RTTE DIRECTIVES)____________________________________________ 10
2.2.2 FCC ID CROSS REFERENCE TABLE ________________________________________________ 11
2.2.3 IN USA (FCC DIRECTIVE)_________________________________________________________ 13
2.2.4 IN CANADA _____________________________________________________________________ 14
3 OVERVIEW ______________________________________________________________________ 15
3.1 KEY FEATURES __________________________________________________________________ 15
3.2 GENERAL DESCRIPTION ___________________________________________________________ 15
3.2.1 RF CHANNELS __________________________________________________________________ 16
3.2.2 SYNCHRONIZATION INPUT/OUTPUT _________________________________________________ 16
3.2.3 I/O PORT CONNECTOR ___________________________________________________________ 16
3.2.4 INIT BUTTON ___________________________________________________________________ 16
3.2.5 SERIAL CONNECTOR _____________________________________________________________ 16
3.2.6 MONITORING PORT (PARALLEL PORT)______________________________________________ 17
3.2.7 ANTENNAS _____________________________________________________________________ 17
4 ARCHITECTURE _________________________________________________________________ 18
4.1 SOFTWARE OVERVIEW ____________________________________________________________ 18
4.2 ON-BOARD APPLICATION SOFTWARE ________________________________________________ 18
5 ANTENNAS ______________________________________________________________________ 20

Textile L100 Reader User's Guide
6/48 Revision 3.5 December 2007
6 INSTALLATION __________________________________________________________________ 21
6.1 MECHANICAL ASPECTS ____________________________________________________________ 21
6.2 CABLING REQUIREMENTS __________________________________________________________ 21
7 OPERATING MODES _____________________________________________________________ 23
7.1 STX ON-BOARD APPLICATION WITH STANDALONE MODE________________________________ 23
7.1.1 READER PARAMETERS ___________________________________________________________ 23
7.1.2 CHANNEL SETTINGS _____________________________________________________________ 23
7.1.3 MULTIPLEXING CONFIGURATION ___________________________________________________ 23
7.1.4 COMMUNICATION PARAMETERS ____________________________________________________ 24
7.2 MESSAGE FORMAT _______________________________________________________________ 24
7.3 SORTING MODE __________________________________________________________________ 25
7.4 READING MODE __________________________________________________________________ 25
7.5 WATCHDOG _____________________________________________________________________ 25
8 I/O PORTS _______________________________________________________________________ 26
8.1 STANDARD STX STANDALONE MODULE ______________________________________________ 26
8.2 GENERAL PURPOSE I/OS__________________________________________________________ 26
8.2.1 INTERNAL CONNECTIONS _________________________________________________________ 26
8.2.2 INPUT CONFIGURATIONS__________________________________________________________ 28
8.2.3 OUTPUT CONFIGURATIONS________________________________________________________ 29
8.3 APPLICATION DIAGRAMS___________________________________________________________ 30
9 CALIBRATION ___________________________________________________________________ 32
9.1 CALIBRATING THE TRIGGER THRESHOLD VALUE _______________________________________ 32
10 HOW TO IMPROVE PERFORMANCE ______________________________________________ 33
10.1 VERIFICATION OF TR-L100 READER PERFORMANCE___________________________________ 33
10.2 ANTENNA TUNING PROCEDURE ____________________________________________________ 34
10.3 UPGRADING THE FIRMWARE _______________________________________________________ 34
11 DEBUGGING____________________________________________________________________ 36
11.1 DEBUGGING TOOLS ______________________________________________________________ 36
12 TECHNICAL SPECIFICATIONS ___________________________________________________ 37
12.1 TECHNICAL SPECIFICATIONS_______________________________________________________ 37
12.2 SERIAL PORT PIN ASSIGNMENT ____________________________________________________ 38
13 ELECTRICAL CHARACTERISTICS ________________________________________________ 39
13.1 ABSOLUTE MAXIMUM RATINGS_____________________________________________________ 39
13.2 STANDARDS COMPLIANCE ________________________________________________________ 39

Read This First
December 2007 Revision 3.5 7/48
13.3 POWER SUPPLY DC CHARACTERISTICS _____________________________________________ 40
13.4 COMMUNICATION LINK DC CHARACTERISTICS AND TIMING______________________________ 41
13.5 ANTENNA ELECTRICAL AND TIMING CHARACTERISTICS_________________________________ 42
13.6 I/O ELECTRICAL AND TIMING CHARACTERISTICS ______________________________________ 43
14 WARRANTY CONDITIONS _______________________________________________________ 44
14.1 WARRANTY _____________________________________________________________________ 44
14.2 WARRANTY EXCLUSIONS _________________________________________________________ 44
14.2.1 GENERAL PROVISIONS __________________________________________________________ 45
14.2.2 HOW TO RETURN DEFECTIVE PRODUCTS ___________________________________________ 45
APPENDIX A: PATTERN EXAMPLES ________________________________________________ 47
ENABLING ONE ANTENNA AFTER ANOTHER ________________________________________________ 47
ENABLING BOTH ANTENNAS SIMULTANEOUSLY _____________________________________________ 47
ENABLING EACH ANTENNA SEPARATELY AND THEN BOTH AT ONCE ____________________________ 47

Textile L100 Reader User's Guide
8/48 Revision 3.5 December 2007
1 For Your Safety
1.1 General Use
The Textile L100 Reader is designed to be rugged and reliable and to provide years of trouble-free
service. Please observe the following general tips:
Take care not to scratch the device. Keep the device clean. When working with the device,
use only TAGSYS-approved accessories.
This device is not waterproof and should not be exposed to rain or moisture. Under extreme
conditions, water may enter the circuitry.
Take care not to drop the device or subject it to any strong impact.
Protect the device from extreme temperatures. For example, do not leave the device in
front of a window on a hot day, and keep it away from heaters and other heat sources.
Do not store or use the device in any location that is extremely dusty, damp, or wet.
Use a soft, damp cloth to clean the device. If the surface of the device becomes soiled,
clean it with a soft cloth moistened with a diluted window-cleaning solution.
1.2 Care and Maintenance
This device is a product of superior design and should be handled with care. The suggestions
below will further increase the lifetime of this device.
Keep the device and all parts and accessories out of the reach of small children.
Keep the device dry. Precipitation, humidity and liquids contain minerals that will corrode
electronic circuits.
Do not use or store the device in dusty, dirty areas. Its moving parts can be damaged.
Do not store in hot areas. High temperatures can shorten the life of electronic devices,
damage batteries and warp or melt certain plastics.
Do not store in cold areas. When the device warms up (to its normal temperature), moisture
can form inside the device, which may damage electronic circuit boards.
Do not attempt to open the device. Non-professional handling of the device may damage it.
Handle the device with care. Shocks may break internal circuit boards.
Do not clean the device with harsh chemicals, cleaning solvents or strong detergents.
Gently wipe the device with a soft cloth slightly dampened in a mild soap-and-water
solution.
Do not paint the device. Paint may clog the device’s moving parts and prevent proper
operation. Paint with metallic contents may limit device performance.
1.3 Important Safety Information
1.3.1 Operating Environment
Follow all special regulations that are applicable in any area and always switch off the device
whenever its use is prohibited, or when it may cause interference or danger.

For Your Safety
December 2007 Revision 3.5 9/48
When connecting the device or any accessory to another device, read its user’s guide for detailed
safety instructions. Do not connect incompatible products.
As with all RF equipment, users are advised that the equipment should only be used in its normal
operating position.
1.3.2 Electronic Devices
Most modern electronic equipment is shielded from radio-frequency (RF) signals. However, other
electronic equipment may not be shielded against the RF signals from your device.
Medical Devices
Operation of radio transmitting equipment, including RFID devices, may interfere with the
functionality of inadequately protected medical devices. Consult a physician or the manufacturer of
the medical device to determine if they are adequately shielded from external RF energy or if you
have any questions.

Textile L100 Reader User's Guide
10/48 Revision 3.5 December 2007
2 Certification
2.1 Occupational Health and Safety Notices
TAGSYS Products have been designed not to exceed the limits given in the European Standard
EN 50364 “Limitation of human exposure to electromagnetic fields from devices used in Electronic
Article Surveillance (EAS), Radio Frequency Identification (RFID) and similar applications” in
conjunction with the European Standard EN 50357 describing how to evaluate the exposure level.
It is the responsibility of the TAGSYS Partner to install the Textile L100 Reader as described in
TAGSYS Documentation and with the appropriate antennas.
Modification of any TAGSYS System is prohibited without the written consent of TAGSYS.
Unauthorized modifications may void the conformity of the equipment to safety standards and will
void the TAGSYS warranty.
An RF fields survey has been carried out on all the TAGSYS System components, in accordance
with AS/NZS 2771.1: Radio Frequency Radiation, Part 1. According to this standard the maximum
allowable RF exposure levels (non-occupational) at 3 kHz to 300 GHz are 200 µW/cm2.
2.2 Regulatory Notices
An RFID system typically composed of an RF emission device such as the Textile L100 Reader is
subject to national regulations that may differ by country.
One important item to consider is the maximum permissible magnetic field intensity at a distance of
10 meters from the antenna that must not exceed 42 dBµA/m in Europe and 38 dBµA/m in US.
The Textile L100 Reader meets these limits.
2.2.1 In Europe (CE and RTTE Directives)
The Textile L100 Reader complies (CE Declaration of Conformity granted) with the European EMC
directive.
The Textile L100 Reader complies with the requirements of the Telecommunication Terminal
Equipment Act (FTEG) and the RTTE Directive 1995/5/EC.
It is the responsibility of the TAGSYS Reseller to install the Textile L100 Reader as described in
this Reference guide or TAGSYS Documentation.
Any modification of the Textile L100 Reader is prohibited without the written consent of TAGSYS.
Unauthorized modifications may void the conformity of the equipment to CE and RTTE Directives
and will void the TAGSYS warranty.
It is the responsibility of the TAGSYS Partner to install the Textile L100 Reader as described
in this User’s Guide or in TAGSYS Documentation.
If a Textile L100 Reader is further integrated in a different product, it is the responsibility of
the manufacturer of this complementary product to obtain the required approvals for this
product.

Certification
December 2007 Revision 3.5 11/48
2.2.2 FCC ID Cross Reference Table
It is the responsibility of the TAGSYS Partner to install the Textile L100 Reader as described in the
table below, taking care of only installing the right antenna configuration with the right power
settings.
Antenna
Configuration Outside
Dimension Channel Setting Multplexing Max. Output
Power FCC ID
Conveyor
Antenna
120X470
120X470
120X470 Dual channel Yes 2W QHKCONVYRANT
Conveyor
Antenna
200X200 &
140X140
200X200 &
140X140 Dual channel Yes 1.5W QHKCONVYRANT
Conveyor
Antenna
200X900
200X900 Single Channel No 2W QHKCONVYRANT
Conveyor
Antenna
300X900
300X900 Single Channel No 2W QHKCONVYRANT
Textile rental
stack Antenna 400X500 Single Channel No 2W QHKTRSTACKANTENNA
Aero LB
Antenna 250X250 Single Channel No 2W QHKTRL100AEROLBLC
Aero LC
Antenna 400X500 Single Channel No 2W QHKTRL100AEROLBLC
To comply with band edge regulation, when used in vertical upright position the Aero LC
antenna can read tags in the following RFID uplink protocols configurations

Textile L100 Reader User's Guide
12/48 Revision 3.5 December 2007
In C270 General Parameters window set the uplink parameters as follow:
C270 protocol: modulation ASK and set to “standard mode” (1 out of 256 pulse)
In ISO 15693 General Parameters window set the uplink parameters as follow:
ISO 15693 protocol: modulation depth set to 10% (ASK) with EOF set to “Same” (full ASK
modulation) and Data coding mode set to “1 of 256” pulses

Certification
December 2007 Revision 3.5 13/48
2.2.3 In USA (FCC Directive)
The Textile L100 Reader has been designed to comply with Part 15 of the FCC Rules.
Furthermore typical configurations based on the use of Single Antenna like Aero LB & Aero LC at
2 Watts, have been successfully tested with Part 15 of the FCC rules (FCC ID Numbers are listed
on all system-mounted TAGSYS Antennas).
Textile L100 Reader
WARNING TO USERS IN THE UNITED STATES
FEDERAL COMMUNCIATIONS COMMISSION (FCC) RADIO
INTERFERENCE STATEMENT 47 CFR Section 15.105(b)
This equipment has been tested and found to comply with the limits for a Class B digital device,
pursuant to Part 15 of the FCC Rules. These limits are designed to provide reasonable protection
against harmful interference in a residential installation. This equipment generates, uses and can
radiate radio frequency energy and if not installed and used in accordance with the instructions
may cause harmful interference to radio communications. However, there is no guarantee that
interference will not occur in a particular installation. If this equipment does cause harmful
interference to radio or television reception, which can be determined by turning the equipment off
and on, the user is encouraged to try to correct the interference by one or more of the following
measures:
▪ Reorient or relocate the receiving antenna.
▪ Increase the separation between the equipment and receiver.
▪ Connect the equipment into an outlet on a circuit different to that to which the receiver is
connected.
▪ Consult the dealer or an experienced radio/TV technician for help.
NO UNAUTHORIZED MODIFICATIONS
47 CFR Section 15.21
CAUTION: This equipment may not be modified, altered, or changed in any way without signed
written permission from TAGSYS SA. Unauthorized modification may void the equipment
authorization from the FCC and will void the TAGSYS warranty.
ANTENNA REQUIREMENT
47 CFR Section 15.203
CAUTION: This equipment must be professionally installed. The installer shall be responsible for
ensuring that the proper antenna is employed so that the limits in this part are not exceeded. Non-
professional installation or installation of the equipment with an improper antenna may void the
equipment authorization from the FCC and will void the TAGSYS warranty.
Operation is subject to the following two conditions: (1) The system devices may not cause harmful
interference, and (2) The system devices must accept any interference received, including
interference that may cause undesired operation.

Textile L100 Reader User's Guide
14/48 Revision 3.5 December 2007
2.2.4 In Canada
Cet appareil numérique de la classe B respecte toutes les exigences du Règlement sur le matériel
brouilleur du Canada.
This Class B digital apparatus meets all requirements of the Canadian Interference-Causing
Equipment Regulations.

Overview
December 2007 Revision 3.5 15/48
3 Overview
The TAGSYS Textile L100 Reader (TR-L100) smart label packaged reader is intended for Original
Equipment Manufacturer (OEM) applications.
The TR-L100 reader incorporates hardware, software and other components that manage the
Radio Frequency (RF) interface as well as the external connections for power, data exchange and
various communication protocols.
The TAGSYS TR-L100 reader is specifically designed for use in Industrial Laundry and Textile
Rental environments and therefore is easily integrated into conveyor system applications.
Customized software, such as STXE Protocol application or the Teletype (TTY) menu application,
can be easily downloaded.
3.1 Key Features
• 13.56-MHz RF multi-channel packaged reader
• Multiple tag compatibility (TAGSYS and ISO 15693 smart labels)
• Standard software applications
• High RF output power, with software configuration
• Software-configurable multiplex operating mode
• Two dedicated processing units, namely a microcontroller for the customer application and
a Digital Signal Processor (DSP) unit for real-time signal processing
• Serial communication with an embedded end-user application
• Multi-purpose configurable industrial I/O ports
• Parallel port monitoring
3.2 General Description
Figure 1: TR-L100 Packaged Reader

Textile L100 Reader User's Guide
16/48 Revision 3.5 December 2007
3.2.1 RF Channels
The TR-L100 Reader can drive up to two antennas with each channel able to drive up to four
watts. LEDs indicate which RF field (channel) is transmitting (green).
3.2.2 Synchronization Input/Output
When configured for input, this BNC connector makes it possible to use an external 27.12-MHz
clock to generate the RF field, instead of the internal clock generator.
When configured as output, this connector can drive other TR-L100 readers and provide the
27.12-MHz clock.
The Sync LED indicates the clock mode:
• Red: The internal clock generator is enabled and an external clock signal cannot be input.
• Green: The internal clock generator is disabled. A 27.12-MHz clock signal must be
connected to the Sync In/Out connector.
By default, the internal clock mode is applied and the Sync In/Out connector is configured as an
output. If the external clock mode is required, contact your TAGSYS sales representative for
specific configuration information.
3.2.3 I/O Port Connector
The TR-L100 reader provides four Input/Output (I/O) ports. Each I/O can be independently
configured as an input or output by the application software.
When configured as outputs, I/Os are open drain (250 mA). A pull-up supply must be connected to
the I/O port reference input (VIN). The pull-up supply voltage range is between 5V and 28V.
When configured as inputs, the I/O input signal range is between 0V and 28V.
I/O port LEDs indicate whether the I/O is configured for input (green) or output (red).
Please refer to Section 8, "I/O Ports" for more information.
3.2.4 Init Button
The Init button aborts the embedded application stored in the Data Processing Unit memory. The
TR-L100 Reader is then ready to be downloaded with a new application.
3.2.5 Serial Connector
The serial connector is used to communicate with an external environment. User commands and
data exchanges are transmitted through this port that can be set to RS-232, RS-485 or RS-422
mode by the software. Different baud rates can be defined for each mode.
CAUTION: The antenna MUST be connected to the reader before the unit is turned on.
Industrial I/O ports can only be accessed via the Data Processing Unit (DPU).
The TR-L100 Reader must be switched off and then back on before an embedded
application takes effect.

Overview
December 2007 Revision 3.5 17/48
The Default Mode is defined by the application software that is downloaded in the TR-L100
Reader.
Tx (Transmit Data) and Rx (Receive Data) LEDs indicate the activity of the serial port.
3.2.6 Monitoring Port (Parallel Port)
The monitoring port communicates directly with firmware stored in the Flash memory. When the
parallel cable is plugged in, the GemCore® OS and STX application software is automatically
deselected. The parallel port can be used as a monitoring tool or as a means to upgrade the TR-
L100 Reader firmware via the L200 Explorer.
Please refer to TR-L100 Reader Architecture chapter for further information about the RPU
and DPU. Please refer to the Lx00 Firmware Reference Guide for further information about
TR-L100 Reader Firmware.
3.2.7 Antennas
The TR-L100 Reader is primarily designed for use with Aero-LA,-LB and -LC antennas as well as
the TAGSYS Conveyor Antenna with its five different configurations. It is also operational with
other TAGSYS antennas, provided that the power applied to the antenna does not exceed antenna
specifications. For more information, refer to Section 5, "Antennas".
The RS-232 cable is a null modem cable.
For more information about Application Software, refer to Section 7, "Operating Modes".
The parallel cable uses pin-to-pin DB25 connectors. A shielded cable must be used to
prevent disruptions when antennas have a high output power.
TR-L100 Reader performance has been characterized for a 3-meter long antenna cable.
Optimized operation is not guaranteed for a cable with a length other than three meters.

Textile L100 Reader User's Guide
18/48 Revision 3.5 December 2007
4 Architecture
The TR-L100 Reader is specifically designed for the Industrial Laundry and Textile Rental sectors.
The TAGSYS Firmware is optimized for these applications and in particular for Multi-Read
operations. Compatible with C210, C220, C240 and C270 tags, it is easily upgradeable for
processing the future ISO 18000 tags.
As the TR-L100 reader unit is developed for Industrial Laundry and Textile Rental applications, it is
delivered with the standard TAGSYS STX on-board application software that integrates an
industry-specific Standalone mode.
Included with the TR-L100 package is the L200 Explorer, a Windows®-based development tool
that enables you to carry out on-site test and debug operations as well as to customize the
Standalone mode for your system.
Figure 2: TR-L100 Architecture
Digital Signal
Processor
(Firmware)
Channel 1
TR-L100 Reader
Radio Frequency
I/O Ports
Tags
GemCore
®
OS
(On-board Application Software)
Channel 2
Serial Communication Link
Host PC
PLC
4.1 Software Overview
The GemCore® operating system controls the STX on-board application software that manages the
four configurable industrial I/O ports and drives the firmware that controls the RF channels that
decode the tags.
The TR-L100 Reader firmware is easily upgradeable for ensured compatibility with future ISO
18000 tags. For more information about the TR-L100 Reader Firmware, refer to the Lx00 Reader
Firmware Reference Guide.
4.2 On-Board Application Software
The on-board software application is based on the GemCore® operating system. Different
applications can be downloaded into the TR-L100 Reader, but only one can be stored at a single
time.
The TR-L100 Reader is delivered with the STXE standard protocol application and includes an
industry-specific Standalone module.
The STXE Protocol is the TAGSYS standard protocol. It is compatible with all TAGSYS
products. We recommend using the STXE protocol in order to address all TAGSYS reader
functions.

Architecture
December 2007 Revision 3.5 19/48
Custom software can also be developed using the STX Command set. This Windows®-based
application is easy to implement using the STX-E DLLs. This requires a Master/Slave configuration
and does not allow Standalone mode. For more information, refer to the MedioSTX DLL
Programming Guide.
The GemCore® Development Kit is available for developing custom programs for Standalone
applications.
For more information, refer to Section 7, "Operating Modes".

Textile L100 Reader User's Guide
20/48 Revision 3.5 December 2007
5 Antennas
TAGSYS TR-L100 readers are optimized for use with TAGSYS antennas.
The antennas are factory-calibrated to an impedance of 50 Ohms that offers optimal performances
when the antenna is mounted on a desktop surface.
Due to their specific design, these antennas can be safely used in proximity to other TAGSYS
RFID products. They will also work, if properly installed, in metallic-type environments. In this case,
performance may be reduced.
It may be necessary to retune the antenna once installed if the environment is highly metallic or if
the antenna is installed underneath a table or desk (and depending on the material of which the
desk/table is manufactured).
Table 1: Antenna Characteristics
Conveyor Antenna
Parameter LA LB LC
S140 S200 R1247
Antenna Coil
Dimensions
300 x 300
mm.
250 x 250
mm.
400 x 500
mm.
140 x 140
mm.
200 x 200
mm.
120 x 470
mm.
Packaged
Antenna
Dimensions
310 x 440 x
25 mm.
275 x 315 x
25 mm.
450 x 625 x
30 mm. Not Applicable
Weight 600 g. 430 g. 1.9 kg. Not Applicable
Operating
Temperature 0 °C to +55 °C
Storage
Temperature -25 °C to +60 °C
Maximum
Output Power 1 7 W 4 W 7 W 8 W
Operating
Frequency 13.56 MHz
Impedance 50±5 Ω and 0 ± 5°
1 FCC-compliant antennas are available (maximum output power of 1 W).
Table 2: Minimum Single-Antenna Station Performance1
Conveyor Antenna
Parameter LA LB LC S140 S200 R1247
Reading 15 cm 18 cm 15 cm
Writing Not Applicable
1 Multiplexed with TR-L100 reader using Ario TL tags.
Performance given for single tag operation and measured on any point above the RF loop. In the middle of the loop, the
performance may be greater.

Installation
December 2007 Revision 3.5 21/48
6 Installation
6.1 Mechanical Aspects
The TR-L100 Reader is delivered with four rubber pads screwed on the bottom of the package for
installation on a table or desk.
A mounting plate available with the TR-L100 Reader can be used to mount the unit in various
positions. When mounted vertically, the BNC connectors must be facing upwards and
perpendicular to the floor.
When installing the TR-L100 Reader on the mounting plate, remove the rubber pads from the
TR-L100 Reader and fasten the unit directly to the mounting plate.
Figure 3: Authorized Installation Positions
BNC Connectors on Top
CAUTION: For continuous protection against risk of fire, use only T 2.5A – 250V rated fuses.
6.2 Cabling Requirements
All TR-L100 Reader cables must be correctly shielded. The shielding effectiveness of the material
used should be of good performance (60 dB minimum), especially in the frequency range of 10 to
60 MHz. The addition of ferrite clamps near the reader unit will increase common mode rejection.
TAGSYS antenna products are delivered with good performance shielded coaxial cables with 6
ferrite beads already mounted to increase shielding effectiveness at low frequencies.
CAUTION: The screws must be always attached to the bottom of the TR-L100 Reader even if
the rubber pads and mounting plate are not used.
CAUTION: Only use recommended cable with correct shielding when using the Conveyor
Antenna Signal Box.
Conveyor Antennas must be connected to the TR-L100 Reader unit using only the supplied
RG-58 cable with 6 ferrite beads fastened at the reader unit end.

Textile L100 Reader User's Guide
22/48 Revision 3.5 December 2007
Figure 4: Ferrite Beads with TR-L100 Reader

Operating Modes
December 2007 Revision 3.5 23/48
7 Operating Modes
Specifically designed for use in Industrial Laundry and Textile Rental applications, the main
operating mode of the TR-L100 Reader is Standalone mode. In this mode, the reader unit
automatically sends the data from tags that are read to the host PC or programmable logic
controller (PLC) via the RS serial communication link. This is the standard STX software
application delivered with the TR-L100 Reader unit.
Custom software can also be developed using the STX Command set. This Windows®-based
application is easy to implement using the STX-E DLLs. This requires a Master/Slave configuration
and does not allow Standalone mode. For more information, refer to the MedioSTX DLL
Programming Guide.
The GemCore® Development Kit is also available for developing a custom program that enables
Standalone mode.
7.1 STX On-Board Application with Standalone Mode
The Standalone mode parameters are set using the L200 Explorer. For more information, refer to
the L200 Explorer User's Guide.
7.1.1 Reader Parameters
250 mW (Low) or 4 W (Full) power consumption modes are available. The recommended power
consumption mode is 1 W.
7.1.2 Channel Settings
Select the number of active antenna channels. If None is selected, all channels are switched off
and no tag commands can be executed. Selecting Channel 1 or Channel 2 causes the
corresponding channel to be switched on immediately.
Select Multiplex to switch off all channels. In this case, the reader uses the multiplexer patterns
during default read operations. In Multiplex mode, only the default Standalone read command can
be executed.
7.1.3 Multiplexing Configuration
The TR-L100 Reader is designed with two transmit channels but with only one receive channel.
This means that each antenna can transmit an RF field used to read tags, but tag contents can
only be read by one antenna at a single time.
Tag reading performance can be enhanced by using the TR-L100 Reader to perform read
operations on both antennas one after the other.
In addition, a phase shift can be applied between Antenna 1 and Antenna 2 for 3-D rotating field
applications.
These parameters are selected in Multiplexing mode that allows the user to completely define a
system based on its multiplexing configuration.
CAUTION: Antennas MUST be connected to the reader unit before the Channel settings are
enabled.

Textile L100 Reader User's Guide
24/48 Revision 3.5 December 2007
In particular, the following parameters are defined by the multiplexing mode:
• the transmitting antennas,
• the phase shift between the antennas,
• which antenna is read, and for how long.
Multiplexing information is organized into patterns. A sequence contains between one and eight
patterns that are applied one after the other in a loop. The TR-L100 Reader can only store a single
sequence.
Figure 5: Sequence of Patterns in a Loop
Pattern 1 Pattern 2 Pattern 3 ...Pattern n
If n
p
atterns are defined
Multiplexing mode enables the user to implement several combinations on the basis of this
physical configuration.
Phase shifts can be used to detect tags in a 3-D rotating field application. Phase shifts of 0° and
180° are available.
In this case, both antennas must be enabled (transmitting) simultaneously in order for the two
phases to create a 3-dimensional RF field. For more information, refer to Appendix A: "Pattern
Examples".
7.1.4 Communication Parameters
Standard communication speed parameters are available. 4800, 9600, 19200 or 38400 bauds can
be selected.
Other parameters are set to their standard values: no parity, 1 stop bit and 8-bit characters.
7.2 Message Format
The format of the ASCII message used in Standalone mode can also be defined. The Header and
Trailer strings are optional, as is the Antenna (RF channel) and its separator string. If Tag ID is
selected, the number of characters to be displayed must be entered (in bytes).
A Checksum is also available to verify the validity of the data.
Messages are sent in frames with the elements shown in Figure 6. The elements sent in the
message can be individually selected.
Figure 6: Message Format
Header Ant. No. + Separator Tag ID Separator + CRC Trailer
The Header can contain from 1 to 16 characters or be absent. Note that the both the Header and
the Trailer are either absent or present simultaneously.
The Antenna Number is either 1 or 2. This Separator can contain between 1 and 16 characters.
The Tag ID field contains the tag ID for C210, C220 and C270 tags. This field can contain 1 to 16
characters and the repetition of characters is configurable.
The second Separator can contain between 1 and 16 characters. The CRC field is the XOR of the
sum of all the characters (in hexadecimal format) included in the message. This value is
represented by two ASCII characters.
The Trailer can contain from 1 to 16 characters or be absent.

Operating Modes
December 2007 Revision 3.5 25/48
7.3 Sorting Mode
The Standalone module of the STX on-board software application features a Sorting mode. In
normal conditions, each tag frame is sent to the host PC or PLC as soon as it is decoded by the
TR-L100 reader.
In Sorting mode, the tags are sorted by the TR-L100 reader before the tag frames are sent to the
host PC or PLC. The tags are sorted by a combination of three parameters selected by the user.
• Buffer depth: between 1 and 50 frames
• Timeout per tag: between 500 milliseconds and 5 minutes
• Reader sorts tags by antenna or regroups all tags into a single group
7.4 Reading Mode
Tags can be read by one of two Reading modes. In Continuous Reading mode, the TR-L100
reader continually reads tags.
A Trigger Reading mode is also available. In this mode, tags can be read either at the high or low
state of the trigger. Tag data is sent to the host PC or PLC by the TR-L100 as soon as it is
decoded or at the end of the trigger. The sending of a No Read signal can also be selected.
In Trigger Reading mode, the RF field is switched on only when the trigger is activated.
7.5 Watchdog
A Watchdog function is available. Using the L200 Explorer, select Activate Watchdog and enter the
Repetition Delay and Message parameters.

Textile L100 Reader User's Guide
26/48 Revision 3.5 December 2007
8 I/O Ports
The TR-L100 Reader features four I/O ports. When using the standard STX software application
delivered with the TR-L100 Reader unit, the four I/Os are specifically configured for Industrial
Laundry and Textile Rental applications.
However, if you choose to develop your own software, the four I/O ports can be configured
independently as a general-purpose input or output. Depending on the application software
downloaded in the GemCore® OS, the I/O port may command a relay, trigger specific commands
(Windowing…) or read input signals.
8.1 Standard STX Standalone Module
When using the standard STX software application delivered with the TR-L100 Reader unit, the
Standalone module uses the I/O configuration given in Table 3.
Table 3: I/O Configuration in Standalone Module
I/O Port Description
1 Trigger (Input)
2 Copy of Trigger (Output)
3 Active when tag is correctly read (Output)
4 Active when no tag is read after a trigger (Output)
For more information about application software, refer to Section 4.2, "On-Board Application
Software".
8.2 General Purpose I/Os
Each I/O can be configured independently as an input or output.
When an I/O is configured as input, it can be used to connect sensors or industrial logic commands
to execute a specific task. For instance, the TR-L100 Reader can execute a tag Read command
according to the logical level of the input command.
When the I/O is configured as output, it can command a relay or any other transducer.
• Input: Industrial logic (0V to 28V) TTL-compatible.
• Output: Open drain, 250 mA (maximum).
8.2.1 Internal Connections
This paragraph describes I/O electronic schematics when the configuration is set to input or output.
It also gives the characteristics of the VOUT supply that is available on the I/O port.

I/O Ports
December 2007 Revision 3.5 27/48
8.2.1.1 Input Configuration
Figure 7: I/O Configured as Input
TR-L100 Reader
Logic I/O
Level
Ground
Ground
V
IN
I/O 0 to 24V
TTL-compatible
1 k
Ω
Pull-up Resistor
8.2.1.2 Output Configuration
Figure 8: I/O Configured as Output
TR-L100 Reader
Logic I/O
Command
Ground
Ground
V
IN
I/O
Open-Drain
1 k
Ω
Pull-up Resistor
8.2.1.3 VOUT Characteristics
Figure 9: VOUT Characteristics
TR-L100 Reader
Ground
Ground
V
OUT
VOUT:
• Output DC 28V.
• Output current: 100 mA max.

Textile L100 Reader User's Guide
28/48 Revision 3.5 December 2007
8.2.2 Input Configurations
When an I/O port is configured as an input, the external logic signal must be connected directly to
the input (0V-24V) of the requested I/O port. If the output of the external logic signal is an open-
collector output, the VIN signal must be connected to a supply (VOUT or external supply) or to the
ground to pull up/down the I/O port. In this case, all the grounds must be connected together
(external logic, external supply and TR-L100 Reader ground supply). The following examples show
how to connect a signal (from a sensor, a push-button, etc…) to the TR-L100 Reader.
Figure 10: Connecting a “Totem-Pole” Sensor
TR-L100 Reader
Ground
V
OUT
V
IN
I/O O
Figure 11: Connecting an “Open-Collector” Sensor (N Type)
TR-L100 Reader
Ground
V
OUT
V
IN
I/O O
Figure 12: Connecting an “Open-Collector” Sensor (P Type)
TR-L100 Reader
Ground
V
OUT
V
IN
I/O O

I/O Ports
December 2007 Revision 3.5 29/48
8.2.3 Output Configurations
When an I/O port is configured as an output, the VIN signal must be connected to a supply to pull
up the I/O port when it is not activated. Setting the I/O port pulls down its output to the GND. VOUT
supply may be used to supply VIN signal and the external load. The following examples show how
to connect a load (a relay, a light, etc.) to the TR-L100 Reader using the internal supply (VOUT) or
an external supply.
Figure 13: Connecting a load using the internal supply (VOUT)
TR-L100 Reader
Ground
V
OUT
V
IN
I/O
Load
-+
Using an external supply
Figure 14: Connecting a load using an external supply
TR-L100 Reader
Ground
V
OUT
V
IN
I/O
Load
-+
+28 V
0 V
When the I/O port is set, the relay is activated. When the I/O port is reset, the relay is not activated.

Textile L100 Reader User's Guide
30/48 Revision 3.5 December 2007
8.3 Application Diagrams
When using the standard STX software application delivered with the TR-L100 Reader unit, the
Standalone module uses the I/O configuration given in Table 3.
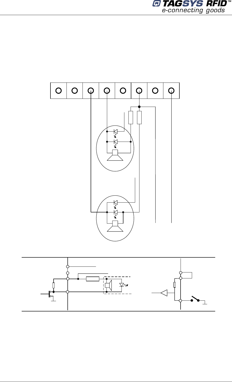
Figure 15: Aero LA Green Lamp and Buzzer Connection
03/02/2003-LM2
1234GND
V
IN
GND
I/O declared Ouput
SET = ON
Clear = Off
Vout
Vin
GND
I/O declared Input
Vout
Vin
GND
In 4
Out n
L200 Out Side L200 Out Side
Out 1
Out 2
Out 3
NC
NC
Antenna 1 Buzzer
Antenna 2 Buzzer
GND GND
NC +5 V DC
+5 V DC power supply
+5 V GND
GREEN
GREEN
BLACK
BLACK
150 Ω
150 Ω
150 Ω
A-LA Antenna internal
A-LA Antenna
internal
A-LA Antenna
internal
RED
GREEN
RED
RED
GREEN
RED
V
OUT

I/O Ports
December 2007 Revision 3.5 31/48
Figure 16: Universal 3-Lamp Setup
03/09/2002-LM2
1 2 3 4 GND GND
Green
White
Red
I/O declared Ouput
SET = ON
Clear = Off
Vout
Vin
GND
I/O declared Input
Vout
Vin
GND
In 4
NC
Out n
L200 Out Side L200 Out Side
Out 1
Out 2
Out 3
NC
V
IN
V
OUT

Textile L100 Reader User's Guide
32/48 Revision 3.5 December 2007
9 Calibration
The TR-L100 Reader features an innovative technology based on Digital Signal Processing (DSP)
to optimize long-distance reading and writing performances.
In particular, the TR-L100 Reader is very efficient even in industrial and noisy environments.
Environmental conditions can vary significantly according to the application-specific factors such as
antenna size, output power, machines close to the TR-L100 Reader antenna, etc. Such
parameters can create noise around the RFID system.
9.1 Calibrating the Trigger Threshold Value
In order to optimize the performance of your RFID system, it is possible to calibrate the TR-L100
Reader. The calibration consists of selecting the best trigger threshold used to capture and decode
a smart label signal. The trigger threshold value corresponds to the sensitivity of the TR-L100
Reader making it possible to differentiate a smart label signal from a noise signal.
If the trigger threshold value is too low, the TR-L100 Reader may start decoding a signal that
actually is a noise signal. In this case, the decoding efficiency of the TR-L100 Reader may
decrease.
If the trigger threshold value is too high, the TR-L100 Reader will not decode a low-magnitude
smart label signal (because it treats it as an ambient noise signal). In this case, reading distance
performance may decrease.
Ultimately, a compromise must be selected to find the best trigger threshold value.
The L200 Explorer application defines the optimized trigger threshold value. Please refer to the
L200 Explorer User’s Guide for further information.
Default trigger threshold values stored in the TR-L100 Reader upon delivery depend on the smart
label type. These trigger values are optimized for Aero-LA, -LB, -LC and Conveyor Antennas at
middle-range power.
The calibration process is only available for C210, C220 and C240 tag types.
CAUTION: C210 and C240 decoding algorithms have been modified to improve TR-L100
Reader performances. It is possible that trigger values optimized for TR-L100 Reader
Firmware releases previous to version 3.0 must be changed when using version 3.0 or more
recent.

How to Improve Performance
December 2007 Revision 3.5 33/48
10 How to Improve Performance
In certain cases when the TR-L100 Reader is installed in a highly metallic environment, its reading
performance can be significantly reduced.
In this event, it is strongly recommended changing the location of the TR-L100 Reader.
10.1 Verification of TR-L100 Reader Performance
The L200 Explorer software tool is used to verify the reading performance of the TR-L100 Reader.
Procedure:
1. Install the L200 Explorer software tool on your PC. (Compatible with Windows® 9x, NT®,
2000 and XP operating systems.)
2. Connect the antenna to the TR-L100 Reader.
3. Connect the TR-L100 Reader to the parallel port of your PC and connect the power supply.
4. Run the L200 Explorer software tool.
5. In the Settings menu, select General Reader Settings and set the following parameters as
listed below.
a. Set the Output Power selection to 1 W (recommended).
b. Select Open Channel Management Window and verify that the correct antenna
channel is enabled.
c. Select the Read Continuously button in the Default Read Parameters.
d. Place a (Ario 10) smart label on the TR-L100 Reader antenna.
e. Click Detect Tag Type.
f. The 'C210 is now the default tag type' message is displayed.
Figure 17: General Reader Settings
6. In the Commands menu, select C210, open the Default Read dialog box and click Read.

Textile L100 Reader User's Guide
34/48 Revision 3.5 December 2007
Figure 18: Default Read Window
7. Using a ruler, measure the distance in which the antenna is able to read a C210 smart
label. If this distance is less than 100 mm., you should verify the tuning of the antenna.
10.2 Antenna Tuning Procedure
The TR-L100 Reader antenna must be re-tuned only by an approved TAGSYS integrator or by a
TAGSYS technical consultant. Any attempt by a non-qualified third-party to re-tune the antenna will
void the product’s warranty.
For detailed tuning procedures, refer to the TAGSYS Antenna Tuning Kit User’s Guide.
10.3 Upgrading the Firmware
The TR-L100 Reader has the capability to have firmware upgrades. This feature allows you to
protect your investment by upgrading your TR-L100 Reader when an enhanced chip-decoding
algorithm or new chip drivers become available.
Upgrading the Firmware of the TR-L100 Reader is a straightforward operation.
1. Install the L200 Explorer software tool on your PC. (Compatible with Windows® 9x, NT®,
2000 and XP operating systems.)
2. Connect the TR-L100 Reader to the serial port of your PC and to the power supply.
3. Run the L200 Explorer software tool.
4. In the File menu, select Upgrade Firmware.
a. In the Flasher window, click Select File.
b. Select the BIN file supplied with the firmware upgrade.
c. Click Download.
When re-tuning the antenna, make sure that the TR-L100 Reader is not connected to the PC.

How to Improve Performance
December 2007 Revision 3.5 35/48
Figure 19: Upgrade Firmware Window
5. The Download procedure may take several minutes. A progress bar is displayed at the
bottom right-hand side of the L200 Explorer window.
6. If the new firmware has been successfully downloaded, a message is displayed. If the final
dialog box at the end of the procedure contains an error message, reload the original
firmware supplied with the TR-L100 Reader and contact your approved TAGSYS
representative.
7. Click OK to reset the TR-L100 Reader.
Always use Firmware upgrades supplied by TAGSYS. If you have any doubt on the origin of
the firmware you intend to download; contact your TAGSYS approved reseller. Any attempt
to download a Firmware supplied by a third party may lead to permanent damages to the
TR-L100 Reader.
Never interrupt the Firmware upgrade procedure while the firmware is being downloaded.
This may lead to permanent damages to the TR-L100 Reader.

Textile L100 Reader User's Guide
36/48 Revision 3.5 December 2007
11 Debugging
11.1 Debugging Tools
The TR-L100 Reader features debugging tools to optimize your RFID system installation and
communication with the tags.
Debugging tools can only be accessed with the L200 Explorer Software and consist of:
• A real-time oscilloscope to display the antenna signals received by the TR-L100 Reader,
• A real-time frequency analyzer to display the frequency information of the antenna signal,
• Certain statistic information about the quality of your RFID System environment.
Please refer to “Medio L200 Explorer User’s Guide” for further information about debugging
tools.

Technical Specifications
December 2007 Revision 3.5 37/48
12 Technical Specifications
12.1 Technical Specifications
Table 4: Technical Specifications
Parameter Value
Size (L x W x H) 310 x 260 x 80 mm. (12.2 x 10.2 x 3.1 in.)
Weight 4.5 kg. (10 lbs.)
Power Supply 85 to 265 V AC / 50/60 Hz
Chip compatibility TAGSYS C220 (Firmware upgrade required for other chips)
Communication Speed Serial: Up to 38.4 Kbps
Parallel: Up to 200 Kbps
Communication Interface Serial: RS-232, RS-485 and RS-422
Parallel: Bi-directional and Enhanced
RF Output Power Up to 4 W with multiplex capability and balanced 0° / 90° / 180°
operation
Power Consumption Up to 40 W
Operating temperature 0 °C / +55 °C (+32 °F / +131 °F)
Storage temperature -20 °C / +70 °C (-4 °F / 158 °F)
Mechanical Interface Rubber pads (Desktop) or metal mounting plate (with screws for vertical
installation)
Conformity
CE, UL
EN 300-330, ETS 300-683 European Radio
FCC Part 15 (for typical configurations)
Reading/Writing Distance Up to 120 cm (47¼ inches) in a gated antenna configuration
Antenna Compatibility 50-Ohm antenna
Application Software 512 KB of Flash memory
Inputs/Outputs 4 I/O ports independently configurable

Textile L100 Reader User's Guide
38/48 Revision 3.5 December 2007
12.2 Serial Port Pin Assignment
Figure 20: RS-232 Serial Link Connector Diagram
12345
6 7 8 9
Connector Description Connector Description
1 NC 6 TRx+ RS485/ Rx+ RS422
2 Rx RS232 / TRx- RS485 / Rx- RS422 7 NC
3 Tx RS232 / TRx- RS485 / Tx- RS422 8 NC
4 NC 9 TRx+ RS485/ Tx+ RS422
5 NC

Electrical Characteristics
December 2007 Revision 3.5 39/48
13 Electrical Characteristics
This chapter provides information about AC and DC electrical characteristics for all pins. It also
gives timing characteristics for the different interfaces.
13.1 Absolute Maximum Ratings
Parameter Value
Ambient Operating Temperature 0 °C to 55 °C
(32 °F to 131 °F)
Storage Temperature –20 °C to 70 °C
(–4 °F to 158 °F)
Supply Voltage (VCC pin) with respect to GND 6 V
Shutdown Voltage (SHDW pin) 6 V
Total Power Dissipation 0.8 W
Total Power Dissipation on Antenna (ANT pin) 0.2 W
DC Current Allowed on VCC Pin 200 mA
Peak Current Allowed on VCC Pin 400 mA
Input Voltage on IOx, Signal Detection and TX_TTL pins 5 V
Output Current Sunk by IOx, Signal Detection and TX_TTL pins 20 mA
Output Current Sourced by IOx, Signal Detection and TX_TTL pins 20 mA
Input Voltage Range on RX_RS232 pin ±25 V
ESD Protection on RX_RS232 and TX_RS232 pins ±15 kV
13.2 Standards Compliance
The TR-L100 Reader is compliant with the following standards:
• CE
• ARIB T60 (Japanese Radio Standard Compliance)
• ETSI 300-330 (European Radio Compliance)
The TR-L100 Reader is also compliant with FCC Section 15 regulations.

Textile L100 Reader User's Guide
40/48 Revision 3.5 December 2007
13.3 Power Supply DC Characteristics
Parameters Conditions Min. Typ. Max. Unit Comments
VCC Power Input Voltage 4 6 V
VCC Power On Input Peak
Current 300 mA
VCC Power On Input Peak
Current Recovery Time
10 ms
Input Voltage = 4V 185 mA All peripherals powered
RF On
Input Voltage = 5V 140 mA
Input Voltage = 6V 115 mA
Input Voltage = 4V 25 mA
A
ll peripherals powered
RF Off
Input Voltage = 5V 20 mA
Input Voltage = 6V 18 mA
Input Voltage = 4V 14 mA Sleep Mode (firmware)
Input Voltage = 5V 12 mA
Input Voltage = 6V 10 mA
Input Voltage = 4V 340 µA Shutdown State (Pin)
Input Voltage = 5V 420 µA
VCC Input Current (No I/Os
connected*)
Input Voltage = 6V 500 µA
(*): The power requirements of a connected I/O increase the reader total consumption.
Figure 21: Input Current vs. Temperature
(VCC Pin at 5 V – RF On - No I/O Connected)
0
50
100
150
-10 0 10 20 30 40 50 60
Temperature (°C)
Input Current (mA)

Electrical Characteristics
December 2007 Revision 3.5 41/48
13.4 Communication Link DC Characteristics and Timing
Parameters Conditions Min. Typ. Max. Unit Comments
RX_TTL Input Voltage Low 0 1 V
RX_TTL Input Voltage High 4 5 V
RX_TTL Input Current 1 µA
TX_TTL Output Voltage Low 0.6 V
TX_TTL Output Voltage High 4.3 V
TX_TTL Output Current 20 µA Sunk or sourced
TX_TTL Output Capacitance 50 pF
RX_RS232 Input Voltage Range -25 +25 V
RX_RS232 Input Threshold Low 25°C 0.8 1.5 V
RX_RS232 Input Threshold High 25°C 1.8 2.4 V
RX_RS232 Input Hysteresis 1.8 2.4 V
RX_RS232 Input Resistance 3 5 7 kΩ
TX_RS232 Output Voltage Swing Loaded with 3 kW to
GND ±5 ±5.4 V
TX_RS232 Output Resistance 300 1000 kΩ
TX_RS232 Short-circuit Current ±60 mA
IEC 1000-4-2 Air-
Gap Discharge ±15 kV
IEC 1000-4-2
Contact Discharge ±8 kV
ESD Protection on both pins
Human body model ±15 kV
4800 Bps +0.16 %
9600 Bps -1.36 %
19200 Bps +1.73 %
RX - TX error on baud rate
38400 Bps +1.73 %
TX Inter-character time 7.5 ms

Textile L100 Reader User's Guide
42/48 Revision 3.5 December 2007
13.5 Antenna Electrical and Timing Characteristics
Parameters Conditions Min. Typ. Max. Unit Comments
ANT output power 4 W
ANT output impedance (50, 0) (Ω, °) At 13.56 MHz
RFOn time to RFOff
End of reception on RX
to ANT.
RF field turns on
1.3 1.4 ms
RFOff time to RFOn
End of reception on RX
to ANT.
RF field turns off
4.2 50 µs
Figure 22: Output Power vs. Temperature
(VCC Pin at 5 V – RF On - No I/O Connected)
0
50
100
150
200
250
300
-10 0 10 20 30 40 50 60
Temperature (°C)
Output Power (mW)
Figure 23: Antenna RF Switch Time
RX_RS232
ANT
Output
ANT
Output
tRFon
tRFoff

Electrical Characteristics
December 2007 Revision 3.5 43/48
13.6 I/O Electrical and Timing Characteristics
Parameters Conditions Min. Typ. Max. Unit Comments
I/Ox input voltage low 0 0.8 V
I/Ox input voltage high 2 V
I/Ox input current 1 µA
I/Ox output voltage low V
I/Ox output voltage high V
I/Ox output current mA Sunk or
sourced
I/Ox output capacitance pF
tCV (time to change value)
End of reception on
RX to I/Ox level
changed
35 40 µs
tGV (time to get value)
End of reception on
RX to I/Ox level
read
33 38 µs
tFR (time to fall or rise) Fall/rise time 10 25 ns
Figure 24: I/O DC Characteristics and Timing
RX_RS232
IOx
Output
IOx
Input
tCV
tFR
tGV

Textile L100 Reader User's Guide
44/48 Revision 3.5 December 2007
14 Warranty Conditions
14.1 Warranty
TAGSYS warrants that this Product shall comply with the functional specifications set forth herein
for a period of one year from the date of delivery to the Buyer.
This warranty is valid for the original Buyer of the Product and is not assignable or transferable to
any other party.
TAGSYS cannot be responsible in any way for, and disclaims any liability in connection with the
operation or performance of:
any product in which the Product is incorporated;
any equipment not supplied by TAGSYS which is attached to or used in connection with the
Product; or
the Product with any equipment
This warranty does only cover the Product to the exclusion of any such other equipment.
Optimal operation and performance of the Product are obtained by using TAGSYS’ readers, by
applying TAGSYS installation guidelines and by having your installation reviewed by a TAGSYS’
technical consultant.
TAGSYS warranty does not cover the installation, maintenance or service of the Product and is
strictly limited to the replacement of Products considered as defective by TAGSYS and returned
according to the return procedure defined below; in such case, TAGSYS will, at TAGSYS’ option,
either replace every defective Product by one new Product or refund the purchase price paid by
Buyer to TAGSYS for the defective Product.
14.2 Warranty Exclusions
Defects or damages resulting from storage of the Product under conditions which do not
comply with TAGSYS specifications or normal usage
Defects or damages resulting from use of the Product in abnormal conditions (abnormal
conditions being defined as any conditions exceeding the ones stated in the product
specifications).
Defects or damages from misuse, accident or neglect.
Defects from improper testing, operation, maintenance or installation.
Defects from alteration, modification except modifications or adjustments specifically described
in this Product reference guide, adjustment or repair, or any attempt to do any of the foregoing,
by anyone other than TAGSYS.
Any action on Product that prevents TAGSYS from performing an inspection and test of the
Product in case of a warranty claim.
Tampering with or abuse of the Product.
Any use or incorporation by the Buyer or a third party of TAGSYS' Product into life saving or life
support devices or systems, or any related products, TAGSYS expressly excludes any liability
for such use.

Warranty Conditions
December 2007 Revision 3.5 45/48
14.2.1 General Provisions
This warranty sets forth the full extent of TAGSYS responsibility regarding the Product.
In any event, TAGSYS warranty is strictly limited to (at TAGSYS’ sole option) the replacement or
refund of the Products purchase price to TAGSYS, of Products considered as defective by
TAGSYS.
The remedy provided above is in lieu and to the exclusion of all other remedies, obligations or
liabilities on the part of TAGSYS for damages, whether in contract, tort or otherwise, and including
but not limited to, damages for any defects in the Products or for any injury, damage, or loss
resulting from such defects or from any work done in connection therewith or for consequential
loss, whether based upon lost goodwill, lost resale profits, impairment of other goods or arising
from claims by third parties or otherwise.
TAGSYS disclaims any explicit warranty not provided herein and any implied warranty, guaranty or
representation as to performance, quality and absence of hidden defects, and any remedy for
breach of contract, which but for this provision, might arise by implication, operation of law, custom
of trade or course of dealing, including implied warranties of merchantability and fitness for a
particular purpose.
14.2.2 How to Return Defective Products
The Buyer shall notify TAGSYS of the defects within 15 working days after the defects are
discovered.
Defective Products must be returned to TAGSYS after assignment by a TAGSYS Quality
Department representative of an RMA (Return Material Authorization) number. No Products shall
be returned without their proof of purchase and without the acceptance number relating to the
return procedure.
All Products shall be returned with a report from the Buyer stating the complete details of the
alleged defect.
Call +33 4 91 27 57 36 for return authorization and shipping address.
If returned Products prove to be non-defective, a charge will be applied to cover TAGSYS’ analysis
cost and shipping costs.
If the warranty does not apply for returned Products (due to age, or application of a warranty
exclusion clause), a quote for replacement will be issued, and no replacement will be granted until
a valid purchase order is received. If no purchase order is received within 30 days after the date of
TAGSYS quote, TAGSYS will return the products and charge the analysis cost and shipping costs.
All replaced Products shall become the property of TAGSYS.
The Product Return Form is included on the following page. This form should accompany any
product you need to return to TAGSYS for analysis in the event of a problem.

Textile L100 Reader User's Guide
46/48 Revision 3.5 December 2007
Product Return Form
Customer Profile:
Company: ................................................................
Address: ..................................................................
.................................................................................
.................................................................................
City & State:.............................................................
Zip Code: .................................................................
Country: ...................................................................
Contact Name: .......................................................
Contact e-mail: ......................................................
Contact Phone: ......................................................
Contact Fax:...........................................................
Order identification:
Product Name:.........................................................
Order Number (OEF):..............................................
Invoice Number: .....................................................
Return Quantity: ....................................................
Reason for return:
.........................................................................................................................................................................
.........................................................................................................................................................................
.........................................................................................................................................................................
.........................................................................................................................................................................
.........................................................................................................................................................................
To inform TAGSYS of this return, please email it to
RMA@tagsysrfid.com
Address to ship the product with this document attached:
TAGSYS
QUALITY DEPARTMENT
180, chemin de Saint Lambert
13821 La Penne sur Huveaune France
To inform TAGSYS of this return, please also fax it to your Customer Service Representative
+33 491-275-701
Return Procedure:
The product returned will go through stringent quality controls.
A final analysis report will be sent to you as soon as possible.
Please contact your Quality Service representative for further details.
+33 491-275-736

Warranty Conditions
December 2007 Revision 3.5 47/48
Appendix A: Pattern Examples
Enabling one Antenna after Another
This is the most common example of a tag-reading pattern and requires the use of two patterns.
The first one enables only Antenna 1, while the second enables only Antenna 2.
In Pattern 1, Antenna 1 is enabled and then the detected tags are read. Afterwards in Pattern 2,
Antenna 1 is disabled, Antenna 2 is enabled and then the detected tags are read.
Channel 1 2 Phase Shift
Pattern 1 Enabled Disabled Disabled
Pattern 2 Disabled Enabled Disabled
The advantage of this configuration is that the two antennas are not enabled at the same time,
reducing interference.
Enabling both Antennas Simultaneously
This configuration is implemented with only one pattern that enables Antennas 1 and 2 at the same
time. This configuration is best used for detecting smart labels in 3-dimensional rotating field
applications.
In this case, a phase shift should be applied to one of the antennas in order to create a 3-D RF
field.
Both Antennas 1 and 2 are enabled and the tags detected by Antenna 1 are read and then the
tags detected by Antenna 2 are read. (Only one channel can be read at a single time.)
Channel 1 2 Phase Shift
Pattern 1 Enabled Enabled Enabled
Enabling each Antenna Separately and then both at once
Depending on the application requirements, in this configuration each antenna can be enabled
separately and then both at once.
In order to implement this configuration, three patterns are necessary. The first one enables only
Antenna 1, the second enables only Antenna 2 and the third enables both Antennas 1 and 2.
Channel 1 2 Phase Shift
Pattern 1 Enabled Disabled Disabled
Pattern 2 Disabled Enabled Disabled
Pattern 3 Enabled Enabled Enabled

Textile L100 Reader User's Guide
48/48 Revision 3.5 December 2007
In this example, the scanning parameters must be carefully selected. As both the Scan Number
and Scan Duration parameters are the same for all three patterns, if the Scan Number is set to 1,
Antenna 2 in Pattern 3 will not be read.
If the Scan Duration is set to 100 ms. and the Scan Number is set to 2, the tags detected by
Antenna 1 will be read twice (for 100 ms. each time) in Pattern 1, then the tags detected by
Antenna 2 will be read twice (for 100 ms. each time) in Pattern 2. In Pattern 3, the tags detected by
Antenna 1 will be read once for 100 ms. and then the tags detected by Antenna 2 will be read once
for 100 ms.
In the event that the Scan Number parameter is set to 3, the tags detected by Antennas 1 and 2
are read three times in Patterns 1 and 2, respectively. In Pattern 3, the tags detected by Antenna 1
are read once, then the tags detected by Antenna 2 are read once, and then the tags detected by
Antenna 1 are read a second time.
Each pattern will be executed for the same amount of time regardless of the number of
antennas selected in the pattern.
This duration is equal to the Scan Number x Scan Duration.