Tapco J1400 Users Manual Juice Stereo Power Amplifiers Owner's
Mackie J800 Owners Manual juice_om Mackie - J800 - Owner's Manual
Mackie J1400 Owners Manual juice_om Mackie - J1400 - Owner's Manual
Mackie J2500 Owners Manual juice_om Mackie - J2500 - Owner's Manual
J-2500 juice_om
Mackie J800 Owners Manual juice_om Mackie - J800 - Owner's Manual
2015-02-03
: Tapco Tapco-J1400-Users-Manual-462700 tapco-j1400-users-manual-462700 tapco pdf
Open the PDF directly: View PDF .
Page Count: 20


2
SAFETY INSTRUCTIONS
1. Read these instructions.
2. Keep these instructions.
3. Heed all warnings.
4. Follow all instructions.
5. Do not use this apparatus near water.
6. Clean only with a dry cloth.
7. Do not block any ventilation openings. Install in accordance
with the manufacturer’s instructions.
8. Do not install near any heat sources such as radiators, heat
registers, stoves, or other apparatus (including amplifiers)
that produce heat.
9. Do not defeat the safety purpose of the polarized or
grounding-type plug. A polarized plug has two blades with
one wider than the other. A grounding-type plug has two
blades and a third grounding prong. The wide blade or the
thrid prong are provided for your safety. If the provided
plug does not fit into your outlet, consult an electrician for
replacement of the obsolete outlet.
10. Protect the power cord from being walked on or pinched
particularly at plugs, convenience receptacles, and the point
where they exit from the apparatus.
11. Only use attachments/accessories specified by the
manufacturer.
12. Use only with a cart, stand, tripod, bracket, or table specified
by the manufacturer, or sold with the apparatus. When a
cart is used, use caution when moving the cart/apparatus
combination to avoid injury from tip-over.
13. Unplug this apparatus during lightning storms or when
unused for long periods of time.
14. Refer all servicing to qualified service personnel. Servicing
is required when the apparatus has been damaged in any
way, such as when the power-supply cord or plug has been
damaged, liquid has been spilled or objects have fallen into
the apparatus, the apparatus has been exposed to rain or
moisture, does not operate normally, or has been dropped.
15. This apparatus shall not be exposed to dripping or splashing,
and no object filled with liquids, such as vases, shall be
placed on the apparatus.
16. This apparatus has been designed with Class-I construction
and must be connected to a mains socket outlet with a
protective earthing connection (the third grounding prong).
17. This apparatus has been equipped with a single-pole rocker-
style AC mains power switch. This switch is located on the
front panel and should remain readily accessible to the user.
18. This apparatus does not exceed the Class A/Class
B (whichever is applicable) limits for radio noise
emissions from digital apparatus as set out in the radio
interference regulations of the Canadian Department of
Communications.
ATTENTION —Le présent appareil numérique n’émet pas de bruits
radioélectriques dépassant las limites applicables aux appareils
numériques de class A/de class B (selon le cas) prescrites dans le
règlement sur le brouillage radioélectrique édicté par les ministere
des communications du Canada.
WARNING — To reduce
the risk of fire or electric
shock, do not expose
this appliance to rain or
moisture.
PORTABLE CART WARNING
Carts and stands - The
Component should be used
only with a cart or stand
that is recommended by
the manufacturer.
A Component and cart
combination should be
moved with care. Quick
stops, excessive force, and
uneven surfaces may cause
the Component and cart
combination to overturn.
CAUTION AVIS
RISK OF ELECTRIC SHOCK
DO NOT OPEN
RISQUE DE CHOC ELECTRIQUE
NE PAS OUVRIR
CAUTION: TO REDUCE THE RISK OF ELECTRIC SHOCK
DO NOT REMOVE COVER (OR BACK)
NO USER-SERVICEABLE PARTS INSIDE
REFER SERVICING TO QUALIFIED PERSONNEL
ATTENTION: POUR EVITER LES RISQUES DE CHOC
ELECTRIQUE, NE PAS ENLEVER LE COUVERCLE. AUCUN
ENTRETIEN DE PIECES INTERIEURES PAR L'USAGER. CONFIER
L'ENTRETIEN AU PERSONNEL QUALIFIE.
AVIS: POUR EVITER LES RISQUES D'INCENDIE OU
D'ELECTROCUTION, N'EXPOSEZ PAS CET ARTICLE
A LA PLUIE OU A L'HUMIDITE
The lightning flash with arrowhead symbol within an equilateral
triangle is intended to alert the user to the presence of uninsulated
“dangerous voltage” within the product’s enclosure that may be
of sufficient magnitude to constitute a risk of electric shock to persons.
Le symbole éclair avec point de flèche à l'intérieur d'un triangle
équilatéral est utilisé pour alerter l'utilisateur de la présence à
l'intérieur du coffret de “voltage dangereux” non isolé d'ampleur
suffisante pour constituer un risque d'éléctrocution.
The exclamation point within an equilateral triangle is intended to
alert the user of the presence of important operating and maintenance
(servicing) instructions in the literature accompanying the appliance.
Le point d'exclamation à l'intérieur d'un triangle équilatéral est
employé pour alerter les utilisateurs de la présence d'instructions
importantes pour le fonctionnement et l'entretien (service) dans le
livret d'instruction accompagnant l'appareil.

Part No. 0007787 Rev. B 06/05
©2003-2005 LOUD Technologies Inc. All Rights Reserved.
3
What me, read a manual?
Before you begin, please make sure you read the Safety Instructions on page 2 and Getting Started on
page 4.
Your new TAPCO® amplifier is designed to set up quickly and operate easily. We know it’s often seen as a
sign of weakness to read a manual, along with asking for directions when lost, but maybe you can read the
rest when nobody is looking.
It is important to keep your receipt in a safe place, and not a bad idea to write your product information
here for future reference (i.e., insurance claims, tech support, return authorization, etc.).
Duration Per Day Sound Level dBA, Typical
In Hours Slow Response Example
8 90 Packed garage concert
6 92
4 95 VW Bus Peace Train
3 97
2 100 Cranked psychedelic tunes
1.5 102
1 105 High speed chase on C.H.I.P.s
0.5 110
0.25 or less 115 Loudest parts at a Heavy Metal concert
Product Serial #:
Purchased at:
Date of purchase:
19. Exposure to extremely high noise levels may cause
permanent hearing loss. Individuals vary considerably in
susceptibility to noise-induced hearing loss, but nearly
everyone will lose some hearing if exposed to sufficiently
intense noise for a period of time. The U.S. Government’s
Occupational Safety and Health Administration (OSHA) has
specified the permissible noise level exposures shown in the
following chart.
According to OSHA, any exposure in excess of these
permissible limits could result in some hearing loss. To
ensure against potentially dangerous exposure to high
sound pressure levels, it is recommended that all persons
exposed to equipment capable of producing high sound
pressure levels use hearing protectors while the equipment
is in operation. Ear plugs or protectors in the ear canals or
over the ears must be worn when operating the equipment
in order to prevent permanent hearing loss if exposure is in
excess of the limits set forth here.

4
Getting Started
The following steps will help you set up your amplifier, and get the
levels just right.
SETTINGS:
1. Be sure the amplifier’s POWER switch is off.
2. Turn down both Level controls.
3. On the rear panel, set the SUBSONIC FILTER
switch OFF and the CLIP LIMIT switch ON.
4. Determine which AMP MODE is best for your
application:
STEREO mode is the typical setup for amplifying
stereo signals. INPUT 1 is routed to CHANNEL
1 output, and INPUT 2 is routed to CHANNEL 2
output.
MONO mode is used for sending a mono signal
to both outputs, with separately adjustable level
controls. INPUT 1 is used in MONO mode (leave
INPUT 2 disconnected).
BRIDGE mode uses both outputs to double
the power to one speaker (or set of speakers).
INPUT 1 is used in BRIDGE mode (leave INPUT 2
disconnected and the B Level control turned down).
NOTE:
4 ohms is the minimum speaker impedance
you should connect to the amplifier in BRIDGE
mode. See “Do the Math” in Appendix B for
information on calculating speaker impedances.
5. Set the AMP MODE switch according to your
application.
CONNECTIONS:
1. Using balanced cables, make connections from
your mixer (or other signal source) MAIN OUT to
your amplifier’s INPUTs.
2. In STEREO mode, connect the cables from your
signal source to the amplifier’s INPUT jacks,
either XLR or 1/4” TRS.
• The XLR and TRS inputs for each channel are
wired in parallel.
• The balanced XLR inputs are wired as follows:
Pin 1 = shield (ground)
Pin 2 = hot (+)
Pin 3 = cold (–)
• The 1/4” TRS inputs are wired as follows:
Tip = hot (+)
Ring = cold (–)
Sleeve = shield (ground)
3. In MONO mode and BRIDGE mode, connect
one cable from the input source to INPUT 1, and
connect nothing to INPUT 2.
4. In STEREO and MONO modes, connect speaker
cables to the SPEAKER OUTPUTS, either the
binding posts or the Speakon® connectors.
• The binding post connectors are wired as
follows:
red = hot (+ speaker terminal)
black = cold (– speaker terminal)
• The Speakon connectors are wired as follows:
1+ = hot (+ speaker terminal)
1– = cold (– speaker terminal).
5. In BRIDGE mode, if using the binding post
outputs:
• CHANNEL 1 SPEAKER OUTPUT red post = hot
(+ speaker terminal)
• CHANNEL 2 SPEAKER OUTPUT red post =
cold (– speaker terminal)
Do not use the black terminals.
If using a Speakon connector, connect the
Speakon to the center BRIDGED connector.
• The BRIDGED Speakon connector is wired as
follows:
1+ = hot (+ speaker terminal)
2+ = cold (– speaker terminal).
6. Plug all the sound system components into
suitable AC outlets, properly grounded and
capable of delivering adequate current.
7. Make sure your signal source is powered up and
delivering signal to the amp.
8. Turn the power amplifier’s switch on. Verify that
the POWER LED lights.
9. Slowly turn up both Level controls on the
amplifier. You should hear music and see the
SIG LEDs flashing. If the OL (Overload) LEDs
are flashing, turn down either the Level controls
on the amp or the source signal’s output level
controls (i.e., master faders), until the OL LEDs
either blink occasionally or not at all.
10.
For quieter listening, it is preferable to adjust
the amp’s Level controls rather than the source
signal’s output level (unless you have the source’s
control all the way up!).
Things To Remember:
• Never plug amplifier outputs
into anything except speakers
(unless you have an outboard box
specifically designed to handle
speaker-level signals).
5
• Before making connections to an amp or
reconfiguring an amp’s routing, turn the amp’s
level controls down, turn the power off, make the
changes, turn the power back on, and then turn
the level controls back up.
• If you shut down your equipment, turn off the
amplifiers first. When powering up, turn on the
amplifiers last.
• Save the shipping box and packing material! You
may need it someday. If not, it makes a great end
table or hiding place for your cat.
Contents
SAFETY INSTRUCTIONS ..............................................2
Getting Started ..................................................................4
Introduction .........................................................................6
Hookup Diagrams .............................................................7
TAPCO Juice Features ..................................................8
FRONT PANEL FEATURES ....................................8
1. Level .............................................................................8
2. SIG ............................................................................... 8
3. OL ................................................................................. 8
4. POWER ......................................................................8
REAR PANEL FEATURES ........................................8
5. Power Cord Socket ...............................................8
6. BREAKER...................................................................9
7. SPEAKER OUTPUTS ............................................9
8. INPUTS ......................................................................9
9. SUBSONIC FILTER ..............................................9
10. CLIP LIMIT ............................................................9
11. AMP MODE ..........................................................9
GENERAL PRECAUTIONS ...........................................9
Rack Mounting .............................................................9
Thermal Considerations ....................................... 10
AC Power Considerations .................................... 10
Input Wiring ................................................................ 10
Output Wiring ........................................................... 11
Appendix A: Service Information ............................. 14
Warranty Service ..................................................... 14
Troubleshooting ........................................................ 14
Repair ............................................................................ 15
Appendix B: Technical Info ......................................... 16
Do The Math: Ohms, Loads, and Such ............ 16
Juice Series Specifications .................................. 17
Juice Series Block Diagram ................................. 18
TAPCO LIMITED WARRANTY ................................. 19
Don’t forget to visit our website at www.tapcogear.com
for more information about this and other TAPCO products.
6
Introduction
Thank you for choosing a TAPCO® Juice™ power amplifier. The TAPCO product line hails back to the
days of TAPCO Corporation, Greg Mackie’s first company. TAPCO revolutionized the audio industry in
1969 with the very first 6-channel mixer specifically designed for keyboards and rock ‘N’ roll PA.
In essence, TAPCO re-defined the price performance ratio and made high-quality professional audio
mixers accessible to virtually anyone. Today, TAPCO is reborn with the same ideals and is backed by
the world-class engineering and manufacturing horsepower of Mackie. The TAPCO J•800, J•1400, and
J•2500 are the first power amplifiers in the TAPCO family.
The Juice Series™ of amplifiers are powerful and tough. They are designed to withstand the punishing
rigors of the road and continue to crank out amplified sound day after day, year after year.
Here’s a quick glance at the features packed into these juicy amplifiers:
• J•800: 800 watts continuous @ 4 ohms bridged
J•1400: 1400 watts continuous @ 4 ohms bridged
J•2500: 2500 watts continuous @ 4 ohms bridged
• Ultra-low noise/low-distortion design
• Switchable low-cut filter @ 30 Hz on both channels
• Switchable limiter on both channels
• Balanced/unbalanced 1/4" TRS and XLR line input jacks
• Speakon® output connectors
• Detented rotary gain controls calibrated in dB
• Signal present and OL (overload) LEDs
• Variable speed fans for superior cooling

7
INPUT 2
INPUT 1
LINE
(BALANCED)
LINE
(BALANCED)
CLIP LIMIT
ON
OFF
STEREO
SUBSONIC
FIL
TER A
T 30Hz
ON
OFF
AMP MODE
MONO
BRIDGE
INPUT
CONNECTION
BREAKER
CHANNEL 2 BRIDGED CHANNEL 1
CAUTION
SPEAKER CONNECTION
CHANNEL 2 CHANNEL 1
BRIDGED
TO REDUCE THE RISK
OF FIRE OR ELECTRIC
SHOCK, DO NOT
EXPOSE THIS
APPARATUS TO
RAIN OR MOISTURE.
SEE INSTRUCTIONS
BEFORE USING.
WWW.TAPCOGEAR.COM
DESIGNED IN WOODINVILLE, WA, USA
"TAPCO" IS A REGISTERED TRADEMARK
OF LOUD TECHNOLOGIES INC.
SPEAKER CONNECTION
CHANNEL 2 CHANNEL 1
BRIDGED
TO SPEAKER
OPTIONAL CONNECTION USING BINDING POSTS
+–
FROM MIXING CONSOLE
MAIN OUT
AMP MODE SWITCH
BRIDGE
Passive Speaker (Mackie C300)
INPUT 2
INPUT 1
LINE
(BALANCED)
LINE
(BALANCED)
CLIP LIMIT
ON
OFF
STEREO
SUBSONIC
FIL
TER A
T 30Hz
ON
OFF
AMP MODE
MONO
BRIDGE
INPUT
CONNECTION
BREAKER
CHANNEL 2 BRIDGED CHANNEL 1
CAUTION
SPEAKER CONNECTION
CHANNEL 2 CHANNEL 1
BRIDGED
TO REDUCE THE RISK
OF FIRE OR ELECTRIC
SHOCK, DO NOT
EXPOSE THIS
APPARATUS TO
RAIN OR MOISTURE.
SEE INSTRUCTIONS
BEFORE USING.
WWW.TAPCOGEAR.COM
DESIGNED IN WOODINVILLE, WA, USA
"TAPCO" IS A REGISTERED TRADEMARK
OF LOUD TECHNOLOGIES INC.
SPEAKER CONNECTION
CHANNEL 2 CHANNEL 1
BRIDGED
TO SPEAKERS
OPTIONAL CONNECTION USING BINDING POSTS
FROM MIXING CONSOLE
MAIN OUT
AMP MODE SWITCH
MONO
Passive Speakers (Mackie C300s)
INPUT 2
INPUT 1
LINE
(BALANCED)
LINE
(BALANCED)
CLIP LIMIT
ON
OFF
STEREO
SUBSONIC
FIL
TER A
T 30Hz
ON
OFF
AMP MODE
MONO
BRIDGE
INPUT
CONNECTION
BREAKER
CHANNEL 2 BRIDGED CHANNEL 1
CAUTION
SPEAKER CONNECTION
CHANNEL 2 CHANNEL 1
BRIDGED
TO REDUCE THE RISK
OF FIRE OR ELECTRIC
SHOCK, DO NOT
EXPOSE THIS
APPARATUS TO
RAIN OR MOISTURE.
SEE INSTRUCTIONS
BEFORE USING.
WWW.TAPCOGEAR.COM
DESIGNED IN WOODINVILLE, WA, USA
"TAPCO" IS A REGISTERED TRADEMARK
OF LOUD TECHNOLOGIES INC.
SPEAKER CONNECTION
CHANNEL 2 CHANNEL 1
BRIDGED
FROM MIXING CONSOLE
LEFT AND RIGHT MAIN OUT
AMP MODE SWITCH
STEREO
Passive Speakers (Mackie C300s)
TO SPEAKERS
OPTIONAL CONNECTION USING BINDING POSTS
Hookup Diagrams
Stereo Hookup
Mono Hookup
Bridge Hookup

8
FRONT PANEL FEATURES
1. Level
These two knobs control the levels of Channels
1 and 2. The knobs are detented to make it easy to
set both controls to the same level. Usually, these
controls are set all the way up.
The amplifiers are designed so that a +3.4 dBu
(1.15V rms) input signal drives the amplifier to full
power into 4 ohms:
J•800 = 300 watts per channel into 4 ohms
J•1400 = 450 watts per channel into 4 ohms
J•2500 = 750 watts per channel into 4 ohms
This equates to a gain of about 30 dB (30 dB, 32 dB,
and 34 dB respectively). The graphics around the
knob indicate full gain of (about) 30 dB when the
knob is all the way up (fully clockwise).
After you have set the levels for the mixer (or
other signal source), adjust the Level controls on the
amplifier as the final adjustment to set the overall
volume for the system.
2. SIG
This is short for “signal present.” These green
LEDs indicate when a signal is present after the
Level controls, at the output stage of the power
amplifier. If the Level controls are turned all the way
down (fully counterclockwise), these indicators will
not light.
3. OL
This is short for “overload.” These red LEDs
indicate when the output of the amplifier has
reached the maximum, and is right on the hairy
edge of clipping. Clipping is bad for speakers and
should be avoided.
It is okay if the OL LED blinks occasionally. It
means that the transient peaks of the music are just
hitting the full output of the amplifier.
However, if the OL (overload)
LED is blinking frequently or
continuously, turn down the source
signal (i.e., the mixer’s master
faders) or the amplifier’s Level
controls.
4. POWER
This handy switch turns the power amplifier on
and off. When the amplifier is on, the POWER LED
lights to let you know Juice is ready and rarin’ to go!
REAR PANEL FEATURES
5. Power Cord Socket
Here is where you connect the detachable power
cord that came in the box with your amplifier. Plug
the other end of the power cord into an AC outlet
properly configured with the voltage required for
your particular model.
TAPCO Juice Features
INPUT 2
INPUT 1
LINE
(BALANCED)
LINE
(BALANCED)
CLIP LIMIT
ON
OFF
STEREO
SUBSONIC
FIL
TER A
T 30Hz
ON
OFF
AMP MODE
MONO
BRIDGE
INPUT
CONNECTION
BREAKER
CHANNEL 2 BRIDGED CHANNEL 1
CAUTION
SPEAKER CONNECTION
CHANNEL 2 CHANNEL 1
BRIDGED
TO REDUCE THE RISK
OF FIRE OR ELECTRIC
SHOCK, DO NOT
EXPOSE THIS
APPARATUS TO
RAIN OR MOISTURE.
SEE INSTRUCTIONS
BEFORE USING.
WWW.TAPCOGEAR.COM
DESIGNED IN WOODINVILLE, WA, USA
"TAPCO" IS A REGISTERED TRADEMARK
OF LOUD TECHNOLOGIES INC.
6
7
89
10 11
5
OL
SIG
21
OL
SIG
POWER
dBu
30
OO
dBu
30
OO
11
33
2 2
4
7
9
6. BREAKER
This is a resettable circuit breaker that monitors
the amount of current being drawn by the amplifier.
Under normal operating conditions, this should never
pop. An unusual condition may cause the breaker to
pop, such as a mains voltage surge occurring at the
same time as a peak amplifier output.
Turn the POWER switch off, and push the
BREAKER button in to reset the circuit breaker. Turn
the POWER switch back on and the amplifier should
resume normal operation. If the circuit breaker pops
again, something probably isn’t right.
• Make sure that the total impedance of the
speakers connected to the outputs is 2 ohms or
greater (per channel) in stereo mode, or 4 ohms
or greater in bridged mode.
• If the breaker pops right away, even with the
Level controls turned down and the speakers
disconnected, there may be something wrong
inside the amplifier. Refer to “Appendix A:
Service Info.”
7. SPEAKER OUTPUTS
You have two options for connecting your
speakers: binding posts and Speakon connectors.
Normally, you would use either the binding posts
or the Speakon connectors. Since the connectors
are wired in parallel (e.g., CHANNEL 1 binding
post and Speakon are in parallel, and CHANNEL 2
binding post and Speakon are in parallel), you can
connect a speaker to each connector, as long as the
total impedance per channel is two ohms or more.
• Two 8 ohm speakers in parallel equals 4 ohms.
• Two 4 ohm speakers in parallel equals 2 ohms.
See “Output Wiring” on page 11 for information
on output connection wiring.
8. INPUTS
The Juice amplifiers give you two options for
connecting the input signal — XLR input connectors
and 1/4” TRS (Tip-Ring-Sleeve) connectors. These
inputs are in parallel, and are identical, electrically
speaking. You can connect either a balanced or an
unbalanced signal here.
Since these two inputs are in parallel, you
shouldn’t connect more than one source to the
INPUT 1 or INPUT 2 jacks. However, you can use
the unused input jack as a “Thru” connector, to
daisy-chain the signal to another amplifier. See
“Input Wiring” on page 10 for information on input
connection wiring.
9. SUBSONIC FILTER
Turn this switch on to engage a low-frequency
cutoff (high-pass) filter at 30 Hz. The Juice
amplifiers can amplify signals below 20 Hz, but
most speakers can’t reproduce frequencies that
low. By engaging the SUBSONIC FILTER, you allow
the amplifier to power only the frequencies that
you can hear. In addition, this filter can remove low-
frequency stage noise (footsteps) and accidental
microphone pops that could damage a loudspeaker.
10. CLIP LIMIT
The CLIP LIMIT switch is there to protect your
loudspeakers from the effects of clipping. It is
designed to be virtually transparent, meaning you
probably won’t even notice any audible difference
when the switch is turned on.
We recommend that you leave this switch on at all
times. However, if you are working at quiet levels, or
you have already placed a compressor/limiter in the
signal path, you can leave the CLIP LIMIT switch off.
11. AMP MODE
This switch determines the input signal routing
within the amplifier. For most applications, you
will use the STEREO setting. However, some
applications might be better suited for using either
the MONO or the BRIDGE setting.
STEREO: This mode accepts separate left and right
inputs (A and B), and routes them to the CHANNEL
1 and CHANNEL 2 outputs. Each channel’s Level
control adjusts the gain for its own channel.
MONO: This mode accepts a single input (INPUT
1), and routes it to both the CHANNEL 1 and
CHANNEL 2 outputs. Each channel’s Level control
adjusts the gain for its own channel.
BRIDGE:
This mode accepts a single input (INPUT
1), and uses both amplifier outputs to double the
power to one speaker (or set of speakers). Use the
CHANNEL 1 Level control to adjust the gain (turn
the CHANNEL 2 Level control all the way down).
See “Output Wiring” on page 11 for information on
how to connect a speaker in Bridge mode.
GENERAL PRECAUTIONS AND
CONSIDERATIONS
Rack Mounting
The Juice amplifiers are designed to be mounted
in a standard rack. They require two rack spaces
(2U = 3.5”). They also require 15.75” depth inside
the rack, including the rear support brackets. When
designing your rack, put the heavier items at the
bottom and the lighter items toward the top.
Secure the front panel of the amplifier to the
front of the rack using four screws with soft washers
to prevent scratching the panel. In addition,
because of the weight of the amplifier, you must
secure the rear support brackets of the amplifier to
the back of the rack. You could use a support rail or

10
shelf across the back of the rack, or angle brackets
attached between the rear support rails and the
rear rails of the rack. This is recommended for all
components mounted in a rack that is going to be
moved frequently (or thrown in the back of a pickup
truck and transported down a bumpy gravel road to
that outdoor festival!).
Thermal Considerations
The Juice amplifiers are fan-cooled with two
separate fans. One fan brings cool air in from the
back and the other fan blows the warm air out
the front of the chassis. Make sure that cool air is
available at the back of the amplifier, and that there
is room in the front for the warm air to exit from the
amplifier and dissipate. If rack-mounted, make sure
the air being drawn from the rack is cool. Some rack-
mounted equipment expel warm air into the rack.
When the amplifier is first turned on, the fans run
at low speed. As the power output increases and
the amp warms up, the fans gradually increase in
speed to provide additional cooling.
AC Power Considerations
Be sure the amplifier is plugged into an AC outlet
that is able to supply the specified voltage. Be sure
the AC outlet can supply enough current to allow
full power operation of all the amplifiers plugged
into it. The outlet should be a three-prong socket
that matches the power cord.
WARNING: Bypassing the
plug’s safety ground pin can be
dangerous. Don’t do it!
The AC current demand of an amplifier varies
depending on several factors, including the load
impedance, the crest factor, and the duty cycle of
the program material. Under typical conditions
reproducing rock music where musical peaks are
just below clipping, the Juice amplifiers require the
following average currents.
J•800 = 5 A
J•1400 = 7 A
J•2500 =10 A
It is recommended that a stiff supply of AC
power be used because the amplifier places high
current demands on the AC line. The more power
that is available on the line, the louder the amplifier
will play and the more peak output power will be
available for cleaner, punchier bass.
If you have more than one amplifier sharing an
AC outlet, you should avoid turning them all on at
the same time. Rather, sequence them on, one at a
time, to prevent popping the circuit breaker (due
to in-rush current).
Input Wiring
Use a high-quality 3-conductor shielded cable
to connect the signal between the signal source
(mixing console, equalizer, etc.) and the balanced
inputs to the amplifier. If you are using unbalanced
inputs, use a high-quality 2-conductor shielded
cable. Your TAPCO Dealer can recommend a
suitable cable for your application.
When connecting a balanced signal, the
connectors are wired thusly, according to the AES
(Audio Engineering Society) standards:
XLR TRS
Hot (+) Pin 2 Tip
Cold (–) Pin 3 Ring
Shield (Gnd)
Pin 1 Shield
2
31
SHIELD
COLD
HOT
SHIELD
COLD
HOT
3
2
1
Balanced XLR Connector
SLEEVE
TIPSLEEVE
TIP
RING
RING
TIP
SLEEVERING
Balanced 1/4" TRS Plug
Unbalanced TS (Tip-Sleeve) lines can be
accommodated via the TRS jack. Make sure the cord
terminates with a TS plug (like a guitar plug), or if it
is a TRS plug (like a headphone plug), make sure the
ring is tied to the shield, preferably at the source.
SLEEVE
TIP
TIPSLEEVE
TIP
SLEEVE
Unbalanced 1/4" TS Plug
If you set the AMP MODE switch
to MONO or BRIDGE, use the
INPUT 1 input only.

11
INPUT 2
INPUT 1
LINE
(BALANCED)
LINE
(BALANCED)
CLIP LIMIT
ON
OFF
STEREO
SUBSONIC
FIL
TER A
T 30Hz
ON
OFF
AMP MODE
MONO
BRIDGE
INPUT
CONNECTION
BREAKER
CHANNEL 2 BRIDGED CHANNEL 1
CAUTION
SPEAKER CONNECTION
CHANNEL 2 CHANNEL 1
BRIDGED
TO REDUCE THE RISK
OF FIRE OR ELECTRIC
SHOCK, DO NOT
EXPOSE THIS
APPARATUS TO
RAIN OR MOISTURE.
SEE INSTRUCTIONS
BEFORE USING.
WWW.TAPCOGEAR.COM
DESIGNED IN WOODINVILLE, WA, USA
"TAPCO" IS A REGISTERED TRADEMARK
OF LOUD TECHNOLOGIES INC.
INPUT 2
INPUT 1
LINE
(BALANCED)
LINE
(BALANCED)
CLIP LIMIT
ON
OFF
STEREO
SUBSONIC
FIL
TER A
T 30Hz
ON
OFF
AMP MODE
MONO
BRIDGE
INPUT
CONNECTION
BREAKER
CHANNEL 2 BRIDGED CHANNEL 1
CAUTION
SPEAKER CONNECTION
CHANNEL 2 CHANNEL 1
BRIDGED
TO REDUCE THE RISK
OF FIRE OR ELECTRIC
SHOCK, DO NOT
EXPOSE THIS
APPARATUS TO
RAIN OR MOISTURE.
SEE INSTRUCTIONS
BEFORE USING.
WWW.TAPCOGEAR.COM
DESIGNED IN WOODINVILLE, WA, USA
"TAPCO" IS A REGISTERED TRADEMARK
OF LOUD TECHNOLOGIES INC.
FROM MIXING CONSOLE
LEFT AND RIGHT MAIN OUT
AMP MODE SWITCH
STEREO
Passive Speakers (Mackie C300s)
AMP MODE SWITCH
STEREO
Passive Speakers (Mackie C300s)
Using the 1/4" TRS INPUT 1s a “Thru” Connector
Because the XLR connector and the 1/4" TRS
connector are in parallel, you can use the 1/4" TRS
jack as a “Thru” connector to pass the input signal on
to another amplifier’s input (see Figure below).
In MONO and BRIDGE modes,
INPUT 1 and INPUT 2 are
connected together in parallel.
This allows you to use INPUT 2 as a
“Thru” connector to daisy-chain the
input signal to another amplifier.
Output Wiring
Use heavy gauge, stranded wire for connecting
speakers to the Speakon outputs jacks. As the
distance between the amplifier and the speakers
increases, the thickness of the wire should also
increase. Speaker wire has resistance, and when
electricity passes through a resistor, power is lost. The
thicker the wire, the less resistance it offers, and the
more power actually gets to the speaker.
The thickness of the wire is rated in gauges. Use the
chart at the right to determine the correct gauge of
wire to use according to the distance between the
speakers and the amplifier, and the impedance of
the load the amplifier is driving. This ensures that the
power lost across the speaker wire is less than 0.5 dB.
Note: If you use an unbalanced
1/4" TS cable to daisy-chain
the TRS input jack to another
amplifier, you will unbalance the
XLR input on the Juice amplifier.
This negates the benefits
associated with balanced lines
and inputs.
Load Gauge of
Wire Length Impedance Wire
Up to 25 ft. 2Ω 14 gauge
4Ω 16 gauge
8Ω 18 gauge
Up to 40 ft. 2Ω 12 gauge
4Ω 14 gauge
8Ω 18 gauge
Up to 60 ft. 2Ω 10 gauge
4Ω 12 gauge
8Ω 16 gauge
Up to 100 ft. 2Ω 8 gauge
4Ω 10 gauge
8Ω 14 gauge
Up to 150 ft. 2Ω 6 gauge
4Ω 8 gauge
8Ω 12 gauge
Up to 250 ft. 2Ω 4 gauge
4Ω 6 gauge
8Ω 10 gauge
Using the 1/4" TRS INPUT 1s a “Thru” Connector
LOOK
CLOSER

12
Stereo and Mono Modes
Binding Posts
When using the binding post
outputs in stereo or mono modes,
you can terminate your speaker
cables with single or double banana
plugs, spade lugs, or leave them
unterminated (bare wires): unscrew
the amp’s binding posts enough to
reveal the holes on their sides, then
insert your stripped wires (stripped
about 3/8" back) into the holes and
retighten the posts (finger tight is
fine). Be careful that no runaway
strands touch the chassis or other
terminal.
The red posts are labeled “+,”
which means positive. The black
posts are labeled “–” for negative.
You probably know the importance
of getting these correct — if one
speaker is hooked up “in phase” and
the other speaker is “out of phase,”
you’ll be “out of work.” (By the way,
although everyone says “phase” in
this situation, the correct word is
“polarity.”)
Speakons
When using the Speakon outputs in stereo or
mono modes, wire the Speakon connectors as
shown below:
COLD
HOT 1+
1+
1–
1–
2–
2+
Stereo and Mono Speakon Connection
Bridged Mode
Binding Posts
When using the binding posts in bridge mode,
connect the positive side of the speaker cable to
the CHANNEL 1 red (+) binding post, and connect
the negative side of the speaker cable to the
CHANNEL 2 red (+) binding post. No, that’s not a
typo. You only use the red binding posts in Bridged
mode. Do not use the black posts.
SPEAKER CONNECTION
CHANNEL 2 CHANNEL 1
BRIDGED
TO SPEAKER
+–
Bridged Binding Post Connection
Since bridged mode is a type of mono mode,
turning a stereo amplifier into a single channel
amplifier, use only the CHANNEL 1 input. Turn the
CHANNEL 2 level control all the way down.
Speakons
When using bridge mode, wire the Speakon
connector as follows:
COLD
AMPLIFIER
END
SPEAKER
END
HOT
COLD
HOT
1+
1+
1–
1–
2–
2+
1+
1–
2–
2+
1+
2+
Bridged Speakon Connection
G
N
D
1/4"

13
BREAKER
CLIP LIMIT
ON
OFF
STEREO
SUBSONIC
FILTER AT 30Hz
ON
OFF
AMP MODE
MONO
BRIDGE
CHANNEL B BRIDGED CHANNEL A
CAUTION
TO REDUCE THE RISK OF FIRE OR ELECTRIC SHOCK,
DO NOT EXPOSE THIS APPARATUS TO RAIN OR
MOISTURE. SEE INSTRUCTIONS BEFORE USING.
STEREO/MONO BRIDGED
SPEAKER CONNECTION
INPUT B
LINE
(BALANCED)
INPUT A
LINE
(BALANCED)
SERIAL / DATE CODE
INPUT
CONNECTION
BROUGHT TO YOU BY THE GROOVY FOLKS IN
WOODINVILLE, WA, USA. MANUFACTURED IN
ITAL
Y
. "TAPCO" AND "MACKIE" ARE REGISTERED
TRADEMARKS OF MACKIE DESIGNS INC.
WWW.TAPCOGEAR.COM
FROM MIXING CONSOLE
LEFT AND RIGHT MAIN OUT
AMP MODE SWITCH
STEREO
Passive Speakers (Mackie C300s)
Crossover Cable
(Pin 2+ to Pin 1+
Pin 2– to Pin 1–)
COLD
COLD
AMPLIFIER
END
SPEAKER
END
HOT
CHANNEL A
CHANNEL B
1+
1–
2–
2+
1+
1–
2–
2+
COLD
FROM "THRU"
OUTPUT
TO SECOND
SPEAKER INPUT
FROM "THRU"
OUTPUT
TO SECOND
SPEAKER INPUT
TO FIRST
SPEAKER INPUT
HOT
CHANNEL B
1+
1–
2–
2+
1+
1–
2–
2+
Dual-Channel Speakon Connection
Dual-Channel Connection
The BRIDGED connector has the added feature
of providing both speaker outputs on a single
connector. This allows you to use a single cable
to carry both channels from the amplifier to the
speakers.
Many speakers with Speakon connectors provide
an Input connector and a “Thru” connector for
connecting a second speaker in parallel. You can
use the Thru connector to connect the CHANNEL 2
amplifier output to the CHANNEL 2 speaker.
In stereo mode, CHANNEL 1 output is available
at Pins 1+ and 1–, and CHANNEL 2 is available at
Pins 2+ and 2– on the BRIDGED connector. Wire all
four pins in the Speakon connector, as shown below,
at both ends of the cable. For the cable connecting
the “Thru” connector to the second speaker, you
need to use a “crossover” cable that connects pins
2+ and 2– on the “Thru” connector to pins 1+ and
1– on the second speaker input end.
14
Appendix A: Service Information
One side is way louder than the other
• Are both Level controls set to the same position?
• Check your source signal to make sure the left
and right signals are balanced.
• Are the speaker impedances matched? Different
speaker loads can cause different volume levels
on each side.
• Try switching sides: Turn off the amp, swap the
speaker cables at the amp, turn the amp back
on. If the same side is still louder, the problem
is with your speaker cabling. If the other side is
louder now, the problem is with the mixer, the
amp, or the line-level cabling.
The stereo music sounds kind of
sideways, and the bass frequencies
diminish when standing center, but get
louder as you approach one side
•
Check the polarity of the speaker cable
connections. You may have your positive and
negative reversed at one end of one speaker cable.
As soon as the music gets loud, the amp
shuts down
•
Check the OL LEDs and make sure that they are
not lighting continuously. If they are, turn down the
signal source or the Level controls on the amp.
• Can the amp breathe? The amplifier draws
its ventilation air in from the back. It needs
plenty of fresh air to stay cool. Do not block the
ventilation holes.
I hear thunder, even when the amplifier
is turned off
• It’s going to rain. Get inside quickly. Bring the
amplifier with you.
Poor sound
• Is it loud and distorted? Turn down the signal
coming from the mixer or signal source.
• Is the input connector plugged completely
into the jack? Check the speaker connections
and verify that all connections are tight and
that there are no stray strands of wire shorting
across the speaker terminals.
• If possible, listen to the signal source with
headphones plugged into the console. If it
sounds bad there, the problem is not in the
amplifier.
Warranty Service
Details concerning Warranty Service are spelled
out in the Warranty section on page 19.
If you think your amplifier has a problem, please
do everything you can to confirm it before calling
for service. Doing so might save you from the
deprivation of your amplifier and the associated
suffering.
These may sound obvious to you, but here are
some things you can check. Read on.
Troubleshooting
No Power
• Our favorite question: Is it plugged in? Make sure
the AC outlet is live (check with a tester or lamp).
• Our next favorite question: Is the POWER switch
on? If not, try turning it on.
• Is the red LED next to the POWER switch
illuminated? If not, make sure the AC outlet is
live. If so, refer to “No Sound” below.
• Has the BREAKER switch popped? Try pushing
in the BREAKER switch. If it pops out again right
away, refer to “Repair” on the next page.
• The AC fuse inside the amplifier is blown. This is
not a user-serviceable part. Refer to “Repair” on
the next page to find out how to proceed.
No Sound
• Are the channel Level controls turned up? Slowly
turn them up and see if you hear anything.
• Is the signal source turned up? Make sure the
signal level from the mixing console (or whatever
device immediately precedes the amplifier) is
high enough to produce sound in the amplifier.
The SIG LEDs should be blinking to indicate that
signal is present.
• If the speakers are wired for BRIDGE mode,
make sure the AMP MODE switch is set to
BRIDGE.
• If the amplifier has gotten extremely hot, the
thermal protection circuit may have activated.
Allow the amplifier to cool down and normal
operation should resume.
• Are there fuses in the speakers, or in-line fuses
in the speaker wire? Check ‘em to see if they’re
blown.
• Make sure the speakers are working properly.

15
Noise/Hum
• Check the signal cable between the mixer and
the amplifier. Make sure all connections are
good and sound.
• Make sure the signal cable is not routed near
AC cables, power transformers, or other EMI-
inducing devices.
• Is there a light dimmer or other SCR-based
device
on the same AC circuit as the amplifier?
Use an AC
line filter, or plug the amplifier into a
different AC circuit.
• If possible, listen to the signal source with
headphones plugged into the console. If it
sounds noisy there, the problem is not in the
amplifier.
Repair
Service for TAPCO amplifiers is available
at a factory-authorized service center. Service
for TAPCO amplifiers living outside the United
States can be obtained through local dealers or
distributors.
If your amplifier needs service, follow these
instructions:
1. Review the preceding troubleshooting
suggestions. Please.
2. Call Tech Support at 1-877-827-2669, 7 am to
5 pm PST, to explain the problem and obtain a
Service Request Number. Have your amplifier’s
serial number ready.
You must have a Service Request Number
before you can obtain factory-authorized.
3. Keep this owner’s manual and the detachable
power cord. We don’t need them to repair the
amplifier.
4. Pack the amplifier in its original package,
including endcaps and box. This is VERY
IMPORTANT. When you call for the Service
Request Number, please let Tech Support know
if you need new packaging. You can order new
packaging through our parts department.
TAPCO is not responsible for any damage that
occurs due to non-factory packaging.
5. Include a legible note stating your name,
shipping address (no P.O. boxes), daytime phone
number, RA number, and a detailed description of
the problem, including how we can duplicate it.
6. Write the Service Request Number in BIG PRINT on
top of the box. Units sent to us without the Service
Request Number will be refused.
7. Tech Support will tell you where to ship the
amplifier for repair. We suggest insurance for all
forms of cartage.
8. We’ll try to fix the amplifier within five business
days. Ask Tech Support for the latest turn-
around times when you call for your Service
Request Number. The amplifier must be
packaged in its original packing box, and must
have the Service Request Number on the box.
Once it’s repaired, we’ll ship it back the same
way in which it was received. This paragraph
does not necessarily apply to non-warranty
repair.
Note: You must have a sales receipt from an Authorized
TAPCO Dealer to qualify for a warranty repair.
Lonely? Looking for that special someone? Do you have a question about your
TAPCO Amplifier?
Please call our Technical Support folks at 1-877-827-2669, Monday to Friday, from 7 am to 5 pm PST.
After hours, visit www.tapcogear.com and look under Support, or e-mail us at techmail@tapcogear.com

16
Appendix B: Technical Info
Do The Math: Ohms, Loads, and
Such
An ohm is a unit of resistance — the more ohms,
the more resistance (or, more accurately in this case,
impedance). The more the resistance, the less the
power.
If you’re dealing with just one speaker (or cabinet)
per output, the load in ohms is usually printed on it
somewhere. That’s your load, usually 8 ohms or 4
ohms.
If you’re driving an assortment of speakers,
things can get complicated. There are two basic
ways of linking multiple loads (or speakers in this
case): series and parallel.
Since series connections are not normally used
in PA applications, we’ll concentrate on the parallel
connection. Parallel means that the positive amp
output connects to the positive terminals of all the
speakers, and the negative amp output connects
to the negative terminals of all the speakers. If one
speaker fails in a parallel configuration, the others
will still work.
Calculating parallel loads is easy, as long as
each speaker has the same value — just divide the
value by the number of speakers. For instance, four
8-ohm speakers, connected in parallel, will equal 2
ohms (8/4 = 2). If the loads are not all the same, the
formula gets a little more complicated, but nothing
that you can’t do with a simple calculator.
ZT = 1
1
Z1
+1
Z2
+1
Z3
+. . .
Using this formula, an 8-ohm speaker and a 4-
ohm speaker, connected in parallel, will equal 2.7
ohms. Remember that the Juice amplifiers require
2 ohms or greater per channel in Stereo or Mono
mode, and 4 ohms or greater in Bridge mode.

17
Juice Series Specifications
Subsonic Filter
– 9 dB @ 30 Hz
Topology
J•800, J•1400: Class AB
J•2500: Class H
Cooling
Dual variable-speed fans with back to front airflow
Indicators
Channels A and B
SIG (Signal Present), OL (Overload)
POWER
Current Consumption
J•800 J•1400 J•2500
Idle 0.5 A 0.5 A 1.0 A
Musical Program @ 8Ω 3.9 A 5.1 A 8.1 A
Musical Program @ 4Ω 5.0 A 6.7 A 10.0 A
Musical Program @ 2Ω 7.0 A 10.6 A 17.2 A
AC Power Requirements
U.S. 120 VAC, 60 Hz
Europe 240 VAC, 50 Hz
Japan 100 VAC, 50/60 Hz
Korea 220 VAC, 60 Hz
Physical Dimensions and Weight
Height: 3.5 in/89 mm
Width: 19.0 in/483 mm
Depth: 15.7 in/400 mm
Weight:
J•800: 43.6 lb/19.8 kg
J•1400: 48.5 lb/22.0 kg
J•2500: 56.2 lb/25.5 kg
Disclaimer
Since we are always striving to make our products better by
incorporating new and improved materials, components, and
manufacturing methods, we reserve the right to change these
specifications at any time without notice.
Continuous Sine Wave Average Output
Power for each channel with both
channels driven, 20 Hz to 20 kHz
J•800 J•1400 J•2500
2 ohms: 480 W 800 W 1400 W
4 ohms: 300 W 450 W 750 W
8 ohms: 205 W 310 W 575 W
Bridged Mono Operation, 20 Hz to 20 kHz
J•800 J•1400 J•2500
4 ohms: 800 W 1400 W 2500 W
8 ohms: 560 W 900 W 1500 W
Note: Power ratings are specified at 120 VAC line voltage.
Power Bandwidth
5 Hz to 50 kHz (+0, –3 dB)
Frequency Response
25 Hz to 25 kHz (+0, –1 dB)
Distortion
THD and SMPTE IMD; 20Hz to 20kHz
< 0.03% @ 8 ohms
Signal-to-Noise Ratio
> 100 dB below rated power into 4 ohms
Channel Separation
> 90 dB @ 1 kHz
Damping Factor
> 300 @ 1 kHz and below
Input Impedance
20 kΩ balanced
10 kΩ unbalanced
Input Sensitivity
1.15 V (+3.4 dBu) for rated power into 4 ohms
Gain
J•800: 30 dB
J•1400: 32 dB
J•2500: 34 dB
Maximum Input Level
9.75 Vrms (+22 dBu)
Turn On Delay
2.5 seconds
“TAPCO” is a registered trademark of LOUD Technologies Inc. “Juice” is a trademark of LOUD Technologies Inc.
All other brand names mentioned are trademarks or registered trademarks of their respective holders, and are hereby acknowledged.
©2003-2005 LOUD Technologies Inc. All Rights Reserved.

18
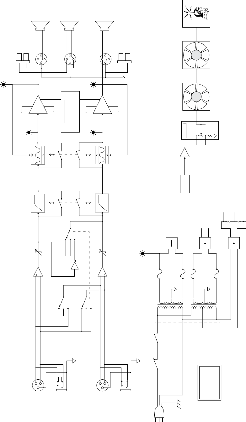
Juice Series Block Diagram
This shows an outline of the interesting things going on inside the amplifier.
1+
1–
2–
2+
1+
1–
2–
2+
INPUT A
BALANCED
LINE INPUT
(TRS)
INPUT A
BALANCED
LINE INPUT
(XLR-F)
INPUT B
BALANCED
LINE INPUT
(TRS)
TAPCO
JUICE SERIES
BLOCK DIAGRAM
05.05.05
INPUT B
BALANCED
LINE INPUT
(XLR-F)
AMP
MODE
SWITCH
STEREO
MONO
BRIDGE
STEREO
MONO
BRIDGE
STEREO
MONO
BRIDGE
1
2
3
1
2
3
CHANNEL A
LEVEL
CHANNEL B
LEVEL
SUBSONIC
FILTER
ON
OFF
ON
OFF
ON
OFF
ON
PROTECTION
DC OFFSET
OVER TEMP
SHORT CIRCUIT
CURRENT LIMIT
OFF
CLIP
LIMITER
OL
POWER
AMPLIFIER
–VDC
+VDC
CHANNEL A
SPEAKER
OUT
BRIDGED
SPEAKER
OUT
1+
1–
2–
2+
POWER
AMPLIFIER
–VDC
+VDC
CHANNEL B
SPEAKER
OUT
OL
SIG
SIG
+
–
+
–
+
–
+
–
+
–
+
–
VDC (CHANNEL A)
TOROIDAL POWER
TRANSFORMER
BREAKER
FUSE
FUSE
TEMP
SENSOR
(ON HEATSINK)
FAN
VARIABLE
SPEED
CONTROL
HI DCV
HI DCV
LO DCV
LO DCV
POWER
SWITCH
POWER
+
–
VDC (CHANNEL B)
+
–
FUSE
FUSE
FAN FAN SPACEMAN

19
TAPCO LIMITED WARRANTY
A. LOUD Technologies Inc. warrants all materials,
workmanship and proper operation of this TAPCO
product for a period of one year from the original
date of purchase. If any defects are found in the
materials or workmanship, or if the product fails to
function properly during the applicable warranty
period, LOUD Technologies, at its option, will repair
or replace the product. This warranty applies only
to equipment sold and delivered within the U.S. by
LOUD Technologies or its authorized dealers.
B. Failure to register online or return the product
registration card will not void the one-year warranty.
C. Service and repairs of TAPCO products are to be
performed only at a factory-authorized service
center. Unauthorized service, repairs, or modification
will void this warranty. To obtain repairs under
warranty, you must have a copy of your sales receipt
from the authorized TAPCO dealer where you
purchased the product. It is necessary to establish
purchase date and determine whether your TAPCO
product is within the warranty period.
D. To obtain factory-authorized service:
1.
Call TAPCO Technical Support at 877/827-2669,
7 AM
to 5 PM Monday through Friday (Pacific Time)
to get a Service Request Number. Products returned
without a Service Request Number will be refused.
2. Pack the product in its original shipping carton.
Also include a note explaining exactly how to
duplicate the problem, a copy of the sales receipt
with price and date showing, and your return stree
address (no P.O. boxes or route numbers, please!).
If we cannot duplicate the problem or establish the
starting date of your Limited Warranty, we may, at
our option, charge for service time.
3. Ship the product in its original shipping carton,
freight prepaid, to the authorized service center.
The address of your closest authorized service
center will be given to you by Technical Support.
IMPORTANT: Make sure that the Service Request
Number is plainly written on the shipping carton.
E. LOUD Technologies Inc. reserves the right to
inspect any products that may be the subject of any
warranty claims before repair or replacement is
carried out. LOUD Technologies may, at our option,
require proof of the original date of purchase in the
form of a dated copy of the original dealer’s invoice
or sales receipt. Final
determination of warranty
coverage lies solely with LOUD Technologies Inc.
F.
TAPCO products returned to one of the LOUD
Technologies factory-authorized service centers and
deemed eligible for repair or replacement under the
terms of this warranty will be repaired or replaced
within thirty days of receipt. LOUD Technologies and its
authorized service centers may use refurbished parts for
repair or replacement of any product. Products returned
to LOUD Technologies that do not meet the terms of this
Warranty will not be repaired unless payment is received
for labor, materials, return freight, and insurance.
Products repaired under warranty will be returned
freight prepaid by LOUD Technologies to any location
within the boundaries of the USA.
G.
LOUD Technologies warrants all repairs performed for
90 days or for the remainder of the original warranty
period. This warranty does not extend to damage
resulting from improper installation, misuse, neglect
or abuse, or to exterior appearance. This warranty
is recognized only if the inspection seals and serial
number on the unit have not been defaced or removed.
H.
LOUD Technologies assumes no responsibility for
the quality or timeliness of repairs performed by
Authorized TAPCO Service Centers.
I. This warranty is extended to the original purchaser
and to anyone who may subsequently purchase
this product within the applicable warranty period.
A copy of the sales receipt is required to obtain
warranty repairs.
J. This is your sole warranty. LOUD Technologies Inc.
does not authorize any third party, including any
dealer or sales representative, to assume any liability
on behalf of LOUD Technologies or to make any
warranty for LOUD Technologies Inc.
K. THE WARRANTY GIVEN ON THIS PAGE IS
THE SOLE WARRANTY GIVEN BY LOUD
TECHNOLOGIES INC. AND IS IN LIEU OF
ALL OTHER WARRANTIES, EXPRESS AND
IMPLIED, INCLUDING THE WARRANTIES
OF MERCHANTABILITY AND FITNESS FOR
A PARTICULAR PURPOSE. THE WARRANTY
GIVEN ON THIS PAGE SHALL BE STRICTLY
LIMITED IN DURATION TO ONE YEAR FROM
THE DATE OF ORIGINAL PURCHASE FROM
AN AUTHORIZED TAPCO DEALER. UPON
EXPIRATION OF THE APPLICABLE WARRANTY
PERIOD, LOUD TECHNOLOGIES INC. SHALL
HAVE NO FURTHER WARRANTY OBLIGATION
OF ANY KIND. LOUD TECHNOLOGIES INC.
SHALL NOT BE LIABLE FOR ANY INCIDENTAL,
SPECIAL, OR CONSEQUENTIAL DAMAGES
THAT MAY RESULT FROM ANY DEFECT IN THE
TAPCO PRODUCT OR ANY WARRANTY CLAIM.
Some states do not allow exclusion or limitation of
incidental, special, or consequential damages or
a limitation on how long warranties last, so some
of the above limitations and exclusions may not
apply to you. This warranty provides specific legal
rights and you
may have other rights which vary
from state to state.
Please keep your sales receipt in a safe place.
