Taylor Frozen Dessert Maker 8752 Users Manual
8756 to the manual c9722727-4920-4744-9fb1-3a3a57f17e37
2015-02-02
: Taylor Taylor-Taylor-Frozen-Dessert-Maker-8752-Users-Manual-449420 taylor-taylor-frozen-dessert-maker-8752-users-manual-449420 taylor pdf
Open the PDF directly: View PDF
.
Page Count: 76

OPERATOR'S
MANUAL
Model 8752, 8756, & 8757
Soft Serve Freezers
Original Operating Instructions
028752- M
8/99 (Original Publication)
(Updated 8/14/14)

Complete this page for quick reference when service is required:
Taylor Distributor:
Address:
Phone:
Service:
Parts:
Date of Installation:
Information found on the data label:
Model Number:
Serial Number:
Electrical Specs: Voltage Cycle
Phase
Maximum Fuse Size: Amps
Minimum Wire Ampacity: Amps
Part Number:
E1999 Carrier Commercial Refrigeration, Inc.
028752- M
Any unauthorized reproduction, disclosure, or distribution of copies by any person of any portion of this work may be
a violation of Copyright Law of the United States of America and other countries, could result in the awarding of Statutory
Damages of up to $250,000 (17 USC 504) for infringement, and may result in further civil and criminal penalties.
All rights reserved.
Taylor Company
a division of Carrier Commercial Refrigeration, Inc.
750 N. Blackhawk Blvd.
Rockton, IL 61072

Table of Contents Models 8752, 8756, & 8757
Table of Contents
Section 1 To the Installer 1............................................
Section 2 To the Operator 4...........................................
Section 3 Safety 5....................................................
Section 4 Operator Parts Identification 7...............................
Model 8752 7..........................................................
8752 Beater Door Assembly 9............................................
Model 8756 11..........................................................
Model 8757 13..........................................................
8756 & 8757 Beater Door Assembly 15.....................................
Accessories 16..........................................................
Section 5 Important: To the Operator 17.................................
Symbol Definitions 18....................................................
Power Switch 18.........................................................
Indicator Lights - MIX LOW and MIX OUT 18................................
Reset Button 18.........................................................
SOFTECH Control Operation 18...........................................
MIX REF 18.............................................................
Standby 19..............................................................
Wash 19................................................................
Auto 19.................................................................
Pump 19................................................................
Adjustable Draw Handle 19...............................................
Section 6 Operating Procedures 20.....................................
Prior to Set- Up (Model 8757) 20...........................................
Assembly 20............................................................
Air/Mix Pump Assembly 24................................................
Air/Mix Pump Assembly Exploded View 28..................................
Sanitizing 29............................................................
Priming 31..............................................................
Closing Procedure 32....................................................
Draining Product From the Freezing Cylinder 32.............................

Table of Contents Models 8752, 8756, & 8757
Table of Contents - Page 2
Rinsing 33..............................................................
Cleaning 33.............................................................
Disassembly 34..........................................................
Brush Cleaning 34.......................................................
Check Topping Pump Temperature and Volume - Model 8757 35..............
Section 7 Important: Operator Checklist 36..............................
During Cleaning and Sanitizing 36.........................................
Troubleshooting Bacterial Count 36........................................
Regular Maintenance Checks 36...........................................
The Air/Mix Pump 37.....................................................
Winter Storage 37........................................................
Section 8 Troubleshooting Guide 38....................................
Section 9 Parts Replacement Schedule 43...............................
Section 10 Limited Warranty on Equipment 44............................
Section 11 Limited Warranty on Parts 46.................................
Section 12 Parts List 49.................................................
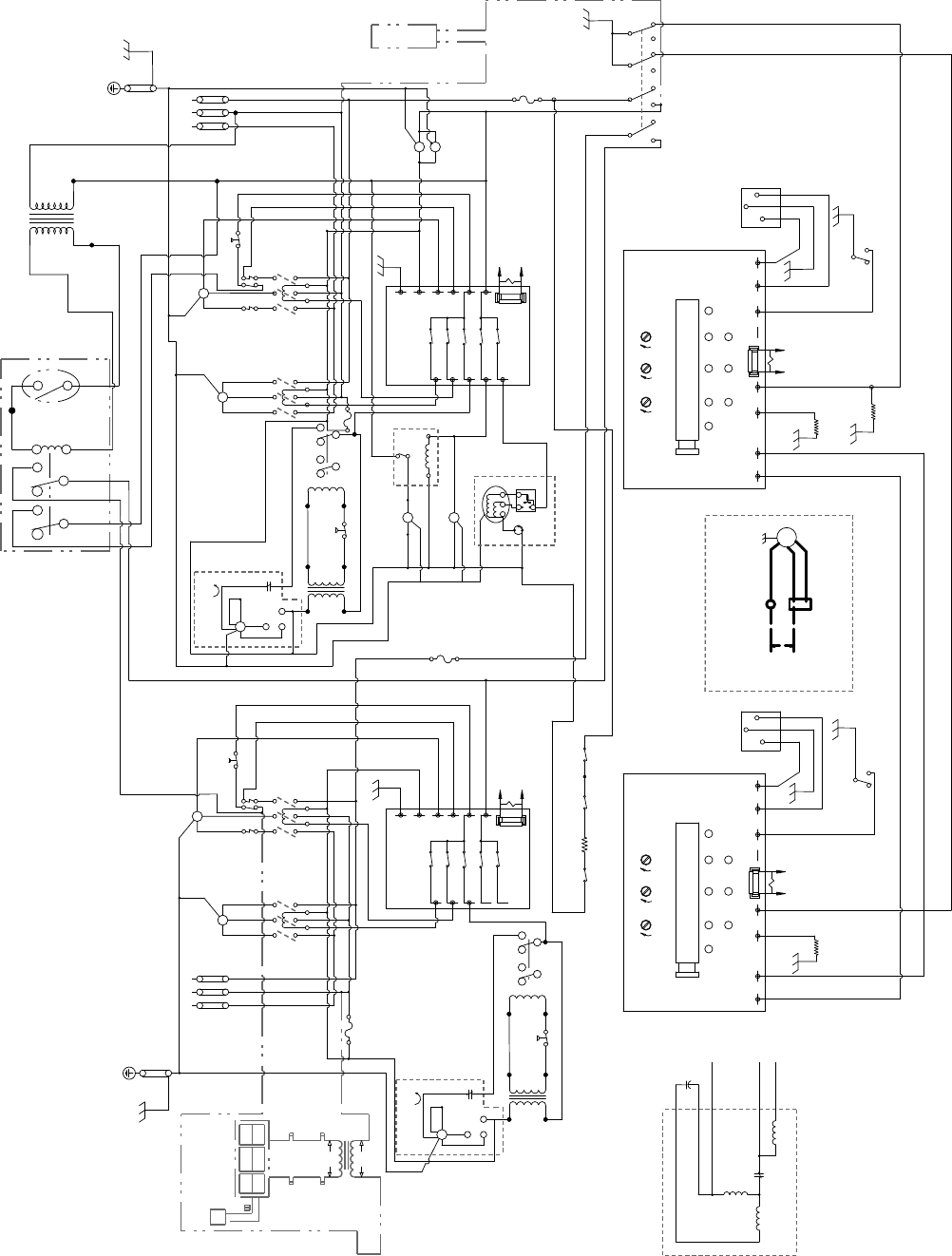
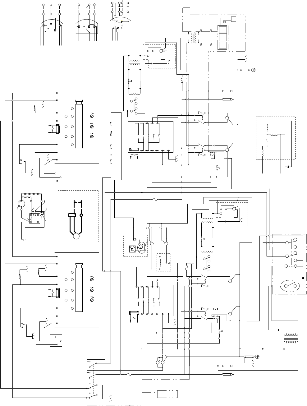
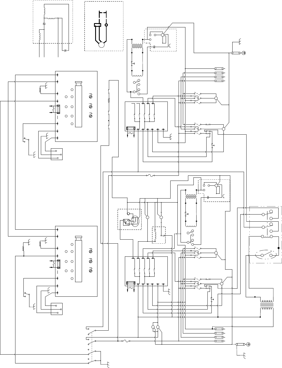
Wiring Diagrams 61......................................................
Note: Continuing research results in steady improvements; therefore, information
in this manual is subject to change without notice.
Note: Only instructions originating from the factory or its authorized translation
representative(s) are considered to be the original set of instructions.
E1999 Carrier Commercial Refrigeration, Inc. (Original Publication)
(Updated August, 2014)
028752- M
Any unauthorized reproduction, disclosure, or distribution of copies by any person of any portion of this work
may be a violation of Copyright Law of the United States of America and other countries, could result in the
awarding of Statutory Damages of up to $250,000 (17 USC 504) for infringement, and may result in further
civil and criminal penalties. All rights reserved.
Taylor Company
a division of Carrier Commercial Refrigeration, Inc.
750 N. Blackhawk Blvd.
Rockton, IL 61072

1
Models 8752, 8756, 8757 To the Installer
131210
Section 1 To the Installer
The following information has been included in the
manual as safety and regulatory guidelines. For
complete installation instructions, please see the
Installation Checklist.
Installer Safety
In all areas of the world, equipment should be
installed in accordance with existing local codes.
Please contact your local authorities if you have any
questions.
Care should be taken to ensure that all basic safety
practices are followed during the installation and
servicing activities related to the installation and
service of Taylor equipment.
SOnly authorized Taylor service personnel
should perform installation and repairs on the
equipment.
SAuthorized service personnel should consult
OSHA Standard 29CFRI910.147 or the
applicable code of the local area for the
industry standards on lockout/tagout
procedures before beginning any installation
or repairs.
SAuthorized service personnel must ensure
that the proper PPE is available and worn
when required during installation and service.
SAuthorized service personnel must remove all
metal jewelry, rings, and watches before
working on electrical equipment.
The main power supply(s) to the freezer must
be disconnected prior to performing any repairs.
Failure to follow this instruction may result in personal
injury or death from electrical shock or hazardous
moving parts as well as poor performance or damage
to the equipment.
Note:Allrepairsmustbeperformedbyan
authorized Taylor Service Technician.
This unit has many sharp edges that can
cause severe injuries.
Site Preparation
Review the area where the unit will be installed before
uncrating the unit. Make sure all possible hazards to
the user or equipment have been addressed.
Air Cooled Units
DO NOT obstruct air intake and discharge openings:
Air cooled units require a minimum of 3” (76 mm) of
clearance around all sides of the freezer and 12” (305
mm) on top to allow for adequate air flow across the
condenser(s). Failure to allow adequate clearance can
reduce the refrigeration capacity of the freezer and
possibly cause permanent damage to the compressor.
For Indoor Use Only: This unit is designed to operate
indoors, under normal ambient temperatures of
70_-75_F(21_-24_C). The freezer has successfully
performed in high ambient temperatures of
104_(40_C) at reduced capacities.
This unit must NOT be installed in an area
where a water jet or hose can be used. NEVER use a
water jet or hose to rinse or clean the unit. Failure to
follow this instruction may result in electrocution.
This unit must be installed on a level surface
to avoid the hazard of tipping. Extreme care should be
taken in moving this equipment for any reason. Two or
more persons are required to safely move this unit.
Failure to comply may result in personal injury or
equipment damage.
Uncrate the unit and inspect it for damage. Report any
damage to your Taylor Distributor.
This piece of equipment is made in the USA and has
USA sizes of hardware. All metric conversions are
approximate and vary in size.

2Models 8752, 8756, 8757To the Installer
101122
Water Connections
(Water Cooled Units Only)
An adequate cold water supply must be provided with
a hand shut- off valve. On the underside rear of the
base pan, two 3/8” I.P.S. (for single- head units) or two
1/2” I.P.S. (for double- head units) water connections
for inlet and outlet have been provided for easy
hook- up. 1/2” inside diameter water lines should be
connected to the machine. (Flexible lines are
recommended, if local codes permit.) Depending on
local water conditions, it may be advisable to install a
water strainer to prevent foreign substances from
clogging the automatic water valve. There will be only
one water “in” and one water “out” connection for both
single- head and double- head units. DO NOT install a
hand shut- off valve on the water “out” line! Water
should always flow in this order: first, through the
automatic water valve; second, through the
condenser; and third, through the outlet fitting to an
opentrapdrain.
A back flow prevention device is required
on the incoming water connection side. Please
refer to the applicable National, State, and local codes
for determining the proper configuration.
Electrical Connections
In the United States, this equipment is intended to be
installed in accordance with the National Electrical
Code (NEC), ANSI/NFPA 70-1987. The purpose of the
NEC code is the practical safeguarding of persons and
property from hazards arising from the use of
electricity. This code contains provisions considered
necessary for safety. In all other areas of the world,
equipment should be installed in accordance with the
existing local codes. Please contact your local
authorities.
FOLLOW YOUR LOCAL ELECTRICAL CODES!
Each unit requires one power supply for each data
label on the unit. Check the data label(s) on the freezer
for branch circuit overcurrent protection or fuse, circuit
ampacity and other electrical specifications. Refer to
the wiring diagram provided inside of the electrical box,
for proper power connections.
CAUTION: THIS EQUIPMENT MUST BE
PROPERLY GROUNDED! FAILURE TO DO SO
CAN RESULT IN SEVERE PERSONAL INJURY
FROM ELECTRICAL SHOCK!
DO NOT operate this freezer with larger fuses
than specified on the unit data label. Failure to follow
this instruction may result in electrocution or damage
to the machine.
This unit is provided with an equipotential
grounding lug that is to be properly attached to the rear
of the frame by the authorized installer. The installation
location is marked by the equipotential bonding
symbol (5021 of IEC 60417-1) on both the removable
panel and the equipment’s frame.
Stationary appliances which are not equipped
with a power cord and a plug or another device to
disconnect the appliance from the power source must
have an all-pole disconnecting device with a contact
gap of at least 3 mm installed in the external
installation.
Appliances that are permanently connected to
fixed wiring and for which leakage currents may
exceed 10 mA, particularly when disconnected or not
used for long periods, or during initial installation, shall
have protective devices such as a GFI, to protect
against the leakage of current, installed by the
authorized personnel to the local codes.

3
Models 8752, 8756, 8757 To the Installer
130819
Supply cords used with this unit shall be
oil-resistant, sheathed flexible cable not lighter than
ordinary polychloroprene or other equivalent synthetic
elastomer-sheathed cord (Code designation 60245
IEC 57) installed with the proper cord anchorage to
relieve conductors from strain, including twisting, at
the terminals and protect the insulation of the
conductors from abrasion.
If the supply cord is damaged, it must be replaced by
the manufacturer, its service agent, or similarly
qualified person, in order to avoid a hazard.
Beater Rotation
Beater rotation must be clockwise as viewed
looking into the freezing cylinder.
Note: The following procedures should be
performed by a trained service technician.
To correct the rotation on a three- phase unit,
interchange any two incoming power supply lines at
freezer main terminal block only.
To correct rotation on a single- phase unit, change the
leads inside the beater motor. (Follow the diagram
printedonthemotor.)
Electrical connections are made directly to the
terminal block provided in the splice box which is
mounted on the base pan on the right side of the
freezer for the Model 8752 and located in the splice
boxes which are mounted mid- level on the frame
channel on the right and left sides for the Models 8756
and 8757.
Refrigerant
In consideration of our environment, Taylor
proudly uses only earth friendly HFC refrigerants. The
HFC refrigerant used in this unit is R404A. This
refrigerant is generally considered non-toxic and
non-flammable, with an Ozone Depleting Potential
(ODP) of zero (0).
However, any gas under pressure is potentially
hazardous and must be handled with caution.
NEVER fill any refrigerant cylinder completely with
liquid. Filling the cylinder to approximately 80% will
allow for normal expansion.
Use only R404A refrigerant that conforms to
the AHRI standard 700 specification. The use of any
other refrigerant may expose users and operators to
unexpected safety hazards.
Refrigerant liquid sprayed onto the skin may
cause serious damage to tissue. Keep eyes and skin
protected. If refrigerant burns should occur, flush
immediately with cold water. If burns are severe, apply
ice packs and contact a physician immediately.
Taylor reminds technicians to be cautious of
government laws regarding refrigerant recovery,
recycling, and reclaiming systems. If you have any
questions regarding these laws, please contact the
factory Service Department.
WARNING: R404A refrigerant used in
conjunction with polyolester oils is extremely moisture
absorbent. When opening a refrigeration system, the
maximum time the system is open must not exceed 15
minutes. Cap all open tubing to prevent humid air or
water from being absorbed by the oil.

4Models 8752, 8756, 8757To the Operator
131210
Section 2 To the Operator
The freezer you have purchased has been carefully
engineered and manufactured to give you dependable
operation. The Taylor Models 8752, 8756, and 8757
are highly sophisticated pieces of equipment, and
when properly operated and cared for, will produce a
consistent quality product. Like all mechanical
products, they will require cleaning and maintenance.
A minimum amount of care and attention is necessary
if the operating procedures outlined in this manual are
followed closely.
This Operator’s Manual should be read
before operating or performing any maintenance on
your equipment.
Your freezer will NOT eventually compensate and
correct for any errors during the set- up or filling
operations. Thus, the initial assembly and priming
procedures are of extreme importance. It is strongly
recommended that all personnel responsible for the
equipment’s operation study these procedures
together in order to be properly trained and to make
sure that no misunderstandings exist.
In the event you should require technical assistance,
please contact your local authorized Taylor Distributor.
Note: Your Taylor warranty is valid only if the parts are
authorized Taylor parts, purchased from the local
authorized Taylor Distributor, and only if all required
service work is provided by an authorized Taylor
service technician. Taylor reserves the right to deny
warranty claims on units or parts if non- Taylor
approved parts or incorrect refrigerant were installed
in the unit, system modifications were performed
beyond factory recommendations, or it is determined
that the failure was caused by abuse, misuse, neglect,
or failure to follow all operating instructions. For full
details of your Taylor Warranty, please see the Limited
Warranty section in this manual.
Note: Constant research results in steady
improvements; therefore, information in this
manual is subject to change without notice.
If the crossed out wheeled bin symbol is
affixed to this product, it signifies that this product is
compliant with the EU Directive as well as other similar
legislation in effect after August 13, 2005. Therefore,
it must be collected separately after its use is
completed, and cannot be disposed as unsorted
municipal waste.
The user is responsible for returning the product to the
appropriate collection facility, as specified by your local
code.
For additional information regarding applicable local
laws, please contact the municipal facility and/or local
distributor.
Compressor Warranty Disclaimer
The refrigeration compressor(s) on this unit are
warranted for the term stated in the Limited Warranty
section in this manual. However, due to the Montreal
Protocol and the U.S. Clean Air Act Amendments of
1990, many new refrigerants are being tested and
developed, thus seeking their way into the service
industry. Some of these new refrigerants are being
advertised as drop- in replacements for numerous
applications. It should be noted that in the event of
ordinary service to this unit’s refrigeration system,
only the refrigerant specified on the affixed data
label should be used. The unauthorized use of
alternate refrigerants will void your Taylor compressor
warranty. It is the unit owner’s responsibility to make
this fact known to any technician he employs.
It should also be noted that Taylor does not warrant the
refrigerant used in its equipment. For example, if the
refrigerant is lost during the course of ordinary service
to this machine, Taylor has no obligation to either
supply or provide its replacement either at billable or
unbillable terms. Taylor does have the obligation to
recommend a suitable replacement if the original
refrigerant is banned, obsoleted, or no longer available
during the five year warranty of the compressor.
The Taylor Company will continue to monitor the
industry and test new alternates as they are being
developed. Should a new alternate prove, through our
testing, that it would be accepted as a drop- in
replacement, then the above disclaimer would
become null and void. To find out the current status of
an alternate refrigerant as it relates to your
compressor warranty, call the local Taylor Distributor
or the Taylor Factory. Be prepared to provide the
Model/Serial Number of the unit in question.

5
Models 8752, 8756, 8757 Safety
130211
Section 3 Safety
We, at Taylor Company, are concerned about the
safety of the operator when he or she comes in contact
with the freezer and its parts. Taylor has gone to
extreme efforts to design and manufacture built- in
safety features to protect both you and the service
technician. As an example, warning labels have been
attached to the freezer to further point out safety
precautions to the operator.
IMPORTANT - Failure to adhere to the
following safety precautions may result in severe
personal injury or death. Failure to comply with
these warnings may damage the machine and its
components. Component damage will result in
part replacement expense and service repair
expense.
DO NOT operate the freezer without reading
this Operator Manual. Failure to follow this instruction
may result in equipment damage, poor freezer
performance, health hazards, or personal injury.
This appliance is to be used only by trained
personnel. It is not intended for use by children or
people with reduced physical, sensory, or mental
capabilities, or lack of experience and knowledge,
unless given supervision or instruction concerning the
use of the appliance by a person responsible for their
safety. Children should be supervised to ensure that
they do not play with the appliance.
This unit is provided with an equipotential
grounding lug that is to be properly attached to the rear
of the frame by the authorized installer. The installation
location is marked by the equipotential bonding
symbol (5021 of IEC 60417-1) on both the removable
panel and the equipment’s frame.
DO NOT use a water jet to clean or rinse the
freezer. Failure to follow these instructions may result
in serious electrical shock.
SDO NOT operate the freezer unless it is
properly grounded.
SDO NOT operate the freezer with larger fuses
than specified on the freezer data label.
SAll repairs must be performed by an
authorized Taylor service technician.
SThe main power supplies to the machine must
be disconnected prior to performing any
repairs.
SFor Cord Connected Units: Only Taylor
authorized service technicians or licensed
electricians may install a plug or replacement
cord on these units.
SStationary appliances which are not equipped
with a power cord and a plug or another device
to disconnect the appliance from the power
source, must have an all-pole disconnecting
device with a contact gap of at least 3 mm
installed in the external installation.
SStationary appliances which are not equipped
with a power cord and a plug or another device
to disconnect the appliance from the power
source must have an all-pole disconnecting
device with a contact gap of at least 3 mm
installed in the external installation.
SAppliances that are permanently connected to
fixed wiring and for which leakage currents
may exceed 10 mA, particularly when
disconnected or not used for long periods, or
during initial installation, shall have protective
devices such as a GFI, to protect against the
leakage of current, installed by the authorized
personnel to the local codes.

6Models 8752, 8756, 8757Safety
130819
SSupply cords used with this unit shall be
oil-resistant, sheathed flexible cable not
lighter than ordinary polychloroprene or other
equivalent synthetic elastomer-sheathed cord
(Code designation 60245 IEC 57) installed
with the proper cord anchorage to relieve
conductors from strain, including twisting, at
the terminals and protect the insulation of the
conductors from abrasion.
If the supply cord is damaged, it must be
replaced by the manufacturer, its service
agent, or similarly qualified person, in order to
avoid a hazard.
Failure to follow these instructions may result in
electrocution. Contact your local authorized Taylor
Distributor for service.
SDO NOT allow untrained personnel to operate
this machine.
SDO NOT operate the freezer unless all service
panels and access doors are restrained with
screws.
SDO NOT remove any internal operating parts
(example: freezer door, beater, scraper
blades, etc.) unless all control switches are in
the OFF position.
Failure to follow these instructions may result in severe
personal injury from hazardous moving parts.
This unit has many sharp edges that can
cause severe injuries.
SDO NOT put objects or fingers in the door
spout. This may contaminate the product and
cause severe personal injury from blade
contact.
SUSE EXTREME CAUTION when removing
the beater asssembly. The scraper blades are
very sharp.
This freezer must be placed on a level
surface. Failure to comply may result in personal injury
or equipment damage.
Access to the service area of the unit is
restricted to persons having knowledge and practical
experience with the appliance, in particular as far as
safety and hygiene are concerned.
Cleaning and sanitizing schedules are
governed by your state or local regulatory agencies
and must be followed accordingly. Please refer to the
cleaning section of this manual for the proper
procedure to clean this unit.
This machine is designed to maintain product
temperature under 41_F(5_C). Any product being
added to this machine must be below 41_F(5_C).
Failure to follow this instruction may result in health
hazards and poor freezer performance.
DO NOT run the unit without product. Failure to follow
this instruction can result in damage to the unit.
DO NOT obstruct air intake and discharge openings:
Air cooled units require a minimum of 3” (76 mm) of
clearance around all sides of the freezer and 12” (305
mm) on top to allow for adequate air flow across the
condenser(s). Failure to allow adequate clearance can
reduce the refrigeration capacity of the freezer and
possibly cause permanent damage to the compressor.
For Indoor Use Only: This unit is designed to operate
indoors, under normal ambient temperatures of 70_-
75_F(21_-24_C). The freezer has successfully
performed in high ambient temperatures of
104_(40_C) at reduced capacities.
NOISE LEVEL: Airborne noise emission does not
exceed 78 dB(A) when measured at a distance of 1.0
meter from the surface of the machine and at a height
of 1.6 meters from the floor.

7
Models 8752, 8756, 8757 Operator Parts Identification
130117
Section 4 Operator Parts Identification
Model 8752

8Models 8752, 8756, 8757Operator Parts Identification
111129
8752 Parts Identification
Item Description Part No.
1Panel A.- Front X22997
2Stud- Nose Cone 022822
3Bolt- Carriage 012347
4Panel A.- Lower Side (R & L) X23956
5Panel- Upper Side Left 028599
6Hood 050464
7Panel- Upper Rear 022074
8Panel- Lower Rear 025128
9Panel- Upper Side Right 028600
10 Pan- Drip 11- 5/8” Long 027503
11 Caster- Swivel 3/4- 10, 3” Wheel 021279
12 Gasket- Cabinet Mix Door 020134
13 Probe A.- Mix X35981
14 Boot- Mix Cover 037200
15 Tank- Mix 020275
Item Description Part No.
16 Funnel- Mix 036637
17 Cover A.- Mix Tank X38726
18 Tray- Drip 16- 7/8 x 5- 1/8 020157
19 Shield- Splash 23” Long 022765
20 Cover- Mix Storage- Center
Single
038827
21 Trim- Rear Corner 022071
22 Trim A.- Upper Side Left/Right X22423
23 Trim A.- Shelf X20426
24 Trim- Front- Left 024824- SP
25 Trim- Front- Right 024825
26 Trim- Bottom Mix Door 024974
27 Trim- Mix Door 024976
28 Caster- 3” SWV 3/4- 10 Stem
w/Brake
030307

9
Models 8752, 8756, 8757 Operator Parts Identification
130116
8752 Beater Door Assembly

10 Models 8752, 8756, 8757Operator Parts Identification
130116
8752 Beater Door Parts Identification
Item Description Part No.
1Seal- Drive Shaft 032560
2Shaft- Beater 032564
3Beater A.- 3.4 Qt. 1 Pin X46231
4Clip- Scraper Blade 046236
5Blade- Scraper- Plastic 046235
6Kit A.- Beater- Front Shoes- Brg X50350
*6a Bearing- Front *See note
*6b Shoe- Front Helix- Front *See note
*6c Shoe- Front Helix- Rear *See note
7Gasket- Door HT 4” Double 048926
8Door A.- 1 Spout Long Baffle X51531- 10
8a Door A.- Magnet X68625- 2
8b Baffle A.- Long 4” X50882
Item Description Part No.
9Handle A.- Draw- Adjustable X55096
9a Handle- Adjustable 028804
9b Screw- Adjustment 055092
9c O- Ring (Adj. Screw) 015872
9d Nut- Jam 5/16- 24 029639- BLK
10 O- Ring - 5/16 OD x .070 W 016272
11 Pin A.- Pivot X22820
12 Nut- Stud 021508
13 Valve A.- Draw X18303
14 O- Ring - 7/8 OD x .103 W 014402
15 Cap- Design - 1.010” ID 014218
16 Plug- Prime 028805
17 O- Ring - 3/8 OD x .070 W 016137
*Order as X50350 only.

11
Models 8752, 8756, 8757 Operator Parts Identification
111129
Model 8756

12 Models 8752, 8756, 8757Operator Parts Identification
111129
8756 Parts Identification
Item Description Part No.
1Panel A.- Front X22879
2Stud- Nose Cone 022822
3Bolt- Carriage 012347
4Panel A.- Lower Side (R & L) X23956
5Panel- Upper Side Left 028599
6Hood 048526
7Panel- Upper Rear 022015
8Panel- Lower Rear 023598
9Panel- Upper Side Right 028600
10 Pan- Drip 17- 1/4” Long 027504
11 Caster- Swivel 3/4- 10, 3” Wheel 021279
12 Gasket- Cabinet Mix Door 024629
13 Probe A.- Mix (2) X35981
14 Boot- Mix Cover 037200
15 Tank A.- Mix w/Decals X38755
15a Tank (only) 034928
Item Description Part No.
16 Cover- Mix Tank 024590
17 Funnel- Mix 036637
18 Tray- Drip 22- 7/8 x 5- 1/8 014533
19 Shield- Splash 23” Long 022766
20 Cover- Left Mix Storage 037138
21 Cover- Right Mix Storage 037139
22 Trim- Corner- Left/Right 022013
23 Trim A.- Side Left/Right X22424
24 Trim A.- Shelf X24813
25 Trim- Front- Left 024824- SP
26 Trim- Front- Right 024825
27 Trim- Bottom Cabinet 024826
28 Strip- Top Trim 024827
29 Caster- 3” Swv 3/4- 10 Stem
w/Brake
030307

13
Models 8752, 8756, 8757 Operator Parts Identification
Model 8757

14 Models 8752, 8756, 8757Operator Parts Identification
111129
8757 Parts Identification
Item Description Part No.
1Panel A.- Front X36711
2Stud- Nose Cone 022822
3Bolt- Carriage 1/4- 20 x 3/4 012347
4Panel A.- Lower Side- L/R X36741
5Panel- Upper Side Left 028599
6Hood 048526
7Panel- Upper Rear 042068
8Panel- Lower Rear 042067
9Panel- Upper Side Right 028600
10 Pan- Drip 036232
11 Caster- Swivel 3/4- 10 ST 021279
12 Gasket- Cabinet- Mix Door 024629
13 Probe A.- Mix X35981
14 Boot- Mix Cover 037200
15 Tank- Mix X38755
15a Tank (only) 034928
Item Description Part No.
16 Cover- Mix Tank 024590
17 Funnel- Mix 036637
18 Tray- Drip 014533
19 Shield- Splash 23” Long 022766
20 Cover- Mix Storage Left 037138
21 Cover- Mix Storage Right 037139
22 Trim- Rear Corner- Left/Right 036740
23 Trim A.- Side Left/Right X22424
24 Trim A.- Shelf X36732
25 Trim- Front- Left 024824- SP
26 Trim- Front- Right 024825
27 Trim- Bottom Cabinet 024826
28 Strip- Top Trim 024827
29 Caster- 3” Swv 3/4- 10 Stem
w/Brake
030307

15
Models 8752, 8756, 8757 Operator Parts Identification
8756 & 8757 Beater Door Assembly
Item Description Part No.
1Seal- Drive Shaft 032560
2Shaft- Beater 032564
3Beater A.- 3.4 Qt. 1 Pin X46231
4Clip- Scraper Blade 046236
5Blade- Scraper- Plastic 046235
*6a Bearing- Front 050348
*6b Shoe- Front Helix- Rear 050346
*6c Shoe- Front Helix- Front 050347
7Gasket- Door 4” Double 048926
8Door A.- 3 Spout Long Baffle X51532- 12
9Handle A.- Draw- Adj. X33687
9a Draw Handle- Adj. 028804
9b Screw- Adjustment 033662
Item Description Part No.
9c O- Ring (Adj. Screw) 015872
9d Nut- Jam 5/16- 24 029639- BLK
10 O- Ring - 5/16 OD x .070 W 016272
11 Rod A.- Pivot X22387
12 Nut- Stud (Long) 034382
13 Valve A.- Draw (3) X18303
14 O- Ring - 7/8 OD x .103 W (6) 014402
15 Cap- Design - 1.010” ID 014218
16 Nut- Stud (Short) 034383
17 Rod A.- Pivot X22388
18 Plug- Prime (2) 028805
19 O- Ring - 3/8 OD x .070 W (4) 016137
*Order Kit X50350

16 Models 8752, 8756, 8757Operator Parts Identification
140814
Accessories
Item Description Part No.
1Brush- Mix Pump Body 023316
2Brush- Pressure Switch 027647
3Brush- Feed Tube 021101
4Brush- Double Ended 013072
5Brush- Rear Bearing 013071
6Brush- Draw Valve 013073
7Lubricant- Taylor 4 oz. 047518
Item Description Part No.
8Sanitizer- Kay- 5 *See note
9Pail- 10 Qt. 013163
10
Kit A.- Tune Up (Model 8752) X49463- 15
Kit A.- Tune Up
(Models 8756 & 8757) X49463- 2
11 Sanitizer- Stera Sheen- Green
(8752, 8756, 8757)
*See note
*Note: A sample container of sanitizer is sent with the
unit. For reorders, order Stera Sheen part no. 055492
(100 2 oz. packs) or Kay- 5 part no. 041082 (200 packs).

17
Models 8752, 8756, 8757 Important: To the Operator
Section 5 Important: To the Operator
Model 8752
Model 8756
Model 8757

18 Models 8752, 8756, 8757Important: To the Operator
Parts Identification for 8752, 8756, & 8757
Item Description
1Power Switch (Toggle)
2Reset Switch
3Mix Refrigeration Control
4STANDBY Key
5WASH Key
6AUTO Key
7PUMP Key
8Mix Low Indicator
9Mix Out Indicator
10 Heater Switch
Symbol Definitions
To better communicate in the International arena, the
words on many of our operator switches and buttons
have symbols to indicate their functions. Your Taylor
equipment is designed with these International
symbols.
=AUTO
=ON
=OFF
=MIXREF
= WASH
=PUMP
= STANDBY
=MIXLOW
= MIX OUT
=HEATERON
Power Switch
When placed in the ON position, the power switch
allows SOFTECH control panel operation.
Indicator Lights -
MIX LOW and MIX OUT
When the MIX LOW light begins to flash, it indicates
the mix tank has a low supply of mix and should be
refilled as soon as possible. When the MIX OUT light
begins to flash, it indicates the mix tank has been
almost completely exhausted and has an insufficient
supply of mix to operate the freezer. At this time, the
STANDBY and AUTO modes are locked out and the
freezer shuts down. To initiate the refrigeration
system, add mix to the tank and press the AUTO key.
The freezer will automatically begin operation.
Reset Button
The reset button is located in the decorative plate
above the SOFTECH controls. The reset protects the
beater motor from an overload condition. Should an
overload occur, the reset mechanism will trip. To
properly reset the freezer, press the AUTO key to
cancel the cycle. Turn the power switch to the OFF
position. Press the reset button firmly. Turn the power
switch to the ON position. Press the WASH key and
observe the freezer’s performance. Open the side
access panel to check if the beater motor is turning the
drive shaft in a clockwise (from operator end) direction
without binding.
If it is turning properly, press the WASH key to cancel
the cycle. Press the AUTO key to resume normal
operation. (For the Models 8756 and 8757, press the
AUTO key on both sides to resume normal operation.)
If the freezer shuts down again, contact a service
technician.
SOFTECH Control Operation
MIX REF
When the MIX REF key is pressed, the light comes on,
indicating the mix cabinet refrigeration system is
operating. (For the Models 8756 and 8757, there are
two touch- tone panels, one for each freezing cylinder.
The mix refrigeration system is controlled by the MIX
REF key found on the left panel. By pressing the AUTO
key on either side of the freezer, the MIX REF function
is automatically turned on.) The MIX REF function
cannot be cancelled unless the AUTO or STANDBY
mode is cancelled first.

19
Models 8752, 8756, 8757 Important: To the Operator
091030
Standby
During long “No Sale” periods it becomes necessary
to warm the product in the freezing cylinder to
approximately 35_to 40_F(1.7_to 4.4_C) to prevent
overbeating and product breakdown.
When the STANDBY key is pressed, the light comes
on, indicating the CTR (Cylinder Temperature
Retention System) has been activated. In the
STANDBY mode, the WASH, PUMP, and AUTO
functions are automatically cancelled. The MIX REF
function is automatically locked in to maintain the mix
in the cabinet.
To resume normal operation, press the AUTO key.
When the unit cycles off, the product in the freezing
cylinder will be at serving viscosity.
Wash
When the WASH key is pressed, the light comes on,
indicating beater motor operation. The STANDBY or
AUTO modes must be cancelled first to activate the
WASH mode.
Auto
When the AUTO key is pressed, the light comes on
indicating the main refrigeration system has been
activated. In the AUTO mode, the WASH or STANDBY
functions are automatically cancelled. The MIX REF
function is automatically locked in to maintain the mix
in the cabinet and the PUMP function is locked in to
allow air/mix pump operation as required.
Pump
When the PUMP key is pressed, the light comes on
indicating the air/mix pump will operate as required.
Note: An indicating light and an audible tone will
sound whenever a mode of operation has been
pressed. To cancel any function, press the PUMP key
again and the light and mode of operation will shut off.
Adjustable Draw Handle
These units feature an adjustable draw handle to
provide the best portion control, giving a better,
consistent quality to your product and controlling
costs. The draw handle should be adjusted to provide
a flow rate of 5 to 7- 1/2 oz. of product by weight per
10 seconds. To increase the flow rate, turn the screw
counterclockwise.Todecrease the flow rate, turn
the screw clockwise.
In addition, for purposes of sanitizing and rinsing, the
flow rate can be increased by removing the pivot pin
and placing the restrictive bar on the top. When
drawing product, always have the restrictive bar on
the bottom.
IMPORTANT! When dispensing product, pull only
one draw handle at a time.

20 Models 8752, 8756, 8757Operating Procedures
071017
Section 6 Operating Procedures
The Model 8752 has been selected to show you the
pictured step- by- step operating procedures for both
models contained in this manual. These models, for all
practical purposes of operation, are the same.
The size of the freezing cylinder(s) is 3.4 quarts (3.2
liters). The Model 8752 has one freezing cylinder and
the Models 8756 and 8757 have two freezing
cylinders. Mix is stored in the lower front refrigerated
compartment and is pumped up to the freezing
cylinder by an air/mix pump.
Duplicate the following procedures, where they apply,
for the second freezing cylinder on the Models 8756
and 8757.
We begin our instructions at the point where we enter
the store in the morning and find the parts laid out to
air dry from the previous night’s brush cleaning.
If you are disassembling the machine for the first time
or need information to get to this starting point in our
instructions, turn to page 34 , “Disassembly” and start
there.
Prior to Set- Up (Model 8757)
Step 1
Remove the two stainless syrup jars with topping
pumps, from the syrup rail. Check the water level in the
heated syrup topping well. Make sure the water is filled
to the indicating mark on the bottom of the well. (The
heated rail should have 32 ounces [946.2 ml.] of
water.)
Step 2
Place the heater switch in the ON position.
Note: This heating process will take approximately
two and one- half hours to reach temperature. The
water level in the topping wells must be checked at
least once daily.
Step 3
Prepare a pail of an approved 100 PPM sanitizing solu-
tion (examples: Stera SheenRor Kay- 5R). Use
WARM WATER ACCORDING TO THE MANUFAC-
TURER’S SPECIFICATIONS. Sanitize the topping
pumps by placing the entire pump assembly in the pail
of sanitizing solution. Pump the solution through to
thoroughly sanitize the pump.
Step 4
Fill the two heated and the two cold syrup jars with
topping. Replace the topping pumps in the heated
syrup jars. Sanitize two topping ladles and place them
in the cold syrup jars.
Assembly
MAKE SURE THE CONTROL SWITCH IS
IN THE “OFF” POSITION. Failure to follow this
instruction may result in electrocution or injury to
fingers or hands from hazardous moving parts.
Step 1
To install the drive shaft, lubricate the groove and shaft
portion that comes in contact with the bearing on the
beater drive shaft. Slide the seal over the shaft and
groove until it snaps into place. DO NOT lubricate the
hex end of the drive shaft. Fill the inside portion of the
seal with1/4” more lubricant and evenly lubricate the
end of the seal that fits onto the rear shell bearing.
Figure 1

21
Models 8752, 8756, 8757 Operating Procedures
Install the drive shaft through the rear shell bearing in
the freezing cylinder and engage the hex end firmly
into the gear box coupling. Be sure the drive shaft fits
into the drive coupling without binding.
Figure 2
Step 2
Install the beater assembly. First check the scraper
blades for any nicks or signs of wear. If any nicks are
present, replace both blades. If the blades are in good
condition, install the scraper blade clips on the scraper
blades. Place the rear scraper blade over the rear
holding pin on the beater.
Note: The hole on the scraper blade must fit securely
over the pin to prevent costly damage.
Figure 3
Holding the rear blade on the beater, slide it into the
freezing cylinder half way. Install the front scraper
blade over the front holding pin.
Figure 4
Install the beater shoes.
Figure 5
Slide the beater assembly the rest of the way into the
freezing cylinder.
Make sure the beater assembly is in position over the
drive shaft. Turn the beater slightly to be certain that
the beater is properly seated. When in position, the
beater will not protrude beyond the front of the
freezing cylinder.
Repeat Steps 1 and 2 for the other side of the freezers
on the Models 8756 and 8757.

22 Models 8752, 8756, 8757Operating Procedures
Step 3
Assemble the freezer door. Place the large rubber
gasket(s) in the groove(s) on the back side of the
freezer door.
Slide the white plastic front bearing(s) over the baffle
rod(s), making certain that the flanged end of the
bearing is resting against the freezer door. DO NOT
lubricate the gasket(s) or front bearing(s).
Figure 6
Note: There are two gaskets and two front bearings
for the Models 8756 and 8757 door, one for each
freezing cylinder.
Slide the o- rings into the grooves on the prime plug(s).
Apply an even coat of lubricant to the o- rings and
shaft(s).
Figure 7
Note: There are two prime plugs for the Models 8756
and 8757 door, one for each freezing cylinder.
Insert the prime plug(s) into the hole(s) at the top of the
freezer door and push down.
Figure 8
Step 4
Install the freezer door. Insert the baffle rod(s) through
the beater(s) in the freezing cylinder(s). With the door
seated on the freezer studs, install the handscrews.
Tighten equally in a criss- cross pattern to insure the
door is snug.
Note: On the Models 8756 and 8757, the short
handscrews go on the bottom and the long
handscrews go on the top.
Figure 9

23
Models 8752, 8756, 8757 Operating Procedures
Step 5
Install the draw valve(s). Slide the two o- rings into the
grooves on the draw valve(s) and lubricate.
Figure 10
Note: The Models 8756 and 8757 have three draw
valves.
Lubricate the inside of the freezer door spout(s), top
and bottom, and insert the draw valve(s) from the
bottom until the slot in the draw valve(s) comes into
view.
Figure 11
Step 6
Install the adjustable draw handle(s). Slide the
o- ring(s) into the groove(s) on the pivot pin(s) and
lubricate.
Figure 12
Slide the fork of the draw handle(s) in the slot of the
draw valve(s). Secure with pivot pin.
Note: The Models 8756 and 8757 have three draw
handles and two pivot pins. Slide the fork of the draw
handle in the slot of the draw valve, starting from the
right. Slide the long pivot pin through the right and
middle draw handles. Secure the left draw handle with
the short pivot pin.
Figure 13
Note: These units feature adjustable draw handles to
provide the best portion control, giving a better
consistency quality to your product, and controlling
costs. The draw handles can be adjusted for different
flow rates. See page 19 for more information on
adjusting these handles.

24 Models 8752, 8756, 8757Operating Procedures
Step 7
Snap the design cap over the bottom of each door
spout.
Figure 14
Step 8
Install the rear drip pan. Slide the rear drip pan into the
hole in the side panel.
Figure 15
Step 9
Install the front drip tray and the splash shield beneath
the door spout(s).
Figure 16
Air/Mix Pump Assembly
The purpose of the air/mix pump is to meter a specific
amount of air and mix and transfer this combination to
the freezing cylinder.
Refer to the illustration on page 28 for identification of
parts during assembly.
Step 1
Assemble the piston. Slide the o- ring into the groove
on the piston. DO NOT lubricate this o- ring.
Figure 17
Step 2
Assemble the liquid valve body. Slide the three check
bands and three o- rings into the grooves on the liquid
valve body. DO NOT lubricate the check bands or
o- rings.
Figure 18

25
Models 8752, 8756, 8757 Operating Procedures
Note: Check bands have two smooth surfaces. A
concave shape indicates an incorrect assembly. Turn
the check band inside out to correctly expose the flat
surface.
Figure 19
Step 3
Put a small amount of lubricant inside the piston and
insert the liquid valve body into the piston.
Apply a small amount of lubricant to the lower inside
diameter of the pump cylinder to a depth equivalent to
the length of your index finger. Once applied, the
amount of lubricant should be equal to a paper- thin
film.
Figure 20
Insert the assembled piston and liquid valve body into
the pump cylinder and push upwards. Align the steel
button at the base of the liquid valve body with the
cut- out groove at the bottom of the pump cylinder.
Note: The drive hole in the piston must be visible
through the drive hole in the pump cylinder.
Figure 21
Step 4
Assemble the mix inlet fitting. Slide the o- ring into the
groove on the mix inlet fitting and lubricate with Taylor
Lube.
Figure 22
Attach the spring and poppet to the end of the mix inlet
fitting above the o- ring. The spring must be securely
fastened and not allowed to float freely.
Note: The rubber poppet and spring act as a pressure
relief valve to prevent a pressure build- up in the
freezing cylinder.
Figure 23

26 Models 8752, 8756, 8757Operating Procedures
Insert the mix inlet fitting into the hole in the base of the
liquid valve body.
Figure 24
Secure the pump parts in position by sliding the
retaining pin through the cross holes located at the
bottom of the pump cylinder.
Figure 25
Step 5
Assemble the flare line and suction line. Assemble the
weighted end into the suction line. Attach the mix
suction line to the barbed end of the mix inlet fitting and
allow the weighted end to hang free. (Note: The
suction line must fit tightly against the mix inlet fitting.)
Figure 26
Push both nuts back from the flare end and lightly
lubricate the underside of the plastic flare. This will
allow the nut to turn freely without twisting the tubing.
Attach one end of the flare line to the threaded fitting
on the lower side of the pump cylinder and allow the
other end to hang free.
Figure 27

27
Models 8752, 8756, 8757 Operating Procedures
140306
Step 6
Secure the air/mix pump. Place the pump collar over
the pump cylinder. (The cross holes of the pump collar
should be on top.)
Figure 28
Align the drive hole in the piston to the ball crank of the
motor reducer. At the same time, align the locating pin
hole in the pump cylinder to the locating pin on the face
plate.
Figure 29
Slide the pump collar upwards into the grooves on the
side of the face plate and secure the air/mix pump in
place by slipping the retaining pin through the cross
holes of the pump collar.
Figure 30
Note: Alignment of the air/mix pump is extremely
important. Severe and costly damage may occur if it is
not properly aligned.
Step 7
Lubricate both sides of the pressure switch
diaphragm.
Figure 31
Step 8
Place the diaphragm on the front face of the pressure
switch housing. The lubricant will act as an adhesive
to hold the diaphragm in place.
Note: DO NOT place the diaphragm in the pressure
switch cap.
Step 9
Screw the cap onto the housing securely.
Figure 32
Repeat Steps 1 through 8 for the other side of the
freezer on the Models 8756 and 8757.

28 Models 8752, 8756, 8757Operating Procedures
Air/Mix Pump Assembly Exploded View
Item Description Part No.
1
Cap- Pump (Model 8752) 023324
Cap- Pump (Models
8756/8757)
021276- 9
2Pin- Retaining 021276- 8
3 Pump Assembly X36201
3a Cylinder A.- Pump 022345- 1
3b Pin- Retaining 021276- 8
3c Piston 032733
3d Ring- Check 2” OD x 1/2 020050
3e O- Ring 2- 1/8 OD x .139 W 020051
3f Body A.- Valve X36202
3g O- Ring - 13/16 OD x .139 W 021278
3h Elbow- Inlet 90 Degree 022502- 4
3i Spring- Tapered 022456
3j Poppet- Rubber- Black 022473
3k Ring- Check 1- 1/4 OD x 3/8 033215
3l O- Ring - 1- 3/8 OD x .103 W 018664
4Line A.- Flare 038299
5Tube A.- Suction (8752) X20450
Tube A.- Suction (8756- 8757) X37293
5a
Tube- Vinyl 5/8IDx1/8W (8752) 020945- 22
Tube- Vinyl 5/8IDx1/8W
(8756- 8757)
020945- 18
5b Counterweight- Suction Tube 020452
6Line A.- Pump Pressure X27139
6a Socket- QD 3/16 Barb 020021
6b Ferrule- 3/8 OD Brass 030553
6c Tube- Vinyl 3/16 ID x 1/16 W 020940- 16
7Diaphragm- Pressure Switch 020249

29
Models 8752, 8756, 8757 Operating Procedures
080820
Sanitizing
Step 1
Prepare a pail of approved 100 PPM sanitizing solution
(examples: 2- 1/2 gal. [9.5 liters] of Kay- 5Ror 2 gal.
[7.6 liters] of Stera- SheenR). USE WARM WATER
AND FOLLOW THE MANUFACTURER’S SPECIFIC-
ATIONS. Place the pail of sanitizing solution inside the
mix cabinet.
Step 2
Brush clean the mix inlet tube with the long brush and
sanitizing solution.
Figure 33
Step 3
Connect the free end of the flare line to the threaded
fitting on the mix inlet tube.
Figure 34
Step 4
Install the pressure line. Attach the quick disconnect
fitting of the pressure line to the other fitting on the mix
inlet tube just above the flare line and allow the other
end to hang free.
Figure 35
Step 5
Insert the free end of the suction line and pressure line
into the pail of sanitizing solution.
Figure 36
Step 6
Place the power switch in the ON position.

30 Models 8752, 8756, 8757Operating Procedures
Step 7
Press the PUMP key. A light will come on, indicating
the air/mix pump is operating. This action will cause
the sanitizing solution to be pumped through the
air/mix pump and out through the pressure line. After
approximately 15 seconds, press the PUMP key. The
light will go out and the pump will stop operation.
Figure 37
Step 8
Drain and connect the free end of the pressure line to
the pressure switch.
Figure 38
Step 9
Place an empty pail beneath the door spout and raise
the prime plug.
Figure 39
Press the WASH and PUMP keys. The lights will come
on, indicating the pump and beater motor are
operating. When a steady stream of sanitizing
solution is flowing from the prime plug hole in the
bottom of the freezer door, press the PUMP key,
stopping pump operation. Push down the prime plug
and allow beater agitation for 5 minutes.
Figure 40

31
Models 8752, 8756, 8757 Operating Procedures
071017
Step 10
After 5 minutes, open the prime plug. Press the PUMP
key. Pull the draw handle down and draw off the
remaining sanitizer.
Figure 41
Step 11
Once the sanitizer stops flowing from the door spout,
close the draw valve. Press the PUMP and WASH
keys to stop operation. Disconnect the pressure line
from the pressure switch. Drain the sanitizer and
reconnect.
Note: On the Models 8756 and 8757, momentarily
pull down the center draw handle to sanitize the center
door spout.
Step 12
Repeat Steps 1 through 11 for the second freezing
cylinder on the Models 8756 and 8757.
Step 13
Prepare a sink with an approved sanitizing solution
(examples: Stera SheenRor Kay- 5R). USE WARM
WATER AND FOLLOW THE MANUFACTURER’S
SPECIFICATIONS.
Step 14
Take the following parts to the sink and sanitize: mix
tank(s), mix tank cover(s), mix probe(s), mix storage
cover(s) and funnel(s).
Priming
Step 1
Place the mix tank and the cover in the mix cabinet.
Step 2
Insert the prongs of the mix probe inside the mix tank
and connect the mix probe in the socket receptacle.
Figure 42
Step 3
Place the free end of the suction line down in the mix
tank.
Figure 43
Step 4
Install the funnel. Fill the mix tank with fresh mix.
Note: Use only fresh mix when priming the freezer.
Figure 44
Remove the funnel and install the mix storage cover.
Close the mix cabinet door.

32 Models 8752, 8756, 8757Operating Procedures
140306
Step 5
Place an empty pail beneath the door spout and open
the draw valve. With the prime plug still in the UP
position, press the PUMP key. This will allow the mix
to be pumped through the freezing cylinder and force
out any remaining sanitizer. When full strength mix is
flowing from the door spout, close the draw valve.
Figure 45
Step 6
When a steady stream of mix is flowing from the prime
plug hole in the bottom of the freezer door, press the
PUMP key to stop operation.
Step 7
Once the stream of mix stops flowing from the prime
plug hole, push down the prime plug. Rinse the prime
plug hole area with water. Remove the pail and discard
the mix and the sanitizer.
Figure 46
Step 8
Press the AUTO key. The MIX REF light will come on
indicating the mix refrigeration system is operating, the
AUTO light will come on indicating the main
refrigeration system is operating, and the PUMP light
will come on indicating the air/mix pump will operate
whenever mix is needed in the freezing cylinder.
Figure 47
Repeat Steps 1 through 8 for the other side of the
freezer on the Models 8756 and 8757.
When the unit cycles off, the product will be at the
correct viscosity.
Note: Keep the mix cabinet door closed except when
filling the mix tank and during the cleaning and
sanitizing procedures. Leaving the door open with the
mix refrigeration system on may cause the evaporator
to ice up and impair the mix cabinet refrigeration.
Closing Procedure
To disassemble the Models 8752, 8756 and 8757, the
following items will be needed:
STwo cleaning and sanitizing pails
SSanitized stainless steel rerun can with lid
SNecessary brushes (provided with freezer)
SCleaner
SSingle service towels
Draining Product From the
Freezing Cylinder
Step 1
Press the AUTO and MIX REF keys to cancel freezer
operation.
Step 2
Open the mix cabinet door and remove the mix storage
cover(s), mix probe(s), mix tank cover(s), and mix
tank(s). Empty the mix from the mix tank(s) into a
sanitized stainless steel rerun can.

33
Models 8752, 8756, 8757 Operating Procedures
140814
Step 3
Place the suction line in an empty pail in the mix
cabinet.
Step 4
If local health codes permit the use of rerun,place
a sanitized, NSF approved stainless steel rerun
container beneath the door spout. Open the draw
valve and press the WASH and PUMP keys. Drain all
the mix from the freezing cylinder. When all the product
stops flowing from the door spout, close the draw valve
and press the WASH and PUMP keys to stop
operation. Place the sanitized lid on the rerun
container and place it in the walk- in cooler.
Note: If local health codes DO NOT permit the use
of rerun, the product must be discarded. Follow the
instructions in the previous step, except drain the
product into a pail and properly discard the mix.
Repeat Steps 3 through 4 for the second freezing
cylinder on the Models 8756 and 8757.
ALWAYS FOLLOW LOCAL HEALTH CODES.
Rinsing
Step 1
Fill the empty pail in the mix cabinet with 2 gallons (7.6
liters) of cool, clean water. Place the free end of the
suction line in the pail of water.
Step 2
Disconnect the pressure line from the pressure switch
and place it in the pail of water.
Step 3
Press the PUMP key. This action will cause the rinse
water to be pumped through the air/mix pump and out
through the pressure line. After approximately 15
seconds, press the PUMP key to stop operation.
Step 4
Drain and connect the free end of the pressure line to
the pressure switch.
Step 5
Place an empty pail beneath the door spout. Raise the
prime plug and press the WASH and PUMP keys.
Step 6
When a steady stream of rinse water is flowing from
the prime plug hole in the bottom of the freezer door,
open the draw valve and drain all the rinse water.
Step 7
Once the rinse water stops flowing from the door
spout, close the draw valve and press the WASH and
PUMP keys to stop operation.
Step 8
Disconnect the pressure line from the pressure switch.
Drain the water and then reconnect.
Step 9
Repeat this procedure using clean warm water, until
the water being discharged is clear.
Repeat Steps 1 through 9 for the second freezing
cylinder on the Models 8756 and 8757.
Cleaning
Step 1
Prepare a pail of approved 100 PPM cleaning solution
(examples: 2- 1/2 gal. [9.5 liters] of Kay- 5Ror 2 gal.
[7.6 liters] of Stera- SheenR). USE WARM WATER
AND FOLLOW THE MANUFACTURER’S SPECIFIC-
ATIONS. Place the pail of cleaning solution inside the
mix cabinet and insert the suction line.
Step 2
Disconnect the pressure line from the pressure switch
and place it in the pail of cleaning solution.
Step 3
Press the PUMP key. This action will cause the
cleaning solution to be pumped through the air/mix
pump and out through the pressure line. After
approximately 15 seconds, press the PUMP key to
stop operation.
Step 4
Drain and connect the free end of the pressure line to
the pressure switch.
Step 5
Place an empty pail beneath the door spout, raise the
prime plug, and press the WASH and PUMP keys.
Step 6
When a steady stream of solution is flowing from the
prime plug hole in the bottom of the freezer door, pull
down the draw handle and draw off the remaining
cleaning solution.
Step 7
Once the solution stops flowing from the door spout,
close the draw valve and press the WASH and PUMP
keys to stop operation.

34 Models 8752, 8756, 8757Operating Procedures
121218
Repeat Steps 1 through 7 for the other side of the
freezer on the Models 8756 and 8757.
Step 8
Place the power switch in the OFF position before
disassembling the machine.
Disassembly
BE SURE THE POWER SWITCH IS IN THE
“OFF” POSITION TO ELIMINATE THE CHANCE OF
MOVING PARTS. CHECK TO MAKE SURE NO
LIGHTS ARE LIT ON THE CONTROL PANEL.
Step 1
Remove the handscrews, freezer door, beater(s),
shoes, scraper blades, and drive shaft(s) from the
freezing cylinder(s) and take them to the sink for
cleaning.
Step 2
Remove the air/mix pump. Unscrew the flare line from
the mix inlet tube. Disengage the pressure line from
the pressure switch and the mix inlet tube. Pull the
retaining pin out of the pump collar and slide the collar
down. Tilt the air/mix pump away from the machine
and take the entire assembly to the sink for further
disassembly and brush cleaning.
Step 3
Remove the pressure switch cap from the mix cabinet
and the diaphragm from the cap.
Repeat Steps 2 and 3 for the other side of the freezer
on the Models 8756 and 8757.
Step 4
Remove the front drip tray and splash shield.
Brush Cleaning
Step 1
Prepare a sink with an approved cleaning solution (ex-
amples: Stera SheenRor Kay- 5R). USE WARM WA-
TER AND FOLLOW THE MANUFACTURER’S SPE-
CIFICATIONS
If an approved cleaner other than Stera SheenRor
Kay- 5Ris used, dilute it according to the label
instructions. IMPORTANT: Follow the label directions.
Too STRONG of a solution can cause parts damage,
while too MILD of a solution will not provide adequate
cleaning. Make sure all brushes provided with the
freezer are available for brush cleaning.
Step 2
Remove the seal(s) from the drive shaft(s).
Step 3
Remove the scraper blade clips from the scraper
blades.
Step 4
From the freezer door(s) remove the gasket(s), front
bearing(s), pivot pin(s), draw handle(s), draw valve(s),
prime plug(s), and the design cap(s).
Remove all o- rings.
Note: To remove o- rings, use a single service towel
to grasp the o- ring. Apply pressure in an upward
direction until the o- ring pops out of its groove. With
the other hand, push the top of the o- ring forward. It
will roll out of the groove and can be easily removed.
If there is more than one o- ring to be removed, always
remove the rear o- ring first. This will allow the o- ring
to slide over the forward rings without falling into the
open grooves.
Step 5
Remove the flare line(s), suction line(s), retaining
pin(s) and mix inlet fitting(s) from the pump cylinder(s).
Remove the liquid valve body(ies) from the pump
cylinder(s).
Remove the piston(s) from the pump cylinder(s).
Remove all o- rings and check bands.
Step 6
Return to the freezer with a small amount of cleaning
solution. With the black bristle brush, brush clean the
rear shell bearing(s) at the back of the freezing
cylinder(s).
Figure 49

35
Models 8752, 8756, 8757 Operating Procedures
Step 7
Using the long, flexible brush and the cleaning
solution, clean the mix inlet tube(s) located in the mix
cabinet. Thoroughly clean the tube(s) all the way up to
the freezing cylinder. This area needs special attention
because bacteria and milkstone can build up here.
Step 8
Remove the rear drip pan from the side panel and take
it to the sink for cleaning.
Note: If the rear drip pan is filled with an excessive
amount of mix, refer to the Troubleshooting Guide.
Step 9
Thoroughly brush clean all disassembled parts in the
cleaning solution, making sure all lubricant and mix film
is removed. Take particular care to brush clean the
draw valve core(s) in the freezer door. Place all the
cleaned parts on a clean dry surface to air dry
overnight.
Step 10
Wipe clean all exterior surfaces of the freezer and the
mix cabinet.
Check Topping Pump Temperature
and Volume - Model 8757
To check the topping pump temperature and volume
on the Model 8757 the following items will be needed:
SDigital thermometer with needle probe
Scalibrating cup
Sflatblade screwdriver
Ssanitizer (examples: Stera SheenRor
Kay- 5R)
Note: This procedure should be performed on a
morning after the pumps were disassembled and
cleaned, on a monthly basis.
1. Dispense one serving of topping into a sundae
cup.
2. Insert the sanitized needle probe into the
topping. Let the probe stabilize for 20 seconds.
Note: Topping temperature should be between 115_
and 125_F(46_and 52_C) and must be this
temperature before pump calibration can begin. Water
bath temperature should be between 135_and 145_F
(57_and 63_C).
3. If the temperature is too cold or too warm, it
can be adjusted by the temperature control
located inside the machine, on the back of the
topping compartment.
4. Using the flatblade screwdriver, loosen and
remove the screws from the lower right panel.
Locate the adjustment screws, one for each
water bath.
5. Using a flatblade screwdriver, turn the
adjustment screw CLOCKWISE to INCREASE
and COUNTERCLOCKWISE to DECREASE
the water bath temperature. Adjust in small
increments.
6. Allow 10 minutes for the temperature to
stabilize in the water bath.
7. Check the temperature again in the water bath.
8. Place the topping pump back into the container.
9. Repeat these steps for the other topping. Install
the lower right panel, if applicable, and install
the screws.
10. Hold the small chamber of the calibrating cup
under the dispensing nozzle.
11. Push the dispensing lever down for one full
stroke. The topping should be directed to the
bottom of the calibrating cup. Do not allow the
topping to fall on the sides of the cup.
Note: The amount of dispensed topping should be
one fluid ounce (29.6 ml).
12. If the dispensed amount is correct, proceed to
Step 13. If the amount of dispensed topping is
not correct, consult the Troubleshooting Section
of your Equipment Manual
13. Repeat Steps 10 through 12 for the other
topping pump, then proceed with Step 14.
14. Topping pump temperature and volume check
is complete.

36 Models 8752, 8756, 8757Important: Operator Checklist
080820
Section 7 Important: Operator Checklist
During Cleaning and Sanitizing
ALWAYS FOLLOW LOCAL HEALTH CODES.
Cleaning and sanitizing schedules are governed
by federal, state, or local regulatory agencies, and
must be followed accordingly. If the unit has a
“Standby mode”, it must not be used in lieu of
proper cleaning and sanitizing procedures and
frequencies set forth by the ruling health
authority. The following check points should be
stressed during the cleaning and sanitizing
operations.
CLEANING AND SANITIZING MUST BE
PERFORMED DAILY.
Troubleshooting Bacterial Count
j1. Thoroughly clean and sanitize the machine
regularly, including complete disassembly and
brush cleaning.
j2. Use all brushes supplied for thorough cleaning.
The brushes are specially designed to reach all
mix passageways.
j3. Use the long (38”) white bristle brush to clean
the mix feed tube which extends from the mix
reservoir to the rear of the freezing cylinder.
j4. Use the black bristle brush to thoroughly clean
the rear shell bearing located at the rear of the
freezing cylinder. Be sure there is a generous
amount of cleaning solution on the brush.
j5. IF LOCAL HEALTH CODES PERMIT THE
USE OF RERUN, make sure the mix rerun is
stored in a sanitized, covered stainless steel
container and is used the following day. DO
NOT prime the machine with rerun. When using
rerun, skim off the foam and discard, then mix
the rerun with fresh mix in a ratio of 50/50 during
the day’s operation.
j6. On a designated day of the week, run the mix as
low as feasible and discard after closing. This
will break the rerun cycle and reduce the
possibility of high bacteria and coliform counts.
j7. Properly prepare the cleaning and sanitizing
solutions. Read and follow the label directions
carefully. Too strong of a solution may damage
the parts and too weak of a solution will not do
an adequate job of cleaning or sanitizing.
Sanitize the freezing cylinder for 5 minutes.
j8. The temperature of the mix in the mix storage
cabinet and the walk- in cooler should be below
40_F. (4. 4_C.).
Regular Maintenance Checks
j1. Replace scraper blades that are bent, damaged
or worn.
j2. Before installing the beater, be certain that the
scraper blades are properly attached over the
pins and the beater assembly is straight.
j3. Check the rear shell bearing for signs of wear
(excessive mix leakage in the rear drip pan) and
be certain it is properly cleaned.
j4. Using a screwdriver and cloth towel, keep the
rear shell bearing and the female hex drive
socket clean and free of lubricant and mix
deposits.
j5. Dispose of o- rings and seals if they are worn,
torn, or fit too loosely, and replace with new
ones.
j6. Follow all lubricating procedures as outlined in
“Assembly”.

37
Models 8752, 8756, 8757 Important: Operator Checklist
080820
j7. If your machine is air cooled, check the
condensers for accumulation of dirt and lint.
Dirty condensers will reduce the efficiency and
capacity of the machine. Condensers should be
cleaned monthly with a soft brush.
Note: For machines equipped with an air filter,
it will be necessary to vacuum clean the filters
on a monthly schedule.
Never use screwdrivers or other
metal probes to clean between the fins.
j8. On water cooled units, check the water lines for
kinks or leaks. Kinks can occur when the
machine is moved back and forth for cleaning or
maintenance purposes. Deteriorated or
cracked water lines should be replaced only by
an authorized Taylor technician.
j9. Your machine is equipped with an auxiliary
refrigeration system. Check the auxiliary
condenser for accumulation of dirt and lint. Dirty
condensers will reduce the refrigeration
capacity of the mix cabinet. Condensers must
be cleaned monthly with a soft brush.
Note: For machines equipped with an air filter,
it will be necessary to vacuum clean the filters
on a monthly schedule.
Never use screwdrivers or other
metal probes to clean between the fins.
The Air/Mix Pump
j1. Dispose of the o- rings, the check bands and
the pressure switch diaphragm if they are worn,
torn or fit too loosely and replace with new ones.
j2. Follow lubricating procedures carefully. NEVER
lubricate check bands.
j3. Handle plastic pump parts with care to avoid
nicks and cracks.
j4. Be sure the pressure line is securely attached
to the pressure switch.
j5. Clean, sanitize and lubricate the pressure
switch diaphragm daily.
j6. Be sure the air/mix pump is properly aligned
with the face plate of the motor reducer or
severe and costly damage may occur.
Winter Storage
If the place of business is to be closed during the winter
months, it is important to protect the freezer by
following certain precautions, particularly if the
building is subject to freezing conditions.
Disconnect the freezer from the main power source to
prevent possible electrical damage.
On water cooled freezers, disconnect the water
supply. Relieve pressure on the spring in the water
valve. Use air pressure on the outlet side to blow out
any water remaining in the condenser. This is
extremely important. Failure to follow this procedure
may cause severe and costly damage to the
refrigeration system.
Your local Taylor Distributor can perform this service
for you.
Wrap detachable parts of the freezer such as the
beater, blades, drive shaft, and freezer door. Place
these parts in a protected, dry place. Rubber trim parts
and gaskets can be protected by wrapping them with
moisture- proof paper. All parts should be thoroughly
cleaned of dried mix or lubrication which attract mice
and other vermin.

38 Models 8752, 8756, 8757Troubleshooting Guide
Section 8 Troubleshooting Guide
PROBLEM PROBABLE CAUSE REMEDY PAGE
REF.
1. No product is being
dispensed.
a. Low on mix. The MIX
OUT light is on.
a. Add mix to the mix tank
and press the AUTO key.
17
b. The power switch is in the
OFF position.
b. Place the power switch in
the ON position and press
the AUTO key.
---
c. The beater motor is out on
reset.
c. Reset the freezer. 17
d. The beater assembly is
rotating counterclockwise.
d. Contact service technician
to correct rotation to
clockwise.
---
e. Insufficient mix in the
freezing cylinder.
e. Refer to problem #2. ---
f. Restriction in the door
spout.
f. Remove the draw handle
and raise the draw valve
all the way up to remove
restriction. Never put
objects or fingers in door
spout.
---
g. Machine is unplugged. g. Plug machine into the wall
receptacle.
---
h. Circuit breaker is off or the
fuse is blown.
h. Turn the breaker on or
replace the fuse.
---
i. The mix probe was not
installed properly, or was
damaged.
i. Check the mix probe
installation.
31
2. Insufficient mix in the
freezing cylinder.
a. Suction line is not fully
submerged in the mix.
a. Arrange the suction line
so the weighted end is
fully submerged.
31
b. Improper seal of suction
line to the mix inlet fitting.
b. Remove the suction line
from the mix inlet fitting.
Place under hot running
water, allow tubing to
swell, then cool. Connect
suction line to barbed
fitting. Eventual
replacement will be
necessary.
---
c. Worn or defective check
bands or o- rings in air/mix
pump assembly.
c. Replace regularly. Never
lubricate check bands.
24/ 43

39
Models 8752, 8756, 8757 Troubleshooting Guide
PROBLEM PROBABLE CAUSE REMEDY PAGE
REF.
2. Insufficient mix in the
freezing cylinder. (Cont’d.)
d. Missing, defective, or no
lubrication on the mix inlet
fitting o- ring.
d. Replace or evenly
lubricate the o- ring on the
mix inlet fitting.
25/ 43
e. The mix pump ball crank
is broken.
e. Contact a service
technician to replace the
ball crank.
---
f. The pump motor is not
activated.
f. Place the power switch in
the OFF position. Push
the reset button on pump
drive motor. Return the
power switch to the ON
position. Press the AUTO
key. (For the Models 8756
and 8757, press the
AUTO key for the opposite
freezing cylinder also.)
---
g. Defective air/mix pump
pressure switch.
g. Contact a service
technician to replace the
pressure switch.
---
h. Pressure switch
diaphragm installed
incorrectly, or missing.
h. Diaphragm must be
correctly installed in the
pressure switch cap or the
housing.
27
i. The mix inlet tube is
frozen or clogged.
i. Use the long flexible brush
and sanitizing solution to
clear the restriction in the
mix inlet tube. Contact a
service technician to
correct the cause of
over- refrigeration in the
mix cabinet.
---
j. The mix pump is pumping
foam.
j. Incorrect handling of
rerun. Must remove all
foam.
36
3. Product is too stiff. a. Viscosity control is set too
cold.
a. Contact a service
technician.
---
b. Insufficient mix in the
freezing cylinder.
b. Refer to problem #2. ---
c. Improper priming
procedures.
c. Drain the freezing cylinder
and reprime the machine.
31
d. Out- of- date mix. d. Use fresh mix. When
using rerun, skim off the
foam and mix 50% rerun
with 50% fresh mix during
heavy draw periods.
31/ 43

40 Models 8752, 8756, 8757Troubleshooting Guide
PROBLEM PROBABLE CAUSE REMEDY PAGE
REF.
4. Product is too soft. a. Viscosity control is set too
warm.
a. Contact a service
technician.
---
b. Worn scraper blades. b. Replace scraper blades
regularly.
43
c. Dirty condensers or air
filters on air cooled units.
c. Clean monthly. 37
d. Inadequate water supply
on water cooled units.
d. Check the water supply.
Check water lines for
leaks or kinks.
1/ 37
e. Draw rate is set too fast. e.Adjustthedrawrateto5
to 7- 1/2 ounces of
product every 10 seconds.
Check that the restrictive
bar on the draw handle is
assembled on the bottom.
19
f. Inadequate air space
around air cooled units.
f. Allow adequate room for
air flow across the
condensers. Minimum of
3” (7.6 cm) clearance on
all sides. Do not obstruct
air discharge on top. 12”
(30.5 cm) clearance on
top of freezer.
1
5. Mix in the mix cabinet is
too warm.
a. Warm mix was placed in
the tank.
a. Mix added to the mix tank
should be below 40_F
(4.4_C).
36
b. The mix cabinet door was
left open.
b. The door must be kept
closed.
31
c. The mix cabinet
refrigeration system needs
adjustment.
c. Contact a service
technician.
---
d. The mix cabinet door
gasket is not sealing.
d. Repair or replace gasket. ---
e. Dirty mix cabinet
condenser or air filter.
e. Clean monthly. 37
6. Mix in the mix cabinet is
too cold.
a. The mix cabinet
refrigeration system needs
adjustment.
a. Contact a service
technician.
---
7. Excessive mix leakage
from the bottom of the
door spout.
b. Worn, missing or incorrect
o- ring is on the draw
valve.
b. Check the o- rings.
(Replace every 3 months.)
43
c. Improper lubrication on
the draw valve o- rings.
c. Lubricate properly. 23

41
Models 8752, 8756, 8757 Troubleshooting Guide
PROBLEM PROBABLE CAUSE REMEDY PAGE
REF.
8. Excessive mix leakage
into the rear drip pan.
a. Worn or missing drive
shaft seal.
a. Install or replace the seal. 20/ 43
b. Improper lubrication of the
drive shaft.
b. Lubricate properly. 20
c. Worn rear shell bearing. c. Contact a service
technician to replace the
rear shell bearing.
---
d. The gear box is out of
alignment.
d. Contact a service
technician to align the
gear box.
---
9. The drive shaft is stuck in
the gear box coupling.
a. The gear box is out of
alignment.
a. Contact a service
technician to align the
gear box.
---
b. Rounded corners on hex
end of drive shaft or gear
coupling.
b. Replace damaged
component.
---
10. Freezing cylinder walls are
scored.
a. Broken pins on beater
assembly.
a. Repair or replace the
beater assembly. Be sure
the scraper blades are
properly seated on pins.
21
b. The beater assembly is
bent.
b. Repair or replace the
beater assembly. Contact
a service technician to
correct the cause of
insufficient mix in freezing
cylinder.
---
c. Missing front bearing. c. Install the front bearing on
the back of the freezer
door.
22

42 Models 8752, 8756, 8757Troubleshooting Guide
PROBLEM PROBABLE CAUSE REMEDY PAGE
REF.
11. The air/mix pump does
not operate.
a. The pump motor is not
activated.
a. Place the power switch in
the OFF position. Push
the reset button on the
pump drive motor. Return
the power switch to the
ON position. (Models
8756 and 8757, press the
AUTO key for the opposite
freezing cylinder also.)
---
b. Defective air/mix pump
pressure switch.
b. Contact a service
technician to replace the
pressure switch.
---
c. The pressure switch
diaphragm was installed
incorrectly or was missing.
c. The diaphragm must be
correctly installed in the
pressure switch cap or the
housing.
27
12. The machine will not
operate in the AUTO
mode.
a. The machine is
unplugged.
a. Plug the machine into the
wall receptacle.
---
b. The circuit breaker is off
or the fuse is blown.
b. Turn the breaker on or
replace the fuse.
---
c. Low on mix. The MIX
OUT light is flashing.
c. Add mix to the mix tank
and press the AUTO key.
17
d. The mix probe is not
installed properly or is
damaged.
d. Check the mix probe
installation.
31
e. The beater motor is out on
reset.
e. Reset the freezer. 17
f. The unit is off on high
head pressure.
f. Air cooled: clean the
condenser.
Water cooled: check the
water supply.
Contact a service
technician.
37/ 37
g. The power switch is in the
OFF position.
g. Place the power switch in
the ON position.
29

43
Models 8752, 8756, 8757 Parts Replacement Schedule
Section 9 Parts Replacement Schedule
PART DESCRIPTION EVERY 3
MONTHS
EVERY 4
MONTHS
EVERY 6
MONTHS
ANNUALLY QTY.
Scraper Blades X2*
Drive Shaft Seal X1*
Freezer Door Gasket X1*
Front Bearing X1*
Beater Shoes X2*
Draw Valve O- Ring X2**
Prime Plug O- Ring X2*
Pivot Pin O- Ring X1*
Air/Mix Pump O- Ring X4*
Liquid Valve Body Check Band X3*
Mix Inlet Fitting O- Ring X1*
Pressure Switch Diaphragm X1*
Design Cap X1**
White Bristle Brush, 9/16” x 44” Inspect &
Replace if
Necessary
Minimum 1
White Bristle Brush, 1” x 2” Inspect &
Replace if
Necessary
Minimum 1
White Bristle Brush, 3” x 7” Inspect &
Replace if
Necessary
Minimum 1
White Bristle Brush, 3” x 1/2” Inspect & Re-
place if Ne-
cessary
Minimum 1
Small White Bristle Brush Inspect & Re-
place if Ne-
cessary
Minimum 1
Double Ended Brush Inspect &
Replace if
Necessary
Minimum 1
Black Bristle Brush, 1” x 2” Inspect &
Replace if
Necessary
Minimum 1
* Double quantity for Models 8756 and 8757.
** Triple quantity for Models 8756 and 8757.
Refer to Parts List on page 49 when ordering the above parts.

44 Models 8752, 8756, 8757Limited Warranty on Equipment
131210
Section 10 Limited Warranty on Equipment
TAYLOR COMPANY LIMITED WARRANTY ON FREEZERS
Taylor Company, a division of Carrier Commercial Refrigeration, Inc. (“Taylor”) is pleased to provide this limited
warranty on new Taylor-branded freezer equipment available from Taylor to the market generally (the “Product”)
to the original purchaser only.
LIMITED WARRANTY
Taylor warrants the Product against failure due to defect in materials or workmanship under normal use and
service as follows. All warranty periods begin on the date of original Product installation. If a part fails due to
defect during the applicable warranty period, Taylor, through an authorized Taylor distributor or service agency,
will provide a new or re- manufactured part, at Taylor’s option, to replace the failed defective part at no charge for
the part. Except as otherwise stated herein, these are Taylor’s exclusive obligations under this limited warranty for
a Product failure. This limited warranty is subject to all provisions, conditions, limitations and exclusions listed
below and on the reverse (if any) of this document.
Product Part Limited Warranty Period
Soft Serve
Frozen Yogurt
Shakes
Smoothies
Frozen Beverage
Batch Desserts
Insulated shell assembly Five (5) years
Refrigeration compressor
(except service valve)
Five (5) years
Beater motors Two (2) years
Beater drive gear Two (2) years
Printed circuit boards and
Softech controls beginning
with serial number H8024200
Two (2) years
Parts not otherwise listed in
this table or excluded below
One (1) year
LIMITED WARRANTY CONDITIONS
1. If the date of original installation of the Product cannot be verified, then the limited warranty period begins
ninety (90) days from the date of Product manufacture (as indicated by the Product serial number). Proof of
purchase may be required at time of service.
2. This limited warranty is valid only if the Product is installed and all required service work on the Product is
performed by an authorized Taylor distributor or service agency, and only if genuine, new Taylor parts are
used.
3. Installation, use, care, and maintenance must be normal and in accordance with all instructions contained in
the Taylor Operator’s Manual.
4. Defective parts must be returned to the authorized Taylor distributor or service agency for credit.
5. The use of any refrigerant other than that specified on the Product’s data label will void this limited warranty.
LIMITED WARRANTY EXCEPTIONS
This limited warranty does not cover:
1. Labor or other costs incurred for diagnosing, repairing, removing, installing, shipping, servicing or handling of
defective parts, replacement parts, or new Products.
2. Normal maintenance, cleaning and lubrication as outlined in the Taylor Operator’s Manual, including cleaning
of condensers.

45
Models 8752, 8756, 8757 Limited Warranty on Equipment
3. Replacement of wear items designated as Class “000” parts in the Taylor Operator’s Manual.
4. External hoses, electrical power supplies, and machine grounding.
5. Parts not supplied or designated by Taylor, or damages resulting from their use.
6. Return trips or waiting time required because a service technician is prevented from beginning warranty
service work promptly upon arrival.
7. Failure, damage or repairs due to faulty installation, misapplication, abuse, no or improper servicing,
unauthorized alteration or improper operation or use as indicated in the Taylor Operator’s Manual, including
but not limited to the failure to use proper assembly and cleaning techniques, tools, or approved cleaning
supplies.
8. Failure, damage or repairs due to theft, vandalism, wind, rain, flood, high water, water, lightning, earthquake
or any other natural disaster, fire, corrosive environments, insect or rodent infestation, or other casualty,
accident or condition beyond the reasonable control of Taylor; operation above or below the electrical or
water supply specification of the Product; or components repaired or altered in any way so as, in the
judgment of the Manufacturer, to adversely affect performance, or normal wear or deterioration.
9. Any Product purchased over the Internet.
10. Failure to start due to voltage conditions, blown fuses, open circuit breakers, or damages due to the
inadequacy or interruption of electrical service.
11. Electricity or fuel costs, or increases in electricity or fuel costs from any reason whatsoever.
12. Damages resulting from the use of any refrigerant other than that specified on the Product’s data label will
void this limited warranty.
13. Any cost to replace, refill or dispose of refrigerant, including the cost of refrigerant.
14. ANY SPECIAL, INDIRECT OR CONSEQUENTIAL PROPERTY OR COMMERCIAL DAMAGE OF ANY
NATURE WHATSOEVER. Some jurisdictions do not allow the exclusion of incidental or consequential
damages, so this limitation may not apply to you.
This limited warranty gives you specific legal rights, and you may also have other rights which vary from
jurisdiction to jurisdiction.
LIMITATION OF WARRANTY
THIS LIMITED WARRANTY IS EXCLUSIVE AND IS IN LIEU OF ALL OTHER WARRANTIES, CONDITIONS
AND/OR REMEDIES UNDER THE LAW, INCLUDING ANY IMPLIED WARRANTIES OR CONDITIONS OF
MERCHANTABILITY OR FITNESS FOR A PARTICULAR PURPOSE. THE ORIGINAL OWNER’S SOLE
REMEDY WITH RESPECT TO ANY PRODUCTS SHALL BE REPAIR OR REPLACEMENT OF DEFECTIVE
COMPONENTS UNDER THE TERMS OF THIS LIMITED WARRANTY. ALL RIGHTS TO CONSEQUENTIAL
OR INCIDENTAL DAMAGES (INCLUDING CLAIMS FOR LOST SALES, LOST PROFITS, PRODUCT LOSS,
PROPERTY DAMAGES OR SERVICE EXPENSES) ARE EXPRESSLY EXCLUDED. THE EXPRESS
WARRANTIES MADE IN THIS LIMITED WARRANTY MAY NOT BE ALTERED, ENLARGED, OR CHANGED
BY ANY DISTRIBUTOR, DEALER, OR OTHER PERSON, WHATSOEVER.
LEGAL REMEDIES
The owner must notify Taylor in writing, by certified or registered letter to the following address, of any defect or
complaint with the Product, stating the defect or complaint and a specific request for repair, replacement, or other
correction of the Product under warranty, mailed at least thirty (30) days before pursuing any legal rights or
remedies.
Taylor Company
a division of Carrier Commercial Refrigeration, Inc.
750 N. Blackhawk Blvd.
Rockton, IL 61072, U.S.A.

46 Models 8752, 8756, 8757Limited Warranty on Parts
131210
Section 11 Limited Warranty on Parts
TAYLOR COMPANY LIMITED WARRANTY ON TAYLOR GENUINE PARTS
Taylor Company, a division of Carrier Commercial Refrigeration, Inc. (“Taylor”) is pleased to provide this limited
warranty on new Taylor genuine replacement components and parts available from Taylor to the market generally
(the “Parts”) to the original purchaser only.
LIMITED WARRANTY
Taylor warrants the Parts against failure due to defect in materials or workmanship under normal use and service
as follows. All warranty periods begin on the date of original installation of the Part in the Taylor unit. If a Part fails
due to defect during the applicable warranty period, Taylor, through an authorized Taylor distributor or service
agency, will provide a new or re- manufactured Part, at Taylor’s option, to replace the failed defective Part at no
charge for the Part. Except as otherwise stated herein, these are Taylor’s exclusive obligations under this limited
warranty for a Part failure. This limited warranty is subject to all provisions, conditions, limitations and exclusions
listed below and on the reverse (if any) of this document.
Part’s Warranty Class Code or Part Limited Warranty Period
Class 103 Parts¹Three (3) months
Class 212 Parts²Twelve (12) months
Class 512 Parts Twelve (12) months
Class 000 Parts No warranty
Taylor Part #072454 (Motor- 24VDC *C832/C842*) Four (4) years
LIMITED WARRANTY CONDITIONS
1. If the date of original installation of the Part cannot be otherwise verified, proof of purchase may be required
at time of service.
2. This limited warranty is valid only if the Part is installed and all required service work in connection with the
Part is performed by an authorized Taylor distributor or service agency.
3. The limited warranty applies only to Parts remaining in use by their original owner at their original installation
location in the unit of original installation.
4. Installation, use, care, and maintenance must be normal and in accordance with all instructions contained in
the Taylor Operator’s Manual.
5. Defective Parts must be returned to the authorized Taylor distributor or service agency for credit.
6. This warranty is not intended to shorten the length of any warranty coverage provided pursuant to a separate
Taylor Limited Warranty on freezer or grill equipment.
7. The use of any refrigerant other than that specified for the unit in which the Part is installed will void this
limited warranty.
1, 2 Except that Taylor Part #032129SER2 (Compressor-Air-230V SERV) and Taylor Part #075506SER1
(Compressor-Air-115V 60HZ) shall have a limited warranty period of twelve (12) months when used in Taylor
freezer equipment and a limited warranty period of two (2) years when used in Taylor grill equipment.

47
Models 8752, 8756, 8757 Limited Warranty on Parts
LIMITED WARRANTY EXCEPTIONS
This limited warranty does not cover:
1. Labor or other costs incurred for diagnosing, repairing, removing, installing, shipping, servicing or handling of
defective Parts, replacement Parts, or new Parts.
2. Normal maintenance, cleaning and lubrication as outlined in the Taylor Operator’s Manual, including cleaning
of condensers or carbon and grease buildup.
3. Required service, whether cleaning or general repairs, to return the cooking surface assemblies, including
the upper platen and lower plate, to an operational condition to achieve proper cooking or allow proper
assembly of release sheets and clips as a result of grease build-up on the cooking surfaces, including but
not limited to the platen and plate, sides of the shroud or top of the shroud.
4. Replacement of cooking surfaces, including the upper platen and lower plate, due to pitting or corrosion (or
in the case of the upper platen, due to loss of plating) as a result of damage due to the impact of spatulas or
other small wares used during the cooking process or as a result of the use of cleaners, cleaning materials
or cleaning processes not approved for use by Taylor.
5. Replacement of wear items designated as Class “000” Parts in the Taylor Operator’s Manual, as well as any
release sheets and clips for the Product’s upper platen assembly.
6. External hoses, electrical power supplies, and machine grounding.
7. Parts not supplied or designated by Taylor, or damages resulting from their use.
8. Return trips or waiting time required because a service technician is prevented from beginning warranty
service work promptly upon arrival.
9. Failure, damage or repairs due to faulty installation, misapplication, abuse, no or improper servicing,
unauthorized alteration or improper operation or use as indicated in the Taylor Operator’s Manual, including
but not limited to the failure to use proper assembly and cleaning techniques, tools, or approved cleaning
supplies.
10. Failure, damage or repairs due to theft, vandalism, wind, rain, flood, high water, water, lightning, earthquake
or any other natural disaster, fire, corrosive environments, insect or rodent infestation, or other casualty,
accident or condition beyond the reasonable control of Taylor; operation above or below the gas, electrical or
water supply specification of the unit in which a part is installed; or Parts or the units in which they are
installed repaired or altered in any way so as, in the judgment of Taylor, to adversely affect performance, or
normal wear or deterioration.
11. Any Part purchased over the Internet.
12. Failure to start due to voltage conditions, blown fuses, open circuit breakers, or damages due to the
inadequacy or interruption of electrical service.
13. Electricity, gas or other fuel costs, or increases in electricity or fuel costs from any reason whatsoever.
14. Damages resulting from the use of any refrigerant other than that specified for the unit in which the Part is
installed will void this limited warranty.
15. Any cost to replace, refill or dispose of refrigerant, including the cost of refrigerant.
16. ANY SPECIAL, INDIRECT OR CONSEQUENTIAL PROPERTY OR COMMERCIAL DAMAGE OF ANY
NATURE WHATSOEVER. Some jurisdictions do not allow the exclusion of incidental or consequential
damages, so this limitation may not apply to you.
This limited warranty gives you specific legal rights, and you may also have other rights which vary from
jurisdiction to jurisdiction.

48 Models 8752, 8756, 8757Limited Warranty on Parts
LIMITATION OF WARRANTY
THIS LIMITED WARRANTY IS EXCLUSIVE AND IS IN LIEU OF ALL OTHER WARRANTIES, CONDITIONS
AND/OR REMEDIES UNDER THE LAW, INCLUDING ANY IMPLIED WARRANTIES OR CONDITIONS OF
MERCHANTABILITY OR FITNESS FOR A PARTICULAR PURPOSE. THE ORIGINAL OWNER’S SOLE
REMEDY WITH RESPECT TO ANY PRODUCTS SHALL BE REPAIR OR REPLACEMENT OF DEFECTIVE
PARTS UNDER THE TERMS OF THIS LIMITED WARRANTY. ALL RIGHTS TO CONSEQUENTIAL OR
INCIDENTAL DAMAGES (INCLUDING CLAIMS FOR LOST SALES, LOST PROFITS, PRODUCT LOSS,
PROPERTY DAMAGES OR SERVICE EXPENSES) ARE EXPRESSLY EXCLUDED. THE EXPRESS
WARRANTIES MADE IN THIS LIMITED WARRANTY MAY NOT BE ALTERED, ENLARGED, OR CHANGED
BY ANY DISTRIBUTOR, DEALER, OR OTHER PERSON, WHATSOEVER.
LEGAL REMEDIES
The owner must notify Taylor in writing, by certified or registered letter to the following address, of any defect or
complaint with the Part, stating the defect or complaint and a specific request for repair, replacement, or other
correction of the Part under warranty, mailed at least thirty (30) days before pursuing any legal rights or remedies.
Taylor Company
a division of Carrier Commercial Refrigeration, Inc.
750 N. Blackhawk Blvd.
Rockton, IL 61072, U.S.A.

Section 12 Parts List
49
+ Available Separately
Models 8752, 8756, & 8757 Parts List
MAIN REFIGERATION SYSTEM HP- 62, 8752 - J6090915/UP, 8756 - J5032993/UP, 8757 - J5111000/UP
DESCRIPTION PART
NUMBER
8752
QTY.
8756
QTY.
8757
QTY.
WARR.
CLASS
REMARKS PARTS
UPDATE
ADAPTOR-PUMP-CABINET 024259 122103
BEARING A.-HINGE X20305 111000
BEARING-REAR SHELL *NICK.PLATE 031324 122000
+GUIDE-DRIP SEAL 028992 122000
+NUT-BRASS BEARING 028991 122000
+WASHER-BEARING LOCK 012864 122000
BEATER A.-3.4QT-1 PIN-SUPPORT X46231 122103
+BLADE-SCRAPER-PLASTIC 8-1/8L 046235 244000
+CLIP-SCRAPER BLADE 046236 244103
BEARING-FRONT-SHOE 050348 12 2 000 USE W/BEATER SHOES - ORDER
X50350 KIT
BELT-AX35 022848 2000
BELT-AX36 022849 4000 50Hz/60Hz
BELT-AX42 023877 4000
BLOCK-TERMINAL 2P 039422 244103 1 PHASE
BLOCK-TERMINAL 3P 039433 244103 3 PHASE
BLOWER A. (NEW) X30153-27 1103 J9025975/UP 139
MOTOR-BLOWER FAN 030157-27 1103
BLOWER A. X47833-27 1 1 103 8756-PRIOR TO J9025975 139
BOOT-CAPACITOR INSULATING 031314 1 1 000
CAPACITOR-RUN- 10 UF/370V 033047 1 1 103
HOUSING A.-W/WHEEL X30160 1 1 103
MOTOR-BLOWER-208/230V 50/60 HZ 046536-27 1 1 103
BOARD-LOGIC-GEN 2 X36641SER1 122212
BOARD-POWER-GEN 1 & 2 X32326-SER 122212
BRACKET-THERM PROBE 033745 111103 MIX CABINET
BRUSH-DOUBLE ENDED 013072 111000
BRUSH-DRAW VALVE 1”ODX2”X17”L 013073 111000
BRUSH-FEED TUBE 9/16ODX44 DA 021101 111000
BRUSH-MIX PUMP BODY-3”X7”WHITE 023316 111000

+ Available Separately
50
Parts List Models 8752, 8756, & 8757
111129
DESCRIPTION PARTS
UPDATE
REMARKSWARR.
CLASS
8757
QTY.
8756
QTY.
8752
QTY.
PART
NUMBER
BRUSH-PRESSURE SWITCH-1/8”DIA 027647 121000
BRUSH-REAR BRG 1IN.DX2IN.LGX14 013071 111000
BRUSH-1/2 INCH DIA. 033059 1000
CABINET A.-INSULATED *8752 X21989 1103
CABINET A.-INSULATED *8756 X24799 1 1 103
CABLE-RIBBON-PWR/RELAY-18 IN 032444 122103
CAP-DESIGN-1.010”ID-6 POINT 014218 133000
CAP-PUMP 023324 1103 PUMP COLLAR
CAP-PUMP 021276-9 2 2 103 PUMP COLLAR
+PIN-RETAINING 021276-8 222103
CASTER-SWV-3” SWV 3/4-10 STEM 021279 222103
CASTER-SWV-3” SWV 3/4-10 STEM W/BRAKE 030307 222103
COLLAR-HOLDING 019481 12 103
+SCREW-10-32 X 3/4 OVAL HD SS 001086 12 000
+WASHER-HOLDING COLLAR 037442 6000
COMPRESSOR AEA3414APP-AE121EL (R12) 029841- 111512 MIX CABINET - PRIOR TO 404A
COMPRESSOR AEA0415ZXD-AE580ET (404A) 048627- 111512 MIX CABINET - 8752-J6090915/UP,
60Hz-8757-J6012711/UP,
8756-J5120589/UP
+RELAY-START-COMPRESSOR (404A) 050106-27 111103 MIX CABINET - 230-60-1
COMPRESSOR CS18K6E- COPELAND 052397- 1512 MAIN - 8756 - J9025975/UP 139
+CAPACITOR-RUN 35UF/370V 029439 1103 230-60-1 139
+CAPACITOR-START 215-259UF/250V 031304 1103 230-60-1 139
*RELAY-START-COMPRESSOR 052401-27 1103 230-60-1 139
COMPRESSOR L63A113BBCA - BRISTOL 048259- 122512 MAIN - 8756 - PRIOR TO J9025975 139
+CAPACITOR-RUN- 20UF/440V 012906 122103 230-60-1
+CAPACITOR-START-161-193UF/25 031790 122103 230-60-1
*RELAY-START-COMPRESSOR 038145 122103 230-60-1
CONDENSER-AC-18LX14H-4ROW (NEW) 050104 1103 J9025975/UP 139
CONDENSER-AC-18LX14H-3ROW 048629 122103 MAIN - 8756 - PRIOR TO J9025975 139
CONDENSER-AC-9X8 -2 ROW 029797 111103 MIX CABINET
COUPLING-DRIVE 3/4 HEX X 1-7/8 012721 122103
+SCREW-5/16-18 X 5/16 ALLEN SET 042511 244000

51
+ Available Separately
Models 8752, 8756, & 8757 Parts List
DESCRIPTION PARTS
UPDATE
REMARKSWARR.
CLASS
8757
QTY.
8756
QTY.
8752
QTY.
PART
NUMBER
COVER-COMPRESSOR-SOUND BARRIER 052816 1103 J9025975/UP 139
COVER A.-MIX TANK X38726 1103
COVER-MIX STORAGE-CENTER 038827 1103
+BOOT-MIX COVER 037200 1000
COVER-MIX TANK 024590 1 1 103
COVER-LEFT MIX STORAGE 037138 1 1 103
+BOOT-MIX COVER 037200 1 1 000
COVER-RIGHT MIX STORAGE 037139 1 1 103
+BOOT-MIX COVER 037200 1 1 000
DECAL-CLEAN INST.-CABINET 024735 111000
DECAL-DEC-SGL-SS-CABINET 033227 1000
DECAL-DEC-TWIN-SS-CABINET 032424 1000
DECAL-DEC-TAYLOR 8757 036700 1000
DECAL-POWER SWITCH 032484 111000 (8757 - PRIOR TO J8120000) NEW
8757 POWER SWITCH LABEL -
052632
137
DECAL-TROUBLESHOOTING 038374 111000
DIAGRAM-WIRING *8752*GEN. 037808 1000
DIAGRAM-WIRING *8756*GEN.II* 037807 1000
DIAGRAM-WIRING *8757*GEN II* 042793- 1000
DOOR A.-1 SPOUT X51531-10 1103
+BEARING-FRONT 023262 1000
+GASKET-DOOR HT 4”-DOUBLE 048926 1000
+HANDLE A.-DRAW-ADJ. X26996 1103
+HANDLE-ADJUSTABLE 028804 1103
+O-RING-1/4 OD X .070W 50 DURO 015872 1000
+SCREW-ADJUSTMENT-PLASTIC 026592 1000
+O-RING-3/8 OD X .070W 016137 2000 PRIME PLUG
+O-RING-5/16 OD X .070W 016272 1000 PIVOT ROD
+O-RING-7/8 OD X .103W 014402 2000 DRAW VALVE
+PIN A.-PIVOT X22820 1103
+PLUG-PRIME 028805 1103
+VALVE A.-DRAW X18303 1103

+ Available Separately
52
Parts List Models 8752, 8756, & 8757
DESCRIPTION PARTS
UPDATE
REMARKSWARR.
CLASS
8757
QTY.
8756
QTY.
8752
QTY.
PART
NUMBER
DOOR A.-3 SPOUT X51532-12 1 1 103
+GASKET-DOOR-4” SHELL 048926 2 2 000
+HANDLE A.-DRAW-ADJ. X33687 3 3 103
+HANDLE-ADJUSTABLE 028804 3 3 103
+O-RING-1/4 OD X .070W 50 DURO 015872 3 3 000
+SCREW-ADJUSTMENT-STAINLESS 033662 3 3 000
+NUT-5/16-24 18-8 SS JAM 029639-BLK 3 3 000
+O-RING-3/8 OD X .070W 016137 4 4 000 PRIME PLUG
+O-RING-5/16 OD X .070W 016272 1 1 000 PIVOT ROD
+O-RING-7/8 OD X .103W 014402 6 6 000 DRAW VALVE 118
+PLUG-PRIME 028805 2 2 103
+ROD A.-PIVOT X22388 1 1 103
+ROD A.-PIVOT X22387 1 1 103
+SEAL-DRAW VALVE 034698 1 1 000 J5080000 THRU J7060000 118
+VALVE A.-DRAW X18303 3 3 103 J7060000 (3) 118
+VALVE A.-DRAW X45380 1 1 103 J5080000 THRU J7060000 118
DOOR A.-INS. *5460-1-454- X22178 1103
DOOR A.-INS.MIX-8657/8756 X24816 1103
DOOR A.-INS.MIX-TEMP CTR. X24816-SP1 1103
DRYER-CAP. TUBE-HP62 {DUAL} 049346 111000 MIX CABINET 104
DRYER-FILTER-HP62-3/8 X 1 048901 122000
EVAPORATOR-12L X 4H X 1-7/8T X30939 111103 MIX CABINET
FAN-EVAPORATOR 2900RPM-18W/60H 028534- 211103 MIX CABINET
FUNNEL-MIX 036637 122103
FUSE-15 AMP CARTRIDGE 027582 244000
GASKET-MIX DOOR 020134 1000
GASKET-CAB MIX DOOR 024629 1 1 000
GEAR A.*REDUCER 021286 122212
GUARD-FAN 028534-1 222103
GUIDE A.-DRIP PAN *8752* X28603 1103
GUIDE A.-DRIP PAN *8756* X28628 1 1 103
HINGE-SELF CLOSING DOOR 020143 111103
PIN A.-UPPER HINGE X20315 111103

53
+ Available Separately
Models 8752, 8756, & 8757 Parts List
DESCRIPTION PARTS
UPDATE
REMARKSWARR.
CLASS
8757
QTY.
8756
QTY.
8752
QTY.
PART
NUMBER
PLATE-LOWER HINGE 020323 111103
HOLDER-FUSE 300 VOLT PANEL MT. 027581 244103
HOOD 050464 1103
HOOD 048526 1 1 103
INDICATOR-DIGITAL-TEMP SOLAR 051234 1103 J9050000/UP
INDICATOR-DIGITAL-TEMP SOLAR 039236 1103 PRIOR TO J9050000
JAR-SYRUP-PLASTIC 036573 2103
JAR-SYRUP-STAINLESS 036574 2103
+LID W/LADLE 1OZ 036575 2103
KIT A.-TUNE UP-1 SPOUT-NO X49463-15 1000
BEARING-FRONT 050348 1000 USE W/BEATER SHOES X50350 KIT
CAP-DESIGN-1.010”ID-6 POINT 014218 1000
O-RING-7/8 OD X .103W 014402 2000
O-RING-3/8 OD X .070W 016137 2000
O-RING-5/16 OD X .070W 016272 1000
O-RING-1-3/8 OD X .103W-#123 018664 1000
RING-CHECK 2 IN OD X 1/2 020050 2000
O-RING-2-1/8 OD X .139W-#225 020051 3000
DIAPHRAGM-PRESSURE SWITCH 020249 1000
O-RING-13/16 OD X .139W 021278 1000
SEAL-DRIVE SHAFT 032560 1000
RING-CHECK 1-1/4 OD X 3/8 033215 1000
TOOL- 0-RING REMOVAL 048260-WHT 1000
GASKET-DOOR HT 4”-DOUBLE 048926 1000
KIT A.-TUNE UP-3 SPOUT-NON HT X49463-2 1 1 000
BEARING-FRONT-SHOE 050348 2 2 000
CAP-DESIGN-1.010”ID-6 POINT 014218 3 3 000
DIAPHRAGM-PRESSURE SWITCH 020249 2 2 000
GASKET-DOOR HT 4”-DOUBLE 048926 2 2 000
O-RING-1-3/8 OD X .103W 018664 2 2 000
O-RING-13/16 OD X .139W 021278 2 2 000
O-RING-2-1/8 OD X .139W 020051 6 6 000
O-RING-3/8 OD X .070W 016137 4 4 000

+ Available Separately
54
Parts List Models 8752, 8756, & 8757
140814
DESCRIPTION PARTS
UPDATE
REMARKSWARR.
CLASS
8757
QTY.
8756
QTY.
8752
QTY.
PART
NUMBER
O-RING-5/16 OD X .070W 016272 1 1 000
O-RING-7/8 OD X .103W 014402 6 6 000
RING-CHECK 1-1/4 OD X 3/8 033215 2 2 000
RING-CHECK 2 IN OD X 1/2 020050 4 4 000
SEAL-DRAW VALVE 034698 1 1 000 J5080000 THRU J7060000 118
SEAL-DRIVE SHAFT 032560 2 2 000
SHOE-FRONT HELIX *FRONT* 050347 2 2 000
SHOE-FRONT HELIX *REAR* 050346 2 2 000
TOOL- 0-RING REMOVAL 048260-WHT 1 1 000
LABEL-DOOR-WARN-MOVE PART 032749 111000
LABEL-WARN-COVER 051433 567000
LABEL-SWITCH-HEATER 036551 1000 PRIOR TO J8120000 137
LABEL-SWITCH-HEATER 052183-SYM 1000 J8120000/UP 137
LABEL-SWITCH-POWER OFF/ON 052632 1000 J8120000/UP 137
LINE A.-FLARE 038299 122103
LINE A.-PUMP PRESSURE X27139 122103
FERRULE-3/8 OD BRASS 030553 244000
SOCKET-QD. 3/16 BARB 020021 244103
TUBE-VINYL 3/16ID X 1/16 WALL 020940-16 122000
LUBRICANT-TAYLOR 4 OZ. 047518 111000
MAN-OPER 8752/8756/8757 028752-M 111000
MOTOR-FAN 9 WATT 1550RPM- 012768- 1103 MIX CABINET
*FAN-5 BLADE 7 ” PUSH 30D 016289 1103
MOTOR-FAN 120 W 208/230V 60H 041401- 1103 MAIN SYSTEM
*CAPACITOR-RUN- 4UF-370V 019624 1103
*FAN-5 BLADE 12”PUSH 32DEG 047279 1103
MOTOR-1.5 HP 021522- 122212
MOTOR-REDUCER 54 RPM-SS 030913- 122103
NUT-STUD *GENERAL USAGE* 021508 4103 HANDSCREWS
NUT-STUD *460-664-754-56*LONG 034382 2 2 103 HANDSCREWS
NUT-STUD *460-664-754-56*SHORT 034383 2 2 103 HANDSCREWS
PAIL-10 QT. 013163 222000
PAN A.-DRIP *8752* X23008 1103 EXPANSION VALVE

55
+ Available Separately
Models 8752, 8756, & 8757 Parts List
DESCRIPTION PARTS
UPDATE
REMARKSWARR.
CLASS
8757
QTY.
8756
QTY.
8752
QTY.
PART
NUMBER
PAN A.-DRIP *8756* X22811 1103 EXPANSION VALVE
PAN A.-DRIP *8757* X36761 1103 EXPANSION VALVE
PAN-DRIP 11-5/8 LONG 027503 1103
PAN-DRIP 17-1/4”LONG 027504 1103
PAN-DRIP 17-1/4” LONG 036232 1103 8” NOTCH AT REAR
PANEL A.-FRONT *8752* X22997 1103
PANEL A.-FRONT *8756* X22879 1103
PANEL A.-FRONT *8757* X36711 1103
PANEL A.-LOWER SIDE X23956 2 2 103 RIGHT & LEFT
PANEL A.-LOWER SIDE X36741 2103 RIGHT & LEFT
PANEL-LOWER REAR *5454-87 025128 1103
PANEL-LOWER REAR *657-756* 023598 1103
PANEL-LOWER REAR *8757* 042067 1103
PANEL-UPPER REAR *454-8-7 022074 1103
PANEL-UPPER REAR *657-756* 022015 1103
PANEL-UPPER REAR *8757* 042068 1103
PANEL-UPPER SIDE LEFT 028599 111103 HINGED
PANEL-UPPER SIDE RIGHT 028600 111103 HINGED
PIN-PIVOT 013592 2 2 103 FOR RESET
PLATE-DEC-8752 033347 1103
PLATE A.-DEC-8756 X32138 1103
PLATE A.-DEC-8757 X32138 1103
PLUG-DRIP TRAY HOLE 029595 111000
PROBE A.-MIX-W/BALL CONNECTORS X35981 122103 MIX CABINET
PROBE A.-THERMISTOR X31602 122103 BARREL
PROBE A.-THERMISTOR *SHORT* X36267 111103 MIX CABINET
* BRACKET-THERMISTOR PROBE 033745 111103 MIX CABINET
PULLEY-2AK22 X .625-.6265 016403 122103 BEATER MOTOR
PULLEY-2AK74-5/8 027822 122103 GEAR
PUMP A.-COAX *SS*A* X36201 122103
BODY A.-COAX VALVE *SS*A* X36202 122103
CYLINDER A.-PUMP 022345-1 122103
ELBOW-INLET 90 DEG. 022502-4 122103

+ Available Separately
56
Parts List Models 8752, 8756, & 8757
071018
DESCRIPTION PARTS
UPDATE
REMARKSWARR.
CLASS
8757
QTY.
8756
QTY.
8752
QTY.
PART
NUMBER
O-RING-1-3/8 OD X .103W 018664 122000
O-RING-13/16 OD X .139W 021278 122000
O-RING-2-1/8 OD X .139W 020051 366000
PIN-RETAINING 021276-8 122103
PISTON-COAX PUMP *A* WHITE 032733 122103
POPPET-RUBBER-BLACK 022473 122000
RING-CHECK 1-1/4 OD X 3/8 033215 122000
RING-CHECK 2 IN OD X 1/2 020050 244000
SPRING-TAPERED 1-7/8L 022456 122103
PUMP A.-SYRUP-TAN 036623 2103
RELAY-3 POLE-20A-208/240 50/60 012725- 222103
RELAY-SPDT-30 A-240 V 032607- 1 1 103
RELAY-OVRLD 049651- 1103
SANITIZER KAY-5 (125 PACKETS) 041082 1 1 000
SANITIZER-STERA SHEET-GREEN 065293 1000
SHAFT-BEATER 032564 122103
+SEAL-DRIVE SHAFT 032560 122000
SHELL A.-INSULATED *8752* X24369 1512
+STUD-NOSE CONE 022822 4103
SHELL A.-INSULATED *8756* X24347 1 1 512
+STUD-NOSE CONE 022822 4 4 103
SHIELD-SPLASH *5454-8-752 022765 1103
SHIELD-SPLASH 23 L 022766 1 1 103
SHROUD A.-EVAPORATOR X49124 111103 MIX CABINET ( 8756-J5120589/UP) 104
SHROUD A.-EVAPORATOR X21983 1103 MIX CABINET (J5032993-J5120588) 104
SOCKET A.-PROBE*BALL&SOCK*60IN X36615 122103
CLIP-BALL CONNECTOR 035813 366000
SCREW-5-40 X 1/4 SOCKET CAP SS 037843 366000
STARTER 041950- 2 2 103
STRIP-TOP TRIM 024827 1 1 103
SWITCH-PRESSURE 440 PSI-S 048230 122103
SWITCH-TOGGLE-4PDT*ON-NONE-ON 024295 1103
SWITCH-TOGGLE-DPDT*ON-NONE-ON 037394 1103

57
+ Available Separately
Models 8752, 8756, & 8757 Parts List
DESCRIPTION PARTS
UPDATE
REMARKSWARR.
CLASS
8757
QTY.
8756
QTY.
8752
QTY.
PART
NUMBER
SWITCH-TOGGLE-SPST 012626 1103 PRIOR TO J8120000 137
SWITCH-TOGGLE-SPST 015974 1103 J8120000/UP 137
SWITCH A.-DRAW X33322 1103
ARM A.-DRAW *750-1-2*MC* X33326 1103
BRACKET A.-SWITCH *750-1-2*M X33323 1103
E-RING 3/16 .335 O.D. 049178 1000
PIN-PIVOT 015478 1103
SPRING-RETURN R. 023488 1103
SWITCH-LEVER-SPDT-10A-125-25 028889 1103
SWITCH A.-DRAW *TWIN TWIST X38921 1 1 103
ARM-SWITCH-DRAW-LEFT 038649 1 1 103
ARM-SWITCH-DRAW-RIGHT 038650 1 1 103
BRACKET A.-SWITCH *338-39-754 X38252 1 1 103
E-RING 1/4 032190 2 2 000
PIN-PIVOT-DRAW SWITCH 038484 1 1 103
SPRING-RETURN L. 023487 1 1 103
SPRING-RETURN R. 023488 1 1 103
SWITCH A.-DRAW-TWIN TWIST X39269 1 1 103
BRACKET-DRAW SWITCH-TWIN TWIST 039264 1 1 103
SWITCH-LEVER-SPDT-11A-125-277V 039252 2 2 103
SWITCH A.-PRESSURE*DELRIN CAP* X32660 122103 MIX CABINET
BODY-PRESSURE SWITCH*DELRIN* 032633 122103
CAP-PRESSURE SWITCH 032635 122000
DIAPHRAGM-PRESSURE SWITCH 020249 122000
O-RING-1/2ID X 5/8 OD 017998 122000
PISTON-PRESSURE SWITCH*DELRIN 032634 122103
SPRING-COMP.480X.047X1.00 032651 122103
SWITCH-PLUNGER-SPDT15A125-250V 032260 122103
TANK-MIX-15 GALLON-PLASTIC 020275 1103
TANK A.-MIX W/DECALS X38755 2 2 103
DECAL-MIX TANK-RIGHT SIDE OUT 038751 2 2 000
DECAL-MIX TANK-WRONG SIDE OUT 038750 2 2 000
TANK-MIX 9-GALLON TAPERED BTM 034928 2 2 103

+ Available Separately
58
Parts List Models 8752, 8756, & 8757
DESCRIPTION PARTS
UPDATE
REMARKSWARR.
CLASS
8757
QTY.
8756
QTY.
8752
QTY.
PART
NUMBER
TOOL-LIQ.VALVE BODY EXTRACTING 035793 111000
TRAY-DRIP 16-7/8L X 5-1/8 020157 1103
TRAY-DRIP 22-7/8L X 5-1/8W 014533 1 1 103
TRIM A.-SHELF *5454-8752* X20426 1103 BELOW DRIP TRAY
TRIM A.-SHELF *657-756* X24813 1103 BELOW DRIP TRAY
TRIM A.-SHELF *8757* X36732 1103 BELOW DRIP TRAY
TRIM A.-UPPER SIDE *5454- X22423 2103
TRIM A.-SIDE *657-756* X22424 2 2 103
TRIM-BOTTOM MIX DOOR 024974 1103
TRIM-BOTTOM MIX DOOR 024826 1 1 103
TRIM-REAR CORNER *5454-87 022071 2103
TRIM-REAR CORNER *657-756* 022013 2103
TRIM-REAR CORNER *8757* 036740 2103
TRIM-FRONT LEFT 024824-SP 111103
TRIM-FRONT RIGHT 024825 111103
TRIM-TOP MIX DOOR 024976 1103
TRIM-TOP MIX DOOR 1 1 SEE STRIP-TOP TRIM (024827)
TUBE A.-MIX INLET X23124 1 2 103
TUBE A.-MIX INLET X36735 2103
+O-RING-13/16 OD X .103W 019330 122000
+SEAL-INLET TUBE 032886 121000
TUBE A.-SUCTION *22 INCH* X20450 1103
COUNTERWEIGHT-SUCTION TUBE 020452 1103
TUBE-VINYL 5/8 ID X 1/8 WALL 020945-22 1000 BULK P/N R30326
TUBE A.-SUCTION *18 INCH* X37293 2 2 103
COUNTERWEIGHT-SUCTION TUBE 020452 2 2 103
TUBE-VINYL 5/8 ID X 1/8 WALL 020945-18 2 2 000 BULK P/N R30326
TUBE-VINYL 1/4ID X 1/16WALL 020941-30 1 1 000 BULK P/N R30312 MIX CAB
SHROUD
TUBE-VINYL 1/4ID X 1/16WALL 020941-36 111000 BULK P/N R30312 AXV DRAIN
VALVE-ACCESS 1/4 X 3/8 SOLDER 029406 111103
VALVE-ACCESS 1/4FL X 1/4SOLDER 044404 111103
VALVE-ACCESS 1/4FL X 3/8S 044455 1103

59
+ Available Separately
Models 8752, 8756, & 8757 Parts List
DESCRIPTION PARTS
UPDATE
REMARKSWARR.
CLASS
8757
QTY.
8756
QTY.
8752
QTY.
PART
NUMBER
VALVE-ACCESS 1/4FL X 3/8SOLDER 043232 2 2 103
VALVE-ACCESS-1/4 MFLX1/4 S-90 047016 122103
VALVE-EPR 1/4S 022665 111103 MIX CABINET 104
VALVE-EXP-AUTO-1/4S X1/4 FPT 046365 122103
+BOOT-EXPANSION VALVE 050900 122000
VIDEO-TRAIN FILM-SS-CABINET 038417-V 111000
WIRE A.-PRESSURE*LONG* X32663 122103 FOR X32660 PRESSURE SWITCH
* BOOT-PRESSURE SWITCH 032624 122000
WATER COOLED
BRACKET-FAN 022077 1103
BRACKET-FAN 048524 1 1 103
CONDENSER-WC-COAX 048287 122103
ENCLOSURE-FAN *8657-8756* X31852 1 1 103
FAN-5 BLADE 7 ” PUSH 30D 016289 122103
HOSE-RUBBER 1/2”ID X 7/8” R50200 10ft 17ft 25ft 000
MOTOR-FAN 9 WATT 1450RPM- 012768- 122103
OUTLET A.-TEE X25900 1 1 103
SHROUD A.-CONDENSER *8657 X30957 1 1 103
VALVE-WATER 3/8 REG/HEAD 046686 122103
SWITCH-PRESSURE 350 PSI-SOLDER 048231 122103
50Hz
BELT-AX36 022849 2000
BELT-AX43 022865 4000
BLOCK-TERMINAL 2P 039421 2103 SINGLE PHASE
BLOCK-TERMINAL 2P 039422 4 4 103 SINGLE PHASE
BLOCK-TERMINAL 3P 039423 244103 THREE PHASE
BLOCK-TERMINAL 4P 039424 244103 THREE PHASE
COMPRESSOR - CS18K6E - COPELAND 052397- 2512 MAIN
+ CAPACITOR-RUN- 45UF/370V 052400 2103 MAIN - SINGLE PHASE
+ CAPACITOR-START-145-175UF/250V 052399 2103 MAIN - SINGLE PHASE
+ RELAY-START-COMPRESSOR 052401-27 2103 MAIN - SINGLE PHASE

+ Available Separately
60
Parts List Models 8752, 8756, & 8757
DESCRIPTION PARTS
UPDATE
REMARKSWARR.
CLASS
8757
QTY.
8756
QTY.
8752
QTY.
PART
NUMBER
COMPRESSOR L63A113BBKA - BRISTOL 048259-40 122512 MAIN
+ CAPACITOR-RUN- 25UF/370V 023739 122103 MAIN - SINGLE PHASE
+ CAPACITOR-START-161-193UF/250V 031790 122103 MAIN - SINGLE PHASE
+ RELAY-START-COMPRESSOR 038146 122103 MAIN - SINGLE PHASE
COMPRESSOR AEA0415ZXC-AE580JT -
TECUMSEH 048627-40 111512 MIX CABINET
INDICATOR-DIGITAL TEMP-SOLAR (CELSIUS) 051234-C 1103 J9050000/UP
RELAY-START-COMPRESSOR 050107-40 111103 MIX CABINET - SINGLE PHASE
PULLEY-2AK27 x .625-.6265 011545 122103 BEATER MOTOR
VIDEO-TRAIN FILM-SS-CABINET 038417-PAL 111000

Model 8752
037808
04/14
Taylor Company
2014 Carrier Commercial Refrigeration, Inc.
c
GRN/YEL
BLK
BLK BLK/WHT
GND
L2
L1
OL
COMP BTR PUMP FAN MIX
A1 A2
BTR.
CONTACTOR
M
A1 A2
COMP.
CONTACTOR
COMP
L1
14
T3
T2
T1L1
L2
L3
13
L1
L2
L3
13 14
T3
T2
T1
BB
POWER
SWITCH
2PDT
POWER/RELAY BOARD
GRN/YEL
WHT
BLK/WHT
ORN
RED/BLK
WHT
BLK
BLK
BLK
BLK/WHT
BLK
BLK
BLK
ORN
RED/BLK
BRN
YEL
HIGH PRESS.
CUTOUT
BEATER MOTOR
OVERLOAD SWITCH
MIX
LOW
MIX
OUT
MIX STANDBY
MAX
MIN
MAX
MIN
MAX
MIN
MFG DATE
MIX LOW MIX OUT
MIX STANDBY WASH AUTO PUMP
DRAW PUMP
SOFTECH CONTROL
TAYLOR CO.
42002
MIX 1 BRL
PROBE
SET POINT
S.S.VISCOSITY
SHAKE TEMP.
FAN MIX 2
DIP SWITCH
UP = OFF
1-COMP 5
2-COMP 10
3-BTR 5
4-BTR 10
5-FAN 2
6-STBY DIS
7-INTERVAL
8-INTERVAL
SHK
SWITCH INTERVAL
78 TIME
OFF
OFF
ON
ON
OFF
ON
OFF
ON
16
14
11
5
BRN
RED
BRN
BLK
WHT
B
B
STBY TEMP.
(SEE NOTE 1)
96 95
BLK
BLK
YELBLK
MIX HOPPER
TEMP.
BLK
L2 FUSE
L1 FUSE
C
DRAW
SWITCH
NC NO
BLK
M
MIX EVAP FANS
M
M
MIX COND. FAN
M
FAN - (A/C & W/C)
BLK
BRN
BLK WHT
WHT
BEATER
L1
L2
L3
T1
CP
T2
WHT
BLK
BLK
BLU
BLK
BLU
OVERLOAD RESET
BLK
BLK
WHT
WHT
WHT
1
2
4
3
PTC RELAY
MIX COMP.
OVERLOAD
(MOTOR PROTECTOR)
R
S
C
BTR
BLK
BLK
BLK
BLK
GRN/YEL
BRN
CAPACITOR
USED ON
AIR COOLED
ONLY
BLK
BLK
WHT
BLK
BLK
BLK
BLK
BLK
BLK
NOTES:
1) STANDBY TEMP. PROBE IS NOT PRESENT ON
MODELS WITHOUT THE STANDBY MODE FEATURE
BRISTOL COMPRESSOR
COPELAND COMPRESSOR
L2
GRN/YEL
BLACK
BLUE
BLACK
T1
T3
T2
L1
L3
L2
BEATER MOTOR
OVERLOAD
GE/RBC BEATER MOTOR WIRING
NOTE: FOR CCWLE - BLUE INTERNAL ON #1,YELLOW INTERNAL ON #2
BLUE
J12 OR PURPLE INTERNAL
T1 OR BLUE INTERNAL
T8 OR RED INTERNAL
J9 OR BLACK INTERNAL A
14
5
T4 OR YELLOW INTERNAL
2
1
2
5
4
S
R
LINE
RELAY
START CAPACITOR
C
INTERNAL OVERLOAD
RUN CAPACITOR
SCHEMATIC WIRING DIAGRAM - CSR
1
2
5
4
CS
R
LINE
RELAY RUN
CAP.
START CAP.
COMPRESSOR
TERMINAL
COVER
ABOVE ELECTRICAL DIAGRAM SHOWS WIRING NECESSARY
TO HOOK UP A COMPRESSOR USING A START AND RUN
CAPACITOR (CSR) WITH A RELAY.
WHITE
BROWN
BLACK
BROWN
052396-1
EQUIPMENT
GROUND
BLEED RESISTOR
WHITE(120 VOLTS; 220V-50Hz)
BLACK(230 VOLTS)
BLACK
BLUE
M1
M
BLK BLK
PRESSURE
SW.
WHT
4
3
2
YEL
WHT
BLU
RED
BLK
PUMP ROTATION
AS VIEWED
FROM FRONT
OVLD.
RESET
MIX
PUMP
24VAC
26
4 8
37
BLK
MIX PUMP
FIG. 3
ALTERNATE WIRING
DIAGRAM
MOTOR
CCW LINE
PRP
WHT
BLK
OVLD.
RELAY
3
24
BLK
WHT
L1
L2 DR N
(SEE FIG. 3)
B
B
NO
DOOR INTERLOCK
SWITCH
FIG. 4
C0M
WIRE #11 OF
RIBBON CABLE
BLK WHT
(SEE FIG. 4)
(SEE FIG. 4)
FIG. 1
FIG. 2
1
2
3
4
T8
T1
T7
T4
T5
BLACK
BLUE
BLACK
T1
T3
T2
L1
L3
L2
BEATER MOTOR
OVERLOAD
LEESON BEATER MOTOR WIRING
STEPS:
1) DISCONNECT WIRE T7 FROM TERMINAL 3
2) SPLICE BLUE WIRE AS SHOWN
1
2
4
6
BLACK
BLUE
BLACK
T1
T3
T2
L1
L3
L2
BEATER MOTOR
OVERLOAD
MAGNETEK BEATER MOTOR WIRING
STEPS:
1) REMOVE BROWN JUMPER FROM BETWEEN TERMINAL #1 TO TERMINAL #5
2) MOVE BLUE INTERNAL (FROM MOTOR MAIN WINDING)
FROM TERMINAL #5 TO TERMINAL #1.
NOTE: FOR CCWLE - BLUE INTERNAL ON #1, YELLOW INTERNAL ON #6
BLUE INTERNAL
3
5
ORANGE INTERNAL
RED INTERNAL
YELLOW INTERNAL
BLACK INTERNAL
BLUE
BLUE
1
2
5
4
S
R
LINE
RELAY
START CAPACITOR
C
INTERNAL OVERLOAD
RUN CAPACITOR
SCHEMATIC WIRING DIAGRAM - CSR
1
2
5
4
CS
R
LINE
RELAY RUN
CAP.
START CAP.
COMPRESSOR
TERMINAL
COVER
ABOVE ELECTRICAL DIAGRAM SHOWS WIRING NECESSARY
TO HOOK UP A COMPRESSOR USING A START AND RUN
CAPACITOR (CSR) WITH A RELAY.
WHITE
BROWN
BLACK
BROWN
36880-2
EQUIPMENT
GROUND
BLEED RESISTOR
BLUE
BEATER MOTOR
CONTACTOR
BEATER MOTOR
CONTACTOR
SEE FIG.1
SEE FIG.2
MIX COMPRESSOR
BEATER MOTOR
CONTACTOR
BEATER MOTOR
CONTACTOR
BEATER MOTOR
CONTACTOR
BEATER MOTOR
CONTACTOR
BLK/WHT
BLK
BLK/WHT
WHT
WHT
BLK/WHT

Model 8752
037808-33
04/14
Taylor Company
2014 Carrier Commercial Refrigeration, Inc.
c
GRN/YEL
BLK
BLK BLK/WHT
GND
L2
L1
OL
COMP BTR PUMP FAN MIX
A1 A2
BTR.
RELAY
M
A1 A2
COMP.
RELAY
COMP
L1 L2
14
T3
T2
T1
L1
L2
L3
13
L1
L2
L3
13 14
T3
T2
T1
B B
POWER
SWITCH
2PDT
POWER/RELAY BOARD
GRN/YEL
WHT
BLK/WHT
ORN
RED/BLK
WHT
BLK
BLK
BLK
BLK/WHT
BLK
BLK
BLK
ORN
RED/BLK
BRN
YEL
HIGH PRESS.
CUTOUT
BEATER MOTOR
OVERLOAD SWITCH
MIX
LOW
MIX
OUT
MIX STANDBY
MAX
MIN
MAX
MIN
MAX
MIN
MFG DATE
MIX LOW MIX OUT
MIX STANDBY WASH AUTO PUMP
DRAW PUMP
SOFTECH CONTROL
TAYLOR CO.
42002
MIX 1 BRL
PROBE
SET POINT
S.S.VISCOSITY
SHAKE TEMP.
FAN MIX 2
DIP SWITCH
UP = OFF
1-COMP 5
2-COMP 10
3-BTR 5
4-BTR 10
5-FAN 2
6-STBY DIS
7-INTERVAL
8-INTERVAL
SHK
SWITCH INTERVAL
78 TIME
OFF
OFF
ON
ON
OFF
ON
OFF
ON
16
14
11
5
BRN
RED
BRN
BLK
WHT
B
B
STBY TEMP.
(SEE NOTE 1)
96 95
BLK
YELBLK
MIX HOPPER
TEMP.
BLK
L2 FUSE
L1 FUSE
C
DRAW
SWITCH
NC NO
BLK/WHT
M
MIX EVAP FANS
M
M
MIX COND. FAN
M
FAN - (A/C & W/C)
BRN
BLK WHT
WHT
BEATER
L1
L2
L3
T1
T2
T3
WHT
BLK
BLK
BLK
OVERLOAD RESET
BLK
BLK
WHT
WHT
WHT
1
2
4
3
PTC RELAY
MIX COMP.
OVERLOAD
(MOTOR PROTECTOR)
R
S
C
BTR
BLK
BLK
BLK
BLK
BRN
CAPACITOR
USED ON
AIR COOLED
ONLY
BLK
BLK
WHT
BLK
BLK
BLK
BLK
BLK
L3
BLK
BLK
BLK
BLK
BLK
BLK
BLK
BLK
BLK
NOTES:
1) STANDBY TEMP. PROBE IS NOT PRESENT ON
MODELS WITHOUT THE STANDBY MODE FEATURE
GRN/YEL
I1
M
BLK BLK
PRESSURE
SW.
WHT
4
3
2
YEL
WHT
BLU
RED
BLK
PUMP ROTATION
AS VIEWED
FROM FRONT
OVLD.
RESET
MIX
PUMP
24VAC
26
48
37
BLK
MIX PUMP
FIG. 1
ALTERNATE WIRING
DIAGRAM
ALTERNATE WIRING
DIAGRAM
MOTOR
CCW LINE
PRP
WHT
BLK
OVLD.
RELAY
3
24
BLK
WHT
L1
L2 DR N
(SEE FIG. 1)
(SEE FIG. 2)
(SEE FIG. 2)
B
B
NO
DOOR INTERLOCK
SWITCH
FIG. 2
C0M
WIRE #11 OF
RIBBON CABLE
BLK WHT
BLK/WHT
BLK
BLK
BLK/WHT
WHT
WHT

Model 8752
037808-35
04/14
Taylor Company
2014 Carrier Commercial Refrigeration, Inc.
c
GRN/YEL
BLK
BLK BLK/WHT
GND
L2
L1
OL
COMP BTR PUMP FAN MIX
A1 A2
BTR.
RELAY
M
A1 A2
COMP.
RELAY
COMP
EXT.
GRD.
L1 L2
14
T3
T2
T1L1
L2
L3
13
L1
L2
L3
13 14
T3
T2
T1
B B
POWER
SWITCH
2PDT
POWER/RELAY BOARD
GRN/YEL
WHT
BLK/WHT
ORN
RED/BLK
WHT
BLK
BLK
BLK
BLK/WHT
BLK
BLK
BLK
ORN
RED/BLK
BRN
YEL
HIGH PRESS.
CUTOUT
BEATER MOTOR
OVERLOAD SWITCH
MIX
LOW
MIX
OUT
MIX STANDBY
MAX
MIN
MAX
MIN
MAX
MIN
MFG DATE
MIX LOW MIX OUT
MIX STANDBY WASH AUTO PUMP
DRAW PUMP
SOFTECH CONTROL
TAYLOR CO.
42002
MIX 1 BRL
PROBE
SET POINT
S.S.VISCOSITY
SHAKE TEMP.
FAN MIX 2
DIP SWITCH
UP = OFF
1-COMP 5
2-COMP 10
3-BTR 5
4-BTR 10
5-FAN 2
6-STBY DIS
7-INTERVAL
8-INTERVAL
SHK
SWITCH INTERVAL
7 8 TIME
OFF
OFF
ON
ON
OFF
ON
OFF
ON
16
14
11
5
BRN
RED
BRN
BLK
WHT
B
B
STBY TEMP.
(SEE NOTE 1)
96 95
BLK
YELBLK
MIX HOPPER
TEMP.
BLK
L2 FUSE
L1 FUSE
C
DRAW
SWITCH
NC NO
BLK/WHT
M
MIX EVAP FANS
M
M
MIX COND. FAN
M
FAN - (A/C & W/C)
BRN
BLK WHT
WHT
BEATER
L1
L2
L3
T1
T2
T3
WHT
BLK
BLK
BLK
OVERLOAD RESET
BLK
BLK
WHT
WHT
BTR
BLK
BLK
BLK
BLK
GRN/YEL
BRN
CAPACITOR
USED ON
AIR COOLED
ONLY
GRN/YEL
BLK
BLK
WHT
BLK
BLK
BLK
BLK
BLK
L3
BLK
BLk
BLK
BLK
GRN/YEL
BLK
BLK
BLK
BLK
BLK
NOTES:
1) STANDBY TEMP. PROBE IS NOT PRESENT ON
MODELS WITHOUT THE STANDBY MODE FEATURE
R
S
C
MIX COMPRESSOR
CURRENT RELAY
M
SI
1
3
OVERLOAD
START
MAIN
H1
M
BLK BLK
PRESSURE
SW.
WHT
4
3
2
YEL
WHT
BLU
RED
BLK
PUMP ROTATION
AS VIEWED
FROM FRONT
OVLD.
RESET
MIX
PUMP
24VAC
26
48
37
BLK
MIX PUMP
FIG. 1
ALTERNATE WIRING
DIAGRAM
ALTERNATE WIRING
DIAGRAM
MOTOR
CCW LINE
YEL
WHT
BLK
OVLD.
RELAY
3
24
BLK
WHT
L1
L2 DR N
(SEE FIG. 1)
(SEE FIG. 2)
(SEE FIG. 2)
B
B
NO
DOOR INTERLOCK
SWITCH
FIG. 2
C0M
WIRE #11 OF
RIBBON CABLE
BLK WHT
BLK/WHT
WHT
WHT
GRN/YEL
GRN/YEL
BLK
BLK
BLK/WHT

Model 8752
037808-40
04/14
Taylor Company
2014 Carrier Commercial Refrigeration, Inc.
c
GRN/YEL
BLK
BLK BLK/WHT
GND
L2L1
OL
COMP BTR PUMP FAN MIX
A1 A2
BTR.
CONTACTOR
M
A1 A2
COMP.
CONTACTOR
COMP
L1 N
14
T3
T2
T1L1
L2
L3
13
L1
L2
L3
13 14
T3
T2
T1
B B
POWER
SWITCH
2PDT
POWER/RELAY BOARD
GRN/YEL
WHT
BLK/WHT
ORN
RED/BLK
WHT
WHT
WHT
WHT
BLK/WHT
BLK
WHT
BLK
ORN
RED/BLK
BRN
YEL
HIGH PRESS.
CUTOUT
BEATER MOTOR
OVERLOAD SWITCH
MIX
LOW
MIX
OUT
MIX STANDBY
MAX
MIN
MAX
MIN
MAX
MIN
MFG DATE
MIX LOW MIX OUT
MIX STANDBY WASH AUTO PUMP
DRAW PUMP
SOFTECH CONTROL
TAYLOR CO.
42002
MIX 1 BRL
PROBE
SET POINT
S.S.VISCOSITY
SHAKE TEMP.
FAN MIX 2
DIP SWITCH
UP = OFF
1-COMP 5
2-COMP 10
3-BTR 5
4-BTR 10
5-FAN 2
6-STBY DIS
7-INTERVAL
8-INTERVAL
SHK
SWITCH INTERVAL
78 TIME
OFF
OFF
ON
ON
OFF
ON
OFF
ON
16
14
11
5
BRN
RED
BRN
BLK
WHT
B
B
STBY TEMP.
(SEE NOTE 1)
96 95
BLK
BLK
YELBLK
MIX HOPPER
TEMP.
BLK
L2 FUSE
L1 FUSE
C
DRAW
SWITCH
NC NO
BLK/WHT
M
MIX EVAP FANS
M
M
MIX COND. FAN
M
FAN - (A/C & W/C)
BLK
BRN
BLK WHT
WHT
BEATER
L1
L2
L3
T1
CP
T2
WHT
BLK
BLK
BLU
BLK
BLU
OVERLOAD RESET
BLK
BLK
WHT
WHT
BTR
BLK
BLK
BLK
BLK
GRN/YEL
BRN
CAPACITOR
USED ON
AIR COOLED
ONLY
GRN/YEL
BLK
BLK
WHT
BLK
GRN/YEL
M
BLK
BLK
BLK
BLK
BLK
NOTES:
1) STANDBY TEMP. PROBE IS NOT PRESENT ON
MODELS WITHOUT THE STANDBY MODE FEATURE
BLK
COPELAND COMPRESSOR BRISTOL COMPRESSOR
GRN/YEL
GRN/YEL
GRN/YEL
GRN/YEL
GRN/YEL
GRN/YEL
GRN/YEL
BLACK
BLUE
BLACK
T1
L2
T2
L1
CP
L2
BEATER MOTOR
GE/RBC BEATER MOTOR WIRING
NOTE: FOR CCWLE - BLUE INTERNAL ON #1,YELLOW INTERNAL ON #2
BLUE
T3 L3
J12 OR PURPLE INTERNAL
T1 OR BLUE INTERNAL
T8 OR RED INTERNAL
J9 OR BLACK INTERNAL A
14
5
T4 OR YELLOW INTERNAL
2
1
2
5
4
S
R
LINE
RELAY
START CAPACITOR
C
INTERNAL OVERLOAD
RUN CAPACITOR
SCHEMATIC WIRING DIAGRAM - CSR
1
2
5
4
C
S
R
LINE
RELAY RUN
CAP.
START CAP.
COMPRESSOR
TERMINAL
COVER
ABOVE ELECTRICAL DIAGRAM SHOWS WIRING NECESSARY
TO HOOK UP A COMPRESSOR USING A START AND RUN
CAPACITOR (CSR) WITH A RELAY.
WHITE
BROWN
BLACK
BROWN
36880-2
EQUIPMENT
GROUND
BLEED RESISTOR
BLUE
R
S
C
MIX COMPRESSOR
CURRENT RELAY
M
SI
1
3
OVERLOAD
START
MAIN
1
2
5
4
S
R
LINE
RELAY
START CAPACITOR
C
INTERNAL OVERLOAD
RUN CAPACITOR
SCHEMATIC WIRING DIAGRAM - CSR
1
2
5
4
C
S
R
LINE
RELAY RUN
CAP.
START CAP.
COMPRESSOR
TERMINAL
COVER
ABOVE ELECTRICAL DIAGRAM SHOWS WIRING NECESSARY
TO HOOK UP A COMPRESSOR USING A START AND RUN
CAPACITOR (CSR) WITH A RELAY.
WHITE
BROWN
BLACK
BROWN
052396-1
EQUIPMENT
GROUND
BLEED RESISTOR
WHITE(120 VOLTS; 220V-50Hz)
BLACK(230 VOLTS)
BLACK
BLUE
CONTROL
ENCLOSURE(S)
M1
M
BLK BLK
PRESSURE
SW.
WHT
4
3
2
YEL
WHT
BLU
RED
BLK
PUMP ROTATION
AS VIEWED
FROM FRONT
OVLD.
RESET
MIX
PUMP
24VAC
26
48
37
BLK
MIX PUMP
FIG. 3
ALTERNATE WIRING
DIAGRAM
MOTOR
CCW LINE
YEL
WHT
BLK
OVLD.
RELAY
3
24
BLK
WHT
L1
L2 DR N
FIG. 2
FIG. 1
(SEE FIG. 4)
(SEE FIG. 2)
(SEE FIG. 1)
(SEE FIG. 4)
(SEE FIG. 4)
B
B
NO
DOOR INTERLOCK
SWITCH
FIG. 4
C0M
WIRE #11 OF
RIBBON CABLE
BLK WHT
1
2
3
4
T8
T1
T7
T4
T5
BLACK
BLUE
BLACK
T1
L2
T2
L1
CP
L2
BEATER MOTOR
OVERLOAD
LEESON BEATER MOTOR WIRING
STEPS:
1) DISCONNECT WIRE T7 FROM TERMINAL 3
2) SPLICE BLUE WIRE AS SHOWN
1
2
4
6
BLACK
BLUE
BLACK
T1
L2
T2
L1
CP
L2
BEATER MOTOR
OVERLOAD
MAGNETEK BEATER MOTOR WIRING
STEPS:
1) REMOVE BROWN JUMPER FROM BETWEEN TERMINAL #1 TO TERMINAL #5
2) MOVE BLUE INTERNAL (FROM MOTOR MAIN WINDING)
FROM TERMINAL #5 TO TERMINAL #1.
NOTE: FOR CCWLE - BLUE INTERNAL ON #1, YELLOW INTERNAL ON #6
BLUE INTERNAL
3
5
ORANGE INTERNAL
RED INTERNAL
YELLOW INTERNAL
BLACK INTERNAL
BLUE
BLUE
BEATER MOTOR
CONTACTOR
BEATER MOTOR
CONTACTOR
L2
BEATER MOTOR
CONTACTOR
BEATER MOTOR
CONTACTOR
WHT
WHT
BLK
BLK
BLK/WHT
BLK/WHT

Model 8752
037808-58
04/14
Taylor Company
2014 Carrier Commercial Refrigeration, Inc.
c
GRN/YEL
BLK
BLK BLK/WHT
GND
L2
L1
OL
COMP BTR PUMP FAN MIX
A1 A2
BTR.
RELAY
M
A1 A2
COMP.
RELAY
COMP
EXT.
GRD.
L1 L2
14
T3
T2
T1
L1
L2
L3
13
L1
L2
L3
13 14
T3
T2
T1
B B
POWER
SWITCH
2PDT
POWER/RELAY BOARD
GRN/YEL
WHT
BLK/WHT
ORN
RED/BLK
BLK
BLK
BLK/WHT
BLK
BLK
BLK
ORN
RED/BLK
BRN
YEL
HIGH PRESS.
CUTOUT
BEATER MOTOR
OVERLOAD SWITCH
MIX
LOW
MIX
OUT
MIX STANDBY
MAX
MIN
MAX
MIN
MAX
MIN
MFG DATE
MIX LOW MIX OUT
MIX STANDBY WASH AUTO PUMP
DRAW PUMP
SOFTECH CONTROL
TAYLOR CO.
42002
MIX 1 BRL
PROBE
SET POINT
S.S.VISCOSITY
SHAKE TEMP.
FAN MIX 2
DIP SWITCH
UP = OFF
1-COMP 5
2-COMP 10
3-BTR 5
4-BTR 10
5-FAN 2
6-STBY DIS
7-INTERVAL
8-INTERVAL
SHK
SWITCH INTERVAL
78 TIME
OFF
OFF
ON
ON
OFF
ON
OFF
ON
16
14
11
5
BRN
RED
BRN
BLK
WHT
B
B
STBY TEMP.
(SEE NOTE 1)
96 95
BLK
YELBLK
MIX HOPPER
TEMP.
BLK
L1 FUSE
C
DRAW
SWITCH
NC NO
BLK/WHT
M
MIX EVAP FANS
M
M
MIX COND. FAN
M
FAN - (A/C & W/C)
BRN
BLK WHT
BEATER
L1
L2
L3
T1
T2
T3
WHT
BLK
BLK
BLK
OVERLOAD RESET
BLK
BLK
WHT
WHT
BTR
BLK
BLK
BLK
BLK
GRN/YEL
BRN
CAPACITOR
USED ON
AIR COOLED
ONLY
GRN/YEL
BLK
BLK
WHT
BLK
BLK
BLK
BLK
BLK
L3
BLK
BLK
BLK
BLK
GRN/YEL
N
WHT
BLK
BLK
BLK
BLK
BLK
NOTES:
1) STANDBY TEMP. PROBE IS NOT PRESENT ON
MODELS WITHOUT THE STANDBY MODE FEATURE
R
S
C
MIX COMPRESSOR
CURRENT RELAY
M
SI
1
3
OVERLOAD
START
MAIN
H1
M
BLK BLK
PRESSURE
SW.
WHT
4
3
2
YEL
WHT
BLU
RED
BLK
PUMP ROTATION
AS VIEWED
FROM FRONT
OVLD.
RESET
MIX
PUMP
24VAC
26
48
37
BLK
MIX PUMP
FIG. 1
ALTERNATE WIRING
DIAGRAM
ALTERNATE WIRING
DIAGRAM
MOTOR
CCW LINE
YEL
WHT
BLK
OVLD.
RELAY
3
24
BLK
WHT
L1
L2 DR N
(SEE FIG. 1)
(SEE FIG. 2)
(SEE FIG. 2)
B
B
NO
DOOR INTERLOCK
SWITCH
FIG. 2
C0M
WIRE #11 OF
RIBBON CABLE
BLK WHT
BLK
BLK
BLK/WHT
WHT
WHT
GRN/YEL
GRN/YEL

8756
037807
11/12/13
BRN
BLK
GRN/YEL
MIX
LOW
MIX
SHK.TEMP/
VISCOSITY
COLDER
DIP SWITCH
UP = OFF
1-COMP 5
2-COMP 10
3-BTR 5
4-BTR 10
5-FAN 2
6-STBY DIS
7-INTERVAL
8-INTERVAL
SWITCH INTERVAL
7 8 TIME
OFF
OFF
ON
ON
OFF
ON
OFF
ON
16
14
11
5
MIX
OUT DRAW SHK
PUMP MIX 1 BRL
PROBE FAN MIX 2
SET POINT MIX LOW MIX OUT
STANDBY WASH AUTO PUMP
MIX
COLDER
STANDBY
COLDER
RIGHT LOGIC PANEL
SOFTECH CONTROL
MEMBRANE
SWITCHES
DRAW
SWITCH
BLK
BRN
BRN
BLK
MIX LEVEL
PROBE
STANDBY
TEMP
WHT
GRN/YEL
GRN/YEL
POWER
SWITCH
4PDT
GRN/YEL
15 A
FUSE
BLKBLK
BLK
BLK
BLK
BLK
BLK
H.P.SW.
M
COMP
(SEE FIG. 3)
MM
M
M
M
M
YEL
RED
GND L2 BEATER 0L L1
MIXFANPUMP
BTR
COM
BRN
BLK
YEL
ORN
RED
LEFT
POWER/RELAY
BOARD
BLK
WHT
BLK
BLK
BLK
BLK/WHT
BLU/WHT
BLU
BLK/WHT
BLK/WHT
MIX CAB.
EVAP. FANS
WHT
BLK/WHT STRIPE
ORN
BLK
BLK
WHT
FAN RELAY
(AIR COOLED ONLY) WHT
BLK
CORD BLK BLK
CORD
MIX CAB.COND.FAN
(WATER COOLED ONLY)
WHT
BLK WHT
MIX CAB
COMP.
OLVO
START
REALY
I
MS
RS C
BRN
CONDENSOR BLOWER
(AIR COOLED ONLY)
L1 L2
LINE
BLU
BLU
15 A
FUSE
WHT
BLK RED
ORN
BLK
GND L2 BEATER 0L L1
MIXFANPUMP
BTR
COM
RIGHT
POWER/RELAY
BOARD
RED
ORN
YEL
BLU/WHT
BLK
BLK
BLK
H.P.SW
BLK
BLK
BLK
L1 L2
RED
BLK
WHT
BLK
BLK
BLK
BLU/WHT
NC NO
C
WHT FUSE
WHT
BRN
WHT WHT
40 WATT
HEATER
CONDENSATION PAN
HEATER OPTION
IN PHANTOM
WHT
15 A
FUSE
BLK
BLK
12V
230V
BLK
YEL
BRN
ORN
YEL
BRN
ORN
BLK
TEMP. INDICATOR
TRANS.
TEMP. INDICATOR
PROBE
MTS CABINATE TEMP.
INDICATOR.
DIGITAL TEMP. INDICATOR
OPTION IN PHANTOM.
S
R
LINE
RELAY
START CAPACITOR
C
INTERNAL OVERLOAD
RUN CAPACITOR
SCHEMATIC WIRING DIAGRAM - CSR
1
2
5
4
WHT
BRN
BLK
BRN
052396-1
EQUIPMENT
GROUND
BLEED RESISTOR
WHT(120 VOLTS; 220V-50Hz)
BLK(230 VOLTS)
BLK
BLU
1
2
3
4
T8
T1
T7
T4
T5
BLK
BLU
BLK
T1
CP
T2
L1
CP
L2
BEATER MOTOR
CONTACTOR
LEESON BEATER MOTOR WIRING
STEPS:
1) DISCONNECT WIRE T7 FROM TERMINAL 3
2) SPLICE BLUE WIRE AS SHOWN
BLU
BLK
LINE
USE T3 AND L3 WHEN
CP CONTACTS ARE NOT AVAILABLE
BLK
START
13
MAIN
2
4
2C
THERMAL
O.L.
EXTRA
MAIN
65
RED 50 HZ
BLK 60 HZ
WHT COM
BRN
BRN
CAP
208/240 50/60 HZ
GE MOTOR SCHEMATIC
FIG. 1
GROUND FRAME
SECURELY
BLACK
BLUE
BLACK
T1
CP
T2
L1
CP
L2
BEATER MOTOR
CONTACTOR
GE/RBC BEATER MOTOR WIRING
NOTE: FOR CCWLE - BLUE INTERNAL ON #1,YELLOW INTERNAL ON #2
BLUE
T3 L3
USE T3 AND L3 WHEN CP
CONTACTS ARE NOT AVAILABLE
J12 OR PURPLE INTERNAL
T1 OR BLUE INTERNAL
T8 OR RED INTERNAL
J9 OR BLACK INTERNAL A
14
5
T4 OR YELLOW INTERNAL
2
FIG. 3
BEATER
MOTOR
(SEE FIG. 2)
RED
BRN
BLK
RED
BRN
BRN
GRN/YEL
BLU
FIG. 2
(SEE FIG. 1)
M
BLK
BLK
BLK
BLK
BLK
BLK
M
BLK BLK
PRESSURE
SW.
WHT
4
3
2
YEL
WHT
BLU
RED
BLK
PUMP ROTATION
AS VIEWED
FROM FRONT
OVLD.
RESET
MIX
PUMP
24VAC
26
48
37
BLK
YEL
M
BLK BLK
PRESSURE
SW.
WHT
4
3
2
YEL
WHT
BLU
RED
BLK
PUMP ROTATION
AS VIEWED
FROM FRONT
OVLD.
RESET
MIX
PUMP
24VAC
26
48
37
BLK
WHT
BLK/WHT
B B
A A
B B
YEL BLK
YEL WHT
(SEE FIG. 4)
(SEE FIG. 4)
MIX PUMP
FIG. 4
ALTERNATE WIRING
DIAGRAM
MOTOR
CCW LINE
PRP
WHT
BLK
OVLD.
RELAY
3
24
BLK
WHT
L1
L2 DR N
BLU/WHT
BLK/WHT
BLK
WHT
YEL WHT
DRAW
SWITCH
BLK
RED
BRN RED
MIX HOPPER
TEMP
MEMBRANE
SWITCHES
BRN
BLK
BRN
BLK
BLK
MIX
LOW
MIX
SHK.TEMP/
VISCOSITY
COLDER
DIP SWITCH
UP = OFF
1-COMP 5
2-COMP 10
3-BTR 5
4-BTR 10
5-FAN 2
6-STBY DIS
7-INTERVAL
8-INTERVAL
SWITCH INTERVAL
7 8 TIME
OFF
OFF
ON
ON
OFF
ON
OFF
ON
16
14
11
5
MIX
OUT DRAW SHK
PUMP MIX 1 BRL
PROBE FAN MIX 2
SET POINT MIX LOW MIX OUT
STANDBY WASH AUTO PUMP
MIX
COLDER
STANDBY
COLDER
LEFT LOGIC PANEL
SOFTECH CONTROL
MIX LEVEL
PROBE
STANDBY
TEMP
WHT
GRN/YEL STRIPE
NC NO
C
BLK
BLU/WHT
BLU
RED
BRN
BRN
A
A
9
15
4
12
8
13
14
BLK
PUR/WHT N. O.
DOOR
INTERLOCK
SWITCH
BLK/WHT
BLK/WHT
COMP
(SEE FIG. 3)
BEATER
MOTOR
(SEE FIG. 2)
YEL BLK
YEL BLK
YEL
BLU/WHT
COMPRESSOR
PTC CRANKCASE
HEATER
RED
RED
COMPRESSOR
PTC CRANKCASE
HEATER
RED
RED
ELECTRICAL
ENCLOSURES
ELECTRICAL
ENCLOSURES

8756
037807-33
11/12/13
BRN
DRAW
SWITCH
BLK
RED
BLK
BRN RED
GRN/YEL
MIX HOPPER
TEMP
MEMBRANE
SWITCHES
BRN
BLK
GRN/YEL
BRN
BLK
BLK
MIX
LOW
MIX
SHK.TEMP/
VISCOSITY
COLDER
DIP SWITCH
UP = OFF
1-COMP 5
2-COMP 10
3-BTR 5
4-BTR 10
5-FAN 2
6-STBY DIS
7-INTERVAL
8-INTERVAL
SWITCH INTERVAL
7 8 TIME
OFF
OFF
ON
ON
OFF
ON
OFF
ON
16
14
11
5
MIX
OUT DRAW SHK
PUMP MIX 1 BRL
PROBE FAN MIX 2
SET POINT MIX LOW MIX OUT
STANDBY WASH AUTO PUMP
MIX
COLDER
STANDBY
COLDER
LEFT LOGIC PANEL
SOFTECH CONTROL
MIX
LOW
MIX
SHK.TEMP/
VISCOSITY
COLDER
DIP SWITCH
UP = OFF
1-COMP 5
2-COMP 10
3-BTR 5
4-BTR 10
5-FAN 2
6-STBY DIS
7-INTERVAL
8-INTERVAL
SWITCH INTERVAL
7 8 TIME
OFF
OFF
ON
ON
OFF
ON
OFF
ON
16
14
11
5
MIX
OUT DRAW SHK
PUMP MIX 1 BRL
PROBE FAN MIX 2
SET POINT MIX LOW MIX OUT
STANDBY WASH AUTO PUMP
MIX
COLDER
STANDBY
COLDER
RIGHT LOGIC PANEL
SOFTECH CONTROL
MEMBRANE
SWITCHES
MIX LEVEL
PROBE
STANDBY
TEMP
WHT
GRN/YEL STRIPE
DRAW
SWITCH
BLK
BRN
BRN
BLK
MIX LEVEL
PROBE
STANDBY
TEMP
WHT
GRN/YEL
GRN/YEL
POWER
SWITCH
4PDT
GRN/YEL
FUSE
BLKBLK
BLK
BLK/WHT
BLK
BLK
BLK
BLK
H.P.SW.
M
COMP
MM
M
M
M
M
YEL
RED
GND L2 BEATER 0L L1
MIX
FANPUMP
BTR
COM
BRN/WHT
BLK
YEL
ORN
RED
LEFT
POWER/RELAY
BOARD
BLK
WHT
BLK
BLK
BLK
BLK/WHT
BLU/WHT
BLU
BLK/WHT
BLK/WHT
MIX CAB.
EVAP. FANS
WHT
BLK/WHT
ORN
BLK
BLK
WHT
FAN RELAY
(AIR COOLED ONLY) WHT
BLK
CORD BLK BLK
CORD
MIX CAB.COND.FAN
(WATER COOLED ONLY)
WHT
BLK WHT
MIX CAB
COMP.
BRN
CONDENSOR BLOWER
(AIR COOLED ONLY)
L1 L2
LINE
BLU
BLU
FUSE
WHT
BLK RED
ORN
BLK
GND L2 BEATER 0L L1
MIXFANPUMP
BTR
COM
RIGHT
POWER/RELAY
BOARD
RED
ORN
YEL
BLU/WHT
BLK
BLK
BLK
H.P.SW
BLK
BEATER
MTR. COMP
BLK
BLK
L1 L3
RED
BLK
WHT
BLK
BLK
BLK
BLU/WHT
NC NO
C
NC NO
C
WHT FUSE WHT
BRN
WHT WHT
40 WATT
HEATER
CONDENSATION PAN
HEATER OPTION
IN PHANTOM
WHT FUSE
BLK
BLK
12V
240V
BLK
YEL
BRN
ORN
YEL
BRN
ORN
BLK
TEMP. INDICATOR
TRANS.
TEMP. INDICATOR
PROBE
MIX CABINET TEMP.
INDICATOR.
DIGITAL TEMP. INDICATOR
OPTION IN PHANTOM.
BLK
BLK
BLU/WHT
BLU
BLK
RED
BRN
BRN
BEATER
MOTOR
RED
BRN
BLK
RED
BRN
BRN
GRN/YEL
BLU
(SEE FIG. 1)
M
BLK
BLK
BLK
BLK
L2
BLK
WHT
L3
BLK
(SEE FIG. 2)
BLK
BROWN
WHITE
1
2
4
3
PTC RELAY
OVERLOAD
(MOTOR PROTECTOR)
R
S
C
MIX REFRIGERATION
COMPRESSOR FIG. 2
GRN/YEL
M
BLK BLK
PRESSURE
SW.
WHT
4
3
2
YEL
WHT
BLU
RED
BLK
PUMP ROTATION
AS VIEWED
FROM FRONT
OVLD.
RESET
MIX
PUMP
24VAC
26
48
37
BLK
YEL
M
BLK BLK
PRESSURE
SW.
WHT
4
3
2
YEL
WHT
BLU
RED
BLK
PUMP ROTATION
AS VIEWED
FROM FRONT
OVLD.
RESET
MIX
PUMP
24VAC
26
48
37
BLK
WHT
YEL
START
13
MAIN
2
4
2C
THERMAL
O.L.
EXTRA
MAIN
65
RED 50 HZ
BLK 60 HZ
WHT COM
BRN
BRN
CAP
208/240 50/60 HZ
GE MOTOR SCHEMATIC
FIG 1
BLK
WHT
A
A
B
B
A
A
B
B
MIX PUMP
FIG. 3
ALTERNATE WIRING
DIAGRAM
MOTOR
CCW LINE
PRP
WHT
BLK
OVLD.
RELAY
3
24
BLK
WHT
L1
L2 DR N
(SEE FIG. 3)
(SEE FIG. 3)
9
15
4
12
8
13
14
BLU/WHT
BLK/WHT
BLK/WHT
BLK
WHT
YEL WHT
BLK
PUR/WHT N. O.
DOOR
INTERLOCK
SWITCH
YEL
BLK/WHT
BLK/WHT
BLK/WHT
YEL BLK
YEL BLK
BLU/WHT
COMPRESSOR
PTC CRANKCASE
HEATER
RED
RED
COMPRESSOR
PTC CRANKCASE
HEATER
RED
RED
ELECTRICAL
ENCLOSURES
ELECTRICAL
ENCLOSURES

8756
037807-40
11/12/13
BRN
BLK
GRN/YEL
MIX
LOW
MIX
SHK.TEMP/
VISCOSITY
COLDER
DIP SWITCH
UP = OFF
1-COMP 5
2-COMP 10
3-BTR 5
4-BTR 10
5-FAN 2
6-STBY DIS
7-INTERVAL
8-INTERVAL
SWITCH INTERVAL
7 8 TIME
OFF
OFF
ON
ON
OFF
ON
OFF
ON
16
14
11
5
MIX
OUT DRAW SHK
PUMP MIX 1 BRL
PROBE FAN MIX 2
SET POINT MIX LOW MIX OUT
STANDBY WASH AUTO PUMP
MIX
COLDER
STANDBY
COLDER
RIGHT LOGIC PANEL
SOFTECH CONTROL
MEMBRANE
SWITCHES
DRAW
SWITCH
BLK
BRN
BRN
BLK
MIX LEVEL
PROBE
STANDBY
TEMP
WHT
GRN/YEL
GRN/YEL
POWER
SWITCH
4PDT
GRN/YEL
FUSE
BLKBLK
BLK
BLK
BLK
BLK
BLK
H.P.SW.
M
COMP
MM
M
M
M
M
YEL
RED
GND L2 BEATER 0L L1
MIXFANPUMP
BTR
COM
BRN
BLK
YEL
ORN
RED
LEFT
POWER/RELAY
BOARD
BLK
WHT
BLK
BLK
BLK
BLK/WHT
BLK/WHT
BLK/WHT
MIX CAB.
EVAP. FANS
WHT
BLK/WHT
ORN
BLK
BLK
WHT
FAN RELAY
(AIR COOLED ONLY) WHT
BLK
CORD BLK BLK
CORD
MIX CAB.COND.FAN
(WATER COOLED ONLY)
WHT
BLK WHT
MIX CAB
COMP.
OLVO
START
REALY
I
MS
RS C
CONDENSOR BLOWER
(AIR COOLED ONLY)
L1
LINE
BLU
BLU
FUSE
WHT
BLK
ORN
BLK
GND L2 BEATER 0L L1
MIXFANPUMP
BTR
COM
RIGHT
POWER/RELAY
BOARD
RED
ORN
YEL
BLU/WHT
BLK
BLK
BLK
H.P.SW
BLK
BEATER
MTR.
COMP
BLK
BLK
L1
RED
BLK
WHT
BLK
BLK
BLK
BLU/WHT
NO NC
C
WHT FUSE WHT
WHT FUSE
BLK
BEATER
MOTOR
RED
BRN
BLK
RED
BRN
BRN
GRN/YEL
BLU
(SEE
FIG. 3)
M
BLK
BLK
BLK
L2
WHT
L2
GRN/YEL
GRN/YEL
GRN/YEL
GREEN/YELLOW STRIPE
GROUND FRAME
SECURELY
1
2
4
6
BLK
BLK
BLK
T1
CP
T2
L1
CP
L2
BEATER MOTOR
CONTACTOR
MAGNETEK BEATER MOTOR WIRING
STEPS:
1) REMOVE BROWN JUMPER FROM BETWEEN TERMINAL #1 TO TERMINAL #5
2) MOVE BLUE INTERNAL (FROM MOTOR MAIN WINDING)
FROM TERMINAL #5 TO TERMINAL #1.
NOTE: FOR CCWLE - BLUE INTERNAL ON #1, YELLOW INTERNAL ON #6
BLU INTERNAL
3
5
ORN INTERNAL
RED INTERNAL
YEL INTERNAL
BLK INTERNAL
BLK
1
2
3
4
T8
T1
T7
T4
T5
BLK
BLU
BLK
T1
CP
T2
L1
CP
L2
BEATER MOTOR
CONTACTOR
LEESON BEATER MOTOR WIRING
STEPS:
1) DISCONNECT WIRE T7 FROM TERMINAL 3
2) SPLICE BLUE WIRE AS SHOWN
BLU
USE T3 AND L3 WHEN
CP CONTACTS ARE NOT AVAILABLE
S
R
LINE
RELAY
START CAPACITOR
C
INTERNAL OVERLOAD
RUN CAPACITOR
SCHEMATIC WIRING DIAGRAM - CSR
1
2
5
4
WHT
BRN
BLK
BRN
052396-1
EQUIPMENT
GROUND
BLEED RESISTOR
WHT(120 VOLTS; 220V-50Hz)
BLK(230 VOLTS)
BLK
BLU
FIG. 3
RED
BLK
BLK
12V
230V
BLK
YEL
BRN
ORN
YEL
BLK
ORN
BLK
TEMP. INDICATOR
TRANS.
TEMP. INDICATOR
PROBE
MTS CABINATE TEMP.
INDICATOR.
BRN
WHT WHT
40 WATT
HEATER
CONDENSATION PAN
HEATER OPTION
IN PHANTOM
BLK
(SEE FIG. 3)
M
BLK BLK
PRESSURE
SW.
WHT
4
3
2
YEL
WHT
BLU
RED
BLK
PUMP ROTATION
AS VIEWED
FROM FRONT
OVLD.
RESET
MIX
PUMP
24VAC
26
48
37
BLK
M
BLK BLK
PRESSURE
SW.
WHT
4
3
2
YEL
WHT
BLU
RED
BLK
PUMP ROTATION
AS VIEWED
FROM FRONT
OVLD.
RESET
MIX
PUMP
24VAC
26
48
37
BLK
YEL
FIG. 1
MIX PUMP
FIG. 2
ALTERNATE WIRING
DIAGRAM
MOTOR
CCW LINE
YEL
WHT
BLK
OVLD.
RELAY
3
24
BLK
WHT
L1
L2 DR N
B
B
A
A
B
B
(SEE FIG. 2)
(SEE FIG. 2)
BLK/WHT
BLK/WHT
BLK
WHT
YEL
GRN/YEL
GRN/YEL
BLU/WHT
BLU
BRN
BLU/WHT
WHT
YEL
DRAW
SWITCH
BLK
RED
BRN RED
MIX HOPPER
TEMP
MEMBRANE
SWITCHES
BRN
BLK
BRN
BLK
BLK
MIX
LOW
MIX
SHK.TEMP/
VISCOSITY
COLDER
DIP SWITCH
UP = OFF
1-COMP 5
2-COMP 10
3-BTR 5
4-BTR 10
5-FAN 2
6-STBY DIS
7-INTERVAL
8-INTERVAL
SWITCH INTERVAL
7 8 TIME
OFF
OFF
ON
ON
OFF
ON
OFF
ON
16
14
11
5
MIX
OUT DRAW SHK
PUMP MIX 1 BRL
PROBE FAN MIX 2
SET POINT MIX LOW MIX OUT
STANDBY WASH AUTO PUMP
MIX
COLDER
STANDBY
COLDER
LEFT LOGIC PANEL
SOFTECH CONTROL
MIX LEVEL
PROBE
STANDBY
TEMP
WHT
GRN/YEL STRIPE
NC NO
C
BLK
BLU/WHT
RED
BRN
BRN
A
A
9
15
4
12
8
13
14
BLK
PUR/WHT N. O.
DOOR
INTERLOCK
SWITCH
BLK/WHT
BLK/WHT
YEL BLK
YEL BLK
YEL
BLU/WHT
COMPRESSOR
PTC CRANKCASE
HEATER
RED
RED
ELECTRICAL
ENCLOSURES
COMPRESSOR
PTC CRANKCASE
HEATER
RED
RED
ELECTRICAL
ENCLOSURES

8757
042793-27
11/12/13
BRN
DRAW
SWITCH
BLK
RED
BLK
BRN RED
GRN/YEL
MIX HOPPER
TEMP
MEMBRANE
SWITCHES
BRN
BLK
GRN/YEL
BRN
BLK
BLK
MIX
LOW
MIX
SHK.TEMP/
VISCOSITY
COLDER
DIP SWITCH
UP = OFF
1-COMP 5
2-COMP 10
3-BTR 5
4-BTR 10
5-FAN 2
6-STBY DIS
7-INTERVAL
8-INTERVAL
SWITCH INTERVAL
7 8 TIME
OFF
OFF
ON
ON
OFF
ON
OFF
ON
16
14
11
5
MIX
OUT DRAW SHK
PUMP MIX 1 BRL
PROBE FAN MIX 2
SET POINT MIX LOW MIX OUT
STANDBY WASH AUTO PUMP
MIX
COLDER
STANDBY
COLDER
LEFT LOGIC PANEL
SOFTECH CONTROL
MIX
LOW
MIX
SHK.TEMP/
VISCOSITY
COLDER
DIP SWITCH
UP = OFF
1-COMP 5
2-COMP 10
3-BTR 5
4-BTR 10
5-FAN 2
6-STBY DIS
7-INTERVAL
8-INTERVAL
SWITCH INTERVAL
7 8 TIME
OFF
OFF
ON
ON
OFF
ON
OFF
ON
16
14
11
5
MIX
OUT DRAW SHK
PUMP MIX 1 BRL
PROBE FAN MIX 2
SET POINT MIX LOW MIX OUT
STANDBY WASH AUTO PUMP
MIX
COLDER
STANDBY
COLDER
RIGHT LOGIC PANEL
SOFTECH CONTROL
MEMBRANE
SWITCHES
MIX LEVEL
PROBE
STANDBY
TEMP
WHT
GRN/YEL
DRAW
SWITCH
BLK
RED
BRN
BRN
BLK
BRN
BLK
MIX LEVEL
PROBE
STANDBY
TEMP
WHT
GRN/YEL
GRN/YEL
POWER
SWITCH
4PDT
GRN/YEL
FUSE
BLKBLK
BLK
BLK/WHT
BLK
BLK
BLK
BLK
H.P.SW.
M
BEATER
MTR.
(FIGURE 2) WHT
COMP
(FIGURE 3)
M
MM
M
M
M
M
YEL
RED
CNO L2 BEATER 0L L1
MIXFANPUMP
BTR
COM
BRN
BLK
YEL
ORN
RED
LEFT
POWER/RELAY
BOARD
BLK
WHT
BLK
BLK
BLK
BLK/WHT
BLU/WHT
BLU
BLK/WHT
BLK/WHT
MIX CAB.
EVAP. FANS
WHT
BLK/WHT STRIPE
ORN
BLK
BLK
WHT
FAN RELAY
(AIR COOLED ONLY) WHT
BLK
CORD RED BLK
CORD
MIX CAB.COND.FAN
(WATER COOLED ONLY)
WHT
BLK WHT
MIX CAB
COMP.
OLVO
WHT
START
REALY
I
MS
RS C
BRN
CONDENSOR BLOWER (AIR COOLED
ONLY) SEE FIG 1
L1 L2
LINE
BLU
BLU
FUSE
WHT
BLK
BLK
ORN
BLK
CNO L2 BEATER 0L L1
MIXFANPUMP
BTR
COM
RIGHT
POWER/RELAY
BOARD
RED
ORN
YEL
BLK
BLK
BLK
H.P.SW
BLK
BEATER
MTR.
(FIGURE 2)
COMP
(FIGURE 3)
BLK
BLK
L1 L2
WHT
4
3
2
YEL
WHT
BLU
RED
BLK
PUMP ROTATION
AS VIEWED
FROM FRONT
OVLD.
RESET
RED
BLK
WHT
BLK
BLK
BLK
BLU/WHT
NC NO
C
NC NO
C
MIX
PUMP
HEATER
SWITCH
BLK
THERMOSTAT HI LIMT
TERMOSTAT
SYRUP
HEATER
WHT
WHT FUSE
WHT
BRN
WHT WHT
40 WATT
HEATER
CONDENSATION PAN
HEATER OPTION
IN PHANTOM
WHT FUSE
BLK
BLK
LINE
WHT
BLU/WHT
BLU
BLU
BLK
BLK
GRN/YEL
GROUND FRAME
SECURELY
GRN/YEL
GRN/YEL
GRN/YEL
GRN/YEL
GRN/YEL
GRN/YEL
GRN/YEL
GRN/YEL
BLK
BLK
12V
230V
BLK
YEL
BRN
ORN
YEL
BRN
ORN
BLK
TEMP. INDICATOR
TRANS.
TEMP. INDICATOR
TRANS.
MTS CABINATE TEMP.
INDIACTOR.
DIGITAL TEMP. INDICATOR
OPTION IN PHANTOM.
S
R
LINE
RELAY
START CAPACITOR
C
INTERNAL OVERLOAD
RUN CAPACITOR
SCHEMATIC WIRING DIAGRAM - CSR
1
2
5
4
WHT
BRN
BLK
BRN
052396-1
EQUIPMENT
GROUND
BLEED RESISTOR
WHT(120 VOLTS; 220V-50Hz)
BLK(230 VOLTS)
BLK
BLU
1
2
4
6
BLK
BLK
BLK
T1
CP
T2
L1
CP
L2
BEATER MOTOR
CONTACTOR
MAGNETEK BEATER MOTOR WIRING
STEPS:
1) REMOVE BROWN JUMPER FROM BETWEEN TERMINAL #1 TO TERMINAL #5
2) MOVE BLUE INTERNAL (FROM MOTOR MAIN WINDING)
FROM TERMINAL #5 TO TERMINAL #1.
NOTE: FOR CCWLE - BLUE INTERNAL ON #1, YELLOW INTERNAL ON #6
BLU INTERNAL
3
5
ORN INTERNAL
RED INTERNAL
YEL INTERNAL
BLK INTERNAL
BLK
1
2
3
4
T8
T1
T7
T4
T5
BLK
BLU
BLK
T1
CP
T2
L1
CP
L2
BEATER MOTOR
CONTACTOR
LEESON BEATER MOTOR WIRING
STEPS:
1) DISCONNECT WIRE T7 FROM TERMINAL 3
2) SPLICE BLUE WIRE AS SHOWN
BLU
USE T3 AND L3 WHEN
CP CONTACTS ARE NOT AVAILABLE
START
13
MAIN
2
4
2C
THERMAL
O.L.
EXTRA
MAIN
65
RED 50 HZ
BLK 60 HZ
WHT COM
BRN
BRN
CAP
208/240 50/60 HZ
GE MOTOR SCHEMATIC
FIG 1
BLACK
BLUE
BLACK
T1
CP
T2
L1
CP
L2
BEATER MOTOR
CONTACTOR
GE/RBC BEATER MOTOR WIRING
NOTE: FOR CCWLE - BLUE INTERNAL ON #1,YELLOW INTERNAL ON #2
BLUE
T3 L3
USE T3 AND L3 WHEN CP
CONTACTS ARE NOT AVAILABLE
J12 OR PURPLE INTERNAL
T1 OR BLUE INTERNAL
T8 OR RED INTERNAL
J9 OR BLACK INTERNAL A
14
5
T4 OR YELLOW INTERNAL
2
FIG 2 FIG 3
BLK
BLK
BLK
BLK
BLK
BLK
M
BLK BLK
PRESSURE
SW. 24VAC
26
48
37
BLK
M
BLK BLK
PRESSURE
SW.
WHT
4
3
2
YEL
WHT
BLU
RED
BLK
PUMP ROTATION
AS VIEWED
FROM FRONT
OVLD.
RESET
MIX
PUMP
24VAC
26
48
37
BLK
MIX PUMP
FIG 4
ALTERNATE WIRING
DIAGRAM
MOTOR
CCW LINE
PRP
WHT
BLK
OVLD.
RELAY
3
24
BLK
WHT
L1
L2 DR N
(SEE FIGURE 4)
(SEE FIGURE 4)
B
B
A
A
B
B
A
A
8
5
12
9
4
113
14
N. O.
DOOR
INTERLOCK
SWITCH
BLK
24VAC
YEL
YEL
BLK/WHT
BLK/WHT
BLU/WHT
BLU/WHT
BLK/WHT
WHT
BLK
PUR/WHT
WHT
WHT WHT
WHT

8757
042793-33
11/12/13
BRN
DRAW
SWITCH
BLK
RED
BLK
BRN RED
GRN/YEL
MIX HOPPER
TEMP
MEMBRANE
SWITCHES
BRN
BLK
GRN/YEL
BRN
BLK
BLK
MIX
LOW
MIX
SHK.TEMP/
VISCOSITY
COLDER
DIP SWITCH
UP = OFF
1-COMP 5
2-COMP 10
3-BTR 5
4-BTR 10
5-FAN 2
6-STBY DIS
7-INTERVAL
8-INTERVAL
SWITCH INTERVAL
7 8 TIME
OFF
OFF
ON
ON
OFF
ON
OFF
ON
16
14
11
5
MIX
OUT DRAW SHK
PUMP MIX 1 BRL
PROBE FAN MIX 2
SET POINT MIX LOW MIX OUT
STANDBY WASH AUTO PUMP
MIX
COLDER
STANDBY
COLDER
LEFT LOGIC PANEL
SOFTECH CONTROL
MIX
LOW
MIX
SHK.TEMP/
VISCOSITY
COLDER
DIP SWITCH
UP = OFF
1-COMP 5
2-COMP 10
3-BTR 5
4-BTR 10
5-FAN 2
6-STBY DIS
7-INTERVAL
8-INTERVAL
SWITCH INTERVAL
7 8 TIME
OFF
OFF
ON
ON
OFF
ON
OFF
ON
16
14
11
5
MIX
OUT DRAW SHK
PUMP MIX 1 BRL
PROBE FAN MIX 2
SET POINT MIX LOW MIX OUT
STANDBY WASH AUTO PUMP
MIX
COLDER
STANDBY
COLDER
RIGHT LOGIC PANEL
SOFTECH CONTROL
MEMBRANE
SWITCHES
MIX LEVEL
PROBE
STANDBY
TEMP
WHT
GRN/YEL
DRAW
SWITCH
BLK
RED
BRN
BRN
BLK
BRN
BLK
MIX LEVEL
PROBE
STANDBY
TEMP
WHT
GRN/YEL
GRN/YEL
POWER
SWITCH
4PDT
GRN/YEL
FUSE
BLKBLK
BLK
BLK
BLK/WHT
BLK
BLK
BLK
BLK
H.P.SW.
M
BEATER
MTR.
WHT
COMP.
M
M
M
M
M
M
GRN/YEL
YEL
RED
CNO L2 BEATER 0L L1
MIXFANPUMP
BTR
COM
BRN
BLK
YEL
ORN
RED
LEFT
POWER/RELAY
BOARD
BLK
WHT
BLK
BLK
BLK
BLK/WHT
BLU/WHT
BLU
BLK/WHT
BLK/WHT
MIX CAB.
EVAP. FANS
WHT
BLK/WHT
ORN
BLK
BLK
BLK
WHT
FAN RELAY
(AIR COOLED ONLY) WHT
BLK
CORD RED BLK
CORD
MIX CAB.COND.FAN
(WATER COOLED ONLY)
WHT
BLK WHT
MIX CAB
COMP.
OLVO
WHT
START
REALY
I
MS
RS C
BRN
CONDENSOR BLOWER
(AIR COOLED ONLY)
(SEE FIG 1)
L1 L2 L3
LINE
BLU
BLU
FUSE
WHT
BLK
BLK
ORN
BLK
CNO L2 BEATER 0L L1
MIXFANPUMP
BTR
COM
RIGHT
POWER/RELAY
BOARD
RED
ORN
YEL
BLU/WHT
BLK
BLK
BLK
H.P.SW
BLK
BEATER
MTR.
COMP
BLK
BLK
BLK
L1 L2 L3
RED
BLK
WHT
BLK
BLK
BLK
BLU/WHT
NC NO
C
NC NO
C
WHT
GROUND FRAME
SECURELY
BLK
WHT
BLK
BLU
BLU/WHT
GRN/YEL LINE
GRN/YEL
GRN/YEL
GRN/YEL
GRN/YEL
GRN/YEL
GRN/YEL
GRN/YEL
GRN/YEL
BLK
BLK
BLK
BLK
BLK
BLK
BLK
BLK
12V
230V
BLK
YEL
BRN
ORN
YEL
BRN
ORN
BLK
TEMP. INDICATOR
TRANS.
TEMP. INDICATOR
TRANS.
MTS CABINATE TEMP.
INDIACTOR.
DIGITAL TEMP. INDICATOR
OPTION IN PHANTOM.
L2 FUSE
BRN
WHT WHT
40 WATT
HEATER
CONDENSATION PAN
HEATER OPTION
IN PHANTOM
BLK
BLK
BLK
M
GRN/YEL
M
BLK BLK
PRESSURE
SW.
WHT
4
3
2
YEL
WHT
BLU
RED
BLK
PUMP ROTATION
AS VIEWED
FROM FRONT
OVLD.
RESET
MIX
PUMP
24VAC
2 6
48
37
BLK
M
BLK BLK
PRESSURE
SW.
WHT
4
3
2
YEL
WHT
BLU
RED
BLK
PUMP ROTATION
AS VIEWED
FROM FRONT
OVLD.
RESET
MIX
PUMP
24VAC
26
48
37
BLK
GRN/YEL
L2 FUSE
GROUND FRAME
SECURELY
(SEE FIG 2)
(SEE FIG 2)
B
B
A
A
B
B
A
A
START
13
MAIN
2
4
2C
THERMAL
O.L.
EXTRA
MAIN
65
RED 50 HZ
BLK 60 HZ
WHT COM
BRN
BRN
CAP
208/240 50/60 HZ
GE MOTOR SCHEMATIC
FIG 1
BLK
WHT
YEL
YEL
BLK/WHT
WHT
85
12 9
41
13
14
N. O.
DOOR
INTERLOCK
SWITCH
BLK PUR/WHT
BLU/WHT
BLU/WHT
BLK/WHT
BLK/WHT
MIX PUMP
FIG 2
ALTERNATE WIRING
DIAGRAM
MOTOR
CCW LINE
PRP
WHT
BLK
OVLD.
RELAY
3
24
BLK
WHT
L1
L2 DR N
HEATER
SWITCH
BLK
THERMOSTAT HI LIMT
TERMOSTAT
SYRUP
HEATER
WHT WHT WHT

8757
042793-34
11/12/13
BRN
DRAW
SWITCH
BLK
RED
BLK
BRN RED
GRN/YEL
MIX HOPPER
TEMP
MEMBRANE
SWITCHES
BRN
BLK
GRN/YEL
BRN
BLK
BLK
MIX
LOW
MIX
SHK.TEMP/
VISCOSITY
COLDER
DIP SWITCH
UP = OFF
1-COMP 5
2-COMP 10
3-BTR 5
4-BTR 10
5-FAN 2
6-STBY DIS
7-INTERVAL
8-INTERVAL
SWITCH INTERVAL
7 8 TIME
OFF
OFF
ON
ON
OFF
ON
OFF
ON
16
14
11
5
MIX
OUT DRAW SHK
PUMP MIX 1 BRL
PROBE FAN MIX 2
SET POINT MIX LOW MIX OUT
STANDBY WASH AUTO PUMP
MIX
COLDER
STANDBY
COLDER
LEFT LOGIC PANEL
SOFTECH CONTROL
MIX
LOW
MIX
SHK.TEMP/
VISCOSITY
COLDER
DIP SWITCH
UP = OFF
1-COMP 5
2-COMP 10
3-BTR 5
4-BTR 10
5-FAN 2
6-STBY DIS
7-INTERVAL
8-INTERVAL
SWITCH INTERVAL
7 8 TIME
OFF
OFF
ON
ON
OFF
ON
OFF
ON
16
14
11
5
MIX
OUT DRAW SHK
PUMP MIX 1 BRL
PROBE FAN MIX 2
SET POINT MIX LOW MIX OUT
STANDBY WASH AUTO PUMP
MIX
COLDER
STANDBY
COLDER
RIGHT LOGIC PANEL
SOFTECH CONTROL
MEMBRANE
SWITCHES
MIX LEVEL
PROBE
STANDBY
TEMP
WHT
GRN/YEL
DRAW
SWITCH
BLK
RED
BRN
BRN
BLK
BRN
BLK
MIX LEVEL
PROBE
STANDBY
TEMP
WHT
GRN/YEL
GRN/YEL
POWER
SWITCH
4PDT
GRN/YEL
FUSE
BLKBLK
BLK
BLK/WHT
BLK
BLK
BLK
BLK
H.P.SW.
M
BEATER
MTR.
(FIGURE 2)
WHT
COMP
(FIGURE 3)
MM
M
M
M
M
GRN/YEL STRIPE
YEL
RED
CNO L2 BEATER 0L L1
MIXFANPUMP
BTR
COM
BRN
BLK
YEL
ORN
RED
LEFT
POWER/RELAY
BOARD
BLK
WHT
BLK
BLK
BLK
BLK/WHT
RIBBON CABLE
BLU/WHT
BLU
BLK/WHT
BLK/WHT
MIX CAB.
EVAP. FANS
WHT
BLK/WHT STRIPE
ORN
BLK
BLK
WHT
FAN RELAY
(AIR COOLED ONLY) WHT
BLK
CORD RED BLK
CORD
MIX CAB.COND.FAN
(WATER COOLED ONLY)
WHT
BLK WHT
MIX CAB
COMP.
OLVO
WHT
START
REALY
I
MS
RS C
BRN
CONDENSOR BLOWER
(AIR COOLED ONLY)
(SEE FIG 1)
L1 L2
LINE
BLU
BLU
FUSE
WHT
BLK
BLK
ORN
BLK
CNO L2 BEATER 0L L1
MIXFANPUMP
BTR
COM
RIGHT
POWER/RELAY
BOARD
RED
ORN
YEL
BLU/WHT
BLK
BLK
BLK
H.P.SW
BLK
BEATER
MTR.
(FIGURE 2)
COMP
(FIGURE 3)
BLK
BLK
L1 L2
RED
BLK
WHT
BLK
BLK
BLK
BLU/WHT
NC NO
C
NC NO
C
WHT
WHT FUSE
WHT
BRN
WHT WHT
40 WATT
HEATER
CONDENSATION PAN
HEATER OPTION
IN PHANTOM
WHT FUSE
BLK
BLK
12V
230V
BLK
YEL
BRN
ORN
YEL
BRN
ORN
BLK
TEMP. INDICATOR
TRANS.
TEMP. INDICATOR
TRANS.
MTS CABINATE TEMP.
INDIACTOR.
DIGITAL TEMP. INDICATOR
OPTION IN PHANTOM.
BLK
BLK
LINE
WHT
BLU/WHT
BLU
BLU
BLK
BLK
GRN/YEL
GRN/YEL
GRN/YEL
GRN/YEL
GRN/YEL
GRN/YEL
GRN/YEL
GRN/YEL
GRN/YEL
GROUND FRAME
SECURELY
BLK
BLK
BLK
BLK
BLK
BLK
M
M
BLK BLK
PRESSURE
SW.
WHT
4
3
2
YEL
WHT
BLU
RED
BLK
PUMP ROTATION
AS VIEWED
FROM FRONT
OVLD.
RESET
MIX
PUMP
24VAC
2 6
48
3 7
BLK
M
BLK BLK
PRESSURE
SW.
WHT
4
3
2
YEL
WHT
BLU
RED
BLK
PUMP ROTATION
AS VIEWED
FROM FRONT
OVLD.
RESET
MIX
PUMP
24VAC
26
48
37
BLK
GRN/YEL
(SEE FIG 4)
(SEE FIG 4)
B
B
A
A
B
B
A
A
85
12 9
41
13
14
N. O.
DOOR
INTERLOCK
SWITCH
BLK PUR/WHT
BLU/WHT
BLU/WHT
BLK/WHT
BLK/WHT
BLK
WHT
YEL
YEL
BLK/WHT
WHT
MIX PUMP
FIG 4
MOTOR
CCW LINE
YEL
WHT
BLK
OVLD.
RELAY
3
24
BLK
WHT
L1
L2 DR N
1
2
4
6
BLK
BLK
BLK
T1
CP
T2
L1
CP
L2
BEATER MOTOR
CONTACTOR
MAGNETEK BEATER MOTOR WIRING
STEPS:
1) REMOVE BROWN JUMPER FROM BETWEEN TERMINAL #1 TO TERMINAL #5
2) MOVE BLUE INTERNAL (FROM MOTOR MAIN WINDING)
FROM TERMINAL #5 TO TERMINAL #1.
NOTE: FOR CCWLE - BLUE INTERNAL ON #1, YELLOW INTERNAL ON #6
BLU INTERNAL
3
5
ORN INTERNAL
RED INTERNAL
YEL INTERNAL
BLK INTERNAL
BLK
1
2
3
4
T8
T1
T7
T4
T5
BLK
BLU
BLK
T1
CP
T2
L1
CP
L2
BEATER MOTOR
CONTACTOR
LEESON BEATER MOTOR WIRING
STEPS:
1) DISCONNECT WIRE T7 FROM TERMINAL 3
2) SPLICE BLUE WIRE AS SHOWN
BLU
USE T3 AND L3 WHEN
CP CONTACTS ARE NOT AVAILABLE
BLACK
BLUE
BLACK
T1
CP
T2
L1
CP
L2
BEATER MOTOR
CONTACTOR
GE/RBC BEATER MOTOR WIRING
NOTE: FOR CCWLE - BLUE INTERNAL ON #1,YELLOW INTERNAL ON #2
BLUE
T3 L3
USE T3 AND L3 WHEN CP
CONTACTS ARE NOT AVAILABLE
J12 OR PURPLE INTERNAL
T1 OR BLUE INTERNAL
T8 OR RED INTERNAL
J9 OR BLACK INTERNAL A
14
5
T4 OR YELLOW INTERNAL
2
FIG 2
S
R
LINE
RELAY
START CAPACITOR
C
INTERNAL OVERLOAD
RUN CAPACITOR
SCHEMATIC WIRING DIAGRAM - CSR
1
2
5
4
WHT
BRN
BLK
BRN
052396-1
EQUIPMENT
GROUND
BLEED RESISTOR
WHT(120 VOLTS; 220V-50Hz)
BLK(230 VOLTS)
BLK
BLU
FIG 3
START
13
MAIN
2
4
2C
THERMAL
O.L.
EXTRA
MAIN
65
RED 50 HZ
BLK 60 HZ
WHT COM
BRN
BRN
CAP
208/240 50/60 HZ
GE MOTOR SCHEMATIC
FIG 1
HEATER
SWITCH
BLK
THERMOSTAT HI LIMT
TERMOSTAT
SYRUP
HEATER
WHT WHT WHT

8757
042793-62
11/12/13
BRN
DRAW
SWITCH
BLK
RED
BLK
BRN RED
GRN/YEL
MIX HOPPER
TEMP
MEMBRANE
SWITCHES
BRN
BLK
GRN/YEL
BRN
BLK
BLK
MIX
LOW
MIX
SHK.TEMP/
VISCOSITY
COLDER
DIP SWITCH
UP = OFF
1-COMP 5
2-COMP 10
3-BTR 5
4-BTR 10
5-FAN 2
6-STBY DIS
7-INTERVAL
8-INTERVAL
SWITCH INTERVAL
7 8 TIME
OFF
OFF
ON
ON
OFF
ON
OFF
ON
16
14
11
5
MIX
OUT DRAW SHK
PUMP MIX 1 BRL
PROBE FAN MIX 2
SET POINT MIX LOW MIX OUT
STANDBY WASH AUTO PUMP
MIX
COLDER
STANDBY
COLDER
LEFT LOGIC PANEL
SOFTECH CONTROL
MIX
LOW
MIX
SHK.TEMP/
VISCOSITY
COLDER
DIP SWITCH
UP = OFF
1-COMP 5
2-COMP 10
3-BTR 5
4-BTR 10
5-FAN 2
6-STBY DIS
7-INTERVAL
8-INTERVAL
SWITCH INTERVAL
7 8 TIME
OFF
OFF
ON
ON
OFF
ON
OFF
ON
16
14
11
5
MIX
OUT DRAW SHK
PUMP MIX 1 BRL
PROBE FAN MIX 2
SET POINT MIX LOW MIX OUT
STANDBY WASH AUTO PUMP
MIX
COLDER
STANDBY
COLDER
RIGHT LOGIC PANEL
SOFTECH CONTROL
MEMBRANE
SWITCHES
MIX LEVEL
PROBE
STANDBY
TEMP
WHT
GRN/YEL
DRAW
SWITCH
BLK
RED
BRN
BRN
BLK
BRN
BLK
MIX LEVEL
PROBE
STANDBY
TEMP
WHT
GRN/YEL
GRN/YEL
POWER
SWITCH
4PDT
GRN/YEL
FUSE
BLKBLK
BLK
BLK
BLU
BLK/WHT
BLK
BLK
BLK
BLK
H.P.SW.
M
BEATER
MTR.
COMP.
M
M
M
M
M
M
GRN/YEL
RED
CNO L2 BEATER 0L L1
MIXFANPUMP
BTR
COM
BRN
BLK
YEL
ORN
RED
LEFT
POWER/RELAY
BOARD
BLK
WHT
BLK
BLK
BLK
BLK/WHT
BLU/WHT
BLU
BLK/WHT
BLK/WHT
MIX CAB.
EVAP. FANS
WHT
BLK/WHT
ORN
BLK
BLK
BLK
WHT
FAN RELAY
(AIR COOLED ONLY) WHT
BLK
CORD RED BLK
CORD
MIX CAB.COND.FAN
(WATER COOLED ONLY)
WHT
BLK WHT
MIX CAB
COMP.
OLVO
WHT
START
REALY
I
MS
RS C
BRN
CONDENSOR BLOWER
(AIR COOLED ONLY)
SEE FIG 1
L1 L2 L3 N
LINE
BLU
BLU
FUSE
WHT
BLK
BLK
ORN
BLK
CNO L2 BEATER 0L L1
MIXFANPUMP
BTR
COM
RIGHT
POWER/RELAY
BOARD
RED
ORN
YEL
BLU/WHT
BLK
BLK
BLK
H.P.SW
BLK
BEATER
MTR.
COMP
BLK
BLK
BLK
BLU
L1 L2 L3 N
RED
BLK
WHT
BLK
BLK
BLK
BLU/WHT
NC NO
C
NC NO
C
WHT
GROUND FRAME
SECURELY
BLK
WHT
BLK
BLU
BLU/WHT
GRN/YEL LINE
GRN/YEL
GRN/YEL
GRN/YEL
GRN/YEL
GRN/YEL
GRN/YEL
GRN/YEL
GRN/YEL
BLK
BLK
BLK
BLK
BLK
BLK
BLK
BLK
M
GRN/YEL
M
BLK BLK
PRESSURE
SW.
WHT
4
3
2
YEL
WHT
BLU
RED
BLK
PUMP ROTATION
AS VIEWED
FROM FRONT
OVLD.
RESET
MIX
PUMP
24VAC
26
48
37
BLK
M
BLK BLK
PRESSURE
SW.
WHT
4
3
2
YEL
WHT
BLU
RED
BLK
PUMP ROTATION
AS VIEWED
FROM FRONT
OVLD.
RESET
MIX
PUMP
24VAC
26
48
37
BLK
(SEE FIG 2)
(SEE FIG 2)
B
B
A
A
B
B
A
A
START
13
MAIN
2
4
2C
THERMAL
O.L.
EXTRA
MAIN
65
RED 50 HZ
BLK 60 HZ
WHT COM
BRN
BRN
CAP
208/240 50/60 HZ
GE MOTOR SCHEMATIC
FIG 1
MIX PUMP
FIG 2
ALTERNATE WIRING
DIAGRAM
MOTOR
CCW LINE
YEL
WHT
BLK
OVLD.
RELAY
3
24
BLK
WHT
L1
L2 DR N
BLK
WHT
YEL
YEL
BLK/WHT
WHT
85
12 9
41
13
14
N. O.
DOOR
INTERLOCK
SWITCH
BLK PUR/WHT
BLU/WHT
BLU/WHT
BLK/WHT
BLK/WHT
HEATER
SWITCH
BLK
THERMOSTAT HI LIMT
TERMOSTAT
SYRUP
HEATER
WHT WHT WHT