Teledyne Portable Generator 701H Users Manual API M701H High Performance Zero Air
701H to the manual 5d32cfe6-aa68-4fc2-bcbf-f513b5e4fce5
2015-02-03
: Teledyne Teledyne-Portable-Generator-701H-Users-Manual-464537 teledyne-portable-generator-701h-users-manual-464537 teledyne pdf
Open the PDF directly: View PDF
.
Page Count: 67
- 1 INTRODUCTION
- 2 SPECIFICATIONS AND WARRANTY
- 3 GETTING STARTED
- 4 OPTIONAL HARDWARE AND SOFTWARE
- 5 OPERATION
- 5.1 Overview
- 5.2.1 Compressor
- 5.2.2 Cooling Coil
- 5.2.3 Water Trap
- 5.2.4 Water Drain Valve
- 5.2.5 Pressure Relief Valve
- 5.2.6 Regenerative Dryer
- 5.2.7 Check Valve
- 5.2.8 Storage Tank
- 5.2.9 Pressure Sensor
- 5.2.10 Pressure Regulator
- 5.2.11 Pressure Gauge
- 5.2.12 Hydrocarbon Scrubber
- 5.2.13 CO Scrubber
- 5.2.14 NO Scrubber
- 5.2.15 Charcoal Scrubber
- 5.2.16 Final Filter
- 5.2.17 Controller
- 5.2.18 Dew Point Sensor
- 5.1 Overview
- 6 MAINTENANCE
- 6.1 Schedule
- 6.2 Cleaning
- 6.3 Checking The Tubing
- 6.4 Replacing The Charcoal Scrubber
- 6.5 Replacing The NO - NO2 Scrubber
- 6.6 Replacing The CO Scrubber
- 6.7 Replacing The Hydrocarbon (HC) Scrubber
- 6.8 Servicing The Regenerative Dryer
- 6.9 Changing The 4-Way Valve (in the Regenerative Dryer)
- 6.10 Replacing The Shuttle Valve (in the Regenerative Dryer)
- 6.11 Leak Check
- 6.12 Particulate Filter Element Replacement
- 7 TROUBLESHOOTING
- 8 A PRIMER ON ELECTRO-STATIC DISCHARGE
- M701H Appendices-assembled.pdf
- 1 INTRODUCTION
- 2 SPECIFICATIONS AND WARRANTY
- 3 GETTING STARTED
- 4 OPTIONAL HARDWARE AND SOFTWARE
- 5 OPERATION
- 5.1 Overview
- 5.2.1 Compressor
- 5.2.2 Cooling Coil
- 5.2.3 Water Trap
- 5.2.4 Water Drain Valve
- 5.2.5 Pressure Relief Valve
- 5.2.6 Regenerative Dryer
- 5.2.7 Check Valve
- 5.2.8 Storage Tank
- 5.2.9 Pressure Sensor
- 5.2.10 Pressure Regulator
- 5.2.11 Pressure Gauge
- 5.2.12 Hydrocarbon Scrubber
- 5.2.13 CO Scrubber
- 5.2.14 NO Scrubber
- 5.2.15 Charcoal Scrubber
- 5.2.16 Final Filter
- 5.2.17 Controller
- 5.2.18 Dew Point Sensor
- 5.1 Overview
- 6 MAINTENANCE
- 6.1 Schedule
- 6.2 Cleaning
- 6.3 Checking The Tubing
- 6.4 Replacing The Charcoal Scrubber
- 6.5 Replacing The NO - NO2 Scrubber
- 6.6 Replacing The CO Scrubber
- 6.7 Replacing The Hydrocarbon (HC) Scrubber
- 6.8 Servicing The Regenerative Dryer
- 6.9 Changing The 4-Way Valve (in the Regenerative Dryer)
- 6.10 Replacing The Shuttle Valve (in the Regenerative Dryer)
- 6.11 Leak Check
- 6.12 Particulate Filter Element Replacement
- 7 TROUBLESHOOTING
- 8 A PRIMER ON ELECTRO-STATIC DISCHARGE
- M701H - Appendices.pdf
- 1 INTRODUCTION
- 2 SPECIFICATIONS AND WARRANTY
- 3 GETTING STARTED
- 4 OPTIONAL HARDWARE AND SOFTWARE
- 5 OPERATION
- 5.1 Overview
- 5.2.1 Compressor
- 5.2.2 Cooling Coil
- 5.2.3 Water Trap
- 5.2.4 Water Drain Valve
- 5.2.5 Pressure Relief Valve
- 5.2.6 Regenerative Dryer
- 5.2.7 Check Valve
- 5.2.8 Storage Tank
- 5.2.9 Pressure Sensor
- 5.2.10 Pressure Regulator
- 5.2.11 Pressure Gauge
- 5.2.12 Hydrocarbon Scrubber
- 5.2.13 CO Scrubber
- 5.2.14 NO Scrubber
- 5.2.15 Charcoal Scrubber
- 5.2.16 Final Filter
- 5.2.17 Controller
- 5.2.18 Dew Point Sensor
- 5.1 Overview
- 6 MAINTENANCE
- 6.1 Schedule
- 6.2 Cleaning
- 6.3 Checking The Tubing
- 6.4 Replacing The Charcoal Scrubber
- 6.5 Replacing The NO - NO2 Scrubber
- 6.6 Replacing The CO Scrubber
- 6.7 Replacing The Hydrocarbon (HC) Scrubber
- 6.8 Servicing The Regenerative Dryer
- 6.9 Changing The 4-Way Valve (in the Regenerative Dryer)
- 6.10 Replacing The Shuttle Valve (in the Regenerative Dryer)
- 6.11 Leak Check
- 6.12 Particulate Filter Element Replacement
- 7 TROUBLESHOOTING
- 8 A PRIMER ON ELECTRO-STATIC DISCHARGE
- AppxA01_04825F - M701H Spare Parts List.pdf
- AppxA02_07346A - M701H RSSL.pdf
- AppxA03_07344A - AKIT, EXP KIT, M701H.pdf
- AppxA04_07345A - M701H, LEVEL 1 SP.pdf
- 701-701H_SCHEMATICS.pdf
- Schematic Prints("All Documents",Logical)
- 06619-1B.SchDoc
- 06619-2B.SchDoc
- 06619-3B.SchDoc
- 06619-4B.SchDoc
- 06619-5B.SchDoc
- Schematic Prints("All Documents",Logical)

OPERATION MANUAL
MODEL 701H
HIGH PERFORMANCE
ZERO AIR GENERATOR
© TELEDYNE ADVANCED POLLUTION INSTRUMENTATION
9480 CARROLL PARK DRIVE
SAN DIEGO, CA 92121-5201
USA
Toll-free Phone: 800-324-5190
Phone: 858-657-9800
Fax: 858-657-9816
Email: api-sales@teledyne.com
Website: http://www.teledyne-api.com/
Copyright 2010 06712B DCN5875
Teledyne Advanced Pollution Instrumentation 08 December 2010

06712B (DCN5875) i
ABOUT THIS MANUAL
This M701H High Performance Zero Air Generator operation manual is comprised of multiple
documents as listed below.
Part No. Rev Name/Description
06712 B Operation Manual
04825 F
List, Spare Parts (in Appendix A) Note: due to the dynamic nature of this document,
please check our Website or with Sales for most recent version.
07346 A List, Recommended Spares Stocking Levels (RSSL) (in Appendix A)
07344 A Expendables Kit (in Appendix A)
07345 A Level 1 Spares Kit
06619 B Schematic, Controller Board (in Appendix B)
NOTE
We recommend that this manual be read in its entirety before any attempt is made
to operate the instrument.
REVISION HISTORY
M701H Manual 06712
2010 November 5, Rev B, per DCN , with the following documents
Document P/N Rev DCN Change Summary
Operation Manual 06712 B 5875
Replaced pressure switch with pressure
sensor.
Replaced controller with new.
Updated hydrocarbon scrubber content.
Added Section on Electro-static
Discharge
Schematic, Controller Board 06619 B 5874 New; replaces 04285
Spare Parts List 04825 F 5895 Updated
List, RSSL 07346 A 5895 New; replaces 06172
Level 1 Spares Kit 07345 A 5895 New; replaces 06716
Expendables Kit 07344 A 5895 New; replaces 06478
2010 January 20, Initial Release Rev A, per DCN 5630, with the following documents:
Document P/N Rev DCN Change Summary
Schematic, Controller w/DewPt 04285 C n/a current Rev for manual’s initial release
List, Spare Parts 04825 E n/a current Rev for this manual’s initial release
List, RSSL 06172 C n/a current Rev for this manual’s initial release
Level 1 Spares Kit 06716 A n/a current Rev for this manual’s initial release
Expendables Kit 06478 B n/a current Rev for this manual’s initial release

ii 06712B (DCN5875)

06712B (DCN5875) iii
SAFETY MESSAGES
Important safety messages are provided throughout this manual for the purpose of avoiding personal
injury or instrument damage. Please read these messages carefully. Each safety message is associated
with a safety alert symbol, and are placed throughout this manual and inside the instrument. The symbols
with messages are defined as follows:
CAUTION
This instrument should only be used for the purpose and in the manner described in
this manual. If you use this instrument in a manner other than that for which it was
intended, unpredictable behavior could ensue with possible hazardous
consequences.
NEVER use any gas analyzer to sample combustible gas(es)!
Note
For Technical Assistance regarding the use and maintenance of this instrument or any
other Teledyne API product, contact Teledyne API’s Customer Service Department:
Telephone: 800-324-5190
Email: api-customerservice@teledyne.com
or access any of the service options on our website at http://www.teledyne-api.com/
WARNING: Electrical Shock Hazard
HAZARD: Strong oxidizer
GENERAL WARNING/CAUTION: Read the accompanying message for specific
information.
CAUTION: Hot Surface Warning
Do Not Touch: Touching some parts of the instrument without protection or proper tools
could result in damage to the part(s) and/or the instrument.
Technician Symbol: All operations marked with this symbol are to be performed by
qualified maintenance personnel only.
Electrical Ground: This symbol inside the instrument marks the central safety grounding
point for the instrument.

iv 06712B (DCN5875)
CONSIGNES DE SÉCURITÉ
Des consignes de sécurité importantes sont fournies tout au long du présent manuel dans le but d’éviter
des blessures corporelles ou d’endommager les instruments. Veuillez lire attentivement ces consignes.
Chaque consigne de sécurité est représentée par un pictogramme d’alerte de sécurité; ces
pictogrammes se retrouvent dans ce manuel et à l’intérieur des instruments. Les symboles
correspondent aux consignes suivantes :
AVERTISSEMENT : Risque de choc électrique
DANGER : Oxydant puissant
AVERTISSEMENT GÉNÉRAL / MISE EN GARDE : Lire la consigne
complémentaire pour des renseignements spécifiques
MISE EN GARDE : Surface chaude
Ne pas toucher : Toucher à certaines parties de l’instrument sans
protection ou sans les outils appropriés pourrait entraîner des
dommages aux pièces ou à l’instrument.
Pictogramme « technicien » : Toutes les opérations portant ce
symbole doivent être effectuées uniquement par du personnel de
maintenance qualifié.
Mise à la terre : Ce symbole à l’intérieur de l’instrument détermine le
point central de la mise à la terre sécuritaire de l’instrument.
MISE EN GARDE
Cet instrument doit être utilisé aux fins décrites et de la manière décrite
dans ce manuel. Si vous utilisez cet instrument d’une autre manière que
celle pour laquelle il a été prévu, l’instrument pourrait se comporter de
façon imprévisible et entraîner des conséquences dangereuses.
NE JAMAIS utiliser un analyseur de gaz pour échantillonner des gaz
combustibles!

06712B (DCN5875) v
TABLE OF CONTENTS
ABOUT THIS MANUAL ........................................................................................................... I
REVISION HISTORY............................................................................................................... I
SAFETY MESSAGES.............................................................................................................III
1 INTRODUCTION .......................................................................................... 9
1.1 PREFACE ...................................................................................................................... 9
1.2 USING THIS MANUAL ................................................................................................... 10
2 SPECIFICATIONS AND WARRANTY.......................................................11
2.1 SPECIFICATIONS.......................................................................................................... 11
2.2 WARRANTY ................................................................................................................. 12
3 GETTING STARTED.................................................................................3-1
3.1 UNPACKING ...............................................................................................................3-1
3.2 INSTALLATION ............................................................................................................3-1
3.3 FRONT AND REAR PANELS ..........................................................................................3-3
3.4 ELECTRICAL AND PNEUMATIC CONNECTIONS................................................................ 3-4
3.5 POWER-UP................................................................................................................3-5
3.6 SHUT DOWN, STORAGE AND TRANSPORTATION ............................................................ 3-5
3.6.1 Compressor Shut Down..................................................................................... 3-5
3.6.2 Storage or Transportation Shut Down ............................................................... 3-5
4 OPTIONAL HARDWARE AND SOFTWARE............................................4-1
4.1 CARRYING STRAP/HANDLE (OPT 29) .......................................................................... 4-1
4.2 RACK MOUNT KITS (OPT 20A, OPT 20B & OPT 21) ................................................... 4-2
4.3 EXPENDABLE KITS (OPT 42A) ....................................................................................4-2
4.4 FLOW RESTRICTION (13 SLPM) (OPT 72B) ................................................................ 4-2
5 OPERATION .............................................................................................5-1
5.1 OVERVIEW .................................................................................................................5-1
5.2.1 Compressor .......................................................................................................5-5
5.2.2 Cooling Coil ....................................................................................................... 5-5
5.2.3 Water Trap.........................................................................................................5-5
5.2.4 Water Drain Valve.............................................................................................. 5-5
5.2.5 Pressure Relief Valve ........................................................................................ 5-6
5.2.6 Regenerative Dryer............................................................................................ 5-6
5.2.7 Check Valve...................................................................................................... 5-6
5.2.8 Storage Tank ..................................................................................................... 5-7
5.2.9 Pressure Sensor................................................................................................ 5-7
5.2.10 Pressure Regulator.......................................................................................... 5-7
5.2.11 Pressure Gauge............................................................................................... 5-8
5.2.12 Hydrocarbon Scrubber..................................................................................... 5-8
5.2.13 CO Scrubber.................................................................................................... 5-9
5.2.14 NO Scrubber.................................................................................................... 5-9

vi 06712B (DCN5875)
5.2.15 Charcoal Scrubber........................................................................................... 5-9
5.2.16 Final Filter ........................................................................................................ 5-9
5.2.17 Controller .........................................................................................................5-9
5.2.18 Dew Point Sensor .......................................................................................... 5-12
6 MAINTENANCE ........................................................................................6-1
6.1 SCHEDULE .................................................................................................................6-1
6.2 CLEANING..................................................................................................................6-2
6.3 CHECKING THE TUBING...............................................................................................6-2
6.4 REPLACING THE CHARCOAL SCRUBBER ....................................................................... 6-3
6.5 REPLACING THE NO - NO2 SCRUBBER ........................................................................ 6-3
6.6 REPLACING THE CO SCRUBBER .................................................................................. 6-4
6.7 REPLACING THE HYDROCARBON (HC) SCRUBBER ........................................................ 6-5
6.8 SERVICING THE REGENERATIVE DRYER ....................................................................... 6-6
6.9 CHANGING THE 4-WAY VALVE (IN THE REGENERATIVE DRYER)..................................... 6-9
6.10 REPLACING THE SHUTTLE VALVE (IN THE REGENERATIVE DRYER)............................... 6-9
6.11 LEAK CHECK ............................................................................................................6-9
6.12 PARTICULATE FILTER ELEMENT REPLACEMENT......................................................... 6-10
7 TROUBLESHOOTING ..............................................................................7-1
8 A PRIMER ON ELECTRO-STATIC DISCHARGE ....................................8-1
8.1 HOW STATIC CHARGES ARE CREATED ......................................................................... 8-1
8.2 HOW ELECTRO-STATIC CHARGES CAUSE DAMAGE ....................................................... 8-2
8.3 COMMON MYTHS ABOUT ESD DAMAGE ....................................................................... 8-3
8.4 BASIC PRINCIPLES OF STATIC CONTROL....................................................................... 8-4
8.4.1 General Rules.................................................................................................... 8-4
8.5 BASIC ANTI-ESD PROCEDURES FOR ANALYZER REPAIR AND MAINTENANCE ................... 8-5
8.5.1 Working at the Instrument Rack ........................................................................8-5
8.5.2 Working at an Anti-ESD Work Bench ................................................................ 8-6
8.5.3 Transferring Components from Rack to Bench and Back.................................. 8-6
8.5.4 Opening Shipments from Teledyne API’s Customer Service............................. 8-7
8.5.5 Packing Components for Return to Teledyne API’s Customer Service .............8-7
APPENDIX A - SPARE PARTS............................................................................................. 1
APPENDIX A – Spare Parts A-1
APPENDIX B – Schematics B-1

06712B (DCN5875) vii
LIST OF FIGURES
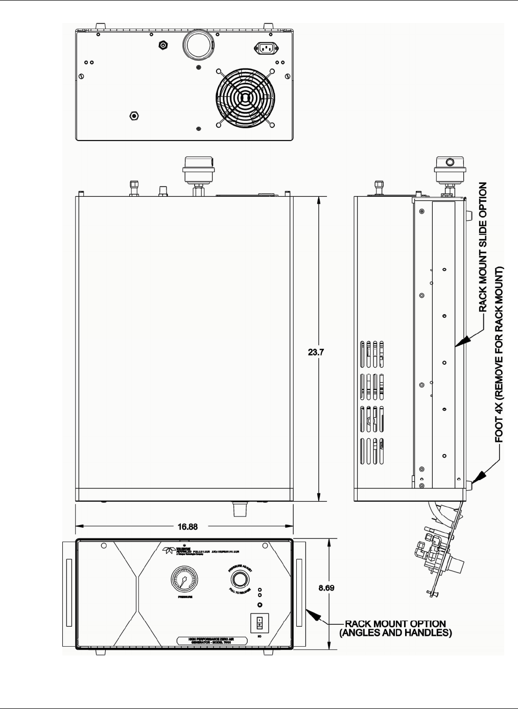
FIGURE 3-1: INSTRUMENT LAYOUT............................................................................................. 3-2
FIGURE 3-2: FRONT PANEL ....................................................................................................... 3-3
FIGURE 3-3: REAR PANEL ......................................................................................................... 3-3
FIGURE 4-1: CARRYING STRAP.................................................................................................. 4-1
FIGURE 5-1: PNEUMATIC DIAGRAM ............................................................................................ 5-3
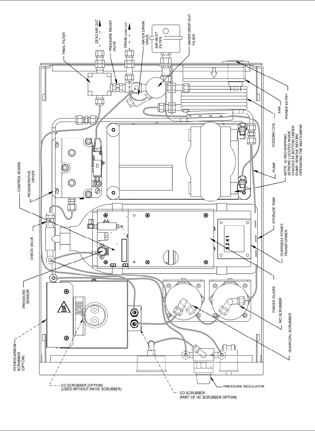
FIGURE 5-2: PLAN VIEW ........................................................................................................... 5-4
FIGURE 5-3: CONTROL BOARD LAYOUT.................................................................................... 5-11
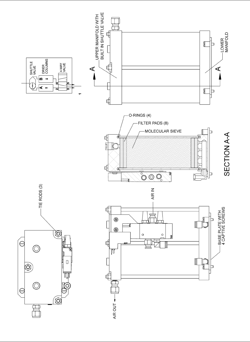
FIGURE 6-1: REGENERATIVE DRYER .......................................................................................... 6-8
FIGURE 8-1: TRIBOELECTRIC CHARGING .................................................................................... 8-1
FIGURE 8-2: BASIC ANTI-ESD WORK STATION........................................................................... 8-4
LIST OF TABLES
TABLE 2-1: SPECIFICATIONS .................................................................................................................... 11
TABLE 6-1: MAINTENANCE SCHEDULE ................................................................................................... 6-1
TABLE 7-1: TROUBLESHOOTING ............................................................................................................. 7-1
TABLE 8-1: STATIC GENERATION VOLTAGES FOR TYPICAL ACTIVITIES ................................................ 8-2
TABLE 8-2: SENSITIVITY OF ELECTRONIC DEVICES TO DAMAGE BY ESD............................................. 8-2

viii 06712B (DCN5875)
This page intentionally left blank,

06712B (DCN5875) 9
1 INTRODUCTION
1.1 Preface
Teledyne API is pleased that you have purchased the Model 701H Zero Air System.
The M701H is an excellent source of clean, dry air for dilution calibrators. It also may be
used as a source of purge air for permeation tube ovens or burner air for FID analyzers.
The regenerative, heatless dryer removes water and produces gas with a dew point of
less than -40°C (up to 30 SLPM flow rate) independent of the inlet dew point and assists
in the removal of other gases, greatly increasing the life of the chemical scrubbers.
The M701H includes an oil-free and diaphragm-free pump plus scrubbers to remove
SO2, NO, NO2, O3, H2S, CO, and Hydrocarbons.
Inlet air is pulled into the pump and routed through a pre-cooler and water trap to
remove moisture. The air then passes through the Regenerative Dryer for final drying
and then to the storage tank.
Tank pressure is monitored and maintained at a preset level by cycling the pump
automatically as needed, thereby extending both the pump and scrubber life. Outlet air
then passes through a filter to assure a clean, dry, analytical zero air supply.
A microcontroller cycles the regenerative dryer and water trap valves to prevent the
pump from starting against full head pressure. The M701H is an ideal accessory to the
Model 700E Mass Flow Calibrator or Model 702 Single Point Calibrator as a zero air
source for analyzers.
M701H Features:
Standard two year warranty
Regenerative, heatless dryer for maintenance-free water removal
independent of inlet dewpoint
Long life scrubbers for SO2, NO, NO2, O3, H2S, CO, and Hydrocarbon.
Automatic water drain
Automatic pump control based on flow demand
May be used to provide combustion air for FID
Source of purge air for permeation tube ovens
Zero air for Ozone Generators

Introduction Teledyne API M701H High Performance Zero Air Generator
10 06712B (DCN5875)
1.2 Using This Manual
This manual has the following data structures:
TABLE OF CONTENTS
Outlines the contents of the manual in the order the information is presented. This is a
good overview of the topics covered in the manual. There is also a list of tables, a list of
figures and a list of appendices. In the electronic version of the manual, clicking on any
of these table entries automatically views that section.
1.0 INTRODUCTION
A brief description of the M701H architecture, as well as a description of the layout of
the manual and what information is located in its various sections and chapters.
2.0 SPECIFICATIONS AND WARRANTY
This section contains a list of the monitor’s performance specifications, a description of
the conditions and configuration under which Teledyne API’s warranty statement
applies.
3.0 GETTING STARTED
A concise set of instructions for setting up, installing and starting your monitor for the
first time. This includes unpacking; mechanical installation; attaching all pneumatic lines;
attaching all electrical and electronic connections.
4.0 OPTIONAL HARDWARE & SOFTWARE
A description of optional equipment to add functionality to your instrument.
5.0 OPERATION INSTRUCTIONS
Instructions for operating the instrument and using its basic features and functions.
6.0 MAINTENANCE
Description of certain preventative maintenance procedures that should be regularly
performed on your instrument to keep it in good operating condition.
7.0 TROUBLESHOOTING
This section includes pointers and instructions for diagnosing problems with the
instrument, as well as instructions on performing repairs or replacing components on
the instrument.

06712B (DCN5875) 11
2 SPECIFICATIONS AND WARRANTY
2.1 Specifications
Table 2-1: Specifications
Parameter Specification
Output 30 SLPM at 30 psig
Max delivery pressure 35 psig
(For calibrators that have special features that include restricted
output, maximum delivery pressure is 50 psig)
Dewpoint
< 30 SLPM
< -40C
Dryer Regenerative heatless dryer with lifetime of greater than 5 years
SO2 <0.5 ppb
NO <0.5 ppb
NO2 <0.5 ppb
O3 <0.5 ppb
CO< 0.025 ppm
Output Concentration
HC< 0.02 ppm
Purge air As required by the calibrator
Compressor Dual-cylinder, internal long-life, oil-less piston pump
Mounting Bench type (standard)
Rack mount (optional)
Dimensions 8.75” H x 17”W x 28”D
(22.2 cm x 43.2 cm x 71.12 cm)
Weight 55 lbs. (25 Kg)
Operating Temp 5-40C
Power 115 V, 60 Hz, 3.5 A
230 V, 50 Hz, 1.8 A
240 V, 50 Hz, 1.6 A
Environmental
Conditions
Installation Category
(Over Voltage Category ) II
Pollution Degree 2
Approvals CE

Specifications and Warranty Teledyne API M701H High Performance Zero Air Generator
12 06712B (DCN5875)
2.2 Warranty
WARRANTY POLICY (02024D) (DCN 4473)
Prior to shipment, Teledyne API equipment is thoroughly inspected and tested. Should equipment failure
occur, Teledyne API assures its customers that prompt service and support will be available.
COVERAGE
After the warranty period and throughout the equipment lifetime, Teledyne API stands ready to provide
on-site or in-plant service at reasonable rates similar to those of other manufacturers in the industry. All
maintenance and the first level of field troubleshooting are to be performed by the customer.
NON-TELEDYNE API MANUFACTURED EQUIPMENT
Equipment provided but not manufactured by Teledyne API is warranted and will be repaired to the extent
and according to the current terms and conditions of the respective equipment manufacturer’s warranty.
GENERAL
During the warranty period, T-API warrants each Product manufactured by T-API to be free from defects
in material and workmanship under normal use and service. Expendable parts are excluded.
If a Product fails to conform to its specifications within the warranty period, Teledyne API shall correct
such defect by, at Teledyne API's discretion, repairing or replacing such defective Product or refunding
the purchase price of such Product.
The warranties set forth in this section shall be of no force or effect with respect to any Product: (i) that
has been altered or subjected to misuse, negligence or accident, or (ii) that has been used in any manner
other than in accordance with the instruction provided by Teledyne API or (iii) not properly maintained.
THE WARRANTIES SET FORTH IN THIS SECTION AND THE REMEDIES THEREFORE ARE
EXCLUSIVE AND IN LIEU OF ANY IMPLIED WARRANTIES OF MERCHANTABILITY, FITNESS FOR
PARTICULAR PURPOSE OR OTHER WARRANTY OF QUALITY, WHETHER EXPRESSED OR
IMPLIED. THE REMEDIES SET FORTH IN THIS SECTION ARE THE EXCLUSIVE REMEDIES FOR
BREACH OF ANY WARRANTY CONTAINED HEREIN. TELEDYNE API SHALL NOT BE LIABLE FOR
ANY INCIDENTAL OR CONSEQUENTIAL DAMAGES ARISING OUT OF OR RELATED TO THIS
AGREEMENT OF TELEDYNE API'S PERFORMANCE HEREUNDER, WHETHER FOR BREACH OF
WARRANTY OR OTHERWISE.
TERMS AND CONDITIONS
All units or components returned to Teledyne API should be properly packed for handling and returned
freight prepaid to the nearest designated Service Center. After the repair, the equipment will be returned,
freight prepaid.
CAUTION – Avoid Warranty Invalidation
Failure to comply with proper anti-Electro-Static Discharge (ESD) handling and
packing instructions and Return Merchandise Authorization (RMA) procedures when
returning parts for repair or calibration may void your warranty. For anti-ESD handling
and packing instructions please refer to “Packing Components for Return to Teledyne
API’s Customer Service” in the Primer on Electro-Static Discharge section of this
manual, and for RMA procedures please refer to our Website at http://www.teledyne-
api.com under Customer Support > Return Authorization.

06712B (DCN5875) 3-1
3 GETTING STARTED
This section provides instructions on the proper installation and power up of the M701H.
Refer to Figure 3-1 for the instrument layout and Table 2-1 for the specifications.
3.1 Unpacking
CAUTION
TO AVOID PERSONAL INJURY, ALWAYS USE TWO PERSONS TO
LIFT AND CARRY THE M701H.
1. Verify that there is no shipping damage. If there are signs of damage, immediately
advise the shipper, then Teledyne API.
2. Remove the M701H from its shipping carton.
3. Remove the cover and check for damage inside.
4. Remove the four red shipping screws that secure the compressor base to the bottom
of the chassis. Refer to Figure 5-2 for the location of the screws.
5. Check the line voltage and frequency label on the rear panel to ensure that it
matches the local power source.
3.2 Installation
The basic M701H has rubber feet for counter-top use. Optionally, the M701H is supplied
with slides and angles for mounting in a standard 19” RETMA rack.
In order to ensure safe operation of the M701H, the following steps must be taken prior
to installation:
1. At least 6” (150 mm) clearance at the back for proper fan operation.
2. At least 3” (75 mm) at each side for proper venting.
3. Adequate support for the weight; 55 lb. (25 kg.).
4. Access at the rear for making the pneumatic and electrical connections.
5. Access at the front for occasional scrubber replacement.
6. Operate the M701H with the cover on.

Getting Started Teledyne API M701H High Performance Zero Air Generator
3-2 06712B (DCN5875)
Figure 3-1: Instrument Layout

Getting Started Teledyne API M701H High Performance Zero Air Generator
3-4 06712B (DCN5875)
3.4 Electrical And Pneumatic Connections
All connections, electric and pneumatic, are made at the rear panel (Figure 3-3).
NOTE
To maintain compliance with EMC standards, it is required that the cable length be
no greater than 3 meters for all I/O connections, which include Analog In, Analog
Out, Status Out, Control In, Ethernet/LAN, USB, RS-232, and RS-485.
Make the following pneumatic connections:
1. “AIR IN” (1/4” female pipe thread)
a. Screw the inlet filter into the “AIR IN” port. Hand-tight is OK.
NOTE
Operation without the filter will cause premature pump wear.
2. “DRAIN” (1/4” swage-type bulkhead union)
a. Connect a 1/4” diameter tubing to the water out fitting (refer to Figure 5-2) to
avoid the occasional spurts of water on the instrument rack. Connect the other
end of the tubing to a drain or, alternatively, the water can be collected in a tray or
bucket and dispersed by normal evaporation.
3. ““ZERO AIR OUT” (1/4” swage-type bulkhead union)
a. Connect the AIR OUT port of the M701H to the INLET fitting of the Model 700
Calibrator with clean 1/4” TFE tubing. The pressure in this line will normally be 30
psig, but could be as high as 80 psig –see following cautionary note.
NOTE:
A pressure reading above 35 psig, with the exception of some specials set
to 50 psig, is a FAULT condition. Call Customer Service immediately.
b. Keep this line as short as possible to minimize pressure drops.
c. POWER. Connect the power cord to the proper power source.
At 115 VAC, 60 Hz, the M701H draws 12.7 Amps upon start-up.
At 230 VAC, 50 Hz, the M701H draws 6.5 Amps upon start-up.
Refer to Table 2-1 for additional power specifications.
CAUTION
ENSURE THAT THE POWER CORD IS PROPERLY GROUNDED .

Teledyne API M701H High Performance Zero Air Generator Getting Started
06712B (DCN5875) 3-5
5. “COOLING FAN”
The rear panel cooling fan draws air IN and requires at least 6” (150 mm) of
clearance for proper operation.
3.5 Power-Up
1. Turn on the front panel POWER SWITCH (Figure 3-2).
2. The front panel POWER light should come on.
3. The cooling fan should start immediately.
4. The compressor should start after a few seconds delay. The delay is to allow the
control board to measure the local line frequency.
5. After 30 to 60 seconds, the front panel pressure gauge should read 30 psig.
6. The M701H is now producing clean dry air.
NOTE
If the M701H has been unused for several days, it may take 30-60
minutes to achieve final purity and dryness.
NOTE
The M701H zero air has A 30 liter/minute output restriction. It must be
connected to a Model 700 or similar calibrator, to restrict the zero air
flow for lesser flow rates.
3.6 Shut Down, Storage and Transportation
3.6.1 Compressor Shut Down
Remember that the M701H supplies air on demand.
If the application is not requiring zero air, the compressor will increase the pressure in
the storage tank until the “cut-out” pressure switch trips and turns off the compressor.
The pressure in the storage tank will slowly subside as air is used by the Regenerative
Dryer until the “cut-in” pressure switch turns the compressor on again.
3.6.2 Storage or Transportation Shut Down
The following procedure provides instructions on the proper shut down of the M701H if it
will not be used for an extended period of time or required to be transported:
1. Turn off the M701H.

Getting Started Teledyne API M701H High Performance Zero Air Generator
3-6 06712B (DCN5875)
2. Wait approximately 1 minute.
3. Turn on the M701H. The water drain valve will switch into the open position and vent
any accumulated water through the water drain. (Standing H20 will cause corrosion)
4. Turn the M701H off.
This shut down process will vent any water that has accumulated in the coalescing filter.
It will prevent this water from passing into the M701H in the event that the instrument is
inverted during storage or shipment.

06712B (DCN5875) 4-1
4 OPTIONAL HARDWARE AND SOFTWARE
This section includes descriptions of the hardware and software options available for the
M701H instrument. For assistance with ordering these options please contact the sales
department of Teledyne API at:
TOLL-FREE: 800-324-5190
TEL: +1 858-657-9800
FAX: +1 858-657-9816
E-MAIL: apisales@teledyne.com
WEB SITE: http://www.teledyne-api.com/
4.1Carrying Strap/Handle (OPT 29)
The chassis allows the user to attach a strap handle for carrying the instrument. The
handle is located on the right side and pulls out to accommodate a hand for transport.
When pushed in, the handle is nearly flush with the chassis, only protruding out about 9
mm (3/8”).
Figure 4-1: Carrying Strap
Installing the strap handle prevents the use of the rack mount slides, although the rack
mount brackets, OPT 21 can still be used.

OPTIONAL HARDWARE AND SOFTWARE Teledyne API M701H High Performance Zero Air Generator
4-2 06712B (DCN5875)
CAUTION
GENERAL SAFETY HAZARD
An M701H weighs about 55 lbs (25 kg).
To avoid personal injury we recommend that two persons lift and carry
the instrument.
Ensure to disconnect all external cables and tubing connected to the
rear panel before moving
4.2 Rack Mount Kits (OPT 20A, OPT 20B & OPT 21)
There are several options for mounting the analyzer in standard 19” racks. The slides
are three-part extensions, one mounts to the rack, one mounts to the analyzer chassis
and the middle part remains on the rack slide when the analyzer is taken out. The
analyzer locks into place when fully extended and cannot be pulled out without pushing
two buttons, one on each side.
The rack mount brackets for the analyzer require that you have a support structure in
your rack to support the weight of the analyzer. The brackets cannot carry the full
weight of an analyzer and are meant only to fix the analyzer to the front of a rack,
preventing it from sliding out of the rack accidentally.
OPTION NUMBER DESCRIPTION
20A Rack mount brackets with 26 in. chassis slides.
20B Rack mount brackets with 24 in. chassis slides.
21 Rack mount brackets only.
4.3 Expendable Kits (OPT 42A)
A one-year supply of replacement particulate filters is available from Teledyne API as
Option 42A. Refer to Appendix B for a list of expendables.
4.4 Flow Restriction (13 SLPM) (OPT 72B)
A flow restrictor is available in order to ensure a source of dry air. It is connected to the
outlet fitting and restricts the air flow to 13 SLPM.

06712B (DCN5875) 5-1
5 OPERATION
5.1 Overview
Refer to Figure 5-1, and Figure 5-2.
The M701H dries and scrubs ambient air to produce zero air.
The compressor draws air in from the rear panel bulkhead union and inlet filter. At the
compressor outlet, the air is under pressure and hot from the compression. The relative
humidity is high as a result of the high pressure.
The air is conducted through the cooling coil where heat is removed by transfer to the
cooling fan air. With the high pressure and the temperature reduced to ambient level,
the relative humidity is at its highest. At this point, the air is usually supersaturated.
From the coil, the wet air passes through a coalescing filter where the excess water is
separated and settles in the bottom of the filter. The controller periodically opens the
solenoid drain valve allowing the water to be expelled through a rear panel bulkhead
union (drain).
The partially dried air enters the Regenerative Dryer which removes essentially all the
remaining water and a portion of the other contaminants. The pressure relief valve may
open occasionally and can be loud but this is a normal part of the operation for the
M701H.
The dry air then passes through a check-valve to the storage tank. A pressure switch
turns off the compressor when the pressure in the tank reaches a set high value, and
turns the compressor on when the pressure reaches a set low value. Thus, when air
demand is low, the compressor is turned off and the tank fulfills the demand. The
pressure in the tank varies from approximately 45 psig to approximately 80 psig
depending on the demand and the restricted output. Some special calibrators with
restricted output are set to 50 psig. As the air leaves the tank, its pressure is controlled
to 30 psig by an air pressure regulator mounted on the front panel. This maintains a
constant pressure at the calibrator inlet and is displayed by the pressure gauge on the
M701H front panel.
For a final clean-up, the dry, regulated air enters the specific scrubbers as follows:
1. The Hydrocarbon scrubber where Hydrocarbons and CO are catalytically converted
to CO2 and water.

Operation Teledyne API M701H High Performance Zero Air Generator
5-2 06712B (DCN5875)
2. The NO scrubber where NO is oxidized to NO2, then, the activated charcoal
scrubber where the NO2 is absorbed. Then the CO scrubber, where CO is
catalytically oxidized to CO2.
3. The clean dry air passes through a fine particulate filter and leaves the M701H
through the rear panel bulkhead union (Zero Air Out).
When air usage is high (approximately 25-30 LPM), the compressor may run
continuously. When air usage is low, the pressure switch turns the compressor off until
the storage tank pressure drops to 45 psig, and then turns the compressor on again.
NOTE
It is not necessary for the user to turn off the M701H when the air usage is low.

Teledyne API M701H High Performance Zero Air Generator Operation
06712B (DCN5875) 5-3
Figure 5-1: Pneumatic Diagram

Operation Teledyne API M701H High Performance Zero Air Generator
5-4 06712B (DCN5875)
Figure 5-2: Plan View

Teledyne API M701H High Performance Zero Air Generator Operation
06712B (DCN5875) 5-5
5.2 Components
This section describes the main components and their functions.
5.2.1Compressor
The compressor is a dual-cylinder oscillating piston type driven by a split capacitor AC
motor. The compressor is dry; that is, there are no lubricants which can contaminate the
compressed air. The pistons are sealed by flexible TFE piston rings, and after a short
run-in period to seat the rings, should last for years. There are no diaphragms.
The compressor is mounted on a sub-plate which is supported on four tuned vibration
isolators. During shipment, the sub-plate is bolted firmly to the chassis.
CAUTION
ENSURE THAT YOU HAVE REMOVED THE SHIPPING SCREWS
BEFORE YOU START THE M701H.
5.2.2 Cooling Coil
The cooling coil consists of several turns of copper tubing coiled to form a cylinder
through which the cooling fan blows outside air.
5.2.3 Water Trap
The water trap is a coalescing type. Supersaturated air enters the trap and is rapidly
swirled causing the water droplets to deposit on a membrane where the drops coalesce
and gather in a puddle at the bottom of the filter bowl.
5.2.4 Water Drain Valve
Accumulated water is drained from the filter through a stainless steel solenoid-operated
valve. The valve is sequenced by the controller and is open for approximately 2
seconds every 5 minutes.
CAUTION
THE WATER/AIR SPRAY LEAVING THE REAR PANEL DRAIN
FITTING SPURTS AT A HIGH VELOCITY AND MUST BE
CONDUCTED AWAY FROM ANY SENSITIVE COMPONENTS.
The operation cycle has been preset at the factory and is not adjustable.

Operation Teledyne API M701H High Performance Zero Air Generator
5-6 06712B (DCN5875)
5.2.5 Pressure Relief Valve
The pressure relief valve is a safety device designed to limit the maximum pressure to
which the M701H can be subjected. It is set to open at 90 psig. This can be quite loud
when the valve opens and sounds like steam escaping. This is normal operation and
does not mean there is a problem with the unit.
CAUTION
DO NOT ADJUST THE RELIEF VALVE.
5.2.6 Regenerative Dryer
The Regenerative Dryer consists primarily of two parallel columns of molecular sieve, in
which alternately one column is scrubbing the air while the other is being regenerated.
The Regenerative Dryer needs no warm-up and operates at full efficiency as soon as
the M701H is turned on. The molecular sieve is not consumed and is good for the life of
the instrument.
When the M701H is turned on, a four-way solenoid-operated valve directs high pressure
air to one of the two columns and vents the other column to atmosphere. Virtually all the
water in the high-pressure air is trapped by the molecular sieve. A portion of the dried
air is expanded to atmospheric pressure in the outlet shuttle valve and passes in
reverse through the second column. By expanding the air, the volume increases and the
relative humidity decreases thus enabling a small amount of dry purge air to evaporate
the entrained water in the second column. The wet purge air leaving the column is
exhausted inside the M701H. The rapid air movement inside the M701H chassis
ensures that the small amount of water involved is safely vented to the atmosphere. The
majority of the dry air from the first column is conducted to the storage tank.
The controller toggles the four-way valve every minute and the columns alternate their
function. This cycling rate has been selected to provide the optimum balance of
scrubbing efficiency and air usage and is not adjustable.
5.2.7 Check Valve
The purpose of the check valve is to isolate the air in the storage tank from the
components upstream. Thus when the compressor turns off, the air in the storage tank
will be retained and not lost through the drier purge air path or back through the
compressor.

Teledyne API M701H High Performance Zero Air Generator Operation
06712B (DCN5875) 5-7
5.2.8 Storage Tank
The storage tank serves two functions. As its name implies, it stores air so that when
the demand is low, the compressor can be turned off to conserve energy, allowing the
storage tank to supply the air requirements. The tank also serves as “filter capacitor”,
preventing pulses generated by the drier cycles or water drain valve from reaching the
output port on the rear panel.
The air in the tank has been dried so there is no need for a tank drain and no concern
about internal corrosion.
The tank is a commercial gas storage cylinder, rated at 1800 psi, and is not modified or
altered in any way that can harm its integrity.
5.2.9 Pressure Sensor
The pressure sensor senses the pressure in the storage tank and controls the
compressor through the control board.
It is set at the factory to turn off (cut out) the compressor at 78-82 psig and to turn the
compressor on (cut in) at 45-50 psig.
5.2.10 Pressure Regulator
The Model 700 calibrator requires that its air source be stable and not subject to
compressor-induced pressure surges or pressure variations with flow. The pressure
regulator serves this function. It is set at 30 psig at the factory except for specially
modified units. Should adjustment be desired, the regulator is accessible on the front
panel. The adjustment knob has a push-pull locking ring which should be reengaged
after making an adjustment to prevent the knob from turning under vibration.
When the M701H is used with the Teledyne API Model 700E Calibrator, the pressure
should be between 28 and 32 psig.
WARNING
THE M701H NOMINAL DELIVERY PRESSURE IS 30 PSIG. ONLY
SPECIALLY MODIFIED UNITS WILL REQUIRE THAT THE DELIVERY
PRESSURE BE SET HIGHER.
ON THESE SPECIALLY MODIFIED UNITS NEVER SET THE DELIVERY
PRESSURE HIGHER THAN 50 PSIG. TO DO SO MAY CAUSE DAMAGE
TO THE M701H AND INJURY TO THE OPERATOR.

Operation Teledyne API M701H High Performance Zero Air Generator
5-8 06712B (DCN5875)
5.2.11 Pressure Gauge
The front panel-mounted pressure gauge shows approximately the regulated air
pressure available to a calibrator. The gauge will usually indicate 30 psig. If the flow is
very low, as in a standby condition, the gauge may read slightly higher. It will move to
the correct reading when the air flow is increased. When the demand on air increases
dramatically, the pressure may drop below 30 psig. At maximum air flow, 30 SLPM, you
may notice that the pressure drops to 29 psig for a standard operation.
5.2.12 Hydrocarbon Scrubber
The High Purity Hydrocarbon Scrubber includes the CO Scrubber.
The optional Hydrocarbon scrubber catalytically converts hydrocarbons to carbon
dioxide and water. The scrubber consists of a cylindrical cartridge which contains a
preheat chamber and the pelletized precious-metal catalyst. The canister is heated by a
band heater with an integral type-K thermocouple and is housed in a stainless steel
casing with appropriate thermal insulation. The cartridge temperature is controlled by
the instruments printed circuit assembly. The controller reads the thermocouple voltage,
compensates for cold-junction temperature and modulates the heater to maintain a
constant cartridge temperature.
(Refer to Appendix B, P/N )
The operating temperature of the cartridge is 300ºC. The temperature can be verified by
measuring the thermocouple voltage at the two terminal blocks of J12 (labeled “Thermal
Couple” in Figure 5-3). At 300ºC, the thermocouple voltage is 11.2 mV in an ambient
temperature of 25ºC (11.4 mV at 20º and 11.0 mV at 30º). While the controller
compensates for cold-junction temperature in controlling the heater, the thermocouple
voltage at the terminal block is not compensated, so allowance must be made for
ambient temperature when converting the voltage to cartridge temperature.
CAUTION
THE AIR LEAVING THE SCRUBBER IS AT 300C (575F).
THE AIR IS COOLED IN THE COPPER COIL AND CASINGEXIT
TUBING BEFORE IT ENTERS THE NO SCRUBBER.
THIS COPPER COIL AND THE CASING CAN BE VERY HOT.
The catalyst is proprietary. It theoretically should never need changing. However, it may
become contaminated or poisoned over time so we recommend that the scrubber be
replaced once per year or sooner.

Teledyne API M701H High Performance Zero Air Generator Operation
06712B (DCN5875) 5-9
5.2.13 CO Scrubber
The CO scrubber catalytically oxidizes CO to CO2. The catalyst is proprietary and
operates at room temperature; theoretically, it should never need changing. However, it
may become contaminated or poisoned over time so we recommend that it be replaced
once per year or sooner if the level of CO in the air is high.
5.2.14 NO Scrubber
The NO scrubber uses Purafil® to oxidize NO to NO2. Purafil® has a finite life and we
recommend that it be replaced annually or sooner if the level of NO in the air is high.
5.2.15 Charcoal Scrubber
Activated charcoal removes NO2, O3, SO2 and H2S. The charcoal should be replaced
annually or sooner if there are high atmospheric levels of these contaminants, or if the
calibrator zero air shows signs of a positive drift.
5.2.16 Final Filter
The final filter, inside the rear panel retains any particulates released by the M701H.
The filter rating is 10 microns. If the filter becomes restricted, it should be disassembled
and cleaned, or the element be replaced.
5.2.17 Controller
WARNING
DANGEROUS VOLTAGES EXIST ON THE CONTROLLER BOARD
EVEN WHEN THE POWER SWITCH IS TURNED OFF.
All functions of the M701H are managed by the M701H Control PCB. The M701H
Control PCB provides connections for all switched and non-switched AC components,
AC input, and the front panel power switch/circuit breaker. Non-switched components
include the CO or HC scrubber, fan and front panel power indicator. Switched
components include the Regenerative Dryer valve, water drain valve, and the pump.
Additionally, the tank pressure switch is connected to the PCB. Provision for 120v/240v
AC power is via a jumper plug/autotransformer connector (J2). All connections are
made by quick release electrical connectors to aid in servicing. Refer to Figure 5-3 for
the layout and to Appendix B for the interconnect and other drawings.
The M701H Control PCB is microcontroller based, and all timing is derived from the AC
line. It automatically senses the line frequency (50/60 Hz) and provides the following
functions:

Operation Teledyne API M701H High Performance Zero Air Generator
5-10 06712B (DCN5875)
Cycles the four-way valve of the Regenerative Dryer at 1 minute intervals.
Cycles the water drain solenoid valve at 5 minute intervals.
Starts and stops the compressor in response to the pressure sensor. This function
includes cycling the Regenerative Dryer four-way valve and momentarily opening the
water drain solenoid valve before starting the compressor. This momentarily reduces
the pressure at the compressor outlet to facilitate compressor starting.
LED DS1 (Figure 5-3) flashes at 1 second intervals as an indication that the controller is
functioning, and a watchdog timer is enabled to prevent any power line disturbances
from halting the processor.

Teledyne API M701H High Performance Zero Air Generator Operation
06712B (DCN5875) 5-11
Figure 5-3: Control Board Layout

Operation Teledyne API M701H High Performance Zero Air Generator
5-12 06712B (DCN5875)
5.2.18 Dew Point Sensor
The dew point sensor ensures that the Regenerative Dryer maintains a dew point less
than -40°C (up to 30 SLPM flow rate). This will increase the life of the chemical
scrubbers. When the dew point rises above -16°C, the green LED (dew point indicator)
on the front panel will light.

06712B (DCN5875) 6-1
6 MAINTENANCE
6.1 Schedule
NOTE
The operations outlined in this section are to be performed by
qualified maintenance personnel only.
Before any maintenance cycle the power on/off and drain any water that may be
present (refer to instructions for “Storage or Transportation Shut Down” in Section 3.6.2).
Table 6-1 presents the maintenance schedule.
Table 6-1: Maintenance Schedule
Date Instrument was received:_____________________
Item Charcoal
Scrubber Purafil CO Scrubber HC Scrubber Regenerative
Dryer
Particulate
Filter (“Air
In” on Rear
Panel)
Recommended
Action Annually Annually When
Contaminated
When
Contaminated
When
Contaminated Annually
Refer to Section 6.4 6.5 6.6 6.7 6.8 6.12
January
February
March
April
May
June
July
August
September
October
November
Month
December

MAINTENANCE Teledyne API M701H High Performance Zero Air Generator
6-2 06712B (DCN5875)
6.2 Cleaning
1. Occasionally, depending upon the local conditions, check the inside of the M701H
for excessive dirt or dust.
2. Particularly, check the cooling fan, cooling coil and compressor fan inlet.
3. Remove any dirt or dust with a vacuum cleaner.
Do not use an air jet. This will only redistribute the dirt and will not remove it.
WARNING
THERE ARE HIGH VOLTAGES PRESENT WHILE THE M701H IS
PLUGGED IN.
6.3 Checking The Tubing
1. Under the vibration of the compressor, it is possible for some parts of the TFE tubing
to abrade against nearby objects. This is most likely to occur with the tubing directly
attached to the compressor.
2. Check to see if any signs of abrasion are present, and, if so, re-dress the tubing.
3. If any section of tubing appears to be heavily abraded, remove and replace it.
CAUTION
Do not loosen any tubing connection while the M701H is running.
CAUTION
BEFORE WORKING ON THE M701H PLUMBING TURN OFF THE
M701H, WAIT FOR THE PRESSURE GAUGE TO READ ZERO.
(THIS MAY REQUIRE THAT YOU LOOSEN THE REAR PANEL
BULKHEAD UNION TO ALLOW THE AIR TO BLEED AWAY.)
WARNING
EVEN THOUGH THE FRONT PANEL POWER SWITCH IS OFF,
THERE IS LINE VOLTAGE PRESENT AT THE POWER ENTRY
TERMINALS, POWER SWITCH TERMINALS AND ON THE
CONTROL BOARD. FOR ADDED SAFETY, REMOVE THE POWER
CORD FROM THE REAR PANEL RECEPTACLE.

Teledyne API M701H High Performance Zero Air Generator MAINTENANCE
06712B (DCN5875) 6-3
6.4 Replacing The Charcoal Scrubber
1. Turn off the M701H and wait for the pressure to go to zero.
2. Open the front panel, or remove the top cover.
3. Remove the 1/4” tubing connected to the top of the scrubber canister.
4. Undo the Velcro strap freeing the cannister.
5. Remove the 1/4” tubing connected to the bottom of the canister.
6. Unscrew the cap of the canister.
7. Pull out the pad from the top of the canister.
8. Pour out the charcoal and dispose of it properly.
9. There may be a little dust as you pour the charcoal out so you may want to wear a
dust mask.
10. Refill the canister with fresh charcoal, up to 3/8” to 1/4” from the top. Rap the sides
of the canister gently to settle the charcoal and add more as necessary.
11. Replace the pad on top of the charcoal.
12. Wipe any charcoal dust from the top edge of the canister. This is the surface which
seals against the washer.
13. Check that the washer is in place in the cap.
14. Replace the cap and tighten it “hand-tight”.
15. Reconnect the lower 1/4” tube connection.
16. Replace the canister and attach using the Velcro strap.
17. Replace the upper 1/4” tube connection.
18. After the compressor is turned on, it may be wise to check the scrubber for leaks
using a commercial soap solution leak finder.
6.5 Replacing The NO - NO2 Scrubber
This procedure is identical to the charcoal scrubber replacement procedure except that
the canister should be refilled with Purafil.
NOTE
After replacing the material in these scrubbers it can
take up to 48 hours for the material to dry out before
the M701H is functioning optimally.

MAINTENANCE Teledyne API M701H High Performance Zero Air Generator
6-4 06712B (DCN5875)
6.6 Replacing The CO Scrubber
The CO scrubber is attached to the HC scrubber housing. This is not a heated scrubber.
It is secured with four screws through the body of the scrubber into the bracket.
1. Turn off power and unplug the M701H.
2. Remove the four screws to remove the scrubber.
CAUTION
THE SCRUBBER WILL BE HOT.
3. With a 9/16” wrench, remove the two unions from the top of the scrubber cartridge.
4. Pick out the retaining screens.
5. Shake out the catalyst beads and dispose. No special disposal methods required.
6. Pour in new catalyst to 1/2” from the top of the bores. Tap the cartridge sides gently
to settle the beads and top up to the 1/2” level.
7. Replace the retainer screens.
8. Replace the TFE tape on the two unions and replace the unions in the cartridge.
9. Reassemble the scrubber, replace it in the chassis and reconnect the tubing and
receptacle.
10. Turn on the M701H and leak check using soap solution.

Teledyne API M701H High Performance Zero Air Generator MAINTENANCE
06712B (DCN5875) 6-5
6.7 Replacing The Hydrocarbon (HC) Scrubber
1. Turn off power and unplug the M701H power cord.
2. Disconnect the HC scrubber power at the Controller.
3. Unplug the thermocouple from the control board.
4. Remove the heat shield from the HC scrubber.
5. Disconnect the pneumatic connections at the CHARCOAL SCRUBBER INLET AND
AT THE REAR END OF THE COPPER COOLING COIL, using 1/2 and 9/16
wrenches.
CAUTION
WAIT FOR THE SCRUBBER TO COOL. THE SCRUBBER CASING
AND THE COPPER COOLING COIL WILL BE VERY HOT.
5. Remove the four screws holding the scrubber, under the chassis.
6. Lift out the scrubber.
7. Install a new Teledyne API-supplied scrubber (these are purged at the factory).
8. Screw it down.
9. Attach and tighten the pneumatic connections.
CAUTION
ENSURE THAT THE COPPER COOLING COIL IS NOT TOUCHING
ANY WIRE OR CABLE.
10. Plug the scrubber into the control board.
CAUTION
BE SURE THAT YOU USE A TELEDYNE API-SUPPLIED, PURGED
SCRUBBER. OTHERWISE, DOWNSTREAM COMPONENTS MAY BE
DAMAGED. AN UNPURGED HYDROCARBON SCRUBBER
PRODUCES A LOT OF WATER WHEN FIRST TURNED ON.
11. Plug the thermocouple into the control board.
12. Turn on the M701H.
13. Connect a millivolt meter to J12 (labeled “Thermal Couple” in Figure 5-3) on the
temperature controller.

MAINTENANCE Teledyne API M701H High Performance Zero Air Generator
6-6 06712B (DCN5875)
Observe that the LED starts blinking at 11.2 mV (300ºC) and that the thermocouple
voltage holds steady.
14. When all traces of water have disappeared from the M701H output, the output may
be reconnected to the analyzers.
6.8 Servicing The Regenerative Dryer
It is unlikely that the Regenerative Dryer should ever need service. Should the
molecular sieve become contaminated by oil or other external contaminants, the
scrubber will need to be cleaned and recharged. Refer to Figure 6-1.
1. Turn off and unplug the M701H, plug in and turn on again and remove any water in
bowl.
2. Allow the pressure to bleed to zero.
3. Remove the two pneumatic connections and the electrical connection from the 4-
way manifold.
4. Remove the dryer from the chassis by undoing the four captive screws in the
scrubber base.
5. Remove the 4-way valve bracket from the upper manifold and let the valve hang
loose attached to the lower manifold.
6. Remove the three nuts on top of the upper manifold.
7. Remove the upper manifold.
8. Remove the two columns.
9. Remove the retainer pads from the two columns and dump the molecular sieve into
a suitable waste receptacle. (The molecular sieve is not toxic but it may be dusty so
you may want to wear a mask.)
10. Wipe out the inside of the columns with a clean dry rag.
11. Examine the surface and ports in the upper and lower manifolds. If there is an
accumulation of dirt or corrosion, disassemble the manifolds and clean them. If not,
proceed with step 12.
12. Place two new clean retainer pads in one end of each column. Push the pads 1/8”
into the column.
13. Pour new clean molecular sieve into each column, up to 1/4” from the top. Rap the
side gently, (with a screw-driver handle, for instance) to settle the molecular sieve,
and then top up to the 1/4” mark again.
14. Place two new clean retainer pads on top of the molecular sieve. Push the pad 1/8”
into the column.
15. Change the four o-rings in the circular grooves in the upper and lower manifolds.

Teledyne API M701H High Performance Zero Air Generator MAINTENANCE
06712B (DCN5875) 6-7
16. Place the bottom of the columns with two pads in the circular grooves in the lower
manifold. Ensure that they are in the grooves and not caught up on the edge.
17. Wipe the ends of the columns. These are the surfaces which seal against the
o-rings.
18. Place the upper manifold on top of the two columns. Ensure that the columns are in
the grooves. (Wiggle the columns sideways to ensure that the columns are trapped
in the grooves.)
19. Replace the nuts and lock-washers on the three tie rods BUT DO NOT TIGHTEN
THEM.
20. Push down hard in the center of the upper manifold with one hand and finger-tighten
the nuts until you feel a soft resistance.
21. With a wrench, tighten each nut in turn, 1/2 turn at a time. This will ensure that all the
nuts are tightened evenly. If the nuts are tightened unevenly, the column o-rings may
not seal and you may cause damage to the sealing surfaces.
22. Examine the fit of the columns in the manifold groove one more time.
23. Re-attach the 4-way valve bracket.
24. Replace the scrubber in the M701H chassis and tighten the four captive screws.
25. Reconnect the two pneumatic fittings and the valve power cord.
26. Plug in and turn on the M701H.
27. Using soap solution, check the dryer for leaks.
If no leaks are detected, the M701H is ready for operation.

MAINTENANCE Teledyne API M701H High Performance Zero Air Generator
6-8 06712B (DCN5875)
Figure 6-1: Regenerative Dryer

Teledyne API M701H High Performance Zero Air Generator MAINTENANCE
06712B (DCN5875) 6-9
6.9 Changing The 4-Way Valve
(in the Regenerative Dryer)
1. Remove the Regenerative Dryer from the chassis as described in Section 6.8 above.
2. Disconnect the two tubing connections and the electrical connection to the 4-way
valve.
3. Remove the 4-way valve bracket from the regenerative upper manifold.
4. Remove the 4-way valve from the bracket.
5. Attach a new valve, complete with tube fittings and muffler(s).
6. Attach the bracket to the upper manifold.
7. Connect the electric cable and two pneumatic fittings.
8. Re-install the scrubber in the M701H chassis and tighten the four captive base
screws.
6.10 Replacing The Shuttle Valve
(in the Regenerative Dryer)
It is not necessary to remove the Regenerative Dryer from the M701H chassis.
The Shuttle Valve is integral to upper manifold assembly. To replace the Shuttle Valve
replace the upper manifold assembly (P/N 06695). Refer to Section 6.8 steps 1,2,3,5, 6,
7, & 18 through 23.
6.11 Leak Check
.
WARNING
ENSURE TO UNPLUG THE POWER CORD PRIOR TO
PERFORMING ANY LEAK CHECK PROCEDURE
1. Power off the unit and unplug the power cord.
2. Cap the exhaust on the rear panel and the regen dryer.
3. Disconnect the line from the T-connector threaded into the outlet filter to the dew
point sensor, and cap that fitting as well.
4. Plug in the power cord, power on the unit, and allow it to run until the pump shuts off
on its own (now it’s pressurized).
5. Turn off the power switch and wait five minutes. The reading on the front panel
pressure gauge should not change.

MAINTENANCE Teledyne API M701H High Performance Zero Air Generator
6-10 06712B (DCN5875)
NOTE
This procedure checks the majority of the components and
fittings. If you believe that there is still a leak, please contact
Customer Service at (858) 657-9800.
6.12 Particulate Filter Element Replacement
Replace the particulate filter located at the “Air In” inlet on the rear panel (refer to Figure
5-2) as follows:
1. Remove the particulate filter (Teledyne API, P/N FL15) cap by turning it
counter-clockwise.
2. Remove the old filter element and replace with a new filter element (Teledyne API
P/N FL16).
3. Replace the particulate filter cap and turn it clockwise to secure in place.

06712B (DCN5875) 7-1
7 TROUBLESHOOTING
This section presents possible problems and their causes and solutions.
Table 7-1: Troubleshooting
Problem Probable Cause Corrective Action
Unplugged power cord. Plug in power cord at both
ends.
Incorrect line voltage. Refer to Table 3-1 for the
correct line voltage.
Tripped power switch/circuit
breaker.
Untrip power switch/circuit
breaker.
Power light does not come
on.
VDC power supply failed. Replace power supply.
Tank pressure is above the
cut-out pressure.
No action. Pressure will
drop as air is used.
AIR IN filter is plugged. Replace the filter.
Compressor fan is jammed. Check for any mechanical
obstruction.
Pump is not connected to
controller.
Connect the pump to the
controller.
Pressure switch is not
connected.
Connect the pressure
switch.
Compressor does not start
(after 10 seconds).
Pump relay (K4) is open. Replace the controller.
Compressor stops and
does not restart.
Pressure in the tank has not
subsided to the pressure
switch cut-in setting.
No action. Wait for the
pressure to subside.
Internal leak. Check for leaks. Refer to
Section 6.11.
Compressor does not stop
when the demand is low
(less than 5 LPM). Pump has low output
pressure.
Rebuild pump.
Shipping screws have not
been completely removed.
Ensure the screws are
completely removed.
Instrument vibrates
excessively. Compressor shock isolator
screws are loose.
Tighten the screws.

TROUBLESHOOTING Teledyne API M701H High Performance Zero Air Generator
7-2 06712B (DCN5875)
Problem Probable Cause Corrective Action
Screws securing the
compressor to the base plate
are loose.
Tighten the screws.
Instrument vibrates
excessively. (continued) The tubing attached to the
compressor is vibrating
against a component.
Adjust the placement of the
tubing.
Air demand to too high.
Maximum air flow is 30 SLPM.
No action. Pressure will
drop as air is used.
Air Inlet impeded. Check for impediment and
remove object.
Pressure regulator is set too
low.
Adjust the pressure on the
front panel.
Pressure does not
increase to 30 psig.
Air leakage. Check for leaks. Refer to
Section 6.11.
Output pressure surges. Pressure regulator is set too
high and pegged.
(Please see Note at end of this
table).
Output air is not “Zero”. Scrubbers may be
contaminated.
Replace the scrubbers.
4-way valve is jammed; only
one column is being used.
Check to ensure the valve is
plugged in; replace the
valve.
Shuttle valve is jammed. Replace the upper manifold
assembly.
Output air is not dry.
Molecular sieve is
contaminated.
Replace the molecular
sieve.
Note:
WARNING
THE M701H NOMINAL DELIVERY PRESSURE IS 30 PSIG.
SOME APPLICATIONS MAY REQUIRE THAT THE
DELIVERY PRESSURE BE SET AS HIGH AS 50 PSIG.
NEVER SET THE DELIVERY PRESSURE HIGHER THAN 50
PSIG. TO DO SO MAY CAUSE DAMAGE TO THE M701H
AND INJURY TO THE OPERATOR.

Teledyne API M701H High Performance Zero Air Generator A Primer on Electro-Static Discharge
06712B (DCN5875) 8-1
8 A PRIMER ON ELECTRO-STATIC DISCHARGE
Teledyne API considers the prevention of damage caused by the discharge of static electricity to
be extremely important part of making sure that your analyzer continues to provide reliable
service for a long time. This section describes how static electricity occurs, why it is so
dangerous to electronic components and assemblies as well as how to prevent that damage from
occurring.
8.1 How Static Charges are Created
Modern electronic devices such as the types used in the various electronic assemblies of your
analyzer, are very small, require very little power and operate very quickly. Unfortunately, the
same characteristics that allow them to do these things also make them very susceptible to
damage from the discharge of static electricity. Controlling electrostatic discharge begins with
understanding how electro-static charges occur in the first place.
Static electricity is the result of something called triboelectric charging which happens whenever
the atoms of the surface layers of two materials rub against each other. As the atoms of the two
surfaces move together and separate, some electrons from one surface are retained by the other.
+
+
Materials
Makes
Contact
PROTONS = 3
ELECTRONS = 3
NET CHARGE = 0
PROTONS = 3
ELECTRONS = 3
NET CHARGE = 0
Materials
Separate
+
PROTONS = 3
ELECTRONS = 2
NET CHARGE = -1
+
PROTONS = 3
ELECTRONS = 4
NET CHARGE = +1
Figure 8-1: Triboelectric Charging
If one of the surfaces is a poor conductor or even a good conductor that is not grounded, the
resulting positive or negative charge cannot bleed off and becomes trapped in place, or static.
The most common example of triboelectric charging happens when someone wearing leather or
rubber soled shoes walks across a nylon carpet or linoleum tiled floor. With each step, electrons
change places and the resulting electro-static charge builds up, quickly reaching significant
levels. Pushing an epoxy printed circuit board across a workbench, using a plastic handled
screwdriver or even the constant jostling of StyrofoamTM pellets during shipment can also build
hefty static charges

A Primer on Electro-Static Discharge Teledyne API M701H High Performance Zero Air Generator
8-2 06712B (DCN5875)
Table 8-1 : Static Generation Voltages for Typical Activities
MEANS OF GENERATION 65-90% RH 10-25% RH
Walking across nylon carpet 1,500V 35,000V
Walking across vinyl tile 250V 12,000V
Worker at bench 100V 6,000V
Poly bag picked up from bench 1,200V 20,000V
Moving around in a chair padded
with urethane foam 1,500V 18,000V
8.2 How Electro-Static Charges Cause Damage
Damage to components occurs when these static charges come into contact with an electronic
device. Current flows as the charge moves along the conductive circuitry of the device and the
typically very high voltage levels of the charge overheat the delicate traces of the integrated
circuits, melting them or even vaporizing parts of them. When examined by microscope the
damage caused by electro-static discharge looks a lot like tiny bomb craters littered across the
landscape of the component’s circuitry.
A quick comparison of the values inTable 8-1 with the those shown in Table 8-2, listing device
susceptibility levels, shows why Semiconductor Reliability News estimates that approximately
60% of device failures are the result of damage due to electro-static discharge.
Table 8-2. Sensitivity of Electronic Devices to Damage by ESD
DAMAGE SUSCEPTIBILITY VOLTAGE
RANGE
DEVICE DAMAGE BEGINS
OCCURRING AT
CATASTROPHIC
DAMAGE AT
MOSFET 10 100
VMOS 30 1800
NMOS 60 100
GaAsFET 60 2000
EPROM 100 100
JFET 140 7000
SAW 150 500
Op-AMP 190 2500
CMOS 200 3000
Schottky Diodes 300 2500
Film Resistors 300 3000
This Film Resistors 300 7000
ECL 500 500
SCR 500 1000
Schottky TTL 500 2500

Teledyne API M701H High Performance Zero Air Generator A Primer on Electro-Static Discharge
06712B (DCN5875) 8-3
Potentially damaging electro-static discharges can occur:
Any time a charged surface (including the human body) discharges to a device. Even simple
contact of a finger to the leads of a sensitive device or assembly can allow enough discharge to
cause damage. A similar discharge can occur from a charged conductive object, such as a metallic
tool or fixture.
When static charges accumulated on a sensitive device discharges from the device to another
surface such as packaging materials, work surfaces, machine surfaces or other device. In some
cases, charged device discharges can be the most destructive.
A typical example of this is the simple act of installing an electronic assembly into the connector
or wiring harness of the equipment in which it is to function. If the assembly is carrying a static
charge, as it is connected to ground a discharge will occur.
Whenever a sensitive device is moved into the field of an existing electro-static field, a charge may
be induced on the device in effect discharging the field onto the device. If the device is then
momentarily grounded while within the electrostatic field or removed from the region of the
electrostatic field and grounded somewhere else, a second discharge will occur as the charge is
transferred from the device to ground.
8.3 Common Myths About ESD Damage
I didn’t feel a shock so there was no electro-static discharge: The human nervous system isn’t
able to feel a static discharge of less than 3500 volts. Most devices are damaged by discharge
levels much lower than that.
I didn’t touch it so there was no electro-static discharge: Electro-static charges are fields whose
lines of force can extend several inches or sometimes even feet away from the surface bearing the
charge.
It still works so there was no damage: Sometimes the damaged caused by electro-static discharge
can completely sever a circuit trace causing the device to fail immediately. More likely, the trace
will be only partially occluded by the damage causing degraded performance of the device or
worse, weakening the trace. This weakened circuit may seem to function fine for a short time, but
even the very low voltage and current levels of the device’s normal operating levels will eat away
at the defect over time causing the device to fail well before its designed lifetime is reached.
These latent failures are often the most costly since the failure of the equipment in which the
damaged device is installed causes down time, lost data, lost productivity, as well as possible
failure and damage to other pieces of equipment or property.
Static Charges can’t build up on a conductive surface: There are two errors in this statement.
Conductive devices can build static charges if they are not grounded. The charge will be
equalized across the entire device, but without access to earth ground, they are still trapped and
can still build to high enough levels to cause damage when they are discharged.
A charge can be induced onto the conductive surface and/or discharge triggered in the presence
of a charged field such as a large static charge clinging to the surface of a nylon jacket of
someone walking up to a workbench.

A Primer on Electro-Static Discharge Teledyne API M701H High Performance Zero Air Generator
8-4 06712B (DCN5875)
As long as my analyzer is properly installed, it is safe from damage caused by static
discharges: It is true that when properly installed the chassis ground of your analyzer is tied to
earth ground and its electronic components are prevented from building static electric charges
themselves. This does not prevent discharges from static fields built up on other things, like you
and your clothing, from discharging through the instrument and damaging it.
8.4 Basic Principles of Static Control
It is impossible to stop the creation of instantaneous static electric charges. It is not, however
difficult to prevent those charges from building to dangerous levels or prevent damage due to
electro-static discharge from occurring.
8.4.1 General Rules
Only handle or work on all electronic assemblies at a properly set up ESD station. Setting up an
ESD safe workstation need not be complicated. A protective mat properly tied to ground and a
wrist strap are all that is needed to create a basic anti-ESD workstation (refer to figure 12-2).
Wrist Strap
P rotective M at
Ground Point
Figure 8-2: Basic Anti-ESD Work Station
For technicians that work in the field, special lightweight and portable anti-ESD kits are
available from most suppliers of ESD protection gear. These include everything needed to
create a temporary anti-ESD work area anywhere.
Always wear an Anti-ESD wrist strap when working on the electronic assemblies of your
analyzer. An anti-ESD wrist strap keeps the person wearing it at or near the same potential as
other grounded objects in the work area and allows static charges to dissipate before they can build
to dangerous levels. Anti-ESD wrist straps terminated with alligator clips are available for use in
work areas where there is no available grounded plug.
Also, anti-ESD wrist straps include a current limiting resistor (usually around one meg-ohm) that
protects you should you accidentally short yourself to the instrument’s power supply.
Simply touching a grounded piece of metal is insufficient. While this may temporarily bleed off
static charges present at the time, once you stop touching the grounded metal new static charges
will immediately begin to re-build. In some conditions, a charge large enough to damage a
component can rebuild in just a few seconds.

Teledyne API M701H High Performance Zero Air Generator A Primer on Electro-Static Discharge
06712B (DCN5875) 8-5
Always store sensitive components and assemblies in anti-ESD storage bags or bins: Even
when you are not working on them, store all devices and assemblies in a closed anti-Static bag or
bin. This will prevent induced charges from building up on the device or assembly and nearby
static fields from discharging through it.
Use metallic anti-ESD bags for storing and shipping ESD sensitive components and
assemblies rather than pink-poly bags. The famous, “pink-poly” bags are made of a plastic that
is impregnated with a liquid (similar to liquid laundry detergent) which very slowly sweats onto
the surface of the plastic creating a slightly conductive layer over the surface of the bag.
While this layer may equalizes any charges that occur across the whole bag, it does not prevent
the build up of static charges. If laying on a conductive, grounded surface, these bags will allow
charges to bleed away but the very charges that build up on the surface of the bag itself can be
transferred through the bag by induction onto the circuits of your ESD sensitive device. Also,
the liquid impregnating the plastic is eventually used up after which the bag is as useless for
preventing damage from ESD as any ordinary plastic bag.
Anti-Static bags made of plastic impregnated with metal (usually silvery in color) provide all of
the charge equalizing abilities of the pink-poly bags but also, when properly sealed, create a
Faraday cage that completely isolates the contents from discharges and the inductive transfer of
static charges.
Storage bins made of plastic impregnated with carbon (usually black in color) are also excellent
at dissipating static charges and isolating their contents from field effects and discharges.
Never use ordinary plastic adhesive tape near an ESD sensitive device or to close an anti-ESD
bag. The act of pulling a piece of standard plastic adhesive tape, such as Scotch® tape, from its
roll will generate a static charge of several thousand or even tens of thousands of volts on the tape
itself and an associated field effect that can discharge through or be induced upon items up to a
foot away.
8.5 Basic anti-ESD Procedures for Analyzer Repair and
Maintenance
8.5.1 Working at the Instrument Rack
When working on the analyzer while it is in the instrument rack and plugged into a properly
grounded power supply.
1. Attach your anti-ESD wrist strap to ground before doing anything else.
Use a wrist strap terminated with an alligator clip and attach it to a bare metal portion of the
instrument chassis. This will safely connect you to the same ground level to which the instrument
and all of its components are connected.
2. Pause for a second or two to allow any static charges to bleed away.

A Primer on Electro-Static Discharge Teledyne API M701H High Performance Zero Air Generator
8-6 06712B (DCN5875)
3. Open the casing of the analyzer and begin work. Up to this point, the closed metal casing of your
analyzer has isolated the components and assemblies inside from any conducted or induced static
charges.
4. If you must remove a component from the instrument, do not lay it down on a non-ESD
preventative surface where static charges may lie in wait.
5. Only disconnect your wrist strap after you have finished work and closed the case of the analyzer.
8.5.2 Working at an Anti-ESD Work Bench
When working on an instrument of an electronic assembly while it is resting on an anti-ESD
work bench:
1. Plug your anti-ESD wrist strap into the grounded receptacle of the work station before touching any
items on the work station and while standing at least a foot or so away. This will allow any charges
you are carrying to bleed away through the ground connection of the workstation and prevent
discharges due to field effects and induction from occurring.
2. Pause for a second or two to allow any static charges to bleed away.
3. Only open any anti-ESD storage bins or bags containing sensitive devices or assemblies after you
have plugged your wrist strap into the workstation.
Lay the bag or bin on the workbench surface.
Before opening the container, wait several seconds for any static charges on the outside
surface of the container to be bled away by the workstation’s grounded protective mat.
4. Do not pick up tools that may be carrying static charges while also touching or holding an ESD
Sensitive Device.
Only lay tools or ESD-sensitive devices and assemblies on the conductive surface of your
workstation. Never lay them down on any non-ESD preventative surface.
5. Place any static sensitive devices or assemblies in anti-static storage bags or bins and close the bag
or bin before unplugging your wrist strap.
6. Disconnecting your wrist strap is always the last action taken before leaving the workbench.
8.5.3 Transferring Components from Rack to Bench and Back
When transferring a sensitive device from an installed Teledyne API analyzer to an Anti-ESD
workbench or back:
1. Follow the instructions listed above for working at the instrument rack and workstation.
2. Never carry the component or assembly without placing it in an anti-ESD bag or bin.
3. Before using the bag or container allow any surface charges on it to dissipate:
If you are at the instrument rack, hold the bag in one hand while your wrist strap is connected to a
ground point.

Teledyne API M701H High Performance Zero Air Generator A Primer on Electro-Static Discharge
06712B (DCN5875) 8-7
If you are at an anti-ESD workbench, lay the container down on the conductive work surface.
In either case wait several seconds.
4. Place the item in the container.
5. Seal the container. If using a bag, fold the end over and fastening it with anti-ESD tape.
Folding the open end over isolates the component(s) inside from the effects of static fields.
Leaving the bag open or simply stapling it shut without folding it closed prevents the bag from
forming a complete protective envelope around the device.
6. Once you have arrived at your destination, allow any surface charges that may have built up on the
bag or bin during travel to dissipate:
Connect your wrist strap to ground.
If you are at the instrument rack, hold the bag in one hand while your wrist strap is connected to a
ground point.
If you are at a anti-ESD work bench, lay the container down on the conductive work surface
In either case wait several seconds
7. Open the container.
8.5.4 Opening Shipments from Teledyne API’s Customer Service
Packing materials such as bubble pack and Styrofoam pellets are extremely efficient generators
of static electric charges. To prevent damage from ESD, Teledyne API ships all electronic
components and assemblies in properly sealed anti-ESD containers.
Static charges will build up on the outer surface of the anti-ESD container during shipping as the
packing materials vibrate and rub against each other. To prevent these static charges from
damaging the components or assemblies being shipped ensure that you always unpack shipments
from Teledyne API’s Customer Service by:
1. Opening the outer shipping box away from the anti-ESD work area.
2. Carry the still sealed ant-ESD bag, tube or bin to the anti-ESD work area.
3. Follow steps 6 and 7 of Section 8.5.3 above when opening the anti-ESD container at the work
station.
4. Reserve the anti-ESD container or bag to use when packing electronic components or assemblies to
be returned to Teledyne API.
8.5.5 Packing Components for Return to Teledyne API’s Customer Service
Always pack electronic components and assemblies to be sent to Teledyne API’s Customer
Service in anti-ESD bins, tubes or bags.

A Primer on Electro-Static Discharge Teledyne API M701H High Performance Zero Air Generator
8-8 06712B (DCN5875)
WARNING
DO NOT use pink-poly bags.
NEVER allow any standard plastic packaging materials to touch the
electronic component/assembly directly.
This includes, but is not limited to, plastic bubble-pack, Styrofoam
peanuts, open cell foam, closed cell foam, and adhesive tape.
DO NOT use standard adhesive tape as a sealer. Use ONLY anti-ESD
tape.
1. Opening the outer shipping box away from the anti-ESD work area.
2. Carry the still sealed ant-ESD bag, tube or bin to the anti-ESD work area.
3. Follow steps 6 and 7 of Section 8.5.3 above when opening the anti-ESD container at the work
station.
4. Reserve the anti-ESD container or bag to use when packing electronic components or assemblies to
be returned to Teledyne API.
1. Never carry the component or assembly without placing it in an anti-ESD bag or bin.
2. Before using the bag or container allow any surface charges on it to dissipate:
If you are at the instrument rack, hold the bag in one hand while your wrist strap is connected to a
ground point.
If you are at an anti-ESD workbench, lay the container down on the conductive work surface.
In either case wait several seconds.
3. Place the item in the container.
4. Seal the container. If using a bag, fold the end over and fastening it with anti-ESD tape.
Folding the open end over isolates the component(s) inside from the effects of static fields.
Leaving the bag open or simply stapling it shut without folding it closed prevents the bag from
forming a complete protective envelope around the device.
NOTE
If you do not already have an adequate supply of anti-ESD bags or containers available,
Teledyne API’s Customer Service department will supply them. Follow the instructions
listed above for working at the instrument rack and workstation.

A-1
APPENDIX A - SPARE PARTS
Note Use of replacement parts other than those supplied by T-API may result in
non-compliance with European standard EN 61010-1.
Note Due to the dynamic nature of part numbers, please refer to the Website at
http://www.teledyne-api.com or call Customer Service at 800-324-5190for more
recent updates to part numbers.
06712B (DCN5875)

A-2
This page intentionally left blank.
06712B (DCN5875)

SPARE PARTS LIST
M701H
Ref: 04825F (DCN5895)
Part Numbe
r
Description
005960000 AKIT, EXPEND, 6LBS ACT CHARCOAL
005970000 AKIT, EXPENDABLE, 6LB PURAFIL
006900100 RETAINER PAD CHARCOAL, LARGE, 2-1/4"
066780000 ASSY, PUMP w/BRKT, M701H, 115V/60
066780100 ASSY, PUMP w/BRKT, M701H, 220-240V/50
073440000 AKIT, EXP KIT, M701H
016920000 AKIT, EXP KIT, MOL SIEVE
073380000 ASSY, HC SCRUBBER, M701H
017710000 HEATER, HC SCRUBBER, M701, VDE APPROVED
017960000 ASSY, FAN M701
018490000 GAUGE, PRESSURE, 60 PSI, M701(KB)
036260000 ASSY, 4-WAY VALVE, PARKER, M701
040370200 CO SCRUBBER, M701
066180000 PCA, CONTROL BD, M701H W/ INT DEW POINT
066780000 ASSY, PUMP, M701H, 115V/60HZ WITH BRACKET
066780100 ASSY, PUMP, M701H 220V/50HZ WITH BRACKET
057270000 GASKET, SCRUBBER
FL0000044 FILTER, COALESCING, .03 MICRON(KB)
FL0000015 FILTER, AIR, 150 LPM, M701
FL0000016 FILTER ELEMENT, PAPER, FOR FL15
HW0000190 NUT, PANEL MOUNT, REGULATOR, M701
HW0000396 SPACER, AL, #8 X 3/8"
HW0000395 DAMPENER, UNIVERSAL MOUNT, RING
HW0000396 DAMPENER, UNIVERSAL MOUNT, BUSHING
OR0000058 ORING, 2-228V, DRYER
PU0000090 KIT, PUMP REBUILD, GAST 2 HEAD
VA0000012 VALVE, RELIEF KB
VA0000014 REGULATOR
VA0000016 VALVE, CHECK KB
VA0000017 VALVE, 2-WAY, 115VAC KB
A-3
06712B (DCN5875)

Recommended Spare Parts Stocking Levels
M701H
Reference 07346A (DCN5895)
1 2-5 6-10 11-20 21-30
017960000 ASSY, FAN M701/M701H 1 2 4 8
066180000 PCA, CONTROL BOARD, M701H 1 2 4
036260000 ASSY, 4-WAY VALVE, PARKER, M701 1 2 4 8
066780000 *ASSY, PUMP, W/BASE, 100-115V, GAST 1 2
FL0000044 FILTER, COALESCING, .03 MICRON(KB) 1 1 2 4 8
VA0000012 VALVE, RELIEF KB 1 2 4
VA0000014 REGULATOR 1 1 2 4 8
VA0000016 VALVE, CHECK KB 1 1 2 4 8
VA0000017 VALVE, 2-WAY, 115VAC KB 1 1 2 4 8
1 2-5 6-10 11-20 21-30
066780100 OPTION, PUMP ASSY, 240V 1 2
Part Number Description Units
Recommended Spare Parts Stocking Level: Standard
* Recommended Spare Parts Stocking Level: For Pump Assembly, 240V Option Installed
Units
Part Number Description
A-4
06712B (DCN5875)

AKIT, EXPENDABLES KIT,
M701H
Reference 07344A (DCN5895)
005960000 AKIT, EXP, 6LBS ACT CHARCOAL 1
005970000 AKIT, EXP, 6LBS PURIFIL 1
006900100 RETAINER PAD CHARCOAL, LARGE, 2-1/4" 8
016920000 AKIT, EXP KIT, MOL SIEVE 1
057270000 GASKET SCRUBBER 4
FL0000016 FILTER ELEMENT, PAPER, FOR FL15 2
OR0000058 ORING, 2-228V, DRYER 4
Part Number Description QTY
A-5
06712B (DCN5875)

LEVEL 1 SPARES KIT
M701H
Ref: 07345A (DCN5895)
Part Numbe
r
Description
03626000A Valve, 4-way, regenerative scrubber
066180000 PCA, CONTROL BOARD, M701H
CB0000004 Fuse, 3A, SB (HC temp control)
FA0000006 Fan, cooling
FL0000011 Filter, final
FL0000044 Filter, water coalescing
HE0000017 Heater, CO scrubber
OR0000058 O-ring, 2-228V
PU0000090 Kit, Pump Rebuild, for M701H
VA0000017 Valve, water drain
A-6
06712B (DCN5875)

B-1
APPENDIX B - Schematics
06712B (DCN5875)

B-2
This page intentionally left blank.
06712B (DCN5875)

1
1
2
2
3
3
4
4
D D
C C
B B
A A
Title
Number RevisionSize
A
Date: 10/11/2010 Sheet of
File: N:\PCBMGR\..\06619-1B.SchDoc Drawn By:
701/701H Controller Board (AC POWER)
06619 B
1 5
1
2
3
4
J6
PUMP
1
2
3
4
5
6
J1
AC INPUT
IN-
4
IN+
3
AC
2
AC
1
K1
PF240D25
IN-
4
IN+
3
AC
2
AC
1
K2
GA8-6B02
PTC1
+V
OPTIONAL
+5V
+5V
+5V
D1
1N4007
1
2
J3
FAN
+5V
1
2
3
4
5
6
7
8
9
10
11
12
J2
TRANSFORMER MOV/PLUG
AC-NEUT
AC-LINE
AC-HOT
AC-HOT
AC-NEUT
PTC2
D2
1N4007
IN-
4
IN+
3
AC
2
AC
1
K3
GA8-6B02
IN-
4
IN+
3
AC
2
AC
1
K4
GA8-6B02
1
2
J4
PILOT-LIGHT
1
2
J8
DUMP VALVE
1
2
J5
CO SCRUBBER
1
2
J7
DRIER VALVE
PUMP-ON
4-WAY-VALVE
DUMP-VALVE
RELIEF-VALVE
PUMP
fuse1
fuse2
diode1
diode2
+V
4-WAY
DUMP
AUX
7
6
10
1
9
3
12
4
T1
1
2
J9
RELIEF VALVE
DCN5874
RT
Printed documents are uncontrolled
PID101
PID102
COD1
PID201
PID202
COD2
PIJ101
PIJ102
PIJ103
PIJ104
PIJ105
PIJ106
COJ1
PIJ201PIJ202
PIJ203PIJ204PIJ205PIJ206
PIJ207PIJ208PIJ209
PIJ2010PIJ2011PIJ2012
COJ2
PIJ301PIJ302
COJ3
PIJ401PIJ402
COJ4
PIJ501PIJ502
COJ5
PIJ601
PIJ602
PIJ603
PIJ604
COJ6
PIJ701PIJ702
COJ7
PIJ801PIJ802
COJ8
PIJ901PIJ902
COJ9
PIK101 PIK102 PIK103
PIK104
COK1
PIK201
PIK202
PIK203 PIK204
COK2
PIK301
PIK302
PIK303 PIK304
COK3
PIK401
PIK402
PIK403 PIK404
COK4
PIPTC101 PIPTC102
COPTC1
PIPTC201 PIPTC202
COPTC2
PIT101
PIT103
PIT104
PIT106
PIT107
PIT109
PIT1010
PIT1012
COT1
PO0V
PO40WAY0VALVE
POAC0HOT
POAC0NEUT
PODUMP0VALVE
POPUMP0ON
PORELIEF0VALVE
06712B (DCN5875)
B-3

1
1
2
2
3
3
4
4
D D
C C
B B
A A
Title
Number RevisionSize
A
Date: 10/11/2010 Sheet of
File: N:\PCBMGR\..\06619-2B.SchDoc Drawn By:
701/701H Controller Board (DC POWER)
06619 B
2 5
TP1
+C1
6800uF 16V
StatusPU
REC-OUT
AUX-IN
11
15 2
15 3
44
5
5
8
8
7
7
6
6
TVS1
SMDA15LCC
+V
+5V
KBINT KBINT
AUX-IN
REC-OUT
StatusPU
VI
1
GND
2
VO 3
VR1
7805
+C2
1000uF, 50V
C3
0.1uF
C4
0.1uF
TP2
C5
0.1uF
Teledyne API
9480 Carroll Park Drive, San Diego, CA 92121
+5V-REFVI
1
GND
2
VO 3
VR2
LT1460KCS3-5
+V
TP7
+5V
TP8
+
C25
100uF, 25V
VI
1
GND
2
VO 3
VR3
LF60ABDT-TR
C26
0.1uF
+6V
+C27
100uF
AGND
AGND
DCN5874
RT
Printed documents are uncontrolled
PIC101
PIC102
COC1
PIC201
PIC202
COC2
PIC301
PIC302
COC3
PIC401
PIC402
COC4
PIC501
PIC502
COC5
PIC2501
PIC2502
COC25
PIC2601
PIC2602
COC26
PIC2701
PIC2702
COC27
COLG2
PITP101
COTP1
PITP201
COTP2
PITP701
COTP7
PITP801
COTP8
PITVS101 PITVS102 PITVS103 PITVS104
PITVS105PITVS106PITVS107PITVS108
COTVS1
PIVR101
PIVR102
PIVR103
COVR1
PIVR201
PIVR202
PIVR203
COVR2
PIVR301
PIVR302
PIVR303
COVR3
PO0V
POAUX0IN
POKBINT
POREC0OUT
POSTATUSPU
06712B (DCN5875)
B-4

1
1
2
2
3
3
4
4
D D
C C
B B
A A
Title
Number RevisionSize
A
Date: 10/11/2010 Sheet of
File: N:\PCBMGR\..\06619-3B.SchDoc Drawn By:
701/701H Controller Board (CPU)
06619 B
3 5
1
3
2
X1
4.00 MHz
+C6
10/35
1
2
3
4
5
6
Program Port
J10
KBINT
SCL SDA
1 2
3 4
5 6
7 8
9 10
11 12
13 14
JP1
HEADER 7X2
SCL
SDA
TX
RX
RX
TX
R2
2.2K
DS1 GRN
HUMIDITY
PRESSURE
CAL0
CAL1
CAL0
CAL1
AUX-IN
TEMPERATURE
(OPTIONAL)
R10
2M
I/O-SPARE
+5V
+5V
+5V
+5V
+5V
SDA
SCL
KBINT
AUX-IN
ANALOG-SPARE
R7
1K
R4
4.7K
1
2
J11
AUX INPUT
R3
2.2K
R5
4.7K
R11
10K
C8
0.1uF
C9
0.1uF
C10
0.1uF
C11
0.1uF
R13
10K
C12
0.1uF
C7
0.1uF
MCLR
1
AN0
2
AN1
3
AN2
4
AN3
5
RA4
6
AN4
7
VSS
8
OSC1/CLKIN
9
OSC1/CLKOUT
10
RC0
11
RC1
12
RC2
13
RC3/SCK/SCL
14
VSS 19
RB0/INT 21
RB1 22
RB2 23
RB3 24
RB4 25
RB5 26
RB6 27
RB7 28
VDD 20
RC/SDI/SDA 15
RC5/SDO 16
RC6/TX/CK 17
RC7/RX/DT 18
U1
PIC16F876
R6
2.2K
HEATER-ON
HEATER-ON
+5V-REF
PIN_B5
R8
1K R9
1K
DCN5874
RT
Printed documents are uncontrolled
PIC601
PIC602
COC6
PIC701
PIC702
COC7
PIC801
PIC802
COC8
PIC901
PIC902
COC9
PIC1001
PIC1002
COC10
PIC1101
PIC1102
COC11
PIC1201
PIC1202
COC12
PIDS101
PIDS102
CODS1
PIJ1001PIJ1002PIJ1003PIJ1004
PIJ1005PIJ1006
COJ10
PIJ1101
PIJ1102
COJ11
PIJP101
PIJP102
PIJP103
PIJP104
PIJP105
PIJP106
PIJP107
PIJP108
PIJP109
PIJP1010
PIJP1011
PIJP1012
PIJP1013
PIJP1014
COJP1
PIR201
PIR202
COR2
PIR301
PIR302
COR3
PIR401
PIR402
COR4
PIR501
PIR502
COR5
PIR601
PIR602
COR6
PIR701
PIR702
COR7
PIR801
PIR802
COR8
PIR901
PIR902
COR9
PIR1001
PIR1002
COR10
PIR1101
PIR1102
COR11
PIR1301
PIR1302
COR13
PIU101
PIU102
PIU103
PIU104
PIU105
PIU106
PIU107
PIU108
PIU109
PIU1010
PIU1011
PIU1012
PIU1013
PIU1014 PIU1015
PIU1016
PIU1017
PIU1018
PIU1019
PIU1020
PIU1021
PIU1022
PIU1023
PIU1024
PIU1025
PIU1026
PIU1027
PIU1028
COU1
PIX101
PIX102
PIX103
COX1
POAUX0IN
POHEATER0ON
POHUMIDITY
POKBINT
POPRESSURE
POSCL
POSDA
POTEMPERATURE
06712B (DCN5875)
B-5

1
1
2
2
3
3
4
4
D D
C C
B B
A A
Title
Number RevisionSize
A
Date: 10/11/2010 Sheet of
File: N:\PCBMGR\..\06619-4B.SchDoc Drawn By:
701/701H Controller Board (I/O)
06619 B
4 5
A0
1
A1
2
A2
3
P0
4
P1
5
P2
6
P3
7
VSS
8P4 9
P5 10
P6 11
P7 12
INT 13
SCL 14
SDA 15
VDD 16
U3
PCF8574T/3,512
12 JP2
IDC-HEADER
-20-SC
-20-SE
LED+
+20-LED
Vdd 1
A0 2
A1 3
Vout 4
PD
5
SCL
6
SDA
7
Vee
8
U4
AD5321-RM8
R21
10
-20-LED
REC-OUT
BASE ADDR: 0x18
1
2
4
3
U2
PS2502-1
1
2
3
4
5
6
7
8
9
10
J15
CON10 ADDR:0x4E
DS2
RED
+5V
+5V
+5V
+5V
+5V
+5V
+5V
-20-LED
+20-LED
+5V
+5V
REC-OUT
SCL
SDA
SCL
SDA
SCL
SDA
StatusPU
KBINT AC-NEUT
AC-HOT
R18
2.2K
R19
2.2K
R20
2.2K
IN- 4
IN+ 3
AC 2
AC 1
K5 GA8-6B02
DS3
YEL
DS4
YEL
DS5
YEL
DS7
YEL
DS6
YEL
R16
2.2K
R15
2.2K
R14
4.7K
C14
0.1uF
R25
10K
C13
0.1uF
R17
2.2K
R22
2.2K R23
2.2K
TP3
DEW_POINT_OUT
PUMP-ON
4-WAY-VALVE
DUMP-VALVE
RELIEF-VALVE
4-WAY-VALVE
DUMP-VALVE
RELIEF-VALVE
SCRUBBER-CTRL
PUMP-ON
SCRUBBER-HEATER
KBINT
+5V-REF
1
2
3
4
5
6
7
8
J16
mftvh8
1
2
J13
DCN5874
RT
Printed documents are uncontrolled
PIC1301
PIC1302
COC13
PIC1401
PIC1402
COC14
PIDS201
PIDS202
CODS2
PIDS301
PIDS302
CODS3
PIDS401
PIDS402
CODS4
PIDS501
PIDS502
CODS5
PIDS601 PIDS602
CODS6
PIDS701PIDS702
CODS7
PIJ1301
PIJ1302
COJ13
PIJ1501
PIJ1502
PIJ1503
PIJ1504
PIJ1505
PIJ1506
PIJ1507
PIJ1508
PIJ1509
PIJ15010
COJ15
PIJ1601
PIJ1602
PIJ1603
PIJ1604
PIJ1605
PIJ1606
PIJ1607
PIJ1608
COJ16
PIJP201PIJP202
COJP2
PIK501PIK502PIK503
PIK504
COK5
PIR1401
PIR1402
COR14
PIR1501
PIR1502
COR15
PIR1601
PIR1602
COR16
PIR1701
PIR1702
COR17
PIR1801
PIR1802
COR18
PIR1901
PIR1902
COR19
PIR2001
PIR2002
COR20
PIR2101
PIR2102
COR21
PIR2201
PIR2202
COR22
PIR2301 PIR2302
COR23
PIR2501 PIR2502
COR25
PITP301
COTP3
PIU201
PIU202 PIU203
PIU204
COU2
PIU301
PIU302
PIU303
PIU304
PIU305
PIU306
PIU307
PIU308 PIU309
PIU3010
PIU3011
PIU3012
PIU3013
PIU3014
PIU3015
PIU3016
COU3
PIU401
PIU402
PIU403
PIU404
PIU405
PIU406
PIU407
PIU408
COU4
PO40WAY0VALVE
POAC0HOT
POAC0NEUT
PODUMP0VALVE
POKBINT
POPUMP0ON
POREC0OUT
PORELIEF0VALVE
POSCL
POSDA
POSTATUSPU
06712B (DCN5875)
B-6

1
1
2
2
3
3
4
4
D D
C C
B B
A A
Title
Number RevisionSize
A
Date: 10/11/2010 Sheet of
File: N:\PCBMGR\..\06619-5B.SchDoc Drawn By:
701/701H Controller Board (SENSORS)
06619 B
5 5
R32
6.81K
R31
20K
3
2
6
1
8
74
U6
OPA340UA
R30
100K
3
2
1
4
Q1
IRLL014N
BASE ADDR: 0x90
HUMIDITY
PRESSURE
HEATER-ON
IN+
1
HYS
2
GND
3
V-
4FB 5
OUT 6
V+ 7
IN- 8
U5
AD597ARZ
TEMPERATURE
+5V
+V
C20
10nF
+
_
1
2
J12
K-Type Thermocouple
+5V
SCL
SDA
Normal Operation 300 ºC
@ +3V Output (10mV/ºC)
V
3OUT 1
GND
2
U7
MPX5700GP
C21
1.0uF C19
0.33uF
C18
1.0uF
C15
0.1uF
R26
2.2K
DS8
RED
R29
10K
R33
10K
TP4
TP5
TP6
R34
750
3
4
1
2 5
GND
VCC U8
LMV710IDBVR
V+ S3
V-
S1
Out S2
R2R1
SDA
1
SCL
2
TCR
3
GND
4INT 5
A1 6
A0 7
+V 8
R50
S1
U10
10
11
12
H1
R1
499
C24
0.1uF
22uF
C23
C17
0.1uF
AGND
AGND
AGND
AGND
AGND
+5V-REF
+5V-REF
+5V-REF
R36
0
R27
1K
AGND
AGND
22uF
C16
C22
0.1uF
+6V
DCN5874
RT
Printed documents are uncontrolled
PIC1501
PIC1502
COC15
PIC1601
PIC1602
COC16
PIC1701
PIC1702
COC17
PIC1801
PIC1802
COC18
PIC1901
PIC1902
COC19
PIC2001
PIC2002
COC20
PIC2101
PIC2102
COC21
PIC2201
PIC2202
COC22
PIC2301
PIC2302
COC23
PIC2401
PIC2402
COC24
PIDS801 PIDS802
CODS8
PIH101
PIH102
PIH103
PIH104 PIH105
PIH106
PIH107
PIH108
PIH1010
PIH1011
PIH1012
PIH10R1
PIH10R2
PIH10S1
PIH10S2
PIH10S3
COH1
PIJ1201 PIJ1202
COJ12
PIQ101
PIQ102
PIQ103
PIQ104
COQ1
PIR101
PIR102
COR1
PIR2601
PIR2602
COR26
PIR2701
PIR2702
COR27
PIR2901
PIR2902
COR29
PIR3001
PIR3002
COR30
PIR3101 PIR3102
COR31
PIR3201
PIR3202
COR32
PIR3301
PIR3302
COR33
PIR3401 PIR3402
COR34
PIR3601
PIR3602
COR36
PITP401
COTP4
PITP501
COTP5
PITP601
COTP6
PIU501
PIU502
PIU503
PIU504 PIU505
PIU506
PIU507
PIU508
COU5
PIU601
PIU602
PIU603
PIU604
PIU606
PIU607
PIU608
COU6
PIU701
PIU702
PIU703
COU7
PIU801
PIU802
PIU803
PIU804
PIU805
COU8
POHEATER0ON
POHUMIDITY
POPRESSURE
POSCL
POSDA
POTEMPERATURE
06712B (DCN5875)
B-7
