Telensa TCNM-E Streetlight Control and Monitoring Device User Manual LLT17301
Telensa Ltd. Streetlight Control and Monitoring Device LLT17301
Telensa >
User Manual

LLT173 01 18 May 2010 Page 1 of 9
QP4016 07- Tech Note Template
Subject:
User Manual for the US Telecell
Date: 18 May 2010 Document ref:
LLT173 01
Intentionally Blank
LLT173 01 18 May 2010 Page 2 of 9
QP4016 07- Tech Note Template
Contents
OPERATIONAL SAFETY NOTICES ............................................................................................................... 3
FCC STATEMENT ............................................................................................................................................ 3
1 SPECIFICATIONS .................................................................................................................................... 4
1.1 MULTI-VOLT TELECELLS ....................................................................................................................... 4
1.1.1 Electrical Parameters: ..................................................................................................................... 4
1.1.2 Radio: .............................................................................................................................................. 4
1.1.3 Operating Temperature:................................................................................................................... 4
2 TELECELL ................................................................................................................................................ 4
3 TELECELL VARIANTS ........................................................................................................................... 5
4 INGRESS PROTECTION RATINGS ....................................................................................................... 5
4.1 NEMA TELECELL ................................................................................................................................. 5
4.2 CONDUIT TELECELL .............................................................................................................................. 5
5 INSTALLATION INSTRUCTIONS.......................................................................................................... 6
5.1 NEMA TELECELL ................................................................................................................................. 6
5.2 CONDUIT TELECELL .............................................................................................................................. 6
6 CONTACT DETAILS ................................................................................................................................ 9

LLT173 01 18 May 2010 Page 3 of 9
QP4016 07- Tech Note Template
Operational Safety Notices
The radio equipment described in this guide emits radio frequency energy. Although the power level is
low, the concentrated energy from a directional antenna may pose a health hazard. Only outdoor
antennas certified with this transmitter should be used and must be installed to provide a separation
distance of at least 20 cm from all persons. More information on RF exposure is available on the Internet
at www.fcc.gov/oet/info/documents/bulletins.
This manual is intended to guide a professional installer to install, operate and perform basic system
maintenance on the described equipment. Failure to correctly follow installation guidelines may result in
a power supply short-circuit and / or damage to the equipment.
FCC Statement
This equipment complies with Part 15 of the FCC Rules. Operation is subject to the following two
conditions: (1) This device may not cause harmful interference, and (2) this device must accept any
interference received, including interference that may cause undesired operation. The devices are
specifically designed to be used under Section 15.247 of the FCC Rules and Regulations.
Furthermore, this device is intended to be used only when installed in accordance with the instructions
outlined in this manual. Failure to comply with these instructions may also void the user’s authority to
operate this device.

LLT173 01 18 May 2010 Page 4 of 9
QP4016 07- Tech Note Template
1 Specifications
1.1 Multi-volt Telecells
1.1.1 Electrical Parameters:
• Supply voltage: 102 - 276 VAC, 60Hz (multi-volt variants)
408 – 552 VAC, 60Hz (480V variants)
• Maximum switching current: 10A
1.1.2 Radio:
• Transmit Power: 100mW EIRP.
1.1.3 Operating Temperature:
• NEMA & Conduit variants: -40 to 60 °C (Ambient)
2 Telecell
The Telecell contains a radio control processor, lighting control and monitoring circuitry, together with
an electricity meter. The unit is directly powered off the AC supply that it is controlling and thus requires
no additional connections. The two basic types are shown below:
Model Picture Notes
NEMA Telecell
NEMA socket photocell replacement, to
meet ANSI c136.10 mechanical
requirements, with twist lock installation.
Conduit Telecell
As NEMA but with 20mm threaded tube
with wire tails instead of NEMA plug.

LLT173 01 18 May 2010 Page 5 of 9
QP4016 07- Tech Note Template
3 Telecell Variants
A full product breakdown is given in the following table:
Type Description
TC-A2-NM-XX-E NEMA Telecell, blue, multi-volt (120/240 VAC),
dimming-compatible.
TC-A2-NM-XX-N NEMA Telecell, blue, multi-volt (120/240 VAC), non-
dimming.
TC-A3-NM-XX-N NEMA Telecell, yellow, 480V, non-dimming.
TC-A2-CN-XX-E Conduit Telecell, blue, multi-volt (120/240 VAC),
dimming-compatible.
TC-A3-CN-XX-N Conduit Telecell, yellow, 480V, non-dimming.
4 Ingress Protection Ratings
Ratings quoted are for each Telecell type and also the dimming module correctly installed in suitable
mounting hardware, itself having appropriate ingress protection.
4.1 NEMA Telecell
This variant is entirely located outside the luminaire. It attaches to the luminaire using its moulded-in
electrical contacts. The NEMA employs an o-ring seal and shrouding skirt to achieve an IP rating of 65.
4.2 Conduit Telecell
This variant has the same external features as the NEMA but attaches to the luminaire via a Ø20 mm
hole. Ingress protection via this hole is provided by a rubber bung. The ingress protection around the
external surfaces and mounting hole is IP65.
The surfaces of the Conduit Telecell accessible from the inside of the luminaire are rated to IP55. It is a
requirement that the Telecell is always installed in a luminaire or other hardware with ingress protection
rated for safe electrical operation in the indoor or outdoor environment for which it is intended. This
provides a safe environment for the internal surfaces and connection of the Telecell.
Typical NEMA & Conduit application:
LLT173 01 18 May 2010 Page 6 of 9
QP4016 07- Tech Note Template
5 Installation Instructions
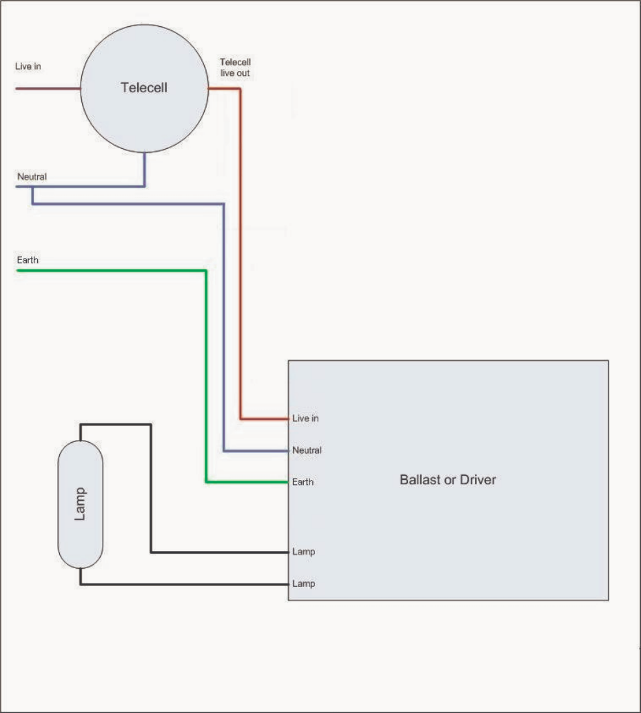
Instructions for the installation of each of the different variants of Telecell are given below. Figure 1
shows a wiring diagram for a standard lamp with a non-dimmable ballast. Figure 2 shows the case where
there is a dimmable ballast and a dimming control module (TDM-A) is included.
5.1 NEMA Telecell
Insert unit into NEMA socket on street light ensuring the largest tab on the unit places into the largest tab
on the NEMA receptacle on the street light. Turn by hand applying slight force.
5.2 Conduit Telecell
Remove the large nut on the base of the Telecell and insert the Telecell into the hole at the top of the
luminaire. Fasten the nut to hold the Telecell in place and connect the power cables as shown in Figure 1/
Figure 2.

LLT173 01 18 May 2010 Page 7 of 9
QP4016 07- Tech Note Template
Figure 1: Wiring Diagram for Telecell (No Dimming Module)

LLT173 01 18 May 2010 Page 8 of 9
QP4016 07- Tech Note Template
Figure 2: Wiring Diagram for Telecell (With Dimming Module)

LLT173 01 18 May 2010 Page 9 of 9
QP4016 07- Tech Note Template
6 Contact Details
Mail Address: Telensa Ltd,
Plextek Building,
London Road,
Great Chesterford,
Essex,
CB10 1NY.
UK.
Telephone: +44 (0) 1799 533200
Fax: +44 (0) 1799 533201
Email: enquiries@telensa.com
Website: http://www.telensa.com