Telnova Technology F6088 BLUETOOTH MODULE User Manual WY9 F6088 UserManual Rev2
Telnova Technology Co., Ltd. BLUETOOTH MODULE WY9 F6088 UserManual Rev2
User Manual

Telnova Technology Co.,Ltd
1
This module is limited to OEM installation ONLY
Bluetooth Module for Audio Application
F6088 Class2 Bluetooth Module
Features
. Bluetooth V2.1+EDR specification support
. A2DPv1.2
. AVRCPv1.0
. HFPV1.5
Applications
. This module applies only to the following Bluetooth speaker:
Manufacturer : Telnova Technology Co.,Ltd
Producted name: Bluetooth Spesaker
Model name: MBT-80C
Brand name:N/A
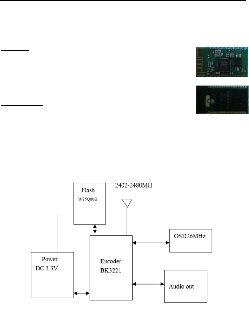
Block Diagram
This is part circuit structure: The encoder IC BK3221(OSC26MHz), it is a single chip radio and
basedand is for Bluetooth 2.4GHz systems including enhanced data rates(EDR) to 3MBPS; The
FLASH W25080B, it is a single chip 8 megabit(1024X8-bit-/512kx16-bit) Flash memoy, CMos
3.0 Volt-only. The module Supports Bluetooth v2.1. the Frequency range: 2402-2480MHz. The
module also has necessary balun and bandpass filters to interface with a build-in PCB antenna,
which forms a very cost effective radio subsystem.

Telnova Technology Co.,Ltd
2
Physical Layout and Size

Telnova Technology Co.,Ltd
3
Pins Configurations
General Electrical Specification

Telnova Technology Co.,Ltd
4
Radio Characteristics

Telnova Technology Co.,Ltd
5
Notes:
1 PSR configuration setting maintains the transmit power to be within the Bluetooth specification v2.0 limits
2 Class 2 RF transmit power range, Bluetooth specification v2.0
3 Up to five exceptions are allowed in v2.0 of the Bluetooth specification
4 Up to three exceptions are allowed in v2.0 of the Bluetooth specification
5 Measured at F0 = 2441MHz
Installation diagram
Module Installation location(Telnova Technology Co.,Ltd MBT-80C Bluetooth
Spesaker)
Module Installation location

Telnova Technology Co.,Ltd
6
FCC Statement:
NOTICE: This device complies with Part 15 of the FCC Rules. Operation is subject to the following two
conditions: (1) this device may not cause harmful interference, and (2) this device must accept any interference
received, including interference that may cause undesired operation.
Changes or modifications made to this equipment not expressly approved by ValenceTech Limited may void the
FCC authorization to operate this equipment.
This equipment has been tested and found to comply with the limits for a Class B digital device, pursuant to Part
15 of the FCC Rules. These limits are designed to provide reasonable protection against harmful interference in a
residential installation. This equipment generates, uses and can radiate radio frequency energy and if not installed
and used in accordance with the instructions, may cause harmful interference to radio communications. However,
there is no guarantee that interference will not occur in a particular installation. If this equipment does cause
harmful interference to radio or television reception, which can be determined by turning the equipment off and on,
the user is encouraged to try to correct the interference by one or more of the following measures:
Reorient or relocate the receiving antenna.
Increase the separation between the equipment and receiver
Connect the equipment into an outlet on a circuit different from that to which the receiver is connected.
Consult the dealer or an experienced radio/TV technician for help
Radiofrequency radiation exposure information:
This equipment complies with FCC radiation exposure limits set forth for an uncontrolled environment. Please
see the RF Exposure information. This transmitter must not be co-located or operating in conjunction with any
other antenna or transmitter.
This device should be installed and operated with a minimum distance of 20cm between the antenna and all
persons.
Label requirements:
Contains Transmitter Module FCC ID: WY9-F6088
Host use instruction:
The module must install and work with a speaker,
The speaker’s manufacturer is Telnova Technology Co., Ltd..
The Host mode name: MBT-80C BLUETOOTH SPEAKER
The Host Brand Name: N/A
FCC RF Exposure Requirement
1. At least 20cm separation distance between the antenna and the user’s body must be maintained at all times.
And must not transmit simultaneously with any other antenna or transmitter, except in accordance with FCC
multi transmitter product procedures.
2. To comply with FCC regulations limiting both maximum RF output power and human exposure to RF radiation,
the maximum antenna gain including cable loss in a mobile-only exposure condition must not exceed 0dBi in
the 2.4G band.
3. A user manual with the end product must clearly indicate the operating requirements and conditions that must be
observed to ensure compliance with current FCC RF exposure guidelines.

Telnova Technology Co.,Ltd
7
Note: If this module is intended for use in a portable device, you are responsible for separate approval to satisfy
the SAR requirements of FCC Part 2.1093.
Please be noticed following information and instructions should be placed in the end-user’s operating
manual
The F6088 Module has been granted as limited modular approval for BLUETOOTH SPEAKER. F6088 Module
must be installed in the designated host as specified in this manual.
1. Separate approval is required for all other operating configurations, including portable configurations with
respect to 2.1093 and different antenna configurations.
2. The F6088 Module and its antenna must not be co-located or operating in conjunction with any other transmitter
or antenna within a host device. This equipment complies with FCC RF radiation exposure limits set forth for
an uncontrolled environment.
3.A label must be affixed to the outside of the end product into which the F6088 Module is incorporated, with a
statement similar to the following: For F6088: This device contains FCC ID: WY9-F6088.
4. The module shall be in non-detachable construction protection into the finished products, so that the end-user
has to destroy the module while remove or install it.
5. This module is to be installed only in mobile or fixed applications. According to FCC part 2.1091(b) definition
of mobile and fixed devices is:.
Mobile device:
A mobile device is defined as a transmitting device designed to be used in other than fixed locations and to
generally be used in such a way that a separation distance of at least 20 centimeters is normally maintained
between the transmitter’s radiating structure(s) and the body of the user or nearby persons. In this context, the
term ‘‘fixed location’’ means that the device is physically secured at one location and is not able to be easily
moved to another location.
Portable device:
For purposes of this section, a portable device is defined as a transmitting device designed to be used so that the
radiating structure(s) of the device is/are within 20 centimeters of the body of the user.
6. Separate approval is required for all other operating configurations, including portable configurations with
respect to FCC Part 2.1093 and different antenna configurations.
7. A certified modular has the option to use a permanently affixed label, or an electronic label. For a permanently
affixed label, the module must be labelled with an FCC ID: WY9-F6088. The OEM manual must provide clear
instructions explaining to the OEM the labelling requirements, options and OEM user manual instructions that
are required.
For a host using a this FCC certified modular with a standard fixed label, if (1) the module’s FCC ID is not
visible when installed in the host, or (2) if the host is marketed so that end users do not have straightforward
commonly used methods for access to remove the module so that the FCC ID of the module is visible; then an
additional permanent label referring to the enclosed module: “Contains Transmitter Module FCC ID:
WY9-F6088” or “Contains FCC ID: WY9-F6088” must be used. The host OEM user manual must also contain
clear instructions on how end users can find and/or access the module and the FCC ID.
8. Host product is required to comply with all applicable FCC equipment authorizations regulations,
requirements and equipment functions not associated with the transmitter module portion, compliance must be

Telnova Technology Co.,Ltd
8
demonstrated to regulations for other transmitter components within the host product; to requirements for
unintentional radiators (Part 15B). To ensure compliance with all non-transmitter functions the host
manufacturer is responsible for ensuring compliance with the module(s) installed and fully operational. If a
host was previously authorized as an unintentional radiator under the Declaration of Conformity procedure
without a transmitter certified module and a module is added, the host manufacturer is responsible for ensuring
that after the module is installed and operational the host continues to be compliant with the Part 15B
unintentional radiator requirements. Since this may depend on the details of how the module is integrated with
the host, we suggest the host device to recertify part 15B to ensure complete compliance with FCC requirement:
Part 2 Subpart J Equipment Authorization Procedures , KDB784748 D01 v07, and KDB 997198 about
importation of radio frequency devices into the United States.
OEM RESPONSIBILITIES TO COMPLY WITH FCC REGULATIONS
The F6088 Module has been certified for integration into products only by OEM integrators under the following
conditions: This device is granted for use in Mobile only configurations in which the antennas used for this
transmitter must be installed to provide a separation distance of at least 20cm from all person and not be
co-located with any other transmitters except in accordance with FCC and Industry Canada multi-transmitter
product procedures.
As long as the two conditions above are met, further transmitter testing will not be required. However, the
OEM integrator is still responsible for testing their end-product for any additional compliance requirements
required with this module installed (for example, digital device emissions, PC peripheral requirements, etc.).
IMPORTANT NOTE: In the event that these conditions cannot be met (for certain configurations or
co-location with another transmitter), then the FCC and Industry Canada authorizations are no longer
considered valid and the FCC ID and IC Certification Number cannot be used on the final product. In
these circumstances, the OEM integrator will be responsible for re-evaluating the end product (including
the transmitter) and obtaining a separate FCC and Industry Canada authorization.
OEM LABELING REQUIREMENTS FOR END-PRODUCT
The F6088 module is labeled with its own FCC ID Certification Number. The FCC ID certification numbers are
not visible when the module is installed inside another device, as such the end device into which the module is
installed must display a label referring to the enclosed module. The final end product must be labeled in a visible
area with the following: “Contains Transmitter Module FCC ID: WY9-F6088” OR “Contains FCC ID:
WY9-F6088”
The OEM of the F6088 Module must only use the approved antenna(s) listed above, which have been certified
with this module. The device F6088 carries FCC authorization and is marked with the FCC ID Number.
Whilst any device into which this authorized module is installed will not normally be required to obtain FCC
authorization, this does not preclude the possibility that some other form of authorization or testing may be
required for the finished device.
OEM END PRODUCT USER MANUAL STATEMENTS
The OEM integrator should not to provide information to the end user regarding how to install or remove this
RF module or change RF related parameters in the user manual of the end product.

Telnova Technology Co.,Ltd
9
If this module is intended for use in a portable device, you are responsible for separate approval to satisfy the
SAR requirements of FCC Part 2.1093.
The user manual for the end product must include the following information in a prominent location:
This device is granted for use in Mobile only configurations in which the antennas used for this transmitter must
be installed to provide a separation distance of at least 20cm from all person and not be co-located with any
other transmitters except in accordance with FCC and Industry Canada multi-transmitter product procedures.
The end product with an embedded FCC ID: WY9-F6088 Module may also need to pass the FCC Part 15
unintentional emission testing requirements and be properly authorized per FCC Part 15.
The labeling instructions of finished products refer to following requirements:
A certified modular has the option to use a permanently affixed label, or an electronic label (see Electronic
Labelling below). For a permanently affixed label, the module must be labelled with an FCC ID - Section 2.926
(see Certification (labelling requirements) above). The OEM manual must provide clear instructions explaining
to the OEM the labelling requirements,options and OEM user manual instructions that are required (see next
paragraph).
For a host using a certified modular with a standard fixed label, if (1) the module’ s FCC ID is not visible when
installed in the host, or (2) if the host is marketed so that end users do not have straightforward commonly used
methods for access to remove the module so that the FCC ID of the module is visible; then an additional
permanent label referring to the enclosed module:
“Contains Transmitter Module FCC ID: WY9-F6088” or “Contains FCC ID: WY9-F6088” must be used.
The host OEM user manual must also contain clear instructions on how end users can find and/or access the
module and the FCC ID.
Other user manual statements may apply.