Thermal Comfort 3000 Users Manual 2533 C & CR Pgs
3000 to the manual 56b428ef-1fe7-4582-85f6-7ab9b6a69e1b
2015-02-03
: Thermal-Comfort Thermal-Comfort-3000-Users-Manual-461516 thermal-comfort-3000-users-manual-461516 thermal-comfort pdf
Open the PDF directly: View PDF .
Page Count: 86
- SECTION 1: GENERAL INFORMATION
- 1.01 Notes, Cautions and Warnings
- 1.02 Important Safety Precautions
- 1.03 Publications
- 1.04 Note, Attention et Avertissement
- 1.05 Precautions De Securite Importantes
- 1.06 Documents De Reference
- 1.07 Declaration of Conformity
- 1.08 Statement of Warranty
- SECTION 2: INTRODUCTION
- 2.01 Scope Of Manual
- 2.02 General Service Philosophy
- 2.03 Service Responsibilities
- SECTION 3: INTRODUCTION & DESCRIPTION
- 3.01 Scope of Manual
- 3.02 General Description
- 3.03 Specifications & Design Features
- 3.04 Theory Of Operation
- 3.05 Options And Accessories
- SECTION 4: SERVICE TROUBLESHOOTING DIAGNOSTICS
- 4.01 Introduction
- 4.02 Periodic Inspection & Procedures
- 4.03 System Theory
- 4.04 Troubleshooting Guide
- 4.05 Test Procedures
- SECTION 5: REPAIRS & REPLACEMENT PROCEDURES
- 5.01 Introduction
- 5.02 Anti-Static Handling Procedures
- 5.03 Parts Replacement - General Information
- 5.04 External Parts Replacement
- 5.05 Access Panel Parts Replacement
- 5.06 Front Panel/Chassis Parts Replacement
- 5.07 Rear Panel Parts Replacement
- 5.08 Base Assembly Parts Replacement
- 5.09 Upper Chassis Parts Replacement
- 5.10 Main Heatsink Assembly Parts Replacement
- 5.11 Hose Assembly Replacements
- SECTION 6: PARTS LISTS
- 6.01 Introduction
- 6.02 Ordering Information
- 6.03 External Power Supply Replacement Parts List
- 6.04 Access Panel Replacement Parts
- 6.05 Front Panel/Chassis Replacement Parts
- 6.06 Rear Panel Replacement Parts
- 6.07 Base Assembly Replacement Parts
- 6.08 Upper Chassis Replacement Parts
- 6.09 Main Heatsink Assembly Replacement Parts
- 6.10 Power Supply Options And Accessories
- APPENDIX I: INPUT WIRING REQUIREMENTS
- APPENDIX II: SEQUENCE OF OPERATION BLOCK DIAGRAM
- APPENDIX III: TYPICAL MECHANIZED SYSTEM CABLE CONNECTIONS
- APPENDIX IV: INTERFACE CABLES FOR REMOTE CONTROL (RC6010) AND STANDOFF CONTROL (SC11)
- APPENDIX V: CNC INTERFACE
- APPENDIX VI: 120 VAC CIRCUIT DIAGRAM
- APPENDIX VII: LADDER DIAGRAM - 15 VDC
- APPENDIX VIII: SIGNAL FLOW BLOCK DIAGRAM
- APPENDIX IX: START CIRCUIT DIARGRAM
- APPENDIX X: CURRENT CONTROL / DISPLAY CIRCUIT DIAGRAM
- APPENDIX XI: CSD (CORNER SLOWDOWN) CIRCUIT DIAGRAM
- APPENDIX XII: OK-TO-MOVE CIRCUIT DIAGRAM
- APPENDIX XIII: HOSE BLOCK DIAGRAM
- APPENDIX XIV: SYSTEM SCHEMATIC
- APPENDIX XV: RECOMMENDED ROUTINE MAINTENANCE SCHEDULE FOR LIQUID COOLED PLASMA CUTTING SYSTEMS

Manual No. 0-2533
October 6, 1999
MERLIN 3000
Plasma Cutting Power Supply
Service Manual
A-00907

WARNING
WARNING
Read and understand this entire Service Manual and your
employer’s safety practices before installing, operating, or
servicing the equipment.
While the information contained in this Service Manual repre-
sents our best judgement, Thermal Dynamics Corporation
assumes no liability for its use.
MERLIN 3000 Plasma Cutting Power Supply
Service Manual Number 0-2533
Published by:
Thermal Dynamics Corporation
Industrial Park No. 2
West Lebanon, New Hampshire, USA 03784
(603) 298-5711
Copyright 1996 by
Thermal Dynamics Corporation
All rights reserved.
Reproduction of this work, in whole or in part, without written
permission of the publisher is prohibited.
The publisher does not assume and hereby disclaims any liability
to any party for any loss or damage caused by any error or
omission in the MERLIN 3000 Plasma Cutting Power Supply
Service Manual, whether such error results from negligence,
accident, or any other cause.
Printed in the United States of America
October 6, 1999
TABLE OF CONTENTS
SECTION 1:
GENERAL INFORMATION .................................................................................................. 1
1.01 Notes, Cautions and Warnings ...................................................................... 1
1.02 Important Safety Precautions ........................................................................ 1
1.03 Publications ................................................................................................... 2
1.04 Note, Attention et Avertissement ................................................................... 3
1.05 Precautions De Securite Importantes ............................................................ 3
1.06 Documents De Reference ............................................................................. 5
1.07 Declaration of Conformity .............................................................................. 7
1.08 Statement of Warranty ................................................................................... 8
SECTION 2:
INTRODUCTION ................................................................................................................. 9
2.01 Scope Of Manual ........................................................................................... 9
2.02 General Service Philosophy .......................................................................... 9
2.03 Service Responsibilities................................................................................. 9
SECTION 3:
INTRODUCTION & DESCRIPTION................................................................................... 11
3.01 Scope of Manual.......................................................................................... 11
3.02 General Description ..................................................................................... 11
3.03 Specifications & Design Features ................................................................ 11
3.04 Theory Of Operation .................................................................................... 12
3.05 Options And Accessories ............................................................................ 13
SECTION 4:
SERVICE TROUBLESHOOTING DIAGNOSTICS ............................................................. 15
4.01 Introduction.................................................................................................. 15
4.02 Periodic Inspection & Procedures ................................................................ 15
4.03 System Theory ............................................................................................ 16
4.04 Troubleshooting Guide ................................................................................. 18
4.05 Test Procedures............................................................................................ 23
SECTION 5:
REPAIRS & REPLACEMENT PROCEDURES ................................................................... 33
5.01 Introduction.................................................................................................. 33
5.02 Anti-Static Handling Procedures .................................................................. 33
5.03 Parts Replacement - General Information.................................................... 33
5.04 External Parts Replacement ........................................................................ 34
5.05 Access Panel Parts Replacement................................................................ 35
5.06 Front Panel/Chassis Parts Replacement ..................................................... 35
5.07 Rear Panel Parts Replacement ................................................................... 36
5.08 Base Assembly Parts Replacement............................................................. 39
5.09 Upper Chassis Parts Replacement.............................................................. 40
5.10 Main Heatsink Assembly Parts Replacement .............................................. 45
5.11 Hose Assembly Replacements .................................................................... 47
TABLE OF CONTENTS (continued)
SECTION 6:
PARTS LISTS.....................................................................................................................51
6.01 Introduction.................................................................................................. 51
6.02 Ordering Information.................................................................................... 51
6.03 External Power Supply Replacement Parts List ........................................... 52
6.04 Access Panel Replacement Parts................................................................ 53
6.05 Front Panel/Chassis Replacement Parts ..................................................... 54
6.06 Rear Panel Replacement Parts ................................................................... 56
6.07 Base Assembly Replacement Parts............................................................. 58
6.08 Upper Chassis Replacement Parts.............................................................. 60
6.09 Main Heatsink Assembly Replacement Parts .............................................. 62
6.10 Power Supply Options And Accessories ...................................................... 64
APPENDIX I: INPUT WIRING REQUIREMENTS ...................................................................... 67
APPENDIX II: SEQUENCE OF OPERATION BLOCK DIAGRAM .............................................. 68
APPENDIX III: TYPICAL MECHANIZED SYSTEM CABLE CONNECTIONS ............................ 69
APPENDIX IV: INTERFACE CABLES FOR REMOTE CONTROL (RC6010) AND
STANDOFF CONTROL (SC11) ......................................................................................... 70
APPENDIX V: CNC INTERFACE ............................................................................................... 71
APPENDIX VI: 120 VAC CIRCUIT DIAGRAM ............................................................................ 72
APPENDIX VII: LADDER DIAGRAM - 15 VDC .......................................................................... 73
APPENDIX VIII: SIGNAL FLOW BLOCK DIAGRAM .................................................................. 74
APPENDIX IX: START CIRCUIT DIARGRAM............................................................................ 75
APPENDIX X: CURRENT CONTROL / DISPLAY CIRCUIT DIAGRAM ..................................... 76
APPENDIX XI: CSD (CORNER SLOWDOWN) CIRCUIT DIAGRAM......................................... 77
APPENDIX XII: OK-TO-MOVE CIRCUIT DIAGRAM .................................................................. 78
APPENDIX XIII: HOSE BLOCK DIAGRAM ................................................................................ 79
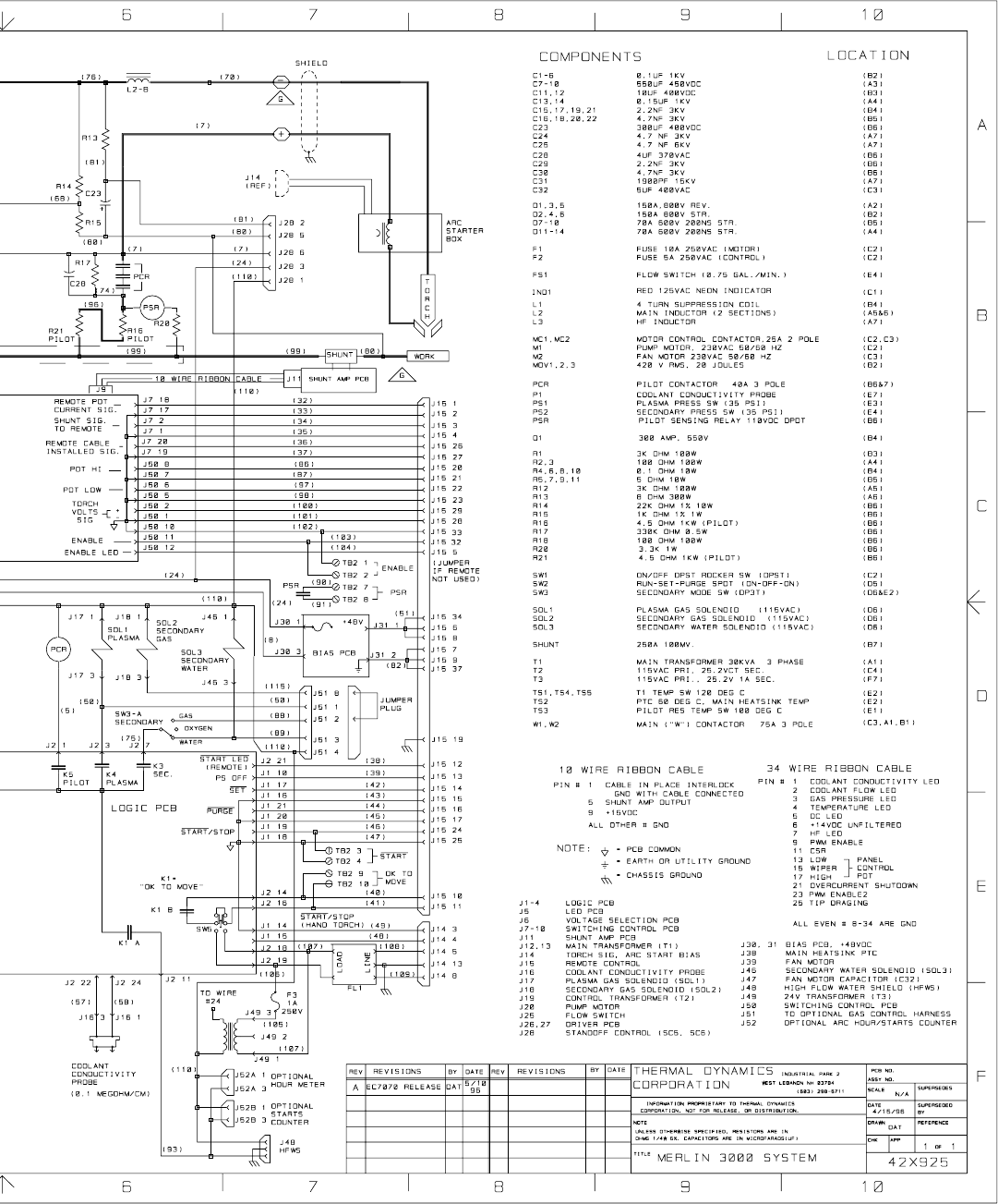
APPENDIX XIV: SYSTEM SCHEMATIC .................................................................................... 80
APPENDIX XV: RECOMMENDED ROUTINE MAINTENANCE SCHEDULE FOR
LIQUID COOLED PLASMA CUTTING SYSTEMS............................................................. 82

Date: 6/22/99 1 GENERAL INFORMATION
SECTION 1:
GENERAL INFORMATION
1.01 Notes, Cautions and Warnings
Throughout this manual, notes, cautions, and warnings
are used to highlight important information. These high-
lights are categorized as follows:
NOTE
An operation, procedure, or background informa-
tion which requires additional emphasis or is help-
ful in efficient operation of the system.
CAUTION
A procedure which, if not properly followed, may
cause damage to the equipment.
WARNING
A procedure which, if not properly followed, may
cause injury to the operator or others in the oper-
ating area.
1.02 Important Safety Precautions
WARNINGS
OPERATION AND MAINTENANCE OF
PLASMA ARC EQUIPMENT CAN BE DAN-
GEROUS AND HAZARDOUS TO YOUR
HEALTH.
Plasma arc cutting produces intense electric and
magnetic emissions that may interfere with the
proper function of cardiac pacemakers, hearing
aids, or other electronic health equipment. Per-
sons who work near plasma arc cutting applica-
tions should consult their medical health profes-
sional and the manufacturer of the health
equipment to determine whether a hazard exists.
To prevent possible injury, read, understand and
follow all warnings, safety precautions and in-
structions before using the equipment. Call 1-603-
298-5711 or your local distributor if you have any
questions.
GASES AND FUMES
Gases and fumes produced during the plasma cutting
process can be dangerous and hazardous to your health.
• Keep all fumes and gases from the breathing area.
Keep your head out of the welding fume plume.
• Use an air-supplied respirator if ventilation is not
adequate to remove all fumes and gases.
• The kinds of fumes and gases from the plasma arc
depend on the kind of metal being used, coatings
on the metal, and the different processes. You must
be very careful when cutting or welding any met-
als which may contain one or more of the follow-
ing:
Antimony Chromium Mercury
Arsenic Cobalt Nickel
Barium Copper Selenium
Beryllium Lead Silver
Cadmium Manganese Vanadium
• Always read the Material Safety Data Sheets (MSDS)
that should be supplied with the material you are
using. These MSDSs will give you the information
regarding the kind and amount of fumes and gases
that may be dangerous to your health.
• For information on how to test for fumes and gases
in your workplace, refer to item 1 in Subsection
1.03, Publications in this manual.
• Use special equipment, such as water or down draft
cutting tables, to capture fumes and gases.
• Do not use the plasma torch in an area where com-
bustible or explosive gases or materials are located.
• Phosgene, a toxic gas, is generated from the vapors
of chlorinated solvents and cleansers. Remove all
sources of these vapors.
ELECTRIC SHOCK
Electric Shock can injure or kill. The plasma arc process
uses and produces high voltage electrical energy. This
electric energy can cause severe or fatal shock to the op-
erator or others in the workplace.
• Never touch any parts that are electrically “live” or
“hot.”
• Wear dry gloves and clothing. Insulate yourself from
the work piece or other parts of the welding cir-
cuit.
• Repair or replace all worn or damaged parts.
• Extra care must be taken when the workplace is
moist or damp.

GENERAL INFORMATION 2 Date 6/22/99
• Install and maintain equipment according to NEC
code, refer to item 9 in Subsection 1.03, Publica-
tions.
• Disconnect power source before performing any ser-
vice or repairs.
• Read and follow all the instructions in the Operat-
ing Manual.
FIRE AND EXPLOSION
Fire and explosion can be caused by hot slag, sparks, or
the plasma arc.
• Be sure there is no combustible or flammable mate-
rial in the workplace. Any material that cannot be
removed must be protected.
• Ventilate all flammable or explosive vapors from
the workplace.
• Do not cut or weld on containers that may have held
combustibles.
• Provide a fire watch when working in an area where
fire hazards may exist.
• Hydrogen gas may be formed and trapped under
aluminum workpieces when they are cut under-
water or while using a water table. DO NOT cut
aluminum alloys underwater or on a water table
unless the hydrogen gas can be eliminated or dis-
sipated. Trapped hydrogen gas that is ignited will
cause an explosion.
NOISE
Noise can cause permanent hearing loss. Plasma arc pro-
cesses can cause noise levels to exceed safe limits. You
must protect your ears from loud noise to prevent per-
manent loss of hearing.
• To protect your hearing from loud noise, wear pro-
tective ear plugs and/or ear muffs. Protect others
in the workplace.
• Noise levels should be measured to be sure the deci-
bels (sound) do not exceed safe levels.
• For information on how to test for noise, see item 1
in Subsection 1.03, Publications, in this manual.
PLASMA ARC RAYS
Plasma Arc Rays can injure your eyes and burn your skin.
The plasma arc process produces very bright ultra violet
and infra red light. These arc rays will damage your
eyes and burn your skin if you are not properly protected.
• To protect your eyes, always wear a welding hel-
met or shield. Also always wear safety glasses with
side shields, goggles or other protective eye wear.
• Wear welding gloves and suitable clothing to pro-
tect your skin from the arc rays and sparks.
• Keep helmet and safety glasses in good condition.
Replace lenses when cracked, chipped or dirty.
• Protect others in the work area from the arc rays.
Use protective booths, screens or shields.
• Use the shade of lens as suggested in the following
per ANSI/ASC Z49.1:
Minimum Protective Suggested
Arc Current Shade No. Shade No.
Less Than 300* 8 9
300 - 400* 9 12
400 - 800* 10 14
* These values apply where the actual arc is clearly
seen. Experience has shown that lighter filters
may be used when the arc is hidden by the work-
piece.
1.03 Publications
Refer to the following standards or their latest revisions
for more information:
1. OSHA, SAFETY AND HEALTH STANDARDS,
29CFR 1910, obtainable from the Superintendent of
Documents, U.S. Government Printing Office, Wash-
ington, D.C. 20402
2. ANSI Standard Z49.1, SAFETY IN WELDING AND
CUTTING, obtainable from the American Welding
Society, 550 N.W. LeJeune Rd, Miami, FL 33126
3. NIOSH, SAFETY AND HEALTH IN ARC WELD-
ING AND GAS WELDING AND CUTTING, obtain-
able from the Superintendent of Documents, U.S.
Government Printing Office, Washington, D.C. 20402
4. ANSI Standard Z87.1, SAFE PRACTICES FOR OC-
CUPATION AND EDUCATIONAL EYE AND FACE
PROTECTION, obtainable from American National
Standards Institute, 1430 Broadway, New York, NY
10018
5. ANSI Standard Z41.1, STANDARD FOR MEN’S
SAFETY-TOE FOOTWEAR, obtainable from the
American National Standards Institute, 1430 Broad-
way, New York, NY 10018
6. ANSI Standard Z49.2, FIRE PREVENTION IN THE
USE OF CUTTING AND WELDING PROCESSES,
obtainable from American National Standards Insti-
tute, 1430 Broadway, New York, NY 10018
7. AWS Standard A6.0, WELDING AND CUTTING
CONTAINERS WHICH HAVE HELD COMBUS-
TIBLES, obtainable from American Welding Society,
550 N.W. LeJeune Rd, Miami, FL 33126

Date: 6/22/99 3 GENERAL INFORMATION
8. NFPA Standard 51, OXYGEN-FUEL GAS SYSTEMS
FOR WELDING, CUTTING AND ALLIED PRO-
CESSES, obtainable from the National Fire Protection
Association, Batterymarch Park, Quincy, MA 02269
9. NFPA Standard 70, NATIONAL ELECTRICAL CODE,
obtainable from the National Fire Protection Asso-
ciation, Batterymarch Park, Quincy, MA 02269
10. NFPA Standard 51B, CUTTING AND WELDING
PROCESSES, obtainable from the National Fire Pro-
tection Association, Batterymarch Park, Quincy, MA
02269
11. CGA Pamphlet P-1, SAFE HANDLING OF COM-
PRESSED GASES IN CYLINDERS, obtainable from
the Compressed Gas Association, 1235 Jefferson
Davis Highway, Suite 501, Arlington, VA 22202
12. CSA Standard W117.2, CODE FOR SAFETY IN
WELDING AND CUTTING, obtainable from the Ca-
nadian Standards Association, Standards Sales, 178
Rexdale Boulevard, Rexdale, Ontario, Canada M9W
1R3
13. NWSA booklet, WELDING SAFETY BIBLIOGRA-
PHY obtainable from the National Welding Supply
Association, 1900 Arch Street, Philadelphia, PA 19103
14. American Welding Society Standard AWSF4.1, REC-
OMMENDED SAFE PRACTICES FOR THE PREPA-
RATION FOR WELDING AND CUTTING OF CON-
TAINERS AND PIPING THAT HAVE HELD
HAZARDOUS SUBSTANCES, obtainable from the
American Welding Society, 550 N.W. LeJeune Rd,
Miami, FL 33126
15. ANSI Standard Z88.2, PRACTICE FOR RESPIRA-
TORY PROTECTION, obtainable from American
National Standards Institute, 1430 Broadway, New
York, NY 10018
1.04 Note, Attention et
Avertissement
Dans ce manuel, les mots “note,” “attention,” et
“avertissement” sont utilisés pour mettre en relief des
informations à caractère important. Ces mises en relief
sont classifiées comme suit :
NOTE
Toute opération, procédure ou renseignement
général sur lequel il importe d’insister davantage
ou qui contribue à l’efficacité de fonctionnement
du système.
ATTENTION
Toute procédure pouvant résulter
l’endommagement du matériel en cas de non-
respect de la procédure en question.
AVERTISSEMENT
Toute procédure pouvant provoquer des blessures
de l’opérateur ou des autres personnes se trouvant
dans la zone de travail en cas de non-respect de la
procédure en question.
1.05 Precautions De Securite
Importantes
AVERTISSEMENTS
L’OPÉRATION ET LA MAINTENANCE DU
MATÉRIEL DE SOUDAGE À L’ARC AU JET
DE PLASMA PEUVENT PRÉSENTER DES
RISQUES ET DES DANGERS DE SANTÉ.
Coupant à l’arc au jet de plasma produit de l’énergie
électrique haute tension et des émissions
magnétique qui peuvent interférer la fonction
propre d’un “pacemaker” cardiaque, les appareils
auditif, ou autre matériel de santé electronique.
Ceux qui travail près d’une application à l’arc au
jet de plasma devrait consulter leur membre
professionel de médication et le manufacturier de
matériel de santé pour déterminer s’il existe des
risques de santé.
Il faut communiquer aux opérateurs et au person-
nel TOUS les dangers possibles. Afin d’éviter les
blessures possibles, lisez, comprenez et suivez tous
les avertissements, toutes les précautions de sécurité
et toutes les consignes avant d’utiliser le matériel.
Composez le + 603-298-5711 ou votre distributeur
local si vous avez des questions.
FUMÉE et GAZ
La fumée et les gaz produits par le procédé de jet de
plasma peuvent présenter des risques et des dangers de
santé.
• Eloignez toute fumée et gaz de votre zone de respi-
ration. Gardez votre tête hors de la plume de fumée
provenant du chalumeau.
• Utilisez un appareil respiratoire à alimentation en
air si l’aération fournie ne permet pas d’éliminer la
fumée et les gaz.

GENERAL INFORMATION 4 Date 6/22/99
• Les sortes de gaz et de fumée provenant de l’arc de
plasma dépendent du genre de métal utilisé, des
revêtements se trouvant sur le métal et des différents
procédés. Vous devez prendre soin lorsque vous
coupez ou soudez tout métal pouvant contenir un
ou plusieurs des éléments suivants:
antimoine cadmium mercure
argent chrome nickel
arsenic cobalt plomb
baryum cuivre sélénium
béryllium manganèse vanadium
• Lisez toujours les fiches de données sur la sécurité
des matières (sigle américain “MSDS”); celles-ci
devraient être fournies avec le matériel que vous
utilisez. Les MSDS contiennent des renseignements
quant à la quantité et la nature de la fumée et des
gaz pouvant poser des dangers de santé.
• Pour des informations sur la manière de tester la
fumée et les gaz de votre lieu de travail, consultez
l’article 1 et les documents cités à la page 5.
• Utilisez un équipement spécial tel que des tables de
coupe à débit d’eau ou à courant descendant pour
capter la fumée et les gaz.
• N’utilisez pas le chalumeau au jet de plasma dans
une zone où se trouvent des matières ou des gaz
combustibles ou explosifs.
• Le phosgène, un gaz toxique, est généré par la fumée
provenant des solvants et des produits de nettoyage
chlorés. Eliminez toute source de telle fumée.
CHOC ELECTRIQUE
Les chocs électriques peuvent blesser ou même tuer. Le
procédé au jet de plasma requiert et produit de l’énergie
électrique haute tension. Cette énergie électrique peut
produire des chocs graves, voire mortels, pour l’opérateur
et les autres personnes sur le lieu de travail.
• Ne touchez jamais une pièce “sous tension” ou
“vive”; portez des gants et des vêtements secs.
Isolez-vous de la pièce de travail ou des autres par-
ties du circuit de soudage.
• Réparez ou remplacez toute pièce usée ou
endommagée.
• Prenez des soins particuliers lorsque la zone de tra-
vail est humide ou moite.
• Montez et maintenez le matériel conformément au
Code électrique national des Etats-Unis. (Voir la
page 5, article 9.)
• Débranchez l’alimentation électrique avant tout tra-
vail d’entretien ou de réparation.
• Lisez et respectez toutes les consignes du Manuel
de consignes.
INCENDIE ET EXPLOSION
Les incendies et les explosions peuvent résulter des scories
chaudes, des étincelles ou de l’arc de plasma. Le procédé
à l’arc de plasma produit du métal, des étincelles, des
scories chaudes pouvant mettre le feu aux matières com-
bustibles ou provoquer l’explosion de fumées
inflammables.
• Soyez certain qu’aucune matière combustible ou in-
flammable ne se trouve sur le lieu de travail.
Protégez toute telle matière qu’il est impossible de
retirer de la zone de travail.
• Procurez une bonne aération de toutes les fumées
inflammables ou explosives.
• Ne coupez pas et ne soudez pas les conteneurs ayant
pu renfermer des matières combustibles.
• Prévoyez une veille d’incendie lors de tout travail
dans une zone présentant des dangers d’incendie.
• Le gas hydrogène peut se former ou s’accumuler
sous les pièces de travail en aluminium lorsqu’elles
sont coupées sous l’eau ou sur une table d’eau. NE
PAS couper les alliages en aluminium sous l’eau ou
sur une table d’eau à moins que le gas hydrogène
peut s’échapper ou se dissiper. Le gas hydrogène
accumulé explosera si enflammé.
RAYONS D’ARC DE PLASMA
Les rayons provenant de l’arc de plasma peuvent blesser
vos yeux et brûler votre peau. Le procédé à l’arc de plasma
produit une lumière infra-rouge et des rayons ultra-vio-
lets très forts. Ces rayons d’arc nuiront à vos yeux et
brûleront votre peau si vous ne vous protégez pas
correctement.
• Pour protéger vos yeux, portez toujours un casque
ou un écran de soudeur. Portez toujours des lunettes
de sécurité munies de parois latérales ou des lu-
nettes de protection ou une autre sorte de protec-
tion oculaire.
• Portez des gants de soudeur et un vêtement
protecteur approprié pour protéger votre peau
contre les étincelles et les rayons de l’arc.
• Maintenez votre casque et vos lunettes de protec-
tion en bon état. Remplacez toute lentille sale ou
comportant fissure ou rognure.
• Protégez les autres personnes se trouvant sur la zone
de travail contre les rayons de l’arc en fournissant
des cabines ou des écrans de protection.

Date: 6/22/99 5 GENERAL INFORMATION
• Utilisez la nuance de lentille qui est suggèrée dans
le recommendation qui suivent ANSI/ASC Z49.1:
Nuance Minimum Nuance Suggerée
Courant Arc Protective Numéro Numéro
Moins de 300* 8 9
300 - 400* 9 12
400 - 800* 10 14
* Ces valeurs s’appliquent ou l’arc actuel est observé
clairement. L’experience a démontrer que les filtres
moins foncés peuvent être utilisés quand l’arc est
caché par moiceau de travail.
BRUIT
Le bruit peut provoquer une perte permanente de l’ouïe.
Les procédés de soudage à l’arc de plasma peuvent
provoquer des niveaux sonores supérieurs aux limites
normalement acceptables. Vous dú4ez vous protéger les
oreilles contre les bruits forts afin d’éviter une perte
permanente de l’ouïe.
• Pour protéger votre ouïe contre les bruits forts, portez
des tampons protecteurs et/ou des protections
auriculaires. Protégez également les autres
personnes se trouvant sur le lieu de travail.
• Il faut mesurer les niveaux sonores afin d’assurer
que les décibels (le bruit) ne dépassent pas les
niveaux sûrs.
• Pour des renseignements sur la manière de tester le
bruit, consultez l’article 1, page 5.
1.06 Documents De Reference
Consultez les normes suivantes ou les révisions les plus
récentes ayant été faites à celles-ci pour de plus amples
renseignements :
1. OSHA, NORMES DE SÉCURITÉ DU TRAVAIL ET
DE PROTECTION DE LA SANTÉ, 29CFR 1910,
disponible auprès du Superintendent of Docu-
ments, U.S. Government Printing Office, Washing-
ton, D.C. 20402
2. Norme ANSI Z49.1, LA SÉCURITÉ DES
OPÉRATIONS DE COUPE ET DE SOUDAGE,
disponible auprès de la Société Américaine de
Soudage (American Welding Society), 550 N.W.
LeJeune Rd., Miami, FL 33126
3. NIOSH, LA SÉCURITÉ ET LA SANTÉ LORS DES
OPÉRATIONS DE COUPE ET DE SOUDAGE À
L’ARC ET AU GAZ, disponible auprès du Superin-
tendent of Documents, U.S. Government Printing
Office, Washington, D.C. 20402
4. Norme ANSI Z87.1, PRATIQUES SURES POUR LA
PROTECTION DES YEUX ET DU VISAGE AU
TRAVAIL ET DANS LES ECOLES, disponible de
l’Institut Américain des Normes Nationales (Ameri-
can National Standards Institute), 1430 Broadway,
New York, NY 10018
5. Norme ANSI Z41.1, NORMES POUR LES
CHAUSSURES PROTECTRICES, disponible auprès
de l’American National Standards Institute, 1430
Broadway, New York, NY 10018
6. Norme ANSI Z49.2, PRÉVENTION DES
INCENDIES LORS DE L’EMPLOI DE PROCÉDÉS
DE COUPE ET DE SOUDAGE, disponible auprès
de l’American National Standards Institute, 1430
Broadway, New York, NY 10018
7. Norme A6.0 de l’Association Américaine du
Soudage (AWS), LE SOUDAGE ET LA COUPE DE
CONTENEURS AYANT RENFERMÉ DES
PRODUITS COMBUSTIBLES, disponible auprès de
la American Welding Society, 550 N.W. LeJeune Rd.,
Miami, FL 33126
8. Norme 51 de l’Association Américaine pour la Pro-
tection contre les Incendies (NFPA), LES SYSTEMES
À GAZ AVEC ALIMENTATION EN OXYGENE
POUR LE SOUDAGE, LA COUPE ET LES
PROCÉDÉS ASSOCIÉS, disponible auprès de la
National Fire Protection Association, Batterymarch
Park, Quincy, MA 02269
9. Norme 70 de la NFPA, CODE ELECTRIQUE NA-
TIONAL, disponible auprès de la National Fire Pro-
tection Association, Batterymarch Park, Quincy, MA
02269
10. Norme 51B de la NFPA, LES PROCÉDÉS DE
COUPE ET DE SOUDAGE, disponible auprès de
la National Fire Protection Association,
Batterymarch Park, Quincy, MA 02269
11. Brochure GCA P-1, LA MANIPULATION SANS
RISQUE DES GAZ COMPRIMÉS EN CYLINDRES,
disponible auprès de l’Association des Gaz
Comprimés (Compressed Gas Association), 1235
Jefferson Davis Highway, Suite 501, Arlington, VA
22202
12. Norme CSA W117.2, CODE DE SÉCURITÉ POUR
LE SOUDAGE ET LA COUPE, disponible auprès
de l’Association des Normes Canadiennes, Stan-
dards Sales, 178 Rexdale Boulevard, Rexdale,
Ontario, Canada, M9W 1R3
13. ivret NWSA, BIBLIOGRAPHIE SUR LA SÉCURITÉ
DU SOUDAGE, disponible auprès de l’Association
Nationale de Fournitures de Soudage (National
Welding Supply Association), 1900 Arch Street,
Philadelphia, PA 19103

GENERAL INFORMATION 6 Date 6/22/99
14. Norme AWSF4.1 de l’Association Américaine de
Soudage, RECOMMANDATIONS DE PRA-
TIQUES SURES POUR LA PRÉPARATION À LA
COUPE ET AU SOUDAGE DE CONTENEURS
ET TUYAUX AYANT RENFERMÉ DES
PRODUITS DANGEREUX , disponible auprès de
la American Welding Society, 550 N.W. LeJeune
Rd., Miami, FL 33126
15. Norme ANSI Z88.2, PRATIQUES DE PROTEC-
TION RESPIRATOIRE, disponible auprès de
l’American National Standards Institute, 1430
Broadway, New York, NY 10018

Date: 6/22/99 7 GENERAL INFORMATION
1.07 Declaration of Conformity
Manufacturer: Thermal Dynamics Corporation
Address: Industrial Park #2
West Lebanon, New Hampshire 03784
USA
The equipment described in this manual conforms to all applicable aspects and regulations of the ‘Low Voltage Direc-
tive’ (European Council Directive 73/23/EEC as amended by Council Directive 93/68/EEC) and to the National
legislation for the enforcement of this Directive.
Serial numbers are unique with each individual piece of equipment and details description, parts used to manufacture
a unit and date of manufacture.
National Standard and Technical Specifications
The product is designed and manufactured to a number of standards and technical requirements among them are:
* CSA (Canadian Standards Association) standard C22.2 number 60 for Arc welding equipment.
* UL (Underwriters Laboratory) rating 94VO flammability testing for all printed-circuit boards used.
* ISO/IEC 60974-1 (BS 638-PT10) (EN 60 974-1) (EN50192) (EN50078) applicable to plasma cutting equipment and associ-
ated accessories.
* Extensive product design verification is conducted at the manufacturing facility as part of the routine design and
manufacturing process. This is to ensure the product is safe, when used according to instructions in this manual and
related industry standards, and performs as specified. Rigorous testing is incorporated into the manufacturing
process to ensure the manufactured product meets or exceeds all design specifications.
Thermal Dynamics has been manufacturing products for more than 30 years, and will continue to achieve excellence in our
area of manufacture.
Manufacturers responsible representative: Steve Ward
Director of Operations
Thermadyne UK
Chorley England

GENERAL INFORMATION 8 Date 6/22/99
1.08 Statement of Warranty
LIMITED WARRANTY: Thermal Dynamics® Corporation (hereinafter “Thermal”) warrants that its products will be free of defects in
workmanship or material. Should any failure to conform to this warranty appear within the time period applicable to the Thermal
products as stated below, Thermal shall, upon notification thereof and substantiation that the product has been stored, installed, operated,
and maintained in accordance with Thermal’s specifications, instructions, recommendations and recognized standard industry practice,
and not subject to misuse, repair, neglect, alteration, or accident, correct such defects by suitable repair or replacement, at Thermal’s sole
option, of any components or parts of the product determined by Thermal to be defective.
THIS WARRANTY IS EXCLUSIVE AND IS IN LIEU OF ANY WARRANTY OF MERCHANTABILITY OR FITNESS FOR A
PARTICULAR PURPOSE.
LIMITATION OF LIABILITY: Thermal shall not under any circumstances be liable for special or consequential damages, such as, but
not limited to, damage or loss of purchased or replacement goods, or claims of customers of distributor (hereinafter “Purchaser”) for
service interruption. The remedies of the Purchaser set forth herein are exclusive and the liability of Thermal with respect to any
contract, or anything done in connection therewith such as the performance or breach thereof, or from the manufacture, sale, delivery,
resale, or use of any goods covered by or furnished by Thermal whether arising out of contract, negligence, strict tort, or under any
warranty, or otherwise, shall not, except as expressly provided herein, exceed the price of the goods upon which such liability is based.
THIS WARRANTY BECOMES INVALID IF REPLACEMENT PARTS OR ACCESSORIES ARE USED WHICH MAY IMPAIR THE
SAFETY OR PERFORMANCE OF ANY THERMAL PRODUCT.
THIS WARRANTY IS INVALID IF THE PRODUCT IS SOLD BY NON-AUTHORIZED PERSONS.
The limited warranty periods for Thermal products shall be as follows (with the exception of XL Plus Series, CutMaster 80XL , Cougar
and DRAG-GUN): A maximum of three (3) years from date of sale to an authorized distributor and a maximum of two (2) years from
date of sale by such distributor to the Purchaser, and with the further limitations on such two (2) year period (see chart below).
The limited warranty period for XL Plus Series and CutMaster 80XL shall be as follows: A maximum of four (4) years from date
of sale to an authorized distributor and a maximum of three (3) years from date of sale by such distributor to the Purchaser, and
with the further limitations on such three (3) year period (see chart below).
The limited warranty period for Cougar and DRAG-GUN shall be as follows: A maximum of two (2) years from date of sale to an
authorized distributor and a maximum of one (1) year from date of sale by such distributor to the Purchaser, and with the further
limitations on such two (2) year period (see chart below).
Parts
XL Plus Series & Parts Parts
PAK Units, Power Supplies CutMaster 80XL Cougar/Drag-Gun All Others Labor
Main Power Magnetics 3 Years 1 Year 2 Years 1 Year
Original Main Power Rectifier 3 Years 1 Year 2 Years 1 Year
Control PC Board 3 Years 1 Year 2 Years 1 Year
All Other Circuits And Components Including, 1 Year 1 Year 1 Year 1 Year
But Not Limited To, Starting Circuit,
Contactors, Relays, Solenoids, Pumps,
Power Switching Semi-Conductors
Consoles, Control Equipment, Heat 1 Year 1 Year 1 Year
Exchanges, And Accessory Equipment
Torch And Leads
Maximizer 300 Torch 1 Year 1 Year
All Other Torches 180 Days 180 Days 180 Days 180 Days
Repair/Replacement Parts 90 Days 90 Days 90 Days None
Warranty repairs or replacement claims under this limited warranty must be submitted by an authorized Thermal Dynamics® repair
facility within thirty (30) days of the repair. No transportation costs of any kind will be paid under this warranty. Transportation
charges to send products to an authorized warranty repair facility shall be the responsibility of the customer. All returned goods shall
be at the customer’s risk and expense. This warranty supersedes all previous Thermal warranties.
Effective May 6, 1999

Manual 0-2533 9 INTRODUCTION
SECTION 2:
INTRODUCTION
2.01 Scope Of Manual
This Manual provides Service Instructions for Thermal
Dynamics Merlin 3000 Power Supply.
Refer to Operating Manual (0-2532) for individual oper-
ating procedures. Information in this edition is therefore
particularly applicable to the Troubleshooting and Repair
of the equipment, and is intended for use by properly-
trained Service Technicians familiar with this equipment.
Read this Manual and the Operating Manual, 0-2532,
thoroughly. A complete understanding of the capabili-
ties and functions of the equipment will assure obtaining
the performance for which it was designed.
2.02 General Service Philosophy
Several key points are essential to properly support the
application and operation of this equipment.
A. Application
The equipment should satisfy the customer’s require-
ments as supplied and as described in Section 3 of this
manual. Be sure to confirm that the equipment is capable
of the application desired.
B. Modifications
No physical or electrical modifications other than selec-
tion of standard options, Accessories, or Factory approved
updates are to be made to this equipment.
C. Customer/Operator Responsibilities
It is the customer/operators’ responsibility to maintain
the equipment and peripheral Accessories provided by
Thermal Dynamics in good operating order in accordance
with the procedures outlined in the Operating Manual,
and to protect the equipment from accidental or mali-
cious damage.
D. Repair Restrictions
The electronics consists of Printed Circuit Board Assem-
blies which must be carefully handled, and must be re-
placed as units. No replacement of printed circuit sol-
der-mounted components is allowed except as noted in
this manual.
If to be returned, the replaced Printed Circuit Board As-
semblies must be properly packaged in protective mate-
rial and returned intact per normal procedures.
2.03 Service Responsibilities
The Service Technician should be familiar with the equip-
ment and its capabilities. He should be prepared to rec-
ommend arrangements of components which will pro-
vide the most efficient layout, utilizing the equipment to
its best possible advantage.
Maintenance work should be accomplished in a timely
manner. If problems are encountered, or the equipment
does not function as specified, contact Technical Services
Department at West Lebanon for assistance.

INTRODUCTION 10 Manual 0-2533

Manual 0-2533 11 INTRODUCTION & DESCRIPTION
SECTION 3:
INTRODUCTION &
DESCRIPTION
3.01 Scope of Manual
The information in this Section is the same information
contained in Section 2 of the Operating Manual. It is sup-
plied here to familiarize the Service Technician with the
capabilities and limitations of the equipment. This infor-
mation will also provide the Service Technician with an
overall understanding of the equipment which will, in
turn, allow proper training of the customer’s operating
personnel.
3.02 General Description
The Power Supply contains all operator controls, electri-
cal and gas inputs and outputs, and the torch leads re-
ceptacle. Many options and accessories can be added to
further improve the versatility of the system.
A-00907
Figure 3-1 Power Supply
The Standard Coolant supplied with the Power Supply
can be used in ambient temperatures down to 10° F
(-12° C). If the ambient temperature will be below 10° F
(-12° C) then Super Coolant should be used. This coolant
can be used in areas where the ambient temperature drops
to -34° F (-36° C).
A typical system configuration will contain the follow-
ing:
• Power Supply with Running Gear and Handles
• Arc Starter Box
• Maximizer 300 Machine Torch with Mounting As-
sembly and Leads
• Torch Leads Extension
• Maximizer 300 Spare Parts Kit
• 25 ft (7.6 m) Work Cable and Clamp
• Air Line Filter Assembly (or) High Pressure Regula-
tors NOTE
Refer to Section 3.05 for complete list of Power Sup-
ply Options and Accessories.
3.03 Specifications & Design
Features
The following apply to the Power Supply only:
1. Controls
ON/OFF Switch, Output Current Control, RUN/
SET/PURGE Switch, Secondary Gas Regulator,
Plasma Gas Regulator, Secondary Mode Switch
2. Control Indicators
LED Indicators:
AC , TEMP, GAS, DC, PILOT, COOLANT PRES, and
COOLANT COND
Gauges:
Secondary, Plasma, and Coolant Pressure Gauges
3. Input Power
Voltage Frequency Phase Amperage
200/220/230 50 or 60 Hz 3 98/89/85
380/415/460 50 or 60 Hz 3 51/47/42
500/575 50 or 60 Hz 3 40/34
NOTE
Refer to Appendix I for recommended input wir-
ing size, current ratings, and circuit protection re-
quirements.
Amps depends on input voltage (Refer to Appendix
I).
4. Output Power
Continuously adjustable by potentiometer from 50 to
150 amps

INTRODUCTION & DESCRIPTION 12 Manual 0-2533
5. Duty Cycle
100%
6. Pilot Modes
Auto-Restart, Pre-Flow Delay, Recycle
7. CNC Signals
Enable Start/Stop, OK-to-Move, Pilot Sensing Relay
(PSR), Full CNC Available with Remote
8. Coolant Pressure
Internal Service-adjustable
130 psi (8.8 BAR) at zero flow
120 - 125 psi (8.2 - 8.5 BAR) at 0.6 gpm (2.6 lpm)
9. Coolant Flow Rate
0.5 gpm (2.2 lpm) with 150 feet (45.7m) of total torch
and torch leads at 70°F (21°C)
NOTE
The flow rate varies with lead length, torch con-
figuration, ambient temperature, amperage level,
etc.
10. Cooling Capacity
4,000 to 10,000 BTU
NOTE
Maximum value based on “free flow” condition.
11. Coolant Reservoir Capacity
2 gallons (8.8 liters)
Capable of handling a total of 150 feet (45.7m) of torch
lead length
12. Power Supply Dimensions
Enclosure Only -
Width: 24.12 in (0.61 m)
Height: 38.38 in (0.98 m)
Depth: 34.25 in (0.87 m)
Fully Assembled -
Width: 28.50 in (0.72 m)
Height: 43.38 in (1.10 m)
Depth: 43.75 in (1.11 m)
13. Weight of Power Supply Only
678 lbs (308 kg)
3.04 Theory Of Operation
A. Plasma Arc Cutting and Gouging
Plasma is a gas which is heated to an extremely high tem-
perature and ionized so that it becomes electrically con-
ductive. The plasma arc cutting process uses this plasma
gas to transfer an electric arc to a workpiece. The metal
to be cut is melted by the intense heat of the arc and then
blown away by the flow of gas. Plasma arc gouging uses
the same process to remove material to a controlled depth
and width.
With a simple change of torch parts, the system can also
be used for plasma arc gouging. Plasma arc gouging is
used to remove material to a controlled depth and width.
B. Input and Output Power
The Power Supply accepts input voltages from 200 to
575V, 50 or 60 Hz, three-phase. Input voltages are set by
an internal changeover in the unit. The unit converts AC
input power to DC power for the main cutting arc. The
negative output is connected to the torch electrode
through the negative torch lead, and the positive output
connects to the workpiece through the work cable.
C. Pilot Arc
When the torch is activated there is a selectable (2, 4, 7, or
10 second) gas pre-flow, followed by a uninterrupted DC
pilot arc established between the electrode and tip. The
pilot arc is initiated by a momentary high frequency pulse
from the Arc Starter Box. The pilot creates a path for the
main arc to transfer to the work. When the main arc is
established, the pilot arc shuts off. The pilot can auto-
matically restart (factory set for No Auto-Restart) when
the main arc stops, as long as the torch remains activated.
NOTE
For the arc to restart automatically, AUTO RE-
START must be enabled at switch settings inside
the Power Supply.
D. Main Cutting Arc
The Power Supply accepts 50 or 60 Hz three-phase line
input. An internal changeover switches input line volt-
ages in three ranges, for 200/220/230V, 380/415/460V,
or 500/575V operation. The power supply converts AC
input power to DC power for the main cutting arc. The
negative output is connected to the torch electrode
through the negative torch lead. The positive output is
connected to the workpiece via the work cable and clamp
connection.

Manual 0-2533 13 INTRODUCTION & DESCRIPTION
E. RF Shielding
All machine torch systems are shielded to minimize ra-
dio frequency (RF) interference which results from the
high frequency arc initiation. These shielded systems are
designed with features such as a wire for establishing an
earth ground and shielded torch and control leads.
F. Interlocks
The system has several built-in interlocks to provide safe
and efficient operation. When an interlock shuts down
the system, the torch switch (or control device) must be
used to restart the system.
1. Parts-In-Place (PIP) Interlock
The Power Supply has a built-in parts-in-place inter-
lock that prevents accidental torch starting when torch
parts are not properly installed. A flow switch on the
coolant return lead detects reduced coolant flow
caused by improper torch assembly. If not satisfied,
the switch interrupts power to the tip and electrode.
2. Gas Pressure Interlock
Pressure switches act as an interlock for the gas sup-
plies. If supply pressure falls below minimum require-
ments the pressure switches will open, shutting off
the power to the contactors, and the GAS indicator
will go out. When adequate supply pressure is avail-
able the pressure switches close, allowing power to
be resumed for cutting.
3. Thermal Interlock
Thermal overload sensors are located in the Main
Transformer, Main Heatsink Assembly, and Pilot Re-
sistor in the power supply. If one of these compo-
nents is overheated the appropriate switch will open
up, causing the temperature light to turn from green
to red and shutting off power to the main contactor.
When the overheated component cools down the
switch will close again and allow operation of the sys-
tem.
G. Plasma Torches
Plasma torches are similar in design to the common au-
tomotive spark plug. They consist of negative and posi-
tive sections which are separated by a center insulator.
Inside the torch, the pilot arc is initiated in the gap be-
tween the negatively charged electrode and the positively
charged tip. Once the pilot arc has ionized the plasma
gas, the superheated column of gas flows through the
small orifice in the torch tip, which is focused on the metal
to be cut.
The Maximizer 300 Torch uses an internal closed-loop
cooling system. Deionized coolant is distributed from a
reservoir in the Power Supply through the coolant sup-
ply lead. At the torch, the coolant is circulated around
the torch tip and electrode, where the extra cooling helps
to prolong parts life. Coolant then circles back to the
power supply through the return lead. The Maximizer
300 also can use secondary gases such as compressed air,
nitrogen (N2), water, and carbon dioxide (CO2).
3.05 Options And Accessories
These items can be used to customize a standard system
for a particular application or to further enhance perfor-
mance. Torch accessories are listed in the separate Torch
Instruction Manual.
NOTE
Refer to Section 6, Parts Lists, for ordering infor-
mation.
A. RC6010 Remote Control
For mechanized systems, this low profile unit provides
full CNC capability and allows the operator to con-
trol most system functions from a remote location.
B. Computer Control Cable Kits
For interfacing the power supply with a computer or
auxiliary control device. Available in various cable
lengths.
C. SC-10 or SC11 Standoff Control
NOTE
Standoff Control SC10 requires installation of Re-
mote Control RC6010.
For machine torch systems, the SC-10 automatically
finds height and maintains torch standoff with a high
speed torch lifter motor.
D. High Pressure Regulators
Available for air, oxygen, argon/hydrogen, nitrogen,
CO2 and water.
E. High Flow Water Shield (HFWS) Assembly
Reduces arc glare, noise, and fumes during the cut-
ting process.
F. Two Stage Air Line Filter
Removes damaging contaminants as small as 5 mi-
crons from the plasma stream when using compressed
air.

INTRODUCTION & DESCRIPTION 14 Manual 0-2533
G. Hour/Counter Meters
Meter assembly containing two meters. One meter
indicates the total number of hours that the main cut-
ting arc has been on. The second meter counts the
number of times that the cutting arc has been started.
Both meters display a maximum of 999999 hours or
starts and cannot be reset.
H. Plasma/Secondary Gas Control
A remote control to select one of various plasma and
secondary gases, including secondary water, that can
be connected to the Power Supply.

Manual 0-2533 15 SERVICE TROUBLESHOOTING
SECTION 4:
SERVICE
TROUBLESHOOTING
DIAGNOSTICS
4.01 Introduction
This Section provides service diagnostics for the Merlin
3000 Power Supply, allowing the Technician to islolate
any faulty Subassemblies. Refer to Section 5, Repairs &
Replacement Procedures, for parts replacement instruc-
tions.
Under no circumstances are field repairs to be attempted
on Printed Circuit Boards or other Subassemblies of this
unit. Evidence of unauthorized repairs will void the fac-
tory warranty.
NOTE
The troubleshooting contained in this manual is
for the Merlin 3000 Power Supply only. Trouble-
shooting other parts of the system is covered in the
separate manuals for that product.
4.02 Periodic Inspection &
Procedures
NOTE
Refer to Appendix XV for a recommended mainte-
nance schedule for water cooled plasma cutting
systems.
This subsection describes inspection procedures which
should be performed at periodic intervals as required.
A. Fan Motor and Pump Lubrication
The fan motor and pump in the power supply should
be oiled twice per year or once for each 100 hours of
operation. To oil the motor, remove one side panel
and add two or three drops of 20 SAE oil to the front
and rear oil holes on the motor.
NOTE
Some units may utilize a sealed motor design which
does not require lubrication.
B. Routine Maintenance
The only other routine maintenance required for the
power supply is a thorough cleaning and inspection,
with the frequency depending on the usage and the
operating environment.
To clean the unit, first make sure that the power is
disconnected. Remove the side panels and blow out
any accumulated dirt and dust with compressed air
especially from the radiator. The unit should also be
wiped clean. If necessary, solvents that are recom-
mended for cleaning electrical apparatus may be used.
While the side panels are off, inspect the wiring in the
unit. Look for any frayed wires or loose connections
that should be corrected.
C. Coolant Filter Assembly (Rear Panel)
The rear panel filter screen should be cleaned peri-
odically. Remove the filter screen by unscrewing the
filter holder from the Coolant Filter Assembly. Clean
the filter screen by rinsing with hot soapy water. Re-
move soap residue by rinsing with clean hot water.
Be sure that all the soap has been removed and the
screen is dry of water before re-installing in the Cool-
ant Filter Assembly.
Coolant Filter Assembly
Filter Screen
Filter Holder
A-01018
Figure 4-1 Coolant Filter Assembly (Rear Panel)
D. Internal Filter Assembly
The internal filter screen should be cleaned periodi-
cally. To gain access to the Internal Filter Assembly
remove the Left Side Panel (viewed from the front of
unit) of the Power Supply. Remove the filter screen
by unscrewing the filter holder from the Internal Fil-
ter Assembly. Clean the filter screen by rinsing with

SERVICE TROUBLESHOOTING 16 Manual 0-2533
hot soapy water. Remove soap residue by rinsing with
clean hot water. Be sure that all the soap has been
removed and the screen is dry of water before re-in-
stalling in the Internal Filter Assembly.
E. Coolant Level and Conductivity
1. Coolant Level
The coolant level should be checked every day at
the rear panel coolant gauge. If the coolant in the
reservoir is more than 2 inches (50mm) from the
top of the reservoir then add Torch Coolant.
2. Coolant Conductivity
The coolant conductivity LED on the front panel
must be ON for normal operation. If the LED is
OFF then drain the old coolant from the Power
Supply and torch leads and replace with new cool-
ant. Check the condition of the deionizer bag in
the reservoir basket, if the bag is yellowish brown
(straw color) replace the bag.
F. Draining Coolant
Remove the old coolant from the Power Supply res-
ervoir per the following procedure:
1. Remove the right side and top panels from the
Power Supply.
2. Disconnect the coolant hose input to the rear panel
filter assembly.
3. Carefully lower the hose out the right side of the
Power Supply and drain the coolant into an ac-
ceptable container.
CAUTION
Handle and dispose of the used coolant per recom-
mended procedures.
Coolant Hose
Coolant Hose
Connection
A-01017
Figure 4-2 Draining Coolant From Reservoir
4. Reconnect the hose to the filter assembly.
5. Install new coolant and deionizer bag.
6. Reinstall the top and right side panels.
4.03 System Theory
A. Circuit Description
The Merlin 3000 system is designed for mechanized
cutting only and consists of the Merlin 3000 plasma
power supply, the Maximizer 300 Torch, Torch Leads
Extension, and Arc Starter Box. An Optional Remote
Control (RC6010), Standoff Control (SC10 or SC11, see
notes) and Gas Control (GC3000) may be used in vari-
ous combinations. Different interconnect and input/
output (I/O) cables may be used depending on which
options are installed. An Optional Dual Meter, Arc
Hours and Arc Starts Counter, may be included on
the Power Supply front panel.
NOTES
The Standoff Control SC10 must be used with the
Remote Control RC6010.
The Remote Control RC6010 is not used if the
Standoff Control SC11 is used.
B. Input Voltage Selection
The main transformer (T1) has busbar connections to
select one of three input voltage ranges. Each main
transformer secondary has two taps. One secondary
tap is automatically selected by the Voltage Selection
PC board when primary power is applied. If input
voltage is within the lower half of the selected volt-
age range (for example, 380V or 415V in the 380/415/
460V range), the higher voltage taps are selected. If
input voltage is within the upper half of the selected
voltage range (460V in the 380/415/460V range), the
lower voltage taps are selected. This arrangement
provides secondary voltages close to the optimum
levels. When the lower voltage taps are selected a
red indicator, D18, on the Voltage Selection PC Board
will be ON.
The auxiliary voltage taps, 115 VAC and 28 VAC cir-
cuits, are selected directly by relays on the Voltage
Selection PC Board. The fan and pump motors are
supplied by the Motor Control Contactors (MC1 and
MC2). MC1 is for the high voltage tap and MC2 is for
the low voltage tap. Three-phase primary power is
controlled by one of the Main Contactors (W1 for the
high voltage tap or W2 for the low voltage tap).

Manual 0-2533 17 SERVICE TROUBLESHOOTING
C. Switch-Mode Power Supply Operation
Primary three-phase power is rectified by the three-
phase bridge diodes D1-D6. The resulting negative
DC voltage (approximately -320 VDC) is applied to
the switching transistor (Q1). The switching transis-
tor controls the output current by pulse width modu-
lation (PWM). PWM varies the duty cycle (or on-time
versus off-time) of the switch. The greater the on-time,
the higher the output current will be. Components
D7-10, R2-3, C13-14, L1, and the Suppression PC Board
are snubbers to limit voltage and current surges caused
by switching Q1 on and off. D11-14 are free wheeling
diodes. When Q1 is on, current flows through Q1 into
the output network. When Q1 is off, D11-14 provide
a path for current to continue flowing supported by
energy that was stored in the output network during
the time Q1 was on. The switching transistor output
is a series of pulses which are filtered back into pure
DC voltage by the output network. The output net-
work consists primarily of the main inductor (L2A and
L2B), resistor R13, and capacitor C23.
D. Switching Control PC Board
The Switching Control PC Board compares the shunt
amp output with the current control pot setting and
generates logic level PWM signals. The shunt and
Shunt Amp PC Board are located between the input
bridge positive and work lead to measure the output
cutting current. The signals are sent to the driver PC
board, where they are converted into the current and
voltage levels needed to drive the switching transis-
tor.
The Switching Control PC Board senses if the Remote
Control (RC6010) is installed to route the current con-
trol signal from the remote instead of the Merlin front
panel control. The Switching Control PC Board routes
the Shunt Amp signal to the remote’s current display,
sends a torch voltage signal to the standoff control
and supplies POT HI and POT LOW signals to set
min and max output to both remote and front panel
current controls. CSR (output greater than 25A) and
over current shutdown (current greater than 175A)
are sent to the Logic PC Board.
A relay on the Switching Control PC Board, controled
by the Remote Control (RC6010) ENABLE switch or
the ENABLE input on TB2, removes power from one
side of the motor (MC) and main (W) contactors coils
when the enable switch is off shutting off the coolant
flow and DC power to allow changing torch parts.
E. Logic PC Board Functions
The Logic PC Board controls the timing and sequenc-
ing of the system. It monitors the pressure, tempera-
ture, and flow interlocks and controls the gas flow in
run, set, and purge modes by turning on the plasma
and secondary solenoids. The Logic PC Board also
controls pre-flow and post-flow durations, which are
selectable by DIP switches on the board. The Logic
PC Board drives the sequence status LED indicators
and contains the circuit for measuring coolant con-
ductivity.
After receiving the CNC (cutting machine controller)
START signal from either the remote control, the
standoff control, direct from the controller via the re-
mote connector or TB2 the “simple” interface termi-
nal strip, the Logic PC Board initiates gas preflow then
energizes the main contactor, W1 or W2 (as deter-
mined by the Voltage Selection PC Board).
The Logic PC Board closes the pilot contactor and
sends enable signals to the Switching Control PC
Board to start the PWM and turn on the main switch-
ing circuits producing open circuit output voltage
(OCV). When the Arc Starter Box senses OCV greater
than 220 V between the Torch plus (+) and minus (-) it
starts the CD (capacitor discharge) arc starting circuit
to fire the spark gap producing the high voltage spark
which starts the DC pilot arc. Once a constant DC
pilot is established the torch voltage drops below 220
V and shuts off the CD circuit. When the Torch is
close to the work the cutting arc “transfers” to the
work.
The resulting current in the work lead is sensed by
the Shunt Amp and the Switching Control PC Board
sends the CSR signal to the Logic PC Board which
opens the pilot contactor shutting off the pilot anf
generating an “OK-To-Move” signal. OK-To-Move
can be either contact closure or 24VAC through con-
tacts selected by switch SW5 on the Logic PCB. OK-
To-Move is sent to the remote control, the standoff
control or directly to the cutting machine controller.
It controls the optional High Flow Water Shield and
the Arc Hour/Starts Counter.
F. LED/Current Control PC Board
The LED and current control PC board contains the
sequence status LED indicators and the front panel
current control pot.
G. Remote Control
The Remote Control allows remotely controlling the
cutting current, setting reduced current for corner
slowdown, and enabling gas purge and set functions.
An ENABLE switch shuts down the power supply and
coolant pump for changing torch consumables. The
Digital Amperage display allows accurate setting and
monitoring of the cutting current. Connections to the
cutting machine controller (CNC) are electrically iso-
lated to minimize interference. Both a rear panel con-

SERVICE TROUBLESHOOTING 18 Manual 0-2533
nector and an internal terminal strip are provided for
CNC connections. The remote includes internal con-
nections to interface to the SC10 standoff control so
the single remote cable works for both.
A Merlin 3000 system may include the following:
• No Remote Control (RC6010)
• Remote Control Only (RC6010)
• Remote Control Only (RC6010) With Standoff
Control (SC10)
When an RC6010 is included the CNC signals are con-
nected to the RC6010 through the rear panel CNC
connector, J29, or may be wired directly to J6, a termi-
nal strip inside the RC6010. All CNC inputs are opti-
cally isolated to reduce noise interference. The RC6010
allows remotely controlling the cutting current, set-
ting reduced current for corner slowdown and select-
ing gas PURGE and SET functions. A digital AMPS
display allows accurate setting and monitoring of the
output current. An ENABLE switch shuts down the
power supply and coolant pump for changing torch
consumables.
H. Standoff Control
1. Model SC10 Standoff Control
The Standoff Control (SC10) includes an ARC
VOLTS display, a control to set the desired arc
voltage as well as PIERCE HEIGHT, PIERCE DE-
LAY and END OF CUT RETRACT (%). There are
also manual UP and DOWN switches. The Stand-
off Control operates a lifter motor assembly mov-
ing the torch vertically to control torch tip to work
distance.
When used with the Remote Control (RC6010) all
inputs and outputs to the Standoff Control (ex-
cept lifter motor drive) is via an internal ribbon
cable between Remote Control (RC6010) J5 and
Standoff Control (SC10) J7. No additional con-
nections are required between Standoff Control
and Power Supply.
2. Model SC11 Standoff Control
Standoff Control (SC11) is used without a Remote
Control (RC6010). The Standoff Control has ad-
ditional connectors on the rear panel, J40 for CNC,
J41 for EXT PWR and J42 for plasma (labeled PL).
A remote cable connects from the Power Supply
J15 to both J41 and J42 carrying power and sig-
nals to the Standoff Control. Connector J40 ac-
cepts the same CNC cable as the Remote Control
(RC6010) and like the Remote Control it has an
internal terminal strip, J11. Connections J40 and
J11 have only START/STOP, CSD, and OK-To-
Move signals which are optically isolated. A re-
mote cable connects from the Power Supply to
connector J41 supplying the Standoff Control
power. The cable connected to J42 supplies con-
trol signals between Power Supply and the Stand-
off Control. Refer to the individual Instruction
Manuals supplied with the equipment for more
detailed information.
The Power Supply must have an enable switch
connected to the terminal strip, TB2, inside the
Power Supply when the Standoff Control (SC11)
is used.
NOTE
Refer to Appendix VIII for a Signal Flow Block
Diagram of the main functions.
I. Gas Control
The Gas Control (GC3000) consists of additional gas
solenoids mounted on the Power Supply rear panel.
A remote switch box is used to select the desired
Plasma and Secondary gases. Up to four plasma and
three secondary gases can be connected to the mani-
folds and selected by the Gas Control. The secondary
water input to the Power Supply may also be selected
from the Gas Control.
4.04 Troubleshooting Guide
A. Troubleshooting and Repair
Troubleshooting and repairing the this unit is a process
which should be undertaken only by those familiar with
high voltage high power electronic equipment.
WARNING
There are extremely dangerous voltage and power
levels present inside this unit. Do not attempt to
diagnose or repair unless you have had training in
power electronics measurement and troubleshoot-
ing techniques.
B. Advanced Troubleshooting
NOTE
For basic troubleshooting and parts replacement
procedures refer to Merlin 3000 Power Supply Op-
erating Manual 0-2532.

Manual 0-2533 19 SERVICE TROUBLESHOOTING
The advanced troubleshooting covered in this Service
Manual requires Power Supply disassembly and live mea-
surements. It is helpful for solving many of the common
problems that can arise with the Merlin 3000 Plasma Cut-
ting System.
If major complex subassemblies are faulty, the unit must
be returned to an authorized service center for repair.
Follow all instructions as listed and complete each in
the order presented.
Specific test procedures and LED status identification
tables have been grouped together, and are referenced
by the troubleshooting guide.
C. How to use this Guide
The following information is a guide to help the Service
Technician determine the most likely causes for various
symptoms. This guide is set up in the following manner:
1. Perform operational check(s) on the equipment to iso-
late problem to possible circuit(s).
2. Determine symptom and isolate to defective assembly
using the following format:
X. Symptom (Bold Type)
Any Special Instructions (Text Type)
1. Cause (Italic Type)
a. Check/Remedy (Text Type)
3. Locate your symptom in the appropriate Sub-Section.
4. Check the causes (easiest listed first) for the symptom.
5. Check the remedies listed for each cause.
6. Repair as needed being sure to verify that unit is fully
operational after any repairs.
NOTE
Many signals are transfered between Printed
Circiut Board Assemblies on Ribbon Cables. If
these cables become faulty they can then cause vari-
ous problems. Do not forget about these cables
when troubleshooting.
A. No front panel LED indicators ON; Fan and pump
not operating
1. No primary power. Refer to symptoms C and D also.
a. Check for proper three-phase power at input
terminal board
2. Faulty ON/OFF switch (SW1)
a. Disconnect primary power. Check each section
for continuity. Replace switch if necessary
3. Faulty voltage selection board
a. Refer to Section 4.05-A, Voltage Selection PC
Board Check. Replace Voltage Selection PC
Board if necessary
B. AC indicator ON; Fan and pump not operating
1. ENABLE signal not ON
a. Remote ENABLE or ENABLE at TB2 must be
on. Refer to Section 4.05-B, Enable Circuit Test.
2. Blown fuse (F1 or F2)
a. Check and replace fuse if necessary. Refer to
Section 4.05-C, Blown Fuse (F1 or F2).
3. Faulty ON/OFF switch (SW1)
a. Disconnect primary power. Check each section
for continuity. Replace switch if necessary
4. Faulty Voltage Selection PC Board
a. Refer to 4.05-A, Voltage Selection PC Board
Check. Replace Voltage Selection PC Board if
necessary
5. Faulty motor contactor (MC1 or MC2)
a. Refer to Section 4.05-D, Motor Control Contac-
tor Check (MC1 or MC2). Replace contactor if
necessary
6. Faulty ENABLE circuit
a. Refer to Section 4.05-B, Enable Circuit Test.
C. No indicators are on for the RC6010 or SC10
remotes.
1. No +48 VDC power to the remotes.
a. 3 amp fuse blown on the Bias PCB, replace.
b. Defective Bias PCB, Refer to Section 4.05-P, 48
Volt Bias Test.
D. AMPS or VOLTS displays not on for RC6010 or
SC10.
1. Normal if ENABLE not on.
a. Turn on ENABLE at RC6010 or TB2 (if RC6010
not used)
b. Defective ENABLE circuit, Refer to Section 4.05-
B, Enable Circuit Test.
2. Faulty Remote Device
a. Replace as needed

SERVICE TROUBLESHOOTING 20 Manual 0-2533
E. Fuse blown at disconnect when primary power is
connected
1. Voltage selection busbars connected incorrectly
a. Check and correct if necessary.
2. One leg of three-phase primary connected to chassis
ground
a. Rewire input cable per Operating Manual.
3. Main transformer shorted
a. Replace main transformer
F. Fuse blown at disconnect when main contactor
(W1 or W2) closes
1. Shorted input diode (D1-D6)
a. Refer to Section 4.05-E, Diode Check. Replace
diode(s) as required.
2. Switching transistor (Q1) shorted to heatsink
a. Replace Q1, check heat-sink for possible dam-
age. Refer to Section 4.05-M, Switching Con-
trol Check (Q1).
3. Shorted input capacitor (C7-C12)
a. Replace capacitor if necessary
4. Shorted diode (D11-D14)
a. Check for proper 3-phase power at input termi-
nal board, check diodes. Refer to Section 4.05-
E, Diode Check.
5. Faulty Voltage Selection PC Board
a. If W1 and W2 come on simultaneously replace
Voltage Selection PC Board.
6. Faulty main contactor (W1 or W2)
a. Check both contactors for welded contacts and
replace contactor(s) if necessary
G. TEMP indicator on (red)
1. Unit overheated
a. Clean radiator and check for obstruction.
b. Excessive piloting; allow unit to cool
2. Faulty thermal sensor (TS1, TS2, or TS3)
a. Refer to Section 4.05-F, Thermal Sensing Circuit
Circuit Check. Replace sensor(s) if necessary
3. Faulty Logic PC Board
a. Refer to Section 4.05-F, Thermal Sensing Circuit
Check. Replace Logic PC Board if necessary
4. Faulty LED/Current Control PC Board
a. Refer to Section 4.05-F, Thermal Sensing Circuit
Check. Replace LED/Current Control PC
Board if necessary.
H. No GAS indicator; Motor and Pump operating;
Other LED indicators normal; Both gases flow
1. Front panel RUN/SET/PURGE switch set to PURGE,
or PURGE selected at Remote Control
a. Normal operation (purges plasma line only, sec-
ondary pressure switch is not satisfied)
2. Gas pressure set too low
a. Adjust pressure
3. Faulty pressure switch (PS1 or PS2)
a. Jump switches one at a time and check for indi-
cator to determine which has failed. Replace
switch if necessary.
4. Faulty Logic PC Board
a. Refer to Section 4.05-G, Pressure Sensing Cir-
cuit. Replace Logic PC Board if necessary
5. Faulty LED/Current Control PC Board
a. Refer to Section 4.05-G, Pressure Sensing Cir-
cuit. Replace LED/Current Control PC Board
if necessary.
6. Faulty SW3-B (secondary mode set to O2 or H2O )
a. With secondary mode set to O2 or H2O, check
for continuity from wire #52 to #55 on SW3-B.
If open, replace SW3-B.
7. If using Gas Control Option (GC3000) set for Water
Secondary, faulty SW2-C in Gas Control.
a. With Merlin front panel secondary mode set to
GAS and the Gas Control (GC3000) set to
WATER, there should be continuity from wires
#52 to #55. If not, SW2-C or connections to it
are faulty.
I. GAS indicator off, plasma and/or secondary gas
does not flow
1. Front panel RUN/SET/PURGE switch set to PURGE,
or PURGE selected at Remote Control.
a. Normal operation (purges plasma line only, sec-
ondary does not flow)
2. Secondary mode set to O2
a. No secondary flow is normal operation in O2
mode (but GAS indicator should be ON). Re-
fer to symptom 'H' above.

Manual 0-2533 21 SERVICE TROUBLESHOOTING
3. Gas Control (GC3000) on wrong setting
a. Select input that has gas connected.
4. Gas supply turned off (or tank empty)
a. Check gas supply
5. Faulty solenoid valve:
SOL1 - plasma gas,
SOL2 - secondary gas,
SOL3 - secondary water,
SOL4 through SOL9 - Optional Gas Select
a. Check solenoid for sticking or clogging. Check
coil resistance per the following:
SOL1 and SOL3 should be approximately 400
ohms)
SOL2 should be approximately 100 ohms)
SOL4 through SOL9 should be approximately
300 ohms)
6. Faulty switch (SW3-A) or Gas Control (GC3000) Sec-
ondary Select Switch
a. Check SW3-A for continuity (wire #75 to #88
for secondary gas, #75 to #89 for secondary wa-
ter)
7. Faulty Logic PC Board
a. Refer to Section 4.05-H, Gas Solenoid Circuits.
Replace Logic PC Board if necessary
8. Input gas pressure set too high, preventing solenoids
from operating
a. Remove input gas line and retry
b. Regulate input gas pressure between 90 to 110
psi (6.2 to 7.6 bar)
J. COOLANT indicator off
1. Little or no pressure shown on gauge
a. Check coolant level
b. Check motor rotation and rpm.
c. Check and replace pump if necessary
2. Clogged internal or external coolant filters
a. Check internal and external coolant filters.
Clean or replace if necessary. Flush the old cool-
ant from the system (see note below).
NOTE
With a clogged internal coolant filter or Torch and
leads the Coolant Pressure Gauge will be normal,
but the Pressure LED, indicates flow, will be OFF.
3. Clogged torch or leads
a. Check torch and leads and replace if necessary.
Flush the old coolant from the system (see note
above).
4. Faulty flow switch (FS1)
a. Check and replace flow switch if necessary
5. Faulty Logic PC Board
a. Refer to Section 4.05-I, Coolant Flow Sensor
Circuit Check. Replace Logic PC Board if nec-
essary.
6. Faulty LED/current control board
a. Refer to Section 4.05-I, Coolant Flow Sensor Cir-
cuit Check. Replace Logic PC Board if neces-
sary.
K. Coolant conductivity indicator off
1. Ionized or contaminated coolant
a. Check coolant conductivity and deionizer car-
tridge. Replace both if necessary
2. Faulty (or contaminated) conductivity probe
a. Clean conductivity probe and replace if neces-
sary
3. Faulty Logic PC Board
a. Refer to Section 4.05-J, Coolant Conductivity
Circuit. Replace Logic PC Board if necessary.
4. Faulty LED/Current Control PC Board
a. Refer to Section 4.05-J, Coolant Conductivity
Circuit. Replace LED/Current Control PC
Board if necessary
L. Press cutting machine START and nothing hap-
pens or standoff finds height then nothing
happens (no gas flow or pilot)
1. Start signal not getting to the Power Supply or Power
Supply is defective.
a. Determine if Remote Control or Power Supply
is at fault. Remove Remote Control or CNC
cable from J15 (or TB2). Jumper TB2-1 & 2 to
enable unit, then jumper TB2-3 & 4 for START.
If the pilot starts, after preflow, Remote Con-
trol or CNC is faulty. Refer to Section 4.05-L,
Remote Control Start Circuit. If no pilot, refer
to Section 4.05-K for Power Supply Start Cir-
cuit.

SERVICE TROUBLESHOOTING 22 Manual 0-2533
M. DC indicator off (after pre-flow); Main contactor
comes on momentarily; No pilot arc; No main arc
transfer
1. Switching transistor (Q1) not turning on
a. Refer to Section 4.05-M, Switching Control
Check (Q1).
N. No pilot arc; DC indicator on; Pilot indicator
OFF; PCR not energized
1. Faulty Logic PC Board, Switching Control PC Board,
or Shunt Amp PC Board.
a. Refer to Section 4.05-N, Pilot Circuit Check.
O. No pilot arc; PILOT indicator on; PCR energized
1. Faulty Arc Start Box
a. Refer to Section 4.05-N, Pilot Circuit Check.
2. Shorted torch
a. Refer to Section 4.05-N, Pilot Circuit Check.
P. Weak or sputtering pilot
1. Faulty torch consumable parts
a. Replace consumables as needed
2. Plasma gas pressure too high
a. Adjust pressure
3. Low OCV (normal 290-350) caused by improper con-
nection of voltage selection bus bars
a. Check input voltage connections
4. Low OCV caused by faulty Voltage Selection PC Board
a. If three-phase input voltage is within the lower
half of range (refer to Operating Manual Sec-
tion 3.07, Input Voltage Selection), D18 on Volt-
age Selection PC Board should be off. If D18 is
on, replace the Voltage Selection PC Board.
5. Input voltage low
a. Adjust pilot resistor for less resistance. Refer to
Section 4.05-R, Pilot Resistor Adjustment.
Q. No pilot; PILOT indicator on; Strong spark
visible at spark gap points inside the Arc Starter
Box
1. Electrode shorted against tip
a. Thread electrode securely into torch head or
replace tip and electrode
2. Shorted torch head
a. Check and replace if necessary
3. Broken conductor in torch lead
a. Check and replace if necessary
4. Shorted torch lead
a. Check and replace if necessary
5. Dirty or wet torch lead
a. Clean and dry torch lead
R. Pilot arc on; No main arc transfer (torch brought
within range of work)
1. Work cable not connected
a. Connect work cable securely
2. Defective current control pot (on front panel or remote)
a. If Remote Control is used, disconnect J15 and
set current at power supply front panel. If trans-
fer is correct or Remote Control is not used, re-
fer to Section 4.05-O, Current Control, Display,
and CSD Checks.
S. Main arc starts but goes out immediately; Main
contactor (W1 or W2) goes off
1. Fault condition causes output greater than 175 amps
a. Shorted Q1 or faulty Switching Control PC
Board. Refer to Section 4.05-M, Switching Con-
trol Check (Q1).
T. Main arc transfers but doesn’t pierce through the
plate or pierce is too slow
1. Corner slowdown (CSD) setting too low on Remote
Control.
a. Most cutting machines activate CSD during
piercing, if so CSD must be set at or near maxi-
mum.
2. Cutting current too low
a. Set for higher current
b. Current control circuit defective. Refer to Sec-
tion 4.05-O, Current Control, Display and CSD
Checks.
3. Trying to pierce greater than 3/4 inch (19 mm) plate
a. Unit rated only for piercing upto 3/4 inch (19
mm)
4. Travel speed too high
a. Try a stationary pierce, if piercing is correct, then
adjust travel speed

Manual 0-2533 23 SERVICE TROUBLESHOOTING
U. Main arc transfers and pierces through the plate,
but cutting machine doesn’t move
1. Incorrect or missing OK-To-Move signal.
a. Many cutting machines require an AC voltage
to activate the motion input. Refer to Operat-
ing Manuals for setting OK-To-Move signal.
b. Check for missing OK-To-Move signal. Refer to
Section 4.05-Q, OK-To-Move Tests.
V. Standoff Control Not Working Correctly
Refer to Troubleshooting in the Standoff Control In-
struction Manual.
W. Remote Control Not Working Correctly
Refer to Troubleshooting in the Remote Control In-
struction Manual.
4.05 Test Procedures
The following tests are suggested for specific problems
listed in the troubleshooting guide.
WARNING
Several of these tests involve voltage measurements
that must be made with power on. Use extreme
care when making these tests. Tests requiring volt-
age measurements are marked with the warning
symbol. Disconnect primary power to the system
for all other tests.
A. Voltage Selection PC Board Check
When wall power is first turned on, the Voltage Se-
lection PC senses the low voltage AC present at J6-20,
J6-22, and J6-24 (center tap). The Voltage Selection
PC Board determines whether the voltage is in the
lower or higher part of the selected input voltage
range. If the input voltage is within the upper part of
the range, the board energizes K1, K4, and K5 relays
(labeled ‘HV’ on the system schematic). If the input
voltage is within the lower part of the range the board
energizes the K2 and K3 relays (labeled ‘LV’ on the
schematic). If HV is selected, the red LED indicator
(D18) on the voltage selection board will be lit. The
relays do not energize until SW1-B (one pole of the
ON/OFF switch) is closed because the DC voltage to
the coils passes through it.
28 VAC Test
1. Check the AC input from J6-24 to both J6-20 and
J6-22 for 12 - 18 VAC.
2. Check the AC voltage from J6-24 to both J6-17 and
J6-18 for 16 - 22 VAC.
3. If input voltages are correct, check output from J6-
24 to both J6-19 and J6-21 for 14 - 18 VAC.
4. If output is not present at J6-19 and J6-21, check
between J6-24 (-) and both J6-16 and J6-23 (+) for
12 - 16 VDC. If voltage is present at both points or
neither, replace the Voltage Selection PC Board. If
voltage is found at J6-23 but not at J6-16, check
SW1-B and all wiring and connections.
120 VAC Test
NOTE
Refer to Appendix VI for 120 VAC Circuit Dia-
gram.
1. Check the voltage input from F2 (wire #10) to J6-9
for 100 - 120 VAC. Check the input from F2 to J6-
10 for 120 - 140 VAC.
2. If the voltage input is present, check the red LED
indicator (D18) on the voltage selection board. If
the indicator is lit, measure voltage output between
F2 (wire #10) and J6-7. If the indicator is not lit,
measure between F2 and J6-12. The voltage out-
put at either point should measure 110 - 130 VAC.
3. If both or neither J6-7 or J6-12 have high voltage
present, replace the voltage selection board. Check
voltage between J6-21 and wire #10 on fuse F2 for
110 - 130 VAC. This supplies 120 VAC to the rest
of the unit.
B. Enable Circuit Tests
Relay K1 on the Switching Control PC Board, along
with SW1-A and F2, completes the 120VAC return
path. K1 is energized by the ENABLE switch on the
RC6010 remote or if the remote is not used by a switch
connected to TB1-1 & 2.
Check for K1 being energized by measuring AC volts
from F2 wire #10 to J7-22 and J7-24. It should be 0 v.
If so, refer to Section 4.05-D, Motor Control Contactor
Check (MC1 or MC2), to check motor contactors. If
there is voltage, about 120v, at J7-24 circuit is open
between J7-24 and F2 (F2 or SW1-A open). If there is
no voltage at J7-24 but it is at J7-22 then K1 is not
closed.
If K1 is not closing and the remote is being used tem-
porarily jumper TB2 1 to 2. If the fan and pump come
on the problem is in the remote’s enable circuit. Check
continuity from TB2 back to the remote ENABLE
switch to find the problem. If jumping TB2 did not

SERVICE TROUBLESHOOTING 24 Manual 0-2533
work check continuity from TB2, wires 102 & 103, to
J50-10 & 11. If correct, replace the Switching Control
PC Board.
A-01137
K1
RC6010
Switching
Control PCB
ON
ENABLE
To AMP/VOLT
Display Enable
TB2-2
J1-5
J1-4
E2
E3
J37-17 J15-5 J50-12
J50-10
J15-33
J37-27
J37-26 J15-32
TB2-1
J50-11
Merlin 3000, 6000
or 6000GST
+V1
Enable Circuit Diagram
C. Blown Fuse (F1 or F2)
1. A shorted or frozen motor will cause F1 to fail. To
check the motors, disconnect J20 (pump motor)
and J39 (fan motor). Reconnect one at a time to
determine which component is faulty. A shorted
or open fan motor starting capacitor (C32) may
also cause F1 to fail.
2. F2 fuses the 110 VAC circuit. MC1 or MC2, T2, T3
and the gas solenoids are energized when power
is first applied. If shorted, any one of these com-
ponents would cause F2 to fail. W1 or W2, and
PCR energize after the torch switch or remote start
switch is activated. Disconnect all components and
reconnect one at a time to establish which compo-
nent is faulty.
D. Motor Control Contactor Check (MC1 or
MC2)
NOTE
Refer to Appendix VI for 120 VAC Circuit Dia-
gram.
120 VAC is supplied to the Motor Control Contactors
(MC1 and MC2) from the Voltage Selection PC Board,
which selects the proper tap on the Main Transformer
(T1). The return path travels from wire #110 through
the remote connector (J15) on the rear panel to the E-
Stop switch (or if no remote is used, through K1 on
the Switching Control PC Board) to wire #8, through
the ON/OFF switch (SW1A) to wire #9, through fuse
F2 to wire #10 and T1.
Only one of the MC contactors should have voltage
applied. If the red LED indicator (D18) on the volt-
age selection board is lit, MC2 should be energized.
If D18 is not lit, MC1 should be energized.
1. Check the voltage across the coil on the contactor
for approximately 120 VAC. If voltage is present,
replace the contactor. If it is not, perform the 120
VAC test (refer to test paragraph 'A' above) to
check for a proper voltage supply from the volt-
age selection board. If correct, continue to step 2
to isolate the problem in the return path.
2. With one meter lead on the supply side of the con-
tactor coil (wire #3 for MC1 or wire #4 for MC2)
measure to wires #8, 9, and 10 to determine where
the return circuit is broken. On the return path,
F2, SW1-A, and E-Stop can be measured for conti-
nuity. K1 on the switching control board will nor-
mally be open when power is off.
3. When the remote control cable is installed, a jumper
between J15-26 and J15-27 pulls J7-20 on the
switching control board to 0 V (board connector
J7-19). When the jumper is not in place (remote
cable is not plugged in) J7-20 measures +15 VDC
and K1 should energize, bypassing the E-stop func-
tion. If not, replace the switching control board.
E. Diode Check
There are fourteen diodes in the main heatsink area,
including six large 150 amp input rectifier diodes (D1-
6) and eight small 70 amp diodes (snubbing diodes
D7-10 and freewheeling diodes D11-14). To measure
the resistance of each diode use one of the following:
• An ohmeter set on the Rx1 or Rx10 scale
• Digital meter set to the diode function
Measure the resistance of each diode in both direc-
tions. The readings should differ by at least a factor
of ten. If the readings do not differ (both high or both
low), disconnect one end of the diode and recheck. If
the diode reading is not correct with one end discon-
nected, then replace the diode. Check all diodes be-
fore turning on power to the system.
If a diode fails, check the potential causes of diode
failure to make sure the replacement diode will not
also fail when it is installed:
1. Isolate and check each diode separately to deter-
mine which individual diode has failed.

Manual 0-2533 25 SERVICE TROUBLESHOOTING
2. High frequency protection for the input rectifier
diodes (D1-6) is provided by capacitors C1 - C6
and MOV 1-3, which are located between each side
of the diode heatsink on the input filter PC board.
Except for the shorts, these components can not
be checked with a volt/ohm meter. To be safe, the
complete input filter board should be replaced any
time an input diode fails.
3. Diodes can overheat if air flow over the heatsink is
not adequate or if the diode is not properly fas-
tened to the heatsink. Check that all small diodes
(D7-14) are torqued to 20-25 in-lbs (2.3-2.8 Nm)
and all large diodes (D1-6) are torqued to 34 in-lbs
(3.8 Nm). Apply a light film of electrically con-
ductive heatsink compound between the diode
and heatsink. Make sure air passages in and out
of the unit are not obstructed.
4. Diodes that are faulty at the time of manufacture
are difficult to diagnose. These diodes generally
fail within the first few hours of operation. Before
deciding that this was the case, be sure to check
out other possibilities.
F. Thermal Sensing Circuit Check
1. Thermal sensors TS1, TS2, TS3, TS4, and TS5 are
connected in series to J1-9 on the Logic PC Board.
TS2 is a PTC resistor whose resistance varies with
temperature from about 100 ohms at room tem-
perature (68°F/20°C) to 3.3K at 140°F (60°C) switch
point. TS1, TS3, TS4 and TS5 are switches nor-
mally closed, 0 ohms, that open at over tempera-
ture. TS1, TS4 and TS5 are part of the Main Trans-
former Assembly. TS2 is on the Heatsink and TS3
is on the Pilot Resistor.
Check the voltage from J1-9 to test point TP1 (or
J1-8) on the Logic PC Board for less than 7.5 VDC.
If the voltage is greater than 7.5 VDC, the unit is
overheated or a temperature sensor is faulty.
2. If the unit still operates but the TEMP indicator is
red, the problem may be on the LED PC board. If
the voltage is less than 7.5 VDC, check the voltage
from J3-4 to test point TP1 (ground). If the voltage
is greater than +4 VDC (and the TEMP indicator
is lit red), replace the LED PC board. If the volt-
age at J3-4 is less than 4V, replace the Logic PC
Board.
G. Pressure Sensing Circuit
Pressure switches PS1 and PS2 are connected in se-
ries to J1-7 on the Logic PC Board. PS2 is jumpered
out by SW3-B when the unit is set to the O2 (no sec-
ondary gas) or water secondary mode or by SW2-B in
the GC3000 Gas Control if that option is installed.
1. Check the voltage at J1-7 for less than 1 VDC with
gases flowing and operating pressure greater than
35 psi (2.4 BAR).
2. If the voltage at J1-7 is less than 1 VDC, check the
voltage at J3-3. If the voltage at J3-3 is greater than
12 VDC, replace the Logic PC Board. If the volt-
age at J3-3 is less than 12 VDC, replace the LED
PC Board.
H. Gas Solenoid Circuits
1. Set the RUN/SET/PURGE switch to SET position.
Measure continuity between the center terminal
of the switch (wire #62) and each outer terminal
(wires #61 and 63). If the resistance is less than
1000 ohms, replace the RUN/SET/PURGE switch.
2. If the resistance is greater than 1000 ohms, apply
power and check for 120 VAC between wire #110
and J2-3 for plasma and J2-7 for secondary. If 120
VAC is present at one point and not the other, re-
place the Logic PC Board.
3. If no voltage is present at J2-3 or at J2-7, check for
120 VAC at J2-5 (the Logic PC Board input). If 120
VAC is present at J2-5, replace the Logic PC Board.
If not, check the 120 VAC voltage supply (refer to
Section 4.05-A, Voltage Selection PC Board Check).
I. Coolant Flow Sensor Circuit Check
The flow sensor (FS1) for the coolant is calibrated for
0.25 gpm (1.1 lpm). When adequate coolant flow sat-
isfies FS1 it closes, connecting J1-5 on the Logic PC
Board to J1-4 (common).
Measure voltage between J1-5 and J1-4 or TP1. If J1-5
is greater than 1 volt, FS1 or connections to FS1 are
faulty. If J1-5 measures close to 0 VDC, check J3-2. If
J3-2 measures less than +12 VDC, and the coolant flow
indicator is not lit, replace the LED PC board. If J3-2
measures greater than +12 VDC, replace the Logic PC
Board.
J. Coolant Conductivity Circuit
The conductivity probe consists of two insulated pins
that extend into the coolant reservoir. The Logic PC
Board sends out an AC voltage level on J2-24 that
varies with the conductivity of the coolant.
1. Disconnect one of the wires to the conductivity
probe (wire #57 or 58). The Logic PC Board will
see infinite resistance and the coolant conductiv-
ity LED indicator should be lit. If the coolant con-
ductivity indicator is lit, replace the coolant. If the
problem remains after coolant is changed, replace
the conductivity probe.

SERVICE TROUBLESHOOTING 26 Manual 0-2533
2. If the coolant conductivity indicator is not lit with
the probe disconnected, measure between the
Logic PC Board common (TP1) and J3-1. If the
voltage measures below +12 VDC, replace the LED
PC board. If the voltage measures above +12 VDC,
replace the Logic PC Board.
K. Power Supply Start Circuit
NOTE
Refer to Appendix IX for Start Circuit Diagram.
The start signal enters the Merlin at J15-24(sig) and
J15-25 (return) or if no remote is used it could be wired
to TB2-3 & 4. From there it goes directly to the Logic
PC Board. For troublshooting remove any remote con-
nections from either J15 or TB2. Connect a jumper
from TB2-1 to TB2-2 to enable the Merlin.
The RUN (D1) and READY (D2) leds on the Logic PC
Board should be on. If The front panel TEMP led is
green and the COOLANT PRESSURE led is on but
READY is not on, the Logic PC Board is defective. If
READY is on and RUN isn’t, check that RUN/SET/
PURGE is set to run. Measure for less than 1 VDC on
the Logic PC Board J1-13 to J1-12. If correct the Logic
PC Board is defective. If greater than 1 VDC, the
RUN/SET/PURGE switch or wire connections to it
are defective.
If RUN and READY are on, connect a jumper from
TB2-3 to TB2-4. Logic PC Board START led, D3,
should come on and gases start flowing. If not, check
for less than 1 VDC at J1-19 to J1-18. If correct, Logic
PC Board is defective. If greater that 1 V, wiring from
TB2 to J1 is defective.
After the gases flow for the selected preflow time the
W ON led should light and both the main contactor
(W1 or W2) and PCR contactor should come on. If W
ON does not light, even momentarly, the Logic PC
Board is defective.
If W ON is on for a moment then off but neither W1
or W2 comes on even momentarly do the following:
The Logic PC Board has a circuit to monitor the power
supply output voltage. If the circuit doesn't sense
voltage in 75 ms, if the contactor doesn’t come on, it
shuts off the power to the contactor which makes it
hard to troublshoot. Connecting a jumper between
TP4 and TP1 on the Logic PC Board disables the volt-
age sensing circuit so W ON led stays on.
On the Logic PC Board, K2, sends 120 VAC to the Volt-
age Selection PC Board (refer to Appendix VI). Relay
K5 directs that voltage to either W1 or W2 depending
on the level of incoming line voltage. If high, LED
D38 on the Voltage Selection PC Board will be ON
and the 120 VAC should go to W2 otherewise it goes
to W1. The first step is to measure for 120 VAC from
Logic PC Board J2-9 to wire #110 (PCR coil, MC1 or
MC2 coils). If no voltage, the Logic PC Board is faulty.
If about 120 VAC is present, measure the voltage at
the W contactor coil (W2 if LED on Voltage Selection
PC Board is ON, or else W1). If about 120 VAC is
present the contactor is faulty. If no voltage, check
from wire #110 to J6-1 and J6-3 on the Voltage selec-
tion PC Board. One of the two should have about
120VAC, if not check J6-5. If it measures 120VAC re-
place the voltage selection PC Board. If there is no
voltage at J6-5 but was on J2-9, there is a faulty con-
nection (wire #23).
L. Remote Control Start Circuit
NOTE
Refer to Appendix IX for Start Circuit Diagram.
The start signal from the cutting machine controller
enters the RC6010 at J29 or J6 and may be either a
momentary closure (J29-1) or sustained closure (J29-
3). It passes through optical isolation circuits and, if
the ENABLE is on and the station select input is ac-
tive, lights internal led D103. If the Standoff Control
(SC10) is not used, start goes to the remote cable at
J37-9.
If the Standoff Control (SC10) is connected, then the
start signal goes to it, active low at J5-13, lights inter-
nal indicator D79 and starts the find height sequence.
Once height is found the front panel PLASMA ON
inicator comes ON. If FIND HT is not ON, the find
height function is by passed and PLASMA ON comes
on immediately. The start signal then is returned to
the Remote Control (RC6010), active low on J7-17, and
to the remote cable on J37-9 to the Power Supply re-
mote connector J15-24 and TB2-3 and on to the Power
Supply Logic PC Board.
If the Standoff Control (SC10) is installed and the sys-
tem won’t find height the problem is in the Standoff
Control (SC10), Remote Control (RC6010) or the in-
terconnections to the cutting machine. Set FIND HT
off, it the torch starts now the problem is in the Stand-
off Control (SC10).
NOTE
Refer to Section 5, Customer/Operator Service, in
the Standoff Control Instruction Manual.
If it doesn’t start open the cover of either the Standoff
Control (SC10) or Remote Control (RC6010), which-
ever one is on top, and disconnect the ribbon cable at
J5 or J7. Then if the Power Supply will start the prob-

Manual 0-2533 27 SERVICE TROUBLESHOOTING
lem is in the Standoff Control (SC10) or the ribbon
cable. Refer to Section 5, Customer/Operator Service,
in the Standoff Control Instruction Manual.
If the Standoff Control (SC10) isn’t used or the Power
Supply didn’t start with the ribbon cable disconnected,
there are two approaches you can take. Either dis-
connect the remote and see if the Power Supply will
start without it or check if the start signal is getting to
the Remote Control (RC6010). To check the Power
Supply, remove the remote connector at J15 and con-
nect a jumper TB2-1 to TB2-2 for ENABLE, then jump
TB2-3 to TB2-4 for start. If it starts the problem is in
the remote or CNC connections. If not refer to Sec-
tion 4.05-K, Power Supply Start Circuit.
To check for start to the Remote Control (RC6010),
open the Remote Control cover and see if indicator
D103 comes ON. If so, problem is in Remote control
(RC6010) or the remote cable. If indicator D103 is OFF,
remove J29 (or the CNC start connections to J6) and
jumper J29-3 to 4 or J6-3 to 4. Don’t jumper to the
screw heads on J6 as they don’t always make electri-
cal contact. If it starts (indicator D103 ON) with the
jumper, the problem is in the CNC connections. If
not, replace the Remote Control (RC6010).
M. Switching Control Check (Q1)
To produce DC output, the main switch (Q1) must be
turned on and off rapidly. Power Supply output is
controlled by the on-time. At the same time the Main
Contactor (W1 or W2) closes, the Logic PC Board
grounds pins 9 and 23 of the 34-pin ribbon cable (J3-9
on the Logic PC Board, J10-9 on the Switching Con-
trol PC Board). This enables the pulse width modula-
tor (PWM) on the Switching Control PC Board.
If no DC voltage is detected within 75 ms at J1-24 on
the Logic PC Board, the enable signal on J10-9 is re-
moved and the Main Contactor opens. Connecting
TP4 to TP1 (ground) on the Logic PC Board disables
this function for troubleshooting if no DC output is
found.
Switching Transistor
Q1
Large Blue
Capacitors
A-01085
Transistor/Coil
Bracket
Q1 Location
To check for a defective Q1, first disconnect J27 from
the Driver PC Board.
Driver PC Board
Rear of Front Panel
A-01083
Driver PC Board Location
On a X1 or X10 scale or with a digital meter set for
diode, measure between “C” (collector) terminal, wire
#83, and “E” (emitter) terminal, wire #84. Reverse
the meter leads and measure again. It is normal to
measure an open (high reading) one way and a lower
reading the other. A low or zero measurement both
ways means the Q1 is shorted and must be replaced.
If correct, measure from the “B” (base) terminal, wire
#82, to “E” (emitter) terminal, wire #84. Normal read-
ing is from about 50 to 150 ohms (digital meter on
ohms not diode scale) a short (zero ohms) or an open
indicates a defective Q1.
NOTE
If the Switching Control Q1 has failed, the Driver
PC Board must also be replaced. Refer to Section
6.08, Item #2, for replacement parts.

SERVICE TROUBLESHOOTING 28 Manual 0-2533
The PWM compares shunt amp output on J9-5 with
the current control signal (3.3 - 10 VDC) from the re-
mote (J7-18) or the panel control (J10-15). A faulty
shunt amp could cause the output, normally 0 VDC
with no cutting arc, to go higher, shutting off the PWM
and thus producing no DC. If the shunt amp ribbon
connector is disconnected or pin 1 is open, approxi-
mately 12 VDC is applied to J9-5, shutting down the
PWM in the same manner as a shunt amp failure.
The Switching Control PC Board sends pulses (+15
V) to the Driver PC Board on J8-1 and J8-3. The width
of these pulses controls the on-time of Q1. The pulses
are best observed with an oscilloscope, but an AC
voltmeter should read about 6 to 7 VAC from J8-2 to
both J8-1 and J8-3. If 0 VAC is measured at both J8-1
and J8-3, with the enables (J10-9 and J10-23) and shunt
amp (J9-5) input low, replace the Switching Control
PC Board.
WARNING
Both base and emitter are at -320 VDC potential.
Use extreme caution when testing Driver PC Board
output.
If switching pulses are present at J8-1 and J8-3, check
the Driver PC Board output between J27-3, Q1 base,
and J27-2, Q1 emitter.
The Driver PC Board output, J27-3 (Q1 base) to J27-2
(Q1 emitter), should measure about 1 VAC. If volt-
age measures 0 to -4 VDC (+ lead on J27-3) replace
Driver PC Board. If switching pulses are not present
(start signal OFF), -4 VDC is normal, Driver PC Board
should be replaced.
N. Pilot Circuit Check
The pilot is ignited by a high frequency spark gener-
ated in the Arc Starter Box. The Arc Starter Box re-
quires a 24 VAC supply which should always be
present and a torch tip to electrode voltage greater
than 220 vdc. When the PCR contactor closes, power
supply open circuit voltage (280-350 volts) is con-
nected across the torch plus (tip) and minus (elec-
trode). Once the pilot starts the voltage drops to un-
der 220v shutting off the arc starter.
If the front panel PILOT led is on indicating drive to
the PCR contactor but there are no sparks at the spark
gap in the arc starter box, first confirm that there is
open circuit voltage (OCV) of 280-350 vdc between
torch “NEG-” and the work lead then measure the
voltage at the torch bulkhead (marked “NEG-” and
“POS+”). If it is low, zero to 50v, the torch is probably
shorted (pilot resistors will get very hot). If it is be-
tween 100 and 200v PCR contactor is probably not
closing. If it measures the same as the OCV the arc
starter box may be defective.
For a shorted torch remove the consumable parts and
check for damage, remove the head from the mount-
ing tube and check for arcing. The short may also be
internal to the head and it may or may not be measur-
able with an ohmmeter. Sometimes the only way to
be sure is replace the head.
If the front panel PILOT indicator is OFF check the
CSR indicator, D5, on the Logic PC Board. It should
be OFF. If it is ON the Switching Control PC Board
may be falsely indicating main arc transfer. Check
for zero volts on the Switching Control PC Board at
J9-5. If it does not measure zero the Shunt Amp which
should have no output is defective. Otherwise the
Switching Control PC Board is faulty. If the Logic PC
Board CSR indicator is OFF and PILOT indicator is
OFF, the Logic PC Board is faulty.
If PILOT indicator is ON and PCR is not closing, check
for 120 VAC between wire #110 and J2-1 on the Logic
PC Board.
NOTE
Refer to Appendix VI for 120 VAC Circuit Dia-
gram.
If not present, replace the Logic PC Board. If 120 VAC
is present, check to see if it is at the PCR coil. If volt-
age is present, the contactor is faulty.
WARNING
High Voltage is present.
For the Arc Starter Box confirm that the OCV mea-
sured at the torch bulkhead is also preset at E1 and E2
on the Arc Starter PC Board, if not the torch leads ex-
tension may be open. Check for 24 VAC from J1-1 to
J1-3 on the Arc Starter PC Board (see note).
NOTE
Later versions of the Arc Starter Box have a 24
VAC indicator on the Arc Starter PC Board. The
indicator will be ON when the 24 VAC is present.
If both OCV and 24 VAC are present, and no sparks
are being generated, the Arc Starter PC Board is de-
fective.

Manual 0-2533 29 SERVICE TROUBLESHOOTING
If 24 VAC is not present, remove J14 control connec-
tor at the torch bulkhead and measure for 24 VAC be-
tween pins 5 and 8 of the receptacle. The 24 VAC
comes from T3, is fused by F3, 1A 250v, and passes
through the filter FL1 to J14. If voltage is not present
at J14 the most likely fault is the fuse. T3 and the FL1
are other possibilities. If F3 is blown replace it and
leave J14 disconnected. If it doesn’t blow, then recon-
nect J14. If fuse blows again then the Arc Starter PC
Board is defective or there is a short in the torch leads
between J14 and the Arc Starter PC Board.
O. Current Control, Display and CSD checks
1. Tip Drag Circuit
The Merlin 3000 has a circuit that monitors the
torch tip voltage to reduce cutting current to 40-
50 amps reducing consumable parts wear if the
tip voltage is less than -20 volts indicating double
arcing or the tip contacting the work. Wire #7 from
the torch bulkhead (+) connection connects to the
Logic PC Board at terminal W7. If the voltage there
is less than -20 VDC the Logic PC Board puts a
low on J3-25 (can measure at TP5 on the Logic PC
Board) causing the Switching Control PC Board
(J10-25) to reduce the current. When piloting or
cutting the tip voltage at W7 should be greater than
-20 volts, if so and Logic TP5 is low the Logic PC
Board is defective.
2. Front Panel Current Control
If the Remote Control (RC6010) is being used the
front panel control is inactive, go to next step.
The front panel current control receives it’s high
level (10 VDC) on J10-17 and it’s low level (3.3
VDC) on J10-13. Verify those voltages (with re-
spect to TP1 on the Switching Control PC Board)
then measure the pot’s wiper between J10-15 and
TP1. It should vary from 3.3 to 10 VDC as the
control is moved from minimum to maximum. If
it does not vary or is less than 3.3 VDC, then the
control pot in the LED PC Board is faulty or the
ribbon cable is faulty. If the high and low (3.3 VDC
and 10 VDC) are incorrect, the Switching Control
PC Board is faulty or the ribbon cable is shorted.
3. Remote Current Control
NOTE
Refer to Appendix X for Current Control Display
Circuit Diagram.
The Remote Control (RC 6010) has front panel
controls for OUTPUT AMPS and CSD. The up-
per and lower limits of the current control range
are set by the POT HI (+10 VDC) and POT LOW
(+3.3 VDC) signals from J50-8 and J50-6 on the
Switching Control PC Board sent to the remote via
the remote cable.
The CSD control upper limit is set by the wiper of
the OUTPUT AMPS control thus the CSD range is
a percentage (%) of the main output. The wiper
of the main pot is sent through the normally closed
CSD relay contact out the remote cable to J7-18 on
the Switching Control PC Board. If CSD is en-
abled, indicated by illuminating the 3 decimals in
the display, then the CSD wiper provides the cur-
rent control signal to J7-18.
NOTE
Refer to Appendix XI for Corner Slowdown (CSD)
Circuit Diagram.
If the OUTPUT AMPS control or the CSD control
have no effect on current level see if the panel con-
trol does, if so, there may be a poor connection in
the REMOTE INSTALLED circuit between the re-
mote and Switching Control PC Board. Check TP1
to J7-20, if it does not measure less than 2v there is
a faulty connection, otherwise the Switching Con-
trol PC Board is faulty.
If the front panel control had no effect (which it
shouldn’t) measure from TP1 to J7-18 while mov-
ing the OUTPUT AMPS control from min to maxi-
mum.
The voltage at J7-18 should vary from 3.3v to 10 v.
If it does the Switching Control PC Board is faulty.
If voltage is incorrect at J7-18, check J50-8 for 10 v
and J50-6 for 3.3 v. If OK then the remote is defec-
tive or the connections (remote cable or Merlin)
harness are open.
4. Remote AMPS Display
The AMPS display shows control pot setting (pre-
view) and actual cutting amps. The decimal points
indicate when CSD (standoff inhibit) is on by light-
ing all 3 decimals and when OK-To-Move is not
on by lighting the left hand decimal.
The AMPS display is driven by a signal from the
Merlin Switching Control PC Board J7-2.
NOTE
Refer to Appendix X for Display Circuit Diagram.
Positive 3.3 to 10 volts at J37-1 gives a display from
50 to 150 AMPS. Prior to cutting arc transfer the
display signal is in the “preview” mode as indi-
cated by the left hand decimal being on. The dis-
play is indicating the current control pot setting.

SERVICE TROUBLESHOOTING 30 Manual 0-2533
The display signal at J7-2 should be equal to the
control pot wiper voltage at J7-18 measured in Step
3 above.
If this is not correct, the Switching Control PC
Board is defective.
After arc transfer the display signal switches to
represent actual cutting current as monitored by
the Shunt Amp and Switching Control PC Boards.
At the same time OK-To-Move is sent to the re-
mote shutting off the left hand decimal, refer to
Section 4.05-Q, OK-To-Move Tests. The output of
the Shunt Amp at J9-5 of the Switching Control
PC Board is 5.45 volts for 150 Amps. The display
signal at J7-2 should be 10 volts. If the shunt volt-
age is correct and the display signal is not then
the Switching PC Board is defective.
If the remote display and the shunt amp voltage
at J9-5 is correct but the cutting current is low (mea-
sured with separate ampmeter) then the Shunt
Amp may be faulty but first check step 1 of this
section.
5. Corner Slowdown (CSD)
Corner Slowdown (CSD), a CNC signal, is also
referred to as standoff inhibit or corner current
reduction. The CNC signal comes from the cut-
ting machine controller to inhibit the standoff con-
trol when cutting speed reduction is desired.
Spped reduction may be needed for cutting
around corners where high speeds would ad-
versely affect the standoff regulation. It also can
be used to reduce cutting current when the cut
speed is lowered.
A contact closure between J29-7 and 8 or J6-7 and
8 of the Remote Control (RC 6010) sends an active
low signal to the Standoff Control (SC10) via J5-
21 which turns OFF the Standoff Control THC
ACTIVE indicator, turns ON the three decimals
in the VOLTS display and prevents the Standoff
Control (SC10) from changing torch height.
NOTE
Refer to Appendix XI for Corner Slowdown (CSD)
Circuit Diagram.
At the same time, the CSD relay in the Remote
Control (RC6010) closes switching current control
from the OUTPUT AMPS control to the CSD con-
trol and turning on the three decimals in the AMPS
display. Turning ON switch SW1-1, a dip switch
on the Remote Control PC Board inside the Re-
mote Control (RC6010), will reverse the logic so a
closure is required at the CSD input for normal
operation and an open for CSD.
For the Standoff Control (SC11) used without the
Remote Control (RC6010), the CNC input for CSD
is through J40-10 and J40-11 or J11-1 and J11-2 of
the Standoff Control (SC11). For the Power Sup-
ply, corner current reduction is only available
when using the Remote Control (RC6010). The
CSD relay output at J42 is not used with the Power
Supply.
If the problem is the CSD on all the time or none
of the time disconnect the CSD input from the
cutting machine, set Remote Control (RC6010) in-
ternal switch SW1-1 OFF and jumper the CSD in-
put pins at either J6 or J29 (J42 or J11 for Standoff
Control (SC11). If CSD is on (display indicates
three decimals) when the jumper is connected and
off when the jumper is not connected, the prob-
lem is with the cutting machine or the CNC cable.
If jumping the CSD does not work, the Remote
Control (RC6010) or Standoff Control (SC11) is
faulty. If while using the Remote Control (RC6010)
and Standoff Control (SC10) together, CSD works
in the Remote Control (RC6010) but not the Stand-
off Control (SC10) check for a low, less than 3
VDC., on the ribbon cable at J5-21. If not low, with
CSD on, the Remote Control (RC6010) is faulty. If
J5-21 is low, either the Standoff Control (SC10) is
faulty or the ribbon cable is open.
P. 48 Volt Bias Test
1. Remove the remote cable from the Remote Control
(RC6010), or the Standoff Control (SC11). Tempo-
rally jumper TB2-1 to TB2-2 for enable.
For the Remote Control (RC 6010), measure for
+48 +/-5 VDC from J37-16, 35 and 37 (+) to J37-
15,34 and 36 (-). If correct, Remote Control RC6010
is faulty.
For the Standoff Control (SC11), measure J41-3 and
4 (+) to J41-1 and 2 (-). If correct, Standoff Control
(SC11) is faulty.
2. If the 48 VDC is not correct, go the Power Supply
and measure for +48 +/- 5 VDC at J31-1 to 2 of the
Bias PC Board. If correct, check for open in the
Power Supply harness to J15 or the remote cable.
If 48 VDC is not correct, remove J31 from the Bias
PC Board as and measure again (on the Bias PC
Board). If correct, check for a short in the wiring
harness of remote cable.
3. If 48 VDC is still incorrect check for 115 VAC at J30-
1 to J30-3 at the Bias PC Board. If correct, replace
Bias PC Board. Also, check Fuse (F1), 3A 250v, on
the Bias PC Board.

Manual 0-2533 31 SERVICE TROUBLESHOOTING
Q. OK-To-Move Tests
1. The Shunt Amp sends a voltage level to the Switch-
ing Control PC Board that corresponds to the work
lead or cutting current. When that current is greater
than 25 amps, a circuit on the Switching Control
PC Board sends an active low signal called CSR to
the Logic PC Board, J3-11, that turns on K1, the
OK-To-Move relay. SW5 on the Logic PC Board
selects whether the OK-To-Move output at J2-14
and 16 is a contact closure (SW5 up) or 24 vac (SW5
down). OK-To-Move from J2-14 and 16 connects
to TB2-9 and 10 then on to J15-10 and 11.
To troubleshoot, while cutting, measure at TB2-9
to TB2-10 for 0 volts both AC and DC indicating
contact closure or if Logic PC Board switch SW5
is set for AC volts measure for 24 VAC.
NOTE
Refer to Appendix XII for OK-To-Move Circuit
Diagram.
If correct go to step 2. If not correct, repeat the
measurement at J2-14 to J2-16. If still incorrect mea-
sure Logic PC Board J3-11 to TP1. If less than 5
vdc replace the Logic PC Board otherwise the
Switching Control PC Board is faulty (or the rib-
bon cable open).
2. If using the Remote Control (RC6010), Logic PC
Board switch SW5 must be up for contact closure,
indicator D104, OK PS, on the Remote Control (RC
6010) internal PC Board should come ON with OK-
To-Move. If not check continuity between TB2-9
and J37-30, also TB2-10 and J37-31. The Remote
Control (RC6010) OK relay is initially energized.
The relay turns OFF to send the OK-To-Move sig-
nal through the relay normally closed contact. As
soon as indicator D104 turns ON, or after the
PIERCE DELAY if the Standoff Control (SC10) is
also used, indicator D102 should go OFF indicat-
ing the OK relay is off. If no Standoff Control
(SC10) is used and indicator D102 does not go OFF,
the Remote Control PC Board is defective. If the
Standoff Control (SC10) is used, set the torch to
proper cutting height manually and disconnect the
Standoff Control (SC10) by removing the ribbon
cable from J5 or J7, and try again. If indicator D102
goes OFF now the Standoff Control PC Board is
faulty (or the ribbon cable is open, pin 11 or 15). If
indicator D102 does not go OFF with the Standoff
Control (SC10) disconnected, the Remote Control
(RC6010) is defective.
3. If indicator D102 goes OFF as it should and the E1
jumper is connected to J6-14 (contacts) measure
for contact closure at J6-13 to 16 or if E1 jumper is
in J6-15 (24 VAC) measure for 24 VAC at J6-13 to
J6-16. If OK, the problem is in the CNC cable con-
nections to the cutting machine or the controller.
4. For the Standoff Control (SC11) refer to Section 5,
Customer/Operator Service, in the Standoff Con-
trol Instruction Manual.
R. Pilot Resistor Adjustment
The amount of pilot current is controlled by the value
of the pilot resistors, R16 and R21. Too much current
causes excessive tip wear and too little causes a sput-
tering pilot that wears the electrode. The factory set-
ting is correct for most cases but with low input line
voltage and with some combinations of gas and tips
the current may be too low to maintain a steady (no
sputtering) pilot.
To adjust the resistors use the following procedure:
1. Remove the left side panel, as viewed from the
front of the unit.
2. Locate and identify the pilot resistors which are
on a bracket in front of the fan.
Wire #96
Pilot Resistors
(R16 and R21)
Clamp
Clamp
A-01219
Location Of Pilot Resistors
3. Locate wire #96 which is connected between the
two resistors. The wire is attached to each pilot
resistor with a clamp.
4. Using a screwdriver loosen both clamps.
5. Move each clamp down the pilot resistors, toward
the inside of the unit, approximately 1/2 inch (12.7
mm).
6. Test the pilot, if it still sputters move the clamps
another 1/2 inch (12.7 mm).

SERVICE TROUBLESHOOTING 32 Manual 0-2533
CAUTION
Move the clamps only what is necessary for a steady
pilot. Too much adjustment can cause increased
parts wear. DO NOT move each clamp more than
a total of 2 inches (50.8 mm).
If a steady pilot cannot be achieved with the adjust-
ment, then something else is wrong.

Manual 0-2533 33 REPLACEMENT PROCEDURES
SECTION 5:
REPAIRS & REPLACEMENT
PROCEDURES
5.01 Introduction
This Section describes parts replacement procedures and
all repairs which may be performed on the Merlin 3000
Power Supply.
Under no circumstances are field repairs to be attemped
on Printed Circuit Boards or other Subassemblies of this
unit. Evidence of unauthorized repairs may void the fac-
tory warranty.
5.02 Anti-Static Handling
Procedures
A. General
CAUTION
PC boards can be irreparably damaged by improper
handling due to electrostatic discharge (ESD).
Replacement PC boards are shipped in a protective en-
closure to prevent damage from electrostatic discharge
(ESD) during shipping. Included with each replacement
board is a ground strap to prevent static damage during
installation.
WARNINGS
Read and understand these instructions and the
instructions on the grounding wrist strap package
before opening the equipment enclosure or remov-
ing the replacement PC board from its protective
enclosure.
Disconnect primary power to the system before dis-
assembling the torch, torch leads, or power supply
enclosure.
Do not operate the equipment or test equipment
under power while wearing the grounding wrist
strap.
B. Procedure
1. Open the wrist strap and unwrap the first two folds
of the band. Wrap the adhesive side firmly around
your wrist.
2. Unroll the rest of the band and peel the liner from
the copper foil at the opposite end.
3. Attach the copper foil to a convenient and exposed
electrical ground.
4. Connect the equipment primary cable ground to
the same electrical ground as the wrist strap.
5. Open the equipment enclosure (see instruction
manual for the appropriate equipment) and re-
move the failed PC board.
6. Carefully open the ESD protective bag and remove
the replacement PC board.
7. Install the replacement PC board in the equipment
and make all necessary connections.
8. Place the failed PC board in the ESD protective bag
and seal for return shipping.
9. Reassemble the equipment enclosure (see instruc-
tion manual for the appropriate equipment).
10. Remove the grounding wrist strap from your wrist
and from the electrical ground connection before
reconnecting primary power to the equipment.
5.03 Parts Replacement - General
Information
The parts replacement procedures described in this
manual, except for Rear Panel Coolant Filter and exter-
nal Fuse(s) replacement, require that the Power Supply
be disassembled. Depending on the part to be replaced
will determine to what extent the Power Supply must be
disassembled.
NOTES
Before removing any electrical connection mark
each wire with the connection designation. When
reassembling this makes sure the wires go to the
proper terminals.
Note the routing of wires and make sure the wires
are put back in the same place when reassembling
the unit.
Turn OFF all gas inputs to the Power Supply at
the source before diconnecting any gas Hose As-
semblies.
Each Subsection is referenced to Section 6 for parts lists
and overall detailed drawing.

REPLACEMENT PROCEDURES 34 Manual 0-2533
WARNING
Disconnect primary power from the source before
opening or disassembling the power supply. Make
sure AC indicator on the Power Supply front panel
is OFF.
Before disassembling any part of the Power Supply first
read the procedure for the part to be replaced, then pro-
ceed with the disassembly.
5.04 External Parts Replacement
NOTE
Refer to Section 6.03, External Power Supply Re-
placement Parts, for parts list and overall detail
drawing.
A. Handle Replacement
The Power Supply has two Handles on each side of the
unit. The Handles are the same and are replaced in the
same manner.
1. Remove the four screws securing the Handle to the
side of the unit.
2. Remove the Handle from the unit.
3. Place the replacement Handle onto the unit.
4. Secure the Handle to the side of the unit with the
four screws removed in Step 1.
B. Left/Right Side Panel Replacement
The Left and Right Side Panels are replaced in the same
manner. The Left Side Panel of the Supply is the panel
on the left side of the unit as viewed from the front of the
unit.
Left Side Panel
Screws
(10 Places)
A-00954
1. Remove the Handle per paragraph 'A' above.
2. Remove the four screws that secure the rear of the
Side Panel to the Power Supply.
3. Loosen the two screws securing the bottom of the
Side Panel to the base of the Power Supply. These
two screws are in slotted holes in the Side Panel.
4. To remove the Side Panel from the Power Supply
pull up and out on the Side Panel.
5. Reinstall the replacement Side Panel by reversing
the above procedure.
D. Top Panel Replacement
1. Remove the Handles per paragraph 'A' above.
2. Remove the Left and Right Side Panels per para-
graph 'B' above.
3. On the top of the unit remove the Coolant Tank
Cap from the Coolant Tank.
4. Remove the four screws securing the Top Panel to
the front of the unit.
5. Remove the two screws securing the Top Panel to
the rear of the unit.
6. Install the replacement Top Panel by reversing the
above procedure.
E. Work Cable Replacement
1. Remove the Left Side Panel per Section 5.04-B.

Manual 0-2533 35 REPLACEMENT PROCEDURES
2. Loosen the two screws of the Work Cable strain
relief securing the Work Cable at the Front Panel.
3. Remove the nut (under the Horizontal Chassis
Panel) securing the Work Cable connection to the
Shunt Assembly.
4. Pull the Work Cable from the unit.
5. Install the replacement Work Cable by reversing
the above procedure.
5.05 Access Panel Parts
Replacement
NOTE
Refer to Section 6.04, Access Panel Replacement
Parts, for parts list and overall detail drawing.
A. CURRENT Knob Replacement
1. Turn the CURRENT adjustment fully counter clock-
wise and note the location of the pointer on the
knob.
2. Loosen the screw securing the Current Knob to the
potentiometer shaft.
3. Remove the old knob.
4. Place the replacement Current Knob on to the po-
tentiometer shaft with the location of the pointer
the same as noted in step 1.
5. Tighten the screw to secure the knob to the poten-
tiometer shaft.
B. ON/OFF Switch Replacement
1. Unlatch the Access Panel to gain access to the rear
of the ON/OFF Switch.
2. Disconnect all the wiring to the ON/OFF Switch.
3. Squeeze the top and bottom of the switch while
pulling it out of the Access Panel
4. Install the replacement ON/OFF Switch by revers-
ing the above procedure.
C. RUN/SET/PURGE Switch Replacement
1. Unlatch the Access Panel to gain access to the rear
of the RUN/SET/PURGE Switch.
2. Disconnect all the wiring to the RUN/SET/PURGE
Switch.
3. Squeeze the top and bottom of the switch while
pulling it out of the Access Panel
4. Install the replacement RUN/SET/PURGE Switch
by reversing the above procedure.
D. LED/Current Control PC Board Assembly
Replacement
1. Remove the Current Knob per paragraph 'A' above.
2. Unlatch the Access Panel to gain access to the LED/
Current Control PC Board.
3. Remove the four screws and washers securing the
LED/Current Control PC Board to the Access
Panel.
4. Disconnect the connector at J5 of the LED/Current
Control PC Board.
5. Install the replacement LED/Current Control PC
Board by reversing the above procedure.
E. Access Panel Replacement
1. Remove the Right Side Panel per Section 5.04-B.
2. Remove the following components from the Ac-
cess Panel:
• Current Knob per paragraph 'A' above.
• ON/OFF Switch per paragraph 'B' above.
• RUN/SET/PURGE Switch per paragraph 'C'
above.
• LED/Current Control PC Board per paragraph
'D' above.
3. Remove the four screws securing the Access Panel
to the LED/Current Control PC Board standoffs.
4. Install the replacement Access Panel by reversing
the above procedure.
5.06 Front Panel/Chassis Parts
Replacement
NOTE
Refer to Section 6.05, Front Panel/Chassis Replace-
ment Parts, for parts list and overall detail draw-
ing.
A. Internal Coolant Filter Replacement
The Internal Coolant Filter Assembly is located inside
behind the Left Side Panel (viewed from the front of
the unit). The filter is attached to the Radiator inside
of the Lower Front Panel.
1. Remove the Left Side Panel from the Power Sup-
ply per Section 5.04-B.
2. Locate the Internal Coolant Filter near the front of
the unit.

REPLACEMENT PROCEDURES 36 Manual 0-2533
3. Remove the Coolant Hose from the Internal Cool-
ant Filter Assembly.
4. Remove the Internal Coolant Filter from the fitting
on the Radiator.
5. Install the replacement Internal Coolant Filter As-
sembly by reversing the above procedure and not-
ing the following:
• Clean the old thread sealer from the threads of
the hose and the fitting.
• Apply a thin coating of liquid teflon thread
sealer to the threads of the fitting.
B. Radiator Replacement
1. Remove the Left and Right Side Panels per Section
5.04-B.
2. On the right side of the radiator locate the Hose
Assembly connected to the input of the Radiator
at the top.
3. Remove the Hose Assembly from the Radiator in-
put connection.
4. Remove the Internal Coolant Filter per paragraph
'A' above.
5. On the top and bottom of the Radiator remove the
six screws and star washers that secure the Radia-
tor to the Front Panel.
6. Carefully slide the Radiator out of the unit.
7. Install the replacement Radiator by reversing the
above procedure.
C. Bias PC Board Replacement
1. Remove the Right Side Panel per Section 5.04-B.
2. Disconnect all the wiring connections to the Bias
PC Board Assembly.
3. Remove the Bias PC Board Assembly from four PC
Board Standoffs.
4. Install the replacement Bias PC Board Assembly
by reversing the above procedure.
D. Transformer (T2) Assembly Replacement
The Tramsformer (T2) Assembly is mounted to the
rear of the Horizontal Chassis Panel and has 25.2 VCT
(Center Tap) output.
1. Remove the Left Side Panel per Section 5.04-B.
2. Disconnect all the wiring connections to the Trans-
former Assembly.
3. Remove the four screws which secure the Trans-
former Assembly to the Horizontal Chassis Panel.
4. Carefully remove the Transformer Assembly from
the unit.
5. Install the replacement Transformer Assembly by
reversing the above procedure.
E. Internal Fuse (F3) Replacement
The Fuse (F3) is located inside the Power Supply be-
hind the Right Side Panel. The Fuse is mounted next
to the Bias PC Board on the rear of the Horizontal
Chassis Panel.
1. Remove the Right Side Panel per Section 5.04-B.
2. Locate the Fuse mounted next to the Bias PC Board
on the Horizontal Chassis Panel.
3. Remove the damaged Fuse from the snap type fuse
holder.
4. Reinstall the replacement Fuse (1A, 250V) by re-
versing the above procedure.
F. Fuse Holder (Internal) Replacement
1. Remove the Left Side Panel per Section 5.04-B.
2. Remove the Fuse from the holder.
3. Disconnect the two wires connected to the Fuse
Holder.
3. Remove the two small screws securing the Fuse
Holder to the chassis.
4. Install the replacement Fuse Holder by reversing
the above procedure.
5.07 Rear Panel Parts Replacement
NOTE
Refer to Section 6.06, Rear Panel Parts Replace-
ment, for parts list and overall detail drawing.
A. Fan Replacement
1. Remove the Left Side Panel per Section 5.04-B.
2. Locate the Fan Assembly wiring connector inside
the Rear Panel.
3. Carefully disconnect the wiring connector from the
wiring harness.
4. Note the pin location of each wire to the connector.
5. Using a pin extraction tool remove the wiring from
the connector.
6. On the Rear Panel remove the strain relief securing
the Fan Assembly wiring to the Rear Panel.

Manual 0-2533 37 REPLACEMENT PROCEDURES
7. Locate and remove the four bolts and lock nuts
securing the Fan Assembly to the Rear Panel As-
sembly.
8. Carefully pull the Fan Assembly from the Rear
Panel Assembly feeding the wiring through the
hole.
9. Install the replacement Fan Assembly by reversing
the above procedure.
B. Three-Phase Contactor Replacement
1. Remove the Right Side Panel per Section 5.04-B.
2. Note the orientation of all the wires and then dis-
connect the input and output wiring from the
Three-Phase Contactor Assembly.
3. Remove the two locking nuts securing the Three-
Phase Contactor to the Rear Panel of the unit.
4. Install the replacement Three-Phase Contactor As-
sembly by reversing the above procedure.
C. Voltage Selection PC Board Replacement
1. Remove the Right Side Panel per Section 5.04-B.
2. Disconnect all the wiring connections to the Volt-
age Selection PC Board Assembly.
3. Remove the Voltage Selection PC Board from the
four PC Board Standoffs.
4. Install the replacement Voltage Selection PC Board
Assembly by reversing the above procedure.
D. Gas Solenoid Assembly Replacement
NOTE
The Plasma and Secondary Gas Solenoid Valve
Assemblies are replaced in the same manner.
1. Remove the Top Panel per Section 5.04-B.
2. Disconnect the Gas Supply at the Rear Panel con-
nection
3. Disconnect the internal Gas Hose Assembly con-
nected to the elbow fitting on the Gas Solenoid
Valve Assembly.
4. Disconnect the two wires connected to the Sole-
noid Valve Assembly.
5. Remove the Panel Nut securing the assembly to
the Rear Panel Assembly.
6. Pull the old Gas Solenoid Valve Assembly from the
Rear Panel Assembly.
7. Install the replacement Solenoid Valve Assembly
by reversing the above procedure and noting the
following:
• Remove the fittings from the old assembly and
install on the replacement assembly.
E. Secondary Water Solenoid Valve Assembly
Replacement
1. Remove the water supply from the Secondary
Water connection at the Rear Panel Assembly.
2. Remove the Top Panel per Section 5.04-B.
3. Disconnect the internal Hose Assembly connected
to the elbow fitting on the Secondary Water
Soleniod Valve Assembly inside the unit.
4. Carefully disconnect the two wire connector to the
Secondary Water Solenoid Valve Assembly.
5. Remove the Panel Nut securing the assembly to
the Rear Panel Assembly.
6. Pull the old Secondary Water Solenoid Valve As-
sembly from the Rear Panel Assembly.
7. Install the replacement Secondary Water Solenoid
Assembly by reversing the above procedure and
noting the following:
• Remove the fittings and Check Valve from the
old assembly and install on the replacement as-
sembly.
F. Rear Panel Coolant Filter Assembly
Replacement
The Coolant Filter Assembly is located on a bracket
on the Rear Panel Assembly of the unit.
1. Remove the two Coolant Hose connections to the
Coolant Filter Assembly.
2. Remove the two elbow fitting on each side of the
Coolant Filter Assembly and remove the damaged
assembly from the bracket.
3. Clean the old thread sealer from the threads of the
elbow fittings.
4. Apply a thin coating of liquid teflon thread sealer
to the threads of the elbow fittings.
5. Place the replacement Coolant Filter Assembly in
the bracket with the arrow pointing to the left and
reinstall the two elbow fittings.
6. Reconnect the two Coolant Hoses to the Coolant
Filter Assembly making sure that the hose to the
Pump Assembly is on the output of the Coolant
Filter Assembly (left side as viewed from the back).

REPLACEMENT PROCEDURES 38 Manual 0-2533
G. Coolant Tank Replacement
1. Remove the Left, Right, and Top Side Panels per
Section 5.04-B.
2. Drain the coolant from the Coolant Tank per Sec-
tion 4.02-F.
CAUTION
Handle and dispose of the used coolant per recom-
mended procedures.
3. Remove the two wires from the Conductivity Sen-
sor located on the end of the Coolant Tank near
the center.
4. Unplug the wiring connection at the Flow Switch
Assembly located on the end of the Coolant Tank
near the top (return hole).
5. Remove the hose connected to the bottom of the
Flow Switch Assembly.
6. Remove the hose connected to the 90° Adapter Fit-
ting near the bottom side (outlet hole) of the Cool-
ant Tank.
7. Remove the four nuts, flat washers and lond screws
that secure the Coolant Tank to the Rear Panel.
8. The parts on the Coolant Tank must be removed
and installed on the replacement per the follow-
ing:
a. Note the orientation of the Flow Switch Assem-
bly to the Coolant Tank.
b. Remove the Flow Switch Assembly from the
Coolant Tank and install it on the replacement
Coolant Tank the same as noted in Step "a".
c. Remove the Conductivity Sensor Assembly
from the Coolant Tank and install it on the re-
placement Coolant Tank.
d. Note the orientation of the 90° Adapter Fitting
in the outlet hole on the bottom of the Coolant
Tank.
e. Remove the 90° Adapter Fitting from the Cool-
ant Tank and install it on the replacement Cool-
ant Tank the same as noted in Step "d".
9. Reinstall the replacement Coolant Tank by revers-
ing the above procedure.
10. Remove the Coolant Tank Cap and Deionizer Bas-
ket from the faulty Coolant Tank.
11. Fill the replacement Coolant Tank with the cool-
ant removed or fresh Thermal Arc Torch Coolant.
12. Place the Deionizer Basket and Bag into the Cool-
ant Tank filler hole and install the Coolant Tank
Cap.
H. Flow Switch Assembly Replacement
1. Remove the Top Panel per Section 5.04-B.
2. Drain enough of the coolant from the Coolant Tank,
per Section 4.02-F, to lower the coolant level be-
low the Flow Switch Assembly hole.
CAUTION
Handle and dispose of the used coolant per recom-
mended procedures.
3. Disconnect the wiring connector of the Flow Switch
Assembly from the wiring harness at J25.
4. Disconnect the hose connected to the bottom of the
Flow Switch Assembly in the unit.
5. Secure the end of the hose to prevent coolant from
draining out of the Coolant Tank.
6. Remove the four nuts, washers and long screws
that secure the Coolant Tank to the rear panel.
7. Note the orientation of the old Flow Switch As-
sembly on the Coolant Tank.
8. Move the Coolant Tank forward enough to allow
removal of the old Flow Switch Assembly (see
note).
NOTE
When removing the Flow Switch Assembly leave
the brass fitting in the Coolant Tank.
9. Remove the brass hose fitting in the end of the old
Flow Switch Assembly and install into the replace-
ment Flow Switch Assembly.
10. Install the replacement Flow Switch Assembly, as
noted in Step 7, by reversing the above procedure.
11. Refill the Coolant Tank with the coolant removed
or add fresh Thermal Arc Torch Coolant.
I. Conductivity Sensor Assembly Replacement
1. Remove the Top Panel per Section 5.04-B.
2. Drain enough of the coolant from the Coolant Tank,
per Section 4.02-F, to lower the coolant level be-
low the Conductivity Sensor Assembly hole, lo-
cated on the end of the Coolant Tank.

Manual 0-2533 39 REPLACEMENT PROCEDURES
CAUTION
Handle and dispose of the used coolant per recom-
mended procedures.
3. Remove the two wires from the Conductivity Sen-
sor Assembly.
4. Remove the Conductivity Sensor Assembly from
the Coolant Tank.
5. Install the replacement Conductivity Sensor As-
sembly by reversing the above procedure.
6. Refill the Coolant Tank with the coolant removed
or add fresh Thermal Arc Torch Coolant.
J. Secondary Water Check Valve Replacement
1. Remove the Top Panel per Section 5.04-B.
2. Disconnect the Secondary Gas/Water Hose Assem-
bly from the Elbow Fitting connection at the Check
Valve.
3. Carefully remove the Check Valve and Elbow Fit-
ting from the Secondary Water Solenoid Assem-
bly.
NOTE
The output of the replacement Check Valve should
be pointing towards the rear of the unit when in-
stalled. The output is designated by a symbol on
the side of the part as shown in the following Fig-
ure.
Symbol
Direction Of Flow
Check Valve
A-00370
4. Install the replacement Check Valve by reversing
the above procedure and noting the following:
• Coat the threads of the Elbow Fitting with a teflon
sealer before installing the replacement Check
Valve.
5.08 Base Assembly Parts
Replacement
NOTE
Refer to Section 6.07, Base Assembly Replacement
Parts, for parts list and overall detail drawing.
A. DC Inductor (L2) Assembly Replacement
WARNING
The removal of this Assembly requires the use of a
mechanical lift.
1. Remove the Left and Right Side Panels per Section
5.04-B.
2. Disconnect all the wiring at the DC Inductor As-
sembly.
3. Remove the six mounting bolts securing the DC
Inductor Assembly to the Base.
4. Place a mechanical lift next to the left side of the
Power Supply.
5. Carefully slide the DC Inductor Assembly out the
left side of the unit and onto the mechanical lift.
6. Install the replacement DC Inductor Assembly by
reversing the above procedure
B. 29KVA Transformer (T1) Assembly
Replacement
WARNING
The removal of this Assembly requires the use of a
mechanical lift.
1. Remove the Left and Right Panels per Section 5.04-
B.
2. Disconnect all the wireing at the Transformer As-
sembly.
3. Remove the six bolts, star washers and flat wash-
ers securing the Transformer Assembly to the Base.
4. Place a mechanical lift next to the left side of the
Power Supply.
5. Carefully slide the Transformer Assembly out the
left side of the unit and onto the mechanical lift.

REPLACEMENT PROCEDURES 40 Manual 0-2533
6. Install the replacement Transformer Assembly by
reversing the above procedure.
C. Main Contactor (W1 or W2) Replacement
NOTE
The Main Contactors, W1 and W2, are replaced in
the same manner.
1. Depending on which Main Contactor Assembly is
to be replaced, remove the Left or Right Side Panel
per Section 5.04-B.
2. Label all the wiring connected to the Main Contac-
tor Assembly.
3. Disconnect the wires from the Main Contactor As-
sembly terminals.
4. Remove the two screws and star washers securing
the Main Contactor Assembly to the Base.
5. Install the replacement Main Contactor Assembly
by reversing the above procedure.
D. Motor (M1) Assembly Replacement
1. Remove the Left and Right Side Panels per Section
5.04-B.
2. Loosen the allen set screw securing the Coupling
to the shaft of the Motor Assembly.
3. Remove the two bolts and nuts securing the Pilot
Resistors, air cooled 4.5 ohms, to the left Pilot Re-
sistor Mounting Support.
4. Remove the two bolts securing the Pilot Resistor
Mounting Support to the Base.
5. Carefully suspend the free end of the Pilot Resis-
tors with string to prevent damage to the resis-
tors.
6. Disconnect the Motor Assembly wiring.
7. Remove the four bolts securing the Motor Assem-
bly to the Base.
8. Remove the complete Motor Assembly out the left
side of the unit.
9. Install the replacement Motor Assembly by revers-
ing the above procedure.
E. Pump Assembly Replacement
1. Remove the Right Side Panel per Section 5.04-B.
2. Disconnect the two Hose Assemblies at the fittings
on the Pump Assembly.
3. Loosen the allen set screw securing the Coupling
to the Pump Assembly shaft.
4. Note the orientation of the Pump Assembly to the
Pump Mounting Plate.
5. Remove the three nuts securing the Pump Assem-
bly to the Pump Mounting Plate.
6. Remove the Pump Assembly from the unit.
7. Install the replacement Pump Assembly by revers-
ing the above procedure and noting the follow-
ing:
• Remove the Fittings from the old Pump Assem-
bly and install on the replacement Pump As-
sembly.
• Be sure to align the Pump Assembly to the Pump
Mounting Plate as noted in Step 4 above.
5.09 Upper Chassis Parts
Replacement
NOTE
Refer to Section 6.08, Upper Chassis Replacement
Parts, for parts list and overall detail drawing.
A. Power Driver PC Board Kit Replacement
The Power Driver PC Board Replacement Kit is a di-
rect parts replacement for the failed Driver PC Board
and Switching Transistor (Q1) Assemblies in the
Power Supply.
WARNING
Disconnect primary power at the source before as-
sembling or disassembling power supply, torch
parts, or torch and leads assemblies.
1. Turn OFF main input power to the Power Supply
both at the Power Supply ON/OFF switch and at
the main power disconnect.
2. Wait at least two minutes to allow the input ca-
pacitors to discharge.
3. Remove the top panel of the Power Supply. To
remove the top panel of the Power Supply requires
the removal of several phillips head screws. Care-
fully remove all the screws before attempting to
remove the top panel.
4. Locate the old Driver PC Board Assembly on the
inside left side, behind the front panel, as viewed
from the front of the unit.

Manual 0-2533 41 REPLACEMENT PROCEDURES
Driver PC Board
Rear of Front Panel
A-01083
5. Note and label the two wiring connectors that con-
nect to the Driver PC Board.
6. Disconnect the two wiring connectors from the
Driver PC Board.
7. Press in the securing tab knob on the PC Board
Guide to release the PC Board from the PC Board
Guides. There is a securing tab on both the upper
and lower PC Board Guides.
Upper PC Board Guide
Lower PC Board
Guide
Securing Tab
Securing Tab
Driver PC
Board
A-01084
8. Carefully pull the PC Board from the guides and
remove from the unit.
9. Install the replacement Driver PC Board Assembly
reversing the above procedure.
10. Locate the old Switching Transistor (Q1) Assem-
bly on the inside center-left, between the four large
blue capacitors, as viewed from the front of the
unit.
Switching Transistor
Q1
Large Blue
Capacitors
A-01085
Transistor/Coil
Bracket
11. There are two different styles of the Switching
Transistor (Q1). The style can be identified by look-
ing at the top of the transistor casing.
Style With 'E' Terminal Style Without 'E' Terminal
BX
B
E
BX
B
A-01088
12. Note and label the wires connected to the Switch-
ing Transistor Assembly.
NOTE
The older style transistor will have two wire con-
nections to the transistor module and the newer
style will have only one wire connections.
13. Remove the two screws securing the wires to the
Switching Transistor Assembly terminals 'E' and
'B'.
14. Remove the screw that secures the Capacitor
Mounting Bracket to the Switching Transistor As-
sembly
15. Remove the screw that secures the Transistor/
Coil Bracket to the Switching Transistor Assem-
bly.
16. Remove the screw and washer securing the PTC
Resistor Assembly to the Main Heatsink. Move
the PTC Resistor Assembly out of the way to pre-
vent it from becoming damaged.

REPLACEMENT PROCEDURES 42 Manual 0-2533
PTC Resistor Assembly
Q1
Main Heatsink
A-01089
17. Remove the four screws securing the Switching
Transistor module to the Main Heatsink.
18. Pry between the Main Heatsink and the faulty
Switching Transistor Assembly until it slides eas-
ily.
19. Remove the faulty Switching Transistor Assem-
bly from the unit by sliding it towards the center
of the Main Heatsink.
CAUTION
DO NOT damage Heatsink.
20. If the transistor thermstrate was not removed with
the transistor, it must be removed.
21. Clean the old transistor thermstrate from the tran-
sistor mounting area. Verify that the Heatsink sur-
face under the transistor is smooth and free of de-
fects.
22. Install the replacement Transistor Thermstrate and
the Switching Transistor Assembly by reversing
the above procedure and noting the following:
• Place the replacement Transistor Thermstrate
onto the Main Heatsink at the Switching Tran-
sistor mounting location.
• Depending on the style of the replacement
Switching Transistor connect the wires per one
of the following Figures:
B
BX
Wire #83
Wire #82
Wire #84
Q1
E
A-01086
Wire Connections (Q1 With E Terminal)
B
BX
Wire #83
Wire #82
Wire #84 Q1
A-01087
Wire Connections (Q1 Without E Terminal)
• The metric screws supplied with the Switching
Transistor are to be used for the transistor wire
connections. Small metric screws are to be
torqued to 12 in-lbs (1.4 Nm). Larger metric
screws are to be torqued to 26 in-lbs (2.9 Nm).
B. Auxiliary Transformer (T3) Assembly
Replacement
1. Remove the Left Side Panel per Section 5.04-B.
2. Disconnect the wiring connector from the wiring
harness at the Auxiliary Transformer Assembly.
3. Remove the two mounting screws securing the
Auxiliary Transformer Assembly to the Upper
Chassis/Gauge Assembly.
4. Remove the Auxiliary Transformer Assembly from
the unit.
5. Install the replacement Auxiliary Transformer As-
sembly by reversing the above procedure.

Manual 0-2533 43 REPLACEMENT PROCEDURES
C. Pressure Gauge Replacement
NOTE
Both the Plasma and Secondary gauges are replaced
in the same manner
1. Remove the Top Panel per Section 5.04-B.
2. Disconnect the wiring tho the desired Pressure
Switch.
3. Remove the Pressure Switch from the desired Pres-
sure Gauge Assembly.
4. Disconnect the input gas Hose Assembly from the
fitting at the Pressure Gauge.
5. Remove the fitting(s) from the Pressure Gauge.
6. Remove the nut and clamp Securing the Pressure
Gauge Assembly to the Upper Chassis/Gauge
Assembly.
7. Slide the Pressure Gauge out of the Upper Chas-
sis/Gauge Assembly.
8. Reinstall the replacement Pressure Gauge Assem-
bly by reversing the above procedure.
NOTE
Be sure that the Pressure Gauge orientation is cor-
rect when installed. The 80 PSI mark should be at
the twelve o'clock position.
D. Coolant Pressure Gauge Replacement
1. Remove the Top Panel per Section 5.04-B.
2. Disconnect the Coolant Hose Assembly from the
fitting at the Pressure Gauge.
3. Remove the fitting(s) from the Pressure Gauge.
4. Remove the nut and clamp Securing the Pressure
Gauge Assembly to the Upper Chassis/Gauge
Assembly.
5. Slide the Pressure Gauge out of the Upper Chas-
sis/Gauge Assembly.
6. Reinstall the replacement Pressure Gauge Assem-
bly by reversing the above procedure.
NOTE
Be sure that the Pressure Gauge orientation is cor-
rect when installed. The 80 PSI mark should be at
the twelve o'clock position.
E. Pressure Switch Replacement
NOTE
Both the Plasma and Secondary Pressure Switches
are replaced in the same manner
1. Remove the Top Panel per Section 5.04-B.
2. Disconnect the two wires connected to the Pres-
sure Switch Assembly.
3. Remove the assembly from the T-fitting.
4. Install the replacement Pressure Switch Assembly
by reversing the above procedure and noting the
following:
• Apply pipe thread sealant to the fitting before
reassembling.
F. Coolant Supply and Return Bulkhead
Adapter Fitting Replacement
NOTE
Both the Coolant Supply and Return Bulkhead
Fittings are replaced in the same manner.
1. Remove the Top Panel per Section 5.04-B.
2. Remove the Torch connection to the Bulkhead
Adapter Fitting.
3. Disconnect the gas Hose Assembly from the fitting
at the end of the Bulkhead Adapter Fitting.
4. Remove the fittings from the end of the Bulkhead
Adapter Fitting.
5. Remove the first nut from the Bulkhead Adapter
Fitting.
6. Remove the second nut securing the Bulkhead
Adapter to the Upper Chassis/Gauge Assembly.
7. Pull the Bulkhead Adapter Fitting from the Upper
Chassis/Gauge Assembly.
8. Install the replacement Bulkhead Adapter by re-
versing the above procedure.
G. Plasma or Secondary Gas Input Fitting
Replacement
NOTE
Both the Plasma and Secondary Gas fittings are
replaced in the same manner
1. Remove the Top Panel per Section 5.04-B.
2. Disconnect the Torch connection to the fitting be-
ing replaced at the Upper Chassis/Gauge Assem-
bly.

REPLACEMENT PROCEDURES 44 Manual 0-2533
3. Disconnect the gas Hose Assembly from the fitting
at the end of the Gas Input Fitting.
4. Remove the fitting screwed into the end of the Gas
Input Fitting.
5. Remove the first nut from the Gas Input Fitting.
6. Remove the second nut securing the Gas Input Fit-
ting to the Upper Chassis/Gauge Assembly.
7. Pull the fitting from the Upper Chassis/Gauge As-
sembly.
7. Reinstall the replacement Plasma or Secondary Gas
Input Fitting Assembly by reversing the above pro-
cedure.
H. Fuse (F1 and F2) Replacement
1. Open the hinged cover at the Front Panel torch
leads connection area.
2. Locate and remove the cap from the fuse holder.
3. Pull the faulty Fuse from the fuse holder.
4. Install the replacement Fuse by reversing the above
procedure.
I. Plasma or Secondary Regulator Assembly
Replacement
NOTE
Both the Plasma and Secondary Regulator Assem-
blies are replaced in the same manner
1. Remove the Top Panel per Section 5.04-B.
2. Carefully remove the input and output gas Hose
Assemblies to the Regulator Assembly.
3. On the Upper Ghassis/Gauge Assembly remove
the securing nut for the Regulator Assembly.
4. Slide the Regulator Assembly.out of rear of the
Upper Ghassis/Gauge Assembly.
5. Remove the fittings from the old Regulator Assem-
bly.
6. Reinstall the replacement Regulator Assembly by
reversing the above procedure.
J. Control Logic PC Board Assembly
Replacement
1. Open the front panel access panel cover at the front
of the Power Supply.
2. Fasten the access cover open with string or rubber
band.
3. Note where each connector is located on the old
Control Logic PC Board.
4. Disconnect the three connectors from the old Con-
trol Logic PC Board.
5. Note the orientation of the old Control Logic PC
Board.
6. Remove the old Control Logic PC Board.
7. On the new Control Logic PC Board set the
switches, SW1 through SW5, the same as the old
Control Logic PC Board.
8. Install the replacement Control Logic PC Board by
reversing the above procedure.
K. Switching Control PC Board Assembly
Replacement
1. Remove the Top and Right Side Panels per Section
5.04-B.
2. Note the orientation of the old Switching Control
PC Board.
3. Remove the Switching Control PC Board from the
rear of the Upper Chassis/Gauge Panel far enough
to disconnect the wiring connections.
4. Note where each connector is located on the Switch-
ing Control PC Board.
5. Disconnect the connectors from the Switching Con-
trol PC Board.
6. Reconnect the original wiring connectors to the
replacement Switching Control PC Board before
installing the replacement Switching Control PC
Board.
7. Install the replacement Switching Control PC Board
by reversing the above procedure.
L. Coolant Check Valve Replacement
1. Remove the Top Panel per Section 5.04-B.
2. Disconnect the Hose Assemblies from the fitting
connection at the input end of the Check Valve.
3. Carefully remove the Check Valve and fittings from
the TORCH COOLANT SUPPLY fitting.
4. Remove the Fittings from the old Check Valve.
NOTE
The input of the replacement Check Valve should
be pointing towards the rear of the unit when in-
stalled. The output is designated by a symbol on
the side of the part as shown in the following Fig-
ure.

Manual 0-2533 45 REPLACEMENT PROCEDURES
Symbol
Direction Of Flow
Check Valve
A-00370
5. Install the replacement Check Valve by reversing
the above procedure and noting the following:
• Coat the threads of the Fittings with a teflon
sealer before installing on the replacement
Check Valve.
M. Secondary Gas Check Valve Replacement
1. Remove the Top Panel per Section 5.04-B.
2. Disconnect the two Secondary Gas/Water Hose
Assemblies from the T-Fitting connection at the
Check Valve.
3. Carefully remove the Check Valve and Fittings from
the Secondary Gas Regulator Assembly.
4. Remove the Fittings from the input of the old Check
Valve.
NOTE
The output of the replacement Check Valve should
be pointing away from the Pressure Regulator As-
sembly when installed. The output is designated
by an arrow on the side of the part.
5. Install the replacement Check Valve by reversing
the above procedure and noting the following:.
• Coat the threads of the Fittings with a teflon
sealer before installing on the replacement
Check Valve.
5.10 Main Heatsink Assembly Parts
Replacement
NOTE
Refer to Section 6.09, Main Heatsink Assembly Re-
placement Parts, for parts list and overall detail
drawing.
A. 70 Amp STR. Diode Replacement
The Diode Replacement Kit (Cat # 8-1168) is a direct
parts replacement for the failed Diode Assembly in
the Power Supply.
The following parts are supplied with each replace-
ment assembly:
• 70 Amp, 600V Str Diode Assembly (1 each)
• 0.75 inch diameter Thermal Interface Pad (1
each)
• Tube of RTV (1 each)
1. Turn OFF main input power to the Power Supply
both at the Power Supply ON/OFF switch and at
the main power disconnect.
2. Wait at least two minutes to allow the input ca-
pacitors to discharge.
3. Open the Power Supply to gain access to the faulty
Diode Assembly.
4. Locate the old Diode Assembly inside the Power
Supply.
5. Unsolder the wire lead from the old Diode Assem-
bly.
6. Remove the old Diode Assembly from the unit.
Make sure the replacement diode is a direct re-
placement for the old one.
NOTE
To avoid damage to a replacement diode from over-
heating during installation, a proper heatsink (ex-
ample: alligator clip) must be used to dispurse heat
when soldering the wire lead to the diode.
7. Install the replacement diode by reversing the above
procedure and noting the following:
a Wipe the surface clean where the replacement
diode is to be installed.
NOTE
The thermal interface pads must be properly aligned
when replacing the diode.
b. Position the thermal interface pad between the
diode and contact surface where the diode will
be installed.
CAUTION
Diodes can overheat if not properly installed.
c. Install the replacement diode and torque the
diode to 20 - 25 in-lbs (2.3 - 2.8 Nm).

REPLACEMENT PROCEDURES 46 Manual 0-2533
d. Re-solder the wire lead to the replacement di-
ode.
e. Apply a layer of RTV over the top of the Diode
Assembly to encapsulate the lead and top of
the diode.
RTV
70 Amp
Diode
Wire Lead
A-01166
f. Close up the Power Supply.
B. Relay Replacement
1. Remove the Right Side Panel per Section 5.04-B.
2. Move the Relay Hold-Down Spring to the side of
the Relay Assembly.
3. Pull the Relay Assembly from the Relay Socket.
4. Install the replacement Relay Assembly by revers-
ing the above procedure.
C. 150 Amp REV Diode Replacement
The Diode Replacement Kit (Cat # 8-6152) is a direct
parts replacement for the failed Diode Assembly in
the Power Supply.
The following parts are supplied with each replace-
ment assembly:
• 150 Amp, 800V Rev Diode Assembly (1 each)
• 1.06 inch diameter Thermal Interface Pad (1
each)
1. Turn OFF main input power to the Power Supply
both at the Power Supply ON/OFF switch and at
the main power disconnect.
2. Wait at least two minutes to allow the input ca-
pacitors to discharge.
3. Open the Power Supply to gain access to the faulty
Diode Assembly.
4. Locate the old Diode Assembly inside the Power
Supply.
5. Remove the nut and washer securing the old diode
assembly to the mounting surface.
6. Remove the nut securing the diode wire lead to the
PC Board.
7. Make sure the replacement diode is a direct re-
placement for the old one.
8. Install the replacement diode by reversing the above
procedure and noting the following:
a. Wipe the surface clean where the replacement
diode is to be installed.
NOTE
The thermal interface pads must be properly aligned
when replacing the diode.
b. Position the thermal interface pad between the
diode and contact surface where the diode will
be installed.
CAUTION
Diodes can overheat if not properly installed.
c. Install the diode. Torque the nut securing the
diode to 34 in-lbs (3.8 Nm).
d. Reinstall the nut and washer securing the re-
placement diode wire lead to the PC Board.
D. 150 Amp STR Diode Replacement
The Diode Replacement Kit (Cat # 8-6153) is a direct
parts replacement for the failed Diode Assembly in
the Power Supply.
The following parts are supplied with each replace-
ment assembly:
• 150 Amp, 800V Str. Diode Assembly (1 each)
• 1.06 inch diameter Thermal Interface Pad (1
each)
1. Turn OFF main input power to the Power Supply
both at the Power Supply ON/OFF switch and at
the main power disconnect.
2. Wait at least two minutes to allow the input ca-
pacitors to discharge.
3. Open the Power Supply to gain access to the faulty
Diode Assembly.
4. Locate the old Diode Assembly inside the Power
Supply.
5. Remove the nut and washer securing the old diode
assembly to the mounting surface.
6. Remove the nut securing the diode wire lead to the
PC Board.

Manual 0-2533 47 REPLACEMENT PROCEDURES
7. Make sure the replacement diode is a direct re-
placement for the old one.
8. Install the replacement diode by reversing the above
procedure and noting the following:
a. Wipe the surface clean where the replacement
diode is to be installed.
NOTE
The thermal interface pads must be properly aligned
when replacing the diode.
b. Position the thermal interface pad between the
diode and contact surface where the diode will
be installed.
CAUTION
Diodes can overheat if not properly installed.
c. Install the diode. Torque the nut securing the
diode to 34 in-lbs (3.8 Nm).
d. Reinstall the nut and washer securing the re-
placement diode wire lead to the PC Board.
5.11 Hose Assembly Replacements
This subsection describes the replacement of the various
Hose Assemblies used in the Power Supply. The replace-
ment part numbers and detail drawings are in Section 6
as noted in each Hose Assembly replacement instructions.
For a block diagram of the Power Supply Hose Assem-
blies refer to Appendix XV.
A. Secondary Water Hose (Check Valve to T-
Fitting) Assembly Replacement
The Secondary Water Hose Assembly goes from the
Check Valve on the Secondary Water Solenoid Assem-
bly to the T-Fitting on the Secondary Gas Pressure
Gauge at the front panel. Replace the Hose Assembly
using the following procedure:
NOTE
Refer to Subsection 6.08, Upper Chassis Replace-
ment Parts for part numbers and detail drawing.
1. Remove the Right Side Panel per Section 5.04-B.
2. Disconnect the Hose Assembly from the Check
Valve on the Secondary Water Solenoid Assembly.
3. Disconnect the other end of the Hose Assembly
from the T-Fitting on the Check Valve from the
Secondary Gas Pressure Gauge at the front panel.
4. Remove the Hose Assembly from the unit.
5. Install the replacement Hose Assembly by revers-
ing the above procedure.
B. Coolant Return Hose (RETURN Connector
to Radiator) Assembly Replacement
The Coolant Return Hose Assembly goes from the RE-
TURN Connector to the inlet side of the Radiator. Re-
place the Hose Assembly using the following proce-
dure:
NOTE
Refer to Subsection 6.05, Front Panel/Cahassis
Replacement Parts for part numbers and detail
drawing.
1. Remove the Right Side Panel per Section 5.04-B.
2. Disconnect the Hose Assembly from the rear of the
front panel RETURN connector.
3. Locate the other end of the Hose Assembly at the
inlet of the Radiator.
4. Disconnect the Hose Assembly from the Radiator.
5. Remove the Hose Assembly from the unit.
6. Install the replacement Hose Assembly by revers-
ing the above procedure.
C. Coolant Supply Hose (Pump to Pressure
Gauge) Assembly Replacement
The Coolant Supply Hose Assembly goes from the
Pump to a T-Fitting at the Pressure Gauge. Replace
the Hose Assembly using the following procedure:
NOTE
Refer to Subsection 6.08, Upper Chassis Replace-
ment Parts for part numbers and detail drawing.
1. Remove the Right Side Panel per Section 5.04-B.
2. Disconnect the Hose Assembly from the T-Fitting
at the rear of the front panel Pressure Gauge As-
sembly.
3. Disconnect the other end of the Hose Assembly
from the Pump Assembly.
4. Remove the Hose Assembly from the unit.
5. Install the replacement Hose Assembly by revers-
ing the above procedure.
D. Coolant Supply Hose (Pump to Pressure
Gauge Connection) Assembly Replacement
The Coolant Supply Hose Assembly goes from the
Pressure Gauge T-Fitting to the front panel Coolant
Pressure Gauge connection. Replace the Hose Assem-
bly using the following procedure:

REPLACEMENT PROCEDURES 48 Manual 0-2533
NOTE
Refer to Subsection 6.08, Upper Chassis Replace-
ment Parts for part numbers and detail drawing.
1. Remove the Right Side Panel per Section 5.04-B.
2. Disconnect the Hose Assembly from the T-Fitting
at the front panel Coolant Pressure Gauge connec-
tor.
3. Disconnect the other end of the Hose Assembly
from the Coolant Pressure Gauge.
4. Remove the Hose Assembly from the unit.
5. Install the replacement Hose Assembly by revers-
ing the above procedure.
E. Secondary Gas Hose (T-Fitting to
SECONDARY GAS Connector) Assembly
Replacement
The Secondary Gas Hose Assembly goes from the T-
Fitting to front panel SECONDARY GAS connector.
Replace the Hose Assembly using the following pro-
cedure:
NOTE
Refer to Subsection 6.08, Upper Chassis Replace-
ment Parts for part numbers and detail drawing.
1. Remove the Right Side Panel per Section 5.04-B.
2. Disconnect the Hose Assembly from the T-Fitting
on the Check Valve from the Secondary Gas Regu-
lator Assembly.
3. Disconnect the other end of the Hose Assembly
from the front panel SECONDARY GAS Connec-
tor.
4. Remove the Hose Assembly from the unit.
5. Install the replacement Hose Assembly by revers-
ing the above procedure.
F. Plasma Gas Hose (PLASMA GAS to T-
Fitting) Assembly Replacement
The Plasma Gas Hose Assembly goes from the front
panel PLASMA GAS connector to the T-Fitting on the
Plasma Pressure Gauge Assembly. Replace the Hose
Assembly using the following procedure:
NOTE
Refer to Subsection 6.08, Upper Chassis Replace-
ment Parts for part numbers and detail drawing.
1. Remove the Right Side Panel per Section 5.04-B.
2. Disconnect the Hose Assembly from the front panel
PLASMA GAS connector.
3. Disconnect the Other end of the Hose Assembly
from the T-Fitting at the Plasma Pressure Gauge
Assembly.
4. Remove the Hose Assembly from the unit.
5. Install the replacement Hose Assembly by revers-
ing the above procedure.
G. Coolant Supply Hose (Coolant Filter to
Pump) Assembly Replacement
The Coolant Supply Hose Assembly goes from the rear
panel Coolant Filter Assembly to the Pump Assem-
bly. Replace the Hose Assembly using the following
procedure:
NOTE
Refer to Subsection 6.07, Base Assembly Replace-
ment Parts for part numbers and detail drawing.
1. Remove the Right Side Panel per Section 5.04-B.
2. Disconnect the Hose Assembly from the Coolant
Filter Assembly on the rear panel.
3. Disconnect the other end of the Hose Assembly
from the Pump Assembly.
4. Remove the Hose Assembly from the unit.
5. Install the replacement Hose Assembly by revers-
ing the above procedure.
H. Coolant Supply Hose (Tank to Coolant
Filter) Assembly Replacement
The Coolant Supply Hose Assembly goes from the
Coolant Tank to the Coolant Filter Assembly mounted
on the rear panel. Replace the Hose Assembly using
the following procedure:
NOTE
Refer to Subsection 6.06, Rear Panel Replacement
Parts for part numbers and detail drawing.
1. Drain the coolant from the Coolant Tank per Sec-
tion 4.02-F.
CAUTIONS
The coolant must be drained from the unit as the
coolant will drain out the hose connection on the
side of the Coolant Tank .
Handle and dispose of the used coolant per recom-
mended procedures.
2. Disconnect the other end of the Hose Assembly
from the Coolant Tank.

Manual 0-2533 49 REPLACEMENT PROCEDURES
3. Remove the Hose Assembly from the unit.
4. Install the replacement Hose Assembly by revers-
ing the above procedure.
5. Refill the Coolant Tank with Thermal Arc Torch
Coolant before applying power.
I. Coolant Return Hose (Internal Filter to Flow
Switch) Assembly Replacement
The Coolant Return Hose Assembly goes from the top
outlet of the Internal Filter Assembly to the Flow
Switch Assembly located on the side of the Coolant
Tank. Replace the Hose Assembly using the follow-
ing procedure:
NOTE
Refer to Subsection 6.05, Front Panel/Chassis Re-
placement Parts for part numbers and detail draw-
ing.
1. Remove the Left Side Panel per Section 5.04-B.
2. Disconnect the Hose Assembly from the outlet side
of the Internal Filter Assembly.
3. Locate the other end of the Hose Assembly at the
lower part of the Flow Switch Assembly.
4. Disconnect the Hose Assembly from the Flow
Switch Assembly.
5. Pull the Hose Assembly from the unit.
6. Install the replacement Hose Assembly by revers-
ing the above procedure.
J. Secondary Water/Gas Hose (T-Fitting to T-
Fitting) Assembly Replacement
The Secondary Water/Gas Hose Assembly goes from
the T-Fitting at the Secondary Gas Check Valve to the
T-Fitting on the Secondary Gas Pressure Gauge As-
sembly. Replace the Hose Assembly using the follow-
ing procedure:
NOTE
Refer to Subsection 6.08, Upper Chassis Replace-
ment Parts for part numbers and detail drawing.
1. Remove the Right Side Panel per Section 5.04-B.
2. Disconnect the Hose Assembly from the T-Fitting
on the Check Valve from the Secondary Gas Regu-
lator Assembly.
3. Disconnect the other end of the Hose Assembly
from the T-Fitting on the Secondary Gas Pressure
Gauge Assembly.
4. Remove the Hose Assembly from the unit.
5. Install the replacement Hose Assembly by revers-
ing the above procedure.
K. Plasma Gas Hose (Plasma Gas Solenoid to
Plasma Gas Regulator) Assembly
Replacement
The Plasma Gas Hose Assembly goes from the Plasma
Gas Solenoid Assembly at the rear panel to the Plasma
Gas Regulator at the front panel. Replace the Hose
Assembly using the following procedure:
NOTE
Refer to Subsection 6.08, Upper Chassis Replace-
ment Parts for part numbers and detail drawing.
1. Remove the Right Side Panel per Section 5.04-B.
2. Disconnect the Hose Assembly from the Plasma
Gas Solenoid Assembly at the rear panel.
3. Disconnect the other end of the Hose Assembly
from the Plasma Gas Regulator Assembly at the
front panel.
4. Remove the Hose Assembly from the unit.
5. Install the replacement Hose Assembly by revers-
ing the above procedure.

REPLACEMENT PROCEDURES 50 Manual 0-2533

Manual 0-2533 51 PARTS LISTS
SECTION 6:
PARTS LISTS
6.01 Introduction
A. Parts List Breakdown
The parts list provides a breakdown of all basic replace-
able parts. The parts lists are arranged as follows:
Section 6.03: External Power Supply Replacement
Parts List
Section 6.04: Access Panel Replacement Parts
Section 6.05: Front Panel/Chassis Replacement
Parts
Section 6.06: Rear Panel Replacement Parts
Section 6.07: Base Assembly Replacement Parts
Section 6.08: Upper Chassis Replacement Parts
Section 6.09: Main Heatsink Assembly Replacement
Parts
Section 6.10: Power Supply Options And
Accessories
NOTE
Parts listed without item numbers are not illus-
trated, but may be ordered by the catalog numbers
shown.
B. Returns
If a Thermal Dynamics product must be returned for
service, contact your Thermal Dynamics distributor. Ma-
terials returned to Thermal Dynamics without proper
authorization will not be accepted.
6.02 Ordering Information
Order replacement parts by catalog number and com-
plete description of the part or assembly, as listed in the
description column of the Parts List. Also include the
model and serial number of the machine as shown on
the plate attached to the front panel of the unit. Address
all inquiries to your authorized Thermal Dynamics dis-
tributor.

PARTS LISTS 52 Manual 0-2533
A-01220
1
2
3
4
5
6
6.03 External Power Supply Replacement Parts List
Item # Qty. Description Catalog #
Complete Merlin 3000 Power Supply With Running Gear and Work Cable
1 Without Gas Control GC3000 3-5100
1 With Gas Control GC3000 3-5101
1 1 Work Cable with Clamp - 25 ft (7.6 m) 9-4380
2 1 Panel, Top 8-3300
3 1 Panel, R.H. Side With Overlay 8-6301
4 1 Panel, L.H. Side With Overlay 8-6303
5 1 Upper Gauge Panel Overlay 8-3304
6 2 Handle, Merlin 8-2172

Manual 0-2533 53 PARTS LISTS
6.04 Access Panel Replacement Parts
Item # Qty. Description Catalog #
1 Access Panel Assembly Includes: 8-3257
1 1 Access Panel With Overlay 8-6302
2 1 Access Panel Overlay 8-3306
3 1 ON/OFF Rocker Switch, DPST 8-3258
4 1 Switch, Rocker, SPDT, Center Off 8-3259
5 1 LED/Current Control PC Board Assembly 9-5759
6 1 Knob, Inner Concentric 9-4146
7 2 Fastener Receptacle 9-3995
8 2 "DZUS" Stud 9-4346
9 2 "DZUS" Retaining Ring 9-4347
A-00967
1
2
3
4
5
6
7
89
8
9
7

PARTS LISTS 54 Manual 0-2533
6.05 Front Panel/Chassis Replacement Parts
Item # Qty. Description Catalog #
1 1 Front Panel With Overlay 8-6304
2 1 Front Panel Overlay ------
3 1 Cord Grip 8-6307
4 1 Torch Leads Panel Boot 9-4210
5 1 Radiator 8-1347
6 1 #6 JIC x 3/8 NPT Male Union 8-6141
7 1 Coolant Filter 8-4276
8 1 Support, Inner Coolant Filter 8-3313
9 1 Support, Lower Coolant Filter 8-5577
10 1 #8 JIC to 3/8 NPT Straight Adapter 8-1251
11 1 Panel, Access Divider 8-6310
12 1 Horizontal Chassis Panel 8-4500
13 1 Assembly, Torch Leads Shield, 2 1/4" 8-3314
14 1 Resistor, 8 ohm 9-3431
15 1 Resistor Mounting Bracket Kit 8-4234
16 1 Assembly, Bias Supply PC Board 8-4501
17 1 Fuse, 1A, 250V 9-5530
18 1 Fuse Block (1/4 x 1 1/4 Fuse) 9-5529
19 1 EMI Filter 9-1023
20 4 P.C. Board Support 9-5333
21 1 Transformer Assembly 8-4502
22 1 Hose Assembly, Internal Filter to Tank 8-4503
23 1 Hose Assembly, Bulkhead to Radiator 8-4504

Manual 0-2533 55 PARTS LISTS
1
2
4
3
5
6
7
8
9
10 11 12
13
14 15
16
19
18
17
20
21
A-01217
22
23

PARTS LISTS 56 Manual 0-2533
6.06 Rear Panel Replacement Parts
Item # Qty. Description Catalog #
1 1 Rear Panel 8-4505
2 1 Fan, 16" Axial 8-6312
3 2 Contactor, 25 amp, 2-pole, 120V Coil 8-5143
4 1 3 PH Contactor 8-1373
5 1 4 mfd, Capacitor 9-3210
6 2 Capacitor Mounting Bracket 8-6308
7 1 330k Ohms Resistor Assembly 9-5545
8 1 Voltage Selection PC Board 8-5144
9 4 P.C. Board Supoort 9-5333
10 1 Bracket, Heatsink Support 8-5576
11 1 Hose Assembly - Tank to Coolant Filter 8-4274
12 3 #8 JIC - 3/8 NPT x 90° Adapter 8-0346
13 1 Basket, Coolant Tank 8-4273
14 1 Deionizer Bag 8-3312
15 1 Coolant Tank 8-4275
16 2 Bracket, Tank Support 8-4506
17 1 Cap, Coolant Tank 8-5142
18 3 #4 JIC - 1/8 NPT x 90° Adapter 8-0262
19 1 Check Valve 1/8 NPT Female 8-1787
20 4 1/8 NPT Close Nipple 8-0354
21 2 Assembly, Solenoid Valve Connection 8-1196
22 1 Fitting, Adapter 3/8 NPT (9/16-18, O-Ring)) 9-1412
23 1 Assembly, Flow Switch 9-5969
24 1 Spec O Ring Hose Adapter 8-0319
25 1 Assembly, Conductivity Sensor 8-6203
26 1 Support, Filter 8-6202
27 1 Coolant Filter 8-4276
28 3 1/4-1/8 NPT Reducing Bulkhead 9-4078
29 1 Strain Relief, For #10 Stranded Wire 8-4249
30 1 Twist-Loc Base 9-3290
31 1 3/4 Inch Snap Button Hole 8-0232
32 1 Valve, Solenoid 5/32 Orifice 1/4 NPT 8-4323

Manual 0-2533 57 PARTS LISTS
1
2
3
4
5
6
7
8
9
10
11
12
13
14
15
16
17
18
19 21
21
22
23
24
25
26
27
28
29
30
31
18
18
20
32 20
20
3
A-01216
11

PARTS LISTS 58 Manual 0-2533
6.07 Base Assembly Replacement Parts
Item # Qty. Description Catalog #
1 1 Base 8-5145
2 2 Caster, 5" Diameter 8-5578
3 2 Wheel, 8" Diameter 8-5579
4 1 Axle 9-1243
5 2 Retaining E-Ring, 1/2 Diameter Shaft 9-5539
6 1 Mat, Inductor Base 8-6143
7 1 DC Inductor Assembly 8-6145
8 1 29 KVA Transformer 8-6670
9 2 Main Contactor 9-1244
10 1 Assembly, Capacitor Connection 8-3263
11 1 1 1/4 Squeeze Connect 9-2391
12 1 Westinghouse 1/2 HP Motor, 1PH/50HZ/110/220V 9-3496
13 1 5/8" Coupling Body 9-4018
14 1 Coupling Spider 9-4019
15 1 Body, Coupling 7/16" Diameter Bore 8-6146
16 2 #8 JIC x 3/8 NPT Straight Adapter 8-1251
17 2 1/2 x 3/8 NPT Reducer 8-0353
18 1 Pump-Procon Type 2507XH 8-1328
19 1 Plate, Pump Mounting 8-3264
20 2 Resistor-Air Cooled 4.5 Ohm-Power Rib 9-3959
21 2 Support, Pilot Resistor Mounting 8-3265
22 1 Thermostat, Open 212°F, Close 192°F 8-3315
23 1 Temp. Switch Top Clamp 8-3316
24 1 Temp. Switch Bottom Clamp 8-3317
25 1 Hose Assembly, Pump Inlet to Filter 8-4507
26 1 Hose Assembly, Pump Outlet To Bulkhead 8-4508

Manual 0-2533 59 PARTS LISTS
9
10
1
2
11
12
3
4
13
14
5
6
15
16
7
8
17
18
19
20
21
22
23
24
21
20
A-00894
26
25
9

PARTS LISTS 60 Manual 0-2533
6.08 Upper Chassis Replacement Parts
Item # Qty. Description Catalog #
1 1 Panel, Upper Chassis/Gauge 9-1302
2 1 Power Driver PC Board Assembly Includes: 7-3360
1 Thermstrate, Transistor (Refer to Section 6.09 Item # 7) 9-1406
1 Transistor, 300A, 550V Darlington (Refer to Section 6.09 Item # 8) 8-6154
1 Current Driver PC Board Assembly 9-4381
3 2 PC Board Guide With 16mm Screw 9-1054
4 1 Auxiliary Transformer Assembly 9-4383
5 1 Capacitor, 300mfd, 400VDC 9-1300
6 1 Capacitor Mounting Clamp - 1 3/4" Diameter 8-3260
7 2 Gauge, 0-100 psi/BAR 2" Diameter 8-4313
8 1 Gauge, 0-160 psi/BAR 2" Diameter 8-4330
9 2 1/8 NPT Female Tee 8-0312
10 2 Pressure Switch - 35 psi 9-1044
11 1 Adapter, Bulkhead, 3/8 NPT/Inert B 8-6147
12 1 Adapter, Bulkhead, 3/8 NPT/Inert B L.H. 8-6148
13 1 Body, Bulkhead, 1/8 NPT 8-4509
14 1 Body, Bulkhead, 1/8 NPT (LH) 8-4510
15 1 Receptacle, Square Flanged, 14 Circuit, CPC, Rev Sex 9-3293
16 1 Fuse Holder For 1/4 x 1" Fuse 9-2936
17 1 5 Amp Fuse, MTH5(250V) 8-1025
18 1 Fuse Holder, Buss.HPS 9-2937
19 1 10 Amp Fuse 9-3641
20 1 Spill Tray 8-6149
21 1 1/8 NPT Female Elbow 9-4175
22 3 #4 JIC - 1/8 NPT STR Adapter 8-0257
23 1 Orifice, Water Flow Metering 8-2177
24 2 1/4 x 1/8 NPT Reducer 9-2023
25 2 Air Regulator 8-3223
26 1 1/4 NPT Coupling 9-3885
27 10 PC Board Support 9-5333
28 2 1/4 NPT Street Elbow 9-2184
29 1 Assembly, Logic PC Board 9-5968
30 3 1/8 NPT STR Tee 8-0352
31 1 Connector, Bulkhead Lead 8-6150
32 1 Torch Lead 8-4511
33 4 9/16 x 1/8 Jam Nut 8-2149
34 1 Connector, Inductor Lead 9-1400
35 1 #4 JIC-1/8 NPT x 90° Adapter 8-0262
36 1 Assembly, Switching Control PC Board 9-5970
37 1 3/8 x 1/4 NPT Reducer 8-1422
38 1 #6 JIC x 3/8 NPT STR Adapter 8-0348
39 1 #8 JIC x 3/8 NPT STR Adapter 8-1251
40 1 3/8 NPT Female Tee 9-2385
41 2 3/8 NPT Close Nipple 9-2384
42 1 Valve, Check 3/8 NPT Female, Brass 9-1402

Manual 0-2533 61 PARTS LISTS
Item # Qty. Description Catalog #
43 1 Check Valve, Male, 1/4 NPT, 5 PSI 8-4512
44 1 Hose Assembly, Secondary Water, Gauge To T-Fitting 8-4513
45 1 Hose Assembly, Secondary Gas/Water to Bulkhead 8-4514
46 1 Hose Assembly, Secondary Gas Inlet to Regulator 8-4515
47 1 Hose Assembly, Bulkhead to Coolant Pressure Gauge 8-4516
48 1 Hose Assembly, Secondary Water Inlet to Gauge 8-4517
49 1 Hose Assembly, Plasma Gas Inlet to Regulator 8-4515
50 1 Hose Assembly, Plasma Gas Regulator To Bulkhead 8-4513
51 1 Hose Assembly, Plasma Gas Regulator To Gauge 8-4513
52 1 Voltage Divider Replacement Kit 9-1416
1
2
3
4
5
6
7
8
9
10
11
12
13
14
15 16
17
18
19
20
21
22
23
24
25
26
28
29
30
31
32
33 34
36
37
39
40 41
42
43
22
33
41
25
24
30
3538
10
9
30
27
22
33
33
7
A-01226
27
28
49
51
50
46
44
47
45
48
52

PARTS LISTS 62 Manual 0-2533
6.09 Main Heatsink Assembly Replacement Parts
Item # Qty. Description Catalog #
1 1 Main Heatsink 9-1404
2 4 Capacitor, 550 mfd, 400VDC 9-1303
3 1 Bracket, Capacitor/Heatsink 8-4521
4 1 Support, Air Foil 8-2176
5 2 Capacitor Clamp 9-4212
6 1 Support, Heatsink Assembly 9-1304
7 1 Thermstrate, Transistor 9-1406
8 1 Transistor, 300A, 550V Darlington (Refer to Section 6.08 Item #2) 8-6154
9 2 Capacitor, 10 mfd, 400V Poly., Hi-Current 9-1305
10 1 Bracket, Capacitor Mounting 8-6314
11 1 70 Amp STR. Diode Replacement Kit Includes: 8-1168
8 Diode, 70A, 600V STR Fast
8 Thermal Interface Pad .75 Dia
12 2 Capacitor, 15 µf, 630V Poly., Hi-Current 9-1408
13 1 Suppression Coil Assembly 9-1409
14 1 Bracket, Diode Lead 8-6316
15 1 Assembly, Heatsink Suppression PC Board 9-1410
16 1 Support, Capacitor Bracket/PC Board 8-6315
17 3 Resistor, 100 Ohm, 100W Style J 9-1405
18 1 Internal Wire Assembly Package 8-4522
19 2 Resistor, 3k Ohm, 100W Style J 8-6677
20 1 Relay Socket 9-2731
21 1 Relay - DPDT, 110 VDC 9-5256
22 1 Plate, Negative Diode 8-6675
23 1 Plate, Positive Diode 8-6674
24 1 Diode Suppression PC Board Assembly 8-6155
25 1 150 Amp REV Diode Replacement Kit Includes: 8-6153
3 Diode, 150 Amp, 800V, REV.
6 Thermal, Interface Pad 1.06 Dia.
26 1 150 Amp STR Diode Replacement Kit Includes: 8-6152
3 Diode, 150 Amp, 800V, STR.
6 Thermal, Interface Pad 1.06 Dia.
27 1 Assembly, PTC Resistor 8-4523
28 1 Relay Hold-Down Spring 9-4297
29 1 Bracket, Transistor/Coil 8-6676
30 1 Harness Assembly, Transistor 8-6313
31 1 Standoff, 3/8 Hex Nylon 8-5147
32 10 Washer, Fiber Shoulder 8-6678
33 1 Shunt, 250A, 100 mV 9-4392
34 1 Shunt Amp PC Board Assembly 9-4391

Manual 0-2533 63 PARTS LISTS
1
2
3
4
5
6
78
9
10
11
12
13
14
15
16
17
18
19
20
21
22
23
24
25
26
27
29
30
31
32
33
34
11
19
9
2
2
217
17
11
11
28
A-00971
32
32
32
32
32
32

PARTS LISTS 64 Manual 0-2533
6.10 Power Supply Options And Accessories
Item # Qty. Description Catalog #
1 1 Remote Control (RC6010) 3-6106
2 1 Standoff Control (SC10) 3-6110
3 1 Gas Control (GC3000) 7-3411
4 1 Air Line Filter Assembly 7-3139
5 1 Replacement First Stage Filter Element 9-1021
6 1 Replacement Second Stage Filter Element 9-1022
7 Gas Regulators
1 Nitrogen Regulator 9-2722
1 CO2 Regulator 9-2759
1 Argon/Hydrogen Regulator 9-3053
8 1 Oxygen Regulator 9-4379
9 1 Water Regulator 8-6118
10 1 Remote Pendant Control Assembly 7-3114
11 1 Switch - for Remote Pendant 9-4229
12 1 Cord Grip - for Remote Pendant 9-4228
13 1 Handle Only - for Remote Pendant 8-1662
14 1 14-pin Plug - for Remote Pendant 9-3294
15 3 Pin - for Remote Pendant Plug 8-4524
16 1 Cable Clamp - for Remote Pendant 9-3295
17 1 Remote Pendant Adapter 9-4393
The following are not shown:
1 Plasma Gas Supply Line - 10 ft (3.0 m) 9-2146
1 Secondary Gas Supply Line - 10 ft (3.0 m) 9-2147
1 High Pressure Air Regulator 9-3022
1 High-Flow Water Shield
220V Version 7-2984-1
460V Version 7-2984-2
Remote Control Cable
1 25 ft (7.6 m) 9-5961
1 50 ft (15.2 m) 9-5962
1 75 ft (22.8m) 9-5963
1 100 ft (30.4m) 9-5964
Remote Control (RC6010) CNC Interface Cable
1 5 ft (1.5 m) 9-4483
1 10 ft (3.0 m) 9-4484
1 15 ft (4.5 m) 9-4485
1 20 ft (6 m) 9-4486
Standoff Control Lifter Motor Control Cable
1 10 ft (3.0 m) 9-4535
1 15 ft (4.5 m) 9-4536
1 20 ft (6 m) 9-4537
Power Supply CNC Interface Cable
1 25 ft (7.6 m) 8-3380
1 50 ft (15.2 m) 8-3381
1 75 ft (22.8m) 8-3382
1 100 ft (30.4m) 8-3383
1 gal Torch Coolant
Standard 25/75 Mix for Ambient Temperatures to +10°F (-12°C) 7-2850
Super 50/50 Mix for Ambient Temperatures to -34°F (-36°C) 7-2959

Manual 0-2533 65 PARTS LISTS
A-01218
OUTPUT AMPS
PLASMA
ENABLE
ON
START
REMOTE POWER SUPPLY CONTROL
SD
(%)
25 75
100
50
TRAVEL
SPEED
125+
IPM
0-125
IPM
RUN
PURGE
SET
PLASMA ON
ARC VOLTS
REMOTE STANDOFF CONTROL
T.H.C. ACTIVE
PIERCE
HT (inches)
0.1
0.3
0.4
0.5
0.2
END OF CUT
RETRACT (%)
0
25 75
100
UP
DN
TORCHTORCH
MODEMODE
LIFTER
SPEEDSPEED
PIERCE
DELAY (sec)
0.5 1
2
3
0.75
0.25
0.1
AUTO
HT
FIND
HT
HI
LO
PLASMA SECONDARY
Water
Argon/Hydrogen
Air
Nitrogen
Oxygen
Nitrogen
Other
Air
Gas Contro
12
3
4
5
6
78
9
10
11
13
12
16
15
14
17
PARTS LISTS 66 Manual 0-2533

Manual 0-2533 67 APPENDIX
APPENDIX I: INPUT WIRING REQUIREMENTS
Input Power Input Current Suggested Sizes (See Notes)
Voltage Freq. 3-Ph 3-Ph Fuse (Amps) Wire (AWG) Wire (Canada)
(Volts) (Hz) (kVA) (Amps) 3-Ph 3-Ph 3-Ph
200 50/60 34 98 110 AWG 2 2
208 50/60 34 95 110 AWG 2 2
220 50/60 34 89 100 AWG 2 2
230 50/60 34 85 100 AWG 4 2
380 50/60 34 51 60 AWG 6 6
415 50/60 34 47 60 AWG 8 6
460 50/60 34 42 50 AWG 8 6
506 50/60 34 40 45 AWG 8 6
575 50/60 34 34 40 AWG 8 6
Line Voltages with Suggested Circuit Protection and Wire Sizes
Based on National Electric Code and Canadian Electrical Code
NOTES
Refer to Local and National Codes or local authority having jurisdiction for proper wiring requirements.
Cable size is de-rated based on the Duty Cycle of the equipment.
The suggested sizes are based on flexible power cable with power plug installations. For hard-wired installations
refer to local or national codes.
Cable conductor temperature used is 167° F (75° C).
An energy limiting fuse UL Class RK-1 (examples: BUSS LPS/LPN-RK or Gould-Shawmut AZK-A6K) should be
used to minimize damage to Plasma Cutting, Welding or power distribution equipment.
NEVER use replaceable element fuses like UL Class H, or "one-time" fuses like UL Class K5.

APPENDIX 68 Manual 0-2533
APPENDIX II: SEQUENCE OF OPERATION
BLOCK DIAGRAM
A-01016
ACTION
Close external
disconnect switch
RESULT
• Power to system
ACTION
Enable ON at Remote
or TB2
ON/OFF switch to ON
RESULT
• AC indicator ON
• TEMP Indicator ON
• GAS indicator ON
• Fan and pump ON
• 40 second auto-purge
ACTION
RUN/SET/PURGE
switch to SET
RESULT
• Gas solenoids open,
gases flow to set
pressures
• GAS indicator ON
ACTION
RUN/SET/PURGE
switch to RUN
RESULT
• Gas flow stops
• Power circuit ready
• GAS indicator OFF
ACTION
Protect eyes and
activate torch
RESULT
• Gas indicator ON
• Gas pre-flow
• Main contactor
closes
• DC indicator ON
• Pilot contactor
closes
• PILOT indicator ON
• Pilot arc established
PILOT ARC
ACTION
Torch de-activated by torch switch
released or remote device
RESULT
• Main arc stops
• Main contactor opens
• DC indicator OFF
• Pilot and PILOT indicator OFF
NOTE- If torch is activated during post-flow
the pilot arc will immediately restart. If
within range of work, main arc will transfer.
After post-flow:
• Gas solenoids close, gas flow stops
• GAS indicator OFF
ACTION
ON/OFF switch to
OFF
RESULT
• AC indicator OFF
• TEMP Indicator OFF
• Fan and pump OFF
ACTION
Open external
disconnect
RESULT
• No power to system
ACTION
Torch moved to
within
1/8 - 3/8 inch of
work
RESULT
• Main arc transfer
• PILOT indicator OFF
• Pilot arc OFF
ACTION
Torch removed from
work
RESULT
• Main arc stops
• Pilot arc auto-restart
• PILOT indicator ON

Manual 0-2533 69 APPENDIX
APPENDIX III: TYPICAL MECHANIZED SYSTEM CABLE
CONNECTIONS
Cable Description Letter Designation
Power Supply to Remote Control A
Standoff Control to Torch Lifter Assembly B
Remote Control to CNC Control C
Power Supply to Gas Control D
Power Supply Work Cable to Workpiece E
GC3000 Gas
Control Option
Torch Lifter
Assembly
CNC
CONTROL
B
A-01261
RC6010 Remote
Control
SC-10 Standoff
Control
GC3000 Gas
Control Option
C
Earth
Ground
Power
Supply
Workpiece
3-Phase
Input
E
D
A
Torch Lifter
Assembly
CNC
CONTROL
B
SC-11 Standoff
Control
C
Earth
Ground
Power
Supply
Workpiece
3-Phase
Input
E
D
A
System With Remote Control RC6010, Standoff Control SC10 And Gas Control GC3000
System With Standoff Control SC11 And Gas Control GC3000
J15
J63
J63
J37 J29
J43
J53
J53
J43
J40
J15
J37

APPENDIX 70 Manual 0-2533
APPENDIX IV: INTERFACE CABLES FOR REMOTE
CONTROL (RC6010) AND STANDOFF CONTROL (SC11)
A-00983
MERLIN 3000 REMOTE CABLES
FOR RC 6010 & SC11

Manual 0-2533 71 APPENDIX
APPENDIX V: CNC INTERFACE
A-00982

APPENDIX 72 Manual 0-2533
APPENDIX VI: 120 VAC CIRCUIT DIAGRAM
K1 J28 TO OPTIONAL STANDOFF CONTROL
PCR
(881) (89)
SW3-A (5)
K5
LOGIC PCB
(75)
K3
(110)
SOL3
SOL2
SOL1
(50)
K4K2
T2
-1
-3
(24)
VOLTAGE SELECTION PCB (24)
(23)
K5
K5
(22)
(21)
W2
W1
MC2
MC1
(4)
(3)
K4
K3
K3
K4
(15)
(14)
T1
SW1-A
ON/OFF
(10) F2 (9) (8)
SWITCHING
CONTROL PCB
A-01136

Manual 0-2533 73 APPENDIX
APPENDIX VII: LADDER DIAGRAM - 15 VDC
3
LOGIC CONTROL BOARD
13
11
19
15
5
9
7
24
11
12
18
14
4
8
6
22
12
K4
K3
K2
K5
K1
PLASMA
SECONDARY
GAS
CONTROL
CIRCUIT
PRE-FLOW &
POST-FLOW
CIRCUIT
SWITCH
RECOGNITION
RUN
SET
PURGE
SW2
START/STOP (CNC)
START/STOP (Hand)
FS1
D57
START
INDICATOR
CONTACTOR
CONTROL
W
CONTACTOR
D4
J3-9
PWM
ENABLE
CONTACTOR DISABLE
(Only after main con-
tactor initially closes)
SENSE BRIDGE
VOLTAGE
<60VDC
SENSE BRIDGE
VOLTAGE
>60VDC
TP1
TP4
To disable
this circuit for troubleshooting
short test points together.
PILOT
CONTROL
HF AND
PILOT
DISABLE
HF AND PILOT
CONTACTOR
OK to Move
HFWS
CSR Indicator
D5
15 VDC SUPPLY
2
1
28 VAC
CENTER TAP
TORCH VOLTAGE/23
CSR (from Current
Control Board)
OXYGEN
WATER
GAS
PS2
PS1
TS3 TS1 TS2
ALL PC BOARD INPUTS
ACTIVE LOW EXCEPT
J1-24 AND J1-21.
21 22
OVER-CURRENT SHUTDOWN
(From Switching Control)
REFERENCES J1 CONNECTOR REFERENCES J3 CONNECTOR A-01013
D2 RUN
TS4 TS5

APPENDIX 74 Manual 0-2533
APPENDIX VIII: SIGNAL FLOW BLOCK DIAGRAM
A-01139

Manual 0-2533 75 APPENDIX
APPENDIX IX: START CIRCUIT DIARGRAM
A-01080
Standoff Control SC11
Merlin 3000
or
Merlin 6000
or
Merlin 6000GST
J15-24
J15-25
J42-3
J42-4
J8-11
J8-10
K10
START
OPTO-
Isolator
K10
START
FIND
HT
PLASMA
ON
START
D79
FIND HT
OFF
J8-17
J40-3
J40-4 J8-18
J11-3
J11-4
CNC
START
A-01079

APPENDIX 76 Manual 0-2533
APPENDIX X: CURRENT CONTROL / DISPLAY CIRCUIT
DIAGRAM
A-01138

Manual 0-2533 77 APPENDIX
APPENDIX XI: CSD (CORNER SLOWDOWN) CIRCUIT
DIAGRAM
A-01140

APPENDIX 78 Manual 0-2533
APPENDIX XII: OK-TO-MOVE CIRCUIT DIAGRAM
A-01081
PIERCE
DELAY
0 - 3 seconds
OFF = OK-To-Move
24 VAC Source
Merlin 3000 or Merlin 6000 or Merlin 6000GST with
Remote Control RC6010 / Standoff Control SC10
OK-To-Move Circuit
OK
Logic PCB
J2-14
J2-16 J15-11
J15-10 J42-12
J42-14
OK PS
D82
OK OUT
D37
Pierce Delay
0 - 3 Seconds
OK
Standoff Control SC11
K12
OK
+
J11-7
J11-6
E1
J8-24 J40-14
J11-5
J40-12
J8-22
J11-8
A-01082
24VAC Source
K12 Energized prior to
and during pierce delay
TB2-9
TB2-10
Merlin 3000, 6000
or 6000GST

Manual 0-2533 79 APPENDIX
APPENDIX XIII: HOSE BLOCK DIAGRAM
Coolant Filter Assembly
(Rear Panel)
Internal Filter
Assembly
Gas Connections
(Rear Panel)
Plasma Gas (+)
Secondary Gas
Secondary Water
Radiator
In
Out
Bulkhead
(Front Panel)
Coolant Supply (-)
Coolant Return
Plasma Gas (+)
Secondary Gas
Check Valve
Coolant Pressure
Gauge (Front Panel)
Tank
Top (In)
Bottom (Out)
Flow
Switch A-01227
Coolant Supply Hose Assembly
Pump To Pressure Gauge
Secondary Gas/Water Hose Assembly
T-Connection To Bulkhead
Plasma Gas Hose Assembly
T-Connection To Bulkhead
Coolant Supply Hose Assembly
Tank To Coolant Filter
Coolant Supply Hose Assembly
Coolant Filter To Pump
Coolant Return Hose Assembly
Internal Filter To Flow Switch Coolant Return Hose Assembly
Bulkhead To Radiator
Coolant Supply Hose Assembly
Pump To Bulkhead
Secondary Water Hose Assembly
Check Valve To T-Connection
Check Valve Symbol
Direction Of Flow
Plasma Gas Pressure
Gauge (Front Panel)
Secondary Gas
Pressure Gauge
(Front Panel)
Plasma Gas
Regulator
(Front Panel)
T-Fitting
Plasma Gas Hose Assembly
T-Connection To Pressure Gauge
Secondary Gas
Regulator
(Front Panel)
Plasma Gas Hose Assembly
Rear Panel To Regulator
Check Valve
T-Fitting
Solenoid
Solenoid
Solenoid Check Valve
Pump Assembly T-Fitting
T-Fitting
Secondary Gas/Water Hose Assembly
T-Connection To T-Connection

APPENDIX 80 Manual 0-2533
APPENDIX XIV: SYSTEM SCHEMATIC
A-00981

Manual 0-2533 81 APPENDIX
A-00981

APPENDIX 82 Manual 0-2533
APPENDIX XV: RECOMMENDED ROUTINE MAINTENANCE
SCHEDULE FOR LIQUID COOLED PLASMA CUTTING
SYSTEMS
This schedule applies to all types of liquid cooled plasma cutting systems. Some systems will not have all the parts
listed and those checks need not be performed.
NOTE
The actual frequency of maintenance
may need to be adjusted according to
the operating environment.
Daily Operational Checks or Every Six Arc Hours:
1. Check torch parts, replace if damaged.
2. Check plasma and secondary supply and pressure/flow.
3. Purge plasma gas line to remove any moisture build-up.
4. Check deionizer bag/cartridge, replace if color is predominantly yellow.
5. Check coolant pressure (100 - 120 psi).
Weekly or Every 30 Arc Hours:
1. Blow or vacuum dust and dirt out of the entire machine.
Six Months or Every 720 Arc Hours:
1. Remove and clean in-line filter screens.
2. Check cables and hoses for leaks or cracks, replace if necessary.
3. Check all contactor points for severe arcing or pits, replace if necessary.
4. Check all pillow blocks and bearings, clean and lubricate if necessary.
5. Check fan, pump and pulley belts for wear or cracking, replace if necessary.
Twelve Months or Every 1500 Arc Hours:
1. Drain coolant, fill with distilled water, turn on main power switch and let machine run for approximately 30
minutes.
WARNING
DO NOT energize the Torch.
Drain distilled water and replace with Thermal Arc Coolant. Use Standard Mix Coolant (Catalog # 7-2850) or
Super Mix Coolant (Catalog # 7-2959) for environments below +10° F (-12° C).
2. Check radiator fins, clean and comb out if necessary.
3. Repeat six month maintenance.