Thermax Cp3 Users Manual
CP3 CP3_manual
CP3 to the manual c1bfdc99-9750-43ef-b945-5933be5fc8ba
2015-02-03
: Thermax Thermax-Cp3-Users-Manual-461591 thermax-cp3-users-manual-461591 thermax pdf
Open the PDF directly: View PDF
.
Page Count: 24

CP3
Professional Hot Water extraction cleaning system
oWner/
oPerator
manual
Products for a Healthier Indoor Environment
thermaxaf.com
1-888-764-3700

TABLE OF CONTENTS
Message from the Corporate Office ...................................................................... 2
Identifying Features ............................................................................................... 3
Inspection Upon Delivery ....................................................................................... 4
Important Safety Information ................................................................................. 4
Set-Up Procedure .................................................................................................. 5
Extraction Cleaning Procedure .............................................................................. 5
System Clean-Up .................................................................................................. 6
General System Maintenance ............................................................................... 6
Optional Package and Accessories ................................................................... 7, 8
Rental Center Benefits .......................................................................................... 9
Cleaning Solutions ............................................................................................... 10
Air Purifiers and Solutions ................................................................................... 10
CP3 Specifications .............................................................................................. 11
CP3 Wiring Diagram ............................................................................................ 11
Troubleshooting ................................................................................................... 12
CP3 Base Unit Schematic ................................................................................... 13
CP3 Base Unit Parts List ..................................................................................... 14
Floor Wand Schematic ........................................................................................ 15
Floor Wand Parts List .......................................................................................... 16
Upholstery Wand Schematic ............................................................................... 17
Upholstery Wand Parts List ................................................................................. 18
Power Brush Schematic ...................................................................................... 19
Power Brush Parts List ........................................................................................ 20
Additional Commercial Units ............................................................................... 21
Thermax Warranty .............................................................................................. 22
1

Congratulations on the purchase of your new Thermax CP3
Professional Hot Water Extraction Cleaning System! In 1971,
Thermax founder Carl Parise developed the world’s first UL
approved carpet steam cleaner for the U.S. market, and has
since produced over 500,000 units sold worldwide. We have
adopted our own brand name, Thermax, which is rapidly
becoming a household name, synonymous with the industry.
In an industry full of competition and choices, we at Thermax
are grateful for your wise choice of the Thermax CP3, and
we look forward to a lasting relationship as we service all
your business needs.
Your new CP3 is a high performance workhorse. When
maintained and operated in accordance with this owner/
operator manual, it will give you years of quality service.
For over three decades, Thermax has produced fine quality,
portable, hot water extraction cleaning systems for the
home, hotel/motel, auto detail, janitorial, as well as other
commercial markets. The Thermax CP3 portable rental
system pioneered the do-it-yourself rental steam cleaner*
market, introducing America to a new way to clean carpets.
Our company and staff subscribe to the philosophy that our
relationship with you the customer doesn’t end with the sale,
it only begins. If there is any area in which we can be of
service, please call the Thermax Customer Support Center
at 1-888-764-3700.
Thank you for joining the ever-growing family of Thermax
owners. Here’s to many years of use and, most importantly,
here’s to a healthier indoor environment.
*Steam cleaning is the generic technology used to describe
the hot water extraction process of cleaning carpet.
Todd Walker, CFO,
Jason Davis, CEO,
and Mark Rodie, COO
MESSAGE FROM THE CORPORATE OFFICE
2

1) Clean Solution Tank
2) Stationary Lid with Solution Tank Fill Hole
3) Recovery Waste Tank
4) Recovery Tank Dome and Vacuum Seal
5) Power Cord
6) Brass Female Quick Connect Coupling
for the Solution Hose
7) Auxiliary Female Outlet for the
Optional Power Brush
8) Vacuum Inlet/Vacuum Hose Connector
9) Pump/Heater Switch
10) Vacuum Switch
11) Easy Pull Handle
IDENTIFYING FEATURES
1
2
3
4
5
6
7
8
9
10
11
3

INSPECTION UPON DELIVERY
Carefully unpack and inspect the Thermax CP3 and be sure all components
ordered are included. Orders might be packed in more than one box.
NOTE: Contact the carrier immediately regarding any damage incurred during
shipping as it is your responsibility to file a damage claim with the carrier.
IMPORTANT SAFETY INFORMATION
1) To prevent the possibility of electrical shock, always unplug the system from
the main power source before physically inspecting or attempting to repair
the system.
2) Inspect system daily, especially when used by someone else. Inspect for
damaged components such as loose wires, frayed cords, missing ground
pin, etc.
3) Only operate system when it is properly grounded. Improper grounding could
result in serious or fatal shock!
4) When operating the system around water, during flood restoration, etc.,
always outfit yourself properly with rubber-soled shoes or rubber boots and
do not set system in standing water.
5) To keep from voiding your warranty, use only those cleaning solutions
manufactured by Thermax and never use solvent based products.
6) After use, always thoroughly rinse and clean both recovery and solution
tanks. If using recovery tank to store hoses, or other miscellaneous items,
always clean items before storing them in tanks.
7) Do not operate solution pump dry.
8) Do not store where temperatures drop below freezing, as this may damage
the pump.
9) Always use defoamer in recovery tank to prevent the motor from being
damaged from overfoaming.
10) Extension cord should have a minimum rating of 12/3 (#12 cord). Extension
cord should not exceed 50 feet.
11) Never open up the system when there is water in either the solution or
recovery tank, remove the solution and waste water first.
4

SET-UP PROCEDURE
1) Pre-mix cleaning solution as required for specific application in a five gallon (19 liter) pail. Pour pre-mixed solution through
solution fill hole of system (page 3, #2).
NOTE: This system has a built-in solution heat maintenance feature, start with hot water if possible. Hot water is hygienic
and maximizes cleaning potential.
2) Add appropriate amount of defoamer to the recovery tank (page 3, #3).
3) Connect end of the vacuum hose to the vacuum inlet connector (page 3, #8).
4) Connect male end of the solution hose to female quick-connect coupling (page 3, #6), and female end of solution hose to
the male end of the cleaning wand.
5) With solution tank full and vacuum and solution hoses properly connected, plug main power cord (page 3, #5) into properly
grounded outlet.
NOTE: Plug the cord into an outlet that will be out of the way of the cleaning path, ideally a 20 amp circuit when available.
6) Your system is now ready for operation.
7) Once pre-spray, furniture removal and other carpet preparation is complete, proceed to clean carpet and/or upholstery.
NOTE: Vacuum and pump switches can now be activated to “ON” position.
EXTRACTION CLEANING PROCEDURE
1) With solution tank full and all hoses appropriately attached, activate pump switch to the “ON” position, then activate the
vacuum switch to the “ON” position.
2) Start in area of the room opposite from where you want to end.
3) Place wand about 4 feet in front of you.
4) Activate the solution spray trigger of wand.
5) Laying down an even spray of solution, pull the wand back towards you slowly.
6) Release the solution spray trigger and move the wand slowly forward over the same area just cleaned to recover additional
solution left behind. Repeat this process several times depending on the degree of carpet soiling then move over the width
of the wand, overlapping slightly to prevent streaking. For best results, work in approximately 4 foot wide sections and
always be sure to remove as much solution from the carpet as possible as this will minimize drying time.
7) When solution tank is empty and needs refilling, shut system down and repeat step 1 of “Set Up Procedure”.
8) Remove, empty and replace recovery holding tank. (page 3, #3).
NOTE: Always empty and replace recovery tank at the same time you refill the solution tank.
9) Add more defoamer into the recovery holding tank (step 2 of “Set Up Procedure”).
NOTE: With solution tank full and recovery tank empty, the system is now ready to continue cleaning. Continue the process
until cleaning is complete.
5

SYSTEM CLEAN-UP
When the carpet cleaning process is complete, it’s time to clean the system. De-activate all switches to “OFF” position.
1) Empty and rinse recovery tank.
2) Empty solution tank.
a. To empty solution tank of unused solution, turn vacuum switch to “ON” position.
b. With vacuum hose still connected to the inlet and vacuum running, drop the end of the vacuum hose (opposite the end plugged
into the vacuum inlet) down through the solution tank fill hole (page 3, #2) and SLOWLY remove the unused solution from
the solution tank until empty. The system will transfer the solution to the recovery waste tank for disposal. In the process, the
solution cleans out the inside of the vacuum hose.
NOTE: Take caution to remove the solution SLOWLY! Make sure to rinse solution tank with the plain hot water to minimize
chemical build-up. After rinsing solution tank, transfer rinse water in the same manner mentioned above.
c. Deactivate and unplug the system
d. Empty the recovery tank and clean.
e. Remove vacuum and solution hose from system. Wipe down all exterior areas of the system.
3) Your CP3 system is now ready for storage until the next job!
GENERAL SYSTEM MAINTENANCE
DAILY (At the conclusion of each work day)
1) Empty, rinse and clean solution and recovery tanks with plain hot water thoroughly cleaning dirt and obstructions from inside the
tanks.
2) Clean vacuum and solution hoses thoroughly.
3) Run plain hot water through solution tank and pump to prevent any chemical build-up.
4) Wipe down all exterior surfaces with an all-purpose type cleaner, then apply a light coat of vinyl protectant to all exterior surfaces.
5) Lubricate couplings, hinges and wheels with silicone-type spray.
6) Inspect the solution tank filter and recovery tank dome filter for hair and debris. The filter should always be kept clean and
unobstructed.
7) Inspect electrical cord for damage or fraying and repair as necessary.
8) Store unit away from direct sunlight and freezing temperature.
MONTHLY
1) Inspect internally for:
a. Loose nuts and/or screws
b. Leaking hoses
c. Loose wiring
d. Anything that doesn’t appear correct
2) Flush the system with 2 cups white vinegar per gallon of hot water solution. Follow by circulating plain hot water through the
system via the solution tank. This helps reduce and neutralize any alkalai and chemical build-up.
NOTE: To prevent shock hazard, remember to unplug main power source before inspection or repair of the system.
ANNUALLY
We recommend that your system be inspected once a year by an authorized Thermax service technician. For the location of your
nearest Service Center, call 1-888-764-3700 or go to thermaxaf.com.
6

OPTIONAL PACKAGES & ACCESSORIES
The following optional packages and accessories do not come standard with your CP3. Contact
your local distributor or the Corporate Office to receive details on how to purchase these items.
7
CLEAR VIEW FLOOR WAND
PART # 29-760-325-1
PB309 – OSCILLATING
POWER BRUSH
PART # 80-012-121
CLEAR VIEW HAND WAND
PART # 35-255-004
10’ HIDE-A-HOSE
PART # 10-HAH-3
DELUXE RENTAL PACKAGE
PART # 32-700-HAH
Includes: Clear View Floor
Wand, Upholstery Wand,
& 10’ Hide-A-Hose

DOUBLE UNIT RENTAL
RACK, METAL
PART # 32-502-02
8
OPTIONAL ACCESSORIES CONTINUED
15’ HIDE-A-HOSE W/
BUILT-ON SS DETAILS
PART # U1570-15-CP5
EASY-PULL HANDLE W/HARDWARE
PVC HANDLE W/HARDWARE, PART # CP3-HAN-ASSY
1) PVC HANDLE, PART # CP3-HAN
2) HARDWARE, PART # CP3-HAN-HDW
OUTSIDE FRAME W/INSERT SIGN
1) FRAME: PART # WORS-F
2) SIGN: PART # WORS-I
SINGLE UNIT RENTAL
RACK, METAL
PART # 32-502-01
DOUBLE UNIT HEADER SIGN
PART # F-HS-2UMR
SINGLE UNIT HEADER SIGN
PART # F-HS-1UMR
2
1
2
1

IMPORTANT
REMINDERS:
ermax’s upcoming national
advertising and marketing campaigns
will create a tremendous amount of
new rental customers in your area.
Being recognized by the corporate
website as an Authorized ermax
Rental Center will allow you the
opportunity to receive referred
national retail accounts in your
distributing area.
visit www.thermaxaf.com or call 1-888-764-3700
Profits! Profits! Profits!
Offer your
customers
The
World’s
Best
Carpet
Steam
Cleaner
Products for a Healthier Indoor Environment
Call for information on
how to receive an exclusive
territory for setting up
ermax Rental Centers at
retail locations in your area.
• Hardware Stores
• Grocery Stores
• Drug Stores
• Dry Cleaners
• Any High-traffic Retail Store
Double
Unit
Single Unit
• Owning your own rental center will finally
allow you to make 100% of the profits
• Offer a unique service, separating yourself
from your competition
• Draws customers into your store twice in 24
hours to purchase other items
• Self-contained rental center can cater up to
20 machines per location
• Compact, requires little space (2x2' or 2x4')
• Attractive display that draws attention and
increases business.
• Earn over $175 per sq. ft. per month
• Pays for itself in as little as 6 months
• High volume solution holding racks
• Includes built-in heater that heats to 175º
• Stainless steel tanks & wands for quality and
durability
• Extracts over 90% of water
• Drying time is less than 1 hour
• Low maintenance
• Preferred 4 to 1 over leading competitors
Also Offer The Breeze®
Water Based Air Purier
9

Nearly thirty-five years of extensive field use and refinement
have proven our safe and effective cleaning solution formulas.
ermax has a product for just about every carpet cleaning
application. Formulated specifically to be used in conjunction
with ermax AF2 carpet cleaning systems the products and
their application are further defined below.
LIQUID CARPET & UPHOLSTERY
CLEANER (6060-I): (16 or 32oz.) Designed
to lift oils, stains, and deeply embedded soils
from carpet & upholstery for easy extraction.
Professionally formulated to dispense a perfect
blend of gentle yet effective cleansing agents for
cleaning carpets. Cleans and brightens leaving
carpets soft to the touch with no “soapy” residue.
CITRUS DEODORIZER (5080-I): (32oz.)
While steam cleaning, it neutralizes and removes
offensive odors from carpet & upholstery at their
source, especially pet urine, smoke and other
organic matters. Leaves a fresh, pleasant scent.
BIO-ENZYME STAIN & PET ODOR
ELIMINATOR (5150-I): (32oz.) Liquifies
and digests organic waste, through beneficial
bacterial enzyme action. Eliminates old and new
odors at their source. Product is safe to use
around pets, humans, and environment. No
harsh chemicals. Cleanses and deodorizes.
PRE-SPOTTER (6030-I): (32oz.) Great for
pre-treating heavily stained carpets & upholstery
before steam cleaning. Loosens stubborn stains,
oils, and dirt from the fibers for easy removal
with any ermax system. e use of Pre-Spotter
is an important step in obtaining the best
cleaning results.
DEFOAMER (6070-I): Defoamer is used in
the solution recovery tank to control potentially
damaging foam build-up within the tank. Every
carpet being cleaned contains foreign matter
within its fibers. Often times, this foreign matter
has a tendency to excessively foam when
extracted into the recovery tank of the cleaning
system. Using Defoamer while cleaning
minimizes the potential for the foam to overflow
into the vacuum motor.
AQUA BLUE DEODORIZER &
SANITIZER: (19-310-00-I) 8 oz.
is is a concentrated blend of proprietary
elements that therapeutically clean
and freshen your indoor environment,
neutralizing any harmful germs and
bacteria when used as directed. Just
add the required amount into the water
of the recovery/filtration tank before
and during vacuuming to achieve the
desired result. Your home will permeate
with a fresh, clean, healthy aroma!
AROMATIZERS:
Visit thermaxaf.com or call 1-888-764-3700 to order the
fragrance of your choice. Each bottle is sold separately,
and contains 1.6 oz oil-based solution used for leaving an
aromatizing scent behind while purifying the air. Mulberry,
Eucalyptus/Menthol, Cinnamon & Spice, Vanilla, Lemon,
Lavendar, Fresh Linen, Citronella, Italian Cream Cake, &
China Rose. Lavendar helps reduce the pain of headaches and
soothes the mind.
STEAM CLEANING SOLUTIONS AIR PURIFIERS AND SOLUTIONS
10
THE BREEEZE® AND GENTLE BREEZE® WATER-
BASED AIR PURIFIER AND FRESHENERS:
ese miniature water-based air fresheners work off the same
concept as the AF2. e Breeze® and Gentle Breeze® use
the deodorizers & aromatizers listed above. e Breeze® is
designed to freshen the air in your home (up to 800 sq. feet),
while the Gentle Breeze® comes equipped with a power cord
suited for your home or vehicle (up to 200 sq. feet).

11
THERMAX CP3 SPECIFICATIONS
DIMENSIONS:
• Length ...............28”
• Width ................17”
• Height................26”
• Weight . . . . . . . . . . . . 39 lbs.
ELECTRICAL:
• 115 Volt AC
• 11.5 AMP
• 50/60 HZ
• CE
RECOVERY TANK:
• Hygienic Stainless Steel
• 3 U.S. Gallons
VACUUM MOTOR:
• 2-Stage By-Pass
• 112” Water Lift
SOLUTION TANK:
• Hygienic Stainless Steel
• 3 U.S. Gallons
• 300 Watt Heating Element
PUMP:
• 60 P.S.I.
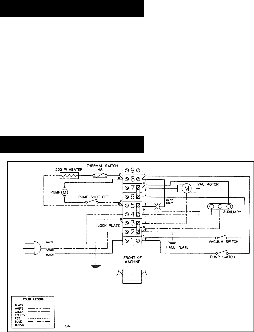
THERMAX CP3 WIRING DIAGRAM

TROUBLESHOOTING
System Will Not Operate 1) Plugged into dead outlet
2) Blown fuse or breaker
3) Defective power cord
4) Defective switch
5) Loose wiring
6) Improper connection
1) Plug into live grounded outlet
2) Replace fuse or breaker
3) Replace power cord
4) Replace switch
5) Properly connect wiring
6) Press tightly into outlet
CONDITION CAUSE CORRECTION
Vacuum Motor Will Not Run 1) Main power not activated
2) Loose wiring
3) Defective vacuum switch
4) Defective vacuum motor
1) Active main power switch
2) Tighten and connect wiring
3) Replace vacuum switch
4) Replace vacuum motor
Pump Will Not Run 1) Main power not activated
2) Defective pump switch
3) Loose wiring
4) Plugged spray jet
5) Lint buildup in hose coupling
6) Kink in solution hose
7) Defective pump
1) Activate main power
2) Replace pump switch
3) Tighten and connect wiring
4) Remove blockage
5) Disassemble and remove lint
6) Straighten hose
7) Replace pump
Pump Runs But Will Not
Spray/Weak Spray
1) Solution tank empty
2) Obstructed spray jet
3) Obstructed hose coupling
4) Obstructed solution filter
5) Hose damage
6) Pump components
wearing out
1) Refill solution tank
2) Remove blockage
3) Remove obstruction
4) Clean filter
5) Replace necessary hose
6) Replace pump
Loss of Vacuum Suction 1) Recovery dome not seated
2) Obstruction in vac hose
3) Obstruction in wand
4) Screen filter clogged
5) Recovery dome needs gasket
1) Re-seat for better seal
2) Remove obstruction
3) Remove obstruction
4) Remove debris
5) Replace dome gasket
12

THERMAX CP3 SCHEMATIC
13

THERMAX CP3 PARTS LIST
ITEM NO. THERMAX NO. DESCRIPTION
1 24-003-108 ASSY, DOME, SMOKE, CP3
2 01-359-00 FITTING, PVC, “T”, 1”, CP3
3 23-005-005 GASKET, DOME, CP3/CP12
4 05-255-00 O-RING, 1.046 ID, INLET, CP3/CP5
5 23-035-002 ASSY, INLET, 1.25, SLP, CP3/CP5
6 22-003-001 ASSY, RECOVERY TANK, ST.ST’L, CP3
6A 22-010-000 ASSY, RECOVERY TANK, PLASTIC, CP3
7 22-116-01 ASSY, RISER TUBE, CP3/5
8 04-456-01 RETAINER, AUX OUTLET, SPRING STEEL
9 04-146-00 EYE BOLT, 1/4-20 X “1
10 04-216-00 WASHER, FLAT, 25 X .75, SS
11 33-775-001 ASSY, TERMINAL BLOCK, 120V, CP3
12 02-785-00 RECEPTICLE, AUX, CP3/CP5
13 04-301-00 NUT, 6-32, HEX CAD
14 04-252-00 WASHER, #6, INT LOCK
15 02-751-00 EYELET, INSERT, CP3/CP5
16 02-514-00 SWITCH, TOGGLE, CP3/CP5
17 03-077 GUARD, SWITCH, CP3/CP5”
18 02-760-01 COVER, SWITCH, BLK, CP3, #1100
19 04-037-00 SCREW, 6-32 X 1”. PH PHIL, 18/8 SS
20 32-578-121 KIT, PILOT LIGHT, 120V, 16” CP3/CP5
21 04-054-00 SCREW, #8 X .5”, PH, PHIL, HILO, ZINC
22 03-455-02 DISCONNECT .375’ BARB
23 06-510-01 PLATE, FACE 2SW, 120 V, BLUE, CP3-2
24 04-371-00 CLAMP, WORM, .312”
25 05-210-01 GASKET, .125 THK X 6.75 OD, VAC MTR
26 04-144-00 BOLT, 1/4-20 X 1.25” CARR HD, SS
27 03-065-00 BRACKET, VAC MOTOR, CP3
28 04-057*00 SCREW, #10 X .5”, PH, PHIL, HILO, ZINC
29 03-601-01 WHEEL REAR CP12
30 04-322-00 NUT, 1/4 -20, NYLOCK
31 04-362-00 CLAMP, .75”, NYLON
32 04-324-00 NUT, 3/8-16, LOCK
33 03-472-00 DISCONNECT, FEMALE, 1/4 NPT, CP12
34 30-488-052-3 ASSY, VAC MOTOR, 120V, QK CONNECT
35 04-121-01 SCREW, 8-32 X .375”, HX, SLOT, EXT SEM
36 26-035-000-1 ASSY, EXHAUST, CP3
37 04-242-00 WASHER, FLAT, #10 X 1.5, ZINC
38 04-055-00 SCREW, #10 X .75”, PH, PHIL, HILO, ZINC
39 04-232-00 WASHER, FLAT, .25 X 1, SS
ITEM NO. THERMAX NO. DESCRIPTION
40 04-304-00 NUT, 1/4-20, HEX CAD
41 04-256-00 WASHER, .25”, INT LOCK
42 04-019-00 SCREW, 8-32 X .375”, HEX, SLOT, W/LOCK
43 03-021-01 BRACKET, PUMP SUPPORT, CP3
44 34-026-001 ASSY, CASE UPPER, GRAY, W/O INSERTS
45 31-060-120 ASSY, PUMP, CP3 120 FLOJET
46 04-549-01 FITTING, .375 BARB, .375” MPT
47 04-321-01 NUT, #10-32, NYLON SS
48 05-018-00 HOSE .375”, PVC, - PRICE/FOOT
49 04-056-01 SCREW, #10-32 X 1.0. PH, PHILL, SS
50 01-069-00 CLIP, CORD, BLACK, CP3/CP5
51 27-001-111 ASSY, POWER CORD, 14-3, RING TERM
52 04-306-00 NUT, 9/16 - 18, HEX JAM
53 04-308-00 NUT, 1/2-20 HEX
54 04-276-00 WASHER, WAVE SPRING, .760 OD
55 03-005-00 PLATE, LOCK, CP3
56 04-218-00 WASHER, FLAT, .625 X 1.125, ZINC
57 04-302-00 NUT, 8-32, HEX CAD
58 04-253-00 WASHER, #8, INT LOCK
59 04-005-00 SCREW, 8-32 X .375 ZINC
60 04-231-01 WASHER, FLAT, #10 X .75, ZINC
61 34-212-108 ASSY, INERT, FRONT, DARK GRAY, CP3
62 34-207-100 ASSY, INSERT, REAR DARK, GRAY CP3
63 05-262-00 O-RING, 4.987 ID, TANK SEAL, CP3
64 02-676-00 SWITCH, THERMAL, 4A, 1”
65 03-204-04 TANK, SOLUTION, W/O BP, 12-Y, CP3
66 25-003-001F ASSY, HEATER, 120V, CP3
67 05-263-00 ORING, .484 ID, HEATER SEAL, CP3
68 05-264-00 O-RING, .546 ID, OUT & HEATER SEAL
69 03-043-01 RETAINER, LINT FILTER, CP3/CP5/CP12
70 05-216-01 GASKET, 2” OD X .125”, W/ADH, LINT FLTR
71 37-706-000 ASSY, SOL FILTER, COM’L
72 03-464-01 FITTING, SOLUTION TANK, INLET
73 24-003-004 ASSY, LID, SOLUTION TANK, GRAY, CP3
74 27-274-002 ASSY, STRAIN RELIEF
75 32-711-120 KIT, RETROFIT, 60 PSI, 120V FLOJET
76 06-312-02 OWNERS MANUAL, CP3
77 32-402-000 LABEL KIT, CP3
78 33-502-000 WIRING KIT, CP3
79 36-003-108-2 ASSY, LOWER CASE, GRAY, CP3/CP5
See your local distributor
for any other items, solutions, and spare parts or visit thermaxaf.com.
14

FLOOR WAND SCHEMATIC
15

FLOOR WAND PARTS LIST
ITEM NO. THERMAX NO. DESCRIPTION
1 04-028-01 SCREW, 10-32 X 1”, PH, PHIL, ZINC
2 04-321-00 NUT, 10-32, NYLOCK
3 28-181-000 ASSY. UPPER WAND W/CUFF
4 01-315-00 CUFF, W/O RELEASE, GRAY, PB309
5 28-182-000 ASSY, LOWER WAND W/CUFF
6 01-316-00 CUFF, W/RELEASE, GRAY, PB309
7 28-203-125 ASSY, WET HD W/WEAR PLATE
8 04-001-02 SCREW, 4-40 X 1/4
9 03-450-01 NOZZLE, K2.5
10 04-352-01 CLAMP, .5”, YELLOW
11 05-016-00 HOSE, .312” ID, VINYL BRAIDED - PRICE/FOOT
12 04-552-00 FITTING, .375 BARB .25 NPT, NYLON
13 29-561-000 ASSY, VALVE, WANDS, PLASTIC, CP3
14 03-459-00 FITTING, .25, 45 DEG, ELBOW
15 03-457-01 DISCONNECT, .25” MPT, CP3/PB309
See your local distributor
for any other items, solutions, and spare parts or visit thermaxaf.com.
16

UPHOLSTERY WAND SCHEMATIC
17

UPHOLSTERY WAND PARTS LIST
ITEM NO. THERMAX NO. DESCRIPTION
1 04-457-06 MALE DISCONNECT 1/4 FTP
2 04-002-00 SCREW, 3/8 - 24 X 3/8 SOCKET SET
3 04-161-00 HOSE ASSEMBLY
4 29-561-0001 ASSY, VALVE, BRASS, W/HANDLE HW
5 03-466-01 HOSE BARB 3/16 X 1/8 MPT
6 35-273-000 ASSY, STEAM HEAD, 4” X 1.25” W/PLATE
7 04-359-00 CLAMP, HOSE, .437, SINGLE EAR
8 05-019-00 HOSE, 3187, BRAIDED VINYL PRICE/FOOT
See your local distributor
for any other items, solutions, and spare parts or visit thermaxaf.com.
18

POWER BRUSH SCHEMATIC
19

POWER BRUSH PARTS LIST
ITEM NO. THERMAX NO. DESCRIPTION
1 04-028-01 SCREW, 10-32X1”. PH, PHIL, ZINC
2 04-323-00 NUT, 8-32, NYLOCK
3 04-321-01 NUT, #10-32, NYLON SS
4 04-364-00 CLAMP, POWER CORD, PB309
5 04-005-00 SCREW, 8-32 X .375 ZINC
6 28-307-015 ASSY, WAND UPPER, PB309
7 01-315-00 CUFF, W/O RELEASE, GRAY, PB309
8 28-308-00 ASSY, LOWER WAND, PB309
9 01-316-00 CUFF, W/RELEASE, GRAY, PB309
10 28-203-900 ASSY, PB309 STM H’D, W/WEAR PLATE
11 04-322-00 NUT, 1/4 -20, NYLOCK
12 03-060 PLATE, WEAR, STMHD, PB309
13 04-001-02 SCREW, 4-40 X 1/4
14 03-450-01 NOZZLE, K2.5
15 04-352-01 CLAMP, .5”, YELLOW
16 05-016-00 HOSE, .312” ID, VINYL BRAIDED - PRICE/FOOT
17 04-353-00 CLAMP, HOSE, .437, RED
18 04-552-00 FITTING, .375 BARB .25 NPT, NYLON
19 29-561-000 ASSY, VALVE, WANDS, PLASTIC, CP3
20 03-459-00 FITTING, .25, 45 DEG, ELBOW
21 03-457-01 DISCONNECT, .25” MPT, CP3/PB309
22 04-303-00 NUT, 10-32, HEX BRASS
23 04-273-20 WASHER, #10 LOCK
24 04-380-03 STRAP, MOTOR, PB309
25 30-055-120 ASSY, MOTOR, PB309
26 37-001-001 ASSY, COUNTER WEIGHT, PB309
27 40-0770012 SPACER, STEEL, #5702-258-60
28 03-067-01 DRIVE LINK, W/BEARING
29 04-459-00 RETAINER, E-CLIP, LARGE
30 03-807-02 ASSY, SHAFT, BRUSH, PB309
31 03-069-02 RETAINER, BEARING, PB309
32 03-078-00 BEARING, BRUSH SHAFT, PB309
33 03-061-00 GUARD, SPLASH, PB309
34 01-148-02 COVER, DUST, PB309N
35 04-334-00 CLIP, TINNERMAN, U TYPE
36 03-071-04 PLATE, BASE, PB309
37 03-072-00-2 BRACKET, HINGE, RH
38 04-243-00 WASHER, SS
39 04-143-00 BOLT, 1/4-20 X .5”, HEX HD, SS
40 05-344-01 BRUSH, 8.375”, PB309
41 04-041-01 SCREW, 8-32 X .625”, RH, PHIL, SS
42 04-245 WASHER, FLAT, .225 X .566, SS
43 20-355-003 ASSY, SINGLE ROLLER HUB
44 05-353-00 BUSHING, FLANGE, NYLON, WHT, PB309
45 04-459-01 RETAINER, C CLIP
46 03-815-09 SHAFT, AXLE, PB309
47 03-072-01-2 BRACKET, HINGE, LH
48 04-330-00 CLIP, TINNERMAN, J TYPE
49 27-420-111 ASSY, POWER CORD, 15’,PB309
50 27-274-002 ASSY, STRAIN RELIEF
51 04-090-00 SCREW, #8 X.5”, PH, PHIL, “A” SS
52 34-151-100 ASSY, HOUSING, BLACK, PB309
53 06-245-04 LABEL, WARNING, PB309
54 06-245-05 LABEL, SPRAY STROKE, PB309
55 05-201-02 GASKET, .5 X .062, NEO, W/ADH PRICE/FOOT
See your local distributor
for any other items, solutions, and spare parts or visit thermaxaf.com.
20

21
THERMAX CP5
e ermax CP5 is an industry proven
performer, built to endure the most
demanding carpet and upholstery
extraction cleaning applications.
Constructed in a portable footprint
easily operated by one individual, the
CP5 is designed to attain the highest
level of professional cleaning results!
• Powerful two-stage vacuum motor for
increased recovery speed and quicker
drying time (112” water lift).
• Built-in 1800-watt dual solution
heating system for uniform
temperature control (up to 175°).
• 5-Gallon hygienic stainless steel
solution and recovery tanks.
• High-impact, chemical resistant
housing with conditional lifetime
warranty - virtually indestructible.
• 100 psi high-efficiency demand
solution pump.
• Multi-option wand and hose packages
for vacuum and extraction versatility
are available.
THERMAX DV12
e DV12 is ermax’s newest industrial
steam cleaner, which aggressively
removes dirt, grime, odors and other
embedded pollutants with unmatched
efficiency.
• Powerful dual two-stage vacuum
motors (165” water lift) for faster
cleaning, increased recovery speed and
quicker drying time.
• Built-in 1800-watt solution pre-
heating system for quick, uniform
temperature control (up to 175°).
• 11-Gallon hygienic stainless steel
solution tank.
• 12-Gallon large capacity recovery tank
with automatic overflow protection
shut-off and waste gate empty system.
• Single 25 power cord for one circuit
operation.
• High-impact, chemical resistant
housing with conditional lifetime
warranty - virtually indestructible.
• 100 psi high-efficiency demand
solution pump.
• Engineered for mobility and stability,
tip resistant operation.
• Built-in dolly handle for greater
control and maneuverability.
• Large 8” rear wheels make it easy to go
up and down stairs.
• Marine sealed switches.
Thermax Steam
Cleaning Solutions
are also available
for purchase in
commercial sizes of
one-, five-, or
fifty-five-gallon
ADDITIONAL COMMERCIAL UNITS
Also available
to make your
job easier,
the Thermax CP5
or the DV12 gives
you the power
and efficiency to
clean carpets and
upholstery in both
commercial and
residential settings.

CP3 WARRANTY
The Thermax CP3 is warranted to be free from Manufacturers defect for a period of one (1) year
on all non-electrical and electrical components.
1) Warranty extended only to original owner. Proof of purchase required.
Brass quick-disconnects, “O” rings, diaphragms, seals, grommets, gaskets, or any rubber or
synthetic rubber or rubber-like parts are considered expendable in normal use and service,
therefore are not included in this warranty.
The Manufacturer’s obligation under this warranty is limited to repairing or replacing with
Manufacturer’s specified replacement parts, free of charge and without charge for installation,
and parts that prove, in the judgement of the Manufacturer or its authorized service center, to be
defective in material or workmanship.
WARNING ON CLEANING SOLUTIONS: Use of other than Thermax cleaning solutions will
void warranty. Must use defoamer in recovery tank of CP3.
This warranty shall not apply: (1) to normal maintenance services or adjustments, including, but
not limited to, cleaning of the system as recommended by the Manufacturer; nor (2) to systems
which shall have been altered or used in any way which, in the opinion of the Manufacturer
or its service center, adversely affects the performance; nor (3) shall this warranty apply if the
serial number is missing, altered, or defaced, or in the case of a defect or damages resulting
from inadequate voltage, blown fuses, damage due to freezing, accidental damage to finish or
components, abuse, misuse or act of God.
We request that the original owner write or call for authorization to return any items under
warranty. Defective parts under warranty must be returned to Manufacturer for inspection unless
otherwise authorized by Manufacturer. Upon inspection and Manufacturer determination, proper
action regarding warranty will be taken, including an appropriate refund, credit on parts, labor
or shipping. This warranty also excludes any rental equipment expenses incurred or loss of
business claims of any nature due to break down of the system.
There are no warranties which extend beyond the description on the face hereof, and this
warranty is in lieu of any other warranty, expressed or implied, and expressly limits the term of
this warranty, any implied warranty of merchantability or fitness for a particular purpose. This
warranty constitutes the sole and exclusive remedy for any defect in or non-performance of or
use of the Thermax CP3 cleaning system and under no circumstances shall the Manufacturer be
liable for any claimed or consequential damages arising there from.
NOTICE: Failure to complete and return the attached warranty card or to register warranty
online at thermaxaf.com within thirty (30) days from date of purchase shall render this
warranty null and void. Warranty card must be returned to Manufacturer! Staple your copy
of the warranty card to this manual.
22

____________________________________________________________________________________________
Name of Distributor
____________________________________________________________________________________________
Distributor Phone Number
____________________________________________________________________________________________
Date of Purchase
____________________________________________________________________________________________
Serial Number
(06-312-02 4/07)
PLEASE NOTE: Retain this owner’s manual along with your copy of the Warranty Registration Form. Proof of purchase
must accompany all warranty claims.
World Headquarters
3315 East Texas St.
Bossier City, LA 71111
1-888-764-3700
Website: thermaxaf.com
Email: customersupport@thermaxaf.com
info@thermaxaf.com