Thermo Products Pride Furnace Cdx1 100N Users Manual This Page Contains Various Warnings Found Throughout The Highboy And Counterflow Condensing Gas Manual. Ple
CDX1-75N to the manual 1bb9adcb-7c0d-4e3d-98de-59a3010ec696
2015-02-03
: Thermo-Products Thermo-Products-Thermo-Pride-Furnace-Cdx1-100N-Users-Manual-461630 thermo-products-thermo-pride-furnace-cdx1-100n-users-manual-461630 thermo-products pdf
Open the PDF directly: View PDF
.
Page Count: 59

MG-1010
ECN4470-MA
TWO STAGE CONDENSING GAS FURNACE
INSTALLATION AND OPERATION MANUAL
MODELS:
FOR USE WITH NATURAL GAS OR LP GAS (PROPANE)
CHX1-75N CDX1-75N
CHX1-100N CDX1-100N
CHX1-125N CDX1-125N
: IF YOU DO NOT FOLLOW THE SAFETY PRECAUTIONS BELOW AND IN THIS
MANUAL, A FIRE OR EXPLOSION MAY RESULT CAUSING PROPERTY DAMAGE, PERSONAL
INJURY, OR LOSS OF LIFE.
DO NOT STORE OR USE GASOLINE OR OTHER FLAMMABLE VAPORS AND LIQUIDS IN THE
VICINITY OF THIS OR ANY OTHER APPLIANCE.
WHAT TO DO IF YOU SMELL GAS:
• DO NOT TRY TO LIGHT ANY APPLIANCE.
• DO NOT TOUCH ANY ELECTRICAL SWITCH; DO NOT USE ANY PHONE IN YOUR BUILDING.
• LEAVE THE BUILDING IMMEDIATELY.
• IMMEDIATELY CALL YOUR GAS SUPPLIER FROM A NEIGHBOR’S PHONE. FOLLOW THE GAS
SUPPLIER’S INSTRUCTIONS.
• IF YOU CANNOT REACH YOUR GAS SUPPLIER; CALL THE FIRE DEPARTMENT.
INSTALLATION AND SERVICE MUST BE PERFORMED BY A QUALIFIED INSTALLER, SERVICE
AGENCY OR THE GAS SUPPLIER. (REFERRED TO IN THESE INSTRUCTIONS AS A QUALIFIED
HEATING CONTRACTOR).
PLEASE READ THESE INSTRUCTIONS PRIOR TO INSTALLATION, INITIAL FIRING, AND BEFORE
PERFORMING ANY SERVICE OR MAINTENANCE. THESE INSTRUCTIONS MUST BE LEFT WITH
THE HOMEOWNER AND SHOULD BE RETAINED FOR FUTURE REFERENCE BY QUALIFIED
SERVICE PERSONNEL.
THERMO PRODUCTS, LLC.
BOX 217
NORTH JUDSON, IN 46366
PHONE: (574) 896-2133
MADE IN USA

All installations and services must be performed by qualified service personnel.
i
I. SAFETY INFORMATION
This and the following page contain reproductions of the various warning and instruction labels placed on
the Thermo Pride Two Stage Condensing Gas Furnaces. Please read and comply with the contents of
these labels.

All installations and services must be performed by qualified service personnel.
ii
This and the previous page contain reproductions of the various warning and instruction labels placed on
the Thermo Pride Two Stage Condensing Gas Furnaces. Please read and comply with the contents of
these labels.
The following safety information should be read, understood, and followed by the installer.

All installations and services must be performed by qualified service personnel.
iii
1. Use only with type of gas approved for this furnace. Refer to furnace rating plate.
2. Connect this furnace to an approved vent system only. Combustion products must be carried outdoors.
Refer to Section III, D thru H, of this manual.
The following pages contain various warnings and cautions found throughout the Thermo Pride
Highboy and Dual Poise Two Stage Condensing Gas Furnace Manual. Please read and comply
with the statements below.
: This furnace is not to be used for temporary heating of buildings or structures under
construction.
: These high efficiency condensing furnaces are not certified for and shall not be
vented into a standard or any type of chimney.
: These furnaces may not be common vented with any other appliance.
: The vent and air intake elbows must be kept away from bushes, shrubs or any
vegetation that may restrict the flow of flue products. It must also be kept clear of any leaves,
weeds or other combustible materials. Keep the vent hood clear of snow. Avoid locating the
terminals in areas where standing water or condensate drippage may be a problem.
: Outside combustion air must not come from an area that is directly adjacent to a
pool, hot tub or spa. Measures should be taken to prevent the entry of corrosive chemicals or
vapors to the combustion and ventilation air supply. Such chemicals include but are not limited to
chlorinated and/or fluorinated hydrocarbons such as found in refrigerants, aerosol propellants,
dry cleaning fluids, degreasers and removers. Other harmful compounds may come from
bleaches, air fresheners or mastics. Vapors from such products can form acid compounds when
burned in a gas flame. Should acid compounds form in your furnace; it may reduce the life of the
furnace.
: Because of the potential of odorant fade, a gas leak may not be detected by smell. If
this furnace is installed below grade, contact your gas supplier for a gas detector.
: Turn off power to furnace before it is placed into service. The gas piping system
must have been leak tested by a qualified heating contractor.
: It may be necessary to purge the air out of the gas line for initial start-up of the
furnace after installation. This should be done by a qualified heating contractor. If excessive gas
escapes when purging the gas supply at the union, allow the area to ventilate for at least 15
minutes before attempting to start the furnace. LP gas is especially dangerous because the
specific gravity of LP gas allows it to accumulate at floor level at a dangerous concentration. For
remainder of operating instructions, reference Users Information Manual.
: Heat exchanger oil will burn off on initial firing creating an unpleasant odor. To
prevent this odor from occurring more than once, it is suggested that:
1. A window(s) be opened.
2. The thermostat set at highest setting.
3. The furnace remain running at conditions 1&2 for 30 minutes or until odor has dissipated.
: The CHX1/CDX1 furnace models are sealed combustion design, which does not
require an air shutter adjustment (air shutters are not used) for proper flame characteristics.
Burner box access cover must always be secured with all screws in place and tightened before
operating furnace.

All installations and services must be performed by qualified service personnel.
iv
: Personal injury or property damage could result from repair or service of this furnace
by anyone other than a qualified heating contractor. Only the homeowner/user routine
maintenance described in the Users Information Manual may be performed by the user.

All installations and services must be performed by qualified service personnel.
v
INDEX
SECTION BEGINNING PAGE
I. SAFETY INFORMATION i
II. FURNACE SPECIFICATIONS 1
III. GENERAL INSTALLATION 6
A. CODES AND CLEARANCES 6
B. FURNACE LOCATION 7
B1.CDX1 HORIZONTAL APPLICATION 7
C. REPLACING EXISTING FURNACE FROM A COMMON VENT 9
D. GENERAL REQUIREMENTS FOR VENTING CHX1/CDX1 9
E. SIDEWALL VENTING 10
E1. SINGLE PIPE (SIDEWALL) VENTING OPTION 12
F. INSTALLATION OF OUTSIDE VENT/AIR INTAKE TERMS. 13
G. CONNECTING FURNACE TO VENT/AIR INTAKE TERMS. 14
H. CONNECTING FURNACE TO ROOF VENT/AIR TERMS. 19
I. CONDENSATE DRAIN LINE & TRAP ASSY. 20
J. GENERAL GAS PIPING 22
K. FILTERS 23
L. WIRING 25
IV. STARTING THE UNIT 29
A. SEQUENCE OF OPERATIONS 29
B. INITIAL START-UP 32
C. FURNACE CHECKOUT PROCEDURE 40
V. INSTALLER’S INSTRUCTIONS TO USER 40
VI. TROUBLESHOOTING 41
APPENDIX – A REPLACEMENT PARTS LIST 48
APPENDIX – B WIRING DIAGRAMS 52

All installations and services must be performed by qualified service personnel.
1
II. FURNACE SPECIFICATIONS
CHX1 SERIES
MODEL NO. CHX1-75 CHX1-100 CHX1-125
BTU/HR INPUT (High fire/ Low fire) 75,000 / 52,000 100,000 / 70,000 125,000 / 87,500
BTU/HR OUTPUT (High fire/ Low fire) 70,875 / 49,612 94,500 / 66,150 117,500 / 82,250
HEIGHT OF CASING 44-1/4” 44-1/4” 44-1/4”
WIDTH OF CASING 17” 21” 24”
DEPTH OF CASING 27-1/2” 27-1/2” 27-1/2”
WARM AIR OUTLET 15 x 18 19 x 18 22 x 18
RETURN AIR INLET 25 x 16 25 x 16 25 x 16
DIA. OF FLUE 2” 3” 3”
DIA. OF COMBUSTION
AIR INTAKE 2” 3” 3”
CFM from .2” & .5” w.c.
EXTERNAL STATIC PRESSURE COOLING COOLING COOLING
@COOLING TAP A 1000 1200 1400
@COOLING TAP B 800 1000 1200
@COOLING TAP C 1200 1400 1600
@COOLING TAP D 1400 1600 2000
HEATING HEATING HEATING
@HEATING TAP A (High fire/Low fire) 931 / 760 1243 / 1015 1556 / 1270
TEMPERATURE RISE 70 / 60 70 / 60 70 / 60
BLOWER MOTOR HP .5 .75 1
POWER CHOKES - 2.65 Mh 2.1 Mh
LARGEST RECOMMEDED
AIR CONDITIONER 3.5 Ton 4 Ton 5 Ton
SIZE OF FILTERS 24-3/4” x 15-3/4” 24-3/4” x 15-3/4” 24-3/4” x 19-3/4”
NOTES:
1. BTU output based on annual fuel utilization efficiency rated by manufacturer.
2. On all outlet and inlet dimensions, the first dimension is width.
3. To permit largest recommended air conditioning (at .5 static pressure), selection of the highest motor
speed is required.

All installations and services must be performed by qualified service personnel.
2
CDX1 SERIES
MODEL NO. CDX1-75 CDX1-100 CDX1-125
BTU/HR INPUT (High fire / Low fire) 75,000 / 56,250 100,000 / 75,000 125,000 / 93,750
BTU/HR OUTPUT (High fire / Low fire) 69,750 / 52,312 93,000 / 69,750 116,250 / 87,187
HEIGHT OF CASING 46-1/4” 46-1/4” 46-1/4”
WIDTH OF CASING 17” 21” 24”
DEPTH OF CASING 27-1/2” 27-1/2” 27-1/2”
WARM AIR OUTLET 15 x 18 19 x 18 22 x 18
RETURN AIR INLET 15 x 22 19 x 22 22 x 22
DIA. OF FLUE 2” 3” 3”
DIA. OF COMBUSTION
AIR INTAKE 2” 3” 3”
CFM from .2” & .5” w.c.
EXTERNAL STATIC PRESSURE COOLING COOLING COOLING
@COOLING TAP A 1000 1200 1400
@COOLING TAP B 800 1000 1200
@COOLING TAP C 1200 1400 1600
@COOLING TAP D 1400 1600 2000
HEATING HEATING HEATING
@HEATING TAP C (High fire / Low fire) 1012 / 826 1340 / 1094 1673 / 1366
TEMPERATURE RISE 65 / 60 65 / 60 65 / 60
BLOWER MOTOR HP .5 .75 1
POWER CHOKES - 2.65Mh 2.1Mh
LARGEST RECOMMEDED
AIR CONDITIONER 3.5 Ton 4 Ton 5 Ton
SIZE OF FILTERS 21-3/4” x 14”(2) 21-3/4” x 14”(2) 21-3/4” x 14”(2)
NOTES:
1. BTU output based on annual fuel utilization efficiency rated by manufacturer.
2. On all outlet and inlet dimensions, the first dimension is width.
3. To permit largest recommended air conditioning (at .5 static pressure), selection of the highest motor
speed is required.
4. Electrical characteristics at 115 volts, 60 Hz., 1 phase (less than 15 amps. for all models).
5. All specifications are subject to change without notice.

All installations and services must be performed by qualified service personnel.
3
INSTALLATION PARTS PACKAGES – CHX1-75
PARTS PACKAGE
#S00S4378 DESCRIPTION PART # QUANTITY
2-3/8” ID radiator hose 410017 1
Thermostat lead bushing 350750 1
PVC trap assembly 320816 1
#8 x ¾ coated TEK screws for
mounting trap & inlet/outlet collars 300283 4
11/16” OD x 1/2” ID vinyl tubing 410060 24”
2 x 4 electrical J-box 350024 1
2 x 4 electrical J-box cover 350020 1
#8 x ½ TEK screws for
mounting 2 x 4 J-box 300208 2
#10-32 x ½ green ground screw 300109 1
#10-32 hex nut 300110 1
3/16” dia. star washer 300270 1
Grounding instructions MG-966 1
Wire nut 300132 2
3” stainless steel hose clamp 300276 2
J-box wire bushing 350016 1
Drain hose grommet 350446 1
Spring clamp, 11/16” 300299 3
Installation notice MG-987 1
PVC tee assembly, 2” dia. 320818 1
INSTALLATION PARTS PACKAGES – CHX1-100-125
PARTS PACKAGE
#S00S4379 DESCRIPTION PART # QUANTITY
2-3/8” ID radiator hose 410017 1
Thermostat lead bushing 350750 1
PVC trap assembly 320816 1
#8 x ¾ coated TEK screws for
mounting trap & inlet/outlet collars 300283 4
11/16” OD x ½” ID vinyl tubing 410060 24”
2 x 4 electrical J-box 350024 1
2 x 4 electrical J-box cover 350020 1
#8 x ½ TEK screws for
mounting 2 x 4 J-box 300208 2
#10-32 x ½ green ground screw 300109 1
#10-32 hex nut 300110 1
3/16” dia. star washer 300270 1
Grounding instructions MG-966 1
Wire nut 300132 2
3” stainless steel hose clamp 300276 2
J-box wire bushing 350016 1
Drain hose grommet 350446 1
Spring clamp, 11/16” 300299 3
Installation notice MG-987 1
PVC tee assembly, 2 x 3” dia. 320817 1

All installations and services must be performed by qualified service personnel.
4
INSTALLATION PARTS PACKAGES – CDX1-75
PARTS PACKAGE
#S00S4380 DESCRIPTION PART # QUANTITY
2-3/8” ID radiator hose 410017 1
Thermostat lead bushing 350750 1
PVC trap assembly 320816 1
#8 x ¾ coated TEK screws for
mounting trap & inlet/outlet collars 300283 6
11/16” OD x ½” ID vinyl tubing 410060 24”
2 x 4 electrical J-box 350024 1
2 x 4 electrical J-box cover 350020 1
#8 x ½ TEK screws for
mounting 2 x 4 J-box 300208 2
#10-32 x ½ green ground screw 300109 1
#10-32 hex nut 300110 1
3/16” dia. star washer 300270 1
Grounding instructions MG-966 1
Wire nut 300132 2
3” stainless steel hose clamp 300276 2
J-box wire bushing 350016 1
Drain hose grommet 350446 1
Spring clamp, 11/16” 300299 3
Installation notice MG-987 1
PVC tee assembly, 2” dia. 320819 1
Pipe 2” dia. PVC 15” 14401 1
Bracket 14406 1

All installations and services must be performed by qualified service personnel.
5
INSTALLATION PARTS PACKAGES – CDX1-100-125
PARTS PACKAGE
#S00S4381 DESCRIPTION PART # QUANTITY
2-3/8” ID radiator hose 410017 1
Thermostat lead bushing 350750 1
PVC trap assembly 320816 1
#8 x ¾ coated TEK screws for
mounting trap & inlet/outlet collars 300283 4
11/16” OD x 1/2” ID vinyl tubing 410060 24”
2 x 4 electrical J-box 350024 1
2 x 4 electrical J-box cover 350020 1
#8 x ½ TEK screws for
mounting 2 x 4 J-box 300208 2
#10-32 x ½ green ground screw 300109 1
#10-32 hex nut 300110 1
3/16” dia. star washer 300270 1
Grounding instructions MG-966 1
Wire nut 300132 2
3” stainless steel hose clamp 300276 2
J-box wire bushing 350016 1
Drain hose grommet 350446 1
Spring clamp, 11/16” 300299 3
Installation notice MG-987 1
PVC tee assembly, 2 x 3” dia. 320817 1
PVC tee assembly, 2” dia. 320819 1
Pipe 2” dia. PVC 15” 14401 1
Bracket 14406 1
Reducer 2” x 3” PVC 320067 1

All installations and services must be performed by qualified service personnel.
6
III. GENERAL INSTALLATION
These Category Type IV furnaces are shipped completely assembled and wired (internally). See the
Dealer Receiving and Freight Claim Procedure Section of the price guide for parts shortage or damage.
The furnace and duct system must be adjusted to obtain a temperature rise of 55°F to 85°F through the
furnace after installation. (See rating label located on side panel inside the furnace vestibule). The
installation must conform with local codes, or in the absence of local codes, with the National Fuel Gas
Codes (ANSI Z223.1 or latest edition) and with these instructions.
: This furnace is not to be used for temporary heating of buildings or structures under
construction.
Many of the chemicals used during construction, when burned, form acid bearing condensate that can
substantially reduce the life of the heat exchanger.
A. CODES AND CLEARANCES
The following items must be considered when choosing the size and location of the furnace.
1. All local codes and/or regulations take precedence over the instructions in this manual and should be
followed accordingly. In the absence of local codes, installation must conform with these instructions,
regulations of the National Fire Protection Association, provisions of National Electrical Code
(ANSI/NFPA70 or latest edition), and the National Fuel Gas Code (ANSI Z223.1 or latest edition).
2. The BTU output capacity of the furnace proposed for installation should be based on a heat loss
calculation made according to the manuals provided by the Air Conditioning Contractors of America
(ACCA) or ASHRAE.
3. MINIMUM CLEARANCES TO COMBUSTIBLE MATERIALS
TABLE 1
MODEL NO. FROM SIDES OF
FURNACE & REAR FRONT TOP OF
PLENUM
FROM THE
FLUE OR VENT
SIDE OF
PLENUM
CHX1-75 0 IN. 6 IN. 0 IN. 0 IN. 1 IN.
CHX1-100 0 IN. 6 IN. 0 IN. 0 IN. 1 IN.
CHX1-125 0 IN. 6 IN. 0 IN. 0 IN. 1 IN.
CDX1-75 0 IN. 6 IN. 0 IN. 0 IN. 1 IN.
CDX1-100 0 IN. 6 IN. 0 IN. 0 IN. 1 IN.
CDX1-125 0 IN. 6 IN. 0 IN. 0 IN. 1 IN.
The CHX1-75, 100 and 125 furnaces may be installed on combustible flooring. The furnace shall not be
installed directly on carpeting, tile or other combustible material other than wood flooring.
The CDX1-75, 100 and 125 furnaces are to be installed on non-combustible flooring only. The non-
combustible floor bases model no. 50 CA base for CDX1-75 model no. 100 CA base for the model no.
CDX1-100 and model no. 125 CA base for CDX1-125 are available for the counterflow furnaces to allow
their installations on combustible flooring.
These furnaces may be installed in an alcove or in a closet if the minimum clearances to combustible
construction (listed previously) are met. The CDX1 series furnaces may be installed in an attic or crawl
space. Refer to section III, B1 of this installation manual.
The minimum clearances are listed for fire protection. Clearance for servicing the front of the furnaces and
to all points on the furnace requiring access must be 24”*.
*For horizontal furnace installation, refer to section III, B1 of this installation manual.

All installations and services must be performed by qualified service personnel.
7
Equipment must be installed in accordance with regulations of the National Board of Fire
Underwriters. Authorities having jurisdiction should be consulted before installations are made.
B. FURNACE LOCATION
: These high efficiency condensing furnaces are not certified for and shall not be
vented into a standard or any type of chimney.
The following shall be considered for locating the furnace:
1. For best performance locate the furnace so that it is centralized with respect to the duct system and
as near as possible to a floor drain since condensate drainage must be provided.
2. Place the unit so that proper venting can be achieved, with a minimum number of elbows, in accord
with the instructions in this manual.
3. The furnace must be located on a level, dry surface. The furnace must be installed so that the
electrical components are protected from water. If the area becomes wet or damp at times, the
furnace should be raised above the floor using a concrete base, bricks, patio blocks, etc.
NOTICE: Ensure furnace is level after installation to ensure proper drainage and operation.
4. This furnace must be connected to a drain in accordance with these instructions. If it is not practical to
connect the unit to a drain, a condensate pump must be used and can be ordered as an accessory,
part number 350225. If an acid neutralizer kit is required by local code or the customer, it is available
under part number 320095.
B1. CDX1 HORIZONTAL APPLICATION
The CDX1-75, 100, and 125 furnaces may be installed in a horizontal position by placing the furnace on
the left or right side (as viewed from the front in the upright position).
For left or right horizontal applications of the CDX1 series units, the rollout switch located on the burner
box must be moved to the pre-punched mounting holes on the side of the burner box. Screws are
provided in pre-punched holes at the required limit location. Remove these screws and use them to mount
the limit to new location. Utilize previously removed limit mounting screws to fill voided holes at previous
limit location (See Figure 1).
For a right side horizontal application of the CDX1 series units, the hose from the single tap pressure
switch (top switch) is already connected correctly (See Figure 1).
For a left side horizontal application of the CDX1 series units, the hose from the single tap pressure switch
(bottom switch) must be moved to the lower front tap on the face of the collector box. Use the black cap
removed from this tap to plug the original pressure switch tap.
NOTE: The hose, when moved, must be shortened (cut) to ensure that no excess hose exists to cause a
sag, loop, or "water trap".
For a right side horizontal application of the CDX1 series units, the auxiliary limit switch located on the
right side of the house air blower must be moved to the bracket on the opposite (left) side of the blower
(See Figure 1).

All installations and services must be performed by qualified service personnel.
8
NOTE: When the CDX1 is installed as horizontal unit, it is imperative that the auxiliary limit switch and
bracket be located on the upper side of the house air blower; the burner rollout switch located on the
burner box be relocated to the side of the burner box; and that the hose from the single tap pressure
switch be connected to the lower tap on the front of the collector box (See Figure 1).
Figure 1
The horizontal furnace installation should be on a service platform large enough to allow for proper
clearances on all sides and service access to the front of the furnace (See Table 1). If the furnace is
suspended, it must be supported at both ends and in the middle with clearance allowed for removal of
both access doors. Gas supply line contact is only permissible between lines formed by the intersection of
the top and two sides of the furnaces casing and the building joists, studs, or framing (See Figure 1).

All installations and services must be performed by qualified service personnel.
9
Equipment must be installed in accordance with regulations of the National Board of Fire
Underwriters and the National Fuel Gas Code. Authorities having jurisdiction should be consulted
before installations are made.
C. REPLACING AN EXISTING FURNACE FROM A COMMON VENT
: These furnaces may not be common vented with any other appliance.
D. GENERAL REQUIREMENTS FOR VENTING CHX1/CDX1
The CHX1/CDX1 furnace venting system must be installed by a qualified service person in accordance
with local codes, the National Fuel Gas Code (NFPA 54/ANSI Z223.1 or latest edition) and these
instructions.
The following items and local code requirements must be followed:
1. The vent/air intake terminations outlined by Thermo Products in this manual must be used.
2. The entire vent/air intake system must be made of PVC Schedule 40 pipe.
NOTE: All CHX1/CDX1 furnaces recommended to be installed with outside combustion air.
3. The flue vent pipe and combustion air pipe must be at least as large as the exhaust vent/air intake
pipe specified by Thermo Products. No reduction in size is permissible. The CHX1, CDX1-75 requires
2” Schedule 40 PVC pipe. The (CHX1, CDX1)-100 and 125 require 3” Schedule 40 PVC pipe.
4. This CHX1/CDX1 furnace shall not be common vented with any other appliance including those
burning solid fuels.
5. Horizontal runs of exhaust vent pipe shall slope upward at least 1/4” per foot from the outlet of the
furnace (CHX1’s) or the outlet of the drain tee (CDX1’s) to the vent termination at the outside wall.
This will permit proper drainage of the condensate. Horizontal runs of inlet vent pipe shall slope
downward at least 1/4” per foot from the outlet of the last elbow or last horizontal run, before exiting
the wall, to the vent termination at the outside wall.
6. The vent pipe must be supported every 4 feet and at every joint to prevent pipe blockage caused by
condensate trapped by a sag in the vent.
7. The maximum permissible vent length of straight pipe and number of elbows permitted for the
exhaust vent and combustion air inlet is shown in Table 2. The elbows shown are in addition to the
length of straight pipe permitted. When counting elbows, all elbows used in the exhaust vent or
combustion air intake must be counted. This includes elbows used inside the furnace jacket and
termination elbows. In addition, up to three elbows may be dropped and the vent length extended five
feet for each elbow dropped.
MAXIMUM VENT LENGTH
TABLE 2
VENT SIZE 2 IN. PVC 3 IN. PVC
FURNACE
MODEL
VENT
LENGTH
(FT.)
EXHAUST
VENT
ELBOWS (NO.)
COMBUSTION
AIR INTAKE
ELBOWS (NO.)
VENT
LENGTH
(FT.)
EXHAUST
VENT
ELBOWS (NO.)
COMBUSTION
AIR INTAKE
ELBOWS (NO.)
CHX1/CDX1-75 35 8
1, 2 7
2 - - -
CHX1/CDX1-100 NOT PERMITTED 35 8
1, 2 7
2
CHX1/CDX1-125 NOT PERMITTED 35 8
1, 2 7
2

All installations and services must be performed by qualified service personnel.
10
NOTES:
1 The drain tee supplied with CHX1/CDX1 furnaces count as 1 elbow.
2 (2) 45° elbows can be substituted for (1) 90° elbow.
Care should be taken to plan out the vent system to be as short as possible (but not shorter than 8 ft.) and
to contain as few elbows as possible to insure the best possible operation of the furnace.
8. A hack saw may be used to cut the PVC pipe. It must be cut smoothly at right angles with all burrs
removed. All joints must use standard PVC Schedule 40 elbows and couplings. Joints are not to be
made by gluing and butting together the cut or raw edges of the vent pipe. The joints inside the
vestibule should be sealed with a silicone caulk to allow for maintenance.
Note: Do not use silicone caulk to seal the PVC sleeve or coupling to the metal air intake collar on
the burner box. The screw securing the sleeve or coupling to the collar is sufficient.
9. Vent connections shall be checked for leakage with the furnace induced draft blower running and with
the vent termination blocked. A mild soap and water solution may be used to check for leaks.
10. Vent pipe passing through an unheated space must be insulated with 1.0” thick foil faced fiberglass
insulation or it’s equivalent to prevent freezing of any condensate within the pipe.
11. Minimum clearance from the PVC pipe to combustible material is zero inches.
12. Screens are not required by Thermo Products for the vent and intake. However, optional stainless
steel screens are available from Thermo Products, should the homeowner request them.
IMPORTANT: The CHX1/CDX1 furnace models may be vented either through the sidewall or roof. For
sidewall instructions continue reading the following section. For roof venting refer to Section III, H, of this
manual.
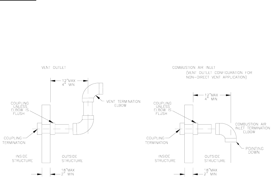
E. SIDEWALL VENTING
1. The maximum wall thickness through which the vent and combustion air pipes may pass is 18” and
the minimum is 2”. The maximum distance from the outer wall to the center of the elbow is 12” (See
Figure 2).
Figure 2

All installations and services must be performed by qualified service personnel.
11
NOTICE: If exterior sidewall building materials are subject to degradation from flue gases or moisture, a
minimum 12” diameter shield made from stainless steel or high density plastic shall be used for protection.
2. The PVC vent termination elbow must be installed in accord with local codes and these instructions.
The bottom edge of the vent termination elbow must be installed at least 12 in. above the outlet of the
combustion air intake termination elbow and must be installed in the same atmospheric pressure zone
(i.e. on the same wall). It is recommended that the horizontal distance between the inlet and flue
termination be kept to a minimum when possible and not exceed 24 in. apart. The vent and air intake
should utilize the same numbers of elbows and approximately the same length of straight pipe to
reach the outside termination elbows. (See Figures 2 & 3).
Figure 3
3. VENT TERMINAL LOCATION REQUIREMENTS
a. The vent terminal shall be located at least 3 ft. above any forced air inlet located within 10 ft.
b. The terminal shall be at least 1 ft. below, 1 ft. horizontally from or 1 foot above any door, window or
gravity air inlet into any building. The bottom of the vent terminal shall be located at least 18 in. above
grade.
c. The terminal shall not be located over public walkways or over an area where condensate or vapor
could create a nuisance or hazard or could be detrimental to the operation of regulators, relief valves
or other equipment.
d. A minimum horizontal clearance of 4 ft. must be maintained from electric meters, gas meters,
regulators and relief equipment. The vent terminal shall not be installed over these or any other
equipment where condensate or vapor could be detrimental to the operation of this equipment and/or
controls.
e. The unit shall be located so a minimum of 1/4" per foot upward slope can be maintained from the
furnace to the terminal outlet and 1/4” per foot downward slope for the last horizontal run of inlet, to
the outside inlet terminal.
f. The vent discharge must be installed a minimum of 12” above grade, 14” from any obstruction and
three feet from an inside corner of an L-shaped structure.

All installations and services must be performed by qualified service personnel.
12
Figure 4
: The vent and air intake elbows must be kept away from bushes, shrubs or any
vegetation that may restrict the flow of flue products. It must also be kept clear of any leaves,
weeds or other combustible materials. Keep the vent hood clear of snow. Avoid locating the
terminals in areas where standing water or condensate drippage may be a problem.
VENT TERMINAL LOCATION GUIDELINES
In addition to following the requirements outlined by local codes, utilizing the guidelines below when
possible in locating the vent terminal will help insure the trouble-free operation of your horizontally vented
furnace:
• Avoid locating the vent terminal on a wall facing the prevailing winds and wide open areas.
• When this is not practical, choose locations that protect the vent from strong winds such as behind a
fence or hedge. NOTICE: The vent terminal must be located a sufficient distance from bushes,
shrubs, and vegetation so as not to have the flue products restricted or blocked from such vegetation.
• In areas with considerable snowfall, it is advisable to locate the vent terminal higher than the minimum
12 in. above the ground as to prevent blockage by snow accumulation or drifting.
Measures should be taken to prevent the entry of corrosive chemicals or vapors to the combustion and
ventilation air supply. Such chemicals include but are not limited to chlorinated and/or fluorinated
hydrocarbons such as found in refrigerants, aerosol propellants, dry cleaning fluids, degreasers and
removers. Other harmful compounds may come from bleaches, air fresheners or mastics. Vapors from
such products can form acid compounds when burned in a gas flame. The life of the furnace could be
reduced should acid compounds form within your furnace.
NOTICE: Heat exchanger failure caused from contaminated air will void its limited lifetime warranty.
NOTICE: The vent termination and air inlet elbow shall be checked periodically, at least at the start of
each heating season, for restriction or blockage from foreign material in the vent pipe or in the air inlet.
The air inlet and vent pipe should be cleaned when necessary.
E1. SINGLE PIPE (SIDEWALL) VENTING OPTION
This furnace may be horizontally vented with a single exhaust pipe. This will be a non-direct vent
installation. The same exhaust venting guidelines apply except the exhaust termination will be similar to
the air intake of the "2 pipe" direct vent installation. Refer to intake terminal instructions Figure 3 and
Figure 5. Termination will consist of one 90° elbow pointed downward. (See figure 2)

All installations and services must be performed by qualified service personnel.
13
F. INSTALLATION OF OUTSIDE VENT/AIR INTAKE TERMINATIONS
NOTICE: Installation of the outside exhaust and combustion air vents must be performed by a qualified
installer or service person in accord with local codes, the National Fuel Gas Code (NFPA 54, ANSI Z223.1
or latest edition) and the sections on venting in this manual.
1. Observing all clearances specified in this manual, cut two 2-3/8” diameter holes in the outside wall for
CHX1/CDX1-75 and two 3-1/2” diameter holes for the CHX1/CDX1-100 and 125.
2. Cut two 2” diameter PVC pipes 1-1/2” longer than the depth of the wall. This allows for 3/4” connection
on both ends of the pipe. (For 3” PVC pipe, leave 3” for connection). Using PVC pipe cement, cement
a PVC elbow or coupler to one end of each pipe.
Mark the pipe before inserting into the wall so the elbow orientation can be determined. Also, if a
protective shield will be used on the exterior surface of the wall, it should be installed at this time. Glue a
coupling or elbow to each pipe, depending on your installation with the PVC pipe cement being careful to
maintain the proper orientation of the elbows. Complete the assembly of the outlet and inlet as shown in
Figure 5, making sure that the spacing between the inlet and outlet complies with that shown in Figure 3.
Figure 5
3. Finish the vent installation by caulking around the two holes where the PVC pipes pass through the
wall.
4. An optional vent or intake terminal (stainless steel) screen is available under part no. 320226.
Optional Terminations
Two optional vent kits are available for vent terminations on horizontal vent applications. The concentric
vent kit (part no. 370171) allows for the vent and intake to be installed through one 4.5-inch diameter
hole. The side wall vent cap (part no. 370191) is a cover to be installed over the vent and intake pipe as
they exit the exterior of the building. These optional kits shall be installed according to the instructions
provided with each kit. The locations and clearances are identical to the requirements of the standard
vent terminations described in this manual. These vent kits may be used on any size of the CHX1/CDX1
furnace series.

All installations and services must be performed by qualified service personnel.
14
G. CONNECTING FURNACE TO THE VENT/AIR INTAKE TERMINATION AND
DRAIN
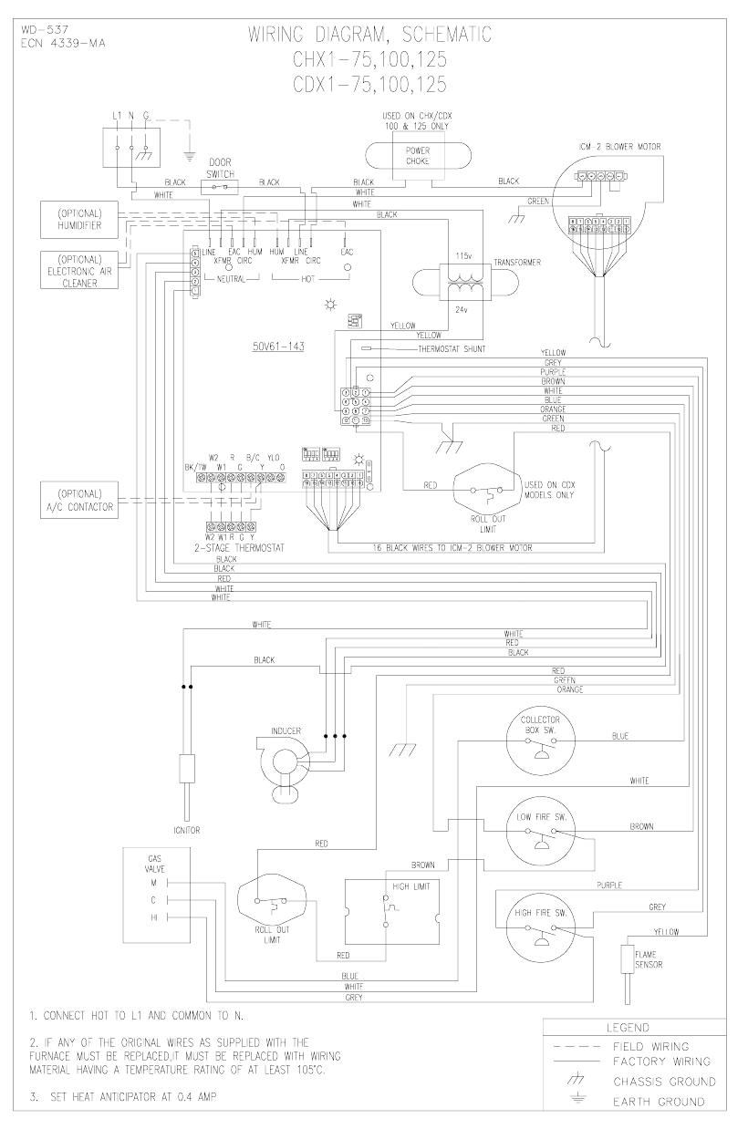
1. The following diagrams show the typical vent and air inlet connection for a CHX1 and CDX1 furnace
as well as a list of the parts that will be needed to install each.
Figure 6

All installations and services must be performed by qualified service personnel.
15
Figure 7

All installations and services must be performed by qualified service personnel.
16
Figure 8
2. CONNECTING THE EXHAUST VENT TO THE INDUCER
a. Insert the end of the 2”dia. PVC elbow (2" dia. PVC tee assembly for CDX1 horizontal installations)
onto the outlet of the inducer blower assembly. Measure the length of 2” dia. PVC pipe needed to
clear the furnace side casing, while allowing for the 2-3/8” rubber radiator hose to be installed within
the casing of the furnace. Cut the 2” dia. PVC measured lengths and be sure to allow sufficient length
of pipe for connections. Refer to Figures 9, 10 and 11.
NOTE: For CDX1 series units, a length of 2" dia. PVC pipe and a 2" dia PVC tee assembly are supplied
with the unit. For the CDX1-100 and CDX1-125 units, a 2" x 3" dia. PVC reducer is also supplied.

All installations and services must be performed by qualified service personnel.
17
IMPORTANT: Horizontal installations of CDX1-100 and CDX1-125 units must utilize the 2" x 3" dia. PVC
reducer as soon as the vent inlet exits the side casing of the unit. The CDX1-100 and CDX1-125 series
units must be vented with 3" dia. PVC. Refer to Figure 8.
b. After preparation of the 2” PVC pipe, use silicone type sealant on the 2” dia. PVC elbow (2" dia. PVC
tee for CDX1 horizontal applications) before inserting it onto the outlet of the inducer. Install a black
coated #8x3/4” sheet metal screw through the elbow and on the outlet flange of the inducer to secure
the elbow in place.
Figure 9
Figure 10
Figure 11
c. PVC cement the pre-cut 2” dia. PVC from step a. to the 2” dia. PVC elbow (2" dia. PVC tee for CDX1
horizontal applications). Attach to the drain tee assembly using the radiator hose and the 2 clamps
(supplied).

All installations and services must be performed by qualified service personnel.
18
NOTICE: The exhaust vent piping must slope upward at least 1/4” per foot from the furnace to outdoor
vent terminal. The inlet vent piping must slope downward at least 1/4” per foot from the beginning of the
last horizontal run of pipe to the outdoor vent terminal. The PVC pipe must be supported directly over the
vent tee assembly (CDX1) or (CHX1), every four feet thereafter and at every joint. After making sure the
slope and length of the piping are correct, glue the furnace tee and vent terminal connections in place.
3. CONNECTING THE COMBUSTION AIR INLET
a. Install a 2” PVC elbow with sleeve and coupling (CHX1/CDX1-75 series) or 3” PVC elbow with sleeve
(CHX1/CDX1-100, 125 series) on the inlet of the burner box. Using a tape measure, measure the
length of 2” or 3” PVC pipe needed to clear the casing. Be sure to allow sufficient length for insertion
to the elbow at the burner box and the elbow or coupling on the end. Cut the 2” or 3” PVC to the
measured length.
b. After preparation of the PVC pipe, secure the coupling or sleeve in place using a black-coated #8x3/4
sheet metal screw through the PVC into the metal collar of the burner box.
Note: The PVC connection to the metal burner box collar does not require silicone sealant or PVC
cement. Attach the PVC elbow to the sleeve and then to the coupling where required, using
silicone type sealant (see figure 12).
c. Install the precut 2” or 3” PVC pipe into the elbow at the burner box and to the elbow or coupler just
outside the furnace using silicone type sealant. To make these seals, run a bead of silicone type
sealant around the PVC pipe 3/8” from either end, insert into the appropriate couplings and elbows
and rotate 1/4” turn. This will allow for easy disconnection in case the burner assembly must be
removed at a later date (see figure 12).
Note: When applying silicone sealant, ensure that no excess sealant is pushed into the vent
opening. This may cause flow restriction within the vent.
DO NOT! SILICONE OR SEAL
THIS CONNECTION IN
ANYWAY. MUST BE LOOSE
FIT WITH LEAKAGE BETWEEN
PVC AND METAL COLLAR.
Figure 12
NOTICE: The air intake pipe must be supported every 4 feet. After making sure the length of the piping is
correct, glue all connections in place except the length of pipe between the combustion air fitting on the
burner box and the first fitting.
If the combustion air piping is installed in a warm humid place, such as a laundry room or above a
suspended ceiling, it must be insulated with a 1.0” foil faced insulation or its equivalent.
If the vent piping is run through an unconditioned space, it must be insulated with a1.0” foil faced
insulation or its equivalent.

All installations and services must be performed by qualified service personnel.
19
: Outside combustion air must not come from an area that is directly adjacent to a
pool, hot tub or spa. Measures should be taken to prevent the entry of corrosive chemicals or
vapors to the combustion and ventilation air supply. Such chemicals include but are not limited to
chlorinated and/or fluorinated hydrocarbons such as found in refrigerants, aerosol propellants,
dry cleaning fluids, degreasers and removers. Other harmful compounds may come from
bleaches, air fresheners or mastics. Vapors from such products can form acid compounds when
burned in a gas flame. Should acid compounds form in your furnace; it may reduce the life of the
furnace.
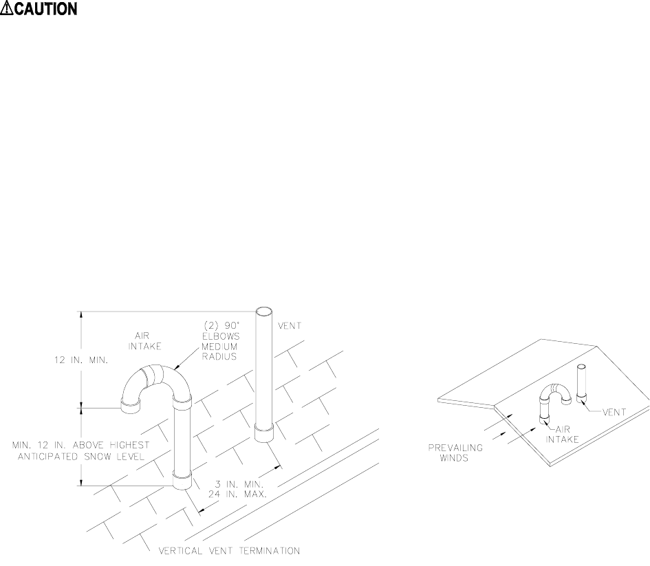
H. CONNECTING THE FURNACE TO ROOF VENT/AIR TERMINATIONS
The furnace may be vented vertically through the roof if it is not possible to vent the furnaces through the
sidewall. The outlet/inlet of the vent and air intake terminations shall be a minimum of 12 inches above
highest anticipated snow level. The vent outlet must be installed a minimum of 12 in. above the air intake
inlet. The combustion air intake shall be installed upwind of the vent outlet when exposed to prevailing
winds. The exhaust vent and combustion air intake can be a minimum of 3 in. and a max. of 24 in. apart
(see Figure 13). NOTE: When the vent termination is installed correctly, no draft should be present in the
system during the furnace off cycle.
Figure 13

All installations and services must be performed by qualified service personnel.
20
I. CONDENSATE DRAIN LINE AND TRAP ASSEMBLY
1. The following diagrams show the typical drain and trap connection for a CHX1 and CDX1 furnace.
Figure 14. TRAP ASSEMBLY MOUNTED ON CHX1
Figure 15. TRAP ASSEMBLY MOUNTED ON CDX1

All installations and services must be performed by qualified service personnel.
21
Figure 16. TRAP ASSEMBLY MOUNTED ON CDX1 RIGHT SIDE HORIZONTAL INSTALLATION
2. Determine on which side of furnace the condensate disposal line is to be run (NOTICE: On
CHX1/CDX1’s this must be the same side as the flue outlet or bottom of unit). Attach the condensate
trap to the furnace casing using the #8x3/4” sheet metal screws provided in the parts package. Pilot
holes are provided on both sides of the casing for mounting.
NOTE: When the CDX1 series unit is used in a horizontal application, the drain hose from the
collector box will require a location change from it's factory shipped connection. A knockout has
been provided in the unit side casing for the drain hose to exit. The connection change can be
accomplished as follows: Refer to Figure 16.
a) Locate and disconnect the drain hose at the collector box from its factory shipped connection
location.
b) Locate and uncap the drain at the bottom (as it is oriented) of the collector box.
c) Connect the drain hose from step a to the uncapped bottom drain from step b.
d) Cap the previous drain connection from step a with the existing cap removed in step b.
3. Attach the drain hose (11/16” diameter clear tubing) from the front (CHX1) or bottom (CDX1) of the
condensing coil cover plate to one side of the PVC tee provided in the trap assembly. Secure the
drain hose (11/16” o.d. tubing) with the silver clamp provided in the parts package. Be careful to route
the tubing through the proper hole in the furnace casing using the Heyco bushing provided. While
making all connections with the clear tubing, be careful to route the tubing in a manner to prevent
kinking or abrasion of the tubing.

All installations and services must be performed by qualified service personnel.
22
4. Measure the drain hose (11/16” o.d. clear tubing) provided and remove any extra length, making sure
that the hose has sufficient length not to kink or otherwise be restricted once installed. Attach the
drain hose (11/16” o.d. clear tubing) to the other side of the condensate trap tee. On CHX1/CDX1’s,
this hose is shipped in the parts package and it will be necessary to attach the other end to the PVC
drain tee assembly (see Figure 15). Use the silver clamp(s) provided in the parts package to secure
all connections.
5. Install field supplied 1/2” CPVC drain pipe and elbows using CPVC cement to reach a nearby drain. A
minimum 1/4” per foot downward slope toward the drain must be maintained. The drain line must be
water tight, supported and secured so that it can’t be moved. The length of the drain must be kept as
short as possible.
IMPORTANT: If an air conditioning condensate drain line is combined with the furnace condensate drain
line, it must have a separate trap ahead of the joint connection.
6. If a drain is not readily available or is above the trap outlet level on the furnace or the drain line cannot
be sloped downward its full length to the drain, then a condensate pump (part #350225) can be
ordered from the factory. Follow the pump manufacturers installation instructions.
7. The furnace condensate is slightly acidic with a pH of 3.5. Cola drinks with a pH of 3.1 are actually
more acidic. If local codes require a neutralizing kit, the kit may be ordered using part no. 320095.
Instructions included with the neutralizing kit must be followed for its proper installation.
8. The condensate piping in the furnace and the drain system must be flushed out at the start of every
heating season. This will assure trouble free operation and will keep the acidity level well above 3.4
pH.
To flush the condensate drain system, turn off power to the furnace at the electrical disconnect switch and
turn the thermostat to the lowest setting.
Remove the 11/16” diameter clear tubing from the coil drain nipple and run tap water into the open end of
the tubing. This should keep the drain system clean. Replace the tubing by pushing it firmly onto the
nipple. Make sure the spring clamp is returned to the original position to prevent leaks. If any of the
electrical controls are exposed to water, dry with a soft cloth and wait 24 hours before operating the
furnace. Set the room thermostat to the desired temperature and restore electrical power to the furnace.
J. GENERAL GAS PIPING
: Because of the potential of odorant fade, a gas leak may not be detected by smell. If
this furnace is installed below grade, contact your gas supplier for a gas detector.
1. Left and right gas supply piping - These furnaces are set-up to be gas piped through either the left or
right side by using a street elbow and a straight pipe. For the purposes of service, it is recommended
that the gas union be located inside the furnace, when possible.

All installations and services must be performed by qualified service personnel.
23
Figure 18
2. A drip leg must be used on both LP and natural gas installations prior to the furnace in order to trap
oil, condensate and other impurities which might otherwise lodge in the gas valve or plug the burner
orifice. A drip leg shall be provided at the outlet of the gas meter when there is excessive
condensation between the gas meter and the furnace. Failure to install a drip leg may void the limited
warranty on the furnace.
: All gas piping must be leak tested using a soap and water solution (when the gas is
turned on) following the procedure outlined in Section III, J, of this manual. A final test for gas
leakage must be made after purging the gas line (refer to Section IV, B, of this manual). This test
must be conducted with the unit operating and should include the furnace piping and gas valve.
Never use an open flame to check for a gas leak.
: Care must be taken not to wet electronic components during leak test. Wetting the
primary ignition module may damage its circuitry and cause a hazardous situation. Dry moisture
from all leads and terminals if wetting occurs. Wait at least 24 hours for the circuit to fully dry
before energizing the burner circuit.
K. FILTERS
1. CHX1 MODELS: HIGHBOYS
It is necessary to cut the return air opening in the bottom or side casing depending upon the needs of the
specific installation.
NOTICE: If your CHX1 will require air delivery above 1800 CFM, it is advisable that both sides, a
combination of 1 side and the bottom, or the bottom only be used for return air. (If a return is cut in the
bottom, it should be as large as the return opening in the equivalent CDX1 model. (See specification sheet
in beginning of this manual).

All installations and services must be performed by qualified service personnel.
24
This CHX1 furnace has been factory supplied with a high quality re-usable filter rated for air velocities up
to 600 ft/min. An optional Thermo Products filter rack assembly (part no. AOPS7547 for CHX1-75 thru 100
and AOPS7375 for CHX1-125) is available which is sized for the filter provided.
If an optional Thermo Pride filter rack AOPS7547 (figure 19) is used with the furnace, it will serve as a
template to scribe a mark for the return air opening on the casing. Place the filter rack on the casing one
inch up from the bottom of the furnace and centered from side to side. Place the securing flange against
the casing for locating the return air opening.
Figure 19
PLEASE NOTE: While scribing the return air opening, the filter rack can be held into position by tape or
similar means.
Position the open end of the filter rack so that it is accessible for filter replacement. Once the filter rack is
positioned correctly, scribe a line along the inside of the securing flange of the filter rack on three of the
sides. To scribe a line on the fourth side, on the open end, use the open end support for a guide.
Remove the filter rack and cut the return air opening in the casing. Now the filter rack can be permanently
attached to the furnace with screws or pop-rivets along the securing flange.
Connect the return plenum to the filter rack and slide the filter into place.
2. CDX1 MODELS: COUNTERFLOWS
This CDX1 furnace has been factory supplied with two high quality reusable filters rated at 600 ft/min.
These filters are designed to be mounted on the return air plenum opening on the top of the furnace in the
double “vee” style rack provided (see Figure 20). If feasible, it is recommended that slits be cut in the
return front to allow for easier access of the filters.
Figure 20

All installations and services must be performed by qualified service personnel.
25
3. USE OF NON-THERMO PRIDE FILTER RETENTION MEANS
If a method other than the Thermo Pride filter rack is selected for retention of the filter and/or use of a
different filter type is desired, see Table 3 for minimum size guidelines for selecting a filter system for the
CHX1 or CDX1 furnaces.
MINIMUM FILTER AREA REQUIRED (LENGTH X WIDTH, SQ. IN.)
TABLE 3
FILTER TYPE MAXIMUM
RATE
AIR VELOCITY
Required CFM / (Filter Velocity Rating x 144) = min. filter
(in2)
FURNACE MODEL
CHX1,CDX1-75 CHX1,CDX1-100 CHX1,CDX1-125
*THERMO
PRODUCTS
SUPPLIED
PERMANENT FILTER
600 FT./MIN. 254 IN.2* 328 IN.2* 402 IN.2*
STANDARD
PERMANENT FILTER
500 FT./MIN. 304 IN.2 394 IN.2 484 IN.2
DISPOSABLE TYPE
FILTER
300 FT./MIN. 506 IN.2 656 IN.2 804 IN.2
* The Thermo Products supplied filter can be cut to size to fit other filter retention systems as long as the
minimum size requirement is met. NOTICE: Any internal stiffeners used in the filter must not be removed,
although they can be cut to size as needed.
NOTICE: The filter areas in table 3 are the minimum areas required based on the CFM generated by the
furnace for standard heating speeds only. The following formula can be used to determine the minimum
filter area required for cooling if the unit is equipped with cooling. This value should then be compared to
the value shown in table 3 and the larger of the two should then be used for determining the minimum filter
area required for that installation.
FORMULA:
(tons of cooling) x (400 CFM per ton) (144 square inches per foot) = filter area sq.inches
(max. air velocity of filter from table 3 for the filter type) = length x width of
filter in inches
EXAMPLE: If you had a CHX1-100 furnace and 4 tons of cooling and a standard permanent filter.
4 tons x 400 CFM x 144 = 460 square inches for cooling
500
For heating a CHX1-100 needs 394 square inches of filter. The filter system must be designed for the
larger CFM requirement determined for cooling of 460 square inches. A filter would have to be sized so
that the area (length X width) was at least 460 sq. in.
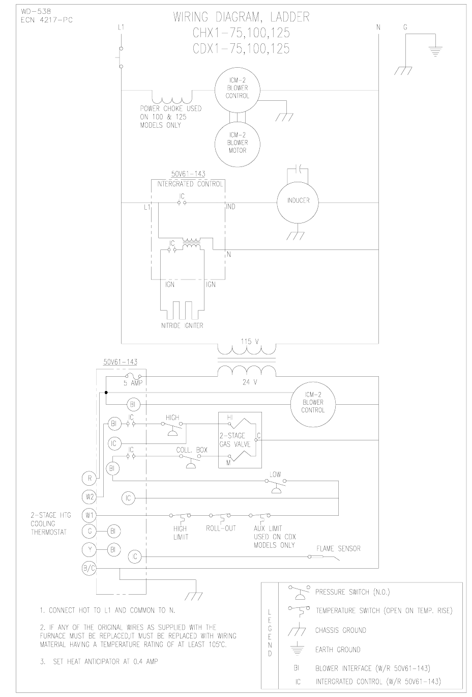
L. WIRING
All wiring shall be performed by a qualified electrician or service person. The wiring must comply with local
codes, the instructions in this manual, and in the absence of codes with the National Electrical Code
(ANSI/NFPA-70 or latest edition).
1. The following items are guidelines to complete the wiring portion of the installations.

All installations and services must be performed by qualified service personnel.
26
a. A separate power supply circuit with over current protection and a disconnect switch must be
provided. The minimum fuse or circuit breaker size is 20 amp.
b. All CHX1 and CDX1 Series furnaces are supplied with a fuse disconnect switch box to be mounted on
the outside surface of the right or left side casing so a fuse disconnect can be mounted on the
furnace. Make the 115 volt supply connection in this junction box. A green screw and a strain relief are
provided in order to connect the power supply ground wire and provide strain relief for the 115 volt
power leads from the furnace in the fuse disconnect box. A disconnect switch can be field mounted on
the 2x4 box provided. If not, the disconnect switch must be located reasonably close to and within
sight of the furnace.
NOTICE: The hot surface igniter and operation of this furnace depends on correct polarity. The hot leg of
the supply circuit must be connected to the black line lead and the common leg to the white line lead in
the field mounted junction box. The hot leg must pass through the disconnect switch in all cases to
prevent the hazard of electrical shock when servicing.
IMPORTANT: The furnace must be grounded in accordance with local codes and with the National
Electrical Code (ANSI/NFPA NO. 70 or latest edition) when an external electrical source is utilized.
2. ELECTRONIC AIR CLEANER (EAC) AND HUMIDIFIER INSTALLATION
The ignition module on this furnace has designated terminals to control the operation of an electronic air
cleaner and/or humidifier. These terminals provide line voltage (110-20VAC) for the control of these
accessories. (See Figure 21). NOTICE: It is important to confirm that the operating voltage of the
humidifier or EAC being installed matches the output of this control. If not, a field supplied relay or
transformer may be necessary to provide the proper control and supply voltage for the accessory being
installed. See the manufacturers instructions for the humidifier or EAC for additional instructions.
3. THERMOSTAT CONNECTIONS AND ANTICIPATOR SETTING
NOTICE: For two-stage thermostat wire connectors see wire diagram page 44. For single-stage
thermostat with two-stage operation connect W from thermostat to W1 on control. W2 on control board is
not used. Thermostat shunt on control board (Fig. 21) will need to be moved to single t’stat. In this
configuration the furnace will light and burn on low fire for 10 minutes (5 minutes optional). If thermostat
has not been satisfied in 10 minutes the control will step up to high fire until thermostat is satisfied. If the 5
minutes option is desired turn dip switch S1-3 (Fig. 21) off.
Proper control of the indoor temperature can only be achieved if the thermostat is calibrated to the heating
and/or cooling cycle. A vital consideration of this calibration is related to the thermostat heat anticipator.
The proper thermostat heat anticipator setting is 0.4 AMPS for furnace operation only. To increase length
of cycle, increase setting of heat scale; to decrease length of cycle, decrease setting of heat scale.
Anticipators for the cooling operation are generally pre-set by the thermostat manufacturer and require no
adjustment.
Anticipators for the heating operation are of two types, pre-set and adjustable. Those that are pre-set will
not have an adjustment scale and are generally marked accordingly.

All installations and services must be performed by qualified service personnel.
27
4. BLOWER AND CONTROL PANEL WIRING
Figure 21
: TURN OFF THE ELECTRICAL POWER to the furnace before attempting to disconnect
blower wiring.
DIP SWITCH (S1):
HEAT “OFF” DELAY
SW1 SW2 SECS.
ON
OFF
*ON
OFF
ON
ON
OFF
OFF
60 SEC.
90 SEC.
120 SEC.
180 SEC.
2ND STAGE DELAY FOR SINGLE STAGE
THERMOSTATS
SW3 MINUTES
OFF
*ON
5 MIN.
10 MIN.
*Factory Setting

All installations and services must be performed by qualified service personnel.
28
Modifications to ECM blower speed settings are done using the S3 and S4 dip switch controls. (Labeled 1
to 8 in Figure 21). Thermo Pride two-stage furnaces are factory shipped at the CFM settings listed below
in Table 4.
2-Stage Blower Settings (from factory)
Table 4
Unit
Control Board
Dip Switch
Settings
Heating
CFM
(low fire)
Heating
CFM
(high fire)
Constant Fan
CFM
Cooling
CFM
CDX1-75 1-7 Off
8 On 885 1012 500 1000
CHX1-75 1-8 Off 760 931 500 1000
CDX1-100 1-7 Off
8 On 1094 1340 600 1200
CHX1-100 1-8 Off 1015 1243 600 1200
CDX1-125 1-7 Off
8 On 1366 1673 700 1400
CHX1-125 1-8 Off 1270 1556 700 1400
For adjustments to the Cooling CFM settings, as well as all additional CFM changes, please reference the
dip switch tables listed in the ECM operation manual. (Included with every furnace.)
5. FIELD WIRING AND REPLACING WIRING
Field wiring between the furnace and devices not attached to the furnace shall conform with the
temperature limitation for Type T wire[63°F rise (35°C)] when installed in accordance with the
manufacturer’s instructions. If any of the original factory supplied furnace wiring is replaced or a separate
device other than the thermostat is wired internal to the unit 105°C thermoplastic or equivalent wire must
be used.

All installations and services must be performed by qualified service personnel.
29
CONTINUOUS SAFE OPERATION CHECK
IF FLAME SIMULATION CONDITION PRESENT OR ROLL-OUT SWITCH
OPENS, SYSTEM ENERGIZES INDUCER FAN FOR 15 SECONDS AND
CIRCULATOR BLOWER AT HEATING SPEED UNTIL SITUATION CORRECTION
AT ANY TIME THE
GAS VALVE IS
NOT ENERGIZED
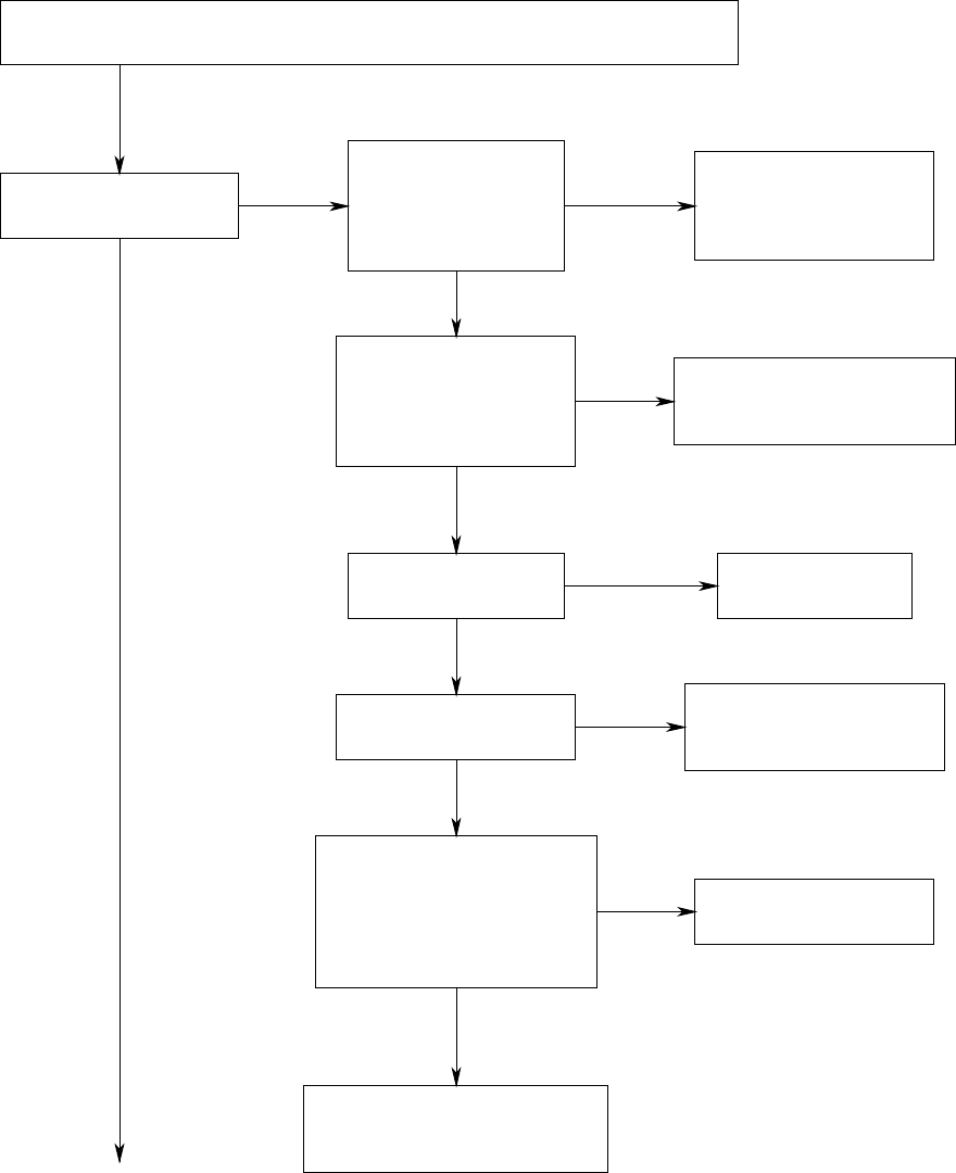
A. SEQUENCE OF OPERATIONS
50V61-143 CONTROL
ENERGIZED, INDUCER
ENERGIZED ON HIGH SPEED
THERMOSTAT CALLS FOR
HEAT W1 OR W1 & W2,
CONTACTS CLOSE
LOW FIRE PRESSURE
SWITCHES SENSES ADEQUATE
DIFFERENTIAL PRESSURE,
CONTACTS CLOSE
IV. STARTING THE UNIT
PREPURGE IGNITION DELAY,
INDUCER RUNS FOR 30 SECONDS
INDUCER REDUCES
TO LOW SPEED
LOW PRESSURE SWITCH
SENSES ADEQUATE
PRESSURE DIFFERENTIAL,
CONTACTS STAY CLOSED
POWER IS APPLIED TO
THE WHITE RODGERS 768A
SILICON NITRIDE IGNITOR.
IGNITOR WARM-UP IS
20 SECONDS

All installations and services must be performed by qualified service personnel.
30
AFTER IGNITOR WARM-UP,
THE 36E54 GAS VALVE IS
ENERGIZED TO OPEN ON
LOW FIRE SETTING
FLAME MUST BE DETECTED
WITHIN 4 SECONDS IF
FLAME IS DETECTED, THE
DELAY-TO-FAN-ON TIME
BEGINS (45 SECONDS)
IF FLAME IS NOT DETECTED, THE
GAS VALVE IS DE-ENERGIZED,
THE IGNITOR IS TURNED OFF AND
THE 50V61-143 CONTROL GOES
INTO "RETRY" SEQUENCE
THE RETRY SEQUENCE
PROVIDES A 60 SECOND
WAIT BEFORE IGNITION
RETRY. RETRY IS
ATTEMPTED WITH A
DIFFERENT VOLTAGE
SETTING.
IF IGNITION ATTEMPT IS
UNSUCCESSFUL, ONE MORE
RETRY WILL BE MADE
BEFORE THE 50V61-143
GOES INTO SYSTEM LOCKOUT
IF FLAME IS DETECTED, THEN LOST,
THE 50V61-143 WILL REPEAT THE
INITIAL IGNITION SEQUENCE FOR A
TOTAL OF TEN RECYCLES. AFTER
TEN UNSUCCESSFUL RECYCLE
ATTEMPTS, THE CONTROL WILL
GO INTO SYSTEM LOCKOUT.
IF NOT
IF SO

All installations and services must be performed by qualified service personnel.
31
IF SYSTEM IS IN LOCKOUT,
THE MODULE WILL RESET
ITSELF AFTER 60 MINUTES
OR MAY BE MANUALLY
RESET BY INTERRUPTING
THE POWER TO THE FURNACE
AT THE DISCONNECT OR
INTERRUPTING THE CALL FOR
HEAT AT THE THERMOSTAT.
IF THIS DOES NOT RESTART
THE SYSTEM, REFER TO THE
TROUBLESHOOTING SECTION
OF THIS MANUAL.
AFTER THE DELAY-TO-FAN-OFF
PERIOD ENDS, THE CIRCULATING
AIR FAN AND (OPTIONAL) ELECTRONIC
AIR CLEANER ARE DE-ENERGIZED.
AFTER DELAY-TO-FAN-ON PERIOD
ENDS (45 SECONDS), CIRCULATING
AIR FAN IS ENERGIZED AT LOW
FIRE HEATING SPEED OR HIGH
FIRE IF W2 IS ENERGIZED. THE
(OPTIONAL) ELECTRONIC AIR
CLEANER AND HUMIDIFIER
ARE ENERGIZED.
IF THERMOSTAT
W2 CONTACTS
ARE CLOSED
OTHERWISE
CALL
FOR
HIGH
FIRE
NO CALL
FOR
HIGH FIRE
THERMOSTAT CLOSES W2
CALLING FOR HIGH FIRE
HEATING.
GAS VALVE, INDUCER AND
AIR FAN ARE ENERGIZED
TO HIGH FIRE SETTINGS
WHEN THERMOSTAT W1 IS SATISFIED,
CONTACTS OPEN AND THE GAS
VALVE IS DE-ENERGIZED. AFTER
PROOF OF FLAME LOSS, INDUCER
STARTS 5 SECOND POST PURGE
AND (OPTIONAL) HUMIDIFIER IS
DE-ENERGIZED. THE DELAY-TO-
FAN-OFF PERIOD BEGINS (120 SECONDS)
WHEN THERMOSTAT HAS
SATISFIED W2, CONTACTS
OPEN AND THE GAS VALVE
AND AIR FAN HIGH FIRE
SETTINGS ARE DE-ENERGIZED
AFTER 30 SECOND DELAY.

All installations and services must be performed by qualified service personnel.
32
B. INITIAL START UP:
This furnace does not have a pilot. It is equipped with a hot surface igniter, which automatically lights the
burner. Do not attempt to light the burner by hand. Check the following items before the initial start-up.
1. Check all wiring for loose connections and proper hook up.
2. Leak test gas piping connections.
3. Check all tubing to the pressure switch and drains to make sure they are connected firmly at all their
connection points.
4. Check flue pipe, combustion air inlet and all PVC connections for tightness and to make sure there is
no blockage.
5. Make sure air filter is in place.
6. Make sure the outside vent and air intakes are installed according to instructions and that they are
free from blockage.
7. Make sure that the drain trap is properly connected to the furnace and to the buildings drain system.
OPERATING INSTRUCTIONS:
: Turn off power to furnace before it is placed into service. The gas piping system
must have been leak tested by a qualified heating contractor. (See Section III, J, of these
instructions on the installation of gas piping).
: It may be necessary to purge the air out of the gas line for initial start-up of the
furnace after installation. This should be done by a qualified heating contractor. If excessive gas
escapes when purging the gas supply at the union, allow the area to ventilate for at least 15
minutes before attempting to start the furnace. LP gas is especially dangerous because the
specific gravity of LP gas allows it to accumulate at floor level at a dangerous concentration. For
remainder of operating instructions, reference Users Information Manual.
: Heat exchanger oil will burn off on initial firing creating an unpleasant odor. To
prevent this odor from occurring more than once, it is suggested that:
1. A window(s) be opened.
2. The thermostat be set at highest setting.
3. The furnace remain running at conditions 1&2 for 30 minutes or until odor has dissipated.
Check for the model number of this furnace, its input, the type of gas and the manifold pressure on the
information plate located on the vestibule panel behind the upper front panel. If using the above example,
the furnace was a CHX1-100 model and the 98,663 BTU input would be acceptable because it was within
2% of the listed high fire input of 100,000.

All installations and services must be performed by qualified service personnel.
33
Measuring And Adjusting Heat Input Rate
DO NOT exceed input rating stamped on furnace nameplate or manufacturer's
recommended burner manifold pressure for orifice size used.
Observe the following precautions when measuring:
A. Burner manifold pressure with a pressure gauge.
1. Close the gas valve (turn the gas control knob to the OFF position) BEFORE removing the:
a. burner manifold pressure tap plug to connect the manometer (or calibrated pressure
gauge)
b. manometer, or gauge, and replacing the pressure tap plug.
2. Shut off the gas supply at the appliance service (manual gas shutoff) valve (or for LP
gases, shut off the gas at the storage tank service valve) BEFORE removing the:
a. gas valve inlet pressure tap plug
b. manometer, or gauge and replacing the inlet pressure tap plug.
3. Perform a gas leakage test at the gas valve inlet and burner manifold pressure tap plugs.
B. Gas flowrate by clocking gas meter.
1. To determine the amount of flow, through the gas meter, due to the operation of the
furnace.
a. Turn off all other appliances and extinguish their pilot flames, if equipped, or
b. Deduct the gas consumption of all other operating appliances from the total meter
reading.
2. Convert the gas flowrate to the heat input rate (in BTUH) as described in step 10 (in the
following section) and compare the value to the heat input rating on the furnace nameplate.

All installations and services must be performed by qualified service personnel.
34
NOTICE: A U-tube manometer, measuring pressure in inches of water column, is recommended for
all gas pressure measurements. However, an aneroid pressure gauge, in good working condition,
capable of reading pressure changes of 0.05 in. W.G., or less, that was recently calibrated (within
the last year), is a satisfactory alternate. These two (2) devices will be considered as equivalent and
interchangeable. Either device is referred to below as a “pressure gauge”
NOTICE: This 2-stage gas valve has two separate gas pressure regulators. Checks and
adjustments must be made at both high fire (high adjustment) and low fire (low adjustment).
1. Shut off the gas at the automatic gas control valve (turn gas control knob to the OFF position).
2. Remove the outlet pressure tap plug from gas burner manifold and connect a pressure gauge.
Refer to Figure 22, below.
Figure 22: Exploded View of CDX/CHX Gas Control System
3. Turn on the gas at the automatic gas control valve (turn gas control knob to the ON position).
4. Adjust the room thermostat so the furnace will operate on low fire only.

All installations and services must be performed by qualified service personnel.
35
5. To obtain an accurate manifold gas pressure reading, the main burner must be cycled on and off
several times to stabilize the gas control valve pressure regulator diaphragm.
6. Allow the burner to operate for at least 3 minutes before taking gas pressure readings.
7. Using a pressure gauge, measure the burner manifold gas pressure.
8. If checking the input rate by measuring burner manifold pressure, skip to step 12. If
measuring the input rate using a gas meter, proceed to step 9.
9. Using a clock (or watch) capable of measuring time in seconds, carefully clock the gas meter to
determine the time for one (1) complete revolution of the gas meter dial or reel. At least one (1)
cubic foot of gas flow should be measured. Use Table 6 to determine the main burner gas flow
rate in cubic feet per hour (CFH).
NOTICE: Some gas meters will require more than one (1) cubic foot of gas pass through the
meter for reasons of accuracy. When more than one (1) cubic foot of gas is consumed, divide the
total time by the number of cubic feet for comparison to the figures in Table 6.
10. Compare actual heat input rate with our recommended input (printed on the furnace rating label).
To convert the rating label input rate (given in BTUH) to the equivalent gas flowrate (in CFH), use
the following formula:
()
CFHinflowrategasFuel
ft
BTU
invalueheatinghighergasFuel
B
TUHinrateinput
H
ea
t
×
÷
÷
ø
ö
ç
ç
è
æ
=
3
)(
or,
()
÷
÷
ø
ö
ç
ç
è
æ
=
3
)(
ft
BTU
invalueheatinghighergasFuel
BTUHinrateinputHeat
CFHinflowrategasFuel
11. If the measured input rate is above, or below, the rating label value by more than 2%, adjust the
manifold gas pressure using the gas control valve pressure regulator to obtain the input rating
within a ± 2% range. Refer to steps 12(a) through 12(d).
12. If the gas pressure is not within the specified low fire manifold pressure range (refer to
Table 5), use the following procedure to adjust the low fire, gas pressure regulator to match the
specified low fire manifold pressure.
a. Remove the gas pressure regulator adjustment cap screw from the automatic gas control
valve. The cap screw is located on the outlet side of the valve. Refer to Figure 23.

All installations and services must be performed by qualified service personnel.
36
Figure 23: Outlet view of two-stage, automatic gas control valve
b. Using a 3/32-in. hex key (or Allen wrench), turn the inner adjustment screw clockwise to
increase, or counterclockwise to decrease, the gas pressure (and gas flow) to the main
burner.
c. Replace the cap screw and tighten it firmly to prevent gas leakage.
d. Referring to Table 5, measure the gas pressure and to confirm it has been adjusted to within
the allowable range. Repeat adjustments (a) through (c), as required.
Table 5 Design Gas Pressures for each Furnace Model Series,
Operating Mode, and Type of Fuel.
Fuel Gas Type Propane Natural
Operating Mode and
Model Series High Fire CHX Low
Fire
CDX Low
Fire High Fire CHX Low
Fire
CDX Low
Fire
Normal Manifold
Pressure (in. W.G.) 10.0 ± 0.3 4.8 ± 0.3 5.6 ± 0.3 3.5 ± 0.3 1.8 ± 0.3 2.0 ± 0.3
Maximum Gas Supply
Pressure (in. W.G.) 14.0 14.0
Minimum Gas Supply
Pressure (in. W.G.) 11.0 4.5
13. Adjust the room thermostat so the burner will operate on high fire only.
NOTICE: There is a 30 second delay before the gas control will step up to high fire.
14. To obtain an accurate manifold gas pressure reading, the main burner must be cycled on and off
several times to stabilize the gas control valve pressure regulator diaphragm.
15. Allow the burner to operate for at least 3 minutes before taking gas pressure readings.
16. Using a pressure gauge, measure the burner manifold gas pressure.

All installations and services must be performed by qualified service personnel.
37
17. If checking the input rate by measuring burner manifold pressure, proceed to step 18. If
measuring the input rate by clocking the gas meter, repeat steps 9 through 11, above.
18. If the gas pressure is not within the specified high fire manifold pressure range (refer to
Table 5), repeat steps 12(a) through 12(d), above, adjusting the high fire gas pressure regulator.
If the manifold pressure remains low and it cannot be adjusted into the proper range, the supply
pressure may be too low. Follow these steps.
a. Turn off the gas at the manual gas shutoff valve.
b. Remove the automatic gas control valve inlet pressure tap and attach another pressure gauge
to the inlet tap.
c. Turn on the gas and repeat steps 14 and 15, above.
d. Adjust the upstream (inlet) gas pressure to 14.0 in. W.G., or as close as possible.
e. Using a pressure gauge, measure and adjust the burner manifold gas pressure.
If it is still not possible increase the manifold gas pressure to within the required range, there
is too little gas supply to operate the furnace at full (high fire) input rate under present
conditions. If necessary, consult your gas supplier or qualified heating contractor for
recommendations to alleviate the problem.
19. Turn off the gas at the manual gas shutoff valve (turn handle to the OFF position).
20. Remove all pressure gauges and replace all pressure tap plugs.
21. Go to Checkout Procedure below.
Adjusting Burner Input For Altitudes Above 2000 Feet
Ratings of gas utilization equipment are based on sea level operation and shall not be changed for
operation at elevations up to 2,000 feet (600 m.). For operation at elevations above 2,000 feet (600
m), equipment ratings shall be reduced at the rate of 4 percent for each 1,000 feet (300 m) above sea
level.
For additional information, refer to the latest edition of the National Fuel Gas Code.
Checking The Burner Flame
?
??
?CAUTION: The furnace model series CDX1 and CHX1 are sealed combustion designs that do not
require an air shutter adjustment (air shutters are not used) for proper flame characteristics. The
burner box access cover must always be secured with all screws in place and tightened before
operating furnace.
Once the input rate has been confirmed correct for a specific application, the burner flames should be
checked for proper adjustment.

All installations and services must be performed by qualified service personnel.
38
This furnace is designed not to require any burner adjustment. Burner aeration is fixed in this design.
Burner flames can be seen by looking through the sight glass located on the burner box. Burner
flames should be well-defined, light to medium blue in color, and almost transparent. (refer to Figure
24).
Figure 24: Sketch of Typical Main Burner Flames During Operation
NOTICE: When operating on propane gas, it is not unusual for flames to have yellow or orange
colored tips.
If combustion problems are evident, it may indicate problems with either the furnace air supply or the
vent system. Refer to the installation and maintenance sections of this manual, or contact Thermo
Products at (574) 896-2133.
Checkout Procedure
1. Confirm the furnace exhaust vent and combustion air intake are constructed as outlined in the
installation and service manual. They must not be blocked or otherwise obstructed.
2. Place system in operation and observe at least one (1) complete cycle to ensure all controls are
operating properly. The main burner must light reliably under all conditions.
3. Perform gas leakage test on all gas pipe connections and pressure tap plugs.

All installations and services must be performed by qualified service personnel.
39
TIME (sec.) FLOW (cfh) TABLE 6 - CONVERTING GAS FLOW RATE
40 90
41 88 * For one cubic foot per revolution gas meter dials,
42 86 use Table directly.
44 82
45 80 * For 1/2 cubic foot per revolution gas meter dials:
46 78 1. Determine time for two dial revolutions
47 77 2. Use Table directly
48 75
49 73 * For two cubic foot per revolution gas meter dials:
50 72 1. Determine time for one complete dial revolutions
51 71 2. Divide time by two
52 69 3. Use Table directly
53 68
54 67
55 65
56 64
57 63
58 62
59 61
60 60
62 58
64 56
66 54
68 53
70 51
72 50
74 49
76 47
78 46
80 45
84 43
88 41
92 39
96 38
100 36
105 34
110 33
115 31
120 30
125 29
130 28
135 27
140 26
150 24
160 23
170 21
180 20

All installations and services must be performed by qualified service personnel.
40
C. FURNACE CHECKOUT PROCEDURE
Before any system of gas piping is finally put into service, it shall be carefully tested to assure that it is gas
tight as indicated in the manual.
NOTICE: All controls on the unit should be checked for proper functioning prior to the qualified service
personnel leaving the job site. Specifically the following should be checked:
With furnace in normal heating operation, check to make certain blower will start and stop automatically
under control of integrated fan control.
1. Check safety limit control as follows:
a. Shut off incoming power.
b. Disconnect blower motor leads.
c. Restore power to furnace.
d. Set thermostat above room temperature calling for heat.
e. When temperatures are reached in furnace at limit control setting with blower out of operation,
burner should shut off.
f. Shut off electrical power.
IMPORTANT: Remove blockage or reconnect blower motor and restore power.
2. Make certain thermostat will automatically start and stop furnace.
3. Block the flue pipe gradually with a flat piece of metal, until the pressure switch functions shutting off
the main burners. Note: If the burner was initially operating in high fire, the burner will first reduce rate
to the low fire setting. As the flue becomes more blocked, the pressure switch will function and
completely shut off the main burners.
4. Block the PVC pipe inlet gradually with a flat piece of metal until pressure switch functions shutting off
the main burners. Note: If the burner was initially operating in high fire, the burner will first reduce
rate to the low fire setting. As the flue becomes more blocked, the pressure switch will function and
completely shut off the main burners.
IMPORTANT: Remove flue air inlet blockage when done.
5. Remove the blower compartment access door with the furnace operating. The door interrupt switch is
in the 120 volt circuit and will shut down the entire system. Replace the blower door and the furnace
start-up cycle will begin.
V. INSTALLER'S INSTRUCTIONS TO USER:
After completing the installation, the installer shall inform and/or demonstrate to the homeowner:
1. The location of all the instructions in the furnace and that these instructions and the users information
manual must be kept along with instructions for any accessories in the plastic pouch on the inside of
the furnace.
2. The location and use of the manual gas shut off valve and furnace electrical disconnect switch.
Instruct user to always shut off gas before shutting off electric power.
3. The sequence of operation of the furnace.
4. The correct operation and maintenance of the appliance as outlined in the users information manual.

All installations and services must be performed by qualified service personnel.
41
5. That failure to maintain and operate this furnace in accordance with these instructions could result in
hazardous conditions, bodily injury, property damage and may void the limited warranty on the
furnace.
6. Review with and encourage the user to read the label reproductions and all warnings and instructions
outlined on the front cover and in sections I, II and III of this manual and in the Users Information
Manual.
7. Recommend that the user have a qualified heating contractor inspect the furnace at the start of each
heating season. Inform the user of the frequency of inspection required for reach item in Section III of
the Users Manual.
Figure 25
VI. TROUBLESHOOTING
NOTICE: BEFORE TROUBLESHOOTING, FAMILIARIZE YOURSELF WITH THE START UP AND
CHECKOUT PROCEDURE.
ALL INSTALLATION AND SERVICES MUST BE PERFORMED BY QUALIFIED HEATING
CONTRACTORS.
To assist you in troubleshooting this furnace, it is equipped with an integrated ignition control with
diagnostics. These diagnostics evaluate what control system has experienced a failure and will activate a
flashing light on the control in different sequences to help pinpoint the failure which has occurred.
IMPORTANT: For your convenience, Thermo Products has installed a sight glass in the blower door of
this furnace. The number of flashes in groups should be observed through this sight glass and recorded
before turning off power to the furnace. Otherwise power to the furnace will be when turning off power or
removing the blower door which is equipped with door interlock switch, which will reset the control. Should
this occur, it will be necessary to restart the furnace and have the failure occur again.

All installations and services must be performed by qualified service personnel.
42
DIAGNOSTIC FEATURES
The 50V61 control used on this furnace continuously monitors its operation and the operation of the
system.
If the sensed failure is in the system (external to the control), the red LED will flash in the following flash-
pause sequences to indicate failure status (each flash will last approximately 0.25 seconds, and each
pause will last approximately 2 seconds):
1 flash, then pause system lockout (retries or recycles exceeded)
2 flashes, then pause low pressure switch stuck closed
3 flashes, then pause low pressure switch stuck open
4 flashes, then pause open high temperature limit switch
5 flashes, then pause not used
6 flashes, then pause 115 V AC power reversed
7 flashes, then pause low flame sense signal
8 flashes, then pause check igniter or improper ground
9 flashes, then pause high pressure switch stuck open
Continuous flash flame sensed with gas valve de-energized
The LED will also flash once at power-up.
A green LED indicator is also present to obtain an estimate of the air flowrate (in CFM) produced by the
house air blower. This LED cycles regularly by providing a constant light, followed by a sequence of
flashes. Each flash can be translated to programmed CFM by using the following:
1 flash per 100(programmed) CFM
: Power must be disconnected before servicing.

All installations and services must be performed by qualified service personnel.
43
SET THERMOSTAT TO CALL FOR HEAT
(MAKE CERTAIN ROOM TEMPERATURE IS BELOW THERMOSTAT SETTING)
CHECK INPUT POWER,
DOOR INTERLOCK,
SERVICE SWITCH
AND FUSES
IS THERE 120 VOLTS
ACROSS "L1" AND
"NEUTRAL" AT THE
50V61-143 CONTROL
MODULE?
IS THE INDUCER
BLOWER OPERATING?
IS THERE 24 VOLTS
ACROSS "TH" & "TR"
AT THE INTEGRATED
CONTROL MODEL
50V61-143?
CHECK 115 VOLT
CONNECTIONS. IF OK,
REPLACE TRANSFORMER
YES
NO
YES
YES
NONO
IS THERE 24V
ACROSS R AND B/C
CHECK FUSE ON
W/R 50V61-143
NO
IS THERE 24 VOLTS
ACROSS "R" AND "W1"?
CHECK WIRING TO
THERMOSTAT. IF OK,
REPLACE THERMOSTAT.
YES
NO
IS THERE LINE VOLTAGE
ACROSS INDUCER POWER
TERMINALS "IND HI" TO
"IND N" OR "IND LO" TO
"IND N" AT THE 50V61-143
CONTROL?
CHECK WIRING TO INDUCER
AND IF OK, REPLACE
INDUCER ASSEMBLY.
YES
REPLACE THE
50V61-143 CONTROL.
YES
NO
TROUBLESHOOTING GUIDE
THE SYSTEM IS STARTED BY SETTING THE THERMOSTAT TO CALL FOR
HEAT. THE FOLLOWING SHOULD HELP ESTABLISH THE TYPE OF
MALFUNCTION OR DEVIATION FROM THE NORMAL OPERATION.
NOTE: IF LED LIGHT IS FLASHING, REFER TO PAGE 34 FOR A QUICK TROUBLESHOOTING GUIDE.
TO USE THIS DIAGRAM, YOU JUST NEED TO FOLLOW THE INSTRUCTIONS IN THE BOXES.

All installations and services must be performed by qualified service personnel.
44
IS INDUCER RUNNING
ON LOW SPEED?
DOES THE HOT
SURFACE IGNITOR
ENERGIZE AND GLOW?
CHECK WIRING TO HOT
SURFACE IGNITOR AND
IF OK, REPLACE HOT
SURFACE IGNITOR
ASSEMBLY
CHECK ACROSS "MVL" AND
"MV COM" TERMINALS ON
50V61-143 CONTROL FOR 24
VOLTS DURING THE 4 SECOND
FLAME PROVING PERIOD
AFTER IGNITOR WARM-UP.
IS THERE 24 VOLTS?
AFTER HOT SURFACE
IGNITOR WARM-UP,
DOES GAS VALVE OPEN?
REPLACE THE
50V61-143 CONTROL.
NO
NONO
NO
YES
YES
YES
CHECK CONTACTS ON LOW
FIRE PRESSURE SWITCH
AND FOR BLOCKAGE IN FLUE.
IF OK, REPLACE DUAL
PRESSURE SWITCH.
IS THERE VOLTAGE ACROSS
HOT SURFACE IGNITOR
TERMINALS "IGN" & "IGN N"
AT THE 50V61-143 CONTROL
AFTER 25 SECOND PREPURGE?
IS THE HIGH LIMIT,
ROLL-OUT LIMIT, AND
AUX LIMIT ON
(CDX MODELS)
SWITCHES CLOSED?
NO
REPLACE THE
50V61-143 CONTROL.
YES
YES
IF HIGH LIMIT OR
AUX LIMIT OPEN CHECK
FOR RESTRICTED
FILTERS OR DUCT WORK
IF ROLL-OUT SWITCH
OPEN INSPECT FLUE FOR
RESTRICTIONS.
NO
CHECK WIRING TO GAS
VALVE AND IF OK,
REPLACE GAS VALVE.
IS COLLECTOR BOX
PRESSURE SWITCH CLOSED?
YES
YES
CHECK DRAIN FOR
BLOCKAGE WATER
TRAPPED IN HOSE,
REPLACE SWITCH.
NO
NO
AFTER GAS VALVE
OPENS, DO THE
BURNERS IGNITE?
YES OK
CHECK FOR PROPER LINE
AND MANIFOLD PRESSURE.
REFERENCE GAS PRESSURE
CHART PAGE 31.

All installations and services must be performed by qualified service personnel.
45
IS IGNITOR
POSITIONED CORRECTLY?
REPOSITION TO
CORRECT LOCATION
CHECK AND CLEAN BURNERS
DO BURNERS STAY
LIT PAST PROOF OF
FLAME CHECK?
IS W2 ENERGIZED?
DOES INDUCER
GO TO
HIGH SPEED?
IS THERE LINE
VOLTAGE ACROSS
INDUCER POWER
TERMINALS "IND HI"
TO "IND N"?
REPLACE
THE 50V61-143
CONTROL.
CHECK CONNECTIONS
TO INDUCER. IF OK,
REPLACE INDUCER.
DOES BURNER
STEP TO HIGH FIRE?
IS THE HIGH FIRE
PRESSURE SWITCH
CLOSED?
YES
NO
YES
NO
NO NO
YES
YES
YES
YES YES
NONO
NO
OK
CHECK FLAME PROB2
AND WIRE AND CHECK
POLARITY ON INCOMING
POWER AND GROUND
CHECK
CONTACTS
IN HIGH
FIRE SWITCH
AND FOR
BLOCKAGE IN
FLUE. IF OK,
REPLACE DUAL
PRESSURE
SWITCH.
CHECK FOR PROPER LINE
AND MANIFOLD PRESSURE
REFERENCE GAS
PRESSURE CHART PAGE 31.

All installations and services must be performed by qualified service personnel.
46
IS THERE 24 VOLTS
ACROSS "MVH" AND
"MV COM" ON
50V61-143 CONTROL?
REPLACE THE
50V61-143 CONTROL.
CHECK CONNECTIONS
TO GAS VALVE. IF OK,
REPLACE GAS VALVE.
IS THE VARIABLE
SPEED AIR FAN
OPERATING?
DOES BLOWER
SPIN FREELY?
CONFIRM IF EITHER
BLOWER WHEEL
IS RUBBING AGAINST
HOUSING OR MOTOR
SHAFT IS SPINNING
FREELY AND REPAIR
OR REPLACE AS
NECESSARY
DOES SYSTEM RUN
UNTIL THERMOSTAT
IS SATISFIED?
IS LED LIGHT
ON 50V61-143
CONTROL FLASHING?
CHECK ALL WIRING FOR
LOOSE CONNECTIONS.
NO
NO NO
NONO
YES
YES
YES
YES
YES
REFERENCE ECM
OPERATION MANUAL
REFERENCE LED
CHART ON PG. 34
OF THIS MANUAL.

All installations and services must be performed by qualified service personnel.
47
DOES BURNER SHUT OFF
WHEN THERMOSTAT IS
SATISFIED?
CHECK FOR 24 VOLTS
AT GAS VALVE. REPLACE GAS VALVE
CHECK FOR SHORT IN WIRE TO
THERMOSTAT AND CORRECT
IF NECESSARY.
DOES THE CIRCULATING
AIR BLOWER TURN OFF
AFTER THERMOSTAT IS
SATISFIED WITHIN
120 SECONDS?
TROUBLE SHOOTING COMPLETE
NO NO
YES
YES
YES
NO REFERENCE ECM
OPERATION MANUAL

All installations and services must be performed by qualified service personnel.
48
Appendix –A Replacement Parts List
1. Replacement parts list for CHX1-75, CHX1-100 and CHX1-125.

All installations and services must be performed by qualified service personnel.
49

All installations and services must be performed by qualified service personnel.
50
2. Replacement parts list for CDX1-75, CDX1-100 and CDX1-125.

All installations and services must be performed by qualified service personnel.
51

All installations and services must be performed by qualified service personnel.
52
Appendix – B Wiring Diagrams

All installations and services must be performed by qualified service personnel.
53