Thomson Broadcast and Multimedia 8BUSD5000C 50 Watt Digital Transmitter System User Manual 10 0046 SD5000C

Thomson Broadcast & Multimedia, Inc. 50 Watt Digital Transmitter System 10 0046 SD5000C

Users Guide

1SD5000C ManualCOMWAVE DIVISIONAll information contained in this document is confidential and proprietary to THOMCAST and shall not be disclosed without the prior written permission of THOMCAST.CREATED: KAS ................................................................2/9/00 CHECKED: DMW............................................................. 2/9/00RELEASED: DMW........................................................... 2/9/00Document #: DOC10-0046REV: FEB.09.00Figure 1: SD5000C Transmitting System.USER’S GUIDE47266172.00-108SD5000C Single Channel, 50 Watt TransmitterCOMWAVE DIVISION
1Warranty InformationCOMWAVE DIVISIONAll information contained in this document is confidential and proprietary to THOMCAST and shall not be disclosed without the prior written permission of THOMCAST.Document #: DOC12-0001REV: DEC.02.99THOMCAST COMMUNICATIONS, COMWAVE DIVISION TWO YEARLIMITED WARRANTYThomcast warrants each product of its manufacture to be free from any defect in material and workmanship for aperiod of two years after delivery to, and return by the original purchaser.  No returns, however, will be acceptedunless accompanied by a written factory return authorization.The limit of liability under this warranty shall be to repair or replace any product, or part thereof, which proves to bedefective after inspection by Thomcast with the exception of tubes, semiconductor devices, lamps, fuses orequipment (i.e. modulators) manufactured by others, which are subject to only such loss adjustment as Thomcastmay obtain for the suppliers thereof.This warranty shall not apply to any Thomcast product which has been modified, physically or electrically damaged,or to modules which seals have been broken, or any product which has been subjected to conditions exceeding theapplicable specifications or ratings or improper service techniques.Thomcast will not be liable for any direct or consequential injury, loss or damage incurred through the use, or theinability to use, any Thomcast product.Thomcast reserves the right to make design changes to any Thomcast product without incurring any obligation tomake the same changes to previously purchased units.This warranty is the full extent of the obligation and liability assumed by Thomcast with respect to any and allThomcast products.  Thomcast neither makes, nor authorizes any person to make, any other guarantee or warrantyconcerning Thomcast products.
1SD5000C Transmitting System Manual Table of ContentsCOMWAVE DIVISIONAll information contained in this document is confidential and proprietary to THOMCAST and shall not be disclosed without the prior written permission of THOMCAST.CREATED: KAS................................................................ 1/21/00 CHECKED: DMW .............................................................2/16/00RELEASED: PRC..............................................................2/16/00Document #: DOC11-0046REV: FEB.16.00TABLE OF CONTENTSTITLE DOCUMENT #Cover Sheet ............................................................................................................DOC10-0046Warranty Information.............................................................................................DOC12-0001SECTION 1Provides information describing the system and how it worksTop Level Description............................................................................................DOC13-0178Specifications .........................................................................................................47266172.00-306SECTION 2Provides information to assist in setting up and turning on your systemInstallation Procedure.............................................................................................DOC17-0035Cabling ...................................................................................................................DOC17-0036External Interconnections.......................................................................................DOC30-0043ComView Status Monitoring Interconnections ......................................................DOC30-0005Turn-On Procedure.................................................................................................DOC26-0050SECTION 3Provides information to help with troubleshootingTroubleshooting......................................................................................................DOC18-0073Node Addresses......................................................................................................DOC22-0019Troubleshooting Worksheet ...................................................................................DOC18-0072Equipment Fusing and Protection...........................................................................DOC18-0075Power Supply Plug-In Fusing and Protection.........................................................DOC18-0071Maintenance ...........................................................................................................DOC18-0074Inspections and CleaningCalibrations ............................................................................................................DOC16-0057SECTION 4Provides information about individual segments of the system.We recommend you contact Thomcast1 customer service when repairs are necessary; please do not attemptto repair any modules and/or boards by yourself.Sub-Chassis Theory of Operation...........................................................................DOC14-0037Microcontroller Board Description (hardware)......................................................DOC13-0175Upconverter Plug-In Module Theory of Operation ................................................DOC14-0039Front and Rear Panel DescriptionsSpecifications .........................................................................................................47266116.00-306Block Diagram........................................................................................................47266116.00-034Internal Interconnect...............................................................................................47266116.00-050U/C Plug-In Module MCU State Machine, Firmware Description ........................DOC13-0187U/C Plug-In Module Firmware Description...........................................................DOC13-0188                                                          1 DOC20-0001 provides detailed contact information.  International phone 001-570-474-6751, USA & Canada phone 1-800-266-9283.
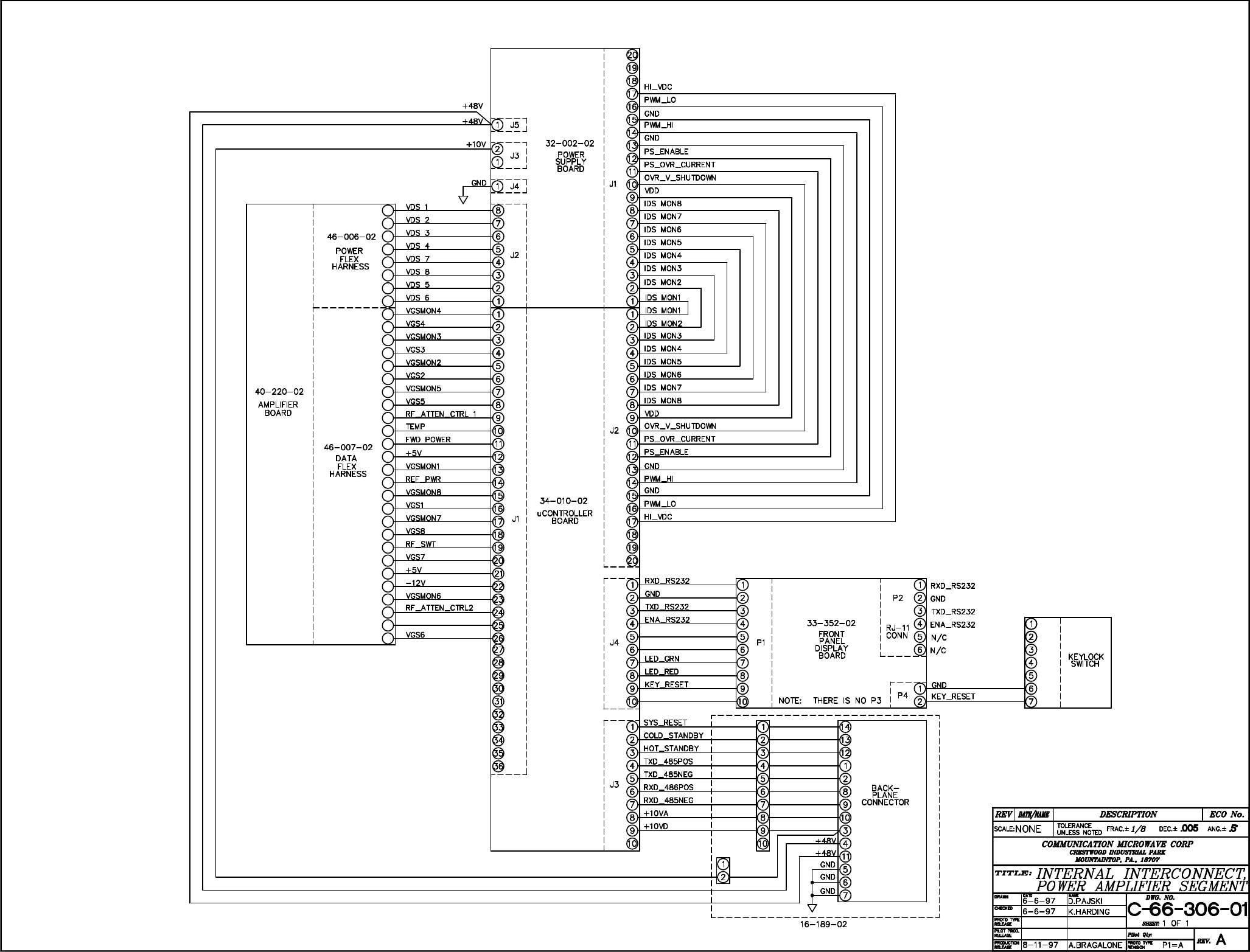
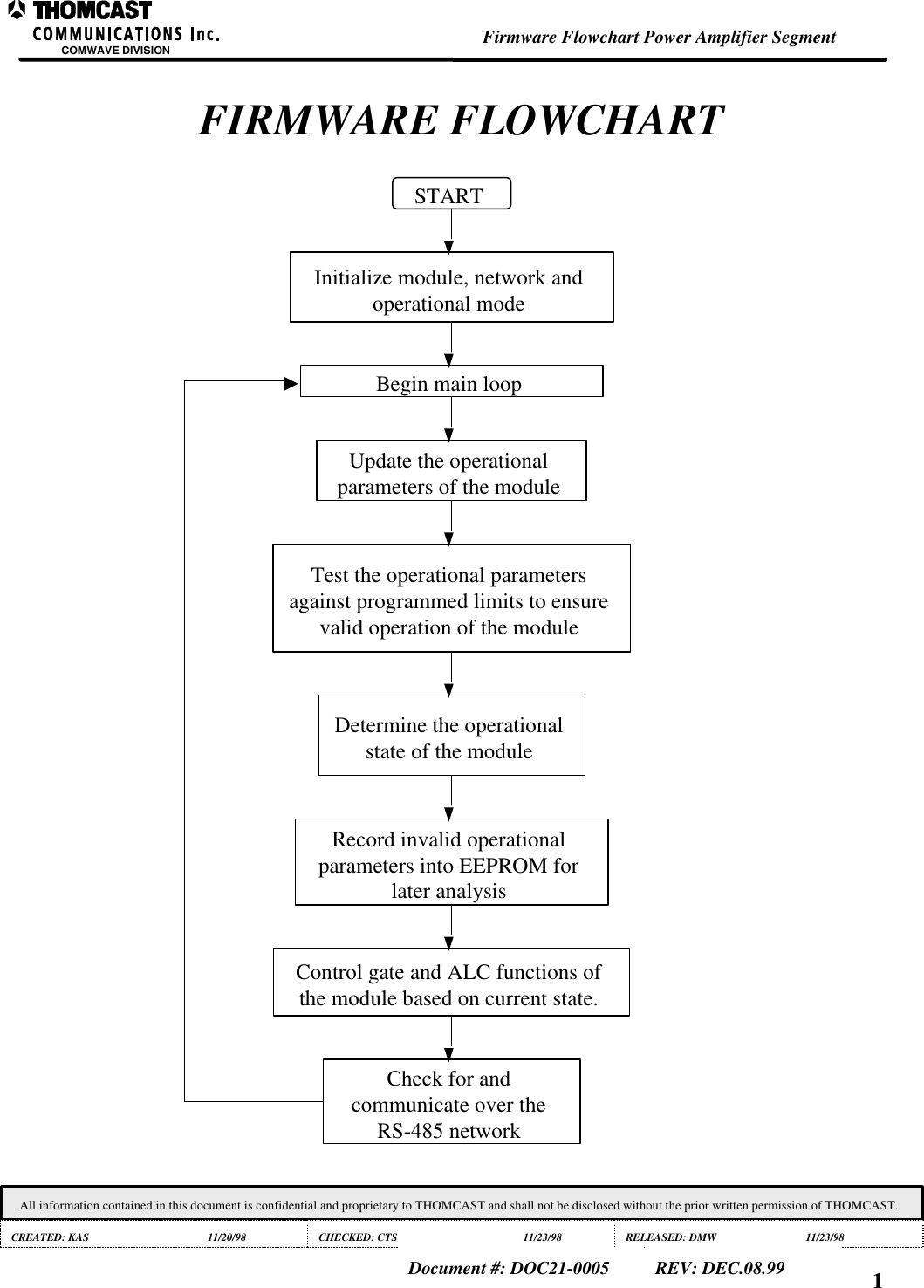
2SD5000C Transmitting System Manual Table of ContentsCOMWAVE DIVISIONAll information contained in this document is confidential and proprietary to THOMCAST and shall not be disclosed without the prior written permission of THOMCAST.CREATED: KAS................................................................ 1/21/00 CHECKED: DMW .............................................................2/16/00RELEASED: PRC..............................................................2/16/00Document #: DOC11-0046REV: FEB.16.00LO Plug-In Module Theory of Operation...............................................................DOC14-0038Front and Rear Panel DescriptionsSpecifications .........................................................................................................47266052.00-306Block Diagram........................................................................................................47266183.00-034Internal Interconnect...............................................................................................47266183.00-050LO Plug-In Firmware Description..........................................................................DOC13-0184Power Supply Plug-In Module Theory of Operation..............................................DOC14-0036Front and Rear Panel DescriptionsSpecifications .........................................................................................................47266099.00-306Block Diagram........................................................................................................47266099.00-034Internal Interconnect...............................................................................................47266099.00-050Power Supply Plug-In Embedded Controller .........................................................DOC13-0173System Controller Firmware ..................................................................................DOC13-0185Power Amplifier Segment Theory of Operation.....................................................DOC14-0008Amplifier Segment State Flow Diagram ................................................................DOC21-0006Firmware Flowchart ...............................................................................................DOC21-0005Internal Interconnect...............................................................................................66-306-01SECTION 5Provides contact & return information, as well available options.Customer Service....................................................................................................DOC20-0001Power Amp Segment Return Packaging.................................................................DOC20-0002
1SDxxxxC Transmitter Series Top Level DescriptionCOMWAVE DIVISIONAll information contained in this document is confidential and proprietary to THOMCAST and shall not be disclosed without the prior written permission of THOMCAST.CREATED: KAS ................................................................1/30/00 CHECKED: PRC...............................................................1/31/00RELEASED: PRC............................................................. 2/10/00Document #: DOC13-0178REV: FEB.01.00TOP LEVEL DESCRIPTIONThe high power single channel (HPSC) transmission system generates a digitally modulated average power signalon all MDS, MMDS, and ITFS channels.  The SD2500C generates 2-25 watts average power while the SD5000Cgenerates 5-50 watts average power1.  The system architecture is based on advanced transistor technology, low losspower combining, and distributed control and power conversion.  Some unique advantages of this new design areflexibility/scalability, lower downtime, and lower operating costs.  The modular structure of this system allows forquick and easy replacement of malfunctioning plug-in modules, which means less downtime and convenientscalability.  The high efficiency design and small size decreases operating expenses.The transmitting system consists of a sub-chassis, upconverter plug-in module, LO plug-in module, power supplyplug-in module, a front-end power supply, and power amplifier segments.  Digital transmission techniques providesuperior performance over analog methods, with reduced susceptibility to noise and co-channel interference.Advanced quadrature amplitude modulation provides exceptional throughput and spectral efficiency.  The RF signalpath of the system is shown below in Figure 1 and the system AC/DC power distribution is depicted in Figure 3.This upgradeable series of transmitters provides maximum space efficiency and a modular system architecture. Thisallows the transmitter to be easily upgraded from 2 watts, using from one to four power amplifier segments at 12.5watts each, to a total of 25 or 50 watts average output power, depending on model.  Similarly, it may also bedowngraded; and, the power amplifier segments may be used elsewhere or kept as spares for hot replacement.  Asthe output power is modified, the model name and FCC identifier will change respectively. The FCC ID label willbe replaced with each upgrade, as needed; refer to Figure 2 for label location.One of the most prevalent user benefits of this series of transmitters is hot replacement, i.e. should a power amplifiersegment be operating below parameters and need replaced, hot replacement allows the transmitter to continueoperating with only slight power loss and little to no change in the noise floor.  Similarly, should a plug-in moduleneed replaced only a brief interruption will occur when it is removed and transmission will continue as soon as thereplacement is plugged-in.                                                          1 For modulation scheme other than QAM the ouptut power may need to be derated to keep the spectral occupancy according the FCC rules.
2SDxxxxC Transmitter Series Top Level DescriptionCOMWAVE DIVISIONAll information contained in this document is confidential and proprietary to THOMCAST and shall not be disclosed without the prior written permission of THOMCAST.CREATED: KAS ................................................................1/30/00 CHECKED: PRC...............................................................1/31/00RELEASED: PRC............................................................. 2/10/00Document #: DOC13-0178REV: FEB.01.00SPLITTERPOWERAMPLIFIERSEGMENTS[1 TO 4]UPCONVERTERMODULE COMBINER OUTPUTCOUPLERLOFigure 1: System RF signal path.
3SDxxxxC Transmitter Series Top Level DescriptionCOMWAVE DIVISIONAll information contained in this document is confidential and proprietary to THOMCAST and shall not be disclosed without the prior written permission of THOMCAST.CREATED: KAS ................................................................1/30/00 CHECKED: PRC...............................................................1/31/00RELEASED: PRC............................................................. 2/10/00Document #: DOC13-0178REV: FEB.01.00FCC ID: CHP8BUSD2500CMODEL SD2500C2-25 WATTS AVG POWER TRANSMITTERFCC ID: CHP8BUSD5000CMODEL SD5000C5-50 WATTS AVG POWER TRANSMITTERFCC ID: CHP8BUSD5000CMODEL SD5000C5-50 WATTS AVG POWER TRANSMITTERFigure 2: Location of FCC ID label.DC POWERFANSECONDARYPOWER SUPPLY, 10 VDCVACAC POWERFRONT ENDPOWER SUPPLY, 48 VDCPS LO UPCONVERTERFigure 3: AC and DC power distribution.
1SD5000C Transmitting System Specifications – 47266172.00COMWAVE DIVISIONAll information contained in this document is confidential and proprietary to THOMCAST and shall not be disclosed without the prior written permission of THOMCAST.CREATED: DMW..............................................................3/19/99 CHECKED: KAS ...............................................................2/7/00RELEASED: AAC............................................................. 2/8/00Document #: 47266172.00-306REV: P1SPECIFICATIONS SUBJECT TO CHANGE WITHOUT NOTICESD5000C TRANSMITTING SYSTEM SPECIFICATIONSParameter Specification Notes / Test ConditionsDIGITALAverage Output Power 5 - 50 Watts 223-1 PN data sequence (at transmitter output)IF Input Frequency 44 MHz Other frequency options availableImpedance/ConnectorInputOutput 75 Ω/BNC-female50 Ω/N-femaleAverage Input Power -15 dBm ± 0.5 dB 223-1 PN data sequence (at transmitter output)Output Frequency 1850 - 3600 MHz In select bandsFrequency Response1≤ ±0.25 dB FC ±2.6 MHzMeasured at channel combiner outputFrequency Stability ≤ ±500 Hz≤ ±1 Hz (Optional GPS)Carrier to Noise (C/N) ≥ 55 dBHum and Noise ≤ -60 dBcGroup Delay2≤ ±15 ns FC ±2.6 MHzMeasured at channel combiner outputDigital ModulationError Vector Magnitude 2, 2 (EVM) ≤ 2.0% 64-QAM/8-VSB @ 5.06 Msps RMS averageover 12,500 symbolsMeasured at channel combiner outputDigital ModulationSignal to Noise Ratio 2,3 (SNR) ≥ 30 dB 64-QAM/8-VSB @ 5.06 Msps RMS averageover 12,500 symbolsMeasured at channel combiner outputMagnitude Linearity(AM-AM conversion) ≤ ±0.125 dB Measured at channel combiner outputPhase Linearity(AM-PM conversion) ≤ ±0.75°Measured at channel combiner outputAdjacent Channel Interference3, 4(FCC ATV Spectral Mask) Sidelobe power spectral density (PSD)≤ -38 dB at channel edge; decreasing to≤ -60dB at ±3 MHz from channel edgeRelative to in-band average PSD measured @100 KHz RBW at the channel combiner outputHarmonics5≤ -60 dBc Relative to unmodulated carrier powermeasured @ 100 KHz RBW at the channelcombiner outputSpurious Products6≤ -60 dBc Relative to unmodulated carrier powermeasured @ 100 KHz RBW at the channelcombiner outputRF Output Regulation ≤  ± .2 dB Measured at transmitter outputSSB Phase NoiseDirect measurement of microwave LO =  -85 dBc/Hz @ 10 KHz offset= -110 dBc/Hz @ 10 KHz offset OptionalStandard (recommended for digitaltransmission)                                                          1 Upconverter amplifier drawer with optional group delay and frequency equalizer @ the output of the non-adjacent channel combiner.2 Or equivalent threshold BER measurement.3 Spectral occupancy per FCC ruling for both analog and digital4 Measured with a non-adjacent channel combiner, notch filter and optional IF equalizer module.5 Undesired signal power  2 dB higher than the nominal PSD of the adjacent spectral regions that is harmonically related to unmodulated carrier6 Undesired signal power  2 dB higher than the nominal PSD of the adjacent spectral regions that is harmonically related to internal systemsignals such as clock, LOs, etc.
2SD5000C Transmitting System Specifications – 47266172.00COMWAVE DIVISIONAll information contained in this document is confidential and proprietary to THOMCAST and shall not be disclosed without the prior written permission of THOMCAST.CREATED: DMW..............................................................3/19/99 CHECKED: KAS ...............................................................2/7/00RELEASED: AAC............................................................. 2/8/00Document #: 47266172.00-306REV: P1SPECIFICATIONS SUBJECT TO CHANGE WITHOUT NOTICEParameter Specification Notes / Test ConditionsANALOGVISUAL PERFORMANCEOutput Power 15 - 150 Watts Peak Sync Adjustable from 10 to 100% of peak syncpowerOutput Frequency Any 6, 7, or 8 MHz Channel 1850-3600 MHzIn select bandsEmission 5M75C3F or per CCIRImpedance/ConnectorInputOutput 75Ω/F female50Ω/N femaleInput Level Video 1 VP-P ± 6dBIF Input LevelImpedance/Connector -8 dBm peak ± 2 dB75O / female BNCFrequency Stability = ± 500 Hz= ± 1 Hz (Optional GPS)Frequency Response7, 8, 9= ± 1 dB FCC Multiburst video patternGroup Delay 8, 10 Per FCC 73.687(a)(3) or per CCIR Sin(x)/x video patternHarmonics = -60 dBc Measured in 30 KHz RBW at transmitteroutput relative to visual carrier (unmodulatedcarriers)Spurious Products8= -60 dBc (out of band) Measured in 30 KHz RBW at transmitteroutput relative to visual carrier using 75% colorbars video patternIntermodulation Distortion (IM3)10 = -60 dBc (in band) Measured in 100 KHz RBW at transmitteroutput relative to visual carrier using red fieldvideo patternDifferential Gain8, 10 = 3% NTC-7 composite video patternDifferential Phase8, 10 = 2°NTC-7 composite video patternSync Pulse Amplitude8, 10 = ±5% NTC-7 composite video patternLuminance Non-linearity8, 10 = 3% NTC-7 composite video patternWeighted SNR8, 10 =  55 dB Quiet Line - Line 12Hum and Noise8, 10 = 60 dBK Factor 2T8, 10 = 2% NTC-7 composite video patternIncidental Carrier Phase8, 10Modulation (I.C.P.M.) = 3°NTC-7 composite video patternRF Output Regulation = ± 0.2 dBSSB Phase NoiseDirect measurement of microwave LO =  -85 dBc/Hz @ 10 KHz offset= -110 dBc/Hz @ 10 KHz offset StandardOptional (recommended for digitaltransmission)                                                          7 Using TVM-102 modulator.8 Spectral occupancy per FCC ruling for both analog and digital9 Factory video/audio performance test limits may include up to 50% of the test demodulator measurement uncertainty.10 In band intermodulation specification is based on 15 dB visual to aural ratio.  Contact factory for specification change due to other ratios
3SD5000C Transmitting System Specifications – 47266172.00COMWAVE DIVISIONAll information contained in this document is confidential and proprietary to THOMCAST and shall not be disclosed without the prior written permission of THOMCAST.CREATED: DMW..............................................................3/19/99 CHECKED: KAS ...............................................................2/7/00RELEASED: AAC............................................................. 2/8/00Document #: 47266172.00-306REV: P1SPECIFICATIONS SUBJECT TO CHANGE WITHOUT NOTICEParameter Specification Notes / Test ConditionsAURAL PERFORMANCEOutput Power11 15 dB visual/aural ratio+0.5 dB to -2 dB Measured at transmitter outputOther ratios available upon requestIF Input LevelImpedance/Connector -23 dBm peak ± 2 dB75O / female BNC Combined visual and auralEmission 250KF3E or per CCIRInter Carrier Frequency Accuracy = ± 50 Hz relative to visual carrierFrequency Response12, 13MonoStereo = ± 1 dB   30 Hz to 15 KHz= ± 1 dB   50 Hz to 105 KHz w/o pre-emphasisPre-emphasis 50 or 75 microseconds (defeatable)Deviation ±25 KHz (System M/N) (±50 KHz Stereo)±50 KHz (System B/G/D/K/I) NICAMand IRT Stereo compatibleHarmonic Distortion13, 14 = 1%FM Noise13, 14 = -60 dBAudio Input Level13Mono @ ±25 KHz deviationMono @ ±50 KHz deviationStereo @ ±50 KHz deviation-10 to +10 dBm into 600Ω-10 to +10 dBm into 600Ω-10 to +10 dBmGENERALPower Requirement 230 VAC ±10%; 50/60 Hz; =150014 VAOperating Temperature 0°C to +50°CFrequency stability and equipmentfunctionality guaranteedSpecified Temperature Range 13° to +33°CAll Specified parameters guaranteedRelative Humidity 95% non-condensingVertical Rack Requirement 10.5” Does not include modulatorDimensions 10.5” H  x  19” W  x  29” D26.67cm H  x  48.26 cm W  x 73.66 cm DApproximate Shipping Weight 96 lb (43.5 kg) Fully loadedTO VIEW SPECIFICATIONS OF INDIVIDUAL SEGMENTS OF THIS SYSTEM CLICK BELOW:SUB-CHASSISPOWER SUPPLY PLUG-IN MODULEUPCONVERTER PLUG-IN MODULELO PLUG-IN MODULE                                                          11 In band intermodulation specification is based on 15 dB visual to aural ratio.  Contact factory for specification change due to other ratios12 Using TVM-102 modulator13 Factory video/audio performance test limits may include up to 50% of the test demodulator measurement uncertainty.14 Switching power supply is power factor corrected.
1SDxxxxC Series of Transmitters Installation ProcedureCOMWAVE DIVISIONAll information contained in this document is confidential and proprietary to THOMCAST and shall not be disclosed without the prior written permission of THOMCAST.CREATED: KAS ................................................................2/10/00 CHECKED: DMW............................................................. 2/10/00RELEASED: PRC............................................................. 2/10/00Document #: DOC17-0035REV: FEB.10.00INSTALLATIONUNPACKING INFORMATIONWhile unpacking, carefully compare packing list with the equipment, checking for in-transit damage at the same time.Should any damage be noted, notify the freight carrier at once to file a freight claim.  Do not discard any packing materialuntil told to do so by the carrier.  Also, notify Thomcast Communications Inc., Comwave Division of any damages or ofmissing materials from the shipment.Retain original boxes and internal packing materials to adequately protect equipment to be returned tothe factory for repairs, upgrades, or modifications.ENVIRONMENTAL CONSIDERATIONSThe equipment can be safely operated in ambient temperatures of -30 to +50 degrees Celsius (-22 to +122 degreesFahrenheit).  However, moderate temperatures generally extend equipment life.  Although the equipment may be operatedwith relative humidity of up to 95%, the equipment must be protected from conditions, which cause condensation within theequipment.If a rear door is used to secure the rack cabinet, forced ventilation through the cabinet is required (600 cfm minimum pertransmitter is recommended).  An air or temperature interlock should be incorporated for protection against interruption ofventilation.  The area should be kept dry and clean.There should be sufficient space in front of the transmitter cabinet for the serviceman and test equipment.  A minimum of36” behind the cabinet should be free for rear cabinet access and air movement.  Also, ample room must be available at thecabinet rear for cable placement.SAFETY CONSIDERATIONSThis equipment utilizes a grounding plug on all power cords.  For personal safety, do not defeatthis safety feature.  As with all similar types of equipment, high voltage can be accessed whenthe chassis cover is removed.  Special care should be given in areas of fuses, line switches, andpower supplies.Modern high power solid state equipment contains low output voltage power supplies with very high current capability.  Toprevent severe burns, avoid contact of rings, watches etc., with these circuits.  When servicing the transmission line andantenna, care must be taken to avoid exposure to high-energy microwave.PHYSICAL INSTALLATIONMount the sub-chassis into the rack with the provided front panel screws; be sure to properly align the rear support.  Slideeach plug-in module into its location until it’s fully seated.  Once plug-in is place, tighten the front panel thumb screws toassure that the plug-in remains securely in place and provide proper grounding.  After all plug-ins are in securely in place,connect the LO output connector of the LO plug-in to the LO input connector of the upconverter plug-in via the SMA cablepacked with the LO plug-in module.The transmitter requires 10.5 inches of vertical rack space (not including a modulator).  Generally, all equipment is mountedin close proximity in the same rack for the convenience of cabling.
2SDxxxxC Series of Transmitters Installation ProcedureCOMWAVE DIVISIONAll information contained in this document is confidential and proprietary to THOMCAST and shall not be disclosed without the prior written permission of THOMCAST.CREATED: KAS ................................................................2/10/00 CHECKED: DMW............................................................. 2/10/00RELEASED: PRC............................................................. 2/10/00Document #: DOC17-0035REV: FEB.10.00INSTALLATION OF THE POWER AMPLIFIER SEGMENTSThe power amplifier segments slide into the sub-chassis on nylon slides and connect to the motherboard via floatingconnectors.  The key-lock switch, located on the segment’s front panel, must be in the OFF position in order to plug thesegment in.  This is to ensure that there is no arcing between connections before the segment is fully engaged.  Once thesegment is slid into place, thumbscrews on the segment’s front panel are provided to secure it to the sub-chassis and toprovide ground connection.  The key-lock switch may now be turned to the ON position to apply power to the segment.Once the key-lock switch is turned on, the segment will automatically set the gain and currents of the amplifier.SYSTEM GROUNDINGFor proper system operation, it is imperative that the system be adequately grounded.  Each individual equipment rackrequires grounding to the main building ground.  When bolting ground wires to racks, sand finish to remove paint ensuring agood bond.
1SDxxxxC Series CablingCOMWAVE DIVISIONAll information contained in this document is confidential and proprietary to THOMCAST and shall not be disclosed without the prior written permission of THOMCAST.CREATED: KAS ................................................................2/10/00 CHECKED: DMW............................................................. 2/14/00RELEASED: PRC............................................................. 2/14/00Document #: DOC17-0036REV: FEB.10.00SDxxxxC SERIES CABLINGThis section explains cabling and interconnects for this series of transmitters.  Refer to document # DOC30-0043 forpictorial.SUB-CHASSIS REAR PANEL (TRANSMITTER):♦ IF INPUT:An input signal is required for operation.  Connect the IF INPUT of the transmitter to the IF OUTPUT ofthe modulator or other source.  Use RG59/U 75 O cable.♦ RF OUT:Cable the RF OUTPUT signal from the transmitter to the spectral shaping assembly, channel combiner, ornotch filter.  In an agile transmitter the RF OUTPUT is cabled to the spectral shaping assembly or thebroadband input of the channel combiner network. Use ½-inch super flex cable.♦ FREQ REF IN:An externally applied frequency reference signal is an option.  This signal can originate from an optionalreference drawer or from another transmitter that contains an internal reference oscillator, which can driveup to three additional transmitters.  Use RG59/U 75 O cable.FRONT PANELS:Connect the LO output of the LO plug-inmodule to the LO input of the upconverter/ amplifier plug-in module.Figure 1: Cabling the LO signal.COMVIEW INTERCONNECTIONSComView interconnections are achieved through six-conductor telephone cables with RJ-11 connectors at each end.The first cabling harness exits the PC and enters the ComView port on the rear of the transmitter, refer to DOC30-0043 for connector location.In systems with multiple transmitters another harness is cabled from the net output of the first transmitter to the netinput of the second transmitter.  This daisy chain effect continues to the last transmitter in the rack.  At the lasttransmitter in the rack the termination switch is put in the “term” position.  Refer to the system interconnectdiagram, document # DOC30-0005, for more detail on daisy chain cabling.
EXTERNAL INTERCONNECTIONS, SDxxxxC SeriesCOMWAVE DIVISION External Interconnections for the SDxxxxC SeriesAll information contained in this document is confidential and proprietary to THOMCAST and shall not be disclosed without the prior written permission of THOMCAST.CREATED: KAS 2/10/00 CHECKED: DMW 2/14/00 RELEASED: PRC 2/14/00Document #: DOC30-0043 REV: FEB.10.00 1SUB-CHASSIS REAR PANELIF Input SignalRF OutputSuper-flex cableIn from ComViewaOut to ComViewaTermination SwitchOPTIONAL AgileControllerLocal RS-485communicationFreq Ref InNOTES: a) These are interchangeable.
COMWAVE DIVISIONAll information contained in this document is confidential and proprietary to THOMCAST and shall not be disclosed without the prior written permission of THOMCAST.CREATED: KAS 1/18/99 CHECKED: DMW 1/18/99 RELEASED: PRC 1/18/99Document #: DOC30-0005 REV: NOV.11.99 ECO #: 98-116 1COMVIEW STATUS MONITORING INTERCONNECTIONSCOMWAVESTATUSMONITORINGSYSTEMNOTE: Positionswitch to TERM for lastdrawer in the seriesLAST DRAWER INSERIESTO FINALDRAWER IN THESERIESTERMOUTNETWORK ENDTERMINATION NET NETTERMOUTNETWORK ENDTERMINATION NET NETTERMOUTNETWORK ENDTERMINATION NET NETTERMOUTNETWORK ENDTERMINATION NET NETComView Status Monitoring Interconnections
1Turn-On Procedure for the SDxxxxC Series of TransmittersCOMWAVE DIVISIONAll information contained in this document is confidential and proprietary to THOMCAST and shall not be disclosed without the prior written permission of THOMCAST.CREATED: KAS ................................................................2/10/00 CHECKED:  PRC............................................................... 2/10/00 RELEASED: DMW............................................................ 2/14/00Document #: DOC26-0050REV: FEB.10.00TURN-ON PROCEDUREINITIAL TURN-ON PROCEDURE1. Plug the AC line in.2. Ensure all external interconnections are appropriately connected.3. Turn the power switch on the rear of the transmitter to the “ON” position.4. All modules perform an automatic start up program.♦ Upconverter Plug-in ModuleA lamp test operation is performed. All chassis front panel LED’s are illuminated for approximately 1second then darkened. The lamp test allows a quick verification that all front panel LED’s are functioning.In addition, the lamp test is a clear outward sign that the MCU board is receiving power, is executing thefirmware program, and has recovered from RESET. Shortly after the lamp test, the LED’s will displaychassis status as determined by firmware tests. Document # DOC13-0188 discusses the firmware in moredetail.♦ LO Plug-in ModuleWhen the LO module is turned on, the code executes an initialization process.  This process provides alamp test, and displays the channel number on the front panel eight-segment LED display.  An internalreference is adjusted to operational frequency, and the synthesizer chip is programmed with theoperational frequency that was previously set into the microprocessor’s non-volatile memory.Additionally, the working arrays and structures of the application are set into RAM. After the initializationprogram completes, the code enters a simple state machine to judge and operate the LO module.Document # DOC13-0184 discusses the firmware in more detail.♦ Power Supply Plug-in ModuleWhen power is initially supplied to the power supply module a lamp test is performed.  The two frontpanel LED’s will flash on then off, after which the LED’s remain lit, verifying operation.5. Once the start up program is complete the equipment is functional.NORMAL OPERATIONThe following LED’s confirm normal operation:LO plug-in moduleë DC POWER – continuously illuminated greenë LO Ø LOCK - unlitPower supply plug-in moduleë POWER - continuously illuminated greenë DC POWER - continuously illuminated greenRefer to the troubleshooting section of this manual for more information about the above LED’s.
2Turn-On Procedure for the SDxxxxC Series of TransmittersCOMWAVE DIVISIONAll information contained in this document is confidential and proprietary to THOMCAST and shall not be disclosed without the prior written permission of THOMCAST.CREATED: KAS ................................................................2/10/00 CHECKED:  PRC............................................................... 2/10/00 RELEASED: DMW............................................................ 2/14/00Document #: DOC26-0050REV: FEB.10.00Power Amplifier SegmentOperation is accomplished by turning the key-lock switch to the  “ON/LOCKED” position.• The locks are an added safety feature; however, the keys are interchangeable.The POWER/FAULT LED should continuously illuminate GREEN.  If the LED flashes RED, the power amplifiersegment has faulted.  After three faults, a failure will occur and the segment will shut down.  Turning the key-lockswitch to the “OFF/UNLOCKED” position and then back to the “ON/LOCKED” position will reset it.  Should failureoccur again, hot replacement is necessary.  Turn the key-lock switch to the “OFF/UNLOCKED” position and pull thefailed segment out of the rack by the handle.  Slide a new power amplifier segment into the vacant space, see theinstallation procedure for assistance, set the correct node address, see DOC22-0019, and turn the key-lock switch to the“ON/LOCKED” position.
1Troubleshooting for the SDxxxxC Series of TransmittersCOMWAVE DIVISIONAll information contained in this document is confidential and proprietary to THOMCAST and shall not be disclosed without the prior written permission of THOMCAST.CREATED: KAS ................................................................2/10/00 CHECKED:  AAC.............................................................. 2/15/00RELEASED: PRC .............................................................. 2/16/00Document #: DOC18-0073REV: FEB.16.00SDxxxxC SERIES TROUBLESHOOTINGThis series of transmitters is equipped with comprehensive diagnostic circuitry that monitors the status of each plugin module and power amplifier segments so failures can be readily detected.  Observing the front panel LEDdiagnostic display, and ComView interface will inform you of the complete operational status.  The following listsexplain various failure mode displays and possible solutions.A 14-pin computer type diagnostic interface connector, labeled J1, is located on the rear of the transmitter to assistin troubleshooting.  Critical power supply, module, and motherboard voltage test points can be accessed/monitoredat this location.  Should a failure occur, the combination of diagnostic LED status lights, diagnostic interface voltagetest points, and ComView should help identify the failure.• Repair of internal modules is not recommended or advised.  Contact1 COMWAVE customer support should afailure occur.LO PLUG-IN MODULE:The LED’s listed below continuously illuminate GREEN during normal operation.  Absence of a green LEDindicates a missing signal or parameter that results in a controlled automatic shutdownDC POWER(No power present)CAUSES: CHECK FOR: REMEDY:Plug-in module not seatedproperly If LO plug-in module LED’s are unlit,while the power supply plug-in LED’sare litRemove LO plug-in and push firmly backin placePower supply plug-inmodule malfunctioning If LO AND power supply plug-inLED’s are unlit Remove the panel covering the front endpower supply and check the LED’sFront end power supplymalfunctioning If the LED’s indicate a problem, referto Table 1If no problem is indicatedIf the fuse is badIf the fuse is okContact1 Comwave customer support fora replacementCheck the rear panel AC fuseReplace itContact1 Comwave customer supportTable 1: Front end power supply alarm indicators & control signals.Description Signal LED IndicatorOutput OK Yes GreenSupply Standby Yes AmberSupply Fail Yes RedCurrent Limit Yes AmberOvervoltage Yes RedOvertemp Yes Amber (same as Fan Fail LED indicator)AC Undervoltage Yes NAFan Fail Yes Amber (same as Overtemp LED indicator)                                                          1 DOC20-0001 provides detailed contact information. International phone 001-570-474-6751, USA & Canada phone 1-800-266-9283.
2Troubleshooting for the SDxxxxC Series of TransmittersCOMWAVE DIVISIONAll information contained in this document is confidential and proprietary to THOMCAST and shall not be disclosed without the prior written permission of THOMCAST.CREATED: KAS ................................................................2/10/00 CHECKED:  AAC.............................................................. 2/15/00RELEASED: PRC .............................................................. 2/16/00Document #: DOC18-0073REV: FEB.16.00The following LED’s remain unlit until a malfunction is detected then they continuously illuminate RED.  Loss ofphase lock results in controlled automatic transmitter shut down.LO Ø LOCK(Loss of phase lock)CAUSES: REMEDY:Reference Level Measure the reference level at the rear of thetransmitterIf the level is low:Check and tighten all external cables andharnesses associated with the LOIf the level is OK or still low after checking thecables:Contact2 Comwave customer support for areplacementPOWER SUPPLY PLUG-IN MODULE:The LED’s listed below continuously operate GREEN during normal operation.  Absence of a green LED indicatesa missing signal or parameter that results in a controlled automatic shutdownPOWER(No power present from the front end power supply)CAUSES: REMEDY:Blown fuse, F1, in plug-in module Replace fuseNo DC input from front end power supple Check OEM power supplyFailure in plug-in module Contact2 Comwave customer support for a replacementDC POWER(No output power)CAUSES: REMEDY:Short circuit or current overload Test 48 pin connector on back plane for short circuitsFind plug-in module that is causing overload byswapping with like plug-in modulesFailure in plug-in module Contact2 Comwave customer support for a replacementThe upconverter / amplifier plug-in module LCD display provides operating information about each plug-in module,i.e. ‘PASS’ / ‘FAIL’, as well as a series of measurements, and user adjustments.To view the status of each plug-in module perform the following steps:1. Use the keypad on the upconverter / amplifier plug-in, choose select, when Status is displayed in LCDhit enter.2. At this point you will be able to “select” the plug-in module of your choice.3. When you’ve chosen the appropriate module the LCD will display either ‘PASS’ or ‘FAIL’.4. If it indicates the plug-in has failed, contact2 Comwave for a replacement plug-in, there are no usertroubleshooting steps for the plug-in modules.                                                          2 DOC20-0001 provides detailed contact information. International phone 001-570-474-6751, USA & Canada phone 1-800-266-9283.
3Troubleshooting for the SDxxxxC Series of TransmittersCOMWAVE DIVISIONAll information contained in this document is confidential and proprietary to THOMCAST and shall not be disclosed without the prior written permission of THOMCAST.CREATED: KAS ................................................................2/10/00 CHECKED:  AAC.............................................................. 2/15/00RELEASED: PRC .............................................................. 2/16/00Document #: DOC18-0073REV: FEB.16.00If the Reflected Power measurement is high, check the following:1. Output cable2. Output Notch Filter (present at the output of the system)3. Cable between Notch Filter and Channel Combiner (if present at the output of the system)4. Connections to the antennaIf after ensuring the above are properly connected the problem persists, contact3 Comwave customer support.If the Forward Power measurement is low, check the following:1. Check the power amplifier segment LED’s; they should be green.2. Check the status of each of the plug-in module via the keypad on the upconverter / amplifier plug-in front panel,see above for steps. They should all present a PASS condition.3. If no amplifier segment or plug-in modules indicate a FAIL condition, use the keypad and LCD to display theIN-SIGNAL condition.4. If the IN-SIGNAL status indicates a NO IN-SIGNAL condition, check the signal source.5. If any power amplifiers segments and / or plug-ins have a FAIL condition, contact Comwave customer supportto report the failure and receive a replacement.POWER AMPLIFIER SEGMENTHot replacement of the power amplifier segment may be required if a failure occurs.  To remove a segment, turn thekey-lock switch to the OFF position, loosen the thumbscrews on the segment’s front panel and slide the failedsegment out of the sub-rack.  Before the replacement segment can be installed, the node address must be set, refer todocument # DOC22-0019.  A set of DIP switches is accessible through the cover of each segment directly behindthe key-lock switch.  Set the DIP switches of the replacement segment to the same positions as the failed segment’sDIP switches.  Refer to the installation procedure for assistance when replacing power amplifier segments.                                                          3 DOC20-0001 provides detailed contact information. International phone 001-570-474-6751, USA & Canada phone 1-800-266-9283.
COMWAVE DIVISION Power Amplifier Segment Node AddressesAll information contained in this document is confidential and proprietary to THOMCAST and shall not be disclosed without the prior written permission of THOMCAST.CREATED: KAS 9/16/98 CHECKED: DMW 10/20/98 RELEASED: PRC 10/20/98Document #: DOC22-0019 REV: DEC.01.99 ECO #: 98-116 1NODE ADDRESSES1 to 16 ChannelsNOTE: Do not changenode switch Settings 6, 7,and 8.  They shouldremain as set by thefactory.MODULE POSITION NODE ADDRESS NODE SWITCH SETTING1ONOFFONOFFONOFFONOFFONOFFONOFFONOFFONOFFONOFFONOFFONOFFONOFFONOFFONOFFONOFFONOFF223443655 6789789 101415161712131110131415161112
1SDxxxC Series Transmitter Troubleshooting Worksheet– 47266066 Rear Panel InterfaceCOMWAVE DIVISIONAll information contained in this document is confidential and proprietary to THOMCAST and shall not be disclosed without the prior written permission of THOMCAST.CREATED: AB ..................................................................2/4/00 CHECKED: KAS ...............................................................2/9/00RELEASED: PRC............................................................. 2/11/00Document #: DOC18-0072REV: FEB.09.00TROUBLESHOOTING WORKSHEETThis troubleshooting worksheet identifies each interface pin, the associated internal test point, nominal value, andthe expected voltage range.  Please fill in all blank spaces completelyJ1: Rear PanelDiagnostic Pin Function Checked Measured Voltage1Ground2LO / Front-End Fault3PS Fault4Upconv Fault5Sys Pwr6REFL Pwr7+48V Fault Input8+10V Fault Input9P.A.S. Reset10 P.A.S. Standby11 Amp Seg Fault12 +12V Output13 Insignal for Booster14 GroundFILL IN ALL THE ABOVE BLANK SPACES COMPLETELYCOMPANY NAME: ________________________ CUSTOMER’S NAME: ________________________PHONE NUMBER: ________________________ FAX NUMBER:             ________________________MODEL: __________ CHANNEL: ____________ SERIAL NUMBER (REAR PANEL): _____________SEND RESULTS TO:  THOMCAST COMMUNICATIONS, COMWAVE DIVISIONATTENTION TECHNICAL SUPPORTTOLL FREE PHONE (U.S.A. & Canada): 1-800-COMWAVE  (1-800-266-9283)International and U.S.A. 1-570-474-67511FAX 1-570-474-5469                                                          1 International calls must dial the country code before the phone number, i.e. 001-570-474-6751.
1SDxxxxC Series Transmitter Fusing & ProtectionCOMWAVE DIVISIONAll information contained in this document is confidential and proprietary to THOMCAST and shall not be disclosed without the prior written permission of THOMCAST.CREATED: KAS ................................................................2/10/00 CHECKED: DMW............................................................. 2/14/00RELEASED: PRC............................................................. 2/16/00Document #: DOC18-0075REV: FEB.16.00SDxxxxC SERIES TRANSMITTER FUSING AND PROTECTIONResettable and replaceable fuses1 are found in this system.  Refer to the tables below for fuse locations and values.Table 1: Transmitter fuse locations.LOCATION REFERENCE VALUERear Panel Interface Board - 47266066 F1 .5 ampere resettableRear Panel AC Input 8 amperes @ 230 VACTable 2: Power amplifier segment fuse locations.LOCATION REFERENCE VALUEMicrocontroller board F1, F2 .75 amperes resettableMicrocontroller board F3 .30 amperes resettableMicrocontroller board F4 .35 amperes resettableDC - DC converter board F1 10 amperesThermal Protection: Thermal protection is accomplished using temperature sensors within individual plug-inmodules.  The LO module does not have a temperature sensor. When the temperature exceeds 140° Fahrenheit (60°Celsius), the sensors inform the microcontroller which then takes the appropriate action, until the unit is sufficientlycooled.Interlocks: Interlocks are performed via software applications, see individual plug-in modules firmware descriptionfor more information.The OEM front end power supply offers the following:Table 3: Front end power supply alarm indicators & control signals.Description Signal LED IndicatorOutput OK Yes GreenSupply Standby Yes AmberSupply Fail Yes RedCurrent Limit Yes AmberOvervoltage Yes RedOvertemp Yes Amber (same as Fan Fail LED indicator)AC Undervoltage Yes NAFan Fail Yes Amber (same as Overtemp LED indicator)                                                          1 Replace only with the same type and rating.
1Power Supply Plug-In - Fusing and ProtectionCOMWAVE DIVISIONAll information contained in this document is confidential and proprietary to THOMCAST and shall not be disclosed without the prior written permission of THOMCAST.CREATED: CTS ................................................................1/26/00 CHECKED: KAS ...............................................................1/27/00RELEASED: CTS.............................................................. 2/14/00Document #: DOC18-0071REV: JAN.27.00POWER SUPPLY PLUG-IN FUSING AND PROTECTIONThis module contains one replaceable fuse1, refer to the table below for fuse location and value.Table 1: Transmitter fuse locations.LOCATION REFERENCE VALUEDC converter board F1 6 amperes @ 117/230 VACCURRENT AND VOLTAGE MONITORINGCurrent sampling is accomplished by measuring the voltage drop across a resistor in series of the load.  The voltagesfrom both sides of the resistor are scaled down in order to keep the measured voltages from the supply voltages ofthe operational amplifiers.  The voltage differences are first buffered, and then applied to an operational amplifierconfigured to measure the difference of the two input voltages.The output of the differential amplifier is then applied to a non-inverting amplifier to increase the voltage near themiddle of the system controller’s 5 volt analog to digital converter’s range.  An integrated circuit containing Zenerand Shottkey diodes protect the inputs of the system controller.  The system controller compares this value againstpreviously calibrated values to determine if the power supply is operating outside of specified parameters.The input buffers for the current sampling also provide the voltage samples; the buffer’s output is scaled down bydividing resistors.   This provides a sample voltage to the analog to digital converters that is mid-rage between zeroand five volts.All of the power supply sections operate in a similar manner.  The –12 VDC power supply section uses invertingamplifiers (instead of buffers) with unity gain to convert the sample values to positive representations of the sampledvoltages.The current and voltage sample outputs are applied to an analog multiplexer integrated circuit.  This chip selects thegroup of signals that are applied to the microprocessor from a control provided from the microprocessor.TEMPERATURE SENSINGTemperature sensing is accomplished by a thermal sensing integrated circuit.  This integrated circuit outputs ananalog voltage between 0 and 5 volts that corresponds to the relative air temperature.This analog signal is applied to the analog to digital converter built into the embedded controller.  The controllerprocesses this value and compares it against pre-determined values to control the sequence of events needed whenan over temperature condition arises                                                          1 Replace only with the same type and rating.
1Maintenance for the SDxxxxC Series of TransmittersCOMWAVE DIVISIONAll information contained in this document is confidential and proprietary to THOMCAST and shall not be disclosed without the prior written permission of THOMCAST.CREATED: KAS ................................................................2/10/00 CHECKED: DMW .............................................................2/11/00 RELEASED: PRC .............................................................. 2/11/00Document #: DOC18-0074REV: FEB.10.00MAINTENANCECOMWAVE products have been carefully designed to be maintenance free.  Only periodic inspection and cleaningis necessary.INSPECTIONS1. Periodically inspect cooling fans on the rear door of the rack and the heatsinks of the power amplifier segmentsfor heavy accumulations of dirt and/or insects.  Heavy accumulation of foreign debris impedes coolingeffectiveness and could lead to premature failure.  Should any debris be detected, shut down the transmitter andfollow the cleaning instructions to remove debris from transmitter.• The agile transmitter will automatically recover the channel of the transmitter that is being cleaned.2. After performing routine maintenance, be sure to check the tightness of all cable connections and especially theintegrity of crimp type connectors.CLEANINGPOWER SUPPLY PLUG-IN MODULE:1. Pull the plug-in out of the sub-chassis and vacuumthe heatsink.2. Remove the side “snap-on” cover and clean thefront panel fan.3. Replace the cover.4. Plug the segment back in.• Be sure not to bend or damage the fins of theheatsink during cleaning.• Keep in mind that when the plug-in module isremoved there will be an interruption in service,which will be restored immediately upon its return tothe sub-chassis.HEATSINKCOVERFANFigure 1: Power supply plug-in module.
2Maintenance for the SDxxxxC Series of TransmittersCOMWAVE DIVISIONAll information contained in this document is confidential and proprietary to THOMCAST and shall not be disclosed without the prior written permission of THOMCAST.CREATED: KAS ................................................................2/10/00 CHECKED: DMW .............................................................2/11/00 RELEASED: PRC .............................................................. 2/11/00Document #: DOC18-0074REV: FEB.10.00HEATSINKFigure 2: Power amplifier segment heatsink.POWER AMPLIFIER SEGMENTS:Pull each power amplifier segment one at a time from the frontof the rack and vacuum the heatsinks.  Due to the hotreplacement feature, if one segment is removed at a time, thetransmitter does not need to be turned off.  Plug the segmentback in after cleaning.• Be sure not to bend or damage the fins of the heatsinksduring cleaning.FAN:Clean the fan on the rear of the sub-chassis,removing the fan guard if necessary.1. Power connection; remove the powerprior to cleaning.2. To remove the fan guard remove thesescrews. 122Figure 3: Rear panel fan.
1Calibrations for the SDxxxxC Transmitter SeriesCOMWAVE DIVISIONAll information contained in this document is confidential and proprietary to THOMCAST and shall not be disclosed without the prior written permission of THOMCAST.CREATED: AAC................................................................2/14/00 CHECKED: KAS ...............................................................2/14/00RELEASED: PRC............................................................. 2/16/00Document #: DOC16-0057REV: FEB.16.00CALIBRATIONS FOR THE SDxxxxC TRANSMITTER SERIESThis series of transmitters is designed to perform auto-calibration upon turn-on.  Once this is complete if the outputpower is incorrect or missing proceed as follows.FORWARD POWER – UPCONVERTER / AMPLIFIER PLUG-IN MODULE:1) Make connections as depicted in Figure 1 note 1.2) Connect a PC with the application file DRIVER_PLUG_IN_CAL_&_ADJUS to the RS-232 port on the frontpanel.3) Initialize DRIVER_PLUG_IN_CAL_&_ADJUS application.4) Through the program application, specifically in the POWER CONTROL BOX, set the POWER MODE toMANUAL.5) With the MANUAL POWER CONTROL sliding button, set power in order to have a reading of 20 dBm(100mW) at the external power meter. Account for the directional coupler factor.6) Enter the number 20 in the DRIVER FORWARD POWER SET VALUE field.7) Press the DRIVER FORWARD POWER CALIBRATE button.8) On the upconverter plug-in, display the Forward Power measurement by:a) (Considering the LCD display is in its default state): SELECT (to make the STATUS option of theSTATUS / CALIBRATE screen to flash)b) ENTER (to display PS / LO / DRIVER status screen)c) SELECT, SELECT (to highlight the DRIVER STATUS option)d) ENTER (to display options INSIGNAL / SYSTEM FORWARD POWER / SYSTEM REFLECTEDPOWER / DRIVER FORWARD POWER under the DRIVER STATUS menu)e) SELECT, SELECT and SELECT (to highlight the DRIVER FORWARD POWER)f) Enter to display the measurement9) Verify that the reading on the LCD display is consistent with the reading on the external power meter.  Outputpower of the upconverter plug-in is now calibrated.10) Close DRIVER_PLUG_IN_CAL_&_ADJUS application and disconnect PC.11) Return the system to its original interconnections.
2Calibrations for the SDxxxxC Transmitter SeriesCOMWAVE DIVISIONAll information contained in this document is confidential and proprietary to THOMCAST and shall not be disclosed without the prior written permission of THOMCAST.CREATED: AAC................................................................2/14/00 CHECKED: KAS ...............................................................2/14/00RELEASED: PRC............................................................. 2/16/00Document #: DOC16-0057REV: FEB.16.00Open sub-chassis rear panelFWDREFL* This item should be an N-N male extension PN UG-57B/U or equiv.  Substitution of this adapter requires that its insertion loss be known for accurate power measurements.- 30 dBDirectionalCouplerTO SPECTRUMANALYZER OR TO POWERMETER50 OHMTERMINATIONUpconverter / Amplifier Plug-in Front panelcable1- 30 dBDirectionalCouplerTO SPECTRUMANALYZER OR TO POWERMETER50 OHMTERMINATION2NOTES:1) Connection for upconverter plug-incalibration.2) Connection for system calibration.Figure 1: Calibration interconnections.FORWARD POWER – SYSTEM:1) Make connections as depicted in Figure 1 note 2.2) Connect a PC with the application file DRIVER_PLUG_IN_CAL_&_ADJUS to the RS-232 port on the frontpanel.3) Initialize DRIVER_PLUG_IN_CAL_&_ADJUS application.4) Through the program application, specifically in the POWER CONTROL BOX, set the POWER MODE toMANUAL.5) With the MANUAL POWER CONTROL sliding button set power in order to have a reading of 44 dBm (25W)for the SD2500C and 47 dBm (50W) for the SD5000C at the external power meter. Account for the directionalcoupler factor.6) Enter the same number as above in the SYSTEM FORWARD POWER SET VALUE field.7) Press the SYSTEM FORWARD POWER CALIBRATE button.8) On the upconverter plug-in, display the Forward Power measurement by:a) (Considering the LCD display is in its default state): SELECT (to make the STATUS option of theSTATUS / CALIBRATE screen to flash)b) ENTER (to display PS / LO / DRIVER status screen)c) SELECT, SELECT (to highlight the DRIVER STATUS option)
3Calibrations for the SDxxxxC Transmitter SeriesCOMWAVE DIVISIONAll information contained in this document is confidential and proprietary to THOMCAST and shall not be disclosed without the prior written permission of THOMCAST.CREATED: AAC................................................................2/14/00 CHECKED: KAS ...............................................................2/14/00RELEASED: PRC............................................................. 2/16/00Document #: DOC16-0057REV: FEB.16.00d) ENTER (to display options INSIGNAL / SYSTEM FORWARD POWER / SYSTEM REFLECTEDPOWER / DRIVER FORWARD POWER under the DRIVER STATUS menu)e) SELECT, SELECT and SELECT (to highlight the DRIVER FORWARD POWER)f) Enter to display the measurement9) Verify that the reading on the LCD display is consistent with the reading on the external power meter.  Outputpower of the System is now calibrated.10) Set POWER MODE to AUTO11) Slide AUTO POWER CONTROL to recover power to the value previously read at the external power meter (ifnecessary).12) Re-check the upconverter plug-in LCD reading.13) Close DRIVER_PLUG_IN_CAL_&_ADJUS application and disconnect PC.14) Return the system to its original interconnections.SYSTEM REFLECTED POWER CALIBRATION:1) If you haven’t already performed the system forward power calibrations do so now, as described above,omitting steps 13 and 14.2) Put the system in stand-by with the program application.3) On the upconverter plug-in, display the Forward Power measurement by:a) (Considering the LCD display is in its default state): SELECT (to make the STATUS option of theSTATUS / CALIBRATE screen to flash)b) ENTER (to display PS / LO / DRIVER status screen)c) SELECT, SELECT (to highlight the DRIVER STATUS option)d) ENTER (to display options INSIGNAL / SYSTEM FORWARD POWER / SYSTEM REFLECTEDPOWER / DRIVER FORWARD POWER under the DRIVER STATUS menu)e) SELECT, SELECT and SELECT (to highlight the DRIVER FORWARD POWER)f) Enter to display the measurement4) Swap FORWARD and REFLECTED POWER cables coming out of the output coupler.5) Enter the number 44 for an SD2500C system and 47 for an SD5000C system in the SYSTEM REFLECTEDPOWER SET VALUE field.6) Put the system in TRANSMIT MODE.a) While performing steps 7 and 8 the system will shut down due to the high-reflected power simulatedmeasurement, this is necessary; if these steps are completed within 5 seconds this will not occur.7) Press the SYSTEM REFLECTED POWER CALIBRATE button.8) Verify that the reading on the LCD display is consistent with the reading on the external power meter.Reflected power of the System is now calibrated.9) Once the system shuts down because of the high reflected power simulated measurement.  Put it in STAND-BYmode.10) Put the FORWARD and REFLECTED POWER cables back to their original positions.11) Set the system mode to TRANSMIT12) Close DRIVER_PLUG_IN_CAL_&_ADJUS application and disconnect PC.13) Return the system to its original interconnections.
1Sub-Chassis Theory of Operation - 47266170COMWAVE DIVISIONAll information contained in this document is confidential and proprietary to THOMCAST and shall not be disclosed without the prior written permission of THOMCAST.CREATED: AB ..................................................................2/01/00 CHECKED: KAS ...............................................................2/02/00RELEASED: PRC............................................................. 2/11/00Document #: DOC14-0037REV: FEB.02.00SUB-CHASSIS THEORY OF OPERATIONThe sub-chassis contains guide rails and houses the following components. Refer to Figure 1 for numericalreferences.1) One driver assembly, which is made up of three plug-in modulesa) LO plug-inb) Power supply plug-inc) Upconverter plug-inThe plug-in modules slide into the chassis on nylon card guides and connect to the driver backplane board using a guide pin and a 48-position DIN connector.The power supply plug-in module connects using a guide pin, 48-position DIN connector, and a 6-position header. The header uses a DPDT push button switch to turn on the feed power only afterthe plug-in module is fully inserted; this is to ensure that there is no arcing between connectionsbefore the plug-in module is fully engaged.  It also certifies that the module is properly groundedbefore any voltage is applied.2) A front-end DC power supplyThis power supply is an OEM product and is hot swappable.3) Up to four power amplifier segmentsEach amplifier segment slides into the chassis on nylon slides and connects to the amplifiermotherboard via floating connectors10. The key-lock switch, located on the segments front panel,must be in the OFF position in order to plug it in.  This assures that all connections, mechanicaland electrical, are made before the amplifier is turned on.Once the plug-in modules are in place, thumbscrews on the front panels are fastened to the sub-chassis to securethem and provide a reliable ground connection. The key-lock switch on the amplifier segment is turned to the ONposition to apply power to the segment.Floating OSP connectors9,10 mounted on the back plane board, the back panel of the chassis, the back of the plug-inmodules, and the back of the power amplifier segments, provide the interface for RF input and output.  Seerespective plug-in module theory of operation documentation for the location of the connectors.4) Three communications boardsa) 47266064 - driver back plane boardSee DOC13-0176 for more information about this boardb) 47266145 - amplifier motherboard and back planeSee DOC13-0183 for more information about this boardc) 47266165 - power supply back planeSee DOC13-0186 for more information about this board
2Sub-Chassis Theory of Operation - 47266170COMWAVE DIVISIONAll information contained in this document is confidential and proprietary to THOMCAST and shall not be disclosed without the prior written permission of THOMCAST.CREATED: AB ..................................................................2/01/00 CHECKED: KAS ...............................................................2/02/00RELEASED: PRC............................................................. 2/11/00Document #: DOC14-0037REV: FEB.02.00SD2500C system shown47266170 Sub-Chassis24a31b11c1aNOTE: Boards 4b & 4c arenot visible in these photos.9(up to 4)9(up to 4)10(up to 4)Figure 1: 47266170 sub-chassis.Refer to Figure 2 for numerical references.5) RF SplitterThis component divides the microwave signal of the driver in, up to 4, outputs to the poweramplifier segments.  It can be used as a divider by 2, 3, or 4, depending on the total output powerof the equipment.6) Power CombinerThe power combiner merges the output signal from the power amplifier segments into onemicrowave output.7) Directional CouplerThis piece of the equipment is used to measure forward and reflected power.8) Power DetectorThe power detector transforms the forward and reflected power signals from the directionalcoupler into DC voltage to be processed in the upconverter / amplifier module.
3Sub-Chassis Theory of Operation - 47266170COMWAVE DIVISIONAll information contained in this document is confidential and proprietary to THOMCAST and shall not be disclosed without the prior written permission of THOMCAST.CREATED: AB ..................................................................2/01/00 CHECKED: KAS ...............................................................2/02/00RELEASED: PRC............................................................. 2/11/00Document #: DOC14-0037REV: FEB.02.00Open sub-chassis rear panel567Figure 2: Sub-chassis, inside rear.FRONT AND REAR PANEL DESCRIPTIONFront panelThe sub-chassis has no front panel; see respective plug-in module theory of operation documentation for adiscussion of front panel features.Rear panelRefer to Figure 3 for numerical references.1) FAN: A rear mounted 48VDC fan provides system cooling.  AC fan is optional.2) RF OUT: RF output connector (Female N type).3) COMMUNICATION PORTS: RJ11 phone jack connectors and a termination switch from the RS-485 board usedfor communication to ComView.4) J1: Female 14 pin header for diagnostics monitoring.5) J2: RJ11 phone jack connector for OPTIONAL Agile controller.6) J3: RJ11 phone jack connector for Local RS-485 communication.7) FUSE: Main line fuse - 8amperes (used for 220V system only).8) POWER SWITCH: Turn system on and off.9) AC INPUT: AC Line input power cord connector.10) FREQ REF IN: 75ohm Female F connector, external 10 MHz reference signal input.11) FCC ID LABEL: Federal Communications Commission identification label.12) IF INPUT: 75ohm Female BNC connector, input signal from an external source.13) Not applicable in this model.
4Sub-Chassis Theory of Operation - 47266170COMWAVE DIVISIONAll information contained in this document is confidential and proprietary to THOMCAST and shall not be disclosed without the prior written permission of THOMCAST.CREATED: AB ..................................................................2/01/00 CHECKED: KAS ...............................................................2/02/00RELEASED: PRC............................................................. 2/11/00Document #: DOC14-0037REV: FEB.02.0014) Not applicable in this model.12345678910FCC ID: CHP8BUSD5000CMODEL SD5000C5-50 WATTS AVG POWER TRANSMITTER11121314Figure 3: Sub-chassis rear panel.
1Microcontroller Board (MCU) Description - 47266058COMWAVE DIVISIONAll information contained in this document is confidential and proprietary to THOMCAST and shall not be disclosed without the prior written permission of THOMCAST.CREATED: CPU................................................................12/10/99 CHECKED: KAS ...............................................................1/27/00RELEASED: PRC............................................................. 2/10/00Document #: DOC13-0175REV: JAN.27.00MICROCONTROLLER BOARD (MCU) DESCRIPTIONAn MCU (microcontroller unit) circuit board assembly is contained within each plug-in module. The MCUassembly hardware consists of a microcontroller IC and associated memory, a CPLD IC, and various analog andlogic support circuitry; the MCU operates under the control of a firmware program executed by the microcontroller.Each plug-in module has it’s own firmware which is discussed in separate documents that can be found in therespective modules section of the manual.A variety of on-chip utilities and interfaces are integrated in the MCU, easing the support circuitry requirements andsimplifying the interfacing of the MCU to other circuit board resources.  See Figure 1 for a block diagram of theboard.The MCU is operated in an expanded mode, with program and data memory external to the MCU IC. The MCUuses a 16 bit external data bus for interfacing to the memories.  The firmware operating program is stored in IC U3,a FLASH ROM memory. The storage is arranged and accessed in word (2 byte) mode. An address bus is providedby the MCU to access the FLASH memory. The MCU and CPLD ICs provide additional control signals.Two RAM ICs provide run-time data storage. U6 and U8 are 512 Kbyte static RAMs. The RAMs are served by theMCU address bus and various support signals provided by the MCU and CPLD. Each RAM provides an 8 bit databus for reads and writes. By joining the two RAM data busses as low and high bytes on the 16 bit data bus, full 16bit accesses are achieved.Various glue logic, I/O, and register support functions are provided by IC U4, an in-circuit programmable CPLD.The CPLD contains I/O registers that allow writes to and reads from MCU board signals such as AUX_OUT_Athrough AUX_OUT_F, and ANALOG_ALARM_1 through ANALOG_ALARM_3. The CPLD registers are withinthe MCU memory map and are accessed by the MCU through interfaces to the MCU address and data busses.The CPLD register signals are used for accessing various on and off-board devices see Table 1.Table 1: CPLD register signals.Signal name Type (I/O) ApplicationUpconverter Local Oscillator System ControllerCS_A through CS_F ODAC address, AGC &ALC module control SPI user enable N/AAUX_OUT_A throughAUX_OUT_F OPS and ALC modulecontrol; user interface User Interface; faultalarm N/ALogic_in_6, 9, 10, 11 I/O IF detect, fault alarm,remote and reflectedshutdownPhase Lock Agile Controllerinterface; back planeinterfaceMUX_0, 1, 2 OAnalog mux address Analog mux address Analog mux addressAnalog_alarm_0, 1, 2 IVgs testing N/A N/ACPLD input signals Analog_alarm 0, 1, and 2 are sourced from the outputs of analog comparators IC U11A, B, andC. The comparators test three analog signals from board connector J103 against reference voltages provided by ICU1, a bank of multiple digital potentiometers. This system provides for the monitoring of negative voltages.
2Microcontroller Board (MCU) Description - 47266058COMWAVE DIVISIONAll information contained in this document is confidential and proprietary to THOMCAST and shall not be disclosed without the prior written permission of THOMCAST.CREATED: CPU................................................................12/10/99 CHECKED: KAS ...............................................................1/27/00RELEASED: PRC............................................................. 2/10/00Document #: DOC13-0175REV: JAN.27.00Positive analog voltages applied to connector J103 are conditioned and fed to the MCU A/D converter. Single endedvoltages from J103 are amplified and band-limited by op amps contained in U9 and supporting circuitry. Theoutputs of these single-ended circuits are fed to A/D inputs. Differential analog voltages are amplified with fixedgain and band-limited with op amp ICs U10, U14, U17, and supporting circuitry. These op amp circuits convert thedifferential input signals to single ended signals. The single ended signals are selected for monitoring through analogmultiplexers. As each signal is selected for monitoring, it is passed to a buffer and finally to an A/D input. All A/Dinputs are protected through voltage and current limiting circuits.The MCU assembly provides two serial communication ports. Depending on application, either two RS-232 ports orone RS-232 and one RS-485 port may be required. Jumper JK101 is used to select the function of Port 2. WhenJK101 is placed in the 1-2 position, Port 2 is an RS-232 port; in the 2-3 position, it is an RS-485 port.Table 2: Communication Ports.ApplicationUpconverter Local Oscillator System ControllerPort 1- RS-485Port 2- RS-232 Port 1- RS-485Port 2- RS-232 Port 1- RS-485Port 2- RS-485DRAWN:RELEASED:CHECKED:DWG. NUMBER:TITLE:REV: AA-47266058-034BLOCK DIAGRAM,MICRONCONTROLLER BOARDCPU / 12/99CPU / 2/9/00REV Description KAS / 2/9/00 Scale:none Sheet1of 1COMWAVE DIVISION ECO#NAME/DATEMCU - 68HC812A4CPLDRAM FLASHROMTo Front PanelTo localbackplanenetworkSerialSerialaddressData (16)SignalConditioningBufferingRS-2321RS-485To serialperipheralsAnalog InputsA/D inLogic inputs/ outputsLogic InRS-485System Controller OnlyTo ComViewNOTES:1. When used as system controller, no RS-232board is used, two RS-485 boards are used.Figure 1: MCU block diagram.
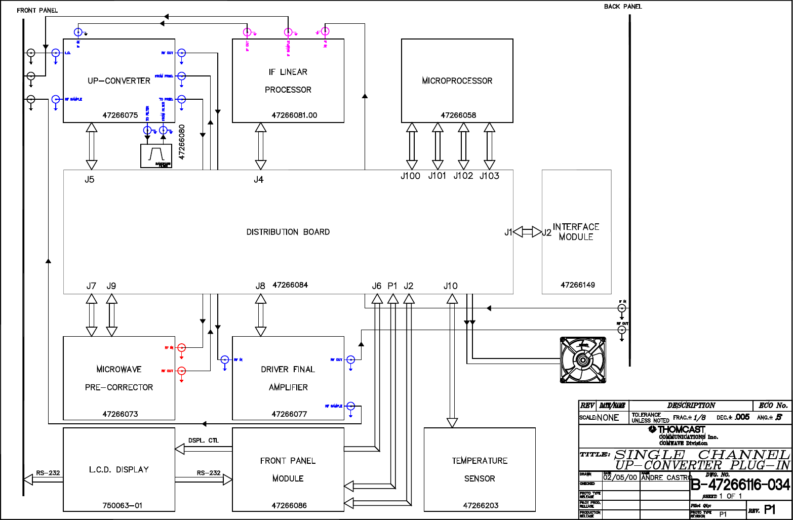
1Upconverter Plug-In Module Theory of Operation - 47266116COMWAVE DIVISIONAll information contained in this document is confidential and proprietary to THOMCAST and shall not be disclosed without the prior written permission of THOMCAST.CREATED: AAC................................................................2/4/00 CHECKED: KAS ...............................................................2/7/00RELEASED: PRC............................................................. 2/11/00Document #: DOC14-0039REV: FEB.07.00UPCONVERTER PLUG-IN MODULE THEORY OF OPERATIONThis plug in module is joined to the main chassis viathree slide rails and two thumbscrews. Several modulesmake up this plug-in and are accessible through its twodetachable covers. The covers, together with the rearpanel fan, are part of the forced-convection coolingsystem.The basic function of this plug-in is to convert an IFinput signal to the microwave frequency range,containing the proper spectrum content and properpower level to excite subsequent stages of amplification.To accomplish this, the appropriate level IF signal, localoscillator signal and power supply voltages must bedelivered to this plug-in. For detailed descriptions oneach of the plug-in modules, see respective moduledocumentation.Refer to the block diagram, 47266116-034, for afunctional layout of the modules contained within theplug-in; refer to Figure 2 and/or Figure 3 for the actuallocation of referenced connectors and user accessibleinterfaces.IF and RF signals to and from the plug-in module aresent through coaxial connectors and cables on the frontand back panels, while signals in a lower frequencyrange go through a 48-pin connector located on theback-panel. IF and RF signals are sent between moduleswithin the plug-in similarly, via coaxial cables. Signaltraffic other than IF/RF, such as, power supply voltages,detected power voltages, and serial data from the MCUboard, are distributed between the modules using thedistribution board.Figure 1: Upconverter plug-in module.The IF signal enters the plug in and is routed to the IF linear processor where delay and frequency response areadjusted, as needed.  The processed IF signal is then delivered to the microwave converter module, where frequencyconversion takes place; filtering  and power amplification follow the conversion inside this module. Embeddedbetween amplifier stages of the microwave converter module, the microwave pre-corrector  generatesintermodulation products with opposite characteristics of those generated in the last amplifiers of the system,minimizing the overall third and fifth order products of the system RF output. The IPA module provides a finalamplifier stage that boosts the signal before it leaves the plug-in.Two major level closed loop controls are present in this plug-in module; one is to keep the constant 0dBm totalpower at the microwave precorrector module. In this case, a power-sensing device is installed inside the module,right before the J5 connector, the resultant proportional voltage is then fed to the distribution module where anintegrated circuit (U18) compares with a reference and driver PIN attenuators inside the IF linear processorsaccordingly.The second closed loop control is to compensate the gain variation of the amplifier chain up to the transmitteroutput. Both integrators and PIN attenuators are found inside the µW precorrector module and the voltageproportional to the power level is fed from an external detector module.
2Upconverter Plug-In Module Theory of Operation - 47266116COMWAVE DIVISIONAll information contained in this document is confidential and proprietary to THOMCAST and shall not be disclosed without the prior written permission of THOMCAST.CREATED: AAC................................................................2/4/00 CHECKED: KAS ...............................................................2/7/00RELEASED: PRC............................................................. 2/11/00Document #: DOC14-0039REV: FEB.07.00The distribution board also receives the voltage proportional to the temperature that is generated by a temperaturesensor module; this module is usually placed on the last power amplification stage.The interface board  is responsible for providing +24, +12, -12, and +8V to the plug-in, as well as voltages offorward and reflected detected power for further processing. This board is also the channel through which serial datais exchanged between this, other plug-ins, and the rest of the system.The front panel PCB  has a serial port, which can be used for testing, adjusting or controlling most of the plug-infunctions with the help of a personal computer. Together the front panel overlay keyboard and the display boardprovide a user interface capable of controlling a limited number of functions inside the upconverter plug-in module;they also allow for the presentation of a series of measurements in the LCD display.FRONT AND REAR PANEL DESCRIPTIONSFront PanelRefer to Figure 2 for numerical references.1) THUMB SCREWS: Secure module to thesub-chassis and provide a reliable groundconnection; loosen to remove module forreplacement or repair.2) LCD DISPLAY: Displays a series ofmeasurements, user adjustments, andgeneral status information.3) LO INPUT: Female SMA 50O connectorused to input the LO signal from the LOplug-in module. LO level must be 13 dBm±1 dB.4) UHF/IF SAMPLE: Female SMA 50Oconnector used to test the signal level afterexiting the IF linear processor module.5) RF SAMPLE: Female SMA 50Oconnector used to test the output level.6) COMM PORT: RS-232 Communicationsport for communication to a PC.7) KEYPAD: User’s selection keys:a) SEL – select, provides user withscrolling capabilities.b) ENT – enter, allows user to choose anoption.c) ESC – escape, allows user to go backto previous screen.d) SAVE – allows user to store new3195621487Figure 2: Upconverter plug-in front panel.
3Upconverter Plug-In Module Theory of Operation - 47266116COMWAVE DIVISIONAll information contained in this document is confidential and proprietary to THOMCAST and shall not be disclosed without the prior written permission of THOMCAST.CREATED: AAC................................................................2/4/00 CHECKED: KAS ...............................................................2/7/00RELEASED: PRC............................................................. 2/11/00Document #: DOC14-0039REV: FEB.07.00settings or adjustments.8) POTENTIOMETER: Used in conjunction with the LCD display and keypad this allows the following useradjustments:a) Power Levelb) Output Powerc) Frequency Response 1d) Frequency Response 2e) Precorrectioni) Distribution Generationii) Cancellation 1iii) Cancellation 2iv) Phase9) HANDLE: Assists in removing module from sub chassis.Rear PanelRefer to Figure 3 for numerical references.1) FAN: 18 CFM DC for plug-in modulecooling only.2) 48 PIN DIN: Interface to the back plane,(all power, control and diagnostics)3) GROUND / ALIGNMENT STUD:Ensures that proper ground is made priorto engaging the 48 pin DIN; also aids inthe alignment of the module within thesub-chassis.4) IF INPUT: Male 50O blind mateprovides interface to the back plane andallows passage for the IF input signal.5) Not applicable in this model.6) Not applicable in this model.7) RF OUTPUT: Male 50O blind matesupplies the RF output signal to thetransmitting system of amplifier cage,depending on model type.3572146Figure 3: Upconverter plug-in rear panel.
1Upconverter Plug-In Module Specifications – 47266116.00COMWAVE DIVISIONAll information contained in this document is confidential and proprietary to THOMCAST and shall not be disclosed without the prior written permission of THOMCAST.CREATED: AAC................................................................3/19/99 CHECKED: KAS ...............................................................2/7/00RELEASED: AAC............................................................. 2/8/00Document #: 47266116.00-306REV: P1SPECIFICATIONS SUBJECT TO CHANGE WITHOUT NOTICEUPCONVERTER PLUG-IN MODULE SPECIFICATIONSParameter Specification Notes/Test ConditionsIF INPUTDigitalAverage Input Power -15 dBm ± 2 dB 223-1 PN data sequence (at transmitter output)IF Input Frequency 44 MHz (center) Other frequency options availableConnector / Impedance Blind Mate / 75 O Mates with floating back-plane connectorAnalog  (Combined visual and aural)IF Input Level -8 dBm peak ± 2 dB (VisualCarrier)-23 dBm peak ± 2 dB (AuralCarrier)Combined visual and auralIF Input FrequencyAural CarrierVisual Carrier 41.25MHz45.75MHzOther frequency options availableConnector / Impedance Blind Mate / 75 O Mates with floating back-plane connectorRF OUTPUTDigitalAverage Output Power 20mW to 200mW Function of A.L.C. settings - 223-1 PN data sequence (atdriver output)Output Frequency 1850 - 3600 MHz In select bandsFrequency Response ≤ ±0.25 dB FC ±2.6 MHzMeasured at Sub-rack outputIM3 (dBc) < 50 16dBm RF Output Power (64QAM) Relative to in-bandaverage PSD measured @ 100 KHz RBWCarrier to Noise (C/N) ≥ 55 dBHum and Noise ≤ -60 dBcGroup Delay ≤ ±15 ns FC ±2.6 MHzRF Output ConnectorDigital ModulationError Vector Magnitude (EVM) ≤ 2.0% 64-QAM/8-VSB @ 5.06 Msps RMS average over 12,500symbolsMeasured at Sub-rack outputDigital ModulationSignal to Noise Ratio (SNR) ≥ 30 dB 64-QAM/8-VSB @ 5.06 Msps RMS average over 12,500symbolsMeasured at Sub-rack outputMagnitude Linearity(AM-AM conversion) ≤ ±0.125 dB Measured at Sub-rack outputPhase Linearity(AM-PM conversion) ≤ ±0.75°Measured at Sub-rack outputRF Output Regulation ≤  ± .2 dB Measured at Sub-rack outputConnector / Impedance Blind Mate / 50 O Mates with floating back-plane connectorAnalog PerformanceOutput Power 100mW - 1 Watt Peak Sync Adjustable from 10 to 100% of peak sync powerOutput Frequency Any 6, 7, or 8 MHz Channel1850 - 3600 MHz In select bandsEmission 5M75C3F or per CCIR
2Upconverter Plug-In Module Specifications – 47266116.00COMWAVE DIVISIONAll information contained in this document is confidential and proprietary to THOMCAST and shall not be disclosed without the prior written permission of THOMCAST.CREATED: AAC................................................................3/19/99 CHECKED: KAS ...............................................................2/7/00RELEASED: AAC............................................................. 2/8/00Document #: 47266116.00-306REV: P1SPECIFICATIONS SUBJECT TO CHANGE WITHOUT NOTICEParameter Specification Notes/Test ConditionsIM3 (dBc) < 50 Two Tones @ 13dBm/c (∆f = 6MHz) – RF OutputConnectorRF Output Regulation = ± 0.2 dBDC POWER REQUIREMENTSVoltages / Currents +12 VDC ±.5 @ 2.5A max+8 VDC ±.5 @ 1.2A max-12 VDC ±.5 @ 150ma maxConnector 48 conductor, 3amps / circuitminimum Interfaces to back-planeENVIRONMENTALCooling Forced air-cooled, minimum of 18CFM required Forced air-cooled drawing ambient air through the intakeon the front of the Up-Converter Plug-In. and exhaustingout the rear.Operating Temperature 0°C to 50°CRelative Humidity 0 to 95% non-condensingALARMS / INDICATORS / AJUSTMENTS / CONTROLSRF Output Failure Alarm DRIVER FAILURE Low (TTLLow)  = RF Output Failure Signal available at back-planeOver- Temperature Alarm DRIVER FAILURE Low (TTLLow)  = Over Temperature Signal available at back-plane andVisible via LCD Display (Software/pending)In-Signal Indicator PRESENT or NOT PRESENT Visible via LCD Display (Software/pending)Transmit Indicator ON AIR or OUT OF AIR Visible via LCD Display (Software/pending)Power Supply Status /Measurements PASS or FAIL / V  scale Visible via LCD Display (Software/pending)RF Power Measurements % Scale (dBm scale option) Visible via LCD Display (option is Software/pending)Temperature Indicator °C scale Visible via LCD Display (Software/pending)Frequency Response (low side)Adjustment Potentiometer allows adjustment oflow side IF frequency response Access via front panelFrequency Response (high side)Adjustment Potentiometer allows adjustment ofhigh side IF frequency response Access via front panelDistortion Level Adjustment Potentiometer allows adjustment ofpre-distortion level Access via front panelALC Level Adjustment Potentiometer allows adjustment ofALC. Access via front panelDetector Threshold Control RS-232 interface Set via laptop computer with VB application, Access viafront panelInput Level Control RS-232 interface Set via laptop computer with VB application, Access viafront panelFrequency Response (low side)Control RS-232 interface Set via laptop computer with VB application, Access viafront panelFrequency Response (high side)Control RS-232 interface Set via laptop computer with VB application, Access viafront panelDistortion Level Control RS-232 interface Set via laptop computer with VB application, Access viafront panelLinearity Cancellation 1 Control Potentiometer allows adjustment oflinearity cancellation Access via front panelLinearity Cancellation 2 Control RS-232 interface Set via laptop computer with VB application, Access viafront panel
3Upconverter Plug-In Module Specifications – 47266116.00COMWAVE DIVISIONAll information contained in this document is confidential and proprietary to THOMCAST and shall not be disclosed without the prior written permission of THOMCAST.CREATED: AAC................................................................3/19/99 CHECKED: KAS ...............................................................2/7/00RELEASED: AAC............................................................. 2/8/00Document #: 47266116.00-306REV: P1SPECIFICATIONS SUBJECT TO CHANGE WITHOUT NOTICEParameter Specification Notes/Test ConditionsDistortion Phase Control RS-232 interface Set via laptop computer with VB application, Access viafront panelALC Level Control RS-232 interface Set via laptop computer with VB application, Access viafront panelStand-by Control RS-232 interface Set via laptop computer with VB application, Access viafront panelReset Control Momentary switch to reset on-board Microprocessor Access via front panelFunction SwitchStand-byMeter Off+11V P.S.FWD PWRREFL PWR.Places system in stand-by modeNo indication on analog meterDisplays proper DC voltage of themain switching power supplyDisplays forward power on analogmeterDisplays reflected power on analogmeterAccess via front panelAnalog Meter+11V P.S.FWD PWRREFL PWRIndicates proper DC voltage of themain switching power supplyIndicates forward powertransmittedIndicates reflected powertransmittedVisible via front panelPHYSICALMechanical Dimensions 4.75”H x 4.2”W x 17.5”D112.07 cm H x 10.67 cm W x 44.45 cm DWeight 6 lbs. (3Kg)Front Panel Color Matches Sherwin William’s PaintNo.Light Gray ……..F63TXA2555Medium Gray ….F63TXA4841Paint mix number 4303 identifies store location whenadded to Paint No.Lexan overlay color matched as indicated                                                          1 Measured without ground pin on rear panel and front panel handle; add approximately 2” for these.
Microwave Precorrector - 47266073Front Panel Board - 47266086Distribution board - 47266084AGNDAGNDAGNDVGS_MON_2VGS_MON_3-12VIPA_DETECTED_PWRDRIV_FIN_AMP_CURRGNDAGNDDRIVER_RF_MEASURENCNC+12V123456712345678910+12v LCD Display board - 750063DIGITIAL GND+5VDIGITALVDCD5RSR/WED0D1D2D3D4D6D7LED +LED -123456789101112131415161234567891011121314151612345671234567891012345678910MicrowaveConverter47266075VGS_MON_1MIX_AMP_CURR-12VAGNDUW_CONVERTER_PWROUT_AMP_CURRRF_CORR_DET_INAGND12345678910OUT_AMP_CURRINTER_AMP_CURRDRAWN:RELEASED:CHECKED:DWG. NUMBER:TITLE:REV: P2A-47266116-050INTERCONNECT, DRIVER PLUG-IN MODULEAAC 02/14/00Name / date???????? Scale:none Sheet1 of 2COMWAVE DIVISIONREV Description ECO#NAME/DATE123DIGITAL GND+5V DIGITALNC123P1P112345678910 USERPOTSELECTRS232_TXDRS232_RXCENA_RS232CHENSAVEESCENTER12345678910J2 P212345DIGITAL GNDSELECTENTERESCSAVE12345P3Front PanelOverlay -47266003P1P1P2P2J6J5P1DRIV_FIN_AMP_CURRDRIV_FIN_AMP_CURR1234567891012345678910P1J8IPA - 47266077ADAPT_CANCELALC_INT_EXT_CTRLPWR_LIMITALC_MAN_CTRLPHASECANC2DIST_GENCANC1ALC_ON_OFFALC_AUTO_CTRL
Distribution board - 47266084ENCODER_GAIN_CTL+12VNCGNDRS485_LOCAL_T-FWDPWR_1REMOTE_SHDNGNDBOOSTER_INSIGNAL+8V+12V+24VRS485_LOCAL_R-RS485_LOCAL_T+RFLTDPWR_1+8V+12VIF Linear Processor -47266081AGNDAGNDIF_THRESHOLDIF_ATTNCFREQ_RESP#2+12VAAUX_ATT_2FREQ_RESP#1+12VADRAWN:RELEASED:CHECKED:DWG. NUMBER:TITLE:REV: P2A-47266116-050INTERCONNECT, DRIVER PLUG-IN MODULEAAC 02/14/00Name / date???????? Scale:none Sheet2 of 2COMWAVE DIVISIONREV Description ECO#NAME/DATEGND+5VATEMPERATURE123123Temperature Sensor- 4726620312Fan1234567891012345678910J4P112345678910111213141516171819202122232425261234567891011121314151617181920212223242526J2J1IN_SIGNAL-12VRS485_LOCAL_R+GNDGNDAGC_LEVELDRIVER_FAULTNCNC1234513141617181920212229323334353641444548GNDInterface Board - 47266149J1DRIV_FIN_AMP_CURR [3,4]1234567891011121314151617181920GNDSYS_FWD_DET_PWR [4]SYS_RFL_DET_PWR [2,4]USER_POT [5]ADAPT_CORR [5]VDD_IO [3]OUT_AMP_CURR [3,4]DRIVER_RF_MEAS [4]+8v [3.5]MIX_AMP_CURR [3,4]INTER_AMP_CURR [3,4]AGC_LEVEL [4,5]ADAPT_CANCEL [4]TEMP [3]VGS_MON_1 [4]VGS_MON_2 [4]VGS_MON_3 [4]8VSW [3]1234567891011121314151617181920DAC_2_CS [1]1234567891011121314151617181920GNDDO [5]D1 [5]D2 [5]D3 [5]DAC_1_CS [1]D7 [5]DAC_3_CS [1]D4 [5]D5 [5]D6 [5]AGC_ON_OFF [2]ALC_ON_OFF [2]AGC_INT_EXT_CTRL [2]ALC_INT_EXT_CTRL [2]EN [5]RS [5]R/W [5]1234567891011121314151617181920 E [5]J102J103Microcontroller Board - 47266058DRIVER_FAULT [5]1234567891011121314151617181920GNDENTER [5]ESC [5]CH [5]ENA_RS232 [5]ENCODER_GAIN_CTRL [5]REMOTE_SHDN [5]SAVE [5]SELECT [5]IN_SIGNAL [4,5]FST_RLCTD_SHTD [2]SS [1]LC_DAC [1]MOSI [1]CLOCK [1]SUPPLIES_EN [3]1234567891011121314151617181920 ALC_LOOP_SELECT_2 [2,4]J1011234567891011121314151617181920GNDRS485_LOCAL_R- [5]RS485_LOCAL_T+ [5]RS485_LOCAL_T- [5]RS485_LOCAL_R+ [5]RS232_TXD [5]RS232_RXD [5]-12V [3,4,5]+12VA [2,3,4,5]1234567891011121314151617181920 +12VA [2,3,4,5]J100Microcontroller Board - 47266058
1Upconverter Plug-In Module, MCU State MachineFirmware Description – 47266058.00COMWAVE DIVISIONAll information contained in this document is confidential and proprietary to THOMCAST and shall not be disclosed without the prior written permission of THOMCAST.CREATED: CPU................................................................1/10/00 CHECKED: KAS ...............................................................2/9/00RELEASED: PRC............................................................. 2/11/00Document #: DOC13-0187REV: FEB.09.00UPCONVERTER PLUG-IN MCU STATE MACHINE,FIRMWARE DESCRIPTIONThe MCU assembly and its firmware monitor various parameters, conditions, and commands in the plug-in module.The firmware uses the pass/fail states of the parameters to determine the operating state of the plug-in.In the normal AUTO mode of operation, the operating state of the plug-in is used to determine the control settingsfor the plug-in. Following a RESET, the firmware enters an INIT (initialization) state, in which the initialization ofregisters and network operations is performed, DOC13-0188 discusses this in more detail. Following INIT, the plug-in enters the STANDBY state. In STANDBY, the RF power output of the upconverter plug-in is disabled, andsettings for the various internal modules are set for minimum gain.Unless commanded to remain in STANDBY, the plug-in will enter the STABILIZE state, allowing the unit to comeup to desired operating power without transient failures. After a short stabilization period, the plug-in enters theOPERATE state. In this state, full output power is produced, and pre-correction and gain controls are operational.As the conditions of the measured parameters change, the state is modified accordingly. For example, if signalpresence is lost, the plug-in will enter the STANDBY state and will remain in that state until the signal returns. Oncesignal returns, if no other failure conditions exist, the plug-in will transition through STABILIZE to the OPERATEstate. If a reflected power sample is found outside of the passing range while the plug-in is in OPERATE, the state ischanged to LIMP to attempt to provide reduced output power, thereby reducing the reflected power.Other failures that may result in unsafe operation or damage to the plug-in or system cause the plug-in to enter theFAILED state. The firmware may perform multiple tests of a failing parameter before deciding to enter FAILED toreduce the effects of transients. In the FAILED state, RF output power and DC supply to the plug-in outputamplifiers are disabled. The firmware cannot exit the FAILED state without user intervention.During factory calibration or customer site installation, the plug-in may be operated in MANUAL mode. InMANUAL mode, the operating state is continually updated, but the state is not used to determine the control settingsof the plug-in. The control settings remain set as they were when the MANUAL mode was entered until overriddenby user commands. The user may adjust key plug-in settings to optimize plug-in performance and modify behavior,and the settings may be stored in non-volatile memory or discarded.
1Upconverter Plug-In Firmware Description – 47266116.00COMWAVE DIVISIONAll information contained in this document is confidential and proprietary to THOMCAST and shall not be disclosed without the prior written permission of THOMCAST.CREATED: CPU................................................................1/10/00 CHECKED: KAS ...............................................................2/9/00RELEASED: PRC............................................................. 2/11/00Document #: DOC13-0188REV: FEB.09.00UPCONVERTER PLUG-IN FIRMWARE DESCRIPTIONThe microcontroller (MCU) assembly and its operating program (firmware) handle internal monitoring functions inthe plug-in. The flow of execution of the program used in this chassis is described below.  The firmware program iscontained in non-volatile memory on the MCU board.The firmware begins execution after a RESET or power-up. The firmware instructs the MCU to initialize variousMCU registers and hardware ports, including the A/D converter. Following this, a lamp test operation is performed.All chassis front panel LED’s are illuminated for approximately 1 second then darkened. The lamp test allows aquick verification that all front panel LED’s are functioning. In addition, the lamp test is a clear outward sign thatthe MCU board is receiving power, is executing the firmware program, and has recovered from RESET. Shortlyafter the lamp test, the LED’s will display chassis status as determined by firmware tests.Following the lamp test, program variables and measurement records are initialized. The initialization assuresintegrity of records used to hold test data and communication messages. Following the initialization, the firmwarestarts the MCU network functions. This process configures the MCU communication port, and instructs the MCUhow handle incoming messages. The firmware also checks an internal memory register to determine whether an RS-485 network node address for this MCU assembly has been set. The network node address will either be the valuefound in this register, or if no value has been set, a default value.All aforementioned tasks are performed once after RESET. Following these tasks, a program loop is entered thathandles monitoring and communications tasks, as described below. The loop may be temporarily interrupted byincoming communication messages. RESET ends the loop and restarts program execution.The firmware determines the condition of key parameters such as reflected power and signal presence by takingsamples of signals of interest applied to the MCU board. Analog signals are measured using the MCU A/Dconverter, while logic inputs are monitored with either the MCU or CPLD  . The samples are tested againstnumerical limits, and a pass/fail status is determined for each monitored signal. The firmware uses the pass/failstates of the parameters to determine the operating state of the plug-in. The operating state of the plug-in is used todetermine the control settings for the plug-in. See documents DOC13-0187 and DOC21-0021 for a description ofthe firmware state machine and its effect on the control of the plug-in.The measurements of parameters and other operating information (status) are compiled by the firmware in amemory table. This status table may be sent as a communication message to the System Controller or to a PC-baseduser interface application. The System Controller or the user application sends a status query message to the plug-inand receives the status table in response.At any time during firmware execution, a communication message may be received by the MCU. This results in aninterruption of program execution, allowing the firmware to quickly collect and store the incoming message.Firmware execution then returns to the point following the interruption. After a complete message has beencollected by the firmware, a response is constructed by the firmware and sent by the MCU under firmwarecommand.In addition to the status query, other commands may be issued to the plug-in:• STANDBY command - causes output power to be disabled• ON AIR command - re-enables the plug-in output power• RESET command - causes the firmware to restart executionAdditional commands are used during factory alignment and customer site installation to optimize equipmentperformance. The commands provide calibration settings that are stored by the MCU in non-volatile memory. Thecalibration settings are accessed during firmware operation to set the various plug-in systems into the calibratedoperating condition after a RESET.
1LO Plug-In Module Theory of Operation - 47266183COMWAVE DIVISIONAll information contained in this document is confidential and proprietary to THOMCAST and shall not be disclosed without the prior written permission of THOMCAST.CREATED: DMW..............................................................2/02/00 CHECKED: KAS ...............................................................2/02/00RELEASED: DMW........................................................... 2/02/00Document #: DOC14-0038REV: FEB.02.00LO PLUG-IN MODULE THEORY OF OPERATIONThe LO plug-in module consists of a microwavesynthesizer,  microcontroller board, distributionboard, and display board.  It determines themicrowave  upconverter mixer input andtransmitter output operating frequency.  Theoperating frequency is determined byprogramming of the phase locked loopfrequency synthesizer. Miniature DIP switchesSW1 and SW2 set N counter and A counter PLLprogramming inputs.  A 10 MHz input referencesignal3 determines the frequency stability of thePLL, see Figure 2 for numerical reference.Figure 1: LO plug-in module.The synthesizer module uses a microwave prescaler, dual modulus prescaler, and internal dividers to reduce the 10MHz reference and microwave voltage controlled oscillator (VCO) frequencies to 25 kHz for the 09-049 series and09-093 version; 125 KHz for the 09-073 series, 09-097 & 09-098 versions; or 200 KHz for the 09-092 version.These signals are applied to separate inputs of a phase detector.  Input signals of equal phase generate no change inoutput.  Should the VCO deviate in frequency, a phase shift is detected causing an integrator/low pass filter togenerate a DC control voltage proportional to the offset frequency.  This control voltage is applied to the microwaveVCO to return it to the selected frequency.The microwave local oscillator frequency is derived by adding (or subtracting in certain cases) the desiredtransmitter channel frequency to the incoming IF frequency:EXAMPLE: Visual Output Frequency +Visual IF =Microwave LO Frequency2501.25 MHz +45.75 MHz =2547 MHzAural Output Frequency +Aural IF =Microwave LO Frequency2505.75 MHz +41.25 MHz =2547 MHz
2LO Plug-In Module Theory of Operation - 47266183COMWAVE DIVISIONAll information contained in this document is confidential and proprietary to THOMCAST and shall not be disclosed without the prior written permission of THOMCAST.CREATED: DMW..............................................................2/02/00 CHECKED: KAS ...............................................................2/02/00RELEASED: DMW........................................................... 2/02/00Document #: DOC14-0038REV: FEB.02.00FRONT AND REAR PANEL DESCRIPTIONSFront panelRefer to Figure 1 for numericalreferences.1) CHANNEL SELECTIONINDICATOR: Not applicable in thismodel.2) PROGRAMMING KEYPAD: Notapplicable in this model.3) LO SAMPLE: Not applicable in thismodel.4) LO OUTPUT: Provides LO Drive tothe upconverter plug-in module.5) COMM PORT: Phone jack connectorfrom the RS 485 Board used forcommunication to ComView Network.Not applicable in this model.6) LED DISPLAY PANEL:a) DC POWER: Indicates that+12V DC Power is present to themodule.i) GREEN = power presentii) UNLIT = no power –denotes a problemb) LO LEVEL: Not applicable inthis model.c) UHF LEVEL: Not applicable inthis model.d) REFERENCE: Not applicable inthis model.5432166788Figure 2: LO plug-in front panel.e) LO ∅ LOCK: Indicates phase lock of the synthesizer or DRPLO module.i) UNLIT = phase lock presentii) RED = loss of phase lockf) UHF ∅ LOCK: Not applicable in this model.7) HANDLE: Assists in removing module from sub chassis.8) THUMBSCREWS: Secure module to the sub-chassis and provide a reliable ground connection; loosen toremove module for replacement or repair.
3LO Plug-In Module Theory of Operation - 47266183COMWAVE DIVISIONAll information contained in this document is confidential and proprietary to THOMCAST and shall not be disclosed without the prior written permission of THOMCAST.CREATED: DMW..............................................................2/02/00 CHECKED: KAS ...............................................................2/02/00RELEASED: DMW........................................................... 2/02/00Document #: DOC14-0038REV: FEB.02.00Refer to Figure 2 for numericalreferences.1) 48 PIN DIN: Interface to the backplane, (all power, control anddiagnostics)2) GROUND / ALIGNMENT STUD:Ensures that proper ground is madeprior to engaging the 48 pin DIN;also aids in the alignment of themodule within the sub-chassis.3) FREQ REFERENCE INPUT: Male50O blind mate provides interface tothe back plane and allows passage forthe 10 MHz reference signal.4) Not applicable in this model.5) Not applicable in this model.6) Not applicable in this model.521643Figure 3: LO plug-in rear panel.
1LO Plug-In Module Specifications – 47266052.00COMWAVE DIVISIONAll information contained in this document is confidential and proprietary to THOMCAST and shall not be disclosed without the prior written permission of THOMCAST.CREATED: DMW..............................................................3/19/99 CHECKED: KAS ...............................................................2/7/00RELEASED: DMW........................................................... 2/8/00Document #: 47266052.00-306REV: P1SPECIFICATIONS SUBJECT TO CHANGE WITHOUT NOTICELO PLUG-IN MODULE SPECIFICATIONSParameter Specification Notes/Test ConditionsREFERENCE INPUTFrequency 10MHz External , internal reference optionalLevel 0 dBm ± 5 dB ( +48 dBmV) ± 5 dBStabilityInternalExternal ±1.5PPM minimum1x10-7 PPM minimumAfter five minute warm upConnector / Impedance Blind Mate / 50 O Mates with floating back-plane connectorRF OUTPUTFrequency Tuning Range 1.8 to 3.7GHz In select bandsTuning Step Size 50KHz Other options availablePower Level + 7dBm or +17dBm, ±2dBHarmonics -20dBc minimumNon-Harmonic Spurious 100Hz < ƒoffset < 10KHz , -70dBc10KHz < ƒoffset < 100KHz , -60dBcStability Based on frequency referenceSSB Phase Noise Option 1SSB Phase Noise Option 2≤110 dBc/Hz @ 10 KHz offset≤85 dBc/Hz @ 10 KHz offsetOption 1 Standard (recommended for digitaltransmission)Other options availableConnector / Impedance SMA female / 50 O Mates with upconverter module LO input connectorLocal Oscillator Front PanelSample 20dB below output level Access via front panelSample Connector /Impedance SMA female / 50 O Should be terminated when unusedDIGITAL TUNINGFormat Serial (parallel only with p/n47266183)Number of bits Varies Depends addressed componentLevel TTLLatch Enable Required (not required withp/n47266183)Latch Enable pulsewidth  3.5 ns minimumDC POWER REQUIREMENTSVoltages / Currents +24 VDC ±.5 @ 50mA max+12 VDC ±.5 @ 750mA max-12 VDC ±.5 @ 100mA max+8 VDC ±.5 @ 100mA maxVCO supply &Support circuitsConnector DIN connector. 48 conductor, 1amp /circuit minimum Interfaces to back-planeENVIRONMENTALOperating Temperature -30°C to 50°CRelative Humidity 0 to 95% non-condensing
2LO Plug-In Module Specifications – 47266052.00COMWAVE DIVISIONAll information contained in this document is confidential and proprietary to THOMCAST and shall not be disclosed without the prior written permission of THOMCAST.CREATED: DMW..............................................................3/19/99 CHECKED: KAS ...............................................................2/7/00RELEASED: DMW........................................................... 2/8/00Document #: 47266052.00-306REV: P1SPECIFICATIONS SUBJECT TO CHANGE WITHOUT NOTICEParameter Specification Notes/Test ConditionsALARMS / INDICATORS / AJUSTMENTS / CONTROLSLO Fault TTL Low = fault condition Signal available at back-planeLevel Normal Indicator Green LED, ON= Normal Level Visible via front panel, not available w/ part #47266183DC PWR Presence Indicator Green LED, ON= DC power present Visible via front panelPhase (∅) Lock Indicator Red LED, ON= Loss of  ∅ Lock Visible via front panelFrequency referenceIndicator Red LED, ON = Frequency referencefault Visible via front panel, not available w/ part #47266183Channel Selection Indicator Green 7-segment display (2-digit) Visible via front panel, not available w/ part #47266183Output level Control RS-232 interface- allows adjustment ofLO Level Attenuator, Range 15dB Set via laptop computer with VB application, Accessvia front panel, not available w/ part # 47266183Channel up/down control Momentary switch key pad Access via front panel, not available w/ part #47266183Frequency Control RS-232 interface Set via laptop computer with VB application, Accessvia front panel, not available w/ part # 47266183PHYSICALMechanical Dimensions 5.03”H x 1.47”W x 17.5”D12.78 cm H x 3.73 cm W x 44.45 cm DWeight 3 lbs. (1.36Kg)Front Panel Color Matches Sherwin William’s Paint No.Light Gray ……..F63TXA2555Medium Gray ….F63TXA4841Paint mix number 4303 identifies store location whenadded to Paint No.Lexan overlay color matched as indicatedOPTIONAL UHF UPCONVERTER STAGEINPUTIF Input -15dBm avg. or –8dBm peak ± 2 dB 44 MHz center frequency standardConnector / Impedance Blind Mate / 50 O Mates with floating back-plane connectorOUTPUTUHF Output -15dBm avg. or –8dBm peak ± 3 dB 351 MHz center frequency standardUHF Connector / Impedance Blind Mate / 50 O Mates with floating back-plane connectorLO Output +7dBm ± 2 dB 395 MHz LO frequency standardSSB Phase Noise ≤100 dBc/Hz @ 10 KHz offset Standard (recommended for digital transmission)Other options availableALARMS / INDICATORS / AJUSTMENTS / CONTROLSLevel Normal Indicator Green LED, ON= Normal Level Visible via front panelPhase (∅) Lock Indicator Red LED, ON= Loss of  ∅ Lock Visible via front panel
 EXT REF.DRAWN:RELEASED:CHECKED:DWG. NUMBER:TITLE:REV: AA-47266183-034BLOCK DIAGRAM,LO PLUG-IN MODULEDMW / 2-2-00PRC / 2-11-00REV Description KAS / 2-2-00 Scale:none Sheet1of 1COMWAVE DIVISION ECO#NAME/DATEFront Panel LO OutputFront Panel LO sampleMicrowave Synthesizer09-097
Front Panel Overlay123456789GNDDN SWLED 6UP SWLED 1LED 2LED 3LED 4LED 5Microcontroller12345678910111213141516171819202122232425262728293031323334353637383940414217332183431935420369216144144Distribution board+8V+8V+12V+12V+12VGNDGND+24V-12VGNDRS485 Local R-RS485 Local R+RS485 Local T-RS485 Local T+LO/FRONT END FAULTGNDGNDGND+12V-12VCLOCKLATCH ENABLE AREF TRIM ADJDN SW DBDATAUP SW DBLED 1REFERENCE LEVEL OKUHF LO LEVELVARIABLE FLTR CONTROL 1ALC REF ADJLATCH ENABLE BLATCH ENABLE CLATCH ENABLE DLED 2LED 4LED 3LED 5LED 6RS 232RS 232RS 232RS 232VARIABLE FLTR CONTROL 2VARIABLE FLTR CONTROL 3VARIABLE FLTR CONTROL 4MICROWAVE  LO LEVELSPDT LOW PASS FLTR CONTROL 1SPDT LOW PASS FLTR CONTROL 2EXT REFERENCE PRESENCEUHF LOCKMICROWAVE  LOCKVARIABLE ATTEN CONTROLUHF LEVEL DETECTRS485 Local R-RS485 Local R+RS485 Local T-RS485 Local T+LO/FRONT END FAULT123456789101112131415161718192021222324252627282930313233343536373839404142         Display board123456789GND+12VCLOCKD2LATCH ENABLE DDATADN SW DBUP SW DBENCHD0D1D3D4D5D6D71234567891011121314151617181920TXD_RS 232RXD_RS 232ENA__RS 232Synthesizer 09-073-02 OR 09-097-02GNDN/A+12VN/AN/AMICROWAVE  LOCK1234567891011121314151617181920212223241234567891011121314151617181920123456789101112131415161718192021222324123456789101112UHF UpconverterOPTIONALGND+12VVARIABLE ATTEN CONTROLUHF LEVEL DETECTLATCH ENABLE CUHF LO LEVELUHF LOCKCLOCKDATA123456789101112SPAREGNDGNDDRAWN:RELEASED:CHECKED:DWG. NUMBER:TITLE:REV: AA-47266183-050INTERCONNECT,LO PLUG-IN MODULEDMW / 2-02-00PRC / 2-11-00KAS / 2-02-00 Scale:none Sheet1of 1COMWAVE DIVISIONREV Description ECO#NAME/DATEN/AN/AN/AN/AN/AN/AN/AN/AN/AN/AN/AN/AN/AN/AN/AN/AN/AN/A
1LO Plug-In Firmware Description - 47266052COMWAVE DIVISIONAll information contained in this document is confidential and proprietary to THOMCAST and shall not be disclosed without the prior written permission of THOMCAST.CREATED: CTS.................................................................1/24/00 CHECKED: KAS ...............................................................2/02/00 RELEASED: PRC .............................................................. 2/11/00Document #: DOC13-0184REV: FEB.02.00LO PLUG-IN FIRMWARE DESCRIPTIONThe firmware controls and monitors the performance of the Local Oscillator plug-in module.  Additionally, itprovides status and control capabilities to RS-485 and RS-232 network ports.  This firmware is designed to interfacewith a calibration program that programs the LO’s frequency and output power into memory, and the firmware setsthe output power and frequency in accordance with these calibration points.TURN-ON PROCESSWhen the LO module is turned on, the code executes an initialization process.  This process provides alamp test, and displays the channel number on the front panel eight-segment LED display.  An internalreference is adjusted to operational frequency, and the synthesizer chip is programmed with the operationalfrequency that was previously set into the microprocessor’s non-volatile memory.  Additionally, theworking arrays and structures of the application are set into RAM. After the initialization programcompletes, the code enters a simple state machine to judge and operate the LO module.STATE MACHINEReference LevelThe first step of the state machine is to weigh the 10 MHz source that is applied to the synthesizer.  If thereference level is acceptable, that state machine advances to the synthesizer lock state.If the power from this source is not sufficient to assure reliable operation of the synthesizer, the LO ALClevel is minimized, and the state machine enters the failed state.Synthesizer LockThe synthesizer PLL chip is tested for lock.  If the synthesizer is locked, the LO ALC level is adjusted tothe specified output level, and the Operating State is entered.If the synthesizer is not locked, the failed state is selected.OperatingDuring the operating state, all operational characteristics of the synthesizer are monitored.  If the reference,LO lock, or LO output power falls outside of specified operating parameters, the failed state of the statemachine is selected.  Otherwise, the state machine remains in the operate mode.Failed The state machine enters the failed condition when ever a test of the above states are not met.Upon entering this state, the firmware reduces the LO level, and resets the programmable chips to theirinitial operational points.  After a short delay, the state machine is restarted from the beginning to attemptto bring the LO module into normal operation.REMOTE MONITORINGThe Local Oscillator has provisions for remote monitoring and control.  Two networks, an RS-485 and RS-232 provide the ability to control and status query the module.The RS-485 port is directed to a local RS-485 network located on the back plane board of the driver sub-chassis.  This network allows for the monitoring and performance of the LO module from the ComViewremote monitor and control program.The RS-232 port, accessed on the front panel, allows for quick access to a desktop calibration program, andis primarily used for initial calibration and factory setting of the module.
1Power Supply Module Theory of Operation - 47266099COMWAVE DIVISIONAll information contained in this document is confidential and proprietary to THOMCAST and shall not be disclosed without the prior written permission of THOMCAST.CREATED: CTS ................................................................1/26/00 CHECKED: KAS ...............................................................1/27/00RELEASED: PRC............................................................. 2/11/00Document #: DOC14-0036REV: JAN.27.00POWER SUPPLY MODULE THEORY OF OPERATIONThe power supply module uses the latest technology andis equipped with the following features:• Single-chip embedded microcontrollermonitoring and control.• RS-232 front panel connector for quickinterface to desktop computer.• Modular, hot swap assembly.The above features offer quick and simple monitoringfunctions and provide expedient assembly and repairtime.Figure 1: Plug-in power supply module.The DC power supply module receives 48 VDC from an external front end power supply and converts it into theworking voltage and power requirements necessary to operate the driver.  Additionally, the power supply houses thesystem controller CPU card that organizes network messages between the driver modules, power amplifiersegments, and the ComView monitor and control system.  See DOC13-0175 for a more detailed discussion of thesystem controller card, DOC13-0185 for a discussion of the system controller cards firmware, and DOC13-0173 fora discussion of the embedded controller.The power supply module contains a single chip embedded controller, it constantly monitors the performance of thepower supply and external controls.  The embedded controller processes this information and decides the operationalcontrol of the module then informs the system controller of the power supply's operational status.The power supply is cooled by a single fan, and is mounted in an extrusion designed to dissipate the heat generatedfrom the components within.  The fans of the sub-chassis also ventilate the power supply plug-in module; foradditional protection, the embedded controller monitors the temperature of the plug-in.  If the plug-in module isoperating over temperature, controlled shut down of the power supplies within will occur.The plug-in module consists of three circuit boards, the converter board with the embedded controller, systemcontroller board, and display board, which needs no further explanation.  A brief discussion of each board's task(s)follows:The core of the module is the DC converter PCB.  The DC converter board mounts overtop a DC to DCconverter module, which transforms the 48VDC input voltage into +12VDC.  The DC converter PCBproduces the remaining voltages needed to operate the driver from the 12 VDC.The embedded controller mounted on the DC converter PCB, monitors the voltages and currents from thepower supply and controls the output based upon voltage and current measurements.  It will switch off the
2Power Supply Module Theory of Operation - 47266099COMWAVE DIVISIONAll information contained in this document is confidential and proprietary to THOMCAST and shall not be disclosed without the prior written permission of THOMCAST.CREATED: CTS ................................................................1/26/00 CHECKED: KAS ...............................................................1/27/00RELEASED: PRC............................................................. 2/11/00Document #: DOC14-0036REV: JAN.27.00positive voltages to the driver when a loss of negative voltage is detected in order to protect amplifierdevices that are located within the upconverter / amplifier plug-in.Mounted directly above the DC converter PCB is the system controller PCB.  It receives its operatingpower directly from the DC converter PCB.  Additionally, the DC converter PCB routes the RS-485communication networks between the system controller to the back plane connector in the rear of thechassis and eventually to other modules within the driver, as well as the ComView monitoring system.The power supply module can be divided into the following five major categories:1. The power supplies provide the operating voltages needed to power the driver.2. The power supply enables turn the power supply voltages on and off when commanded by the embeddedcontroller.3. The current and voltage monitoring circuit samples the operating parameters of each power supply andconditions them into the required voltage range within the analog to digital converters of the embeddedcontroller.4. A temperature sensor provides input to the microcontroller proportional to the ambient temperature of themodule.5. The embedded controller controls and monitors the performance of the module.More detailed discussions of the above categories can be found in subsequent documents.FRONT AND REAR PANEL DESCRIPTIONSFront PanelRefer to Figure 2 for numerical references.1) COMM PORT: RS-232 Communicationsport for communication to a PC.2) LED's: Status monitoring LED's whichprovide visual indication of operatingparameters.a) Poweri) GREEN = receiving power fromthe front end power supplyii) UNLIT = no power from the frontend power supplyb) DC Poweri) GREEN = output power is presentii) UNLIT = no output power3) FAN: 18-CFM DC for plug-in modulecooling only.4) THUMB SCREWS: Secure module to thesub-chassis and provide a reliable groundconnection; loosen to remove module forreplacement or repair.5) HANDLE: Assists in removing modulefrom sub chassis.132544Figure 2: Power supply module front panel.
3Power Supply Module Theory of Operation - 47266099COMWAVE DIVISIONAll information contained in this document is confidential and proprietary to THOMCAST and shall not be disclosed without the prior written permission of THOMCAST.CREATED: CTS ................................................................1/26/00 CHECKED: KAS ...............................................................1/27/00RELEASED: PRC............................................................. 2/11/00Document #: DOC14-0036REV: JAN.27.00Rear PanelRefer to Figure 2 for numerical references.1. 48 PIN DIN: Interface to the back plane, (allpower, control and diagnostics)2. POWER CONNECTOR: 6-pin header, forpower from the front-end power supply.3. HEATSINK: Aids in dissipation of heatgenerated within the plug-in module.4. GROUND / ALIGNMENT STUD: Ensuresthat proper ground is made prior to engagingthe 48 pin DIN; also aids in the alignment ofthe module within the sub-chassis.1324Figure 3: Power supply module rear panel.
1Power Supply Plug-In Module Specifications – 47266099.00COMWAVE DIVISIONAll information contained in this document is confidential and proprietary to THOMCAST and shall not be disclosed without the prior written permission of THOMCAST.CREATED: CTS ................................................................3/19/99 CHECKED: KAS ...............................................................2/7/00RELEASED: CTS.............................................................. 2/8/00Document #: 47266099.00-306REV: P1SPECIFICATIONS SUBJECT TO CHANGE WITHOUT NOTICEPOWER SUPPLY PLUG-IN MODULE SPECIFICATIONSParameter Specification Notes/Test ConditionsINPUTInput Voltage 48 VDCInput Current 4 amps maximum @ low line, full rated powerPeak Inrush Current ≤ 6 ampsEfficiency 85% typical @ full loadOUTPUTOutput Voltage Main Output12VDC ±.5+8VDC ±.5+24VDC ±.5-12VDC ±.5All voltages are fixed.Output Current Main Output+12V @ 4amps+8V @ 3.0 amps-12V @ .4amps+24V @ .3ampsPower from the supplies is interrupted whenthe power supplies are overloaded.Output Power Main Output+12V @ 60Watts+ 8V @ 24 Watts-12V @ 5Watts+24V @ 7WattsPower from the supplies is interrupted whenthe power supplies are overloaded.Ripple & Noise ≤200mv pp 20MHz BWLine Regulation .4% over entire AC input rangeLoad Regulation .4% no load to full loadPROTECTIONOver Voltage The power supply will shut off if thevoltage exceeds the nominal voltage by20%.Over Current The power supply will shut off if the currentexceeds the maximum value.Over Temperature The power supply will shut of if thetemperature exceeds 70°C. Restart isautomatic when power supply returns tonormal operating temperature.Power Input Interlock Interlock system assures power disconnectsduring module insertion or extraction.ENVIRONMENTALCooling Forced air-cooled, minimum of 15 CFMrequired Forced air-cooled drawing ambient airthrough the intake on the front of the powersupply and exhausting out the rear.Operating Temperature 0°C to 50°CRelative Humidity 0 to 95% non-condensing
2Power Supply Plug-In Module Specifications – 47266099.00COMWAVE DIVISIONAll information contained in this document is confidential and proprietary to THOMCAST and shall not be disclosed without the prior written permission of THOMCAST.CREATED: CTS ................................................................3/19/99 CHECKED: KAS ...............................................................2/7/00RELEASED: CTS.............................................................. 2/8/00Document #: 47266099.00-306REV: P1SPECIFICATIONS SUBJECT TO CHANGE WITHOUT NOTICEParameter Specification Notes/Test ConditionsALARMS / INDICATORS / AJUSTMENTS / CONTROLSDC Output Failure Alarm TTL Low = DC Output Failure Signal available at back-planeDC-OK Indicator Green LED, ON= DC OK Visible via front panelAGENCY COMPLIANCESafety Meets UL and CSA approvals (pending)PHYSICALWeight 4 lbs. (1.81Kg)Front Panel Color Matches Sherwin William’s Paint No.Light Gray ……..F63TXA2555Medium Gray ….F63TXA4841Paint mix number 4303 identifies storelocation when added to Paint No.Lexan overlay color matched as indicatedMechanical Dimensions 4.75”H x 3.0”W x 17.5”D12.07 cm H x 7.62 cm W x 44.45 cm D
COMWAVE DIVISIONPower Supply Plug In Module Block DiagramAll information contained in this document is confidential and proprietary to THOMCAST and shall not be disclosed without the prior written permission of THOMCAST.CREATED: CTS 1/26/00 CHECKED: KAS 1/27/00 RELEASED: PRC 2/11/00Document #:47266099-034 REV: A 1DC to DCconverter, 12Volts outputDC inverter, -12 VoltsoutputPositiveVoltageSwitchNegativeVoltageSwitch24 VoltSupply8 VoltSupplyLocal Micro ControllerOutput Voltage and Current MonitoringMaster Micro ControllerDriver Back Plane connector 48V DCinputpower5 VoltSupplyPOWER SUPPLY PLUG-IN MODULE BLOCK DIAGRAM
DRAWN:RELEASED:CHECKED:DWG. NUMBER:TITLE:REV: AB-47266099.02-050CTS / 8-24-99PRC / 2-11-00REV Description KAS / 1-27-00 Scale:none Sheet1 of 2COMWAVE DIVISION ECO#NAME/DATEGlobal MCUDisplayInterfaceFan123456J3 J11 221GND+12 VGNDPowerDC OKRS-232 RRS232 ENABLERS-232 TInterconnection, Power Supply Modulew/ DC Font end.Front PanelOverlay123456123123GNDPowerDC OKPurchased partDC converter board7+12 Volts7
1Power Supply Module - Embedded MicrocontrollerCOMWAVE DIVISIONAll information contained in this document is confidential and proprietary to THOMCAST and shall not be disclosed without the prior written permission of THOMCAST.CREATED: CTS ................................................................1/26/00 CHECKED: KAS ...............................................................1/27/00RELEASED: CTS.............................................................. 2/14/00Document #: DOC13-0173REV: JAN.27.00POWER SUPPLY MODULE EMBEDDED CONTROLLERReset CircuitryTwo integrated circuits monitor the condition of the 5VDC power source; additionally they monitor the closure of thereset jumper.  When the jumper is shorted, or the 5VDC power supply falls below a preset threshold, a reset line goeslow.The reset line is tied directly to the reset input of the controller.  When this voltage transitions from TTL high, toTTL low, and returns high, the embedded controller will reset and begin executing instructions from the designedinitial turn on procedures.Node Address SwitchesNode address switches located on the DC converter PCB apply TTL high and low signals into the embeddedcontroller’s input port C.  The controller reads the settings of the switches to determine the node address that themodule will report to as a node device within the RS-485 network.Alternately, the node address can be directly programmed into the firmware or EEPROM of the embeddedcontroller, and the node address switches can be used to set operational characteristics of the module for diagnosticaids.RS-485 CommunicationsCommunications between the embedded controller and the RS-485 network are handled via a UniversalAsynchronous Receiver-Transmitter (UART).  The UART communicates with the microcontroller via the SerialPeripheral Interface (SPI) built into both devices.  When a byte from the message arrives on the RS-485, the UARTstores the information in memory, and generates an interrupt to the embedded controller. The embedded controllerservices the interrupt by transferring the byte from the UART to the microprocessor.  The microprocessor assemblesthe message, byte by byte within its own memory.To send a message to the RS-485 network, the microprocessor sends a byte of the message to the UART through theSPI.  The UART sends the byte onto the network.  This process is completed, byte by byte, until the entire messageis sent across the RS-485 network.RS-232 CommunicationsThe communication from and to the RS-232 port is handle via the Serial Communications Interface (SCI) of themicrocontroller, and an RS-232 line driver.  The RS-232 line driver conditions the SCI signals for output onto theRS-232 network, and in turn returns an RS-232 logic signal to the TTL logic required for the SCI to process themessage. The SCI within the microcontroller assembles the byte and generates an internal interrupt within themicroprocessor.  The microprocessor then stores the byte with memory to assemble the message.To send a message to the RS-232 network, the message is written byte by byte onto the RS-232 register, and thissends the messages onto the network.Front and Rear Panel indicatorsThe embedded controller writes status information into a latching line driver.  The outputs of this latching line driverdrive the positive and negative power supply enables.  Additional outputs from the line driver supply the power toilluminate the LED’s installed within the front panel overlay, also a rear-panel fault alarm is provided to the rearpanel.
1System Controller Firmware Description - 47266099COMWAVE DIVISIONAll information contained in this document is confidential and proprietary to THOMCAST and shall not be disclosed without the prior written permission of THOMCAST.CREATED: CTS.................................................................1/24/00 CHECKED: KAS ...............................................................2/02/00 RELEASED: PRC .............................................................. 2/16/00Document #: DOC13-0185REV: FEB.16.00SYSTEM CONTROLLER FIRMWAREThe system controller firmware is responsible for monitoring the operational parameters of the chassis with thenetwork. The system controller routinely services each module within the driver, and the status of the module isdetermined.  A table of information is kept for the status of each device within the driver, and an overall status isdetermined for the driver chassis as an entity.  When the ComView remote monitoring program queries the status ofthe driver, the system controller returns the status of the operational parameters to ComViewMODES OF OPERATIONScan modeThe normal mode of operation for the system controller is the scan mode.  The controller takes charge ofthe local RS-485 bus, and operates network messaging.When the firmware is in the scan mode, the system controller sends out a status request to each modulesequentially, each module then responds with its current status; the system controller stores and processesthis information.  This cycle repeats until all of the modules in the network are serviced, the scanningprocess is then repeated.When ComView requests the status of the driver chassis, the controller provides the information that wasgathered and determined from each module.Service modeThis mode of operation applies when the ComView application is suspended, and a calibration program islaunched from a desktop PC.The calibration application works with one module at a time within the driver.  When this mode ofoperation is active, the system controller stops the scanning process.  Messages from the calibrationprogram are received from the remote RS-485 network, and relayed onto the local RS-485 network; thesystem controller does not modify this message.  When the module processes the message routed throughthe system controller, it replies to the controller through the local RS-485 network.  The system controllerthen relays this message to the remote RS-485 network, which, in turn relays it back to the desktop PCrunning the calibration application.In this mode of operation the system controller appears transparent to both the module and the Desktop PC.Local RS-485The local RS-485 bus is the network that all of the modules within a system controller connect to andutilize for intercommunication during normal operation.Remote RS-485The remote RS-485 bus is the network that the driver provides to the outside world.This network is primarily used for the remote monitoring and control provided by ComView.  This port canalso be used for calibrations and system settings that mirror each module’s front panel RS-232 connector.
1Power Amplifier Segment Theory of Operation - 04-294, 04-333COMWAVE DIVISIONAll information contained in this document is confidential and proprietary to THOMCAST and shall not be disclosed without the prior written permission of THOMCAST.CREATED: KAS...................................................................9/15/98CHECKED: DMW................................................................9/18/98 RELEASED: PRC.................................................................10/20/98Document #: DOC14-0008REV: DEC.08.99 ECO #: 98-116POWER AMPLIFIER SEGMENT THEORY OF OPERATIONThe power amplifier segments of the highpower single channel transmitter series orbroadband booster series use the latesttechnology in power FET’s.  The transistorsprovide high output power, as well as morelinearity and higher efficiency.Mechanically, the power amplifier segmentshave a plug-in architecture that allows hotreplacement.  In addition to hotreplacement, the architecture of theamplifier enables flexibility to tailor thesystem to higher output power levels andcan be easily upgraded.The power amplifier segment consists of amicrowave amplifier2, control board1, DC toDC converter3, and a front panel.  Amicrocontroller system, located on thecontrol board, supervises and controls thepower amplifier segment in each of itsfunctions.  The DC to DC converter reduces48 VDC front-end power supply input to thenominal amplifier voltage of 10.5 V.  Thefront panel displays the status of theamplifier segment and interfaces the controlboard to a computer by means of a serialRS-232 port4.  See Figure for numericalreferences.123FRONT VIEWSIDE VIEW4Figure 1: Power amplifier segment.OPERATIONThe amplifier segment is equipped with akey lock switch on the front panel to retainit in place.  When pushing-in or pulling-outthe Segment, turn the key lock switch to theOFF position.  After plugging the amplifiersegment into the sub-rack and tighteningthe front panel thumbscrews, turn the key-lock switch to the ON position.  The 10VDC secondary power supply will start upthe control board, which applies a negativevoltage to the gates of the FET’s and turnsthe DC to DC converter on.  It also adjuststhe transistor’s current and releases theinput signal to the microwave amplifier.The airflow passes through the heatsinkfrom the front to the rear of the sub-rack.The airflow loss to the other poweramplifier segments during hot replacementis negligible.POWER AMPLIFIER SEGMENT BLOCK DIAGRAMMicrowave AmplifierRear PanelConnectorDC to DC ConverterControl PanelFront PanelConnector & KeyLock SwitchDocument #: DOC15-0013  REV: C, ECO #: 98-116Created by: KAS 9/15/98Checked by: DMW 9/18/98Released by: PRC 10/29/98Figure 2 : DOC15-0013 power amplifier segment block diagram.
2Power Amplifier Segment Theory of Operation - 04-294, 04-333COMWAVE DIVISIONAll information contained in this document is confidential and proprietary to THOMCAST and shall not be disclosed without the prior written permission of THOMCAST.CREATED: KAS...................................................................9/15/98CHECKED: DMW................................................................9/18/98 RELEASED: PRC.................................................................10/20/98Document #: DOC14-0008REV: DEC.08.99 ECO #: 98-116POWER AMPLIFIER SEGMENT SPECIFICATIONSTable 1: DOC19-0014, REV D.PARAMETER SPECIFICATIONPrimary Voltage 48 VDCPrimary Current 4.9 ASecondary Voltage 10 ±0.5 VDCSecondary Current 400 mACommunication Port RS-232 and RS-485Input PowerDigitalAnalog 12.0 dBm17.5 dBm (@ POut1dB)Output PowerDigitalAnalog41.5 dBm47.0 dBm  (@ POut1dB)DC Connector Floating Molex p/n 15-06-0141Impedance / RF Connector 50 O / BlindmateOperating Temperature 0° to 50° CDimensions 10.3” H x 2.1” W x 17.1” D26.16 cm H x 5.33 cm W x 43.43 cm DApproximate Weight110 lbs (4 Kg)• SPECIFICATIONS ARE SUBJECT TO CHANGE WITHOUT NOTICE.                                                                1 Weight doesn’t include shipping material.
AMPLIFIER SEGMENT STATE FLOW DIAGRAMAmplifier Segment State Flow DiagramDocument #: DOC21-0006REV: ACreated by: Kimberly Simeone 11/23/98 Released by: Donald Wike 11/23/98Checked by: Christian Smith 11/23/98All information contained in this document is confidentialand proprietary to COMWAVE and shall not be disclosedwithout the prior written permission of COMWAVE.RESETCOLD STANDBYFAILED0TRANSMITRAMPUPFront panelswitch ondriver placedout ofstandbyCompletion oframp up delayloop.  Transistorsat nominal current.Established AGC atnominal powerNormal State ProgressionStandby control activeModule failureArrow KeyCOMWAVE DIVISION
COMWAVE DIVISIONAll information contained in this document is confidential and proprietary to THOMCAST and shall not be disclosed without the prior written permission of THOMCAST.CREATED: KAS 11/20/98 CHECKED: CTS 11/23/98 RELEASED: DMW 11/23/98Document #: DOC21-0005 REV: DEC.08.99 1FIRMWARE FLOWCHARTSTARTInitialize module, network andoperational modeBegin main loopUpdate the operationalparameters of the moduleTest the operational parametersagainst programmed limits to ensurevalid operation of the moduleDetermine the operationalstate of the moduleRecord invalid operationalparameters into EEPROM forlater analysisControl gate and ALC functions ofthe module based on current state.Check for andcommunicate over theRS-485 networkFirmware Flowchart Power Amplifier Segment
1Customer ServiceCOMWAVE DIVISIONAll information contained in this document is confidential and proprietary to THOMCAST and shall not be disclosed without the prior written permission of THOMCAST.CREATED: KAS ............5/6/99 ECO #: 99-035, 3/25/99 CHECKED: DMW..............................................................1/18/99 RELEASED: PRC .............................................................. 1/18/99Document #: DOC20-0001REV: FEB.09.00CUSTOMER SERVICECONTACT INFORMATIONDURING BUSINESS HOURSInquiries may be directed to Thomcast Communications, Comwave Division during business hours, 8 am to 5pm Monday through Friday.  When the automated attendant answers you will be given the option of dialingyour party direct or speaking with the operator.AFTER BUSINESS HOURSIf you need emergency assistance due to equipment shutdown or malfunction, customer support personnel areavailable 24 hours a day.  Call Comwave at one of the numbers listed below; when the automated attendantanswers press 6, leave your name, company name, phone number, equipment model number(s), and a briefdescription of the problem you’re encountering.  When you hang up the system will automatically page the on-call technician who will then return your call in a timely manner.  You can listen to the message prompt forother options as well, however, for emergency assistance you MUST use option 6.Thomcast Communications, Comwave DivisionCrestwood Industrial Park, 395 Oakhill RoadMountaintop, PA  187071-800-266-9283 USA & Canada1-570-474-6751 International1 & USA(Please note, as of 12/98, our area code changed from 717 to 570)1-570-474-5469 FAX(Please note, as of 12/98, our area code changed from 717 to 570)COMMENTS/SUGGESTIONSPlease forward comments regarding documentation content and/or layout, or suggestions to improve Comwavepublications to ksimeone@thomcastcom.com.EQUIPMENT RETURNSIf the equipment requires return for factory service, please follow the guidelines listed.  Thomcast cannot beheld responsible for damaged equipment received due to improper packing; contact Thomcast with anyquestions or concerns.1.  Contact Comwave: Call Comwave to report the problem and to obtain a “Return Authorization”number2 (RA).  This enables accurate tracking and identity of returned equipment for prompt and efficientservice.2.  Obtain packaging materials: Use original boxes and packing materials when returning any equipment.This will safeguard against most in-transit damages.  If original boxes and packing materials are not available,contact Thomcast to obtain replacement materials prior to shipping, they are provided at a nominal cost.3. Pack equipment: Use original packing materials and directions provided.  Most equipment is packed in abox within another box; this varies with each product.  Double boxing provides maximum protection.Caution:  Do not pack equipment using “PEANUTS” as filler it does NOT provide sufficient protectionduring shipping.  Rough handling by the carrier may cause permanent damage to the equipment.Thomcast cannot be held responsible for damaged equipment received due to improper packing.                                                          1 International calls must dial the country code before the phone number, i.e. 001-570-474-6751.2 If you do not obtain an RA number prior to returning equipment Thomcast cannot be held responsible for delays in repair and returntime.
1Return Packaging of the Power Amplifier SegmentCOMWAVE DIVISIONAll information contained in this document is confidential and proprietary to THOMCAST and shall not be disclosed without the prior written permission of THOMCAST.CREATED: KAS ................................................................10/21/98 CHECKED: SB.................................................................. 10/22/98RELEASED: DMW........................................................... 10/22/98Document #: DOC20-0003REV: DEC.06.99 ECO #: 98-116RETURN PACKAGING OF THE POWER AMPLIFER SEGMENT1. Start with an empty power amplifiersegment box, shown in Figure 1.  Ifyou don’t have one please informComwave customer service when youcontact them for a return authorization(RA) number, which you MUST doprior to returning ANY equipment.2. Place the power amplifier segment intothe box, as shown in Figure 2.  Theheatsink should always face up and theconnectors on the rear of the poweramp segment rest against the soft grayfoam for protection.Figure 1: Empty power amplifier segment box.HEATSINKREARFigure 2: Boxed power amplifier segment.3. Fold the edges of the inner box in andclose.4. Place the inner box into the 4-packmaster (outer box), being sure toinclude three empty power amplifierboxes for a secure fit, as shown inFigure 3.  The power amplifiersegments are generally packed 4 permaster box and shipped.  Whenreturning segment(s) please pack themthe same way, ALL boxes will bereturned to you.  If you need toassemble a master box, use 2” clearbox tape over the bottom seam, usingthree layers to assure strength.  Thenput 4 pieces of fiberglass strappingtape over the edges.
2Return Packaging of the Power Amplifier SegmentCOMWAVE DIVISIONAll information contained in this document is confidential and proprietary to THOMCAST and shall not be disclosed without the prior written permission of THOMCAST.CREATED: KAS ................................................................10/21/98 CHECKED: SB.................................................................. 10/22/98RELEASED: DMW........................................................... 10/22/98Document #: DOC20-0003REV: DEC.06.99 ECO #: 98-1165. Close the 4-pack master box and sealthe top seam with 2” clear box tape,using three layers to assure strength.Then put 4 pieces of fiberglassstrapping tape over the edges.  Clearlymark the RA number on the outside ofthe box before shipping.Figure 3: Power amplifier segments ready to ship.

Navigation menu