Toa Electronics 9000 Series Users Manual P9060dh_p9120dh_e
P-9120DH A-9060DH
P-9060DH to the manual 7c8d6b3f-237b-4515-bcac-248ea065d5ae
2015-02-02
: Toa-Electronics Toa-Electronics-9000-Series-Users-Manual-486384 toa-electronics-9000-series-users-manual-486384 toa-electronics pdf
Open the PDF directly: View PDF
.
Page Count: 16

OPERATING INSTRUCTIONS
9000 SERIES AMPLIFIERS P-9060DH
P-9120DH
Thank you for purchasing TOA's 9000 series Amplifier.
Please carefully follow the instructions in this manual to ensure long, trouble-free use of your equipment.
TABLE OF CONTENTS
ON
OFF
010
PROTECT
PEAK
SIGNAL
CH 1
010
PROTECT
PEAK
SIGNAL
CH 2 POWER
1. IMPORTANT SAFETY INSTRUCTIONS ....... 2
2. SAFETY PRECAUTIONS .............................. 3
3. GENERAL DESCRIPTION ............................ 5
4. FEATURES .................................................... 5
5. INSTALLATION PRECAUTIONS
5.1. When Installing the Unit on the Desk ...... 5
5.2. When Mounting the Unit
on an Equipment Rack ............................ 5
6. HANDLING PRECAUTIONS ......................... 5
7. NOMENCLATURE AND FUNCTIONS
[Front] ............................................................. 6
[Rear] ............................................................. 7
8. CONNECTIONS
8.1. Speaker Output Terminal Connections ... 8
8.2. Input Terminal Connections .................... 9
8.3.
Removable Terminal Plug Connection
... 10
9. RACK MOUNTING BRACKET
ATTACHMENT .......................................... 11
10. OPERATION .............................................. 12
11. VOLUME ADJUSTMENT .......................... 12
12. VOLUME CONTROL COVER
ATTACHMENT .......................................... 12
13. PROTECTION OPERATION LIST ........... 12
14. BLOCK DIAGRAM .................................... 13
15. DIMENSIONAL DIAGRAM ........................ 14
16. SPECIFICATIONS
16.1. P-9060DH ......................................... 15
16.2. P-9120DH.......................................... 16

2
1. IMPORTANT SAFETY INSTRUCTIONS
• Read these instructions.
• Keep these instructions.
• Heed all warnings.
• Follow all instructions.
• Do not use this apparatus near water.
• Clean only with dry cloth.
• Do not block any ventilation openings. Install in accordance with the manufacturer's instructions.
• Do not install near any heat sources such as radiators, heat registers, stoves, or other apparatus (including
amplifiers) that produce heat.
• Do not defeat the safety purpose of the polarized or grounding-type plug. A polarized plug has two blades
with one wider than the other. A grounding type plug has two blades and a third grounding prong. The wide
blade or the third prong are provided for your safety. If the provided plug does not fit into your outlet, consult
an electrician for replacement of the obsolete outlet.
• Protect the power cord from being walked on or pinched particularly at plugs, convenience receptacles, and
the point where they exit from the apparatus.
• Only use attachments/accessories specified by the manufacturer.
• Use only with the cart, stand, tripod, bracket, or table specified by the manufacturer,
or sold with the apparatus. When a cart is used, use caution when moving the
cart/apparatus combination to avoid injury from tip-over.
• Unplug this apparatus during lightning storms or when unused for long periods of time.
• Refer all servicing to qualified service personnel. Servicing is required when the apparatus has been
damaged in any way, such as power-supply cord or plug is damaged, liquid has been spilled or objects have
fallen into the apparatus, the apparatus has been exposed to rain or moisture, does not operate normally, or
has been dropped.

3
2. SAFETY PRECAUTIONS
• Before installation or use, be sure to carefully read all the instructions in this section for correct and safe
operation.
• Be sure to follow all the precautionary instructions in this section, which contain important warnings and/or
cautions regarding safety.
• After reading, keep this manual handy for future reference.
Safety Symbol and Message Conventions
Safety symbols and messages described below are used in this manual to prevent bodily injury and property
damage which could result from mishandling. Before operating your product, read this manual first and
understand the safety symbols and messages so you are thoroughly aware of the potential safety hazards.
When Installing the Unit
• Do not expose the unit to rain or an environment where it may be splashed by water or other liquids, as
doing so may result in fire or electric shock.
• Use the unit only with the voltage specified on the unit. Using a voltage higher than that which is specified
may result in fire or electric shock.
• Do not cut, kink, otherwise damage nor modify the power supply cord. In addition, avoid using the power
cord in close proximity to heaters, and never place heavy objects -- including the unit itself -- on the power
cord, as doing so may result in fire or electric shock.
• Be sure to attach the supplied terminal cover after connection completion. Because high voltage is applied to
the speaker output terminals, never touch these terminals to avoid electric shock.
• Avoid installing or mounting the unit in unstable locations, such as on a rickety table or a slanted surface.
Doing so may result in the unit falling down and causing personal injury and/or property damage.
• External wiring connected to the terminals marked with requires installation by an instructed person.
• The apparatus shall be connected to a mains socket outlet with a protective earthing connection.
• The socket-outlet shall be installed near the equipment and the plug shall be easily accessible.
• Use the supplied rack mounting bracket when mounting the unit in an equipment rack. Remove four M4 x 8
screws on both sides of the unit, and mount the bracket there using the supplied M4 x 16 screws instead.
When the Unit is in Use
• Should the following irregularity be found during use, immediately switch off the power, disconnect the power
supply plug from the AC outlet and contact your nearest TOA dealer. Make no further attempt to operate the
unit in this condition as this may cause fire or electric shock.
· If you detect smoke or a strange smell coming from the unit
· If water or any metallic object gets into the unit
· If the unit falls, or the unit case breaks
· If the power supply cord is damaged (exposure of the core, disconnection, etc.)
· If it is malfunctioning (no tone sounds.)
• To prevent a fire or electric shock, never open nor remove the unit case as there are high voltage
components inside the unit. Refer all servicing to your nearest TOA dealer.
• Do not place cups, bowls, or other containers of liquid or metallic objects on top of the unit. If they
accidentally spill into the unit, this may cause a fire or electric shock.
Indicates a potentially hazardous situation which, if mishandled,
could result in death or serious personal injury.
WARNING
The exclamation point within an equilateral triangle is intended to alert the user to the presence of
important operation and maintenance (servicing) instruction in the literature accompanying the
appliance.

4
When Installing the Unit
• Never plug in nor remove the power supply plug with wet hands, as doing so may cause electric shock.
• When unplugging the power supply cord, be sure to grasp the power supply plug; never pull on the cord
itself. Operating the unit with a damaged power supply cord may cause a fire or electric shock.
• Do not block the ventilation slots in the unit's cover. Doing so may cause heat to build up inside the unit and
result in fire.
• Avoid installing the unit in humid or dusty locations, in locations exposed to the direct sunlight, near the
heaters, or in locations generating sooty smoke or steam as doing otherwise may result in fire or electric
shock.
• To avoid electric shocks, be sure to unplug the unit's power supply cord when connecting speakers.
• Be sure to follow the instructions below when rack-mounting the unit. Failure to do so may cause a fire or
personal injury.
· Install the equipment rack on a stable, hard floor. Fix it with anchor bolts or take other arrangements to
prevent it from falling down.
· When connecting the unit's power cord to an AC outlet, use the AC outlet with current capacity allowable to
the unit.
· No rack-mounting screws are supplied with the unit. Separately prepare the appropriate screws for the
rack.
• Keep the amplifier over 10 cm (3.94") away from
objects that may obstruct air flow to prevent the unit's
internal temperature rise.
When the Unit is in Use
• Do not operate the unit for an extended period of time with the sound distorting. This is an indication of a
malfunction, which in turn can cause heat to generate and result in a fire.
• Switch off the power, and unplug the power supply plug from the AC outlet for safety purposes when
cleaning or leaving the unit unused for 10 days or more. Doing otherwise may cause a fire or electric shock.
Indicates a potentially hazardous situation which, if mishandled, could
result in moderate or minor personal injury, and/or property damage.
CAUTION
L'appareil ne doit pas être exposé aux éclaboussures ou écoulements et tous objets remplis de liquide, tels
que vases, ne doivent pas être sur l’appareil.
ATTENTION
The lighting flash with arrowhead symbol, within an equilateral triangle, is intended to alert the user
to the presence of uninsulated "dangerous voltage" within the product's enclosure that may be of
sufficient magnitude to constitute a risk of electric shock to persons.
Over 10 cm (3.94”) Over 10 cm (3.94”)
Over 10 cm
(3.94”)

5
3. GENERAL DESCRIPTION
TOA’s P-9060DH Power Amplifier is a 2-channel amplifier providing 60 W per channel at 83 Ω(70 V line
output). TOA’s P-9120DH Power Amplifier is also a 2-channel amplifier providing 120 W per channel at 41 Ω
(70 V line output).
Both amplifiers can be used as power amplifiers for the M-9000 (Matrix Mixer Pre-Amplifier) and the T-001T
(Audio Output Expansion) and as expansion amplifiers for the A-9000 series (Matrix Mixer Power Amplifiers).
Besides, they can be used as power amplifiers for other line output devices, thus covering wide range of
applications.
4. FEATURES
• Mountable in a standard 19" equipment rack (2 unit size) using the supplied rack mounting bracket.
• Input level selector switch (–20 dB/0 dB)
• An input signal to Channel 1 can be transmitted to both channels 1 and 2, and the output volume adjusted
using the input volume control for each channel.
• Electronically-balanced inputs.
• Input terminals employ removable terminal blocks to provide maximum connection ease.
• Front-mounted LEDs to show status of protection, peak, and input signal level for each channel.
• Built-in protection circuitry disconnects the power amplifier's output from the load when unusual temperature
rise occurs.
5. INSTALLATION PRECAUTIONS
5.1. When Installing the Unit on the Desk
Keep the amplifier over 10 cm (3.94") away from
objects that may obstruct air flow to prevent the
unit's internal temperature rise.
6. HANDLING PRECAUTIONS
• The supplied power supply cord is designed for exclusive use with this unit. Never use it with other
equipment.
• Use the unit in locations where the temperature is between –10°C and +40°C (14°F and 104°F), and the
humidity is less than 80%RH (no condensation should be formed).
• The unit is a precision audio component. To prevent failure, avoid locations where it may be exposed to
strong shocks or vibrations.
• To clean, be sure to first disconnect the power supply plug from the AC outlet, then wipe with a dry cloth.
When extremely dirty, use a soft cloth dampened in neutral detergent. Never use benzene, thinner, alcohol
or chemically-treated towels, which may damage the unit's finish.
Over 10 cm (3.94”)Over 10 cm (3.94”)
Over 10 cm
(3.94”)
5.2. When Mounting the Unit on an Equipment Rack
• Use the supplied rack mounting bracket.
(Refer to p. 11 "Rack Mounting Bracket Attachment.")
• When mounting the unit in an equipment rack, the inside of the rack
must be sufficiently ventilated. To achieve sufficient ventilation, also
mount TOA's Perforated Panels (1U* or 2U):
(1) at the top and the bottom of the rack, and
(2) above and below the unit.
* 1U size = 44.5 mm or 1.75" (reference size)
Perforated panel
Perforated panel
P-9060DH/9120DH
Perforated panel
P-9060DH/9120DH
Perforated panel
P-9060DH/9120DH
Perforated panel

6
ON
OFF
010
PROTECT
PEAK
SIGNAL
CH 1
010
PROTECT
PEAK
SIGNAL
CH 2 POWER
1
2
34 5
3
45
6
7. NOMENCLATURE AND FUNCTIONS
[Front]
1. Power switch [ ON, OFF]
Power is switched on and off with each depression
of this switch.
2. Power indicator [POWER]
Lights blue when the Power switch (1) is turned
on.
3. Protection indicators [PROTECT]
Light red when the protection circuitry is activated.
(Refer to p.12 "Protection Operation List.")
When the Power switch (1) is turned on, both
indicators light for about 5 seconds and then
extinguish.
4. Peak indicators [PEAK]
Light red if an output signal approaches clipping
level. If steady lit, the Input volume controls (6)
should be turned down until the indicators flash
only intermittently.
5. Signal indicators [SIGNAL]
Show the output signal levels of CH 1 and CH 2.
Adjust the CH 1 or CH 2 Input volume control (6)
so that the corresponding signal indicator lights
green.
6. Input volume controls [CH 1, CH 2]
Adjust the input volume of each channel.
Note
An input volume can be fixed by removing the
input volume control knob from the front panel and
attaching the supplied volume control cover
instead.
Keep the removed input volume control knob
aside for future use. (Refer to p. 12 "Volume
Control Cover Attachment.")

7
SPEAKER OUT
CH 2 CH 1
CH 2 INPUT
HOT COLD EARTH
CH 1 INPUT
HOT COLD EARTH
OFF
CH 1 TO ALL
ON
–20 dB 0 dB
INPUT
LEVEL
–20 dB 0 dB
INPUT
LEVEL
7 8 9
10 1011 1112
[Rear]
7. AC inlet
Connect the supplied power cord to this inlet.
8. Functional earth terminal
Hum noise may be generated when external
equipment is connected to the unit. Connecting
this terminal to the functional earth terminal of
the external equipment may reduce the hum
noise.
Note
This terminal is not for protective ground.
9. Speaker output terminals [SPEAKER OUT]
Connect speaker cables to these terminals.
10. Input level selector switches [INPUT LEVEL]
Select either –20 dB or 0 dB for the Line input
sensitivity level.
When using the unit in conjunction with the
optional A-9000 series Amplifier, select 0 dB for
easier adjustment of the sound volume.
The switches are factory-preset to 0 dB.
Note
Be sure to first turn off the Power switch (1)
when changing this switch setting.
11. Input terminals [CH 1 INPUT, CH 2 INPUT]
Electronically-balanced inputs of 3-pin removable
terminal block type.
12. CH 1 mode ON/OFF switch [CH 1 TO ALL]
Setting this switch to ON transmits the Channel 1
input signal to both channels 1 and 2.
Note that output signal levels can be individually
adjusted with each channel's Input volume
control (6).
Setting this switch to OFF transmits each
channel's input signal to each corresponding
channel.
The switch is factory-preset to OFF.
Note
Be sure to first turn off the Power switch (1)
when changing this switch setting.

8
8.1. Speaker Output Terminal Connections
The speaker output terminal is designed for 70 V line applications.
Both CH 1 and CH 2 outputs are provided on the 4-pin screw terminal.
Connect the speaker cables to each positive terminal (+) and negative terminal (–) individually.
Notes
• Impedances indicated in the figures represent the total speaker system (load) impedances.
• Do not connect negative terminal (–) together. The outputs of CH 1 and CH 2 cannot be connected in
parallel, as this will cause the unit failure.
• Do not connect the outputs of CH 1 and CH 2 in BTL configuration, as this will cause the unit failure.
8. CONNECTIONS
SPEAKER OUT
CH 2 CH 1
83 Ω
P-9060DH
41 Ω
83 Ω 41 Ω
P-9120DH
Step 1. Strip 10 mm (0.39") of insulative jacket from the end of the speaker cable,
as shown in the figure at right.
Step 2. Connect speaker cables to the speaker output terminals.
Step 3. Attach the supplied terminal cover to the speaker output terminals.
Be sure to attach the supplied terminal cover after connection completion.
Because high voltage is applied to the speaker output terminals, never
touch these terminals to avoid electric shock.
WARNING
10 mm
(0.39”)
[Connection of speaker cable]

9
8.2. Input Terminal Connections
Electronically-balanced inputs of 3-pin removable terminal block type.
When connecting the units’ inputs in parallel, connect each removable terminal plug using a daisy chain
wiring.
Up to 10 units can be connected to the PRE AMP OUT terminal for each channel of the M-9000, A-9000, or
T-001T.
P-9060DH/9120DH
M-9000, A-9000, or T-001T
P-9060DH/9120DH
P-9060DH/9120DH
PRE AMP OUT
E
C
H
Up to 10 units
SPEAKER OUT
CH 2 CH 1
CH 2 INPUT
HOT COLD EARTH
CH 1 INPUT
HOT COLD EARTH
OFF
CH 1 TO ALL
ON
–20 dB 0 dB
INPUT
LEVEL
–20 dB 0 dB
INPUT
LEVEL
SPEAKER OUT
CH 2 CH 1
CH 2 INPUT
HOT COLD EARTH
CH 1 INPUT
HOT COLD EARTH
OFF
CH 1 TO ALL
ON
–20 dB 0 dB
INPUT
LEVEL
–20 dB 0 dB
INPUT
LEVEL
SPEAKER OUT
CH 2 CH 1
CH 2 INPUT
HOT COLD EARTH
CH 1 INPUT
HOT COLD EARTH
OFF
CH 1 TO ALL
ON
–20 dB 0 dB
INPUT
LEVEL
–20 dB 0 dB
INPUT
LEVEL
HOT COLD EARTH
CH 1 INPUT
Removable terminal plug
(accessory)
Note
Twist the cable end, then insert
it until it locks into place.
Pull on the cable to ensure it is
securely connected.
HOT COLD EARTH
C
E
H
Input source

10
8.3. Removable Terminal Plug Connection
Be sure to use the supplied removable terminal plugs for connections to the removable terminal blocks.
Cautions
• Be sure to use shielded cables for audio signal lines.
• Avoid soldering stranded or shielded cable, as contact resistance may increase when the cable is tightened
and the solder is crushed, possibly resulting in an excessive rise in joint temperatures.
• Use cables of AWG 12 – 24.
Solid or stranded cable Shielded cable
7 mm
(0.28”)
7 mm
(0.28”)
20 mm
(0.79”)
[Cable end treatment]
[Connector connections]
Step 1. Loosen the terminal screw, then insert the cable.
Step 2. Retighten the terminal screw. (Pull on the cable to ensure it is securely connected.)
Tip
Recommended slotted screwdriver type: Screwdriver with 3 mm (0.12") blade width
Tightens Loosens
Terminal screw
Slotted screwdriver
Shielded cable
Removable terminal plug (accessory)
1
1
2
Hot
Cold
Earth
Bit shape 3 mm (0.12”)

11
Use the supplied rack mounting bracket when mounting the unit in a standard 19" equipment rack (2 unit
size).
Step 1. Remove four M4 x 8 screws on the sides.
The removed screws are no longer used.
Step 2. Attach the rack mounting bracket to the unit using the supplied four M4 x 16 bracket mounting screws.
Rack mounting bracket
(accessory)
Screws removed in Step 1 are no longer used.
Bracket mounting screw M4 x 16 (accessory)
Notes
• Remove 4 plastic feet on the bottom surface when mounting the unit in a rack.
• Rack mounting screws are not supplied with the unit. Use the screws that are appropriate for the rack.
• When mounting the unit in an equipment rack, the inside of the rack must be sufficiently ventilated.
To achieve sufficient ventilation, also mount TOA's Perforated Panels (1U* or 2U):
(1) at the top and the bottom of the rack, and
(2) above and below the unit.
* 1U size = 44.5 mm or 1.75" (reference size)
9. RACK MOUNTING BRACKET ATTACHMENT
Perforated panel
Perforated panel
P-9060DH/9120DH
Perforated panel
P-9060DH/9120DH
Perforated panel
P-9060DH/9120DH
Perforated panel

12
10. OPERATION
After all connections are made, turn power switch ON, and the Power Indicator lights. The amplifier comes
into operation about 5 seconds after the power is turned on.
11. VOLUME ADJUSTMENT
Obtain desired output level by adjusting the individual input volume controls.
For normal music playing or announcement, adjust volume using their controls until the signal indicator
intermittently lights. Sound quality is deteriorated when the peak indicator remains lit.
12. VOLUME CONTROL COVER ATTACHMENT
To protect the input volume control from accidental operation, it is recommended to replace the control knob
with the supplied volume control cover as illustrated.
Input volume control knob
Volume control cover
(accessory)
Symptom
Temperature rise at
power amp. heat sink
(over 105°C or 212 °F)
Unusual DC voltage
output
Action
Speaker loads cut by
output relay.
Speaker loads cut by
output relay.
Remedy
Check ventilation and
overload.
Contact your TOA
dealer.
Reset
Automatically reset if
temperature drops.
Switch power off.
Indicator
Protection indicator
lights.
Protection indicator
lights.
13. PROTECTION OPERATION LIST

13
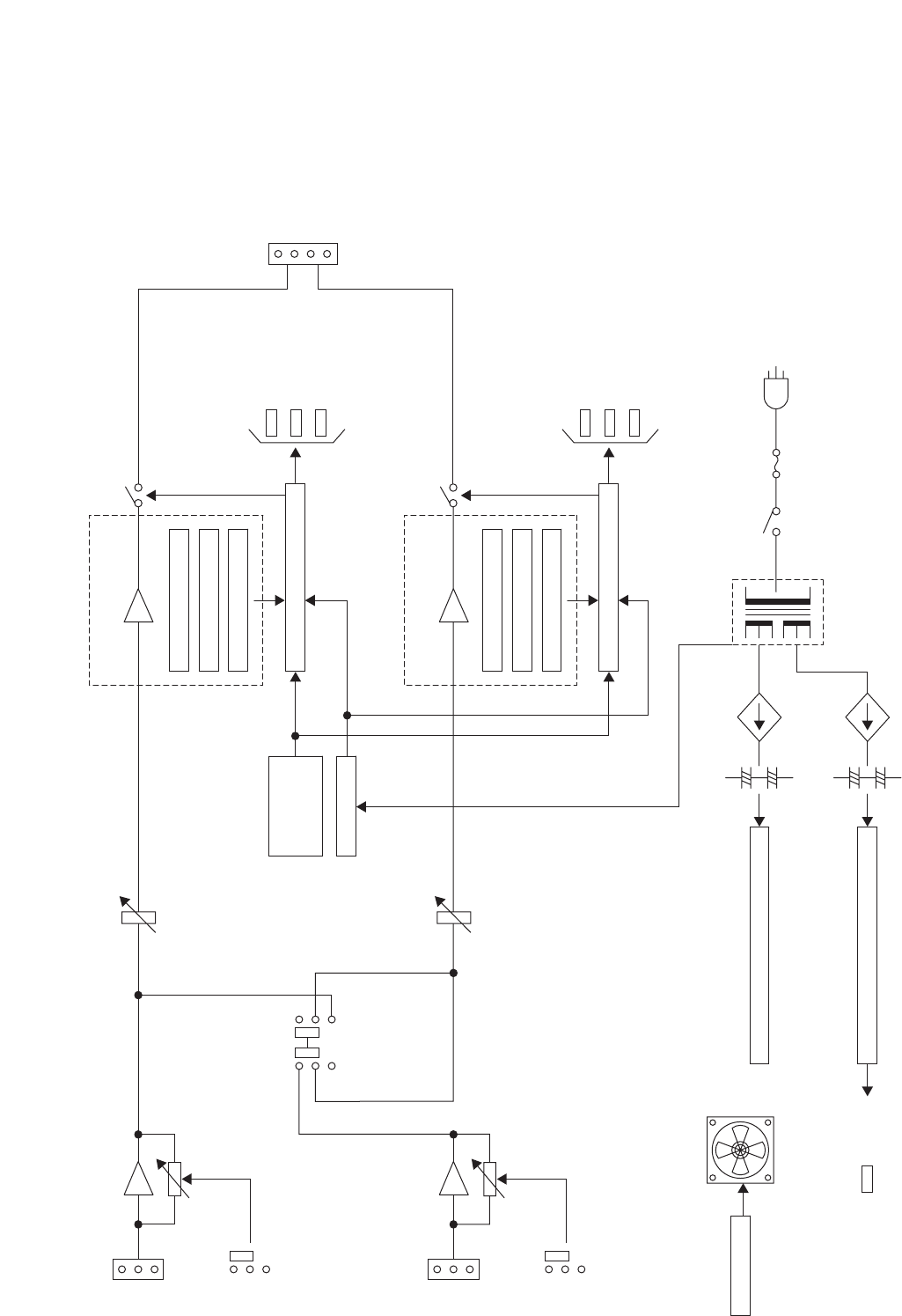
14. BLOCK DIAGRAM
VI Limiter
Offset Detector
Output Level Sensor
Protection Circuit
Power Supply for Power Amp. Unit
FAN Control
Heat Sink
Temperature
Sensor
Mute Control
Power Supply for Preamplifier
H
C
CH 1
10 kΩ E
GAIN
Electronically balanced
VOLUME CH 1 Power Amp. Unit
VOLUME
H
C
CH 2
10 kΩ E
CH 1 70 V Line
SP OUT
(BTL)
(BTL)
CH 2 70 V Line
–20 dB
GAIN
0 dB
–20 dB
0 dB
Electronically balanced
CH 1 TO ALL
switch
CH 1/CH 2 PROTECT
POWER
PEAK
SIGNAL
VI Limiter
Offset Detector
Output Level Sensor
Protection Circuit
CH 2 Power Amp. Unit
PROTECT
PEAK
SIGNAL
–Vcc
+Vcc PT
POWER
switch
120 V AC, 60 Hz
–Vcc
+Vcc
FAN

14
15. DIMENSIONAL DIAGRAM
Unit: mm (inches)
ON
OFF
010
PROTECT
PEAK
SIGNAL
CH 1
010
PROTECT
PEAK
SIGNAL
CH 2 POWER
482 (18.98)
4-7 x 10.5 (4-0.28 x 0.41)
420 (16.54)
466 (18.35)
76.2 (3)
88.4 (3.48)
107.6 (4.24)
375 (14.76)
406 (15.98)
13 (0.51)

15
* 0 dB = 1 V
Note: The design and specifications are subject to change without notice for improvement.
Power cord (2 m or 6.56 ft) .................................................. 1
Rack mounting bracket ........................................................ 2
Bracket mounting screw (M4 x 16) ...................................... 4
Removable terminal plug (3 pins) ........................................ 2
Terminal cover ..................................................................... 1
Terminal cover mounting screw (M4 x 8) ............................ 2
Volume control cover YA-920 .............................................. 2
• Accessories
120 V AC, 60 Hz
225 W (rated output), 106 W (UL60065)
CH 1, CH 2 input: –20 dB* or 0 dB* (switchable), 10 kΩ, electronically-balanced,
removable terminal block (3 pins),
CH 1 mode ON/OFF switch
(ON: CH 1 to All ch, OFF: Each ch)
Speaker output CH 1, CH 2: 60 W, 83 Ωx 2, BTL output (70 V line),
M4 screw terminal,
distance between barriers: 9 mm (0.35")
20 – 20,000 Hz, 0.08% T.H.D.
20 – 20,000 Hz (–3 dB, +1 dB)
At Input short, 20 – 20,000 Hz, Input level selector switch in 0 dB* position
Output volume min.: 105 dB, Output volume max.: 97 dB
0.008%
(22 kHz LPF, 1 kHz, rated output, input level selector switch in 0 dB* position)
Output disconnected for approx. 5 s after switching power on
Power (blue) x 1, Protect (red) x 2, Peak (red) x 2, Signal (green) x 2
Forced air cooling (fan speed: variable with temperature)
–10°C to +40°C (14°F to 104°F)
35% to 80% RH (no condensation)
Panel: Aluminum, hair-line, black
Case: SECC, black, paint
420 (w) x 107.6 (h) x 406 (d) mm (16.54" x 4.24" x 15.98")
8.2 kg (18.08 lb)
Power Source
Power Consumption
Input
Output
Power Band Width
Frequency Response
S/N Ratio
Total Harmonic Distortion
Function
LED Indicator
Ventilation System
Operating Temperature
Operating Humidity
Finish
Dimensions
Weight
16. SPECIFICATIONS
16.1. P-9060DH

133-22-168-4A
URL: http://www.toa.jp/
* 0 dB = 1 V
Note: The design and specifications are subject to change without notice for improvement.
Power cord (2 m or 6.56 ft) .................................................. 1
Rack mounting bracket ........................................................ 2
Bracket mounting screw (M4 x 16) ...................................... 4
Removable terminal plug (3 pins) ........................................ 2
Terminal cover ..................................................................... 1
Terminal cover mounting screw (M4 x 8) ............................ 2
Volume control cover YA-920 .............................................. 2
• Accessories
120 V AC, 60 Hz
404 W (rated output), 208 W (UL60065)
CH 1, CH 2 input: –20 dB* or 0 dB* (switchable), 10 kΩ, electronically-balanced,
removable terminal block (3 pins),
CH 1 mode ON/OFF switch
(ON: CH 1 to All ch, OFF: Each ch)
Speaker output CH 1, CH 2: 60 W, 83 Ωx 2, BTL output (70 V line),
M4 screw terminal,
distance between barriers: 9 mm (0.35")
20 – 20,000 Hz, 0.08% T.H.D.
20 – 20,000 Hz (–3 dB, +1 dB)
At Input short, 20 – 20,000 Hz, Input level selector switch in 0 dB* position
Output volume min.: 105 dB, Output volume max.: 97 dB
0.008%
(22 kHz LPF, 1 kHz, rated output, input level selector switch in 0 dB* position)
Output disconnected for approx. 5 s after switching power on
Power (blue) x 1, Protect (red) x 2, Peak (red) x 2, Signal (green) x 2
Forced air cooling (fan speed: variable with temperature)
–10°C to +40°C (14°F to 104°F)
35% to 80% RH (no condensation)
Panel: Aluminum, hair-line, black
Case: SECC, black, paint
420 (w) x 107.6 (h) x 406 (d) mm (16.54" x 4.24" x 15.98")
10 kg (22.05 lb)
Power Source
Power Consumption
Input
Output
Power Band Width
Frequency Response
S/N Ratio
Total Harmonic Distortion
Function
LED Indicator
Ventilation System
Operating Temperature
Operating Humidity
Finish
Dimensions
Weight
16.2. P-9120DH