Tonly Technology PS000015 Bluetooth Module User Manual Product Data Sheet
TCL Technoly Electronics (Huizhou) Co., Ltd. Bluetooth Module Product Data Sheet
TBM-CBC5_User Manual_Rev4

TBM-CBC5
DATA SHEET
Monday, 29 September 2014
Version 1.1
Datasheet by Peter.huang
TONLY

1
Correct 8DQPSK to 8DPSK2014 29 1
21 10
Revision
History
Date Version Description Author
2013- - V1.0 n First Release
-09- V1. n

2
TBM–CBC5
Bluetooth
Audio Module
DESCRIPTION:
TBM–CBC5 is first generation of TCL Bluetooth
modules.It provides highest level of
integration with integrated 2.4GHz radio, DSP,
battery charger, stereo codec mono and ,
stereo audio applications.TBM–CBC5 is also
ready to support the lates Bluetooth 3.0 standard
The embedded DSP core allows enhancement
of the product with features such as advanced
audio decoding (MP3, AAC, AAC+), echo
cancellation, noise reduction, and data
manipulation.
TCL’s TONLY flexible firmware enables
device manufacturers to easily add wireless,
secure, and standard-based Bluetooth
connectivity into new or existing applications
with very limited development and
manufacturing effort.
APPLICATIONS:
• High quality wireless stereo headsets
• Wireless mono headsets
• Wireless speakers
• USB multimedia dongles
• MP3 players
• VoIP handsets
• Hands-free car kits
FEATURES:
• TBM–CBC5 Bluetooth module Solution
For mono and Stereo Audio Solutions
• Integrated DSP, Stereo Codec, and
Battery Charger
• Bluetooth 3.0 + EDR Compliant
• Class 2 - Range up to 30 Meters
• Temperature range from
-30C to +85C
• Low Power Consumption
• TCL TONLY Firmware for Controlling
Connections and Configuring Settings
• Supported Bluetooth Profiles: A2DP,
AVRCP, HFP, HFP-AG, SPP, OPP, FTP,
HSP, DUN, PBAP and HID ect...
Size: 13.5*21 mm
40-BTP518HFD4G

3
2 Block Diagram and Descriptions
RAM
Baseband
DSP
MCU
Kalimba DSP
2.4
GHz
Radio
I/O
BC05-MM
XTAL
Flash
UART/USB
PIO
Audio In/Out
PCM/I
2
S/SPDIF
SPI
Reset
circuitry
Figure 1: Block diagram of TBM–CBC5
BC05-MM
The BlueCore05-MM is a single-chip radio and baseband IC for Bluetooth 2.4GHz systems. It provides
a fully compliant Bluetooth system to v3.0+EDR of the specification for data and voice.
BlueCore05-MM contains the Kalimba DSP co-processor with double the MIPS of BlueCore03-MM,
supporting enhanced audio applications. BlueCore05-MM integrates a 16-bit stereo codec and it has a
fully differential audio interface with a low noise microphone bias.
Crystal
The crystal oscillates at 26MHz.
Flash
Flash memory is used for storing the Bluetooth protocol stack and Virtual Machine applications. It can
also be used as an optional external RAM for memory-intensive applications.
Balanced Filter
Combined balun and filter changes the balanced input/output signal of the module to unbalanced signal
of the antenna. The filter is a band pass filter (ISM band).
Antenna
TBM–CBC5 uses ceramic chip antenna with high dielectric constant, which makes the antenna very
insensitive to surrounding environment and thus gives high design freedom around the antenna.
USB
The USB interface is a full speed Universal Serial Bus (USB) interface for communicating with other
compatible digital devices.TBM–CBC5 acts as a USB peripheral, responding to requests from a Master host
controller such as a Personal Computer (PC).
4
Synchronous Serial Interface
This interface is a synchronous serial port interface (SPI) for interfacing with other digital devices. The
SPI port can be used for system debugging. It can also be used for programming the Flash memory.
UART
This interface is a standard Universal Asynchronous Receiver Transmitter (UART) interface for
communicating with other serial devices.
PCM / I2S / SPDIF Interface
This interface is a bi-directional serial programmable audio interface supporting PCM, I2S and SPDIF
formats.
Audio Interface
The audio interface of TBM–CBC5 has fully differential inputs and outputs and a microphone bias output. A
high-quality stereo audio Bluetooth application can be implemented with minimum amount of external
components.
Programmable I/O
BTP518B has a total of 10 digital programmable I/O terminals. These are controlled by the firmware running
on the device.
Reset
TBM–CBC5 has a reset circuitry that is used to reset the module in the startup to ensure proper operation of
the flash memory. Alternatively, the reset can be externally driven by using a TBM–CBC5 reset pin.
802.11 Coexistence Interface
Dedicated hardware is provided to implement a variety of coexistence schemes. Channel skipping AFH
(Adaptive Frequency Hopping), priority signaling, channel signaling, and host passing of channel
instructions are all supported. The features are configured in firmware. Since the details of some
methods are proprietary (e.g. Intel WCS)

5
3 Electrical Characteristics
Absolute maximum ratings
Min Max Unit
Storage temperature -40 85 °C
Operating temperature -30 85 °C
VDD_IO -0.4 3.6 V
VDD_BAT -0.4 4.4 V
VDD_CHG -0.4 6.5 V
Terminal voltages -0.4 Vdd + 0,4 V
The module should not continuously run under these conditions. Exposure to absolute maximum rating conditions
for extended periods of time may affect reliability and cause permanent damage to the device.
Table 1: Absolute maximum ratings
Recommended operating conditions
Min Max Unit
Operating temperature -40 85 °C
VDD_IO 1.7 3.6 V
VDD_BAT 2.5 4.4 V
VDD_CHG 0 6.5 V
Terminal voltages 0 VDD V
Table 2: Recommended operating conditions

6
Terminal characteristics
Min Typ Max Unit
I/O voltage levels
VIL input logic level low -0.4 - 0.25xVDD V
VIH input logic level high 0.625xVDD - Vdd + 0.3 V
VOL output logic level low 0 - 0.125 V
VOH output logic level high 0.75xVDD - VDD V
Reset terminal
V
TH,res
threshold voltage 0.64 0.85 1.5 V
RIRES input resistance 220 kΩ
CIRES input capacitance 220 nF
Input and tri-state current with
Strong pull-up -100 -40 -10 µΑ
Strong pull-down 10 40 100 µΑ
Weak pull-up -5 -1 -0.2 µΑ
Weak pull-down 0.2 1 5 µΑ
I/O pad leakage current -1 0 1 µΑ
LED driver pad
Off current - 1 2 µΑ
On resistance (VPAD < 0.5 V) - 20 33 Ω
On resistance, pad enabled by battery charger
(VPAD < 0.5 V) - 20 50 Ω
Table 3: Terminal characteristics

7
Battery charger
Battery charger Min Typ Max Unit
VDD_CHG 4.5 - 6.5 V
Charging mode (VDD_BAT rising to 4.2 V)
Supply current (a) - 4.5 6 mA
Battery trickle charge
current (b) (c)
Maximum setting - 14 - mA
Minimum setting - 4 - mA
Maximum battery fast
charge current (d) (c)
Headroom > 0.7 V (e) - 140 - mA
Headroom = 0.3 V - 120 - mA
Minimum battery fast
charge current (d) (c)
Headroom > 0.7 V - 40 - mA
Headroom = 0.3 V - 35 - mA
Trickle charge voltage threshold - 2.9 - V
Float voltage (with correct trim value set),
VFLOAT(f) 4.17 4.2 4.23 V
Float voltage trim step size (f) - 50 - mV
Battery charge termination current, as a
percentage of the fast charge current 5 10 20 %
Standby Mode (BAT_P falling from 4.2V)
Supply current (a) - 1.5 2 mA
Battery current - -5 - μA
Battery recharge hysteresis (g) 100 - 200 mV
Shutdown Mode (VDD_CHG too low or disabled by firmware)
VDD_CHG under-
voltage
threshold
VDD_CHG rising - 3.9 - V
VDD_CHG falling - 3.7 - V
VDD_CHG - BAT_P
lockout
threshold
VDD_CHG rising - 0.22 - V
VDD_CHG falling - 0.17 - V
Supply current - 1.5 2 mA
Battery current -1 - 0 μA
(a) Current into VDD_CHG - does not include current delivered to battery (I VDD_CHG - I BAT_P)
(b) BAT_P < Float voltage
(c) Charge current can be set in 16 equally spaced steps
(d) Trickle charge threshold < BAT_P < Float voltage
(e) Where headroom = VDD_CHG - BAT_P
(f) Float voltage can be adjusted in 15 steps. Trim setting is determined in production test and must be loaded into the battery
charger by firmware during boot-up sequence
(g) Hysteresis of (VFLOAT - BAT_P) for charging to restart
Table 4: Battery charger characteristics

8
Stereo CODEC Analogue to Digital Converter
Parameter Conditions Min Typ Max Unit
Resolution - - 16 Bits
Input Sample Rate,
Fsample 8 - 44.1 kHz
Signal to Noise
Ratio, SNR
fin = 1kHz
B/W = 20Hz→20kHz
A-Weighted
THD+N < 1%
150mVpk-pk input
Fsample
8 kHz - 82 - dB
11.025 kHz - 81 - dB
16 kHz - 80 - dB
22.050 kHz - 79 - dB
32 kHz - 79 - dB
44.1 kHz - 78 - dB
Digital Gain Digital Gain Resolution = 1/32dB -24 - 21.5 dB
Analogue Gain Analogue Gain Resolution = 3dB -3 - 42 dB
Input full scale at maximum gain (differential) - 4 - mV rms
Input full scale at minimum gain (differential) - 800 - mV rms
3dB Bandwidth - 20 - kHz
Microphone mode input impedance - 6.0 - kΩ
THD+N (microphone input) @ 30mV rms input - 0.04 - %
Table 5: Stereo CODEC ADC characteristics
Stereo CODEC Digital to Analog Converter
Parameter Conditions Min Typ Max Unit
Resolution - - 16 Bits
Input Sample
Rate, Fsample 8 - 48 kHz
Signal to Noise
Ratio, SNR
fin = 1kHz
B/W = 20Hz→20kHz
A-Weighted
THD+N < 1%
150mVpk-pk input
Fsample
8 kHz - 95 - dB
11.025 kHz - 95 - dB
16 kHz - 95 - dB
22.050 kHz - 95 - dB
32 kHz - 95 - dB
44.1 kHz - 95 - dB
Digital Gain Digital Gain Resolution = 1/32dB -24 - 21.5 dB
Analogue Gain Analogue Gain Resolution = 3dB 0 - -21 dB
Output voltage full scale swing (differential) - 750 - mV rms
Allowed Load Resistive 16(8) - OC Ω
Capacitive - - 500 pF
THD+N 100kΩ load - - 0.01 %
THD+N 16Ω load - - 0.1 %
SNR (Load = 16Ω, 0dBFS input relative to digital silence) - 95 - dB
Table 6: Stereo CODEC DAC characteristics

8DPSK:
8DPSK (3Mbps)
9
Radio characteristics and general specifications
Specification Note
Operating frequency range (2400 ... 2483,5) MHz ISM Band
Lower quard band 2 MHz
Upper quard band 3,5 MHz
Carrier frequency 2402 MHz ... 2480 MHz f = 2402 + k,
k = 0...78
Modulation method GFSK (1 Mbps)
∏/4 DQPSK (2Mbps)
Hopping 1600 hops/s, 1 MHz channel space
Maximum data rate
GFSK:
Asynchronous, 723.2 kbps
/ 57.6 kbps
Synchronous: 433.9 kbps /
433.9 kbps
∏/4 DQPSK:
Asynchronous, 1448.5
kbps / 115.2 kbps
Synchronous: 869.7 kbps /
869.7 kbps
Asynchronous, 2178.1
kbps / 177.2 kbps
Synchronous: 1306.9 kbps
/ 1306.9 kbps
Receiving signal range TBD Typical condition
Receiver IF frequency 1.5 MHz Center frequency
Transmission power Min TBD
Max TBD
RF input impedance 50 Ω
Compliance Bluetooth specification, version 2.1 + EDR
USB specification USB specification, version 1.1 (USB 2.0
compliant)
Table 7: Radio characteristics and general specifications
RCV/CA/01/C (Single Sensitivity)
Power Level: -87.5 dBm, Dirty Tx Status: ON
Hopping ON
Overall BER
Overall FER
Any
0.03%
5.67%
Limits
<= 0.1%
<= 100%
TRM/CA/01/C (Output Power)
Packet Length Tested: DH5
Hopping ON
Average Power
Max Power
Min Power
Peak Power
Low
1.81 dBm
1.82 dBm
1.80 dBm
1.96 dBm
Med
1.98 dBm
2.00 dBm
1.98 dBm
2.15 dBm
High
1.91 dBm
1.92 dBm
1.90 dBm
2.10 dBm
Limits
< 20.00 dBm
> -6.00 dBm
< 23.00 dBm

10
4 TBM–CBC5 Pin Description
Figure 2: TBM–CBC5 connection diagram (top view)
NOTE: VREG_ENA pin is only available with the production version of the module. With engineering
samples the VREG_ENA is internally connected to VDD_BAT.
4.1 Device Terminal Functions
DGND
Connect digital GND pins to the ground plane of the PCB.
VDD_IO
Supply voltage connection for the digital I/Os of the module. Supply voltage at this pin can vary between
1.8 V and 3.3 V. Output voltage swing at the digital terminals ofTBM–CBC5 2 is 0 to VDD_IO.
VDD_BAT
Input for an internal 1.8 V switched mode regulator combined with output of the internal battery charger.
See chapter 5.3 for detailed description for the charger. When not powered from a battery, VDD_IO and
VDD_BAT can be combined to a single 3.3 V supply voltage.
VREG_ENA
Enable pin for the internal 1,8 V regulator. This pin is only available with production version. With the
engineering samples VREG_ENA is internally connected to VDD_BAT.
VDD_CHG
Charger input voltage. The charger will start operating when voltage to this pin is applied. When the
charger is not used, this pin should be left floating. See chapter 5.3 for detailed description of the
RES
The RESET pin is an active high reset and is internally filtered using the internal low frequency clock
oscillator. A reset will be performed between 1.5 and 4.0ms following RESET being active. It is
recommended that RESET be applied for a period greater than 5ms.
11
PIO0 – PIO15
Programmable digital I/O lines. All PIO lines can be configured through software to have either weak or
strong pull-ups or pull-downs. Configuration for each PIO line depends on the application. See section
16 “I/O parallel ports” for detailed descriptions for each terminal. Default conf iguration for all of the PIO
lines is input with weak internal pull-up.
AIO0 – AIO1
AIOs can be used to monitor analogue voltages such as a temperature sensor for the battery charger.
AIOs can also be configured to be used as digital I/Os. The voltage level at these pins is 0 V to 1,5 V.
UART_NRTS
A CMOS output with a weak internal pull-up. This pin can be used to implement RS232 hardware flow
control where RTS (request to send) is an active low indicator. The UART interface requires an external
RS232 transceiver chip.
UART_NCTS
A CMOS input with a weak internal pull-down. This pin can be used to implement RS232 hardware flow
control where CTS (clear to send) is an active low indicator. The UART interface requires an external
RS232 transceiver chip.
UART_RXD
A CMOS input with a weak internal pull-down. RXD is used to implement UART data transfer from
another device to TBM–CBC5.The UART interface requires an external RS232 transceiver chip.
UART_TXD
A CMOS output with a weak internal pull-up. TXD is used to implement UART data transfer from T BM–CBC5
to another device. The UART interface requires external RS232 transceiver chip.
12
PCM_OUT
A CMOS output with a weak internal pull-down. Used in the PCM (pulse code modulation) interface to
transmit digitized audio. The PCM interface is shared with the I2S interface.
PCM_IN
A CMOS input with a weak internal pull-down. Used in the PCM interface to receive digitized audio. The
PCM interface is shared with the I2S interface.
PCM_CLK
A bi-directional synchronous data clock signal pin with a weak internal pull-down. PCMC is used in the
PCM interface to transmit or receive the CLK signal. When configured as a master, WT32 generates the
clock signal for the PCM interface. When configured as a slave, the PCMC is an input and receives the
clock signal from another device. The PCM interface is shared with the I2S interface.
PCM_SYNC
A bi-directional synchronous data strobe with a weak internal pull-down. When configured as a master,
TBM–CBC5 generates the SYNC signal for the PCM interface. When configured as a slave, the PCMS is
an input and receives the SYNC signal from another device.The PCM interface is shared with the I2S
interface.
USB_D+
A bi-directional USB data line with a selectable internal 1.5 kΩ pull-up implemented as a current source
(compliant with USB specification v1.2) An external series resistor is required to match the connection
to the characteristic impedance of the USB cable.
USB_D-
A bi -directional USB data line. An external series resistor is required to match the connection to the
characteristic impedance of the USB cable.
SPI_NCSB
A CMOS input with a weak internal pull-down. Active low chip select for SPI (serial peripheral interface).
SPI_CLK
A CMOS input for the SPI clock signal with a weak internal pull-down. TBM–CBC5 is the slave and receives
the clock signal from the device operating as a master.
SPI_MISO
An SPI data output with a weak internal pull-down.
SPI_MOSI
An SPI data input with a weak internal pull-down.
RF
This pin can be used when not using a chip antenna or w.fl connector of the module.
AUDIO_IN_P_RIGHT and AUDIO_IN_N_RIGHT

13
Right channel audio inputs. This dual audio input can be configured to be either single-ended or fully
differential and programmed for either microphone or line input. Route differential pairs close to each
other and use a solid dedicated audio ground plane for the audio signals.
AUDIO_IN_P_LEFT and AUDIO_IN_N_LEFT
Left channel audio input. ESD protection and layout considerations similar to right channel audio should
be used.
AUDIO_OUT_P_RIGHT and AUDIO_OUT_N_RIGHT
Right channel audio output. The audio output lines should be routed differentially to either the speakers
or to the output amplifier, depending on whether or not a single-ended signal is required. Use low
impedance ground plane dedicated for the audio signals.
AUDIO_OUT_P_LEFT and AUDIO_OUT_N_LEFT
Left channel audio output. The same guidelines apply to this section as discussed previously.
MIC_BIAS
Bias voltage output for a microphone. Use the same layout guidelines as discussed previously with
other audio signals.
LED0
TBM–CBC5 includes a pad dedicated to driving LED indicators. This terminal may be controlled by firmware
and it can also be set by the battery charger. The terminal is an open-drain output, so the LED must be
connected from a positive supply rail to the pad in series with a current limiting resistor.
It is recommended that the LED pad is operated with a pad voltage below 0.5V. In this case, the pad
can be thought of as a resistor, RON. The resistance together with the external series resistor will set
the current, ILED, in the LED. Value for the external series resistance can be calculated from the
Equation 1
ON
LED
F
LED R
I
VVDD
R−
−
=
Equation 1: LED series resistor
Where VF is the forward voltage drop of the LED, ILED is the forward current of the LED and RON is the
on resistance (typically 20 Ω) of the LED driver.

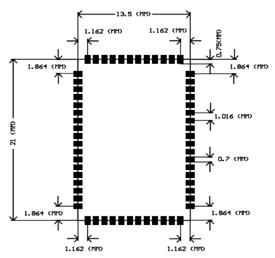
5. TBM–CBC5 Physical Dimensions
Recommended PCB land pattern for TBM–CBC5
14

Internal Photo Sony Corporation
Personal Audio System
[Model : SRS-X3]

Internal Photo Sony Corporation
Personal Audio System
[Model : SRS-X3]

Internal Photo Sony Corporation
Personal Audio System
[Model : SRS-X3]
Antenna Antenna Type:PCB Layout Inverted-F Antenna;
Gain:2.12dBi;

Internal Photo Sony Corporation
Personal Audio System
[Model : SRS-X3]
BT
Main board photo

Internal Photo Sony Corporation
Personal Audio System
[Model : SRS-X3]
CN board photo

HowtofixedthemoduletoSRS‐X3.
WhenthePCBAMainboard,CNboardandothersisOK.
InsertFFCcableintoJackXP19onMainboard,insertthespeakercableintoJackXS1,XS2on
Mainboard,asfollowphoto:
InsertNFCcableintoJackXP15onMainboard,andinserttheMainboardtoplasticcase,
asfollowphoto

ConnecttheMainboardtocnboardwiththeFFCcable,insertthebatterycableintoJackXP1001
ontheCNboard,inserttheMICcableintoJackXP589ontheMainboard,asfollowphoto;

Connectthespeakercabletospeakerandfixthespeakerontheplasticcase,asfollowphoto;
FixtheFrontpanelontheplasticcase,asfollowphoto;

FixtheMIContheplasticcase,asfollowphoto;
FixtheIronnetsontheplasticcase,asfollowphoto;

Fixthebottomcoverontheplasticcase,asfollowphoto;
Now,oneofSRS‐X3isfixedOK,asfollowphoto;
FrontView

BackView

FCC Statement
Changes or modifications not expressly approved by the party responsible for compliance could
void the user's authority to operate the equipment
This device complies with Part 15 of the FCC Rules. Operation is subject to the following two
conditions: (1) this device may not cause harmful interference, and (2) this device must accept
any interference received, including interference that may cause undesired operation.
IC Statement
This device complies with Industry Canada licence-exempt RSS standard(s). Operation is subject
to the following two conditions: (1) this device may not cause interference, and (2) this device
must accept any interference, including interference that may cause undesired operation of the
device.
Le présent appareil est conforme aux CNR d'Industrie Canada applicables aux appareils radio
exempts de licence. L'exploitation est autorisée aux deux conditions suivantes : (1) l'appareil ne
doit pas produire de brouillage, et (2) l'utilisateur de l'appareil doit accepter tout brouillage
radioélectrique subi, même si le brouillage est susceptible d'en compromettre le fonctionnement.
"Contains IC:9976A-PS000015".
The end host device should bear the label which indicate""Contains FCC ID:ZVAPS000015".or